G5250 Datasheet. Www.s Manuals.com. R2.1 Gmt
User Manual: Marking of electronic components, SMD Codes 50, 5030AL, 5033SD, 504, 50A1*, 50A2*, 50B1*, 50B2*, 50C1*, 50C2*, 50D1*, 50D2*, 50E1*, 50E2*, 50F1*, 50F2*, 50G1*, 50G2*, 50H1*, 50H2*, 50I1*, 50I2*, 50J1*, 50J2*, 50K1*, 50K2*, 50L1*, 50L2*, 50M1*, 50M2*, 50N, 50N1*, 50N2*, 50P, 50P1*, 50P2*, 50T, 50X. Datasheets G5250A1T1U, G5250A1TOU, G5250A2T1U, G5250A2TOU, G5250B1T1U, G5250B1TOU, G5250B2T1U, G5250B2TOU, G5250C1T1U, G5250C1TOU, G5250C2T1U, G5250C2TOU, G5250D1T1U, G5250D1TOU, G5250D2T1U, G5250D2TOU, G5250E1T1U
Open the PDF directly: View PDF
.
Page Count: 14

Ver: 2.1
Aug 01, 2011 TEL: 886-3-5788833
http://www.gmt.com.tw
1
G5
250
Global Mixed-mode Technology Inc.
Power Distribution Switch
Features
85mΩ
ΩΩ
Ω High-Side MOSFET
Available with 4 Versions of Current Limits with
Foldback
Operating Range:2.7V to 5.5V
400µS Typical Rise Time
Under Voltage Lockout
65µA Quiescent Supply Current
1µA Maximum Shutdown Supply Current
Logic Level Enable Pin, Available with
Active-High or Active-Low Version
No Reverse Current when Power Off
Deglitched Open-Drain Over-Current Flag
Output (
OC
)
Available for 3 Kinds of Pin Out (G5250 E/F/G/H)
(G5250 I/J/K/L) (G5250M/N/P)
Output Shutdown Pull-Low Resistor (G5250
I/J/K/L/M/N)
SOT-23-5 and TSOT-23-5 Package
UL Approved_#E232223
Nemko IEC 60950-1 CB/CCA_scheme certifica-
tion Report #67291
CSA Approved #230321
Applications
High-Side Power Protection Switch
USB Power Management
USB Host and Self-Powered Bubs
USB Bus-Powered Hubs
Hot Plug-In Power Supplies
Battery-Charger Circuits
General Description
The G5250 is an integrated 85mΩ power switch for
self-powered and bus-powered Universal Serial Bus
(USB) applications.
Several Protection features include current limiting
with foldback, and thermal shutdown to prevent catas-
trophic switch failure caused by increasing power dis-
sipation when continuous heavy loads or short circuit
occurs. And a built-in charge pump is used to drive the
N-channel MOSFET that is free of parasitic body di-
ode to eliminate any reversed current flow across the
switch when it is powered off.
G5250E/F/G/H, G5250I/J/K/L and G5250M/N/P has
open- drain
OC
output reports over-current or
over-temperature event and has typical 9ms deglitch
timeout period.
Pin Configuration Typical Application Circuit
R
UL Recognized Component
R
UL Recognized Component
V
OUT
V
IN
C
OUT
22µF
C
IN
1µF
IN
EN GND
OUT
ON
OFF
V
OUT
V
IN
C
OUT
22µF
C
IN
1µF
IN
EN GND
OUT
ON
OFF
FLAG
100kΩ
OC
G5250A/B/C/D
G5250E/F/G/H,G5250I/J/K/L,G5250M/N/P
OUT 5
4
1
IN
2
3
GND
EN
OC
EN
OUT
SOT-23-5/TSOT-23-5
5
4
1
IN
2
3
GND
OUT
G5250A/B/C/D
G5250E/F/G/H
IN
EN
5
4
1
OC
2
3
GND
OUT
G5250M/N/P
(EN)
(EN)
(EN)
SOT-23-5/TSOT-23-5 SOT-23-5/TSOT-23-5
IN
EN 5
4
1
OC
2
3
GND
OUT
G5250I/J/K/L
(EN)
SOT-23-5/TSOT-23-5
V
OUT
V
IN
C
OUT
22µF
C
IN
1µF
IN
EN GND
OUT
ON
OFF
V
OUT
V
IN
C
OUT
22µF
C
IN
1µF
IN
EN GND
OUT
ON
OFF
FLAG
100kΩ
OC
G5250A/B/C/D
G5250E/F/G/H,G5250I/J/K/L,G5250M/N/P
OUT 5
4
1
IN
2
3
GND
EN
OC
EN
OUT
SOT-23-5/TSOT-23-5
5
4
1
IN
2
3
GND
OUT
G5250A/B/C/D
G5250E/F/G/H
IN
EN
5
4
1
OC
2
3
GND
OUT
G5250M/N/P
(EN)
(EN)
(EN)
SOT-23-5/TSOT-23-5 SOT-23-5/TSOT-23-5
IN
EN 5
4
1
OC
2
3
GND
OUT
G5250I/J/K/L
(EN)
SOT-23-5/TSOT-23-5

Ver: 2.1
Aug 01, 2011 TEL: 886-3-5788833
http://www.gmt.com.tw
2
G5
250
Global Mixed-mode Technology Inc.
Ordering Information
ORDER
NUMBER MARKING
ENABLE
OC
OUTPUT
OUTPUT
SHUTDOWN
DISCHARGE
CURRENT
LIMIT
TEMP.
RANGE
PACKAGE
(Green)
G5250A1T1U
50A1x Active High
No No 2.5A -40°C to +85°C
SOT-23-5
G5250A2T1U
50A2x Active Low
No No 2.5A -40°C to +85°C
SOT-23-5
G5250B1T1U
50B1x Active High
No No 2.0A -40°C to +85°C
SOT-23-5
G5250B2T1U
50B2x Active Low
No No 2.0A -40°C to +85°C
SOT-23-5
G5250C1T1U
50C1x Active High
No No 1.5A -40°C to +85°C
SOT-23-5
G5250C2T1U
50C2x Active Low
No No 1.5A -40°C to +85°C
SOT-23-5
G5250D1T1U
50D1x Active High
No No 1.0A -40°C to +85°C
SOT-23-5
G5250D2T1U
50D2x Active Low
No No 1.0A -40°C to +85°C
SOT-23-5
G5250E1T1U
50E1x Active High
Yes No 2.5A -40°C to +85°C
SOT-23-5
G5250E2T1U
50E2x Active Low
Yes No 2.5A -40°C to +85°C
SOT-23-5
G5250F1T1U
50F1x Active High
Yes No 2.0A -40°C to +85°C
SOT-23-5
G5250F2T1U
50F2x Active Low
Yes No 2.0A -40°C to +85°C
SOT-23-5
G5250G1T1U
50G1x Active High
Yes No 1.5A -40°C to +85°C
SOT-23-5
G5250G2T1U
50G2x Active Low
Yes No 1.5A -40°C to +85°C
SOT-23-5
G5250H1T1U
50H1x Active High
Yes No 1.0A -40°C to +85°C
SOT-23-5
G5250H2T1U
50H2x Active Low
Yes No 1.0A -40°C to +85°C
SOT-23-5
G5250I1T1U
50I1x Active High
Yes Yes 2.5A -40°C to +85°C
SOT-23-5
G5250I2T1U
50I2x Active Low
Yes Yes 2.5A -40°C to +85°C
SOT-23-5
G5250J1T1U
50J1x Active High
Yes Yes 2.0A -40°C to +85°C
SOT-23-5
G5250J2T1U
50J2x Active Low
Yes Yes 2.0A -40°C to +85°C
SOT-23-5
G5250K1T1U
50K1x Active High
Yes Yes 1.5A -40°C to +85°C
SOT-23-5
G5250K2T1U
50K2x Active Low
Yes Yes 1.5A -40°C to +85°C
SOT-23-5
G5250L1T1U
50L1x Active High
Yes Yes 1.0A -40°C to +85°C
SOT-23-5
G5250L2T1U
50L2x Active Low
Yes Yes 1.0A -40°C to +85°C
SOT-23-5
G5250M1T1U
50M1x Active High
Yes Yes 1.0A -40°C to +85°C
SOT-23-5
G5250M2T1U
50M2x Active Low
Yes Yes 1.0A -40°C to +85°C
SOT-23-5
G5250N1T1U
50N1x Active High
Yes Yes 1.5A -40°C to +85°C
SOT-23-5
G5250N2T1U
50N2x Active Low
Yes Yes 1.5A -40°C to +85°C
SOT-23-5
G5250P1T1U
50P1x Active High
Yes Yes 2A -40°C to +85°C
SOT-23-5
G5250P2T1U
50P2x Active Low
Yes Yes 2A -40°C to +85°C
SOT-23-5
Note: T1: SOT-23-5
U: Tape & Reel

Ver: 2.1
Aug 01, 2011 TEL: 886-3-5788833
http://www.gmt.com.tw
3
G5
250
Global Mixed-mode Technology Inc.
Ordering Information
ORDER
NUMBER MARKING
ENABLE
OC
OUTPUT
OUTPUT
SHUTDOWN
DISCHARGE
CURRENT
LIMIT TEMP.
RANGE PACKAGE
(Green)
G5250A1TOU
50A1x Active High
No No 2.5A -40°C to +85°C
TSOT-23-5
G5250A2TOU
50A2x Active Low
No No 2.5A -40°C to +85°C
TSOT-23-5
G5250B1TOU
50B1x Active High
No No 2.0A -40°C to +85°C
TSOT-23-5
G5250B2TOU
50B2x Active Low
No No 2.0A -40°C to +85°C
TSOT-23-5
G5250C1TOU
50C1x Active High
No No 1.5A -40°C to +85°C
TSOT-23-5
G5250C2TOU
50C2x Active Low
No No 1.5A -40°C to +85°C
TSOT-23-5
G5250D1TOU
50D1x Active High
No No 1.0A -40°C to +85°C
TSOT-23-5
G5250D2TOU
50D2x Active Low
No No 1.0A -40°C to +85°C
TSOT-23-5
G5250E1TOU
50E1x Active High
Yes No 2.5A -40°C to +85°C
TSOT-23-5
G5250E2TOU
50E2x Active Low
Yes No 2.5A -40°C to +85°C
TSOT-23-5
G5250F1TOU
50F1x Active High
Yes No 2.0A -40°C to +85°C
TSOT-23-5
G5250F2TOU
50F2x Active Low
Yes No 2.0A -40°C to +85°C
TSOT-23-5
G5250G1TOU
50G1x Active High
Yes No 1.5A -40°C to +85°C
TSOT-23-5
G5250G2TOU
50G2x Active Low
Yes No 1.5A -40°C to +85°C
TSOT-23-5
G5250H1TOU
50H1x Active High
Yes No 1.0A -40°C to +85°C
TSOT-23-5
G5250H2TOU
50H2x Active Low
Yes No 1.0A -40°C to +85°C
TSOT-23-5
G5250I1TOU
50I1x Active High
Yes Yes 2.5A -40°C to +85°C
TSOT-23-5
G5250I2TOU
50I2x Active Low
Yes Yes 2.5A -40°C to +85°C
TSOT-23-5
G5250J1TOU
50J1x Active High
Yes Yes 2.0A -40°C to +85°C
TSOT-23-5
G5250J2TOU
50J2x Active Low
Yes Yes 2.0A -40°C to +85°C
TSOT-23-5
G5250K1TOU
50K1x Active High
Yes Yes 1.5A -40°C to +85°C
TSOT-23-5
G5250K2TOU
50K2x Active Low
Yes Yes 1.5A -40°C to +85°C
TSOT-23-5
G5250L1TOU
50L1x Active High
Yes Yes 1.0A -40°C to +85°C
TSOT-23-5
G5250L2TOU
50L2x Active Low
Yes Yes 1.0A -40°C to +85°C
TSOT-23-5
G5250M1TOU
50M1x Active High
Yes Yes 1.0A -40°C to +85°C
TSOT-23-5
G5250M2TOU
50M2x Active Low
Yes Yes 1.0A -40°C to +85°C
TSOT-23-5
G5250N1TOU
50N1x Active High
Yes Yes 1.5A -40°C to +85°C
TSOT-23-5
G5250N2TOU
50N2x Active Low
Yes Yes 1.5A -40°C to +85°C
TSOT-23-5
G5250P1TOU
50P1x Active High
Yes Yes 2A -40°C to +85°C
TSOT-23-5
G5250P2TOU
50P2x Active Low
Yes Yes 2A -40°C to +85°C
TSOT-23-5
Note:TO: TSOT-23-5
U: Tape & Reel

Ver: 2.1
Aug 01, 2011 TEL: 886-3-5788833
http://www.gmt.com.tw
4
G5
250
Global Mixed-mode Technology Inc.
Absolute Maximum Ratings
Supply Voltage (V
IN
) . . . . . . . . . . . . . . . . . . . . . . . 6V
Output Voltage (V
OUT
) . . . . . . . . . . . . . . . . . . . . . ..6V
Output Current (I
OUT
) . . . . . . . . . . . .Internally Limited
Enable Input (V
EN
) . . . . . . . . . . . . . . . . . . -0.3V to 6V
Thermal Resistance Junction to Ambient, (θ
JA
)*
SOT-23-5/TSOT-23-5 . . . . . . . . . . . . . . . . . 250°C/W
Continuous Power Dissipation (T
A
=25°C)*
SOT-23-5/TSOT-23-5 . . . . . . . . . . . . . . . . . . . . . . 0.4W
Thermal Resistance Junction to Case, (θ
Jc
)
SOT-23-5/TSOT-23-5 . . . . . . . . . . . . . . . . . .60°C/W
Storage Temperature (T
S
) . . . . . . . . .-65°C to +150°C
Junction Temperature . . . . . . . . . . . . . . . . . . . . .150°C
Reflow Temperature (soldering, 10sec) . . . . . . . 260°C
ESD protection . . . . . . . . . . . . . . . . . . . . . . . . . . . . 2kV
Operating Ratings
Supply Voltage (V
IN
) . . . . . . . . . . . . . . . . .+3V to +5.5V
Operating Temperature (T
A
). . . . . . . . .-40°C to +85°C
* Please refer to Minimum Footprint PCB Layout Section.
Electrical Characteristics
V
IN
= 5V, C
IN
=1µF, C
OUT
=1µF, R
L
=10Ω
ΩΩ
Ω T
A
= 25°C, unless otherwise noted.
PARAMETER CONDITION MIN
TYP
MAX
UNITS
Input Voltage Rage
2.7 --- 5.5 V
G5250A1/G5250A2/G5250E1/G5250E2/G5250I1/G5250I2,
I
OUT
=2A
G5250B1/G5250B2/G5250F1/G5250F2/G5250J1/G5250J2/
G5250P1/G5250P2, I
OUT
=1.5A
G5250C1/G5250C2/G5250G1/G5250G2/G5250K1/G5250K2,
G5250N1/G5250N2, I
OUT
=1A
Output MOS R
DS(ON)
G5250D1/G5250D2/G5250H1/G5250H2/G5250L1/G5250L2/
G5250M1/G5250M2, I
OUT
=0.5A
--- 85 95 mΩ
Supply Current --- 65 95 µA
Output Turn-on Rising Time
R
L
=10Ω, 90% Settling --- 400
--- µs
Output Turn-off Falling Time
R
L
=5Ω, C
OUT
=1µF, 90% Settling --- 1.8 --- ms
G5250A1/G5250A2/G5250E1/G5250E2/G5250I1/G5250I2,
V
OUT
=4V, 2.7V<V
IN
<5.5V 2 2.5 3.5
G5250B1/G5250B2/G5250F1/G5250F2/G5250J1/G5250J2/
G5250P1/G5250P2, V
OUT
=4V, 2.7V<V
IN
<5.5V 1.5 2 2.8
G5250C1/G5250C2/G5250G1/G5250G2/G5250K1/G5250K2/
G5250N1/G5250N2, V
OUT
=4V, 2.7V<V
IN
<5.5V 1.1 1.5 2.1
Current Limit Threshold
G5250D1/G5250D2/G5250H1/G5250H2/G5250L1/G5250L2/
G5250M1/G5250M2, V
OUT
=4V, 2.7V<V
IN
<5.5V 0.7 1 1.4
A
G5250A1/G5250A2/G5250E1/G5250E2/G5250I1/G5250I2,
V
OUT
=0V, 2.7V<V
IN
<5.5V 0.2 1.6 2.3
G5250B1/G5250B2/G5250F1/G5250F2/G5250J1/G5250J2/
G5250P1/G5250P2, V
OUT
=0V, 2.7V<V
IN
<5.5V 0.2 1.3 1.9
G5250C1/G5250C2/G5250G1/G5250G2/G5250K1/G5250K2/
G5250N1/G5250N2, V
OUT
=0V, 2.7V<V
IN
<5.5V 0.2 1 1.4
Short-circuit Current
G5250D1/G5250D2/G5250H1/G5250H2/G5250L1/G5250L2/
G5250M1/G5250M2, V
OUT
=0V, 2.7V<V
IN
<5.5V 0.2 0.67
1
A
EN Input Threshold 1.4 1.6 1.8 V
Shutdown Supply Current --- 0.1 1 µA
Shutdown Pull-low Resistance
G5250 I/J/K/L/M/N only --- 75 150
Ω
Output Leakage Current EN=”0”, V
OUT
=0V --- 0.5 1 µA
V
IN
Under Voltage Lockout 2.2 2.5 2.7 V
V
IN
Under Voltage Hysteresis
--- 200
--- mV
Thermal Limit --- 135
--- °C
Thermal Limit Hysteresis --- 20 --- °C
OC Deglitch G5250E/F/G/H/I/J/K/L/M/N/P, OC assertion or deassertion 4 9 15 ms
OC Output Low Voltage G5250E/F/G/H/I/J/K/L/M/N/P, I OC = 5mA
--- --- 0.4 V
OC Off-State Current G5250E/F/G/H/I/J/K/L/M/N/P, V OC = 5V --- --- 1
µ
A

Ver: 2.1
Aug 01, 2011 TEL: 886-3-5788833
http://www.gmt.com.tw
5
G5
250
Global Mixed-mode Technology Inc.
Typical Performance Characteristics
(V
IN
= 5V, G5250B1, C
IN
=1µF, C
OUT
=1µF, V
EN
=V
IN
, T
A
=25°C, unless otherwise noted.)
UVLO Protection at Rising UVLO Protection at Falling
Turn on Delay Time and Rise Time Turn off Delay Time and Fall Time
Inrush Current With Different Load Capacitance Thermal Shutdown Response

Ver: 2.1
Aug 01, 2011 TEL: 886-3-5788833
http://www.gmt.com.tw
6
G5
250
Global Mixed-mode Technology Inc.
Typical Performance Characteristics (continued)
Inrush Short Circuit Response Short Circuit Response at Start up
Short-Circuit Current, Device Enable into Short Resistance Load Inrush Response
Capacitance Load Inrush Response Capacitance Load Inrush Response

Ver: 2.1
Aug 01, 2011 TEL: 886-3-5788833
http://www.gmt.com.tw
7
G5
250
Global Mixed-mode Technology Inc.
Typical Performance Characteristics (continued)
Supply Current vs. Input Voltage Shutdown Supply Current vs. Input Voltage
Enable Input Threshold vs. Input Voltage Enable Input Threshold vs. Temperature
OC Deglitch Time vs. Input Voltage UVLO Threshold vs. Temperature
0
20
40
60
80
100
120
2.5 3.0 3.5 4.0 4.5 5.0 5.5
Input Voltage V
IN
(V)
Supply Current I
Q
(µA)
V
EN
= 5V
25°C
-45°C
85
°
C
-5
-4
-3
-2
-1
0
1
2
3
4
5
2.5 3.0 3.5 4.0 4.5 5.0 5.5
Input Voltage V
IN
(V)
Shutdown Supply Current (µA)
V
EN
= 0V
85
°
C
-45
°
C
25
°
C
0.0
0.2
0.4
0.6
0.8
1.0
1.2
1.4
1.6
1.8
2.0
2.2
2.4
2.6
3.0 3.5 4.0 4.5 5.0 5.5
Input Voltage V
IN
(V)
Enable Input Threshold (V)
V
EN
Falling
V
EN
Rising
T
A
= 25°C
0.0
0.3
0.6
0.9
1.2
1.5
1.8
2.1
2.4
2.7
3.0
3.3
3.6
-45 -35 -25 -15 -5 5 15 25 35 45 55 65 75 85
Temperature (°C)
UVLO Threshold (V)
V
IN
Risning
V
IN
Falling
0.0
0.2
0.4
0.6
0.8
1.0
1.2
1.4
1.6
1.8
2.0
2.2
2.4
2.6
-45 -35 -25 -15 -5 5 15 25 35 45 55 65 75 85
Temperature (°C)
Enable Input Threshold (V)
V
IN
= 5V
V
EN
= Rising
V
EN
Falling
6
7
8
9
10
11
12
2.5 3.0 3.5 4.0 4.5 5.0 5.5
Input Voltage V
IN
(V)
OC Deglitch Time (ms)
T
A
= 25°C
OC deassertion
OC assertion

Ver: 2.1
Aug 01, 2011 TEL: 886-3-5788833
http://www.gmt.com.tw
8
G5
250
Global Mixed-mode Technology Inc.
Typical Performance Characteristics (continued)
Over-Current Protection Characteristics Over-Current Protection Characteristics
ON-Resistance vs. Input Voltage ON-Resistance vs. Temperature
Current Limit Threshold vs. Input Voltage Short Circuit Current vs. Input Voltage
0
20
40
60
80
100
120
140
160
180
200
3.0 3.5 4.0 4.5 5.0 5.5
Input Voltage V
IN
(V)
On-Resistancr R
DS (ON)
(mΩ)
I
OUT
= 1A
25°C
85°C
-45
°
C
0
20
40
60
80
100
120
140
160
180
200
-45 -35 -25 -15 -5 5 15 25 35 45 55 65 75 85
Temperature (°C)
On-Resistance R
DS (ON)
(mΩ)
I
OUT
= 1A
V
IN
= 4V
V
IN
=3V
V
IN
= 5V
0
0.3
0.6
0.9
1.2
1.5
1.8
2.1
2.4
3.0 3.5 4.0 4.5 5.0 5.5
Input Voltage V
IN
(V)
Short Circuit Current (A)
V
OUT
= V
IN
-1V
25°C
-45°C
85°C
0
0.3
0.6
0.9
1.2
1.5
1.8
2.1
3.0 3.5 4.0 4.5 5.0 5.5
Input Voltage V
IN
(V)
Short Circuit Current IOS (A)
V
OUT
= 0V
85°C
25°C
-45°C
0.0
0.3
0.6
0.9
1.2
1.5
1.8
2.1
2.4
2.7
3.0
3.3
3.6
3.9
4.2
4.5
4.8
5.1
0 0.2 0.4 0.6 0.8 1 1.2 1.4 1.6 1.8 2 2.2 2.4
Output Current I
OUT
(A)
Output Voltage V
OUT
(V)
V
IN
= 5V
-45
°
C
85
°
C
25
°
C
0.0
0.4
0.8
1.2
1.6
2.0
2.4
2.8
3.2
3.6
4.0
0 0.2 0.4 0.6 0.8 1 1.2 1.4 1.6 1.8 2 2.2 2.4
Output Current I
OUT
(A)
Output Voltage V
OUT
(V)
V
IN
= 4V
25
°
C
-45
°
C
85
°
C

Ver: 2.1
Aug 01, 2011 TEL: 886-3-5788833
http://www.gmt.com.tw
9
G5
250
Global Mixed-mode Technology Inc.
Pin Description
PIN
G5250A/B/C/D
G5250E/F/G/H
G5250I/J/K/L
G5250M/N/P
NAME
PIN FUNCTION
1,5 1 5 1 OUT
Switch Output
: Output MOSFET Source. Typi-
cally connect to switched side of load.
2 2 2 2 GND
Ground
3 3 4 5 IN
Input Supply
: Output MOSFET Drain, which
also supplies IC
'
s internal circuitry. Con
nect to
positive supply.
4 4 1 4 EN( EN )
Enable
: Logic level enable input.
Make sure EN
pin never floating.
5 3 3 OC Overcurrent open-drain OC output
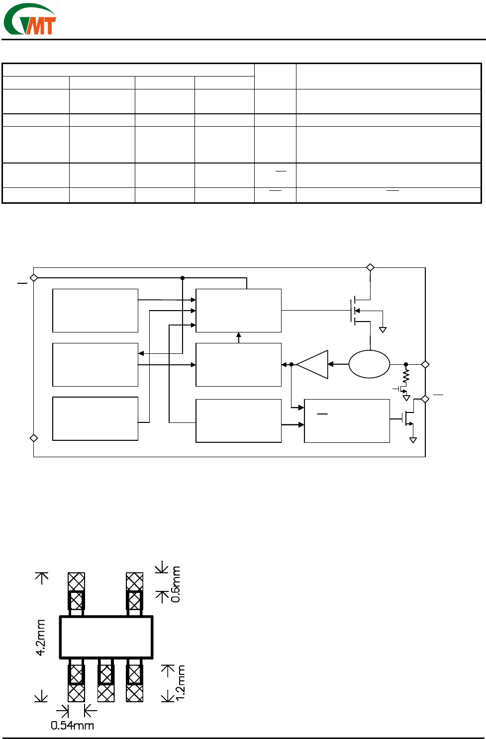
Block Diagrams
Minimum Footprint PCB Layout Section
SOT-23-5/TSOT-23-5
Clock
BandGap
Reference
UVLO Thermal Sense
Overcurrent
Limiting
Gate Control
Current
Sense
CMP
IN
OUT
EN
(EN)
GND
OC Deglitch logic
OC
(Only for
G5250 E/F/G/H,
G5250 I/J/K/L
G5250M/N/P)
*
Shutdown
Signal
* For G5250 I/J/K/L only
Clock
BandGap
Reference
UVLO Thermal Sense
Overcurrent
Limiting
Gate Control
Current
Sense
CMP
IN
OUT
EN
(EN)
GND
OC Deglitch logic
OC
(Only for
G5250 E/F/G/H,
G5250 I/J/K/L
G5250M/N/P)
*
Shutdown
Signal
* For G5250 I/J/K/L only

Ver: 2.1
Aug 01, 2011 TEL: 886-3-5788833
http://www.gmt.com.tw
10
G5
250
Global Mixed-mode Technology Inc.
Functional Description
Input and Output
IN (input) is the power supply connection to the logic
circuitry and the drain of the output MOSFET. OUT
(output) is the source of the output MOSFET. In a
typical application, current flows through the switch
from IN to OUT toward the load. Both OUT pins must
be connected together to the load.
Thermal Shutdown
Thermal shutdown protects G5250 from excessive
power dissipation. If the die temperature exceeds
135°C, the MOSFETS switch is shut off. 20°C of hys-
tersis prevents the switch from turning on until the die
temperature drops to 115°C. Thermal shutdown circuit
functions only when the switch is enabled.
Undervoltage Lockout
UVLO (undervoltage lockout) prevents the output
MOSFET from turning on until IN (input voltage) ex-
ceeds 2.5V typically. After the switch turns on, if the
voltage drops below 2.3V typically, UVLO shuts off the
output MOSFET.
Current Limiting
The typical current limit value of G5250 is 2.5A, 2A,
1.5A, 1A for G5250A(E)(I) / G5250B(F)(J)/P / G5250C
(G)(K)(N) / G5250D(H)(L)(M) respectively. There is
foldback of current limit when V
OUT
< 1.5V (See Typical
Performance Characteristics).
OC
Function (G5250E/F/G/H, G5250I/J/K/L and
G5250M/N/P)
The
OC
open-drain output is asserted (active low)
when an over current or overtemperature shutdown
condition is encountered after a 9-ms deglitch timeout.
The output remains asserted until the overcurrent or
overtemperature condition is removed.
Applications Information
Supply Filtering
A 1µF bypass capacitor from IN to GND, located
near the G5250, is strongly recommended to control
supply transients. Without a bypass capacitor, an
output short may cause sufficient ringing on the input
(from supply lead inductance) to damage internal
control circuitry.
Input transients must not exceed the absolute maxi-
mum supply voltage (V
IN max
= 6V) even for a short
duration.
EN, the Enable Input
EN must be driven logic high or logic low for a clearly
defined input. Floating the input may cause unpre-
dictable operation. EN should not be allowed to go
negative with respect to GND.

Ver: 2.1
Aug 01, 2011 TEL: 886-3-5788833
http://www.gmt.com.tw
11
G5
250
Global Mixed-mode Technology Inc.
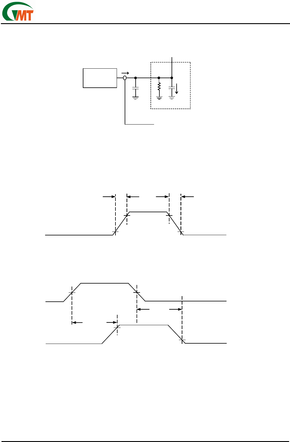
Test Circuit
Timing Diagrams
Device
Under
Test OUT
C
OUT
I
OUT
V
OUT
C
L
R
L
I
L
Current Probe
Device
Under
Test OUT
C
OUT
I
OUT
V
OUT
C
L
R
L
I
L
Current Probe
90%
10%
V
OUT
Output Rise and Fall Times
t
F
t
R
10%
90%
50%
90%
t
OFF
t
ON
10%
V
EN
V
OUT
Switch Delay Times
90%
10%
V
OUT
Output Rise and Fall Times
t
F
t
R
10%
90%
50%
90%
t
OFF
t
ON
10%
V
EN
V
OUT
Switch Delay Times

Ver: 2.1
Aug 01, 2011 TEL: 886-3-5788833
http://www.gmt.com.tw
12
G5
250
Global Mixed-mode Technology Inc.
Package Information
SOT-23-5 Package
Taping Specification
PACKAGE Q'TY/REEL
SOT-23-5 3,000 ea

Ver: 2.1
Aug 01, 2011 TEL: 886-3-5788833
http://www.gmt.com.tw
13
G5
250
Global Mixed-mode Technology Inc.
TSOT-23-5 Package
Taping Specification
PACKAGE Q'TY/REEL
TSOT-23-5 3,000 ea
GMT Inc. does not assume any responsibility for use of any circuitry described, no circuit patent licenses are implied and GMT Inc. reserves the right at any time without notice to change said circuitry and specifications.
