Gigabyte GA 8IPE1000 G Schematics. Www.s Manuals.com. R4.0 Schematics
User Manual: Motherboard Gigabyte GA-8IPE1000-G - Schematics. Free.
Open the PDF directly: View PDF
.
Page Count: 39

5
5
4
4
3
3
2
2
1
D D
C C
B B
A
01
02
03
04
05
06
07
08
09
10
11
12
13
14
15
16
17
18
19
20
21
22
23
24
25
26
27
28
29
30
31
BOM & PCB MODIFY HISTORY
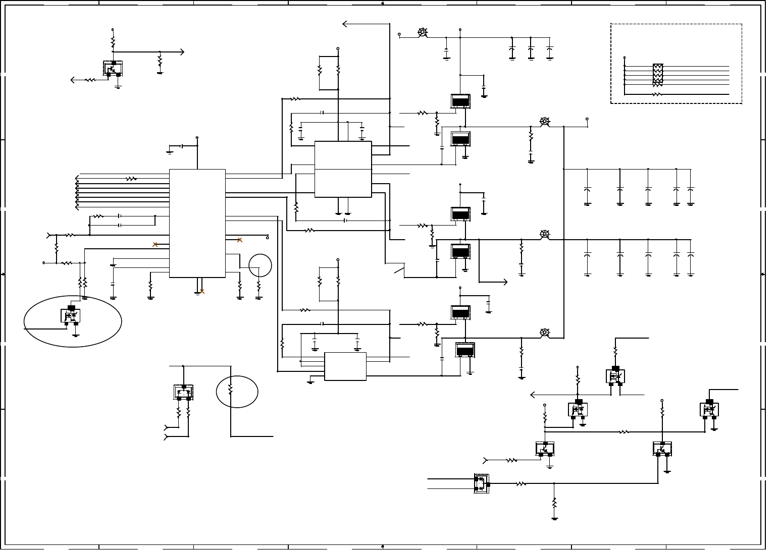
COVER SHEET
P4_478A
P4_478B
P4_478C
DDR TERMINATION
AGP
ICH5 VCC, GND
ICH5 IDE, GPIO, SATA, CTRL
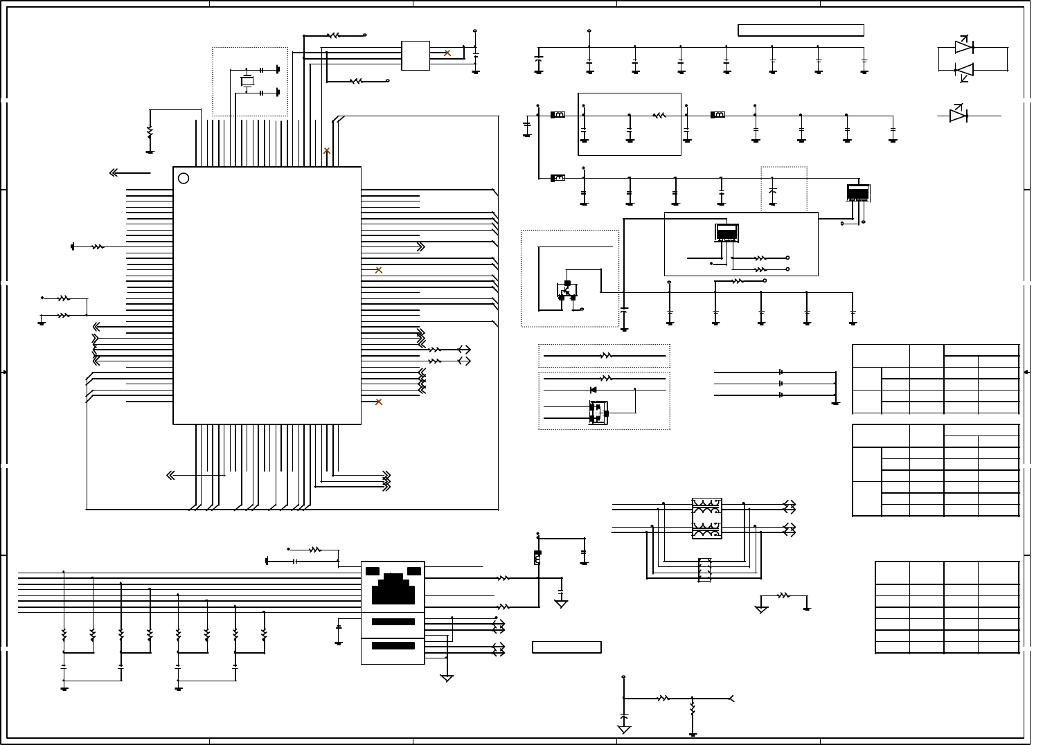
FWH
ICS952603 CLOCK GEN
PCI1_2
PCI3_4
COM_LPT
IDE
FPANEL
CODEC
USB CONN
ATX, OTHERS POWER
VCORE POWER
32
33
ALL POWER
34
KB_PS2
BLOCK DIAGRAM
35
AUDIO JACK, L_OUT, F_AUDIO
FAN
ICH5 PCI, USB, HUB, LAN
DDR1,2 CHANNEL A
SPRINGDALE PWR
SPRINGDALE AGP, HUB, CSA, VGA
SPRINGDALE DDR
SPRINGDALE HOST
36
37
DDR POWER
PCI ROUNT LIST
PCI5
DDR3,4 CHANNEL B
SMSC LPC47M997
REALTEK RTL8110SB LAN
GPIO LIST38
GIGABYTE GA-8IPE1000-G REV4.0 Schematics
PCB 304.8*220.091mm/C/60+-15%

5
5
4
4
3
3
2
2
1
D D
C C
B B
A A
BLOCK DIAGRAM
PAGE 4, 5, 6
INTEL Pentium4 (478)
PAGE 7 ,8 ,9,10
GMCH SPRINGDALE
PAGE 33,34,36
PWM/OTHER POWER
VID0~5
MAAA0~12
MDA0~63
-DQSA0~7
DMA0~7
PAGE 14
GAD0~31
SBA0~7
GCBE0~3-
ST0~2
ADSTB0,ADSTB0-
ADSTB1,ADSTB1-
SBSTB,SBSTB-
HL0~10
PAGE 19
CLOCK GENERATOR
CONTROL BUS
HUB LINK
AGP BUS
IDE Primary and
Secondary
PAGE 26,27
PAGE 18
COMB
PAGE 23
PAGE 27
FWH
COMA
FRONT AUDIO
LPT
MICLIN_ OUT
AC97 LINK
CD_IN
PCI BUS
LPC BUS
PAGE 25
ICH5
USB PORTS 0~7
AC97 CODEC ALC850
PS2
LINE_IN
PAGE 15,16,17
PAGE 31,35
AUDIO PORTS :
SMSC LPC47M997
I/O PORTS :
PAGE 24
FDD
FANS / HWMO
PCI SLOT 1,2,3,4,5,6
AGP SLOT 8X
RTL8110SB & USB
CONN
PAGE 35
MABA1~5
PAGE 11,12,13
DDR SDRAM DIMM X 4
SERIAL ATA
PAGE 16
PAGE 30
FRONT PANEL
GDBI_LO, GDBI_HI
DCLKA0~5
-DCLKA0~5
MAAB0~12
MDB0~63
-DQSB0~7
DMB0~7
MABB1~5
DCLKB0~5
-DCLKB0~5
PAGE 25,28
PAGE 20,21,22
CHANNEL A,B
BOM & PCB MODIFY HISTORY

5
5
4
4
3
3
2
2
1
1
D D
C C
B B
A A
CPU SCOKET
P4 478A
-HTRDY
HA19
HA30
HA5
HA22
HA26
HA31
-HREQ3
HA7
-HLOCK
-HINITHA28
-HREQ1
-CPURST
-DEFER
HA23
HA4
HA8
HA12
HA13
HA15
-HITM
HA24
HA29
-HADSTB0
-BR0
-BNR
HA25
-BPRI
HA17
HA18
HA21
HA3
HA[17..31]
HA[3..16]
-HIT
HA6
-RS0
-DBSY
HA9
HA27
HA11
-HADS
HA10
HA14
HA20
-HREQ2
HA16
-HADSTB1
-DRDY
-HREQ0
-HREQ4
-RS2
-RS1
TESTHI10
TESTHI8
TESTHI9
BOOTSEL
-CPURST
-BR0
TESTHI9
TESTHI10
TESTHI8
TESTHI1
HA[3..16]7
-HADSTB07
HA[17..31]7
-HADSTB17-HTRDY 7
-HINIT 16,18
-HITM 7
-HIT 7
-DRDY 7
-DEFER 7
-DBSY 7
-BPRI 7
-BNR 7
-HADS 7
-HREQ47-HREQ37-HREQ27-HREQ17-HREQ07
-RS2 7
-RS1 7
-RS0 7
-HLOCK 7
-BR0 7
-CPURST 7
BOOTSEL 33
TESTHI1 5
VCORE
VCORE
VCORE
VCORE
VCOREVCORE
VCORE
SBC2
100U/2V/SP-CAP/X
BC322
10U/12/X5/6.3V
R3 62/6
BC283
10U/12/X5/6.3V
BC296
10U/12/X5/6.3V
RN1
62/8P4R
12 34 56 78
BC285
10U/12/X5/6.3V
BC315
10U/12/X5/6.3V BC301
10U/12/X5/6.3V
BC300
10U/12/X5/6.3V
SOCKET_478A
SK478/GD/W/DIP
AE7
AE24
AE22
AE19
AD14
AD12
AD10
AD8
AD4
AD1
AD23
AD21
AE17
AE15
AE13
AE11
AE9
AE26
AB20
AC17
AC15
AC13
AC11
AC9
AC7
AC5
AC2
AC25
AC22
AC19
AD18
AD16
AA4
AA1
AA23
AA19
AB18
AB16
AB14
AB12
AB10
AB8
AB6
AB3
AB24
AB21
V4
V1
V23
W6
W3
W24
W21
Y5
Y2
Y25
Y22
AA17
AA15
AA13
AD11
AD9
AD7
AD19
AE18
AE16
AE14
AE12
AE10
AE8
AE6
AE20
AB15
AB13
AB11
AB9
AB7
AB19
AC18
AC16
AC14
AC12
AC10
AC8
AD17
AD15
AD13
E14
E12
E10
E8
E20
N5
N4
N2
M1
N1
M4
M3
L2
M6
L3
K1
L6
K4
K2
L5
H3
J3
J4
K5
J1
AB1
Y1
W2
V3
U4
T5
W1
R6
V2
T4
U3
P6
U1
T2
R3
P4
P3
R2
T1
R5
G1
AC1
V5
AA3
G2
L25
K26
K25
J26
U6
W4
Y3
H6
D2
H5
E2
H2
F3
E3
AC3
W5
G4
V6
AB25
F4
G5
F1
AB2
J6
GND1
GND2
GND3
GND4
GND5
GND6
GND7
GND8
GND9
BOOTSEL
GND11
GND12
GND13
GND14
GND15
GND16
GND17
OPTIM/COMPAT
GND19
GND20
GND21
GND22
GND23
GND24
GND25
GND26
GND27
GND28
GND29
GND30
GND31
GND32
GND33
GND34
GND35
GND36
GND37
GND38
GND39
GND40
GND41
GND42
GND43
GND44
GND45
GND46
GND47
GND48
GND49
GND50
GND51
GND52
GND53
GND54
GND55
GND56
GND57
GND58
GND59
GND60
VCORE1
VCORE2
VCORE3
VCORE4
VCORE5
VCORE6
VCORE7
VCORE8
VCORE9
VCORE10
VCORE11
VCORE12
VCORE13
VCORE14
VCORE15
VCORE16
VCORE17
VCORE18
VCORE19
VCORE20
VCORE21
VCORE22
VCORE23
VCORE24
VCORE25
VCORE26
VCORE27
VCORE28
VCORE29
VCORE30
VCORE31
VCORE32
A16
A15
A14
A13
A12
A11
A10
A9
A8
A7
A6
A5
A4
A3
ADSTB0
REQ4
REQ3
REQ2
REQ1
REQ0
A35
A34
A33
A32
A31
A30
A29
A28
A27
A26
A25
A24
A23
A22
A21
A20
A19
A18
A17
ADSTB1
ADS
AP0
AP1
BINIT
BNR
DP3
DP2
DP1
DP0
TESTHI8
TESTHI9
TESTHI10
BR0
BPRI
DBSY
DEFER
DRDY
HIT
HITM
IERR
INIT
LOCK
MCERR
RESET#
RS2
RS1
RS0
RSP
TRDY
BC284
10U/12/X5/6.3V
BC302
10U/12/X5/6.3V
C1
33P/4/X/50V/X
C2
33P/4/X/50V/X
SBC1
100U/2V/SP-CAP/X R2 62/6
BC290
10U/12/X5/6.3V

5
5
4
4
3
3
2
2
1
D D
C C
B B
A A
LEGECY CPU
old P4 desig
P4 478B
COMP1
COMP0
VID[0..5]
-IGNNE
CPUPWROK
TDI
TESTHI1
TESTHI11
-STPCLK
-PROCHOT
-A20M COMP1
TDO
VCCA
NMI
-TRST
-SMI
-FERR -BPM5
COMP0
-BPM4
VSSA
VCOREPLL
INTR
TESTHI12
GTLREF
TESTHI2_7
VCC_SENSE
VSS_SENSE
VID1
VID3
VID4
VID0
VID2
VID5
TMS
TCK
FS_A
FS_B
VCCA
VSSA
-PROCHOT
-BPM2
-BPM1
-BPM0
-BPM3
VCOREPLLVCCA
VCOREPLL -TRST
-BPM4 TDI
-BPM5
-BPM0
-BPM3
CPUCLK
-CPUCLK
-BPM1
-BPM2
TESTHI12
TESTHI0
TESTHI2_7
TCK
TMS
TDO
TMPIN3
GTLREF
TESTHI11
TESTHI0
-CPUSLP
CPUPWROK 16
VID[0..5]25,33
FS_A 7,19
FS_B 7,19
-PROCHOT 7,32 -CPUSLP 16
VCC_SENSE33
VSS_SENSE
-STPCLK16
-FERR16 -A20M16
-IGNNE16
INTR16 NMI16 -SMI16
GTLREF 7
-CPUCLK19
CPUCLK19
VCCA
VSSA
VCOREPLL
TMPIN325
THERMN25 -THERM16
TESTHI1 4
PWM_EN32,33
VCORE
VCORE
VCORE
VCCVID
VCORE
VCORE
VCORE
VCORE
VCORE
VCCVID
C5
1U/6/Y/10V
R4 200/6/1
R520 62/6
R23 62/6
BC41
220P/4/N/50V/X
RN3 62/8P4R12 34 56 78
BC509
0.01U/4/X/16V/X
L2
10UH/0806/300mA/S
C4
1000P/4/X/50V
L1
10UH/0806/300mA/S
R24 130/6/1
R5
169/6/1 BC40
1U/6/Y/10V
R25 62/6
R7 61.9/6/1
R6 61.9/6/1
R16 62/6
C3
2.2U/6/Y/6.3V
R18 62/6
R10
330/6
R20 62/6
R1036 8.2K/6/X
R1037
8.2K/6/X
SOCKET_478B
SK478/GD/W/DIP
AA11
AA9
AA26
AA7
N6
N3
N24
N21
P5
P2
P25
P22
R26
R4
R1
R23
T6
T3
T24
T21
U5
U2
U25
U22
V26
G21
H26
H4
H1
H23
J5
J2
J25
J22
K6
K3
K24
K21
L26
L4
L1
L23
M5
M2
M25
M22
E11
E9
E26
E7
E4
E1
E23
E19
F18
F16
F14
F12
F10
F8
F17
F15
F13
F11
F9
F19
AA18
AA16
AA14
AA12
AA10
AA8
AB17
B13
B11
B9
B7
B19
C18
C16
C14
C12
C10
C8
C20
D17
D15
D13
D11
D9
D7
D19
AF23
AF22
AC26
AD26
C6
B6
B2
D1
E5
B5
Y4
AE1
AE2
AE3
AE4
AE5
AF4
AF3
AD20
A5
AE23
AD22
A4
AE21
A22
A7
B3
C4
A2
AF25
AD2
AF24
AD6
AD5
A6
L24
P1
AB4
AA5
Y6
AC4
AB5
AC6
AD24
AE25
AD25
AA6
F6
AA21
F20
AC23
AC24
AC20
AC21
AB22
AA20
AA2
AB23
C3
AB26
D4
C1
D5
F7
E6
AD3
GND61
GND62
GND63
GND64
GND65
GND66
GND67
GND68
GND69
GND70
GND71
GND72
GND73
GND74
GND75
GND76
GND77
GND78
GND79
GND80
GND81
GND82
GND83
GND84
GND85
GND86
GND87
GND88
GND89
GND90
GND91
GND92
GND93
GND94
GND95
GND96
GND97
GND98
GND99
GND100
GND101
GND102
GND103
GND104
GND105
GND106
GND107
GND108
GND109
GND110
GND111
GND112
GND113
GND114
GND115
GND116
GND117
GND118
GND119
GND120
VCORE33
VCORE34
VCORE35
VCORE36
VCORE37
VCORE38
VCORE39
VCORE40
VCORE41
VCORE42
VCORE43
VCORE44
VCORE45
VCORE46
VCORE47
VCORE48
VCORE49
VCORE50
VCORE51
VCORE52
VCORE53
VCORE54
VCORE55
VCORE56
VCORE57
VCORE58
VCORE59
VCORE60
VCORE61
VCORE62
VCORE63
VCORE64
BCLK1
BCLK0
ITP_CLK0
ITP_CLK1
A20M
FERR
IGNNE
LINT0
LINT1
SMI
STPCLK
VID4
VID3
VID2
VID1
VID0
VCCVID
VCCVIDPRG
VCCA
VCC_SENSE
VCCIOPLL
VSSA
VSS_SENSE
RSVD1
RSVD2
RSVD3
THERMDA
THERMDC
THERMTRIP
RSVD5
VIDPWRGD
RSVD7
BSEL0
BSEL1
TESTHI11
COMP0
COMP1
BPM5
BPM4
BPM3
BPM2
BPM1
BPM0
TESTHI0
DBR#
TESTHI12
GTLREF3
GTLREF2
GTLREF1
GTLREF0
TESTHI5
TESTHI4
TESTHI3
TESTHI2
TESTHI7
TESTHI6
TESTHI1
PWRGOOD
PROCHOT
SLP
TCK
TDI
TDO
TMS
TRST
VID5
RN2
62/8P4R
12 34 56 78
R15 62/6
C8
1U/6/Y/10V
C7
4.7U/8/Y/10V
R1029 62/6
R13 2.2K/6
C380
33P/4
BC510
0.01U/4/X/16V/X
C6
1U/6/Y/10V

5
5
4
4
3
3
2
2
1
D D
C C
B B
A A
P4 478C
HD10
HD12
HD15
HD8
HD11
HD13
HD9
HD14
HD2
HD4
HD7
HD0
HD3
HD5
HD1
HD6
HD26
HD28
HD31
HD24
HD27
HD29
HD25
HD30
HD18
HD20
HD23
HD16
HD19
HD21
HD17
HD22
-DBI0
STBP0
STBN0
-DBI1
STBP1
STBN1
HD42
HD44
HD47
HD40
HD43
HD45
HD41
HD46
HD34
HD36
HD39
HD32
HD35
HD37
HD33
HD38
HD62
-DBI2
HD60
HD63
STBP2
HD61
STBN2
HD54
HD56
HD59
HD52
HD55
HD57
HD53
HD58
STBN3
HD48
HD51
-DBI3
HD49
STBP3
HD50
HD[0..15]
HD[16..31]
HD[0..15]7
HD[16..31]7
-DBI07STBN07STBP07
-DBI17
STBP17STBN17-DBI3 7
STBN3 7
STBP3 7
-DBI2 7
STBN2 7
STBP2 7HD[48..63] 7
HD[32..47] 7
VCORE
K3
K1_ICT
1
K2
K1_ICT
1
K1
K1_ICT
1
SOCKET_478C
SK478/GD/W/DIP
E18
E16
AF17
AF15
AF13
AF11
AF9
AF7
AF5
AF21
AF19
A18
A16
A14
A12
A10
A8
A20
B17
B15
T23
T22
T25
T26
R24
R25
P24
R21
N25
N26
M26
N23
M24
P21
N22
M23
P26
R22
P23
AA24
AA22
AA25
Y21
Y24
Y23
W25
Y26
W26
V24
V22
U21
V25
U23
U24
U26
V21
W22
W23
F5
F2
F25
F22
G6
G3
G24
C5
C2
C25
C22
C19
D18
D14
D12
D10
D8
D6
D3
D24
D21
D20
E17
E15
E13
A3
A24
A21
A19
B18
B16
B14
B12
B10
B26
B8
B4
B23
B20
C17
C15
C13
C11
C9
C7
AF18
AF16
AF14
AF12
AF10
AF26
AF8
AF6
AF1
AF20
A17
A15
A13
A11
A9
A26
D25
J21
D23
C26
H21
G22
B25
C24
C23
B24
D22
C21
A25
A23
B22
B21
E21
E22
F21
H25
K23
J24
L22
M21
H24
G26
L21
D26
F26
E25
F24
F23
G23
E24
G25
K22
J23
H22
D16
AF2
VCORE65
VCORE66
VCORE67
VCORE68
VCORE69
VCORE70
VCORE71
VCORE72
VCORE73
VCORE74
VCORE75
VCORE76
VCORE77
VCORE78
VCORE79
VCORE80
VCORE81
VCORE82
VCORE83
VCORE84
D47
D46
D45
D44
D43
D42
D41
D40
D39
D38
D37
D36
D35
D34
D33
D32
DBI#2
STBN2
STBP2
D63
D62
D61
D60
D59
D58
D57
D56
D55
D54
D53
D52
D51
D50
D49
D48
DBI#3
STBN3
STBP3
GND121
GND122
GND123
GND124
GND125
GND126
GND127
GND128
GND129
GND130
GND131
GND132
GND133
GND135
GND136
GND137
GND138
GND139
GND140
GND141
GND142
GND143
GND144
GND145
GND146
GND147
GND148
GND149
GND150
GND151
GND152
GND153
GND154
GND155
GND156
GND157
GND158
GND159
GND160
GND161
GND162
GND163
GND164
GND165
GND166
GND167
GND168
GND169
GND170
GND171
SKTOCC#
GND173
GND174
GND175
GND176
GND177
GND178
GND179
GND180
GND181
GND182
D15
D14
D13
D12
D11
D10
D9
D8
D7
D6
D5
D4
D3
D2
D1
D0
DBI#0
STBN0
STBP0
D31
D30
D29
D28
D27
D26
D25
D24
D23
D22
D21
D20
D19
D18
D17
DBI#1
STBN1
STBP1
D16
GND134
VCORE85
K6
K1_ICT
1
K5
K1_ICT
1
K4
K1_ICT
1

5
5
4
4
3
3
2
2
1
D D
C C
B B
A
CPU INTERFACE
NEAR MCH
100 133 200
L H LFS_A
FS_B L L H
X2(NO) X2 X1.33
X2.66 X2.5 X1.6
X2
SPRINGDALE HOST
-CPURST
-DBI2
-BR0
-HIT
-DRDY
STBP0
-DBI3
-RS0
-HTRDY
-RS1
STBN2
-HLOCK
-DBSY
STBN1
-DBI1
-DBI0
-DEFER
STBN3
-RS2
STBP1
-BNR
-HITM
-BPRI
-HADS
STBP2
STBN0
STBP3
-HREQ4
-HREQ0
-HADSTB1
-HREQ3
-HREQ1
-HADSTB0
-HREQ2
HD20
HD38
HD15
HD28
HD23
HD11
HD62
HD32
HD51
HD60
HD18
HD30
HD50
HD26
HD43
HD53
HD33
HD13
HD47
HD10
HD42
HD58
HD46
HD21
HD63
HD49
HD14
HD17
HD31
HD27
HD44
HD45
HD55
HD22
HD29
HD59
HD39
HD1
HD7
HD16
HD24
HD54
HD3
HD35
HD0
HD61
HD6
HD4
HD5
HD9
HD34
HD41
HD8
HD25
HD56
HD19
HD48
HD52
HD36
HD57
HD2
HD40
HD12
HD37
MCHCLK
-MCHCLK
HA15
HA18
HA20
HA26
HA22
HA11
HA3
HA7
HA25
HA19
HA10
HA12
HA27
HA16
HA23
HA13
HA17
HA6
HA30
HA4
HA14
HA28
HA5
HA8
HA21
HA29
HA24
HA9
HA31
HSWNG
HRCOMP
-PROCHOT
HD[0..63]HA[3..31]
GTLREF
HSWNG
PWROK BL_A
FS_B
HRCOMP
BL_A1
BL_B1
BL_A
BL_B
BL_A1BL_B
BL_B1
COUPON1
COUPON2
HD[0..63] 6
-HREQ04
-PROCHOT 5,32
FS_B 5,19
HA[3..31]4
-HREQ14-HREQ24-HREQ34-HREQ44
-HADSTB04-HADSTB14
MCHCLK19 -MCHCLK19
STBP06STBN06-DBI06STBP16STBN16-DBI16STBP26STBN26-DBI26STBP36STBN36-DBI36
-HADS4-HTRDY4-DRDY4-DEFER4-HITM4-HIT4
-HLOCK4-BR04-BNR4
-DBSY4-BPRI4
-RS04-RS14-RS24
HSWNG
GTLREF 5GTLREF5
PWROK16,21,30,33 -CPURST4
PWROK16,21,30,33
FS_A 5,19
GP60 25
GMCHVCCP
GMCHVCCP
+12V
VCC3
VCC3
VCC3
VCC3
VCC3
VCC3
VCC3
DDR25V
U40A
74HC74A/TI NS
TI,NS
2 5
3
6
41
14
DQ
CLK
Q
PRCL
VCC
U39
NC7SZ125/X
1
243
5
FSB
U1A
MCH SPDPE I865PE SL722/A2
D26
D30
L23
E29
B32
K23
C30
C31
J25
B31
E30
B33
J24
F25
D34
C32
F28
C34
J27
G27
F29
E28
H27
K24
E32
F31
G30
J26
G26
B29
J23
L22
C29
J21
B30
D28
B7
C7
B19
C19
C17
L19
K19
L17
G9
F9
L14
D12
E12
C15
F27
D24
G24
L21
E23
K21
E25
B24
B28
B26
E27
G22
C27
B27
E8
AE14
E24
C25
F23
B23
E22
B21
D20
B22
D22
B20
C21
E18
E20
B16
D16
B18
B17
E16
D18
G20
F17
E19
F19
J17
L18
G16
G18
F21
F15
E15
E21
J19
G14
E17
K17
J15
L16
J13
F13
F11
E13
K15
G12
G10
L15
E11
K13
J11
H10
G8
E9
B13
E14
B14
B12
B15
D14
C13
B11
D10
C11
E10
B10
C9
B9
D8
B8
L20
L13
L12
HA3#
HA4#
HA5#
HA6#
HA7#
HA8#
HA9#
HA10#
HA11#
HA12#
HA13#
HA14#
HA15#
HA16#
HA17#
HA18#
HA19#
HA20#
HA21#
HA22#
HA23#
HA24#
HA25#
HA26#
HA27#
HA28#
HA29#
HA30#
HA31#
HREQ0#
HREQ1#
HREQ2#
HREQ3#
HREQ4#
HADSTB0#
HADSTB1#
HCLKP
HCLKN
HDSTBP0#
HDSTBN0#
DINV0#
HDSTBP1#
HDSTBN1#
DINV1#
HDSTBP2#
HDSTBN2#
DINV2#
HDSTBP3#
HDSTBN3#
DINV3#
ADS#
HTRDY#
DRDY#
DEFER#
HITM#
HIT#
HLOCK#
BREQ0#
BNR#
BPRI#
DBSY#
RS0#
RS1#
RS2#
CPURST#
PWROK#
HDRCOMP
HDSWING
HDVREF
HD0#
HD1#
HD2#
HD3#
HD4#
HD5#
HD6#
HD7#
HD8#
HD9#
HD10#
HD11#
HD12#
HD13#
HD14#
HD15#
HD16#
HD17#
HD18#
HD19#
HD20#
HD21#
HD22#
HD23#
HD24#
HD25#
HD26#
HD27#
HD28#
HD29#
HD30#
HD31#
HD32#
HD33#
HD34#
HD35#
HD36#
HD37#
HD38#
HD39#
HD40#
HD41#
HD42#
HD43#
HD44#
HD45#
HD46#
HD47#
HD48#
HD49#
HD50#
HD51#
HD52#
HD53#
HD54#
HD55#
HD56#
HD57#
HD58#
HD59#
HD60#
HD61#
HD62#
HD63#
PROCHOT#
BSEL0
BSEL1
COUPON1 COUPON21
R26
20/6/1
R33
301/6/1
R34
102/6/1
C422
0.1U/6/Y/25V
C10
1U/6/Y/10V
C13
1U/6/Y/10V
C11
0.01U/4/X/16V/X
C9
220P/4/N/50V/X
C413
1000P/4/X/50V
C12
0.01U/4/X/16V
R28
1K/6
R30
8.2K/6/X
NB_FAN
H1X2/NB_FAN/X
R1184 0/6/X
R1181
1.5K/6
R27
200/6/1
COUPON2 COUPON21 R1180
1K/6
R31
1K/6
R32
8.2K/6/X
BC529
1U/6/Y/10V/X
U40B
74HC74A/TI NS
TI,NS
12 9
11
8
1013
14
DQ
CLK
Q
PRCL
VCC
R1182
1K/6 R1183
1.5K/6
R1185 0/6/X
R1179
1K/6
BC516
1U/6/Y/10V/X
BC526
1U/6/Y/10V
R1163
1K/6/X

5
5
4
4
3
3
2
2
1
D D
C C
B B
A A
DDR INTERFACE
Closed to R38
Closed to MCH
Closed to R47
Closed to MCH
SPRINGDALE DDR
DMA[0..7]
MAAA[0..12]
MDA[0..63]
DQSA[0..7]
MABA[1..5]
SMYRCOMPVOH
SMYRCOMPVOL
DDRVREFA
DDRVREFB
SMYRCOMP
MAAA5
CKEA1
SMXRCOMPVOL
MDA5
DMA1
MDA14
MDA15
MDA16
MDA18
MDA31
MDA43
MDA49
DMA7
-DCLKA5
MDA45
MABA5
-SWEA
-CSA0
DCLKA2
MDA1
MDA30
MDA40
MDA47
MDA54
MDA55
MDA63
MAAA8
MDA17
MDA19
MDA24
MDA38
DMA6
MDA62
MAAA0
-CSA1
SMXRCOMP
MDA0
MDA26
MDA44
MAAA10
-DCLKA2
MDA7
DMA2
MDA29
MDA41
MDA53
MDA61
MAAA11
MABA3
-DCLKA3
MDA25
MDA27
MDA37
SMXRCOMPVOL
MAAA6
MDA8
MDA28
DMA5
MDA52
MDA58
MAAA9
MABA2
MABA4
CKEA0
-DCLKA0
DQSA2
DMA3
MDA36
MDA60
SMXRCOMPVOH
MAAA7
DQSA0
MDA4
MDA11
MDA33
MDA57
MAAA2
DCLKA0
-DCLKA1
DCLKA3
MDA22
DQSA5
MDA50
MDA59
MAAA4
DDRVREFA
MDA12
DQSA3
MDA34
SMXRCOMP
-SCASA
MDA6
DQSA1
MDA21
DMA4
MDA39
MDA51
MDA56
MAAA12
DCLKA1
DCLKA4
MDA10
MDA23
MDA35
MABA1
SBAA0
SMXRCOMPVOH
DMA0
MDA2
MDA13
DQSA4
MDA42
DQSA7
MAAA3
-SRASA
-DCLKA4
DCLKA5
MDA3
MDA9
MDA20
MDA48
MAAA1
SBAA1
MDA32
MDA46
DQSA6
-CSA3
-CSA2
CKEA3
CKEA2
DQSB6
MDB1
-SCASB
DQSB2
MAAB2
MDB24
MDB40
MDB53
MDB57
-DCLKB4
MABB2
MAAB[0..12]
MDB20
MDB38
MDB54
MDB41
DMB0
-DCLKB1
MAAB8
DDRVREFB
MDB4
CKEB1
DCLKB3
MDB14
MAAB4
DMB3
MDB39
MDB51
MDB7
-SWEB
-CSB3
MDB16
MAAB12
MDB25
MDB56
DMB5
DCLKB4
MDB11
DMB[0..7]
DMB2
MDB37
MDB36
-DCLKB0
MDB43
DMB6
-DCLKB2
SMYRCOMPVOL
MDB6
MDB52
MAAB3
MDB23
MAAB5
MDB29
MDB49
MDB0
DQSB1
SBAB1
CKEB2
MDB22
MDB13
MAAB0
MDB59
DQSB3
DQSB5
-DCLKB3
MDB10
MABB5
MDB28
DCLKB0
MABB[1..5]
DMB4
MDB42
SMYRCOMPVOH
MDB2
MDB61
-CSB1
MAAB10
MDB27
MDB34
DCLKB5
DQSB7
DQSB0
SBAB0
MDB12
CKEB3
MAAB11
MDB58
MDB17
DQSB4
MDB44
DCLKB2
MDB9
MABB4
MAAB1
CKEB0
MDB47
DQSB[0..7]
MDB33
MDB18
SMYRCOMP
MDB5
MDB62
-CSB0
MDB26
MDB45
MDB48
MDB63
-DCLKB5
MDB55
-SRASB
MDB3
MDB60
MDB21
MAAB9
MDB30
MDB46
DCLKB1
MABB3
DMB7
MABB1
MDB50
MDB[0..63]
MDB19
MDB32
DMB1
MAAB7
MDB8
-CSB2
MAAB6
MDB15
MDB31
MDB35
SBAA011,13 SBAA111,13
MAAA[0..12]11,13
MABA[1..5]11,13
DMA[0..7]11,13
MDA[0..63]11,13
DQSA[0..7]11,13
-SWEA11,13 -SCASA11,13 -SRASA11,13
-CSA111,13 -CSA011,13
CKEA111,13 CKEA011,13
DCLKA011 -DCLKA011
-DCLKA111 DCLKA111
DCLKA211 -DCLKA211
SMYRCOMPVOL
SMXRCOMPVOL
SMXRCOMPVOH
SMXRCOMP
SMYRCOMPVOH
SMYRCOMP
DDRVREFB
-DCLKA311 DCLKA311
DCLKA411 -DCLKA411
-DCLKA511 DCLKA511
-CSA311,13 -CSA211,13
CKEA311,13 CKEA211,13
-DCLKB012
-DCLKB512
-CSB112,13
-DCLKB312
CKEB012,13
SBAB112,13
MDB[0..63]12,13
CKEB112,13
-CSB312,13
DCLKB112
DMB[0..7]12,13
DCLKB512
DCLKB012
DCLKB212 -DCLKB112
-DCLKB212
-CSB212,13
MABB[1..5]12,13
DCLKB412
-CSB012,13
MAAB[0..12]12,13
-DCLKB412
-SCASB12,13
CKEB212,13
DCLKB312
-SWEB12,13
DQSB[0..7]12,13
CKEB312,13
SBAB012,13
-SRASB12,13
DDR25V
DDR25V
DDR25V
DDR25V
DDR25V
DDR25V
DDR25V
BC278
1U/6/Y/10V
BC528
0.01U/6/X/50V
BC527
0.01U/6/X/50V
BC50
1U/6/Y/10V/X
R45
150/6/1
BC513
0.1U/6/Y/25V/X
DDR Channel A
U1B
MCH SPDPE I865PE SL722/A2
AJ34
AL33
AK29
AN31
AL30
AL26
AL28
AN25
AP26
AP24
AJ33
AN23
AN21
AL34
AM34
AP32
AP31
AM26
AB34
Y34
AC33
AE33
AH34
AA34
Y31
Y32
W34
AL20
AN19
AM20
AP20
AK32
AK31
AP17
AN17
N33
N34
AK33
AK34
AM16
AL16
P31
P32
E34
AK9
AN9
AL9
AN11
AP12
AP10
AP11
AM12
AN13
AM10
AL10
AL12
AP13
AP15
AP16
AP14
AM14
AL18
AP19
AL14
AN15
AP18
AM18
AP23
AM24
AP22
AM22
AL24
AN27
AP21
AL22
AP25
AP27
AM30
AP30
AP28
AP29
AP33
AM33
AM28
AN29
AM31
AN34
AF34
AF31
AH32
AG34
AF32
AD32
AH31
AG33
AE34
AD34
V34
W33
AC34
AB31
V32
V31
AD31
AB32
U34
U33
M32
M34
T34
T32
K34
K32
T31
P34
L34
L33
H31
H32
J33
H34
E33
F33
K31
J34
G34
F34
SMAA_A0
SMAA_A1
SMAA_A2
SMAA_A3
SMAA_A4
SMAA_A5
SMAA_A6
SMAA_A7
SMAA_A8
SMAA_A9
SMAA_A10
SMAA_A11
SMAA_A12
SMAB_A1
SMAB_A2
SMAB_A3
SMAB_A4
SMAB_A5
SWE_A#
SCAS_A#
SRAS_A#
SBA_A0
SBA_A1
SCS_A0#
SCS_A1#
SCS_A2#
SCS_A3#
SCKE_A0
SCKE_A1
SCKE_A2
SCKE_A3
SCMDCLK_A0
SCMDCLK_A0#
SCMDCLK_A1
SCMDCLK_A1#
SCMDCLK_A2
SCMDCLK_A2#
SCMDCLK_A3
SCMDCLK_A3#
SCMDCLK_A4
SCMDCLK_A4#
SCMDCLK_A5
SCMDCLK_A5#
SMVREF_A
SMXRCOMP
SMXRCOMPVOH
SMXRCOMPVOL
SDQS_A0
SDM_A0
SDQ_A0
SDQ_A1
SDQ_A2
SDQ_A3
SDQ_A4
SDQ_A5
SDQ_A6
SDQ_A7
SDQS_A1
SDM_A1
SDQ_A8
SDQ_A9
SDQ_A10
SDQ_A11
SDQ_A12
SDQ_A13
SDQ_A14
SDQ_A15
SDQS_A2
SDM_A2
SDQ_A16
SDQ_A17
SDQ_A18
SDQ_A19
SDQ_A20
SDQ_A21
SDQ_A22
SDQ_A23
SDQS_A3
SDM_A3
SDQ_A24
SDQ_A25
SDQ_A26
SDQ_A27
SDQ_A28
SDQ_A29
SDQ_A30
SDQ_A31
SDQS_A4
SDM_A4
SDQ_A32
SDQ_A33
SDQ_A34
SDQ_A35
SDQ_A36
SDQ_A37
SDQ_A38
SDQ_A39
SDQS_A5
SDM_A5
SDQ_A40
SDQ_A41
SDQ_A42
SDQ_A43
SDQ_A44
SDQ_A45
SDQ_A46
SDQ_A47
SDQS_A6
SDM_A6
SDQ_A48
SDQ_A49
SDQ_A50
SDQ_A51
SDQ_A52
SDQ_A53
SDQ_A54
SDQ_A55
SDQS_A7
SDM_A7
SDQ_A56
SDQ_A57
SDQ_A58
SDQ_A59
SDQ_A60
SDQ_A61
SDQ_A62
SDQ_A63
R49
42.2/6/1
BC45
1U/6/Y/10V
BC43
1U/6/Y/10V
BC49
1U/6/Y/10V
BC53
1U/6/Y/10V
BC52
1U/6/Y/10V/X
R42
150/6/1
R37
10K/6/1
BC54
1U/6/Y/10V
R35
10K/6/1
R48
42.2/6/1
DDR Channel B
U1C
MCH SPDPE I865PE SL722/A2
AG31
AJ31
AD27
AE24
AK27
AG25
AL25
AF21
AL23
AJ22
AF29
AL21
AJ20
AE27
AD26
AL29
AL27
AE23
W27
W31
W26
Y25
AA25
U26
T29
V25
W25
AK19
AF19
AG19
AE18
AG29
AG30
AF17
AG17
N27
N26
AJ30
AH29
AK15
AL15
N31
N30
AP9
AA33
R34
R33
AF15
AG11
AJ10
AE15
AL11
AE16
AL8
AF12
AK11
AG12
AG13
AG15
AE17
AL13
AK17
AL17
AK13
AJ14
AJ16
AJ18
AG21
AE21
AE19
AE20
AG23
AK23
AL19
AK21
AJ24
AE22
AH27
AJ28
AK25
AH26
AG27
AF27
AJ26
AJ27
AD25
AF28
AD29
AC31
AE30
AC27
AC30
Y29
AE31
AB29
AA26
AA27
U30
U31
AA30
W30
U27
T25
AA31
V29
U25
R27
L27
M29
P29
R30
K28
L30
R31
R26
P25
L32
J30
J31
K30
H29
F32
G33
N25
M25
J29
G32
SMAA_B0
SMAA_B1
SMAA_B2
SMAA_B3
SMAA_B4
SMAA_B5
SMAA_B6
SMAA_B7
SMAA_B8
SMAA_B9
SMAA_B10
SMAA_B11
SMAA_B12
SMAB_B1
SMAB_B2
SMAB_B3
SMAB_B4
SMAB_B5
SWE_B#
SCAS_B#
SRAS_B#
SBA_B0
SBA_B1
SCS_B0#
SCS_B1#
SCS_B2#
SCS_B3#
SCKE_B0
SCKE_B1
SCKE_B2
SCKE_B3
SCMDCLK_B0
SCMDCLK_B0#
SCMDCLK_B1
SCMDCLK_B1#
SCMDCLK_B2
SCMDCLK_B2#
SCMDCLK_B3
SCMDCLK_B3#
SCMDCLK_B4
SCMDCLK_B4#
SCMDCLK_B5
SCMDCLK_B5#
SMVREF_B
SMYRCOMP
SMYRCOMPVOH
SMYRCOMPVOL
SDQS_B0
SDM_B0
SDQ_B0
SDQ_B1
SDQ_B2
SDQ_B3
SDQ_B4
SDQ_B5
SDQ_B6
SDQ_B7
SDQS_B1
SDM_B1
SDQ_B8
SDQ_B9
SDQ_B10
SDQ_B11
SDQ_B12
SDQ_B13
SDQ_B14
SDQ_B15
SDQS_B2
SDM_B2
SDQ_B16
SDQ_B17
SDQ_B18
SDQ_B19
SDQ_B20
SDQ_B21
SDQ_B22
SDQ_B23
SDQS_B3
SDM_B3
SDQ_B24
SDQ_B25
SDQ_B26
SDQ_B27
SDQ_B28
SDQ_B29
SDQ_B30
SDQ_B31
SDQS_B4
SDM_B4
SDQ_B32
SDQ_B33
SDQ_B34
SDQ_B35
SDQ_B36
SDQ_B37
SDQ_B38
SDQ_B39
SDQS_B5
SDM_B5
SDQ_B40
SDQ_B41
SDQ_B42
SDQ_B43
SDQ_B44
SDQ_B45
SDQ_B46
SDQ_B47
SDQS_B6
SDM_B6
SDQ_B48
SDQ_B49
SDQ_B50
SDQ_B51
SDQ_B52
SDQ_B53
SDQ_B54
SDQ_B55
SDQS_B7
SDM_B7
SDQ_B56
SDQ_B57
SDQ_B58
SDQ_B59
SDQ_B60
SDQ_B61
SDQ_B62
SDQ_B63
R50
42.2/6/1
R47
42.2/6/1
BC47
1U/6/Y/10V
BC58
1U/6/Y/10V
R39
10K/6/1
BC46
1U/6/Y/10V
R38
30.9K/6/1
BC71
0.01U/6/X/50V
BC42
1U/6/Y/10V
R36
30.9K/6/1
R40
30.9K/6/1
1U/6/Y/10V
BC65
BC55
33P/4/X/50V/X
BC277
1U/6/Y/10V
BC56
33P/4/N/50V/X
SC20
0.1U/6/Y/25V/B/X
R43
30.9K/6/1
R46
10K/6/1
BC51
1U/6/Y/10V/X

5
5
4
4
3
3
2
2
1
D D
C C
B B
A A
Close to MCH
0.8V
VDDQ*0.233
SPRINGDALE AGP,HUB,CSA,VGA
GAD16
GAD17
-GCBE0
-GCBE1
-GCBE2
-GCBE3
GAD31
GAD29
GAD27
GAD25
GAD30
GAD28
GAD26
GAD24
GAD22
GAD20
GAD23
GAD21
SBA0
SBA1
SBA2
SBA3
SBA4
SBA5
SBA6
SBA7
GAD18
GAD19
GAD[0..31]
SBA[0..7]
HL[0..10]
TP_GMCH_AG9
TP_GMCH_AG10
GMCH3V66
-GFRAME
-GTRDY
-GSTOP
-GIRDY
-GDEVSEL
GPAR
-GREQ
-GGNT
GRCOMP
ADSTB0
-ADSTB0
GAD0
GAD1
GAD2
GAD3
GAD4
GAD5
GAD6
GAD7
GAD8
GAD9
GAD10
GAD11
GAD12
GAD13
GAD14
GAD15
ADSTB1
-ADSTB1
-SBSTB
SBSTB
HL0
HL3
HL4
HL5
HL6
HL7
HL8
HL9
ST0
ST1
ST2
-WBF
-RBF
-PIPE
GDBI_LO
HL10
HLSTBF
HLSTBS
HLRCOMP_MCH
-PCIRST
TP_GMCH_AP8
HLRCOMP_MCH GRCOMP
HL_SWING_MCH
HL_VREF_MCH
GSWING
MCH_AGPREF
GSWING
MCH_AGPREF
HL_VREF_ICH
HL_SWING_ICH
HL_SWING_MCH
-ICHSYNC
HL2
HL1
CLRCOMP
CLSWING_SPG
CLVREF_SPG
CLRCOMP
HL_VREF_MCH
GMCH3V6619
GAD[0..31]14
-ICHSYNC
SBA[0..7]14
HL[0..10]15
-GCBE014 -GCBE114 -GCBE214 -GCBE314
-GFRAME14
-GDEVSEL14 -GIRDY14 -GTRDY14 -GSTOP14 GPAR14 -GREQ14 -GGNT14
-ADSTB0 14
ADSTB0 14
ADSTB1 14
-ADSTB1 14
-SBSTB 14
SBSTB 14
ST014 ST114 ST214
-PIPE14 -WBF14 -RBF14
GDBI_LO14
HLSTBF15 HLSTBS15
-PCIRST15,18,21,25,35
GSWING14
MCH_AGPREF14
HL_SWING_ICH15
HL_VREF_ICH15
CLSWING_SPG10 CLVREF_SPG10
HL_VREF_MCH
HL_SWING_MCH
VDDQ
VDDQ
VDDQ VDDQ
R69
52.3/6/1
C36
0.1U/6/Y/25V
C38
0.1U/6/Y/25V
R74
52.3/6/1
VGA
AGP
HUB CSA
U1D
MCH SPDPE I865PE SL722/A2
Y7
W5
AA3
U2
U6
H4
AB4
V11
AB5
W11
AB2
N6
M7
AC2
AC3
AD2
R10
R9
M4
M5
N3
N5
N2
AF5
AG3
AK2
AG5
AK5
AL3
AL2
AL4
AJ2
AH2
AJ3
AH5
AH4
AD4
AE3
AE2
AK7
AH7
AD11
AF7
AD7
AC10
AF8
AG7
AE9
AH9
AG6
AJ6
AJ5
AG2
AF2
AF4
G4
AP8
AJ8
AK4
AG10
AG9
AN35
AP34
AR1
AC6
AC5
AE6
AC11
AD5
AE5
AA10
AC9
AB11
AB7
AA9
AA6
AA5
W10
AA11
W6
W9
V7
V4
V5
AA2
Y4
Y2
W2
Y5
V2
W3
U3
T2
T4
T5
R2
P2
P5
P4
M2
U11
T11
R6
P7
R3
R5
U9
U10
U5
T7
H3
F2
F4
E4
H6
G5
H7
G6
G3
E2
D2
A3
A33
A35
AF13
AF23
AJ12
AN1
AP2
AR3
AR33
AR35
B2
B25
B34
C1
C23
C35
E26
M31
R25
GCBE0
GCBE1
GCBE2
GCBE3
GFRAME
GCLKIN
GDEVSEL
GIRDY
GTRDY
GSTOP
GPAR/ADD_DETECT
GREQ
GGNT
GRCOMP
GVSWING
GVREF
GRBF
GWBF
DBI_HI
DBI_LO
GST0
GST1
GST2
HI0
HI1
HI2
HI3
HI4
HI5
HI6
HI7
HI8
HI9
HI10
HISTRF
HISTRS
HI_RCOMP
HI_SWING
HI_VREF
CI0
CI1
CI2
CI3
CI4
CI5
CI6
CI7
CI8
CI9
CI10
CISTRF
CISTRS
CI_RCOMP
CI_SWING
CI_VREF
DREFCLK
EXTTS#
ICH_SYNC#
RSTIN#
RESERVED_1
RESERVED_2
RESERVED_3
RESERVED_4
RESERVED_5
GADSTBF0
GADSTBS0
GAD0
GAD1
GAD2
GAD3
GAD4
GAD5
GAD6
GAD7
GAD8
GAD9
GAD10
GAD11
GAD12
GAD13
GAD14
GAD15
GADSTBF1
GADSTBS1
GAD16
GAD17
GAD18
GAD19
GAD20
GAD21
GAD22
GAD23
GAD24
GAD25
GAD26
GAD27
GAD28
GAD29
GAD30
GAD31
GSBSTBF
GSBSTBS
GSBA0#
GSBA1#
GSBA2#
GSBA3#
GSBA4#
GSBA5#
GSBA6#
GSBA7#
DDCA_DATA
DDCA_CLK
RED
RED#
GREEN
GREEN#
BLUE
BLUE#
HSYNC
VSYNC
REFSET
NC_1
NC_2
NC_3
NC_4
NC_5
NC_6
NC_7
NC_8
NC_9
NC_10
NC_11
NC_12
NC_13
NC_14
NC_15
NC_16
NC_17
NC_18
NC_19
NC_20
C27 0.01U/4/X/16V
C28 0.01U/4/X/16V
R72
147/6/1
R70
226/6/1C34 0.1U/4/Y/16V
R71 0/6S/X
R73 0/6S/X
C35 0.1U/4/Y/16V
R75
43.2/6/1 R76
113/6/1

5
5
4
4
3
3
2
2
1
D D
C C
B B
A A
VDDQ*0.233
CLOSE MCH
CO-LAYOUT
SPRINGDALE PWR
CLSWING_SPG
CLVREF_SPG
VCCA_FSB
VCCA_FSB
VCCA_DPLL
VCCA_SM
VCCA_SM
VCCA_DAC
CLSWING_SPG9
CLVREF_SPG9
VDDQ
DDR25V
VDDQ
VDDQ
VDDQ
GMCHVCCP
GMCHVCCP
VDDQ
VCC3
DDR25V
VDDQ
VDDQ
GND
U1F
MCH SPDPE I865PE SL722/A2
AR32
AR29
AR27
AR25
AR23
AR20
AR16
AR13
AR11
AR9
AN32
AN30
AN28
AN26
AN24
AN22
AN20
AN18
AN16
AN14
AN12
AN10
AM35
AM29
AM27
AM25
AM23
AM21
AM19
AM17
AM15
AM13
AM11
AM9
AL32
AL1
AK28
AK26
AK24
AK22
AK20
AK18
AK16
AK14
AK12
AK10
AK8
AK3
AJ35
AJ32
AJ9
AJ4
AJ1
AH33
AH30
AH24
AH22
AH20
AH18
AH16
AH14
AH12
AH10
AH6
AH3
AG35
AG32
AG28
AG26
AG24
AG22
AG20
AG18
AG16
AG14
AG8
AG4
AF33
AF30
AF25
AF24
AF22
AF20
AF18
AF16
AF14
AF11
AF9
AF6
AF3
AE35
AE32
AE26
AE25
AE13
AE12
AE11
AE10
AE4
AE1
AD33
AD30
AD28
AD10
AD9
AD8
AD6
AD3
AC35
AC32
AC4
AC1
AB33
AB30
AB28
AB27
AB26
AB10
AB9
AB8
AB6
AB3
AA32
AA4
AA1
Y35
Y33
Y30
Y28
Y27
Y26
Y10
Y9
Y8
Y6
Y3
W32
W18
W17
W4
V33
V30
V28
V27
V26
V19
V17
V10
V9
V8
V6
V3
U32
U19
U18
U4
T35
T33
T30
T28
T27
T26
T10
T9
T8
T6
T3
T1
R32
R4
R1
P33
P30
P28
P27
P26
P9
P8
P6
P3
N35
N32
N4
N1
M33
M30
M28
M27
M26
M6
M3
L35
VSS
VSS
VSS
VSS
VSS
VSS
VSS
VSS
VSS
VSS
VSS
VSS
VSS
VSS
VSS
VSS
VSS
VSS
VSS
VSS
VSS
VSS
VSS
VSS
VSS
VSS
VSS
VSS
VSS
VSS
VSS
VSS
VSS
VSS
VSS
VSS
VSS
VSS
VSS
VSS
VSS
VSS
VSS
VSS
VSS
VSS
VSS
VSS
VSS
VSS
VSS
VSS
VSS
VSS
VSS
VSS
VSS
VSS
VSS
VSS
VSS
VSS
VSS
VSS
VSS
VSS
VSS
VSS
VSS
VSS
VSS
VSS
VSS
VSS
VSS
VSS
VSS
VSS
VSS
VSS
VSS
VSS
VSS
VSS
VSS
VSS
VSS
VSS
VSS
VSS
VSS
VSS
VSS
VSS
VSS
VSS
VSS
VSS
VSS
VSS
VSS
VSS
VSS
VSS
VSS
VSS
VSS
VSS
VSS
VSS
VSS
VSS
VSS
VSS
VSS
VSS
VSS
VSS
VSS
VSS
VSS
VSS
VSS
VSS
VSS
VSS
VSS
VSS
VSS
VSS
VSS
VSS
VSS
VSS
VSS
VSS
VSS
VSS
VSS
VSS
VSS
VSS
VSS
VSS
VSS
VSS
VSS
VSS
VSS
VSS
VSS
VSS
VSS
VSS
VSS
VSS
VSS
VSS
VSS
VSS
VSS
VSS
VSS
VSS
VSS
VSS
VSS
VSS
VSS
VSS
VSS
VSS
VSS
VSS
VSS
VSS
VSS
VSS
VSS
VSS
VSS
VSS
VSS
VSS
VSS
VSS
VSS
VSS
VSS
VSS
VSS
VSS
0.1U/6/Y/25V/B/X
SC18
SC19
0.1U/6/Y/25V/B/X
0.1U/6/Y/25V/B/X
SC16
0.1U/6/Y/25V/B/X
SC17
1U/6/Y/10V/X
SC26
C40 0.1U/6/Y/25V
0.1U/6/Y/25V
BC63
C49
0.1U/6/Y/25V
C44
0.1U/6/Y/25V/X
R78
147/6/1
R77
226/6/1
R79
113/6/1
BC73
0.1U/6/Y/25V
C39 0.1U/6/Y/25V
BC72
0.1U/6/Y/25V
0.1U/6/Y/25V/B/X
SC12
0.1U/6/Y/25V/B/X
SC11
C53
0.1U/6/Y/25V
C47 0.1U/6/Y/25V
C52
0.1U/6/Y/25V C54
1U/6/Y/10V/X
BC74
0.1U/6/Y/25V
C51 0.1U/6/Y/25V
C42 0.1U/6/Y/25V
C41 0.1U/6/Y/25V
C46 0.1U/6/Y/25V
C45 0.1U/6/Y/25V
C64
0.1U/6/Y/25V
C61
4.7U/8/Y/10V/X C62
1U/6/Y/10V
L5
0.82UH/8/150mA/S
L6
1UH/1210/1A/S
C43
0.1U/6/Y/25V
+1
EC62
100U/D/10V/5*7/X
C50 0.1U/6/Y/25V
0.1U/6/Y/25V/B/X
SC15
0.1U/6/Y/25V/B/X
SC14
BC522
10U/12/Y/10V
0.1U/6/Y/25V/B/X
SC13
BC340
0.1U/6/Y/25V
POWER
U1E
MCH SPDPE I865PE SL722/A2
F7
E7
E6
D7
D6
D5
C6
C5
B6
B5
A31
A21
A15
AA35
AL35
AL6
AL7
AM1
AM2
AM3
AM5
AM6
AM7
AM8
AN2
AN4
AN5
AN6
AN7
AN8
AP3
AP4
AP5
AP6
AP7
AR15
AR21
AR31
AR4
AR5
AR7
E35
R35
G1
G2
Y11
B4
B3
C2
AB25
AC25
AC26
J6
J7
J8
J9
K6
K7
K8
K9
L6
L7
L9
L10
L11
M8
M9
M10
M11
N9
N10
N11
P10
P11
R11
T16
T17
T18
T19
T20
U16
U17
U20
V16
V18
V20
W16
W19
W20
Y16
Y17
Y18
Y19
Y20
AG1
J1
J2
J3
J4
J5
K2
K3
K4
K5
L1
L2
L3
L4
L5
Y1
D3
A4
A6
A5
VTT
VTT
VTT
VTT
VTT
VTT
VTT
VTT
VTT
VTT
VCCA_FSB
VTT
VTT
VCC_DDR
VCCA_DDR
VCC_DDR
VCC_DDR
VCC_DDR
VCC_DDR
VCC_DDR
VCC_DDR
VCC_DDR
VCC_DDR
VCC_DDR
VCC_DDR
VCC_DDR
VCC_DDR
VCC_DDR
VCC_DDR
VCC_DDR
VCC_DDR
VCC_DDR
VCC_DDR
VCC_DDR
VCC_DDR
VCC_DDR
VCC_DDR
VCC_DDR
VCC_DDR
VCC_DDR
VCC_DDR
VCC_DDR
VCC_DDR
VCC_DAC
VCC_DAC
VCCA_AGP
VCCA_FSB
VCCA_DPLL
VCCA_DAC
VCCA_DDR
VCCA_DDR
VCCA_DDR
VCC
VCC
VCC
VCC
VCC
VCC
VCC
VCC
VCC
VCC
VCC
VCC
VCC
VCC
VCC
VCC
VCC
VCC
VCC
VCC
VCC
VCC
VCC
VCC
VCC
VCC
VCC
VCC
VCC
VCC
VCC
VCC
VCC
VCC
VCC
VCC
VCC
VCC
VCC
VCC
VCC
VCC
VCCA_AGP
VCC_AGP
VCC_AGP
VCC_AGP
VCC_AGP
VCC_AGP
VCC_AGP
VCC_AGP
VCC_AGP
VCC_AGP
VCC_AGP
VCC_AGP
VCC_AGP
VCC_AGP
VCC_AGP
VCC_AGP
VSSA_DAC
VTT
VTT
VTT
+1
EC50
100U/D/10V/5*7/X
0.1U/6/Y/25V/X
BC10
0.1U/6/Y/25V/B/X
SC9
C48
0.1U/6/Y/25V/X
GND
U1G
MCH SPDPE I865PE SL722/A2
L31
L26
L25
L24
K33
K29
K27
K25
K22
K20
K18
K16
K14
K12
K11
J35
J32
J28
J22
J20
J18
J16
J14
J12
J10
H33
H30
H26
H24
H22
H20
H18
H16
H14
H12
H9
H8
H5
H2
G35
G31
G28
F26
F24
F22
F20
F18
F16
F14
F12
F10
F8
F5
F3
F1
E3
E1
D35
D33
D31
D29
D27
D25
D23
D21
D19
D17
D15
D13
D11
D9
D1
C28
C26
C24
C22
C20
C18
C16
C14
C12
C10
C8
C4
A32
A29
A27
A25
A23
A20
A16
A13
A11
A9
A7
VSS
VSS
VSS
VSS
VSS
VSS
VSS
VSS
VSS
VSS
VSS
VSS
VSS
VSS
VSS
VSS
VSS
VSS
VSS
VSS
VSS
VSS
VSS
VSS
VSS
VSS
VSS
VSS
VSS
VSS
VSS
VSS
VSS
VSS
VSS
VSS
VSS
VSS
VSS
VSS
VSS
VSS
VSS
VSS
VSS
VSS
VSS
VSS
VSS
VSS
VSS
VSS
VSS
VSS
VSS
VSS
VSS
VSS
VSS
VSS
VSS
VSS
VSS
VSS
VSS
VSS
VSS
VSS
VSS
VSS
VSS
VSS
VSS
VSS
VSS
VSS
VSS
VSS
VSS
VSS
VSS
VSS
VSS
VSS
VSS
VSS
VSS
VSS
VSS
VSS
VSS
VSS
VSS
VSS
VSS

8
8
7
7
6
6
5
5
4
4
3
3
2 1
D D
C C
B B
A A
DDR1,2 CHANNEL A
DQSA3
DQSA1
-DCLKA2
DQSA7
DQSA2
VREF_DDRA
DQSA0
DQSA4
DQSA6
DCLKA2
DQSA5
DMA0
DMA1
DMA2
DMA3
DMA4
DMA5
DMA6
DMA7
SBAA1
SBAA0
MAAA1
MAAA7
MAAA4
MAAA2
MAAA6
MAAA11
MAAA0
MAAA9
MAAA8
MAAA10
MAAA3
MAAA12
MAAA5
CKEA0
CKEA1
-SCASA
-CSA1
-CSA0
DCLKA1
-DCLKA1
-DCLKA0
DCLKA0
-SRASA
-SWEA
SMBCLK
SMBDATA
MDA62
MDA59
MDA57
MDA60
MDA54
MDA55
MDA53
MDA49
MDA50
MDA47
MDA44
MDA51
MDA45
MDA48
MDA46
MDA52
MDA43
MDA42
MDA38
MDA39
MDA36
MDA33
MDA40
MDA34
MDA37
MDA35
MDA41
MDA32
MDA31
MDA23
MDA25
MDA28
MDA27
MDA21
MDA29
MDA22
MDA24
MDA18
MDA19
MDA16
MDA13
MDA20
MDA14
MDA17
MDA15
MDA12
MDA11
MDA3
MDA5
MDA6
MDA8
MDA7
MDA0
MDA1
MDA9
MDA2
MDA10
MDA4
VREF_DDRA -RESET_DDR
MDA63
MDA58
MDA56
MDA61
MDA26
MDA30
DCLKA5
-DCLKA5
VREF_DDRA
SMBDATA
SMBCLK
CKEA3
CKEA2
-CSA2
-CSA3
DCLKA4
-DCLKA4
-DCLKA3
DCLKA3
-SCASA
-SRASA
-SWEA
MDA60
MDA55
MDA62
MDA59
MDA57
MDA54
MDA53
MDA45
MDA47
MDA48
MDA50
MDA49
MDA42
MDA43
MDA51
MDA44
MDA52
MDA46
MDA24
MDA21
MDA32
MDA37
MDA28
MDA33
MDA38
MDA27
MDA23
MDA35
MDA36
MDA41
MDA31
MDA40
MDA29
MDA22
MDA25
MDA39
MDA34
MDA17
MDA14
MDA20
MDA13
MDA16
MDA19
MDA9
MDA11
MDA15
MDA10
MDA0
MDA4
MDA8
MDA2
MDA7
MDA5
MDA18
MDA1
MDA3
MDA6
MDA12
DMA0
DMA1
DMA2
DMA3
DMA4
DMA5
DMA6
DMA7
SBAA1
SBAA0
MABA1
MAAA7
MABA4
MABA2
MAAA6
MAAA11
MAAA0
MAAA9
MAAA8
MAAA10
MABA3
MAAA12
MABA5
DQSA3
DQSA1
DQSA7
DQSA2
DQSA0
DQSA4
DQSA6
DQSA5
MDA63
MDA58
MDA56
MDA61
MDA26
MDA30
DMA[0..7]8,13
DQSA[0..7]8,13
MDA[0..63] 8,13MAAA[0..12]8,13
SBAA08,13 SBAA18,13
-CSA08,13 -CSA18,13
-SWEA8,13 -SCASA8,13 -SRASA8,13
CKEA08,13 CKEA18,13
DCLKA18-DCLKA18
-DCLKA08DCLKA08
-DCLKA28DCLKA28
SMBDATA12,16,19,25,34,35 SMBCLK12,16,19,25,34,35
-RESET_DDR 12
-RESET_DDR12
VREF_DDRA
MABA[1..5]8,13
-CSA38,13 -CSA28,13
CKEA28,13 CKEA38,13
-DCLKA38DCLKA38
DCLKA48-DCLKA48
DCLKA58-DCLKA58
-RESET_DDR12
DDR25V
DDR25V DDR25V
DDR25V
DDR25V
DDR25V
DDR25V
DDR1
DDR/GF/ORAG
48
43
41
130
37
32
125
29
122
27
141
2
4
6
8
94
95
98
99
12
13
19
20
105
106
109
110
23
24
28
31
114
117
121
123
33
35
39
40
126
127
131
133
53
55
57
60
146
147
150
151
61
64
68
69
153
155
161
162
72
73
79
80
165
166
170
171
83
84
87
88
174
175
178
179
44
45
49
51
134
135
142
144
63
118
115
103
59
52
65
154
15
22
30
54
62
77
96
104
112
128
136
143
156
164
172
180
7
38
46
70
85
108
120
148
168
113
157
158
71
163
97
107
119
129
149
159
169
177
140
21
111
16
17
137
138
75
76
90
5
14
25
36
56
67
78
86
47
91
92
181
182
183
184
82
1
9
10
101
102
173
167
3
11
18
26
34
42
50
58
66
74
81
89
93
100
116
124
132
139
145
152
160
176
A0
A1
A2
A3
A4
A5
A6
A7
A8
A9
A10
D0
D1
D2
D3
D4
D5
D6
D7
D8
D9
D10
D11
D12
D13
D14
D15
D16
D17
D18
D19
D20
D21
D22
D23
D24
D25
D26
D27
D28
D29
D30
D31
D32
D33
D34
D35
D36
D37
D38
D39
D40
D41
D42
D43
D44
D45
D46
D47
D48
D49
D50
D51
D52
D53
D54
D55
D56
D57
D58
D59
D60
D61
D62
D63
CB0
CB1
CB2
CB3
CB4
CB5
CB6
CB7
WE
A11
A12
A13
BA0
BA1
CAS
RAS
VDDQ
VDDQ
VDDQ
VDDQ
VDDQ
VDDQ
VDDQ
VDDQ
VDDQ
VDDQ
VDDQ
VDDQ
VDDQ
VDDQ
VDDQ
VDDQ
VDD
VDD
VDD
VDD
VDD
VDD
VDD
VDD
VDD
BA2
CS0
CS1
NC/CS2
NC/CS3
DQM0
DQM1
DQM2
DQM3
DQM4
DQM5
DQM6
DQM7
DQM8
CKE0
CKE1
CK0/DNU
CK0/DNU
CK1
CK1
CK2/DNU
CK2/DNU
WP
DQS0
DQS1
DQS2
DQS3
DQS4
DQS5
DQS6
DQS7
DQS8
SDA
SCL
SA0
SA1
SA2
VDDSPD
VDDID
VREF
NC
NC
NC
NC
NC
NC/FETEN
GND
GND
GND
GND
GND
GND
GND
GND
GND
GND
GND
GND
GND
GND
GND
GND
GND
GND
GND
GND
GND
GND
C203 0.1U/6/Y/25V
C407
100P/4/N/50V/X
C408
100P/4/N/50V/X
R523
8.2K/6
R522
75/6/1
R524
75/6/1 C205
0.1U/6/Y/25V/X
DDR2
DDR/GF/PURPLE
48
43
41
130
37
32
125
29
122
27
141
2
4
6
8
94
95
98
99
12
13
19
20
105
106
109
110
23
24
28
31
114
117
121
123
33
35
39
40
126
127
131
133
53
55
57
60
146
147
150
151
61
64
68
69
153
155
161
162
72
73
79
80
165
166
170
171
83
84
87
88
174
175
178
179
44
45
49
51
134
135
142
144
63
118
115
103
59
52
65
154
15
22
30
54
62
77
96
104
112
128
136
143
156
164
172
180
7
38
46
70
85
108
120
148
168
113
157
158
71
163
97
107
119
129
149
159
169
177
140
21
111
16
17
137
138
75
76
90
5
14
25
36
56
67
78
86
47
91
92
181
182
183
184
82
1
9
10
101
102
173
167
3
11
18
26
34
42
50
58
66
74
81
89
93
100
116
124
132
139
145
152
160
176
A0
A1
A2
A3
A4
A5
A6
A7
A8
A9
A10
D0
D1
D2
D3
D4
D5
D6
D7
D8
D9
D10
D11
D12
D13
D14
D15
D16
D17
D18
D19
D20
D21
D22
D23
D24
D25
D26
D27
D28
D29
D30
D31
D32
D33
D34
D35
D36
D37
D38
D39
D40
D41
D42
D43
D44
D45
D46
D47
D48
D49
D50
D51
D52
D53
D54
D55
D56
D57
D58
D59
D60
D61
D62
D63
CB0
CB1
CB2
CB3
CB4
CB5
CB6
CB7
WE
A11
A12
A13
BA0
BA1
CAS
RAS
VDDQ
VDDQ
VDDQ
VDDQ
VDDQ
VDDQ
VDDQ
VDDQ
VDDQ
VDDQ
VDDQ
VDDQ
VDDQ
VDDQ
VDDQ
VDDQ
VDD
VDD
VDD
VDD
VDD
VDD
VDD
VDD
VDD
BA2
CS0
CS1
NC/CS2
NC/CS3
DQM0
DQM1
DQM2
DQM3
DQM4
DQM5
DQM6
DQM7
DQM8
CKE0
CKE1
CK0/DNU
CK0/DNU
CK1
CK1
CK2/DNU
CK2/DNU
WP
DQS0
DQS1
DQS2
DQS3
DQS4
DQS5
DQS6
DQS7
DQS8
SDA
SCL
SA0
SA1
SA2
VDDSPD
VDDID
VREF
NC
NC
NC
NC
NC
NC/FETEN
GND
GND
GND
GND
GND
GND
GND
GND
GND
GND
GND
GND
GND
GND
GND
GND
GND
GND
GND
GND
GND
GND
C204 0.1U/6/Y/25V

8
8
7
7
6
6
5
5
4
4
3
3
2
2
1
1
D D
C C
B B
A A
DDR3,4 CHANNEL B
VREF_DDRB
DQSB3
DQSB1
-DCLKB2
DQSB7
DQSB2
VREF_DDRB
DQSB0
DQSB4
DQSB6
DCLKB2
DQSB5
DMB0
DMB1
DMB2
DMB3
DMB4
DMB5
DMB6
DMB7
SBAB1
CKEB0
CKEB1 CKEB3
CKEB2
-SCASB
-CSB1
-CSB0
DCLKB1
-DCLKB1
-DCLKB0
DCLKB0
-SRASB
-SWEB
SMBCLK
SMBDATA
SBAB0 SBAB1
SBAB0
-CSB3
-CSB2
MAAB7
MAAB0
MAAB9
MAAB12
MAAB10
MAAB6
MAAB11
MAAB8
MAAB4
MAAB1
MAAB3
MAAB5
MAAB2 MABB2
MAAB11
MAAB12
MAAB9
MABB1
MAAB8
MAAB0
MAAB7
MABB3
MABB4
MAAB10
MAAB6
MABB5
DMB0
DMB1
DMB2
DMB3
DMB4
DMB5
DMB6
DMB7
-SCASB
-SWEB
-SRASB
-DCLKB5
DCLKB5
DCLKB4
-DCLKB4
-DCLKB3
DCLKB3
SMBCLK
SMBDATA
MDB0
MDB1
MDB2
MDB3
MDB4
MDB5
MDB7
MDB6
MDB8
MDB9
MDB11
MDB10
MDB15
MDB12
MDB13
MDB14
MDB16
MDB17
MDB19
MDB18
MDB23
MDB20
MDB21
MDB22
MDB27
MDB25
MDB31
MDB29
MDB24
MDB28
MDB32
MDB33
MDB35
MDB34
MDB39
MDB36
MDB37
MDB38
MDB43
MDB46
MDB42
MDB41
MDB47
MDB45
MDB40
MDB44
MDB50
MDB53
MDB48
MDB60
MDB57
MDB49
MDB62
MDB55
MDB59
MDB54
MDB52
MDB51
MDB0
MDB1
MDB3
MDB2
MDB7
MDB4
MDB5
MDB6
MDB11
MDB14
MDB10
MDB9
MDB15
MDB13
MDB8
MDB12
MDB18
MDB24
MDB29
MDB21
MDB16
MDB28
MDB31
MDB25
MDB17
MDB23
MDB27
MDB22
MDB20
MDB19
MDB33
MDB51
MDB50
MDB41
MDB42
MDB38
MDB44
MDB46
MDB43
MDB39
MDB54
MDB40
MDB59
MDB35
MDB52
MDB47
MDB55
MDB36
MDB48
MDB32
MDB60
MDB62
MDB49
MDB45
MDB37
MDB57
MDB53
MDB34
DQSB3
DQSB1
DQSB7
DQSB2
DQSB0
DQSB4
DQSB6
DQSB5
VREF_DDRB
MDB63
MDB58
MDB63
MDB58
MDB56
MDB61
MDB26
MDB30 MDB30
MDB26
MDB61
MDB56
DMB[0..7]8,13
DQSB[0..7]8,13
MAAB[0..12]8,13
SBAB08,13 SBAB18,13
-CSB18,13 -CSB08,13 -CSB28,13 -CSB38,13
MABB[1..5]8,13
-SWEB8,13 -SCASB8,13 -SRASB8,13
CKEB08,13 CKEB18,13 CKEB38,13 CKEB28,13
-DCLKB18DCLKB18
-DCLKB08DCLKB08
-DCLKB28DCLKB28
DCLKB48-DCLKB48DCLKB38-DCLKB38DCLKB58-DCLKB58
SMBDATA11,16,19,25,34,35 SMBCLK11,16,19,25,34,35
MDB[0..63] 8,13
-RESET_DDR11 -RESET_DDR11
VREF_DDRB
DDR25V
DDR25V
DDR25V
DDR25V
DDR25V
DDR25V
DDR25V
DDR4
DDR/GF/PURPLE
48
43
41
130
37
32
125
29
122
27
141
2
4
6
8
94
95
98
99
12
13
19
20
105
106
109
110
23
24
28
31
114
117
121
123
33
35
39
40
126
127
131
133
53
55
57
60
146
147
150
151
61
64
68
69
153
155
161
162
72
73
79
80
165
166
170
171
83
84
87
88
174
175
178
179
44
45
49
51
134
135
142
144
63
118
115
103
59
52
65
154
15
22
30
54
62
77
96
104
112
128
136
143
156
164
172
180
7
38
46
70
85
108
120
148
168
113
157
158
71
163
97
107
119
129
149
159
169
177
140
21
111
16
17
137
138
75
76
90
5
14
25
36
56
67
78
86
47
91
92
181
182
183
184
82
1
9
10
101
102
173
167
3
11
18
26
34
42
50
58
66
74
81
89
93
100
116
124
132
139
145
152
160
176
A0
A1
A2
A3
A4
A5
A6
A7
A8
A9
A10
D0
D1
D2
D3
D4
D5
D6
D7
D8
D9
D10
D11
D12
D13
D14
D15
D16
D17
D18
D19
D20
D21
D22
D23
D24
D25
D26
D27
D28
D29
D30
D31
D32
D33
D34
D35
D36
D37
D38
D39
D40
D41
D42
D43
D44
D45
D46
D47
D48
D49
D50
D51
D52
D53
D54
D55
D56
D57
D58
D59
D60
D61
D62
D63
CB0
CB1
CB2
CB3
CB4
CB5
CB6
CB7
WE
A11
A12
A13
BA0
BA1
CAS
RAS
VDDQ
VDDQ
VDDQ
VDDQ
VDDQ
VDDQ
VDDQ
VDDQ
VDDQ
VDDQ
VDDQ
VDDQ
VDDQ
VDDQ
VDDQ
VDDQ
VDD
VDD
VDD
VDD
VDD
VDD
VDD
VDD
VDD
BA2
CS0
CS1
NC/CS2
NC/CS3
DQM0
DQM1
DQM2
DQM3
DQM4
DQM5
DQM6
DQM7
DQM8
CKE0
CKE1
CK0/DNU
CK0/DNU
CK1
CK1
CK2/DNU
CK2/DNU
WP
DQS0
DQS1
DQS2
DQS3
DQS4
DQS5
DQS6
DQS7
DQS8
SDA
SCL
SA0
SA1
SA2
VDDSPD
VDDID
VREF
NC
NC
NC
NC
NC
NC/FETEN
GND
GND
GND
GND
GND
GND
GND
GND
GND
GND
GND
GND
GND
GND
GND
GND
GND
GND
GND
GND
GND
GND
R525
75/6/1
1 2
DDR3
DDR/GF/ORAG
48
43
41
130
37
32
125
29
122
27
141
2
4
6
8
94
95
98
99
12
13
19
20
105
106
109
110
23
24
28
31
114
117
121
123
33
35
39
40
126
127
131
133
53
55
57
60
146
147
150
151
61
64
68
69
153
155
161
162
72
73
79
80
165
166
170
171
83
84
87
88
174
175
178
179
44
45
49
51
134
135
142
144
63
118
115
103
59
52
65
154
15
22
30
54
62
77
96
104
112
128
136
143
156
164
172
180
7
38
46
70
85
108
120
148
168
113
157
158
71
163
97
107
119
129
149
159
169
177
140
21
111
16
17
137
138
75
76
90
5
14
25
36
56
67
78
86
47
91
92
181
182
183
184
82
1
9
10
101
102
173
167
3
11
18
26
34
42
50
58
66
74
81
89
93
100
116
124
132
139
145
152
160
176
A0
A1
A2
A3
A4
A5
A6
A7
A8
A9
A10
D0
D1
D2
D3
D4
D5
D6
D7
D8
D9
D10
D11
D12
D13
D14
D15
D16
D17
D18
D19
D20
D21
D22
D23
D24
D25
D26
D27
D28
D29
D30
D31
D32
D33
D34
D35
D36
D37
D38
D39
D40
D41
D42
D43
D44
D45
D46
D47
D48
D49
D50
D51
D52
D53
D54
D55
D56
D57
D58
D59
D60
D61
D62
D63
CB0
CB1
CB2
CB3
CB4
CB5
CB6
CB7
WE
A11
A12
A13
BA0
BA1
CAS
RAS
VDDQ
VDDQ
VDDQ
VDDQ
VDDQ
VDDQ
VDDQ
VDDQ
VDDQ
VDDQ
VDDQ
VDDQ
VDDQ
VDDQ
VDDQ
VDDQ
VDD
VDD
VDD
VDD
VDD
VDD
VDD
VDD
VDD
BA2
CS0
CS1
NC/CS2
NC/CS3
DQM0
DQM1
DQM2
DQM3
DQM4
DQM5
DQM6
DQM7
DQM8
CKE0
CKE1
CK0/DNU
CK0/DNU
CK1
CK1
CK2/DNU
CK2/DNU
WP
DQS0
DQS1
DQS2
DQS3
DQS4
DQS5
DQS6
DQS7
DQS8
SDA
SCL
SA0
SA1
SA2
VDDSPD
VDDID
VREF
NC
NC
NC
NC
NC
NC/FETEN
GND
GND
GND
GND
GND
GND
GND
GND
GND
GND
GND
GND
GND
GND
GND
GND
GND
GND
GND
GND
GND
GND
R526
75/6/1
1 2
C207
0.1U/6/Y/25V

8
8
7
7
6
6
5
5
4
4
3
3
2 1
D D
C C
B B
A A
DDR25V Decouple
DDR TERMINATION
CHANNEL A DDRVTT DecoupleCHANNEL B
Channel -A CLOSE
DDR TERMINATION
DMA[0..7]
MDA[0..63]
DQSA[0..7]
MDA13
MDA21
MDA34
MABA[1..5]
SBAA[0:1]
-CSA[0:3]
CKEA[0:3]
MAAA[0..12]
MDA2
DMA4
DQSA0
DQSA1
DQSA2
DQSA3
DQSA4
MDA0
MDA1
MDA12
MDA16
MDA17
MDA18
MDA22
MDA25
MDA27
MDA29
MDA7
MDA31
MDA32
MDA33
MDA36
MDA37
MDA38
MDA4
MDA6
MDA3
MDA8
MDA9
DMA3
DMA6
MDA54
MDA42
MDA43
MDA46
MDA47
MDA48
MDA49
MDA50
MDA51
MDA52
MDA53
DQSA6
MDA55
MDA59
MDA60
MDA62
MDA19
MDA24
MDA28
MDA35
MDA39
MDA40
MDA44
MDA57
MDA15
MDA14
MDA11
MDA10
DQSA7
DMA7
CKEA1
MAAA8
MAAA7
CKEA0
DQSA5
MDA41
MDA45
MAAA5
MAAA6
MAAA9
MAAA12
MAAA11
SBAA0
MAAA4
MAAA3
DMA5
MDA5
DMA2
DMA1
DMA0
MDA56
MDA58
MDA63
MDA26
MDA30
MDA61
-CSA3
SBAA1
MAAA10
MAAA0
MAAA1
MDA20
MAAA2
CKEA2
CKEA3
-CSA0
-CSA1
-CSA2
MABA4
MABA3
MABA5
MABA1
MABA2
MDB56
MDB53
MDB50
DQSB2
MDB58
MDB21
MDB5
SBAB[0:1]
MDB9
MDB37
MABB4
DQSB7
DMB[0..7]
MDB60
MDB1
MDB39
MDB40
MDB32
DMB0
MDB12
MAAB2
DMB5
DQSB1
MDB46
DMB2
MABB3
MDB2
CKEB0
CKEB3
MDB[0..63]
DQSB[0..7]
CKEB[0:3]
MDB55
DMB7
-CSB3
-CSB2
MDB27
MDB63
MDB51
MDB22
-CSB0
MDB29
DQSB5
MAAB9
MDB54
MDB8
MDB62
MDB4
MDB7
MAAB8
MAAB10
DMB1
MAAB6
MDB59
MDB44
MDB24
MDB20
MDB0
MABB1
MABB[1..5]
-CSB[0:3]
MDB48
MDB35
DQSB3
MDB18
MAAB12
DQSB6
MDB25
MDB13
CKEB1
MDB30
MDB57
MDB52
MDB43
MDB61
MDB36
MDB33
MDB16 MAAB11
CKEB2
DMB3
MDB3
MDB6
MDB49
DQSB4
MDB31
MDB10
MAAB5
MABB2
MAAB4
MAAB3
MAAB1
MDB17
DMB6
MAAB[0..12]
MDB41
MDB34
MABB5
MDB47
MDB45
MDB26
MDB38
DMB4
MDB15
MDB14
MDB23
MDB11
DQSB0
MAAB0
SBAB1
MDB19
MDB28
MDA23
MDB42
SBAB0
MAAB7
-CSB1
MDA[0..63] 8,11
DQSA[0..7] 8,11
DMA[0..7] 8,11
-CSA[0:3] 8,11
SBAA[0:1] 8,11
MABA[1..5] 8,11
CKEA[0:3] 8,11
MAAA[0..12] 8,11
-SWEA8,11 -SRASA8,11
-SCASA8,11
MABA18,11 MABA28,11
-SWEB8,12
-SRASB8,12
MAAB[0..12] 8,12
MABB[1..5] 8,12
DQSB[0..7] 8,12
-SCASB8,12
-CSB[0:3] 8,12 DMB[0..7] 8,12
MDB[0..63] 8,12
SBAB[0:1] 8,12
CKEB[0:3] 8,12
DDR25V
DDRVTT
DDRVTT
DDRVTT
DDR25V
VCC3
DDRVTTDDRVTT
DDR25V
RN8
56/8P4R
1 2
3 4
5 6
7 8
1U/6/Y/10VBC565
RN6
56/8P4R
1 2
3 4
5 6
7 8
0.1U/6/Y/25V/X
BC626
0.1U/6/Y/25V
BC91
0.1U/6/Y/25VBC64
RN37
56/8P4R
1 2
3 4
5 6
7 8
R503 56/6
RN24
56/8P4R
1 2
3 4
5 6
7 8
RN13
56/8P4R
1 2
3 4
5 6
7 8
1U/6/Y/10VBC562
R96 47/6
0.1U/6/Y/25V/X
BC532
R496 47/6
RN43
47/8P4R
1 2
3 4
5 6
7 8
BC628 10U/12/Y/10V
RN35
47/8P4R
1 2
3 4
5 6
7 8
1U/6/Y/10VBC558
RN45
47/8P4R
1 2
3 4
5 6
7 8
R95 47/6
0.1U/6/Y/25V
BC78
R1250 47/6
RN36
56/8P4R
1 2
3 4
5 6
7 8
RN31
56/8P4R
1 2
3 4
5 6
7 8
RN26
56/8P4R
1 2
3 4
5 6
7 8
RN19
56/8P4R
1 2
3 4
5 6
7 8
RN10
56/8P4R
1 2
3 4
5 6
7 8
BC575 10U/12/Y/10V
1U/6/Y/10VBC570
R1164 47/6
RN56
47/8P4R
1 2
3 4
5 6
7 8
RN54
56/8P4R
1 2
3 4
5 6
7 8
BC576 10U/12/Y/10V
0.1U/6/Y/25V
BC69
R495 47/6
R94 56/6
0.1U/6/Y/25V/X
BC81
1U/6/Y/10VBC567
R502 47/6
0.1U/6/Y/25V/X
BC624
RN25
56/8P4R
1 2
3 4
5 6
7 8
RN12
56/8P4R
1 2
3 4
5 6
7 8
R1252 47/6
RN17
56/8P4R
1 2
3 4
5 6
7 8
RN28
56/8P4R
1 2
3 4
5 6
7 8
RN42
56/8P4R
1 2
3 4
5 6
7 8
R1165 47/6
R1253 47/6
0.1U/6/Y/25V
BC88
R501 56/6
1U/6/Y/10V/XBC559
R1251 56/6
1U/6/Y/10VBC561
RN14
56/8P4R
1 2
3 4
5 6
7 8
RN48
47/8P4R
1 2
3 4
5 6
7 8
RN7
56/8P4R
1 2
3 4
5 6
7 8
0.1U/6/Y/25V
BC83
RN53
47/8P4R
1 2
3 4
5 6
7 8
RN38
47/8P4R
1 2
3 4
5 6
7 8
0.1U/6/Y/25V/X
BC540
+
EC9
1000U/D/6.3V/8*14
R500 47/6
1U/6/Y/10V/XBC569
RN33
56/8P4R
1 2
3 4
5 6
7 8
RN50
56/8P4R
1 2
3 4
5 6
7 8
0.1U/6/Y/25V
BC623
1U/6/Y/10V/XBC573
RN20
56/8P4R
1 2
3 4
5 6
7 8
RN30
56/8P4R
1 2
3 4
5 6
7 8
RN15
56/8P4R
1 2
3 4
5 6
7 8
1U/6/Y/10VBC572
RN40
56/8P4R
1 2
3 4
5 6
7 8
R91 47/6
R497 56/6
0.1U/6/Y/25V/X
BC622
0.1U/6/Y/25V
BC536
RN29
56/8P4R
1 2
3 4
5 6
7 8
RN23
56/8P4R
1 2
3 4
5 6
7 8
RN18
56/8P4R
1 2
3 4
5 6
7 8
RN27
56/8P4R
1 2
3 4
5 6
7 8
R499 56/6
RN46
56/8P4R
1 2
3 4
5 6
7 8
1U/6/Y/10VBC566
RN21
56/8P4R
1 2
3 4
5 6
7 8
R498 47/6
RN4
56/8P4R
1 2
3 4
5 6
7 8
1U/6/Y/10VBC574
RN51
56/8P4R
1 2
3 4
5 6
7 8
0.1U/6/Y/25V
BC625
RN34
47/8P4R
1 2
3 4
5 6
7 8
1U/6/Y/10VBC564
RN5
56/8P4R
1 2
3 4
5 6
7 8
1U/6/Y/10VBC560
0.1U/6/Y/25V
BC533
RN55
56/8P4R
1 2
3 4
5 6
7 8
RN52
47/8P4R
1 2
3 4
5 6
7 8
R494 47/6
RN44
56/8P4R
1 2
3 4
5 6
7 8
RN49
47/8P4R
1 2
3 4
5 6
7 8
RN32
56/8P4R
1 2
3 4
5 6
7 8
R92 47/6
1U/6/Y/10VBC563
RN41
47/8P4R
1 2
3 4
5 6
7 8
R1135 47/6
0.1U/6/Y/25V
BC534
R1249 56/6
0.1U/6/Y/25V
BC82
R93 47/6
R1118 47/6
RN57
47/8P4R
1 2
3 4
5 6
7 8
RN22
56/8P4R
1 2
3 4
5 6
7 8
1U/6/Y/10VBC571
BC627 10U/12/Y/10V
1U/6/Y/10V/XBC568
RN11
56/8P4R
1 2
3 4
5 6
7 8 RN16
56/8P4R
1 2
3 4
5 6
7 8

8
8
7
7
6
6
5
5
4
4
3
3
2 1
D D
C C
B B
A A
20mil
AGP 4X/8X
(Place near AGP slot)
FOR AGP 8X
AGP WARNING LED
AGP SLOT
-PIRQA
GAD9
GPAR
-PIPE
SBA5
-GGNT
ST1
GAD11
-SBSTB
GAD6
GAD28
GAD18
-GCBE0
-WBF
SBA7
GAD30
GAD2
-GCBE3
GAD13
-ADSTB1
GAD22
GAD20
GAD24
-ADSTB0
GAD4
GAD15
-GC_DET
GCDETREF
-PCIPME
SBA[0:7]
GAD[0:31]
-GPERR
-GC_DET
-AGPRST
SBA3
GAD26
SBA1
GAD16
-GFRAME
-GTRDY
-GSTOP
GAD0
GCDETREFMCH_AGPREF
GSWING
-GGNT
ST2
ST1
ST0
GAD25
SBA0
-GREQ
SBA6
-GSERR
GAD21
SBA2
GAD23
GAD1
GAD5
GAD17
GAD27
GAD31
-GCBE1
GAD29
GAD7
-GPERR
GDBI_LO
-GIRDY
-GDEVSEL
GAD3
-RBF
ST2
ADSTB1
GAD8
SBA4
-GCBE2
GAD14
SBSTB
-PIRQB
ST0
ADSTB0
GAD10
GAD19
GAD12
AGPCLK
MCH_AGPREF
-GC_DET
-GSERR
AGP_GND
WARNING
-TYPE_DET
-TYPE_DET
-TYPE_DET
AGP_GND
WARNING
AGPCLK19
ST09ST29
-GREQ9
-RBF9
ADSTB19
-GIRDY9
-GDEVSEL9
-GCBE19
ADSTB09
-SBSTB 9
-ADSTB1 9
-GCBE3 9
GPAR 9
-GCBE0 9
-ADSTB0 9
GAD[0:31]9SBA[0:7]9
-GGNT 9
-PIRQA 15,20,21,22
-GFRAME 9
-GTRDY 9
-AGPRST 21
-PIPE 9
-WBF 9
SBSTB9
-PIRQB15
MCH_AGPREF9
GDBI_LO9
-PCIPME 15,20,21,22,35
-GSTOP 9
-GCBE29
GSWING 9
MCH_AGPREF9
-TYPE_DET
ST1 9
-GC_DET
-ATX_PS_ON 34
-SLP_S316,19,36
+12V
VCC
VDDQ
VDDQ
3VDUAL
VCC3 VCC3
VDDQVCC3
5VSB
5VSB
5VSB
5VSB
3VDUAL +12V
VDDQ
VDDQ
VDDQ
VDDQ
VCC3
+12VVCC
5VSB
5VSB
BC325
0.1U/6/Y/25V/X
R10388.2K/6
BC326
0.1U/6/Y/25V
AGP
AGP SLOT/GIGABYTE 8X/GREEN
B1
B2
B3
B4
B5
B6
B7
B8
B9
B10
B11
B12
B13
B14
B15
B16
B17
B18
B19
B20
B21
B26
B27
B28
B29
B30
B31
B32
B33
B34
B35
B36
B37
B38
B39
B40
B41
B46
B47
B48
B49
B50
B51
B52
B53
B54
B55
B56
B57
B58
B59
B60
B61
B62
B63
B64
B65
B66
A1
A2
A3
A4
A5
A6
A7
A8
A9
A10
A11
A12
A13
A14
A15
A16
A17
A18
A19
A20
A21
A26
A27
A28
A29
A30
A31
A32
A33
A34
A35
A36
A37
A38
A39
A40
A41
A46
A47
A48
A49
A50
A51
A52
A53
A54
A55
A56
A57
A58
A59
A60
A61
A62
A63
A64
A65
A66
B22
B23
B24
B25
A22
A23
A24
A25
OVRCNT#
5V
5V
USB+
GND
INTB#
CLK
REQ#
VCC3.3
ST0
ST2
RBF#
GND
RESV
SBA0
VCC3.3
SBA2
SB_STB
GND
SBA4
SBA6
AD31
AD29
VCC3.3
AD27
AD25
GND
AD_STB1
AD23
VDDQ3.3
AD21
AD19
GND
AD17
C/BE2#
VDDQ3.3
IRDY#
DEVSEL#
VDDQ3.3
PERR#
GND
SERR#
C/BE1#
VDDQ3.3
AD14
AD12
GND
AD10
AD8
VDDQ3.3
AD_STB0
AD7
GND
AD5
AD3
VDDQ3.3
AD1
VREF_CG
12V
TYPEDET#
RESV
USB-
GND
INTA#
RST#
GNT#
VCC3.3
ST1
RESV
PIPE#
GND
WBF#
SBA1
VCC3.3
SBA3
SB_STB#
GND
SBA5
SBA7
AD30
AD28
VCC3.3
AD26
AD24
GND
AD_STB1#
GC/BE3#
VDDQ3.3
AD22
AD20
GND
AD18
AD16
VDDQ3.3
FRAME#
TRDY#
STOP#
PME#
GND
PAR
AD15
VDDQ3.3
AD13
AD11
GND
AD9
C/BE0#
VDDQ3.3
AD_STB0
AD6
GND
AD4
AD2
VDDQ3.3
AD0
VREF_GC
RESV
GND
3VSB
VCC3.3
RESV
GND
RESV
VCC3.3
R1098
0/6/X
C210
0.1U/6/Y/25V
C209
0.1U/6/Y/25V
R533
1K/6/X
RN59 8.2K/8P4R/X
1 2
3 4
5 6
7 8
R5398.2K/6
R531
8.2K/6/X
R534
0/SHT/X
BC330
1U/6/Y/10V
R527
8.2K/6
R541
220/6
+
EC68
1000U/D/6.3V/8*14
R1099
8.2K/6
R5291K/6
R528
1K/6
R543
60.4/6/1
C208
22P/4/N/50V/X
R546
39.2/6/1
0.1U/6/Y/25V/X
BC327
R54941.2/6/1
R550
100/6/1
S
D
G
Q80
2N7002/SOT23
13
2
R11008.2K/6
R535
0/6/X
R5308.2K/6/X
Q78
MMBT2222A/SOT23/X
13
2
BC339
0.1U/6/Y/25V/X
Q192
MMBT2222A/SOT23
13
2
Q197
2N7002
2
13
R536
8.2K/6
+
EC79
1000U/D/6.3V/8*14
SOT23
Q79
MMBT2222A/SOT23
13
2
R540
8.2K/6
BC341
0.1U/6/Y/25V
SOT23
Q81
MMBT2222A/SOT23
13
2
BC335
0.1U/6/Y/25V
R537
8.2K/6
D50
1N5817/S
BC336
0.1U/6/Y/25V/X
R1130
0/SHT/X
2X_DET
LED2/S/YELLOW/X
Q77
MMBT2222A/SOT23
13
2
BC334
0.1U/6/Y/25V/X
BC342
0.1U/6/Y/25V/X
0.1U/6/Y/25V
BC328
R5320/6/X
R538
330/6/X

8
8
7
7
6
6
5
5
4
4
3
3
2 1
D D
C C
B B
A A
New Value
ICH5 PCI, USB, HUB, LAN
AC_SDIN0
AC_SDIN1
AC_SDIN2
-PIRQH
-USBOC
+USBP4
+USBP5
-USBP4
-USBP0
-USBP5
-USBP2
+USBP1
-USBP1
+USBP3
+USBP0
+USBP2
-USBP3
-USBP6
+USBP6
+USBP7
-USBP7
USBCLK
HL3
HL9
HL2
HL10
HL6
HL1
HL4
HL8
HL0
HL7
HL11
HL5
HLSTBF
HLSTBS
HLRCOMP_I
ICH3V66
HL_VREF_ICH
AC_SDIN0 AC_SDOUT
AC_SYNC
A_D[0..31]
HL[0..10]
-GNT4
-TRDY
-PCIPME
A_D26
A_D23
-REQ4
-STOP
-PERR
A_D28
A_D27
A_D31
A_D30
A_D3
A_D1
-PIRQA
-PIRQH
-REQ2
A_D25
A_D19
A_D13
A_D24
A_D12
A_D29
A_D17
A_D2
-C_BE0
-PIRQF
-FRAME
-DEVSEL
A_D0
-C_BE2
-REQ0
-GNT2
-PIRQC
-IRDY
A_D4
-C_BE3
-PIRQB
-PIRQG
-SERR
A_D18
A_D8
-REQ3
A_D11
A_D21
A_D20
A_D15
A_D9
A_D22
A_D16
A_D6
-REQ1
PAR
ICH33
A_D7
A_D5
-PIRQD A_D14-PIRQE
-GNT0
-GNT3
-PLOCK
A_D10
-C_BE1 -AC_RST
AC_BITCLK
AC_SDIN1
AC_SDIN2
HL_SWING_ICH
-PIRQE
-PIRQD
-PIRQB
SERIRQ
-KBRST
A20GATE
-USBOC1
-GNT1
-REQ5
-GNT5
GPI0
GPO16
GPI0
GPO16
A_D[0..31] 20,21,22,35
-C_BE3 20,21,22,35
-C_BE2 20,21,22,35
-C_BE1 20,21,22,35
-C_BE0 20,21,22,35
-FRAME20,21,22,35 -IRDY20,21,22,35 -TRDY20,21,22,35 -DEVSEL20,21,22,35 -STOP20,21,22,35 PAR20,21,22,35 -PERR20,21,22,35 -PLOCK20,21,22 -SERR20,21,22,35 -PCIPME14,20,21,22,35
-PCIRST9,18,21,25,35
ICH3319 -PIRQA14,20,21,22 -PIRQB14 -PIRQC20,21,22
-PIRQE35 -PIRQF20,21,22 -PIRQG20,21,22 -PIRQH
-REQ020 -REQ120 -REQ220,21 -REQ320,21 -REQ420,22
-GNT320,21
HL[0..10] 9
HLSTBF 9
HLSTBS 9
HL_SWING_ICH 9
HL_VREF_ICH 9
ICH3V66 19
AC_SYNC 23
-AC_RST 23 AC_SDOUT 23
AC_BITCLK 23
-USBP231
-USBOC35
USBCLK19
+USBP231 -USBP131 +USBP131 -USBP031 +USBP031
-USBP331 +USBP331
-USBP435 +USBP435
-USBP535 +USBP535
-USBP631 +USBP631
-USBP731 +USBP731
AC_SDIN2 23
SERIRQ16,25 -KBRST16,25A20GATE16,25
-USBOC131
-REQ520,35
-GNT520,35
-GNT020
-GNT220,21 -GNT120
GPI034
AC_SDIN0
AC_SDIN1
-GNT420,22
HLRCOMP_I
GPO1633
VCC3
VDDQ
R562 33/6
R563 33/6
RN61 8.2K/8P4R1 2
3 4
5 6
7 8
U5A
SPDG ICH5 "A3 NO RAID"
B3
E1
A2
C2
D7
A6
E2
B1
D5
C1
C5
B6
C6
A5
E7
D4
A3
B7
C7
A4
E8
B4
D2
M3
E4
L3
E5
F1
K2
L2
L4
V2
V4
N1
P2
F4
P4
F5
N2
D3
P3
E6
N4
C4
N5
H3
P5
B2
L1
G4
G5
K1
G2
L5
H4
M4
F2
K5
J2
J3
H2
H5
K4
G3
J5
J4
M2
N3
J1
E3
PIRQA#
PIRQB#
PIRQC#
PIRQD#
PIRQE#/GPI2
PIRQF#/GPI3
PIRQG#/GPI4
PIRQH#/GPI5
REQ0#
REQ1#
REQ2#
REQ3#
REQ4#/GPI40
REQA#/GPI0
REQB#REQ5#/GPI1
GNT0#
GNT1#
GNT2#
GNT3#
GNT4#/GPO48
GNTA#/GPO16
GNTB#/GNT5#/GPO17
FRAME#
IRDY#
TRDY#
DEVSEL#
STOP#
PAR
PERR#
PLOCK#
SERR#
PME#
PCIRST#
PCICLK
AD31
AD30
AD29
AD28
AD27
AD26
AD25
AD24
AD23
AD22
AD21
AD20
AD19
AD18
AD17
AD16
AD15
AD14
AD13
AD12
AD11
AD10
AD9
AD8
AD7
AD6
AD5
AD4
AD3
AD2
AD1
AD0
C/BE3#
C/BE2#
C/BE1#
C/BE0#
R558 22/6
U5B
SPDG ICH5
H20
H21
J20
H23
M23
M21
N21
M20
L22
J22
K21
G22
K23
J24
N24
L20
L24
N22
C10
C9
C11
D9
E9
B12
D10
E10
AA1
B11
B10
A12
B9
B8
C12
A9
E12
D12
A13
D8
C23
D23
A22
C21
D21
A20
B20
C19
D19
A18
B18
C17
D17
A16
B16
B22
C15
D15
D14
C14
B14
A14
D13
C13
A24
B24
F24
HI0
HI1
HI2
HI3
HI4
HI5
HI6
HI7
HI8
HI9
HI10
HI11
HI_STBF
HI_STBS
HIRCOMP
HI_VSWING
HIREF
CLK66
LAN_RXD0
LAN_RXD1
LAN_RXD2
LAN_TXD0
LAN_TXD1
LAN_TXD2
LAN_RSTSYNC
LAN_CLK
LAN_RST#
EE_DIN
EE_CS
EE_SHCLK
EE_DOUT
AC_SYNC
AC_RST#
AC_SDOUT
AC_SDIN0
AC_SDIN1
AC_SDIN2
AC_BIT_CLK
USBP0P
USBP0N
USBP1P
USBP2P
USBP2N
USBP3P
USBP3N
USBP4P
USBP4N
USBP5P
USBP5N
USBP6P
USBP6N
USBP7P
USBP7N
USBP1N
OC0#
OC1#
OC2#
OC3#
OC4#/GPI9
OC5#/GPI10
OC6#/GPI14
OC7#/GPI15
USBRBIAS
USBRBIAS#
CLK48
C211 100P/4/N/50V R559 61.9/6/1
RN60 8.2K/8P4R1 2
3 4
5 6
7 8 R554 8.2K/6/X
R553 8.2K/6/X
R556 8.2K/6
C213
0.01U/4/X/16V
R557 8.2K/6
C212
0.01U/4/X/16V
R560
52.3/6/1
R561
22.6/6/1
C368
22P/4/N/50V
R555 8.2K/6

8
8
7
7
6
6
5
5
4
4
3
3
2
2
1
1
D D
C C
B B
A A
Trace less than
500 mils
CPU Signal Term
CLR_CMOS:
CLEAR CMOS
1-2
2-3 NORMAL
M/B ID
ICH5 IDE, GPIO, SATA, CTRL
PWROK
-RSMRST
PWROK
-SUSTAT
SUSCLK
GPO25
GPO24
-SYS_RST
VRMPWRGD LAD2
LAD1
TP_ICH_R24
LAD3
LAD0
SUSCLK
-SMI
-KBRST
SERIRQ
IRQ14
-LDRQ0
-LFRAME
A20GATE
-A20M
-CPUSLP
-FERR
-STPCLK
-IGNNE
-HINIT
CPUPWROK
INTR
NMI
TP_ICH_P20
SATA0TXN
SATA0RXN
SATA0RXP
SATA1TXP
SATA1TXN
SATA1RXN
SATA1RXP
GPI7
GPI6
GPI12
GPO20
GPO21
GPO25
GPO24
DDROVP1
DDROVP2
-RTCRST
-RSMRST
SMBCLK
SMBDATA
SMLINK1
SMLINK0
-PWRBTSW
-RI
-SLP_S3
-S4_S5
-SYS_RST
-BATLOW
-THRMO
-SUSTAT
LINK_ALT
SRCCLK
-SRCCLK
GPI6
PDD[0..15] PDD15
PDD13
PDD10
PDD12
PDD14
PDD8
PDD5
PDD7
PDD2
PDD0
PDD4
PDD9
PDD6
PDD1
PDD3
PDD11
PDA0
-PCS1
-PCS3
PDDREQ
-PDIOW
-PDDACK
-PDIOR
PIORDY
SDA[0..2]
SDD[0..15]
SDD7
SDD5
SDD0
SDD6
SDD12
SDD15
SDD2
SDD10
SDD11
SDD8
SDD4
SDD9
SDD13
SDD1
SDD14
SDD3
SDA0
SDA1
SDA2
-SCS1
-SCS3
SDDREQ
-SDDACK
-SDIOR
-SDIOW
SIORDY
IRQ15
SATA0RXP
SATA0TXP
SATA0TXN
SATA0RXN
SATA1TXP
SATA1TXN
SATA1RXP
SATA1RXN
SPKR
-S4_S5
-SLP_S3
INTVRMEN
RTCVDD INTRUDER
ICHCLK14
-FERR
-THERM
GPO34
-SATA_LED
RTCVDD
-RTCRST
PWROK
-THRMO
INTVRMEN
SMBCLK
SMLINK1
LINK_ALT
SMBDATA
SMLINK0
-BATLOW
-RI
-CSAPME
-THERM
PDA1
PDA2PDA[0..2]
GPO32
GPO19
-SMBALRT
GPO22
GPO18
GPO23
-CSAPME
-SMBALRT
DDROVP1
DDROVP2
-LPCPME
GPO23
GPI12
GPI7
GPO20
GPO21
GPO18
GPO19
GPO22
-LPCPME
SATA0TXP
SMLINK0
SMLINK1 SMBCLK
SMBDATA
PWOK
GPO23
SDD[0..15] 27PDD[0..15]27
IRQ1427 IRQ15 27
-PDIOW27-PDDACK27 PDDREQ27 -PDIOR27 PIORDY27
-PCS327 -PCS127
-SDIOW 27
-SDDACK 27
SDDREQ 27
-SDIOR 27
SIORDY 27
SDA[0..2] 27
-SCS3 27
-SCS1 27
GPI630 GPI725
GPO2032
GPO2530
DDROVP236
SMBCLK11,12,19,25,34,35 SMBDATA11,12,19,25,34,35 SMLINK020 SMLINK120
SPKR30 -RI30
-PWRBTSW30 SUSCLK25
-S4_S536
CPUPWROK5
-RSMRST 36
LAD0 18,25
LAD1 18,25
LAD2 18,25
LAD3 18,25
-LFRAME 18,25
-LDRQ0 25
SRCCLK 19
-SRCCLK 19
A20GATE 15,25
-FERR 5
-A20M 5
-CPUSLP 5
-IGNNE 5
-HINIT 4,18
INTR 5
NMI 5
-KBRST 15,25
SERIRQ 15,25
-SMI 5
-STPCLK 5
-SYS_RST19,30
ICHCLK1419
PWROK7,21,30,33
RTCVDD 17
-THERM5-THRMO25
-SLP_S314,19,36 -SUSTAT25
PDA[0..2]27
GPO3218
-SATA_LED30
-SMBALRT
GPO2132 GPO22
-CSAPME
-LPCPME25 GPI12
GPO1933 GPO18
GPO34
GPO23
SATA0TXP
SATA0TXN
SATA0RXN
SATA0RXP
SATA1TXP
SATA1TXN
SATA1RXN
SATA1RXP
PWOK 21,30,34,36
DDROVP136
GPO24
VCC3
VCC3
VCC3
3VDUAL
VCORE
VCC3
3VDUAL
3VDUAL
3VDUAL
VCC3
VCC3
C216
1U/6/Y/10V/X
R596 8.2K/6/X
R578 24.9/6/1
U5D
SPDG ICH5
T22
V23
P22
U24
R21
R23
U23
R22
P23
F23
V24
T24
P20
R24
AA8
AB8
AD7
AC7
AA10
AB10
AD9
Y11
Y9
AC5
AD5
T5
R4
R3
U4
T4
U5
R2
AC11
AB12
AA12
AB13
AC12
R5
U3
Y2
AC3
W4
W5
U21
T20
U22
R1
U20
F22
AC1
W3
V3
W2
T1
G23
F21
AD2
AD1
AD3
AA2
V5
E24
AB3
Y4
Y1
AB2
AB1
W1
U2
AA3
U1
R20
P24
T21
T2
AD10
F20
Y12
A11
AC9
A20GATE
A20M#
CPUSLP#
FERR#
IGNNE#
INIT#
INTR
NMI
RCIN#
SERIRQ
SMI#
STPCLK#
DPRSLPVR
DPSLP#
SATA0TXP
SATA0TXN
SATA0RXN
SATA0RXP
SATA1TXP
SATA1TXN
SATA1RXN
SATARBIASP
SATARBIASN
CLK100P
CLK100N
LAD0
LAD1
LAD2
LAD3
LFRAME#
LDRQ0#
LDRQ1#/GPI41
RTCX1
RTCX2
RTCRST#
RSMRST#
PWROK
AGPBUSY#/GPI6
GPI7
GPI8
SMBALERT#/GPI11
GPI12
GPI13
STP_PCI#/GPO18
SLP_S1#/GPO19
STP_CPU#/GPO20
C3_STAT#/GPO21
CPUPERF#/GPO22
SSMUXSEL/GPO23
CLKRUN#/GPIO24
GPIO25
GPIO27
GPIO28
GPIO32
GPIO33
GPIO34
SMBCLK
SMBDATA
SMLINK0
SMLINK1
LINKALERT#
SPKR
RI#
PWRBTN#
SUSCLK
BATLOW#
SUS_STAT#
SLP_S3#
SLP_S4#
SLP_S5#
SYS_RESET#
VGATE/VRMPWRGD
CPUPWRGD/GPO49
THRMTRIP#
THRM#
INTVRMEN
CLK14
INTRUDER#
NC
SATA1RXP
R597 8.2K/6/X
R572 20K/6
R586 8.2K/6
R573 1K/6
RN67 8.2K/8P4R12 34 56 78
X1
32.768KHZ/XTAL CYL [KDS]
34
R599
0/6S/X
R603 22K/6
R581 8.2K/6
R601 8.2K/6
RN66 8.2K/8P4R
12 34 56 78
SATA0
SATA/1*7/HOUSING/RED
1
2
3
4
5
6
7
GND
A+
A-
GND
B-
B+
GND
R579 0/6/X
CR2032
+
BAT
CR2032
R575 62/6
R591 8.2K/6
U5C
SPDG ICH5
AB17
AA16
Y16
AC16
AA15
AD16
Y15
AD15
AB14
AD14
AC15
AA14
AC14
Y14
Y13
AB16
AA17
AC18
AC17
AD18
AA18
AC19
AD19
AA19
Y18
AB19
Y17
AA22
AB23
AD23
AD24
AB21
AC21
AB20
AC20
Y19
AD22
AC22
AA20
AB22
AC24
AB24
AA23
Y22
W20
Y20
Y23
Y21
W21
W23
W22
V20
V22
Y24
PDD15
PDD14
PDD13
PDD12
PDD11
PDD10
PDD9
PDD8
PDD7
PDD6
PDD5
PDD4
PDD3
PDD2
PDD1
PDD0
PDIOW#
PDDACK#
PDDREQ
PDIOR#
PIORDY
PDA2
PDA1
PDA0
PDCS3#
PDCS1#
IRQ14
SDD0
SDD1
SDD2
SDD3
SDD4
SDD5
SDD6
SDD7
SDD8
SDD9
SDD10
SDD11
SDD12
SDD13
SDD14
SDD15
SDIOW#
SDDACK#
SDDREQ
SDIOR#
SIORDY
SDA2
SDA1
SDA0
SDCS3#
SDCS1#
IRQ15
C418
1U/6/Y/10V/X
C215
1U/6/Y/10V/X
RN105 8.2K/8P4R12 34 56 78
R580 8.2K/6
R590 1M/6
R602 220K/6
R1058 8.2K/6/X
RN68 8.2K/8P4R12 34 56 78
SOT23
Q198
MMBT2222
13
2
R585 8.2K/6/X
R1131 330/6
R577 1K/6/X
R583 1K/6
C417
1U/6/Y/10V
R605 0/6/X
R604 0/6/X
C219
18P/4/N/50V
R587 8.2K/6
C218
18P/4/N/50V
R1022 8.2K/6/X
C220 10P/4/N/50V/X
BC344 10P/4/N/50V/X
BAT
BAT+BAT SOCKET(high)
12
R592 8.2K/6C379
1000P/4/X/50V
SATA1
SATA/1*7/HOUSING/RED
1
2
3
4
5
6
7
GND
A+
A-
GND
B-
B+
GND
BC343
1U/6/Y/10V
D23
BAT54C/SOT23
13
2C214
1U/6/Y/10V/X
R566 390K/6
C217
1U/6/Y/10V
R584 8.2K/6
R574 62/6
R588 10M/6
CLR_CMOS
H1X2(INSERT 1-2)
1
2
3
R589 8.2K/6
R598 8.2K/6
R595 8.2K/6

8
8
7
7
6
6
5
5
4
4
3
3
2
2
1
1
D D
C C
B B
A A
Close to ICH
Close to ICH
Close to ICH
ICH5 VCC, GND
RTCVDD
RTCVDD16
5VSB
VCC3
3VDUAL
VCC
VCC3
VDDQ
VDDQ
VDDQ
VDDQ
VDDQ
3VDUAL
3VDUAL
3VDUAL
VCC3
VCC3
VCC3
VCC3
3VDUAL VDDQ
VCORE
VDDQ
VCC3
VDDQ
VDDQ
VCORE
VCC3
BC354
0.1U/6/Y/25V
BC364
0.1U/6/Y/25V
BC383 0.1U/6/Y/25V
BC380
0.01U/4/X/16V/X
BC355
1U/6/Y/10V
BC376 0.1U/6/Y/25V
BC369 0.1U/6/Y/25V
BC379 0.1U/6/Y/25V
BC530 0.1U/6/Y/25V
BC381
0.047U/4/X/10V
BC531 0.1U/6/Y/25V
BC374 0.1U/6/Y/25V
U5F
SPDG ICH5
A1
A10
A15
A17
A19
A21
A23
A7
AA11
AA13
AA21
AA24
AA5
AA7
AA9
AB11
AB15
AB18
AB5
AB7
AB9
AC10
AC13
AC2
AC23
AC4
AC6
AC8
AD17
AD21
AD12
AD4
AD6
AD8
B13
B17
B19
B21
B23
C16
C18
C20
C22
C3
C8
D1
D11
D16
D18
D20
D22
D24
D6
E17
E19
E20
E21
E23
F3
F9
G20
G24
G6
H1
H19
H22
J21
J23
J6
K11
K14
K20
K22
K24
K3
L10
L11
L12
L13
L14
L15
L21
L23
M1
M11
M12
M13
M14
M22
M24
M5
N11
N12
N13
N14
N20
P1
P10
P11
P12
P13
P14
P15
P21
R11
R14
T23
T3
T6
U19
V1
V21
W16
W18
Y10
Y3
Y6
Y7
Y8
VSS
VSS
VSS
VSS
VSS
VSS
VSS
VSS
VSS
VSS
VSS
VSS
VSS
VSS
VSS
VSS
VSS
VSS
VSS
VSS
VSS
VSS
VSS
VSS
VSS
VSS
VSS
VSS
VSS
VSS
VSS
VSS
VSS
VSS
VSS
VSS
VSS
VSS
VSS
VSS
VSS
VSS
VSS
VSS
VSS
VSS
VSS
VSS
VSS
VSS
VSS
VSS
VSS
VSS
VSS
VSS
VSS
VSS
VSS
VSS
VSS
VSS
VSS
VSS
VSS
VSS
VSS
VSS
VSS
VSS
VSS
VSS
VSS
VSS
VSS
VSS
VSS
VSS
VSS
VSS
VSS
VSS
VSS
VSS
VSS
VSS
VSS
VSS
VSS
VSS
VSS
VSS
VSS
VSS
VSS
VSS
VSS
VSS
VSS
VSS
VSS
VSS
VSS
VSS
VSS
VSS
VSS
VSS
VSS
VSS
VSS
VSS
VSS
VSS
VSS
VSS
VSS
VSS
VSS
BC356
0.01U/4/X/16V/X
BC382 0.1U/6/Y/25V
BC609
0.047U/4/X/10V
BC361 0.1U/6/Y/25V
BC348
0.1U/6/Y/25V/X
BC346
0.1U/6/Y/25V/X
BC363 0.01U/4/X/16V/X
BC345
1U/6/Y/10V/X BC347
0.1U/6/Y/25V/X
BC366 0.1U/6/Y/25V
U5E
SPDG ICH5
F6
G1
H6
K6
L6
M10
N10
P6
R13
V19
W15
W17
W24
AD13
AD20
G19
G21
E18
B15
E11
F10
F11
E13
E14
U6
V6
F16
F17
F18
K15
A8
W14
E16
AD11
K10
K12
K13
L19
P19
R10
R6
H24
J19
K19
M15
N15
N23
E15
F15
F14
W19
R12
W9
W10
W11
W6
W7
W8
AA6
AB6
C24
F19
Y5
AA4
AB4
F7
F8
E22
R15
R19
T19
B5
VCC3_3
VCC3_3
VCC3_3
VCC3_3
VCC3_3
VCC3_3
VCC3_3
VCC3_3
VCC3_3
VCC3_3
VCC3_3
VCC3_3
VCC3_3
VCC3_3
VCC3_3
VCC3_3
VCC3_3
VCCSUS3_3
VCCSUS3_3
VCCSUS3_3
VCCSUS3_3
VCCSUS3_3
VCCSUS3_3
VCCSUS3_3
VCCSUS3_3
VCCSUS3_3
VCCSUS3_3
VCCSUS3_3
VCCSUS3_3
VCCSUS3_3
V5REF
V5REF
V5REF_SUS
VCCRTC
VCC1_5
VCC1_5
VCC1_5
VCC1_5
VCC1_5
VCC1_5
VCC1_5
VCC1_5
VCC1_5
VCC1_5
VCC1_5
VCC1_5
VCC1_5
VCC1_5
VCC1_5
VCC1_5
VCC1_5
VCC1_5
VCC1_5
VCC1_5
VCC1_5
VCC1_5
VCC1_5
VCC1_5
VCCSATAPLL
VCCSATAPLL
VCCUSBPLL
VCCSUS1_5_A
VCCSUS1_5_B
VCCSUS1_5_B
VCCSUS1_5_B
VCCSUS1_5_C
VCCSUS1_5_C
VCC1_5
V_CPU_IO
V_CPU_IO
V_CPU_IO
VCC3_3
+1
EC69
100U/D/10V/5*7/X
D24 1N5817/S
BC365
0.01U/4/X/16V/X
BC362 0.1U/6/Y/25V/X
BC373 0.1U/6/Y/25V/X
BC368
1U/6/Y/10V
BC358
0.01U/4/X/16V/X
BC357
0.1U/6/Y/25V/X
BC360 0.1U/6/Y/25V
BC371 0.01U/4/X/16V/X
BC367 0.1U/6/Y/25V/X
BC377
1U/6/Y/10V BC378 0.1U/6/Y/25V/X
BC349
0.1U/6/Y/25V BC350
0.1U/6/Y/25V BC351
0.1U/6/Y/25V
BC372 0.1U/6/Y/25V/X
BC352
0.1U/6/Y/25V
R606
1K/6
BC359 0.1U/6/Y/25V/X
BC353
0.1U/6/Y/25V
BC370 0.1U/6/Y/25V

8
8
7
7
6
6
5
5
4
4
3
3
2
2
1
1
D D
C C
B B
A A
ADD WINBOUD FWH SEC. SOURCE
BIOS_WP:
WRITE PROTECT
1-2
DISABLE
2-3
FWH
FWP-
FGPI3
FGPI0
FWH33
LAD1
-PCIRST
LAD3
FGPI2
HINIT1-
FGPI1
TBLLOCK1
LAD0
LAD2
IC
-LFRAME
FWP-
FGPI4
HINIT1-
-HINIT
GPO32
-PCIRST
LAD216,25 LAD116,25
P66DET 27
S66DET 27
-PCIRST9,15,21,25,35 FWH33 19
LAD3 16,25
-LFRAME 16,25
LAD016,25
-HINIT4,16
GPO3216
VCC3
VCC3 VCC3
VCC3
VCORE
C414
100P/4/N/50V
RN69
8.2K/8P4R
12 34 56 78
BC385
0.1U/6/Y/25V
R633 8.2K/6
R634 8.2K/6
BC384
0.1U/6/Y/25V
R635 8.2K/6/X
R637 8.2K/6
SOT23
Q87
MMBT2222
13
2
R618 8.2K/6
C230
10P/4/N/50V/X
U10
SST49LF002A_2M
MAIN BIOS PLCC
1
2
3
4
5
6
7
8
9
10
11
12
13
14
15
16 17
18
19
20
21
22
23
24
25
26
27
28
29
30
31
32
VPP
RST#
FGPI3
FGPI2
FGPI1
FPGI0
WP#
TBL#
ID3
ID2
ID1
ID0
FWH0
FWH1
FWH2
GND FWH3
RFU
RFU
RFU
RFU
RFU
FWH4
INIT#
VCC
GND
VCC
GND
IC(VIL)
FGPI4
CLK
VCC
R614
8.2K/6
R613 8.2K/6
BIOS
U10
PLCC32P/SOCKET/SMD/X
BIOS_WP
H1X3/X
1
2
3

5
5
4
4
3
3
2
2
1
1
D D
C C
B B
A A
1
1
FS_E
1
1
FS_3
1
1
1
1
FS_B
Clock
1 133MHz
Clock
0
0
0
0
FS_D
1
1
1
1
1
0
0
0
10
FS_D
166MHz
0
0
0
ICS952603
0
1
0
166MHz
1
CYPRESS CY28405
100MHz
FS_A
FS_A
100MHz
FS_B
133MHz
200MHz0
0
FS_C
0
0
0
1
0
01
1
200MHz
FS_C
FOR ICS
FOR CYPRESS
CLOCK GENERATOR
CPUCLK
-CPUCLK
MCHCLK
-MCHCLK
SRCCLK
-SRCCLK
CPUCLK
-CPUCLK
MCHCLK
-MCHCLK
PCLK3
PCLK4
AGPCLK
GMCH3V66
ICH3V66
LANCLK33
FWH33
LPC33
ICH33
-SRCCLK
SRCCLK
USBCLK
FSB
SMBDATA
FSA
FWH33
USBCLK
ICHCLK14
-SRCCLK
MODE2
SRCCLK
ICH33
SMBCLK
97CLK14
-R_SRCCLK
FSA
FSB
R_GMCH3V66
PCLK0
PCLK1
PCLK2
R_SRCCLK
MODE
FSF
AGPCLK
R_AGPCLK GMCH3V66
ICH3V66
FSD
FSC
FSE
LPC33
FS3
FSC
FS3
MODE
FSF
FSD
MODE1
FSE
MODE2
R_CPUCLK
MCHCLK
-MCHCLK
-CPUCLK
CPUCLK
R_MCHCLK
-R_CPUCLK
-R_MCHCLK
DOTCLKMODE1
PCLK3PCLK3_4 PLCK4
PCLK1
PCLK2
PCLK0
R_PCLK1
R_PCLK2
PCLK3_4
R_PCLK0 LANCLK33 DOTCLK
LPC14CLK
FS_A5,7 FS_B5,7
ICHCLK14 16
ICH33 15
97CLK14 23
-SLP_S314,16,36
SRCCLK 16
SMBCLK11,12,16,25,34,35
SMBDATA11,12,16,25,34,35
-SRCCLK 16
USBCLK 15
GMCH3V66 9
ICH3V66 15
AGPCLK 14
FWH33 18
LPC33 25-SYS_RST16,30
-CPUCLK 5
CPUCLK 5
-MCHCLK 7
MCHCLK 7
FSA
FSB
FSE
FSF
FS3
MODE
MODE1
FSC
FSD
DOTCLK
PCLK4 22
PCLK1 20
PCLK2 21
PCLK0 20
PCLK3 21
LANCLK33 35
LPC14CLK 25
CKVDD
VCORE
VCC3
VCC3
CKVDD
CKVDD
CKVDD
CKVDD
VCC3
BC386
0.1U/6/Y/25V/X
C243 10P/4/N/50V/X
C242 10P/4/N/50V/X
U11
ICS952603 DF
3
10
16
27
24
34
40
48
6
11
17
23
28
37
43
47
4
5
46
21
22
30
29
26
25
2
36
32
31
20
33
7
8
9
12
13
14
15
18
19
39
38
42
41
45
44
35
1
VDDREF
VDDPCI
VDDPCI
VDD3V66
VDD48
VDD_SRC
VDDCPU
VDDCPU
GND
GND
GND
GND
GND
GND
GND
GND
X1
X2
I REF
48MHz_DOT
48MHz_USB
3V66_0
3V66_1
3V66_2/MODE
3V66_3/VCH
FS_B/REF0
SRCCLK
SDATA
SCLK
RST#/PD#
VTT_PWRGD#
FS_C/PCICLK_F0
FS_D/PCICLK_F1
FS_E/PCICLK_F2
PCICLK0
PCICLK1
PCICLK2
PCICLK3
PCICLK4
PCICLK5
CPUCLK0
CPUCLK0#
CPUCLK1
CPUCLK1#
CPUCLK2
CPUCLK2#
SRCCLK#
FS_A/REF1
BC523
10U/8/Y/10V/X
C254 10P/4/N/50V/X
R664 51.1/6/1
R668 1K/6
R665 51.1/6/1
R1031 8.2K/6/X
R669 1K/6
R1114
0/6/X
R670 1K/6
RN71 33/8P4R
1 2
3 4
5 6
7 8
R643 10/6/X
C251 10P/4/N/50V/X
C246 10P/4/N/50V/X
C239 10P/4/N/50V/X
C238 10P/4/N/50V/X
C245 10P/4/N/50V/X
R1033 8.2K/6/X
C237 10P/4/N/50V/X
R1034 8.2K/6/X
C236 10P/4/N/50V/X
C249 10P/4/N/50V/X
R662 33/6
R663 33/6
C14 10P/4/N/50V/X
C240 10P/4/N/50V/X
FB8 0/6 C250 10P/4/N/50V
R655 51.1/6/1
BC524
0.1U/6/Y/25V
C241 10P/4/N/50V/X
R1035 8.2K/6/X
R650 8.2K/6
X2
14.318MHz/16p/20ppm/H/D
R671 8.2K/6/X
R658 220/6
C235 10P/4/N/50V/X
C234 10P/4/N/50V/X
R1032 8.2K/6/X
R642 33/6
R656 51.1/6/1
BC393
0.1U/6/Y/25V
R644 22/6
BC387
0.1U/6/Y/25V
C410
100P/4/N/50V/X
BC389
0.1U/6/Y/25V
SOT23
Q96
MMBT2222A/SOT23
13
2
C409
100P/4/N/50V/X
R651
1K/6
R1060 0/6/X
R667 1K/6
R1187 22/6
RN72
33/8P4R
1 2
3 4
5 6
7 8
RN70 33/8P4R1 2
3 4
5 6
7 8
D27 1N4148/S
C248 10P/4/N/50V
BC388
0.1U/6/Y/25V
R659 51.1/6/1
C247 10P/4/N/50V
BC392
0.1U/6/Y/25V
R641 10/6
R1 10/6
R661 475/6/1
BC390
0.1U/6/Y/25V BC391
0.1U/6/Y/25V
C256
20P/4/N/50V
BC525
0.1U/6/Y/25V RN103 33/8P4R
1 2
3 4
5 6
7 8
BC394
0.1U/6/Y/25V
R1030 8.2K/6/X
R1116 8.2K/6
R660 51.1/6/1
C253 10P/4/N/50V/X
FB5 0/6
R1186 22/6
C255
20P/4/N/50V
C244 10P/4/N/50V/X

8
8
7
7
6
6
5
5
4
4
3
3
2
2
1
1
D D
C C
B B
A A
PCI SLOT 1/2
A_D[0..31]
-FRAME
-IRDY
-TRDY
-DEVSEL
-PERR
-SERR
-GNT5
-PIRQG
-PIRQC
-REQ1
-REQ0
-STOP
-PLOCK
-GNT1
-GNT0
-PIRQF
-PIRQA
-GNT3
-GNT2
-GNT4
-PCIRST1
-REQ0
A_D30
A_D29 A_D28
A_D27 A_D26
A_D25 A_D24
-C_BE3 A_D16
A_D23 A_D22
A_D21 A_D20
A_D19 A_D18
A_D17 A_D16
-C_BE2 -FRAME
-IRDY -TRDY
-DEVSEL -STOP
-PLOCK
-PERR PCI_A40
PCI_A41
-SERR PAR
-C_BE1 A_D15
A_D14 A_D13
A_D12 A_D11
A_D10 A_D9
A_D8 -C_BE0
A_D7 A_D6
A_D5 A_D4
A_D3 A_D2
A_D1 A_D0
PCLK0 -GNT0
A_D31
ACK64
-PIRQC
-PIRQG
A_D1
A_D3
A_D14
-REQ1
PCI_A40
A_D31
-FRAME
A_D28
A_D30
PCLK1
A_D11
-PERR
A_D22
A_D27
A_D7
-C_BE2
A_D21
A_D0
A_D5
-C_BE1
PCI_A41
ACK64
PAR
-TRDY
A_D17
A_D24
A_D26
A_D29
-GNT1
A_D6
A_D9
A_D10
A_D13
-STOP
A_D18
A_D20
A_D23
-PCIRST1
A_D17
A_D4
-SERR
A_D2
A_D15
-IRDY
-PCI2_REQ64
A_D8
-PLOCK
-DEVSEL
-C_BE3
A_D25
-C_BE0
A_D12
A_D16
A_D19
-PIRQF
-PIRQA-PIRQG
-PIRQC
-PCI1_REQ64
-PCI5_REQ64
-REQ3
-REQ2
-REQ4
-REQ5
PAR
PCI_A41
PCI_A40
-PCI3_REQ64
-PCI4_REQ64
-PCI1_REQ64
-PCI2_REQ64
-PIRQF
-PIRQA
ACK64
-PCIRST1
-TRST_PCI
TCK_PCI TMS_PCI TMS_PCI
-TRST_PCI
TCK_PCI
A_D[0..31]15,21,22,35
-PCIRST1 21,22 -GNT515,35
-REQ115
-GNT115
-GNT015
-REQ015
-GNT315,21 -GNT215,21 -GNT415,22
PCLK019
-REQ015
-C_BE315,21,22,35
-C_BE215,21,22,35
-IRDY15,21,22,35
-DEVSEL15,21,22,35
-PLOCK15,21,22 -PERR15,21,22,35
-SERR15,21,22,35
-C_BE115,21,22,35
ACK6421,22
-FRAME 15,21,22,35
-TRDY 15,21,22,35
-STOP 15,21,22,35
PCI_A40 21,22
PCI_A41 21,22
PAR 15,21,22,35
-C_BE0 15,21,22,35
-GNT0 15
-PIRQG 15,21,22
-PIRQC 15,21,22
-REQ115
PCI_A41 21,22
PCI_A40 21,22
PCLK119 -GNT1 15
-TRDY 15,21,22,35
-STOP 15,21,22,35
-C_BE215,21,22,35
-C_BE315,21,22,35
PAR 15,21,22,35
-DEVSEL15,21,22,35
-IRDY15,21,22,35
-C_BE0 15,21,22,35
-PLOCK15,21,22
-SERR15,21,22,35
-PERR15,21,22,35
-FRAME 15,21,22,35
ACK6421,22
-C_BE115,21,22,35
SMLINK116 SMLINK016
-PCIPME 14,15,21,22,35 -PCIPME 14,15,21,22,35
-PIRQF15,21,22 -PIRQA14,15,21,22
-PCI3_REQ64 21
-PCI4_REQ64 21
-PCI5_REQ6422
-REQ215,21 -REQ415,22 -REQ315,21 -REQ515,35
TCK_PCI21,22 TMS_PCI 21,22
-TRST_PCI 21,22
TMS_PCI 21,22
-TRST_PCI 21,22
TCK_PCI21,22
-12V VCC
VCC3
+12V
VCC3
VCC
VCC3
VCC3
-12V +12VVCC3
3VDUAL
VCC -12V VCC
3VDUAL
VCC3 +12V
VCC
VCC VCC3
BC399
0.1U/6/Y/25V/X
R672 100/SHT/X
BC397
0.1U/6/Y/25V/X
PCI1
PCI/CO/GF
A1
A2
A3
A4
A5
A6
A7
A8
A9
A10
A11
A12
A13
A14
A15
A16
A17
A18
A19
A20
A21
A22
A23
A24
A25
A26
A27
A28
A29
A30
A31
A32
A33
A34
A35
A36
A37
A38
A39
A40
A41
A42
A43
A44
A45
A46
A47
A48
A49
A52
A53
A54
A55
A56
A57
A58
A59
A60
A61
A62
B1
B2
B3
B4
B5
B6
B7
B8
B9
B10
B11
B12
B13
B14
B15
B16
B17
B18
B19
B20
B21
B22
B23
B24
B25
B26
B27
B28
B29
B30
B31
B32
B33
B34
B35
B36
B37
B38
B39
B40
B41
B42
B43
B44
B45
B46
B47
B48
B49
B52
B53
B54
B55
B56
B57
B58
B59
B60
B61
B62
TRST
+12V
TMS
TDI
+5V
INTA
INTC
+5V
RESERVED
+5V
RESERVED
GND
GND
3.3V_AUX
RST
+5V
GNT
GND
PME
AD30
+3.3V
AD28
AD26
GND
AD24
IDSEL
+3.3V
AD22
AD20
GND
AD18
AD16
+3.3V
FRAME
GND
TRDY
GND
STOP
+3.3V
SDONE
SBO
GND
PAR
AD15
+3.3V
AD13
AD11
GND
AD9
C/BE0
+3.3V
AD6
AD4
GND
AD2
AD0
+5V
REQ64
+5V
+5V
-12V
TCK
GND
TDO
+5V
+5V
INTB
INTD
PRSNT1
RESERVED
PRSNT2
GND
GND
RESERVED
GND
CLK
GND
REQ
+5V
AD31
AD29
GND
AD27
AD25
+3.3V
C/BE3
AD23
GND
AD21
AD19
+3.3V
AD17
C/BE2
GND
IRDY
+3.3V
DEVSEL
GND
LOCK
PERR
+3.3V
SERR
+3.3V
C/BE1
AD14
GND
AD12
AD10
GND
AD8
AD7
+3.3V
AD5
AD3
GND
AD1
+5V
ACK64
+5V
+5V
BC395
0.1U/6/Y/25V/X
BC406
0.1U/6/Y/25V/X
RN74
8.2K/8P4R
1 2
3 4
5 6
7 8
RN76
8.2K/8P4R
1 2
3 4
5 6
7 8
BC396
0.01U/4/X/16V/X
R675 0/6/X
BC401
0.1U/6/Y/25V/X
R677 0/6/X
+1
EC114
1000U/D/6.3V/8*14/XRN78 8.2K/8P4R12 34 56 78
RN79
8.2K/8P4R
12 34 56 78
R674 8.2K/6/X
R676 8.2K/6
R678 8.2K/6
R679 8.2K/6/X
+1
EC65
1000U/D/6.3V/8*14/X
+1
EC102
1000U/D/6.3V/8*14
RN104 8.2K/8P4R12 34 56 78
RN77
8.2K/8P4R
1 2
3 4
5 6
7 8
RN75
8.2K/8P4R/X
1 2
3 4
5 6
7 8
BC405
0.1U/6/Y/25V/X
BC398
0.1U/6/Y/25V/X
BC402
0.1U/6/Y/25V/X
R673 100/SHT/X
PCI2
PCI/CO/GF
A1
A2
A3
A4
A5
A6
A7
A8
A9
A10
A11
A12
A13
A14
A15
A16
A17
A18
A19
A20
A21
A22
A23
A24
A25
A26
A27
A28
A29
A30
A31
A32
A33
A34
A35
A36
A37
A38
A39
A40
A41
A42
A43
A44
A45
A46
A47
A48
A49
A52
A53
A54
A55
A56
A57
A58
A59
A60
A61
A62
B1
B2
B3
B4
B5
B6
B7
B8
B9
B10
B11
B12
B13
B14
B15
B16
B17
B18
B19
B20
B21
B22
B23
B24
B25
B26
B27
B28
B29
B30
B31
B32
B33
B34
B35
B36
B37
B38
B39
B40
B41
B42
B43
B44
B45
B46
B47
B48
B49
B52
B53
B54
B55
B56
B57
B58
B59
B60
B61
B62
TRST
+12V
TMS
TDI
+5V
INTA
INTC
+5V
RESERVED
+5V
RESERVED
GND
GND
3.3V_AUX
RST
+5V
GNT
GND
PME
AD30
+3.3V
AD28
AD26
GND
AD24
IDSEL
+3.3V
AD22
AD20
GND
AD18
AD16
+3.3V
FRAME
GND
TRDY
GND
STOP
+3.3V
SDONE
SBO
GND
PAR
AD15
+3.3V
AD13
AD11
GND
AD9
C/BE0
+3.3V
AD6
AD4
GND
AD2
AD0
+5V
REQ64
+5V
+5V
-12V
TCK
GND
TDO
+5V
+5V
INTB
INTD
PRSNT1
RESERVED
PRSNT2
GND
GND
RESERVED
GND
CLK
GND
REQ
+5V
AD31
AD29
GND
AD27
AD25
+3.3V
C/BE3
AD23
GND
AD21
AD19
+3.3V
AD17
C/BE2
GND
IRDY
+3.3V
DEVSEL
GND
LOCK
PERR
+3.3V
SERR
+3.3V
C/BE1
AD14
GND
AD12
AD10
GND
AD8
AD7
+3.3V
AD5
AD3
GND
AD1
+5V
ACK64
+5V
+5V
BC400
0.01U/4/X/16V/X

8
8
7
7
6
6
5
5
4
4
3
3
2
2
1
1
D D
C C
B B
A A
PCI SLOT 3/4
A_D[0..31]
-PCIRST1
A_D1
A_D3
A_D14
-REQ2
PCI_A40
A_D31
-FRAME
A_D28
A_D30
PCLK2
A_D11
-PERR
A_D22
A_D27
A_D7
-C_BE2
A_D21
A_D0
A_D5
-C_BE1
PCI_A41
ACK64
PAR
-TRDY
A_D18
A_D24
A_D26
A_D29
-GNT2
A_D6
A_D9
A_D10
A_D13
-STOP
A_D18
A_D20
A_D23
-PCIRST1
A_D17
A_D4
-SERR
A_D2
A_D15
-IRDY
A_D8
-PLOCK
-DEVSEL
-C_BE3
A_D25
-C_BE0
A_D12
A_D16
A_D19
A_D1
A_D3
A_D14
-REQ3
PCI_A40
A_D31
-FRAME
A_D28
A_D30
PCLK3
A_D11
-PERR
A_D22
A_D27
A_D7
-C_BE2
A_D21
A_D0
A_D5
-C_BE1
PCI_A41
ACK64
PAR
-TRDY
A_D19
A_D24
A_D26
A_D29
-GNT3
A_D6
A_D9
A_D10
A_D13
-STOP
A_D18
A_D20
A_D23
-PCIRST1
A_D17
A_D4
-SERR
A_D2
A_D15
-IRDY
A_D8
-PLOCK
-DEVSEL
-C_BE3
A_D25
-C_BE0
A_D12
A_D16
A_D19
-PIRQA
-PIRQF-PIRQC
-PIRQG
-PIRQG
-PIRQC-PIRQA
-PIRQF
-PCIRST
TMS_PCI
-TRST_PCI TMS_PCI
-TRST_PCI
TCK_PCI TCK_PCI
A_D[0..31]15,20,22,35
-PCIRST1 20,22
IDERST 27
-AGPRST 14
PWOK 16,30,34,36
PWROK 7,16,30,33
-REQ215,20
PCI_A41 20,22
PCI_A40 20,22
PCLK219 -GNT2 15,20
-TRDY 15,20,22,35
-STOP 15,20,22,35
-C_BE215,20,22,35
-C_BE315,20,22,35
PAR 15,20,22,35
-DEVSEL15,20,22,35
-IRDY15,20,22,35
-PCI3_REQ64 20
-C_BE0 15,20,22,35
-PLOCK15,20,22
-SERR15,20,22,35
-PERR15,20,22,35
-FRAME 15,20,22,35
ACK6420,22
-C_BE115,20,22,35
-REQ315,20
PCI_A41 20,22
PCI_A40 20,22
PCLK319 -GNT3 15,20
-TRDY 15,20,22,35
-STOP 15,20,22,35
-C_BE215,20,22,35
-C_BE315,20,22,35
PAR 15,20,22,35
-DEVSEL15,20,22,35
-IRDY15,20,22,35
-PCI4_REQ64 20
-C_BE0 15,20,22,35
-PLOCK15,20,22
-SERR15,20,22,35
-PERR15,20,22,35
-FRAME 15,20,22,35
ACK6420,22
-C_BE115,20,22,35
-PIRQG 15,20,22
-PIRQC 15,20,22-PIRQA14,15,20,22 -PIRQF15,20,22
-PCIPME 14,15,20,22,35 -PCIPME 14,15,20,22,35
-PCIRST9,15,18,25,35
TMS_PCI 20,22
-TRST_PCI 20,22
TCK_PCI20,22
VCC3
-12V VCC
3VDUAL
VCC3 +12V -12V VCC
3VDUAL
VCC3 +12V
U12
74HC14/S
1
2
3
4
5
6
7
14
13
12
11
10
9
8
I0
O0
I1
O1
I2
O2
GND
VCC
I5
O5
I4
O4
I3
O3
PCI4
PCI/CO/GF
A1
A2
A3
A4
A5
A6
A7
A8
A9
A10
A11
A12
A13
A14
A15
A16
A17
A18
A19
A20
A21
A22
A23
A24
A25
A26
A27
A28
A29
A30
A31
A32
A33
A34
A35
A36
A37
A38
A39
A40
A41
A42
A43
A44
A45
A46
A47
A48
A49
A52
A53
A54
A55
A56
A57
A58
A59
A60
A61
A62
B1
B2
B3
B4
B5
B6
B7
B8
B9
B10
B11
B12
B13
B14
B15
B16
B17
B18
B19
B20
B21
B22
B23
B24
B25
B26
B27
B28
B29
B30
B31
B32
B33
B34
B35
B36
B37
B38
B39
B40
B41
B42
B43
B44
B45
B46
B47
B48
B49
B52
B53
B54
B55
B56
B57
B58
B59
B60
B61
B62
TRST
+12V
TMS
TDI
+5V
INTA
INTC
+5V
RESERVED
+5V
RESERVED
GND
GND
3.3V_AUX
RST
+5V
GNT
GND
PME
AD30
+3.3V
AD28
AD26
GND
AD24
IDSEL
+3.3V
AD22
AD20
GND
AD18
AD16
+3.3V
FRAME
GND
TRDY
GND
STOP
+3.3V
SDONE
SBO
GND
PAR
AD15
+3.3V
AD13
AD11
GND
AD9
C/BE0
+3.3V
AD6
AD4
GND
AD2
AD0
+5V
REQ64
+5V
+5V
-12V
TCK
GND
TDO
+5V
+5V
INTB
INTD
PRSNT1
RESERVED
PRSNT2
GND
GND
RESERVED
GND
CLK
GND
REQ
+5V
AD31
AD29
GND
AD27
AD25
+3.3V
C/BE3
AD23
GND
AD21
AD19
+3.3V
AD17
C/BE2
GND
IRDY
+3.3V
DEVSEL
GND
LOCK
PERR
+3.3V
SERR
+3.3V
C/BE1
AD14
GND
AD12
AD10
GND
AD8
AD7
+3.3V
AD5
AD3
GND
AD1
+5V
ACK64
+5V
+5V
R683 100/SHT/X
BC403
0.1U/6/Y/25V
PCI3
PCI/CO/GF
A1
A2
A3
A4
A5
A6
A7
A8
A9
A10
A11
A12
A13
A14
A15
A16
A17
A18
A19
A20
A21
A22
A23
A24
A25
A26
A27
A28
A29
A30
A31
A32
A33
A34
A35
A36
A37
A38
A39
A40
A41
A42
A43
A44
A45
A46
A47
A48
A49
A52
A53
A54
A55
A56
A57
A58
A59
A60
A61
A62
B1
B2
B3
B4
B5
B6
B7
B8
B9
B10
B11
B12
B13
B14
B15
B16
B17
B18
B19
B20
B21
B22
B23
B24
B25
B26
B27
B28
B29
B30
B31
B32
B33
B34
B35
B36
B37
B38
B39
B40
B41
B42
B43
B44
B45
B46
B47
B48
B49
B52
B53
B54
B55
B56
B57
B58
B59
B60
B61
B62
TRST
+12V
TMS
TDI
+5V
INTA
INTC
+5V
RESERVED
+5V
RESERVED
GND
GND
3.3V_AUX
RST
+5V
GNT
GND
PME
AD30
+3.3V
AD28
AD26
GND
AD24
IDSEL
+3.3V
AD22
AD20
GND
AD18
AD16
+3.3V
FRAME
GND
TRDY
GND
STOP
+3.3V
SDONE
SBO
GND
PAR
AD15
+3.3V
AD13
AD11
GND
AD9
C/BE0
+3.3V
AD6
AD4
GND
AD2
AD0
+5V
REQ64
+5V
+5V
-12V
TCK
GND
TDO
+5V
+5V
INTB
INTD
PRSNT1
RESERVED
PRSNT2
GND
GND
RESERVED
GND
CLK
GND
REQ
+5V
AD31
AD29
GND
AD27
AD25
+3.3V
C/BE3
AD23
GND
AD21
AD19
+3.3V
AD17
C/BE2
GND
IRDY
+3.3V
DEVSEL
GND
LOCK
PERR
+3.3V
SERR
+3.3V
C/BE1
AD14
GND
AD12
AD10
GND
AD8
AD7
+3.3V
AD5
AD3
GND
AD1
+5V
ACK64
+5V
+5V
C258
1000P/4/X/50V/X
R682 100/SHT/X

5
5
4
4
3
3
2
2
1
1
D D
C C
B B
A A
PCI SLOT 5/6
A_D1
A_D3
A_D14
-REQ4
PCI_A40
A_D31
-FRAME
A_D28
A_D30
PCLK4
A_D11
-PERR
A_D22
A_D27
A_D7
-C_BE2
A_D21
A_D0
A_D5
-C_BE1
PCI_A41
ACK64
PAR
-TRDY
A_D20
A_D24
A_D26
A_D29
-GNT4
A_D6
A_D9
A_D10
A_D13
-STOP
A_D18
A_D20
A_D23
-PCIRST1
A_D17
A_D4
-SERR
A_D2
A_D15
-IRDY
-PCI5_REQ64
A_D8
-PLOCK
-DEVSEL
-C_BE3
A_D25
-C_BE0
A_D12
A_D16
A_D19
-PIRQC
-PIRQG-PIRQF
-PIRQA
A_D[0..31]
-TRST_PCI
TCK_PCI
TMS_PCI
TMS_PCI
-TRST_PCI
TCK_PCI
A_D[0..31]15,20,21,35
PCI_A41 20,21
PCI_A40 20,21
PCLK419
-TRDY 15,20,21,35
-STOP 15,20,21,35
-C_BE215,20,21,35
-C_BE315,20,21,35
PAR 15,20,21,35
-DEVSEL15,20,21,35
-IRDY15,20,21,35
-C_BE0 15,20,21,35
-PLOCK15,20,21
-SERR15,20,21,35
-PERR15,20,21,35
-FRAME 15,20,21,35
ACK6420,21
-C_BE115,20,21,35
-PIRQC 15,20,21
-PIRQG 15,20,21
-PIRQF15,20,21 -PIRQA14,15,20,21
-PCIPME 14,15,20,21,35
-REQ415,20 -GNT4 15,20
-PCIRST1 20,21
-PCI5_REQ64 20
-TRST_PCI20,21
TCK_PCI20,21
TMS_PCI20,21
TMS_PCI 20,21
-TRST_PCI 20,21
TCK_PCI20,21
-12V VCC
3VDUAL
VCC3 +12V
VCC
PCI5
PCI/CO/GF
A1
A2
A3
A4
A5
A6
A7
A8
A9
A10
A11
A12
A13
A14
A15
A16
A17
A18
A19
A20
A21
A22
A23
A24
A25
A26
A27
A28
A29
A30
A31
A32
A33
A34
A35
A36
A37
A38
A39
A40
A41
A42
A43
A44
A45
A46
A47
A48
A49
A52
A53
A54
A55
A56
A57
A58
A59
A60
A61
A62
B1
B2
B3
B4
B5
B6
B7
B8
B9
B10
B11
B12
B13
B14
B15
B16
B17
B18
B19
B20
B21
B22
B23
B24
B25
B26
B27
B28
B29
B30
B31
B32
B33
B34
B35
B36
B37
B38
B39
B40
B41
B42
B43
B44
B45
B46
B47
B48
B49
B52
B53
B54
B55
B56
B57
B58
B59
B60
B61
B62
TRST
+12V
TMS
TDI
+5V
INTA
INTC
+5V
RESERVED
+5V
RESERVED
GND
GND
3.3V_AUX
RST
+5V
GNT
GND
PME
AD30
+3.3V
AD28
AD26
GND
AD24
IDSEL
+3.3V
AD22
AD20
GND
AD18
AD16
+3.3V
FRAME
GND
TRDY
GND
STOP
+3.3V
SDONE
SBO
GND
PAR
AD15
+3.3V
AD13
AD11
GND
AD9
C/BE0
+3.3V
AD6
AD4
GND
AD2
AD0
+5V
REQ64
+5V
+5V
-12V
TCK
GND
TDO
+5V
+5V
INTB
INTD
PRSNT1
RESERVED
PRSNT2
GND
GND
RESERVED
GND
CLK
GND
REQ
+5V
AD31
AD29
GND
AD27
AD25
+3.3V
C/BE3
AD23
GND
AD21
AD19
+3.3V
AD17
C/BE2
GND
IRDY
+3.3V
DEVSEL
GND
LOCK
PERR
+3.3V
SERR
+3.3V
C/BE1
AD14
GND
AD12
AD10
GND
AD8
AD7
+3.3V
AD5
AD3
GND
AD1
+5V
ACK64
+5V
+5V
R687 100/SHT/X
RN80
8.2K/8P4R
1 2
3 4
5 6
7 8
C257
100P/4/N/50V/X

5
5
4
4
3
3
2
2
1
1
D D
C C
B B
A A
ALC850
LINE_OUTR
AC_SDOUT
LINE_OUTL
Z102
AC_SYNC
AC_BITCLK
-AC_RST
AC_SDIN2
LINE_IN_L 24
JD0 24
CD_R 24
LINE_IN_R 24
SPDIFI 24
MIC1 24
LFE_OUT 24
AUD_REF 24
97CLK1419 QUAD_OUT_L 24
LINE_OUTR 24
CENTER_OUT 24
CDGND 24
LINE_OUTL 24
CD_L 24
MIC2 24
QUAD_OUT_R 24
SPDIF24
AC_BITCLK15
-AC_RST15
AC_SDOUT15
AC_SYNC15
AC_SDIN215
AUX_R24
UAJ2_L24
JD224 JD124
UAJ2_R24
AUX_L24
FRONT_MIC 24
VREFOUT3 24
VREFOUT2 24
JD3 24
FRONT_MIC2 24
JD4 24
JD524
AVDD
VCC3
AVDD +12V
BC556
0.1U/6/Y/25V
CR3
8.2K/6/X
CBC19 0.1U/6/Y/25V
CBC15
10P/4/N/50V/X
CBC20 2.2U/8/Y/16V
CBC23 0.1U/6/Y/25V
CBC25 0.1U/6/Y/25V
CBC22 1U/6/Y/10V
CBC16
0.01U/4/X/16V/X
CBC11
1000P/4/X/50V
CBC7
0.01U/6/X/50V
CFB1
2.2/8
CBC4
0.1U/6/Y/25V
CBC8
0.1U/6/Y/25V
CBC21 2.2U/8/Y/16V
+
1
CEC1
100U/D/10V/5*7/X
CBC9
2.2U/8/Y/16V
CBC1
0.1U/6/Y/25V/X
CBC72
0.01U/6/Y/10V/X
CR67
22K/6/X
CBC67
4.7U/8/Y/10V
CBC65 2.2U/8/Y/16V/X
CBC62 1U/6/Y/10V
CBC66 2.2U/8/Y/16V/X
CBC64
4.7U/8/Y/10V
CR12 1M/6/X
CR15 22/6
CBC3
22P/4/N/50V/X CU1
ALC850
26
1
2
3
4
5
6
7
8
9
10
11
12
13
14
15
16
17
18
19
20
21
22
23
24
27
28
29
30
31
32
33
34
35
36
37
38
39
40
41
42
43
44
45
46
47
48
25
AVSS1
DVDD1
XTL_IN
XTL_OUT
DVSS1
SDATA_OUT
BIT_CLK
DVSS2
SDATA_IN
DVDD2
SYNC
RESET#
PC_BEEP
PHONE
AUX_L
AUX_R
VIDEO_L
VIDEO_R
CD_L
NC
CD_R
MIC1
MIC2
LINE_IN_L
LINE_IN_R
VREF
NC
AFILT1
AFILT2
VRAD
VRDA
NC
NC
LINE_OUT_L
LINE_OUT_R
MONO_OUT
AVDD2
NC
TEST2
TEST3
AVSS2
TEST1
TEST4
TEST5
TEST6
NC
NC
AVDD1
CBC24 0.1U/6/Y/25V
CBC12
22K/6/X CBC13
1U/6/Y/10V/X
TOP
OUT GND IN
CQ1
78L05/D
1
2
3
CBC27
0.01U/4/X/16V
CBC14
1U/6/Y/10V
CBC10
1000P/4/X/50V
CBC2
22P/4/N/50V/X
CBC18 0.1U/6/Y/25V
CBC28 1U/6/Y/10V
CR9 0/6
CR11 0/6
CBC53 1U/6/Y/10V
CX1
24.576MHz/X
1 2
BC404
0.1U/6/Y/25V

5
5
4
4
3
3
2
2
1
1
D D
C C
B B
A A
CD IN
AUX IN
LINE-IN
MIC
LINE OUT
INTEL FRONT AUDIO
For EMI
DEFAULT NO POP
LINE IN(C)
LINE OUT(B)
MIC IN(A)
AUDIO PANEL
SPDIF_IO
CO-LAY
CO-LAY
CO-LAY
SURR OUT
CEN/LFE OUT
SURR-BACK OUT
SURR KIT for 850
0
FOR 850
AUDIO OUTPUT,GAME PORT
SUR_OUTR
BACK_L
FRONT_R
BACK_L
BACK_R
FRONT_L
FRONT_R
FRONT_R BACK_R
FRONT_L
FRONT_L
SUR_OUTL
SUR_OUTRSUR_OUTL
AUX_L23
CDGND23
LINE_IN_R23
CD_L23
LINE_OUTR23
AUX_R23
MIC123 CD_R23
LINE_OUTL23
LINE_IN_L23
JD123
FRONT_MIC23
FRONT_MIC2 23
UAJ2_L23
UAJ2_R23
QUAD_OUT_R23
QUAD_OUT_L23
VREFOUT3 23
JD123
JD323
MIC223
AUD_REF 23
JD223
JD423
VREFOUT2 23
JD223
JD023
SPDIF23 SPDIFI 23
LFE_OUT 23
AUX_R 23
CENTER_OUT23 AUX_L23 JD523
AVDD
AVDD
VCC
AVDD
CBC49
1K/6
CR40 8.2K/6
SPDIF_IO
H2X3/-2/RED
1
3
5 6
2
4
VCC
S_OUT
GND GND
KEY
S_IN
CR19 22/6
CR22 22/6
CBC61 1000P/6/X/50V
CR70
22K/6
F_AUDIO
H2X5/-8/5-6[BL]9-10[BL]
1
32
5
9 10
4
6
7
11 12
AUDIOB
3RJ+15F/[11NR6-403004-11]
B2
B3
B4
B5
CR51
75K/6
CR50
75K/6
CR49 8.2K/6
CBC40
180P/4/N/50V
AUDIOA
3RJ+15F/[11NR6-403004-11]
A2
A3
A5
A4
A1
MH1
CBC58
4.7U/8/Y/10V
CBC50
0.1U/6/Y/25V/X
+
1
CBC33 100U/D/10V/5*7/X
CBC44
1000P/4/X/50V/X
CBC52
180P/4/X/50V/X
CBC43
1000P/4/X/50V/X
CBC45
1000P/4/X/50V/X
AUDIOC
3RJ+15F/[11NR6-403004-11]
C2
C3
C5
C4
CR76
22K/6/X
CBC57
180P/4/N/50V
CBC32 1U/6/Y/10V
+
1
CBC30 100U/D/10V/5*7/X CBC31 1U/6/Y/10V
CR25 0/6/X
H2X4/-4
SUR_CEN
1
3
5
2
6
8
10
7
9
CR56
75K/6
SOT23
BAT54A/SOT23
CD3
CR54
75K/6
CR79 0/6
CD_IN
WF1x4/B
1
2
3
4
CR84
22K/6
AUX_IN
WF1x4/W/X
1
2
3
4
CR78 0/6/X
CBC47
1000P/4/X/50V/X
CBC69 2.2U/8/Y/16V
CBC46
1000P/4/X/50V/X
CBC68 2.2U/8/Y/16V
CBC51
180P/4/X/50V/X
CR81
2.2K/6
F_AUDIO
JU1X2/BLUE/[9-10]CLOSE
CR77
0/6/X
CBC60
4.7U/8/Y/10V
CR74
2.2K/6
CR53 8.2K/6
CBC70 10U/8/Y/10V
CR29
75K/6
CR80
2.2K/6
CR28
75K/6
SOT23
BAT54A/SOT23
CD2
CBC37
180P/4/N/50V
CR85
0/6/X
CBC38
180P/4/N/50V
CBC56
0.1U/6/Y/25V/X CR26 0/6/X
CR69
0/6/SHT/X
CR21 0/6/X
SOT23
BAT54A/SOT23
CD1
CBC35
180P/4/N/50V
CR75
2.2K/6
CBC36
180P/4/N/50V
CBC71 10U/8/Y/10V
CR20 0/6/X
CR83
2.2K/6
F_AUDIO
JU1X2/BLUE/[5-6]CLOSE
CR82
2.2K/6
CR73 0/6/X
CR71 0/6
CR72
0/6/X
CR52 8.2K/6
CBC59
4.7U/8/Y/10V

5
5
4
4
3
3
2
2
1
D D
C C
B B
A A
SYSOP
IR CONNECTOR
IR/COM2 ONLY USE ONE
ITE LPC I/O
SERIRQ
-LDRQ0
LPCPWD-
LPCSMI-
TMPIN3
SYSTEM_D-
FANIO2
GND
RI2-
PD5
ACK-
AFD-
SYSTEM_D-
PD6
SYSOP
CTS1-
DCD1-
PD0
TXD1
RI1-
PD4
STB-
RTS1-
-THRMOO
RTS2-
SYSTEM_D+
DTR2-
INIT-
SLCT
LPCPWD-
PD3
BUSY
SUSCLK
ERR-
PE
DSR2-
SYSOP
THERMNVCC15IN
DTR1-
RXD2
PD2
LPCSMI-
VCC15IN
RXD1
DSR1-
SYSTEM_D+
TXD2
CTS2-
SLIN-
PD7
DCD2-
PD1
IRRX2
IRTX2
IRTX2
IRRX2
-THRMOO
DENSEL-27
INDEX-27 MOTEA-27 DRVB-27 DRVA-27
MOTEB-27 DIR-27
STEP-27
WDATA-27 WGATE-27 TK00-27 WPT-27
RDATA-27 SIDE1-27
DSKCHG-27
LPC14CLK19
LPC3319
SERIRQ15,16
STB- 26
AFD- 26
ERR- 26
ACK- 26
BUSY 26
PE 26
SLCT 26
INIT- 26
SLIN- 26
PD7 26
PD6 26
PD4 26
PD3 26
PD2 26
PD1 26
PD0 26
PD5 26
KDAT 29
KCLK 29
MCLK 29
MDAT 29
A20GATE 15,16
-KBRST 15,16
-LDRQ016 -PCIRST9,15,18,21,35
-LFRAME16,18
DCD2- 26
RI2- 26
DTR2- 26
CTS2- 26
RTS2- 26
DSR2- 26
TXD2 26
RXD2 26
DCD1- 26
RI1- 26
DTR1- 26
CTS1- 26
RTS1- 26
DSR1- 26
TXD1 26
RXD1 26
VID25,33 VID15,33 VID05,33
VID35,33
VID45,33
VID55,33
TMPIN35THERMN5
SUSCLK16
GPI716
SMBDATA11,12,16,19,34,35 SMBCLK11,12,16,19,34,35
LAD016,18
LAD216,18 LAD316,18
LAD116,18
FANIO1 28
-LPCPME16
-SUSTAT16
-THRMO16
FANIO2 28
GPY229
GPSB129 GPSB229
GPSA129
GPX129
GPSA229
GPY129 GPX229
MSO 29
MSI 29
GP607
VCC3 3VDUAL
VCC
VCC3
VCC3
VCC3
+12V
VCC
VCORE DDR25V
VCC3
VCC3
VCC
VCC
VCC3
3VDUAL
3VDUAL
3VDUAL
R1218
4.7K/6
R1223
8.2K/6/X
R1217 82/6
Floppy Interface
Serial Port 2Parrel Port Interface
LPC Interface
Hardware Mon Blk
Joystick
8042 -
Keyboard/
Mouse
Serial Port 1
U42
LPC47M997
1
2
3
4
5
6
7
8
9
10
11
12
13
14
15
16
17
19
20
21
22
23
24
25
26
27
28
29
30
32
33
34
35
36
37
38
39
41
42
43
45
46
47
48
49
50
80
79
78
77
75
74
73
72
71
70
69
68
67
66
64
63
62
61
59
58
57
56
55
54
52
51
99
98
97
96
95
94
92
91
90
89
88
87
86
85
84
83
82
81
100
111
18
93
65
53
44
31
60
76
40
126
125
124
123
120
119
118
117
116
115
114
113
110
109
108
106
107
105
103
104
101 102
112
127
128
122
121
GP40/DRVDEN0
GP41/DRVDEN1
MTR0~
DSKCHG~
DS0~
CLKI32
GND
DIR~
STEP~
WDATA~
WGATE~
HDSEL~
INDEX~
TRK0~
WRTPRT~
RDATA~
GP42/IO_PME~
CLOCKI
LAD0
LAD1
LAD2
LAD3
LFRAME~
LDRQ~
PCI_RESET~
LPCPD~
GP43/DDRC
PCI_CLK
SER_IRQ
GP10/J1B1
GP11/J1B2
GP12/J2B1
GP13/J2B2
GP14/J1X
GP15/J1Y
GP16/J2X
GP17/J2Y
GP20/P17
GP21/P16/DS1~
GP22/P12/MTR1~
GP24/SYSOP
GP25/MIDI_IN
GP26/MIDI_OUT
GP60/LED1
GP61/LED2
GP27/IO_SMI~
ACK~/DS1~
BUSY/MTR1~
PE/WDATA~
SLCT/WGATE~
PD7
PD6/MTR0~
PD5
PD4/DSKCHG~
PD3/RDATA~
PD2/WRTPRT~
PD1/TRK0~
PD0/INDEX~
SLCTIN~/STEP~
INIT~/DIR~
GP37/A20M
GP36/KBDRST~
IRTX2/GP35
IRRX2/GP34
MCLK
MDAT
KCLK
KDAT
GP33/FAN1
GP32/FAN2
GP31/FAN_TACH1
GP30/FAN_TACH2
GP56/CTS2~
GP55/RTS2~
GP54/DSR2~
GP53/TXD2(IRTX)
GP52/RXD2(IRRX)
GP51/DCD2~
GP50/RI2~
DCD1~
RI1~
DTR1~
CTS1~
RTS1~
DSR1~
TXD1
RXD1
STROBE~/DS0~
ALF~/DRVDEN0~
ERROR~/HDSEL~
GP57/DTR2~
HVCC
VTR
VCC
VCC
VCC
VREF
GND
GND
GND
AGND
NC6 [HGND]
NC5 [HGND]
NC4 [D1-]
NC3 [D1+]
NC2 [+1.5V_IN]
NC1 [+1.8V_IN]
Vccp_IN
+2.5_IN
+3.3V_IN
+5V_IN
D0+
D0- (XNOR_IN)
+12V_IN/VID4
VID3
VID2
VID0
VID1
A0/RESET~/THERM~ (XNOR_OUT)
SDA
SCLK
HGND HVCC
HGND
HGND
HGND
HVCC
HVCC
R1215
47K/6
R1213 47K/6/X C430
0.1U/6/Y/25V
R1209 8.2K/6
R1208
8.2K/6
C429
0.1U/6/Y/25V
S_IRQ
SIRQ1x2/O/X
R1212 47K/6
C428
0.1U/6/Y/25V
R1216
100K/6
C433
10P/6/N/50V/X
C431
0.1U/6/Y/25V
R1210 8.2K/6
C426
0.1U/6/Y/25V
IR
JP1x5/2/H
1
3
4
5
SOT23
Q210
MMBT2222A/SOT23/X
13
2
C432
10P/6/N/50V
R1220 0/6
D54
1N4148/S
C427
0.1U/6/Y/25V
R1219
0/6/X
C425
2.2N/6/X/50V/X
R1207 8.2K/6/X
R1224
8.2K/6
C424
2.2N/6/X/50V
R1222
8.2K/6/X
R1211 0/6
R1214
47K/6

8
8
7
7
6
6
5
5
4
4
3
3
2
2
1
1
D D
C C
B B
A A
COM & IR & LPT PORT &FLOOPY
PD[0..7]
NRIA-
NCTSA-
NDSRA-
NRTSA-
NDTRA-
NSINA
NSOUTA
NDCDA-
LPT1
LPT14
LPT2
ERR-
LPT3
LPT16
LPT4
LPT17
LPT5
LPT6
LPT7
LPT9
ACK-
BUSY
PE
SLCT
NDCDA-
NSOUTA
NRTSA-
NRIA-
NSINA
NDTRA-
NCTSA-
NDSRA-
ERR-
ACK-
BUSY
PE
SLCT SLCT
LPT5
LPT3
LPT5
PD1
PD3
LPT17
LPT4LPT4
LPT17
LPT5
NRIB-
NCTSB-
NDSRB-
NRTSB-
NDTRB-
NSINB
NSOUTB
NDCDB-
LPT6
LPT14
LPT1 ERR-
LPT2 LPT1
LPT2
LPT16
NDTRA-
NSOUTA
NSINA
NDCDA-
NRIA-
NDSRA-
NCTSA-
NRTSA-
LPT16
LPT3
ERR-
LPT3
INIT- LPT16
PD6
PD2
SLIN- LPT4
LPT17
ACK-
LPT6
LPT8
LPT8
LPT8
LPT9
PE
LPT7
BUSY
PD0 LPT2
LPT14AFD-
STB- LPT1
LPT6PD4
LPT9
PD5
PD7 LPT7
LPT8
ACK-
LPT9
NCTSB-
NCTSB-
NRIB-
NRTSB-
NSINB
NDTRB-
NDCDB-
NSOUTB
NDSRB-
NDCDB-
NDSRB-
NDTRB-
NRIB-
NSINB
NSOUTB
NRTSB-
CTS1-25 DSR1-25
DCD1-25
DTR1-25 RTS1-25
RI1-25
RXD125 TXD125
DCD2-25
RTS2-25 DSR2-25
RI2-25
CTS2-25
DTR2-25
TXD225 RXD225
SLCT25 PE25
BUSY25 ACK-25
PD[0..7]25
ERR-25
NRIA-30
INIT-25
SLIN-25
AFD-25 STB-25
NRIB-30
-12V VCC +12V
VCC
-12V VCC +12V
PD1 1N4148/S
PCN2
180P/8P4C
21 43 65 87
PCN4
180P/8P4C
21 43 65 87
COMB
COM/P
1
2
3
4
5
6
7
8
9
10
11
BBC3
0.1U/6/Y/25V
BBC2
0.1U/6/Y/25V
ACN1
180P/8P4C
21 43 65 87
PRN2
33/8P4R
1 2
3 4
5 6
7 8
ABC2
0.1U/6/Y/25V
PCN1
180P/8P4C21 43 65 87
PCN3
180P/8P4C
21 43 65 87
ABC1
0.1U/6/Y/25V ABC3
0.1U/6/Y/25V
PC1
0.1U/6/Y/25V/X
PRN7
1K/8P4R 12 34 56 78
BCN1
180P/8P4C
21 43 65 87
ACN2
180P/8P4C
21 43 65 87
BCN2
180P/8P4C
21 43 65 87BBC1
0.1U/6/Y/25V
PRN6
1K/8P4R 12 34 56 78
AU1
GD75232/TSSOP/10HP2-235232-20
2
3
4
5
6
7
8
1
19
18
17
16
15
14
13 9
10
11
12
20
RA1
RA2
RA3
DY1
DY2
RA4
DY3
12V
RY1
RY2
RY3
DA1
DA2
RY4
DA3 RA5
-12V
GND
RY5
5V
PRN4
1K/8P4R 12 34 56 78
BU1
GD75232/TSSOP/10HP2-235232-20
2
3
4
5
6
7
8
1
19
18
17
16
15
14
13 9
10
11
12
20
RA1
RA2
RA3
DY1
DY2
RA4
DY3
12V
RY1
RY2
RY3
DA1
DA2
RY4
DA3 RA5
-12V
GND
RY5
5V
PRN3
1K/8P4R 12 34 56 78
LPT
LPT/P
13
25
12
24
11
23
10
22
9
21
8
20
7
19
6
18
5
17
4
16
3
15
2
14
1
PC2 180P/4/N/50V
COMA
COM/P
1
2
3
4
5
6
7
8
9
10
11
PR1
1K/6
PRN1
33/8P4R
1 2
3 4
5 6
7 8 PBC1
0.1U/6/Y/25V/X
PRN5
33/8P4R
1 2
3 4
5 6
7 8

8
8
7
7
6
6
5
5
4
4
3
3
2
2
1
1
D D
C C
B B
A A
PRIMARY IDE CONNECTOR SECONDARY IDE CONNECTOR
IDE1 IDE2
To ICH5 GPI0 To ICH5 GPI1
IDE CONNECTO
R
IDEPU0
-IDEACTP
-IDEACTS
SDD15
-SDIOW
-SCS1
SDD6
SDD5
-RST2
SDD14
SDA0
-IDEACTS
SDD4
SDD[0..15]
SIORDY
SDD8
SDD2
-SDIOR
SDDREQ
-SCS3
SDD9
SDD0
SDA2
SDD3
SDD1
-SDDACK
SDD11
SDD12
IRQ15
SDD7
SDD10
SDD13
IDEPU1
SDA1
-RST2
SIORDY
IRQ15
SDD7
SDDREQ
IDEPU1
IDERST-
-HDLED
-RST1
IRQ14
PIORDY
S66DET
IDERST-
P66DET
S66DET
IDERST-
PIORDY
-RST1
PDD7
PDD4
PDD14
-IDEACTP
IDEPU0
-PCS1
PDD8
PDD0
-PDIOW
P66DET
PDD3
PDD15
-PDDACK
PDD6
PDD12
PDDREQ
PDD[0..15]
IRQ14
PDD9
PDD2
PDA1
PDD5
PDD13
PDD11
-PDIOR
PDA0
PDD10
PDD1
-PCS3
PDA2
PDD[0..15]16 SDD[0..15]16
-HDLED 30
PDDREQ16
PIORDY16
IRQ1416
-PDIOW16 -PDIOR16
-PDDACK16
PDA116 PDA016 -PCS116
P66DET 18
SDDREQ16
SIORDY16
IRQ1516
-SDIOW16 -SDIOR16
-SDDACK16
SDA116 SDA016 -SCS116 SDA2 16
-SCS3 16
S66DET 18
INDEX- 25
DSKCHG- 25
TK00- 25
MOTEA- 25
SIDE1- 25
DIR- 25
WPT- 25
WGATE- 25
STEP- 25
WDATA- 25
DENSEL- 25
MOTEB- 25
DRVB- 25
DRVA- 25
RDATA- 25
IDERST21
-PCS3 16
PDA2 16
-RST1 -RST2
VCC3 VCC3
VCC
VCC
C264
0.047U/4/X/10V
R710 8.2K/6
R723 470/6
Q98
MMBT2222A/SOT23
13
2
R707
1K/6
IDE1
IDE/RED
1 2
3 4
5 6
7 8
9 10
11 12
13 14
15 16
17 18
19
21 22
23 24
25 26
27 28
29 30
31 32
33 34
35 36
37 38
39 40
R716 1K/6
C266
180P/4/N/50V/X
R709
470/6
R726 15K/6/X
R727 15K/6/X
C265
0.047U/4/X/10V
RN84
470/8P4R
1 2
3 4
5 6
7 8
R719 8.2K/6
IDE2
IDE/WHITE
1 2
3 4
5 6
7 8
9 10
11 12
13 14
15 16
17 18
19
21 22
23 24
25 26
27 28
29 30
31 32
33 34
35 36
37 38
39 40
R718 8.2K/6
C374
1000P/4/N/50V/X
R725 470/6
SOT23
BAW56/SOT23
D37
R720 8.2K/6/X
R721 5.6K/6/X
R717 1K/6
R715 33/6 R714 33/6
FDD
FLOPPY/-pin5
1 2
4
6
7 8
9 10
11 12
13 14
15 16
17 18
19
21 22
23 24
25 26
27 28
29 30
31 32
33 34
20
3

8
8
7
7
6
6
5
5
4
4
3
3
2
2
1
1
D D
C C
B B
A A
FAN/HWMO
FANIO2 FANIO1
FANIO2 25 FANIO1 25
VCC+12V
VCC+12V
R1172 1K/6 R1171 1K/6
R744
8.2K/6
R743
8.2K/6
CPU_FAN
FAN1x3/W/PROTECT
2
1
3
BC425
0.1U/6/Y/25VBC426
0.1U/6/Y/25V C271
3300P/4/X/50V/X
C270
3300P/4/X/50V/X
SYS_FAN
FAN1x3/W/PROTECT
2
1
3

8
8
7
7
6
6
5
5
4
4
3
3
2
2
1
1
D D
C C
B B
A A
160MILS
80MILS 80MILS
80MILS 80MILS
Footprint "HOLE_3-2"
GAME_PORT
KB & PS2 MOUSE & IR
KBDATA
KBCLK
MSCLK
MSDATA
MCLK
MDAT
KBDATA
MSCLK
KBCLK
MSDATA
KDAT
KCLK
GPX2_R
GPX1_R
GPY1_R
MSO
GPSB2
GPSA1
GPSA2
GPX1
GPY2_R
GPX2_R
GPX1_R
GPY2_R
GPSA1
GPY1_R
GPSB2
GPSB1
GPX2
GPSA2
GPY2
MSI_R
GPY1
GPSB1
MSI_R
MSI
MSO_R
MSO_R
KCLK
MDAT
MCLK
KDAT
KDAT25 KCLK25 MDAT25 MCLK25
GPY225
GPSA125
GPSB125
MSI25
MSO25
GPX125
GPSB225
GPX225
GPY125
GPSA225
FUSEVCC
FUSEVCC
FUSEVCC
FUSEVCC
5VDUAL
+12V
GAMEVCC
FUSEVCC1
GAMEVCC
GAMEVCC
GAMEVCC
GRN2
2.2K/8P4R
1 2
3 4
5 6
7 8
GC9
100P/4/N/50V/X
GC10
0.01U/4/X/16V
GC8
0.01U/4/X/16V
BC429
0.1U/6/Y/25V
CN31
180P/8P4C
2 1
4 3
6 5
8 7
GR3 470/6
GC5
1000P/4/X/50V
BC430
0.1U/6/Y/25V
GC15
100P/4/N/50V
MH3
HOLE_3
2
3
8
7
6
5
4
1
GC7
0.01U/4/X/16V
F2
POLY SW PSR24251 RAY/DIP
1 2
I1
4MMH/X
1
I2
4MMH/X
1
I3
4MMH/X
1
I4
4MMH/X
1
GC16
1000P/4/X/50V
RN85
8.2K/8P4R
12 34 56 78
GRN1
4.7K/8P4R
12 34 56 78
MH4
HOLE_3
2
3
8
7
6
5
4
1
GC3
0.1U/6/Y/25V
GR2 470/6
MH8
HOLE_3
2
3
8
7
6
5
4
1
RN86
82/8P4R
12 34 56 78
GAME
PIN2X8-CUT16
1
3
5
7
9
13
15
2
4
6
8
14
16
10
11 12
VCC
GND
VCC
GPY2
GPSA1
GPSB1
GPSB2
GPX1
GPSA2
GPX2
MSI
MSO
KEY
GND
GPY1 VCC
GR1
4.7K/6
GCP1
100P/8P4C
12 34 56 78
MH7
HOLE_3
2
3
8
7
6
5
4
1
R1024
1K/6
GC4
0.1U/6/Y/25V/X
MH1
HOLE_3
2
3
8
7
6
5
4
1
GC13
1000P/4/X/50V
GC2
0.1U/6/Y/25V
GC14
100P/4/N/50V/X
KB
MS
KB_MS
PS2/P/2/WO_SHIELD
1
2
3
4
5
6
7
8
9
10
11
12
F1
POLY SW PSR24251 RAY/DIP
1 2
G S
D
SOT23
Q76
2N7002/SOT23
2
1
3
MH2
HOLE_3
2
3
8
7
6
5
4
1
MH9
HOLE_3
2
3
8
7
6
5
4
1
GC12
1000P/4/X/50V
GC11
0.01U/4/X/16V
BC428
0.1U/6/Y/25V
GC6
1000P/4/X/50V
GC1
0.1U/6/Y/25V/X

8
8
7
7
6
6
5
5
4
4
3
3
2
2
1
1
D D
C C
B B
A A
INTEL FRONT PANEL
3 PIN POWER LED
PANEL & STR LED & RI
-RI
RESET
-SP
-HDLED
+HD +MPD
-MPD
-PWRBTSW
+MPD
-MPD
RESET
PWOK
PWROK
-SP
-HDLED
-MPD
-MPD
NRIB-26
NRIA-26
-PWRBTSW 16
-HDLED27
GPI616
-SYS_RST16,19
PWROK 7,16,21,33
PWOK 16,21,34,36
SPKR 16
-RI 16
-RI 16
-SATA_LED16
RESET
GPO2516
VCC
VCC
VCC3
VCC
VCC3
VCC3
VCC3
VCC
5VSB
5VSB
5VSB
VCC3VCC3
VCC
VCC
R755 8.2K/6/X
D34
1N4148/S
R775
1K/6
R754
8.2K/6
R774
1K/6
MPD+
MPD-
MPD-
PWR_LED
P_LED_1X3
1
2
3
R763
8.2K/6
F_PANEL
JP2X10/-10,-11,-12,-13,-15,-17,-19/COLOR
1
3
5
7
9
13
15
17
19
2
4
6
8
14
16
18
20
HD+
HD-
GND
RESET
RSV
GD+
GD-
GN+
GN-
MSG/PD+
MSG/PD-
PW+
PW-
SP+
NC
NC
SP-
SOT23
Q105
MMBT2222A/SOT23
13
2
Q174
BAV99/S
13
2
D38
BAV70/SOT23
13
2
R1023
330/6
WOL
WOL1x3/X
1
2
3
R778
75K/6
R757
8.2K/6/X
R760 75/6
Q115
MMBT2222A/SOT23
13
2
R777
8.2K/6/X
R761 75/6
R779
8.2K/6
+1
EC75
22U/D/25V/5*7
R751 33/6
R776
8.2K/6/X
BZ
BZ
BUZZER/X
1
2
3
R752 8.2K/6/X
SOT23
Q102
MMBT2222A/SOT23/X
13
2
SOT23
Q100
MMBT2222A/SOT23/X
13
2
SOT23
Q104
MMBT2222A/SOT23
1
32
R750
330/6
SOT23
Q114
MMBT2222A/SOT23
13
2
R762 1K/6
C276
0.01U/4/X/16V/X
BC431
0.01U/4/X/16V
C275
0.01U/4/X/16V
Q113
MMBT2222A/SOT23/X
13
2
SOT23
Q101
MMBT2222A/SOT23/X
13
2
C274
1N/6/X/50V
R753 1K/6/X
R749
1K/6/X

8
8
7
7
6
6
5
5
4
4
3
3
2
2
1
1
D D
C C
B B
A A
REAR USB
FRONT SIDE USB1
FRONT SIDE USB2
ICH USB PORT
+USBP3
+USBP2
-USBP3
P2-
P3- P2+
P2-
P3+
P3-
P1+
P0-P1+
+USBP0
-USBP0
+USBP1
-USBP1
+USBP6
P6-
-USBP7
+USBP7
-USBP6
P1-
P7-
P6+ P7+
-USBP2 P2+
P3+
-USBOC1
P0+
P0+
P0-
P1+
P1-
P2+
P2-
P3+
P3-
P6+
P6-
P7-
P7+
P0-
P0+
P1-
P6-
P6+
P7+
P7-
-USBOC1 15
-USBOC1 15
-USBP215 +USBP215
+USBP315 -USBP315
P0+
P0-
P1+
P1-
P2+
P2-
P3+
P3-
P6+
P6-
P7-
P7+
-USBP115 +USBP115
-USBP015 +USBP015
-USBP615
+USBP715 -USBP715
+USBP615
FUSEVCC
FUSEVCC FUSEVCC
FUSEVCC1
FUSEVCC1
F_USB1
H2X5/-9/YELLOW
1
32
5 6
87 10
4
F_USB2
H2X5/-9/YELLOW
1
32
5 6
87 10
4
UR2
270K/6
UR1 150K/6
U16
OD6560T/S/X
1
2
3
4 5
6
7
8
UL1
OD6560T/S/X
1
2
3
4 5
6
7
8
UL2
OD6560T/S/X
1
2
3
4 5
6
7
8
UBC1
0.1U/6/Y/25V
UBC2
0.1U/6/Y/25V
+1
UEC1
1000U/D/6.3V/8*14
UR3 0/6/X
BC433
0.1U/6/Y/25V
357 1
2468
USB
USB_DOUBLE
1 2
3 4
5 6
7 8
12
10
11
9
+1
EC76
1000U/D/6.3V/8*14/X
RN87
0/8P4R/X
1
3 4
5 6
7 8
2
URN1
0/8P4R/X
1
3 4
5 6
7 8
2
URN2
0/8P4R/X
1
3 4
5 6
7 8
2

5
5
4
4
3
3
2
2
1
D D
C C
B B
A A
VDDQ FOR AGP 4 X/8X
DDR25V FOR DDR DIMM & NB
2.5V/7A
2.7V
0
10
11
2.9V
2.6V
DDROVP2DDROVP1
0 0
1 2.8V
PRESCOTT
ISL6556B Springdale power ckt
Z221
2_5LEVEL
2_5LEVEL
TSM_6 TSM_7
TSM_5
-PROCHOT
VTT_PWROK33
GPO2016
GPO2116
PWM_EN 5,33
-PROCHOT 5,7
+12V
VDDQ
VCCVID
VCC3
5VSB
5VSB
VCCVID
VCC3
VCC
VCC
R1101 1K/6
R1080
2.4K/6
SOT23
BAT54A/SOT23
D46
R1103
7.15K/6/1
R1102
15K/6
R1191
680/6/X
RS2
HR10K/6
R1188 36K/6 Q201
2N7002/SOT23
2
13
Q200
STD1703LT4(China)/P3055LD/HUF76107D3S/TO252
1
32
R1175 0/6
Q117
STD1703LT4(China)/P3055LD/HUF76107D3S/TO252
1
32
+
EC80
1000U/D/6.3V/8*14
+1
EC106
100U/D/10V/5*7
R1085
806/6/1
R1088
1K/6/1
R1077
1K/6/X
C280
0.01U/6/X/50V/X
+
-
U31A
TSM104/A
3
21
413
R794
100/6
BC442
0.01U/6/X/50V/X
+
-
U31B
TSM104/A
5
67
413
C279
1U/6/Y/10V
C
A
R
U31E
TSM104/A
9
8
13
Q119
2N7002/SOT23
2
13
+
-U31C
TSM104/A
12
11 10
C281
1U/6/Y/10V
R1189
1.2K/6
C393
0.01U/6/X/50V
R1190
1K/6
R1069
1K/6/1
R790
100/6
R1193
1K/6
R1066
665/6/1
R1081
1K/6/1
C381
0.1U/6/Y/25V
R1078
1.5K/6/1
R1064
100/6
SOT23
Q186
MMBT2222A/SOT23/X
13
2
C391
0.01U/6/X/50V
C392
0.1U/6/Y/25V
C423
0.1U/6/Y/25V
+
-U31D
TSM104/A
14
15 16
413
+1EC81
100U/D/10V/5*7/X
R1079
8.2K/6
BC441
4.7U/8/Y/10V/X
R1089
100/6/X
R1192
0/6

8
8
7
7
6
6
5
5
4
4
3
3
2
2
1
1
D D
C C
B B
A A
NEAR Q14
TO CPU VCORE
SENSE PIN
GPO16 GPO19 VCORE
1 1
0
1
1 0
00
normal(50mv)
5%
7.5%
10%
R828
1
CPU Voltage ID output
Vcore PWM HIP6302CB & DRIVER HIP6602CB
UG2
UG1
UG1
LG1
PH3
V_DR
B_DR
UG2
PH3
LG3
UG3
UG3
PWM_EN
VID3
COMP
VID1 PWM2VID2
ISEN1
VID5
VID0
OFS
PWM1
ISEN3
VID4
PWM3
PWROK
ISEN2
PH1PH1
FB
OFS
B
PWM_EN
VID3
VID4
VID5
VID0
VID4
VID1
VID2
VID3
B
FB
OVP
WI_CPU
WI_CPU
OVP
PH2PH2
LG2
PH2
PH1
VCC_SENSE5
VID45,25 PWROK7,16,21,30
VID35,25 VID25,25 VID15,25 VID05,25 VID55,25
GPO1615
GPO1916
PWM_EN 5,32
VTT_PWROK32
-BOOTSEL34
BOOTSEL4
VCORE
VIN
VIN
V12
V12
V12
VIN
VCC
VCC
VCORE
+12V
VCC3
+12V
5VSB 5VSB
C421
1000P/6/Y/25V/X
RN88 1K/8P4R
1 2
3 4
5 6
7 8
R1026
1K/6
R1178
15K/6/X
R1027
5.1K/6
BC461
1U/6/Y/10V
R1124
2.2/6
+1
EC116
820U/D/2.5V/8*11.5/X
R821
2.2/6
Q132
2SK3638/PHD78NQ03LT/SUD50N024-09P/TO252
1
32
R849 22K/6
R806
22/6/X
C290
0.01U/4/Y/50V
R838
20K/6/X
R805
1/6
G S
DQ194
2N7002/SOT23
2
13
+1
EC120
3300U/D/6.3V/10*23
Q130
2SK3638/PHD78NQ03LT/SUD50N024-09P/TO252
1
32
Q135
2SK3639/PHD98N03LT/SUD50N024-06P/TO252
1
32
C283
0.1U/6/Y/25V
R1042
100/6
+1
EC121
820U/D/2.5V/8*11.5
C291
0.01U/4/X/16VR1123
1K/6
+1
EC115
3300U/D/6.3V/10*23
R1125
22K/6/X
R818 5.6K/6
R828
187K/6/1
L9
1.1UH/T6048/D/V/30A/3P
BC460
1U/8/Y/25V
R1177
15K/6/X
G S
DQ136
2N7002/SOT23/X
2
13
+1
EC98
3300U/D/6.3V/10*23/X
R809 5.6K/6
C420
1000P/6/Y/25V/X
R839
8.2K/6/X
SOT23
BAT54A/SOT23
D41
C293
0.22U/8/Y/25V
R832 7.5K/6
Q131
2SK3639/PHD98N03LT/SUD50N024-06P/TO252
1
32
R825
1/6
SOT23
Q193
MMBT2222A/SOT23/X
13
2
R834
2.2/6
Q133
2SK3639/PHD98N03LT/SUD50N024-06P/TO252
1
32
D49
BAV70/SOT23
13
2
C295
0.01U/4/Y/50V
+1
EC87
1500U/D/16V/10*20
R1108
8.2K/6/X
R815 10K/6
+1
EC122
820U/D/2.5V/8*11.5
C294
1U/8/Y/25V/X
C288 0.1U/6/Y/25V
+1
EC89
1500U/D/16V/10*20
R814 2.2/6/X
C287
5.6N/4/X/16V
SOT23
Q138
MMBT2222A/SOT23
13
2
BC463
1U/8/Y/25V
+1
EC88
1500U/D/16V/10*20
R826
22/6/X
R1127 47K/6
C289
470P/4/X/50V/X
L8
2.8uH/T5052/D/20A/3P
R1107
2K/6/X
C285
1U/8/Y/25V/X
R1106
8.2K/6/X
+1
EC123
820U/D/2.5V/8*11.5/X
L11
1.1UH/T6048/D/V/30A/3P
U18
HIP6602B/SO14
11
5
1
12
13
14
4
3
6
9
8
7
10
2
BOOT1
PVCC
PWM1
UGATE1
PHASE1
VCC
LGATE1
GND
PGND
UGATE2
PHASE2
LGATE2
BOOT2
PWM2
R833 2.2/6
R1121
2.2/6
+1
EC117
820U/D/2.5V/8*11.5/X
R829
7.5K/6
G S
DQ137
2N7002/SOT23/X
2
13
R817 2.2/6
U20
HIP6601B
2
7
3
1
8
6
54
BOOT
PVCC
PWM
UGATE
PHASE
VCC
LGATEGND
R1128 8.2K/6
R810 2.2/6
R820
5.1K/6
G S
DQ195
2N7002/SOT23
2
13
C282
1U/8/Y/25V
BC462
1U/8/Y/25V
C286
0.01U/4/Y/50V
+1
EC96
3300U/D/6.3V/10*23/X
C292
0.1U/6/Y/25V
R808 1K/6
R811
2.2/6
Q134
2SK3638/PHD78NQ03LT/SUD50N024-09P/TO252
1
32
R1122
2.2/6
C419
1000P/6/Y/25V/X
R1043
27K/6
R807 1K/6
R1129
100K/6
R1044
16K/6
+1
EC118
3300U/D/6.3V/10*23/X
SOT23
Q196
MMBT2222A/SOT23
13
2
L10
1.1UH/T6048/D/V/30A/3P
R1057
3.3K/6
R830
47K/6
U19
ISL6556B
23
28
26
12
2
3
4
5
6
7
13
15
22
21
20
10
14
9
27
16
1
19
18
24
25
8
17
11
ISEN2
FS
VCC
FB
PGOOD
VID4
VID3
VID2
VID1
VID0
COMP
VSEN
PWM2
PWM1
ISEN1
TCOMP
VDIFF
OFS
EN
RGND
OVP
ISEN3
PWM3
ISEN4
PWM4
VID12.5
GND
REF
R1176
15K/6/X
R842
22K/6
C284
0.22U/8/Y/25V

8
8
7
7
6
6
5
5
4
4
3
3
2
2
1
1
D D
C C
B B
A A
ATX POWER CONNECTOR
SMBUS CONN.
For SMSC
2.5V LEVEL
Misc. PWR & ATX CONN.
PWOK
GMCHVTTREF
SMBCLK
SMBDATA
PS_ON-
PWOK 16,21,30,36
-BOOTSEL33
PS_ON-36
SMBDATA11,12,16,19,25,35 SMBCLK11,12,16,19,25,35
GPI015
-ATX_PS_ON14
VCC3
+12V
VCC
-12V
5VSB_ATX
VCC3
VCC
VCC
-5V
5VSB
V12
VCC3
GMCHVCCP
VCC3
5VSB
VCC
3VDUAL
+12V
VCORE
GMCHVCCP VCORE
VCC
5VSB
5VSB
5VSB_ATX 5VSB
5VSB_ATX
5VSB_ATX 5VSB_ATX
5VSB_ATX
5VSB_ATX
5VSB
Q177
MMBT2222A/SOT23/X
13
2
R1047
8.2K/6/X
RN111
0/8P4R
12 34 56 78
R1048
1K/6/X
C370
22P/4/N/50V/X
U6
SI3443DV/PMOS/TSOP-6
1
2
34
6
5
D
D
GS
D
D
R1013
8.2K/6/X
U30
FAN1655M/X
1
23
4
5
6
7
8
9
1011
12
13
14
VDD
VDD VTTOUT
VSS
VSS
VTTOUT
VDD
VSS
VTTSEN
VREFINSHDN#
VSSQ
VREFOUT
VDDQ
C371
22P/4/N/50V/X
R1011 1.6K/6/1/X
G S
DQ173
2N7002/SOT23/X
2
13
R1014
5.1K/6/1/X
BC607
10U/12/Y/10V
ATX_12V
ATX12V/PROTECT(milk)/11NH4-020004-51,52
1
23
4GND
GND+12V
+12V
SOT 23
Q1
SC431/SOT23
C
AR
C362
0.1U/6/Y/25V
R1010
220/6/X
R1006
8.2K/6
Q172
SC431/SOT23/X
R
C
A
INFO_LINK
H2X5/-PIN7
1
3
5
9
2
4
6
8
10
C367
1000P/4/X/50V/X
BC499
0.1U/6/Y/25V/X BC502
0.1U/6/Y/25V/X
R1004
470K/6
R11
1.8K/6/1
BC498
0.1U/6/Y/25V
BC608
10U/12/Y/10V/X
BC500
0.1U/6/Y/25V/X
R14
1K/6
BC501
0.1U/6/Y/25V/X
BC506
0.1U/6/Y/25V/X
BC505
0.1U/6/Y/25V
ATX 1
2
3
4
5
6
7
8
9
10
13
14
15
16
17
18
19
20
21
22
23
24
11
12
3.3V
3.3V
GND
5V
GND
5V
GND
POK
5VSB
12V
3.3V
-12V
GND
PSON
GND
GND
GND
-5V
5V
5V
5V
GND
12V
3.3V
C361
0.1U/6/Y/25V/X
+1
EC103
100U/D/10V/5*7/X
BC504
0.1U/6/Y/25V/X
R9
1K/6/1
BC503
0.1U/6/Y/25V/X
R8
1K/6
C360
0.1U/6/Y/25V/X
BC2
1U/8/Y/25V
R1015
2.21K/6/1/X
BC508
0.1U/6/Y/25V
RN113
0/8P4R/X
12 34 56 78
+1
EC105
100U/D/10V/5*7/X
BC512
0.1U/6/Y/25V
BC507
0.1U/6/Y/25V/X
+
-
U8B
LM393/SO8
5
67
84
BC337
0.1U/6/Y/25V/X
Q179
MMBT2222A/SOT23
13
2
BC497
0.1U/6/Y/25V/X
BC1
1U/8/Y/25V
BC511
0.1U/6/Y/25V/X
C404
1U/6/Y/10V/X
+
-
U8A
LM393/SO8
3
21
84
C366
1U/8/Y/25V/X
R1005
1K/6
Q178
MMBT2222A/SOT23/X
13
2

A
A
B
B
C
C
D
D
E
E
4 4
3 3
2 2
1 1
For 81OOC
1G:N/A
100M:0/8
LFB3:
1G:0/8
100M:N/A
LFB1:
For 8110SB
POWER DECOUPLING CAP.
Close to Chip
For 81OOC
93C46:N/A
LR2:
1G:RTL8110S
100M:RTL8100C
LU2:
LR15:
100M:N/A
1G:0/6
1G:N/A
100M:0/8
clkrunb has Internal
Pull-down
DVDD
N/A
DVDD_A
AVDDL
AVDDH
V_12P
8110SB8110S8100C
V_DAC
10/100 Giga Giga
3.3V
N/A
N/A
3.3V
3.3V
3.3V
2.5V
2.5V
2.5V
2.5V
2.5V 2.5V
2.5V
1.8V
1.8V
Close to
Chip Close to
Chip
For EMI
For 8100C
For 8100C
LBC30: Reversed
100Mb
Dual Color LED
10Mb
ON
Green
Blink
OrangeYellow
ON10Mb
LINK
Blink100Mb
ACTIVE
RTL8100C
OrangeGreen
ACTIVE
LINK/
Dual Color LED
1Gb
Yellow
10Mb
ON100Mb
10Mb
100Mb
ON
ON
SPEED
Blink
Blink
ON
Blink
RTL8110S
ON
1Gb
D3
Dual Color LED
D4
Orange
Green
D3D4
Yellow
D2 D1
Single Color LED
For 8100C
For 8110S
REAR USBX2
IDSEL AD_25
-PIRQE
-REQ/-GNT(5)
For RTL8100S/
RTL8110SB
SOT89
Package
N/A
1.2V
1.2V
RTL8110S DVDD1=1.8V
RTL8110SB
DVDD1=1.3V
SOT89
Package
For RTL8100S
For RTL8100SB
B
C
DVDD1
LAN RTL8110S/8100C
YELLOW- L_YEL-
YELLOWYELLOW-
L_10M-L_YEL-
GREEN-
ORANGE-
MDI2-
YELLOW
L_YEL-
GREEN-
ORANGE-
3VLED
SMBDAT2
SMBCLK2
LANCLK33
A_D[0..31]
GND
GND
GND
-SERR
GND
ISOLATEB
AVDDH
EEDO
A_D4
A_D23
MDI3-
MDI0+
GND
EEDI_AUX
A_D0
A_D10
A_D15
PAR
GND
A_D31
AVDDL
GND
AVDDL
GND
-C_BE1
3VDUAL
A_D22
-GNT5
3VDUAL
EESK
A_D24
AVDDL
GND
HSDAC+
MDI1-
MDI3-
EEDO
DVDD_A
3VDUAL
GND
3VDUAL
GND
GND
A_D25
A_D29
A_D[0..31]
MDI2+
GND
A_D2
A_D14
A_D18
A_D21
GND
-C_BE0
SMBDAT2
-IRDY
-C_BE2
A_D25
AVDDL
RSET
GND
-FRAME
A_D20
3VDUAL
A_D28
A_D30
GND
A_D[0..31]
GREEN-
A_D1
A_D6
A_D9
MDI1+
MDI3+
EECS
GND
XTAL2
A_D7
A_D13
-PCIRST
YELLOW-
-PERR
A_D8
A_D12
SMBCLK2
A_D19
AVDDH
MDI1-
L_10M-
ORANGE-
EECS
A_D11
MDI2+
V_12P
MDI1+
MDI0-
GND
GND
3VDUAL
A_D17
-TRDY
-C_BE3
A_D26
A_D27
GND
GND
MDI0-
MDI0+
EEDI_AUX
3VDUAL
A_D3
A_D5
-STOP
-DEVSEL
A_D16
GND
MDI3+
CTRL25
-PCIPME
-REQ5
GND
GND GND
MDI2-
EESK
LANCLK33
CTRL25
CTRL25
XTAL1
-PIRQE
P4+
P5-
P5+
P4-
-USBOC
P4-
P4+
P5-
P5+
DVDD1
DVDD1
DVDD1
DVDD1
DVDD1
DVDD1
DVDD1
DVDD1
DVDD1
CTRL18
CTRL18
A_D[0..31]15,20,21,22
-PCIRST9,15,18,21,25
-GNT515,20 -SERR 15,20,21,22
PAR 15,20,21,22
-REQ515,20
-C_BE315,20,21,22
-TRDY 15,20,21,22
-FRAME 15,20,21,22
-PCIPME14,15,20,21,22
-DEVSEL 15,20,21,22
-STOP 15,20,21,22
LANCLK3319
-C_BE1 15,20,21,22
-C_BE2 15,20,21,22
-IRDY 15,20,21,22
-C_BE0 15,20,21,22
-PERR 15,20,21,22
SMBDATA 11,12,16,19,25,34
SMBCLK 11,12,16,19,25,34
-PIRQE15
P4-
P4+
P5+
P5-
-USBOC 15
+USBP4 15
-USBP4 15
-USBP5 15
+USBP5 15
3VDUAL
3VDUAL
FUSEVCC
3VDUAL
VCC
3VDUAL
AVDDL
3VDUAL AVDDH
AVDDL
V_12P
3VDUAL
DVDD_A
3VDUAL
3VDUAL
AVDDL
FUSEVCC
DVDD1
DVDD1
DVDD1 3VDUAL
AVDDL
LR3 0/6/X
LBC28 100P/4/N/50V/X
LBC10
0.1U/6/Y/25V
LR24
49.9/6/1
LBC16
0.1U/6/Y/25V
LBC35
0.01U/6/X/50V
LBC15
0.1U/6/Y/25V
LFB1
0/8
LFB4
0/8
UP
DOWN
USB/LAN[P35-152-19W9]
USB_LAN
U1
D1
U2
U3
U4
U5
U6
U7
U8
D2
D3
D4
L1
L2
L3
L4
L5
L6
L7
L8
L9
L10
LBC7
1U/6/Y/10V
LR14 0/6
LBC13
0.1U/6/Y/25V
LR25
49.9/6/1
+1
LEC5
100U/D/10V/5*7/X
LD1
BAS32L/S
LBC36
0.01U/6/X/50V
LBC25
0.1U/6/Y/25V
LBC12
0.1U/6/Y/25V
LBC19
0.1U/6/Y/25V/X
LBC26 10P/4/N/50V/X
LBC14
0.1U/6/Y/25V
LBC6
1U/6/Y/10V
LR10 15K/6
LUL1
OD6560T/S/X
1
2
3
45
6
7
8
LFB3
0/8/X
LR11 0/6/X
LR23
49.9/6/1
LR6 150K/6
LQ4
2SB1132/SOT89
1
2
34
LFB2 0/8/X
LR15 0/6
+1
LEC3
100U/D/10V/5*7
LR4
2.49K/6/1
LR19
49.9/6/1
LQ1
2SB1132/SOT89
1
2
34
LR30 0/6/X
LBC21
0.1U/6/Y/25V
BC595
1U/6/Y/10V
LRN2 0/8P4R/X
1
3 4
5 6
7 8
2
LR78 0/6
LR29 0/6
LBC17
0.1U/6/Y/25V
+1
LEC1
100U/D/10V/5*7
LBC22
0.1U/6/Y/25V/X
LR21
49.9/6/1
LBC8
1U/6/Y/10V
LX1
25MHZ/XTAL_HALF/TXC/IQG
LU1
93C46/SO8
1
2
3
4 5
6
7
8
CS
SK
DI
DO GND
ORG
DC
VCC
LBC24
0.1U/6/Y/25V
LR13 0/6/X
LBC4
1U/6/Y/10V
LBC1
0.1U/6/Y/25V
+1
LEC2
1000U/D/6.3V/8*14
LC1
27P/4/N/50V
LBC29
0.1U/6/Y/25V/X
LBC31
0.1U/6/Y/25V/X
LBC18
0.1U/6/Y/25V
LBC3
1U/6/Y/10V
LBC34
0.01U/6/X/50V
LR26
49.9/6/1
LR16 150/6/X
LR5 0/6/X
LBC32
0/6
LR2 8.2K/6/X
LBC33
0.01U/6/X/50V
LC2
27P/4/N/50V
LBC2
1U/6/Y/10V
LBC9
0.1U/6/Y/25V
LR22
49.9/6/1
LR12
0/6/X
LBC5
1U/6/Y/10V
LU2
RTL8110S
1
2
3
4
5
6
7
8
9
10
11
12
13
14
15
16
17
18
19
20
21
22
23
24
25
26
27
28
29
30
31
32
33
34
35
36
37
38
39
40
41
42
43
44
45
46
47
48
49
50
51
52
53
54
55
56
57
58
59
60
61
62
63
64
65
66
67
68
69
70
71
72
73
74
75
76
77
78
79
80
81
82
83
84
85
86
87
88
89
90
91
92
93
94
95
96
97
98
99
100
101
102
103
104
105
106
107
108
109
110
111
112
113
114
115
116
117
118
119
120
121
122
123
124
125
126
127
128
MDI0+
MDI0-
AVDDL
VSS
MDI1+
MDI1-
AVDDL
CTRL25
VSS
AVDDH
HSDAC+
HSDAC-
VSS
MDI2+
MDI2-
AVDDL
VSS
MDI3+
MDI3-
AVDDL
VSSPST
GND
ISOLATEB
VDD18
INTAB
VDD33
RSTB
CLK
GNTB
REQB
PMEB
VDD18
AD31
AD30
GND
AD29
AD28
VSSPST
AD27
AD26
VDD33
AD25
AD24
CBE3B
VDD18
IDSEL
AD23
GND
AD22
AD21
VSSPST
GND
AD20
VDD18
AD19
VDD33
AD18
AD17
AD16
CBE2B
FRAMEB
GND
IRDYB
VDD18
CLKRUNB
VSSPST
TRDYB
DEVSELB
STOPB
PERRB
VDD33
SMBCLK
GND
SMBDATA
SERRB
PAR
CBE1B
VDD18
AD15
GND
VSSPST
AD14
AD13
VDD33
AD12
AD11
AD10
M66EN
AD9
AD8
VSSPST
CBE0B
AD7
VDD33
AD6
AD5
AD4
AD3
VDD18
GND
VSSPST
AD2
AD1
AD0
LWAKE
EECS
VDD33
EEDO
EEDI
VDD18
EESK
GND
LED3
LED2
LED1
VDD18
LED0
GND
VSSPST
HV
XTAL1
XTAL2
VSS
VSS
CTRL18
DVDDA
RSET
VSS
LBC30 0.1U/6/Y/25V/X
LR7
270K/6
LQ3
2907A/SOT23/X
13
2
SOT23
BAW56/SOT23
LD2
23
1
LR17 0/6
LBC23
0.1U/6/Y/25V/X
LBC11
0.1U/6/Y/25V/X
LR20
49.9/6/1
LBC27 100P/4/N/50V/X
LR8 1K/6
LR18 150/6/X
LR1 3.6K/6

8
8
7
7
6
6
5
5
4
4
3
3
2
2
1
1
D D
C C
B B
A A
1.25V VTT_DDR LINEAR SOLUTION
FOR FUSEVCC PROTECT
LOW
DDROVP2
HIGH
5V
0V
0V
2.8V
HIGH
0V
HIGH
2.5V
HIGH
0V
2.5V
HIGH
DDROVP1
2.7V
DDROVP1,DDROVP2,DDROVP3 RESUME WELL DEFAULT HIGH
HIGH
HIGH
0V
LOWLOW
V_SET1V_SET0DDROVP3
2.6V
HIGH
2.5V
LOW
DDR POWER
SLP_S5EN
SLP_S5EN
SLP_S5EN
-RSMRST
PWOK16,21,30,34
-SLP_S314,16,19
-SLP_S314,16,19
PS_ON-34
-S4_S516
-RSMRST 16
DDROVP116DDROVP216
5VSB
5VSB
5VDUAL
5VSB
VCC
DDR25V
VCC3
3VSTR
DDRVTT
VCC3
3VDUAL
3VDUAL
3VDUAL
3VDUAL
5VDUAL
3VDUAL
5VSB
FUSEVCC
5VSB
BC615
0.1U/6/Y/25V
R1196
1K/6
BC614
0.1U/6/Y/25V
+
1
EC109
100U/D/10V/5*7
G
D
SQ204
STD1703LT4(CHINA)/P3055LD/HUF76107D3S/TO252
1
32
+
1
EC8
1000U/D/6.3V/8*14
BC613
0.1U/6/Y/25V
BC611
0.1U/6/Y/25V
R1198
1K/6
R1195 22/6
SOT23
Q209
MMBT2222A/SOT23
13
2
R1246
47K/6/X
BC612
0.1U/6/Y/25V
EC127
100U/D/10V/5*7/X
Q203
IPD20N03L/AOD408/2SK3641-ZK/AP40T03H/TO252
1
3
2
+
1EC108
1000U/D/6.3V/8*14
G S
D
Q189
2N7002/SOT23
2
13
BC617
0.01U/4/X/50V/X
BC620
0.1U/6/Y/25V
G
D
SQ123
STD1703LT4(CHINA)/P3055LD/HUF76107D3S/TO252
1
32
SOT23
Q212
MMBT2222/SOT23/X
13
2
D51
1N5820/S D52
1N5820/S
R1117
8.2K/6
BC616
0.01U/4/X/50V/X
RN112
4.7/8P4R
1 2
3 4
5 6
7 8
Q208
MMBT2222A/SOT23
13
2
C399
0.1U/6/Y/25V
+
1EC83
1000U/D/6.3V/8*14
EC119
100U/D/10V/5*7
+
1EC78
1000U/D/6.3V/8*14
R1091
8.2K/6
R1200
3K/6
R1203
8.2K/6
R1247
8.2K/6/X
BC619
0.1U/6/Y/25V
BC610
0.1U/6/Y/25V
R1205
8.2K/6
R1041 22K/6
R1097
169/6/1
R1194
1/6
SOT23
Q213
MMBT2222/SOT23/X
13
2
+
1EC126
1000U/D/6.3V/8*14
BC618
0.01U/4/X/50V/X
R1096
100/6/1
R1245 0/6
U41
W83301GR-REVB
16
1
2
3
4
5
6
7
89
10
11
12
13
14
15
17
18
19
20
5V_DRV
STR_DRV2
STR_SEN2
STR_DRV3
STR_SEN3
VSS
VCC
C1
C2 CHRPMP
5VDLEND#
S5#
S3#
V_SET1
V_SET0
5V_DLSB
PWOK
SS
STR_SEN1
STR_DRV1
Q207
MMBT2222A/SOT23
13
2
Q116
APL1084/TO252
1
3
2
EC128
100U/D/10V/5*7/X
BC621
1U/6/Y/10V/X R1199
1K/6
G
D
SQ202
STD1703LT4(CHINA)/P3055LD/HUF76107D3S/TO252
1
32
C405
0.01U/6/X/50V
G
D
SQ205
STD1703LT4(CHINA)/P3055LD/HUF76107D3S/TO252
1
32
C373
1U/6/Y/10V
C402
0.1U/6/Y/25V
+
1EC63
1000U/D/6.3V/8*14
C416
10U/8/Y/10V/X
R1202
8.2K/6
D53
1N5817/S
SOT23
Q190
MMBT2222A/SOT23
13
2
R1204
8.2K/6
R1206
8.2K/6

5
5
4
4
3
3
2
2
1
1
D D
C C
B B
A A
SHEET TITLE SHEET TITLE
GPIP
GPI0/REQA-
GPI1/REQ5-
GPI2/PIRQE-
GPI3/PIRQF-
GPI5/PIRQH-
GPI7
GPI6/AGPBUSY-
GPI4/PIRQG-
GPI9/OC4-
GPI11/-SMBALRT
GPI10/OC5-
GPI8
GPI13
GPI12
GPI15/OC7-
GPI14/OC6-
PULL HIGH 8.2K to VCC3, SMB connector.
PULL 8.2K TO VCC3, PANEL GREEN_BUTTON
PULL 8.2K TO 3VDUAL,-SMBALERT.
GPO16
GPO17
GPO18
GPO19
GPO20
GPO21
GPO22
GPO23
GPO24
GPO25
GPO26
GPO27
GPO28
PULL 8.2K TO VCC3
PULL 8.2K TO VCC3 (GNT5-)
PULL 8.2K TO VCC3
PULL 8.2K TO VCC3
PULL 8.2K TO VCC3
PULL 8.2K TO VCC3
PULL 8.2K TO 3VDUAL
PULL 8.2K TO VCC3
PULL 8.2K TO VCC3
PULL 1K TO 3VDUAL
PULL 4.7K TO 3VDUAL, LAN 100/10 DETECT.
NOT IMPLEMENTED
PULL 8.2K TO 3VDUAL
FUNCTION FUNCTIONGPIP
PULL HIGH 8.2K to VCC, REQ5-.
PULL HIGH 8.2K to VCC3, PIRQE-.
PULL HIGH 8.2K to VCC3, PIRQF-.
PULL HIGH 8.2K to VCC, PIRQG-.
I/O
I
PULL HIGH 8.2K to VCC
NA
I
IDUAL BIOS FIRST BOOT SELECT.
PULL 8.2K TO 3VDUAL, -CASPME.
I
NA
NA
USB OC4-.
USB OC5-.
NA
NA
USB OC6-.
USB OC7-.
NA
PULL 8.2K TO VCC3,M/B REVERSION ID.I
ILPC PME.
NA
GPO16/GNTA- GPO16.
GPO17/GNT5- GNT5-.
GPO18/STP_PCI- NA GPO18.
GPO19/SLP_S1- ODUAL BIOS.
GPO20/SLP_CPU- ODUAL BIOS.
GPO21/C3_SATA- BLOCK TOP TABLE.
O
OGPO22/CPUPERF- PULL 8.2K TO VCC3,PANEL S3 POWER
LED.
I/O
GIGABYTE GA-8IPE1000-G GPIO LIST
VCORE O
O
O
O
O
O
O
O
I/O
I/O
I/O
I/O
I/O
VCORE
VDDQ
VDDQ
FSB H/W stripping
PWOK
DDR25V
DDR25V
LED
GPIO LIST
