HP LaserJet 5100 Series Service Manual. Www.s Manuals.com. Manual
User Manual: Laser Printer HP LaserJet 5100 - Service manuals and Schematics, Disassembly / Assembly. Free.
Open the PDF directly: View PDF
.
Page Count: 314 [warning: Documents this large are best viewed by clicking the View PDF Link!]
- Contents
- Figures
- Tables
- Printer description
- Service approach
- Printer operation
- Printer maintenance
- Functional information
- Removing and replacing parts
- Overview
- User-installable accessories
- Memory upgrade
- Before you begin
- Covers
- Internal assemblies
- Transfer-roller assembly
- Paper-handling PCA
- Main gear assembly
- Pickup gear assembly
- Tray 1 pickup solenoid
- Fan
- Formatter assembly
- Tray 1 roller
- Tray 1 separation pad
- Tray 2 pickup roller
- Tray 2 separation pad
- Paper-feed roller assembly
- Dc controller and power supply
- Paper-feed belt assembly
- Tray 1 shaft
- Tray 2 shaft
- Tray 1 lift plate
- Paper guide
- Top-of-page sensor
- Face-down bin-full sensor lever
- Accessory interface connector
- Registration assembly
- Upper delivery assembly
- Delivery roller
- Laser/scanner assembly
- Main motor
- Toner cartridge guides
- Power inlet assembly
- Optional 250-sheet feeder
- Optional 500-sheet feeder
- Troubleshooting
- Parts and diagrams
- Index

service
hp LaserJet 5100
5100tn 5100dtn
5100Le
hp LaserJet 5100 series printers
service ____________________
Hewlett-Packard Company
11311 Chinden Boulevard
Boise, Idaho 83714 U.S.A.
© Copyright Hewlett-Packard
Company 2002
All Rights Reserved.
Reproduction, adaptation, or
translation without prior written
permission is prohibited, except
as allowed under the copyright
laws.
Publication number
Q1860-90918
First Edition, May 2002
Warranty
The information contained in this
document is subject to change
without notice.
Hewlett-Packard makes no
warranty of any kind with respect
to this information.
HEWLETT-PACKARD
SPECIFICALLY DISCLAIMS
THE IMPLIED WARRANTY OF
MERCHANTABILITY AND
FITNESS FOR A PARTICULAR
PURPOSE.
Hewlett-Packard shall not be
liable for any direct, indirect,
incidental, consequential, or
other damage alleged in
connection with the furnishing or
use of this information.
Trademark Credits
PostScript® is a trademark of
Adobe Systems Incorporated.
HP-UX Release 10.20 and later
and HP-UX Release 11.00 and
later (in both 32 and 64-bit
configurations) on all HP 9000
computers are Open Group
UNIX 95 branded products.
Microsoft, Windows®, MS-DOS,
and Windows NT, are U.S.
registered trademarks of
Microsoft Corporation.
TrueType™ is a U.S. trademark of
Apple Computer, Inc.
UNIX® is a registered trademark
of The Open Group.
ENERGY STAR® is a U.S.
registered service mark of the
United States Environmental
Protection Agency.
Contents 3
Contents
1 Printer description
Printer features . . . . . . . . . . . . . . . . . . . . . . . . . . . . . . . . . . . . . . . . . . . . . . . . . . . . . . . . . . . . . . . . 16
Printer information . . . . . . . . . . . . . . . . . . . . . . . . . . . . . . . . . . . . . . . . . . . . . . . . . . . . . . . . . . . . . . 17
Identification . . . . . . . . . . . . . . . . . . . . . . . . . . . . . . . . . . . . . . . . . . . . . . . . . . . . . . . . . . . . . . . . . . 19
Model and serial numbers . . . . . . . . . . . . . . . . . . . . . . . . . . . . . . . . . . . . . . . . . . . . . . . . . . . . 19
Site requirements . . . . . . . . . . . . . . . . . . . . . . . . . . . . . . . . . . . . . . . . . . . . . . . . . . . . . . . . . . . . . . 20
Environmental and power requirements . . . . . . . . . . . . . . . . . . . . . . . . . . . . . . . . . . . . . . . . . . 20
Space requirements . . . . . . . . . . . . . . . . . . . . . . . . . . . . . . . . . . . . . . . . . . . . . . . . . . . . . . . . . 21
Paper specifications . . . . . . . . . . . . . . . . . . . . . . . . . . . . . . . . . . . . . . . . . . . . . . . . . . . . . . . . . . . . 25
Supported types of paper . . . . . . . . . . . . . . . . . . . . . . . . . . . . . . . . . . . . . . . . . . . . . . . . . . . . . 26
Guidelines for using paper . . . . . . . . . . . . . . . . . . . . . . . . . . . . . . . . . . . . . . . . . . . . . . . . . . . . 27
Labels . . . . . . . . . . . . . . . . . . . . . . . . . . . . . . . . . . . . . . . . . . . . . . . . . . . . . . . . . . . . . . . . . . . . 29
Transparencies . . . . . . . . . . . . . . . . . . . . . . . . . . . . . . . . . . . . . . . . . . . . . . . . . . . . . . . . . . . . 29
Vellum . . . . . . . . . . . . . . . . . . . . . . . . . . . . . . . . . . . . . . . . . . . . . . . . . . . . . . . . . . . . . . . . . . . 29
Envelopes . . . . . . . . . . . . . . . . . . . . . . . . . . . . . . . . . . . . . . . . . . . . . . . . . . . . . . . . . . . . . . . . 29
Card stock and heavy paper . . . . . . . . . . . . . . . . . . . . . . . . . . . . . . . . . . . . . . . . . . . . . . . . . . 31
Safety information . . . . . . . . . . . . . . . . . . . . . . . . . . . . . . . . . . . . . . . . . . . . . . . . . . . . . . . . . . . . . . 32
Laser safety statement . . . . . . . . . . . . . . . . . . . . . . . . . . . . . . . . . . . . . . . . . . . . . . . . . . . . . . . 32
Canadian DOC regulations . . . . . . . . . . . . . . . . . . . . . . . . . . . . . . . . . . . . . . . . . . . . . . . . . . . . 32
FCC regulations . . . . . . . . . . . . . . . . . . . . . . . . . . . . . . . . . . . . . . . . . . . . . . . . . . . . . . . . . . . . 32
Laser statement for Finland . . . . . . . . . . . . . . . . . . . . . . . . . . . . . . . . . . . . . . . . . . . . . . . . . . . 33
Luokan 1 laserlaite . . . . . . . . . . . . . . . . . . . . . . . . . . . . . . . . . . . . . . . . . . . . . . . . . . . . . . . . . . 33
Material Safety Data Sheet . . . . . . . . . . . . . . . . . . . . . . . . . . . . . . . . . . . . . . . . . . . . . . . . . . . . 33
Environmental product stewardship . . . . . . . . . . . . . . . . . . . . . . . . . . . . . . . . . . . . . . . . . . . . . 34
2 Service approach
Regulatory information . . . . . . . . . . . . . . . . . . . . . . . . . . . . . . . . . . . . . . . . . . . . . . . . . . . . . . . . . . 36
Service approach . . . . . . . . . . . . . . . . . . . . . . . . . . . . . . . . . . . . . . . . . . . . . . . . . . . . . . . . . . . . . . 36
Parts and supplies. . . . . . . . . . . . . . . . . . . . . . . . . . . . . . . . . . . . . . . . . . . . . . . . . . . . . . . . . . . 36
Warranty . . . . . . . . . . . . . . . . . . . . . . . . . . . . . . . . . . . . . . . . . . . . . . . . . . . . . . . . . . . . . . . . . . 36
Limited warranty for the print cartridge . . . . . . . . . . . . . . . . . . . . . . . . . . . . . . . . . . . . . . . . . . . 36
Service and support . . . . . . . . . . . . . . . . . . . . . . . . . . . . . . . . . . . . . . . . . . . . . . . . . . . . . . . . . 37
Worldwide service and support offices . . . . . . . . . . . . . . . . . . . . . . . . . . . . . . . . . . . . . . . . . . . 38
4Q1860-90918
3 Printer operation
Using the control panel . . . . . . . . . . . . . . . . . . . . . . . . . . . . . . . . . . . . . . . . . . . . . . . . . . . . . . . . . . 42
Control panel layout . . . . . . . . . . . . . . . . . . . . . . . . . . . . . . . . . . . . . . . . . . . . . . . . . . . . . . . . . 42
Control panel lights . . . . . . . . . . . . . . . . . . . . . . . . . . . . . . . . . . . . . . . . . . . . . . . . . . . . . . . . . . 42
Control panel keys . . . . . . . . . . . . . . . . . . . . . . . . . . . . . . . . . . . . . . . . . . . . . . . . . . . . . . . . . . . 43
Settings and defaults . . . . . . . . . . . . . . . . . . . . . . . . . . . . . . . . . . . . . . . . . . . . . . . . . . . . . . . . . 44
Control panel menus . . . . . . . . . . . . . . . . . . . . . . . . . . . . . . . . . . . . . . . . . . . . . . . . . . . . . . . . . . . . 45
Private/stored jobs menu . . . . . . . . . . . . . . . . . . . . . . . . . . . . . . . . . . . . . . . . . . . . . . . . . . . . . . 46
Information menu . . . . . . . . . . . . . . . . . . . . . . . . . . . . . . . . . . . . . . . . . . . . . . . . . . . . . . . . . . . 47
Paper-handling menu . . . . . . . . . . . . . . . . . . . . . . . . . . . . . . . . . . . . . . . . . . . . . . . . . . . . . . . . 48
Print-quality menu . . . . . . . . . . . . . . . . . . . . . . . . . . . . . . . . . . . . . . . . . . . . . . . . . . . . . . . . . . . 50
Printing menu . . . . . . . . . . . . . . . . . . . . . . . . . . . . . . . . . . . . . . . . . . . . . . . . . . . . . . . . . . . . . . 51
Configuration menu . . . . . . . . . . . . . . . . . . . . . . . . . . . . . . . . . . . . . . . . . . . . . . . . . . . . . . . . . . 53
I/O menu . . . . . . . . . . . . . . . . . . . . . . . . . . . . . . . . . . . . . . . . . . . . . . . . . . . . . . . . . . . . . . . . . . 55
EIO menu (HP LaserJet 5100tn and 5100dtn printers) . . . . . . . . . . . . . . . . . . . . . . . . . . . . . . . 56
Resets menu . . . . . . . . . . . . . . . . . . . . . . . . . . . . . . . . . . . . . . . . . . . . . . . . . . . . . . . . . . . . . . . 58
Service mode . . . . . . . . . . . . . . . . . . . . . . . . . . . . . . . . . . . . . . . . . . . . . . . . . . . . . . . . . . . . . . . . . . 59
Service menu . . . . . . . . . . . . . . . . . . . . . . . . . . . . . . . . . . . . . . . . . . . . . . . . . . . . . . . . . . . . . . . 59
Setting the page count, maintenance count, and serial number . . . . . . . . . . . . . . . . . . . . . . . . 60
Cold reset paper size . . . . . . . . . . . . . . . . . . . . . . . . . . . . . . . . . . . . . . . . . . . . . . . . . . . . . . . . . 62
Diagnostics. . . . . . . . . . . . . . . . . . . . . . . . . . . . . . . . . . . . . . . . . . . . . . . . . . . . . . . . . . . . . . . . . 62
Clear event log. . . . . . . . . . . . . . . . . . . . . . . . . . . . . . . . . . . . . . . . . . . . . . . . . . . . . . . . . . . . . . 62
Testing the printer . . . . . . . . . . . . . . . . . . . . . . . . . . . . . . . . . . . . . . . . . . . . . . . . . . . . . . . . . . . . . . 63
Resetting the printer . . . . . . . . . . . . . . . . . . . . . . . . . . . . . . . . . . . . . . . . . . . . . . . . . . . . . . . . . . . . 63
Cold reset . . . . . . . . . . . . . . . . . . . . . . . . . . . . . . . . . . . . . . . . . . . . . . . . . . . . . . . . . . . . . . . . . 63
Clearing NVRAM . . . . . . . . . . . . . . . . . . . . . . . . . . . . . . . . . . . . . . . . . . . . . . . . . . . . . . . . . . . . 63
Initializing the hard disk . . . . . . . . . . . . . . . . . . . . . . . . . . . . . . . . . . . . . . . . . . . . . . . . . . . . . . . 63
System configuration . . . . . . . . . . . . . . . . . . . . . . . . . . . . . . . . . . . . . . . . . . . . . . . . . . . . . . . . . . . . 64
MS-DOS system configuration. . . . . . . . . . . . . . . . . . . . . . . . . . . . . . . . . . . . . . . . . . . . . . . . . . 64
Parallel MS-DOS commands . . . . . . . . . . . . . . . . . . . . . . . . . . . . . . . . . . . . . . . . . . . . . . . . . . . 64
Printer I/O configuration . . . . . . . . . . . . . . . . . . . . . . . . . . . . . . . . . . . . . . . . . . . . . . . . . . . . . . . . . . 64
Parallel menu . . . . . . . . . . . . . . . . . . . . . . . . . . . . . . . . . . . . . . . . . . . . . . . . . . . . . . . . . . . . . . . 64
4 Printer maintenance
Cleaning the printer and accessories . . . . . . . . . . . . . . . . . . . . . . . . . . . . . . . . . . . . . . . . . . . . . . . 66
Cleaning spilled toner . . . . . . . . . . . . . . . . . . . . . . . . . . . . . . . . . . . . . . . . . . . . . . . . . . . . . . . . 67
Preventive maintenance . . . . . . . . . . . . . . . . . . . . . . . . . . . . . . . . . . . . . . . . . . . . . . . . . . . . . . . . . 68
Reset maintenance count . . . . . . . . . . . . . . . . . . . . . . . . . . . . . . . . . . . . . . . . . . . . . . . . . . . . .68
Expected life of components . . . . . . . . . . . . . . . . . . . . . . . . . . . . . . . . . . . . . . . . . . . . . . . . . . .68
Q1860-90918 5
5 Functional information
Printer subsystems . . . . . . . . . . . . . . . . . . . . . . . . . . . . . . . . . . . . . . . . . . . . . . . . . . . . . . . . . . . . . 71
Power supply system. . . . . . . . . . . . . . . . . . . . . . . . . . . . . . . . . . . . . . . . . . . . . . . . . . . . . . . . . . . . 72
Ac/dc power distribution . . . . . . . . . . . . . . . . . . . . . . . . . . . . . . . . . . . . . . . . . . . . . . . . . . . . . . 72
Overcurrent overvoltage protection . . . . . . . . . . . . . . . . . . . . . . . . . . . . . . . . . . . . . . . . . . . . . 73
High-voltage power distribution . . . . . . . . . . . . . . . . . . . . . . . . . . . . . . . . . . . . . . . . . . . . . . . . 74
Toner-cartridge detection . . . . . . . . . . . . . . . . . . . . . . . . . . . . . . . . . . . . . . . . . . . . . . . . . . . . . 75
Dc controller system . . . . . . . . . . . . . . . . . . . . . . . . . . . . . . . . . . . . . . . . . . . . . . . . . . . . . . . . . 75
Laser and scanner drive . . . . . . . . . . . . . . . . . . . . . . . . . . . . . . . . . . . . . . . . . . . . . . . . . . . . . . 76
Paper-motion monitoring and control . . . . . . . . . . . . . . . . . . . . . . . . . . . . . . . . . . . . . . . . . . . 76
Solenoids, sensors, clutches, and switches . . . . . . . . . . . . . . . . . . . . . . . . . . . . . . . . . . . . . . . 76
Engine test . . . . . . . . . . . . . . . . . . . . . . . . . . . . . . . . . . . . . . . . . . . . . . . . . . . . . . . . . . . . . . . . 76
Motors . . . . . . . . . . . . . . . . . . . . . . . . . . . . . . . . . . . . . . . . . . . . . . . . . . . . . . . . . . . . . . . . . . . 77
Formatter system . . . . . . . . . . . . . . . . . . . . . . . . . . . . . . . . . . . . . . . . . . . . . . . . . . . . . . . . . . . . . . 78
PowerSave . . . . . . . . . . . . . . . . . . . . . . . . . . . . . . . . . . . . . . . . . . . . . . . . . . . . . . . . . . . . . . . . 78
Resolution Enhancement technology . . . . . . . . . . . . . . . . . . . . . . . . . . . . . . . . . . . . . . . . . . . 78
EconoMode . . . . . . . . . . . . . . . . . . . . . . . . . . . . . . . . . . . . . . . . . . . . . . . . . . . . . . . . . . . . . . . 79
Input/output . . . . . . . . . . . . . . . . . . . . . . . . . . . . . . . . . . . . . . . . . . . . . . . . . . . . . . . . . . . . . . . 79
CPU . . . . . . . . . . . . . . . . . . . . . . . . . . . . . . . . . . . . . . . . . . . . . . . . . . . . . . . . . . . . . . . . . . . . . 79
Printer memory . . . . . . . . . . . . . . . . . . . . . . . . . . . . . . . . . . . . . . . . . . . . . . . . . . . . . . . . . . . . . 80
Memory Enhancement technology . . . . . . . . . . . . . . . . . . . . . . . . . . . . . . . . . . . . . . . . . . . . . . 80
Page protect . . . . . . . . . . . . . . . . . . . . . . . . . . . . . . . . . . . . . . . . . . . . . . . . . . . . . . . . . . . . . . . 81
PJL . . . . . . . . . . . . . . . . . . . . . . . . . . . . . . . . . . . . . . . . . . . . . . . . . . . . . . . . . . . . . . . . . . . . . . 81
PML. . . . . . . . . . . . . . . . . . . . . . . . . . . . . . . . . . . . . . . . . . . . . . . . . . . . . . . . . . . . . . . . . . . . . . 81
Control panel. . . . . . . . . . . . . . . . . . . . . . . . . . . . . . . . . . . . . . . . . . . . . . . . . . . . . . . . . . . . . . . 81
Image-formation system . . . . . . . . . . . . . . . . . . . . . . . . . . . . . . . . . . . . . . . . . . . . . . . . . . . . . . . . . 82
Toner cartridge . . . . . . . . . . . . . . . . . . . . . . . . . . . . . . . . . . . . . . . . . . . . . . . . . . . . . . . . . . . . . 83
Photosensitive drum . . . . . . . . . . . . . . . . . . . . . . . . . . . . . . . . . . . . . . . . . . . . . . . . . . . . . . . . . 84
Writing the image . . . . . . . . . . . . . . . . . . . . . . . . . . . . . . . . . . . . . . . . . . . . . . . . . . . . . . . . . . . 86
Developing the image . . . . . . . . . . . . . . . . . . . . . . . . . . . . . . . . . . . . . . . . . . . . . . . . . . . . . . . 87
Transferring the image . . . . . . . . . . . . . . . . . . . . . . . . . . . . . . . . . . . . . . . . . . . . . . . . . . . . . . . 88
Image fusing/variable fusing temperature. . . . . . . . . . . . . . . . . . . . . . . . . . . . . . . . . . . . . . . . . 89
Paper feed system. . . . . . . . . . . . . . . . . . . . . . . . . . . . . . . . . . . . . . . . . . . . . . . . . . . . . . . . . . . . . . 91
Clutches and sensors . . . . . . . . . . . . . . . . . . . . . . . . . . . . . . . . . . . . . . . . . . . . . . . . . . . . . . . . 92
Printing from Tray 1 . . . . . . . . . . . . . . . . . . . . . . . . . . . . . . . . . . . . . . . . . . . . . . . . . . . . . . . . . 92
Printing from Tray 2 . . . . . . . . . . . . . . . . . . . . . . . . . . . . . . . . . . . . . . . . . . . . . . . . . . . . . . . . . 93
Printing from the optional 500-sheet and 250-sheet Trays . . . . . . . . . . . . . . . . . . . . . . . . . . . 95
Paper jam . . . . . . . . . . . . . . . . . . . . . . . . . . . . . . . . . . . . . . . . . . . . . . . . . . . . . . . . . . . . . . . . . 97
Duplexer . . . . . . . . . . . . . . . . . . . . . . . . . . . . . . . . . . . . . . . . . . . . . . . . . . . . . . . . . . . . . . . . . . 98
Paper jam in the duplexer . . . . . . . . . . . . . . . . . . . . . . . . . . . . . . . . . . . . . . . . . . . . . . . . . . . 100
Basic sequence of operation . . . . . . . . . . . . . . . . . . . . . . . . . . . . . . . . . . . . . . . . . . . . . . . . . . . . 101
6Q1860-90918
6 Removing and replacing parts
User-installable accessories. . . . . . . . . . . . . . . . . . . . . . . . . . . . . . . . . . . . . . . . . . . . . . . . . . . . . . 107
Checking memory installation . . . . . . . . . . . . . . . . . . . . . . . . . . . . . . . . . . . . . . . . . . . . . . . . . 109
Installing EIO cards or mass-storage devices . . . . . . . . . . . . . . . . . . . . . . . . . . . . . . . . . . . . . 110
Paper-handling accessories. . . . . . . . . . . . . . . . . . . . . . . . . . . . . . . . . . . . . . . . . . . . . . . . . . . 110
Before you begin . . . . . . . . . . . . . . . . . . . . . . . . . . . . . . . . . . . . . . . . . . . . . . . . . . . . . . . . . . . . . . 111
Replacing printer parts. . . . . . . . . . . . . . . . . . . . . . . . . . . . . . . . . . . . . . . . . . . . . . . . . . . . . . . 111
Removing loose toner . . . . . . . . . . . . . . . . . . . . . . . . . . . . . . . . . . . . . . . . . . . . . . . . . . . . . . . 111
Required tools . . . . . . . . . . . . . . . . . . . . . . . . . . . . . . . . . . . . . . . . . . . . . . . . . . . . . . . . . . . . . 111
Parts removal order . . . . . . . . . . . . . . . . . . . . . . . . . . . . . . . . . . . . . . . . . . . . . . . . . . . . . . . . . 112
Covers . . . . . . . . . . . . . . . . . . . . . . . . . . . . . . . . . . . . . . . . . . . . . . . . . . . . . . . . . . . . . . . . . . . . . . 113
Rear door and rear output bin . . . . . . . . . . . . . . . . . . . . . . . . . . . . . . . . . . . . . . . . . . . . . . . . . 113
Fuser . . . . . . . . . . . . . . . . . . . . . . . . . . . . . . . . . . . . . . . . . . . . . . . . . . . . . . . . . . . . . . . . . . . . 114
Top cover . . . . . . . . . . . . . . . . . . . . . . . . . . . . . . . . . . . . . . . . . . . . . . . . . . . . . . . . . . . . . . . . 115
Control panel overlay and control panel . . . . . . . . . . . . . . . . . . . . . . . . . . . . . . . . . . . . . . . . . 117
Toner cartridge door assembly . . . . . . . . . . . . . . . . . . . . . . . . . . . . . . . . . . . . . . . . . . . . . . . . 119
Front cover and Tray 1 . . . . . . . . . . . . . . . . . . . . . . . . . . . . . . . . . . . . . . . . . . . . . . . . . . . . . . 120
Front cover pins . . . . . . . . . . . . . . . . . . . . . . . . . . . . . . . . . . . . . . . . . . . . . . . . . . . . . . . . . . . . 121
Face-down cover . . . . . . . . . . . . . . . . . . . . . . . . . . . . . . . . . . . . . . . . . . . . . . . . . . . . . . . . . . . 122
Left and right side covers . . . . . . . . . . . . . . . . . . . . . . . . . . . . . . . . . . . . . . . . . . . . . . . . . . . . 123
Tray 1 inner cover . . . . . . . . . . . . . . . . . . . . . . . . . . . . . . . . . . . . . . . . . . . . . . . . . . . . . . . . . . 124
Right and left corner covers . . . . . . . . . . . . . . . . . . . . . . . . . . . . . . . . . . . . . . . . . . . . . . . . . . 126
Internal assemblies . . . . . . . . . . . . . . . . . . . . . . . . . . . . . . . . . . . . . . . . . . . . . . . . . . . . . . . . . . . . 127
Transfer-roller assembly . . . . . . . . . . . . . . . . . . . . . . . . . . . . . . . . . . . . . . . . . . . . . . . . . . . . .128
Paper-handling PCA . . . . . . . . . . . . . . . . . . . . . . . . . . . . . . . . . . . . . . . . . . . . . . . . . . . . . . . . 131
Main gear assembly . . . . . . . . . . . . . . . . . . . . . . . . . . . . . . . . . . . . . . . . . . . . . . . . . . . . . . . .134
Pickup gear assembly . . . . . . . . . . . . . . . . . . . . . . . . . . . . . . . . . . . . . . . . . . . . . . . . . . . . . . . 136
Tray 1 pickup solenoid . . . . . . . . . . . . . . . . . . . . . . . . . . . . . . . . . . . . . . . . . . . . . . . . . . . . . .137
Fan . . . . . . . . . . . . . . . . . . . . . . . . . . . . . . . . . . . . . . . . . . . . . . . . . . . . . . . . . . . . . . . . . . . . . 138
Formatter assembly . . . . . . . . . . . . . . . . . . . . . . . . . . . . . . . . . . . . . . . . . . . . . . . . . . . . . . . . 139
Tray 1 roller . . . . . . . . . . . . . . . . . . . . . . . . . . . . . . . . . . . . . . . . . . . . . . . . . . . . . . . . . . . . . . . 140
Tray 1 separation pad . . . . . . . . . . . . . . . . . . . . . . . . . . . . . . . . . . . . . . . . . . . . . . . . . . . . . . . 141
Tray 2 pickup roller . . . . . . . . . . . . . . . . . . . . . . . . . . . . . . . . . . . . . . . . . . . . . . . . . . . . . . . . . 142
Tray 2 separation pad . . . . . . . . . . . . . . . . . . . . . . . . . . . . . . . . . . . . . . . . . . . . . . . . . . . . . . . 143
Paper-feed roller assembly . . . . . . . . . . . . . . . . . . . . . . . . . . . . . . . . . . . . . . . . . . . . . . . . . . . 144
Dc controller and power supply . . . . . . . . . . . . . . . . . . . . . . . . . . . . . . . . . . . . . . . . . . . . . . . .146
Paper-feed belt assembly . . . . . . . . . . . . . . . . . . . . . . . . . . . . . . . . . . . . . . . . . . . . . . . . . . . . 148
Tray 1 shaft . . . . . . . . . . . . . . . . . . . . . . . . . . . . . . . . . . . . . . . . . . . . . . . . . . . . . . . . . . . . . . . 150
Tray 2 shaft . . . . . . . . . . . . . . . . . . . . . . . . . . . . . . . . . . . . . . . . . . . . . . . . . . . . . . . . . . . . . . . 152
Tray 1 lift plate . . . . . . . . . . . . . . . . . . . . . . . . . . . . . . . . . . . . . . . . . . . . . . . . . . . . . . . . . . . . . 154
Paper guide . . . . . . . . . . . . . . . . . . . . . . . . . . . . . . . . . . . . . . . . . . . . . . . . . . . . . . . . . . . . . . . 155
Top-of-page sensor . . . . . . . . . . . . . . . . . . . . . . . . . . . . . . . . . . . . . . . . . . . . . . . . . . . . . . . . . 156
Face-down bin-full sensor lever . . . . . . . . . . . . . . . . . . . . . . . . . . . . . . . . . . . . . . . . . . . . . . . . 157
Accessory interface connector . . . . . . . . . . . . . . . . . . . . . . . . . . . . . . . . . . . . . . . . . . . . . . . . 158
Registration assembly . . . . . . . . . . . . . . . . . . . . . . . . . . . . . . . . . . . . . . . . . . . . . . . . . . . . . . . 159
Upper delivery assembly . . . . . . . . . . . . . . . . . . . . . . . . . . . . . . . . . . . . . . . . . . . . . . . . . . . . . 161
Delivery roller . . . . . . . . . . . . . . . . . . . . . . . . . . . . . . . . . . . . . . . . . . . . . . . . . . . . . . . . . . . . . 162
Laser/scanner assembly . . . . . . . . . . . . . . . . . . . . . . . . . . . . . . . . . . . . . . . . . . . . . . . . . . . . . 164
Main motor . . . . . . . . . . . . . . . . . . . . . . . . . . . . . . . . . . . . . . . . . . . . . . . . . . . . . . . . . . . . . . . 165
Toner cartridge guides . . . . . . . . . . . . . . . . . . . . . . . . . . . . . . . . . . . . . . . . . . . . . . . . . . . . . . 166
Power inlet assembly . . . . . . . . . . . . . . . . . . . . . . . . . . . . . . . . . . . . . . . . . . . . . . . . . . . . . . . 167
Q1860-90918 7
Optional 250-sheet feeder. . . . . . . . . . . . . . . . . . . . . . . . . . . . . . . . . . . . . . . . . . . . . . . . . . . . . . . 168
Separation pad . . . . . . . . . . . . . . . . . . . . . . . . . . . . . . . . . . . . . . . . . . . . . . . . . . . . . . . . . . . . 168
Pickup roller . . . . . . . . . . . . . . . . . . . . . . . . . . . . . . . . . . . . . . . . . . . . . . . . . . . . . . . . . . . . . . 169
Sensing flag . . . . . . . . . . . . . . . . . . . . . . . . . . . . . . . . . . . . . . . . . . . . . . . . . . . . . . . . . . . . . . 170
Control PCA . . . . . . . . . . . . . . . . . . . . . . . . . . . . . . . . . . . . . . . . . . . . . . . . . . . . . . . . . . . . . . 171
Paper-size spring assembly . . . . . . . . . . . . . . . . . . . . . . . . . . . . . . . . . . . . . . . . . . . . . . . . . . 173
Optional 500-sheet feeder. . . . . . . . . . . . . . . . . . . . . . . . . . . . . . . . . . . . . . . . . . . . . . . . . . . . . . . 174
Covers and base frame. . . . . . . . . . . . . . . . . . . . . . . . . . . . . . . . . . . . . . . . . . . . . . . . . . . . . . 174
Tray indicator assembly . . . . . . . . . . . . . . . . . . . . . . . . . . . . . . . . . . . . . . . . . . . . . . . . . . . . . 176
Left front corner cover installation. . . . . . . . . . . . . . . . . . . . . . . . . . . . . . . . . . . . . . . . . . . . . . 177
500-sheet feeder feed roller . . . . . . . . . . . . . . . . . . . . . . . . . . . . . . . . . . . . . . . . . . . . . . . . . . 178
500-sheet feeder pickup roller. . . . . . . . . . . . . . . . . . . . . . . . . . . . . . . . . . . . . . . . . . . . . . . . . 179
500-sheet feeder PCAs . . . . . . . . . . . . . . . . . . . . . . . . . . . . . . . . . . . . . . . . . . . . . . . . . . . . . 180
500-sheet feeder power connector . . . . . . . . . . . . . . . . . . . . . . . . . . . . . . . . . . . . . . . . . . . . 181
500-sheet feeder separation roller . . . . . . . . . . . . . . . . . . . . . . . . . . . . . . . . . . . . . . . . . . . . . 182
7 Troubleshooting
Troubleshooting process . . . . . . . . . . . . . . . . . . . . . . . . . . . . . . . . . . . . . . . . . . . . . . . . . . . . . . . 184
Troubleshooting process flow . . . . . . . . . . . . . . . . . . . . . . . . . . . . . . . . . . . . . . . . . . . . . . . . . . . . 185
Troubleshooting the printing system . . . . . . . . . . . . . . . . . . . . . . . . . . . . . . . . . . . . . . . . . . . . . . . 187
Preliminary operating checks . . . . . . . . . . . . . . . . . . . . . . . . . . . . . . . . . . . . . . . . . . . . . . . . . 187
Power on . . . . . . . . . . . . . . . . . . . . . . . . . . . . . . . . . . . . . . . . . . . . . . . . . . . . . . . . . . . . . . . . 188
Engine test . . . . . . . . . . . . . . . . . . . . . . . . . . . . . . . . . . . . . . . . . . . . . . . . . . . . . . . . . . . . . . . 190
Display . . . . . . . . . . . . . . . . . . . . . . . . . . . . . . . . . . . . . . . . . . . . . . . . . . . . . . . . . . . . . . . . . . 190
Event log . . . . . . . . . . . . . . . . . . . . . . . . . . . . . . . . . . . . . . . . . . . . . . . . . . . . . . . . . . . . . . . . 191
Printer messages . . . . . . . . . . . . . . . . . . . . . . . . . . . . . . . . . . . . . . . . . . . . . . . . . . . . . . . . . . 193
General paper-path troubleshooting . . . . . . . . . . . . . . . . . . . . . . . . . . . . . . . . . . . . . . . . . . . . 202
Information pages . . . . . . . . . . . . . . . . . . . . . . . . . . . . . . . . . . . . . . . . . . . . . . . . . . . . . . . . . 204
Image quality . . . . . . . . . . . . . . . . . . . . . . . . . . . . . . . . . . . . . . . . . . . . . . . . . . . . . . . . . . . . . 207
Image system troubleshooting . . . . . . . . . . . . . . . . . . . . . . . . . . . . . . . . . . . . . . . . . . . . . . . . 224
Interface troubleshooting . . . . . . . . . . . . . . . . . . . . . . . . . . . . . . . . . . . . . . . . . . . . . . . . . . . . 225
Reference diagrams . . . . . . . . . . . . . . . . . . . . . . . . . . . . . . . . . . . . . . . . . . . . . . . . . . . . . . . . . . . 227
Locations of components . . . . . . . . . . . . . . . . . . . . . . . . . . . . . . . . . . . . . . . . . . . . . . . . . . . . 227
Sensors and signals . . . . . . . . . . . . . . . . . . . . . . . . . . . . . . . . . . . . . . . . . . . . . . . . . . . . . . . . 236
Dc controller inputs and outputs . . . . . . . . . . . . . . . . . . . . . . . . . . . . . . . . . . . . . . . . . . . . . . 252
8 Parts and diagrams
Ordering parts and supplies, and getting support . . . . . . . . . . . . . . . . . . . . . . . . . . . . . . . . . . 259
Related documentation and software . . . . . . . . . . . . . . . . . . . . . . . . . . . . . . . . . . . . . . . . . . . 259
Support . . . . . . . . . . . . . . . . . . . . . . . . . . . . . . . . . . . . . . . . . . . . . . . . . . . . . . . . . . . . . . . . . . 259
Ordering parts . . . . . . . . . . . . . . . . . . . . . . . . . . . . . . . . . . . . . . . . . . . . . . . . . . . . . . . . . . . . . 259
Ordering consumables . . . . . . . . . . . . . . . . . . . . . . . . . . . . . . . . . . . . . . . . . . . . . . . . . . . . . . 259
Accessories and supplies . . . . . . . . . . . . . . . . . . . . . . . . . . . . . . . . . . . . . . . . . . . . . . . . . . . . . . . 260
Common hardware and replacement cables . . . . . . . . . . . . . . . . . . . . . . . . . . . . . . . . . . . . . 261
Diagrams and parts lists . . . . . . . . . . . . . . . . . . . . . . . . . . . . . . . . . . . . . . . . . . . . . . . . . . . . . . . . 262
Alphabetical parts list . . . . . . . . . . . . . . . . . . . . . . . . . . . . . . . . . . . . . . . . . . . . . . . . . . . . . . . 290
Numerical parts list . . . . . . . . . . . . . . . . . . . . . . . . . . . . . . . . . . . . . . . . . . . . . . . . . . . . . . . . . 294
Index
8Q1860-90918
Contents 9
Figures
Figure 1. Sample identification labels . . . . . . . . . . . . . . . . . . . . . . . . . . . . . . . . . . . . . . . . . . . . . 19
Figure 2. Printer dimensions—HP LaserJet 5100 printer and HP LaserJet 5100Le printer . . . . 21
Figure 3. Printer dimensions—HP LaserJet 5100tn printer and HP LaserJet 5100dtn printer . . 22
Figure 4. Printer dimensions, HP LaserJet 5100 series printer with accessories . . . . . . . . . . . 23
Figure 5. Envelopes with double side seams . . . . . . . . . . . . . . . . . . . . . . . . . . . . . . . . . . . . . . . 30
Figure 6. Control panel layout . . . . . . . . . . . . . . . . . . . . . . . . . . . . . . . . . . . . . . . . . . . . . . . . . . 42
Figure 7. Service menu . . . . . . . . . . . . . . . . . . . . . . . . . . . . . . . . . . . . . . . . . . . . . . . . . . . . . . . 59
Figure 8. Location of the transfer roller – do not touch! . . . . . . . . . . . . . . . . . . . . . . . . . . . . . . . 66
Figure 9. Paper-feed subsystem . . . . . . . . . . . . . . . . . . . . . . . . . . . . . . . . . . . . . . . . . . . . . . . . 71
Figure 10. Low-voltage power supply circuit . . . . . . . . . . . . . . . . . . . . . . . . . . . . . . . . . . . . . . . . 72
Figure 11. High-voltage power supply circuit . . . . . . . . . . . . . . . . . . . . . . . . . . . . . . . . . . . . . . . . 74
Figure 12. Dc controller PCA . . . . . . . . . . . . . . . . . . . . . . . . . . . . . . . . . . . . . . . . . . . . . . . . . . . . 75
Figure 13. Main-motor control . . . . . . . . . . . . . . . . . . . . . . . . . . . . . . . . . . . . . . . . . . . . . . . . . . . 77
Figure 14. Image-formation system . . . . . . . . . . . . . . . . . . . . . . . . . . . . . . . . . . . . . . . . . . . . . . . 82
Figure 15. Toner cartridge . . . . . . . . . . . . . . . . . . . . . . . . . . . . . . . . . . . . . . . . . . . . . . . . . . . . . . 83
Figure 16. Photosensitive Drum . . . . . . . . . . . . . . . . . . . . . . . . . . . . . . . . . . . . . . . . . . . . . . . . . . 84
Figure 17. Cleaning the drum . . . . . . . . . . . . . . . . . . . . . . . . . . . . . . . . . . . . . . . . . . . . . . . . . . . . 84
Figure 18. Primary charging roller . . . . . . . . . . . . . . . . . . . . . . . . . . . . . . . . . . . . . . . . . . . . . . . . 85
Figure 19. Writing the image . . . . . . . . . . . . . . . . . . . . . . . . . . . . . . . . . . . . . . . . . . . . . . . . . . . . 86
Figure 20. Developing the image . . . . . . . . . . . . . . . . . . . . . . . . . . . . . . . . . . . . . . . . . . . . . . . . . 87
Figure 21. Transferring the image . . . . . . . . . . . . . . . . . . . . . . . . . . . . . . . . . . . . . . . . . . . . . . . . 88
Figure 22. Image fusing . . . . . . . . . . . . . . . . . . . . . . . . . . . . . . . . . . . . . . . . . . . . . . . . . . . . . . . . 89
Figure 23. Fusing temperature control . . . . . . . . . . . . . . . . . . . . . . . . . . . . . . . . . . . . . . . . . . . . . 90
Figure 24. Paper path . . . . . . . . . . . . . . . . . . . . . . . . . . . . . . . . . . . . . . . . . . . . . . . . . . . . . . . . . . 91
Figure 25. Tray 1 pickup . . . . . . . . . . . . . . . . . . . . . . . . . . . . . . . . . . . . . . . . . . . . . . . . . . . . . . . . 92
Figure 26. Tray 2 Paper path . . . . . . . . . . . . . . . . . . . . . . . . . . . . . . . . . . . . . . . . . . . . . . . . . . . . 93
Figure 27. Paper skew correction . . . . . . . . . . . . . . . . . . . . . . . . . . . . . . . . . . . . . . . . . . . . . . . . . 94
Figure 28. 250-sheet paper feeder . . . . . . . . . . . . . . . . . . . . . . . . . . . . . . . . . . . . . . . . . . . . . . . . 95
Figure 29. 500-sheet paper feeder . . . . . . . . . . . . . . . . . . . . . . . . . . . . . . . . . . . . . . . . . . . . . . . . 96
Figure 30. Paper feed for the duplexer . . . . . . . . . . . . . . . . . . . . . . . . . . . . . . . . . . . . . . . . . . . . . 98
Figure 31. Duplexer . . . . . . . . . . . . . . . . . . . . . . . . . . . . . . . . . . . . . . . . . . . . . . . . . . . . . . . . . . . 99
Figure 32. Duplexer . . . . . . . . . . . . . . . . . . . . . . . . . . . . . . . . . . . . . . . . . . . . . . . . . . . . . . . . . . 100
Figure 33. Timing diagram, two consecutive prints on A4 paper (600 dpi, face-down delivery) 102
Figure 34. Timing diagram, two consecutive prints on A4 paper (1200 dpi, face-down delivery) 103
Figure 35. Installing EIO cards or mass-storage devices . . . . . . . . . . . . . . . . . . . . . . . . . . . . . . 110
Figure 36. Paper-handling accessories configurations . . . . . . . . . . . . . . . . . . . . . . . . . . . . . . . 110
Figure 37. Rear door and rear output bin removal (1 of 2) . . . . . . . . . . . . . . . . . . . . . . . . . . . . . 113
Figure 38. Rear door and rear output bin removal (2 of 2) . . . . . . . . . . . . . . . . . . . . . . . . . . . . . 113
Figure 39. Fuser removal (rear view of printer) . . . . . . . . . . . . . . . . . . . . . . . . . . . . . . . . . . . . . 114
Figure 40. Top cover removal (1 of 3) . . . . . . . . . . . . . . . . . . . . . . . . . . . . . . . . . . . . . . . . . . . . 115
Figure 41. Top cover removal (2 of 3) . . . . . . . . . . . . . . . . . . . . . . . . . . . . . . . . . . . . . . . . . . . . 116
Figure 42. Top cover removal (3 of 3) . . . . . . . . . . . . . . . . . . . . . . . . . . . . . . . . . . . . . . . . . . . . 116
Figure 43. Control panel overlay removal . . . . . . . . . . . . . . . . . . . . . . . . . . . . . . . . . . . . . . . . . 117
Figure 44. Control panel removal . . . . . . . . . . . . . . . . . . . . . . . . . . . . . . . . . . . . . . . . . . . . . . . . 118
Figure 45. Toner cartridge door assembly removal (underside of the top cover door) . . . . . . . 119
Figure 46. Front cover removal . . . . . . . . . . . . . . . . . . . . . . . . . . . . . . . . . . . . . . . . . . . . . . . . . 120
Figure 47. Tray 1 guide removal . . . . . . . . . . . . . . . . . . . . . . . . . . . . . . . . . . . . . . . . . . . . . . . . 120
Figure 48. Front cover pins removal . . . . . . . . . . . . . . . . . . . . . . . . . . . . . . . . . . . . . . . . . . . . . . 121
Figure 49. Face-down cover removal (1 of 2) . . . . . . . . . . . . . . . . . . . . . . . . . . . . . . . . . . . . . . 122
Figure 50. Face-down cover removal (2 of 2) . . . . . . . . . . . . . . . . . . . . . . . . . . . . . . . . . . . . . . 122
Figure 51. Side covers removal . . . . . . . . . . . . . . . . . . . . . . . . . . . . . . . . . . . . . . . . . . . . . . . . . 123
Figure 52. Tray 1 inner cover removal (1 of 2, inner cover flag) . . . . . . . . . . . . . . . . . . . . . . . . 124
10 Q1860-90918
Figure 53. Tray 1 inner cover removal (2 of 2, front of printer) . . . . . . . . . . . . . . . . . . . . . . . . . . 125
Figure 54. Corner covers removal . . . . . . . . . . . . . . . . . . . . . . . . . . . . . . . . . . . . . . . . . . . . . . . . 126
Figure 55. Internal assemblies . . . . . . . . . . . . . . . . . . . . . . . . . . . . . . . . . . . . . . . . . . . . . . . . . . 127
Figure 56. Transfer-roller assembly removal (1 of 3) . . . . . . . . . . . . . . . . . . . . . . . . . . . . . . . . . 128
Figure 57. Transfer-roller assembly removal (2 of 3) . . . . . . . . . . . . . . . . . . . . . . . . . . . . . . . . . 129
Figure 58. Transfer-roller assembly removal (3 of 3) . . . . . . . . . . . . . . . . . . . . . . . . . . . . . . . . . 129
Figure 59. Reinstalling the transfer roller . . . . . . . . . . . . . . . . . . . . . . . . . . . . . . . . . . . . . . . . . . 130
Figure 60. Paper-handling PCA removal . . . . . . . . . . . . . . . . . . . . . . . . . . . . . . . . . . . . . . . . . . . 131
Figure 61. Adjusting the top margin . . . . . . . . . . . . . . . . . . . . . . . . . . . . . . . . . . . . . . . . . . . . . . 132
Figure 62. Location of VR401 on the paper-handling PCA . . . . . . . . . . . . . . . . . . . . . . . . . . . . .133
Figure 63. Main gear assembly removal (1 of 2, left side) . . . . . . . . . . . . . . . . . . . . . . . . . . . . . 134
Figure 64. Main gear assembly removal (2 of 2) . . . . . . . . . . . . . . . . . . . . . . . . . . . . . . . . . . . . . 135
Figure 65. Pickup gear assembly removal (left side of printer) . . . . . . . . . . . . . . . . . . . . . . . . . . 136
Figure 66. Tray 1 pickup solenoid removal . . . . . . . . . . . . . . . . . . . . . . . . . . . . . . . . . . . . . . . . . 137
Figure 67. Fan removal (right side of printer) . . . . . . . . . . . . . . . . . . . . . . . . . . . . . . . . . . . . . . . 138
Figure 68. Formatter assembly removal . . . . . . . . . . . . . . . . . . . . . . . . . . . . . . . . . . . . . . . . . . . 139
Figure 69. Tray 1 roller removal . . . . . . . . . . . . . . . . . . . . . . . . . . . . . . . . . . . . . . . . . . . . . . . . . 140
Figure 70. Tray 1 separation pad removal (1 of 2—view through slot in Tray 1) . . . . . . . . . . . . 141
Figure 71. Tray 1 separation pad removal (2 of 2) . . . . . . . . . . . . . . . . . . . . . . . . . . . . . . . . . . . 141
Figure 72. Tray 2 pickup roller removal (bottom of the printer) . . . . . . . . . . . . . . . . . . . . . . . . . . 142
Figure 73. Tray 2 separation pad removal (1 of 2) . . . . . . . . . . . . . . . . . . . . . . . . . . . . . . . . . . . 143
Figure 74. Tray 2 separation pad removal (2 of 2) . . . . . . . . . . . . . . . . . . . . . . . . . . . . . . . . . . . 143
Figure 75. Paper-feed roller assembly removal (1 of 3, left side view of printer) . . . . . . . . . . . . 144
Figure 76. Paper-feed roller assembly removal (2 of 3, location of two screws) . . . . . . . . . . . . . 145
Figure 77. Paper-feed roller assembly removal (3 of 3, bottom view of printer) . . . . . . . . . . . . . 145
Figure 78. Dc controller assembly removal (1 of 3, rear view of printer) . . . . . . . . . . . . . . . . . . . 146
Figure 79. Dc controller assembly removal (2 of 3, long screws) . . . . . . . . . . . . . . . . . . . . . . . . 147
Figure 80. Dc controller assembly removal (3 of 3) . . . . . . . . . . . . . . . . . . . . . . . . . . . . . . . . . . . 147
Figure 81. Paper-feed belt assembly removal (1 of 2) . . . . . . . . . . . . . . . . . . . . . . . . . . . . . . . . 148
Figure 82. Paper-feed belt assembly removal (2 of 2) . . . . . . . . . . . . . . . . . . . . . . . . . . . . . . . . 149
Figure 83. Tray 1 shaft removal (1 of 2, right side view of printer) . . . . . . . . . . . . . . . . . . . . . . . 150
Figure 84. Tray 1 shaft removal (2 of 2) . . . . . . . . . . . . . . . . . . . . . . . . . . . . . . . . . . . . . . . . . . . 151
Figure 85. Tray 2 shaft removal (left side view of printer) . . . . . . . . . . . . . . . . . . . . . . . . . . . . . . 152
Figure 86. Reinstallation of Tray 2 shaft . . . . . . . . . . . . . . . . . . . . . . . . . . . . . . . . . . . . . . . . . . . 153
Figure 87. Tray 1 lift plate removal . . . . . . . . . . . . . . . . . . . . . . . . . . . . . . . . . . . . . . . . . . . . . . . 154
Figure 88. Paper guide removal . . . . . . . . . . . . . . . . . . . . . . . . . . . . . . . . . . . . . . . . . . . . . . . . . 155
Figure 89. Top-of-page sensor removal (bottom of printer) . . . . . . . . . . . . . . . . . . . . . . . . . . . . 156
Figure 90. Face-down bin-full sensor lever removal . . . . . . . . . . . . . . . . . . . . . . . . . . . . . . . . . . 157
Figure 91. Accessory interface connector removal (left side of printer) . . . . . . . . . . . . . . . . . . . 158
Figure 92. Registration assembly removal (1 of 2) . . . . . . . . . . . . . . . . . . . . . . . . . . . . . . . . . . . 159
Figure 93. Registration assembly removal (2 of 2) . . . . . . . . . . . . . . . . . . . . . . . . . . . . . . . . . . . 160
Figure 94. Upper delivery assembly removal . . . . . . . . . . . . . . . . . . . . . . . . . . . . . . . . . . . . . . . 161
Figure 95. Delivery roller removal (1 of 2) . . . . . . . . . . . . . . . . . . . . . . . . . . . . . . . . . . . . . . . . . . 162
Figure 96. Delivery roller removal (2 of 2) . . . . . . . . . . . . . . . . . . . . . . . . . . . . . . . . . . . . . . . . . . 163
Figure 97. Laser/scanner assembly removal (top, inside view of printer) . . . . . . . . . . . . . . . . . . 164
Figure 98. Main motor removal (rear view) . . . . . . . . . . . . . . . . . . . . . . . . . . . . . . . . . . . . . . . . . 165
Figure 99. Toner cartridge guide removal (shown from right side) . . . . . . . . . . . . . . . . . . . . . . . 166
Figure 100. Power inlet assembly removal . . . . . . . . . . . . . . . . . . . . . . . . . . . . . . . . . . . . . . . . . . 167
Figure 101. Optional 250-sheet feeder separation pad removal (1 of 2) . . . . . . . . . . . . . . . . . . . . 168
Figure 102. Optional 250-sheet feeder separation pad removal (2 of 2) . . . . . . . . . . . . . . . . . . . . 168
Figure 103. Optional 250-sheet feeder pickup roller removal (bottom of the printer) . . . . . . . . . . 169
Figure 104. Optional 250-sheet feeder sensing flag removal (1 of 2) . . . . . . . . . . . . . . . . . . . . . . 170
Figure 105. Optional 250-sheet feeder sensing flag removal (2 of 2) . . . . . . . . . . . . . . . . . . . . . . 170
Figure 106. Optional 250-sheet feeder control PCA removal (1 of 3) . . . . . . . . . . . . . . . . . . . . . . 171
Figure 107. Optional 250-sheet feeder control PCA removal (2 of 3) . . . . . . . . . . . . . . . . . . . . . . 171
Figure 108. Optional 250-sheet feeder control PCA removal (3 of 3) . . . . . . . . . . . . . . . . . . . . . . 172
Figure 109. Optional 250-sheet feeder paper-size spring assembly removal (1 of 2) . . . . . . . . . . 173
Figure 110. Optional 250-sheet feeder paper-size spring assembly removal (2 of 2) . . . . . . . . . . 173
Figure 111. 500-sheet feeder removal (1 of 2, top view) . . . . . . . . . . . . . . . . . . . . . . . . . . . . . . . . 174
Q1860-90918 11
Figure 112. Paper-size spring assembly removal . . . . . . . . . . . . . . . . . . . . . . . . . . . . . . . . . . . . 174
Figure 113. 500-sheet feeder removal (2 of 2, top view with covers removed) . . . . . . . . . . . . . . 175
Figure 114. Tray indicator assembly removal . . . . . . . . . . . . . . . . . . . . . . . . . . . . . . . . . . . . . . . 176
Figure 115. Installing the left front corner cover . . . . . . . . . . . . . . . . . . . . . . . . . . . . . . . . . . . . . . 177
Figure 116. 500-sheet feeder feed roller removal . . . . . . . . . . . . . . . . . . . . . . . . . . . . . . . . . . . . 178
Figure 117. 500-sheet feeder pickup roller removal (1 of 2) . . . . . . . . . . . . . . . . . . . . . . . . . . . . 179
Figure 118. 500-sheet feeder pickup roller removal (2 of 2) . . . . . . . . . . . . . . . . . . . . . . . . . . . . 179
Figure 119. Gear assembly, 500-sheet feeder PCA, and paper-size switch PCA removal . . . . . 180
Figure 120. Power connector removal . . . . . . . . . . . . . . . . . . . . . . . . . . . . . . . . . . . . . . . . . . . . . 181
Figure 121. Separation roller removal . . . . . . . . . . . . . . . . . . . . . . . . . . . . . . . . . . . . . . . . . . . . . 182
Figure 122. Location of the engine test button (callout 1) . . . . . . . . . . . . . . . . . . . . . . . . . . . . . . 190
Figure 123. Event log page . . . . . . . . . . . . . . . . . . . . . . . . . . . . . . . . . . . . . . . . . . . . . . . . . . . . . 191
Figure 124. Menu map . . . . . . . . . . . . . . . . . . . . . . . . . . . . . . . . . . . . . . . . . . . . . . . . . . . . . . . . . 204
Figure 125. Configuration page . . . . . . . . . . . . . . . . . . . . . . . . . . . . . . . . . . . . . . . . . . . . . . . . . . 205
Figure 126. Repetitive defect ruler . . . . . . . . . . . . . . . . . . . . . . . . . . . . . . . . . . . . . . . . . . . . . . . . 223
Figure 127. Jetdirect configuration page . . . . . . . . . . . . . . . . . . . . . . . . . . . . . . . . . . . . . . . . . . . 226
Figure 128. Paper path (sensors and switches) . . . . . . . . . . . . . . . . . . . . . . . . . . . . . . . . . . . . . . 227
Figure 129. Paper path (clutches, solenoids, and motors) . . . . . . . . . . . . . . . . . . . . . . . . . . . . . . 228
Figure 130. 250-sheet paper feeder . . . . . . . . . . . . . . . . . . . . . . . . . . . . . . . . . . . . . . . . . . . . . . . 229
Figure 131. 250-sheet paper feeder . . . . . . . . . . . . . . . . . . . . . . . . . . . . . . . . . . . . . . . . . . . . . . . 230
Figure 132. 500-sheet paper feeder . . . . . . . . . . . . . . . . . . . . . . . . . . . . . . . . . . . . . . . . . . . . . . . 231
Figure 133. 500-sheet paper feeder . . . . . . . . . . . . . . . . . . . . . . . . . . . . . . . . . . . . . . . . . . . . . . . 232
Figure 134. Duplexer . . . . . . . . . . . . . . . . . . . . . . . . . . . . . . . . . . . . . . . . . . . . . . . . . . . . . . . . . . 233
Figure 135. Duplexer . . . . . . . . . . . . . . . . . . . . . . . . . . . . . . . . . . . . . . . . . . . . . . . . . . . . . . . . . . 234
Figure 136. Duplexer . . . . . . . . . . . . . . . . . . . . . . . . . . . . . . . . . . . . . . . . . . . . . . . . . . . . . . . . . . 235
Figure 137. Paper path and components . . . . . . . . . . . . . . . . . . . . . . . . . . . . . . . . . . . . . . . . . . . 236
Figure 138. Paper path (dashed lines represent duplexer path) . . . . . . . . . . . . . . . . . . . . . . . . . 236
Figure 139. Printer sensors . . . . . . . . . . . . . . . . . . . . . . . . . . . . . . . . . . . . . . . . . . . . . . . . . . . . . 238
Figure 140. 250-sheet feeder sensors . . . . . . . . . . . . . . . . . . . . . . . . . . . . . . . . . . . . . . . . . . . . . 238
Figure 141. 500-sheet feeder sensors . . . . . . . . . . . . . . . . . . . . . . . . . . . . . . . . . . . . . . . . . . . . . 239
Figure 142. Duplexer sensors . . . . . . . . . . . . . . . . . . . . . . . . . . . . . . . . . . . . . . . . . . . . . . . . . . . 239
Figure 143. Printer switches . . . . . . . . . . . . . . . . . . . . . . . . . . . . . . . . . . . . . . . . . . . . . . . . . . . . . 240
Figure 144. 250-sheet feeder switches . . . . . . . . . . . . . . . . . . . . . . . . . . . . . . . . . . . . . . . . . . . . 240
Figure 145. 500-sheet feeder switches . . . . . . . . . . . . . . . . . . . . . . . . . . . . . . . . . . . . . . . . . . . . 241
Figure 146. Motors, fans, and fuser heaters . . . . . . . . . . . . . . . . . . . . . . . . . . . . . . . . . . . . . . . . 242
Figure 147. Motors (duplexer) . . . . . . . . . . . . . . . . . . . . . . . . . . . . . . . . . . . . . . . . . . . . . . . . . . . 243
Figure 148. Connectors (main unit) . . . . . . . . . . . . . . . . . . . . . . . . . . . . . . . . . . . . . . . . . . . . . . . 244
Figure 149. Connectors (duplexer and 250-sheet paper feeder) . . . . . . . . . . . . . . . . . . . . . . . . . 245
Figure 150. Connectors (500-sheet paper feeder) . . . . . . . . . . . . . . . . . . . . . . . . . . . . . . . . . . . . 246
Figure 151. PCAs . . . . . . . . . . . . . . . . . . . . . . . . . . . . . . . . . . . . . . . . . . . . . . . . . . . . . . . . . . . . . 247
Figure 152. PCA (duplexer) . . . . . . . . . . . . . . . . . . . . . . . . . . . . . . . . . . . . . . . . . . . . . . . . . . . . . 248
Figure 153. Clutches and solenoids . . . . . . . . . . . . . . . . . . . . . . . . . . . . . . . . . . . . . . . . . . . . . . . 249
Figure 154. Clutches and solenoids (duplexer) . . . . . . . . . . . . . . . . . . . . . . . . . . . . . . . . . . . . . . 250
Figure 155. Dc controller I/O (1 of 4) . . . . . . . . . . . . . . . . . . . . . . . . . . . . . . . . . . . . . . . . . . . . . . 252
Figure 156. Dc controller I/O (2 of 4) . . . . . . . . . . . . . . . . . . . . . . . . . . . . . . . . . . . . . . . . . . . . . . 253
Figure 157. Dc controller I/O (3 of 4) . . . . . . . . . . . . . . . . . . . . . . . . . . . . . . . . . . . . . . . . . . . . . . 254
Figure 158. Dc controller I/O (4 of 4) . . . . . . . . . . . . . . . . . . . . . . . . . . . . . . . . . . . . . . . . . . . . . . 255
Figure 159. Assembly locations (1 of 3) . . . . . . . . . . . . . . . . . . . . . . . . . . . . . . . . . . . . . . . . . . . . 262
Figure 160. Assembly locations (2 of 3) . . . . . . . . . . . . . . . . . . . . . . . . . . . . . . . . . . . . . . . . . . . . 262
Figure 161. Assembly locations (3 of 3) . . . . . . . . . . . . . . . . . . . . . . . . . . . . . . . . . . . . . . . . . . . . 263
Figure 162. External covers and panels . . . . . . . . . . . . . . . . . . . . . . . . . . . . . . . . . . . . . . . . . . . . 264
Figure 163. Upper cover assembly . . . . . . . . . . . . . . . . . . . . . . . . . . . . . . . . . . . . . . . . . . . . . . . 265
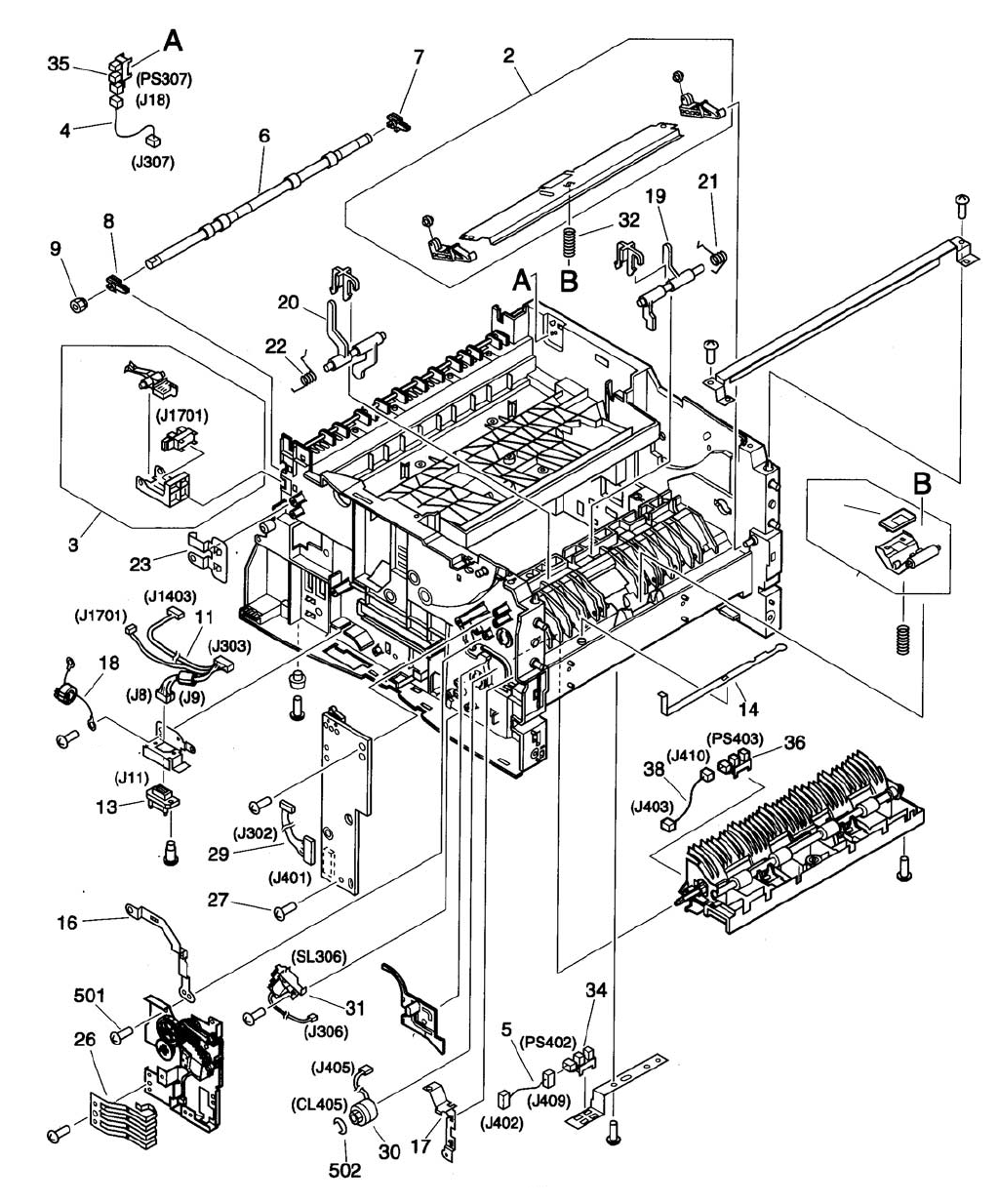
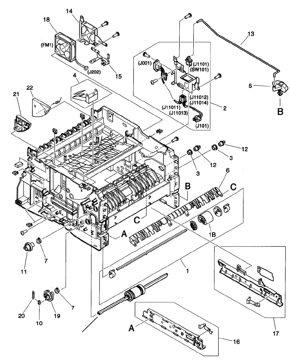
Figure 164. Internal components (1 of 4) . . . . . . . . . . . . . . . . . . . . . . . . . . . . . . . . . . . . . . . . . . . 266
Figure 165. Internal components (2 of 4) . . . . . . . . . . . . . . . . . . . . . . . . . . . . . . . . . . . . . . . . . . . 268
Figure 166. Internal components (3 of 4) . . . . . . . . . . . . . . . . . . . . . . . . . . . . . . . . . . . . . . . . . . . 270
Figure 167. Internal components (4 of 4) . . . . . . . . . . . . . . . . . . . . . . . . . . . . . . . . . . . . . . . . . . . 271
Figure 168. Upper delivery assembly . . . . . . . . . . . . . . . . . . . . . . . . . . . . . . . . . . . . . . . . . . . . . . 272
Figure 169. Tray 2 paper pickup roller assembly . . . . . . . . . . . . . . . . . . . . . . . . . . . . . . . . . . . . . 273
Figure 170. Paper feed belt assembly . . . . . . . . . . . . . . . . . . . . . . . . . . . . . . . . . . . . . . . . . . . . . 274
12 Q1860-90918
Figure 171. Paper feed roller assembly . . . . . . . . . . . . . . . . . . . . . . . . . . . . . . . . . . . . . . . . . . . . 275
Figure 172. Registration roller assembly . . . . . . . . . . . . . . . . . . . . . . . . . . . . . . . . . . . . . . . . . . . . 276
Figure 173. 250-sheet universal tray . . . . . . . . . . . . . . . . . . . . . . . . . . . . . . . . . . . . . . . . . . . . . . . 277
Figure 174. Main gear assembly . . . . . . . . . . . . . . . . . . . . . . . . . . . . . . . . . . . . . . . . . . . . . . . . . . 278
Figure 175. Pickup gear assembly . . . . . . . . . . . . . . . . . . . . . . . . . . . . . . . . . . . . . . . . . . . . . . . . 279
Figure 176. PCA assembly locations . . . . . . . . . . . . . . . . . . . . . . . . . . . . . . . . . . . . . . . . . . . . . . 280
Figure 177. Printer controller assembly . . . . . . . . . . . . . . . . . . . . . . . . . . . . . . . . . . . . . . . . . . . . . 281
Figure 178. Fuser . . . . . . . . . . . . . . . . . . . . . . . . . . . . . . . . . . . . . . . . . . . . . . . . . . . . . . . . . . . . . 282
Figure 179. 250-sheet feeder . . . . . . . . . . . . . . . . . . . . . . . . . . . . . . . . . . . . . . . . . . . . . . . . . . . . 283
Figure 180. PCA assembly locations, 250-sheet feeder . . . . . . . . . . . . . . . . . . . . . . . . . . . . . . . . 284
Figure 181. 500-sheet feeder (1 of 2) . . . . . . . . . . . . . . . . . . . . . . . . . . . . . . . . . . . . . . . . . . . . . . 285
Figure 182. 500-sheet feeder (2 of 2) . . . . . . . . . . . . . . . . . . . . . . . . . . . . . . . . . . . . . . . . . . . . . . 286
Figure 183. PCA assemblies, 500-sheet feeder . . . . . . . . . . . . . . . . . . . . . . . . . . . . . . . . . . . . . . 288
Figure 184. Duplexer . . . . . . . . . . . . . . . . . . . . . . . . . . . . . . . . . . . . . . . . . . . . . . . . . . . . . . . . . . . 289
Contents 13
Tables
Table 1. Printer features . . . . . . . . . . . . . . . . . . . . . . . . . . . . . . . . . . . . . . . . . . . . . . . . . . . . . . 16
Table 2. Comparison of HP LaserJet 5100 Series printers . . . . . . . . . . . . . . . . . . . . . . . . . . . . 18
Table 3. Power requirements . . . . . . . . . . . . . . . . . . . . . . . . . . . . . . . . . . . . . . . . . . . . . . . . . . 20
Table 4. Environmental specifications . . . . . . . . . . . . . . . . . . . . . . . . . . . . . . . . . . . . . . . . . . . . 24
Table 5. Acoustics specifications . . . . . . . . . . . . . . . . . . . . . . . . . . . . . . . . . . . . . . . . . . . . . . . 24
Table 6. Paper specifications, Tray 1 . . . . . . . . . . . . . . . . . . . . . . . . . . . . . . . . . . . . . . . . . . . . 25
Table 7. Paper specifications, Tray 2 or other 250-sheet feeder . . . . . . . . . . . . . . . . . . . . . . . 25
Table 8. Paper specifications, 500-sheet feeder . . . . . . . . . . . . . . . . . . . . . . . . . . . . . . . . . . . . 26
Table 9. Paper specifications, duplexer . . . . . . . . . . . . . . . . . . . . . . . . . . . . . . . . . . . . . . . . . . 26
Table 10. Media issues . . . . . . . . . . . . . . . . . . . . . . . . . . . . . . . . . . . . . . . . . . . . . . . . . . . . . . . . 27
Table 11. Envelope margins . . . . . . . . . . . . . . . . . . . . . . . . . . . . . . . . . . . . . . . . . . . . . . . . . . . . 30
Table 12. Interpreting control panel lights . . . . . . . . . . . . . . . . . . . . . . . . . . . . . . . . . . . . . . . . . . 42
Table 13. Control panel keys . . . . . . . . . . . . . . . . . . . . . . . . . . . . . . . . . . . . . . . . . . . . . . . . . . . 43
Table 14. Settings and defaults . . . . . . . . . . . . . . . . . . . . . . . . . . . . . . . . . . . . . . . . . . . . . . . . . . 44
Table 15. Private/stored jobs menu . . . . . . . . . . . . . . . . . . . . . . . . . . . . . . . . . . . . . . . . . . . . . . 46
Table 16. Information menu . . . . . . . . . . . . . . . . . . . . . . . . . . . . . . . . . . . . . . . . . . . . . . . . . . . . 47
Table 17. Paper-handling menu . . . . . . . . . . . . . . . . . . . . . . . . . . . . . . . . . . . . . . . . . . . . . . . . . 48
Table 18. Print-quality menu . . . . . . . . . . . . . . . . . . . . . . . . . . . . . . . . . . . . . . . . . . . . . . . . . . . . 50
Table 19. Printing menu . . . . . . . . . . . . . . . . . . . . . . . . . . . . . . . . . . . . . . . . . . . . . . . . . . . . . . . 51
Table 20. Configuration menu . . . . . . . . . . . . . . . . . . . . . . . . . . . . . . . . . . . . . . . . . . . . . . . . . . . 53
Table 21. I/O menu . . . . . . . . . . . . . . . . . . . . . . . . . . . . . . . . . . . . . . . . . . . . . . . . . . . . . . . . . . . 55
Table 22. EIO menu for networked printers . . . . . . . . . . . . . . . . . . . . . . . . . . . . . . . . . . . . . . . . 56
Table 23. Resets menu . . . . . . . . . . . . . . . . . . . . . . . . . . . . . . . . . . . . . . . . . . . . . . . . . . . . . . . . 58
Table 24. Using control panel keys to change page count (an example) . . . . . . . . . . . . . . . . . . 61
Table 25. Cleaning printer components . . . . . . . . . . . . . . . . . . . . . . . . . . . . . . . . . . . . . . . . . . . 66
Table 26. Expected life of components . . . . . . . . . . . . . . . . . . . . . . . . . . . . . . . . . . . . . . . . . . . . 68
Table 27. Basic sequence of operation . . . . . . . . . . . . . . . . . . . . . . . . . . . . . . . . . . . . . . . . . . . 101
Table 28. Major steps for troubleshooting . . . . . . . . . . . . . . . . . . . . . . . . . . . . . . . . . . . . . . . . . 184
Table 29. Power on defect or blank display . . . . . . . . . . . . . . . . . . . . . . . . . . . . . . . . . . . . . . . 188
Table 30. No ac power . . . . . . . . . . . . . . . . . . . . . . . . . . . . . . . . . . . . . . . . . . . . . . . . . . . . . . . 189
Table 31. No dc power . . . . . . . . . . . . . . . . . . . . . . . . . . . . . . . . . . . . . . . . . . . . . . . . . . . . . . . 189
Table 32. Printer messages . . . . . . . . . . . . . . . . . . . . . . . . . . . . . . . . . . . . . . . . . . . . . . . . . . . 193
Table 33. Configuration page categories . . . . . . . . . . . . . . . . . . . . . . . . . . . . . . . . . . . . . . . . . 206
Table 34. Black lines (in paper path direction) . . . . . . . . . . . . . . . . . . . . . . . . . . . . . . . . . . . . . 210
Table 35. Black lines (opposite paper path direction) . . . . . . . . . . . . . . . . . . . . . . . . . . . . . . . . 210
Table 36. Black page . . . . . . . . . . . . . . . . . . . . . . . . . . . . . . . . . . . . . . . . . . . . . . . . . . . . . . . . 211
Table 37. Blank page . . . . . . . . . . . . . . . . . . . . . . . . . . . . . . . . . . . . . . . . . . . . . . . . . . . . . . . . 212
Table 38. Character voids and dropouts . . . . . . . . . . . . . . . . . . . . . . . . . . . . . . . . . . . . . . . . . . 213
Table 39. Creases . . . . . . . . . . . . . . . . . . . . . . . . . . . . . . . . . . . . . . . . . . . . . . . . . . . . . . . . . . . 214
Table 40. Curl . . . . . . . . . . . . . . . . . . . . . . . . . . . . . . . . . . . . . . . . . . . . . . . . . . . . . . . . . . . . . . 214
Table 41. Dark print . . . . . . . . . . . . . . . . . . . . . . . . . . . . . . . . . . . . . . . . . . . . . . . . . . . . . . . . . . 215
Table 42. Dirt on back of page . . . . . . . . . . . . . . . . . . . . . . . . . . . . . . . . . . . . . . . . . . . . . . . . . 215
Table 43. Distorted image . . . . . . . . . . . . . . . . . . . . . . . . . . . . . . . . . . . . . . . . . . . . . . . . . . . . . 216
Table 44. Dots (in the paper-path direction) . . . . . . . . . . . . . . . . . . . . . . . . . . . . . . . . . . . . . . . 216
Table 45. Faded or light print . . . . . . . . . . . . . . . . . . . . . . . . . . . . . . . . . . . . . . . . . . . . . . . . . . 217
Table 46. Gray background . . . . . . . . . . . . . . . . . . . . . . . . . . . . . . . . . . . . . . . . . . . . . . . . . . . . 218
Table 47. Loose toner or toner smear . . . . . . . . . . . . . . . . . . . . . . . . . . . . . . . . . . . . . . . . . . . 219
Table 48. Repetitive defects . . . . . . . . . . . . . . . . . . . . . . . . . . . . . . . . . . . . . . . . . . . . . . . . . . . 220
Table 49. Skew . . . . . . . . . . . . . . . . . . . . . . . . . . . . . . . . . . . . . . . . . . . . . . . . . . . . . . . . . . . . . 220
Table 50. Smudged lines (either direction) . . . . . . . . . . . . . . . . . . . . . . . . . . . . . . . . . . . . . . . . 221
Table 51. Toner specks . . . . . . . . . . . . . . . . . . . . . . . . . . . . . . . . . . . . . . . . . . . . . . . . . . . . . . . 221
Table 52. White lines (in the paper-path direction) . . . . . . . . . . . . . . . . . . . . . . . . . . . . . . . . . . 221
14 Q1860-90918
Table 53. White lines (opposite to the paper-path direction) . . . . . . . . . . . . . . . . . . . . . . . . . . . 222
Table 54. HP Jetdirect configuration page categories . . . . . . . . . . . . . . . . . . . . . . . . . . . . . . . .225
Table 55. Sensors, switches, clutches, and solenoids . . . . . . . . . . . . . . . . . . . . . . . . . . . . . . . . 237
Table 56. Motors, fans, and fuser heaters . . . . . . . . . . . . . . . . . . . . . . . . . . . . . . . . . . . . . . . . . 243
Table 57. PCAs . . . . . . . . . . . . . . . . . . . . . . . . . . . . . . . . . . . . . . . . . . . . . . . . . . . . . . . . . . . . . 248
Table 58. Clutches and solenoids . . . . . . . . . . . . . . . . . . . . . . . . . . . . . . . . . . . . . . . . . . . . . . . 250
Table 59. Paper-size detection . . . . . . . . . . . . . . . . . . . . . . . . . . . . . . . . . . . . . . . . . . . . . . . . . 251
Table 60. Technical support websites . . . . . . . . . . . . . . . . . . . . . . . . . . . . . . . . . . . . . . . . . . . . 259
Table 61. Accessories and supplies . . . . . . . . . . . . . . . . . . . . . . . . . . . . . . . . . . . . . . . . . . . . . . 260
Table 62. Screws used in the printer . . . . . . . . . . . . . . . . . . . . . . . . . . . . . . . . . . . . . . . . . . . . . 261
Table 63. Replaceable cables . . . . . . . . . . . . . . . . . . . . . . . . . . . . . . . . . . . . . . . . . . . . . . . . . . 261
Table 64. Assemblies listed alphabetically and their part numbers . . . . . . . . . . . . . . . . . . . . . 263
Table 65. External covers and panels . . . . . . . . . . . . . . . . . . . . . . . . . . . . . . . . . . . . . . . . . . . . 264
Table 66. Top cover assembly . . . . . . . . . . . . . . . . . . . . . . . . . . . . . . . . . . . . . . . . . . . . . . . . . . 265
Table 67. Internal components (1 of 4) . . . . . . . . . . . . . . . . . . . . . . . . . . . . . . . . . . . . . . . . . . . 267
Table 68. Internal components (2 of 4) . . . . . . . . . . . . . . . . . . . . . . . . . . . . . . . . . . . . . . . . . . . 269
Table 69. Internal components (3 of 4) . . . . . . . . . . . . . . . . . . . . . . . . . . . . . . . . . . . . . . . . . . . 270
Table 70. Internal components (4 of 4) . . . . . . . . . . . . . . . . . . . . . . . . . . . . . . . . . . . . . . . . . . . 271
Table 71. Upper delivery assembly . . . . . . . . . . . . . . . . . . . . . . . . . . . . . . . . . . . . . . . . . . . . . . 272
Table 72. Tray 2 paper pickup roller assembly . . . . . . . . . . . . . . . . . . . . . . . . . . . . . . . . . . . . . 273
Table 73. Paper feed belt assembly . . . . . . . . . . . . . . . . . . . . . . . . . . . . . . . . . . . . . . . . . . . . . . 274
Table 74. Paper feed roller assembly . . . . . . . . . . . . . . . . . . . . . . . . . . . . . . . . . . . . . . . . . . . . 275
Table 75. Registration roller assembly . . . . . . . . . . . . . . . . . . . . . . . . . . . . . . . . . . . . . . . . . . . . 276
Table 76. 250-sheet universal tray . . . . . . . . . . . . . . . . . . . . . . . . . . . . . . . . . . . . . . . . . . . . . . . 277
Table 77. Main gear assembly . . . . . . . . . . . . . . . . . . . . . . . . . . . . . . . . . . . . . . . . . . . . . . . . . . 278
Table 78. Pickup gear assembly . . . . . . . . . . . . . . . . . . . . . . . . . . . . . . . . . . . . . . . . . . . . . . . . 279
Table 79. PCA assembly locations . . . . . . . . . . . . . . . . . . . . . . . . . . . . . . . . . . . . . . . . . . . . . . 280
Table 80. Printer controller assembly . . . . . . . . . . . . . . . . . . . . . . . . . . . . . . . . . . . . . . . . . . . . . 281
Table 81. Fuser . . . . . . . . . . . . . . . . . . . . . . . . . . . . . . . . . . . . . . . . . . . . . . . . . . . . . . . . . . . . . 282
Table 82. 250-sheet feeder . . . . . . . . . . . . . . . . . . . . . . . . . . . . . . . . . . . . . . . . . . . . . . . . . . . . 283
Table 83. 250-sheet feeder . . . . . . . . . . . . . . . . . . . . . . . . . . . . . . . . . . . . . . . . . . . . . . . . . . . . 284
Table 84. 500-sheet feeder (1 of 2) . . . . . . . . . . . . . . . . . . . . . . . . . . . . . . . . . . . . . . . . . . . . . . 285
Table 85. 500-sheet feeder (2 of 2) . . . . . . . . . . . . . . . . . . . . . . . . . . . . . . . . . . . . . . . . . . . . . . 287
Table 86. 500-sheet feeder . . . . . . . . . . . . . . . . . . . . . . . . . . . . . . . . . . . . . . . . . . . . . . . . . . . . 288
Table 87. Duplexer . . . . . . . . . . . . . . . . . . . . . . . . . . . . . . . . . . . . . . . . . . . . . . . . . . . . . . . . . . . 289
Table 88. Alphabetical parts list . . . . . . . . . . . . . . . . . . . . . . . . . . . . . . . . . . . . . . . . . . . . . . . . . 290
Table 89. Numerical parts list . . . . . . . . . . . . . . . . . . . . . . . . . . . . . . . . . . . . . . . . . . . . . . . . . . . 294
Q1860-90918 Chapter 1 Printer description 15
1Printer description
Overview
Printer features . . . . . . . . . . . . . . . . . . . . . . . . . . . . . . . . . . . . . . . . . . . . . . . . . . . . . . . . . . . . . 16
Printer information. . . . . . . . . . . . . . . . . . . . . . . . . . . . . . . . . . . . . . . . . . . . . . . . . . . . . . . . . . . 17
Identification . . . . . . . . . . . . . . . . . . . . . . . . . . . . . . . . . . . . . . . . . . . . . . . . . . . . . . . . . . . . . . . 19
Model and serial numbers . . . . . . . . . . . . . . . . . . . . . . . . . . . . . . . . . . . . . . . . . . . . . . . . . 19
Site requirements . . . . . . . . . . . . . . . . . . . . . . . . . . . . . . . . . . . . . . . . . . . . . . . . . . . . . . . . . . . 20
Space requirements . . . . . . . . . . . . . . . . . . . . . . . . . . . . . . . . . . . . . . . . . . . . . . . . . . . . . . 21
Paper specifications . . . . . . . . . . . . . . . . . . . . . . . . . . . . . . . . . . . . . . . . . . . . . . . . . . . . . . . . . 25
Supported types of paper . . . . . . . . . . . . . . . . . . . . . . . . . . . . . . . . . . . . . . . . . . . . . . . . . . 26
Guidelines for using paper . . . . . . . . . . . . . . . . . . . . . . . . . . . . . . . . . . . . . . . . . . . . . . . . . 27
Labels . . . . . . . . . . . . . . . . . . . . . . . . . . . . . . . . . . . . . . . . . . . . . . . . . . . . . . . . . . . . . . . . . 29
Transparencies. . . . . . . . . . . . . . . . . . . . . . . . . . . . . . . . . . . . . . . . . . . . . . . . . . . . . . . . . . 29
Vellum. . . . . . . . . . . . . . . . . . . . . . . . . . . . . . . . . . . . . . . . . . . . . . . . . . . . . . . . . . . . . . . . . 29
Envelopes. . . . . . . . . . . . . . . . . . . . . . . . . . . . . . . . . . . . . . . . . . . . . . . . . . . . . . . . . . . . . . 29
Card stock and heavy paper. . . . . . . . . . . . . . . . . . . . . . . . . . . . . . . . . . . . . . . . . . . . . . . . 31
Safety information . . . . . . . . . . . . . . . . . . . . . . . . . . . . . . . . . . . . . . . . . . . . . . . . . . . . . . . . . . . 32
Laser safety statement . . . . . . . . . . . . . . . . . . . . . . . . . . . . . . . . . . . . . . . . . . . . . . . . . . . . 32
Canadian DOC regulations. . . . . . . . . . . . . . . . . . . . . . . . . . . . . . . . . . . . . . . . . . . . . . . . . 32
FCC regulations . . . . . . . . . . . . . . . . . . . . . . . . . . . . . . . . . . . . . . . . . . . . . . . . . . . . . . . . . 32
Luokan 1 laserlaite . . . . . . . . . . . . . . . . . . . . . . . . . . . . . . . . . . . . . . . . . . . . . . . . . . . . . . . 33
Material Safety Data Sheet. . . . . . . . . . . . . . . . . . . . . . . . . . . . . . . . . . . . . . . . . . . . . . . . . 33
Laser statement for Finland . . . . . . . . . . . . . . . . . . . . . . . . . . . . . . . . . . . . . . . . . . . . . . . . 33
Environmental product stewardship . . . . . . . . . . . . . . . . . . . . . . . . . . . . . . . . . . . . . . . . . . 34

16 Printer description Q1860-90918
Printer features
Table 1. Printer features
Speed 22 pages per minute (ppm) for A4-sized paper, or 21 ppm for letter-sized paper
300 MHz microprocessor
First page out = 13 seconds
Resolution HP ProRes 1200, a 1200-by-1200 dots-per-inch (dpi), HP FastRes 1200 and 600 dpi with Resolution
Enhancement Technology (REt)
Typefaces 80 built-in scalable Printer Control Language (PCL) fonts, 80 internal PostScript® fonts
Processor 300 MHz
Memory options HP LaserJet 5100 printer and HP LaserJet 5100 Le printer:
16 MB, expandable to 192 MB through three industry-standard dual inline memory module (DIMM) slots
HP LaserJet 5100tn printer and HP LaserJet 5100dtn printer:
32 MB, expandable to 192 MB through three industry-standard DIMM slots
Connectivity HP LaserJet 5100 printer:
Bidirectional IEEE-1284-compliant parallel interface; two open enhancement input/output (EIO) slots
(standard); HP Jetdirect internal print server (optional); 802.11 internal wireless connectivity card
(optional)
HP LaserJet 5100tn printer and HP LaserJet 5100dtn printer:
Bidirectional IEEE-1284-compliant parallel interface; one open EIO slot; HP Jetdirect (EIO) print server for
Fast Ethernet 10/100Base-TX in second slot (standard); 802.11 Internal Wireless connectivity card
(optional)
HP LaserJet 5100Le printer:
Bidirectional IEEE-1284-compliant parallel interface
Network
compatibility Microsoft® Windows® 95, Windows NT® 4.0, Windows XP; NetWare; IBM OS/2 Warp; LAN manager;
UNIX® , Appletalk; Linux® ; HP-UX; LocalTalk through HP Jetdirect EIO print servers
Mass-storage options >4 GB EIO hard disk
Paper trays Tray 1
Capacity: 100 sheets
Sizes: 76 by 127 mm (3 by 5 inches) to 312 by 470 mm
(12.28 by 18.5 inches)
Tray 2
Capacity: 250 sheets
Sizes: 149 by 210 mm (5.8 by 8.2 inches) to 279 by 432 mm (11 by 17 inches)
250-sheet feeder (optional for HP LaserJet 5100 printer, HP LaserJet 5100tn printer, and HP LaserJet
5100dtn printer)
Capacity: 250 sheets
Sizes: 149 by 210 mm (5.8 by 8.2 inches) to 279 by 432 mm (11 by 17 inches)
500-sheet feeder (optional for HP LaserJet 5100 printer; standard for HP LaserJet 5100tn printer and
HP LaserJet 5100dtn printer)
Capacity: 500 sheets
Sizes: 149 by 210 mm (5.8 by 8.2 inches) to 279 by 432 mm (11 by 17 inches)
Paper path Standard path to top output bin
Straight-through path from Tray 1 to the rear output bin
Output capacity 250-sheet top output bin
50-sheet rear output bin
Paper-handling
options Two-sided printing is automatic with the duplex printing accessory (duplexer). The duplexer is optional for
the HP LaserJet 5100 printer, and is standard for the HP LaserJet 5100dtn printer.

Q1860-90918 Chapter 1 Printer description 17
Printer information
The printer is available in four configurations, as described here.
HP LaserJet 5100 printer
The HP LaserJet 5100 printer (product number: Q1860A) is a 22 pages per minute (ppm) laser
printer that comes standard with a 100-sheet multipurpose Tray 1, a 250-sheet Tray 2, and
16 MB of memory. It is designed for workgroups and can print on paper sizes up to A3 and 11
by 17 inches (279 by 432 mm).
HP LaserJet 5100tn printer
The HP LaserJet 5100tn printer (product number: Q1861A) is a 22 ppm laser printer that
comes standard with a 100-sheet multipurpose Tray 1, a 250-sheet Tray 2, a 500-sheet feeder,
32 MB of memory, and an HP Jetdirect print server for connecting to a fast Ethernet (10/
100Base-TX) network. It is designed for network users and can print full-bleed images on paper
sizes up to A3 and 11 by 17 inches (279 by 432 mm).
HP LaserJet 5100dtn printer
The HP LaserJet 5100dtn printer (product number: Q1862A) is a 22 ppm laser printer that
comes standard with a 100-sheet multipurpose Tray 1, a 250-sheet Tray 2, a 500-sheet feeder,
32 MB of memory, an HP Jetdirect print server for connecting to a fast Ethernet (10/100Base-
TX) network, an embedded Web server DIMM for remote printer management, and a duplex
printing accessory for printing on two sides of a sheet of print media. The printer is designed for
network users and can print full-bleed images on paper sizes up to A3 and 11 by 17 inches (279
by 432 mm).
HP LaserJet 5100Le printer
This printer (product number: Q1863A) is a 22 ppm laser printer that comes standard with a
100-sheet multipurpose Tray 1, a 250-sheet Tray 2, and 16 MB of memory. The printer can print
full-bleed images on paper sizes up to A3 and 11 by 17 inches (279 by 432 mm). Paper-
handling and EIO accessories are not available for the HP LaserJet 5100Le printer

18 Printer description Q1860-90918
Table 2. Comparison of HP LaserJet 5100 Series printers
HP LaserJet 5100
(Q1860A) HP LaserJet 5100tn
(Q1861A) HP LaserJet 5100dtn
(Q1862A) HP LaserJet 5100 LE
(Q1863A)
Ethernet 10-T/ 10-2 optional standard standard not available
Input bins (standard/
maximum 2/4 3/4 3/4 2/2
Standard RAM 16 MB internal 32 MB 32 MB 16 MB
250-sheet feeders
(Tray 2, Tray 3) 1 standard
1 optional 1 standard
1 optional 1 standard
1 optional 1 standard
500-sheet feeder optional standard standard N/A
EIO hard disk optional optional optional N/A
Duplexer optional optional standard N/A
LocalTalk optional optional optional N/A
Processor 300 MHz 300 MHz 300 MHz 300 MHz

Q1860-90918 Chapter 1 Printer description 19
Identification
Model and serial numbers
The model and serial numbers are listed on identification labels that are located inside the top
cover. The serial number is alphanumeric, such as USB0000146 for the HP LaserJet 5100 series
printer.
The serial number contains information about the origin location, as well as the revision level, the
production code, and the production number of the printer.
The labels also contain power rating and regulatory information as shown in figure 1.
Figure 1. Sample identification labels

20 Printer description Q1860-90918
Site requirements
Environmental and power requirements
The following environmental specifications must be maintained to ensure the proper operation of
the printer. Consider the following points before installing the printer:
Install the printer in a well-ventilated, dust-free area.
Install the printer on a hard, flat, and continuous surface on which all four printer feet are
level. Do not install the printer on carpet or other soft surfaces.
Make sure that adequate power is supplied. The printer power requirements are listed in
table 3.
Install the printer where temperature and humidity are stable, and away from water sources,
humidifiers, air conditioners, refrigerators, or other major appliances.
Install the printer away from direct sunlight, open flames, or ammonia fumes. If the printer is
placed near a window, make sure the window has a curtain or blind to block any direct
sunlight.
Install the printer with enough space around it for proper access and ventilation.
Install the printer away from the direct flow of exhaust from air-ventilation systems.
*ENERGY STAR is a U.S. registered service mark of the United States Environmental Protection
Agency.
Table 3. Power requirements
Volts Frequency
Amps
(current
rating)
Amps (rated
short-term
current)
Watts (average maximum,
based on HP LaserJet 5100dtn
printer)
100 to 127 Vac
(+/-10%) 50 to 60 Hz
(+/-3 Hz) 5.4 amps 6 amps printing = 480
standby = 24
PowerSave on = < 30 (ENERGY
STAR®)*
printer off = 0
220 to 240 Vac
(+/-10%) 50 to 60 Hz
(+/-3 Hz) 2.5 amps 3 amps printing = 515
standby = 29
PowerSave on = < 30 (ENERGY
STAR®)*
printer off = 0

Q1860-90918 Chapter 1 Printer description 21
Space requirements
Figure 2. Printer dimensions—HP LaserJet 5100 printer and HP LaserJet 5100Le printer
30.3 cm (11.9 in)62.5 cm (24.6 in)
47.0 cm (18.5 in)
27.0 cm (10.6 in)
47.0 cm (18.5 in) 11.0 cm (4.3 in)
47.5 cm (18.7 in) 47.3 cm (18.6 in)
139.8 cm (55 in)

22 Printer description Q1860-90918
Figure 3. Printer dimensions—HP LaserJet 5100tn printer and HP LaserJet 5100dtn printer
62.5 cm (24.6 in)
15.5 cm (6.1 in)
62.0 cm (24.4 in)
47.0 cm (18.5 in)
30.3 cm (11.9 in)
27.0 cm (10.6 in)
139.8 cm (55 in)

Q1860-90918 Chapter 1 Printer description 23
Figure 4. Printer dimensions, HP LaserJet 5100 series printer with accessories
Printer weight (without toner cartridge)
HP LaserJet 5100 printer: 23 kg (50 lb)
HP LaserJet 5100tn printer with optional 500-sheet feeder: 34 kg (75 lb)
HP LaserJet 5100dtn printer with duplexer and optional 500-sheet feeder: 52 kg (114 lb)
HP LaserJet 5100Le printer: 23 kg (50 lb)
75.5 cm (29.7 in)
62.5 cm (24.6 in)
47.0 cm (18.5 in)
30.3 cm (11.9 in)
27.0 cm (10.6 in)
16.6 cm (6.5 in)
139.8 cm (55 in)

24 Printer description Q1860-90918
Environmental requirements
*Maximum values are based on the HP LaserJet 5100dtn printer.
Table 4. Environmental specifications
Item Operating Storage
Temperature 10° to 32° C (50° to 91° F) -20° to 60° C (-4° to 140° F)
Relative humidity (RH) 20 to 80 percent RH (with no
condensation) 10 percent to 95 percent RH
Table 5. Acoustics specifications
Printer state Sound power Bystander position Operator position
Printing at 22 ppm LWAd= 6.8 bels (A) LpAm=53 dB LpAm=60 dB maximum*
Printing at 11 ppm LWAd= 6.4 bels (A) LpAm=50 dB LpAm=56 dB maximum*
PowerSave LWAd= 4.4 bels (A) LpAm=32 dB LpAm=37 dB maximum*

Q1860-90918 Chapter 1 Printer description 25
Paper specifications
The following tables show paper specifications for the printer.
Table 6. Paper specifications, Tray 1
Supported paper Dimensions1
1. The printer supports a wide range of paper sizes. Check the printer software for supported sizes. To print
custom-size paper see the user’s guide.
Weight Capacity2
2. Capacity might vary depending on paper weight and thickness, and environmental conditions.
Minimum size
(custom) 76 by 127 mm
(3 by 5 inches) 60 to 199 g/m2
(16 to 53 lb) 100 sheets of 75-g/m2
(20-lb) paper
Maximum size
(custom) 312 by 470 mm
(12.28 by 18.5 inches)
Transparencies
Same as minimum
and maximum paper
sizes as listed above.
Thickness:
0.099 to 0.114 mm
(0.0039 to 0.0045 in)
75 transparencies
Labels Thickness:
0.127 to 0.178 mm
(0.005 to 0.007 in)
50 labels
Envelopes 75 to 105 g/m2
(20 to 28 lb) 10 envelopes
Table 7. Paper specifications, Tray 2 or other 250-sheet feeder
Supported Paper Dimensions1
1. The printer supports a wide range of media sizes. Check the printer software for supported sizes.
Weight Capacity2
2. Capacity might vary depending on media weight and thickness, and environmental conditions.
Letter 216 by 279 mm
(8.5 by 11 in) 60 to 105 g/m2
(16 to 28 lb) 250 sheets of 75-g/m2
(20-lb) paper
50 to 100 transparencies
A4 210 by 297 mm
(8.3 by 11.7 in)
Executive 191 by 267 mm
(7.3 by 10.5 in)
Legal 216 by 356 mm
(8.5 by 14 in)
B5 (JIS) 182 by 257 mm
(7.2 by 10 in)
A5 148 by 210 mm
(5.8 by 8.2 in)
11 by 17 279 by 432 mm
(11 by 17 in)
A3 297 by 420 mm
(11.7 by 16.5 in)
B4 (JIS) 257 by 364 mm
(10.1 by 14.3 in)

26 Printer description Q1860-90918
Supported types of paper
The printer supports a wide variety of media, such as:
Table 8. Paper specifications, 500-sheet feeder
Supported paper Dimensions1
1. The printer supports a wide range of media sizes. Check the printer software for supported sizes.
Weight Capacity2
2. Capacity may vary depending on media weight and thickness, and environmental conditions.
Letter
Letter-R3
3. To print rotated paper, see the user’s guide.
216 by 279 mm
(8.5 by 11 inches) 60 to 105 g/m2
(16 to 28 lb) 500 sheets of 75-g/m2
(20-lb) paper
50 to 100 transparencies
A4
A4-R3210 by 297 mm
(8.3 by 11.7 inches)
Executive 191 by 267 mm
(7.3 by 10.5 inches)
Legal 216 by 356 mm
(8.5 by 14 inches)
B5 (JIS) 182 by 257 mm
(7.2 by 10 inches)
A5 148 by 210 mm
(5.8 by 8.2 inches)
11 by 17 279 by 432 mm
(11 by 17 inches)
A3 297 by 420 mm
(11.7 by 16.5 inches)
B4 (JIS) 257 by 364 mm
(10.1 by 14.3 inches)
Minimum Size
(Custom4)
4. To print custom-size paper, see the user’s guide.
148 by 210 mm
(5.8 by 8.3 inches)
Maximum Size
(Custom4)297 by 432 mm
(11.7 by 17 inches)
Table 9. Paper specifications, duplexer
Dimensions1
1. The printer supports a wide range of media sizes. Check the printer software for supported sizes.
Weight
Minimum 148 by 210 mm (5.8 by 8.3 inches) 60 to 105 g/m2 (16 to 28 lb)
Maximum 297 by 432 mm (11.7 by 17 inches)
plain rough labels
letterhead vellum recycled
prepunched preprinted card stock
bond transparency user-defined (5 types)
color

Q1860-90918 Chapter 1 Printer description 27
Guidelines for using paper
For best results, use conventional 75-g/m2 (20-lb) paper. Make sure the paper is of good quality
and free of cuts, nicks, tears, spots, loose particles, dust, wrinkles, voids, and curled or bent
edges.
Some paper causes print-quality problems, jamming, or damage to the printer.
For more specific information, see “Image defects” on page 209.
Note Do not use letterhead paper that is printed with low-temperature inks, such as those used in some
types of thermography.
Do not use raised letterhead.
The printer uses heat and pressure to fuse toner to the paper. Make sure that any colored paper
or preprinted forms use inks that are compatible with the printer’s temperature (200°C or 392° F
for 0.1 second).
Table 10. Media issues
Symptom Problem with paper Solution
Poor print quality or toner
adhesion.
Problems with feeding.
Too moist, too rough, too
smooth, or embossed; faulty
paper lot.
Try another kind of paper, between
100 and 250 Sheffield, and with 4%
to 6% moisture content.
Dropouts, jamming, curl. Stored improperly. Store paper flat in its moisture-proof
wrapping.
Open the rear output bin.
Increased gray background
shading. Too heavy. Use lighter paper.
Open the rear output bin.
Excessive curl.
Problems with feeding. Too moist, wrong grain direction,
or short-grain construction. Open the rear output bin.
Use long-grain paper.
Set FUSER MODE=LOW.
Jamming, damage to the printer. Cutouts or perforations. Do not use paper with cutouts or
perforations.
Problems with feeding. Ragged edges. Use higher quality paper.

28 Printer description Q1860-90918
Paper weight equivalence table
Use this table to determine approximate equivalent points in weight specifications other than
U.S. bond weight. For example, to determine the equivalent of 20-lb U.S. bond-weight paper in
U.S. cover weight, locate the bond weight (in row 3, second column) and scan across the row to
the cover weight (in the fourth column). The equivalent is 28 lb.
Shaded areas indicate a standard weight for that grade.
U.S.
postcard1
thickness
(mm)
1. U.S. postcard measurements are approximate. Use for reference only.
U.S.
bond
weight (lb)
U.S.
text/book
weight (lb)
U.S.
cover
weight (lb)
U.S.
bristol
weight (lb)
U.S.
index
weight (lb)
U.S.
tag
weight (lb)
Europe
metric
weight
(g/m2)
Japan
metric
weight
(g/m2)
116 41 22 27 33 37 60 60
2 1743242935396464
320 50 28 34 42 46 75 75
4 21543036444980 80
5 2256313846518181
624 60 33 41 50 55 90 90
7 276837455561
100 100
828 70 39 49 58 65 105 105
932 80 44 55 67 74 120 120
10 34 86 47 58 71 79 128 128
11 36 90 50 62 75 83 135 135
12 .18 39 100 55 67 82 91 148 148
13 .19 42 107 58 72 87 97 157 157
14 .20 43 110 60 74 90 100 163 163
15 .23 47 119 65 80 97 108 176 176
16 53 134 74 90 110 122 199 199

Q1860-90918 Chapter 1 Printer description 29
Labels
CAUTION To avoid damaging the printer, use only labels that are recommended for use in laser printers.
If you have problems printing labels, use Tray 1 and open the rear output bin.
Never print on the same sheet of labels more than once.
When selecting labels, consider the quality of each component:
Adhesives: The adhesive material should be stable at 200°C (392°F), the printer’s
maximum temperature.
Arrangement: Only use labels that have no exposed backing between them. Labels can
peel off of sheets that have spaces between the labels, causing serious jams.
Curl: Before printing, labels must lie flat with no more than 13 mm (0.5 inch) of curl in any
direction.
Condition: Do not use labels that have wrinkles, bubbles, or other indications of separation.
Transparencies
Transparencies used in the printer must be able to withstand 200°C (392°F), the printer’s
maximum temperature. For best results, close the rear output bin to print transparencies to the
top output bin.
CAUTION To avoid damaging the printer, use only transparencies that are recommended for use in
monochrome laser printers.
If you have problems printing on transparencies, use Tray 1.
Vellum
Vellum is typically a special lightweight paper similar to parchment. Print vellum from Tray 1 only,
and open the rear output bin. Do not print on both sides of vellum.
Vellum used in the printer must be able to withstand 200°C (392°F), the printer’s maximum
temperature.
Envelopes
Always print envelopes from Tray 1. To help prevent envelopes from wrinkling or jamming, open
the rear output bin.
Envelope construction
Envelope construction is critical. Envelope fold lines can vary considerably, not only between
manufacturers, but also within a box from the same manufacturer. Successful printing on
envelopes depends upon the quality of the envelopes. When selecting envelopes, consider the
following components:
Weight: The weight of the envelope paper should not exceed 105 g/m2 (28 lb), or jamming
can result.
Construction: Before printing, envelopes should lie flat with less than 6 mm (0.25 inch) curl,
and should not contain air. (Envelopes that trap air can cause problems.)
Condition: Make sure envelopes are not wrinkled, nicked, or otherwise damaged.
Size: Tray 1, the multipurpose tray, handles envelope sizes from 76 by 127 mm (3 by 5
inches) to 312 by 470 mm (12.28 by 18.5 inches).

30 Printer description Q1860-90918
Envelopes that have double side seams
Double-side-seam construction has vertical seams at both ends of the envelope rather than
diagonal seams. This style can be more likely to wrinkle. Be sure that the seam extends all the
way to the corner of the envelope as illustrated below.
Figure 5. Envelopes with double side seams
Envelopes that have adhesive strips or flaps
Envelopes that have a peel-off adhesive strip or more than one flap that folds over to seal must
use adhesives that are compatible with the heat and pressure in the printer. The extra flaps and
strips might cause wrinkling, creasing, or jams.
Envelope margins
The following table shows typical address margins for a Commercial #10 or DL envelope.
Note For the best print quality, position margins no closer than 15 mm (0.6 inch) from the edges of the
envelope.
Envelope storage
Proper storage of envelopes helps contribute to good print quality. Envelopes should be stored
flat. If air is trapped in an envelope, creating an air bubble, the envelope might wrinkle during
printing.
Acceptable
Unacceptable
Table 11. Envelope margins
Type of address Top margin Left margin
Return address 15 mm (0.6 inch) 15 mm (0.6 inch)
Delivery address 51 mm (2 inches) 89 mm (3.5 inches)

Q1860-90918 Chapter 1 Printer description 31
Card stock and heavy paper
Many types of card stock can be printed from Tray 1, including index cards and postcards. Some
card stock performs better than others because its construction is better suited for feeding
through a laser printer.
For optimum printer performance, do not use paper heavier than 199 g/m2 (53 lb) in Tray 1 or
105 g/m2 (28 lb) in other trays. Paper that is too heavy might cause misfeeds, stacking problems,
paper jams, poor toner fusing, poor print quality, or excessive mechanical wear.
Note Printing on heavier paper might be possible if the tray is not filled to capacity, and if paper with a
smoothness rating of 100 to 180 Sheffield is used.
Card stock construction
Smoothness: 135- to 199-g/m2 (36 to 53 lb) card stock should have a smoothness rating of
100 to 180 Sheffield; 60- to 135-g/m2 (16 to 36 lb) card stock should have a smoothness
rating of 100 to 250 Sheffield.
Construction: Card stock should lie flat with less than 5 mm (0.2 inch) of curl.
Condition: Make sure card stock is not wrinkled, nicked, or otherwise damaged.
Sizes: Use only card stock within the following size ranges:
•minimum: 76 by 127 mm (3 by 5 inches)
•maximum: 312 by 470 mm (12.28 by 18.5 inches)
Note Before loading card stock in Tray 1, make sure it is regular in shape and not damaged. Also, make
sure the cards are not stuck together.
Card stock guidelines
If cards curl or jam, try printing from Tray 1 and opening the rear output bin.
Set margins at least 2 mm (0.08 inch) away from the edges of the paper.

32 Printer description Q1860-90918
Safety information
Laser safety statement
The Center for Devices and Radiological Health (CDRH) of the U.S. Food and Drug
Administration has implemented regulations for laser products manufactured since August 1,
1976. Compliance is mandatory for products marketed in the United States. The printer is
certified as a “Class 1” laser product under the U.S. Department of Health and Human Services
(DHHS) Radiation Performance Standard according to the Radiation Control for Health and
Safety Act of 1968. Since radiation emitted inside the printer is completely confined within
protective housings and external covers, the laser beam cannot escape during any phase of
normal user operation.
WARNING! Using controls, making adjustments, or performing procedures other than those specified in this
service manual might result in exposure to hazardous radiation.
Canadian DOC regulations
Complies with Canadian EMC Class B requirements.
«Conforme á la classe B des normes canadiennes de compatibilité électromagnétiques.
«CEM».»
FCC regulations
This equipment has been tested and found to comply with the limits for a Class B digital device,
pursuant to Part 15 of the FCC rules. These limits are designed to provide reasonable protection
against harmful interference in a residential installation. This equipment generates, uses, and
can radiate radio frequency energy. If this equipment is not installed and used in accordance with
the instructions, it may cause harmful interference to radio communications. However, there is no
guarantee that interference will not occur in a particular installation. If this equipment does cause
harmful interference to radio or television reception, which can be determined by turning the
equipment off and on, the user is encouraged to try to correct the interference by one or more of
the following measures:
Reorient or relocate the receiving antenna.
Increase the separation between the equipment and the receiver.
Connect the equipment to an outlet on a different circuit from that to which the receiver is
connected.
Consult your dealer or an experienced radio and television technician.
Note Any changes or modifications to the printer that are not expressly approved by HP could void the
user’s authority to operate this equipment.
Use of a shielded interface cable is required to comply with the Class B limits of Part 15 of FCC
rules.

Q1860-90918 Chapter 1 Printer description 33
Laser statement for Finland
Luokan 1 laserlaite
Klass 1 Laser Apparat
HP LaserJet 5000, 5000 N, 5000 GN -laserkirjoitin on käyttäjän kannalta turvallinen luokan 1
laserlaite. Normaalissa käytössä kirjoittimen suojakotelointi estää lasersäteen pääsyn laitteen
ulkopuolelle. Laitteen turvallisuusluokka on määritetty standardin EN 60825-1 (1994) mukaisesti.
Varoitus!
Laitteen käyttäminen muulla kuin käyttöohjeessa mainitulla tavalla saattaa altistaa käyttäjän
turvallisuusluokan 1 ylittävälle näkymättömälle lasersäteilylle.
Varning!
Om apparaten används på annat sätt än i bruksanvisning specificerats, kan användaren utsättas
för osynlig laserstrålning, som överskrider gränsen för laserklass 1.
HUOLTO
HP LaserJet 5000, 5000 N, 5000 GN -kirjoittimen sisällä ei ole käyttäjän huollettavissa olevia
kohteita. Laitteen saa avata ja huoltaa ainoastaan sen huoltamiseen koulutettu henkilö.
Tällaiseksi huoltotoimenpiteeksi ei katsota väriainekasetin vaihtamista, paperiradan puhdistusta
tai muita käyttäjän käsikirjassa lueteltuja, käyttäjän tehtäväksi tarkoitettuja ylläpitotoimia, jotka
voidaan suorittaa ilman erikoistyökaluja.
Varo!
Mikäli kirjoittimen suojakotelo avataan, olet alttiina näkymättömälle lasersäteilylle laitteen ollessa
toiminnassa. Älä katso säteeseen.
Varning!
Om laserprinterns skyddshölje öppnas då apparaten är i funktion, utsättas användaren för
osynlig laserstrålning. Betrakta ej strålen.
Tiedot laitteessa käytettävän laserdiodin säteilyominaisuuksista:
Aallonpituus 775-795 nm
Teho 5 mW
Luokan 3B laser
Material Safety Data Sheet
Material Safety Data Sheets can be obtained from the HP LaserJet Supplies website at
http://www.hp.com/go/msds.

34 Printer description Q1860-90918
Environmental product stewardship
Protecting the environment
Hewlett-Packard Company is committed to providing quality products in an environmentally-
sound manner. The printer has been designed to minimize impacts on the environment.
The printer design eliminates:
Ozone production The printer does not use high-voltage corona wires in the
electrophotographic process and therefore generates no appreciable
ozone gas (O3). Instead, this printer uses charging rollers in the toner
cartridge and in the print engine.
Energy
consumption This HP LaserJet printer design reduces:
Power usage drops significantly while in PowerSave mode, which saves
natural resources and saves money without affecting the high performance
of this printer. This printer qualifies for ENERGY STAR®, which is a voluntary
program to encourage the development of energy-efficient office products.
ENERGY STAR is a U.S. registered service mark
owned by the U.S. government. As an ENERGY STAR
partner, Hewlett-Packard Company has determined
that this printer meets ENERGY STAR Guidelines for
energy efficiency. For more information, see
http://www.energystar.gov/
Q1860-90918 Chapter 2 Service approach 35
2Service approach
Overview
Regulatory information . . . . . . . . . . . . . . . . . . . . . . . . . . . . . . . . . . . . . . . . . . . . . . . . . . . . . . . 36
Service approach . . . . . . . . . . . . . . . . . . . . . . . . . . . . . . . . . . . . . . . . . . . . . . . . . . . . . . . . . . . 36
Parts and supplies . . . . . . . . . . . . . . . . . . . . . . . . . . . . . . . . . . . . . . . . . . . . . . . . . . . . . . . 36
Warranty . . . . . . . . . . . . . . . . . . . . . . . . . . . . . . . . . . . . . . . . . . . . . . . . . . . . . . . . . . . . . . . 36
Limited warranty for the print cartridge . . . . . . . . . . . . . . . . . . . . . . . . . . . . . . . . . . . . . . . . 36
Service and support . . . . . . . . . . . . . . . . . . . . . . . . . . . . . . . . . . . . . . . . . . . . . . . . . . . . . . 37
Worldwide service and support offices . . . . . . . . . . . . . . . . . . . . . . . . . . . . . . . . . . . . . . . . 38

36 Service approach Q1860-90918
Regulatory information
For regulatory information and requirements, FCC regulations, and declaration of conformity,
please see the start guide.
For environmental product stewardship program information, please see the use guide.
Service approach
Repair of the printer normally begins with a three-step process:
1Isolate the problem to the major system (the host computer, the network and/or server, or the
printer).
2Determine whether the problem is located in the print engine or an accessory device.
3Troubleshoot the problem using the troubleshooting information in chapter 7.
Once a faulty part is located, repair is usually accomplished by assembly-level replacement of
field replaceable units (FRUs). Some mechanical assemblies can be repaired at the
subassembly level. Hewlett-Packard does not support replacement of components on the printed
circuit assemblies.
Parts and supplies
Information about ordering
Chapter 8 of this manual contains field replacement unit (FRU) and replacement part numbers.
Replacement parts can be ordered from the HP Customer Support (HPCS) organization.
Chapter 8 of this manual also contains information about products specifically designed for this
printer. Order accessories from HPCS.
Note See "Worldwide service and support offices" on page 38 to find information for a local HP office
in the appropriate region.
HPCS phone listings
HPCS (for U.S.)
(1) (800) 752-0900
HPCS (for Canada)
(1) (800) 387-3867
HPCS (for Europe)
(49 7031) 142253
Exchange program
HP might offer remanufactured assemblies for parts. These can be ordered through HPCS.
Warranty
For warranty information and requirements, see the start guide.
Limited warranty for the print cartridge
For print cartridge warranty information, see the start guide.

Q1860-90918 Chapter 2 Service approach 37
Service and support
World Wide Web
Print drivers, updated HP MFP firmware, and product and support information can be obtained
from the following URLs:
U.S., http://www.hp.com/support/lj5100
Europe, http://www.hp.com/support/lj5100
China, ftp://www.hp.com.cn/support/lj5100
Japan, ftp://www.jpn.hp.com/support/lj5100
Korea, http://www.hp.co.kr/support/lj5100
Taiwan, http://www.hp.com.tw/support/lj5100, or the local driver website, http://
www.dds.com.tw
HP support assistant CD-ROM
This support tool offers a comprehensive online information system designed to provide
technical and product information about Hewlett-Packard products. To subscribe to this quarterly
service in the U.S. or Canada, call (1) (800) 457-1762. In Hong Kong SAR, Indonesia, Malaysia,
or Singapore, call Mentor Media at (65) 740-4477.
HP-authorized resellers and support
To locate HP-authorized resellers and support, call (1) (800) 243-9816 in the U.S. or
(1) (800) 387-3867 in Canada. See "Worldwide service and support offices" on page 38 for
areas outside of North America.
HP service agreements
Call (1) (800) 743-8305 in the U.S. or (1) (800) 268-1221 in Canada.
HP PartnerCare
You can use the following information to contact HP PartnerCare:
PartnerShip Web. http://www.partner.americas.hp.com
e-mail at websupport@mnl.com
Connect Online. http://www.connect-online.hp.com
e-mail at PTS, INFOLINE (HP-Germany, exgen1)
Asia-Pacific countries/regions. http://partnercare.asiapac.hp.com/
Canada Partner. http://www.canada.hp.com
Latin America. http://www.conecta.latinamerica.hp.com
e-mail at SUPPORT-TEAM,LAR (HP-Miami, exgen1)

38 Service approach Q1860-90918
Worldwide service and support offices
For the U.S., call (1) (208) 323-2551 Monday through Friday from 6 A.M. to 6 P.M., Mountain
time.
For Canada, call (1) (905) 206-4663 or (1) (800) 387-3867 Monday through Friday from 8
A.M. to 8 P.M., Mountain time.
For customers outside of North America, use the following list and call the appropriate
telephone number for the country or region.
Europe
Africa and Middle East
Austria: 43 (0)810 00 6080
Belgium
Dutch: 32 (0)2 626-8806
French: 32 (0)2 626-8806
Czech Republic: 42 (0)2 6130 7310
Denmark: +45 39 29 4099
International English: +44 (0)207 512 52 02
Finland: 358 (0)203 47 288
France: 33 (0)1 43 62 34 34
Germany: 49 (0)180 52 58 143
Greece: +30 (0)1 619 64 11
Hungary: +36 (0)1 382-1111
Ireland: +353 (0)1 662 5525
Italy: 39 02 264 10350
Netherlands: 31 (0)20 606 8751
Norway: 47 22 11 6299
Poland: +48 22 865 98 00
Portugal: 351 21 3176333
Romania: +40 1 315 44 42 (or 01 3154442)
Russian Federation
Moscow: +7 095 797 3520
St. Petersburg: +7 812 346 7997
Spain: +34 902 321 123
Sweden: +46 (0)8 619 2170
Switzerland: +41 (0)848 80 11 11
Turkey: +90 212 221 69 69
Ukraine: +7 (380-44) 490-3520
U.K.: +44 (0)207 512 52 02
Egypt: +202 7956222
International English: +44 (0)207 512 52 02
Israel: +972 (0)9 9524848
South Africa
Inside RSA: 086 000 1030
Outside RSA: +27-11 258 9301
United Arab Emirates, Bahrain, Jordan, Kuwait, Lebanon, Oman, Palestine, Qatar, Saudi Arabia,
and Yemen: 971 4 883 8454

Q1860-90918 Chapter 2 Service approach 39
Asia-Pacific countries/regions
Latin America
Australia: (03) 8877 8000
China: +86 (0)10 6564 5959
Hong Kong SAR: +85 (2) 2802 4098
India: +91 11 682 6035
Indonesia: +62 (21) 350-3408
Japan: +81 3 3335-8333
Republic of Korea
Seoul: +82 (2) 3270-0700
Outside Seoul: 080 999-0700
Malaysia: +60 (3) 295 2566
New Zealand: +64 (9) 356 6640
Philippines: +63 (2) 867 3551
Singapore: +65 272 5300
Taiwan: +886 (2) 2717 0055
Thailand: +66 (2) 661 4000
Vietnam: +84 (0) 8 823 4530
Argentina: 0810-555-5520
Brazil
Greater Sao Paulo: (11) 3747-7799
Outside Greater São Paulo: 0800-157751
Chile: 800-22-5547
Guatemala: 800-999-5305
Mexico
Mexico City: 52-58-9922
Outside Mexico City: 01-800-472-6684
Peru: 0-0800-10111
Puerto Rico: 1-877-2320-589
Venezuela
Caracas: 207 8488
Outside Caracas: 800 47 777
40 Service approach Q1860-90918
Q1860-90918 Chapter 3 Printer operation 41
3Printer operation
Overview
Using the control panel . . . . . . . . . . . . . . . . . . . . . . . . . . . . . . . . . . . . . . . . . . . . . . . . . . . . . . . 42
Control panel layout . . . . . . . . . . . . . . . . . . . . . . . . . . . . . . . . . . . . . . . . . . . . . . . . . . . . . . 42
Control panel lights. . . . . . . . . . . . . . . . . . . . . . . . . . . . . . . . . . . . . . . . . . . . . . . . . . . . . . . 42
Control panel keys . . . . . . . . . . . . . . . . . . . . . . . . . . . . . . . . . . . . . . . . . . . . . . . . . . . . . . . 43
Settings and defaults . . . . . . . . . . . . . . . . . . . . . . . . . . . . . . . . . . . . . . . . . . . . . . . . . . . . . 44
Control panel menus. . . . . . . . . . . . . . . . . . . . . . . . . . . . . . . . . . . . . . . . . . . . . . . . . . . . . . . . . 45
Private/stored jobs menu . . . . . . . . . . . . . . . . . . . . . . . . . . . . . . . . . . . . . . . . . . . . . . . . . . 46
Information menu . . . . . . . . . . . . . . . . . . . . . . . . . . . . . . . . . . . . . . . . . . . . . . . . . . . . . . . . 47
Paper-handling menu . . . . . . . . . . . . . . . . . . . . . . . . . . . . . . . . . . . . . . . . . . . . . . . . . . . . . 48
Print-quality menu. . . . . . . . . . . . . . . . . . . . . . . . . . . . . . . . . . . . . . . . . . . . . . . . . . . . . . . . 50
Printing menu . . . . . . . . . . . . . . . . . . . . . . . . . . . . . . . . . . . . . . . . . . . . . . . . . . . . . . . . . . . 51
Configuration menu . . . . . . . . . . . . . . . . . . . . . . . . . . . . . . . . . . . . . . . . . . . . . . . . . . . . . . 53
I/O menu. . . . . . . . . . . . . . . . . . . . . . . . . . . . . . . . . . . . . . . . . . . . . . . . . . . . . . . . . . . . . . . 55
EIO menu (HP LaserJet 5100tn and 5100dtn printers) . . . . . . . . . . . . . . . . . . . . . . . . . . . 56
Resets menu . . . . . . . . . . . . . . . . . . . . . . . . . . . . . . . . . . . . . . . . . . . . . . . . . . . . . . . . . . . 58
Service mode . . . . . . . . . . . . . . . . . . . . . . . . . . . . . . . . . . . . . . . . . . . . . . . . . . . . . . . . . . . . . . 59
Service menu . . . . . . . . . . . . . . . . . . . . . . . . . . . . . . . . . . . . . . . . . . . . . . . . . . . . . . . . . . . 59
Setting the page count, maintenance count, and serial number . . . . . . . . . . . . . . . . . . . . 60
Cold reset paper size . . . . . . . . . . . . . . . . . . . . . . . . . . . . . . . . . . . . . . . . . . . . . . . . . . . . . 62
Diagnostics. . . . . . . . . . . . . . . . . . . . . . . . . . . . . . . . . . . . . . . . . . . . . . . . . . . . . . . . . . . . . 62
Clear event log . . . . . . . . . . . . . . . . . . . . . . . . . . . . . . . . . . . . . . . . . . . . . . . . . . . . . . . . . . 62
Testing the printer . . . . . . . . . . . . . . . . . . . . . . . . . . . . . . . . . . . . . . . . . . . . . . . . . . . . . . . . . . . 63
Resetting the printer . . . . . . . . . . . . . . . . . . . . . . . . . . . . . . . . . . . . . . . . . . . . . . . . . . . . . . . . . 63
Cold reset . . . . . . . . . . . . . . . . . . . . . . . . . . . . . . . . . . . . . . . . . . . . . . . . . . . . . . . . . . . . . . 63
Clearing NVRAM . . . . . . . . . . . . . . . . . . . . . . . . . . . . . . . . . . . . . . . . . . . . . . . . . . . . . . . . 63
Initializing the hard disk . . . . . . . . . . . . . . . . . . . . . . . . . . . . . . . . . . . . . . . . . . . . . . . . . . . 63
System configuration. . . . . . . . . . . . . . . . . . . . . . . . . . . . . . . . . . . . . . . . . . . . . . . . . . . . . . . . . 64
MS-DOS system configuration . . . . . . . . . . . . . . . . . . . . . . . . . . . . . . . . . . . . . . . . . . . . . . 64
Parallel MS-DOS commands . . . . . . . . . . . . . . . . . . . . . . . . . . . . . . . . . . . . . . . . . . . . . . . 64
Printer I/O configuration . . . . . . . . . . . . . . . . . . . . . . . . . . . . . . . . . . . . . . . . . . . . . . . . . . . . . . 64
Parallel menu . . . . . . . . . . . . . . . . . . . . . . . . . . . . . . . . . . . . . . . . . . . . . . . . . . . . . . . . . . . 64

42 Printer operation Q1860-90918
Using the control panel
Control panel layout
The printer’s control panel consists of the following components:
Figure 6. Control panel layout
Control panel lights
Ready Data Attention
Go
Cancel
Job
Menu
Item
- Value +
Select
Two-line
display
READY
Table 12. Interpreting control panel lights
Light Indication
Ready The printer is ready to print.
Data The printer is processing information.
Attention Action is required. See the control panel display.

Q1860-90918 Chapter 3 Printer operation 43
Control panel keys
Press the control panel keys to perform the functions shown in table 13.
Table 13. Control panel keys
Key Function
[Go] Places the printer either online or offline.
Prints any data that resides in the printer’s buffer.
Allows the printer to resume printing after being offline.
Clears most printer messages and places the printer online.
Allows the printer to continue printing with an error message such as TRAY x
LOAD [TYPE] [SIZE] or UNEXPECTED PAPER SIZE.
Confirms a manual feed request if Tray 1 is loaded and TRAY 1
MODE=CASSETTE has been set from the Paper Handling menu on the printer’s
control panel.
Overrides a manual feed request from Tray 1 by selecting paper from the next
available tray.
Exits the control panel menus. (To save a selected control panel setting, first
press [Select].)
[Cancel Job] Cancels the print job that the printer is processing. The time it takes to cancel
depends on the size of the print job. (Press it only once.)
[Menu] Cycles through the control panel menus. Press the right end of the button to move
forward or the left end of the button to move backward.
[Item] Cycles through the selected menu’s items. Press the right end of the button to
move forward or the left end of the button to move backward.
[- Value +] Cycles through the selected menu item’s values. Press [+] to move forward or [-] to
move backward.
[Select] Saves the selected value for that item. An asterisk (*) appears next to the
selection, indicating that it is the new default. Default settings remain when the
printer is switched off or reset (unless you reset all factory defaults from the
Resets Menu).
Prints the printer information page shown on the control panel display.

44 Printer operation Q1860-90918
Settings and defaults
The printer makes most printing decisions based on either temporary settings or permanent
defaults.
Note Settings that are sent from software applications override printer defaults.
Setting the display language
1Press and hold [SELECT] while turning on the printer. Hold [SELECT] until SELECT LANGUAGE
appears.
2Release [SELECT]. INITIALIZING appears briefly. Wait for LANGUAGE=[(current selected
language)] to appear.
3Press [- VALUE +] repeatedly until the language you want appears.
4Press [SELECT] to save your choice. An asterisk (*) appears beside the selected language.
5Press [GO] to exit the menu.
Table 14. Settings and defaults
Setting or default Explanation
Temporary setting A value set for the current print job by the software application or driver. For
example, a request from the software to print three copies instead of the control
panel default value of one copy is a temporary setting. The printer continues to use
the temporary setting until it receives another software request or until it is reset.
Control panel default A value set at the control panel when you select a menu item. An asterisk appears,
indicating the default setting. The printer retains this default when it is turned off.
Factory default The value set for each menu item at the factory. Factory defaults are listed in the
item column in the menu tables starting on page 47.

Q1860-90918 Chapter 3 Printer operation 45
Control panel menus
Press [MENU] for access to all control panel menus. When additional trays or other accessories
are installed in the printer, new menu items automatically appear.
To change a control panel setting:
1Press [MENU] until the menu you want appears.
2Press [ITEM] until the item you want appears.
3Press [- VALUE +] until the setting you want appears.
4Press [SELECT] to save the selection. An asterisk (*) appears next to the selection in the
display, indicating that it is now the default.
5Press [GO] to exit the menu.
Note Settings in the printer driver and software application override control panel settings. (Software
application settings override printer-driver settings.)
If you cannot gain access to a menu or item, it is either not an option for the printer or the customer’s
network administrator has locked the function. (The control panel reads ACCESS DENIED MENUS
LOCKED.) See the customer’s network administrator.
To print a control panel menu map:
To see the current settings for all of the menus and items available in the control panel, print a
control panel menu map.
1Press [MENU] until INFORMATION MENU appears.
2Press [ITEM] until PRINT MENU MAP appears.
3Press [SELECT] to print the menu map.

46 Printer operation Q1860-90918
Private/stored jobs menu
This menu provides a list of the private, stored, quick-copy, and proof-and-hold jobs on the
printer’s hard disk or in RAM memory. The user can send the command from the control panel to
print or delete these jobs.
Note If no private, stored, quick-copy, or proof-and-hold jobs exist on the printer’s optional hard disk or
in RAM memory, this menu does not appear on the control panel.
Table 15. Private/stored jobs menu
Item Explanation
[JOBNAME] The name of the job stored on the printer’s hard disk or in RAM.
PIN:0000 To print a private job, the user must enter the personal identification number (PIN)
assigned to the job in the driver.
COPIES=X The number of copies the user wants to print.
1-999: Prints the requested number of copies of the job.
DELETE: Deletes the job from the printer’s hard disk or RAM memory.

Q1860-90918 Chapter 3 Printer operation 47
Information menu
This menu contains printer information pages that give details about the printer and its
configuration. To print an information page, scroll to the page you want and press [SELECT].
Table 16. Information menu
Item Explanation
PRINT
MENU MAP
The menu map shows the layout and current settings of the control panel menu
items.
PRINT
CONFIGURATION
The configuration page shows the printer’s current configuration. If an HP Jetdirect
print server card is installed (HP LaserJet 5100tn and 5100dtn printers), a Jetdirect
configuration page will print out as well.
PRINT
PCL FONT LIST
The PCL font list shows all the PCL fonts currently available to the printer.
PRINT
PS FONT LIST
The PS font list shows all the PS fonts currently available to the printer.
PRINT
FILE DIRECTORY
This item appears only when a mass-storage device (such as an optional flash
DIMM or hard disk) containing a recognized file system is installed in the printer.
The file directory shows information for all installed mass-storage devices.
PRINT
EVENT LOG
The event log lists printer events or errors.
SHOW
EVENT LOG
This item allows you to view the most recent printer events on the control panel
display. Press [-Value+] to scroll through the event-log entries.
PRINT
PAPER PATH TEST
Use the paper-path test to verify that the paper path is working properly, or to
troubleshoot problems with a type of paper.
Choose the input tray, output bin, duplexer (if available), and number of copies.

48 Printer operation Q1860-90918
Paper-handling menu
When paper-handling settings are correctly configured through the control panel, you can print
by choosing the type and size of paper from the printer driver or software application.
Some items in this menu (such as duplex and manual feed) can be opened from a software
application, or from the printer driver (if the appropriate driver is installed). Printer-driver and
software application settings override control panel settings.
Table 17. Paper-handling menu
Item/default Values Explanation
TRAY 1 MODE=
FIRST
FIRST
CASSETTE
Determine how the printer will use Tray 1.
FIRST: If paper is loaded in Tray 1, the printer will pull paper
from that tray first.
CASSETTE: A paper size must be assigned to Tray 1 by
using the TRAY 1 SIZE option (the next item in this menu
when TRAY 1 MODE=CASSETTE). This allows Tray 1 to be
used as a reserved tray.
TRAY 1 SIZE=
LETTER
For supported media,
see page 26. This item appears only when TRAY 1 MODE= CASSETTE.
Set the value to correspond with the paper size in Tray 1.
TRAY 1 TYPE=
PLAIN
For supported media,
see page 26. This item appears only when TRAY 1 MODE= CASSETTE.
Set the value to correspond with the paper type in Tray 1.
TRAY 2 TYPE=
PLAIN
For supported media,
see page 26. Set the value to correspond with the paper type in Tray 2.
TRAY 3 TYPE=
PLAIN
For supported media,
see page 26. This item appears only when a Tray 3 is installed. Set the
value to correspond with the paper type in Tray 3.
TRAY 4 TYPE=
PLAIN
For supported media,
see page 26. This item appears only when a Tray 4 is installed. Set the
value to correspond with the paper type in Tray 4.
MANUAL FEED=OFF OFF
ON
Feed the paper manually from Tray 1, rather than
automatically from a tray. When MANUAL FEED=ON and Tray
1 is empty, the printer goes offline when it receives a print
job and displays MANUALLY FEED [PAPER SIZE].
DUPLEX=OFF OFF
ON
This item appears only when an optional duplexer is
installed. Set the value to ON to print on both sides (duplex)
or OFF to print on one side (simplex) of a sheet of paper.
BINDING=
LONG EDGE
LONG EDGE
SHORT EDGE
This item appears only when an optional duplexer is
installed and the duplex option is on. Choose the binding
edge when duplexing (printing on both sides of paper).
OVERRIDE A4 WITH
LETTER=NO
NO
YES
Choose YES to print on letter-size paper when an A4 job is
sent but no A4-size paper is loaded in the printer (or to print
on A4-size paper when a letter job is sent but no letter-size
paper is loaded in the printer).
CONFIGURE FUSER
MODE MENU=NO
NO
YES
Configure the fuser mode that is associated with each paper
type. (This is only necessary if you are experiencing
problems when printing on certain paper types.)
NO: The fuser-mode menu items are not accessible.
YES: Additional items appear.
Note: To see the current default fuser mode for each paper
type, select YES, scroll back to the information menu, and
then print a menu map (page 47).

Q1860-90918 Chapter 3 Printer operation 49
[TYPE]=
NORMAL
NORMAL
LOW
HIGH
VELLUM
This item appears only when CONFIGURE FUSER MODE
MENU=YES. Most paper types are set to NORMAL by default.
ROUGH=HIGH
VELLUM=VELLUM
For a complete list of supported paper types, see page 26.
Table 17. Paper-handling menu
Item/default Values Explanation

50 Printer operation Q1860-90918
Print-quality menu
Some items in this menu can be opened from a software application, or from the printer driver (if
the appropriate driver is installed). Printer-driver and software application settings override
control panel settings.
Table 18. Print-quality menu
Item Values Explanation
RESOLUTION=
FASTRES 1200
300
600
FASTRES 1200
PRORES 1200
Select the resolution from the following values:
300: Produces draft print quality at the printer’s maximum
speed (22 ppm). 300 dpi (dots per inch) is recommended for
some bitmapped fonts and graphics, and for compatibility
with the HP LaserJet III family of printers.
600: Produces high print quality at the printer’s maximum
speed (22 ppm).
FASTRES 1200: Produces optimum print quality
(comparable to 1200 dpi) at the printer’s maximum speed
(22 ppm).
PRORES 1200: Produces optimum print quality (true 1200
dpi) at half the printer’s maximum speed (11 ppm).
When the resolution is changed, any resources that have
been downloaded (such as fonts or macros) have to be
downloaded again, unless they are stored on an optional
hard disk or flash DIMM.
Note: It is best to change the resolution from the printer driver
or software application. (Driver and software settings
override control panel settings.)
RET=MEDIUM OFF
LIGHT
MEDIUM
DARK
Use the printer’s Resolution Enhancement technology (REt)
setting to produce print with smooth angles, curves, and
edges.
REt does not affect print quality when the print resolution is
set to ProRes 1200. All other print resolutions, including
FastRes 1200, benefit from REt.
ECONOMODE=OFF OFF
ON
Turn EconoMode on (to save toner) or off (for high quality).
EconoMode creates draft-quality printing by reducing the
amount of toner on the printed page by up to 50 percent.
Caution: HP does not recommend full-time use of
EconoMode. (If EconoMode is used full-time, it is possible
that the toner supply will outlast the mechanical parts in the
toner cartridge.)
Note: It is best to turn EconoMode on or off from the printer
driver or software application. (Driver and software settings
override control panel settings.)
TONER DENSITY=3 1
2
3
4
5
Lighten or darken the print on the page by changing the
toner density setting. The settings range from 1 (light) to 5
(dark), but the default setting of 3 usually produces the best
results.
CREATE CLEANING
PAGE
No value to select. Press [Select] to print a cleaning page (for cleaning excess
toner from the paper path).
In order for the cleaning page to work properly, print the
page on copier-grade paper (not bond or rough paper).
Follow the instructions on the cleaning page.
PROCESS CLEANING
PAGE
No value to select. This item appears only after a cleaning page has been
generated (as described above).
Press [Select] to process the cleaning page.

Q1860-90918 Chapter 3 Printer operation 51
Printing menu
Some items in this menu can be opened from a software application, or from the printer driver (if
the appropriate driver is installed). Printer-driver and software application settings override
control panel settings.
Table 19. Printing menu
Item Values Explanation
COPIES=1 1 to 999 Set the default number of copies by selecting any number
from 1 to 999. Press
[-Value+] once to change the setting by increments of 1, or
hold down [-Value+] to scroll by increments of 10.
Note: It is best to set the number of copies from the printer
driver or software application. (Driver and software settings
override control panel settings.)
PAPER=LETTER
(110 V printers)
or
PAPER=A4
(220 V printers
and
ENVELOPE=COM10
(110 V printers)
ENVELOPE=DL
(220 V printers)
For supported paper
sizes
see page 25.
Set the default image size for paper and envelopes. (The
item name will change from paper to envelope as you scroll
through the available sizes.)
Note: It is best to set the number of copies from the printer
driver or software application. (Driver and software settings
override control panel settings.)
CONFIGURE CUSTOM
PAPER=NO
NO
YES
NO: The custom paper menu items are not accessible.
YES: The custom paper menu items appear (see the next
three items).
UNIT OF
MEASURE=INCHES
(110 V printers)
or
MILLIMETERS
(220 V printers)
INCHES
MILLIMETERS
This item appears only when CONFIGURE CUSTOM
PAPER=YES. Select the unit of measurement for the custom
paper size.
X DIMENSION=
12.28 INCHES
(110 V printers)
or
312 MILLIMETERS
(220 V printers)
3.00 to 12.28
INCHES
(110 V printers)
or
76 to 312
MILLIMETERS
(220 V printers)
This item appears only when CONFIGURE CUSTOM
PAPER=YES. Select the dimension of the leading edge to be
fed into the printer (short edge).
Y DIMENSION=
17.70 INCHES
(110 V printers)
or
470 MILLIMETERS
(220 V printers)
5.00 to 18.50
INCHES
(110 V printers)
or
127 to 470
MILLIMETERS
(220 V printers)
This item appears only when CONFIGURE CUSTOM
PAPER=YES. Select the other dimension (long edge).
ORIENTATION=
PORTRAIT
PORTRAIT
LANDSCAPE
Determine the default orientation of print on the page.
Note: It is best to set the page orientation from the printer
driver or software application. (Driver and software settings
override control panel settings.)
FORM=60 LINES
(110 V printers)
or
64 LINES
(220 V printers)
5 to 128 Set vertical spacing from 5 to 128 lines for default paper
size. Press [-Value+] once to change the setting by an
increment of 1, or hold down [-Value+] to scroll by
increments of 10.

52 Printer operation Q1860-90918
PCL FONT
SOURCE=INTERNAL
INTERNAL
SOFT
SLOT 1, 2, or 3
INTERNAL: Internal fonts.
SOFT: Permanent soft fonts.
SLOT 1, 2, or 3: Fonts stored in one of the three DIMM
slots.
PCL FONT
NUMBER=0
0 to 999 The printer assigns a number to each font and lists the
numbers on the PCL Font List. The font number appears in
the Font # column of the printout.
PCL FONT
PITCH= 10.00
0.44 to 99.99 This item might not appear, depending on the font selected.
Press [-Value+] once to change the setting by an increment
of .01 for pitch, or hold down [-Value+] to scroll by
increments of 1.
PCL FONT
SIZE=12.00
4.00 to 999.75 This item might not appear, depending on the font selected.
Press [-Value+] once to change setting by an increment of
.25 for point size, or hold down [-Value+] to scroll by
increments of 1.
PCL SYMBOL
SET=PC-8
PC-8
many others Select any one of several available symbol sets from the
printer control panel. A symbol set is a unique grouping of all
the characters in a font. PC-8 or PC-850 is recommended for
line-draw characters. See the user guide for more information
about symbol-set charts.
COURIER=REGULAR REGULAR
DARK
Select the version of Courier font to use:
REGULAR: The internal Courier font that is available on the
HP LaserJet 4 series printers.
DARK: The internal Courier font that is available on the HP
LaserJet III series printers.
These two fonts are not available at the same time.
WIDE A4=NO NO
YES
The Wide A4 setting changes the number of characters that
can be printed on a single line of A4 paper.
NO: Up to 78 10-pitch characters can be printed on one line.
YES: Up to 80 10-pitch characters can be printed on one line.
APPEND CR TO LF=
NO
NO
YES
Select YES to append a carriage return to each line feed that
is encountered in backward-compatible PCL jobs (pure text,
no job control). Some environments, such as UNIX, indicate
a new line using only the line-feed control code. This option
allows the user to append the required carriage return to each
line feed.
PRINT PS
ERRORS=OFF
OFF
ON
Select ON to print the PS error page when PS errors occur.
Table 19. Printing menu
Item Values Explanation

Q1860-90918 Chapter 3 Printer operation 53
Configuration menu
Items in this menu affect the printer’s behavior. Configure the printer according to your printing
needs.
Table 20. Configuration menu
Item Values Explanation
POWERSAVE=
30 MINUTES
15 MINUTES
30 MINUTES
1 HOUR
2 HOURS
3 HOURS
Set the printer to change to PowerSave mode after it has
been idle for a specified amount of time. Turning PowerSave
off is not recommended. The PowerSave feature does the
following:
1. Minimizes the amount of power consumed by the printer
when it is idle.
2. Reduces wear on the printer’s electronic components.
(Turns off the display’s backlight.)
When you send a print job, press a control panel key, open a
paper tray, or open the top cover, the printer automatically
comes out of PowerSave mode.
Note: PowerSave turns off the backlight on the display, but
the display is still readable.
PERSONALITY=
AUTO
AUTO
PCL
PS
Select the default printer language (personality). Possible
values are determined by which valid languages are
installed in the printer.
Normally, you should not change the printer language (the
default is AUTO). If you change it to a specific printer
language, the printer will not automatically switch from one
language to another unless specific software commands are
sent to the printer.
RESOURCE SAVE=
OFF
OFF
AUTO
ON
Dedicate printer memory to save each language’s
permanent resources. (You might have to add memory to
the printer in order for this item to appear.) The amount of
memory set aside can be different for each installed
language. Some languages might have memory set aside
for resource saving without requiring all languages to do so.
Any time the amount of memory dedicated to a specific
language is changed, all languages will lose all saved
resources, including any unprocessed print jobs.
OFF: No language resource saving is performed, and
language-dependent resources, such as fonts and macros,
are lost when language or resolution changes.
ON: An item will appear for each installed language that
allows the user to allocate a particular amount of memory to
that language’s resource saving area. (See the items below.)
AUTO: The printer automatically determines the amount of
memory to use for each installed language’s resource
saving area.
PAGE PROTECT=
AUTO
AUTO
ON
This item appears only after a 21 PAGE TOO COMPLEX,
PRESS GO TO CONTINUE message appears.
Memory Enhancement technology (MEt) attempts to
guarantee that all pages will print. If the page does not print,
turn PAGE PROTECT to ON. This might increase chances of a
20 INSUFFICIENT MEMORY, PRESS GO TO CONTINUE
message. If this occurs, simplify the print job or install
additional memory.

54 Printer operation Q1860-90918
CLEARABLE
WARNINGS=JOB
JOB
ON
Set the amount of time that a clearable warning appears on
the printer control panel.
JOB: Warning messages appear on the control panel until
the end of the job from which they were generated.
ON: Warning messages appear on the control panel until
[Go] is pressed.
AUTO CONTINUE=
ON
ON
OFF
Determine how the printer reacts to errors.
ON: If an error occurs that prevents normal printing, the
message appears, and the printer will go offline for 10
seconds before returning online.
OFF: If an error occurs that prevents printing, the message
will remain on the display and the printer will remain offline
until [Go] is pressed.
If the printer is on a network, you will probably want to turn
AUTO CONTINUE to ON.
Note: This setting has no effect on some errors that prevent
normal printing, such as jams.
TONER
LOW=CONTINUE
CONTINUE
STOP
Determine how the printer behaves when toner is low. The
TONER LOW message first appears when the toner cartridge
is almost out of toner. (About 100 to 300 sheets can still be
printed.)
CONTINUE: The printer continues to print while the TONER
LOW message appears.
STOP: The printer goes offline and waits for further action.
JAM RECOVERY=
AUTO
AUTO
ON
OFF
Determine how the printer behaves when a jam occurs.
AUTO: The printer automatically selects the best mode for
printer jam recovery (usually ON). This is the default setting.
ON: The printer automatically reprints pages after a jam is
cleared.
OFF: The printer does not reprint pages after a jam is
cleared. Printing performance might be increased with this
setting.
MAINTENANCE
MESSAGE=OFF
OFF This item appears only after the PERFORM PRINTER
MAINTENANCE message appears.
OFF: The PERFORM PRINTER MAINTENANCE message is
cleared and will not be appear again until the next
maintenance is due.
The message should not be turned off unless the printer
maintenance has been performed. If the required
maintenance is not performed, the printer’s performance will
decline.
SMALL PAPER
SPEED=NORMAL
NORMAL
SLOW
Sets the speed with which smaller-sized media passes
through the printer.
NEW TONER
CARTRIDGE =NO
YES
NO
This item allows the user to tell the printer that a new print
cartridge has been installed. Setting this item to YES resets
the HP TonerGauge to full.
QUICK COPY
JOBS=32
1 to 50 Specifies the number of quick-copy jobs that can be stored
on the printer hard disk.
JOB HELD
TIMEOUT=OFF
OFF
1 HOUR
4 HOURS
1 DAY
1 WEEK
Sets the amount of time that quick-copy, proof-and-hold,
private, and stored jobs are kept before being automatically
deleted from the queue.
Table 20. Configuration menu
Item Values Explanation

Q1860-90918 Chapter 3 Printer operation 55
I/O menu
Items in the I/O (input/output) menu affect the communication between the printer and the
computer.
Table 21. I/O menu
Item Values Explanation
I/O TIMEOUT=15 5 to 300 Select the I/O timeout period in seconds. (I/O timeout refers
to the time, measured in seconds, that the printer waits
before ending a print job.)
This setting allows you to adjust timeout for best
performance. If data from other ports appears in the middle
of your print job, increase the timeout value.
Press [- Value +] once to change settings by an increment of
1, or hold down [- Value +] to scroll by increments of 10.
I/O BUFFER=AUTO AUTO
ON
OFF
Allocate memory for I/O buffering.
AUTO: The printer automatically reserves memory for I/O
buffering. Additional configurations are not required and the
I/O BUFFER SIZE menu item does not appear.
ON: The I/O BUFFER SIZE item appears (see the following
information in this table). Specify the amount of memory to
be used for I/O buffering.
OFF: I/O buffering is not performed and the
I/O BUFFER SIZE item does not appear.
When the I/O buffer setting is changed, any downloaded
resources (such as fonts or macros) have to be downloaded
again, unless they are stored on an optional hard disk or
flash DIMM.
I/O BUFFER SIZE=
100K
10K and up This item appears only when I/O BUFFER=ON. Specify the
amount of memory for I/O buffering. The maximum amount
of memory available for I/O buffering is determined by the
amount of memory installed in the printer, the languages
installed in the printer, and other memory allocations that
must be made.
Press [-Value +] to change settings by increments of 10 (up
to 100 KB) or by increments of 100 (above 100 KB).
PARALLEL HIGH
SPEED=YES
YES
NO
Select the speed at which data is transmitted to the printer.
YES: The printer accepts faster parallel communications that
are used for connections with newer computers.
NO: The printer accepts slower parallel communications that
are used for connections with older computers.
PARALLEL ADV
FUNCTIONS=ON
ON
OFF
Turn the bidirectional parallel communication on or off. The
default is set for a bidirectional parallel port (IEEE-1284).
This setting allows the printer to send status readback
messages to the computer. (Turning on the parallel
advanced functions might slow the language switching.)

56 Printer operation Q1860-90918
EIO menu (HP LaserJet 5100tn and 5100dtn printers)
EIO (enhanced input/output) menus depend on the particular accessory product that is installed
in an EIO slot of the printer. If the printer contains an HP Jetdirect print server EIO card, you can
configure basic networking parameters using the EIO Menu. These and other parameters can
also be configured through HP Jetdirect or the HP Jetdirect EIO Web server.
Table 22. EIO menu for networked printers
Item Values Explanation
CFG NETWORK=NO NO
YES
NO: The Jetdirect menu is not available.
YES: The Jetdirect menu appears.
NOVELL=ON ON
OFF
Select whether the IPX/SPX protocol stack (in Novell
NetWare networks, for example) is enabled (on) or disabled
(off).
DLC/LLC=ON ON
OFF
Select whether the DLC/LLC protocol stack is enabled (on)
or disabled (off).
TCP/IP=ON ON
OFF
Select whether the TCP/IP protocol stack is enabled (on) or
disabled (off).
ATALK=ON ON
OFF
Select whether the Apple EtherTalk protocol stack is enabled
(on) or disabled (off).
CFG IPX/SPX=NO NO
YES
NO: The IPX/SPX menu is not available.
YES: The IPX/SPX menu appears. In the IPX/SPX menu,
you can specify the frame-type parameter that is used on
your network. The default is AUTO, to automatically set and
limit the frame type to the one detected.
For Ethernet cards, frame-type selections are EN_8023,
EN_II, EN_8022, and EN_SNAP.
For token ring cards, frame type selections are TR_8022 and
TR_SNAP.
In the IPX/SPX menu for token ring cards, you can also
specify NetWare Source Routing parameters, which are SRC
RT_AUTO (default), OFF, SINGLE R, or ALL RT.
CFG TCP/IP=NO NO
YES
NO: The TCP/IP menu is not available.
YES: The TCP/IP Menu appears. In the TCP/IP menu, you can
specify BOOTP=YES or BOOTP=NO for TCP/IP parameters to
be automatically loaded from a bootp or DHCP server when
the printer is turned on. If you specify BOOTP=NO and
DCHP=NO, you can manually set selected TCP/IP parameters
from the control panel. You can manually set each byte of the
IP address (IP), Subnet Mask (SM), Syslog Server (LG), and
Default Gateway (GW). For example:
If the Syslog Server IP address is left blank, the printer will
still work. Also, you can manually set the timeout time
period.
192.0.0.192
Byte 1
Byte 2 Byte 3
Byte 4

Q1860-90918 Chapter 3 Printer operation 57
CFG LINK=NO NO
YES
NO: The 10/100Base-TX link configuration menu is not
used.
YES: You can use and manually set 10/100Base-TX link
parameters.
AUTO: (Default) The print server automatically
configures itself to match the network’s link speed and
communication mode.
10T HALF: Sets 10 Mbps, half-duplex operation on the
print server.
10T FULL: Sets 10 Mbps, full-duplex operation on the
print server.
100TX HALF: Sets 100 Mbps, half-duplex operation
on the print server.
100TX FULL: Sets 100 Mbps, full-duplex operation on
the print server.
Table 22. EIO menu for networked printers
Item Values Explanation

58 Printer operation Q1860-90918
Resets menu
Use this menu with caution. You can lose buffered page data or printer configuration settings
when you select these items. Only reset the printer under the following circumstances:
You want to restore the printer’s default settings.
Communication between the printer and computer has been interrupted.
You are using multiple I/O ports, and one of the ports is having problems.
The items in the resets menu clear all memory in the printer, while [CANCEL JOB] clears only the
current job.
Table 23. Resets menu
Item Explanation
POWERSAVE=ON This item allows the user to turn PowerSave on and off. If PowerSave is off, the
printer never uses the PowerSave mode and no asterisk appears next to any item
when the user selects the menu item POWERSAVE TIME in the configuration menu.
RESET MEMORY This item clears the printer buffer and the active I/O input buffer, and resets the
printer to use the default control panel menu settings.
The DATA RECEIVED message might appear on the printer control panel.
Resetting memory during a print job can result in data loss.
RESTORE FACTORY
SETTINGS
This item performs a simple reset and restores all non-EIO control panel settings to
factory (default) settings. This item also clears the input buffer for the active I/O.
The DATA RECEIVED message might appear on the printer control panel.
RESET ACTIVE I/O
CHANNEL
This item performs a simple reset and clears the input and output buffers (for the
active I/Os only).
The DATA RECEIVED message might appear on the printer control panel.
RESET ALL I/O
CHANNELS
This item performs a simple reset and clears the input and output buffers for all
I/O ports.

Q1860-90918 Chapter 3 Printer operation 59
Service mode
Service mode should be used only by authorized service personnel. While in service mode, you
can:
Verify and set the page count, maintenance count (pages since last maintenance), and serial
number. These are shown on the configuration page.
Set the cold reset default. (This sets the factory default paper size to either Letter or A4).
Turn the diagnostic functions on or off (for developers only).
Clear the event log.
Set the page interval at which the next PERFORM PRINTER MAINTENANCE message appears
on the control panel.
To use service mode
1Hold down [SELECT] and [CANCEL JOB] while turning on the printer. (If the control panel reads
INITIALIZING, you released the keys too soon.)
2After the three LEDs under the display are lit, press the right side of the [MENU] key, and then
press [SELECT]. The SERVICE MODE message appears. To exit the service mode press [GO].
Service menu
Figure 7. Service menu

60 Printer operation Q1860-90918
Setting the page count, maintenance count, and serial number
The page counts and serial numbers are stored in nonvolatile random-access memory
(NVRAM). If it is necessary to replace the formatter PCA, the page counts should be set to the
current value to reflect the age of the print engine and maintenance items. The procedure for
setting the serial number is similar to setting the page counts.
Note Before replacing the formatter PCA, print a configuration page to verify the current page count
and serial number of the printer, if possible. Use the information on the configuration page to reset
the page counts and serial number for the new formatter PCA.
Page count
The page count stored in NVRAM and shown on the configuration page printout represents the
number of pages that the printer has printed (excluding engine test prints). If it becomes
necessary to repair a printer by installing a new formatter, the page count must be set so that it
represents the age of the print engine rather than the age of the formatter.
The page count value is changed by using a different method than that used for other control
panel values. Instead of increasing the entire value by increments, each digit can be selected
and modified individually. The following control panel keys are used to modify the page count
value:
[SELECT]Makes any changes to the current digit and advances the cursor one digit to the
right. If the last digit is currently selected, pressing [Select] wraps the cursor around
to the first digit.
[VALUE+] Increases the value of the currently selected digit by one. Pressing [Value+] when 9
is the value of the currently selected digit changes the value of the digit to 0.
[-VALUE]Decreases the value of the currently selected digit by one. Pressing [-Value] when 0
is the value of the currently selected digit changes the value of the digit to 9.

Q1860-90918 Chapter 3 Printer operation 61
Table 24 shows the sequence of keystrokes that is used to change the page count from a value
of 000000 to a value of 0010480.
Maintenance page count, interval, and reset
The maintenance page count allows for input of the number of pages since the last maintenance
kit was installed. This corresponds to “pages since last maintenance” on the configuration page.
Editing this number is similar to editing the PAGES item (see table 24).
If the printer has not reached the first maintenance interval (for example, 150,000 pages), then
set the maintenance count equal to the page count.
The maintenance page count should be reset only after a maintenance kit has been installed.
This resets the maintenance counter so that the message PERFORM PRINTER MAINTENANCE
appears after another 150,000 pages have been printed (default).
Hold down the [-ITEM] and [-VALUE] keys.
Turn the printer on.
Wait for RESET MAINT COUNT to appear and then release both keys.
MAINTENANCE INTERVAL in the service mode menu sets the page count interval at which the
next service is due for the printer. This is set initially at the factory to 150,000 pages. (For
example, the message appears at 150,000 pages. If the printer maintenance kit is installed at,
and the counter is set to, 150,114 pages, then the message appears 150,000 pages later, at
300,114 pages.) Editing this number is similar to editing the PAGES item (see table 24).
Serial number
If a formatter is replaced, then the serial number must be recorded. Editing this number is similar
to editing the PAGES item (see table 24).
Table 24. Using control panel keys to change page count (an example)
Key Press Display Description
SERVICE MODE
[Menu+] SERVICE MENU Open the SERVICE MENU.
[Item+] PAGES=0000000 * Advance to the first item in the SERVICE MENU.
[Select] PAGES=0000000 * Advance the cursor one digit to the right.
[Select] PAGES=0000000 * Advance the cursor one digit to the right.
[Value+] PAGES=0010000 * Increase the value of the third digit by one.
[Select] PAGES=0010000 * Enter the change to the third digit and advance the cursor
one digit to the right.
[Select] PAGES=0010000 * Advance the cursor one digit to the right.
[Value+]
(4 presses)
PAGES=0010400 * Increase the value of the fifth digit by four.
[Select] PAGES=0010400 * Enter the change to the fifth digit and advance the cursor
one digit to the right.
[-Value]
(2 presses)
PAGES=0010480 * Decrease the value of the sixth digit by two.
[Select]
(2 presses)
PAGES=0010480 * Enter the change to the sixth digit and advance the cursor
one digit to the right, causing the cursor to wrap around to
the first digit.
[Go] Exit the service menu.

62 Printer operation Q1860-90918
Cold reset paper size
The default paper size is stored in NVRAM. When the printer is cold reset, the default paper size
is set to the factory setting. Possible values are COLD RESET PAPER=LETTER and COLD RESET
PAPER=A4. When you replace the formatter in countries that use A4 rather than letter size paper,
set the cold reset paper size to A4.
Diagnostics
This menu item enables or disables the use of the firmware diagnostic features. Possible values
are DIAGNOSTICS=OFF* and DIAGNOSTICS=ON.
Note For developers only.
Clear event log
Use this item to clear the internal event log.

Q1860-90918 Chapter 3 Printer operation 63
Testing the printer
When you print a configuration page, the printer checks its internal controller and I/O interface,
and then prints a test page. You can review the configuration page printout to verify proper
installation of such options as paper trays or printer languages. For more information, see
page 205.
Engine test
The engine test print can be used to verify that the print engine is functioning correctly. For more
information, see page 190.
Resetting the printer
Cold reset
A cold reset clears all data from the printer memory and sets all of the control panel menu
settings back to the initial factory default settings.
CAUTION Performing a cold reset resets the Jetdirect and other EIO configurations. To avoid making
changes to your configuration, remove the Jetdirect card before performing a cold reset.
If possible, print a menu map and a configuration page before performing a cold reset. This page
documents current settings for later reference.
To perform a cold reset
1Turn off the printer.
2While pressing [GO], turn the printer on. COLD RESET appears briefly on the display, then
INITIALIZING appears. After a few seconds, RESTORING FACTORY SETTINGS appears on
the display, followed by OFFLINE. The cold reset is complete.
3Press [GO] to return the printer online. READY appears on the display.
Clearing NVRAM
This procedure will clean up the NVRAM by removing old areas that are not being used.
1Turn off the printer.
2While pressing [CANCEL JOB], turn the printer on. CLEANUP NVRAM appears briefly on the
display, followed by INITIALIZING. After a few seconds READY appears.
Initializing the hard disk
To initialize the hard disk
1Print a configuration page and a menu map.
2Turn off the printer.
3While turning on the printer, hold down [SELECT] and [CANCEL JOB] until all of the lights on the
control panel are lit.
4Press [-MENU], and the [-VALUE].
5Press [SELECT].

64 Printer operation Q1860-90918
System configuration
MS-DOS system configuration
To communicate properly with the printer, the MS-DOS environment requires the addition or
modification of MODE commands in the AUTOEXEC.BAT file. Add or modify the MODE
command(s) as follows:
Parallel MS-DOS commands
Most IBM-compatible computers default to a parallel printer port. To make sure that information
is sent to your parallel printer port, type the following MS-DOS command at your MS-DOS
prompt or include it in your AUTOEXEC.BAT file:
MODE LPT1:,,B
Note This example assumes that you are using parallel printer port LPT1. If you are using LPT2 or
LPT3, replace LPT1 in the example with the printer port that you are using.
Because the MODE command is an external MS-DOS command (a program named
MODE.COM runs when the MODE command is invoked), the program file must be contained in
the root directory, or in a directory specified in a preceding PATH command in the
AUTOEXEC.BAT file.
After changing the AUTOEXEC.BAT file, restart the computer to initiate the changes.
Printer I/O configuration
Parallel menu
The default setting for the HIGH SPEED PARALLEL I/O is YES. If it is set to NO, the interface runs
at a slower speed that is compatible with older computers. When the default is set to YES, the
parallel interface runs at a higher rate that is supported by newer computers.
Advanced functions
The ADVANCED FUNCTIONS feature of the printer enables bidirectional communications between
the printer and the host. The default setting is ON. This default setting (ON) must be active in order
to use some software applications and driver features.
Microsoft Windows and other popular operating systems and networks
The disk(s) that came with the printer contain drivers and other useful applications for use with
current Microsoft Windows and other popular operating systems, networks, and applications.
See the HP Web site—http://www.hp.com—for updated drivers, utilities, and applications.
Q1860-90918 Chapter 4 Printer maintenance 65
4Printer maintenance
Overview
Cleaning the printer and accessories . . . . . . . . . . . . . . . . . . . . . . . . . . . . . . . . . . . . . . . . . . . . 66
Cleaning spilled toner . . . . . . . . . . . . . . . . . . . . . . . . . . . . . . . . . . . . . . . . . . . . . . . . . . . . . 67
Preventive maintenance . . . . . . . . . . . . . . . . . . . . . . . . . . . . . . . . . . . . . . . . . . . . . . . . . . . . . . 68
Reset maintenance count. . . . . . . . . . . . . . . . . . . . . . . . . . . . . . . . . . . . . . . . . . . . . . . . . . 68
Expected life of components . . . . . . . . . . . . . . . . . . . . . . . . . . . . . . . . . . . . . . . . . . . . . . . 68

66 Printer maintenance Q1860-90918
Cleaning the printer and accessories
To maintain high-quality printing and performance, thoroughly clean the printer and the paper-
handling accessories:
every time you change the toner cartridge (run a cleaning page).
after printing approximately 15,000 pages.
whenever print quality problems occur.
Clean the outside surfaces with a water-dampened cloth. Clean the inside parts as indicated in
table 25. Observe the warning and caution below.
WARNING! Before you begin these steps, turn the printer off and unplug all power cords to avoid shock hazard.
Be careful when cleaning around the fusing assembly area. It might be hot.
CAUTION To avoid permanent damage to the toner cartridge, do not use ammonia-based cleaners on or
near the printer.
Do not touch the transfer roller. Skin oils on the roller can reduce print quality.
To clean toner from clothing, wipe it off with a dry cloth and wash your clothes in cold water. Hot
water sets toner into fabric.
Figure 8. Location of the transfer roller – do not touch!
Table 25. Cleaning printer components
Component Cleaning method/notes
Outside covers Use a water-dampened cloth. Do not use solvents or ammonia-based cleaners.
Inside, general With a dry lint-free cloth, wipe any dust, spilled toner, and paper particles from the
paper-path area, the registration roller, and the toner cartridge cavity.
Pickup, feed, and
separation rollers Use a water-dampened, lint-free cloth.
Separation pad Use a dry, lint-free cloth.
Registration roller Use a dry, lint-free cloth.
Transfer roller Use a dry, lint-free cloth. DO NOT TOUCH the roller with your fingers.
Fuser Use a water-dampened, lint-free cloth.

Q1860-90918 Chapter 4 Printer maintenance 67
Using the printer cleaning page
If toner specks appear on the front or back side of your print jobs, use the following procedure to
print a cleaning page.
On the printer control panel, do the following:
1Press [MENU] until PRINT QUALITY MENU appears.
2Press [ITEM] until CREATE CLEANING PAGE appears.
3Press [SELECT] to create the cleaning page.
4Follow the instructions on the cleaning page to complete the cleaning process.
Note In order for the cleaning page to work properly, print the page on copier-grade paper (not bond
or rough paper).
You might need to create and process a cleaning page more than once. When toner has been
cleaned from inside the printer, shiny black spots appear on the page’s black strip. If white spots
appear on the black strip, create a cleaning page again.
To ensure good print quality with certain types of paper, use the cleaning page every time the
toner cartridge is replaced. If the cleaning page is needed frequently, try a different type of paper.
Cleaning spilled toner
Defective toner cartridges can develop leaks. Also, after a paper jam has occurred, some toner
might remain on the rollers and guides inside the printer. The pages that print immediately after
the jam can pick up this toner.
CAUTION Do not touch the transfer roller with the damp cloth or with your fingers.
Do not use a vacuum cleaner to clean spilled toner unless it is equipped with a microfine particle
filter that is specifically designed for use with toner.
Note Clean spilled toner using a cloth dampened with cold water.

68 Printer maintenance Q1860-90918
Preventive maintenance
The preventive maintenance cycle for this printer is every 150,000 pages. To order the
maintenance kit see page 260. The kit contains one fuser, one transfer roller, one Tray 1 pickup
roller, one Tray 1 separation pad, two 250-sheet tray pickup rollers, two 250-sheet tray separation
pads, four 500-sheet tray pickup rollers, and two 500-sheet tray feed/separation rollers. See the
instructions included in the kit for detailed replacement procedures.
Reset maintenance count
After the printer maintenance kit has been installed, reset the maintenance count.
1Turn the printer off.
2While pressing [-ITEM] and [-VALUE], turn the printer on.
RESET MAINT COUNT appears, followed by INITIALIZING. After a few seconds, READY appears.
Expected life of components
The following table shows the expected life of certain components in the printer. To order parts,
see chapter 8.
Table 26. Expected life of components
Part name Part number Expected life
Tray 1 pickup roller RB2-1820-020CN 150,000 pages
Tray 1 separation pad RF5-4119-000CN 150,000 pages
250-sheet tray pickup roller RB2-1821-020CN 150,000 pages
250-sheet tray separation pad RF5-4120-000CN 150,000 pages
500-sheet tray pickup rollers RB1-8865-000CN 150,000 pages
500-sheet tray feed/separation rollers RF5-2634-000CN 150,000 pages
Fuser
110 to 127 V
220 to 240 V RG5-7060-000CN
RG5-7061-000CN 150,000 pages
150,000 pages
Transfer roller assembly RG9-1542-000CN 150,000 pages
Exhaust fan RH7-1552-000CN 25,000 hours
Q1860-90918 Chapter 5 Functional information 69
5Functional information
Overview
Printer subsystems . . . . . . . . . . . . . . . . . . . . . . . . . . . . . . . . . . . . . . . . . . . . . . . . . . . . . . . . . . 71
Power supply system . . . . . . . . . . . . . . . . . . . . . . . . . . . . . . . . . . . . . . . . . . . . . . . . . . . . . . . . 72
Ac/dc power distribution . . . . . . . . . . . . . . . . . . . . . . . . . . . . . . . . . . . . . . . . . . . . . . . . . . . 72
Overcurrent overvoltage protection . . . . . . . . . . . . . . . . . . . . . . . . . . . . . . . . . . . . . . . . . . 73
High-voltage power distribution . . . . . . . . . . . . . . . . . . . . . . . . . . . . . . . . . . . . . . . . . . . . . 74
Toner-cartridge detection . . . . . . . . . . . . . . . . . . . . . . . . . . . . . . . . . . . . . . . . . . . . . . . . . . 75
Dc controller system . . . . . . . . . . . . . . . . . . . . . . . . . . . . . . . . . . . . . . . . . . . . . . . . . . . . . . 75
Laser and scanner drive . . . . . . . . . . . . . . . . . . . . . . . . . . . . . . . . . . . . . . . . . . . . . . . . . . . 76
Paper-motion monitoring and control . . . . . . . . . . . . . . . . . . . . . . . . . . . . . . . . . . . . . . . . . 76
Solenoids, sensors, clutches, and switches . . . . . . . . . . . . . . . . . . . . . . . . . . . . . . . . . . . . 76
Engine test . . . . . . . . . . . . . . . . . . . . . . . . . . . . . . . . . . . . . . . . . . . . . . . . . . . . . . . . . . . . . 76
Motors. . . . . . . . . . . . . . . . . . . . . . . . . . . . . . . . . . . . . . . . . . . . . . . . . . . . . . . . . . . . . . . . . 77
Formatter system . . . . . . . . . . . . . . . . . . . . . . . . . . . . . . . . . . . . . . . . . . . . . . . . . . . . . . . . . . . 78
PowerSave . . . . . . . . . . . . . . . . . . . . . . . . . . . . . . . . . . . . . . . . . . . . . . . . . . . . . . . . . . . . . 78
Resolution Enhancement technology . . . . . . . . . . . . . . . . . . . . . . . . . . . . . . . . . . . . . . . . . 78
EconoMode . . . . . . . . . . . . . . . . . . . . . . . . . . . . . . . . . . . . . . . . . . . . . . . . . . . . . . . . . . . . 79
Input/output. . . . . . . . . . . . . . . . . . . . . . . . . . . . . . . . . . . . . . . . . . . . . . . . . . . . . . . . . . . . . 79
CPU . . . . . . . . . . . . . . . . . . . . . . . . . . . . . . . . . . . . . . . . . . . . . . . . . . . . . . . . . . . . . . . . . . 79
Printer memory. . . . . . . . . . . . . . . . . . . . . . . . . . . . . . . . . . . . . . . . . . . . . . . . . . . . . . . . . . 80
Read-only memory and random-access memory (RAM) . . . . . . . . . . . . . . . . . . . . . . . . . . 80
Memory Enhancement technology . . . . . . . . . . . . . . . . . . . . . . . . . . . . . . . . . . . . . . . . . . . 80
Page protect . . . . . . . . . . . . . . . . . . . . . . . . . . . . . . . . . . . . . . . . . . . . . . . . . . . . . . . . . . . . 81
PJL . . . . . . . . . . . . . . . . . . . . . . . . . . . . . . . . . . . . . . . . . . . . . . . . . . . . . . . . . . . . . . . . . . . 81
PML . . . . . . . . . . . . . . . . . . . . . . . . . . . . . . . . . . . . . . . . . . . . . . . . . . . . . . . . . . . . . . . . . . 81
Control panel . . . . . . . . . . . . . . . . . . . . . . . . . . . . . . . . . . . . . . . . . . . . . . . . . . . . . . . . . . . 81
Image-formation system . . . . . . . . . . . . . . . . . . . . . . . . . . . . . . . . . . . . . . . . . . . . . . . . . . . . . . 82
Toner cartridge . . . . . . . . . . . . . . . . . . . . . . . . . . . . . . . . . . . . . . . . . . . . . . . . . . . . . . . . . . 83
Photosensitive drum . . . . . . . . . . . . . . . . . . . . . . . . . . . . . . . . . . . . . . . . . . . . . . . . . . . . . . 84
Writing the image . . . . . . . . . . . . . . . . . . . . . . . . . . . . . . . . . . . . . . . . . . . . . . . . . . . . . . . . 86
Developing the image. . . . . . . . . . . . . . . . . . . . . . . . . . . . . . . . . . . . . . . . . . . . . . . . . . . . . 87
Transferring the image . . . . . . . . . . . . . . . . . . . . . . . . . . . . . . . . . . . . . . . . . . . . . . . . . . . . 88
Image fusing/variable fusing temperature . . . . . . . . . . . . . . . . . . . . . . . . . . . . . . . . . . . . . 89
Paper feed system . . . . . . . . . . . . . . . . . . . . . . . . . . . . . . . . . . . . . . . . . . . . . . . . . . . . . . . . . . 91
Clutches and sensors . . . . . . . . . . . . . . . . . . . . . . . . . . . . . . . . . . . . . . . . . . . . . . . . . . . . . 92
Printing from Tray 1 . . . . . . . . . . . . . . . . . . . . . . . . . . . . . . . . . . . . . . . . . . . . . . . . . . . . . . 92
Printing from Tray 2. . . . . . . . . . . . . . . . . . . . . . . . . . . . . . . . . . . . . . . . . . . . . . . . . . . . . . . . . . 93
Printing from the optional 500-sheet and 250-sheet Trays. . . . . . . . . . . . . . . . . . . . . . . . . 95
Paper jam . . . . . . . . . . . . . . . . . . . . . . . . . . . . . . . . . . . . . . . . . . . . . . . . . . . . . . . . . . . . . . 97
Duplexer . . . . . . . . . . . . . . . . . . . . . . . . . . . . . . . . . . . . . . . . . . . . . . . . . . . . . . . . . . . . . . . 98
Paper jam in the duplexer. . . . . . . . . . . . . . . . . . . . . . . . . . . . . . . . . . . . . . . . . . . . . . . . . 100
Basic sequence of operation. . . . . . . . . . . . . . . . . . . . . . . . . . . . . . . . . . . . . . . . . . . . . . . . . . 101
70 Functional information Q1860-90918

Q1860-90918 Chapter 5 Functional information 71
Printer subsystems
This chapter presents a generalized functional overview of the printer and the printing processes.
Figure 9. Paper-feed subsystem

72 Functional information Q1860-90918
Power supply system
Ac/dc power distribution
The ac line voltage for the printer is applied through the main switch (SW101) and supplied to the
low-voltage power supply circuit through the fuse (F1). The low-voltage power supply divides the
ac voltage to +24 Vdc, +5 Vdc and +3.4 Vdc and supplies them to the dc controller PCA. This
circuit generates a zero-cross signal (ZEROX) and supplies it to the dc controller PCA.
+3.4 Vdc is supplied to ICs on the formatter, the dc controller PCA, and the BD PCA. +5 Vdc
is supplied to the laser driver PCA and sensors.
+24 Vdc is supplied to the high-voltage power supply circuitry on the dc controller, driving the
main motor, the exhaust fan, the scanner motor, the clutches, and the solenoids.
+24 Vdc is divided into +24 Vdr, which stops when the top cover is opened and SW401 on
the paper-handling PCA turns off, and +24 V, which is always supplied regardless of whether
SW401 turns on or off.
Figure 10. Low-voltage power supply circuit

Q1860-90918 Chapter 5 Functional information 73
If a short circuit or other problems on the load side cause an excessive current flow from the
+24 Vdc or +3.4 Vdc power supplies or generate abnormal voltage, the excess-current
protection system and excess-voltage protection system automatically shut off the output voltage
to protect the power supplies.
If an excess-current or excess-voltage protection system is activated and the power supply
circuit does not output dc voltage, it is necessary to turn the power off, correct the problem in the
faulty load, then turn the printer on again.
The circuit has two fuses that break and cut off the output voltage if excess-current flows through
the ac line.
Overcurrent overvoltage protection
This circuit, located on the dc controller PCA, always monitors an abnormal rise in the fusing
roller temperature. If an error occurs, this circuit puts out a signal to turn the relay (RL1) off and
interrupt the power to the fusing roller heater. The circuit operates as follows.
When the fusing roller heater temperature rises and the output voltage of the thermistor exceeds
about 0.5 V (230°C), pin 7 of the comparator (IC304) goes “L.” IC304 pin 1 goes “L,” Q4 turns
off, and then the relay (RL1) turns off.
The printer has the following three protection functions to prevent incorrect activation of the
fusing-roller heater.
The central processing unit (CPU) monitors the thermistor voltage. If it is abnormal, the CPU
identifies the fusing-roller heater error, turns the relay (RL1) off, and reports it to the
formatter.
If the fusing-roller heater temperature rises abnormally and the thermistor voltage falls below
about 0.6 V (220°C), the safety circuit in the fusing-roller heater interrupts the power to the
fusing heater regardless of the CPU output.
If the fusing-roller heater temperature rises abnormally and the thermal fuse temperature
exceeds 240°C, the thermal switch turns off and interrupts the power to the fusing-roller
heater.

74 Functional information Q1860-90918
High-voltage power distribution
Figure 11. High-voltage power supply circuit
In response to the instructions from the microprocessor (CPU) on the dc controller, this circuit
applies the superimposed voltage of dc voltage and ac voltage to the primary charging roller and
developing cylinder, and a positive or negative dc voltage to the transfer charging roller.
According to the image-density information sent from the formatter PCA, this circuit varies the
primary dc bias and developing dc bias to adjust the image density.

Q1860-90918 Chapter 5 Functional information 75
Toner-cartridge detection
The toner cartridge has a toner sensor. The circuit compares the output value of the developing
ac bias and the output value (ANT) from the antenna inside the cartridge, and puts out the toner-
detection signal.
The CPU detects the level of remaining toner and the presence of the cartridge when the
developing bias is applied to the developing cylinder. The level of remaining toner is always
detected when the developing bias is applied. The presence of the cartridge is detected only
when the developing bias is applied during the initial rotation.
Dc controller system
The following systems and functions are controlled by the dc controller PCA:
Dc power distribution (+3.4 Vdc, +5 Vdc, +24 VA)
Laser and scanner drive
Paper-motion monitoring and control (photosensors and flags)
Clutches (tray pickup and Tray 1 feed)
Engine test
Motors (main drive, scanner, and fans)
The CPU of the dc controller system regulates the operation sequences of this printer. When the
printer power switch is turned on and the printer enters the standby mode, the CPU sends the
signals to drive the loads (such as laser diode, motors, and solenoids) based on the print
commands and the image data received from the formatter.
Figure 12. Dc controller PCA
76 Functional information Q1860-90918
Laser and scanner drive
Based on information received from the formatter, the dc controller board sends signals to the
laser/scanner assembly to modulate the laser diode on and off and to drive the laser/scanner
motor. See “Image-formation system” on page 82 for more information.
Paper-motion monitoring and control
The dc controller board controls paper motion by continuously monitoring the various paper
sensors, and coordinating paper movement with the other print processes. For more information,
see “Paper feed system” on page 91.
Solenoids, sensors, clutches, and switches
See “Dc controller inputs and outputs” on page 252.
Engine test
See “Engine test” on page 190.

Q1860-90918 Chapter 5 Functional information 77
Motors
See the timing diagram on page 102 for specific timing details for the printer motors.
The dc controller board regulates the main motor (M1). The main motor drives the main gear
assembly and rotates during the initial rotation period (following power-on), the print period, the
last rotation period, and whenever the printer’s top cover is opened and closed.
Figure 13. Main-motor control
The main motor is a dc brushless motor with hall elements, and is unified with the motor drive
circuit.
The CPU sets the main-motor drive signal (/MON) to “L” and rotates the main motor. When
printing at 1200 dpi, the CPU sets the main-motor rotation switching signal (/HALF) to “L” and
decreases the rotation speed of the main motor to half.
The dc controller board regulates the scanner motor. It rotates the scanner mirror during the
initial rotation period and the print period.
The fan motor is a two-phase, four-pole dc brushless motor that contains a hall element and
forms a unit along with the motor drive circuit.
When the printer turns on, the CPU on the dc controller PCA initially causes the fan motor to run
for one-half second.
The CPU controls the half-speed/full-speed rotations according to the target fuser roller
temperature when the CPU receives the /PRNT signal from the formatter. When the fuser warms
up sufficiently, it sets the fan drive voltage (FANON) to the voltage level that runs the fan motor at
full speed. If the printing ends, the fan motor runs at full speed for 30 seconds after the main
motor stops, and then the fan motor runs at half speed.

78 Functional information Q1860-90918
Formatter system
The formatter PCA is responsible for the following actions:
controlling the PowerSave mode
receiving and processing print data from the various printer interfaces
monitoring control panel input and relaying printer status information (through the control
panel and the bidirectional I/O)
developing and coordinating data placement and timing with the print engine
storing font information
communicating with the host computer through the Jetdirect EIO or bidirectional parallel
interface
The formatter PCA receives a print job from the bidirectional interface and separates it into
image information and instructions that control the printing process. The dc controller board
synchronizes the image-formation system with the paper feed and delivery systems, and then
signals the formatter to send the print-image data.
The formatter PCA also provides the electrical interface and mounting locations for two EIO
cards and additional memory DIMMs.
PowerSave
This feature (accessed from the configuration menu) conserves power by shutting down the
fuser and exhaust fans after the printer has been idle for an adjustable period of time. The printer
retains all printer settings, downloaded fonts, and macros while it is in the PowerSave mode. The
default setting is POWERSAVE ON, with a 30-minute idle time.
The printer exits the PowerSave mode and enters the warm-up cycle when any of the following
occurs:
a print job, valid data, or a PML or PJL command is received at the parallel port or an EIO
card
a control panel key is pressed
the top cover is opened and then closed
a tray is opened and then closed
the engine-test button is pressed
Note Printer error messages override the PowerSave message. The printer will enter the PowerSave
mode at the appropriate time, but the error message will continue to appear.
Resolution Enhancement technology
The formatter PCA contains circuitry for Resolution Enhancement technology (REt), which
modifies the standard video dot data on its way to the dc controller board to produce “smoothed”
black-to-white boundaries. REt can be set through the control panel, or from some software
applications. The default setting is medium.
Note REt settings set from software applications or printer drivers override the control panel settings.

Q1860-90918 Chapter 5 Functional information 79
EconoMode
The EconoMode setting uses up to 50 percent less toner than standard mode printing by
reducing the dot density. However, EconoMode does not extend toner-cartridge component life.
EconoMode, which can be thought of as “draft mode,” can be selected at the control panel (from
the print-quality menu) and through some software applications and printer drivers. The default
setting is off.
Note EconoMode does not affect print speed or memory usage, nor does it extend the toner cartridge’s
life.
Input/output
Parallel interface
The formatter PCA receives incoming data through its bidirectional interface (IEEE-1284).
The I/O provides high-speed and two-way communication between the printer and the host,
allowing the user to change printer settings and monitor printer status from the host computer.
The user can configure the HIGH SPEED item in the control panel menu. Using the default setting,
YES, the I/O can run at the higher speeds supported by most newer computers. When it is set to
NO, the parallel interface runs at the slower mode that is compatible for older computers. The user
can also configure the ADVANCED FUNCTIONS item. The default setting, ON, accommodates two-
way parallel communications. The OFF mode disables the advanced functionality. The I/O is
compatible with the bidirectional parallel interface standard.
Expanded I/O
Optional expanded I/O cards can be installed in the I/O slots on the formatter PCA. They provide
automatic I/O switching between multiple computers or networks connected to the printer. The
network version printers include the HP Jetdirect Print Server with Ethernet 10/100Base-TX
support.
Flash
Flash is provided in optional 2- and 4-MB flash memory DIMMs for storage of forms, fonts, and
signatures.
Disk
An optional EIO-based hard drive is used for permanent storage and allows additional space for
creating multiple original prints (mopies) and other job-retention features, as well as to store
forms, fonts, and signatures.
CPU
The formatter PCA incorporates a 300 MHz processor.

80 Functional information Q1860-90918
Printer memory
Memory is delivered on a single DIMM, which occupies one of the four slots available. This
leaves three DIMM slots that may be used to add memory, fonts, or firmware upgrades.
The memory that comes with the printer is on one of two types of combination Flash/DRAM
DIMMs. The HP LaserJet 5100 and HP LaserJet 5100Le printers use a 4 MB Flash/ROM and 16
MB SDRAM version; the HP LaserJet 5100tn and HP LaserJet 5100dtn printers use a 4MB
Flash/ROM and 32 MB SDRAM version.
Note DIMMs and SIMMS are not compatible.
Only one type of DRAM DIMM is supported—SDRAM DIMMs that are 32-bit, 100-pin, 100 MHz
(PC100).
Read-only memory and random-access memory (RAM)
Besides storing microprocessor control programs, the read-only memory (ROM) stores dot
patterns of internal character sets (fonts). Early versions of the printer might contain
downloadable flash rather than ROM to store the processor code (firmware).
The random-access memory (RAM) contains the page and I/O buffers and the font storage area.
It stores printing and font information that is received from the host system, and can also serve to
temporarily store a full page of print-image data before the data is sent to the print engine (see
“Page protect” on page 81). RAM memory capacities for each printer are shown in on page 16.
Memory capacity can be increased by adding DIMMs to the formatter PCA. Note that adding
memory (DIMMs) might also increase the print speed for complex graphics.
Note If the printer encounters difficulty managing available memory, a clearable warning message
appears on the control panel.
Some printer messages are affected by the auto continue and clearable warning settings from
the configuration menu in the printer control panel. If CLEARABLE WARNING=JOB is set on the
control panel, warning messages appear on the control panel until the end of the job from which
they were generated. If CLEARABLE WARNING=ON is set, warning messages appear on the control
panel until [GO] is pressed. If an error occurs that prevents normal printing and AUTO CONTINUE=ON
is set, the printer goes offline for 10 seconds before it returns online. If AUTO CONTINUE=OFF is
set, the message appears until [GO] is pressed.
Nonvolatile random-access memory
The printer uses nonvolatile random-access memory (NVRAM) to store I/O and information
about printer configuration. The contents of NVRAM are retained when the printer is turned off or
disconnected.
Memory Enhancement technology
The HP Memory Enhancement technology (MEt) effectively doubles the memory capacity
through a variety of font- and data-compression methods.
Note MEt is only available in PCL mode; it is not functional in PS mode.

Q1860-90918 Chapter 5 Functional information 81
Page protect
Page complexity (rules, complex graphics, or dense text) might exceed the printer’s ability to
create the page image fast enough to keep pace with the image-formation process. If page
protect is disabled, and a page is too complex, it might print in parts (for example, the top half on
one page and the bottom half on the next page). Some print-data loss is likely in these instances,
and the 21 PAGE TOO COMPLEX error message appears, alternating with PRESS GO TO
CONTINUE.
Page protect allows the formatter to create the entire page image in page-buffer memory before
physically moving the paper through the printer. This process ensures that the entire page will be
printed. Page protect applies only to PCL printing. The default setting is “auto.”
PJL
Printer job language (PJL) is an integral part of configuration, in addition to the standard printer
command language (PCL). With standard cabling, PJL allows the printer to perform the following
functions:
Two-way communication with the host computer through a bidirectional parallel connection.
The printer can tell the host such things as the control panel settings, and makes it possible
for the control panel settings to be changed from the host.
Dynamic I/O switching. This makes it possible for the printer to be configured with a host on
each I/O. The printer can receive data from more than one I/O simultaneously, until the I/O
buffer is full. This can occur even when the printer is offline.
Context-sensitive switching. This makes it possible for the printer to automatically recognize
the personalities (PS or PCL) of each job and configure itself to serve that personality.
Isolation of print environment settings from one print job to the next. For example, if a print
job is sent to the printer in landscape mode, the subsequent print jobs print in landscape only
if they are formatted for landscape printing.
PML
Peripheral Management Language (PML) can be used for remote configuration and status
readback through the I/O Ports.
Control panel
The formatter PCA sends and receives printer status and command data through a control panel
PCA. See page 42 for more information about the control panel. See and page 193 for control
panel messages.

82 Functional information Q1860-90918
Image-formation system
The image-formation system is the main part of the printer, and consists of six stages:
When the formatter board sends the print signal to the dc controller board, it drives the main
motor to rotate the photosensitive drum, the developing cylinder, the primary charging roller, and
the transfer charging roller.
The primary charging roller places a uniform negative charge on the surface of the
photosensitive drum. The laser beam modulated by the video signal is illuminated on the
photosensitive drum surface to form the latent image on the drum with the laser diode.
The latent image formed on the photosensitive drum is changed to a visual image by the toner
on the developing cylinder, then transferred to the paper by the transfer charging roller. The
residual toner on the photosensitive drum surface is scraped down with the cleaning blade. The
potential on the drum is uniformed by the primary charging roller to prepare for a new latent
image.
After the image has been transferred to the paper, it is fused onto the paper by heat and
pressure at the fuser.
The cartridge has a toner sensor that detects the level of remaining toner and the presence of
the cartridge.
If the toner in the cartridge is lower than the specified level or if no cartridge is in the printer, that
information is reported to the formatter.
Figure 14. Image-formation system
1. Cleaning 4. Developing
2. Conditioning 5. Transferring
3. Writing 6. Fusing

Q1860-90918 Chapter 5 Functional information 83
Toner cartridge
A major portion of the image-formation system is contained in the toner cartridge, as shown in
the figure below.
The toner cartridge is the core of the image-formation system. It houses the cleaning,
conditioning, and developing steps of the process. The toner cartridge contains the
photosensitive drum, primary charging roller, developing station, toner cavity, waste toner cavity,
and cleaning station. Including these components that wear, degrade, or are consumed in the
replaceable toner cartridge eliminates the need for a service call when replacement is required.
The printer also has a cartridge drive system that minimizes banding.
Figure 15. Toner cartridge

84 Functional information Q1860-90918
Photosensitive drum
The special properties of the photosensitive drum allow an image to be formed on the drum
surface and then transferred to paper. The drum is an aluminum cylinder. The outside of the
cylinder is coated with a layer of organic-photoconductive material (OPC) which is non-toxic. The
OPC material has properties similar to a photo-resistor. It becomes electrically conductive when
exposed to light, and he negative charges deposited on the drum are conducted to the ground
potential of the drum base. Areas not exposed to light remain non-conductive and maintain their
negative charge. The aluminum base of the photosensitive drum is electrically connected to
ground potential.
Figure 16. Photosensitive Drum
Cleaning the drum
In the transfer stage, not all the toner is transferred to the paper, but some remains on the
photosensitive drum.
In this stage, the residual toner is cleaned so that the next print image will be clear and distinct.
Figure 17. Cleaning the drum
The residual toner on the drum surface is scraped away with the cleaning blade to clean the
drum surface in preparation for the next print. The removed toner is collected into the cleaner
container.
Photosensitive
Layer
Aluminum
Base

Q1860-90918 Chapter 5 Functional information 85
Conditioning the drum
After the drum is cleaned, it must be conditioned. This process consists of applying a uniform
negative charge on the surface of the drum with the primary charging roller. The primary
charging roller is coated with conductive rubber with an ac bias applied to erase any residual
charges and maintain a constant drum surface to create a uniform negative potential on the
drum surface. The amount of dc voltage is modified by the print density setting.
Figure 18. Primary charging roller
Photosensitive
Drum
Primary charging
roller
AC bias
DC bias

86 Functional information Q1860-90918
Writing the image
During the writing process, a modulated laser diode projects the beam onto the rotating six-sided
scanning mirror. As the mirror rotates, the beam reflects off the mirror, through a set of focusing
lenses, through a slot in the rear of the toner cartridge, and onto the photosensitive drum. The
beam sweeps the drum from left to right, discharging the negative potential wherever the beam
strikes the surface. This creates a latent electrostatic image, which later is developed into a
visible image.
Figure 19. Writing the image
Because the beam is sweeping the entire length of the drum and the drum is rotating, the entire
surface area of the drum can be covered. The speed of the scanner motor (which turns the
scanning mirror) and the speed of the main motor (which turns the drum) are synchronized, and
each successive sweep of the beam is offset by 1/1200th up to of an inch. The beam can be
turned on and off to place a dot of light every 1/1200th of an inch. This is how the printer
achieves its 1200x1200 dpi resolution. After the writing process, the drum surface has an
invisible (latent) electrostatic image.
At the beginning of each sweep, the beam strikes the beam detect lens, generating the Beam
Detect Signal (/BD). The BD signal is sent to the dc controller board, where it is converted to an
electrical signal used to synchronize the output of data (/VDO) for one sweep (scan line) and to
diagnose problems with the laser diode or scanner motor.

Q1860-90918 Chapter 5 Functional information 87
Developing the image
The developing process develops the latent electrostatic image into a visible image on the drum.
The developing unit consists of a metallic cylinder that rotates around a fixed magnetic core
inside the toner cavity. Toner is a powdery substance made of black plastic resin bound to iron
particles, which is uniformly attracted to the magnetic core of the cylinder.
The toner particles obtain a negative surface charge by rubbing against the developing cylinder
which is connected to a negative dc supply. The negatively charged toner is attached to the
discharged (exposed, grounded) areas. An ac potential is applied to the developing cylinder to
decrease the attraction between the toner and the magnetic core of the cylinder, and to increase
the repelling action of the toner against the areas of the drum not exposed to laser light. This ac
potential improves density and contrast.
Figure 20. Developing the image
The print density control in the control panel menu adjusts the dc bias of the developing cylinder
by changing the force of attraction between the toner and drum. A change in the dc bias causes
either more or less toner to be attracted to the drum, which in turn either increases or decreases
the print density. Both the primary and developer dc bias voltages are changed in response to
the density setting.

88 Functional information Q1860-90918
Transferring the image
During the transferring process the toner image on the drum surface is transferred to the paper.
A positive charge applied to the back of the paper by the transfer roller causes the negatively
charged toner on the drum surface to be attracted to the page.
The small diameter of the drum, combined with the stiffness of the paper, causes the paper to
peel away from the drum. The static eliminator teeth also help separate the paper from the drum.
The static eliminator teeth weaken the attractive forces between the negatively-charged drum
surface and the positively-charged paper. After separation, the drum is cleaned and conditioned
for the next image.
Figure 21. Transferring the image

Q1860-90918 Chapter 5 Functional information 89
Image fusing/variable fusing temperature
During the fusing process, the toner is fused into the paper by heat and pressure to produce a
permanent image. The paper passes between a heated fusing roller and a soft pressure roller.
This melts the toner and presses it into the paper.
The fusing roller contains a ceramic heating element that provides heat for the fusing process.
Fusing temperature is monitored by the dc controller board, a thermistor. If the fusing system
overheats (about 446° F/230° C), a relay opens, interrupting power to the fusing heater, causing
a fuser error message (50.X FUSER ERROR). If the fusing system exceeds 464° F (240° C), the
thermal fuse will open, cutting off power to the fuser.
The dc controller board maintains a variable fuser temperature that is dependent on factors such
as the paper type set in the paper handling menu.
Figure 22. Image fusing

90 Functional information Q1860-90918
Variable fusing temperature
Figure 23. Fusing temperature control
Variable fusing temperature is a feature that gives the user or service technician the ability to
adjust the fusing temperature profile based on the media being used in the printer. The default
fuser mode is Normal for most types of paper, which should be optimal for most users. There are
optional Vellum, Low, and High fuser mode selections. If very heavy or rough media is being
used, then the high fuser mode is beneficial. If transparencies or light media are being used,
then low fuser mode might be appropriate. CONFIGURE FUSER MODE is in the paper handling and
when set to the default of NO, paper types and associated fuser modes are not displayed in the
menu. When CONFIGURE FUSER MODE is set to YES, the different paper types are then displayed
in the menu.

Q1860-90918 Chapter 5 Functional information 91
Paper feed system
Figure 24. Paper path
The paper in Tray 1 is detected by the Tray 1 paper sensor (PS401). The paper in Tray 2 is
detected by the Tray 2 paper sensor (PS301).
The size of the paper in Tray 2 and the presence of Tray 2 installed in the printer are detected by
four switches (SW403, SW404, SW405, and SW406) on the paper-handling PCA.
When the paper is fed from Tray 2, the Tray 2 pickup solenoid (SL306) and the feed roller clutch
(CL406) turn on while the main motor (M1) is rotating. Then the Tray 2 pickup roller and the feed
roller start rotating to feed a sheet of paper into the printer.
When the paper is fed from Tray 1, the Tray 1 pickup solenoid (SL404) turns on while the main
motor (M1) is rotating. Then the Tray 1 feed roller starts rotating to feed a sheet of paper into the
printer.
The paper passes through the registration roller paper sensor (PS403) and stops at the
registration rollers to momentarily stop the leading edge as its skew is corrected. Then the
registration clutch (CL405) turns on to restart paper feed.
The dc controller PCA sends the top of page signal (/TOP) to the formatter PCA within a
specified period of time after the top of page sensor (PS402) detects the leading edge of the
paper.
The formatter PCA sends the video signal (/VDO, VDO) within a specified period of time after it
receives the /TOP signal to align the image’s leading edge on the photosensitive drum with the
leading edge of the paper already fed. The paper then passes through the transfer area, feed
belt, fuser, and delivery unit and is output onto the rear output bin or the top output bin. There are
three photointerrupters (PS402, PS403, and PS1306) in the paper path to detect paper jams. If
the paper does not reach or pass through any of the sensors within the specified period of time,
the microprocessor (CPU) on the dc controller PCA notifies the formatter of a paper jam.

92 Functional information Q1860-90918
Clutches and sensors
See “Reference diagrams” starting on page 227 for locations of switches, sensors, and clutches.
Printing from Tray 1
The presence of paper in Tray 1 is detected by the Tray 1 paper sensor (PS401).
When the formatter PCA sends the /PRNT (print signal) to the printer, the CPU turns the Tray 1
pickup solenoid (SL404) on within the specified period of time after the main motor (M1) and the
scanner motor start and the printer is ready to print.
This turns the cam on and lifts the middle plate where the paper is loaded. The paper touches
the Tray 1 feed roller. The Tray 1 feed roller rotates a full circle to feed one sheet of paper. Extra
sheets are removed with the separation pad, and only one sheet is fed into the printer as the Tray
1 feed roller rotates.
The paper passes through the registration roller paper sensor (PS403) and stops at the
registration roller that is not turning, momentarily stopping the leading edge of the paper and
correcting its skew. The CPU turns the registration roller clutch (CL405) on within a specified
loop-forming time and feeds the paper through the transfer area, the feed belt, the fuser, and the
delivery unit, and outputs it to the top output bin.
Figure 25. Tray 1 pickup

Q1860-90918 Chapter 5 Functional information 93
Printing from Tray 2
When the formatter PCA sends the /PRNT (print signal) to the printer, the CPU turns the Tray 2
pickup solenoid (SL306) on about 0.15 seconds after the main motor (M1) starts rotating, then
turns on the feed roller clutch (CL406). The main motor rotates the Tray 2 pickup roller and feed
rollers.
The Tray 2 pickup roller rotates a full circle with the Tray 2 pickup solenoid (SL306) and picks up
one sheet of paper from the tray. The paper is fed into the printer as the feed rollers rotate. The
paper passes through the registration roller paper sensor (PS403) and stops at the registration
roller that is not turning, momentarily stopping the leading edge of the paper and correcting its
skew. The CPU turns the feed roller clutch (CL406) off within a specified time and stops the feed
roller rotation. The CPU turns the registration roller clutch (CL405) and feed roller clutch (CL406)
on about 1.3 seconds after the scanner becomes ready and feeds the paper through the transfer
area, feed belt, fuser, and delivery unit and outputs it to the top output bin.
Figure 26. Tray 2 Paper path

94 Functional information Q1860-90918
Figure 27. Paper skew correction

Q1860-90918 Chapter 5 Functional information 95
Printing from the optional 500-sheet and 250-sheet Trays
There are two kinds of paper feeders: 250-sheet and 500-sheet. The paper feeder operation
sequence is controlled by the feeder control PCA. The feeder control PCA has an 8-bit
microcomputer, and controls the serial communications between the feeder(s) and the
dc controller PCA of the printer. The feeder control PCA drives motors and solenoids with
various commands from the dc controller PCA. The feeder control PCA sends the status of the
paper feeder back to the printer at the same time.
Figure 28. 250-sheet paper feeder

96 Functional information Q1860-90918
Figure 29. 500-sheet paper feeder

Q1860-90918 Chapter 5 Functional information 97
Paper jam
To detect the presence of paper and whether the paper has been correctly fed, the following
paper sensors are installed:
Registration roller paper sensor (PS403)
Top of page sensor (PS402)
Fuser paper delivery sensor (PS1306)
If the paper does not reach or pass through any of the sensors within the specified period of time,
the microprocessor (CPU) on the dc controller PCA notifies the formatter of a 13.x paper jam.

98 Functional information Q1860-90918
Duplexer
This function is to reverse the one side printed paper from the printer and refeed it into the
printer.
The duplexer operation sequence is controlled by the duplexing driver PCA. The duplexing driver
PCA has an 8-bit microcomputer, which controls the serial communications between the
duplexer and the dc controller PCA of the printer.
The duplexing driver PCA drives motors and solenoids with various commands from the dc
controller PCA. The duplexing driver PCA also sends the status of the duplexer back to the
printer.
Reversing/refeed system
The paper is first fed into the duplexer with the duplex deflector in the printer. In the duplexer, the
reversing roller switches the feeding direction of the paper. After the side registration guide
adjusts the side registration, the paper is sent back into the printer with the feed and refeed
rollers.
The reversing motor (PM1701), the side registration guide drive motor (PM1702), and the refeed
motor are all stepping motors. They are controlled both in straight and reverse rotation by the
microcomputer (CPU) on the duplexing driver PCA.
The reversing roller is driven by the reversing motor (PM1701). The feed and refeed rollers are
driven by the refeed motor (PM1703).
The side registration guide is driven by the side registration guide drive motor (PM1702), and is
adjusted according to the size of the paper.
Figure 30. Paper feed for the duplexer

Q1860-90918 Chapter 5 Functional information 99
Reversing system
The duplexing driver PCA receives the duplex admission command from the printer first. It turns
on the duplexer deflector drive solenoid (SL1701), and the duplexer deflector in the printer then
starts to send the paper into the duplexer. Within a specified period of time after receiving the
command, the duplexing driver PCA also drives the reversing motor (PM1701) to turn the
reversing rollers 1, 2, and 3 in the direction shown in figure 31.
Figure 31. Duplexer
Within a specified period of time after the trailing edge of the paper is detected with the reversing
unit paper sensor (PS1701), the duplexing driver PCA pauses the rotation of the reversing motor
(PM1701). The duplexing driver PCA then switches the reversing motor (PM1701) to reverse
rotation.
As the the leading edge of the paper is fed into the feed guide, it is fed through the reversing
roller 4 and the feed roller 1 of the duplexer.

100 Functional information Q1860-90918
Figure 32. Duplexer
Paper jam in the duplexer
The following sensors are located to detect the presence of paper and to determine whether the
paper is correctly fed.
reversing unit paper sensor (PS1701)
refeed paper sensor (PS1703)
If the paper does not reach or pass through any of the sensors within the specified period of time,
the microprocessor (CPU) on the dc controller PCA notifies the formatter of a 13.x paper jam.

Q1860-90918 Chapter 5 Functional information 101
Basic sequence of operation
The formatter PCA and the dc controller board share information over a serial data bus. This
allows printer status, command, and dot-image data to be passed between the two PCAs.
Table 27 shows the general timing of the printer events. The following events take place during
normal printer operation:
Table 27. Basic sequence of operation
Period Timing Purpose Remark
WAIT From power on until the main
motor completes the initial
drive.
Clears the drum
surface potential and
cleans the transfer
charging roller.
During this period, the
printer detects the toner
level and the presence
of the cartridge.
STBY (standby) From the end of the WAIT
period until the /PRNT signal
is input from the formatter, or
from the end of the LSTR
period until the /PRNT signal
is input from the formatter or
until the power is turned off.
Makes the printer ready
to print.
INTR (initial rotation) After the /PRNT signal is input
from the formatter until the dc
controller outputs the /TOP
signal.
Stabilizes the sensitivity
of the photosensitive
drum in preparation for
printing, and cleans the
transfer charging roller
to stabilize the transfer
high voltage.
PRINT From the end of the INTR
period until the top of the
paper sensor detects the
trailing edge of the paper.
Forms an image on the
photosensitive drum
according to the /VDO
and VDO signals input
from the formatter, and
transfers the image to
paper.
During this period, the
printer detects the
remaining toner.
LSTR (last rotations) After the primary dc voltage
turns off until the main motor
stops.
Delivers the final page
and cleans the transfer
charging roller.
As soon as the
/PRNT signal is input
from the formatter PCA,
the printer enters the
INTR period.

102 Functional information Q1860-90918
Figure 33. Timing diagram, two consecutive prints on A4 paper (600 dpi, face-down tray delivery)

Q1860-90918 Chapter 5 Functional information 103
Figure 34. Timing diagram, two consecutive prints on A4 paper (1200 dpi, face-down tray delivery)
104 Functional information Q1860-90918
Q1860-90918 6 Removing and replacing parts 105
6Removing and replacing parts
Overview
User-installable accessories . . . . . . . . . . . . . . . . . . . . . . . . . . . . . . . . . . . . . . . . . . . . . . . . . . 107
Checking memory installation. . . . . . . . . . . . . . . . . . . . . . . . . . . . . . . . . . . . . . . . . . . . . . 109
Installing EIO cards or mass-storage devices . . . . . . . . . . . . . . . . . . . . . . . . . . . . . . . . . 110
Before you begin. . . . . . . . . . . . . . . . . . . . . . . . . . . . . . . . . . . . . . . . . . . . . . . . . . . . . . . . . . . 111
Replacing printer parts . . . . . . . . . . . . . . . . . . . . . . . . . . . . . . . . . . . . . . . . . . . . . . . . . . . 111
Removing loose toner. . . . . . . . . . . . . . . . . . . . . . . . . . . . . . . . . . . . . . . . . . . . . . . . . . . . 111
Required tools . . . . . . . . . . . . . . . . . . . . . . . . . . . . . . . . . . . . . . . . . . . . . . . . . . . . . . . . . 111
Covers. . . . . . . . . . . . . . . . . . . . . . . . . . . . . . . . . . . . . . . . . . . . . . . . . . . . . . . . . . . . . . . . . . . 113
Rear door and rear output bin . . . . . . . . . . . . . . . . . . . . . . . . . . . . . . . . . . . . . . . . . . . . . 113
Fuser . . . . . . . . . . . . . . . . . . . . . . . . . . . . . . . . . . . . . . . . . . . . . . . . . . . . . . . . . . . . . . . . 114
Top cover . . . . . . . . . . . . . . . . . . . . . . . . . . . . . . . . . . . . . . . . . . . . . . . . . . . . . . . . . . . . . 115
Control panel overlay and control panel . . . . . . . . . . . . . . . . . . . . . . . . . . . . . . . . . . . . . . 117
Toner cartridge door assembly. . . . . . . . . . . . . . . . . . . . . . . . . . . . . . . . . . . . . . . . . . . . . 119
Front cover and Tray 1 . . . . . . . . . . . . . . . . . . . . . . . . . . . . . . . . . . . . . . . . . . . . . . . . . . . 120
Front cover pins . . . . . . . . . . . . . . . . . . . . . . . . . . . . . . . . . . . . . . . . . . . . . . . . . . . . . . . . 121
Face-down cover . . . . . . . . . . . . . . . . . . . . . . . . . . . . . . . . . . . . . . . . . . . . . . . . . . . . . . . 122
Left and right side covers . . . . . . . . . . . . . . . . . . . . . . . . . . . . . . . . . . . . . . . . . . . . . . . . . 123
Tray 1 inner cover. . . . . . . . . . . . . . . . . . . . . . . . . . . . . . . . . . . . . . . . . . . . . . . . . . . . . . . 124
Right and left corner covers . . . . . . . . . . . . . . . . . . . . . . . . . . . . . . . . . . . . . . . . . . . . . . . 126
Internal assemblies . . . . . . . . . . . . . . . . . . . . . . . . . . . . . . . . . . . . . . . . . . . . . . . . . . . . . . . . . 127
Transfer-roller assembly. . . . . . . . . . . . . . . . . . . . . . . . . . . . . . . . . . . . . . . . . . . . . . . . . . 128
Paper-handling PCA. . . . . . . . . . . . . . . . . . . . . . . . . . . . . . . . . . . . . . . . . . . . . . . . . . . . . 131
Main gear assembly . . . . . . . . . . . . . . . . . . . . . . . . . . . . . . . . . . . . . . . . . . . . . . . . . . . . . 134
Pickup gear assembly . . . . . . . . . . . . . . . . . . . . . . . . . . . . . . . . . . . . . . . . . . . . . . . . . . . 136
Tray 1 pickup solenoid . . . . . . . . . . . . . . . . . . . . . . . . . . . . . . . . . . . . . . . . . . . . . . . . . . . 137
Fan . . . . . . . . . . . . . . . . . . . . . . . . . . . . . . . . . . . . . . . . . . . . . . . . . . . . . . . . . . . . . . . . . . 138
Formatter assembly . . . . . . . . . . . . . . . . . . . . . . . . . . . . . . . . . . . . . . . . . . . . . . . . . . . . . 139
Tray 1 roller . . . . . . . . . . . . . . . . . . . . . . . . . . . . . . . . . . . . . . . . . . . . . . . . . . . . . . . . . . . 140
Tray 1 separation pad. . . . . . . . . . . . . . . . . . . . . . . . . . . . . . . . . . . . . . . . . . . . . . . . . . . . 141
Tray 2 pickup roller . . . . . . . . . . . . . . . . . . . . . . . . . . . . . . . . . . . . . . . . . . . . . . . . . . . . . . 142
Tray 2 separation pad. . . . . . . . . . . . . . . . . . . . . . . . . . . . . . . . . . . . . . . . . . . . . . . . . . . . 143
Paper-feed roller assembly. . . . . . . . . . . . . . . . . . . . . . . . . . . . . . . . . . . . . . . . . . . . . . . . 144
Dc controller and power supply . . . . . . . . . . . . . . . . . . . . . . . . . . . . . . . . . . . . . . . . . . . . 146
Paper-feed belt assembly. . . . . . . . . . . . . . . . . . . . . . . . . . . . . . . . . . . . . . . . . . . . . . . . . 148
Tray 1 shaft. . . . . . . . . . . . . . . . . . . . . . . . . . . . . . . . . . . . . . . . . . . . . . . . . . . . . . . . . . . . 150
Tray 2 shaft. . . . . . . . . . . . . . . . . . . . . . . . . . . . . . . . . . . . . . . . . . . . . . . . . . . . . . . . . . . . 152
Tray 1 lift plate . . . . . . . . . . . . . . . . . . . . . . . . . . . . . . . . . . . . . . . . . . . . . . . . . . . . . . . . . 154
Paper guide . . . . . . . . . . . . . . . . . . . . . . . . . . . . . . . . . . . . . . . . . . . . . . . . . . . . . . . . . . . 155
Top-of-page sensor . . . . . . . . . . . . . . . . . . . . . . . . . . . . . . . . . . . . . . . . . . . . . . . . . . . . . 156
Face-down bin-full sensor lever . . . . . . . . . . . . . . . . . . . . . . . . . . . . . . . . . . . . . . . . . . . . 157
Accessory interface connector . . . . . . . . . . . . . . . . . . . . . . . . . . . . . . . . . . . . . . . . . . . . . 158
Registration assembly . . . . . . . . . . . . . . . . . . . . . . . . . . . . . . . . . . . . . . . . . . . . . . . . . . . 159
Upper delivery assembly . . . . . . . . . . . . . . . . . . . . . . . . . . . . . . . . . . . . . . . . . . . . . . . . . 161
Delivery roller . . . . . . . . . . . . . . . . . . . . . . . . . . . . . . . . . . . . . . . . . . . . . . . . . . . . . . . . . . 162
106 Removing and replacing parts Q1860-90918
Laser/scanner assembly . . . . . . . . . . . . . . . . . . . . . . . . . . . . . . . . . . . . . . . . . . . . . . . . . . 164
Main motor. . . . . . . . . . . . . . . . . . . . . . . . . . . . . . . . . . . . . . . . . . . . . . . . . . . . . . . . . . . . . 165
Toner cartridge guides. . . . . . . . . . . . . . . . . . . . . . . . . . . . . . . . . . . . . . . . . . . . . . . . . . . . 166
Optional 500-sheet feeder . . . . . . . . . . . . . . . . . . . . . . . . . . . . . . . . . . . . . . . . . . . . . . . . . . . . 174
Power inlet assembly. . . . . . . . . . . . . . . . . . . . . . . . . . . . . . . . . . . . . . . . . . . . . . . . . . . . . 167
Tray indicator assembly. . . . . . . . . . . . . . . . . . . . . . . . . . . . . . . . . . . . . . . . . . . . . . . . . . . 176
Left front corner cover installation . . . . . . . . . . . . . . . . . . . . . . . . . . . . . . . . . . . . . . . . . . . 177
500-sheet feeder feed roller . . . . . . . . . . . . . . . . . . . . . . . . . . . . . . . . . . . . . . . . . . . . . . . 178
500-sheet feeder pickup roller . . . . . . . . . . . . . . . . . . . . . . . . . . . . . . . . . . . . . . . . . . . . . . 179
500-sheet feeder PCAs . . . . . . . . . . . . . . . . . . . . . . . . . . . . . . . . . . . . . . . . . . . . . . . . . . . 180
500-sheet feeder power connector . . . . . . . . . . . . . . . . . . . . . . . . . . . . . . . . . . . . . . . . . . 181
500-sheet feeder separation roller. . . . . . . . . . . . . . . . . . . . . . . . . . . . . . . . . . . . . . . . . . . 182

Q1860-90918 6 Removing and replacing parts 107
User-installable accessories
The user can purchase and install accessories that expand or enhance
the printer’s capabilities.
Memory upgrade
CAUTION
Static electricity can damage the dual inline memory modules (DIMMs).
When you handle DIMMs, take either of the following actions:
wear an antistatic wrist strap
-Or-
frequently touch the surface of the DIMM’s antistatic package and then
touch bare metal on the printer.
If you have not already done so, print a configuration page to find out
how much memory is installed in the printer before you add more
memory.
1Turn the printer off. Unplug the power cord and disconnect any
cables.
Note
If an optional duplexer is installed, you will first need to remove the rear
section and the cable tray (see “If an optional duplexer is installed:” on
page 108).
2Loosen the two captive screws on the back of the printer.
3Grasp the screws and pull the formatter board out of the printer.
Place the board on a flat, nonconductive surface.
4Remove the DIMM from the antistatic package. Hold the DIMM with
your fingers against the side edges and your thumbs against the
back edge.
5Align the notches on the DIMM with the DIMM slot. (Make sure that
the locks on each side of the DIMM slot are open, or outward.)
Press the DIMM straight into the slot (press firmly). Make sure the
locks on each side of the DIMM snap inward into place. (To remove
a DIMM, the locks must be open.)

108 Removing and replacing parts Q1860-90918
6Slide the formatter board back into the printer and tighten the two
captive screws.
7If an optional duplexer is installed, reattach the cable tray and the
rear section of the duplexer. Reattach any interface cables and the
power cord. Turn the printer on and test the DIMM (see page 109).
If an optional duplexer is installed:
1Slide the rear section of the duplexer away from the printer.
2Remove the rear section of the duplexer by lifting and rotating the
rear section to clear all of the tabs from the grooves.
3Unplug the power cord and disconnect any cables.
4Remove the cable tray by lifting it out of position.
5Go back to step 2 on page 107.
Note
Reverse these steps to reinstall the cable tray and the rear section of
the duplexer. Make sure that the cable tray is properly installed and the
cables are routed through the left side.

Q1860-90918 6 Removing and replacing parts 109
Checking memory installation
Follow this procedure to verify that the DIMMs are installed correctly:
1Check that the printer control panel shows the READY message when the printer is turned on.
If an error message appears, a DIMM might have been incorrectly installed. Check the
printer messages.
2Print a new configuration page.
3Check the memory section on the configuration page and compare it to the configuration
page that you printed before the DIMM installation. If the amount of memory has not
increased, the DIMM might not be installed correctly. Repeat the installation procedure to
verify that the DIMM has been installed correctly. If the amount of memory has not increased
after this reinstallation attempt, install a new DIMM to discover whether the first DIMM is
defective.
Note If you installed a printer language (personality), check the Installed Personalities and Options
section on the configuration page. This section should include the new printer language.

110 Removing and replacing parts Q1860-90918
Installing EIO cards or mass-storage devices
Note EIO accessories are not available for the HP LaserJet 5100Le printer.
Turn off the printer before installing the EIO card or the mass-storage device.
See figure 35 for the orientation and location of the EIO card or optional mass-storage device,
such as a hard disk.
Use HP Jetdirect to delete files from a mass-storage device. For more information, see the
printer software help.
Figure 35. Installing EIO cards or mass-storage devices
Paper-handling accessories
Note Paper-handling accessories are not available for the HP LaserJet 5100Le printer.
For the initial installation of accessories, see the documentation that comes with each accessory.
Place the duplexer on top of any optional trays, and then place the printer on top of the duplexer.
Installation configurations are shown in figure 36.
Figure 36. Paper-handling accessories configurations
Printer
Duplexer
Printer
Duplexer
Printer
Duplexer
Optional 250-sheet
feeder or optional
500-sheet feeder
Optional 250-sheet
feeder or optional
500-sheet feeder
Optional 250-
sheet feeder

Q1860-90918 6 Removing and replacing parts 111
Before you begin
Before you begin to service the printer, complete the following steps:
1Turn off the printer.
2Unplug the power cord from the power outlet.
WARNING! Severe injury can result if you attempt to service the printer while it is plugged into a power outlet.
3Remove all paper-handling accessories (such as an optional duplexer and any optional
trays) and interface cables from the printer.
4Remove the toner cartridge and store it in a dark location. The toner cartridge should not be
exposed to light for more than a few minutes.
WARNING! To avoid possible burns from the fuser, turn off the printer to allow the fuser to cool for 30 minutes
before removing it from the printer.
This printer has some sharp, sheet-metal edges that can cause injury. Avoid contact with the
edges. Also, you might want to remove jewelry that might snag on parts inside the printer.
Replacing printer parts
Replacement is generally the reverse of removal. Occasionally, information is included that
provides direction for difficult or critical replacement procedures.
All references to the right and left are assumed to be relative to the front of the printer, as you
face the front of the printer, unless otherwise specified.
CAUTION The printer contains parts that are sensitive to electrostatic discharge (ESD). Always service
printers at ESD-protected workstations.
Note To install a self-tapping screw, first turn it counterclockwise until it clicks, indicating that the threads
are seated. Then, turn it clockwise to tighten it. Do not over-tighten the screw. If a self-tapping
screw-hole becomes stripped, then repair of the screw-hole or replacement of the affected
assembly is required.
Removing loose toner
Loose toner might be present inside the printer, on printer parts, or on the toner cartridge. If toner
gets on your clothing, wipe it off with a dry cloth and wash the clothing in cold water.
CAUTION Hot water sets toner into fabric.
Required tools
A Phillips #2 magnetized screwdriver (with a 6-inch shaft)
A small, flat-blade screwdriver
A small, needle-nosed pliers
CAUTION All screws used in field-replaceable printer components are Phillips-head screws that require a
#2-size Phillips screwdriver. Using a Pozi-Driv screwdriver can damage screw-heads.

112 Removing and replacing parts Q1860-90918
Parts removal order
Use the following diagram to determine which parts must be removed before removing other
parts:
Formatter assembly
Dc controller and power supply
Paper-feed belt assembly
Front cover and tray 1
Front cover pins
Tray 1 inner cover
Tray 1 lift plate
Paper guide
Left and right corner covers
Rear door and rear output bin
Dc controller and power supply
Paper-feed belt assembly
Face-down bin full sensor lever
Fuser
Paper-feed belt assembly
Top cover and toner cartridge
Control panel overlay and control panel
Toner cartridge door assembly
Face-down cover
Laser/scanner assembly
Left and right side covers
Accessory interface connector
Dc controller and power supply
Paper-feed belt assembly
Face-down bin full sensor lever
Fan
Main gear assembly
Delivery roller
Main motor
Paper-feed roller assembly
Registration assembly
Upper delivery assembly
Paper-handling PCA
Pickup-gear assembly
Paper-feed roller assembly
Top-of-page sensor
Tray 2 shaft
Registration assembly
Tray 1 shaft
Tray 1 lift plate
Paper guide
Tray 1 pickup solenoid
Power inlet assembly
Toner cartridge guides
Tray 1 inner cover
Transfer roller assembly
Paper-feed belt assembly
Registration assembly
Tray 1 roller
Tray 1 separation pad
Tray 2 pickup roller
Tray 2 separation pad

Q1860-90918 6 Removing and replacing parts 113
Covers
Rear door and rear output bin
1Face the rear of the printer. Press the two locking tabs (callout 1) toward the center of the
printer to release the rear door.
Figure 37. Rear door and rear output bin removal (1 of 2)
2The plastic support strap is located on the left side of the printer. To release the strap, pinch
the top of the strap by placing your index finger underneath the strap and your thumb on top
of the tab. Squeeze and lift up from the bottom, while pulling the strap out.
Figure 38. Rear door and rear output bin removal (2 of 2)
3Slide the door to the left, and then remove it from the printer.
Note For reassembly, insert the pin on the left side of the cover first.
2
1

114 Removing and replacing parts Q1860-90918
Fuser
1Remove the rear door and rear output bin (see page 113).
2Facing the back of the printer, remove the two machine screws (callout 1) that hold the fuser
in the chassis.
3Insert a small, flat-blade screwdriver under the fuser (at callout 2), and lift to disengage the
fuser assembly detents.
4Grasp the green pressure-release handles (callout 3) and pull the fuser out of the chassis.
Note The fuser power connection is on the left side of the assembly.
Figure 39. Fuser removal (rear view of printer)
2
2
2
2
3
1

Q1860-90918 6 Removing and replacing parts 115
Top cover
Facing the front of the printer, open the top cover and remove the toner cartridge.
CAUTION To prevent damage to the toner cartridge, do not expose it to light for more than a few minutes.
1Release the toner cartridge engagement arm from the inside of the top cover. The shaft of
the engagement arm fits through a molded plastic ring on the left side of the top cover.
Gently squeeze the locking tabs on the end of the shaft, and slide the shaft through the ring.
Figure 40. Top cover removal (1 of 3)
CAUTION It is critical that you perform step 1 before you attempt to remove the top cover. If you damage
the arm, the printer will not operate.

116 Removing and replacing parts Q1860-90918
2Remove two self-tapping screws on the top of the chassis (callout 1).
3Remove the two self-tapping screws on the top portion of the back of the printer (callout 2).
Note The rear cover needs to be opened or removed before you can gain access to the screws.
Figure 41. Top cover removal (2 of 3)
4The cable that connects the control panel to the printer chassis is on the left side of the top
cover. Tilt the cover to the left as you lift it. Be careful not to stress the cable as you loosen
the cover.
5Disconnect the control panel cable from the printer chassis by grasping the wires and gently
pulling the connector straight up.
Figure 42. Top cover removal (3 of 3)
6Remove the top cover.
2
2
1
2

Q1860-90918 6 Removing and replacing parts 117
Control panel overlay and control panel
1Remove the top cover (see page 115).
2The control panel overlay is held in place on the top cover by two tabs on each side. Slide a
small flat-blade screwdriver along the outside edge of the control panel overlay to disengage
the two tabs on the outside of the cover.
3Lift the overlay off of the control panel.
Figure 43. Control panel overlay removal

118 Removing and replacing parts Q1860-90918
4Remove the single self-tapping screw (callout 1) that holds the control panel to the underside
of the top cover.
Figure 44. Control panel removal
5Lift up gently on the metal plate to free the control panel.
6Grasp the control panel by its metal frame and remove it from the underside of the top cover.
2
1

Q1860-90918 6 Removing and replacing parts 119
Toner cartridge door assembly
1Remove the top cover (see page 115).
2Remove the control panel from the top cover (see page 117).
Note The control panel must be removed before you can separate the toner cartridge door from the
top cover.
3Disengage the pins (callout 1) by pressing them outward.
Figure 45. Toner cartridge door assembly removal (underside of the top cover door)
2
1

120 Removing and replacing parts Q1860-90918
Front cover and Tray 1
Note The front cover and the Tray 1 guide must be removed individually.
1Open the front cover (callout 1).
2Disengage the Tray 1 guide pins (callout 2) from inside the front cover by pushing the guides
outward. The cover and Tray 1 will separate from each other.
3Press the Tray 1 guide (callout 3) against the printer.
Figure 46. Front cover removal
4Release the front cover, allowing it to pivot freely on its keyed pins. The cover will slide off the
pins to the right at its lowest position.
5Release the Tray 1 guide by allowing the guide to slide off the keyed pins at its lowest
position.
Figure 47. Tray 1 guide removal
2
2
1
2
2
3

122 Removing and replacing parts Q1860-90918
Face-down cover
1Remove the top cover (see page 115).
2Face the back of the printer.
3Squeeze the locking tabs (callout 1) inward, one side at a time, to release the face-down
cover.
Figure 49. Face-down cover removal (1 of 2)
4Grasp the cover (in the middle, approximately), and then lift it up to clear the laser/scanner,
removing it with a rolling motion away from you.
Note Be careful not to break the two locator pins (callout 2) on the front of the assembly.
Figure 50. Face-down cover removal (2 of 2)
2
1
2
2

Q1860-90918 6 Removing and replacing parts 123
Left and right side covers
The removal procedure is the same for both the left and the right side covers.
1Remove the top cover (see page 115).
2Locate the tab (callout 1) in the top, middle of the cover and release the tab by pushing down
on it.
3Grab the side cover at the top and pull it toward the front of the printer to release the tabs.
With your other hand, grab the lower, back edge. Rock the cover gently until it comes loose,
and remove the cover.
4Repeat steps 1 through 3 for the other side cover.
Figure 51. Side covers removal
Note For reassembly, seat the tabs in the bottom of the side cover first. Then snap on the top of the cover.
2
1

124 Removing and replacing parts Q1860-90918
Tray 1 inner cover
The Tray 1 inner cover is a plastic tray located at the top front of the printer. See figure 53.
1Remove the top cover (see page 115), the front cover and Tray 1 (page 120), and the left and
right side covers (page 123).
CAUTION Be sure to locate the paper-sensor flag on the left side of the cover before proceeding to step 3.
The left end (callout 1) rests in a cutout in the left side of the chassis and is easily broken. In
figure 52, the paper-handling PCA is removed to make identification of the left end of the paper
sensor flag easier. The PCA does not have to be removed to remove the Tray 1 inner cover.
Figure 52. Tray 1 inner cover removal (1 of 2, inner cover flag)
2
1

Q1860-90918 6 Removing and replacing parts 125
2Remove the two self-tapping screws (callout 2) that hold the cover to the front of the chassis.
Figure 53. Tray 1 inner cover removal (2 of 2, front of printer)
3Facing the front of the printer, slip the cover off of the locator pins by tilting it to the right and
then sliding it off to the right, avoiding the paper sensor.
Note An extension of the paper-sensor flag fits into a slot in the Tray 1 lift plate (see page 154). Orient
the flag so that it aligns with both the slot and the cutout in the left side of the chassis.
2
2

126 Removing and replacing parts Q1860-90918
Right and left corner covers
Each cover is secured by one self-tapping screw (callout 1). Remove the screw, and then lift off
the cover.
Figure 54. Corner covers removal
2
1

Q1860-90918 6 Removing and replacing parts 127
Internal assemblies
Internal assemblies are shown in figure 55. All references to the right and left are assumed to be
relative to the front of the printer, unless otherwise specified.
Figure 55. Internal assemblies
22
2
2
2
2
12
3
4
5
6
Item Explanation
1 Upper delivery assembly
2 Laser/scanner
3 Registration assembly
4 Tray 1 paper-guide plate assembly
5 Paper-handling PCA
6 Main gear assembly

128 Removing and replacing parts Q1860-90918
Transfer-roller assembly
CAUTION Never touch the transfer roller with your fingers. Wear unpowdered latex gloves when you remove
and replace the transfer roller. Roll the transfer roller into a clean sheet of paper to protect it after
removal.
1Face the front of the printer, open the top cover, and lift the small green handle on the right
side of the registration assembly to expose the transfer guide (callout 1—the metal plate that
rests against the transfer roller).
2While holding the plate, remove the two self-tapping screws (callout 2) and then carefully lift
out the transfer guide.
Figure 56. Transfer-roller assembly removal (1 of 3)
2
2
2
1

Q1860-90918 6 Removing and replacing parts 129
Note The transfer roller is held on the right side by a hinged clip (callout 3; also see callout 4 in figure 59).
3Use the needle-nosed pliers to lift the transfer roller straight up to free the transfer roller from
the hinged clip.
Figure 57. Transfer-roller assembly removal (2 of 3)
4Free the left side of the transfer roller by lifting it straight up.
5Remove the transfer roller, being careful not to touch the roller with your fingers.
Figure 58. Transfer-roller assembly removal (3 of 3)
2
3

130 Removing and replacing parts Q1860-90918
To reinstall
Before reinstalling the transfer roller, make sure that the hinged clip (callout 4) is up.
Figure 59. Reinstalling the transfer roller
2
4

Q1860-90918 6 Removing and replacing parts 131
Paper-handling PCA
1Remove the top cover (see page 115) and the left side cover (page 123).
2Facing the left side of the printer, disconnect the cable (callout 1) from the PCA.
3Remove two self-tapping screws (callout 2) and two machine screws (callout 3) from the
PCA.
4Rotate the PCA outward, and disconnect the five cables (callout 4).
Figure 60. Paper-handling PCA removal
Note Readjust the top margin after you replace the paper-handling PCA (see page 132).
2
2
4
2
2
1
2
3

132 Removing and replacing parts Q1860-90918
Top margin adjustment
After replacing the paper-handling PCA, readjust the top margin. This adjustment is also
necessary if the top margin of test prints that are made after laser/scanner or dc controller
replacement is not 2.0 mm.
The following steps comprise the adjustment procedure:
1After you set the VR401 on the paper-handling PCA to the center position (+/-0), place letter-
or A4-sized paper in the tray. Press the test-print switch to make several test prints.
Note The test-print switch is also located on the paper-handling PCA (a hole in the Tray 1 cavity allows
access); see figure 62.
2Measure the length from the leading edge of the paper to the print pattern (“a” in figure 61).
Measure all the test prints and calculate the average.
3Adjust the VR401 so that the calculated value in step 2 becomes 2.0 mm. The pattern image
shifts in the “+” direction in figure 61 if the VR401 (see figure 62) is turned clockwise, and in
the “–” direction if the VR401 is turned counterclockwise. Turning the VR401 one scale shifts
the pattern approximately 0.8 mm. For example, if the average value calculated in step 2 is
2.8 mm, then the difference is 0.8 mm; turn the VR401 clockwise for one scale.
4Make several test prints again, and perform step 2. Make sure that the top margin is 2.0 mm.
If the value is not 2.0 mm, then repeat these steps as necessary.
Figure 61. Adjusting the top margin

Q1860-90918 6 Removing and replacing parts 133
Figure 62. Location of VR401 on the paper-handling PCA
Test print

134 Removing and replacing parts Q1860-90918
Main gear assembly
1Remove the top cover (see page 115) and the left cover (page 123).
The main motor is located on a PCA that is on the back of the main gear assembly.
2Disconnect the main motor cable (callout 1).
3Remove five self-tapping screws (callout 2) and the grounding screw (callout 3) that hold the
gear assembly to the chassis.
Figure 63. Main gear assembly removal (1 of 2, left side)
2
2
2
1
2
3

Q1860-90918 6 Removing and replacing parts 135
4Rotate the bottom of the assembly out, and then lower it to release the locating tab
(callout 4) and remove the main gear assembly.
CAUTION Be careful when you remove the assembly. The toner cartridge engagement arm (callout 5) can
break if it is not handled carefully.
Figure 64. Main gear assembly removal (2 of 2)
Note Remember to reconnect the cable at the top of the main gear assembly after you reinstall the
assembly.
2
2
4
5

136 Removing and replacing parts Q1860-90918
Pickup gear assembly
1Remove the top cover (see page 115), the left side cover (page 123), and the paper-handling
PCA (page 131).
2Release the small spring (callout 1) on the gear.
3Remove the four self-tapping screws (callout 2) from the gear assembly.
4Remove the pickup gear assembly from the chassis.
CAUTION Be careful not to damage the tray-size sensor springs when removing or replacing the pickup
gear assembly.
Figure 65. Pickup gear assembly removal (left side of printer)
Note Before replacing the pickup gear assembly, route the cables through the wire clip (callout 3) that
is on the back of the left corner cover. Reattach the spring from the Tray 2 shaft gear to the shaft
of the pickup assembly gear.
2
2
2
2
1
3

Q1860-90918 6 Removing and replacing parts 137
Tray 1 pickup solenoid
1Remove the paper-handling PCA (see page 131).
2Remove the Tray 1 solenoid by removing one black machine screw (callout 1) and sliding the
solenoid assembly away from the pickup gear assembly.
Figure 66. Tray 1 pickup solenoid removal
2
1

138 Removing and replacing parts Q1860-90918
Fan
1Remove the top cover (see page 115) and the right side cover (page 123).
2Disconnect the cable (callout 1) that supplies power to the fan.
3Remove the two self-tapping screws (callout 2) that secure the fan to the chassis.
4Remove the fan from the chassis.
Figure 67. Fan removal (right side of printer)
2
2
2
1

Q1860-90918 6 Removing and replacing parts 139
Formatter assembly
1Print a menu map and a configuration page, if possible, to use as a reference when you
reinstall the new formatter.
2Remove any EIO accessories from the EIO slots.
3Facing the back of the printer, loosen the two captive screws (callout 1) and slide the
formatter assembly out.
4Remove any DIMMs from the DIMM slots.
Figure 68. Formatter assembly removal
Note After you reinstall the formatter, update the printer configuration, if necessary, using the pages
that you printed in step 1 (see “Service mode” on page 59).
2
1

140 Removing and replacing parts Q1860-90918
Tray 1 roller
1Open the top cover and remove the toner cartridge.
2Facing the front of the printer, raise the green center handle of the registration assembly.
3Lift the locking tab (callout 1) on the right-side roller cam, and slide the cam to the right.
4Slide the roller between the two cams, and then remove the roller from the shaft.
Figure 69. Tray 1 roller removal
To reinstall
Note If the Tray 1 separation pad should be replaced, replace the separation pad before you replace
the pickup roller (see “Tray 1 separation pad” on page 141).
1Orient the roller so that the thumb grip (callout 2) is on the left.
2Insert the roller onto the shaft, and then slide the roller to the right until it is seated.
3Slide the roller and cam to the left until they click into place.
Note Make sure that the locking tab is engaged by trying to move the roller to the right. The roller will
not move if the locking tab is engaged.
2
1
2
2

Q1860-90918 6 Removing and replacing parts 141
Tray 1 separation pad
1Open Tray 1 and remove the Tray 1 roller (see page 140).
2With one hand, use a small flat-blade screwdriver to pry the Tray 1 separation pad (callout 1)
from the holder.
Figure 70. Tray 1 separation pad removal (1 of 2—view through slot in Tray 1)
3With the other hand inside the printer, remove the separation pad (callout 2).
Figure 71. Tray 1 separation pad removal (2 of 2)
To reinstall
Make sure that the silver clip faces the front of the printer, and firmly press the new separation
pad into the holder until it clicks into place.
2
1
2
2

142 Removing and replacing parts Q1860-90918
Tray 2 pickup roller
Note This procedure applies to Tray 2 and to any optional 250-sheet tray.
1Remove the 250-sheet tray.
2For Tray 2, carefully tilt the printer onto its left side.
-Or-
For an optional 250-sheet tray, set the feeder upside-down on the work surface.
3Press the locking tab (callout 1) that is on the white, side cam (callout 2), and slide the cam
and the black bushing (callout 3) away from the roller (callout 4).
4Slide the roller between the two cams, rotate the roller 180 degrees, and then remove the
roller from the shaft.
Figure 72. Tray 2 pickup roller removal (bottom of the printer)
To reinstall
Orient the pin on the roller so that it lines up with the hole in one of the side bushings. Slide the
cam toward the roller until the tab snaps into place.
2
2
1
2
2
2
3
4

Q1860-90918 6 Removing and replacing parts 143
Tray 2 separation pad
Note This procedure applies to Tray 2 and to any optional 250-sheet tray.
1Remove the paper from the tray.
Note Callout 1 in figure 73 shows a detail of the separation pad.
2While pressing down the paper lift plate (callout 2), reach under the front of the tray and
squeeze the black tabs (callout 3 in figure 74) to release the separation pad from the tray.
Figure 73. Tray 2 separation pad removal (1 of 2)
Figure 74. Tray 2 separation pad removal (2 of 2)
3Pull the spring off of the old separation pad, and then insert the spring onto the new
separation pad.
4Replace the separation pad.
2
2
12
2
3

144 Removing and replacing parts Q1860-90918
Paper-feed roller assembly
1Remove the top cover (see page 115), the left side cover (page 123), the main gear
assembly (page 134), the paper-handling PCA (page 131), and the pickup gear assembly
(page 136).
2Remove the paper-feed roller clutch (callout 1) that is located on the left side of the paper-
feed roller assembly. Remove the e-clip on the clutch, and slide the clutch off the shaft.
3Free all cables from the retaining clip on the inside of the chassis, behind the left corner
cover (callout 2).
Figure 75. Paper-feed roller assembly removal (1 of 3, left side view of printer)
2
2
2
1

Q1860-90918 6 Removing and replacing parts 145
4Remove the two M3x8 machine screws (callout 1) that are in the center of the printer and
under the registration assembly roller guide.
Figure 76. Paper-feed roller assembly removal (2 of 3, location of two screws inside the printer)
5Remove the paper tray, and tilt the printer back, with the front facing up.
6Remove the four self-tapping screws (callout 2) that hold the paper-feed roller assembly to
the chassis. They are located on the bottom of the printer.
Figure 77. Paper-feed roller assembly removal (3 of 3, bottom view of printer)
7Remove the paper-feed roller assembly from the chassis, carefully feeding the cable through
the hole in the chassis.
2
1
2
2

146 Removing and replacing parts Q1860-90918
Dc controller and power supply
This assembly contains two PCAs. One is the dc controller (including the high-voltage power
supply), and the other is the low-voltage power supply.
1Remove the rear door (see page 113), the top cover (page 115), the left and right side
covers (page 123), and the formatter assembly (page 139).
2Disconnect four cables that are on the right side of the chassis.
Note For the two large connectors, use a flat-blade screwdriver to release the locks by pressing down
on the tabs that are on top of the connectors. Be sure to pull the cables away from the chassis.
The remaining connections are located on the left side of the chassis.
3Disconnect the 2-pin, the 3-pin, and the three large connectors. Be sure to pull the cables
away from the chassis.
4Remove two machine screws (callout 1) from the top surface of the metal housing.
5Remove two self-tapping screws (callout 2) from the bottom of the dc controller assembly.
6Remove one machine screw (callout 3) and its lock washer, disconnecting the ground wire.
7Remove the grounding screw below the main gear assembly on the left side of the printer
(see figure 63 on page 134, callout 3).
Figure 78. Dc controller assembly removal (1 of 3, rear view of printer)
Note You might have to readjust the top margin after you replace the dc controller (see page 132).
2
2
2
1
2
3

Q1860-90918 6 Removing and replacing parts 147
8Remove the two screws (callout 4) that are located at the front of the dc controller assembly
and inside the chassis. These are long screws; their position requires the use of a
magnetized screwdriver.
Figure 79. Dc controller assembly removal (2 of 3, long screws)
9Slide the dc controller assembly out of the rear of the chassis.
The power-supply PCA (callout 5) and the dc controller (callout 6) are linked by a ribbon cable
(callout 7) and held on the tray by four screws each.
10 Carefully remove the ribbon cable, and loosen the screws on the board you want to remove.
Figure 80. Dc controller assembly removal (3 of 3)
CAUTION To prevent damage to the high-voltage contacts, the paper-feed belt assembly needs to be
installed before the dc controller is reinstalled.
2
4
22
2
56
7

148 Removing and replacing parts Q1860-90918
Paper-feed belt assembly
1Remove the top cover (see page 115), the left and right side covers (page 123), the transfer-
roller assembly (page 128), the fuser (page 114), the main gear assembly (page 134), and
the dc controller (page 146).
2Facing the front of the printer, remove two machine screws (callout 1), one on each side of
the belt assembly.
Figure 81. Paper-feed belt assembly removal (1 of 2)
2
1

Q1860-90918 6 Removing and replacing parts 149
3Raise the registration assembly by grasping the small green handle, and lift out the belt
assembly.
4Remove the plastic guide (callout 2) and replace the belts if necessary. The guide snaps
back in after the belt replacement.
CAUTION The edge (callout 3) has a metal ridge with sharp teeth. Avoid contact with the edge.
.
Figure 82. Paper-feed belt assembly removal (2 of 2)
CAUTION To prevent damage to the high-voltage contacts, the paper-feed belt assembly must be reinstalled
before you reinstall the dc controller.
22
23

150 Removing and replacing parts Q1860-90918
Tray 1 shaft
1Remove the top cover (see page 115), the left and right side covers (page 123), the pickup
gear assembly (page 136), and the paper-handling PCA (page 131).
2Remove the plastic collar on the outside, right of the chassis, by pulling outward on the
collar’s release tab and sliding the collar off of the shaft.
3Raise the green center handle of the registration assembly.
4Release the collar on the inside, right of the chassis by pulling up on the release tab
(callout 1), and sliding the collar to the left.
Figure 83. Tray 1 shaft removal (1 of 2, right side view of printer)
2
1

Q1860-90918 6 Removing and replacing parts 151
5Release the tabs (callout 2) of the gear that is on the left side of the shaft, outside of the
chassis, and slide the gear off.
Figure 84. Tray 1 shaft removal (2 of 2)
6Slide the shaft to the right, and then angle it out of the chassis.
Note Make sure that the Tray 1 lift plate (with its spring) is pressed down before you reinstall the Tray 1
shaft. The shaft holds the Tray 1 lift plate, and must be installed on top of it. Also make sure that
the shaft is reinstalled in the correct orientation.
2
2

152 Removing and replacing parts Q1860-90918
Tray 2 shaft
1Remove the top cover (see page 115), the left and right side covers (page 123), the pickup
gear assembly (page 136), the paper-handling PCA (page 131), and the paper-feed roller
assembly (page 144).
2Remove the small spring from the gear that is on the left side of the shaft (see figure 65 on
page 136, callout 1).
3Turn the Tray 2 shaft to align the solenoid arm (callout 1) with the gap in the gear (on the left
side of the printer).
4Press the release tabs (callout 2) outward, and slide the gear off of the shaft.
5Remove the bushing on the right side of the shaft by lifting the release tab and sliding the
bushing off of the shaft.
6Slide the shaft to the right, then angle it out of the chassis.
Figure 85. Tray 2 shaft removal (left side view of printer)
22
12

Q1860-90918 6 Removing and replacing parts 153
To reinstall
1Tip the printer back, so that the front faces up.
2Insert the shaft into the fitting on the right side. Then, angle the shaft into the other side.
3Place the bushing on the right end of the shaft, and push until the tab locks in the indentation
on the shaft.
4Facing the left side of the printer, orient the shaft so that the open end of the shaft (callout 3)
points away from the solenoid arm.
5Depress the solenoid arm, and slide the gear into place. Press the gear into the plastic collar
until it locks in place.
6Reinstall the spring on the arm of the gear.
Figure 86. Reinstallation of Tray 2 shaft
2
3

154 Removing and replacing parts Q1860-90918
Tray 1 lift plate
1Remove the top cover (see page 115), the front cover (page 120), the left and right side
covers (page 123), and the Tray 1 shaft (page 150).
2Rotate the Tray 1 lift plate to the front of the printer, and then carefully pry down each hook
(callout 1) until the hook is released from the pivot pin.
Note When you remove the lift plate, be careful not to lose the spring (callout 2).
Figure 87. Tray 1 lift plate removal
2
2
2
1

Q1860-90918 6 Removing and replacing parts 155
Paper guide
1Lift the green handle (callout 1) in the middle of the registration assembly.
2Release the guide by freeing the end pins (callout 2), and then lift the paper guide out.
Figure 88. Paper guide removal
2
2
1
2

156 Removing and replacing parts Q1860-90918
Top-of-page sensor
1Remove Tray 2.
2Remove the top cover (see page 115), the left side cover (page 123), the pickup gear
assembly (page 136), the paper-handling PCA (page 131), and the paper-feed roller
assembly (page 144).
3Remove the gear from the left end of the Tray 2 shaft (see page 152, steps 1 through 4), and
then slide the shaft to the right.
4Remove the screw (callout 1) that secures the sensor to the chassis.
Figure 89. Top-of-page sensor removal (bottom of printer)
5Remove the sensor, feeding the cable through the opening in the chassis.
2
1

Q1860-90918 6 Removing and replacing parts 157
Face-down bin-full sensor lever
The face-down bin-full sensor is located on the top of the upper delivery assembly.
1Remove the top cover (see page 115), the rear door and rear output bin (page 113), and the
left and right side covers (page 123).
2Release the two clips (callout 1), and slide the sensor to the right to remove it.
Figure 90. Face-down bin-full sensor lever removal
2
1

158 Removing and replacing parts Q1860-90918
Accessory interface connector
1Remove the top cover (see page 115), and the left side cover (page 123).
2Disconnect the two cables (callout 1) from the connector.
3Remove the two self-tapping screws (callout 2).
Figure 91. Accessory interface connector removal (left side of printer)
4Remove the connector.
2
22
1
22

Q1860-90918 6 Removing and replacing parts 159
Registration assembly
1Remove the top cover (see page 115), the left side cover (page 123), the pickup gear
assembly (page 136), the main gear assembly (page 134), and the transfer guide (page 128,
steps 1 and 2).
2Release the e-ring (callout 1) that is on the registration assembly clutch, and remove the
clutch.
Figure 92. Registration assembly removal (1 of 2)
3Remove two screws in the top, middle of the printer (see figure 76 on page 145, callout 1).
Note These screws are already removed if you have removed the paper-feed roller assembly. They are
common to both the paper-feed roller assembly and the registration assembly.
2
1

160 Removing and replacing parts Q1860-90918
4Remove the four self-tapping screws (callout 2) inside the chassis.
Note Lift up the small green handle of the registration assembly to gain access to two of these screws.
Figure 93. Registration assembly removal (2 of 2)
5Lift the registration assembly out of the chassis.
To reinstall
When you reinstall the registration assembly, be careful to align the flags in the base as you
reinstall the assembly.
When you reinstall the clutch, orient the flat spot in the shaft with the clutch. When you slide the
clutch on the shaft, make sure that the metal alignment tab is seated on the printer frame. Also
make sure that the cable is situated away from the registration assembly.
2
2

Q1860-90918 6 Removing and replacing parts 161
Upper delivery assembly
1Remove the top cover (see page 115), the left and right side covers (page 123), and the
main gear assembly (page 134).
2Face the left side of the printer.
3The delivery assembly is secured by three tabs on each side. Use the flat-blade screwdriver
to gently release the tabs on each side, and then lift the assembly out.
Note After you release one tab, lift the assembly only slightly until you release the tab on the opposite
side.
Figure 94. Upper delivery assembly removal
CAUTION The face-down bin-full sensor is on the left side of the upper delivery assembly. Be careful not to
damage it as you slide the delivery assembly out of the chassis.
Note To reassemble the upper delivery assembly, slide the assembly straight down to lock it in place.
Make sure the face-down bin-full sensor is free to move on the left side.

162 Removing and replacing parts Q1860-90918
Delivery roller
1Remove the top cover (see page 115) the left and right side covers (page 123) and the main
gear assembly (page 134).
2Facing the left side of the printer, insert a flat-blade screwdriver and twist gently to release
the tab on the left side of the delivery roller (callout 1).
Note The lower delivery rollers might fall out. When you replace them, make sure they align with the
indentations in the chassis.
Figure 95. Delivery roller removal (1 of 2)
3Release the tab on the right side of the roller in the same manner.
2
1

Q1860-90918 6 Removing and replacing parts 163
4After freeing both locking tabs, gently pull the delivery roller to remove it.
5Individual rollers (callout 2), located above the lower delivery rollers (callout 3), can be
removed by using a flat-blade screwdriver to push gently on the top side of the roller. The
roller is released by the action of the spring.
Figure 96. Delivery roller removal (2 of 2)
Note As you reinstall the roller, realign the lower delivery rollers.
2
2
3
2

164 Removing and replacing parts Q1860-90918
Laser/scanner assembly
1Remove the top cover (see page 115) and the face-down bin cover (page 122).
2Facing the back of the printer, remove the four screws (callout 1) that hold the assembly to
the chassis.
3Disconnect three cables (callout 2).
4Lift the laser/scanner assembly out of the chassis.
Figure 97. Laser/scanner assembly removal (top, inside view of printer)
Note You might have to readjust the top margin after you replace the laser/scanner assembly (see page
132).
2
1
2
2
2
2

166 Removing and replacing parts Q1860-90918
Toner cartridge guides
1Remove the top cover (see page 115) and the left and right side covers (page 123).
2Release the “leading” tab (callout 1) first.
3Rotate the right guide clockwise and the left guide counterclockwise to unlock the remaining
two tabs.
4Slide the guide out of the chassis.
Figure 99. Toner cartridge guide removal (shown from right side)
Note To reinstall the guide, insert the two “non-leading” tabs (callout 2) first. Twist the right guide
counterclockwise and the left guide clockwise to lock the guides. Gently flex the “leading” tab so
that it will fit into the slot easily. Then snap the guide into place.
22
12

Q1860-90918 6 Removing and replacing parts 167
Power inlet assembly
1Remove the top cover (see page 115) and the right side cover (page 123).
2Remove the switch rod (callout 1) by flexing it slightly and unhooking it from the switches on
each end.
3Remove the three self-tapping screws (callout 2) from the power inlet housing.
4Remove the machine screw (callout 3) and grounding wire.
Figure 100. Power inlet assembly removal
5Unthread the line-voltage cable from the frame.
6Press down the top of the line-voltage connector to release it from the power-supply PCA.
22
23
2
1

168 Removing and replacing parts Q1860-90918
Optional 250-sheet feeder
Separation pad
1Empty the paper from the tray.
Note Callout 1 in figure 101 shows a detail of the separation pad.
2While pressing down the paper lift plate (callout 2), reach under the front of the tray and
squeeze the black tabs (callout 3 in figure 102) to release the separation pad from the tray.
Figure 101. Optional 250-sheet feeder separation pad removal (1 of 2)
Figure 102. Optional 250-sheet feeder separation pad removal (2 of 2)
3If necessary, pull the spring off of the old separation pad, and then insert the spring onto the
new separation pad.
2
2
12

Q1860-90918 6 Removing and replacing parts 169
Pickup roller
1Remove the optional 250-sheet tray.
2Set the feeder upside down on the work surface.
3Press the locking tab (callout 1) on the white, side cam (callout 2), and slide the cam and the
black bushing (callout 3) away from the roller (callout 4).
4Slide the roller between the two cams, rotate the roller 180 degrees, and then remove the
roller from the shaft.
Figure 103. Optional 250-sheet feeder pickup roller removal (bottom of the printer)
To reinstall
Orient the pin on the roller so that it lines up with the hole in one of the side bushings. Slide the
cam toward the roller until the tab snaps into place.
2
2
1
2
2
2
3
4

170 Removing and replacing parts Q1860-90918
Sensing flag
1Place the optional 250-sheet feeder face-up on a work surface and remove the 250-sheet
tray.
2Use the small flat-blade screwdriver to press the locking tab (callout 1).
Figure 104. Optional 250-sheet feeder sensing flag removal (1 of 2)
3From the other side of the base plate, use your other hand to slide the paper-sensing-arm
assembly to the right.
4Lift the paper-sensing flag (callout 2) from the assembly.
Figure 105. Optional 250-sheet feeder sensing flag removal (2 of 2)
2
1
2
2

Q1860-90918 6 Removing and replacing parts 171
Control PCA
1Place the optional 250-sheet feeder face-up on a work surface and remove the 250-sheet
tray.
2Press the two tabs (callout 1) on the right side top cover and lift off the cover.
3Press the two tabs (callout 2) on the left side top cover and lift off the cover.
4Remove two screws (callout 3) from the front top cover and lift off the cover.
Figure 106. Optional 250-sheet feeder control PCA removal (1 of 3)
5Turn the feeder upside-down.
6Remove the four screws (callout 4) that secure the frame to the sheet metal, and then lift the
frame off of the feeder assembly.
Figure 107. Optional 250-sheet feeder control PCA removal (2 of 3)
2
2
2
3
2
1
2
4

172 Removing and replacing parts Q1860-90918
7Turn the feeder assembly over so that it is face-up on the work surface.
8Remove all cables attached to the feeder control PCA.
9Remove the two screws (callout 5) that secure the PCA to the frame and lift the PCA off of
the frame.
Figure 108. Optional 250-sheet feeder control PCA removal (3 of 3)
2
5

Q1860-90918 6 Removing and replacing parts 173
Paper-size spring assembly
1Complete steps 1 through 6 of the feeder control PCA removal procedure (see page 171).
2Turn the feeder assembly over so that it is face-up on the work surface.
3Remove the two screws (callout 1) that secure the paper size switch PCA to the frame.
Figure 109. Optional 250-sheet feeder paper-size spring assembly removal (1 of 2)
4Carefully lower the PCA down to the work surface to gain access to the paper-size spring
assembly.
5Remove the screw (callout 2) that secures the paper-size spring to the frame and lift the
spring from the frame.
Figure 110. Optional 250-sheet feeder paper-size spring assembly removal (2 of 2)
2
1
2
2

174 Removing and replacing parts Q1860-90918
Optional 500-sheet feeder
Covers and base frame
1Use the flat-blade screwdriver to press down four locking tabs (callout 1) and then remove
the right and left auxiliary covers (callout 2).
2Use the flat-blade screwdriver to press down the two locking tabs (callout 3) on the top of the
front cover (callout 4) and then remove the front cover by reaching under the lip of the cover
and pulling it toward you, one end at a time.
Figure 111. 500-sheet feeder removal (1 of 2, top view)
3Remove the paper-size sensing springs (callout 5) by disengaging the locking tabs from the
left frame assembly.
Figure 112. Paper-size spring assembly removal
2
2
2
2
1
4
2
2
2
3
2
5

Q1860-90918 6 Removing and replacing parts 175
4Remove the five self-tapping screws (callout 6).
Figure 113. 500-sheet feeder removal (2 of 2, top view with covers removed)
2
2
5
6

176 Removing and replacing parts Q1860-90918
Tray indicator assembly
1Remove the base frame from the 500-sheet feeder assembly (see page 174).
2Remove the left front corner cover screw (callout 1).
3Remove the cover.
4Remove the top self-tapping screw.
5Remove the tray indicator assembly (callout 2).
Figure 114. Tray indicator assembly removal
2
1
2
2

Q1860-90918 6 Removing and replacing parts 177
Left front corner cover installation
1Install the tray indicator assembly.
2Depress the indicator so that the tray indicator limit tab (callout 1) is between the upper limit
stop (callout 2) and the lower limit stop (callout 3), and then reinstall the cover.
Note Make sure that the tray indicator operates correctly.
Figure 115. Installing the left front corner cover
2
2
2
1
2
3

178 Removing and replacing parts Q1860-90918
500-sheet feeder feed roller
1Place the feeder upside down on the work surface.
2Pinch the feed roller tab and slide the feed roller (callout 1) off of the shaft.
Figure 116. 500-sheet feeder feed roller removal
2
1

Q1860-90918 6 Removing and replacing parts 179
500-sheet feeder pickup roller
1Place the feeder upside down on the work surface.
2With one hand, rotate the pickup roller shaft (callout 1) 90 degrees.
3With the other hand, press the locking tab on each of the rollers (callout 2) and push the
rollers back slightly from their secured positions.
Figure 117. 500-sheet feeder pickup roller removal (1 of 2)
Rotate the pickup roller shaft another 90 degrees to remove the rollers completely from the shaft.
Figure 118. 500-sheet feeder pickup roller removal (2 of 2)
2
2
21

180 Removing and replacing parts Q1860-90918
500-sheet feeder PCAs
1Remove the feeder assembly from its base frame (see page 174) and place it upside down
on the work surface.
2Remove the 500-sheet feeder PCA by disconnecting the cables and then removing the two
machine screws (callout 1).
3Disconnect two cables from the paper-size switch PCA.
4Remove two washer-head screws (callout 2), and then lift the PCA from the frame.
Figure 119. Gear assembly, 500-sheet feeder PCA, and paper-size switch PCA removal
2
2
1
2

182 Removing and replacing parts Q1860-90918
500-sheet feeder separation roller
1With one hand, lift the return cover (callout 1) on the 500-sheet tray.
2With the other hand, pinch the separation roller tab.
3Slide the separation roller (callout 2) off of the shaft.
Note Make sure that the torque limiter remains in position.
Figure 121. Separation roller removal
2
2
1
2
Q1860-90918 Chapter 7 Troubleshooting 183
7Troubleshooting
Overview
Troubleshooting process. . . . . . . . . . . . . . . . . . . . . . . . . . . . . . . . . . . . . . . . . . . . . . . . . . . . . 184
Troubleshooting process flow . . . . . . . . . . . . . . . . . . . . . . . . . . . . . . . . . . . . . . . . . . . . . . . . . 185
Troubleshooting the printing system . . . . . . . . . . . . . . . . . . . . . . . . . . . . . . . . . . . . . . . . . . . . 187
Preliminary operating checks . . . . . . . . . . . . . . . . . . . . . . . . . . . . . . . . . . . . . . . . . . . . . . 187
Power on . . . . . . . . . . . . . . . . . . . . . . . . . . . . . . . . . . . . . . . . . . . . . . . . . . . . . . . . . . . . . 188
Engine test . . . . . . . . . . . . . . . . . . . . . . . . . . . . . . . . . . . . . . . . . . . . . . . . . . . . . . . . . . . . 190
Display . . . . . . . . . . . . . . . . . . . . . . . . . . . . . . . . . . . . . . . . . . . . . . . . . . . . . . . . . . . . . . . 190
Event log. . . . . . . . . . . . . . . . . . . . . . . . . . . . . . . . . . . . . . . . . . . . . . . . . . . . . . . . . . . . . . 191
Printer messages . . . . . . . . . . . . . . . . . . . . . . . . . . . . . . . . . . . . . . . . . . . . . . . . . . . . . . . 193
General paper-path troubleshooting. . . . . . . . . . . . . . . . . . . . . . . . . . . . . . . . . . . . . . . . . 202
Information pages. . . . . . . . . . . . . . . . . . . . . . . . . . . . . . . . . . . . . . . . . . . . . . . . . . . . . . . 204
Image quality . . . . . . . . . . . . . . . . . . . . . . . . . . . . . . . . . . . . . . . . . . . . . . . . . . . . . . . . . . 207
Interface troubleshooting . . . . . . . . . . . . . . . . . . . . . . . . . . . . . . . . . . . . . . . . . . . . . . . . . 225
Reference diagrams . . . . . . . . . . . . . . . . . . . . . . . . . . . . . . . . . . . . . . . . . . . . . . . . . . . . . . . . 227
Locations of components . . . . . . . . . . . . . . . . . . . . . . . . . . . . . . . . . . . . . . . . . . . . . . . . . 227
Sensors and signals . . . . . . . . . . . . . . . . . . . . . . . . . . . . . . . . . . . . . . . . . . . . . . . . . . . . . 236
Dc controller inputs and outputs . . . . . . . . . . . . . . . . . . . . . . . . . . . . . . . . . . . . . . . . . . . . 252

184 Troubleshooting Q1860-90918
Troubleshooting process
The troubleshooting process is a systematic approach that addresses the major problems first,
then other problems as you identify the causes for printer malfunctions and errors.
The following list describes the basic questions to ask the customer and the corresponding
troubleshooting step to help you quickly define the problem(s). Use the process flow on page 185
to investigate printer malfunctions and errors more carefully and then pursue the best approach
to troubleshooting.
Table 28. Major steps for troubleshooting
Power on
(page 188) Does the printer perform the initialization and power-on steps?
This section contains the procedures for correcting power supply problems.
Display
(page 190) Does the control panel show READY, OFFLINE, or POWERSAVE ON?
This section contains the procedures for clearing control panel error messages
and reading and correcting event log codes.
Event log
(page 191) Does the event log show recurring problems?
This section contains information about printing the event log and evaluating
the history.
Printer messages
(page 193) How should I respond to messages on the display or in the event log?
This section describes printer messages and recommends actions.
General paper-path
troubleshooting
(page 202)
Does paper jam in the printer?
This section contains information about solving problems in the paper path.
Information pages
(page 204) Will the printer print information pages successfully?
This section contains the procedures for printing the information pages and
evaluating and correcting the printer’s configuration.
Image quality
(page 207) Does the print quality meet the customer’s expectations?
This section contains toner cartridge checks, information about EconoMode,
image-defect examples, and the repetitive defect ruler.
Interface troubleshooting
(page 225) Can the customer print from the host system successfully?
This section describes how to determine if the printer is communicating
correctly with the host system.
Reference diagrams
(page 227) What if the failure doesn’t fit these categories?
This section provides printer reference information to help the troubleshooting
process.

Q1860-90918 Chapter 7 Troubleshooting 185
Troubleshooting process flow
The following troubleshooting process flow illustrates the major steps for troubleshooting the
printing system. Each heading depicts a major troubleshooting step.
A YES answer to a question directs you to the next major step.
A NO answer indicates that additional testing is needed. Proceed to the referenced location
and follow the directions for that area. After completing the additional testing, proceed to the
next major step.
A.
See “Printer
messages” on
page 193 to
understand the
message and
correct the
problem.
A.
For error messages
encountered printing
the event log, see
printer messages. If
the event log does
not print, see
“Engine test” on
page 190.
(page 188)

Q1860-90918 Chapter 7 Troubleshooting 187
Troubleshooting the printing system
Preliminary operating checks
Before troubleshooting a specific printer problem, make sure that the following conditions are
met:
The printer is being maintained on a regular basis and in accordance with the procedures
described in chapter 4.
The customer is using acceptable print media as specified in the HP LaserJet Printer Family
Paper Specification Guide.
The printer is positioned on a solid, level surface.
The line voltage does not vary more than 10 percent from the nominal rated value specified
on the power-rating label.
The operating environment for the printer and print media is within the temperature and
humidity specifications listed in chapter 1 of this manual.
The printer is never exposed to ammonia fumes, including those produced by diazo copiers
or office cleaning materials.
The printer is not exposed to direct sunlight.
Non-HP components (such as refilled toner cartridges, font cartridges, and memory boards)
are removed from the printer.
Note When the printer is moved into a warm room from a cold location such as a warehouse, various
problems can result because of cold printer parts and condensation in the printer. For example,
if the photosensitive drum is cold, the resistance of the photoconductive layer will be high. This
will lead to incorrect contrast. Leave the printer idle for 10 to 20 minutes before printing so that
the printer can warm to the temperature of the room and to dissipate condensation.

188 Troubleshooting Q1860-90918
Power on
It is important to have the printer control panel functional as soon as possible in the
troubleshooting process so that the printer’s diagnostics can assist in locating printing errors.
Table 29. Power on defect or blank display
Problem Action
Is the power cord plugged
into the wall and the
printer? Is ac and dc
power available?
Verify that power is available. See table 30 on page 189 and table 31 on page
189.
Is the power switch set to
on? Set the switch to the on position. You should hear the switch toggle. If the front
right side cover has been removed recently, make sure that the rod that leads
to the power supply moves as the rocker-switch is toggled.
Does the fan turn on
briefly when you turn on
the printer?
Note: fan operation is significant because the dc controller controls the fan. An
operational fan indicates the following conditions:
1. Ac power is present in the printer.
2. Dc power supply is functional (24 Vdc, 5 Vdc, and 3.4 Vdc are being
generated).
If the fan is not working:
1. Turn off the printer and remove the formatter. Disconnect all of the paper-
handling options.
2. Turn on the printer and check the fan again.
If the fan is still not working, perform the following steps:
1. Verify that the fan is connected to the power supply.
2. Replace the fan.
3. Replace the power supply.
4. Replace the dc controller
If the fan is working but the printer control panel is blank:
1. Print an engine test. See “Engine test” on page 190.
If the engine test is successful, try the following remedies:
a. Reseat the control panel and formatter.
b. If the problem persists, replace the control panel assembly.
c. If the problem persists, replace the formatter.
d. If the problem persists, replace the cable from the control panel.
2. If the engine test is not successful:
a. Remove the formatter and try again. If the engine test is now successful,
replace the formatter. If the problem persists, replace the dc controller.
b. If the problem persists, verify that the button on paper-handling PCA and
the cable to dc controller are in working order. Replace as necessary.
c. If the problem persists, replace the dc controller.
d. If the problem persists, replace the power supply.

Q1860-90918 Chapter 7 Troubleshooting 189
Table 30. No ac power
Cause Action
No correct voltage present
at the outlet. Plug the power cord into another ac circuit outlet.
Inform the customer that the correct line voltage is not available at the outlet.
The power cord is not firmly
plugged into the printer and
the outlet.
Insert the plug on the power cord firmly.
Blown fuse. 1. Check the fuses—F1 and F2—on the power supply.
2. Replace the fuses if necessary.
Defective power switch. Remove the dc controller and power supply. Measure the resistance
between the two terminals of the power switch (SW101) by applying the
tester probes to the terminals. The resistance must be low (under 1 KΩ)
when the power is turned ON, and high (over 6 MΩ) when the switch is
turned OFF. If resistance does not meet these thresholds, replace the printer
power supply.
Defective ac receptacle or
printer power supply. Check the printer’s ac receptacle and wiring for the ac power line. If no
problem is found, replace the power supply.
Table 31. No dc power
Cause Action
No ac power is supplied. Check the ac power supply (see table 30).
The overcurrent/overvoltage
detection circuit is activated. If the problem is not rectified after the power switch is turned off and on
again, find the cause of activation of the overcurrent/overvoltage detection
circuit in the power supply. Wait for more than two minutes before turning the
printer back on.
Blown fuse. 1. Check the fuses—F1 and F2—on the power supply.
2. Replace the fuses if necessary.
Defective power supply unit. Replace the printer power supply.

190 Troubleshooting Q1860-90918
Engine test
The engine test verifies that the print engine is functioning correctly. The formatter is bypassed
during an engine test, but it can still interfere with the test. The engine test is very useful for
isolating printer problems. Because the engine test prints a full page of lines across the entire
printable area, it is also useful for checking and adjusting registration.
Note Make sure that the toner cartridge is installed in the printer before you perform an engine test.
The engine test prints either from Tray 2 (the default), or from the last tray used, and can be
activated with the formatter removed. If the last tray that was used is empty or if the last source
was the duplexer, then the engine test will print from Tray 2.
If Tray 2 is empty, and the last tray that was used is empty, or if the last page went through the
duplexer, or if the printer is in PowerSave mode, then the engine test will not function.
Engine test button location
Figure 122. Location of the engine test button (callout 1)
Printing an engine test
To print an engine test, use a nonmetallic object of 40 mm (1.5 inches) minimum length to press
the engine test button. A single test page with horizontal lines prints. To print multiple test pages,
hold down the engine test button.
Display
The control panel should show READY, OFFLINE, or POWERSAVE ON when the printer is on and
idle. For information about error messages, see “Printer messages” on page 193, or see the
event log. If the display is blank, see “Preliminary operating checks” on page 187.
2
1

Q1860-90918 Chapter 7 Troubleshooting 191
Event log
Use the event log to diagnose and troubleshoot printer errors and intermittent failures. You can
either view the event log on the control panel, or you can print it.
Open the event log from the control panel information menu. (Select PRINT EVENT LOG or SHOW
EVENT LOG.) The event log retains the printer’s last 30 error messages.
See the list of printer messages that begins on page 193 for more information about correcting
event log messages on the printer.
Note The event log codes and the error message that appears on the control panel do not always
correspond exactly. The numbers in the control panel message might not be the same in the event
log; the decimal numbers might be shifted by one digit. For example, 13.1 on the control panel
appears as 13.01 in the event log.
Figure 123. Event log page

192 Troubleshooting Q1860-90918
View the event log at the control panel
If the printer cannot print or move any paper, follow these steps to view the event log at the
control panel:
1Press [MENU] until INFORMATION MENU appears.
2Press [ITEM] until SHOW EVENT LOG appears.
3Press [SELECT] to show the event log.
4Press [+] to scroll through the event log.
5Write down the error messages.
6Check the event log for specific error trends in the last 10,000 printed pages.
7Ask the customer for any observed error trends. (For example, do jams tend to occur in a
specific area of the printer?)
8Record any specific error trends.
9See table 32, “Printer messages,” on page 193 and follow the recommended action.
10 If the control panel shows READY, OFFLINE, or POWERSAVE ON, go to the next section. If it
shows any other message, see “Printer messages” on page 193.
Print the event log
The printer’s internal event log stores the last 30 errors. To print the event log:
Press [MENU] until INFORMATION MENU appears.
Press [ITEM] until PRINT EVENT LOG appears.
Press [SELECT] to print the event log.
Interpret the event log
The event log is the key tool for troubleshooting printer problems. Figure 123 shows a typical
event log. The event log shows the current page count at the top, left of the page. The printer’s
serial number appears directly to the right of the page count. The left column shows the error
sequence number, with the most recent error listed first (the highest sequence number is the
most recent error logged). The next column is the page count at the time of the error. The last
column contains a short description of the error or the personality (PCL or PostScript) at the time
of the error.
The event log might record errors in a different format than the format that appears on the control
panel. For example, if 50.1 FUSER ERROR / CYCLE POWER appears on the control panel, the
event log shows a 50.02.01 error, in which the 02 signifies that two sensors were blocked.
Likewise, when messages 13.1 through 13.9 appear on the control panel, the event log shows
13.0x.01 through 13.0x.09, where x= the number of sensors that were blocked in the printer.
Note Whenever a 13.XX appears on the control panel, a good practice is to clear all jams from the
printer and print the event log. If you cannot print the event log, you can still view it on the control
panel.
To interpret the event log:
Each individual entry in the log is called an “error,” and all errors that occur at the same page
count are called an “event.” Read the recommended action for each error within an event to
gain a clear picture of what took place during that event. Events usually conclude with a
time-out or with no response from the printer (Error 66.XX in the event log) which requires a
power cycle of the print engine.
Use the message column in table 32, “Printer messages,” on page 193, to associate error
messages in the event log with the control panel error messages. Follow the recommended
action listed in the table for each error or event.

Q1860-90918 Chapter 7 Troubleshooting 193
Printer messages
The following table explains messages that might appear on the printer control panel.
Note If the message requesting that you load a tray persists, and you know that the tray is not empty,
or if a message indicates that a previous print job is still in the printer’s memory, press [GO] to
print the job or press [CANCEL JOB] to clear the job from the printer’s memory.
Not all messages are described; some are self-explanatory.
Some printer messages are affected by the auto-continue and clearable warning settings from
the printer control panel configuration menu. If CLEARABLE WARNING=JOB is set on the control
panel, warning messages appear on the control panel until the end of the job from which they
were generated. If CLEARABLE WARNING=ON is set, warning messages appear on the control
panel until [GO] is pressed. If an error occurs that prevents a print job from printing and AUTO
CONTINUE=ON is set, the printer goes offline for 10 seconds before it returns online. If AUTO
CONTINUE=OFF is set, the message appears until [GO] is pressed.
Table 32. Printer messages
Message Explanation or recommended action
ACCESS DENIED
MENUS LOCKED
The printer control panel function you are trying to use has been locked to prevent
unauthorized access.
See the network administrator.
BAD DUPLEXER
CONNECTION
The duplexer is not connected correctly.
Reinstall the duplexer.
CHECK INPUT DEVICE
alternates with
PAPER PATH OPEN
PLEASE CLOSE IT
The optional input tray cannot feed paper to the printer because a door or paper
guide is open, or the paper path is blocked.
Check the doors, trays, and paper guides.
CHECKING PAPER
PATH
The engine has activated its rollers to check for possible paper jams.
CHOSEN LANGUAGE NOT
AVAILABLE
A print job requested a printer language that does not exist in the printer. The job
will not print and will be cleared from memory.
Print the job using a driver for a different printer language, or add the requested
language to the printer, if it is available.
Note: PostScript is not available for the HP LaserJet 5100Le printer.
Press [GO] to continue.
CLOSE TOP COVER The top cover is open and must be closed in order for printing to continue.
DISK DEVICE
FAILURE
The EIO disk had a critical failure and can no longer be used.
Remove the EIO disk and replace it with a new one.
DISK FILE
OPERATION FAILED
The requested operation could not be performed. You might have attempted an
illegal operation, such as trying to download a file to a nonexistent directory.
DISK FILE
SYSTEM IS FULL
Delete files from the EIO disk and then try again, or add a flash DIMM. Download
or delete files from HP Jetdirect, and download or delete fonts. (See the printer
software help for more information.)
DISK IS
WRITE PROTECTED
The EIO disk is protected, and no new files can be written to it.
Disable the write protection through HP Jetdirect.
EIO n
NOT FUNCTIONAL
The EIO network card is not working correctly.
Reseat the EIO accessory. If the message continues, replace it with a new EIO
accessory.

194 Troubleshooting Q1860-90918
EIO n DISK
INITIALIZING
The disk accessory card takes a long time to initialize. The first parameter is the
accessory slot number for this disk accessory card.
EIO n DISK
NOT FUNCTIONAL
The EIO disk is not working correctly.
Remove the EIO disk from the slot indicated.
Reseat the EIO disk. If the message continues, install a new EIO disk.
EIO n
INITIALIZING
alternates with
DO NOT POWER OFF
Wait for the message to disappear (approximately 5 minutes). If the printer EIO
card is operating correctly and communicating with the network, this message
disappears after approximately one minute and no action is required.
If the EIO card is unable to communicate with the network, this message remains
for five minutes and then disappears. In this case the printer is not communicating
with the network (even though the message is no longer present). The problem
might be a bad EIO card, a bad cable or connection on the network, or a network
problem. Contact the network administrator.
EIO n DISK
SPINNING UP
The disk accessory card takes a moment to “spin up.” The first parameter is the
accessory slot number for this accessory card.
FLASH n
INITIALIZING
alternates with
DO NOT POWER OFF
The flash DIMM can take a long time to initialize the first time that it is used.
FLASH DEVICE
FAILURE
The flash DIMM had a critical failure and no longer can be used.
Remove the flash DIMM and replace it with a new one.
FLASH FILE
OPERATION FAILED
The requested operation could not be performed. You might have attempted an
illegal operation, such as trying to download a file to a non-existent directory.
FLASH FILE
SYSTEM IS FULL
Delete files from the flash DIMM or add another one. Download or delete files using
HP Jetdirect, and download or delete fonts. (See the software help for more
information.)
FLASH IS
WRITE PROTECTED
The flash DIMM is protected, and no new files can be written to it.
Disable the write protection through HP Jetdirect.
INPUT DEVICE
CONDITION xx.yy
An input paper-handling device has a condition that needs attention before printing
can resume.
For assistance, see the documentation that came with the paper-handling device.
INSTALL TONER
CARTRIDGE
The toner cartridge has been removed and must be replaced for printing to
continue.
INSTALL TRAY x The printer is unable to print the current job, because the specified tray (x) is open
or not inserted correctly.
Reinsert the specified tray.
LOADING
PROGRAM <number>
alternates with
DO NOT POWER OFF
Programs and fonts can be stored on the printer’s file system. At startup, these
entities are loaded into RAM. (These entities can take a long time to load into RAM
depending on the size and number of entities being loaded.) The <number>
specifies a sequence number that indicates that the current program is being
loaded.
MANUALLY FEED
[TYPE] [SIZE]
Load the requested print media into Tray 1.
Press [GO] if the media you want is already loaded in Tray 1.
Press [-VALUE+] to scroll through the available types and sizes. Press [SELECT] to
accept an alternative type or size.
MEMORY FULL STORED
DATA LOST
No memory is available in the printer. The current job might not print correctly and
some resources (such as downloaded fonts or macros) might have been deleted.
You might want to add more memory to the printer (see page 107).
Table 32. Printer messages
Message Explanation or recommended action

Q1860-90918 Chapter 7 Troubleshooting 195
MEMORY SETTINGS
CHANGED
The printer changed its memory settings because it did not have enough memory
to use the previous settings for I/O buffering and resource saving. This usually
occurs after memory is removed from the printer, a duplexer is added, or a printer
language is added.
You might want to change memory settings for I/O buffering and resource saving
(although default settings are usually best) or add more memory to the printer (see
page 107).
MEMORY SHORTAGE JOB
CLEARED
The printer did not have enough free memory to print the entire job. The remainder
of the job will not print and will be cleared from memory.
Press [GO] to continue.
Change the resource saving setting from the printer control panel (see page 53)
or add more memory to the printer (see page 107).
MEMORY SHORTAGE
PAGE SIMPLIFIED
The printer had to compress the job in order to fit it in available memory. Some
data loss might have occurred.
Press [GO] to continue.
You might want to add more memory to the printer (see page 107).
MOPY PAGE TOO
COMPLEX
alternates with
PRESS GO TO
CONTINUE
The data (dense text, rules, raster or vector graphics) sent to the printer was too
complex.
Press [GO] to print the transferred data. (Some data might be lost.)
If this message appears often, simplify the print job.
OFFLINE Press [GO] to place the printer online.
OUTPUT BIN FULL The output bin is full and needs to be emptied.
PERFORM PRINTER
MAINTENANCE
Hewlett-Packard recommends that only HP-authorized service technicians
perform service on the printer. However, you can perform most routine
maintenance. When the PERFORM PRINTER MAINTENANCE message appears
on the control panel, you need to purchase a printer maintenance kit and install
the new parts.
RAM DISK DEVICE
FAILURE
The RAM disk had a critical failure and can no longer be used.
Turn the printer off, and then turn the printer on to clear the message.
RAM DISK FILE
OPERATION FAILED
The requested operation could not be performed. You might have attempted an
illegal operation, such as trying to download a file to a non-existent directory.
RAM DISK FILE
SYSTEM IS FULL
Delete files and then try again to print, or turn the printer off and then turn the
printer back on to delete all files. (Use HP Jetdirect to delete the files, or user
another software utility. See the software help for more information.)
If the message persists, increase the amount of RAM installed in the printer and
the size of the RAM disk. Change the RAM disk size from the printer control panel
configuration menu (see page 53).
RESEND UPGRADE An error exists in the printer’s flash firmware. Resend a valid firmware image.
TRAY x EMPTY Load the empty tray (x) to clear the message.
If you do not load the specified tray, the printer continues to print from the next
available tray, and the message continues to appear.
TRAY x LOAD [TYPE]
[SIZE]
Load the requested print media into the specified tray (x).
Make sure that the trays are correctly adjusted for size. The size that is shown on
the front of the paper tray must match the size of the print media loaded in the tray.
The tray type settings (and the size for Tray 1) must be set at the printer control
panel (see page 48).
If you are trying to print A4- or letter-sized paper and this message appears, make
sure that the default paper size is set correctly from printers control panel printing
menu.
Press [GO] to print from the next available tray.
Press [-VALUE+] to scroll through the available types and sizes. Press [SELECT] to
accept an alternative type or size.
Table 32. Printer messages
Message Explanation or recommended action

196 Troubleshooting Q1860-90918
UNABLE TO
STORE JOB
A job cannot be stored on the printer because of memory limitations or the file
system configuration.
USE [TYPE]
[SIZE] INSTEAD?
If the requested paper size or type is not available, the printer asks if it should use
another paper size or type instead.
Press [-VALUE+] to scroll through the available types and sizes. Press [SELECT] to
accept an alternative type or size.
WAIT FOR PRINTER TO
REINITIALIZE
The RAM disk setting has been changed at the printer control panel. This change
will not take effect until the printer reinitializes.
XX.YY
PRINTER ERROR
PRESS GO TO
CONTINUE
A printer error has occurred that can be cleared by pressing [GO] in the printer
control panel.
13.1 PAPER JAM
or
13.2 PAPER JAM
The event log message for a paper-delay jam at the paper feed area is 13.1.
The event log message for a paper-stopped jam at the paper feed area is 13.2.
1. Make sure that paper trays are loaded correctly so that paper can feed from the
tray.
2. Check the input area for obstructions, such as print media in the path, damage
to the registration assembly, or an out-of-place transfer roller.
3. Check PS402 and PS403 for correct operation. Replace any defective sensors
or flags. For the locations of sensors, see page 236.
13.5 PAPER JAM
or
13.6 PAPER JAM
The event log message for a paper-delay jam at the fuser is 13.5.
The event log message for a paper-stopped jam at the fuser is 13.6.
1. Check the transfer roller and the small media belt to ensure that they are
operating and can feed media.
2. Check the paper path for obstructions at the transfer roller and toner cartridge,
at the paper-feed guide, and at the fuser.
3. Check PS1306 for correct operation. Replace any defective sensors or flags.
For the locations of sensors, see page 236.
13.10 PAPER JAM The event log message for a paper-delay jam in the duplexer is 13.10.
1. Check the duplexer and the rear area of the printer for obstructions or damage.
2. Check PS1701 and PS1703 in the duplexer for correct operation. Replace the
duplexer if a sensor is defective.
13.20 PAPER JAM
or
13.21 PAPER JAM
The event log message for a paper-stopped jam in the paper path is 13.20.
The event log message for a top door opened while printing jam is 13.21.
1. Check the entire paper path for obstructions such as print media in the path,
registration area, transfer area, paper feed, and fuser.
2. Check that all of the assemblies are seated and that all of the doors are closed.
3. Check all of the sensors and flags in the paper path (see page 236).
20 INSUFFICIENT
MEMORY
alternates with
PRESS GO TO
CONTINUE
The printer received more data than can fit in its available memory. You might have
tried to transfer too many macros, soft fonts, or complex graphics.
Press [GO] to print the transferred data (some data might be lost), then simplify
the print job or install additional memory (see page 107).
21 PAGE TOO COMPLEX
alternates with
PRESS GO TO
CONTINUE
The data (dense text, rules, raster or vector graphics) sent to the printer was too
complex.
Press [GO] to print the transferred data. (Some data might be lost.)
To print the job without losing data, from the configuration menu in the printer
control panel, set PAGE PROTECT=ON and print the job. Leaving PAGE
PROTECT=ON might degrade performance.
If this message appears often, simplify the print job or leave PAGE PROTECT=ON.
Table 32. Printer messages
Message Explanation or recommended action

Q1860-90918 Chapter 7 Troubleshooting 197
22 EIO x
BUFFER OVERFLOW
alternates with
PRESS GO TO
CONTINUE
Too much data was sent to the EIO card in the specified slot (x). An improper
communications protocol might be in use.
Press [GO] to clear the message. (Data will be lost.)
Check the host configuration. If the message persists, update the EIO firmware or
replace the Jetdirect EIO card.
22 PARALLEL I/O
BUFFER OVERFLOW
alternates with
PRESS GO TO
CONTINUE
Too much data was sent to the parallel port.
Check for a loose cable connection and be sure to use a high-quality cable. (Some
non-HP parallel cables might be missing pin connections, or might otherwise not
conform to the IEEE-1284 specification.)
This error can occur if the driver you are using is not IEEE-1284 compliant. For
best results, use an HP driver that came with the printer.
Press [GO] to clear the error message. (Data will be lost.)
If the message persists, change PARALLEL ADV COMMUNICATION to OFF and
PARALLEL HIGHSPEED to NO in the I/O menu. Replace the formatter, if necessary.
40 EIO x BAD
TRANSMISSION
alternates with
PRESS GO TO
CONTINUE
The connection has been broken between the printer and the EIO card in the
specified slot.
Press [GO] to clear the error message and continue printing.
If the message persists, replace the EIO card, and then replace the formatter, if
necessary.
41.x
PRINTER ERROR
alternates with
PRESS GO TO
CONTINUE
A temporary printing error occurred because of electrical noise or an unexpected
event.
Press [GO]. The page that contains the error will automatically be reprinted.
For regular 41.1, 41.4, and 41.9 errors, check for loose connections or other source
of electrical noise (for example, grounding problems, input power). If the problem
persists, replace the dc controller, and then replace the formatter, if necessary.
For regular 41.2 errors (unexpected beam detect error), check the connections
between the dc controller and the laser/scanner. If the problem persists, replace
the laser/scanner, and then replace the dc controller, if necessary.
For regular 41.3 errors, see 41.3 UNEXPECTED PAPER SIZE on page 197.
For regular 41.5 errors (media feed error):
1. Check for correct operation of PS402 (top-of-page sensor) and PS403
(registration sensor) flags.
2. Paper might be arriving too soon at the registration sensor (PS403). Check for
correct operation of the feed roller clutch (CL406) and replace it, if necessary.
3. Replace the dc controller, if necessary.
41.3 UNEXPECTED
PAPER SIZE
The paper size of the media on which you are trying to print is not the same as the
settings for the tray.
Make sure that all trays are correctly adjusted for size. The size that appears on
the front of the paper tray must match the size of media loaded in the tray. (The
printer will continue trying to print the job until the size settings are correct.)
If you are trying to print from Tray 1, make sure that the printer control panel setting
for paper size is correctly configured (see page 48).
After performing the actions above, press [GO]. The page that contains the error
will automatically be reprinted. (Or, you might want to press [CANCEL JOB] to clear
the job from the printer’s memory.)
If the problem persists:
1. Make sure that only a single piece of media is fed into the printer. If not, make
sure that the tray settings are correct, that the media is loaded correctly, and that
high-quality media is being used.
2. If PS302 is defective, then the printer will post a 41.3 error to report narrower
paper than expected. Replace PS302.
Table 32. Printer messages
Message Explanation or recommended action

198 Troubleshooting Q1860-90918
50.x FUSER ERROR A fuser error has occurred:
50.1—low fuser temperature
50.2—fuser warm-up service
50.3—high fuser temperature
50.4—low/bad line voltage—the printer might be connected to an uninterrupted
power supply (UPS)
50.5—unable to hold a consistent fuser temperature
1. Turn the printer off for a minimum of 20 minutes to clear the error.
2. For 50.4 errors, move the printer to another power source and disconnect it from
any UPS supply.
3. Reseat the fuser.
4. Turn the power off and remove the fuser. Check the continuity between
connectors J1307-1 (callout 1) and J1307-2 (callout 2). If the resistance is not in
the range of 1 to 2.5 MΩ, then replace the fuser.
5. Check continuity between connectors J1308-3 (callout 3) and J1308-1 (callout 4)
with the fuser removed. If no continuity exists, replace the fuser.
6. If the problem persists, replace the power supply, and then replace the
dc controller, if necessary.
51.x
PRINTER ERROR
A beam-detect error occurred.
1. Press [GO]. The page that contains the error will automatically be reprinted.
2. Turn the printer off and then back on.
3. Reseat the cables.
4. Replace the laser/scanner.
52.x
PRINTER ERROR
The laser/scanner speed is incorrect.
1. Press [GO]. The page that contains the error will automatically be reprinted.
2. Turn the printer off and then back on.
3. Reseat the cables.
4. Replace the laser/scanner.
Table 32. Printer messages
Message Explanation or recommended action
2
22
2
1
23
4

Q1860-90918 Chapter 7 Troubleshooting 199
53.xy.zz
PRINTER ERROR
A problem exists in the printer’s memory. The DIMM that caused the error will not
be used. Values of x, y, and zz are as follows:
x = DIMM type 0—ROM
1—RAM
y = device location 0—internal memory (ROM or RAM)
1 to 4—DIMM slots 1, 2, 3, or 4
zz = error number 0—unsupported memory
1—unrecognized memory
2—unsupported memory size
3—failed RAM test
4—exceeded maximum RAM size
5—exceeded maximum ROM size
6—invalid DIMM speed
7—DIMM reporting information incorrectly
8—DIMM RAM parity error
9—ROM needs to be mapped to an unsupported address
10—DIMM address conflict
11—PDC XROM out of bounds
12—unable to make a temporary mapping
1. Turn the printer off, and then reseat the specified DIMM.
2. Try the DIMM in another slot.
3. Replace the DIMM that caused the error.
55 PRINTER ERROR
alternates with
PRESS GO TO
CONTINUE
An internal communication error occurred.
1. Press [Go]. The page that contains the error will automatically be reprinted.
2. Check the power at the site.
3. Replace the formatter.
4. Replace the dc controller.
56.x PRINTER ERROR
alternates with
CYCLE POWER TO
CONTINUE
A temporary printing error occurred.
x = description 1—illegal input or bad accessory connection
2—illegal output
1. Press [Go]. The page that contains the error will automatically be reprinted.
2. Turn the printer off, and then turn the printer back on.
3. Check the printer configuration.
4. Check the accessory connections.
57.x PRINTER ERROR A temporary printing error occurred.
x = description 1—printer fan
1. Check the fan connector and make sure that the fan is not blocked.
2. Replace the fan.
59.x PRINTER ERROR A motor error occurred.
x = description 0—motor error
2—motor start-up error
3—motor rotation error
1. Turn the printer off, and then turn the printer back on.
2. Make sure that the fuser or toner cartridge does not hinder the movement of the
gears in the drive train.
3. Check the main motor cable to make sure that it is seated correctly.
4. If the error persists, replace the motor, and then replace the dc controller, if
necessary.
62.x
PRINTER ERROR
A problem exists in the printer’s memory.
x= location 0—internal memory
1 to 4—DIMM slots 1, 2, 3, or 4
Reseat or replace the specified DIMM.
Table 32. Printer messages
Message Explanation or recommended action

200 Troubleshooting Q1860-90918
64.x
PRINTER ERROR
A scan-buffer error occurred.
1. Turn the printer off, and then turn the printer back on.
2. If the problem persists, replace the formatter.
66.xy.zz INPUT
DEVICE FAILURE
alternates with
CHECK CABLES
AND CYCLE POWER
An error occurred in an external paper-handling device.
1st x = device number in the chain
2nd x = device type 1—input
2—output
3—stapler/stacker
yy = device-specific error
1. Press [Go] to clear the message. If the message does not clear, go to step 2.
2. Turn the printer off, and then turn the printer back on.
3. Check all cables.
4. Reseat the external paper-handling device.
68 NVRAM ERROR
CHECK SETTINGS
An error occurred in the printer’s nonvolatile memory (NVRAM) and one or more
printer settings have been reset to the factory default.
1. Print a configuration page (see page 205) and check the printer settings to
determine which values have changed.
2. Hold down [CANCEL JOB] while turning the printer on. This cleans up the NVRAM
by removing old areas that are not being used.
3. If the error persists, replace the formatter.
68 NVRAM FULL CHECK
SETTINGS
The printer’s nonvolatile memory (NVRAM) is full. Some settings might have been
reset to the factory defaults.
Print a configuration page (see page 205) and check the printer settings to
determine which values have changed.
Hold down [CANCEL JOB] while turning the printer on. This cleans up the NVRAM
by removing old areas that are not being used.
69.x
PRINTER ERROR
A temporary printing error occurred.
x= description 0—the duplexer failed
1—the duplex side adjust failed
1. Turn the printer off, and then turn the printer back on.
2. Reseat the duplexer.
3. If the problem persists, replace the duplexer.
79.xxxx
PRINTER ERROR
The printer detected an error. The numbers (xxxx) indicate the specific type of
error.
Turn the printer off, and then turn the printer back on.
Try printing a job from a different software application. If the job prints, go back to
the first application and try printing a different file. (If the message only appears
when you use a certain software application or print job, have the customer contact
the software vendor for assistance.)
If the message persists, try the following:
1. Cycle the power.
2. Reseat or replace the interface cable and cycle the power.
3. Download the latest firmware image (if available—the firmware download is not
available for some printers) from http://www.hp.com and use HP Jetdirect or
another appropriate utility to update the printer.
4. Remove the DIMMs one at a time and cycle the power.
5. Try using the parallel interface, if possible.
6. Remove the EIO cards from the printer and then perform a cold reset.
7. If the error persists, replace the formatter.
Table 32. Printer messages
Message Explanation or recommended action

Q1860-90918 Chapter 7 Troubleshooting 201
8x.yyyy
PRINTER ERROR
The EIO accessory in slot x has encountered a critical error as specified by yyyy.
x= description 1—EIO slot 1: the printer detected an error with the EIO
card.
2—EIO slot 2: the printer detected an error with the EIO
card.
6—EIO slot 1: the EIO card detected an error. The EIO
card might be defective.
7—EIO slot 2: the EIO card detected an error. The EIO
card might be defective.
1. Turn the printer off, and then turn the printer back on.
2. Reseat, if necessary, or replace the EIO board.
Table 32. Printer messages
Message Explanation or recommended action

202 Troubleshooting Q1860-90918
General paper-path troubleshooting
Jams occur in the printer when print media either does not reach or does not clear a photosensor
along the printer’s paper path in a specific amount of time. If a jam occurs, a 13.xx PAPER JAM
message appears on the printer control panel. The following table contains general questions
you can ask and topics to explore before troubleshooting. See the 13.xx section in the event log
for specific error codes.
Problem Action
What is the frequency of the
paper jams (for example,
continuous, one jam per 100
pages, one jam per 1000
pages, or some other
interval)?
Ask the customer. Print or show the event log to determine the jam history.
See the display and event log sections of this chapter and evaluate the event
log.
Do jams only occur when
the media is fed from a
particular paper input
source?
Use the paper-path test to isolate the problem. See the next section for
details (page 203).
Do jams only occur when
paper is output to a specific
output bin?
Use the paper-path test to isolate the problem.
Do jams occur with a
specific type of media? Try known good media. Make sure that media meets HP’s specifications.
Where does the leading
edge of the first sheet stop
in the paper path when a
jam occurs? Are any sheets
damaged or torn?
Attempt to duplicate the problem. Use the paper-path test to isolate the
problem. Inspect the paper path and all of the paper-path mechanical
assemblies that are located in advance of where the leading edge jams.
Is the customer loading the
trays correctly? Observe the customer loading the trays. Tell the customer not to fan the
paper.
Is the customer overfilling
the trays? Make sure that media is NOT above the maximum fill marks in the paper
trays. Observe the customer loading the trays.
Are the tray guides set
correctly? Make sure that Tray 2 and 3 left-side paper guides are set correctly at both
the front and rear of the tray, and that the front guide is locked into the
correct position. For Tray 4, make sure that all adjustments are set
correctly—front, back, and side at the top and bottom of the tray.
Should the printer be
cleaned? Inspect the paper path and rollers. See the cleaning procedures in
chapter 4.
When was the user
maintenance performed on
the printer?
Determine from the PCL configuration page the number of pages since the
last maintenance (page 205). The Printer Maintenance Kit should be
installed every 150,000 images.
Q1860-90918 Chapter 7 Troubleshooting 203
Paper-path test
To perform a paper-path test:
1Press [MENU] until INFORMATION MENU appears
2Press [ITEM] until PRINT PAPER PATH TEST appears.
3Press [SELECT].
4Press [+] to cycle selections until the input tray you want to test appears.
5Press [SELECT].
6Press [+] until the output bin you want to use appears (open the rear output bin to print to it).
7Press [SELECT].
8Press [+] until the appropriate duplex mode (on or off) appears.
9Press [SELECT].
10 Press [+] to cycle selections until the appropriate number of copies appears. Choose 1, 10,
50, 100, or 500 copies.
11 Press [SELECT] to perform the paper-path test.

204 Troubleshooting Q1860-90918
Information pages
From the printer control panel, you can print pages that give details about the printer and its
current configuration. The following information pages are described here:
Menu map
Configuration page
For a complete list of the printer’s information pages, print a menu map and see the information
menu that is listed. For a description of the event log, see page 191.
Menu map
To see the current settings for the menus and the items available at the control panel, print a
control panel menu map:
1Press [MENU] until INFORMATION MENU appears.
2Press [ITEM] until PRINT MENU MAP appears.
3Press [SELECT] to print the menu map.
The content of the menu map varies, depending on other menu settings and the options that are
currently installed in the printer. (Many of these values can be overridden from the printer driver
or software application.)
Figure 124. Menu map

Q1860-90918 Chapter 7 Troubleshooting 205
Configuration page
Use the configuration page to view the current printer settings, to help troubleshoot printer
problems, or to verify correct installation and functionality of optional accessories, such as
memory (DIMMs), paper trays, and printer languages.
Note If an HP Jetdirect print server EIO card is installed, a Jetdirect configuration page is also printed.
To print a configuration page:
1Press [MENU] until INFORMATION MENU appears.
2Press [ITEM] until PRINT CONFIGURATION appears.
3Press [SELECT] to print the configuration page.
Figure 125 shows a sample configuration page. The numbers in the sample printout match the
numbers in table 33 on page 206. The content of the configuration page varies, depending on
the options that are currently installed in the printer.
Figure 125. Configuration page (see table 33 for category explanations)
1
2
3
4
5
6

206 Troubleshooting Q1860-90918
Verify the installed options
Under “Installed Personalities and Options” on the configuration page, look for options such as
the hard disk or DIMM types and sizes.
Verify that the options that are installed in your printer are listed on the configuration page. If an
installed device is not shown, reseat the device and print a new configuration page.
Table 33. Configuration page categories
1 Printer Information Lists the serial number, page counts, and other information for the printer.
2 Installed Personalities
and Options Lists all printer languages that are installed (such as PCL and PS) and lists
options that are installed in each DIMM slot and EIO slot.
3 Event Log Lists the number of entries in the log, the maximum number of entries that
can be viewed, and the last three entries.
4 Memory Lists printer memory, PCL Driver Work Space (DWS), I/O buffering
information, and resource-saving information.
5 Security Lists the status of the printer control panel lock, control panel password, and
disk drive.
6 Paper Trays and
Options Lists the size settings for all trays and lists optional paper-handling
accessories that are installed.

Q1860-90918 Chapter 7 Troubleshooting 207
Image quality
When you are working with customers, obtain a print sample before you begin troubleshooting
their printer. Ask the customer to explain the quality expected from the printer. The print sample
will also help clarify the image-quality issue.
Check the toner cartridge
Image-formation defects are often the result of problems with the toner cartridge. If you suspect
that the toner cartridge is the source of the problem, replace the toner cartridge before
troubleshooting image defects.
Use the following list to make sure that the toner cartridge is still operable.
Make sure that the toner cartridge has toner. The weight of a full toner cartridge is
1880 grams (66.3 oz); the weight of an empty cartridge is 1450 grams (51.1 oz).
Check the expiration date on the toner cartridge (it is stamped on the cartridge box).
Check the toner cartridge to see if it has been disassembled or refilled.
Make sure that the toner cartridge is seated correctly in the printer cavity.
Inspect the cartridge for toner leaking through worn seals. (If the drum has been manually
rotated, it might have caused internal damage and toner spills can result.)
Note Toner cartridges are rated for 10,000 images at 5% coverage. It is possible to wear out the gears
and the cartridge seals before TONER LOW appears on the control panel if the 10,000-image
expectancy is exceeded. See “EconoMode” on page 208.
Image quality checks Action
Does the problem repeat on
the page? Use the repetitive defect ruler on page 223.
Is the toner cartridge full
and is it manufactured by
HP?
Use the checklist below to check the toner cartridge.
Is the customer using print
media that meets all HP
paper specification
standards?
For more information about HP’s paper specification standards, see
chapter 1.
Is the print sample similar to
those in the print quality
tables that begin on
page 210?
Compare the sample to the print quality tables and perform the
corresponding procedures that are recommended.
Is the problem with the toner
cartridge drum, the transfer
roller, or the fuser?
Perform the half self-test functional check (see page 224) to determine the
location of the defect.
If a correct toner image is present on the drum’s surface, assume that the
first four functions of the electrophotographic process are functioning, and
troubleshoot the failure as a transfer or fusing problem. If the image on the
paper looks good before it enters the fuser, then a problem might exist in the
fuser.

208 Troubleshooting Q1860-90918
Check the surface of the photosensitive drum in the cartridge to see if it has been damaged
or scratched. Touching the drum contaminates the photosensitive surface and can cause
spotting and defects during printing.
Dark areas on the page might indicate that the drum has been exposed to light for too long.
If dark areas appear, stop the printer and wait a few minutes This should eliminate most
defective images. If not, placing the toner cartridge in a dark environment for several days
can restore some life to the drum.
EconoMode
EconoMode creates draft-quality printing by reducing the amount of toner on the printed page by
up to 50%. Advise the customer to turn EconoMode on or off from the printer driver or software
application, because those settings override the control panel settings. EconoMode settings can
also be changed from the print-quality menu on the control panel.
CAUTION Hewlett-Packard does not recommend full-time use of EconoMode. If EconoMode is always used,
it is likely that the toner supply will outlast the mechanical parts in the toner cartridge.

Q1860-90918 Chapter 7 Troubleshooting 209
Image defects
The quality of the printer’s output is subject to user judgment. This section of the manual helps
you define print quality defects and understand the factors that affect print quality.
The print samples in the following figures illustrate some print-quality defects. All images are
depicted on letter- or A4-sized paper that has been fed in the normal landscape (non “R”)
orientation. Keep copies of print-quality defects that you encounter in the field and explanations
of their causes to use for future reference.
The image defects listed here are covered in the following tables.
Black lines (in paper path direction) (table 34 on page 210)
Black lines (opposite paper path direction) (table 35 on page 210)
Black page (table 36 on page 211)
Blank page (table 37 on page 212)
Character voids and dropouts (table 38 on page 213)
Creases (table 39 on page 214)
Curl (table 40 on page 214)
Dark print (table 41 on page 215)
Dirt on back of page (table 42 on page 215)
Distorted image (table 43 on page 216)
Dots (in the paper-path direction) (table 44 on page 216)
Faded or light print (table 45 on page 217)
Gray background (table 46 on page 218)
Loose toner or toner smear (table 47 on page 219)
Repetitive defects (table 48 on page 220)
Skew (table 49 on page 220)
Smudged lines (either direction) (table 50 on page 221)
Toner specks (see also “Dots” on page 216) (table 51 on page 221)
White lines (in the paper-path direction) (table 52 on page 221)
White lines (opposite to the paper-path direction) (table 53 on page 222)
Note If you find a defect that is not depicted, record the cause and save a copy of the defect for future
reference.

210 Troubleshooting Q1860-90918
Table 34. Black lines (in paper path direction)
Possible cause Action
Toner cartridge not seated
correctly. Remove the toner cartridge and reinsert it.
Defective toner cartridge. Perform the half self-test functional check (see page 224). If the defect
develops on the print drum, replace the toner cartridge.
Worn or dirty fuser rollers. Clean the fuser using the cleaning page procedure on page 67. Several
pages might be required if the fuser is very dirty. If the problem persists,
replace the fuser.
Static eliminator teeth (just
beyond the transfer roller)
are contaminated or
defective.
Clean the teeth by using a small brush or compressed air. Replace the
assembly if it is damaged.
Light is leaking into the
printer Make sure that all covers are in place. Move the printer away from any
outside windows.
Table 35. Black lines (opposite paper path direction)
Possible cause Action
Repetitive defect. If the lines
are repeated at a consistent
interval down the page, this
is a repetitive defect.
See “Repetitive defect ruler” on page 223 and replace the offending
components.
Sharp, random lines
indicate a problem with the
laser control circuitry.
Replace the following in the order indicated:
1. Laser/scanner assembly.
2. Dc controller.
3. Cables between the dc controller and the laser/scanner.
4. Formatter.

Q1860-90918 Chapter 7 Troubleshooting 211
Table 36. Black page
Possible cause Action
Defective toner cartridge. Replace the toner cartridge.
High-voltage contact springs
are dirty or defective. The
high-voltage contacts are
mounted on and above the
dc controller PCA and
protrude into the toner
cartridge cavity.
Inspect and clean the high-voltage contacts. If damaged, replace the
contacts.
The dc controller is installed
incorrectly. If the low-voltage
power supply or
dc controller has been
removed and replaced, it
might not be seated
correctly.
Remove the dc controller and check the connectors for damage. Reseat the
dc controller, being careful to fully seat the connectors.
The laser beam drive circuit
or dc controller high-voltage
circuit is defective (it is not
supplying the correct
negative voltage).
Replace the dc controller PCA.
Laser/scanner assembly is
faulty (it is turning the laser
on continuously).
Replace the laser/scanner assembly.
Connectors between the
laser/scanner unit and
dc controller are not seated
correctly or are defective.
Inspect and reseat the connectors. Replace the cables as necessary.

212 Troubleshooting Q1860-90918
Table 37. Blank page
Possible cause Action
Software configuration
(intermittent). Make sure that the application is not sending incorrect page-length requests
or extra page-eject commands.
Network configuration.
Some sharing devices on
networks might generate a
blank page as a separator.
Check with the network administrator.
Multiple feeds. The printer
might be feeding two or
more pages at once
(intermittent).
Remove the paper from the tray and flex the stack of paper in one direction
and then the other to separate the pages. Do not fan the paper before
loading it into the trays.
Sealing tape was left in the
toner cartridge. Remove the sealing tape.
Empty or defective toner
cartridge. 1. If you are unsure, weigh the cartridge:
•Full weight = 1880 grams (66.3 oz)
•Empty weight = 1450 grams (51.1 oz)
Note: Some toner might reside in the waste toner cavity, which affect the
weight of the cartridge.
2. Perform the half self-test function check (see page 224) or try a toner
cartridge that you know is full and functional. Replace the toner cartridge if
necessary.
Laser/scanner door does
not open correctly (no image
on print drum).
1. Remove and reseat the toner cartridge.
2. Check the laser/scanner shutter door for proper operation. If it is defective,
replace the laser/scanner assembly.
No transfer-roller voltage. Without transfer-roller voltage, toner does not transfer correctly from the
surface of the drum to the paper. Perform the half self-test functional check
to check all other electrophotographic processes (see page 224). Replace
the transfer roller if necessary.
High-voltage connector
springs are dirty or
defective.
The high-voltage connectors are mounted on and above the dc controller
and protrude into the toner cartridge cavity.
Check the springs for functionality. Clean if dirty, replace if defective or
missing.
No drum ground path. With no ground path, the drum cannot discharge. The negative charge on
the drum repels toner, and leaves a nearly-white page (possibly with bubble
print).
Check the drum ground that runs from the contact point in the center of the
print drum drive gear through the main gear assembly side plate to the frame
ground.
High-voltage circuitry is
defective. Replace the dc controller.
Defective laser/scanner
cable assembly. Low-level signals that are exchanged between the laser/scanner assembly
and the dc controller might be affecting the laser output. Replace the laser/
scanner cable assembly.

Q1860-90918 Chapter 7 Troubleshooting 213
Table 38. Character voids and dropouts
Possible cause Action
Printing on the wrong side of
the paper. The label on the
ream of paper indicates
which side to print on. The
different surface properties
of some papers might cause
problems if the paper is
loaded wrong-side-up.
1. Check for the arrow on the paper wrapper. Make sure that the paper is
loaded to correspond with the arrow pointing up in Tray 1, or pointing down
in other trays.
2. Turn over the stack of paper in the tray. Also try rotating the paper 180°.
3. Check the paper (or other print media) type and quality. Replace the
paper, and advise the customer to use the recommended media and to store
it correctly.
Media surface is too rough. Use paper with the correct finish (smoothness) to meet HP specifications.
Media surface is too smooth
for proper toner adhesion. Use paper with the correct finish (smoothness) to meet HP specifications.
Bad transparencies.
Transparencies can have
this problem because they
are not designed for proper
toner adhesion.
Use HP-approved transparencies for monochrome LaserJet printers (see
the HP LaserJet Printer Family Paper Specification Guide).
Printer’s operating
environment does not meet
specifications.
Make sure that the printer’s operating environment (and paper storage
environment) meets specifications.
Dirty fuser roller is lifting
part of the image from the
paper.
Process a cleaning page (see page 67). Several pages might be required if
the fuser is very dirty.
Defective or nearly-empty
toner cartridge. Replace the toner cartridge.
Wrong toner density setting. From the print-quality menu on the control panel, adjust the toner density
setting. Make sure EconoMode is off.
Wrong fuser setting for the
media type. From the paper-handling menu on the control panel, change the fuser mode
setting or choose another media type from the printer driver.
Bad transfer roller. If the
transfer roller has finger oils
on its surface, is dirty or is
worn out, this problem can
result.
Clean the transfer roller using a dry, lint-free cloth. Do not touch the transfer
roller with your fingers. If the problem persists, replace the transfer roller.
Poor high-voltage contacts
between dc controller and
toner cartridge or transfer
roller.
Inspect the contacts and clean them if they are dirty, or replace them if they
are damaged.
The dc controller is
defective (low transfer
voltage).
Replace the dc controller.

214 Troubleshooting Q1860-90918
Table 39. Creases
Possible cause Action
Media does not meet the
printer specifications or is
stored improperly.
1. Print a few more pages to see if the problem corrects itself.
2. Turn over the stack of paper in the tray. Also try rotating the paper 180°.
3. Check the paper (or other print media) type and quality. Replace the
paper, and advise the customer to use the recommended media and to store
it correctly.
Printer’s operating
environment does not meet
the specifications.
Make sure that the printer’s operating environment meets the specifications.
Media is loaded incorrectly. Make sure that media is loaded correctly and that the guides fit correctly
against the stack.
Wrong tray. Print from Tray 1 when you use difficult media.
Wrong output bin for the
media type. Print to the rear output bin.
Obstruction in the paper
path. 1. Check the paper path for debris.
2. Check for damaged components that might be creasing the paper.
Table 40. Curl
Possible cause Action
Media does not meet the
printer specifications or is
stored improperly.
1. Print a few more pages to see if the problem corrects itself.
2. Turn over the stack of paper in the tray. Also try rotating the paper 180°.
3. Check the paper (or other print media) type and quality. Replace the
paper, and advise the customer to use the recommended media and to store
it correctly.
Printer’s operating
environment does not meet
the specifications.
Make sure that the printer’s operating environment meets the specifications.
Wrong output bin. Print to a different output bin (top or rear output bin).
Wrong fuser setting for the
media type. From the paper-handling menu on the control panel, change the fuser mode
setting or choose another media type from the printer driver.

Q1860-90918 Chapter 7 Troubleshooting 215
Table 41. Dark print
Possible cause Action
Wrong toner density setting. From the print-quality menu on the control panel, adjust the toner density
setting.
Toner cartridge print drum is
close to the end of its life. Replace the toner cartridge.
Media does not meet the
printer specifications or is
stored improperly.
1. Print a few more pages to see if the problem corrects itself.
2. Turn over the stack of paper in the tray. Also try rotating the paper 180°.
3. Check the paper (or other print media) type and quality. Replace the
paper, and advise the customer to use the recommended media and to store
it correctly.
Poor high-voltage contact to
the dc controller. Clean the contacts if they are dirty. If the problem remains after cleaning, or
if the contacts are damaged or deformed, replace them.
Defective laser/scanner. Replace the laser/scanner.
Defective high-voltage
circuitry. Replace the dc controller.
Table 42. Dirt on back of page
Possible cause Action
Dirt inside printer (on tray
separation pad or roller,
feed roller, transfer roller,
fuser, toner cartridge, feed
belt, feed guide).
1. Print a cleaning page (see page 67).
2. Print at least 10 pages to see if the problem goes away.
3. Identify and clean the dirty part. Also see “Repetitive defect ruler” on
page 223. If the dirt cannot be removed, replace the dirty part.
4. Check for toner leaks.
Media does not meet the
printer specifications or is
stored improperly.
1. Print a few more pages to see if the problem corrects itself.
2. Turn over the stack of paper in the tray. Also try rotating the paper 180°.
3. Check the paper (or other print media) type and quality. Replace the
paper, and advise the customer to use the recommended media and to store
it correctly.

216 Troubleshooting Q1860-90918
Table 43. Distorted image
Possible cause Action
Media does not meet the
printer specifications or is
stored improperly.
1. Print a few more pages to see if the problem corrects itself.
2. Turn over the stack of paper in the tray. Also try rotating the paper 180°.
3. Check the paper (or other print media) type and quality. Replace the
paper, and advise the customer to use the recommended media and to store
it correctly.
Printer’s operating
environment does not meet
the specifications.
Make sure that the printer’s operating environment meets the specifications.
Poor connection of the
cables to the laser/scanner. Reseat the cables that are connected to the laser/scanner.
Poor connection of the
cables to the dc controller
assembly.
Reseat the cables that are connected to the dc controller assembly.
Defective laser/scanner. Replace the laser/scanner.
Defective dc controller. Replace the dc controller.
Table 44. Dots (in the paper-path direction)
Possible cause Action
Dirty static eliminator teeth. Clean the static eliminator with a small brush or compressed air.
Poor contact between the
static eliminator and the
dc controller.
Clean the contacts, if they are dirty. If the problem remains after cleaning, or
if the contacts are damaged or deformed, replace them.
Deformed or deteriorated
transfer roller. Replace the transfer roller.
Defective dc controller
assembly. Replace the dc controller assembly.

Q1860-90918 Chapter 7 Troubleshooting 217
Table 45. Faded or light print
Possible cause Action
Begin by performing the half self-test function check (see page 224). If the image on the print drum is light,
proceed with actions 1, 2, 3, 6, 7, and 8. If the drum image is normal, proceed with actions 5, 6, and 8.
Toner supply is low. Action 1
Shake the cartridge gently to redistribute the toner, or replace the cartridge.
EconoMode is on.
EconoMode saves toner by
reducing the dot density.
The effect might appear to
be a print-quality problem in
some cases.
Action 2
Turn EconoMode off.
Print density is set
incorrectly. Action 3
Change toner density (in the print-quality menu) to a darker setting and try
again to print.
Media does not meet
specifications. The moisture
content, conductivity, or
surface finish might not work
correctly with the
electrophotographic
process.
Action 4
Try a different paper lot.
Transfer roller is defective or
incorrectly installed. If the
transfer roller loses
conductivity, it cannot
effectively pull toner from
the drum to the paper.
Action 5
Inspect the transfer roller for correct installation and contact. If the transfer
roller is damaged, replace it.
High-voltage connector
springs are dirty or
defective.
Action 6
The high-voltage connectors are mounted on and above the dc controller
and protrude into the toner cartridge cavity.
Check the springs for functionality. Clean if dirty, replace if defective or
missing.
Laser/scanner door is not
opening correctly. Action 7
1. Remove and reseat the toner cartridge.
2. Check the laser/scanner shutter door for proper operation. If it is defective,
replace the laser/scanner assembly.
The dc controller is
defective. The dc controller
contains the high-voltage
circuitry.
Action 8
Replace the dc controller.

218 Troubleshooting Q1860-90918
Table 46. Gray background
Possible cause Action
Media does not meet printer
specifications or is stored
improperly.
1. Print a few more pages to see if the problem corrects itself.
2. Turn over the stack of paper in the tray. Also try rotating the paper 180°.
3. Check the paper (or other print media) type and quality. Replace the
paper, and advise the customer to use the recommended media and to store
it correctly.
Inside of the printer is dirty
(toner might have leaked out
of the toner cartridge).
Clean the inside of the printer (see chapter 4). Install a new toner cartridge if
it is leaking.
Printer’s operating
environment does not meet
the specifications.
Make sure that the printer’s operating environment meets the specifications.
Printing on envelope seams.
Printing on an envelope
seam can cause a
background scatter problem.
Move the text to an area that has no seams. If you are not printing on seams,
try a higher toner density setting.
Wrong toner density setting. From the print-quality menu on the control panel, increase the toner density
setting. Make sure EconoMode is off.
Faulty toner cartridge. Replace the toner cartridge.
High-voltage connector
springs are dirty or
defective.
The high-voltage connectors are mounted on and above the dc controller
and protrude into the toner cartridge cavity.
Check the springs for functionality. Clean if dirty, replace if defective or
missing.
High-voltage circuitry is
defective. Replace the dc controller.

Q1860-90918 Chapter 7 Troubleshooting 219
Table 47. Loose toner or toner smear
Possible cause Action
Dirt in the printer. 1. Print a few more pages to see if the problem corrects itself.
2. Clean the inside of the printer (see page 66) and use the printer’s cleaning
page (see page 67).
Dirty fuser rollers. Toner
build-up can cause the print
on a page to smear.
Remove and inspect the fuser for excessive toner build-up. Run a cleaning
page through the printer (see page 67). Several pages might be required if
the fuser is very dirty.
Toner cartridge is defective. Perform a half self-test functional check (see page 224). Replace the toner
cartridge if necessary.
Media might be too smooth
or too rough. Check the paper (or other print media) type and quality.
Wrong fuser setting for the
media type. From the paper-handling menu on the control panel, change the fuser mode
setting or choose another paper type from the printer driver.
The static eliminator is dirty
or is not grounded, which
allows a static charge to
remain on the page.
Use a small brush or compressed air to clean the static eliminator. Replace
the assembly if it is damaged.
Fuser is defective. The print
will smear if the fuser is not
heated sufficiently to bond
the toner image to the
paper.
Replace the fuser.
The dc controller is
defective. The dc controller
regulates fuser roller
temperature.
If a new fuser does not resolve the problem, replace the dc controller.

220 Troubleshooting Q1860-90918
Table 48. Repetitive defects
Possible cause Action
Toner cartridge is damaged.
The circumference of the
photoconductive drum
inside the toner cartridge is
94 mm (3-11/16 inches). If
the defect repeats at this
interval, the defect is
associated with the drum.
Inspect the drum for scratches or damage. Replace the toner cartridge for
defects that repeat at 44 mm (1-3/4 inches) or 94 mm (3-11/16 inches).
Defects that repeat at 50 mm (1-15/16 inches) indicate a possible problem
with either the toner cartridge or the registration assembly rollers.
Dirty rollers. Any dirty roller
in the paper path can result
in a repetitive print defect.
Examine and clean (or replace) the rollers in the paper path.
Fuser is dirty or defective.
The circumferences of the
rollers used in the fuser are
75 mm (1-15/16 inches) and
79 mm (3-1/8 inches). If the
defect repeats at these
intervals, the defect is
associated with fuser.
Clean the fuser by running a cleaning page through the printer (see page
67). Several pages might be required if the fuser is very dirty. If the problem
persists, replace the fuser.
Gears are worn, causing
slippage or jumping. Inspect the gears that drive the toner cartridge and the fuser. Replace the
main gear assembly if necessary.
Media does not meet
specifications. The surface
of the paper might be too
coarse, which can cause
repeating marks.
Try a different paper.
Also see “Repetitive defect ruler” on page 223.
Table 49. Skew
Possible cause Action
Media does not meet printer
specifications or is stored
improperly.
1. Print a few more pages to see if the problem corrects itself.
2. Turn over the stack of paper in the tray. Also try rotating the paper 180°.
3. Check the paper (or other print media) type and quality. Replace the
paper, and advise the customer to use the recommended media and to store
it correctly.
Media is not loaded
correctly or trays are not
adjusted correctly.
Make sure that media is loaded correctly and that the guides fit correctly
against the stack.
Registration assembly is
incorrectly installed or
damaged.
Make sure that the registration assembly is installed correctly. Replace it if
necessary.

Q1860-90918 Chapter 7 Troubleshooting 221
Table 50. Smudged lines (either direction)
Possible cause Action
Paper path contamination or
damage. 1. Check the toner cartridge by performing the half self-test functional check
(see page 224). Replace it if necessary.
2. Run a cleaning page through the printer (see page 67). Check the fuser
and replace it if necessary.
3. Check the Tray 1 feed roller and other trays’ separation pads and rollers
for contamination. Clean or replace as necessary.
4. Check for other sources of contamination in the paper path and clean with
a dry, lint-free cloth.
Also see the “Repetitive defect ruler” on page 223.
Table 51. Toner specks (see also “Dots” on page 216)
Possible cause Action
Dirt in printer. 1. Print a few more pages to see if the problem corrects itself.
2. Clean the inside of the printer (see page 66) or use the printer’s cleaning
page (see page 67).
Bad toner cartridge
components. Perform the half self-test functional check (see page 224). If the problem
develops on the print drum, replace the toner cartridge.
Media does not meet printer
specifications or is stored
improperly.
1. Turn over the stack of paper in the tray. Also try rotating the paper 180°.
2. Check the paper (or other print media) type and quality. Replace the
paper, and advise the customer to use the recommended media and to store
it correctly.
Alternating small and
standard paper (such as
envelopes and letterhead).
To alternate small and standard paper, set SMALL PAPER SPEED=SLOW
from the configuration menu on the control panel.
Worn fuser rollers. Replace the fuser.
Table 52. White lines (in the paper-path direction)
Possible cause Action
Lack of toner or faulty toner
cartridge. Redistribute the toner in the toner cartridge. If the problem continues,
replace the toner cartridge.
Dirt in the laser path. Clean the laser path. Remove the laser/scanner assembly and check for dirt
or other obstructions in the beam path.
Defective fuser. Replace the fuser.
Dirty mirror in the
laser/scanner. Replace the laser/scanner.

222 Troubleshooting Q1860-90918
Table 53. White lines (opposite to the paper-path direction)
Possible cause Action
Damage to the print drum. Replace the toner cartridge.
Damage to fuser roller. Run a cleaning page through the printer (see page 67). If the problem
persists, replace the fuser.
Unstable laser beam or
beam control circuitry. Replace the following in the order indicated:
1. Laser/scanner assembly.
2. Dc controller.
3. Cables between the dc controller and the laser/scanner.
4. Formatter.

Q1860-90918 Chapter 7 Troubleshooting 223
Repetitive defect ruler
Repetitive print defects usually are associated with a specific roller within the printer or the toner
cartridge. Use figure 126 to isolate the cause of repetitive print defects. Align the first occurrence
of the defect with the top of the ruler (at the top or bottom of the misprinted page), and measure
to the next occurrence of the defect to determine which roller is involved. When you are certain
that your defect pattern matches the pattern of the ruler, replace the appropriate roller.
Figure 126. Repetitive defect ruler
First occurrence of print defect
Toner cartridge primary charging roller—44 mm (1-3/4 in)
Toner cartridge developing cylinder or registration roller—50 mm (2 in)
Feed roller - 52 mm (2-1/16 in)
Transfer charging roller - 55 mm (2-3/16 in)
Fuser roller - 75 mm (2-15/16 in)
Fuser pressure roller - 79 mm (3-1/8 in)
Toner cartridge photosensitive drum - 94 mm (3-11/16 in)
Cassette pickup roller - 135 mm (5-5/16 in)

224 Troubleshooting Q1860-90918
Image system troubleshooting
Half self-test functional check
The electrophotographic process can be subdivided into the following stages:
Cleaning (removes excess toner from the drum surface)
Conditioning (places a uniform electrical charge on the drum)
Writing (the laser strikes the surface of the drum to create an electrostatic image)
Developing (forms the toner image on the drum)
Transferring (charges transfer the image to the print media)
Fusing (heat and pressure produces a permanent image)
The purpose of the half self-test check is to determine which process is malfunctioning. Perform
the test as follows:
1Print a configuration page from the control panel INFORMATION MENU.
2Open the top cover after the paper advances half-way through the printer (about five
seconds after the main motor begins rotation). The leading edge of the paper should have
advanced past the toner cartridge.
3Remove the toner cartridge.
4Open the toner cartridge’s drum shield to view the drum’s surface.
If a dark and distinct toner image is present on the drum’s surface, assume that the first four
functions of the electrophotographic process are functioning (cleaning, conditioning, writing, and
developing), and troubleshoot the failure as a transfer or fusing problem.
If no image is present on the photosensitive drum, perform the following check.
Drum rotation functional check
The photosensitive drum, located in the toner cartridge, must rotate for the print process to work.
The photosensitive drum receives its drive from the main gear assembly. To determine whether
the drum is rotating:
1Open the top cover.
2Remove the toner cartridge.
3Mark the cartridge’s drive gear with a felt-tipped marker. Note the position of the mark.
4Install the toner cartridge and close the top cover. The start-up sequence should rotate the
drum enough to move the mark.
5Open the printer and inspect the gear that was marked in step 3. Verify that the mark moved.
If the mark did not move, inspect the main gear assembly to make sure that it meshes with
the toner cartridge gears. If the drive gears function, and the drum does not move, replace
the toner cartridge.
Note This test is especially important if refilled toner cartridges are in use.

Q1860-90918 Chapter 7 Troubleshooting 225
Interface troubleshooting
This section provides an overview of the printer’s interface requirements.
Communications check
Note Communication problems are normally the customer’s responsibility. Time spent attempting to
resolve these problems might not be covered by the product’s Hewlett-Packard warranty.
Refer the customer to the network administrator for assistance in troubleshooting network
problems.
If the printer is not connected to an MS-DOS-based host, see “EIO troubleshooting” on page
225.
PC direct connect (parallel) test
After the printer is installed, verify communications (bypassing the Windows driver) between the
printer and the IBM-compatible computer. Enter the following at the MS-DOS prompt:
C:\DIR>LPT1 Enter (for printing to parallel port #1)
The printer should print a directory listing of the C: \ directory. You might need to press [GO] on
the control panel to print the data in the buffer.
EIO troubleshooting
The Jetdirect configuration page shown in figure 127 on page 226 contains valuable information
about the current status of the EIO accessories. Before you attempt to troubleshoot a network
problem or notify your network consultant of a problem, always print a configuration page.
Jetdirect configuration
See figure 127 on page 226 for an example of a Jetdirect page. Numbers in the example match
the numbers in the following table.
See the HP Jetdirect Print Server Software Installation Guide for more information.
Table 54. HP Jetdirect configuration page categories
1HP Jetdirect
Configuration If the EIO Jetdirect card has successfully powered up and completed its
internal diagnostics, the I/O CARD READY status message prints. If
communication is lost, an I/O NOT READY status message prints, followed by
a two-digit error code. See the HP Jetdirect Network Interface Configuration
Guide for further details and recommended action.
2 Network Statistics This block indicates that network activity has been occurring. Bad packets,
framing errors, unsendable packets and collisions should be minimal. If a
high percentage (greater than one percent) of these occur, contact the
network administrator. All of the statistics are set to zero when the printer is
powered-off.
3 TCP/IP In this block, the default IP address is “192.0.0.192.” It is acceptable to
operate the printer with this default address. The error message ARP
DUPLICATE ADDRESS might appear in this block. This is also an acceptable
error code if the TCP/IP protocol is not being used. Check with the network
administrator to determine the correct IP address for the printer. To configure
the printer’s IP address, go to the control panel EIO menu, select CFG
NETWORK=YES, select CFG TCP/IP=YES, and then select BOOTP=NO.

226 Troubleshooting Q1860-90918
Figure 127. Jetdirect configuration page
4 Novell/NetWare This block should state the Novell printer server name to which the printer is
connected. If the node name reads “NPIxxxxxx” (where xxxxxx = the last six
digits of the EIO’s LAN address), the EIO card has not been configured for a
Novell server. This could indicate that the card is operating under another
protocol than Novell. Check with the network administrator to determine
what Node Name might be appropriate.
Table 54. HP Jetdirect configuration page categories (continued)
2
1
4
3

Q1860-90918 Chapter 7 Troubleshooting 227
Reference diagrams
Locations of components
Figure 128. Paper path (sensors and switches)

228 Troubleshooting Q1860-90918
Figure 129. Paper path (clutches, solenoids, and motors)

Q1860-90918 Chapter 7 Troubleshooting 229
Figure 130. 250-sheet paper feeder

230 Troubleshooting Q1860-90918
Figure 131. 250-sheet paper feeder

Q1860-90918 Chapter 7 Troubleshooting 231
Figure 132. 500-sheet paper feeder

232 Troubleshooting Q1860-90918
Figure 133. 500-sheet paper feeder

Q1860-90918 Chapter 7 Troubleshooting 233
Figure 134. Duplexer

234 Troubleshooting Q1860-90918
Figure 135. Duplexer

Q1860-90918 Chapter 7 Troubleshooting 235
Figure 136. Duplexer

236 Troubleshooting Q1860-90918
Sensors and signals
The following figures show key components, sensors, and switches that control the operation of
the printer. Table 55 on page 237 shows the name of each sensor, switch, clutch, and solenoid in
the printer.
Figure 137. Paper path and components (see figure 131, figure 132, and figure 136 for accessories)
Figure 138. Paper path (dashed lines represent duplexer path)
Delivery rollers
Photosensitive drum
Feed belt
Registration roller
Fuser
Tray 1
pickup
roller
Feed
roller
Transfer roller
Tray 2 pickup roller
Optional 250-sheet tray
Optional 500-sheet tray
PS1306

Q1860-90918 Chapter 7 Troubleshooting 237
Table 55. Sensors, switches, clutches, and solenoids
Sensor Name
CL405 Registration roller clutch
CL406 Feed roller clutch
PS301 Tray 2 paper sensor
PS302 Paper-width sensor
PS303 Face-up tray open sensor
PS307 Face-down tray paper-full sensor
PS401 Tray 1 paper sensor
PS402 Top-of-page sensor
PS403 Registration roller paper sensor
PS1306 Fuser paper-delivery sensor
PS1601 250-sheet feeder paper sensor
PS1701 Duplexer reversing-unit paper sensor
PS1702 Duplexer side-registration guide home-position sensor
PS1703 Duplexer refeed paper sensor
PS2001 500-sheet feeder paper sensor
PS2002 500-sheet feeder paper feed sensor
SL306 Tray 2 pickup solenoid
SL404 Tray 1 pickup solenoid
SL1501 250-sheet feeder pickup roller solenoid
SL1701 Duplex deflector solenoid
SL2001 500-sheet feeder pickup roller solenoid
SW101 Main power switch
SW401 Top cover switch
SW402 Engine-test print switch
SW403 Tray 2 paper-size switch 1
SW404 Tray 2 paper-size switch 2
SW405 Tray 2 paper-size switch 3
SW406 Tray 2 paper-size switch 4
SW1601 250-sheet feeder paper-size switch 1
SW1602 250-sheet feeder paper-size switch 2
SW1603 250-sheet feeder paper-size switch 3
SW1604 250-sheet feeder paper-size switch 4
SW2101 500-sheet feeder paper-size switch 1
SW2102 500-sheet feeder paper-size switch 2
SW2103 500-sheet feeder paper-size switch 3
SW2104 500-sheet feeder paper-size switch 4
TSW1 Fuser thermal switch
TH1301 Fuser roller thermistor

238 Troubleshooting Q1860-90918
Figure 139. Printer sensors
Figure 140. 250-sheet feeder sensors

Q1860-90918 Chapter 7 Troubleshooting 239
Figure 141. 500-sheet feeder sensors
Figure 142. Duplexer sensors

240 Troubleshooting Q1860-90918
Figure 143. Printer switches
Figure 144. 250-sheet feeder switches

Q1860-90918 Chapter 7 Troubleshooting 241
Figure 145. 500-sheet feeder switches

Q1860-90918 Chapter 7 Troubleshooting 243
Figure 147. Motors (duplexer)
Table 56. Motors, fans, and fuser heaters
Symbol Name of symbol Code Name
Motor M1 Main motor
M1501 Paper feeder pickup motor (250-sheet paper feeder)
PM1701 Reversing motor (duplexer)
PM1702 Side registration guide drive motor (duplexer)
PM1703 Refeed motor (duplexer)
M2001 Paper feeder pickup motor (500-sheet paper feeder)
Fan motor FM1 Exhaust fan
Fuser heater H1301 Fuser heater 1
H1302 Fuser heater 2

244 Troubleshooting Q1860-90918
Figure 148. Connectors (main unit)

Q1860-90918 Chapter 7 Troubleshooting 245
Figure 149. Connectors (duplexer and 250-sheet paper feeder)

246 Troubleshooting Q1860-90918
Figure 150. Connectors (500-sheet paper feeder)

Q1860-90918 Chapter 7 Troubleshooting 247
Figure 151. PCAs

248 Troubleshooting Q1860-90918
Figure 152. PCA (duplexer)
Table 57. PCAs
No. Name Function
1 Dc controller Controls the print sequence
2 Power supply Generates +24 Vdc, +5 Vdc, and +3.4 Vdc and drives the
fuser heaters
3 Paper-handling PCA Relays the signals between sensors, loads, and the
dc controller
4 250-sheet paper feeder control
PCA Controls the loads in the 250-sheet paper feeder and sensors
5 Feeder sensor PCA Monitors sensor and switches
6 500-sheet paper feeder control
PCA Controls loads in the 500-sheet paper feeder and sensors
7 Feeder sensor PCA Monitors the sensor and switches
8 Duplexer driver PCA Controls the loads in the duplexer and monitors sensors

Q1860-90918 Chapter 7 Troubleshooting 249
Figure 153. Clutches and solenoids

250 Troubleshooting Q1860-90918
Figure 154. Clutches and solenoids (duplexer)
Table 58. Clutches and solenoids
Symbol Name of symbol Code Name
Clutch CL405 Registration roller clutch
CL406 Feed roller clutch
Solenoid SL306 Tray 2 pickup solenoid
SL404 Tray 1 pickup solenoid
SL1501 Paper feeder pickup solenoid (250-sheet feeder)
SL1701 Duplexer deflector solenoid (duplexer)
SL2001 Paper feeder pickup solenoid (500-sheet paper
feeder)

Q1860-90918 Chapter 7 Troubleshooting 251
Table 59. Paper-size detection
Paper
Paper-size switches
Printer SW403 SW404 SW405 SW406
250F SW1601 SW1602 SW1603 SW1604
500F SW2101 SW2102 SW2103 SW2104
Not installed OFF OFF OFF OFF
A3 ON ON OFF OFF
A4R OFF ON ON OFF
A4 OFF ON OFF OFF
A5 OFF OFF ON OFF
B4 ON OFF ON OFF
B5 ON OFF OFF OFF
Ledger OFF ON OFF ON
Legal OFF ON ON ON
Executive ON ON OFF ON
Printer Letter ON OFF ON ON250F
500F Letter-R
Printer
Letter OFF OFF ON ON250F
500f
Printer Letter ON OFF OFF ON250F
500F Custom
250F = 250-sheet paper feeder
500F = 500-sheet paper feeder
A4R = A4 paper fed 90° to normal landscape direction
Letter-R = Letter paper fed 90° to normal landscape direction

252 Troubleshooting Q1860-90918
Dc controller inputs and outputs
Figure 155. Dc controller I/O (1 of 4)

Q1860-90918 Chapter 7 Troubleshooting 253
Figure 156. Dc controller I/O (2 of 4)

254 Troubleshooting Q1860-90918
Figure 157. Dc controller I/O (3 of 4)

Q1860-90918 Chapter 7 Troubleshooting 255
Figure 158. Dc controller I/O (4 of 4)
256 Troubleshooting Q1860-90918
8 Parts and diagrams 257
8Parts and diagrams
Overview
The diagrams in this chapter identify and locate the printer’s major subassemblies and
replacement parts.
This chapter discusses the following:
Ordering parts and supplies, and getting support . . . . . . . . . . . . . . . . . . . . . . . . . . . . . . . . . . 259
Related documentation and software . . . . . . . . . . . . . . . . . . . . . . . . . . . . . . . . . . . . . . . . 259
Support . . . . . . . . . . . . . . . . . . . . . . . . . . . . . . . . . . . . . . . . . . . . . . . . . . . . . . . . . . . . . . . 259
Ordering parts. . . . . . . . . . . . . . . . . . . . . . . . . . . . . . . . . . . . . . . . . . . . . . . . . . . . . . . . . . 259
Ordering consumables . . . . . . . . . . . . . . . . . . . . . . . . . . . . . . . . . . . . . . . . . . . . . . . . . . . 259
Accessories and supplies . . . . . . . . . . . . . . . . . . . . . . . . . . . . . . . . . . . . . . . . . . . . . . . . . . . . 260
Common hardware and replacement cables . . . . . . . . . . . . . . . . . . . . . . . . . . . . . . . . . . 261
Diagrams and parts lists . . . . . . . . . . . . . . . . . . . . . . . . . . . . . . . . . . . . . . . . . . . . . . . . . . . . . 262
Alphabetical parts list . . . . . . . . . . . . . . . . . . . . . . . . . . . . . . . . . . . . . . . . . . . . . . . . . . . . 290
Numerical parts list . . . . . . . . . . . . . . . . . . . . . . . . . . . . . . . . . . . . . . . . . . . . . . . . . . . . . . 294
258 Parts and diagrams Q1860-90918

Q1860-90918 8 Parts and diagrams 259
Ordering parts and supplies, and getting support
Related documentation and software
To order documentation, drivers, updated HP printer software, and product and support
information, see the information in chapter 2.
Support
Ordering parts
All standard part numbers listed are stocked and can be ordered from HP’s Customer Services
and Support Center.
Ordering consumables
Consumables and accessories such as those listed in table 61 can be ordered from Hewlett-
Packard through the HP Web sites listed above or through the following phone numbers:
U.S.: (1) (800) 538-8787
Canada: (1) (800) 387-3154
(Toronto) (516) 671-8383
United Kingdom: 0734-441212
Germany: 0130-3322
Contact your local HP Parts Coordinator for other phone numbers.
Note Parts that have no item number or part number listed are not field replacement parts and cannot
be ordered.
Table 60. Technical support websites
HP Connect Online
(for HP partners) http://www.connect-online.hp.com
HP Connect Online is an Internet site that is created exclusively for
our partners. You can easily find all the HP information that you
need for your daily business. And you can get it earlier than from
any other site.
HP Customer Care Online
Software drivers, support
documentation, and answers to
frequently asked questions
http://www.hp.com
Select your country or region in the “select a country or region” field
located at the top right corner of the page. Select the support block.
HP Technical Training
Classes and schedules USA: http://www.partner.americas.hp.com
Canada: http://www.canada.hp.com
Asia Pacific countries/regions: http://partnercare.asiapac.hp.com
Latin America: http://www.conecta.latinamerica.hp.com
Hewlett-Packard Co.
Customer Services and Support Center
8050 Foothills Blvd.
Roseville, CA 95678
Parts Direct Ordering: (1) (800) 227-8164 (U.S. Only)
Hewlett-Packard Co.
Customer Services and Support Center
Wolf-Hirth Strasse 33
D-7030
Boblingen, Germany
(49 7031) 14-2253

260 Parts and diagrams Q1860-90918
Accessories and supplies
The following items are available through a local, authorized HP dealer or through the HP Web
site—http://www.hp.com.
Table 61. Accessories and supplies
Description Part number Exchange
number Product
number
500-sheet paper feeder and tray Q1866A
250-sheet paper feeder and tray Q1865A
Duplex printing accessory (duplexer) Q1860-69010 Q1864A
250-sheet replacement tray RG5-7188-030CN C4116A
500-sheet replacement tray RG5-7164-000CN C4117-69001 C4117A
HP multi-purpose paper HPM1120
HP LaserJet paper HPJ1124
Toner cartridge (10,000 pages) C4129X
SDRAM dual in-line memory module (DIMM)
4 MB
8 MB
16 MB
32 MB
64 MB
128 MB
C4140-67901
C7842-67901
C7843-67901
C7845-67901
Q1887-67901
C9121-67901
C4140A
C7842A
C7843A
C7845A
Q1887A
C9121A
Flash DIMM
2 MB
4 MB C4286A
C4287A
Font DIMM (8 MB Asian MROM)
Arabic
Cyrillic
Greek
Hebrew
Korean
Traditional Chinese
Simplified Chinese
5062-4670
5062-4669
5062-4667
5062-4668
D4838A
C4292A
C4293A
Hard disk J6054A
Parallel cables
2-Meter IEEE-1284 cable
3-Meter IEEE-1284 cable C2950A
C2951A
Enhanced I/O Cards
Ethernet RJ-45 only
Ethernet RJ-45 and BNC, Local Talk
Token Ring RJ-45 and DB-9
802.11 Wireless (U.S. part number only)
J6057-61001
J3111-61001
J4167-61001
J6058-61201
J6057-69001
J3111-69001
J4167-69001
J6058-69002
J6057A
J3111A
J4167A
J6058A
Maintenance Kit
110V
220V Q1860-67902
Q1860-67903 Q1860-69002
Q1860-69003
Embedded Webserver DIMM C9129-67902 C9129B

Q1860-90918 8 Parts and diagrams 261
Common hardware and replacement cables
Table 62. Screws used in the printer
Description Part number
Screw, M4x10 pan head tapping XB4-7401-007CN
Screw, M4x8 truss head tapping XB4-7400-807CN
Screw, M3x6 washer-head XA9-0267-000CN
Screw, M4x16 w/washer XA9-0838-000CN
Screw, M4x6 w/star washer XA9-0265-000CN
Screw, M3x4 washer-head XA9-0815-000CN
Screw, M4x6 screw w/washer XB2-6400-607CN
Screw, M3x8 washer-head XB6-7300-807CN
Screw, Long dc controller screws (M3x25) XA9-0974-000CN
Table 63. Replaceable cables
Description Part Number Figure
Cable, display, accessory power, photo sensor RG5-7073-000CN Figure 164
Cable, fuser ac RG5-3561-000CN Figure 167
Cable, scanner RG5-7072-000CN Figure 167
Cable, paper sensor (PS307) RG5-3554-000CN Figure 164
Cable, paper sensor (PS402) RG5-3558-000CN Figure 164
Cable, ribbon, paper-handling PCA- to-dc controller RG5-7086-000CN Figure 164
Cable, DCC-LVPS RH2-5337-000CN Figure 177
Cable, display RG5-3575-000CN Figure 163

262 Parts and diagrams Q1860-90918
Diagrams and parts lists
Figure 159. Assembly locations (1 of 3)
Figure 160. Assembly locations (2 of 3)
Upper delivery assembly
Paper feed belt assembly Paper feed roller assembly
Formatter
Main gear assembly
Pickup gear assembly
Power supply
Dc controller

Q1860-90918 8 Parts and diagrams 263
Figure 161. Assembly locations (3 of 3)
Registration roller assembly
Tray 2
Tray 2 pickup roller
Fuser
Table 64. Assemblies listed alphabetically and their part numbers
Description Part number Exchange
number Exploded view
in figure
Dc controller RG5-7057-000CN Q1860-69005 Figure 176
Firmware DIMM, HPLJ 5100 (base) Q2449-67901 Not shown
Firmware DIMM, HPLJ 5100Le Q2467-67901 Not shown
Firmware DIMM, HPLJ 5100tn, 5100dtn Q2451-67901 Not shown
Formatter (HPLJ base, 5100tn, 5100dtn) Q1860-67901 Q1860-69001 Not shown
Formatter (HPLJ 5100Le) Q1863-67901 Q1863-69001 Not shown
Fuser, 110V RG5-7060-000CN Q1850-69008 Figure 178
Fuser, 220V RG5-7061-000CN Q1850-69009 Figure 178
Power supply, 110V RH3-2248-000CN Q1860-69006 Figure 176
Power supply, 220V RH3-2249-000CN Q1860-69007 Figure 176
Upper delivery assembly RG5-3542-090CN Figure 168
Paper feed roller assembly RG5-7084-000CN Figure 171
Paper feed belt assembly RG5-4914-000CN Figure 170
Registration roller assembly RG5-4916-000CN Figure 172
Pickup gear assembly RG9-1524-000CN Figure 175
Main gear assembly RG5-7079-000CN Figure 174
Tray 2 RG5-7188-030CN Figure 173
Tray 2 pickup roller RB2-1821-020N Figure 169

264 Parts and diagrams Q1860-90918
Figure 162. External covers and panels
Table 65. External covers and panels
Item number Part number Quantity Description
1 RG5-3547-040CN 1 Cover, front inner
1A RB1-6134-030CN 1 Tray 1 sensor arm
2 RG5-3548-000CN 1 Tray 1 paper guide
3 Q1860-67904 1 Cover, front
4 RG5-3550-000CN 1 Cover, left side
5 RG5-3551-040CN 1 Cover, rear

Q1860-90918 8 Parts and diagrams 265
Figure 163. Upper cover assembly
5E RB2-1977-000CN 1 Strap, rear output support
5Q RG5-3552-000CN 1 Face-up tray assembly
6 RB2-1745-000CN 2 Pin, front cover
7 RB2-1749-000CN 1 Cover, right side
8 RB2-1747-000CN 1 Cover, face-down auxiliary
9 RB2-1755-000CN 1 Cover, right corner
10 RB2-1756-000CN 1 Cover, left corner
11 C4110-40004 1 Overlay, English (other languages available)
Table 65. External covers and panels (continued)
Item number Part number Quantity Description
Table 66. Top cover assembly
Item number Part number Quantity Description
1 RB2-1748-000CN 1 Cover, top
2 RB2-1759-000CN 1 Control panel leaf spring
3 RG5-3575-000CN 1 Cable, control panel
4 RG5-3556-040CN 1 Toner cartridge door assembly
5 RG5-5438-030CN 1 Control panel assembly
6 RB2-1758-000CN 1 Cover, control panel LED

Q1860-90918 8 Parts and diagrams 267
Table 67. Internal components (1 of 4)
Item number Part number Quantity Description
1 RF5-4119-000CN 1 Tray 1 separation pad
2 RG5-3520-060CN 1 Tray 1 paper guide plate assembly
3 RG5-3553-000CN 1 Sensor, rear door
4 RG5-3554-000CN 1 Cable, paper sensor (PS307)
5 RG5-3558-000CN 1 Cable, paper sensor (PS402)
6 RB2-1985-000CN 1 Roller, lower delivery
7 RB2-1988-020CN 1 Bushing, right lower delivery roller
8 RB2-1989-000CN 1 Bushing, left lower delivery roller
9 RS6-0357-000CN 1 Gear, lower delivery shaft
11 RG5-7073-000CN 1 Cable, display, accessory power, photo sensor
13 WS6-5092-000CN 1 Power connector
14 RB1-6141-000CN 1 Grounding plate
16 RB2-1734-000CN 1 Grounding plate
17 RB2-1735-000CN 1 Grounding plate
18 RG5-7074-000CN 1 Grounding cable
19 RB2-1781-000CN 1 Lever, registration sensor
20 RB2-1782-000CN 1 Lever, top-of-page sensor
21 RB2-1783-000CN 1 Spring, registration sensor
22 RB2-1784-000CN 1 Spring, top-of-page sensor
23 RB2-1990-000CN 1 Grounding plate
26 RB2-1825-000CN 1 Spring, Tray 2 size sensor
27 XA9-0267-000CN 2 Screw, M3x6, TP
29 RG5-7086-000CN 1 Cable, ribbon, paper-handling PCA to
dc controller
30 RH7-5345-000CN 1 Clutch, registration
31 RH7-5236-000CN 1 Solenoid, Tray 2 pickup
32 RS5-2441-000CN 1 Spring, compression
34 WG8-5362-000CN 1 Sensor, PS402
35 WG8-5375-000CN 1 Sensor, face-down bin-full, PS307
36 WG8-5362-000CN 1 Sensor, PS403
38 RG5-3523-000CN 1 Cable, paper sensor (PS403)
501 XB4-7401-007CN 14 Screw, M4x10, tapping
502 XD2-1100-322CN 1 E-ring

Q1860-90918 8 Parts and diagrams 269
Table 68. Internal components (2 of 4)
Item number Part number Quantity Description
1 RG5-3519-020CN 1 Pickup roller assembly, Tray 1
1B RB2-1820-020CN 1 Roller, Tray 1 pickup
2 RG5-3545-000CN 1 Power inlet assembly
3 RB1-6179-000CN 2 Pickup shaft bushing—trays 1 and 2
4 RF5-2421-000CN 1 Shutter lever
5 RB2-1744-000CN 1 On/off switch
6 RB2-1780-000CN 1 Paper guide
7 RS5-1392-000CN 2 Tray 1 and 2 pickup shaft left bushing
10 RB1-2190-000CN 1 Tray 2 spring
11 RB1-6130-000CN 1 Gear, pickup, Tray 1
12 RB1-6177-000CN 2 Pickup shaft bushing—trays 1 and 2
13 RB2-1731-000CN 1 Switch rod
14 RB3-0352-000CN 1 Grounding plate/fan housing
15 RB2-1736-000CN 1 Grounding plate
16 RF5-2397-000CN 1 Tray 2 rail left
17 RF5-2398-000CN 1 Tray 2 rail right
18 RH7-1552-000CN 1 Fan
19 RS5-0695-000CN 1 Tray 2 shaft gear
20 RS5-2434-000CN 1 Spring
21 RB2-1774-000CN 1 Cartridge guide left
22 RB2-1775-000CN 1 Cartridge guide right

270 Parts and diagrams Q1860-90918
Figure 166. Internal components (3 of 4)
See
figure 168
Table 69. Internal components (3 of 4)
Item number Part number Quantity Description
1 RF5-4118-000CN 1 Transfer guide assembly
2 RF5-4117-000CN 2 Pad assembly
4 RB2-1732-000CN 1 Door switch
5 RB2-1739-000CN 1 Door switch spring
8 RB1-6251-000CN 4 Roller, lower-back delivery
9 RB2-2076-000CN 4 Roller spring, lower-back delivery
10 RH7-5346-000CN 1 Clutch, feed rollers
11 RB2-1997-000CN 4 Roller holder, top delivery
12 RG9-1337-000CN 4 Roller 1, face-down guide
13 RS5-2225-020CN 4 Roller spring, top delivery
17 RB2-1998-000CN 4 Roller 2, face-down guide
22 RG5-4916-000CN 1 Registration roller assembly
502 XD2-1100-322CN 1 E-ring

Q1860-90918 8 Parts and diagrams 271
Figure 167. Internal components (4 of 4)
See
figure 174
See
figure 170
See
figure 178
Table 70. Internal components (4 of 4)
Item number Part number Quantity Description
1 RG9-1542-000CN 1 Transfer roller
3 RG5-3561-000CN 1 Cable (fuser ac)
4 RG5-7072-000CN 1 Cable (scanner)
5 Q1860-69004 1 Laser/scanner assembly
6 XA9-0838-000CN 4 Screw, M4x16, with washer

272 Parts and diagrams Q1860-90918
Figure 168. Upper delivery assembly
Table 71. Upper delivery assembly
Item number Part number Quantity Description
RG5-3542-090CN 1 Upper delivery assembly
3 RB2-1980-000CN 1 Lever, bin-full
8 RS6-0357-000CN 1 Gear, delivery roller

Q1860-90918 8 Parts and diagrams 273
Figure 169. Tray 2 paper pickup roller assembly
Table 72. Tray 2 paper pickup roller assembly
Item number Part number Quantity Description
RG5-3521-020CN 1 Paper pick up roller assembly (Tray 2)
4 RB2-1821-020CN 1 Pickup roller 250-sheet trays

274 Parts and diagrams Q1860-90918
Figure 170. Paper feed belt assembly
Table 73. Paper feed belt assembly
Item number Part number Quantity Description
RG5-4914-000CN 1 Paper feed belt assembly
13 RB2-1887-000CN 1 Large feed belt
14 RB2-1888-000CN 2 Small paper feed belts
31 RB2-1905-000CN 1 Transfer roller bushing cover (right)

Q1860-90918 8 Parts and diagrams 275
Figure 171. Paper feed roller assembly
Table 74. Paper feed roller assembly
Item number Part number Quantity Description
RG5-7084-000CN 1 Paper feed roller assembly
7 RB2-1807-000CN 1 Lever, registration sensor
8 RB2-1808-000CN 1 Spring, registration sensor

276 Parts and diagrams Q1860-90918
Figure 172. Registration roller assembly
Table 75. Registration roller assembly
Item number Part number Quantity Description
RG5-4916-000CN 1 Registration roller assembly

Q1860-90918 8 Parts and diagrams 277
Figure 173. 250-sheet universal tray
*A15
Table 76. 250-sheet universal tray
Item number Part number Quantity Description
RG5-7188-030CN 1 250-sheet universal tray
*A15 RB2-2023-000CN 1 Plate, length adjustment
1 RF5-4120-000CN 1 Separation pad (does not include spring)
2 RS5-2439-000CN 1 Spring, separation pad

278 Parts and diagrams Q1860-90918
Figure 174. Main gear assembly
Table 77. Main gear assembly
Item number Part number Quantity Description
RG5-7079-000CN 1 Main gear assembly
5 RB2-1856-040CN 1 Toner cartridge engagement arm
27 XA9-0267-000CN 3 Screw, TP, M3x6
28 RH7-1428-000CN 1 Main motor

Q1860-90918 8 Parts and diagrams 279
Figure 175. Pickup gear assembly
Table 78. Pickup gear assembly
Item number Part number Quantity Description
RG9-1524-000CN 1 Pickup gear assembly
6 XA9-0815-000CN 1 Screw, tp, M3x4
10 RH7-5235-000CN 1 Solenoid, pickup, SL404

280 Parts and diagrams Q1860-90918
Figure 176. PCA assembly locations
Table 79. PCA assembly locations
Item number Part number Quantity Description
1 RG5-7058-000CN 1 Paper handling PCA
2 Q1860-69005 1 Dc controller
3 Q1860-69006 1 Power supply (100 - 120V)
3 Q1860-69007 1 Power supply (220 - 240V)

282 Parts and diagrams Q1860-90918
Figure 178. Fuser
Table 81. Fuser
Item number Part number Quantity Description
Q1860-69008 1 Fuser, exchange (100-120V)
Q1860-69009 1 Fuser, exchange (220-240V)

Q1860-90918 8 Parts and diagrams 283
Figure 179. 250-sheet feeder
Table 82. 250-sheet feeder
Item number Part number Quantity Description
(not shown) RG5-7188-030CN 1 250-sheet universal tray
1 RG5-7184-000CN 1 Feeder controller PCA, 250-sheet feeder
4 RB1-7499-000CN 1 Roller, feed, 250-sheet feeder
7 RB1-7503-000CN 1 Spring, tray-size detect
9 RG5-3644-000CN 1 Pickup roller assembly
9D RB2-1821-020CN 1 Pickup roller, 250-sheet trays
14A RB1-7501-020CN 1 Lever, paper sensor

284 Parts and diagrams Q1860-90918
Figure 180. PCA assembly locations, 250-sheet feeder
Table 83. 250-sheet feeder
Item number Part number Quantity Description
1 RG5-7184-000CN 1 Feeder control PCA, 250-sheet feeder
2 RG5-2125-000CN 1 Paper-size switch PCA, 250-sheet feeder

Q1860-90918 8 Parts and diagrams 285
Figure 181. 500-sheet feeder (1 of 2)
Table 84. 500-sheet feeder (1 of 2)
Item number Part number Quantity Description
(not shown) RG5-7164-000CN 1 500-sheet replacement tray
(not shown) C4117-69001 1 500-sheet replacement tray (exchange)
2 RB3-0441-000CN 1 Tray cover, rear of 500-sheet feeder
4 RG5-7196-000CN 1 Paper-size detection assembly

286 Parts and diagrams Q1860-90918
Figure 182. 500-sheet feeder (2 of 2)

Q1860-90918 8 Parts and diagrams 287
Table 85. 500-sheet feeder (2 of 2)
Item number Part number Quantity Description
(not shown) RG5-7164-000CN 1 500-sheet replacement tray
1 RG5-7194-000CN 1 Paper pickup drive assembly
3 RB2-3314-000CN 1 Joint
4 RG5-7198-000CN 1 Upper contact cable
6 RB2-3232-000CN 1 Feed roller
7H RF5-4151-000CN 1 Tray sensor assembly
8 RF5-2634-000CN 1 Roller, feed, 500-sheet feeder
9 RF5-2635-000CN 1 Paper arm
10 RF5-2636-000CN 1 Pickup roller assembly
10B RB1-8865-000CN 1 D-roller
11 RS5-2632-000CN 1 Spring, tension
14 RB3-0431-000CN 1 Paper sensor flag
15 RB3-0443-000CN 1 Paper sensor flag link
16 RB3-0444-000CN 1 Paper sensor flag link holder
506 XB4-7301-207CN 2 M3x12 screw, tapping, truss head

288 Parts and diagrams Q1860-90918
Figure 183. PCA assemblies, 500-sheet feeder
Table 86. 500-sheet feeder
Item number Part number Quantity Description
1 RG5-7197-000CN 1 Feeder controller PCA, 500-sheet feeder
2 RG5-4212-020CN 1 Paper-size switch PCA, 500-sheet feeder

Q1860-90918 8 Parts and diagrams 289
Figure 184. Duplexer
Table 87. Duplexer
Item number Part number Quantity Description
Q1860-69010 1 Duplexer

290 Parts and diagrams Q1860-90918
Alphabetical parts list
Table 88. Alphabetical parts list
Description Part number Figure and page
Duplexer Q1860-69010 Figure 184 on page 289
Feeder controller PCA, 500-sheet feeder RG5-7197-000CN Figure 183 on page 288
Paper-size switch PCA, 500-sheet feeder RG5-4212-020CN Figure 183 on page 288
500-sheet replacement tray RG5-7164-000CN Figure 182 on page 286
Paper pickup drive assembly RG5-7194-000CN Figure 182 on page 286
Joint RB2-3314-000CN Figure 182 on page 286
Upper contact cable RG5-7198-000CN Figure 182 on page 286
Feed roller RB2-3232-000CN Figure 182 on page 286
Tray sensor assembly RF5-4151-000CN Figure 182 on page 286
Roller, feed, 500-sheet feeder RF5-2634-000CN Figure 182 on page 286
Paper arm RF5-2635-000CN Figure 182 on page 286
Pickup roller assembly RF5-2636-000CN Figure 182 on page 286
D-roller RB1-8865-000CN Figure 182 on page 286
Spring, tension RS5-2632-000CN Figure 182 on page 286
Paper sensor flag RB3-0431-000CN Figure 182 on page 286
Paper sensor flag link RB3-0443-000CN Figure 182 on page 286
Paper sensor flag link holder RB3-0444-000CN Figure 182 on page 286
M3x12 screw, tapping, truss head XB4-7301-207CN Figure 182 on page 286
500-sheet replacement tray RG5-7164-000CN Figure 181 on page 285
500-sheet replacement tray (exchange) C4117-69001 Figure 181 on page 285
Tray cover, rear of 500-sheet feeder RB3-0441-000CN Figure 181 on page 285
Paper-size detection assembly RG5-7196-000CN Figure 181 on page 285
Feeder control PCA, 250-sheet feeder RG5-7184-000CN Figure 180 on page 284
Paper-size switch PCA, 250-sheet feeder RG5-2125-000CN Figure 180 on page 284
250-sheet universal tray RG5-7188-030CN Figure 179 on page 283
Feeder controller PCA, 250-sheet feeder RG5-7184-000CN Figure 179 on page 283
Roller, feed, 250-sheet feeder RB1-7499-000CN Figure 179 on page 283
Spring, tray-size detect RB1-7503-000CN Figure 179 on page 283
Pickup roller assembly RG5-3644-000CN Figure 179 on page 283
Pickup roller, 250-sheet trays RB2-1821-020CN Figure 179 on page 283
Lever, paper sensor RB1-7501-020CN Figure 179 on page 283
Fuser, exchange (100-120V) Q1860-69008 Figure 178 on page 282
Fuser, exchange (220-240V) Q1860-69009 Figure 178 on page 282
Sensor mount (rear of controller pan) RB2-1790-000CN Figure 177 on page 281
Sensor lever RB2-1791-000CN Figure 177 on page 281
Flat cable RH2-5337-000CN Figure 177 on page 281
Paper handling PCA RG5-7058-000CN Figure 176 on page 280
Dc controller Q1860-69005 Figure 176 on page 280
Power supply (100 - 120V) Q1860-69006 Figure 176 on page 280
Power supply (220 - 240V) Q1860-69007 Figure 176 on page 280
Pickup gear assembly RG9-1524-000CN Figure 175 on page 279
Screw, tp, M3x4 XA9-0815-000CN Figure 175 on page 279
Solenoid, pickup, SL404 RH7-5235-000CN Figure 175 on page 279
Main gear assembly RG5-7079-000CN Figure 174 on page 278

Q1860-90918 8 Parts and diagrams 291
Toner cartridge engagement arm RB2-1856-040CN Figure 174 on page 278
Screw, TP, M3x6 XA9-0267-000CN Figure 174 on page 278
Main motor RH7-1428-000CN Figure 174 on page 278
250-sheet universal tray RG5-7188-030CN Figure 173 on page 277
Plate, length adjustment RB2-2023-000CN Figure 173 on page 277
Separation pad (does not include spring) RF5-4120-000CN Figure 173 on page 277
Spring, separation pad RS5-2439-000CN Figure 173 on page 277
Registration roller assembly RG5-4916-000CN Figure 172 on page 276
Paper feed roller assembly RG5-7084-000CN Figure 171 on page 275
Lever, registration sensor RB2-1807-000CN Figure 171 on page 275
Spring, registration sensor RB2-1808-000CN Figure 171 on page 275
Paper feed belt assembly RG5-4914-000CN Figure 170 on page 274
Large feed belt RB2-1887-000CN Figure 170 on page 274
Small paper feed belts RB2-1888-000CN Figure 170 on page 274
Transfer roller bushing cover (right) RB2-1905-000CN Figure 170 on page 274
Paper pick up roller assembly (Tray 2) RG5-3521-020CN Figure 169 on page 273
Pickup roller 250-sheet trays RB2-1821-020CN Figure 169 on page 273
Upper delivery assembly RG5-3542-090CN Figure 168 on page 272
Lever, bin-full RB2-1980-000CN Figure 168 on page 272
Gear, delivery roller RS6-0357-000CN Figure 168 on page 272
Transfer roller RG9-1542-000CN Figure 167 on page 271
Cable (fuser ac) RG5-3561-000CN Figure 167 on page 271
Cable (scanner) RG5-7072-000CN Figure 167 on page 271
Laser/scanner assembly Q1860-69004 Figure 167 on page 271
Screw, M4x16, with washer XA9-0838-000CN Figure 167 on page 271
Transfer guide assembly RF5-4118-000CN Figure 166 on page 270
Pad assembly RF5-4117-000CN Figure 166 on page 270
Door switch RB2-1732-000CN Figure 166 on page 270
Door switch spring RB2-1739-000CN Figure 166 on page 270
Roller, lower-back delivery RB1-6251-000CN Figure 166 on page 270
Roller spring, lower-back delivery RB2-2076-000CN Figure 166 on page 270
Clutch, feed rollers RH7-5346-000CN Figure 166 on page 270
Roller holder, top delivery RB2-1997-000CN Figure 166 on page 270
Roller 1, face-down guide RG9-1337-000CN Figure 166 on page 270
Roller spring, top delivery RS5-2225-020CN Figure 166 on page 270
Roller 2, face-down guide RB2-1998-000CN Figure 166 on page 270
Registration roller assembly RG5-4916-000CN Figure 166 on page 270
E-ring XD2-1100-322CN Figure 166 on page 270
Pickup roller assembly, Tray 1 RG5-3519-020CN Figure 165 on page 268
Roller, Tray 1 pickup RB2-1820-020CN Figure 165 on page 268
Power inlet assembly RG5-3545-000CN Figure 165 on page 268
Pickup shaft bushing—trays 1 and 2 RB1-6179-000CN Figure 165 on page 268
Shutter lever RF5-2421-000CN Figure 165 on page 268
On/off switch RB2-1744-000CN Figure 165 on page 268
Paper guide RB2-1780-000CN Figure 165 on page 268
Tray 1 and 2 pickup shaft left bushing RS5-1392-000CN Figure 165 on page 268
Tray 2 spring RB1-2190-000CN Figure 165 on page 268
Table 88. Alphabetical parts list (continued)
Description Part number Figure and page

292 Parts and diagrams Q1860-90918
Gear, pickup, Tray 1 RB1-6130-000CN Figure 165 on page 268
Pickup shaft bushing—trays 1 and 2 RB1-6177-000CN Figure 165 on page 268
Switch rod RB2-1731-000CN Figure 165 on page 268
Grounding plate/fan housing RB3-0352-000CN Figure 165 on page 268
Grounding plate RB2-1736-000CN Figure 165 on page 268
Tray 2 rail left RF5-2397-000CN Figure 165 on page 268
Tray 2 rail right RF5-2398-000CN Figure 165 on page 268
Fan RH7-1552-000CN Figure 165 on page 268
Tray 2 shaft gear RS5-0695-000CN Figure 165 on page 268
Spring RS5-2434-000CN Figure 165 on page 268
Cartridge guide left RB2-1774-000CN Figure 165 on page 268
Cartridge guide right RB2-1775-000CN Figure 165 on page 268
Tray 1 separation pad RF5-4119-000CN Figure 164 on page 266
Tray 1 paper guide plate assembly RG5-3520-060CN Figure 164 on page 266
Sensor, rear door RG5-3553-000CN Figure 164 on page 266
Cable, paper sensor (PS307) RG5-3554-000CN Figure 164 on page 266
Cable, paper sensor (PS402) RG5-3558-000CN Figure 164 on page 266
Roller, lower delivery RB2-1985-000CN Figure 164 on page 266
Bushing, right lower delivery roller RB2-1988-020CN Figure 164 on page 266
Bushing, left lower delivery roller RB2-1989-000CN Figure 164 on page 266
Gear, lower delivery shaft RS6-0357-000CN Figure 164 on page 266
Cable, display, accessory power, photo sensor RG5-7073-000CN Figure 164 on page 266
Power connector WS6-5092-000CN Figure 164 on page 266
Grounding plate RB1-6141-000CN Figure 164 on page 266
Grounding plate RB2-1734-000CN Figure 164 on page 266
Grounding plate RB2-1735-000CN Figure 164 on page 266
Grounding cable RG5-7074-000CN Figure 164 on page 266
Lever, registration sensor RB2-1781-000CN Figure 164 on page 266
Lever, top-of-page sensor RB2-1782-000CN Figure 164 on page 266
Spring, registration sensor RB2-1783-000CN Figure 164 on page 266
Spring, top-of-page sensor RB2-1784-000CN Figure 164 on page 266
Grounding plate RB2-1990-000CN Figure 164 on page 266
Spring, Tray 2 size sensor RB2-1825-000CN Figure 164 on page 266
Screw, M3x6, TP XA9-0267-000CN Figure 164 on page 266
Cable, ribbon, paper-handling PCA to dc controller RG5-7086-000CN Figure 164 on page 266
Clutch, registration RH7-5345-000CN Figure 164 on page 266
Solenoid, Tray 2 pickup RH7-5236-000CN Figure 164 on page 266
Spring, compression RS5-2441-000CN Figure 164 on page 266
Sensor, PS402 WG8-5362-000CN Figure 164 on page 266
Sensor, face-down bin-full, PS307 WG8-5375-000CN Figure 164 on page 266
Sensor, PS403 WG8-5362-000CN Figure 164 on page 266
Cable, paper sensor (PS403) RG5-3523-000CN Figure 164 on page 266
Screw, M4x10, tapping XB4-7401-007CN Figure 164 on page 266
E-ring XD2-1100-322CN Figure 164 on page 266
Cover, top RB2-1748-000CN Figure 163 on page 265
Control panel leaf spring RB2-1759-000CN Figure 163 on page 265
Cable, control panel RG5-3575-000CN Figure 163 on page 265
Table 88. Alphabetical parts list (continued)
Description Part number Figure and page

Q1860-90918 8 Parts and diagrams 293
Toner cartridge door assembly RG5-3556-040CN Figure 163 on page 265
Control panel assembly RG5-5438-030CN Figure 163 on page 265
Cover, control panel LED RB2-1758-000CN Figure 163 on page 265
Cover, front inner RG5-3547-040CN Figure 162 on page 264
Tray 1 sensor arm RB1-6134-030CN Figure 162 on page 264
Tray 1 paper guide RG5-3548-000CN Figure 162 on page 264
Cover, front Q1860-67904 Figure 162 on page 264
Cover, left side RG5-3550-000CN Figure 162 on page 264
Cover, rear RG5-3551-040CN Figure 162 on page 264
Strap, rear output support RB2-1977-000CN Figure 162 on page 264
Face-up tray assembly RG5-3552-000CN Figure 162 on page 264
Pin, front cover RB2-1745-000CN Figure 162 on page 264
Cover, right side RB2-1749-000CN Figure 162 on page 264
Cover, face-down auxiliary RB2-1747-000CN Figure 162 on page 264
Cover, right corner RB2-1755-000CN Figure 162 on page 264
Cover, left corner RB2-1756-000CN Figure 162 on page 264
Overlay, English (other languages available) C4110-40004 Figure 162 on page 264
Table 88. Alphabetical parts list (continued)
Description Part number Figure and page

294 Parts and diagrams Q1860-90918
Numerical parts list
Table 89. Numerical parts list
Part number Description Figure and page
Q1860-67904 Cover, front Figure 162 on page 264
Q1860-69005 Dc controller Figure 176 on page 280
Q1860-69010 Duplexer Figure 184 on page 289
Q1860-69008 Fuser, exchange (100-120V) Figure 178 on page 282
Q1860-69009 Fuser, exchange (220-240V) Figure 178 on page 282
Q1860-69004 Laser/scanner assembly Figure 167 on page 271
Q1860-69006 Power supply (100 - 120V) Figure 176 on page 280
Q1860-69007 Power supply (220 - 240V) Figure 176 on page 280
C4110-40004 Overlay, English (other languages available) Figure 162 on page 264
C4117-69001 500-sheet replacement tray (exchange) Figure 181 on page 285
RB1-2190-000CN Tray 2 spring Figure 165 on page 268
RB1-6130-000CN Gear, pickup, Tray 1 Figure 165 on page 268
RB1-6134-030CN Tray 1 sensor arm Figure 162 on page 264
RB1-6141-000CN Grounding plate Figure 164 on page 266
RB1-6177-000CN Pickup shaft bushing—trays 1 and 2 Figure 165 on page 268
RB1-6179-000CN Pickup shaft bushing—trays 1 and 2 Figure 165 on page 268
RB1-6251-000CN Roller, lower-back delivery Figure 166 on page 270
RB1-7499-000CN Roller, feed, 250-sheet feeder Figure 179 on page 283
RB1-7501-020CN Lever, paper sensor Figure 179 on page 283
RB1-7503-000CN Spring, tray-size detect Figure 179 on page 283
RB1-8865-000CN D-roller Figure 182 on page 286
RB2-1731-000CN Switch rod Figure 165 on page 268
RB2-1732-000CN Door switch Figure 166 on page 270
RB2-1734-000CN Grounding plate Figure 164 on page 266
RB2-1735-000CN Grounding plate Figure 164 on page 266
RB2-1736-000CN Grounding plate Figure 165 on page 268
RB2-1739-000CN Door switch spring Figure 166 on page 270
RB2-1744-000CN On/off switch Figure 165 on page 268
RB2-1745-000CN Pin, front cover Figure 162 on page 264
RB2-1747-000CN Cover, face-down auxiliary Figure 162 on page 264
RB2-1748-000CN Cover, top Figure 163 on page 265
RB2-1749-000CN Cover, right side Figure 162 on page 264
RB2-1755-000CN Cover, right corner Figure 162 on page 264
RB2-1756-000CN Cover, left corner Figure 162 on page 264
RB2-1758-000CN Cover, control panel LED Figure 163 on page 265
RB2-1759-000CN Control panel leaf spring Figure 163 on page 265
RB2-1774-000CN Cartridge guide left Figure 165 on page 268
RB2-1775-000CN Cartridge guide right Figure 165 on page 268
RB2-1780-000CN Paper guide Figure 165 on page 268
RB2-1781-000CN Lever, registration sensor Figure 164 on page 266
RB2-1782-000CN Lever, top-of-page sensor Figure 164 on page 266
RB2-1783-000CN Spring, registration sensor Figure 164 on page 266
RB2-1784-000CN Spring, top-of-page sensor Figure 164 on page 266
RB2-1790-000CN Sensor mount (rear of controller pan) Figure 177 on page 281

Q1860-90918 8 Parts and diagrams 295
RB2-1791-000CN Sensor lever Figure 177 on page 281
RB2-1807-000CN Lever, registration sensor Figure 171 on page 275
RB2-1808-000CN Spring, registration sensor Figure 171 on page 275
RB2-1820-020CN Roller, Tray 1 pickup Figure 165 on page 268
RB2-1821-020CN Pickup roller 250-sheet trays Figure 169 on page 273
RB2-1821-020CN Pickup roller, 250-sheet trays Figure 179 on page 283
RB2-1825-000CN Spring, Tray 2 size sensor Figure 164 on page 266
RB2-1856-040CN Toner cartridge engagement arm Figure 174 on page 278
RB2-1887-000CN Large feed belt Figure 170 on page 274
RB2-1888-000CN Small paper feed belts Figure 170 on page 274
RB2-1905-000CN Transfer roller bushing cover (right) Figure 170 on page 274
RB2-1977-000CN Strap, rear output support Figure 162 on page 264
RB2-1980-000CN Lever, bin-full Figure 168 on page 272
RB2-1985-000CN Roller, lower delivery Figure 164 on page 266
RB2-1988-020CN Bushing, right lower delivery roller Figure 164 on page 266
RB2-1989-000CN Bushing, left lower delivery roller Figure 164 on page 266
RB2-1990-000CN Grounding plate Figure 164 on page 266
RB2-1997-000CN Roller holder, top delivery Figure 166 on page 270
RB2-1998-000CN Roller 2, face-down guide Figure 166 on page 270
RB2-2023-000CN Plate, length adjustment Figure 173 on page 277
RB2-2076-000CN Roller spring, lower-back delivery Figure 166 on page 270
RB2-3232-000CN Feed roller Figure 182 on page 286
RB2-3314-000CN Joint Figure 182 on page 286
RB3-0352-000CN Grounding plate/fan housing Figure 165 on page 268
RB3-0431-000CN Paper sensor flag Figure 182 on page 286
RB3-0441-000CN Tray cover, rear of 500-sheet feeder Figure 181 on page 285
RB3-0443-000CN Paper sensor flag link Figure 182 on page 286
RB3-0444-000CN Paper sensor flag link holder Figure 182 on page 286
RF5-2397-000CN Tray 2 rail left Figure 165 on page 268
RF5-2398-000CN Tray 2 rail right Figure 165 on page 268
RF5-2421-000CN Shutter lever Figure 165 on page 268
RF5-2634-000CN Roller, feed, 500-sheet feeder Figure 182 on page 286
RF5-2635-000CN Paper arm Figure 182 on page 286
RF5-2636-000CN Pickup roller assembly Figure 182 on page 286
RF5-4117-000CN Pad assembly Figure 166 on page 270
RF5-4118-000CN Transfer guide assembly Figure 166 on page 270
RF5-4119-000CN Tray 1 separation pad Figure 164 on page 266
RF5-4120-000CN Separation pad (does not include spring) Figure 173 on page 277
RF5-4151-000CN Tray sensor assembly Figure 182 on page 286
RG5-2125-000CN Paper-size switch PCA, 250-sheet feeder Figure 180 on page 284
RG5-3519-020CN Pickup roller assembly, Tray 1 Figure 165 on page 268
RG5-3520-060CN Tray 1 paper guide plate assembly Figure 164 on page 266
RG5-3521-020CN Paper pick up roller assembly (Tray 2) Figure 169 on page 273
RG5-3523-000CN Cable, paper sensor (PS403) Figure 164 on page 266
RG5-3542-090CN Upper delivery assembly Figure 168 on page 272
RG5-3545-000CN Power inlet assembly Figure 165 on page 268
RG5-3547-040CN Cover, front inner Figure 162 on page 264
Table 89. Numerical parts list (continued)
Part number Description Figure and page

296 Parts and diagrams Q1860-90918
RG5-3548-000CN Tray 1 paper guide Figure 162 on page 264
RG5-3550-000CN Cover, left side Figure 162 on page 264
RG5-3551-040CN Cover, rear Figure 162 on page 264
RG5-3552-000CN Face-up tray assembly Figure 162 on page 264
RG5-3553-000CN Sensor, rear door Figure 164 on page 266
RG5-3554-000CN Cable, paper sensor (PS307) Figure 164 on page 266
RG5-3556-040CN Toner cartridge door assembly Figure 163 on page 265
RG5-3558-000CN Cable, paper sensor (PS402) Figure 164 on page 266
RG5-3561-000CN Cable (fuser ac) Figure 167 on page 271
RG5-3575-000CN Cable, control panel Figure 163 on page 265
RG5-3644-000CN Pickup roller assembly Figure 179 on page 283
RG5-4212-020CN Paper-size switch PCA, 500-sheet feeder Figure 183 on page 288
RG5-4914-000CN Paper feed belt assembly Figure 170 on page 274
RG5-4916-000CN Registration roller assembly Figure 172 on page 276
RG5-4916-000CN Registration roller assembly Figure 166 on page 270
RG5-5438-030CN Control panel assembly Figure 163 on page 265
RG5-7058-000CN Paper handling PCA Figure 176 on page 280
RG5-7072-000CN Cable (scanner) Figure 167 on page 271
RG5-7073-000CN Cable, display, accessory power, photo sensor Figure 164 on page 266
RG5-7074-000CN Grounding cable Figure 164 on page 266
RG5-7079-000CN Main gear assembly Figure 174 on page 278
RG5-7084-000CN Paper feed roller assembly Figure 171 on page 275
RG5-7086-000CN Cable, ribbon, paper-handling PCA to dc controller Figure 164 on page 266
RG5-7164-000CN 500-sheet replacement tray Figure 182 on page 286
RG5-7164-000CN 500-sheet replacement tray Figure 181 on page 285
RG5-7184-000CN Feeder control PCA, 250-sheet feeder Figure 180 on page 284
RG5-7184-000CN Feeder controller PCA, 250-sheet feeder Figure 179 on page 283
RG5-7188-030CN 250-sheet universal tray Figure 179 on page 283
RG5-7188-030CN 250-sheet universal tray Figure 173 on page 277
RG5-7194-000CN Paper pickup drive assembly Figure 182 on page 286
RG5-7196-000CN Paper-size detection assembly Figure 181 on page 285
RG5-7197-000CN Feeder controller PCA, 500-sheet feeder Figure 183 on page 288
RG5-7198-000CN Upper contact cable Figure 182 on page 286
RG9-1337-000CN Roller 1, face-down guide Figure 166 on page 270
RG9-1524-000CN Pickup gear assembly Figure 175 on page 279
RG9-1542-000CN Transfer roller Figure 167 on page 271
RH2-5337-000CN Flat cable Figure 177 on page 281
RH7-1428-000CN Main motor Figure 174 on page 278
RH7-1552-000CN Fan Figure 165 on page 268
RH7-5235-000CN Solenoid, pickup, SL404 Figure 175 on page 279
RH7-5236-000CN Solenoid, Tray 2 pickup Figure 164 on page 266
RH7-5345-000CN Clutch, registration Figure 164 on page 266
RH7-5346-000CN Clutch, feed rollers Figure 166 on page 270
RS5-0695-000CN Tray 2 shaft gear Figure 165 on page 268
RS5-1392-000CN Tray 1 and 2 pickup shaft left bushing Figure 165 on page 268
RS5-2225-020CN Roller spring, top delivery Figure 166 on page 270
RS5-2434-000CN Spring Figure 165 on page 268
Table 89. Numerical parts list (continued)
Part number Description Figure and page

Q1860-90918 8 Parts and diagrams 297
RS5-2439-000CN Spring, separation pad Figure 173 on page 277
RS5-2441-000CN Spring, compression Figure 164 on page 266
RS5-2632-000CN Spring, tension Figure 182 on page 286
RS6-0357-000CN Gear, delivery roller Figure 168 on page 272
RS6-0357-000CN Gear, lower delivery shaft Figure 164 on page 266
WG8-5362-000CN Sensor, PS402 Figure 164 on page 266
WG8-5362-000CN Sensor, PS403 Figure 164 on page 266
WG8-5375-000CN Sensor, face-down bin-full, PS307 Figure 164 on page 266
WS6-5092-000CN Power connector Figure 164 on page 266
XA9-0267-000CN Screw, M3x6, TP Figure 164 on page 266
XA9-0267-000CN Screw, TP, M3x6 Figure 174 on page 278
XA9-0815-000CN Screw, tp, M3x4 Figure 175 on page 279
XA9-0838-000CN Screw, M4x16, with washer Figure 167 on page 271
XB4-7301-207CN M3x12 screw, tapping, truss head Figure 182 on page 286
XB4-7401-007CN Screw, M4x10, tapping Figure 164 on page 266
XD2-1100-322CN E-ring Figure 166 on page 270
XD2-1100-322CN E-ring Figure 164 on page 266
Table 89. Numerical parts list (continued)
Part number Description Figure and page
298 Parts and diagrams Q1860-90918
Q1860-90918 Index 299
Index
Numerics
10/100Base-TX, turning menu on and off 57
250-sheet feeder
clutches 249
comparison by model 18
connectors 245
control PCA, removing and replacing 171
features 16
location of components 229, 230
motors, fans, and fuser heaters 242
paper feeder control PCA 248
paper sensor 237
paper-size spring assembly, removing and replacing 173
paper-size switches 237
paper specifications 25
PCAs 247
pickup roller solenoid 237
pickup roller, removing and replacing 169
printing from 95
product number 260
sensing flag, removing and replacing 170
sensors 238
separation pad, removing and replacing 168
setting how used 48
solenoids 249
switches 240
See also trays
250-sheet tray pickup roller
expected life 68
250-sheet tray separation pad
expected life 68
500-sheet feeder
clutches 249
comparison by model 18
connectors 246
features 16
feed roller, removing and replacing 178
gear assembly, removing and replacing 180
left front corner cover, removing and replacing 177
location of components 231, 232
motors, fans, and fuser heaters 242
paper feed sensor 237
paper feeder control PCA 248
paper sensor 237
paper-size spring assembly, removing and replacing 174
paper-size switches 237
paper specifications 26
PCAs, location 247
PCAs, removing and replacing 180
pickup roller solenoid 237
pickup roller, removing and replacing 179
power connector, removing and replacing 181
printing from 95
product number 260
removing and replacing 174
sensors 239
separation roller, removing and replacing 182
setting how used 48
solenoids 249
switches 241
tray indicator assembly, removing and replacing 176
See also trays
500-sheet tray feed/separation rollers
expected life 68
500-sheet tray pickup roller
expected life 68
A
A3 paper specifications 25
A4 paper
cold paper reset 62
overriding with letter paper 48
setting wider margins 52
specifications 25
A5 paper specifications 25
ac power problem 189
ac/dc power distribution process 72
access denied to menus 193
accessories
cleaning 66
comparison by model 18
dimensions 23
ordering 36
part, exchange, and product numbers 260
removing and replacing 107
accessory interface connector, removing and replacing 158
acoustic specifications 24
adjustable casters
order of removal 112
adjusting top margin after paper-handling PCA replaced 132
advanced function features 64
agreements, service 37
aligner racks
order of removal 112
anti-static brush
order of removal 112
assemblies
dc controller 262
formatter, removing and replacing 139
laser/scanner, removing and replacing 164
listed alphabetically with part number 263
location 127, 262
main gear 134
order of removal 112
ordering 36, 259
paper feed belt, location 262
paper feed belt, removing and replacing 148
paper feed roller, removing and replacing 144
paper-size spring, 250-sheet feeder 173
paper-size spring, 500-sheet feeder 174
pickup drive 262
pickup gear 136
power inlet, removing and replacing 167
printer drive 262
registration roller 263
registration, removing and replacing 159
removing and replacing 127
service approach 36
transfer roller 128
Tray 2 pickup roller 263
tray indicator, 500-sheet feeder, removing and replacing 176
upper delivery roller 262
upper delivery, location 127
upper delivery, removing and replacing 161
300 Index Q1860-90918
Attention light on control panel 42
authorized dealers, locating 260
authorized resellers and support 37
auto continue feature
description 80
setting 54
B
B4 (JIS) paper specifications 25
B5 paper specifications 25
backlight on control panel, turning on and off 53
bidirectional communication
description 81
interface features 16
setting between printer and host 64
binding edge, choosing 48
bins
capacities 16
comparison by model 18
order of removal 112
black page 211
blank page 212
blown fuse 189
BOOTP, setting 56
buffer
clearing 58
overflow 197
setting for I/O 55
C
cables
order of removal 112
cables, part and product numbers 260, 261
Canadian DOC regulations 32
Cancel Job key on control panel 43
capacity
bins and trays 16
pages per minute 16
paper in 250-sheet feeder 25
paper in 500-sheet feeder 26
paper in Tray 1 25
paper in Tray 2 25
card stock
guidelines for using 31
specifications 31
carriage return, appending to linefeed 52
cartridges
warranty 36
cartridges. See toner cartridges
cassette setting for Tray 1 48
casters
order of removal 112
CD-ROM, HP support assistant 37
character voids 213
charging roller 85
charging the photosensitive drum 85
circuits
dc controller PCS 73
high-voltage power supply 74
low-voltage power supply 72
cleaning
accessories 66
paper path 67
photosensitive drum 84
printer 66
separation pad 66
spilled toner 67
cleaning page
printing 50
using 67
clearable warnings
description 80
setting time displayed 54
clearing
data from memory 63
event log 62
I/O buffer 58
messages 43
NVRAM 63
clutches
250-sheet feeder 249
500-sheet feeder 249
complete list 237
duplexer 250
paper path 228
printer 249
compact disc, HP support assistant 37
component locations 227
conditioning the photosensitive drum 85
Configuration menu on control panel 53
configuration page
printing 47, 205
using to troubleshoot 205
using to verify options 206
configuration page, JP Jetdirect 225
connectivity features 16
connectors
250-sheet feeder 245
500-sheet feeder 246
500-sheet feeder, power, removing and replacing 181
accessory interface, removing and replacing 158
duplexer 245
printer 244
testing direct parallel 225
context-sensitive and dynamic switching 81
control panel
changing settings 45
defaults 44
description of process 81
keys 42, 43
layout 42
lights 42
lock status 206
password 206
removing and replacing 117
setting language 44
settings 44
using 42
control panel menu map
printing 47
using to troubleshoot 204
viewing current settings 204
control panel menus
Configuration 53
cycling through 43
EIO 56
exiting 43
I/O 55
Information 47
opening 45
Paper Handling 48
Print Quality 50
Printing 51
printing map 45
Private/Stored Jobs 46
Resets 58
Q1860-90918 Index 301
control panel overlay, removing and replacing 117
control PCA, 250-sheet feeder, removing and replacing 171
copies
selecting number 46
setting default 51
Courier font, setting 52
covers
cleaning 66
front, removing and replacing 120
left corner, removing and replacing 126
left front corner, removing and replacing 177
left side, removing and replacing 123
order of removal 112
rear door/rear output bin, removing and replacing 113
right corner, removing and replacing 126
right side, removing and replacing 123
top, removing and replacing 115
Tray 1 inner, removing and replacing 124
See also doors
CPUs. See processors
CR to LF, setting 52
creases in printed paper 214
Create Cleaning Page message 67
crooked images 220
curl in printed paper 214
custom paper
configuring 51
setting unit of measurement 51
specifications 25
customer support 36, 38
customer support. See support
D
dark printing 215
Data light on control panel 42
dc controller
description of process 75
inputs and outputs 252
motor control 77
PCA 75, 248, 252
power problem 189
removing and replacing 146
dc controller assembly 262
DCHP, setting 56
dealers, locating 260
defaults
control panel 44
EIO 56
factory 44
gateway 56
I/O 55
paper handling 48
print quality 50
printer 53
printing 51
restoring to factory 58, 63
defect ruler 223
defects in images, troubleshooting 209
deleting
jobs 46
See also removing
delivery roller, removing and replacing 162
density of toner, setting 50
developing process 87
diagnostics features, turning on and off 62
dimensions of printer
HP LaserJet 5100 and 5100Le printers 21
HP LaserJet 5100 with accessories 23
HP LaserJet 5100tn and 5100dtn printers 22
DIMMs
caution for handling 107
checking installation 109
designating fonts 52
embedded Web server 260
flash 79
options 16
part and product numbers 260
removing and replacing 107
supported 80
direct connection test 225
dirt on back of page 215
disk drive password 206
disk full 195
disk. See hard disk
distorted images 216
DLC/LLC protocol stack, turning on and off 56
documentation
ordering 259
doors
rear, removing and replacing 113
toner cartridge, removing and replacing 119
See also covers
DOS. See MS-DOS
dots on page 216
downloading
drivers 37
draft mode 79
draft print quality, setting 50
drive, laser and scanner 76
drivers
websites 37
drivers. See printer drivers
dropouts in characters 213
drum rotation functional check 224
drum. See photosensitive drum
duplex printing accessory. See duplexer
duplexer
availability by model 18
clutches 250
connectors 245
deflector solenoid 237
exchange and product numbers 260
faulty connection 193
jams 100
location of components 233, 234, 235
motors 243
paper path 236
paper specifications 26
PCAs 248
refeed paper sensor 237
reversing-unit paper sensor 237
sensors 239
side-registration guide home-position sensor 237
solenoids 250
duplexer deflector solenoid 250
duplexer driver PCA 248
duplexing
description of process 98
reversing/refeed system 98
turning on and off 48
duplexing unit. See duplexer
dynamic and context-sensitive I/O switching 81
E
EconoMode
description 50, 79
effect on speed and memory use 79
turning on and off 50
302 Index Q1860-90918
EIO
bad transmission 197
buffer overflow 197
card failure 193
hard disk failure 193
hard disk feature 16
installing cards 110
menu on control panel 56
slots 16
troubleshooting 225
electrophotographic process 224
embedded Web server 260
Energy Star program 34
engine test 63, 190
engine-test print switch 237
enhanced I/O cards. See I/O cards
envelope feeder, availability by model 18
envelopes
guidelines for using 29
margins 30
specifications 25, 29
storing 30
with adhesive strips or flaps 30
with double-side seams 30
environmental
product stewardship program 34
specifications 20, 24
error log. See event log
error page for PS, printing 52
errors
messages on event log 191
messages on printer control panel 193
setting how printer reacts to 54
See also messages; troubleshooting
Ethernet cards 260
EtherTalk protocol stack, turning on and off 56
Europe, customer support 38
event log
clearing 62
description 191
displayed on configuration page 206
interpreting 192
printing 47, 192
using to troubleshoot 191
viewing 47, 192
exchange
program 36
Executive paper specifications 25
exhaust fan. See fan
F
face-down bin-full sensor lever, removing and replacing 157
face-down cover, removing and replacing 122
face-down tray paper-full sensor 237
face-up tray open sensor 237
factory defaults
description 44
restoring 58, 63
faded print 217
fan
expected life 68
motor 77, 243
removing and replacing 138
troubleshooting 188
Fast Ethernet 10/10Base-TX 16
fasteners, part numbers 261
FastRes. See HP FastRes
FCC regulations 32
features of the product 16
feed roller
500-sheet feeder, removing and replacing 178
cleaning 66
feed roller clutch 237, 250
feed system. See paper feed system
feeder sensor PCA 248
feeders for paper. See 250-sheet feeder; 500-sheet feeder; Tray 1;
Tray 2; trays
field replaceable units (FRUs)
service approach 36
field replaceable units (FRUs), ordering 259
file directory, printing 47
file system full 193
Finland laser statement 33
firmware
obtaining 37
flash device
description 79
failure or problem 194
full 194
product numbers 260
write protected 194
flipper assembly
order of removal 112
folding knob
order of removal 112
folding mechanism
order of removal 112
fonts
features 16
product numbers 260
setting source 52
where stored 79, 80
See also Courier font, setting; PCL fonts; PS font list, printing
foot cover
order of removal 112
formatter assembly, removing and replacing 139
formatter PCA 78, 79
formatter system
control panel 81
description of process 78
EconoMode 79
input/output process 79
memory 80
Memory Enhancement technology (MEt) 80
page protect feature 81
Power Save 78
Printer Job Language (PJL) 81
Printer Management Language (PML) 81
printer memory 80
Resolution Enhancement technology (REt) 78
forms, where stored 79
front cover, removing and replacing 120
front panel. See control panel
FRUs (field replaceable units)
service approach 36
FRUs (field replaceable units), ordering 259
full
disk 193, 195
flash device 194
memory 194
NVRAM 200
full-duplex operation, setting 57
functional overview
basic sequence of operation 101
printer and printing processes 71
fuse blown 189
Q1860-90918 Index 303
fuser
cleaning 66
error 198
expected life 68
film 89
heater 89
monitoring and controlling roller temperature 73
power connection 114
removing and replacing 114
fuser heaters 243
fuser mode
setting 90
turning on and off 48
fuser paper-delivery sensor 97, 237
fuser roller thermistor 237
fuser thermal switch 237
fusing process 89
fusing roller 89
fusing roller heater 73
fusing temperature, variable 89, 90
G
gateway setting 56
gear assemblies
main, location 127
main, removing and replacing 134
pickup, removing and replacing 136
Go key on control panel 43
gray background 218
H
half-duplex operation, setting 57
handle mounting gear
order of removal 112
hard disk
description 79
EIO feature 16
failure 193, 195
full 193, 195
initializing 63
write protected 193
heater for fusing roller 73
heaters for fuser 243
heavy paper 31
help
service and support 36
high-voltage power distribution process 74
high-voltage power supply circuit 74
HP Connect Online website 259
HP Customer Care Online 259
HP Customer Support (HPCS) 36
HP FastRes, setting 50
HP PartnerCare 37
HP ProRes
description 16
setting 50
HP service
agreements 37
approach 36
HP support assistant compact disc 37
HP Technical Training support 259
HP-authorized resellers and support 37
HPCS (HP Customer Support) 36
HP-UX 16
humidity requirements 24
I
I/O
clearing buffer 58
description of process 79
dynamic and context-sensitive switching 81
remote configuration and status readback 81
setting buffer 55
timeout 55
I/O cards
optional expanded 79
part and product numbers 260
I/O menu on control panel 55
IBM operating systems 16
identification labels on printer 19
IEEE-1284-compliant parallel interface 16
image formation system
description 82
developing the image 87
image fusing/variable fusing temperature 89
photosensitive drum
description 84
toner cartridge 83
transferring the image 88
writing the image 86
image quality 207
image size, setting default 51
Information menu on control panel 47
initializing the hard disk 63
input device failure 200
input/output. See I/O
installing
DIMMs 107
EIO cards 110
mass storage 110
insufficient memory 196
interface cable
order of removal 112
interfaces
bidirectional 16
parallel 16, 79
troubleshooting 225
interlock switch
order of removal 112
internal fonts, setting 52
IPX/SPX
protocol stack, turning on and off 56
turning menu on and off 56
Item key on control panel 43
J
jams
detection process 97
in duplexer 100
setting how printer reacts to 54
JetDirect menu, turning on and off 56
Jet-Link cable
order of removal 112
jobs
canceling 43
cannot be stored 196
cleared because of memory shortage 195
deleting 46
menu 46
printing 46
private 46
quick copy 46
setting number that can be stored 54
setting time kept before deleted 54
stored 46
304 Index Q1860-90918
K
keys on control panel 43
kit for maintenance 260
L
labels
guidelines for using 29
specifications 25
labels on printer for identification 19
LAN manager 16
landscape orientation, setting 51
languages
displayed on configuration page 206
not available for print job 193
setting default for printer 53
setting for control panel 44
verifying for printer 109
laser
beam 86
drive 76
laser safety statements 32, 33
laser/scanner assembly
location 127
removing and replacing 164
left corner cover, removing and replacing 126
left front corner cover, removing and replacing 177
left side cover, removing and replacing 123
legal paper specifications 25
letter paper
overriding A4 48
specifications 25
life expectancy
printer components 68
toner cartridges 79
light print 217
lights on control panel 42
linefeed, appending to line feed 52
lines
smudged 221
white 221, 222
Linux 16
LocalTalk
availability by model 18
network compatibility 16
lock on control panel 206
locked menus message 193
loose toner 219
low toner, setting reaction to 54
low-voltage power supply circuit 72
M
main gear assembly
location 127
removing and replacing 134
main motor
description 77, 243
removing and replacing 165
main power switch 237
maintenance
agreements 37
initial steps 111
performing 65
setting page count 60, 61, 68
tools 111
turning off message 54
maintenance kit 260
manual feed, turning on and off 48
manuals
ordering 259
map of control panel menus. See control panel menu map
margins
adjusting top after paper-handling PCA replaced 132
for envelopes 30
setting wider for A4 paper 52
mass storage
installing 110
options 16
printing information about 47
Material Safety Data Sheets (MSDSs) 33
measurement, setting units for custom paper 51
memory
changed settings 195
checking installation 109
clearing all data 63
displayed on configuration page 206
effect of EconoMode 79
full 194
increasing with Memory Enhancement technology (MEt) 80
insufficient 196
NVRAM problem 200
options 16
printer 80
read-only (ROM) 80
resetting 58
shortage 195
upgrading 107
Memory Enhancement technology (MEt) 80
Menu key on control panel 43
menu map. See control panel menu map
menus
control panel. See control panel menus
locked message 193
Parallel 64
service 59
messages
clearing 43
event log 191
printer 80, 193
setting time displayed 54
turning off for maintenance 54
MEt (Memory Enhancement technology) 80
Microsoft Windows. See Windows operating systems
model number for printer, location 19
models of printer
comparisons 18
descriptions 17
motors
250-sheet feeder 229, 230
500-sheet feeder 231, 232
complete list 243
description of process 77
duplexer 233, 243
fan 77, 243
main, description 77, 243
main, removing and replacing 165
paper feeder pickup 243
paper path 228
refeed 243
reversing 243
scanner 77
side registration guide drive 243
MS-DOS
configuring Autoexec.bat file for parallel communication 64
configuring environment for printer communication 64
MSDSs (Material Safety Data Sheets) 33
Q1860-90918 Index 305
N
NetWare. See Novel NetWare operating systems
networks
compatibility 16
configuring parameters 56
Novell NetWare operating systems
compatibility 16
turning IPX/SPX protocol stack on and off 56
numbers
phone support 36
NVRAM
clearing 63
full 200
problem 200
O
offline, placing printer 43
online, placing printer 43
operating environment requirements 24
operating systems
compatibility 16
See also IBM operating systems; Novell NetWare operating
systems; Windows operating systems; UNIX operating
systems
ordering
replacement parts 259
ordering parts and supplies 36
orientation of print, setting 51
OS/2 Warp. See IBM operating systems
output bins. See bins
overcurrent overvoltage protection process 73
overflow of buffer 197
overriding settings 48
overview
basic sequence of operation 101
printer and printing processes 71
ozone production 34
P
page count, setting 60, 61, 68
page protect feature 53, 81
page too complex 195, 196
pages per minute (ppm) speed 16
paper
guidelines for using 27
motion control 76
setting cold reset paper size 62
setting image size 51
setting type 49
specifications 25
supported types 26
weight equivalences 28
paper feed belt assembly
location 262
removing and replacing 148
paper feed roller assembly, removing and replacing 144
paper feed system
description 91
diagram 71
duplexing 98
jams 97
paper jams in duplexer 100
printing from 250-sheet and 500-sheet feeders 95
printing from Tray 1 92
printing from Tray 2 93
reversing/refeed system 98
paper feeder pickup motor 243
paper feeder pickup solenoid 250
paper guide wire
order of removal 112
paper guide, removing and replacing 155
Paper Handling menu on control panel 48
paper-handling options 16
paper-handling PCA
description 95, 248
location 127
removing and replacing 131
paper jams. See jams
paper path
cleaning 67
description of process 91
duplexer 236
features 16
location of components 227, 228, 236
test 47, 203
troubleshooting 202
paper pickup roller, cleaning 66
paper-size spring assembly
250-sheet feeder, removing and replacing 173
500-sheet feeder, removing and replacing 174
paper trays. See 250-sheet feeder; 500-sheet feeder; Tray 1; Tray 2;
trays
paper-width sensor 237
paper-size detection 251
parallel cables 260
parallel communication
description of process 79
setting speed 55, 64
turning bidirectional on and off 55
parallel I/O buffer overflow 197
parallel interfaces
features 16
IEEE-1284 16
testing 225
Parallel menu 64
PartnerCare 37
partners support 259
parts
order of removal 112
ordering 36, 259
parts lists
alphabetical 290
alphabetical, assemblies 263
how to use 257
numerical 294
password for control panel 206
PC direct connect (parallel) test 225
PCAs
complete list 248
dc controller 252
location 247, 248
order of removal 112
PCL fonts
printing list 47
setting 52
Perform Printer Maintenance message 195
personality (language), setting default for printer 53
phone numbers
ordering parts 36
service and support 37
worldwide support 38
phone support. See support
photosensitive drum 83, 84
cleaning 84
conditioning 85
functional check 224
temperature sensitivity 187
306 Index Q1860-90918
pickup drive assembly 262
pickup gear assembly, removing and replacing 136
pickup rollers
500-sheet feeder, removing and replacing 179
pickup, 250-sheet feeder, removing and replacing 169
PJL (Printer Job Language) 81
PML (Printer Management Language) 81
portrait orientation, setting 51
PostScript (PS) fonts 16
power
connection for fuser 114
rating information location 19
specifications 20
standby 20
troubleshooting 188
power connector, 500-sheet feeder, removing and replacing 181
power inlet assembly, removing and replacing 167
power supply
description 248
order of removal 112
removing and replacing 146
power supply system
ac/dc power distribution 72
dc controller system 75
defective 189
high-voltage power distribution 74
laser and scanner drives 76
motors 77
overcurrent overvoltage protection 73
paper motion monitoring and control 76
toner cartridge detection 75
PowerSave mode
acoustics 24
description 34, 53
description of process 78
power requirements 20
turning on and off 53, 58
ppm (pages per minute) speed 16
pressure roller 89
preventative maintenance
initial steps 111
performing 68
tools 111
primary charging roller 85
print cartridges
warranty 36
print jobs. See jobs
print orientation, setting 51
Print Quality menu on control panel 50
print servers
matching network speed and communication mode 57
setting full- or half-duplex operation 57
printer
clutches 249
connectors 244
motors, fans, and fuser heaters 242
PCAs 247
sensors 238
solenoids 249
switches 240
testing 63
printer drive assembly 262
printer drivers
overriding other settings 48
websites 37
printer information on configuration page 206
Printer Job Language (PJL) 81
Printer Management Language (PML) 81
printing
all pages guaranteed 53
cleaning page 50
configuration page 47, 205
control panel menu map 45, 47
engine test 63, 190
event log 47, 192
file directory 47
from 250-sheet feeder 95
from 500-sheet feeder 95
from Tray 1 92
from Tray 2 93
jobs 46
PCL font list 47
PS error page 52
PS font list 47
resuming 43
selecting number to print 46
Printing menu on control panel 51
private jobs. See jobs
Private/Stored Jobs menu on control panel 46
problems. See support; troubleshooting
processors
availability by model 18
included in formatter PCA 79
speed 16
product features 16
product repair
approach 36
assistance 38
product stewardship program 34
product-attachment latch
order of removal 112
production number of printer 19
product-release handle
order of removal 112
ProRes. See HP ProRes
protocol stacks, turning on and off 56
PS error page, printing 52
PS font list, printing 47
Q
quick copy jobs. See jobs
R
RAM (random-access memory)
description 80
disk failure 195
disk file operation failed 195
disk full 195
random-access memory (RAM). See RAM (random-access memory)
Ready light on control panel 42
rear door/rear output bin door, removing and replacing 113
refeed motor 243
refeed paper sensor 100
registration assembly
location 127
removing and replacing 159
registration guide 98
registration roller
cleaning 66
description 91, 92, 93
registration roller assembly 263
registration roller clutch 237, 250
registration roller paper sensor 97, 237
regulatory information 36
location on printer 19
statements 32
relative humidity requirements 24
Q1860-90918 Index 307
remanufactured assemblies 36
removal/replacement strategy 111
removing
loose toner 111
See also individual parts
removing parts
order of removal 112
repair
assistance 38
process 36
repetitive defect ruler 223
repetitive defects on paper 220
replacement
ordering parts 259
replacing parts
order of removal 112
replacing. See individual parts
requirements for printer
environment 20, 24
power 20
site 20
space 21
resellers, authorized 37
Resets menu on control panel 58
resetting
cold reset for printer 63
default paper size 62
maintenance page count 60, 61, 68
printer 63
serial number 61
resolution
features 16
setting 50
Resolution Enhancement technology (REt)
description 16, 78
setting 50
restoring defaults 44, 58, 63
resuming printing 43
REt (Resolution Enhancement technology)
description 16, 78
setting 50
reversing motor 243
reversing roller 98
reversing unit paper sensor 100
revision level of printer 19
right corner cover, removing and replacing 126
right side cover, removing and replacing 123
rollers
charging 85
cleaning 66
delivery, removing and replacing 162
expected life 68
feed, 500-sheet feeder, removing and replacing 178
pickup, 250-sheet feeder, removing and replacing 169
pickup, 500-sheet feeder, removing and replacing 179
pickup, Tray 2, removing and replacing 142
separation, 500-sheet feeder, removing and replacing 182
Tray 1, removing and replacing 140
ROM (read-only memory) 80
rotation functional check 224
rough paper, setting printer for 49
S
safety statements 32, 33
saving
power 53
toner 50
values on control panel 43
scalable PCL fonts 16
scanner
drive 76
motor 77
screws, part numbers 261
SDRAMs
part and product numbers 260
supported 80
security information on configuration page 206
Select key on control panel 43
sensing flag, 250-sheet feeder, removing and replacing 170
sensors
250-sheet feeder 229, 230, 238
500-sheet feeder 231, 232, 239
complete list 237
duplexer 234, 239
face-down bin-full, removing and replacing 157
paper path 227, 236
printer 238
top-of-page 156
separation pads
250-sheet feeder, removing and replacing 168
cleaning 66
expected life 68
Tray 1, removing and replacing 141
Tray 2, removing and replacing 143
separation roller
500-sheet feeder, removing and replacing 182
cleaning 66
sequence of operation 101
serial number for printer
location 19
setting 60, 61
service
agreements 37
approach 36
menu 59
mode 59
See also support
shaded background 218
side registration guide 98
side registration guide drive motor 243
signal locations 236
signatures, where stored 79
site requirements 20
size
detection for paper 251
unexpected for paper 197
skewed images 220
smudged lines 221
soft fonts, setting 52
software
ordering 259
websites 37
solenoids
250-sheet feeder 229, 249
500-sheet feeder 232, 249
complete list 237
duplexer 233, 250
paper path 228
printer 249
Tray 1 pickup, removing and replacing 137
308 Index Q1860-90918
space requirements 21
spacing, setting for printing 51
specifications
acoustics 24
environmental 20, 24
paper 25
power 20
site 20
space 21
weight 23
specks on paper 221
speed
effect of EconoMode 79
increasing print 80
printer 16
processors 16
setting for data transmission 55
setting for parallel communication 64
smaller-size media through printer 54
stacker bin
order of removal 112
standby power specifications 20
stapling door switch
order of removal 112
stapling unit
order of removal 112
statements
safety 32
static charge eliminator 88
static electricity, avoiding 107
stationary caster
order of removal 112
stationary extended caster
order of removal 112
storage environment requirements 24
storage options 16
storing
envelopes 30
jobs 46
printer 24
subassemblies
service approach 36
subnet mask, setting 56
subsystems for printer 71
supplies
ordering 36
part, exchange, and product numbers 260
support
partners 259
training 259
websites 259
See also service
support assistant compact disc 37
support resources 37
switchback rollers 99
switches
250-sheet feeder 229, 230, 240
500-sheet feeder 231, 232, 241
complete list 237
order of removal 112
paper path 227
paper size 251
printer 240
switching, dynamic 81
Syslog server setting 56
T
TCP/IP
turning menu on and off 56
turning protocol stack on and off 56
technical support. See support
telephone numbers
ordering parts 36
service and support 37
worldwide support 38
telephone support. See support
temperature
image fusing/variable fusing 89
maximum for printer 27
monitoring and controlling for fuser 73
requirements 24
testing
direct connect (parallel communication 225
paper path 47, 203
printer engine 63, 190
See also troubleshooting
timeouts
I/O 55
job retention 54
timing of operations 101
Token Ring cards 260
toner
cleaning spilled 67
components and particles 87
consumption 34, 79
loose on paper 219
removing loose 111
setting density 50
setting how printer reacts when low 54
smeared on paper 219
specks on paper 221
toner cartridge door assembly, removing and replacing 119
toner cartridge guides, removing and replacing 166
toner cartridges
description and components 83
detection process 75
image rating 207
life expectancy 79
product number 260
resetting to full 54
toner sensor 82
troubleshooting 207
toner gauge, resetting to full 54
tools for maintenance 111
top cover
removing and replacing 115
switch 237
top margin, adjusting after paper-handling PCA replaced 132
top-of-page sensor
description 97
location 237
removing and replacing 156
training
support 259
transfer roller
cautions for handling 128
cleaning 66
location 66
transfer roller assembly, removing and replacing 128
transparencies
guidelines for using 29
specifications 25
Q1860-90918 Index 309
Tray 1
features 16
inner cover, removing and replacing 124
lift plate, removing and replacing 154
paper guide plate assembly 127
paper sensor 237
paper specifications 25
pickup roller, expected life 68
pickup solenoid 237, 250
pickup solenoid, removing and replacing 137
printing from 92
removing and replacing 120
roller, removing and replacing 140
setting how used 48
shaft, removing and replacing 150
See also trays
Tray 1 separation pad
expected life 68
removing and replacing 141
Tray 2
comparison by model 18
features 16
paper sensor 237
paper-size switches 237
paper specifications 25
pickup solenoid 237, 250
printing from 93
setting how used 48
shaft, removing and replacing 152
using as a reserved tray 48
See also trays
Tray 2 pickup roller
assembly 263
removing and replacing 142
Tray 2 separation pad
removing and replacing 143
tray indicator assembly, 500-sheet feeder, removing and replacing 176
trays
capacities 25
comparison by model 18
features 16
information on configuration page 206
paper specifications 25
setting how used 48
See also 250-sheet feeder; 500-sheet feeder; Tray 1; Tray 2
troubleshooting
flowchart 185
preliminary operating checks for printing system 187
process 184
using configuration page 205
using control panel menu map 204
using drum rotation functional check 224
using engine test 190
using event log 191
using half self-test functional check 224
using HP Jetdirect configuration page 225
using information pages 204
using paper path test 203
using PC direct connect (parallel) test 225
using printer messages 193
See also testing
troubleshooting problem areas
display 190
fan 188
feeding 27
image defects 209
image quality 207
image system 224
interfaces 225
jams 202
paper 27
paper path 202
power 188
printing system 187
toner cartridge 207
turning on and off
10/100Base-TX menu 57
backlight on control panel 53
bidirectional parallel communication 55
diagnostics features 62
DLS/LLC protocol stack 56
duplexing 48
EconoMode 50
EtherTalk protocol stack 56
fuser mode 48
IPX/SPX menu 56
JetDirect menu 56
manual feed 48
Novell NetWare IPX/SPX protocol stack 56
PowerSave mode 53, 58
TCP/IP menu 56
TCP/IP protocol stack 56
two-way communication. See bidirectional communication
typefaces, features 16
U
unexpected paper size 197
unit of measurement for custom paper 51
UNIX operating systems 16
upgrading memory 107
upper delivery assembly
location 127
removing and replacing 161
upper delivery roller assembly 262
V
Value key on control panel 43
variable fusing temperature 90
vellum
guidelines for using 29
setting printer for 49
vertical spacing, setting 51
viewing
control panel menu map settings 204
event log 47, 192
voids in characters 213
W
warnings
description 80
setting time displayed 54
warranty information 36
washers, part numbers 261
Web server. See embedded Web server
310 Index Q1860-90918
websites
Energy Star program 34
HP Connect Online 259
HP Customer Care Online 259
HP Partner Care 37
Material Safety Data Sheets 33
support 37, 259
weight
equivalences for different paper 28
paper in 250-sheet feeder 25
paper in 500-sheet feeder 26
paper in duplexer 26
paper in Tray 1 25
paper in Tray 2 25
printer 23
white lines on paper 221, 222
Windows operating systems 16
worldwide service and support 38
write protected
disk 193
flash device 194

copyright 2002
Hewlett-Packard Company
©
http://www.hp.com/support/lj5100








