HP LaserJet 5L, 6L Service Manual. Www.s Manuals.com. Manual
User Manual: Laser Printer HP LaserJet 5L - Service manuals and Schematics, Disassembly / Assembly. Free.
Open the PDF directly: View PDF
.
Page Count: 205 [warning: Documents this large are best viewed by clicking the View PDF Link!]
- Service Manual for the HP LaserJet 5L and HP LaserJet 6L Printers
- Conventions
- Chapter Descriptions
- List of Figures
- List of Tables
- 1 Product Information
- 2 Site Requirements
- 3 Operating Overview
- 4 Printer Maintenance
- 5 Functional Overview
- 6 Removal and Replacement
- 7 Troubleshooting
- 8 Parts and Diagrams
- A Parts Index
- B Regulatory Information
- C Service Notes
- Index
- A
- B
- C
- cable pinouts 7-30
- cables
- capacities: output tray 1-3
- caution messages 6-3
- CDRH B-1
- Center for Devices and Radiological Health (CDRH) B-1
- Health (CDRH) B-1
- character voids 7-16
- circuit protection 5-6
- class 1 laser product B-1
- class B digital device B-4
- cleaning
- clutches and sensors 5-17
- common hardware 8-6
- consumables
- control panel 1-3
- covers 8-7
- covers and doors 8-8
- CPU 5-8
- CPU, printer 5-8
- D
- data light 3-3
- DC Controller 8-16
- DC Controller system 5-5
- DC power distribution
- defect ruler, repetitive image 7-28
- delivery assembly 8-24
- Department of Health and Human Services (DHHS) B-1
- DHHS B-1
- diagrams 8-3
- dimensions, printer 1-3, 1-6, 2-4
- distribution system
- documentation
- doors 8-7
- DRAM
- dropouts 7-17
- drum
- drum cleaning process
- drum conditioning
- drum rotation functional check 7-23
- E
- F
- faded print 7-14
- faulty image examples 7-14
- FCC statement B-4
- features
- feed assembly 8-20
- Finland laser statement B-2
- fonts
- fonts, internal 1-3
- form feed light 3-4 to 3-5
- formatter PCA 8-16
- formatter PCA 5-8
- formatter system
- front door components 8-10, 8-12
- Front Panel Button, described 5-7
- functional overview 5-1 to 5-22
- functions, basic printer 5-3
- fusing process 5-14
- H
- I
- identification, labels 1-4
- identification, printer 1-4
- image defects 7-28
- image developing 5-12, 5-14
- image formation system
- image formation troubleshooting 7-13
- image fusing 5-12, 5-14
- image transferring 5-12, 5-14
- image writing 5-12 to 5-13
- installation
- installing
- interfaces
- internal assemblies 8-10, 8-12, 8-14
- internal typefaces 1-3
- INTR, printer timing 5-19
- J
- L
- M
- N
- O
- P
- page protect
- page usage, monthly 1-3
- paper capacities 1-3
- paper curl 7-26
- paper feed system
- paper jam
- paper jam detection
- paper motion, control 5-5
- paper motion, monitoring 5-5
- paper path
- paper sensors 5-5
- parallel interface
- parts
- Parts 1-10
- parts and diagrams 8-1 to 8-26
- Parts Direct Ordering 8-3
- parts lists 8-3
- PDO, Parts Direct Ordering 1-11, 8-3
- phone numbers, parts 8-4
- photosensitive drum 5-13
- photosensitive drum cleaning 5-12 to 5-13
- photosensitive drum conditioning 5-12 to 5-13
- pickup roller assembly 8-18
- PJL overview 5-11
- PJL, Printer Display Language
- power
- power control 1-3
- power distribution, AC 5-6
- power save mode 1-3, 5-6
- power supply system 5-4
- preliminary troubleshooting 7-3
- print environment settings, PJL 5-11
- print quality
- print quality problems 7-14
- print resolution 1-3
- print speed 1-3, 5-8, 5-10
- printer
- printer comparison
- printer dimensions 1-3, 1-6, 2-4
- printer features 1-3
- printer functions, basic 5-3
- printer job language, PJL 5-11
- printer message troubleshooting 7-7
- printer messages
- printer space requirements 2-4
- printer timing 5-19
- printing
- priority of errors 7-7
- PRNT, printer timing 5-19
- product information 1-1 to 1-16, 3-1 to 3-12
- product overview 1-7
- R
- radio frequency interference, RFI B-4
- RAM 5-8
- random access memory
- read only memory
- ready light 3-3
- regulatory information B-1 to B-4
- related documentation 1-10 to 1-11
- remanufactured assemblies 1-10
- removal and replacement
- back cover 6-6
- bottom assemblies 6-42
- conductive grease 6-20
- control panel 6-11
- covers and doors 6-6
- DC Controller 6-44
- delivery assembly 6-13
- EP Door 6-8
- exit roller assembly 6-12
- face-up/face-down lever 6-21
- feed assembly 6-39
- formatter pca 6-47
- fuser exit roller 6-22
- fuser pressure plate 6-15
- heating element 6-17
- internal assemblies 6-11
- kick plate 6-35
- laser/scanner assembly 6-24
- main cover and paper input assembly 6-10
- memory door 6-9
- memory door guide 6-42
- motor 6-43
- paper exit sensor flag 6-23
- paper feed frame 6-30
- pickup roller assembly 6-27
- pressure roller 6-20
- separation pad 6-37
- solenoid 6-25
- strategy 6-3
- subpads 6-38
- top assemblies 6-24
- transfer roller 6-34
- repair philosophy 1-10
- repetitive defects 7-15
- repetitive image defect ruler 7-28
- replaceable cables 8-6
- required tools 6-4
- requirements
- resetting the printer 3-11
- Resolution Enhancement technology 1-3, 5-9
- resolution, print 1-3
- REt, Resolution Enhancement technology 1-3, 5-9
- ROM 5-8
- S
- safety
- scanner drive 5-5
- self test
- self test page 3-7
- sensors 5-17
- separation guide assembly 8-22
- sequence of operation 5-19
- serial number
- service approach 1-10
- service errors 7-7
- service or error messages
- site requirements 2-1 to 2-6
- SME, Support Materials Europe 1-11
- solving
- space requirements 2-4
- specifications
- staining 7-14
- standard interfaces 1-3
- standard printer memory 1-3
- status messages
- STBY, printer timing 5-19
- supplies 8-5
- surge protection 1-15
- SW101, 12 volt dc power shutoff microswitch 5-5
- SW101, printer door microswitch 5-5
- SW201, engine test microswitch 5-5
- T
- technical assistance 1-12
- test, engine 3-10
- toner 1-10
- toner cartridge
- charging rollers B-3
- check list 7-13
- cleaning spills 4-8
- defective 4-8
- described 5-13
- drum cleaning 5-12 to 5-13
- drum conditioning 5-12 to 5-13
- drum rotation check 7-23
- faulty image exampes 7-14
- image formation 7-13
- image formation system 5-13
- MSDS B-3
- photosensitive drum 5-13, 7-13, 7-22 to 7-23
- printer message 7-7
- refilled 7-23
- replacement 8-5
- weight 7-13
- toner cartridge microswitch, SW101 5-5
- toner safety B-3
- tools
- top assemblies
- transferring process 5-14
- troubleshooting 7-1 to 7-32
- troubleshooting checks 7-21
- troubleshooting flowchart 7-3
- troubleshooting tools 7-27
- troubleshooting, preliminary 7-3
- two-way communication, PJL 5-11
- typefaces
- V
- W

Printed on
Recycled Paper
*C3990-90991*
*C3990-90991*
C3990-90991
HP LaserJet 5L and 6L Printer
Service Manual
Copyright© 1997
Hewlett Packard Co.
Printed in USA 9/97
Manual Part No.
C3990-90991
HP LaserJet 5L and 6L Printer (C3941/C3990) Service Manual

Service Manual
HP LaserJet 5L HP LaserJet 6L
(C3941A) (C3990A)

© Copyright Hewlett-Packard
Company 1997
All Rights Reserved.
Reproduction, adaptation, or
translation without prior
written permission is
prohibited, except as allowed
under the copyright laws.
Publication number
C3990-90991
First edition, May 1997
Warranty
The information contained in
this document is subject to
change without notice.
Hewlett-Packard makes no
warranty of any kind with
regard to this material,
including, but not limited to,
the implied warranties or
merchantability and fitness for
a particular purpose.
Hewlett-Packard shall not be
liable for errors contained
herein or for incidental or
consequential damaged in
connection with the furnishing,
performance, or use of this
material.
WARNING
Electrical Shock Hazard
To avoid electrical shock, use
only supplied power cords and
connect only to properly
grounded (3-hole) wall outlets.
Hewlett-Packard Company
11311 Chinden Boulevard
Boise, Idaho 83714

Conventions
This manual uses the following conventions:
Color is used to emphasize items which are important to the material under
discussion.
The names of major printer parts and assemblies are CAPITALIZED.
Bold is used for emphasis, particularly in situations where italic type would be
confusing.
Italic type is used to indicate related documents or emphasis.
Note Notes contain important information set off from the text.
Caution Caution messages alert you to the possibility of damage to equipment or loss of data.
WARNING! Warning messages alert you to the possibility of personal injury.
iii

Chapter Descriptions
1Product Information
Orientation to the printer, as well as the service and repair philosophy, is discussed.
Information on obtaining assistance and warranty is also here.
2Site Requirements
Here are recommendations pertaining to installation requirements.
3Operating Overview
This chapter has detailed information about the Control Panel. Sample self tests and
printer reset information are also included.
4Maintenance
Turn to this chapter for information about printer cleaning and care.
5Functional Overview
Here you will find the basic theory-of-operation information required to understand
the various printer systems and how they function together.
6Removal and Replacement
This chapter contains the step-by-step procedures for replacing printer field
replaceable units (FRUs). Assemblies are grouped by location in the printer.
7Troubleshooting
Diagnose printer problems here. A preliminary troubleshooting table is followed by
error messages, image defect samples, and diagnostic tools.
8Parts and Diagrams
Look here to find any field replaceable unit (FRU) in the printer. Exploded view
drawings are accompanied by complete part number tables.
AParts Index
All parts are sorted and cross-referenced here by part number and name.
BRegulatory Information
Here are required statements regarding RFI and laser safety.
CService Notes
Service Notes for HP LaserJet 5L concerning paper jams appear here.
Subject Index
Use the subject index to quickly locate any information in the manual.
iv

List of Figures
Figure 1-1 HP LaserJet 5L Model and Serial Numbers . . . . . . . . . . . . 1-4
Figure 1-2 HP LaserJet 6L Model and Serial Numbers . . . . . . . . . . . . . 1-5
Figure 1-3 Front/Side Views of the Printer . . . . . . . . . . . . . . . . . . 1-7
Figure 1-4 Front Door Assemblies . . . . . . . . . . . . . . . . . . . . . . 1-8
Figure 1-5 Back View of the Printer . . . . . . . . . . . . . . . . . . . . . . 1-9
Figure 2-1 Printer Space Requirements . . . . . . . . . . . . . . . . . . . . 2-4
Figure 2-2 Toner Cartridge Distribution . . . . . . . . . . . . . . . . . . . . 2-6
Figure 3-1 Self-test Page for HP LaserJet 5L . . . . . . . . . . . . . . . . . 3-7
Figure 3-2 Self-test Page for HP LaserJet 6L . . . . . . . . . . . . . . . . . 3-8
Figure 3-3 Engine Test Button . . . . . . . . . . . . . . . . . . . . . . . . 3-10
Figure 4-1 Five Percent Text Coverage . . . . . . . . . . . . . . . . . . . . 4-4
Figure 4-2 Static Eliminator Teeth . . . . . . . . . . . . . . . . . . . . . . 4-8
Figure 5-1 Printer Functional Block Diagram . . . . . . . . . . . . . . . . . 5-3
Figure 5-2 DC Controller Loads . . . . . . . . . . . . . . . . . . . . . . . . 5-4
Figure 5-3 EconoMode vs Normal Mode . . . . . . . . . . . . . . . . . . 5-10
Figure 5-4 Image Formation Block Diagram . . . . . . . . . . . . . . . . 5-12
Figure 5-5 Simplified Paper Path . . . . . . . . . . . . . . . . . . . . . . 5-16
Figure 5-6 Solenoid and Sensors . . . . . . . . . . . . . . . . . . . . . . 5-17
Figure 5-7 General Timing Diagram – HP LaserJet 5L . . . . . . . . . . . 5-20
Figure 5-8 General Timing Diagram – HP LaserJet 6L . . . . . . . . . . . 5-21
Figure 6-1 Phillips and Posidriv screwdrivers . . . . . . . . . . . . . . . . . 6-4
Figure 6-2 Back Cover Removal (1 of 2) . . . . . . . . . . . . . . . . . . . 6-6
Figure 6-3 Back Cover Removal (2 of 2) . . . . . . . . . . . . . . . . . . . 6-7
Figure 6-4 EP Door Assembly Removal . . . . . . . . . . . . . . . . . . . 6-8
Figure 6-5 Memory Door Removal . . . . . . . . . . . . . . . . . . . . . . 6-9
Figure 6-6 Main Cover and Paper Input Assembly Removal . . . . . . . . 6-10
Figure 6-7 Control Panel Removal . . . . . . . . . . . . . . . . . . . . . 6-11
Figure 6-8 Exit Roller Removal . . . . . . . . . . . . . . . . . . . . . . . 6-12
Figure 6-9 Delivery Assembly Removal (1 of 2) . . . . . . . . . . . . . . 6-13
Figure 6-10 Delivery Assembly Removal (2 of 2) . . . . . . . . . . . . . . 6-14
Figure 6-11 Fuser Pressure Plate Removal . . . . . . . . . . . . . . . . . . 6-15
Figure 6-12 Fuser Pressure Plate Replacement . . . . . . . . . . . . . . . . 6-16
Figure 6-13 Heating Element Removal (1 of 3) . . . . . . . . . . . . . . . 6-17
Figure 6-14 Heating Element Removal (2 of 3) . . . . . . . . . . . . . . . 6-18
Figure 6-15 Heating Element Removal (3 of 3) . . . . . . . . . . . . . . . 6-19
Figure 6-16 Pressure Roller Removal . . . . . . . . . . . . . . . . . . . . . 6-20
Figure 6-17 Face-Up/Face-Down Lever Replacement . . . . . . . . . . . . 6-21
Figure 6-18 Fuser Exit Roller Removal . . . . . . . . . . . . . . . . . . . 6-22
Figure 6-19 Paper Exit Sensor Flag Replacement . . . . . . . . . . . . . . 6-23
Figure 6-20 Laser/Scanner Assembly Removal . . . . . . . . . . . . . . . 6-24
Figure 6-21 Solenoid Removal (1 of 2) . . . . . . . . . . . . . . . . . . . . 6-25
Figure 6-22 Solenoid Removal (2 of 2) . . . . . . . . . . . . . . . . . . . . 6-26
Figure 6-23 Pickup Roller Assembly Removal (1 of 2) . . . . . . . . . . . 6-27
v

Figure 6-24 Pickup Roller Assembly Removal (2 of 2) . . . . . . . . . . . 6-28
Figure 6-25 Paper Pickup Roller Assembly Replacement (Inside/Front View) 6-29
Figure 6-26 Paper Feed Frame Removal (1 of 4) . . . . . . . . . . . . . . 6-30
Figure 6-27 Paper Feed Frame Removal (2 of 4) . . . . . . . . . . . . . . 6-31
Figure 6-28 Paper Feed Frame Removal (3 of 4) . . . . . . . . . . . . . . 6-32
Figure 6-29 Paper Feed Frame Removal (4 of 4) . . . . . . . . . . . . . . 6-33
Figure 6-30 Transfer Roller Guide & Transfer Roller Removal
(Inside/Back View) . . . . . . . . . . . . . . . . . . . . . . . 6-34
Figure 6-31 Kick Plate Removal . . . . . . . . . . . . . . . . . . . . . . . 6-35
Figure 6-32 Kick Plate Spring Replacement . . . . . . . . . . . . . . . . . 6-36
Figure 6-33 Separation Pad Removal . . . . . . . . . . . . . . . . . . . . 6-37
Figure 6-34 Subpad Removal . . . . . . . . . . . . . . . . . . . . . . . . . 6-38
Figure 6-35 Feed Assembly Removal (1 of 3) . . . . . . . . . . . . . . . . 6-39
Figure 6-36 Feed Assembly Removal (2 of 3) . . . . . . . . . . . . . . . . 6-40
Figure 6-37 Feed Assembly Removal (3 of 3) . . . . . . . . . . . . . . . . 6-41
Figure 6-38 Memory Door Guide Removal . . . . . . . . . . . . . . . . . 6-42
Figure 6-39 Motor Removal . . . . . . . . . . . . . . . . . . . . . . . . . 6-43
Figure 6-40 DC Controller Removal (1 of 3) . . . . . . . . . . . . . . . . 6-44
Figure 6-41 DC Controller Removal (2 of 3) . . . . . . . . . . . . . . . . 6-45
Figure 6-42 DC Controller Removal (3 of 3) . . . . . . . . . . . . . . . . 6-46
Figure 6-43 Formatter Board Removal . . . . . . . . . . . . . . . . . . . . 6-47
Figure 7-1 Paper Path and Components . . . . . . . . . . . . . . . . . . . . 7-5
Figure 7-2 DC Controller PCA Components . . . . . . . . . . . . . . . . . 7-6
Figure 7-3 Heating Element Resistance Check . . . . . . . . . . . . . . . 7-11
Figure 7-4 Engine Test . . . . . . . . . . . . . . . . . . . . . . . . . . . 7-21
Figure 7-5 Toner Cartridge High Voltage Connection Points (1 of 2) . . . 7-24
Figure 7-6 Toner Cartridge High Voltage Connection Points (2 of 2) . . . 7-25
Figure 7-7 Overriding PS204 and SW101 . . . . . . . . . . . . . . . . . 7-27
Figure 7-8 Repetitive Image Defect Ruler . . . . . . . . . . . . . . . . . 7-28
Figure 7-9 Repetitive Image Defect Ruler . . . . . . . . . . . . . . . . . 7-29
Figure 8-1 Major Assembly Locations . . . . . . . . . . . . . . . . . . . . 8-7
Figure 8-2 Covers and Doors . . . . . . . . . . . . . . . . . . . . . . . . . 8-8
Figure 8-3 Internal Components (1 of 3) . . . . . . . . . . . . . . . . . . 8-10
Figure 8-4 Internal Components (2 of 3) . . . . . . . . . . . . . . . . . . 8-12
Figure 8-5 Internal Components (3 of 3) . . . . . . . . . . . . . . . . . . 8-14
Figure 8-6 DC Controller/Formatter and Cables . . . . . . . . . . . . . . 8-16
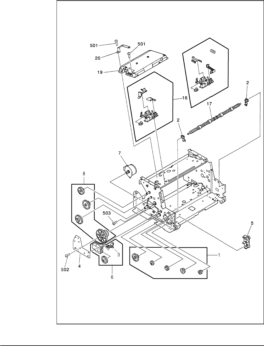
Figure 8-7 Pickup Roller Assembly . . . . . . . . . . . . . . . . . . . . . 8-18
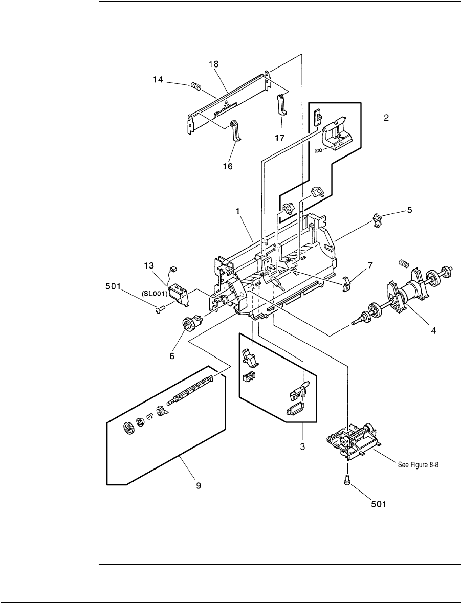
Figure 8-8 Feed Assembly . . . . . . . . . . . . . . . . . . . . . . . . . 8-20
Figure 8-9 Separation Guide Assembly . . . . . . . . . . . . . . . . . . . 8-22
Figure 8-10 Delivery Assembly . . . . . . . . . . . . . . . . . . . . . . . 8-24
Figure B-1 VCCI Statement (Japan) . . . . . . . . . . . . . . . . . . . . . B-4
vi

List of Tables
Table 1-1 Printer Features . . . . . . . . . . . . . . . . . . . . . . . . . . 1-3
Table 1-2 Paper Capacities and Sizes . . . . . . . . . . . . . . . . . . . . 1-3
Table 1-3 Performance Specifications . . . . . . . . . . . . . . . . . . . . 1-6
Table 1-4 Electrical Specifications . . . . . . . . . . . . . . . . . . . . . . 1-6
Table 1-5 Acoustic Emissions . . . . . . . . . . . . . . . . . . . . . . . . 1-6
Table 1-6 Related Documentation . . . . . . . . . . . . . . . . . . . . . 1-11
Table 2-1 Environmental Requirements . . . . . . . . . . . . . . . . . . . 2-3
Table 2-2 Printer Dimensions . . . . . . . . . . . . . . . . . . . . . . . . 2-4
Table 3-1 Indicator Lights (1 of 2) . . . . . . . . . . . . . . . . . . . . . . 3-4
Table 3-1 Indicator Lights (Continued 2 of 2) . . . . . . . . . . . . . . . . 3-5
Table 3-2 Front Panel Button Usage . . . . . . . . . . . . . . . . . . . . . 3-6
Table 4-1 Life Expectancy of Consumables . . . . . . . . . . . . . . . . . 4-3
Table 4-2 Cleaning Printer Components . . . . . . . . . . . . . . . . . . . 4-7
Table 5-1 Solenoid and Photosensors . . . . . . . . . . . . . . . . . . . 5-17
Table 5-2 Printer Timing . . . . . . . . . . . . . . . . . . . . . . . . . . 5-19
Table 7-1 Printer Status Messages (1 of 2) . . . . . . . . . . . . . . . . . . 7-8
Table 7-2 Printer Status Messages (Continued 2 of 2) . . . . . . . . . . . . 7-9
Table 7-3 Unclearable Error . . . . . . . . . . . . . . . . . . . . . . . . . 7-9
Table 7-4 Service and Error Messages (1 of 3) . . . . . . . . . . . . . . 7-10
Table 7-4 Service and Error Messages (Continued 2 of 3 ) . . . . . . . . 7-11
Table 7-4 Service and Error Messages (Continued 3 of 3) . . . . . . . . . 7-12
Table 7-5 High-Voltage Power Supply Check . . . . . . . . . . . . . . . 7-24
Table 7-6 Paper Curl Troubleshooting . . . . . . . . . . . . . . . . . . . 7-26
Table 7-7 Cable Pinouts . . . . . . . . . . . . . . . . . . . . . . . . . . 7-30
Table 7-8 Cable Pinouts . . . . . . . . . . . . . . . . . . . . . . . . . . 7-31
Table 8-1 Accessories and Supplies . . . . . . . . . . . . . . . . . . . . . 8-5
Table 8-2 Common Fasteners Used in the Printer . . . . . . . . . . . . . . 8-6
Table 8-3 Covers and Doors . . . . . . . . . . . . . . . . . . . . . . . . . 8-9
Table 8-4 Internal Components (1 of 3) . . . . . . . . . . . . . . . . . . 8-11
Table 8-5 Internal Components (2 of 3) . . . . . . . . . . . . . . . . . . 8-13
Table 8-5 Internal Components (3 of 3) . . . . . . . . . . . . . . . . . . 8-15
Table 8-6 ECU Case . . . . . . . . . . . . . . . . . . . . . . . . . . . . 8-17
Table A-1 Alphabetical Parts List . . . . . . . . . . . . . . . . . . . . . . A-2
Table A-2 Numerical Parts Index . . . . . . . . . . . . . . . . . . . . . . A-6
vii

viii

1
Product Information
Contents
Printer Features . . . . . . . . . . . . . . . . . . . . . . . . . . . . . . . . . 1-3
Paper Capacities and Sizes . . . . . . . . . . . . . . . . . . . . . . . . . . 1-3
Identification . . . . . . . . . . . . . . . . . . . . . . . . . . . . . . . . . . . 1-4
Model and Serial . . . . . . . . . . . . . . . . . . . . . . . . . . . . . . . 1-4
Specifications . . . . . . . . . . . . . . . . . . . . . . . . . . . . . . . . . . 1-6
Product Overview . . . . . . . . . . . . . . . . . . . . . . . . . . . . . . . . 1-7
Front/Side Views of the Printer . . . . . . . . . . . . . . . . . . . . . . . . 1-7
Front Door Assemblies . . . . . . . . . . . . . . . . . . . . . . . . . . . . 1-8
Back View of the Printer . . . . . . . . . . . . . . . . . . . . . . . . . . . 1-9
Service Approach . . . . . . . . . . . . . . . . . . . . . . . . . . . . . . . 1-10
Parts Exchange Program . . . . . . . . . . . . . . . . . . . . . . . . . . 1-10
Ordering Parts . . . . . . . . . . . . . . . . . . . . . . . . . . . . . . . 1-10
Ordering Consumables . . . . . . . . . . . . . . . . . . . . . . . . . . . 1-10
Ordering Related Documentation . . . . . . . . . . . . . . . . . . . . . 1-10
Technical Assistance . . . . . . . . . . . . . . . . . . . . . . . . . . . . . 1-12
Worldwide Support . . . . . . . . . . . . . . . . . . . . . . . . . . . . . 1-13
North American Response Center . . . . . . . . . . . . . . . . . . . . . 1-13
Warranty . . . . . . . . . . . . . . . . . . . . . . . . . . . . . . . . . . . . 1-14
Warranty Exclusions . . . . . . . . . . . . . . . . . . . . . . . . . . . . 1-14
Warranty Limitations . . . . . . . . . . . . . . . . . . . . . . . . . . . . 1-15
Voltage Conversions . . . . . . . . . . . . . . . . . . . . . . . . . . . . 1-15
Product Information 1-1

1-2 Product Information

Printer Features
Paper Capacities and Sizes
Features Descriptions
Print Speed 4 ppm (HP LaserJet 5L); 6 ppm (HP LaserJet 6L)
Text & Graphics Resolution 300 or 600 dpi
Printer Language Enhanced PCL 5
Monthly Usage (pages) 4,000 pages (HP LaserJet 5L); 6,000 pages (HP LaserJet 6L)
Memory:
Standard1
Maximum Memory
Capacity
1 Mbyte RAM
9 Mbyte total (available in increments of 1, 2, 4, and 8 Mbytes)
5 V JEDIA card2
(70nsec)
Internal Typefaces 26 Scalable Typefaces
Standard Interfaces Parallel (Bi-tronics)
Power Control SleepMode
Control Panel 3 LEDs
1 Front Panel Button
EconoMode (toner saving) Yes
1 Printer memory is optimized with Memory Enhancement technology (MEt).
2JEDIA (Japanese Electronic Device Industry Association) is a group of DRAM suppliers who have
standardized DRAM and other CMOS products.
Table 1-1 Printer Features
Features Descriptions
Paper Input Bin Capacity Holds up to 100 sheets of regular weight paper or up to
10 envelopes
Paper Output Bin Capacity Holds up to 100 sheets
Single Sheet Input Bin 1
Minimum Paper Size 3x5 in. (76 mm x 127 mm)
Maximum Paper Size 8.5x14 in. (216 mm x 356 mm)
Table 1-2 Paper Capacities and Sizes
1Product
Information
Product Information 1-3

Identification
Model and Serial
The model number and serial numbers are listed on identification labels located on
the bottom of the printer. The model number is alphanumeric, such as C3941A for
the HP LaserJet 5L printer, and C3990A for the HP LaserJet 6L printer.
The serial number contains information about the Country of Origin, the Revision
Level, the Production Code, and production number of the printer.
The labels also contain power rating and regulatory information.
HP LaserJet 5L Model and Serial Numbers
Figure 1-1
1-4 Product Information

HP LaserJet 6L Model and Serial Numbers
Figure 1-2
1Product
Information
Product Information 1-5

Specifications
Category Specification
Print Speed*: HP LaserJet 5L
Print Speed*: HP LaserJet 6L 4 ppm
6 ppm
Monthly Usage (Duty Cycle): HP LaserJet 5L
Monthly Usage (Duty Cycle): HP LaserJet 6L 4,000 pages
6,000 pages
Life Expectancy of Toner Cartridge (pages)** 2,500 pages @ 5% coverage
First Print A4 <23 seconds
Letter <23 seconds
* Actual speed depends on data complexity and software handling efficiency.
** Toner cartridge life can be extended by using EconoMode.
Table 1-3 Performance Specifications
Volts Freq Amps Watts (typical)
120 Vac ±10%
100 Vac ±10% 50/60 Hz ±2Hz
50/60 Hz ±2Hz
3.5 @ 120v* printing = 100 (5L) 150 (6L)
SleepMode = 6 (5L) 4 (6L)
220 Vac ±10%
240 Vac ±10% 50 Hz ±2Hz
50 Hz ±2Hz
1.8 @ 230v printing = 100 (5L) 150 (6L)
SleepMode = 6 (5L) 4 (6L)
*Minimum recommended circuit capacity for product.
Table 1-4 Electrical Specifications
During Printing 5.6 Bels Sound Power Level ( per ISO 9296)
Silent
During Standby & SleepMode
Table 1-5 Acoustic Emissions
1-6 Product Information

Product Overview
Front/Side Views of the Printer
1. Paper Input Support 7. Front Panel Button 13. Front Output Slot (face-up)
2. Paper Output Support 8. Paper Output Bin
3. Paper Guides 9. Paper Path Lever
4. Error (top) Light 10. Serial and Model Number (under printer)
5. Data (middle) Light 11. Paper Input Bin
6. Ready (bottom) Light 12. Single Sheet Input Slot
Figure 1-3
1Product
Information
Product Information 1-7

Front Door Assemblies
14. Paper Release Lever 16. Transfer Roller (do not touch)
15. Toner Cartridge Compartment 17. EP Door
Figure 1-4
1-8 Product Information

Back View of the Printer
18. Power Cable Connector 20. Memory Expansion Cover
19. Parallel Cable Connector
Figure 1-5 I
1Product
Information
Product Information 1-9

Service Approach
Repair of the printer normally begins with the use of the printer’s internal
diagnostics in conjunction with the troubleshooting procedures in Chapter 7. Once a
faulty part is located, repair is generally accomplished by assembly level
replacement of Field Replaceable Units (FRUs). Some mechanical assemblies may
be repaired at the subassembly level. PCA component replacement is not supported
by Hewlett-Packard. Part numbers for all FRUs are located in Chapter 8 of this
manual.
Parts Exchange Program
HP offers remanufactured assemblies for some selected parts. These are identified
in Chapter 8 and can be ordered through HP’s Parts Direct Ordering (PDO), or Parts
Center Europe (PCE).
Ordering Parts
Field replaceable part numbers are found in Chapter 8 of this manual. Replacement
parts may be ordered through HP’s Parts Direct Ordering (PDO), or Parts Center
Europe (PCE).
Ordering Consumables
The printer has no consumables other than the toner cartridge, which may be
ordered directly from Hewlett-Packard. Refer to Chapter 8 for ordering information.
Ordering Related Documentation
Table 1-6 on the following page lists part numbers and where to order related
documentation. Phone numbers for the various sources are:
•Parts Direct Ordering (PDO)
1-800-227-8164 (U.S. only)
•Parts Center Europe (PCE)
(49 7031) 14-2253
•HP’s Distribution Center (HPD)
970-339-7009 (U.S. only)
•URL for HP Access: http://www.hp.com
•URL for Software and Support: http://www.hp.com/cposupport/cpoindex.html
1-10 Product Information

Description Part Number PDO PCE HPD
HP LaserJet Family Quick Reference
Service Guide 5021-0369 X X
HP LaserJet 5L Printer
User’s Manual C3941-90901 X
HP LaserJet 6L Printer
User’s Manual C3990-90901 X
HP PCL5 Printer Language Technical
Reference Information Package 5010-3994 X X
HP LaserJet Printer Family Paper
Specifications Guide 5021-0368 X X X
LaserJet Basic Hardware Training Course 5961-0880 X X
HPLJ 5L and 6L Hardware Training Kit C3990+49A-60001
(NTSC)
C3990+49A-60002
(PAL)
X
XX
HP LaserJet 6L Printer Service Manual Bundle
includes: Service Manual C3990-90991
Paper Specifications Guide 5021-0368
Quick Ref. Pocket Guide 5021-0369
C3990-99001 X X
HP LaserJet 6L Printer NTSC Kit
includes: Box 9211-6385
6L Video Kit Label C3990-00010
6L Combined Test Kit C3990-67902
6L Video Tape C3990-99002
C3990-67901 X X
HP LaserJet 6L Printer PAL Kit
includes: Cardboard Sleeve 5002-0556
VHS-PAL Tape 5010-6306
6L Spine Label C3990-00012
6L Face Label C3990-00013
6L Pal Kit Label C3990-00014
C3990-67903 X X
HP LaserJet 6L Combined Test Kit
includes: Return Envelopes 5002-0562
Final Exam 5960-6642
6L Test Kit Label C3990-00011
6L Test Books (5 total) C3990-90992
Note: the five Test Books are labeled “A” through “E.”
C3990-67902 X X
Specific Application Drivers X
Table 1-6 Related Documentation
1Product
Information
Product Information 1-11

Technical Assistance
Online Services: for
24-hour access to
information over your
modem, we suggest these
services.
World Wide Web URL—Printer drivers, updated HP printer software, and product and support
information may be obtained from http://www.hp.com, or in Europe from http://www2.hp.com.In Japan
printer drivers may be obtained from ftp://www.jpn.hp.com/drivers/. Korea: www.hp.co.kr. Taiwan:
www.hp.com.tw, with a local driver website of www.dds.com.tw.
HP Bulletin Board Service—Our electronic download service provides convenient access to HP
printer drivers, updated HP printer software, product information, and troubleshooting hints. Dial (208)
344-1691 (U.S. and Canada) and set your communication software to N,8,1. European Bulletin Board
Service numbers are listed at http://www2.hp.com.Taiwan: (886-2) 923-3233. Korea: HITEL or
CHOLIAN (Go HPK).Australia: (613) 9890 0276.New Zealand: (649) 356-3660.
America OnLine—(America OnLine/Bertelsmann available in France, Germany, and UK)—Printer
drivers, updated HP printer software, and support documentation are available to help you answer
your HP product questions. Use Keyword HP to start your tour.
CompuServe—Printer drivers, updated HP printer software, and interactive sharing of technical
information with other members are available on CompuServe’s HP User’s forums (GO HP), or call
(800) 524-3388 and ask for representative #51. (CompuServe is also available in the UK, France,
Belgium, Switzerland, Germany, and Austria.)
Obtaining Software
Utilities and Electronic
Information: U.S. and
Canada
Asia-Pacific Countries
Australia/New Zealand
Phone: (970) 339-7009 Mail: Hewlett-Packard
Fax: (970) 330-7655 P.O. Box 1754
Greeley, CO 80632 USA
Fulfill Plus (65) 740-4477 (Singapore, Malaysia, Indonesia, Hong Kong).
Call (612) 565-6099.
HP Direct Ordering for
Accessories and Supplies Call (800) 446-0522 (U.S.) or (800) 387-8164 (Canada).
HP Support Assistant
CD-ROM This support tool offers a comprehensive online information system designed to provide technical and
product information on HP products.To subscribe to this quarterly service in the U.S. or Canada, call
(800) 457-1762. Fulfill Plus, (65) 740-4477 (Singapore, Malaysia, Indonesia, Hong Kong).
HP Service Information To locate HP-authorized dealers, call (800) 243-9816 (U.S.); (800) 387-3867 (Canada).
HP Service Agreements Call (800) 446-0522 (U.S.); (800) 268-1221 (Canada).
HP FIRST: HP FIRST Fax will deliver detailed troubleshooting information on common software applications and troubleshooting tips
for your HP product. Call from any touch-tone phone and request up to three documents per call. These documents will be sent to the
fax of your choice.
Australia
Austria
Belgium (Dutch)
Belgium (French)
Canada
China
Denmark
English outside of UK
Finland
France
Germany
Hong Kong
India
Indonesia
Italy
Japan
(03) 9272-2627
0660-8128
0800-1-1906
0800-1-7043
(800) 333-1917
(86 10) 6505 5280
800-10453
(31 20) 681-5792
9800-13134
05-905900
0130-810061
(852) 2506-2422
(011) 622-6420
(21) 352-2044
1678-59020
(813) 3335-8622
Korea
Malaysia
Netherlands
New Zealand
Norway
Philippines
Singapore
Spain
Sweden
Switzerland (German)
Switzerland (French)
Taiwan
Thailand
United Kingdom
United States
(02) 769-0543
(03) 298-2478
0800-22-2420
(09) 356 6642
800-11319
(65) 291-7951
(65) 275-7251
900-993123
020-795743
0800 55-1527
0800 55-1526
02-719-5589
(02) 661-3511
0800-960271
(800) 333-1917
1-12 Product Information

Worldwide Support
U.S. and Canada:
Customer Support &
Product Repair Assistance
(Please refer to the
warranty chapter of this
manual for additional
product repair
information.)
Call (208) 323-2551 Mon-Fri 6 am to 10 pm and Saturday 9 am to 4 pm (Mountain Time) free of
charge during the Warranty Period; however, your standard long-distance phone charges still apply.
Please have your serial number ready when calling.
Post-warranty telephone assistance is available to answer your product questions. Call (900)
555-1500 ($2.50* per minute, U.S. only), or call (800) 999-1148 ($25* per call, Visa or MasterCard,
U.S. and Canada) Mon-Fri 7 am to 6 pm and Saturday from 9 am to 3 pm (Mountain Time). Charges
begin only when you connect with a support technician.
*Prices subject to change.
European Customer Support Center Language and In-Country Options Available
Open Monday-Friday 8:30-18:00 CET
HP provides a free telephone support service during the warranty period. By calling a telephone number listed below, you will be
connected to a responsive team waiting to help you.If you require support after your warranty has expired, you can receive support
for a fee through the same telephone number. The fee is charged on a per-incident basis. When calling HP please have the following
information ready:
• Product name and serial number Date of purchase Description of the problem
Dutch Belgium: 02 626 8806
Netherlands: 020 606 8751
English Ireland: 01 662 5525
UK: 0171 512 5202
International: 44 171 512 52 02
French France: 04 50 43 9853
Belgium: 02 626 8807
Switzerland: 084 880 1111
German Germany: 0180 5 25 81 43
Austria: 0660 6386
Norwegian Norway: 22 11 6299
Danish Denmark: 3929 4099
Finnish Finland: 0203 47288
Swedish Sweden: 08 619 2170
Italian Italy: 02 26410350
Spanish Spain: 902 321 123
Portuguese Portugal: 01 441 7199
In-Country Support Numbers
Africa/Middle East
Argentina
Australia
Brazil
Canada
China
Czech Republic
Greece
Hong Kong
Hungary
India
Indonesia
Japan
Korea
(41 22) 780-7111
(54 1) 781-4059/69
(03) 9272 8000
(55 11) 709-1444
(208) 323-2551
(8610) 6261-4174; 6261-4175;
6261-4176; 6262-5666
(42 2) 471 7321
(30 1) 689 64 11
800-7729
(36 1) 252 4505
(011) 6472366
(21) 350-3408
(31 20) 581-3318
(82 2) 3270-0700; outside Seoul, call
080-999-0700
Malaysia
Mexico D.F.
Mexico Guadalajara
Mexico Monterey
New Zealand
Philippines
Poland
Portugal
Russia
Singapore
Switzerla nd
Taiwan
Thailand
Turkey
(603) 295-2566
(52 5) 326-4600
(52 3) 669 95 00
(52 83) 378 42 40
(64 9) 356-6640
(63 2) 894-1451
(48 22) 37-5065
(351 1) 301 7330
(7 095) 923-5001
(65) 272-5300
(41 1) 753 7111
(02) 717-9609
(662) 661-4011; 661-4012
(90 1) 224-5925
North American Response Center
The North American Response Center (NARC) is available for technical support to
assist service technicians. The NARC can be reached at 1-800-544-9976. To access
this service, HP resellers must have a valid CZ number.
1Product
Information
Product Information 1-13

Warranty
This warranty gives you specific legal rights. You may also have other rights, which
may vary from area to area.
Hewlett-Packard warrants the 5L and 6L LaserJet printers against defects in
materials and workmanship for a period of one year from the date of purchase by
the end user and is not transferable.
During the warranty period, Hewlett-Packard will, at its option, either repair or
replace hardware products that prove to be defective.
Should Hewlett-Packard be unable to repair or replace the product within a
reasonable amount of time, a refund of the purchase price may be made upon return
of the product. To have your printer serviced by Hewlett-Packard, you must make
arrangements to have it serviced in the country of purchase.
Warranty Exclusions
The warranty on your HP LaserJet printer shall not apply to defects or damage
resulting from:
•Improper or inadequate maintenance by customer.
•Customer-supplied software or interfacing.
•Unauthorized modification or misuse.
•Operation outside of the environmental specifications for the product.
•Operation of nonsupported printing media.
•Duty cycle abuse (see later explanation).
•Operating the printer from a mechanical switchbox without a designated surge
protector.
•Improper site preparation and maintenance.
•Use of non-HP toner cartridges (see explanation) or DRAM (JEDIA) memory
cards.
The use of non-Hewlett-Packard toner cartridges does not affect either the warranty
or any maintenance contract purchased from Hewlett-Packard. However, if an HP
LaserJet printer failure or printer damage is found to be directly attributable to the
use of any non-HP product, the repair will not be covered under the warranty or HP
maintenance contract. Hewlett-Packard cannot recommend use of non-HP toner
cartridges, either new or remanufactured, because they are not HP products and
Hewlett-Packard cannot influence or control their quality.
Operation of the printer beyond the limit of its duty cycle (printing more than the
equivalent of 4,000 single-sided pages per month on the HP LaserJet 5L or more
than the equivalent of 6,000 single-sided pages per month on the HP LaserJet 6L)
shall be deemed printer abuse and all repairs thereafter will be billed on a time and
materials basis.
1-14 Product Information

If you are using a mechanical switchbox, ensure that it is equipped with a surge
protector. Damage to your printer could occur from the use of unprotected
mechanical switchboxes.
The warranty period begins either on the date of delivery or, where the purchase
price includes installation by Hewlett-Packard, on the date of installation.
Warranty Limitations
The warranty set forth above is exclusive and no other warranty, whether written or
oral, is expressed or implied. Hewlett-Packard specifically disclaims the implied
warranties of merchantability and fitness for a particular purpose.
Some areas do not allow limitations on how long an implied warranty lasts, so the
preceding limitation or exclusion may not apply to you. However, any implied
warranty of merchantability or fitness is limited to the one-year duration of this
written warranty.
In no event will Hewlett-Packard or its suppliers be liable to you for any
consequential or incidental damages, including any lost profits or lost savings, or
for any claim by any party, even if a representative of HP or its suppliers has been
advised of the possibility of such damages.
Some areas, states, or provinces do not allow the exclusion or limitation of
incidental or consequential damages, so the preceding limitation or exclusion may
not apply to you.
Voltage Conversions
HP LaserJet printers are manufactured to different specifications for different
countries. Because of these differences, HP does not recommend transporting
products sold within one country to another country.
In addition to the 115-220 voltage environment concerns, the country of final
destination may have different import and export restrictions, power frequencies,
and regulatory requirements.
Note The HP LaserJet family printers must be serviced by an authorized repair depot or
reseller within the country where the printer was originally purchased.
Because of the different specifications and warranty coverage limitations,
Hewlett-Packard does not offer a conversion, or support the conversion, of HP
LaserJet family printers. We advise those customers planning to transport
equipment to different countries to purchase the products in the country of final
destination.
1Product
Information
Product Information 1-15

1-16 Product Information

2
Site Requirements
Contents
Site Requirements . . . . . . . . . . . . . . . . . . . . . . . . . . . . . . . . 2-3
Operating Environment . . . . . . . . . . . . . . . . . . . . . . . . . . . . 2-3
Printer Space Requirements . . . . . . . . . . . . . . . . . . . . . . . . . . . 2-4
The HP C3906A/F Toner Cartridge . . . . . . . . . . . . . . . . . . . . . . . 2-5
Storage Conditions . . . . . . . . . . . . . . . . . . . . . . . . . . . . . . 2-5
Storing Opened Toner Cartridges . . . . . . . . . . . . . . . . . . . . . . 2-5
Toner Cartridge Handling Suggestions . . . . . . . . . . . . . . . . . . . . 2-6
Site Requirements 2 -1

2 -2 Site Requirements

Site Requirements
Operating Environment
The environmental requirements listed in the table below must be maintained to
ensure the proper operation of this printer.
Consider the following points before installing the printer:
•Install in a well-ventilated, dust-free area.
•Install on a hard, flat and continuous surface, with all four printer feet level. Do
not install on carpet or other soft surfaces.
•Ensure adequate power is supplied. Printer power requirements are listed under
“Specifications,” in Chapter 1. Uninterruptible power supplies (UPS) should not be
used with this printer.
•Install away from direct sunlight, open flames, or ammonia fumes. If the printer
is placed near a window, make sure the window has a curtain or blind to block any
direct sunlight.
•Install with enough space around the printer for proper access and ventilation.
(See Figure 2-1.)
•Install printer away from the direct flow of exhaust from air ventilation systems.
LaserJet 5L/6L & Cartridge Operating Storage
Temperature 50 to 90.5° F (10 to 32.5° C) 32 to 104° F (0 to 40° C)
Humidity 20 to 80% RH
(with no condensation) 10 to 80% RH
(with no condensation)
Table 2-1 Environmental Requirements
2Site
Requirements
Site Requirements 2 -3

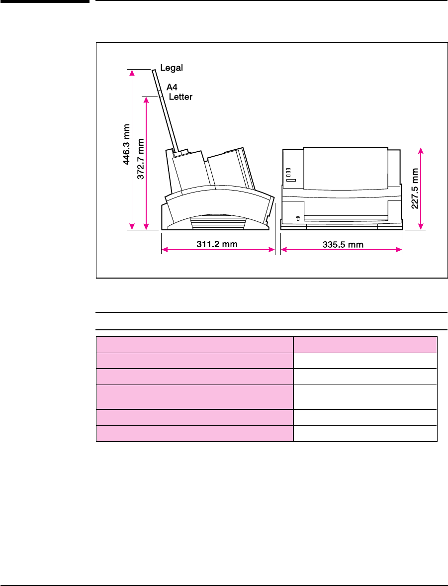
Printer Space Requirements
Printer Space Requirements
Figure 2-1
Description Dimension
Width 13.2 in. (335.5 mm)
Depth 12.3 in. (311.2 mm)
Height (storage)
(operational) 8.9 in. (227.5 mm)
14.6 in. (372.7 mm)*
Weight (with toner cartridge) 15.9 lbs. (7.2 kg)
Toner cartridge weight** 1.5 lbs. (.7 kg)
* With letter input assembly extended.
** Some quantity of toner will reside in the waste toner area of a toner cartridge when the toner
supply is exhausted. Therefore, using toner cartridge weight may be an unreliable indication of
remaining toner supply.
Table 2-2 Printer Dimensions
2 -4 Site Requirements

The HP C3906A/F Toner Cartridge
Toner cartridges contain components that are sensitive to light, temperature, and
humidity. Follow the recommendations in this section to ensure the highest quality
and longest life of HP toner cartridges.
Keep the printer within the following environmental conditions for optimum
performance.
Storage Conditions
The toner cartridge is affected by its environment. Packaging protects the toner
cartridge from light and increases its storage life. It is important to store the
cartridge in its original packaging until the cartridge is ready to be installed in the
printer.
When storing the toner cartridge in a warehouse or work area, make sure the storage
place meets the conditions specified in Table 2-1.
Storing Opened Toner Cartridges
Because the cartridge does not have a shutter to cover the laser beam access slot, it
should be kept inside the printer until empty. Toner cartridges which have had the
toner sealing tape removed are also more vulnerable to environmental extremes
(such as high humidity).
If the toner cartridge must be removed from the printer, always store the cartridge:
•Inside the protective bag in which it was originally packaged.
•In a dark cabinet, away from direct sunlight.
•Correct side up and in a horizontal position (not standing on end).
•At a temperature between 32° to 104° F (0° and 40° C).
•Away from ammonia or other organic solvent fumes.
Caution Never ship the printer with a toner cartridge installed. Excessive vibration during
shipping can cause toner to leak, contaminating the printer. Never expose the toner
cartridge to direct sunlight or to room light for more than a few minutes. Bright
light and direct sunlight can permanently damage a toner cartridge.
Note The C3906F toner cartridge is designed specifically for use in the environmental
conditions of the Asia Pacific region and is only available in that region.
2Site
Requirements
Site Requirements 2 -5

Toner Cartridge Handling Suggestions
•Before installing a cartridge, distribute the toner evenly by rotating the cartridge
back and forth five to six times. (See Figure 2-2.) Repeat this action when toner
begins to run low.
Toner Cartridge Distribution
•Do not touch the surface of the photosensitive drum in the cartridge. Protect the
drum from light and contamination.
•Do not expose the cartridge to unnecessary vibrations or shock.
•Do not expose the photosensitive drum to strong light. Blurred areas on the page
may indicate that the drum has been exposed to light for too long. This causes
permanent damage to the photosensitive drum. Replace the cartridge.
•Never manually rotate the drum, especially in the reverse directions; internal
damage and toner spills may result.
•Do not install the toner cartridge in the printer for shipping.
TonerCartridge C3906A
Figure 2-2
2 -6 Site Requirements

3
Operating Overview
Contents
Using the Control Panel . . . . . . . . . . . . . . . . . . . . . . . . . . . . . 3-3
Control Panel Layout . . . . . . . . . . . . . . . . . . . . . . . . . . . . . 3-3
LED Lights . . . . . . . . . . . . . . . . . . . . . . . . . . . . . . . . . . 3-4
The Front Panel Button . . . . . . . . . . . . . . . . . . . . . . . . . . . . 3-6
Printing a Self-Test Page . . . . . . . . . . . . . . . . . . . . . . . . . . . . . 3-7
Continuous Self Test . . . . . . . . . . . . . . . . . . . . . . . . . . . . . 3-9
Printing an Engine Test . . . . . . . . . . . . . . . . . . . . . . . . . . . . 3-10
Resetting the Printer . . . . . . . . . . . . . . . . . . . . . . . . . . . . . . 3-11
To Reset the Printer . . . . . . . . . . . . . . . . . . . . . . . . . . . . . 3-11
Operating Overview 3-1

3-2 Operating Overview

Using the Control Panel
Control Panel Layout
The Control Panel consists of three status lights and a Front Panel Button located at
the front of the printer.
The Control Panel consists of one button and
three status lights.
ERROR (Yellow)
DATA (Green)
READY (Green)
+
These lights can be in only one of the
following states: +
OFF ON Blinking
3Installation and
Configuration
Operating Overview 3-3

LED Lights
The LED lights provide a quick way to check the printer’s status.
When this Indicator: Looks like
this: It means this: Do this:
On
Blinking
Ready Ready to print.
Print job in progress. Let job finish printing.
On Form Feed There is unprinted
data in the buffer. Briefly press the Front Panel Button to print the
remaining data.
Blinking Manual Feed The printer is in
manual feed mode. Make sure you have the correct paper in the
Single Sheet Input Bin, and briefly press and
release the Front Panel Button to print.
On Error (light continuously on)
Printer is out of paper.
Printer’s EP door is open.
Toner cartridge is either missing
or not installed correctly.
There is paper jammed in the
printer.
Add paper.
Close the door.
Install a cartridge, being careful to position it
correctly.
Clear the jam and resume printing.
If the Error light remains lit after checking for
these problems, and there’s no paper jam,
disconnect the power for 10 seconds, then
reconnect to the power source. If, after taking
these actions, the light remains on, refer to
Chapter 7, “Troubleshooting."
Table 3-1 Indicator Lights (1 of 2)
3-4 Operating Overview

When this indicator: Looks like
this: It means this: Do this:
Blinking Error (light blinking) Page Too
Complex
The page may be too complex
for the printer’s memory capacity
or the printer may not be able to
create the image fast enough to
keep pace with the engine
printing process.
Briefly press and release the Front Panel Button
to continue printing. There may be some data
loss on the page.
Hint: To avoid this in the future:
1. See your printer driver help for more
suggestions regarding printer memory usage.
2. Reduce resolution to 300 dpi with your
software.
3. Install additional printer memory. (See chapter
6 for information on installing additional memory.)
All off Sleep Mode Either the printer is
in SleepMode or the power
source has been disabled.
No action is necessary. When you press the
Front Panel Button, send data to the printer, or
open the printer door, the status light comes on.
All on Hardware Error There is an
internal problem that won’t allow
printing.
1. If you have added an additional memory card,
try removing it.
2. Disconnect the power for 10 seconds, then
reconnect it.
3. If all of the lights come on steadily again, try
disconnecting the power for 15 minutes.
If this error remains after completing the tasks
above, see Chapter 7, “Troubleshooting."
All Blinking Memory Error An incompatible
memory card has been installed. For memory card specifications, see the
HP LaserJet 5L User’s Manual,
appendix D,
or the
HP LaserJet 6L User’s Manual,
page 1-10.
The memory card must be a 70 nsec or faster
card.
Table 3-1 Indicator Lights (Continued 2 of 2)
3Installation and
Configuration
Operating Overview 3-5

The Front Panel Button
Depending on what state the printer is in, pressing the Front Panel Button allows
you to control printing tasks by either starting or resuming a printer function. Use
the Front Panel Button to accomplish the following tasks:
Function Lights Action Result
Wake Up All lights are off while
plugged into power source. Briefly push and release the
button. The printer will wake up to a
ready state.
SelfTest Ready (bottom) light is on
and the other lights are off. Briefly push and release the
button. Prints a self-test page.
Printer Reset The Ready (bottom) Light
will remain lit, if there are no
printer errors.
Press and hold the button
until the three Front Panel
Lights blink quickly in
succession.
The reset will return the printer to
the factory default settings. This
clears all data from memory,
including any downloaded fonts
and macros.
Resume (from
Manual Feed) The Data (middle) Light
blinks. Briefly push and release the
button. Override manual feed to print
from paper cassette.
Continue (from
memory error) Error (top) light blinks. Briefly push and release the
button. Allows the printer to recover and
continue printing the job.
Form Feed The Data (middle) Light and
the Ready (bottom) Light
both remain on.
Briefly push and release the
button. The remaining data in printer
memory will print.
Table 3-2 Front Panel Button Usage
3-6 Operating Overview

Printing a Self-Test Page
A self-test page can be useful in troubleshooting printer problems and determining
which fonts have been downloaded to the printer.
Self-test Page for HP LaserJet 5L
Figure 3-1
3Installation and
Configuration
Operating Overview 3-7

Self-test Page for HP LaserJet 6L
The self-test page lists the current printer configuration. (If any fonts have been
downloaded to the printer a second page will print.)
To print a self-test page:
1Make sure the Ready (bottom) Light is on, and all other lights are off. Wake up the
printer if necessary by pressing the Front Panel Button.
2Briefly press and release the Front Panel Button. The Data (middle) Light comes
on, the Ready (bottom) Light blinks. Wait for a self-test page to print.
Figure 3-2
3-8 Operating Overview

Continuous Self Test
A continuous self test can be useful for troubleshooting paper path and other
problems. To print a continuous self test:
1Disconnect the printer from the power source.
2Press and hold down the Front Panel Button while connecting power.
3Continue holding the button for about five seconds.
All lights will illuminate at once, then each will light in sequence.
4Release the button. The printer conducts its internal diagnostics routine, then prints
the self-test page continuously until stopped.
5To stop the continuous self test (and reset the printer), press and hold the Front
Panel Button for a few seconds until all lights begin lighting in sequence once again.
Note The self test does not print at the printer’s rated speed of four pages per minute
(HP LaserJet 5L) or six pages per minute (HP LaserJet 6L). The engine test prints at
the printer’s rated speed.
3Installation and
Configuration
Operating Overview 3-9

Printing an Engine Test
The engine test print can be used to verify that the print engine is functioning
correctly. The Formatter PCA is completely bypassed during an engine test.
Consequently, this test is useful for isolating engine printer problems. The engine
test prints a full page of vertical lines down the entire printable area. This page is
useful for checking and adjusting registration.
Note Perform the engine test with the printer covers in place, as shown in Figure 3-6.
Refer to “Engine Test” in Chapter 7 for the engine test procedure.
Engine Test Button
Figure 3-3
3-10 Operating Overview

Resetting the Printer
Resetting the printer accomplishes the following:
•Clears all data from the printer’s memory (including unprinted data, downloaded
fonts, and macros).
•Stops any printing that is taking place and ejects the page.
•Removes some error conditions.
•Resets the printer to its factory default settings.
To Reset the Printer
Press and hold the Front Panel Button until the three control panel lights blink
quickly in succession (about 5 seconds), then let go of the button. After resetting,
the Ready (bottom) Light will remain lit if there are no printer errors. (Make sure
there is paper in the printer or the error light will remain on.)
3Installation and
Configuration
Operating Overview 3-11

3-12 Operating Overview

4
Printer Maintenance
Contents
Life Expectancy of Consumables . . . . . . . . . . . . . . . . . . . . . . . . 4-3
Toner Cartridge Life . . . . . . . . . . . . . . . . . . . . . . . . . . . . . . 4-4
Saving Toner with EconoMode . . . . . . . . . . . . . . . . . . . . . . . 4-4
Refilled Toner Cartridges . . . . . . . . . . . . . . . . . . . . . . . . . . 4-5
Recycling Toner Cartridges . . . . . . . . . . . . . . . . . . . . . . . . . 4-5
Cleaning the Printer . . . . . . . . . . . . . . . . . . . . . . . . . . . . . . . 4-6
Cleaning Printer Components . . . . . . . . . . . . . . . . . . . . . . . . 4-7
Cleaning Spilled Toner . . . . . . . . . . . . . . . . . . . . . . . . . . . . 4-8
Printer Maintenance 4-1

4-2 Printer Maintenance

Life Expectancy of Consumables
Always inspect the components listed in Table 4-1 for wear when servicing the
printer. Replace these components as needed, based on printer failures or wear, not
strictly on usage.
Description HP LaserJet 5L
Part Number HP LaserJet 6L
Part Number Est Life
(pgs) Remarks
Toner Cartridge
(user replaceable) C3906A C3906A 2,500* When print becomes
faint, shake cartridge to
distribute remaining
toner.
Transfer Roller RF5-1534-000CN RF5-1534-000CN 50,000 May affect print quality
and/or paper movement.
Paper Pickup
Assembly RG5-1940-000CN RG5-3486-000CN 50,000 Look for glazing and/or
cracks.
Separation Pad &
Sub pads RY7-5008-000CN RY7-5008-000CN 50,000 May affect paper
movement.
Heating Element
100-120 V, 50/60 Hz
220-240 V, 50 Hz
Pressure Roller
RG5-1964-000CN
RG5-1965-000CN
RF5-1516-000CN
RG5-3459-000CN
RG5-3463-000CN
RF5-2362-000CN
50,000 May affect print quality
and/or paper movement.
Look for marks on
pressure roller or upper
Teflon sleeve.
*The estimated toner cartridge life is based on Letter or A4 size paper with an average of 5% toner
coverage and a medium density setting. Toner cartridge life can be extended further by conserving
toner using the printer’s EconoMode feature.
Table 4-1 Life Expectancy of Consumables
4Maintenance
Printer Maintenance 4-3

Toner Cartridge Life
The toner cartridge has been designed to simplify the replacement of the printer’s
major “consumable” parts. The toner cartridge contains the printing mechanism and
a supply of toner. When using a typical word-processing application, a toner
cartridge will print approximately 2500 pages where the text covers about 5% of the
page.
Five Percent Text Coverage
When regularly printing pages with less coverage, such as short memos, a toner
cartridge should print over 2500 pages. However, if routinely printing very dense
print, the cartridge will not print a full 2500 pages.
Note For best results, always use a toner cartridge before the expiration date stamped on
the toner cartridge box.
Saving Toner with EconoMode
Toner cartridge life can be extended dramatically by using the EconoMode printing
feature of the printer. EconoMode uses approximately 50% less toner than normal
printing. The printed page is much lighter and is adequate for printing drafts or
Figure 4-1
4-4 Printer Maintenance

proofs. EconoMode can be set through your printer driver. See Chapter 3 for
information.
Notes Some software applications may refer to this as “draft mode."
Refilled Toner Cartridges
While Hewlett-Packard does not prohibit the use of refilled toner cartridges during
the warranty period or while under a maintenance contract, we do not recommend
their use. The reasons for this are:
•Hewlett-Packard has no control or process to ensure that a refilled toner cartridge
functions at the high level of reliability of a new HP LaserJet toner cartridge.
•Hewlett-Packard also cannot predict what the long-term reliability effect on the
printer is from using different toner formulations found in refilled cartridges.
•Hewlett-Packard has no control over the actual print quality of a refilled toner
cartridge. The print quality of HP LaserJet toner cartridges influences the
customer’s perception of the printer.
Repairs resulting from the use of refilled toner cartridges are not covered under the
HP warranty or maintenance contract.
Recycling Toner Cartridges
In order to reduce waste, Hewlett-Packard has adopted a recycling program for used
toner cartridges. Plastics and other material are recycled. Cartridge components that
do not wear out are reused. HP pays the shipping costs from the user to the
recycling plant. For each cartridge returned, HP donates one U.S. dollar to be
shared by the Nature Conservancy and the National Wildlife Federation. To join this
recycling effort, follow the instructions inside the toner cartridge box.
4Maintenance
Printer Maintenance 4-5

Cleaning the Printer
To maintain the print quality, thoroughly clean the printer:
•Every time you change the toner cartridge.
•After printing approximately 2,500 pages.
•Whenever print quality problems occur.
Clean the outside of the printer with a lightly water-dampened cloth. Clean the
inside with only a dry, lint-free cloth. Observe the warnings and cautions below.
WARNING! Before you begin these steps, unplug the printer to avoid shock hazard.
When cleaning around the front door area, avoid touching the heating element. It
may be HOT. (For heating element location, see Figure 6-14.)
4-6 Printer Maintenance

Cleaning Printer Components
CAUTION To avoid permanent damage to the toner cartridge, do not use ammonia-based
cleaners on or around the printer. Do not touch the transfer roller with your fingers.
Contaminants on the roller can cause print quality problems.
COMPONENT CLEANING METHOD/NOTES
Outside Covers Use a water-dampened cloth. Do not use solvents or
ammonia-based cleaners.
Inside General Use a dry, lint free cloth. Remove all dust, spilled toner, and
paper particles.
Exit Roller Use a water-dampened lint-free cloth. (For location, see
Figure 6-8.)
Fuser Exit Roller Use a water-dampened lint-free cloth. (For location, see
Figure 6-18.)
Pickup Roller Use a lint-free cloth dampened with isopropyl alcohol. (For
location, see Figure 6-25.)
Pressure Roller Use a dry lint-free cloth. (For location, see Figure 6-16.)
Transfer Roller Use a dry, lint-free cloth. DO NOT TOUCH with your fingers.
(For location, see Figure 6-30.)
Separation Pad Use a dry lint-free cloth. (For location, see Figure 6-31.)
Delivery Assembly Use a water-dampened lint-free cloth. (For location, see
Figure 6-10.)
Static Eliminator Teeth Use compressed air. (See Figure 4-2 on the following page
for static eliminator teeth location.)
Table 4-2 Cleaning Printer Components
4Maintenance
Printer Maintenance 4-7

Static Eliminator Teeth (located in front of the transfer roller)
Cleaning Spilled Toner
Defective toner cartridges can develop leaks. In addition, after a paper jam has
occurred, there may be some toner remaining on the rollers and guides inside the
printer. The pages that print immediately after the jam may pick up this toner.
Clean spilled toner with a cloth slightly dampened in cold water. Do not touch the
Transfer Roller with the damp cloth or with your fingers. Do not use a vacuum
cleaner unless it is equipped with a micro-fine particle filter.
Note If toner gets on your clothing, use cold water to remove it. Hot water sets toner
stains into fabric.
Figure 4-2
4-8 Printer Maintenance

5
Functional Overview
Contents
Basic Printer Functions . . . . . . . . . . . . . . . . . . . . . . . . . . . . . 5-3
DC Controller/Power System . . . . . . . . . . . . . . . . . . . . . . . . . . 5-4
Print Engine Control System . . . . . . . . . . . . . . . . . . . . . . . . . 5-5
Power System (on DC Controller PCA) . . . . . . . . . . . . . . . . . . . 5-6
Formatter System . . . . . . . . . . . . . . . . . . . . . . . . . . . . . . . . 5-8
CPU . . . . . . . . . . . . . . . . . . . . . . . . . . . . . . . . . . . . . . 5-8
Read Only Memory (ROM) . . . . . . . . . . . . . . . . . . . . . . . . . 5-8
Random Access Memory (RAM) . . . . . . . . . . . . . . . . . . . . . . 5-8
Parallel Interface . . . . . . . . . . . . . . . . . . . . . . . . . . . . . . . 5-8
Control Panel . . . . . . . . . . . . . . . . . . . . . . . . . . . . . . . . . 5-9
Resolution Enhancement (REt) . . . . . . . . . . . . . . . . . . . . . . . . 5-9
EconoMode . . . . . . . . . . . . . . . . . . . . . . . . . . . . . . . . . 5-10
Memory Enhancement technology (MEt) . . . . . . . . . . . . . . . . . 5-10
Enhanced I/O . . . . . . . . . . . . . . . . . . . . . . . . . . . . . . . . 5-11
Page Protect . . . . . . . . . . . . . . . . . . . . . . . . . . . . . . . . . 5-11
PJL Overview . . . . . . . . . . . . . . . . . . . . . . . . . . . . . . . 5-11
Image Formation System . . . . . . . . . . . . . . . . . . . . . . . . . . . 5-12
Toner Cartridge . . . . . . . . . . . . . . . . . . . . . . . . . . . . . . . 5-13
Step 1: Drum Cleaning . . . . . . . . . . . . . . . . . . . . . . . . . . . 5-13
Step 2: Drum Conditioning . . . . . . . . . . . . . . . . . . . . . . . . . 5-13
Step 3: Image Writing . . . . . . . . . . . . . . . . . . . . . . . . . . . 5-13
Step 4: Image Developing . . . . . . . . . . . . . . . . . . . . . . . . . 5-14
Step 5: Image Transferring . . . . . . . . . . . . . . . . . . . . . . . . . 5-14
Step 6: Image Fusing . . . . . . . . . . . . . . . . . . . . . . . . . . . . 5-14
Paper Feed System . . . . . . . . . . . . . . . . . . . . . . . . . . . . . . . 5-15
Paper Jam Detection . . . . . . . . . . . . . . . . . . . . . . . . . . . . 5-18
Basic Sequence of Operation . . . . . . . . . . . . . . . . . . . . . . . . . 5-19
Functional Overview 5 - 1

5 - 2 Functional Overview

Basic Printer Functions
This chapter presents a generalized functional overview of the printer and the
printing processes. The following printer systems are discussed:
•DC Controller System/ Power System
•Formatter System
•Image Formation System
•Paper Feed System
•Laser/Scanner System
Figure 5-1 is a generalized block diagram of the printer:
Printer Functional Block Diagram
Figure 5-1
5Functional
Overview
Functional Overview 5 - 3

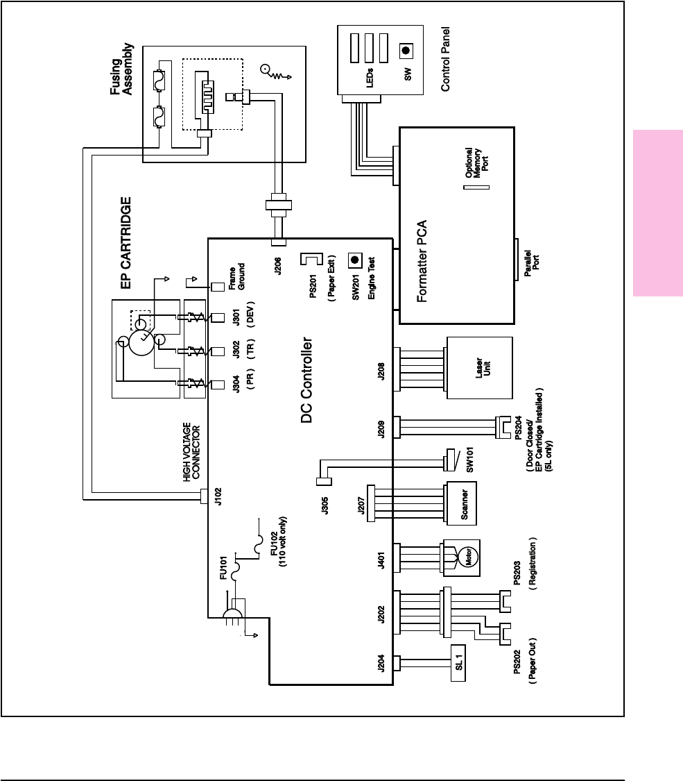
DC Controller/Power System
The DC Controller PCA coordinates all print engine activities, drives the laser, and
coordinates print data from the Formatter PCA with the image formation process.
The DC Controller also includes both AC and DC power supply and distribution
circuitry. The DC Controller controls the following systems and functions:
•Print Engine Control
•Laser and Scanner Drive
•Paper Motion Photosensors (Paper Out, Paper Registration, and Paper Exit
Sensors)
•Motor
•Power System
•AC Power Distribution
•DC Power Distribution
•Overcurrent/Undervoltage Protection
•SleepMode
•High Voltage Power Distribution
Figure 5-2 shows the various DC controller loads.
DC Controller Loads
Low-Voltage
Supply
AC Driver
+5V
+12V
Figure 5-2
5 - 4 Functional Overview

Print Engine Control System
Laser and Scanner Drive
Based on information received from the Formatter, the DC Controller sends signals
to the Laser/Scanner Assembly to modulate the laser diode ON and OFF and to
drive the Laser/Scanner motor. Refer to “Image Formation System,” later in this
chapter for more information.
Paper Motion Monitoring and Control
The DC Controller PCA controls paper motion by continuously monitoring the
various paper sensors and coordinating the timing with the other print processes.
For a detailed explanation of paper movement, and the interaction of photosensors
and solenoid with the paper movement process, refer to the section “Paper Feed
System,” later in this chapter.
+12 V Shutoff Switch
The 12 volt DC power shutoff switch, Switch 101, located on the top of the printer,
is activated by the printer door. The front door must be closed before the printer can
resume printing.
Engine Test Switch
The Test Print, Switch 201, located on the DC Controller, is activated manually
through an access hole at the front of the printer. This switch causes the print engine
to perform a self-test diagnostic which bypasses the Formatter PCA and prints a full
page of black vertical lines. This test is useful for troubleshooting printer problems
because it isolates the print engine from the Formatter PCA. (See Chapter 7,
“Troubleshooting,” to learn more about how to perform an engine test.)
Motor
The Motor is controlled by the DC Controller PCA. The Motor provides all of the
printer’s paper movement.
5Functional
Overview
Functional Overview 5 - 5

Power System (on DC Controller PCA)
The AC, DC, and high voltage power supply circuits are all contained within the DC
Controller PCA.
AC Power Distribution
The AC power circuitry supplies AC voltage whenever the power cord is connected
to the AC power source. AC voltage is distributed to the DC power supply circuitry
and to the AC driver circuitry, which controls AC voltage to the fusing assembly’s
heating element.
DC Power Distribution
The DC power distribution circuitry, located on the DC Controller PCA, distributes
+5 V DC and +12 V DC as follows:
+5VDC: Formatter PCA
Photosensors
DC Controller Circuitry
Laser/Beam Detect Circuitry
+12 V DC: Motor
Scanner Motor
Solenoid
+12VA DC: High Voltage Power Supply
Overcurrent/Overvoltage Protection
There are two overvoltage /overcurrent devices in this printer:
•Fuse F101 provides overcurrent protection for the fusing system circuitry. To
check or replace the fuse requires the removal of the DC Controller. Fuse 102
(found only on 110V units) provides overcurrent protection to the printer DC power
supply circuitry.
•In addition, the +12V DC and +5V DC power circuitry contains an overcurrent
protection circuit which automatically shuts off the output voltage when an
overcurrent condition occurs due to a short or abnormal voltage on the load side.
SleepMode
Instead of a power switch, the printer has a SleepMode function. After the printer
has been idle for 15 minutes, it turns itself off by shifting to SleepMode. The front
panel lights remain off, and the printer retains all printer settings and downloaded
fonts and macros while in SleepMode.
5 - 6 Functional Overview

The printer exits SleepMode and all of the lights power on when any of the
following occur:
•A job is received.
•The Front Panel Button is pressed.
•The printer front door is opened.
Note The printer will not enter SleepMode if there is a printer error.
High Voltage Power Distribution
The High Voltage Power Supply PCA applies an overlap of DC and AC voltage to
the primary charging roller and the developing roller. This circuit also applies a
positive or negative DC voltage to the transfer charging roller according to the
instructions from the CPU on the DC Controller PCA.
This circuit also controls the image density by changing the primary AC voltage and
the developing AC bias according to the setting of the print density dial.
High voltage is disabled when the printer’s EP Door is open (i.e., switch SW101 is
open).
5Functional
Overview
Functional Overview 5 - 7

Formatter System
The Formatter PCA is responsible for the following:
•Receiving and processing print data from the printer interface.
•Monitoring Front Panel Button and relaying printer status information.
•Developing and coordinating data placement and timing with the print engine.
•Storing font information.
•Communicating with the host computer through the Bi-Directional Interface.
The Formatter PCA receives print data from the Bi-Tronics Interface and converts it
into a dot image. The DC Controller synchronizes the Image Formation System
with the Paper Feed System and signals the Formatter to send the print image data.
The Formatter sends the print image data (dots) in the form of a VIDEO signal and
the printing process begins.
The Formatter PCA also provides mounting locations for additional memory.
CPU
The Formatter PCA incorporates a Motorola 68030 custom-built microprocessor
operating at 24 MHz.
Read Only Memory (ROM)
Besides storing microprocessor control programs, the ROM stores dot patterns of
internal character sets (fonts).
Random Access Memory (RAM)
The RAM stores printing and downloaded font information received from the host
system and temporarily stores a full page of print image data before the data is sent
to the print engine. (See “Page Protect” later in this chapter.) Memory capacity can
be increased by adding a DRAM memory card to the Formatter PCA. Note that
adding memory may also increase print speed when printing complex graphics.
Parallel Interface
The Formatter PCA receives incoming data through its Bi-Tronics interface. The
Bi-Tronics I/O provides high speed and two-way communication between the
printer and the host, allowing the user to change printer settings and monitor printer
status from the host computer. This interface is IEEE-1284 compliant.
5 - 8 Functional Overview

Control Panel
Status LED Lights
The Formatter uses three LEDs mounted under the printer cover to communicate
printer status to the user. Refer to “Using the Control Panel” in Chapter 3 and
“Printer Error Troubleshooting” in Chapter 7 for more information on the lights.
Front Panel Button
The Formatter PCA is connected to a microswitch located on the control panel
PCA. The single button is used for such functions as self test, reset, and to display
error codes. Refer to “Using the Control Panel” in Chapter 3 for more information
on the Front Panel Button.
Resolution Enhancement (REt)
The Formatter PCA contains circuitry for Resolution Enhancement technology
(REt), which modifies the standard video dot data on its way to the DC Controller
to produce “smoothed” black-to-white boundaries. REt is user-adjustable from
some software applications. Available settings are On or Off.
5Functional
Overview
Functional Overview 5 - 9

EconoMode
The EconoMode setting uses approximately 50% less toner than standard mode
printing by reducing the dot density. However, EconoMode does not extend toner
cartridge component life. EconoMode, which can also be thought of as “draft
mode,” is user-selectable through some software applications. The default setting is
Off.
EconoMode vs Normal Mode
Note EconoMode does not affect print speed or memory usage.
Memory Enhancement technology (MEt)
The Hewlett-Packard Memory Enhancement technology (Met) effectively doubles
the standard memory through a variety of font and data compression methods. MEt
is only available in PCL mode and is not customer selectable. When using the
host-based driver, your PC handles memory management.
Figure 5-3
5 - 10 Functional Overview

Enhanced I/O
The Enhanced I/O feature allows printer memory to be used for storing data
received from the host computer. When Enhanced I/O is enabled, you can send
more data to your printer in shorter amounts of time, which allows you to return to
your application sooner. Enhanced I/O has the following options:
•Auto—allows the printer to use Enhanced I/O memory allocation to increase the
speed of data transfer from the host computer to the printer, if necessary.
•Off—uses the minimum amount of printer memory for storing data sent from the
host computer.
Enhanced I/O is only available in PCL mode. When using the host-based driver,
your PC handles memory management.
Page Protect
Page complexity (rules, complex graphics, or dense text) may exceed the printer’s
ability to create the page image fast enough to keep pace with the Image Formation
process. If Page Protect is disabled and a page is too complex, the page may print in
parts (for example, the top half on one page and the bottom half on the next page).
Some print data loss is likely in these instances, and the printer will display an error
message.
Page Protect allows the Formatter to create the entire page image in page buffer
memory before physically moving the paper through the printer. This process
ensures that the entire page will be printed. Page Protect applies only to PCL
printing. The default setting is Auto.
PJL Overview
Printer Job Language (PJL) is an integral part of configuration, in addition to the
standard Printer Command Language (PCL). With standard Centronics cabling, PJL
allows the printer to perform functions such as:
•Two-way communication with the host computer through a Bi-directional Parallel
connection. The printer can tell the host such things as the control panel status.
•Isolation of print environment settings from one print job to the next. For
example, if a print job is sent to the printer in landscape mode, the subsequent print
jobs print in landscape only if they are formatted for landscape printing.
5Functional
Overview
Functional Overview 5 - 11

Image Formation System
Laser printing requires the interaction of several different technologies (such as
electronics, optics, and electrophotographics) to provide a printed page. Each
process functions independently and must be coordinated with the other printer
processes. Image formation consists of six processes:
•Step 1. Drum Cleaning
•Step 2. Drum Conditioning
•Step 3. Image Writing
•Step 4. Image Developing
•Step 5. Image Transferring
•Step 6. Image Fusing
Image Formation Block Diagram
2. Scanning Exposure
1. Primary Charging
7. Drum Cleaning
3. Developing
5. Separation 4. Transfer Registration
6. Fusing
Paper Delivery
Manual Feeding Slot
Multi-Purpose Tray
Drum Cleaning
Block
Fuser Block
Transfer Block
Electrostatic Latent Image Formation Block
Developing
Block
Flow Of Paper
Direction Of Drum Rotation
Figure 5-4
5 - 12 Functional Overview

Toner Cartridge
As the “heart” of the Image Formation System, the toner cartridge houses the
cleaning, conditioning, and developing steps of the process. The toner cartridge
contains the photosensitive drum, primary charging roller, developing station, toner
cavity, and cleaning station. Including these components, which wear, degrade, or
are consumed in the replaceable toner cartridge, eliminates the need for a service
call when replacement is required. The special photosensitive properties of the drum
allow an image to be formed on the drum surface and then transferred to paper.
CAUTION The printer’s toner cartridge does not include a light-blocking shutter. Be careful to
avoid exposing the drum to light, which can permanently damage the drum. Protect
the cartridge whenever removing it from the printer.
Step 1: Drum Cleaning
The cleaning blade is in contact with the surface of the drum at all times. As the
drum rotates during printing, excess toner wiped off and stored in the waste toner
receptacle.
Step 2: Drum Conditioning
After the drum is physically cleaned, it must be conditioned. This process consists
of applying a uniform negative charge on the surface of the drum with the primary
charging roller, located in the toner cartridge. The primary charging roller is coated
with conductive rubber. An AC bias is applied to the roller to erase any residual
charges from any previous image. In addition, a negative DC bias is applied by the
charging roller to create a uniform negative potential on the drum surface. The
amount of DC voltage is modified by the print density setting.
Step 3: Image Writing
During the writing process, a modulated laser diode projects the beam onto a
rotating scanning mirror. As the mirror rotates, the beam reflects off the mirror, first
through a set of focusing lenses, off a mirror, and finally through a slot in the top of
the toner cartridge, and onto the photosensitive drum. The beam sweeps the drum
from left to right, discharging the negative potential wherever the beam strikes the
surface. This creates a latent electrostatic image, which later is developed into a
visible image.
Because the beam is sweeping the entire length of the drum and the drum is
rotating, the entire surface area of the drum can be covered. At the end of each
sweep, the beam strikes the beam detect lens, generating the Beam Detect Signal
(BD). The BD signal is sent to the DC Controller, where it is converted to an
electrical signal used to synchronize the output of the next scan line of data.
5Functional
Overview
Functional Overview 5 - 13

Step 4: Image Developing
At this stage of the process, the latent electrostatic image is present on the drum.
The toner particles obtain a negative surface charge by rubbing against the
developing cylinder which is connected to a negative DC supply. The negatively
charged toner is attracted to the discharged (exposed, grounded) areas of the drum,
and repelled from the negatively charged (non-exposed) areas.
Step 5: Image Transferring
During the transferring process, the toner image on the drum surface is transferred
to the paper. A positive charge applied to the back of the paper by the transfer roller
causes the negatively charged toner on the drum surface to be attracted to the paper.
After separation, the drum is cleaned and conditioned for the next image.
Step 6: Image Fusing
During the fusing process, the toner is fused into the paper by heat and pressure to
produce a permanent image. The paper passes between a heated fusing element and
a soft pressure roller. This melts the toner and presses it into the paper.
5 - 14 Functional Overview

Paper Feed System
Both the Paper Input Bin and the Single Sheet Input Slot merge into one, main input
area. Paper placed in either of these areas enables the Paper Out Sensor (sensor
202), which informs the DC Controller that paper is present.
When the printer receives a print job and is ready to print, the DC Controller
enables the Laser/Scanner Assembly and the Motor. Paper motion begins when the
DC Controller energizes solenoid SL1. This causes the paper pick up roller to rotate
once. Two actions occur as a result of this rotation. First, the paper kick plate pushes
the paper against the pick-up roller. Second, the pick-up roller grabs the top sheet
and advances it to the Feed Assembly drive rollers. To ensure that only one sheet is
fed, a main separation pad, along with two subpads, hold the remainder of the stack
in place.
The feed assembly drive rollers advance the paper to the Paper Registration
photosensor (PS203). This sensor informs the DC Controller of the exact location of
the paper’s leading edge, so that the image being written on the photosensitive drum
can be precisely positioned on the page. The feed assembly drive rollers then
advance the paper to the transfer area where the toner image on the photosensitive
drum is transferred to paper.
After the image is transferred, the paper enters the fusing assembly where heat from
the fuser and pressure from the Pressure Roller permanently bond the toner image
to paper. The Paper Exit Sensor (PS201) determines that paper has successfully
moved out of the fusing area. The fusing assembly exit rollers deliver paper to
either the Output Paper Bin or the Front Output slot, depending upon the position of
the Face-up/Face-down lever.
5Functional
Overview
Functional Overview 5 - 15

Figure 5-5 shows a simplified paper path and the locations of the photosensors and
rollers.
Simplified Paper Path
Figure 5-5
5 - 16 Functional Overview

Figure 5-6 shows the locations of the photosensors, switches, solenoid, and other
important printer elements. Table 5-1 describes the function of each photosensor
and the solenoid.
Solenoid and Sensors
Figure 5-6
No. Name Description
SL1 Paper Pick-up Solenoid Enables the Paper Pickup Roller.
PS201 Paper Exit Sensor Senses when paper has successfully moved out of the
fusing area and the next sheet of paper can be fed.
PS202 Paper Out Sensor Senses no paper in either the Paper Input Bin or Manual
Input Slot. If this sensor does not sense paper in the Input
Paper Bin or the Single-Sheet Input Slot, the formatter
displays the paper-out indication on the front panel. Paper
must be reloaded before printing can resume.
PS203 Paper Registration Sensor Detects the leading and trailing edges of the paper.
Synchronizes the photosensitive drum and the top of the
paper.
PS204 Door Open/Cartridge Sensor (HP LaserJet 5L only)
In the HP LaserJet 6L, SW101 performs the
functions of 5L’s PS204.
Detects whether printer door is open and cartridge is in
place. If the door is open or the cartridge is not in place, the
control panel LEDs will display an error message. Printing
cannot continue until the door is closed and the cartridge is
in proper position.
Table 5-1 Solenoid and Photosensors
5Functional
Overview
Functional Overview 5 - 17

Paper Jam Detection
The Paper Out Sensor (PS202), Paper Registration Sensor (PS203), and the Paper
Exit Sensor (PS201) detect when paper is moving through the printer. (See Figure
5-5 for roller and sensor locations.) If a paper jam is detected, the DC Controller
immediately stops the printing process and causes a paper jam indication on the
front panel.
A paper jam can be detected under any of the following conditions:
•Power-On Jams. Paper is present under either PS201 or PS203 at power-on.
•Pickup Jams. Paper does not reach and clear photosensor PS203 within a specified
period of time. The time period begins when the Paper Pickup Solenoid (SL1) is
energized.
•Delay Jams. Paper does not reach or clear a specific photosensor within a specified
period of time.
5 - 18 Functional Overview

Basic Sequence of Operation
The Formatter PCA and the DC Controller PCA share information during printer
operation. The DC Controller-to-Formatter Connector (J201) forms a link which
operates as a serial data bus. This allows printer status, command information, and
dot-image data to be passed between the two PCAs. Figure 5-7 shows the general
timing of the printer events. The following events take place during normal printer
operation:
Period Timing Purpose
WAIT From when the paper is inserted to the end of Main
Motor initial rotation. Clear the drum surface potential and clean the
Transfer Roller.
STBY (standby) From the end of the WAIT or the LSTR period until
the input of the PRNT signal from the Formatter. Or
from the end of the LSTR period until power OFF.
Maintain the printer in ready state.
INTR (initial
rotation) From the input of the PRNT signal from the
Formatter until the laser diode intensity has been
stabilized.
Stabilize the photosensitive drum sensitivity in
preparation for printing. Also clean the Transfer
Roller.
PRNT From the end of initial rotation until the Scanner
Motor stops. Form images on the photosensitive drum based on
the /VDO signal from the Formatter and transfer the
image to paper.
LSTR (last
rotation) From the primary voltage (DC) OFF until the Main
Motor stops.
If another PRNT signal is sent from the Formatter,
the printer returns to the INTR period. If not, it
returns to the STBY period.
Deliver the last sheet of paper. Also clean the
Transfer Roller.
Refer to Timing Diagram on the next page
Table 5-2 Printer Timing
5Functional
Overview
Functional Overview 5 - 19

General Timing Diagram - HP LaserJet 5L
Figure 5-7
5 - 20 Functional Overview

General Timing Diagram - HP LaserJet 6L
Figure 5-8
5Functional
Overview
Functional Overview 5 - 21

5 - 22 Functional Overview

6
Removal and Replacement
Contents
Removal and Replacement Strategy . . . . . . . . . . . . . . . . . . . . . . . 6-3
Required Tools . . . . . . . . . . . . . . . . . . . . . . . . . . . . . . . . . . 6-4
Installing Memory Cards (DRAM) . . . . . . . . . . . . . . . . . . . . . . . 6-5
Covers and Doors . . . . . . . . . . . . . . . . . . . . . . . . . . . . . . . . 6-6
Back Cover . . . . . . . . . . . . . . . . . . . . . . . . . . . . . . . . . . 6-6
EP Door Assembly . . . . . . . . . . . . . . . . . . . . . . . . . . . . . . 6-8
Memory Door . . . . . . . . . . . . . . . . . . . . . . . . . . . . . . . . . 6-9
Main Cover and Paper Input Assembly . . . . . . . . . . . . . . . . . . 6-10
Internal Assemblies . . . . . . . . . . . . . . . . . . . . . . . . . . . . . . 6-11
Control Panel . . . . . . . . . . . . . . . . . . . . . . . . . . . . . . . . 6-11
Exit Roller Assembly . . . . . . . . . . . . . . . . . . . . . . . . . . . . 6-12
Delivery Assembly . . . . . . . . . . . . . . . . . . . . . . . . . . . . . 6-13
Fuser Pressure Plate . . . . . . . . . . . . . . . . . . . . . . . . . . . . 6-15
Heating Element . . . . . . . . . . . . . . . . . . . . . . . . . . . . . . 6-17
Pressure Roller . . . . . . . . . . . . . . . . . . . . . . . . . . . . . . . 6-20
Face-Up/Face-Down Lever . . . . . . . . . . . . . . . . . . . . . . . . . 6-21
Fuser Exit Roller Assembly . . . . . . . . . . . . . . . . . . . . . . . . 6-22
Paper Exit Sensor Flag . . . . . . . . . . . . . . . . . . . . . . . . . . . 6-23
Top Assemblies . . . . . . . . . . . . . . . . . . . . . . . . . . . . . . . . 6-24
Laser/Scanner Assembly . . . . . . . . . . . . . . . . . . . . . . . . . . 6-24
Solenoid . . . . . . . . . . . . . . . . . . . . . . . . . . . . . . . . . . . 6-25
Pickup Roller Assembly . . . . . . . . . . . . . . . . . . . . . . . . . . 6-27
Paper Feed Frame . . . . . . . . . . . . . . . . . . . . . . . . . . . . . . 6-30
Transfer Roller Guide & Transfer Roller . . . . . . . . . . . . . . . . . . 6-34
Kick Plate . . . . . . . . . . . . . . . . . . . . . . . . . . . . . . . . . . 6-35
Separation Pad . . . . . . . . . . . . . . . . . . . . . . . . . . . . . . . 6-37
Subpads . . . . . . . . . . . . . . . . . . . . . . . . . . . . . . . . . . . 6-38
Feed Assembly . . . . . . . . . . . . . . . . . . . . . . . . . . . . . . . 6-39
Bottom Assemblies . . . . . . . . . . . . . . . . . . . . . . . . . . . . . . 6-42
Memory Door Guide . . . . . . . . . . . . . . . . . . . . . . . . . . . . 6-42
Motor . . . . . . . . . . . . . . . . . . . . . . . . . . . . . . . . . . . . 6-43
DC Controller . . . . . . . . . . . . . . . . . . . . . . . . . . . . . . . . 6-44
Formatter Board . . . . . . . . . . . . . . . . . . . . . . . . . . . . . . 6-47
Removal and Replacement 6 - 1

6 - 2 Removal and Replacement

Removal and Replacement Strategy
This chapter documents removal and replacement of Field Replaceable Units
(FRUs) only. Exchange assemblies should be sent to SMO for repair.
Replacement is generally the reverse of removal. Occasionally, notes are included to
provide direction for difficult or critical replacement procedures.
WARNING! Unplug the power cord from the power outlet before attempting to service the
printer. If this warning is not followed, severe injury may result.
Never operate or service the printer with the protective cover removed from the
Laser/Scanner Assembly. The reflected beam, although invisible, can damage your
eyes.
The sheet metal edges of this printer can be sharp! Exercise caution when working
with the printer.
Caution The printer contains parts that are electrostatic discharge (ESD) sensitive. Always
service printers at an ESD-protected workstation.
To install a self-tapping screw, first turn it counter-clockwise to align it with the
existing thread pattern, then carefully turn clockwise to tighten. Do not overtighten.
If a self-tapping screw-hole becomes stripped, repair the screw-hole or replace the
affected assembly.
Note Always remove the toner cartridge before removing or replacing parts.
6Removal and
Replacement
Removal and Replacement 6 - 3

Required Tools
•#2 Phillips screwdriver with a magnetic tip
•5.5 mm hexhead nutdriver
•small flathead screwdriver
•needlenose pliers
Caution A Posidriv screwdriver will damage the printer’s screw heads. Use Phillips only.
Figure 6-1 shows the difference between a Phillips and a Posidriv screwdriver. Note
that a Phillips tip has more beveled surfaces.
Phillips and Posidriv screwdrivers
Figure 6-1
6 - 4 Removal and Replacement

Installing Memory Cards (DRAM)
1Unplug the power cord from the printer. You
should not install a memory card while the
printer is in SleepMode.
2Open the Printer Door, remove the toner
cartridge, and close the Printer Door. Protect
the toner cartridge from light while you are
working on the printer.
3Remove any paper in the paper tray. Gently
tip the printer onto its side so that the memory
cover is on top as shown in Figure 3.
4Remove the Memory Expansion Cover by
carefully pulling the tab out and away from
the printer in a gentle rocking motion.
5Align the memory card with the corner notch
so it is positioned as in Figure 4. Push it firmly
into the printer.
Replace the Memory Expansion Cover, set the
printer upright, reinstall the toner cartridge,
reinsert paper, and reconnect to the power source.
Print a self-test page (see Chapter 3) to check that
the printer recognizes the additional memory you
have added. Your Total Memory in the “Printer
Information” section will show the new MB total.
1 MByte card 2 MByte total
2 MByte card 3 MByte total
4 MByte card 5 MByte total
8 MByte card 9 MByte total
6Removal and
Replacement
Removal and Replacement 6 - 5

Covers and Doors
Back Cover
1Unplug the power cord and remove the parallel cable from the back of the printer.
2Remove the toner cartridge.
3Lift the Input Extender assembly.
Caution You must lift the Input Extender when the covers are removed or it will break. After
you have removed the covers, leave the Input Extender in this lifted position for
ease of replacement.
4Remove the (3) screws (Figure 6-2, callout 1).
Back Cover Removal (1 of 2)
Figure 6-2
6 - 6 Removal and Replacement

5Separate the rear panel from the main cover, pulling the lower corners away from
the printer first. Then, insert the small flathead screwdriver into the openings at the
top to pop the upper corners (Figure 6-3, callout 1).
6Remove the cover by grabbing it on both sides and pulling it straight back with a
firm pull (Figure 6-3, callout 2).
Back Cover Removal (2 of 2)
To reinstall
Make certain the Input Extender is up.
Figure 6-3
6Removal and
Replacement
Removal and Replacement 6 - 7

EP Door Assembly
1Unplug the power cord and remove the parallel cable from the back of the printer.
2Open the EP door.
3Remove the toner cartridge.
4Along the door hinge, there is a flex point. Firmly press the left tab inward to
release it. The right tab will fall out easily (Figure 6-4).
EP Door Assembly Removal
Figure 6-4
6 - 8 Removal and Replacement

Memory Door
1Unplug the power cord and remove the parallel cable from the back of the printer.
2Remove the toner cartridge.
3Gently tip the printer onto its side so that the Control Panel is on top.
4Carefully pull the door tab out (Figure 6-5, callout 1) and away from the printer in a
gentle rocking motion (Figure 6-5, callout 2).
Memory Door Removal
Figure 6-5
6Removal and
Replacement
Removal and Replacement 6 - 9

Main Cover and Paper Input Assembly
1Remove the toner cartridge.
2Remove memory door.
Caution Remove the memory door first. The door will break if you remove the Main Cover
without removing the memory door.
3Remove the EP Door Assembly.
4Remove the Back Cover.
5Remove the (2) screws from the top of the printer (Figure 6-6, callout 1).
6Grasp the two lower, front corners of the printer and pull gently outward to release
the front of the Main Cover.
7Lift the cover straight off.
8Remove the Paper Input Assembly (Figure 6-6, callout 2) by rotating it forward and
lifting it out with firm pressure.
Main Cover and Paper Input Assembly Removal
Note When replacing the Paper Input Assembly, make certain that the mylar sheet is
positioned between the Input Feed Roller and Separation Pad and that the sheet is
not folded or bent.
Figure 6-6
6 - 10 Removal and Replacement

Internal Assemblies
Control Panel
1Remove the Printer Covers.
2Use the needlenose pliers to release the Control Panel connector (Figure 6-7,
callout 1).
3Press the tab on the top of the Control Panel downward (Figure 6-7, callout 2).
The Control Panel will pop out of the printer chassis.
4Lift the Control Panel out.
Control Panel Removal
Figure 6-7
6Removal and
Replacement
Removal and Replacement 6 - 11

Exit Roller Assembly
1Remove Printer Covers.
2Grasp both tabs at the lower ends of the Exit Roller bushings and pull inward. This
will release the tabs from the printer chassis (Figure 6-8, callout 1).
3Rotate the tabs 90 degrees, clear of the printer chassis (Figure 6-8, callout 2).
4Lift the roller out.
Exit Roller Removal
To reinstall
The end of the Exit Roller that has a gear attached must fit into the gear train. It is
possible to reinstall the Exit Roller so that the gear end is on the opposite side of the
printer; this placement would cause paper path problems.
Figure 6-8
6 - 12 Removal and Replacement

Delivery Assembly
1Remove the Printer Covers and Exit Roller Assembly.
2Remove the EP Right-Hand assembly by pressing the tab in (Figure 6-9, callout 1)
and sliding the assembly toward the front of the printer (Figure 6-9, callout 2).
Note The EP Right-Hand assembly must be removed to access any fuser components.
Delivery Assembly Removal (1 of 2)
Figure 6-9
6Removal and
Replacement
Removal and Replacement 6 - 13

3Use the magnetic screwdriver to remove the (2) screws (Figure 6-10, callout 1).
Once the screws have been removed, rotate the rear of the Delivery Assembly up
and forward and lift it out of the printer.
Delivery Assembly Removal (2 of 2)
Note Upon reinstallation, the tabs on the front end of the Delivery Assembly must fit
under the sheet metal fuser plate below to correctly reseat the Delivery Assembly.
Figure 6-10
6 - 14 Removal and Replacement

Fuser Pressure Plate
1Remove Printer Covers and Delivery Assembly (Figures 6-9 and 6-10).
2Remove the (2) screws (Figure 6-11, callout 1).
3Press the Fuser Plate retainer clips out to release the Pressure Plate (Figure 6-11,
callout 2).
4Rotate the plate around and toward the back and lift up to remove it (Figure 6-11,
callout 3).
Fuser Pressure Plate Removal
Figure 6-11
6Removal and
Replacement
Removal and Replacement 6 - 15

To reinstall:
The Fuser Pressure Plate is kept in place by four locking mechanisms in each
corner. Place the rear slits in the plate over the rear brackets that hold the Fusing
Assembly (Figure 6-12, callout 1). Lower the plate over the retaining clips, pressing
on both sides of the Fuser Pressure Plate (Figure 6-12, callout, 2). It is important
that the spring is placed over the positioning pin (callout 3) because inadequate
pressure will cause fusing problems. Replace the screws.
Fuser Pressure Plate Replacement
Figure 6-12
6 - 16 Removal and Replacement

Heating Element
1Remove Printer Covers, Delivery Assembly (Figures 6-9 and 6-10), and Fuser
Pressure Plate (Figure 6-11).
2Remove the wire cover (on the right side of the printer) for the Heating Element
wires by pressing in on the tab and pulling outward (Figure 6-13, callout 1).
Heating Element Removal (1 of 3)
Figure 6-13
6Removal and
Replacement
Removal and Replacement 6 - 17

3Disconnect the AC voltage to the Heating Element by releasing the connector
located on the DC Controller. Press down on the connector release with a small,
flathead screwdriver (Figure 6-14, callout 1). (Since this is a small space, it is much
easier to reach the connector with a screwdriver.) Pull straight out (Figure 6-14,
callout 2).
Heating Element Removal (2 of 3)
Figure 6-14
6 - 18 Removal and Replacement

4Remove the wire from the wire guides along the right-side of the printer.
5Disconnect the thermistor feedback connector in the left front side of the Fusing
Assembly (Figure 6-15).
Heating Element Removal (3 of 3)
6Lift the Heating Element out.
To reinstall
Make sure the connectors are properly reattached.
Figure 6-15
6Removal and
Replacement
Removal and Replacement 6 - 19

Pressure Roller
1Remove Printer Covers, Delivery Assembly (Figures 6-9 and 6-10), Fuser Pressure
Plate (Figure 6-11), and Heating Element (Figures 6-13 through 6-15).
2Remove the Pressure Roller guide by lifting the edge (Figure 6-16, callout 1) and
then rolling it gently backward (Figure 6-16, callout 2).
Pressure Roller Guide Removal
3Lift the right end of the Pressure Roller up and out of the printer chassis.
Note The right end of the Pressure Roller is greased.
4The left side will follow easily with the Pressure Roller gear still attached.
Note When reinstalling the Pressure Roller, apply a drop of grease to the grounding plate
on the right side of the shaft. (Refer to Chapter 8 for a part number.)
Figure 6-16
6 - 20 Removal and Replacement

Face-Up/Face-Down Lever
1Remove Printer Covers, Delivery Assembly (Figures 6-9 and 6-10), Fuser Pressure
Plate (Figure 6-11), and Heating Element (Figures 6-13 through 6-15), and Pressure
Roller (Figure 6-16).
2Rotate the lever forward 90 degrees (past the spring) and pull it straight out the front
of the printer.
To reinstall
1Make sure the lever arm is on the left and is initially pointing downward.
2Pull the spring forward using needlenose pliers.
3Slide the short, round tabs into the grooves on the Separation Guide Assembly. The
machined ridges on the lever will face you.
4Release the spring so it falls in place in front of the square tab (Figure 6-17).
Note While the shape of the lever was changed for the HP LaserJet 6L (a stiffening rod
was also added), these procedures for Face-Up/Face-Down Lever removal remain
unchanged. Figure 6-17 shows the lever from an HP LaserJet 5L.
Face-Up/Face-Down Lever Replacement
Note You can tell when the lever is in place because there are two plastic grooves that fit
precisely in front of the Exit Rollers, and you should be able to feel the spring’s
release mechanism.
Figure 6-17
6Removal and
Replacement
Removal and Replacement 6 - 21

Fuser Exit Roller Assembly
1Remove Printer Covers, Delivery Assembly (Figures 6-9 and 6-10), Fuser Pressure
Plate (Figure 6-11), and Heating Element (Figures 6-13 through 6-15), Pressure
Roller (Figure 6-16), and Face-Up/Face-Down Lever (Figure 6-17).
2Remove the gear from the left end of the roller shaft by pressing down on the
catching mechanism with the small flathead screwdriver and pulling the gear away.
3Remove the Exit Roller Assembly by pressing the small, white tab upward (Figure
6-18, callout 1) and rotating it around (Figure 6-18, callout 2).
Note While the shape of the white tab was changed for the HP LaserJet 6L, these
procedures for Fuser Exit Roller Assembly removal remain unchanged. Figure 6-18
shows the white tab from an HP LaserJet 5L.
4Slide the Exit Roller Assembly forward and out to the right of the printer.
Fuser Exit Roller Removal
Figure 6-18
6 - 22 Removal and Replacement

Paper Exit Sensor Flag
1Remove the Printer Covers, Delivery Assembly (Figures 6-9 and 6-10), and Fuser
Pressure Plate (Figure 6-11).
Caution Before proceeding to Step 2, examine the Paper Exit Sensor flag. It is important to
note the position of the spring mechanism on the flag. The spring must be
reinstalled to exactly this position.
2Remove the Paper Exit Sensor flag by pressing down on the left side and pulling up
on the right side.
To reinstall
Note It is important that you reinstall the flag correctly, because installing it incorrectly
will cause the Control Panel to display an error with the Paper Exit Sensor (PS201).
Place the left side of the flag in the correct position first, then slide the right side
into place, making certain the spring is on top of the flag (Figure 6-19). If the spring
exerts no pressure on the flag, it may require “respringing” by giving the spring an
extra turn before reinstalling. The flag should fit snugly in place.
Paper Exit Sensor Flag Replacement
Figure 6-19
6Removal and
Replacement
Removal and Replacement 6 - 23

Top Assemblies
Laser/Scanner Assembly
1Remove the Printer Covers.
2Remove both Laser/Scanner connectors (Figure 6-20, callout 1).
3Remove all (4) screws and lift the assembly straight off (Figure 6-20, callout 2).
Note One of the four screws is longer than the other three. Upon reinstallation, the longer
screw must be replaced in its original location.
Laser/Scanner Assembly Removal
Figure 6-20
6 - 24 Removal and Replacement

Solenoid
1Remove the Printer Covers.
2On the left side of the printer, remove the paper pickup gear (Figure 6-21, callout 1)
by pressing the tabs in the center of the gear outward and pulling the gear off
(Figure 6-21).
Solenoid Removal (1 of 2)
Figure 6-21
6Removal and
Replacement
Removal and Replacement 6 - 25

3Remove the Solenoid connector (J204) from the DC Controller (Figure 6-22,
callout 1).
4Remove the self-tapping screw that holds the Solenoid in place (Figure 6-22, callout
2).
5Unthread the wires from the printer chassis.
6Lift the Solenoid off.
Solenoid Removal (2 of 2)
Note When reinstalling this part, the Paper Pickup Gear is keyed to go on the shaft in
only one way.
Figure 6-22
6 - 26 Removal and Replacement

Pickup Roller Assembly
1Remove the Printer Covers.
2Remove the paper pickup gear (Figure 6-21).
Note This gear is keyed to go on the shaft in only one way.
3Remove the pickup roller grounding clip on the right of the printer by lifting each
end of the clip up and over the two metal guides and sliding the clip off. Figure 6-23
depicts the clip from an HP LaserJet 5L. The clip from an HP LaserJet 6L (and
some HP LaserJet 5Ls) is shaped differently.
Pickup Roller Assembly Removal (1 of 2)
Figure 6-23
6Removal and
Replacement
Removal and Replacement 6 - 27

4Using needlenose pliers, pull the bottom of the bushing out (Figure 6-24, callout 1),
then turn it counter clockwise to release it (Figure 6-24, callout 2).
Pickup Roller Assembly Removal (2 of 2)
5Lift the bushing out.
6From inside the front of the printer, slide the right side of the Pickup Roller
Assembly forward, then lift the left side out.
Figure 6-24
6 - 28 Removal and Replacement

To reinstall
After placing the Pickup Roller shaft through on the left side, line up the Idler
Roller tabs while repositioning the right side. Rock the shaft back and forth until the
Pickup Roller and the Idler Roller tabs are correctly reinstalled.
Note It is important that the Pickup Roller is placed back in with the two Idler Roller tabs
up, so that they fit into the underside of the metal chassis behind the Laser/Scanner
assembly (Figure 6-25).
Paper Pickup Roller Assembly Replacement
(Inside/Front View)
Figure 6-25
6Removal and
Replacement
Removal and Replacement 6 - 29

Paper Feed Frame
1Remove the Printer Covers.
2Remove the Pickup Roller Assembly (Figures 6-23 through 6-24).
3Disconnect the following:
•Solenoid from the DC Controller at J204 (Figure 6-22, callout 1)
•Two connectors from the Laser/Scanner (Figure 6-26, callout 1)
•Connector from Top Cover/EP Cartridge Sensor on HP LaserJet 5L only (Figure
6-26, callout 2)
•Connector from Switch 101 (Figure 6-26, callout 3)
•Connector from Front Control Panel (Figure 6-26, callout 4)
Paper Feed Frame Removal (1 of 4)
Figure 6-26
6 - 30 Removal and Replacement

4Release the catch on the control panel cable guide by using the small flathead
screwdriver to push on the tab (Figure 6-27). Then slide the guide off.
Paper Feed Frame Removal (2 of 4)
Figure 6-27
6Removal and
Replacement
Removal and Replacement 6 - 31

5Remove the self-tapping screw from the back sheet metal plate and lift it off (Figure
6-28, callout 1).
6Remove the (4) hex head screws from the Paper Feed Frame (Figure 6-28, callout 2).
Paper Feed Frame Removal (3 of 4)
Figure 6-28
6 - 32 Removal and Replacement

7Release the sensor unit connector (Figure 6-29).
Paper Feed Frame Removal (4 of 4)
8Verify that all cables are clear of the frame and pull the frame straight back to
remove it.
To reinstall
The Paper Feed Frame may be easier to reinstall if you place the printer on its front,
so that you can apply pressure while putting the screws back in place.
Figure 6-29
6Removal and
Replacement
Removal and Replacement 6 - 33

Transfer Roller Guide & Transfer Roller
1Remove the Printer Covers, Pickup Roller Assembly (Figures 6-23 through 6-25),
and Paper Feed Frame (Figures 6-26 through 6-29).
2Looking at the back of the printer, note the two small, hook-shaped release tabs on
each end of the Transfer Roller guide. Using a small, flathead screwdriver, carefully
pry each tab outward to release it (Figure 6-30).
3Roll the released portion of the guide up. To remove the Transfer Roller Guide, pull
it off each end of the Transfer Roller shaft.
Transfer Roller Guide & Transfer Roller Removal
(Inside/Back View)
4This exposes the Transfer Roller.
WARNING! Do not touch the Transfer Roller or otherwise allow it to be contaminated.
5Working from the front of the printer, gently pry the gear side of the Transfer Roller
out first, then slide the other side out of its socket.
To reinstall
Some of the HP LaserJet 5L Printers contain a small metal spring under the
Transfer Roller Guide. Upon reinstallation with these models, the small metal
spring should rest under the Transfer Roller Guide.
Figure 6-30
6 - 34 Removal and Replacement

Kick Plate
Caution Be careful working with the Kick Plate and Separation Pad. The spring underneath
the Kick Plate may stay attached to the Kick Plate, but it is also likely to spring
away from the Kick Plate. Place the spring aside for Separation Plate disassembly.
1Remove the Printer Covers and the Pickup Roller Assembly (Figures 6-23 and
6-24).
2Press the Separation Pad (Figure 6-31). Allow the Kick Plate to pivot upward (a
spring underneath will push it up). Lift the Kick Plate off its mounting pins.
Kick Plate Removal
Figure 6-31
6Removal and
Replacement
Removal and Replacement 6 - 35

To reinstall
If the spring on the Kick Plate doesn’t stay on the Kick Plate, replace the spring,
making certain the diameter of the spring surrounds two lower pins on the Kick
Plate and rests inside the third pin. Use needlenose pliers to place the spring
correctly. (See Figure 6-32.)
Kick Plate Spring Replacement
While rotating the Kick Plate into place, guide the other end of the spring onto the
silver grounding plate located on the Paper Feed Frame.
Figure 6-32
6 - 36 Removal and Replacement

Separation Pad
1Remove the Printer Covers, Pickup Roller Assembly (Figures 6-23 and 6-24), and
Kick Plate (Figure 6-31).
2Lift the bottom of the white plastic tab on the rear of the Paper Feed Frame up
slightly and slide it up, toward the top of the Paper Feed Frame. This will release the
Separation Pad (Figure 6-33).
3Lift the Separation Pad 90 degrees and slide its mounting pins out of their retainers.
Separation Pad Removal
Figure 6-33
6Removal and
Replacement
Removal and Replacement 6 - 37

Subpads
Note When you replace the Separation Pad, you should also replace the smaller subpads
at the same time.
1Place your index finger on the subpad.
2Press toward the top of the printer.
Subpad Removal
Figure 6-34
6 - 38 Removal and Replacement

Feed Assembly
The Feed Assembly is located in the Paper Feed Frame.
1Remove the Printer Covers, Pickup Roller Assembly (Figures 6-23 through 6-25),
and Paper Feed Frame (Figures 6-26 through 6-29).
2Turn the Paper Feed Frame upside down.
3Remove the Feed Roller Shaft by lifting the plastic tab up (Figure 6-35, callout 1)
and sliding it out the side of the Paper Feed Frame (Figure 6-35, callout 2).
Feed Assembly Removal (1 of 3)
Figure 6-35
6Removal and
Replacement
Removal and Replacement 6 - 39

4Remove the self-tapping screw that holds the Feed Assembly in place (Figure 6-36,
callout 1).
Note Before proceeding to Step 5, examine the tabs and how they fit into their slots
(Figure 6-36, callout 2). The tabs must be reinstalled to exactly this position.
5Remove the Feed Assembly.
Feed Assembly Removal (2 of 3)
Figure 6-36
6 - 40 Removal and Replacement

6Turn the Feed Assembly over and place it in one hand with the roller-side down.
Pop one of the tabs on the other side and the feed roller should fall into your hand
(Figure 6-37).
Feed Assembly Removal (3 of 3)
To reinstall
Before securing the screw, ensure the tabs on the Feed Assembly are positioned in
their slots on the Paper Feed Frame (Figure 6-35, callout 2). Failure to do so will
cause paper feed problems.
Figure 6-37
6Removal and
Replacement
Removal and Replacement 6 - 41

Bottom Assemblies
Memory Door Guide
1Remove the Printer Covers.
2Remove any extra memory.
3Two tabs hold the memory door guide on the printer chassis. Press each tab inward
(Figure 6-38).
4Pull the memory door guide out.
Memory Door Guide Removal
Figure 6-38
6 - 42 Removal and Replacement

Motor
1Remove the Printer Covers.
2Remove the motor connector (Figure 6-39, callout 1).
3Remove the memory door guide to expose the two motor screws.
4Remove the motor screws (Figure 6-39, callout 2).
5Lift the Motor out.
Motor Removal
Figure 6-39
6Removal and
Replacement
Removal and Replacement 6 - 43

DC Controller
1Remove the Printer Covers.
2Disconnect the motor connector from the motor (Figure 6-39, callout 1).
3Disconnect the Solenoid connector from the DC Controller (Figure 6-22, callout 1).
4Remove the back sheet metal plate and disconnect the PS202/PS204 connector
(Figure 6-29).
5Remove the AC Cable cover and disconnect the AC Cable from the DC Controller
(Figures 6-13 and 6-14).
6Tip the printer on its top, with the front facing you.
7Remove the (4) screws (Figure 6-40, callout 1). One of the screws is a grounding
screw. The location of the grounding screw is marked by a “star” etched into the
bottom of the DC Controller.
Note Make certain when you reinstall the DC Controller that the grounding screw with
the washer is replaced in the same location.
DC Controller Removal (1 of 3)
Figure 6-40
6 - 44 Removal and Replacement

8Lift the bottom plate, rotating the plate toward you from the back as if hinged on the
front. Release the Fusing Assembly connector (J206) (Figure 6-41, callout 1).
Caution ESD SENSITIVE!
DC Controller Removal (2 of 3)
Figure 6-41
6Removal and
Replacement
Removal and Replacement 6 - 45

9Remove the (7) remaining connectors (Figure 6-42, callout 1).
10 Remove the screws (5) that secure the DC Controller to the metal case (Figure 6-42,
callout 2).
DC Controller Removal (3 of 3)
11 Remove the DC Controller by lifting gently on the side opposite the formatter, then
sliding it out.
Caution Be careful not to rotate the DC Controller as you remove it.
Note When ordering, the DC Controller does not come with any connectors. Use the
current connectors or refer to the connector chart in Chapter 8 for ordering
information.
Figure 6-42
6 - 46 Removal and Replacement

Formatter PCA
Caution ESD SENSITIVE!
1Remove the Printer Covers and complete the DC Controller removal direction up to
step 8 (Figures 6-40 and 6-41).
2Remove the two cable clips (Figure 6-43, callout 1).
3Remove all (4) screws from the formatter cover (Figure 6-43, callout 2). Lift the I/O
shield to remove it.
4Remove the Control Panel display cable (Figure 6-43, callout 3).
5Slide the formatter away from the DC Controller PCA to remove it from the
connector.
Formatter Board Removal
Note The formatter I/O shield comes in two separate pieces. Be careful to order the
correct pieces should you need to replace them.
Figure 6-43
6Removal and
Replacement
Removal and Replacement 6 - 47

6 - 48 Removal and Replacement

7
Troubleshooting
Contents
General Troubleshooting Flowchart . . . . . . . . . . . . . . . . . . . . . . . 7-3
Paper Path and Components . . . . . . . . . . . . . . . . . . . . . . . . . . . 7-5
DC Controller Diagram . . . . . . . . . . . . . . . . . . . . . . . . . . . . . 7-6
Printer Error Troubleshooting . . . . . . . . . . . . . . . . . . . . . . . . . . 7-7
Priority of Errors . . . . . . . . . . . . . . . . . . . . . . . . . . . . . . . 7-7
Printer Status Messages . . . . . . . . . . . . . . . . . . . . . . . . . . . . 7-8
Service and Error Messages . . . . . . . . . . . . . . . . . . . . . . . . 7-10
Image Formation Troubleshooting . . . . . . . . . . . . . . . . . . . . . . 7-13
Check the Toner Cartridge . . . . . . . . . . . . . . . . . . . . . . . . . 7-13
Image Defect Examples . . . . . . . . . . . . . . . . . . . . . . . . . . 7-14
Troubleshooting Checks . . . . . . . . . . . . . . . . . . . . . . . . . . . . 7-21
Engine Test . . . . . . . . . . . . . . . . . . . . . . . . . . . . . . . . . 7-21
Half-Self Test Functional Check . . . . . . . . . . . . . . . . . . . . . . 7-22
Drum Rotation Functional Check . . . . . . . . . . . . . . . . . . . . . 7-23
High-Voltage Power Supply Check . . . . . . . . . . . . . . . . . . . . 7-24
Paper Curl . . . . . . . . . . . . . . . . . . . . . . . . . . . . . . . . . . 7-26
Troubleshooting Tools . . . . . . . . . . . . . . . . . . . . . . . . . . . . . 7-27
Paper Path Check . . . . . . . . . . . . . . . . . . . . . . . . . . . . . . 7-27
Repetitive Image Defect Ruler . . . . . . . . . . . . . . . . . . . . . . . 7-28
Main Wiring Diagram . . . . . . . . . . . . . . . . . . . . . . . . . . . 7-29
Troubleshooting 7-1

7-2 Troubleshooting

General Troubleshooting Flowchart
When the AC power is first applied to the printer:
•Both the printer motor and the laser/scanner
motor rotate for 6 seconds.
•All of the LEDs illuminate for one second; the
“Ready” LED will illuminate after 3 seconds.
If no error message is displayed, the Printer Door
is firmly closed, and the toner cartridge is
installed, but the motor does NOT rotate when AC
power is applied to the printer:
1Verify that AC power is present at the input
power receptacle and that the power cord is
firmly inserted into the printer.
2Verify that FU102 is not open. (See Figure
7-2.)
3Verify that motor connector J1 is seated into
J401 of the DC Controller. (See Figure 7-2.)
4Verify that the motor is correctly mounted to
the printer chassis.
5If all of these conditions are correct, replace
the DC Controller PCA and/or the motor.
If the Control Panel is not functional:
1Verify that the Control Panel connector J9 is
seated into both the Control Panel and the
Formatter PCA at J3. (See Figure 7-2.)
2Verify that the Formatter PCA is firmly seated
into the DC Controller PCA.
3Perform an Print Engine Test. (See Figure
7-4.)
4If the engine test is successful, replace the
Control Panel first, then, if necessary, the
Formatter PCA.
5If the engine test is not successful, replace the
DC Controller PCA.
If the control panel displays an error, refer to the
appropriate section in this chapter to correct the
error.
Continued on following page
START
AC Power is
applied to the printer
Does the
Printer Motor
rotate for about
6 seconds
?
Is the
Front Panel
functional
?
No
Yes
No
Yes
Is
an Error
displayed
?
No
Yes
7Troubleshooting
Troubleshooting 7-3

General Troubleshooting Flowchart (continued)
Refer to the section “Image Formation
Troubleshooting,” later in this chapter.
If the engine test produces a clear print image, yet
a Self Test is not generated by initiating the
Control Panel self-test procedure, replace the
Formatter PCA.
Perform an
Engine Test
Is the
Engine Test
image being printed
clearly
?
Perform a Front
Panel Self Test
Is the
Self Test image
being printed
clearly
?
No
Yes
No
EXIT
Yes
7-4 Troubleshooting

Paper Path and Components
Paper Path and Components
PS201
PS203
PS202
SL1
Motor Feed Roller
Feed
Sub
Roller
Pick-up
Roller
Paper
Registration
Sensor
Paper
Out
Sensor
Paper
Pick-up
Solenoid
Photo-
sensitive
Drum
Transfer
Roller
Fuser
Paper
Exit Sensor
Fusing Unit
Delivery
Roller
Face-up
Delivery
Deflector
Face-down
Delivery
Face-down
Delivery
Roller
Manual
Input
Slot
Paper
Input
Bin
DC Controller PCA
PAPER DELIVERY SENSOR signal
(POSNS)
MOTOR DRIVE signal
(MA, /MA, MB, /MB)
PAPER PICK-UP SENSOR signal
(PISNS)
PICK-UP SOLENOID DRIVE signal
(CPUD)
PAPER-OUT SENSOR signal
(PAPERSNS)
Figure 7-1
7Troubleshooting
Troubleshooting 7-5

DC Controller Diagram
DC Controller PCA Components
J3 Control Panel Connector (Formatter
PCA) J202 Paper Registration and Paper-Out
Photosensors (PS203 and PS202)
J102 Fusing Assembly J206 Fusing Assembly (thermistor feedback)
J201 Formatter PCA Connection J207 Scanner Motor
J204 Paper Pickup Solenoid (SL1) J208 Laser Driver/Beam Detect Circuitry
J301 Developer Bias Contact J209 Door Open/No Toner Cartridge
Photosensor (PS204) (HP LaserJet 5L
only)
J302 Transfer Roller Contact J401 Motor
J304 Primary Roller Contact FU101
SW101 +12A Vdc Shutoff Switch FU102 110 volt only
SW201 Engine Test Print Switch INL101 Input Power Receptacle
PS201 Fusing Assembly Exit Photosensor
Figure 7-2
7-6 Troubleshooting

Printer Error Troubleshooting
Information regarding printer status is conveyed by two methods: 1) the printer’s
Control Panel lights and 2) feedback through the bi-directional I/O that displays at
the PC. The basic method of determining error messages uses patterns of lights on
the Control Panel LED. Printer messages are categorized into two basic types:
•Status Messages
•Service and Error Messages
Note Before troubleshooting the printer, cycle the power to the printer to see if the error
persists.
Priority of Errors
Each error has a priority in relation to the others. If there is more than one error
condition at the same time, the highest priority error will be displayed. The priority
of errors is:
1Service Errors
2Door Open/No Toner Cartridge
3Paper Jam
4Paper Out
5Memory Error
6Manual Feed
7Troubleshooting
Troubleshooting 7-7

Printer Status Messages
The following table lists printer LED messages and their meanings and describes
recommended actions. For more information on the Front Panel layout, refer to
“Using the Control Panel” in Chapter 3, “Installation and Configuration.”
LEDs Description Recommended Action
Paper Out Error.
Door Open or No EP Cartridge.
Paper Jam.
Add paper.
Close the printer door and/or verify that the EP
cartridge is installed.
Clear paper jam.
If you have completed these recommended actions
and the error persists, see Table 7-3.
Memory Error. There is either too much
data or the data is too complex. 1. Turn Page Protection on within your software
application or Windows.
2. Reduce the complexity of the print job.
3. Reduce resolution to 300 dpi within your software
application or Windows.
4. Add optional memory to the printer.
5. Make sure Enhanced I/O is on Auto Mode (PCL
mode) and resend print job. (See Chapter 3, “PCL
Printer Settings.")
6. If the Auto-Continue variable is on within PJL, the
printer will continue printing after 10 seconds.
7. If the Auto-Continue variable is off within PJL, you
need to press the Front Panel Button to continue
printing.
Incompatible Memory Card. Remove the incompatible memory card and replace it
with a 1, 2, 4, or 8 Mb, 70 nsec. or faster memory card.
(See Chapter 8 for memory card part numbers.)
Manual Feed. The printer is waiting for you
to add a piece of paper to the single sheet
input slot.
1. Make sure the correct paper is loaded into the
printer. (See your
HP LaserJet 5L User’s Manual
or the
HP LaserJet Printer Family Paper Specifications Guide
for more information.)
2. Press and release the Front Panel Button.
3. Turn off manual feed within your software application
if you do not wish the printer to pause between sheets.
Table 7-1 Printer Status Messages (1 of 2)
7-8 Troubleshooting

Occasionally you may add paper, close the printer door, add the toner cartridge, and
clear a paper jam, only to find that the printer still displays an error message. If this
happens, troubleshoot using Table 7-3 below.
Note If the error appears and persists only after you attempt to print a page, verify that
the motor is functioning. (See “Printing an Engine Test” later in this chapter.)
LEDs Description Recommended Action
Sleep Mode If the printer’s LEDs remain off:
1. The printer is in Sleep Mode. Press the Front Panel
Button or open the EP Door.
2. Power is not supplied to the printer. Check power
cord connections and the power source.
3. Print an engine test to determine if the print engine
is functional. If the test is successful, replace the
Formatter PCA.
4. See the General Troubleshooting Flowchart earlier
in this chapter.
Table 7-2 Printer Status Messages (Continued 2 of 2)
This error will persist if any of the three paper movement photosensors (PS201, PS202, and
PS203) and/or their flags are not functional.
1. Verify that all three photosensor flags are not blocked and move freely. (See Figure 7-1 to identify
photosensor flag locations.)
•Paper Out Flag (PS202) (See Figure 5-6.)
•Paper Registration Flag (PS203) (See Figure 5-6.)
•Exit Sensor Flag (PS201) (See Figure 6-18.)
2. Verify that all connectors are firmly seated. (See Figure 7-2 to identify connector locations on the
DC controller.)
•Door closed/EP Cartridge Photosensor connector (5L only)
•Paper-Out and Registration Photosensor Connector (See Figure 5-6.)
Note: There is no connector for the Exit Photosensor (PS201) since it is located on the DC
Controller PCA. This flag is located beneath the Fusing Assembly. (Refer to Figure 6-18.)
If all of the flags move freely and all of the connectors are correctly seated, yet the error persists,
replace the DC Controller PCA.
Table 7-3 Unclearable Error
7Troubleshooting
Troubleshooting 7-9

Service and Error Messages
Service errors prevent further printer operation until some action is taken. When
there is a service error, all of the lights will turn on in a steady state. Press and hold
the Front Panel Button to see a pattern in the lights. (The error will only be
displayed as long as this button is pressed.) Use Table 7-4, “Service and Error
Messages,” to identify what type of service error has occurred.
LEDs Description Recommended Action
ROM/RAM Error. An error was found with
the ROM or RAM. The printer believes that
the ROM is corrupted or an error has been
found in the RAM.
1. Power-cycle the printer by unplugging the printer
and plugging it back in. If this doesn’t clear the error:
2. Unplug the printer, remove any optional memory,
then power the printer back on. If the message
clears, replace the memory card.
3. Replace the Formatter PCA.
Fuser Error. This indicates a fusing
assembly malfunction.
Note: Chronic fuser failures or fuser
overheating or both are indicators of an
uninterruptible power supply or battery
backup being used with the printer.
Uninterruptible power supplies (UPS)
should not
be used with the printer.
1. Unplug the printer for 10 minutes or more.
2. Verify that the fuser connector is firmly seated in
J102 of the DC Controller PCA and that the
thermistor connector (left of fusing assembly) is
seated into both the printer chassis and J206 of the
DC Controller PCA.
3. Remove the connector from J102 of the DC
Controller (See Figure 6-14). Measure the resistance
between pins one and two of the cable. (This
procedure will measure the continuity of the ceramic
heating element.) Normal resistance is 30 ohms +/-
10 ohms. If no resistance is measured, replace the
heating element.
4. Remove the thermistor (temperature feedback)
connector (See Figure 7-3). Measure the resistance
between pins one and two. Normal resistance is
440K ohms +/- 30K at 20 degrees C. If the resistance
is not measured replace the heating element.
5. If the resistance readings are correct, yet the error
persists, replace the DC Controller.
Table 7-4 Service and Error Messages (1 of 3)
7-10 Troubleshooting

Heating Element Resistance Check
Figure 7-3
LEDs Description Recommended Action
Beam Error. There are a number of causes
for this error, and some of the causes may
be transient. (They may disappear.)
1. Power-cycle the printer by unplugging the printer
and plugging it back in.
2. Make certain the Laser/Scanner Assembly is
correctly seated on the printer chassis.
3. Replace the Laser/Scanner cable (J208 on the DC
Controller).
4. Replace the Laser/Scanner Assembly.
5. Replace the DC Controller PCA.
Engine Error. The formatter and engine
are not communicating. 1. Power-cycle the printer by unplugging the printer
and plugging it back in. If this doesn’t clear the error:
2. Reseat Formatter to DC Controller PCA.
3. Replace the Formatter PCA
4. Replace the DC Controller PCA.
Table 7-4 Service and Error Messages (Continued 2 of 3 )
7Troubleshooting
Troubleshooting 7-11

LEDs Description Recommended Action
Scanner Error. Caused by a scanner
malfunction. 1. Power-cycle the printer by unplugging the printer
and plugging it back in.
2. Ensure condensation caused by moving the printer
from a cold to a warm environment hasn’t occurred.
Allow the printer to acclimate to the warmer room.
3. Verify the two Laser/Scanner Assembly connectors
are firmly seated.
4. Replace scanner cable J207 on the DC Controller
PCA.
5. Replace the Laser/Scanner Assembly.
6. Replace the DC Controller PCA.
Formatter Error. 1. Power-cycle the printer by unplugging the printer
and plugging it back in.
2. Disconnect the parallel I/O cable and try running a
printer self test. Reconnect the parallel cable if the
self test is successful and try host/printer
communications again.
3. If the error persists, replace the Formatter PCA.
Firmware Error. Note the LED pattern and the BiTronics error code.
Contact HP technical support with this information as
well as a description of what data was sent, the
errors encountered prior to the firmware error, the
condition of the printer prior to the error, and any
other information that may help isolate the error.
Processor Error. Note the LED pattern and the BiTronics error code.
Contact HP technical support with this information as
well as a description of what data was sent, the
errors encountered prior to the firmware error, the
condition of the printer prior to the error, and any
other information that may help isolate the error.
Table 7-4 Service and Error Messages (Continued 3 of 3)
7-12 Troubleshooting

Image Formation Troubleshooting
Check the Toner Cartridge
Image formation defects are many times the result of toner cartridge problems. If
there is any doubt, always replace the toner cartridge before troubleshooting image
defects.
Use the following check list to ensure that the toner cartridge is still operable.
•Ensure that the toner cartridge is seated properly in the cavity.
•Inspect the toner cartridge for remaining toner.
•Check the expiration date of the toner cartridge (stamped on the cartridge box).
•Check the toner cartridge to see if it has been disassembled or refilled.
Note The toner cartridge’s full weight is 26.1 oz (730 grams), and its empty weight is
22.7 oz. (640 grams).
•Inspect the cartridge for leaking toner through worn seals. (If the drum has been
manually rotated it may have caused internal damage and toner spills may result).
•Check the surface of the photosensitive drum in the cartridge to see if it has been
damaged or scratched. Touching the drum will contaminate the photosensitive
surface and may cause spotting and defects during printing.
•Blurred areas on the page may indicate that the drum has been exposed to light for
too long. This causes permanent damage to the photosensitive drum. Replace the
cartridge.
7Troubleshooting
Troubleshooting 7-13

Image Defect Examples
This section illustrates some image defects and their possible causes. Since there are
many variables in the printing process, you may encounter image defects that are
not illustrated in the following examples. If you find a defect that is not illustrated,
record the probable cause along with the printing environmental conditions and save
a copy of the defect for future reference.
Each example lists, in order, the probable causes of the image defect.
Faded Print
Faded or light print may consist of a faded area, an entire page faded, or a block of
vertically aligned white streaks.
•The toner cartridge may be getting low on toner. Gently shake the cartridge to
redistribute the toner, or replace the cartridge.
•The paper may not meet HP’s paper specifications (for example, too moist or too
rough). (See the HP LaserJet 5L User’s Manual or the HP LaserJet Printer
Family Paper Specifications Guide.)
•Adjust toner density setting through your software or printer driver.
•EconoMode may be on. Turn it off through your software or printer driver.
•There may be discontinuities in the high-voltage contact points. Clean the high
voltage contact points on the toner cartridge and transfer roller. (See Figures 7-5
and 7-6.)
•Complete a Half-Self Test to verify that the image is appearing on the drum. (See
“Half-Self Test Functional Check” later in this chapter.) If this procedure isn’t
successful, replace the transfer roller.
•Replace the Laser/Scanner unit.
•Replace the DC Controller.
Staining
Stains usually appear as small, round, black dots that occur in the front or the back
of a page. Sometimes wide, inconsistent stains appear.
•The paper may not meet HP’s paper specifications (for example, too moist).
•You may be printing on the wrong side of the paper. Try removing the paper from
the Paper Input Bin and turning it over. (The label on many reams of paper has an
arrow indicating the print side.)
•The printer may need cleaning. See “Cleaning Your Printer,” in Chapter 4.
•The toner cartridge may be damaged. Replace it if maintenance procedures do not
improve print quality.
7-14 Troubleshooting

Vertical Lines
Sometimes vertically aligned black streaks or smears can appear on successive
pages.
•The toner cartridge may be damaged. Replace it.
•The printer may need cleaning. See “Cleaning Your Printer,” in Chapter 4.
•Replace the heating element.
Horizontal Stripes
Sometimes horizontally aligned black streaks or smears can appear.
•The toner cartridge may not be installed properly. Remove the cartridge and
reinsert it.
•The toner cartridge may be defective. Replace it.
•If the printer still has print quality problems, the printer may require cleaning.
•Replace the heating element.
Repetitive Defects
Sometimes light character shadows or repetitive marks appear on the page.
•Refer to the “Repetitive Image Defect Ruler” later in this chapter.
•The printer may need cleaning. See “Cleaning Your Printer,” in Chapter 4.
•The toner cartridge may be damaged, causing a repetitive black flaw on every
printout. Replace the toner cartridge.
•If using transparencies, use a different type of overhead transparency.
•Your paper texture may be too coarse. Try changing to a paper with a smoother
finish.
•The photosensitive drum of the toner cartridge may have been over-exposed to
bright light, causing repetitive defects (usually a blurred area). Replace the toner
cartridge.
Vertical White Stripes
The toner cartridge may be getting low on toner. Gently shake the cartridge to
redistribute the toner, or replace the cartridge.
•The printer may need cleaning. (See “Cleaning Your Printer,” in Chapter 4.) You
may also need to clean the mirror on the laser scanner by blowing air through the
scanner to remove any dust particles.
7Troubleshooting
Troubleshooting 7-15

Character Voids
Character voids are white areas within the parts of characters that should be solid
black.
•If you are using transparencies when you experience this problem, try another
type of transparency. Hewlett-Packard transparencies are designed to minimize
character voids. (Because of the composition of transparency media, some
character voids are normal.)
•You may be printing on the wrong side of the paper. Remove the paper and turn it
over. (The label on many reams of paper has an arrow indicating the print side.)
•Your paper may not meet the requirements for the printer.
Background Scatter
Background scatter results from bits of toner distributed on the front or back of a
printed page. Background scatter often is isolated to a specific area of the page.
•Check the environment. High humidity can cause this error.
•Change the paper type, weight, or surface finish. See appendix B of the User’s
Manual for paper specifications.
•If background scatter occurs on an envelope, try moving the text to an area with
no seams. Printing on seams can cause this problem.
•If background scatter covers the entire surface of an envelope, try adjusting the
print density through your software or printer driver.
•If this problem occurs on the back of a printed page, it may be caused by spilled
toner inside the printer. See “Cleaning Your Printer” in Chapter 4.
Black Page
A page is completely black.
•The toner cartridge may not be installed properly. Remove the cartridge and
reinsert it.
•The toner cartridge may be defective. Replace it.
•There may be discontinuities in the high-voltage contact points. Clean the high
voltage contact points on the toner cartridge and transfer roller. (See Figures 7-5
and 7-6.)
•Replace the DC Controller or Laser/Scanner unit.
7-16 Troubleshooting

Dropouts
Dropouts are characters that are partially printed.
•The Paper Input Bin may have been loaded with too much paper. Make sure that
no more than 100 sheets of paper are loaded.
•A single sheet of paper may be defective. Try reprinting the job.
•Try adjusting the print density through your software or printer driver.
•Try cleaning the rollers.
•The moisture content of the paper may be inconsistent, or the paper may have
moist or wet spots on the surface. Try paper from a fresh ream or a different paper
manufacturer.
•The paper may have been damaged by inconsistent manufacturing processes. Try
paper from a different source.
Half of the Page Is Blank or Loss of Detail
The bottom of the page is blank, or part of a graphics image is cut off. This may
mean that your page is too complex for the standard printer memory.
•Set resolution to 300 dpi through your software or printer driver.
•You may need to install additional memory in your printer. See Chapter 6 for
memory installation instructions.
•Check your printer driver help screens for suggestions specific to your driver’s
settings.
Curled or Wrinkled Sheets
Media is curled or wrinkled when using the Paper Output Bin.
•Verify that the media you are using meets paper specifications. (See the HP
LaserJet 5L User’s Manual or the HP LaserJet Printer Family Paper
Specifications Guide.)
•Turn the paper over.
•Use the Front Output Slot by pushing the Paper Path Lever to the lower position.
This provides the straightest paper path.
•Use Paper Input Support located behind the Paper Input Tray.
7Troubleshooting
Troubleshooting 7-17

Blank Page (Occasional)
A page is completely blank. If you get occasional blank pages:
•Make sure your page length and margins are set correctly for the paper size you
use. If you are printing on small media and your page is blank, try printing on
larger media to see where the image is printing. Adjust margins accordingly.
•Some sharing devices or networks may generate a blank page as a separator. Try
connecting the printer directly to the computer.
•Your printer may be feeding two or more pages at once because the paper is
difficult to separate. Remove the paper from the Paper Input Bin and align the
edges of the paper. Although fanning the paper is not generally recommended, it
may be an effective way to decrease multi-feeds if the paper was poorly cut by the
manufacturer and is sticking together. You may also try turning the paper around
to feed the opposite end first.
•Your software application may send an extra page eject command. Check your
software’s printing configuration information. If you are using a word processing
program, check for a natural page break and a forced page break that are close to
each other, causing a blank page.
Blank Pages (all pages)
If all of your pages are blank:
•Make sure you removed the entire length of the sealing tape from the toner
cartridge before you installed the cartridge.
•The toner cartridge may be completely out of toner. Replace the cartridge.
•Try printing a self-test page. (See Chapter 3.) If the page is still blank, the printer
may need service.
•There may be discontinuities in the high-voltage contact points. Clean the high
voltage contact points on the toner cartridge and transfer roller.
•Reseat the Laser/Scanner connectors.
•Replace the Laser/Scanner unit.
•Replace the DC Controller.
Dark Background
•Adjust the toner density setting through your software or printer driver.
•There may be discontinuities in the high-voltage contact points. Clean the high
voltage contact points on the toner cartridge and transfer roller.
•Replace the Laser/Scanner unit.
•Replace the DC Controller.
7-18 Troubleshooting

Dots
•Clean the static charge eliminator. (See Chapter 4, “Printer Maintenance.")
•There may be discontinuities in the high-voltage contact points. Clean the high
voltage contact points on the toner cartridge and transfer roller.
•Replace the transfer roller.
Dirt on the Back of the Page
•Use the image defect ruler to determine if the rollers are dirty. If so, clean them.
Replace the rollers if they cannot be cleaned sufficiently.
•Clean the heating element.
Blank Spots
•The paper may not meet HP’s paper specifications. Select different paper
•The moisture content of the paper may be inconsistent, or the paper may have
moist or wet spots on the surface. Try paper from a fresh ream or a different paper
manufacturer.
•Replace the toner cartridge.
•There may be discontinuities in the high-voltage contact points. Clean the high
voltage contact points on the toner cartridge and transfer roller.
•Replace the transfer roller.
•Replace the DC Controller.
White Horizontal Line
•Replace the toner cartridge.
Faulty Registration/Skewed Image
•Unload the paper and re-stack it in the input bin.
•Readjust the guides to the width of the paper.
•Too many sheets of paper may have been loaded into the paper input slot. Load no
more than 100 sheets of paper.
•The paper may not meet HP’s paper specifications. Select different paper.
•Clean the Paper Pickup Roller. If you cannot remove the dirt, the roller may be
worn out. Replace the roller.
•Check separation pad and subpads. If they’re worn, replace them.
•Clean the Delivery Roller. If you cannot remove the dirt, replace the roller.
•Restack the paper in the paper input source and try reprinting the job.
7Troubleshooting
Troubleshooting 7-19

Distorted Image or BD Failure
•Make certain the printer is not facing the sunlight.
•The paper may not meet HP’s paper specifications. Select different paper.
•Clean the Laser/Scanner Assembly by blowing compressed air in the slot on the
bottom of the assembly.
•Make sure the two Laser/Scanner connectors are firmly seated.
•Replace the Laser/Scanner unit.
•Replace the DC Controller.
7-20 Troubleshooting

Troubleshooting Checks
Engine Test
The engine test print is used to verify that the print engine is functioning correctly.
The Formatter PCA is completely bypassed during an engine test, so this test is
useful for isolating printer problems. The engine test prints a full page of vertical
lines down the entire printable area and is also useful for checking and adjusting
registration.
Engine Test Button Location
The engine test print button is located on the DC Controller PCA. It is accessible
through a hole at the front of the printer. (See Figure 7-4.)
Printing an Engine Test
The engine test button is accessible without removing the covers. To print an
engine test, use a long, non-metallic object (such as a pen or pencil) to press the
engine test button. A single test page is printed. (See Figure 7-4.)
Engine Test
Figure 7-4
7Troubleshooting
Troubleshooting 7-21

Half-Self Test Functional Check
The electrophotographic process can be subdivided into the following stages:
•Cleaning (removing excess toner from drum surface)
•Conditioning (placing a uniform electrical charge on drum)
•Writing (laser strikes surface of drum to create latent image)
•Development (formation of the toner image on drum)
•Transfer (charge to transfer the image to paper)
•Fusing (heat and pressure to produce a permanent image)
The purpose of the Half-Self Test Check is to determine which process is
malfunctioning. Perform the test as follows:
1Initiate a self test.
2Open the Printer Door after the paper advances half-way through the printer (about
8 seconds after the Motor begins rotation). The leading edge of the paper should
have advanced past the toner cartridge.
3Remove the toner cartridge.
4Open the toner cartridge’s drum shield to view the drum’s surface.
If a dark and distinct toner image is present on the drum’s surface, assume that the
first four functions of the electrophotographic process are functioning (cleaning,
conditioning, writing and developing - see Chapter 5.) Troubleshoot the failure as a
transfer or fusing problem.
If NO image is present on the photosensitive drum, perform the following functional
checks:
1Make sure you have removed the entire length of the sealing tape from the toner
cartridge before you installed the cartridge.
2Drum Rotation Functional Check.
3High Voltage Power Supply Check.
7-22 Troubleshooting

Drum Rotation Functional Check
The photosensitive drum, located in the toner cartridge, must rotate for the print
process to work. The photosensitive drum receives its drive from the Main Drive
assembly. To verify whether the drum is rotating:
1Open the Printer Door.
2Remove the toner cartridge.
3Mark the cartridge’s drive gear with a felt-tipped marker. Note the position of the
mark.
4Install the toner cartridge and close the Printer Door. The start-up sequence should
rotate the drum enough to move the mark.
5Open the printer and inspect the gear that was marked in step 3. Verify that the mark
moved.
If the mark did not move, inspect the Main Drive assembly to ensure that it is
meshing with the toner cartridge gears. If the drive gears appear functional, and the
drum does not move, replace the toner cartridge.
Note This test is especially important if refilled toner cartridges have been used.
7Troubleshooting
Troubleshooting 7-23

High-Voltage Power Supply Check
The High-Voltage Power Supply PCA provides the necessary voltages for the
electrophotographic processes. A method for verifying the high-voltage system is
given in the table below.
Toner Cartridge High Voltage Connection Points (1 of 2)
•Charging (1)
•Drum Ground (2)
•Developing Roller (3)
Checks Action
Toner Cartridge Connection Points Visually inspect the three connection points on the
underside, right end of the toner cartridge. If they
are dirty or corroded, clean the connections. Use
alcohol only. If damaged, replace the toner
cartridge. (See Figure 7-5 below.)
High Voltage Connector Assembly This assembly uses spring-loaded pins to contact
the toner cartridge. (See Figure 7-6 on the following
page.) Verify that the pins are not dirty or corroded
and that the spring-loading action is functional. If the
pins are dirty, clean using alcohol only; if damaged,
replace the High Voltage Connector Assembly.
Table 7-5 High-Voltage Power Supply Check
Figure 7-5
7-24 Troubleshooting

Toner Cartridge High Voltage Connection Points (2 of 2)
•Charging (1)
•Drum Ground (2)
•Developing Roller (3)
Figure 7-6
7Troubleshooting
Troubleshooting 7-25

Paper Curl
Paper curl is inherent to the laser printing processes, and occurs when paper is
subjected to heat. Paper curl tends to relax as the paper cools while resting on a flat
surface. The specification for maximum paper curl when the paper is lying flat
before print is 5 mm (0.2 inches).
Although paper curl cannot be totally eliminated, some steps can be taken to lessen
its impact, as suggested in the following table.
Possible Cause Recommended Action
Paper Path Try using the front output slot to shorten and straighten the paper
path.
Paper Surface The recommended printing surface of the page is usually marked
on the end of a ream of paper by a small arrow and the phrase
“print this side first.” If the incorrect side was face up, turn the
paper over. Load paper into the Paper Input Bin with the
recommended printing surface facing the front of the printer.
Paper Storing and Handling Over time, paper assumes the characteristics of its storage
environment. (In a humid environment, paper absorbs moisture. In a
dry environment, paper loses moisture.) Paper with higher
moisture contents will tend to curl more. Evaluate the storage
conditions of the paper.
Paper Type All paper is manufactured differently (texture, moisture content,
drying processes, composition, etc.). Change the type of paper
being used and re-evaluate the paper if curl results.
Table 7-6 Paper Curl Troubleshooting
7-26 Troubleshooting

Troubleshooting Tools
Paper Path Check
If paper is not being picked up or is not moving through the paper path, you may
want to observe all of the paper motion activities. Overriding PS204 (5L) or SW101
(6L) allows you to observe:
•Motor rotation
•Solenoid action
•Kick plate motion
•Paper Pickup Roller motion
•Drive Roller, Transfer Roller, Fuser Roller and Gear, and Delivery Roller Motion.
To override PS204 and SW101
1Remove the Printer Covers (Figures 6-2, 6-3, and 6-4).
2For HP LaserJet 5LPrinter only: Press the Door Open flag down (Figure 7-7,
callout 1) and lift the EP Cartridge flag (Figure 7-7, callout 2). These flags are
located on top of the printer chassis to the left of the Laser/Scanner assembly.
For both HP LaserJet 5L and 6L Printers: Press SW101 (Figure 7-7, callout 3).
Overriding PS204 and SW101
3While holding the flags up, perform either an Engine Test or a Self Test to observe
paper motion. (See procedures earlier in this chapter.)
Figure 7-7
7Troubleshooting
Troubleshooting 7-27

Repetitive Image Defect Ruler
Repetitive Image Defect Ruler
Figure 7-8
7-28 Troubleshooting

Main Wiring Diagram
Figure 7-9 Main Wiring Diagram
7Troubleshooting
Troubleshooting 7-29

Connector Signal Name Remarks
J401 pin 1 MA Motor Drive Signal
J401 pin 2 /MA Motor Drive Signal
J401 pin 3 MB Motor Drive Signal
J401 pin 4 /MB Motor Drive Signal
J204 pin 1 +12 V 5L only
J204 pin 2 CPUD Solenoid SL1 Pickup Drive (5L
only)
J202 pin 1 +5V
J202 pin 2 GND
J202 pin 3 PAPSENS “L” when PS202 detects paper
J202 pin 4 +5V
J202 pin 5 GND
J202 pin 6 PISNS “L” when PS203 detects paper
J207 pin 1 +12 V
J207 pin 2 SCNTAC Scanner tachometer pulses
J207 pin 3 FG
J207 pin 4 /SCNON “L” to rotate scanner motor
J207 pin 5 SCNCLK Scanner clock reference
J208 pin 1 +5 V
J208 pin 2 APCSH APC sample hold
J208 pin 3 /LON Laser Enable
J208 pin 4 FG
J208 pin 5 /VDOUT Laser Drive Signal
J208 pin 6 BDI Beam Detect Input Signal
J209 pin 1 +5 V
J209 pin 2 GND
Table 7-7 Cable Pinouts
7-30 Troubleshooting

Connector Signal Name Remarks
J209 pin 3 DOSNS “H” when cartridge is not
installed or the front door is
open at PS204.
J305 pin 1 +12A V
J305 pin 2 N/U
J305 pin 3 +12 V
J206 pin 1 FRSTH Fusing temperature feedback
J206 pin 2 FG
J102 pin 1 Fusing assembly drive voltage
J102 pin 2 Fusing assembly drive voltage
Table 7-8 Cable Pinouts
7Troubleshooting
Troubleshooting 7-31

7-32 Troubleshooting

8
Parts and Diagrams
Contents
How to Use the Part Lists and Diagrams . . . . . . . . . . . . . . . . . . . . 8-3
Ordering Parts . . . . . . . . . . . . . . . . . . . . . . . . . . . . . . . . 8-3
Ordering Consumables . . . . . . . . . . . . . . . . . . . . . . . . . . . . 8-4
Accessories and Supplies . . . . . . . . . . . . . . . . . . . . . . . . . . . . 8-5
Common Hardware . . . . . . . . . . . . . . . . . . . . . . . . . . . . . . . 8-6
Parts and Diagrams 8-1

8-2 Parts and Diagrams

How to Use the Part Lists and Diagrams
The Figures in this chapter illustrate the major subassemblies in the printer and their
component parts. A table (material list) follows each exploded assembly diagram.
Each table lists the reference designator (item number) for each part, the associated
part number for the item, the quantity, and a description of the part.
While looking for a part number, pay careful attention to the voltage listed in the
description column to ensure that the part number selected is for the correct model
of printer.
Ordering Parts
All standard part numbers listed are stocked and may be ordered from HP’s Support
Materials Organization (SMO), or Support Materials Europe (SME).
Hewlett-Packard Co.
Support Materials Organization
8050 Foothills Blvd.
Roseville, CA 95678
Parts Direct Ordering: 1-800-227-8164 (U.S. Only)
Hewlett-Packard Co.
Support Materials, Europe
Wolf-Hirth Strasse 33
D-7030 Böblingen, Germany
(49 7031) 14-2253
You can also contact HP at 916-783-0804 to find out part numbers for the LaserJet
5L and 6L. Contact your local HP Parts Coordinator for other local phone numbers.
8Parts and
Diagrams
Parts and Diagrams 8-3

Ordering Consumables
Consumables and accessories such as those listed on Table 8-1 may be ordered from
Hewlett-Packard.
The phone numbers are:
U.S.: 1-800-538-8787
Canada: 1-800-387-3154
(Toronto) 516-671-8383
United Kingdom: 0734-441212
Germany: 0130-3322
Contact your local HP Parts Coordinator for other local phone numbers.
Note Parts that have no reference designator or part number are not field replacement
parts and cannot be ordered through SMO.
8-4 Parts and Diagrams

Accessories and Supplies
The following items are available through your local authorized HP dealer. To find a
dealer near you (or if your dealer is temporarily out of stock), call the HP Customer
Information Center (800) 752-0900.
Note Refer to “Related Documentation” in Chapter 1 for documentation and training
media product numbers.
Note You can upgrade to a total of 9 Mbytes of memory with an 8 Mbyte JEDIA memory
module (not currently available from HP).
Item Product Number Description
Toner Cartridge C3906A Replacement toner cartridge.
Memory upgrades 1 MByte - C3939A
2 MByte - C3938A
4 MByte - C3148A
You can upgrade to a total of 9
MBytes of memory in the HP
LaserJet 5L/6L.
Parallel cable (IEEE 1284) C2950A 2 meter, A to B
C2951A 3 meter, A to B
Table 8-1 Accessories and Supplies
8Parts and
Diagrams
Parts and Diagrams 8-5

Common Hardware
Example Description
Screw, Machine, Trus Head M3x4, M3x6, M3x8
Screw, Star, 3x6
Screw, Self-tap, 4x10
Screw, Hex-head, 3x8
Screw, Hexhead, 3x6,m 3x8, 3x10
Table 8-2 Common Fasteners Used in the Printer
8-6 Parts and Diagrams

Major Assembly Locations
Figure 8-1
8Parts and
Diagrams
Parts and Diagrams 8-7

Covers and Doors
Figure 8-2
8-8 Parts and Diagrams

Ref LaserJet 5L Part No. LaserJet 6L Part No. Qty Description
1 RB1-7211-000CN RB2-1637-000CN 1 Input Extender 1
2 RB1-7212-000CN RB2-1638-000CN 1 Input Extender 2
3 RB1-7333-000CN RB2-1636-000CN 1 Back Cover
4 RG5-1995-000CN RG5-3443-000CN 1 Main Cover
4A RB1-7278-000CN RB2-1644-000CN 1 Face-up/Face-down Switch
5 RB1-7326-000CN RB2-1695-000CN 1 Output Extender 1
6 RB1-7327-000CN RB2-1697-000CN 1 EP Door Chimney
7 RB1-7331-000CN RB2-1696-000CN 1 Output Extender 2
8 RF5-1501-030CN RF5-2352-000CN 1 EP Door Assembly
8B RB1-7335-000CN RB2-1641-000CN 1 Nameplate
9 RG5-1944-000CN RG5-3488-000CN 1 Input Assembly 1
10 RG5-1945-000CN RG5-3491-000CN 1 Input Assembly 2
11 XA9-0724-000CN XA9-0724-000CN 2 Screw RS, M3x8
13 RB1-7321-000CN RB2-1639-000CN 1 Memory Door
14 RB1-7332-000CN n/a 1 Output Tray Fin
501 XB4-7401-007CN XB4-7401-007CN 2 Screw, Tp, PH, M4x10
502 XB6-7300-807CN XA9-0267-000CN 2 Screw, Tp, M3x8
Table 8-3 Covers and Doors
8Parts and
Diagrams
Parts and Diagrams 8-9

Internal Components (1 of 3)
Figure 8-3
8-10 Parts and Diagrams

Ref LaserJet 5L Part No. LaserJet 6L Part No. Qty Description
1 RY7-5005-000CN RY7-5005-000CN 1 Gear Kit #1
2 RB1-7288-000CN RB1-7288-000CN 2 Exit Roller Bushing
3 RB1-7105-000CN RB1-7105-000CN 1 Fuser Release Tab
4 RB1-7106-000CN RB2-1632-000CN 1 Gear Plate
5 RB1-7107-000CN RB1-7107-000CN 1 Front Gear Case
6 RY7-5007-000CN RY7-5007-000CN 1 Fuser Release Kit
7 RH7-1282-000CN RH7-1320-000CN 1 Main Motor
8 RY7-5006-000CN RY7-5036-000CN 1 Gear Kit #2
16 RG5-1984-000CN RG5-3453-000CN 1 EP/Cover Interlock
17 RF5-1521-000CN RF5-2367-000CN 1 Exit Roller
19 RG5-2000-000CN RG5-3494-000CN 1 Laser/Scanner
19 C3941-69003 n/a Laser/Scanner Exchange
20 RB1-7385-000CN RB1-7385-000CN 1 Ground Clip, Scanner
501 XB6-7300-807CN XB6-7300-807CN 4 Screw, TP, M3x8
502 XB6-7300-607CN XB6-7300-607CN 4 Screw, TP, M3x6
503 XA9-0267-000CN XA9-0267-000CN 2 Screw, TP, M3x6
Table 8-4 Internal Components (1 of 3)
8Parts and
Diagrams
Parts and Diagrams 8-11

Internal Components (2 of 3)
Figure 8-4
8-12 Parts and Diagrams

Ref LaserJet 5LPart No. LaserJet 6LPart No. Qty Description
1 RB1-7109-000CN RB1-7109-000CN 1 Memory Door Guide
2 RB1-7247-000CN RB1-7247-000CN 1 Fuser Paper Guide
3 RB1-7344-000CN RB1-7344-000CN 1 AC Cable Cover
4 RF5-1509-000CN RF5-1509-000CN 1 Back Sheet Metal
5 RB1-7343-000CN RB1-7343-000CN 1 Control Panel Cable Guide
6 RB1-7130-000CN RB1-7130-000CN 1 Fuser Cable Guide
7 RB1-7234-000CN RB1-7234-000CN 1 Cap
8 RB1-7302-000CN RB1-7302-000CN 1 Cap
9 XA9-0724-000CN XA9-0724-000CN 6 Screw, RS, M3x8
10 XA9-0855-000CN XA9-0855-000CN 2 Screw, RS, M3x8 (with star
washer)
11 RB1-7176-000CN RB1-7176-000CN 1 Mylar Guide
12 RB1-7305-000CN RB1-7305-000CN 1 I/O Sheet Metal
501 XB4-7401-007CN XB4-7401-007CN 3 Screw, Tapping, Panhead,
M4x10
502 XB1-1300-807CN XB1-1300-807CN 2 Screw, PH, M3x8
Table 8-5 Internal Components (2 of 3)
8Parts and
Diagrams
Parts and Diagrams 8-13

Internal Components (3 of 3)
Figure 8-5
8-14 Parts and Diagrams

Ref LaserJet 5LPart No. LaserJet 6LPart No. Qty Description
1 RB1-7223-000CN RB1-7223-000CN 1 Pickup Roller Grounding Clip
2 RB1-7246-000CN RB1-7246-000CN 2 Pressure Roller Bushing
3 RB1-7341-000CN RB1-7341-000CN 1 EP Right Hand Guide #2
4 RF5-1516-000CN RF5-2362-000CN 1 Pressure Roller
5 RF5-1517-000CN RF5-1517-000CN 1 Fuser Pressure Plate
6 RF5-1530-000CN RF5-2358-000CN 1 Transfer Roller Guide
7 RF5-1534-000CN RF5-1534-000CN 1 Transfer Roller
8 RB1-7129-000CN RB1-7129-000CN 1 Case Ground Metal
9 RF5-1515-000CN RF5-1515-000CN 1 EP Right Hand Guide #1
10 RF5-1514-000CN RF5-1514-000CN 1 EP Left Hand Guide
11 RS5-0796-000CN RS5-0796-000CN 1 Pressure Roller Gear
12 RB1-7256-000CN RB1-7256-000CN 1 Right Pressure Roller
Housing
13 RB1-7255-000CN RB1-7255-000CN 1 Left Pressure Roller
Housing
14 RF5-1533-000CN RF5-1533-000CN 1 Pressure Roller Ground
Guide
15 VS1-5057-002CN VS1-5057-002CN 1 Fuser Connector
16 RG5-1964-000CN RG5-3459-000CN 1 Heating Element (110v)
16 RG5-1965-000CN RG5-3463-000CN 1 Heating Element (220v)
17 XA9-0824-000CN XA9-0824-000CN 1 Screw, RS, M3x10
18 RB1-7293-000CN RB1-7293-000CN 1 Flag
19 RB1-7294-000CN RB1-7294-000CN 1 Flag Spring
20 XA9-0724-000CN XA9-0724-000CN 2 Screw, RS,, M3x8
21 XA9-0686-000CN XA9-0686-000CN 14 Screw, RS, M3x6
22 RG5-2028-000CN RG5-2028-000CN 1 Control Panel PCA
Assembly
23 RG5-1961-000CN RG5-3452-000CN 1 Transfer Guide Assembly
CK-8006 CK-8006 1 Pressure Roller Grease
Table 8-6 Internal Components (3 of 3)
8Parts and
Diagrams
Parts and Diagrams 8-15

DC Controller/Formatter and Cables
Figure 8-6
8-16 Parts and Diagrams

Ref LaserJet 5L Part No. LaserJet 6L Part No. Qty Description
1 RG5-2024-000CN RB2-1719-000CN 1 Formatter Shield
2 C3942-67902 C3991-60001 1 Formatter, New
C3942-69002 n/a 1 Formatter, Exchange
3 RG5-2023-000CN RG5-3506-000CN 1 DC Controller PCA (110 V)
3 RG5-2025-000CN RG5-3509-000CN 1 DC Controller PCA (220 V)
3 C3941-69001 n/a DC Controller PCA (110 V)
Exchange
3 C3941-69002 n/a DC Controller PCA (220 V)
Exchange
4 RG5-3510-000CN RG5-3510-000CN 1 DC Controller PCA Case
Assembly
5 RG5-2036-000CN RG5-3499-000CN 1 Control Panel PCA Cable
6 XA9-0326-000CN XA9-0890-000CN 9 Screw, TP, M3x4
7 XA9-0828-000CN XA9-0828-000CN 1 Screw, WStar
8 RG5-2029-000CN RG5-2029-000CN 1 Paper Pickup Cable
9 RG5-2031-000CN RG5-3662-000CN 1 Door Sensor Cable
10 RG5-2032-000CN RG5-2032-000CN 1 Thermistor Cable
11 RG5-2033-000CN RG5-2033-000CN 1 Motor Cable
12 RG5-2034-000CN RG5-3661-000CN 1 Scanner Cable
13 RG5-2035-000CN n/a 1 Laser Cable
14 RG5-2037-000CN n/a 1 Door Switch Cable
VD7-0211-002CN VD7-0211-002CN 1 Fuse 101 (110 V)
VD7-0643-151CN VD7-0643-151CN 1 Fuse 101 (220 V)
RH3-8003-000CN RH3-8003-000CN 1 Fuse 102 (110 V)
Table 8-7 DC Controller Case
8Parts and
Diagrams
Parts and Diagrams 8-17

Pickup Roller Assembly
Figure 8-7
8-18 Parts and Diagrams

Ref LaserJet 5L Part No. LaserJet 6L Part No. Qty Description
1 RB1-7177-000CN RB1-7177-000CN 1 Paper Feed Frame
2 RY7-5008-000CN RY7-5008-000CN 1 Separation Pad Assembly
3 RY7-5009-000CN RY7-5009-000CN 1 Input Sensor Assembly
4 RG5-1951-000CN RG5-3486-000CN 1 Pickup Roller Assembly
5 RB1-7184-000CN RB1-7184-000CN 1 Pickup Roller Bushing
6 RB1-7197-000CN RB1-7197-000CN 1 Clutch
7 RB1-7199-000CN RB1-7199-000CN 1 Back Grounding Clip
9 RG5-1947-000CN RG5-1947-000CN 1 Idler Roller Shaft Assembly
13 RH7-5139-000CN RH7-5139-000CN 1 Solenoid
14 RS5-2501-000CN RS5-2501-000CN 1 Kick Plate Spring
16 RB1-7185-000CN RB1-7185-000CN 1 Left Leg
17 RB1-7186-000CN RB1-7186-000CN 1 Right Leg
18 RF5-1490-000CN RF5-2372-000CN 1 Paper Kick Plate
501 XB4-7401-0007 XB4-7401-0007 2 Screw, TP, PH, M4x10
Table 8-8
8Parts and
Diagrams
Parts and Diagrams 8-19

Feed Assembly
Figure 8-8
8-20 Parts and Diagrams

Ref LaserJet 5L Part No. LaserJet 6L Part No. Qty Description
RG5-1942-000CN RG5-3485-000CN 1 Feed Assembly
9 RB1-7226-000CN RB2-1699-000CN 1 Idler Roller
Table 8-9
8Parts and
Diagrams
Parts and Diagrams 8-21

Separation Guide Assembly
Figure 8-9
8-22 Parts and Diagrams

Ref LaserJet 5L Part No. LaserJet 6L Part No. Qty Description
RG5-2013-000CN RG5-3475-000CN 1 Separation Guide Assembly
2 RB1-7276-000CN RG5-3476-000CN 1 Face-Up/Face-Down Lever
4 RB1-7289-000CN RB2-1690-000CN 1 Fuser Roller Bushing
7 RF5-1522-000CN RF5-2368-000CN 1 Fuser Exit Roller Assembly
Table 8-10
8Parts and
Diagrams
Parts and Diagrams 8-23

Delivery Assembly
Figure 8-10
8-24 Parts and Diagrams

Ref LaserJet 5L Part No. LaserJet 6L Part No. Qty Description
RG5-2012-000CN RG5-3474-000CN 1 Delivery Assembly
1 RB1-7284-000CN RB1-7284-000CN 4 Delivery Roller #1
2 RB1-7285-000CN RB2-1685-000CN 2 Delivery Roller #2
3 RB1-7286-000CN RB1-7286-000CN 4 Delivery Spring#1
4 RB1-7287-000CN RB1-7287-000CN 2 Delivery Spring#2
6 RG5-2015-000CN RG5-3479-000CN 2 Spur Assembly Outside
7 RG5-2014-000CN RG5-3478-000CN 2 Spur Assembly Inside
8 RB1-7334-000CN RB1-7334-000CN 1 JP Protector
Table 8-11
8Parts and
Diagrams
Parts and Diagrams 8-25

8-26 Parts and Diagrams

A
Parts Index
Parts Index A-1

Parts Index
Description Part No. Fig. Ref.
AC Cable Cover RB1-7344-000CN 8-4 3
Back Cover (5L) RB1-7333-000CN 8-2 3
Back Cover (6L) RB2-1636-000CN 8-2 3
Back Grounding Clip RB1-7199-000CN 8-7 7
Back Sheet Metal RF5-1509-000CN 8-4 4
Cap RB1-7234-000CN 8-4 7
Cap RB1-7302-000CN 8-4 8
Case Grounding Metal RB1-7129-000CN 8-5 8
Clutch RB1-7197-000CN 8-7 6
Control Panel Cable Guide RB1-7343-000CN 8-4 5
Control Panel PCA Assembly RG5-2028-000CN 8-5 22
Control Panel PCA Cable (5L) RG5-2036-000CN 8-6 5
Control Panel PCA Cable (6L) RG5-3499-000CN 8-6 5
DC Controller Fuse FU101-110 V VD7-0211-002CN 8-6
DC Controller Fuse FU101-220 V VD7-0643-151CN 8-6
DC Controller FUse FU102-110 V RH3-8003-000CN 8-6
DC Controller PCA (110 V) (5L) RG5-2023-000CN 8-6 3
DC Controller PCA (110 V) (6L) RG5-3506-000CN 8-6 3
DC Controller PCA (110 V) Exchange (5L) C3941-69001 8-6 3
DC Controller PCA (220 V) (5L) RG5-2025-000CN 8-6 3
DC Controller PCA (220 V) (6L) RG5-3509-000CN 8-6 3
DC Controller PCA (220 V) Exchange (5L) C3941-69002 8-6 3
DC Controller PCA Case Assembly RG5-3510-000CN 8-6 4
Delivery Assembly (5L) RG5-2012-000CN 8-10
Delivery Assembly (6L) RG5-3474-000CN 8-10
Delivery Roller #1 RB1-7284-000CN 8-10 1
Delivery Roller #2 (5L) RB1-7285-000CN 8-10 2
Delivery Roller #2 (6L) RB2-1685-000CN 8-10 2
Delivery Spring #1 RB1-7286-000CN 8-10 3
Delivery Spring #2 RB1-7287-000CN 8-10 4
Door Sensor Cable (5L) RG5-2031-000CN 8-6 9
Door Sensor Cable (6L) RG5-3662-000CN 8-6 9
Table A-1 Alphabetical Parts List
A-2 Parts Index

Description Part No. Fig. Ref.
Door Switch Cable (5L) RG5-2037-000CN 8-6 14
EP Door Assembly (5L) RF5-1501-030CN 8-2 8
EP Door Assembly (6L) RF5-2352-000CN 8-2 8
EP Door Chimney (5L) RB1-7327-000CN 8-2 6
EP Door Chimney (6L) RB2-1697-000CN 8-2 6
EP Left Hand Guide RF5-1514-000CN 8-5 10
EP Right Hand Guide #1 RF5-1515-000CN 8-5 9
EP Right Hand Guide #2 RB1-7341-000CN 8-5 3
EP/Cover Interlock (5L) RG5-1984-000CN 8-3 16
EP/Cover Interlock (6L) RG5-3453-000CN 8-3 16
Exit Roller (5L) RF5-1521-000CN 8-3 17
Exit Roller (6L) RF5-2367-000CN 8-3 17
Exit Roller Bushing RB1-7288-000CN 8-3 2
Face-up/Face-down Shaft (5L) RB1-7276-000CN 8-9 2
Face-up/Face-down Shaft (6L) RG5-3476-000CN 8-9 2
Face-up/Face-down Switch (5L) RB1-7278-000CN 8-2 4A
Face-up/Face-down Switch (6L) RB2-1644-000CN 8-2 4A
Feed Assembly (5L) RG5-1942-000CN 8-8
Feed Assembly (6L) RG5-3485-000CN 8-8
Flag RB1-7293-000CN 8-5 18
Flag Spring RB1-7294-000CN 8-5 19
Formatter Shield (5L) RG5-2024-000CN 8-6 1
Formatter Shield (6L) RB2-1719-000CN 8-6 1
Formatter (Exchange) (5L) C3942-69002 8-6 2
Formatter (New) (5L) C3942-67902 8-6 2
Formatter (New) (6L) C3991-60001 8-6 2
Front Gear Case RB1-7107-000CN 8-3 5
Fuse 101 (110 V) VD7-0211-002CN 8-6
Fuse 101 (220 V) VD7-0643-151CN 8-6
Fuse 102 (110 V) RH3-8003-000CN 8-6
Fuser Cable Guide RB1-7130-000CN 8-4 6
Fuser Connector VS1-5057-002CN 8-5 15
Fuser Exit Roller Assembly (5L) RF5-1522-000CN 8-9 7
Fuser Exit Roller Assembly (6L) RF5-2368-000CN 8-9 7
Fuser Paper Guide RB1-7247-000CN 8-4 2
Table A-1 Alphabetical Parts List (continued)
AParts Index
Parts Index A-3

Description Part No. Fig. Ref.
Fuser Pressure Plate RF5-1517-000CN 8-5 5
Fuser Release Kit RY7-5007-000CN 8-3 6
Fuser Release Tab RB1-7105-000CN 8-3 3
Fuser Roller Bushing (5L) RB1-7289-000CN 8-9 4
Fuser Roller Bushing (6L) RB2-1690-000CN 8-9 4
Gear Kit #1 RY7-5005-000CN 8-3 1
Gear Kit #2 (5L) RY7-5006-000CN 8-3 8
Gear Kit #2 (6L) RY7-5036-000CN 8-3 8
Gear Plate (5L) RB1-7106-000CN 8-3 4
Gear Plate (6L) RB2-1632-000CN 8-3 4
Ground Clip, Scanner RB1-7385-000CN 8-3 20
Heating Element (110 V) (5L) RG5-1964-000CN 8-5 16
Heating Element (110 V) (6L) RG5-3459-000CN 8-5 16
Heating Element (220 V) (5L) RG5-1965-000CN 8-5 16
Heating Element (220 V) (6L) RG5-3463-000CN 8-5 16
I/O Sheet Metal RB1-7305-000CN 8-4 12
Idler Roller (5L) RB1-7226-000CN 8-8 9
Idler Roller (6L) RB2-1699-000CN 8-8 9
Idler Roller Shaft Assembly RG5-1947-000CN 8-7 9
Input Assembly 1 (5L) RG5-1944-000CN 8-2 9
Input Assembly 1 (6L) RG5-3488-000CN 8-2 9
Input Assembly 2 (5L) RG5-1945-000CN 8-2 10
Input Assembly 2 (6L) RG5-3491-000CN 8-2 10
Input Extender 1 (5L) RB1-7211-000CN 8-2 1
Input Extender 1 (6L) RB2-1637-000CN 8-2 1
Input Extender 2 (5L) RB1-7212-000CN 8-2 2
Input Extender 2 (6L) RB2-1638-000CN 8-2 2
Input Sensor Assembly RY7-5009-000CN 8-7 3
JP Protector RB1-7334-000CN 8-10 8
Kick Plate Spring RS5-2501-000CN 8-7 14
Laser Cable (5L) RG5-2035-000CN 8-6 13
Laser\Scanner (Exchange) (5L) C3941-69003 8-3 19
Laser\Scanner (New) (5L) RG5-2000-000CN 8-3 19
Laser\Scanner (New) (6L) RG5-3494-000CN 8-3 19
Left Leg RB1-7185-000CN 8-7 16
Table A-1 Alphabetical Parts List (continued)
A-4 Parts Index

Description Part No. Fig. Ref.
Left Pressure Roller Housing RB1-7255-000CN 8-5 13
Main Cover (5L) RG5-1995-000CN 8-2 4
Main Cover (6L) RG5-3443-000CN 8-2 4
Main Motor (5L) RH7-1282-000CN 8-3 7
Main Motor (6L) RH7-1320-000CN 8-3 7
Memory Door (5L) RB1-7321-000CN 8-2 13
Memory Door (6L) RB2-1639-000CN 8-2 13
Memory Door Guide RB1-7109-000CN 8-4 1
Motor Cable RG5-2033-000CN 8-6 11
Mylar Guide RB1-7176-000CN 8-4 11
Nameplate (5L) RB1-7335-000CN 8-2 8B
Nameplate (6L) RB2-1641-000CN 8-2 8B
Output Extender 1 (5L) RB1-7326-000CN 8-2 5
Output Extender 1 (6L) RB2-1695-000CN 8-2 5
Output Extender 2 (5L) RB1-7331-000CN 8-2 7
Output Extender 2 (6L) RB2-1696-000CN 8-2 7
Output Tray Fin RB1-7332-000CN 8-2 14
Paper Feed Frame RB1-7177-000CN 8-7 1
Paper Kick Plate (5L) RF5-1490-000CN 8-7 18
Paper Kick Plate (6L) RF5-2372-000CN 8-7 18
Paper Pickup Roller Cable RG5-2029-000CN 8-6 8
Pickup Roller Assembly (5L) RG5-1951-000CN 8-7 4
Pickup Roller Assembly (6L) RG5-3486-000CN 8-7 4
Pickup Roller Bushing RB1-7184-000CN 8-7 5
Pickup Roller Grounding Clip RB1-7223-000CN 8-5 1
Pressure Roller (5L) RF5-1516-000CN 8-5 4
Pressure Roller (6L) RF5-2362-000CN 8-5 4
Pressure Roller Bushing RB1-7246-000CN 8-5 2
Pressure Roller Gear RS5-0796-000CN 8-5 11
Pressure Roller Grease CK-8006 8-5
Pressure Roller Grounding Guide RF5-1533-000CN 8-5 14
Right Leg RB1-7186-000CN 8-7 17
Right Pressure Roller Housing RB1-7256-000CN 8-5 12
Scanner Cable (5L) RG5-2034-000CN 8-6 12
Scanner Cable (6L) RG5-3661-000CN 8-6 12
Table A-1 Alphabetical Parts List (continued)
AParts Index
Parts Index A-5

Description Part No. Fig. Ref.
Screw XA9-0724-000CN 8-2 11
Screw (with star washer) XA9-0855-000CN 8-4 10
Screw XB1-1300-807CN 8-4 502
Screw XA9-0267-000CN 8-3 503
Screw XA9-0824-000CN 8-5 17
Screw XA9-0686-000CN 8-5 21
Screw XA9-0724-000CN 8-4 9
Screw XA9-0724-000CN 8-5 20
Screw XB4-7401-0074CN 8-4 501
Screw XB4-7401-0007 8-7 501
Screw XB4-7401-007CN 8-2 501
Screw (5L) XB6-7300-807CN 8-2 502
Screw (6L) XA9-0267-000CN 8-2 502
Screw (DC Controller PCA) (5L) XA9-0326-000CN 8-6 6
Screw (DC Controller PCA) (6L) XA9-0890-000CN 8-6 6
Screw (DC Controller PCA) XA9-0828-000CN 8-6 7
Screw XB6-7300-607CN 8-3 501/502
Separation Guide Assembly (5L) RG5-2013-000CN 8-9
Separation Guide Assembly (6L) RG5-3475-000CN 8-9
Separation Pad Assembly RY7-5008-000CN 8-7 2
Solenoid RH7-5139-000CN 8-7 13
Spur Assembly Inside (5L) RG5-2014-000CN 8-10 7
Spur Assembly Inside (6L) RG5-3478-000CN 8-10 7
Spur Assembly Outside (5L) RG5-2015-000CN 8-10 6
Spur Assembly Outside (6L) RG5-3479-000CN 8-10 6
Thermistor Cable RG5-2032-000CN 8-6 10
Transfer Guide Assembly (5L) RG5-1961-000CN 8-5 23
Transfer Guide Assembly (6L) RG5-3452-000CN 8-5 23
Transfer Roller RF5-1534-000CN 8-5 7
Transfer Roller Guide (5L) RF5-1530-000CN 8-5 6
Transfer Roller Guide (6L) RF5-2358-000CN 8-5 6
Table A-1 Alphabetical Parts List (continued)
A-6 Parts Index

Part No. Description Fig. Ref.
C3941-69001 DC Controller PCA (110V) (Exchange) (5L) 8-6 3
C3941-69002 DC Controller PCA (220V) (Exchange) (5L) 8-6 3
C3941-69003 Laser Scanner (Exchange) (5L) 8-3 19
C3942-67902 Formatter (New) (5L) 8-6 2
C3942-69002 Formatter (Exchange) (5L) 8-6 2
C3991-60001 Formatter (New) (6L) 8-6 2
CK-8006 Pressure Roller Grease 8-5
RB1-7105-000CN Fuser Release Tab 8-3 3
RB1-7106-000CN Gear Plate (5L) 8-3 4
RB1-7107-000CN Front Gear Case 8-3 5
RB1-7109-000CN Memory Door Guide 8-4 1
RB1-7129-000CN Case Ground Metal 8-5 8
RB1-7130-000CN Fuser Cable Guide 8-4 6
RB1-7176-000CN Mylar Guide 8-4 11
RB1-7177-000CN Paper Feed Frame 8-7 1
RB1-7184-000CN Pickup Roller Bushing 8-7 5
RB1-7185-000CN Left Leg 8-7 16
RB1-7186-000CN Right Leg 8-7 17
RB1-7197-000CN Clutch 8-7 6
RB1-7199-000CN Back Ground Clip 8-7 7
RB1-7211-000CN Input Extender 1 (5L) 8-2 1
RB1-7212-000CN Input Extender 2 (5L) 8-2 2
RB1-7223-000CN Pickup Roller Ground Clip 8-5 1
RB1-7226-000CN Idler Roller (5L) 8-8 9
RB1-7234-000CN Cap 8-4 7
RB1-7246-000CN Pressure Roller Bushing 8-5 2
RB1-7247-000CN Fuser Paper Guide 8-4 2
RB1-7255-000CN Left Pressure Roller Housing 8-5 13
RB1-7256-000CN Right Pressure Roller Housing 8-5 12
RB1-7276-000CN Face-up/Face-down Shaft (5L) 8-9 2
RB1-7278-000CN Face-up/Face-down Switch (5L) 8-2 4A
RB1-7284-000CN Delivery Roller #1 8-10 1
RB1-7285-000CN Delivery Roller #2 (5L) 8-10 2
RB1-7286-000CN Delivery Spring #1 8-10 3
RB1-7287-000CN Delivery Spring #2 8-10 4
Table A-2 Numerical Parts Index
AParts Index
Parts Index A-7

Part No. Description Fig. Ref.
RB1-7288-000CN Exit Roller Bushing 8-3 2
RB1-7289-000CN Fuser Roller Bushing (5L) 8-9 4
RB1-7293-000CN Flag 8-5 18
RB1-7294-000CN Flag Spring 8-5 19
RB1-7302-000CN Cap 8-4 8
RB1-7305-000CN I/O Sheet Metal 8-4 12
RB1-7321-000CN Memory Door (5L) 8-2 13
RB1-7326-000CN Output Extender 1 (5L) 8-2 5
RB1-7327-000CN EP Door Chimney (5L) 8-2 6
RB1-7331-000CN Output Extender 2 (5L) 8-2 7
RB1-7332-000CN Output Tray Fin 8-2 14
RB1-7333-000CN Back Cover 8-2 3
RB1-7334-000CN JP Protector 8-10 8
RB1-7335-000CN Nameplate (5L) 8-2 8B
RB1-7341-000CN EP Right Hand Guide #2 8-5 3
RB1-7343-000CN Control Panel Cable Guide 8-4 5
RB1-7344-000CN AC Cable Cover 8-4 3
RB1-7385-000CN Ground Clip, Scanner 8-3 20
RB2-1632-000CN Gear Plate (6L) 8-3 4
RB2-1636-000CN Back Cover (6L) 8-2 3
RB2-1637-000CN Input Extender 1 (6L) 8-2 1
RB2-1638-000CN Input Extender 2 (6L) 8-2 2
RB2-1639-000CN Memory Door (6L) 8-2 13
RB2-1641-000CN Nameplate (6L) 8-2 8B
RB2-1644-000CN Face-up/Face-down Switch (6L) 8-2 4A
RB2-1685-000CN Delivery Roller #2 (6L) 8-10 2
RB2-1690-000CN Fuser Roller Bushing (6L) 8-9 4
RB2-1695-000CN Output Extender 1 (6L) 8-2 5
RB2-1696-000CN Output Extender 2 (6L) 8-2 7
RB2-1697-000CN EP Door Chimney (6L) 8-2 6
RB2-1699-000CN Idler Roller (6L) 8-8 9
RB2-1719-000CN Formatter Shield (6L) 8-6 1
RF5-1490-000CN Paper Kick Plate (5L) 8-7 18
RF5-1501-030CN EP Door Assembly (5L) 8-2 8
RF5-1509-000CN Back Sheet Metal 8-4 4
Table A-2 Numerical Parts List (continued)
A-8 Parts Index

Part No. Description Fig. Ref.
RF5-1514-000CN EP Left Hand Guide 8-5 10
RF5-1515-000CN EP Right Hand Guide #1 8-5 9
RF5-1516-000CN Pressure Roller (5L) 8-5 4
RF5-1517-000CN Fuser Pressure Plate 8-5 5
RF5-1521-000CN Exit Roller (5L) 8-3 17
RF5-1522-000CN Fuser Exit Roller Assembly (5L) 8-9 7
RF5-1530-000CN Transfer Roller Guide (5L) 8-5 6
RF5-1533-000CN PR Ground Guide 8-5 14
RF5-1534-000CN Transfer Roller 8-5 7
RF5-2352-000CN EP Door Assembly (6L) 8-2 8
RF5-2358-000CN Transfer Roller Guide (6L) 8-5 6
RF5-2362-000CN Pressure Roller (6L) 8-5 4
RF5-2367-000CN Exit Roller (6L) 8-3 17
RF5-2368-000CN Fuser Exit Roller Assembly (6L) 8-9 7
RF5-2372-000CN Paper Kick Plate (6L) 8-7 18
RG5-1942-000CN Feed Assembly (5L) 8-8
RG5-1944-000CN Input Assembly 1 (5L) 8-2 9
RG5-1945-000CN Input Assembly 2 (5L) 8-2 10
RG5-1947-000CN Idler Roller Shaft Assembly 8-7 9
RG5-1951-000CN Pickup Roller Assembly (5L) 8-7 4
RG5-1961-000CN Transfer Guide Assembly (5L) 8-5 23
RG5-1964-000CN Heating Element (110 V) (5L) 8-5 16
RG5-1965-000CN Heating Element (220 V) (5L) 8-5 16
RG5-1984-000CN EP Cover Interlock (5L) 8-3 16
RG5-1995-000CN Main Cover (5L) 8-2 4
RG5-2000-000CN Laser Scanner, New (5L) 8-3 19
RG5-2012-000CN Delivery Assembly (5L) 8-10
RG5-2013-000CN Separation Guide Assembly (5L) 8-9
RG5-2014-000CN Spur Assembly Inside (5L) 8-10 7
RG5-2015-000CN Spur Assembly Outside (5L) 8-10 6
RG5-2023-000CN DC Controller PCA (110 V) (5L) 8-6 3
RG5-2024-000CN Formatter Shield (5L) 8-6 1
RG5-2025-000CN DC Controller PCA (220 V) (5L) 8-6 3
RG5-2028-000CN Control Panel PCA Assembly 8-5 22
RG5-2029-000CN Paper Pickup Roller Cable 8-6 8
Table A-2 Numerical Parts List (continued)
AParts Index
Parts Index A-9

Part No. Description Fig. Ref.
RG5-2031-000CN Door Sensor Cable (5L) 8-6 9
RG5-2032-000CN Thermistor Cable 8-6 10
RG5-2033-000CN Motor Cable 8-6 11
RG5-2034-000CN Scanner Cable (5L) 8-6 12
RG5-2035-000CN Laser Cable (5L) 8-6 13
RG5-2036-000CN Control Panel PCA Cable (5L) 8-6 5
RG5-2037-000CN Door Switch Cable (5L) 8-6 14
RG5-3443-000CN Main Cover (6L) 8-2 4
RG5-3452-000CN Transfer Guide Assembly (6L) 8-5 23
RG5-3453-000CN EP/Cover Interlock (6L) 8-3 16
RG5-3459-000CN Heating Element (110 V) (6L) 8-5 16
RG5-3463-000CN Heating Element (220 V) (6L) 8-5 16
RG5-3474-000CN Delivery Assembly (6L) 8-10
RG5-3475-000CN Separation Guide Assembly (6L) 8-9
RG5-3476-000CN Face-up/Face-down Shaft (6L) 8-9 2
RG5-3478-000CN Spur Assembly Inside (6L) 8-10 7
RG5-3479-000CN Spur Assembly Outside (6L) 8-10 6
RG5-3485-000CN Feed Assembly (6L) 8-8
RG5-3486-000CN Pickup Roller Assembly (6L) 8-7 4
RG5-3488-000CN Input Assembly 1 (6L) 8-2 9
RG5-3491-000CN Input Assembly 2 (6L) 8-2 10
RG5-3494-000CN Laser/Scanner (6L) 8-3 19
RG5-3499-000CN Control Panel PCA Cable (6L) 8-6 5
RG5-3506-000CN DC Controller PCA (110 V) (6L) 8-6 3
RG5-3509-000CN DC Controller PCA (220 V) (6L) 8-6 3
RG5-3510-000CN DC Controller PCA Case Assembly 8-6 4
RG5-3661-000CN Scanner Cable (6L) 8-6 12
RG5-3662-000CN Door Sensor Cable (6L) 8-6 9
RH3-8003-000CN Fuse 102 (110 V) 8-6
RH7-1282-000CN Main Motor (5L) 8-3 7
RH7-1320-000CN Main Motor (6L) 8-3 7
RH7-5139-000CN Solenoid 8-7 13
RS5-0796-000CN Pressure Roller Gear 8-5 11
RS5-2501-000CN Kick Plate Spring 8-7 14
RY7-5005-000CN Gear Kit #1 8-3 1
Table A-2 Numerical Parts List (continued)
A-10 Parts Index

Part No. Description Fig. Ref.
RY7-5006-000CN Gear Kit #2 (5L) 8-3 8
RY7-5007-000CN Fuser Release Assembly 8-3 6
RY7-5008-000CN Seperation Pad Kit 8-7 2
RY7-5009-000CN Input Sensor Assembly 8-7 3
RY7-5036-000CN Gear Kit #2 (6L) 8-3 8
VD7-0211-002CN Fuse 101 (110 V) 8-6
VD7-0643-151CN Fuse 101 (220 V) 8-6
VS1-5057-002CN Fuser Connector 8-5 15
XA9-0267-000CN Screw (6L) 8-2 502
XA9-0267-000CN Screw 8-3 503
XA9-0326-000CN Screw (DC Controller PCA) (5L) 8-6 6
XA9-0686-000CN Screw 8-5 21
XA9-0724-000CN Screw 8-2 11
XA9-0724-000CN Screw 8-4 9
XA9-0724-000CN Screw 8-5 20
XA9-0824-000CN Screw 8-5 17
XA9-0828-000CN Screw (DC Controller PCA) 8-6 7
XA9-0855-000CN Screw (with star washer) 8-4 10
XA9-0890-000CN Screw (DC Controller PCA) (6L) 8-6 6
XB1-1300-807CN Screw 8-4 502
XB4-7401-007CN Screw 8-2 501
XB4-7401-007CN Screw 8-4 501
XB6-7300-607CN Screw 8-3 501/502
XB6-7300-807CN Screw (5L) 8-2 502
Table A-2 Numerical Parts List (continued)
AParts Index
Parts Index A-11

A-12 Parts Index

B
Regulatory Information
Laser Safety (U.S.A.)
The Center for Devices and Radiological Health (CDRH) of the U.S. Food and
Drug Administration implemented regulations for laser products manufactured since
August 1, 1976. Compliance is mandatory for products marketed in the United
States.
This printer is certified as a “Class 1” laser product under the U.S. Department of
Health and Human Services (DHHS) Radiation Performance Standard according to
the Radiation Control for Health and Safety Act of 1968. Since radiation emitted
inside this printer is completely confined within protective housings and external
covers, the laser beam cannot escape during any phase of normal user operation.
WARNING! Never operate or service the printer with the protective cover removed from the
Laser/Scanner Assembly. The reflected beam, although invisible, can damage your
eyes.
Regulatory Information B-1

Laser Statement (Finland)
The following applies to printer operation and servicing in Finland.
LASERTURVALLISUUS
LUOKAN 1 LASERLAITE
KLASS 1 LASER APPARAT
HP LaserJet(s) 4V and 4MV laserkirjoitin on käyttäjän kannalta turvallinen luokan
1 laserlaite. Normaalissa käyt"ssä kirjoittimen suojakotelointi estää lasersäteen
pääsyn laitteen ulkopuolelle.
Kirjoittimen on hyväksynyt Suomessa laserturvallisuuden osalta Sähk"tarkastuskeskus. Laitteen
turvallisuusluokka on määritetty valtioneuvoston päät"ksen N:o 472/1985 ja standardin EN 60825
(1991) mukaisesti.
VAROITUS ! Laitteen käyttäminen muulla kuin käytt"ohjeessa mainitulla tavalla saattaa altistaa
käyttäjän turvallisuusluokan 1 ylittävälle näkymätt"mälle lasersäteilylle.
VARNING ! Om apparaten används på annat sätt än i bruksanvisning specificerats, kan användaren
utsättas f"r osynlig laserstrålning, som “verskrider gränsen f”r laserklass 1.
HUOLTO HP LaserJet(s) 4M and 4MV kirjoittimen sisällä ei ole käyttäjän huollettavissa olevia
kohteita. Laitteen saa avata ja huoltaa ainoastaan sen huoltamiseen koulutettu henkil". Tällaiseksi
huoltotoimenpiteeksi ei katsota väriainekasetin vaihtamista, paperiradan puhdistusta tai muita käyttäjän
käsikirjassa lueteltuja, käyttäjän tehtäväksi tarkoitettuja ylläpitotoimia, jotka voidaan suorittaa ilman
erikoisty"kaluja.
VARO ! Mikäli kirjoittimen suojakotelo avataan, olet alttiina näkymätt"mälle lasersäteilylle laitteen
ollessa toiminnassa. Älä katso säteeseen.
VARNING ! Om laserprinterns skyddsh"lje “ppnas då apparaten är i funktion, utsättas användaren f”r
osynlig laserstrålning. Betrakta ej strålen.
Tiedot laitteessa käytettävän laserdiodin säteilyominaisuuksista:
Aallonpituus 777,795 nm
Teho 5 mW
Luokan 3B laser
B-2 Regulatory Information

Toner Safety
Note In case of toner spills, skin and clothing are best cleaned by removing as much toner
as possible with a dry tissue, then washing with cold water. Hot water causes toner
to permanently set into clothing.
MSDS Information
A Material Safety Data Sheet (MSDS) for toner or any other chemical used in the
printer is available through Hewlett-Packard’s Customer Information Center by
either mail or fax.
By mail:
To obtain an MSDS for the HP C3906A toner cartridges through the mail, call the
Customer Information Center (CIC) at 1-800-752-0900 between 6 A.M. and 5 P.M.
Pacific Standard Time.
By fax:
To obtain an MSDS for the HP C3906A toner cartridges by fax, call HP ASAP
(Automated Support Access Program) at 1-800-333-1917 and follow the
instructions for using the HP FIRST fax service.
Note See “Technical Assistance” in chapter one for more information on the HP FIRST
service.
Ozone Emission
These printers do not use high voltage corona wires in the electrophotographic
process, and therefore generate no measurable ozone gas (O3). The printers instead
use charging rollers in the toner cartridge and in the print engine.
BRegulatory
Information
Regulatory Information B-3

FCC Statement (Class B)
Note: This equipment has been tested and found to comply with the limits for a
Class B digital device, pursuant to part 15 of the FCC rules. These limits are
designed to provide reasonable protection against harmful interference in a
residential installation. This equipment generates, uses, and can radiate radio
frequency energy and, if not installed and used in accordance with the instructions,
may cause harmful interference to radio communications. However, there is no
guarantee that interference will not occur in a particular installation. If this
equipment does cause harmful interference to radio or television reception, which
can be determined by turning the equipment off and on, the user is encouraged to
try to correct the interference by one or more of the following measures:
•Reorient or relocate the receiving antenna.
•Increase the separation between the equipment and the receiver.
•Connect the equipment into an outlet on a circuit different from that to which the
receiver is connected.
•Consult the dealer or an experienced radio/TV technician for help. Any changes or
modifications not expressly approved by Hewlett-Packard could void the user’s
authority to operate this equipment.
Note Use of a shielded interface cable is required to comply within the Class B limits in
Part 15 of FCC rules.
VCCI Statement (Japan)
The VCCI statement below is required in Japan. It is similar to the FCC regulatory
statement.
VCCI Statement (Japan)
Figure B-1
B-4 Regulatory Information

C
Service Notes
Fuser Accordian Jams
C3941A-01
SERVICE NOTE
SUPERSEDES: NONE
HP C3941A LaserJet 5L
Serial Numbers: <JPBB022333
<JPTB000101
<JPBJ041310
<JPBK006151
<JPBL033831
<JPTJ000101
<JPTK000101
<JPTL000101
<USBB158323
<JPTM080500
<JPBM007279
<JPBT000101
<JPBV000101
<JPTT090666
<JPTV122612
<JPTX029034
LaserJet 5L Printer Fuser Accordion Jams
To Be Performed By: HP-Authorized personnel or Customer
Parts required: RB1-7332-000CN output tray fin
General Description:
Under some conditions the paper can be pushed back down into the fuser. This re-
sults in a paper jam in the fuser area. The paper jam can be so severe that the cus-
tomers cannot remove the paper and the printer requires servicing.
DATE 20 February 1996
ADMINISTRATIVE INFORMATION
SERVICE NOTE CLASSIFICATION:
MODIFICATION RECOMMENDED
ACTION IMMEDIATELY STANDARDS:
CATEGORY: ON SPECIFIED FAILURE LABOR: 0.5 Hours
AGREEABLE TIME
LOCATION CUSTOMER INSTALLABLE SERVICE RETURN USED RETURN
CATEGORY: ON-SITE INVENTORY: SCRAP PARTS: SCRAP
HP LOCATION SEE TEXT SEE TEXT
AVAILABILITY: PRODUCT’S SUPPORT LIFE RESPONSIBLE UNTIL: February 1998
AUTHOR: SKL ENTITY: 4600 ADDITIONAL INFORMATION:
Service Notes C-1

To remove the paper jam the fuser area of the printer must be disassembled. Fusers
and pressure rollers should be checked for damage from the paper jam or the
customers attempts to remove the paper jam.
The output tray fin should be installed in all LaserJet 5L’s in the affected serial
number range that are returned for any service, paper jam or other.
Solution:
The out try fin (RB1-7332-000CN) should be placed in the output tray of the
printer. This will decrease the number of fuser paper jams customers are
experiencing. The fin should be installed in all printers that do not already have it.
See graphic for placement of the part.
ADMINISTRATIVE INFORMATION —————————————————
C-2 Service Notes

Fuser Jam Clearing Countermeasure
C3941A-02A
SERVICE NOTE
SUPERSEDES: C3941A-02
HP C3941A LaserJet 5L
Serial Numbers:
JPBK000000 / JPBK016388
JPBL000000 / JPBL055374
JPCW000000 / JPCW043448
JPVW000000 / JPVW081157
USCB000000 / USCB302011
JPBV000000 / JPBV010501
JPVV000000 / JPVV216255
CNVM000000 / CNVM175233
CNVN000000 / CNVN189964
LaserJet 5L Printer Fuser Jam Clearing Countermeasure
To Be Performed By: HP-Authorized Personnel
Parts required: RB1-7334-000CN JP (Jam Prevention) Protector
General Description:
When a paper jam occurs in the LaserJet 5L it will commonly occur in the fuser area,
with the paper folding accordion-style between the fuser and delivery assembly. The
paper jams in the fuser can be such that the customers cannot remove the paper and
the printer requires servicing. Customers attempting to clear the jams often cause
damage to the printer. This countermeasure will not prevent paper jams, but will
allow users to clear the paper jams without damaging the printer.
Continued
DATE 10 June 1996
ADMINISTRATIVE INFORMATION
SERVICE NOTE CLASSIFICATION:
MODIFICATION RECOMMENDED
ACTION IMMEDIATELY STANDARDS:
CATEGORY: ON SPECIFIED FAILURE LABOR: 0.5 Hours
AGREEABLE TIME
LOCATION CUSTOMER INSTALLABLE SERVICE RETURN USED RETURN
CATEGORY: ON-SITE INVENTORY: SCRAP PARTS: SCRAP
HP LOCATION SEE TEXT SEE TEXT
AVAILABILITY: PRODUCT’S SUPPORT LIFE RESPONSIBLE UNTIL: 10 May 1998
AUTHOR: SKL ENTITY: 4600 ADDITIONAL INFORMATION: Reissued to correct Figure A.
CService Notes
Service Notes C-3

To remove this type of paper jam the fuser area of the printer must be disassembled.
The fuser and pressure roller should be checked for damage from the paper jam or
the customer’s attempts to remove the paper jam. See chapter 6 in the service
manual for disassembly instructions.
This JP protector and the output tray fin (from service note C3941A-01) should be
installed in all LaserJet 5L’s in the affected serial number range that are being
serviced.
Solution:
This JP Protector (RB1-7334-000CN) should be added to the delivery assembly
(RG5-2012-000CN) of every printer in the affected serial number range that is
serviced. To install this part you must remove the delivery assembly, per the service
manual (page 6-13/14). The JP Protector is shown in Figure A below. The Delivery
Assembly is shown in Figure 8-10 of the Service manual. Install the JP Protector
into the Delivery Assembly in the position shown in Figure B below. Figure B
shows a right side view of the Delivery Assembly with the JP Protector installed.
Be very careful to orient the part correctly.
C-4 Service Notes

Index
A
AC power distribution 5-6
circuitry 5-6
accessories and supplies 8-5
acoustic emissions 1-6
assistance, technical 1-12
B
background scatter 7-16
black page 7-16
blank page
all pages 7-18
occasional 7-18
bottom assemblies
DC Controller 6-44
formatter PCA 6-47
memory door guide 6-42
motor 6-43
C
cable pinouts 7-30
cables
replaceable 8-6
capacities: output tray 1-3
caution messages 6-3
CDRH B-1
Center for Devices and Radiological
Health (CDRH) B-1
character voids 7-16
circuit protection 5-6
class 1 laser product B-1
class B digital device B-4
cleaning
printer 4-6
spilled toner 4-8
clutches and sensors 5-17
common hardware 8-6
consumables
ordering 8-4
printer 1-10
control panel 1-3
described 5-9
features 1-3, 3-3
layout 3-3
messages 7-8
self test for printer errors 7-8
settings 5-9
using 3-3
covers 8-7
covers and doors 8-8
back cover 6-6
EP Door 6-8
main cover and paper input assembly
6-10
memory door 6-9
CPU 5-8
CPU, printer 5-8
D
data light 3-3
DC Controller 8-16
diagram 7-6
DC Controller system 5-5
DC power distribution
circuitry 5-6
explained 5-6
defect ruler, repetitive image 7-28
delivery assembly 8-24
Department of Health and Human
Services (DHHS) B-1
DHHS B-1
diagrams 8-3
dimensions, printer 1-3, 1-6, 2-4
distribution system
AC 5-6
documentation
related 1-10 to 1-11
doors 8-7
DRAM
installation 6-5
dropouts 7-17
drum
photosensitive 5-13, 7-13, 7-22 to
7-23
drum cleaning process
described 5-12 to 5-13
drum conditioning
described 5-12 to 5-13
drum rotation functional check 7-23
E
EconoMode 1-3, 5-10
print speed 5-10
vs. normal mode 5-10
electrical specifications 1-6
emissions
acoustic 1-6
engine test 3-10, 7-21
printing 7-21
engine test button location 7-21
engine test microswitch, SW201 5-5
environment
operating 2-3
environmental requirements 2-5
error light 3-3
unclearable 7-9
exchange program 1-10
F
faded print 7-14
faulty image examples 7-14
FCC statement B-4
features
control panel 1-3, 3-3
feed assembly 8-20
Finland laser statement B-2
fonts
downloaded 5-6
internal 1-3
internal character sets 5-8
storing 5-8
fonts, internal 1-3
form feed light 3-4 to 3-5
formatter PCA 8-16
Motorala 68030 microprocessor 5-8
Bi-tronics interface 5-8
DC controller PCA 5-19
described 5-8
engine test print 3-10
HVPS PCA 5-7
REt 5-9
self test bypass 5-5
voltages 5-6
formatter PCA 5-8
formatter system
described 5-8
front door components 8-10, 8-12
Front Panel Button, described 5-7
functional overview 5-1 to 5-22
functions, basic printer 5-3
fusing process 5-14
H
half page blank 7-17
half self test check
purpose 7-22
half self test functional check 7-22
hardware, common 8-6
high voltage power distribution 5-7
high voltage power supply PCA 5-7
high-voltage power supply check 7-24
horizontal stripes 7-15
HPD, HP’s Distribution Center 1-11
I
identification, labels 1-4
identification, printer 1-4
image defects 7-28
image developing 5-12, 5-14
image formation system
block diagram 5-12
DC controller 5-8
described 5-12
features 5-12
toner cartridge 5-13, 7-13
image formation troubleshooting 7-13
image fusing 5-12, 5-14
image transferring 5-12, 5-14
image writing 5-12 to 5-13
installation
DRAM 6-5
installing
memory cards 6-5
interfaces
Index
Index-1

standard 1-3
internal assemblies 8-10, 8-12, 8-14
control panel 6-11
delivery assembly 6-13
exit roller assembly 6-12
face-up/face-down lever 6-21
fuser exit roller 6-22
fuser pressure plate 6-15
heating element 6-17
pressure roller 6-20
internal typefaces 1-3
INTR, printer timing 5-19
J
Japanese VCCI Statement B-4
L
laser and scanner drive 5-5
laser drive 5-5
laser safety information B-1
Laser Safety, USA B-1
laser statement, Finland B-2
loss of detail 7-17
LSTR, printer timing 5-19
M
main wiring diagram 7-29
maintenance 4-1 to 4-8
Material Safety Data Sheet, MSDS B-3
memory
buffer 5-11
MEt 1-3, 5-10
printer 1-3, 5-8, 5-10
RAM 5-8
ROM 5-8
upgrades 8-5
memory cards (DRAM)
installation 6-5
memory enhancement technology 5-10
described 5-10
MEt 5-10
microswitch
SW101 5-5
SW201 5-5
model number 1-4
model, printer 8-3
motor
described 5-5
MSDS B-3
N
North American Response 1-13
O
operating environment 2-3
operation, basic sequence 5-19
ordering
related 1-10
ordering consumables 8-4
ordering parts 1-10, 8-3
output components 8-14
overcurrent
dc protection circuitry 5-6
devices 5-6
protection 5-6
overvoltage
devices 5-6
protection 5-6
ozone emission B-3
P
page protect
described 5-11
disabled 5-11
page buffer 5-11
PCL printing 5-11
page usage, monthly 1-3
paper capacities 1-3
paper curl 7-26
paper feed system
clutches and sensors 5-17
described 5-15
paper path 5-16, 7-5
paper jam
DC controller 5-18
messages 7-7
toner 4-8
paper jam detection
described 5-18
paper motion, control 5-5
paper motion, monitoring 5-5
paper path
components 7-5
location 5-16
troubleshooting 7-27
paper sensors 5-5
parallel interface
described 5-8
parts
HPD 1-11
ordering 1-10, 8-3
Parts Direct Ordering 8-3
PDO, Parts Direct Ordering 1-11, 8-3
phone numbers 8-4
SME, Support Materials Europe 1-11
Parts 1-10
parts and diagrams 8-1 to 8-26
Parts Direct Ordering 8-3
parts lists 8-3
PDO, Parts Direct Ordering 1-11, 8-3
phone numbers, parts 8-4
photosensitive drum 5-13
check list 7-22
damage 7-13
described 5-13
located 7-23
photosensitive drum cleaning 5-12 to
5-13
photosensitive drum conditioning 5-12
to 5-13
pickup roller assembly 8-18
PJL overview 5-11
PJL, Printer Display Language
Centronics cabeling 5-11
described 5-11
print environment settings 5-11
two-way communication 5-11
power
surge 1-15
power control 1-3
power distribution, AC 5-6
power save mode 1-3, 5-6
power supply system 5-4
preliminary troubleshooting 7-3
print environment settings, PJL 5-11
print quality
cleaning printer 4-6
transfer roller 4-7
print quality problems 7-14
all blank pages 7-18
background scatter 7-16
black page 7-16
blank page 7-18
character voids 7-16
dropouts 7-17
faded print 7-14
half blank page 7-17
horizontal stripes 7-15
loss of detail 7-17
repetitive defects 7-15
staining 7-14
vertical lines 7-15
vertical white stripes 7-15
print resolution 1-3
print speed 1-3, 5-8, 5-10
printer
buffer memory 5-11
cleaning 4-6
fonts 1-3
memory 1-3, 5-8, 5-10
memory upgrade 8-5
MEt 5-10
model number 1-4
optional memory 1-3
reset 3-11
standard memory 1-3
warranty 1-14
warranty 1-15
warranty exclusions 1-14
printer comparison
memory 1-3
printer dimensions 1-3, 1-6, 2-4
printer features 1-3
internal typefaces 1-3
memory 1-3
monthly usage 1-3
speed 1-3
printer functions, basic 5-3
printer job language, PJL 5-11
printer message troubleshooting 7-7
printer messages
control panel 7-8
error 7-8
manual feed 7-7
memory error 7-7
paper out 7-7
Ready 7-8
self test 7-8
status 7-8
toner cartridge 7-7
troubleshooting 7-7
printer space requirements 2-4
printer timing 5-19
INTR 5-19
LSTR 5-19
Index
Index-2

PRNT 5-19
STBY 5-19
WAIT 5-19
printing
self test page 3-7
priority of errors 7-7
PRNT, printer timing 5-19
product information 1-1 to 1-16, 3-1 to
3-12
product overview 1-7
R
radio frequency interference, RFI B-4
RAM 5-8
described 5-8
random access memory
described 5-8
read only memory
described 5-8
ready light 3-3
regulatory information B-1 to B-4
related documentation 1-10 to 1-11
remanufactured assemblies 1-10
removal and replacement
back cover 6-6
bottom assemblies 6-42
conductive grease 6-20
control panel 6-11
covers and doors 6-6
DC Controller 6-44
delivery assembly 6-13
EP Door 6-8
exit roller assembly 6-12
face-up/face-down lever 6-21
feed assembly 6-39
formatter pca 6-47
fuser exit roller 6-22
fuser pressure plate 6-15
heating element 6-17
internal assemblies 6-11
kick plate 6-35
laser/scanner assembly 6-24
main cover and paper input assembly
6-10
memory door 6-9
memory door guide 6-42
motor 6-43
paper exit sensor flag 6-23
paper feed frame 6-30
pickup roller assembly 6-27
pressure roller 6-20
separation pad 6-37
solenoid 6-25
strategy 6-3
subpads 6-38
top assemblies 6-24
transfer roller 6-34
repair philosophy 1-10
repetitive defects 7-15
repetitive image defect ruler 7-28
replaceable cables 8-6
required tools 6-4
requirements
environmental 2-5
site 2-1 to 2-6
space 2-4
resetting the printer 3-11
Resolution Enhancement technology
1-3, 5-9
described 5-9
resolution, print 1-3
REt, Resolution Enhancement
technology 1-3, 5-9
ROM 5-8
character sets 5-8
dot patterns 5-8
S
safety
toner B-3
scanner drive 5-5
self test
engine 3-10
microswitch SW201 5-5
self test page 3-7
sensors 5-17
separation guide assembly 8-22
sequence of operation 5-19
serial number
information 1-4
service approach 1-10
service errors 7-7
service or error messages
beam error 7-11
engine 7-11
firmware 7-12
formatter 7-12
fuser 7-10
ROM or RAM 7-10
scanner 7-12
site requirements 2-1 to 2-6
SME, Support Materials Europe 1-11
solving
print quality problems 7-14
space requirements 2-4
specifications
electrical 1-6
paper 1-11
printer 1-6, 2-3
staining 7-14
standard interfaces 1-3
standard printer memory 1-3
status messages
door open or no EP cartridge 7-8
incompatible memory card 7-8
manual feed 7-8
memory error 7-8
paper jam 7-8
paper out 7-8
Ready 7-8
SleepMode 7-9
STBY, printer timing 5-19
supplies 8-5
See alsoaccessories and supplies
surge protection 1-15
SW101, 12 volt dc power shutoff
microswitch 5-5
SW101, printer door microswitch 5-5
SW201, engine test microswitch 5-5
T
technical assistance 1-12
test, engine 3-10
toner 1-10
toner cartridge
charging rollers B-3
check list 7-13
cleaning spills 4-8
defective 4-8
described 5-13
drum cleaning 5-12 to 5-13
drum conditioning 5-12 to 5-13
drum rotation check 7-23
faulty image exampes 7-14
image formation 7-13
image formation system 5-13
MSDS B-3
photosensitive drum 5-13, 7-13,
7-22 to 7-23
printer message 7-7
refilled 7-23
replacement 8-5
weight 7-13
toner cartridge microswitch, SW101 5-5
toner safety B-3
tools
required 6-4
top assemblies
feed assembly 6-39
kick plate 6-35
laser/scanner assembly 6-24
paper feed frame 6-30
pickup roller assembly 6-27
separation pad 6-37
solenoid 6-25
transfer roller 6-34
transferring process 5-14
troubleshooting 7-1 to 7-32
drum rotation 7-23
high-voltage power supply check
7-24
image defects 7-28
image formation 7-13
LEDs 7-7
paper curl 7-26
paper path 7-27
print quality problems 7-14
printer errors 7-7
troubleshooting checks 7-21
troubleshooting flowchart 7-3
troubleshooting tools 7-27
troubleshooting, preliminary 7-3
two-way communication, PJL 5-11
typefaces
internal 1-3
V
VCCI Statement, Japan B-4
vertical lines 7-15
vertical white stripes 7-15
voltage conversions 1-15
W
WAIT, printer timing 5-19
Index
Index-3

Printed on
Recycled Paper
*C3990-90991*
*C3990-90991*
C3990-90991
HP LaserJet 5L and 6L Printer
Service Manual
Copyright© 1997
Hewlett Packard Co.
Printed in USA 9/97
Manual Part No.
C3990-90991
HP LaserJet 5L and 6L Printer (C3941/C3990) Service Manual

