Inventec Ruby Schematics. Www.s Manuals.com. Rd Schematics
User Manual: Motherboard Inventec Ruby 6050A0032201 - Schematics. Free.
Open the PDF directly: View PDF
.
Page Count: 70

24 / 07 / 2003
12 / 08 / 2003
MORRIS CHANG DATEEE
DRAWER
CHECK JOE CHANG
JOE CHANG
MORRIS CHANG
DATE CHANGE NO. REV
RUBY
MV1-BUILD FINAL
VER :
FILE NAME : RUBY10-6050A0032201-MB-A03-13
DATE BEGINNING : 24 / 06 / 2003
P/N 131MBD2600A0
24 / 07 / 2003
MODULES, RUBY1.0
CS
A3
691
131MBD2600-0-0 D
12 / 08 / 2003
INVENTEC
A
DATE POWER
DESIGN
RESPONSIBLE
SIZE = 3
SHEET OF
TITLE
SIZE CODE DOC. NUMBER REV

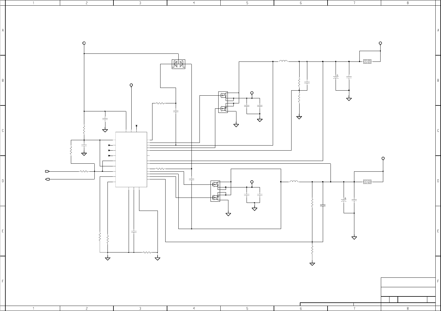
5- DC& BATTERY CHANGER
42- FHW& EEPROM
46- PARALLER PORT
65- PHY1394 CONTROLLER
30- ATI-M10-P-2
9- SYSTEM POWER(VCCP/1.2V)
35- VIDEO RAM-2
TABLE OF CONTENTS
34- VIDEO RAM-1
31- ATI-M10-P-3
40- ICH4-3
25- DDR-SDRAM-1
PAGE
60- LAN INTERFACE-2
23- ODEM-3
37- LCD CONN
49- AUDIO AMP&HP JACK
36- CRT& SVEDIO CONN
16- BANIAS-1
29- ATI-M10-P-1
21- ODEM-1
PAGE
13- POWER(SLEEP)
66- SCREW
PAGE
55- CARDBUS CONN
33- DAMPING
50- MDC CONN
32- ATI-M10-P-4
24- ODEM-4
38- ICH4-1
18- BANIAS-3
57- SD CARD CONN
CHANGE by SHEET OF
TITLE
47- AC97 CODEC
20- THERMAL&FAN CONTROLLER
7- SYSTEM POWER(3V/5V/12V)
26- DDR-SDRAM-2
58- MINIPCI CONN
63- BLUETOOTH
10- SYSTEM POWER(2.5V/1.25V)
28- DDR-SDRAM-4
22- ODEM-2
15- CLOCK_GENEATOR
54- USB&IR CONN
61- DOCKING CONN
27- DDR-SDRAM-3
6- SELECT & BATTERY CONN
51- HDD CONN
SIZE CODE DOC. NUMBER REV
INVENTEC
39- ICH4-2
17- BANIAS-2
43-INT. KBC/POINT DEVICES
48- EQ&MIC JACK
8- SYSTEM POWER(1.5V/1.8V)
11- CPU POWER(VCC_CORE)
67- BATTERY-2
12- VGA POWER(VDD_CORE)
53- SELECT BAY I/F
19- BANIAS-4
MODULES, RUBY1.0
CS
A3
692
131MBD2600-0-0 D
MORRIS CHANG 23-Jul-2003
44- SUPER I/O
14- POWER(SEQUENCE)
59- LAN INTERFACE-1
56- PC CARD SLOT
64- SWITCH BUTTON & LED
62- TCPA
52- MULTIBAY CONN
41- KBC
45- SERIAL PORT

DDR RAM
Secondary_IDE
Mini_PCI
47N227
Bluetooth
System Charger & MDC/Modem
DOC. NUMBER REV
INVENTEC
Module 56K
TCPA
AC97 Codec Module
Giga-bit LAN
RJ45
PORT REPLICATOR
BANIAS CK 408
AD_1981
LCM
(Micro-FCPGA)
CONN A
SLOT A/B
USB4
Clock generator
RJ11
ANT
CONN B
ITP
USB1
CRT
1.8V,Hub Link,66MHz
ANT
3.3V,PCI_Interface,33MHz
BIOS
DC/DC System power
System
BATTERY
USB2
USB3
USB5
CHANGE by SHEET
Super I/O
2.5V,DDR SDRAM200/333 Interface
ICH4-M
421 BGA
Primary_IDE
OF
TITLE
SIZE CODE
2 PORT 1394
Cardbus
SLOT
Kahuna Lite
47N250
3.3V, AC97 LINK 33MHz
3.3V,LPC_Interface33MHz
PSB,VCCP,400MHz
1.5V,AGP4X/8X_BUS, 66MHz
Odem MCH-M
64MB/128MB
ATI_M10-P
HDD
VGA Chip
USB0
Multi-bay/ Battery
SD Card
ATA 66/100
23-Jul-2003MORRIS CHANG
D131MBD2600-0-0
369
A3 CS
MODULES, RUBY1.0
S-video
ODD
FWH
BCM 5705 Wireless LAN
O2_OZH31B
CARD BUS
Dock
TSB43AB22A
Dock
593 BGA
DDR _SODIMM0
DDR _SODIMM1

ON1
S3#_3R_PWR
+3A_MSIO
TCPA(P.62) ,
BATSEL
THMB
USB(P.54) , CARD CNTR(P.55 , P.56) ,
+V5S : CRT(P.36) ,
+V1.2L
ACIN#
+V3
+V3L
LAN(P.59) ,
MINIPCI(P.58) ,
+V3 : S-VIDEO(P.36) ,
PAD8
CRT(P.36) ,
+V3A
CARDBUS CNTR(P.55 , P.56) ,
DISB
+V5
PAD4
ON2
+V1.8S
PWM
PAD7
MINIPCI(P.58) ,
+V5S
+V12
1.8V
L
ON1
BCARDVPP
COMA
ON2
LR
+V1.8S : N-B(P.21 , P.23) ,
L
N-B(P.23) ,
THM_MAIN#
COMB
S3#_3R_PWR
LCD(P.37) ,
CHGA
SERIAL PORT(P.45) ,
+V3S
+VBATP
USBVCC0
BATTB
BATTA
0
VADP1
+V3LAN
AMP(P.49) ,
B
ACARDVPP
+V5
CHGB
+V12 : CARD SLOT(P.56) ,
+V2.5L
L
PWM
PAD10
+V5L
CHGCTRL_3
+V1.2_MCH
+V1.2_LAN
PAD800
PDS
+V1.5A
PAD14
+V5L
1.5V
SKIP#
+V1.2L : LAN(P.60)
+V1.5A : S-B(P.40)
VGA(P.32) ,
+VCCP
L
+VCC_CORE : CPU(P.16 , P.17 , P.18)
+V3
PORT PARA (P.61)
ACOK
BATSTAT
+V2.5L : LAN(P.59 , P.60)
KBC(P.41) ,
+V1.2L
HDD(P.51) ,
THM_MBIN#
SELECT BAY(P.53) ,
+V3L
BCARDVCC
+V5A
LAN(P.60)
MULTIBAY(P.52) ,
PARALLER PORT(P.46) ,
SUPER I/O(P.44) ,
L
+VCCP(1.05V) : CPU(P.16 , P.17 , P.18) ,
S-B(P.38 , P.40)
SWITCHING
PAD6
VGA(P.31 , P.32) ,
+V1.2_MCH : N-B(P.23)
(P.18)
+VGAVCC
+VCCA
+V1.25S
+V3S : CLK GEN(P.15) ,
+V2.5_LAN
+VRAM_VCC
+VCC_CORE
+V2.5S
ADPT
FWH_VPP
ICTL
BLUETOOM_VCC
BATSELB_A#
5V
AIRACIN#
AUDIO_VCC
1.2V/1.05V
BATSTAT#
1.05V LAN(P.59 , P.60) ,
+VGAVCC : VGA(P.32)
VRAM(P.34 , P.35) ,
PAD5
L
PWM
BLUETOOTH(P.63)
OPEN
THML&FAN(P.20) ,
PS2(P.46) ,
+V1.5A
DDR(P.25 , P.26)
+V3L: S-B(P.39)
SUPER I/O(P.44) ,
+V1.8S
AC97(P.47) ,
+V2.5 CARDBUS CNTR(P.55) ,
+V3S_MSIO
SW BUTTON&LED(P.64)
ACAADVCC
A
+V12
AMP(P.49) ,
USBVCC1 +V5 : FAN(P.20) ,
1.2V
+V2.5 : N-B(P.23) ,
+V2.5S : VGA(P.32) ,
SD CARD(P.57) ,
S-B(P.40)+V1.5S : N-B(P.21 , P.23) ,
HDD(P.51) ,
SKIP#
MINIPCI(P.58) ,
PAD801
+V1.5A_ICH
CHANGE by SHEET
VGA(P.29 , P.30 , P.32) ,
S-B(P.38 , P.39 , P.40) ,
L
EEPROM(P.42) ,
SERIAL PORT&IR(P.45) ,
+V5S_MB
+3A_ICH
L
VADP
+VBATA
CHARGE
ACPRES#
AC97(P.47) ,
2.5V
PARALLER PORT(P.46) ,
SKIP#
PORT PARA (P.61)
+V1.5S
LCD(P.37) ,
SW BUTTON&LED(P.64) ,
THMA
+V3A: S-B(P.38 , P.39 , P.40) ,
VRAM(P.34 , P.35)
S-B(P.40)
PHY1394(P.65)
+V1.25S: N-B(P.21) ,
SKIP#
VCC_SD
+V5A : S-B(P.39) , PARALLER PORT(P.46)
AVDO
KBC(P.41) ,
+VBATB
+VBATR
OF
TITLE
SIZE CODE DOC. NUMBER
PORT PARA (P.61) ,
ON1
3V
DDR(P.28)
MODULES, RUBY1.0
CS
A3
694
131MBD2600-0-0 D
MORRIS CHANG 23-Jul-2003
REV
INVENTEC
ON2
L
PAD12
+VBDC
S-B(P.38 , P.40) ,
TOUCH PAD(P.43) ,
DISA
+V5L : S-B(P.40)

Iadp=3.3A
DC JACK
5.4V
CELLSEL=0,Vcharger=12.6V
23-Jul-2003MORRIS CHANG
D131MBD2600-0-0
569
A3 CS
MODULES, RUBY1.0
DC &BATTERY CHANGER
CELLSEL=1,Vcharger=16.8V
4.096V
Icharger=2.5A
CHANGE by SHEET OF
TITLE
SIZE CODE DOC. NUMBER REV
INVENTEC
1
2
C9
1UF_10V
1
2
1
2
R2277
4.7K_1%
1
2
+VADP
1UF_25V
C2270
2
+V3A
+VBATR
1772REF
C1512
1UF_6.3V
11
4
8
OUT
R2347
499_1%
1
2
100K_0.5%
R2286
1
4
G
S
1
2
3
U2280
LM324A
10 +
-
9
R55
OPEN
1
2
IRF7807V
Q804
8
D
7
6
5
1
2
1772LDO
2
R1674
1
2
C11
12
49.9K_1%
R54
1
2
80.6K_1%
R2276
12
0.1UF_10V
C3005 1
2
0.1UF_25V
C3 1
2
C2
1UF_25V
1
2
0.05_1W_1%
R801
13
11
4
14
OUT
10K_5%
R818
1
2
0.47UF_25V
3
2
1772LDO
38-
U2280
LM324A
+
12
-
1
2
+V3A
64-,41-
D50 BAT54S
1
C1520
1
2
R46
100K_1%
12
R2287
0_5%
1
41-
R1686
2
1
2
10PF
C1510
1
2
0.47UF_25V
C4 1
2
22UF_23V_METAL
C811
B
1
3
C
E
2
0.1UF_25V
C1521
12
0.1UF_16V
5ANODE
3
CATHODE
4REF
R820
100K_5%
1
2
Q827
MMBT3906
2
5-
+VADP
5-
NS_LMV431B_5P
U2235
NC 1
2
NC
1772LDO
5-
R2318
OPEN
12
OPEN
R2319
1
1
G2
3
S15
2
S2
C803
0.1UF_25V
1
2
+VADP2
C8041
2
+VADP1
5-
Q829
NDC7002N
D1 6
D2 4
G1
C507
1
2
100K_5%
R2273
12
10UF_25V
R2173
0.018_1%_1W
12
100K_5%
R48
1
2
0.01UF_16V
C2273
2200PF
12
R44
0_5%
12
210UF_25V
C171
2
D8
1N4148
2
1
38-,16-
+V5S
6-
41-,6-
C461
0.01UF_16V
1
LM324A
+
5
6-
11
4
OUT 7
R800
0.015_1W_1%
12
D
2
G
S
1
C2272
6800PF_25V
1
2
U2280
1
2
2.2_5%
R2
12
2N7002
Q9 3
1
S
23
1UF_10V
C101
2
R2272
100K_5%
R56
12
Q803
FDS6680S
D
87
6
5
G
4
2
R2172
OPEN
12
+V3A 47K_5%
C3022
470PF_50V
1
2
+V3A
10K_1%
R2285
1
L805
12
1UF_16V
C22711
2
+VBATR
470PF_50V
1
2
R1421
4.7
1
2
PLFC1055P_220A_22UH
DL0V
10 ICHG
14 ICTL
28
IINP
2LD0
23
LX
20
PGND
4REF
13 REFIN 15
VCTL
C3021
7CCV
16
CELLS
3CLS
CSIN 18
CSIP 19
CSSN 26
CSSP 27
DCIN
1
DHI 24
DL0 21
22
U6
MAX_MAX1772EEI_QSOP_28P
8GND
GND
9
AC0K
12 ACIN
11 BATT 17
25
BST
6CCI
5CCS
R2283
10K_5%
1
2
1.37K_1%
R1679
1
2
3
2
4
5
R1980
4.7
12
7-
40.2K_1%
R2138
12
SINGA_2DC_S028I200
JACK800
1
12
NFM60R30T222L6
12
3
4
2
1
0.1UF_16V
C1765
1
2
C1522
0.1UF_25V
237K_1%
12
0.1UF_16VC1508
12
1N4148
D7
12
Q8
2N7002_OPEN
D
3
G
2
1
S
R2291
1
2
10PF
C1507
1
2
5-
R2304
OPEN
C8021
2
C1515
0.1UF_16V
1
2
R1419
52.3K_1%
2
+VBDC
+VADP1
61-,59-
37.4K_1%
R45
1
2
0.1UF_25V
1
2
R36
1K_5%
12
1UF_6.3V
C3023 1
10K_0.5%
1
2
10K_5%
R2281
1
2
47K_5%
R2282
10.2K_1%
R2139
12
R2270
10
1
2
R2284
C805
10UF_25V
1
2
R826
10K_5%
12
11
4
1OUT
1772REF
+VADP
47K_5%
R69
1
2
2
52.3K_1%
R2170
1
2
LM324A
U2280 +3
2
-
2
E
R2289
0_5%
1
2
R1
33
1
2
R2330
0_5%
12
Q828
MMBT3906
1
B
3
C
10K_5%
R42
1
2
R2275
133K_1%
1
+VADPTR
ACIN#
AIRACIN#
AIRACIN
CELLSEL
STBY_SWIN#_3
ICHG
H_STPCLK#
CHGCTRL_3
1772GND
1772GND
1772GND
1772GND
1772GND
MAX_LX5

3.3V
CHANGE by
TITLE
SIZE CODE DOC. NUMBER
SHEET OF
REV
INVENTEC
21
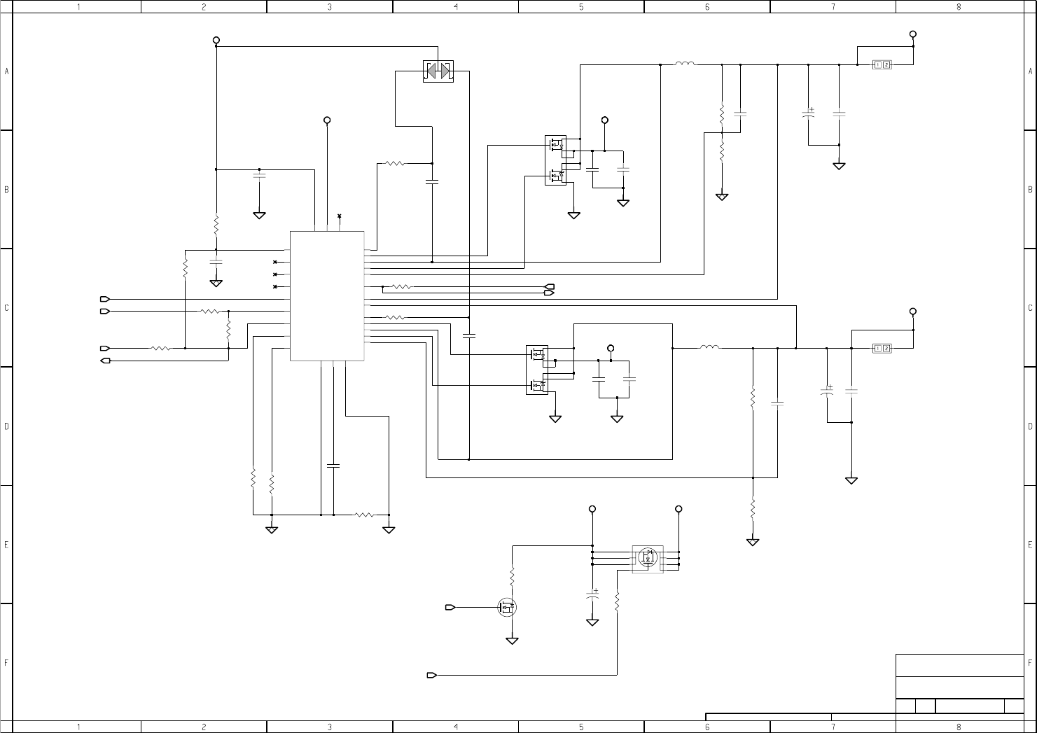
SELECT & BATTERY CONN
MODULES, RUBY1.0
CS
A3
696
131MBD2600-0-0 D
MORRIS CHANG 23-Jul-2003
MAIN BATT 2nd BATT
FIX BATTERY BOARD
2
R2019
10K
12
+V3A
+V3A
1N4148D22
1
+VADP2
OPEN
R2169
1
2
0.1UF_25V
C1771
OPEN
R156
1
2
6-
UDZS5.6B
D37
2
2
B
3
C
E
1
+VADP2
UDZS5.6B
D808
2
1
+V3A
2
D36
UDZS5.6B2
1
SST3904_OPEN
Q2285
+VADP
10K
R2018
12
41-,6-
0.33UF_10V
C1914
1
THMB 19
15
VDD
100K_5%
R199
12
6-
+V3A
18
COMA
5COMB 16
4DISA 17
DISB
8EXTLD
6GND
7MINV
9PDS
14
TCOMP
THMA
2
MAX_MAX1773EUP_TSSOP_20P
U28
ACDET
10 12
ACPRES#
1BATA 20
BATB
13
BATSEL
BATSTAT 11
CHGA
3CHGB
R346
0_5%
12
61-,41-
2.7K_5%
R912
1
2
D
8765
G
41
S
23
+VBDC
R189
0_5%
12
41-,6-
41-
Q802
FDS6675
R913
0_5%
12
41-,5-
61-,41-
R357
0_5%
12
D807
UDZS5.6B2
1
C68
2.2UF_25V
1
2
65
G
41
S
23
1N4148
D23
2
1
5
4
G
S
123
Q26
FDS4435
D
87
R965
4.7K_1%
1
2
FDS4435
Q25
8
D
76
2SB1197K_OPEN
Q24
2
B
C
3
1
E
C67
2.2UF_25V
1
2
100K_1% R193
12
C1931
0.022UF
1
2
41-,6-
+VADP1
6-
OPEN
R157
1
2
+V3A
R915
2.7K_5%
1
2
R909
100K_5%
1
2
47PF_50V
C458
1
2
0_5%
R914
12
+VBDC
FDS4435
8
D
765
4
G
S
123
+VBATA
2
2
3
3
4
4
55
66
G7
G8
Q29
56
6
41-,6-
+VBATB
41-
+VBATA
AMP_C1470351_2_6P
CN812
1
1
2
SYN_20014A_06G2_6P
CN19
1
12
23
344
5
S
23
100K_1%
R194
1
2
OPEN
R2315
1
+VBATB
5-
Q28
FDS4435
D
8765
G
41
SYN_20014A_02G2_2P
CN11
1
12
2
R203
100K_5%
12
4
R195
10K_1%
12
R2316
OPEN
1
2
R908
12
NFM60R30T222
L1088
12
3
C1929
0.022UF
1
2
100K_5%
R353
1
2
0_5%
R187
100K_1%
12
C157
0.1UF_25V
1
2
41-
+V3A
3.3K_5%
R2017
12
R168
OPEN
12
2
+V3A
41-
0_5%
R964
12
6-
2
D805
SSM34_3A40V
21
100K_5%
R198
1
23
C996
47PF_50V
1
2
4.7K_1%
R358
1
2
FDS4435
Q23
D
8765
G
41
S
65
4
G
S
123
10K
R2004
1
BAT6CELL#
FDS4435
Q22
8
D
7
CELLSEL
BAT6CELL#
AIRACIN#
BATSELB_A#
BATSTAT#
THM_MAIN#
THM_MBAY#
SDA_MBAY
SCL_MBAY
THM_MAIN# THM_MBAY#
1773VDD
1773VDD
SDA_MAIN
SCL_MAIN

For power test
CHANGE by SHEET OF
TITLE
SIZE CODE DOC. NUMBER REV
23-Jul-2003MORRIS CHANG
D131MBD2600-0-0
769
A3 CS
MODULES, RUBY1.0
SYSTEM POWER(3V/5V/12V)
INVENTEC
12
C96
0.1UF_25V
12
+V12
1
2
47K_5%
R218
1
2
150K_1%
R438
3
C288
0.1UF_10V
1
2
+V5
R239
220K_5%
FDS6612A
Q37
8
D
765
4
G
S
12
0_5%
R225
1
2
BAT54C
D34
12
3
3
SIL520_6.8UH
L54
12
C93
0.1UF_25V
12
FDS6680S
Q38
8
D
7
6
5
4
G
S
12
C1924
0.1UF_16V
12
1632GND
C153
220UF_6.3V_OSCON
1
L45
12
5-
D27
EC10QS03L_OPEN
2
1
80.6K_1%
1
2
12-,10-,9-,8-
R9
4.7_1206_1/4W
12
PLFC1055P_6R8A_6.8UH
22
R493
12
0
R10
12
R227
12
+V5L
+V5
10UF_25V
C119
1
2
+VBATR
143K_1%
R228
1
2
BAT54A
D25
3
2
147K_1%
R703
12
0
R1536
12
2
68UF_25V
C34
1
C116
10UF_25V
1
VDD
1632GND
OPEN
R226
12
C94
4.7UF_K_6.3V
1
NS_LM2621MMX_MSO8_8P
U53
BOOT 7
2EN
4FB
FREQ
3
PGND
1
5
SGND
8
SW
6
D24
21
+V5A
R224
0_5%
1
2
2
470PF_50V
C259
1
2
+V3A
+V5L
1632GND
1N4148
8
6
D2
5
G1
2
4
G2
1
S1
S2
3
1UF_25V
C1171
2
+V5L
R1838
16.9K_1%
12
FDS6982S
Q36
D1
7
POWERPAD_4A
PAD8
1
2
3
4
C188
10UF_K_16V
1
C118
10UF_25V
1
2
7-
0.22UF_K_10V
C2100
1
2
1
2
3
4
2.2PF_50V
C505
1
2
10K_5%
1
2
10UF_K_6.3V
C1501
2
POWERPAD_4A
PAD13
C149
330UF_4V_OSCON
1
1632GND
R219
2
324K_1%
R216
1
2
0.022UF
C2015
1
2
1632GND
R1448
OPEN
12
R1839
0
1
1
2
+V3A
PAD5
POWERPAD_4A
3
4
2
47UF_20V
C196 1
7-
+VBATR
R217
274K_1%
2
22UF_10V
C1871
2
0.1UF_25V
C1470
1
+V5L
R11
0
12
R25
0
1
1UF_6.3V
C1977
12
0
R487
12
10UF_K_6.3V
C1521
2
C92
4.7UF_K_25V
1
2
ON5
22
OUT3
OUT5 21
2PGOOD
10 PRO#
REF
8
SHDN#
6
SKIP#
12
TON
13
V+ 20
17
VCC
7-
FB5
9
23
GND
5ILIM3
11 ILIM5
25
LDO3
LDO5 18
LX3 27
LX5 15
1NC
3ON3
4
2
U30
MAX_MAX1999EEI_QSOP28_28P
28
BST3
BST5
14
26
DH3
DH5 16
DL3 24
DL5 19
7FB3
2
D40
EC10QS03L
21
OPEN
C258
1
+V5A
4.7UF_K_6.3V
C951
2
+V3L
OPEN
R704
1
7-
SIQ127A_10UH
L44
12
+VBATR
S3#_3R_PWR
MAX_LX5
M1999FB5
M1999FB5
M1999FB3
M1999FB3

D
MORRIS CHANG 23-Jul-2003
CHANGE by SHEET OF
TITLE
SIZE CODE DOC. NUMBER REV
INVENTEC
C332
1
2
SYSTEM POWER(1.5V/1.8V)
MODULES, RUBY1.0
CS
A3
698
131MBD2600-0-0
BAT54AD806
3
12
220P_25V
1
2
0.1UF_16V
C1374
1
2
C813
220UF_2.5V_S18_METAL
1
0.1UF_25V
1
2
C32
10UF_25V
1
2
0.1UF_16V
C1383
C30
1UF_10V
1
2
0.1UF_25V
C441
2
C816
20K_1%
R141
1
2
1UF_10V
C817
1
2
2
R1540
0
12
10K_1%
R140
1
2
1
2
R1825
22
1
2
10
R5
1
C1789
1
2
C31
0.1UF_25V
1
2
C814
10UF_25V
R863
12
R859
274K_1%
1
2
1UF_6.3V
20K_1%
R110
1
2
23.7K_1%
R111
1
2
274K_1%
L809
PLFC0745P-6R8A-6.8UH
12
PLFC0745P-6R8A-6.8UH
L24
12
9REF
6SKIP#
TON
5
4
V+
21 VCC
VDD 20
OPEN
R2306
1
2
27
LX2 16
NC0
23
28 NC1
NC2 15
ON1
10
ON2
11
1
OUT1 14
OUT2
22 PGND
PGOOD 7
AGND
BST1 25
BST2 18
26
DH1
17
DH2
24
DL1
DL2 19
2
FB1
13
FB2
3ILIM1
ILIM2
12
LX1
5
G1
2
4G2
1
S1
S2 3
49-,47-,41-,39-,13-
MAX_MAX1715_QSOP_28P
U21
8
2
12-,10-,9-,7-
+VBATR
+VBATR
+VBATR
FDS6984S
Q2281
D1 7
8
6
D2
5
G1
2
4G2
1
S1
S2 3
15A18SGND
0
R862
1
C29
220UF_2.5V_S18_METAL
1
FDS6984S
Q811
D1 7
8
6
D2
C815
0.1UF_25V
1
2
+V1.5A
+V1.8S
15A18SGND
15A18SGND
+V5A
PAD4
POWERPAD_2_0805
POWERPAD_2_0805
PAD800
12
15A18SGND
220P_25V
C445
1
2
SLP_S3#_3R
S3#_3R_PWR
R803
10

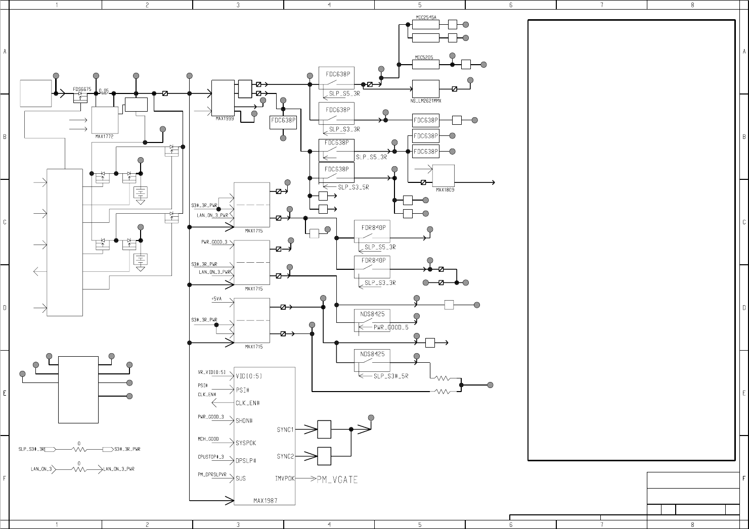
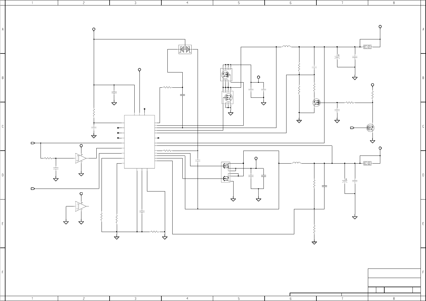
SYSTEM POWER (VCCP/1.2V)
MODULES, RUBY1.0
CS
A3
699
131MBD2600-0-0 D
MORRIS CHANG 23-Jul-2003
CHANGE by SHEET OF
TITLE
SIZE CODE DOC. NUMBER REV
INVENTEC
G1
2
4G2
1
S1
S2 3
VCCP12LGND
POWERPAD_2_0805
PAD6
1
Q812
FDS6984S
D1 7
8
6
D2
5
R566
12
C2049
0.1UF_16V
1
2
220UF_2.5V_S18_METAL
C824
274K_1%
1
2
R197
1.1K_1%
1
2
VCCP12LGND
0
12
OPEN
R2307
1
2
R873
+VBATR
+VBATR
R887
18.7K_1%
1
2
VCCP12LGND
L39
PLFC0745P-6R8A-6.8UH
1
2
+V1.2L
59-
11-
10
R6
12
1
2
C56
1UF_10V
1
2
470_5%
R7
220UF_2.5V_S18_METAL
C77
1
0.1UF_25V
C58
1
2
C225
OPEN
0
R2110
12
C943
OPEN
1
2
G
S
1
2
3
12-,10-,8-,7-
41-,30-,14-,11-,9-
PAD801
POWERPAD_2_0805
12
10-
NDS8425
Q813
8
D
7
6
54
12
20K_1%
R190
1
2
0_5%
R151 OUT2 14
PGND
22
7
PGOOD
REF
9
SKIP#
6
5TON
V+ 4
VCC
21
20
VDD
R872
274K_1%
13
ILIM1
3
12 ILIM2
27
LX1
16
LX2
23 NC0
NC1
28
15
NC2
10 ON1
11 ON2
OUT1 1
U24
MAX_MAX1715_QSOP_28P
AGND
8
25
BST1
18
BST2
DH1 26
DH2 17
DL1 24
19
DL2
2
FB1
FB2
1
2
+VCCP
14-
C1877
0.1UF_25V
1
2
C1782
1UF_6.3V
1
2
41-,30-,14-,11-,9-
10UF_25V
C57
1UF_10V
1
2
R891
3.9K_1%
1
2
+V1.2L
+V5A
1
2
14-
R804
10
1
2
C819
G2
1
S1
3
S2
10UF_25V
C8231
2
C820
0.1UF_25V
2
G
S
1
Q27
FDS6984S
7
D1 8
D2 6
5
2G1
4
D21 BAT54A
3
12
NDS7002A
Q32 3
D
1
2
PLFC0745P-6R8A-6.8UH
L810
12
+V1.2_MCH
+VBATR
0.1UF_25V
C8221
2
22
R1818
2
0.1UF_25V
C821
1
2
VCCP12LGND
68UF_4V_METAL
C825 1
12
R895
220K_5%
1
2
OPEN
R565
1
PWR_GOOD_3
S3#_3R_PWR
LAN_ON_3_PWR
LAN_ON_3
R152 100K_5%
PWR_GOOD#_5
PWR_GOOD_5
PWR_GOOD_3
MCH_GOOD

TITLE
SIZE CODE DOC. NUMBER REV
INVENTEC
R288_20K_1%
VGAVCC NOTES :
D131MBD2600-0-0
10 69
A3 CS
MODULES, RUBY1.0
SYSTEM POWER(2.5V/1.25V)
R1293_5.49K_1%
R287_1K_1%
USED M10(1.05/1.2)
CHANGE by SHEET OF
U37
FAIR_NC7WZ17_SC70_6P
1
2
5
6
23-Jul-2003MORRIS CHANG
3
10
R20
12
C415
220P_25V
1
2
29-
Q44
FDS6982S
D1
7
8
6
D2
5
G1
2
4
G2
1
S1
S2
C522
1
2
200K_5%
R322
12
220P_25V
C421
1
2
Q47
SSM3K17FU
D
D
G
G
S
S
0.012UF_16V
FDS7764A
D
8
7
6
5
G
4
1
S
2
3
POWERPAD_2_0805
C419
OPEN
1
2
Q60
C1790
0.1UF_16V
1
2
10UF_25V
C166
1
2
PAD10
1
2
12-,9-,8-,7-
BAT54AD32
3
12
POWERPAD_2_0805
PAD7
R1293
5.49K_1%_1/10W
1
2
R917
274K_1%
C833
1UF_10V
1
2
1UF_10V
C1751
2
22
1
2
+V3A
L49
2.1UH_100KHZ_7.0A
12
+V3A
+VGAVCC
3
+V2.5L
R299
220K_5%
12
R1712
2
FDS6694
Q59
D
8
7
6
5
G
4
1
S
2
2
R19
10
1
2
C1792
0.1UF_16V
1
PGOOD
REF
9
SKIP#
6
5TON
V+ 4
VCC
21
20
VDD
0.1UF_25V
C1621
ILIM2
27
LX1
16
LX2
23 NC0
NC1
28
15
NC2
10 ON1
11 ON2
OUT1 1
OUT2 14
PGND
22
7
AGND
8
25
BST1
18
BST2
DH1 26
DH2 17
DL1 24
DL2 19
FB1 2
FB2 13
ILIM1
3
12
1
2
0.1UF_25V
C163
1
2
U38
MAX_MAX1715_QSOP_28P
1
2
C1523
1UF_6.3V
1
2
+VBATR
R287
1K_1%
2100K_5%
R308
1
2
R288
20K_1%
FAIR_NC7WZ17_SC70_6P
U37
3
2
5
4
VGA25LGND
C161
0.1UF_25V
1
C164
1
2
220UF_2.5V_S18_METAL
C148
1
C160
1
9-
R298
15K_1%
1
2
10UF_25V
D
G
G
S
S
VGA25LGND
+VBATR
+V5A
+V3A
220UF_4V_METAL
R916
1
2
R297
9.76K_1%
1
2
Q40
SSM3K17FU
D
L48
PLFC1055P_6R8A_6.8UH
12
300K_1%
+VBATR
1UF_25V
C165
1
2
0
R1535
12
VGA25LGND
VGA25LGND
S3#_3R_PWR
PWRPLAY
LAN_ON_3_PWR

R339
1
REF
2
0_5%
L811 21
HMU1050_0.6UH_17A
KENVEN SENSE
KENVEN SENSE
LAYOUT NOTES: C1779 ,C502, C503 PIN2 CONNECT TO Q14 Q18 GND
C1780 , C532 ,C531 PIN2 CONNECT Q16 , Q20 GND
A3
6911
131MBD2600-0-0 D
MORRIS CHANG 23-Jul-2003
x3
CHANGE by SHEET OF
TITLE
SIZE CODE DOC. NUMBER REV
INVENTEC
KENVEN SENSE
x3
18-
1K_5% R942
12
15-,11-
CPU POWER(VCC_CORE)
MODULES, RUBY1.0
CS
G
4
1
S
2
3
1000PF_50V_X7R
C1841
1
2
S0
OPEN
R329
1
2
Q816FDS6694
D
8
7
6
5
36
OPEN
R328
1
2
R342
4.7K_5%
1
2
S1
7
8S2
9SHDN#
SUS
43
SYSPOK
22
TH 49
TIME
1
TON
2
42
V+
12 VCC VDD
23
33
LXM
LXS 40
16
NEG
20
OAIN+
OAIN- 19
PGND 37
POS 15
PSI#
21
REF
10
6S0
26
25 D5
31 DDO#
DHM 34
DHS 39
35
DLM
38
DLS
44 DPSLP#
FB 18
13
GND
11 ILIM
IMVPOK
14 CCV
24 CLKEN#
CMN 46
CMP 45
47
CSN
CSP 48
D0
30
29 D1
28 D2
D3
27
D4
2
MAX_MAX1987ETM_QFN48_48P
U35
3B0
B1
4
B2
5
BSTM 32
41
BSTS
17
CCI
0.1UF_25V
C156
12
VCC_IN
100PF_50V
C1007
1
C424 470PF_50V
12
R3430_5%
12
220UF_2V_METAL
1
S1
R337
100K_5%
1
2
39-
3
2
5
4
0.1UF_16V
C525 1
2
C111
R923
OPEN
1
2
200K_5%
R426
12
U807
FAIR_NC7WZ17_SC70_6P
OPEN
1
2
C1211
0.22UF_K_10V
1
2
11-
1
2
11-
39-
R3510_5%
12
R928
S1
L46
HMU1050_0.6UH_17A
12
S0
470PF_50V
C1004
R2096
1.1K_1%
1
2
R922
28K_5%
12
C1005
12
11-
11-
750_1%
R1823
1
2
VCC_IN
C8311
2
9-
B1
+VBATR
270PF_50V
R23
10
1
2
R805
0.0015_5%_1W
12
39-,15-
11-
1
2
R286OPEN
12
18-
12
D29
SSM34_3A40V2
1
C524
OPEN
G
4
1
S
2
3
R2097
750_1%
1
2
0_5% R352
R344
12
Q819FDS7764A
D
8
7
6
5
C8321
2
C159
0.1UF_25V
12
0_5%
12
0_5%
R334
1
2
OPEN
R918
1
2
12
1M_5%
R940
1
2
R3380_5%
18-
R16
20_5%
1
2
REF
R921
0_5%
2
1
R926
OPEN
1
2
OPEN
R348
1
2
REF
C87
220UF_2V_METAL
1
B2
SSM34_3A40V
D30
2
R939
1.1K_1%
1
2
R349
0_5%
12
+V3S
2
REF
0_5%
R929
1
2
R9191K_5%
1
15-,11-
B1
11-
C1844
1UF_6.3V
1
1
2
5
6
11-
1K_5% R920
12
B0
REF
220UF_2V_METAL
C134
1
U807
FAIR_NC7WZ17_SC70_6P
Q814
8
D
7
6
54
G
S
1
2
3
REF
B2
12
0_5%
R330
1
2
FDS7764A
2
1.1K_1%
R1914
1
2
S2
R3471K_5%
17-
0.1UF_16VC526
12
R332
OPEN
1
2
220UF_2V_METAL
C112
1
C133
220UF_2V_METAL
1
1
2
VCC_IN
+V5S
11-
C8271
1
2
3
R341
1.1K_1%
1
2
+V3S
C826
4.7UF_K_25V
1
2
3
FDS6694Q820 8
D
7
6
54
G
S
S2
FDS7764AQ815
8
D
7
6
54
G
S
54
G
S
1
2
3
100K_5%
R941
1
2
VCC_IN
3
1
2
11-
FDS6694
Q817
8
D
7
6
R924
0_5%
1
2
2.2UF_K_10V
C1581
2
BAT54A
D31
C1847
1UF_6.3V
1
2
18-
R925
OPEN
1
2
Q818FDS6694
D
8
7
6
5
G
4
1
S
2
3
4.7_5%
R17
12
1N4148D38
21
2
R350
3K_5%
1
2
0.0015_5%_1W
R15
12
18-
C8291
2
20_5%
R13
1
R333
1
2
REF
R930
30.1K_1%
1
2
11-
2
C1846
1000PF_50V_X7R
1
2
18-
B0
11-
OPEN
C8301
2
VCC_IN
OPEN
R927
1
2
VCC_IN
+VCC_CORE
C459
4700PF_50V 1
2
4.7UF_K_25V
1
S
2
3
11-
VCC_IN
41-,30-,14-,9-
R18
4.7_5%
1
R325
OPEN
1
2
Q821 FDS7764A
D
8
7
6
5
G
4
MCH_GOOD
PM_VGATE
SB_VGATE
POWER_GROUND
MAX1987GND
PM_VGATE
PM_DPRSLPVR
CPUSTOP#_3
PSI#
PWR_GOOD_3
VR_VID2
VR_VID3
VR_VID4
VR_VID5
H_VID1
H_VID2
H_VID3
H_VID4
H_VID5
DLM
VR_VID3
VR_VID4
+VBAT_CORE
VR_VID5
H_VID0 VR_VID0
VR_VID1
LXM
DHM
UGATE2
VR_VID0
VR_VID1
VR_VID2

CHANGE by SHEET OF
TITLE
SIZE CODE DOC. NUMBER REV
INVENTEC
1
2
DDR 1.25V POWER
MODULES, RUBY1.0
CS
A3
6912
131MBD2600-0-0 D
MORRIS CHANG 23-Jul-2003
1
2
0.01UF_16V
C430
1
2
C435
0.1UF_10V
LX
3IN
4
9
GND
6EXTREF
FB
8
SHDN#
1
5SS
TOFF
7
C169
10UF_K_6.3V
REF 10
GND 11
12
VCC
PGND 13
LX 14
15
PGND
LX 16
2IN
1
1UH
L50
12
MAX_MAX1809EEE_QSOP_16P
U39
1
2
C436
0.1UF_10V
1
2
C167
330UF_2.5V_METAL
1
2
+V1.25S
BAT54
D33
1
3
1UF_10V
C151
0.1UF_10V
C431
1
2
10-,9-,8-,7-
+V3
1UF_6.3V
C1565
C168
10UF_K_6.3V
1
2
68K_5%
R314
1
2
VEE
+V5
100
R1788
12
+V2.5
26-,25-,21-
10
R706
1
2
U40
MAX_MAX4322EUK_SOT23_5P
3IN+ IN- 4
OUT
1VCC 5
2
10K_1%
R313
1
2
R315
0_5%
12
2
C429
0.01UF_16V
1
2
1K_1%
R309
12
MA1809_V3
SM_VREF
R316
10K_1%
1
MAX1809_LXA
MA1809LX_FB
S3#_3R_PWR

INVENTEC
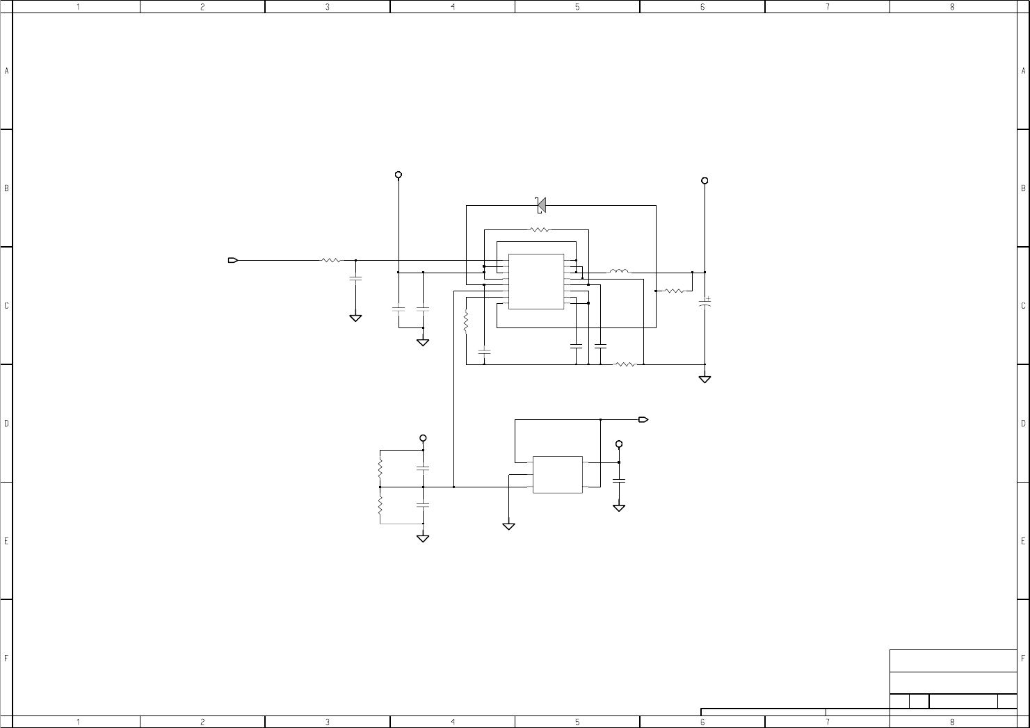
POWER(SLEEP)
MODULES, RUBY1.0
CS
A3
6913
131MBD2600-0-0 D
MORRIS CHANG 23-Jul-2003
CHANGE by SHEET OF
TITLE
SIZE CODE DOC. NUMBER REV
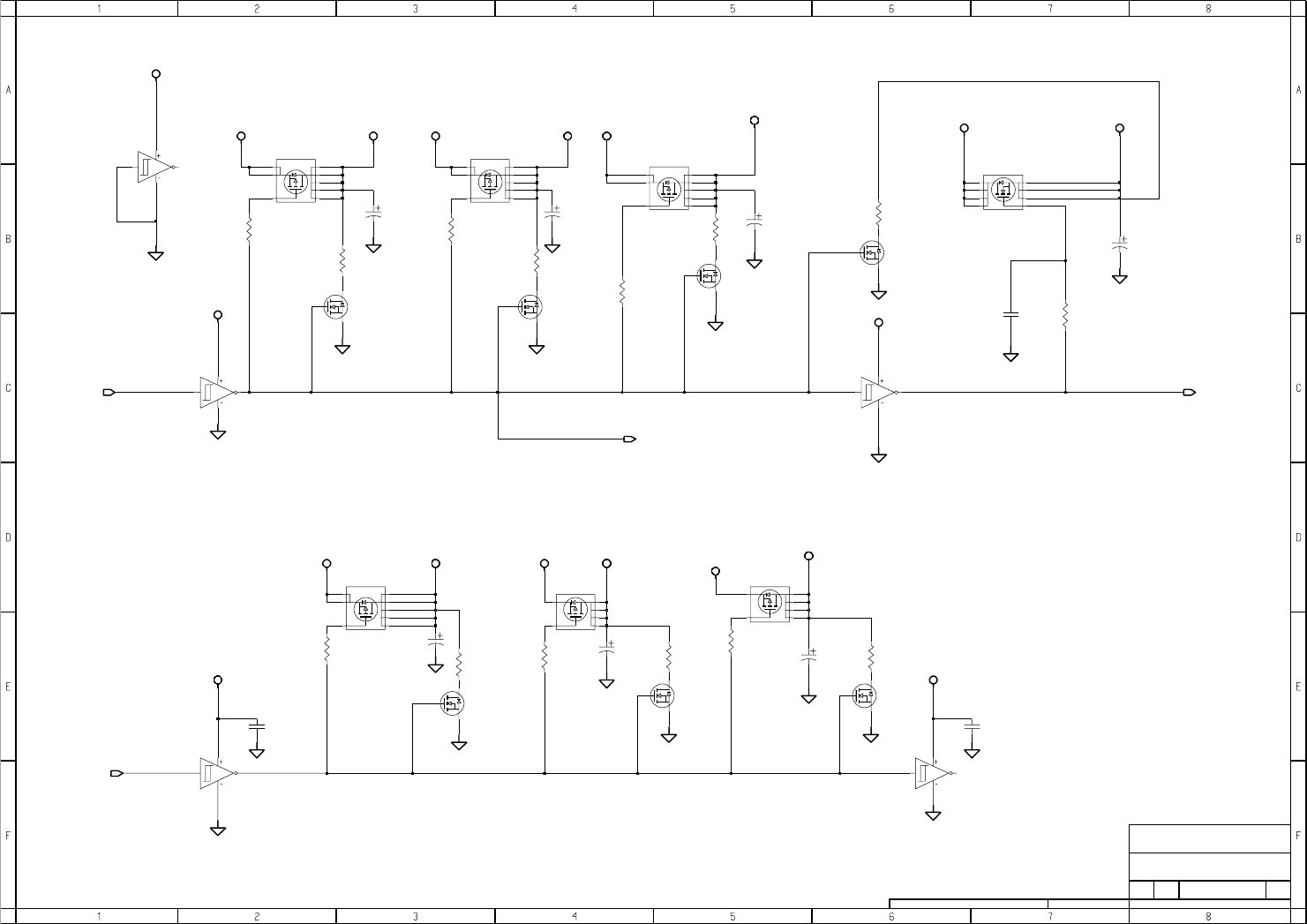
14
Q34
NDS7002A
D
3
G
2
1
S
+V5S
+V3
+V2.5L
3
D
2
G
S
1
74ACT14MTC
U36
7
12
+V5A
61-
+V5A
68UF_4V_METAL
C176
1
NDS7002A
Q45
R1996
330K
1
2
74ACT14MTC
U36
7
56
14
1
D
2
3
6
74
G
S
8
5
470_5%
1
2
0.1UF_16V
C1786
1
2
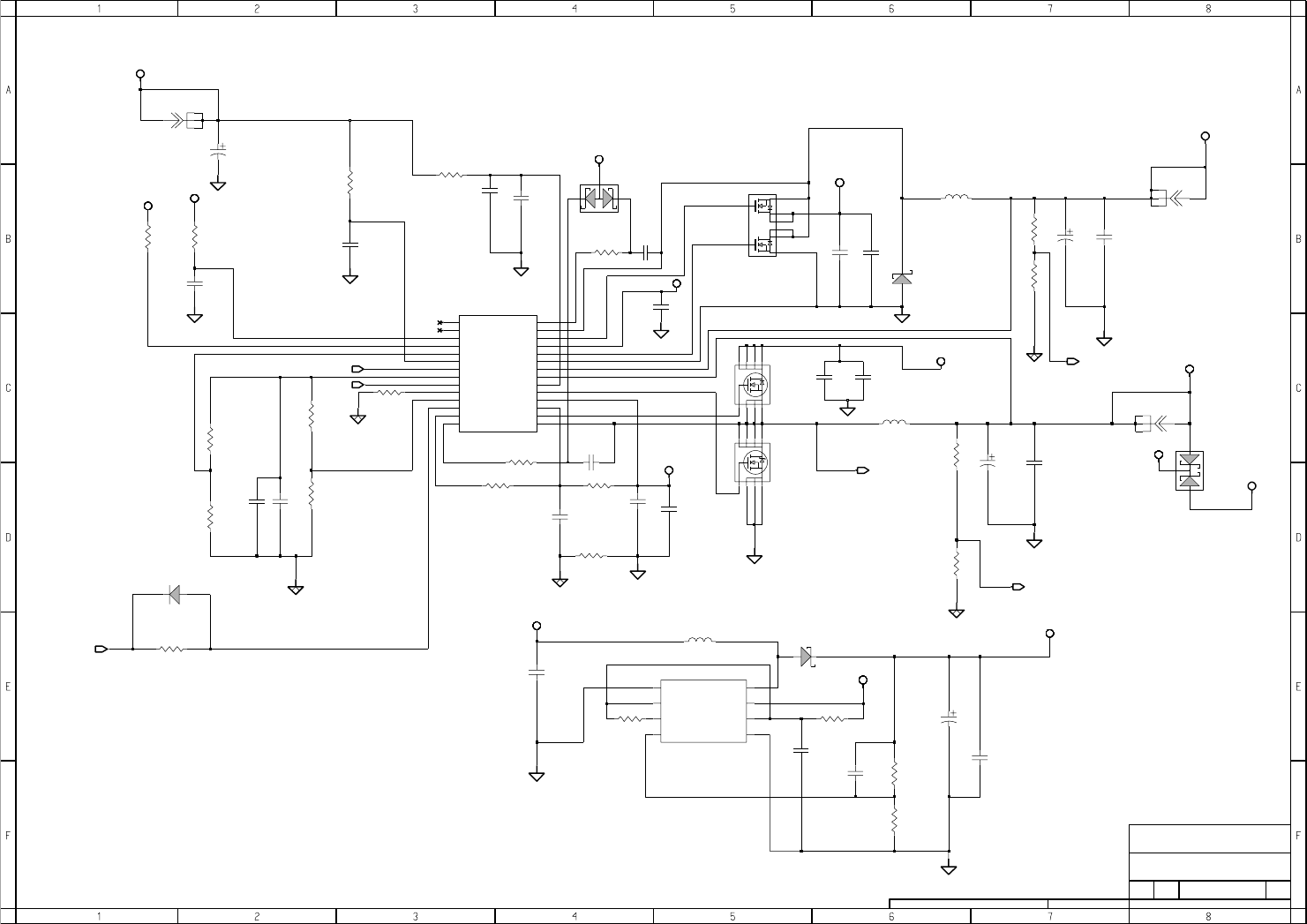
FDR840P
Q809
3
6
7
G
4
8
S
5
+V1.5S
32-
R3
C812
68UF_4V_METAL
1
Q824
FDR840P
D
1
2
G
2
1
S
+V3A
U36
74ACT14MTC
7
34
14
+V5
2
3
6
74
G
S
8
5
Q808
NDS7002A
D
3
14
220K
R1995
1
2
+V2.5
FDR840P
Q311
D
1
2
74ACT14MTC
U36
7
11 10
1
D
2
5
63
G
S
4
+V2.5L
220K
R1418
2
3
6
74
G
S
8
5
+V3A
FDC638P
Q53
R1427
220K
1
2
FDR840P
Q391
D
Q49
NDS7002A
D
3
G
2
1
S
47UF_6.3V_METAL
C120
1
S
1
+V5A
+V5A
+V5A
+V2.5S
470_5%
R22
1
2
2
100K
R1783
1
2
NDS7002A
Q43 3
D
2
G
2
+V5A
+V1.5A
+V3S
R1997
220K
1
C523
0.039UF_10V
1
2
39-
R14
470_5%
1
1
2
R21
470_5%
1
2
1
10UF_10V_METAL
C147
1
470_5%
R12
2
470_5%
R802
1
2
C79
47UF_6.3V_METAL
D
1
2
5
6
G
3
4
S
0.1UF_16V
C1942
1
1
2
470_5%
R8
1
2
Q35
FDC638P
1
+V5A
68UF_4V_METAL
C19 1
R2045
220K
2
3
Q30
NDS7002A
D
3
G
2
1
S
68UF_4V_METAL
C172
49-,47-,41-,39-,8-
NDS8425
Q13
8
D
7
6
54
G
S
1
S
1
74ACT14MTC
U36
7
98
14
SLP_S3_5R
NDS7002A
Q14 3
D
2
G
SLP_S3#_3R SLP_S3#_5R
SLP_S5#_3R

CHANGE by SHEET OF
TITLE
SIZE CODE DOC. NUMBER REV
INVENTEC
POWER(SEQUENCE)
MODULES, RUBY1.0
CS
A3
6914
131MBD2600-0-0 D
MORRIS CHANG 23-Jul-2003
C475
0.1UF_16V
1
2
U50
TI_SN74LVC1G17DBVR_SOT_5P
2
3
5
4
2
4.7K_5%
R948
1
2
+V3S
+V3A+V3A
74ACT14MTC
U36
7
13 12
14
R2299
511K_1%
1
D35
1N4148
2
1
+V5S
+V1.8S
+V3S
+V2.5S
+V5A
C1822
1
2
41-,30-,11-,9-
R935
10K_5%
1
2
7
OUT3
OUT4 6
10
VCC
0.1UF_16V
C469
1
2
1UF_10V
MAX_MAX6338KUB_UMAX_10P
U43
GND
5
1IN1
IN2
2
IN3
3
4IN4
OUT1 9
8
OUT2
2
NDS7002A
Q51 3
D
2
G
S
1
+V1.5S
+V5A
R936
182_1%
1
2
R414
100K_5%
1
PWR_GOOD_3
VCC1_POR#_3
PWR_GOOD_5
PWR_GOOD#_5
41-,39-
9-
9-

(10/5)
CHANGE by
(15/5)
SHEET OF
TITLE
SIZE CODE DOC. NUMBER REV
INVENTEC
Place crystal within 500
mils of CLK_TITAN
12
CLOCK_GENEATOR
MODULES, RUBY1.0
CS
A3
6915
131MBD2600-0-0 D
MORRIS CHANG 23-Jul-2003
(10/5)
(10/5)
0_5%R386
12
62-
39-
+V3S
R374 33_5%
R384
12
0.1UF_16V
C1021
1
2
16-
11-
12
R371 33_5%
12
49.9_1%
R360
12
1K_5%
R963
12
R388 33_5%
1
2
42-
R960 33_5%
12
33_5%
1
2
R361 33_5%
12
R345
10K_5%
2
49.9_1%R359
12
0.1UF_16V
C1022
L53
12
34
47-
R978
OPEN
1
38-
41-
C178
22UF_6.3V
1
22-
NFM40P12C223
0_5%
R390
1
2
49.9_1%R377
12
21-
R391
OPEN
1
2
R969
475_1%
1
2
L51
12
41-
22-
R952 33_5%
12
14.31818MHZ
1
2
33_5%
R370
12
BLM11A221S
12
+V3S
55-
+V3S
33_5%
R375
12
X3
2
44-
58-
38-,26-,25-,20-
19-
C1838 10PF
2
38-
0.01UF_16V
C1020
1
2
1K_5%
R974
1
33_5%
12
19-
39-
R368
OPEN
1
R395 33_5%
12
R959 33_5%
12
R394
12
33_5%R366
12
39-
1
2
0.1UF_16V
C1019
1
2
+V3S
R393 33_5%
12
R367 33_5%
12
1K_5%
R392
12
59-
10PFC2022
12
R373 33_5%
NDS7002A
Q50 3
D
2
G
S
1
R355
33_5%
49.9_1%
R376
12
R385 0_5%
12
28 VTT_PWRGD#
XTAL_IN
2
3XTAL_OUT
29-
33_5%
R354
12
65-
41 VSSIREF
VSS
4
VSS
9
VSS
15
VSS
20
VSS
31
VSS
36
VSS
47
VDD
8VDD
14 VDD
19 VDD
32 VDD
37 VDD
46 VDD
50 VDD
27
VSSA
PCI_STOP#
PWRDWN#
25
REF 56
30 SCLOCK
29 SDATA
SEL0
54
55 SEL1
40 SEL2
39
USB
26
VDDA
1
43
PCI0 10
11
PCI1
PCI2 12
PCI3 13
16
PCI4
17
PCI5
PCI6 18
5
PCIF0
PCIF1 6
7
PCIF2
34
CPU0# 51
49
CPU1
48
CPU1#
45
CPU2
CPU2# 44
CPU_STOP#
53
38
DOT
DRCG0
33
35 DRCG1_VCH
42 IREF
MULT0
12
ICS_950810_TSSOP_56P
U47
66BUF0 21
22
66BUF1
66BUF2 23
24
66INPUT
CPU0 52
12
R365 33_5%
12
R372 33_5%
+V3S
39-
49.9_1%R387
12
OPEN
L52
0.01UF_16V
C457 1
2
33_5%
R378
12
2
R369
10K_5%
12
0.1UF_16V
C460
1
2
44-
2
R364 49.9_1%
12
33_5%R962
1
33_5%
R379
12
R2292
33_5%
1
C174
10UF_K_6.3V
1
2
16-
C173
22UF_6.3V
1
CLK_TCPAPCI_3
CPUSTOP#_3
CLK_CBPCI_3
CLK_1394PCI_3
ADI48M
38-,26-,25-,20-
39-,11-
ADI48M_3
CLK_KBC14_3R
PM_VGATE
CLK_NICPCI_3R
CLK_NICPCI_3
CLK_1394PCI_3R
CLK_TCPAPCI_3R
CLK_MCH66
CLK_MCH66_3
CLK_ITP
CLK_ITP#
CLK_KBCPCI_3R
CLK_KBCPCI_3
CLK_ICHPCI_3
CLK_CPU_BCLK
CLK_CPU_BCLK#
CLK_MCH_BCLK
CLK_MCH_BCLK#
CLK_ICHHUB
CLK_ICHPCI_3R
CLK_CPU_BCLK_3
CLK_CPU_BCLK#_3
CLK_ITP_3
CLK_ITP#_3
CLK_AGPCONN_3
CLK_ICHHUB_3
CLK_ICH48_3
CLK_SIO14_3
CLK_SIO14_3R
CLK_ICH14_3R
CLK_MCH_BCLK_3
CLK_MCH_BCLK#_3
CLK_AGPCONN
CLK_CBPCI_3R
CLK_MINIPCI_3R
CLK_MINIPCI_3
CLK_FWHPCI_3R
CLK_FWHPCI_3
CLK_SIOPCI_3R
CLK_SIOPCI_3
CLK_ICH48_3R
PCISTOP#_3
SLP_S1#_3R
ICH_SMCLK_3
ICH_SMDAT_3

ADDR GROUP 0
ADDR GROUP 1
CONTROL
THERMH_CLK ITP SIGNALS
LAYOUT NOTES
H_TCK FORKS
CHANGE by SHEET OF
TITLE
SIZE CODE DOC. NUMBER REV
INVENTEC
AT CPU PIN
23-
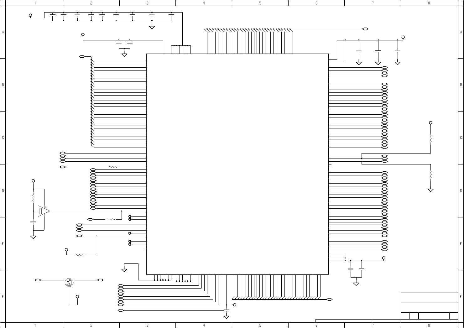
BANIAS-1
MODULES, RUBY1.0
CS
A3
6916
131MBD2600-0-0 D
MORRIS CHANG 23-Jul-2003
2
39-
22-
22-
22-
23-
38-
TP1
15-
39-,19-
150_5%
R903
1
B4
STPCLK#
C6
A13
TCK
TDI C12
A12
TDO
THERMDA B18
A18
THERMDC
THERMTRIP# C17
TMS C11
TRDY# M3
B13
TRST#
PREQ#
B17
PROCHOT#
R2 REQ0#
P3 REQ1#
T2 REQ2#
REQ3#
P1
REQ4#
T1
RESET# B11
RS0# H1
K1
RS1# L2
RS2#
SMI#
HITM# K4
A4
IERR#
A3 IGNNE#
INIT# B5
ITP_CLK0 A16
A15
ITP_CLK1
D1 LINT0
LINT1
D4
LOCK# J2
PRDY# A10
B10
BPM#1 A9
BPM#2
BPM#3 C9
BPRI# J3
BR0# N4
A7
DBR#
DBSY# M2
DEFER# L4
H2
DRDY#
FERR#
D3
K3
HIT#
A6#
A7#
V2
W1 A8#
T4 A9#
ADS# N2
ADSTB#0
U3
ADSTB#1
AE5
B15
BCLK0
BCLK1 B14
L1
BNR#
BPM#0 C8
B8
A25#
AC6
A26#
AD5
AE2 A27#
A28#
AD6
AF3 A29#
P4 A3#
AE1 A30#
A31#
AF1
A4#
U4
A5#
V3
R3
A15#
A16#
AA2
AF4 A17#
AC4 A18#
A19#
AC7
AC3 A20#
C2 A20M#
A21#
AD3
A22#
AE4
AD2 A23#
AB4 A24#
19-
19-
AMP_MPGA479M_C_1376756_479P_BANIAS
CN14
A10#
W2
A11#
Y4
Y1 A12#
U1 A13#
A14#
AA3
Y3
38-
38-
19-
R904
56_5%
1
2
19-
23-
20-
38-
38-
38-,5-
19-
19-
23-
38-
23-
22-,19-
38-
23-
23-
22-
23-
23-
23-
23-
+VCCP
19-
19-
+VCCP
23-
20-
22-
19-
19-
19-
680_5%
R902
1
2
19-
15-
H_A#(13)
H_A#(14)
H_A#(15)
H_A#(16)
H_A#(7)
H_A#(8)
H_A#(9)
H_A#(10)
H_A#(11)
H_A#(12)
H_REQ#(4)
H_RS#(0)
H_RS#(1)
H_RS#(2)
H_A#(3)
H_A#(4)
H_A#(5)
H_A#(6)
H_BR0#
ITP_DBRESET#
H_REQ#(0)
H_REQ#(1)
H_REQ#(2)
H_REQ#(3)
H_A#(26)
H_A#(27)
H_A#(28)
H_A#(29)
H_A#(30)
H_A#(31)
H_A#(19)
H_A#(20)
H_A#(21)
H_A#(22)
H_A#(23)
H_A#(24)
H_A#(25)
H_TDO
PM_THRMTRIP#
H_THERMDA
H_THERMDC
H_TMS
H_TRST#
H_BPM1_ITP#
H_BPM0_ITP#
H_A#(17)
H_A#(18)
H_FERR_S#
H_IGNNE#
H_INTR
H_NMI
H_SMI#
H_STPCLK#
H_TCK
H_TCK TDI_FLEX
H_CPURST#
H_A20M#
CLK_CPU_BCLK
CLK_CPU_BCLK#
H_BPM2_ITP#
H_BPM3_ITP#
H_BPM4_PRDY#
H_BPM5_PREQ#
H_HIT#
H_HITM#
H_A#(3:16)
H_ADSTB#0H_REQ#(4:0)
H_A#(17:31)
H_LOCK#
H_INIT#
H_RS#(0:2)
H_TRDY#
H_ADS#
H_ADSTB#1
H_BNR#
H_BPRI#
H_DBSY#
H_DEFER#
H_DRDY#

MISC
DATA GRP 0
DATA GRP 1
DATA GRP 2DATA GRP 3
POWER15/5
BANIAS-2
MODULES, RUBY1.0
CS
A3
6917
131MBD2600-0-0 D
MORRIS CHANG 23-Jul-2003
CHANGE by SHEET OF
TITLE
SIZE CODE DOC. NUMBER REV
INVENTEC
22-
R231 54.9_1%
12
38-
38-
12
TP2
22-
22-
R235
2K_1%
1
2
R905 330_5%
1
2
22-
22-
11-
21-
R230
OPEN
1
2
R291
OPEN
2
22-
22-
TP554
SLP#
TEST1 C5
F23
TEST2
C16 TEST3
22-
+VCCP
27.4_1%R295
1
AD26
E26 GTLREF1
GTLREF2
G1 GTLREF3
AC1
NC0
A1
B2 NC1
E1 PSI#
E4
PWRGOOD
C14 RSVD1
RSVD2
C3
AF7 RSVD3
A6
DPSLP# B7
C19
DPWR#
DSTBN0#
C23
DSTBN1#
K24
DSTBN2# W25
AE24
DSTBN3#
DSTBP0#
C22
DSTBP1#
L24
DSTBP2# W24
AE25
DSTBP3#
GTLREF0
D60#
D61# AF25
D62# AF22
AF26
D63#
D7#
B20
D8#
C20
B24 D9#
D25 DINV0#
J26 DINV1#
T24
DINV2#
DINV3# AD20
AB24
AC20
D51#
D52# AC22
D53# AC25
AD23
D54#
D55# AE22
D56# AF23
AD24
D57# AF20
D58#
D59# AE21
A21 D6#
AD21
D41# U26
D42# V24
D43# U25
D44# V26
Y23
D45# AA26
D46#
D47# Y25
AB25
D48#
D49# AC23
B26 D5#
D50#
K25
D32# Y26
AA24
D33# T25
D34#
D35# U23
V23
D36#
D37# R24
D38# R26
R23
D39#
D4#
A24
AA23
D40#
F25
D22#
G24
J23 D23#
D24#
M23
D25#
J25
D26#
L26
N24 D27#
D28#
M25
H26 D29#
B21 D3#
N25 D30#
D31#
C26 D12#
D13#
B23
E23 D14#
C25 D15#
D16#
H23
G25 D17#
L23 D18#
D19#
M26
D2#
A22
H24 D20#
D21#
AMP_MPGA479M_C_1376756_479P_BANIAS
CN14
COMP0 P25
P26
COMP1 AB2
COMP2
COMP3 AB1
A19 D0#
D1#
A25
D24 D10#
D11#
E24
TP555
TP556
+VCCP
2
38-,21-
22-
22-
27.4_1%R232
12
R229
OPEN
1
0_5%
R292
12
22-
1K_1%
R236
1
2
22-
R294 54.9_1%
12
H_DPSLP#
PSI#
22-
22-
22-
22-
H_D#(9)
H_PWRGD
H_DPWR#
H_CPUSLP#
H_D#(60)
H_D#(61)
H_D#(62)
H_D#(63)
H_D#(7)
H_D#(8)
H_D#(55)
H_D#(56)
H_D#(57)
H_D#(58)
H_D#(59)
H_D#(6)
H_D#(49)
H_D#(5)
H_D#(50)
H_D#(51)
H_D#(52)
H_D#(53)
H_D#(54)
H_D#(42)
H_D#(43)
H_D#(44)
H_D#(45)
H_D#(46)
H_D#(47)
H_D#(48)
H_D#(37)
H_D#(38)
H_D#(39)
H_D#(4)
H_D#(40)
H_D#(41)
H_D#(31)
H_D#(32)
H_D#(33)
H_D#(34)
H_D#(35)
H_D#(36)
H_D#(25)
H_D#(26)
H_D#(27)
H_D#(28)
H_D#(29)
H_D#(3)
H_D#(30)
H_D#(2)
H_D#(20)
H_D#(21)
H_D#(22)
H_D#(23)
H_D#(24)
H_D#(13)
H_D#(14)
H_D#(15)
H_D#(16)
H_D#(17)
H_D#(18)
H_D#(19)
H_D#(0)
H_D#(1)
H_D#(10)
H_D#(11)
H_D#(12)
H_D#(32:47)
H_DINV#2
H_DSTBN#2
H_DSTBP#2
H_D#(48:63)
H_DINV#3
H_DSTBN#3
H_DSTBP#3
H_D#(0:15)
H_DINV#0
H_DSTBN#0
H_DSTBP#0
H_D#(16:31)
H_DSTBP#1
H_DSTBN#1
H_DINV#1

$V
$O,$V
MODULES, RUBY1.0
CS
A3
6918
131MBD2600-0-0 D
MORRIS CHANG 23-Jul-2003
CHANGE by SHEET OF
TITLE
SIZE CODE DOC. NUMBER REV
INVENTEC
F2
VID1 F3
VID2
VID3 G3
VID4 G4
H4
VID5
AF6
VSSSENSE
+VCC_CORE
+VCCA
BANIAS-3
VCCP3 E11
VCCP4 E13
VCCP5
VCCP6 E15
VCCP7 F10
F12
VCCP8
VCCP9 F14
P23
VCCQ0
VCCQ1 W4
VCCSENSE AE7
E2
VID0
M6
VCCP16 N21
VCCP17 N5
P22
VCCP18 P6
VCCP19
D14
VCCP2
VCCP20 R21
R5
VCCP21
VCCP22 T22
T6
VCCP23 U21
VCCP24
D16
B1
VCCA1
VCCA2 N1
VCCA3 AC26
D10
VCCP0
VCCP1 D12
F16
VCCP10 K6
VCCP11
VCCP12 L21
L5
VCCP13
VCCP14 M22
VCCP15
VCC65 V22
VCC66
VCC67 V6
W21
VCC68
VCC69 W5
VCC7
AA7
Y22
VCC70 Y6
VCC71
AA9 VCC8
AB10 VCC9
F26
VCCA0
VCC55
F6 VCC56
F8 VCC57
VCC58
G21
VCC59 G5
AA5 VCC6
H22
VCC60
VCC61 H6
J21
VCC62 J5
VCC63 K22
VCC64 U5
D8 VCC46
VCC47
E17
E19 VCC48
E21 VCC49
VCC5
AA21
VCC50
E5
E7 VCC51
VCC52
E9
F18 VCC53
VCC54
F20
F22
AF10
AF12 VCC37
AF14 VCC38
VCC39
AF16
VCC4
AA19
AF18 VCC40
VCC41
AF8
VCC42
D18
D20 VCC43
D22 VCC44
D6 VCC45
AD14
VCC27
AD16
VCC28
AD18
VCC29
AD8
AA17 VCC3
AE11 VCC30
VCC31
AE13
AE15 VCC32
AE17 VCC33
VCC34
AE19
VCC35
AE9
VCC36
AB8 VCC17
VCC18
AC11
AC13 VCC19
VCC2
AA15
VCC20
AC15
VCC21
AC17
AC19 VCC22
VCC23
AC9
AD10 VCC24
AD12 VCC25
VCC26
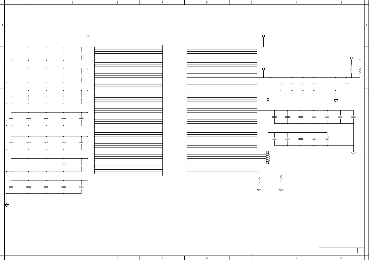
AMP_MPGA479M_C_1376756_479P_BANIAS
AA11 VCC0
AA13 VCC1
VCC10
AB12
AB14 VCC11
VCC12
AB16
VCC13
AB18
AB20 VCC14
VCC15
AB22
VCC16
AB6
0.1UF_16V
C986
1
2
C106
10UF_K_6.3V
1
2
+V1.5S
CN14
C108
10UF_K_6.3V
1
210UF_K_6.3V
C831
2
OPEN
R277
1
2
10UF_K_6.3V
C1241
2
1
2
R234
0
1
2
0.01UF_16V
C263
1
2
C1461
2
10UF_K_6.3V
C1401
2
0.01UF_16V
C413
10UF_K_6.3V
1
2
10UF_K_6.3V
C841
2
10UF_K_6.3V
10UF_K_6.3V
C1041
2
C139
10UF_K_6.3V
1
2
11-
C123
10UF_K_6.3V
C1031
2
C141
10UF_K_6.3V
1
2
10UF_K_6.3V
C811
2
C127
10UF_K_6.3V
1
2
10UF_K_6.3V
C1021
2
C82
10UF_K_6.3V
1
2
11-
10UF_K_6.3V
C1311
2
C97
10UF_K_6.3V
1
2
0.01UF_16V
C418
1
2
C105
10UF_K_6.3V
1
2
C85
100UF_2.5V_METAL
1
10UF_K_6.3V
C1211
2
11-
0.1UF_16V
C983
1
2
C126
10UF_K_6.3V
1
2
11-
C978
0.1UF_16V
1
2
10UF_K_6.3V
C1431
2
2
0.1UF_16V
C981
1
2
C979
0.1UF_16V
1
2
2
C109
10UF_K_6.3V
1
2
11-
C128
10UF_K_6.3V
1
2
0.01UF_16V
C260
1
2
10UF_K_6.3V
C1221
2
10UF_K_6.3V
C1251
2
10UF_K_6.3V
C861
1
2
10UF_K_6.3V
C1001
2
C80
10UF_K_6.3V
1
11-
R222
OPEN
1
2
+V1.8S
10UF_K_6.3V
C138
10UF_K_6.3V
C1421
2
C129
10UF_K_6.3V
1
2
+VCC_CORE
10UF_K_6.3V
C1071
2
0.1UF_16V
C985
1
22
0.1UF_16V
C984
1
2
C980
0.1UF_16V
1
2
+VCCP
1
2
C130
10UF_K_6.3V
1
2
C982
0.1UF_16V
1
1
210UF_K_6.3V
C981
2
R274
OPEN
1
2
10UF_K_6.3V
C1011
2
C132
10UF_K_6.3V
C977
0.1UF_16V
1
2
10UF_K_6.3V
C1101
2
C99
10UF_K_6.3V
C76
100UF_2.5V_METAL
1
H_VID0
H_VID1
H_VID2
H_VID3
H_VID4
H_VID5

SHEET OF
TITLE
SIZE CODE DOC. NUMBER REV
INVENTEC
LAYOUT NOTES :
H_CPURST# PIN OF MCH FORK OUT INTO TWO BRANCH ON CPU AND ITP CONNECTOR
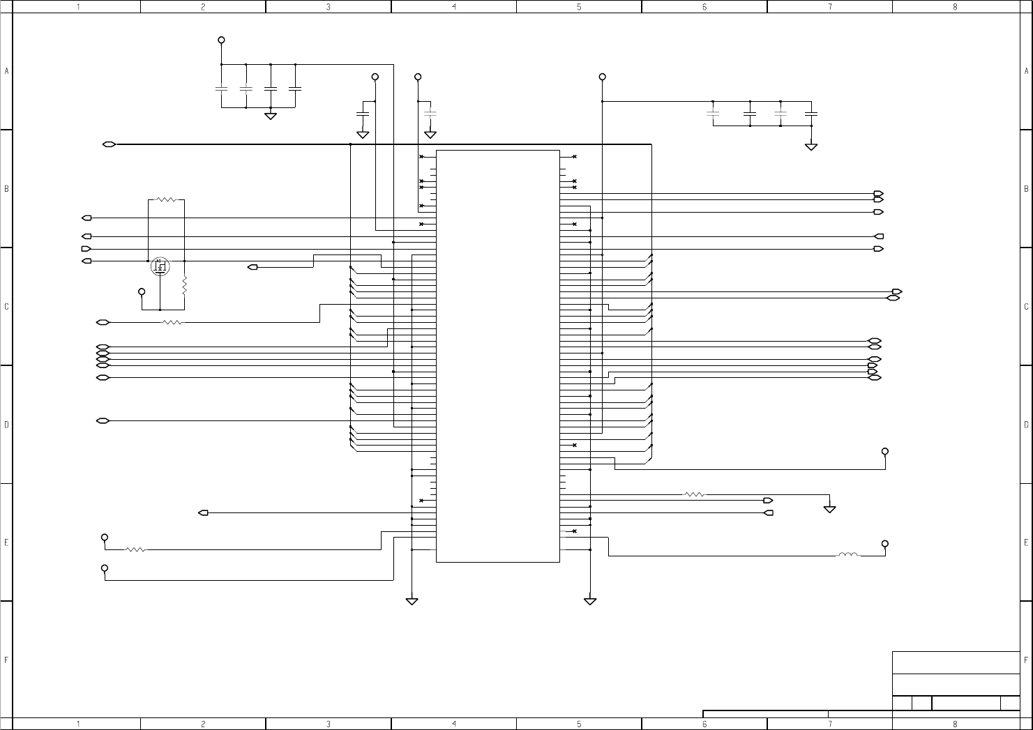
+V3A
BANIAS-4
MODULES, RUBY1.0
CS
A3
6919
131MBD2600-0-0 D
MORRIS CHANG 23-Jul-2003
In-Target Probe
CHANGE by
0.1UF_16V
C412
1
2
R302
240_5%
1
2
+VCCP
88
9
9
16-
16-
16-
16-
16-
16-
39-,16-
26
26
27
27
28 28
3
3
44
5
5
6
6
77
19
22
20
20
21 21
22 22
23
23
24 24
25 25
11 11
12
12
13 13
14
14 15
15
16
16
17 17
18
18
19
D13
D15
VSS98
VSS99 D17
CN810
MLX_52435_2891
1
1
10
10
VSS87
VSS88
C15
C18 VSS89
AA1 VSS9
C21 VSS90
C24 VSS91
VSS92
D2
D5 VSS93
VSS94
D7
D9 VSS95
VSS96
D11
VSS97
VSS78
B12
B16 VSS79
VSS8
A26
B19 VSS80
B22 VSS81
B25 VSS82
VSS83
C1
C4 VSS84
VSS85
C7
VSS86
C10
C13
VSS68
VSS69
AF13
VSS7
A23
VSS70
AF15
AF17 VSS71
VSS72
AF19
AF21 VSS73
AF24 VSS74
VSS75
B3
B6 VSS76
VSS77
B9
VSS58
VSS59
AE14
A20 VSS6
AE16 VSS60
AE18 VSS61
VSS62
AE20
AE23 VSS63
VSS64
AE26
AF2 VSS65
AF5 VSS66
VSS67
AF9
AF11
AD15 VSS49
A17 VSS5
AD17 VSS50
AD19 VSS51
AD22 VSS52
VSS53
AD25
VSS54
AE3
AE6 VSS55
VSS56
AE8
AE10 VSS57
AE12
AC16
VSS4
A14
VSS40
AC18
AC21 VSS41
AC24 VSS42
VSS43
AD1
AD4 VSS44
VSS45
AD7
VSS46
AD9
AD11 VSS47
VSS48
AD13
AB19
A11 VSS3
VSS30
AB21
AB23 VSS31
VSS32
AB26
VSS33
AC2
VSS34
AC5
AC8 VSS35
VSS36
AC10
AC12 VSS37
AC14 VSS38
VSS39
VSS2
A8
VSS20
AA25
AB3 VSS21
VSS22
AB5
VSS23
AB7
VSS24
AB9
AB11 VSS25
AB13 VSS26
VSS27
AB15
AB17 VSS28
VSS29
VSS182
VSS183 W3
W6
VSS184 W22
VSS185
VSS186 W23
W26
VSS187
VSS188 Y2
Y5
VSS189
AA22 VSS19
VSS190 Y21
Y24
VSS191
T23
VSS173 T26
U2
VSS174
VSS175 U6
VSS176 U22
U24
VSS177
VSS178 V1
V4
VSS179
VSS18
AA20
VSS180 V5
VSS181 V21
V25
P24
VSS163
VSS164 R1
VSS165 R4
VSS166 R6
VSS167 R22
R25
VSS168 T3
VSS169
VSS17
AA18
VSS170 T5
T21
VSS171
VSS172
VSS153
VSS154 M24
N3
VSS155
VSS156 N6
VSS157 N22
N23
VSS158
VSS159 N26
AA16 VSS16
P2
VSS160 P5
VSS161
VSS162 P21
K21
K23
VSS144 K26
VSS145
VSS146 L3
VSS147 L6
VSS148 L22
VSS149 L25
AA14 VSS15
M1
VSS150
VSS151 M4
M5
VSS152 M21
VSS134 H21
H25
VSS135
VSS136 J1
J4
VSS137 J6
VSS138
VSS139 J22
VSS14
AA12
J24
VSS140
VSS141 K2
K5
VSS142
VSS143
VSS124 F21
VSS125
VSS126 F24
G2
VSS127
VSS128 G6
VSS129 G22
VSS13
AA10
G23
VSS130
VSS131 G26
H3
VSS132 H5
VSS133
VSS114
VSS115 F1
F4
VSS116 F5
VSS117 F7
VSS118 F9
VSS119
AA8 VSS12
VSS120 F11
VSS121 F13
F15
VSS122
VSS123 F17
F19
VSS105 E6
E8
VSS106
VSS107 E10
VSS108 E12
E14
VSS109
VSS11
AA6
VSS110 E16
E18
VSS111
VSS112 E20
VSS113 E22
E25
AMP_MPGA479M_C_1376756_479P_BANIAS
CN14
A2 VSS0
VSS1
A5
AA4 VSS10
D19
VSS100 D21
VSS101
VSS102 D23
D26
VSS103
VSS104 E3
22.6_1%
R301
12
R305
39.2_1%
1
2
54.9_1%
1
2
+VCCP
R303 22.6_1%
12
27.4_1%
1
2
54.9_1%
R290
1
2
R289
+VCCP
16-
16-
16-
16-
16-
22-,16-
16-
15-
15-
R907
H_TMS
H_TCK
H_TRST#
H_TDO
TDI_FLEX
H_CPURST#
H_TCK
CLK_ITP#
CLK_ITP
H_BPM0_ITP#
H_BPM1_ITP#
H_BPM2_ITP#
H_BPM3_ITP#
H_BPM4_PRDY#
H_BPM5_PREQ#
ITP_DBRESET#

TITLE
SIZE CODE DOC. NUMBER REV
INVENTEC
LAYOUT NOTES : PUT THE THERMAL SENSOR CLOSE TO CPU
THERMAL&FAN CONTROLLER
MODULES, RUBY1.0
CS
A3
6920
131MBD2600-0-0 D
MORRIS CHANG 23-Jul-2003
CHANGE by SHEET OF
2GND
REFENCE
3
VCC
1
41-
30-
16-
16-
38-,26-,25-,15-
38-,26-,25-,15-
2
C3018
0.1UF_16V
1
2
38-
CN8
MLX_53398_0390_3P
C2101
12
BLM11B121SB
L1087
1
NC7SZ00M5
3
1
24
5
39-,20-
30-
2200PF_50V
5
INT#_NTO 14
PWM_OUT1 1
3
PWM_OUT2
16 SCL
15 SDA
2
TACH1_AIN1
TACH2_AIN2 4
7
THERM#
VCC
6
U34
+V3S
U33
ANLG_ADM1031ARQ_QSOP_16P
13
ADD
10 D+
D1-_NT1
9
D2+
12 D2-
11 FAN_FAULT# 8
GND
R304
1K_5%
12
+V3S
39-,20-
2.2K_5%
R318
1
2
0.1UF_16V
C427 1
2
C433
2200PF_50V
12
+V5
C426
0.1UF_16V
1
2
+V3S
Q42 3
D
1
G
S
2
1UF_10V
C720
1
2
C437
0.01UF_16V
1
2
BAT54
D28
13
FDV303N
THERM_SCI#
TEMP_WARN#_3
H_THERMDC
H_THERMDA
M10_THERMDC
M10_THERDA
FAN_PWM_3
TEMP_WARN#_3
ICH_SMCLK_3
ICH_SMDAT_3

MEMORY
HUB
MEMORY
AGP
HUB_VREF_MCH
TITLE
CHANGE by SHEET OF
MCH_TEST#
SIZE CODE DOC. NUMBER REV
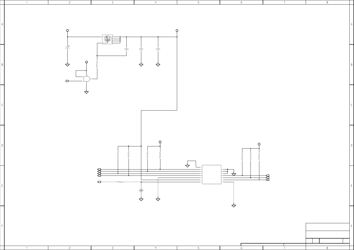
INVENTEC
100MILS(+-5MILS)
10_5%
12
ODEM-1
MODULES, RUBY1.0
CS
A3
6921
131MBD2600-0-0 D
MORRIS CHANG 23-Jul-2003
1K_1%
1
2
+V1.5S
26-
29-
R271
1
2
28-,26-,25-
R2336
1K_1%
1
2
R2337
25-
C3020
10UF_K_6.3V
R201 10_5%
12
28-,27-,26-
28-,25-
26-
TP545
40.2_1%
1
2
29-
29-
65-,59-,51-,38-,29-
1
2
R254 0_1%
1
2
R247
28-,25-
28-,25-
17-
C974
0.1UF_16V
2
C383
0.1UF_16V
1
2
29-
+V1.25S
25-
29-
R260 0_1%
138-,17-
R253 0_1%
1
2
TP544
10_5%
R191
12
+V1.5S
+V1.8S
29-
29-
27-
26-
38-
15-
29-
29-
28-,26-
TP546
TP547
2
R237 10_5%
12
25-
38-
R257 0_1%
1
2
29-
10_5%R210
1
R897
OPEN
12
29-
29-
TP557
2
38-
36.5_1%
R900
1
2
TP3
C306
0.1UF_16V
1
2
10_5%R278
1
25-
R250
8.2K_1%
12
29-
29-
28-,26-
29-
2
29-
28-,27-,26-
26-
AG26
G11
SWE#
TESTIN#
H26
WBF#
AE23
150_1%
R896
1
G17
SMA4 G18
E18
SMA5
SMA6 F19
SMA7 G20
G19
SMA8
SMA9 F21
J28 SMRCOMP
F11
SRAS#
AG25 ST0
AF24 ST1
ST2
E3
SDQS7
SDQS8 E15
J21
SDREF0
SDREF1 J9
SMA0 E12
F17
SMA1
F13
SMA10 E20
SMA11
SMA12 G21
E16
SMA2
SMA3
SDQ70
SDQ71 D14
SDQ8 E27
C27
SDQ9
SDQS0 F26
SDQS1 C26
SDQS2 C23
B19
SDQS3
SDQS4 D12
C8
SDQS5
SDQS6 C5
SDQ60
SDQ61 C2
SDQ62 E2
G4
SDQ63 C16
SDQ64
SDQ65 D16
B15
SDQ66
SDQ67 C14
B17
SDQ68
SDQ69 C17
SDQ7 B28
C15
B3
SDQ51
SDQ52 E6
B5
SDQ53 C4
SDQ54
SDQ55 E4
C3
SDQ56 D3
SDQ57 F4
SDQ58
SDQ59 F3
F25
SDQ6
B2
C9
SDQ42 D8
E8
SDQ43
SDQ44 E11
B9
SDQ45
SDQ46 B7
SDQ47 C7
C6
SDQ48
SDQ49 D6
G27
SDQ5
SDQ50 D4
E17
SDQ32 E13
C12
SDQ33 B11
SDQ34
SDQ35 C10
B13
SDQ36
SDQ37 C13
SDQ38 C11
D10
SDQ39
SDQ4 H25
E10
SDQ40
SDQ41
SDQ22 D22
B21
SDQ23 C21
SDQ24
SDQ25 D20
SDQ26 C19
SDQ27 D18
SDQ28 C20
E19
SDQ29
E28
SDQ3
C18
SDQ30
SDQ31
SDQ12
SDQ13 D27
SDQ14 D26
E25
SDQ15
SDQ16 D24
SDQ17 E23
C22
SDQ18
SDQ19 E21
SDQ2 C28
C24
SDQ20
SDQ21 B23
E22
H23 SCKE2
F23 SCKE3
E9 SCS#0
F7 SCS#1
F9 SCS#2
SCS#3
E7
G28
SDQ0
SDQ1 F27
B25
SDQ10
SDQ11 C25
B27
J24
SCK#3
G7
SCK#4
J23
SCK#5
J25
SCK0
G5
SCK1
G24
SCK2
SCK3 G25
SCK4 G6
SCK5 K23
G23 SCKE0
SCKE1
SBA6
SBA7
AE25
SBS0
G12
SBS1
G13
AF27 SB_STB
AF26 SB_STB#
SCAS# G8
SCK#0 K25
SCK#1 F5
SCK#2 E24
RSVD1
H27
G22
RSVD2
AH28 SBA0
SBA1
AH27
SBA2
AG28
AG27 SBA3
SBA4
AE28
AE27 SBA5
AE24
P26
N25 HI_STB
N24 HI_STB#
HLRCOMP
P27
NC0
AD26
AD27 NC1
PIPE#
AF22
AE22 RBF#
G15RCVENIN#
G14RCVENOUT#
J27 RSTIN#
HI_0
HI_1
P24
HI_10
M24
HI_2
N27
P23 HI_3
M26 HI_4
HI_5
M25
HI_6
L28
L27 HI_7
HI_8
M27
N28 HI_9
HI_REF
AA23 GCBE3#
W28 GDEVSEL#
Y24 GFRAME#
AH25 GGNT#
W27 GIRDY#
GPAR
W25
AD25 GRCOMP
GREQ#
AG24
W23 GSTOP#
GTRDY#
W24
P25
T27 GAD5
U27 GAD6
GAD7
U28
GAD8
V26
V27 GAD9
V25 GCBE0#
GCBE1#
V23
GCBE2#
Y25
GAD26
AA25
AB24 GAD27
GAD28
AC25
AC24 GAD29
R25 GAD3
AC22 GAD30
GAD31
AD24
GAD4
T26
GAD19
AB25
GAD2
T25
AB27 GAD20
GAD21
AA27
GAD22
AB26
Y23 GAD23
AB23 GAD24
GAD25
AA24
GAD11
U23
T24 GAD12
GAD13
U24
GAD14
U25
V24 GAD15
GAD16
Y27
Y26 GAD17
AA28 GAD18
AC28
R24 AD_STB0
AC27 AD_STB1
AA21 AGPREF
V8 DPSLP#
Y8 DPWR#
R27 GAD0
GAD1
R28
T23 GAD10
1
2
+V1.5S
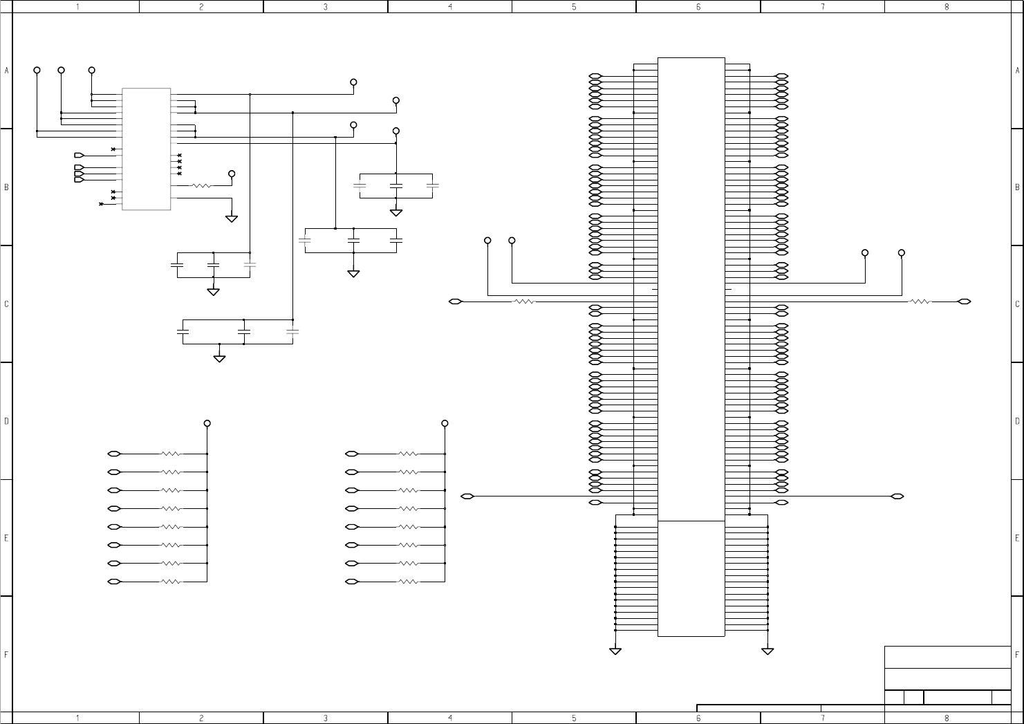
ITL_ODEM_BGA_593P
U805
66IN
P22
R23 AD_STB#0
AD_STB#1
1
2
29-
28-,27-,26-
C975
0.01UF_16V
28-,25-
29-
29-
0.1UF_16V
C976
29-
R899
150_1%
1
2
28-,26-
28-,26-
R261
12
10_5%R267
12
28-,27-,26-
28-,27-,26-
C316
0.1UF_16V
1
2
29-
10_5%
2
26-,25-,12-
29-
28-,27-,26-
M_CS3_R#
AGPREF_NB
+V1.8S
R898
30_1%
1
SM_VREF
M_CS0_R#
M_CS2_R#
H_DPSLP#
M_A(12:0)
M_A(10)
AGP_SBA(7:0)
HUB_PD(10:0)
M_RAS#
AGP_ST0
AGP_ST1
AGP_ST2
M_WE#
M_WE#
AGP_WBF#
M_DATA(63:0)
M_DQS_R(7:0)
AGP_AD(31:0)
AGP_CBE#(3:0)
M_A(4)
M_A(5)
M_A(6)
M_A(7)
M_A(8)
M_RCOMP
M_RAS#
M_DQS6
M_DQS7
M_A(0)
M_A(9)
M_A(11)
M_A(12)
M_A(1)
M_A(2)
M_A(3)
M_DQS0
M_DQS1
M_DQS2
M_DQS3
M_DQS4
M_DQS5
M_CS1_R#
H_DPWR#
M_CLK_DDR2
M_CLK_DDR4
M_CLK_DDR5
M_CKE0_R#
M_CKE1_R#
M_CKE2_R#
M_CKE3_R#
AGP_SBSTB#
M_CAS#
M_CAS#
M_CLK_DDR1#
M_CLK_DDR2#
M_CLK_DDR4#
M_CLK_DDR5#
M_CLK_DDR1
M_BS0#
M_BS0#
M_BS1#
M_BS1#
AGP_SBSTB
PCI_RESET1#_3
AGP_PIPE#
GRCOMP
HUB_PSTRB
HUB_PSTRB#
AGP_RBF#
M_RCVIN
AGP_TRDY#
HUB_RCOMP
CLK_MCH66
AGP_DEVSEL#
AGP_FRAME#
AGP_GNT#
AGP_IRDY#
AGP_PAR
AGP_REQ#
AGP_STOP#
AGP_ADSTB0#
AGP_ADSTB1#
AGP_ADSTB0
AGP_ADSTB1

HOST
LAYOUT NOTES
AT ODEM PIN
CAP CLOSE TO MCH
D
MORRIS CHANG 23-Jul-2003
HYSWING, HXSWING 12 mil trace, 10 mil space
ONE CAP TO ONE PIN(ODEM)
H_CPURST# FORKS
CHANGE by SHEET OF
TITLE
SIZE CODE DOC. NUMBER REV
INVENTEC
301_1%
R268
1
2
ODEM-2
MODULES, RUBY1.0
CS
A3
6922
131MBD2600-0-0
17-
+VCCP
+VCCP
R262
27.4_1%
1
2
19-,16-
301_1%
R259
1
2
17-
1
2
220P_25V
C2105
1
2
17-
15-
19-,16-
C2104
220P_25V
16-
16-
49.9_1%
R265
1
2
17-
220P_25V
C390
1
2
150_1%
R269
1
2
17-
2
17-
C348
0.1UF_16V
1
C370
220P_25V
1
2
17-
16-
17-
1
2
17-
17-
HREQ4#
HSWNG0
AA7
AD13 HSWNG1
M7 HVREF0
P8 HVREF1
HVREF2
AA9
AB12 HVREF3
AB16 HVREF4
150_1%
R263
HDSTBP0#
AD3
HDSTBP1#
AG6
HDSTBP2#
AE11
AC16 HDSTBP3#
HRCOMP0
AC2
HRCOMP1
AC13
HREQ0#
U2
T7 HREQ1#
HREQ2#
R7
HREQ3#
U5
T4
HD60# AE15
HD61# AH17
HD62# AD17
AE16
HD63#
HD7# AA6
HD8# AE3
HD9# AB7
HDSTBN0#
AD4
AF6 HDSTBN1#
AD11 HDSTBN2#
HDSTBN3#
AC15
AC14
AF14
HD51#
HD52# AG14
AE14
HD53# AG15
HD54#
HD55# AG16
AG17
HD56# AH15
HD57# AC17
HD58#
HD59# AF16
AA3
HD6#
AF10
HD41#
HD42# AG11
AG10
HD43#
HD44# AH11
AG12
HD45# AE13
HD46#
HD47# AF12
AG13
HD48#
HD49# AH13
AC5
HD5#
HD50#
AH5
HD31#
HD32# AC11
AC12
HD33# AE9
HD34#
HD35# AC10
AE10
HD36# AD9
HD37#
HD38# AG9
AC9
HD39#
HD4# AB4
AE12
HD40#
AC7
HD22# AG3
AD7
HD23# AH7
HD24#
HD25# AE6
HD26# AC8
HD27# AG8
HD28# AG7
AH3
HD29#
AB3
HD3#
AF8
HD30#
HD12# AC6
HD13# AC3
HD14# AF4
AE2
HD15#
HD16# AG4
AG2
HD17# AE7
HD18#
HD19# AE8
HD2# AA5
AH2
HD20#
HD21#
R2 HA5#
U3 HA6#
HA7#
R3
P7 HA8#
T3 HA9#
R5 HADSTB0#
N7 HADSTB1#
AA2
HD0#
HD1# AB5
AE5
HD10#
HD11# AF3
J2
HA24#
N6
L6 HA25#
HA26#
L2
K5 HA27#
L3 HA28#
L7 HA29#
U6 HA3#
HA30#
K4
J5 HA31#
HA4#
T5
HA13#
R6
HA14#
N2
N5 HA15#
HA16#
N3
HA17#
J3
M3 HA18#
HA19#
M4
HA20#
M5
L5 HA21#
K3 HA22#
HA23#
J8 BCLK
K8 BCLK#
AE17 CPURST#
DBI0#
AD5
AG5 DBI1#
DBI2#
AH9
DBI3#
AD15
HA10#
P4
HA11#
P3
P5 HA12#
1
2
17-
16-
ITL_ODEM_BGA_593P
U805
1
2
+VCCP
C389
0.1UF_16V
2
C634
1UF_10V
1
2
R282
27.4_1%
220P_25V
C2103
1
2
R266
100_1%
1
CLK_MCH_BCLK#
CLK_MCH_BCLK
15-
17-
17-
H_CPURST#
H_CPURST#
H_ADSTB#0
H_ADSTB#1
H_DINV#0
H_DINV#2
H_DINV#1
H_DSTBN#1
H_DSTBP#1
H_DSTBP#0
H_DSTBN#0
H_DSTBP#3
H_DSTBN#3
H_DINV#3
H_DSTBP#2
H_DSTBN#2
HYRCOMP
HXRCOMP
HXSWING
HYSWING
H_REQ#(4:0)
H_D#(63:0)
MCH_GTLREF
H_A#(31:3)

HOST
CHANGE by SHEET OF
TITLE
SIZE CODE DOC. NUMBER
1
2
ODEM-3
MODULES, RUBY1.0
CS
A3
6923
131MBD2600-0-0 D
MORRIS CHANG 23-Jul-2003
REV
INVENTEC
1
2
16-
0.1UF_16V
C362
1
2
16-
C375
0.1UF_16V
2
16-
0.1UF_16V
C281
1
2
16-
0.1UF_16V
C286
16-
0.1UF_16V
C313
1
2
16-
16-
0.1UF_16V
C293
1
0.047UF_10V
C350
1
2
+V1.8S
0.1UF_16V
C315
1
2
AJ23
M8
VTT18
VTT19 T8
VTT2 AB18
AB20
VTT3
VTT4 AB8
VTT5 AC19
AD18
VTT6 AD20
VTT7
VTT8 AE19
VTT9 AE21
D11
D15
VCCSM9
AB10
VTT0 AB14
VTT1
AF18
VTT10
VTT11 AF20
AG19
VTT12 AG21
VTT13
VTT14 AG23
VTT15 AJ19
VTT16 AJ21
VTT17
J6
VCCSM32 K22
VCCSM33
VCCSM34 K24
K26
VCCSM35
VCCSM36 K7
VCCSM37 L23
VCCSM4 A5
A9
VCCSM5
VCCSM6 C1
VCCSM7 C29
VCCSM8
H10
H12
VCCSM23
VCCSM24 H14
VCCSM25 H16
H18
VCCSM26 H20
VCCSM27
VCCSM28 H22
VCCSM29 H24
A25
VCCSM3
H5
VCCSM30
VCCSM31 H8
VCCSM12
VCCSM13 D7
VCCSM14 E5
F10
VCCSM15
VCCSM16 F14
F16
VCCSM17 F18
VCCSM18
VCCSM19 F22
VCCSM2 A21
VCCSM20 G1
G29
VCCSM21
VCCSM22
VCCHA
T13
L25 VCCHL0
L29 VCCHL1
M22 VCCHL2
VCCHL3
N23
N26 VCCHL4
VCCSM0 A13
VCCSM1 A17
VCCSM10 D19
VCCSM11 D23
D25
VCCAGP14
VCCAGP15
AJ25
R22 VCCAGP2
VCCAGP3
R29
U22 VCCAGP4
VCCAGP5
U26
VCCAGP6
W22
W29 VCCAGP7
AB21 VCCAGP8
VCCAGP9
AC29
T17 VCCGA
VCC5
R16 VCC6
VCC7
T15
VCC8
U14
U16 VCC9
VCCAGP0
AA22
AA26 VCCAGP1
VCCAGP10
AD21
AD23 VCCAGP11
AE26 VCCAGP12
AF23 VCCAGP13
AG29
RSVD5
G9
H7 RSVD6
H3 RSVD7
G3 RSVD8
RSVD9
G2
N14 VCC0
VCC1
N16
VCC2
P13
VCC3
P15
VCC4
P17
R14
DRDY#
ETS#
H4
HIT# Y5
Y3
HITM#
HLOCK# W3
V4
HTRDY#
RS0# W7
W5
RS1#
RS2# W6
G16 RSVD3
RSVD4
G10
2
U805
ITL_ODEM_BGA_593P
ADS# U7
BNR# V3
Y7
BPRI#
V7
BR0
DBSY# V5
DEFER# Y4
W2
1
2
C310
0.1UF_16V
1
2
C312
0.1UF_16V
1
1
2
C308
0.1UF_16V
1
2
0.1UF_16V
C309
1
0.22UF_K_10V
C1450
1
2
10UF_K_6.3V
C145
C828
150UF_4V_METAL
1
C115
100UF_2.5V_METAL
1
2
C89
10UF_K_6.3V
1
2
100UF_2.5V_METAL
C135
1
2
+V1.8S
0.1UF_16V
C363
1
2
16-
10UF_K_6.3V
C88
2
0.1UF_16V
C292
1
2
+V1.5S
0.1UF_16V
C287
1
1
20.1UF_16V
C305
1
20.1UF_16V
C291
1
C314
1
2
0.1UF_16V
C307
1
2
0.1UF_16V
C304
0.01UF_16V
C349
1
2
C144
10UF_K_6.3V
1
2
0.1UF_16V
0.022UF_16V
C361
1
2
150UF_4V_METAL
C91
1
0.1UF_16V
C311
1
2
100UF_2.5V_METAL
C113
1
C137
2.2UF_0805_16V
1
2
26-,25-
10UF_K_6.3V
C1141
2
C269
0.01UF_16V
1
2
100UF_2.5V_METAL
C136
1
2
C409
0.1UF_16V
1
2
C90
10UF_K_6.3V
1
2
1
2
C78
10UF_K_6.3V
1
2
0.1UF_16V
C374
1
1
2
C1222
0.015UF
1
2
0.1UF_16V
C407
1
2
C341
0.1UF_16V
1
20.1UF_16V
C352
0.1UF_16V
C408
1
2
+VCCP
+V2.5
+V1.2_MCH
C326
0.1UF_16V
0.1UF_16V
C342
1
2
16-
C351
0.1UF_16V
1
2
16-
0.1UF_16V
C328
1
2
16-
C327
0.1UF_16V
1
2
16-
ETS#
C373
0.1UF_16V
1
2
H_TRDY#
H_BR0#
H_DBSY#
H_DEFER#
H_DRDY#
H_HIT#
H_HITM#
H_LOCK#
H_RS#(2:0)
H_ADS#
H_BNR#
H_BPRI#

CHANGE by SHEET OF
TITLE
SIZE CODE DOC. NUMBER REV
INVENTEC
ODEM-4
MODULES, RUBY1.0
CS
A3
6924
131MBD2600-0-0 D
MORRIS CHANG 23-Jul-2003
J26
J29
VSS92
VSS93 J4
VSS94 J7
K27
VSS95
VSS96 K6
L1
VSS97
VSS98 L22
VSS99 L24
VSS82 H13
H15
VSS83 H17
VSS84
VSS85 H19
VSS86 H21
H6
VSS87
VSS88 H9
J1
VSS89
VSS9
AA4
J22
VSS90
VSS91
VSS72 E29
VSS73
VSS74 F12
F15
VSS75
VSS76 F20
VSS77 F24
F6
VSS78
VSS79 F8AA29 VSS8 G26
VSS80 H11
VSS81
VSS62
VSS63
AJ7
AJ9 VSS64
VSS65
D13
VSS66
D17
D21 VSS67
D5 VSS68
VSS69
D9
AA1 VSS7
E1 VSS70
VSS71 E14
E26
VSS53
AH19
VSS54
AH21
AH23 VSS55
AJ11 VSS56
VSS57
AJ13
VSS58
AJ15
AJ17 VSS59
VSS6
A7
VSS60
AJ27
AJ3 VSS61
AJ5
AF19
AF21 VSS44
VSS45
AF25
VSS46
AF5
AF7 VSS47
VSS48
AF9
AG1 VSS49
VSS5
A3
AG18 VSS50
VSS51
AG20
AG22 VSS52
AD8
VSS34
AE1
AE18 VSS35
VSS36
AE20
AE29 VSS37
AE4 VSS38
VSS39
AF11
A27 VSS4
VSS40
AF13
AF15 VSS41
AF17 VSS42
VSS43
VSS24
AC26
AC4 VSS25
AD10 VSS26
VSS27
AD12
AD14 VSS28
VSS29
AD16
VSS3
A23
VSS30
AD19
AD22 VSS31
AD6 VSS32
VSS33
VSS141
VSS15
AB19
AB22 VSS16
VSS17
AB6
VSS18
AB9
AC1 VSS19
A19 VSS2
VSS20
AC18
AC20 VSS21
AC21 VSS22
VSS23
AC23
U29
VSS132 U4
U8
VSS133
VSS134 V22
V6
VSS135 W1
VSS136
VSS137 W26
W4
VSS138
VSS139 W8
AB17 VSS14
VSS140 Y22
Y6
R8
VSS122
VSS123 T14
VSS124 T16
T22
VSS125
VSS126 T6
U1
VSS127 U13
VSS128
VSS129 U15
AB15 VSS13
U17
VSS130
VSS131
VSS112
VSS113 P14
P16
VSS114
VSS115 P6
VSS116 R1
R13
VSS117
VSS118 R15
R17
VSS119
VSS12
AB13
R26
VSS120
VSS121 R4
VSS102 M23
VSS103
VSS104 M6
N1
VSS105
VSS106 N13
VSS107 N15
N17
VSS108
VSS109 N22
AB11 VSS11
VSS110 N29
N4
VSS111 N8
U805
ITL_ODEM_BGA_593P
VSS0
A11
A15 VSS1
VSS10
AA8
L26
VSS100
VSS101 L4
L8

TITLE
SIZE CODE
SCS#,SCKE from MCH to DIMM0 2"~4.5"
$O,$V,$P
$O,$V,$P
SCK(2:0) be longer than DQS 1"~2"
SDQ(63:0) from MCH to DIMM0 2"~3.5"
DQ=CB=DQS
SMA(12:0),SBS(1:0),SRAS#,SCAS#,SWE# 2"~3.5"
SCK/SCK#(3)=SCK/SCK#(4)=SCK/SCK#(5)
SCK 3"~6.5"
SO DIMM 0
SCK/SCK#(0)=SCK/SCK#(1)=SCK/SCK#(2)
SCK(5:3) be longer than DQS 1"~2"
CHANGE by SHEET OF
28-,27-,26-
DDR-SDRAM-1
MODULES, RUBY1.0
CS
A3
6925
131MBD2600-0-0 D
MORRIS CHANG 23-Jul-2003
DOC. NUMBER REV
INVENTEC
+V3S
OPEN
R243
1
2
+V2.5
26-,23-
0.1UF_16V
C400
1
2
38-,26-,20-,15-
3
1SET
VCC 5
27-
0.1UF_16V
C215
1
2
2
28-,21-
28-,21-
MAX_MAX6509HAUK_T_SOT23_5P
U31
GND
2
4HYST
OUT#
27-
R513
10K_5%
1
0.1UF_16V
C329
1
2
27-
26-,21-,12-
C376
0.1UF_16V
1
2
27-
150UF_4V_METAL
C62
1
27-
C364
0.1UF_16V
1
2
21-
28-,21-
+V2.5
+V3
10K_5%
R512
1
2
21-
21-
174
VSS32
VSS33 186
VSS4 39
51
VSS5
VSS6 63
VSS7 75
87
VSS8 103
VSS9
38-,26-,20-,15-
VSS22 64
VSS23
VSS24 76
VSS25 88
90
VSS26 104
VSS27
VSS28 126
138
VSS29
27
VSS3
VSS30 150
VSS31 162
VSS12
VSS13 159
161
VSS14 173
VSS15
VSS16 185
4
VSS17
VSS18 16
VSS19 28
15
VSS2
38
VSS20
VSS21 40
52
VDD7
81
93 VDD8
VDD9
113
VDDID
199
197 VDDSPD
1VREF1
VREF2
2
VSS1 3
VSS10 125
VSS11 137
149
VDD27
VDD28
132
VDD29
144
33 VDD3
156 VDD30
168 VDD31
VDD32
180
VDD33
192
VDD4
45
57 VDD5
VDD6
69
10
22 VDD18
VDD19
34
21 VDD2
36 VDD20
46 VDD21
VDD22
58
70 VDD23
VDD24
82
VDD25
92
94 VDD26
114
124
DU3 200
DU4
VDD1
9
131 VDD10
143 VDD11
VDD12
155
VDD13
157
167 VDD14
179 VDD15
VDD16
191
VDD17
196
SA2
198
195 SCL
193 SDA
119 WE#
CN10
AMP_C_1473006_1_200P
G
201
202
G
85
DU1
DU2 123
133 DQS4
DQS5
147
DQS6
169
183 DQS7
77 DQS8
118 RAS#
RESET_DU
86
S0#
121
S1#
122
194 SA0
SA1
DQ60
DQ61 182
DQ62 188
190
DQ63
DQ7 18
DQ8 19
23
DQ9
11 DQS0
25 DQS1
DQS2
47
DQS3
61
171
175
DQ51
DQ52 164
166
DQ53 172
DQ54
DQ55 176
DQ56 177
181
DQ57 187
DQ58
DQ59 189
14
DQ6
178
DQ41 145
DQ42 151
153
DQ43
DQ44 142
146
DQ45 152
DQ46
DQ47 154
163
DQ48
DQ49 165
8
DQ5
DQ50
68
DQ32 127
129
DQ33 135
DQ34
DQ35 139
128
DQ36
DQ37 130
DQ38 136
140
DQ39
DQ4 6
141
DQ40
44
DQ22 50
54
DQ23 55
DQ24
DQ25 59
DQ26 65
67
DQ27
DQ28 56
60
DQ29
17
DQ3
66
DQ30
DQ31
20
DQ12
DQ13 24
DQ14 30
32
DQ15
DQ16 41
43
DQ17 49
DQ18
DQ19 53
DQ2 13
42
DQ20
DQ21
DM2
62 DM3
DM4
134
148 DM5
170 DM6
DM7
184
DM8
78
5
DQ0
DQ1 7
29
DQ10
DQ11 31
84
CK0
35
37 CK0#
CK1
160
158 CK1#
89 CK2
91 CK2#
CKE0
96
CKE1
95
DM0
12
DM1
26
48
116 BA1
BA2_DU
98
120 CAS#
CB0
71
73 CB1
CB2
79
CB3
83
72 CB4
74 CB5
CB6
80
CB7
A12
A13_DU
97
A2
110
109 A3
A4
108
107 A5
106 A6
A7
105
102 A8
A9
101
117 BA0
21-
AMP_C_1473006_1_200P
CN10
112 A0
A1
111
A10_AP
115
100 A11
99
OPEN
1
2
28-,26-,21-
C402
0.1UF_16V
1
2
R248
2
150UF_4V_METAL
C52
1
0.1UF_16V
C317
1
2
+V2.5
28-,21-
C391
0.1UF_16V
1
1
2
C61
150UF_4V_METAL
1
M_CLK_DDR1#
M_CLK_DDR1
M_CLK_DDR2#
M_CLK_DDR2
27-
C353
0.1UF_16V
M_A_FR_(12:0)
M_DQS_R(7:0)
M_DATA_R_(63:0)
SM_VREF
ETS#
M_RAS_FR#
M_CS0_R#
M_CS1_R#
ICH_SMCLK_3
ICH_SMDAT_3
M_WE_FR#
M_CKE0_R#
M_CKE1_R#
M_BS0_FR#
M_BS1_FR#
M_CAS_FR#

SCK(5:3) be longer than SCS(3:2),CKE(3:2) 1"~3"
SCK(2:0) be longer than SCS(1:0),CKE(1:0) 1"~3"
LAYOUT NOTES: LOCATION MUST BE CENTER OF BOTTON SODIMM 1
RAS#,CAS#,WE#
SMA(12:0),SBS(1:0)
CS
A3
6926
131MBD2600-0-0 D
MORRIS CHANG 23-Jul-2003
SMA(12:0),SBS(1:0)
RAS#,CAS#,WE#
CHANGE by SHEET OF
TITLE
SIZE CODE DOC. NUMBER REV
INVENTEC
SO DIMM 1
C218
0.1UF_16V
1
2
28-,21-
DDR-SDRAM-2
MODULES, RUBY1.0
28-,21-
28-,21-
+V3S
38-,25-,20-,15-
21-
R283
OPEN
1
2
OPEN
R249
1
2
0.1UF_16V
C249
1
2
28-,27-,21-
38-,25-,20-,15-
C221
0.1UF_16V
1
2
28-,27-,21-
21-
C232
0.1UF_16V
1
2
+V3S
0.1UF_16V
1
2
C46
150UF_4V_METAL
1
0.1UF_16V
C217
1
2
25-,23-
C255
MAX_MAX6509HAUK_T_SOT23_5P
U29
GND
2
4HYST
OUT# 3
1SET
VCC 5
+V2.5
28-,27-,25-
28-,27-,21-
28-,25-,21-
21-
+V3
10K_5%
R515
1
2
150
VSS30 162
VSS31
VSS32 174
186
VSS33
39
VSS4
VSS5 51
63
VSS6 75
VSS7
VSS8 87
VSS9 103
38
40
VSS21
VSS22 52
VSS23 64
76
VSS24 88
VSS25
VSS26 90
VSS27 104
126
VSS28
VSS29 138
VSS3 27
VSS10 137
VSS11
VSS12 149
159
VSS13
VSS14 161
VSS15 173
185
VSS16
VSS17 4
16
VSS18 28
VSS19
VSS2 15
VSS20
VDD5
57
69 VDD6
81 VDD7
VDD8
93
113 VDD9
199 VDDID
VDDSPD
197
VREF1
1
2VREF2
3
VSS1
125
VDD25
VDD26
94
VDD27
114
132 VDD28
144 VDD29
VDD3
33
VDD30
156
VDD31
168
180 VDD32
192 VDD33
45 VDD4
179
191 VDD16
10 VDD17
VDD18
22
34 VDD19
VDD2
21
VDD20
36
VDD21
46
58 VDD22
VDD23
70
82 VDD24
92
DU1 85
123
DU2
DU3 124
DU4 200
9VDD1
VDD10
131
VDD11
143
155 VDD12
157 VDD13
VDD14
167
VDD15
2
25-,21-,12-
AMP_1473005_1_200P
CN12
G
201
202
G
28-,27-,21-
C282
0.1UF_16V
1
RAS#
118
86 RESET_DU
121 S0#
122 S1#
SA0
194
196 SA1
198 SA2
SCL
195
SDA
193
WE#
119
DQ8
DQ9 23
11 DQS0
DQS1
25
47 DQS2
61 DQS3
DQS4
133
147 DQS5
169 DQS6
DQS7
183
DQS8
77
DQ55 177
DQ56
DQ57 181
DQ58 187
189
DQ59
DQ6 14
DQ60 178
182
DQ61 188
DQ62
DQ63 190
18
DQ7 19
DQ46 152
154
DQ47
DQ48 163
165
DQ49
8
DQ5
171
DQ50
DQ51 175
164
DQ52
DQ53 166
DQ54 172
176
128
130
DQ37 136
DQ38
DQ39 140
6
DQ4
DQ40 141
145
DQ41 151
DQ42
DQ43 153
142
DQ44
DQ45 146
DQ26
DQ27 67
56
DQ28
DQ29 60
DQ3 17
DQ30 66
68
DQ31 127
DQ32
DQ33 129
DQ34 135
139
DQ35
DQ36
DQ17 43
DQ18 49
53
DQ19
13
DQ2
DQ20 42
44
DQ21 50
DQ22
DQ23 54
DQ24 55
59
DQ25 65
DM7
78 DM8
DQ0 5
DQ1 7
DQ10 29
31
DQ11
DQ12 20
24
DQ13 30
DQ14
DQ15 32
41
DQ16
89
CK2#
91
96 CKE0
95 CKE1
DM0
12
26 DM1
DM2
48
DM3
62
134 DM4
DM5
148
DM6
170
184
79 CB2
83 CB3
CB4
72
CB5
74
80 CB6
84 CB7
35 CK0
CK0#
37
160 CK1
CK1#
158
CK2
107
A6
106
105 A7
A8
102
101 A9
BA0
117
BA1
116
98 BA2_DU
CAS#
120
71 CB0
CB1
73
CN12
AMP_1473005_1_200P
A0
112
111 A1
115 A10_AP
A11
100
A12
99
97 A13_DU
110 A2
A3
109
108 A4
A5
+V2.5
28-,21-
28-,27-,21-
0.1UF_16V
C273
1
2
C59
150UF_4V_METAL
1
28-,27-,21-
21-
0.1UF_16V
C294
1
2
M_CLK_DDR4
M_CLK_DDR5#
M_CLK_DDR4#
M_CLK_DDR5
ETS#
M_WE#
M_A(12:0)
M_DQS_R(7:0)
SM_VREF
M_RAS#
M_CS2_R#
M_CS3_R#
ICH_SMCLK_3
ICH_SMDAT_3
M_CKE2_R#
M_CKE3_R#
M_BS0#
M_BS1#
M_CAS#
M_DATA_R_(63:0)

SIZE CODE DOC. NUMBER REV
INVENTEC
27
131MBD2600-0-0 D
MORRIS CHANG 23-Jul-2003
close to DIMM0<750 mil
close to DIMM1<750 mil
CHANGE by SHEET OF
TITLE
DDR-SDRAM-3
MODULES, RUBY1.0
CS
A3
69
4
2
36
7
5
8
10_5%
R255
12
10
RS72
128-,26-,21-
28-,26-,21-
25-
25-
25-
25-
25-
28-,26-,21-
21-
28-,26-,25-
10_5%
1
2
3
45
6
7
8
10_5%
RS79
1
2
3
45
6
7
8
RS83
1
2
3
45
6
7
8
2
3
45
6
7
8
RS81 10_5%
3
45
6
7
8
10_5%
RS80
1
45
6
7
8
RS82 10_5%
1
2
5
6
7
8
10_5%
RS66
1
2
3
5
6
7
8
RS61 10_5%
1
2
3
4
7
8
RS60 10_5%
1
2
3
4
7
8
10_5%
RS62
1
2
3
45
6
RS49 10_5%
1
2
3
45
6
10_5%
RS51
1
2
3
45
6
7
8
10_5%
1
2
3
45
6
7
8
1
2
3
45
6
7
8
RS48
28-,26-,21-
28-,26-,21-
R256
10_5%
12
10_5%
RS50
6
7
5
8
25-28-,26-,21-
7
5
8
RS74 10
1
4
2
3
8
7
10
RS75
1
4
2
36
7
8
RS67 10
2
1
4
36
5
7
8
RS88 10_5%
1
2
3
45
6
8
10_5%
RS90
1
2
3
45
6
M_WE#
10_5%
RS89
1
2
3
45
6
7
M_BS0_FR#
M_BS1_FR#
M_CAS_FR#
M_RAS_FR#
M_WE_FR#
M_BS0#
M_BS1#
M_CAS#
M_RAS#
M_A_FR_(6)
M_A_FR_(5)
M_A_FR_(4)
M_A_FR_(10)
M_A_FR_(2)
M_A_FR_(0)
M_A_FR_(1)
M_A(2)
M_A(1)
M_A(0)
M_A_FR_(12:0)
M_A_FR_(12)
M_A_FR_(11)
M_A_FR_(7)
M_A_FR_(9)
M_A_FR_(8)
M_A_FR_(3)
M_A(7)
M_A(9)
M_A(8)
M_A(3)
M_A(6)
M_A(5)
M_A(4)
M_A(10)
M_A(12:0)
M_A(12)
M_A(11)
M_DATA(63:0)
M_DATA_R_(63:0)

Close to DDR as passible
CHANGE by SHEET OF
DDR-SDRAM-4
MODULES, RUBY1.0
CS
A3
6928
131MBD2600-0-0 D
MORRIS CHANG 23-Jul-2003
TITLE
SIZE CODE DOC. NUMBER REV
INVENTEC
close to DIMM1< 800mil
56_5%R211
1
2
0.1UF_16V
C295
1
2
8
0.1UF_16V
C397
1
2
27-,26-,21-
56
RS85
1234
567
56
RS86
1234
5678
0.1UF_16V
C274
1
2
0.1UF_16V
C330
1
2
RS68
56
4321
8765
1
2
C355
0.1UF_16V
1
2
234
5678
C331
0.1UF_16V
65
C256
0.1UF_16V
1
2
56
RS76
1
1
2
RS52
56
4321
87
21
8765
C378
0.1UF_16V
34
5678
RS65
56
43
0.1UF_16V
C275
1
2
RS69
56
12
1
2
C222
0.1UF_16V
1
2
R272 56_5%
1
2
C377
0.1UF_16V
78
R192 56_5%
1
2
RS91
56
1234
56 8756
26-,21-
0.1UF_16V
C233
1
2
27-,26-,21-,28-
27-,26-,21-
26-,21-
RS71
56
3421
RS70
56
1234
5678
1
8765
R258 56_5%
1
2
765
56
RS64
432
1
2
56
RS53
4321
8
C251
0.1UF_16V
1
2
C270
0.1UF_16V
56_5%
R240
1
2
56_5%
R251
1
2
0.1UF_16V
C226
1
2
+V1.25S
C319
0.1UF_16V
1
2
0.1UF_16V
C366
1
2
0.1UF_16V
C219
1
2
678
C344
0.1UF_16V
1
2
0.1UF_16V
C354
1
2
56
RS84
1234
5
1234
5678
26-,21-
234
5678
RS78
56
0.1UF_16V
C252
1
2
26-,25-,21-,28-
56
RS92
1
C318
0.1UF_16V
1
2
0.1UF_16V
C238
1
2
27-,26-,21-
765
25-,21-
56_5%
R264
1
2
2
27-,26-,21-
56
RS55
4321
8
1
2
26-,25-,21-,28-
C385
0.1UF_16V
1C271
1
2
0.1UF_16V
C223
1
2
C384
0.1UF_16V
765
0.1UF_16V
C392
1
2
0.1UF_16V
65
56
RS63
4321
8
26-,21-
RS54
56
4321
87
1
2
25-,21-
0.1UF_16V
C234
1
2
27-,26-,25-,28-
0.1UF_16V
C343
1
2
C250
0.1UF_16V
56
RS73
1234
5678
25-,21-
1234
5678678
C365
0.1UF_16V
1
2
RS87
56
2
+V1.25S
RS93
56
1234
5
C386
0.1UF_16V
1
2
27-,26-,25-,28-
56_5%R238
1
0.1UF_16V
C244
1
2
C393
0.1UF_16V
1
2
1
2
25-,21-
0.1UF_16V
C257
1
2
2
C396
0.1UF_16V
1
2
27-,26-,21-,28-
C227
0.1UF_16V
1
2
27-,26-,21-
56_5%R202
1
1234
5678
56_5%
R279
M_DQS_R(7:0)
56
RS77
M_CKE0_R#
M_CKE1_R#
M_CS0_R#
M_CS1_R#
M_WE#
M_RAS#
M_CAS#
M_A(12:0)
M_DATA_R_(63:0)
M_DATA_R_(63:0)
M_BS0#
M_A(12:0)
M_DQS_R(7:0)
M_CS2_R#
M_CS3_R#
M_CKE3_R#
M_CKE2_R#
M_BS1#

PCI / AGP
LVDS
AGP2X
DVO / EXT TMDS / GPIO
8X 4X
AGP
D
MORRIS CHANG 23-Jul-2003
LAYOUT NOTE : C1255 , C1876 CLOSE TO M10-P
CHANGE by SHEET OF
TITLE
SIZE CODE DOC. NUMBER REV
INVENTEC
21-
R547 1K_1%
12
ATI-M10-P-1
MODULES, RUBY1.0
CS
A3
6929
131MBD2600-0-0
20K_5%R532
12
R527
10_1%
12
+V3S
21-
2
29-
TP5
R524
10_1%
12
R557 1K_1%
12
21-
R560 1K_1%
1
47_5%
R894
12
C72
10UF_K_6.3V
1
2
R173
OPEN
1
2
R522
10_1%
12
21-
12
R556 1K_1%
12
10-
15-
12
21-
0.1UF_16V
C966 1
2
R520
10_1%
29-
TP15
1K_1%R552
12
R529
10_1%
21-
29-
TP9
AGPREF
+V3S
TP13
29-
TP12
R880
3K_5%
1
2
37-
3K_5%
R879
1
2
21-
+V3S
R534
10_1%
12
21-
TP16
10K_5%R160
12
37-
37-
TP8
12
TP10
37-
29-
37-
R209 20K_5%
12
37-
1K_1%R559
12
37-
37-
65-,59-,51-,38-,21-
37-
37-
1
2
37-
21-
38-
1K_1%R550
1
2
1K_1%R546
12
21-
R169
OPEN
12
TP6
21-
OPEN
R176
37-
37-
29-
37-
21-
37-
R518
10_1%
10K_5%
12
37-
21-
37-
TP14
10_1% R528
12
37-
30-
21-
R150
TP516
10_1% R525
12
29-
OPEN R175
12
21-
1K_1%R548
12
R530
12
21-
R533 20K_5%
12
21-
1K_1%R558
12
TP4
10_1%
29-
37-
OPEN R170
12
21-
10K_5%
R158
12
R553 1K_1%
12
10K_1%
R540
12
29-
21-
+V3S
21-
1K_1%R554
12
1K_1%R539
12
21-
10_1% R519
12
R545 1K_1%
12
+V1.5ATIAGP
29-
OPEN R174
12
1K_1%R544
12
37-
37-
21-
TP7
10_1% R521
12
2
R159 10K_5%
12
1K_1%R555
12
37-
2
37-
R541 10K_1%
12
R549 1K_1%
1
ZV_LCDDATA3 AK7
ZV_LCDDATA4
ZV_LCDDATA5 AJ7
AH8
ZV_LCDDATA6
ZV_LCDDATA7 AJ8
AH9
ZV_LCDDATA8
ZV_LCDDATA9 AJ9
R551 1K_1%
1
ZV_LCDDATA15 AE7
ZV_LCDDATA16 AF7
AE8
ZV_LCDDATA17
ZV_LCDDATA18 AG8
AF8
ZV_LCDDATA19
ZV_LCDDATA2 AK6
ZV_LCDDATA20 AE9
AF9
ZV_LCDDATA21 AG10
ZV_LCDDATA22
ZV_LCDDATA23 AF10
AH7
ZV_LCDCNTL0
ZV_LCDCNTL1 AK10
ZV_LCDCNTL2 AJ11
AH11
ZV_LCDCNTL3
ZV_LCDDATA0 AH6
AJ6
ZV_LCDDATA1
ZV_LCDDATA10 AK9
AH10
ZV_LCDDATA11 AE6
ZV_LCDDATA12
ZV_LCDDATA13 AG6
AF6
ZV_LCDDATA14
AH19
AG16
TXOUT_U0N
TXOUT_U0P AF16
TXOUT_U1N AG17
AF17
TXOUT_U1P AF18
TXOUT_U2N
TXOUT_U2P AE18
TXOUT_U3N AH20
AG20
TXOUT_U3P
VREFG AG4
WBF#
AC26
AJ10
AJ18
TXCLK_LP
AF19
TXCLK_UN
TXCLK_UP AG19
TXOUT_L0N AK16
AH16
TXOUT_L0P AH17
TXOUT_L1N
TXOUT_L1P AJ16
TXOUT_L2N AH18
AJ17
TXOUT_L2P AK19
TXOUT_L3N
TXOUT_L3P
SBA5
Y28 SBA6
SBA7
Y29
SB_STBF
AB29
AB28 SB_STBS
ST0
AF29
ST1
AD27
AE28 ST2
STOP#
N26
TRDY#
V28
TXCLK_LN AK18
IRDY#
PAR
M25
PCICLK
AG30
AE29 RBF#
REQ#
AF28
AG28 RST#
AD28 SBA0
SBA1
AD29
SBA2
AC28
AC29 SBA3
SBA4
AA28
AA29
AF2
GPIO16
GPIO2 AJ4
GPIO3 AK4
AH4
GPIO4
GPIO5 AF4
AJ3
GPIO6 AK3
GPIO7
GPIO8 AH3
GPIO9 AJ2
AE26 INTA#
W29
AE10
FRAME#
W28
AD26 GNT#
GPIO0 AJ5
AH5
GPIO1
AH2
GPIO10 AH1
GPIO11
GPIO12 AG3
AG1
GPIO13
GPIO14 AG2
GPIO15 AF3
AGPREF
AGPTEST
M27
AG12
BLON
N29 C_BE#0
C_BE#1
U28
C_BE#2
P26
U26 C_BE#3
AB25 DBI_HI
AB26 DBI_LO
V29 DEVSEL#
DIGON AE12
DVOMODE
K28 AD5
L29 AD6
AD7
L28
AD8
N28
P29 AD9
ADSTBS_0
M29
V26 ADSTBS_1
M28 AD_STBF_0
V25 AD_STBF_1
AGP8X_DET#
AC25
M26
AD23
V27 AD24
AD25
W26
AD26
W25
Y26 AD27
AD28
Y25
AA26 AD29
J28 AD3
AA25 AD30
AD31
AA27
AD4
K29
T29
AD14
T28
U29 AD15
AD16
N25
R26 AD17
P25 AD18
AD19
R27
AD2
J29
R25 AD20
AD21
T25
AD22
T26
U25
ATI_M10_P_BGA_708P
U26
H29 AD0
AD1
H28
P28 AD10
AD11
R29
R28 AD12
AD13
R883
10K_5%
1
2
10_1% R523
12
TP11
AGP_ADSTB0#
AGP_ADSTB1#
AGP_SBSTB#
VGA_GPIO(8) VGA_GPIO(3)
VGA_GPIO(2)
VGA_GPIO(1)
VGA_GPIO(8)
AGP_STOP#
AGP_ADSTB0
AGP_RBF#
AGP_SBSTB
LCDDATA20
AGP_FRAME#
AGP_IRDY#
AGP_TRDY#
AGP_DEVSEL#
AGP_ADSTB1
AGP_WBF#
PWRPLAY
AGP_SBA(7:0)
GPIO16
VGA_GPIO(0)
LCM_ID2
LCM_ID3
LCM_ID4
AGP_AD(31:0)
AGP_CBE#(3:0)
TXOUTU0-
TXOUTU0+
TXOUTU1-
TXOUTU1+
TXOUTU2-
TXOUTU2+
LCM_ID0
LCM_ID1
TXCLKOUTU-
TXCLKOUTU+
TXOUTL0-
TXOUTL0+
TXOUTL1-
TXOUTL1+
TXOUTL2-
TXOUTL2+
AGP_SBA(6)
AGP_SBA(7)
AGP_ST0
AGP_ST1
AGP_ST2
TXCLKOUTL-
TXCLKOUTL+
AGP_SBA(0)
AGP_SBA(1)
AGP_SBA(2)
AGP_SBA(3)
AGP_SBA(4)
AGP_SBA(5)
AGP_GNT#
VGA_GPIO(0)
VGA_GPIO(1)
VGA_GPIO(2)
VGA_GPIO(3)
PIRQA#_3
AGP_PAR
CLK_AGPCONN
AGP_REQ#
PCI_RESET1#_3
BLON
AGP_CBE#(0)
AGP_CBE#(1)
AGP_CBE#(2)
AGP_CBE#(3)
DIGON
AGP_AD(31)
AGP_AD(4)
AGP_AD(5)
AGP_AD(6)
AGP_AD(7)
AGP_AD(8)
AGP_AD(9)
AGP_AD(26)
AGP_AD(27)
AGP_AD(28)
AGP_AD(29)
AGP_AD(3)
AGP_AD(30)
AGP_AD(20)
AGP_AD(21)
AGP_AD(22)
AGP_AD(23)
AGP_AD(24)
AGP_AD(25)
AGP_AD(15)
AGP_AD(16)
AGP_AD(17)
AGP_AD(18)
AGP_AD(19)
AGP_AD(2)
AGP_AD(0)
AGP_AD(1)
AGP_AD(10)
AGP_AD(11)
AGP_AD(12)
AGP_AD(13)
AGP_AD(14)

TMDS
DAC2
PWR
THERM
MAN
DAC1
CLK
SS
(20/5)
CHANGE by SHEET OF
TITLE
SIZE CODE DOC. NUMBER
CS
MODULES, RUBY1.0
ATI-M10-P-2
REV
INVENTEC
(20/5)
FOR EMI
INSTALL
LAYOUT NOTES : R1359, R1361, R1360, R1362 CLOSE TO M10-P
TERMINATIONS TO TMDS SIGNALS
SM560
2
10K_5%
R531
12
23-Jul-2003MORRIS CHANG
D131MBD2600-0-0
30 69
A3
36-
R179
330_5%
12
330_5%
R181
1
12
+V3S
+V3S
1K_1%
R214
1
2
61-
12
L22
BLM21A121S
12
36-
R185
330_5%
+V3S
37-
+V3S
61-
61-
29-
R85510K_5%
61- 61-
61-
R2323
75_5%
1
2
61-
+V3S
R851
0_5%
12
R2322
75_5%
1
2
37-
61-
61-
39-
41-,14-,11-,9-
61-
R857
33_5%
12
15PF
C694
1
2
36-
330_5%
R180
12
39-
+V1.5ATIAGP
61-
10K_5%
R103
12
R2324
75_5%
1
2
OPEN
12
61-
+V3S
200_1%
R200
12
1
2
20-
R188
715_1%
12
62-,44-,41-,39-
R213
12
OPEN
R66
1
2
R856
10K_5%
1
2
R206
20K_5%
1
2
1K_1%
R208
3
GND
S0
7
6S1 SSCC 5
SSCLK 4
2VDD
1
XIN_CLK
XOVT
8
1K_1%
R215
1
2
OPEN
R854
1
2
61-
CYS_IMISM560BZT_SOIC_8P
U13
1K_5%
R205
12
TP17
0.1UF_16V
C212
1
30-
OPEN
R2338
1
2
27MHZ
2
GND
1OE
OUT 34 VDD
61-,36-
61-
10UF_10V_METAL
C23
Y_G
AGPREF
C296 0.1UF_16V
12
20-
30-
X2
TX1M AJ14
AH15
TX1P
TX2M AJ15
AK15
TX2P AH13
TXCM
TXCP AK13AK24 V2SYNC
AH25
VSYNC
AH28 XTALIN
XTALOUT
AJ29
AJ22
AH26
AG29 RSTB_MSK
SSIN
AK25
AJ25 SSOUT
STP_AGP#
AH30
AG26 SUS_STAT#
TESTEN
AH27
B6 TEST_MCLK
E8 TEST_YCLK
AJ13
TX0M
TX0P AH14
DDC3CLK
DDC3DATA
AG24
DMINUS AE11
DPLUS AF11
AJ27
G
H2SYNC
AJ24
AF12
HPD1
HSYNC AG25
PLLTEST
AE25
RAK27
R2SET
AK21
RSET
AH29 AGP_BUSY#
AF26
AUXWIN
BAJ26
COMP_B
AK22
AJ23 C_R
DDC1CLK AF24
AF25
DDC1DATA
AE13
DDC2CLK
DDC2DATA AE14
AG23
12
+V3S
36-
R204
120_5%
1
2
U26
ATI_M10_P_BGA_708P
12
61-,36-
0_5%
R212
12
499_1%
R196
R
G
27MHZ
GPIO16
61-
R182
100K_5%
AGPBUSY#_3
SUS_STAT#_3
M10_THERMDC
M10_THERDA
TXCM
TXCP
DVIDDCCLK
DVIDDCDATA
B
HSYNC
VSYNC
DDCDATA
DDCCLK
HPD
TX0M
TX0P
TX1M
TX1P
TX2M
TX2P
LCM_DDCCLK
LCM_DDCDATA
LVDS_SSIN
LVDS_SSOUT
C3_STAT#
COMP_B
CHROMA_C
LUMA_Y
27MHZ
PWR_GOOD_3

MEMORY INTERFACE A
MEMORY INTERFACE B
DIMA_0,DIMA_1, DIMB_0,DIMB_1 SIGNALS
FOR 2.5V VDDR1:
CHANGE by MORRIS CHANG 23-Jul-2003 SHEET OF
TITLE
SIZE
MEMVMOVE1=GND
MEMVMOVE0=1.8V
MEMVMOVE0=GND
MEMVMOVE1=1.8V
CODE DOC. NUMBER REV
INVENTEC
(ELPIDA)
ONLY NEEDED FOR ELPIDA MEMORIES
FOR 1.8V VDDR1:
ATI-M10-P-3
MODULES, RUBY1.0
CS
A3
6931
131MBD2600-0-0 D
1
2
33-
10UF_K_6.3V
C281
2
C478
0.1UF_16V
R882
47_5%
1
2
33-
33-
33-
33-
R878 4.7K_5%
12
33-
33-
33-33-
RASB#
ROMCS# AF5
T6
WEB#
33-
33-
R876
OPEN
1
2
MEMTEST
C6
MEMVMODE_0
MEMVMODE_1 C7
F6
QSB0
QSB1 B3
QSB2 K6
G1
QSB3
QSB4 V5
W1
QSB5 AC5
QSB6
QSB7 AD1
R2
MAB13 P3
MAB14 P2
MAB2 M3
L3
MAB3
MAB4 L2
M2
MAB5 M5
MAB6
MAB7 P6
MAB8 N3
K2
MAB9
C8
J5
G3
DQMB#3
DQMB#4 W6
W2
DQMB#5 AC6
DQMB#6
DQMB#7 AD2
N5
MAB0
MAB1 M1
K3
MAB10
MAB11 J2
P5
MAB12
DQB59
DQB6
E5
DQB60
AD3
AE1 DQB61
AE2 DQB62
DQB63
AE3
C4 DQB7
B5 DQB8
DQB9
C5
E6
DQMB#0
DQMB#1 B2
DQMB#2
DQB5
F5
AB6 DQB50
DQB51
AB5
AD6 DQB52
DQB53
AD5
DQB54
AE5
AE4 DQB55
AB2 DQB56
DQB57
AB3
DQB58
AC2
AC3
DQB4
DQB40
U2
V2 DQB41
V1 DQB42
DQB43
V3
W3 DQB44
DQB45
Y2
DQB46
Y3
AA2 DQB47
DQB48
AA6
AA5 DQB49
G6
DQB30
F1
H3 DQB31
U6 DQB32
DQB33
U5
DQB34
U3
V6 DQB35
DQB36
W5
W4 DQB37
Y6 DQB38
DQB39
Y5
G5
DQB20
K5
K4 DQB21
L6 DQB22
DQB23
L5
DQB24
G2
F3 DQB25
H2 DQB26
DQB27
E2
F2 DQB28
DQB29
J3
DQB3
A4
B4 DQB11
DQB12
C2
D3 DQB13
D1 DQB14
DQB15
D2
G4 DQB16
DQB17
H6
DQB18
H5
J6 DQB19
E7 DQB2
R3
N1
CLKB0
CLKB0# N2
CLKB1 T2
T3
CLKB1#
CSB0# R5
R6
CSB1#
DIMB_0 E3
AA3
DIMB_1
DQB0
D7
F7 DQB1
DQB10
33-
33-
33-
U26
ATI_M10_P_BGA_708P
CASB# T5
CKEB
F24
QSA2
QSA3 B27
E16
QSA4
QSA5 B16
QSA6 B11
F10
QSA7
RASA# A19
WEA# E19
33-
33-
B24
C23
MAA4
MAA5 C22
MAA6 F22
F21
MAA7 C21
MAA8
MAA9 A24
MVREFD B7
B8
MVREFS
QSA0 J27
F30
QSA1
C15
DQMA#6 C11
E11
DQMA#7
MAA0 E22
B22
MAA1
MAA10 C24
A25
MAA11
MAA12 E21
B20
MAA13 C19
MAA14
B23
MAA2
MAA3
DQA62
F9
F8 DQA63
DQA7
G26
DQA8
G30
D29 DQA9
DQMA#0 J25
F29
DQMA#1 E25
DQMA#2
DQMA#3 A27
F15
DQMA#4
DQMA#5
C10
C9 DQA53
B9 DQA54
DQA55
B10
DQA56
E13
E12 DQA57
E10 DQA58
DQA59
F12
H26 DQA6
F11 DQA60
DQA61
E9
B17
B15 DQA43
DQA44
C13
B14 DQA45
C14 DQA46
DQA47
C16
A13 DQA48
DQA49
A12
H25 DQA5
DQA50
C12
B12 DQA51
DQA52
E17 DQA33
D16 DQA34
DQA35
F16
E15 DQA36
DQA37
F14
DQA38
E14
F13 DQA39
DQA4
J26
C17 DQA40
DQA41
B18
DQA42
DQA23
B29 DQA24
DQA25
C29
DQA26
C25
C27 DQA27
DQA28
B28
B25 DQA29
K26 DQA3
C26 DQA30
DQA31
B26
DQA32
F17
G29
DQA14
G28
F28 DQA15
DQA16
G25
F26 DQA17
E26 DQA18
DQA19
F25
DQA2
K25
E24 DQA20
DQA21
F23
DQA22
E23
D22
CLKA1# A18
E20
CSA0#
CSA1# F20
DIMA_0 D30
B13
DIMA_1
L25 DQA0
DQA1
L26
D28 DQA10
DQA11
E28
E29 DQA12
DQA13
33-
33-
ATI_M10_P_BGA_708P
U26
E18
CASA#
B19
CKEA
CLKA0 B21
C20
CLKA0#
C18
CLKA1
33-
33-
C43
10UF_K_6.3V
1
2
12
33-
33-
33-
33-
33-
33-
33-
OPENR877
33-
+VRAM_VCC
+VRAM_VCC
33-
33-
34-
34-
33-
33-
33-
33-
R171
1
2
35-
33-
33-
33-
33-
4.7K_5%
R881
1
2
1K_1%
33-
33-
R133
1K_1%
1
2
1K_1%
R132
1
2
33-
33-
33-
33-
33-
33-
33-
R161
1K_1%
1
2
33-
0.1UF_16V
C452
1
2
33-
+V1.8S
33-
33-
33-
33-
33-
35-
33-
33-
GM_MDB(36)
GM_MDB(35)
GM_MDB(34)
GM_MDB(33)
GM_MDB(32)
GM_MDB(63:0)
DDR_CSA1# DDR_CSB1#
GM_MDB(51)
GM_MDB(50)
GM_MDB(49)
GM_MDB(48)
GM_MDB(39)
GM_MDB(38)
GM_MDB(37)
GM_MDA(27)
GM_MDA(26)
GM_MDA(25)
GM_MDA(24)
GM_MDB(55)
GM_MDB(54)
GM_MDB(53)
GM_MDB(52)
GM_MDA(3)
GM_MDA(0)
GM_MDA(1)
GM_MDA(4)
GM_MDA(31)
GM_MDA(30)
GM_MDA(29)
GM_MDA(28)
GM_MDA(19)
GM_MDA(18)
GM_MDA(17)
GM_MDA(20)
GM_MDA(7)
GM_MDA(2)
GM_MDA(5)
GM_MDA(6)
GM_MDA(32)
GDQMA#(4)
GDQMA#(6)
GMEM_QSA(6)
GM_MDA(23)
GM_MDA(22)
GM_MDA(21)
GM_MDA(16)
GM_MDA(51)
GM_MDA(39)
GM_MDA(38)
GM_MDA(37)
GM_MDA(36)
GM_MDA(35)
GM_MDA(34)
GM_MDA(33)
GM_MDB(16)
GM_MDA(50)
GM_MDA(49)
GM_MDA(48)
GM_MDA(54)
GM_MDA(53)
GM_MDA(52)
GM_MDA(55)
GM_MDB(8)
GM_MDB(23)
GM_MDB(22)
GM_MDB(21)
GM_MDB(20)
GM_MDB(19)
GM_MDB(18)
GM_MDB(17)
GM_MDB(40)
GM_MDB(15)
GM_MDB(14)
GM_MDB(13)
GM_MDB(12)
GM_MDB(11)
GM_MDB(10)
GM_MDB(9)
GM_MDA(8)
GM_MDB(47)
GM_MDB(46)
GM_MDB(45)
GM_MDB(44)
GM_MDB(43)
GM_MDB(42)
GM_MDB(41)
GM_MDA(40)
GM_MDA(15)
GM_MDA(14)
GM_MDA(13)
GM_MDA(12)
GM_MDA(11)
GM_MDA(10)
GM_MDA(9)
GDQMB#(4)
GM_MDA(47)
GM_MDA(46)
GM_MDA(45)
GM_MDA(44)
GM_MDA(43)
GM_MDA(42)
GM_MDA(41)
GMAB(0)
GMEM_QSA(1)
GMEM_QSA(3)
GMEM_QSA(5)
GDQMB#(1)
GDQMB#(2)
GDQMB#(5)
GMAB(8)
GMAB(7)
GMAB(6)
GMAB(5)
GMAB(4)
GMAB(3)
GMAB(2)
GMAB(1)
GMAA(2)
GMAA(1)
GMAA(0)
GMAA(9)
GMAB(11)
GMAB(10)
GMAB(9)
GM_MDA(63:0)
GMAA(11)
GMAA(10)
GMAA(8)
GMAA(7)
GMAA(6)
GMAA(5)
GMAA(4)
GMAA(3)
GM_MDB(59)
GM_MDB(58)
GM_MDB(57)
GM_MDB(56)
GM_MDB(60)
GM_MDB(61)
GM_MDB(62)
GM_MDB(63)
GM_MDB(3)
GM_MDB(6)
GM_MDB(5)
GM_MDB(4)
GM_MDB(7)
GM_MDB(2)
GM_MDB(1)
GM_MDB(0)
GM_MDA(63)
GM_MDA(62)
GM_MDA(61)
GM_MDA(60)
GM_MDA(59)
GM_MDA(58)
GM_MDA(57)
GM_MDA(56)
GDQMB#(7)
GMAA(13)
GMAA(12)
DIMB_0
DIMB_1
GMEM_QSB(6)
GMEM_QSB(5)
GMEM_QSB(7)
GMEM_QSB(4)
GDQMB#(0)
GDQMB#(3)
GDQMB#(6)
GDQMA#(3)
GDQMA#(0)
GDQMA#(5)
GDQMA#(7)
GMEM_QSB(0)
GMEM_QSB(1)
GMEM_QSB(2)
GMEM_QSB(3)
GMEM_QSA(2)
GMEM_QSA(0)
GMEM_QSA(4)
GMEM_QSA(7)
GDQMA#(2)
GDQMA#(1)
DDR_CLKA1
DDR_CLKA1#
GMAA(13:0)
DDR_CLKB0
DDR_CLKB0#
DDR_CLKB1
DDR_CLKB1#
DIMA_0
DIMA_1
DDR_RASA#
DDR_CASA#
DDR_WEA#
DDR_CSA0#
DDR_CKEA
DDR_CLKA0
DDR_CLKA0#
GM_MDB(28)
GM_MDB(24)
GMAB(13:0)
GMAB(12)
DDR_CASB#
DDR_WEB#
DDR_CSB0#
DDR_CKEB
GMAB(13)
DDR_RASB#
GM_MDB(27)
GM_MDB(31)
GM_MDB(26)
GM_MDB(30)
GM_MDB(29)
GM_MDB(25)

CENTER ARRAY
CORE GND
I / O POWER
CHANGE by SHEET OF
TITLE
SIZE CODE DOC. NUMBER REV
INVENTEC
$O,$V
POWER15/5
2
23-Jul-2003MORRIS CHANG
D131MBD2600-0-0
32 69
A3 CS
MODULES, RUBY1.0
ATI-M10-P-4
C41
10UF_K_6.3V
1
2
VDD_DAC1.8
0.1UF_16V
C3011
1
C42
22UF_6.3V
1
+V1.8S
0.01UF_16V
C917
1
2
C942
0.01UF_16V
1
2
0.01UF_16V
C928
1
2
1
2
+VGAVCC
+V1.8S
VDDC
W19 VDDC
+V1.5S
C54
22UF_6.3V
1
0.01UF_16V
C900
V18 VDDC
V19
VDDC
W12
VDDC
W13
W14 VDDC
VSS W15
VDDC1 W16
VDDC
W17
W18
U18
U19 VDDC
V12 VDDC
VDDC
V13 VDDC
V14
V15
VSS
VSS V16
V17 VDDC
VDDC
T17
VSS T18
T19
VSS
VDDC
U12
VDDC
U13
U14 VDDC
U15
VSS
U17 VDDC
VDDC
R17
VSS R18
R19
VDDC1 T12
VDDC1
VSS T13
T14
VSS T15
VSS
T16
VSS
VSS
VDDC
VDDC
P18
VDDC
P19
VSS R12
VSS R13
VSS R14
R15
VSS
R16
VSS
VSS
VDDC
VDDC
N18
N19 VDDC
P12 VDDC
VDDC
P13
VDDC
P14
VSS P15
P16
VSS
P17
VDDC
VDDC
M18 VDDC
M19
N12 VDDC
VDDC
N13
VDDC
N14
N15
VSS
N16
VSS
N17
ATI_M10_P_BGA_708P
U26
VSS U16
VDDC
M12
M13 VDDC
M14 VDDC
M15
VDDC1
VSS M16
M17
0.01UF_16V
C957
1
2
4
C945
0.1UF_16V
1
2
C64
10UF_K_6.3V
1
2
10UF_K_6.3V
C631
2
NFM41P11C204
L42
12
3
22UF_6.3V
C75
1
C931
0.1UF_16V
1
20.01UF_16V
C932
1
2
+V1.8S
0.1UF_16V
C947
1
2
BLM11A121S
L40
12
BLM11A121S
L43
12
C929
1
2C955
0.01UF_16V
1
2
0.01UF_16V
C934
1
2
C27
22UF_6.3V
1
0.1UF_16V
1
2
0.1UF_16V
C3014
1
20.1UF_16V
C3013
1
2
C3012
0.1UF_16V 1
2
VDD_PNLPLL1.8
0.01UF_16V
C941
2
10UF_K_6.3V
C531
2
C74
22UF_6.3V
1
L35 NFM41P11C204
12
3
4
BLM21A121S
L34
1
0.1UF_16V
C927
1
2
+V1.5ATIAGP
C235
0.01UF_16V
1
2
VSS
W23
VSS
VSS W24
VSS W27
W7
VSS
VSS W8
VSS Y4
R30
VSS R7
R8
VSS
T1
VSS
T27
VSS
VSS U23
VSS U4
U8
VSS
V30
M7
M8
VSS
VSS N23
VSS N24
VSS N27
VSS P4
R23
VSS R24
VSS
VSS
VSS
VSS
K24
K27 VSS
VSS
K30
K7
VSS
VSS K8
VSS L4
M30
VSS
VSS
H18 VSS
H21
H23 VSS
H27 VSS
VSS
H4 VSS
H8
H9 VSS
K1
VSS
K23
G16
G18 VSS
VSS
G21
VSS
G24
VSS
G9
VSS
H12
H14 VSS
H16 VSS
VSS
VSS
VSS
D27
VSS
D4
D6 VSS
D9 VSS
E4 VSS
F27 VSS
G12 VSS
VSS
VSS
C30 VSS
D10
VSS
D12 VSS
VSS
D15
D18 VSS
VSS
D21
D24 VSS
D25
VSS
AG9 VSS
AJ1
VSS
VSS AJ30
VSS AK2
AK29
VSS
C1 VSS
VSS
C28
C3
AD25
AD30
VSSVSS
AE27
VSS
AG11
VSS
AG15
VSS
AG18
VSS
AG22
AG27 VSS
AG5
VSS AC14
VSS
VSS AC16
VSS AC18
VSS AC4
VSS
AD12
VSS AD16
AD18
VSS
VSS
VSS
VSS AB1
VSS AB23
AB24
VSS
VSS AB27
VSS
AB4
AB7
VSS
VSS AB8
AC12
2
ATI_M10_P_BGA_708P
U26
A10 VSS
VSS
A16
A2 VSS
A22 VSS
VSS
A29
AA3012
C3010
0.1UF_16V
1
2
C959
0.01UF_16V
1
0.01UF_16V
C960
1
2
L36
BLM11A121S
+V1.8S
0.01UF_16V
C922
1
2
+AGP_V3S
BLM11A121S
L30
12
1000PF_0402
C954
1
2
0.01UF_16V
C918
1
2
1000PF_0402
C899
1
2
+V2.5S
C70
22UF_6.3V
1
BLM11A121S
L33
12
1
2
0.01UF_16V
C229
1
2
VDD_PNLIO1.8
VDD_DAC2.5
BLM11A121S
L37
12
C948
0.01UF_16V0.01UF_16V
C921
1
2
C946
1000PF_0402
1
2
+V2.5S
+VRAM_VCC
C939
1000PF_0402
1
2
10UF_K_6.3V
C691
2
12
NFM41P11C204
L29
12
3
4
C938
1
2
22UF_6.3V
C39
1
BLM21A121S
L41
W30
VDD15 Y23
VDDP Y27
Y8
VDD15
22UF_6.3V
C66
1
0.01UF_16V
VDDR1
VDDR1
V8
AE24 VDD1DI
VDD2DI
AE22
VDDRH0
F18
VDDRH1
N6
VSS1DI AE23
AE21
VSS2DI
VSSRH0 F19
M6
VSSRH1
VDDP
VDDR1
VDDR1
T8
AK12 TPVDD
TPVSS AJ12
U27
VDDP
VDDP V23
V24
VDDP
V4 VDDR1
V7
VDD15
AK28 PVDD AJ28
PVSS
R1 VDDR1
VDDR1
R4
T23
VDDP
VDDP T24
T30
VDDP
VDDR1
T4
T7
A7 MPVSS A6
VDDP N30
N4 VDDR1
VDDR1
N7
N8 VDDR1
VDDP P23
P27
VDDP
P8
J8 L23
VDD15
L27 VDDR1
VDDR1
L8
AJ20 LPVDD
LPVSS AJ19
VDDP M23
M24
VDDP
VDDR1
M4
MPVDD
VDD15
VDDR1
H22
J1 VDDR1
J23 VDDR1
VDDR1
J24
J30
VDDP
J4 VDDR1
J7 VDDR1
VDDR1
G27
G7 VDDR1
H10 VDDR1
H11
VDD15
VDDR1
H13
H15 VDDR1
VDDR1
H17
H19 VDDR1
H20
VDDR1
VDDR1
E27
F4 VDDR1
VDDR1
G10
G13 VDDR1
VDDR1
G15
G19 VDDR1
G22 VDDR1
VDDR1
VDDR1
VDDR1
D14 VDDR1
D17
D19 VDDR1
VDDR1
D20 VDDR1
D23 VDDR1
D26
D5 VDDR1
D8
AH22
A2VSSN
A2VSSN AJ21
AVDD
AH24 AVSSN AH23
AVSSQ AD24
B1 VDDR1
B30 VDDR1
VDDR1
D11
D13
LVDDR_18
AF21
VDDP AF27
TXVSSR AG13
TXVSSR AG14
AG21 A2VDD
AG7
VDDR4
TXVSSR AH12
A2VDD
AH21
AE17 LVDDR_25
LVSSR AE19
AE20 LVDDR_25
VDDP AE30
AF13 TXVDDR
TXVDDR
AF14
AF15
LVSSR
AF20
LVSSR
VDDR3 AD19
VDDR3 AD21
VDDR3 AD22
AD4 VDDR1
AD7
VDDR3
VDDR4 AD9
AE15 LVDDR_18
LVSSR AE16
VDDR3 AC22
VDDP AC23
VDDP AC27
VDDR3 AC8
AC9
VDDR4
VDDR4 AD10
VDDC AD13
VDDC AD15
AC10
VDDR4
VDD15 AC11
VDDC AC13
AC15
VDDC
VDDC AC17
AC19
VDDR3
AC20
VDD15
AC21
VDDR3
A9 VDDR1
VDDR1
AA1
AA23
VDDP
AA24
VDDP
AA4 VDDR1
AA7 VDDR1
VDDR1
AA8
AB30
VDDP
U26
ATI_M10_P_BGA_708P
VDDR1
A15
A21 VDDR1
VDDR1
A28
AF22 A2VDDQ
AF23
A2VSSQ
VDDR1
A3
C936
0.01UF_16V
1
2
C246
1000PF_0402
1
2
+V3S
1
2
+VRAM_VCC
1000PF_0402
C901
1
2
2
0.01UF_16V
C940
1
2
VDD_PLL1.8
C933
0.1UF_16V
2
C949
0.01UF_16V
1
2
C930
1000PF_0402
1
S
13-
C428
0.01UF_16V
1
2
0.01UF_16V
C920
1
2
VDDR1
VDD_MEMPLL1.8
Q2288
FDC638P
D
1
2
5
6
G
3
4
12
0.1UF_16V
C916
1
2
C245
2200PF_50V
1
C513
0.01UF_16V
1
2
BLM11A121S
L38 0.1UF_16V
C956
1
2
0.1UF_16V
C3019
1
2
22UF_6.3V
1
10UF_K_6.3V
C401
2
1
2
VDD_PNLIO2.5
C919
0.01UF_16V
1
2
+V1.5S
C73
10UF_K_6.3V
C651
2
C958
0.1UF_16V
1
2
0.01UF_16V
C950
1
2
+V1.8S
C71
22UF_6.3V
1
SLP_S3_5R
C937
0.1UF_16V

Layout Note: place these
Layout Note: place these
CHANGE by SHEET OF
TITLE
SIZE CODE DOC. NUMBER REV
INVENTEC
Layout Note: place these
Layout Note: place these
resisters near the VEDIIORAM
R884,R886,R885,R890
R867,R866,R865,R864 resisters near the DDR
resisters near the ATI Chip
CS
A3
6933
131MBD2600-0-0 D
MORRIS CHANG 23-Jul-2003
MODULES, RUBY1.0
CS
A3
6933
131MBD2600-0-0 D
MORRIS CHANG 23-Jul-2003
resisters near the ATI Chip
35-
MODULES, RUBY1.0
31-
34-
35-
31-
35-
31-
31-
31- 34-
RS41
4
3
2
18
7
6
512
31-
31-
22 10_1%R2297
34-
31-
34-
31-
2
3
18
6
7
5
31-
31-
31-
22RS57
4
31- 34-
34-
34-
34-
12
34-
34-
31-
35-
R2298 10_1%
31- 35-
31- 34-
31-
34-
31- 34-
1
2
3
45
6
7
8
8
5
6
31-
31- 35-
10RS36
22
RS18
3
4
1
27
31- 35-
31-
35-
35-
31-
34-
31-
31- 35-
35-
31- 34-
31-
34-
34-
35-
10_1%R468
12
R470 10_1%
12
22RS35
3
4
1
27
8
5
6
10_1%R490
12
2
2
R491 10_1%
12
R472 10_1%
1
22_5%
12
22_5%R481
1
34-
35-
R488 22_5%
12
R480
34-
34-
31-
35-
34-
31-
31-
12
22_5%R511
12
35-
35-
31-
R474
12
R476 22_5%
12
R502 22_5%
12
56_5%
R129
12
31-
22_5%
3
18
6
7
5
34-
R128
56_5%
3
18
6
7
5
22RS33
4
2
31- 35-
31-
22
RS32
4
2
1
27
8
5
6
31-
6
5
31- 35-
22
RS43
3
4
12
10
RS803
4
3
2
18
7
2
22_5%R496
12
31-
R516
10_5%
C434
470PF_50V
1
2
R503 22_5%
1
2
18
7
6
5
10_5%
R884
12
22_5%R484
12
22RS27
4
3
31-
35-
470PF_50V
C904
1
2
18
7
6
5
31-
35-
31- 35-
31-
31-
12
31-
22RS17
4
3
2
5
6
R865
10_5%
12
56_5%
R875
5
6
22RS14
3
4
2
18
7
5
6
22
RS15
3
4
1
27
8
RS20 22
3
4
2
18
7
22_5%
12
R890
10_5%
1
2
6
7
5
31-
R477
31-
22
RS28
4
2
3
18
3
2
18
7
6
5
3
2
18
7
6
5
22RS44
4
R485 22_5%
12
RS12 22
4
2
34-
R473 22_5%
12
5
R874
56_5%
12
10_5%
R866
1
22
RS39
4
2
3
18
6
7
22
RS38
4
2
3
18
6
7
5
10_5%
R276
12
R499 22_5%
12
31-
R506
12
R508 22_5%
12
RS37
1
2
3
45
6
7
8
22_5%
4
3
2
18
7
6
5
31-
10
3
2
18
7
6
5
22RS58
7
8
R517
10_5%
12
22
RS47
4
31-
10RS26
1
2
3
45
6
R507 22_5%
12
R864
10_5%
1
2
22
4
2
3
18
6
7
5
35-
RS59
4
3
1
27
8
6
5
RS40
RS30
4
3
2
18
7
6
5
22
3
18
6
7
5
22
18
6
7
5
22
RS46
4
2
18
7
6
5
22RS23
4
2
3
22
RS22
4
3
2
3
4
1
27
8
5
6
35-
35-
31-
2
3
18
6
7
5
22RS13
31-
34-
22
RS16
4
12
R500 10_1%
12
34-
2
3
45
6
7
8
R498 22_5%
34-
R275
10_5%
12
10RS45
1
R505 22_5%
12
22_5%R504
12
R495 22_5%
12
R494 10_1%
12
10_5%
R867
12
C894
470PF_50V
1
2
12
R489 22_5%
12
35-
35-
6
7
8
R483 22_5%
12
22_5%R486
10RS25
1
2
3
45
18
6
7
5
22_5%R510
12
8
7
6
5
31-
22
RS24
4
2
3
1
2
34-
31-
22RS19
4
3
2
1
2
R886
10_5%
12
470PF_50V
C951
12
R475 22_5%
12
R478 22_5%
1
35-
31-
R501 22_5%
12
R509 22_5%
10_5%
R885
12
R492 10_1%
12
31-
31-
RS29
4
3
2
18
7
6
5
56_5%
R893
12
10_1%R471
12
22
10_1%R469
12
R892
56_5%
12
12
34-
31- 35-
R497 22_5%
12
22_5%R479
12
R482 22_5%
5
R861
56_5%
12
56_5%
R860
12
6
5
22
RS42
4
3
2
18
7
6
22
RS34
4
3
2
18
7
GM_MDB(31)
GM_MDB(27)
DDR_RASB#
GMAB(13)
DDR_CSB1# DDR_CSB1#_R
DDR_CSA1# DDR_CSA1#_R
GM_MDB(28)
GM_MDB(25)
GM_MDB(29)
GM_MDB(30)
GM_MDB(26)
DDR_CASA#
DDR_RASA#
DDR_CKEB
DDR_CSB0#
DDR_WEB#
DDR_CASB#
GMAB(12)
GMAB(13:0)
GM_MDB(24)
GMAA(13:0)
DDR_CLKA1#
DDR_CLKA1
DDR_CLKA0#
DDR_CLKA0
DDR_CKEA
DDR_CSA0#
DDR_WEA#
GMEM_QSA(7)
GMEM_QSA(4)
GMEM_QSA(0)
GMEM_QSA(2)
DDR_CLKB1#
DDR_CLKB1
DDR_CLKB0#
DDR_CLKB0
GMEM_QSB(1)
GMEM_QSB(0)
GDQMA#(7)
GDQMA#(5)
GDQMA#(0)
GDQMA#(3)
GDQMA#(1)
GDQMA#(2)
GDQMB#(3)
GDQMB#(0)
GMEM_QSB(4)
GMEM_QSB(7)
GMEM_QSB(5)
GMEM_QSB(6)
GMEM_QSB(3)
GMEM_QSB(2)
GM_MDA(61)
GM_MDA(62)
GM_MDA(63)
GMAA(12)
GMAA(13)
GDQMB#(7)
GDQMB#(6)
GM_MDB(3)
GM_MDA(56)
GM_MDA(57)
GM_MDA(58)
GM_MDA(59)
GM_MDA(60)
GM_MDB(1)
GM_MDB(2)
GM_MDB(7)
GM_MDB(4)
GM_MDB(5)
GM_MDB(6)
GM_MDB(60)
GM_MDB(56)
GM_MDB(57)
GM_MDB(58)
GM_MDB(59)
GM_MDB(0)
GMAA(10)
GMAA(11)
GM_MDA(63:0)
GM_MDB(63)
GM_MDB(62)
GM_MDB(61)
GMAA(4)
GMAA(5)
GMAA(6)
GMAA(7)
GMAA(8)
GMAA(9)
GMAA(0)
GMAA(1)
GMAA(2)
GMAA(3)
GMAB(4)
GMAB(5)
GMAB(6)
GMAB(7)
GMAB(8)
GMAB(9)
GMAB(10)
GMAB(11)
GDQMB#(1)
GMEM_QSA(5)
GMEM_QSA(3)
GMEM_QSA(1)
GMAB(0)
GMAB(1)
GMAB(2)
GMAB(3)
GM_MDA(44)
GM_MDA(45)
GM_MDA(46)
GM_MDA(47)
GDQMB#(4)
GDQMB#(5)
GDQMB#(2)
GM_MDA(14)
GM_MDA(15)
GM_MDA(40)
GM_MDA(41)
GM_MDA(42)
GM_MDA(43)
GM_MDA(8)
GM_MDA(9)
GM_MDA(10)
GM_MDA(11)
GM_MDA(12)
GM_MDA(13)
GM_MDB(42)
GM_MDB(43)
GM_MDB(44)
GM_MDB(45)
GM_MDB(46)
GM_MDB(47)
GM_MDB(12)
GM_MDB(13)
GM_MDB(14)
GM_MDB(15)
GM_MDB(40)
GM_MDB(41)
GM_MDB(22)
GM_MDB(23)
GM_MDB(8)
GM_MDB(9)
GM_MDB(10)
GM_MDB(11)
GM_MDB(16)
GM_MDB(17)
GM_MDB(18)
GM_MDB(19)
GM_MDB(20)
GM_MDB(21)
GM_MDA(52)
GM_MDA(53)
GM_MDA(54)
GM_MDA(48)
GM_MDA(49)
GM_MDA(50)
GM_MDA(34)
GM_MDA(35)
GM_MDA(36)
GM_MDA(37)
GM_MDA(38)
GM_MDA(39)
GM_MDA(51)
GM_MDA(55)
GM_MDA(21)
GM_MDA(22)
GM_MDA(23)
GMEM_QSA(6)
GDQMA#(6)
GDQMA#(4)
GM_MDA(32)
GM_MDA(33)
GM_MDA(7)
GM_MDA(20)
GM_MDA(17)
GM_MDA(18)
GM_MDA(19)
GM_MDA(16)
GM_MDA(31)
GM_MDA(4)
GM_MDA(1)
GM_MDA(0)
GM_MDA(3)
GM_MDA(6)
GM_MDA(5)
GM_MDA(2)
GM_MDA(24)
GM_MDA(25)
GM_MDA(26)
GM_MDA(27)
GM_MDA(28)
GM_MDA(29)
GM_MDA(30)
GM_MDB(51)
GM_MDB(52)
GM_MDB(53)
GM_MDB(54)
GM_MDB(55)
GM_MDB(36)
GM_MDB(37)
GM_MDB(38)
GM_MDB(39)
GM_MDB(48)
GM_MDB(49)
GM_MDB(50)
DDR_MAA(9)
GM_MDB(63:0)
GM_MDB(32)
GM_MDB(33)
GM_MDB(34)
GM_MDB(35)
GMDA(17)
GMDA(16)
GMDA(15)
GMDA(14)
GMDA(13)
GMDA(12)
GMDA(11)
GMDA(10)
GMDA(1)
GMDA(0)
GMDA(25)
GMDA(24)
GMDA(23)
GMDA(22)
GMDA(21)
GMDA(20)
GMDA(2)
GMDA(19)
GMDA(18)
GMDA(7)
GMDA(6)
GMDA(5)
GMDA(4)
GMDA(31)
GMDA(30)
GMDA(3)
GMDA(29)
GMDA(28)
GMDA(27)
GMDA(26)
DDR_MAA(8)
DDR_MAA(5)
DDR_MAA(2)
QSA3
QSA1
GMDA(9)
GMDA(8)
DDR_MAA(0)
DDR_MAA(1)
DDR_MAA(4)
DDR_MAA(6)
DDR_MAA(7)
DDR_MAA(11)
GMDA(32)
DDR_CKEA_R
DDR_CASA#_R
DDR_MAA(13)
DDR_MAA(12)
DDR_MAA(10)
DDR_MAA(3)
GMDA(49)
GMDA(48)
GMDA(47)
GMDA(46)
GMDA(45)
GMDA(44)
GMDA(43)
GMDA(42)
GMDA(33)
GMDA(58)
GMDA(57)
GMDA(56)
GMDA(55)
GMDA(54)
GMDA(53)
GMDA(52)
GMDA(34)
GMDA(51)
GMDA(50)
GMDA(39)
GMDA(38)
GMDA(37)
GMDA(36)
GMDA(63)
GMDA(62)
GMDA(35)
GMDA(61)
GMDA(60)
GMDA(59)
GDQMA#(5)_R
GDQMA#(6)_R
GDQMA#(7)_R
DDR_WEA#_R
DDR_RASA#_R
QSA7
QSA6
QSA5
QSA4
GMDA(41)
GMDA(40)
DDR_CLKA0#_R
DDR_CLKA1_R
DDR_CLKA1#_R
QSA0
QSA2
GDQMA#(0)_R
GDQMA#(1)_R
GDQMA#(2)_R
GDQMA#(3)_R
GDQMA#(4)_R
DDR_MAB(7)
DDR_MAB(8)
DDR_MAB(4)
DDR_MAB(6)
DDR_MAB(1)
GMDB(31)
DDR_CSA0#_R
DDR_CLKA0_R
DDR_MAB(10)
DDR_MAB(12)
DDR_MAB(9)
DDR_MAB(11)
DDR_MAB(13)
DDR_MAB(3)
DDR_MAB(0)
DDR_MAB(2)
DDR_MAB(5)
DDR_CKEB_R
DDR_CLKB0_R
GDQMB#(0)_R
GDQMB#(1)_R
GDQMB#(2)_R
GDQMB#(3)_R
DDR_WEB#_R
DDR_CASB#_R
DDR_RASB#_R
DDR_CSB0#_R
DDR_CLKB0#_R
GMDB(7)
GMDB(6)
GMDB(5)
GMDB(4)
GMDB(3)
GMDB(2)
GMDB(1)
GMDB(0)
QSB2
QSB1
QSB3
QSB0
GMDB(15)
GMDB(14)
GMDB(13)
GMDB(12)
GMDB(11)
GMDB(10)
GMDB(9)
GMDB(8)
GMDB(24)
GMDB(23)
GMDB(22)
GMDB(21)
GMDB(20)
GMDB(19)
GMDB(18)
GMDB(17)
GMDB(16)
GDQMB#(6)_R
GDQMB#(7)_R
DDR_CLKB1#_R
GMDB(30)
GMDB(29)
GMDB(28)
GMDB(27)
GMDB(26)
GMDB(25)
GMDB(34)
GMDB(33)
GMDB(32)
QSB4
QSB5
QSB7
QSB6
DDR_CLKB1_R
GDQMB#(4)_R
GDQMB#(5)_R
GMDB(43)
GMDB(42)
GMDB(41)
GMDB(40)
GMDB(39)
GMDB(38)
GMDB(37)
GMDB(36)
GMDB(35)
GMDB(51)
GMDB(50)
GMDB(49)
GMDB(48)
GMDB(47)
GMDB(46)
GMDB(45)
GMDB(44)
GMDB(59)
GMDB(58)
GMDB(57)
GMDB(56)
GMDB(55)
GMDB(54)
GMDB(53)
GMDB(52)
GMDA(63:0) GMDB(63:0)
DDR_MAA(13:0)
DDR_MAB(13:0)
GMDB(63)
GMDB(62)
GMDB(61)
GMDB(60)

MOMORY SECTION
SHEET OF
TITLE
SIZE CODE DOC. NUMBER REV
INVENTEC
PLACE IN
MOMORY SECTION
PLACE IN
TO THE MOMORY PLACE CLOSE
TO THE MOMORY
PLACE CLOSE
MODULES, RUBY1.0
CS
A3
6934
131MBD2600-0-0 D
MORRIS CHANG 23-Jul-2003
MODULES, RUBY1.0
CS
A3
6934
131MBD2600-0-0 D
MORRIS CHANG 23-Jul-2003
CHANGE by
12
33-,34-
33-,34-
33-
33-
33-,34-
33-
C967 0.1UF_16V
12
C969 0.1UF_16V
R888
1.18K_1%
1
2
+VRAM_VCC
33-,34-
33-
31-
C944
1
2
R889
1.24K_1%
1
2
12
33-,34- 33-,34-
+VRAM_VCC
+V2.5S +V2.5S
0.1UF_16V 0.1UF_16V
C898
1
2
33-
C926 0.1UF_16V
C55
10UF_K_6.3V
1
2
0.1UF_16VC924
12
22UF_6.3V
1
10UF_K_6.3V
C8181
2
33-
33-
33-
33-
C2279
C911 0.1UF_16V
12
0.1UF_16VC914
12
+V2.5S
+VRAM_VCC
33-
33-,34-
33-
33-
33-,34-
33-
C2278
22UF_6.3V
1
C910
12
2
33-
C909 0.1UF_16V
12
0.1UF_16V
2
C952 0.1UF_16V
12
C965 0.1UF_16V
1
33-
0.1UF_16VC972
1
33-
C968 0.1UF_16V
12
33-
33-,34-
0.1UF_16V
12
C964 0.1UF_16V
12
33-,34-
33-
33-
C971 0.1UF_16V
12
C962
150UF_4V_METAL
C2106 1
33-,34-
0.1UF_16V
12
33-,34-33-,34-
0.1UF_16V
12 C908 0.1UF_16V
12
C905
0.1UF_16V
12
0.1UF_16VC915
12
33-,34-
C963
12
C953 0.1UF_16V
12
C925
12
33-
0.1UF_16VC970
0.1UF_16V
12
31-
C906 0.1UF_16V
M3 NC
NC
M4
M13 MCL
N3 NC
RAS#
M2
N13 VREF
WE#
L3
C912
L12 NC
NC
L13
VDD L4
L5
VSS
L7
VDD L8
VDD
L9 RFU
RFU
M10
K4
VDDQ
K5
VSSQ
K6
VSS
VSS K7
VSS K8
K9
VSS
VSS L10
VDD L11
VDDQ J4
VSSQ J5
TH_GND
J6
J7 TH_GND
J8 TH_GND
TH_GND
J9
VSSQ K10
VDDQ K11
H4 NC
H5
VSSQ
H6 TH_GND
TH_GND
H7
TH_GND
H8
H9 TH_GND
J10
VSSQ
J11
VDDQ
VDDQ G4
G5
VSSQ
G6 TH_GND
TH_GND
G7
TH_GND
G8
G9 TH_GND VSSQ H10
NC
H11
F4
VDDQ
VSSQ F5
TH_GND
F6
F7 TH_GND
F8 TH_GND
TH_GND
F9
VSSQ G10
G11
VDDQ
VDD E4
E5
VSS
VSSQ E6
VSS E7
VSS E8
E9
VSSQ
F10
VSSQ
VDDQ F11
K13
K12
DQ9
B2 DQS0
DQS1
H13
H2 DQS2
DQS3
B13
E10
VSS
E11
VDD
E12
VDDQ
VDDQ E3
C13
DQ27
DQ28 B10
B9
DQ29
DQ3 B5
C9
DQ30
DQ31 B8
DQ4 C2
D3
DQ5 D2
DQ6
DQ7 E2
DQ8
DQ17 G3
DQ18
DQ19 G2
B6
DQ2
J3
DQ20
DQ21 J2
DQ22 K2
K3
DQ23
E13
DQ24
DQ25 D13
DQ26 D12
H3
B12 DM3
B7
DQ0
DQ1 C6
J13
DQ10
DQ11 J12
G13
DQ12
DQ13 G12
DQ14 F13
F12
DQ15
DQ16 F3
F2
VSSQ D4
D5
VSSQ
VSSQ D6
D7
VDD
VDD D8
D9
VSSQ
DM0
B3
H12 DM1
DM2
VDDQ C7
VDDQ
VDDQ C8
CAS#
L2
CKE
N12
M11 CLK
CLK#
M12
N2 CS#
D10
VSSQ
VSSQ D11
B4
VSSQ
BA0
N4
M5 BA1
C10
VDDQ
NC
C11
VDDQ C12
VDDQ C3
C4 NC
C5
M7 A11
A2
M6
N7 A3
N8 A4
M9 A5
N9 A6
A7
N10
N11 A8_AP
A9
M8
VSSQ B11
M13
N3 NC
M2 RAS#
N13 VREF
WE#
L3
SAM_K4D263238A_GC40_FBGA_144P
U27
N5 A0
A1
N6
A10
L6
L5
VSS
L7
VDD L8
VDD
L9 RFU
RFU
M10
M3 NC
NC
M4
MCL
K6
VSS
VSS K7
VSS K8
K9
VSS
VSS L10
VDD L11
L12 NC
NC
L13
VDD L4
J7 TH_GND
J8 TH_GND
TH_GND
J9
VSSQ K10
VDDQ K11
K4
VDDQ
K5
VSSQ
H6 TH_GND
TH_GND
H7
TH_GND
H8
H9 TH_GND
J10
VSSQ
J11
VDDQ
VDDQ J4
VSSQ J5
TH_GND
J6
G6 TH_GND
TH_GND
G7
TH_GND
G8
G9 TH_GND VSSQ H10
NC
H11
H4 NC
H5
VSSQ
F7 TH_GND
F8 TH_GND
TH_GND
F9
VSSQ G10
G11
VDDQ
VDDQ G4
G5
VSSQ
VSS E7
VSS E8
E9
VSSQ
F10
VSSQ
VDDQ F11
F4
VDDQ
VSSQ F5
TH_GND
F6
H2 DQS2
DQS3
B13
E10
VSS
E11
VDD
E12
VDDQ
VDDQ E3
VDD E4
E5
VSS
VSSQ E6
DQ3
C9
DQ30 B8
DQ31
DQ4 C2
D3
DQ5 D2
DQ6
DQ7 E2
DQ8 K13
K12
DQ9
B2 DQS0
DQS1
H13
B6
J3
DQ20 J2
DQ21
DQ22 K2
K3
DQ23
E13
DQ24
DQ25 D13
DQ26 D12
C13
DQ27
DQ28 B10
B9
DQ29
B5
J13
DQ10
DQ11 J12
G13
DQ12
DQ13 G12
DQ14 F13
F12
DQ15
DQ16 F3
F2
DQ17 G3
DQ18
DQ19 G2
DQ2
D7
VDD
VDD D8
D9
VSSQ
DM0
B3
H12 DM1
DM2
H3
B12 DM3
B7
DQ0
DQ1 C6
CAS#
CKE
N12
CLK
M11
CLK#
M12
N2 CS#
D10
VSSQ
VSSQ D11
VSSQ D4
D5
VSSQ
VSSQ D6
C10
VDDQ
NC
C11
VDDQ C12
VDDQ C3
C4 NC
C5
VDDQ C7
VDDQ
VDDQ C8
L2
N8
M9 A5
A6
N9 A7
N10
N11 A8_AP
A9
M8
VSSQ B11
B4
VSSQ
BA0
N4
M5 BA1
SAM_K4D263238A_GC40_FBGA_144P
U23
N5 A0
A1
N6
A10
L6
M7 A11
A2
M6
N7 A3
A4
R868
1.18K_1%
1
2
1.24K_1%
R869
1
2
POWERPAD_2
PAD2
POWERPAD_2
PAD3
+V1.8S
+VRAM_VCC
DDR_CSA0#_R
DDR_CSA1#_R DDR_CSA1#_R
33-
33-
DDR_CLKA0_R
DDR_CKEA_R
DDR_CSA0#_R
DDR_WEA#_R
DDR_CASA#_R
DDR_RASA#_R
DIMA_1
DDR_MAA(3)
DDR_MAA(10)
DDR_MAA(8)
DDR_MAA(11)
DDR_MAA(12)
DDR_MAA(13)
QSA2
QSA0
DDR_CLKA1#_R
DDR_CLKA1_R
DDR_CLKA0#_R
GDQMA#(1)_R
GDQMA#(0)_R
DDR_MAA(2)
DDR_MAA(5)
DDR_MAA(7)
DDR_MAA(9)
DDR_MAA(6)
DDR_MAA(4)
DDR_MAA(1)
DDR_MAA(0)
DDR_RASA#_R
DDR_WEA#_R
DDR_MAA(13:0) GMDA(31:0)
DDR_MAA(13:0) GMDA(63:32)
GDQMA#(7)_R
GDQMA#(6)_R
GDQMA#(5)_R
GDQMA#(4)_R
GDQMA#(3)_R
GDQMA#(2)_R
GMDA(62)
GMDA(63)
GMDA(36)
GMDA(37)
GMDA(38)
GMDA(39)
GMDA(40)
GMDA(41)
QSA4
QSA5
QSA6
QSA7
GMDA(34)
GMDA(52)
GMDA(53)
GMDA(54)
GMDA(55)
GMDA(56)
GMDA(57)
GMDA(58)
GMDA(59)
GMDA(60)
GMDA(61)
GMDA(35)
GMDA(33)
GMDA(42)
GMDA(43)
GMDA(44)
GMDA(45)
GMDA(46)
GMDA(47)
GMDA(48)
GMDA(49)
GMDA(50)
GMDA(51)
DDR_MAA(5)
DDR_MAA(8)
DDR_MAA(11)
DDR_MAA(7)
DDR_MAA(6)
DDR_MAA(4)
DDR_MAA(1)
DDR_MAA(0)
DDR_MAA(3)
DDR_MAA(10)
DDR_MAA(12)
DDR_MAA(13)
DDR_CASA#_R
DDR_CKEA_R
GMDA(32)
GMDA(3)
GMDA(30)
GMDA(31)
GMDA(4)
GMDA(5)
GMDA(6)
GMDA(7)
GMDA(8)
GMDA(9)
QSA1
QSA3
DIMA_0
DDR_MAA(2)
GMDA(19)
GMDA(2)
GMDA(20)
GMDA(21)
GMDA(22)
GMDA(23)
GMDA(24)
GMDA(25)
GMDA(26)
GMDA(27)
GMDA(28)
GMDA(29)
DDR_MAA(9)
GMDA(0)
GMDA(1)
GMDA(10)
GMDA(11)
GMDA(12)
GMDA(13)
GMDA(14)
GMDA(15)
GMDA(16)
GMDA(17)
GMDA(18)

PLACE CLOSE PLACE CLOSE
PLACE IN
MOMORY SECTION
PLACE IN
MOMORY SECTION
TO THE MOMORY
TO THE MOMORY
CHANGE by SHEET OF
TITLE
SIZE CODE DOC. NUMBER REV
INVENTEC
33-
33-,35-
33-
VIDEO RAM-2
MODULES, RUBY1.0
CS
A3
6935
131MBD2600-0-0 D
MORRIS CHANG 23-Jul-2003
2
33-
33-,35-
33-
R131
1.24K_1%
1
2
C721
10UF_K_6.3V
1
12
33-,35-
33-
12
C880 0.1UF_16V
12
0.1UF_16VC876
0.1UF_16V
12
33-
C878 0.1UF_16V
12
0.1UF_16VC882
10UF_K_6.3V
C181
2
33-,35-
C889
C871 0.1UF_16V
12
33-
33-
33-,35-
22UF_6.3V
1
C2280
22UF_6.3V
1
33-
33-,35-
C884 0.1UF_16V
12
C2281
+V2.5S
33-,35-
33-,35-
33-
12
C868 0.1UF_16V
12
+V2.5S
12
31-
33-
33-
0.1UF_16VC883
33-
33-
0.1UF_16VC872
12
C886 0.1UF_16V
+VRAM_VCC
33-,35-
33-,35-
0.1UF_16VC870
12
R130
1.18K_1%
1
2
+VRAM_VCC
VREF
WE#
L3
0.1UF_16VC890
12
33-,35-
33-
31-
33-,35-
L8
VDD
L9 RFU
RFU
M10
M3 NC
NC
M4
MCL
M13
N3 NC
RAS#
M2
N13
K9
VSS
VSS L10
VDD L11
L12 NC
NC
L13
VDD L4
L5
VSS
L7
VDD
TH_GND
J9
VSSQ K10
VDDQ K11
K4
VDDQ
K5
VSSQ
K6
VSS
VSS K7
VSS K8
H9 TH_GND
J10
VSSQ
J11
VDDQ
VDDQ J4
VSSQ J5
TH_GND
J6
J7 TH_GND
J8 TH_GND
G9 TH_GND VSSQ H10
NC
H11
H4 NC
H5
VSSQ
H6 TH_GND
TH_GND
H7
TH_GND
H8
TH_GND
F9
VSSQ G10
G11
VDDQ
VDDQ G4
G5
VSSQ
G6 TH_GND
TH_GND
G7
TH_GND
G8
E9
VSSQ
F10
VSSQ
VDDQ F11
F4
VDDQ
VSSQ F5
TH_GND
F6
F7 TH_GND
F8 TH_GND
E11
VDD
E12
VDDQ
VDDQ E3
VDD E4
E5
VSS
VSSQ E6
VSS E7
VSS E8
C2
D3
DQ5 D2
DQ6
DQ7 E2
DQ8 K13
K12
DQ9
B2 DQS0
DQS1
H13
H2 DQS2
DQS3
B13
E10
VSS
K3
DQ23 E13
DQ24
DQ25 D13
DQ26 D12
C13
DQ27
DQ28 B10
B9
DQ29
B5
DQ3
C9
DQ30
DQ31 B8
DQ4
G12
DQ14 F13
F12
DQ15
DQ16 F3
F2
DQ17 G3
DQ18
DQ19 G2
DQ2 B6
J3
DQ20
DQ21 J2
DQ22 K2
D9
VSSQ
DM0
B3
H12 DM1
DM2
H3
B12 DM3
B7
DQ0
DQ1 C6
J13
DQ10
DQ11 J12
G13
DQ12
DQ13
M12
N2 CS#
D10
VSSQ
VSSQ D11
VSSQ D4
D5
VSSQ
VSSQ D6
D7
VDD
VDD D8
VDDQ C3
C4 NC
C5
VDDQ C7
VDDQ
VDDQ C8
L2 CAS#
CKE
N12
M11 CLK
CLK#
N10
N11 A8_AP
A9
M8
VSSQ B11
B4
VSSQ
BA0
N4
M5 BA1
C10
VDDQ
NC
C11
VDDQ C12
N5 A0
A1
N6
A10
L6
M7 A11
A2
M6
N7 A3
A4
N8
M9 A5
N9 A6
A7
M3 NC
NC
M4
MCL
M13
N3 NC
RAS#
M2
N13 VREF
WE#
L3
U14
SAM_K4D263238A_GC40_FBGA_144P
L12 NC
NC
L13
VDD L4
L5
VSS
L7
VDD L8
VDD
L9 RFU
RFU
M10
K4
VDDQ
K5
VSSQ
K6
VSS
VSS K7
VSS K8
K9
VSS
VSS L10
VDD L11
J11
VDDQ
VDDQ J4
VSSQ J5
TH_GND
J6
J7 TH_GND
J8 TH_GND
TH_GND
J9
VSSQ K10
VDDQ K11
H4 NC
H5
VSSQ
H6 TH_GND
TH_GND
H7
TH_GND
H8
H9 TH_GND
J10
VSSQ
G11
VDDQ
VDDQ G4
G5
VSSQ
G6 TH_GND
TH_GND
G7
TH_GND
G8
G9 TH_GND VSSQ H10
NC
H11
F4
VDDQ
VSSQ F5
TH_GND
F6
F7 TH_GND
F8 TH_GND
TH_GND
F9
VSSQ G10
VDD E4
E5
VSS
VSSQ E6
VSS E7
VSS E8
E9
VSSQ
F10
VSSQ
VDDQ F11
DQ8 K13
K12
DQ9
B2 DQS0
DQS1
H13
H2 DQS2
DQS3
B13
E10
VSS
E11
VDD
E12
VDDQ
VDDQ E3
D12
C13
DQ27
DQ28 B10
B9
DQ29
B5
DQ3
C9
DQ30
DQ31 B8
DQ4 C2
D3
DQ5 D2
DQ6
DQ7 E2
F3
F2
DQ17 G3
DQ18
DQ19 G2
DQ2 B6
J3
DQ20
DQ21 J2
DQ22 K2
K3
DQ23 E13
DQ24
DQ25 D13
DQ26
DM2
H3
B12 DM3
B7
DQ0
DQ1 C6
J13
DQ10
DQ11 J12
G13
DQ12
DQ13 G12
DQ14 F13
F12
DQ15
DQ16
VSSQ D4
D5
VSSQ
VSSQ D6
D7
VDD
VDD D8
D9
VSSQ
DM0
B3
H12 DM1
C5
VDDQ C7
VDDQ
VDDQ C8
L2 CAS#
CKE
N12
M11 CLK
CLK#
M12
N2 CS#
D10
VSSQ
VSSQ D11
B4
VSSQ
BA0
N4
M5 BA1
C10
VDDQ
NC
C11
VDDQ C12
VDDQ C3
C4 NC
L6
M7 A11
A2
M6
N7 A3
A4
N8
M9 A5
N9 A6
A7
N10
N11 A8_AP
A9
M8
VSSQ B11
12
33-
U15
SAM_K4D263238A_GC40_FBGA_144P
N5 A0
A1
N6
A10
1.18K_1%
R122
1
2
33-,35-
C888 0.1UF_16V
12
33-
33-
12
C875 0.1UF_16V
12
0.1UF_16VC885
C879 0.1UF_16V
12
33-,35-
0.1UF_16VC877
0.1UF_16VC881
12
0.1UF_16VC887
12
12
C450
0.1UF_16V
1
2
+VRAM_VCC
33-
33-
C892 0.1UF_16V
12
0.1UF_16VC893
33-
C873 0.1UF_16V
12
33-
+VRAM_VCC
0.1UF_16VC869
12
2
1.24K_1%
R123
1
2
DDR_CSB1#_R DDR_CSB1#_R
0.1UF_16V
C416
1
GMDB(58)
GMDB(59)
GMDB(60)
GMDB(61)
GMDB(62)
GMDB(63)
DIMB_0 DIMB_1
GMDB(47)
GMDB(48)
GMDB(49)
GMDB(50)
GMDB(51)
GMDB(52)
GMDB(53)
GMDB(54)
GMDB(55)
GMDB(56)
GMDB(57)
GMDB(36)
GMDB(37)
GMDB(38)
GMDB(39)
GMDB(40)
GMDB(41)
GMDB(42)
GMDB(43)
GMDB(44)
GMDB(45)
GMDB(46)
GDQMB#(4)_R
DDR_CLKB1_R
DDR_CKEB_R
QSB6
QSB7
QSB5
QSB4
GMDB(63:32)
GMDB(32)
GMDB(33)
GMDB(34)
GMDB(35)
DDR_MAB(3)
DDR_MAB(13)
DDR_MAB(11)
DDR_MAB(9)
DDR_MAB(12)
DDR_MAB(10)
DDR_CLKB1#_R
DDR_CSB0#_R
DDR_RASB#_R
DDR_CASB#_R
DDR_WEB#_R
GDQMB#(7)_R
GDQMB#(6)_R
GDQMB#(5)_R
GMDB(27)
GMDB(28)
GMDB(29)
GMDB(30)
DDR_MAB(13:0)
DDR_MAB(1)
DDR_MAB(6)
DDR_MAB(4)
DDR_MAB(8)
DDR_MAB(7)
DDR_MAB(5)
DDR_MAB(2)
DDR_MAB(0)
GMDB(16)
GMDB(17)
GMDB(18)
GMDB(19)
GMDB(20)
GMDB(21)
GMDB(22)
GMDB(23)
GMDB(24)
GMDB(25)
GMDB(26)
GMDB(5)
GMDB(6)
GMDB(7)
GMDB(8)
GMDB(9)
GMDB(10)
GMDB(11)
GMDB(12)
GMDB(13)
GMDB(14)
GMDB(15)
GDQMB#(2)_R
GDQMB#(1)_R
GDQMB#(0)_R
DDR_CLKB0_R
DDR_CKEB_R
QSB0
QSB3
QSB1
QSB2
GMDB(31:0)
GMDB(0)
GMDB(1)
GMDB(2)
GMDB(3)
GMDB(4)
DDR_MAB(0)
DDR_MAB(3)
DDR_MAB(13)
DDR_MAB(11)
DDR_MAB(9)
DDR_MAB(12)
DDR_MAB(10)
DDR_CLKB0#_R
DDR_CSB0#_R
DDR_RASB#_R
DDR_CASB#_R
DDR_WEB#_R
GDQMB#(3)_R
GMDB(31)
DDR_MAB(13:0)
DDR_MAB(1)
DDR_MAB(6)
DDR_MAB(4)
DDR_MAB(8)
DDR_MAB(7)
DDR_MAB(5)
DDR_MAB(2)

CHANGE by SHEET OF
TITLE
SIZE CODE DOC. NUMBER REV
INVENTEC
C3016
1
2
CRT& SVEDIO CONN
MODULES, RUBY1.0
CS
A3
6936
131MBD2600-0-0 D
MORRIS CHANG 23-Jul-2003
SVIDEO CN
61-
+V3
61-,30-
C3015
OPEN
1
2
OPEN
VCC4 1
3VIDEO1
VIDEO2
4
VIDEO3
5
10UF_10V
C22821
2
61-
61-
19
SYNC_IN1
SYNC_IN2
21
20
SYNC_OUT1
SYNC_OUT2
22
TERM1
8
9TERM2
10 TERM3
13
VBIAS
2
VCC1
VCC2 12
VCC3 14
CMD_VGA200_QSOP_24P
U2262
AGND
7
16
DDC_IN1
DDC_IN2
17 15
DDC_OUT1
DDC_OUT2
18
6DGND
11
PWRUP
SD1 23
24
SD2
82PF
C1418
1
2
1
2
61-
C3017
OPEN
1
2
USBVCC1
12
R2335
0
12
C2265
0.1UF_16V
1N4148D1
21
61-
126_VCC
126_VCC
R2334
0
R27
75_1%
1
2
R2333
0
12
10K_5%
R183
1
2
10K_5%
R336
1
2
1
2
C1417
82PF
1
2
1
2
0.1UF_16V
C216
1
2
C1415
82PF
1
61-
61-
LS_1MH_1.8U
L2
12
0.1UF_16V
C2264
2
3
1
+V3S
D803BAV99
2
3
R310
1
2
USBVCC1
BAV99 D3
L1
LS_1MH_1.8U
12
82PF
C1416
1
2
75_1%
1
2
30-
30-
61-,30-
2
R2296
2.2K_5%
1
2
30-
30- USBVCC1
C2263
0.1UF_16V
GND
2GND 5
G
G6
C
4
3Y
R2295
2.2K_5%
1
5
66
7
7
8
8
99
USBVCC1
CN805
SYN_33001A_04T1_01
1
13
14 14
15
15
16
G17
G
22
3
3
4
4
5
SYN_7846S_15G2T_08
CN800
1
1
10 10
11 11
12
12
13
DDCDATA
DDCCLK
VGA_R
VGA_G
VGA_B
DOCK_DDCCLK
DOCK_DDCDATA
DOCK_HSYNC
VSYNC
DOCK_VSYNC
CHROMA_C
LUMA_Y
HSYNC

DOC. NUMBER REV
INVENTEC
(20/5) (20/5)
(20/5)
LCD CONN
MODULES, RUBY1.0
CS
A3
6937
131MBD2600-0-0 D
MORRIS CHANG 23-Jul-2003
Place as passible as close to connector
CHANGE by SHEET OF
TITLE
SIZE CODE
66
7
78
8
99
29-
29-
29-
30-
37 37
38 38
39
39
4
4
40
40
G41
G42
55
3
30 30
31 31
32
32
33 33
34 34
35
35 36
36
22 23
23 24
24
25 25
26 26
27
27 28
28
29 29
3
15 16
16
17 17
18 18
19
19
2
2
20
20 21
21 22
CN7
1
1
10 10
11 11
12 12
13 13
14 14
15
C5
100UF_10V
1
29-
29-
29-
+V3
+V3S
IPEX_20265_040E
R848
47K_5%
1
2
29-
29-
+V3
C335
0.1UF_16V
1
2
L13 BLM41P800S
12
2
29-
100_5%
R847
12
29-
12
29-
29-
29-
R78
100_5%
1
4.7K_5%
1
2
R57
0_5%
1
2
C280 0.1UF_16V
R846
OPEN
12
29-
29-
29-
29-
R59
6
5
10UF_K_6.3V
C810
1
2
29-
29-
29-
29-
RS800
OPEN
4
3
2
18
7
1000PF_0402
1
2
C866
0.01UF_16V
1
2
29-
NDC7002N
Q10
D1 6
4
D2
G1
1
3G2
5
S1
S2 2
C864
D
1
2
3
6
7
G
4
8
S
5
+V5S
C336
1
2
R88
100_5%
12
Q825
FDR840P
1
2
C279
0.1UF_16V
1
2
29-
0.1UF_16V
DIGON
30-
4.7K_5%
R58
LCM_DDCCLK
LCM_ID4
BLON
INV_PWM_3
TXOUTL2-
TXOUTL2+
TXCLKOUTL-
TXOUTL1-
LCM_DDCDATA
TXCLKOUTL+
TXOUTU1-
TXOUTU2+
TXCLKOUTU+
TXCLKOUTU-
TXOUTL0+
TXOUTL0-
TXOUTL1+
LCM_ID3
LCM_ID0
LCM_ID1
LCM_ID2
TXOUTU0+
TXOUTU0-
TXOUTU1+
TXOUTU2-

PCI
I/F
CPU I/F
HUBLINK
I/F
Interrupt
I/F
EEPROM
I/F
LAN
I/F
System
Management
I/F
CHANGE by SHEET OF
TITLE
SIZE CODE DOC. NUMBER REV
INVENTEC
38-
23-Jul-2003MORRIS CHANG
D131MBD2600-0-0
38 69
A3 CS
MODULES, RUBY1.0
ICH4-1
LAYOUT NOTES : R1749, R222 , C179 , C158 CLOSE TO ICH4
HUB_VREF_ICH
R155
2.2K_1%
12
53-,51-,38-
65-,38-
38-
53-,51-,38-
38-
41-
100K_5%
R65
12
65-,38-
38-
59-,38-
10K_5%
R146
1
2
55-,38-
38-
+V3S
62-,58-,55-,44-,42-,41-
41-,38-
10K_5%
R71
12
0_5%
R136
1
2
2
41-
C333
0.01UF_16V
1
2
+V3A+V3S
TP125
20-,38-
38-
59-,38-
38-
16-
R99
36.5_1%
1
2
5
6
R167
10K_5%
1
2
+V3S
55-,38-
38-
R2346
8.2K_1%
12
17-
U19
FAIR_NC7WZ17_SC70_6P
1
SST3904
Q52
2
B
3
C
E
1
R2344
8.2K_1%
12
8.2K_1%
R2341
12
8.2K_1%
R2342
12
+VS_HUBVSWING
G
S
1
10K_5%
R85
1
2
65-,59-,58-,55-,38-
55-,38-
65-,59-,58-,55-,38-
65-,59-,58-,55-,38-
58-,38-
59-,38-
2N7002
Q15
3
D
2
8
9
+V5S
R92
1K_1%
1
2
38-
38-
RS31
8.2K
110
2
3
4
56
7
2
+V3S
5-,38-
65-,59-,58-,55-
21-,17-
R906
56_5%
1
2
55-,38-
+V3S
65-,59-,58-,55-,38-
R84
33_5%
1
2
65-,59-,58-,55-,38-
SST3904
Q54
B
2
C
3
1
E
62-,55-,44-,41-,38-
16-
29-,38-
150_1%
R113
1
2
+V1.8S
R121
10K_5%
1
58-,38-
65-,59-,58-,55-,38-
58-,38-
21-
150_1%
R112
1
2
2
+VCCP
16-
+V3S +V3S
20-,38-
65-,59-,58-,55-,38-
52-,38-
58-,38-
+V3S
G
2
1
S
8.2K_1%
R2343
12
R2345
8.2K_1%
1
2
8.2K_1%
R2340
12
29-,38-
Q7
2N7002
D
3
55-,38-
55-,38-
62-,55-,44-,41-,38-
5-,38-
65-,59-,58-,55-,38-
38-
R76
33_5%
1
12
16-
16-
65-,59-,58-,55-,38-
65-,59-,58-,55-,38-
26-,25-,20-,15-
21-
26-,25-,20-,15-,38-
65-,59-,58-,55-,38-
2.2K_1%
R74
12
R80
2.2K_1%
C346
0.01UF_16V
1
2
C367
0.01UF_16V
1
2
R77
10K_5%
1
2
65-,59-,58-,55-,38-
15-
41-,38-
R402
10K_5%
12
59-
26-,25-,20-,15-,38-
+V1.8S
65-,59-,58-,55-,41-,38-
+V3S
12
65-,38-
+V3S
38-
2.2K_1%
R154
12
150_1%
1
2
R362
1.3K_1%
1
2
R356
330_5%
38-
55-,38-
52-,38-
17-
+VS_HUBREF
R98
4
0.1UF_16V
C253
1
2
58-,38-
+V3A
55-,38-
16-,5-
21-
55-,38-
+V_RTC
65-,59-,58-,55-,38-
U19
FAIR_NC7WZ17_SC70_6P
3
2
5
15-
R135 10K_5%
1
2
65-,59-,51-,29-,21-
+V3S
150_1%
R106
1
2
38-
38-
59-,38-
65-,59-,58-,55-,38-
16-
PCI_RST#
U5
K5 PCI_SERR#
F3 PCI_STOP#
PCI_TRDY#
F2
SMB_CLK AC4
AB4
SMB_DATA
SMLINK0 AC3
SMLINK1 AB1
W6
SM_INTRUDER#
38-
PCI_GNT#4
D6
L5 PCI_IRDY#
M2 PCI_LOCK#
PCI_PAR
G1 PCI_PERR#
L4
PCI_PME#
W2
PCI_REQ#0
B1
A2 PCI_REQ#1
PCI_REQ#2
B3
C7 PCI_REQ#3
B6 PCI_REQ#4
H4 PCI_AD6
PCI_AD7
J5 PCI_AD8
K2
G2 PCI_AD9
PCI_CLK
P5
M3 PCI_DEVSEL#
F1 PCI_FRAME#
C1 PCI_GNT#0
E6 PCI_GNT#1
PCI_GNT#2
A7
B7 PCI_GNT#3
PCI_AD24
PCI_AD25
P1 PCI_AD26
E1
P2 PCI_AD27
PCI_AD28
D3
R1 PCI_AD29
K1 PCI_AD3
D2 PCI_AD30
PCI_AD31
P4
PCI_AD4
G5
J4 PCI_AD5
F5 PCI_AD15
PCI_AD16
F4
N1 PCI_AD17
E5 PCI_AD18
PCI_AD19
N2
PCI_AD2
H3
E3 PCI_AD20
PCI_AD21
N3 PCI_AD22
E4
M5 PCI_AD23
E2
LAN_TXD2 A12
PCI_C/BE#2
M4 PCI_C/BE#3
N4
H5 PCI_AD0
PCI_AD1
J3
L1 PCI_AD10
PCI_AD11
G4
L2 PCI_AD12
PCI_AD13
H2
PCI_AD14
L3
PCI_C/BE#0
J2 PCI_C/BE#1
K4
C11
LAN_JCLK
LAN_RST# Y5
B11
LAN_RSTSYNC
LAN_RXD0 A10
A9
LAN_RXD1 A11
LAN_RXD2
LAN_TXD0 B10
LAN_TXD1 C10
R22
HUB_VSWING
INT_APICCLK J19
H19
INT_APICD0 K20
INT_APICD1
INT_IRQ14 AC13
AA19
INT_IRQ15
D5
INT_PIRQA#
INT_PIRQB# C2
INT_PIRQC# B4
INT_PIRQD# A3
INT_SERIRQ J22
HUB_PD3
HUB_PD4 P19
HUB_PD5 R19
T20
HUB_PD6 R20
HUB_PD7
HUB_PD8 P23
HUB_PD9 L22
HUB_PSTRB P21
N20
HUB_PSTRB#
R23
HUB_RCOMP
HUB_VREF M23
D10
EER_CS D11
EER_DIN
EER_DOUT A8
C12
EER_SHCLK
T21
HUB_CLK
L19
HUB_PD0
HUB_PD1 L20
N22
HUB_PD10
HUB_PD11 K21
M19
HUB_PD2 M21
V22
CPU_INIT#
CPU_INTR AB22
V21
CPU_NMI Y23
CPU_PWRGOOD U22
CPU_RCIN#
CPU_SLP# U21
W23
CPU_SMI#
CPU_STPCLK# V23
INT_PIRQF#/GPIO3 D7
PCI_GPIO16/GNTA#
E8
INT_PIRQG#/GPIO4 C3
INT_PIRQH#/GPIO5 C4
PCI_GPIO17/GNTB#/GNT5#
C5
INT_PIRQE#/GPIO2 C8
Y22
CPU_A20GATE
CPU_A20M# AB23
CPU_DPSLP# U23
AA21
CPU_FERR#
CPU_IGNNE# W21
65-,38-
65-,38-
ITL_ICH4_M_BGA_421P
U22
PCI_GPIO1/REQB#/REQ5#
A6
SMB_ALERT#/GPIO11 AA5
PCI_GPIO0/REQA#
B5
10
1
4
2
56
9
7
8
+V3A
38-
65-,59-,58-,55-,41-,38-
+V3S
+V3S
58-,38-
8.2K
RS21
3
7
8
9
26-,25-,20-,15-
16-
56_5%
R70
12
8.2K
RS56
110
2
3
4
56
1
2
55-,38-
59-,65-,55-,58-
58-,55-,65-,59-
38-
PCI_RESET2#_3
PIRQH#_3
SERIRQ_3
IRQ15_3
PIRQG#_3
IRQ14_3
65-,38-
42-
R363
330_5%
DMA_GNTB#_3
PIRQH#_3
PIRQG#_3
RUNSCI0#_3
STBY_SWIN#_3
THERM_SCI#
PCI_PME#_3
HUB_PD(1)
PCI_RESET1#_3
H_INIT#
H_IGNNE#
H_DPSLP#
H_A20M#
A20GATE_3
PIRQE#_3
H_STPCLK#
H_SMI#
H_CPUSLP#
KBCPURST#_3
H_PWRGD
H_NMI
H_INTR
HUB_PD(5)
HUB_PD(4)
HUB_PD(3)
HUB_PD(2)
HUB_PD(10)
HUB_PD(0)
CLK_ICHHUB
DMA_GNTA#_3
PIRQF#_3
HUB_PSTRB#
HUB_PSTRB
HUB_PD(9)
HUB_PD(8)
HUB_PD(7)
HUB_PD(6)
PCI_CBE#(1)
PCI_CBE#(0)
SERIRQ_3
PIRQD#_3
PIRQC#_3
PIRQB#_3
PIRQA#_3
IRQ15_3
IRQ14_3
PCI_AD(13)
PCI_AD(12)
PCI_AD(11)
PCI_AD(10)
PCI_AD(1)
PCI_AD(0)
PCI_CBE#(3)
PCI_CBE#(2)
PCI_AD(20)
PCI_AD(2)
PCI_AD(19)
PCI_AD(18)
PCI_AD(17)
PCI_AD(16)
PCI_AD(15)
PCI_AD(14)
PCI_AD(28)
PCI_AD(27)
PCI_AD(26)
PCI_AD(25)
PCI_AD(24)
PCI_AD(23)
PCI_AD(22)
PCI_AD(21)
PCI_AD(7)
PCI_AD(6)
PCI_AD(5)
PCI_AD(4)
PCI_AD(31)
PCI_AD(30)
PCI_AD(3)
PCI_AD(29)
GNT4#_3
1394PCIGNT3#_3
CBGNT2#_3
NICGNT1#_3
MPCIGNT0#_3
PCI_FRAME#_3
PCI_DEVSEL#_3
CLK_ICHPCI_3R
PCI_AD(9)
PCI_AD(8)
REQ4#_3
1394REQ3#_3
CBREQ2#_3
NICREQ1#_3
MPCIREQ0#_3
PCI_PME#_3 PCI_PERR#_3
PCI_PAR_3
PCI_LOCK#_3
PCI_IRDY#_3
ALERT_DAT_3
ICH_SMDAT_3
ICH_SMCLK_3
RUNSCI0#_3
INTRUDER#_3
STBY_SWIN#_3
INTRUDER#_3
ALERT_DAT_3
ALERT_CLK_3
PCI_TRDY#_3
PCI_STOP#_3
PCI_SERR#_3
PCI_LOCK#_3
PCI_PERR#_3
PCI_DEVSEL#_3
PCI_SERR#_3 MPCIGNT0#_3
NICGNT1#_3
CBGNT2#_3
GNT4#_3 1394PCIGNT3#_3
DMA_GNTB#_3
DMA_GNTA#_3
THERM_SCI#
MPCIREQ0#_3
NICREQ1#_3
CBREQ2#_3
REQ4#_3 PIRQD#_3
PIRQC#_3
PIRQB#_3
PIRQA#_3 1394REQ3#_3 PIRQF#_3 ALERT_CLK_3
FWH_INIT#_3
PCI_FRAME#_3
PCI_IRDY#_3
PCI_TRDY#_3
PCI_STOP#_3
PCI_AD(31:0)
HUB_PD(10:0)
PCI_CBE#(3:0)
ICH_SMCLK_3
ICH_SMDAT_3
H_FERR_S#

LPC
I/F
IDE
I/F
AC’97
I/F
USB
I/F
Misc
Clocks
Unmuxed
GPIO
Power
Management
IST
GPIO
TBD
TBD
TBD
04
VMEM_CFG(3:0)-Memory type
00
04h
07h
11
Eh
SIZE
15
TBD
TBD
GPIO[34:36,42]]
05
02 10
08
Infineon 128MB
Fh
Infineon 64MB
09
13
01h
GPIO[34:36,42]
06 06h
Samsung 128MB
03
Ch
01
12
08h
Bh
Ah
14
OF
TITLE
02h
CHANGE by SHEET
TBD
RTC CIRCUITRY
D131MBD2600-0-0
39 69
A3 CS
MODULES, RUBY1.0
ICH4-2
05h
Hynix 64MB
Hynix 128MB
CODE DOC. NUMBER REV
INVENTEC
TBD
07
03h
VMEM_CFG(3:0)-Memory type
09h
Samsung 64MB
TBD
TBD
RTC_BATT
TBD00h
Dh
23
G4
G
+V3A
23-Jul-2003MORRIS CHANG
D9
BAT54
13
52-
JST_BM2B_SRSS
CN6
1
1
2
W19
Y20 PM_CPUPERF#/GPIO22
Y21 PM_STPPCI#/GPIO18
47-
R83 OPEN
12
C20 USB_PP0
A21 USB_PP1
USB_PP2
C18 USB_PP3
A19
C16 USB_PP4
USB_PP5
A17
A23 USB_RBIAS
USB_RBIAS#
B23
PM_VGATE/VRMPWRGD
V19
W18 PM_SLP_S1#/GPIO19
PM_STPCPU#/GPIO20
C14 USB_OC2#
A15
B14 USB_OC3#
USB_OC4#
A14 USB_OC5#
D14
USB_PN0#
D20 USB_PN1#
B21
D18 USB_PN2#
B19 USB_PN3#
USB_PN4#
D16
B17 USB_PN5#
AB3 PM_SUS_STAT#_LPCPD#
Y3 PM_SYSRST#
PM_THRM#
V1
PM_AGPBUSY#/GPIO6
R2
RTCRST# W7
SPKR H23
T3 PM_C3_STAT#/GPIO21
W20
THRMTRIP#
B15 USB_OC0#
USB_OC1#
LPC_FRAME#
T5
AB2 PM_BATLOW#
PM_DPRSLPVR
V20 PM_PWRBTN#
AA1
AB6 PM_PWROK
Y1 PM_RI#
PM_RSMRST#
AA6
Y4 PM_SLP_S3#
PM_SLP_S4#
Y2 PM_SLP_S5#
AA2
PM_SUS_CLK
AA4
AA18
IDE_SDIOW#
IDE_SIORDY AC19
J20 GPIO32
PM_GMUXSEL/GPIO23
J21
LPC_AD0
T2
R4 LPC_AD1
LPC_AD2
T4
U2 LPC_AD3
LPC_DRQ0#
U3
U4 LPC_DRQ1#
W16
AC16
IDE_SDD3 W15
IDE_SDD4
IDE_SDD5 AB15
IDE_SDD6 W14
AA14
IDE_SDD7 Y14
IDE_SDD8
IDE_SDD9 AC15
AB19
IDE_SDDACK#
IDE_SDDREQ AB18
IDE_SDIOR# Y18
IDE_SDA2
IDE_SDCS1# AB21
AC22
IDE_SDCS3#
W17
IDE_SDD0
IDE_SDD1 AB17
AA15
IDE_SDD10
IDE_SDD11 Y15
IDE_SDD12 AB16
Y16
IDE_SDD13 AA17
IDE_SDD14
IDE_SDD15 Y17
IDE_SDD2
IDE_PDD7 AA8
IDE_PDD8 AB9
Y9
IDE_PDD9
IDE_PDDACK# Y12
IDE_PDDREQ AA11
AC12
IDE_PDIOR#
IDE_PDIOW# W12
AB12
IDE_PIORDY
IDE_SDA0 AA20
AC20
IDE_SDA1 AC21
IDE_PDD10
IDE_PDD11 W9
IDE_PDD12 AB10
W10
IDE_PDD13
IDE_PDD14 W11
Y11
IDE_PDD15
Y10
IDE_PDD2
IDE_PDD3 AA10
IDE_PDD4 AA7
AB8
IDE_PDD5 Y8
IDE_PDD6
GPIO37
H21 GPIO41
H22 GPIO39
AA13
IDE_PDA0
IDE_PDA1 AB13
IDE_PDA2 W13
Y13
IDE_PDCS1# AB14
IDE_PDCS3#
AB11
IDE_PDD0
IDE_PDD1 AC11
AC9
GPIO35
G22 GPIO33
G23 GPIO40
V5
GPIO_12 W3
GPIO_13
GPIO_25 V2
W1
GPIO_27
GPIO_28 W4
GPIO_7 R3
V4
GPIO_8
H20 CLK_RTCX1 AC7
CLK_RTCX2 AC6
Y6
CLK_VBIAS
E23 GPIO43
F20 GPIO34
F21 GPIO36
F22 GPIO42
F23 GPIO38
G20
PM_CLKRUN#/GPIO24
AC2
AC_BITCLK
B8 AC_RST#
C13
D13 AC_SDATAIN0
A13 AC_SDATAIN1
AC_SDATAIN2
B13 AC_SDATAOUT
D9
C9 AC_SYNC
J23
CLK_14 F19
CLK_48
R901
1
2
11-
52-
19-,16-
50-,47-
U22
ITL_ICH4_M_BGA_421P
44-
R166 10K_5%
12
53-,51-
56_5%
53-
RTCBAT
49-,47-,41-,13-,8-
10K_5%
R1010
12
15-
41-
1PF_50VC675
12
52-
64-
10K_5%
12
53-,51-
+V3A
52-
47-
12
10K_5%
R164
12
13-
62-,44-,41-,30-
R165
1PF_50V
12
52-
52-
53-,51-
41-
R53
0_5%
12 C676
0.047UF_16V 1
2
53-,51-
C688
2
1K_5%
R47
12
44-
50-,47-
R138
8.2K_5%
52-
8.2K_5% R127
12
R827
10M_5% 1
1
2
R207
OPEN
1
2
61-
R125 8.2K_5%
12
42-
63-
10K_5%
R86
65-,62-,59-,58-,55-,44-,41-
63-
62-,44-,42-,41-
50-,47-
+V3S
41-
+VCCP
8.2K_5% R148
12
52-
53-,51-
15-
41-,14-
44-
+V3S
53-,51-
+V5A
10K_5%
R2320
1
2
8.2K_5%
R562
12
8.2K_5% R563
12
OPEN
12
+V5A
TP549
15-
+V3S
32.768KHZ
X801
12
34
64-,61-,41-
30-
R126
+V3L
33_5%
R68
12
15-
47-
12
62-,44-,42-,41-
52-
1UF_10V
C16
1
2
+V_RTC
3
24
5
+V3S
+V5A
61-
8.2K_5%
R147
OPEN
12
20-
53-,51-
U18
TC7S04F
1
2
61-,60-,45-
R73
OPEN
1
2
R120
2
54-
16-
53-,51-
54-
52-
53-,51-
52-
R828
10M_5%
8.2K_5% R75
12
30-
R62
56_5%
1
1
2
11-
TP548
62-
54-
54-
2
+V3S
53-,51-
61-
42-
15-,11-
0.1UF_10V
C3025
100K_5%
R38
1
2
50-
C285
0.1UF_16V
1
2
49-
R82 0_5%
12
62-,44-,42-,41-
62-,44-,42-,41-
BAT54C
12
3
62-,44-,42-,41-
61-
R67
180K_1%
1
1
2
52-
53-,51-
R137 8.2K_5%
12
D14
PM_PWROK
61-
R163
22.6_1%
C3_STAT#
CLKRUN#_3
NPCI_RESET
VMEM_CFG3
PREP
WAKEUP0#_3
PCSPKR_ICH_3
SLP_S5#_3R
PM_THRMTRIP#
ITP_DBRESET#
PP_FDD_SMI
USB_PP3
USB_PP4
USB_PP5
SB_VGATE
SLP_S1#_3R
CPUSTOP#_3
PCISTOP#_3
USB_PN0
USB_PN1
USB_PN2
USB_PN3
USB_PN4
USB_PN5
USB_PP0
USB_PP1
USB_PP2
PM_DPRSLPVR
PWR_SWIN#_3
VCC1_POR#_3
SLP_S3#_3R
SUS_STAT#_3
TEMP_WARN#_3
AGPBUSY#_3
USB_OC#0
USB_OC#1
SDIOR#_3
SDIOW#_3
SDIORDY_35
LPC_AD(0)
LPC_AD(1)
LPC_AD(2)
LPC_AD(3)
LPC_DRQ0#
LPC_DRQ1#
LPC_FRAME#_3
LOW_BAT#_3
PDIOR#_3
PDIOW#_3
PDIORDY_35
SDA(0)
SDA(1)
SDA(2)
SDCS1#_3
SDCS3#_3
SDDACK#_35
SDDRQ_35
FWH_WP#_3
SHUTDOWN
PDA(0)
PDA(1)
PDA(2)
PDCS1#_3
PDCS3#_3
PDDACK#_35
PDDRQ_35
VMEM_CFG0
VMEM_CFG2
FWH_TBL#_3
VMEM_CFG1
SER_SHD#_3
MBAY_ATTACHED#
LID_SW#_3
MBAY_DISABLE
SDD(15)
BITCLK_3_ICH
CODEC_RST#_ICH
SDATA_IN0_ICH
SDATA_IN1_ICH
SDATA_OUT_ICH
FRAME_SYNC_ICH
CLK_ICH14_3R
CLK_ICH48_3R
SDD(7)
SDD(8)
SDD(9)
SDD(10)
SDD(11)
SDD(12)
SDD(13)
SDD(14)
SDD(15:0)
SDD(0)
SDD(1)
SDD(2)
SDD(3)
SDD(4)
SDD(5)
SDD(6)
PDD(7)
PDD(8)
PDD(9)
PDD(10)
PDD(11)
PDD(12)
PDD(13)
PDD(14)
PDD(15)
PDD(15:0)
PDD(0)
PDD(1)
PDD(2)
PDD(3)
PDD(4)
PDD(5)
PDD(6)

POWER
VSS
DOC. NUMBER REV
INVENTEC
40
131MBD2600-0-0 D
MORRIS CHANG 23-Jul-2003
CHANGE by SHEET OF
TITLE
SIZE CODE
2
C464
0.1UF_16V
1
2
ICH4-3
MODULES, RUBY1.0
CS
A3
69
1
2
+V3A
+V1.5A
0.1UF_16V
C262
1
2
10UF_K_6.3V
C50
1
2
C443
0.1UF_16V
2
+V5S_ICHREF
0.1UF_16V
C264
1
2
C340
0.1UF_16V
1
2
C504
0.1UF_16V
1
2
C21
10UF_K_6.3V
1
2
0.1UF_16V
C261
1
2
+V5S
0.1UF_16V
C492 1
10UF_K_6.3V
1
2
+V1.8S
0.1UF_16V
C356
1
R233
0_5%
12
0.01UF_16V
C339
1
2
C49
VSS90 T1
VSS91 T19
VSS92 T23
U20
VSS93
VSS94 V3
VSS95 V15
V17
VSS96
VSS97 W5
VSS98 W8
VSS99 W22
N21
VSS81 N23
P3
VSS82 P11
VSS83
VSS84 P13
VSS85 P20
VSS86 P22
VSS87 R5
VSS88 R18
VSS89 R21
AA16 VSS9
M20
VSS71
VSS72 M22
VSS73 N5
N10
VSS74
VSS75 N11
N12
VSS76
VSS77 N13
VSS78 N14
VSS79 N19
AA12 VSS8
VSS80
VSS61 L10
VSS62 L11
L12
VSS63
VSS64 L13
L14
VSS65 L21
VSS66
VSS67 M1
VSS68 M11
M12
VSS69
VSS7
AA9
VSS70 M13
G6
VSS52 G19
VSS53 G21
VSS54 H1
J6
VSS55
VSS56 K3
VSS57 K11
VSS58 K13
VSS59 K19
VSS6
AA3
VSS60 K23
VSS41
E14 VSS42
E16 VSS43
VSS44
E17
E18 VSS45
VSS46
E19 VSS47
E21 VSS48
E22 VSS49
F8
VSS5
A22
G3 VSS50
VSS51
VSS32
D4 VSS33
D8
D12 VSS34
D15 VSS35
VSS36
D17 VSS37
D19 VSS38
D21
D22 VSS39
VSS4
A20
VSS40
D23
E10
B18 VSS23
B20 VSS24
B22 VSS25
C6
C15 VSS26
C17 VSS27
VSS28
C19 VSS29
C21
VSS3
A18
VSS30
C23 VSS31
D1
AB20
AC1 VSS13
VSS14
AC5
AC10 VSS15
VSS16
AC14 VSS17
AC18 VSS18
AC23 VSS19
B9
VSS2
A16
VSS20
B12 VSS21
B16 VSS22
U18
AA23 VCC_CPU_IO_2
ITL_ICH4_M_BGA_421P
U22
VSS0
A1 VSS1
A4
VSS10
AA22
Y7
VSS100
VSS101 Y19
VSS11
AB7 VSS12
VCCSUS3.3_1 F10
F15
VCCSUS3.3_2 F16
VCCSUS3.3_3 F18
VCCSUS3.3_4 K14
VCCSUS3.3_5
VCCSUS3.3_6 V7
VCCSUS3.3_7 V8
V9
VCCSUS3.3_8 F17
VCCSUS3.3_9
P14 VCC_CPU_IO_0
VCC_CPU_IO_1
C22
VCCRTC AB5
E12 VCCSUS1.5_0
E13 VCCSUS1.5_1
VCCSUS1.5_2
E20 VCCSUS1.5_3
F14 VCCSUS1.5_4
G18 VCCSUS1.5_5
R6
T6 VCCSUS1.5_6
U6 VCCSUS1.5_7
VCCSUS3.3_0 E11
E7 VCC5REF2
V6
VCC5REFSUS1
E15
VCCHI_0
L23 VCCHI_1
M14 VCCHI_2
P18
T22 VCCHI_3
F6 VCCLAN1.5_0
F7 VCCLAN1.5_1
VCCLAN3.3_0
E9 VCCLAN3.3_1
F9
VCCPLL
AC8
VCC3.3_14 AC17
VCC3.3_15
H6
VCC3.3_2 H18
VCC3.3_3 J1
VCC3.3_4 J18
VCC3.3_5
VCC3.3_6 K6
VCC3.3_7 M10
P6
VCC3.3_8 P12
VCC3.3_9
VCC5REF1 VCC1.5_3 K22
VCC1.5_4 P10
VCC1.5_5 T18
U19
VCC1.5_6 V14
VCC1.5_7
VCC3.3_0 A5
VCC3.3_1 B2
VCC3.3_10 U1
VCC3.3_11 V10
VCC3.3_12 V16
VCC3.3_13 V18
C272
1
2
U22
ITL_ICH4_M_BGA_421P
K10
VCC1.5_0 K12
VCC1.5_1
VCC1.5_2 K18
1
2
0.1UF_16V
C289
1
2
+V3A
0.1UF_16V
2
C446
0.1UF_16V
1
2
C20
1UF_16V
1
2
0.1UF_16V
C372
1
2
C486
0.1UF_16V
1
2
+V1.5S
C379
0.1UF_16V
1
2
C388
0.1UF_16V
1
2
BAT54
D18
13
C33
10UF_K_6.3V
1
12
C266
0.1UF_16V
1
2
C404
0.1UF_16V
3
+V3S
+V1.5S
1UF_16V
C51 1
2
L26
BLM21B121SD
2
C485
0.1UF_16V
1
2
D19
BAT54
1
+V1.5A_ICH
C989
0.1UF_16V
1
2
C484
0.1UF_16V
1
10UF_K_6.3V
C22
1
2
BLM21B121SD
L32
12 +V3S
C382
0.1UF_16V
1
2
0.1UF_16V
C447
1
2
2
0.1UF_16V
C298
1
2
C387
0.1UF_16V
1
2
+V_RTC
0.1UF_16V
C401
1
2
C477
0.1UF_16V
1
2
C283
0.1UF_16V
1
20.1UF_16V
C369
1
2
1
2
R172
1K_1%
12
C48
1UF_16V
1
+V5L
0.1UF_16V
C410
1
2
C323
0.1UF_16V
0.1UF_16V
1
2
+VCCP
1K_1%
R162
12
+V1.5S
1
2
BLM21B121SD
L25
12
+V3A_ICH
C444
0.1UF_16V
C358
1
2
+V3S
C265
0.1UF_16V

RTC
General Purpose I/O InterfaceMiscellaneous
SIRQ
Access Bus Interface
Keyboard/Mouse Interface
Power Mgmt
LPC Bus
KBC
MODULES, RUBY1.0
CS
A3
6941
131MBD2600-0-0 D
MORRIS CHANG 23-Jul-2003
CHANGE by SHEET OF
TITLE
SIZE CODE DOC. NUMBER REV
INVENTEC
1N4148 D2262
21
20K_5%
R421
1
2
U2261
FAIR_NC7WZ17_SC70_6P
3
2
5
4
64-
39-
65-,62-,59-,58-,55-,44-,39-
+V3A
10UF_K_6.3V
C197
1
41-
+V3A
63-,58-
38-
R2293
10K_5%
12
6-
43-
+V3A
10K_5%
R425
12
0.1UF_16V
C474
1
2
R422
OPEN
12
30-,14-,11-,9-
TP129
6-
0.1UF_16V
C480
1
2
12
61-,6-
+V3A
15-
6-
+V3S
C189
10UF_K_6.3V
1
2
64-,5-
+V3A_MSIO
R409 100K_5%
TP531
TP533
0.1UF_16V
C497
1
2
1
2
5
6
R418
20K_5%
1
2
10K_5%
R442
1
2
64-,41-
U2261
FAIR_NC7WZ17_SC70_6P
43-,64-
41-
10K_5%
R420 1264-
R405
1K_5%
12
39-,14-
64-
+V3A
64-,43-
TP532
62-,55-,44-,38-
64-,61-,39-
62-,44-,39-,30-
61-
43-
L57
BLM21A121S
12
11
22
33
4
45
5
6
6
7
G8
G
12
R424
1K_5%
12
CN22
MLX_67451_0006
6-,5-
62-,58-,55-,44-,42-,38-
62-,44-,42-,39-
R431
1K_5%
12
OPEN
R406
OPEN
R40712
+V3A
R416 10K_5%
12
+V3S_MSIO
61-
64-
15-
TP534
61-,6-
10K_5%
R417 12
TP536
+V3S
TP128
38-
150K_1%
R2263
1
2
59-
12
62-,42-,39-,44-
6-
39-
15PF
C1426
1
2
BLM21A121S
L55
R430
OPEN
12
0.1UF_16V
C498
1
2
20-
56-,55-
38-
C1493
15PF
1
2
0.1UF_16V
C481
1
2
+V3A_MSIO
61-
39-
65-,59-,58-,55-,38-
2
R441
OPEN
12
0.1UF_16V
C500
1
2
2
0.1UF_16V C3000
12
C473
0.1UF_16V
1
0.1UF_16V
C499
1
2
6-
R443
300_5%
1
23
4
TP535
TP131
64-,61-
6-
+V3S
32.768KHZ
X4
1
61
PWRGD
PWR_LED#_8051TX 90
RESET_OUT# 49
46 SER_IRQ
1
TEST_PIN
VCC0
51
VCC1_PWRGD 60
XOSEL
52
53 XTAL1
54 XTAL2
LRESET#
42
MODE 57
99
OUT0
95
OUT10_PWM0
OUT11_PWM1 93
100
OUT1_IRQ8#
98
OUT7_SMI#
OUT8_KBRST 97
OUT9_PWM2 96
PCI_CLK
43
PGM 56
KSO6
10 KSO7
9
7KSO8
6KSO9
35 LAD0
37 LAD1
39 LAD2
LAD3
40
LFRAME#
41
LPCPD#
34
18 KSI7
17 KSO0
16 KSO1
KSO10
5KSO11
4
3KSO12_OUT8_KBRST
2KSO13_GPIO18
KSO2
15
14 KSO3
KSO4
13
12 KSO5
26 IMCLK
27 IMDAT
KCLK
29 KDAT
31
KSI0
25
24 KSI1
23 KSI2
KSI3
22 KSI4
21 KSI5
20
19 KSI6
77
GPIO17_A20M
62
GPIO2
78
GPIO20_PS2CLK
GPIO21_PS2DAT 80
63
GPIO3
GPIO4_KSO14 64
66
GPIO5_KSO15
GPIO7_PWM3 68
69
GPIO8_RXD
GPIO9_TXD 70
EC_SCI#
59
EMCLK
32
33 EMDAT
89
FDD_LED#_8051RX
82
FWP#
71
GPIO11_AB2A_DATA
GPIO12_AB2A_CLK 72
73
GPIO13_AB2B_DATA
GPIO14_AB2B_CLK 74
GPIO15_FAN_TACH1 75
76
GPIO16_FAN_TACH2
94
VCC1
AB1A_CLK 87
AB1A_DATA 86
AB1B_CLK 85
84
AB1B_DATA
BAT_LED# 88
44 CLKRUN#
CLOCK 48
DMS_LED# 91
83
EA#
47
VCC2
55 AGND
GND
65
VCC1 67
GND
79
8GND
81
VCC1
GND
92
11
VCC1
24MHZ_OUT 50
GND
28 30
VCC2
32KHZ_OUT 58
36 GND 38
VCC2
GND
45
3
49-,47-,39-,13-,8-
C2275 22PF
12
61-
U49
SMSC_LPC47N250_TQFP_100P
0.1UF_16V
C3001
1
2
5-
BAT54
D26
1
10K_5%
R4081 2
64-
+V_RTC
37-
BATSTAT#
NUM_LED#_3
PM_PWROK
PCI_SERR#_3
CAPS_LED#_3
PWR_LED#_3
SUS_STAT#_3
SCROLL_LED#_3
VOL_UP
AIRACIN2VOL_MUTE
CHGCTRL_3
A20GATE_3
NUM_LED#_3
XMIT_OFF#
PWRGD
PWR_SWIN#_3
SCL_MAIN
SDA_MAIN
SCL_MBAY
SDA_MBAY
THM_MBAY#
AIRACIN#
VOL_DN
LOW_BAT#_3
ACIN#
BATSELB_A#
THM_MAIN#
S_CLK
SLP_S3#_3R
EM_DAT_5
IM_CLK_5
IM_DAT_5
PWR_GOOD_3
BAT_LED#_3
PWRGD
PCI_RESET2#_3
LPC_FRAME#_3
WAKEUP0#_3
SERIRQ_3
CLK_KBC14_3R
CLK_KBCPCI_3R
VCC1_POR#_3
CLKRUN#_3
KB_CLK_5
KB_DAT_5
EM_CLK_5
SCAN_OUT(11)
LPC_AD(3:0)
LPC_AD(3)
LPC_AD(2)
LPC_AD(1)
LPC_AD(0)
KBCPURST#_3
RUNSCI0#_3
FAN_PWM_3
INV_PWM_3
SCAN_OUT(0)
SCAN_OUT(1)
SCAN_OUT(2)
SCAN_OUT(3)
SCAN_OUT(4)
SCAN_OUT(5)
SCAN_OUT(6)
SCAN_OUT(7)
SCAN_OUT(8)
SCAN_OUT(9)
SCAN_OUT(10)
SCAN_IN(7:0)
SCAN_IN(0)
SCAN_IN(1)
SCAN_IN(2)
SCAN_IN(3)
SCAN_IN(4)
SCAN_IN(5)
SCAN_IN(6)
SCAN_IN(7)
SCAN_OUT(11:0)

42
131MBD2600-0-0 D
MORRIS CHANG 23-Jul-2003
(15/5)
CHANGE by SHEET OF
TITLE
SIZE CODE DOC. NUMBER REV
INVENTEC
2
FHW& EEPROM
MODULES, RUBY1.0
CS
A3
69
2
R396 100_5%12
C466
0.1UF_16V
1
1
2
R382
OPEN
1
2
OPEN
R383
1
OPEN
1
2
R399
0_5%
1
2
0_5%
R398
FWH_VPP
+V3S
R380
OPEN
1
2
R400
C1891
0.01UF
1
2
4.7UF_K_6.3V
C1811
2
C1481
1
2
4.7UF_K_6.3V
C1821
2
62-,44-,41-,39-
62-,44-,41-,39-
62-,44-,41-,39-
62-,44-,41-,39-
62-,44-,41-,39-
39-
39-
62-,58-,55-,44-,41-,38-
15-
0.01UF
8
25 VCC1
VCC2
32
27 VCCA
VPP
1
7WP#
0.1UF_16V
C467 1
2
26 GND2
28 GND3
29 IC
ID0 12
11
ID1
ID2 10
9
ID3
24 INIT#
21 RFU
RST#
2
TBL# 5
FGPI1
FGPI2 4
3
FGPI3
FGPI4 30
13
FWH0
FWH1 14
15
FWH2
FWH3 17
23
FWH4
FWH5 22
16 GND1
C465
1
2
AMP_C822273-1_SOKT_32P
CN23
CLK
31
18 CLKRUN#
DPPO
20 FDIS
19
FGPI0 6
1
2
100_5%
R397 12
38-
0.1UF_16V
R381
1
2
R389
100_5%
1
2
100_5%
R401
PCBREV0
PCBREV1
PCBREV2
LEGACY_FRE_EN#
LPC_AD(0)
LPC_AD(1)
LPC_AD(2)
LPC_AD(3)
LPC_FRAME#_3
+V3S
100_5%
FWH_WP#_3
FWH_TBL#_3
PCI_RESET2#_3
CLK_FWHPCI_3R
FWH_INIT#_3

$V
SEARCH
INTERNET
POINT STICK
EMAIL
$V
INT.KBC/POINT DEVICES
MODULES, RUBY1.0
CS
A3
6943
131MBD2600-0-0 D
MORRIS CHANG 23-Jul-2003
(15/5)
CHANGE by SHEET OF
TITLE
SIZE CODE DOC. NUMBER REV
INVENTEC
TOUCH PAD
1
2
34
5
6
OPEN
R306
12
43-
R321
4.7K_5%
1
2
+V3A
U44
ROHM_UMP11_SSOP_6P
+V3A
43-
41-,43-
43-
SWTT_TC003_PS11AT_A
SW12
12
5
6
1
7
43-
41-,43-
43-
BLM21A121S
L47
12
41-,43-
43-
41-
43-
RS806
OPEN
2
8
3
4
8
G
9
41-,43-
41-,43-
R307
OPEN
1
2
41-,43-
1
G
10
22
33
44
5
56
6
77
8
9
SW10
SWTT_TC003_PS11AT_A
1
2
41-,43-
MLX_52559_0890_8P
CN17
1
29
3
3
30 30
4
4
55
66
7
78
8
9
21 22
22 23
23 24
24
25 25
26 26
27
27 28
28
29
14
15
15 16
16
17 17
18 18
19
19
2
2
20
20 21
AMP_3_1470050_0_30P
CN15
1
1
10 10
11 11
12 12
13 13
14
2
34
5
6
43-
43-
43-
64-,41-,43-
43-
41-,43-
41-,43-
43-
43-
41-
43-
ROHM_UMP11_SSOP_6P
U46
1
OPEN
RS805
1
7
3
54
6
2
8
43-
4.7K_5%
R320
1
2
43-
41-,43- 43-
43-
6
64-,41-,43-
64-,41-
43-
41-,43-
43-
64-,41-,43-
43-
43-
41-,43-
ROHM_UMP11_SSOP_6P
U45
1
2
34
5
99
43-
43-
43- 41-,43-
43-
+V5S
16
G
2
2
3
3
4
4
55
66
7
7
8
8
CN18
1
1
10 10
11 11
12 12
G13
G14
15
G
345
6789
MLX_52559_1292_12P
43-
41-,43-
RS94
47K
1
10
2
2
43-
41-,43-
64-,41-,43-
43-
43-
43-
43-
43-
4
5
6
43-
43-
41-,43-
680PF_50V
C438 1
SWTT_TC003_PS11AT_A
SW11
1
2
U48
ROHM_UMP11_SSOP_6P
1
2
3
KSCAN_IN(5)
SCAN_OUT(1)
KSCAN_IN(1)
SCAN_OUT(3)
SCAN_IN(0)
KSCAN_IN(1)
SCAN_IN(2)
KSCAN_IN(3)
KSCAN_IN(0)
SCAN_IN(1)
KSCAN_IN(2)
SCAN_IN(3)
SCAN_IN(4)
KSCAN_IN(5)
SCAN_IN(6)
KSCAN_IN(4)
SCAN_IN(5)
KSCAN_IN(6)
43-
43-
SCAN_OUT(6)
SCAN_IN(0)
SCAN_IN(4)
SCAN_IN(1)
SCAN_IN(3)
SCAN_IN(2)
SCAN_IN(5)
SCAN_IN(7)
SCAN_IN(6)
SCAN_IN(7:0)
+5VS_IM
SCAN_OUT(8) SCAN_IN(7)
KSCAN_IN(9)
KSCAN_IN(13)
SCAN_IN(7)
KSCAN_IN(6)
SCAN_OUT(7)
SCAN_OUT(4)
SCAN_OUT(8)
SCAN_OUT(3)
SCAN_OUT(5)
SCAN_OUT(9)
SCAN_OUT(11)
SCAN_OUT(0)
SCAN_OUT(2)
SCAN_OUT(1)
SCAN_OUT(10)
KSCAN_IN(12)
KSCAN_IN(8)
KSCAN_IN(14)
KSCAN_IN(10)
KSCAN_IN(0)
SCAN_OUT(11:0)
KSCAN_IN(5)
KSCAN_IN(4)
KSCAN_IN(11)
KSCAN_IN(12)
SCAN_IN(5)
SCAN_IN(6)KSCAN_IN(6)
SCAN_IN(2)
KSCAN_IN(3)
KSCAN_IN(14)
IM_CLK_5
IM_DAT_5
KSCAN_IN(3)
KSCAN_IN(2)
KSCAN_IN(1)
KSCAN_IN(9)
KSCAN_IN(1)
SCAN_IN(0)KSCAN_IN(0)
KSCAN_IN(8)
SCAN_IN(1)
KSCAN_IN(11)
KSCAN_IN(2)
KSCAN_IN(10)
SCAN_IN(3)
SCAN_IN(4)
KSCAN_IN(5)
KSCAN_IN(13)
KSCAN_IN(4)

CHANGE by SHEET OF
TITLE
SIZE CODE DOC. NUMBER REV
INVENTEC
44-
+V3S
61-,46-
44-
23-Jul-2003MORRIS CHANG
D131MBD2600-0-0
44 69
A3 CS
MODULES, RUBY1.0
SUPER I/O
C862
0.1UF_16V
1
2
+V5S
52-
45-
45-
45-
44-
46-,44-
20.1UF_16V
C863
1
2
44-
62-,58-,55-,42-,41-,38-
39-
61-,46-
1
2
52-
0.1UF_16V
C325
1
2
G2
5
S1
1
4
S2
45-
62-,41-,39-,30-
+V3S
52-
R850
OPEN
44-
52-
39-
Q810
FDG6301N_SC70_6
6
D1
D2
3
G1
TXD1 85
TXD2 96
VTR
18
52-,51-,44-
44-
+V3S
44-
+V3S
61-,46-
44-
PD2
PD3 71
PD4 72
73
PD5 74
PD6
PD7 75
78
PE
84
RXD1
95
RXD2
30 SER_IRQ
SLCT 77
NRTS2
NSLCTIN 67
NSTEP
9
NSTROBE 83
NTRK0
14
NWDATA
10
11 NWGATE
15 NWRTPRT
PCI_CLK
29
PD0 68
69
PD1 70
NIO_PME
17
NLDRQ
25
24 NLFRAME
27 NLPCPD
3NMTR0
26 NPCI_RESET
16 NRDATA
NRI1 90
92
NRI2
87
NRTS1
98
NDIR
NDS0
5NDSKCHG
4
86
NDSR1
NDSR2 97
89
NDTR1
NDTR2 100
81
NERROR
12 NHDSEL
NINDEX
13
66
NINIT
LAD0
LAD1
21 LAD2
22
23 LAD3
NACK 80
NALF 82
NCLKRUN
28
NCTS1 88
99
NCTS2
NDCD1 91
NDCD2 94
8
41 GP41
GP42
42 GP43
43
44 GP44
45 GP45
GP46
46 GP47
47
IRMODE_IRRX3 63
61
IRRX2
IRTX2 62
20
GP23_FDC_PP
6GP24
GP30
32 GP31
33
34 GP32
35 GP33
GP34
36
37 GP35
38 GP36
GP37
39
GP40
40
GP10
49 GP11_SYSOPT
GP12_NIO_SMI
50
51
GP13_IRQIN1
GP14_IRQIN2 52
GP15 54
56
GP16 55
GP17
GP20 57
GP21 58
59
GP22
64
VSS
VCC 65
7VSS
VSS 76
VCC 93
79
BUSY
19 CLOCKI
DRVDEN0
1
2DRVDEN1
48
+V3S
52-
44-
44-
U12
SMSC_LPC47N227_STQFP_100P
VSS
31
53
VCC
60
10K_5%
R849
1
2
+V3S
TP537
10K_5%R853
1
2
52-
44-
44-
+V3S
44-
44-
+V3S
1
2
65-,62-,59-,58-,55-,41-,39-
51-
44-
44-
+V3S
52-
+V3S
10K_5%
1
2
45-
44-
52-
44-
15-
10K_5%R97
47K_5%
R90
12
45-
52-
44-
+V3S
44-
R89
9
61-,46-
44-
61-,46-
44-
52-,51-,44-
44-
+V3S
61-,45-
RS10
110
2
3
4
56
7
8
12
R91
10K_5%
1
2
61-,46-
44-
10K
10K_5%
12
44-
44-
+V3S
44-
R837
47K_5%
8
9
44-
+V3S
44-
44-
61-,46-
15-
44-
R838
RS801
10K
110
2
3
4
56
7
OPEN
12
45-
44-
44-
+V3S
44-
44-
44-
39-
62-,42-,41-,39-
0_5% R536
1
2
R537
R104
1
2
44-
44-
45-
61-,45-
61-,45-
44-
44-
44-
44-
44-
62-,42-,39-,41-
+V3S
10K_5%
44-
44-
46-,44-
61-,46-
44-
10K_5%
R844
12
R105 10K_5%
12
C874
0.1UF_16V
1
2
62-,55-,41-,38-
7
8
9
52-
52-
52-
61-,46-
+V3S
52-
10K
RS9
110
2
3
4
56
IR_SD_3
GP22
PTF MTR0#_3
NPCI_RESET
PCI_RESET2#_3
52-
61-,46-
GP21
GP20GP15
GP16
GP17
HDD_RESET#
GP43
GP44
GP45
GP46
GP47
GP10
SYSOPT
GP14_IRQIN2
GP13_IRQIN1
GP30
GP31
GP32
GP33
GP34
GP35
GP36
GP37
GP10
SYSOPT
GP21
GP20
GP16
GP17
GP14_IRQIN2
GP13_IRQIN1
GP15
GP34
GP35
GP36
GP37
MB_RESET
MB_FDD_IDE#
GP43
GP44
GP45
GP46
GP47
PDATA(5)
PDATA(6)
PDATA(7)
LPC_AD(3:0)
PDATA(7:0)
PTF
GP31
GP32
GP33
GP30
LPC_AD(0)
LPC_AD(1)
LPC_AD(2)
LPC_AD(3)
PDATA(0)
PDATA(1)
PDATA(2)
PDATA(3)
PDATA(4)
DRVDEN0_3
SUS_STAT#_3
CLK_SIOPCI_3R
SLCTIN#_5
PP_FDD_SMI
DIR#_3
STEP#_3
FE_TRK0#_5
DS0#_3
MTR0#_3
FE_WPROT#_5
FE_DSKCHG#_5
FE_INDEX#_5
BUSY_5
STRB#_5
ALF#_5
PINIT#_5
FE_RDATA#_5
WDATA#_3
WGATE#_3
HDSEL#_3
SDTR#_3
SDCD#_3
RI#_3
SERIRQ_3
CLK_SIO14_3R
CLKRUN#_3
ERROR#_5
SLCT_5
PE_5
ACK#_5
GP22
LPC_DRQ0#
LPC_FRAME#_3
IR_RX_3
IR_TX_3
SRXD_3
STXD_3
SCTS_3
SRTS_3
SDSR#_3

(15/5)(15/5)
CHANGE by SHEET OF
TITLE
SIZE CODE DOC. NUMBER REV
INVENTEC
IR
1
2
44-
SERIAL PORT&IR
MODULES, RUBY1.0
CS
A3
6945
131MBD2600-0-0 D
MORRIS CHANG 23-Jul-2003
61-
C987
330PF_50V
1
2
44-
330PF_50V
C859
U11
1A
B
2
3GND 4
OE
5
VCC
44-,45-
61-,44-
44-,45-
2
44-,45-
44-,45-
R101
47K_5%
12
FAIR_NC7SZ66P5X_SC70_5P
LEDA
10
MD0
4
5MD1 6
NC
8RXD
TXD
9
1
VCC
330PF_50V
C1043
1
1
2
61-
D16
HSDL_3602_007
AGND 2
FIR_SEL
311
G0
GND 7
2
0.1UF_16VC440
12
61-
61-
330PF_50V
C998
0.1UF_16V
C403
1
2
44-,45-
44-,45-
C855 0.1UF_16V
1
A3
4B0
B1
710
B2
B3 13
2BE0
BE1
5BE2 12
15
BE3
8GND
VCC 16
+V3S
12
U10
PER_PI5C3126Q_QSOP_16P
1NC
9NC
A0
3
6A1 11
A2
14
9
+V5
10K_5%
R807
1
2
R4
2.7_2010_1/2W
G
2
3
4
5
6
7
8
R26
0_5%
12
61-,44-
SYN_070545MR009G201ZU_9P
CN802
1
G
330PF_50V
C995
1
2
C994
330PF_50V
1
2
C472
0.1UF_16V
1
2
C422
0.1UF_16V
1
2
44-,45-
33
RS8
1
2
3
45
6
7
8
13
T2OUT 10
12 T3IN T3OUT 11
V+ 27
V- 3
VCC
26
+V3S
+V3S
R2OUT
18
R2OUTB
20
6
R3IN
R3OUT
17
R4IN 7
R4OUT
16
R5IN 8
15 R5OUT
14 T1IN T1OUT 9
T2IN
28
C1-
24
1C2+
C2-
2
22 FORCEOFF#
FORCEON
23
GND
25
21
INVALID#
R1IN 4
19 R1OUT
R2IN 5
61-,60-,39-
NDS7002A
Q800 3
D
2
G
S
1
44-
U5
MAX_3243E_SSOP_28P
C1+
12
61-
44-,45-
C853
330PF_50V
1
2
44-,45-
100K_5%
R331
1
2
0_5%
R327
33
RS7
1
2
3
45
6
7
8
+V3S
C854
330PF_50V
1
2
44-,45-
61-,44-
2
C36
0.1UF_25V
1
2
4.7K_5%
R102
1
2
1
2
0.47UF_16V
C351
2
4.7UF_K_25V
C371
+V3S
+V5S +V5S
+V5S
+V5
10UF_10V
C38
SDCD#_3
SRXD_3
SRXD_3R
SCTS_3R
SDSR#_3R SDCD#_3R
RI#_3R
IR_SD_3
IR_RX_3
IR_TX_3
SCTS_3
SDSR#_3
RI#_3
STXD_3
SRXD_3
PREP
8051RX
SRTS_3
SDSR#_3
8051TX
RI#_3
SDCD#_3
SCTS_3
SDTR#_3

(20/5)
GTL4/8
23-Jul-2003
(20/5)
LAYOUT NOTES : PUT THESE CIRCUIT CLOSE TO PRINTPORT
CHANGE by SHEET OF
TITLE
SIZE CODE DOC. NUMBER REV
INVENTEC
C891
100PF_50V
1
2
PARALLER PORT
MODULES, RUBY1.0
CS
A3
6946
131MBD2600-0-0 D
MORRIS CHANG
2
C897
100PF_50V
1
2
100PF_50V C903
1
22
10K_5%
R910
1
2
100PF_50V C973
1
3
45
6
7
8
61-,44-
C865
100PF_50V
1
7
81
2
3
4
10_5%
RS1
1
2
E
C902
100PF_50V
1
2
RS3
10_5%
5
6
56
7
8
9
Q2
DTC124EK
B
2
C
3
1
1
4.7K
RS5
110
2
3
4
1
2
+V5S
61-,44-
+V5
61-,44-
C801
47UF_6.3V_METAL
C858
1
2
100PF_50V C923
1
2
0.1UF_25V
C1530
1
2
+V5
44-,46-
100PF_50V C992
1
2
100PF_50V
1
2
61-,44-
R223
47K_5%
1
2
47K_5%
R296
EXTFDD_VCC
61-,44-
100PF_50V C867
1
2
4.7UF_K_6.3V
C800
EXTFDD_VCC
C961
100PF_50V
1
2
C935
100PF_50V
1
2
G27
3
3
44
5
5
6
6
7
7
88
9
9
22
20
20
21 21
22
22
23 23
24 24
25
25
G26
12
12
13 13
14 14
15 15
16
16
17 17
18
18
19
19
CN801
SYN_7847S_25G2T
11
10 10
11 11
5
6
7
81
2
3
4
61-,44-
FDC638P
Q1 1
D
2
5
63
G
S
4
RS4
10_5%
18
7
6
5
C895
100PF_50V
1
2
R220
10_5%
12
RS6
10_5%
4
3
2
C896
100PF_50V
1
2
61-,44-
2
4.7K_5% R241
12
4
56
7
8
9
+V5S
C913
100PF_50V
11
2
44-,46-
4.7K
RS2
110
2
3
D5 BAT54
13
100PF_50V C861
1
2
C907
100PF_50V
ALF#_5
ERROR#_5
PINIT#_5
SLCTIN#_5
SLCT_5
PTF
PTF
STRB#_5
ACK#_5
BUSY_5
PE_5
PDATA(7:0)
PDATA(0)
PDATA(1)
PDATA(2)
PDATA(4)
PDATA(5)
PDATA(6)
PDATA(7)
PDATA(3)

NOTE:R697 MUST BE PLACED ACROSS DIGITAL & ANALOG GROUND SPLIT
CHANGE by SHEET OF
TITLE
SIZE CODE DOC. NUMBER REV
INVENTEC
USE BIG VIAS CONNECTING TRACE CONNECTORING TO THE GROUND
A_CD10/10
A_CD10/10
$P
AC97 CODEC
MODULES, RUBY1.0
CS
A3
6947
131MBD2600-0-0 D
MORRIS CHANG 23-Jul-2003
1K_5%
R1009
1
2
C200 2.2UF_0805_16V
12
C1052
1
2
R435 OPEN
12
50-,39-
12 R1006
0_5%
12
0.1UF_16V
12
15-
2.2K_5%
R992
12
OPEN
C1053
2
48-,47-
C194
10UF_10V
1
C1982 1UF_10V
R2301
4.7K_5%
1
2
C1059
OPEN
1
5
SPDIF
48
10 SYNC
VREF 27
28
VREFOUT
2XTL_IN
XTL_OUT
3
10UF_10V
C193
1
JS0
JS1 16
LINE_IN_L 23
LINE_IN_R 24
35
LINE_OUT_L
36
LINE_OUT_R
21
MIC1
MONO_OUT 37
PHONE_IN 13
RESET#
11
SDATA_IN
8
SDATA_OUT
20
CD_R
1
DVDD1
DVDD2 9
4DVSS1
DVSS2
7
47 EAPD
HP_OUT_L 39
HP_OUT_R 41
45 ID0#
ID1#
46
17
AVDD1
AVDD2 38
43
AVDD3
AVDD4
34
26 AVSS1
AVSS2
40
44 AVSS3
33 AVSS4
6BIT_CLK
CD_GND_REF 19
18
CD_L
12
NC
MIC2 22
NC
42
29 AFILT1
AFILT2
30
31 AFILT3
AFILT4
32
14
AUX_L
15
AUX_R
25
R995
2.2K_5%
12
U54
AD_1981B_TQFP_48P
2.2K_5%
R434
12
58-
C1051
0.1UF_16V
1
2
AUDIO_VCC
1
2
C190 2.2UF_0805_16V
12
39-
1
2
R1003 33_5%
12
R436
1K_5%
2
+V3S
48-
4.7K_5%
R444
12
C1056
0.1UF_16V
2
Q2282
2N7002
D
3
G
2
1
S
OPEN
C1058
1
C199 2.2UF_0805_16V
12
49-
0.1UF_16VC503
1
2
0_1206_1/4W
R24
1
2
R437
1K_5%
1
2
12
C493
0.1UF_16V
1
2
C1055
0.1UF_16V
1
1
2
33_5%R1002
12
R433
2.7K_5%
2
+V3S
C1057
0.1UF_16V
1
2
R1007
OPEN
C1065 270PF_50V
12
R1015
49.9K_1%
1
1UF_10V
C1532 12 OPEN
C1044
1
2
2N7002
Q2283
3
D
2
G
S
1
4.7K_5%
R2302
1
2
1
2
0.033UF_16V
C1046 1
2
C195
22UF_6.3V
1
61-
55-
50-
0.1UF_16V
C1060
49-,41-,39-,13-,8-
50-,39-
L56
BLM21A121S
12
49-
49-
AVDD
R2303
10K_5%
1
2
2.2UF_0805_16VC201
12
1
2
61-
4.7K_5%
R429
1
2
AVDD
1
2
49-
R447
4.7K_5%
12
C202
1UF_10V
12
+V5
4.7K_5%
R432
12
4.7K_5%
R448
5
48-,47-
R427
4.7K_5%
12
39-
270PF_50VC1067 R445
12
U55
MIC_MIC5205BM5_SOT23_5P
4
ADJ
EN
3
2GND
IN
1
OUT
12
R440
4.7K_5%
12
4.7K_5%
33_5%
12
C1045
0.033UF_16V
1
2
4.7K_1%
R428
53-
49-
48-
R2321
OPEN
12
53-
R1001
R449
4.7K_5%
1
2
C1062
100PF_50V
1
2
58-
1
64-,49-
R1017
143K_1%
1
2
12
270PF_50VC1064 12
22UF_10V
C208
2
Q2284
2N7002
D
3
G
2
1
S
AUDIO_VREF
OPENC207
C1054
1
2
+V3S
39-
C1068
0.01UF_16V
1
12
AUDIO_VCC
33_5%R1005
12
0.1UF_16V
C488 12
6.8K_1%
R994
12
+V3S
53-
C1063 270PF_50V
12
2.7K_5%
R439
12
0.1UF_16V
1UF_10V
1
2
C490 0.1UF_16V
12
2.2UF_0805_16VC191
50-,39-
61-
C489 0.1UF_16V
12
C711
PHONE_AMP
PHONE_AMP
A_MPCI_IN
PCSPKB_3
PCSPKR_ICH_3
MPCI_PWM SLP_S3#_3R
HPSENSE
LINEINRMIC2
MIC1
EAPD
A_CD_GND
A_CD_L
A_CD_R
BITCLK_3_ICH
SDATA_IN0_ICH
FRAME_SYNC_ICH
LINEINL
SPDIF
A_LEFT
A_RIGHT
CODEC_RST#_ICH
SDATA_OUT_ICH
ADI48M
AC97_BIT_CLK
HPL
HPR

(10/5)
CHANGE by SHEET OF
TITLE
SIZE CODE DOC. NUMBER REV
INVENTEC
EQ&MIC JACK
MODULES, RUBY1.0
CS
A3
6948
131MBD2600-0-0 D
MORRIS CHANG 23-Jul-2003
12
0.1UF_16V
C999 1
2
AUDIO_VREF
4700PF
C1228
12
680PF_50VC1018
L813
12
48-
AUDIO_VREF
0.01UF_16V
C1003
1
2
MAX4492AUD
U806
5+
6-
11
4
7
OUT
BLM21A121S
470PF_50V
C1038
1
2
AUDIO_VREF
C520
0.22UF_K_10V
12
1UF_10V
C1501
1
2
100K_5%
R951
12
R931
3.9K_1%
12
AUDIO_VCC
C1227 0.22UF_K_10V
12
R943
12
3900PF_50V_X7R
C1673
1
2
48-
C1001
0.01UF_16V
1
2
48-
4.7UF_K_6.3V
C834 1
2
100K_5%
1
2
48-
R950
10K_5%
12
AUDIO_VCC
8
R976
3.9K_1%
1
2
58-,50-
48-
C1066
0.01UF_16V
AMP_1470034_2_8P_C
JACK801
1
2
3
4
5
6
7
2
MAX4492AUD
U806
12 +
13 -
11
4
14
OUT
48-
4
1
OUT
100K_5%
R955
12
470PF_50V
C1037
1
100K_5%
12
MAX4492AUD
U806
3+
2-
11
0.22UF_16V
C1502
12
48-
C1010 100PF_50V
12
R949
JST_BM2B_SRSS
11
22G3
G4
48-
48-
47-
AUDIO_VCC
0.01UF_16V
C1002
1
2
AUDIO_VCC
CN20
3K_5%
12
0.1UF_16V
C1006
1
2
1
2
100PF_50VC1008
12
R954
C1671
12
R956
10K_5%
12
R1966
470
1
2
47-
AUDIO_VCC R970
3.9K_1%
1
2
0.22UF_K_10V
1
2
C1000
0.1UF_16V
1
2
4.7UF_K_6.3V
C835
2
R953
3K_5%
12
R1588
470
3.9K_1%
R932
1
2
AUDIO_VCC
AUDIO_VREF
R945
100K_5%
1
10 +
9-
11
4
8
OUT
L812
BLM21A121S
12
12
C1232 4700PF
12
MAX4492AUD
U806
INT_MIC
EXT_MIC2
PHONE
47-
48-
10K_5%
R944
INT_MIC_CN
INT_MIC_CN
EXT_MIC1
MIC2
EXT_MIC2
PHONE_AMP
INT_MIC_SW
MIC1
INT_MIC_SW
EXT_MIC1
INT_MIC

C1971 , C1972 , C1566 CLOSE TO PIN 15
EARPHONE
(RIGHT)
$O,$V
A3 CS
MODULES, RUBY1.0
AUDIO AMP & HP JACK
(LEFT)
LALOUT NOTES : C1568 , C1973 , C1565 CLOSE TO PIN 6
R2160 WILL BE 4.7K IN THE FEATURE
INTERNAL SPEAKER
CHANGE by SHEET OF
TITLE
SIZE CODE DOC. NUMBER REV
INVENTEC
R2159 WILL BE 4.7K IN THE FEATURE
2
47-
0.47UF_10V
C2074
1
2
23-Jul-2003MORRIS CHANG
D131MBD2600-0-0
49 69
2
C1028
100PF_50V
1
2
C204
1UF_16V
1
12
R961
100K_5%
12
100K_5%
R998
1
47-
0_5%
R461
12
C1556 0.047UF_16V
R966
100K_5%
12
1K_1%
R999
1
2
AUDIO_VCC
61-
MLX_53398_0490
CN813
1
12
23
34
4
AUDIO_VCC
+V5
R1013
30_1%
12
1000PF_0402
C1073
1
2
47-,41-,39-,13-,8-
R458
OPEN
12
AUDIO_VCC
+V3A
+V5
49-
150UF_6.3V
1
C198
150UF_10V
1
47-
47-
R1000
30_1%
12
47-
C836
150UF_6.3V
C837
1
C1561
0.047UF_16V
12
1
2
61-
0_5%
R457
12
2
150UF_10V
C206
1
4.7UF_K_6.3V
C209
OPEN
R451
1
2
49-
R1014
1K_1%
1
2
C3008
1UF_10V
12
BLM11A121S
L815
12
D
3
G
2
1
S
+V3A
470PF_50V
C1061
11
2
64-,47-
R450
0_5%
12
Q823
NDS7002A
2
OPEN
R459
12
39-
C1048
470PF_50V
C1075
0.1UF_16V
1
2
100PF_50V
C1033
1
16
U56
TC7S02F
3
1
24
5
GAIN1
9LIN+
5LIN-
LOUT+ 4
8
LOUT-
NC
12
7RIN+
17 RIN-
ROUT+ 18
ROUT- 14
19 SHUTDOWN#
VDD
GND 1
11
GND
GND 13
PVDD 15
20
GND
6
PVDD
BYPASS
10
GAIN0
2
3
1
2
3
4
5
6
7
8
U58
TI_TPA6017A2_PWP_20P
R456
OPEN
1
2
49-
AMP_1470034_2_8P_C
JACK802
0.1UF_16V
C1076
1
2
0_5%
R460
12
1
2
C3009
OPEN
1
2
R452 0_5%
12
49-
+V5
61-
C2072
0.47UF_10V
OPEN
R453
12
L814
BLM11A121S
12
1
C847
OPEN
1
2
2
G
1
S
0.01UF_16VC3024
12
C203
10UF_16V
2
100K_5%
R997
12
NDS7002A
Q822
D
3
1
2
C3007 1UF_10V
12
C1029
100PF_50V
1
U57
TC7S08F
3
1
24
5
4.7UF_K_6.3V
C210
PR_HPSENSE#
HPL
100PF_50V
C1034
1
2
PR_AOUTL
HPSENSE
SPK_OUT_R+
PR_AOUTR
EAPD
SPK_OUT_L-
SPK_OUT_R-
A_LEFT
A_RIGHT
HPR
SPK_OUT_L+
SHUTDOWN
SLP_S3#_3R SPK_OUT_L-
SPK_OUT_L+
SPK_OUT_R-
SPK_OUT_R+

INVENTEC
MDC CONN
$O,$V,$P
$V,$P
D
MORRIS CHANG 23-Jul-2003
ISDN SIGNAL
CHANGE by SHEET OF
TITLE
SIZE CODE DOC. NUMBER REV
4
55
66
G7
G8
MDC CONN
MODULES, RUBY1.0
CS
A3
6950
131MBD2600-0-0
ACES_88944_0200_2P
11
22
AMP_C1470702_2_6P
CN5
1
12
2
3
3
4
1MONO_OUT_PC_BEEPMONO_PHONE 4
29 MSTRCLK
PRIMARY_DN 16
25 RESET# 26
SDATA_INA
SDATA_INB 24
SDATA_OUT
23 22
SYNC
CN3
10
5VMAIN
RESERVED 6
8
GND
2
AUDIO_PWRDN
7AUXA_LEFT
AUXA_RIGHT
5
BITCLK 30
9CD_GND
13 CD_LEFT
CD_RIGHT
11
15
GND
19 20
GND
27 GND GND 28
GND
3
17 3.3VAUX
3.3VMAIN
21
5VD 18
1
22
33
44
AMP_3_1376038_0_30P
CN9
12
RESERVED
RESERVED 14
GND
R93
12
33_5%
R94
12
ACES_88944_0400_4P
CN4
1
+V5S+V3S
0.1UF_16V
C360
1
2
33_5%
2
10UF_6.3V
C25
1
C345
0.1UF_16V
1
2
12
+V3S
0.1UF_16V
C347
1
12
47-,39-
47-,39-
58-,48-
47-
47-,39-
39-
L19
BLM41P800S
RING
TIP
33_5%
R100
AC97_BIT_CLK
SDATA_OUT_ICH SDATA_IN1_ICHCODEC_RST#_ICH
FRAME_SYNC_ICH
PHONE

(20/5)
23-Jul-2003MORRIS CHANG
D131MBD2600-0-0
51 69
A3 CS
MODULES, RUBY1.0
HDD CONN
CHANGE by SHEET OF
TITLE
SIZE CODE DOC. NUMBER REV
INVENTEC
R2305
4.7K_5%
12
44-
52-,44-
U41
TC7S08F
3
1
24
5
TC7S08F
U42
3
1
2
4
5
53-,39-
53-,39-
12
+V5S +V5S
+V5S
9
53-,39-
65-,59-,38-,29-,21-
64-
53-,39-
53-,39-
R977 470_5%
43
44 44
45 G
46 G
5
56
6
77
88
9
36
37
37 38
38
39 39
44
40 40
41
41
42 42
43
29
33
30
30 31
31 32
32 33
33 34
34
35 35
36
21
22 22
23 23
24 24
25
25 26
26
27 27
28 28
29
14
15 15
16 16
17
17 18
18
19 19
22
20 20
21
SYN_200227MR044S415ZU_44P
CN814
11
10
10 11
11 12
12 13
13 14
33_5%
R1011
1
2
53-,39-
52-
53-,39-
+V3S
2
53-
4.7K_5%
R971
12
53-,39-
0.1UF_16V
C1009
1
2
0.1UF_16V
C1011
1
64-,53-
53-,38-
+V3S
53-
53-,39-
R324
47K_5%
1
2
1000PF_0402
C449
1
2
PDD(6)
PDD(9)
PDD(5)
PDD(10)
PDD(4)
MTR0#_3
HDDASP#_5
+V3S
IRQ14_3
PDA(1)
PDAIG
PDA(0)
PDA(2)
PDCS1#_3
PDCS3#_3
PDD(8)
PDD(0)
PDD(15)
PDDRQ_35
PDIOW#_3
PDIOR#_3
PDIORDY_35
PDDACK#_35
PDD(7)
PDD(11)
PDD(3)
PDD(12)
PDD(2)
PDD(13)
PDD(1)
PDD(14)
PDD(15:0)
IDERESET#
PCI_RESET1#_3
PDA(2:0)
MBDASP#_5 MF_LED#_3
HDD_RESET#

(20/5)
(20/5)
CHANGE by SHEET OF
TITLE
SIZE
(20/5)
REV
INVENTEC
CODE DOC. NUMBER
(20/5)
MULTIBAY CONN
MODULES, RUBY1.0
CS
A3
6952
131MBD2600-0-0 D
MORRIS CHANG 23-Jul-2003
44-
44- 44-,52-
44-
44-
51-,44-
39-
+V5S_MB
Q16
NDS7002A
D
3
G
2
1
S
44-
39-
NDS7002A
Q18 3
D
2
G
S
1
44-,52-
2
44-,52-
44-
+V5S_MB
R143
470_5%
12
3
45
6
7
8
0.1UF_16V
C442
1
+V5S_MB
44-,52-
44-,52-
44-,52-
39-
1K
RS802
1
2
44-
+V5S
0.1UF_16V
C491
1
2
51-
39-
R177
10K_5%
1
2
39-,52-
FAIR_NC7WZ17_SC70_6P
U17 3
2
5
4
12
44-,52-
+V5S_MB
44-
+V5S
4
38-
+V5S
1K_5%
R115
0.047UF_16V
C1464
1
2
NFM41R11C223
L31 1 2
3
G1
2
5G2
1
S1
S2 4
+V5S
44-
39-,52-
S
47K_5%
R134
12
FDG6301N
Q17 D1 6
3
D2
0.1UF_16V
C359
1
2
Q20
NDS7002A
D
3
G
2
1
C2019
0.1UF_16V
1
2
44-,52-
52-
39-
R153
4.7K_5%
12
39-
39-
R116
10K_5%
1
2
200K_5%
R145
12
0.1UF_16V
C441
1
2
52-
+V3S
2
330_5%
R852
12
39-,52-
39-
44-,52-
39-,52-
100_5%
R124
12
C45
10UF_K_6.3V
1
S
R870
10K_5%
1
2
470K_5%
R144
12
6
Q21
FDC638P
D
1
2
5
6
G
3
4
33_5%
R119
12
FAIR_NC7WZ17_SC70_6P
U17 1
2
5
0.1UF_16V
C381
1
2
22UF_10V
C47
1
68 HDSEL#
G69
SD5
7
70 G
SD10
8
SD4
9
GND 60
61 WGATE#
62 TRK0# GND 63
64 WRPRO#
GND 65
66 RDATA
67
GND
53 MID0
54 MOTORON#
55 DEN0
56 DIR
57 STEP#
MPBID2
58
59 WDATA
SD9
6
46
RRTN 47
ROUT
48 INDEX#
VCC 49
SD6
5
50 DS0#
51 DCHANGE#
MPBID0 52
DASP# 39
SD8
4
40
GND
VCC_LOGIC 41
VCC_MOTOR 42
43
GND
44
LOUT 45
LRTN
IRQ 31
NC
32
SA1
33
PDIAG# 34
SA0
35
SA2
36
CS0# 37
CS1# 38
GND 24
IOR# 25
GND 26
IORDY 27
CSEL 28
DMACK 29
SD7
3
30
GND
SD0
17
SD15
18
GND 19
GND 2
MPBID1
20
DMARQ 21
GND 22
IOW# 23
RST# 1
SD11
10
SD3
11
SD12
12
SD2
13
SD13
14
SD1
15
SD14
16
+V5S
44-,52-
+V5S
CN809
MLX_SD_87537_020
SDD(5)
SDD(4)
SDD(3)
SDD(2)
SDD(1)
SDD(0)
IRQ15_3
SDD(13)
SDD(12)
SDD(11)
SDD(10)
SDD(9)
SDD(8)
SDD(7)
SDD(6)
SDCS1#_3
SDA(2)
SDA(1)
SDA(0)
MBAY_ATTACHED#
SDD(15)
SDD(14)
HDSEL#_3
WDATA#_3
FE_RDATA#_5
SDIORDY_35
SDIORDY_35
SDIOW#_3
SDIOR#_3
SDDRQ_35
SDDACK#_35
SDCS3#_3
MBDASP#_5
MB_FDD_IDE#
MB_RESET
DRVDEN0_3
FE_INDEX#_5
FE_DSKCHG#_5
FE_WPROT#_5
MTR0#_3
DS0#_3 FE_TRK0#_5
STEP#_3
DIR#_3
MBAY_ATTACHED#
IRQ15_3R
IRQ15_3R
SDA(2:0)
SDD(15:0)
FE_INDEX#_5
FE_DSKCHG#_5
WGATE#_3
FE_TRK0#_5
FE_WPROT#_5
FE_RDATA#_5

A_CD10/10A_CD10/10
INVENTEC
OPEN
GND 0
CSEL=47PIN
CSEL Drive address
CHANGE by SHEET OF
TITLE
SIZE CODE DOC. NUMBER REV
1
1
2
SELECT BAY I/F
MODULES, RUBY1.0
CS
A3
6953
131MBD2600-0-0 D
MORRIS CHANG 23-Jul-2003
51-,39-
51-,39-
39-
100K_5%
R561
51-
33_1%
R139
12
51-,39-
51-
+V5S
51-,39-
51-,39-
51-,39-
64-,51-
47-
0.1UF_16V
C321
1
2
C320
0.1UF_16V
1
2
51-,39-
51-,38-
51-,39-
51-,39-
47-
47-
C24
22UF_10V
151
G52
G
6
6
77
88
9
9
51-,39-
51-,39-
43
44 44
45
45 46
46
47 47
48 48
49
49
5
5
50
50
36
37
37 38
38
39 39
44
40 40
41 41
42 42
43
33
30
30 31
31 32
32 33
33 34
34
35 35
36
21
22 22
23 23
24 24
25
25 26
26
27 27
28 28
29
29
15 15
16 16
17
17 18
18
19 19
22
20 20
21
CN808
AMP_P_012203_50P
11
10
10 11
11 12
12 13
13 14
14
PDD(3)
PDD(12)
PDD(4)
PDD(11)
PDD(5)
PDD(10)
A_CD_L
PDAIG
SER_SHD#_3
A_CD_GND
IRQ14_3
PDDACK#_35
PDIORDY_35
PDIOW#_3
PDIOR#_3
PDDRQ_35
PDD(0)
PDD(15)
A_CD_R
PDD(1)
PDD(14)
PDD(2)
PDD(13)
IDERESET#
PDD(15:0)
PDD(6)
PDD(9)
PDD(7)
PDD(8)
HDDASP#_5
PDCS3#_3
PDCS1#_3
PDA(2)
PDA(0)
PDA(1)

(20/5) (20/5)
CHANGE by SHEET OF
TITLE
SIZE CODE DOC. NUMBER REV
INVENTEC
USB&IR CONN
MODULES, RUBY1.0
CS
A3
6954
131MBD2600-0-0 D
MORRIS CHANG 23-Jul-2003
150UF_6.3V_S18_METAL
C808
1
150UF_6.3V_S18_METAL
C809
1
DLW21SN900SQ2L
2
3
1
4
0.1UF_16V
C1665
1
2
R825
12
DLW21SN900SQ2L
L808 2
3
1
4
L807
5VIN 6
VOUT
7VIN 8
VOUT
1EN GND 3
4
ILIMOC#
2
76.8_1%
+V5
39-
39-
USBVCC1
U804
MIC_MIC2545A_1BM_SOP_8P
3DATA1+
GND
4
5VCC
DATA2-
6DATA2+
7
8GND
G9
+V5
2
SYN_2522A_08G1T_W_8P
CN803
VCC
1
10
G
11
G
G12
2DATA1-
1
+V5A
39-
39-
0.01UF
C1905
1
C1767
0.01UF
1
2
+V5A
C12
150UF_6.3V_S18_METAL
8
EN
13
GND
ILIM 42 OC#
1UF_10V
C1770
1
2
1
2
MIC_MIC2545A_1BM_SOP_8P
U7
VIN
5VOUT 6
VIN
7VOUT
USBVCC0
C1771
1UF_10V
1
2
C1769
0.1UF_16V
USB_PP1_B
R37
76.8_1%
12
USB_PN0_B
USB_PN1_B
USB_PP0_B
USB_PN0
USB_PP0
USB_PP1
USB_PN1

INVENTEC
CHANGE by
2
65-,59-,58-,38-
23-Jul-2003MORRIS CHANG
D131MBD2600-0-0
55 69
A3 CS
MODULES, RUBY1.0
CARDBUS CONTROLLER
SHEET OF
TITLE
SIZE CODE DOC. NUMBER REV
0.1UF_16V
C1017
1
2
0.1UF_16V
C1039
1C1040
0.1UF_16V
1
2
0.1UF_16V
C1014
1
2
57-
L5
L2 TRDY#
GNDV15
W5 GND
62-,44-,41-,38-
56-
C1015
0.1UF_16V
1
2
SC_RSVD4_SD_WP#
C4
C16 SC_RSVD8_SD_DATA1
SC_VCC3#_SD_VCC3#
T17
T18 SC_VCC5#
D17 SC_VCC_SD_VCC
K15
SDATA_B_VCC_3#
V16 SD_DATA2
SERR#
M1
SLATCH_B_VCC_5# K17
SPKR_OUT#
K19
STOP#
A_SKT_VCC R13
R7
A_SKT_VCC
REQ#
G6
RST#
D1
SCLK_A_VCC_5# K14
SC_CLK_SD_CLK
B16
D2 SC_DET#_SD_DET#
SC_IO_SD_DATA0
B4
SC_OC#_SD_DATA3
U16
D3 SC_RST#_SD_CMD
MS_SDIO
MS_VCC
B15 MS_VCC3#
V4
NC
E5
P2 GND
PCI_VCC P5
M2 PAR
PCI_CLK
E3
L6 PERR#
R10CORE_VCC J18
PCI_VCC J5
GNDK18
K5 GND
LEDO#_SKTA_ACTV
J19
M6PCI_VCC
MS_BS
U4
T3 MS_CLK
MS_DET#
D18
T2
V5
IRDY#
L1
F19 IRQ10_B_VPP_VCC_PGM_EXT_GNT#
E8 IRQ11_SKTB_ACTV
B14 IRQ12_PME#
IRQ14_CLKRUN#
A4
V9 IRQ15_RI_OUT#
W12
IRQ3_A_VCC_3#
IRQ5_SERIRQ#
C5
IRQ7_B_VPP_PGM_EXT_REQ#
E6
IRQ9_A_VPP_VCC_PGM P19
CORE_VCC
F2PCI_VCC
FRAME#
K6
G19
B_SKT_VCC
F5 GNT#
N18 GRST#
GNDH3
H5 IDSEL
INTA#
B5
F6 INTB#_IRQ4_A_VPP_PGM
INTC#_LOCK#
G17
B_R2_D2 F7
R1 C_BE0#
M3 C_BE1#
C_BE2#
K3
G1 C_BE3#
L3 DEVSEL#
E11 GND
E7
B_SKT_VCC
B_SKT_VCC F13
C15
A15
B_CPERR#
B_CREQ# C9
C10
B_CRST#
A9
B_CSERR#
B_CSTOP# C13
F8
B_CSTSCHG
B_CTRDY# A13
E18
B_CVS1
B_CVS2 A10
C14
B_R2_A18
B_R2_D14
A5
B_CCLKRUN#
G14
B_CC_BE0#
B_CC_BE1# A16
B_CC_BE2# A12
F9
B_CC_BE3#
B13
B_CDEVSEL#
B12
B_CFRAME#
B_CGNT# E13
F12
B_CINT#
C12
B_CIRDY#
B_CPAR
B_CAD4
H14 B_CAD5
H15 B_CAD6
G18 B_CAD7
F17 B_CAD8
F18 B_CAD9
B_CAUDIO C8
B_CBLOCK# A14
J15
B_CCD1#
B_CCD2# C6
B_CCLK E12
B_CAD22
B9 B_CAD23
E9 B_CAD24
A8 B_CAD25
B8 B_CAD26
A7 B_CAD27
C7 B_CAD28
B7 B_CAD29
B_CAD3
H18
A6 B_CAD30
B6 B_CAD31
H17
E17 B_CAD13
F15 B_CAD14
D19 B_CAD15
E14 B_CAD16
A11 B_CAD17
B11 B_CAD18
C11 B_CAD19
H19 B_CAD2
F11 B_CAD20
E10 B_CAD21
F10
A_CVS1
A_CVS2 W16
P11
A_R2_A18
A_R2_D14 V8
A_R2_D2 L19
B10CORE_VCC
J17 B_CAD0
B_CAD1
J14
E19 B_CAD10
G15 B_CAD11
F14 B_CAD12
P12
A_CINT#
P13
A_CIRDY#
A_CPAR R11
V12
A_CPERR#
A_CREQ# P17
P15
A_CRST#
R18
A_CSERR#
A_CSTOP# W13
N19
A_CSTSCHG
A_CTRDY# W14
W10
A_CCD1#
A_CCD2# L14
A_CCLK V13
L17
A_CCLKRUN#
W8
A_CC_BE0#
A_CC_BE1# V11
A_CC_BE2# V14
N15
A_CC_BE3#
U13
A_CDEVSEL#
U14
A_CFRAME#
A_CGNT# R12
A_CAD3
M19
A_CAD30
A_CAD31 L18
A_CAD4 V7
W7
A_CAD5 R8
A_CAD6
A_CAD7 U8
A_CAD8 W9
U9
A_CAD9
A_CAUDIO M14
A_CBLOCK# U12
V6
R14
A_CAD20
A_CAD21 T19
A_CAD22 R17
N14
A_CAD23 R19
A_CAD24
A_CAD25 P18
A_CAD26 N17
M17
A_CAD27
A_CAD28 M15
M18
A_CAD29
U7
A_CAD10
A_CAD11 P9
V10
A_CAD12
A_CAD13 U10
A_CAD14 W11
P10
A_CAD15
A_CAD16 U11
W15
A_CAD17 P14
A_CAD18
A_CAD19 U15
A_CAD2 W6
E2
E1 AD31
T1 AD4
AD5
R3
R2 AD6
AD7
P6
N5 AD8
AD9
P3
AUX_VCC L15
U6
A_CAD0
A_CAD1 P8
R9
J1 AD21
AD22
H1
H2 AD23
AD24
G2
G3 AD25
H6 AD26
AD27
G5
F1 AD28
AD29
F3
W4 AD3
AD30
N6 AD12
N3
N1 AD13
AD14
N2
M5 AD15
K2 AD16
AD17
K1
J6 AD18
AD19
J3
AD2
R6
AD20
J2
1
2
56-
U2228
O2_OZH31B_MINI_BGA_224P
AD0
P7
U5 AD1
P1 AD10
AD11
56-
57-
ACARDVCC
56-
56-
56-
C1036
0.1UF_16V
S
1
+V5S
56-,41-
65-,59-,58-,38-
56-
56-
65-,59-,58-,38-,55-
56-
VCC_SD
57-
2N7002
Q2287
3
D
2
G
0_5%
R979
12
56-
56-
56-
U2225
1
2
56-
55-
0.1UF_16V
C1025
1
2
56-
56-
56-
56-
56-
0.1UF_16V
C1030
56-
65-,59-,58-,38-
59-,65-,58-,38-,55-
1
2
56-
56-
56-
56-
57-
U2223
R419
10K_5%
1
2
10UF_10V
C170
56-
57-
56-
R993
20K_1%
1
2
38-
56-
65-,59-,58-,38-
20K_1%
R1004
1
2
56-
56-
65-,59-,58-,38-
56-
+V3
0.01UF_16V
C479 1
2
C1026
0.1UF_16V
1
2
56-
62-,58-,44-,42-,41-,38-
56-
56-
3
5
4
56-
38-
56-
65-,59-,58-,38-
65-,59-,58-,38-
57-
65-,59-,58-,38-
56-
+V3S
57-
38-
56-
U52
TI_SN74LVC1G17DBVR_SOT_5P
2
U2222
R973
10K_5%
12
57-
2
56-
55-
56-
+V3S
56-
38-
C171
10UF_10V
1
2
65-,59-,58-,38-
0.1UF_16V
C1035
1
1
2
56-
0.1UF_16V
C1016
1
2
38-
57-
56-
56-
65-,59-,58-,38-
56-
56-
0.1UF_16V
C1027
56-
+V3S
47-
0.1UF_16V
C10131
2
56-
C192
10UF_K_6.3V
1
2
65-,62-,59-,58-,44-,41-,39-
56-
+V3
BCARDVCC
56-
56-
56-
15-
56-
U2226
56-
56-
65-,59-,58-,38-
56-
56-
65-,59-,58-,41-,38-
56-
56-
R972
12
56-
C186
10UF_10V
1
2
56-
56-
U2224
100_5%
S_DATA
SD_DAT2
S_LATCH
RST#PCI_RESET2#_3
65-,59-,58-,38-
56-
B_D14
B_D2
S_CLK
SD_CLK
SD_CD#
SD_DAT0
SD_DAT3
SD_CMD
SD_WP
SD_DAT1
SD_PWERN#
B_CDEVSEL#
B_CFRAME#
B_CGNT#
B_CINT#
B_CIRDY#
B_CPAR
B_CPERR#
B_CREQ#
B_CRST#
B_CSERR#
B_CSTOP#
B_CSTSCHG
B_CTRDY#
B_CVS1
B_CVS2
B_A18
B_CAD(4)
B_CAD(5)
B_CAD(6)
B_CAD(7)
B_CAD(8)
B_CAD(9)
B_CAUDIO
B_CBLOCK#
B_CCD1#
B_CCD2#
B_CCLK
B_CCLKRUN#
B_CCBE0#
B_CCBE1#
B_CCBE2#
B_CCBE3#
B_CAD(18)
B_CAD(19)
B_CAD(2)
B_CAD(20)
B_CAD(21)
B_CAD(22)
B_CAD(23)
B_CAD(24)
B_CAD(25)
B_CAD(26)
B_CAD(27)
B_CAD(28)
B_CAD(29)
B_CAD(3)
B_CAD(30)
B_CAD(31)
A_CVS1
A_CVS2
A_A18
A_D14
A_D2
B_CAD(0)
B_CAD(1)
B_CAD(10)
B_CAD(11)
B_CAD(12)
B_CAD(13)
B_CAD(14)
B_CAD(15)
B_CAD(16)
B_CAD(17)
A_CCBE1#
A_CCBE2#
A_CCBE3#
A_CDEVSEL#
A_CFRAME#
A_CGNT#
A_CINT#
A_CIRDY#
A_CPAR
A_CPERR#
A_CREQ#
A_CRST#
A_CSERR#
A_CSTOP#
A_CSTSCHG
A_CTRDY#
A_CAD(3)
A_CAD(30)
A_CAD(31)
A_CAD(4)
A_CAD(5)
A_CAD(6)
A_CAD(7)
A_CAD(8)
A_CAD(9)
A_CAUDIO
A_CBLOCK#
A_CCD1#
A_CCD2#
A_CCLK
A_CCLKRUN#
A_CCBE0#
A_CAD(15)
A_CAD(16)
A_CAD(17)
A_CAD(18)
A_CAD(19)
A_CAD(2)
A_CAD(20)
A_CAD(21)
A_CAD(22)
A_CAD(23)
A_CAD(24)
A_CAD(25)
A_CAD(26)
A_CAD(27)
A_CAD(28)
A_CAD(29)
PCSPKB_3
A_CAD(0)
A_CAD(1)
A_CAD(10)
A_CAD(11)
A_CAD(12)
A_CAD(13)
A_CAD(14)
B_CAD(31:0)
PCI_CBE#(3)
PCI_CBE#(2)
PCI_CBE#(1)
PCI_CBE#(0)
GRST#
PCI_AD(7)
PCI_AD(6)
PCI_AD(5)
PCI_AD(4)
PCI_AD(3)
PCI_AD(2)
PCI_AD(1)
PCI_AD(0)
PCI_AD(15)
PCI_AD(14)
PCI_AD(13)
PCI_AD(12)
PCI_AD(11)
PCI_AD(10)
PCI_AD(9)
PCI_AD(8)
PCI_AD(23)
PCI_AD(22)
PCI_AD(21)
PCI_AD(20)
PCI_AD(19)
PCI_AD(18)
PCI_AD(17)
PCI_AD(16)
PCI_AD(31)
PCI_AD(30)
PCI_AD(29)
PCI_AD(28)
PCI_AD(27)
PCI_AD(26)
PCI_AD(25)
PCI_AD(24)
CLKRUN#_3
SERIRQ_3
PCI_PAR_3
CLK_CBPCI_3R
PCI_PERR#_3
CBREQ2#_3
PCI_SERR#_3
PCI_STOP#_3
PCI_TRDY#_3
A_CAD(31:0)
PCI_AD(31:0)
PCI_DEVSEL#_3
PCI_FRAME#_3
CBGNT2#_3
RST#
PCI_AD(22)
PIRQC#_3
PIRQD#_3
PIRQG#_3
PCI_IRDY#_3
PCI_PME#_3

Screw
Ground
CHANGE by SHEET OF
TITLE
SIZE CODE DOC. NUMBER REV
INVENTEC
23-Jul-2003MORRIS CHANG
D131MBD2600-0-0
56 69
A3 CS
MODULES, RUBY1.0
PC CARD SLOT
55-
55-
55-
55-
55-
55-
55-
NC_4
NC_5 28
NC_6 29
OC#
18
RESET
6RESET#
14
+V3
55-55-,56-
55-
55-
21
BVCC_3 22
BVPP 23
CLOCK
4DATA
3
GND 12
LATCH
5
NC
19
13 NC_1
NC_2 25
26
NC_3 27
3.3V_2
16 3.3V_3
17 5V_1
15V_2
25V_3
30
AVCC_1 9
AVCC_2 10
AVCC_3 11
AVPP 8
BVCC_1 20
BVCC_2
2
R990
22K_5%
12
U51
O2_OZ2206_SSOP_30P
12V_1
712V_2
24
3.3V_1
15
55-
55-,56-
55-,56-
55-
55-,56-
55-
R958
OPEN
1
55-,56-
55-
55-
55-
55-
55-
55-
55-
55-,56-
55-
55-,56-
55-
ACARDVCC
55-
55-
55-,56-
55-,56-
55-
55-,56-
55-,56-
BCARDVCC BCARDVPP
ACARDVPP
55-
55-
55-
55-
55-,56-
55-,56-
1
2
55-
55-
55-
55-
55-
55-
55-
12
ACARDVCC
55-,56-
BCARDVPP
+V3
55-
55-,56-
C483
0.1UF_16V
55-
55-
55-
55-
R957
OPEN
12
22K_5%
R984
R985
12
C180
4.7UF_K_6.3V
1
2
55-
55-
55-,56-
55-,56-
BCARDVCC
55-,56-
OPEN
R411
12
55-
22K_5%
12
55-
55-,41-
55-
55-
C482
0.1UF_16V
1
2
55-
55-
55-
55-
55-
55-,56-
55-,56-
R980
22K_5%
55-
55-,56-
55-
55-
55-
55-
55-,56-
55- 55-,56-
55-,56-
0.1UF_16V
C476
1
20.1UF_16V
C1032
1
2
55-
55-,56-
55-
55-
55-,56-
55-,56-
55-
55-
55-,56-
55-
55-
55-
ACARDVCC
0.1UF_16V
C471
1
2
55-
55-
55-
55-
55-
55-
C1042
0.1UF_16V
1
2
ACARDVPP
55-
12
55-
55-
22K_5%
R947
12
55-
0.1UF_16V
C1041
1
2
C1031
0.1UF_16V
1
2
R989
22K_5%
R967
22K_5%
12
22K_5%
R983
12
12
R986
22K_5%
12
55-
55-
55-
55-
4.7UF_K_6.3V
1
2
C184
10UF_K_6.3V
1
2
22K_5%
R991
55-
55-
55-
55-
55-
55-
55-
+V12
55-
C185
12
55-
55-,56-
55-
55-
55-
55-
55-,56-
55-,56-
55-
12
22K_5%
R988
12
R968
22K_5%
55-
55-
55-
55-,56-
22K_5%
R415
12
22K_5%
R933
156
134 GND4
126 GND5
118 GND6
84 GND7
77 GND8
75
GND9
55-
55-
55-
BCARDVCC
GND19
149 GND2
92 GND21
2
GND22
100 GND23
108 GND24
76 GND26
GND27
153
GND28
154 GND29 155
142 GND3
GND30
150 GND1 74
GND10
67
GND11
59
GND12
51
GND13
43
GND14
33
GND15
25
GND16
17
GND17
9
GND18
1
G29
G3 G3
G30
G30 G31
G31
G32 G32
G4
G4
G5
G5
G6 G6
G7
G7
G8 G8
G9
G9
G19
G2
G2
G20 G20
G21
G21
G22 G22
G23 G23
G24
G24 G25
G25
G26 G26
G27 G27
G28
G28
G29
G1 G1
G10 G10
G11
G11
G12 G12
G13 G13
G14
G14
G15 G15
G16
G16
G17 G17
G18
G18 G19
B_OE#
40
B_RDY_BSY#
16
B_REG#
23
B_RESET
57
B_RFSH
26
B_RFU
39
B_VCC
37
B_VPP1_VPP2
21
B_WAIT#
42
B_WE#
4
B_WP
B_D3
70
B_D4
68
B_D5
65
B_D6
63
B_D7
10
B_D8
7
B_D9
19
B_INPACK#
55
B_IORD#
53
B_IOWR#
38
B_NONE
56
60
B_CE2#
11
B_D0
8
B_D1
5
B_D10
71
B_D11
69
B_D12
66
B_D13
64
B_D14
62
B_D15
6
B_D2
72
B_A4
24
B_A5
27
B_A6
29
B_A7
49
B_A8
52
B_A9
12
B_BVD1
14
B_BVD2
73
B_CD1#
3
B_CD2#
61
B_CE1#
B_A17
48
B_A18
46
B_A19
18
B_A2
44
B_A20
41
B_A21
35
B_A22
32
B_A23
30
B_A24
28
B_A25
20
B_A3
22
79 A_WP
13
B_A0
15
B_A1
58
B_A10
54
B_A11
31
B_A12
47
B_A13
45
B_A14
34
B_A15
36
B_A16
50
113 A_NONE
131 A_OE#
115
A_RDY_BSY#
91 A_REG#
98 A_RESET
132 A_RFSH
101 A_RFU
114 A_VCC
112
A_VPP1_VPP2
96 A_WAIT#
117 A_WE#
A_D2
147 A_D3
145 A_D4
143 A_D5
140 A_D6
138 A_D7
85 A_D8
82 A_D9
94
A_INPACK#
130 A_IORD#
128 A_IOWR#
136 A_CE1#
135 A_CE2#
86 A_D0
83 A_D1
80 A_D10
146 A_D11
144 A_D12
141 A_D13
139 A_D14
137 A_D15
81
95 A_A3
97 A_A4
99 A_A5
102 A_A6
104 A_A7
124 A_A8
127 A_A9
87 A_BVD1
89 A_BVD2
148 A_CD1#
78 A_CD2#
A_A16
125 A_A17
123 A_A18
121 A_A19
93 A_A2
119 A_A20
116 A_A21
110 A_A22
107 A_A23
105 A_A24
103 A_A25
CN21
AMP_C97_25852_EMI
88 A_A0
90 A_A1
133 A_A10
129 A_A11
106 A_A12
122 A_A13
120 A_A14
109 A_A15
111
2
C183
10UF_K_6.3V
1
2
+V5
55-
55-
55-
R982
22_5%
12
22_5%
R981
1
A_CCLKRUN# B_CCLKRUN#
55-
55-
55-
55-
A_CDEVSEL#
A_CSTOP#
A_CPERR#
A_CINT#
A_CCLKRUN#
B_CSERR#
B_CREQ#
B_CAUDIO
B_CDEVSEL#
B_CSTOP#
B_CPERR#
B_CINT#
B_CCLKRUN#
B_CCLK
B_CAD(13)
B_CAD(15)
B_CAD(11)
B_CINT#
B_CCBE3#
B_CRST#
B_CVS1
B_CVS2
B_CSERR#
B_CGNT#
A_CCLK
B_CAD(27)A_CSERR#
A_CREQ#
A_CAUDIO
B_CAD(10)
B_CAD(29)
B_CAD(31)
B_CAD(2)
B_CAD(4)
B_CAD(6)
B_D14
B_CAD(8)
B_D2
B_CAD(0)
B_CAD(1)
B_CAD(3)
B_CAD(5)
B_CAD(7)
B_CAD(28)
B_CAD(30)
B_CREQ#
B_CTRDY#
B_CFRAME#
B_CAD(17)
B_CAD(19)
B_CAD(23)
B_CAD(22)
B_CAD(21)
B_CAD(20)
B_CAD(18)
B_CCBE1#
B_CAD(14)
B_CSTSCHG
B_CAUDIO
B_CCD1#
B_CCD2#
B_CCBE0#
A_CSERR#
A_CGNT#
B_CAD(26)
B_CAD(25)
B_CAD(9)
B_CAD(12)
B_CCBE2#
B_CPAR
B_CPERR#
B_CIRDY#
B_CAD(16)
B_A18
B_CBLOCK#
B_CAD(24)
B_CSTOP#
B_CDEVSEL#
A_CAD(8)
A_D2
A_CAD(0)
A_CAD(1)
A_CAD(3)
A_CAD(5)
A_CAD(7)
A_CAD(28)
A_CAD(30)
A_CREQ#
A_CAD(13)
A_CAD(15)
A_CAD(11)
A_CINT#
A_CCBE3#
A_CRST#
A_CVS1
A_CVS2
A_CAD(18)
A_CCBE1#
A_CAD(14)
A_CSTSCHG
A_CAUDIO
A_CCD1#
A_CCD2#
A_CCBE0#
A_CAD(10)
A_CAD(27)
A_CAD(29)
A_CAD(31)
A_CAD(2)
A_CAD(4)
A_CAD(6)
A_D14
A_CCBE2#
A_CPAR
A_CPERR#
A_CIRDY#
A_CAD(16)
A_A18
A_CBLOCK#
A_CAD(24)
A_CSTOP#
A_CDEVSEL#
A_CTRDY#
A_CFRAME#
A_CAD(17)
A_CAD(19)
A_CAD(23)
A_CAD(22)
A_CAD(21)
A_CAD(20)
S_CLK
S_DATA
S_LATCH
GRST#
A_CAD(26)
A_CAD(25)
A_CAD(9)
A_CAD(12)

DOC. NUMBER REV
INVENTEC
SD CARD POWER
69
A3 CS
MODULES, RUBY1.0
SD CARD CONN
CHANGE by SHEET OF
TITLE
SIZE CODE
47K_5%
1
2
55-
23-Jul-2003MORRIS CHANG
D131MBD2600-0-0
57
4
U32
NC7SZ08M5
3
1
24
5
55-
R273
2
FDC638P
Q41 1
D
2
5
63
G
S
2
47K_5%
R284
1
2
+V3
47K_5%
R300
1
47K_5%
R317
1
2
55-
55-
C155
2.2UF_K_10V
1
2CMD
7
DAT0 8
DAT1
DAT2 9
REF_P_D
11
VDD
4VSS1
3
VSS2 6
12 WP
2
CN16
MLX_67840_002_15P
13
GND
GND 14
15
GND
10 CD
CD_DAT3
1
5CLK
1
2
47K_5%
R280
1
2
R285
10_5%
1
R281
47K_5%
1
2
+V3
R270
47K_5%
C406
1
2
C411
0.01UF_16V
1
2
VCC_SD
55-
55-
47K_5%
R311
1
2
0.01UF_16V
1
55-
55-
C1612
10PF
1
2
55-
SD_CMD
SD_DAT3
SD_CD#
SD_DAT0
SD_DAT1
SD_DAT2
+V3 VCC_SD
C154
22UF_10V
SD_PWERN#
SD_CLK
SD_WP

SHEET OF
TITLE
SIZE CODE DOC. NUMBER REV
INVENTEC
1
2
23-Jul-2003MORRIS CHANG
D131MBD2600-0-0
58 69
A3 CS
MODULES, RUBY1.0
MINIPCI CONN
NOTE: 15-20MILS
CHANGE by
0.1UF_16V
C1617
1
2
65-,59-,55-,38-
0.1UF_16V
C1857
63-
C1859
0.1UF_16V
1
2
65-,59-,55-,38-,58-
+V5S
+V5S
10K_5%
R184
12
C1613
0.1UF_16V
1
2
+V3
65-,59-,55-,38-
38-,58- 38-,58-
64-
65-,59-,55-,38-
63-,41-
+V3S
38-
63-
2
G
S
1
38-
65-,59-,55-,41-,38-
65-,59-,55-,38-
59-,65-,55-,38-,58-
+V3
R221
100_5%
12
NDS7002A
Q33
3
D
65-,62-,59-,55-,44-,41-,39-
+V5S
65-,59-,55-,38-
8.2K_5%
R186
12
1
2
0.1UF_16V
C1861
1
2
65-,59-,55-,38-
12
65-,59-,55-,38-
+V3
47-
47-
C1616
0.1UF_16V
RESERVED_WIP5_1
2RING
26 RST#
SERR# 6768 STOP#
116 SYS_AUDIO_IN
118 SYS_AUDIO_IN_GND SYS_AUDIO_OUT 115
117
SYS_AUDIO_OUT_GND
TIP 1
66 TRDY#
123
VCC5VA
BLM21B121SD
L28
M66EN
111
MOD_AUDIO_MON
MPCIACT#
122
56 PAR
PERR# 71
34 PME#
REQ# 29
RESERVED_0
16
22 RESERVED_1 RESERVED_2 21
36 RESERVED_3
RESERVED_4 43
RESERVED_5 93
RESERVED_6
112
RESERVED_7 121
98 RESERVED_WIP5_0
100
GROUND_2
GROUND_3 37
50 GROUND_4 GROUND_5 49
GROUND_6 55
62 GROUND_7
GROUND_8 69
74 GROUND_9
48 IDSEL
20 INTA#
17
INTB#
IRDY# 61
LED1_GRNN 13
LED1_GRNP 11
14 LED2_YELN
12 LED2_YELP
104
73
C_BE2# 59
C_BE3# 45
72 DEVSEL#
64 FRAME#
125
G1
126 G2
30 GNT#
GROUND_0 23
GROUND_1 27
GROUND_10 77
82 GROUND_11 GROUND_12 83
GROUND_13
102 101
GROUND_14
GROUND_15
114
32
47
46 AD24
AD25 41
44 AD26
AD27 39
42 AD28
AD29 35
38 AD30
AD31 33
AUDIO_GND 113
AUDIO_GND_0
120 119
AUDIO_GND_1
CHSGND 15
CLK 25
CLKRUN# 65
86 C_BE0#
C_BE1#
87
AD08 85
84 AD09
81
AD10
AD11
80 AD12 79
78 AD13 AD14 7576 AD15
60 AD16 AD17 5758 AD18
AD19 5354 AD20 AD21 5152 AD22
AD23
7
8PMJ-8 9
AC_BIT_CLK 107
AC_CODEC_ID0#
108 109
AC_CODEC_ID1#
110 AC_RESET#
AC_SDATA_IN 105
106 AC_SDATA_OUT
103
AC_SYNC
96 AD00
AD01 99
94 AD02 AD03 95
92 AD04 AD05 91
90 AD06 AD07
19
28 3.3V_1
3.3V_2 31
40 3.3V_3
3.3V_4 63
70 3.3V_5
88 3.3V_6 3.3V_7 89
18 5V_0
5V_1 97
48PMJ-1
68PMJ-2 8PMJ-3 3
88PMJ-4
10 8PMJ-5
8PMJ-6 5
8PMJ-7
65-,59-,55-,38-
C1858
0.1UF_16V
1
2
CN13
AMP_1470160_4_124P
24 3.3VAUX_0
124 3.3VAUX_1
3.3V_0
C1618
0.1UF_16V
1
2
15-
R242
47K_5%
1
2
1
2
65-,59-,55-,38-
OPEN
R246
12
+V3
50-,48-
65-,59-,55-,38-
62-,55-,44-,42-,41-,38-
C1615
0.1UF_16V
65-,59-,55-,38-
65-,59-,55-,38-
+V3
C1860
0.1UF_16V
1
2
MPCI_PWM
PCI_PERR#_3
CH_DATA
PCI_SERR#_3
A_MPCI_IN
CH_CLK
PIRQF#_3
PCI_CBE#(3)
MPCIREQ0#_3
CLK_MINIPCI_3R
PCI_AD(29)
PCI_AD(31)
CLKRUN#_3
PCI_CBE#(1)
PCI_CBE#(2)
PCI_IRDY#_3
XMIT_OFF#
LED_WLAN_LINK
PCI_AD(12)
PCI_AD(14)
PCI_AD(17)
PCI_AD(19)
PCI_AD(21)
PCI_AD(23)
PCI_AD(25)
PCI_AD(27)
PHONE
PCI_AD(1)
PCI_AD(3)
PCI_AD(5)
PCI_AD(7)
PCI_AD(8)
PCI_AD(10)
PCI_AD(20)
PCI_RESET2#_3
PCI_PME#_3
PCI_AD(11)
PCI_AD(9)
PCI_CBE#(0)
PCI_AD(6)
PCI_AD(4)
PCI_AD(2)
PCI_AD(0)
PCI_AD(31:0)
PCI_AD(18)
PCI_AD(16)
PCI_FRAME#_3
PCI_TRDY#_3
PCI_STOP#_3
PCI_DEVSEL#_3
PCI_AD(15)
PCI_AD(13)
MPCIGNT0#_3
PCI_AD(30)
PCI_AD(28)
PCI_AD(26)
PCI_AD(24)
PIRQF#_3
PCI_AD(22)
PCI_AD(20)
PCI_PAR_3

131MBD2600-0-0 D
MORRIS CHANG 23-Jul-2003
CHANGE by SHEET OF
TITLE
SIZE CODE DOC. NUMBER REV
INVENTEC
2
C423
3300PF_50V
1
2
65-,58-,55-,38-
LAN INTERFACE-1
MODULES, RUBY1.0
CS
A3
6959
12
+V3A
+V2.5_LAN
4.7K_5%
R822
1
12
0.1UF_10V
C860
1
2
OPEN
R32
C1623
1
2
0.1UF_16V
C1621
1
2
1K_5%
R823
1
2
R49
4.7K_5%
12
0.1UF_16V
2
G
S
1
C7
4.7UF_16V
1
2
C856
0.1UF_16V
1
2
0.1UF_16V
C508
1
2
NDS7002A
Q801 3
D
0.1UF_16V
C417
1
2
+V3S
38-
0.1UF_10V
C514
2
R811
220K_5%
1
2
65-,58-,55-,38-
65-,58-,55-,38-
2
4.7K_5%
R819
12
+V2.5L
0.1UF_16V
C1620
1
1
D
2
5
63
G
S
4
BLM21B121SD
L17 1
1
2
+V3S
10UF_K_6.3V
C141
2
Q4
FDC638P
0.1UF_10V
1
2
+V3_LAN
65-,58-,55-,38-
0.1UF_16V
C510
12
OPEN
R326
12
C277
VSS_24 F9
VSS_25
R2331
OPEN
12
38-
1M_5%
R335
L6
VSS_14
VSS_15 D7
E7
VSS_16
VSS_17 F7
G7
VSS_18
D8
VSS_19
VSS_20 E8
F8
VSS_21
G8
VSS_22
VSS_23 D9
E9
K2
VSS_04 D4
VSS_05 G4
D5
VSS_06 E5
VSS_07
VSS_08 F5
VSS_09 G5
VSS_10 D6
VSS_11 E6
VSS_12 F6
G6
VSS_13
N6
E4
VDDIO_PCI09
A7
VDDIO_PCI10
P11
VDDP_01 L13
VDDP_02
VDDP_03 K14
VESD_1 P1
VESD_2 G2
VESD_3 A1
N1
VSS_01 E2
VSS_02
VSS_03
F11
VDDIO_02
VDDIO_03 K12
L12
VDDIO_04
VDDIO_PCI01 E1
VDDIO_PCI02 G1
P2
VDDIO_PCI03
VDDIO_PCI04 B3
VDDIO_PCI05 K3
VDDIO_PCI06 L4
C5
VDDIO_PCI07
VDDIO_PCI08
SMB_DATA
G11
SO
H1 STOP#
C12
TCK
TDI D12
TDO B12
TMS A12
TRDY#
G3
D11
TRST#
VAUX_PRSNT
J12
VDDIO_01 A11
B10
C11
REGCTL25
A9
REGSEN12
C10
REGSEN25
B9
REGSUP12
REGSUP25 B11
REQ#
C3
SCLK E11
A2 SERR#
SI E10
A10 SMB_CLK
C9
J11
NC_02
NC_03 L11
J4 NC_04
K4 NC_06
NC_07
L7
PAR
J1
PCI_CLK
A3
PCI_RST#
C2
PERR#
J2
PME#
A6
REGCTL12
GNT#
H12
GPIO0
GPIO1 K13
J13
GPIO2
A4 IDSEL
H2 INTA#
IRDY#
F1
F4 M66EN
P7
MAC_PLLVDD3 M6
MAC_PLL_VSS
NC_01 L14
AD31
M4 CBE0#
L3 CBE1#
CBE2#
F3
C4 CBE3#
H4 CLK_RUN#
H11
CS#
DEVSEL#
H3
M10
EECLK
EEDATA P10
FRAME#
F2
J3
C1 AD21
AD22
B1
AD23
B2
B4 AD24
A5 AD25
AD26
B5
AD27
B6
C6 AD28
C7 AD29
AD30
A8
B8
AD10
N2
AD11
M1
AD12
M2
M3 AD13
L1 AD14
AD15
L2
AD16
K1
E3 AD17
D1 AD18
AD19
D2
D3 AD20
N7 AD00
AD01
M7
P6 AD02
AD03
P5
N5 AD04
AD05
M5
P4 AD06
AD07
N4
AD08
P3
N3 AD09
C1023
0.1UF_10V
1
2
65-,58-,55-,38-
38-
BCM_BCM5705M_BGA_196P
U801
10UF_K_6.3V
C8071
2
4.7UF_10V
C13 1
2
+V3A
4.7K_5%
R31
12
65-,58-,55-,41-,38-
+V3_LAN
U3
TC7S32F
3
1
24
5
15-
65-,62-,58-,55-,44-,41-,39-
0.1UF_10V
C993
1
2
0.1UF_16V
C425
1
2
100K_5%
R312
12
65-,58-,55-,38-,59-
9-,59-
65-,51-,38-,29-,21-
1
24
5
R319 100K_5%
12
65-,55-,58-,38-,59-
3
D
2
G
S
1
U4
NC7SZ00M5
3
1
2
C453
0.1UF_16V
1
2
NDS7002A
Q3
12
C519
0.1UF_10V
1
2
C439
0.1UF_16V
C420
0.1UF_16V
1
2
R446
100_5%
+V3_LAN
65-,58-,55-,38-
65-,58-,55-,38-
BLM21B121SD
L4
12
A1
3
A2
4
GND
6SCL
5SDA
8VCC
WP
7
9-,59-
65-,58-,55-,38-
2
0.1UF_16V
C213
1
2
U803
ATM_AT24C64A_SOIC_8P
1
A0
2
1
2
58-,55-,65-,38-
100_5%
R35
1
1
0.01UF_16V
C496
1
2
C224
0.01UF_16V
+V3_LAN
R2332
0_5%
12
41-
1N4148D4
2
AIRACIN
LAN_ON_3
AIRACIN2
61-,5-
+V3
LAN_ON_3
PCI_PME#_3
PCI_SERR#_3
PCI_STOP#_3
PCI_AD(0:31)
PCI_CBE#(0:3)
PCI_TRDY#_3
CLKRUN#_3
PCI_FRAME#_3
NICGNT1#_3
PCI_AD(30)
PIRQE#_3
PCI_IRDY#_3
PCI_RESET1#_3
PCI_PAR_3
PCI_PERR#_3
NICREQ1#_3
PCI_AD(9)
CLK_NICPCI_3R
PCI_CBE#(0)
PCI_CBE#(1)
PCI_CBE#(2)
PCI_CBE#(3)
PCI_DEVSEL#_3
PCI_AD(3)
PCI_AD(30)
PCI_AD(31)
PCI_AD(4)
PCI_AD(5)
PCI_AD(6)
PCI_AD(7)
PCI_AD(8)
PCI_AD(22)
PCI_AD(23)
PCI_AD(24)
PCI_AD(25)
PCI_AD(26)
PCI_AD(27)
PCI_AD(28)
PCI_AD(29)
PCI_AD(15)
PCI_AD(16)
PCI_AD(17)
PCI_AD(18)
PCI_AD(19)
PCI_AD(2)
PCI_AD(20)
PCI_AD(21)
PCI_AD(0)
PCI_AD(1)
PCI_AD(10)
PCI_AD(11)
PCI_AD(12)
PCI_AD(13)
PCI_AD(14)

GND
VCC
CHANGE by SHEET OF
TITLE
SIZE CODE DOC. NUMBER REV
INVENTEC
61-
LAN INTERFACE-2
MODULES, RUBY1.0
CS
A3
6960
131MBD2600-0-0 D
MORRIS CHANG 23-Jul-2003
0.1UF_16V
C468
1
2
0.1UF_16V
C502
1
2
1
2
61-
61-
C512
0.1UF_16V
1
2
60-
10K_5%
1
2
BLM21B121SD
L803
12
61-
49.9_1%
R423
61-
C237
0.1UF_16V
1
2
R467
2
1.21K_1%
R812
12
+V2.5_LAN
0.1UF_16V
C239
1
2
+V1.2_LAN
C242
0.1UF_16V
1
2
R34
49.9_1%
1
L3
BLM21B121SD
12
75_1%
R87
1
2
TCT3
10 TCT4
3TD1+
2TD1-
TD2+
6
5TD2-
TD3+
9TD3-
8
12 TD4+
11 TD4-
61-
MX1+ 22
MX1- 23
MX2+ 19
20
MX2-
MX3+ 16
17
MX3-
13
MX4+ 14
MX4-
TCT1
1
TCT2
4
7
2.2UF_0805_16V
1
2
U2
BOTH_24HST1041A_2_24P
24
MCT1
21
MCT2
18
MCT3
MCT4 15
2
60-
49.9_1%
R30
1
2
61-
61-
C6
2
NDC7002N
Q6
D1 6
4
D2
G1
1
3G2
5
S1
S2
2
61-
0.1UF_16V
C470
1
2
R813
470_5%
1
1
2
R51
49.9_1%
1
2
C241
0.1UF_16V
1
VSS_30
VSS_31
H9
VSS_32
L9
B7 VSS_33
N11 XTALI
XTALO
N10
XTALVDD
J14
N13 XTAL_VSS
0.1UF_16V
C228
VDDC_20
E12
VDDC_21
P12
VDDC_22
P13
VDDC_23
M14
VDDC_24
N14
VDDC_25
P14
VSS_26
F10
G10 VSS_27
VSS_28
M12
N12 VSS_29
G9
J7
K7 VDDC_10
H8 VDDC_11
VDDC_12
J8
VDDC_13
K8
P8 VDDC_14
J9 VDDC_15
VDDC_16
K9
VDDC_17
J10
K10 VDDC_18
L10 VDDC_19 TRD2P
E14
TRD3M
TRD3P E13
H5 VDDC_01
J5 VDDC_02
VDDC_03
K5
L5 VDDC_04
VDDC_05
H6
J6 VDDC_06
VDDC_07
K6
H7 VDDC_08
VDDC_09
MC_15 N9
K11
MC_16
H10 NC_08
PLLVDD2 H14
RDAC D10
TRD0M B14
B13
TRD0P
C14
TRD1M
TRD1P C13
TRD2M D14
D13
M13
LED_100# H13
LED_1000# G12
LED_ACT# G14
LED_LNK# G13
LOW_PWR M11
MC_09 N8
L8
MC_10
MC_11 M8
P9
MC_12
M9
MC_14
2
BCM_BCM5705M_BGA_196P
U801
AVDDL_01 F12
F13
AVDDL_02
A13
AVDD_01
AVDD_02 F14
A14
BIASVDD
C8 DC_01
GPHY_PLL2_VSS
1
2
R28
49.9_1%
1
2
C243
0.1UF_16V
1
L11
BLM41P800S
12
+V1.2L
60-
R340
49.9_1%
L18
BLM21B121SD
12
+V2.5_LAN
R79
75_1%
1
2
+V1.2_LAN
2
C254
0.1UF_16V
1
2
60-60-
61-
2200PF_2000V
C11
2
+V2.5_LAN
61-
0.1UF_16V
C501
1
75_1%
R33
1
2
R142
75_1%
1
2
0.1UF_16V
C857
1
2
+V1.2_LAN
470_5%
R815
12
227PF
C1656
1
2
R2294
200_1%
12
C521
0.1UF_16V
1
2
27PF
C1651
1
U802
1
23
4
56
7
8
61-,45-,39-
+V5S
60-
61-
C506
1
2
0.1UF_16V
C399
1
2
PER_PI5C3306_TSSOP_8P
0.1UF_16V
C240
1
2
60-
C997
0.1UF_16V
1
20.1UF_16V
RX-
1TX+
2TX-
Y1
9Y2 10
0.1UF_16V
C494
1
2
13
G
14G
11 G1 12
G2
P4
4
5P5
P7
7P8
8
RX+
3
6
1
2
C231
0.1UF_16V
1
2
61-
CN804
AMP_C_1470693_1_RJ45
1
61-
0.1UF_16V
C236
1
2
0.1UF_16V
C515
0.1UF_16V
1
20.1UF_16V
C220
1
2
10UF_6.3V
C15
0.1UF_16V
C414
1
2
+V3S
61-
61-
61-
C509
25MHZ
X800
12
4.7
R1688
12
C495
0.1UF_16V
1
2
R43
4.7K_5%
12
BLM21B121SD
L10
12
C511
0.1UF_16V
1
2
C463
0.1UF_16V
1
2
+V2.5_LAN
49.9_1%
R29
1
2
0.1UF_16V
1
2
0.1UF_16V
C371
1
2
61-
60-
+V3S
49.9_1%
R50
1
2
C214
D+
RD+
RD-
TD+
TD-
LED_ACT#
LED_LINK#
DOCK_LED_LINK#_R
LED_ACT#_R
DOCK_LED_ACT#_R
LED_LINK#_R LED_LINK#
D+
D-
C+
C-
D-
C+
C-
TD+
TD-
LED_LINK#_R
PREP
LED_ACT#_R LED_ACT#
TRD2P
TRD3M
TRD3P
RD+
RD-
TRD0M
TRD0P
TRD1M
TRD1P
TRD2M

LAYOUT : 40-60 MILS
REVDOC. NUMBER
CHANGE by SHEET OF
+V5
23-Jul-2003MORRIS CHANG
D131MBD2600-0-0
61 69
A3 CS
MODULES, RUBY1.0
PORT PARALLER
TITLE
SIZE
INVENTEC
CODE
D
3
G
2
1
S
R840
2.2K_5%
1
2
60-,45-,39-
C850
OPEN
1
2
Q11
NDS7002A
C849
12
2.2K_5%
R842
1
2
36-
2
47-
NDS7002A
Q807
D
32
G
S
1
OPEN
36-
30-
+V5
61-
45-
+V5
BLM11B750S
L14
1
+V5S
30-
65-
18PF
C1500
1
2
30-
0.1UF_25V
C1757
1
2
1K_5%R829
12
45-,44-
30-
65-
60-
49-
61-
36-,61-
30-
30-
59-,5-
64-,41-,39-
+V3
36-,61-
33PF_50V
C267
1
2
NDS7002A
Q12
3
D
2
G
S
1
60-
+V5S +V5S
+VADPTR
C398
33PF_50V
1
2
60-
47-
49-
33PF_50V
C303
1
2
1K_5%R2327
1
2
39-
39-
1
2
1K_5%
R2329
1
2
33PF_50V
1
2
33PF_50V
C380
1
2
1K_5%
R2328
OPEN
C851
1
2
BLM11B750S
L16
12
46-,44-
C368
+V5S+V5S
41-
41-
R814 1K_5%
12
2
+V3S
C839
33PF_50V
1
2
46-,44-
36-,61-
47-
36-
45-,44-
45-
C842
33PF_50V
1
233PF_50V
C1050
1
2
+V3S
41-
FBM_11_321611_3A
L804
1
2
+V3
46-,44-
R830
0_5%
12
C1758
0.1UF_16V
1
1UF_6.3V
C1910
1
2
75_1%
R832
1
2
46-,44-
2
46-,44-
1K_5%
R2326
1
2
36-,61-
12
65-
30-
46-,44-
C840
33PF_50V
1
1
2
C1619
18PF
1
2
L15
BLM11B750S
30-
33PF_50V
C838
1
2
46-,44-
33PF_50V
C844
B12
TV_LUMA B14
USB3+
A43
A41 USB3-
USB4+
A39
A37 USB4-
A35 USBOC3#
A34 USBOC4#
P2 VA
VA_ON#
A4
60-
A13
B4
PWRLED
A69 RJ45ACTLED
A71 RJ45_GND
B70
RJ45_LILED
RJ45_RX+
A75
A76 RJ45_RX- RJ45_TX+ B75
B76
RJ45_TX-
A50 SPDIF
B13
TV_CHROMA
TV_COMP
PR_DRT#
GND
A9 PR_DSR#
PR_HPSENSE#
A48
B6
PR_KB_CLK
PR_KB_DATA B5
PR_MS_CLK B8
B7
PR_MS_DATA
PR_RI
A10
A8 PR_RTS#
A12 PR_SIN
PR_SOUT
PPT_PD4
PPT_PD5
A27 PPT_PD6
A26
A25 PPT_PD7
A21 PPT_PE
PPT_SLCT
A20
PPT_SLIN#
A16
A24 PPT_STB#
PREP
A70
PR_CTS
A7
PR_DCD#
A11
A14
NBSWON# B1
PPT_ACK#
A23
A19 PPT_AFD#
PPT_BUSY
A22
A18 PPT_ERR#
PPT_INIT#
A17
PPT_PD0
A32
A31 PPT_PD1
A30 PPT_PD2
PPT_PD3
A29
A28 DVI_DDC_DATA B27
GND G1
G2
GND
B20
HPD
I2C_CLOCK B10
B9
I2C_DATA
LINEINL
A54 LINEINR
A55
A57 LINEOUTL
LINEOUTR
A58
DVI_D1+
B35
DVI_D1-
DVI_D2+ B32
B30
DVI_D2-
DVI_D3+ B62
DVI_D3- B60
B57
DVI_D4+
B55
DVI_D4-
B52
DVI_D5+
B50
DVI_D5-
B26
DVI_DDC_CLK
B19
CRT_G B23
B24
CRT_R
D+
A72
A73 D-
A2 DETECT1
DETECT2 B69
DVI_CLK+ B42
DVI_CLK- B40
DVI_D0+ B47
DVI_D0- B45
B37
B71
RJ45_GND
RJ45_GND B74
RJ45_GND B77
C+ B72
B73
C-
B17
CRTHS
CRTVS B16
B22
CRT_B
CRT_DDC_CLK B18
CRT_DDC_DATA
GND B59
NC B61
GND B63
GND B64
NC B65
NC B66
NC B67
GND B68
NC B46
GND B48
GND B49
NC B51
GND B53
GND B54
NC B56
GND B58
GND B33
GND B34
NC B36
GND B38
GND B39
NC B41
GND B43
GND B44
GND B15
B2
NC
AGND B21
AGND B25
GND B28
GND B29
3V_03 B3
NC B31
GND
A62 NC
A64 GND
A66 NC
A68 GND
A74 RJ45_GND
A77 RJ45_GND
A5 ACIN
GND B11
NC
A49 NC
A51 AUDIO_GND
A52 NC
A53 AUDIO_GND
A56 AUDIO_GND
A59 AUDIO_GND
A6 GND
A60
GND
A36 GND
A38 NC
A40 GND
A42 NC
A44 GND
A45 GND
A46 NC
A47
4
5
G
5V_03
P1
G6
G7
8
G
G
9
A15
A33
10
G
12V_03
A1
1394TPAN1
A65
A67 1394TPAP1
1394TPBN1
A61
A63 1394TPBP1
2G
3G
A3 3V_03
G
R831
10K_5%
1
2
+V12
30-
JAE_WD_154S4VH_VF85_N_154P
CN807
G
1
1
2
R2348
0_5%
12
60-
46-,44-
0_5%
R833 12
39-
33PF_50V
C841
65-
46-,44-
36-
41-
30-
+V5S
60-
45-
13-
30-
60-
C845
33PF_50V
1
2
30-
R835 0_5%12
OPEN
R61
1
2
4.7K_5%
R841
1
2
C848 OPEN
12
R2349
0_5%
12
R2350
0_5%
12
R843
4.7K_5%
1
2
33PF_50V
C276
1
2
60-
+V3
45-,44-
C852
OPEN
1
2
C1627
1
2
39-
C846 OPEN
12
2
C988
33PF_50V
1
2
36-,61-
45-
18PF
12
60-
49-
30-
36-,61-
33PF_50V
C843
1
12
R836
OPEN
1
2
30-
R824
1K_5%
1
2
39-
45-
46-,44-
R834 0_5%
EM_DAT_5
EM_CLK_5
B
60-
C299
33PF_50V
D+ C+
VGA_B
VGA_G
VGA_R
KB_DAT_5
KB_CLK_5
HPD
SCL_MBAY
SDA_MBAY
PWR_SWIN#_3
PWR_LED_3
DOCK_LED_LINK#_R
TD+
TD-
TXCM
TX0P
TX0M
TX1P
TX1M
TX2P
TX2M
DVIDDCCLK_D
DVIDDCDATA_D
C-
DOCK_HSYNC
DOCK_VSYNC
VGA_B
DOCK_DDCCLK
DOCK_DDCDATA
VGA_G
VGA_R
D-
TXCP
TPB1+
TPB1-
LINEINL
SPDIF
G
R
SLP_S3#_5R
TPA1+
TPA1-
PDATA(7)
USB_PP2
USB_PN2
DVIDDCCLK_DDVIDDCCLK
DVIDDCDATA_DDVIDDCDATA
COMP_B
CHROMA_C
LUMA_Y
RD+
RD-
MBAY_DISABLE
BUSY_5
SLCTIN#_5
PINIT#_5
ALF#_5
STRB#_5
ACK#_5
PE_5
SLCT_5
ERROR#_5
PDATA(7:0)
PWR_LED#_3
PWR_LED_3
SRXD_3R
STXD_3
SRTS_3
SCTS_3R
SDTR#_3
SDSR#_3R
SDCD#_3R
RI#_3R
AIRACIN
PDATA(2)
PDATA(3)
PDATA(4)
PDATA(5)
PDATA(6)
PREP
PR_HPSENSE#
DOCK_LED_ACT#_R
USB_PP3
USB_PN3
LINEINR PR_AOUTL
PR_AOUTR
PDATA(0)
PDATA(1)

SHEET OF
TITLE
SIZE CODE DOC. NUMBER REV
INVENTEC
MOTHERBOARD SIDE
AMP 20PIN CONNECTOR
ACES_88028_2400_24P
9
TCPA
MODULES, RUBY1.0
CS
A3
6962
131MBD2600-0-0 D
MORRIS CHANG 23-Jul-2003
CHANGE by
29
33
30 30
44
5
56
6
77
88
9
21 21
22 22
23
23 24
24
25
25 26
26
27 27
28 28
29
14
15 15
16 16
17
17 18
18
19 19
22
20 20
CN2
ACES_88028_2400_24P
11
10
10 11
11 12
12 13
13 14
12
OPEN
R40
12
65-,59-,58-,55-,44-,41-,39-
44-,42-,41-,39-
58-,55-,44-,42-,41-,38-
10K_5%
R39
1
2
R41OPEN
39-
+V3S
55-,44-,41-,38-
44-,42-,41-,39-
44-,42-,41-,39-
44-,42-,41-,39-
44-,42-,41-,39-
+V3S
44-,41-,39-,30-
C487
0.1UF_16V
1
2
15-
LPC_DRQ1#
SUS_STAT#_3
0.1UF_25V
C8
1
2
SERIRQ_3
LPC_FRAME#_3
CLKRUN#_3
LPC_AD(3)
LPC_AD(2)
LPC_AD(1)
LPC_AD(0)
PCI_RESET2#_3
CLK_TCPAPCI_3R

$O,$V
OFCHANGE by SHEET
CODE
TITLE
SIZE DOC. NUMBER REV
INVENTEC
R564
100K_5%
12
BLUETOOTH
MODULES, RUBY1.0
CS
A3
6963
131MBD2600-0-0 D
MORRIS CHANG 23-Jul-2003
100_5%
R542
12
R543
100_5%
12
2
+V3
+V3S
Q5
NDS7002A
D
3
G
2
1
S
58-
58-
1
2
R816
220K_5%
12
10K_5%
R817
1
Q805 1
D
2
5
63
G
S
4
58-,41-
10UF_K_6.3V
C806
1
2
DLW21SN900SQ2L
L9
2
3
1
4
FDC638P
7
88
BLUETOOTH_VCC
39-
64-
+V3
C284
0.1UF_16V
CN806
ACES_88320_0800_8P
11
22
33
44
5
56
6
7
CH_DATA
CH_CLK
XMIT_OFF#
39-
USB_PP4
USB_PN4
BLUETOOTH_LED

CHANGE by SHEET OF
TITLE
SIZE CODE DOC. NUMBER REV
INVENTEC
HDD-LED
LID SWITCH
VINO-LED
MUTE
23-Jul-2003MORRIS CHANG
D131MBD2600-0-0
64 69
A3 CS
MODULES, RUBY1.0
SWITCH BUTTON & LED
D10 & R60 CHANGE TO OPEN
BLUE_LED
RED_LED
3
D
2
G
S
1
L5
BLM11B141S
12
43-,41-
4
+V3S
+V3A
R63
270_5%
12
BSS84
Q826
21
TC003_PS11BBBT
SW4
12
3
D46
BAV99
2
3
1
D45
SML_210MT
D
3
G
2
1
S
41-
C518
0.01UF_16V
1
2
51-
D
3
G
2
1
S
BAV99
D47
2
3
1
Q58
NDS7002A
12
D10 SML_210MT
21
+V3A
Q57
BSS84
270_5%
R466
12
+V3A
41-
R72
270_5%
R455
10K_5%
1
2
EVL_21SUYCD43 21
+V3A
12
+V3S
+V3A
47_5%
R1008
12
1
U2140
1000PF_J_50V
1
2
58-
R996
47_5%
1
SML_210MT
D44
21
SML_210MTD13
2
2
+V3S
SML_210MTD12
21
D6 BAV99
2
3
SML_210MTD11
21
R821
100K_1%
1
D
3
G
2
1
S
41-,5-
R462
270_5%
1
2
R463
1
2
0_5%
R2300
12
Q56
NDS7002A
D41
SML011BBT
2
1
270_5%
R465
12
270_5%
12
34
BAV99
D15
2
3
1
SW3
12
34
41-
49-,47-
SW2
TC003_PS11BBBT
SML_210MTD42 21
R646
270_5%
1
2
TC003_PS11BBBT_D
SW1
SW_DT006_PT11ABH_E
1
2
34
+V3S
41-
41-
12_215VRC_TR8
2
1
+V3A
61-,41-,39-
R845 100K_5%12
1
2
+V3S
+V3A
39-
D48
1
2
R60
270_5%
12
41-
0.1UF_16V
C991
Q55
3
D
2
G
S
1
C1049
0.1UF_16V
G
2
1
S
270_5%
R64
12
+V3A
63-
NDS7002A
10K_5%
R454
1
2
Q830
BSS84_OPEN
D
3
1
2
61-,41-
43-,41-
SW8
SWTT_TC003_PS11AT_A
1
2
+V3A
0.1UF_16V
C1047
1
2
61-,41-
270_5%
R2168
SCAN_IN(7)
ACIN#
BAT_LED#_3
53-,51-
PWR_SWIN#_3
PWR_LED#_3
SCAN_OUT(1)
EAPD
LED_WLAN_LINK BLUETOOTH_LED
VOL_UP
VOL_DN
PWR_LED#_3
HDDASP#_5
MF_LED#_3
LID_SW#_3
NUM_LED#_3
CAPS_LED#_3
SCROLL_LED#_3

PCI BUS INTERFACE
BIAS CURRENT
OSCILLATOR
FILTER
EEPROM 2 WIRE BUS
POWER CLASS
PHY PORT 1
PHY PORT 2
SHEET OF
TITLE
SIZE CODE DOC. NUMBER REV
CS
MODULES, RUBY1.0
PHY1394 CONTROLLER
INVENTEC
65-
65-
CHANGE by
2
C278
220P_25V
1
2
23-Jul-2003MORRIS CHANG
D131MBD2600-0-0
65 69
A3
1000PF_0402
1
2
59-,58-,55-,38-
0.1UF_16V
C357
1
62-,59-,58-,55-,44-,41-,39-
1K_1%
R96
12
65-
C432
1
2
R118
OPEN
12
65-
R810
12
C405
0.1UF_16V
1
2
0.1UF_16V
C300
2
1000PF_0402
C290
1
2
65-
59-,58-,55-,38-
65-
5.1K_1%
220_5%
R114
12
R2075
56.2_1%
1
6GND
GND
7
GND
8
100K_5%
R117
12
+V3S
1
2
AMP_JACK_1470613
CN1 1
1
22
33
4
4
5GND
1
2
R149
100_5%
12
C324
1000PF_0402
1
4
C301
0.01UF_16V
1
2
38-
1UF_6.3V
C2013
2
1UF_10V
C2066
1
2
DLW21SN900SQ2L
L8 2
3
C338
0.1UF_16V
1
2
2200PF_50VC1024
1
0.1UF_16V
C394
1
2
1000PF_0402
C454
1
2
114
124 TPA1+
123 TPA1-
TPB0+
113 TPB0-
112
122 TPB1+
121 TPB1-
TPBIAS0
116
125 TPBIAS1
X0
6
X1
5
SCL
SDA
92
TEST0
105 TEST1
104
TEST16 11
10
TEST17
102 TEST2
101 TEST3
TEST8
95 TEST9
94
TPA0+
115 TPA0- 58
PCI_PAR
PCI_PERR 56
PCI_PME 21
PCI_REQ 19
PCI_RST 85
57
PCI_SERR
PCI_STOP 54
52
PCI_TRDY
R0
118
R1
119
91
12
PCI_CLKRUN
PCI_C_BE0 73
60
PCI_C_BE1
47
PCI_C_BE2
PCI_C_BE3 34
PCI_DEVSEL 53
PCI_FRAME 49
18
PCI_GNT
PCI_IDSEL 36
13
PCI_INTA
PCI_IRDY 50
80
PCI_AD3
24
PCI_AD30
PCI_AD31 22
PCI_AD4 79
77
PCI_AD5 76
PCI_AD6
PCI_AD7 74
PCI_AD8 71
70
PCI_AD9
PCI_CLK 16
PCI_AD2 81
41
PCI_AD20
PCI_AD21 40
PCI_AD22 38
37
PCI_AD23
32
PCI_AD24
PCI_AD25 31
PCI_AD26 29
28
PCI_AD27
PCI_AD28 26
25
PCI_AD29
82
69
PCI_AD10
PCI_AD11 67
66
PCI_AD12
PCI_AD13 65
PCI_AD14 63
61
PCI_AD15
PCI_AD16 46
45
PCI_AD17 43
PCI_AD18
PCI_AD19 42
CYCLEIN
CYCLEOUT 86
3FILTER0
FILTER1
4
GPIO2 90
89
GPIO3
G_RST# 14
PC0
99
98 PC1
PC2
97
84
PCI_AD0
PCI_AD1
VDDP 78
8PLLGND1
83 DGND
88 DVDD
9PLLGND2
DGND
93
CNA 96
106
CPS
87
55 DGND
DVDD
59
62
VDDP
DGND
64 DGND
68
7PLLVDD
72 DVDD
75 DGND
DVDD
27
30 DGND
DGND
33
VDDP 35
DVDD
39
44 DGND 48
VDDP
51 DVDD
126 AGND
127 AGND
AGND
128
15 DVDD
17 DGND
AVDD 2
20
VDDP
DGND
23
DGND
103
107
AVDD
108
AVDD
AGND
109
AGND
111
110 AGND
AGND
117 AVDD 120
0.1UF_16V
C3003
1
2
U20
TI_TSB43AB22A_PDT_128P
1
AVDD
DVDD
100
12
+V3S
56.2_1%
R2073
12
61-
2
10K_5%
R81
12
R108 220_5%
1
2
15-
58-,55-,59-,38-
R2072
56.2_1%
1
1
2
C26
10UF_K_6.3V
1
2
1000PF_0402
C455
12
C334
0.1UF_16V
1
2
C451
1000PF_0402
65-
0.1UF_16V
C337
1
2
+V3S
12PF_50VC2045
L7
DLW21SN900SQ2L
2
3
1
4
59-,58-,55-,38-
61-
+V3S
2
6.34K_1%
R95
12
24.576MHZ
X1
1
2
1
2
C2046 12PF_50V
12
56.2_1%
R2079
1
R2081
5.11K_1%
1
2
38-
1UF_10V
C2067
PAD1
POWERPAD_2
59-,58-,55-,38-
65-
+V3S
+V3S
2
L27
BLM21A121S
12
1000PF_0402
C990
1
2
2
61-
59-,58-,55-,38-
59-,58-,55-,38-
65-
56.2_1%
R2077
1
59-,58-,55-,38-,65-
38-
L20
BLM11A121S
1
C302
1
2
C3002
0.1UF_16V
1
2
1
2
59-,58-,55-,41-,38-
59-,55-,58-,38-,65-
59-,58-,55-,38-
59-,58-,55-,38-
1000PF_0402
1
2
R2078
56.2_1%
1
2
1UF_6.3V
C1880
220_5%
12
L21
BLM21A121S
12
0.1UF_16V
C322
2
220_5%
R109
12
+V3S
R107
2
56.2_1%
R2076
1
2
61-
R2080
56.2_1%
1
1
C297
1000PF_0402
1
2
C456
1000PF_0402
1C448
1
2
59-,51-,38-,29-,21-
NDS7002A
Q19
3
D
2
G
S
1
2
3
45
6
7
8
1000PF_0402
65-
RS11
4.7K
TPB1+
PCI_AD(29)
PCI_RESET1#_3
TPB0+
TPA0+
TPBIAS0
TPA0-
TPA1+
TPA1-
TPB1-
PCI_PERR#_3
1394REQ3#_3
PCI_SERR#_3
PCI_STOP#_3
PCI_TRDY#_3
TPBIAS0
TPB0-
TPB0+
TPA0-
TPA0+
TPB0-
PCI_CBE#(2)
PCI_CBE#(3)
PCI_DEVSEL#_3
PCI_FRAME#_3
1394PCIGNT3#_3
PIRQH#_3
PCI_IRDY#_3
PCI_PAR_3
PCI_AD(5)
PCI_AD(6)
PCI_AD(7)
PCI_AD(8)
PCI_AD(9)
CLK_1394PCI_3R
CLKRUN#_3
PCI_CBE#(0)
PCI_CBE#(1)
PCI_AD(26)
PCI_AD(27)
PCI_AD(28)
PCI_AD(29)
PCI_AD(3)
PCI_AD(30)
PCI_AD(31)
PCI_AD(4)
PCI_AD(19)
PCI_AD(2)
PCI_AD(20)
PCI_AD(21)
PCI_AD(22)
PCI_AD(23)
PCI_AD(24)
PCI_AD(25)
PCI_AD(11)
PCI_AD(12)
PCI_AD(13)
PCI_AD(14)
PCI_AD(15)
PCI_AD(16)
PCI_AD(17)
PCI_AD(18)
PCI_AD(0:31)
PCI_CBE#(0:4)
PCI_PME#_3
PCI_AD(0)
PCI_AD(1)
PCI_AD(10)

A
G
BC
66
131MBD2600-0-0 D
MORRIS CHANG 23-Jul-2003
CHANGE by SHEET OF
TITLE
SIZE CODE DOC. NUMBER REV
INVENTEC
F
E
D
SCREW4.2_6.5_4.7_1P
S19
S15
SCREW3.3_5_1P
SCREW
MODULES, RUBY1.0
CS
A3
69
S26
SCREW3_6.5_7.5_9P SCREW3.2_6.5_9
S18
S24
SCREW3.7_6.5_4.2_1P
SCREW3_6.5_7.5_9P
S17
SCREW4.5_5_1P
SCREW2.8_6.5_9P
S16
SCREW3.7_6.5_4.2_1P
S22
S13 S14
SCREW4.5_5_1P
SCREW5.2_8_10_9P
S21
SCREW5.2_8_10_9P
S3
S20
SCREW4.2_6.5_4.7_1P
S4
SCREW5.2_8_10_9P
SCREW5.2_8_9P
S27
S8
SCREW3_6.5_7.5_9P
SCREW5.2_8_10_9P
S6
S5
SCREW5.2_8_10_9P
SCREW4.5_5_1P
S10
SCREW4.2_6.5_4.7_1P
S9
SCREW4.2_6.5_4.7_1P
SCREW3.7_6.5_4.2_1P
S2
S1
SCREW3.7_6.5_4.2_1P
S12
SCREW4.5_5_1P
S11

$P
BATTERY CONNECTOR
6PIN CONNECTOR
REV
INVENTEC
CHANGE by
$P $P
TITLE
SIZE
SHEET OF
CODE DOC. NUMBER
MODULES, RUBY1.0
CS
A3
6967
131MBD2600-0-0 D
MORRIS CHANG 23-Jul-2003
MODULES, RUBY1.0
CS
A3
6967
131MBD2600-0-0 D
MORRIS CHANG 23-Jul-2003
FIX_MASK
PIN70_40
PAD802
PIN70_40
PAD803
PIN45_20
PAD804
FIX_MASK FIX_MASK
FIX3
FIX4
FIX_MASK FIX_MASK
FIX5 FIX6 1
22
334
4
55
66
FIX_MASK
FIX1 FIX2
22
334
4
55
66
CN24
AMP_440019_1_6P
1
+VCC_B GND_B
CN811
SYN_20014A_02G2_2P
11
22
CN815
SYN_20014A_06G2_6P
11

SHEET 29
1. R1293 CHANGE FROM 4.99K TO 5.6K
NOTE : FOR PCI_RESET , PCI _CLOCK , PM_VGATE TIMING
SHEET 55
1. ADD (R521,R522,R523,R524,R525, R527, R528,R529,R530,R534)
2. R322 CHANGE FROM 10K TO 200K AND ADD CAP(0.01UF) IN R322 PIN2 TO GND
1. OPTICAL DRIVE(CN808) CHANGE CONNECT TO AMP_P_012203_50P
SHEET 39
1. ADD PM_VGATE DELAY CIRCUIT : U46 , U58 ,R426 , C525 , C526
NOTE: FOR ATI POWER SEQUENCE
SHEET 33
2. (VMEM_CFG3)ADD OPEN(R513) PULL-UP TO +V3S AND 8.2K(R512) PULL-DOWN
SHEET 14
3. L9(BLM11A121S) CHANGE TO POWER_PAD2
1. ROTATE CN16(THE KEYBOARD CONNECT) : 180 POINT OF VIEW
1. CN8 (FAN CONNECT) CHANGE FROM 5PIN TO 3 PIN
3. AGP8X_DETb PULL HIGH POWER RAIL CHANGE FROM +V1.5ATIAGP TO +V3S
NOTE: MEET THE INTEL RDDP SPEC.
1. R229 , R230 , R291 CHANGE FROM 0(OHM) TO OPEN
NOTE :SAME THE DIAMOND SYSTEM
0 (OHM) SERIES RESISTOR WOULD BE USEFUL IN TUNING AGP
02 11 CHANGE LIST
NOTE: MECHANICAL CHANGE
1. REMOVE Q54 , R390 CHANGE FROM 10K TO 0(OHM)
NOTE : FOR POWER SEQUENCE
1. R936 (INPUT TO U40 PIN2) CHANGE FROM 36.5K TO 182(OHM)
4. U57(REFERENCE) CHANGE TO U61
02 14 CHANGE LIST
SHEET 30
1. CHANGE CN8 PIN2 CONNECTION FROM GND TO Q43 PIN3
NOTE: FOR ATI RECOMMED
SHEET 32
6. ADD 1K PULL DOWN ON GPIO8
SHEET 13
SHEET 39
4 . ADD TEST POINT IN GPIO[4:7] GPIO[9:14]
NOTE: FOR +V3A POWER RAIL(ATI-VREFG)
1. ADD VGA DAMPING PESISTOR
SHEET 66
SHEET 26
NOTE: MECHANICAL CHANGE
1. ADD 1K RESISTOR PULL-DOWN TO PIN47 OF CN808
SHEET 29
1. ADD SCREW (S15))
3. CHANGE U17 FROM ICS_MK1707S TO SM560
NOTE: FOR ATI RECOMMED
SHEET 53
4. PDIAG#: CN808-PIN32(PAGE53) CONNECT TO CN814-PIN34(PAGE51)
3. CREATE RUBY VIDEO MEMORY CALL-BACK DEFINITION TABLE
1. R1783 CHANGE FROM 220K TO 100K AND ADD CAP(0.1UF) IN R1783 PIN1 TO GND
1. CHANGE JACK802(EAR-PHONE JACK) GEOMETRIC(LAYOUT PATTERN)
SHEET 11
SHEET 53
3. CHANGE CN17(STICK POINT) GEOMETRIC(LAYOUT PATTERN)
NOTE: FOR ATI RECOMMED
SHEET 65
1. ADD INVERTER BETWEEN , PIN H22(GPIO39) OF U22 AND NPCI RESET
2. R349 CHANGE FROM 1K TO 0 (OHM) AND ADD CAP (0.01UF) IN R349 RIN2 TO GND
1. ADD TEST POINT TO PINS AE25
SHEET 15
1. U22-V19(PM_VGATE/VRMPWRGD) CHANGE FROM PM_VGATE TO SB_VGATE
1. R561 1K CHANGE TO 100K
1. CN15 PIN12 CONNECT TO GND
SHEET 65
1. L36 CHANGE FROM BLM11A121S TO BLM21A121S
2. ADD 10K(R531) PULL UP TO +V3S
NOTE : SELECT FREQUENCY ENTER CHANNEL
1. ADD 0 OHM SERIES RESISTOR ON THE PATH OF OSC OUTPUT TO XTALIN AND XTALOUT
1. ADD SERIES RESISTORS ON SB_STDS (R518 ), ADSTBS_O(R519 ),ADSSTBS_1( R520 )
5. VGA_GPIO[0:3] STATUS CHANGE FROM 10K PULL DOWN TO 10K PULL UP (+V3S)
SHEET 29
(ZV_LCDDATA[5:15] , [18:19], ZV_LCDCNTL[0:3] )
SHEET 53
SHEET 30
2. CHANGE R894 49.9 TO 40.2(OHM)
(PIN26) OF U10. PCI_RESET#_3 WILL NOT LONGER BE CONNECTED
SHEET 49
TO PIN 26 OF U10
CN8 PIN3 CHANGE TO OPEN
SHEET 68
1. ADD 1K RESISTOR PULL-DOWN TO PIN7 OF U57
1. R512 , R513(REFERENCE) CHANGE TO R562 , R563
SHEET 17
1. ADD SCHMITT BUFFER BETWEEN R322 PIN2 AND PIN10(ON1) OF U38
SHEET 10
1. ADD DDR-THERMAL SENSE PARTS(U57, R512,R513)
SHEET 49
1. ADD 0.1UF CAPACITOR BETWEEN ANALOG AND DIGITAL GROUND ON PIN8 OF JACK802
1. ADD TEST POINT TO PINS AK19, AH19, AH20,AG20
SHEET 39/44
SHEET 20
02 12 CHANGE LIST
CODE DOC. NUMBER REV
INVENTEC
2. REMOVE BELOW SCREW (S15)
02 17 CHANGE LIST
1. ADD BELOW SCREW (S21 , S22 , S24 , S26)
1. U57 ,R526, R535 RESERVE FOR GUID
1. R348 TO OPEN
2. PDCS1#: CN808(PAGE53) PI35 CONNECT TO CN814 -PIN37(PAGE51)
SHEET 66
5. IDERESET#: R139-PIN1(PAGE53) CONNECT TO U36-PIN4(PAGE51)
SHEET 11
NOTE : FOR ATI POWER SEQUENCE(ADJUSTED TIMING OF THE VDD15)
2. ROTATE CN18(THE TOUCH-PAD CONNECT) : 180 POINT OF VIEW
NOTE : REFERENCE TI 1394 CIRCUIT
1. U22 PIN G23(GPIO40) CONNECT TO CN808 PIN47
1. C126 CHANGE VALUE FROM 0.01UF TO 0.1UF
SHEET 51 ’53
2. REMOVE C247,C248,R542,R543
8. ADD 10K PULL DOWN RESISTOR TO PREVENT LEAKAGE FOR ZV_LCDDATA[16:17]
1. SWAPPED BELOW SIGNAL : PCI_AD(7)&PCI_AD(8), B_CAD(10)&B_CAD(11), B_CAD(14)&B_CAD(15)
NOTE : FOR OPTICAL DRIVE
CHANGE by SHEET OF
TITLE
SIZE
3. HDDASP#_5: CN808(PAGE53) PIN37 CONNECT TO U35-PIN1(PAGE51)
SHEET 48
1. IRQ14_3: CN808(PAGE53) PIN29 CONNECT TO CN814-PIN31(PAGE51)
CHANGE LIST
MODULES, RUBY1.0
CS
A3
6968
131MBD2600-0-0 D
MORRIS CHANG 23-Jul-2003
2. CN1 PINOUTS ARE REVERSED
SHEET 39/53
NOTE: ABOVE ITEMS FOR ATI RECOMMED
9. R879 , R880 CHANGE FROM 1K TO 3K
7. ADD 1K PULL DOWN RESISTOR TO PREVENT LEAKAGE FOR SOME ZV_LCDDATA , ZV_LCDCNTL PIN
SHEET 65
SHEET 20
SHEET 10
SHEET 43
1. CHANGE JACK801(MIC JACK) GEOMETRIC(LAYOUT PATTERN)

37. R1679 CHANGE VALUE FROM 20K TO 1.3K ; R2139 CHANGE VALUE FROM 150K TO 10K ...PAGE5
28. R848-PIN1 AND Q825-PIN5,PIN8 POWER RAIL FROM +V3S TO +V3 ...PAGE37
23. ADD NAME PORT(MAX_LX5) IN L44-PIN1 ...PAGE7
30. REMOVE D39 ...PAGE41
31. ADD DELAY CIRCUIT FOR THE PWR_GOOD3 ...PAGE41
38. DELETE R514 ...PAGE26
51. CN1 CHANGE FROM AMP_JACK_440148 TO AMP_JACK_1470613 ...PAGE65
7. REMOVE PAD11 AND PAD12 ---PAGE12
46. C1620 , C1621 , C1623 CHANGE VALUE FROM 0.01UF TO 0.1UF ...PAGE59
43. R67 CHANGE VALUE 51K TO 180K ...PAGE39
44. POWER RAIL OF THE R223-PIN1, CHANGE VALUE FROM +V5A TO +V5 ...PAGE46
4. U28-PIN8 CONNECTION STATUS : CHANGE IT FROM R2169-PIN1 TO Q802-PIN1.2.3 ---PAGE6
6. REMOVE PAD9 ---PAGE11
50. DELETE U8 , R526 , R535 , R538 ...PAGE65
14. R468~R489, R490~R492, R494~R511 : CHANGE THESE RESISTOR FROM 0(OHM) TO 10(OHM) ---PAGE33
40. ADD CAP(22UF) BETWEEN THE +V2.5S AND GND IN U23 , U27 OF THE VRAM ...PAGE34
34. U7 AND U804 PIN5,PIN7 POWER RAIL CHANGE FROM +V5 TO +V5A ; OC# SIGNAL OF THE PIN2 IS REMOVE
36. CHANGE TURN ON CIRCUIT OF THE H.D.D-LED, USING A MOS-FET(Q286) TO CONTROL H.D.D-LED ...PAGE64
EN SIGNAL OF THE PIN1 IS CONNECT TO +V5 ...PAGE54
SHEET OF
TITLE
SIZE CODE DOC. NUMBER REV
INVENTEC
1. ADD OPC CIRCUIT ON PAGE5.
13. DELETE THERMAL SENSOR CIRCUIT ---PAGE30
39. FOLLOWIG RESISTORS ARE CHANGE VALUE FROM 10 OHM TO 24 OHM : RS12~RS20 , RS22~RS24 ; RS27~RS30
RS27~RS30 ; RS32~RS35 ; RS38~RS44 ; RS46~RS47 ; RS57~RS59 ; R481~R486 ; R488 , R489 ; R505~R511 ; R502
10. ADD TEST-POINT (TP557) ---PAGE21
42. CHANGE CRT CIRCUIT, REFER TO THE DIAMOND CRT CIRCUIT ...PAGE36
8. CHANGE MOSFET TO REDUCE RDS ON Q809 Q39 ---PAGE13
45. POWER RAIL OF THE U32-PIN5, CHANGE VALUE FROM +V5 TO +V3 ...PAGE57
29. R67 CHANGE VALUE FROM 180K TO 51K ...PAGE39
...PAGE33
16. PIN1 OF D2,D3,D800,D801,D802,D803,D804 ARE CHANGE FROM +V3 TO USBCC1 ---PAGE36
9. CHANGE THERMAL IC PART, FROM ADM1032 TO ADM 1031 FOR CPU&VAG ---PAGE20
RUBY SI BUILD CHANGE LIST
19. REMOVE C230, C395, C1674, C1675. CHAISY _GND CHANGE TO DIGITAL_GND ---PAGE60
33. REMOVE D17 ...PAGE52
17. A_CSTOP# , B_CSTOP# OF U2228 SIGNAL(PAGE55) CONNECT TO CN21(PAGE56)
18. CHANGE CN10 SYMBOL : PIN11 IS REF_P_D AND PIN12 IS WP ---PAGE57
22. UPDATE CN1 SYMBOL, ADD GND SIGNAL OF PIN7, PIN8 THEN CONNECT TO GND ---PAGE65
24. REMOVE NONE-USE SIGNAL-PORT(SLP_S5#_5R) ...PAGE13
25. Q48 CHANGE FROM FDC638P TO FDR840P ...PAGE13
20. UPDATE CN807 FROM JAE_WD_154S4V_VF78_ML_154P TO JAE_WD_154S4VH_VF85_N_154P
CHANGE by
21. BREAKING PIN1 AND PIN3 CONNECTION FOR SW2, SW3, SW4 THEN ALL OF PIN3 CONNECT TO GND ---PAGE64
52. CN4 CHANGE FROM MLX_53398_0490 TO JST_BM4B_SRSS ...PAGE50
35. REMOVE R934 R946 OF THE PULL-HIGH CIRCUIT ...PAGE56
47. C1651 , C1656 CHANGE VALUE FROM 22PF TO 27PF ...PAGE60
48. ADD 200 OHM SERIES RESISTOR BETWEEN XTALO AND PIN2 OF X800(CRYSTAL) ...PAGE60
2. R2169 CHANGE FROM 10K TO OPEN ---PAGE6
3. REMOVE D22 ---PAGE6
5. Q22-PIN1.2.3 AND Q26-PIN1.2.3 POWER NAME, CHANGE IT FORM +VBATR TO +VADP2 ---PAGE6
CHANGE LIST
MODULES, RUBY1.0
CS
A3
6969
131MBD2600-0-0 D
MORRIS CHANG 23-Jul-2003
15. ADD CAP (150UF)BETWEEN THE +VRAM_VCC AND GND ---PAGE34
41. ADD CAP(22UF) BETWWEEN THE +V2.5S AND GND IN U14 , U15 OF THE VRAM ...PAGE35
TO 12-215VRC_TR8(RED-LED) ...PAGE64
49. D41 CHANGE FROM SML_210MT TO SML010BAT(BLUE-LED) ; D48 CHANGE FROM SML_210MT
32. ADD RNET FOR KAHUNA PROGRAMMING(RS850,RS860) ...PAGE43
26. R293 CHANGE FROM 10K TO OPEN ...PAGE17
27. Q806 CHANGE FROM FDC638P TO FDR840P(Q825) ...PAGE37
AND ADD D+, D-, C+, C- SIGNALS FROM U2(PAGE60) ---PAGE61
11. ADD CAP (220PF) 3 PCS BETWEEN THE MCH_GTLREF AND GND ---PAGE22
12. REMOVE C60 (150UF) ---PAGE26
