LG G7030 Schematics. Www.s Manuals.com. Schematics
User Manual: Phone LG G7030 - Service manuals and Schematics, Disassembly / Assembly. Free.
Open the PDF directly: View PDF
.
Page Count: 8

- 9 3-
K. S. KIM
N.A
67
23
123
2003
OPEN
SHORT
2003
04/25
B
C
W. J. KIM
E
Checked
Approved
D
Iss.
D
Designer
5
A
MODEL
DRAWING
Notice No.
4
N.A
04/25
Name
Section Date Sign & Name
SPFY0046101-1.1
Date
G7030
Memory Interface
NAME
DRAWING
LG Electronics Inc.
N.A
Sheet/
Sheets
LG Electronics Inc.
LGIC(42)-A-5505-10:01
1
NO.
910
45
TOSHIBA
AMD
8
A
JP3
JP3
2003
3/6
K. P. KIM
04/25
B
C
0
R106
0.033u
C138
10K
R99
0.1u
R97
C141
0
C162
C161
33p 33p
0.1u
VR2
C123
5
_Y0 15
_Y1 14
_Y2 13
_Y3 12
_Y4 11
_Y5 10
_Y6 9
_Y7 7
A
1
B
2
C
3
G1
6
GND 8
16
VCC
_G2A
4
_G2B
MC74VHC138
U18
0.1u
C137
R77
100K
VCCF2
VCCPS
J6
J9 VSS0
VSS1
G3
H9
_BYTE
_CE1PS J2
_CEF1 H2
F5
_CEF2
C4
_LB
_OE H3
_RESET D5
D4
_UB
C6
_WE
_WP_ACC C5 VR2
G6
G10 NC11
NC12
L1
L10 NC13
M1 NC14
NC15
M10
NC2
B1
B10 NC3
NC4
C1
NC5
F1
F6 NC6
F9 NC7
F10 NC8
NC9
G1
RY_BY E5
VCCF1
J5
G5
DQ12
H7 DQ13
K8 DQ14
DQ15
H8
K4 DQ2
DQ3
H5
H6 DQ4
DQ5
K7
G7 DQ6
DQ7
J8
K3 DQ8
DQ9
H4
DU1 K6
G8
DU2
NC0
A1
A10 NC1
NC10
A19
A2 E2
A20 E6
E9
A21
A3 D2
A4 F3
E3
A5
A6 D3
C3
A7
A8 C7
E7
A9
CE2PS D6
J3 DQ0
DQ1
G4
J4 DQ10
DQ11
K5
J7
A0 G2
F2
A1
A10 F7
C8
A11
A12 D8
E8
A13
A14 F8
D9
A15
A16 G9
F4
A17
A18 E4
D7
U14
TH50VPF5783AASB
R104
0
0
R98
VR2
_MAIN_CS
_MIDI_CS
_SUB_CS
D(0:15)
_CS0
A(22)
D(5)
_CS2
_CS1
_BHE
_WR
FDP
_RD
A(2)
A(3)
_CS3
D(15)
A(1)
A(2)
A(3)
A(4)
A(5)
A(6)
A(7)
A(8)
A(9)
A(10)
A(11)
A(12)
A(13)
A(14)
A(15)
A(16)
A(17)
A(18)
A(19)
A(20)
A(21)
A(1:22)
_BLE
D(0)
D(1)
D(2)
D(3)
D(4)
D(6)
D(7)
D(8)
D(9)
D(10)
D(11)
D(12)
D(13)
D(14)
9.3
инTeрфeйc блoKa пaмяTи

- 9 4-
9.4
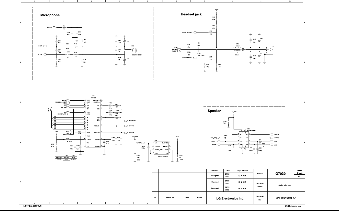
инTeрфeйc ayдиo блoKa

- 9 5-
9.5
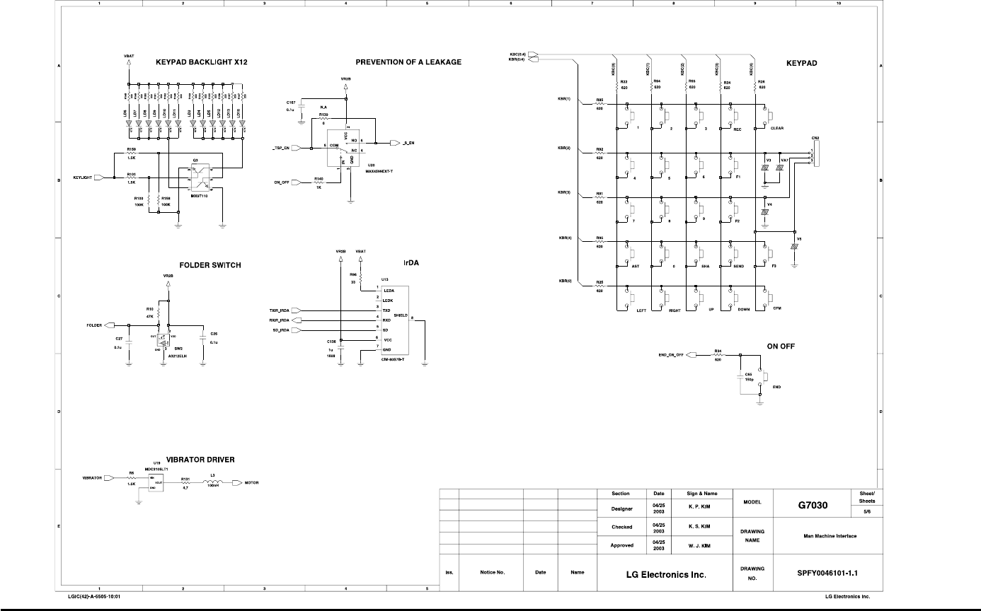
MyлbTимeдийHbIй иHTepфeйc (MMI)

- 9 6-
9.6
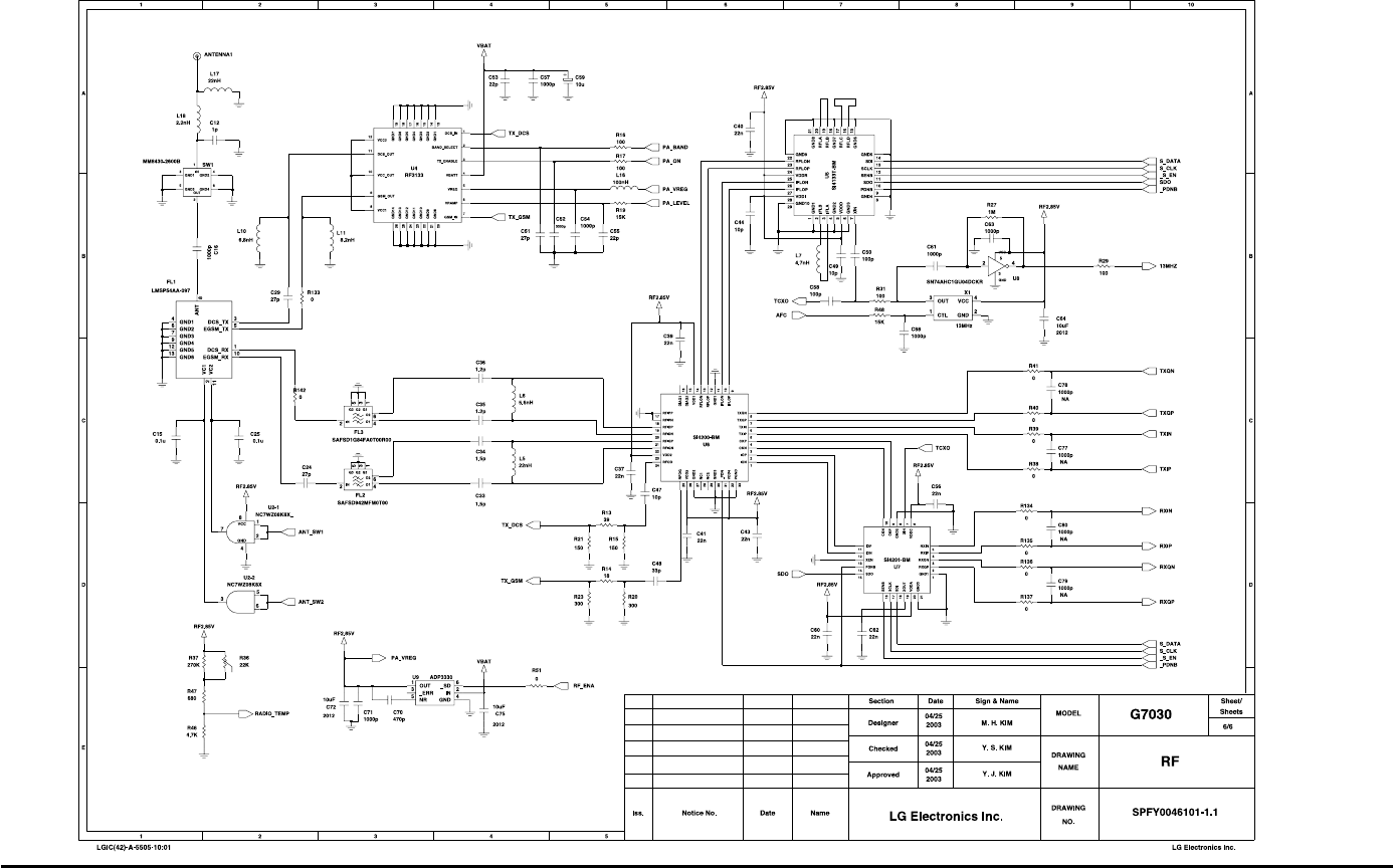
инTeрфeйc PччacTи

- 9 7-
1 0 .
TOпOлOгия пEчATHOй плATbI
10.1
вид cBepxy

- 9 8-
10.2
вид cнизy

