LG U8120 Schematics. Www.s Manuals.com. Schematics
User Manual: Phone LG U8120 - Service manuals and Schematics, Disassembly / Assembly. Free.
Open the PDF directly: View PDF
.
Page Count: 14

- 235 -
7
G
Page:
123
10
9
2012
11
C
2012
Time Changed:
10
Size:
7
TITLE:
10 119 12
3G HANDSETS LAB.
Changed by:
12
1
Drawn by:
11
B
A
Engineer:
8
Drawn by:
10 11
6
A
1
C
D
2
G
1
H
G
9
LG ELECTRONICS INC.
3
R&D CHK:
H
DOC CTRL CHK:
F
TITLE:
MFG ENGR CHK:
QA CHK:
A
5
Drawing Number:
QA CHK:
68
Date Changed:
2012
5
E
A
B
REV:
DD
512
DOC CTRL CHK:
R&D CHK:
F
85
Page:
6
ANT SW to ANT
U8120 PT V1.3 STG INTEL PAM
8
Engineer:
2
7
DEVELOPMENT GROUP 1
G
Drawing Number:
MFG ENGR CHK:
E
NA
B
1
Time Changed:
Size:
12 1 8 A
A2
3
F
REV:
4
B
3
C
H
F
49
Changed by:
4
H
D
E
4
2
2
C
E
Date Changed:
7
2012
6
Tuesday, September 04, 2003 1
12 1 8 A
A2
SG Kang
SG Kang
5:01:55 pm
SG Kang
C1001
10p
0
R1850
R1811
0
R1002
NA
10p
C1005
10u
ANT
G1
G2
G3
G4
RX
TX
C1852
DFYK61G95LBNCB
N1002
0.01u
C1004
ANTPAD
R1826
0
C1801
1000p
0.033u
C1851
C1850
0.1u
0
R1810
22p
C1013
R1001
NA
C1811
10u
R1004
0
R1003
0
0
R1825
7GND2
6
VEN
2VIN
VOUT
1
VOUT_SE
3
LP3981ILD-2.8
N1850
BYPASS 5
GND1
4
0.1u
C1800
KMS-507
W1001
ANT
G1
G2
RF
R1005
0
C1007
0.01u
C1802
10u
R1006
0
0.01u
GSM1900_RX
16
GSM900_RX
14
GSM900_TX
10
VC1
VC2
9
VCG
1
VDD
11
6
WCDMA
C1003
N1000
ANT
8
3
GND1
5
GND2
GND3
7
13
GND4
GND5
15
12
GSM1800_1900_TX
2
GSM1800_RX
4
22p
C1012
LMSP54MA-213
C1009
10p
C1002
0.01u
2
4
5
3
1
RN47A4
V1001
10u
C1810
51
R1007
R1804
NA
C1008
10p
R1801
NA
6.8nH
L1002
3.9p
C1000
R1800
NA
C1011
22p
BYPASS 2
1
GND
ON_OFF
5
VIN
4VOUT 3
6.8nH
VBATI
LP2985AIBP-2.8
N1800
L1001
C1010
1000p
R1851
0
ANTSW1
ANTSW2
ANTSW0
ANTSW3
GSM_TX
DCS_TX
DCS_RX
GSM_RX
WCDMA_RX
VCCB
VCCA
V_wivi_B
V_wivi_A
WCDMA_TX
EXTLDO
VDD_A
VDD_B VCCB
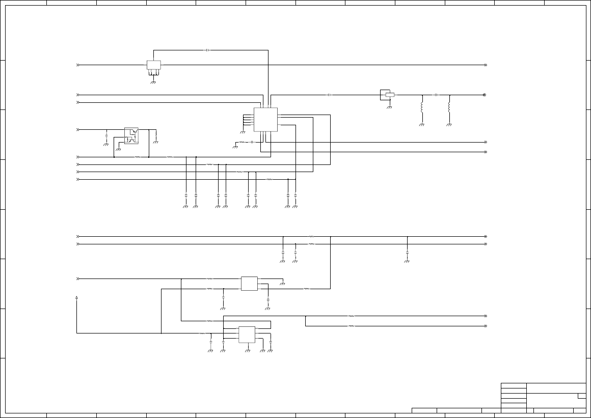
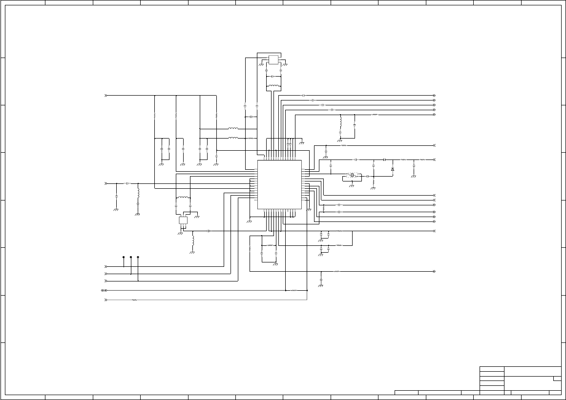
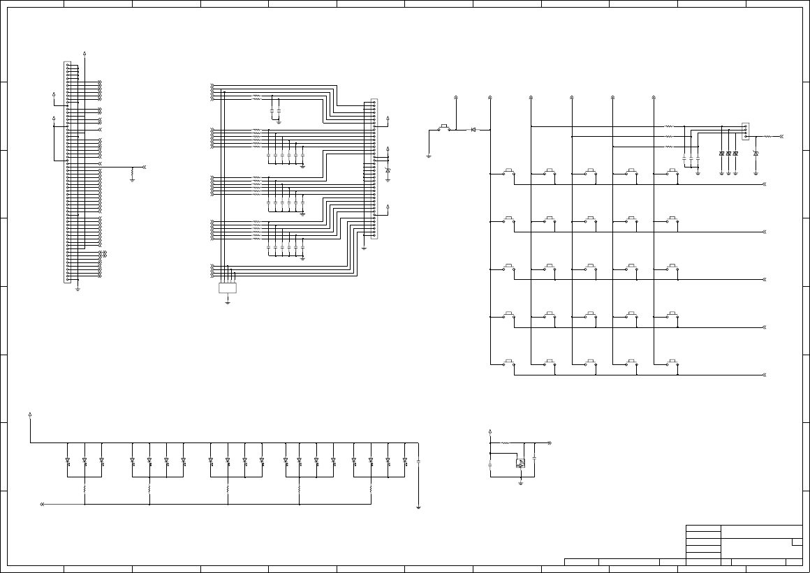
9. CIRCUIT DIAGRAM

- 236 -
112
R&D CHK:
7
3
4 6
D
1608
F
1
A
1608
REV:
B
C
11
H
G
Drawn by:
Engineer:
98
F
2
H
4
Changed by:
3
Tuesday, September 04, 2003
5
A
12
UMTS RX (WOPY)
B
C
1
FROM MARITA SIDE FOR POWER SAVING
U8120 PT V1.3 STG INTEL PAM
3G HANDSETS LAB.
9
E
10
10
LG ELECTRONICS INC.
DEVELOPMENT GROUP 1
QA CHK:
6
Date Changed: Time Changed:
E
G
SG Kang 12:50:11 pm
SG Kang
SG Kang
2
A2
12 1 8 A
TITLE:
Drawing Number:
DOC CTRL CHK:
MFG ENGR CHK:
Size:
Page:
D
127
1608
8
5
R1730
10
0.01u
C1740
G1
1
G2
3G3 5
IN
2
O1 4
O2 6
C1720
5600p
Z1400
B7752
0.01u
C1730
1.2p
C1443
C1412
1.2p
V1770
C1760
BBY58-02W
0.01u
0.01u
C1770
C1722
NA
C1442
2200p
TP1401
330p
C1772
C1451
R2108
100
0.01u
C1448
0.01u
C1447
0.01u
22p C1431
C1403
2GND1
GND2 4
1
HOT1
HOT2
3
22p
D10
C8
XOOA D8
XOOB
XOOON
H3
13MHz
B1770
TSX-8A
K10
RFOUT
K3
RXON
H4
F3 STROBE
VCCBUS E10
VCCIF A3
VCCLF A6
C1 VCCMIX
VCCPHD
K5
K4 VCCPLL
VCCREF B10
VCCRF
K1
K9 VCCRFLO
K8 VCCVCO
K7 VTUNE
XOIA C10
XOIB
F10
IFLOB G10
IFOUT A1
B1 IFOUTB
INDBYP
K2
IRA A9
A10
IRB
C7
MCLK
D1 MIXINA
E1 MIXINB
PHDOUT
K6
QRA A7
QRB A8
G8
REFON
H1 RFIN
RFLOOA J10
RFLOOB
GLNA
F1 GNDBIAS
F8
GNDBUS
GNDBYP
J1
G1 GNDEME
GNDIF
C3
C6
GNDLF
GNDMIX A2
H6 GNDPHD
GNDPLL
H5
E8
GNDREF
GNDRFLO H10
H7 GNDTUNE
H8
GNDVCO
IFINA A4
IFINB A5
IFLOA
N1400
CDI C5
C4
CDQ
E3 CLK
D3 DATA
G3
0
R1440
LZT-108-5323
3.3K
R1411
22p
C1444
6.8nH
L1411
TMX-M453
Z1420
GND 2
1
IN+
6IN-
4OUT+ 3
OUT-
SHIELD
5
68nH
L1421
22p
C1414
C1751
C1402
22p
C1407
1000p
22p
C1454
0.01u
4.7p
C1425
C1773
2200p
NA
C1400
C1453
0.01u
L1422
68nH C1761
27p
C1422
82p
R1770
1K
C1423
27p
C1401
22p
1.2p
C1413
390p
C1721
C1424
56p
22p
C1778
R1720
5.6K
R1401
0
TP1403
R1772
10K
1uH
L1760
C1731
22p
R1431
0
R1760
0
R1723
0
47p
C1777
C1404
0.01u
C1750 22p
C1776
2200p
C1441
4.7p
2.2nH
L1401
R1740
10
22p
C1741
R1430
10
TP1402
NA
C1421
NA
L1402
NA
R1505
R1771
10K
0.01u
C1452
0
R1410
R1721
0
100nH
L1441
VCCB
RFLO
VCCB
VCXOCONT
VCCB
RXQA
RXQB
RXIA
RXIB
MCLK
RFLOBAR
WRFLOOP
WCLK
WDAT
IFLO
IFLOBAR
CLKREQ
WSTR
XOOA
XOOB
GPRFCTRL
WCDMA_RX
9. CIRCUIT DIAGRAM

- 237 -
D
DOC CTRL CHK:
LG ELECTRONICS INC.
Page:
4
3838
6
A
A
TITLE:
10
C
B
H
U8120 PT V1.3 STG INTEL PAM
BLM15BB750SN1J
B
G
11
Drawing Number:
7
3
Date Changed:
9
H
UMTS TX (WIVI) to ISOLATOR
D
8
2
R&D CHK:
9
G
Drawn by:
7
11
8
A2
12 1 8 A
2012
F
Time Changed:
C
DEVELOPMENT GROUP 1
Engineer:
6
NA
NA
E
3G HANDSETS LAB.
Size:
3
10
1
1
QA CHK:
5
F
Changed by:
E
12
MFG ENGR CHK:
REV:
4 52 12
Tuesday, September 04, 2003
SG Kang 5:04:02 pm
SG Kang
SG Kang
3
0
R1703
0.01u
C1703
10
R1701
N1650
CE0401G95DCB000-TT1
GND1 GND2
GND3 GND4
IN OUT
22p
C1704
R1627
39K
L1504
8.2nH
R1633
NA
NA
L1720
0
R1997
330p
C1626
0
R1629
R1621
0
0
R1711
10p
C1701
0.01u
C1631
22p
C1702
C1627
4.7u
C1624
NA
R1604
4.7u
R1606
NA
R1503
0
4p
C1502
NA
C1635
10p
C1511
L1502
15nH
15nH
L1501
R1632
0
C1512
10p
0.01u
L1601
C1632
Z1500
SX-S205B
B_IN1
4
B_IN2
6
G1
1
G2
3
G3
5
S_OUT
2
47p
C1514
C1501
0.01u
680
R1504
TP1702
R1502
680
3
VO
TP1701
LM20BIM7X
B1501
2
GND1
GND2
5 1
NC
V+
4
C1715
100p
TP1502
TP1504
TP1503
C1628
1000p
18 VCC11
VCC12
19
VCC21
15
VCC22
16 4
VCC_BIAS1
VCC_BIAS2 5
VCC_DET 7
1
VCTRL1
2
VCTRL2
VDETECT 8
GND1 3
GND10
22
23 GND11
6
GND2
GND3 9
11
GND4
GND5
12
GND6
13
14 GND7
GND8
17
20 GND9
RFIN
21
10
RFOUT
RF9266
N1630
R1628
100K
0
R1510
L1603
L1506
NA
L1602
10nH
L1505
C1507
4p
MAX1820ZEBC
N1620
BATT C2
A2 COMP
GND
B4
LX C3
OUT
A3
C4
PGND
REF
A4
SYNC B1
C1
_SHDN
_SKIP
A1
R1710
4.7K
10p
C1504
R1631
0
0
R1617
C1509
10p
VCCIFVCO A10
VCCRF J1
E10 VCCRFPHD
G10 VCCRFPLL
H10 VCCRFVCO
B10 VTUNEIF
J10 VTUNERF
WON C7
XOOB B1
C1
XOOC
VBATI
VBATI
OUT
J2
J3 OUTBAR
A7
PHDIFOUT
F10 PHDRFOUT
QIN A2
QINBAR A1
RFLO H1
RFLOBAR I1
STROBE
G8
E8 TXON
A5
VCCBB
VCCBUS D1
VCCIF
J7
VCCIFLO G1
A6
VCCIFPHD
A8
VCCIFPLL
GNDRFLO1 G3
H3 GNDRFLO2
GNDRFPHD
D8
F8 GNDRFPLL
GNDRFVCO1
C8
H8 GNDRFVCO2
C10 GNDTUIF
GNDTUNERF
I10
IFBP
J8
IFBPBAR
J9
IFLO E1
F1
IFLOBAR
A4
IN
A3
INBAR
J5 MIXOUT
J6 MIXOUTBAR
CLK C4
E3
DATA
C3
GNDBB D3
GNDBUS
GNDIF
H7
F3
GNDIFLO
C5
GNDIFPHD
GNDIFPLL C6
A9
GNDIFVCO1
GNDIFVCO2
D10
GNDRF
J4
GNDRF1
H4
H5 GNDRF2
H6 GNDRF3
C1513
N1700
LZT-108-5322
0.01u
NA
TP1501
C1636
75
R1605
0
2.2p
L1507
0
C1508
R1630
C1623
10u
4.7uH
L1621
R1603
0
R1626
33K
L1605
C1510
0.01u
100p
5.6nH
L1503
C1714
C1601
0.01u
L1604
R1501
0
C1712 C1710
NA
0
R1623
150p
10
R1702
C1711
3300p
C1505
22p
C1602
22p
4.7p
C1716
22p
C1622
22p
C1503
WDCDCREF
WPAREF
V_wivi_A RTEMP
V_wivi_A
VCCWPA
WPOWERSENSE
RFLO
RFLOBAR
V_wivi_A
V_wivi_B
IFLOBAR
IFLO
V_wivi_B
VCCWPA
V_wivi_B
WCLK
WDAT
TXIA
TXIB
TXQA
TXQB
WSTR
XOOB
XOOA
WCDMA_TX
V_wivi_A
9. CIRCUIT DIAGRAM

- 238 -
E
10
10
8
GSM/DCS (INGELA)
1608
2012
4
MFG ENGR CHK:
13
REV:
12
DEVELOPMENT GROUP 1
R&D CHK:
C
B
TITLE:
NA
Drawing Number:
H
A
2012
H
DOC CTRL CHK:
3G HANDSETS LAB.
2012
G
C
5
Date Changed:
F
9
QA CHK:
8
LG ELECTRONICS INC.
91 6 7
A2
12 1 8 A
BLM15BB750SN1J
BLM15AB601SN1J
2
E
11
Drawn by:
Engineer:
11
7
A
D
Size:
3
F
B
125
BLM31PG601SN1
Time Changed:
D
G
4
U8120 PT V1.3 STG INTEL PAM
6
2
Changed by: Page:
JS Joo 7:25:06 pm
JS Joo
JS Joo
Tuesday, September 04, 2003 4
NA
C1340
0
R1343
R1327
0
0
R1325
0
R1338
10p
2
G1
5
G2
1
IN
3
O1
4
O2
C1102
Z1110
B7705
R1344
0
NA
R1345
33p
0.068u
C1142
C1327
TP1151
0
R1103
NA
R1323
R1322
NA
75
L1332
TP1202
G1
1
G2
3
G3
5
IN
2
O1
4
O2
6
TP1201
G3 VSS7
G4 VSS8
VSS9
H8
Z1100
B7714
A5 QRB
D2 RESETB
E3 REXT
B4 RXSTR
A2
VDD1 B5
VDD2 B7
VDD3 F5
VDD4
VDD5 F8
VDD6 H6
A1 VSS1
VSS2
B1
C4 VSS3
E8 VSS4
VSS5
F4
VSS6
F7
I2CCLK
D1 I2CDAT
D3
A4
IDAT
IRA
A8
IRB
A7
MCLK
G8
MICIN
G1 MICIP
F3
G2
NC1 H1
NC2
F6 PCMCLK
H7 PCMDL
G6 PCMSYN
PCMUL G7
D5
QDAT
A6 QRA
C5
DCLK
DEC1 E2
DEC2 H2
H3
DEC3
DEC4 B2
E1
DEC5
GPA0
B8
GPA1
B6
C6 GPA2
C7 GPA3
GPA4
C8
D6 GPA5
D8 GPA6
D7 GPA7
GPCLK E5
GPDAT E6
N1101
LZT-108-5321
ADSTR
E7
AUXI1
E4
H4
AUXO2
F1 AVDD
BEARN H5
G5
BEARP
CCO
F2
DAC01 C3
B3
DAC02 A3
DAC03
C2
DACCLK
DACDAT C1
DACSTR D4
R1324
NA
R1341
0
5.6nH
L1201
EGSM_IN 4
EGSM_OUT
10
7GND1
8GND2
9GND3
11 GND4
GND5
14
16 GND6
17 GND7
19 PGND
13 RSVD
TX_ENABLE 1
VAPC 2
6
VCC1
VCC2
12
VSUPPLY 18
SKY77321
N1300 5
BS
3
DCS_PCS_IN
15
DCS_PCS_OUT
NA
C1231
NA
C1230
L1230
R1361
NA
0.01u
C1312
10u
TP1203
C1311
100p
C1325
R1326
0.05
L1200
C1205
22p
NA
C1350
C1352 0
R1350
C1341
10p
33p
R1335
0
22p
C1330
C1337
22p
L1331
22nH
L1330
33nH
N1331
LDB211G8020C
B1 3
B2 4
GND1
2
GND2
5
6NC
UB
1
R1333
0
0.068u
C1144
C1111
33p
10p
C1101
C1143
0.068u
C1140
0.068u
C1141
0.068u
0.068u
TP1152
C1300
R1224
0
NA
C1342
NA
R1337
C1321
0
R1301
470p
NA
C1336
22p
C1331
75
L1333
R1273
NA
R1272
C1112
NA
33p
R1332
0
22p
C1313
NA
C1240
R1113
100p
TXOHA K1
TXOHB J1
G1
TXOLA
F1
TXOLB
D3
TXON
H1
VCCBUF
K7 VCCPLL VCCRF A6
VCCVCO
G10
VTUNE
H10
K8 XOOB
K9 XOOC
H7 XOOLA
C1324
NC5
K2
NC6
K10
G3
PCTL
PHDOUT
J10
PS
H5
QRA A8
QRB A7
C4
REON
C1
RFHA D1
RFHB
RFHC A2
RFHD A1
RFLA A5
RFLB A4
E3
RXON
C7
STROBE
GNDVCO1
B10
C8 GNDVCO2
D8 GNDVCO3
E8 GNDVCO4
F8 GNDVCO5
GNDVCO6
F10
A10
IRA
IRB A9
MODA
K3
K4 MODB
MODC
K5
MODD
K6
NC1
C10
NC2
D10
NC3
H4
H8 NC4
LZT-108-5325
N1100
F3
BSEL
CLK C5
C6
DATA
GNDBUF
H3
GNDPLANE C3
H6 GNDPLL
GNDRF A3
B1
GNDRF1
E1
GNDRF2
GNDSILENT
E10
G8 GNDVAR
C1326
NA
R1250
0
R1334
0
0.01u
C1201
L1120
C1104
0.01u
100uH
L1220
1800p
C1225
L1110
18nH
R1220
560
R1222
120
R1223
390
100
100
R1211
100
R1212
R1213
R1302
0
VBATI
VDIG
1000p
C1271
0
R1105
R1106
0
R1104
0
R1140
100K
TP1142
R1328
NA
1K
R1321
33p
C1332
L1111
10nH
33p
C1110
560p
C1222
NA
C1115
7p
C1114
NA
L1101
3.3nH
C1250
C1220
NA
C1221
R1329
3K
0.01u 1200p
C1224
NA
C1343
C1203
22p
C1270
1000p
NA
R1342 R1340
NA
C1103
22p
10u
C1315
150p
C1322
C1351
NA
10p
C1333
330p
C1223
100
R1210
C1320
470p
C1334
C1113
22p
22p
C1150
0.01u NA
C1155
R1150
0
0
R1151
0.01u
C1156
3
B1
4
B2
2GND1
5GND2
NC
6
1UB
TP1143
LDB21897M15C
N1330
TP1141
VDIG
22p
R1339
NA
C1335
0
R1240
C1100
10p
L1100
3.9nH
R1121
C1202
NA
0.01u
2SD2216J
V1330
L1202
L1300
NA
C1153
C1151
100p
C1323
NA
DCS_RX
L1320
VDIG
VDIG_HERTA
VDIG_HERTA
RXON
RESOUT3n
QDATA
SYSCLK2 IDATA
I2CDAT
I2CCLK
DCLK
RXON
VDDBUF
IOUT
EXPOUT
VDDPA
VSSPA
GPRFCTRL
BSEL0
PCTL
PULSESKIP
GSM_TX
DCS_TX
VLOOP
PASENSE+
PASENSE-
PAREG
FF_IN
XOOA
XOOB
VCCA
VCCA
VCCA
RADCLK
RADDAT
RADSTR
TXON
GSM_RX
MODA
MODB
MODC
MODD
VCCA
9. CIRCUIT DIAGRAM

- 239 -
3
Date Changed:
1%
9
G
2012
2
TITLE:
MFG ENGR CHK:
BLM18PG121SN1
7
E
Drawing Number:
ROP-101-3029_2C
2
VINCENNE
1608
3
QA CHK:
5
Page:
REV:
1608
AUDIO AMP
10
C
SIM HOLDER
IRDA REGULATOR
1%
7
BACKUP BATTERY
R&D CHK:
D
12
Engineer:
1
8
ELL5GM220M
NA
4.7uF, 2012
BLM15BB750SN1J
2012
6
LG ELECTRONICS INC.
U8120 PT V1.3 STG INTEL PAM
1%
11
KPD9D-8S-2.54SF
F
Drawn by:
OBG-15S44-C2KU
2012
1608
1608
C2302 & C2303 CLOSER TO SIM SOCKET
C
DEVELOPMENT GROUP 1
B
D
12
2012
9
1.5V REGULATOR
11
2012
H
1608 120 OHM BEAD
10
3G HANDSETS LAB.
H
INDICATOR LED
DOC CTRL CHK:
2125
2012
BLM15BB750SN1J
A
8
5
BB MAIN PCB
12 1 8 A
A2
Time Changed:
4
1608
A
B
3.3V REG
TJATTE2
HOOK
E
F
1608
USB REGULATOR
Size:
1608
1608
Changed by:
1608
6
G
1
CHOKE COIL
5
4
1 5
VOUT
VCORE
TAE-SUNG, HA
TAE-SUNG, HA
7:25:29 pm
Tuesday, September 04, 2003
mentor
N3000
LP2985IM5X-2.8
4
BYPASS
2GND
3
ON_OFF
VIN
0
C2202
R2202
4.7u
100K
R2220
R2620 0
0.068u
100K
R3051
C2612
D2015
C2605
0.1u
RB521S-30
10K
R2232
0
R2218
0
R3031
R3002
0
L2606
NA
C2312
22p
C3277
VRTC
C2213
0.1u
L2603
100K
R3049
100u
VDIG
C2619
R3042
100K
R3386
NA
RB521S-30
V3202
C2281
VUSB
4.7u
47p
C3269
R3303
100K
0.01u
0.33u
C2609
VDIG
C2606
C2277
4.7u
R2203 1K
C3247
0.1u
VDIG
C3221
22p
22p
TP2310
VBAT
C2632
RB521S-30
L2608
V2201
0.1uC2621
100p
C3046
0.1u
C3246
L2202
C2617
180K
R3327
VBATI
0.068u
VIRDA
R2619 0
0
R2618
100K
R2610
BA3000
C3270
VEXT15
TP3316
NA
4.7u
C3052
0
R3248
VBATI
C2604
0.1u
C3266
10p
R3397
0
1
2
C2607 NA
SUMY0004501
X2603
0.1u
C2207
R2216
VDIG
0.05
NA
C2635
6
4
3
2
1
5
P2
2
P3
3
P4
4
5
P5 6
P6
P7 7
P8 8
X2602
X2300
9
GND1 10
GND2
11 GND3
GND4
12
1P1
1u
0
C2272
R3376
TP3319
2.2u
C3051
1000p C2303
VBATI
3.9K
R2607
47K
R3381
C2214
0.1u
100p
R3396
0
C3278
FB3
FB4
ATMS_AD
ATMS_CAP A4
D3 ATMS_INT
C1 CCO
GND1
B1
B2 GND2
GND3
B3
GND4 C3
C4
GND5
GND6 C5
MICN A1
D1 MICN_INT
MICP A2
MICP_INT
D2
B5
VDD
N2602 IP4025CX20
A5
AFMS_L
AFMS_L_INT
D5
AFMS_R B4
D4 AFMS_R_INT
A3
ATMS
C2
0.05
R2215
100K
R3041
VDIG
R2107
NA
C3268
47p
47p
C3272
D2016
RB521S-30
22uH
L2200
C23021u
TP2311
3D4 6
D5 7
8
D6
G
4 5
S
C2637 NA
Q2201
SI5441DC
D1
1
D2
2
D3
NA
C3267
D2010
1u
C2203
1SS388
R2217
0
R2615
NA
0.1u
C2209
C2616
22p
VCORE
0
R2205
VMEM
NA
C2638
C2301
C2608
1u
1u
33K
R2606
R2313
0
22p
C2630
10u
C2206
0
R2212
C2210
0.1u
GND2 1
NC
V+
4VO 3
C2603 1u
LM20BIM7X
U3106
GND1 2
5
R2233
51K
NA
R3384
1
3IO2 4
IO3
IO4 6
REF1 5
REF2
2
0
R3379
DALC208SC6
V2300
IO1
C2205 10u
VDIG
R2609
33K
22p
C2618
47p
4.7
R3382
VBATI
C3271
C2278
2.2u
R2210 0
B
C
E
R3045
100K
DTA114EETL
Q3203
C2614
22p 0.068u
C2615
R2101
100K
R3019
0
G2
1 S1
S2 4
C2611
100u
6
D1
3 D2
G1
2 5
SI1555DL
Q2200
22K
R2617
NA
C2280
NA
R3294
R3345 0.51
0
R2314
NA
C3275
0
R3395
R2106
100K
TP3004
VBATI
0
R2621
C3013
4.7u
4
BYPASS
2GND
3
ON_OFF
VIN
1 5
VOUT
R2613
10
N2204
LP2985IM5X-3.3
C2300 NA
C2631
22p
0.1u
C3248
TP3000
100K
R3046
R3047
100K
100K
R3026
15K
R2305
C2610
22p
TP3318
ADG702
N2603
D
1
3GND 4
IN
5
NC
S
2
6
VDD
8.2K
R3328
L2605
R2214
0.1
PT1
47K
C2211
0.1u
0
R2201
NA
R2614
C2613
0.033u
3.9K
R2608
3.3K
VSSTH9
H10 VSS_A
VSS_B
G3
C6 VSS_C
E3 VSS_D
XTAL1
M1
XTAL2
M2
R3378
VSSTH22
VSSTH23 H9
J8
VSSTH24
J7
VSSTH25
VSSTH26 J6
VSSTH27 J5
H4
VSSTH28
VSSTH29 G4
G6
VSSTH3
F4
VSSTH30
E4
VSSTH31
E5
VSSTH4
VSSTH5 E6
E7
VSSTH6 E8
VSSTH7
VSSTH8 F8
G8
VSSCODEC
E10 VSSPA
F7
VSSTH1
H8
VSSTH10 H7
VSSTH11
VSSTH12 H6
H5
VSSTH13
VSSTH14 G5
F5
VSSTH15 D5
VSSTH16
VSSTH17 D6
D7
VSSTH18
D8
VSSTH19
VSSTH2 G7
VSSTH20 E9
F9
VSSTH21
G9
VDDBEAR
VDDBUCK A2
VDDBUF
C12
M5 VDDCODEC
L2
VDDLP
VDDPA_DAC
G12
VDD_A B12
A11
VDD_B
VDD_D M11
VDD_E L12
C3
VDD_IO
B3 VIBR
VREF
J12
K8 VSSADC
VSSBEAR
K4
VSSBUCK
B1
K5
SIMDAT
C2
SIMOFF
SIMRST G2
F1
SIMVCC
C10 SLEEP
SRST
H2
SUB
D10
A1
SWBUCK
D4 TEST
TXON A8
VBAT_A
A12
M12 VBAT_B
VBAT_C
A3
VBAT_D
E1
VBUCK B2
VDDADC
M9
M3
A7
PAREG
D11
E12 PASENSE+
PASENSE-
E11
A4
PBUCK
J1 PCMCLK
PCMI
J2 PCMO
K2
K1 PCMSYN
B8
PWRRST
A9
RESETB
B9 SCL
J3 SCLK
SDA
C8
SDAT
H1
G1
SIMCLK
H3
J10
B7 INTLCKB
D12 IOUT
H12 IREF
C1
IRQ
A6
LED1
LED2 B6
K9 MCLK
L8
MIC1N
MIC1P M8
MIC2N L7
M7
MIC2P
B4 MOD1
NBUCK A5
C4 ONSWA
ONSWB
C5
ONSWC
K6
DEC2
K7
G10
EXPOUT
EXTLDO C11
FF_IN F10
FGSENSE+
F11
F12 FGSENSE-
GPA0
M10
L10 GPA1
J9 GPA12
GPA13
D9
GPA2
K10
GPA3
L11
GPA4
K11
K12
GPA5
GPA6
J11
GPA7
M4
L9
CCO
CDCDA F3
F2
CDCDB
CHREG
D1
CHSENSE+
D3
D2 CHSENSE-
CLK_REQ
K3
A10 DACCLK
DACDAT
C9
DACO1 B5
G11
DACO2 H11
DACO3
DACSTR
B10
E2 DCIO
L5 DEC0
DEC1
VINCENNE
N2000
L1
32KHZ
ADSTR
C7
AUXI1 M6
L6
AUXI2
AUXO1 L4
J4
AUXO2
BDATA
B11
L3
BEARN
BEARP
C2274
0.1u
VDIG
100K
R3043
NA
R3385
22p
C2633
47
R2306
C2200
10u
0.1u
N2203
NC 4
2VIN VOUT 3
VSS
1
C2212
VDIG
S-817A15ANB-CUE-T2
R2235
0
10K
R2312
BYPASS
B3
GND
IN+
A1
IN-
C1
SD_MODE
B2C2
SD_SEL
B1 VDD
A3
VO1
C3
VO2
VDIG
N2601
LM4898ITL
A2
NA
C3274
C3273 NA
0
R2200
C2634
NA
C2276
100p
0
R3050
0.22
R2213
SPKM
R2208
0.22
GPIO05
PWRRSTn
EN_LED_R
GPA6
DCIN_2
GPA6
VBUS
USBSENSE
PWRRSTn
IRDA_REG_CTRL
PCMDATA
EN_LED_TC
DCIN_3
VBAT_C
PCMDATB
SPKMUTE
TGBUZZ
ADCSTR
AMPCTRL
EARP
EARM
SPKP
CLKREQ
RTEMP
VLOOP
WPOWERSENSE
WRFLOOP
VBACKUP
MOTOR_BATT
DACDAT
DACSTR
DACCLK
VSSPA
VDDPA
VDDBUF
PASENSE+
PASENSE-
PAREG
IOUT
PCMCLK
PCMSYN
VBACKUP
VDD_A
VDD_B
RESOUT0n
ONSWAn
ONSWBn
ONSWC
RTCCLK
SIMDAT0
SIMCLK0
SIMRST0
MCLK
PWRREQn
I2CDAT
I2CCLK
WDCDCREF
WPAREF
VCXOCONT
DCIN_3
EXPOUT
EXTLDO
FF_IN
IRQ0n
TXON
VBAT_C
9. CIRCUIT DIAGRAM

- 240 -
DEFAULT
7
U8100 PT V1.1 Staggered AMD
ADDRESS X DATA = 2^24 X 2^4 = 2^28 =256MBIT
1 3
8
8
64/64/16
5
2
Size:
U8100 PT V1.0 NMBI TOSHIBA
7
R&D CHK:
0.8 PITCH 10 X 8 X 1.4
0.8 PITCH 9 X 12 X 1.4
3G HANDSETS LAB
C
11
0.8 PITCH 8 X 11 X 1.2
10
A
MCP
U8100 WS01-4
2
1
A
B
U8100 WS01-1
9
Changed by: Date Changed: Drawing Number:
VDDC 1.5V
1
0.8 PITCH 14 X 8 X 1.4
H
A
D
0.8 PITCH 10 X 8 X 1.4
H
8
128L/128L
10
B
U8100 ES01-1
0.8 PITCH 10 X 8 X 1.4
F
LOW POWER MODE : LEDA VCC
11
U8120 PT V1.1 Staggered INTEL
5
NA
PCM I/F
USB
2002.09.13
HSSL
U8100 WS01-2
5
KEY I/F
3
50V 1608
3
BB MAIN PCB
7
4
2.75V
64/64/16
LCD I/F
B
E
1110
G
128/128/64
128 0.8 PITCH 9 X 12 X 1.4
U8100 PT V1.0 Staggered TOSHIBA 0.8 PITCH 9 X 12 X 1.4
128/128/64
128 0.8 PITCH 9 X 12 X 1.4
64/64/16
0.8 PITCH 9 X 12 X 1.4
64/64/16
U8100 WS01-5
U8100 ES01-2
A23 = 256MBIT
64/64/16
CS1
LG ELECTRONICS INC.
64/64/16
UART1
0.8 PITCH 9 X 12 X 1.4
128/128
0.8 PITCH 10 X 8 X 1.4
RF I/F
C
0.8 PITCH 10 X 8 X 1.4
U8100 WS01-3
U8100 ES01-3 TOSHIBA
12
1608
1.8V
5
B
64D/64D/16PS
OPTION
MFG ENGR CHK:
H
option-128 0.8 PITCH 8 X 10 X 1.2
Short-256Mbit
Open-128Mbit
4
50V 1608
UART0
3
64/64/16
6
IrDA
2
0.8 PITCH 10 X 8 X 1.4
11
TITLE:
MARITA
9
JTAG I/F
32.768KHz
0.8 PITCH 10 X 8 X 1.4
Time Changed:
9
0.8 PITCH 10 X 8 X 1.4
1.5V
A
REV:
256/64
256 0.8 PITCH 8 X 11 X 1.0
A23 = 256Mbit, A22=128Mbit
FLASH
F
7
U8100 ES01-6 TOSHIBA 0.8 PITCH 9 X 12 X 1.4
128/128/64
128
9
3.3V
SD(L:ACTIVE, H:SHUTDOWN)
C
D
CS 0,3
E
DAC
Engineer:
6
0.8 PITCH 10 X 8 X 1.4
G
1.8V
Rout track on inner layer
1.5V
DOC CTRL CHK:
E
0.8 PITCH 9 X 12 X 1.4
ADDRESS X DATA = 2^24 X 2^4 = 2^28 =256MBIT
MCP 64/08.
2
* MEMORY CHANGE HISTORY
128
8
VDDE 1.5V
DEVELOPMENT GROUP1
0.8 PITCH 10 X 8 X 1.4
F
C
0.8 PITCH 9 X 12 X 1.25
Page:
C2100 and C2101 close to B2100
VDDC 1.5V
6
Rout track on inner layer
Drawn by:
64/64/16
E
H
12
G
SIR TRANCEIVER
128/128/64
128 0.8 PITCH 9 X 11.5 X 1.0
64/64/16
F
G
1
0.8 PITCH 10 X 8 X 1.4
QA CHK:
12
DD
CAMERA I/F
12
6
OPTION
0.8 PITCH 9 X 12 X 1.4
4
64/64/16
10
128/128/64
MARITA
SUNG-JU, YOU
SUNG-JU, YOU
9:42:54 am
Tuesday, September 04, 2003
mentor 6
U8120 PT V1.3 STG INTEL PAM
12 1 8 A
A2
CS2 not used
0.8 PITCH 10 X 8 X 1.4
4
R2241
0
100K
R2104
VCORE
R3346
27
R3400 0
VMEM
VMEM
R3322 100K
0.1u
C3276
C2256
0.1u
C2100
22p
R2122
R2403
NA
3.3K
C3137
TP2404
0.47u
0
R3399
0.1u
C2257
TP2405
TP3115
R2109 47
0
R2237
TP3117
VDIG
R2121 NA
_F_WE
E4 _F_WP
_P1_CS
D6
K2 _P2_CS
_R_LB
C2
_R_OE
H1
_R_UB
F3
D5 _R_WE
J1 _S_CS1
L8 VSS1
L7 VSS2
L6 VSS3
L5
L2 VSS4
L1 VSS5
C4 VSS6
B4 VSS7
G7 WAIT
_ADV
E5
K1 _F1_CE
J2 _F1_OE
_F2_CE
G8
_F2_OE
H8
_F3_CE
K3
_F_RST
F4
F5
M1
M2
DU5 M7
DU6 M8
DU7
F1_VCC1 B5
L4
F1_VCC2
F2_VCC1 B6
K6
F2_VCC2
D4
F_VPP
K8 P_MODE
P_VCC K5
S_CS2
C5
S_VCC K4
VCCQ0 L3
K7
VCCQ1
VCCQ2 J8
VSS0
D12
G6 D13
H6 D14
D15
J7
G3 D2
H4 D3
J5 D4
D5
G5 D6
J6
H7 D7
D8
G2 D9
J3
A1
DU0 A2
DU1
DU2 A7
A8
DU3
DU4
A22
A23 C3
D3
A24
A25 E3
A3 D1
B1
A4
A5 C1
F2
A6
A7 E2
A8 F6
D7
A9
C6 CLK
H2 D0
H3 D1
D10
G4 D11
J4
H5
G1
A0
A1 F1
A10 E7
B8
A11
C8
A12
A13 D8
F7
A14
A15 E8
F8
A16
A17 D2
A18 B2
B3
A19
A2 E1
E6
A20
A21 B7
C7
U3104
NZ48F4000L0YBQ0
100K
R3337
RTC_GND
VMEM
D2012 1SS388
NA
R3333
R2100
47
TP3118
100K
R3323
R2221
0
0
R3103
0.1u
C2252
VDIG
1K
R3319
0.1u
VCORE
C2223
C3134
0.1u
TP3113
TP3114
RTC_GND
C2255
0.1u
C3225
C3222
0.22u
E
0.1u
Q2100
RN1107
B
C
0
R2238
NA
R2301
R9
V8 VSSE204
Y16 VSSE205
VSSE206
V18
Y21 VSSE207
VSSE208
F18
A21 VSSE209
D16 VSSE210
L18 VSSE211
K18 VSSMC
VSSRTC
R11
J18 VSSUSB
C8
WE_N
VSSA1
V14 VSSA2
VSSDM
E3
L4 VSSE00
VSSE01
M7
VSSE02
W9
VSSE100
E4
VSSE102
D15
VSSE104
D13
VSSE106
G10
VSSE108
G9
H8 VSSE110
A2 VSSE112
VSSE200
G4
VSSE201
R4
U4 VSSE202
VSSE203
VDDE110
VDDE112 A3
H2
VDDE200
VDDE201 U1
VDDE202 AA1
AA3
VDDE203
VDDE204 Y6
VDDE205 Y18
VDDE206 V20
N21
VDDE207
VDDE208 B21
A19
VDDE209
VDDMC K20
VDDRTC AA11
VDDUSB J21
VSSA0
V12
W13
L21
A17
VDDC13 B1
VDDC14
VDDC15 K2
VDDC16 A9
B6
VDDC17 R20
VDDC18
E1
VDDDM
M2
VDDE00
VDDE01 N2
Y10
VDDE02
VDDE101 C2
VDDE102 B16
A13
VDDE104
VDDE106 A11
B8
VDDE108 A5
H19
Y12
VDDA0 AA13
VDDA1
VDDA2 R14
VDDC00 AA19
N1
VDDC01
VDDC02 R12
VDDC03 Y14
M20
VDDC04
VDDC05 D20
VDDC06 B12
R1
VDDC07 Y1
VDDC08
VDDC09 AA7
VDDC10 H20
A15
VDDC11
VDDC12
SYSCLK1
SYSCLK2
T3
W8 TCK
TDI
Y9
AA9 TDO
P11 TEMU0_N
TEMU1_N
V10
TMS
R10
TRST_N
V9
Y13 TSXM
TSXP
W14
V13 TSYM
TSYP
R13
TXON G3
J20 USBDM
J15 USBDP
USBPUEN
H4
W10
RTCBDIS_N
W12
RTCCLK
RTCDCON P12
RTCIN V11
Y8 RTCK
W11
RTCOUT
G2
RXON
L3 SERVICE_N
N20 SIMCLK0
SIMCLK1
M18
N18 SIMDAT0
M19 SIMDAT1
N19 SIMRST0_N
SIMRST1_N
L15
SYSCLK0
R3
T2
B19
A20
PDID4 H13
PDID5
PDID6 G14
B20
PDID7
PDIRES_N D19
T4 PWRREQ_N
L7
QDATA
F4 RESOUT0_N
RESOUT1_N
L1
P8 RESOUT2_N
RESOUT3_N
U2
RESOUT4_N
U3
R2 RESPOW_N
K8
RFCLK
G1
RFDAT
RFSTR
E5
L14 NC0
OE_N D8
V3 PCMCLK
W2 PCMDATA
V4 PCMDATB
PCMSYN
W1
PCTL L8
PDIC0 C19
D18
PDIC1
PDIC2 C20
C21
PDIC3 E18
PDIC4
PDID0 B18
D17
PDID1 C18
PDID2
PDID3
KEYOUT2_N
W17 KEYOUT3_N
KEYOUT4_N
V16
KEYOUT5_N
W18
P13 MCLK
MEMADV_N B9
C1
MEMBE0_N
MEMBE1_N D3
G8
MEMCLK D2
MEMWAIT_N
MMCCLK
L19
J14 MMCCMD
MMCDAT
J19
K14 MSBS
K19 MSSCLK
K15 MSSDIO
NC
Y2
W3
I2CSDA
IDATA K3
IRCTRL
M15
V2 IRQ0_N
P20 IRRX
P19 IRTX
ISEVENT_N
M4 ISSYNC_N
M3
KEYIN0_N
AA15
KEYIN1_N
Y15
W15 KEYIN2_N
V15 KEYIN3_N
KEYIN4_N
W16
KEYOUT0_N
P14
AA17 KEYOUT1_N
Y17
N15
U21 GPIO35
GPIO36
T19
T20 GPIO37
GPIO40
R19
R18 GPIO41
GPIO42
V17
GPIO43
AA21
GPIO44
Y19
GPIO45
AA20
W19 GPIO46
GPIO47
Y20
HSSLRX
N8
N3 HSSLRXCLK
N7 HSSLTX
HSSLTXCLK
N4
I2CSCL
GPIO14
GPIO15
AA5
W6 GPIO16
GPIO17
V7
GPIO20
W7
Y7 GPIO21
GPIO22
P10
GPIO23
P15
N14 GPIO24
W20 GPIO25
GPIO26
V19
GPIO27
W21
U18 GPIO30
GPIO31
T18
U19 GPIO32
GPIO33
U20
GPIO34
E2
DIRMOD1 J7
F3
DIRMOD2 F2
DIRMOD3
GPIO00
M14
P18 GPIO01
R21 GPIO02
GPIO03
R8
P9 GPIO04
GPIO05
AA2
Y3 GPIO06
GPIO07
W4
GPIO10
V5
Y4 GPIO11
GPIO12
V6
W5 GPIO13
Y5
D12
D13 C3
B2
D14
D15 A1
C7
D2
D3 D7
C6
D4
D5 B5
C5
D6 D6
D7 B4
D8
D9 C4
P3 DACCLK
P2 DACDAT
DACSTR
P4
DCLK K4
DIRMOD0
CID5
CID6 G19
G20
CID7
CIHSYNC G21
H18
CIPCLK
CIRES_N E19
CIVSYNC H15
CLKREQ
M8
J8
CS0_N
CS1_N H7
CS2_N B10
CS3_N D9
A7
D0
D1 B7
D5
D10
D11 B3
D4
B15
H12
A7
A8 D14
B14
A9
ADCSTR
P7
J2
ANTSW0
ANTSW1 J4
J3
ANTSW2 J1
ANTSW3
H3
BANDSEL0
BANDSEL1 K7
E20
CID0
CID1 E21
CID2 H14
F19
CID3 F20
CID4 G18
C13
H11
A14
A15 D12
C12
A16 G11
A17
A18 D11
C11
A19
A2 B17
A20 H10
C10
A21 D10
A22 H9
A23 C9
A24
A3 G13
C16
A4
A5 C15
A6
D2000
ROP-101-3035_1
C17
A1
A10 C14
G12
A11
A12 B13
A13
0.22u
VMEM
0.1u
VDIG
C3136
C2242
TP3116
TP3103
0.1u
C2220
100K
R3127
VCORE
130K
R2105
TP3101
C2
_R_OE
H1
_R_UB
F3
D5 _R_WE
J1 _S_CS1
L2
L1 VSS5
C4 VSS6
B4 VSS7
G7 WAIT
E5 _ADV
K1 _F1_CE
J2 _F1_OE
_F2_CE
G8
_F2_OE
H8
_F3_CE
K3
_F_RST
F4
F5 _F_WE
E4 _F_WP
_P1_CS
D6
K2 _P2_CS
_R_LB
B5
L4
F1_VCC2
F2_VCC1 B6
K6
F2_VCC2
D4
F_VPP
K8 P_MODE
P_VCC K5
S_CS2
C5
S_VCC K4
VCCQ0 L3
K7
VCCQ1
VCCQ2 J8
VSS0
L8 VSS1
L7 VSS2
L6
L5 VSS3
VSS4
D2
H4 D3
J5 D4
D5
G5 D6
J6
H7 D7
D8
G2 D9
J3
A1
DU0 A2
DU1
DU2 A7
A8
DU3
DU4 M1
M2
DU5 M7
DU6 M8
DU7
F1_VCC1
A3
A4 B1
C1
A5
A6 F2
E2
A7
F6
A8
A9 D7
CLK
C6
H2 D0
H3 D1
D10
G4 D11
J4
H5 D12
G6 D13
H6 D14
D15
J7
G3
B8
A12 C8
D8
A13
A14 F7
E8
A15
A16 F8
D2
A17
B2
A18
A19 B3
E1
A2
A20 E6
B7
A21
A22 C7
A23 C3
D3
A24
A25 E3
D1
RD38F4050L0YTQ0
U3103 A0 G1
F1
A1
E7
A10
A11
0.1u
C2222
VMEM
C2259
VDIG
0.1u
VEXT15
VUSB
0
TP3317
R2223
0.1u
C2253
0.1u
C3135
2
4
RXD
SD 5
8SHIELD
TXD 3
6
VCC
CIM-80S7B-T
N3100
GND 7
1
LEDA
LEDK
0
R2222
R3320 NA
R2123
120K
R3325
100
R3126
100K
VDIG
100K
R3338
0.1u
C2244
C2251
0.1u
RB521S-30
V2203
C2260
0.1u
TP3100
330p
C2102
NA
R3100
TP3313
R2102
100K
VIRDA
C2245
TP2401
TP2101
0.1u
TP3102
C2246
0.1u
0.1u
C2250
0.1u
C2218
TP3112
TP2106
TP3126
0.1u
C2258
VMEM
C3133
0.1u
0.1u
VMEM
C2243
4.7K
R2303
C2219
TP2403
0.1u
R2622470
0.1u
C2217
R2304
3.3K
32.768KHz
B2100
MC-146
1
2
34
3
1
PMST3904
Q3202
2
0.1u
C2262
NA
R3321
0.1u
C2263
TP2402
VMEM
TP2102
0 R3110
VEXT15
0.1u
C2221
3.3KR3330
TP3111
TP2125
C2104
1000p
22p
C2101
C2247
0.1u
0.1u
VRTC
C2261
R3329
4.7K
TP2100
C2216
0.1u
DAT(2)
DAT(3)
DAT(4)
DAT(5)
DAT(6)
DAT(7)
DAT(8)
DAT(9)
DAT(10)
DAT(11)
DAT(12)
DAT(13)
DAT(14)
DAT(15)
DAT(0:15)
ADR(24)
ADR(23)
VPPFLASH_MEM
VPPFLASH_MEM
MEM_WAIT_N
MEM_CLK
ADR(23)
ADR(22)
ADR(21)
ADR(20)
ADR(19)
ADR(18)
ADR(17)
ADR(16)
ADR(15)
ADR(14)
ADR(13)
ADR(12)
ADR(11)
ADR(10)
ADR(9)
ADR(8)
ADR(7)
ADR(6)
ADR(5)
ADR(4)
ADR(3)
ADR(2)
ADR(1)
ADR(1:24)
DAT(0)
DAT(1)
RESOUT0n
MEM_BE0_N
MEM_WE_N
MEM_WAIT_N
MEM_ADV_N
MEM_CLK
MEM_CS3_N
DAT(1)
DAT(10)
DAT(11)
DAT(12)
DAT(13)
DAT(14)
DAT(2)
DAT(3)
DAT(4)
DAT(5)
DAT(6)
DAT(7)
DAT(8)
DAT(9)
DAT(0:15)
MEM_WE_N
RESOUT0n
MEM_OE_N
MEM_CS1_N
MEM_ADV_N
ADR(21)
MEM_BE1_N
ADR(22)
MARITATEMU0
MARITATEMU1
CAM_FLASH_ON
MEM_CS0_N
I2CCLK
MARITATCK
MARITATDI
MARITARTCK
MARITATRST
MEM_WE_N
GPIO05
ADR(24)
ADR(1:24)
MEM_WAIT_N
MEM_CLK
MEM_ADV_N
MEM_OE_N
ADR(24)
ADR(2)
MEM_OE_N
DAT(0:15)
CAM_REG_EN
I2CDAT
I2CCLK_CAMERA
RADSTR
DAT(15)
DAT(0)
ADR(1:24)
ADR(1)
ADR(3)
ADR(4)
ADR(5)
ADR(6)
ADR(7)
ADR(8)
ADR(9)
ADR(10)
ADR(11)
ADR(12)
ADR(13)
ADR(14)
ADR(15)
ADR(16)
ADR(17)
ADR(18)
ADR(19)
ADR(20)
KEY_LED_ONOFF
USBPUEN
LCDCSX_SUB
LCDWRX
LCDRS
LCDCSX_MAIN
LCDRDX
PDID0
PDID1
PDID2
PDID3
PDID4
PDID5
PDID6
PDID7
GPRFCTRL
EN_LED_B
EN_LED_G
EN_LED_R
LCDVSYNCI
SYSCLK2
CLKREQ
MEM_CS3_N
MEM_CS1_N
MEM_CS0_N
MEM_BE1_N
MEM_BE0_N
KEYOUT0
KEYOUT1
KEYOUT2
KEYOUT3
KEYOUT4
KEYOUT5
KEYIN0
KEYIN1
KEYIN2
KEYIN3
KEYIN4
CIPCLK
CIVSYNC
CIHSYNC
CIRES_N
CID0
CID1
CID2
CID3
CID4
CID5
CID6
CID7
LCDRESX
BL_PWL
USBDP
USBDM
IRDA_REG_CTRL
BL_EN
PULSESKIP
DACCLK
DACDAT
DACSTR
ADCSTR
IDATA
QDATA
TXON
RXON
RADCLK
RADDAT
BSEL0
ANTSW0
ANTSW1
ANTSW2
ANTSW3
PCTL
HSSLTX
HSSLRXCLK
HSSLRX
HSSLTXCLK
PCMCLK
PCMSYN
PCMDATA
PCMDATB
MCLK
RTCCLK
VPPFLASH
RESOUT0n
RESOUT3n
PWRREQn
ISSYNCn
ISEVENTn
IRQ0n
SYSCLK1
ADR(1)
7C_LED_VDD_EN
UARTRX0
UARTTX0
UARTRX1
UARTTX1
UARTRTS1
UARTCTS1
CAM_FLASH_SHOT
USBSENSE
TGBUZZ
CAMERA_DET
AMPCTRL
SPKMUTE
FOLDER_DET
DAT(8)
DAT(9)
DAT(10)
DAT(11)
DAT(12)
DAT(13)
DAT(14)
DAT(15)
MARITATMS
MARITATDO
SIMDAT0
SIMRST0
SIMCLK0
ONSWC
MODA
MODB
MODC
MODD
DCLK
RESOUT1n
PWRRSTn
ADR(2)
ADR(3)
ADR(4)
ADR(5)
ADR(6)
ADR(7)
ADR(8)
ADR(9)
ADR(10)
ADR(11)
ADR(12)
ADR(13)
ADR(14)
ADR(15)
ADR(16)
ADR(17)
ADR(18)
ADR(19)
ADR(20)
ADR(21)
ADR(22)
ADR(23)
DAT(0)
DAT(1)
DAT(2)
DAT(3)
DAT(4)
DAT(5)
DAT(6)
DAT(7)
9. CIRCUIT DIAGRAM

- 241 -
HF DETECTION
DTC SENSE
A
B
HF MIC
3
2012
E
Time Changed:
A
QA CHK:
12
Engineer:
2.75V
D
CAMERA REGULATOR
NA
KNATTE
G
3G HANDSETS LAB.
C
G
1608
1608
15mA x 16 = 240mA
7
PDM : ENEY0003301
LG ELECTRONICS INC.
REV:
NA
Drawn by:
HF SPK N
CURRENT LIMIT
2
1608
1608
SUB LCD BACKLIGHT 4.5V
1
1 3 6
U8120 PT V1.3 STG INTEL PAM
CAMERA ROTATION DETECTOR
C
1608
SC600B
H
Size:
TITLE:
8
7
1608
4
NA
11
H
BLM18PG121SN1
9
KEYPAD BACKLIGHT BLUE LED I/F
CAMERA I/F
12
11
6
F
CONN_10_5087_060_920_829
USB FILTER
D
Date Changed:
B'd to B'd CONNECTOR I/F
E
PDM : ENBY0017602
8
5
10
10
R&D CHK:
3216
CHARGE PUMP
Changed by:
I/O CONNECTOR
F
DOC CTRL CHK:
HF SPK P
AXK7L80225
2
Page:
20_5124_024_500_858
Drawing Number:
mentor Tuesday, September 04, 2003 2:11:39 pm
S .Y SEOK
S .Y SEOK
7
BB MAIN PCB
A2
12 1 8 A
4
5
B
9
DEVELOPMENT GROUP1
5V
MFG ENGR CHK:
MULTIMEDIA INTERFACE
2012
0
R3249
TP3203
R3353 NA
D2
B2 GND1
B3 GND2
GND3
B4
GND4
C1
C2 GND5
C4
VCC
VPPFLASH_e A5
D5 VPPFLASH_i
IP4022CX20
A4
CFMS_e
CFMS_i
D4
A3
CTMS_e
C3 CTMS_i
CTS_ON_e B1D1 CTS_ON_i B5
DCIO_eDCIO_i
C5
A2
DFMS_e
DFMS_i
D3
A1
DTMS_e
DTMS_i
N2300
NA
R3220
R3225 NA
SP3200
D2014
1SS388
0
R3229
20p C3261
TP3204
VBATI
1000p
C3219
R3341
0
R3222
R2500
NA
NA
51
R3366
V3201
SMF05C
D1 1
3
D2
4
D3
D4 5
6
D5
GND
2
SP3210
R2501
3
4
5
6
7
8
9
G1 G2
G3 G4
NA
1
10 11
12
13
14
15
16
17
18
19
2
20
TP3307
X3201
TP3339
0R3232
3EN
2GND
IN
1OUT 5
TP3338
MIC5219BM5
U3102
ADJ 4
ESD1
A1
A3
ESD2
C1
ESD3
ESD4
C3
GND
B2
A1
ESD1
ESD2
A3
ESD3
C1
C3
ESD4
B2
GND
CSPESD304
D2008
D2007
CSPESD304
SP3205
C3258
20p
SP3201
SP3203
1u
C2208
C3243
470p
NAR3352
TP3343
VBAT
NA
R3252
2.7K
R3209
VCAM
100K
R3344
VDIG
CF1+
2 9
CF1-
10
CF2+
CF2- 7
6
EN
FID0
4
5FID1
GND 83 VIN
1VOUT
N3201 SC600BIMSTR
0
R3237
C3260
20p
VBATI
R2505
NA
12
R3207
0.1u
C2500
100
R3390
51
R3365
NA
SP3208
R3236
C3255
20p
TP3340
TP3341
R3331
300K
0
R3228
TP3205
R3347
100K
0.01u
C2279
SP3212
NA
R3235
1
R2504
NA
Q3201
UMC4N
2
4
5
3
R2502
0
R3357 51
0
R3388
12
R3208
R3363 51
C3213
VDIG
1000p
1u
C3200
V3200
CRS08
RFR_RTS
20
RI_TMS
18
RXD
13
14 TXD
16 USB_PWR
10 USB_RX
USB_TX
15
25 VBAT_GND_1
VBAT_GND_2
26
V_BAT_1
27
V_BAT_2
28
29 V_BAT_3
DSR
3
24 DTR
GND1
30
31 GND2
2HF_MODE
6ON_SW1
8PCM_CLK
PCM_RXA_IN
7
PCM_SYNC
9
PCM_TXA_OUT
11
21 PWR_+4_2V_1
PWR_+4_2V_2
22
4PWR_+5V_1
PWR_+5V_2
5
12 PWR_GND_1
19 PWR_GND_2
X3203
BATT_ID
1
CTS
23
17 DCD
1
4
SP3209
Q3200
EMX18
2
5
6
3
1000pC3212
51
R3360
C3244
2.2u
CSPESD304
A1
ESD1
ESD2
A3
ESD3
C1
C3
ESD4
B2
GND
D2009
R3398 100K
100K
R3206
B
C
E
SP3206
Q2300
RN1107
R2319 1K
D2018
ESD1
A1
A3
ESD2
C1
ESD3
ESD4
C3
GND
B2
R3332
240K
CSPESD304
100
R3389
10u
C3245
20p C3259
NA
R3350
VCAM V2500
C3202
10u
RB521S-30
58
59
6
60
61
62
7
8
9
44
45
46
47
48
49
5
50
51
52
53
54
55
56
57
29
3
30
31
32
33
34
35
36
37
38
39
4
40
41
42
43
15
16
17
18
19
2
20
21
22
23
24
25
26
27
28
X3200
1
10
11
12
13
14
0.1u
C3204
TP3202
SP3211
R3367 51
VCAM
TP3337
NA
R3211
TP3336
C3249
20p
C3203
1u
1u
C3201
FB1
R3364 51
33u
R3351 NA
C3215
NA
R2503
VBATI
FB2
TP3346
TP3345
TP3344
TP3306
TP3342
20p C3252
SP3204
VDIG
0
R3230
TP3200
0.1u
C2304
A3212ELH
N3200
GND
3
OUT 2
1
VDD
NA
R3210
NA
R3401
10p
C3205
R3227 0
1
3D2 D3 4
6
D4
GND
2
SP3202
USBUF01W6
L2500
3_3V 5
D1
NA
R3233
1SS388
L2201
D2013
R3223 0
SP3207
0.1u
C3220
VPPFLASH
4.7
R3263
CIPCLK
CIRES_N
EARM
7C_LED_VDD_EN
EN_LED_TC
I2CCLK_CAMERA
ONSWBn
CID2
CID3
CID0
CID4
CID5
CID1
CID7
CID6
VPPFLASH_MEM
USBPUEN
USBDM
UARTCTS1
UARTRTS1
CAM_REG_EN
UARTRX1
UARTTX1
CAMERA_DET
CAM_FLASH_SHOT
CAM_FLASH_ON
VBACKUP
UARTTX0
UARTRX0
I2CDAT
CIVSYNC
CIHSYNC
SYSCLK1
PCMDATB
PCMCLK
7C_LED_VDD
BL_PWL
FOLDER_DET
LCDWRX
LCDCSX_MAIN
PDID1
USBDP
BL_EN
KEY_LED-
LCDVSYNCI
LCDRESX
PDID3
PDID4
PDID2
PDID5
PDID6
PDID7
EN_LED_R
EN_LED_G
EN_LED_B
UARTRX1
UARTTX1
VBATI
KEY_LED_ONOFF
MARITATEMU0
MARITATEMU1
MARITARTCK
VBAT
VBUS
PCMDATA
PCMSYN
PDID0
LCDRS
MARITATMS
MARITATDI
MARITATDO
MARITATRST
MARITATCK
DCIN_2
DCIN_3
ONSWAn
KEYIN0
KEYIN1
KEYIN2
KEYIN3
KEYIN4
KEYOUT1
KEYOUT2
LCDRDX
EARP
SPKP
SPKM
KEYOUT0
KEYOUT3
KEYOUT4
KEYOUT5
MOTOR_BATT
LCDCSX_SUB
7C_LED_VDD
KEY_LED-
9. CIRCUIT DIAGRAM

- 242 -
WANDA
5
G
2
BB
DEVELOPMENT GROUP 1
H
D
8
6
1.5V
B
REV:
1
Page:
6
H
11
D
35
VCORE WANDAVDDD
211
1
MFG ENGR CHK:
VINCENNE INTERFACE
128
U8120 PT V1.3 STG INTEL PAM
A
612
1.5V
C
CLK INTERFACE
HSSL LINK (MARITA)
9
4
1.5V
E
RF TX DATA
TITLE:
C
7
RF RX DATA
3
8
G
F
Drawn by:
E
QA CHK:
R&D CHK:
2
11
3G HANDSETS LAB.
1%
H
F
9
9
Changed by:
1
1
Time Changed:
5
115
G
C
12
G
7
Date Changed:
10
F
12
7
H
A
1.5V
E
Size:
3 10
7
RF CONTROL
AA
D
D
mentor 8
BB MAIN PCB
12 1 8 A
A2
VEXT15 WANDAVDDA
C
LG ELECTRONICS INC.
10
4
82
4
B
9
Engineer:
4
10
F
Drawing Number:
E
3
DOC CTRL CHK:
6
0.1u
MYUNG-LAE, CHO
MYUNG-LAE, CHO
9:42:54 am
Tuesday, September 04, 2003
TP2322
VCORE
C2237
VSS24
L2 VSS3
N3 VSS4
R3 VSS5
VSS6
R4
VSS7
T4
U15 VSS8
U17 VSS9
VSSA_BG
T11
N11 VSSA_CS_APLL
VSSA_RX
T8
R8 VSSA_TX
F3
P16 VSS10
L16 VSS11
VSS12
J16
VSS13
H16
F15 VSS14
C16 VSS15
VSS16
B15
VSS17
C12
B11 VSS18
VSS19
B10
H3 VSS2
B7 VSS20
C5 VSS21
VSS22
C3
VSS23
T6
T12
VDD20
B1
VDD21
VDD3 A12
VDD4 B14
A17
VDD5
VDD6 D16
F17
VDD7
H17
VDD8
VDD9 K17
VDDA_BG R11
VDDA_CS_APLL R12
U10
VDDA_RX
U6
VDDA_TX
VDD_CLK32 T17
L15
VDD_DPLL
VSS0
D3
VSS1
TESTMODE
C13 UART_RX
E12 UART_TX
A3
VDD0
VDD1 A6
N17
VDD10
VDD11 R16
VDD12 U16
R13
VDD13
U5
VDD14
VDD15 T2
VDD16 R1
M1
VDD17
VDD18 K2
G1
VDD19
B8
VDD2
D2
B16
A16 HSSLTX_CLK
HSSLTX_D
A15
D4 ID_BALL
IS_EVENT_N
B12
A13 IS_SYNC_N
JTAG_TCK
G17
F16 JTAG_TDI
JTAG_TDO
G13
JTAG_TMS
G15
G16 JTAG_TRSTN
MCLK
U13
R17 RADIO_CLK
RADIO_DAT
P15
M13 RADIO_STR
N13 RESET_N
D15
F13
E15 EMU1
EXT_FRAME_STROBE E17
EXT_MEM_UBUS10 N12
T14
EXT_MEM_UBUS11
EXT_MEM_UBUS12 R14
GPO0
L17
GPO1
K13
GPO2
K15
GPO3
K16
J15 GPO4
J13 GPO5
GPO6
H15
H13 GPO7
HCLK
R15
C14 HSSLRX_CLK
HSSLRX_D
EMIF_D23 M3
EMIF_D24
EMIF_D25 M5
EMIF_D26 P2
P3
EMIF_D27
EMIF_D28 R2
T1
EMIF_D29
E3
EMIF_D3
N5
EMIF_D30
EMIF_D31 U1
EMIF_D4 G5
E1
EMIF_D5 F2
EMIF_D6
EMIF_D7 F1
EMIF_D8 G3
G2
EMIF_D9
EMU0
EMIF_D0
EMIF_D1 C1
H5
EMIF_D10
EMIF_D11 H1
H2
EMIF_D12
EMIF_D13 J2
EMIF_D14 J3
J5
EMIF_D15
EMIF_D16 K3
K5
EMIF_D17 K1
EMIF_D18
EMIF_D19 L1
EMIF_D2 F5
L3
EMIF_D20
EMIF_D21 M2
EMIF_D22 L5
N1
EMIF_A19
A10
EMIF_A2
A2
EMIF_A20
EMIF_A21 A1
EMIF_A22 E5
B2
EMIF_A23
EMIF_A3 C10
B9
EMIF_A4
EMIF_A5 C9
EMIF_A6 E9
C8
EMIF_A7
EMIF_A8 E8
A8
EMIF_A9
U2
EMIF_AREADY
T3
EMIF_ARE_N
EMIF_AWE_N U3
C2
DAC_I_OUT
DAC_I_OUT_INV
U8
DAC_Q_OUT
U7
DAC_Q_OUT_INV
R7
DAC_STR
M15
T7 DAC_TXEXTRES
EMIF_A1 E10
A7
EMIF_A10
EMIF_A11 C7
EMIF_A12 B6
E7
EMIF_A13
A5
EMIF_A14
EMIF_A15 C6
E6
EMIF_A16
EMIF_A17 B4
EMIF_A18 C4
B3
C11
BG_REF
U11
BOOTMODE0
C17
BOOTMODE1
B17
E13 BOOTMODE2
C15 BOOTMODE3
T16 CLK32
T15 CLKRQ
M17
CPU_CLKOUT
N6
CPU_IACK
CPU_IRQ0 R6
CPU_IRQ1 N7
R5
CPU_XF
A11 CS_BYPASS
DAC_CLK
N15
L13 DAC_DAT
N8
ROP-101-3033_1
ADC_I_IN
R10
N10 ADC_I_IN_INV
ADC_Q_IN
R9
T9 ADC_Q_IN_INV
N9 ADC_RXEXTREF_N
ADC_RXEXTREF_P
T10
AD_STR
M16
E11 ANALOG_ENABLE
U12 APLL_ATEST1
APLL_BYPASS
0.1u
VRTC
D2006
R2402
C2231
100K
0
R2224
0.1u
VCORE
C2238
Q3204 PMST3904
2
3
1
C2236
R2120
0.1u
NA
TP2320
0.1u
C2225
C2228
VDIG
TP2119
0.1u
2.7K
R3383
C2241
0.1u
C2229
0.1u
C3265
47p
C2240
0.1u
C2232
0.1u
0.1u
C2234
NA
R3326
R2401
100K
C2233
C2215
VCORE
0.1u
0.1u
C2235
0.1u
R2236
0
TP2120
330p
C2103
3.3K
R3380
R2400
43K
0.1u
C2224
0.1u
TP2321
C2239
0.1u
C2227
C2230
TP2117
VEXT15
0.1u
C2226
0.1u
TP2116
C2400
TP2118
WSTR
0.1u
CLKREQ
HSSLTX
HSSLTXCLK
HSSLRXCLK
HSSLRX
ISEVENTn
ISSYNCn
MCLK
RESOUT1n
RTCCLK
RXIA
RXIB
RXQA
RXQB
ADCSTR
DACCLK
TXIA
TXIB
TXQA
TXQB
DACSTR
WCLK
WDAT
DACDAT
9. CIRCUIT DIAGRAM

- 243 -
1
SEND
9
LEFT
1
11
D
114
SIDE1
SIDE2
3
U8100_SIDEKEY_PAD
UP
TITLE:
12
GAME
U8100 KEY V0.8
TOSHIBA LCD I/F
CAM
4
Drawn by:
2003.11.18
Drawing Number:
LG ELECTRONICS INC.
2
8
DOC CTRL CHK:
REV:
DEVELOPMENT GROUP 1
R&D CHK:
U8100 KEY PT V1.3
HSMR-C191
2
G
*
6
A
#
Size:
9
8
Engineer:
7
BACK
MULTI
7
B
10
FOLDER OPEN DETECTOR
C
F
MFG ENGR CHK:
OK
KEYPAD
3G HANDSETS LAB.
Time Changed:
LCDRESX PULL DOWN R MOVE
RIGHT
D
QA CHK:
SEARCH
BOARD TO BOARD CONECTOR
KEYPAD BACKLIGHT BLUE LED
E
1
10
Date Changed: Page:
G
A2
NA
4
DOWN
36
C
8 0
5
F
2004.02.09
CONN_40_AXK840145J
2
END
U8100 KEY PT V1.1 2004.01.14
3
TVS VDIG
ESD EMI FILTER -> RC Filter
5
SIDE3
12
H
CLEAER
A
E
MENU
B
9
H
Changed by:
FEB,17,2003
mentor 1
BB KEY PAD PCB
12 1 8 A
KB26
KB15
LD8
QSMR-C138
QSMR-C138
LD2
QSMR-C138
47
R1133
LD18
5
6
7
8
9
27
28
29
3
30
31
32
33
34
35
36
37
38
39
4
40
12
13
14
15
16
17
18
19
2
20
21
22
23
24
25
26
CN963
1
10
11
QSMR-C138
LD7
R1100
36
470p
LD6
QSMR-C138
470p
C24
C23
470
R1103
KB25
100
R1135
R1134 100
LD17
QSMR-C138
1
2
3
4
VBATI_4.2V
CN964
KB21
R1152 270
VA3
AVL14K02200
KB17
LD3
QSMR-C138
10p
C21
KB8
KB4
KB6
QSMR-C138
LD10
R1130
100K
470
R1154
QSMR-C138
LD12
54
55
56
57
58
59
6
60
61
62
63
64
7
8
9
4
40
41
42
43
44
45
46
47
48
49
5
50
51
52
53
25
26
27
28
29
3
30
31
32
33
34
35
36
37
38
39
10
11
12
13
14
15
16
17
18
19
2
20
21
22
23
24
CN962
1
LD14
QSMR-C138
QSMR-C138
LD4
LD9
QSMR-C138
NA
INSTPAR
R1097
TVS2
UCLAMP0501H
LD1
QSMR-C138
KB1
0.1u
KB20
C26
R1099
QSMR-C138
LD13
36
30p
C46
C45
30p 30p
C44
R1151 270
47p
C28
C39
30p 30p
30p
C38
C37
30p
C36
R1104
470
C31
30p
30p
C30
30p
C29
100
R1150
R1149 100
100
R1148
R1147 100
R1146
R1144 100
100
100
R1143
R1142 100
100
R1141
R1140 100
0
R1139
R1136 100
VDIG_2.8V
KB7
UCLAMP0501H
TVS1
INSTPAR
D1
1SS388
U1
A3212ELH
GND
3
OUT 2
1
VDD
LD19
QSMR-C138
LD20
QSMR-C138
AVL14K02200 VA2
470p
C22
KB13 KB23
R1098
36
KB12
270
R1153
LD11
QSMR-C138
C43
30p
C40
VBATI_4.2V
30p
30p
C35
30p
30p
C34
C32 C33
KB9
30p
KB2
R1131
36
QSMR-C138
LD5
D1 1
3
D2
4
D3
D4 5
6
D5
GND
2
SMF05C
D2
VBATI_4.2V
R1102
470
100
R1145
100
R1137
KB3
KB11
VDIG_2.8V
KB14
C25
0.1u
R1138 100
KB24
KB10
KB19
KB18
KB5
47p
30p
C42
VDIG_2.8V
C41
47p
C27
KB22
7C_LED_VDD
7C_LED_VDD
KB16
QSMR-C138
LD16
VA1
AVL14K02200
PDID3
PDID5
PDID7
LCDWRX
LCDCSX_MAIN
LCDRESX
LCDVSYNCI
LCDCSX_SUB
LCDRS
LCDRDX
PDID6
PDID4
PDID2
SPKM
PDID0
BL_EN
CAM_FLASH_SHOT
CAM_FLASH_ON
KEY_LED-
LCDRESX
KEYOUT0
KEYIN0
KEYIN1
KEYIN2
KEYIN3
KEYIN4
CAM_FLASH_SHOT
MOTOR_BATT
SPKP
EN_LED_B
EN_LED_R
EARP
EARM
BL_PWL
PDID1
PDID6
PDID7
EN_LED_R
EN_LED_G
EN_LED_B
CAM_FLASH_ON
BL_EN
FOLDER_DET
KEYOUT1
KEYOUT2
KEYOUT3
KEYOUT4
KEYOUT5
MARITATCK
MARITATMS
MARITATDI
MARITATRST
MARITATDO
MARITARTCK
MARITATEMU1
MARITATEMU0
FOLDER_DET
EN_LED_G
ONSWAn
LCDRDX
SPKM
EARM
KEYOUT0
KEYOUT1
KEYOUT2
KEYOUT3
KEYOUT4
KEYOUT5
KEYIN0
KEYIN1
KEYIN2
KEYIN3
KEYIN4
ONSWAn
SPKP
EARP
MOTOR_BATT
LCDCSX_SUB
PDID0
LCDCSX_MAIN
LCDWRX
LCDRS
PDID1
BL_PWL
KEY_LED-
LCDVSYNCI
PDID2
PDID3
PDID4
PDID5
9. CIRCUIT DIAGRAM

- 244 -
10. PCB LAYOUT

- 245 -
10. PCB LAYOUT

- 246 -
10. PCB LAYOUT

- 247 -
10. PCB LAYOUT
