LM258, LM358, LM358A, LM2904, LM2904A, LM2904V, NCV2904, NCV2904V Datasheet. Www.s Manuals.com. On
User Manual: Marking of electronic components, SMD Codes 904A, 904V, 90T. Datasheets LM2904ADMG, LM2904ADMR2G, LM2904VDMR2G, TK71590AS.
Open the PDF directly: View PDF
.
Page Count: 15

© Semiconductor Components Industries, LLC, 2013
October, 2013 − Rev. 27
1Publication Order Number:
LM358/D
LM258, LM358, LM358A,
LM2904, LM2904A,
LM2904V, NCV2904,
NCV2904V
Single Supply Dual
Operational Amplifiers
Utilizing the circuit designs perfected for Quad Operational
Amplifiers, these dual operational amplifiers feature low power drain,
a common mode input voltage range extending to ground/VEE, and
single supply or split supply operation. The LM358 series is
equivalent to one−half of an LM324.
These amplifiers have several distinct advantages over standard
operational amplifier types in single supply applications. They can
operate at supply voltages as low as 3.0 V or as high as 32 V, with
quiescent currents about one−fifth of those associated with the
MC1741 (on a per amplifier basis). The common mode input range
includes the negative supply, thereby eliminating the necessity for
external biasing components in many applications. The output voltage
range also includes the negative power supply voltage.
Features
•Short Circuit Protected Outputs
•True Differential Input Stage
•Single Supply Operation: 3.0 V to 32 V
•Low Input Bias Currents
•Internally Compensated
•Common Mode Range Extends to Negative Supply
•Single and Split Supply Operation
•ESD Clamps on the Inputs Increase Ruggedness of the Device
without Affecting Operation
•NCV Prefix for Automotive and Other Applications Requiring
Unique Site and Control Change Requirements; AEC−Q100
Qualified and PPAP Capable
•These Devices are Pb−Free, Halogen Free/BFR Free and are RoHS
Compliant
PDIP−8
N, AN, VN SUFFIX
CASE 626
1
8
SOIC−8
D, VD SUFFIX
CASE 751
1
8
PIN CONNECTIONS
VEE/Gnd
Inputs A
Inputs B
Output B
Output A VCC
−
−
+
+
1
2
3
4
8
7
6
5
(Top View)
See general marking information in the device marking
section on page 11 of this data sheet.
DEVICE MARKING INFORMATION
See detailed ordering and shipping information in the package
dimensions section on page 10 of this data sheet.
ORDERING INFORMATION
Micro8]
DMR2 SUFFIX
CASE 846A
1
8
http://onsemi.com

LM258, LM358, LM358A, LM2904, LM2904A, LM2904V, NCV2904, NCV2904V
http://onsemi.com
2
Single Supply Split Supplies
VCC
VEE/Gnd
3.0 V to VCC(max)
1
2
VCC
1
2
VEE
1.5 V to VCC(max)
1.5 V to VEE(max)
Output
Bias Circuitry
Common to Both
Amplifiers
VCC
VEE/Gnd
Inputs
Q2
Q3 Q4
Q5
Q26
Q7
Q8
Q6
Q9
Q11
Q10
Q1 2.4 k
Q25
Q22
40 k
Q13
Q14
Q15
Q16
Q19
5.0 pF
Q18
Q17
Q20
Q21
2.0 k
Q24
Q23
Q12
25
Figure 1.
Figure 2. Representative Schematic Diagram
(One−Half of Circuit Shown)

LM258, LM358, LM358A, LM2904, LM2904A, LM2904V, NCV2904, NCV2904V
http://onsemi.com
3
MAXIMUM RATINGS (TA = +25°C, unless otherwise noted.)
Rating Symbol Value Unit
Power Supply Voltages
Single Supply
Split Supplies
VCC
VCC, VEE
32
±16
Vdc
Input Differential Voltage Range (Note 1) VIDR ±32 Vdc
Input Common Mode Voltage Range (Note 2) VICR −0.3 to 32 Vdc
Output Short Circuit Duration tSC Continuous
Junction Temperature TJ150 °C
Thermal Resistance, Junction−to−Air (Note 3) Case 846A
Case 751
Case 626
RJA 238
212
161
°C/W
Storage Temperature Range Tstg −65 to +150 °C
ESD Protection at any Pin
Human Body Model
Machine Model
Vesd
2000
200
V
Operating Ambient Temperature Range
LM258
LM358, LM358A
LM2904/LM2904A
LM2904V, NCV2904 (Note 4)
NCV2904V (Note 4)
TA
−25 to +85
0 to +70
−40 to +105
−40 to +125
−40 to +150
°C
Stresses exceeding Maximum Ratings may damage the device. Maximum Ratings are stress ratings only. Functional operation above the
Recommended Operating Conditions is not implied. Extended exposure to stresses above the Recommended Operating Conditions may affect
device reliability.
1. Split Power Supplies.
2. For supply voltages less than 32 V the absolute maximum input voltage is equal to the supply voltage.
3. All RJA measurements made on evaluation board with 1 oz. copper traces of minimum pad size. All device outputs were active.
4. NCV2904 and NCV2904V are qualified for automotive use.

LM258, LM358, LM358A, LM2904, LM2904A, LM2904V, NCV2904, NCV2904V
http://onsemi.com
4
ELECTRICAL CHARACTERISTICS (VCC = 5.0 V, VEE = GND, TA = 25°C, unless otherwise noted.)
Characteristic Symbol
LM258 LM358 LM358A
Unit
Min Typ Max Min Typ Max Min Typ Max
Input Offset Voltage
VCC = 5.0 V to 30 V, VIC = 0 V to VCC −1.7 V,
VO ] 1.4 V, RS = 0
VIO mV
TA = 25°C−2.0 5.0 −2.0 7.0 −2.0 3.0
TA = Thigh (Note 5) − − 7.0 − − 9.0 − − 5.0
TA = Tlow (Note 5) − − 7.0 − − 9.0 − − 5.0
Average Temperature Coefficient of Input Offset
Voltage
VIO/T−7.0 − − 7.0 − − 7.0 −V/°C
TA = Thigh to Tlow (Note 5)
Input Offset Current IIO −3.0 30 −5.0 50 −5.0 30 nA
TA = Thigh to Tlow (Note 5) − − 100 − − 150 − − 75
Input Bias Current IIB − −45 −150 − −45 −250 − −45 −100
TA = Thigh to Tlow (Note 5) − −50 −300 − −50 −500 − −50 −200
Average Temperature Coefficient of Input Offset
Current
IIO/T−10 − − 10 − − 10 −pA/°C
TA = Thigh to Tlow (Note 5)
Input Common Mode Voltage Range (Note 6),
VCC = 30 V
VICR 0−28.3 0 −28.3 0 −28.5 V
VCC = 30 V, TA = Thigh to Tlow 0−28 0 −28 0 −28
Differential Input Voltage Range VIDR − − VCC − − VCC − − VCC V
Large Signal Open Loop Voltage Gain AVOL V/mV
RL = 2.0 k, VCC = 15 V, For Large VO Swing, 50 100 −25 100 −25 100 −
TA = Thigh to Tlow (Note 5) 25 − − 15 − − 15 − −
Channel Separation CS − −120 − − −120 − − −120 −dB
1.0 kHz ≤ f ≤ 20 kHz, Input Referenced
Common Mode Rejection CMR 70 85 −65 70 −65 70 −dB
RS ≤ 10 k
Power Supply Rejection PSR 65 100 −65 100 −65 100 −dB
Output Voltage−High Limit
TA = Thigh to Tlow (Note 5)
VOH V
VCC = 5.0 V, RL = 2.0 k, TA = 25°C3.3 3.5 −3.3 3.5 −3.3 3.5 −
VCC = 30 V, RL = 2.0 k26 − − 26 − − 26 − −
VCC = 30 V, RL = 10 k27 28 −27 28 −27 28 −
Output Voltage−Low Limit VOL −5.0 20 −5.0 20 −5.0 20 mV
VCC = 5.0 V, RL = 10 k,
TA = Thigh to Tlow (Note 5)
Output Source Current IO+mA
VID = +1.0 V, VCC = 15 V 20 40 −20 40 −20 40 −
TA = Thigh to Tlow (LM358A Only) 10 − −
Output Sink Current IO−
VID = −1.0 V, VCC = 15 V 10 20 −10 20 −10 20 −mA
TA = Thigh to Tlow (LM358A Only) 5.0 − − mA
VID = −1.0 V, VO = 200 mV 12 50 −12 50 −12 50 −A
Output Short Circuit to Ground (Note 7) ISC −40 60 −40 60 −40 60 mA
Power Supply Current (Total Device)
TA = Thigh to Tlow (Note 5)
ICC mA
VCC = 30 V, VO = 0 V, RL = ∞−1.5 3.0 −1.5 3.0 −1.5 2.0
VCC = 5 V, VO = 0 V, RL = ∞−0.7 1.2 −0.7 1.2 −0.7 1.2
5. LM258: Tlow = −25°C, Thigh = +85°C LM358, LM358A: Tlow = 0°C, Thigh = +70°C
LM2904/LM2904A: Tlow = −40°C, Thigh = +105°C LM2904V & NCV2904: Tlow = −40°C, Thigh = +125°C
NCV2904 and NCV2904V are qualified for automotive use. NCV2904V: Tlow = −40°C, Thigh = +150°C
6. The input common mode voltage or either input signal voltage should not be allowed to go negative by more than 0.3 V. The upper end of
the common mode voltage range is VCC − 1.7 V.
7. Short circuits from the output to VCC can cause excessive heating and eventual destruction. Destructive dissipation can result from
simultaneous shorts on all amplifiers.

LM258, LM358, LM358A, LM2904, LM2904A, LM2904V, NCV2904, NCV2904V
http://onsemi.com
5
ELECTRICAL CHARACTERISTICS (VCC = 5.0 V, VEE = Gnd, TA = 25°C, unless otherwise noted.)
Characteristic Symbol
LM2904 LM2904A
LM2904V, NCV2904
NCV2904V
Unit
Min Typ Max Min Typ Max Min Typ Max
Input Offset Voltage
VCC = 5.0 V to 30 V, VIC = 0 V to VCC −1.7 V,
VO ] 1.4 V, RS = 0
VIO mV
TA = 25°C−2.0 7.0 −2.0 7.0 − − 7.0
TA = Thigh (Note 8) − − 10 − − 10 − − 13
TA = Tlow (Note 8) − − 10 − − 10 − − 10
Average Temperature Coefficient of Input Offset
Voltage
VIO/T−7.0 − − 7.0 − − 7.0 −V/°C
TA = Thigh to Tlow (Note 8)
Input Offset Current IIO −5.0 50 −5.0 50 −5.0 50 nA
TA = Thigh to Tlow (Note 8) −45 200 −45 200 −45 200
Input Bias Current IIB − −45 −250 − −45 −100 − −45 −250
TA = Thigh to Tlow (Note 8) − −50 −500 − −50 −250 − −50 −500
Average Temperature Coefficient of Input Offset
Current
IIO/T−10 − − 10 − − 10 −pA/°C
TA = Thigh to Tlow (Note 8)
Input Common Mode Voltage Range (Note 9),
VCC = 30 V
VICR 0−28.3 0 −28.3 0 −28.3 V
VCC = 30 V, TA = Thigh to Tlow 0−28 0 −28 0 −28
Differential Input Voltage Range VIDR − − VCC − − VCC − − VCC V
Large Signal Open Loop Voltage Gain AVOL V/mV
RL = 2.0 k, VCC = 15 V, For Large VO Swing, 25 100 −25 100 −25 100 −
TA = Thigh to Tlow (Note 8) 15 − − 15 − − 15 − −
Channel Separation CS − −120 − − −120 − − −120 −dB
1.0 kHz ≤ f ≤ 20 kHz, Input Referenced
Common Mode Rejection CMR 50 70 −50 70 −50 70 −dB
RS ≤ 10 k
Power Supply Rejection PSR 50 100 −50 100 −50 100 −dB
Output Voltage−High Limit
TA = Thigh to Tlow (Note 8)
VOH V
VCC = 5.0 V, RL = 2.0 k, TA = 25°C3.3 3.5 −3.3 3.5 −3.3 3.5 −
VCC = 30 V, RL = 2.0 k26 − − 26 − − 26 − −
VCC = 30 V, RL = 10 k27 28 −27 28 −27 28 −
Output Voltage−Low Limit VOL −5.0 20 −5.0 20 −5.0 20 mV
VCC = 5.0 V, RL = 10 k,
TA = Thigh to Tlow (Note 8)
Output Source Current IO+20 40 −20 40 −20 40 −mA
VID = +1.0 V, VCC = 15 V
Output Sink Current IO−
VID = −1.0 V, VCC = 15 V 10 20 −10 20 −10 20 −mA
VID = −1.0 V, VO = 200 mV − − − − − − − − − A
Output Short Circuit to Ground (Note 10) ISC −40 60 −40 60 −40 60 mA
Power Supply Current (Total Device)
TA = Thigh to Tlow (Note 8)
ICC mA
VCC = 30 V, VO = 0 V, RL = ∞−1.5 3.0 −1.5 3.0 −1.5 3.0
VCC = 5 V, VO = 0 V, RL = ∞−0.7 1.2 −0.7 1.2 −0.7 1.2
8. LM258: Tlow = −25°C, Thigh = +85°C LM358, LM358A: Tlow = 0°C, Thigh = +70°C
LM2904/LM2904A: Tlow = −40°C, Thigh = +105°C LM2904V & NCV2904: Tlow = −40°C, Thigh = +125°C
NCV2904 and NCV2904V are qualified for automotive use. NCV2904V: Tlow = −40°C, Thigh = +150°C
9. The input common mode voltage or either input signal voltage should not be allowed to go negative by more than 0.3 V. The upper end of
the common mode voltage range is VCC − 1.7 V.
10.Short circuits from the output to VCC can cause excessive heating and eventual destruction. Destructive dissipation can result from
simultaneous shorts on all amplifiers.

LM258, LM358, LM358A, LM2904, LM2904A, LM2904V, NCV2904, NCV2904V
http://onsemi.com
6
CIRCUIT DESCRIPTION
The LM358 series is made using two internally
compensated, two−stage operational amplifiers. The first
stage of each consists of differential input devices Q20 and
Q18 with input buffer transistors Q21 and Q17 and the
differential to single ended converter Q3 and Q4. The first
stage performs not only the first stage gain function but also
performs the level shifting and transconductance reduction
functions. By reducing the transconductance, a smaller
compensation capacitor (only 5.0 pF) can be employed, thus
saving chip area. The transconductance reduction is
accomplished by splitting the collectors of Q20 and Q18.
Another feature of this input stage is that the input common
mode range can include the negative supply or ground, in
single supply operation, without saturating either the input
devices or the differential to single−ended converter. The
second stage consists of a standard current source load
amplifier stage.
Each amplifier is biased from an internal−voltage
regulator which has a low temperature coefficient thus
giving each amplifier good temperature characteristics as
well as excellent power supply rejection.
Figure 3. Large Signal Voltage
Follower Response
5.0 s/DIV
1.0 V/DIV
VCC = 15 Vdc
RL = 2.0 k
TA = 25°C
AVOL, OPEN LOOP VOLTAGE GAIN (dB)
V , INPUT VOLTAGE (V)
I
Figure 4. Input Voltage Range Figure 5. Large−Signal Open Loop Voltage Gain
18
16
14
12
10
8.0
6.0
4.0
2.0
0
20
0 2.0 4.0 6.0 8.0 10 12 14 16 18 20
VCC/VEE, POWER SUPPLY VOLTAGES (V)
120
100
80
60
40
20
0
-20
1.0 10 100 1.0 k 10 k 100 k 1.0 M
f, FREQUENCY (Hz)
Negative
Positive
VCC = 15 V
VEE = Gnd
TA = 25°C

LM258, LM358, LM358A, LM2904, LM2904A, LM2904V, NCV2904, NCV2904V
http://onsemi.com
7
VOR, OUTPUT VOLTAGE RANGE (V )
pp
VO, OUTPUT VOLTAGE (mV)
Figure 6. Large−Signal Frequency Response Figure 7. Small Signal Voltage Follower
Pulse Response (Noninverting)
Figure 8. Power Supply Current versus
Power Supply Voltage
Figure 9. Input Bias Current versus
Supply Voltage
14
12
10
8.0
6.0
4.0
2.0
0
1.0 10 100 1000
f, FREQUENCY (kHz)
550
500
450
400
350
300
250
200
00 1.0 2.0 3.0 4.0 5.0 6.0 7.0 8.0
t, TIME (ms)
2.4
2.1
1.8
1.5
1.2
0.9
0.6
0.3
00 5.0 10 15 20 25 30 35
VCC, POWER SUPPLY VOLTAGE (V) VCC, POWER SUPPLY VOLTAGE (V)
90
80
70 0 2.0 4.0 6.0 8.0 10 12 14 16 18 20
I , POWER SUPPLY CURRENT (mA)
CC
I , INPUT BIAS CURRENT (nA)
IB
RL = 2.0 k
VCC = 15 V
VEE = Gnd
Gain = -100
RI = 1.0 k
RF = 100 k
Input
Output
TA = 25°C
RL = R
VCC = 30 V
VEE = Gnd
TA = 25°C
CL = 50 pF

LM258, LM358, LM358A, LM2904, LM2904A, LM2904V, NCV2904, NCV2904V
http://onsemi.com
8
R1
2
1
R1
TBP
R1 + R2
R1
R1 + R2
1
eo
e1
e2
eo = C (1 + a + b) (e2 - e1)
R1 a R1
b R1
R
CR
-
+
1/2
LM358
+
-
-
+R
1/2
LM358
+
-
R1
R2
VO
Vref
Vin
VOH
VO
VOL
VinL = R1 (VOL - Vref)+ Vref
VinH =(VOH - Vref) + Vref
H = R1 + R2 (VOH - VOL)
R1
-
+
-
+
-
+
R
C
R2
R3
C1
100 k
R
C
R
C1 R2
100 k
Vin
Vref
Vref
Vref
Vref
Bandpass
Output
fo = 2
RC
R1 = QR
R2 =
R3 = TN R2
C1 = 10 C
1
Notch Output
Vref =V
CC
Hysteresis
1/2
LM358
1/2
LM358
1
CR
VinL VinH
Vref
1/2
LM358
1/2
LM358 1/2
LM358 1/2
LM358
TBP = Center Frequency Gain
TN = Passband Notch Gain
R
C
R1
R2
R3
For:
-
+
fo
Q
TBP
TN
= 1.0 kHz
= 10
= 1
= 1
= 160 k
= 0.001 F
= 1.6 M
= 1.6 M
= 1.6 M
Where:
MC1403
1/2
LM358
-
+
R1
VCC
VCC
VO
2.5 V
R2
50 k
10 k
Vref
Vref = VCC
2
5.0 k
RC
RC
+
1/2
LM358
-
VO
2 RC
1
For: fo = 1.0 kHz
R = 16 k
C = 0.01 F
VO = 2.5 V (1 + R1
R2 )
1
VCC
fo =
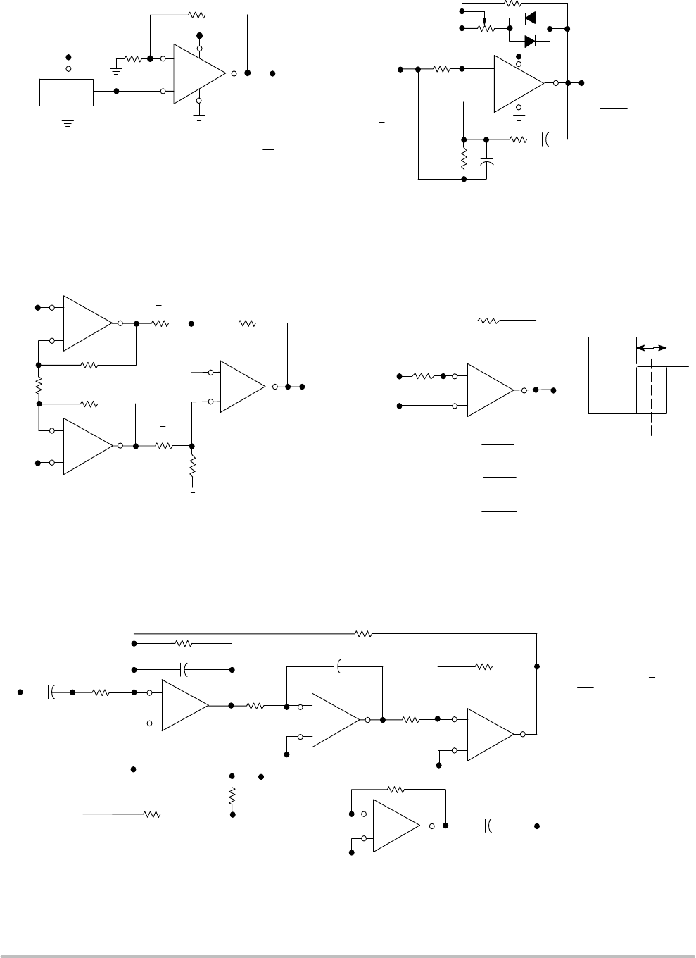
Figure 10. Voltage Reference Figure 11. Wien Bridge Oscillator
Figure 12. High Impedance Differential Amplifier Figure 13. Comparator with Hysteresis
Figure 14. Bi−Quad Filter

LM258, LM358, LM358A, LM2904, LM2904A, LM2904V, NCV2904, NCV2904V
http://onsemi.com
9
2
1
Vref =V
CC
1
2
Figure 15. Function Generator Figure 16. Multiple Feedback Bandpass Filter
For less than 10% error from operational amplifier.
If source impedance varies, filter may be preceded with voltage
follower buffer to stabilize filter parameters.
Where fo and BW are expressed in Hz.
Qo fo
BW < 0.1
Given: fo = center frequency
A(fo) = gain at center frequency
Choose value fo, C
Then: R3 = Q
fo C
R3
R1 = 2 A(fo)
R1 R3
4Q2 R1 -R3
R2 =
+
-
+
-
-
+
Vref =V
CC
Vref
f = R1 + RC
4 CRf R1 R3 = R2 R1
R2 + R1
R2
300 k
75 k
R3
R1
C
Triangle Wave
Output
Square
Wave
Output
VCC
R3
R1
R2
Vref
Vin
CC
VO
CO
CO = 10 C
Rf
if,
1/2
LM358
Vref
1/2
LM358
1/2
LM358
100 k

LM258, LM358, LM358A, LM2904, LM2904A, LM2904V, NCV2904, NCV2904V
http://onsemi.com
10
ORDERING INFORMATION
Device Operating Temperature Range Package Shipping†
LM358ADR2G
0°C to +70°C
SOIC−8
(Pb−Free)
2500 / Tape & Reel
LM358DG 98 Units / Rail
LM358DR2G 2500 / Tape & Reel
LM358DMR2G Micro8
(Pb−Free)
4000 / Tape & Reel
LM358NG PDIP−8
(Pb−Free)
50 Units / Rail
LM258DG
−25°C to +85°C
SOIC−8
(Pb−Free)
98 Units / Rail
LM258DR2G 2500 / Tape & Reel
LM258DMR2G Micro8
(Pb−Free)
4000 / Tape & Reel
LM258NG PDIP−8
(Pb−Free)
50 Units / Rail
LM2904DG
−40°C to +105°C
SOIC−8
(Pb−Free)
98 Units / Rail
LM2904DR2G 2500 / Tape & Reel
LM2904DMR2G Micro8
(Pb−Free)
2500 / Tape & Reel
LM2904NG PDIP−8
(Pb−Free)
50 Units / Rail
LM2904ADMG Micro8
(Pb−Free)
4000 / Tape & Reel
LM2904ADMR2G 4000 / Tape & Reel
LM2904ANG PDIP−8
(Pb−Free)
50 Units / Rail
LM2904VDG
−40°C to +125°C
SOIC−8
(Pb−Free)
98 Units / Rail
LM2904VDR2G 2500 / Tape & Reel
LM2904VDMR2G Micro8
(Pb−Free)
4000 / Tape & Reel
LM2904VNG PDIP−8
(Pb−Free)
50 Units / Rail
NCV2904DR2G* SOIC−8
(Pb−Free)
2500 / Tape & Reel
NCV2904DMR2G* Micro8
(Pb−Free)
4000 / Tape & Reel
NCV2904VDR2G* −40°C to +150°CSOIC−8
(Pb−Free)
2500 / Tape & Reel
†For information on tape and reel specifications, including part orientation and tape sizes, please refer to our Tape and Reel Packaging
Specifications Brochure, BRD8011/D.
*NCV Prefix for Automotive and Other Applications Requiring Unique Site and Control Change Requirements; AEC−Q100 Qualified and PPAP
Capable.

LM258, LM358, LM358A, LM2904, LM2904A, LM2904V, NCV2904, NCV2904V
http://onsemi.com
11
PDIP−8
N SUFFIX
CASE 626
SOIC−8
D SUFFIX
CASE 751
MARKING DIAGRAMS
x = 2 or 3
A = Assembly Location
WL, L = Wafer Lot
YY, Y = Year
WW, W = Work Week
G = Pb−Free Package
G= Pb−Free Package − (Note: Microdot may be in either location)
PDIP−8
AN SUFFIX
CASE 626
SOIC−8
VD SUFFIX
CASE 751
PDIP−8
VN SUFFIX
CASE 626
1
8
LMx58N
AWL
YYWWG
1
8
LM2904AN
AWL
YYWWG
1
8
LM2904N
AWL
YYWWG
1
8
LM2904VN
AWL
YYWWG
Micro8
DMR2 SUFFIX
CASE 846A
x58
AYWG
G
1
8
2904
AYWG
G
1
8
904A
AYWG
G
1
8
904V
AYWG
G
1
8
*This diagram also applies to NCV2904
*
*
LM358
ALYWA
G
1
8
2904
ALYW
G
1
8
2904V
ALYW
G
1
8
LMx58
ALYW
G
1
8
SOIC−8
VD SUFFIX
CASE 751
2904V
ALYWV
G
1
8
NCV2904V

LM258, LM358, LM358A, LM2904, LM2904A, LM2904V, NCV2904, NCV2904V
http://onsemi.com
12
PACKAGE DIMENSIONS
PDIP−8
N, AN, VN SUFFIX
CASE 626−05
ISSUE M
14
58
F
NOTE 5
D
e
b
L
A1
A
E3
E
A
TOP VIEW
CSEATING
PLANE
0.010 CA
SIDE VIEW
END VIEW
END VIEW
NOTE 3
DIM MIN NOM MAX
INCHES
A−−−− −−−− 0.210
A1 0.015 −−−− −−−−
b0.014 0.018 0.022
C0.008 0.010 0.014
D0.355 0.365 0.400
D1 0.005 −−−− −−−−
e0.100 BSC
E0.300 0.310 0.325
L0.115 0.130 0.150
−−−− −−−− 5.33
0.38 −−−− −−−−
0.35 0.46 0.56
0.20 0.25 0.36
9.02 9.27 10.02
0.13 −−−− −−−−
2.54 BSC
7.62 7.87 8.26
2.92 3.30 3.81
MIN NOM MAX
MILLIMETERS
NOTES:
1. DIMENSIONING AND TOLERANCING PER ASME
Y14.5M, 1994.
2. CONTROLLING DIMENSION: INCHES.
3. DIMENSION E IS MEASURED WITH THE LEADS RE-
STRAINED PARALLEL AT WIDTH E2.
4. DIMENSION E1 DOES NOT INCLUDE MOLD FLASH.
5. ROUNDED CORNERS OPTIONAL.
E1 0.240 0.250 0.280 6.10 6.35 7.11
E2
E3 −−−− −−−− 0.430 −−−− −−−− 10.92
0.300 BSC 7.62 BSC
E1
D1
M
8X
e/2
E2
c

LM258, LM358, LM358A, LM2904, LM2904A, LM2904V, NCV2904, NCV2904V
http://onsemi.com
13
PACKAGE DIMENSIONS
SOIC−8 NB
CASE 751−07
ISSUE AK
SEATING
PLANE
1
4
58
N
J
X 45 _
K
NOTES:
1. DIMENSIONING AND TOLERANCING PER
ANSI Y14.5M, 1982.
2. CONTROLLING DIMENSION: MILLIMETER.
3. DIMENSION A AND B DO NOT INCLUDE
MOLD PROTRUSION.
4. MAXIMUM MOLD PROTRUSION 0.15 (0.006)
PER SIDE.
5. DIMENSION D DOES NOT INCLUDE DAMBAR
PROTRUSION. ALLOWABLE DAMBAR
PROTRUSION SHALL BE 0.127 (0.005) TOTAL
IN EXCESS OF THE D DIMENSION AT
MAXIMUM MATERIAL CONDITION.
6. 751−01 THRU 751−06 ARE OBSOLETE. NEW
STANDARD IS 751−07.
A
BS
D
H
C
0.10 (0.004)
DIM
A
MIN MAX MIN MAX
INCHES
4.80 5.00 0.189 0.197
MILLIMETERS
B3.80 4.00 0.150 0.157
C1.35 1.75 0.053 0.069
D0.33 0.51 0.013 0.020
G1.27 BSC 0.050 BSC
H0.10 0.25 0.004 0.010
J0.19 0.25 0.007 0.010
K0.40 1.27 0.016 0.050
M0 8 0 8
N0.25 0.50 0.010 0.020
S5.80 6.20 0.228 0.244
−X−
−Y−
G
M
Y
M
0.25 (0.010)
−Z−
Y
M
0.25 (0.010) ZSXS
M
____
1.52
0.060
7.0
0.275
0.6
0.024
1.270
0.050
4.0
0.155
ǒmm
inchesǓ
SCALE 6:1
*For additional information on our Pb−Free strategy and soldering
details, please download the ON Semiconductor Soldering and
Mounting Techniques Reference Manual, SOLDERRM/D.
SOLDERING FOOTPRINT*

LM258, LM358, LM358A, LM2904, LM2904A, LM2904V, NCV2904, NCV2904V
http://onsemi.com
14
PACKAGE DIMENSIONS
Micro8t
CASE 846A−02
ISSUE H
S
B
M
0.08 (0.003) A S
T
NOTES:
1. DIMENSIONING AND TOLERANCING PER ANSI Y14.5M, 1982.
2. CONTROLLING DIMENSION: MILLIMETER.
3. DIMENSION A DOES NOT INCLUDE MOLD FLASH, PROTRUSIONS OR GATE
BURRS. MOLD FLASH, PROTRUSIONS OR GATE BURRS SHALL NOT EXCEED
0.15 (0.006) PER SIDE.
4. DIMENSION B DOES NOT INCLUDE INTERLEAD FLASH OR PROTRUSION.
INTERLEAD FLASH OR PROTRUSION SHALL NOT EXCEED 0.25 (0.010) PER SIDE.
5. 846A-01 OBSOLETE, NEW STANDARD 846A-02.
b
e
PIN 1 ID
8 PL
0.038 (0.0015)
−T−
SEATING
PLANE
A
A1 cL
*For additional information on our Pb−Free strategy and soldering
details, please download the ON Semiconductor Soldering and
Mounting Techniques Reference Manual, SOLDERRM/D.
SOLDERING FOOTPRINT*
8X 8X
6X ǒmm
inchesǓ
SCALE 8:1
1.04
0.041
0.38
0.015
5.28
0.208
4.24
0.167
3.20
0.126
0.65
0.0256
DIM
A
MIN NOM MAX MIN
MILLIMETERS
−− −− 1.10 −−
INCHES
A1 0.05 0.08 0.15 0.002
b0.25 0.33 0.40 0.010
c0.13 0.18 0.23 0.005
D2.90 3.00 3.10 0.114
E2.90 3.00 3.10 0.114
e0.65 BSC
L0.40 0.55 0.70 0.016
−− 0.043
0.003 0.006
0.013 0.016
0.007 0.009
0.118 0.122
0.118 0.122
0.026 BSC
0.021 0.028
NOM MAX
4.75 4.90 5.05 0.187 0.193 0.199
HE
HE
DD
E
ON Semiconductor and are registered trademarks of Semiconductor Components Industries, LLC (SCILLC). SCILLC reserves the right to make changes without further notice
to any products herein. SCILLC makes no warranty, representation or guarantee regarding the suitability of its products for any particular purpose, nor does SCILLC assume any liability
arising out of the application or use of any product or circuit, and specifically disclaims any and all liability, including without limitation special, consequential or incidental damages.
“Typical” parameters which may be provided in SCILLC data sheets and/or specifications can and do vary in different applications and actual performance may vary over time. All
operating parameters, including “Typicals” must be validated for each customer application by customer’s technical experts. SCILLC does not convey any license under its patent rights
nor the rights of others. SCILLC products are not designed, intended, or authorized for use as components in systems intended for surgical implant into the body, or other applications
intended to support or sustain life, or for any other application in which the failure of the SCILLC product could create a situation where personal injury or death may occur. Should
Buyer purchase or use SCILLC products for any such unintended or unauthorized application, Buyer shall indemnify and hold SCILLC and its officers, employees, subsidiaries, affiliates,
and distributors harmless against all claims, costs, damages, and expenses, and reasonable attorney fees arising out of, directly or indirectly, any claim of personal injury or death
associated with such unintended or unauthorized use, even if such claim alleges that SCILLC was negligent regarding the design or manufacture of the part. SCILLC is an Equal
Opportunity/Affirmative Action Employer. This literature is subject to all applicable copyright laws and is not for resale in any manner.
PUBLICATION ORDERING INFORMATION
N. American Technical Support: 800−282−9855 Toll Free
USA/Canada
Europe, Middle East and Africa Technical Support:
Phone: 421 33 790 2910
Japan Customer Focus Center
Phone: 81−3−5817−1050
LM358/D
Micro8 is a trademark of International Rectifier.
LITERATURE FULFILLMENT:
Literature Distribution Center for ON Semiconductor
P.O. Box 5163, Denver, Colorado 80217 USA
Phone: 303−675−2175 or 800−344−3860 Toll Free USA/Canada
Fax: 303−675−2176 or 800−344−3867 Toll Free USA/Canada
Email: orderlit@onsemi.com
ON Semiconductor Website: www.onsemi.com
Order Literature: http://www.onsemi.com/orderlit
For additional information, please contact your local
Sales Representative
