LOGO! Logo System Manual Es
User Manual:
Open the PDF directly: View PDF
.
Page Count: 379 [warning: Documents this large are best viewed by clicking the View PDF Link!]
- LOGO!
- Notas jurídicas
- Prólogo
- Índice
- 1 Primeros pasos con LOGO!
- 2 Montar y cablear LOGO!
- 3 Programar LOGO!
- 3.1 Conectores
- 3.2 Bloques y números de bloque
- 3.3 Del esquema de conexiones al programa LOGO!
- 3.4 Las 4 reglas de oro para manejar LOGO!
- 3.5 Configurar la protección de acceso a menús para LOGO!
- 3.6 Vista de conjunto de los menús de LOGO!
- 3.7 Introducir e iniciar el programa
- 3.7.1 Pasar al modo de operación Programación
- 3.7.2 Primer programa
- 3.7.3 Introducir el programa
- 3.7.4 Asignar el nombre del programa
- 3.7.5 Programas protegidos por contraseña
- 3.7.6 Cambiar LOGO! a modo RUN
- 3.7.7 Segundo programa
- 3.7.8 Borrar un bloque
- 3.7.9 Borrar grupos de bloques
- 3.7.10 Corregir errores de programación
- 3.7.11 Seleccionar valores analógicos de salida para un cambio de RUN a STOP
- 3.7.12 Definir el tipo de las salidas analógicas
- 3.7.13 Ajuste del retardo a la conexión en LOGO!
- 3.7.14 Borrar el programa y la contraseña
- 3.7.15 Cambio de horario de verano/invierno
- 3.7.16 Network Time Protocol (solo LOGO! 8.FS4)
- 3.8 Configurar funciones adicionales para LOGO!
- 3.9 Espacio de memoria y tamaño del programa
- 4 Funciones de LOGO!
- 4.1 Constantes y conectores
- 4.2 Lista de funciones básicas - GF
- 4.3 Funciones especiales
- 4.4 Lista de las funciones especiales - SF
- 4.4.1 Retardo a la conexión
- 4.4.2 Retardo a la desconexión
- 4.4.3 Retardo a la conexión/desconexión
- 4.4.4 Retardo a la conexión con memoria
- 4.4.5 Relé de barrido (salida de impulsos)
- 4.4.6 Relé de barrido activado por flancos
- 4.4.7 Generador de impulsos asíncrono
- 4.4.8 Generador aleatorio
- 4.4.9 Interruptor de alumbrado para escalera
- 4.4.10 Interruptor bifuncional
- 4.4.11 Temporizador semanal
- 4.4.12 Temporizador anual
- 4.4.13 Reloj astronómico
- 4.4.14 Cronómetro
- 4.4.15 Contador adelante/atrás
- 4.4.16 Contador de horas de funcionamiento
- 4.4.17 Selector de umbral
- 4.4.18 Conmutador analógico de valor umbral
- 4.4.19 Conmutador analógico de valor umbral diferencial
- 4.4.20 Comparador analógico
- 4.4.21 Vigilancia del valor analógico
- 4.4.22 Amplificador analógico
- 4.4.23 Relé autoenclavador
- 4.4.24 Relé de impulsos
- 4.4.25 Textos de aviso
- 4.4.26 Interruptor software
- 4.4.27 Registro de desplazamiento
- 4.4.28 Multiplexor analógico
- 4.4.29 Rampa analógica
- 4.4.30 Regulador PI
- 4.4.31 Modulación de ancho de impulsos (PWM)
- 4.4.32 Instrucción aritmética
- 4.4.33 Detección de error de la instrucción aritmética
- 4.4.34 Filtro analógico
- 4.4.35 Máx/Mín
- 4.4.36 Valor medio
- 4.4.37 Convertidor flotante/entero
- 4.4.38 Convertidor entero/flotante
- 5 Servidor web
- 6 UDF (función personalizada)
- 7 Registro de datos
- 8 Parametrizar LOGO!
- 9 Uso de tarjetas de memoria
- 10 Seguridad
- 11 Software LOGO!
- 12 Aplicaciones
- A Datos técnicos
- A.1 Datos técnicos generales
- A.2 Datos técnicos: LOGO! 230...
- A.3 Datos técnicos: LOGO! DM8 230R y LOGO! DM16 230R
- A.4 Datos técnicos: LOGO! 24...
- A.5 Datos técnicos: LOGO! DM8 24 y LOGO! DM16 24
- A.6 Datos técnicos: LOGO! 24RC...
- A.7 Datos técnicos: LOGO! DM8 24R y LOGO! DM16 24R
- A.8 Datos técnicos: LOGO! 12/24... LOGO! DM8 12/24R
- A.9 Capacidad de conmutación y vida útil de las salidas de relé
- A.10 Datos técnicos: LOGO! AM2
- A.11 Datos técnicos: LOGO! AM2 RTD
- A.12 Datos técnicos: LOGO! AM2 AQ
- A.13 Datos técnicos: LOGO! Power 12 V
- A.14 Datos técnicos: LOGO! Power 24 V
- A.15 Datos técnicos: LOGO! Contact 24/230
- A.16 Datos técnicos: LOGO! TDE (visualizador de textos con interfaces Ethernet)
- A.17 Datos técnicos: LOGO! CSM12/24
- A.18 Datos técnicos: LOGO! CSM230
- B Determinar el tiempo de ciclo
- C LOGO! sin display ("LOGO! Pure")
- D Estructura de menús de LOGO!
- E Números de referencia
- F Abreviaturas
- Índice alfabético

LOGO!
___________________
___________________
___________________
___________________
___________________
___________________
___________________
___________________
___________________
___________________
___________________
___________________
___________________
___________________
___________________
___________________
___________________
___________________
___________________
LOGO!
Manual de producto
Este manual es válido únicamente para la serie de
dispositivos LOGO! 8.FS4.
07/2016
A5E33039720 - AC
Prólogo
Primeros pasos con LOGO!
1
Montar y cablear LOGO!
2
Programar LOGO!
3
Funciones de LOGO!
4
Servidor web
5
UDF (función personalizada)
6
Registro de datos
7
Parametrizar LOGO!
8
Uso de tarjetas de memoria
9
Seguridad
10
Software LOGO!
11
Aplicaciones
12
Datos técnicos
A
Determinar el tiempo de ciclo
B
LOGO! sin display ("LOGO!
Pure")
C
Estructura de menús de
LOGO!
D
Números de referencia
E
Abreviaturas
F

Siemens AG
Division Digital Factory
Postfach 48 48
90026 NÜRNBERG
ALEMANIA
A5E33039720 - AC
Ⓟ 06/2016 Sujeto a cambios sin previo aviso Copyright © Siemens AG 2016.
Reservados todos los derechos
Notas jurídicas
Filosofía en la señalización de advertencias y peligros
Este manual contiene las informaciones necesarias para la seguridad personal así como para la prevención de
daños materiales. Las informaciones para su seguridad personal están resaltadas con un triángulo de
advertencia; las informaciones para evitar únicamente daños materiales no llevan dicho triángulo. De acuerdo al
grado de peligro las consignas se representan, de mayor a menor peligro, como sigue.
PELIGRO
Significa que, si no se adoptan las medidas preventivas adecuadas
se producirá
la muerte, o bien lesiones
corporales graves.
ADVERTENCIA
Significa que, si no se adoptan las medidas preventivas adecuadas
puede producirse
la muerte o bien lesiones
corporales graves.
PRECAUCIÓN
Significa que si no se adoptan las medidas preventivas adecuadas, pueden producirse lesiones corporales.
ATENCIÓN
Significa que si no se adoptan las medidas preventivas adecuadas, pueden producirse daños materiales.
Si se dan varios niveles de peligro se usa siempre la consigna de seguridad más estricta en cada caso. Si en una
consigna de seguridad con triángulo de advertencia se alarma de posibles daños personales, la misma consigna
puede contener también una advertencia sobre posibles daños materiales.
Personal cualificado
El producto/sistema tratado en esta documentación sólo deberá ser manejado o manipulado por
personal
cualificado
para la tarea encomendada y observando lo indicado en la documentación correspondiente a la
misma, particularmente las consignas de seguridad y advertencias en ella incluidas. Debido a su formación y
experiencia, el personal cualificado está en condiciones de reconocer riesgos resultantes del manejo o
manipulación de dichos productos/sistemas y de evitar posibles peligros.
Uso previsto o de los productos de Siemens
Considere lo siguiente:
ADVERTENCIA
Los productos de Siemens sólo deberán usarse para los casos de aplicación previstos en el catálogo y la
documentación técnica asociada. De usarse productos y componentes de terceros, éstos deberán haber sido
recomendados u homologados por Siemens. El funcionamiento correcto y seguro de los productos exige que su
transporte, almacenamiento, instalación, montaje, manejo y mantenimiento hayan sido realizados de forma
correcta. Es preciso respetar las condiciones ambientales permitidas. También deberán seguirse las
indicaciones y advertencias que figuran en la documentación asociada.
Marcas registradas
Todos los nombres marcados con ® son marcas registradas de Siemens AG. Los restantes nombres y
designaciones contenidos en el presente documento pueden ser marcas registradas cuya utilización por terceros
para sus propios fines puede violar los derechos de sus titulares.
Exención de responsabilidad
Hemos comprobado la concordancia del contenido de esta publicación con el hardware y el software descritos.
Sin embargo, como es imposible excluir desviaciones, no podemos hacernos responsable de la plena
concordancia. El contenido de esta publicación se revisa periódicamente; si es necesario, las posibles las
correcciones se incluyen en la siguiente edición.
LOGO!
Manual de producto, 07/2016, A5E33039720 - AC 3
Prólogo
LOGO! es un módulo lógico que cumple los estrictos requisitos de calidad estipulados en la
norma ISO 9001.
LOGO! puede utilizarse en numerosos campos de aplicación. Gracias a su amplia
funcionalidad y a su fácil manejo, LOGO! ofrece gran eficiencia en prácticamente cualquier
aplicación.
Objetivo del manual
El manual de LOGO! proporciona información acerca de la creación de programas, el
montaje y el uso de los módulos base LOGO! 0BA8 con más funciones mejoradas, el
LOGO! TDE (visualizador de textos con interfaces Ethernet) y los módulos de ampliación
LOGO!. 0BAx son los cuatro últimos caracteres de la referencia de los módulos base que
distinguen una serie de otra.
Catalogación de LOGO! en el conjunto de la información
La información de cableado contenida en el manual de LOGO! también se incluye en la
información del producto que acompaña a todos los dispositivos. Para más información
sobre la programación de LOGO! en el PC, consulte la Ayuda en pantalla de LOGO!Soft
Comfort.
LOGO!Soft Comfort es el software de programación LOGO! para PC. Se ejecuta bajo
Windows® (incluyendo Windows XP®, Windows 7®, Windows 8® y Windows 10®), Linux® y
Mac OS X®. Este software le ayuda a familiarizarse con LOGO!, así como a crear, probar,
imprimir y archivar los programas, independientemente de LOGO!.
Guía
El manual contiene los capítulos siguientes:
● Primeros pasos con LOGO!
● Montar y cablear LOGO!
● Programar LOGO!
● Funciones de LOGO!
● Servidor web
● UDF (función personalizada)
● Registro de datos
● Parametrizar LOGO!
● Uso de tarjetas de memoria
● Seguridad

Prólogo
LOGO!
4 Manual de producto, 07/2016, A5E33039720 - AC
● Software LOGO!
● Aplicaciones
El manual incluye también los anexos A a F (después de los capítulos).
Ámbito de validez del manual
El manual es válido para los dispositivos de la serie 0BA8.
Nuevas funciones de la serie de dispositivos LOGO! 8.FS4
Los dispositivos LOGO! 8.FS4 incluyen las siguientes funciones nuevas:
●
Compatibilidad con el protocolo Modbus en redes Ethernet TCP/IP
LOGO! soporta tanto las funciones de servidor Modbus como de cliente Modbus. Los
módulos Modbus comparten conexiones con los módulos S7. LOGO! tiene grupos de
conexiones separados para servidor y cliente. Cada conexión de un grupo de servidores
puede utilizarse para un servidor S7 o un servidor Modbus. No hay límites ni reservas
para los servidores. Esto significa que un servidor S7 no tendrá acceso en caso de que
todas las conexiones de servidor estén ocupadas por un servidor Modbus. Lo mismo
sucede en el grupo de conexión de un cliente. Encontrará información detallada sobre la
conexión cliente/servidor en los apartados de S7.
●
Compatibilidad con un rango de temperatura ambiente más amplio
Los módulos LOGO! BM y EM son compatibles con un rango de temperatura ambiente
más amplio, que se amplía de -20℃ a 55 ℃.
●
Compatibilidad con la función Network Time Protocol (NTP)
para la sincronización de
hora y datos
Un cliente NTP puede sincronizar la hora de un servidor NTP. LOGO! 8.FS4 BM puede
funcionar a la vez de servidor y cliente NTP. La función NTP de LOGO! BM está
desactivada por defecto. Se activa en el menú BM/TDE o en LOGO!Soft Comfort.
●
Soporte LOGO! Access Tool
Siemens ofrece una herramienta nueva, LOGO! Access Tool, para ver y seguir las
variables del módulo base LOGO!. Esta herramienta también permite guardar los
archivos de registro de las variables seguidas. Encontrará información detallada en el
manual de ayuda de LOGO! Access Tool.
Nuevas funciones de la serie de dispositivos LOGO! 0BA8
Los dispositivos LOGO! 0BA8 incluyen las siguientes funciones nuevas:
●
Comunicación Ethernet en todos los módulos base LOGO! 0BA8
Los módulos base LOGO! 0BA8 están equipados con una interfaz RJ45 y un LED de
estado de dos colores para la comunicación Ethernet.
●
Tamaño reducido de los módulos LOGO! 0BA8
Los módulos base LOGO! 0BA8 están diseñados con una anchura de 71,5 mm. El
tamaño reducido del LOGO! 0BA8 permite aprovechar al máximo el espacio disponible.

Prólogo
LOGO!
Manual de producto, 07/2016, A5E33039720 - AC 5
●
Nuevo visualizador de textos LOGO! TDE con funciones mejoradas
– El módulo LOGO! TDE está disponible con dos interfaces Ethernet. Estas dos
interfaces Ethernet funcionan también como switch de dos puertos. El LOGO! TDE
puede conectarse a un módulo base, un PC u otro LOGO! TDE utilizando las
interfaces Ethernet. El LOGO! TDE puede conectarse a diferentes módulos base
seleccionando la dirección IP.
– El LOGO! TDE dispone de un borne de tres pines (P1, P2 y FE) para la conexión
eléctrica.
– El LOGO! TDE tiene tres comandos de menú principales, uno para seleccionar la
dirección IP de un módulo base, otro para los ajustes remotos del módulo base
conectado y el último para la configuración independiente del LOGO! TDE.
●
Visualización de 6 líneas y retroiluminación de tres colores
Tanto el display integrado del LOGO! como el LOGO! TDE soportan una visualización de
caracteres de 6 líneas y una retroiluminación de tres colores (blanco/ámbar/rojo). El
display integrado del LOGO! puede mostrar un máximo de 16 caracteres europeos
occidentales u 8 caracteres asiáticos por línea. El LOGO! TDE puede mostrar un máximo
de 20 caracteres europeos occidentales o 10 caracteres asiáticos por línea.
●
Aumento de las conexiones E/S máximas
El LOGO! 0BA8 soporta como máximo 24 entradas digitales, 20 salidas digitales, 8
entradas analógicas y 8 salidas analógicas.
●
Servidor web integrado en los módulos base LOGO!
El LOGO! 0BA8 ofrece un acceso sencillo por medio de navegadores de Internet. La
función de servidor web permite acceder al módulo base LOGO! utilizando un dispositivo
conectado (PC, tableta o teléfono inteligente) introduciendo la dirección IP del módulo
LOGO! en el navegador web del dispositivo conectado.
●
Funciones mejoradas añadidas a bloques de función especiales
–
Reloj astronómico:
Para este bloque de función hay disponibles dos parámetros
nuevos, a saber, "TR Offset" (ajuste de salida del sol) y "TS Offset" (ajuste de puesta
del sol). Estos dos parámetros pueden utilizarse para ajustar un offset para el valor de
salida y puesta del sol. El rango del offset es de -59 a 59 minutos.
–
Textos de mensajes:
Los dispositivos LOGO! 0BA8 soportan la visualización de textos
de mensajes de 6 líneas y mensajes de ticker, así como la visualización de textos de
mensajes en el servidor web. Existe la posibilidad de activar el ajuste de ticker para
cada línea de visualización ajustando los parámetros del bloque.
●
Más marcas para crear programas
El LOGO! 0BA8 soporta 64 marcas digitales y 64 marcas analógicas. Algunas marcas
especiales nuevas se describen a continuación:
– M28: activa la retroiluminación ámbar del display del LOGO!
– M29: activa la retroiluminación roja del display del LOGO!
– M30: activa la retroiluminación ámbar del LOGO! TDE
– M31: activa la retroiluminación roja del LOGO! TDE

Prólogo
LOGO!
6 Manual de producto, 07/2016, A5E33039720 - AC
●
Comandos de menú avanzados para diagnóstico
Con la ampliación de los comandos de menú para diagnóstico, el LOGO! 0BA8
proporciona una herramienta para diagnosticar errores de software y hardware y
visualizar los registros de errores. Dichos comandos de menú pueden utilizarse para
solucionar problemas en el sistema LOGO! y depurar el sistema.
●
Representación en forma de curva de los cambios de los valores analógicos
El LOGO! 0BA8 soporta la visualización gráfica de cambios de valores analógicos en
forma de curva en el display integrado. Todas las entradas y salidas analógicas que se
utilicen pueden vigilarse fácilmente mediante curvas cuando LOGO! está en modo RUN.
●
Soporte de tarjetas micro SD
El LOGO! 0BA8 soporta tarjetas micro SD (Secure Digital) compatibles con el formato de
sistema de archivos FAT32. Es posible almacenar programas y protegerlos contra copia
(registrando o sin registrar los datos de proceso) de LOGO! 0BA8 a una tarjeta SD o bien
copiar programas de la tarjeta a LOGO! 0BA8.
●
Ampliación de la función de registro de datos
El LOGO! 0BA8 soporta un máximo de 20000 líneas para cada archivo de registro de
datos almacenado en la tarjeta micro SD. Cuando el número de líneas en el archivo
actual rebasa el número máximo de líneas, LOGO! crea automáticamente un nuevo
archivo de registro de datos con un nombre nuevo en la tarjeta micro SD.
Compatibilidad con dispositivos anteriores
La serie de dispositivos LOGO! 0BA8 es incompatible con todas las series de dispositivos
anteriores.
Si desea información más detallada sobre la compatibilidad entre diferentes series de
dispositivos, consulte el apartado "Compatibilidad (Página 34)".
Soporte adicional
Encontrará soporte adicional en la página web de Siemens LOGO!
(http://www.siemens.com/logo)
Información de seguridad
Siemens ofrece productos y soluciones con funciones de seguridad industrial con el objetivo
de hacer más seguro el funcionamiento de instalaciones, sistemas, máquinas y redes.
Para proteger las instalaciones, los sistemas, las máquinas y las redes de amenazas
cibernéticas, es necesario implementar (y mantener continuamente) un concepto de
seguridad industrial integral que sea conforme a la tecnología más avanzada. Los productos
y las soluciones de Siemens constituyen únicamente una parte de este concepto.
El cliente es responsable de impedir el acceso no autorizado a sus instalaciones, sistemas,
máquinas y redes. Los sistemas, las máquinas y los componentes solo deben estar
conectados a la red corporativa o a Internet cuando y en la medida que sea necesario y
siempre que se hayan tomado las medidas de protección adecuadas (p. ej. uso de
cortafuegos y segmentación de la red).

Prólogo
LOGO!
Manual de producto, 07/2016, A5E33039720 - AC 7
Adicionalmente, deberán observarse las recomendaciones de Siemens en cuanto a las
medidas de protección correspondientes. Encontrará más información sobre seguridad
industrial en (http://www.siemens.com/industrialsecurity).
Los productos y las soluciones de Siemens están sometidos a un desarrollo constante con
el fin de mejorar todavía más su seguridad. Siemens recomienda expresamente realizar
actualizaciones en cuanto estén disponibles y utilizar únicamente las últimas versiones de
los productos. El uso de versiones anteriores o que ya no se soportan puede aumentar el
riesgo de amenazas cibernéticas.
Para mantenerse informado de las actualizaciones de productos, recomendamos que se
suscriba al Siemens Industrial Security RSS Feed en
(http://www.siemens.com/industrialsecurity).
Nota
Para proteger LOGO!Soft Comfort de manipulaciones no deseadas cuando el PC sufre
ataques maliciosos de Internet, Siemens recomienda encarecidamente instalar en el PC una
herramienta de lista blanca como McAfee Application Control 6.1.

Prólogo
LOGO!
8 Manual de producto, 07/2016, A5E33039720 - AC
LOGO!
Manual de producto, 07/2016, A5E33039720 - AC 9
Índice
Prólogo ................................................................................................................................................... 3
1 Primeros pasos con LOGO! .................................................................................................................. 15
2 Montar y cablear LOGO! ....................................................................................................................... 27
2.1 Configuración del LOGO! modular ......................................................................................... 29
2.1.1 Configuración máxima de red para LOGO! ............................................................................ 29
2.1.2 Configuración máxima con módulos de ampliación ............................................................... 31
2.1.3 Estructura con diferentes clases de tensión ........................................................................... 33
2.1.4 Compatibilidad ........................................................................................................................ 34
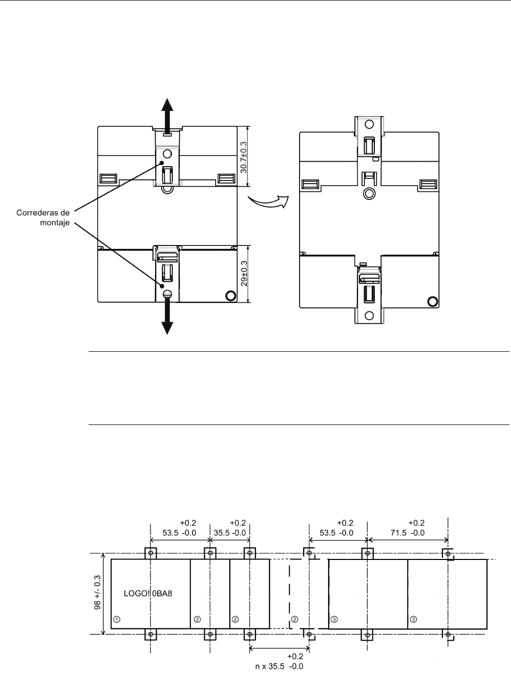
2.2 Montar y desmontar LOGO! ................................................................................................... 35
2.2.1 Montaje en un perfil soporte ................................................................................................... 36
2.2.2 Montaje en la pared ................................................................................................................ 38
2.2.3 Montar el LOGO! TDE ............................................................................................................ 39
2.2.4 Rotular el LOGO! .................................................................................................................... 40
2.3 Cablear el LOGO! ................................................................................................................... 40
2.3.1 Conectar la fuente de alimentación ........................................................................................ 41
2.3.2 Conectar la fuente de alimentación del LOGO! TDE .............................................................. 43
2.3.3 Conectar las entradas del LOGO! .......................................................................................... 43
2.3.4 Conexión de las salidas .......................................................................................................... 50
2.3.5 Conectar la interfaz Ethernet .................................................................................................. 52
2.4 Puesta en marcha ................................................................................................................... 53
2.4.1 Conectar la alimentación del LOGO! ...................................................................................... 53
2.4.2 Estados operativos ................................................................................................................. 56
3 Programar LOGO! ................................................................................................................................. 59
3.1 Conectores .............................................................................................................................. 60
3.2 Bloques y números de bloque ................................................................................................ 62
3.3 Del esquema de conexiones al programa LOGO! .................................................................. 65
3.4 Las 4 reglas de oro para manejar LOGO! .............................................................................. 68
3.5 Configurar la protección de acceso a menús para LOGO!..................................................... 69
3.6 Vista de conjunto de los menús de LOGO! ............................................................................ 72
3.7 Introducir e iniciar el programa ............................................................................................... 73
3.7.1 Pasar al modo de operación Programación ........................................................................... 73
3.7.2 Primer programa ..................................................................................................................... 74
3.7.3 Introducir el programa ............................................................................................................. 76
3.7.4 Asignar el nombre del programa ............................................................................................ 80
3.7.5 Programas protegidos por contraseña ................................................................................... 81
3.7.6 Cambiar LOGO! a modo RUN ................................................................................................ 85
3.7.7 Segundo programa ................................................................................................................. 89
3.7.8 Borrar un bloque ..................................................................................................................... 95
3.7.9 Borrar grupos de bloques ....................................................................................................... 96

Índice
LOGO!
10 Manual de producto, 07/2016, A5E33039720 - AC
3.7.10 Corregir errores de programación.......................................................................................... 97
3.7.11 Seleccionar valores analógicos de salida para un cambio de RUN a STOP ........................ 97
3.7.12 Definir el tipo de las salidas analógicas ................................................................................. 99
3.7.13 Ajuste del retardo a la conexión en LOGO! ......................................................................... 100
3.7.14 Borrar el programa y la contraseña ..................................................................................... 101
3.7.15 Cambio de horario de verano/invierno ................................................................................. 102
3.7.16 Network Time Protocol (solo LOGO! 8.FS4) ....................................................................... 106
3.8 Configurar funciones adicionales para LOGO! .................................................................... 109
3.8.1 Configurar los ajustes de red ............................................................................................... 110
3.8.2 Configurar una UDF (función personalizada) ...................................................................... 112
3.8.3 Configurar el registro de datos ............................................................................................. 112
3.8.4 Visualización de entradas/salidas de red ............................................................................ 113
3.8.5 Conmutar LOGO! a modo maestro/esclavo ........................................................................ 114
3.8.6 Diagnóstico de errores desde LOGO! ................................................................................. 117
3.9 Espacio de memoria y tamaño del programa ...................................................................... 122
4 Funciones de LOGO! ........................................................................................................................... 127
4.1 Constantes y conectores ..................................................................................................... 127
4.2 Lista de funciones básicas - GF........................................................................................... 132
4.2.1 AND ...................................................................................................................................... 134
4.2.2 AND con evaluación de flancos ........................................................................................... 135
4.2.3 NAND (AND negada) ........................................................................................................... 135
4.2.4 NAND con evaluación de flancos ........................................................................................ 136
4.2.5 OR ........................................................................................................................................ 137
4.2.6 NOR (OR negada) ............................................................................................................... 137
4.2.7 XOR (OR exclusiva) ............................................................................................................. 138
4.2.8 NOT (negación, inversor) ..................................................................................................... 139
4.3 Funciones especiales .......................................................................................................... 139
4.3.1 Designación de las entradas ................................................................................................ 140
4.3.2 Respuesta de tiempo ........................................................................................................... 141
4.3.3 Respaldo del reloj en tiempo real ........................................................................................ 142
4.3.4 Remanencia ......................................................................................................................... 142
4.3.5 Protección de parámetros .................................................................................................... 142
4.3.6 Calcular la ganancia y el offset de valores analógicos ........................................................ 143
4.4 Lista de las funciones especiales - SF ................................................................................ 145
4.4.1 Retardo a la conexión .......................................................................................................... 151
4.4.2 Retardo a la desconexión .................................................................................................... 154
4.4.3 Retardo a la conexión/desconexión ..................................................................................... 156
4.4.4 Retardo a la conexión con memoria .................................................................................... 158
4.4.5 Relé de barrido (salida de impulsos) ................................................................................... 160
4.4.6 Relé de barrido activado por flancos ................................................................................... 162
4.4.7 Generador de impulsos asíncrono ....................................................................................... 164
4.4.8 Generador aleatorio ............................................................................................................. 166
4.4.9 Interruptor de alumbrado para escalera .............................................................................. 168
4.4.10 Interruptor bifuncional .......................................................................................................... 170
4.4.11 Temporizador semanal ........................................................................................................ 173
4.4.12 Temporizador anual ............................................................................................................. 177
4.4.13 Reloj astronómico ................................................................................................................ 183
4.4.14 Cronómetro .......................................................................................................................... 186
4.4.15 Contador adelante/atrás ...................................................................................................... 188

Índice
LOGO!
Manual de producto, 07/2016, A5E33039720 - AC 11
4.4.16 Contador de horas de funcionamiento .................................................................................. 191
4.4.17 Selector de umbral ................................................................................................................ 195
4.4.18 Conmutador analógico de valor umbral ................................................................................ 198
4.4.19 Conmutador analógico de valor umbral diferencial .............................................................. 201
4.4.20 Comparador analógico.......................................................................................................... 203
4.4.21 Vigilancia del valor analógico ............................................................................................... 208
4.4.22 Amplificador analógico .......................................................................................................... 211
4.4.23 Relé autoenclavador ............................................................................................................. 213
4.4.24 Relé de impulsos .................................................................................................................. 214
4.4.25 Textos de aviso ..................................................................................................................... 216
4.4.26 Interruptor software ............................................................................................................... 226
4.4.27 Registro de desplazamiento ................................................................................................. 229
4.4.28 Multiplexor analógico ............................................................................................................ 232
4.4.29 Rampa analógica .................................................................................................................. 235
4.4.30 Regulador PI ......................................................................................................................... 239
4.4.31 Modulación de ancho de impulsos (PWM) ........................................................................... 243
4.4.32 Instrucción aritmética ............................................................................................................ 247
4.4.33 Detección de error de la instrucción aritmética .................................................................... 250
4.4.34 Filtro analógico ...................................................................................................................... 252
4.4.35 Máx/Mín ................................................................................................................................ 254
4.4.36 Valor medio ........................................................................................................................... 257
4.4.37 Convertidor flotante/entero ................................................................................................... 259
4.4.38 Convertidor entero/flotante ................................................................................................... 261
5 Servidor web ....................................................................................................................................... 265
5.1 Habilitar el servidor web........................................................................................................ 265
5.2 Iniciar sesión en el servidor web ........................................................................................... 266
5.3 Visualizar la información del sistema LOGO! ....................................................................... 268
5.4 Funcionamiento del módulo virtual en el servidor web ......................................................... 269
5.5 Visualizar y editar tablas de memoria variable ..................................................................... 275
5.6 Cerrar sesión en el servidor web .......................................................................................... 275
6 UDF (función personalizada) ............................................................................................................... 277
7 Registro de datos ................................................................................................................................ 281
8 Parametrizar LOGO! ........................................................................................................................... 285
8.1 Seleccionar el modo de parametrización.............................................................................. 285
8.1.1 Parámetros ........................................................................................................................... 287
8.1.2 Seleccionar los parámetros .................................................................................................. 288
8.1.3 Modificar los parámetros....................................................................................................... 289
8.2 Ajustar los valores estándar de LOGO! ................................................................................ 291
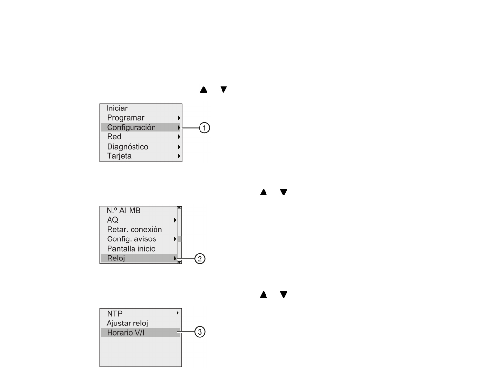
8.2.1 Ajustar la hora y la fecha ...................................................................................................... 292
8.2.2 Ajustar el contraste y la retroiluminación del display ............................................................ 293
8.2.3 Ajustar el idioma de los menús ............................................................................................. 296
8.2.4 Ajustar el número de entradas analógicas del LOGO! ......................................................... 297
8.2.5 Ajustar la pantalla inicial ....................................................................................................... 298
9 Uso de tarjetas de memoria ................................................................................................................ 299
9.1 Formatear tarjetas micro SD ................................................................................................. 299

Índice
LOGO!
12 Manual de producto, 07/2016, A5E33039720 - AC
9.2 Insertar y extraer la tarjeta de LOGO! ................................................................................. 303
9.3 Copiar datos de LOGO! en la tarjeta ................................................................................... 305
9.4 Copiar datos de la tarjeta en LOGO! ................................................................................... 307
10 Seguridad ............................................................................................................................................ 309
10.1 Seguridad en la red .............................................................................................................. 310
10.2 Seguridad de acceso a los programas ................................................................................ 312
10.2.1 Protección por contraseña del programa ............................................................................. 312
10.2.2 Protección anticopia del programa ...................................................................................... 312
10.3 Seguridad de acceso a los menús ....................................................................................... 314
11 Software LOGO! .................................................................................................................................. 315
11.1 Software LOGO!................................................................................................................... 315
11.2 Conectar LOGO! al PC ........................................................................................................ 317
12 Aplicaciones ........................................................................................................................................ 319
A Datos técnicos ..................................................................................................................................... 323
A.1 Datos técnicos generales ..................................................................................................... 323
A.2 Datos técnicos: LOGO! 230... .............................................................................................. 325
A.3 Datos técnicos: LOGO! DM8 230R y LOGO! DM16 230R .................................................. 328
A.4 Datos técnicos: LOGO! 24... ................................................................................................ 331
A.5 Datos técnicos: LOGO! DM8 24 y LOGO! DM16 24 ........................................................... 332
A.6 Datos técnicos: LOGO! 24RC... ........................................................................................... 334
A.7 Datos técnicos: LOGO! DM8 24R y LOGO! DM16 24R ...................................................... 336
A.8 Datos técnicos: LOGO! 12/24... LOGO! DM8 12/24R ......................................................... 338
A.9 Capacidad de conmutación y vida útil de las salidas de relé .............................................. 341
A.10 Datos técnicos: LOGO! AM2 ................................................................................................ 342
A.11 Datos técnicos: LOGO! AM2 RTD ....................................................................................... 342
A.12 Datos técnicos: LOGO! AM2 AQ ......................................................................................... 343
A.13 Datos técnicos: LOGO! Power 12 V .................................................................................... 344
A.14 Datos técnicos: LOGO! Power 24 V .................................................................................... 345
A.15 Datos técnicos: LOGO! Contact 24/230 .............................................................................. 347
A.16 Datos técnicos: LOGO! TDE (visualizador de textos con interfaces Ethernet) ................... 347
A.17 Datos técnicos: LOGO! CSM12/24 ...................................................................................... 348
A.18 Datos técnicos: LOGO! CSM230 ......................................................................................... 350
B Determinar el tiempo de ciclo ............................................................................................................... 353
C LOGO! sin display ("LOGO! Pure") ....................................................................................................... 355
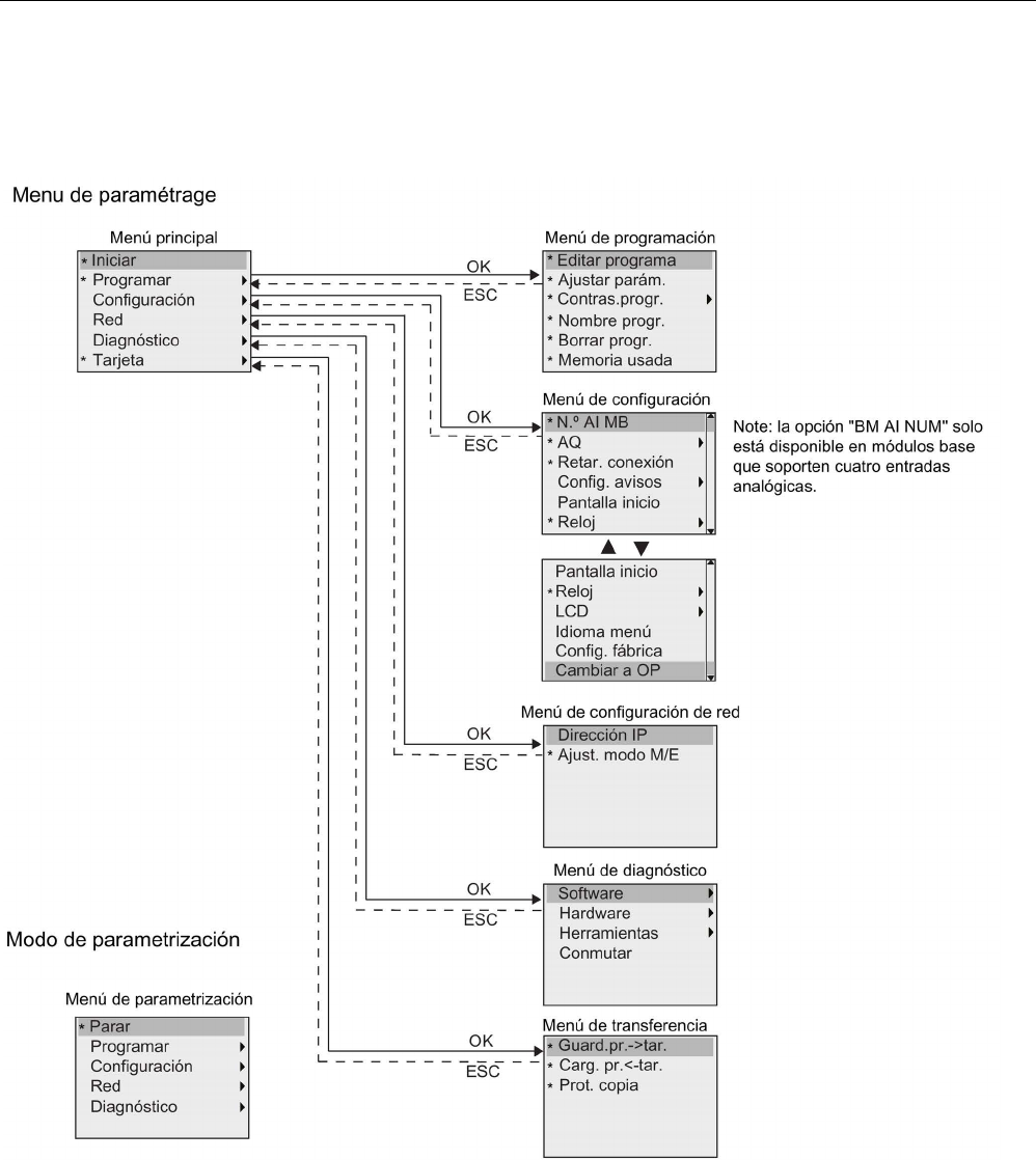
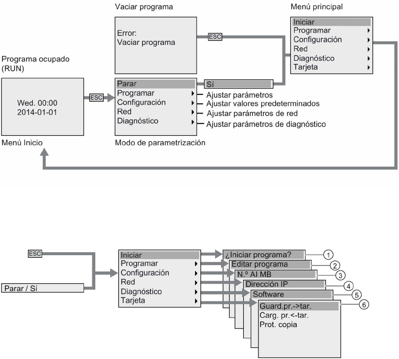
D Estructura de menús de LOGO! ........................................................................................................... 357
D.1 LOGO! Basic ........................................................................................................................ 357

Índice
LOGO!
Manual de producto, 07/2016, A5E33039720 - AC 13
D.1.1 Vista general de los menús .................................................................................................. 357
D.1.2 Menú principal ....................................................................................................................... 357
D.1.3 Menú Programar ................................................................................................................... 358
D.1.4 Menú Tarjeta ......................................................................................................................... 359
D.1.5 Menú Configuración .............................................................................................................. 360
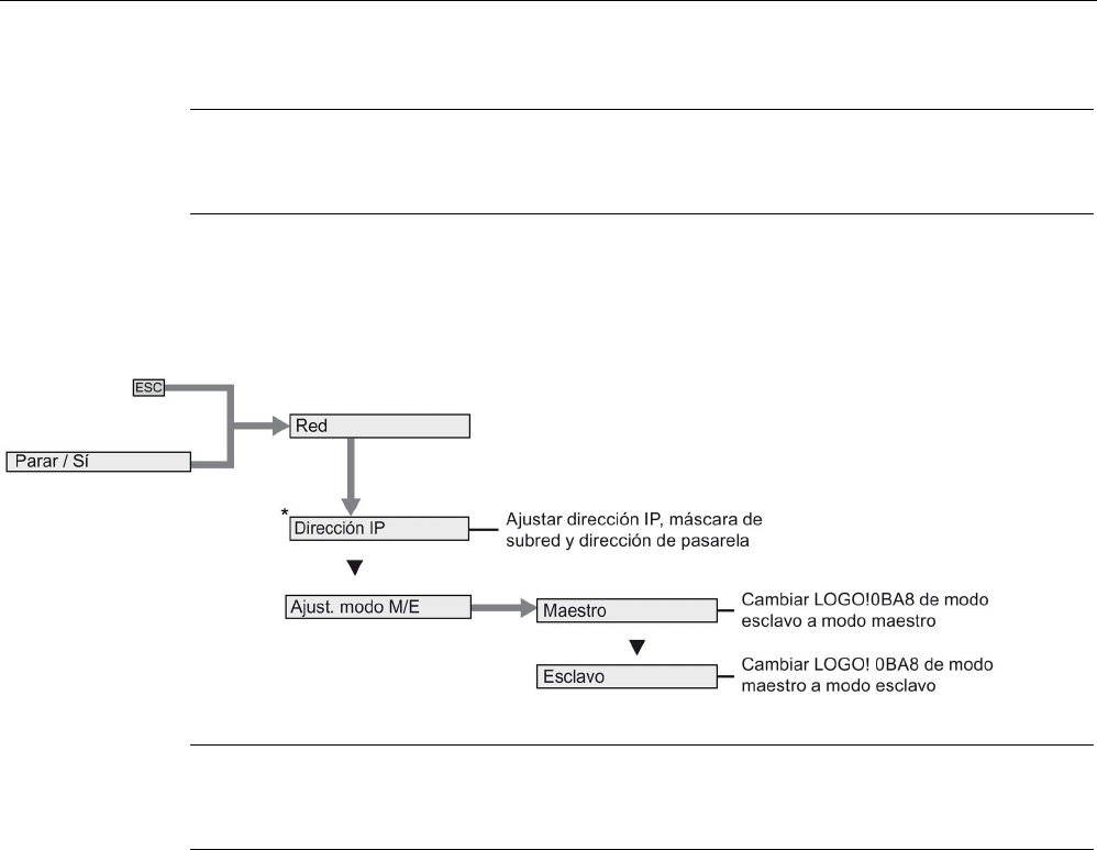
D.1.6 Menú Red ............................................................................................................................. 361
D.1.7 Menú Diagnóstico ................................................................................................................. 362
D.1.8 Menú Iniciar .......................................................................................................................... 363
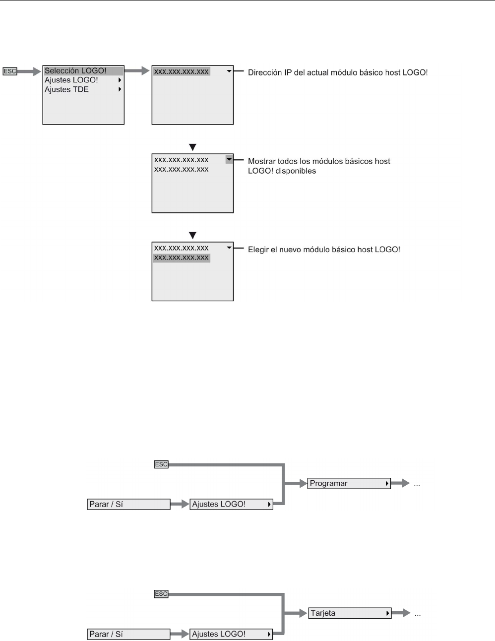
D.2 LOGO! TDE .......................................................................................................................... 364
D.2.1 Vista general de los menús .................................................................................................. 364
D.2.2 Menú principal ....................................................................................................................... 365
D.2.3 Menú de selección de LOGO! .............................................................................................. 366
D.2.4 Menú de configuración de LOGO! ........................................................................................ 366
D.2.5 Menú de configuración de LOGO! TDE ................................................................................ 368
E Números de referencia ........................................................................................................................ 371
F Abreviaturas........................................................................................................................................ 373
Índice alfabético .................................................................................................................................. 375

Índice
LOGO!
14 Manual de producto, 07/2016, A5E33039720 - AC
LOGO!
Manual de producto, 07/2016, A5E33039720 - AC 15
Primeros pasos con LOGO!
1
Esto es LOGO!
LOGO! es el módulo lógico universal de Siemens que incorpora:
● Controles
● Panel de mando y display retroiluminado
● Fuente de alimentación
● Interfaz para módulos de ampliación
● Interfaz para una tarjeta micro SD
● Interfaz para un visualizador de textos (TDE) opcional
● Funciones estándar preconfiguradas, p. ej. retardo a la conexión, retardo a la
desconexión, relé de impulsos e interruptor software
● Temporizadores
● Marcas digitales y analógicas
● Entradas y salidas en función del tipo de dispositivo
El LOGO! 0BA8 incluye adicionalmente los siguientes componentes:
● Interfaces para la comunicación Ethernet
● Borne FE (tierra funcional) para conectar la toma de tierra
● Un LED para señalizar el estado de la comunicación Ethernet
LOGO! puede hacerlo
LOGO! ofrece soluciones para aplicaciones domésticas y de la ingeniería de instalación
como, por ejemplo, alumbrado de escaleras, iluminación exterior, toldos, persianas,
alumbrado de escaparates, etc. También puede ofrecer soluciones para ingeniería de
armarios de distribución, así como para ingeniería mecánica y construcción de máquinas y
aparatos como, por ejemplo, sistemas de control de puertas, sistemas de climatización,
bombas para agua pluvial, etc.
LOGO! también se utiliza para implementar sistemas de control especiales en invernaderos
o invernáculos, para el procesamiento de señales de control y, mediante la conexión de un
módulo de comunicaciones (p. ej. AS-i), para el control distribuido local de máquinas y
procesos.
Para aplicaciones de producción en serie de máquinas pequeñas, aparatos y armarios
eléctricos, así como en la técnica de instalación, existen versiones especiales sin panel de
mando ni display.

Primeros pasos con LOGO!
LOGO!
16 Manual de producto, 07/2016, A5E33039720 - AC
¿Qué modelos existen?
Los módulos base LOGO! están disponibles para dos clases de tensión:
● Clase 1 ≤ 24 V, p. ej. 12 V DC, 24 V DC o 24 V AC
● Clase 2 > 24 V, p. ej. de 115 V AC/DC a 240 V AC/DC
Los módulos base LOGO! están disponibles en tres versiones:
●
LOGO! Basic
(versión con display): 8 entradas y 4 salidas
●
LOGO! Pure
(versión sin display): 8 entradas y 4 salidas
Cada módulo tiene una interfaz de ampliación y una interfaz Ethernet y ofrece 44 bloques de
función estándar y especiales preconfigurados para crear el programa.
¿Qué módulos de ampliación existen?
● Los módulos digitales LOGO! DM8 están disponibles para el funcionamiento con 12 V
DC, 24 V AC/DC y 115..240 V AC/DC, e incorporan cuatro entradas y cuatro salidas.
● Los módulos digitales LOGO! DM16 están disponibles para el funcionamiento con 24 V
DC y 115..240 V AC/DC, e incorporan ocho entradas y ocho salidas.
● Los módulos analógicos LOGO! están disponibles para el funcionamiento con 24 V DC y,
algunos de ellos, con 12 V DC, en función del módulo específico. Cada uno de ellos
incorpora dos entradas analógicas, dos entradas PT100, dos entradas PT100/PT1000
(PT100 o PT1000, o bien una de cada una) o dos salidas analógicas.
Cada módulo digital y analógico dispone de dos interfaces de ampliación que permiten
conectar módulos adicionales.
¿Qué visualizadores están disponibles?
● LOGO! Basic
● LOGO! TDE
Funciones del LOGO! TDE
El LOGO! TDE está disponible para la serie 0BA8. Incorpora un display adicional más ancho
que el del LOGO! Basic. Incorpora cuatro teclas de función que pueden programarse como
entradas en el programa. Igual que el LOGO! Basic, dispone de cuatro teclas de cursor, una
tecla ESC y una tecla Enter, que también pueden programarse y utilizarse para la
navegación en el LOGO! TDE.
Es posible crear una pantalla inicial para el LOGO! TDE y descargarla de LOGO!Soft
Comfort. Esta pantalla se visualiza brevemente cuando se conecta el LOGO! TDE. La
pantalla inicial también se puede cargar en LOGO!Soft Comfort desde el LOGO! TDE.
El LOGO! TDE dispone de tres comandos de menú principales, uno para seleccionar la
dirección IP de un módulo base, otro para los ajustes remotos del módulo base conectado y
el último para la configuración independiente del LOGO! TDE. Los menús del LOGO! TDE
se ilustran en el anexo "LOGO! TDE (Página 364)".
Usted elige
Los distintos módulos base LOGO!, módulos de ampliación, LOGO! TDE y módulos de
comunicaciones ofrecen una solución muy flexible y adaptable a cualquier aplicación
específica.

Primeros pasos con LOGO!
LOGO!
Manual de producto, 07/2016, A5E33039720 - AC 17
El sistema LOGO! ofrece soluciones que abarcan desde instalaciones domésticas pequeñas
y tareas de automatización sencillas, hasta tareas de ingeniería complejas con integración
en un sistema en bus.
Nota
Solo es posible utilizar módulos de ampliación que tengan la misma tensión que el módulo
base LOGO!. Los pines de codificación mecánica de la carcasa impiden la conexión con
dispositivos que tengan una clase de tensión diferente.
Excepción: La interfaz en el lado izquierdo de un módulo analógico o de comunicaciones
está aislada galvánicamente. Por tanto, estos módulos de ampliación pueden conectarse a
dispositivos que tengan una clase de tensión diferente (Página 33).
Un LOGO! TDE tiene dos interfaces Ethernet. Ambas pueden conectarse a un
módulo base,
un PC o bien a otro LOGO! TDE.
Todo módulo base LOGO! soporta las siguientes conexiones para crear programas,
independientemente del número de módulos conectados:
• Entradas digitales I1 hasta I24
• Entradas analógicas AI1 a AI8
• Salidas digitales Q1 a Q20
• Salidas analógicas AQ1 a AQ8
• Marcas digitales M1 a M64:
– M8: marca de arranque
– M25: marca de retroiluminación: display integrado en el LOGO!, blanca
– M26: marca de retroiluminación: LOGO! TDE blanco
– M27: marca del juego de caracteres para textos de mensajes
– M28: marca de retroiluminación: display integrado en el LOGO!, ámbar
– M29: marca de retroiluminación: display integrado en el LOGO!, roja
– M30: marca de retroiluminación: LOGO! TDE ámbar
– M31: marca de retroiluminación: LOGO! TDE rojo
• Bloques de marcas analógicas: AM1 a AM64
• Bits de registro de desplazamiento: S1.1 a S4.8 (32 bits de registro de desplazamiento)
• 4 teclas de cursor
• Salidas no conectadas: X1 a X64
El LOGO! 0BA8 soporta adicionalmente la visualización de las siguientes entradas y salidas
digitales/analógicas de red, siempre y cuando el usuario las haya preconfigurado en el
programa con LOGO!Soft Comfort V8.1 y haya descargado el programa al dispositivo 0BA8:
• 64 entradas digitales de red: NI1 a NI64
• 32 entradas analógicas de red: NAI1 a NAI32
• 64 salidas digitales de red: NQ1 a NQ64
• 16 salidas analógicas de red: NAQ1 a NAQ16

Primeros pasos con LOGO!
LOGO!
18 Manual de producto, 07/2016, A5E33039720 - AC
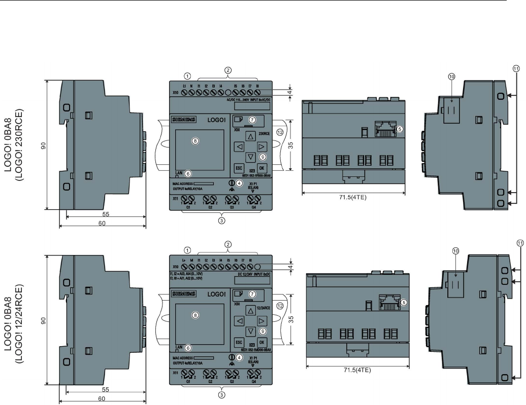
La estructura de LOGO!
①
Fuente de alimentación
②
Entradas
③
Salidas
④
Borne FE para conectar la toma de tierra
⑤
Interfaz RJ45 para la conexión a Ethernet (10/100
Mbits/s)
⑥
LED de estado de la comunicación Ethernet
⑦
Slot de tarjetas micro SD
⑧
LCD
⑨
Panel de control
⑩
Interfaz de ampliación
⑪
Conectores hembra de codificación mecánica
⑫
Perfil normalizado

Primeros pasos con LOGO!
LOGO!
Manual de producto, 07/2016, A5E33039720 - AC 19
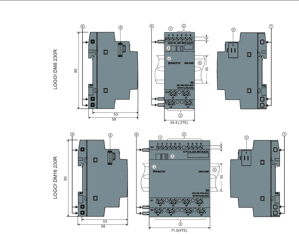
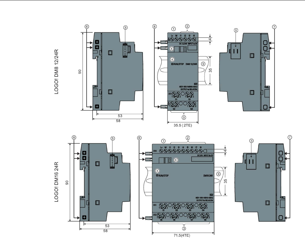
①
Fuente de alimentación
②
Entradas
③
Salidas
④
LED RUN/STOP
⑤
Interfaz de ampliación
⑥
Pines de codificación mecánica
⑦
Conectores hembra de codifi-
cación mecánica
⑧
Corredera
⑨
Perfil normalizado

Primeros pasos con LOGO!
LOGO!
20 Manual de producto, 07/2016, A5E33039720 - AC
①
Fuente de alimentación
②
Entradas
③
Salidas
④
LED RUN/STOP
⑤
Interfaz de ampliación
⑥
Pines de codificación mecánica
⑦
Conectores hembra de codifi-
cación mecánica
⑧
Corredera
⑨
Perfil normalizado

Primeros pasos con LOGO!
LOGO!
Manual de producto, 07/2016, A5E33039720 - AC 21
LOGO! AM2
①
Fuente de alimentación
②
Entradas
③
LED RUN/STOP
④
Interfaz de ampliación
⑤
Pines de codificación
mecánica
⑥
Conectores hembra de codificación mecánica
⑦
Corredera
⑧
Borne FE para conectar la toma de tierra y la pantalla
de los cables de medición analógicos
⑨
Perfil normalizado
LOGO! AM2 AQ (0 ... 10 V DC o 0/4 ... 20 mA
)
①
Fuente de alimentación
②
Salidas
③
LED RUN/STOP
④
Interfaz de ampliación
⑤
Pines de codificación
mecánica
⑥
Conectores hembra de codificación mecánica
⑦
Corredera
⑧
Borne FE para conectar la toma de tierra
⑨
Perfil normalizado

Primeros pasos con LOGO!
LOGO!
22 Manual de producto, 07/2016, A5E33039720 - AC
LOGO! TDE
①
Fuente de alimentación
②
Interfaces Ethernet
El LOGO! TDE incorpora un área de visualización más ancha que el display integrado en el
LOGO!. Dispone de cuatro teclas de cursor programables, cuatro teclas de función
programables, una tecla ESC y una tecla ENTER. El cable Ethernet sirve para conectar la
interfaz Ethernet en el lado derecho del LOGO! TDE con la interfaz Ethernet en el módulo
base LOGO!.
Reconocer LOGO!
El identificador del LOGO! proporciona información acerca de diversas propiedades:
● 12/24: versión de 12/24 V DC
● 230: versión de 115 V AC/DC a 240 V AC/DC
● R: salidas de relé (sin R: salidas de transistor)
● C: reloj en tiempo real integrado
● E: interfaz Ethernet
● o: versión sin display ("LOGO! Pure")
● DM: módulo digital
● AM: módulo analógico
● TDE: visualizador de textos con interfaces Ethernet
Símbolos
Versión con display, dispone de 8 entradas, 4 salidas y 1 interfaz Ethernet.
Versión sin display, dispone de 8 entradas, 4 salidas y 1 interfaz Ethernet.

Primeros pasos con LOGO!
LOGO!
Manual de producto, 07/2016, A5E33039720 - AC 23
Módulo digital, dispone de 4 entradas digitales y 4 salidas digitales.
Módulo digital, dispone de 8 entradas digitales y 8 salidas digitales.
Módulo analógico, dispone de 2 entradas analógicas o 2 salidas analógicas, en función
del tipo de dispositivo.
Módulo LOGO! TDE, dispone de 2 interfaces Ethernet.
Versiones
Están disponibles las siguientes versiones de LOGO!:
Símbolo
Nombre
Tensión de
alimentación
Entradas
Salidas
Propiedades
LOGO! 12/24RCE 12/24 V DC 8 digitales
1) 4 de relé
(10 A)
LOGO! 230RCE 115 V AC/DC a
240 V AC/DC 8 digitales 4 de relé (10
A)
LOGO! 24CE 24 V DC 8 digitales
1) 4 de estado
sólido
24 V / 0,3 A
LOGO! 24RCE 3) 24 V AC/DC 8 digitales 4 de relé (10
A)
LOGO! 12/24RCEo 12/24 V DC 8 digitales
1) 4 de relé (10
A) Sin visualizador
Sin teclado
LOGO! 24CEo 24 V DC 8 digitales
1) 4 de estado
sólido
24 V/0,3 A
Sin visualizador
Sin teclado
LOGO! 24RCEo 3) 24 V AC/DC 8 digitales 4 de relé (10
A) Sin visualizador
Sin teclado
LOGO! 230RCEo 2) 115 V AC/DC a
240 V AC/DC 8 digitales 4 de relé (10
A) Sin visualizador
Sin teclado
1) De ellas pueden utilizarse alternativamente: 4 entradas analógicas (de 0 V a 10 V) y 4 entradas
digitales rápidas.
2) Versiones de 230 V AC: Dos grupos de 4 entradas cada uno. Toda entrada de un grupo debe
estar conectada a la misma fase. Es posible interconectar grupos con fases diferentes.
3)
Las entradas digitales pueden utilizarse con acción P o N.

Primeros pasos con LOGO!
LOGO!
24 Manual de producto, 07/2016, A5E33039720 - AC
Módulos de ampliación
Los siguientes módulos de ampliación pueden conectarse a LOGO!:
Símbolo
Nombre
Fuente de
alimentación
Entradas
Salidas
LOGO! DM8 12/24R 12/24 V DC 4 digitales 4 de relé (5 A)
LOGO! DM8 24 24 V DC 4 digitales 4 de estado
sólido 24 V/0,3 A
LOGO! DM8 24R 3) 24 V AC/DC 4 digitales 4 de relé (5 A)
LOGO! DM8 230R 115 V AC/DC a 240 V
AC/DC 4 digitales 1) 4 de relé (5 A)
LOGO! DM16 24 24 V DC 8 digitales 8 de estado
sólido
24 V / 0,3 A
LOGO! DM16 24R 24 V DC 8 digitales 8 de relé (5 A)
LOGO! DM16 230R 115 V AC/DC a 240 V
AC/DC 8 digitales 4) 8 de relé (5 A)
LOGO! AM2 12/24 V DC 2 analógicas
0 V a 10 V o
0/4 mA a 20 mA 2)
Ninguno
LOGO! AM2 RTD 12/24 V DC 2 PT100 o 2 PT1000
o 1 PT100 más 1
PT1000 6)
-50 °C a 200 °C
Ninguno
LOGO! AM2 AQ 24 V DC Ninguno 2 analógicas
0 V DC a 10 V DC
o
0/4 mA a 20 mA 5)
1) No se admiten fases distintas dentro de las entradas.
2) 0 V a 10 V, 0/4 mA a 20 mA pueden conectarse opcionalmente.
3) Las entradas digitales pueden utilizarse alternativamente con acción P o N.
4) Dos grupos de cuatro entradas cada uno. Toda entrada de un grupo debe estar conectada a la
misma fase. Es posible interconectar grupos con fases diferentes.
5) 0 V a 10 V, 0/4 mA a 20 mA pueden conectarse opcionalmente.
6) El módulo LOGO! AM2 RTD soporta los sensores PT100 y PT1000 con un coeficiente de temper-
atura predeterminado de α = 0,003850.
Visualizador de textos
Está disponible el siguiente módulo LOGO! TDE:
Símbolo
Nombre
Tensión de
alimentación
Display
LOGO! TDE 24 V AC/DC
12 V DC LCD (160 x 96)
Display de 6 filas

Primeros pasos con LOGO!
LOGO!
Manual de producto, 07/2016, A5E33039720 - AC 25
Certificación y homologaciones
LOGO! está homologado según cULus y FMus.
● cULus Lugares peligrosos y no peligrosos
Underwriters Laboratories Inc. (UL):
- UL 508 (equipo de control industrial)
- CSA C22.2 No. 142 (equipo de control de procesos)
- ANSI/ISA 12.12.01 (lugar peligroso)
- CSA C22.2 No.213 (lubar peligroso)
HOMOLOGADO para el uso en
Clase I, División 2, Grupo A, B, C, D Tx
Clase I, Zona 2, Grupo IIC Tx
● Homologación FM (homologación para EE.UU. y Canadá)
Factory Mutual Research (FM):
- Número de clase de la norma de aprobación 3611, 3600, 3810
- ANSI/IEC60529 2004
- ANSI/NEMA 205 2003
- CSA C22.2 No. 213
- CSA C22.2 No. 1010-1
- CSA C22.2 No.94
- CSA C22.2 No.60529
HOMOLOGADO para el uso en
- Clase I, División 2, Grupo A, B, C, D Tx
- Clase I, Zona 2, Grupo IIC Tx
Nota
Las homologaciones válidas actualmente se indican en la placa de características del
módulo en cuestión.
LOGO! se suministra con el certificado de conformidad CE. Es conforme a las normas
siguientes:
● EN 61131-2
● EN 61000-6-1, EN 61000-6-2, EN 61000-6-3, EN 61000-6-4
● EN 50581
Se ha solicitado la certificación marina.
● ABS (American Bureau of Shipping)
● BV (Bureau Veritas)
● DNV (Det Norske Veritas)
● GL (Germanischer Lloyd)
● LRS (Lloyds Register of Shipping)
● Class NK (Nippon Kaiji Kyokai)

Primeros pasos con LOGO!
LOGO!
26 Manual de producto, 07/2016, A5E33039720 - AC
Por tanto, los módulos LOGO! pueden utilizarse en áreas industriales y residenciales. Se
soporta la utilización en ubicaciones Class I, Division 2, Group A, B, C e D, así como en
lugares no peligrosos.
ID para Australia
Los productos provistos de la etiqueta que aparece al lado cumplen los req-
uisitos de la norma AS/NZS CISPR11: 2011 (Clase A).
ID para Corea
Los productos provistos de la etiqueta que aparece al lado (excepto los
módulos LOGO! CSM) cumplen los requisitos de los estándares coreanos.
ADVERTENCIA
Peligro de explosión
No desconecte equipos mientras el circuito esté bajo tensión, a menos que esté seguro de
que la zona está libre de concentraciones inflamables.
La sustitución de componentes puede perjudicar la idoneidad para Clase I, División 2. Las
combinaciones de equipos están sujetas a la comprobación por las autoridades locales
competentes en el momento del montaje.
Reciclaje y eliminación
Los dispositivos LOGO! pueden reciclarse por completo gracias a sus componentes poco
contaminantes. Para un reciclado y una eliminación ecológicos de los dispositivos usados,
contacte con una empresa certificada de eliminación de chatarra electrónica.

LOGO!
Manual de producto, 07/2016, A5E33039720 - AC 27
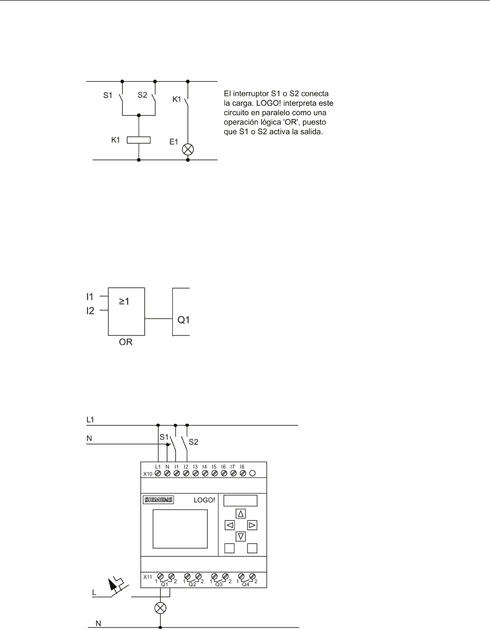
Montar y cablear LOGO!
2
Directrices generales
Tenga en cuenta las siguientes directrices al montar y cablear el LOGO!:
● Vigile siempre que el cableado del LOGO! cumpla todas las reglas y normas vigentes.
Observe asimismo todos los reglamentos nacionales y regionales durante el montaje y la
operación de los dispositivos. Para más información sobre las normas y reglamentos
aplicables a su caso específico, contacte con las autoridades locales.
● Desconecte siempre la alimentación antes de cablear, montar o desmontar un módulo.
● Utilice siempre cables con una sección adecuada para la respectiva intensidad. LOGO!
puede conectarse con cables que tengan una sección (Página 40) comprendida entre 1,5
mm2 y 2,5 mm2.
● No apriete excesivamente los bornes de conexión. Rango de pares de apriete: 0,5 Nm a
0,6 Nm.
● Tienda cables lo más cortos posible. Si se requieren cables más largos, utilice modelos
apantallados. Tienda siempre los cables por pares, es decir, un conductor neutro más un
conductor de fase o una línea de señales.
● Separe siempre:
– El cableado AC
– Los circuitos DC de alta tensión con ciclos de conmutación de alta frecuencia
– El cableado de señal de baja tensión
● Instale los cables con un alivio de tracción adecuado.
● Proteja con un pararrayos apropiado los cables montados en áreas peligrosas.
● No conecte una fuente de alimentación externa en paralelo con la carga de salida de una
salida DC. Ello podría causar una corriente inversa en la salida si no se ha montado un
diodo o una barrera similar.
● Asegúrese de utilizar únicamente componentes certificados para garantizar el
funcionamiento seguro del equipo.
Nota
Los dispositivos LOGO! solo deben ser montados por personal cualificado que conozca y
observe las reglas generales de ingeniería, así como los reglamentos y normas
relevantes.

Montar y cablear LOGO!
LOGO!
28 Manual de producto, 07/2016, A5E33039720 - AC
Consideraciones importantes para el montaje
LOGO! ha sido diseñado para el montaje fijo y cerrado en una carcasa o armario eléctrico.
ADVERTENCIA
Si intenta montar o cablear el LOGO! o los equipos conectados estando aplicada la
alimentación, puede producirse un choque eléctrico o fallos en los equipos. Si antes del
montaje o desmontaje no se ha desconectado por completo la alimentación eléctrica del
LOGO! y de los equipos conectados, ello podría causar la muerte o heridas graves al
personal y/o daños materiales.
Tome siempre las medidas de seguridad apropiadas y asegúrese de desconectar la
alimentación del LOGO! antes de montar o desmontar el LOGO! o los equipos conectados.
Los módulos LOGO! son material eléctrico abierto. Por tanto, LOGO! debe montarse en
una carcasa o armario eléctrico.
El acceso a las carcasas o armarios solo debe ser posible utilizando una llave o
herramienta, debiendo estar permitido únicamente al personal cualificado o autorizado.
LOGO! puede operarse en todo momento desde la parte frontal.
Seguridad de los equipos de control electrónicos
Introducción
Las siguientes indicaciones son aplicables independientemente del tipo o fabricante del
equipo de control electrónico.
Fiabilidad
La máxima fiabilidad de los dispositivos y componentes LOGO! se logra aplicando durante
las fases de desarrollo y fabricación amplias medidas que permiten ahorrar gastos.
Estas incluyen:
● Utilización de componentes de alta calidad
● Diseño de todos los circuitos para el peor de los casos
● Comprobación sistemática y asistida por ordenador de todos los componentes
● Burnin de todos los circuitos integrados de gran escala (p. ej. procesadores y memoria)
● Prevención de cargas estáticas al manipular circuitos MOS (circuitos integrados de
semiconductores de óxido metálico)
● Controles visuales en las distintas fases de fabricación
● Funcionamiento prolongado en caliente a altas temperaturas ambiente durante varios
días
● Cuidadosa comprobación final controlada por ordenador
● Evaluación estadística de todos los sistemas y componentes devueltos para la
implantación inmediata de medidas correctoras apropiadas
● Vigilancia de los principales componentes de control mediante tests online (interrupción
cíclica para la CPU, etc.)

Montar y cablear LOGO!
2.1 Configuración del LOGO! modular
LOGO!
Manual de producto, 07/2016, A5E33039720 - AC 29
Estas medidas se denominan "medidas básicas".
Realización de tests
El cliente debe garantizar la seguridad en su propia planta.
Antes de la puesta en marcha definitiva del sistema, efectúe una comprobación exhaustiva
del funcionamiento, así como todas las pruebas de seguridad necesarias.
En la comprobación deben incluirse también todos los fallos previsibles. De este modo
evitará que la planta o las personas sean sometidas a peligros durante el funcionamiento del
sistema.
Riesgos
En todos los casos en los que la aparición de fallos puede ocasionar daños materiales o
lesiones personales, deben aplicarse medidas especiales para aumentar la seguridad de la
planta y de la aplicación. Para estas aplicaciones existen normas especiales y específicas
del sistema. Estas reglas deben respetarse exactamente a la hora de montar el sistema de
control (p. ej. VDE 0116 para sistemas de control de calderas).
Para los equipos de control electrónicos que tengan una función de seguridad, las medidas
destinadas a prevenir o remediar los fallos dependen de los riesgos derivados de la planta.
A partir de un determinado potencial de riesgo, las medidas básicas mencionadas arriba no
son suficientes. Por esta razón deben tomarse medidas de seguridad adicionales para el
controlador.
Información importante
Es imprescindible seguir al pie de la letra las instrucciones recogidas en el manual del
usuario, ya que la manipulación incorrecta puede anular medidas contra fallos peligrosos u
ocasionar fuentes de peligro adicionales.
2.1
Configuración del LOGO! modular
2.1.1
Configuración máxima de red para LOGO!
Configuración máxima de red para LOGO! 0BA8
El LOGO! 0BA8 soporta la comunicación SIMATIC S7/Modbus vía red Ethernet TCP/IP de
10/100 Mbits/s.

Montar y cablear LOGO!
2.1 Configuración del LOGO! modular
LOGO!
30 Manual de producto, 07/2016, A5E33039720 - AC
Un dispositivo LOGO! 0BA8 soporta las siguientes
conexiones de red:
● Un máximo de 16 conexiones de comunicación S7/Modbus basadas en TCP/IP con los
siguientes dispositivos:
– Otros dispositivos LOGO! 0BA8
– PLCs SIMATIC S7 con funcionalidad Ethernet
– Dispositivo compatible con Modbus vía TCP/IP
– Un máximo de un SIMATIC HMI que soporte la comunicación Ethernet con PLCs S7
conectados en red
Hay dos tipos de conexiones disponibles para la comunicación S7/Modbus, a saber,
conexiones estáticas y conexiones dinámicas. Para las conexiones estáticas, el servidor
reserva los recursos necesarios para el cliente conectado con el fin de asegurar una
transferencia de datos estable. Para las conexiones dinámicas, el servidor solo responde
a una petición de comunicación si hay recursos libres. Las conexiones estáticas y
dinámicas pueden configurarse de acuerdo con las necesidades, por ejemplo n
conexiones estáticas y 16-n conexiones dinámicas. LOGO! soporta un máximo de ocho
conexiones estáticas.
● Un máximo de una conexión Ethernet TCP/IP con el LOGO! TDE. Un módulo LOGO!
TDE puede conectarse a varios módulos base seleccionando la dirección IP, pero no
puede comunicarse con más de un módulo base al mismo tiempo.
● Un máximo de una conexión Ethernet TCP/IP entre un módulo base LOGO! y un PC que
tenga instalado LOGO!Soft Comfort V8.1.
Nota
Para los dispositivos que soportan tanto la comunicación S7 como Modbus, Siemens
recomienda encarecidamente conectarlos a la red LOGO! con una conexión S7.
Nota
Encontrará información detallada acerca de las funciones de seguridad en LOGO! en el
capítulo Seguridad (Página 309).
Nota
Una topología de red LOGO! 0BA8 solo se puede diseñar utilizando LOGO!Soft Comfort
V8.0 y versiones posteriores.
A continuación aparece una configuración de red
típica
de LOGO! 0BA8:

Montar y cablear LOGO!
2.1 Configuración del LOGO! modular
LOGO!
Manual de producto, 07/2016, A5E33039720 - AC 31
①
Conexiones físicas de Ethernet
②
Conexión lógica para la comunicación entre LOGO! y un PC (a través de Ethernet basado en TCP/IP)
③
Conexiones lógicas para la comunicación S7 y Modbus entre dispositivos SIMATIC (con protocolo S7 vía TCP/IP)
2.1.2
Configuración máxima con módulos de ampliación
LOGO! soporta como máximo 24 entradas digitales, 8 entradas analógicas, 20 salidas
digitales y 8 salidas analógicas (Página 15). La configuración máxima se puede obtener de
diferentes maneras, como se muestra a continuación:

Montar y cablear LOGO!
2.1 Configuración del LOGO! modular
LOGO!
32 Manual de producto, 07/2016, A5E33039720 - AC
Configuración máxima de un LOGO!
con
entradas analógicas integradas - utilizando cuatro
Módulo base LOGO!, 4 módulos digitales y 6 módulos analógicos (ejemplo)
Configuración máxima de un LOGO!
con
entradas analógicas integradas - utilizando dos
Módulo base LOGO!, 4 módulos digitales y 7 módulos analógicos (ejemplo)
Configuración máxima de un LOGO!
sin
entradas analógicas integradas (LOGO! 24RCE/24RCEo y
LOGO! 230RCE/230RCEo)
Módulo base LOGO!, 4 módulos digitales y 8 módulos analógicos (ejemplo)
En los módulos LOGO! 12/24RCE/12/24RCEo y LOGO! 24CE/24CEo/24Eo es posible
configurar si el módulo debe utilizar ninguna, dos o cuatro de las cuatro entradas analógicas
posibles. Todas las entradas se numeran correlativamente, dependiendo de cuántas se
configuren para el módulo base LOGO!. Si se configuran dos entradas, estas se numeran
AI1 y AI2, correspondiendo a los bornes de entrada I7 e I8. La numeración de los
subsiguientes módulos de ampliación de entradas analógicas comenzaría entonces en AI3.
Si se configuran cuatro entradas, estas se numeran AI1, AI2, AI3 y AI4, correspondiendo a
I7, I8, I1 e I2 (en ese orden). La numeración de los subsiguientes módulos de ampliación de
entradas analógicas comenzaría entonces en AI5. Consulte los apartados "Constantes y
conectores (Página 127)" y "Ajustar el número de entradas analógicas del LOGO!
(Página 297)".

Montar y cablear LOGO!
2.1 Configuración del LOGO! modular
LOGO!
Manual de producto, 07/2016, A5E33039720 - AC 33
Comunicación rápida y óptima
Para garantizar una comunicación rápida y óptima entre el módulo base LOGO! y los
distintos módulos, monte primero los módulos digitales y luego los módulos analógicos (tal
como muestran los ejemplos de arriba). (La función especial del regulador PI constituye una
excepción al respecto: la entrada analógica (AI) utilizada para el valor PV debería estar en el
módulo base LOGO! o en un módulo de entradas analógicas adyacente al módulo base
LOGO!).
Monte el módulo LOGO! TDE por separado y conéctelo al módulo base LOGO! mediante la
interfaz Ethernet.
2.1.3
Estructura con diferentes clases de tensión
Reglas
Los módulos digitales solo pueden conectarse a dispositivos de la misma clase de tensión.
Los módulos analógicos y de comunicación pueden conectarse a dispositivos de cualquier
clase de tensión.
Es posible sustituir dos módulos de ampliación DM8 similares por un módulo de ampliación
DM16 apropiado (y viceversa) sin tener que modificar el programa.
Nota
La sustitución de dos módulos DM8 12/24R por un módulo DM16 24R solo es posible si la
alimentación es de 24 V DC.
La sustitución de dos módulos DM8 24R por un módulo DM16 24R solo es posible si utilizan
una entrada DC y de tensión positiva.
Resumen: conexión de un módulo de ampliación al módulo base LOGO!
En las tablas siguientes, "X" significa que la conexión es posible; "-" significa que la
conexión no es posible.
Módulo base LOGO!
Módulos de ampliación
DM8 12/24R,
DM16
24R
DM8 24,
DM16 24
DM 8
24R
DM8
230R,
DM16
230R
AM2,
AM2 RTD, AM2
AQ
LOGO! 12/24RCE x x x - x
LOGO! 230RCE - - - x x
LOGO! 24CE x x x - x
LOGO! 24RCE x x x - x
LOGO! 12/24RCEo x x x - x
LOGO! 24CEo x x x - x

Montar y cablear LOGO!
2.1 Configuración del LOGO! modular
LOGO!
34 Manual de producto, 07/2016, A5E33039720 - AC
Módulo base LOGO!
Módulos de ampliación
DM8 12/24R,
DM16
24R
DM8 24,
DM16 24
DM 8
24R
DM8
230R,
DM16
230R
AM2,
AM2 RTD, AM2
AQ
LOGO! 24Eo x x x - x
LOGO! 24RCEo x x x - x
LOGO! 230RCEo - - - x x
Resumen: conexión de un módulo de ampliación adicional con un módulo de ampliación
Módulo de ampliación
Módulos de ampliación adicionales
DM8
12/24R,
DM16
24R
DM8 24,
DM16 24
DM8 24R
DM8
230R,
DM16
230R
AM2,
AM2 RTD,
AM2 AQ
DM8 12/24R,
DM16 24R x x x - x
DM8 24,
DM16 24 x x x - x
DM8 24 R x x x - x
DM8 230R,
DM16 230R - - - x x
AM2,
AM2 RTD,
AM2 AQ
x x x - x
2.1.4
Compatibilidad
El LOGO! TDE solo puede utilizarse con la serie de dispositivos 0BA8. El LOGO! TDE es
plenamente compatible con LOGO! 0BA8.
El módulo LOGO! TDE dispone de dos puertos Ethernet para la conexión de red y un
visualizador de textos de seis líneas exclusivamente para el dispositivo LOGO! 0BA8.
Todos los módulos de ampliación (con referencia 6ED1055-1XXXX-0BA2) son plenamente
compatibles con los módulos base LOGO! de la serie de dispositivos 0BA8 y solo pueden
emplearse con la serie de dispositivos 0BA8.
El LOGO! 0BA8 (excepto para LOGO! Lite 24Eo) solo admite tarjetas micro SD.
No es posible editar textos de mensajes del módulo base LOGO! que contengan alguno de
los parámetros siguientes:
● Par
● Time
● Date
● EnTime

Montar y cablear LOGO!
2.2 Montar y desmontar LOGO!
LOGO!
Manual de producto, 07/2016, A5E33039720 - AC 35
● EnDate
● Entrada analógica
● Estado de E/S digital
● Caracteres especiales (por ejemplo: ±, €)
Estos textos de mensajes solo pueden editarse en LOGO!Soft Comfort.
2.2
Montar y desmontar LOGO!
Dimensiones
Las dimensiones de montaje de LOGO! cumplen con la norma DIN 43880.
LOGO! se puede fijar a presión en un perfil soporte de 35 mm de ancho según la norma DIN
EN 60715 o se puede montar en la pared con dos tornillos M4.
Ancho de LOGO!:
● El LOGO! TDE mide 128,2 mm de ancho.
● Los módulos base LOGO! 0BA8 miden 71,5 mm de ancho.
● Los módulos de ampliación LOGO! miden 35,5 mm (DM8...) o 71,5 mm (DM16...).
Nota
Las figuras siguientes muestran un ejemplo del montaje y desmontaje de un LOGO!
12/24RCE y un módulo digital. El procedimiento indicado es aplicable también a todas
las demás versiones del módulo base LOGO! y módulos de ampliación.
ADVERTENCIA
Peligro de muerte al tocar piezas bajo tensión
Existe peligro de muerte o de lesiones graves en caso de tocar piezas bajo tensión.
Desconecte siempre la alimentación antes de extraer o insertar un módulo de ampliación.

Montar y cablear LOGO!
2.2 Montar y desmontar LOGO!
LOGO!
36 Manual de producto, 07/2016, A5E33039720 - AC
2.2.1
Montaje en un perfil soporte
Montaje
Para montar un módulo base LOGO! y un módulo digital en un perfil normalizado, proceda
del siguiente modo:
1. Enganche el módulo base LOGO! en el perfil soporte.
2. Empuje la parte inferior del módulo hacia abajo hasta que encaje en el perfil. La
corredera ubicada en la parte posterior del módulo debe quedar enclavada.
3. En el lado derecho del módulo base LOGO! o módulo de ampliación LOGO!, retire la
tapa del conector.
4. Disponga el módulo digital en el perfil soporte a la derecha del módulo base LOGO!.
5. Deslice el módulo digital hacia la izquierda hasta que toque el módulo base LOGO!.
6. Utilizando un destornillador, empuje la corredera hacia la izquierda. Cuando alcance la
posición final, la corredera se enclavará en el módulo base LOGO!.

Montar y cablear LOGO!
2.2 Montar y desmontar LOGO!
LOGO!
Manual de producto, 07/2016, A5E33039720 - AC 37
Para montar módulos de ampliación adicionales, repita los pasos realizados para montar el
módulo digital.
Nota
Asegúrese de tapar la interfaz de ampliación en el último módulo de ampliación.
Desmontaje
Para desmontar el LOGO! en caso de haber instalado un solo módulo base LOGO!, proceda
del siguiente modo:
1. Introduzca un destornillador en el orificio del extremo inferior de la corredera y empuje la
lengüeta hacia abajo.
2. Abata el módulo base LOGO! para extraerlo del perfil soporte.
Para desmontar el LOGO! en caso de haber conectado al menos un módulo de ampliación
en el módulo base LOGO!, proceda del siguiente modo:
1. Con un destornillador, presione la guía deslizante integrada y empújela hacia la derecha.
2. Desplace el módulo de ampliación hacia la derecha.
3. Introduzca un destornillador en el orificio del extremo inferior de la corredera y empújelo
hacia abajo.
4. Abata el módulo de ampliación hasta extraerlo del perfil soporte.
Repita los pasos 1 a 4 para todos los demás módulos de ampliación.
Nota
A la hora de desmontar módulos, asegúrese de desencajar la corredera del módulo que lo
conecta al módulo siguiente. Al desmontar varios módulos es más fácil empezar por el
último módulo del lado derecho.

Montar y cablear LOGO!
2.2 Montar y desmontar LOGO!
LOGO!
38 Manual de producto, 07/2016, A5E33039720 - AC
2.2.2
Montaje en la pared
Siga las instrucciones que se indican a continuación para montar el LOGO! en la pared
utilizando dos correderas y dos tornillos M4 (con un par de apriete de 0,8 Nm a 1,2 Nm).
Nota
Si el LOGO! no se monta en la pared, mantenga las correderas en la posición de fábrica, es
decir, dentro del área de datos indicada en la figura superior; de lo contrario, existe la
posibilidad de que las correderas se deformen si están expuestas a ambientes cálidos y
húmedos durante un tiempo prolongado.
Esquema de taladros para el montaje en la pared
Para poder montar el LOGO! en la pared deberá taladrar orificios conforme al esquema
siguiente:

Montar y cablear LOGO!
2.2 Montar y desmontar LOGO!
LOGO!
Manual de producto, 07/2016, A5E33039720 - AC 39
Todas las dimensiones en mm
Orificio para tornillo M4 con un par de apriete de 0,8 Nm a 1,2 Nm
①Módulo base LOGO!
② Módulos de ampliación LOGO!, DM8 ..., AM...
③ Módulos de ampliación LOGO!, DM16 ...
2.2.3
Montar el LOGO! TDE
Nota
Asegúrese de montar el LOGO! TDE en posición vertical sobre una superficie plana de un
envolvente IP 65 o de tipo 4X/12.
Para preparar la superficie de montaje del LOGO! TDE opcional y montarlo, proceda del
siguiente modo:
1. Corte un recuadro de 119 mm × 78,5 mm (tolerancia: +0,5 mm) en la superficie de
montaje.
2. Coloque la junta (incluida en el suministro) en la placa frontal del LOGO! TDE.
3. Encaje el LOGO! TDE en el recorte realizado en la superficie de montaje.
4. Fije las escuadras de fijación (incluidas en el suministro) al LOGO! TDE.
5. Apriete los tornillos (con un par de apriete de 0,2 Nm) sobre las escuadras de fijación
para sujetar el LOGO! TDE.

Montar y cablear LOGO!
2.3 Cablear el LOGO!
LOGO!
40 Manual de producto, 07/2016, A5E33039720 - AC
① Escuadras de fijación
② Tornillos
③ Junta
④ Puerta del armario o panel de
control (espesor: 1,5 mm a 4 mm)
Seguidamente, conecte el LOGO! TDE al módulo base LOGO! por medio de la interfaz
Ethernet.
2.2.4
Rotular el LOGO!
Las superficies rectangulares de los módulos LOGO! están previstas para rotulación.
En los módulos de ampliación, puede utilizar las superficies rectangulares p. ej. para rotular
las entradas y las salidas. A este respecto, puede indicar un factor delta de +8 para las
entradas o +4 para las salidas, si el módulo base LOGO! ya dispone de 8 entradas o 4
salidas.
2.3
Cablear el LOGO!
Para cablear el LOGO! utilice un destornillador con un ancho de hoja de 3 mm.
Para los bornes no se requieren punteras. Es posible utilizar conductores que cumplan los
requisitos siguientes:
● Secciones de hasta:
– 1 × 2,5 mm2
– 2 × 1,5 mm2 por cada segundo portabornes
● Material del conductor: Cu
● Régimen de temperatura de aislamiento: 75 °C
● Par de apriete: De 0,5 Nm a 0,6 Nm o de 4,5 in.lbf a 5,3 in.lbf.

Montar y cablear LOGO!
2.3 Cablear el LOGO!
LOGO!
Manual de producto, 07/2016, A5E33039720 - AC 41
Nota
Cubra siempre los bornes tras finalizar el montaje. Para proteger el LOGO! adecuadamente
contra el contacto no permitido de las piezas bajo tensión, deben respetarse las normas
locales.
2.3.1
Conectar la fuente de alimentación
Las versiones de 230 V de LOGO! pueden funcionar con tensiones nominales de 115 V
AC/DC y 240 V AC/DC. Las versiones de 24 V y 12 V de LOGO! pueden funcionar con una
fuente de alimentación de 24 V DC, 24 V AC o 12 V DC. Para más información acerca de
las tolerancias de tensión permitidas, frecuencias de línea y consumo de corriente, consulte
las instrucciones de montaje en la información del producto suministrada con el dispositivo,
así como los datos técnicos en el anexo A.
El LOGO! TDE debe recibir una tensión de 12 V DC o 24 V AC/DC.
PRECAUCIÓN
Los módulos de ampliación DM8 230R y DM16 230R deben utilizarse con el mismo tipo de
fuente de alimentación (DC o AC) que se le aplica a la versión del módulo base LOGO! de
230 V que está conectado. La misma salida de alimentación "+/-" en fuentes de
alimentación DC o "N/L" en fuentes de alimentación AC debe estar conectada a la misma
fase tanto en el módulo de ampliación DM8/16 230R como en el LOGO! 230 .... conectado.
Si no se observan estas instrucciones podrían producirse lesiones personales.
Nota
Un corte de alimentación puede causar un disparo de flanco adicional en las funciones
especiales. Los datos almacenados son los del último ciclo no interrumpido.

Montar y cablear LOGO!
2.3 Cablear el LOGO!
LOGO!
42 Manual de producto, 07/2016, A5E33039720 - AC
Conectar el LOGO!
Conecte el LOGO! a la fuente de alimentación tal como se muestra abajo, según si la
alimentación es DC o AC:
Nota
LOGO! es un equipo de conmutación doblemente aislado. El borne FE debe conectarse a la
toma de tierra.
Protección del circuito con tensión alterna
Para suprimir picos de tensión en las líneas de alimentación, puede utilizar un varistor de
óxido metálico (MOV). Asegúrese de que la tensión de servicio del varistor (MOV) utilizado
sea como mínimo un 20% superior a la tensión nominal (p. ej. S10K275).
Protección del circuito con tensión DC
Para suprimir picos de tensión en las líneas de alimentación, instale un dispositivo de
protección, por ejemplo DEHN (referencia 918 402).

Montar y cablear LOGO!
2.3 Cablear el LOGO!
LOGO!
Manual de producto, 07/2016, A5E33039720 - AC 43
2.3.2
Conectar la fuente de alimentación del LOGO! TDE
El LOGO! TDE debe conectarse a una fuente de alimentación externa que provea una
tensión de 12 V DC o 24 V AC/DC. El LOGO! TDE incluye un conector de alimentación.
Conecte la alimentación al conector de alimentación y, a continuación, enchufe el conector
de alimentación a la interfaz de alimentación del LOGO! TDE.
① Interfaces Ethernet
② Fuente de alimentación
• La conexión de alimentación es no polar. Si conecta una fuente de alimentación DC
al LOGO! TDE, puede conectar el hilo de alimentación positivo o negativo en el pin 1
o 2.
• El pin 3 debe conectarse a tierra.
Nota
Siemens recomienda proteger el LOGO! TDE con un fusible de seguridad de 0,5 A en la
fuente de alimentación.
2.3.3
Conectar las entradas del LOGO!
Requisitos
A las entradas se conectan elementos de sensor tales como: pulsadores, interruptores,
barreras de luz, interruptores crepusculares, etc.

Montar y cablear LOGO!
2.3 Cablear el LOGO!
LOGO!
44 Manual de producto, 07/2016, A5E33039720 - AC
Propiedades de los sensores para LOGO!
LOGO! 12/24RCE
LOGO! 12/24RCEo
LOGO! 24CE
LOGO! 24CEo
LOGO! DM8
12/24R
LOGO! DM8
24
I3 ... I6
I1,I2,I7,I8
I3 ... I6
I1,I2,I7,I8
I1 ... I8
I1 ... I8
Estado lógico 0
Corriente de entra-
da
< 5 V DC
< 0,85 mA < 5 V DC
< 0,05 mA < 5 V DC
< 0,85 mA < 5 V DC
< 0,05 mA < 5 V DC
< 0.85 mA < 5 V DC
< 0,85 mA
Estado lógico 1
Corriente de entra-
da
> 8,5 V DC
> 1,5 mA > 8,5 V DC
> 0,1 mA > 12 V DC
> 2 mA > 12 V DC
> 0,15 mA > 8,5 V DC
> 1,5 mA > 12 V DC
> 2 mA
LOGO! 24RCE (AC)
LOGO! 24RCEo (AC)
LOGO! DM8 24R (AC)
LOGO! 24RCE (DC)
LOGO! 24RCEo (DC)
LOGO! DM8 24R (DC)
LOGO! 230RCE (AC)
LOGO! 230RCEo (AC)
LOGO! DM8 230R (AC)
LOGO! 230RCE (DC)
LOGO! 230RCEo (DC)
LOGO! DM8 230R (DC)
Estado lógico 0
Corriente de
entrada
< 5 V AC
< 1,0 mA < 5 V DC
< 1,0 mA < 40 V AC
< 0,03 mA < 30 V DC
< 0,03 mA
Estado lógico 1
Corriente de
entrada
> 12 V AC
> 2,5 mA > 12 V DC
> 2,5 mA > 79 V AC
> 0,08 mA > 79 V DC
> 0,08 mA
LOGO! DM16 24R
LOGO! DM16 24
LOGO! DM16 230R (AC)
LOGO! DM16 230R (DC)
Estado lógico 0
Corriente de
entrada
< 5 V DC
< 1,0 mA < 5 V DC
< 1,0 mA < 40 V AC
< 0,05 mA < 30 V DC
< 0,05 mA
Estado lógico 1
Corriente de
entrada
> 12 V DC
> 2,0 mA > 12 V DC
> 2,0 mA > 79 V AC
> 0,08 mA > 79 V DC
> 0,08 mA
Nota
El LOGO! 230RCE/230RCEo y el módulo de ampliación DM16 230R incluyen cada uno dos
grupos de cuatro entradas, es decir, un total de ocho. Dentro de cada grupo, todas las
entradas deben funcionar en la misma fase. Las fases diferentes solo son posibles entre los
distintos grupos.
Ejemplo: De I1 a I4 en la fase L1, I5 a I8 en la fase L2.
Las entradas del LOGO! DM8 230R no deben conectarse a diferentes fases.

Montar y cablear LOGO!
2.3 Cablear el LOGO!
LOGO!
Manual de producto, 07/2016, A5E33039720 - AC 45
Conexión de sensores
Conectar lámparas de neón y detectores de proximidad de 2 hilos (Bero) a LOGO!
230RCE/230RCEo o LOGO! DM8 230R (AC) y LOGO! DM16 230R (AC)
La siguiente figura muestra cómo conectar a LOGO! un interruptor con una lámpara de
neón. Gracias a la corriente que fluye por la lámpara de neón, LOGO! puede detectar una
señal "1" aunque no esté cerrado el contacto del interruptor. Sin embargo, esta reacción no
ocurre si se utiliza un interruptor cuya lámpara de neón tenga una fuente de alimentación
propia.
Tenga en cuenta la corriente de reposo de los detectores de proximidad de 2 hilos que
utilice. En algunos detectores de proximidad de 2 hilos, la corriente de reposo es tan
elevada que puede disparar una señal lógica "1" en la entrada de LOGO!. Por tanto,
compare la corriente de reposo de los detectores de proximidad con los datos técnicos de
las entradas (Página 323).
Remedio
Para suprimir este comportamiento, utilice un condensador de tipo X1/X2 con 100 nF y 275
V AC. En una situación destructiva, este tipo de condensador realiza una desconexión
segura. El nivel de tensión para el que está diseñado el condensador debe seleccionarse de
manera que este no sea destruido en caso de sobretensión.
A 230 V AC, la tensión entre N y una entrada I(n) no puede exceder los 40 V para garantizar
una señal "0". Al condensador pueden conectarse aprox. diez lámparas de neón.
Restricciones
Cambios de estado lógico 0 → 1 / 1 → 0
Tras un cambio de 0 a 1, o bien de 1 a 0, el estado lógico debe permanecer constante en la
entrada por lo menos durante un ciclo del programa, de manera que LOGO! pueda detectar
el nuevo estado lógico.
El tamaño del programa determina el tiempo de ejecución del mismo. En el anexo
"Determinar el tiempo de ciclo (Página 353)" encontrará una rutina de test que permite
determinar el tiempo de ciclo actual.
Particularidades de LOGO! 12/24RCE/RCEo y LOGO! 24CE/24CEo
Entradas digitales rápidas: I3, I4, I5 e I6

Montar y cablear LOGO!
2.3 Cablear el LOGO!
LOGO!
46 Manual de producto, 07/2016, A5E33039720 - AC
Estos módulos incorporan entradas digitales rápidas (contadores adelante/atrás, selectores
de umbral). Las restricciones mencionadas arriba no rigen para estas entradas digitales
rápidas.
Nota
Los módulos de ampliación no incorporan entradas digitales rápidas.
Entradas analógicas: I1 e I2, I7 e I8
Las entradas I1, I2, I7 e I8 de las versiones de LOGO! 12/24RCE/RCEo y 24CE/24CEo
pueden utilizarse como entradas digitales o analógicas. El programa de LOGO! determina el
modo de entrada (digital o analógico).
Las entradas I1, I2, I7 e I8 proveen entradas digitales y las entradas AI3, AI4, AI1 e AI2
proveen entradas analógicas (consulte el apartado "Constantes y conectores (Página 127)").
AI3 corresponde al borne de entrada I1; AI4 corresponde a I2; AI1 corresponde a I7; AI2
corresponde a I8. La utilización de AI3 y AI4 es opcional. El LOGO! puede configurarse para
que utilice dos o cuatro entradas analógicas (consulte el apartado "Ajustar el número de
entradas analógicas del LOGO! (Página 297)").
Si las entradas I1, I2, I7 e I8 se utilizan como entradas analógicas, solo está disponible el
rango comprendido entre 0 y 10 V DC.
Conectar un potenciómetro a las entradas I1, I2, I7 e I8
Para obtener 10 V como valor máximo en un giro completo del potenciómetro, es necesario
conectar una resistencia serie en el lado de entrada del potenciómetro, independientemente
de la tensión de entrada (véase la siguiente figura).
Se recomiendan los siguientes valores para los potenciómetros y las resistencias serie
correspondientes:
Tensión
Potenciómetro
Resistencia serie
12 V 5 kΩ -
24 V 5 kΩ 6,6 kΩ
Si utiliza un potenciómetro y una tensión de entrada de 10 V como valor máximo, asegúrese
de que con una tensión de entrada conectada de 24 V, la resistencia serie libere 14 V para
que en un giro completo del potenciómetro se suministren como máximo 10 V. Esta medida
no es necesaria si se utiliza una tensión de 12 V.
Nota
El módulo de ampliación LOGO! AM2 incorpora entradas analógicas adicionales. El módulo
de ampliación LOGO! AM2 RTD incorpora entradas PT100/PT1000.
Para las señales analógicas, utilice siempre cables trenzados y apantallados lo más cortos
posible.
Conexión de sensores
Conecte sensores al LOGO! tal como se muestra a continuación.

Montar y cablear LOGO!
2.3 Cablear el LOGO!
LOGO!
Manual de producto, 07/2016, A5E33039720 - AC 47
LOGO! 12/24... y LOGO! 24...
Las entradas de estos dispositivos no están
aisladas galvánicamente, por lo que requieren
el mismo potencial de referencia (masa).
Los módulos LOGO! 12/24RCE/RCEo y
LOGO! 24CE/24CEo pueden tomar señales
analógicas entre la tensión de alimentación y
la masa (* = resistencia serie (6,6 kΩ) con 24
V DC).
Ejemplo de conexión

Montar y cablear LOGO!
2.3 Cablear el LOGO!
LOGO!
48 Manual de producto, 07/2016, A5E33039720 - AC
LOGO! 230....
Las entradas de estos dispositivos están
dispuestas en dos grupos de cuatro entradas
cada uno. Solo puede haber fases diferentes
entre los bloques, no dentro de cada uno de
ellos.
Ejemplo de conexión
ADVERTENCIA
Debido a las normas de seguridad existentes (VDE 0110, ... e IEC 611312, ... y cULus), no
es posible conectar fases diferentes a un grupo de entrada (I1-I4 o I5-I8) de una variante
AC o a las entradas de un módulo digital.

Montar y cablear LOGO!
2.3 Cablear el LOGO!
LOGO!
Manual de producto, 07/2016, A5E33039720 - AC 49
LOGO! AM2
①
Borne FE para la conexión a tierra y apan-
tallado del cable de medición analógico
③
Pantalla de cable
②
Tierra
④
Perfil normalizado
La figura anterior muestra un ejemplo de medición de intensidad a cuatro hilos y de
medición de tensión a dos hilos.
Conectar un sensor de dos hilos al LOGO! AM2
Cablee los hilos de conexión del sensor a dos hilos del siguiente modo:
1. Conecte la salida del sensor a la conexión U (medición de tensión de 0 a 10 V) o a la
conexión I (medición de corriente de 0/4 a 20 mA) del módulo AM2.
2. Conecte la conexión positiva del sensor a la tensión de alimentación de 24 V (L+).
3. Conecte la conexión a masa de la salida de corriente M (en el lado derecho del sensor,
como muestra la figura superior) a la entrada M correspondiente (M1 o M2) del módulo
AM2.
LOGO! AM2 RTD
Al módulo pueden conectarse como máximo dos sensores PT100 o dos sensores PT1000,
o bien un sensor PT100 más un sensor PT1000 en una conexión de 2 o 3 hilos, o utilizar
una conexión combinada de 2 o 3 hilos. El único tipo de sensor que soporta el módulo es
PT100 o PT1000 con un coeficiente de temperatura predeterminado de α= 0,003850.
En una conexión a 2 hilos es preciso cortocircuitar los bornes U1- e IC1, o U2- e IC2. Los
errores debidos a la resistencia óhmica de la línea de medición no se compensan en este
tipo de conexión. Si se conecta un sensor PT100, una resistencia de línea de 1 Ω es
proporcional a un error de medición de +2,5 °C; si se conecta un sensor PT1000, una
resistencia de línea de 1 Ω es proporcional a un error de medición de +0,25 °C.

Montar y cablear LOGO!
2.3 Cablear el LOGO!
LOGO!
50 Manual de producto, 07/2016, A5E33039720 - AC
Una conexión a 3 hilos suprime la influencia de la longitud del cable (resistencia óhmica) en
el resultado de la medición.
Nota
Existe la posibilidad de que los valores analógicos fluctúen si no se monta o no se monta
correctamente el apantallamiento del cable de conexión entre el encóder analógico y el
módulo de ampliación analógico LOGO! AM2 / AM2 RTD (cable del encóder).
Para evitar la fluctuación de los valores analógicos al utilizar estos módulos de ampliación,
proceda del siguiente modo:
• Utilice solo cables de encóder apantallados.
• Utilice cables de encóder lo más cortos posible. La longitud del cable de encóder no
debe exceder los 10 m.
• Fije el cable del encóder solo por un lado al borne FE del módulo de ampliación
AM2/AM2 AQ/AM2 RTD.
• Conecte la tierra de la alimentación del encóder con el borne FE del módulo de
ampliación.
• Evite utilizar el módulo de ampliación LOGO! AM2 RTD con una fuente de alimentación
no puesta a tierra (libre de potencial). Si esto no puede evitarse, conecte la salida
negativa / salida de tierra de la fuente de alimentación con la pantalla de los hilos de
medición de la termorresistencia.
2.3.4
Conexión de las salidas
LOGO! ...R...
El LOGO!
...R...
dispone de salidas de relé. Los contactos de los relés están aislados
galvánicamente de la fuente de alimentación y las entradas.

Montar y cablear LOGO!
2.3 Cablear el LOGO!
LOGO!
Manual de producto, 07/2016, A5E33039720 - AC 51
Condiciones para las salidas de relé
Puede conectar diferentes cargas a las salidas; p. ej. lámparas, lámparas fluorescentes,
motores, contactores auxiliares, etc. Para más información acerca de las propiedades
necesarias para las cargas conectadas al LOGO!
...R...
, consulte los datos técnicos
(Página 323).
ATENCIÓN
Los contactos de relé del LOGO! pueden dañarse con una corriente de arranque elevada.
Cuando las salidas de relé del LOGO! controlan lámparas de baja energía o LED, es
posible que estas lámparas tengan una corriente de arranque muy elevada. Si la corriente
de arranque no está limitada, los contactos de relé del LOGO! pueden sufrir daños tras
algunos ciclos de conmutación.
Use un limitador de corriente de entrada para proteger los contactos de relé.
Conectar
Conecte la carga al LOGO!
...R...
como se muestra a continuación:
LOGO! con salidas de transistor
Las versiones de LOGO! con salidas de transistor se reconocen porque falta la letra
R
en su
nombre de tipo. Las salidas son a prueba de cortocircuitos y de sobrecargas. No se necesita
una tensión de carga auxiliar, ya que LOGO! provee la tensión de carga.
Requisitos para las salidas de transistor
La carga conectada a LOGO! debe tener las siguientes características:
● La máxima corriente de conmutación es de 0,3 A por cada salida.

Montar y cablear LOGO!
2.3 Cablear el LOGO!
LOGO!
52 Manual de producto, 07/2016, A5E33039720 - AC
Conectar
Conecte la carga a un LOGO! con salidas de transistor como se muestra a continuación:
LOGO! AM2 AQ
La figura siguiente muestra un ejemplo de cómo conectar la carga de tensión o intensidad.
①
Tierra
②
Perfil normalizado
2.3.5
Conectar la interfaz Ethernet
LOGO! ...E
La versión LOGO! ...
E
está equipada con una interfaz Ethernet RJ45 de 10/100 Mbits/s.

Montar y cablear LOGO!
2.4 Puesta en marcha
LOGO!
Manual de producto, 07/2016, A5E33039720 - AC 53
Cable de red requerido
Utilice un cable Ethernet apantallado para la conexión a la interfaz Ethernet. Para minimizar
las interferencias electromagnéticas, asegúrese de utilizar un cable Ethernet apantallado
estándar de categoría 5 y de par trenzado con un conector RJ45 apantallado en cada
extremo.
Conectar
Conecte a tierra el borne FE y conecte un cable de red a la interfaz Ethernet.
①
②
③
Toma de tierra
Cable Ethernet para conectar a la interfaz Ethernet
LED de estado de Ethernet
LED de estado de Ethernet
Tipo de LED
Color
Descripción
LED de estado Naranja intermitente LOGO! está recibiendo/enviando datos vía Ethernet.
Verde fijo LOGO! ya está conectado a Ethernet.
2.4
Puesta en marcha
2.4.1
Conectar la alimentación del LOGO!
LOGO! no dispone de un interruptor de encendido. La reacción de LOGO! durante el
arranque depende de lo siguiente:
● Si hay un programa almacenado en LOGO!
● Si hay una tarjeta micro SD insertada
● Si se trata de una versión de LOGO! sin display (LOGO!...o)
● Si LOGO! está en modo RUN o STOP en el momento de fallar la alimentación

Montar y cablear LOGO!
2.4 Puesta en marcha
LOGO!
54 Manual de producto, 07/2016, A5E33039720 - AC
Para garantizar que el módulo de ampliación conectado a LOGO! cambie a modo RUN,
compruebe lo siguiente:
● ¿Está bien encajado el contacto deslizante entre LOGO! y el módulo de ampliación?
● ¿Está conectada la fuente de alimentación al módulo de ampliación?
● Además, conecte siempre primero la fuente de alimentación del módulo de ampliación y
luego la fuente de alimentación del módulo base LOGO! (o active ambas fuentes de
alimentación al mismo tiempo). De lo contrario, el sistema no detectará el módulo de
ampliación cuando arranque el módulo base LOGO!.
La figura siguiente muestra todas las reacciones posibles del LOGO!:

Montar y cablear LOGO!
2.4 Puesta en marcha
LOGO!
Manual de producto, 07/2016, A5E33039720 - AC 55

Montar y cablear LOGO!
2.4 Puesta en marcha
LOGO!
56 Manual de producto, 07/2016, A5E33039720 - AC
También puede memorizar cuatro reglas básicas para el arranque de LOGO! :
1. En caso de que ni LOGO! ni la tarjeta insertada contenga un programa, LOGO! Basic
visualizará lo siguiente:
2. LOGO! copia automáticamente el programa en la tarjeta de memoria y sobrescribe el
programa existente.
3. Si LOGO! o la tarjeta contiene un programa, LOGO! adoptará el estado operativo que
tenía antes de desconectarse la alimentación. Las versiones sin display (LOGO!...o)
pasan automáticamente de STOP a RUN (el LED cambia de rojo a verde).
4. Si ha activado la remanencia para una función como mínimo, o si una función tiene
remanencia permanente, LOGO! conservará los valores actuales al desconectarse la
alimentación.
Nota
Si se produce un corte de corriente mientras se introduce un programa, el programa de
LOGO! no existirá tras restablecerse la alimentación.
Antes de modificar el programa, haga una copia de seguridad del mismo en una tarjeta o un
PC mediante LOGO!Soft Comfort.
2.4.2
Estados operativos
Estados operativos del módulo base LOGO!
Los módulos base LOGO! (LOGO! Basic, LOGO! Pure o LOGO! Lite) tienen dos estados
operativos: STOP y RUN.
STOP
RUN
• El display indica que el programa está
vacío en el momento de iniciarlo
(excepto para dispositivos LOGO!...o)
• Cambiar LOGO! a modo de programación
(excepto para dispositivos LOGO!...o)
• LED con luz roja
(solo para dispositivos LOGO!...o)
• Display: pantalla para vigilar las E/S y los men-
sajes (tras seleccionar INICIO en el menú princi-
pal) o para el menú de parametrización
(excepto para dispositivos LOGO!...o)
• Cambiar LOGO! a modo de parametrización
(excepto para dispositivos LOGO!...o)
• LED con luz verde
(solo para dispositivos LOGO!...o)

Montar y cablear LOGO!
2.4 Puesta en marcha
LOGO!
Manual de producto, 07/2016, A5E33039720 - AC 57
STOP
RUN
Acción de LOGO!:
• No se leen los datos de las entradas.
• No se ejecuta el programa.
• Los contactos de relé están abiertos per-
manentemente o las salidas de transistor
están desconectadas.
Acción de LOGO!:
• LOGO! lee el estado de las entradas.
• LOGO! utiliza el programa para calcular el estado
de las salidas.
• LOGO! activa o desactiva las salidas de relé / de
transistor.
Nota
Tras conectar la alimentación, el sistema activa y desactiva brevemente las salidas del
LOGO! 24CE/24CEo/24Eo. Con un circuito abierto, puede haber una tensión > 8 V hasta
aprox. 100ms; mientras que si con el circuito con carga el tiempo se reduce a milisegundos.
Módulos de ampliación LOGO!, estados operativos
Los módulos de ampliación LOGO! tienen tres estados operativos. El color del LED
(RUN/STOP) indica uno de los tres estados operativos de los módulos de ampliación
LOGO!.
Verde (RUN)
Rojo (STOP)
Naranja / amarillo
El módulo de ampliación se
comunica con el dispositivo
ubicado a la izquierda.
El módulo de ampliación
no
se
comunica con el dispositivo
ubicado a la izquierda.
Fase de inicialización del módu-
lo de ampliación

Montar y cablear LOGO!
2.4 Puesta en marcha
LOGO!
58 Manual de producto, 07/2016, A5E33039720 - AC

LOGO!
Manual de producto, 07/2016, A5E33039720 - AC 59
Programar LOGO!
3
Primeros pasos con LOGO!
Programar significa crear un programa para el módulo base LOGO!.
En este capítulo aprenderá a utilizar LOGO! con objeto de crear programas LOGO! para la
aplicación.
LOGO!Soft Comfort es el software de programación de LOGO! que permite crear,
comprobar, modificar, guardar e imprimir programas rápida y fácilmente en un PC. Sin
embargo, en este manual se describe solo cómo crear programas directamente en el
módulo base LOGO!. El software de programación LOGO!Soft Comfort contiene una
completa Ayuda en pantalla.
Nota
Las versiones de LOGO! sin display, es decir LOGO! 24CEo, LOGO! 12/24RCEo, LOGO!
24RCEo y LOGO! 230RCEo no disponen de panel de operador ni de visualizador. Estos
dispositivos son idóneos para aplicaciones de producción en serie de máquinas pequeñas y
equipos de proceso.
Las versiones LOGO!...o no se programan directamente en el dispositivo. En cambio, el
programa se descarga en el dispositivo desde LOGO!Soft Comfort, o bien desde tarjetas de
memoria que contienen el programa creado en otro dispositivo LOGO!.
Las versiones de LOGO! sin display no pueden escribir datos en tarjetas de memoria.
Encontrará más información en los capítulos "Uso de tarjetas de memoria (Página 299)" y
"Software LOGO! (Página 315)" y en el anexo "LOGO! sin display ("LOGO! Pure")
(Página 355)".
Un ejemplo breve en la primera parte de este capítulo ofrece una introducción a los
principios de manejo de LOGO!:
● Primero, aprenderá qué significan los dos términos básicos
conector
y
bloque
.
● Luego creará un programa basado en un circuito convencional sencillo.
● Por último, introducirá este programa directamente en LOGO!.
Tras leer tan solo unas pocas páginas de este manual, aprenderá a almacenar su primer
programa ejecutable en el dispositivo LOGO!. Mediante el hardware adecuado
(interruptores, etc.), podrá efectuar las primeras pruebas.

Programar LOGO!
3.1 Conectores
LOGO!
60 Manual de producto, 07/2016, A5E33039720 - AC
3.1
Conectores
LOGO! incorpora entradas y salidas.
Ejemplo de una combinación de varios módulos:
La figura muestra el uso conceptual de las entradas, no el marcado físico real en el módulo.
Las letras I seguidas de números indican las entradas. Si mira el LOGO! desde delante, los
bornes de entrada se encuentran en el lado superior. Solo los módulos de entradas
analógicas LOGO! AM2 y AM2 RTD tienen las entradas en el lado inferior.

Programar LOGO!
3.1 Conectores
LOGO!
Manual de producto, 07/2016, A5E33039720 - AC 61
Las letras Q seguidas de números (en AM2 AQ, AQ más número) indican las salidas. En la
figura, los bornes de salida se muestran en el lado inferior.
Nota
LOGO! puede detectar, leer y conmutar las E/S de todos los módulos de ampliación, sin
importar de qué tipo sean. Los números de entradas y salidas siguen el orden de montaje
de los módulos.
Para la serie LOGO! 0BA8, las siguientes E/S y marcas están disponibles para crear el
programa desde LOGO!:
• I1 a I24, AI1 a AI8, Q1 a Q20, AQ1 a AQ8, M1 a M64 y AM1 a AM64
• 32 bits de registro de desplazamiento, S1.1 a S4.8
• 4 teclas de cursor, C , C , C y C
• 4 teclas de función en el LOGO! TDE: F1, F2, F3 y F4
• 64 salidas no conectadas, X1 a X64
En caso de haber preconfigurado en su programa con LOGO!Soft Comfort alguna de las
entradas/salidas digitales o analógicas de red NI1 a NI64, NAI1 a NAI32, NQ1 a NQ64 y
NAQ1 a NAQ16, tras descargar el programa a LOGO!, las entradas/salidas digitales o
analógicas de red estarán disponibles en LOGO!; no obstante, no es posible editar el resto
del programa desde LOGO!, excepto el parámetro Par.
Encontrará más información en el apartado "Constantes y conectores (Página 127)".
Nota aplicable a las entradas I1, I2, I7 e I8 de las versiones de LOGO! 12/24... y LOGO!
24CE/24CEo: Si utiliza las entradas I1, I2, I7 o I8 en el programa, la señal de entrada es
digital. Si utiliza AI3, AI4, AI1 o AI2, la señal de entrada es analógica. La numeración de las
entradas analógicas es significativa: AI1 y AI2 equivalían a I7 e I8. Tras haber agregado dos
nuevas entradas analógicas, estos módulos utilizan
opcionalmente I1 para AI3 e I2 para AI4.
Consulte la representación gráfica en el apartado "Configuración máxima con módulos de
ampliación (Página 31)". Además, I3, I4, I5 e I6 también pueden utilizarse como entradas
digitales rápidas.
Conectores de LOGO!
El término "conector" designa todas las conexiones y estados de LOGO!.
Las E/S digitales pueden tener el estado lógico '0' o '1'. El estado '0' significa que la entrada
no tiene aplicada una tensión específica. El estado '1' significa que la entrada tiene aplicada
una tensión específica.
Los conectores 'hi' y 'lo' facilitan la creación de programas. 'hi' (high) tiene asignado el
estado '1' y 'lo' (low) el estado '0'.
No es necesario utilizar todos los conectores de un bloque. Para conexiones no utilizadas, el
programa adopta automáticamente el estado que garantiza el funcionamiento del bloque en
cuestión.
Encontrará información sobre el significado del término "bloque" en el capítulo "Bloques y
números de bloque (Página 62)".

Programar LOGO!
3.2 Bloques y números de bloque
LOGO!
62 Manual de producto, 07/2016, A5E33039720 - AC
LOGO! dispone de los conectores siguientes:
Conectores
Entradas LOGO! 230RCE
LOGO! 230RCEo
LOGO! 24RCE
LOGO! 24RCEo
Dos grupos:
I1 a I4 e I5 a I8 I9 a I24 AI1 a
AI8 Ningu
na
LOGO! 12/24RCE
LOGO! 12/24RCEo
LOGO! 24CE
LOGO! 24CEo
I1, I2, I3-I6, I7, I8
AI3, AI4 ... AI1, AI2 I9 a I24 AI5 a
AI8
Salidas Q1 a Q4 Q5 a Q20 Ningun
a AQ1 a
AQ8
lo Señales lógicas '0' (off)
hi Señales lógicas '1' (on)
Marcas Marcas digitales: M1 a M64
Marcas analógicas: AM1 a AM64
Bits de registro de
desplazamiento S1.1 a S4.8
Entradas de red 1) NI1 a NI64
Entradas analógicas
de red 1) NAI1 a NAI32
Salidas de red 1) NQ1 a NQ64
Salidas analógicas
de red 1) NAQ1 a NAQ16
DM
: Módulo digital
AM
: Módulo analógico
1) Para poder utilizar estos cuatro conectores en un LOGO! 0BA8 hay que configurarlos en el
programa con LOGO!Soft Comfort V8.1 y luego descargar el programa en el dispositivo LOGO!
0BA8.
3.2
Bloques y números de bloque
En este capítulo se explica cómo utilizar los elementos de LOGO! para crear circuitos
complejos y cómo interconectar los bloques y las E/S.
En el apartado "Del esquema de conexiones al programa LOGO! (Página 65)" aprenderá a
transformar un circuito convencional en un programa de LOGO!.

Programar LOGO!
3.2 Bloques y números de bloque
LOGO!
Manual de producto, 07/2016, A5E33039720 - AC 63
Bloques
Un bloque en LOGO! es una función que sirve para convertir información de entrada en
información de salida. Antes era necesario cablear los distintos elementos en un armario
eléctrico o una caja de bornes. Al crear el programa debe interconectar los bloques.
Operaciones lógicas
Los bloques más elementales son las operaciones lógicas:
● AND
● OR
● ...
Estas funciones especiales son mucho más eficientes:
● Relé de impulsos
● Contador adelante/atrás
● Retardo a la conexión
● Tecla programable
● ....
En el capítulo titulado "Funciones de LOGO! (Página 127)" encontrará una lista completa de
las funciones de LOGO!.

Programar LOGO!
3.2 Bloques y números de bloque
LOGO!
64 Manual de producto, 07/2016, A5E33039720 - AC
Representación de un bloque en el display integrado en el LOGO!
La figura siguiente muestra una vista típica del display integrado en el LOGO!. Solo puede
representarse un bloque en cada caso. De forma estándar, LOGO! muestra el número de
bloque en la parte superior del display si no se asigna ningún nombre a dicho bloque. Los
números de bloque ayudan a comprobar la estructura del circuito. También existe la
posibilidad de elegir que se muestre un nombre de bloque personalizado en lugar del
número de bloque. Encontrará más información sobre la asignación de nombres de bloque
en el apartado "Introducir el programa (Página 76)".
Asignación de un número de bloque
LOGO! asigna automáticamente un número de bloque a todo bloque nuevo del programa.
LOGO! utiliza estos números de bloque para indicar las interconexiones de los bloques.
Estos números sirven básicamente de ayuda para facilitar la orientación en el programa.
La figura siguiente muestra tres vistas del display integrado en el LOGO! que representan el
programa. Como puede apreciar, LOGO! interconecta los bloques utilizando sus números.
Para desplazar el programa, utilice las teclas o .

Programar LOGO!
3.3 Del esquema de conexiones al programa LOGO!
LOGO!
Manual de producto, 07/2016, A5E33039720 - AC 65
Ventajas de los números de bloque
Prácticamente cualquier bloque puede conectarse con una entrada del bloque actual por
medio de su número. Ello permite reutilizar los resultados intermedios de las operaciones
lógicas u otras operaciones, ahorrar trabajo y espacio de memoria, así como proporcionarle
mayor claridad al diseño del circuito. Sin embargo, para poder hacerlo debe saber qué
nombres ha asignado LOGO! a los bloques.
Nota
Un esquema general del programa puede servir de ayuda a la hora de crear el programa, ya
que en él se pueden introducir los números de bloque asignados por LOGO!.
Si utiliza el software LOGO!Soft Comfort para programar el LOGO!, puede crear
directamente un diagrama funcional del programa. LOGO!Soft Comfort también permite
asignar nombres de 12 caracteres a 100 bloques como máximo y visualizarlos en el display
integrado en el LOGO! en el modo de parametrización. Consulte el apartado "Las 4 reglas
de oro para manejar LOGO! (Página 68)".
3.3
Del esquema de conexiones al programa LOGO!
Vista de un esquema de conexiones
La figura siguiente muestra un esquema de conexiones típico que representa la lógica del
circuito:

Programar LOGO!
3.3 Del esquema de conexiones al programa LOGO!
LOGO!
66 Manual de producto, 07/2016, A5E33039720 - AC
Creación del circuito con LOGO!
Un circuito se crea en LOGO! interconectando bloques y conectores:
Nota
Aunque hay cuatro entradas disponibles para las operaciones lógicas (Página 132), la
mayoría de las vistas muestran solo tres entradas por motivos de claridad. La cuarta entrada
se programa y parametriza de la misma manera que las otras tres.
Para crear un circuito lógico en LOGO!, comience por la salida del circuito.
La salida es la carga o el relé que debe conmutarse.
Convierta el circuito en bloques, comenzando en la salida y terminando en la entrada:
Paso 1: conecte en serie el contacto normalmente abierto S3 a la salida Q1 con otro
elemento del circuito. Una conexión en serie equivale al bloque AND:
Paso 2: use un bloque OR para conectar S1 y S2 en paralelo. Un circuito en paralelo
equivale al bloque OR:
Entradas no utilizadas
Para conexiones no utilizadas, el programa adopta automáticamente el estado que
garantiza el funcionamiento del bloque en cuestión.

Programar LOGO!
3.3 Del esquema de conexiones al programa LOGO!
LOGO!
Manual de producto, 07/2016, A5E33039720 - AC 67
En nuestro ejemplo solo utilizaremos dos entradas del bloque OR y dos entradas del bloque
AND. Las entradas tercera y cuarta no se utilizan.
Conecte ahora las E/S a LOGO!.
Cableado
Conecte los interruptores S1 a S3 con los bornes de tornillo de LOGO!:
● S1 con el conector I1 de LOGO!
● S2 con el conector I2 de LOGO!
● S3 con el conector I3 de LOGO!
La salida del bloque AND controla el relé en la salida Q1. La carga E1 se conecta a la salida
Q1.
Ejemplo de cableado
La figura siguiente muestra el cableado sobre la base de una variante de 230 V AC de
LOGO!.

Programar LOGO!
3.4 Las 4 reglas de oro para manejar LOGO!
LOGO!
68 Manual de producto, 07/2016, A5E33039720 - AC
3.4
Las 4 reglas de oro para manejar LOGO!
Regla 1: cambiar el modo de operación
● El programa se crea en el modo de programación. En cuanto se conecta la alimentación
y si el programa esta vacío, LOGO! selecciona por defecto el modo de programación.
● Los valores de los temporizadores y parámetros de un programa existente pueden
modificarse tanto en el
modo de parametrización
como en el
modo de programación
.
Durante la
parametrización
, LOGO! está en
modo RUN
; es decir, continúa ejecutando el
programa (consulte el apartado "Parametrizar LOGO! (Página 285)"). Para utilizar el
modo de programación
debe finalizar la ejecución del programa.
● Seleccione el comando del menú principal para ajustar el
modo
RUN
.
● Cuando el sistema esté en modo
RUN
, puede regresar al
modo de parametrización
pulsando la tecla
ESC
.
● Si está abierto el
modo de parametrización
y desea regresar al
modo de programación
,
seleccione el comando en el menú de parametrización para ajustar
el
modo STOP
.
Para más detalles acerca de los modos de operación, consulte el anexo "Estructura de
menús de LOGO! (Página 357)".
Regla 2: salidas y entradas
● El programa debe crearse comenzando en la salida y terminando en la entrada.
● Es posible conectar una entrada con varias salidas, pero no una misma salida con varias
entradas.
● En una misma ruta del programa no es posible conectar una salida con una entrada
precedente. Para estas recursiones internas es posible utilizar marcas o salidas.
Regla 3: cursor y su movimiento
Lo siguiente es aplicable al editar un programa:
● El cursor puede moverse cuando aparece en forma de cuadrado sólido:
– Pulse , , o para desplazar el cursor por el programa.
– Pulse
OK
para cambiar a la selección de conector o bloque.
– Pulse
ESC
para salir del modo de programación.
● Puede seleccionar un conector o bloque cuando el cursor aparece en forma de cuadrado
sólido:
– Pulse o para seleccionar un conector o un bloque.
– Confirme con
OK
.
– Pulse
ESC
para regresar al paso anterior.

Programar LOGO!
3.5 Configurar la protección de acceso a menús para LOGO!
LOGO!
Manual de producto, 07/2016, A5E33039720 - AC 69
Regla 4: planificación
● Antes de comenzar a crear un programa, dibújelo primero en una hoja de papel o bien
programe LOGO! directamente utilizando LOGO!Soft Comfort.
● LOGO! solo puede guardar programas completos y correctos.
3.5
Configurar la protección de acceso a menús para LOGO!
LOGO! ofrece dos niveles de acceso, administrador y operador, con el fin de limitar el
acceso a determinados menús en el modo de programación. En calidad de administrador se
accede a todos los comandos de menú, mientras que como operador algunos comandos de
menú concretos no son visibles (consulte el apartado "Vista de conjunto de los menús de
LOGO! (Página 72)"). El ajuste predeterminado de LOGO! es el nivel de administrador en el
momento del suministro y es posible cambiar a operador en cualquier momento. Para pasar
de operador a administrador hay que introducir una contraseña válida ("LOGO" por defecto).
LOGO! guarda siempre el nivel de acceso actual antes de apagarse.
Nota
El nivel de acceso predeterminado del LOGO! TDE es de operador y se cambia a
administrador con la contraseña (la contraseña predeterminada es "LOGO").
El LOGO! TDE guarda su nivel de acceso antes de apagarse siempre que se conecte al
mismo módulo base después de conectarse. En cambio, si se conecta a un módulo base
distinto, el LOGO! TDE restablece el nivel de acceso a operador después de la conexión.
Cambiar LOGO! de administrador a operador
Para cambiar el nivel de acceso de LOGO! de administrador a operador, proceda del
siguiente modo:
1. Desplace el cursor hasta "①" en el menú principal del modo de programación: pulse o
.
2. Confirme "①": pulse
OK .

Programar LOGO!
3.5 Configurar la protección de acceso a menús para LOGO!
LOGO!
70 Manual de producto, 07/2016, A5E33039720 - AC
3. Desplace el cursor hasta "②": pulse o .
4. Confirme "②": pulse
OK .
Ahora, LOGO! cambia al nivel de acceso de operador y regresa al menú principal.
Cambiar LOGO! de operador a administrador
Para cambiar el nivel de acceso de LOGO! de operador a administrador, proceda del
siguiente modo:
1. Desplace el cursor hasta "①" en el menú principal del modo de programación: pulse o
.
2. Confirme "①": pulse
OK .
3. Desplace el cursor hasta "②": pulse o .
4. Confirme "②": pulse
OK
. En el display aparece lo siguiente:

Programar LOGO!
3.5 Configurar la protección de acceso a menús para LOGO!
LOGO!
Manual de producto, 07/2016, A5E33039720 - AC 71
5. Pulse o para desplazarse arriba y abajo por el alfabeto, con objeto de seleccionar
las letras (por ejemplo, "LOGO").
6. Confirme la contraseña: pulse
OK .
Ahora, LOGO! cambia al nivel de acceso de administrador y regresa al menú principal.

Programar LOGO!
3.6 Vista de conjunto de los menús de LOGO!
LOGO!
72 Manual de producto, 07/2016, A5E33039720 - AC
3.6
Vista de conjunto de los menús de LOGO!
La siguiente figura muestra una vista general de los menús de LOGO! 0BA8:
* Estos comandos de menú solo son visibles con el nivel de acceso de administrador.
Encontrará más información sobre los menús en el anexo "LOGO! Basic (Página 357)".
La siguiente figura muestra una vista general de los menús del LOGO! TDE:

Programar LOGO!
3.7 Introducir e iniciar el programa
LOGO!
Manual de producto, 07/2016, A5E33039720 - AC 73
El LOGO! TDE dispone de tres menús, a saber:
● El menú de selección de IP remota
Este menú se utiliza para seleccionar un módulo base conectado introduciendo una
dirección IP concreta.
● El menú de ajuste del módulo base
Este menú se utiliza para realizar los ajustes remotos del módulo base conectado. Los
comandos de este menú son prácticamente los mismos que en los módulos base,
excepto los comandos indicados en "①". Los comandos de menú del módulo base para
ajustar la pantalla inicial, texto de mensaje, contraste y retroiluminación, así como el
idioma de los menús no están disponibles en el LOGO! TDE.
● El menú de configuración de TDE
Este menú se utiliza para realizar la configuración independiente del LOGO! TDE.
Encontrará más información sobre los menús en el anexo "LOGO! TDE (Página 364)".
3.7
Introducir e iniciar el programa
El siguiente ejemplo muestra cómo crear un programa para diseñar sus circuitos en LOGO!.
3.7.1
Pasar al modo de operación Programación
Cuando se conecta LOGO! a la fuente de alimentación y se enciende, el display muestra el
menú principal del modo de programación:

Programar LOGO!
3.7 Introducir e iniciar el programa
LOGO!
74 Manual de producto, 07/2016, A5E33039720 - AC
La primera línea está resaltada. Pulse y para desplazar la barra de resalte hacia arriba
y hacia abajo. Sitúe el cursor en "①" y confirme con
OK
. LOGO! abre el menú de
programación.
A continuación aparece el
menú de programación de LOGO!
:
Aquí también puede desplazar la barra de resalte pulsando y . Desplace la barra de
resalte hasta "②" y confirme con
OK
.
Ahora se encuentra en la ventana del programa. Pulse
OK
para entrar en el modo de
edición del programa y el cursor adoptará la forma de un cuadrado sólido en el bloque
"
NEW
". Ahora en el display aparece lo siguiente:
Confirme con
OK
y LOGO! mostrará la primera salida:
Ahora se encuentra en el modo de programación. Pulse y para seleccionar las demás
salidas. Ahora puede comenzar a editar el programa.
Nota
Puesto que hasta ahora no ha guardado todavía la
contraseña
para el programa en LOGO!,
puede acceder directamente al modo de edición. Si decide editar el programa tras haber
guardado un programa protegido por contraseña, LOGO! le solicitará que introduzca la
contraseña y que la confirme con
OK
. Solo podrá editar el programa si ha introducido la
contraseña (Página 81) correcta.
Si ha creado el programa en LOGO! podrá visualizarlo en la ventana del programa
desplazando el cursor por los bloques. LOGO! muestra como máximo 31*31 bloques en la
ventana del programa.
3.7.2
Primer programa
El siguiente circuito en paralelo consta de dos interruptores.

Programar LOGO!
3.7 Introducir e iniciar el programa
LOGO!
Manual de producto, 07/2016, A5E33039720 - AC 75
Diagrama electrónico
El diagrama electrónico correspondiente muestra lo siguiente:
Traducido a un programa LOGO!, se utiliza un bloque OR para controlar el relé K1 en la
salida Q1.
Programa
El interruptor S1 se conecta a la entrada I1 y el interruptor S2, a la entrada I2. Las entradas
I1 e I2 se conectan a los conectores del bloque OR.
El aspecto correspondiente del programa en LOGO! es el siguiente:
Cableado
El cableado correspondiente es el siguiente:
S1 y S2 conmutan las entradas I1 e I2 respectivamente. La carga se conecta al relé Q1.

Programar LOGO!
3.7 Introducir e iniciar el programa
LOGO!
76 Manual de producto, 07/2016, A5E33039720 - AC
3.7.3
Introducir el programa
Ahora ya puede introducir el programa, comenzando en la salida y finalizando en la entrada.
LOGO! muestra inicialmente la salida:
Aparecerá un cuadrado sólido en Q1, es el
cursor
. El cursor indica la posición actual en el
programa. Puede desplazar el cursor pulsando las teclas , , y . Pulse ahora la tecla
. El cursor se desplaza hacia la izquierda.
Introduzca aquí solo el primer bloque (OR). Pulse
OK
para seleccionar el modo de edición.
El cursor aparece ahora en forma de cuadrado sólido parpadeante. LOGO! ofrece aquí
varias opciones.
Seleccione GF (funciones básicas) pulsando la tecla hasta que aparezca GF y confirme
con
OK
. LOGO! visualizará el primer bloque de la lista de funciones básicas:
Pulse
OK
para seleccionar el modo de edición, con lo que LOGO! mostrará el cursor en
forma de cuadrado sólido intermitente. Pulse ahora o hasta que el bloque OR aparezca
en el display:
Pulse
OK
para confirmar las entradas efectuadas y salir del diálogo.

Programar LOGO!
3.7 Introducir e iniciar el programa
LOGO!
Manual de producto, 07/2016, A5E33039720 - AC 77
Ha introducido el primer bloque. LOGO! asigna automáticamente un número de bloque a
cada bloque nuevo. Si se asigna un nombre al bloque, LOGO! muestra el nombre del bloque
en lugar del número. El nombre de bloque se asigna según convenga:
Pulse para desplazar el cursor hasta "B1".
Pulse
OK
y el cursor aparecerá en forma de cuadrado sólido intermitente. Pulse ahora y
para listar en orden ascendente o descendente del alfabeto, números y caracteres
especiales. Encontrará más información sobre el juego de caracteres disponible en el
apartado "Asignar el nombre del programa (Página 80)".
Una vez finalizados los cambios pulse
OK
para confirmar.
Seguidamente, conecte las entradas del bloque del siguiente modo:
Pulse para colocar el cursor en In1 y
OK
para seleccionar el modo de edición.
Pulse o para seleccionar la lista de entradas digitales.
El primer elemento de la lista
de
entradas digitales es la entrada 1, es decir, "
I1
". Pulse para desplazar el cursor hasta el
número de entrada y, a continuación, utilice o para seleccionar la entrada deseada (I1
a I24).

Programar LOGO!
3.7 Introducir e iniciar el programa
LOGO!
78 Manual de producto, 07/2016, A5E33039720 - AC
Nota
Las entradas F1, F2, F3 y F4 se corresponden con las cuatro teclas de función del
LOGO! TDE opcional.
La serie de dispositivos 0BA8 ofrece más bits de registro de desplazamiento (S1.1 a S4.8),
conectores libres (X1 a X64) y marcas analógicas (AM1 a AM64).
La serie de dispositivos 0BA8 dispone de entradas digitales de red (NI1 a NI64), entradas
analógicas de red (NAI1 a NAI32), salidas digitales de red (NQ1 a NQ64) y salidas
analógicas de red (NAQ1 a NAQ16). El LOGO! 0BA8 no incluye estas entradas y salidas
hasta que no se configuran en un programa con LOGO!Soft Comfort V8.1 y se descarga el
programa en el dispositivo LOGO! 0BA8.
Después de seleccionar I1 en el display aparece lo siguiente:
Pulse
OK
para confirmar. I1 se ha conectado a la entrada del bloque OR.
Conecte ahora la entrada I2 con la entrada del bloque OR:
1. Desplace el cursor hasta In2: pulse o
2. Cambie al modo de edición: pulse
OK
3. Seleccione la lista de entradas digitales: pulse o
4. Desplace el cursor hasta el número de entrada: pulse
5. Seleccione
I2
: pulse o
6. Aplique I2: pulse
OK
I2 se ha conectado a la segunda entrada del bloque OR:

Programar LOGO!
3.7 Introducir e iniciar el programa
LOGO!
Manual de producto, 07/2016, A5E33039720 - AC 79
Nota
Puede invertir entradas individuales de funciones básicas y especiales. De este modo, si
una entrada tiene una señal lógica "1", puede hacer que el programa dé un "0" lógico como
salida. También existe la posibilidad de hacer que LOGO! invierta una señal lógica "0" en un
"1" lógico.
Para invertir una entrada, sitúe el cursor en la posición deseada, por ejemplo:
Confirme con
OK
.
Pulse o para invertir esta entrada:
Pulse luego
ESC
.
Puede revisar su primer programa pulsando o para desplazar el cursor a través del
programa.
Para salir del modo de programación y regresar al menú de programación, pulse
ESC
Nota
LOGO! ha guardado el programa en la memoria no volátil. El programa permanece en la
memoria de LOGO! hasta que lo borre explícitamente.
Los valores reales de las funciones especiales pueden guardarse en caso de un corte de
alimentación, siempre que estas funciones soporten el parámetro "Remanencia" y que esté
disponible la memoria de programa necesaria. De forma estándar, LOGO! desactiva el
parámetro "Remanencia" cuando se inserta una función. Para poder utilizarlo es preciso
habilitar esta opción.

Programar LOGO!
3.7 Introducir e iniciar el programa
LOGO!
80 Manual de producto, 07/2016, A5E33039720 - AC
3.7.4
Asignar el nombre del programa
Es posible asignar al programa un nombre que puede comprender 16 caracteres como
máximo, incluyendo mayúsculas y minúsculas, números y caracteres especiales.
1. En el menú principal en modo de programación, pulse o para situar el cursor en
"①".
2. Para confirmar "①", pulse
OK
.
3. Pulse o para desplazar el cursor a "②".
4. Para confirmar "②", pulse
OK
.
Pulse y para listar en orden ascendente o descendente el alfabeto, números y
caracteres especiales. Puede seleccionar cualquier letra, número o carácter.
Si desea introducir un espacio en blanco, pulse para desplazar el cursor hasta la
siguiente posición. Este es el primer carácter de la lista.
Ejemplos:
Pulse una vez para seleccionar una "
A
". Pulse cuatro veces para seleccionar una "
D
",
y así sucesivamente.
Están disponibles los caracteres del siguiente conjunto:
A B C D E F G H I J K L M N O
P Q R S T U V W X Y Z 0 1 2 3 4
5 6 7 8 9 ! " # $ % & ' ( ) * +
, - . / : ; < = > ? @ [ \ ] ^ _
` { | } ∼ a b c d e f g h i j k
l m n o p q r s t u v w x y z
Si por ejemplo desea asignar al programa el nombre "
ABC
", proceda del siguiente modo:
1. Seleccione "
A
": pulse
2. Vaya a la siguiente letra: pulse
3. Seleccione "
B
": pulse
4. Vaya a la siguiente letra: pulse
5. Seleccione "
C
": pulse
6. Confirme el nombre completo: pulse
OK

Programar LOGO!
3.7 Introducir e iniciar el programa
LOGO!
Manual de producto, 07/2016, A5E33039720 - AC 81
El programa se denomina ahora "
ABC
" y LOGO! regresa al menú de programación.
Para
cambiar
el nombre del programa, proceda de la misma manera.
Nota
El nombre del programa solo se puede cambiar en modo de programación. Si el programa
se ha guardado protegido por una contraseña, no será posible cambiar el nombre del
programa hasta no haber introducido la contraseña correcta (consulte el apartado
"Programas protegidos por contraseña (Página 81)"). El nombre se puede
leer
tanto en
modo de programación
como
en modo de parametrización.
3.7.5
Programas protegidos por contraseña
Un programa puede protegerse por contraseña contra accesos no autorizados.
La contraseña de un programa se puede asignar, cambiar o desactivar desde un LOGO!
Basic, LOGO!Soft Comfort o desde un LOGO! TDE.
Nota
En LOGO! solo se puede asignar una contraseña para proteger los programas.
Asignar una contraseña de programa desde LOGO! Basic
Una contraseña puede tener una longitud máxima de 10 caracteres, permitiéndose solo
mayúsculas. En el LOGO! Basic, la contraseña se puede asignar, editar o desactivar
únicamente en modo de programación.
Para introducir una contraseña, proceda del siguiente modo en el menú de programación:
1. Desplace el cursor hasta "①": pulse o
2. Confirme "①": pulse
OK
3. Desplace el cursor hasta "②": pulse o
4. Confirme "②": pulse
OK
5. Pulse o para desplazarse arriba y abajo por el alfabeto, con objeto de seleccionar
las letras. Puesto que en LOGO! Basic solo pueden utilizarse mayúsculas para la

Programar LOGO!
3.7 Introducir e iniciar el programa
LOGO!
82 Manual de producto, 07/2016, A5E33039720 - AC
contraseña, puede acceder fácilmente a las letras "al final" del alfabeto por medio del
botón :
Pulse una vez para seleccionar "
Z
"
Pulse dos veces para seleccionar "
Y
", y así sucesivamente.
En el display aparece lo siguiente:
Por ejemplo, para introducir la contraseña "
AA
", proceda del mismo modo que para
introducir el nombre del programa.
6. Seleccione "
A
": pulse
7. Vaya a la siguiente letra: pulse
8. Seleccione "
A
": pulse
En el display aparece entonces lo siguiente:
9. Confirme la contraseña: pulse
OK
El programa queda protegido por la contraseña "
AA
" y LOGO! regresa al menú de
programación.
Nota
La entrada de una nueva contraseña puede cancelarse con
ESC
. En este caso, LOGO!
Basic regresa al menú de programación sin haber guardado la contraseña.
También es posible asignar una contraseña con LOGO!Soft Comfort o LOGO! TDE. Un
programa protegido por contraseña no se puede editar en un módulo base LOGO! ni cargar
en LOGO!Soft Comfort si no se introduce la contraseña correcta.
Para poder crear y editar un programa para una tarjeta de memoria protegida, debe asignar
una contraseña al nuevo programa (Página 312).

Programar LOGO!
3.7 Introducir e iniciar el programa
LOGO!
Manual de producto, 07/2016, A5E33039720 - AC 83
Cambiar la contraseña desde LOGO! Basic
Para cambiar la contraseña, debe conocer la contraseña actual. En el menú de
programación, proceda del siguiente modo para cambiar la contraseña:
1. Desplace el cursor hasta "①": pulse o
2. Confirme "①": pulse
OK
El display visualiza lo siguiente:
Introduzca la contraseña antigua (en este caso: '
AA
'), repitiendo los pasos 5 a 9 descritos
anteriormente. Pulse
OK
.
Ahora puede introducir la nueva contraseña, p. ej. "
ZZ
".
3. Desplace el cursor hasta "②": pulse o
4. Confirme "②": pulse
OK
5. Seleccione "
Z
": pulse
6. Vaya a la siguiente letra: pulse
7. Seleccione "
Z
": pulse
8. Confirme la contraseña nueva: pulse
OK
La contraseña es ahora "
ZZ
" y LOGO! regresa al menú de programación.
Desactivar la contraseña desde LOGO! Basic
Para desactivar la contraseña, p. ej. para permitir a otro usuario editar el programa, debe
conocer la contraseña actual (en nuestro ejemplo "
ZZ
").

Programar LOGO!
3.7 Introducir e iniciar el programa
LOGO!
84 Manual de producto, 07/2016, A5E33039720 - AC
Para desactivar la contraseña, proceda del siguiente modo en el menú de programación:
1. Desplace el cursor hasta "①": pulse o
2. Confirme "①": pulse
OK
Introduzca su contraseña actual como aparece descrito en los pasos 5 a 7 anteriores.
Confirme las entradas efectuadas con
OK
.
3. Desplace el cursor hasta "②": pulse o
4. Confirme "②": pulse
OK
El display visualiza lo siguiente:
Otra posibilidad consiste en seleccionar "③" y borrar la contraseña dejando el campo de
entrada vacío.
5. Pulse cualquier tecla y LOGO! regresará al menú de programación. La contraseña se ha
borrado.
Nota
Esta acción inhibe también la solicitud de contraseña, permitiendo así acceder al programa
sin introducir una contraseña.
Deje la contraseña
desactivada
para poder avanzar más rápidamente por los demás
ejercicios y ejemplos.

Programar LOGO!
3.7 Introducir e iniciar el programa
LOGO!
Manual de producto, 07/2016, A5E33039720 - AC 85
Contraseña incorrecta
Si se introduce una contraseña
incorrecta
y se confirma con
OK
, LOGO! Basic no abrirá el
modo de edición y el display mostrará lo siguiente:
En este caso, pulse cualquier tecla y LOGO! regresará al menú de programación. Esto se
repite una y otra vez hasta que se introduzca la contraseña correcta.
3.7.6
Cambiar LOGO! a modo RUN
Para cambiar LOGO! a modo RUN, proceda del siguiente modo:
1. Regrese al menú principal: pulse
ESC
2. Desplace el cursor hasta "①": pulse o
3. Confirme "①": pulse
OK
. El display visualiza lo siguiente:
4. Pulse para desplazar el cursor hasta "②" y pulse
OK
.
LOGO! ejecuta el programa y muestra lo siguiente:
La pantalla inicial de LOGO! muestra una de las siguientes opciones:
● Fecha y hora actuales (solo en versiones con reloj en tiempo real). Este elemento
parpadea si no se han ajustado la fecha y la hora.
● Entradas digitales
● Menú de parametrización
Es posible seleccionar el ajuste estándar de la pantalla de inicio que LOGO! muestra en
modo RUN. Encontrará más información en el apartado "Ajustar la pantalla inicial
(Página 298)".

Programar LOGO!
3.7 Introducir e iniciar el programa
LOGO!
86 Manual de producto, 07/2016, A5E33039720 - AC

Programar LOGO!
3.7 Introducir e iniciar el programa
LOGO!
Manual de producto, 07/2016, A5E33039720 - AC 87
Visualizar los cambios de valores analógicos
Los cambios de valor de todas las entradas y salidas analógicas pueden visualizarse en
forma de curva cuando LOGO! está en modo RUN. Así, por ejemplo, para visualizar los
cambios de valor de AI3, proceda del siguiente modo:
1. Cambie LOGO! a modo RUN.
2. Mueva el display hasta la pantalla AI (3/9): pulse o

Programar LOGO!
3.7 Introducir e iniciar el programa
LOGO!
88 Manual de producto, 07/2016, A5E33039720 - AC
3. Desplace el cursor hasta AI3: pulse o
4. Pulse
OK
para confirmar la selección. Ahora el display muestra los cambios en los
valores AI3 en forma de curva, por ejemplo:
El display se actualiza constantemente y la curva se desplaza hacia la izquierda del
display bit a bit. Si se pulsa o , la pantalla se mueve hacia la izquierda o la derecha
para visualizar los cambios anteriores o posteriores, respectivamente.
¿Qué significa "LOGO! está en modo RUN"?
En modo RUN, LOGO! ejecuta el programa. LOGO! lee primero el estado de las entradas,
determina el estado de las salidas por medio del programa y las activa o desactiva según
los ajustes efectuados.
LOGO! indica el estado de las E/S de la manera siguiente:
En este ejemplo, solo las entradas I1 e I15 y las salidas Q8 y Q12 se ponen a "high".

Programar LOGO!
3.7 Introducir e iniciar el programa
LOGO!
Manual de producto, 07/2016, A5E33039720 - AC 89
Indicación de estado en el display
En base a este ejemplo se ve cómo LOGO! muestra los estados de las entradas y salidas:
3.7.7
Segundo programa
Hasta ahora ha creado correctamente el primer programa, le ha asignado un nombre y,
opcionalmente, una contraseña. En este apartado aprenderá a modificar los programas
existentes y a utilizar las funciones especiales.
Por medio de este segundo programa aprenderá a llevar a cabo las tareas siguientes:
● Agregar un bloque en un programa existente
● Seleccionar un bloque para una función especial
● Asignar parámetros
Modificación de circuitos
Para el segundo programa se utilizará el primero como base con algunos cambios.
Para comenzar, veamos el esquema de conexiones del segundo programa:
El programa tiene el siguiente aspecto en LOGO!:

Programar LOGO!
3.7 Introducir e iniciar el programa
LOGO!
90 Manual de producto, 07/2016, A5E33039720 - AC
Puede ver el bloque OR y el relé de salida Q1 utilizados en el primer programa. La única
diferencia es el nuevo bloque de retardo a la desconexión.
Edición del programa
Para editar el programa, proceda del siguiente modo:
1. Conmute LOGO! a modo de programación. Consulte el apartado "Las 4 reglas de oro
para manejar LOGO! (Página 68)" para más información.
2. En el menú principal, sitúe el cursor en "①": pulse o
3. Confirme "①": pulse
OK
. El display visualiza lo siguiente:
4. En el menú de programación, sitúe el cursor en "②": pulse o
5. Confirme "②": pulse
OK
. Dado el caso, introduzca la contraseña cuando se le solicite y
confírmela con
OK
.
6. En la ventana del programa, pulse
OK
para que el cursor se convierta en un cuadrado
sólido.
Ahora puede modificar el programa existente.
Insertar un bloque adicional en un programa
Pulse para situar el cursor en B1 (B1 es el número del bloque OR):
Inserte el nuevo bloque en esta posición.
Confirme con
OK
y el cursor aparecerá en forma de cuadrado sólido intermitente.

Programar LOGO!
3.7 Introducir e iniciar el programa
LOGO!
Manual de producto, 07/2016, A5E33039720 - AC 91
Pulse dos veces para seleccionar la lista SF. La lista SF contiene los bloques de función
especiales.
Pulse
OK
.
LOGO! muestra el bloque de la primera función especial:
Cuando se selecciona un bloque de función especial o básico, LOGO! muestra el bloque de
función correspondiente y coloca el cursor en forma de cuadrado sólido sobre el bloque.
Pulse
OK
para entrar en el modo de edición y el cursor adoptará la forma de un cuadrado
sólido intermitente. Pulse o para seleccionar el bloque deseado.
Seleccione el bloque (retardo a la desconexión, v. figura siguiente) y pulse
OK
:
Pulse para desplazar el cursor hasta Trg y pulse
OK
a continuación.
Pulse o para seleccionar B1 y confirme con
OK
.
LOGO! conecta automáticamente la entrada superior del nuevo bloque con B1, que
previamente se había conectado a Q1. Tenga en cuenta que solo es posible interconectar
entradas digitales con salidas digitales, o bien entradas analógicas con salidas analógicas.
En caso contrario, LOGO! elimina el bloque "antiguo".

Programar LOGO!
3.7 Introducir e iniciar el programa
LOGO!
92 Manual de producto, 07/2016, A5E33039720 - AC
El bloque de retardo a la desconexión tiene dos entradas y un parámetro. La entrada
superior es la entrada de disparo (Trg), que activa el tiempo de retardo a la desconexión. En
nuestro ejemplo, el bloque OR B1 dispara el retardo a la desconexión. El tiempo y la salida
se reinician con una señal en la entrada de reset (R). Ajuste el tiempo de retardo a la
desconexión en el parámetro T de Par.
Asignar parámetros de bloque
Ajuste ahora el tiempo de retardo a la desconexión T:
1. Desplace el cursor hasta
Par
: pulse
2. Cambie al modo de edición: pulse
OK
LOGO! muestra los parámetros en la ventana de parametrización:
Para cambiar el valor de tiempo, proceda del siguiente modo:
1. Desplace el cursor hasta el valor de tiempo: pulse
2. Cambie al modo de edición: pulse
OK
3. Pulse y para posicionar el cursor.
4. Pulse y para modificar el valor en la posición deseada.
5. Confirme las entradas efectuadas con
OK
.
Ajustar el tiempo
Ajuste el tiempo T = 12:00 minutos:
1. Desplace el cursor hasta la primera posición: pulse o
2. Seleccione la cifra "1": pulse o
3. Desplace el cursor hasta la segunda posición: pulse o
4. Seleccione la cifra "2": pulse o
5. Coloque el cursor sobre la unidad: pulse o
6. Seleccione la base de tiempo "m" para minutos: pulse o
7. Confirme las entradas efectuadas con
OK
.

Programar LOGO!
3.7 Introducir e iniciar el programa
LOGO!
Manual de producto, 07/2016, A5E33039720 - AC 93
Mostrar/ocultar parámetros - modo de protección de parámetros
Para mostrar u ocultar un parámetro y permitir o impedir que sea modificado en el modo de
parametrización, proceda del siguiente modo:
1. Desplace el cursor hasta "-/": pulse o
2. Cambie al modo de edición: pulse
OK
3. Seleccione el tipo de protección: pulse o
El display debería mostrar lo siguiente:
4. Confirme las entradas efectuadas con
OK
.
Activar o desactivar la remanencia
Para decidir si los datos actuales deben conservarse tras un corte de alimentación, proceda
del siguiente modo:
1. Desplace el cursor hasta "-/": pulse o
2. Cambie al modo de edición: pulse
OK
3. Coloque el cursor sobre el tipo de remanencia: pulse o
4. Seleccione el tipo de remanencia: pulse o
El display visualiza lo siguiente:
5. Confirme las entradas efectuadas con
OK
.

Programar LOGO!
3.7 Introducir e iniciar el programa
LOGO!
94 Manual de producto, 07/2016, A5E33039720 - AC
Nota
Para más información respecto al modo de protección, consulte el apartado "Protección de
parámetros (Página 142)".
Para más información respecto a la remanencia, consulte el apartado "Remanencia
(Página 142)".
El modo de protección y el ajuste de remanencia solo pueden modificarse en el modo de
programación. Eso
no
es posible en el modo de parametrización.
LOGO! muestra los ajustes para el modo de protección ("+" o "-") y la remanencia ("R" o "/")
solo allí donde dichos ajustes pueden modificarse realmente.
Control del programa
Ahora se ha completado la rama del programa para Q1 y LOGO! muestra la salida Q1.
Puede volver a visualizar el programa en el display. Utilice las teclas para desplazarse por el
programa, es decir, pulse o para ir de un bloque a otro, o bien y para desplazarse
entre las entradas de un bloque.
Salir del modo de programación
Para salir del modo de programación una vez finalizada esta, proceda del siguiente modo:
1. Regrese al menú de programación: pulse
ESC
2. Regrese al menú principal: pulse
ESC
3. Desplace el cursor hasta "①": pulse o
4. Confirme "①": pulse
OK
LOGO! está de nuevo en modo RUN:

Programar LOGO!
3.7 Introducir e iniciar el programa
LOGO!
Manual de producto, 07/2016, A5E33039720 - AC 95
3.7.8
Borrar un bloque
Supongamos que desea borrar el bloque B2 del programa y conectar B1 directamente a Q1.
Para borrar este bloque, proceda del siguiente modo:
1. Conmute LOGO! a modo de programación.
(Encontrará cómo hacerlo en el apartado "Las 4 reglas de oro para manejar LOGO!
(Página 68)").
2. Seleccione "①": pulse o
3. Confirme "①": pulse
OK
4. Seleccione "②": pulse o
5. Confirme "②": pulse
OK
(Dado el caso, introduzca la contraseña y confírmela con
OK
.)
6. Pulse
OK
en la ventana del programa y el cursor adoptará la forma de un cuadrado
oscuro.
7. Desplace el cursor hasta el bloque Q1 y pulse
OK
.
8. Desplace el cursor hasta B2, la entrada de Q1, y confirme con
OK
.
9. Sustituya ahora el bloque B2 por el bloque B1 en la salida Q1.
– Desplace el cursor hasta el 2 de B2: pulse
– Seleccione 'B1': pulse
– Aplique 'B1': pulse
OK

Programar LOGO!
3.7 Introducir e iniciar el programa
LOGO!
96 Manual de producto, 07/2016, A5E33039720 - AC
Resultado:
LOGO! borra el bloque B2 del programa y conecta la salida de B1 directamente
a la salida Q1.
3.7.9
Borrar grupos de bloques
Supongamos que desea borrar los bloques B1 y B2 del segundo programa de ejemplo
(consulte el apartado "Segundo programa (Página 89)").
Para borrar estos dos bloques del programa, proceda del siguiente modo:
1. Conmute LOGO! a modo de programación.
(Encontrará cómo hacerlo en el apartado "Las 4 reglas de oro para manejar LOGO!
(Página 68)").
2. Para seleccionar "①": pulse o
3. Para confirmar "①": pulse
OK
4. Para seleccionar "②": pulse o
5. Para confirmar "②": pulse
OK
(Dado el caso, introduzca la contraseña y confírmela con
OK
.)
6. Pulse
OK
en la ventana del programa y el cursor adoptará la forma de un cuadrado
oscuro.
7. Desplace el cursor hasta el bloque Q1 y pulse
OK
.

Programar LOGO!
3.7 Introducir e iniciar el programa
LOGO!
Manual de producto, 07/2016, A5E33039720 - AC 97
8. Desplace el cursor hasta B2, la entrada de Q1, y confirme con
OK
.
9. Ajuste ahora el conector libre en la salida Q1 en vez del bloque B2:
– Seleccione el conector libre: pulse o
– Aplique el conector libre: pulse
OK
Resultado:
LOGO! borra del programa el bloque B2 y todos los bloques conectados a B2
(en este caso, el bloque B1).
3.7.10
Corregir errores de programación
Los errores de programación pueden corregirse fácilmente en LOGO!. Siempre que todavía
esté en modo de edición, es posible deshacer un paso pulsando
ESC
. Si ya ha configurado
todas las entradas, solo tiene que reconfigurar la entrada errónea:
1. Sitúe el cursor en la posición errónea.
2. Cambie al modo de edición: pulse
OK
.
3. Introduzca el circuito de entrada correcto.
Un bloque solo puede sustituirse por otro que tenga exactamente la misma cantidad de
entradas. Sin embargo, también puede borrar el bloque antiguo e insertar uno nuevo. Puede
seleccionar cualquier bloque nuevo.
3.7.11
Seleccionar valores analógicos de salida para un cambio de RUN a STOP
Existe la posibilidad de ajustar el comportamiento de un máximo de ocho salidas analógicas
cuando LOGO! cambia del modo RUN al modo STOP. Para ajustar el comportamiento de
las salidas analógicas en un cambio de RUN a STOP, proceda del siguiente modo:
1. En el menú de programación, sitúe el cursor en "①": pulse o .
2. Seleccione "①": pulse
OK.
3. Desplace el cursor hasta "
AQ
": Pulse o .
4. Seleccione "
AQ
": pulse
OK

Programar LOGO!
3.7 Introducir e iniciar el programa
LOGO!
98 Manual de producto, 07/2016, A5E33039720 - AC
5. Desplace el cursor hasta "②": pulse o .
6. Seleccione "②": Pulse
OK.
LOGO! visualizará lo siguiente:
El círculo con un punto situado delante de "④" indica el ajuste actual de los canales de
salida analógicos.
Puede seleccionar "③" o "④". El ajuste predeterminado es "④", que significa que
LOGO! mantiene los últimos valores de las salidas analógicas. Si el ajuste es "③"
significa que LOGO! pone valores específicos en las salidas analógicas, valores que
pueden configurarse. Cuando LOGO! cambia de modo RUN a STOP, los valores de las
salidas analógicas cambian asimismo en función del ajuste.
7. Seleccione el ajuste deseado para las salidas: pulse o .
8. Confirme su entrada: pulse
OK.

Programar LOGO!
3.7 Introducir e iniciar el programa
LOGO!
Manual de producto, 07/2016, A5E33039720 - AC 99
Definir un valor analógico de salida específico
Para aplicar un valor analógico específico a las salidas analógicas, proceda del siguiente
modo:
1. Desplace el cursor hasta "③": Pulse o .
2. Confirme "③": pulse
OK.
El display muestra lo siguiente:
3. Seleccione la salida analógica que desee y pulse
OK
.
4. Introduzca un valor específico para la salida analógica.
5. Para confirmar la entrada pulse
OK
.
3.7.12
Definir el tipo de las salidas analógicas
Las salidas analógicas pueden ser de 0..10V/0..20mA (ajuste estándar), o bien de 4..20mA
.
Para definir el tipo de las salidas analógicas, proceda del siguiente modo a partir del menú
de programación:
1. Desplace el cursor hasta en "①": pulse o
2. Seleccione "①": pulse
OK

Programar LOGO!
3.7 Introducir e iniciar el programa
LOGO!
100 Manual de producto, 07/2016, A5E33039720 - AC
3. Desplace el cursor hasta "
AQ
": pulse o
4. Seleccione "
AQ
": pulse
OK
5. Desplace el cursor hasta "②": pulse o
6. Seleccione "②": pulse
OK
LOGO! visualizará lo siguiente:
7. Desplace el cursor hasta la AQ deseada y pulse
OK
.
LOGO! indica el tipo definido para el canal analógico marcándolo con un círculo y un
punto en medio.
8. Seleccione 0..10V/0..20mA (ajuste predeterminado) o 4..20mA: pulse o
9. Confirme la selección: pulse
OK
.
3.7.13
Ajuste del retardo a la conexión en LOGO!
Existe la posibilidad de establecer un retardo a la conexión en LOGO! para asegurarse de
que todos los módulos de ampliación conectados están encendidos y operativos antes de
que LOGO! ejecute los programas.
Para activar el retardo a la conexión, proceda del siguiente modo:
1. En el menú de programación, sitúe el cursor en "①": pulse o
2. Confirme "①": pulse
OK
.

Programar LOGO!
3.7 Introducir e iniciar el programa
LOGO!
Manual de producto, 07/2016, A5E33039720 - AC 101
3. Desplace el cursor hasta "②": pulse o
4. Confirme "②": pulse
OK
. LOGO! visualizará lo siguiente:
5. Pulse o para aumentar o reducir el tiempo de retardo en 0,2 s, respectivamente.
También es posible pulsar o y mantenerlo pulsado para aumentar o reducir
respectivamente el tiempo con rapidez.
6. Confirme el ajuste: pulse
OK
.
3.7.14
Borrar el programa y la contraseña
Para borrar un programa y la contraseña (si se ha definido), proceda del siguiente modo:
1. Conmute el LOGO! al modo de programación. LOGO! abre el menú principal:
2. En el menú principal, pulse o para colocar el cursor en "①". Pulse
OK
. LOGO! abre
el menú de programación.
3. En el menú de programación, sitúe el cursor en "②": pulse o

Programar LOGO!
3.7 Introducir e iniciar el programa
LOGO!
102 Manual de producto, 07/2016, A5E33039720 - AC
4. Confirme "②": pulse
OK
5. Si está seguro de querer borrar el programa de la memoria, desplace el cursor a "③" y
confirme con
OK
. LOGO! borra el programa y la contraseña.
Si no desea borrar el programa, deje el cursor en "④" y pulse
OK
.
3.7.15
Cambio de horario de verano/invierno
El cambio automático entre el horario de verano y el horario de invierno se puede activar y
desactivar.
Nota
El horario de verano equivale al "horario de ahorro de luz" y el horario de invierno, al
"horario estándar" en los Estados Unidos.

Programar LOGO!
3.7 Introducir e iniciar el programa
LOGO!
Manual de producto, 07/2016, A5E33039720 - AC 103
Para activar o desactivar el cambio automático de horario de verano/invierno en el modo de
programación:
1. Conmute LOGO! a modo de programación. LOGO! visualiza el menú principal.
2. Seleccione "①": pulse o .
3. Confirme "①": pulse
OK .
4. Desplace el cursor hasta "②": pulse o .
5. Confirme "②": pulse
OK .
6. Desplace el cursor hasta "③": pulse o .

Programar LOGO!
3.7 Introducir e iniciar el programa
LOGO!
104 Manual de producto, 07/2016, A5E33039720 - AC
7. Confirme "③": pulse
OK .
LOGO! visualizará lo siguiente:
El ajuste actual del cambio automático de horario de verano/invierno se indica por medio
de un círculo con un punto. El ajuste predeterminado es "④": (desactivado).
¿Qué se visualiza en el display?
– "④": LOGO! desactiva el cambio automático de horario de verano/invierno.
– "⑤" representa el inicio y fin del horario de verano en Europa.
– "⑥" representa el inicio y fin del horario de verano en el Reino Unido.
– "⑦" representa el inicio y fin del horario de verano en los EE.UU. antes de 2007.
– "⑧" representa el inicio y fin del horario de verano en los EE.UU. a partir de 2007.
– "⑨" representa el inicio y fin del horario de verano en Australia.
– "⑩" representa el inicio y fin del horario de verano en Australia y Tasmania.
– "⑪" representa el inicio y fin del horario de verano en Nueva Zelanda.
– "⑫": aquí puede introducir el mes, el día y la diferencia horaria.
En la tabla siguiente se indican los cambios preajustados:
Comand
o de
menú
Inicio del horario de verano
Fin del horario de verano
Diferencia
horaria Δ
⑤ Último domingo de marzo:
02:00→03:00 Último domingo de octubre:
03:00→02:00 60 minutos
⑥ Último domingo de marzo:
01:00→02:00 Último domingo de octubre:
02:00→01:00 60 minutos
⑦ Primer domingo de abril:
02:00→03:00 Último domingo de octubre:
02:00→01:00 60 minutos
⑧ Segundo domingo de marzo:
02:00→03:00 Primer domingo de noviembre:
02:00→01:00 60 minutos
⑨ Último domingo de octubre:
02:00→03:00 Primer domingo de abril:
03:00→02:00 60 minutos
⑩ Primer domingo de octubre:
02:00→03:00 Primer domingo de abril:
03:00→02:00 60 minutos
⑪ Último domingo de septiembre:
02:00→03:00 Primer domingo de abril:
03:00→02:00 60 minutos

Programar LOGO!
3.7 Introducir e iniciar el programa
LOGO!
Manual de producto, 07/2016, A5E33039720 - AC 105
Comand
o de
menú
Inicio del horario de verano
Fin del horario de verano
Diferencia
horaria Δ
⑫ Mes y día personalizados;
02:00→02:00 + diferencia horaria Mes y día personalizados;
diferencia horaria:
03:00→03:00 - diferencia
horaria
Personalizada
(indicación en
minutos)
8. Para activar el cambio de horario de verano/invierno y ajustar los parámetros, pulse o
con el fin de seleccionar la conversión deseada y, a continuación, pulse
OK
para
confirmar.
Nota
Se puede determinar una diferencia horaria Δ de entre 0 y 180 minutos.
Activar o desactivar el cambio automático de horario de verano/invierno en modo de parametrización
Si desea activar o desactivar el cambio automático de horario de verano/invierno en modo
de parametrización, seleccione "①" en el menú de parametrización y luego los menús "②"
y "③". A continuación puede activar o desactivar el cambio entre los horarios de verano y
de invierno.
Parámetros personalizados
Si ninguno de los parámetros o ajustes son aplicables a su país, proceda del siguiente modo
para personalizarlos:
1. Desplace el cursor hasta el comando de menú "①": Pulse o .
2. Confirme con
OK
.
El display muestra lo siguiente:

Programar LOGO!
3.7 Introducir e iniciar el programa
LOGO!
106 Manual de producto, 07/2016, A5E33039720 - AC
Supongamos por ejemplo que desea configurar los parámetros siguientes:
● Inicio del horario de verano = 31 de marzo
● Fin del horario de verano = 1 de noviembre
● Diferencia horaria: 120 min
Para configurar estos ajustes, proceda del siguiente modo:
1. Pulse o para desplazar el cursor el forma de cuadrado oscuro parpadeante.
2. Pulse y para modificar el valor en la posición del cursor.
El display muestra lo siguiente:
3. Confirme todas las entradas efectuadas con
OK
.
Con ello ha personalizado el cambio de horario de verano/invierno.
Nota
El cambio de horario de verano/invierno solo se efectúa si LOGO! está funcionando en
modo RUN o STOP. No funciona cuando el reloj interno en tiempo real de LOGO! retoma el
funcionamiento después de un corte de alimentación (consulte el apartado "Respaldo del
reloj en tiempo real (Página 142)").
3.7.16
Network Time Protocol (solo LOGO! 8.FS4)
La función Network Time Protocol (NTP) es nueva y solo es compatible con LOGO! 8.FS4
BM. Se usa para la sincronización horaria de la red.
NTP incluye tres ajustes de función:
● Cliente NTP
El cliente NTP se utiliza para configurar la función NTP; LOGO! 8.FS4 BM puede
funcionar a la vez de servidor y cliente NTP. Para que LOGO! BM sincronice la hora del

Programar LOGO!
3.7 Introducir e iniciar el programa
LOGO!
Manual de producto, 07/2016, A5E33039720 - AC 107
servidor NTP, hay que ajustar el módulo base como cliente NTP y configurar primero su
IP de servidor NTP.
● Servidor NTP
El servidor NTP es simplemente un servidor de reacción. Mientras la función Broadcast
está desactivada solo puede proporcionar la hora de forma pasiva. LOGO! 8.FS4 puede
funcionar de servidor NTP. Al activarlo, LOGO! 8.FS4 funciona como proveedor de la
hora para todos los clientes NTP estándar, incluidos los clientes NTP de Windows/Linux,
LOGO! 8.FS4, etc.
● Zona horaria NTP
Los servidores/clientes NTP pueden sincronizar la hora en diferentes zonas horarias, por
lo que hay que ajustar la zona horaria NTP en LOGO! para tenerla de referencia. La
zona horaria NTP se utiliza para ajustar la zona horaria local en BM/TDE y LOGO!Soft
Comfort. El ajuste predeterminado es la zona horaria GMT.
La función NTP de LOGO! BM está desactivada por defecto. Se activa en el menú BM/TDE
o en LOGO!Soft Comfort.
Configurar NTP en modo de programación
Para configurar la función NTP, proceda del siguiente modo:
1. Conmute LOGO! a modo de programación. LOGO! visualiza el menú principal.
2. Seleccione "①": pulse o .
3. Confirme "①": pulse
OK.
4. Desplace el cursor hasta "②": pulse o .
5. Confirme "②": pulse
OK.
6. Desplace el cursor hasta "③": pulse o .
7. Aplique "③": pulse
OK.
8. A continuación se presentan tres opciones a elegir:

Programar LOGO!
3.7 Introducir e iniciar el programa
LOGO!
108 Manual de producto, 07/2016, A5E33039720 - AC
●
Zona horaria NTP
Los servidores/clientes NTP pueden sincronizar la hora en diferentes zonas horarias, por
lo que puede ajustarse una zona horaria en LOGO! 8.FS4 para las funciones NTP.
El ajuste predeterminado es la zona horaria GMT, aunque puede cambiarse por la zona
horaria local real tanto en BM/TDE como en LOGO!Soft Comfort.
●
Cliente NTP
Para que LOGO! BM sincronice la hora del servidor NTP, hay que ajustar el módulo base
como cliente NTP y configurar primero su IP de servidor NTP. Para LOGO! 8.FS4 puede
utilizarse cualquier servidor NTP estándar, como el servidor NTP de Windows/Linux, un
proveedor de hora estándar y el propio LOGO! 8.FS4.
Nota
Encontrará información detallada acerca de las funciones de seguridad en LOGO! en el
capítulo Seguridad (Página 309).
El cliente NTP está desactivado en el ajuste predeterminado pero puede activarse tanto
en BM/TDE como en LOGO!Soft Comfort.
Para activar la función de cliente NTP, proceda del siguiente modo:
– Desplace el cursor hasta "④": Pulse o .
– Aplique "④": pulse
OK.
– LOGO! visualizará lo siguiente:
Para activar la función de cliente NTP, pulse o para seleccionar "⑤";
Para saber si la petición de sincronización finaliza correctamente o falla, pulse o
para seleccionar "⑥" y confirme con
OK
. Si la última sincronización es correcta, el
panel de resultados de este comando de menú muestra el último sello de tiempo
sincronizado con un modo en tiempo real; en caso contrario se muestra "no
sincronizado".
Para activar la función de cliente NTP, proceda del siguiente modo:

Programar LOGO!
3.8 Configurar funciones adicionales para LOGO!
LOGO!
Manual de producto, 07/2016, A5E33039720 - AC 109
Nota
El cliente NTP puede sincronizar la hora del servidor NTP cada 4096 segundos, aunque
también puede hacerlo de forma inmediata cuando se dan los escenarios siguientes:
• Encendido del módulo base
• Transición de STOP a RUN del módulo base
• Modificación de la IP de servidor
• Seleccione "⑥"
●
Servidor NTP
El servidor NTP es simplemente un servidor de reacción. Mientras la función Broadcast
está desactivada solo puede proporcionar la hora de forma pasiva.
El servidor NTP está desactivado en el ajuste predeterminado pero puede activarse tanto
en BM/TDE como en LOGO!Soft Comfort.
LOGO! 8.FS4 puede funcionar de servidor NTP. Al activarlo, LOGO! 8.FS4 funciona
como proveedor de la hora para todos los clientes NTP estándar, incluidos los clientes
NTP de Windows/Linux, LOGO! 8.FS4, etc.
Configurar NTP en modo de parametrización
Si desea configurar la función NTP en modo de parametrización, seleccione "①" en el menú
de parametrización y luego los menús "②", "③" y "④". Seguidamente puede activar la
sincronización del cliente NTP seleccionando "⑤".
3.8
Configurar funciones adicionales para LOGO!
Tras haber creado correctamente el segundo programa es posible configurar funciones
adicionales por medio de los siguientes comandos de menú:
● Red
● Diagnóstico
UDF y registro de datos
Las funciones UDF y de registro de datos solo se pueden configurar con LOGO!Soft
Comfort. Una vez las haya configurado en LOGO!Soft Comfort y las haya descargado en el
dispositivo LOGO! 0BA8, podrá editar los elementos asociados a estas funciones desde el
dispositivo:
● UDFs (funciones personalizadas)
● Registro de datos

Programar LOGO!
3.8 Configurar funciones adicionales para LOGO!
LOGO!
110 Manual de producto, 07/2016, A5E33039720 - AC
E/S digitales y analógicas de red
Los siguientes conectores que representan entradas/salidas digitales o analógicas de red
solo se pueden configurar con LOGO!Soft Comfort:
● Entradas digitales de red
● Entradas analógicas de red
● Salidas digitales de red
● Salidas analógicas de red
Nota
Si en un dispositivo LOGO! 0BA8 hay un programa que contenga una entrada/salida digital
o analógica de red, solo podrá editar el parámetro "
Par
" de los bloques de función desde
LOGO!. No es posible editar ninguna otra parte del programa desde el dispositivo.
3.8.1
Configurar los ajustes de red
Un dispositivo LOGO! 0BA8 puede establecer una comunicación de red con otros
dispositivos LOGO! 0BA8, PLC SIMATIC S7, un SIMATIC HMI o un PC a través de
LOGO!Soft Comfort V8.1 (para más detalles consulte el apartado Configuración máxima de
red para LOGO! (Página 29)). La red LOGO! 0BA8 solo se puede configurar con LOGO!Soft
Comfort V8.1. Desde LOGO! 0BA8 se pueden configurar los ajustes de red de LOGO!
incluyendo la dirección IP, la máscara de subred y la pasarela.
Nota
Los ajustes de red de LOGO!, incluidas la dirección IP, la máscara de subred y la pasarela,
pueden configurarse únicamente con el nivel de acceso de administrador. Con el nivel de
acceso de operador solo es posible ver los ajustes de red, pero no cambiarlos.
Encontrará información detallada acerca de la seguridad de la red en LOGO! en el capítulo
Seguridad (Página 309).
Configurar los ajustes de red
LOGO! 0BA8 ofrece un comando de menú para configurar los ajustes de red.
1. Conmute LOGO! a modo de programación.
2. Pulse o para desplazar el cursor a "①".
3. Pulse
OK
para confirmar "①".

Programar LOGO!
3.8 Configurar funciones adicionales para LOGO!
LOGO!
Manual de producto, 07/2016, A5E33039720 - AC 111
4. Pulse o para desplazar el cursor a "②".
5. Pulse
OK
para confirmar "②". LOGO! mostrará la siguiente vista:
6. El display muestra ahora la dirección IP predeterminada de su LOGO!. Para cambiar el
ajuste pulse
OK
. Cuando el cursor aparezca en forma de cuadrado sólido intermitente,
pulse o para desplazarlo hasta la posición en que desee modificar el número, luego
pulse o para incrementar o decrementar el mismo, respectivamente. Para confirmar
el cambio pulse
OK
.
Nota
Dirección IP predeterminada de LOGO! 0BA8: 192.168.000.001
Dirección IP predeterminada de LOGO! TDE: 192.168.000.002
Dirección IP predeterminada de LOGO! 8.FS4: 192.168.000.003
LOGO! guarda un máximo de cuatro direcciones ajustadas previamente. Para ver los
últimos ajustes, pulse con el fin de desplazar el cursor hasta el símbolo " " y, a
continuación, pulse
OK
para abrir una lista desplegable, por ejemplo:
Pulse o para seleccionar una dirección de la lista previamente configurada y,
seguidamente, pulse
OK
para confirmar.
7. Pulse o para ir al ajuste de la máscara de subred. La máscara de subred
predeterminada es la que se indica arriba. Para cambiar el ajuste pulse
OK
. Cuando el
cursor aparezca en forma de cuadrado sólido intermitente, pulse o para desplazarlo
hasta la posición en que desee modificar el número, luego pulse o para incrementar
o decrementar el mismo, respectivamente. Para confirmar el cambio pulse
OK
.
8. Pulse para ir al ajuste de la dirección de la pasarela. La pasarela predeterminada es la
indicada arriba. Para cambiar el ajuste pulse
OK
. Cuando el cursor aparezca en forma de
cuadrado sólido intermitente, pulse o para desplazarlo hasta la posición en que
desee modificar el número, luego pulse o para incrementar o decrementar el
mismo, respectivamente. Para confirmar el cambio pulse
OK
.

Programar LOGO!
3.8 Configurar funciones adicionales para LOGO!
LOGO!
112 Manual de producto, 07/2016, A5E33039720 - AC
Transferir el programa a LOGO!Soft Comfort
Después de haber concluido la configuración de red transfiera el programa de LOGO! a
LOGO!Soft Comfort utilizando el comando de transferencia LOGO!→PC de LOGO!Soft
Comfort. Para más información sobre cómo cargar el programa a LOGO!Soft Comfort con
este comando de menú, consulte la Ayuda en pantalla de LOGO!Soft Comfort.
3.8.2
Configurar una UDF (función personalizada)
Solo es posible configurar bloques UDF (función personalizada) desde LOGO!Soft Comfort.
Un bloque UDF es un programa preconfigurado creado por el usuario en LOGO!Soft
Comfort. Estos bloques, al igual que los bloques de función, se pueden agregar a un
programa existente. Para más información sobre la configuración de UDF en LOGO!Soft
Comfort, consulte la Ayuda en pantalla de LOGO!Soft Comfort.
Si el programa en su LOGO! contiene un bloque UDF, es posible configurar los elementos
asociados a dicho bloque. Para más información sobre cómo configurar elementos UDF
desde LOGO! 0BA8, consulte el apartado UDF (función personalizada) (Página 277).
3.8.3
Configurar el registro de datos
El bloque Registro de datos solo se puede configurar desde LOGO!Soft Comfort.
Con LOGO!Soft Comfort solo se puede configurar un registro de datos para el programa. El
registro de datos se utiliza para registrar variables de medición de proceso de los bloques
de función seleccionados. Para más información sobre cómo configurar la función de
registro de datos en LOGO!Soft Comfort, consulte la Ayuda en pantalla de LOGO!Soft
Comfort.
Si el programa en su LOGO! contiene un bloque de registro de datos, es posible configurar
los elementos asociados a dicho bloque. Para más información sobre cómo configurar
elementos del registro de datos desde LOGO! 0BA8, consulte el apartado Registro de datos
(Página 281).
Nota
LOGO! Lite no soporta tarjetas SD. El registro de datos se guarda en el búfer.
El búfer del LOGO! Lite solo puede almacenar 512 bytes del registro de datos y el resto de
datos se pierden.
Cuando se apaga el LOGO! Lite, se borra el registro de datos.

Programar LOGO!
3.8 Configurar funciones adicionales para LOGO!
LOGO!
Manual de producto, 07/2016, A5E33039720 - AC 113
3.8.4
Visualización de entradas/salidas de red
LOGO!Soft Comfort pone a disposición los siguientes conectores que representan bloques
de entrada/salida de red:
● Entradas digitales de red (se identifican con
NI
en LOGO!)
● Entradas analógicas de red (se identifican con
NAI
en LOGO!)
● Salidas digitales de red (se identifican con
NQ
en LOGO!)
● Salidas analógicas de red (se identifican con
NAQ
en LOGO!)
Las entradas analógicas o digitales de red se pueden conectar a las entradas de los bloques
de función. Las salidas analógicas o digitales de red se pueden conectar a las salidas de los
bloques de función.
Si su programa contiene una entrada digital/analógica de red, LOGO! puede leer un valor
digital/analógico de otro programa en un dispositivo conectado en red. Si su programa
contiene una salida digital/analógica de red, LOGO! puede escribir su valor de salida
digital/analógico en otro dispositivo 0BA8 conectado en red en modo esclavo.
Nota
Estos conectores de red para el programa solo se pueden configurar desde LOGO!Soft
Comfort. Si el programa en su LOGO! contiene un conector de red, no será posible editar el
programa desde la pantalla integrada de LOGO!.
Visualizar conectores de red en LOGO!
Supongamos que en un programa hay una entrada digital de red N1 que se conecta al
bloque de función B5. B5 está conectado a Q4. Para visualizar esta entrada de red, proceda
del siguiente modo:
1. Conmute LOGO! a modo de programación.
2. Seleccione "①": pulse o
3. Confirme "①": pulse
OK
4. Seleccione "②": pulse o
5. Confirme "②": pulse
OK
(Dado el caso, introduzca la contraseña y confírmela con
OK
.)

Programar LOGO!
3.8 Configurar funciones adicionales para LOGO!
LOGO!
114 Manual de producto, 07/2016, A5E33039720 - AC
6. Pulse
OK
en la ventana del programa y el cursor adoptará la forma de un cuadrado
oscuro.
7. Desplace el cursor hasta el bloque B5 y pulse
OK
. LOGO! visualizará lo siguiente:
Podrá ver que hay una entrada digital de red N1 conectada a la primera entrada de B5.
Las siguientes vistas son ejemplos de salidas digitales y analógicas de red en LOGO!:
Bloques de entrada/salida de red disponibles en LOGO!Soft Comfort
Los siguientes bloques de E/S de red están disponibles en LOGO!Soft Comfort para crear
su programa:
● Entradas digitales de red: NI1 a NI64
● Entradas analógicas de red: NAI1 a NAI32
● Salidas digitales de red: NQ1 a NQ64
● Salidas analógicas de red: NAQ1 a NAQ16
3.8.5
Conmutar LOGO! a modo maestro/esclavo
LOGO! 0BA8 ofrece un comando de menú para configurar la comunicación de red. Este
apartado muestra cómo cambiar el modo de comunicación de red de LOGO!.
Un dispositivo LOGO! 0BA8 puede funcionar tanto en modo de comunicaciones
maestro
como
esclavo
.
Modo maestro frente a modo esclavo
Un LOGO! 0BA8 en modo maestro soporta la comunicación cliente-servidor con PLC
SIMATIC S7, un SIMATIC HMI u otros dispositivos 0BA8 vía Ethernet. Este LOGO! también
puede actuar como maestro para comunicarse con uno o más dispositivos 0BA8 en modo
esclavo.
Un LOGO! en modo esclavo funciona como un módulo de ampliación LOGO!. Los
dispositivos LOGO! en modo esclavo no requieren programa. Un LOGO! en modo maestro
puede leer uno o más valores de entrada/salida analógicos/digitales de un LOGO! en modo

Programar LOGO!
3.8 Configurar funciones adicionales para LOGO!
LOGO!
Manual de producto, 07/2016, A5E33039720 - AC 115
esclavo y escribir sus propios valores de salida analógicos/digitales en dichos esclavos.
Esto le permite a LOGO! lograr una ampliación de E/S en la red.
Nota
Un LOGO! en modo esclavo también puede tener sus propios módulos de ampliación.
También soporta como máximo 24 entradas digitales, 8 entradas analógicas, 20 salidas
digitales y 8 salidas analógicas.
Conmutar LOGO! del modo maestro al modo esclavo
1. En el menú de principal en modo de programación, sitúe el cursor en "①": pulse o
2. Confirme "①": pulse
OK
3. Desplace el cursor hasta "②": pulse o
4. Confirme "②": pulse
OK
5. Desplace el cursor hasta "③": pulse o
6. Confirme "③": pulse
OK

Programar LOGO!
3.8 Configurar funciones adicionales para LOGO!
LOGO!
116 Manual de producto, 07/2016, A5E33039720 - AC
7. En esta vista se introduce la dirección IP del LOGO! que desee configurar para que sea
el maestro de su LOGO! esclavo. Para cambiar el ajuste pulse
OK
. Cuando el cursor
adopte la forma de un cuadrado sólido intermitente, pulse o para desplazar el
cursor por los números. Pulse o para modificar el número.
8. Confirme el ajuste: pulse
OK
Ahora se ha conmutado LOGO! correctamente del modo maestro al modo esclavo.
LOGO! rearranca automáticamente y luego muestra el menú principal. Al pasar a la
siguiente vista podrá constatar que su LOGO! ahora se encuentra en modo esclavo:
Nota
Cuando LOGO! se encuentra en modo esclavo, no es posible editar el programa desde el
LOGO! esclavo.
No es posible cambiar el LOGO! de modo maestro a esclavo y viceversa en modo de
parametrización.
Conmutar LOGO! del modo esclavo al modo maestro
LOGO! está ahora en modo esclavo:
1. Desplace el cursor hasta "①": pulse o
2. Confirme "①": pulse
OK
Ahora se ha conmutado LOGO! correctamente del modo esclavo al modo maestro.
LOGO! rearranca automáticamente y luego muestra el menú principal.
Otra posibilidad consiste en conmutar el LOGO! de modo esclavo a modo maestro desde
LOGO!Soft Comfort. Si se carga un programa en un LOGO! en modo esclavo desde
LOGO!Soft Comfort, deberá conmutar el LOGO! al modo maestro para completar la carga.
Encontrará más información en la Ayuda en pantalla de LOGO!Soft Comfort.

Programar LOGO!
3.8 Configurar funciones adicionales para LOGO!
LOGO!
Manual de producto, 07/2016, A5E33039720 - AC 117
3.8.6
Diagnóstico de errores desde LOGO!
LOGO! 0BA8 soporta el diagnóstico de eventos de error. Desde el menú de diagnóstico de
LOGO! están disponibles las acciones siguientes:
● visualización del estado del software y de errores:
– Error en la conexión de datos
– versión de firmware de LOGO!
● visualización del estado del hardware y de errores:
– error de conexión Ethernet
– error de tarjeta micro SD (por ejemplo, error de lectura/escritura de la tarjeta, tarjeta
no insertada o tarjeta llena)
– estado del EM (módulo de ampliación) y errores (por ejemplo, error de bus y
actualización de la configuración)
– dirección MAC de LOGO!
● visualización y borrado del registro de eventos, así como comprobación de la
disponibilidad de una dirección IP concreta
● conmutación de una alarma de error
Visualizar el estado del software y los errores de LOGO!
Para visualizar el estado del software y los errores, proceda del siguiente modo:
1. En el menú de principal, sitúe el cursor en "①": pulse o .
2. Confirme "①": pulse
OK .
3. LOGO! muestra el menú de diagnóstico. Desplace el cursor hasta "②": pulse o .

Programar LOGO!
3.8 Configurar funciones adicionales para LOGO!
LOGO!
118 Manual de producto, 07/2016, A5E33039720 - AC
4. Confirme "②": pulse
OK
. LOGO! visualizará lo siguiente:
5. Existe la posibilidad de seleccionar "③" para ver el estado de la conexión S7 o Modbus
en tiempo real. Seleccione "④" para visualizar la versión de firmware de LOGO!.
Si se selecciona "③" puede pulsarse o para ver el estado de cada conexión de
datos.
Visualizar el estado del hardware y los errores de LOGO!
Para visualizar el estado del hardware y los errores, proceda del siguiente modo:
1. En el menú de principal, sitúe el cursor en "①": pulse o .
2. Confirme "①": pulse
OK.
3. LOGO! muestra el menú de diagnóstico. Desplace el cursor hasta "②": pulse o .

Programar LOGO!
3.8 Configurar funciones adicionales para LOGO!
LOGO!
Manual de producto, 07/2016, A5E33039720 - AC 119
4. Confirme "②": pulse
OK
. LOGO! visualizará lo siguiente:
5. Están disponibles los siguientes comandos de menú para visualizar el estado del
hardware y los errores correspondientes:
– ③: visualizar el estado de la interfaz Ethernet de LOGO!. Si el cable Ethernet no está
conectado se muestra un error.
– ④: visualizar el estado de la tarjeta micro SD. Es posible que aparezca un evento de
error en este comando de menú cuando no hay ninguna tarjeta insertada, la tarjeta
está llena o se ha producido un error de lectura o escritura.
– ⑤: visualizar el estado del (los) módulo(s) de ampliación conectado(s) en tiempo real.
Encontrará el número de los módulos de ampliación y el número total de E/S en este
comando de menú.
– ⑥: visualizar la dirección MAC de LOGO!
Visualizar la información de error
Para visualizar los errores detectados, proceda del siguiente modo:
1. En el menú de diagnóstico que aparece abajo, sitúe el cursor en "①": pulse o .
2. Confirme "①": pulse
OK
.
3. Desplace el cursor hasta "②": pulse o .
4. Confirme "②": pulse
OK
. LOGO! visualizará todos los errores detectados. Pulse o
para ver cada registro de error. Pulse
ESC
o
OK
para regresar a los menús anteriores.

Programar LOGO!
3.8 Configurar funciones adicionales para LOGO!
LOGO!
120 Manual de producto, 07/2016, A5E33039720 - AC
Borrar la información de error
Para borrar todos los errores, proceda del siguiente modo:
1. En el menú de diagnóstico que aparece abajo, sitúe el cursor en "①": pulse o .
2. Confirme "①": pulse
OK .
3. Desplace el cursor hasta "②": pulse o .
4. Confirme "②": pulse
OK .
5. Desplace el cursor hasta "③": pulse o .
6. Confirme "③": Pulse
OK
.
LOGO! borra todos los mensajes de error y muestra lo
siguiente:
Diagnóstico de una dirección IP concreta
Existe la posibilidad de comprobar la disponibilidad de una dirección IP concreta, del
siguiente modo:
1. En el menú de diagnóstico que aparece abajo, sitúe el cursor en "①": pulse o .
2. Confirme "①": pulse
OK .

Programar LOGO!
3.8 Configurar funciones adicionales para LOGO!
LOGO!
Manual de producto, 07/2016, A5E33039720 - AC 121
3. Desplace el cursor hasta "②": pulse o .
4. Confirme "②": pulse
OK
. LOGO! mostrará la siguiente vista:
5. Para introducir una dirección IP pulse
OK
. Cuando el cursor aparezca en forma de
cuadrado sólido intermitente, pulse o para desplazarlo hasta la posición en que
desee modificar el número, luego pulse o para incrementar o decrementar el
mismo, respectivamente.
6. Pulse
OK
para confirmar la entrada.
LOGO! guarda un máximo de cuatro direcciones introducidas previamente. Para ver las
últimas entradas, pulse con el fin de desplazar el cursor hasta el símbolo " " y, a
continuación, pulse
OK
para abrir una lista desplegable, por ejemplo:
Pulse o para seleccionar una dirección de la lista previamente configurada y,
seguidamente, pulse
OK
para confirmar.
Conmutar una alarma de error
Para activar y desactivar una alarma de error, proceda del siguiente modo:
1. En el menú de diagnóstico que aparece abajo, sitúe el cursor en "①": pulse o .
2. Confirme "①": pulse
OK .

Programar LOGO!
3.9 Espacio de memoria y tamaño del programa
LOGO!
122 Manual de producto, 07/2016, A5E33039720 - AC
3. El círculo con un punto en medio indica el ajuste actual. Para cambiar el ajuste: pulse
o .
4. Confirme la selección: pulse
OK
. LOGO! regresará a la vista anterior.
En caso de activar la alarma de error, cuando ocurra un error el display de LOGO! cambiará
a retroiluminación roja indicando que se ha detectado un error. Para visualizar y borrar el
error vaya al menú de diagnóstico.
3.9
Espacio de memoria y tamaño del programa
El tamaño de un programa en LOGO! está limitado por el espacio de memoria disponible.
Áreas de memoria
●
Memoria de programa:
:
LOGO! solo permite utilizar un número limitado de bloques en el programa.
La segunda limitación resulta del número máximo de bytes disponibles que puede
contener un programa. El número de bytes utilizados puede determinarse sumando el
número de bytes destinados a los bloques de función relevantes.
●
Memoria remanente (Rem)
:
En esta área, LOGO! almacena valores que son remanentes (p. ej. el valor del contador
de horas de funcionamiento). Los bloques con remanencia opcional utilizan esta área de
memoria solo si se ha activado la función de remanencia.
Recursos disponibles en LOGO!
Un programa en LOGO! puede ocupar los siguientes recursos máximos:
Series de dispositivos
LOGO!
Bytes
Bloques
REM
LOGO! 0BA8 8500 400 250
LOGO! supervisa la utilización de la memoria y solo ofrece en las listas aquellas funciones
para las que haya suficiente memoria disponible.

Programar LOGO!
3.9 Espacio de memoria y tamaño del programa
LOGO!
Manual de producto, 07/2016, A5E33039720 - AC 123
Memoria necesaria
La siguiente tabla muestra un resumen de la memoria requerida por los bloques de función
básicos y especiales en LOGO! 0BA8:
Función
Memoria
del
programa
Mem.
remanente*
Funciones básicas
AND 12 -
AND con evaluación de flancos 12 -
NAND (AND negada) 12 -
NAND con evaluación de flancos 12 -
OR 12 -
NOR (OR negada) 12 -
XOR (OR exclusiva) 8 -
NOT (negación) 8 -
Funciones especiales
Temporizadores
Retardo a la conexión 12 3
Retardo a la desconexión 16 3
Retardo a la conexión/desconexión 16 3
Retardo a la conexión con memoria 16 3
Relé de barrido (salida de impulsos) 12 3
Relé de barrido activado por flancos 20 4
Generador de impulsos asíncrono 16 3
Generador aleatorio 16 -
Interruptor de alumbrado para escalera 16 3
Interruptor multifuncional 20 3
Temporizador semanal 24 -
Temporizador anual 12 -
Reloj astronómico 40 -
Cronómetro 28 19
Contadores
Contador adelante/atrás 32 5
Contador de horas de funcionamiento 36 13
Selector de umbral 20 -
Analógico
Conmutador analógico de valor umbral 20 -
Conmutador analógico de valor umbral diferencial 20 -
Comparador analógico 24 -
Vigilancia del valor analógico 24 -
Amplificador analógico 12 -
Modulación de ancho de impulsos (PWM) 32 -
Instrucción aritmética 24 -

Programar LOGO!
3.9 Espacio de memoria y tamaño del programa
LOGO!
124 Manual de producto, 07/2016, A5E33039720 - AC
Función
Memoria
del
programa
Mem.
remanente*
Detección de error de la instrucción aritmética 16 1
Multiplexor analógico 20 -
Rampa analógica 40 -
Regulador PI 44 2
Filtro analógico 20 -
Máx/Mín 20 7
Valor medio 32 20
Otros
Relé biestable 12 1
Relé de impulsos 12 1
Textos de mensajes 12 -
Tecla programable 12 2
Registro de desplazamiento 16 1
Convertidor flotante/entero 20 -
Convertidor entero/flotante 24 -
*: Bytes del área de memoria remanente, si está activada la remanencia
Nota
Dado que un bloque UDF es un programa preconfigurado que el usuario crea con
LOGO!Soft Comfort para su dispositivo LOGO!, el tamaño que este bloque ocupa en la
memoria (memoria de programa y memoria remanente) depende del tamaño de los bloques
de función que contiene la UDF.
Utilización de áreas de memoria
Para indicar que no hay suficiente memoria disponible, LOGO! no permite agregar bloques
al programa. LOGO! solo ofrece los bloques para los que puede proveer suficiente memoria.
Si la memoria de LOGO! disponible no es suficiente para acoger más bloques, el sistema
deniega el acceso a la lista de bloques.
Si la memoria está llena, optimice el programa o instale otro LOGO!.
Calcular los requisitos de memoria
Para determinar la memoria que requiere un programa, es necesario considerar siempre las
distintas áreas de memoria.
Ejemplo:

Programar LOGO!
3.9 Espacio de memoria y tamaño del programa
LOGO!
Manual de producto, 07/2016, A5E33039720 - AC 125
El programa de ejemplo contiene:
Nº de bloque
Función
Área de memoria
Bytes Bloques REM
B1 OR 12 1 -
B2 AND 12 1 -
B3 Temporizador anual 12 1 -
B4 Retardo a la conexión* 12 1 3
B5 Interruptor de alumbrado para escalera 16 1 3
B6 AND 12 1 -
Recursos utilizados por el programa 76 6 6
Límites de memoria en LOGO! 8500 400 250
Aún disponibles en LOGO!
8424
394
244
*: Configurado con remanencia.
Por tanto, LOGO! tiene capacidad de memoria para este programa.

Programar LOGO!
3.9 Espacio de memoria y tamaño del programa
LOGO!
126 Manual de producto, 07/2016, A5E33039720 - AC
Indicación de la memoria libre
Para visualizar la cantidad de memoria libre en LOGO!, proceda del siguiente modo:
1. Conmute LOGO! al modo de programación.
(Para recordar cómo se hace, consulte el apartado "Las 4 reglas de oro para manejar
LOGO! (Página 68)".)
2. Desplace el cursor hasta "①": pulse o
3. Confirme "①": pulse
OK
4. Desplace el cursor hasta "②"
:
pulse o
5. Confirme "②": pulse
OK
El display visualiza lo siguiente:
LOGO!
Manual de producto, 07/2016, A5E33039720 - AC 127
Funciones de LOGO!
4
LOGO! provee distintos elementos en modo de programación y los organiza en las listas
siguientes:
● lista de conectores (conector) (Página 127)
● ↓GF: lista de funciones básicas AND, OR, ... (Página 132)
● ↓SF: lista de las funciones especiales (Página 145)
● lista de bloques reutilizables configurados en el programa
LOGO! 0BA8 ofrece adicionalmente los siguientes elementos en modo de programación,
siempre que hayan sido preconfigurados en el programa con LOGO!Soft Comfort:
● UDF: lista de bloques de función personalizados configurados en el programa
● L: un bloque de función de registro de datos configurado en el programa
Contenido de las listas
Las listas contienen los elementos disponibles en LOGO!. Generalmente, incluyen todos los
conectores, las funciones básicas y las funciones especiales.
LOGO! no muestra todos los elementos si:
● No es posible agregar bloques adicionales.
Esto sucede cuando no hay suficiente espacio de memoria o cuando se ha alcanzado el
número máximo de bloques.
● Un bloque específico necesita más memoria (Página 122) de la disponible en LOGO!.
● Se han creado elementos del programa en LOGO!Soft Comfort pero no se ha
descargado el programa en LOGO!.
4.1
Constantes y conectores
Las constantes y los conectores representan entradas, salidas, marcas, constantes y
entradas/salidas digitales y analógicas de red.

Funciones de LOGO!
4.1 Constantes y conectores
LOGO!
128 Manual de producto, 07/2016, A5E33039720 - AC
Entradas
●
Entradas digitales
Las entradas digitales empiezan por la letra
I.
El número de entradas digitales (I1, I2, ...)
se corresponde con el número de conectores de entrada del módulo base LOGO! y de
los módulos digitales conectados en el orden de montaje. Las entradas digitales rápidas
I3, I4, I5 e I6 de las versiones LOGO! 12/24 RCE, LOGO! 12/24 RCEo, LOGO! 24 CE y
LOGO! 24 CEo como contadores rápidos.
Nota
Para evitar que el módulo base LOGO! no pueda leer las señales de entrada debido a
que su MCU (unidad de microcontrolador) integrada es demasiado sensible y funciona
mucho más rápido que las de los dispositivos LOGO! anteriores, se ha diseñado una
función de retardo a la conexión/ desconexión para LOGO!:
• Para LOGO! 230RCE y LOGO! 230RCEo se han definido un tiempo de retardo a la
conexión de 25 ms y uno a la desconexión de 20 ms para las entradas digitales I1 a
I8.
• Para todas las demás versiones de LOGO! se han definido un tiempo de retardo a la
conexión de 5 ms y uno a la desconexión de 5 ms para todas las entradas digitales.
Además, cuando el módulo base LOGO! está en modo esclavo, se han definido un
tiempo de retardo a la conexión de 5 ms y un tiempo de remanencia de señal de 100 ms
para todas las entradas digitales.
●
Entradas analógicas
Las versiones LOGO! 24 CE, LOGO! 24 CEo, LOGO! 12/24 RCE y LOGO! 12/24 RCEo
disponen de las entradas I1, I2, I7 e I8, que también pueden programarse para ser
utilizadas como entradas
AI3, AI4, AI1
y
AI2
. Como se describe en el apartado "Ajustar el
número de entradas analógicas del LOGO! (Página 297)", estos módulos pueden
configurarse de manera que utilicen dos entradas analógicas (AI1 y AI2), o todas las
entradas (cuatro). LOGO! interpreta las señales de las entradas I1, I2, I7 e I8 como
valores digitales, mientras que las de las entradas AI3, AI4, AI1 y AI2 se interpretan
como valores analógicos. Tenga en cuenta que AI3 corresponde a I1, en tanto que AI4
corresponde a I2. Esta numeración conserva la anterior correspondencia de AI1 con I7 y
AI2 con I8 que existía en la serie de dispositivos 0BA5. LOGO! numera las entradas de
un módulo analógico conectado de acuerdo con las entradas analógicas ya disponibles.
En el apartado "Configuración máxima con módulos de ampliación (Página 31)"
encontrará configuraciones de ejemplo. En modo de programación, cuando se
selecciona la señal de entrada de una función especial que adopte un valor analógico,
LOGO! ofrece las entradas analógicas AI1 a AI8, las marcas analógicas AM1 a AM64,
las salidas analógicas AQ1 a AQ8, así como los números de bloque de las funciones con
salidas analógicas.

Funciones de LOGO!
4.1 Constantes y conectores
LOGO!
Manual de producto, 07/2016, A5E33039720 - AC 129
Salidas
●
Salidas digitales
Las salidas digitales empiezan por la letra
Q.
Los números de las salidas (Q1, Q2, ...
Q20) se corresponden con los números de los conectores de salida del módulo base
LOGO! y de los módulos de ampliación conectados en el orden de montaje.
LOGO! 0BA8 también ofrece 64 salidas libres, identificadas con la letra
x
. No es posible
reutilizar las salidas libres en un programa. En eso, las salidas libres difieren de las
marcas, que sí pueden reutilizarse. Una salida libre resulta útil p.ej. para la función
especial "Textos de mensajes" (Página 216) si solo el texto de mensaje es relevante en
el programa.
●
Salidas analógicas
Las salidas analógicas empiezan por las letras
AQ.
Hay ocho salidas analógicas
disponibles, a saber: AQ1, AQ2 a AQ8. Una salida analógica solo puede conectarse con
la entrada analógica de una función, una marca analógica (AM) o un conector de salida
analógico.
La figura siguiente muestra una configuración de ejemplo de LOGO! y la numeración de
las entradas y salidas del programa.
Nota
El LOGO! 0BA8 soporta la visualización gráfica de cambios de valores analógicos en forma
de curva en el display integrado. Todas las entradas y salidas analógicas que se utilicen
pueden vigilarse fácilmente mediante curvas cuando LOGO! está en modo RUN. Encontrará
más información sobre la visualización de curvas en "Visualizar los cambios analógicos
(Página 85)".
Marcas
Las letras
M
o
AM
identifican las marcas. Las marcas son salidas virtuales que devuelven el
valor de sus entradas. LOGO! 0BA8 dispone de 64 marcas digitales (M1 a M64) y 64
marcas analógicas (AM1 a AM64).

Funciones de LOGO!
4.1 Constantes y conectores
LOGO!
130 Manual de producto, 07/2016, A5E33039720 - AC
Marca de arranque M8
LOGO! activa la marca M8 en el primer ciclo del programa. Por consiguiente, puede
utilizarse como marca de arranque en el programa. LOGO! desactiva M8 al final del primer
ciclo.
La marca M8 puede utilizarse en todos los demás ciclos para procedimientos de activación,
borrado y evaluación de igual manera que otras marcas.
Marcas de retroiluminación M25, M26, M28 a M31
Las marcas siguientes controlan los colores de la retroiluminación del display integrado en el
LOGO! o del LOGO! TDE:
Color de la retroiluminación Marca Observaciones
Blanco M25 El color blanco significa que
LOGO! está en modo RUN.
M26 El color blanco significa que
LOGO! TDE está en modo
RUN.
Ámbar M28 El color ámbar significa que
LOGO! está en modo de
programación o
parametrización.
M30 El color ámbar significa que
LOGO! TDE está en modo de
programación, parametrización
o ajuste de TDE.
Rojo M29 El color rojo significa que
LOGO! tiene un error de
diagnóstico.
M31 El color rojo significa que
LOGO! TDE tiene un error de
diagnóstico.
Nota:
la retroiluminación del LOGO! TDE tiene una vida útil de 20.000 horas.

Funciones de LOGO!
4.1 Constantes y conectores
LOGO!
Manual de producto, 07/2016, A5E33039720 - AC 131
Marca del juego de caracteres para textos de mensaje M27
La marca M27 permite elegir entre los dos juegos de caracteres que LOGO! utiliza para
visualizar textos de mensaje. El estado 0 corresponde al juego de caracteres 1, y el estado
1 al juego de caracteres 2. Si M27=0 (low), LOGO! muestra únicamente los textos de
mensajes configurados para el juego de caracteres 1. Si M27=1 (high), LOGO! muestra
únicamente los textos de mensajes configurados para el juego de caracteres 2. Si no incluye
M27 en el programa, los textos de mensajes se mostrarán en el juego de caracteres
seleccionado en LOGO!Soft Comfort o en un dispositivo LOGO!.
Nota
• La salida de una marca tiene aplicada siempre la señal del anterior ciclo del programa.
Este valor no se modifica dentro de un mismo ciclo de programa.
• Es posible leer o escribir marcas desde la red. Si no se han agregado marcas especiales
en el diagrama sino que se han escrito desde la red, pueden seguir funcionando, excepto
M27. Si desea controlar juegos de caracteres mediante M27, deberá agregarlo primero al
diagrama y puede conectar M27 a bloques NI con el fin de controlarlo desde la red.
Bits de registro de desplazamiento
LOGO! proporciona los bits de registro de desplazamiento de solo lectura S1.1 a S4.8. Los
valores de los bits de registro de desplazamiento solo pueden modificarse con la función
especial "Registro de desplazamiento" (Página 229).
Teclas de cursor
Puede utilizar cuatro teclas de cursor C , C , C y C ("C" = "Cursor"). En un
programa, las teclas de cursor se programan como otras entradas. Las teclas de cursor
pueden programarse en el display correspondiente mientras el sistema está en modo RUN
(Página 85) y en un texto de mensaje activo (ESC + tecla deseada). Las teclas de cursor
permiten ahorrar el uso de interruptores y entradas, facilitando además el control del
programa por parte del operador. Las entradas de teclas de cursor del LOGO! TDE son
idénticas a las del módulo base LOGO!.
Teclas de función del LOGO! TDE
El LOGO! TDE incorpora cuatro teclas de función (F1, F2, F3 y F4) que pueden utilizarse en
el programa. Estas teclas se programan de la misma manera que las entradas. Al igual que
las teclas de cursor, estas teclas pueden pulsarse mientras LOGO! está en modo RUN para
influir en el comportamiento del programa y ahorrar interruptores y entradas.
Niveles
Los niveles de tensión se identifican mediante
hi
y
lo
. Un estado constante ("1" = hi o "0" =
lo) de un bloque puede ajustarse mediante un nivel de tensión fijo o un valor constante "hi" o
"lo".

Funciones de LOGO!
4.2 Lista de funciones básicas - GF
LOGO!
132 Manual de producto, 07/2016, A5E33039720 - AC
Conectores abiertos
LOGO! utiliza la letra
x
para indicar los conectores de bloque que no se utilizan.
Entradas/salidas de red (disponibles solo si se configuran desde LOGO!Soft Comfort)
Las siguientes entradas/salidas de red solo se pueden configurar con LOGO!Soft Comfort.
Si el programa del LOGO! contiene una E/S digital/analógica de red, no será posible editar
el resto del programa, excepto el parámetro Par . Para editar el resto del programa, deberá
cargarse el programa a LOGO!Soft Comfort para editarlo desde allí.
1) Entradas digitales de red
Las letras
NI
identifican entradas digitales de red. En el programa están disponibles 64
entradas digitales de red (NI1 a NI64), las cuales se pueden configurar desde LOGO!Soft
Comfort.
2) Entradas analógicas de red
Las letras
NAI
identifican entradas analógicas de red. En el programa están disponibles 32
entradas analógicas de red (NAI1 a NAI32), las cuales se pueden configurar desde
LOGO!Soft Comfort.
3) Salidas digitales de red
Las letras
NQ
identifican salidas digitales de red. En el programa están disponibles 64
salidas digitales de red (NQ1 a NQ64), las cuales se pueden configurar desde LOGO!Soft
Comfort.
4) Salidas analógicas de red
Las letras
NAQ
identifican salidas analógicas de red. En el programa están disponibles 16
salidas analógicas de red (NAQ1 a NAQ16), las cuales se pueden configurar desde
LOGO!Soft Comfort.
4.2
Lista de funciones básicas - GF
Las funciones básicas son elementos lógicos sencillos del álgebra booleana.
Es posible negar las entradas de algunas funciones básicas, con lo que el programa invierte
un "1" lógico aplicado a una entrada determinada en un "0" lógico. Si "0" es el valor aplicado
en la entrada, el programa activa un "1" lógico. Consulte el ejemplo de programación en
Introducir el programa (Página 76).

Funciones de LOGO!
4.2 Lista de funciones básicas - GF
LOGO!
Manual de producto, 07/2016, A5E33039720 - AC 133
La lista GF contiene las funciones básicas que pueden utilizarse en el programa. Existen las
siguientes funciones básicas:
Visualización en el esquema de
conexiones
Visualización en LOGO!
Nombre de la función básica
AND (Página 134)
AND con evaluación de flancos
(Página 135)
NAND (Página 135)
(AND negada)
NAND con evaluación de
flancos (Página 136)
OR (Página 137)
NOR (Página 137)
(OR negada)

Funciones de LOGO!
4.2 Lista de funciones básicas - GF
LOGO!
134 Manual de producto, 07/2016, A5E33039720 - AC
Visualización en el esquema de
conexiones
Visualización en LOGO!
Nombre de la función básica
XOR (Página 138)
(OR exclusiva)
NOT (Página 139)
(negación, inversor)
4.2.1
AND
La salida de la función AND solo es 1 si
todas
las entradas son 1, es decir, si están cerrados
todos los contactos.
En una entrada no utilizada del bloque (x): x = 1.
Tabla lógica de la función AND
1
2
3
4
Q
0 0 0 0 0
0 0 0 1 0
0 0 1 0 0
0 0 1 1 0
0 1 0 0 0
0 1 0 1 0
0 1 1 0 0
0 1 1 1 0
1 0 0 0 0
1 0 0 1 0
1 0 1 0 0
1 0 1 1 0
1 1 0 0 0
1 1 0 1 0

Funciones de LOGO!
4.2 Lista de funciones básicas - GF
LOGO!
Manual de producto, 07/2016, A5E33039720 - AC 135
1
2
3
4
Q
1 1 1 0 0
1 1 1 1 1
4.2.2
AND con evaluación de flancos
La salida de la función AND activada por flancos solo es 1 si
todas
las entradas son 1 y
por
lo menos una
de ellas tenía el estado "low" en el ciclo anterior.
En una entrada no utilizada del bloque (x): x = 1.
Cronograma de la función AND con evaluación de flancos
4.2.3
NAND (AND negada)
La salida de la función NAND solo es 0 si
todas
las entradas tienen el estado 1, es decir, si
los contactos están cerrados.
En una entrada no utilizada del bloque (x): x = 1.

Funciones de LOGO!
4.2 Lista de funciones básicas - GF
LOGO!
136 Manual de producto, 07/2016, A5E33039720 - AC
Tabla lógica de la función NAND
1
2
3
4
Q
0 0 0 0 1
0 0 0 1 1
0 0 1 0 1
0 0 1 1 1
0 1 0 0 1
0 1 0 1 1
0 1 1 0 1
0 1 1 1 1
1 0 0 0 1
1 0 0 1 1
1 0 1 0 1
1 0 1 1 1
1 1 0 0 1
1 1 0 1 1
1 1 1 0 1
1 1 1 1 0
4.2.4
NAND con evaluación de flancos
La salida de la función NAND con evaluación de flancos solo adopta el estado 1 si
por lo
menos una
entrada tiene el estado 0 y, en el ciclo anterior
todas
las entradas tenían el
estado 1.
En una entrada no utilizada del bloque (x): x = 1.
Cronograma de la función NAND con evaluación de flancos

Funciones de LOGO!
4.2 Lista de funciones básicas - GF
LOGO!
Manual de producto, 07/2016, A5E33039720 - AC 137
4.2.5
OR
La salida de la función OR solo adopta el estado 1 si
por lo menos una
entrada tiene el
estado 1, es decir, si por lo menos uno de los contactos está cerrado.
En una entrada no utilizada del bloque (x): x = 0.
Tabla lógica de la función OR
1
2
3
4
Q
0 0 0 0 0
0 0 0 1 1
0 0 1 0 1
0 0 1 1 1
0 1 0 0 1
0 1 0 1 1
0 1 1 0 1
0 1 1 1 1
1 0 0 0 1
1 0 0 1 1
1 0 1 0 1
1 0 1 1 1
1 1 0 0 1
1 1 0 1 1
1 1 1 0 1
1 1 1 1 1
4.2.6
NOR (OR negada)

Funciones de LOGO!
4.2 Lista de funciones básicas - GF
LOGO!
138 Manual de producto, 07/2016, A5E33039720 - AC
La salida de la función NOR solo adopta el estado 1 si
todas
las entradas tienen el estado 0,
es decir, si están desactivadas. La salida de NOR se pone a 0 tan pronto como se activa
una de las entradas (estado lógico 1).
En una entrada no utilizada del bloque (x): x = 0.
Tabla lógica de la función NOR
1
2
3
4
Q
0 0 0 0 1
0 0 0 1 0
0 0 1 0 0
0 0 1 1 0
0 1 0 0 0
0 1 0 1 0
0 1 1 0 0
0 1 1 1 0
1 0 0 0 0
1 0 0 1 0
1 0 1 0 0
1 0 1 1 0
1 1 0 0 0
1 1 0 1 0
1 1 1 0 0
1 1 1 1 0
4.2.7
XOR (OR exclusiva)
La salida de la función XOR adopta el estado 1 si las entradas tienen
diferentes
estados.
En una entrada no utilizada del bloque (x): x = 0.

Funciones de LOGO!
4.3 Funciones especiales
LOGO!
Manual de producto, 07/2016, A5E33039720 - AC 139
Tabla lógica de la función XOR
1
2
Q
0 0 0
0 1 1
1 0 1
1 1 0
4.2.8
NOT (negación, inversor)
La salida adopta el estado 1 si la entrada es 0. El bloque NOT invierte el estado de la
entrada.
Una ventaja del bloque NOT, por ejemplo, es que no es necesario utilizar contactos
normalmente cerrados. Solo tiene que utilizar un contacto normalmente abierto (NA) y,
mediante el bloque NOT, convertirlo en un contacto NC.
Tabla lógica de la función NOT
1
Q
0 1
1 0
4.3
Funciones especiales
Las funciones especiales se distinguen a primera vista de las funciones básicas en la
denominación diferente de sus entradas. Las funciones especiales (SF) contienen funciones
de temporización, remanencia y diversas opciones de parametrización que le permiten
adaptar el programa a sus exigencias.
Este apartado ofrece un resumen breve de los nombres de las entradas, así como
información de trasfondo acerca de las funciones especiales (Página 145).

Funciones de LOGO!
4.3 Funciones especiales
LOGO!
140 Manual de producto, 07/2016, A5E33039720 - AC
4.3.1
Designación de las entradas
Entradas lógicas
Los conectores siguientes permiten crear un enlace lógico con otros bloques o con las
entradas de la unidad LOGO!:
●
S (Set):
Una señal en la entrada S pone la salida a un "1" lógico.
●
R (Reset):
La entrada de reset R tiene prioridad sobre todas las demás entradas y desactiva las
salidas.
●
Trg (Trigger):
Esta entrada dispara el inicio de una función.
●
Cnt (Count):
Esta entrada cuenta impulsos.
●
Fre (Frequency):
LOGO! aplica a esta entrada señales de frecuencia que deben evaluarse.
●
Dir (Direction):
Esta entrada determina el sentido (+ o -).
●
En (Enable):
Esta entrada habilita la función de un bloque. Si la entrada es "0", el bloque ignora todas
las demás señales.
●
Inv (Invert):
Una señal aplicada en esta entrada invierte la señal de salida del bloque.
●
Ral (Reset all):
Una señal aplicada en esta entrada resetea todos los valores internos.
●
Lap
(para la función de cronómetro)
Una señal en esta entrada detiene el cronómetro.
Nota
Las entradas lógicas no utilizadas de funciones especiales quedan predeterminadas en un
"0" lógico.
Conector X en las entradas de las funciones especiales
La entrada "x" de conector para cualquier SF es "low". Por tanto, esta entrada tiene aplicada
una señal "lo".

Funciones de LOGO!
4.3 Funciones especiales
LOGO!
Manual de producto, 07/2016, A5E33039720 - AC 141
Entradas de parámetros
En algunas entradas no se aplica ninguna señal, sino que se configuran los valores
relevantes del bloque. Ejemplos:
●
Par (Parameter):
El parámetro Par no debe conectarse. En su lugar se ajustan los parámetros relevantes
del bloque (tiempos, umbrales de conexión/desconexión, etc.).
●
Priority:
Es una entrada abierta. Aquí se definen las prioridades y se especifica si un mensaje
debe acusarse en RUN.
4.3.2
Respuesta de tiempo
Parámetro T
Existe la posibilidad de configurar un valor de tiempo T para algunos de los bloques SF.
Para predefinir el tiempo, recuerde que los valores de entrada se rigen por la base de
tiempo ajustada:
Base de tiempo
_ _ : _ _
s (segundos) segundos : 1/100 segundos
m (minutos) minutos : segundos
h (horas) horas : minutos
La función de cronómetro (Página 186) del LOGO! 0BA8 ofrece una base de tiempo
adicional de 10 ms.
Precisión de T
Debido a las pequeñas tolerancias en las características de los componentes electrónicos,
el tiempo T ajustado puede ser diferente. En el tema "Retardo a la conexión" (Página 151)
encontrará una descripción detallada de las desviaciones.
Precisión del temporizador (temporizador semanal, temporizador anual)
Para evitar que el reloj en tiempo real de las versiones C (dispositivos LOGO! con un reloj
en tiempo real integrado) funcione de forma imprecisa debido a esta desviación, LOGO!
compara continuamente el valor del temporizador con una base de tiempo de alta precisión
y lo corrige constantemente. Se obtiene una diferencia de marcha de ±2 segundos al día
como máximo.

Funciones de LOGO!
4.3 Funciones especiales
LOGO!
142 Manual de producto, 07/2016, A5E33039720 - AC
4.3.3
Respaldo del reloj en tiempo real
El reloj interno en tiempo real del LOGO! está respaldado. Por este motivo, sigue
funcionando después de un corte de alimentación. El tiempo de respaldo depende de la
temperatura ambiente. A una temperatura ambiente de 25°C, el tiempo de respaldo típico de
un LOGO! 0BA8 (excepto para LOGO! Lite) es de 20 días y para LOGO! Lite tan solo de 3
días.
Si el corte de alimentación de un LOGO! dura más de 20 días, cuando se reinicia el reloj
interno se encuentra de nuevo en el estado que tenía antes del corte de alimentación.
4.3.4
Remanencia
Los estados de conmutación, así como los valores de contaje y tiempo de numerosos
bloques SF (Página 145) pueden ajustarse para que sean remanentes. Esto significa que
LOGO! conserva los valores de datos actuales tras un corte de alimentación y que el bloque
se sigue ejecutando en el punto en que se interrumpió. Un temporizador no se inicializa,
sino que continúa hasta transcurrido el tiempo restante.
No obstante, para ello debe estar activada la remanencia en las funciones correspondientes.
Hay dos ajustes posibles:
R: los datos son remanentes.
/
: los datos actuales no son remanentes (ajuste estándar). Consulte el apartado "Segundo
programa (Página 89)" en relación a la activación y desactivación de la remanencia.
El contador de horas de funcionamiento, temporizador semanal, temporizador anual y
regulador PI son siempre remanentes.
Nota
LOGO! Lite no soporta la remanencia.
4.3.5
Protección de parámetros
Con el ajuste de protección de parámetros puede determinar si los parámetros se visualizan
y modifican en LOGO! en modo de parametrización. Hay dos ajustes posibles:

Funciones de LOGO!
4.3 Funciones especiales
LOGO!
Manual de producto, 07/2016, A5E33039720 - AC 143
+
: el atributo de parámetros permite accesos de lectura y escritura en modo de
parametrización (ajuste estándar).
-
: Los parámetros están protegidos contra lectura y escritura en modo de parametrización,
pudiendo modificarse solo en modo de programación. Consulte un ejemplo del modo de
protección de parámetros en Segundo programa (Página 89).
Nota
La protección de parámetros solo cubre la ventana "Ajustar parám.". Si se integran variables
de funciones especiales protegidas en un texto de mensaje, las variables podrán seguir
editándose desde el texto del mensaje. Para proteger dichas variables también es preciso
activar también la protección del texto del mensaje.
4.3.6
Calcular la ganancia y el offset de valores analógicos
Un sensor se conecta a la entrada analógica y convierte una variable de proceso en una
señal eléctrica. El valor de la señal se encuentra en el rango típico de este sensor.
LOGO! convierte siempre las señales eléctricas aplicadas a la entrada analógica en valores
digitales comprendidos entre 0 y 1000.
LOGO! transforma internamente una tensión de 0 a 10 V en la entrada AI en un rango de
valores de 0 a 1000. Una tensión de entrada que exceda los 10 V es interpretada por
LOGO! como valor interno 1000.
Sin embargo, dado que no siempre se puede procesar el rango de valores predefinido por
LOGO! entre 0 y 1000, existe la posibilidad de multiplicar los valores digitales con un factor
de ganancia (gain) y desplazar después el punto cero del rango de valores (offset). Esto
permite visualizar un valor analógico en el display integrado en el LOGO! proporcional a la
variable de proceso real.
Parámetros
Mínimo
Máximo
Tensión de entrada (en V) 0 ≥ 10
Valor interno 0 1000
Ganancia -10.00 +10.00
Offset -10000 +10000
Regla matemática
Valor real
Ax
=
(valor interno en la entrada Ax • ganancia) + offset
Cálculo de la ganancia y el offset
LOGO! calcula la ganancia y el offset utilizando los valores superior e inferior de la función.
Ejemplo 1:
Los termopares disponibles tienen los siguientes datos técnicos: -30 °C a +70 °C, 0 a 10
VDC (es decir, 0 a 1000 en LOGO!).

Funciones de LOGO!
4.3 Funciones especiales
LOGO!
144 Manual de producto, 07/2016, A5E33039720 - AC
Valor real
= (valor interno • ganancia) + offset, por lo tanto:
-30 = (0 • A) + B, es decir, offset B = -30
+70 = (1000 • A) -30, es decir, ganancia A = 0,1
Ejemplo 2:
Un sensor de presión convierte una presión de 1000 mbar en una tensión de 0 V y una
presión de 5000 mbar en una tensión de 10 V.
Valor real
= (valor interno • ganancia) + offset, por lo tanto:
1000 = (0 • A) + B, es decir, offset B = 1000
5000 = (1000 • A) +1000, es decir, ganancia A = 4
Ejemplos de valores analógicos
Variable de proceso
Tensión (V)
Valor interno
Ganan
cia
Offset
Valor visualizado (Ax)
-30 °C
0 °C
+70 °C
0
3
10
0
300
1000
0.1
0.1
0.1
-30
-30
-30
-30
0
70
1000 mbar
3700 mbar
5000 mbar
0
6.75
10
0
675
1000
4
4
4
1000
1000
1000
1000
3700
5000
0
5
10
0
500
1000
0.01
0.01
0.01
0
0
0
0
5
10
0
5
10
0
500
1000
1
1
1
0
0
0
0
500
1000
0
5
10
0
500
1000
10
10
10
0
0
0
0
5000
10000
0
5
10
0
500
1000
0.01
0.01
0.01
5
5
5
5
10
15
0
5
10
0
500
1000
1
1
1
500
500
500
500
1000
1500
0
5
10
0
500
1000
1
1
1
-200
-200
-200
-200
300
800
0
10 0
1000 10
10 -10000
-10000 -10000
0
0.02
0.02
0.02
0.02
2
2
2
2
0.01
0.1
1
10
0
0
0
0
0
0
2
20

Funciones de LOGO!
4.4 Lista de las funciones especiales - SF
LOGO!
Manual de producto, 07/2016, A5E33039720 - AC 145
Para más información sobre un ejemplo de aplicación, consulte el apartado "Comparador
analógico (Página 203)".
Para más información acerca de las entradas analógicas, consulte el apartado Constantes y
conectores (Página 127).
4.4
Lista de las funciones especiales - SF
Al crear un programa en LOGO!, los bloques de las funciones especiales se encuentran en
la lista SF.
Puede negar las entradas de funciones especiales individualmente. En este caso, el
programa convierte un "1" lógico en la entrada en un "0" lógico, o bien un "0" lógico en un
"1" lógico. Consulte el ejemplo de programación del apartado "Introducir el programa
(Página 76)".

Funciones de LOGO!
4.4 Lista de las funciones especiales - SF
LOGO!
146 Manual de producto, 07/2016, A5E33039720 - AC
En la tabla se indica también si la función en cuestión puede ser remanente (Rem). Existen
las siguientes funciones especiales:
Visualización en LOGO!
Nombre de la función especial
Rem
Temporizadores
Retardo a la conexión (Página 151) REM
Retardo a la desconexión (Página 154) REM
Retardo a la conexión/desconexión
(Página 156) REM
Retardo a la conexión con memoria
(Página 158) REM
Relé de barrido (salida de impulsos)
(Página 160) REM
Relé de barrido activado por flancos
(Página 162) REM
Generador de impulsos asíncrono
(Página 164) REM
Generador aleatorio (Página 166)

Funciones de LOGO!
4.4 Lista de las funciones especiales - SF
LOGO!
Manual de producto, 07/2016, A5E33039720 - AC 147
Visualización en LOGO!
Nombre de la función especial
Rem
Interruptor de alumbrado para escalera
(Página 168) REM
Interruptor bifuncional (Página 170) REM
Temporizador semanal (Página 173)
Temporizador anual (Página 177)
Reloj astronómico (Página 183)
Cronómetro (Página 186)
Contadores
Contador adelante/atrás (Página 188) REM
Contador de horas de funcionamiento
(Página 191) REM

Funciones de LOGO!
4.4 Lista de las funciones especiales - SF
LOGO!
148 Manual de producto, 07/2016, A5E33039720 - AC
Visualización en LOGO!
Nombre de la función especial
Rem
Selector de umbral (Página 195)
Analógico
Conmutador analógico de valor umbral
(Página 198)
Conmutador analógico de valor umbral
diferencial (Página 201)
Comparador analógico (Página 203)
Vigilancia del valor analógico (Página 208)
Amplificador analógico (Página 211)
Multiplexor analógico (Página 232)
Modulación de ancho de impulsos (PWM)
(Página 243)

Funciones de LOGO!
4.4 Lista de las funciones especiales - SF
LOGO!
Manual de producto, 07/2016, A5E33039720 - AC 149
Visualización en LOGO!
Nombre de la función especial
Rem
Instrucción aritmética (Página 247)
Rampa analógica (Página 235)
Regulador PI (Página 239) REM
Filtro analógico (Página 252)
Máx/Mín (Página 254) REM
Valor medio (Página 257) REM
Otros
Relé autoenclavador (Página 213) REM
Relé de impulsos (Página 214) REM

Funciones de LOGO!
4.4 Lista de las funciones especiales - SF
LOGO!
150 Manual de producto, 07/2016, A5E33039720 - AC
Visualización en LOGO!
Nombre de la función especial
Rem
Textos de aviso (Página 216)
Interruptor software (Página 226) REM
Registro de desplazamiento (Página 229) REM
Detección de error de la instrucción
aritmética (Página 250)
Convertidor flotante/entero (Página 259)
Convertidor entero/flotante (Página 261)

Funciones de LOGO!
4.4 Lista de las funciones especiales - SF
LOGO!
Manual de producto, 07/2016, A5E33039720 - AC 151
4.4.1
Retardo a la conexión
Descripción breve
La salida se activa tan solo transcurrido un tiempo de retardo a la conexión parametrizable.
Símbolo en LOGO!
Cableado
Descripción
Entrada Trg Una señal en la entrada Trg (Trigger) dispara el
temporizador de retardo a la conexión.
Parámetros T representa el tiempo tras el que se activa la salida
(transición 0 a 1 de la señal de salida).
Remanencia:
/ = sin remanencia
R = el estado es remanente.
Salida Q Q se activa una vez transcurrido el tiempo
parametrizado T, siempre que la entrada Trg siga
activada.
Parámetro T
Consulte los ajustes estándar del parámetro T en el apartado Respuesta de tiempo
(Página 141).
El valor real de otras funciones ya configuradas puede proporcionar el tiempo del parámetro
T. Para el valor de T pueden utilizarse los valores reales de las funciones siguientes:
● Comparador analógico (Página 203)(valor real Ax - Ay)
● Conmutador analógico de valor umbral (Página 198)(valor real Ax)
● Amplificador analógico (Página 211)(valor real Ax)
● Multiplexor analógico (Página 232)(valor real AQ)
● Rampa analógica (Página 235)(valor real AQ)
● Instrucción aritmética (Página 247) (valor real AQ)
● Regulador PI (Página 239)(valor real AQ)
● Contador adelante/atrás (Página 188)(valor real Cnt)
● Filtro analógico (Página 252) (valor real AQ)
● Valor medio (Página 257) (valor real AQ)
● Máx/Mín (Página 254) (valor real AQ)
● Retardo a la conexión (tiempo actual Ta)
● Retardo a la desconexión (Página 154)(tiempo actual Ta)
● Retardo a la conexión/desconexión (Página 156)(tiempo actual Ta)
● Retardo a la conexión con memoria (Página 158)(tiempo actual Ta)
● Relé de barrido (salida de impulsos) (Página 160)(tiempo actual Ta)
● Relé de barrido activado por flancos (Página 162)(tiempo actual Ta)

Funciones de LOGO!
4.4 Lista de las funciones especiales - SF
LOGO!
152 Manual de producto, 07/2016, A5E33039720 - AC
● Generador de impulsos asíncrono (Página 164)(tiempo actual Ta)
● Interruptor de alumbrado para escalera (Página 168)(tiempo actual Ta)
● Interruptor bifuncional (Página 170)(tiempo actual Ta)
● Cronómetro (Página 186)(valor real AQ)
● Selector de umbral (Página 195) (valor real Fre)
Seleccione la función deseada mediante el número de bloque. La base de tiempo es
configurable.
Rangos válidos para la base de tiempo, si T = parámetro
Tenga en cuenta las características siguientes de los valores para la base de tiempo.
Base de tiempo
Valor máx.
Resolución mín.
Precisión
s (segundos) 99:99 10 ms + 10 ms
m (minutos) 99:59 1s + 1 s
h (horas) 99:59 1 min + 1 min
El parámetro T aparece inicialmente del modo siguiente en modo de programación, por
ejemplo:
Rangos válidos de la base de tiempo
Si una función preprogramada proporciona el valor de T, los rangos válidos de la base de
tiempo son los siguientes:
Base de tiempo
Valor máx.
Significado
Precisión
ms 99990 Cantidad de ms + 10 ms
s 5999 Cantidad de s + 1 s
m 5999 Cantidad de min + 1 min
El display del LOGO! tiene el aspecto siguiente en modo de programación si se ha ajustado
el valor real de B6 en segundos para el parámetro T de B12, por ejemplo:
Si el bloque referenciado (B6 en el ejemplo) devuelve un valor que está fuera del rango
válido, LOGO! redondea hacia arriba o hacia abajo hasta el siguiente valor válido.

Funciones de LOGO!
4.4 Lista de las funciones especiales - SF
LOGO!
Manual de producto, 07/2016, A5E33039720 - AC 153
Parámetro preajustado = valor real de una función preprogramada
Para incluir el valor real de una función preprogramada para el parámetro T, proceda del
siguiente modo:
1. Pulse para situar el cursor en el signo de igualdad del parámetro T.
2. Pulse para convertir el signo de igualdad en una flecha. LOGO! muestra el último
bloque referenciado, si existe.
3. Pulse para situar el cursor en la "B" del bloque visualizado y pulse luego para
seleccionar el número de bloque deseado.
4. Pulse para situar el cursor en la base de tiempo del bloque y pulse luego para
seleccionar la base de tiempo deseada.
La vista en modo de parametrización es la siguiente, por ejemplo:
Cronograma
Descripción de la función
Una transición de 0 a 1 dispara el tiempo Ta en la entrada Trg (Ta es el tiempo actual en
LOGO!).

Funciones de LOGO!
4.4 Lista de las funciones especiales - SF
LOGO!
154 Manual de producto, 07/2016, A5E33039720 - AC
Si la entrada Trg tiene el estado 1 por lo menos durante el tiempo T configurado, LOGO!
pone la salida a 1 una vez transcurrido dicho tiempo (la salida sigue a la entrada con retardo
a la conexión).
LOGO! resetea el temporizador si el estado de la entrada Trg vuelve a cambiar a 0 antes de
transcurrido el tiempo T.
LOGO! pone la salida nuevamente a 0 si la señal en la entrada Trg es 0.
Si el bloque es remanente, LOGO! pone la salida Q y el tiempo transcurrido a los valores
que tenían antes de un corte de alimentación; si el bloque no es remanente, tras un corte de
alimentación LOGO! pone la salida Q y el tiempo transcurrido a los valores
predeterminados.
4.4.2
Retardo a la desconexión
Descripción breve
En el retardo a la desconexión (Página 151), la salida se desactiva una vez transcurrido el
tiempo configurado.
Símbolo en LOGO!
Cableado
Descripción
Entrada Trg El temporizador de retardo a la desconexión se inicia
con un flanco negativo (cambio de 1 a 0) en la
entrada Trg (Trigger).
Entrada R Una señal en la entrada R reinicializa el tiempo de
retardo a la conexión y la salida.
Parámetros La salida se desactiva (cambia de 1 a 0) cuando
expira el tiempo de retardo T.
Remanencia:
/ = Sin remanencia
R = El estado es remanente.
Salida Q Una señal en la entrada Trg activa Q. Q mantiene
este estado hasta que transcurre T.
Parámetro T
Consulte los ajustes estándar del parámetro T en el apartado Respuesta de tiempo
(Página 141).
El valor real de otras funciones previamente configuradas puede proporcionar el tiempo del
parámetro T. Puede utilizarse el valor real de las funciones siguientes:
● Comparador analógico (Página 203) (valor real Ax - Ay)
● Conmutador analógico de valor umbral (Página 198) (valor real Ax)
● Amplificador analógico (Página 211) (valor real Ax)
● Multiplexor analógico (Página 232) (valor real AQ)
● Rampa analógica (Página 235) (valor real AQ)

Funciones de LOGO!
4.4 Lista de las funciones especiales - SF
LOGO!
Manual de producto, 07/2016, A5E33039720 - AC 155
● Instrucción aritmética (Página 247) (valor real AQ)
● Regulador PI (Página 239) (valor real AQ)
● Contador adelante/atrás (Página 188) (valor real Cnt)
● Filtro analógico (Página 252) (valor real AQ)
● Valor medio (Página 257) (valor real AQ)
● Máx/Mín (Página 254) (valor real AQ)
● Retardo a la conexión (Página 151) (tiempo actual Ta)
● Retardo a la desconexión (tiempo actual Ta)
● Retardo a la conexión/desconexión (Página 156) (tiempo actual Ta)
● Retardo a la conexión con memoria (Página 158) (tiempo actual Ta)
● Relé de barrido (salida de impulsos) (Página 160) (tiempo actual Ta)
● Relé de barrido activado por flancos (Página 162) (tiempo actual Ta)
● Generador de impulsos asíncrono (Página 164) (tiempo actual Ta)
● Interruptor de alumbrado para escalera (Página 168) (tiempo actual Ta)
● Interruptor bifuncional (Página 170) (tiempo actual Ta)
● Cronómetro (Página 186) (valor real AQ)
● Selector de umbral (Página 195) (valor real Fre)
Seleccione la función deseada mediante el número de bloque. La base de tiempo es
configurable. En el apartado "Retardo a la conexión (Página 151)" encontrará más
información acerca de los rangos válidos para bases de tiempo y el preajuste de
parámetros.
Cronograma
Descripción de la función
Cuando la entrada Trg pasa a "hi", LOGO! pone inmediatamente la salida Q a "hi".
LOGO! redispara el temporizador actual Ta cuando Trg cambia de 1 a 0. La salida
permanece activada. LOGO! pone la salida Q a 0 con retardo a la desconexión cuando Ta
alcanza el valor configurado en T (Ta=T).
LOGO! redispara el tiempo Ta con un impulso en la entrada Trg.
Activando la entrada R (Reset) se ponen a cero el temporizador Ta y la salida antes de que
transcurra el temporizador Ta.

Funciones de LOGO!
4.4 Lista de las funciones especiales - SF
LOGO!
156 Manual de producto, 07/2016, A5E33039720 - AC
Si el bloque es remanente, LOGO! pone la salida Q y el tiempo transcurrido a los valores
que tenían antes de un corte de alimentación; si el bloque no es remanente, tras un corte de
alimentación LOGO! pone la salida Q y el tiempo transcurrido a los valores
predeterminados.
4.4.3
Retardo a la conexión/desconexión
Descripción breve
La función de retardo a la conexión/desconexión activa la salida una vez transcurrido el
tiempo de retardo a la conexión ajustado y la desactiva tras expirar el tiempo de retardo a la
desconexión.
Símbolo en LOGO!
Cableado
Descripción
Entrada Trg Con el flanco ascendente (cambio de 0 a 1) en la
entrada Trg (Trigger) se inicia el tiempo TH de retardo
a la conexión.
Con el flanco descendente (cambio de 1 a 0) se inicia
el tiempo TL de retardo a la desconexión.
Parámetros TH es el tiempo tras el que se activa la salida
(transición de 0 a 1 de la señal de salida).
TL es el tiempo tras el que se desactiva la salida
(transición de 1 a 0 de la señal de salida).
Remanencia:
/ = Sin remanencia
R = El estado es remanente.
Salida Q LOGO! activa Q una vez transcurrido el tiempo
configurado TH si Trg sigue activada. LOGO!
desactiva Q cuando finaliza TL si el disparo Trg no se
ha activado.
Parámetros TH y TL
Los valores estándar de los parámetros TH y TL se indican en el apartado Respuesta de
tiempo (Página 141).
El valor real de otra función preprogramada puede proporcionar los tiempos de retardo a la
conexión/desconexión para los parámetros TH y TL. Es posible utilizar los valores reales de
las siguientes funciones:
● Comparador analógico (Página 203)(valor real Ax - Ay)
● Conmutador analógico de valor umbral (Página 198)(valor real Ax)
● Amplificador analógico (Página 211)(valor real Ax)
● Multiplexor analógico (Página 232)(valor real AQ)
● Rampa analógica (Página 235)(valor real AQ)
● Instrucción aritmética (Página 247) (valor real AQ)

Funciones de LOGO!
4.4 Lista de las funciones especiales - SF
LOGO!
Manual de producto, 07/2016, A5E33039720 - AC 157
● Regulador PI (Página 239)(valor real AQ)
● Contador adelante/atrás (Página 188)(valor real Cnt)
● Filtro analógico (Página 252) (valor real AQ)
● Valor medio (Página 257) (valor real AQ)
● Máx/Mín (Página 254) (valor real AQ)
● Retardo a la conexión (Página 151)(tiempo actual Ta)
● Retardo a la desconexión (Página 154)(tiempo actual Ta)
● Retardo a la conexión/desconexión (tiempo actual Ta)
● Retardo a la conexión con memoria (Página 158)(tiempo actual Ta)
● Relé de barrido (salida de impulsos) (Página 160)(tiempo actual Ta)
● Relé de barrido activado por flancos (Página 162)(tiempo actual Ta)
● Generador de impulsos asíncrono (Página 164)(tiempo actual Ta)
● Interruptor de alumbrado para escalera (Página 168)(tiempo actual Ta)
● Interruptor bifuncional (Página 170)(tiempo actual Ta)
● Cronómetro (Página 186)(valor real AQ)
● Selector de umbral (Página 195) (valor real Fre)
Seleccione la función deseada mediante el número de bloque. La base de tiempo es
configurable. En el apartado "Retardo a la conexión (Página 151)" encontrará más
información acerca de los rangos válidos para bases de tiempo y el preajuste de
parámetros.
Cronograma
Descripción de la función
El tiempo TH comienza a contar cuando el estado de la entrada Trg cambia de 0 a 1.
Si la entrada Trg tiene el estado 1 por lo menos durante el tiempo TH, LOGO! pone la salida
a 1 una vez transcurrido el tiempo TH (la salida se activa con retardo respecto a la entrada).
LOGO! resetea el temporizador cuando pone a 0 la señal de la entrada Trg antes de
transcurrido el tiempo TH.
Un cambio de 1 a 0 en la entrada Trg inicia el tiempo TL.

Funciones de LOGO!
4.4 Lista de las funciones especiales - SF
LOGO!
158 Manual de producto, 07/2016, A5E33039720 - AC
Si la entrada Trg tiene el estado 0 por lo menos durante la señal TL, LOGO! pone la salida a
0 una vez transcurrido el tiempo TH (la salida se desactiva con retardo respecto a la
entrada).
LOGO! resetea el temporizador cuando la señal de la entrada Trg cambia nuevamente a 1
antes de expirar el tiempo TL.
Si el bloque es remanente, LOGO! pone la salida Q y el tiempo transcurrido a los valores
que tenían antes de un corte de alimentación; si el bloque no es remanente, tras un corte de
alimentación LOGO! pone la salida Q y el tiempo transcurrido a los valores
predeterminados.
4.4.4
Retardo a la conexión con memoria
Descripción breve
Un impulso en la entrada inicia un tiempo de retardo a la conexión configurable. La salida se
activa una vez transcurrido ese tiempo.
Símbolo en LOGO!
Cableado
Descripción
Entrada Trg Una señal en la entrada Trg (Trigger) dispara el
temporizador de retardo a la conexión.
Entrada R Una señal en la entrada R reinicializa el tiempo de
retardo a la conexión y la salida.
Parámetro T es el tiempo de retardo a la conexión de la salida
(transición de 0 a 1 del estado de la salida).
Remanencia:
/ = Sin remanencia
R = El estado es remanente.
Salida Q LOGO! activa la salida Q una vez transcurrido el
tiempo T.
Parámetro T
Consulte los ajustes estándar indicados en el apartado Respuesta de tiempo (Página 141).
El valor real de otra función preprogramada puede proporcionar el tiempo del parámetro T.
Pueden utilizarse los valores reales de las funciones siguientes:
● Comparador analógico (Página 203)(valor real Ax – Ay)
● Conmutador analógico de valor umbral (Página 198)(valor real Ax)
● Amplificador analógico (Página 211)(valor real Ax)
● Multiplexor analógico (Página 232)(valor real AQ)
● Rampa analógica (Página 235)(valor real AQ)
● Instrucción aritmética (Página 247) (valor real AQ)
● Regulador PI (Página 239)(valor real AQ)
● Contador adelante/atrás (Página 188)(valor real Cnt)

Funciones de LOGO!
4.4 Lista de las funciones especiales - SF
LOGO!
Manual de producto, 07/2016, A5E33039720 - AC 159
● Filtro analógico (Página 252) (valor real AQ)
● Valor medio (Página 257) (valor real AQ)
● Máx/Mín (Página 254) (valor real AQ)
● Retardo a la conexión (Página 151)(tiempo actual Ta)
● Retardo a la desconexión (Página 154)(tiempo actual Ta)
● Retardo a la conexión/desconexión (Página 156)(tiempo actual Ta)
● Retardo a la conexión con memoria (tiempo actual Ta)
● Relé de barrido (salida de impulsos) (Página 160)(tiempo actual Ta)
● Relé de barrido activado por flancos (Página 162)(tiempo actual Ta)
● Generador de impulsos asíncrono (Página 164)(tiempo actual Ta)
● Interruptor de alumbrado para escalera (Página 168)(tiempo actual Ta)
● Interruptor bifuncional (Página 170)(tiempo actual Ta)
● Cronómetro (Página 186)(valor real AQ)
● Selector de umbral (Página 195) (valor real Fre)
Seleccione la función deseada mediante el número de bloque. La base de tiempo es
configurable. Para más información acerca de los rangos válidos y los parámetros estándar,
consulte el apartado "Retardo a la conexión (Página 151)".
Cronograma
Descripción de la función
Cuando el estado lógico de la entrada Trg cambia de 0 a 1, comienza a transcurrir el tiempo
actual Ta. LOGO! activa la salida Q cuando Ta = T. Una nueva señal en la entrada Trg no
repercute en el tiempo Ta.
LOGO! desactiva la salida y resetea el tiempo Ta cuando el estado lógico de la entrada R es
nuevamente 1.
Si el bloque es remanente, LOGO! pone la salida Q y el tiempo transcurrido a los valores
que tenían antes de un corte de alimentación; si el bloque no es remanente, tras un corte de
alimentación LOGO! pone la salida Q y el tiempo transcurrido a los valores
predeterminados.

Funciones de LOGO!
4.4 Lista de las funciones especiales - SF
LOGO!
160 Manual de producto, 07/2016, A5E33039720 - AC
4.4.5
Relé de barrido (salida de impulsos)
Descripción breve
Una señal de entrada genera una señal de duración configurable en la salida.
Símbolo en LOGO!
Cableado
Descripción
Entrada Trg Una señal en la entrada Trg (Trigger) inicia el tiempo
para el relé de barrido.
Parámetros La salida se desactiva tras expirar el tiempo T
(transición de 1 a 0 de la señal de salida).
Remanencia:
/ = Sin remanencia
R = El estado es remanente.
Salida Q Una señal en la entrada Trg activa Q. Si la señal de
entrada = 1, Q permanece activada durante el tiempo
Ta.
Parámetro T
Para más información sobre el parámetro T, consulte el apartado Respuesta de tiempo
(Página 141).
El valor real de otra función preprogramada puede proporcionar el tiempo del parámetro T.
Pueden utilizarse los valores reales de las funciones siguientes:
● Comparador analógico (Página 203)(valor real Ax – Ay)
● Conmutador analógico de valor umbral (Página 198)(valor real Ax)
● Amplificador analógico (Página 211)(valor real Ax)
● Multiplexor analógico (Página 232)(valor real AQ)
● Rampa analógica (Página 235)(valor real AQ)
● Instrucción aritmética (Página 247) (valor real AQ)
● Regulador PI (Página 239)(valor real AQ)
● Contador adelante/atrás (Página 188)(valor real Cnt)
● Filtro analógico (Página 252) (valor real AQ)
● Valor medio (Página 257) (valor real AQ)
● Máx/Mín (Página 254) (valor real AQ)
● Retardo a la conexión (Página 151)(tiempo actual Ta)
● Retardo a la desconexión (Página 154)(tiempo actual Ta)
● Retardo a la conexión/desconexión (Página 156)(tiempo actual Ta)
● Retardo a la conexión con memoria (Página 158)(tiempo actual Ta)
● Relé de barrido (salida de impulsos) (tiempo actual Ta)
● Relé de barrido activado por flancos (Página 162)(tiempo actual Ta)

Funciones de LOGO!
4.4 Lista de las funciones especiales - SF
LOGO!
Manual de producto, 07/2016, A5E33039720 - AC 161
● Generador de impulsos asíncrono (Página 164)(tiempo actual Ta)
● Interruptor de alumbrado para escalera (Página 168)(tiempo actual Ta)
● Interruptor bifuncional (Página 170)(tiempo actual Ta)
● Cronómetro (Página 186)(valor real AQ)
● Selector de umbral (Página 195) (valor real Fre)
Seleccione la función deseada mediante el número de bloque. La base de tiempo es
configurable. Para más información acerca de los rangos válidos y los parámetros estándar,
consulte el apartado "Retardo a la conexión (Página 151)".
Cronograma
Descripción de la función
Cuando el estado lógico de la entrada Trg cambia de 0 a 1, se activa la salida. Al mismo
tiempo se inicia un tiempo Ta durante el que la salida permanece activada.
LOGO! pone la salida Q a "lo" (salida de impulso) cuando Ta alcanza el valor
predeterminado en T (Ta=T).
LOGO! desactiva la salida inmediatamente si la entrada Trg cambia de 1 a 0 antes de haber
transcurrido el tiempo especificado.
Si el bloque es remanente, LOGO! pone la salida Q y el tiempo transcurrido a los valores
que tenían antes de un corte de alimentación; si el bloque no es remanente, tras un corte de
alimentación LOGO! pone la salida Q y el tiempo transcurrido a los valores
predeterminados.

Funciones de LOGO!
4.4 Lista de las funciones especiales - SF
LOGO!
162 Manual de producto, 07/2016, A5E33039720 - AC
4.4.6
Relé de barrido activado por flancos
Descripción breve
Tras haber transcurrido un tiempo de retardo configurado, un impulso de entrada genera un
número predeterminado de impulsos de salida con una duración de impulso/pausa definida
(que puede dispararse varias veces).
Símbolo en LOGO!
Cableado
Descripción
Entrada Trg Una señal en la entrada Trg (Trigger) inicia los
tiempos para el relé de barrido activado por flancos.
Entrada R Una señal en la entrada R desactiva el tiempo actual
(Ta) y la salida.
Parámetros Es posible configurar la duración de pausa entre
impulsos TL y el ancho de impulsos TH.
N determina la cantidad de ciclos de pausa/impulso
TL/TH:
Rango de valores: 1...9
Remanencia:
/ = Sin remanencia
R = El estado es remanente.
Salida Q Q se activa una vez transcurrido el tiempo TL y se
desactiva transcurrido el tiempo TH.
Parámetros TH y TL
Para más información sobre el parámetro T, consulte el apartado Respuesta de tiempo
(Página 141).
El valor real de otra función preprogramada puede proporcionar el ancho de impulsos TH y
la duración de pausa entre impulsos TL. Es posible utilizar los valores reales de las
siguientes funciones:
● Comparador analógico (Página 203) (valor real Ax – Ay)
● Conmutador analógico de valor umbral (Página 198) (valor real Ax)
● Amplificador analógico (Página 211) (valor real Ax)
● Multiplexor analógico (Página 232) (valor real AQ)
● Rampa analógica (Página 235) (valor real AQ)
● Instrucción aritmética (Página 247) (valor real AQ)
● Regulador PI (Página 239) (valor real AQ)
● Contador adelante/atrás (Página 188) (valor real Cnt)
● Filtro analógico (Página 252) (valor real AQ)
● Valor medio (Página 257) (valor real AQ)
● Máx/Mín (Página 254) (valor real AQ)
● Retardo a la conexión (Página 151) (tiempo actual Ta)

Funciones de LOGO!
4.4 Lista de las funciones especiales - SF
LOGO!
Manual de producto, 07/2016, A5E33039720 - AC 163
● Retardo a la desconexión (Página 154) (tiempo actual Ta)
● Retardo a la conexión/desconexión (Página 156) (tiempo actual Ta)
● Retardo a la conexión con memoria (Página 158) (tiempo actual Ta)
● Relé de barrido (salida de impulsos) (Página 160) (tiempo actual Ta)
● Relé de barrido activado por flancos (tiempo actual Ta)
● Generador de impulsos asíncrono (Página 164) (tiempo actual Ta)
● Interruptor de alumbrado para escalera (Página 168) (tiempo actual Ta)
● Interruptor multifuncional (Página 170) (tiempo actual Ta)
● Cronómetro (Página 186) (valor real AQ)
● Selector de umbral (Página 195) (valor real Fre)
Seleccione la función deseada mediante el número de bloque. La base de tiempo es
configurable. En el apartado Retardo a la conexión (Página 151) encontrará más
información acerca de los rangos válidos y el preajuste de parámetros.
Cronograma A
Cronograma B
Descripción de la función
Si la entrada Trg adopta el estado 1, se inicia el tiempo TL (Time Low). Una vez transcurrido
el tiempo TL, la salida Q se pone a 1 durante la duración del tiempo TH (Time High).
Si la entrada Trg cambia de nuevo de 0 a 1 (impulso de redisparo) antes de que haya
transcurrido el tiempo predeterminado (TL + TH), el tiempo Ta se pone a cero y se reinicia el
ciclo de pausa/impulso.
Si el bloque es remanente, LOGO! pone la salida Q y el tiempo transcurrido a los valores
que tenían antes de un corte de alimentación; si el bloque no es remanente, tras un corte de
alimentación LOGO! pone la salida Q y el tiempo transcurrido a los valores
predeterminados.

Funciones de LOGO!
4.4 Lista de las funciones especiales - SF
LOGO!
164 Manual de producto, 07/2016, A5E33039720 - AC
Configuración del parámetro Par
Visualización en modo de programación (ejemplo):
Visualización en modo de parametrización (ejemplo):
4.4.7
Generador de impulsos asíncrono
Descripción breve
Esta función permite emitir impulsos de forma asíncrona.
Símbolo en LOGO!
Cableado
Descripción
Entrada En La entrada En permite activar y desactivar el
generador de impulsos asíncrono.
Entrada Inv La entrada Inv permite invertir la señal de salida del
generador de impulsos asíncrono activo.
Parámetros Es posible configurar el ancho de impulsos TH y la
duración de pausa entre impulsos TL.
Remanencia:
/ = Sin remanencia
R = El estado es remanente.
Salida Q Los valores de impulso y pausa activan y desactivan
Q cíclicamente.
Parámetros TH y TL
Para más información sobre el parámetro T, consulte el apartado Respuesta de tiempo
(Página 141).
El valor real de otra función preprogramada puede proporcionar el ancho de impulsos TH y
la duración de pausa entre impulsos TL. Es posible utilizar los valores reales de las
siguientes funciones:
● Comparador analógico (Página 203) (valor real Ax – Ay)
● Conmutador analógico de valor umbral (Página 198) (valor real Ax)

Funciones de LOGO!
4.4 Lista de las funciones especiales - SF
LOGO!
Manual de producto, 07/2016, A5E33039720 - AC 165
● Amplificador analógico (Página 211) (valor real Ax)
● Multiplexor analógico (Página 232) (valor real AQ)
● Rampa analógica (Página 235) (valor real AQ)
● Instrucción aritmética (Página 247) (valor real AQ)
● Regulador PI (Página 239) (valor real AQ)
● Contador adelante/atrás (Página 188) (valor real Cnt)
● Filtro analógico (Página 252) (valor real AQ)
● Valor medio (Página 257) (valor real AQ)
● Máx/Mín (Página 254) (valor real AQ)
● Retardo a la conexión (Página 151) (tiempo actual Ta)
● Retardo a la desconexión (Página 154) (tiempo actual Ta)
● Retardo a la conexión/desconexión (Página 156) (tiempo actual Ta)
● Retardo a la conexión con memoria (Página 158) (tiempo actual Ta)
● Relé de barrido (salida de impulsos) (Página 160) (tiempo actual Ta)
● Relé de barrido activado por flancos (Página 162) (tiempo actual Ta)
● Generador de impulsos asíncrono (tiempo actual Ta)
● Interruptor de alumbrado para escalera (Página 168) (tiempo actual Ta)
● Interruptor multifuncional (Página 170) (tiempo actual Ta)
● Cronómetro (Página 186) (valor real AQ)
● Selector de umbral (Página 195) (valor real Fre)
Seleccione la función deseada mediante el número de bloque. La base de tiempo es
configurable. En el apartado Retardo a la conexión (Página 151) encontrará más
información acerca de los rangos válidos y el preajuste de parámetros.
Cronograma
Descripción de la función
Los parámetros TH (Time High) y TL (Time Low) sirven para configurar el ancho de impulsos
y la pausa entre impulsos.
La entrada INV permite invertir la salida solo si el bloque se ha activado por medio de una
señal en la entrada En.

Funciones de LOGO!
4.4 Lista de las funciones especiales - SF
LOGO!
166 Manual de producto, 07/2016, A5E33039720 - AC
Si el bloque es remanente, LOGO! pone la salida Q y el tiempo transcurrido a los valores
que tenían antes de un corte de alimentación; si el bloque no es remanente, tras un corte de
alimentación LOGO! pone la salida Q y el tiempo transcurrido a los valores
predeterminados.
4.4.8
Generador aleatorio
Descripción breve
La función de generador aleatorio activa una salida aleatoriamente dentro de un tiempo
configurado.
Símbolo en LOGO!
Cableado
Descripción
Entrada En Con un flanco ascendente (cambio de 0 a 1) en la
entrada En (Enable) se inicia el tiempo de retardo a
la conexión del generador aleatorio.
Con un flanco descendente (cambio de 1 a 0) en la
entrada En (Enable) se inicia el tiempo de retardo a
la desconexión del generador aleatorio.
Parámetros LOGO! activa aleatoriamente el tiempo de retardo a
la conexión a un valor comprendido entre 0 s y TH.
El tiempo de retardo a la desconexión se ajusta por
azar a un valor comprendido entre 0 s y TL.
Salida Q LOGO! activa la salida Q una vez transcurrido el
tiempo de retardo a la conexión y si sigue activada la
entrada En. LOGO! desactiva Q una vez transcurrido
el tiempo de retardo a la desconexión y si entretanto
no ha vuelto a activar En.
Parámetros TH y TL
Los valores estándar de los parámetros TH y TL se indican en el apartado Respuesta de
tiempo (Página 141).
El valor real de otra función preprogramada puede proporcionar el tiempo de retardo a la
conexión TH y el tiempo de retardo a la desconexión TL. Es posible utilizar los valores
reales de las siguientes funciones:
● Comparador analógico (Página 203) (valor real Ax – Ay)
● Conmutador analógico de valor umbral (Página 198) (valor real Ax)
● Amplificador analógico (Página 211) (valor real Ax)
● Multiplexor analógico (Página 232) (valor real AQ)
● Rampa analógica (Página 235) (valor real AQ)
● Instrucción aritmética (Página 247) (valor real AQ)
● Regulador PI (Página 239) (valor real AQ)
● Contador adelante/atrás (Página 188) (valor real Cnt)

Funciones de LOGO!
4.4 Lista de las funciones especiales - SF
LOGO!
Manual de producto, 07/2016, A5E33039720 - AC 167
● Filtro analógico (Página 252) (valor real AQ)
● Valor medio (Página 257) (valor real AQ)
● Máx/Mín (Página 254) (valor real AQ)
● Retardo a la conexión (Página 151) (tiempo actual Ta)
● Retardo a la desconexión (Página 154) (tiempo actual Ta)
● Retardo a la conexión/desconexión (Página 156) (tiempo actual Ta)
● Retardo a la conexión con memoria (Página 158) (tiempo actual Ta)
● Relé de barrido (salida de impulsos) (Página 160) (tiempo actual Ta)
● Relé de barrido activado por flancos (Página 162) (tiempo actual Ta)
● Generador de impulsos asíncrono (Página 164) (tiempo actual Ta)
● Interruptor de alumbrado para escalera (Página 168) (tiempo actual Ta)
● Interruptor multifuncional (Página 170) (tiempo actual Ta)
● Cronómetro (Página 186) (valor real AQ)
● Selector de umbral (Página 195) (valor real Fre)
Seleccione la función deseada mediante el número de bloque. La base de tiempo es
configurable. En el apartado Retardo a la conexión (Página 151) encontrará más
información acerca de los rangos válidos y el preajuste de parámetros.
Cronograma
Descripción de la función
Cuando el estado lógico de la entrada En cambia de 0 a 1, se inicia un tiempo de retardo a
la conexión aleatorio comprendido entre 0 s y TH. Si la entrada En sigue activada por lo
menos durante el tiempo de retardo a la conexión, la salida se activará una vez transcurrido
este tiempo.
Si la entrada En se desactiva antes de que expire el tiempo de retardo a la conexión, el
tiempo se pondrá a cero.
Cuando el estado lógico en la entrada En cambia de 1 a 0, se inicia un tiempo de retardo a
la desconexión aleatorio comprendido entre 0 s y TL.
Si la entrada En sigue activada por lo menos durante el tiempo de retardo a la desconexión,
LOGO! desactivará la salida una vez transcurrido este tiempo.
LOGO! resetea el temporizador si la señal en la entrada En vuelve a cambiar a 1 antes de
transcurrir el tiempo de retardo a la desconexión.

Funciones de LOGO!
4.4 Lista de las funciones especiales - SF
LOGO!
168 Manual de producto, 07/2016, A5E33039720 - AC
Si el bloque es remanente, LOGO! pone la salida Q y el tiempo transcurrido a los valores
que tenían antes de un corte de alimentación; si el bloque no es remanente, tras un corte de
alimentación LOGO! pone la salida Q y el tiempo transcurrido a los valores
predeterminados.
4.4.9
Interruptor de alumbrado para escalera
Descripción breve
Un flanco de entrada inicia un tiempo configurable y redisparable. LOGO! desactiva la salida
una vez transcurrido ese tiempo. Opcionalmente, LOGO! puede emitir una señal para
advertir que el tiempo está a punto de transcurrir.
Símbolo en LOGO!
Cableado
Descripción
Entrada Trg Una señal en la entrada Trg (Trigger) inicia el tiempo
de retardo a la desconexión del interruptor de
alumbrado para escalera.
Parámetros T es el tiempo de retardo a la desconexión de la
salida (el estado de esta cambia de 1 a 0).
T! determina el inicio del tiempo de disparo de la
advertencia previa.
T!L determina la longitud de la señal de advertencia
previa.
Remanencia:
/ = Sin remanencia
R = El estado es remanente.
Salida Q LOGO! desactiva Q una vez transcurrido el tiempo T.
LOGO! emite una señal de preaviso antes de
transcurrido este tiempo.
Parámetros T, T! y T!L
Consulte los ajustes estándar de los parámetros T en el apartado Respuesta de tiempo
(Página 141).
El valor real de otra función preprogramada puede proporcionar el tiempo de retardo a la
desconexión T, el tiempo de preaviso T! y el período de preaviso T!L. Es posible utilizar los
valores reales de las siguientes funciones:
● Comparador analógico (Página 203) (valor real Ax – Ay)
● Conmutador analógico de valor umbral (Página 198) (valor real Ax)
● Amplificador analógico (Página 211) (valor real Ax)
● Multiplexor analógico (Página 232) (valor real AQ)
● Rampa analógica (Página 235) (valor real AQ)
● Instrucción aritmética (Página 247) (valor real AQ)
● Regulador PI (Página 239) (valor real AQ)

Funciones de LOGO!
4.4 Lista de las funciones especiales - SF
LOGO!
Manual de producto, 07/2016, A5E33039720 - AC 169
● Contador adelante/atrás (Página 188) (valor real Cnt)
● Filtro analógico (Página 252) (valor real AQ)
● Valor medio (Página 257) (valor real AQ)
● Máx/Mín (Página 254) (valor real AQ)
● Retardo a la conexión (Página 151) (tiempo actual Ta)
● Retardo a la desconexión (Página 154) (tiempo actual Ta)
● Retardo a la conexión/desconexión (Página 156) (tiempo actual Ta)
● Retardo a la conexión con memoria (Página 158) (tiempo actual Ta)
● Relé de barrido (salida de impulsos) (Página 160) (tiempo actual Ta)
● Relé de barrido activado por flancos (Página 162) (tiempo actual Ta)
● Generador de impulsos asíncrono (Página 164) (tiempo actual Ta)
● Interruptor de alumbrado para escalera (tiempo actual Ta)
● Interruptor multifuncional (Página 170) (tiempo actual Ta)
● Cronómetro (Página 186) (valor real AQ)
● Selector de umbral (Página 195) (valor real Fre)
Seleccione la función deseada mediante el número de bloque. La base de tiempo es
configurable. En el apartado Retardo a la conexión (Página 151) encontrará más
información acerca de los rangos válidos y el preajuste de parámetros.
Cronograma
Descripción de la función
Cuando el estado lógico de la entrada Trg cambia de 0 a 1, se activa la salida Q. En el
siguiente cambio de 1 a 0 en Trg se reinicia el tiempo actual Ta y la salida Q permanece
activada.
LOGO! desactiva la salida Q cuando Ta = T. Antes de que transcurrido el tiempo de retardo
a la desconexión (T - T!) puede configurar una señal de preaviso que desactive Q durante el
período de preaviso T!L.
En el siguiente impulso en la entrada Trg durante Ta se reinicia el tiempo Ta.
Si el bloque es remanente, LOGO! pone la salida Q y el tiempo transcurrido a los valores
que tenían antes de un corte de alimentación; si el bloque no es remanente, tras un corte de
alimentación LOGO! pone la salida Q y el tiempo transcurrido a los valores
predeterminados.

Funciones de LOGO!
4.4 Lista de las funciones especiales - SF
LOGO!
170 Manual de producto, 07/2016, A5E33039720 - AC
Configuración del parámetro Par
Consulte los ajustes estándar indicados en el apartado Respuesta de tiempo (Página 141).
Nota
Todos los tiempos deben tener una misma base de tiempo.
Visualización en modo de programación (ejemplo):
Visualización en modo de parametrización (ejemplo):
4.4.10
Interruptor bifuncional
Descripción breve
El interruptor multifuncional ofrece dos funciones distintas:
● Interruptor de impulsos con retardo a la desconexión
● Pulsador (alumbrado permanente)

Funciones de LOGO!
4.4 Lista de las funciones especiales - SF
LOGO!
Manual de producto, 07/2016, A5E33039720 - AC 171
Símbolo en LOGO!
Cableado
Descripción
Entrada Trg Una señal en la entrada Trg (Trigger) activa la salida
Q (alumbrado permanente) o la desactiva con un
retardo a la desconexión. Si está activa, la salida Q
se puede desactivar con una señal en la entrada Trg.
Entrada R Una señal en la entrada R reinicia el tiempo actual
(Ta) y desactiva la salida.
Parámetros T es el tiempo de retardo a la desconexión. LOGO!
desactiva la salida (transición de 1 a 0) una vez
transcurrido el tiempo T.
TL es el tiempo durante el que debe estar activada la
salida para habilitar la función de alumbrado
permanente.
T! es el tiempo de advertencia previa de retardo a la
conexión.
T!L es la duración del período de advertencia previa.
Remanencia:
/ = Sin remanencia
R = El estado es remanente.
Salida Q Una señal en Trg activa la salida Q. Dependiendo de
la longitud de la entrada en Trg, la salida se
desactiva de nuevo o se activa permanentemente, o
bien se desactiva con una nueva señal en Trg.
Parámetros T, TL, T! y T!L
Consulte los ajustes estándar de los parámetros T en el apartado Respuesta de tiempo
(Página 141).
El valor real de otra función preprogramada puede proporcionar el tiempo de retardo a la
desconexión T, el tiempo de alumbrado permanente TL, el tiempo de preaviso de retardo a
la conexión T! y el período de preaviso T!L. Es posible utilizar los valores reales de las
siguientes funciones:
● Comparador analógico (Página 203) (valor real Ax – Ay)
● Conmutador analógico de valor umbral (Página 198) (valor real Ax)
● Amplificador analógico (Página 211) (valor real Ax)
● Multiplexor analógico (Página 232) (valor real AQ)
● Rampa analógica (Página 235) (valor real AQ)
● Instrucción aritmética (Página 247) (valor real AQ)
● Regulador PI (Página 239) (valor real AQ)
● Contador adelante/atrás (Página 188) (valor real Cnt)
● Filtro analógico (Página 252) (valor real AQ)
● Valor medio (Página 257) (valor real AQ)
● Máx/Mín (Página 254) (valor real AQ)

Funciones de LOGO!
4.4 Lista de las funciones especiales - SF
LOGO!
172 Manual de producto, 07/2016, A5E33039720 - AC
● Retardo a la conexión (Página 151) (tiempo actual Ta)
● Retardo a la desconexión (Página 154) (tiempo actual Ta)
● Retardo a la conexión/desconexión (Página 156) (tiempo actual Ta)
● Retardo a la conexión con memoria (Página 158) (tiempo actual Ta)
● Relé de barrido (salida de impulsos) (Página 160) (tiempo actual Ta)
● Relé de barrido activado por flancos (Página 162) (tiempo actual Ta)
● Generador de impulsos asíncrono (Página 164) (tiempo actual Ta)
● Interruptor de alumbrado para escalera (Página 168) (tiempo actual Ta)
● Interruptor multifuncional (tiempo actual Ta)
● Cronómetro (Página 186) (valor real AQ)
● Selector de umbral (Página 195) (valor real Fre)
Seleccione la función deseada mediante el número de bloque. La base de tiempo es
configurable. En el apartado Retardo a la conexión (Página 151) encontrará más
información acerca de los rangos válidos y el preajuste de parámetros.
Cronograma
Descripción de la función
Cuando el estado de la entrada Trg cambia de 0 a 1, se activa la salida Q.
Si la salida Q = 0 y la entrada Trg se pone a "hi" como mínimo durante el tiempo TL, LOGO!
habilita la función de alumbrado permanente y activa la salida Q en correspondencia.
Si el estado de la entrada Trg vuelve a cambiar a 0 antes de transcurrido el tiempo TL,
LOGO! dispara el tiempo de retardo a la desconexión T.
La salida Q se desactiva cuando Ta = T.
Antes de que expire el tiempo de retardo a la desconexión (T - T!) puede emitir una señal de
advertencia de desconexión que desactive Q durante el período de advertencia previa T!L.
Una señal subsiguiente en Trg siempre reinicia T y desactiva la salida Q.
Si el bloque es remanente, LOGO! pone la salida Q y el tiempo transcurrido a los valores
que tenían antes de un corte de alimentación; si el bloque no es remanente, tras un corte de
alimentación LOGO! pone la salida Q y el tiempo transcurrido a los valores
predeterminados.

Funciones de LOGO!
4.4 Lista de las funciones especiales - SF
LOGO!
Manual de producto, 07/2016, A5E33039720 - AC 173
Configuración del parámetro Par
Consulte los ajustes estándar indicados en el apartado "Respuesta de tiempo (Página 141)".
Nota
T, T! y T!L deben tener una misma base de tiempo.
Visualización en modo de programación (ejemplo):
Visualización en modo de parametrización (ejemplo):
4.4.11
Temporizador semanal
Descripción breve
El temporizador semanal controla una salida mediante una fecha de activación y
desactivación configurable. Esta función soporta cualquier combinación posible de días de
la semana. Los días de la semana activos se seleccionan ocultando los días inactivos.
Nota
Puesto que LOGO! 24/24o no incorpora un reloj en tiempo real, el temporizador semanal no
está disponible.

Funciones de LOGO!
4.4 Lista de las funciones especiales - SF
LOGO!
174 Manual de producto, 07/2016, A5E33039720 - AC
Símbolo en
LOGO!
Cableado
Descripción
Parámetros de
levas No
1, 2 y 3
En los parámetros No se ajustan las horas de conexión y
desconexión del temporizador semanal para cada
leva
. Aquí
se configuran también los días y la hora.
Asimismo, se puede especificar si, al ser activado, el
temporizador debe funcionar durante un ciclo y desactivarse
luego. El ajuste de impulsos es válido para las tres levas.
Salida Q LOGO! activa Q cuando se acciona la leva configurada.
Cronograma (tres ejemplos)
Descripción de la función
Cada temporizador semanal tiene tres levas que pueden utilizarse para configurar una
histéresis de tiempo. Las horas de conexión y desconexión se especifican en los parámetros
No. El temporizador semanal desactiva la salida a una determinada hora de conexión; si no
se ha activado, el temporizador semanal desactiva la salida a una determinada hora de
desconexión siempre que se haya configurado una, o bien al final del ciclo si se especifica
una salida de impulso.
Si se han definido tiempos de conexión y desconexión que se solapan, se producirá un
conflicto; los tiempos de conexión y desconexión más tempranos tienen prioridad. He aquí
un ejemplo:
Leva Hora de conexión Hora de desconexión
1 1:00h 2:00h
2 1:10h 1:50h
3 1:20h 1:40h
En este ejemplo, el tiempo de trabajo es de 1:00h a 1:40h.
El estado de las tres levas determina el estado de conmutación del temporizador semanal.

Funciones de LOGO!
4.4 Lista de las funciones especiales - SF
LOGO!
Manual de producto, 07/2016, A5E33039720 - AC 175
Pantalla de parametrización
Vista de la pantalla de parametrización p. ej. para la leva No1 y el ajuste Pulse:
Días de la semana
El prefijo "D=" (Day) tiene el siguiente significado:
● M: Lunes
● T: Martes
● W: Miércoles
● T: Jueves
● F: Viernes
● S: Sábado
● S: Domingo
Las letras mayúsculas indican un día específico de la semana. Un "-" indica que no se ha
seleccionado ningún día de la semana.
Horas de conexión y desconexión
Es posible cualquier instante entre las 00:00 y las 23:59 horas. La hora de conexión también
puede configurarse como señal de impulso. El bloque de temporizador se activa a la hora
indicada durante un ciclo. Luego se desactiva la salida.
- -:- - significa que no se ha configurado ninguna hora de conexión/desconexión.

Funciones de LOGO!
4.4 Lista de las funciones especiales - SF
LOGO!
176 Manual de producto, 07/2016, A5E33039720 - AC
Configurar el temporizador semanal
Para ajustar la fecha y hora de conexión y desconexión:
1. Coloque el cursor sobre uno de los parámetros de leva del temporizador (por ejemplo
No1).
2. Pulse
OK
. El cursor está posicionado en el día de la semana.
3. Pulse y para seleccionar uno o varios días de la semana.
4. Pulse para situar el cursor en la primera posición de la hora de conexión.
5. Ajuste la hora de conexión.
Modifique el valor en la respectiva posición, utilizando las teclas y . Utilizando las
teclas y , desplace el cursor hacia las distintas posiciones. En la primera posición
solo puede seleccionar el valor - -:- -
(- -:- - significa que no se han ajustado momentos de conexión/desconexión).
6. Pulse para situar el cursor en la primera posición de la hora de desconexión.
7. Ajuste la hora de desconexión (igual que en el punto 5).
8. Confirme las entradas efectuadas con
OK
.
Para configurar la leva 2 pulse . El cursor se encuentra en el parámetro No2 (leva 2).
Ahora puede continuar con los pasos 1 a 8.
Nota
Para más información acerca de la precisión de los temporizadores, consulte los datos
técnicos y el apartado "Respuesta de tiempo (Página 141)".
Temporizador semanal: Ejemplo
La salida del temporizador semanal debe estar activada diariamente entre las 06:30 h y las
08:00 h. Además, la salida debe estar activada los martes entre las 03:10 h y las 04:15 h,
así como los fines de semana entre las 16:30 h y las 23:10 h.
Para ello se requieren tres levas.
Aquí se visualizan las pantallas de parametrización de las levas 1, 2 y 3, basadas en el
cronograma anterior.
● La leva No1 debe activar la salida del temporizador semanal diariamente entre las 06:30
y las 08:00 horas.
● La leva No2 debe activar la salida del temporizador semanal todos los martes entre las
03:10 y las 04:15 horas.
● La leva No3 debe activar la salida del temporizador semanal todos los sábados y
domingos entre las 16:30 y las 23:10 horas.

Funciones de LOGO!
4.4 Lista de las funciones especiales - SF
LOGO!
Manual de producto, 07/2016, A5E33039720 - AC 177
Vistas en LOGO!:
Resultado
4.4.12
Temporizador anual
Descripción breve
La salida se controla mediante una fecha de activación y desactivación configurable. El
temporizador puede configurarse para que se active anualmente, mensualmente, o bien con
una base de tiempo personalizada. En cualquier modo, el temporizador también puede
configurarse de manera que emita un impulso en la salida durante el período de tiempo
definido. El período de tiempo puede configurase en el rango comprendido entre el 1 de
enero de 2000 hasta el 31 de diciembre de 2099.
Nota
Puesto que LOGO! 24/24o no incorpora un reloj en tiempo real, el temporizador anual no
está disponible en ambas versiones.

Funciones de LOGO!
4.4 Lista de las funciones especiales - SF
LOGO!
178 Manual de producto, 07/2016, A5E33039720 - AC
Símbolo en LOGO!
Cableado
Descripción
Parámetro No En el parámetro No se configuran el modo del
temporizador, las fechas de conexión y desconexión
del mismo, así como si la salida es una salida de
impulsos.
Salida Q LOGO! activa Q si está activada la leva configurada.
Cronogramas
Ejemplo 1:
Modo anual Yearly activado, modo mensual Monthly desactivado, impulso Pulse
desactivado, fecha de conexión = 2000-06-01, fecha de desconexión = 2099-08-31: la salida
del temporizador se activa cada año desde el 1 de junio hasta el 31 de agosto.
Ejemplo 2:modo anual
Yearly activado, modo mensual Monthly desactivado, impulso Pulse
activado, fecha de conexión = 2000-03-15, fecha de desconexión = 2099-**-**: el
temporizador se activa durante un ciclo el 15 de marzo de cada año.
Ejemplo 3:
Modo anual Yearly activado, modo mensual Monthly desactivado, impulso Pulse
desactivado, fecha de conexión = 2008-06-01, fecha de desconexión = 2010-08-31: la salida
del temporizador se activa el 1 de junio de 2008, 2009 y 2010, y permanece activada hasta
el 31 de agosto.

Funciones de LOGO!
4.4 Lista de las funciones especiales - SF
LOGO!
Manual de producto, 07/2016, A5E33039720 - AC 179
Ejemplo 4:
Modo anual Yearly activado, modo mensual Monthly desactivado, impulso Pulse
activado, fecha de conexión = 2008-03-15, fecha de desconexión = 2010-**-**: el 15 de
marzo de 2008, 2009 y 2010, la salida del temporizador se activa durante un ciclo.
Ejemplo 5:modo anual
Yearly desactivado, modo mensual Monthly desactivado, impulso
Pulse desactivado, fecha de conexión = 2008-06-01, fecha de desconexión = 2010-08-31: la
salida del temporizador se activa el 1 de junio de 2008 y permanece activada hasta el 31 de
agosto de 2010.
Ejemplo 6:modo anual
Yearly desactivado, modo mensual Monthly desactivado, impulso
Pulse seleccionado, fecha de conexión = 2008-03-15, fecha de desconexión = ****-**-**: el
15 de marzo de 2008, la salida del temporizador se activa durante un ciclo. Puesto que el
temporizador no tiene acción mensual ni anual, se emite solo un impulso en la salida del
temporizador en la fecha de conexión especificada.

Funciones de LOGO!
4.4 Lista de las funciones especiales - SF
LOGO!
180 Manual de producto, 07/2016, A5E33039720 - AC
Ejemplo 7:modo anual
Yearly activado, modo mensual Monthly desactivado, impulso
desactivado, fecha de conexión = 2008-12-15, fecha de desconexión = 2010-01-07: el 15 de
diciembre de 2008 y 2009, la salida del temporizador se activa hasta el 7 de enero del año
siguiente. Tras desactivarse el temporizador el 7 de enero de 2010, NO se vuelve a activar
el 15 de diciembre siguiente.
Ejemplo 8:modo anual
Yearly activado, modo mensual Monthly activado, fecha de conexión
= 2008-**-01, fecha de desconexión = 2010-**-05: a partir de 2008, la salida del
temporizador se activa el primer día de cada mes y se desactiva el quinto día del mes. El
temporizador sigue funcionando de esta manera hasta el último mes del año 2010.

Funciones de LOGO!
4.4 Lista de las funciones especiales - SF
LOGO!
Manual de producto, 07/2016, A5E33039720 - AC 181
Descripción de la función
El temporizador anual activa o desactiva la salida en determinadas fechas de conexión y
desconexión. Las activaciones y desactivaciones se ejecutan a las 00:00. Si la aplicación
requiere un tiempo diferente, utilice en el programa un temporizador semanal junto con un
temporizador anual.
La fecha y hora de conexión especifica cuándo se activa el temporizador. La fecha y hora de
desconexión especifica cuándo se vuelve a desactivar la salida. Por lo que respecta a las la
fechas de conexión y desconexión, tenga en cuenta el orden de los campos. El primer
campo define el año, el segundo, el mes y, el tercero, el día.
Si activa el modo mensual Monthly, la salida del temporizador se activa cada mes el día
indicado como fecha de conexión y permanece activada hasta el día indicado como fecha
de desconexión. La fecha de conexión especifica el primer año en el que se activa el
temporizador. La fecha de desconexión especifica el último año en el que se desactiva el
temporizador. 2099 es el último año de desconexión posible.
Si ajusta el modo anual Yearly, la salida del temporizador se activa cada año el mes y el día
indicados como fecha de conexión y permanece activada hasta el mes y el día indicados
como fecha de desconexión. La fecha de conexión especifica el primer año en el que se
activa el temporizador. La fecha de desconexión especifica el último año en el que se
desactiva el temporizador. 2099 es el último año de desconexión posible.
Si ajusta el modo de impulso Pulse, la salida del temporizador se activa durante un ciclo en
la fecha de conexión indicada y luego se desactiva. Puede seleccionar que el temporizador
sea impulsado mensual o anualmente, o bien una sola vez.
Si no activa ninguno de los modos (Monthly, Yearly o Pulse), puede definir un período
específico mediante la fecha de conexión y desconexión. Este período puede abarcar un
tiempo cualquiera.
Para procesos que deban activarse y desactivarse varias veces durante el año, pero en
momentos irregulares, puede definir varios temporizadores anuales y combinar lógicamente
sus salidas mediante un bloque de función OR.
Respaldo del reloj en tiempo real
El reloj de tiempo real interno de LOGO! sigue funcionando incluso si se produce un corte
de alimentación. El tiempo de respaldo depende de la temperatura ambiente. A una
temperatura ambiente de 25°C, el tiempo de respaldo típico es de 80 horas.

Funciones de LOGO!
4.4 Lista de las funciones especiales - SF
LOGO!
182 Manual de producto, 07/2016, A5E33039720 - AC
Configuración de ejemplo
La salida de un LOGO! debe activarse cada año el 1 de marzo, desactivarse el 4 de abril,
volver a activarse el 7 de julio y desactivarse nuevamente el 19 de noviembre. Para ello
deben configurarse dos temporizadores anuales con las respectivas fechas de conexión y,
seguidamente, enlazar las salidas mediante un bloque OR.
Resultado

Funciones de LOGO!
4.4 Lista de las funciones especiales - SF
LOGO!
Manual de producto, 07/2016, A5E33039720 - AC 183
4.4.13
Reloj astronómico
Descripción breve
La función de reloj astronómico se utiliza para activar una salida cuando el tiempo actual de
su módulo base LOGO! esté entre la hora de salida del sol (TR) y la hora de puesta del sol
(TS). LOGO! calcula automáticamente estas horas con base en la ubicación geográfica, los
ajustes para el cambio automático de horario de verano/invierno y la hora actual del módulo.
Símbolo en LOGO!
Cableado
Descripción
Parámetros Debe especificarse la longitud, latitud, zona horaria,
ajuste de salida del sol y ajuste de puesta del sol:
Longitude:
Ajustes de dirección:
EAST o WEST
Rango de valores:
0 ° a 180 ° (grados)
0 ' a 59 ' (minutos)
0 " a 59 " (segundos)
Latitude
:
Ajustes de dirección:
NORTH o SOUTH
Rango de valores:
0 ° a 90 ° (grados)
0 ' a 59 ' (minutos)
0 " a 59 " (segundos)
Zone
:
Rango de valores:
-11 a 12
TR Offset
(ajuste de salida del sol):
Rango de valores:
-59 minutos a 59 minutos
TS Offset
(ajuste de puesta del sol):
Rango de valores:
-59 minutos a 59 minutos
Salida Q LOGO! pone Q a "1" cuando el tiempo actual de su
módulo base LOGO! está entre la hora de salida del
sol (TR) y la hora de puesta del sol (TS).
Nota
En LOGO!Soft Comfort V8.1 están disponibles distintos lugares predefinidos que
corresponden a diversas zonas horarias. Al seleccionar uno de estos lugares, LOGO!Soft
Comfort utiliza la latitud, longitud y zona horaria correspondientes a dicho lugar. Esta f
unción
que permite elegir lugares preconfigurados solo está disponible en LOGO!Soft Comfort.

Funciones de LOGO!
4.4 Lista de las funciones especiales - SF
LOGO!
184 Manual de producto, 07/2016, A5E33039720 - AC
Cronograma
La siguiente figura muestra a modo de ejemplo un cronograma en el que Ta tiene como
referencia la hora actual del módulo base LOGO!:
Descripción de la función
La función calcula los valores TR y TS en la entrada y activa Q cuando Ta (siendo Ta la
hora actual de LOGO!) está entre TR y TS; de lo contrario, la función desactiva Q.
Si el cambio automático de horario de verano/invierno está activado (para más detalles
consulte el apartado Cambio de horario de verano/invierno (Página 102)), la función tiene en
cuenta la diferencia de horario configurada al calcular los valores TR y TS.
Configuración del parámetro Par
Visualización en modo de programación (ejemplo):
Pulse
Pulse
Visualización en modo de parametrización (ejemplo):

Funciones de LOGO!
4.4 Lista de las funciones especiales - SF
LOGO!
Manual de producto, 07/2016, A5E33039720 - AC 185
Pulse
Si el cambio automático de horario de verano/invierno está desactivado, pulse y LOGO!
mostrará la siguiente vista en el modo de parametrización (ejemplo):
Si el cambio automático de horario de verano/invierno está activado y ajustado en "EU" (por
ejemplo), pulse y LOGO! mostrará la siguiente vista en el modo de parametrización
(ejemplo):

Funciones de LOGO!
4.4 Lista de las funciones especiales - SF
LOGO!
186 Manual de producto, 07/2016, A5E33039720 - AC
4.4.14
Cronómetro
Descripción breve
La función de cronómetro contabiliza el tiempo transcurrido entre una señal de arranque y
una señal de parada del cronómetro.
Símbolo en LOGO!
Cableado
Descripción
En Una señal en la entrada En comienza a contar el
tiempo transcurrido en la salida analógica AQ.
Lap Un flanco ascendente (cambio de 0 a 1) en la entrada
Lap detiene el cronómetro.
Un flanco descendente (cambio de 1 a 0) en la
entrada Lap hace que el cronómetro siga
contabilizando el tiempo.
R Una señal en la entrada R resetea el tiempo
transcurrido.
Parámetro Es posible ajustar una base de tiempo
TB
para el
cronómetro.
Ajustes posibles para la base de tiempo
:
10 ms, s, m y h
Remanencia:
/ = Sin remanencia
R = El estado es remanente
Salida AQ Una señal en la entrada Lap detiene el valor de AQ
hasta que Lap se resetee a 0. Una señal en la
entrada R resetea el valor de AQ a 0.
Parámetros TB
Es posible ajustar una de las siguientes bases de tiempo:
● 10 ms (10 milisegundos)
● s (segundos)
● m (minutos)
● h (horas)

Funciones de LOGO!
4.4 Lista de las funciones especiales - SF
LOGO!
Manual de producto, 07/2016, A5E33039720 - AC 187
Cronograma
Descripción de la función
En = 1 y Lap = 0: aplicando la base de tiempo seleccionada, el cronómetro transmite el
tiempo actual (CurT) a AQ.
En = 1 y Lap = 1: el cronómetro deja AQ en su último valor cuando Lap = 0. Este valor
queda registrado como LapT para el tiempo de pausa del cronómetro.
En = 0 y Lap = 1: el cronómetro detiene el cronometraje y envía LapT a AQ.
En = 0 y Lap = 0: el cronómetro transmite el tiempo actual (CurT) a AQ.
Una señal en R pone el valor AQ a 0.
Configuración del parámetro Par
Visualización en modo de programación (ejemplo):
Para cambiar la base de tiempo, pulse para desplazar el cursor hasta "10ms". Pulse
OK
y
ahora podrá seleccionar a base de tiempo. Pulse o para seleccionar otra base de
tiempo. Para confirmar la selección pulse
OK
.
Visualización en modo de parametrización (ejemplo):

Funciones de LOGO!
4.4 Lista de las funciones especiales - SF
LOGO!
188 Manual de producto, 07/2016, A5E33039720 - AC
4.4.15
Contador adelante/atrás
Descripción breve
Dependiendo de la parametrización, un impulso de entrada incrementa o reduce un valor
interno. La salida se activa o desactiva cuando se alcanza un umbral configurado. El sentido
de contaje puede cambiarse con una señal en la entrada Dir.
Símbolo en LOGO!
Cableado
Descripción
Entrada R Una señal en la entrada R pone a cero el valor de
contaje interno.
Entrada Cnt La función cuenta los cambios de estado de 0 a 1 en
la entrada Cnt. Los cambios de 1 a 0 no se cuentan.
Puede utilizar como entrada lo siguiente:
• las entradas I3, I4, I5 e I6 para contajes rápidos
(solo LOGO! 12/24RCE/RCEo y LOGO!
24CE/24CEo/24Eo): máx. 5 kHz, si la entrada
rápida está conectada directamente con el bloque
de función contador adelante/atrás
• cualquier otra entrada o componente del circuito
para señales de baja frecuencia (típ. 4 Hz)
Entrada Dir El sentido de contaje se ajusta mediante la entrada
Dir:
Dir = 0: contaje adelante
Dir = 1: contaje atrás
Parámetros On: umbral de conexión
Rango de valores:
0...999999
Off: umbral de desconexión
Rango de valores:
0...999999
StartVal: valor inicial a partir del cual se cuenta
adelante o atrás.
Remanencia del valor de contaje interno Cnt:
/ = Sin remanencia
R = El estado es remanente.
Salida Q Q se activa o desactiva en función del valor real en
Cnt y de los valores umbral ajustados.
Parámetros On y Off
El valor real de otra función preprogramada puede proporcionar el umbral de conexión On y
el umbral de desconexión Off. Es posible utilizar los valores reales de las siguientes
funciones:
● Comparador analógico (Página 203) (valor real Ax – Ay)
● Conmutador analógico de valor umbral (Página 198) (valor real Ax)
● Amplificador analógico (Página 211) (valor real Ax)

Funciones de LOGO!
4.4 Lista de las funciones especiales - SF
LOGO!
Manual de producto, 07/2016, A5E33039720 - AC 189
● Multiplexor analógico (Página 232) (valor real AQ)
● Rampa analógica (Página 235) (valor real AQ)
● Instrucción aritmética (Página 247) (valor real AQ)
● Regulador PI (Página 239) (valor real AQ)
● Contador adelante/atrás (valor real Cnt)
● Filtro analógico (Página 252) (valor real AQ)
● Valor medio (Página 257) (valor real AQ)
● Máx/Mín (Página 254) (valor real AQ)
● Retardo a la conexión (Página 151) (tiempo actual Ta)
● Retardo a la desconexión (Página 154) (tiempo actual Ta)
● Retardo a la conexión/desconexión (Página 156) (tiempo actual Ta)
● Retardo a la conexión con memoria (Página 158) (tiempo actual Ta)
● Relé de barrido (salida de impulsos) (Página 160) (tiempo actual Ta)
● Relé de barrido activado por flancos (Página 162) (tiempo actual Ta)
● Generador de impulsos asíncrono (Página 164) (tiempo actual Ta)
● Interruptor de alumbrado para escalera (Página 168) (tiempo actual Ta)
● Interruptor multifuncional (Página 170) (tiempo actual Ta)
● Cronómetro (Página 186) (valor real AQ)
● Selector de umbral (Página 195) (valor real Fre)
Seleccione la función deseada mediante el número de bloque.
Cronograma
Descripción de la función
En cada flanco positivo en la entrada Cnt, el contador interno se incrementa en uno (Dir = 0)
o se reduce en uno (Dir = 1).
La entrada de reset R permite restablecer el valor inicial del valor de contaje interno.
Mientras R = 1, la salida también está puesta a 0 y no se cuentan los impulsos en la entrada
Cnt.

Funciones de LOGO!
4.4 Lista de las funciones especiales - SF
LOGO!
190 Manual de producto, 07/2016, A5E33039720 - AC
Si la remanencia no está activada, la salida Q y el tiempo expirado se reinician tras
producirse un corte de alimentación.
La salida Q se activa o desactiva en función del valor actual Cnt y de los valores umbral
ajustados. Consulte la siguiente regla de cálculo.
Regla de cálculo
● Si el umbral de conexión (On) ≥ umbral de desconexión (Off), rige:
Q = 1 si Cnt ≥ On
Q = 0 si Cnt < Off
● Si el umbral de conexión (On) < umbral de desconexión (Off), rige: Q = 1 si On ≤ Cnt <
Off.
Nota
El sistema muestrea cíclicamente el valor límite del contador.
Por tanto, si los impulsos en las entradas digitales rápidas I3, I4, I5 o I6 son más rápidos
que el tiempo de ciclo, puede suceder que la función especial no se active hasta que se
exceda el valor límite especificado.
Ejemplo: Pueden contarse como máximo 100 impulsos por ciclo; ya se han contado 900
impulsos. On = 950; Off = 10000. La salida se activa en el siguiente ciclo, tras alcanzar el
valor 1000. (Si el valor Off fuese = 980, la salida no se activaría).
Visualización en modo de programación (ejemplo):
Si el bloque referenciado (B021 en el ejemplo) devuelve un valor que esté fuera del rango
válido, se redondea hacia arriba o hacia abajo hasta el siguiente valor válido.
Visualización en modo de parametrización (ejemplo):

Funciones de LOGO!
4.4 Lista de las funciones especiales - SF
LOGO!
Manual de producto, 07/2016, A5E33039720 - AC 191
4.4.16
Contador de horas de funcionamiento
Descripción breve
Si se activa la entrada de vigilancia, comienza a transcurrir un tiempo configurado. La salida
se activa una vez transcurrido ese tiempo.
Símbolo en LOGO!
Cableado
Descripción
Entrada R
Un flanco ascendente (cambio de 0 a 1) en la entrada
R (Reset) desactiva la salida Q y ajusta en el
contador un valor configurado MI durante el tiempo
restante (MN).
Entrada En En es la entrada de vigilancia. LOGO! mide el tiempo
durante el que está activada esta entrada.
Entrada Ral Un flanco ascendente en la entrada Ral (Reset all)
desactiva el contador de horas de funcionamiento
(OT) y la salida. Además, el valor del tiempo restante
(MN) se ajusta al intervalo de mantenimiento (MI):
• salida Q = 0,
• tiempo de funcionamiento medido OT = 0
• tiempo restante hasta el intervalo de
mantenimiento MN = MI.
Parámetros MI: intervalo de mantenimiento que debe
predeterminarse en unidades de horas y minutos
Rango de valores:
0000 h a 9999 h, 0 min a 59 min
OT: tiempo de funcionamiento total acumulado. Se
puede determinar un offset en horas y minutos.
Rango de valores:
0000 h a 99999 h, 0 min a 59 min
Q → 0 sucede en función de las condiciones
siguientes:
• Si está seleccionado "R":
Q = 1 si MN = 0;
Q = 0 si R = 1 o Ral = 1
• Si está seleccionado "R+En":
Q = 1 si MN = 0;
Q = 0 si R = 1 o Ral = 1 o En = 0.
Salida Q Si el tiempo restante MN = 0 (consulte el
cronograma), se activa la salida.
La salida se desactiva en las siguientes condiciones:
• Si "Q→0:R+En", si
R = 1 o Ral = 1 o En = 0
• Si "Q→0:R", si R = 1 o Ral = 1.

Funciones de LOGO!
4.4 Lista de las funciones especiales - SF
LOGO!
192 Manual de producto, 07/2016, A5E33039720 - AC
Nota
MI, MN y OT son siempre remanentes.
Parámetro MI
El intervalo de mantenimiento MI puede derivarse del valor real de otra función
preprogramada. La base de tiempo del valor referenciado solo es "h" (para horas). Es
posible utilizar los valores reales de las siguientes funciones:
● Comparador analógico (Página 203) (valor real Ax – Ay)
● Conmutador analógico de valor umbral (Página 198) (valor real Ax)
● Amplificador analógico (Página 211) (valor real Ax)
● Multiplexor analógico (Página 232) (valor real AQ)
● Rampa analógica (Página 235) (valor real AQ)
● Instrucción aritmética (Página 247) (valor real AQ)
● Regulador PI (Página 239) (valor real AQ)
● Contador adelante/atrás (Página 188) (valor real Cnt)
● Filtro analógico (Página 252) (valor real AQ)
● Valor medio (Página 257) (valor real AQ)
● Máx/Mín (Página 254) (valor real AQ)
● Retardo a la conexión (Página 151) (tiempo actual Ta)
● Retardo a la desconexión (Página 154) (tiempo actual Ta)
● Retardo a la conexión/desconexión (Página 156) (tiempo actual Ta)
● Retardo a la conexión con memoria (Página 158) (tiempo actual Ta)
● Relé de barrido (salida de impulsos) (Página 160) (tiempo actual Ta)
● Relé de barrido activado por flancos (Página 162) (tiempo actual Ta)
● Generador de impulsos asíncrono (Página 164) (tiempo actual Ta)
● Interruptor de alumbrado para escalera (Página 168) (tiempo actual Ta)
● Interruptor multifuncional (Página 170) (tiempo actual Ta)
● Cronómetro (Página 186) (tiempo actual Ta)
Seleccione la función deseada mediante el número de bloque.

Funciones de LOGO!
4.4 Lista de las funciones especiales - SF
LOGO!
Manual de producto, 07/2016, A5E33039720 - AC 193
Cronograma
Descripción de la función
El contador de horas de funcionamiento vigila la entrada En. Mientras En = 1, LOGO!
calcula el tiempo expirado y el tiempo restante MN. LOGO! visualiza estos tiempos en el
modo de parametrización. La salida Q se activa cuando el tiempo restante MN = 0.
Con la entrada de reset R se desactiva la salida Q y se activa el valor predeterminado de MI
en el contador mientras dura MN. El contador de horas de funcionamiento OT no varía.
Con la entrada de reset Ral se desactiva la salida Q y se activa el valor predeterminado de
MI en el contador mientras dura MN. El contador de horas de funcionamiento OT se pone a
cero.
Dependiendo de la configuración del parámetro Q, la salida se reinicia con una señal en la
entrada R o Ral ("Q→0:R"), o si una señal de reset se pone a "hi" o la señal En a "lo"
("Q→0:R+En").
Visualizar MI, MN y valores OT
● LOGO! Basic: el modo de parametrización se puede abrir cuando el sistema está en
RUN para visualizar los valores reales de MI, MN y OT.
● LOGO! Pure y LOGO! Lite: en LOGO!Soft Comfort puede utilizar el test online para leer
estos valores. Para más información consulte el apartado "Software LOGO!
(Página 315)".
● Para acceder al contador de horas de funcionamiento en LOGO!Soft Comfort, elija el
comando de menú "Herramientas -> Transferir: Contador de horas de funcionamiento".

Funciones de LOGO!
4.4 Lista de las funciones especiales - SF
LOGO!
194 Manual de producto, 07/2016, A5E33039720 - AC
Valor límite de OT
Si resetea el contador de horas de funcionamiento con una señal en la entrada R, se
conserva el valor de las horas de funcionamiento en OT. El contador de horas OT se pondrá
a 0 con una transición de 0 a 1 en Ral. Sigue contando mientras En = 1,
independientemente del estado de la entrada de reset R. El valor límite del contador OT es
99999 h. Cuando alcanza este valor, se detiene el contador.
El valor inicial de OT se puede ajustar en el modo de programación. MN se calcula de
acuerdo con la fórmula siguiente, si la entrada de reset R nunca está activada: MN = MI -
(OT % MI). El operador % proporciona un resto de la división entera.
Ejemplo:
MI = 30h, OT = 100h
MN = 30 - (100 % 30)
MN = 30 -10
MN = 20h
En modo runtime, el valor OT no puede preajustarse. Si el valor de MI cambia, no se realiza
ningún cálculo del MN. MN adoptaría el valor de MI.
Configuración del parámetro Par
Visualización en modo de programación:
MI
es el intervalo de tiempo configurable. El rango de valores admisible está comprendido
entre 0 y 9999 horas.
Para más información sobre cómo asignar el valor real de otra función preprogramada a un
parámetro, consulte el apartado Retardo a la conexión (Página 151).
Visualización en modo de parametrización:

Funciones de LOGO!
4.4 Lista de las funciones especiales - SF
LOGO!
Manual de producto, 07/2016, A5E33039720 - AC 195
4.4.17
Selector de umbral
Descripción breve
La salida se activa y se desactiva en función de dos valores umbral configurables.
Símbolo en LOGO!
Cableado
Descripción
Entrada Fre La función cuenta los cambios de estado de 0 a 1 en
la entrada Fre. Los cambios de 1 a 0 no se cuentan.
Utilice como entrada lo siguiente:
• las entradas I3, I4, I5 e I6 para contajes rápidos
(solo LOGO! 12/24RCE/RCEo y LOGO!
24CE/24CEo/24Eo): máx. 5 kHz, si la entrada
rápida está conectada directamente con el bloque
de función selector de umbral
• cualquier otra entrada o componente del circuito
para señales de baja frecuencia (típ. 4 Hz)
Parámetros On: umbral de conexión
Rango de valores:
0000...9999
Off: umbral de desconexión
Rango de valores:
0000...9999
G_T: intervalo de tiempo o "tiempo de puerta" en el
que se miden los impulsos de entrada.
Rango de valores:
00:00 s...99:99 s
Salida Q Q se activa o desactiva en función de los valores
umbral.
Parámetro G_T
El tiempo de puerta G_T puede derivarse del valor real de otra función preprogramada. Es
posible utilizar los valores reales de las siguientes funciones:
● Comparador analógico (Página 203) (valor real Ax – Ay)
● Conmutador analógico de valor umbral (Página 198) (valor real Ax)
● Amplificador analógico (Página 211) (valor real Ax)
● Multiplexor analógico (Página 232) (valor real AQ)
● Rampa analógica (Página 235) (valor real AQ)
● Instrucción aritmética (Página 247) (valor real AQ)
● Regulador PI (Página 239) (valor real AQ)
● Contador adelante/atrás (Página 188) (valor real Cnt)
● Filtro analógico (Página 252) (valor real AQ)
● Valor medio (Página 257) (valor real AQ)

Funciones de LOGO!
4.4 Lista de las funciones especiales - SF
LOGO!
196 Manual de producto, 07/2016, A5E33039720 - AC
● Máx/Mín (Página 254) (valor real AQ)
● Retardo a la conexión (Página 151) (tiempo actual Ta)
● Retardo a la desconexión (Página 154) (tiempo actual Ta)
● Retardo a la conexión/desconexión (Página 156) (tiempo actual Ta)
● Retardo a la conexión con memoria (Página 158) (tiempo actual Ta)
● Relé de barrido (salida de impulsos) (Página 160) (tiempo actual Ta)
● Relé de barrido activado por flancos (Página 162) (tiempo actual Ta)
● Generador de impulsos asíncrono (Página 164) (tiempo actual Ta)
● Interruptor de alumbrado para escalera (Página 168) (tiempo actual Ta)
● Interruptor multifuncional (Página 170) (tiempo actual Ta)
● Cronómetro (Página 186) (valor real AQ)
● Selector de umbral (valor real Fre)
Seleccione la función deseada mediante el número de bloque.
Cronograma
Descripción de la función
El selector de umbral mide las señales en la entrada Fre. Los impulsos se registran durante
un intervalo de tiempo configurable G_T.
La salida Q se activa o desactiva en función de los valores umbral ajustados. Consulte la
siguiente regla de cálculo.
Regla de cálculo
● Si el umbral de conexión (On) ≥ umbral de desconexión (Off), rige: Q = 1 si fa > On o Q =
0 si fa ≤ Off.
● Si el umbral de conexión (On) < umbral de desconexión (Off), rige Q = 1 si On ≤ fa < Off.
Configuración del parámetro Par
Nota
El sistema explora el valor límite del contador una vez por intervalo G_T.

Funciones de LOGO!
4.4 Lista de las funciones especiales - SF
LOGO!
Manual de producto, 07/2016, A5E33039720 - AC 197
Visualización en modo de programación (ejemplo):
Nota
La base de tiempo "segundos" se ha ajustado aquí como estándar.
Si predetermina un tiempo G_T de 1 s, LOGO! devuelve la frecuencia actual del parámetro
fa en Hz.
Visualización en modo de parametrización (ejemplo):
Nota
fa es siempre el total de impulsos medidos por unidad de tiempo G_T.

Funciones de LOGO!
4.4 Lista de las funciones especiales - SF
LOGO!
198 Manual de producto, 07/2016, A5E33039720 - AC
4.4.18
Conmutador analógico de valor umbral
Descripción breve
La salida se activa y desactiva en función de dos valores umbral configurables.
Símbolo en LOGO!
Cableado
Descripción
Entrada Ax La entrada Ax es una de las siguientes señales
analógicas:
• AI1 a AI8 (*)
• AM1 a AM64
• NAI1 a NAI32
• AQ1 a AQ8
• NAQ1 a NAQ16
• Número de bloque de una función con salida
analógica
Parámetro A: ganancia
Rango de valores: -10,00 a 10,00
B: decalaje de origen
Rango de valores: -10.000 a 10.000
On: umbral de conexión
Rango de valores: -20.000 a 20.000
Off: umbral de desconexión
Rango de valores: -20.000 a 20.000
p: número de decimales
Rango de valores: 0, 1, 2, 3
Salida Q Q se activa o desactiva en función de los valores
umbral.
* AI1...AI8: 0...10 V equivale a 0...1000 (valor interno).
Parámetros Gain y Offset
Para más información sobre los parámetros Gain y Offset, consulte el apartado "Calcular la
ganancia y el offset de valores analógicos (Página 143)".
Parámetros On y Off
El valor real de otra función preprogramada puede proporcionar los parámetros On y Off. Es
posible utilizar los valores reales de las siguientes funciones:
● Comparador analógico (Página 203) (valor real Ax – Ay)
● Amplificador analógico (Página 211) (valor real Ax)
● Multiplexor analógico (Página 232) (valor real AQ)
● Rampa analógica (Página 235) (valor real AQ)
● Instrucción aritmética (Página 247) (valor real AQ)

Funciones de LOGO!
4.4 Lista de las funciones especiales - SF
LOGO!
Manual de producto, 07/2016, A5E33039720 - AC 199
● Regulador PI (Página 239) (valor real AQ)
● Contador adelante/atrás (Página 188) (valor real Cnt)
● Filtro analógico (Página 252) (valor real AQ)
● Valor medio (Página 257) (valor real AQ)
● Máx/Mín (Página 254) (valor real AQ)
● Retardo a la conexión (Página 151) (tiempo actual Ta)
● Retardo a la desconexión (Página 154) (tiempo actual Ta)
● Retardo a la conexión/desconexión (Página 156) (tiempo actual Ta)
● Retardo a la conexión con memoria (Página 158) (tiempo actual Ta)
● Relé de barrido (salida de impulsos) (Página 160) (tiempo actual Ta)
● Relé de barrido activado por flancos (Página 162) (tiempo actual Ta)
● Generador de impulsos asíncrono (Página 164) (tiempo actual Ta)
● Interruptor de alumbrado para escalera (Página 168) (tiempo actual Ta)
● Interruptor bifuncional (Página 170) (tiempo actual Ta)
● Cronómetro (Página 186) (valor real AQ)
● Conmutador analógico de valor umbral (valor real Ax)
● Selector de umbral (Página 195) (valor real Fre)
Seleccione la función deseada mediante el número de bloque.
Parámetro p (número de decimales)
Solo es aplicable a la visualización de valores On, Off y Ax en un texto de mensaje.
No es aplicable a la comparación de valores On y Off. (La función de comparación ignora el
separador decimal.)
Cronograma
Descripción de la función
La función lee la señal analógica en la entrada Ax.
Ax se multiplica por el valor del parámetro A (Gain). El valor del parámetro B (Offset) se
suma al producto, es decir, (Ax • Gain) + Offset = valor real de Ax.
La salida Q se activa o desactiva en función del valor umbral ajustado. Consulte la siguiente
regla de cálculo.

Funciones de LOGO!
4.4 Lista de las funciones especiales - SF
LOGO!
200 Manual de producto, 07/2016, A5E33039720 - AC
Regla de cálculo
● Si el umbral de conexión (On) ≥ umbral de desconexión (Off), rige: Q = 1 si el valor real
Ax > On o Q = 0 si el valor real Ax ≤ Off.
● Si el umbral de conexión (On) < umbral de desconexión (Off), rige: Q = 1 si On ≤ valor
real Ax < Off.
Configuración del parámetro Par
Los parámetros Gain y Offset sirven para adaptar los sensores utilizados a la respectiva
aplicación.
Visualización en modo de programación (ejemplo):
Visualización en modo de parametrización (ejemplo):
Visualización en el texto de mensaje (ejemplo):

Funciones de LOGO!
4.4 Lista de las funciones especiales - SF
LOGO!
Manual de producto, 07/2016, A5E33039720 - AC 201
4.4.19
Conmutador analógico de valor umbral diferencial
Descripción breve
La salida se activa y desactiva en función de un valor umbral y diferencial configurable.
Símbolo en LOGO!
Cableado
Descripción
Entrada Ax La entrada Ax es una de las siguientes señales
analógicas:
• AI1 a AI8 (*)
• AM1 a AM64
• NAI1 a NAI32
• AQ1 a AQ8
• NAQ1 a NAQ16
• Número de bloque de una función con salida
analógica
Parámetro A: ganancia
Rango de valores: -10,00 a 10,00
B: decalaje de origen
Rango de valores: -10.000 a 10.000
On: umbral de conexión/desconexión
Rango de valores: -20.000 a 20.000
Δ: valor diferencial para calcular el parámetro Off
Rango de valores: -20.000 a 20.000
p: número de decimales
Rango de valores: 0, 1, 2, 3
Salida Q Q se activa o desactiva en función de los valores
umbral y diferencial.
* AI1...AI8: 0...10 V equivale a 0...1000 (valor interno).
Parámetros Gain y Offset
Para más información sobre los parámetros Gain y Offset, consulte el apartado "Calcular la
ganancia y el offset de valores analógicos (Página 143)".
Parámetro p (número de decimales)
Solo es aplicable a la visualización de valores On, Off y Ax en un texto de mensaje.

Funciones de LOGO!
4.4 Lista de las funciones especiales - SF
LOGO!
202 Manual de producto, 07/2016, A5E33039720 - AC
Cronograma A: función con valor diferencial negativo Δ
Cronograma B: función con valor diferencial positivo Δ
Descripción de la función
La función lee la señal analógica en la entrada Ax.
Ax se multiplica por el valor del parámetro A (Gain). El valor del parámetro B (Offset) se
suma al producto, es decir, (Ax • Gain) + Offset = valor real de Ax.
La salida Q se activa o reinicia en función del valor umbral ajustado (On) y del valor
diferencial (Δ). La función calcula el parámetro Off automáticamente: Off = On + Δ, pudiendo
ser Δ un valor positivo o negativo. Consulte la siguiente regla de cálculo.
Regla de cálculo
● Si parametriza un valor diferencial Δ negativo, el umbral de conexión (On) ≥ umbral de
desconexión (Off) y Q = 1 si el valor real Ax > On o Q = 0 si el valor real Ax ≤ Off.
Consulte el cronograma A.
● Si parametriza un valor diferencial Δ positivo, el umbral de conexión (On) < umbral de
desconexión (Off) y Q = 1 si On ≤ valor real Ax < Off.
Consulte el cronograma B.
Configuración del parámetro Par
Los parámetros Gain y Offset sirven para adaptar los sensores utilizados a la respectiva
aplicación.
Visualización en modo de programación (ejemplo):

Funciones de LOGO!
4.4 Lista de las funciones especiales - SF
LOGO!
Manual de producto, 07/2016, A5E33039720 - AC 203
Visualización en modo de parametrización (ejemplo):
4.4.20
Comparador analógico
Descripción breve
La salida se activa y desactiva en función de la diferencia Ax - Ay y de dos valores umbral
configurables.
Símbolo en LOGO!
Cableado
Descripción
Entradas Ax y Ay Las entradas Ax y Ay son una de las siguientes
señales analógicas:
• AI1 a AI8 (*)
• AM1 a AM64
• NAI1 a NAI32
• AQ1 a AQ8
• NAQ1 a NAQ16
• Número de bloque de una función con salida
analógica
Parámetro A: ganancia
Rango de valores: -10,00 a 10,00
B: decalaje de origen
Rango de valores: -10.000 a 10.000
On: umbral de conexión
Rango de valores: -20.000 a 20.000
Off: umbral de desconexión
Rango de valores: -20.000 a 20.000
p: número de decimales
Rango de valores: 0, 1, 2, 3
Salida Q Q se activa o desactiva en función de la diferencia de
Ax - Ay y los valores umbral ajustados.
* AI1...AI8: 0...10 V equivale a 0...1000 (valor interno).

Funciones de LOGO!
4.4 Lista de las funciones especiales - SF
LOGO!
204 Manual de producto, 07/2016, A5E33039720 - AC
Parámetros Gain y Offset
Para más información sobre los parámetros Gain y Offset, consulte el apartado "Calcular la
ganancia y el offset de valores analógicos (Página 143)".
Parámetros On y Off
El valor real de otra función preprogramada puede proporcionar el umbral de conexión On y
el umbral de desconexión Off. Es posible utilizar los valores reales de las siguientes
funciones:
● Conmutador analógico de valor umbral (Página 198) (valor real Ax)
● Amplificador analógico (Página 211) (valor real Ax)
● Multiplexor analógico (Página 232) (valor real AQ)
● Rampa analógica (Página 235) (valor real AQ)
● Instrucción aritmética (Página 247) (valor real AQ)
● Regulador PI (Página 239) (valor real AQ)
● Contador adelante/atrás (Página 188) (valor real Cnt)
● Filtro analógico (Página 252) (valor real AQ)
● Valor medio (Página 257) (valor real AQ)
● Máx/Mín (Página 254) (valor real AQ)
● Retardo a la conexión (Página 151) (tiempo actual Ta)
● Retardo a la desconexión (Página 154) (tiempo actual Ta)
● Retardo a la conexión/desconexión (Página 156) (tiempo actual Ta)
● Retardo a la conexión con memoria (Página 158) (tiempo actual Ta)
● Relé de barrido (salida de impulsos) (Página 160) (tiempo actual Ta)
● Relé de barrido activado por flancos (Página 162) (tiempo actual Ta)
● Generador de impulsos asíncrono (Página 164) (tiempo actual Ta)
● Interruptor de alumbrado para escalera (Página 168) (tiempo actual Ta)
● Interruptor bifuncional (Página 170) (tiempo actual Ta)
● Cronómetro (Página 186) (valor real AQ)
● Comparador analógico (valor real Ax - Ay)
● Selector de umbral (Página 195) (valor real Fre)
Seleccione la función deseada mediante el número de bloque.
Parámetro p (número de decimales)
Solo es aplicable a los valores Ax, Ay, On, Off y Δ visualizados en un texto de mensaje.
No es aplicable a la comparación de valores On y Off. (La función de comparación ignora el
separador decimal.)

Funciones de LOGO!
4.4 Lista de las funciones especiales - SF
LOGO!
Manual de producto, 07/2016, A5E33039720 - AC 205
Cronograma
Descripción de la función
La función lee los valores analógicos de las entradas Ax y Ay.
Ax y Ay se multiplican cada uno por el valor del parámetro A (Gain). El valor del parámetro B
(Offset) se suma entonces al producto relevante, es decir,
(Ax • Gain) + Offset = valor real Ax o
(Ay • Gain) + Offset = valor real Ay.
La función crea la diferencia ("Δ") de los valores reales Ax - Ay.
La salida Q se activa o desactiva en función de la diferencia de los valores reales Ax - Ay y
de los valores umbral ajustados. Consulte la siguiente regla de cálculo.
Regla de cálculo
● Si el umbral de conexión (On) ≥ umbral de desconexión (Off), rige: Q = 1 si (valor real Ax
- valor real Ay) > On o Q = 0 si valor real Ax - valor real Ay) ≤ Off.
● Si el umbral de conexión (On) < umbral de desconexión (Off), rige: Q = 1 si On ≤ (valor
real Ax - valor real Ay) < Off.
Configuración del parámetro Par
Los parámetros Gain y Offset sirven para adaptar los sensores utilizados a la respectiva
aplicación.
Visualización en modo de programación:

Funciones de LOGO!
4.4 Lista de las funciones especiales - SF
LOGO!
206 Manual de producto, 07/2016, A5E33039720 - AC
Ejemplo
En un sistema de control de calefacción deben compararse las temperaturas de
alimentación Tv y retorno Tr p. ej. con un sensor en AI2.
Si la diferencia entre las temperaturas de alimentación y retorno excede los 15 °C, debe
dispararse una señal de control (p. ej. "Radiador ON"). La señal de control se desactiva si la
diferencia es inferior a 5 °C.
El valor real de la temperatura debe visualizarse en el modo de parametrización.
Los termopares disponibles tienen los siguientes datos técnicos: -30 °C a +70 °C, 0 V DC a
10 V DC.
Aplicación
Mapeado interno
-30 °C a 70 °C = 0 V DC a 10 V DC 0 a 1000
0 °C 300
→ Offset = -30
Rango de valores:
-30 °C a 70 °C = 100 1000
→ Gain = 100/1000 = 0.1
Umbral de conexión = 15 °C Valor umbral = 15
Umbral de desconexión = 5 °C Valor umbral = 5
Consulte también el apartado "Calcular la ganancia y el offset de valores analógicos (Página 143)".
Configuración (ejemplo):
Visualización en modo de parametrización (ejemplo):
Visualización en el texto de mensaje (ejemplo):

Funciones de LOGO!
4.4 Lista de las funciones especiales - SF
LOGO!
Manual de producto, 07/2016, A5E33039720 - AC 207
Reducir la sensibilidad de entrada del comparador analógico
La salida del comparador analógico puede retardarse de forma selectiva con las funciones
especiales "Retardo a la conexión" y "Retardo a la desconexión". Con ello se consigue que
la salida Q se active solo si el ancho de impulso de la señal de disparo en la entrada Trg (=
salida del comparador analógico) excede el tiempo de retardo a la conexión definido.
De ese modo se consigue una histéresis virtual que reduce la sensibilidad de la entrada
para modificaciones breves.
Diagrama de bloques de la función

Funciones de LOGO!
4.4 Lista de las funciones especiales - SF
LOGO!
208 Manual de producto, 07/2016, A5E33039720 - AC
4.4.21
Vigilancia del valor analógico
Descripción breve
Esta función especial guarda la variable de proceso de una entrada analógica y activa la
salida cuando la variable de salida es inferior o superior al valor guardado, más un offset
configurable.
Símbolo en LOGO!
Cableado
Descripción
Entrada En Con el flanco ascendente (cambio de 0 a 1) en la
entrada En se guarda el valor analógico de la entrada
Ax ("Aen") y se comienza a vigilar el rango de valores
analógicos Aen - Δ 2 a Aen+ Δ 1
Entrada Ax La entrada Ax es una de las siguientes señales
analógicas:
• AI1 a AI8 (*)
• AM1 a AM64
• NAI1 a NAI32
• AQ1 a AQ8
• NAQ1 a NAQ16
• Número de bloque de una función con salida
analógica
Parámetro A: ganancia
Rango de valores: -10,00 a 10,00
B: decalaje de origen
Rango de valores: -10.000 a 10.000
Δ1: valor diferencial superior a Aen:
umbral de conexión/desconexión
Rango de valores: 0 a 20.000
Δ2: valor diferencial inferior a Aen:
umbral de conexión/desconexión
Rango de valores: 0 a 20.000
p: número de decimales
Rango de valores: 0, 1, 2, 3
Remanencia:
/ = sin remanencia
R = el estado es remanente en la memoria
Salida Q Q se activa/desactiva en función del valor analógico
guardado y del offset.
* AI1...AI8: 0...10 V equivale a 0...1000 (valor interno).
Parámetros Gain y Offset
Para más información sobre los parámetros Gain y Offset, consulte el apartado "Calcular la
ganancia y el offset de valores analógicos (Página 143)".

Funciones de LOGO!
4.4 Lista de las funciones especiales - SF
LOGO!
Manual de producto, 07/2016, A5E33039720 - AC 209
Parámetros Delta1 y Delta2
El valor real de otra función preprogramada puede proporcionar los parámetros Delta1 y
Delta2. Es posible utilizar los valores reales de las siguientes funciones:
● Comparador analógico (Página 203) (valor real Ax – Ay)
● Conmutador analógico de valor umbral (Página 198) (valor real Ax)
● Amplificador analógico (Página 211) (valor real Ax)
● Multiplexor analógico (Página 232) (valor real AQ)
● Rampa analógica (Página 235) (valor real AQ)
● Instrucción aritmética (Página 247) (valor real AQ)
● Regulador PI (Página 239) (valor real AQ)
● Contador adelante/atrás (Página 188) (valor real Cnt)
● Filtro analógico (Página 252) (valor real AQ)
● Valor medio (Página 257) (valor real AQ)
● Máx/Mín (Página 254) (valor real AQ)
● Retardo a la conexión (Página 151) (tiempo actual Ta)
● Retardo a la desconexión (Página 154) (tiempo actual Ta)
● Retardo a la conexión/desconexión (Página 156) (tiempo actual Ta)
● Retardo a la conexión con memoria (Página 158) (tiempo actual Ta)
● Relé de barrido (salida de impulsos) (Página 160) (tiempo actual Ta)
● Relé de barrido activado por flancos (Página 162) (tiempo actual Ta)
● Generador de impulsos asíncrono (Página 164) (tiempo actual Ta)
● Interruptor de alumbrado para escalera (Página 168) (tiempo actual Ta)
● Interruptor bifuncional (Página 170) (tiempo actual Ta)
● Cronómetro (Página 186) (valor real AQ)
● Selector de umbral (Página 195) (valor real Fre)
Seleccione la función deseada mediante el número de bloque.
Parámetro p (número de decimales)
Solo es aplicable a los valores Aen, Ax, Δ 1 y Δ 2 visualizados en un texto de mensaje.

Funciones de LOGO!
4.4 Lista de las funciones especiales - SF
LOGO!
210 Manual de producto, 07/2016, A5E33039720 - AC
Cronograma
Descripción de la función
Si el estado de la entrada En cambia de 0 a 1, se guarda el valor de la señal en la entrada
analógica Ax. Este valor real guardado se denomina "Aen".
Los valores reales analógicos Ax y Aen se multiplican por el valor del parámetro A (Gain). El
parámetro B (Offset) se suma entonces al producto:
(Ax • Gain) + Offset = valor real Aen, si la entrada En cambia de 0 a 1, o
(Ax • Gain) + Offset = valor real Ax.
La salida Q se activa si la entrada En = 1 y el valor real en la entrada Ax se encuentra fuera
del rango Aen - Δ 2 a Aen + Δ 1.
La salida Q se desactiva si el valor real en la entrada Ax se encuentra dentro del rango Aen
- Δ 2 a Aen+ Δ 1, o bien si la entrada En cambia a "lo".
Configuración del parámetro Par
Los parámetros Gain y Offset sirven para adaptar los sensores utilizados a la respectiva
aplicación.
Visualización en modo de programación:
Visualización en modo de parametrización (ejemplo):

Funciones de LOGO!
4.4 Lista de las funciones especiales - SF
LOGO!
Manual de producto, 07/2016, A5E33039720 - AC 211
4.4.22
Amplificador analógico
Descripción breve
Esta función especial amplifica un valor de una entrada analógica y devuelve el resultado en
una salida analógica.
Símbolo en LOGO!
Cableado
Descripción
Entrada Ax La entrada Ax es una de las siguientes señales
analógicas:
• AI1 a AI8 (*)
• AM1 a AM64
• NAI1 a NAI32
• AQ1 a AQ8
• NAQ1 a NAQ16
• Número de bloque de una función con salida
analógica
Parámetro A: ganancia
Rango de valores: -10,00 a 10,00
B: decalaje de origen
Rango de valores: -10.000 a 10.000
p: número de decimales
Rango de valores: 0, 1, 2, 3
Salida AQ
Esta función especial tiene una salida analógica. Esta
salida solo puede conectarse a entradas analógicas,
marcas analógicas, salidas analógicas o salidas
analógicas de red.
Rango de valores de AQ:
-32767 a 32767
* AI1...AI8: 0 V a 10 V es proporcional a 0 a 1000 (valor interno).
Parámetros Gain y Offset
Para más información sobre los parámetros Gain y Offset, consulte el apartado Calcular la
ganancia y el offset de valores analógicos (Página 143).
Parámetro p (número de decimales)
Solo es aplicable al valor AQ en un texto de mensaje.
Descripción de la función
La función lee la señal analógica en la entrada Ax.
Este valor se multiplica por el parámetro A (Gain). El parámetro B (Offset) se suma entonces
al producto: (Ax • Gain) + Offset = valor real Ax.
El valor real Ax se devuelve en la salida AQ.

Funciones de LOGO!
4.4 Lista de las funciones especiales - SF
LOGO!
212 Manual de producto, 07/2016, A5E33039720 - AC
Salida analógica
Si conecta esta función especial con una salida analógica real, recuerde que la salida
analógica solo puede procesar valores comprendidos entre 0 y 1000. Dado el caso, conecte
un amplificador adicional entre la salida analógica de la función especial y la salida
analógica real. Con el amplificador se normaliza el rango de salida de la función especial a
un rango de valores de 0 a 1000.
Escalado de un valor de entrada analógica
El valor de la entrada analógica de un potenciómetro puede modificarse interconectando
una entrada analógica con un amplificador analógico y una marca analógica.
● Escale el valor analógico del amplificador para un uso posterior.
● Conecte p. ej. la base de tiempo del parámetro T de una función de temporización (p. ej.
retardo a la conexión/desconexión (Página 156)) o el límite especificado On y/u Off de un
contador adelante/atrás (Página 188) con el valor analógico escalado.
Encontrará más información y ejemplos de programación en la Ayuda en pantalla de
LOGO!Soft Comfort.
Configuración del parámetro Par
Los parámetros Gain y Offset sirven para adaptar los sensores utilizados a la respectiva
aplicación.
Visualización en modo de programación (ejemplo):
Visualización en modo de parametrización (ejemplo):

Funciones de LOGO!
4.4 Lista de las funciones especiales - SF
LOGO!
Manual de producto, 07/2016, A5E33039720 - AC 213
4.4.23
Relé autoenclavador
Descripción breve
La entrada S activa la salida Q y la entrada R desactiva la salida.
Símbolo en LOGO!
Cableado
Descripción
Entrada S La salida Q se activa con una señal en la entrada S.
Entrada R La salida Q se desactiva con una señal en la entrada
R. Si S y R = 1, se desactiva la salida.
Parámetros Remanencia:
/ = sin remanencia
R = el estado es remanente.
Salida Q Q se activa con una señal en la entrada S y se
desactiva con una señal en la entrada R.
Cronograma
Respuesta de conmutación
Un relé biestable es un elemento de memoria binario simple. El valor de la salida depende
del estado de las entradas y del estado anterior de la salida. La tabla siguiente muestra la
lógica una vez más:
Sn
Rn
Q
Comentario
0 0 x El estado es remanente
0 1 0 Reset
1 0 1 Set
1 1 0 Reset (tiene prioridad sobre Set)
Si está habilitada la remanencia, tras un corte de alimentación se aplica a la salida la misma
señal que tenía antes de interrumpirse la tensión.

Funciones de LOGO!
4.4 Lista de las funciones especiales - SF
LOGO!
214 Manual de producto, 07/2016, A5E33039720 - AC
4.4.24
Relé de impulsos
Descripción breve
Un breve impulso en la entrada activa y desactiva la salida.
Símbolo en LOGO!
Cableado
Descripción
Entrada Trg La salida Q se activa y desactiva con una señal en la
entrada Trg (Trigger).
Entrada S La salida Q se activa con una señal en la entrada S.
Entrada R La salida Q se desactiva con una señal en la entrada
R.
Parámetros Selección:
RS (la entrada R tiene prioridad) o
SR (la entrada S tiene prioridad)
Remanencia:
/ = sin remanencia
R = el estado es remanente.
Salida Q Q se activa con una señal en Trg y se desactiva con
la siguiente señal en Trg, si S y R = 0.
Cronograma
Descripción de la función
Cada vez que el estado de la entrada Trg cambia de 0 a 1 y si las entradas S y R = 0,
cambia también el estado de la salida Q, es decir, la salida se activa o desactiva.
La señal en la entrada Trg no afecta a la función especial si S o R = 1.
Una señal en la entrada S activa el relé de impulsos. La salida se activa.
Una señal en la entrada R desactiva el relé de impulsos. La salida se desactiva.
Diagrama de estado
Par
Qn-1
S
R
Trg
Qn
* 0 0 0 0 0
*
0
0 0 0 ->1
1
**
* 0 0 1 0 0
* 0 0 1 0 ->1 0

Funciones de LOGO!
4.4 Lista de las funciones especiales - SF
LOGO!
Manual de producto, 07/2016, A5E33039720 - AC 215
Par
Qn-1
S
R
Trg
Qn
* 0 1 0 0 1
* 0 1 0 0 ->1 1
RS 0 1 1 0 0
RS 0 1 1 0 ->1 0
SR 0 1 1 0 1
SR 0 1 1 0 ->1 1
* 1 0 0 0 1
*
1
0 0 0 ->1 0**
* 1 0 1 0 0
* 1 0 1 0 ->1 0
* 1 1 0 0 1
* 1 1 0 0 ->1 1
RS 1 1 1 0 0
RS 1 1 1 0 ->1 0
SR 1 1 1 0 1
SR 1 1 1 0 ->1 1
*: RS o SR
**: la señal de trigger es efectiva porque S y R = 0.
Dependiendo de la configuración, la entrada R tiene prioridad sobre la entrada S (es decir,
la entrada S no tiene efecto mientras R = 1), o viceversa (la entrada R no tiene efecto
mientras S = 1).
Después de un corte de alimentación, se reinician el relé de impulsos y la salida Q si no se
ha habilitado la remanencia.
Visualización en modo de programación:
Esta función especial no está disponible en modo de parametrización.
Nota
Si Trg = 0 y Par = RS, la función especial "Relé de impulsos" equivale a la función especial
"Relé biestable (Página 213)".

Funciones de LOGO!
4.4 Lista de las funciones especiales - SF
LOGO!
216 Manual de producto, 07/2016, A5E33039720 - AC
4.4.25
Textos de aviso
Descripción breve
El bloque de función de textos de mensajes permite configurar un mensaje que incluya texto
y otros parámetros que LOGO! deba visualizar en modo RUN.
Es posible configurar textos de mensajes sencillos para visualizarlos en el display integrado
en el LOGO!. LOGO!Soft Comfort ofrece numerosas funciones para textos de mensajes:
representación de datos en diagramas de barras, nombres de estados de E/S digitales y
otros. Para más información acerca de estas funciones, consulte la documentación de
LOGO!Soft Comfort.
Configuración de textos de mensajes generales
Los parámetros generales aplicables a todos los textos de mensajes se configuran en el
menú de programación:
● RefrAnalóg: frecuencia de refresco (en milisegundos) que indica con qué frecuencia
deben actualizarse las entradas analógicas en los textos de mensajes
● Vel. Ticker: velocidad a la que los textos de mensajes deben desplazarse por el display
Un texto de mensaje puede desplazarse de dos maneras por el display: línea por línea, o
bien carácter por carácter (ambas se describen detalladamente más adelante). Una línea
de texto de mensaje o cada carácter de un texto de mensaje aparecen y desaparecen
del display integrado en el LOGO! en función de la velocidad de ticker. En los mensajes
que se desplazan línea por línea, la velocidad de ticker real equivale a la velocidad de
ticker configurada, multiplicada por diez. En los mensajes que se desplazan carácter por
carácter, la velocidad de ticker real es la velocidad de ticker configurada.
● Juego de caracteres actual: juego de caracteres seleccionado para visualizar los textos
de mensajes. Para LOGO! se soportan los juegos de caracteres de las opciones Juego1
y Juego2:
Juego de
caracteres en
LOGO!
Nombre
común
Idiomas soportados
Referencia en Internet
ISO8859-1 Latín-1 Inglés, alemán,
italiano, español (en
parte), holandés (en
parte)
http://en.wikipedia.org/wiki/ISO/IEC_8859-1
ISO8859-5 Cirílico Ruso http://en.wikipedia.org/wiki/ISO/IEC_8859-5
ISO8859-9 Latín-5 Turco http://en.wikipedia.org/wiki/ISO/IEC_8859-9
ISO8859-16 Latín-10 Francés http://en.wikipedia.org/wiki/ISO/IEC_8859-16
GB-2312 Chino Chino http://en.wikipedia.org/wiki/GB2312
Shift-JIS Japonés Japonés http://en.wikipedia.org/wiki/Shift-jis
De los 50 textos de mensajes que pueden configurarse, es posible seleccionar una cantidad
cualquiera para el idioma primario y, los demás, para el idioma secundario. Así, por ejemplo,
puede configurar 50 bloques de función de textos de mensajes que tengan un solo texto de
mensaje para el juego de caracteres 1. Como alternativa, puede configurar veinticinco
bloques de función de textos de mensajes que tengan dos textos de mensaje cada uno: uno

Funciones de LOGO!
4.4 Lista de las funciones especiales - SF
LOGO!
Manual de producto, 07/2016, A5E33039720 - AC 217
para el juego de caracteres 1 y otro para el juego de caracteres 2. Es válida cualquier
combinación que no exceda 50 en total.
El texto de un mensaje debe estar redactado en un mismo juego de caracteres. Los textos
de mensajes pueden editarse en LOGO!Soft Comfort utilizando cualquiera de los juegos de
caracteres soportados. En LOGO! Basic solo pueden editarse aquellos textos que utilicen
caracteres del juego ISO8859-1.
El idioma y, por tanto, el juego de caracteres de un texto de mensajes es independiente del
idioma configurado para los menús del display integrado en el LOGO!. Pueden ser distintos.
Juego de caracteres chino
LOGO! Basic y LOGO! TDE soportan el juego de caracteres chino (GB-2312) para la
República Popular China. Los dispositivos utilizan la encriptación de Microsoft Windows
para este juego de caracteres. La encriptación de Windows permite que los dispositivos
visualicen los mismos caracteres que aparecen en el editor de mensajes de texto de
LOGO!Soft Comfort cuando se utiliza un emulador chino o una versión china de Microsoft
Windows.
El juego de caracteres chino requiere una versión china de Windows o un emulador chino
para visualizar correctamente los caracteres chinos en el editor de mensajes de texto de
LOGO!Soft Comfort. Es preciso iniciar el emulador chino antes de abrir el bloque de función
de textos de aviso en LOGO!Soft Comfort.
Programación de parámetros de textos de mensajes generales

Funciones de LOGO!
4.4 Lista de las funciones especiales - SF
LOGO!
218 Manual de producto, 07/2016, A5E33039720 - AC
Bloque de función de textos de mensajes
Símbolo en LOGO!
Cableado
Descripción
Entrada En Un cambio de 0 a 1 en la entrada En (Enable) inicia
la visualización del texto de mensajes.
Parámetros Ack: confirmación del texto del aviso
Msg Text: entrada del texto de aviso
Priority: prioridad del texto de aviso
Rango de valores: 0 a 127
Tick Type:
• C-C: ticker carácter por carácter
• L-L: ticker línea por línea
Msg. Dst: destino del mensaje (BM, TDE o Both)
Web Show: visualización de LOGO! Basic en el
servidor web
Configuración del desplazamiento de la línea (definir
si una línea se desplaza):
• Line1 Tick
• Line2 Tick
• Line3 Tick
• Line4 Tick
• Line5 Tick
• Line6 Tick
Nota:
El parámetro Texto del mensaje solo puede
editarse en el módulo LOGO! Basic. ISO8859-1 es el
único juego de caracteres disponible para editar
textos. Todos los demás parámetros e idiomas del
parámetro Texto pueden editarse en LOGO!Soft
Comfort. Encontrará detalles sobre la configuración
en la Ayuda en pantalla de LOGO!Soft Comfort.
Salida Q Q permanece activa mientras está activado el texto
de mensaje.
Restricción
Es posible utilizar 50 bloques de textos de mensaje como máximo.
Descripción de la función
Cuando LOGO! está en modo RUN visualiza el texto de mensaje configurado junto con sus
parámetros cuando se produce una transición de 0 a 1 en la señal de la entrada En.
En función del destino ajustado para el mensaje, el texto de mensaje se visualiza en el
display integrado en el LOGO!, en el LOGO! TDE o en ambos.
Si utiliza la marca M27 en el programa y cuando M27=0 (low), LOGO! visualizará el texto de
mensaje solo si este utiliza el juego de caracteres primario (juego de caracteres 1). Si
M27=1 (high), LOGO! visualizará solo los textos de mensajes que utilicen el juego de

Funciones de LOGO!
4.4 Lista de las funciones especiales - SF
LOGO!
Manual de producto, 07/2016, A5E33039720 - AC 219
caracteres secundario (juego de caracteres 2). (Consulte la descripción de la marca M27 en
el apartado Constantes y conectores (Página 127)).
Si ha configurado un ticker, el mensaje se desplazará por el display conforme a los ajustes
efectuados, es decir, carácter por carácter o línea por línea.
Si se ha desactivado el acuse (Ack = No), el texto de mensaje se oculta cuando el estado
lógico de la entrada En cambia de 1 a 0.
Si se ha activado el acuse (Ack = Yes) y el estado lógico de la entrada En cambia de 1 a 0,
el texto de mensaje permanecerá visible hasta que sea acusado con
OK
. Si En = 1, no se
puede acusar el texto de mensaje.
Si se han activado varias funciones de texto de mensaje con En=1, LOGO! visualizará el
texto de mensaje de mayor prioridad (0 = más baja, 127 = más alta). Esto significa que
LOGO! solo visualizará un texto de mensaje nuevo si su prioridad es superior a la de los
textos de mensajes activados previamente.
Si un texto de mensaje se ha desactivado o acusado, siempre se muestra automáticamente
el texto de mensaje con la mayor prioridad activo previamente.
Las teclas y se pueden pulsar para desplazarse por los diferentes textos de mensaje
activos.
Ejemplo
Así podrían visualizarse dos textos de mensajes:

Funciones de LOGO!
4.4 Lista de las funciones especiales - SF
LOGO!
220 Manual de producto, 07/2016, A5E33039720 - AC
Ticker de mensajes
Las líneas de un texto de mensaje pueden configurarse como ticker. Hay dos tipos de
tickers para mensajes, a saber:
● Carácter por carácter
● Línea por línea
En los mensajes que se desplazan carácter por carácter, los caracteres desaparecen uno
por uno hacia el lado izquierdo de la línea, mientras que los caracteres siguientes van
apareciendo uno por uno desde el lado derecho. El intervalo de tiempo de ticker se
especifica como velocidad de ticker en la configuración de textos de mensaje.
En los mensajes que se desplazan línea por línea, la primera mitad del mensaje desaparece
en el lado izquierdo de la línea, mientras que la segunda mitad aparece por el lado derecho.
El intervalo de tiempo de ticker equivale al parámetro de la velocidad de ticker multiplicado
por diez. Las dos mitades del mensaje alternan en el display integrado del LOGO! o en el
LOGO! TDE.
Ejemplo: ticker carácter por carácter
La figura siguiente muestra un texto de mensaje de una línea de 24 caracteres:
Si se configura este mensaje como ticker "carácter por carácter" con un intervalo de ticker
de 0,1 segundos, esta línea de mensaje se visualiza inicialmente en el display integrado del
LOGO! o en el LOGO! TDE como muestra la figura siguiente:
Al cabo de 0,1 segundos, la línea de mensaje salta un carácter hacia la izquierda. El
mensaje aparece así en el display integrado del LOGO! o en el LOGO! TDE:

Funciones de LOGO!
4.4 Lista de las funciones especiales - SF
LOGO!
Manual de producto, 07/2016, A5E33039720 - AC 221
Ejemplo: ticker línea por línea
En el ejemplo siguiente se utiliza la misma configuración de mensajes que en el ejemplo
anterior:
Si se configura este mensaje como ticker "línea por línea" con un intervalo de ticker de 0,1
segundos, el mensaje se visualiza inicialmente en el display integrado del LOGO! o en el
LOGO! TDE como muestra la figura siguiente:
Al cabo de 1 segundo (10 x 0,1 segundos), el mensaje se desplaza y se visualiza la mitad
derecha del mismo como muestra esta figura:
La visualización alterna cada segundo entre ambas mitades del mensaje.
Cada línea de un texto de mensaje puede configurarse como ticker. El ajuste "carácter por
carácter" o "línea por línea" se aplica a todas las líneas que se configuren como ticker.
Configuración del parámetro Par
A partir de la entrada P se configuran las siguientes características del texto de mensaje:
● Prioridad
● Acuse
● Destino del mensaje
● Tipo de ticker y configuración de ticker para cada línea
Visualización en modo de programación:
1. Pulse para situar el cursor en la línea "ACK".
2. Pulse
OK.
Habilite "Ack": pulse o

Funciones de LOGO!
4.4 Lista de las funciones especiales - SF
LOGO!
222 Manual de producto, 07/2016, A5E33039720 - AC
3. Coloque el cursor en la línea "Msg Text" pulsando . Pulse
OK
dos veces. Pulse y
para seleccionar una línea del texto de mensaje. LOGO! muestra lo siguiente:
4. Pulse y para seleccionar la letra que debe visualizarse en el texto. Para desplazar
el cursor de una posición a otra, pulse y .
Nota
La lista de caracteres disponible es la misma que para el nombre del programa.
Encontrará el juego de caracteres en el apartado Introducir el programa (Página 76). Al
introducir textos de mensajes en el LOGO! Basic, solo es posible utilizar caracteres del
juego ISO8859-1. Para introducir texto en un idioma diferente, debe hacerlo en
LOGO!Soft Comfort.
Recuerde que el número de caracteres por línea de texto de mensaje puede ser superior
al número de posiciones de caracteres en el display integrado en el LOGO!.
5. Confirme las entradas efectuadas con
OK
.
6. Pulse para situar el cursor en la línea "Priority".
7. Aumente la prioridad pulsando .
8. Pulse para situar el cursor en la línea "Msg. Dst".
9. Pulse o para conmutar entre las tres opciones de destino del mensaje: BM, TDE o
Both.
10.Pulse para situar el cursor en la línea "Tick Type".
11.Pulse o para seleccionar "C-C" o "L-L" para el "Tick Type".

Funciones de LOGO!
4.4 Lista de las funciones especiales - SF
LOGO!
Manual de producto, 07/2016, A5E33039720 - AC 223
12.Pulse para habilitar o inhibir el ticker de cada línea del texto de mensaje. LOGO!
muestra lo siguiente:
13.Para elegir entre "No" y "Yes" y determinar si la línea 1 debe visualizarse en forma de
ticker, pulse o .
14.Pulse para situar el cursor en la segunda línea y pulse o para elegir entre "No" y
"Yes" para la línea 2. Configure el ticker línea por línea para las líneas 3, 4, 5 y 6 de la
misma manera que para las líneas 1 y 2.
15.Coloque el cursor en la línea "Web Show" pulsando . Pulse o para elegir entre
"No" y "Yes" para el "Web Show".
16.Pulse
OK
para confirmar la configuración del texto de mensaje.
Parámetros o variables de proceso representables
Los siguientes parámetros o variables de proceso pueden visualizarse en un texto de
mensaje, bien sea como valores numéricos o en diagramas de barras:
Función especial
Parámetro o variable de proceso representable
en un texto de mensaje
Temporizadores
Retardo a la conexión T, Ta
Retardo a la desconexión T, Ta
Retardo a la conexión/desconexión Ta, TH, TL
Retardo a la conexión con memoria T, Ta
Relé de barrido
(salida de impulsos) T, Ta
Relé de barrido
activado por flancos Ta, TH, TL
Generador de impulsos asíncrono Ta, TH, TL
Generador aleatorio TH, TL
Interruptor de alumbrado para escalera Ta, T, T!, T!L
Interruptor multifuncional Ta, T, TL, T!, T!L
Temporizador semanal 3*on/off/day
Temporizador anual On, Off
Reloj astronómico Longitude, latitude, zone, TS, TR
Cronómetro TB, Ta, Lap, AQ
Contadores
Contador adelante/atrás Cnt, On, Off
Contador de horas de funcionamiento MI, Q, OT

Funciones de LOGO!
4.4 Lista de las funciones especiales - SF
LOGO!
224 Manual de producto, 07/2016, A5E33039720 - AC
Función especial
Parámetro o variable de proceso representable
en un texto de mensaje
Selector de umbral fa, On, Off, G_T
Analógico
Conmutador analógico de valor umbral On, Off, A, B, Ax
Conmutador analógico de valor umbral
diferencial On, n, A, B, Ax, Off
Comparador analógico On, Off, A, B, Ax, Ay, nA
Vigilancia del valor analógico n, A, B, Ax, Aen
Amplificador analógico A, B, Ax
Multiplexor analógico V1, V2, V3, V4, AQ
Rampa analógica L1, L2, MaxL, StSp, Rate, A, B, AQ
Regulador PI SP, Mq, KC, TI, Min, Max, A, B, PV, AQ
Instrucción aritmética V1, V2, V3, V4, AQ
PWM (modulación de ancho de impulsos) A, B, T, Ax amplificado
Otros
Relé biestable -
Relé de impulsos -
Textos de mensajes -
Tecla programable On/Off
Registro de desplazamiento -
Filtro analógico Sn, Ax, AQ
Máx/Mín Mode, Min, Max, Ax, AQ
Valor medio Ax, St, Sn, AQ
Convertidor flotante/entero Typ,VM, Res, eAx, Aq,
Convertidor entero/flotante Typ,VM, Res, eAx, eAq, Aq,
En el caso de los temporizadores, un texto de mensaje también puede visualizar el tiempo
restante. El "tiempo restante" indica cuánto tiempo del ajuste parametrizado debe transcurrir
aún.
Los valores actuales o reales pueden representarse escalados entre los valores mínimo y
máximo en diagramas de barras horizontales o verticales. Para más información sobre la
configuración y visualización de diagramas de barras en textos de mensajes, consulte la
Ayuda en pantalla de LOGO!Soft Comfort.
Editar textos de mensajes
En LOGO! Basic solo es posible editar textos de mensajes sencillos. En LOGO! Basic no es
posible editar textos de mensajes que contengan características como diagramas de barras,
nombres de estado E/S o similares. Estos tipos de textos de mensajes solo pueden editarse
en LOGO!Soft Comfort.
En LOGO! Basic,
tampoco
es posible editar textos de mensajes que contengan alguno de
los parámetros siguientes:
● Par
● Time

Funciones de LOGO!
4.4 Lista de las funciones especiales - SF
LOGO!
Manual de producto, 07/2016, A5E33039720 - AC 225
● Date
● EnTime
● EnDate
● Entrada analógica
● Estado de E/S digital
● Caracteres especiales (por ejemplo: ±, €)
Estos textos de mensajes solo pueden editarse en LOGO!Soft Comfort.
Modificar parámetros en el texto de mensaje activo
Si el texto de mensaje está activo, pulse
ESC
para seleccionar el modo de edición.
Nota
Mantenga pulsada la tecla
ESC
como mínimo durante un segundo.
Pulse y para seleccionar el parámetro en cuestión. Pulse
OK
para modificar el
parámetro. Utilice las teclas y para editar un parámetro.
Confirme los cambios efectuados con
OK
. Ahora puede modificar otros parámetros del texto
de mensaje (si existen). Pulse
ESC
para salir del modo de edición.
Simular la pulsación de teclas en el texto de mensaje activo
Puede activar las cuatro teclas de cursor C , C , C y C en un texto de mensaje
activo pulsando la tecla
ESC
y la tecla de cursor deseada.

Funciones de LOGO!
4.4 Lista de las funciones especiales - SF
LOGO!
226 Manual de producto, 07/2016, A5E33039720 - AC
4.4.26
Interruptor software
Descripción breve
Esta función especial tiene el mismo efecto que un pulsador o interruptor mecánico.
Símbolo en LOGO!
Cableado
Descripción
Entrada En Una transición de 0 a 1 en la señal de la entrada En
(Enable) activa la salida Q si además se ha
confirmado "Switch=On" en modo de
parametrización.
Parámetros Modo de programación:
Selección de la función que debe utilizarse como
pulsador o interruptor durante un ciclo.
Inicio: estado On u Off que se aplica en el primer
arranque del programa si está desactivada la
remanencia.
Remanencia:
/ = sin remanencia
R = el estado es remanente.
Modo de parametrización (modo RUN):
Interruptor: activa o desactiva el pulsador
(interruptor).
Salida Q Se activa si En=1 y Switch=On se ha confirmado con
OK
.
Ajuste de fábrica
El ajuste estándar es la acción de interruptor.
Cronograma
Descripción de la función
En modo de parametrización, la salida se activa con una señal en la entrada En si el
parámetro '"Switch" se ha ajustado a "On" y confirmado con
OK
. Esto no depende de si la
función está programada como pulsador o interruptor.

Funciones de LOGO!
4.4 Lista de las funciones especiales - SF
LOGO!
Manual de producto, 07/2016, A5E33039720 - AC 227
La salida se pone a "0" en los tres casos siguientes:
● Si el estado de la entrada En cambia de 1 a 0.
● Si la función se ha configurado como pulsador y ha transcurrido un ciclo tras su
activación.
● Si en modo de parametrización se ha seleccionado la posición "Off" en el parámetro
"Switch" y se ha confirmado con
OK
.
Si la remanencia no está activada, la salida Q se inicializa después de un corte de
alimentación según la configuración del parámetro "Start".
Configuración del parámetro Par
Visualización en modo de programación (ejemplo):
1. Coloque el cursor en "Par". Pulse
OK.
2. Pulse para situar el cursor en la línea "On".
3. Pulse
OK
. Seleccione "Pulsador" o "Interruptor": pulse o .
4. Pulse para desplazar el cursor hasta la línea "Start".
5. Para modificar el estado de "Start": pulse o .

Funciones de LOGO!
4.4 Lista de las funciones especiales - SF
LOGO!
228 Manual de producto, 07/2016, A5E33039720 - AC
6. Confirme las entradas efectuadas con
OK.
Visualización en modo de parametrización (ejemplo):
Aquí puede activar o desactivar el parámetro "Switch" (On/Off). En modo RUN, LOGO!
visualizará lo siguiente:
Supongamos que desea activar "Switch" (On).
1. Pulse
OK
(el cursor se encuentra ahora en "Off").
2. Para cambiar de "Off" a "On": pulse o .
3. Confirme las entradas efectuadas con
OK.

Funciones de LOGO!
4.4 Lista de las funciones especiales - SF
LOGO!
Manual de producto, 07/2016, A5E33039720 - AC 229
4.4.27
Registro de desplazamiento
Descripción breve
La función "Registro de desplazamiento" permite leer el valor de una entrada y desplazar
sus bits hacia la izquierda o derecha. El valor de la salida equivale al bit de registro de
desplazamiento configurado. El sentido de desplazamiento puede modificarse en una
entrada especial.
Símbolo en LOGO!
Cableado
Descripción
Entrada In Entrada cuyo valor se lee al inicio de la función.
Entrada Trg
Un flanco ascendente (cambio de 0 a 1) en la entrada
Trg (Trigger) inicia la función especial. Los cambios
de 1 a 0 son irrelevantes.
Entrada Dir La señal en la entrada Dir determina el sentido de
desplazamiento de los bits del registro de
desplazamiento Sx.1 a Sx.8. "x" hace referencia al
índice configurado de bytes del registro de
desplazamiento 1, 2, 3 o 4.
Dir = 0: desplazamiento hacia arriba
(Sx.1>>Sx.8)
Dir = 1: desplazamiento hacia abajo
(Sx.8>>Sx.1)
Entrada R
Un flanco ascendente (cambio de 0 a 1) en la entrada
R (Reset) inicializa el SFB. Todos los bits del registro
de desplazamiento (Sx.1 a Sx.8) se ponen a 0
cuando se inicializa el SFB.
Parámetros Bit de registro de desplazamiento que determina el
valor de la salida Q.
Ajustes posibles:
Byte index: 1 a 4
Q: S1 a S8
LOGO! ofrece un máximo de 32 bits de registro de
desplazamiento, con ocho bits por registro de
desplazamiento.
Remanencia:
/ = sin remanencia
R = el estado es remanente.
Salida Q El valor de la salida equivale al bit de registro de
desplazamiento configurado.

Funciones de LOGO!
4.4 Lista de las funciones especiales - SF
LOGO!
230 Manual de producto, 07/2016, A5E33039720 - AC
Descripción de la función
Con el flanco ascendente (cambio de 0 a 1) en la entrada Trg (Trigger), la función lee el
valor de la entrada In.
Este valor se aplica al bit de registro de desplazamiento Sx.1 o Sx.8 en función del sentido
de desplazamiento; "x" representa el número de índice del registro de desplazamiento y el
número detrás del punto decimal representa el número de bit:
● Desplazamiento hacia arriba: Sx.1 adopta el valor de la entrada In; el valor anterior de
Sx.1 se desplaza a Sx.2; el valor anterior de Sx.2 se desplaza a Sx.3, y así
sucesivamente.
● Desplazamiento hacia abajo: Sx.8 adopta el valor de la entrada In; el valor anterior de
Sx.8 se desplaza a Sx.7; el valor anterior de Sx.7 se desplaza a Sx.6, y así
sucesivamente.
La salida Q devuelve el valor del bit de registro de desplazamiento configurado.
Si la remanencia no está activada, tras producirse un corte de alimentación, la función de
desplazamiento comienza de nuevo en Sx.1 o Sx.8. Si está habilitada, la remanencia se
aplica siempre a todos los bits de registro de desplazamiento.
Nota
LOGO! ofrece un máximo de cuatro bloques de función de registro de desplazamiento para
ser utilizados en el programa.

Funciones de LOGO!
4.4 Lista de las funciones especiales - SF
LOGO!
Manual de producto, 07/2016, A5E33039720 - AC 231
Cronograma
El cronograma a modo de ejemplo del registro de desplazamiento de LOGO! se visualiza del
siguiente modo:
Configuración del parámetro Par
Visualización en modo de programación (ejemplo):
La vista anterior indica que el bit de registro de desplazamiento configurado es S4.8.
Esta función especial no está disponible en modo de parametrización.

Funciones de LOGO!
4.4 Lista de las funciones especiales - SF
LOGO!
232 Manual de producto, 07/2016, A5E33039720 - AC
4.4.28
Multiplexor analógico
Descripción breve
Esta función especial devuelve en la salida analógica uno de cuatro valores analógicos
predefinidos, o bien 0.
Símbolo en LOGO!
Cableado
Descripción
Entrada En Un cambio de estado de 0 a 1 en la entrada En
(Enable) conmuta un valor analógico parametrizado
en la salida AQ, en función del valor de S1 y S2.
Entradas S1 y S2 S1 y S2 (selectores) para seleccionar el valor
analógico a emitir.
• S1 = 0 y S2 = 0:
se emite el valor 1.
• S1 = 0 y S2 = 1:
se emite el valor 2.
• S1 = 1 y S2 = 0:
se emite el valor 3.
• S1 = 1 y S2 = 1:
se emite el valor 4.
Parámetros V1 a V4: valores analógicos que se emitirán.
Rango de valores: -32768 a 32767
p: número de decimales
Rango de valores: 0, 1, 2, 3
Salida AQ Esta función especial tiene una salida analógica.
Dicha salida solo puede conectarse a entradas
analógicas, marcas analógicas, salidas analógicas o
salidas analógicas de red.
Rango de valores de AQ:
-32768 a 32767
Parámetros V1...V4
Los valores analógicos de los parámetros V1 a V4 pueden derivarse de otra función
preprogramada. Es posible utilizar los valores reales de las siguientes funciones:
● Comparador analógico (Página 203) (valor real Ax – Ay)
● Conmutador analógico de valor umbral (Página 198) (valor real Ax)
● Amplificador analógico (Página 211) (valor real Ax)
● Rampa analógica (Página 235) (valor real AQ)
● Instrucción aritmética (Página 247) (valor real AQ)
● Regulador PI (Página 239) (valor real AQ)
● Contador adelante/atrás (Página 188) (valor real Cnt)
● Multiplexor analógico (valor real AQ)
● Filtro analógico (Página 252) (valor real AQ)

Funciones de LOGO!
4.4 Lista de las funciones especiales - SF
LOGO!
Manual de producto, 07/2016, A5E33039720 - AC 233
● Valor medio (Página 257) (valor real AQ)
● Máx/Mín (Página 254) (valor real AQ)
● Retardo a la conexión (Página 151) (tiempo actual Ta)
● Retardo a la desconexión (Página 154) (tiempo actual Ta)
● Retardo a la conexión/desconexión (Página 156) (tiempo actual Ta)
● Retardo a la conexión con memoria (Página 158) (tiempo actual Ta)
● Relé de barrido (salida de impulsos) (Página 160) (tiempo actual Ta)
● Relé de barrido activado por flancos (Página 162) (tiempo actual Ta)
● Generador de impulsos asíncrono (Página 164) (tiempo actual Ta)
● Interruptor de alumbrado para escalera (Página 168) (tiempo actual Ta)
● Interruptor bifuncional (Página 170) (tiempo actual Ta)
● Cronómetro (Página 186) (valor real AQ)
● Selector de umbral (Página 195) (valor real Fre)
Seleccione la función deseada mediante el número de bloque. En el apartado Retardo a la
conexión (Página 151) encontrará información acerca de los parámetros estándar.
Parámetro p (número de decimales)
Solo es aplicable a los valores visualizados en un texto de mensaje.
Cronograma
Descripción de la función
Si se activa la entrada En, la función emite en la salida AQ uno de los cuatro posibles
valores analógicos V1 a V4 en función del valor de S1 y S2.
Si la entrada En no se activa, la función emite el valor analógico 0 en la salida AQ.

Funciones de LOGO!
4.4 Lista de las funciones especiales - SF
LOGO!
234 Manual de producto, 07/2016, A5E33039720 - AC
Salida analógica
Si conecta esta función especial con una salida analógica real, recuerde que la salida
analógica solo puede procesar valores comprendidos entre 0 y 1000. Dado el caso, conecte
un amplificador adicional entre la salida analógica de la función especial y la salida
analógica real. Con el amplificador se normaliza el rango de salida de la función especial a
un rango de valores de 0 a 1000.
Configuración del parámetro Par
Visualización en modo de programación (ejemplo):
Visualización en modo de parametrización:

Funciones de LOGO!
4.4 Lista de las funciones especiales - SF
LOGO!
Manual de producto, 07/2016, A5E33039720 - AC 235
4.4.29
Rampa analógica
Descripción breve
Esta función permite desplazar la salida a una velocidad específica desde el nivel actual
hasta el nivel seleccionado.
Símbolo en LOGO!
Cableado
Descripción
Entrada En Un cambio de estado de 0 a 1 en la entrada En
(Enable) aplica el nivel de arranque/parada (offset "B"
+ StSp) en la salida durante 100 ms e inicia la
operación de rampa hacia el nivel seleccionado.
Un cambio de estado de 1 a 0 pone inmediatamente
el nivel actual al offset "B" y, por tanto, la salida AQ a
0.
Entrada Sel SeI = 0: se selecciona el nivel 1.
SeI = 1: se selecciona el nivel 2.
Un cambio de estado de Sel ocasiona el
desplazamiento desde el nivel actual hasta el nivel
seleccionado a la velocidad indicada.
Entrada St Un cambio de estado de 0 a 1 en la entrada St
(parada desacelerada) ocasiona un decremento en el
nivel actual a una velocidad constante hasta
alcanzarse el nivel de arranque/parada (offset "B" +
StSp). El nivel de arranque/parada se mantiene
durante 100 ms y el nivel actual se pone luego al
offset "B". Por tanto, la salida AQ se pone a 0.

Funciones de LOGO!
4.4 Lista de las funciones especiales - SF
LOGO!
236 Manual de producto, 07/2016, A5E33039720 - AC
Símbolo en LOGO!
Cableado
Descripción
Parámetro Nivel 1 y Nivel 2:
niveles que deben alcanzarse
Rango de valores por nivel:
-10000 a 20000
MaxL:
valor máximo que no debe excederse en ningún
caso.
Rango de valores: -10000 a 20000
StSp:
offset de arranque/parada: valor que se suma al
offset "B" para ajustar el nivel de arranque/parada. Si
el offset de arranque/parada es 0, el nivel de
arranque/parada tendrá el offset "B".
Rango de valores:
0 a 20000
Rate:
aceleración con la que se alcanzan los niveles 1 o 2,
o bien el offset. Se indican pasos/s.
Rango de valores:
1 a 10000
A: ganancia
Rango de valores:
0 a 10,00
B: offset
Rango de valores:
-10000 a 10000
p: número de decimales
Rango de valores:
0, 1, 2, 3
Salida AQ Rango de valores para AQ:
0 a 32767
(Nivel actual - offset "B") / ganancia "A"
Rango de valores:
0 a 32767
Nota
:
Si AQ se visualiza en modo de parametrización o de
mensaje, aparecerá como valor escalado tanto en el
módulo base LOGO! como en LOGO!Soft Comfort
(en unidades físicas: nivel actual).
Parámetros L1, L2
Los valores analógicos de los parámetros L1 y L2 pueden derivarse de otra función
preprogramada. Es posible utilizar los valores reales de las siguientes funciones:
● Comparador analógico (Página 203) (valor real Ax – Ay)
● Conmutador analógico de valor umbral (Página 198) (valor real Ax)
● Amplificador analógico (Página 211) (valor real Ax)
● Multiplexor analógico (Página 232) (valor real AQ)
● Instrucción aritmética (Página 247) (valor real AQ)

Funciones de LOGO!
4.4 Lista de las funciones especiales - SF
LOGO!
Manual de producto, 07/2016, A5E33039720 - AC 237
● Regulador PI (Página 239) (valor real AQ)
● Contador adelante/atrás (Página 188) (valor real Cnt)
● Filtro analógico (Página 252) (valor real AQ)
● Valor medio (Página 257) (valor real AQ)
● Máx/Mín (Página 254) (valor real AQ)
● Retardo a la conexión (Página 151) (tiempo actual Ta)
● Retardo a la desconexión (Página 154) (tiempo actual Ta)
● Retardo a la conexión/desconexión (Página 156) (tiempo actual Ta)
● Retardo a la conexión con memoria (Página 158) (tiempo actual Ta)
● Relé de barrido (salida de impulsos) (Página 160) (tiempo actual Ta)
● Relé de barrido activado por flancos (Página 162) (tiempo actual Ta)
● Generador de impulsos asíncrono (Página 164) (tiempo actual Ta)
● Interruptor de alumbrado para escalera (Página 168) (tiempo actual Ta)
● Interruptor bifuncional (Página 170) (tiempo actual Ta)
● Cronómetro (Página 186) (valor real AQ)
● Rampa analógica (valor real AQ)
● Selector de umbral (Página 195) (valor real Fre)
Seleccione la función deseada mediante el número de bloque. En el apartado Retardo a la
conexión (Página 151) encontrará información acerca de los parámetros estándar.
Parámetro p (número de decimales)
Solo es aplicable a los valores AQ, L1, L2, MaxL, StSp y Rate visualizados en un texto de
mensaje.
Cronograma de AQ

Funciones de LOGO!
4.4 Lista de las funciones especiales - SF
LOGO!
238 Manual de producto, 07/2016, A5E33039720 - AC
Descripción de la función
Si se activa la entrada En, la función ajusta el nivel actual a StSp + offset "B" durante 100
ms.
Seguidamente, partiendo del nivel StSp + offset "B" y dependiendo de la conexión de Sel, la
función efectúa un desplazamiento al nivel 1 o 2 con la aceleración indicada en Rate.
Si se activa la entrada St, la función efectúa un desplazamiento al nivel StSp + offset "B" con
la aceleración indicada en Rate. Seguidamente, el nivel StSp + offset "B" se mantiene
durante 100 ms. Al cabo de 100 ms, el nivel se ajusta a offset "B". El valor escalado (salida
AQ) es 0.
Si se activa la entrada St, la función solo puede reiniciarse tras haberse desactivado las
entradas St y En.
Si se ha modificado la entrada Sel y dependiendo de la conexión de Sel, la función efectúa
un desplazamiento desde el nivel actual hasta el nivel de destino a la velocidad indicada.
Si se desactiva la entrada En, la función ajusta inmediatamente el nivel actual al offset "B".
El nivel actual se actualiza cada 100 ms. Tenga en cuenta la siguiente relación entre la
salida AQ y el nivel actual:
Salida AQ = (nivel actual - offset "B") / ganancia "A".
Nota
Para más información sobre el procesamiento de valores analógicos, consulte la Ayuda en
pantalla de LOGO!Soft Comfort.
Configuración del parámetro Par
Visualización en modo de programación (ejemplo):
Visualización en modo de parametrización:

Funciones de LOGO!
4.4 Lista de las funciones especiales - SF
LOGO!
Manual de producto, 07/2016, A5E33039720 - AC 239
4.4.30
Regulador PI
Descripción breve
Regulador proporcional y regulador integral. Puede utilizar ambos tipos de regulador
individualmente o combinados.
Símbolo en LOGO!
Cableado
Descripción
Entrada A/M Permite ajustar el modo de operación del regulador:
1: modo automático
0: Modo manual
Entrada R Utilice la entrada R para desactivar la salida AQ.
Mientras está activada esta entrada, la entrada A/M
permanece bloqueada.
La salida AQ se pone a 0.
Entrada PV Valor analógico: variable de proceso, influye en la
salida
Parámetro SP: consigna
Rango de valores:
-10.000 a 20.000
KC: ganancia
Rango de valores:
00,00 a 99,99
TI: tiempo integral
Rango de valores:
00:01 min a 99:59 min
Dir: sentido de acción del regulador
Rango de valores:
+ o -
Mq: valor de AQ en modo manual
Rango de valores:
0 a 1.000
Mín: valor mínimo de PV
Rango de valores:
-10.000 a 20.000
Máx: valor máximo de PV
Rango de valores:
-10.000 a 20.000
A: ganancia
Rango de valores:
-10,00 a 10,00
B: offset
Rango de valores:
-10.000 a 10.000
p: número de decimales
Rango de valores:
0, 1, 2, 3

Funciones de LOGO!
4.4 Lista de las funciones especiales - SF
LOGO!
240 Manual de producto, 07/2016, A5E33039720 - AC
Símbolo en LOGO!
Cableado
Descripción
Salida AQ Esta función especial tiene una salida analógica (=
variable manipulada). Dicha salida solo puede
conectarse a entradas analógicas, marcas
analógicas, salidas analógicas o salidas analógicas
de red.
Rango de valores de AQ:
0 a 1.000
Parámetros SP y Mq
El valor de consigna SP y el valor de Mq pueden derivarse de otra función preprogramada.
Es posible utilizar los valores reales de las siguientes funciones:
● Comparador analógico (Página 203) (valor real Ax – Ay)
● Conmutador analógico de valor umbral (Página 198) (valor real Ax)
● Amplificador analógico (Página 211) (valor real Ax)
● Multiplexor analógico (Página 232) (valor real AQ)
● Rampa analógica (Página 235) (valor real AQ)
● Instrucción aritmética (Página 247) (valor real AQ)
● Contador adelante/atrás (Página 188) (valor real Cnt)
● Filtro analógico (Página 252) (valor real AQ)
● Valor medio (Página 257) (valor real AQ)
● Máx/Mín (Página 254) (valor real AQ)
● Retardo a la conexión (Página 151) (tiempo actual Ta)
● Retardo a la desconexión (Página 154) (tiempo actual Ta)
● Retardo a la conexión/desconexión (Página 156) (tiempo actual Ta)
● Retardo a la conexión con memoria (Página 158) (tiempo actual Ta)
● Relé de barrido (salida de impulsos) (Página 160) (tiempo actual Ta)
● Relé de barrido activado por flancos (Página 162) (tiempo actual Ta)
● Generador de impulsos asíncrono (Página 164) (tiempo actual Ta)
● Interruptor de alumbrado para escalera (Página 168) (tiempo actual Ta)
● Interruptor bifuncional (Página 170) (tiempo actual Ta)
● Cronómetro (Página 186) (valor real AQ)
● Regulador PI (valor real AQ)
● Selector de umbral (Página 195) (valor real Fre)
Seleccione la función deseada mediante el número de bloque. En el apartado Retardo a la
conexión (Página 151) encontrará información acerca de los parámetros estándar.

Funciones de LOGO!
4.4 Lista de las funciones especiales - SF
LOGO!
Manual de producto, 07/2016, A5E33039720 - AC 241
Parámetros KC, TI
Observe los siguientes casos:
● Si el parámetro KC tiene el valor 0, la función "P" (regulador proporcional) no se ejecuta.
● Si el parámetro TI tiene el valor 99:59 m, la función "I" (regulador integral) no se ejecuta.
Parámetro p (número de decimales)
Solo es aplicable a los valores PV, SP, Min y Max visualizados en un texto de mensaje.
Cronograma
El tipo, la manera y la velocidad con la que cambia AQ dependen de los parámetros KC y
TI. Así, el transcurso de AQ solo se representa en el diagrama a modo de ejemplo. Un
proceso de regulación es continuo. Por tanto, en el diagrama solo se representa un extracto.
1. Un fallo provoca un descenso de PV, puesto que Dir está ajustado hacia arriba, AQ
aumenta hasta que PV vuelve a equivaler a SP.
2. Un fallo provoca un descenso de PV, puesto que Dir está ajustado hacia abajo, AQ se
reduce hasta que PV vuelve a equivaler a SP.
El sentido (Dir) no se puede cambiar mientras se está ejecutando la función. El cambio
solo se muestra aquí a modo de demostración.
3. Dado que la entrada R ha puesto AQ a 0, cambia PV. En este caso se supone que PV
aumenta, lo que provoca el descenso de AQ debido a que Dir = hacia arriba.
Descripción de la función
Si la entrada A/M se pone a 0, la función especial emite en la salida AQ el valor que haya
ajustado en el parámetro Mq.

Funciones de LOGO!
4.4 Lista de las funciones especiales - SF
LOGO!
242 Manual de producto, 07/2016, A5E33039720 - AC
Si la entrada A/M se pone a 1, se inicia el modo automático. El valor Mq se adopta como
suma integral y la función del regulador comienza a realizar los cálculos.
Nota
Para más información sobre los conceptos básicos del regulador, consulte la Ayuda en
pantalla de LOGO!Soft Comfort.
En las fórmulas se utiliza el valor real PV para el cálculo:
Valor actualizado PV
= (PV • ganancia) + offset
● Si el valor actualizado PV = SP, la función especial no modifica el valor en AQ.
● Dir = hacia arriba (+) (cifras 1 y 3 del cronograma)
– Si el valor actualizado PV > SP, la función especial reduce el valor en AQ.
– Si el valor actualizado PV < SP, la función especial aumenta el valor en AQ.
● Dir = hacia abajo (-) (cifra 2 del cronograma)
– Si el valor actualizado PV > SP, la función especial aumenta el valor en AQ.
– Si el valor actualizado PV < SP, la función especial reduce el valor en AQ.
Si se produce un fallo, AQ se sigue incrementando o reduciendo hasta que el valor
actualizado PV vuelva a equivaler a SP. La rapidez con la que cambia AQ depende de los
parámetros KC y TI.
Si el valor de la entrada PV excede el parámetro Max, el valor actualizado PV adopta el
valor de Max. Si el valor de PV es inferior al parámetro Min, el valor actualizado PV adopta
el valor Min.
Si la entrada R se pone a 1, se desactiva la salida AQ. Mientras R está activada, la entrada
A/M permanece bloqueada.
Tiempo de muestreo
El tiempo de muestreo está ajustado de forma fija a 500 ms.
Juegos de parámetros
En la Ayuda en pantalla de LOGO!Soft Comfort encontrará más información y ejemplos de
aplicación con juegos de parámetros para KC, TI y Dir.
Configuración del parámetro Par
Visualización en modo de programación (ejemplo):

Funciones de LOGO!
4.4 Lista de las funciones especiales - SF
LOGO!
Manual de producto, 07/2016, A5E33039720 - AC 243
Visualización en modo de parametrización:
4.4.31
Modulación de ancho de impulsos (PWM)
Descripción breve
La modulación de ancho de impulsos (PWM) modula el valor de entrada analógico Ax a una
señal de salida digital de impulsos. El ancho de impulsos es proporcional al valor analógico
Ax.
Símbolo en LOGO!
Cableado
Descripción
Entrada En
Un flanco ascendente (cambio de 0 a 1) en la entrada
En habiita el bloque de función PWM.
Entrada Ax Señal analógica que debe modularse a una señal de
salida de impulsos digital.
Parámetros A: ganancia
Rango de valores: -10,00 a 10,00
B: decalaje de origen
Rango de valores: 10.000 a 10.000
T: tiempo periódico en el que se modula la salida
digital
p: número de decimales
Rango de valores: 0, 1, 2, 3
Mín:
Rango de valores: -20.000 a 20.000
Máx:
Rango de valores: -20.000 a 20.000
Salida Q Q se activa o desactiva durante la proporción de
cada período según la proporción del valor
normalizado Ax respecto al rango de valores
analógicos.
Parámetro T
Consulte los ajustes estándar de los parámetros T en el apartado Respuesta de tiempo
(Página 141).
El tiempo periódico T puede derivarse del valor real de otra función preprogramada. Es
posible utilizar los valores reales de las siguientes funciones:
● Comparador analógico (Página 203) (valor real Ax – Ay)
● Conmutador analógico de valor umbral (Página 198) (valor real Ax)

Funciones de LOGO!
4.4 Lista de las funciones especiales - SF
LOGO!
244 Manual de producto, 07/2016, A5E33039720 - AC
● Amplificador analógico (Página 211) (valor real Ax)
● Multiplexor analógico (Página 232) (valor real AQ)
● Rampa analógica (Página 235) (valor real AQ)
● Instrucción aritmética (Página 247) (valor real AQ)
● Regulador PI (Página 239) (valor real AQ)
● Contador adelante/atrás (Página 188) (valor real Cnt)
● Filtro analógico (Página 252) (valor real AQ)
● Valor medio (Página 257) (valor real AQ)
● Máx/Mín (Página 254) (valor real AQ)
● Retardo a la conexión (Página 151) (tiempo actual Ta)
● Retardo a la desconexión (Página 154) (tiempo actual Ta)
● Retardo a la conexión/desconexión (Página 156) (tiempo actual Ta)
● Retardo a la conexión con memoria (Página 158) (tiempo actual Ta)
● Relé de barrido (salida de impulsos) (Página 160) (tiempo actual Ta)
● Relé de barrido activado por flancos (Página 162) (tiempo actual Ta)
● Generador de impulsos asíncrono (Página 164) (tiempo actual Ta)
● Interruptor de alumbrado para escalera (Página 168) (tiempo actual Ta)
● Interruptor bifuncional (Página 170) (tiempo actual Ta)
● Cronómetro (Página 186) (valor real AQ)
● Selector de umbral (Página 195) (valor real Fre)
Seleccione la función deseada mediante el número de bloque. La base de tiempo es
configurable. En el apartado Retardo a la conexión (Página 151) encontrará más
información acerca de los rangos válidos y el preajuste de parámetros.
Parámetro p (número de decimales)
El parámetro p solo es aplicable para visualizar el valor Ax en un texto de mensaje.
Descripción de la función
La función lee el valor de la señal aplicada en la entrada analógica Ax.
Este valor se multiplica por el parámetro A (Gain). El parámetro B (Offset) se suma al
producto como se indica a continuación:
(Ax • Gain) + Offset = valor real Ax
El bloque de función calcula la proporción del valor real Ax en el rango. El bloque activa la
salida digital Q durante la misma proporción del parámetro T (tiempo periódico). Por lo
demás, Q se desactiva durante el tiempo restante.

Funciones de LOGO!
4.4 Lista de las funciones especiales - SF
LOGO!
Manual de producto, 07/2016, A5E33039720 - AC 245
Ejemplos con cronogramas
Los ejemplos siguientes muestran cómo la operación PWM modula una señal de salida
digital a partir del valor de entrada analógico:
Ejemplo 1
Valor de entrada analógica: 500 (rango de 0 a 1.000)
Tiempo periódico T: cuatro segundos
La salida digital de la función PWM está activada durante 2 segundos, desactivada durante
2 segundos, activada durante 2 segundos, desactivada durante 2 segundos, etc., mientras
el parámetro "En" = high.
Ejemplo 2
Valor de entrada analógica: 300 (rango de 0 a 1.000)
Tiempo periódico T: 10 segundos
La salida digital de la función PWM está activada tres segundos, desactivada siete
segundos, activada tres segundos, desactivada siete segundos, y así sucesivamente
mientras el parámetro "En" = high.
Regla de cálculo
Q = 1 durante (Ax - Min) / (Max - Min) del período T, si Min < Ax < Max.
Q = 0 durante PT - [ (Ax - Min) / (Max - Min) ] del tiempo periódico T.
Nota
: En este cálculo, Ax se refiere al valor real Ax calculado utilizando los valores de Gain
y Offset.

Funciones de LOGO!
4.4 Lista de las funciones especiales - SF
LOGO!
246 Manual de producto, 07/2016, A5E33039720 - AC
Configuración del parámetro Par
La figura siguiente muestra la vista en modo de programación correspondiente al primer
ejemplo:
Visualización en modo de parametrización:

Funciones de LOGO!
4.4 Lista de las funciones especiales - SF
LOGO!
Manual de producto, 07/2016, A5E33039720 - AC 247
4.4.32
Instrucción aritmética
Descripción breve
El bloque "Instrucción aritmética" calcula el valor AQ de una ecuación formada por
operandos y operadores personalizados.
Símbolo en LOGO!
Cableado
Descripción
Entrada En Un cambio de estado de 0 a 1 en la entrada En
(Enable) habilita el bloque de función "Instrucción
aritmética".
Parámetros
V1:
primer valor de operando
V2:
segundo valor de operando
V3:
tercer valor de operando
V4:
cuarto valor de operando
Op1:
primer operador
Op2:
segundo operador
Op3:
tercer operador
Operator Prio:
prioridad de los operandos
Qen→0:
0: valor de puesta a 0 de AQ si En=0
1: conservar último valor de AQ si En=0
p:
número de decimales
Rango de valores: 0, 1, 2, 3
Salida AQ La salida AQ es el resultado de la ecuación de
valores de operandos y operadores. AQ se pone a
32767 si ocurre una división por 0 o un rebase por
exceso, o bien a -32768 si ocurre un rebase por
defecto.
Parámetros V1 a V4
Otra función preprogramada puede proporcionar los valores analógicos de los parámetros
V1 a V4. Es posible utilizar los valores reales de las siguientes funciones:
● Comparador analógico (Página 203) (valor real Ax – Ay)
● Conmutador analógico de valor umbral (Página 198) (valor real Ax)
● Amplificador analógico (Página 211) (valor real Ax)
● Multiplexor analógico (Página 232) (valor real AQ)
● Rampa analógica (Página 235) (valor real AQ)
● Regulador PI (Página 239) (valor real AQ)
● Contador adelante/atrás (Página 188) (valor real Cnt)
● Filtro analógico (Página 252) (valor real AQ)
● Valor medio (Página 257) (valor real AQ)

Funciones de LOGO!
4.4 Lista de las funciones especiales - SF
LOGO!
248 Manual de producto, 07/2016, A5E33039720 - AC
● Máx/Mín (Página 254) (valor real AQ)
● Retardo a la conexión (Página 151) (tiempo actual Ta)
● Retardo a la desconexión (Página 154) (tiempo actual Ta)
● Retardo a la conexión/desconexión (Página 156) (tiempo actual Ta)
● Retardo a la conexión con memoria (Página 158) (tiempo actual Ta)
● Relé de barrido (salida de impulsos) (Página 160) (tiempo actual Ta)
● Relé de barrido activado por flancos (Página 162) (tiempo actual Ta)
● Generador de impulsos asíncrono (Página 164) (tiempo actual Ta)
● Interruptor de alumbrado para escalera (Página 168) (tiempo actual Ta)
● Interruptor bifuncional (Página 170) (tiempo actual Ta)
● Cronómetro (Página 186) (valor real AQ)
● Instrucción aritmética (valor real AQ)
● Selector de umbral (Página 195) (valor real Fre)
Seleccione la función deseada mediante el número de bloque. En el apartado Retardo a la
conexión (Página 151) encontrará información acerca de los parámetros estándar.
Nota
Si el valor analógico del parámetro V1, V2, V3 o V4 se deriva de otra función
preprogramada cuyo valor real excede el rango de valores de V1 a V4, LOGO! mostrará el
valor límite -32768 si el valor es menor que el rango inferior o 32767 si el valor es mayor que
el rango superior.
Parámetro p (número de decimales)
El parámetro p solo es aplicable a la visualización de los valores Valor1, Valor2, Valor3,
Valor4 y AQ en un texto de mensaje.
Descripción de la función
La función "Instrucción aritmética" combina las cuatro operaciones y los tres operadores
para formar una ecuación. El operador puede ser uno de los cuatro operadores estándar: +,
-, * o /. La prioridad de los operadores viene determinada por "( )" y "[ ]", teniendo "( )" mayor
prioridad. Los valores de operandos pueden hacer referencia a una función definida
previamente para proporcionar el valor. La función "Instrucción aritmética" redondea el
resultado al valor entero más próximo.
La cantidad de valores de operandos se ha fijado a 4, en tanto que la cantidad de
operadores se ha fijado a 3. Si necesita menos operandos, utilice construcciones tales como
" + 0" o " * 1" para especificar los demás parámetros.
También puede configurar la reacción de la función cuando el parámetro de habilitación En
= 0. El bloque de función puede conservar su último valor, o bien ponerse a 0. Si el
parámetro Qen
→
0 = 0, la función pone AQ a 0 cuando En=0. Si el parámetro Qen → 0 = 1,
la función deja AQ a su último valor cuando En=0.

Funciones de LOGO!
4.4 Lista de las funciones especiales - SF
LOGO!
Manual de producto, 07/2016, A5E33039720 - AC 249
Errores posibles: división por cero y desbordamiento
Si la ejecución del bloque de función "Instrucción aritmética" resulta en una división por cero
o un desbordamiento, se activan bits internos que indican el tipo de error que ha ocurrido.
Es posible programar un bloque de función de detección de error de la instrucción aritmética
para detectar estos errores y controlar la reacción del programa de la manera deseada. Un
bloque de función de detección de error de la instrucción aritmética se programa para
referenciar un bloque de función específico "Instrucción aritmética".
Ejemplos
Las tablas siguientes muestran algunos ejemplos sencillos de parámetros del bloque
"Instrucción aritmética" con la ecuación resultante y los valores de salida:
V1
Op1
(prioridad)
V2
Op2
(prioridad)
V3
Op3
(prioridad)
V4
12 [+] 6 (/) 3 - 1
Ecuación:
[12 + (6 / 3)] - 1
Resultado:
13
V1
Op1
(prioridad)
V2
Op2
(prioridad)
V3
Op3
(prioridad)
V4
2 + 3 [*] 1 (+) 4
Ecuación:
2 + [3 * (1 + 4)]
Resultado:
17
V1
Op1
(prioridad)
V2
Op2
(prioridad)
V3
Op3
(prioridad)
V4
100 (-) 25 / 2 [+] 1
Ecuación:
(100 - 25) / [2 + 1]
Resultado:
25
Configuración del parámetro Par
La figura siguiente muestra la vista en modo de programación correspondiente al primer
ejemplo [12 + (6 / 3)] - 1:
Visualización en modo de parametrización:

Funciones de LOGO!
4.4 Lista de las funciones especiales - SF
LOGO!
250 Manual de producto, 07/2016, A5E33039720 - AC
4.4.33
Detección de error de la instrucción aritmética
Descripción breve
El bloque de detección de error de la instrucción aritmética activa una salida si ocurre un
error en el bloque de función Instrucción aritmética (Página 247) referenciado.
Símbolo en LOGO!
Cableado
Descripción
Entrada En Un cambio de estado de 0 a 1 en la entrada En
(Enable) habilita el bloque de detección de error de la
instrucción aritmética.
Entrada R Una señal en la entrada R desactiva la salida.
Parámetros MathBN: número de bloque de una instrucción
aritmética
Err: ZD: error de división por 0
OF: error de desbordamiento
ZD/OF: (error de división por 0) O
(error de desbordamiento)
AutoRst: desactivar la salida antes de la siguiente
ejecución del bloque de función de error de la
instrucción aritmética. Y = sí; N = no
Salida Q Q se activa si el error detectado ha ocurrido en la
última ejecución del bloque de función "Instrucción
aritmética" referenciado.
Parámetro MathBN
El valor del parámetro MathBN hace referencia al número de un bloque de función
"Instrucción aritmética" preprogramado.
Descripción de la función
El bloque de detección de error de la instrucción aritmética activa la salida si ocurre un error
en el bloque de función "Instrucción aritmética" referenciado. La función se puede programar
de manera que la salida se active cuando ocurra un error de división por cero, un error de
desbordamiento, o cualquier tipo de estos errores.
Si está activado el parámetro AutoRst, la salida se desactiva antes de la siguiente ejecución
del bloque de función. Si no está activado el parámetro AutoRst, cuando se active la salida
esta permanecerá activada hasta que el bloque de detección de error de la instrucción
aritmética sea desactivado con el parámetro R. De esta manera, incluso si el error se borra
posteriormente, en el programa se registra que ha ocurrido un error en algún momento.

Funciones de LOGO!
4.4 Lista de las funciones especiales - SF
LOGO!
Manual de producto, 07/2016, A5E33039720 - AC 251
En cualquier ciclo, si el bloque de función "Instrucción aritmética" referenciado se ejecuta
antes del bloque de detección de error de la instrucción aritmética, el error se detecta en ese
mismo ciclo. Si el bloque de función "Instrucción aritmética" referenciado se ejecuta después
del bloque de detección de error de la instrucción aritmética, el error se detecta en el
siguiente ciclo.
Tabla lógica para la detección de error de la instrucción aritmética
En la tabla siguiente, Err representa el parámetro de la instrucción de detección de error de
la instrucción aritmética que selecciona el tipo de error que debe detectarse. ZD representa
el bit de división por cero activado por la instrucción aritmética al final de su ejecución: 1 si
ha ocurrido el error, 0 en caso contrario. OF representa el bit de desbordamiento activado
por la instrucción aritmética: 1 si ha ocurrido el error, 0 en caso contrario. El parámetro
ZD/OF Err representa el OR lógico del bit de división por cero y del bit de desbordamiento
de la instrucción aritmética referenciada. Q representa la salida de la función de detección
de error de la instrucción aritmética. Una "x" indica que el bit puede ser 0 o 1 sin tener
influencia en la salida.
Err
ZD
OF
Q
ZD 1 x 1
ZD 0 x 0
OF x 1 1
OF x 0 0
ZD/OF 1 0 1
ZD/OF 0 1 1
ZD/OF 1 1 1
ZD/OF 0 0 0
Si el parámetro MathBN es cero, la salida Q es siempre 0.
Configuración del parámetro Par
Los parámetros MathBN, AutoRst y Err pueden activarse en el modo de programación o
parametrización.
Visualización en modo de programación (ejemplo):
Visualización en modo de parametrización (ejemplo):

Funciones de LOGO!
4.4 Lista de las funciones especiales - SF
LOGO!
252 Manual de producto, 07/2016, A5E33039720 - AC
4.4.34
Filtro analógico
Descripción breve
La función de filtro analógico filtra la señal de entrada analógica.
Símbolo en LOGO!
Cableado
Descripción
Ax La entrada Ax es la señal de entrada analógica que
ha de ser filtrada.
La entrada Ax es una de las siguientes señales
analógicas:
• AI1 a AI8 (*)
• AM1 a AM64
• NAI1 a NAI32
• AQ1 a AQ8
• NAQ1 a NAQ16
• Número de bloque de una función con salida
analógica
Parámetro
Sn
(Número de muestras) determina cuántos valores
analógicos se examinan dentro de los ciclos del
programa, los cuales están determinados por el
número de muestras configurado. LOGO! examina un
valor analógico dentro de cada ciclo del programa. El
número de ciclos del programa equivale al número de
muestras configurado.
Ajustes posibles:
8, 16, 32, 64, 128, 256
Salida AQ AQ es el valor medio de la entrada Ax de entre el
número actual de muestras.
* AI1 a AI8: 0 V a 10 V es proporcional a 0 a 1000 (valor interno).

Funciones de LOGO!
4.4 Lista de las funciones especiales - SF
LOGO!
Manual de producto, 07/2016, A5E33039720 - AC 253
Cronograma (ejemplo)
Descripción de la función
La función lee la señal analógica en la entrada Ax de acuerdo con el número de muestras
configurado (Sn) y visualiza el valor medio.
Nota
En LOGO! hay un máximo de ocho bloques de función de filtro analógico disponibles para
utilizar en el programa.
Configuración del parámetro Par
Visualización en modo de programación (ejemplo):
Visualización en modo de parametrización (ejemplo):

Funciones de LOGO!
4.4 Lista de las funciones especiales - SF
LOGO!
254 Manual de producto, 07/2016, A5E33039720 - AC
4.4.35
Máx/Mín
Descripción breve
La función Máx/Mín registra el valor máximo o mínimo de Ax.
Símbolo en LOGO!
Cableado
Descripción
En Una señal en la entrada En (Enable) envía un valor
analógico a AQ, dependiendo del ajuste de los
parámetros ERst y Mode.
S1 S1 funciona solo cuando el parámetro Mode se pone
a 2.
Si Mode se pone a 2, un cambio de estado de 0 a 1
en la entrada S1 (selector) envía el valor máximo a
AQ.
Si Mode se pone a 2, un cambio de estado de 1 a 0
en S1 envía el valor mínimo a AQ.
Ax La entrada Ax es una de las siguientes señales
analógicas:
• AI1 a AI8 (*)
• AM1 a AM64
• NAI1 a NAI32
• AQ1 a AQ8
• NAQ1 a NAQ16
• Número de bloque de una función con salida
analógica
Parámetro
Mode
:
Ajustes posibles:
0, 1, 2, 3
Mode = 0: AQ = Mín
Mode = 1: AQ = Máx
Mode = 2 y S1= 0 (low): AQ = Mín
Mode = 2 y S1= 1 (high): AQ = Máx
Mode = 3: AQ = valor real de Ax
ERst
(Activar reset):
Ajustes posibles:
ERst = 0: desactivar reset
ERst = 1: activar reset
Remanencia:
/ = sin remanencia
R = el estado es remanente
Salida AQ La función emite un valor mínimo, máximo o actual a
AQ, dependiendo de la configuración.
* AI1 a AI8: 0 V a 10 V es proporcional a 0 a 1000 (valor interno).

Funciones de LOGO!
4.4 Lista de las funciones especiales - SF
LOGO!
Manual de producto, 07/2016, A5E33039720 - AC 255
Parámetro Mode
El valor real de otra función preprogramada puede proporcionar el valor del parámetro
Mode. Es posible utilizar los valores reales de las siguientes funciones:
● Comparador analógico (Página 203) (valor real Ax – Ay)
● Conmutador analógico de valor umbral (Página 198) (valor real Ax)
● Amplificador analógico (Página 211) (valor real Ax)
● Multiplexor analógico (Página 232) (valor real AQ)
● Rampa analógica (Página 235) (valor real AQ)
● Instrucción aritmética (Página 247) (valor real AQ)
● Regulador PI (Página 239) (valor real AQ)
● Contador adelante/atrás (Página 188) (valor real Cnt)
● Filtro analógico (Página 252) (valor real AQ)
● Valor medio (Página 257) (valor real AQ)
● Retardo a la conexión (Página 151) (tiempo actual Ta)
● Retardo a la desconexión (Página 154) (tiempo actual Ta)
● Retardo a la conexión/desconexión (Página 156) (tiempo actual Ta)
● Retardo a la conexión con memoria (Página 158) (tiempo actual Ta)
● Relé de barrido (salida de impulsos) (Página 160) (tiempo actual Ta)
● Relé de barrido activado por flancos (Página 162) (tiempo actual Ta)
● Generador de impulsos asíncrono (Página 164) (tiempo actual Ta)
● Interruptor de alumbrado para escalera (Página 168) (tiempo actual Ta)
● Interruptor bifuncional (Página 170) (tiempo actual Ta)
● Cronómetro (Página 186) (valor real AQ)
● Max/Min (valor real AQ)
● Selector de umbral (Página 195) (valor real Fre)
Seleccione la función deseada mediante el número de bloque.

Funciones de LOGO!
4.4 Lista de las funciones especiales - SF
LOGO!
256 Manual de producto, 07/2016, A5E33039720 - AC
Cronograma (ejemplo)
Descripción de la función
ERst = 1 y En = 0: la función pone el valor AQ a 0.
ERst = 1 y En = 1: la función envía un valor a AQ, dependiendo del ajuste de Mode y S1.
ERst = 0 y En = 0: la función mantiene el valor de AQ en el valor actual.
ERst = 0 y En = 1: la función envía un valor a AQ, dependiendo del ajuste de Mode y S1.
Modo = 0: la función pone a AQ al valor mínimo
Modo = 1: la función pone a AQ al valor máximo
Modo = 2 y S1 = 0: la función pone a AQ al valor mínimo
Modo = 2 y S1 = 1: la función pone a AQ al valor máximo
Modo = 3: la función emite el valor actual de la entrada analógica.
Configuración del parámetro Par
Visualización en modo de programación (ejemplo)
Visualización en modo de parametrización (ejemplo)

Funciones de LOGO!
4.4 Lista de las funciones especiales - SF
LOGO!
Manual de producto, 07/2016, A5E33039720 - AC 257
4.4.36
Valor medio
Descripción breve
La función de valor medio calcula el valor medio de una entrada analógica a lo largo de un
período configurado.
Símbolo en LOGO!
Cableado
Descripción
En
Un cambio de estado de 0 a 1 en la entrada En activa
la función de valor medio.
Un cambio de estado de 1 a 0 en la entrada En
mantiene el valor de salida analógico.
R Una señal en la entrada R borra el valor de salida
analógico.
Ax La entrada Ax es una de las siguientes señales
analógicas:
• AI1 a AI8 (*)
• AM1 a AM64
• NAI1 a NAI32
• AQ1 a AQ8
• NAQ1 a NAQ16
• Número de bloque de una función con salida
analógica
Parámetro
St
(Tiempo de muestreo): es posible ajustar la base
de tiempo en s (segundos), d (días), h (horas) o m
(minutos).
Rango de valores:
St = s: 1 a 59
St = d: 1 a 365
St = h: 1 a 23
St = m: 1 a 59
Sn
(Número de muestras):
Rango de valores:
St = s: 1 a St*100
St = d: 1 a 32767
St = h: 1 a 32767
St = m y St ≤ 5 minutos: 1 a St*6000
St = m y St ≥ 6 minutos: 1 a 32767
Remanencia:
/ = sin remanencia
R = remanencia
Salida AQ Emite el valor medio de la entrada Ax a lo largo del
tiempo de muestreo configurado.
* AI1 a AI8: 0 V a 10 V es proporcional a 0 a 1000 (valor interno).

Funciones de LOGO!
4.4 Lista de las funciones especiales - SF
LOGO!
258 Manual de producto, 07/2016, A5E33039720 - AC
Cronograma (ejemplo)
Descripción de la función
La función lee la señal de entrada analógica de acuerdo con el tiempo de muestreo ajustado
St y el número de muestras Sn y visualiza el valor medio. Una señal en R pone AQ a 0.
Configuración del parámetro Par
Visualización en modo de programación (ejemplo):

Funciones de LOGO!
4.4 Lista de las funciones especiales - SF
LOGO!
Manual de producto, 07/2016, A5E33039720 - AC 259
4.4.37
Convertidor flotante/entero
Descripción breve
LOGO! solo puede procesar enteros. Si se transfieren números en coma flotante de otro
sistema con el protocolo S7/Modbus a través de la red, LOGO! no puede procesarlos
directamente. El bloque de función Convertidor flotante/entero permite convertir un número
en coma flotante en un entero dividiendo una resolución en el rango de valores;
seguidamente, LOGO! puede procesar la lógica con este entero. En caso necesario, utilice
el convertidor entero/flotante para convertir el resultado a un número en coma flotante y
guardarlo en VM; y transferir el número en coma flotante a un sistema de terceros con el
protocolo S7/Modbus. Hay que ajustar una resolución adecuada para la entrada de números
en coma flotante en el ajuste del parámetro.
Símbolo en LOGO!
Cableado
Descripción
Parámetros • Típ.: especifica el tipo de los datos de entrada.
–
Flotante: es un número en coma flotante de 32
bits y precisión individual;
– Doble: es un número en coma flotante de 64
bits y precisión doble.
• VM.: dirección de memoria variable, dirección
inicial del flotante o doble almacenado en VM.
Rango de valores:
– Para Flotante: 0-847
– Para Doble: 0-843
• Res.: Resolución, es un divisor del valor de
salida.
Rango de valores: 0,001 a 1000
Salida analógica
ampliada
eAQ
Salida analógica ampliada para programación
mediante parámetro de referencia.
• Se utiliza como parámetro de referencia del otro
bloque de función.
• Valor de 32 bits con signo.
• Rango de valores: -999.999.999 a 999.999.999.
Salida
AQ
AQ es el valor de salida analógica. Tiene las
características siguientes.
• Se utiliza como valor de entrada del otro bloque
de función.
• Valor de 16 bits con signo.
• Rango de valores: -32768 a 32767.
Descripción de la función
Para finalizar la tarea suelen necesitarse tanto el convertidor flotante/entero como el
convertidor entero/flotante. Un uso típico de este bloque de función es el siguiente:

Funciones de LOGO!
4.4 Lista de las funciones especiales - SF
LOGO!
260 Manual de producto, 07/2016, A5E33039720 - AC
1. Transferir los números en coma flotante de otro sistema a través de la red (con el
protocolo S7/Modbus) y guardarlos en VM.
2. Convertir los números en coma flotante de VM a enteros utilizando el convertidor
flotante/entero.
3. Procesar el entero con LOGO! BM.
4. Convertir el resultado a números en coma flotante utilizando el convertidor entero/flotante
y guardarlos en VM.
5. Transferir los números en coma flotante a un sistema de terceros (con el protocolo
S7/Modbus).
Regla de cálculo
Definir Q = entrada de datos/resolución
Salida analógica (AQ)
● si -32768 ≤ Q ≤ 32767, la salida analógica = Q.
● si Q ≥ 32767, la salida analógica = 32767.
● si Q ≤ -32768, la salida analógica = -32768.
Salida analógica ampliada (eAQ)
● si -999,999,999 ≤ Q ≤ 999,999,999, la salida analógica ampliada = Q.
● si Q ≥ 999,999,999, la salida analógica ampliada = 999,999,999.
● si Q ≤ -999,999,999, la salida analógica ampliada = -999,999,999.
Configuración del parámetro Par
Visualización en modo de programación (ejemplo):
Visualización en modo de parametrización (ejemplo):

Funciones de LOGO!
4.4 Lista de las funciones especiales - SF
LOGO!
Manual de producto, 07/2016, A5E33039720 - AC 261
4.4.38
Convertidor entero/flotante
Descripción breve
LOGO! solo puede procesar enteros. Si se transfieren números en coma flotante de otro
sistema con el protocolo S7/Modbus a través de la red, LOGO! no puede procesarlos
directamente. El bloque de función Convertidor entero/flotante permite convertir un entero a
un número en coma flotante multiplicando una resolución en el rango de valores y
guardándola en VM; seguidamente, el resultado puede transferirse al sistema de terceros a
través de la red. Hay que ajustar una resolución adecuada para la salida de números en
coma flotante en el ajuste del parámetro.
Símbolo en LOGO!
Cableado
Descripción
Entrada
Ax
La entrada Ax es una de las siguientes señales
analógicas:
• AI1 a AI8 (*)
• AM1 a AM16 (para 0BA7) o AM1 a AM64 (para
0BA8)
• NAI1 a NAI32
• AQ1 a AQ2 (para 0BA7) o AQ1 a AQ8 (para
0BA8)
• NAQ1 a NAQ16
• Número de bloque de una función con salida
analógica
Parámetros • Típ.: Especifica el tipo de los datos de salida.
–
Flotante: es un número en coma flotante de 32
bits y precisión individual;
– Doble: es un número en coma flotante de 64
bits y precisión doble.
• VM.: Dirección de memoria variable, dirección
inicial del flotante o doble almacenado en VM:
– Para Flotante: 0-847
– Para Doble: 0-843
• Res.: Resolución, es un multiplicador del valor de
salida.
Rango de valores: 0,001 a 1000
Entrada analógica
ampliada
eAx
Si la entrada analógica (Ax) no está disponible, es
posible asignar un valor a la entrada analógica
ampliada (eAx) introduciendo un valor en el campo
eAx o referenciando otro parámetro del FB.
Rango de valores: -999.999.999 a 999.999.999.

Funciones de LOGO!
4.4 Lista de las funciones especiales - SF
LOGO!
262 Manual de producto, 07/2016, A5E33039720 - AC
Símbolo en LOGO!
Cableado
Descripción
Salida analógica
ampliada
eAQ
Salida analógica ampliada para programación
mediante parámetro de referencia.
• Se utiliza como parámetro de referencia del otro
bloque de función.
• Valor de 32 bits con signo.
• Rango de valores: -999.999.999 a 999.999.999.
Salida
AQ
AQ es el valor de salida analógica. Tiene las
características siguientes.
• Se utiliza como valor de entrada del otro bloque
de función.
• Valor de 16 bits con signo.
• Rango de valores: -32768 a 32767.
* AI1 a AI8: 0 V a 10 V es proporcional a 0 a 1000 (valor interno).
Descripción de la función
Para finalizar la tarea suelen necesitarse tanto el convertidor flotante/entero como el
convertidor entero/flotante. Un uso típico de este bloque de función es el siguiente:
1. Transferir los números en coma flotante de otro sistema a través de la red (con el
protocolo S7/Modbus) y guardarlos en VM.
2. Convertir los números en coma flotante de VM a enteros utilizando el convertidor
flotante/entero.
3. Procesar el entero con LOGO! BM.
4. Convertir el resultado a números en coma flotante utilizando el convertidor entero/flotante
y guardarlos en VM.
5. Transferir los números en coma flotante a un sistema de terceros (con el protocolo
S7/Modbus).
Regla de cálculo
Valor flotante en dirección VM
Valor flotante en dirección VM = entrada analógica x resolución
Salida analógica (AQ)
● El conector de la entrada analógica está enchufado: Salida analógica = entrada
analógica
● El conector de la entrada analógica no está enchufado:
– si -32768 ≤ entrada analógica ampliada ≤ 32767, la salida analógica = entrada
analógica ampliada.
– si la entrada analógica ≥ 32767, la salida analógica = 32767.
– si la entrada analógica ≤ -32768, la salida analógica = -32768.

Funciones de LOGO!
4.4 Lista de las funciones especiales - SF
LOGO!
Manual de producto, 07/2016, A5E33039720 - AC 263
Salida analógica ampliada (eAQ):
● Si el conector de la entrada analógica está enchufado: Entrada analógica ampliada =
entrada analógica.
● El conector de la entrada analógica ampliada no está enchufado:
– si -999.999.999 ≤ entrada analógica ampliada ≤ 999.999.999, la salida analógica =
entrada analógica ampliada.
– si la entrada analógica ampliada ≥ 999.999.999, la salida analógica ampliada =
999.999.999.
– si la entrada analógica ampliada ≤ -999.999.999, la salida analógica ampliada = -
999.999.999.
Configuración del parámetro Par
Visualización en modo de programación (ejemplo):
Visualización en modo de parametrización (ejemplo):

LOGO!
Manual de producto, 07/2016, A5E33039720 - AC 265
Servidor web
5
LOGO! 0BA8 tiene un servidor web incluido que permite utilizar el módulo base LOGO! o el
LOGO! TDE desde un PC tradicional o un dispositivo móvil.
De este modo, es posible acceder al módulo base LOGO! o al LOGO! TDE a través de su
dirección IP utilizando un dispositivo conectado (PC convencional, tableta o teléfono
inteligente con capacidad de navegación web).
El servidor web se maneja con el puntero del ratón o con la pantalla táctil, en función del
dispositivo utilizado, lo que permite realizar operaciones rápidas y sencillas en el módulo
base LOGO! y el LOGO! TDE virtualizados.
Encontrará información detallada acerca de las funciones de seguridad en LOGO! en el
capítulo Seguridad (Página 309).
5.1
Habilitar el servidor web
Asegúrese de haber conectado el PC o dispositivo móvil al módulo base LOGO! o LOGO!
TDE deseado y de haber habilitado el acceso de usuario web en LOGO!Soft Comfort tal
como se indica en las instrucciones para la configuración del perfil de usuario de la Ayuda
en pantalla de LOGO!Soft Comfort.
Navegadores de red soportados
El servidor web de LOGO! soporta los siguientes navegadores web:
● Microsoft Internet Explorer versión 8.0 o superior
● Mozilla Firefox versión 11.0 o superior
● Google Chrome versión 16.0 o superior
● Apple Safari versión 5.0 o superior
● Opera versión 12.0 o superior
Nota
Asegúrese de no desactivar las cookies en el navegador.
Dispositivos soportados
El servidor web de LOGO! soporta los siguientes dispositivos de comunicación cuando se
utiliza uno de los navegadores anteriores:
● PC convencional
● series iPhone de Apple

Servidor web
5.2 Iniciar sesión en el servidor web
LOGO!
266 Manual de producto, 07/2016, A5E33039720 - AC
● series iPad de Apple
● teléfonos inteligentes y tabletas con sistema Android en versión 2.0 o superior
Idiomas soportados de las páginas web
El servidor web de LOGO! soporta los siguientes idiomas para páginas web:
● Alemán
● Inglés
● Italiano
● Francés
● Español
● Chino simplificado
● Japonés
5.2
Iniciar sesión en el servidor web
Siga los pasos siguientes para iniciar sesión en el módulo base LOGO! que desee.
1. Abra el navegador web.
2. Introduzca la dirección IP del módulo base LOGO! en la barra de direcciones IP.
– Acceso LAN (red de área local):
– Acceso remoto:
Nota
Asegúrese de haber habilitado el puerto TCP 8080 para el acceso remoto.

Servidor web
5.2 Iniciar sesión en el servidor web
LOGO!
Manual de producto, 07/2016, A5E33039720 - AC 267
3. Pulse o toque el botón . El servidor web de LOGO! le redirecciona a la página de
bienvenida.
Nota
Si ha habilitado el acceso de usuario web sin cambiar la contraseña, podrá iniciar sesión
con la contraseña predeterminada "LOGO".
4. En caso necesario, seleccione el idioma adecuado en el menú desplegable.

Servidor web
5.3 Visualizar la información del sistema LOGO!
LOGO!
268 Manual de producto, 07/2016, A5E33039720 - AC
5. Introduzca la contraseña.
Nota
• Solo es posible habilitar el acceso al servidor web o cambiar la contraseña de inicio
de sesión por medio de LOGO!Soft Comf
ort. Encontrará más información acerca de la
contraseña de usuario en la Ayuda en pantalla de LOGO!Soft Comfort.
• Si no desea volver a introducir el nombre de usuario y la contraseña en el próximo
inicio de sesión, puede seleccionar la casilla de verificación "①". Asegúrese de no
poner el navegador en modo privado, pues en este caso el navegador no registrará ni
el historial de navegación ni las contraseñas.
• Es posible acceder a un módulo base LOGO! desde varios clientes de servidor web
de LOGO! pero, debido al uso de memoria, esto podría perjudicar el rendimiento del
módulo base conectado.
6. Pulse o toque "②" para iniciar sesión en el servidor web.
Nota
• Para el acceso remoto el inicio de sesión puede tardar varios segundos.
• Si falla el inicio de sesión, pulse o toque el botón de actualización del navegador (o la
tecla de función "F5" en un PC convencional) para realizar otro intento.
5.3
Visualizar la información del sistema LOGO!
Una vez haya iniciado sesión, el servidor web de LOGO! muestra toda la información de
sistema del módulo base LOGO!, incluida la generación del módulo, el tipo de módulo, la
versión de firmware (FW), la dirección IP y el estado del módulo.

Servidor web
5.4 Funcionamiento del módulo virtual en el servidor web
LOGO!
Manual de producto, 07/2016, A5E33039720 - AC 269
Nota
La versión de firmware que se muestra en la pantalla anterior es solo un ejemplo; es posible
que su dispositivo LOGO! tenga una versión posterior.
5.4
Funcionamiento del módulo virtual en el servidor web
El servidor web de LOGO! permite realizar las operaciones siguientes en el módulo base
LOGO! virtual desde el menú
LOGO! BM
y en el LOGO! TDE virtual desde el menú
LOGO!
TD
.
Funcionamiento de las teclas en el módulo virtual
Si previamente se han programado las teclas de cursor y de función en el programa, será
posible realizar las siguientes operaciones básicas en el módulo base LOGO! virtual o en el
LOGO! TDE virtual utilizando dichas teclas:
Para activar la funcionalidad del cursor programado, pulse o toque la tecla
ESC
. Las teclas
de función siempre están activadas.
A continuación, proceda del siguiente modo:
● Para activar entradas de impulso, pulse o toque la tecla de cursor o de función
correspondiente.
● Para activar entradas de señal continuas de nivel alto, haga doble clic o toque dos veces
la tecla de cursor o de función correspondiente.
● Para desactivar la tecla de cursor o de función programada, pulse o toque la tecla
ESC
de nuevo.
● Para desactivar la visualización de un mensaje activo, siempre que dicho mensaje se
haya configurado previamente en LOGO!Soft Comfort como acusable, pulse o toque la
tecla
OK
.
Ver el texto de mensaje
Si se han configurado textos de mensajes en LOGO!Soft Comfort de acuerdo con las
instrucciones dadas en la Ayuda en pantalla de LOGO!Soft Comfort, ahora podrán
visualizarse en la pantalla virtual del módulo.

Servidor web
5.4 Funcionamiento del módulo virtual en el servidor web
LOGO!
270 Manual de producto, 07/2016, A5E33039720 - AC
Pulse o toque
LOGO! BM
o
LOGO! TD
en la barra de navegación izquierda y verá mensajes
activos en el dispositivo virtual.
● En el módulo base LOGO!:
● En el LOGO! TDE:

Servidor web
5.4 Funcionamiento del módulo virtual en el servidor web
LOGO!
Manual de producto, 07/2016, A5E33039720 - AC 271
Pulse o toque o para desplazarse manualmente por los mensajes disponibles.
Nota
y están atenuadas, lo que significa que no pueden utilizarse en la visualización de
textos de mensajes.
Ver el ticker de textos de mensajes
Si se han configurado ajustes de ticker para mensajes en LOGO!Soft Comfort de acuerdo
con las instrucciones dadas en la Ayuda en pantalla de LOGO!Soft Comfort, ahora podrán
visualizarse los textos de mensajes desplazándose por líneas o caracteres en el módulo
base LOGO! virtual o en el LOGO! TDE virtual.
Comprobar el estado del color de la retroiluminación
Si se han configurado ajustes para el color de la retroiluminación en LOGO!Soft Comfort de
acuerdo con las instrucciones dadas en la Ayuda en pantalla de LOGO!Soft Comfort, ahora
podrá visualizarse el mismo efecto de la retroiluminación en el módulo base LOGO! virtual o
en el LOGO! TDE virtual.
Ajustar los parámetros configurables
Si se ha configurado la visualización de determinados parámetros en el módulo base LOGO!
o en LOGO! TDE de acuerdo con las instrucciones dadas en la Ayuda en pantalla de
LOGO!Soft Comfort, ahora podrán visualizarse en la pantalla.

Servidor web
5.4 Funcionamiento del módulo virtual en el servidor web
LOGO!
272 Manual de producto, 07/2016, A5E33039720 - AC
Haga doble clic o toque dos veces el parámetro visualizado para activar el cuadro de
diálogo de modificación de parámetros. Los parámetros no editables están atenuados.
● En el módulo base LOGO!:
● En el LOGO! TDE:

Servidor web
5.4 Funcionamiento del módulo virtual en el servidor web
LOGO!
Manual de producto, 07/2016, A5E33039720 - AC 273
Introduzca el valor de parámetro deseado en la línea "①" de las pantallas anteriores. En
este ejemplo introduzca "20:00s".
Asegúrese de haber seguido minuciosamente el ejemplo de su valor actual. Cualquier
incoherencia puede provocar errores en el módulo.

Servidor web
5.4 Funcionamiento del módulo virtual en el servidor web
LOGO!
274 Manual de producto, 07/2016, A5E33039720 - AC
Pulse o toque "②". Se muestra el parámetro actualizado.
● En el módulo base LOGO!:
● En el LOGO! TDE:

Servidor web
5.5 Visualizar y editar tablas de memoria variable
LOGO!
Manual de producto, 07/2016, A5E33039720 - AC 275
5.5
Visualizar y editar tablas de memoria variable
El servidor web de LOGO! permite comprobar y modificar tablas de memoria variable en el
navegador web.
Encontrará una descripción detallada de las variables de LOGO! en el apartado "Mapear
parámetro VM" de la Ayuda en pantalla de LOGO!Soft Comfort.
Pulse o toque "①" en la barra de navegación izquierda para ver la tabla de variables.
Pulse o toque "②" para agregar una variable. Siga los pasos indicados abajo para ajustar la
variable.
1. Elija el rango que desee. El servidor web muestra la dirección de mapeado, el tipo de
variable y el formato de visualización del rango.
2. Introduzca la nueva dirección de mapeado en la columna vacía "③" que se ha agregado.
indica que la variable puede modificarse.
indica que no puede editarse.
Pulse o toque "④" para aplicar las nuevas direcciones de mapeado.
5.6
Cerrar sesión en el servidor web
Para cerrar sesión en el servidor web, pulse o toque el botón situado en la parte superior de
la barra de navegación izquierda.

LOGO!
Manual de producto, 07/2016, A5E33039720 - AC 277
UDF (función personalizada)
6
Función personalizada (UDF)
LOGO!Soft Comfort ofrece un editor UDF (función personalizada) que permite crear
programas. Los programas creados en el editor UDF se pueden guardar como bloques UDF
individuales para utilizarlos en un programa en el editor UDF o FBD.
Un bloque UDF es un programa preconfigurado creado por el usuario. Estos bloques, al
igual que los bloques de función, se pueden agregar a un programa existente. Si el
programa en LOGO!Soft Comfort ya contiene una UDF, después de transferir el programa
de LOGO!Soft Comfort a un LOGO! 0BA8 es posible editar desde el módulo los elementos
asociados a esta UDF.
Para más información sobre la configuración de UDF en LOGO!Soft Comfort, consulte la
Ayuda en pantalla de LOGO!Soft Comfort.
Editar elementos asociados a un bloque UDF
No es posible crear un bloque UDF desde LOGO! 0BA8 ni tampoco editar los miembros del
bloque. Únicamente se pueden editar los elementos conectados a las entradas o salidas de
un bloque UDF o bien editar los ajustes de parámetros.
Nota
Cada bloque UDF tiene como máximo ocho entradas y cuatro salidas, en función de la
configuración realizada en LOGO!Soft Comfort.
Editar elementos en las entradas de un bloque UDF
1. Conmute LOGO! a modo de programación.
2. Seleccione "①" en el menú principal: pulse o
3. Confirme "①": pulse
OK
4. Seleccione "②": pulse o

UDF (función personalizada)
LOGO!
278 Manual de producto, 07/2016, A5E33039720 - AC
5. Pulse
OK
dos veces para abrir el modo de edición del programa. Una "U" identifica un
bloque UDF. "U1" hace referencia al primer bloque UDF. La siguiente pantalla muestra
un ejemplo de un programa que contiene un bloque UDF configurado desde LOGO!Soft
Comfort.
6. Coloque el cursor en "U1": pulse , , o .
7. Pulse
OK
para abrir la pantalla correspondiente al primer bloque UDF "U1". Pulse las
teclas de cursor para seleccionar otro elemento.
8. Coloque el cursor en la entrada seleccionada ("I1" en el ejemplo) y pulse
OK
. El cursor
aparecerá en forma de cuadrado oscuro parpadeante. Si desea cambiar la primera
entrada por otro elemento, pulse o .
9. Confirme la selección pulsando
OK
. La primera entrada de "U1" ha cambiado.
Editar elementos en las salidas de un bloque UDF
Si LOGO! muestra la pantalla siguiente tal como aparece en el paso 5 anterior y desea
cambiar "Q1" por otro elemento, proceda del siguiente modo:

UDF (función personalizada)
LOGO!
Manual de producto, 07/2016, A5E33039720 - AC 279
1. Pulse
OK
y LOGO! visualizará lo siguiente:
2. Sitúe el cursor en "In" pulsando . Pulse
OK
y el cursor aparecerá en forma de cuadrado
sólido intermitente. La entrada se cambia a "U1.1" (".1" hace referencia a la primera
salida del bloque UDF conectado a "Q1") pulsando o ; LOGO! visualizará lo
siguiente:
3. Confirme la selección pulsando
OK
. Pulse
ESC
y LOGO! visualizará lo siguiente:
Ahora, "U1" está conectada a "Q3".
4. Pulse
OK
y desplace el cursor hasta "Q1" pulsando , , o . Pulse
OK
y LOGO!
visualizará lo siguiente:
5. Pulse
OK
y el cursor aparecerá en forma de cuadrado sólido intermitente. Seleccione
una entrada vacía pulsando o . Pulse
OK
y LOGO! visualizará lo siguiente:
6. Pulse
ESC
y LOGO! visualizará lo siguiente:
Ahora se ha eliminado la conexión entre "U1" y "Q1".

UDF (función personalizada)
LOGO!
280 Manual de producto, 07/2016, A5E33039720 - AC
Se ha cambiado el elemento conectado a la primera salida de "U1" de "Q1" a "Q3".
Configuración del parámetro Par
Es posible editar el parámetro
Par
para su bloque UDF si se han configurado parámetros
para dicha UDF mediante LOGO!Soft Comfort; de lo contrario no se podrán editar
parámetros para bloques UDF. Si su bloque UDF contiene el parámetro
Par
, será posible
editar los parámetros como aparece a continuación:
Visualización en modo de programación (ejemplo):
1. Pulse para desplazar el cursor hasta "Par" y pulse
OK
. LOGO! visualizará la siguiente
pantalla (T y TH son los identificadores que han sido especificados para los parámetros
UDF relevantes en LOGO!Soft Comfort. Con LOGO!Soft Comfort se puede configurar un
máximo de ocho parámetros para cada bloque UDF. LOGO! puede mostrar como
máximo tres parámetros en una sola pantalla.):
2. Pulse
OK
y el cursor pasará al primer número de "T":
3. Pulse o para modificar el valor. Pulse o para seleccionar otro número y luego
pulse o para cambiar su valor. Pulse
OK
para confirmar los cambios.
Seguidamente, LOGO! visualizará lo siguiente:
Los ajustes de los parámetros UDF también se pueden editar en el modo de
parametrización, de la misma manera que en el modo de programación.

LOGO!
Manual de producto, 07/2016, A5E33039720 - AC 281
Registro de datos
7
Con LOGO!Soft Comfort solo se puede configurar un registro de datos para el programa. El
registro de datos registra variables de medición de proceso para bloques de función
configurados para el registro de datos. La instrucción de registro de datos se agrega al
programa de la misma manera que se agrega un bloque de función.
Si se ha configurado el registro de datos para el programa, después de transferir el
programa de LOGO!Soft Comfort a LOGO! es posible editar los elementos asociados al
bloque de registro de datos.
Para más información sobre cómo configurar la función de registro de datos en LOGO!Soft
Comfort, consulte la Ayuda en pantalla de LOGO!Soft Comfort. Desde el módulo base
LOGO! solo se pueden configurar elementos asociados al bloque de registro de datos.
Editar elementos conectados al bloque de registro de datos
Si el programa en LOGO! contiene un bloque de registro de datos configurado con
LOGO!Soft Comfort, los elementos asociados a este registro de datos se podrán editar del
siguiente modo:
1. Vaya al modo de programación. Pulse
OK
dos veces para cambiar a la siguiente pantalla
de su programa:
2. Coloque el cursor en "L1" pulsando (el registro de datos se identifica con "L1"). Pulse
OK
. LOGO! visualizará lo siguiente:

Registro de datos
LOGO!
282 Manual de producto, 07/2016, A5E33039720 - AC
3. Pulse
OK
en la entrada seleccionada ("M1" en el ejemplo) y el cursor adoptará la forma
de un cuadrado sólido intermitente. Para seleccionar otro elemento de la lista disponible
(por ejemplo B3) pulse . Pulse
OK
. LOGO! visualizará lo siguiente:
4. En el siguiente ejemplo puede ver que "L1" ahora está conectado al bloque B3:

Registro de datos
LOGO!
Manual de producto, 07/2016, A5E33039720 - AC 283
Nota
LOGO! 0BA8 dispone de un búfer de 1024 bytes para el registro de datos. Si el volumen
de datos en este búfer alcanza 512 bytes, LOGO! escribe los datos automáticamente en
la tarjeta micro SD insertada en el slot correspondiente. Si la velocidad con que se
generan los datos en LOGO! 0BA8 excede la velocidad con que se escriben los mismos
en la tarjeta micro SD, se podrían perder datos. Para impedir que se pierdan datos,
aplique una señal de habilitación al bloque de función de registro de datos con un
intervalo de tiempo mínimo de 500 ms. Sin embargo, si no hay ninguna tarjeta micro SD
en el slot, el búfer del LOGO! 0BA8 solo puede almacenar 512 bytes del registro de
datos y el resto de datos se pierden.
Una tarjeta micro SD puede almacenar como máximo 50 archivos de registro de datos
para cada módulo base LOGO!. Si la misma tarjeta se inserta en otro módulo base
LOGO!, puede almacenar otros 50 archivos de registro de datos del módulo base LOGO!
actual, pero el número máximo de líneas que puede guardar una tarjeta está limitada por
su capacidad de memoria. Un archivo de registro de datos en la tarjeta micro SD puede
almacenar 20000 líneas como máximo. Si la memoria de la tarjeta micro SD está llena y
desea crear un archivo de datos nuevo, se generará automáticamente un mensaje de
error.
LOGO! crea automáticamente nombres de archivo con el formato
"<XYZ>_<número>.csv". <XYZ> representa la última parte del código de dirección IP
(dividido en cuatro partes) del módulo base LOGO! conectado. Va de uno a tres dígitos.
<número> indica el número secuencial del archivo de datos creado y va de 1 a 50. No
cambie el nombre de archivo, pues el módulo base LOGO! no reconoce nombres
personalizados.
De LOGO! a LOGO!Soft Comfort solo se puede cargar el archivo de registro de datos
más reciente de la tarjeta micro SD.
En las circunstancias siguientes LOGO! crea un archivo nuevo de registro de datos:
• Cuando cambia el programa contenido en LOGO!
• Cuando el número de líneas del archivo de registro de datos excede 20000
El archivo creado tendrá un nombre con un índice de número aumentado; así, por
ejemplo, si el nombre del archivo de datos actual es "135_1.csv", el archivo nuevo se
denominará "135_2.csv".

LOGO!
Manual de producto, 07/2016, A5E33039720 - AC 285
Parametrizar LOGO!
8
Por "parametrización" se entiende la configuración de los parámetros de bloques. Es posible
ajustar, entre otros, los tiempos de retardo de las funciones de temporización, los tiempos
de conmutación de los temporizadores, los umbrales de contadores, el intervalo de
vigilancia de un contador de horas de funcionamiento y los umbrales de conexión y
desconexión del interruptor de valor umbral.
Los parámetros pueden configurarse:
● En modo de programación
● En modo de parametrización
El modo de parametrización permite editar los parámetros sin tener que modificar el
programa. Gracias a ello, un usuario puede modificar parámetros sin necesidad de cambiar
al modo de programación. La ventaja es que se pueden modificar parámetros del programa
al mismo tiempo que el programa queda protegido.
Nota
en modo de parametrización, LOGO! continúa ejecutando el programa.
8.1
Seleccionar el modo de parametrización
Pulse ESC para acceder al modo de parametrización:
Encontrará más información sobre los comandos de menú del modo de parametrización en
el apartado "LOGO! Basic (Página 357)".
Siga estos pasos para detener el programa y cambiar al menú principal del modo de
programación:
1. Coloque el cursor en "①": pulse o
2. Confirme "①": pulse
OK

Parametrizar LOGO!
8.1 Seleccionar el modo de parametrización
LOGO!
286 Manual de producto, 07/2016, A5E33039720 - AC
3. Desplace el cursor hasta "②": pulse
4. Confirme pasando LOGO! al modo STOP pulsando
OK
con el cursor en "②".
LOGO! visualiza el menú principal del modo de programación:
Encontrará más información sobre la conmutación de LOGO! a RUN en el apartado
"Cambiar LOGO! a modo RUN (Página 85)".
Descripción de los demás comandos del menú de parametrización
●
Comando de menú ①
Para más información sobre los distintos ajustes, consulte los apartados siguientes:
– Parámetros (Página 287)
– Seleccionar los parámetros (Página 288)
– Modificar los parámetros (Página 289)
– Asignar el nombre del programa (Página 80)
●
Comando de menú ②
Para más información sobre los distintos ajustes, consulte los apartados siguientes:
– Ajustar la hora y la fecha (Página 292)
– Cambio de horario de verano/invierno (Página 102)
– Network Time Protocol (solo LOGO! 8.FS4) (Página 106)
– Ajustar la pantalla inicial (Página 298)
– Ajustar el contraste y la retroiluminación del display (Página 293)
– Ajustar los valores estándar de LOGO! (Página 291)

Parametrizar LOGO!
8.1 Seleccionar el modo de parametrización
LOGO!
Manual de producto, 07/2016, A5E33039720 - AC 287
●
Comando de menú ③
Para más información sobre los distintos ajustes, consulte el apartado "Configurar los
ajustes de red (Página 110)".
●
Comando de menú ④
Para más información sobre los distintos ajustes, consulte el apartado "Diagnóstico de
errores desde LOGO! (Página 117)".
8.1.1
Parámetros
Nota
Solo es posible ver y modificar parámetros en modo de parametrización si tienen la
designación de lectura/escritura ("+"). Consulte el apartado "Protección de parámetros
(Página 142)".
Son parámetros p. ej.:
● Los tiempos de retardo de un relé temporizador
● Los tiempos de conmutación (levas) de un temporizador
● Los umbrales de un contador
● El tiempo de vigilancia de un contador de horas de funcionamiento
● Los umbrales de un interruptor
Un número de bloque (Bx) y el nombre abreviado del parámetro identifican los distintos
parámetros. Ejemplos:
● T: ...es un tiempo configurable
● MI: ...es un intervalo de tiempo configurable
Nota
LOGO!Soft Comfort también permite asignar nombres a los bloques (para más información,
consulte el apartado "Software de LOGO! (Página 315)".

Parametrizar LOGO!
8.1 Seleccionar el modo de parametrización
LOGO!
288 Manual de producto, 07/2016, A5E33039720 - AC
8.1.2
Seleccionar los parámetros
Para seleccionar un parámetro:
1. En el menú de parametrización, coloque el cursor en "①": pulse o
2. Confirme "①" con
OK
.
3. Desplace el cursor hasta "②": pulse o
4. Confirme "②" con
OK
.
LOGO! mostrará la lista de bloques disponibles, por ejemplo:
Si no es posible ajustar ningún parámetro, el display muestra lo siguiente, pudiéndose
pulsar
ESC
para regresar al menú de parametrización.
5. Pulse o para desplazar el cursor hasta el bloque cuyo parámetro desea cambiar y
confirme con
OK
.
6. A continuación, seleccione el parámetro que desee: pulse o
7. Seleccione el parámetro que desea modificar y pulse
OK
.

Parametrizar LOGO!
8.1 Seleccionar el modo de parametrización
LOGO!
Manual de producto, 07/2016, A5E33039720 - AC 289
8.1.3
Modificar los parámetros
Seleccione primero el parámetro (Página 288) que desea modificar.
El valor del parámetro se modifica de igual manera que al introducirlo en modo de
programación:
1. Desplace el cursor a la posición en la que desea efectuar el cambio: pulse o
2. Para modificar este valor: pulse o
3. Para aplicar el valor:
OK
Nota
Al modificar el parámetro de tiempo en modo RUN también es posible cambiar la base
de tiempo (s=segundos, m=minutos, h=horas). Esto no es aplicable si el parámetro de
tiempo es el resultado de otra función (consulte el ejemplo en el apartado "Retardo a la
conexión (Página 151)"). En ese caso no se puede modificar ni el valor ni la base de
tiempo. Al modificar la base de tiempo, el valor de tiempo actual se pone a 0.
Valor actual de un tiempo T
Visualización de un tiempo T en modo de parametrización:
Es posible modificar el tiempo configurado T.

Parametrizar LOGO!
8.1 Seleccionar el modo de parametrización
LOGO!
290 Manual de producto, 07/2016, A5E33039720 - AC
Valor actual del temporizador
Visualización de una leva de temporizador en modo de parametrización:
Es posible modificar los tiempos de conexión y desconexión (On, Off) y el día.
Valor actual de un contador
Visualización de un parámetro de contador en modo de parametrización:
Es posible modificar los umbrales de conexión y desconexión (On, Off). Esto no es aplicable
si los umbrales de conexión y desconexión son el resultado de otra función (B021 en el
apartado "Contador adelante/atrás (Página 188)").
Valor actual de un contador de horas de funcionamiento
Visualización de un parámetro de contador de horas de funcionamiento en modo de
parametrización:
Es posible modificar el intervalo parametrizado MI.

Parametrizar LOGO!
8.2 Ajustar los valores estándar de LOGO!
LOGO!
Manual de producto, 07/2016, A5E33039720 - AC 291
Valor actual de un umbral de activación
Visualización del parámetro de un umbral de activación en modo de parametrización:
Es posible modificar los umbrales de conexión y desconexión (On, Off).
8.2
Ajustar los valores estándar de LOGO!
Es posible ajustar los siguientes valores estándar para un LOGO! Basic:
Ajustes del reloj
Es posible ajustar los valores predeterminados de hora y fecha (Página 292), cambio de
horario de verano/invierno (Página 102) y Network Time Protocol (solo LOGO! 8.FS4)
(Página 106) en modo de programación o parametrización utilizando los siguientes
comandos de menú:
Ajustar el contraste y la retroiluminación
Es posible ajustar el valor predeterminado de la retroiluminación (Página 293) y el valor
predeterminado del contraste del display (Página 293) en modo de programación o
parametrización utilizando los siguientes comandos de menú:
Idioma de los menús
Es posible ajustar el idioma (Página 296) en el que LOGO! muestra los menús en modo de
programación utilizando los siguientes comandos de menú:

Parametrizar LOGO!
8.2 Ajustar los valores estándar de LOGO!
LOGO!
292 Manual de producto, 07/2016, A5E33039720 - AC
Número de entradas analógicas del módulo base
Los módulos base LOGO! 24CE, LOGO! 24CEo, LOGO! 12/24RCE y LOGO! 12/24RCEo
soportan cuatro entradas analógicas. Anteriormente, soportaban solo dos. Puede elegir si
desea utilizar dos o cuatro entradas analógicas (Página 297) en estos módulos en modo de
programación utilizando los siguientes comandos de menú:
Configuración de la pantalla de inicio
Es posible ajustar el ajuste predeterminado de la pantalla de inicio (Página 298) que
muestra LOGO! al pasar al modo RUN en modo de programación o parametrización
utilizando los siguientes comandos de menú:
Configuración de textos de mensajes
Es posible seleccionar los ajustes que deben aplicarse a todos los bloques de función de
textos de mensajes (Página 216) en el menú de programación o parametrización utilizando
los siguientes comandos de menú:
8.2.1
Ajustar la hora y la fecha
La hora y la fecha pueden ajustarse en modo de programación o en modo de
parametrización.
Ajustar la hora y la fecha en modo de parametrización
Para ajustar la hora y la fecha, proceda del siguiente modo:
1. Seleccione el modo de parametrización (Página 285).
2. En el menú de parametrización, coloque el cursor en "①": pulse o
3. Confirme "①": pulse
OK

Parametrizar LOGO!
8.2 Ajustar los valores estándar de LOGO!
LOGO!
Manual de producto, 07/2016, A5E33039720 - AC 293
4. Desplace el cursor hasta "②": pulse o
5. Confirme "②": pulse
OK
6. Coloque el cursor en "③": pulse o
7. Confirme "③": pulse
OK
LOGO! visualizará lo siguiente:
8. Para ajustar la hora correcta, pulse o hasta que el cursor esté en la posición
deseada y, seguidamente, pulse o para cambiar el valor.
9. Para ajustar la fecha correcta, pulse o hasta que el cursor esté en la posición
deseada y, seguidamente, pulse o para cambiar el valor.
10.Para confirmar las entradas: pulse
OK
Ajustar la hora y la fecha en modo de programación
Si desea ajustar la hora y la fecha en modo de programación, seleccione "①" en el menú
principal y luego los menús "②" y "③". A continuación puede ajustar la fecha y la hora de la
forma descrita anteriormente.
8.2.2
Ajustar el contraste y la retroiluminación del display
Los valores predeterminados para el contraste del display y la retroiluminación pueden
ajustarse en modo de programación o en modo de parametrización.

Parametrizar LOGO!
8.2 Ajustar los valores estándar de LOGO!
LOGO!
294 Manual de producto, 07/2016, A5E33039720 - AC
Ajustar el contraste del display en modo de parametrización
Para ajustar el contraste del display, proceda del siguiente modo:
1. Seleccione el modo de parametrización (Página 285).
2. En el menú de parametrización, coloque el cursor en "①": pulse o .
3. Confirme "①": pulse
OK .
4. Desplace el cursor hasta "②": pulse o .
5. Confirme "②": pulse
OK
6. Desplace el cursor hasta "③": pulse o .
7. Confirme "③": pulse
OK .
LOGO! visualizará lo siguiente:
8. Para modificar el contraste del display: pulse o .
9. Para confirmar la entrada: pulse
OK .
Ajustar el contraste del display en modo de programación
Si desea ajustar el contraste del display en modo de programación, seleccione el comando
de menú "①" en el menú principal y luego los menús "②" y "③". A continuación puede
ajustar el contraste del display de la forma descrita anteriormente.

Parametrizar LOGO!
8.2 Ajustar los valores estándar de LOGO!
LOGO!
Manual de producto, 07/2016, A5E33039720 - AC 295
Ajustar la retroiluminación en modo de parametrización
Para ajustar la retroiluminación, proceda del siguiente modo:
1. En el menú de parametrización, coloque el cursor en "①": pulse o .
2. Confirme "①": pulse
OK .
3. Desplace el cursor hasta "②": pulse o .
4. Confirme "②": pulse
OK .
5. Desplace el cursor hasta "③": pulse o .
6. Confirme "③": pulse
OK .
7. Desplace el cursor hasta "④" o "⑤": pulse o .
8. Confirme "④" o "⑤": pulse
OK .
El ajuste predeterminado es que la retroiluminación no está activada. Para que la
retroiluminación esté siempre activada, seleccione "⑤".

Parametrizar LOGO!
8.2 Ajustar los valores estándar de LOGO!
LOGO!
296 Manual de producto, 07/2016, A5E33039720 - AC
Ajustar la retroiluminación en modo de programación
Si desea ajustar la retroiluminación en modo de programación, seleccione el comando de
menú "①" en el menú principal y luego los menús "②" y "③". A continuación puede ajustar
la retroiluminación de la forma descrita anteriormente.
Nota
La retroiluminación del LOGO! TDE tiene una vida útil de 20000 horas.
Los colores de la retroiluminación del display integrado en el LOGO! o del LOGO! TDE se
cambian por medio de algunas marcas especiales (M25, M26, M28 a M31). Encontrará más
información en el apartado "Constantes y conectores (Página 127)". Si se utilizan estas
marcas especiales en el programa, el ajuste de la retroiluminación realizado con los
comandos de menú anteriores quedará sin efecto.
8.2.3
Ajustar el idioma de los menús
Los menús de LOGO! pueden visualizarse en uno de diez idiomas predefinidos:
Alemán Inglés Francés Español Italiano
Chino Holandés Turco Ruso Japonés
Ajustar el idioma de los menús en modo de programación
El idioma de los menús solo puede ajustarse en modo de programación:
1. En el menú de principal del modo de programación, coloque el cursor en "①": pulse o
2. Confirme "①": pulse
OK
3. Desplace el cursor hasta "②": pulse o

Parametrizar LOGO!
8.2 Ajustar los valores estándar de LOGO!
LOGO!
Manual de producto, 07/2016, A5E33039720 - AC 297
4. Confirme "②": pulse
OK
5. Coloque el cursor en el idioma deseado: pulse o
6. Confirme la selección del idioma: pulse
OK
8.2.4
Ajustar el número de entradas analógicas del LOGO!
LOGO! 12/24RCE/RCEo y LOGO! 24CE/24CEo/24Eo soportan como máximo cuatro
entradas integradas que pueden utilizarse como entradas digitales o analógicas (0 V a 10
V). Las entradas I7 (AI1) e I8 (AI2) están disponibles como entradas analógicas en la
configuración estándar, tanto si se utilizan como si no. Las entradas I1 (AI3) e I2 (AI4) son
entradas analógicas opcionales. LOGO! ofrece un menú que permite elegir si se desean
utilizar dos entradas analógicas (las predeterminadas, AI1 y AI2), cuatro o ninguna.
Independientemente de la configuración, las entradas I1 e I2 pueden utilizarse como
entradas digitales. Para utilizarlas como entradas analógicas AI3 e AI4 es preciso ajustar el
número de entradas analógicas a cuatro. Tenga en cuenta que el número de entradas
analógicas configuradas en el LOGO! afecta la posterior numeración de entradas analógicas
en los módulos de ampliación conectados (consulte el apartado "Configuración máxima
(Página 31)").
El número de AIs solo se puede ajustar en modo de programación.
Ajustar el número de entradas analógicas en modo de programación
Para ajustar el número de entradas analógicas, proceda del siguiente modo:
1. En el menú principal del modo de programación, seleccione "①": pulse o
2. Confirme "①": pulse
OK
3. Seleccione "②": pulse o
4. Confirme "②": pulse
OK
5. Desplácese hasta "0 AI", "2 AIs" o "4 AIs": pulse o
6. Confirme la selección con
OK
y el ajuste se hará efectivo de inmediato.

Parametrizar LOGO!
8.2 Ajustar los valores estándar de LOGO!
LOGO!
298 Manual de producto, 07/2016, A5E33039720 - AC
8.2.5
Ajustar la pantalla inicial
Es posible seleccionar el ajuste estándar de la pantalla de inicio que LOGO! muestra en
modo RUN. Esta selección se realiza desde LOGO! en modo de parametrización o bien en
modo de programación.
Seleccionar la pantalla de inicio en modo de parametrización
Para seleccionar la pantalla de inicio de LOGO!, proceda del siguiente modo:
1. Seleccione el modo de parametrización (Página 285).
2. En el menú de parametrización, coloque el cursor en "①": pulse o .
3. Confirme "①": pulse
OK .
4. Desplace el cursor hasta "②": pulse o .
5. Confirme "②": pulse
OK .
El display visualiza lo siguiente:
El ajuste actual de la pantalla de inicio se indica por medio de un círculo con un punto. El
ajuste predeterminado es "③".
Puede elegir entre visualizar la hora y la fecha actuales (③), los valores de las entradas
digitales (④) o el menú de parametrización (⑤).
6. Seleccione el ajuste estándar deseado: Pulse o .
7. Para confirmar la entrada: Pulse
OK .
Desconecte y vuelva a conectar LOGO! para que los cambios tengan efecto. Cuando
LOGO! esté en modo RUN mostrará la pantalla de inicio seleccionada.
LOGO!
Manual de producto, 07/2016, A5E33039720 - AC 299
Uso de tarjetas de memoria
9
Para almacenar el programa, LOGO! soporta únicamente tarjetas micro SD compatibles con
el formato de archivo FAT32. Es posible almacenar programas y protegerlos contra copia
(registrando o sin registrar los datos de proceso) del dispositivo LOGO! a una tarjeta micro
SD o bien copiar programas de la tarjeta al dispositivo LOGO!.
LOGO! permite almacenar solo un programa en la memoria. Si desea modificar el programa
o crear un programa adicional sin borrar el primero, debe archivarlo en otra parte.
Encontrará información detallada acerca de cómo formatear tarjetas micro SD en el
apartado "Formatear tarjetas micro SD (Página 299)".
Encontrará información detallada acerca de la función de protección contra copia en el
apartado "Protección anticopia del programa (Página 312)".
Encontrará información detallada acerca del registro de datos en el capítulo "Registro de
datos (Página 281)".
Compatibilidad ascendente de programas
Los programas escritos para las versiones anteriores (0BA0...0BA7) pueden transferirse a
dispositivos 0BA8 por medio de LOGO!Soft Comfort.
9.1
Formatear tarjetas micro SD
Para almacenar el programa, un LOGO! 0BA8 solo soporta tarjetas micro SD compatibles
con el formato de archivo FAT32; si el formato de archivo es otro deberá formatearse
primero la tarjeta micro SD. Los ejemplos siguientes describen cómo formatear una tarjeta
micro SD en los sistemas operativos Windows 7, Linux Suse® y Mac OS ®.

Uso de tarjetas de memoria
9.1 Formatear tarjetas micro SD
LOGO!
300 Manual de producto, 07/2016, A5E33039720 - AC
Formatear en el sistema operativo Windows
Para formatear la tarjeta micro SD en el sistema operativo Windows, proceda del siguiente
modo:
1.
2.

Uso de tarjetas de memoria
9.1 Formatear tarjetas micro SD
LOGO!
Manual de producto, 07/2016, A5E33039720 - AC 301
3.
4.
Formatear en el sistema operativo Linux
1. Abra el terminal siguiente en el navegador de la aplicación para introducir comandos:
2. Introduzca el primer comando "fdisk -1" en el terminal para buscar el nombre de bloque
del dispositivo eliminable y se encontrará "/dev/sdc1".
3. Introduzca "sudo umount /dev/sdc1" para desinstalar el dispositivo.
4. Introduzca "sudo mkfs.vfat -f 32 /dev/sdc1" y el formateado se habrá completado.

Uso de tarjetas de memoria
9.1 Formatear tarjetas micro SD
LOGO!
302 Manual de producto, 07/2016, A5E33039720 - AC
Formatear en el sistema operativo Mac
Para formatear la tarjeta micro SD en el sistema operativo Mac, proceda del siguiente modo:
1.
2.

Uso de tarjetas de memoria
9.2 Insertar y extraer la tarjeta de LOGO!
LOGO!
Manual de producto, 07/2016, A5E33039720 - AC 303
3.
4.
9.2
Insertar y extraer la tarjeta de LOGO!
Antes de retirar una tarjeta micro SD que contenga un programa con protección anticopia,
tenga en cuenta lo siguiente: LOGO! solo puede ejecutar el programa almacenado en la
tarjeta si la tarjeta permanece insertada en runtime.

Uso de tarjetas de memoria
9.2 Insertar y extraer la tarjeta de LOGO!
LOGO!
304 Manual de producto, 07/2016, A5E33039720 - AC
Si se retira la tarjeta en modo RUN, ello puede dar lugar a estados operativos no permitidos.
ADVERTENCIA
Riesgo de incendio
Si se inserta o retira una tarjeta en lugares peligrosos existe riesgo de incendio en la
máquina o planta.
Puede causar la muerte o lesiones graves.
No inserte ni retire la tarjeta de memoria en lugares peligrosos.
Retirar la tarjeta micro SD
Para extraer la tarjeta micro SD, introduzca cuidadosamente un destornillador con una hoja
de 3 mm en la ranura situada en la parte frontal de la base y levántela ligeramente. Tire de
la base hasta la posición que indica la figura siguiente. Ahora puede extraer la tarjeta micro
SD de la base.
Nota
Para evitar dañar la base de la tarjeta SD, no extraiga la base completamente del módulo.
Insertar la tarjeta micro SD
El slot para la tarjeta está achaflanada en la parte inferior derecha. El borde de las tarjetas
está achaflanado asimismo. Esta codificación impide que las tarjetas se inserten
incorrectamente. Inserte la tarjeta en el soporte y empújela hasta que encaje.
Nota
Asegúrese de insertar la tarjeta en la base en la posición correcta y de empujarla hasta
escuchar un clic.

Uso de tarjetas de memoria
9.3 Copiar datos de LOGO! en la tarjeta
LOGO!
Manual de producto, 07/2016, A5E33039720 - AC 305
Nota
Si no es posible empujar la base de la tarjeta SD con suavidad, no utilice la fuerza. Retire la
tarjeta, corrija el sentido y vuelva a insertarla. Consulte la figura siguiente para ver el
sentido
correcto.
9.3
Copiar datos de LOGO! en la tarjeta
Copiar datos de LOGO! manualmente en la tarjeta
Para copiar manualmente el programa en la tarjeta micro SD, proceda del modo indicado en
la figura siguiente:
Pulse OK. LOGO! empieza a copiar el programa en la tarjeta.

Uso de tarjetas de memoria
9.3 Copiar datos de LOGO! en la tarjeta
LOGO!
306 Manual de producto, 07/2016, A5E33039720 - AC
Si se produce un corte de alimentación mientras LOGO! está copiando el programa, repita el
proceso después de retornar la corriente.
Nota
• Si el programa está vacío aparecerá un mensaje al respecto en la pantalla.
• La contraseña de un programa protegido en LOGO! también es válida para la versión del
programa copiada en la tarjeta.
Copiar automáticamente datos de LOGO! en la tarjeta
LOGO!Soft Comfort dispone de una opción que permite copiar automáticamente el
programa en la tarjeta micro SD cuando se transfiere el mismo a LOGO!. Esta opción está
disponible en el cuadro de diálogo para la transferencia PC->LOGO!. Si se selecciona esta
opción, LOGO!Soft Comfort transfiere el programa a LOGO! y a la tarjeta micro SD.
Nota
Para copiar correctamente el programa de LOGO! a la tarjeta micro SD, asegúrese de que
el espacio de memoria libre en la tarjeta micro SD es como mínimo de 100 KB.
Generar el registro de datos en la tarjeta micro SD
Si el programa existente en LOGO! contiene un bloque de función de registro de datos
configurado con LOGO!Soft Comfort, el registro de datos se puede guardar en LOGO! o en
la tarjeta micro SD. Si hay una tarjeta micro SD insertada en el slot de su LOGO!, cuando
LOGO! cambie de STOP a RUN intentará copiar el registro de datos en la tarjeta micro SD;
de lo contrario, LOGO! guarda el registro de datos en la memoria. En cada transición de
STOP a RUN, LOGO! determina el destino en que se almacenará el registro de datos.
Si LOGO! copia el registro de datos en la tarjeta micro SD, lo guarda por defecto como
archivo con formato .CSV , el cual se puede luego abrir desde un PC. Cada línea del archivo
.CSV incluye un sello de tiempo, el número del bloque de función y los valores reales
registrados. Encontrará más información acerca del registro de datos en el capítulo
"Registro de datos (Página 281)".
Nota
Si LOGO! está en estado STOP y tiene una tarjeta micro SD insertada, es posible cargar en
LOGO!Soft Comfort el archivo de registro de datos más reciente de la tarjeta micro SD
utilizando un comando de menú de transferencia en LOGO!Soft Comfort. Para más
información sobre el comando de carga del registro de datos, consulte la Ayuda en pantalla
de LOGO!Soft Comfort.

Uso de tarjetas de memoria
9.4 Copiar datos de la tarjeta en LOGO!
LOGO!
Manual de producto, 07/2016, A5E33039720 - AC 307
9.4
Copiar datos de la tarjeta en LOGO!
Existen varias formas de copiar un programa de una tarjeta micro SD a LOGO!:
● Automáticamente durante el arranque de LOGO! (POWER ON)
● Por medio del menú específico de la tarjeta en LOGO!
Nota
Si el programa contenido en la tarjeta está protegido por contraseña, el programa copiado
en LOGO! también estará protegido por esa misma contraseña. Encontrará más i
nformación
acerca del menú "Tarjeta" en el apartado "Vista de conjunto de los menús de LOGO!
(Página 72)".
Copia automática durante el arranque de LOGO!
Para copiar automáticamente el programa en LOGO!, proceda del siguiente modo:
1. Desconecte la alimentación de LOGO!.
2. Inserte la tarjeta en el slot correspondiente.
3. Conecte la alimentación de LOGO!.
LOGO! copiará el programa desde el módulo o la tarjeta en LOGO!. Cuando LOGO!
termine de copiar, abrirá su menú principal:
Nota
Antes de conmutar LOGO! a modo RUN, vigile que el sistema controlado por LOGO! no
represente una fuente de peligro.
4. Desplace el cursor hasta el primer comando de menú del paso 3: pulse o .
5. Pulse OK.

Uso de tarjetas de memoria
9.4 Copiar datos de la tarjeta en LOGO!
LOGO!
308 Manual de producto, 07/2016, A5E33039720 - AC
Copiar desde el menú específico de la tarjeta
Encontrará más información sobre la sustitución de una tarjeta micro SD en el apartado
"Insertar y extraer la tarjeta de LOGO! (Página 303)".
Para copiar un programa de la tarjeta a LOGO!, inserte la tarjeta y siga los pasos indicados
en la figura siguiente:
Pulse OK. LOGO! copiará el programa desde la tarjeta en LOGO!. Cuando LOGO! termine
de copiar, regresará automáticamente a su menú principal.

LOGO!
Manual de producto, 07/2016, A5E33039720 - AC 309
Seguridad
10
Sinopsis
Este capítulo describe las siguientes funciones de seguridad para mejorar la protección del
LOGO!:
Función de seguridad
Descripción
Seguridad en la red Los pasos siguientes ayudan a proteger la comunicación en
red:
1. Defina el área segura y el área insegura de la red;
2. Ponga un cortafuegos entre el área segura y el área
insegura;
3. Configure el cortafuegos:
• Bloquee los puertos siguientes: 80;102; 135; 502-510;
10005.
• Abra el puerto 8080 para acceder de forma segura al
servidor web.
Seguridad de acceso a los programas Los siguientes métodos de protección pueden ayudar a
proteger los programas contra accesos no autorizados:
• Protección por contraseña
• Protección anticopia
Seguridad de acceso a los menús Es posible limitar el acceso a determinados menús de
LOGO! ajustando el nivel de acceso.

Seguridad
10.1 Seguridad en la red
LOGO!
310 Manual de producto, 07/2016, A5E33039720 - AC
10.1
Seguridad en la red
Con la función Ethernet ampliada de los dispositivos LOGO! 0BA8, es posible acceder a los
módulos base LOGO! no solo desde una red de área local sino también desde una red de
área remota. Los tres pasos siguientes ayudan a proteger la comunicación en red:
1. Defina el área segura y el área insegura de la red. Con el fin de proteger los dispositivos
de una forma efectiva, defina primero una red segura. Los dispositivos LOGO! (módulos
base LOGO! y LOGO! TDE), LOGO! Access Tool, los dispositivos SIMATIC S7 y los
dispositivos Modbus solo pueden funcionar en la red segura. LOGO!Soft Comfort y el
servidor web pueden funcionar tanto en el área segura como insegura, pero Siemens
utiliza estrategias de seguridad diferentes cuando se utilizan en áreas distintas.
2. Ponga un cortafuegos entre el área segura y el área insegura. Después de configurar el
cortafuegos, este protegerá el área seguridad de una forma efectiva.
3. Configure el cortafuegos de dos formas:
● Bloquee los puertos siguientes: 80;102; 135; 502-510; 10005.
● Abra el puerto 8080 para acceder de forma segura al servidor web.

Seguridad
10.1 Seguridad en la red
LOGO!
Manual de producto, 07/2016, A5E33039720 - AC 311
La tabla inferior lista los métodos de protección para los accesos que soporta LOGO!.
Trabajo en
Aplicación
soportada
Protección por
contraseña
Puerto
Canal de
comunicación
Área insegura LOGO!Soft
Comfort Acceso HTTP remoto 8080 Canal seguro
Navegador web Acceso al servidor web 8080 Canal seguro
Aplicación móvil Acceso a la aplicación
LOGO! 8080 Canal seguro
Área segura LOGO!Soft
Comfort No 10005 Canal normal
Navegador web Acceso al servidor web 80 Canal normal
LOGO! Access
Tool Acceso al servidor web 80 Canal normal
LOGO! TDE No 135 Canal normal
Dispositivos S7 No 102 Canal normal
Dispositivo
Modbus No 502-510 Canal normal
ADVERTENCIA
Peligro de muerte, lesiones corporales graves y/o daños materiales en caso de acceso no
autorizado a LOGO! desde el servidor web
Desde LOGO!Soft Comfort se puede habilitar el acceso remoto a LOGO! a través del
servidor web. Eso permite realizar cambios en el programa o las variables desde el
servidor web.
El acceso no autorizado a LOGO! desde el servidor web puede afectar al funcionamiento
del proceso y producir la muerte, lesiones corporales graves y/o daños materiales.
Siemens recomienda observar las siguientes consignas de seguridad:
• Proteger el acceso desde el servidor web a LOGO! con una contraseña segura. Las
contraseñas seguras tienen ocho caracteres como mínimo, constan de letras, números
y caracteres especiales, no son palabras que puedan encontrarse en un diccionario, ni
son nombres ni identificadores que puedan derivarse a partir de información personal.
La contraseña debe mantenerse en secreto y cambiarse con frecuencia.
• Realizar comprobaciones de errores y rangos en las variables de la lógica del
programa.
Nota
Para proteger los dispositivos hay que asegurarse de que el área segura es realmente
segura; en caso contrario los dispositivos todavía podrían estar expuestos a riesgos para la
seguridad de la red.
Nota
Con el fin de evitar riesgos de seguridad en la red, Siemens recomienda utilizar la función
NTP en el área segura.

Seguridad
10.2 Seguridad de acceso a los programas
LOGO!
312 Manual de producto, 07/2016, A5E33039720 - AC
10.2
Seguridad de acceso a los programas
10.2.1
Protección por contraseña del programa
Un programa puede protegerse por contraseña contra accesos no autorizados. Siemens
recomienda encarecidamente utilizar la protección por contraseña para impedir la lectura o
modificación no autorizadas de programas.
Encontrará más información sobre la asignación y modificación de una contraseña para el
programa en el apartado "Programas protegidos por contraseña (Página 81)".
Nota
Si se ha guardado un programa en el BM con una contraseña, cuando se intente descargar
un programa nuevo en el BM para sobrescribir el programa existente, habrá que introducir la
contraseña del programa actual.
10.2.2
Protección anticopia del programa
La función de protección anticopia protege los programas almacenados en tarjetas micro
SD. Un programa está
protegido
cuando se transfiere a una tarjeta de memoria protegida.
Esta función de seguridad adicional permite vincular el programa a una tarjeta de memoria
concreta. Si se copia un programa protegido en otra tarjeta de memoria, LOGO! no
reconoce el programa y rechaza su carga tras haber insertado la tarjeta.
Para ejecutar este programa en LOGO! hay que dejar la tarjeta insertada en el módulo base
LOGO!, es decir, no está permitido retirar la tarjeta para copiar el programa en otro
dispositivo LOGO!.
Un programa con protección por contraseña deja de estar protegido si se introduce la
contraseña correcta, con lo que es posible editar o copiar el programa y retirar la tarjeta.
Correlación entre la contraseña y la función de protección
Protección por con-
traseña del programa
Protección anticopia
del programa
Editar
Copiar
Borrar
- - Sí Sí Sí
Sí - Sí, con
contraseña Sí Sí
- Sí No No Sí
Sí Sí Sí, con
contraseña Sí, con contraseña Sí

Seguridad
10.2 Seguridad de acceso a los programas
LOGO!
Manual de producto, 07/2016, A5E33039720 - AC 313
Activar la función de protección
Para asignar la función de protección anticopia a la tarjeta, proceda del siguiente modo:
1. Abra el modo de programación y coloque el cursor en "①": pulse o
2. Confirme "①" con
OK
.
3. Desplace el cursor hasta "②": pulse o
4. Confirme "②" con
OK
.
LOGO! visualizará lo siguiente:
En el ajuste predeterminado la tarjeta no está protegida.
5. Desplace el cursor hasta "③": pulse o
6. Confirme la selección pulsando
OK
.
7. Desplace el cursor hasta "④": Pulse o
Seguidamente puede activarse la función de protección y guardar el programa en la
tarjeta.

Seguridad
10.3 Seguridad de acceso a los menús
LOGO!
314 Manual de producto, 07/2016, A5E33039720 - AC
Nota
La función de protección solo rige para la tarjeta; el programa debe copiarse (Página 305)
en la tarjeta por separado durante el arranque.
El estado de función de protección desactivada puede cambiarse en todo momento a
función de protección activada.
Un cambio de estado de función de protección activada a función de protección desactivada
solo es posible si la tarjeta no contiene ningún programa.
10.3
Seguridad de acceso a los menús
LOGO! ofrece dos niveles de acceso, administrador y operador, con el fin de limitar el
acceso a determinados menús en el modo de programación. En calidad de administrador se
accede a todos los comandos de menú, mientras que como operador algunos comandos de
menú concretos no son visibles. El ajuste predeterminado de LOGO! es el nivel de
administrador en el momento del suministro y es posible cambiar a operador en cualquier
momento. Para pasar de operador a administrador hay que introducir una contraseña válida
("LOGO" por defecto). LOGO! guarda siempre el nivel de acceso actual antes de apagarse.
Encontrará más información sobre la conmutación de los niveles de acceso en el apartado
"Configurar la protección de acceso a menús para LOGO! (Página 69)".
Nota
El nivel de acceso predeterminado del LOGO! TDE es de operador y se cambia a
administrador con la contraseña (la contraseña predeterminada es "LOGO").
El LOGO! TDE guarda su nivel de acceso antes de apagarse siempre que se conecte al
mismo módulo base después de conectarse. En cambio, si se conecta a un módulo base
distinto, el LOGO! TDE restablece el nivel de acceso a operador después de la conexión.
LOGO!
Manual de producto, 07/2016, A5E33039720 - AC 315
Software LOGO!
11
11.1
Software LOGO!
El programa LOGO!Soft Comfort está disponible como paquete de programación para el
PC. Con el software dispondrá, entre otras, de las siguientes funciones:
● Una interfaz de usuario gráfica que permite crear programas offline en KOP (Esquema
de contactos) o FUP (Diagrama de funciones)
● Simulación del programa en el PC
● Creación e impresión de un esquema general del programa
● Creación de una copia de seguridad del programa en el disco duro u otros soportes de
datos
● Comparación de programas
● Configuración fácil de bloques
● Transferencia del programa en ambos sentidos:
– de LOGO! al PC
– del PC a LOGO!
● Lectura del contador de horas de funcionamiento
● Ajuste de la hora
● Cambio de horario de verano/invierno
● Test online que permite observar los cambios de estado y las variables de proceso de
LOGO! en modo RUN:
– Estados de E/S digitales, marcas, bits de registro de desplazamiento y teclas de
cursor
– Valores de todas las E/S analógicas y marcas
– Resultados de todos los bloques
– Valores actuales (incluyendo los tiempos) de bloques seleccionados
● Inicio y parada de la ejecución del programa vía el PC (cambio entre los modos RUN y
STOP)
● Comunicación de red
● Crear bloques UDF (Página 277) para utilizarlos en un programa
● Configurar el bloque de función de registro de datos (Página 281) para que el programa
registre valores de proceso de los bloques de función configurados
La versión actual es LOGO!Soft Comfort V8.1. La Ayuda en pantalla de LOGO!Soft Comfort
describe todas las funciones de programación y diseño.

Software LOGO!
11.1 Software LOGO!
LOGO!
316 Manual de producto, 07/2016, A5E33039720 - AC
Ventajas de LOGO!
Como puede ver, LOGO!Soft Comfort ofrece muchas ventajas:
● Puede crear el programa en el PC.
● Puede simular el programa en el PC y verificar sus funciones antes de implementarlo
realmente en el sistema.
● Puede insertar comentarios en el programa y realizar copias impresas.
● Puede guardar una copia del programa en el sistema de archivos del PC para modificarlo
directamente allí.
● Pulsando unas pocas teclas puede transferir el programa a LOGO!.
Sistemas operativos compatibles
LOGO!Soft Comfort puede ejecutarse en cualquiera de los siguientes sistemas operativos:
● Windows 7 de 32/64 bits, Windows 8 o Windows XP
● SUSE Linux 11.3 SP3 de 32/64 bits, kernel 3.0.76
● Mac OS × 10.6 Snow Leopard, Mac OS × Lion, Mac OS × MOUNTAIN LION y Mac OS ×
Mavericks
Actualizar versiones anteriores de LOGO!Soft Comfort
El siguiente comando de menú de LOGO!Soft Comfort V8.1 permite actualizar LOGO!Soft
Comfort V1.0, V2.0, V3.0, V4.0, V5.0, V6.0, V7.0 o V8.0 a V8.1.
Encontrará las referencias en el apartado "Números de referencia (Página 371)".
Para actualizar una versión antigua a una nueva, proceda del siguiente modo:
1. Instale el software desde el DVD.
2. Cuando el sistema le solicite la versión anterior, introduzca el DVD antiguo de LOGO!Soft
Comfort en la unidad de DVD.
3. Acceda al directorio "...\Application" del DVD.
Actualizaciones e información
En la dirección de Internet indicada en el prólogo (Página 3) puede descargar gratuitamente
versiones de demostración del software.
Para más información acerca de las actualizaciones, ampliaciones y el LOGO!Soft Comfort
Update Center, consulte la Ayuda en pantalla de LOGO!Soft Comfort.

Software LOGO!
11.2 Conectar LOGO! al PC
LOGO!
Manual de producto, 07/2016, A5E33039720 - AC 317
11.2
Conectar LOGO! al PC
Conectar LOGO! al PC
LOGO! 0BA8 tiene un puerto Ethernet que permite conectar un módulo base LOGO! 0BA8 a
un PC con un cable Ethernet.
Conmutar LOGO! a modo PC ↔ LOGO
Existen dos métodos para conmutar LOGO! al modo STOP:
● Conmute LOGO! a modo STOP desde el PC (consulte la Ayuda en pantalla de
LOGO!Soft Comfort).
● Seleccione el siguiente comando de menú en un dispositivo con display.
Confirme la selección con "①":
Cuando LOGO! está en modo STOP y conectado en línea con el PC, están disponibles los
siguientes comandos del PC:
● Conmutar LOGO! a RUN
● Leer/escribir el programa
● Leer/escribir el horario de verano/invierno.
Nota
Para más información acerca de las versiones de LOGO! sin display, consulte el apartado
"LOGO! sin display ("LOGO! Pure") (Página 355)" del anexo.

Software LOGO!
11.2 Conectar LOGO! al PC
LOGO!
318 Manual de producto, 07/2016, A5E33039720 - AC
Salir del modo PC ↔ LOGO!
Cuando LOGO! termina la transferencia de datos, se desconecta del PC.
Nota
Si el programa creado en LOGO!Soft Comfort está protegido por contraseña, durante la
descarga LOGO! recibe tanto el programa como la contraseña.
Un programa protegido por contraseña que se haya creado en LOGO! solo puede cargarse
tras haber introducido la contraseña correcta en LOGO!Soft Comfort.

LOGO!
Manual de producto, 07/2016, A5E33039720 - AC 319
Aplicaciones
12
Nota
Las aplicaciones de ejemplo de LOGO! están a disposición de nuestros clientes
gratuitamente en la página web de Siemens Página web de LOGO!
(http://www.siemens.com/logo) (vaya a Products & Solutions → Applications → Application
Examples).
Siemens no garantiza que los ejemplos descritos estén exentos de errores. Tan solo
proporcionan información general acerca de los campos de aplicación de LOGO!, pudiendo
ser diferentes a las soluciones específicas para cada cliente. Siemens se reserva el derecho
de efectuar modificaciones.
El usuario es responsable del funcionamiento de su sistema. En lo que concierne a la
seguridad, observe las normas nacionales vigentes y las directrices de instalación
relacionadas con el sistema.
En Internet encontrará los siguientes ejemplos de aplicación, consejos para otras
aplicaciones y mucho más:
● Irrigación de plantas de invernadero
● Control de cintas transportadoras
● Control de una máquina dobladora
● Alumbrado de escaparates
● Instalación de timbre (por ejemplo en una escuela)
● Vigilancia de aparcamientos
● Alumbrado de exteriores
● Control de persianas
● Alumbrado exterior e interior de viviendas
● Control de una centrifugadora de leche
● Alumbrado de una sala de gimnasia
● Carga constante en tres consumidores
● Control secuencial de máquinas para soldar cables de grandes secciones
● Interruptor escalonado (por ejemplo para ventiladores)
● Control secuencial de calderas de calefacción
● Control de varios pares de bombas con control de mando centralizado
● Dispositivo cortador (por ejemplo para mechas detonantes)
● Vigilancia de períodos de utilización, p. ej. de un sistema de energía solar
● Pedales inteligentes (p. ej. para preseleccionar velocidades)

Aplicaciones
LOGO!
320 Manual de producto, 07/2016, A5E33039720 - AC
● Control de una plataforma elevadora
● Impregnación de textiles, control de cintas calentadoras y transportadoras
● Sistema de llenado de silos
● Estación de llenado con mensaje textual en el LOGO! TDE que visualiza la suma de
objetos contados
En Internet encontrará también las descripciones y los esquemas de conexiones
correspondientes a las aplicaciones. Estos archivos *.pdf pueden abrirse con Adobe Acrobat
Reader. Si ha instalado LOGO!Soft Comfort en el PC, puede hacer clic en el icono de disco
para descargar el programa en cuestión, adaptarlo a su aplicación en particular y transferirlo
luego a LOGO! directamente a través del cable del PC.
Ventajas de LOGO!
LOGO! es especialmente útil para
● Sustituir equipos de conmutación auxiliares por las funciones integradas en LOGO!
● Ahorrar trabajo de cableado y montaje - porque LOGO! memoriza el cableado.
● Reducir el espacio necesario para los componentes en el armario eléctrico o la caja de
distribución. A veces es posible utilizar un armario eléctrico o una caja de distribución
más pequeña.
● Agregar o modificar funciones sin tener que montar equipos de conmutación adicionales
ni modificar el cableado.
● Ofrecer a los clientes nuevas funciones adicionales en las instalaciones tanto domésticas
como comerciales. Ejemplos:
– Sistemas de seguridad doméstica: LOGO! puede encender una lámpara en intervalos
regulares, o bien subir y bajar las persianas mientras está de vacaciones.
– Calefacción central: LOGO! hace que la bomba de circulación funcione solo si se
necesitan realmente agua o calor.
– Sistemas de refrigeración: LOGO! puede descongelar sistemas de refrigeración en
intervalos regulares para ahorrar costes de energía.
– Es posible alumbrar acuarios y terrarios en función del tiempo.
Además, también puede:
● Utilizar interruptores y pulsadores corrientes en el mercado, lo que simplifica la
instalación de un sistema doméstico.
● Conectar LOGO! directamente a una instalación doméstica, gracias a la fuente de
alimentación integrada.
¿Desea más información?
Encontrará más información sobre LOGO! en la página web de Siemens (indicado en el
primer párrafo de la nota en este capítulo).

Aplicaciones
LOGO!
Manual de producto, 07/2016, A5E33039720 - AC 321
¿Tiene sugerencias?
Sin lugar a dudas, hay muchas más aplicaciones útiles para LOGO!. Si conoce alguna,
escriba a la siguiente dirección o envíe un mensaje al Support Request
(http://www.siemens.com/automation/support-request) online. Siemens recopilará todas las
sugerencias y divulgará cuantas sean posibles. Sus sugerencias son de gran valor para
Siemens.
Diríjase a:
Siemens AG
A&D AS FA PS4
PO box 48 48
D-90327 Nürnberg

Aplicaciones
LOGO!
322 Manual de producto, 07/2016, A5E33039720 - AC

LOGO!
Manual de producto, 07/2016, A5E33039720 - AC 323
Datos técnicos
A
A.1
Datos técnicos generales
Criterio
Ensayado según
Valores
Módulos base LOGO! (0BA8)
LOGO! Basic
Dimensiones (AxAxP)
Peso
• Módulos con salida de relé
• Módulos con salida de transistor
Montaje
LOGO! Pure
Dimensiones (AxAxP)
Peso
• Módulos con salida de relé
• Módulos con salida de transistor
Montaje
71,5 x 90 x 60 mm
Aprox. 240 g
Aprox. 195 g
En un perfil soporte de 35 mm, cuatro
anchos de módulo o montaje en
pared
71,5 x 90 x 58 mm
Aprox. 200 g
Aprox. 160 g
En un perfil soporte de 35 mm, cuatro
anchos de módulo o montaje en
pared
Módulos de ampliación LOGO!
DM16...
Dimensiones (AxAxP)
Peso
• Módulos con salida de relé
• Módulos con salida de transistor
Montaje
71,5 x 90 x 58 mm
Aprox. 225 g
Aprox. 165 g
En un perfil soporte de 35 mm, cuatro
anchos de módulo o montaje en
pared
Módulos de ampliación LOGO!
DM8...
Dimensiones (AxAxP)
Peso
• Módulos con salida de relé
• Módulos con salida de transistor
Montaje
35,5 x 90 x 58 mm
Aprox. 130 g
Aprox. 95 g
En un perfil soporte de 35 mm, dos
anchos de módulo o montaje en
pared

Datos técnicos
A.1 Datos técnicos generales
LOGO!
324 Manual de producto, 07/2016, A5E33039720 - AC
Criterio
Ensayado según
Valores
Módulos de ampliación LOGO!
AM...
Dimensiones (AxAxP)
Peso
Montaje
35,5 x 90 x 58 mm
Aprox. 95 g
En un perfil soporte de 35 mm, dos
anchos de módulo o montaje en
pared
LOGO! TDE (visualizador de textos
con interfaces Ethernet)
Dimensiones (AxAxP)
Peso
Montaje
128,2 x 86 x 38,7 mm
Aprox. 220 g
Montaje con escuadras de fijación
Condiciones ambientales climáticas
Temperatura ambiente para BM y EM
• Montaje horizontal
• Montaje vertical
Temperatura baja
según IEC 60068-2-1
Temperatura alta
según IEC 60068-2-2
• De -20 °C a +55 °C
• De -20 °C a +55 °C
Temperatura ambiente para TDE
• Montaje horizontal
• Montaje vertical
Temperatura baja
según IEC 60068-2-1
Temperatura alta
según IEC 60068-2-2
• De 0 °C a +55 °C
• De 0 °C a +55 °C
Almacenamiento y transporte - 40 °C a +70 °C
Humedad relativa IEC 60068-2-30 del 10% al 95% sin condensación
Presión atmosférica 795 hPa a 1080 hPa
Sustancias contaminantes IEC 60068-2-42
IEC 60068-2-43 SO2 10 cm3/m3, 21 días
H2S 1 cm3/m3, 21 días
Condiciones ambientales mecánicas
Grado de protección IP20 para los módulos base LOGO!,
módulos de ampliación y el LOGO!
TDE excluyendo el panel frontal del
TDE
IP65 para el panel frontal del
LOGO! TDE
Vibraciones: IEC 60068-2-6 De 5 Hz a 8,4 Hz
(amplitud constante 3,5 mm)
De 8,4 Hz a 150 Hz
(aceleración constante 1 g)
Choque IEC 60068-2-27 Onda semisenoidal 15 g/11 ms
Caída libre (embalado) IEC 60068-2-32 0,3 m
Compatibilidad electromagnética (CEM)
Emisión radiada EN 55011
EN 55022 Clase de valor límite B grupo 1
Clase de valor límite B
Descarga electrostática IEC 61000-4-2 Descarga por aire: 8 kV
Descarga por contacto: 6 kV

Datos técnicos
A.2 Datos técnicos: LOGO! 230...
LOGO!
Manual de producto, 07/2016, A5E33039720 - AC 325
Criterio
Ensayado según
Valores
Campo electromagnético radiado IEC 61000-4-3 80 MHz-1000 MHz y 1,4 Hz-2,0 GHz
10V/m, 80% AM(1 kHz)
2,0 GHz-2,7 GHz 1V/m, 80%
AM(1 kHz)
Perturbación conducida IEC 61000-4-6 De 150 KHz a 80 MHz
10 V, 80%AM(1 kHz)
Transitorios eléctricos rápidos IEC 61000-4-4 • Para puerto de alimentación: 2 kV
• Para puerto de señales:
– Líneas de señales<30 m:
1 kV/5 kHz
– Líneas de señales>30 m:
2 kV/5 kHz
Inmunidad a ondas de choque (solo
aplicable a LOGO! 230 y DM8/16
230R)
IEC 61000-4-5 1 kV de línea a línea
2 kV de línea a tierra
Datos sobre seguridad IEC
Distancias de aislamiento y líneas de
fuga IEC 60664, IEC
61131-2,
cULus para UL 508,
CSA C22.2 No. 142
Se cumple
Rigidez dieléctrica IEC 61131-2 Se cumple
Tiempo de ciclo
Tiempo de ciclo por función < 0,1 ms
Arranque
Tiempo de arranque en POWER ON Típ. 1,2 s
Comunicación S7
Tiempo de retardo máx. 100 ms
Comunicación Modbus
Tiempo de retardo máx. 100 ms
Nota
La longitud máxima para conectar directamente dos módulos base LOGO! mediante un
cable de red apantallado CAT5e es de 100 metros.
A.2
Datos técnicos: LOGO! 230...
LOGO! 230RCEo
LOGO! 230RCE
Fuente de alimentación
Tensión de entrada 115 V AC/DC a 240 V AC/DC 115 V AC/DC a 240 V AC/DC

Datos técnicos
A.2 Datos técnicos: LOGO! 230...
LOGO!
326 Manual de producto, 07/2016, A5E33039720 - AC
LOGO! 230RCEo
LOGO! 230RCE
Rango admisible 85 V AC a 265 V AC
100 V DC a 253 V DC 85 V AC a 265 V AC
100 V DC a 253 V DC
Frecuencia de red admisible 47 Hz a 63 Hz 47 Hz a 63 Hz
Consumo de corriente
• 115 V AC
• 240 V AC
• 115 V DC
• 240 V DC
• De 20 mA a 40 mA
• 15 mA a 25 mA
• De 10 mA a 20 mA
• 5 mA a 15 mA
• De 20 mA a 40 mA
• 15 mA a 25 mA
• De 10 mA a 20 mA
• 5 mA a 15 mA
Compensación de fallos de tensión
• 115 V AC/DC
• 240 V AC/DC
• Típ. 10 ms
• Típ. 20 ms
• Típ. 10 ms
• Típ. 20 ms
Disipación a
• 115 V AC
• 240 V AC
• 115 V DC
• 240 V DC
• De 2,3 W a 4,6 W
• 3,6 W a 6,0 W
• De 1,2 W a 2,3 W
• De 1,2 W a 3,6 W
• De 2,3 W a 4,6 W
• 3,6 W a 6,0 W
• De 1,2 W a 2,3 W
• De 1,2 W a 3,6 W
Respaldo del reloj en tiempo real a
25 °C Típ. 20 días Típ. 20 días
Precisión del reloj en tiempo real Típ. ± 2 s/día Típ. ± 2 s/día
Entradas digitales
Cantidad 8 8
Aislamiento galvánico No No
Número de entradas rápidas 0 0
Frecuencia de entrada
• Entrada normal
• Entrada rápida
• Máx. 4 Hz
• - -
• Máx. 4 Hz
• - -
Tensión admisible continua máx. 265 V AC
253 V DC 265 V AC
253 V DC
Tensión de entrada L1
• Señal 0
• Señal 1
• Señal 0
• Señal 1
• < 40 V AC
• > 79 V AC
• < 30 V DC
• > 79 V DC
• < 40 V AC
• > 79 V AC
• < 30 V DC
• > 79 V DC
Corriente de entrada en
• Señal 0
• Señal 1
• Señal 0
• Señal 1
• < 0,05 mA AC
• > 0,08 mA AC
• < 0,06 mA DC
• > 0,13 mA DC
• < 0,05 mA AC
• > 0,08 mA AC
• < 0,06 mA DC
• > 0,13 mA DC

Datos técnicos
A.2 Datos técnicos: LOGO! 230...
LOGO!
Manual de producto, 07/2016, A5E33039720 - AC 327
LOGO! 230RCEo
LOGO! 230RCE
Tiempo de retardo de 0 a 1:
• 120 V AC
• 240 V AC
• 120 V DC
• 240 V DC
Tiempo de retardo de 1 a 0:
• 120 V AC
• 240 V AC
• 120 V DC
• 240 V DC
• Típ. 40 ms
• Típ. 30 ms
• Típ. 25 ms
• Típ. 20 ms
• Típ. 45 ms
• Típ. 70 ms
• Típ. 60 ms
• Típ. 75 ms
• Típ. 40 ms
• Típ. 30 ms
• Típ. 25 ms
• Típ. 20 ms
• Típ. 45 ms
• Típ. 70 ms
• Típ. 60 ms
• Típ. 75 ms
Longitud de cable (sin pantalla) Máx. 100 m Máx. 100 m
Salidas digitales
Cantidad 4 4
Tipo de salida Salidas de relé Salidas de relé
Aislamiento galvánico Sí Sí
En grupos de 1 1
Control de una entrada digital Sí Sí
Corriente permanente Ith Rango de aplicación
recomendado ≥ 100 mA a
12 V AC/DC
Máx. 10 A por relé
Rango de aplicación
recomendado ≥ 100 mA a
12 V AC/DC
Máx. 10 A por relé
Corriente de choque
Carga de lámparas incandescentes
(25.000 ciclos de conmutación) a
• 230/240 V AC
• 115/120 V AC
Máx. 30 A
• 1000 W
• 500 W
Máx. 30 A
• 1000 W
• 500 W
Tubos fluorescentes con reductor
de tensión (25.000 ciclos de
conmutación)
10 x 58 W (para 230/240 V
AC) 10 x 58 W (para 230/240 V
AC)
Tubos fluorescentes compensados
convencionalmente (25.000 ciclos
de conmutación)
1 x 58 W (para 230/240 V AC) 1 x 58 W (para 230/240 V AC)
Tubos fluorescentes no compensa-
dos (25.000 ciclos de conmutación) 10 x 58 W (para 230/240 V
AC) 10 x 58 W (para 230/240 V
AC)
Resistencia a cortocircuitos cos 1 Protector de potencia B16,
600 A Protector de potencia B16,
600 A
Resistencia a cortocircuitos cos 0,5
a 0,7 Protector de potencia B16,
900 A Protector de potencia B16,
900 A
Reducción de potencia Ninguna; en todo el rango de
temperatura Ninguna; en todo el rango de
temperatura
Conexión en paralelo de salidas
para aumentar la potencia No admisible No admisible
Protección de un relé de salida (si
se desea) Máx. 16 A, característica B16 Máx. 16 A, característica B16

Datos técnicos
A.3 Datos técnicos: LOGO! DM8 230R y LOGO! DM16 230R
LOGO!
328 Manual de producto, 07/2016, A5E33039720 - AC
LOGO! 230RCEo
LOGO! 230RCE
Frecuencia de conmutación
Mecánica 10 Hz 10 Hz
Carga óhmica/carga de lámparas 2 Hz 2 Hz
Carga inductiva 0,5 Hz 0,5 Hz
Nota: Para las lámparas fluorescentes con condensadores deben considerarse los datos
técnicos de los reductores de tensión de lámparas fluorescentes. Si la corriente excede la
corriente de choque máxima admisible, las lámparas fluorescentes se deberán conectar a
través de los relés auxiliares correspondientes.
Los datos se han determinado con los dispositivos siguientes:
● Lámparas fluorescentes Siemens 58 W VVG 5LZ 583 3-1 no compensadas.
● Lámparas fluorescentes Siemens 58 W VVG 5LZ 583 3-1 compensadas en paralelo con
7 μF.
● Lámparas fluorescentes Siemens 58 W VVG 5LZ 501 1-1N con reductor de tensión.
A.3
Datos técnicos: LOGO! DM8 230R y LOGO! DM16 230R
LOGO! DM8 230R
LOGO! DM16 230R
Fuente de alimentación
Tensión de entrada 115 V AC/DC a 240 V AC/DC 115 V AC/DC a 240 V AC/DC
Rango admisible 85 V AC a 265 V AC
100 V DC a 253 V DC 85 V AC a 265 V AC
100 V DC a 253 V DC
Frecuencia de red admisible 47Hz a 63 Hz
Consumo de corriente
• 115 V AC
• 240 V AC
• 115 V DC
• 240 V DC
• De 20 mA a 40 mA
• De 15 mA a 30 mA
• De 10 mA a 25 mA
• 5 mA a 15 mA
• De 20 mA a 40 mA
• De 15 mA a 30 mA
• De 10 mA a 25 mA
• 5 mA a 15 mA
Compensación de fallos de
tensión
• 115 V AC/DC
• 240 V AC/DC
• Típ. 10 ms
• Típ. 20 ms
• Típ. 10 ms
• Típ. 20 ms
Disipación a
• 115 V AC
• 240 V AC
• 115 V DC
• 240 V DC
• De 2,3 W a 4,6 W
• De 3,6 W a 7,2 W
• De 1,2 W a 2,9 W
• De 1,2 W a 3,6 W
• De 2,3 W a 4,6 W
• De 3,6 W a 7,2 W
• De 1,2 W a 2,9 W
• De 1,2 W a 3,6 W
Entradas digitales
Cantidad 4 8

Datos técnicos
A.3 Datos técnicos: LOGO! DM8 230R y LOGO! DM16 230R
LOGO!
Manual de producto, 07/2016, A5E33039720 - AC 329
LOGO! DM8 230R
LOGO! DM16 230R
Aislamiento galvánico No No
Número de entradas rápidas 0 0
Frecuencia de entrada
• Entrada normal
• Entrada rápida
• Máx. 4 Hz
• - -
• Máx. 4 Hz
• - -
Tensión admisible continua
máx. 265 V AC
253 V DC 265 V AC
253 V DC
Tensión de entrada L1
• Señal 0
• Señal 1
• Señal 0
• Señal 1
• < 40 V AC
• > 79 V AC
• < 30 V DC
• > 79 V DC
• < 40 V AC
• > 79 V AC
• < 30 V DC
• > 79 V DC
Corriente de entrada en
• Señal 0
• Señal 1
• Señal 0
• Señal 1
• < 0,05 mA AC
• > 0,08 mA AC
• < 0,06 mA DC
• > 0,13 mA DC
• < 0,05 mA AC
• > 0,08 mA AC
• < 0,06 mA DC
• > 0,13 mA DC
Tiempo de retardo de 0 a 1:
• 120 V AC
• 240 V AC
• 120 V DC
• 240 V DC
Tiempo de retardo de 1 a 0:
• 120 V AC
• 240 V AC
• 120 V DC
• 240 V DC
• Típ. 40 ms
• Típ. 30 ms
• Típ. 25 ms
• Típ. 20 ms
• Típ. 45 ms
• Típ. 70 ms
• Típ. 60 ms
• Típ. 75 ms
• Típ. 40 ms
• Típ. 30 ms
• Típ. 25 ms
• Típ. 20 ms
• Típ. 45 ms
• Típ. 70 ms
• Típ. 60 ms
• Típ. 75 ms
Longitud de cable (sin pantalla) Máx. 100 m Máx. 100 m
Salidas digitales
Cantidad 4 8
Tipo de salida Salidas de relé Salidas de relé
Aislamiento galvánico Sí Sí
En grupos de 1 1
Control de una entrada digital Sí Sí
Corriente permanente Ith Rango de aplicación recomen-
dado ≥ 100 mA a 12 V AC/DC
Máx. 5 A por relé
Rango de aplicación recomen-
dado ≥ 100 mA a 12 V AC/DC
Máx. 5 A por relé
Corriente de choque Máx. 30 A Máx. 30 A

Datos técnicos
A.4 Datos técnicos: LOGO! 24...
LOGO!
330 Manual de producto, 07/2016, A5E33039720 - AC
LOGO! DM8 230R
LOGO! DM16 230R
Carga de lámparas incandes-
centes (25.000 ciclos de
conmutación) a:
230/240 V AC
115/120 V AC
1000 W
500 W
1000 W
500 W
Tubos fluorescentes con reduc-
tor de tensión (25.000 ciclos de
conmutación)
10 x 58 W (para 230/240 V AC) 10 x 58 W (para 230/240 V AC)
Tubos fluorescentes compen-
sados convencionalmente
(25.000 ciclos de conmutación)
1 x 58 W (para 230/240 V AC) 1 x 58 W (para 230/240 V AC)
Tubos fluorescentes no com-
pensados (25.000 ciclos de
conmutación)
10 x 58 W (para 230/240 V AC) 10 x 58 W (para 230/240 V AC)
Resistencia a cortocircuitos cos
1 Protector de potencia B16, 600
A Protector de potencia B16, 600
A
Resistencia a cortocircuitos cos
0,5 a 0,7 Protector de potencia B16, 900
A Protector de potencia B16, 900
A
Reducción de potencia Ninguna; en todo el rango de
temperatura Ninguna; en todo el rango de
temperatura
Conexión en paralelo de salidas
para aumentar la potencia No admisible No admisible
Protección de un relé de salida
(si se desea) Máx. 16 A,
característica B16 Máx. 16 A,
característica B16
Frecuencia de conmutación
Mecánica 10 Hz 10 Hz
Carga óhmica/carga de lámpa-
ras 2 Hz 2 Hz
Carga inductiva 0,5 Hz 0,5 Hz
Nota: Para las lámparas fluorescentes con condensadores deben considerarse los datos
técnicos de los reductores de tensión de lámparas fluorescentes. Si la corriente excede la
corriente de choque máxima admisible, las lámparas fluorescentes se deberán conectar a
través de los relés auxiliares correspondientes.
Los datos se han determinado con los dispositivos siguientes:
● Lámparas fluorescentes Siemens 58 W VVG 5LZ 583 3-1 no compensadas.
● Lámparas fluorescentes Siemens 58 W VVG 5LZ 583 3-1 compensadas en paralelo con
7 μF.
● Lámparas fluorescentes Siemens 58 W VVG 5LZ 501 1-1N con reductor de tensión.

Datos técnicos
A.4 Datos técnicos: LOGO! 24...
LOGO!
Manual de producto, 07/2016, A5E33039720 - AC 331
A.4
Datos técnicos: LOGO! 24...
LOGO! 24CE
LOGO! 24CEo
Fuente de alimentación
Tensión de entrada 24 V DC
Rango admisible De 20,4 V DC a 28,8 V DC
Protección contra inversión de polaridad Sí
Frecuencia de red admisible - -
Consumo de 24 V DC
De 25 mA a 50 mA (no hay carga en la salida
digital)
1,2 A (con carga máx. en la salida digital)
Compensación de fallos de tensión - -
Disipación a 24 V DC De 0,6 W a 1,2 W
Respaldo del reloj en tiempo real a 25 °C Típ. 20 días
Precisión del reloj en tiempo real Típ. ± 2 s/día
Entradas digitales
Cantidad 8
Aislamiento galvánico No
Número de entradas rápidas 4 (I3, I4, I5, I6)
Frecuencia de entrada
• Entrada normal
• Entrada rápida
• Máx. 4 Hz
• Máx. 5 kHz
Tensión admisible continua máx. 28,8 V DC
Tensión de entrada
Señal 0
Señal 1
L+
< 5 V DC
> 12 V DC
Corriente de entrada en
Señal 0
Señal 1
< 0,9 mA (I3 a I6)
< 0,07 mA (I1, I2, I7, I8)
> 2,1 mA (I3 a I6)
> 0,18 mA (I1, I2, I7, I8)
Tiempo de retardo
0 a 1
1 a 0
• Típ. 1,5 ms
<1,0 ms (I3 a I6)
• Típ. 1,5 ms
<1,0 ms (I3 a I6)
Longitud de cable (sin pantalla) Máx. 100 m
Entradas analógicas
Cantidad 4 (I1=AI3, I2=AI4, I7=AI1, I8=AI2)
Rango 0 V DC a 10 V DC
Impedancia de entrada 72 kΩ
Tiempo de ciclo para generar valores analógicos 300 ms
Longitud de cable (blindado y trenzado) Máx. 10 m

Datos técnicos
A.5 Datos técnicos: LOGO! DM8 24 y LOGO! DM16 24
LOGO!
332 Manual de producto, 07/2016, A5E33039720 - AC
LOGO! 24CE
LOGO! 24CEo
Límite de error ± 1,5% a FS
Salidas digitales
Cantidad 4
Tipo de salida Transistor,
fuente de corriente 1)
Aislamiento galvánico No
En grupos de - -
Control de una entrada digital Sí
Tensión de salida ≤ Tensión de alimentación
Intensidad de salida Máx. 0,3 A por canal
A prueba de cortocircuitos y sobrecarga Sí
Limitación de corriente en cortocircuitos Aprox. 1 A por canal
Reducción de potencia Ninguna; en todo el rango de temperatura
Resistencia a cortocircuitos cos 1 - -
Resistencia a cortocircuitos cos 0,5 a 0,7 - -
Conexión en paralelo de salidas para aumentar
la potencia No admisible
Protección de un relé de salida (si se desea) - -
Frecuencia de conmutación
2)
Mecánica - -
Eléctrica 10 Hz
Carga óhmica/carga de lámparas 10 Hz
Carga inductiva 0,5 Hz
1) Cuando se conecta la alimentación del LOGO! 24CE/24CEo, LOGO! DM8 24 o LOGO! DM16 24,
la CPU envía la señal 1 a las salidas digitales durante aprox. 50 μs. Tenga en cuenta esta infor-
mación, sobre todo si utiliza dispositivos que reaccionen a impulsos breves.
2)
La frecuencia de conmutación máxima solo depende del tiempo de ciclo del programa.
A.5
Datos técnicos: LOGO! DM8 24 y LOGO! DM16 24
LOGO! DM8 24
LOGO! DM16 24
Fuente de alimentación
Tensión de entrada 24 V DC 24 V DC
Rango admisible De 20,4 V DC a 28,8 V DC De 20,4 V DC a 28,8 V DC
Protección contra inversión
de polaridad Sí Sí
Frecuencia de red admisible - - - -

Datos técnicos
A.5 Datos técnicos: LOGO! DM8 24 y LOGO! DM16 24
LOGO!
Manual de producto, 07/2016, A5E33039720 - AC 333
LOGO! DM8 24
LOGO! DM16 24
Consumo de 24 V DC De 25 mA a 40 mA (no hay carga
en la salida digital)
1,2 A (con carga máx. en la sali-
da digital)
De 25 mA a 50 mA (no hay carga
en la salida digital)
2,4 A (con carga máx. en la salida
digital)
Disipación a 24 V De 0,6 W a 1,0 W De 0,6 W a 1,2 W
Entradas digitales
Cantidad 4 8
Aislamiento galvánico No No
Número de entradas rápidas 0 0
Frecuencia de entrada
• Entrada normal
• Entrada rápida
• Máx. 4 Hz
• - -
• Máx. 4 Hz
• - -
Tensión admisible continua
máx. 28,8 V DC 28,8 V DC
Tensión de entrada
• Señal 0
• Señal 1
L+
• < 5 V DC
• > 12 V DC
L+
• < 5 V DC
• > 12 V DC
Corriente de entrada en
• Señal 0
• Señal 1
• < 0,88 mA
• > 2,1 mA
• < 0,85 mA
• > 2 mA
Tiempo de retardo
• 0 a 1
• 1 a 0
• Típ. 1,5 ms
• Típ. 1,5 ms
• Típ. 1,5 ms
• Típ. 1,5 ms
Longitud de cable (sin pan-
talla) Máx. 100 m Máx. 100 m
Salidas digitales
Cantidad 4 8
Tipo de salida Transistor,
fuente de corriente 1) Transistor,
fuente de corriente 1)
Aislamiento galvánico No No
En grupos de - - - -
Control de una entrada
digital Sí Sí
Tensión de salida ≤ Tensión de alimentación ≤ Tensión de alimentación
Intensidad de salida Máx. 0,3 A por canal Máx. 0,3 A por canal
A prueba de cortocircuitos y
sobrecarga Sí Sí
Limitación de corriente en
cortocircuitos Aprox. 1 A por canal Aprox. 1 A por canal
Reducción de potencia Ninguna; en todo el rango de
temperatura Ninguna; en todo el rango de
temperatura
Resistencia a cortocircuitos
cos 1 - - - -

Datos técnicos
A.6 Datos técnicos: LOGO! 24RC...
LOGO!
334 Manual de producto, 07/2016, A5E33039720 - AC
LOGO! DM8 24
LOGO! DM16 24
Resistencia a cortocircuitos
cos 0,5 a 0,7 - - - -
Conexión en paralelo de
salidas para aumentar la
potencia
No admisible No admisible
Protección de un relé de
salida (si se desea) - - - -
Frecuencia de conmutación
Mecánica - - - -
Eléctrica 10 Hz 10 Hz
Carga óhmica/carga de
lámparas 10 Hz 10 Hz
Carga inductiva 0,5 Hz 0,5 Hz
1) Cuando se conecta la alimentación del LOGO! 24CE/24CEo, LOGO! DM8 24 o LOGO! DM16 24,
la CPU envía la señal 1 a las salidas digitales durante aprox. 50 μs. Tenga en cuenta esta infor-
mación, sobre todo si utiliza dispositivos que reaccionen a impulsos breves.
A.6
Datos técnicos: LOGO! 24RC...
LOGO! 24RCE
LOGO! 24RCEo
Fuente de alimentación
Tensión de entrada 24 V AC/DC
Rango admisible 20,4 V AC a 26,4 V AC
20,4 V DC a 28,8 V DC
Protección contra inversión de polaridad - -
Frecuencia de red admisible 47 Hz a 63 Hz
Consumo de corriente
• 24 V AC
• 24 V DC
• De 60 mA a 185 mA
• De 25 mA a 100 mA
Compensación de fallos de tensión Típ. 5 ms
Disipación
• 24 V AC
• 24 V DC
• De 1,4 W a 4,4 W
• De 0,6 W a 2,4 W
Respaldo del reloj en tiempo real a 25 °C Típ. 20 días
Precisión del reloj en tiempo real Típ. ± 2 s/día
Entradas digitales
Cantidad 8, tensión positiva o negativa opcional
Aislamiento galvánico No
Número de entradas rápidas 0

Datos técnicos
A.6 Datos técnicos: LOGO! 24RC...
LOGO!
Manual de producto, 07/2016, A5E33039720 - AC 335
LOGO! 24RCE
LOGO! 24RCEo
Frecuencia de entrada
• Entrada normal
• Entrada rápida
• Máx. 4 Hz
• - -
Tensión admisible continua máx. 26,4 V AC
28,8 V DC
Tensión de entrada
• Señal 0
• Señal 1
L
• < 5 V AC/DC
• > 12 V AC/DC
Corriente de entrada en
• Señal 0
• Señal 1
• < 1,2 mA
• > 2,6 mA
Tiempo de retardo
• 0 a 1
• 1 a 0
• Típ. 1,5 ms
• Típ. 15 ms
Longitud de cable (sin pantalla) Máx. 100 m
Entradas analógicas
Cantidad - -
Rango - -
máx. Tensión de entrada - -
Salidas digitales
Cantidad 4
Tipo de salida Salidas de relé
Aislamiento galvánico Sí
En grupos de 1
Control de una entrada digital Sí
Corriente permanente Ith Rango de aplicación recomendado ≥ 100 mA a 12 V
AC/DC
Máx. 10 A por relé
Corriente de choque Máx. 30 A
Carga de lámparas incandescentes (25.000
ciclos de conmutación) a 1000 W
Tubos fluorescentes con reductor de
tensión (25.000 ciclos de conmutación) 10 x 58 W
Tubos fluorescentes compensados conven-
cionalmente (25.000 ciclos de conmutación) 1 x 58 W
Tubos fluorescentes no compensados
(25.000 ciclos de conmutación) 10 x 58 W
Reducción de potencia Ninguna; en todo el rango de temperatura
Resistencia a cortocircuitos cos 1 Protector de potencia B16, 600 A
Resistencia a cortocircuitos cos 0,5 a 0,7 Protector de potencia B16, 900 A
Conexión en paralelo de salidas para
aumentar la potencia No admisible

Datos técnicos
A.7 Datos técnicos: LOGO! DM8 24R y LOGO! DM16 24R
LOGO!
336 Manual de producto, 07/2016, A5E33039720 - AC
LOGO! 24RCE
LOGO! 24RCEo
Protección de un relé de salida
(si se desea) Máx. 16 A,
característica B16
Frecuencia de conmutación
Mecánica 10 Hz
Carga óhmica/carga de lámparas 2 Hz
Carga inductiva 0,5 Hz
Nota: Para las lámparas fluorescentes con condensadores deben considerarse los datos
técnicos de los reductores de tensión de lámparas fluorescentes. Si la corriente excede la
corriente de choque máxima admisible, las lámparas fluorescentes se deberán conectar a
través de los relés auxiliares correspondientes.
Los datos se han determinado con los dispositivos siguientes:
● Lámparas fluorescentes Siemens 58 W VVG 5LZ 583 3-1 no compensadas.
● Lámparas fluorescentes Siemens 58 W VVG 5LZ 583 3-1 compensadas en paralelo con
7 μF.
● Lámparas fluorescentes Siemens 58 W VVG 5LZ 501 1-1N con reductor de tensión.
A.7
Datos técnicos: LOGO! DM8 24R y LOGO! DM16 24R
LOGO! DM8 24R
LOGO! DM16 24R
Fuente de alimentación
Tensión de entrada 24 V AC/DC 24 V DC
Rango admisible De 20,4 V AC a 26,4 V AC
De 20,4 V DC a 28,8 V DC
De 20,4 V DC a 28,8 V DC
Protección contra inversión de
polaridad - - Sí
Frecuencia de red admisible 47 Hz a 63 Hz - -
Consumo de corriente
• 24 V AC
• 24 V DC
• De 40 mA a 110 mA
• De 15 mA a 50 mA
• - -
• De 30 mA a 115 mA
Compensación de fallos de
tensión Típ. 5 ms Típ. 5 ms
Disipación
• 24 V AC
• 24 V DC
• De 1,0 W a 2,6 W
• De 0,4 W a 1,2 W
• - -
• De 0,7 W a 2,8 W
Entradas digitales
Cantidad 4, tensión positiva o negativa
opcional 8
Aislamiento galvánico No No
Número de entradas rápidas 0 0

Datos técnicos
A.7 Datos técnicos: LOGO! DM8 24R y LOGO! DM16 24R
LOGO!
Manual de producto, 07/2016, A5E33039720 - AC 337
LOGO! DM8 24R
LOGO! DM16 24R
Frecuencia de entrada
• Entrada normal
• Entrada rápida
• Máx. 4 Hz
• - -
• Máx. 4 Hz
• - -
Tensión admisible continua
máx. • 26,4 V AC
• 28,8 V DC
• - -
• 28,8 V DC
Tensión de entrada
• Señal 0
• Señal 1
L
• < 5 V AC/DC
• > 12 V AC/DC
• < 5 V DC
• > 12 V DC
Corriente de entrada en
• Señal 0
• Señal 1
• < 1,1 mA
• > 2,63 mA
• < 0,85 mA
• > 2,0 mA
Tiempo de retardo
• 0 a 1
• 1 a 0
• Típ. 1,5 ms
• Típ. 15 ms
• Típ. 1,5 ms
• Típ. 1,5 ms
Longitud de cable (sin pantalla) Máx. 100 m Máx. 100 m
Salidas digitales
Cantidad 4 8
Tipo de salida Salidas de relé Salidas de relé
Aislamiento galvánico Sí Sí
En grupos de 1 1
Control de una entrada digital Sí Sí
Corriente permanente Ith Rango de aplicación recomen-
dado ≥ 100 mA a 12 V AC/DC
Máx. 5 A por relé
Rango de aplicación recomen-
dado ≥ 100 mA a 12 V AC/DC
Máx. 5 A por relé
Corriente de choque Máx. 30 A Máx. 30 A
Carga de lámparas incandes-
centes (25.000 ciclos de
conmutación) a
1000 W 1000 W
Tubos fluorescentes con reduc-
tor de tensión (25.000 ciclos de
conmutación)
10 x 58 W 10 x 58 W
Tubos fluorescentes compen-
sados convencionalmente
(25.000 ciclos de conmutación)
1 x 58 W 1 x 58 W
Tubos fluorescentes no com-
pensados (25.000 ciclos de
conmutación)
10 x 58 W 10 x 58 W
Reducción de potencia Ninguna; en todo el rango de
temperatura Ninguna; en todo el rango de
temperatura
Resistencia a cortocircuitos cos
1 Protector de potencia B16,
600 A Protector de potencia B16,
600 A
Resistencia a cortocircuitos cos
0,5 a 0,7 Protector de potencia B16,
900 A Protector de potencia B16,
900 A

Datos técnicos
A.8 Datos técnicos: LOGO! 12/24... LOGO! DM8 12/24R
LOGO!
338 Manual de producto, 07/2016, A5E33039720 - AC
LOGO! DM8 24R
LOGO! DM16 24R
Conexión en paralelo de salidas
para aumentar la potencia No admisible No admisible
Protección de un relé de salida
(si se desea) Máx. 16 A,
característica B16 Máx. 16 A,
característica B16
Frecuencia de conmutación
Mecánica 10 Hz 10 Hz
Carga óhmica/carga de lámpa-
ras 2 Hz 2 Hz
Carga inductiva 0,5 Hz 0,5 Hz
Nota: Para las lámparas fluorescentes con condensadores deben considerarse los datos
técnicos de los reductores de tensión de lámparas fluorescentes. Si la corriente excede la
corriente de choque máxima admisible, las lámparas fluorescentes se deberán conectar a
través de los relés auxiliares correspondientes.
Los datos se han determinado con los dispositivos siguientes:
● Lámparas fluorescentes Siemens 58 W VVG 5LZ 583 3-1 no compensadas.
● Lámparas fluorescentes Siemens 58 W VVG 5LZ 583 3-1 compensadas en paralelo con
7 μF.
● Lámparas fluorescentes Siemens 58 W VVG 5LZ 501 1-1N con reductor de tensión.
A.8
Datos técnicos: LOGO! 12/24... LOGO! DM8 12/24R
LOGO! 12/24RCEo
LOGO! 12/24RCE
LOGO! DM8 12/24R
Fuente de alimentación
Tensión de entrada 12/24 V DC 12/24 V DC
Rango admisible 10,8 V DC a 28,8 V DC 10,8 V DC a 28,8 V DC
Protección contra inversión de
polaridad Sí Sí
Consumo de corriente
• 12 V DC
• 24 V DC
• De 50 mA a 165 mA
• De 25 mA a 90 mA
• De 20 mA a 90 mA
• De 15 mA a 50 mA
Compensación de fallos de
tensión
• 12 V DC
• 24 V DC
• Típ. 2 ms
• Típ. 5 ms
• Típ. 2 ms
• Típ. 5 ms
Disipación
• 12 V DC
• 24 V DC
• De 0,6 W a 2,0 W
• De 0,6 W a 2,2 W
• De 0,2 W a 1,1 W
• De 0,4 W a 1,2 W
Respaldo del reloj en tiempo
real a 25 °C Típ. 20 días - -

Datos técnicos
A.8 Datos técnicos: LOGO! 12/24... LOGO! DM8 12/24R
LOGO!
Manual de producto, 07/2016, A5E33039720 - AC 339
LOGO! 12/24RCEo
LOGO! 12/24RCE
LOGO! DM8 12/24R
Precisión del reloj en tiempo real
Típ. ± 2 s/día - -
Aislamiento galvánico No No
Entradas digitales
Cantidad 8 4
Aislamiento galvánico No No
Número de entradas rápidas 4 (I3, I4, I5, I6) 0
Frecuencia de entrada
• Entrada normal
• Entrada rápida
• Máx. 4 Hz
• Máx. 5 kHz
• Máx. 4 Hz
• - -
Tensión admisible continua máx. 28,8 V DC 28,8 V DC
Tensión de entrada L+
• Señal 0
• Señal 1
• < 5 V DC
• > 8,5 V DC
• < 5 V DC
• > 8,5 V DC
Corriente de entrada en
• Señal 0
• Señal 1
< 0,88 mA (I3 a I6)
< 0,07 mA (I1, I2, I7, I8)
> 1,5 mA (I3 a I6)
> 0,12 mA (I1, I2, I7, I8)
< 0,88 mA
> 1,5 mA
Tiempo de retardo
• 0 a 1
• 1 a 0
• Típ. 1,5 ms
<1,0 ms (I3 a I6)
• Típ. 1,5 ms
<1,0 ms (I3 a I6)
• Típ. 1,5 ms
• Típ. 1,5 ms
Longitud de cable (sin pantalla) Máx. 100 m Máx. 100 m
Entradas analógicas
Cantidad 4 (I1=AI3, I2=AI4, I7=AI1, I8=AI2) - -
Rango 0 V DC a 10 V DC
Impedancia de entrada 72 kΩ - -
Tiempo de ciclo para generar
valores analógicos 300 ms - -
Longitud de cable (blindado y
trenzado) Máx. 10 m - -
Límite de error ± 1,5% a FS - -
Salidas digitales
Cantidad 4 4
Tipo de salida Salidas de relé Salidas de relé
Aislamiento galvánico Sí Sí
En grupos de 1 1
Control de una entrada digital Sí Sí
Corriente permanente Ith (por borne) Rango de aplicación recomen-
dado ≥ 100 mA a 12 V AC/DC
Máx. 10 A por relé
Rango de aplicación recomen-
dado ≥ 100 mA a 12 V AC/DC
Máx. 5 A por relé

Datos técnicos
A.8 Datos técnicos: LOGO! 12/24... LOGO! DM8 12/24R
LOGO!
340 Manual de producto, 07/2016, A5E33039720 - AC
LOGO! 12/24RCEo
LOGO! 12/24RCE
LOGO! DM8 12/24R
Corriente de choque Máx. 30 A Máx. 30 A
Carga de lámparas incandes-
centes (25.000 ciclos de
conmutación) a
1000 W 1000 W
Tubos fluorescentes con reduc-
tor de tensión (25.000 ciclos de
conmutación)
10 x 58 W 10 x 58 W
Tubos fluorescentes compensa-
dos convencionalmente (25.000
ciclos de conmutación)
1 x 58 W 1 x 58 W
Tubos fluorescentes no com-
pensados (25.000 ciclos de
conmutación)
10 x 58 W 10 x 58 W
Reducción de potencia Ninguna; en todo el rango de
temperatura Ninguna; en todo el rango de
temperatura
Resistencia a cortocircuitos cos
1 Protector de potencia B16, 600 A Protector de potencia B16, 600
A
Resistencia a cortocircuitos cos
0,5 a 0,7 Protector de potencia B16, 900 A Protector de potencia B16, 900
A
Conexión en paralelo de salidas
para aumentar la potencia No admisible No admisible
Protección de un relé de salida
(si se desea) Máx. 16 A,
característica B16 Máx. 16 A,
característica B16
Frecuencia de conmutación
Mecánica 10 Hz 10 Hz
Carga óhmica/carga de lámpa-
ras 2 Hz 2 Hz
Carga inductiva 0,5 Hz 0,5 Hz
Nota: Para las lámparas fluorescentes con condensadores deben considerarse los datos
técnicos de los reductores de tensión de lámparas fluorescentes. Si la corriente excede la
corriente de choque máxima admisible, las lámparas fluorescentes se deberán conectar a
través de los relés auxiliares correspondientes.
Los datos se han determinado con los dispositivos siguientes:
● Lámparas fluorescentes Siemens 58 W VVG 5LZ 583 3-1 no compensadas.
● Lámparas fluorescentes Siemens 58 W VVG 5LZ 583 3-1 compensadas en paralelo con
7 μF.
● Lámparas fluorescentes Siemens 58 W VVG 5LZ 501 1-1N con reductor de tensión.

Datos técnicos
A.9 Capacidad de conmutación y vida útil de las salidas de relé
LOGO!
Manual de producto, 07/2016, A5E33039720 - AC 341
A.9
Capacidad de conmutación y vida útil de las salidas de relé
Capacidad de conmutación y vida útil de los contactos con carga óhmica (calentamiento):
Capacidad de conmutación y vida útil de los contactos con alta carga inductiva según IEC 60947-5-1
DC 13/AC 15 (contactores, bobinas magnéticas, motores):
Nota
Para asegurar la capacidad de conmutación y la vida útil, mantenga una carga de
conmutación mínima de 100 mA en las salidas de relé con una tensión de 12 V AC/DC.

Datos técnicos
A.10 Datos técnicos: LOGO! AM2
LOGO!
342 Manual de producto, 07/2016, A5E33039720 - AC
A.10
Datos técnicos: LOGO! AM2
LOGO! AM2
Fuente de alimentación
Tensión de entrada 12/24 V DC
Rango admisible 10,8 V DC a 28,8 V DC
Consumo de corriente De 25 mA a 30 mA
Compensación de fallos de tensión Típ. 10 ms
Disipación a
• 12 V DC
• 24 V DC
• De 0,3 W a 0,4 W
• De 0,6 W a 0,7 W
Aislamiento galvánico No
Protección contra inversión de polaridad Sí
Borne de puesta a tierra Para poner a tierra y apantallar el cable de medición
analógico
Entradas analógicas
Cantidad 2
Tipo Unipolar
Rango de entrada 0 V DC a 10 V DC (impedancia de entrada 76 kΩ) o
0/4 a 20 mA (impedancia de entrada <250 Ω)
Resolución 10 bits, normalizada de 0 a 1000
Tiempo de ciclo para generar valores
analógicos 50 ms
Aislamiento galvánico No
Longitud de cable (blindado y trenzado) Máx. 10 m
Alimentación del encóder Ninguno
Límite de error ± 1,5 %
Supresión de frecuencias perturbadoras 55 Hz
A.11
Datos técnicos: LOGO! AM2 RTD
LOGO! AM2 RTD
Fuente de alimentación
Tensión de entrada 12/24 V DC
Rango admisible 10,8 V DC a 28,8 V DC
Consumo de corriente De 25 mA a 30 mA
Compensación de fallos de tensión Típ. 10 ms
Disipación a
• 12 V DC
• 24 V DC
• De 0,3 W a 0,4 W
• De 0,6 W a 0,7 W
Aislamiento galvánico No

Datos técnicos
A.12 Datos técnicos: LOGO! AM2 AQ
LOGO!
Manual de producto, 07/2016, A5E33039720 - AC 343
LOGO! AM2 RTD
Protección contra inversión de polaridad Sí
Borne de puesta a tierra Para poner a tierra y apantallar el cable de medición.
Entradas de sensor
Cantidad 2
Tipo PT100 o PT1000 con el coeficiente de temperatura
predeterminado de α = 0,003850 para ambos tipos o
sensores compatibles.
Conexión de sensores
• Conexión a 2 hilos
• Conexión a 3 hilos
• Sí
• Sí
Rango de medición -50 °C a +200 °C
-58 °F a +392 °F
Ajustes para visualizar la medición en el
LOGO! Basic:
• Incrementos de 1 °C
• Incrementos de 0,25 °C
(redondeado a un decimal)
• Incrementos de 1 °F
• Incrementos de 0,25 °F
(redondeado a un decimal)
• Offset: -50, ganancia: 0,25
• Offset: -500, ganancia: 2,50
• Offset: -58, ganancia: 0,45
• Offset: -580, ganancia: 4,50
Linealización de curva característica No
Intensidad de medición Ic Señal de corriente de impulso:
PT100: 0,5 mA
PT1000: 0,5 mA
Frecuencia de medición Depende de la estructura
Típ. 50 ms
Resolución 0,25 °C
Límites de error (conexión a 3 hilos)
• 0 °C a +200 °C
• -50 °C a 200 °C
Del valor final medido:
• ± 2 °C
• ± 2 °C
Aislamiento galvánico No
Longitud de cable (metros) Máx. 10 m
Supresión de frecuencias perturbadoras 50 Hz, 60 Hz
A.12
Datos técnicos: LOGO! AM2 AQ
LOGO! AM2 AQ
Fuente de alimentación
Tensión de entrada 24 V DC
Rango admisible De 20,4 V DC a 28,8 V DC

Datos técnicos
A.13 Datos técnicos: LOGO! Power 12 V
LOGO!
344 Manual de producto, 07/2016, A5E33039720 - AC
LOGO! AM2 AQ
Consumo de corriente De 30 mA a 82 mA
Compensación de fallos de tensión Típ. 10 ms
Disipación a 24 V DC De 0,7 W a 2,0 W
Aislamiento galvánico No
Protección contra inversión de polaridad Sí
Borne de puesta a tierra Para poner a tierra y apantallar el cable de salida
analógico.
Salidas analógicas
Cantidad 2
Rango de tensión 0 V DC a 10 V DC
Carga de tensión ≥5 kΩ
Salida de corriente 0/4 mA a 20 mA
Carga de intensidad ≤250 Ω
Resolución 10 bits, normalizada de 0 a 1000
Tiempo de ciclo de la salida analógica Depende de la estructura (50 ms)
Aislamiento galvánico No
Longitud de cable (blindado y trenzado) Máx. 10 m
Límite de error Salida de tensión: ± 2,5% FS
Protección contra cortocircuitos Salida de tensión: Sí
Protección contra sobrecarga Salida de intensidad: Sí
Salida de tensión: Sí
A.13
Datos técnicos: LOGO! Power 12 V
LOGO! Power 12 V es una fuente de alimentación conmutada principal para dispositivos
LOGO!. Se ofrecen dos rangos de corriente.
LOGO! Power
12 V / 1,9 A
LOGO! Power
12 V/4,5 A
Datos de entrada
Tensión de entrada 100 V AC a 240 V AC
Rango admisible 85 V AC a 264 V AC
Frecuencia de red admisible 47 Hz a 63 Hz
Compensación de fallos de
tensión > 40 ms (a 187 V AC)
Corriente de entrada 0,53 A a 0,3 A 1,13 A a 0,61 A
Corriente de activación (25°C) ≤15 A ≤ 30 A
Protección del dispositivo Interna
Interruptor automático (IEC 898)
recomendado en el cable de
alimentación
≥ 16 A característica B
≥ 10 A característica C
Datos de salida

Datos técnicos
A.14 Datos técnicos: LOGO! Power 24 V
LOGO!
Manual de producto, 07/2016, A5E33039720 - AC 345
LOGO! Power
12 V / 1,9 A
LOGO! Power
12 V/4,5 A
Tensión de salida
Tolerancia total
Rango de ajuste
Ondulación residual
12 V DC
±3%
10,5 V DC a 16,1 V DC
< 200/300 mVpp
Intensidad de salida
Limitación de sobreintensidad 1,9 A
Típ. 2,5 A 4,5 A
Típ. 5,9 A
Eficiencia Típ. 80% Típ. 85%
Conexión en paralelo para
aumentar la potencia Sí
Compatibilidad electromagnética
Supresión de perturbaciones EN 50081-1, clase B según EN 55022
Inmunidad a perturbaciones EN 61000-6-2, EN 61000-4-2/-3/-4/-5/-6/-11
Seguridad
Aislamiento galvánico
primario/secundario Sí, SELV (según EN 60950 y EN 50178)
Clase de seguridad II
Grado de protección IP20 (conforme a EN 60529)
Marcado CE
Certificación UL/cUL
Homologación FM
Homologación GL
Sí
Sí; UL 508 / UL 60950
Sí; Class I, Div. 2, T4
Sí
Indicaciones generales
Rango de temperatura ambiente -20 °C a +55 °C, convección natural
Temperatura de almacena-
miento y transporte -40 °C a +70 °C
Conexiones en la entrada Un borne (1 x 2,5 mm2 o 2 x 1,5 mm2) para L1 y otro para N
Conexiones en la salida Dos bornes (1 x 2,5 mm2 o 2 x 1,5 mm2) para + y otros dos para -
Montaje Encajable en un perfil soporte de 35 mm
Dimensiones (AxAxP) 54 x 80 x 55 mm 72 x 90 x 55 mm
Peso Aprox. 0,2 kg Aprox. 0,3 kg
A.14
Datos técnicos: LOGO! Power 24 V
LOGO! Power 24 V es una fuente de alimentación conmutada en primario para dispositivos
LOGO!. Se ofrecen dos rangos de corriente.
LOGO! Power
24 V/1,3 A
LOGO! Power
24 V/2,5 A
Datos de entrada
Tensión de entrada De 100 V AC a 240 V AC
Rango admisible 85 V AC a 264 V AC
Frecuencia de red admisible 47 Hz a 63 Hz

Datos técnicos
A.14 Datos técnicos: LOGO! Power 24 V
LOGO!
346 Manual de producto, 07/2016, A5E33039720 - AC
LOGO! Power
24 V/1,3 A
LOGO! Power
24 V/2,5 A
Compensación de fallos de
tensión 40 ms (a 187 V AC)
Corriente de entrada 0,70 A a 0,35 A 1,22 A a 0,66 A
Extracorriente de conexión
(25°C) < 15 A < 30 A
Protección del dispositivo Interna
Interruptor automático (IEC 898)
recomendado en el cable de
alimentación
≥ 16 A característica B
≥ 10 A característica C
Datos de salida
Tensión de salida
Tolerancia total
Rango de ajuste
Ondulación residual
24 V DC
±3%
22,2 V DC a 26,4 V DC
< 200/300 mVpp
Intensidad de salida
Limitación de sobreintensidad 1,3 A
Típ. 2,0 A 2,5 A
Típ. 3,4 A
Eficiencia > 82 % > 87 %
Conexión en paralelo para
aumentar la potencia Sí
Compatibilidad electromagnética
Supresión de perturbaciones EN 50081-1, clase B según EN 55022
Inmunidad a perturbaciones EN 61000-6-2,
EN 61000-4-2/-3/-4/-5/-6/-11
Seguridad
Aislamiento galvánico
primario/secundario Sí, SELV (según EN 60950 y EN 50178)
Clase de seguridad II
Grado de protección IP20 (conforme a EN 60529)
Marcado CE
Certificación UL/cUL
Homologación FM
Homologación GL
Sí
Sí; UL 508
Sí; Class I, Div. 2, T4
Sí
Indicaciones generales
Rango de temperatura ambiente -20 °C a +55 °C, convección natural
Temperatura de almacena-
miento y transporte -40 °C a +70 °C
Conexiones en la entrada Un borne (1 x 2,5 mm2 o 2 x 1,5 mm2) para L1 y otro para N
Conexiones en la salida Dos bornes (1 x 2,5 mm2 o 2 x 1,5 mm2) para + y otros dos para -
Montaje Encajable en un perfil soporte de 35 mm
Dimensiones (AxAxP) 54 x 80 x 55 mm 72 x 90 x 55 mm
Peso Aprox. 0,2 kg Aprox. 0,3 kg

Datos técnicos
A.15 Datos técnicos: LOGO! Contact 24/230
LOGO!
Manual de producto, 07/2016, A5E33039720 - AC 347
A.15
Datos técnicos: LOGO! Contact 24/230
LOGO! Contact 24 y LOGO! Contact 230 son módulos de conmutación que permiten
conectar directamente cargas óhmicas de hasta 20 A y motores de hasta 4 kW (sin emisión
de ruidos ni zumbidos). Ambos módulos tienen un circuito de protección integrado para
amortiguar sobretensiones.
LOGO!
Contact 24
LOGO!
Contact 230
Tensión de empleo 24 V DC 230 V AC;
50/60 Hz
Consumo de corriente
• 24 V DC
• 230 V AC
• 170 mA
• - -
• - -
• 20 mA
Capacidad de conmutación
Categoría de empleo AC-1: conmutación de cargas óhmicas a
55°C
Corriente de empleo a 400 V
Salida con cargas trifásicas a 400 V
20 A
13 kW
Categorías de utilización AC-2, AC-3: motores con anillo colector o
inducido de barras
Corriente de empleo a 400 V
Salida con cargas trifásicas a 400 V
8,4 A
4 kW
Protección contra cortocircuitos:
Tipo de asignación 1
Tipo de asignación 2
25 A
10 A
Cables de conexión Hilo fino con punteras
Hilo macizo
2 x (0,75 a 2,5) mm2
2 x (1 a 2,5) mm2
1 x 4 mm2
Dimensiones (AxAxP) 36 x 72 x 55 mm
Temperatura ambiente -25 °C a +55 °C
Temperatura de almacenamiento -50 °C a +80 °C
A.16
Datos técnicos: LOGO! TDE (visualizador de textos con interfaces
Ethernet)
LOGO! TDE
Datos mecánicos
Teclado
Display Teclado de membrana de 10 teclas
Display gráfico FSTN de 160 x 96 (columnas x filas), re-
troiluminación con LED (blanco/ámbar/rojo)

Datos técnicos
A.17 Datos técnicos: LOGO! CSM12/24
LOGO!
348 Manual de producto, 07/2016, A5E33039720 - AC
LOGO! TDE
Fuente de alimentación
Tensión de entrada 24 V AC/DC
12 V DC
Rango admisible 20,4 V AC a 26,4 V AC
10,2 V DC a 28,8 V DC
Frecuencia de red admisible 47Hz a 63 Hz
Consumo de corriente (con Ethernet y
retroiluminación blanca activos)
• 12 V DC
• 24 V DC
• 24 V AC
• Típ. 150 mA
• Típ. 75 mA
• Típ. 145 mA
Grado de protección
IP20 para el LOGO! TDE excluyendo el panel frontal
IP65 para el panel frontal del LOGO! TDE
Puerto de comunicación
Rendimiento de Ethernet Dos interfaces Ethernet con velocidad de transferencia de
datos de 10/100 M dúplex/semidúplex
Distancia de conexión Máx. 30 m
Display LCD y retroiluminación
Vida útil de la retroiluminación 1) 20.000 horas
Vida útil del display 2) 50.000 horas
Montaje
Dimensiones del orificio de montaje
(AnxAl) (119 + 0,5 mm) x (78,5 + 0,5 mm)
Condiciones de montaje Monte el LOGO! TDE en posición vertical sobre una super-
ficie plana de un envolvente IP 65 o de tipo 4x/12.
1) La vida útil de la retroiluminación se alcanza cuando el brillo final es el 50% del original.
2) La vida útil del display se calcula en condiciones de empleo y almacenamiento normales: temper-
atura ambiente (20 ±8 °C), humedad normal, inferior a un 65% de humedad relativa, sin ex-
posición directa al sol.
A.17
Datos técnicos: LOGO! CSM12/24
El CSM12/24 es un módulo switch de comunicación con Ethernet. Soporta un rango de
corriente de 12 V DC a 24 V DC.
LOGO! CSM12/24
Interfaz Ethernet
Conector de comunicación 4 conectores hembra RJ45 con asignación MDI-X de 10/100
Mbits/s (semidúplex/dúplex), autopolaridad, autonegotiation

Datos técnicos
A.17 Datos técnicos: LOGO! CSM12/24
LOGO!
Manual de producto, 07/2016, A5E33039720 - AC 349
LOGO! CSM12/24
Cable de red Utilice un cable Ethernet apantallado para la conexión a la interfaz
Ethernet. Para minimizar las interferencias electromagnéticas,
asegúrese de utilizar un cable Ethernet apantallado estándar de
categoría 5 y de par trenzado con un conector RJ45 apantallado
en cada extremo.
Paquete de datos más grande 1518 bytes
Paquete de datos más pequeño 64 bytes
Retardo resultante de la latencia Cuando una trama ha pasado por el CSM 12/24, la función
"Stored and forward" del switch retarda la trama de acuerdo con
las características inferiores:
• Con una longitud de trama de 64 bytes, aprox. 8 μs (a 100
Mbits/s).
• Con una longitud de trama de 1518 bytes, aprox. 125 μs (a 100
Mbits/s).
Topología Topología de estrella y bus
Tenga en cuenta que la conexión directa de dos puertos en el
switch o la conexión accidental entre varios switches provoca un
bucle ilegal.
Un bucle de estas características puede sobrecargar la red y
provocar su fallo.
Aislamiento de los puertos Hay que apantallar todos los puertos entre sí que cumplan una
tensión de aislamiento de 1,5 kV.
Direcciones MAC memorizables 1024
Aging Time 300 segundos
Especificación eléctrica
Tensión de entrada
(rango permitido) 12 V DC a 24 V DC
(10,2 V DC a 30,2 V DC)
Consumo de corriente 12 V DC: 0,2 A
24 V DC: 0,1 A
Disipación efectiva 1,5 W
Conexión Mediante borne para L+ y M
Sección de cable: 1 x 2,5 mm2 o 2 x 1,5 mm2
Par de apriete 0,57 Nm
Use únicamente conductores de 75 °C. Use únicamente conduc-
tores de cobre.
Tierra funcional La tierra funcional se consigue conectando un cable del borne 3 al
perfil normalizado, por ejemplo.
Procure que este cable sea lo más corto posible.
De todas formas, la puesta a tierra no es necesaria para un fun-
cionamiento sin interferencias.
Otros datos técnicos
Temperatura de empleo De 0 °C a +55 °C
Temperatura de
transporte/almacenamiento -40 °C a +70 °C
Humedad relativa en
funcionamiento < 90% (sin condensación)

Datos técnicos
A.18 Datos técnicos: LOGO! CSM230
LOGO!
350 Manual de producto, 07/2016, A5E33039720 - AC
LOGO! CSM12/24
Dimensiones (an. x al. x p) en
mm 72 x 90 x 55
Peso neto 140 g
Montaje Perfil normalizado de 35 mm (DIN EN 60715 TH35) o montaje en
pared
Grado de protección IP20
Clase de protección III
A.18
Datos técnicos: LOGO! CSM230
El CSM 230 es un módulo switch de comunicación con Ethernet. Soporta un rango de
intensidad de 100 V AC a 240 V AC y de 115 V DC a 210 V DC.
LOGO! CSM230
Interfaz Ethernet
Conector de comunicación 4 conectores hembra RJ45 con asignación MDI-X de 10/100
Mbits/s (semidúplex/dúplex), autopolaridad, autonegotiation
Cable de red Utilice un cable Ethernet apantallado para la conexión a la interfaz
Ethernet. Para minimizar las interferencias electromagnéticas,
asegúrese de utilizar un cable Ethernet apantallado estándar de
categoría 5 y de par trenzado con un conector RJ45 apantallado
en cada extremo.
Paquete de datos más grande 1518 bytes
Paquete de datos más pequeño 64 bytes
Retardo resultante de la latencia Cuando una trama ha pasado por el CSM 12/24, la función
"Stored and forward" del switch retarda la trama de acuerdo con
las características inferiores:
• Con una longitud de trama de 64 bytes, aprox. 8 μs (a 100
Mbits/s).
• Con una longitud de trama de 1518 bytes, aprox. 125 μs (a 100
Mbits/s).
Topología Topología de estrella y bus
Tenga en cuenta que la conexión directa de dos puertos en el
switch o la conexión accidental entre varios switches provoca un
bucle ilegal.
Un bucle de estas características puede sobrecargar la red y
provocar su fallo.
Aislamiento de los puertos Hay que apantallar todos los puertos entre sí que cumplan una
tensión de aislamiento de 1,5 kV.
Direcciones MAC memorizables 1024
Aging Time 300 segundos
Especificación eléctrica
Tensión de entrada De 100 V AC a 240 V AC
115 V DC a 210 V DC

Datos técnicos
A.18 Datos técnicos: LOGO! CSM230
LOGO!
Manual de producto, 07/2016, A5E33039720 - AC 351
LOGO! CSM230
Frecuencia de alimentación
permitida en la línea AC 47 Hz a 63 Hz
Consumo de corriente 100 V AC a 240 V AC: 0,05 A a 0,03 A
115 V DC a 210 V DC: 0,02 A a 0,012 A
Disipación efectiva 1,8 W
Conexión Mediante borne para L+ y M
Sección de cable: 1 x 2,5 mm2 o 2 x 1,5 mm2
Par de apriete 0,57 Nm
Use únicamente conductores de 75 °C. Use únicamente conduc-
tores de cobre.
Tierra funcional La tierra funcional se consigue conectando un cable del borne 3 al
perfil normalizado, por ejemplo.
Procure que este cable sea lo más corto posible.
De todas formas, la puesta a tierra no es necesaria para un fun-
cionamiento sin interferencias.
Otros datos técnicos
Temperatura de empleo De 0 °C a +55 °C
Temperatura de
transporte/almacenamiento -40 °C a +70 °C
Humedad relativa en
funcionamiento < 90% (sin condensación)
Dimensiones (an. x al. x p) en
mm 72 x 90 x 55
Peso neto 155 g
Montaje Perfil normalizado de 35 mm (DIN EN 60715 TH35) o montaje en
pared
Grado de protección IP20

Datos técnicos
A.18 Datos técnicos: LOGO! CSM230
LOGO!
352 Manual de producto, 07/2016, A5E33039720 - AC

LOGO!
Manual de producto, 07/2016, A5E33039720 - AC 353
Determinar el tiempo de ciclo
B
La ejecución completa de un programa, es decir, básicamente la lectura de las entradas, el
procesamiento del programa y la posterior escritura de las salidas, se denomina "ciclo del
programa". El tiempo de ciclo es el tiempo necesario para ejecutar una vez el programa por
completo.
El tiempo que dura un ciclo del programa se puede calcular mediante un pequeño programa
de test. Cree este programa de test en LOGO! para conseguir un valor que le permita
calcular el tiempo de ciclo.
Programa de test
Para programar este programa de prueba, proceda del siguiente modo:
1. Cree el programa de test enlazando una salida con un selector de umbral y conectando
la entrada de disparo con una marca invertida.
2. Configure el disparador de umbral como se muestra abajo. LOGO! genera un impulso en
cada ciclo del programa debido a la marca invertida. El intervalo de disparo es de 2
segundos.

Determinar el tiempo de ciclo
LOGO!
354 Manual de producto, 07/2016, A5E33039720 - AC
3. Inicie el programa y conmute LOGO! a modo de parametrización. En este modo,
visualice los parámetros de disparo.
4. El valor recíproco de fa equivale al tiempo de ejecución del programa actual en la
memoria de LOGO!.
1/fa = tiempo de ciclo en s
Explicación
La señal de salida de la marca invertida cambia con cada ejecución del programa. Por tanto,
un nivel lógico (estado "high" o "low") dura exactamente un ciclo. Con ello, un período dura
dos ciclos.
El selector de umbral indica la relación de períodos por cada dos segundos, que resulta en
la relación de ciclos por segundo.

LOGO!
Manual de producto, 07/2016, A5E33039720 - AC 355
LOGO! sin display ("LOGO! Pure")
C
Puesto que algunas aplicaciones específicas no requieren intervención del operador ni
elementos de interfaz tales como botones o un display, Siemens ofrece las versiones de
LOGO! 12/24RCEo, LOGO! 24RCEo, LOGO! 24CEo y LOGO! 230RCEo sin display.
¡Menos a veces es más!
Las versiones sin display ofrecen las siguientes ventajas:
● Son aún más económicas porque carecen de elementos de mando.
● Requieren menos espacio en el armario eléctrico que el hardware convencional.
● Respecto a su flexibilidad y precio de adquisición, ofrecen muchos más beneficios que
los dispositivos de conmutación electrónicos autónomos.
● Resultan ventajosas incluso en aplicaciones en las que sustituyen tan solo dos o tres
dispositivos de conmutación convencionales.
● Son muy fáciles de utilizar.
● Están protegidas contra accesos no autorizados.
● Son compatibles con versiones de LOGO! con display.
● Sus datos se pueden leer por medio de LOGO!Soft Comfort.
Crear un programa sin panel de mando
Un programa para un LOGO! sin display puede crearse de dos maneras, a saber:
● Cree el programa con LOGO!Soft Comfort en el PC y transfiéralo luego a LOGO!.
● Transfiera el programa de una tarjeta micro SD (Página 299) al LOGO! sin display.

LOGO! sin display ("LOGO! Pure")
LOGO!
356 Manual de producto, 07/2016, A5E33039720 - AC
Indicación de la comunicación de red
Cuando se crea un programa con LOGO!Soft Comfort hay que conectar el módulo al PC
con un cable Ethernet. Consulte el capítulo Conectar la interfaz Ethernet (Página 52) para
obtener información detallada sobre el cableado de la interfaz Ethernet y también sobre el
estado de los LED Ethernet.
Características funcionales
Cuando se conecta la alimentación, LOGO! está listo para el funcionamiento. La
desconexión de un LOGO! sin display equivale a la desconexión de la alimentación
eléctrica.
No es posible iniciar o parar el programa de las versiones ...o de LOGO! por medio de
botones; por este motivo, las versiones ...o de LOGO! tienen un comportamiento en
arranque distinto.
Características de arranque
Si LOGO! o la tarjeta micro SD insertada no contiene ningún programa, LOGO! permanece
en STOP.
Si la memoria de LOGO! o la tarjeta micro SD contiene un programa válido, LOGO! conmuta
automáticamente de STOP a RUN cuando se conecta la alimentación.
Inmediatamente después de conectar la alimentación, LOGO! copia automáticamente el
programa en una tarjeta micro SD insertada. Si ya existe un programa, LOGO! reescribe el
programa existente en la memoria y, seguidamente, pasa del modo STOP al modo RUN.
La conexión de un cable Ethernet a LOGO! (Página 317) permite utilizar LOGO!Soft Comfort
para descargar el programa y poner LOGO! en modo RUN.
Indicación de estados operativos
Un LED en el panel frontal indica el estado operativo:
● Luz roja: POWER ON/STOP
● Luz verde: POWER ON/RUN
El LED se ilumina en rojo tras conectar la alimentación y en todos los estados de LOGO!
excepto en modo RUN. El LED se ilumina en verde cuando LOGO! está en modo RUN.
Leer los datos actuales
LOGO!Soft Comfort provee un test online que permite leer los datos actuales de todas las
funciones mientras el sistema está en RUN.
Si está insertada una tarjeta micro SD protegida en un LOGO! sin display, no podrá leer los
datos actuales a menos que introduzca la contraseña correcta (Página 312) para el
programa. LOGO! borra el programa de la memoria cuando se extrae la tarjeta micro SD.
Borrar programas
Utilice LOGO!Soft Comfort para borrar el programa y la contraseña (si esta existe).

LOGO!
Manual de producto, 07/2016, A5E33039720 - AC 357
Estructura de menús de LOGO!
D
D.1
LOGO! Basic
D.1.1
Vista general de los menús
Todos los comandos de menú siguientes son válidos para LOGO! Basic con el nivel de
acceso ADMIN. Si se maneja el LOGO! con el nivel de acceso OP, algunos comandos de
menú no serán visibles. Encontrará más información en el apartado Vista general de los
menús de LOGO! (Página 72).
D.1.2
Menú principal

Estructura de menús de LOGO!
D.1 LOGO! Basic
LOGO!
358 Manual de producto, 07/2016, A5E33039720 - AC
① Véase "Menú Iniciar (Página 363)" ④ Véase "Menú Red (Página 361)"
② Véase "Menú Programar (Página 358)" ⑤ Véase "Menú Diagnóstico (Página 362)"
③ Véase "Menú Configuración
(Página 360)" ⑥ Véase "Menú Tarjeta (Página 359)"
D.1.3
Menú Programar
Nota
Cuando LOGO! está en modo RUN, en el menú de programación solo están disponibles los
comandos marcados con un asterisco (*).

Estructura de menús de LOGO!
D.1 LOGO! Basic
LOGO!
Manual de producto, 07/2016, A5E33039720 - AC 359
D.1.4
Menú Tarjeta
Este menú solo está disponible cuando LOGO! está en modo de programación.

Estructura de menús de LOGO!
D.1 LOGO! Basic
LOGO!
360 Manual de producto, 07/2016, A5E33039720 - AC
D.1.5
Menú Configuración

Estructura de menús de LOGO!
D.1 LOGO! Basic
LOGO!
Manual de producto, 07/2016, A5E33039720 - AC 361
Nota
Cuando LOGO! está en modo RUN, en el menú de configuración solo están disponibles los
comandos marcados con un asterisco (*).
D.1.6
Menú Red
Nota
Cuando LOGO! está en modo RUN, en el menú de red solo están disponibles los coman
dos
marcados con un asterisco (*).

Estructura de menús de LOGO!
D.1 LOGO! Basic
LOGO!
362 Manual de producto, 07/2016, A5E33039720 - AC
D.1.7
Menú Diagnóstico

Estructura de menús de LOGO!
D.1 LOGO! Basic
LOGO!
Manual de producto, 07/2016, A5E33039720 - AC 363
D.1.8
Menú Iniciar

Estructura de menús de LOGO!
D.2 LOGO! TDE
LOGO!
364 Manual de producto, 07/2016, A5E33039720 - AC
D.2
LOGO! TDE
D.2.1
Vista general de los menús
Todos los comandos de menú siguientes son válidos para el LOGO! TDE con el nivel de
acceso ADMIN. Si se maneja el LOGO! TDE con el nivel de acceso OP, algunos comandos
de menú no serán visibles. Encontrará más información en el apartado Vista de conjunto de
los menús de LOGO! (Página 72).

Estructura de menús de LOGO!
D.2 LOGO! TDE
LOGO!
Manual de producto, 07/2016, A5E33039720 - AC 365
D.2.2
Menú principal
①
Consulte "Menú de selección de LOGO!
(Página 366)".
⑥
Véase "Menú Diagnóstico (Página 366)".
②
Véase "Menú Iniciar (Página 366)".
⑦
Véase "Menú Tarjeta (Página 366)".
③
Véase "Menú Programar (Página 366)".
⑧
Véase "Menú Configuración TDE (Página 368)".
④
Véase "Menú Configuración (Página 366)".
⑨
Véase "Menú Red TDE (Página 368)".
⑤
Véase "Menú Red (Página 366)".
⑩
Véase "Menú Diagnóstico TDE (Página 368)".

Estructura de menús de LOGO!
D.2 LOGO! TDE
LOGO!
366 Manual de producto, 07/2016, A5E33039720 - AC
D.2.3
Menú de selección de LOGO!
D.2.4
Menú de configuración de LOGO!
El LOGO! TDE permite visualizar y configurar ajustes del módulo base LOGO! conectado en
su menú de configuración LOGO!.
Menú Programar
El menú de programación es el mismo que el del módulo base LOGO!. Consulte "Menú
Programar (Página 358)" para más información.
Menú Tarjeta
El menú de tarjeta es el mismo que el del módulo base LOGO!. Consulte "Menú Tarjeta
(Página 359)" para más información.

Estructura de menús de LOGO!
D.2 LOGO! TDE
LOGO!
Manual de producto, 07/2016, A5E33039720 - AC 367
Menú Configuración
El menú de configuración es distinto que el del módulo base LOGO!. Consulte "Menú
Configuración (Página 360)" para ver el menú de configuración completo del LOGO! Basic.
Nota
Cuando el LOGO! 0BA8 está en estado RUN, en el menú anterior solo están disponibles los
comandos marcados con un asterisco (*).

Estructura de menús de LOGO!
D.2 LOGO! TDE
LOGO!
368 Manual de producto, 07/2016, A5E33039720 - AC
Menú Red
El menú de red es el mismo que el del módulo base LOGO!. Consulte "Menú Red
(Página 361)" para más información.
Menú Diagnóstico
El menú de diagnóstico es el mismo que el del módulo base LOGO!. Consulte "Menú
Diagnóstico (Página 362)" para más información.
Menú Iniciar
El menú de inicio es el mismo que el del módulo base LOGO!. Consulte "Menú Iniciar
(Página 363)" para más información.
Nota
La pantalla inicial del LOGO! TDE muestra siempre el reloj cuando LOGO! Basic está en
modo RUN.
D.2.5
Menú de configuración de LOGO! TDE
El LOGO! TDE permite visualizar y configurar ajustes del mismo LOGO! TDE.
La estructura siguiente del menú de configuración del LOGO! TDE sirve tanto cuando el
LOGO! Basic conectado está en estado RUN como cuando está en estado STOP.

Estructura de menús de LOGO!
D.2 LOGO! TDE
LOGO!
Manual de producto, 07/2016, A5E33039720 - AC 369
Menú de configuración de LOGO! TDE
Menú de red de LOGO! TDE
El menú siguiente se utiliza para ajustar las configuraciones de red del LOGO! TDE.
Nota
La dirección IP del LOGO! TDE es de solo lectura en modo RUN.

Estructura de menús de LOGO!
D.2 LOGO! TDE
LOGO!
370 Manual de producto, 07/2016, A5E33039720 - AC
Menú de diagnóstico de LOGO! TDE

LOGO!
Manual de producto, 07/2016, A5E33039720 - AC 371
Números de referencia
E
Módulos
Variante
Nombre
Referencia
LOGO! Basic (módulo base
con display) LOGO! 12/24RCE *
LOGO! 24CE *
LOGO! 24RCE (AC/DC)
LOGO! 230RCE (AC/DC)
6ED1052-1MD00-0BA8
6ED1052-1CC01-0BA8
6ED1052-1HB00-0BA8
6ED1052-1FB00-0BA8
LOGO! Pure (módulo base
sin display) LOGO! 12/24RCEo *
LOGO! 24CEo *
LOGO! 24RCEo (AC/DC)
LOGO! 230RCEo (AC/DC)
6ED1052-2MD00-0BA8
6ED1052-2CC01-0BA8
6ED1052-2HB00-0BA8
6ED1052-2FB00-0BA8
Módulos digitales LOGO! DM8 12/24R
LOGO! DM8 24
LOGO! DM8 24R
LOGO! DM8 230R
LOGO! DM16 24
LOGO! DM16 24R
LOGO! DM16 230R
6ED1055-1MB00-0BA2
6ED1055-1CB00-0BA2
6ED1055-1HB00-0BA2
6ED1055-1FB00-0BA2
6ED1055-1CB10-0BA2
6ED1055-1NB10-0BA2
6ED1055-1FB10-0BA2
Módulos analógicos LOGO! AM2
LOGO! AM2 RTD
LOGO! AM2 AQ (0...10V, 0/4...20mA)
6ED1055-1MA00-0BA2
6ED1055-1MD00-0BA2
6ED1055-1MM00-0BA2
Visualizador de textos con
interfaces Ethernet LOGO! TDE 6ED1055-4MH00-0BA1
*: También con entradas analógicas
Accesorios
Accesorios
Nombre
Referencia
LOGO!Soft Comfort DVD LOGO!Soft Comfort V8.1 6ED1058-0BA08-0YA1
Módulos de conmutación LOGO! Contact 24 V
LOGO! Contact 230 V 6ED1057-4CA00-0AA0
6ED1057-4EA00-0AA0

20BNúmeros de referencia
LOGO!
372 Manual de producto, 07/2016, A5E33039720 - AC
Accesorios
Nombre
Referencia
Módulos de potencia LOGO! Power 12V/1,9A
LOGO! Power 12V/4,5A
LOGO! Power 24V/1,3A
LOGO! Power 24V/2,5A
LOGO! Power 24V/4A
LOGO! Power 5V/3A
LOGO! Power 5V/6,3A
LOGO! Power 15V/1,9A
LOGO! Power 15V/4A
6EP1321-1SH02
6EP1322-1SH02
6EP1331-1SH02
6EP1332-1SH42
6EP1332-1SH51
6EP1311-1SH02
6EP1311-1SH12
6EP1351-1SH02
6EP1352-1SH02
Módulos switch Ethernet LOGO! CSM12/24
LOGO! CSM230 6GK7177-1MA10-0AA0
6GK7177-1FA10-0AA0
Módulo de comunicación LOGO! CMK2000 6BK1700-0BA20-0AA0

LOGO!
Manual de producto, 07/2016, A5E33039720 - AC 373
Abreviaturas
F
AM Módulo analógico
B1 Número de bloque B1
C Nombre de dispositivos LOGO!: reloj integrado
Cnt Count = entrada de contaje
Dir Sentido (p. ej. sentido de contaje)
DM Módulo digital
E Nombre de dispositivos LOGO!: interfaz Ethernet integrada
En Enable = habilitar (por ejemplo generadores de reloj)
Fre Entrada de señales de frecuencia a analizar
GF Funciones básicas
Inv Entrada para invertir la señal de salida
DL Registro de datos
NAI Entrada analógica de red
NAQ Salida analógica de red
NI Entrada de red
No Leva (parámetro del temporizador)
NQ Salida de red
o En nombres de LOGO!: sin display (with
o
ut display)
Par Parámetro
R Entrada de reset
R En nombres de LOGO!: salidas de relé
Ral Reset all = entrada para reiniciar todos los valores internos
S Set = activar (p. ej. un relé biestable)
SF Funciones especiales
T Tiempo (parámetro)
TDE Visualizador de textos con interfaces Ethernet
Trg Trigger (parámetro)
UDF Función definida por el usuario
Dispositivo
0BA8 La versión más reciente del módulo base LOGO! (descrita en este manual)

Abreviaturas
LOGO!
374 Manual de producto, 07/2016, A5E33039720 - AC
LOGO!
Manual de producto, 07/2016, A5E33039720 - AC 375
Índice alfabético
A
Ajustar valores predeterminados
Contraste y retroiluminación, 293
Idioma de los menús, 296
Número de AI, 297
Pantalla de inicio, 298
Reloj, 292
Asistencia por Internet, 6
B
Base de tiempo, 141, 152
Bits de registro de desplazamiento, 131
Bloques, 63
C
Cambiar a modo RUN, 85
Cambio de horario de verano/invierno, 102
Cambios de estado lógico, 45
Certificación y homologaciones
cFMus, 25
cULus, 25
Marcado CE, 25
Marcado C-tick, 26
Marcado KCC, 26
Ciclo de programa, 353
Compatibilidad, 34
Conceptos básicos de las funciones especiales, 139
Conectores, 61
Conectores abiertos, 132
Conexión de sensores, 46
Configuración de red para LOGO! 0BA8, 30
Constantes y conectores, 127
Contadores
Adelante/atrás, 188
Horas de funcionamiento, 191
Selector de umbral, 195
Contraseña del programa
Asignar, 81
Cambiar, 83
desactivar, 83
Corriente conmutada máxima, 51
D
Decalaje de origen, 143
diagnóstico de eventos de error, 117
Días de la semana, 175
E
E/S de red, 132
Entradas
Entradas analógicas, 128
Entradas digitales, 128
Negar, 132, 145
Teclas de cursor, 131
Teclas de función de TDE, 131
Entradas de parámetros, 141
Entradas lógicas, 140
Error de división por cero, 250
Error de rebase por exceso, 250
Espacio de memoria, 122
Estados operativos
Módulos base LOGO!, 56
Módulos de ampliación LOGO!, 57

Índice alfabético
LOGO!
376 Manual de producto, 07/2016, A5E33039720 - AC
Estructura con diferentes clases de tensión, 33
Estructura de LOGO!, 18
F
Formatear tarjetas micro SD, 299
Función personalizada (UDF), 277
Funciones básicas
AND, 134
AND con flanco, 135
NAND, 135
NAND con flanco, 136
NOT, 139
OR, 137
XOR, 138
Funciones especiales, 145
Amplificador analógico, 211
Comparador analógico, 203
Conceptos básicos, 139
Conmutador analógico de valor umbral, 198
Conmutador analógico de valor umbral
diferencial, 201
Contador adelante-atrás, 188
Contador de horas de funcionamiento, 191
Convertidor entero/flotante, 261
Convertidor flotante/entero, 259
Cronómetro, 186
Detección de error de la instrucción aritmética, 250
Filtro analógico, 252
Generador aleatorio, 166
Generador de impulsos asíncrono, 164
Instrucción aritmética, 247
Interruptor de alumbrado para escalera, 168
Interruptor multifuncional, 170
Máx/Mín, 254
Modulación de ancho de impulsos (PWM), 243
Multiplexor analógico, 232
Rampa analógica, 235
Registro de desplazamiento, 229
Regulador PI, 239
Relé biestable, 213
Relé de barrido, 160
Relé de barrido activado por flancos, 162
Relé de impulsos, 214
Relés, 213, 214
Reloj astronómico, 183
Retardo a la conexión, 151
Retardo a la conexión con memoria, 158
Retardo a la conexión/desconexión, 156
Retardo a la desconexión, 154
Selector de umbral, 195
Tecla programable, 226
Temporizador anual, 177
Temporizador semanal, 173
Textos de mensajes, 216
Valor medio, 257
Vigilancia del valor analógico, 208
G
Ganancia, 143
GB-2312, 216
H
Histéresis, 207
Horas de conexión y desconexión, 175
I
Imprecisión de temporización, 142
Interfaz Ethernet, 53
Inversor, 139
ISO8859-1, 216

Índice alfabético
LOGO!
Manual de producto, 07/2016, A5E33039720 - AC 377
ISO8859-16, 216
ISO8859-5, 216
ISO8859-9, 216
J
Juegos de caracteres, 217
L
LED, 356
LOGO! TDE, 22
menús, 16
Pantalla inicial, 16
Teclas de función, 16
Vida útil de la retroiluminación, 348
Vida útil del display, 348
Vida útil del LCD, 348
M
Marca de arranque, 130
Marca del juego de caracteres, 131
Marcas, 129
Marcas de retroiluminación, 130
Modo de parametrización, 285
Modo de programación, 73
Modo maestro/esclavo, 114
Modo PC-LOGO, 317
Módulos de ampliación, 16
Montaje y desmontaje
LOGO! TDE, 39
Montaje en un perfil normalizado, 36
Montaje mural, 38
N
Niveles de tensión, 131
Nombre del programa
Cambiar, 81
Juego de caracteres, 80
NTP, 106
Número de bloque, 64
P
Perfil soporte, 35
Precisión del temporizador, 141
Protección de parámetros, 142
Protección del circuito, 42
Punteras, 40
R
Registro de datos, 281
Relé biestable, 213, 213
Relé de impulsos, 214
Remanencia, 142
Respuesta de tiempo, 141
Retardo a la conexión, 151
S
Salidas
Salidas analógicas, 129
Salidas digitales, 129
Salidas de relé, 341
Seguridad en LOGO!
Protección anticopia del programa, 312
Protección de acceso a menús, 69
Protección por contraseña del programa, 81
Seguridad en la red, 310
Servidor web, 265
Cerrar sesión, 275
Inicio de sesión, 268
SF, 139, 145

Índice alfabético
LOGO!
378 Manual de producto, 07/2016, A5E33039720 - AC
Shift-JIS, 216
Sistemas operativos compatibles, 316
Software LOGO!, 315
T
Temporizador semanal
Ajustar, 176
Ejemplos, 176
Temporizadores
Cronómetro, 186
Generador aleatorio, 166
Generador de impulsos asíncrono, 164
Interruptor de alumbrado para escalera, 168
Interruptor multifuncional, 170
Relé de barrido (salida de impulsos), 160
Relé de barrido activado por flancos, 162
Reloj astronómico, 183
Retardo a la conexión, 151
Retardo a la conexión con memoria, 158
Retardo a la conexión/desconexión, 156
Retardo a la desconexión, 154
Temporizador anual, 177
Temporizador semanal, 173
Ticker carácter por carácter, 220
Ticker de mensajes, 220
Ticker línea por línea, 221
V
Versiones de demostración, 316
Versiones de LOGO!, 23
Visualizadores, 16

Índice alfabético
LOGO!
Manual de producto, 07/2016, A5E33039720 - AC 379