Mbed 010.2.sch 010 2 Schematic

User Manual: keil -

Open the PDF directly: View PDF PDF.
Page Count: 4

Page 1 of 4 - Mbed-010.2.sch Mbed-010 2-schematic
Page 2 of 4 - Mbed-010.2.sch Mbed-010 2-schematic
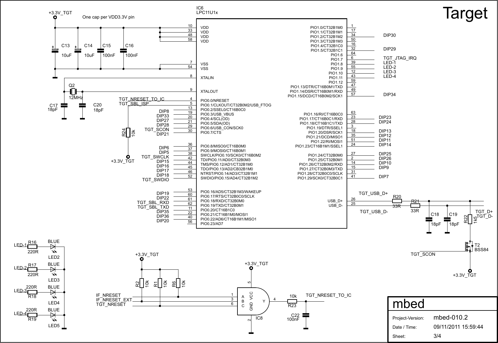
Page 3 of 4 - Mbed-010.2.sch Mbed-010 2-schematic
Page 4 of 4 - Mbed-010.2.sch Mbed-010 2-schematic

Navigation menu