PartsCatalog Mf6500_series Pc Mf6500 Series
User Manual: mf6500_series-pc
Open the PDF directly: View PDF
.
Page Count: 70

Mar 7 2006
PARTS CATALOG
MF6530/6531/6540PL/6550/
6560/6560PL/6570/6580/
6580PL

PREFACE
This Parts Catalog contains listings of parts used
Diagrams are provided with the listings to aid the service technician in identifying clearly, the
item to be orderd.
Whenever ordering parts, consult this Parts Catalog for all of the information pertaining to each
item. Be sure to include, in the Parts Request, the full item description, the item part number,
and the quantity.
COPYRIGHT (C) 1999 CANON INC.
Use of this manual should be
strictly supervised to avoid
disclosure of confidential
information.
Contents
NUMERICAL INDEX
MF6530/6531/6540PL/6550/6560/6560PL/6570/6580/6580PL .........1-1
MF6530/6531/6540PL/6550/6560/6560PL/6570/6580/6580PL
A ASSEMBLY LOCATION DIAGRAM ......................................2-1
001 PACKAGE COMPONENTS ...................................................2-3
100 EXTERNAL COVERS, PANELS, ETC ..................................2-5
101 INTERNAL COMPONENT 1 ..................................................2-8
102 INTERNAL COMPONENT 2 ................................................2-12
130 CONTROL PANEL ASSEMBLY ..........................................2-16
140 LEFT DOOR ASSEMBLY ....................................................2-18
161 ADF ASSEMBLY .................................................................2-20
162 DOCUMENT TRAY ASSEMBLY .........................................2-23
163 OPEN/CLOSE PANEL ASSEMBLY ....................................2-25
164 PAPER FEEDER UNIT ........................................................ 2-27
210 READER ASSEMBLY ..........................................................2-30
250 MAIN DRIVE ASSEMBLY ....................................................2-33
251 REVERSE DRIVE ASSEMBLY ...........................................2-35
300 CASSETTE ..........................................................................2-37
310 PAPER PICK-UP ASSEMBLY .............................................2-39
315 MULTI PAPER PICK-UP TRAY ASSEMBLY ......................2-41
320 REGISTRATION ASSEMBLY ..............................................2-44
460 LASER SCANNER ASSEMBLY ..........................................2-46
810 FIXING ASSEMBLY .............................................................2-48
930 PCB ASSEMBLY .................................................................2-51
950 IMAGE PROCESSOR PCB ASSEMBLY .............................2-53

1-1
PARTS NUMBER
FIGURE
&
KEY NO.
PARTS NUMBER
FIGURE
&
KEY NO.
PARTS NUMBER
FIGURE
&
KEY NO
NUMERICAL INDEX
MF6530/6531/6540PL/6550/6560/6560PL/6570/6580/6580PL
FB4-2007-000 320 -20
FB4-9817-030 310 -8
FB4-9820-000 310 -2
FB6-1337-000 210 -1
FC5-4424-000 164 -2
FC5-4424-000 210 -2
FC5-4425-000 163 -1
FC5-4777-000 102 -1
FC5-4849-000 310 -10
FC5-4849-000 810 -25
FC5-4914-000 315 -30
FC5-5256-000 100 -14
FC6-3960-000 100 -13
FC6-4511-000 210 -22
FC6-7309-000 102 -44
FC6-7310-000 102 -45
FC6-7311-000 102 -46
FC6-7312-000 102 -47
FC6-7313-000 102 -48
FC6-7314-000 102 -49
FC6-7315-000 102 -50
FC6-7316-000 102 -60
FC6-7318-000 102 -31
FC6-7321-000 102 -32
FC6-7322-000 102 -33
FC6-7323-000 102 -34
FC6-7324-000 102 -35
FC6-7325-000 102 -36
FC6-7326-000 102 -37
FC6-7327-000 102 -38
FC6-7328-000 102 -2
FC6-7331-000 102 -3
FC6-7334-000 100 -1
FC6-7335-000 100 -2
FC6-7336-000 100 -3
FC6-7337-000 100 -4
FC6-7339-000 100 -5
FC6-7341-000 100 -7
FC6-7342-000 100 -8
FC6-7343-000 100 -9
FC6-7346-000 100 -11
FC6-7347-000 100 -12
FC6-7348-000 100 -14
FC6-7352-000 310 -9
FC6-7353-000 310 -3
FC6-7354-000 310 -11
FC6-7357-000 310 -12
FC6-7358-000 310 -4
FC6-7360-000 101 -32
FC6-7361-000 310 -13
FC6-7362-000 101 -33
FC6-7365-000 310 -18
FC6-7366-000 310 -5
FC6-7367-000 310 -6
FC6-7368-000 310 -7
FC6-7372-000 300 -4
FC6-7373-000 300 -5
FC6-7374-000 300 -9
FC6-7375-000 300 -10
FC6-7376-000 300 -6
FC6-7377-000 300 -1
FC6-7380-000 300 -7
FC6-7382-000 300 -2
FC6-7385-000 300 -12
FC6-7388-000 300 -12
FC6-7392-000 101 -34
FC6-7396-000 310 -19
FC6-7399-000 101 -27
FC6-7400-000 101 -2
FC6-7401-000 320 -1
FC6-7402-000 101 -28
FC6-7403-000 101 -29
FC6-7404-000 101 -30
FC6-7405-000 101 -58
FC6-7406-000 320 -2
FC6-7409-000 102 -4
FC6-7410-000 315 -10
FC6-7411-000 315 -1
FC6-7412-000 315 -25
FC6-7413-000 315 -26
FC6-7414-000 320 -3
FC6-7415-000 315 -2
FC6-7416-000 315 -27
FC6-7418-000 315 -15
FC6-7419-000 315 -16
FC6-7420-000 315 -17
FC6-7423-000 315 -22
FC6-7424-000 315 -23
FC6-7425-000 315 -24
FC6-7426-000 101 -26
FC6-7427-000 315 -4
FC6-7429-000 315 -5
FC6-7430-000 315 -6
FC6-7431-000 315 -7
FC6-7432-000 315 -8
FC6-7434-000 101 -5
FC6-7435-000 320 -4
FC6-7436-000 320 -5
FC6-7437-000 320 -6
FC6-7438-000 320 -11
FC6-7439-000 320 -12
FC6-7440-000 320 -13
FC6-7441-000 320 -7
FC6-7442-000 320 -15
FC6-7443-000 320 -16
FC6-7444-000 320 -17
FC6-7445-000 101 -37
FC6-7446-000 101 -38
FC6-7447-000 101 -39
FC6-7448-000 101 -40
FC6-7449-000 101 -41
FC6-7450-000 101 -42
FC6-7451-000 101 -43
FC6-7452-000 140 -1
FC6-7453-000 140 -8
FC6-7454-000 140 -2
FC6-7455-000 140 -3
FC6-7456-000 140 -4
FC6-7457-000 140 -9
FC6-7458-000 140 -5
FC6-7459-000 140 -10
FC6-7460-000 140 -11
FC6-7461-000 140 -6
FC6-7462-000 320 -8
FC6-7463-000 320 -9
FC6-7464-000 101 -44
FC6-7465-000 101 -45
FC6-7466-000 140 -7
FC6-7467-000 101 -6
FC6-7468-000 320 -14
FC6-7470-000 140 -18
FC6-7472-000 101 -53
FC6-7473-000 140 -17
FC6-7474-000 101 -54
FC6-7476-000 101 -49
FC6-7477-000 101 -52
FC6-7478-000 810 -36
FC6-7480-000 810 -1
FC6-7481-000 810 -2
FC6-7482-000 810 -3
FC6-7483-000 810 -4
FC6-7484-000 810 -5
FC6-7485-000 810 -6
FC6-7486-000 810 -7
FC6-7487-000 810 -20
FC6-7488-000 810 -8
FC6-7489-000 810 -9
FC6-7490-000 810 -10
FC6-7491-000 810 -11
FC6-7492-000 810 -12
FC6-7493-000 810 -13
FC6-7494-000 810 -14
FC6-7495-000 810 -15
FC6-7496-000 810 -16
FC6-7497-000 810 -21
FC6-7501-000 810 -26

1-2
PARTS NUMBER
FIGURE
&
KEY NO.
PARTS NUMBER
FIGURE
&
KEY NO.
PARTS NUMBER
FIGURE
&
KEY NO
NUMERICAL INDEX
MF6530/6531/6540PL/6550/6560/6560PL/6570/6580/6580PL
FC6-7502-000 810 -27
FC6-7503-000 810 -28
FC6-7504-000 810 -29
FC6-7505-000 810 -22
FC6-7506-000 810 -17
FC6-7507-000 810 -18
FC6-7513-000 101 -7
FC6-7514-000 102 -57
FC6-7517-000 251 -1
FC6-7518-000 810 -19
FC6-7519-000 101 -9
FC6-7521-000 140 -19
FC6-7522-000 140 -20
FC6-7523-000 102 -55
FC6-7524-000 101 -56
FC6-7528-000 810 -40
FC6-7529-000 810 -41
FC6-7530-000 810 -42
FC6-7533-000 101 -24
FC6-7541-000 100 -21
FC6-7542-000 100 -22
FC6-7543-000 100 -23
FC6-7544-000 100 -24
FC6-7545-000 100 -15
FC6-7546-000 100 -16
FC6-7547-000 100 -18
FC6-7548-000 100 -19
FC6-7549-000 250 -1
FC6-7552-000 102 -5
FC6-7553-000 102 -6
FC6-7554-000 102 -52
FC6-7556-000 102 -7
FC6-7557-000 102 -8
FC6-7562-000 102 -54
FC6-7563-000 100 -20
FC6-7564-000 101 -11
FC6-7568-000 102 -9
FC6-7574-000 102 -42
FC6-7575-000 102 -10
FC6-7576-000 102 -56
FC6-7576-000 210 -27
FC6-7577-000 102 -11
FC6-7580-000 102 -39
FC6-7581-000 102 -26
FC6-7582-000 101 -50
FC6-7583-000 140 -16
FC6-7585-000 210 -29
FC6-7591-000 210 -36
FC6-7592-000 210 -23
FC6-7595-000 210 -3
FC6-7598-000 210 -4
FC6-7600-000 210 -5
FC6-7601-000 210 -33
FC6-7604-000 210 -6
FC6-7606-000 210 -7
FC6-7612-000 210 -28
FC6-7615-000 210 -8
FC6-7618-000 210 -9
FC6-7621-000 210 -10
FC6-7622-000 210 -11
FC6-7626-000 210 -13
FC6-7630-000 210 -14
FC6-7632-000 210 -15
FC6-7642-000 210 -16
FC6-7643-000 210 -24
FC6-7647-000 101 -13
FC6-7648-000 101 -14
FC6-7649-000 101 -15
FC6-7650-000 101 -16
FC6-7651-000 101 -17
FC6-7653-000 315 -28
FC6-7718-000 161 -1
FC6-7719-000 161 -2
FC6-7722-000 161 -7
FC6-7730-000 164 -6
FC6-7731-000 164 -7
FC6-7732-000 161 -15
FC6-7733-000 161 -16
FC6-7733-000 164 -8
FC6-7734-000 161 -17
FC6-7735-000 164 -32
FC6-7736-000 164 -38
FC6-7737-000 164 -43
FC6-7738-000 164 -9
FC6-7740-000 163 -2
FC6-7741-000 163 -11
FC6-7743-000 163 -3
FC6-7745-000 163 -4
FC6-7746-000 163 -5
FC6-7747-000 163 -6
FC6-7748-000 163 -12
FC6-7750-000 162 -1
FC6-7751-000 162 -2
FC6-7754-000 162 -4
FC6-7755-000 162 -5
FC6-7756-000 162 -6
FC6-7758-000 164 -33
FC6-7759-000 164 -34
FC6-7760-000 164 -10
FC6-7761-000 163 -7
FC6-7763-000 164 -11
FC6-7764-000 164 -12
FC6-7765-000 163 -13
FC6-7766-000 163 -14
FC6-7767-000 161 -3
FC6-7769-000 164 -39
FC6-7770-000 164 -44
FC6-7772-000 164 -13
FC6-7776-000 163 -8
FC6-7784-000 161 -4
FC6-7786-000 161 -5
FC6-7787-000 163 -17
FC6-7788-000 164 -14
FC6-7789-000 163 -18
FC6-7790-000 164 -15
FC6-8971-000 163 -15
FC6-8973-000 162 -8
FC6-8973-000 164 -16
FC6-8974-000 161 -9
FC6-8975-000 161 -10
FC7-0534-000 210 -17
FC7-0540-000 102 -40
FC7-0541-000 102 -41
FC7-0542-000 164 -17
FC7-0545-000 163 -9
FC7-0546-000 164 -18
FC7-0547-000 102 -27
FC7-0548-000 315 -29
FC7-0549-000 315 -29
FC7-0550-000 315 -29
FC7-0551-000 161 -11
FC7-0552-000 161 -18
FC7-0553-000 161 -19
FC7-0555-000 161 -12
FC7-0556-000 161 -13
FC7-0557-000 162 -15
FC7-0559-000 162 -7
FC7-2792-000 164 -4
FC7-2793-000 164 -5
FC7-2804-000 161 -26
FC7-2806-000 163 -29
FH2-7192-000 001 -6
FH2-7200-000 001 -5
FH7-7611-030 101 -51
FK2-0949-000 950 -IC140
FK2-1371-000 930 -2
FK2-1372-000 930 -2
FK2-1373-000 930 -2
FK2-1377-000 210 -37
FK2-1378-000 101 -18
FK2-1383-000 210 -34
FK2-1385-000 102 -12
FK2-1386-000 102 -43
FK2-1392-000 161 -8
FK2-1393-000 164 -36
FK2-1394-000 102 -13

1-3
PARTS NUMBER
FIGURE
&
KEY NO.
PARTS NUMBER
FIGURE
&
KEY NO.
PARTS NUMBER
FIGURE
&
KEY NO
NUMERICAL INDEX
MF6530/6531/6540PL/6550/6560/6560PL/6570/6580/6580PL
FK2-1395-000 102 -14
FK2-1396-000 102 -15
FK2-1398-000 210 -31
FK2-1399-000 210 -18
FK2-1400-000 102 -16
FK2-1401-000 101 -57
FK2-1409-000 251 -2
FK2-1411-000 101 -8
FK2-1413-000 310 -1
FK2-1415-000 100 -17
FK2-1528-000 001 -7
FK2-1530-000 001 -7
FK2-1532-000 001 -7
FK2-1533-000 001 -7
FK2-1535-000 001 -7
FK2-1536-000 001 -7
FK2-1537-000 001 -7
FK2-1538-000 001 -7
FK2-1609-000 001 -1
FK2-1825-000 210 -30
FL2-3872-000 100 -6
FL2-3873-000 100 -6
FL2-3874-000 100 -6
FL2-3875-000 100 -6
FL2-3876-000 100 -6
FL2-3877-000 100 -6
FL2-3878-000 100 -6
FL2-3879-000 100 -6
FL2-3880-000 100 -6
FL2-3881-000 100 -6
FL2-3882-000 100 -6
FL2-3883-000 100 -6
FL2-3887-000 101 -35
FL2-3887-000 310 -14
FL2-3889-000 300 -3
FL2-3897-000 315 -9
FL2-3898-000 315 -11
FL2-3899-000 315 -18
FL2-3900-000 320 -10
FL2-3908-000 810 -30
FL2-3910-000 101 -48
FL2-3929-000 210 -35
FL2-3932-000 210 -20
FL2-3933-000 210 -19
FL2-3935-000 210 -20
FL2-3936-000 210 -20
FL2-3937-000 210 -20
FL2-3938-000 210 -19
FL2-3939-000 210 -19
FL2-3940-000 210 -19
FL2-3941-000 210 -12
FL2-3944-000 100 -10
FL2-3978-000 162 -9
FL2-3981-000 162 -10
FL2-3982-000 163 -10
FL2-3984-000 161 -20
FL2-3985-000 162 -3
FL2-3986-000 163 -16
FM2-3947-000 102 -18
FM2-4897-000 950 -2
FM2-4912-000 930 -1
FM2-4913-000 930 -1
FM2-4918-000 102 -53
FM2-4919-000 210 -32
FM2-4921-000 930 -3
FM2-4922-000 102 -19
FM2-4927-000 101 -10
FM2-4928-000 101 -19
FM2-4930-000 102 -21
FM2-4931-000 310 -28
FM2-4935-000 102 -22
FM2-4937-000 102 -23
FM2-4938-000 102 -24
FM2-4939-000 210 -21
FM2-4940-000 102 -25
FM2-4945-000 102 -28
FM2-4946-000 161 -6
FM2-4947-000 164 -1
FM2-4948-000 161 -23
FM2-4949-000 102 -20
FM2-4968-000 164 -
FM2-4969-000 163 -
FM2-4971-000 164 -3
FM2-4979-000 164 -35
FM2-5042-000 950 -1
FM2-5043-000 950 -1
FM2-5046-000 950 -2
FM2-5047-000 102 -51
FM2-5048-000 102 -29
FM2-5049-000 102 -30
FM2-5050-000 102 -30
FM2-5051-000 102 -30
FM2-5054-000 950 -3
FM2-5055-000 950 -1
FM2-5235-000 130 -
FM2-5236-000 130 -
FM2-5237-000 130 -
FM2-5239-000 130 -
FM2-5240-000 130 -
FM2-5241-000 130 -
FM2-5242-000 130 -
FM2-5245-000 130 -
FM2-5246-000 130 -
FM2-5271-000 460 -
FM2-5274-000 315 -19
FM2-5278-000 810 -
FM2-5280-000 810 -24
FM2-5283-000 251 -3
FM2-5284-000 251 -4
FM2-5295-000 810 -24
FM2-5296-000 810 -24
FM2-5297-000 810 -
FM2-5298-000 130 -
FM2-5298-000 810 -
FM2-5311-000 130 -
FM2-5327-000 101 -4
FM2-5328-000 101 -4
FM2-5329-000 101 -4
FM2-5331-000 101 -4
FU5-1626-000 163 -28
FU5-1626-000 164 -20
FU5-2103-000 210 -38
FU5-4953-000 210 -25
FU5-8875-000 161 -24
FU5-8876-000 161 -24
FU5-8877-000 161 -24
FU5-8878-000 161 -24
FU5-8879-000 161 -25
FU5-8880-000 161 -25
FU5-8881-000 161 -25
FU5-9340-000 950 -4
FU6-2406-000 310 -15
FU6-2407-000 310 -16
FU6-2408-000 300 -11
FU6-2410-000 300 -8
FU6-2411-000 310 -20
FU6-2412-000 101 -36
FU6-2421-000 101 -31
FU6-2422-000 101 -55
FU6-2423-000 315 -3
FU6-2424-000 315 -12
FU6-2425-000 315 -13
FU6-2431-000 320 -19
FU6-2432-000 101 -46
FU6-2433-000 101 -47
FU6-2434-000 140 -12
FU6-2435-000 140 -13
FU6-2436-000 140 -14
FU6-2462-000 210 -39
FU6-2471-000 810 -32
FU6-2472-000 810 -33
FU6-2473-000 810 -31
FU6-2474-000 810 -23
FU6-2506-000 164 -21
FU6-2507-000 162 -11
FU6-2508-000 162 -12

1-4
PARTS NUMBER
FIGURE
&
KEY NO.
PARTS NUMBER
FIGURE
&
KEY NO.
PARTS NUMBER
FIGURE
&
KEY NO
NUMERICAL INDEX
MF6530/6531/6540PL/6550/6560/6560PL/6570/6580/6580PL
FU6-2509-000 161 -14
FU6-2510-000 164 -37
FU7-0009-000 310 -21
FU7-0010-000 310 -22
FU7-0011-000 310 -23
FU7-0012-000 310 -24
FU7-0013-000 310 -25
FU7-0014-000 310 -26
FU7-0015-000 310 -27
FU7-0024-000 101 -22
FU7-0025-000 315 -20
FU7-0026-000 315 -21
FU7-0029-000 101 -12
FU7-0030-000 140 -15
FU7-0034-000 810 -34
FU7-0035-000 101 -23
FU7-0036-000 251 -5
FU7-0039-000 251 -6
FU7-0040-000 251 -7
FU7-0041-000 251 -8
FU7-0044-000 102 -17
FU7-0045-000 250 -2
FU7-0046-000 250 -3
FU7-0047-000 250 -4
FU7-0048-000 250 -5
FU7-0049-000 250 -6
FU7-0050-000 250 -7
FU7-0051-000 250 -8
FU7-0052-000 250 -9
FU7-0053-000 250 -10
FU7-0054-000 310 -29
FU7-0104-000 164 -22
FU7-0105-000 164 -23
FU7-0106-000 164 -40
FU7-0107-000 164 -41
FU7-0108-000 164 -24
FU7-0109-000 164 -47
FU7-0110-000 164 -45
FU7-0111-000 164 -46
FU7-0112-000 164 -25
FU7-0113-000 164 -26
FU7-0114-000 164 -19
FU7-0115-000 164 -27
FU7-0116-000 164 -28
FU7-0117-000 164 -29
FU7-0118-000 163 -21
FU7-0119-000 163 -22
FU7-0120-000 163 -23
FU7-0121-000 163 -19
FU7-0122-000 163 -25
FU7-0123-000 163 -26
FU7-0124-000 163 -27
FU7-0125-000 163 -24
FU7-0126-000 162 -13
FU7-0127-000 164 -30
HB1-5222-000 001 -2
HB1-5223-000 001 -3
HB1-5224-000 001 -4
HH2-2824-000 001 -5
HK1-0511-000 950 -IC1
HK1-0544-000 001 -5
HK1-0547-000 001 -5
HK1-0550-000 001 -5
NPN 001 -
NPN 100 -
NPN 101 -
NPN 102 -
NPN 140 -
NPN 161 -
NPN 162 -
NPN 210 -
NPN 250 -
NPN 251 -
NPN 300 -
NPN 310 -
NPN 315 -
NPN 320 -
NPN 930 -
NPN 950 -
RB2-2973-000 810 -35
VT2-5177-005 950 -5
WE8-6218-000 210 -46
WG8-5509-000 210 -40
WG8-5509-000 310 -17
WG8-5509-000 315 -14
WG8-5509-000 320 -18
WG8-5509-000 810 -37
WG8-5696-000 161 -21
WG8-5696-000 164 -31
WK1-5134-000 950 - BAT1
WT2-5056-000 101 -1
WT2-5056-000 251 -11
WT2-5621-000 102 -59
WT2-5694-000 101 -3
WT2-5694-000 161 -22
WT2-5760-000 101 -20
WT2-5812-000 101 -21
XA9-0429-000 001 -8
XA9-0679-000 210 -41
XA9-0702-000 810 -38
XA9-0874-000 162 -14
XA9-1116-000 210 -42
XA9-1567-000 101 -25
XA9-1567-000 102 -58
XA9-1567-000 210 -43
XA9-1567-000 251 -9
XA9-1567-000 930 -4
XB1-2300-409 210 -502
XB1-2400-605 101 -502
XB1-7301-207 001 -501
XB4-5301-005 163 -501
XB4-5301-005 164 -502
XB4-5401-005 310 -501
XB4-5401-007 140 -501
XB4-5401-205 161 -502
XB4-7400-806 300 -501
XB4-7401-009 101 -504
XB4-7401-009 320 -501
XB6-7300-605 102 -501
XB6-7300-605 161 -501
XB6-7300-605 164 -501
XB6-7300-607 101 -501
XB6-7300-607 210 -501
XD1-1106-226 101 -505
XD1-1107-235 161 -503
XD1-4200-402 101 -503
XD9-0134-000 251 -10
XD9-0134-000 810 -39
XD9-0136-000 163 -20
XD9-0136-000 164 -42
XD9-0136-000 210 -44
XF2-4607-230 210 -45
XF2-4665-530 210 -26
MF6530/6531/6540PL/6550/6560/
6560PL/6570/6580/6580PL
imageCLASS MF6530
imageCLASS MF6531
imageCLASS MF6550
imageCLASS MF6560
imageCLASS MF6570
imageCLASS MF6580
120V US F18-9132-000 SLX,SNM
230V ASIA F18-9142-000 SNS
120V US F18-9136-000 SNH
120V US F18-9131-000 SLY,SNN
230V ASIA F18-9141-000 SNT
230V CN F18-9160-000 SNU
230V KR F18-9170-000 SNV
120V US F18-9133-000 SNK
230V KR F18-9171-000 SNW
120V US F18-9134-000 SNL
LASER BASE MF6530
LASER BASE MF6540P
LASER BASE MF6550
LASER BASE MF6560P
LASER BASE MF6580P
SATERA MF6570
230V EUR F18-9192-000 SNF,SNX
230V EUR F18-9195-000 SNP,SPC
230V EUR F18-9191-000 SNG,SPB,SPG
230V EUR F18-9193-000 SNQ,SPD,SPH
230V EUR F18-9194-000 SNR,SPF,SPJ
100V JP F18-9116-000 SNJ
Contents
A ASSEMBLY LOCATION DIAGRAM ...................................................................2-1
001 PACKAGE COMPONENTS................................................................................2-3
100 EXTERNAL COVERS, PANELS, ETC ...............................................................2-5
101 INTERNAL COMPONENT 1...............................................................................2-8
102 INTERNAL COMPONENT 2.............................................................................2-12
130 CONTROL PANEL ASSEMBLY ....................................................................... 2-16
140 LEFT DOOR ASSEMBLY .................................................................................2-18
161 ADF ASSEMBLY ..............................................................................................2-20
162 DOCUMENT TRAY ASSEMBLY ......................................................................2-23
163 OPEN/CLOSE PANEL ASSEMBLY .................................................................2-25
164 PAPER FEEDER UNIT.....................................................................................2-27
210 READER ASSEMBLY.......................................................................................2-30
250 MAIN DRIVE ASSEMBLY.................................................................................2-33
251 REVERSE DRIVE ASSEMBLY ........................................................................2-35
300 CASSETTE .......................................................................................................2-37
310 PAPER PICK-UP ASSEMBLY..........................................................................2-39
315 MULTI PAPER PICK-UP TRAY ASSEMBLY....................................................2-41
320 REGISTRATION ASSEMBLY...........................................................................2-44
460 LASER SCANNER ASSEMBLY .......................................................................2-46
810 FIXING ASSEMBLY..........................................................................................2-48
930 PCB ASSEMBLY .............................................................................................. 2-51
950 IMAGE PROCESSOR PCB ASSEMBLY.......................................................... 2-53

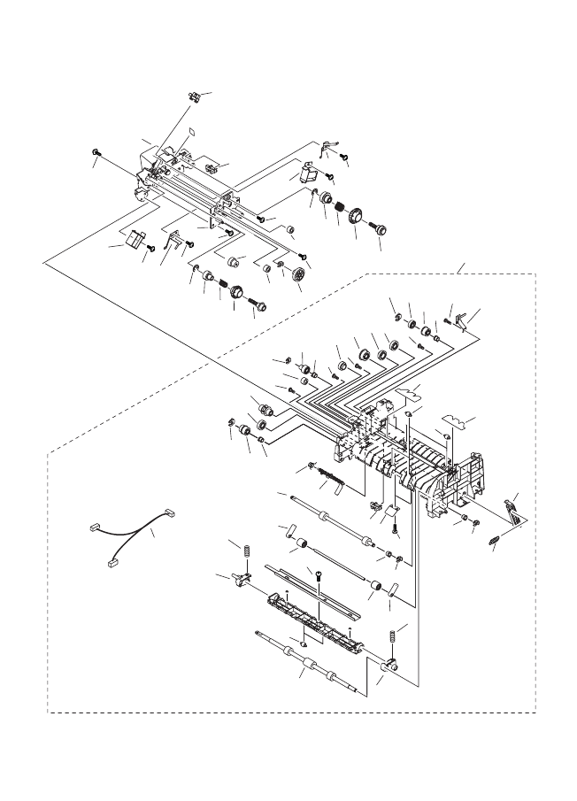
2-1
FIGURE A
ASSEMBLY LOCATION DIAGRAM
DOCUMENT TRAY ASSEMBLY
162
OPEN/CLOSE PANEL ASSEMBLY
163
ADF ASSEMBLY
161
ADF PAPER FEEDER ASSEMBLY
164
READER ASSEMBLY
210
CONTROL PANEL ASSEMBLY
130
CASSETTE
300
LEFT DOOR ASSEMBLY
140

2-2
FIXING ASSEMBLY
810
MULTI PAPER PICK-UP TRAY ASS'Y
315
REGISTRATION ASSEMBLY
320
LASER SCANNER UNIT
460
REVERSE DRIVE ASSEMBLY
251
MAIN DRIVE ASSEMBLY
250
PAPER PICK-UP ASSEMBLY
310
PCB ASSEMBLY
930
IMAGE PROCESSOR PCB ASSEMBLY
950

2-3
FIGURE 001
PACKAGE COMPONENTS
100V/230V
SLY/SNN/SNT/SNU/SNK/SRT/SRS
/SPB/SNG/SNQ/SPD/SNR/SPF/SNJ
SNG/SNQ/SNR
SNG/SNQ/SNR
SNG/SNQ/SNR
SNV/SNW
imageCLASS MF6550 CN
1
2
3
7
4
8
501
6
5
5
5
5
5

2-4
FIGURE
& KEY
NO.
PARTS
NUMBER
R
A
N
K
Q'TY DESCRIPTION SERIAL NUMBER/
REMARKS
S
V
C
Fig.001 NPN RF ACCESSORIES
1 FK2-1609-000 1 HAND SET imageCLASS MF6550 CN
2 HB1-5222-000 1 MOUNT, HANDSET, UPPER imageCLASS MF6550 CN
3 HB1-5223-000 1 MOUNT, HANDSET, LOWER imageCLASS MF6550 CN
4 HB1-5224-000 1 MOUNT, HANDSET imageCLASS MF6550 CN
5 HH2-2824-000 1 CORD, MODULAR
SLY/SNN/SNT/SNU/SNK/
SRT/SRS/SPB/SNG/SNQ/
SPD/SNR/SPF/SNJ
5 HK1-0544-000 1 CORD, MODULAR SNG/SNQ/SNR
5 HK1-0550-000 1 CORD, MODULAR SNG/SNQ/SNR
5 HK1-0547-000 1 CORD, MODULAR SNG/SNQ/SNR
5 FH2-7200-000 1 CORD, MODULAR SNV/SNW
6 FH2-7192-000 1 CABLE, USB 100V/230V
7 FK2-1532-000 1 CD-ROM, USERSOFTWARE LaserBase MF6530/6550
7 FK2-1535-000 1 CD-ROM, USERSOFTWARE LaserBase MF6530/6550
EXCEPT SNG
7 FK2-1536-000 1 CD-ROM, USERSOFTWARE
LaserBase MF6540PL/
6560PL EXCEPT SNQ/
6580PL EXCEPT SNR
7 FK2-1533-000 1 CD-ROM, USERSOFTWARE LaserBase MF6540PL/
6560PL/6580PL
7 FK2-1528-000 1 CD-ROM, USERSOFTWARE SATERA MF6570
7 FK2-1537-000 1 CD-ROM, USERSOFTWARE imageCLASS MF6530
120V/6531/6550 120V
7 FK2-1538-000 1 CD-ROM, USERSOFTWARE imageCLASS MF6550
230V/6570
7 FK2-1530-000 1 CD-ROM, USERSOFTWARE imageCLASS MF6560/
6580/6560cx/6580cx
8 XA9-0429-000 2 SCREW (W)
501 XB1-7301-207 2 SCREW,TAPPING,TRUSSHEAD,M3X10

2-5
FIGURE 100
EXTERNAL COVERS, PANELS, ETC
SEE FIGURE140
SEE FIGURE210
imageCLASS
MF6531/6550/6560/6560cx
LaserBase MF6540PL/6550/6560PL
imageCLASS MF6550
LaserBase MF6550/6560PL/6580PL
imageCLASS MF6550 EXCEPT
SNU/6570/6580/6580cx
SATERA MF3570
MF6530/6531/6540PL
3
7
8
2
6
1
9
11
12
5
10
4
13
21
22
24 23
16
15
17
18
19
20
14

2-6
FIGURE
& KEY
NO.
PARTS
NUMBER
R
A
N
K
Q'TY DESCRIPTION SERIAL NUMBER/
REMARKS
S
V
C
Fig.100 NPN RF EXTERNAL COVERS, PANELS, ETC.
1 FC6-7334-000 1 COVER, REAR
2 FC6-7335-000 1 COVER, RIGHT
3 FC6-7336-000 1 TRAY, DELIVERY
4 FC6-7337-000 1 COVER, DELIVERY, FRONT
5 FC6-7339-000 1 COVER, READER, RIGHT
6 FL2-3878-000 1 COVER, FRONT LASER BASE MF6530
6 FL2-3879-000 1 COVER, FRONT LaserBase MF6540PL
6 FL2-3880-000 1 COVER, FRONT LaserBase MF6550
6 FL2-3881-000 1 COVER, FRONT LaserBase MF6560PL
6 FL2-3882-000 1 COVER, FRONT LaserBase MF6580PL
6 FL2-3883-000 1 COVER, FRONT SATERA MF6570
6 FL2-3872-000 1 COVER, FRONT imageCLASS MF6530
6 FL2-3873-000 1 COVER, FRONT imageCLASS MF6531
6 FL2-3874-000 1 COVER, FRONT imageCLASS MF6550
6 FL2-3875-000 1 COVER, FRONT imageCLASS MF6560
6 FL2-3876-000 1 COVER, FRONT imageCLASS MF6570
6 FL2-3877-000 1 COVER, FRONT imageCLASS MF6580
7 FC6-7341-000 1 COVER, LEFT, REAR
8 FC6-7342-000 1 COVER, LEFT, FRONT
9 FC6-7343-000 1 COVER, LEFT, UPPER
10 FL2-3944-000 1 COVER, READER, FRONT
11 FC6-7346-000 1 COVER, READER, REAR
12 FC6-7347-000 1 COVER, READER REAR, SMALL
13 FC6-3960-000 1 LABER,GROUNDING 100V ONLY
14 FC5-5256-000 1 EMBLEM 100V
14 FC6-7348-000 1 EMBLEM EXCEPT 100V
15 FC6-7545-000 1 COVER, BLANKING
16 FC6-7546-000 1 COVER, BLANKING
17 FK2-1415-000 1 CORD, EARTH 100V ONLY
18 FC6-7547-000 1 STOPPER, PAPER DELIVERY TRAY
19 FC6-7548-000 1 STOPPER, PAPER DELIVERY TRAY

2-7
20 FC6-7563-000 1 STOPPER, PAPER DELIVERY
21 FC6-7541-000 1 COVER, MJ BLANKING, 1 MF6530,6531,6540PL
22 FC6-7542-000 1 COVER, MJ BLANKING, 2
imageCLASS MF6550
EXCEPT SNU/6570/6580/
6580cx SATERA MF3570
23 FC6-7543-000 1 COVER, MJ BLANKING, 3
imageCLASS MF6550
LaserBase MF6550/
6560PL/6580PL
24 FC6-7544-000 1 COVER, LAN BLANKING
imageCLASS MF6530/
6531/6550/6560/6560cx
LaserBase MF6540PL/
6550/6560PL
FIGURE
& KEY
NO.
PARTS
NUMBER
R
A
N
K
Q'TY DESCRIPTION SERIAL NUMBER/
REMARKS
S
V
C

2-8
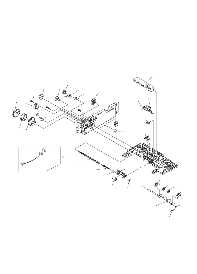
FIGURE 101
INTERNAL COMPONENT 1
9
17
19
503
502
23 20
3
1
1
18
501
25
13
6
7
27
29
30
28
31
15
16
43
42
40
39
41
38
46
45
12 44
47
5
36
32
33
35
34
14
21
11
25
28
30
37
11
31
1
25
21
1
24
53
52
56
48
49
50 51
25
54
2
26
57
55
22
58
504
504
504
504 8
10
25 25
25
25
25
25
4
25
505
25
25
25
i
CL1
j
i
J205
j
(SL5)
(J203)
100V
120V
230V EXCEPT SNU
SNU
(J107)
(J112)
(J114)
(J2)
(J38)
SEE FIGURE320
(J16)
(J24)

2-9
FIGURE
& KEY
NO.
PARTS
NUMBER
R
A
N
K
Q'TY DESCRIPTION SERIAL NUMBER/
REMARKS
S
V
C
Fig.101 NPN RF INTERNAL COMPONENTS 1
1 WT2-5056-000 5 CLIP, CORD
2 FC6-7400-000 1 SHAFT, JOINT
3 WT2-5694-000 9 CLIP CLAMP, WIRE
4 FM2-5327-000 1 CORD, POWER, 100V 100V
4 FM2-5328-000 1 CORD, POWER, 120V 120V
4 FM2-5329-000 1 CORD, POWER, 230V 230V EXCEPT SNU
4 FM2-5331-000 1 CORD, POWER, 230V SNU
5 FC6-7434-000 1 COVER, REGISTRATION SENSOR
6 FC6-7467-000 1 STOPPER, DOOR, LEFT
7 FC6-7513-000 1 COVER, BLIND
8 FK2-1411-000 1 SOLENOID SL5, J203
9 FC6-7519-000 1 SUPPORT, ROLLER, FIXING
10 FM2-4927-000 1 CABLE, INTERLOCK SWITCH SW2 J112
11 FC6-7564-000 3 SPACER, PCB
12 FU7-0029-000 1 GEAR, 17T
13 FC6-7647-000 1 MOUNT, INTERLOCK
14 FC6-7648-000 1 LEVER, INTERLOCK
15 FC6-7649-000 1 GEAR, 62T
16 FC6-7650-000 1 GEAR, 10T
17 FC6-7651-000 1 GUIDE, CARTRIDGE, REAR
18 FK2-1378-000 1 SPEAKER FAX TYPE SP1 J1203
19 FM2-4928-000 1 CABLE, AC-INLET J16,24
20 WT2-5760-000 1 BUSHING, SQUARE
21 WT2-5812-000 4 CLIP, CABLE
22 FU7-0024-000 1 GEAR, 27T
23 FU7-0035-000 1 GEAR, 19T
24 FC6-7533-000 1 SHEET, STATIC CHARGE
25 XA9-1567-000 AR SCREW, RS, M3X8.5
26 FC6-7426-000 1 CAP
27 FC6-7399-000 1 GUIDE, ROLLER, FEED
28 FC6-7402-000 2 BUSHING, FEED ROLLER

2-10
29 FC6-7403-000 1 SHAFT, FEED ROLLER
30 FC6-7404-000 2 ROLLER, FEED
31 FU6-2421-000 2 SPRING, COMPRESSION
32 FC6-7360-000 1 PLATE, SEPARATION PRESSURE
33 FC6-7362-000 1 SHAFT, REGISTRATION ROLLER
34 FC6-7392-000 1 LIMITTER, TORQUE
35 FL2-3887-000 1 ROLLER, FEED
36 FU6-2412-000 1 SPRING, COMPRESSION
37 FC6-7445-000 1 PLATE, CONTACT
38 FC6-7446-000 1 PLATE, CONTACT
39 FC6-7447-000 1 ELIMINATOR, STATIC CHARGE
40 FC6-7448-000 1 GUIDE, PRE-TRANSFER
41 FC6-7449-000 1 PLATE, GROUNDING
42 FC6-7450-000 1 ROLLER, TRANSFER CHARGE
43 FC6-7451-000 1 FRAME, TRANSFER
44 FC6-7464-000 1 BUSHING, TRANSFER, REAR
45 FC6-7465-000 1 BUSHING, TRANSFER, FRONT
46 FU6-2432-000 1 SPRING, COMPRESSION
47 FU6-2433-000 1 SPRING, COMPRESSION
48 FL2-3910-000 1 PLATE, SUPPORT
49 FC6-7476-000 1 SHEET, STATIC CHARGE
50 FC6-7582-000 1 HOLDER, SENSOR
51 FH7-7611-030 1 SENSOR, HUMIDITY
52 FC6-7477-000 1 SUPPORT, REGISTRATION SHAFT
53 FC6-7472-000 1 LABEL
54 FC6-7474-000 1 LABEL, CARTRIDGE PUSH
55 FU6-2422-000 1 SPR FIXING RATCHET
56 FC6-7524-000 1 LABEL, HIGH TMP. CAUTION, RIGH
57 FK2-1401-000 1 CLUTCH, ELECTROMAGNETIC CL1 J205
58 FC6-7405-000 1 RATCHET, FEED
501 XB6-7300-607 2 SCREW, TP, M3X6 (S)
502 XB1-2400-605 1 SCREW, TP M4X6
FIGURE
& KEY
NO.
PARTS
NUMBER
R
A
N
K
Q'TY DESCRIPTION SERIAL NUMBER/
REMARKS
S
V
C

2-11
503 XD1-4200-402 1 WASHER,TOOTHED LOCK
504 XB4-7401-009 AR SCREW,TAPPING,PAN HEAD,M4X10
505 XD1-1106-226 2 SHIM
FIGURE
& KEY
NO.
PARTS
NUMBER
R
A
N
K
Q'TY DESCRIPTION SERIAL NUMBER/
REMARKS
S
V
C

2-12
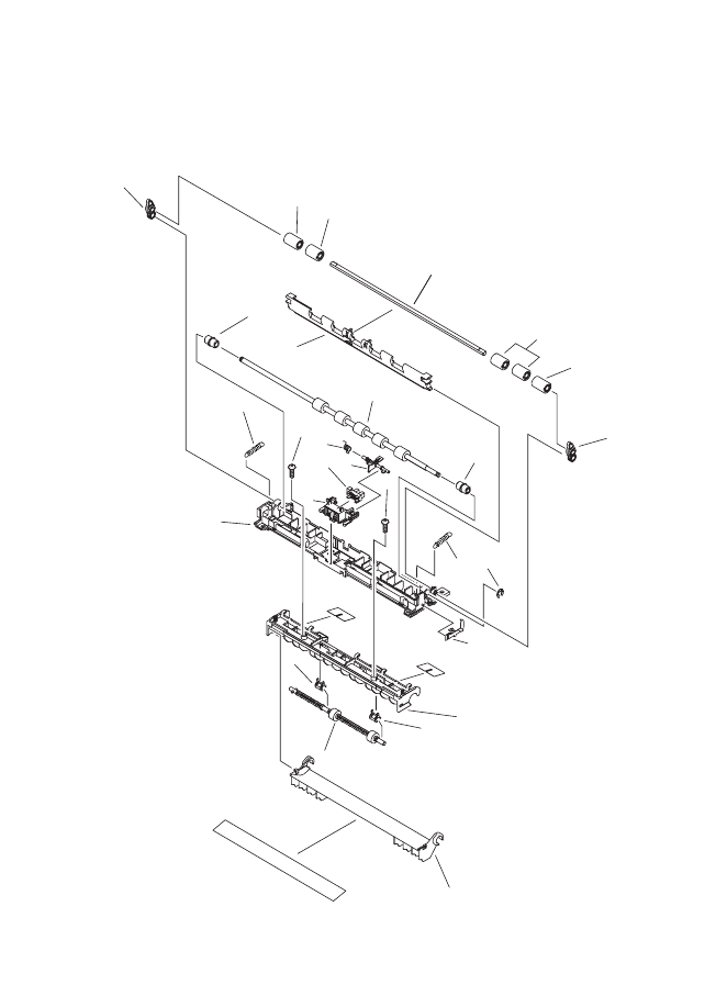
FIGURE 102
INTERNAL COMPONENT 2
21
22
3
2
13
44
45
47
48
49
50
39
41 40
33
36
37
34
31
32
38
35
43
42
53
10
4
12
11
52 85
7
58
57
30
18
501
501
29
16
14
51
9
56
58
58
58
58
501
501
501
501
501
501
501
501
501
501
58
27
17
1
19
15
6
58
26
58
59
58
55
24
25
28
54
501
60
20
46
58
23
SEE FIGURE460
SEE FIGURE130
SEE FIGURE250
SEE FIGURE250
SEE FIGURE251
SEE FIGURE810
(J105)
(J30)
(J318)
(J1701)
(J31)
(102)
(J1924)
(J1202)
(J314)
(J104)
(J36)
(J35) (J202)
(J311)
(J1204)
(J1922)
(J1800)
(J25M)
(J15)
(J304)
(J1300)
(J29)
(M1)
(J1921)
(J1201)
imageCLASS
(J106)
(J34L)
(J111)
(J108)
(J110)
(J113)
(J29)
(J37D) (J37DH) (J900D)
(J900DH)
(J209)
(J201)
(J208)
(J32D)
(J32DH)
imageCLASS MF6530/6531/6550 120V imageCLASS MF6580/6580cx
LaserBase6580PL
SATERA MF6570
FM6530/6531

2-13
FIGURE
& KEY
NO.
PARTS
NUMBER
R
A
N
K
Q'TY DESCRIPTION SERIAL NUMBER/
REMARKS
S
V
C
Fig.102 NPN RF INTERNAL COMPONENTS 2
1 FC5-4777-000 1 LABEL, LASER CAUTION
2 FC6-7328-000 1 SHUTTER, LASER
3 FC6-7331-000 1 ARM, SHUTTER, LASER
4 FC6-7409-000 1 PLATE, GROUNDING
5 FC6-7552-000 1 CAM, COUPLING
6 FC6-7553-000 1 ARM, COUPLING
7 FC6-7556-000 1 BUSHING, COUPLING F
8 FC6-7557-000 1 JOINT, ARM, DOOR
9 FC6-7568-000 1 GUIDE, HARNESS
10 FC6-7575-000 1 DUCT, FAN
11 FC6-7577-000 1 SPACER, PCB
12 FK2-1385-000 1 MOTOR, MAIN M1 J29
13 FK2-1394-000 1 CABLE, FLAT J31,102
14 FK2-1395-000 1 CABLE, FLAT J104,314
15 FK2-1396-000 1 CABLE, FLAT
16 FK2-1400-000 1 CABLE, FLAT FAX TYPE J1924,1202
17 FU7-0044-000 1 GEAR, 91T
18 FM2-3947-000 1 NCU BOARD ASS'Y FAX TYPE
19 FM2-4922-000 1 CABLE, SCSNNER J105,30
20 FM2-4949-000 1 CABLE, RELAY PCB
imageCLASS MF6530/
6531/6550 120V
J111,209,106,201,208.32
D,32DH,29,110,108,900L,
113,37D,37DH
21 FM2-4930-000 1 CABLE, MULTI-REGI J35,36,202
22 FM2-4935-000 1 CABLE, VBAT FAX TYPE J311,1204
23 FM2-4937-000 1 CABLE, NCU-PSU FAX TYPE J1201,1921
24 FM2-4938-000 1 CABLE, MJ FAX TYPE J1800,1922
25 FM2-4940-000 1 CABLE, FIXING HEATER J15,25M
26 FC6-7581-000 1 DUCT
27 FC7-0547-000 1 LABEL, ADDRESS FAX TYPE

2-14
28 FM2-4945-000 1 CABLE, IP-LAN
imageCLASS MF6570/
6580/6580cx
LaserBase6580PL
SATERA MF6570
J304WH,1300WH
29 FM2-5048-000 1 NETWORK I/F BORD PCB ASSEMBRY
imageCLASS MF6570/
6580/6580cx
LaserBase6580PL
SATERA MF6570
30 FM2-5050-000 1 MODULAR JACK PCB ASSEMBLY SLY/SNN/SNT/SNV/SNK/
SNW/SNL/SRT/SRS
30 FM2-5049-000 1 MODULAR JACK PCB ASSEMBLY SNJ
30 FM2-5051-000 1 MODULAR JACK PCB ASSEMBLY
SNU/SPB/SNG/SPG/
SNQ/SPD/SPH/SNR/SPF/
SPJ
31 FC6-7318-000 1 SPRING UNIT, CONTACT
32 FC6-7321-000 1 SPRING UNIT, CONTACT
33 FC6-7322-000 1 PLATE, GROUNDING
34 FC6-7323-000 1 SPRING UNIT, CONTACT
35 FC6-7324-000 1 SPRING UNIT, CONTACT
36 FC6-7325-000 1 SPRING, PLATE
37 FC6-7326-000 1 SPRING UNIT, CONTACT
38 FC6-7327-000 1 SPRING UNIT, CONTACT
39 FC6-7580-000 1 SPRING, PLATE
40 FC7-0540-000 1 SPRING, PLATE
41 FC7-0541-000 1 SPRING, PLATE
42 FC6-7574-000 1 HOLDER, FAN
43 FK2-1386-000 1 FAN FM1
44 FC6-7309-000 1 GUIDE, CONTACT SPRING
45 FC6-7310-000 5 SPRING, LEAF
46 FC6-7311-000 1 SPRING, COMPRESSION
47 FC6-7312-000 1 SPRING, COMPRESSION
48 FC6-7313-000 1 SPRING, COMPRESSION
49 FC6-7314-000 1 SPRING, COMPRESSION
50 FC6-7315-000 1 SPRING, COMPRESSION
51 FM2-5047-000 1 MODEM PCB ASSEMBLY FAX TYPE
52 FC6-7554-000 1 ARM, RINK
FIGURE
& KEY
NO.
PARTS
NUMBER
R
A
N
K
Q'TY DESCRIPTION SERIAL NUMBER/
REMARKS
S
V
C

2-15
53 FM2-4918-000 1 RELAY PCB ASSEMBLY
54 FC6-7562-000 1 PLATE, GROUNDING
55 FC6-7523-000 1 LABEL, HIGH TEMPERATURE CAUTIO
56 FC6-7576-000 1 BUSHING, FFC
57 FC6-7514-000 1 STOPPER, GEAR, DELIVERY
58 XA9-1567-000 AR SCREW, RS, M3X8.5
59 WT2-5621-000 1 CLAMP, EDGE
60 FC6-7316-000 1 LABEL, OPERATION PANEL imageCLASS MF6530/
6531
501 XB6-7300-605 AR SCREW, TP, M3X6 (S)
FIGURE
& KEY
NO.
PARTS
NUMBER
R
A
N
K
Q'TY DESCRIPTION SERIAL NUMBER/
REMARKS
S
V
C

2-16
FIGURE 130
CONTROL PANEL ASSEMBLY

2-17
FIGURE
& KEY
NO.
PARTS
NUMBER
R
A
N
K
Q'TY DESCRIPTION SERIAL NUMBER/
REMARKS
S
V
C
Fig.130 FM2-5235-000 1 CONTROL PANEL ASSEMBLY SLX,SNM,SNH
Fig.130 FM2-5239-000 1 CONTROL PANEL ASSEMBLY SLY,SNN
Fig.130 FM2-5236-000 1 CONTROL PANEL ASSEMBLY SNF,SNX,SNP,SPC
Fig.130 FM2-5240-000 1 CONTROL PANEL ASSEMBLY SNG,SPB,SPG,SNQ,SPD,
SPH,SNR,SPF,SPJ
Fig.130 FM2-5245-000 1 CONTROL PANEL ASSEMBLY SNJ
Fig.130 FM2-5246-000 1 CONTROL PANEL ASSEMBLY SNL
Fig.130 FM2-5237-000 1 CONTROL PANEL ASSEMBLY SNS
Fig.130 FM2-5242-000 1 CONTROL PANEL ASSEMBLY SNT
Fig.130 FM2-5241-000 1 CONTROL PANEL ASSEMBLY SNU
Fig.130 FM2-5311-000 1 CONTROL PANEL ASSEMBLY SNV
Fig.130 FM2-5298-000 1 CONTROL PANEL ASSEMBLY SNW

2-18
FIGURE 140
LEFT DOOR ASSEMBLY
4
6
15
8
9
10
14
17
7
11
2
5
10
11
12
13
8
3
12
13
19
18
16
20
17
501
501
501
501

2-19
FIGURE
& KEY
NO.
PARTS
NUMBER
R
A
N
K
Q'TY DESCRIPTION SERIAL NUMBER/
REMARKS
S
V
C
Fig.140 NPN RF LEFT DOOR ASSEMBLY
1 FC6-7452-000 1 SHAFT, ROLLER
2 FC6-7454-000 1 GUIDE, FEED OUTER
3 FC6-7455-000 1 GUIDE, FIXING, REAR
4 FC6-7456-000 1 LEVER, DOOR
5 FC6-7458-000 1 DOOR, LEFT
6 FC6-7461-000 1 LEVER, FIXING PRESSURE RELEASE
7 FC6-7466-000 2 BUSHING, FEED
8 FC6-7453-000 2 BLOCK, PRESSURE
9 FC6-7457-000 1 GUIDE, DUPLEXING FEED
10 FC6-7459-000 2 COLLER
11 FC6-7460-000 2 HOLDER, COLLET
12 FU6-2434-000 2 SPRING, COMPRESSION
13 FU6-2435-000 2 SPRING, COMPRESSION
14 FU6-2436-000 1 SPRING, COMPRESSION
15 FU7-0030-000 1 GEAR, 19T
16 FC6-7583-000 1 SHEET, PROTECTION
17 FC6-7473-000 1 LABEL
18 FC6-7470-000 1 LABEL, DUPLEX JAM
19 FC6-7521-000 1 LABEL, CARTRIDGE REPLACE, 1
20 FC6-7522-000 1 LABEL, CARTRIDGE REPLACE, 2
501 XB4-5401-007 5 SCREW, M4X10

2-20
FIGURE 161
ADF ASSEMBLY
ADF ASSEMBLY
7
8
22
2
50
2
22
25
6
SEE FIGURE163
SEE FIG
U
SEE FIGURE164
(SL2003)
(J2004I)
(J2001D) (J2003D)
(J2004D)
(J2005)
(J2000D)
(J2006)
(J2002)
6
)

2-21
FIGURE
& KEY
NO.
PARTS
NUMBER
R
A
N
K
Q'TY DESCRIPTION SERIAL NUMBER/
REMARKS
S
V
C
Fig.161 NPN RF ADF ASSEMBLY
1 FC6-7718-000 1 COVER, REAR
2 FC6-7719-000 1 COVER, FRONT, LEFT
3 FC6-7767-000 1 WHITE SHEET UNIT
4 FC6-7784-000 1 COVER, SENSOR
5 FC6-7786-000 1 COVER, FRONT, RIGHT
6 FM2-4946-000 1 CABLE, ADF I/F
J401,406.411,2000D,2000
DH,2001D,2001DH,2002,
2003D,2003DH,2004D,20
04DH,2005,2006,2009D,2
009L
7 FC6-7722-000 1 ARM, SOLENOID
8 FK2-1392-000 1 SOLENOID SL2003 J2004I
9 FC6-8974-000 2 SLIDER
10 FC6-8975-000 2 SHAFT, HINGE
11 FC7-0551-000 2 SHAFT, HINGE
12 FC7-0555-000 2 ARM, HINGE
13 FC7-0556-000 2 BASE, HINGE
14 FU6-2509-000 2 SPRING, COMPRESSION
15 FC6-7732-000 1 COLLAR
16 FC6-7733-000 2 COLLAR
17 FC6-7734-000 2 LEVER, PRESSURE
18 FC7-0552-000 2 GUIDE, REGISTRATION, SMALL
19 FC7-0553-000 1 GUIDE, REGISTRATION, LARGE
20 FL2-3984-000 1 GUIDE, FEED, LOWER
21 WG8-5696-000 1 PHOTO INTERRUPTER, TLP1243 SR2003 J2005
22 WT2-5694-000 3 CLAMP, CABLE
23 FM2-4948-000 1 CABLE, ADF GND
24 FU5-8877-000 1 LABEL, DOCUMENT SIZE A SIZE
24 FU5-8876-000 1 LABEL, DOCUMENT SIZE A/INCH SIZE
24 FU5-8875-000 1 LABEL, DOCUMENT SIZE AB SIZE
24 FU5-8878-000 1 LABEL, DOCUMENT SIZE AB/INCH SIZE
25 FU5-8880-000 1 LABEL, BLACK LINE, CLEANING A SIZE
25 FU5-8879-000 1 LABEL, BLACK LINE, CLEANING A/INCH SIZE

2-22
25 FU5-8881-000 1 LABEL, BLACK LINE, CLEANING AB/INCH SIZE
26 FC7-2804-000 1 SPACER
501 XB6-7300-605 2 SCREW,TP,M3X6
502 XB4-5401-205 16 SCREW,P,M4X12
503 XD1-1107-235 6 SHIM
FIGURE
& KEY
NO.
PARTS
NUMBER
R
A
N
K
Q'TY DESCRIPTION SERIAL NUMBER/
REMARKS
S
V
C

2-23
FIGURE 162
DOCUMENT TRAY ASSEMBLY
FIGURE
& KEY
NO.
PARTS
NUMBER
R
A
N
K
Q'TY DESCRIPTION SERIAL NUMBER/
REMARKS
S
V
C
Fig.162 NPN RF DOCUMENT TRAY ASSEMBLY
1 FC6-7750-000 2 RACK, TRAY
2 FC6-7751-000 1 GUIDE, SIDE, FRONT
3 FL2-3985-000 1 GUIDE, SIDE, REAR
4 FC6-7754-000 2 HOLDER, COLLAR
5 FC6-7755-000 2 COLLAR
6 FC6-7756-000 1 COLLAR
7 FC7-0559-000 1 SHAFT
8 FC6-8973-000 2 ROLLER, PLATEN
9 FL2-3978-000 1 PAD, SEPARATION
10 FL2-3981-000 1 TRAY, DOCUMENT
14
13
11
12
1
2
4
5
6
7
9
10
3
4
5
11
8
8
1
15

2-24
11 FU6-2507-000 2 SPRING, COMPRESSION
12 FU6-2508-000 1 SPRING, COMPRESSION
13 FU7-0126-000 1 GEAR, 16T
14 XA9-0874-000 1 SCREW, M3X8
15 FC7-0557-000 1 HOLDER, SIDE GUIDE
FIGURE
& KEY
NO.
PARTS
NUMBER
R
A
N
K
Q'TY DESCRIPTION SERIAL NUMBER/
REMARKS
S
V
C

2-25
FIGURE 163
OPEN/CLOSE PANEL ASSEMBLY
501
501
501
20
3
28
28
28
26
25
15
15
23
11
12
21
17
19
20
10
2
5
6
8
8
4
7
7
9
1
1
27
28
501
13
12
22
3
18
501
501
29
24
28
14
16

2-26
FIGURE
& KEY
NO.
PARTS
NUMBER
R
A
N
K
Q'TY DESCRIPTION SERIAL NUMBER/
REMARKS
S
V
C
Fig.163 FM2-4969-000 1 OPEN/CLOSE PANEL ASSEMBLY
1 FC5-4425-000 2 CLIP
2 FC6-7740-000 1 GUIDE, OPEN/CLOSE
3 FC6-7743-000 2 SHUTTER, FRONT
4 FC6-7745-000 1 LEVER, SENSOR
5 FC6-7746-000 1 LEVER, SENSOR
6 FC6-7747-000 1 LEVER, SENSOR
7 FC6-7761-000 2 SPRING, PLATE
8 FC6-7776-000 3 SPRING, TORSION
9 FC7-0545-000 1 BAND, OPEN/CLOSE STOPPER
10 FL2-3982-000 1 FRAME, OPEN/CLOSE
11 FC6-7741-000 1 ARM, PICK-UP
12 FC6-7748-000 2 JOINT
13 FC6-7765-000 1 ROLLER, SEPARATION
14 FC6-7766-000 1 ROLLER, PICK-UP
15 FC6-8971-000 2 LEVER, STOP
16 FL2-3986-000 1 ARM, PICK-UP, RIGHT
17 FC6-7787-000 1 JOINT, PICK ARM
18 FC6-7789-000 1 SPRING, TORSION
19 FU7-0121-000 1 GEAR, 26T
20 XD9-0136-000 5 RING,E
21 FU7-0118-000 1 GEAR, 22T
22 FU7-0119-000 2 GEAR, 23T
23 FU7-0120-000 1 GEAR, 26T
24 FU7-0125-000 1 GEAR, 17T
25 FU7-0122-000 1 GEAR, 35T/35T
26 FU7-0123-000 1 GEAR, 26T
27 FU7-0124-000 1 GEAR, 20T
28 FU5-1626-000 5 BUSHING
29 FC7-2806-000 1 SHEET, ARM, PICKUP
501 XB4-5301-005 9 SCREW,P,M3X10

2-27
FIGURE 164
PAPER FEEDER UNIT
35
501
36
32
33
19
45
43
44
31
47
42
41
38
39
36
46
31
24
42
2
24
501
501
501
501
501
501
501
1
16
11 6
7
21
8
8
4
4
20
2
21
31
15
14
37
17
502
12
20
2
502
27
25
2
20
13
16
18
5
10
502
20
29
29
20
25
28
24
30
23
22
502
502
2
502
16
3
502
34
40
26
(J2000L)
(J2007)
(J2008)
(SR2004)
(J2006)
(SR2001)
(J2007)
(M2001)
(J410)
(SL2001)
(J2001L)
(SL2002)
(J2003L)
(SR2002)
(J2008)

2-28
FIGURE
& KEY
NO.
PARTS
NUMBER
R
A
N
K
Q'TY DESCRIPTION SERIAL NUMBER/
REMARKS
S
V
C
Fig.164 FM2-4968-000 1 PAPER FEED UNIT
1 FM2-4947-000 1 CABLE, ADF SENSOR J2007,2008,200L
2 FC5-4424-000 6 CLIP
3 FM2-4971-000 1 FEED FRAME UNIT
4 FC7-2792-000 2 CAM
5 FC7-2793-000 1 LEVER
6 FC6-7730-000 1 ARM, PLATEN, FRONT
7 FC6-7731-000 1 ARM, PLATEN, REAR
8 FC6-7733-000 2 COLLAR
9 FC6-7738-000 1 JOINT, GEAR
10 FC6-7760-000 1 PLATE, GROUNDING
11 FC6-7763-000 1 ROLLER, REGISTRATION
12 FC6-7764-000 1 ROLLER, PAPER DELIVERY
13 FC6-7772-000 1 SHEET, REVERSE
14 FC6-7788-000 1 LEVER, SENSOR
15 FC6-7790-000 1 SPRING, TORSION
16 FC6-8973-000 8 ROLLER, PLATEN
17 FC7-0542-000 2 SPRING, PLATE
18 FC7-0546-000 1 SHEET, REVERSE
19 FU7-0114-000 1 GEAR, 22T/31T
20 FU5-1626-000 6 BUSHING
21 FU6-2506-000 2 SPRING, COMPRESSION
22 FU7-0104-000 1 GEAR, 18T
23 FU7-0105-000 1 GEAR, 23T
24 FU7-0108-000 3 GEAR, 22T
25 FU7-0112-000 2 GEAR, 35T
26 FU7-0113-000 1 GEAR, 26T/28T
27 FU7-0115-000 1 GEAR, 22T
28 FU7-0116-000 1 GEAR, 35T
29 FU7-0117-000 1 GEAR, 28T
30 FU7-0127-000 1 GEAR, 28T

2-29
31 WG8-5696-000 3 PHOTO INTERRUPTER, TLP1243 SR2001,2002,2004
J2007,2008,2006
32 FC6-7735-000 1 HOLDER, GEAR
33 FC6-7758-000 1 PLATE, GROUNDING
34 FC6-7759-000 1 PLATE, GROUNDING
35 FM2-4979-000 1 BRACKET, MOTOR M2001 J410
36 FK2-1393-000 2 SOLENOID SL2001,2002
J2001L,2003L
37 FU6-2510-000 1 SPRING, TENSION
38 FC6-7736-000 1 RATCHET, SEPARATION
39 FC6-7769-000 1 SPRING, TORSION
40 FU7-0106-000 1 GEAR, 20T
41 FU7-0107-000 1 GEAR, 38T
42 XD9-0136-000 2 RING, E
43 FC6-7737-000 1 RATCHET, REGISTRATION
44 FC6-7770-000 1 SPRING, TORSION
45 FU7-0110-000 1 GEAR, 31T
46 FU7-0111-000 1 GEAR, 22T
47 FU7-0109-000 1 GEAR, 18T/51T
501 XB6-7300-605 AR SCREW, TP, M3X6 (S)
502 XB4-5301-005 AR SCREW,P,M3X10
FIGURE
& KEY
NO.
PARTS
NUMBER
R
A
N
K
Q'TY DESCRIPTION SERIAL NUMBER/
REMARKS
S
V
C

2-30
FIGURE 210
READER ASSEMBLY
41
41
41
11
19
20
8
13
10
14
12
29
27
28
15
38
2
4
45
34
30
31
1
36
17
37
24
501
25
23
22
22
3
39
40
42
7
21
26
44
6
6
6
43
43
5
35
33
41
44
501
39
1
36
501
501
502
501
501
18
501 43
43
9
43
44
9
16
41
46
43
32
A
A
(J451)
(J412)
(J408)
(J460)
(J309)
(J404)
(SR401)
(M401)
(J409)
(J308)
(J403)

2-31
FIGURE
& KEY
NO.
PARTS
NUMBER
R
A
N
K
Q'TY DESCRIPTION SERIAL NUMBER/
REMARKS
S
V
C
Fig.210 NPN RF READER ASSEMBLY
1 FB6-1337-000 2 COLLAR
2 FC5-4424-000 1 CLIP
3 FC6-7595-000 1 HOLDER
4 FC6-7598-000 1 PULLEY, 49T/17T
5 FC6-7600-000 1 FLANGE, MOTOR PULLEY
6 FC6-7604-000 3 PULLEY, DRIVEN
7 FC6-7606-000 1 GUIDE, CABLE
8 FC6-7615-000 1 MOUNT,JUMP
9 FC6-7618-000 2 GUIDE, CIS
10 FC6-7621-000 1 SUPPORT, GLASS, LEFT
11 FC6-7622-000 1 SUPPORT, GLASS, RIGHT
12 FL2-3941-000 1 GLASS, READER
13 FC6-7626-000 1 COVER, HINGE, LEFT
14 FC6-7630-000 1 STOPPER, GLASS, LEFT
15 FC6-7632-000 1 COVER, HINGE, RIGHT
16 FC6-7642-000 1 STPEER, CIS
17 FC7-0534-000 1 HOLDER, CIS
18 FK2-1399-000 1 CABLE, FLAT, CIS-READER J408,460
19 FL2-3939-000 1 COPYBOARD GLASS UNIT A SIZE
19 FL2-3938-000 1 COPYBOARD GLASS UNIT A/INCH SIZE
19 FL2-3933-000 1 COPYBOARD GLASS UNIT AB SIZE
19 FL2-3940-000 1 COPYBOARD GLASS UNIT AB/INCH SIZE
20 FL2-3936-000 1 PLATE, SIXE INDEX A SIZE
20 FL2-3935-000 1 PLATE, SIXE INDEX A/INCH SIZE
20 FL2-3932-000 1 PLATE, SIXE INDEX AB SIZE
20 FL2-3937-000 1 PLATE, SIXE INDEX AB/INCH SIZE
21 FM2-4939-000 1 CABLE, SENSOR J451,412
22 FC6-4511-000 2 SLIDER
23 FC6-7592-000 1 HOLDER, RAIL
24 FC6-7643-000 1 SUPPORT, CIS
25 FU5-4953-000 1 SHAFT, GUIDE ,CIS

2-32
26 XF2-4665-530 1 BELT, TIMING
27 FC6-7576-000 1 BUSHING, FFC
28 FC6-7612-000 1 COVER, FFC
29 FC6-7585-000 1 COVER, CABLE
30 FK2-1825-000 1 CABLE, FLAT, READER-IP1 J309,404
31 FK2-1398-000 1 CABLE, FLAT, READER-IP2 J308,403
32 FM2-4919-000 1 READER CONTROLLER PCB
ASSEMBLY
33 FC6-7601-000 1 STAY, MOTOR
34 FK2-1383-000 1 MOTOR, READER M401 J409
35 FL2-3929-000 1 PLATE, PULLEY TENSION
36 FC6-7591-000 2 SPACER, CIS
37 FK2-1377-000 1 CONTACT IMAGE SENSOR UNIT
38 FU5-2103-000 2 SPRING, TENSION
39 FU6-2462-000 2 SPRING, COMPRESSION
40 WG8-5509-000 1 IC,PHOTO-INTERRUPTER,SG-2481 SR401 J451
41 XA9-0679-000 10 SCREW, MACH., FLAT HEAD, M3X4
42 XA9-1116-000 1 SCREW,M3X5
43 XA9-1567-000 43 SCREW, RS, M3X8.5
44 XD9-0136-000 3 RING, E
45 XF2-4607-230 1 BELT, TIMING
46 WE8-6218-000 1 CORE, FERRITE
501 XB6-7300-607 8 SCREW, CROOSS-RECESS, FCH
502 XB1-2300-409 2 SCREW, MACHINE M3X4
FIGURE
& KEY
NO.
PARTS
NUMBER
R
A
N
K
Q'TY DESCRIPTION SERIAL NUMBER/
REMARKS
S
V
C

2-33
FIGURE 250
MAIN DRIVE ASSEMBLY
1
2
3
4
5
6
7
8
9
10

2-34
FIGURE
& KEY
NO.
PARTS
NUMBER
R
A
N
K
Q'TY DESCRIPTION SERIAL NUMBER/
REMARKS
S
V
C
Fig.250 NPN RF MAIN DRIVE ASSEMBLY
1 FC6-7549-000 1 BUSHING, COUPLING, R
2 FU7-0045-000 1 GEAR, 59T
3 FU7-0046-000 1 GEAR, 74T/64T
4 FU7-0047-000 1 GEAR, 103T/67T
5 FU7-0048-000 1 GEAR, 30T/104T
6 FU7-0049-000 1 GEAR, 107T/43T
7 FU7-0050-000 1 GEAR, 28T/41T
8 FU7-0051-000 1 GEAR, 37T
9 FU7-0052-000 1 GEAR, 20T
10 FU7-0053-000 1 GEAR, 26T

2-35
FIGURE 251
REVERSE DRIVE ASSEMBLY
(SL1)
(J204)
8
6
1
5
7
4
3
2
9
9
10
9
11

2-36
FIGURE
& KEY
NO.
PARTS
NUMBER
R
A
N
K
Q'TY DESCRIPTION SERIAL NUMBER/
REMARKS
S
V
C
Fig.251 NPN RF REVERSE DRIVE ASSEMBLY
1 FC6-7517-000 1 ARM, SOLENOID
2 FK2-1409-000 1 SOLENOID SL1 JJ204
3 FM2-5283-000 1 GEAR UNIT
4 FM2-5284-000 1 GEAR UNIT
5 FU7-0036-000 1 GEAR, 26T
6 FU7-0039-000 1 GEAR, 23T
7 FU7-0040-000 1 GEAR, 18T/41T
8 FU7-0041-000 1 GEAR, 27T/25T
9 XA9-1567-000 3 SCREW, RS, M3X8.5
10 XD9-0134-000 1 RING, E
11 WT2-5056-000 1 CLIP, CABLE

2-37
FIGURE 300
CASSETTE
4
6
8
501
1
11
11
501
3
5
7
7
2
8
9
6
10
501
501
12

2-38
FIGURE
& KEY
NO.
PARTS
NUMBER
R
A
N
K
Q'TY DESCRIPTION SERIAL NUMBER/
REMARKS
S
V
C
Fig.300 NPN RF CASSETTE
1 FC6-7377-000 1 PLATE, SIZE, REAR
2 FC6-7382-000 1 PANEL, FRONT
3 FL2-3889-000 1 PLATE, CST, LIFTER
4 FC6-7372-000 1 PLATE, SIDE LIMIT, FRONT
5 FC6-7373-000 1 CLAW, SEPARATION, FRONT
6 FC6-7376-000 2 PIN, SUPPORT, CLAW
7 FC6-7380-000 2 RETAINER, SHEET
8 FU6-2410-000 2 SPRING, COMPRESSION
9 FC6-7374-000 1 PLATE, SIDE LIMIT, REAR
10 FC6-7375-000 1 CLAW, SEPARATION, REAR
11 FU6-2408-000 3 SPRING
12 FC6-7388-000 1 LABEL, CASSETTE OPERATOR A4
12 FC6-7385-000 1 LABEL, CASSETTE OPERATOR LTR
501 XB4-7400-806 4 SCREW,TAPPING,TRUSS HEAD,M4X8

2-39
FIGURE 310
PAPER PICK-UP ASSEMBLY
25
26
21
24
23
22
27
20
7
15
5
6
17
33
16
8
8
2
4
10
14
12
11
13
19
18
1
9
29
501
501
501
28
(J207)
(SR9)
(J33)
(J33)
(J34D)
(J34DH)
(SL2)

2-40
FIGURE
& KEY
NO.
PARTS
NUMBER
R
A
N
K
Q'TY DESCRIPTION SERIAL NUMBER/
REMARKS
S
V
C
Fig.310 NPN RF PAPER PICK-UP ASSEMBLY
1 FK2-1413-000 1 SOLENOID SL2 J207
2 FB4-9820-000 1 COLLAR, SPRING
3 FC6-7353-000 2 BUSHING, PICK-UP ROLLER
4 FC6-7358-000 1 SHAFT, FEED ROLLER
5 FC6-7366-000 1 FLAG, SENSOR
6 FC6-7367-000 1 LEVER, SENSOR
7 FC6-7368-000 1 COVER, SENSOR
8 FB4-9817-030 2 ROLLER, PICK-UP
9 FC6-7352-000 1 SHAFT, PICK-UP ROLLER
10 FC5-4849-000 1 BUSHING,FACE-DOWN ROLLER
11 FC6-7354-000 1 BUSHING, FEED ROLLER
12 FC6-7357-000 1 SHAFT, FEED ROLLER
13 FC6-7361-000 1 HOLDER, FEED ROLLER
14 FL2-3887-000 1 ROLLER, FEED
15 FU6-2406-000 1 SPRING, TENSION
16 FU6-2407-000 1 SPRING, TENSION
17 WG8-5509-000 1 IC,PHOTO-INTERRUPTER,SG-2481 SR9 J33
18 FC6-7365-000 1 LEVER, TRIGGER
19 FC6-7396-000 1 SPRING, TORSION
20 FU6-2411-000 1 SPRING, COMPRESSION
21 FU7-0009-000 1 GEAR, 34T
22 FU7-0010-000 1 GEAR, 54T
23 FU7-0011-000 1 GEAR, 29T
24 FU7-0012-000 1 GEAR, 29T
25 FU7-0013-000 1 GEAR, 41T
26 FU7-0014-000 1 GEAR, 17T
27 FU7-0015-000 1 GEAR, 28T
28 FM2-4931-000 1 SENSOR CABLE UNIT J33,34D,34DH
29 FU7-0054-000 1 GEAR, 45T
501 XB4-5401-005 SR SCREW, P, M4X10

2-41
FIGURE 315
MULTI PAPER PICK-UP TRAY ASSEMBLY
1
2
12
13
20
21
19
4
5
6
7
89
10
15
16
17
18
22
23
24
3
25
26
27
14
11
3
15 30
28
5
29
(SR12)
(J36)

2-42
FIGURE
& KEY
NO.
PARTS
NUMBER
R
A
N
K
Q'TY DESCRIPTION SERIAL NUMBER/
REMARKS
S
V
C
Fig.315 NPN RF MULTI PAPER PICK-UP TRAY ASS'Y
1 FC6-7411-000 1 FRAME, FEED PICK-UP
2 FC6-7415-000 1 ARM, SENSOR
3 FU6-2423-000 2 SPRING, TORSION
4 FC6-7427-000 1 BUSHING
5 FC6-7429-000 2 COLLAR
6 FC6-7430-000 1 CAM, MP, RIGHT
7 FC6-7431-000 1 CAM, MP, LEFT
8 FC6-7432-000 1 CAM, ROLLER
9 FL2-3897-000 1 ROLLER, MP PICK-UP
10 FC6-7410-000 1 ARM, HOLDER
11 FL2-3898-000 1 HOLDER, SEPARATION PAD
12 FU6-2424-000 1 SPRING, COMPRESSION
13 FU6-2425-000 1 SPRING, TORSION
14 WG8-5509-000 1 IC,PHOTO-INTERRUPTER,SG-2481 SR12 J36
15 FC6-7418-000 2 COLLAR
16 FC6-7419-000 1 GUIDE, SLIDE, RIGHT
17 FC6-7420-000 1 GUIDE, SLIDE, LEFT
18 FL2-3899-000 1 TRAY, MULTI-PURPOSE
19 FM2-5274-000 1 MP PICK-UP ROLLER UNIT
20 FU7-0025-000 1 GEAR, 30T
21 FU7-0026-000 1 GEAR, 31T/58T
22 FC6-7423-000 1 TRAY, SUB, 2
23 FC6-7424-000 1 PANEL, MULTI-PURPOSE TRAY
24 FC6-7425-000 1 TRAY, SUB, 1
25 FC6-7412-000 1 HINGE, MULTIFEEDER, LEFT
26 FC6-7413-000 1 HINGE, MULTIFEEDER, RIGHT
27 FC6-7416-000 1 COVER, MULTIFEEDER, B
28 FC6-7653-000 1 LABEL, MULTI TRAY SIZE 120V
29 FC7-0548-000 1 LABEL, MULTI TRAY PAPER SET A SIZE
29 FC7-0549-000 1 LABEL, MULTI TRAY PAPER SET A/INCH SIZE
29 FC7-0550-000 1 LABEL, MULTI TRAY PAPER SET AB/INCH SIZE

2-43
30 FC5-4914-000 1 GEAR
FIGURE
& KEY
NO.
PARTS
NUMBER
R
A
N
K
Q'TY DESCRIPTION SERIAL NUMBER/
REMARKS
S
V
C

2-44
FIGURE 320
REGISTRATION ASSEMBLY
(SR11)
(J35)
6
9
19
19 7
13
11
17
8
16
501
14
14
12
12
15
18
1
1
4
5
2
10
3
501
6
20

2-45
FIGURE
& KEY
NO.
PARTS
NUMBER
R
A
N
K
Q'TY DESCRIPTION SERIAL NUMBER/
REMARKS
S
V
C
Fig.320 NPN RF REGISTRATION ASSEMBLY
1 FC6-7401-000 2 BUSHING, FEED ROLLER
2 FC6-7406-000 1 GUIDE, DUPLEXING INSIDE
3 FC6-7414-000 1 COVER, MP PICK-UP, A
4 FC6-7435-000 1 FRAME, REGISTRATION
5 FC6-7436-000 1 PLATE, GROUNDING
6 FC6-7437-000 2 ARM, REG.ROL, PRESSURE
7 FC6-7441-000 1 ROLLER, REGISTRATION
8 FC6-7462-000 1 ROLLER, REGISTRATION
9 FC6-7463-000 1 BUSHING, REGISTRATION ROLLER
10 FL2-3900-000 1 ROLLER, FEED
11 FC6-7438-000 1 SHAFT, REGISTRATION ROLLER
12 FC6-7439-000 2 COLLAR, FEEDER
13 FC6-7440-000 1 GUIDE, PRE-REGISTRATION
14 FC6-7468-000 3 COLLAR, FEEDER
15 FC6-7442-000 1 HOLDER, SENSOR
16 FC6-7443-000 1 FLAG, SENSOR
17 FC6-7444-000 1 SPRING, TORSION
18 WG8-5509-000 1 PHOTO INTERRUPTER SG-2481 SR11 J35
19 FU6-2431-000 2 SPRING, TENSION
20 FB4-2007-000 1 RING, RETAINING
501 XB4-7401-009 2 SCREW,TAPPING,PAN HEAD,M4X10

2-46
FIGURE 460
LASER SCANNER ASSEMBLY

2-47
FIGURE
& KEY
NO.
PARTS
NUMBER
R
A
N
K
Q'TY DESCRIPTION SERIAL NUMBER/
REMARKS
S
V
C
Fig.460 FM2-5271-000 1 LASER SCANNER UNIT M2

2-48
FIGURE 810
FIXING ASSEMBLY
27
28
29
18
1
37
17
35 6
19
33
34
10
8
4
15
5
13
11
9
32
36
12
35
7
26
25
25
30
20
21
21
23
22
16
39
38
3
24
16
2
38
38
38
38
32
14
38
38
38
40
37
41
42
38
31
A
A
B
B
(SR5)
(J38)
(SR10)
(J39)

2-49
FIGURE
& KEY
NO.
PARTS
NUMBER
R
A
N
K
Q'TY DESCRIPTION SERIAL NUMBER/
REMARKS
S
V
C
Fig.810 FM2-5297-000 1 FIXING ASSEMBLY 100V
Fig.810 FM2-5278-000 1 FIXING ASSEMBLY 120V
Fig.810 FM2-5298-000 1 FIXING ASSEMBLY 230V
1 FC6-7480-000 1 PLATE, PRESSURE, FRONT
2 FC6-7481-000 1 PLATE, PRESSURE, REAR
3 FC6-7482-000 1 ROLLER, PRESSURE
4 FC6-7483-000 1 SHAFT, ARM
5 FC6-7484-000 1 SPRING, PLATE
6 FC6-7485-000 1 SPRING, PLATE
7 FC6-7486-000 1 RUBBER, PRESSURE ROLLER
8 FC6-7488-000 1 GUIDE, REVERSE, UPPER
9 FC6-7489-000 1 GUIDE, DUPLEXING ENTRANCE
10 FC6-7490-000 1 MOUNT, DELIVERY SENSOR
11 FC6-7491-000 1 FLAG, SENSOR
12 FC6-7492-000 1 ARM, PRESSURE RELEASE, FRONT
13 FC6-7493-000 1 ARM, PRESSURE RELEASE, REAR
14 FC6-7494-000 1 ARM, LINK
15 FC6-7495-000 1 ARM, LINK
16 FC6-7496-000 2 COLLAR
17 FC6-7506-000 1 SPRING, PLATE
18 FC6-7507-000 1 GUIDE, DUPLEXING INNER
19 FC6-7518-000 1 GUIDE, CABLE
20 FC6-7487-000 1 GUIDE, REVERSE, LOWER
21 FC6-7497-000 2 COLLAR
22 FC6-7505-000 1 FLAG, STOPPER
23 FU6-2474-000 1 SPRING, COMPRESSION
24 FM2-5295-000 1 FILM UNIT 100V
24 FM2-5280-000 1 FILM UNIT 120V
24 FM2-5296-000 1 FILM UNIT 230V
25 FC5-4849-000 2 BUSHING, DELIVERY ROLLER
26 FC6-7501-000 1 FRAME, DELIVERY
27 FC6-7502-000 4 HOLDER, ROLLER

2-50
28 FC6-7503-000 4 ROLLER, PAPER DELIVERY, INSIDE
29 FC6-7504-000 4 ROLLER, PAPER DELIVERY, OUTER
30 FL2-3908-000 1 ROLLER, DELIVERY
31 FU6-2473-000 4 SPRING, COMPRESSION
32 FU6-2471-000 2 SPRING, TENSION
33 FU6-2472-000 1 SPRING, TENSION
34 FU7-0034-000 1 GEAR, 32T
35 RB2-2973-000 2 BUSHING
36 FC6-7478-000 1 GUIDE, ENTRANCE
37 WG8-5509-000 2 IC,PHOTO-INTERRUPTER,SG-2481 SR5,10 J38,39
38 XA9-0702-000 11 SCREW, M3
39 XD9-0134-000 1 RING,E
40 FC6-7528-000 3 ROWEL
41 FC6-7529-000 1 LEVER, FULL DETECT
42 FC6-7530-000 1 FRAME, LEVER, SUPPORT
FIGURE
& KEY
NO.
PARTS
NUMBER
R
A
N
K
Q'TY DESCRIPTION SERIAL NUMBER/
REMARKS
S
V
C

2-51
FIGURE 930
PCB ASSEMBLY
1
2
4
3
4
4
4
4
4
(J103)
(J14)

2-52
FIGURE
& KEY
NO.
PARTS
NUMBER
R
A
N
K
Q'TY DESCRIPTION SERIAL NUMBER/
REMARKS
S
V
C
Fig.930 NPN RF PCB ASSEMBLY
1 FM2-4912-000 1 DC CONTROLLER PCB ASSEMBLY 100V/120V
1 FM2-4913-000 1 DC CONTROLLER PCB ASSEMBLY 230V
2 FK2-1371-000 1 POWER SUPPLY PCB ASSEMBLY 100V
2 FK2-1372-000 1 POWER SUPPLY PCB ASSEMBLY 120V
2 FK2-1373-000 1 POWER SUPPLY PCB ASSEMBLY 230V
3 FM2-4921-000 1 CABLE, DCCON-PSU J103,14
4 XA9-1567-000 6 SCREW, RS, M3X8.5

2-53
FIGURE 950
IMAGE PROCESSOR PCB ASSEMBLY
imageCLASS MF6560/6580
BASE MF6540P/6560P/6580P
1
2
3
4
4
5
5
4
4

2-54
FIGURE
& KEY
NO.
PARTS
NUMBER
R
A
N
K
Q'TY DESCRIPTION SERIAL NUMBER/
REMARKS
S
V
C
Fig.950 NPN RF IMAGE PROCESSOR PCB ASS'Y
1 FM2-5042-000 1 IMAGE PROCESSOR PCB ASSEMBLY
imageCLASS MF6530/
6550/6570 LASER BASE
MF6530/6550
1 FM2-5055-000 1 IMAGE PROCESSOR PCB ASSEMBLY imageCLASS MF6531
1 FM2-5043-000 1 IMAGE PROCESSOR PCB ASSEMBLY
imageCLASS MF6560/
6580 LASER BASE
MF6540P/6560P/6580P
SATERA MF6570
2 FM2-5046-000 1 DDR MODULE PCB ASS'Y
imageCLASS MF6530/
6550/6570 LASER BASE
MF6530/6550
2 FM2-4897-000 1 DDR MODULE PCB ASS'Y
imageCLASS
MF65606570/6580/6580cx
LaserBase MF6540PL/
6560PL/6580PL SATERA
MF6570
3 FM2-5054-000 1 ROM PCB ASSEMBLY
imageCLASS MF6530/
6550/6570 LASER BASE
MF6530/6550
4 FU5-9340-000 4 SCREW, STEPPED, M3X4
5 VT2-5177-005 2 SPACER, METAL
IC1 HK1-0511-000 1 IC,ASIC UPD800009S1-011-F6-A
IC140 FK2-0949-000 1 IC, UPD65942GC-Y24, GATE ARRAY
BAT1 WK1-5134-000 1 BATTERY, LITHIUM, CR2032THJ6
Prepared by
CANON INC.
OIP HFE Promotion Center
