MT6225 Datasheet. Www.s Manuals.com. R1.0 Mediatek
User Manual: Datasheets MT6225.
Open the PDF directly: View PDF
.
Page Count: 378 [warning: Documents this large are best viewed by clicking the View PDF Link!]
MT6225 GSM/GPRS Baseband
Processor Data Sheet
Revision 1.00
Oct 24, 2006

MT6225 GSM/GPRS Baseband Processor Data Sheet Revision 1.00
2/377 MediaTek Inc. Confidential
Revision History
Revision
Date Comments
1.00 Oct 24, 2006
First Release

MT6225 GSM/GPRS Baseband Processor Data Sheet Revision 1.00
3/377 MediaTek Inc. Confidential
TABLE OF CONTENTS
Revision History...................................................................................................................................... 2
Preface...................................................................................................................................................... 5
1. System Overview............................................................................................................................... 6
1.1 Platform Feature......................................................................................................................................................... 9
1.2 MODEM Features.....................................................................................................................................................11
1.3 Multi-Media Features............................................................................................................................................... 12
1.4 General Description ................................................................................................................................................. 13
2 Product Description........................................................................................................................ 15
2.1 Pin Outs.................................................................................................................................................................... 15
2.2 Top Marking Definition ........................................................................................................................................... 18
2.3 DC Characteristics ................................................................................................................................................... 19
2.4 Pin Description......................................................................................................................................................... 20
2.5 Ordering information ............................................................................................................................................... 29
3 Micro-Controller Unit Subsystem................................................................................................. 30
3.1 Processor Core ......................................................................................................................................................... 31
3.2 Memory Management.............................................................................................................................................. 31
3.3 Bus System............................................................................................................................................................... 35
3.4 Direct Memory Access............................................................................................................................................. 38
3.5 Interrupt Controller .................................................................................................................................................. 54
3.6 Code Cache controller.............................................................................................................................................. 67
3.7 MPU......................................................................................................................................................................... 75
3.8 Internal Memory Interface ....................................................................................................................................... 83
3.9 External Memory Interface ...................................................................................................................................... 84
4 Microcontroller Peripherals .......................................................................................................... 93
4.1 Security Engine........................................................................................................................................................ 93
4.2 OTP Controller (OTPC)........................................................................................................................................... 95
4.3 Pulse-Width Modulation Outputs............................................................................................................................. 98
4.4 Alerter .................................................................................................................................................................... 100
4.5 SIM Interface ......................................................................................................................................................... 103
4.6 Keypad Scanner ......................................................................................................................................................111
4.7 General Purpose Inputs/Outputs .............................................................................................................................113
4.8 General Purpose Timer........................................................................................................................................... 125
4.9 UART..................................................................................................................................................................... 128
4.10 IrDA Framer........................................................................................................................................................... 142
4.11 Real Time Clock .................................................................................................................................................... 149
4.12 Auxiliary ADC Unit............................................................................................................................................... 155
4.13 I2C / SCCB Controller........................................................................................................................................... 157
5 Microcontroller Coprocessors ..................................................................................................... 167
5.1 Divider ................................................................................................................................................................... 167
5.2 CSD Accelerator .................................................................................................................................................... 169
5.3 FCS Codec ............................................................................................................................................................. 179
6 Multi-Media Subsystem ............................................................................................................... 182
6.1 LCD Interface ........................................................................................................................................................ 182
6.2 Image Resizer......................................................................................................................................................... 198
6.3 NAND FLASH interface ....................................................................................................................................... 208
6.4 USB Device Controller .......................................................................................................................................... 223
6.5 Memory Stick and SD Memory Card Controller ................................................................................................... 232

MT6225 GSM/GPRS Baseband Processor Data Sheet Revision 1.00
4/377 MediaTek Inc. Confidential
6.6 Graphic Memory Controller................................................................................................................................ 255
6.7 Camera Interface .................................................................................................................................................... 257
7 Audio Front-End........................................................................................................................... 268
7.1 General Description ............................................................................................................................................... 268
7.2 Register Definitions ............................................................................................................................................... 271
7.3 Programming Guide............................................................................................................................................... 275
8 Radio Interface Control ............................................................................................................... 277
8.1 Baseband Serial Interface....................................................................................................................................... 277
8.2 Baseband Parallel Interface.................................................................................................................................... 282
8.3 Automatic Power Control (APC) Unit................................................................................................................... 285
8.4 Automatic Frequency Control (AFC) Unit ............................................................................................................ 291
9 Baseband Front End..................................................................................................................... 294
9.1 Baseband Serial Ports............................................................................................................................................. 295
9.2 Downlink Path (RX Path) ...................................................................................................................................... 298
9.3 Uplink Path (TX Path) ........................................................................................................................................... 307
10 Timing Generator ......................................................................................................................... 311
10.1 TDMA timer............................................................................................................................................................311
10.2 Slow Clocking Unit................................................................................................................................................ 318
11 Power, Clocks and Reset .............................................................................................................. 321
11.1 B2PSI ..................................................................................................................................................................... 321
11.2 Clocks .................................................................................................................................................................... 323
11.3 Reset Generation Unit (RGU)................................................................................................................................ 328
11.4 Software Power Down Control .............................................................................................................................. 332
12 Analog Front-end & Analog Blocks ............................................................................................ 336
12.1 General Description ............................................................................................................................................... 336
12.2 MCU Register Definitions ..................................................................................................................................... 347
12.3 Programming Guide............................................................................................................................................... 361
13 Digital Pin Electrical Characteristics.......................................................................................... 373

MT6225 GSM/GPRS Baseband Processor Data Sheet Revision 1.00
5/377 MediaTek Inc. Confidential
Preface
Acronym for Register Type
R/W Capable of both read and write access
RO Read only
RC Read only. After reading the register bank, each bit which is HIGH(1) will be cleared to LOW(0 )
automatically.
WO Write only
W1S Write only. When writing data bits to register bank, each bit which is HIGH(1) will cause the
corresponding bit to be set to 1. Data bits which are LOW(0) has no effect on the corresponding bit.
W1C Write only. When writing data bits to register bank, each bit which is HIGH(1) will cause the
corresponding bit to be cleared to 0. Data bits which are LOW(0) has no effect on the corresponding bit.

MT6225 GSM/GPRS Baseband Processor Data Sheet Revision 1.00
6/377 MediaTek Inc. Confidential
1. System Overview
The MT6225 is a highly integrated single chip solution for
GSM/GPRS phone. Based on 32-bit ARM7EJ-STM RISC
processor, MT6225 features not only high performance
GPRS Class 12 MODEM but is also designed with support
for the wireless multi-media applications, such as
advanced display engine, synthesis audio with 64-tone
polyphony, digital audio playback, Java acceleration,
MMS and etc. Additionally, MT6225 provides varieties of
advanced interfaces for functionality extensions, like
3-port external memory interface, 3-port 8/16-bit parallel
interface, NAND Flash, IrDA, USB and MMC/SD/MS/MS
Pro. The typical application can be shown as Figure 1.
Platform
MT6225 is capable of running the ARM7EJ-STM RISC
processor at up to 104 MHz, thus providing fast data
processing capabilities. In addition to the high clock
frequency, a separate CODE cache is also added to further
improve the overall system efficiency.
For large amounts of data transfer, high performance DMA
(Direct Memory Access) with hardware flow control is
implemented, which greatly enhances the data movement
speed while reducing MCU processing load.
External Memory Interface
To provide the greatest capacity for expansion and
maximum bandwidth for data intensive applications such
as multimedia features, MT6225 supports up to 3 external
state-of-the-art devices through its 8/16-bit host interface.
High performance devices such as Mobile RAM and
Cellular RAM are supported for maximum bandwidth.
Traditional devices such as burst/page mode flash, page
mode SRAM, and Pseudo SRAM are also supported. For
greatest compatibility, the memory interface can also be
used to connect to legacy devices such as Color/Parallel
LCD, and multi-media companion chips are all supported
through this interface. To minimize power consumption
and ensure low noise, this interface is designed for flexible
I/O voltage and allows lowering of the supply voltage
down to 1.8V. The driving strength is configurable for
signal integrity adjustment. The data bus also employs
retention technology to prevent the bus from floating
during a turn over.
Multi-media Subsystem
In order to provide more flexibility and bandwidth for
multi-media products, an additional 8/16 bit parallel
interface is incorporated. This interface is designed
specially for support with Camera companion chip as well
as LCD panel. In addition, MT6225 has camera YUV
interface that can connect to CMOS sensor of resolution up
to VGA. Moreover, it can connect NAND flash device to
provide a solution for multi-media data storage. For
running multi-media application faster, MT6225 integrates
also several hardware-based engines. With hardware based
Resizer and advanced display engine, it can display and
combine arbitrary size of images with up to 4 blending
layers.
User Interface
For user interactions, the MT6225 brings together all
necessary peripheral blocks for multi-media GSM/GPRS
phone. It comprises the Keypad Scanner with capability of
multiple key pressing, SIM Controller, Alerter, Real Time
Clock, PWM, Serial LCD Controller and General Purpose
Programmable I/Os. For connectivity and data storage, the
MT6225 consists of UART, IrDA, USB 1.1 Slave, SDIO
and MMC/SD/MS/MS Pro.
Audio Interface
Using a highly integrated mixed-signal Audio Front-End,
the MT6225 architecture allows for easy audio interfacing
with direct connection to the audio transducers. The audio
interface integrates D/A and A/D Converters for Voice
band, as well as high resolution Stereo D/A Converters for
Audio band. In addition, MT6225 also provides Stereo
Input and Analog Mux.
MT6225 supports AMR codec to adaptively optimize
speech and audio quality. Moreover, HE-AAC codec is
implemented to deliver CD-quality audio at low bit rates.
Overall, MT6225’s audio features provide a rich platform
for multi-media applications.

MT6225 GSM/GPRS Baseband Processor Data Sheet Revision 1.00
7/377 MediaTek Inc. Confidential
Radio Interface
MT6225 integrates a mixed-signal Baseband front-end in
order to provide a well-organized radio interface with
flexibility for efficient customization. It contains gain and
offset calibration mechanisms, and filters with
programmable coefficients for comprehensive
compatibility control on RF modules. This approach also
allows the usage of a high resolution D/A Converter for
controlling VCXO or crystal, thus reducing the need for
expensive TCVCXO. MT6225 achieves great MODEM
performance by utilizing 14-bit high resolution A/D
Converter in the RF downlink path. Furthermore, to reduce
the need for extra external current-driving component, the
driving strength of some BPI outputs is designed to be
configurable.
Debug Function
The JTAG interface enables in-circuit debugging of
software program with the ARM7EJ-S core. With this
standardized debugger interface, the MT6225 provides
developers with a wide set of options for choosing ARM
development kits from supports of thirty parties. For
security reason, JTAG interface can be disabled by
programming internal OTP (one-time programmable) fuse.
Power Management
The MT6225 offers various low-power features to help
reduce system power consumption. These features include
Pause Mode of 32KHz clocking at Standby State, Power
Down Mode for individual peripherals, and Processor
Sleep Mode. In addition, MT6225 is also fabricated in
advanced low leakage CMOS process, hence providing an
overall ultra low leakage solution.
Package
The MT6225 device is offered in a 12mm×12mm, 264-ball,
0.65 mm pitch, TFBGA package.

MT6225 GSM/GPRS Baseband Processor Data Sheet Revision 1.00
8/377 MediaTek Inc. Confidential
Figure 1 Typical application of MT6225

MT6225 GSM/GPRS Baseband Processor Data Sheet Revision 1.00
9/377 MediaTek Inc. Confidential
1.1 Platform Feature
General
Integrated voice-band, audio-band and base-band
analog front ends
TFBGA 12mm×12mm, 264-ball, 0.65 mm pitch
package
MCU Subsystem
ARM7EJ-S 32-bit RISC processor
High performance multi-layer AMBA bus
Java hardware acceleration for fast Java-based
games and applets
ARM7EJ-S Operating frequency: 26/52/104 MHz
Dedicated DMA bus
14 DMA channels
48K Bytes on-chip SRAM
72K Bytes MCU dedicated Tightly Coupled
Memory
16K Bytes Code cache
On-chip boot ROM for Factory Flash
Programming
Watchdog timer for system crash recovery
2 sets of General Purpose Timer
Circuit Switch Data coprocessor
Division coprocessor
External Memory Interface
Supports up to 3 external devices
Supports 8-bit or 16-bit memory components with
maximum size of up to 64M Bytes each
Supports Mobile RAM and Cellular RAM
Supports Flash and SRAM with Page Mode or
Burst Mode
Supports Pseudo SRAM
Industry standard Parallel LCD Interface
Supports multi-media companion chips with 8/16
bits data width
Flexible I/O voltage of 1.8V ~ 2.8V for memory
interface
Configurable driving strength for memory
interface
User Interfaces
6-row × 7-column keypad controller with
hardware scanner
Supports multiple key presses for gaming
SIM/USIM Controller with hardware T=0/T=1
protocol control
Real Time Clock (RTC) operating with a separate
power supply
General Purpose I/Os (GPIOs)
2 Sets of Pulse Width Modulation (PWM) Output
Alerter Output with Enhanced PWM or PDM
4~10 external interrupt lines
Connectivity
3 UARTs with hardware flow control and speed up
to 921600 bps
IrDA modulator/demodulator with hardware
framer supports SIR mode of operation
Full-speed USB 1.1 Device controller
Multi Media Card/Secure Digital Memory
Card/Memory Stick/Memory Stick Pro host
controller
Supports SDIO interface for SDIO peripherals as
well as WIFI connectivity
DAI/PCM and I2S interface for Audio application
Security

MT6225 GSM/GPRS Baseband Processor Data Sheet Revision 1.00
10/377 MediaTek Inc. Confidential
Supports security key for code protection
143-bit unique/secret chip ID
Power Management
Power Down Mode for analog and digital circuits
Processor Sleep Mode
Pause Mode of 32KHz clocking at Standby State
7-channel Auxiliary 10-bit A/D Converter for
charger and battery monitoring and photo sensing
Test and Debug
Built-in digital and analog loop back modes for
both Audio and Baseband Front-End
DAI port complying with GSM Rec.11.10
JTAG port for debugging embedded MCU

MT6225 GSM/GPRS Baseband Processor Data Sheet Revision 1.00
11/377 MediaTek Inc. Confidential
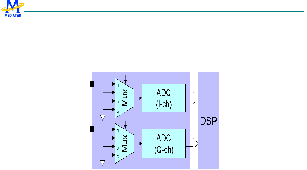
1.2 MODEM Features
Radio Interface and Baseband Front End
GMSK modulator with analog I and Q channel
outputs
10-bit D/A Converter for uplink baseband I and Q
signals
14-bit high resolution A/D Converter for downlink
baseband I and Q signals
Calibration mechanism of offset and gain
mismatch for baseband A/D Converter and D/A
Converter
10-bit D/A Converter for Automatic Power
Control
13-bit high resolution D/A Converter for
Automatic Frequency Control
Programmable Radio RX filter
2 Channels bi-directional Baseband Serial
Interface (BSI) with 3-wire or 4-wire control
10-Pin Baseband Parallel Interface (BPI) with
programmable driving strength
Multi-band support
Voice and Modem CODEC
Dial tone generation
Voice Memo
Noise Reduction
Echo Suppression / Echo Cancellation
Advanced Sidetone Oscillation Reduction
Digital sidetone generator with programmable
gain
Two programmable acoustic compensation filters
GSM/GPRS quad vocoders for adaptive multirate
(AMR), enhanced full rate (EFR), full rate (FR)
and half rate (HR)
FR error concealment
GSM channel coding, equalization and A5/1, A5/2
and A5/3 ciphering
GPRS GEA1, GEA2 and GEA3 ciphering
Programmable GSM/GPRS Modem
Packet Switched Data with CS1/CS2/CS3/CS4
coding schemes
GSM Circuit Switch Data
GPRS Class 12
Voice Interface and Voice Front End
Two microphone inputs sharing one low noise
amplifier with programmable gain and automatic
gain control (AGC) mechanism
Voice power amplifier with programmable gain
2nd order Sigma-Delta A/D Converter for voice
uplink path
D/A Converter for voice downlink path
Supports half-duplex hands-free operation
Compliant with GSM 03.50

MT6225 GSM/GPRS Baseband Processor Data Sheet Revision 1.00
12/377 MediaTek Inc. Confidential
1.3 Multi-Media Features
LCD/NAND Flash Interface
18-bit Parallel Interface supports 8/16 bit NAND
flash and 8/9/16/18 bit Parallel LCD
8/16 bit NAND Flash Controller with 1-bit ECC
correction for mass storages
2 Chip selects available for high-density NAND
flash device
Serial LCD Interface with 8/9 bit format support
LCD Controller
Hardware accelerated display
Supports simultaneous connection to up to 2
parallel LCD and 1 serial LCD modules
Supports format: RGB332, RGB444, RGB565,
RGB666, RGB888
Supports LCD panel maximum resolution up to
800x600 at 16bpp
Supports hardware display rotation
Capable of combining display memories with up to
4 blending layers
Accelerated Gamma correction with
programmable gamma table.
Image Signal Processor
8 bit YUV format image input
Capable of processing image of size up to VGA
Flexible I/O voltage of 1.8V ~ 2.8V
Audio CODEC
Wavetable synthesis with up to 64 tones
Advanced stereo wavetable synthesizer
Wavetable including GM full set of 128
instruments and 47 sets of percussions
PCM Playback and Record
Digital Audio Playback
HE-AAC decode support
Audio Interface and Audio Front End
Supports I2S interface
High resolution D/A Converters for Stereo Audio
playback
Stereo analog input for stereo audio source
Analog multiplexer for Stereo Audio
Stereo to Mono Conversion
FM radio recording

MT6225 GSM/GPRS Baseband Processor Data Sheet Revision 1.00
13
1.4 General Description
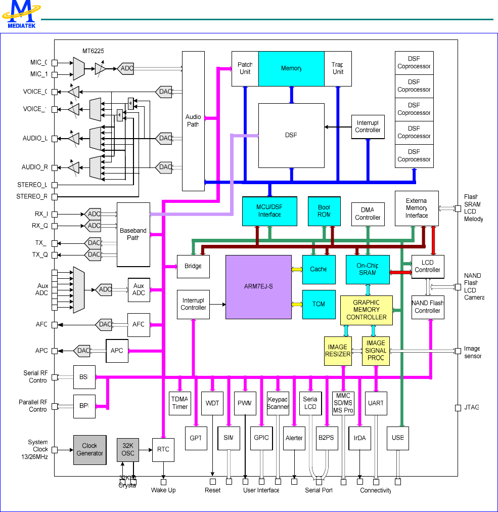
Figure 2 details the block diagram of MT6225. Based on dual-processor architecture, the major processor of MT6225
is ARM7EJ-S, which mainly runs high-level GSM/GPRS protocol software as well as multi-media applications. With
the other one is a digital signal processor corresponding for handling the low-level MODEM as well as advanced audio
functions. Except for some mixed-signal circuitries, the other building blocks in MT6225 are connected to either the
microcontroller or the digital signal processor. Specifically, MT6225 consists of the following subsystems:
Microcontroller Unit (MCU) Subsystem, including an ARM7EJ-S RISC processor and its accompanying
memory management and interrupt handling logics.
Digital Signal Processor (DSP) Subsystem, including a DSP and its accompanying memory, memory
controller, and interrupt controller.
MCU/DSP Interface, where the MCU and the DSP exchange hardware and software information.
Microcontroller Peripherals, which include all user interface modules and RF control interface modules.
Microcontroller Coprocessors, which intend to run computing-intensive processes in place of Microcontroller.
DSP Peripherals, which are hardware accelerators for GSM/GPRS channel codec.
Multi-media Subsystem, which integrate several advanced accelerators to support multi-media applications.
Voice Front End, the data path of conveying analog speech from and to digital speech.
Audio Front End, also the data path of conveying stereo audio from stereo audio source
Baseband Front End, the data path of conveying digital signal from and to analog signal of RF modules.
Timing Generator, generating the control signals related to the TDMA frame timing.
Power, Reset and Clock subsystem, managing the power, reset and clock distribution inside MT6225.
Details of the individual subsystems and blocks are described in following Chapters.

MT6225 GSM/GPRS Baseband Processor Data Sheet Revision 1.00
14
Figure 2 MT6225 block diagram.

MT6225 GSM/GPRS Baseband Processor Data Sheet Revision 1.00
15
2 Product Description
2.1 Pin Outs
One type of package for this product, TFBGA 12mm*12mm, 264-ball, 0.65 mm pitch Package, is offered.
Pin outs and the top view are illustrated in Figure 3 for this package. Outline and dimension of package is illustrated in
Figure 4, while the definition of package is shown in Table 1.

MT6225 GSM/GPRS Baseband Processor Data Sheet Revision 1.00
16
RIN
APC
AVSS_
PLL
AVDD_
RTC
AVSS_
RFE
JTRST
#
JTCK
AFC
TESTM
ODE
XIN
JTDI
JTMS
AFC_B
YP
AVSS_
RTC
BPI_B
US0
JTDO
BPI_B
US2
BPI_B
US1
BPI_B
US3
BPI_B
US5
BPI_B
US4
B
A
C
E
D
F
G
H
14131211106321 87 954
CMMC
LK
XOUT CMPC
LK
DAIPC
MIN
DAISY
NC
KROW
0
DAICL
K
KROW
4
KROW
3
GPIO9
KCOL2KCOL1KCOL0
URXD3UTXD3KCOL4
URXD1UTXD1URXD2
171615
BSI_D
ATA
BSI_C
LK
JRTCK
KROW
2
BPI_B
US7
BPI_B
US8
BPI_B
US9
BSI_C
S0
VDD33LSDALSCK LSA0
AU_M
OUTL
AU_F
MINR
AU_MI
CBIAS
_N
AVDD_
BUF
AU_VI
N0_P
BDLA
QP
AUXA
DIN2
AGND
_AFE
CMDA
T6
CMDA
T4
CMDA
T2
AU_M
OUTR
AU_O
UT0_N
BDLAI
N
AUXA
DIN4
AU_VR
EF_PI
CMDA
T7
CMDA
T0
CMDA
T1
AVSS_
MBUF
AU_O
UT0_P
AU_VI
N0_P
AU_VI
N1_N
BDLA
QN
AGND
_RFE
AVDD_
AFE
CMDA
T5
AU_VR
EF_NI
AU_VI
N0_P
AUXA
DIN0
AUXA
DIN1
AVDD_
GSMR
FTX
BDLAI
P
AUXA
DIN3
CMDA
T3
AU_F
MINL
GPIO7
CMVR
EF
CMPD
N
CMRS
T
AVDD_
MBUF
VDD33
_CAM
AU_MI
CBIAS
_P
B
A
C
E
D
F
G
H
GPIO8
KROW
1
MT6225 TFBGA
Top-View
VDDK
AUXA
DIN6
DAIPC
MOUT
AVCC_
PLL
SYSCL
K
GPIO6
AUXA
DIN5
BPI_B
US6
NLD8
M
N
P
EA6
EWAIT EDCL
K
ECKE ED14
ERD#ECS0#EADV#
ERAS# ECAS#
ECS2# ECS1#
EA18
EA20 EA16
EA13
EA8
EA1
EA21 EA17
ELB#EA22 EA10EA14
EA9
ED3ED2
ED7
ED10
ED6
ED9ED8
EINT0 EA25
ED5
GPIO3 EINT3
EA5
R
T
U
NLD10
NLD3
ED15
NLD11NLD9NLD7
NLD5NLD4
NLD1NLD0 EINT2NLD2
EA24 ED12EA4
NRNB
NLD6
NEW# EINT1
NREB SRCL
KENAI GPIO2
NCE#
GPIO0
SYSRS
T#
SRCL
KENA
ED13
ED11
GPIO1
NCLENALE
14131211106321 87 954 171615
M
N
P
R
T
U
EA12
ED1
J
K
L
SIMCL
K
SIMVC
C
MCCKMCWP
MCDA
1
MCDA
3
MCDA
2
LWR#
NLD15
LPCE0
#
LRD#LRST# LPA0
NLD16
LPCE1
#
LSCE0
#
NLD14NLD13NLD12
NLD17
LSCE1
#
MCINS
SIMSE
LJ
K
L
USB_D
P
PLL_O
UT
VSS33
_EMI
VDD33
_EMI
BBWA
KEUP
CMHR
EF
VDD33
VDD33
_USB
VDD33
VSS33
VSS33
_USB
VPP
WATC
HDOG
VDD33
_EMI VDDK
VSS33
_EMI
VSS33
_EMI
VDD33
VDDK
VSS33
VDD33
VDD33
_EMI
VDDK
EA23
AUX_R
EF
VSS33
VSS33
_EMI
EA19
GPIO4
GPIO5
VDD33
VDD33
_MC
VSS33
_EMI
MCCM
0
EWR#
KCOL3
KROW
5
UTXD2
SIMDA
TA
SIMRS
T
MCDA
0
ED0
ED4
EUB#
VDDKVSSK
AVSS_
BUF
AVSS_
AFE
AVDD_
RFE
VDDK
EPDN_
B
EA2
VSS33
_EMI
VSS33
_EMI
VDD33
_EMI
ECLKEA3EA7EA11EA15
USB_D
M
VSS33
AVSS_
GSMR
FTX
VSS33
Figure 3 Top View of MT6225 TFBGA 12mm*12mm, 264-ball, 0.65 mm pitch Package

MT6225 GSM/GPRS Baseband Processor Data Sheet Revision 1.00
17
MT6225
Top View
(Pins Down)
A
E
D
C
B
F
K
J
H
G
P
N
M
L
15 4 3 2610 9 8 711121314
D
E
A C A1
e b
R
U
T
151617
MT6225
Bottem View
Figure 4 Outlines and Dimension of TFBGA 12mm*12mm, 264-ball, 0.65 mm pitch Package
Body Size Ball Count Ball Pitch Ball Dia. Package Thk.
Stand Off Substrate
Thk.
D E N e b A (Max.) A1 C
12 12 264 0.65 0.3 1.2 0.21 0.36
Table 1 Definition of TFBGA 12mm*12mm, 264-ball, 0.65 mm pitch Package (Unit: mm)

MT6225 GSM/GPRS Baseband Processor Data Sheet Revision 1.00
18
2.2 Top Marking Definition
S
MT6225
DDDD-###
LLLLL
MT6225: Part No.
DDDD: Date Code
###: Subcontractor Code
LLLLL: Lot No.
S: Special Code
Figure 5 MT6225A top marking

MT6225 GSM/GPRS Baseband Processor Data Sheet Revision 1.00
19
2.3 DC Characteristics
2.3.1 Absolute Maximum Ratings
Prolonged exposure to absolute maximum ratings may reduce device reliability. Functional operation at these
maximum ratings is not implied.
Item Symbol Min Max Unit
IO power supply VDD33 -0.3 VDD33+0.3 V
I/O input voltage VDD33I -0.3 VDD33+0.3 V
Operating temperature Topr -20 80 Celsius
Storage temperature Tstg -55 125 Celsius

MT6225 GSM/GPRS Baseband Processor Data Sheet Revision 1.00
20
2.4 Pin Description
Ball
12X12 Name Dir
Description Mode0 Mode1 Mode2 Mode3
PU
/P
D
Rese
t
IO
power
JTAG Port
C2 JTRST# I JTAG test port reset input PD
Inpu
t
D2 JTCK I JTAG test port clock input PU
Inpu
t
D3 JTDI I JTAG test port data input PU
Inpu
t
E1 JTMS I JTAG test port mode switch PU
Inpu
t
E2 JTDO O JTAG test port data output PU
0
F1 JRTCK O JTAG test port returned clock
output
PU
0
VDD33
RF Parallel Control Unit
E3 BPI_BUS0 O RF hard-wire control bus 0 0
E4 BPI_BUS1 O RF hard-wire control bus 1 0
F2 BPI_BUS2 O RF hard-wire control bus 2 0
F3 BPI_BUS3 O RF hard-wire control bus 3 0
F4 BPI_BUS4 O RF hard-wire control bus 4 0
F5 BPI_BUS5 O RF hard-wire control bus 5 0
F6 BPI_BUS6 IO
RF hard-wire control bus 6 GPIO25 BPI_BUS
6
PWM1 13MHz PD
Inpu
t
G5 BPI_BUS7 IO
RF hard-wire control bus 7 GPIO26 BPI_BUS
7
PWM2 32KHz PD
Inpu
t
G4 BPI_BUS8 IO
RF hard-wire control bus 8 GPIO27 BPI_BUS
8
ALERTER
26MHz PD
Inpu
t
G3 BPI_BUS9 IO
RF hard-wire control bus 9 GPIO28 BPI_BUS
9
BSI_CS1 PD
Inpu
t
VDD33
RF Serial Control Unit
G2 BSI_CS0 O RF 3-wire interface chip select 0
0
G1 BSI_DATA O RF 3-wire interface data output 0
H1 BSI_CLK O RF 3-wire interface clock output
0
VDD33
Serial LCD/PM IC Interface
H2 LSCK IO
Serial display interface data
output
GPIO29 LSCK TDMA_C
K
DSP_TID
0
PU
Inpu
t
H3 LSA0 IO
Serial display interface address
output
GPIO30 LSA0 TDMA_D
1
TDTIRQ
PU
Inpu
t
H4 LSDA IO
Serial display interface clock
output
GPIO31 LSDA TDMA_D
0
TCTIRQ2
PU
Inpu
t
J1 LSCE0# IO
Serial display interface chip
select 0 output
GPIO32 LSCE0# TDMA_F
S
TCTIRQ1
PU
Inpu
t
J2 LSCE1# IO
Serial display interface chip
select 1 output
GPIO33 LSCE1# LPCE2# TEVTVA
L
PU
Inpu
t
VDD33
Parallel LCD/Nand-Flash
Interface
J3 LPCE1# IO
Parallel display interface chip
select 1 output
GPIO34 LPCE1# NCE1# PU
Inpu
t
J4 LPCE0# O Parallel display interface chip
select 0 output
1
K1 LRST# O Parallel display interface Reset
Signal
1
VDD33

MT6225 GSM/GPRS Baseband Processor Data Sheet Revision 1.00
21
K2 LRD# O Parallel display interface Read
Strobe
1
K3 LPA0 O Parallel display interface address
output
1
K4 LWR# O Parallel display interface Write
Strobe
1
K5 NLD17 IO
Parallel LCD/Nand-Flash Data 17
GPIO35 NLD17 KCOL5 VPP65 PD
Inpu
t
L5 NLD16 IO
Parallel LCD/Nand-Flash Data 16
GPIO36 NLD16 KCOL6 PD
Inpu
t
L4 NLD15 IO
Parallel LCD/Nand-Flash Data 15
PD
Inpu
t
L3 NLD14 IO
Parallel LCD/Nand-Flash Data 14
PD
Inpu
t
L2 NLD13 IO
Parallel LCD/Nand-Flash Data 13
PD
Inpu
t
L1 NLD12 IO
Parallel LCD/Nand-Flash Data 12
PD
Inpu
t
M5 NLD11 IO
Parallel LCD/Nand-Flash Data 11
PD
Inpu
t
M4 NLD10 IO
Parallel LCD/Nand-Flash Data 10
PD
Inpu
t
M3 NLD9 IO
Parallel LCD/Nand-Flash Data 9
PD
Inpu
t
M2 NLD8 IO
Parallel LCD/Nand-Flash Data 8
PD
Inpu
t
M1 NLD7 IO
Parallel LCD/Nand-Flash Data 7
PD
Inpu
t
N4 NLD6 IO
Parallel LCD/Nand-Flash Data 6
PD
Inpu
t
N3 NLD5 IO
Parallel LCD/Nand-Flash Data 5
PD
Inpu
t
N2 NLD4 IO
Parallel LCD/Nand-Flash Data 4
PD
Inpu
t
N1 NLD3 IO
Parallel LCD/Nand-Flash Data 3
PD
Inpu
t
P4 NLD2 IO
Parallel LCD/Nand-Flash Data 2
PD
Inpu
t
P3 NLD1 IO
Parallel LCD/Nand-Flash Data 1
PD
Inpu
t
P2 NLD0 IO
Parallel LCD/Nand-Flash Data 0
PD
Inpu
t
P1 NRNB IO
Nand-Flash Read/Busy Flag GPIO37 NRNB DSP_TID
1
PU
Inpu
t
R4 NCLE IO
Nand-Flash Command Latch
Signal
GPIO38 NCLE DSP_TID
2
PD
Inpu
t
R2 NALE IO
Nand-Flash Address Latch Signal
GPIO39 NALE DSP_TID
3
PD
Inpu
t
R1 NWE# IO
Nand-Flash Write Strobe GPIO40 NWE# DSP_TID
4
PU
Inpu
t
T1 NRE# IO
Nand-Flash Read Strobe GPIO41 NRE# DSP_TID
5
PU
Inpu
t
U1 NCE# IO
Nand-Flash Chip select output GPIO42 NCE# DSP_TID
6
PU
Inpu
t
SIM Card Interface
K14 SIMRST O SIM card reset output 0
J17 SIMCLK O SIM card clock output 0
J16 SIMVCC O SIM card supply power control 0
J15 SIMSEL IO
SIM card supply power select GPIO46 SIMSEL PD
Inpu
VDD33

MT6225 GSM/GPRS Baseband Processor Data Sheet Revision 1.00
22
t
J14 SIMDATA IO
SIM card data input/output 0
Dedicated GPIO Interface
T3 GPIO0 IO
General purpose input/output 0 GPIO0 EINT4 PU
Inpu
t
U4 GPIO1 IO
General purpose input/output 1 GPIO1 EINT5 PU
Inpu
t
T4 GPIO2 IO
General purpose input/output 2 GPIO2 UCTS1 EINT6 PU
Inpu
t
U5 GPIO3 IO
General purpose input/output 3 GPIO3 BSI_RFIN
URTS1 EINT7 PU
Inpu
t
G13 GPIO4 IO
General purpose input/output 4 GPIO4 DAIRST IRDA_PD
N
DSP_CL
K
PU
Inpu
t
F13 GPIO5 IO
General purpose input/output 5 GPIO5 EDICK 26MHz AHB_CL
K
PD
Inpu
t
D13 GPIO6 IO
General purpose input/output 6 GPIO6 EDIWS 32KHz ARM_CL
K
PD
Inpu
t
D14 GPIO7 IO
General purpose input/output 7 GPIO7 EDIDAT SLOW_C
LK
PD
Inpu
t
VDD33
B16 GPIO8 IO
General purpose input/output 8 GPIO8 SCL PU
Inpu
t
A16 GPIO9 IO
General purpose input/output 9 GPIO9 SDA PU
Inpu
t
VDD33
_CAM
Miscellaneous
U3 SYSRST# I System reset input active low Inpu
t
K8 WATCHDOG
O Watchdog reset output 1
U2 SRCLKENA O External TCXO enable output
active high
GPO0 SRCLKE
NA
1
T2 SRCLKENAI IO
External TCXO enable input GPIO43 SRCLKE
NAI
PD
Inpu
t
VDD33
Keypad Interface
G15 KCOL4 I Keypad column 4 PU
Inpu
t
G14 KCOL3 I Keypad column 3 PU
Inpu
t
F17 KCOL2 I Keypad column 2 PU
Inpu
t
F16 KCOL1 I Keypad column 1 PU
Inpu
t
F15 KCOL0 I Keypad column 0 PU
Inpu
t
F14 KROW5 O Keypad row 5 0
E17 KROW4 O Keypad row 4 0
E16 KROW3 O Keypad row 3 0
E15 KROW2 O Keypad row 2 0
E14 KROW1 O Keypad row 1 0
D17 KROW0 O Keypad row 0 0
VDD33
External Interrupt Interface
T5 EINT0 I External interrupt 0 PU
Inpu
t
R5 EINT1 I External interrupt 1 PU
Inpu
t
P5 EINT2 I External interrupt 2 PU
Inpu
t
U6 EINT3 I External interrupt 3 PU
Inpu
t
VDD33
External Memory Interface

MT6225 GSM/GPRS Baseband Processor Data Sheet Revision 1.00
23
M14 ED0 IO
External memory data bus 0 Inpu
t
M15 ED1 IO
External memory data bus 1 Inpu
t
M16 ED2 IO
External memory data bus 2 Inpu
t
M17 ED3 IO
External memory data bus 3 Inpu
t
N14 ED4 IO
External memory data bus 4 Inpu
t
N15 ED5 IO
External memory data bus 5 Inpu
t
N16 ED6 IO
External memory data bus 6 Inpu
t
N17 ED7 IO
External memory data bus 7 Inpu
t
P15 ED8 IO
External memory data bus 8 Inpu
t
P16 ED9 IO
External memory data bus 9 Inpu
t
P17 ED10 IO
External memory data bus 10 Inpu
t
R16 ED11 IO
External memory data bus 11 Inpu
t
R17 ED12 IO
External memory data bus 12 Inpu
t
T17 ED13 IO
External memory data bus 13 Inpu
t
U17 ED14 IO
External memory data bus 14 Inpu
t
T16 ED15 IO
External memory data bus 15 Inpu
t
R14 ERD# O External memory read strobe 1
P13 EWR# O External memory write strobe 1
R13 ECS0# O External memory chip select 0 1
T15 ECS1# O External memory chip select 1 1
T14 ECS2# O External memory chip select 2 1
U16 ELB# O External memory lower byte
strobe
1
P14 EUB# O External memory upper byte
strobe
1
N12 EPDN# O Power Down Control Signal for
PSRAM
GPO3 EPDN# 6.5MHz 26MHz 0*
R12 EADV# O Address valid for burst mode
flash memory
1
T12 EWAIT I External device wait signal Inpu
t
P12 ECLK O Clock for flash memory 0
U14 ERAS# O Mobile SDRAM row address
strobe
1
U15 ECAS# O Mobile SDRAM column address
strobe
1
U13 ECKE O Mobile SDRAM clock enable 0
T13 EDCLK O Mobile SDRAM clock 0
U12 EA1 O External memory address bus 1 0
N11 EA2 O External memory address bus 2 0
P11 EA3 O External memory address bus 3 0
R11 EA4 O External memory address bus 4 0
VDD33
_EMI

MT6225 GSM/GPRS Baseband Processor Data Sheet Revision 1.00
24
T11 EA5 O External memory address bus 5 0
U11 EA6 O External memory address bus 6 0
P10 EA7 O External memory address bus 7 0
R10 EA8 O External memory address bus 8 0
T10 EA9 O External memory address bus 9 0
U10 EA10 O External memory address bus 10
0
P9 EA11 O External memory address bus 11
0
R9 EA12 O External memory address bus 12
0
T9 EA13 O External memory address bus 13
0
U9 EA14 O External memory address bus 14
0
P8 EA15 O External memory address bus 15
0
R8 EA16 O External memory address bus 16
0
T8 EA17 O External memory address bus 17
0
U8 EA18 O External memory address bus 18
0
P7 EA19 O External memory address bus 19
0
R7 EA20 O External memory address bus 20
0
T7 EA21 O External memory address bus 21
0
U7 EA22 O External memory address bus 22
0
P6 EA23 O External memory address bus 23
0
R6 EA24 O External memory address bus 24
GPO1 EA24 26MHz 32KHz 0
T6 EA25 O External memory address bus 25
GPO2 EA25 32KHz 26MHz 0
USB Interface
K9 USB_DP IO
USB D+ Input/Output
K10 USB_DM IO
USB D- Input/Output
VDD33
_USB
Memory Card Interface
M13 MCCM0 IO
SD Command/MS Bus State
Output
L14 MCDA0 IO
SD Serial Data IO 0/MS Serial
Data IO
L15 MCDA1 IO
SD Serial Data IO 1
L16 MCDA2 IO
SD Serial Data IO 2
L17 MCDA3 IO
SD Serial Data IO 3
K17 MCCK O SD Serial Clock/MS Serial Clock
Output
K16 MCWP IO
SD Write Protect Input GPIO44 MCWP PU
K15 MCINS IO
SD Card Detect Input GPIO45 MCINS PU
VDD33
_MC
UART Interface
H17 URXD1 I UART 1 receive data PU
Inpu
t
H16 UTXD1 O UART 1 transmit data 1
H15 URXD2 IO
UART 2 receive data GPIO35 URXD2 UCTS3 IRDA_R
XD
PU
Inpu
t
H14 UTXD2 IO
UART 2 transmit data GPIO36 UTXD2 URTS3 IRDA_T
XD
PU
Inpu
t
G17 URXD3 IO
UART 3 receive data GPIO33 URXD3 UCTS2 PU
Inpu
t
G16 UTXD3 IO
UART 3 transmit data GPIO34 UTXD3 URTS2 PU
Inpu
t
VDD33
Digital Audio Interface
D16 DAICLK IO
DAI clock output GPIO51 DAICLK
PU
Inpu
t
D15 DAIPCMOUT
IO
DAI pcm data out GPIO52 DAIPCM
OUT
PD
Inpu
t
C17 DAIPCMIN IO
DAI pcm data input GPIO53 DAIPCMI
N
PU
Inpu
t
VDD33

MT6225 GSM/GPRS Baseband Processor Data Sheet Revision 1.00
25
C16 DAISYNC IO
DAI frame synchronization signal
output
GPIO54 DAISYNC
PU
Inpu
t
Image Sensor Interface
C15 CMRST IO
Image sensor reset signal output GPIO10 CMRST PD
Inpu
t
B15 CMPDN IO
Image
sensor power down control
GPIO11 CMPDN PD
Inpu
t
A15 CMVREF IO
Sensor vertical reference signal
input
GPIO12 MIRQ PU/
PD
Inpu
t
C14 CMHREF IO
Sensor horizontal reference signal
input
GPIO13 MFIQ PU/
PD
Inpu
t
A17 CMPCLK I Image sensor pixel clock input Inpu
t
B17 CMMCLK IO
Image sensor master clock output
GPIO14 CMMCLK
26MHz 6.5MHz Outp
ut
B14 CMDAT7 IO
Image sensor data input 7 GPIO15 CMDAT7
MCDA7 Inpu
t
A14 CMDAT6 IO
Image sensor data input 6 GPIO16 CMDAT6
MCDA6 DICK Inpu
t
C13 CMDAT5 IO
Image sensor data input 5 GPIO17 CMDAT5
MCDA5 DID Inpu
t
B13 CMDAT4 IO
Image sensor data input 4 GPIO18 CMDAT4
MCDA4 DIMS Inpu
t
A13 CMDAT3 IO
Image sensor data input 3 GPIO19 CMDAT3
DSP_GPO
3
TBTXEN
Inpu
t
D12 CMDAT2 IO
Image sensor data input 2 GPIO20 CMDAT2
DSP_GPO
2
TBTXFS
Inpu
t
C12 CMDAT1 IO
Image sensor data input 1 GPIO21 CMDAT1
DSP_GPO
1
TBRXEN
PD
Inpu
t
B12 CMDAT0 IO
Image sensor data input 0 GPIO22 CMDAT0
DSP_GPO
0
TBRXFS
PD
Inpu
t
VDD33
_CAM
Analog Interface
A12 AU_MOUL Audio analog output left channel
A11 AU_MOUR Audio analog output right
channel
C11 AU_FMINL FM radio analog input left
channel
D11 AU_FMINR FM radio analog input right
channel
A10 AU_OUT0_N
Earphone 0 amplifier output (-)
B19 AU_OUT0_P
Earphone 0 amplifier output (+)
C10 AU_MICBIAS
_P
Microphone bias supply (+)
D10 AU_MICBIAS
_N
Microphone bias supply (-)
D9 AU_VREF_N
Audio reference voltage (-)
D8 AU_VREF_P
Audio reference voltage (+)
B9 AU_VIN0_P Microphone 0 amplifier input (+)
C9 AU_VIN0_N Microphone 0 amplifier input (-)
A8 AU_VIN1_N Microphone 1 amplifier input (-)
B8 AU_VIN1_P Microphone 1 amplifier input (+)
A7 BDLAQP/BU
PAQP
Quadrature input (Q+) baseband
codec downlink/uplink
B7 BDLAQN/BU
PAQN
Quadrature input (Q-) baseband
codec downlink/uplink
C7 BDLAIN/BUP
AIN
In-phase input (I+) baseband
codec downlink/uplink
D7 BDLAIP/BUP In-phase input (I-) baseband

MT6225 GSM/GPRS Baseband Processor Data Sheet Revision 1.00
26
AIP codec downlink/uplink
A5 APC Automatic power control DAC
output
B6 AUXADIN0 Auxiliary ADC input 0
B5 AUXADIN1 Auxiliary ADC input 1
C6 AUXADIN2 Auxiliary ADC input 2
C5 AUXADIN3 Auxiliary ADC input 3
D6 AUXADIN4 Auxiliary ADC input 4
D5 AUXADIN5 Auxiliary ADC input 5
E6 AUXADIN6 Auxiliary ADC input 6
F7 AUX_REF Auxiliary ADC reference voltage
input
A4 AFC Automatic frequency control
DAC output
C4 AFC_BYP Automatic frequency control
DAC bypass capacitance
VCXO Interface
A3 SYSCLK 13MHz or 26MHz system clock
input
D4 PLL_OUT PLL test pin
AVCC_
PLL
RTC Interface
A1 XOUT 32.768 KHz crystal output
B1 XIN 32.768 KHz crystal input
C1 RIN 32.768 KHz crystal gain control
resistor
B3 BBWAKEUP
O Baseband power on/off control 1
C3 TESTMODE
I TESTMODE enable input PD
Inpu
t
AVDD_
RTC
Supply Voltages
F12 VDDK Supply voltage of internal logic
G6 VDDK Supply voltage of internal logic
J6 VDDK Supply voltage of internal logic
G12 VDDK Supply voltage of internal logic
N6 VDDK Supply voltage of internal logic
M11 VDDK Supply voltage of internal logic
Typ.
1.8V
M6 VDD33_EMI
Supply voltage of memory
interface driver
M8 VDD33_EMI
Supply voltage of memory
interface driver
N8 VDD33_EMI
Supply voltage of memory
interface driver
M12 VDD33_EMI
Supply voltage of memory
interface driver
Typ.
1.8~2.8V
N7 VSS33_EMI Ground of memory interface
driver
M9 VSS33_EMI Ground of memory interface
driver
N9 VSS33_EMI Ground of memory interface
driver
M10 VSS33_EMI Ground of memory interface
driver
N10 VSS33_EMI Ground of memory interface
driver
L12 VSS33_EMI Ground of memory interface
driver
L13 VSS33_EMI Ground of memory interface
driver

MT6225 GSM/GPRS Baseband Processor Data Sheet Revision 1.00
27
K12 VDD33_USB Supply voltage of USB
transceiver
Typ.
3.3V
K13 VDD33_MC Supply voltage of memory card
interface drivers
Typ.
2.8V
J9 VSS33_USB/
MC
Ground of USB/memory card
interface
E12 VDD33_CAM
Supply voltage of image sensor
interface drivers
Typ.
1.8~2.8
V
H5 VDD33 Supply voltage for pad
H6 VDD33 Supply voltage for pad
L6 VDD33 Supply voltage for pad
J12 VDD33 Supply voltage for pad
H13 VDD33 Supply voltage for pad
H12 VDD33 Supply voltage for pad
Typ.
2.8V
H8 VSS33 Ground
K6 VSS33 Ground
M7 VSS33 Ground
J10 VSS33 Ground
H10 VSS33 Ground
F11 VSSK Ground
J8 VPP Supply voltage for OTP
programming
Typ.
1.8~6.5V
B2 AVDD_RTC Supply voltage for Real Time
Clock
Typ.
1.5V
D1 AVSS_RTC Ground for Real Time Clock
Analog Supplies
E7 AVCC_PLL Supply voltage for PLL Typ.
1.8V
A2 AVSS_PLL Ground for PLL supply
E11 AVDD_MBUF
Supply Voltage for Audio band
section
Typ.
2.8V
B11 AVSS_MBUF
GND for Audio band section
E10 AVDD_BUF Supply voltage for voice band
transmit section
Typ.
2.8V
F10 AVSS_BUF GND for voice band transmit
section
A9 AVDD_AFE Supply voltage for voice band
receive section
Typ.
2.8V
C8 AGND_AFE GND reference voltage for voice
band section
F9 AVSS_AFE GND for voice band receive
section
A6 AGND_RFE GND reference voltage for
baseband section, APC, AFC and
AUXADC
H9 AVSS_GSMR
FTX
GND for baseband transmit
section
E8 AVDD_GSMR
FTX
Supply voltage for baseband
transmit section
Typ.
2.8V
B4 AVSS_RFE GND for baseband receive
section, APC, AFC and
AUXADC
F8 AVDD_RFE Supply voltage for baseband
receive section, APC, AFC and
AUXADC
Typ.
2.8V
Table 2 Pin Descriptions (Bolded types are functions at reset)

MT6225 GSM/GPRS Baseband Processor Data Sheet Revision 1.00
28
*Note: The state of EPDN# during the system reset is low, and it changes to high after the system reset is released.

MT6225 GSM/GPRS Baseband Processor Data Sheet Revision 1.00
29
2.5 Ordering information
2.5.1 MT6225A
Part number Package Operational temperature range
MT6225A/ACS 12x12x1.2 mm 264-TFBGA -20~80°C
MT6225A/ACS-L 12x12x1.2 mm 264-TFBGA (Pb free) -20~80°C
Table 3 MT6225A ordering information

MT6225 GSM/GPRS Baseband Processor Data Sheet Revision 1.00
30
3 Micro-Controller Unit Subsystem
Figure 6 illustrates the block diagram of the Micro-Controller Unit Subsystem in MT6225. The subsystem utilizes a
main 32-bit ARM7EJ-S RISC processor, which plays the role of the main bus master controlling the whole subsystem.
All processor transactions go to code cache first. The code cache controller accesses TCM (72KB memory dedicated
to ARM7EJS core), cache memory, or bus according to the processor’s request address. If the requested content is
found in TCM or in cache, no bus transaction is required. If the code cache hit rate is high enough, bus traffic can be
effectively reduced and processor core performance maximized. In addition to the benefits of reuse of memory
contents, code cache also has a MPU (Memory Protection Unit), which allows cacheable and protection settings of
predefined regions. The contents of code cache are only accessible to MCU, and only MCU instructions are kept in
the cache memory (thus the name “code” cache).
The bus comprises of two-level system buses: Advanced High-Performance Bus (AHB) and Advanced Peripheral Bus
(APB). All bus transactions originate from bus masters, while slaves can only respond to requests from bus masters.
Before data transfer can be established, the bus master must ask for bus ownership, accomplished by request-grant
handshaking protocol between masters and arbiters.
Two levels of bus hierarchy are designed to provide optimum usage for different performance requirements.
Specifically, AHB Bus, the main system bus, is tailored toward high-speed requirements and provides 32-bit data path
with multiplex scheme for bus interconnections. The APB Bus, on the other hand, is designed to reduce interface
complexity for lower data transfer rate, and so it is isolated from high bandwidth AHB Bus by APB Bridge. APB Bus
supports 16-bit addressing and both 16-bit and 32-bit data paths. APB Bus is also optimized for minimal power
consumption by turning off the clock when there is no APB bus activity.
During operation, if the target slave is located on AHB Bus, the transaction is conducted directly on AHB Bus.
However, if the target slave is a peripheral and is attached to the APB bus, then the transaction is conducted between
AHB and APB bus through the use of APB Bridge.
The MT6225 MCU subsystem supports only memory addressing method. Therefore all components are mapped onto
the MCU 32-bit address space. A Memory Management Unit is employed to allow for a central decode scheme.
The MMU generates appropriate selection signals for each memory-addressed module on the AHB Bus.
In order to off-load the processor core, a DMA Controller is designated to act as a master and share the bus resources
on AHB Bus to do fast data movement between modules. This controller comprises thirteen DMA channels.
The Interrupt Controller provides a software interface to manipulate interrupt events. It can handle up to 32 interrupt
sources asserted at the same time. In general, it generates 2 levels of interrupt requests, FIQ and IRQ, to the processor.
A 128K Byte SRAM is provided for acting as system memory for high-speed data access. For factory programming
purpose, a Boot ROM module is used. These two modules use the same Internal Memory Controller to connect to AHB
Bus.
External Memory Interface supports both 8-bit and 16-bit devices. Since AHB Bus is 32-bit wide, all the data transfer
will be converted into several 8-bit or 16-bit cycles depending on the data width of target device. Note that, this
interface is specific to both synchronous and asynchronous components, like Flash, SRAM and parallel LCD. This
interface supports also page and burst mode type of Flash.

MT6225 GSM/GPRS Baseband Processor Data Sheet Revision 1.00
31
MCU-DSP
Interface
ARM7EJ-S
External
Memory
Interface
System RAM
DMA
Controller
APB
Bridge
System ROM
Peripheral
Peripheral
Interrupt
Controller
Internal Memory
Controller Arbiter
AHB Bus
APB Bus
Ext
Bus
USB
Figure 6 Block Diagram of the Micro-Controller Unit Subsystem in MT6225
3.1 Processor Core
3.1.1 General Description
The Micro-Controller Unit Subsystem in MT6225 is built up with a 32-bit RISC core, ARM7EJ-S that is based on Von
Neumann architecture with a single 32-bit data bus carrying both instructions and data. The memory interface of
ARM7EJ-S is totally compliant to AMBA based bus system. Basically, it can be connected to AHB Bus directly.
3.2 Memory Management
3.2.1 General Description
The processor core of MT6225, ARM7EJ-S, supports only memory addressing method for instruction fetch and data
access. It manages a 32-bit address space that has addressing capability up to 4GB. System RAM, System ROM,
Registers, MCU Peripherals and external components are all mapped onto such 32-bit address space, as depicted in
Figure 7.

MT6225 GSM/GPRS Baseband Processor Data Sheet Revision 1.00
32
MCU 32-bit
Addressing
Space
EA[25:0]
Addressing
Space
APB Peripherals
MCU-DSP Interface
Reserved
8FFF_FFFFh
|
8000_0000h
7FFF_FFFFh
|
7000_0000h
6FFF_FFFFh
|
5000_0000h
4FFF_FFFFh
|
4000_0000h
3FFF_FFFFh
|
0000_0000h
External Memroy
Internal Memory
7800_0000h
7000_0000h USB
Virtual FIFO
9FFF_FFFh
|
9000_0000h
9800_0000h
9000_0000h LCD
Reserved
TCM
AFFF_FFFh
|
A000_0000h
Figure 7 The Memory Layout of MT6225
The address space is organized as basis of blocks with size of 256M Bytes for each. Memory blocks MB0-MB9 are
determined and currently dedicated to specific functions, as shown in Table 4, while the others are reserved for future
usage. Essentially, the block number is uniquely selected by address line A31-A28 of internal system bus.
Memory
Block
Block Address
A31-A28 Address Range Description
00000000h-07FFFFFFh
Boot Code, EXT SRAM or EXT Flash/MISC
MB0 0h 08000000h-0FFFFFFFh
EXT SRAM or EXT Flash/MISC
10000000h-17FFFFFFh
EXT SRAM or EXT Flash/MISC
MB1 1h 18000000h-1FFFFFFFh
Reserved
20000000h-27FFFFFFh
Reserved
MB2 2h 28000000h-2FFFFFFFh
Reserved
30000000h-37FFFFFFh
Reserved
MB3 3h 38000000h-3FFFFFFFh
Reserved
40000000h-47FFFFFFh
System RAM
MB4 4h 48000000h-4FFFFFFFh
System ROM
MB5 5h 50000000h-5FFFFFFFh
MCU-DSP Interface

MT6225 GSM/GPRS Baseband Processor Data Sheet Revision 1.00
33
MB6 6h 60000000h-6FFFFFFFh
70000000h-77FFFFFFh
USB
MB7 7h 78000000h-7FFFFFFFh
Virtual FIFO
MB8 8h 80000000h-8FFFFFFFh
APB Slaves
90000000h-97FFFFFFh
LCD
MB9 9h 98000000h-9FFFFFFFh
Reserved
MB10 Ah A0000000h-AFFFFFFFh
TCM
Table 4 Definitions of Memory Blocks in MT6225
3.2.1.1 External Access
To have external access, the MT6225 outputs 25 bits (A25-A1) of address lines along with 3 selection signals that
correspond to associated memory blocks. That is, MT6225 can support at most 3 MCU addressable external
components. The data width of internal system bus is fixed as 32-bit wide, while the data width of the external
components is fixed as 16 bit.
Since devices are usually available with variety operating grades, adaptive configurations for different applications are
needed. MT6225 provides software programmable registers to configure to adapt operating conditions in terms of
different wait-states.
3.2.1.2 Memory Re-mapping Mechanism
To permit system being configured with more flexible, a memory re-mapping mechanism is provided. It allows
software program to swap BANK0 (ECS0#) and BANK1 (ECS1#) dynamically. Whenever the bit value of RM0 in
register EMI_REMAP is changed, these two banks will be swapped accordingly. Besides, it also permits system being
boot in different sequence as detailed in 3.2.1.3 Boot Sequence.
3.2.1.3 Boot Sequence
Since the ARM7EJ-S core always starts to fetch instructions from the lowest memory address at 00000000h after
system has been reset, the system is designed to have a dynamic mapping architecture capable of associating Boot Code,
external Flash or external SRAM with the memory block 0000_0000h – 07ff_ffffh.
By default, the Boot Code is mapped onto 0000_0000h – 07ff_ffffh after a system reset. In this special boot mode,
External Memory Controller does not access external memory; instead, the EMI Controller send predefined Boot Code
back to the ARM7EJS-S core, which instructs the processor to execute the program in System ROM. This
configuration can be changed by programming bit value of RM1 in register EMI_REMAP directly.
MT6225 system provides one boot up scheme:
Start up system of running codes from Boot Code for factory programming or NAND flash boot.
3.2.1.3.1 Boot Code
The Boot Code is placed together with Memory Re-Mapping Mechanism in External Memory Controller, and
comprises of just two words of instructions as shown below. A jump instruction leads the processor to run the code
starting at address 48000000h where the System ROM is placed.
ADDRESS BINARY CODE ASSEMBLY
00000000h E51FF004h LDR PC, 0x4
00000004h 48000000h (DATA)

MT6225 GSM/GPRS Baseband Processor Data Sheet Revision 1.00
34
3.2.1.3.2 Factory Programming
The configuration for factory programming is shown in Figure 8. Usually the Factory Programming Host connects
with MT6225 by way of UART interface. To have it works properly, the system should boot up from Boot Code. That
is the IBOOT should be tied to GND. The down load speed can be up to 921K bps while MCU is running at 26MHz.
After system being reset, the Boot Code will guide the processor to run the Factory Programming software placed in
System ROM. Then, MT6225 will start and continue to poll the UART1 port until valid information is detected. The
first information received on the UART1 will be used to configure the chip for factory programming. The Flash down
loader program is then transferred into System RAM or external SRAM.
Further information will be detailed in MT6225 Software Programming Specification.
BaseBand Processor
Factory
Programming
Host
FLASH
UART
External
Memory
Interface
Figure 8 System configuration required for factory programming
3.2.1.3.3 NAND Flash Booting
If MT6225 cannot receive data from UART1 for a certain amount of time, the program in System ROM checks if any
valid boot loader exists in NAND flash. If found, the boot loader code is copied from NAND flash to RAM (internal
or external) and executed to start the real application software. If no valid boot loader can be found in NAND flash,
MT6225 starts executing code in EMI bank0 memory. The whole boot sequence is shown in the following figure.

MT6225 GSM/GPRS Baseband Processor Data Sheet Revision 1.00
35
Boot from
System ROM
Check UART
input
Receive
from UART
Copy loader from
NAND to RAM
Valid loader
on NAND
YN
Y
N
Factory
programming
Boot from
loader in RAM
Boot from
EMI bank 0
Boot from
System ROM
Check UART
input
Receive
from UART
Copy loader from
NAND to RAM
Valid loader
on NAND
YN
Y
N
Factory
programming
Boot from
loader in RAM
Boot from
EMI bank 0
Figure 9 Boot sequence
3.2.1.4 Little Endian Mode
The MT6225 system always treats 32-bit words of memory in Little Endian format. In Little Endian mode, the lowest
numbered byte in a word is stored in the least significant byte, and the highest numbered byte in the most significant
position. Byte 0 of the memory system is therefore connected to data lines 7 through 0.
3.3 Bus System
3.3.1 General Description
Two levels of bus hierarchy are employed in constructing the Micro-Controller Unit Subsystem of MT6225. As
depicted in Figure 6, AHB Bus and APB Bus serve for system backbone and peripheral buses, while an APB bridge
connects these two buses. Both AHB and APB Buses operate at the same clock rate as processor core.
The APB Bridge is the only bus master resided on the APB bus. All APB slaves are mapped onto memory block MB8
in MCU 32-bit addressing space. A central address decoder is implemented inside the bridge to generate those select
signals for individual peripheral. In addition, since the base address of each APB slave has been associated with select
signals, the address bus on APB will contains only the value of offset address.
The maximum address space that can be allocated to a single APB slave is 64KB, i.e. 16-bit address lines. The width of
data bus is mainly constrained to 16-bit to minimize the design complexity and power consumption while some of them
uses 32-bit data bus to accommodate more bandwidth. In the case where an APB slave needs large amount of transfers,
the device driver can also request a DMA resource or channel to conduct a burst of data transfer. The base address and
data width of each peripheral are listed in Table 5.
Base Address Description Data Width
Software Base ID
8000_0000h Configuration Registers
(Clock, Power Down, Version and Reset)
16 CONFG Base
8001_0000h External Memory Interface 32 EMI Base

MT6225 GSM/GPRS Baseband Processor Data Sheet Revision 1.00
36
8002_0000h Interrupt Controller 32 CIRQ Base
8003_0000h DMA Controller 32 DMA Base
8004_0000h Reset Generation Unit 16 RGU Base
8005_0000h Reserved
8006_0000h GPRS Cipher Unit 32 GCU Base
8007_0000h I2C 16 I2C Base
8008_0000h Reserved
8009_0000h NAND Flash Interface 32 NFI base
8010_0000h General Purpose Timer 16 GPT Base
8011_0000h Keypad Scanner 16 KP Base
8012_0000h General Purpose Inputs/Outputs 16 GPIO Base
8013_0000h UART 1 16 UART1 Base
8014_0000h SIM Interface 16 SIM Base
8015_0000h Pulse-Width Modulation Outputs 16 PWM Base
8016_0000h Alerter Interface 16 ALTER Base
8017_0000h Security Engine for JTAG protection 32 SEJ Base
8018_0000h UART 2 16 UART2 Base
8019_0000h Reserved
801a_0000h IrDA 16 IRDA Base
801b_0000h UART 3 16 UART3 Base
801c_0000h Base-Band to PMIC Serial Interface 16 B2PSI Base
8020_0000h TDMA Timer 32 TDMA Base
8021_0000h Real Time Clock 16 RTC Base
8022_0000h Base-Band Serial Interface 32 BSI Base
8023_0000h Base-Band Parallel Interface 16 BPI Base
8024_0000h Automatic Frequency Control Unit 16 AFC Base
8025_0000h Automatic Power Control Unit 32 APC Base
8026_0000h Frame Check Sequence 16 FCS Base
8027_0000h Auxiliary ADC Unit 16 AUXADC Base
8028_0000h Divider/Modulus Coprocessor 32 DIVIDER Base
8029_0000h CSD Format Conversion Coprocessor 32 CSD_ACC Base
802a_0000h MS/SD Controller 32 MSDC Base
8030_0000h MCU-DSP Shared Register 16 SHARE Base
8031_0000h DSP Patch Unit 16 PATCH Base
8032_0000h IRDBG 16 IRDBG Base
8040_0000h Audio Front End 16 AFE Base
8041_0000h Base-Band Front End 16 BFE Base
8043_0000h DigitalRF interface 32 DIGRF Base
8050_0000h Analog Chip Interface Controller 16 MIXED Base
8060_0000h Reserved
8061_0000h Resizer 32 RESZ Base
8062_0000h Camera 32 CAM Base
Table 5 Register Base Addresses for MCU Peripherals

MT6225 GSM/GPRS Baseband Processor Data Sheet Revision 1.00
37
REGISTER ADDRESS
REGISTER NAME SYNONYM
CONFG + 0000h Hardware Version Register HW_VER
CONFG + 0004h Software Version Register SW_VER
CONFG + 0008h Hardware Code Register HW_CODE
CONFG + 0404h APB Bus Control Register APB_CON
Table 6 APB Bridge Register Map
3.3.2 Register Definitions
CONFG+0000
h Hardware Version Register HW_VERSION
Bit
15 14 13 12 11 10 9 8 7 6 5 4 3 2 1 0
Name
EXTP MAJREV MINREV
Type
RO RO RO RO
Reset
8 A 0 0
This register is used by software to determine the hardware version of the chip. The register contains a new value
whenever each metal fix or major step is performed. All values are incremented by a step of 1.
MINREV Minor Revision of the chip
MAJREV Major Revision of the chip
EXTP This field shows the existence of Hardware Code Register that presents the Hardware ID while the value is
other than zero.
CONFG+0004
h Software Version Register SW_VERSION
Bit
15 14 13 12 11 10 9 8 7 6 5 4 3 2 1 0
Name
EXTP MAJREV MINREV
Type
RO RO RO RO
Reset
8 A 0 0
This register is used by software to determine the software version used with this chip. All values are incremented by
a step of 1.
MINREV Minor Revision of the software
MAJREV Major Revision of the software
EXTP This field shows the existence of Hardware Code Register that presents the Hardware ID when the value is
other than zero.
CONFG+0008
h Hardware Code Register HW_CODE
Bit
15 14 13 12 11 10 9 8 7 6 5 4 3 2 1 0
Name
CODE3 CODE2 CODE1 CODE0
Type
RO RO RO RO
Reset
6 2 2 5
This register presents the Hardware ID.
CODE This version of chip is coded as 6225h.

MT6225 GSM/GPRS Baseband Processor Data Sheet Revision 1.00
38
CONFG+0404
h APB Bus Control Register APB_CON
Bit
15 14 13 12 11 10 9 8 7 6 5 4 3 2 1 0
Name
APB
W6
APB
W4
APB
W3
APB
W2
APB
W1
APB
W0
APBR
6 APBR
4
APBR
3
APBR
2
APBR
1
APBR
0
Type
R/W
R/W
R/W
R/W
R/W
R/W
R/W
R/W
R/W
R/W
R/W
R/W
Reset
0 0 0 0 0 0 1 1 1 1 1 1
This register is used to control the timing of Read Cycle and Write Cycle on APB Bus. Note that APB Bridge 5 is
different from other bridges. The access time is varied, and access is not completed until acknowledge signal from APB
slave is asserted.
APBR0-APBR6 Read Access Time on APB Bus
0 1-Cycle Access
1 2-Cycle Access
APBW0-APBW6 Write Access Time on APB Bus
0 1-Cycle Access
1 2-Cycle Access
3.4 Direct Memory Access
3.4.1 General Description
A generic DMA Controller is placed on Layer 2 AHB Bus to support fast data transfers and to off-load the processor.
With this controller, specific devices on AHB or APB buses can benefit greatly from quick completion of data
movement from or to memory modules such as Internal System RAM or External SRAM. Such Generic DMA
Controller can also be used to connect any two devices other than memory module as long as they can be addressed in
memory space.
Figure 10 Variety Data Paths of DMA Transfers
Up to fourteen channels of simultaneous data transfers are supported. Each channel has a similar set of registers to be
configured to different scheme as desired. If more than fourteen devices are requesting the DMA resources at the
same time, software based arbitration should be employed. Once the service candidate is decided, the responsible
device driver should configure the Generic DMA Controller properly in order to conduct DMA transfers. Both
Interrupt and Polling based schemes in handling the completion event are supported. The block diagram of such
generic DMA Controller is illustrated in Figure 11.

MT6225 GSM/GPRS Baseband Processor Data Sheet Revision 1.00
39
Figure 12 Block Diagram of Direct memory Access Module
3.4.1.1 Full-Size & Half-Size DMA Channels
There are three types of DMA channels in the DMA controller. The first one is called a full-size DMA channel, the
second one is called a half-size DMA channel, and the last is Virtual FIFO DMA. Channels 1 through 3 are full-size
DMA channels; channels 4 through 10 are half-size ones; and channels 11 through 14 are Virtual FIFO DMAs. The
difference between the first two types of DMA channels is that both source and destination address are programmable
in full-size DMA channels, but only the address of one side can be programmed in half-size DMA channel. In
half-size channels, only either the source or destination address can be programmed, while the addresses of the other
side is preset. Which preset address is used depends on the setting of MAS in DMA Channel Control Register.
Refer to the Register Definition section for more detail.
3.4.1.2 Ring Buffer & Double Buffer Memory Data Movement
DMA channels 1 through 10 support ring-buffer and double-buffer memory data movement. This can be achieved by
programming DMA_WPPT and DMA_WPTO, as well as setting WPEN in DMA_CON register to enable. Figure 13
illustrates how this function works. Once the transfer counter reaches the value of WPPT, the next address jumps to
the WPTO address after completing the WPPT data transfer. Note that only one side can be configured as ring-buffer
or double-buffer memory, and this is controlled by WPSD in DMA_CON register.

MT6225 GSM/GPRS Baseband Processor Data Sheet Revision 1.00
40
Figure 14 Ring Buffer and Double Buffer Memory Data Movement
3.4.1.3 Unaligned Word Access
The address of word access on AHB bus must be aligned to word boundary, or the 2 LSB is truncated to 00b. If
programmers do not notice this, it may cause an incorrect data fetch. In the case where data is to be moved from
unaligned addresses to aligned addresses, the word is usually first split into four bytes and then moved byte by byte.
This results in four read and four write transfers on the bus.
To improve bus efficiency, unaligned-word access is provided in DMA4~10. While this function is enabled, DMAs
move data from unaligned address to aligned address by executing four continuous byte-read access and one
word-write access, reducing the number of transfers on the bus by three.
Figure 15 Unaligned Word Accesses
3.4.1.4 Virtual FIFO DMA
Virtual FIFO DMA is used to ease UART control. The difference between the Virtual FIFO DMAs and the ordinary
DMAs is that Virtual FIFO DMA contains additional FIFO controller. The read and write pointers are kept in the
Virtual FIFO DMA. During a read from the FIFO, the read pointer points to the address of the next data. During a
write to the FIFO, the write pointer moves to the next address. If the FIFO is empty, a FIFO read is not allowed.
Similarly, data is not written into the FIFO if the FIFO is full. Due to UART flow control requirements, an alert

MT6225 GSM/GPRS Baseband Processor Data Sheet Revision 1.00
41
length is programmed. Once the FIFO Space is less than this value, an alert signal is issued to enable UART flow
control. The type of flow control performed depends on the setting in UART.
Each Virtual FIFO DMA can be programmed as RX or TX FIFO. This depends on the setting of DIR in DMA_CON
register. If DIR is “0”(READ), it means TX FIFO. On the other hand, if DIR is “1”(WRITE), the Virtual FIFO
DMA is specified as a RX FIFO.
Virtual FIFO DMA provides an interrupt to MCU. This interrupt informs MCU that there is data in the FIFO, and the
amount of data is over or under the value defined in DMA_COUNT register. With this, MCU does not need to poll
DMA to know when data must be removed from or put into the FIFO.
Note that Virtual FIFO DMAs cannot be used as generic DMAs, i.e. DMA1~10.
Figure 16 Virtual FIFO DMA
DMA number
Address of Virtual FIFO Access Port Associated UART
DMA11 7800_0000h UART1 RX / ALL UART TX
DMA12 7800_0100h UART2 RX / ALL UART TX
DMA13 7800_0200h UART3 RX / ALL UART TX
DMA14 7800_0300h ALL UART TX
Table 7 Virtual FIFO Access Port
DMA number
Type Ring Buffer
Two Buffer
Burst Mode
Unaligned Word
Access
DMA1 Full Size ● ● ●
DMA2 Full Size ● ● ●
DMA3 Full Size ● ● ●
DMA4 Half Size ● ● ● ●
DMA5 Half Size ● ● ● ●
DMA6 Half Size ● ● ● ●
DMA7 Half Size ● ● ● ●
DMA8 Half Size ● ● ● ●
DMA9 Half Size ● ● ● ●
DMA10 Half Size ● ● ● ●
DMA11 Virtual FIFO ●
DMA12 Virtual FIFO ●

MT6225 GSM/GPRS Baseband Processor Data Sheet Revision 1.00
42
DMA13 Virtual FIFO ●
DMA14 Virtual FIFO ●
Table 8 Function List of DMA channels
REGISTER ADDRESS
REGISTER NAME SYNONYM
DMA + 0000h DMA Global Status Register DMA_GLBSTA
DMA + 0028h DMA Global Bandwidth Limiter Register DMA_GLBLIMITER
DMA + 0100h DMA Channel 1 Source Address Register DMA1_SRC
DMA + 0104h DMA Channel 1 Destination Address Register DMA1_DST
DMA + 0108h DMA Channel 1 Wrap Point Address Register DMA1_WPPT
DMA + 010Ch DMA Channel 1 Wrap To Address Register DMA1_WPTO
DMA + 0110h DMA Channel 1 Transfer Count Register DMA1_COUNT
DMA + 0114h DMA Channel 1 Control Register DMA1_CON
DMA + 0118h DMA Channel 1 Start Register DMA1_START
DMA + 011Ch DMA Channel 1 Interrupt Status Register DMA1_INTSTA
DMA + 0120h DMA Channel 1 Interrupt Acknowledge Register DMA1_ACKINT
DMA + 0124h DMA Channel 1 Remaining Length of Current Transfer
DMA1_RLCT
DMA + 0128h DMA Channel 1 Bandwidth Limiter Register DMA1_LIMITER
DMA + 0200h DMA Channel 2 Source Address Register DMA2_SRC
DMA + 0204h DMA Channel 2 Destination Address Register DMA2_DST
DMA + 0208h DMA Channel 2 Wrap Point Address Register DMA2_WPPT
DMA + 020Ch DMA Channel 2 Wrap To Address Register DMA2_WPTO
DMA + 0210h DMA Channel 2 Transfer Count Register DMA2_COUNT
DMA + 0214h DMA Channel 2 Control Register DMA2_CON
DMA + 0218h DMA Channel 2 Start Register DMA2_START
DMA + 021Ch DMA Channel 2 Interrupt Status Register DMA2_INTSTA
DMA + 0220h DMA Channel 2 Interrupt Acknowledge Register DMA2_ACKINT
DMA + 0224h DMA Channel 2 Remaining Length of Current Transfer
DMA2_RLCT
DMA + 0228h DMA Channel 2 Bandwidth Limiter Register DMA2_LIMITER
DMA + 0300h DMA Channel 3 Source Address Register DMA3_SRC
DMA + 0304h DMA Channel 3 Destination Address Register DMA3_DST
DMA + 0308h DMA Channel 3 Wrap Point Address Register DMA3_WPPT
DMA + 030Ch DMA Channel 3 Wrap To Address Register DMA3_WPTO
DMA + 0310h DMA Channel 3 Transfer Count Register DMA3_COUNT
DMA + 0314h DMA Channel 3 Control Register DMA3_CON
DMA + 0318h DMA Channel 3 Start Register DMA3_START
DMA + 031Ch DMA Channel 3 Interrupt Status Register DMA3_INTSTA
DMA + 0320h DMA Channel 3 Interrupt Acknowledge Register DMA3_ACKINT
DMA + 0324h DMA Channel 3 Remaining Length of Current Transfer
DMA3_RLCT
DMA + 0328h DMA Channel 3 Bandwidth Limiter Register DMA3_LIMITER
DMA + 0408h DMA Channel 4 Wrap Point Address Register DMA4_WPPT
DMA + 040Ch DMA Channel 4 Wrap To Address Register DMA4_WPTO
DMA + 0410h DMA Channel 4 Transfer Count Register DMA4_COUNT

MT6225 GSM/GPRS Baseband Processor Data Sheet Revision 1.00
43
DMA + 0414h DMA Channel 4 Control Register DMA4_CON
DMA + 0418h DMA Channel 4 Start Register DMA4_START
DMA + 041Ch DMA Channel 4 Interrupt Status Register DMA4_INTSTA
DMA + 0420h DMA Channel 4 Interrupt Acknowledge Register DMA4_ACKINT
DMA + 0424h DMA Channel 4 Remaining Length of Current Transfer
DMA4_RLCT
DMA + 0428h DMA Channel 4 Bandwidth Limiter Register DMA4_LIMITER
DMA + 042Ch DMA Channel 4 Programmable Address Register DMA4_PGMADDR
DMA + 0508h DMA Channel 5 Wrap Point Address Register DMA5_WPPT
DMA + 050Ch DMA Channel 5 Wrap To Address Register DMA5_WPTO
DMA + 0510h DMA Channel 5 Transfer Count Register DMA5_COUNT
DMA + 0514h DMA Channel 5 Control Register DMA5_CON
DMA + 0518h DMA Channel 5 Start Register DMA5_START
DMA + 051Ch DMA Channel 5 Interrupt Status Register DMA5_INTSTA
DMA + 0520h DMA Channel 5 Interrupt Acknowledge Register DMA5_ACKINT
DMA + 0524h DMA Channel 5 Remaining Length of Current Transfer
DMA5_RLCT
DMA + 0528h DMA Channel 5 Bandwidth Limiter Register DMA5_LIMITER
DMA + 052Ch DMA Channel 5 Programmable Address Register DMA5_PGMADDR
DMA + 0608h DMA Channel 6 Wrap Point Address Register DMA6_WPPT
DMA + 060Ch DMA Channel 6 Wrap To Address Register DMA6_WPTO
DMA + 0610h DMA Channel 6 Transfer Count Register DMA6_COUNT
DMA + 0614h DMA Channel 6 Control Register DMA6_CON
DMA + 0618h DMA Channel 6 Start Register DMA6_START
DMA + 061Ch DMA Channel 6 Interrupt Status Register DMA6_INTSTA
DMA + 0620h DMA Channel 6 Interrupt Acknowledge Register DMA6_ACKINT
DMA + 0624h DMA Channel 6 Remaining Length of Current Transfer
DMA6_RLCT
DMA + 0628h DMA Channel 6 Bandwidth Limiter Register DMA6_LIMITER
DMA + 062Ch DMA Channel 6 Programmable Address Register DMA6_PGMADDR
DMA + 0708h DMA Channel 7 Wrap Point Address Register DMA7_WPPT
DMA + 070Ch DMA Channel 7 Wrap To Address Register DMA7_WPTO
DMA + 0710h DMA Channel 7 Transfer Count Register DMA7_COUNT
DMA + 0714h DMA Channel 7 Control Register DMA7_CON
DMA + 0718h DMA Channel 7 Start Register DMA7_START
DMA + 071Ch DMA Channel 7 Interrupt Status Register DMA7_INTSTA
DMA + 0720h DMA Channel 7 Interrupt Acknowledge Register DMA7_ACKINT
DMA + 0724h DMA Channel 7 Remaining Length of Current Transfer
DMA7_RLCT
DMA + 0728h DMA Channel 7 Bandwidth Limiter Register DMA7_LIMITER
DMA + 072Ch DMA Channel 7 Programmable Address Register DMA7_PGMADDR
DMA + 0808h DMA Channel 8 Wrap Point Address Register DMA8_WPPT
DMA + 080Ch DMA Channel 8 Wrap To Address Register DMA8_WPTO
DMA + 0810h DMA Channel 8 Transfer Count Register DMA8_COUNT
DMA + 0814h DMA Channel 8 Control Register DMA8_CON
DMA + 0818h DMA Channel 8 Start Register DMA8_START
DMA + 081Ch DMA Channel 8 Interrupt Status Register DMA8_INTSTA

MT6225 GSM/GPRS Baseband Processor Data Sheet Revision 1.00
44
DMA + 0820h DMA Channel 8 Interrupt Acknowledge Register DMA8_ACKINT
DMA + 0824h DMA Channel 8 Remaining Length of Current Transfer
DMA8_RLCT
DMA + 0828h DMA Channel 8 Bandwidth Limiter Register DMA8_LIMITER
DMA + 082Ch DMA Channel 8 Programmable Address Register DMA8_PGMADDR
DMA + 0908h DMA Channel 9 Wrap Point Address Register DMA9_WPPT
DMA + 090Ch DMA Channel 9 Wrap To Address Register DMA9_WPTO
DMA + 0910h DMA Channel 9 Transfer Count Register DMA9_COUNT
DMA + 0914h DMA Channel 9 Control Register DMA9_CON
DMA + 0918h DMA Channel 9 Start Register DMA9_START
DMA + 091Ch DMA Channel 9 Interrupt Status Register DMA9_INTSTA
DMA + 0920h DMA Channel 9 Interrupt Acknowledge Register DMA9_ACKINT
DMA + 0924h DMA Channel 9 Remaining Length of Current Transfer
DMA9_RLCT
DMA + 0928h DMA Channel 9 Bandwidth Limiter Register DMA9_LIMITER
DMA + 092Ch DMA Channel 9 Programmable Address Register DMA9_PGMADDR
DMA + 0A08h DMA Channel 10 Wrap Point Address Register DMA10_WPPT
DMA + 0A0Ch DMA Channel 10 Wrap To Address Register DMA10_WPTO
DMA + 0A10h DMA Channel 10 Transfer Count Register DMA10_COUNT
DMA + 0A14h DMA Channel 10 Control Register DMA10_CON
DMA + 0A18h DMA Channel 10 Start Register DMA10_START
DMA + 0A1Ch DMA Channel 10 Interrupt Status Register DMA10_INTSTA
DMA + 0A20h DMA Channel 10 Interrupt Acknowledge Register DMA10_ACKINT
DMA + 0A24h DMA Channel 10 Remaining Length of Current
Transfer DMA10_RLCT
DMA + 0A28h DMA Channel 10 Bandwidth Limiter Register DMA10_LIMITER
DMA + 0A2Ch DMA Channel 10 Programmable Address Register DMA10_PGMADDR
DMA + 0B10h DMA Channel 11 Transfer Count Register DMA11_COUNT
DMA + 0B14h DMA Channel 11 Control Register DMA11_CON
DMA + 0B18h DMA Channel 11 Start Register DMA11_START
DMA + 0B1Ch DMA Channel 11 Interrupt Status Register DMA11_INTSTA
DMA + 0B20h DMA Channel 11 Interrupt Acknowledge Register DMA11_ACKINT
DMA + 0B28h DMA Channel 11 Bandwidth Limiter Register DMA11_LIMITER
DMA + 0B2Ch DMA Channel 11 Programmable Address Register DMA11_PGMADDR
DMA + 0B30h DMA Channel 11 Write Pointer DMA11_WRPTR
DMA + 0B34h DMA Channel 11 Read Pointer DMA11_RDPTR
DMA + 0B38h DMA Channel 11 FIFO Count DMA11_FFCNT
DMA + 0B3Ch DMA Channel 11 FIFO Status DMA11_FFSTA
DMA + 0B40h DMA Channel 11 Alert Length DMA11_ALTLEN
DMA + 0B44h DMA Channel 11 FIFO Size DMA11_FFSIZE
DMA + 0C10h DMA Channel 12 Transfer Count Register DMA12_COUNT
DMA + 0C14h DMA Channel 12 Control Register DMA12_CON
DMA + 0C18h DMA Channel 12 Start Register DMA12_START
DMA + 0C1Ch DMA Channel 12 Interrupt Status Register DMA12_INTSTA
DMA + 0C20h DMA Channel 12 Interrupt Acknowledge Register DMA12_ACKINT

MT6225 GSM/GPRS Baseband Processor Data Sheet Revision 1.00
45
DMA + 0C28h DMA Channel 12 Bandwidth Limiter Register DMA12_LIMITER
DMA + 0C2Ch DMA Channel 12 Programmable Address Register DMA12_PGMADDR
DMA + 0C30h DMA Channel 12 Write Pointer DMA12_WRPTR
DMA + 0C34h DMA Channel 12 Read Pointer DMA12_RDPTR
DMA + 0C38h DMA Channel 12 FIFO Count DMA12_FFCNT
DMA + 0C3Ch DMA Channel 12 FIFO Status DMA12_FFSTA
DMA + 0C40h DMA Channel 12 Alert Length DMA12_ALTLEN
DMA + 0C44h DMA Channel 12 FIFO Size DMA12_FFSIZE
DMA + 0D10h DMA Channel 13 Transfer Count Register DMA13_COUNT
DMA + 0D14h DMA Channel 13 Control Register DMA13_CON
DMA + 0D18h DMA Channel 13 Start Register DMA13_START
DMA + 0D1Ch DMA Channel 13 Interrupt Status Register DMA13_INTSTA
DMA + 0D20h DMA Channel 13 Interrupt Acknowledge Register DMA13_ACKINT
DMA + 0D28h DMA Channel 13 Bandwidth Limiter Register DMA13_LIMITER
DMA + 0D2Ch DMA Channel 13 Programmable Address Register DMA13_PGMADDR
DMA + 0D30h DMA Channel 13 Write Pointer DMA13_WRPTR
DMA + 0D34h DMA Channel 13 Read Pointer DMA13_RDPTR
DMA + 0D38h DMA Channel 13 FIFO Count DMA13_FFCNT
DMA + 0D3Ch DMA Channel 13 FIFO Status DMA13_FFSTA
DMA + 0D40h DMA Channel 13 Alert Length DMA13_ALTLEN
DMA + 0D44h DMA Channel 13 FIFO Size DMA13_FFSIZE
DMA + 0E10h DMA Channel 14 Transfer Count Register DMA14_COUNT
DMA + 0E14h DMA Channel 14 Control Register DMA14_CON
DMA + 0E18h DMA Channel 14 Start Register DMA14_START
DMA + 0E1Ch DMA Channel 14 Interrupt Status Register DMA14_INTSTA
DMA + 0E20h DMA Channel 14 Interrupt Acknowledge Register DMA14_ACKINT
DMA + 0E28h DMA Channel 14 Bandwidth Limiter Register DMA14_LIMITER
DMA + 0E2Ch DMA Channel 14 Programmable Address Register DMA14_PGMADDR
DMA + 0E30h DMA Channel 14 Write Pointer DMA14_WRPTR
DMA + 0E34h DMA Channel 14 Read Pointer DMA14_RDPTR
DMA + 0E38h DMA Channel 14 FIFO Count DMA14_FFCNT
DMA + 0E3Ch DMA Channel 14 FIFO Status DMA14_FFSTA
DMA + 0E40h DMA Channel 14 Alert Length DMA14_ALTLEN
DMA + 0E44h DMA Channel 14 FIFO Size DMA14_FFSIZE
Table 9 DMA Controller Register Map
3.4.2 Register Definitions
Register programming tips:
Start registers shall be cleared, when associated channels are being programmed.
PGMADDR, i.e. programmable address, only exists in half-size DMA channels. If DIR in Control Register
is high, PGMADDR represents Destination Address. Conversely, If DIR in Control Register is low,
PGMADDR represents Source Address.

MT6225 GSM/GPRS Baseband Processor Data Sheet Revision 1.00
46
Functions of ring-buffer and double-buffer memory data movement can be activated on either source side or
destination side by programming DMA_WPPT & and DMA_WPTO, as well as setting WPEN in DMA_CON
register high. WPSD in DMA_CON register determines the activated side.
DMA+0000h DMA Global Status Register DMA_GLBSTA
Bit
31 30 29 28 27 26 25 24 23 22 21 20 19 18 17 16
Name
IT14
RUN1
4 IT13
RUN1
3 IT12
RUN1
2 IT11
RUN1
1 IT10
RUN1
0 IT9
RUN9
Type
RO
RO
RO
RO
RO
RO
RO
RO
RO
RO
RO
RO
Reset
0 0 0 0 0 0 0 0 0 0 0 0
Bit
15 14 13 12 11 10 9 8 7 6 5 4 3 2 1 0
Name
IT8
RUN8
IT7
RUN7
IT6
RUN6
IT5
RUN5
IT4
RUN4
IT3
RUN3
IT2
RUN2
IT1
RUN1
Type
RO
RO
RO
RO
RO
RO
RO
RO
RO
RO
RO
RO
RO
RO
RO
RO
Reset
0 0 0 0 0 0 0 0 0 0 0 0 0 0 0 0
This register helps software program keep track of the global status of DMA channels.
RUNN DMA channel n status
0 Channel n is stopped or has completed the transfer already.
1 Channel n is currently running.
ITN Interrupt status for channel n
0 No interrupt is generated.
1 An interrupt is pending and waiting for service.
DMA+0028h DMA Global Bandwidth limiter Register DMA_GLBLIMIT
ER
Bit
31 30 29 28 27 26 25 24 23 22 21 20 19 18 17 16
Name
Type
Reset
Bit
15 14 13 12 11 10 9 8 7 6 5 4 3 2 1 0
Name
GLBLIMITER
Type
WO
Reset
0
Please refer to the expression in DMAn_LIMITER for detailed note. The value of DMA_GLBLIMITER is set to all
DMA channels, from 1 to 14.
DMA+0n00h DMA Channel n Source Address Register DMAn_SRC
Bit
31 30 29 28 27 26 25 24 23 22 21 20 19 18 17 16
Name
SRC[31:16]
Type
R/W
Reset
0
Bit
15 14 13 12 11 10 9 8 7 6 5 4 3 2 1 0
Name
SRC[15:0]
Type
R/W
Reset
0
The above registers contain the base or current source address that the DMA channel is currently operating on.
Writing to this register specifies the base address of transfer source for a DMA channel. Before programming these
registers, the software program should make sure that STR in DMAn_START is set to 0; that is, the DMA channel is
stopped and disabled completely. Otherwise, the DMA channel may run out of order. Reading this register returns
the address value from which the DMA is reading.
Note that n is from 1 to 3.
SRC SRC[31:0] specifies the base or current address of transfer source for a DMA channel, i.e. channel 1, 2 or 3.

MT6225 GSM/GPRS Baseband Processor Data Sheet Revision 1.00
47
WRITE Base address of transfer source
READ Address from which DMA is reading
DMA+0n04h DMA Channel n Destination Address Register DMAn_DST
Bit
31 30 29 28 27 26 25 24 23 22 21 20 19 18 17 16
Name
DST[31:16]
Type
R/W
Reset
0
Bit
15 14 13 12 11 10 9 8 7 6 5 4 3 2 1 0
Name
DST[15:0]
Type
R/W
Reset
0
The above registers contain the base or current destination address that the DMA channel is currently operating on..
Writing to this register specifies the base address of the transfer destination for a DMA channel. Before programming
these registers, the software should make sure that STR in DMAn_START is set to ‘0’; that is, the DMA channel is
stopped and disabled completely. Otherwise, the DMA channel may run out of order. Reading this register returns
the address value to which the DMA is writing.
Note that n is from 1 to 3.
DST DST[31:0] specifies the base or current address of transfer destination for a DMA channel, i.e. channel 1, 2 or
3.
WRITE Base address of transfer destination.
READ Address to which DMA is writing.
DMA+0n08h DMA Channel n Wrap Point Count Register DMAn_WPPT
Bit
31 30 29 28 27 26 25 24 23 22 21 20 19 18 17 16
Name
Type
Reset
Bit
15 14 13 12 11 10 9 8 7 6 5 4 3 2 1 0
Name
WPPT[15:0]
Type
R/W
Reset
0
The above registers are to specify the transfer count required to perform before the jump point. This can be used to
support ring buffer or double buffer style memory accesses. To enable this function, two control bits, WPEN and
WPSD, in DMA control register must be programmed. See the following register description for more details. If the
transfercounter in the DMA engine matches this value, an address jump occurs, and the next address is the address
specified in DMAn_WPTO. Before programming these registers, the software should make sure that STR in
DMAn_START is set to ‘0’, that is the DMA channel is stopped and disabled completely. Otherwise, the DMA
channel may run out of order. To enable this function, WPEN in DMA_CON is set.
Note that n is from 1 to 10.
WPPT WPPT[15:0] specifies the amount of the transfer count from start to jumping point for a DMA channel, i.e.
channel 1 – 10.
WRITE Address of the jump point.
READ Value set by the programmer.
DMA+0n0Ch DMA Channel n Wrap To Address Register DMAn_WPTO
Bit
31 30 29 28 27 26 25 24 23 22 21 20 19 18 17 16
Name
WPTO[31:16]
Type
R/W
Reset
0

MT6225 GSM/GPRS Baseband Processor Data Sheet Revision 1.00
48
Bit
15 14 13 12 11 10 9 8 7 6 5 4 3 2 1 0
Name
WPTO[15:0]
Type
R/W
Reset
0
The above registers specify the address of the jump destination of a given DMA transfer to support ring buffer or
double buffer style memory accesses. To enable this function, set the two control bits, WPEN and WPSD, in the
DMA control register . See the following register description for more details. Before programming these registers,
the software should make sure that STR in DMAn_START is set to ‘0’, that is the DMA channel is stopped and
disabled completely. Otherwise, the DMA channel may run out of order. To enable this function, WPEN in
DMA_CON should be set.
Note that n is from 1 to 10.
WPTO WPTO[31:0] specifies the address of the jump point for a DMA channel, i.e. channel 1 – 10.
WRITE Address of the jump destination.
READ Value set by the programmer.
DMA+0n10h DMA Channel n Transfer Count Register DMAn_COUNT
Bit
31 30 29 28 27 26 25 24 23 22 21 20 19 18 17 16
Name
Type
Reset
Bit
15 14 13 12 11 10 9 8 7 6 5 4 3 2 1 0
Name
LEN
Type
R/W
Reset
0
This register specifies the amount of total transfer count that the DMA channel is required to perform. Upon
completion, the DMA channel generates an interrupt request to the processor while ITEN in DMAn_CON is set as ‘1’.
Note that the total size of data being transferred by a DMA channel is determined by LEN together with the SIZE in
DMAn_CON, i.e. LEN x SIZE.
For virtual FIFO DMA, this register is used to configure the RX threshold and TX threshold. Interrupt is triggered
while FIFO count >= RX threshold in RX path or FIFO count =< TX threshold in TX path. Note that ITEN bit in
DMA_CON register shall be set, or no interrupt is issued.
Note that n is from 1 to 14.
LEN The amount of total transfer count
DMA+0n14h DMA Channel n Control Register DMAn_CON
Bit
31 30 29 28 27 26 25 24 23 22 21 20 19 18 17 16
Name
MAS DIR
WPEN
WPS
D
Type
R/W R/W
R/W
R/W
Reset
0 0 0 0
Bit
15 14 13 12 11 10 9 8 7 6 5 4 3 2 1 0
Name
ITEN
BURST B2W
DRQ
DINC
SINC
SIZE
Type
R/W
R/W R/W
R/W
R/W
R/W
R/W
Reset
0 0 0 0 0 0 0
This register contains all the available control schemes for a DMA channel that is ready for software programmer to
configure. Note that all these fields cannot be changed while DMA transfer is in progress or an unexpected situation
may occur.
Note that n is from 1 to 14.
SIZE Data size within the confine of a bus cycle per transfer.

MT6225 GSM/GPRS Baseband Processor Data Sheet Revision 1.00
49
These bits confines the data transfer size between source and destination to the specified value for individual
bus cycle. The size is in terms of byte and has maximum value of 4 bytes. It is mainly decided by the data
width of a DMA master.
00 Byte transfer/1 byte
01 Half-word transfer/2 bytes
10 Word transfer/4 bytes
11 Reserved
SINC Incremental source address. Source addresses increase every transfer. If the setting of SIZE is Byte, Source
addresses increase by 1 every single transfer. If Half-Word, increase by 2; and if Word, increase by 4.
0 Disable
1 Enable
DINC Incremental destination address. Destination addresses increase every transfer. If the setting of SIZE is
Byte, Destination addresses increase by 1 every single transfer. If Half-Word, increase by 2; and Iif Word,
increase by 4.
0 Disable
1 Enable
DREQ Throttle and handshake control for DMA transfer
0 No throttle control during DMA transfer or transfers occurred only between memories
1 Hardware handshake management
The DMA master is able to throttle down the transfer rate by way of request-grant handshake.
B2W Word to Byte or Byte to Word transfer for the applications of transferring non-word-aligned-address data to
word-aligned-address data. Note that BURST is set to 4-beat burst while enabling this function, and the
SIZE is set to Byte.
NO effect on channel 1 – 3 & 11 - 14.
0 Disable
1 Enable
BURST Transfer Type. Burst-type transfers have better bus efficiency. Mass data movement is recommended to use
this kind of transfer. However, note that burst-type transfer does not stop until all of the beats in a burst are
completed or transfer length is reached. FIFO threshold of peripherals must be configured carefully while
being used to move data from/to the peripherals.
What transfer type can be used is restricted by the SIZE. If SIZE is 00b, i.e. byte transfer, all of the four
transfer types can be used. If SIZE is 01b, i.e. half-word transfer, 16-beat incrementing burst cannot be used.
If SIZE is 10b, i.e. word transfer, only single and 4-beat incrementing burst can be used.
NO effect on channel 11 - 14.
000 Single
001 Reserved
010 4-beat incrementing burst
011 Reserved
100 8-beat incrementing burst
101 Reserved
110 16-beat incrementing burst
111 Reserved
ITEN DMA transfer completion interrupt enable.
0 Disable
1 Enable
WPSD The side using address-wrapping function. Only one side of a DMA channel can activate address-wrapping
function at a time.
NO effect on channel 11 - 14.

MT6225 GSM/GPRS Baseband Processor Data Sheet Revision 1.00
50
0 Address-wrapping on source .
1 Address-wrapping on destination.
WPEN Address-wrapping for ring buffer. The next address of DMA jumps to WRAP TO address when the current
address matches WRAP POINT count.
NO effect on channel 11 - 14.
0 Disable
1 Enable
DIR Directions of DMA transfer for half-size and Virtual FIFO DMA channels, i.e. channels 4~14. The direction
is from the perspective of the DMA masters. WRITE means read from master and then write to the address
specified in DMA_PGMADDR, and vice versa.
NO effect on channel 1 - 3.
0 Read
1 Write
MAS Master selection. Specifies which master occupies this DMA channel. Once assigned to certain master, the
corresponding DREQ and DACK are connected. For half-size and Virtual FIFO DMA channels, i.e.
channels 4 ~ 14, a predefined address is assigned as well.
00000 SIM
00001 MSDC
00010 IrDA TX
00011 IrDA RX
00100 USB1 Write
00101 USB1 Read
00110 USB2 Write
00111 USB2 Read
01000 UART1 TX
01001 UART1 RX
01010 UART2 TX
01011 UART2 RX
01100 UART3 TX
01101 UART3 RX
01110 DSP-DMA
01111 NFI TX
10000 NFI RX
10001 I2C TX
10010 I2C RX
OTHERS Reserved
DMA+0n18h DMA Channel n Start Register DMAn_START
Bit
31 30 29 28 27 26 25 24 23 22 21 20 19 18 17 16
Name
Type
Reset
Bit
15 14 13 12 11 10 9 8 7 6 5 4 3 2 1 0
Name
STR
Type
R/W
Reset
0
This register controls the activity of a DMA channel. Note that prior to setting STR to “1”, all the configurations
should be done by giving proper value to the registers. Note also that once the STR is set to “1”, the hardware does
not clear it automatically no matter if the DMA channel accomplishes the DMA transfer or not. In other works, the

MT6225 GSM/GPRS Baseband Processor Data Sheet Revision 1.00
51
value of STR stays “1” regardless of the completion of DMA transfer. Therefore, the software program should be
sure to clear STR to “0” before restarting another DMA transfer.
Note that n is from 1 to 14.
STR Start control for a DMA channel.
0 The DMA channel is stopped.
1 The DMA channel is started and running.
DMA+0n1Ch DMA Channel n Interrupt Status Register DMAn_INTSTA
Bit
31 30 29 28 27 26 25 24 23 22 21 20 19 18 17 16
Name
Type
Reset
Bit
15 14 13 12 11 10 9 8 7 6 5 4 3 2 1 0
Name
INT
Type
RO
Reset
0
This register shows the interrupt status of a DMA channel. It has the same value as DMA_GLBSTA.
Note that n is from 1 to 14.
INT Interrupt Status for DMA Channel
0 No interrupt request is generated.
1 One interrupt request is pending and waiting for service.
DMA+0n20h DMA Channel n Interrupt Acknowledge Register DMAn_ACKINT
Bit
31 30 29 28 27 26 25 24 23 22 21 20 19 18 17 16
Name
Type
Reset
Bit
15 14 13 12 11 10 9 8 7 6 5 4 3 2 1 0
Name
ACK
Type
WO
Reset
0
This register is used to acknowledge the current interrupt request associated with the completion event of a DMA
channel by software program. Note that this is a write-only register, and any read to it returns a value of “0”.
Note that n is from 1 to 14.
ACK Interrupt acknowledge for the DMA channel
0 No effect
1 Interrupt request is acknowledged and should be relinquished.
DMA+0n24h DMA Channel n Remaining Length of Current
Transfer DMAn_RLCT
Bit
31 30 29 28 27 26 25 24 23 22 21 20 19 18 17 16
Name
Type
Reset
Bit
15 14 13 12 11 10 9 8 7 6 5 4 3 2 1 0
Name
RLCT
Type
RO
Reset
0
This register is to reflect the left amount of the transfer.
Note that n is from 1 to 10.

MT6225 GSM/GPRS Baseband Processor Data Sheet Revision 1.00
52
DMA+0n28h DMA Bandwidth limiter Register DMAn_LIMITER
Bit
31 30 29 28 27 26 25 24 23 22 21 20 19 18 17 16
Name
Type
Reset
Bit
15 14 13 12 11 10 9 8 7 6 5 4 3 2 1 0
Name
LIMITER
Type
R/W
Reset
0
This register is to suppress the Bus utilization of the DMA channel. The value is from 0 to 255. 0 means no
limitation, and 255 means totally banned. The value between 0 and 255 means certain DMA can have permission to
use AHB every (4 X n) AHB clock cycles.
Note that it is not recommended to limit the Bus utilization of the DMA channels because this increases the latency of
response to the masters, and the transfer rate decreases as well. Before using it, programmer must make sure that the
bus masters have some protective mechanism to avoid entering the wrong states.
Note that n is from 1 to 14.
LIMITER from 0 to 255. 0 means no limitation, 255 means totally banned, and others mean Bus access permission
every (4 X n) AHB clock.
DMA+0n2Ch DMA Channel n Programmable Address Register DMAn_PGMAD
DR
Bit
31 30 29 28 27 26 25 24 23 22 21 20 19 18 17 16
Name
PGMADDR[31:16]
Type
R/W
Reset
0
Bit
15 14 13 12 11 10 9 8 7 6 5 4 3 2 1 0
Name
PGMADDR[15:0]
Type
R/W
Reset
0
The above registers specify the address for a half-size DMA channel. This address represents a source address if DIR
in DMA_CON is set to 0, and represents a destination address if DIR in DMA_CON is set to 1. Before being able to
program these register, the software should make sure that STR in DMAn_START is set to ‘0’, that is the DMA channel
is stopped and disabled completely. Otherwise, the DMA channel may run out of order.
Note that n is from 4 to 14.
PGMADDR PGMADDR[31:0] specifies the addresses for a half-size or a Virtual FIFO DMA channel, i.e. channel 4 –
14.
WRITE Address of the jump destination.
READ Current address of the transfer.
DMA+0n30h DMA Channel n Virtual FIFO Write Pointer Register DMAn_WRPTR
Bit
31 30 29 28 27 26 25 24 23 22 21 20 19 18 17 16
Name
WRPTR[31:16]
Type
RO
Bit
15 14 13 12 11 10 9 8 7 6 5 4 3 2 1 0
Name
WRPTR[15:0]
Type
RO
Note that n is from 11 to 14.
WRPTR Virtual FIFO Write Pointer.

MT6225 GSM/GPRS Baseband Processor Data Sheet Revision 1.00
53
DMA+0n34h DMA Channel n Virtual FIFO Read Pointer Register DMAn_RDPTR
Bit
31 30 29 28 27 26 25 24 23 22 21 20 19 18 17 16
Name
RDPTR[31:16]
Type
RO
Bit
15 14 13 12 11 10 9 8 7 6 5 4 3 2 1 0
Name
RDPTR[15:0]
Type
RO
Note that n is from 11 to 14.
RDPTR Virtual FIFO Read Pointer.
DMA+0n38h DMA Channel n Virtual FIFO Data Count Register DMAn_FFCNT
Bit
31 30 29 28 27 26 25 24 23 22 21 20 19 18 17 16
Name
Type
Bit
15 14 13 12 11 10 9 8 7 6 5 4 3 2 1 0
Name
FFCNT
Type
RO
Note that n is from 11 to 14.
FFCNT To display the number of data stored in FIFO. 0 means FIFO empty, and FIFO is full if FFCNT is equal to
FFSIZE.
DMA+0n3Ch DMA Channel n Virtual FIFO Status Register DMAn_FFSTA
Bit
31 30 29 28 27 26 25 24 23 22 21 20 19 18 17 16
Name
Type
Reset
Bit
15 14 13 12 11 10 9 8 7 6 5 4 3 2 1 0
Name
ALT
EMPT
Y FULL
Type
RO
RO
RO
Reset
0 1 0
Note that n is from 11 to 14.
FULL To indicate FIFO is full.
0 Not Full
1 Full
EMPTY To indicate FIFO is empty.
0 Not Empty
1 Empty
ALT To indicate FIFO Count is larger than ALTLEN. DMA issues an alert signal to UART to enable UART flow
control.
0 Not reach alert region.
1 Reach alert region.
DMA+0n40h DMA Channel n Virtual FIFO Alert Length Register DMAn_ALTLEN
Bit
31 30 29 28 27 26 25 24 23 22 21 20 19 18 17 16
Name
Type
Reset
Bit
15 14 13 12 11 10 9 8 7 6 5 4 3 2 1 0
Name
ALTLEN
Type
R/W

MT6225 GSM/GPRS Baseband Processor Data Sheet Revision 1.00
54
Reset
0
Note that n is from 11 to 14.
ALTLEN Specifies the Alert Length of Virtual FIFO DMA. Once the remaining FIFO space is less than ALTLEN,
an alert signal is issued to UART to enable flow control. Normally, ALTLEN shall be larger than 16 for
UART application.
DMA+0n44h DMA Channel n Virtual FIFO Size Register DMAn_FFSIZE
Bit
31 30 29 28 27 26 25 24 23 22 21 20 19 18 17 16
Name
Type
Reset
Bit
15 14 13 12 11 10 9 8 7 6 5 4 3 2 1 0
Name
FFSIZE
Type
R/W
Reset
0
Note that n is from 11 to 14.
FFSIZE Specifies the FIFO Size of Virtual FIFO DMA.
3.5 Interrupt Controller
3.5.1 General Description
Figure 17 outlines the major functionality of the MCU Interrupt Controller. The interrupt controller processes all
interrupt sources coming from external lines and internal MCU peripherals. Since ARM7EJ-S core supports two
levels of interrupt latency, this controller generates two request signals: FIQ for fast, low latency interrupt request and
IRQ for more general interrupts with lower priority.
Interrupt
Input
Multiplex
IRQ
Controller
IRQn
IRQ0
IRQ1
IRQ2
IRQ31
KP
TDMA
GPT
SIM
UART1
DSP2MCU
RTC
UART2
EINT FIQ
IRQ
FIQ
Controller
Registers
SoftIRQ
APB Bus
Figure 18 Block Diagram of the Interrupt Controller

MT6225 GSM/GPRS Baseband Processor Data Sheet Revision 1.00
55
One and only one of the interrupt sources can be assigned to FIQ Controller and have the highest priority in requesting
timing critical service. All the others share the same IRQ signal by connecting them to IRQ Controller. The IRQ
Controller manages up 32 interrupt lines of IRQ0 to IRQ31 with fixed priority in descending order.
The Interrupt Controller provides a simple software interface by mean of registers to manipulate the interrupt request
shared system. IRQ Selection Registers and FIQ Selection Register determine the source priority and connecting
relation among sources and interrupt lines. IRQ Source Status Register allows software program to identify the source
of interrupt that generates the interrupt request. IRQ Mask Register provides software to mask out undesired sources
some time. End of Interrupt Register permits software program to indicate to the controller that a certain interrupt
service routine has been finished.
Binary coded version of IRQ Source Status Register is also made available for software program to helpfully identify
the interrupt source. Note that while taking advantage of this, it should also take the binary coded version of End of
Interrupt Register coincidently.
One and only one of the interrupt sources can be assigned to FIQ Controller and have the highest priority in requesting
timing critical service. All the others should share the same IRQ signal by connecting them to IRQ Controller. The IRQ
Controller manages up 32 interrupt lines of IRQ0 to IRQ31 with fixed priority in descending order.
The Interrupt Controller provides a simple software interface by mean of registers to manipulate the interrupt request
shared system. IRQ Selection Registers and FIQ Selection Register determine the source priority and connecting
relation among sources and interrupt lines. IRQ Source Status Register allows software program to identify the source
of interrupt that generates the interrupt request. IRQ Mask Register provides software to mask out undesired sources
some time. End of Interrupt Register permits software program to indicate the controller that a certain interrupt service
routine has been finished.
Binary coded version of IRQ Source Status Register is also made available for software program to helpfully identify
the interrupt source. Note that while using this register, the controller also needs to use the corresponding binary coded
version of End of Interrupt Register for response.
The essential Interrupt Table of ARM7EJ-S core is shown as Table 10.
Address Description
00000000h System Reset
00000018h IRQ
0000001Ch FIQ
Table 11 Interrupt Table of ARM7EJ-S
3.5.1.1 Interrupt Source Masking
Interrupt controller provides the function of Interrupt Source Masking by the way of programming MASK register.
Any of them can be masked individually.
However, because of the bus latency, the masking takes effect no earlier than 3 clock cycles later. In this time, the
to-be-masked interrupts could come in and generate an IRQ pulse to MCU, and then disappear immediately. This
IRQ forces MCU going to Interrupt Service Routine and polling Status Register (IRQ_STA or IRQ_STA2), but the
register shows there is no interrupt. This might cause MCU malfunction.
There are two ways for programmer to protect their software.
1. Return from ISR (Interrupt Service Routine) immediately while the Status register shows no interrupt.
2. Set I bit of MCU before doing Interrupt Masking, and then clear it after Interrupt Masking done.
Both avoid the problem, but the first item recommended to have in the ISR.

MT6225 GSM/GPRS Baseband Processor Data Sheet Revision 1.00
56
Interrupt controller provides the function of Interrupt Source Masking by the way of programming MASK register. Any
of them can be masked individually.
However, because of the bus latency, the masking takes effect a minimal of 3 clock cycles later. In this time, the
to-be-masked interrupts could come in and generate an IRQ pulse to MCU, and then disappear immediately. This IRQ
forces MCU to go into Interrupt Service Routine and poll the Status Register (IRQ_STA or IRQ_STA2), but the register
will show there is no interrupt. This may cause MCU malfunction.
There are two ways for programmers to protect their software.
1. Return from ISR (Interrupt Service Routine) immediately while the Status register shows no interrupt.
2. Set I bit of MCU before performing Interrupt Masking, and then clear it after Interrupt Masking done.
Both can avoid the problem, but it is always recommended to use the first method list above.
3.5.1.2 External Interrupt
This interrupt controller also integrates an External Interrupt Controller that can support up to 4 interrupt requests
coming from external sources, the EINT0~3, and 4 WakeUp interrupt requests, i.e. EINT4~7, coming from peripherals
used to inform system to resume the system clock.
The four external interrupts can be used for different kind of applications, mainly for event detections: detection of
hand free connection, detection of hood opening, detection of battery charger connection.
Since the external event may be unstable in a certain period, a de-bounce mechanism is introduced to ensure the
functionality. The circuitry is mainly used to verify that the input signal remains stable for a programmable number of
periods of the clock. When this condition is satisfied, for the appearance or the disappearance of the input, the output
of the de-bounce logic changes to the desired state. Note that, because it uses the 32 KHz slow clock for performing
the de-bounce process, the parameter of de-bounce period and de-bounce enable takes effect no sooner than one
32 KHz clock cycle (~31.25us) after the software program sets them. However, the polarities of EINTs are clocked
with the system clock. Any changes to them take effect immediately.

MT6225 GSM/GPRS Baseband Processor Data Sheet Revision 1.00
57
Figure 19 Block diagram of External Interrupt Controller
REGISTER ADDRESS
REGISTER NAME SYNONYM
CIRQ + 0000h IRQ Selection 0 Register IRQ_SEL0
CIRQ + 0004h IRQ Selection 1 Register IRQ_SEL1
CIRQ + 0008h IRQ Selection 2 Register IRQ_SEL2
CIRQ + 000Ch IRQ Selection 3 Register IRQ_SEL3
CIRQ + 0010h IRQ Selection 4 Register IRQ_SEL4
CIRQ + 0014h IRQ Selection 5 Register IRQ_SEL5
CIRQ + 0018h FIQ Selection Register FIQ_SEL
CIRQ + 001Ch IRQ Mask Register IRQ_MASK
CIRQ + 0020h IRQ Mask Disable Register IRQ_MASK_DIS
CIRQ + 0024h IRQ Mask Enable Register IRQ_MASK_EN
CIRQ + 0028h IRQ Status Register IRQ_STA
CIRQ + 002Ch IRQ End of Interrupt Register IRQ_EOI
CIRQ + 0030h IRQ Sensitive Register IRQ_SENS
CIRQ + 0034h IRQ Software Interrupt Register IRQ_SOFT
CIRQ + 0038h FIQ Control Register FIQ_CON
CIRQ + 003Ch FIQ End of Interrupt Register FIQ_EOI
CIRQ + 0040h Binary Coded Value of IRQ_STATUS IRQ_STA2
CIRQ + 0044h Binary Coded Value of IRQ_EOI IRQ_EOI2
CIRQ + 0100h EINT Status Register EINT_STA
CIRQ + 0104h EINT Mask Register EINT_MASK
CIRQ + 0108h EINT Mask Disable Register EINT_MASK_DIS

MT6225 GSM/GPRS Baseband Processor Data Sheet Revision 1.00
58
CIRQ + 010Ch EINT Mask Enable Register EINT_MASK_EN
CIRQ + 0110h EINT Interrupt Acknowledge Register EINT_INTACK
CIRQ + 0114h EINT Sensitive Register EINT_SENS
CIRQ + 0120h EINT0 De-bounce Control Register EINT0_CON
CIRQ + 0130h EINT1 De-bounce Control Register EINT1_CON
CIRQ + 0140h EINT2 De-bounce Control Register EINT2_CON
CIRQ + 0150h EINT3 De-bounce Control Register EINT3_CON
CIRQ + 0160h EINT4 De-bounce Control Register EINT4_CON
CIRQ + 0170h EINT5 De-bounce Control Register EINT5_CON
CIRQ + 0180h EINT6 De-bounce Control Register EINT6_CON
CIRQ + 0190h EINT7 De-bounce Control Register EINT7_CON
Table 12 Interrupt Controller Register Map
3.5.2 Register Definitions
CIRQ+0000h IRQ Selection 0 Register IRQ_SEL0
Bit
31 30 29 28 27 26 25 24 23 22 21 20 19 18 17 16
Name
IRQ5 IRQ4 IRQ3
Type
R/W R/W R/W
Reset
5 4 3
Bit
15 14 13 12 11 10 9 8 7 6 5 4 3 2 1 0
Name
IRQ2 IRQ1 IRQ0
Type
R/W R/W R/W
Reset
2 1 0
CIRQ+0004h IRQ Selection 1 Register IRQ_SEL1
Bit
31 30 29 28 27 26 25 24 23 22 21 20 19 18 17 16
Name
IRQB IRQA IRQ9
Type
R/W R/W R/W
Reset
B A 9
Bit
15 14 13 12 11 10 9 8 7 6 5 4 3 2 1 0
Name
IRQ8 IRQ7 IRQ6
Type
R/W R/W R/W
Reset
8 7 6
CIRQ+0008h IRQ Selection 2 Register IRQ_SEL2
Bit
31 30 29 28 27 26 25 24 23 22 21 20 19 18 17 16
Name
IRQ11 IRQ10 IRQF
Type
R/W R/W R/W
Reset
11 10 F
Bit
15 14 13 12 11 10 9 8 7 6 5 4 3 2 1 0
Name
IRQE IRQD IRQC
Type
R/W R/W R/W
Reset
E D C
CIRQ+000Ch IRQ Selection 3 Register IRQ_SEL3
Bit
31 30 29 28 27 26 25 24 23 22 21 20 19 18 17 16
Name
IRQ17 IRQ16 IRQ15
Type
R/W R/W R/W
Reset
17 16 15
Bit
15 14 13 12 11 10 9 8 7 6 5 4 3 2 1 0
Name
IRQ14 IRQ13 IRQ12

MT6225 GSM/GPRS Baseband Processor Data Sheet Revision 1.00
59
Type
R/W R/W R/W
Reset
14 13 12
CIRQ+0010h IRQ Selection 4 Register IRQ_SEL4
Bit
31 30 29 28 27 26 25 24 23 22 21 20 19 18 17 16
Name
IRQ1D IRQ1C IRQ1B
Type
R/W R/W R/W
Reset
1D 1C 1B
Bit
15 14 13 12 11 10 9 8 7 6 5 4 3 2 1 0
Name
IRQ1A IRQ19 IRQ18
Type
R/W R/W R/W
Reset
1A 19 18
CIRQ+0014h IRQ Selection 5 Register IRQ_SEL5
Bit
31 30 29 28 27 26 25 24 23 22 21 20 19 18 17 16
Name
Type
Reset
Bit
15 14 13 12 11 10 9 8 7 6 5 4 3 2 1 0
Name
IRQ1F IRQ1E
Type
R/W R/W
Reset
1F 1E
CIRQ+0018h FIQ Selection Register FIQ_SEL
Bit
31 30 29 28 27 26 25 24 23 22 21 20 19 18 17 16
Name
Type
Reset
Bit
15 14 13 12 11 10 9 8 7 6 5 4 3 2 1 0
Name
FIQ
Type
R/W
Reset
0
The IRQ/FIQ Selection Registers provide system designers with a flexible routing scheme to make various mappings of
priority among interrupt sources possible. It allows the interrupt sources to be mapped onto interrupt requests of either
FIQ or IRQ. While only one interrupt source can be assigned to FIQ, the other ones should share IRQ by mapping them
onto IRQ0 to IRQ1F, which are connected to IRQ controller. The priority of IRQ0-IRQ1F is fixed, i.e. IRQ0 > IRQ1 >
IRQ2 > … > IRQ1E > IRQ1F. During the software configuration process, the Interrupt Source Code of desired
interrupt source should be written into source field of the corresponding IRQ_SEL0-IRQ_SEL4/FIQ_SEL. 5-bit
Interrupt Source Codes for all interrupt sources are fixed and defined in Table 13. The IRQ/FIQ Selection Registers
provide system designers with a flexible routing scheme to make various mappings of priority among interrupt sources
possible. The registers allow the interrupt sources to be mapped onto interrupt requests of either FIQ or IRQ. While
only one interrupt source can be assigned to FIQ, the other ones share IRQs by mapping them onto IRQ0 to IRQ1F
connected to IRQ controller. The priority sequence of IRQ0~IRQ1F is fixed, i.e. IRQ0 > IRQ1 > IRQ2 > … > IRQ1E
> IRQ1F. During the software configuration process, the Interrupt Source Code of desired interrupt source should be
written into source field of the corresponding IRQ_SEL0-IRQ_SEL4/FIQ_SEL. Five-bit Interrupt Source Codes for
all interrupt sources are fixed and defined.
Interrupt Source STA2 (Hex)
STA
MFIQ 0 00000001
TDMA_CTIRQ1
1 00000002
TDMA_CTIRQ2
2 00000004
DSP2CPU 3 00000008

MT6225 GSM/GPRS Baseband Processor Data Sheet Revision 1.00
60
SIM 4 00000010
DMA 5 00000020
TDMA 6 00000040
UART1 7 00000080
KeyPad 8 00000100
UART2 9 00000200
GPTimer A 00000400
EINT B 00000800
USB C 00001000
MSDC D 00002000
RTC E 00004000
IrDA F 00008000
LCD 10 00010000
UART3 11 00020000
MIRQ 12 00040000
WDT 13 00080000
NOT USED 14
Resizer 15 00200000
NFI 16 00400000
B2PSI 17 00800000
IRDBG 18 01000000
MSDC card detect
19 02000000
I2C 1a 04000000
NOT USED 1b
NOT USED 1c
NOT USED 1d
CAM 1e 40000000
Table 14 Interrupt Source Code for Interrupt Sources
FIQ, IRQ0-1F The 5-bit content of this field would be the Interrupt Source Code shown in Table 15 indicating that
the certain interrupt source uses the associated interrupt line to generate fast interrupt requests. The 5-bit
content of this field corresponds to an Interrupt Source Code shown above.
CIRQ+001Ch IRQ Mask Register IRQ_MASK
Bit
31 30 29 28 27 26 25 24 23 22 21 20 19 18 17 16
Name
IRQ1F
IRQ1E
IRQ1
D
IRQ1
C
IRQ1
B
IRQ1
A IRQ19
IRQ18
IRQ17
IRQ16
IRQ15
IRQ14
IRQ13
IRQ12
IRQ11
IRQ10
Type
R/W
R/W
R/W
R/W
R/W
R/W
R/W
R/W
R/W
R/W
R/W
R/W
R/W
R/W
R/W
R/W
Reset
1 1 1 1 1 1 1 1 1 1 1 1 1 1 1 1
Bit
15 14 13 12 11 10 9 8 7 6 5 4 3 2 1 0
Name
IRQF
IRQE
IRQD
IRQC
IRQB
IRQA
IRQ9
IRQ8
IRQ7
IRQ6
IRQ5
IRQ4
IRQ3
IRQ2
IRQ1
IRQ0
Type
R/W
R/W
R/W
R/W
R/W
R/W
R/W
R/W
R/W
R/W
R/W
R/W
R/W
R/W
R/W
R/W
Reset
1 1 1 1 1 1 1 1 1 1 1 1 1 1 1 1
This register contains a mask bit for each interrupt line in IRQ Controller. The register allows each interrupt source
IRQ0 to IRQ1F to be disabled or masked separately under software control. After a system reset, all bit values are set
to 1 to indicate that interrupt requests are prohibited.

MT6225 GSM/GPRS Baseband Processor Data Sheet Revision 1.00
61
This register contains mask bit for each interrupt line in IRQ Controller. It allows each interrupt source of IRQ0 to
IRQ1F to be disabled or masked out separately under software control. After System Reset, all bit values will be set to
‘1’ to indicate that interrupt requests are prohibited.
IRQ0-1F Mask control for the associated interrupt source in the IRQ controllerMask Control for the Associated
Interrupt Source in IRQ Controller
0 Interrupt is enabled
1 Interrupt is disabled
CIRQ+0020h IRQ Mask Clear Register IRQ_MASK_CL
R
Bit
31 30 29 28 27 26 25 24 23 22 21 20 19 18 17 16
Name
IRQ1F
IRQ1E
IRQ1
D
IRQ1
C
IRQ1
B
IRQ1
A IRQ19
IRQ18
IRQ17
IRQ16
IRQ15
IRQ14
IRQ13
IRQ12
IRQ11
IRQ10
Type
W1C
W1C
W1C
W1C
W1C
W1C
W1C
W1C
W1C
W1C
W1C
W1C
W1C
W1C
W1C
W1C
Bit
15 14 13 12 11 10 9 8 7 6 5 4 3 2 1 0
Name
IRQF
IRQE
IRQD
IRQC
IRQB
IRQA
IRQ9
IRQ8
IRQ7
IRQ6
IRQ5
IRQ4
IRQ3
IRQ2
IRQ1
IRQ0
Type
W1C
W1C
W1C
W1C
W1C
W1C
W1C
W1C
W1C
W1C
W1C
W1C
W1C
W1C
W1C
W1C
This register is used to clear bits in IRQ Mask Register. When writing to this register, the data bits that are HIGH
cause the corresponding bits in IRQ Mask Register to be cleared. Data bits that are LOW have no effect on the
corresponding bits in IRQ Mask Register.
This register is used to clear bits in the IRQ Mask Register. When writing to this register, the data bits that are high will
cause the corresponding bits in the IRQ Mask Register to be cleared. Data bits that are low have no effect on the
corresponding bits in the IRQ Mask Register
IRQ0-1F Clear corresponding bits in IRQ Mask Register.
0 nNo effect
1 Disable the corresponding MASK bit
CIRQ+0024h IRQ Mask SET Register IRQ_MASK_SE
T
Bit
31 30 29 28 27 26 25 24 23 22 21 20 19 18 17 16
Name
IRQ1F
IRQ1E
IRQ1
D
IRQ1
C
IRQ1
B
IRQ1
A IRQ19
IRQ18
IRQ17
IRQ16
IRQ15
IRQ14
IRQ13
IRQ12
IRQ11
IRQ10
Type
W1S
W1S
W1S
W1S
W1S
W1S
W1S
W1S
W1S
W1S
W1S
W1S
W1S
W1S
W1S
W1S
Bit
15 14 13 12 11 10 9 8 7 6 5 4 3 2 1 0
Name
IRQF
IRQE
IRQD
IRQC
IRQB
IRQA
IRQ9
IRQ8
IRQ7
IRQ6
IRQ5
IRQ4
IRQ3
IRQ2
IRQ1
IRQ0
Type
W1S
W1S
W1S
W1S
W1S
W1S
W1S
W1S
W1S
W1S
W1S
W1S
W1S
W1S
W1S
W1S
This register is used to set bits in the IRQ Mask Register. When writing to this register, the data bits that are HIGH
cause the corresponding bits in IRQ Mask Register to be set. Data bits that are LOW have no effect on the
corresponding bits in IRQ Mask Register.
This register is used to set bits in the IRQ Mask Register. When writing to this register, the data bits that are high will
cause the corresponding bits in the IRQ Mask Register to be set. Data bits that are low have no effect on the
corresponding bits in the IRQ Mask Register
IRQ0-1F Set corresponding bits in IRQ Mask Register.
0 nNo effect
1 Enable corresponding MASK bit
CIRQ+0028h IRQ Source Status Register IRQ_STA
Bit
31 30 29 28 27 26 25 24 23 22 21 20 19 18 17 16

MT6225 GSM/GPRS Baseband Processor Data Sheet Revision 1.00
62
Name
IRQ1F
IRQ1E
IRQ1
D
IRQ1
C
IRQ1
B
IRQ1
A IRQ19
IRQ18
IRQ17
IRQ16
IRQ15
IRQ14
IRQ13
IRQ12
IRQ11
IRQ10
Type
RO
RO
RO
RO
RO
RO
RO
RO
RO
RO
RO
RO
RO
RO
RO
RO
Reset
0 0 0 0 0 0 0 0 0 0 0 0 0 0 0 0
Bit
15 14 13 12 11 10 9 8 7 6 5 4 3 2 1 0
Name
IRQF
IRQE
IRQD
IRQC
IRQB
IRQA
IRQ9
IRQ8
IRQ7
IRQ6
IRQ5
IRQ4
IRQ3
IRQ2
IRQ1
IRQ0
Type
RO
RO
RO
RO
RO
RO
RO
RO
RO
RO
RO
RO
RO
RO
RO
RO
Reset
0 0 0 0 0 0 0 0 0 0 0 0 0 0 0 0
This Register allows software to poll which interrupt line has generated an IRQ interrupt request. A bit set to 1
indicates a corresponding active interrupt line. Only one flag is active at a time. The IRQ_STA is type of read-clear;
write access has no effect on the content.
This Register allows software to poll which interrupt line generates the IRQ interrupt request. A bit set to ‘1’ indicates a
corresponding active interrupt line. Only one flag is active at a time. The IRQ_STA is type of READ-Clear, write
access will have no effect to the content.
IRQ0-1F Interrupt indicator for the associated interrupt source.Interrupt Indication for the Associated Interrupt
Source
0 The associated interrupt source is non-active.
1 The associated interrupt source is asserted.
CIRQ+002Ch IRQ End of Interrupt Register IRQ_EOI
Bit
31 30 29 28 27 26 25 24 23 22 21 20 19 18 17 16
Name
IRQ1F
IRQ1E
IRQ1
D
IRQ1
C
IRQ1
B
IRQ1
A IRQ19
IRQ18
IRQ17
IRQ16
IRQ15
IRQ14
IRQ13
IRQ12
IRQ11
IRQ10
Type
WO
WO
WO
WO
WO
WO
WO
WO
WO
WO
WO
WO
WO
WO
WO
WO
Reset
0 0 0 0 0 0 0 0 0 0 0 0 0 0 0 0
Bit
15 14 13 12 11 10 9 8 7 6 5 4 3 2 1 0
Name
IRQF
IRQE
IRQD
IRQC
IRQB
IRQA
IRQ9
IRQ8
IRQ7
IRQ6
IRQ5
IRQ4
IRQ3
IRQ2
IRQ1
IRQ0
Type
WO
WO
WO
WO
WO
WO
WO
WO
WO
WO
WO
WO
WO
WO
WO
WO
Reset
0 0 0 0 0 0 0 0 0 0 0 0 0 0 0 0
This register provides a mean for software to relinquish and to refresh the interrupt controller. Writing a 1 to a
specific bit position results in an End of Interrupt command issued internally to the corresponding interrupt line.
This register provides a mean for software to relinquish and refresh the Interrupt Controller. Writing a ‘1’ to the specific
bit position will result in an End of Interrupt Command internally to the corresponding interrupt line.
IRQ0-1F End of Interrupt command for the associated interrupt line.End of Interrupt Command for the Associated
Interrupt Line
0 No service is currently in progress or pending
1 Interrupt request is in-service
CIRQ+0030h IRQ Sensitive Register IRQ_SENS
Bit
31 30 29 28 27 26 25 24 23 22 21 20 19 18 17 16
Name
IRQ1F
IRQ1E
IRQ1
D
IRQ1
C
IRQ1
B
IRQ1
A IRQ19
IRQ18
IRQ17
IRQ16
IRQ15
IRQ14
IRQ13
IRQ12
IRQ11
IRQ10
Type
R/W
R/W
R/W
R/W
R/W
R/W
R/W
R/W
R/W
R/W
R/W
R/W
R/W
R/W
R/W
R/W
Reset
0 0 0 0 0 0 0 0 0 0 0 0 0 0 0 0
Bit
15 14 13 12 11 10 9 8 7 6 5 4 3 2 1 0
Name
IRQF
IRQE
IRQD
IRQC
IRQB
IRQA
IRQ9
IRQ8
IRQ7
IRQ6
IRQ5
IRQ4
IRQ3
IRQ2
IRQ1
IRQ0
Type
R/W
R/W
R/W
R/W
R/W
R/W
R/W
R/W
R/W
R/W
R/W
R/W
R/W
R/W
R/W
R/W
Reset
0 0 0 0 0 0 0 0 0 0 0 0 0 0 0 0
All interrupt lines of IRQ Controller, IRQ0~IRQ1F can be programmed as either edge or level sensitive. By default,
all the interrupt lines are edge sensitive and should be active LOW. Once a interrupt line is programmed as edge
sensitive, an interrupt request is triggered only at the falling edge of interrupt line, and the next interrupt is not accepted

MT6225 GSM/GPRS Baseband Processor Data Sheet Revision 1.00
63
until the EOI command is given. However, level sensitive interrupts trigger is according to the signal level of the
interrupt line. Once the interrupt line become from HIGH to LOW, an interrupt request is triggered, and another
interrupt request is triggered if the signal level remain LOW after an EOI command. Note that in edge sensitive mode,
even if the signal level remains LOW after EOI command, another interrupt request is not triggered. That is because
edge sensitive interrupt is only triggered at the falling edge.
All interrupt lines of IRQ Controller, IRQ0-IRQ1F can be programmed as either edge or level sensitive. By default, all
the interrupt lines are edge sensitive and should be active LOW. Once a interrupt line is programmed as edge sensitive,
an interrupt request is triggered only at the falling edge of interrupt line, and the next interrupt will not be taken until
the EOI command is given. However, level sensitive interrupt triggering is according to the signal level of the interrupt
line. Once the interrupt line become from High to Low, an interrupt request is triggered, and another interrupt request
will be triggered if the signal level remain Low after EOI command. Please note that in edge sensitive mode, even if the
signal level remains Low after EOI command, another interrupt request will not be triggered. This is because edge
sensitive interrupt is only triggered at the falling edge.
IRQ0-1F Sensitivity type of the associated Interrupt SourceSensitive Type of the Associated Interrupt Source
0 Edge sensitivity with active LOW
1 Level sensitivity with active LOW
CIRQ+0034h IRQ Software Interrupt Register IRQ_SOFT
Bit
31 30 29 28 27 26 25 24 23 22 21 20 19 18 17 16
Name
IRQ1F
IRQ1E
IRQ1
D
IRQ1
C
IRQ1
B
IRQ1
A IRQ19
IRQ18
IRQ17
IRQ16
IRQ15
IRQ14
IRQ13
IRQ12
IRQ11
IRQ10
Type
R/W
R/W
R/W
R/W
R/W
R/W
R/W
R/W
R/W
R/W
R/W
R/W
R/W
R/W
R/W
R/W
Reset
0 0 0 0 0 0 0 0 0 0 0 0 0 0 0 0
Bit
15 14 13 12 11 10 9 8 7 6 5 4 3 2 1 0
Name
IRQF
IRQE
IRQD
IRQC
IRQB
IRQA
IRQ9
IRQ8
IRQ7
IRQ6
IRQ5
IRQ4
IRQ3
IRQ2
IRQ1
IRQ0
Type
R/W
R/W
R/W
R/W
R/W
R/W
R/W
R/W
R/W
R/W
R/W
R/W
R/W
R/W
R/W
R/W
Reset
0 0 0 0 0 0 0 0 0 0 0 0 0 0 0 0
Setting “1” to the specific bit position generates a software interrupt for corresponding iInterrupt Lline before mask.
This register is used for debug purpose.
IRQ0-IRQ1F Software Interrupt
CIRQ+0038h FIQ Control Register FIQ_CON
Bit
31 30 29 28 27 26 25 24 23 22 21 20 19 18 17 16
Name
Type
Reset
Bit
15 14 13 12 11 10 9 8 7 6 5 4 3 2 1 0
Name
SENS
MAS
K
Type
R/W
R/W
Reset
0 1
This register provides a means for software program to control the FIQ cController.
MASK Mask cControl for the FIQ Interrupt Source
0 Interrupt is enabled
1 Interrupt is disabled
SENS Sensitivitye Ttype of the FIQ Interrupt Source
0 Edge sensitivity with active LOW
1 Level sensitivity with active LOW

MT6225 GSM/GPRS Baseband Processor Data Sheet Revision 1.00
64
CIRQ+003Ch FIQ End of Interrupt Register FIQ_EOI
Bit
31 30 29 28 27 26 25 24 23 22 21 20 19 18 17 16
Name
Type
Reset
Bit
15 14 13 12 11 10 9 8 7 6 5 4 3 2 1 0
Name
EOI
Type
WO
Reset
0
This register provides a means for software to relinquish and to refresh the FIQ controller. Writing a ‘1’ to the specific
bit position results in an End of Interrupt command issued internally to the corresponding interrupt line.
This register provides a mean for software to relinquish and refresh the FIQ Controller. Writing a ‘1’ to the specific bit
position will result in an End of Interrupt Command internally to the corresponding interrupt line.
EOI End of Interrupt Ccommand
CIRQ+0040h Binary Coded Value of IRQ_STATUS IRQ_STA2
Bit
31 30 29 28 27 26 25 24 23 22 21 20 19 18 17 16
Name
Type
Reset
Bit
15 14 13 12 11 10 9 8 7 6 5 4 3 2 1 0
Name
NOIR
Q STAS
Type
RO
RO
Reset
0 0
This Register is a binary coded version of IRQ_STA. It is used by the software program to poll which interrupt line
has generated the IRQ interrupt request in a much easier way. Any read to it has the same result as reading IRQ_STA.
The IRQ_STA2 is also read-only; write access has no effect on the content. Note that IRQ_STA2 should be coupled
with IRQ_EOI2 while using it.
This Register is a binary coded version of IRQ_STA. It is used for software program to poll and see which interrupt
line generated the IRQ interrupt request in a much easier way. Any read to it has the same result as reading IRQ_STA.
The IRQ_STA2 is also READ-ONLY, write access has no effect to the content. Note that, IRQ_STA2 should be
coupled with IRQ_EOI2 while using it.
STSA Binary cCoded Vvalue of IRQ_STA
NOIRQ Indicating if there is an IRQ or not. If there is no IRQ, this bit will beis highHIGH, and the value of STSA
should beis 0_0000b.
CIRQ+0044h Binary Coded Value of IRQ_EOI IRQ_EOI2
Bit
31 30 29 28 27 26 25 24 23 22 21 20 19 18 17 16
Name
Type
Reset
Bit
15 14 13 12 11 10 9 8 7 6 5 4 3 2 1 0
Name
EOI
Type
WO
Reset
0
This register is a binary coded version of IRQ_EOI. It provides an easier way for software program to relinquish and
to refresh the interrupt controller. Writing a specific code results in an End of Interrupt command issued internally to
the corresponding interrupt line. Note that IRQ_EOI2 should be coupled with IRQ_STA2 while using it.

MT6225 GSM/GPRS Baseband Processor Data Sheet Revision 1.00
65
This register is a binary coded version of IRQ_EOI. It provides an easier way for software program to relinquish and
refresh the Interrupt Controller. Writing a specific code will result in an End of Interrupt Command internally to the
corresponding interrupt line. Note that, IRQ_EOI2 should be coupled with IRQ_STA2 while using it.
EOI Binary Ccoded Vvalue of IRQ_EOI
CIRQ+0100h EINT Interrupt Status Register EINT_STA
Bit
31 30 29 28 27 26 25 24 23 22 21 20 19 18 17 16
Name
Type
Reset
Bit
15 14 13 12 11 10 9 8 7 6 5 4 3 2 1 0
Name
EINT7
EINT6
EINT5
EINT4
EINT3
EINT2
EINT1
EINT0
Type
RO
RO
RO
RO
RO
RO
RO
RO
Reset
0 0 0 0 0 0 0 0
This register keeps up with current status of which EINT Source generated the interrupt request. If EINT sources are
set to edge sensitive, EINT_IRQ will beis de-asserted while this register is read.
EINT0-EINT7 Interrupt Status
0 No Iinterrupt Rrequest is generated
1 Interrupt Rrequest is pending
CIRQ+0104h EINT Interrupt Mask Register EINT_MASK
Bit
31 30 29 28 27 26 25 24 23 22 21 20 19 18 17 16
Name
Type
Reset
Bit
15 14 13 12 11 10 9 8 7 6 5 4 3 2 1 0
Name
EINT7
EINT6
EINT5
EINT4
EINT3
EINT2
EINT1
EINT0
Type
R/W
R/W
R/W
R/W
R/W
R/W
R/W
R/W
Reset
1 1 1 1 1 1 1 1
This register controls whether or not EINT Source is allowed to generate an interrupt request. Setting a “1”
to the specific bit position prohibits the external interrupt line from becoming active.
This register controls whether if EINT Source is allowed to generate interrupt request. Setting a “1” to the
specific bit position prohibits the External Interrupt Line to active accordingly.
EINT0-EINT7 Interrupt Mask
0 Interrupt rRequest is enabled.
1 Interrupt Rrequest is disabled.
CIRQ+0108h EINT Interrupt Mask Clear Register EINT_MASK_C
LR
Bit
31 30 29 28 27 26 25 24 23 22 21 20 19 18 17 16
Name
Type
Bit
15 14 13 12 11 10 9 8 7 6 5 4 3 2 1 0
Name
EINT7
EINT6
EINT5
EINT4
EINT3
EINT2
EINT1
EINT0
Type
W1C
W1C
W1C
W1C
W1C
W1C
W1C
W1C
This register is used to clear individual mask bits. Only the bits set to 1 are in effect, and interrupt masks for which
the mask bit is set are cleared (set to 0). Otherwise the interrupt mask bit retains its original value.
This register is used to individually clear mask bit. Only the bits set to 1 are in effect, and these mask bits will set to 0.
Otherwise mask bits keep original value.

MT6225 GSM/GPRS Baseband Processor Data Sheet Revision 1.00
66
EINT0-EINT7 Disable Mask mask for the aAssociated eExternal Iinterrupt sSource
0 Nno effect.
1 Disable the corresponding MASK bit.
CIRQ+010Ch EINT Interrupt Mask Set Register EINT_MASK_S
ET
Bit
31 30 29 28 27 26 25 24 23 22 21 20 19 18 17 16
Name
Type
Bit
15 14 13 12 11 10 9 8 7 6 5 4 3 2 1 0
Name
EINT7
EINT6
EINT5
EINT4
EINT3
EINT2
EINT1
EINT0
Type
W1S
W1S
W1S
W1S
W1S
W1S
W1S
W1S
This register is used to set individual mask bits. Only the bits set to 1 are in effect, and interrupt masks for which the
mask bit is set are set to 1. Otherwise the interrupt mask bit retains its original value.
This register is used to individually set mask bit. Only the bits set to 1 are in effect, and these mask bits will set to 1.
Otherwise mask bits keep original value.
EINT0-EINT7 Disable Mmask for the Aassociated Eexternal Iinterrupt Ssource.
0 Nno effect.
1 Enable corresponding MASK bit.
CIRQ+0110h EINT Interrupt Acknowledge Register EINT_INTACK
Bit
31 30 29 28 27 26 25 24 23 22 21 20 19 18 17 16
Name
Type
Reset
Bit
15 14 13 12 11 10 9 8 7 6 5 4 3 2 1 0
Name
EINT7
EINT6
EINT5
EINT4
EINT3
EINT2
EINT1
EINT0
Type
WO
WO
WO
WO
WO
WO
WO
WO
Reset
0 0 0 0 0 0 0 0
Writing “1” to the specific bit position acknowledge the interrupt request correspondingly to the external interrupt line
source.
Writing “1” to the specific bit position means to acknowledge the interrupt request correspondingly to the External
Interrupt Line source.
EINT0-EINT7 Interrupt aAcknowledgement
0 No effect.
1 Interrupt Request is acknowledged.
CIRQ+0114h EINT Sensitive Register EINT_SENS
Bit
31 30 29 28 27 26 25 24 23 22 21 20 19 18 17 16
Name
Type
Reset
Bit
15 14 13 12 11 10 9 8 7 6 5 4 3 2 1 0
Name
EINT7
EINT6
EINT5
EINT4
EINT3
EINT2
EINT1
EINT0
Type
R/W
R/W
R/W
R/W
R/W
R/W
R/W
R/W
Reset
1 1 1 1 1 1 1 1
Sensitivity type of external interrupt source.
EINT0-7 Sensitive tType of the Aassociated Eexternal Iinterrupt sSource
0 Edge sensitivity.
1 Level sensitivity.

MT6225 GSM/GPRS Baseband Processor Data Sheet Revision 1.00
67
CIRQ+01m0h
EINTn De-bounce Control Register EINTn_CON
Bit
31 30 29 28 27 26 25 24 23 22 21 20 19 18 17 16
Name
Type
Reset
Bit
15 14 13 12 11 10 9 8 7 6 5 4 3 2 1 0
Name
EN
POL
CNT
Type
R/W
R/W
R/W
Reset
0 0 0
These registers control the de-bounce logic for external interrupt sources in order to minimize the possibility of false
activations.
These registers control the de-bounce logic for external interrupt sources in order to minimize the possibility of false
activations. EINT4 – 7 have no de-bounce mechanism. Therefore only bit POL is used.
Note that n is from 0 to 7, and m is n plus+ 2.
CNT De-bounce Dduration in terms of numbers of 32KHz clock cycles
POL Activation tType of the EINT sSource
0 Negative polarity
1 Positive polarity
EN De-bounce cControl Ccircuit
0 Disable
1 Enable
3.6 Code Cache controller
3.6.1 General Description
A new subsystem consisting of cache and TCM (tightly coupled memory) will be implemented in MT6225. This
subsystem is placed between MCU core and AHB bus interface, as shown in Figure 20.
Figure 20 Cache and TCM subsystem
TCM is a high-speed (zero wait state) dedicated memory accessed by MCU exclusively. Because MCU can run at
104MHz and on-chip bus runs at maximum 52MHz, there will be latency penalty when MCU accesses memory or
peripherals through on-chip bus. By moving timing critical code and data into TCM, MCU performance can be
increased and the response to particular events can be guaranteed.
Another method to increase MCU performance is the introduction of cache. Cache is a small memory, keeping the copy
of external memory. If MCU reads a cacheable data, the data will be copied to cache. Once MCU needs the same data
ARM7EJ
core
Cache
Controller
& MPU
AHB
bus
interface
TCM
cache
way 0
cache
way 1
AHB

MT6225 GSM/GPRS Baseband Processor Data Sheet Revision 1.00
68
later, it can get it directly from cache (called cache hit) instead of from external memory, which takes long time
compared to high-speed (zero wait state) cache memory.
Since a large external memory maps to a small cache, cache can hold only a small portion of external memory. If MCU
accesses a data not found in cache (called cache miss), some contents of cache must be dropped (flushed) and the
required data is transferred from external memory (called cache line fill) and stored to cache. On the other hand, TCM
is not the copy of anything else. The best way to use TCM is to put critical code/data in TCM in the memory usage plan.
After power on reset, the boot loader copies TCM contents from external storage (such like flash) to internal TCM. If
necessary, MCU can replace a portion of TCM content with other data on external storage in the runtime to implement
a mechanism such like “overlay”. TCM is also an ideal place to put stack data.
The sizes of TCM and cache can be set to one of 3 configurations:
72
KB
TCM
8
KB
8
KB
cache
cache
72
KB
TCM
8
KB
8
KB
TCM
cache
72
KB
TCM
8
KB
8
KB
TCM
TCM
2
-
way cache
1
-
way cache
no cache
Figure 21 Configurations of TCM and cache
72KB TCM, 16KB cache
80KB TCM, 8KB cache
88KB TCM, 0KB cache
These configurations provide flexibility for software to adjust for optimum system performance.
The address mapping of these memories is like the following:

MT6225 GSM/GPRS Baseband Processor Data Sheet Revision 1.00
69
Figure 22 Memory mapping of TCM and cache
In Figure 22, MCU could only access TCM explicitly. Cache is transparent to MCU.
3.6.2 Organization of Cache
The cache system has the following features:
Write through (no write allocation)
Configurable 1/2 way set associative (8K/16K)
Each way has 256 cache lines with 8 word line size (256*8*4=8KB)
19-bit tag address and 1 valid bit for each cache line.
One way of cache comprises of two memory: tag memory and data memory. Tag memory stores each line’s valid bit,
dirty bit and tag (upper part of address). Data memory stores line data. When MCU accesses memory, the address is
compared to the contents of tag memory. First the line index (address bit [12:5]) is used to locate a line, and then the tag
of the line is compared to upper part of address (bit [31:13]). If two parts match and valid bit is 1, it is said a cache hit
and data from that particular way is sent back to MCU. This process is illustrated in the following figure:
cache
cache
TCM TCM
TCM
cache
TCM
TCM
TCM
TCM
cache
cache
72
K
8
K
8
K
adjacent
address.
No memory
holes.
cache
cache
TCM TCM
TCM
cache
TCM
TCM
TCM
TCM
cache
cache
K
8
K
8
K

MT6225 GSM/GPRS Baseband Processor Data Sheet Revision 1.00
70
Figure 23 Tag comparison of 2-way cache
If most memory accesses are cache hit, MCU could get data immediately without wait states and the overall system
performance is higher. There are several factors that may affect cache hit rate:
Cache size and the organization
The larger the cache size is, the higher the hit rate is. But the hit rate starts to saturate when cache size is larger
than a threshold size. Normally the size of 16KB and above and two or four way can achieve a good hit rate.
Program behavior
If the system has several numbers of tasks that switch fast, it may cause cache contents to flush frequently.
Because each time a new task is run, the cache will hold its data after some time. If next task uses data in the
memory that occupy the same cache entries as previous task, it will cause cache contents to be flushed to store
data of the new task. Interrupts also cause program flow to change dynamically. The interrupt handler code
itself and the data it processes may cause cache to flush some data used by current task. Thus after exiting
interrupt handler and returning to current task, the flushed data may need to be filled to cache again, resulting
performance degradation.
To help software engineer tune system performance, the cache controller in MT6225 records the numbers of cache hit
count and cacheable memory accesses. Cache hit rate can be obtained from these two numbers.
The cache sub system also has a module called MPU (memory protection unit). MPU can prevent illegal memory
accesses and specify which memory region is cacheable or non-cacheable. Two fields in CACHE_CON register control
A
dd
r
ess
1
9
8
V
T
a
g
Inde
x
0
1
2
2
5
3
2
5
4
2
5
5
D
at
a
V
T
a
g
Da
t
a
2-t
o-1 mult
i
p
l
ex
o
r
H
it
Da
t
a
4
512
1
3
3
1
0
D
D

MT6225 GSM/GPRS Baseband Processor Data Sheet Revision 1.00
71
the enable of MPU functions. MPU has its own registers to define memory region and associated regions. These
settings only take effect after the enable bits in CACHE_CON are set to 1. For more details on the settings, please refer
to MPU part of the specification.
3.6.3 Cache Operations
Upon power on, cache memory contains random numbers and can’t be used by MCU. Therefore MCU must have some
means to “clean” cache memory before enabling them. Both above cases need a mechanism for MCU to perform
operations on cache. The cache controller provides a register which, when written, could do operations on cache
memory. These are called cache operations, including
Invalidate one cache line
The user must give a memory address. If it is found within cache, that particular line is invalidated (clear valid
bit to 0). Alternatively, the user can specify which set/way of cache to be invalidated.
Invalidate all cache lines
The user needs not to specify an address. The cache controller hardware automatically clears valid bits in each
tag memory.
3.6.4 Cache Controller Register Definition
CACHE base address is assumed 0x80700000 (subject to change).
CACHE+00h Cache General Control Register CACHE_CON
Bit
15 14 13 12 11 10 9 8 7 6 5 4 3 2 1 0
Name
CACHESIZE
CNTE
N1
CNTE
N0
MPEN
MCE
N
Type
RW RW
RW
R/W
R/W
Reset
00 0 0 0 0
This register determines the cache size, cache hit counter and the enable of MPU.
CACHESIZE Cache Size Select
00 no cache (88KB TCM)
01 8KB, 1-way cache (80KB TCM)
10 16KB, 2-way cache (72KB TCM)
CNTEN1 Enable cache hit counter 1
If enabled, cache controller will increase a 48-bit counter each time a cache hit occurs. This number can
provide a reference of performance measurement for tuning of application programs. This counter increments
only when the cacheable information is from MPU cacheable region 4~7.
0 disable
1 enable
CNTEN0 Enable cache hit counter 0
If enabled, cache controller will increase a 48-bit counter each time a cache hit occurs. This number can
provide a reference of performance measurement for tuning of application programs. This counter increments
only when the cacheable information is from MPU cacheable region 0~3.
0 disable
1 enable
MPEN Enable MPU comparison of read/write permission setting
If disabled, MCU could access any memory without any restriction. If enabled, MPU would compare the
address of MCU to its setting. If an address falls into a restricted region, MPU would stop this memory access
and send “ABORT” signal to MCU. Please refer to MPU part of the specification for more details.

MT6225 GSM/GPRS Baseband Processor Data Sheet Revision 1.00
72
0 disable
1 enable
MCEN Enable MPU comparison of cacheable/non-cacheable setting
If disabled, MCU memory accesses are all non-cacheable, i.e., they will go through AHB bus (except for
TCM). If enabled, the setting in MPU will take effect. If MCU accesses a cacheable memory region, the cache
controller will return the data in cache if it’s found in cache, and will get the data through AHB bus only if a
cache miss occurs. Please refer to MPU part of the specification for more details.
0 disable
1 enable
CACHE+04h Cache Operation CACHE_OP
Bit
31 30 29 28 27 26 25 24 23 22 21 20 19 18 17 16
Name
TADDR[31:16]
Type
R/W
Reset
0
Bit
15 14 13 12 11 10 9 8 7 6 5 4 3 2 1 0
Name
TADDR[15:5] OP[3:0] EN
Type
R/W W W1
Reset
0 0 0
This register defines the address and/or which kinds of cache operations to be taken. When MCU writes this register,
the pipeline of MCU will be stopped for the cache controller to complete the operation. Bit 0 of the register must be
written 1 to enable the command.
TADDR[31:5] Target Address
This field contains the address of invalidation operation. If OP[3:0]=0010, TADDR[31:5] is the address[31:5]
of a memory whose line will be invalidated if it exists in the cache. If OP[3:0]=0100, TADDR[12:5] indicates
the set, while TADDR[19:16] indicates which way to clear:
0001 way #0
0010 way #1
0100 way #2
1000 way #3
OP[3:0] Operation
This field determines which cache operations will be performed.
0001 invalidate all cache lines
0010 invalidate one cache line using address
0100 invalidate one cache line using set/way
EN Enable command
This enable bit must be written 1 to enable the command.
1 enable
0 not enable
CACHE+08h Cache Hit Count 0 Lower Part CACHE_HCNT0
L
Bit
31 30 29 28 27 26 25 24 23 22 21 20 19 18 17 16
Name
CHIT_CNT0[31:16]
Type
R/W
Reset
0
Bit
15 14 13 12 11 10 9 8 7 6 5 4 3 2 1 0
Name
CHIT_CNT0[15:0]
Type
R/W
Reset
0

MT6225 GSM/GPRS Baseband Processor Data Sheet Revision 1.00
73
CACHE+0Ch Cache Hit Count 0 Upper Part CACHE_HCNT0
U
Bit
31 30 29 28 27 26 25 24 23 22 21 20 19 18 17 16
Name
RESERVED
Type
Reset
Bit
15 14 13 12 11 10 9 8 7 6 5 4 3 2 1 0
Name
CHIT_CNT0[47:32]
Type
R/W
Reset
0
When CNTEN0 bit in CACHE_CON register is set to 1 (enabled), this register starts to record cache hit count until it is
disabled. If the value increases to over maximum value (0xffffffffffff), it will be rolled over to 0 and continue counting.
The 48 bit counter can provide a recording time of 31 days even if MCU runs at 104MHz and every cycle is a cache hit.
Note that before enabling the counter, it is recommended to write the initial value of zero to the counter.
CHIT_CNT0[47:0] Cache Hit Count 0
WRITE writing any value to CACHE_HCNT0L or CACHE_HCNT0U clears CHIT_CNT0 to all zeros
READ current counter value
CACHE+10h Cacheable Access Count 0 Lower Part CACHE_CCNT0
L
Bit
31 30 29 28 27 26 25 24 23 22 21 20 19 18 17 16
Name
CACC_CNT0[31:16]
Type
R/W
Reset
0
Bit
15 14 13 12 11 10 9 8 7 6 5 4 3 2 1 0
Name
CACC_CNT0[15:0]
Type
R/W
Reset
0
CACHE+14h Cacheable Access Count 0 Upper Part CACHE_CCNT0
U
Bit
31 30 29 28 27 26 25 24 23 22 21 20 19 18 17 16
Name
RESERVED
Type
Reset
Bit
15 14 13 12 11 10 9 8 7 6 5 4 3 2 1 0
Name
CACC_CNT0[47:32]
Type
R/W
Reset
0
When CNTEN0 bit in CACHE_CON register is set to 1 (enabled), this register is incremented at each cacheable
memory access (no matter it’s a cache miss or a cache hit). If the value increases to over maximum value (0xffffffffffff),
it will be rolled over to 0 and continue counting. For 104MHz MCU speed, if all memory accesses are cacheable and
cache hit, this counter will overflow after (2^48) * 9.6ns = 31 days. This is the shortest time for the counter to overflow.
In a more realistic case, the system will have cache misses, non-cacheable accesses, idle mode that makes the counter
overflow at later time.
CACC_CNT0[47:0] Cache Access Count 0
WRITE writing any value to CACHE_CCNT0L or CACHE_CCNT0U clears CACC_CNT0 to all zeros
READ current counter value

MT6225 GSM/GPRS Baseband Processor Data Sheet Revision 1.00
74
The best way to use CACHE_HCNT0 and CACHE_CCNT0 is to set zero as initial value in both registers, enable both
counters (set CNTEN0 to 1), run a portion of program to be benchmarked, stop the counters and get their values.
Therefore during this period
%100
_
_×= CCNTCACHE
HCNTCACHE
ratehitCache .
The cache hit rate value may help tune the performance of application program.
Note that CHIT_CNT0 and CACC_CNT0 only increment if the cacheable attribute is defined in MPU cacheable region
0~3.
CACHE+18h Cache Hit Count 1 Lower Part CACHE_HCNT1
L
Bit
31 30 29 28 27 26 25 24 23 22 21 20 19 18 17 16
Name
CHIT_CNT1[31:16]
Type
R/W
Reset
0
Bit
15 14 13 12 11 10 9 8 7 6 5 4 3 2 1 0
Name
CHIT_CNT1[15:0]
Type
R/W
Reset
0
CACHE+1Ch Cache Hit Count 1 Upper Part CACHE_HCNT1
U
Bit
31 30 29 28 27 26 25 24 23 22 21 20 19 18 17 16
Name
RESERVED
Type
Reset
Bit
15 14 13 12 11 10 9 8 7 6 5 4 3 2 1 0
Name
CHIT_CNT1[47:32]
Type
R/W
Reset
0
When CNTEN1 bit in CACHE_CON register is set to 1 (enabled), this register starts to record cache hit count until it is
disabled. If the value increases to over maximum value (0xffffffffffff), it will be rolled over to 0 and continue counting.
The 48 bit counter can provide a recording time of 31 days even if MCU runs at 104MHz and every cycle is a cache hit.
Note that before enabling the counter, it is recommended to write the initial value of zero to the counter.
CHIT_CNT1[47:0] Cache Hit Count
WRITE writing any value to CACHE_HCNT1L or CACHE_HCNT1U clears CHIT_CNT1 to all zeros
READ current counter value
CACHE+20h Cacheable Access Count 1 Lower Part CACHE_CCNT1
L
Bit
31 30 29 28 27 26 25 24 23 22 21 20 19 18 17 16
Name
CACC_CNT1[31:16]
Type
R/W
Reset
0
Bit
15 14 13 12 11 10 9 8 7 6 5 4 3 2 1 0
Name
CACC_CNT1[15:0]
Type
R/W
Reset
0

MT6225 GSM/GPRS Baseband Processor Data Sheet Revision 1.00
75
CACHE+24h Cacheable Access Count 1 Upper Part CACHE_CCNT1
U
Bit
31 30 29 28 27 26 25 24 23 22 21 20 19 18 17 16
Name
RESERVED
Type
Reset
Bit
15 14 13 12 11 10 9 8 7 6 5 4 3 2 1 0
Name
CACC_CNT1[47:32]
Type
R/W
Reset
0
When CNTEN1 bit in CACHE_CON register is set to 1 (enabled), this register is incremented at each cacheable
memory access (no matter it’s a cache miss or a cache hit). If the value increases to over maximum value (0xffffffffffff),
it will be rolled over to 0 and continue counting. For 104MHz MCU speed, if all memory accesses are cacheable and
cache hit, this counter will overflow after (2^48) * 9.6ns = 31 days. This is the shortest time for the counter to overflow.
In a more realistic case, the system will have cache misses, non-cacheable accesses, idle mode that makes the counter
overflow at later time.
CACC_CNT1[47:0] Cache Access Count 1
WRITE writing any value to CACHE_CCNT1L or CACHE_CCNT1U clears CACC_CNT1 to all zeros
READ current counter value
The best way to use CACHE_HCNT1 and CACHE_CCNT1 is to set zero as initial value in both registers, enable both
counters (set CNTEN1 to 1), run a portion of program to be benchmarked, stop the counters and get their values.
Therefore during this period
%100
_
_×= CCNTCACHE
HCNTCACHE
ratehitCache .
The cache hit rate value may help tune the performance of application program.
Note that CHIT_CNT1 and CACC_CNT1 only increment if the cacheable attribute is defined in MPU cacheable region
4~7.
3.7 MPU
3.7.1 General Description
The purpose of MPU is to provide protection mechanism and cacheable indication of memory. The planned features of
MPU include
8-entry protection settings.
Determine if MCU can read/write a memory region. If the setting doesn’t allow MCU’s particular access to
a memory address, MPU will stop the memory access and issue “ABORT” signal to MCU, making it
entering into “abort” mode. The exception handler must then process the situation.
8-entry cacheable settings.
Determine a memory region is cacheable or not. If cacheable, MCU will keep a small copy in its cache after
read accesses. If MCU requires the same data later, it can get it from the high-speed local copy, instead of from
low-speed external memory.
Normally the protection and cacheable attributes are combined together for the same address range, as in the example
of ARM946E. For greater flexibility, the MPU in MT6225 provides independent protection and cacheable settings. That

MT6225 GSM/GPRS Baseband Processor Data Sheet Revision 1.00
76
is to say, the memory regions defined for memory protection and for cacheable are different and independent of each
other.
The 4GB memory space is divided to 16 memory blocks of 256MB size, i.e., MB0~MB15. EMI takes MB0~MB3,
SYSRAM takes MB4, IDMA uses MB5, peripherals and other hardware take MB6~MB9, TCM (tightly-coupled
memory used by MCU exclusively) uses MB10. The characteristics of these memory blocks are listed below:
Read/write protection setting
MB5 and above (except MB10) are always readable/writeable.
MB0~MB4 and MB10 are determined by MPU.
Cacheable setting
MB4 and above are always non-cacheable.
MB0~MB3 are determined by MPU.
3.7.2 Protection Settings
EMI
SYSRAM
IDMA
Peripheral
MB3
~
MB0
MB4
MB5
MB9
~
MB6
Region 0
Region 1
Region 2
Region 3
Region 0 base address
Region 1 base address
Region 2 base address
Region 3 base address
non-readable/writeable
readable/non-writeable
non-readable/non-writeable
readable/writeable
TCM
MB10
Region 4
Region 4 base address
Figure 24 Protection setting

MT6225 GSM/GPRS Baseband Processor Data Sheet Revision 1.00
77
Figure 24 shows the protection setting in each memory block. Five regions are defined in the figure. Note that each
region can be continuous or non-continuous to each other, and those address ranges not covered by any region are set to
be readable/writeable automatically. One restriction exists: different regions must not overlap.
The user can define maximum 8 regions in MB0~MB4 and MB10. Each region has its own setting defined in a 32-bit
register:
base address
31 0
size EN
10
1
5
prot
7 6
00
Region base address (22 bits)
Region size (5 bits)
Region protection attribute (2 bits)
Enable bit (1 bit)
MPU will abort MCU if it accesses MB11~MB15 regions.
3.7.2.1 Region base address
Region base address defines the start of the memory region. The user needs only to specify several upper address bits.
The number of valid address bits depends on the region size. The user must align the base address to a region-size
boundary. For example, if a region size is 8KB, its base address must be a multiple of 8KB.
3.7.2.2 Region size
The bit encoding of region size and its relationship with base address are listed as follows.
Region size Bit encoding Base address
1KB 00000 Bit [31:10] of region start address
2KB 00001 Bit [31:11] of region start address
4KB 00010 Bit [31:12] of region start address
8KB 00011 Bit [31:13] of region start address
16KB 00100 Bit [31:14] of region start address
32KB 00101 Bit [31:15] of region start address
64KB 00110 Bit [31:16] of region start address
128KB 00111 Bit [31:17] of region start address
256KB 01000 Bit [31:18] of region start address
512KB 01001 Bit [31:19] of region start address
1MB 01010 Bit [31:20] of region start address
2MB 01011 Bit [31:21] of region start address
4MB 01100 Bit [31:22] of region start address
8MB 01101 Bit [31:23] of region start address
16MB 01110 Bit [31:24] of region start address
Table 16 Region size and bit encoding
3.7.2.3 Region protection attribute
This attribute has two bits. The MSB determines read access permission, and the LSB for write access permission.
Bit encoding Permission

MT6225 GSM/GPRS Baseband Processor Data Sheet Revision 1.00
78
00 non-readable / non-writeable
10 readable / non-writeable
01 non-readable / writeable
11 readable / writeable
Table 17 Region protection attribute bit encoding
Note that bit encoding “11” allows full read/write permission, which is the case when no region is specified. So it is
recommended to only specify regions with protection attribute “00”, “10” or “01”.
3.7.3 Cacheable Settings
cacheable
EMI
SYSRAM
IDMA
Peripheral
MB3
~
MB0
MB4
MB5
MB9
~
MB6
Region 0
Region 1
Region 2
Region 0 base address
Region 1 base address
Region 2 base address
uncacheable
TCM
MB10
Figure 25 Cacheable setting
Figure 25 shows the cacheable setting in each memory block. Three regions are defined in the figure. Note that each
region can be continuous or non-continuous to each other, and those address ranges not covered by any region are set to
be uncacheable automatically. One restriction exists: different regions must not overlap.
The user can define maximum 8 regions in MB0~MB3. Each region has its own setting defined in a 32-bit register:
base address
31 0
size EN
10
1
5
C
6
000
Region base address (22 bits)
Region size (5 bits)
Region cacheable attribute (1 bit)

MT6225 GSM/GPRS Baseband Processor Data Sheet Revision 1.00
79
Enable bit (1 bit)
The region base address and region size bit encoding are the same as those of protection setting. The user must also
align the base address to a region-size boundary. The cacheable attribute has the following meaning.
Bit encoding Attribute
0 uncacheable
1 cacheable
Table 18 Region cacheable attribute bit encoding
3.7.4 MPU Register Definition
MPU base address is assumed 0x80701000 (subject to change).
MPU+0000h Protection setting for region 0 MPU_PROT0
Bit
31 30 29 28 27 26 25 24 23 22 21 20 19 18 17 16
Name
BASEADDR[31:16]
Type
R W
Reset
Bit
15 14 13 12 11 10 9 8 7 6 5 4 3 2 1 0
Name
BASEADDR[15:10] ATTR[1:0]
SIZE[4:0] EN
Type
R W R W R W R W
Reset
11 00000 0
This register sets protection attributes for region 0.
BASEADDR Base address of this region
ATTR Protection attribute
00 non-readable / non-writeable
01 non-readable / writeable
10 readable / non-writeable
11 readable / writeable
SIZE size of this region
00000 1KB
00001 2KB
00010 4KB
00011 8KB
00100 16KB
00101 32KB
00110 64KB
00111 128KB
01000 256KB
01001 512KB
01010 1MB
01011 2MB
01100 4MB
01101 8MB
01110 16MB
EN enable this region
0 Disable
1 Enable

MT6225 GSM/GPRS Baseband Processor Data Sheet Revision 1.00
80
MPU+0004h Protection setting for region 1 MPU_PROT1
Bit
31 30 29 28 27 26 25 24 23 22 21 20 19 18 17 16
Name
BASEADDR[31:16]
Type
R W
Reset
Bit
15 14 13 12 11 10 9 8 7 6 5 4 3 2 1 0
Name
BASEADDR[15:10] ATTR[1:0]
SIZE[4:0] EN
Type
R W R W R W R W
Reset
11 00000 0
This register sets protection attributes for region 1.
MPU+0008h Protection setting for region 2 MPU_PROT2
Bit
31 30 29 28 27 26 25 24 23 22 21 20 19 18 17 16
Name
BASEADDR[31:16]
Type
R W
Reset
Bit
15 14 13 12 11 10 9 8 7 6 5 4 3 2 1 0
Name
BASEADDR[15:10] ATTR[1:0]
SIZE[4:0] EN
Type
R W R W R W R W
Reset
11 00000 0
This register sets protection attributes for region 2.
MPU+000Ch Protection setting for region 3 MPU_PROT3
Bit
31 30 29 28 27 26 25 24 23 22 21 20 19 18 17 16
Name
BASEADDR[31:16]
Type
R W
Reset
Bit
15 14 13 12 11 10 9 8 7 6 5 4 3 2 1 0
Name
BASEADDR[15:10] ATTR[1:0]
SIZE[4:0] EN
Type
R W R W R W R W
Reset
11 00000 0
This register sets protection attributes for region 3.
MPU+0010h Protection setting for region 4 MPU_PROT4
Bit
31 30 29 28 27 26 25 24 23 22 21 20 19 18 17 16
Name
BASEADDR[31:16]
Type
R W
Reset
Bit
15 14 13 12 11 10 9 8 7 6 5 4 3 2 1 0
Name
BASEADDR[15:10] ATTR[1:0]
SIZE[4:0] EN
Type
R W R W R W R W
Reset
11 00000 0
This register sets protection attributes for region 4.
MPU+0014h Protection setting for region 5 MPU_PROT5
Bit
31 30 29 28 27 26 25 24 23 22 21 20 19 18 17 16
Name
BASEADDR[31:16]
Type
R W
Reset
Bit
15 14 13 12 11 10 9 8 7 6 5 4 3 2 1 0
Name
BASEADDR[15:10] ATTR[1:0]
SIZE[4:0] EN
Type
R W R W R W R W
Reset
11 00000 0

MT6225 GSM/GPRS Baseband Processor Data Sheet Revision 1.00
81
This register sets protection attributes for region 5.
MPU+0018h Protection setting for region 6 MPU_PROT6
Bit
31 30 29 28 27 26 25 24 23 22 21 20 19 18 17 16
Name
BASEADDR[31:16]
Type
R W
Reset
Bit
15 14 13 12 11 10 9 8 7 6 5 4 3 2 1 0
Name
BASEADDR[15:10] ATTR[1:0]
SIZE[4:0] EN
Type
R W R W R W R W
Reset
11 00000 0
This register sets protection attributes for region 6.
MPU+001Ch Protection setting for region 7 MPU_PROT7
Bit
31 30 29 28 27 26 25 24 23 22 21 20 19 18 17 16
Name
BASEADDR[31:16]
Type
R W
Reset
Bit
15 14 13 12 11 10 9 8 7 6 5 4 3 2 1 0
Name
BASEADDR[15:10] ATTR[1:0]
SIZE[4:0] EN
Type
R W R W R W R W
Reset
11 00000 0
This register sets protection attributes for region 7.
MPU+0040h Cacheable setting for region 0 MPU_CACHE0
Bit
31 30 29 28 27 26 25 24 23 22 21 20 19 18 17 16
Name
BASEADDR[31:16]
Type
R W
Reset
Bit
15 14 13 12 11 10 9 8 7 6 5 4 3 2 1 0
Name
BASEADDR[15:10] C SIZE[4:0] EN
Type
R W R W
R W R W
Reset
0 00000 0
This register sets cacheable attributes for region 0.
BASEADDR Base address of this region
C Cacheable attribute
0 uncacheable
1 cacheable
SIZE size of this region
00000 1KB
00001 2KB
00010 4KB
00011 8KB
00100 16KB
00101 32KB
00110 64KB
00111 128KB
01000 256KB
01001 512KB
01010 1MB

MT6225 GSM/GPRS Baseband Processor Data Sheet Revision 1.00
82
01011 2MB
01100 4MB
01101 8MB
01110 16MB
EN enable this region
0 Disable
1 Enable
MPU+0044h Cacheable setting for region 1 MPU_CACHE1
Bit
31 30 29 28 27 26 25 24 23 22 21 20 19 18 17 16
Name
BASEADDR[31:16]
Type
R W
Reset
Bit
15 14 13 12 11 10 9 8 7 6 5 4 3 2 1 0
Name
BASEADDR[15:10] C SIZE[4:0] EN
Type
R W R W
R W R W
Reset
0 00000 0
This register sets cacheable attributes for region 1.
MPU+0048h Cacheable setting for region 2 MPU_CACHE2
Bit
31 30 29 28 27 26 25 24 23 22 21 20 19 18 17 16
Name
BASEADDR[31:16]
Type
R W
Reset
Bit
15 14 13 12 11 10 9 8 7 6 5 4 3 2 1 0
Name
BASEADDR[15:10] C SIZE[4:0] EN
Type
R W R W
R W R W
Reset
0 00000 0
This register sets cacheable attributes for region 2.
MPU+004Ch Cacheable setting for region 3 MPU_CACHE3
Bit
31 30 29 28 27 26 25 24 23 22 21 20 19 18 17 16
Name
BASEADDR[31:16]
Type
R W
Reset
Bit
15 14 13 12 11 10 9 8 7 6 5 4 3 2 1 0
Name
BASEADDR[15:10] C SIZE[4:0] EN
Type
R W R W
R W R W
Reset
0 00000 0
This register sets cacheable attributes for region 3.
MPU+0050h Cacheable setting for region 4 MPU_CACHE4
Bit
31 30 29 28 27 26 25 24 23 22 21 20 19 18 17 16
Name
BASEADDR[31:16]
Type
R W
Reset
Bit
15 14 13 12 11 10 9 8 7 6 5 4 3 2 1 0
Name
BASEADDR[15:10] C SIZE[4:0] EN
Type
R W R W
R W R W
Reset
0 00000 0
This register sets cacheable attributes for region 4.

MT6225 GSM/GPRS Baseband Processor Data Sheet Revision 1.00
83
MPU+0054h Cacheable setting for region 5 MPU_CACHE5
Bit
31 30 29 28 27 26 25 24 23 22 21 20 19 18 17 16
Name
BASEADDR[31:16]
Type
R W
Reset
Bit
15 14 13 12 11 10 9 8 7 6 5 4 3 2 1 0
Name
BASEADDR[15:10] C SIZE[4:0] EN
Type
R W R W
R W R W
Reset
0 00000 0
This register sets cacheable attributes for region 5.
MPU+0058h Cacheable setting for region 6 MPU_CACHE6
Bit
31 30 29 28 27 26 25 24 23 22 21 20 19 18 17 16
Name
BASEADDR[31:16]
Type
R W
Reset
Bit
15 14 13 12 11 10 9 8 7 6 5 4 3 2 1 0
Name
BASEADDR[15:10] C SIZE[4:0] EN
Type
R W R W
R W R W
Reset
0 00000 0
This register sets cacheable attributes for region 6.
MPU+005Ch Cacheable setting for region 7 MPU_CACHE7
Bit
31 30 29 28 27 26 25 24 23 22 21 20 19 18 17 16
Name
BASEADDR[31:16]
Type
R W
Reset
Bit
15 14 13 12 11 10 9 8 7 6 5 4 3 2 1 0
Name
BASEADDR[15:10] C SIZE[4:0] EN
Type
R W R W
R W R W
Reset
0 00000 0
This register sets cacheable attributes for region 7.
3.8 Internal Memory Interface
3.8.1 System RAM
MT6225 provides one 72K Bytes size of on-chip memory modules acting as System RAM for data access with low
latency. Such a module is composed of one high speed synchronous SRAM with AHB Slave Interface connected to the
system backbone AHB Bus, as shown in Figure 26. The synchronous SRAM operates on the same clock as the AHB
Bus and is organized as 32 bits wide with 4 byte-write signals capable for byte operations. The SRAM macro has
limited repair capability. The yield of SRAM is improved if the defects inside it can be repaired during testing.
3.8.2 System ROM
The 15K Bytes System ROM is primarily used to store software program for Factory Programming and security-related
routines. This module is composed of high-speed ROM with an AHB Slave Interface connected to a system backbone
AHB, shown in Figure 26. The module operates on the same clock as the AHB and has a 32-bit wide organization.

MT6225 GSM/GPRS Baseband Processor Data Sheet Revision 1.00
84
Figure 26: Block Diagram of the Internal Memory Controller
3.9 External Memory Interface
3.9.1 General Description
MT6225 incorporates a powerful and flexible memory controller, External Memory Interface, to connect with a variety
of memory components. This controller provides one generic access scheme for Flash Memory, SRAM, PSRAM and
CellularRAM and another access scheme for MobileRAM. Up to 3 memory banks can be supported simultaneously,
BANK0-BANK2, with a maximum size of 64MB each.
Since most of the Flash Memory, SRAM, PSRAM and CellularRAM have similar AC requirements, a generic
configuration scheme to interface them is desired. This way, the software program can treat different components by
simply specifying certain predefined parameters. All these parameters are based on the cycle time of system clock.
The interface definition based on such a scheme is listed in Table 19. Note that, this interface always works with data
in Little Endian format for all types of access.
Signal Name Type Description
EA[25:0] O Address Bus
ED[15:0] I/O Data Bus
EWR# O Write Enable Strobe/MobileRAM Command Input
ERD# O Read Enable Strobe
ELB# O Lower Byte Strobe/MobileRAM Data Input & Output Mask
EUB# O Upper Byte Strobe/MobileRAM Data Input & Output Mask
ECS[3:0]# O BANK0~BANK3 Selection Signal
EPDN O PSRAM Power Down Control Signal
ECLK O Flash, SRAM, PSRAM and CellularRAM Clock Signal
EADV# O Flash, SRAM, PSRAM and CellularRAM Address Valid Signal
EWAIT I Flash, SRAM, PSRAM and CellularRAM Wait Signal Input
EDCLK O MobileRAM Clock Signal
ECKE O MobileRAM Clock Enable Signal
ERAS# O MobileRAM Row Address Signal
ECAS# O MobileRAM Column Address Signal
Table 19 External Memory Interface Signal of MT6225
Bank0 SRAM
Graphsys
AHB Bus 0
ROM
MCU AHB Bus Bank0 SRAM
Graphsys
AHB Bus 0
ROM
DMA AHB Bus
MCU AHB Bus
LCD AHB Bus

MT6225 GSM/GPRS Baseband Processor Data Sheet Revision 1.00
85
REGISTER ADDRESS
REGISTER NAME SYNONYM
EMI + 0000h EMI Control Register for BANK0 EMI_CONA
EMI + 0008h EMI Control Register for BANK1 EMI_CONB
EMI + 0010h EMI Control Register for BANK2 EMI_CONC
EMI + 0040h EMI Control Register 0 for MobileRAM EMI_CONI
EMI + 0048h EMI Control Register 1 for MobileRAM EMI_CONJ
EMI + 0050h EMI Control Register 2 for MobileRAM EMI_CONK
EMI + 0058h EMI Control Register 3 for MobileRAM EMI_CONL
EMI + 0060h EMI Remap Control Register EMI_REMAP
EMI + 0068h EMI General Control Register 0 EMI_GENA
EMI + 0070h EMI General Control Register 1 EMI_GENB
Table 20 External Memory Interface Register Map
3.9.2 Register Definitions
EMI+0000h EMI Control Register for BANK 0 EMI_CONA
Bit
31 30 29 28 27 26 25 24 23 22 21 20 19 18 17 16
Name
C2WS C2WH C2RS PRLT CLKE
N
PMO
DE
Type
R/W R/W R/W R/W R/W
R/W
Reset
0 0 0 0 0 0
Bit
15 14 13 12 11 10 9 8 7 6 5 4 3 2 1 0
Name
DW
RBLN
BW
WST WAIT
PSIZE
RLT
Type
R/W
R/W
R/W
R/W R/W
R/W
R/W
Reset
0 1 0 0 0 0 7
EMI+0008h EMI Control Register for BANK 1 EMI_CONB
Bit
31 30 29 28 27 26 25 24 23 22 21 20 19 18 17 16
Name
C2WS C2WH C2RS PRLT CLKE
N
PMO
DE
Type
R/W R/W R/W R/W R/W
R/W
Reset
0 0 0 0 0 0
Bit
15 14 13 12 11 10 9 8 7 6 5 4 3 2 1 0
Name
DW
RBLN
BW
WST WAIT
PSIZE
RLT
Type
R/W
R/W
R/W
R/W R/W
R/W
R/W
Reset
0 1 0 0 0 0 7
EMI+0010h EMI Control Register for BANK 2 EMI_CONC
Bit
31 30 29 28 27 26 25 24 23 22 21 20 19 18 17 16
Name
C2WS C2WH C2RS PRLT CLKE
N
PMO
DE
Type
R/W R/W R/W R/W R/W
R/W
Reset
0 0 0 0 0 0
Bit
15 14 13 12 11 10 9 8 7 6 5 4 3 2 1 0
Name
DW
RBLN
BW
WST WAIT
PSIZE
RLT
Type
R/W
R/W
R/W
R/W R/W
R/W
R/W
Reset
0 1 0 0 0 0 7
For each bank (BANK0-BANK2), a dedicated control register is associated with the bank controller. These registers
have timing parameters that help the controller to convert memory access into proper timing waveform. Note that,

MT6225 GSM/GPRS Baseband Processor Data Sheet Revision 1.00
86
except for parameters CLKEN, PMODE, DW, RBLN, BW, WAIT and PSIZE, all the other parameters specified
explicitly are based on system clock speed in terms of cycle count.
RLT Read Latency Time
Specifies the number of wait-states to insert in the bus transfer to the requesting agent. Such a parameter
must be chosen carefully to meet the timing specification requirements for common parameter tACC(address
access time) for asynchronous-read device and tCWT(chip select low to wait valid time) for synchronous-read
device. An example is shown below.
ECLK
RLT+1
EA
ECS#
C2RS
ERD#
ED
ELB#/EUB#
EADV#
RLT=4, C2RS=1
Figure 27 Read Wait State Timing Diagram for Asynchronous-Read Memory (CLKEN=0)
Access Time Read Latency Time in 104 MHz unit
65 ns ~ 70 ns 7
85 ns ~ 90 ns 9
110 ns ~ 120 ns 12
Table 21 Reference value of Read Latency Time for Asynchronous-Read memory Devices
ECLK
RLT+1
EA
ECS#
C2RS
ERD#
ED
ELB#/EUB#
EADV#
EWAIT
RLT=1, C2RS=1, WAIT=1
Figure 28 Read Wait State Timing Diagram for Synchronous-Read Memory (CLKEN=1)
ECS# Low to EWAIT Valid Read Latency Time in 104 MHz unit
0 ns ~ 10 ns 1
10 ns ~ 20 ns 2
Table 22 Reference value of Read Latency Time for Synchronous-Read Devices

MT6225 GSM/GPRS Baseband Processor Data Sheet Revision 1.00
87
PSIZE This bit position describes the page size behavior of that the Page Mode enabled device.
0 8 byte, EA[22:3] remains the same
1 16 byte, EA[22:4] remains the same
WAIT Data-valid feedback operation control for Flash memory, PSRAM and CellularRAM.
0 Disable data-valid feedback operation control
1 Enable data-valid feedback operation control
WST Write Wait State
Specifies the parameters to extend adequate setup and hold time for target component in write operation.
Such parameter must be chosen carefully to meet the timing specification requirements for common parameter
tWC(write cycle time) for asynchronous-write device and tCWT(chip select low to wait valid time) for
synchronous-write device. An example is shown in Figure 29 and Table 23.
ECLK
WST+C2WH+2
EA
ECS#
C2WS
C2WH+1
EWR#
ED
ELB#/EUB#
EADV#
WST=3, C2WS=1, C2WH=0
Figure 29 Write Wait State Timing Diagram for Asynchronous-Write Memory (BW=0)
Write Pulse Width
(Write Data Setup Time)
Write Wait State in 104 MHz unit
65 ns ~ 70 ns 7
85 ns ~ 90 ns 9
110 ns ~ 120 ns 12
Table 23 Reference value of Write Wait State for Asynchronous-Write Devices
ECLK
WST+1
EA
ECS#
EWR#
ED
ELB#/EUB#
EADV#
EWAIT
WST=1, C2WS=0, WAIT=1
Figure 30 Write Wait State Timing Diagram for Synchronous-Write Memory (CLKEN=1 and BW=1)
ECS# Low to EWAIT Valid Write Wait State in 104 MHz unit
0 ns ~ 10 ns 1

MT6225 GSM/GPRS Baseband Processor Data Sheet Revision 1.00
88
10 ns ~ 20 ns 2
Table 24 Reference value of Write Wait State for Synchronous-Write Devices
BW Burst Mode Write Control
0 Disable burst write operation
1 Enable burst write operation
RBLN Read Byte Lane Enable
DW Data Width
0 16 Bit
1 8 Bit
PMODE Page Mode Control
If the target device supports page mode operations, the Page Mode Control can be enabled. Read in Page
Mode is determined by the set of parameters: PRLT and PSIZE.
0 disable page mode operation
1 enable page mode operation
PRLT Read Latency Time within the Same Page
Since page mode operation only helps to eliminate read latency in subsequent access within the same page, the
initial latency does not matter. Thus, the memory controller must still adopt the RLT parameter for the initial
read or reads between different pages, even if PMODE is set to 1.
CLKEN Clock Enable Control
C2RS Chip Select to Read Strobe Setup Time
C2WH Chip Select to Write Strobe Hold Time
C2WS Chip Select to Write Strobe Setup Time
EMI+0040h EMI Control Register 0 for MobileRAM EMI_CONI
Bit
31 30 29 28 27 26 25 24 23 22 21 20 19 18 17 16
Name
PAUS
E_EN
PING
PONG
_EN
DRAM_MOD
E DRAM_SIZE
DRAM
_EN
DRAM_CS
Type
R/W
R/W
R/W R/W R/W
R/W
Reset
0 0 2d 0 0 0
Bit
15 14 13 12 11 10 9 8 7 6 5 4 3 2 1 0
Name
BA1
BA0
A12
A11
A10
A9
A8
A7
A6
A5
A4
A3
A2
A1
A0
Type
R/W
R/W
R/W
R/W
R/W
R/W
R/W
R/W
R/W
R/W
R/W
R/W
R/W
R/W
R/W
Reset
0 0 0 0 0 0 0 0 0 0 0 0 0 0 0
A12-A0 Mode Register Configuration
BA1-B0 Mode Register Configuration
DRAM_CS MobileRAM Controller Chip Select Signal Control
00 Chip Select 0 is used for MobileRAM
01 Chip Select 1 is used for MobileRAM
10 Chip Select 2 is used for MobileRAM
DRAM_EN MobileRAM Controller Control
0 MobileRAM controller is disabled
1 MobileRAM controller is enabled
DRAM_SIZE MobileRAM Chip Size
00 64Mbit
01 128Mbit
10 256Mbit
11 512Mbit
DRAM_MODE MobileRAM Scrambling Table Control

MT6225 GSM/GPRS Baseband Processor Data Sheet Revision 1.00
89
00 Mode 1
01 Mode 2
10 Mode 3 (PASR is not allowed)
11 Mode 4 (PASR is not allowed)
PINGPONG_EN Ping-pong Operation Control
PAUSE_EN Self-Refresh Mode Control when Baseband is in Pause Mode Operation
EMI+0048h EMI Control Register 1 for MobileRAM EMI_CONJ
Bit
31 30 29 28 27 26 25 24 23 22 21 20 19 18 17 16
Name
PDNS
SRFS
Type
R R
Reset
0 0
Bit
15 14 13 12 11 10 9 8 7 6 5 4 3 2 1 0
Name
PDN
SRF
SETM
AREF
PCA
Type
R/W
R/W
R/W
R/W
R/W
Reset
0 0 0 0 0
PCA Pre-Charge All Command
AREF Auto-Refresh Command
SETM Set Mode Register Command
SRF Self-Refresh Mode Command
PDN Power-Down Mode Command
SRFS Self-Refresh Mode Status
PDNS Power Down Mode Status
EMI+0050h EMI Control Register 2 for MobileRAM EMI_CONK
Bit
31 30 29 28 27 26 25 24 23 22 21 20 19 18 17 16
Name
WR RAS_MAX
Type
R/W R/W
Reset
0 0
Bit
15 14 13 12 11 10 9 8 7 6 5 4 3 2 1 0
Name
RAS_MIN RRD RC RP RCD CAS
Type
R/W R/W R/W R/W R/W R/W
Reset
0 0 0 0 0 0
CAS CAS Latency Control
0 CAS Latency = 2
1 CAS Latency = 3
RCD Active to Read or Write Delay
RP Pre-charge Command Period
RC Active Bank A to Active Bank A Period
RRD Active Bank A to Active Bank B Delay
RAS_MIN Minimum Active to Pre-charge Command Delay
RAS_MAX Maximum Active to Pre-charge Command Delay
WR Write Recovery Time
EMI+0058h EMI Control Register 3 for MobileRAM EMI_CONL
Bit
31 30 29 28 27 26 25 24 23 22 21 20 19 18 17 16
Name
ARFE
N HYE REFCNT DIV
Type
R/W
R/W R/W R/W
Reset
0 0 0 0
Bit
15 14 13 12 11 10 9 8 7 6 5 4 3 2 1 0
Name
ISR MRD XSR RFC
Type
R/W R/W R/W R/W

MT6225 GSM/GPRS Baseband Processor Data Sheet Revision 1.00
90
Reset
0 0 0 0
RFC Auto Refresh Period
XSR Exit Self Refresh to Active Command Delay
MRD Load Mode Register Command Period
ISR Minimum Period for Self-Refresh Mode
DIV MobileRAM Refresh Period Pre-Divider in units of 32 KHz; this field defines the MobileRAM Refresh
Period.
00 Divide by 1 (32KHz)
01 Divide by 2 (32KHz/2)
10 Divide by 3 (32KHz/3)
11 Divide by 4 (32KHz/4)
REFCNT Number of Auto-Refresh-Command to issue per MobileRAM Refresh Period.
HYE Reserved
ARFEN Auto Refresh Control
EMI+0060h EMI Re-map Control Register EMI_REMAP
Bit
15 14 13 12 11 10 9 8 7 6 5 4 3 2 1 0
Name
RM1
RM0
Type
R/W
R/W
Reset
0 0
This register accomplishes the Memory Re-mapping Mechanism. The register provides the kernel software program
or system designer with the capability to change memory configuration dynamically. Three kinds of configuration are
permitted.
RM[1:0] Re-mapping control for Boot Code, BANK0 and BANK1, refer to Table 25.
RM[1:0] Address 0000_0000h – 07ff_ffffh Address 0800_0000h – 0fff_ffffh
00 Boot Code BANK1
01 BANK1 BANK0
10 BANK0 BANK1
11 BANk1 BANK0
Table 25 Memory Map Configuration
EMI+0068h EMI General Control Register 0 EMI_GENA
Bit
31 30 29 28 27 26 25 24 23 22 21 20 19 18 17 16
Name
CKE
EXT_GUARD
DCKS
R
DCKE
2
DCKE
4
DCKE
8 DCKE
DCKDLY
Type
R/W
R/W R/W
R/W
R/W
R/W
R/W
R/W
Reset
0 0 0 0 0 0 0 0
Bit
15 14 13 12 11 10 9 8 7 6 5 4 3 2 1 0
Name
EDA
PDNE
WPOL
SCKS
R
SCKE
2
SCKE
4
SCKE
4 SCKE
SCKDLY
Type
R/W
R/W
R/W
R/W
R/W
R/W
R/W
R/W
R/W
Reset
1 0 0 0 0 0 0 0 0
SCKDLY FLASH, SRAM, PSRAM and CellularRAM Clock Delay Control
SCKE FLASH, SRAM, PSRAM and CellularRAM Clock Enable Control
SCKEn FLASH, SRAM, PSRAM and CellularRAM Clock Pad Driving Control (n=2, 4, 8, 16)
SCKSR FLASH, SRAM, PSRAM and CellularRAM Pad Slew-Rate Control
WPOL FLASH, SRAM, PSRAM and CellularRAM Wait Signal Inversion Control
PDNE PSRAM Power Down Control

MT6225 GSM/GPRS Baseband Processor Data Sheet Revision 1.00
91
EDA Data Bus Active Drive Control
DCKDLY MobileRAM Clock Delay Control
DCKE MobileRAM Clock Enable Control
DCKEn MobileRAM Clock Pad Driving Control (n=2, 4, 8)
DCKSR MobileRAM Clock Pad Slew-Rate Control
EXT_GUARD Extra IDLE Time for FLASH, SRAM, PSRAM and CellularRAM
CKE Dynamic MobileRAM Clock Enable Control
Figure 31 Clock Delay Control
EMI+0070h EMI General Control Register 1 EMI_GENB
Bit
31 30 29 28 27 26 25 24 23 22 21 20 19 18 17 16
Name
EA
SR
EAE2
EAE4
EAE8
EDSR
EDE2
EDE4
EDE8
ECSS
R
ECSE
2
ECSE
4
ECSE
8
Type
R/W
R/W
R/W
R/W
R/W
R/W
R/W
R/W
R/W
R/W
R/W
R/W
Reset
1 1 0 0 1 1 0 0 1 1 0 0
Bit
15 14 13 12 11 10 9 8 7 6 5 4 3 2 1 0
Name
ERWS
R
ERWE
2
ERWE
4
ERWE
8 EADV
SR
EADV
E2
EADV
E4
EADV
E8
ERCS
R
ERCE
2
ERCE
4
ERCE
8
Type
R/W
R/W
R/W
R/W
R/W
R/W
R/W
R/W
R/W
R/W
R/W
R/W
Reset
1 1 0 0 1 1 0 0 1 1 0 0
ERCEn RAS and CAS Pad Driving Control (n=2, 4, 8)
ERCSR RAS and CAS Pad Slew-Rate Control
EADVEn EADV Pad Driving Control (n=2, 4, 8)
EADVSR EADV Pad Slew-Rate Control
ERWEn ERD, EWR, EUB and ELB Pad Driving Control (n=2, 4, 8)
ERWSR ERD, EWR, EUB and ELB Pad Slew-Rate Control
ECSEn ECS[3:0] Pad Driving Control (n=2, 4, 8)
ECSSR ECS[3:0] Pad Slew-Rate Control
EDEn ED[15:0] Pad Driving Control (n=2, 4, 8)
EDSR ED[15:0] Pad Slew-Rate Control
EAEn EA[25:0] Pad Driving Control (n=2, 4, 8)
EASR EA[25:0] Pad Slew-Rate Control
EMI+0078h EMI A/D Mux Control Register EMI_ADMUX
Bit
31 30 29 28 27 26 25 24 23 22 21 20 19 18 17 16
Name
Type
Reset

MT6225 GSM/GPRS Baseband Processor Data Sheet Revision 1.00
92
Bit
15 14 13 12 11 10 9 8 7 6 5 4 3 2 1 0
Name
A2ADVH MOD
E
Type
R/W R/W
Reset
1 XAD
MUX
MODE A/D Mux memory I/F selection signal. The default value depends on the value of pin GPIO4 at reset.
0 Non-A/D Mux Mode
1 A/D Mux Mode
A2ADVH Address Valid to Address Hold Time

MT6225 GSM/GPRS Baseband Processor Data Sheet Revision 1.00
93
4 Microcontroller Peripherals
Microcontroller (MCU) Peripherals are devices that are under direct control of the Microcontroller. Most of the
devices are attached to the Advanced Peripheral Bus (APB) of the MCU subsystem, and serve as APB slaves. Each
MCU peripheral must be accessed as a memory-mapped I/O device; that is, the MCU or the DMA bus master reads
from or writes to the specific peripheral by issuing memory-addressed transactions.
4.1 Security Engine
4.1.1 General Description
The Secure Engine module is responsible for security functions in the MT6227. SE realizes an efficient scheme to
protect the program in non-volatile memory. Applying the flows in the IC with Chip-ID can: a) encrypted codes to
protect the codes to be cracked (Confidentiality); b) guarantee the integrity; c) Copyright protection.
To protect the program in the novo memory, SE references 1: Chip UID; 2: custom seed; 3: Internal reproducible noise
to enlarge the entropy space of ciphering. After proper configuration in BCON and BSEED, users can encrypt
program plaintext into cipher-texts and store them onto NoVo memory. Due to the program are stored in ciphered
mode, it’s not easy to be disassembled. Further, the encryption process has referred to Chip UID, which may be
different between two different chips, the cipher-text encrypted referred to Chip UIDA is very likely decrypted to
wrong one referred to other IDs.
4.1.2 Register Definitions
Figure 32: SE Registers
Register Address Register Function Acronym
SE + 00c0h SE Secure Booting control SE_BCON
SE + 00c4h SE Secure Booting source data SE_BSRC
SE + 00c8h SE Secure Booting seed data SE_BSEED
SE + 00cch SE Secure Booting encrypted data SE_BENC
SE + 00d0h SE Secure Booting decrypted data SE_BDEC
SE+00c0h SE Secure Booting control SE_BCON
Bit
15
14
13
12
11
10
9 8 7 6 5 4 3 2 1 0
Name
PAR3
PAR2
PAR1
DIS
Type
R/W
R/W
R/W
R/W
Reset
0 0 0 0
DIS Disable Secure Booting function. When DIS is asserted, the data read from SE_BENC and SE_BDEC is the
same as SE_BSRC.
PAR1 Use inner information parameter 1 (SK) to strengthen security.
PAR2 Use inner information parameter 2 (RS) to strengthen security.
PAR3 Use inner information parameter 3 (MR) to strengthen security.
SE+00c4h SE Secure Booting source data SE_BSRC
Bit
31 30 29 28 27 26 25 24 23 22 21 20 19 18 17 16
Name
BSRC[31:16]
Type
WO
Reset
0
Bit
15 14 13 12 11 10 9 8 7 6 5 4 3 2 1 0
Name
BSRC[15:0]

MT6225 GSM/GPRS Baseband Processor Data Sheet Revision 1.00
94
Type
WO
Reset
0
BSRC Source data for Secure Booting to be encrypted (obtained from SE_BENC) or decrypted (obtained from
SE_BDEC).
SE+00c8h SE Secure Booting seed value SE_BSEED
Bit
31 30 29 28 27 26 25 24 23 22 21 20 19 18 17 16
Name
BSEED[31:16]
Type
WO
Reset
0
Bit
15 14 13 12 11 10 9 8 7 6 5 4 3 2 1 0
Name
BSEED[15:0]
Type
WO
Reset
0
BSEED Seed data needed to increase security of the Boot Secure function. Set the seed value before performing
Boot Secure the first time.
SE+00cch SE Secure Booting encrypted data SE_BENC
Bit
31 30 29 28 27 26 25 24 23 22 21 20 19 18 17 16
Name
BENC[31:16]
Type
RO
Reset
0
Bit
15 14 13 12 11 10 9 8 7 6 5 4 3 2 1 0
Name
BENC[15:0]
Type
RO
Reset
0
BENC Encrypted data from SE_BSRC.
SE+00d0h SE Secure Booting decrypted data SE_BDEC
Bit
31 30 29 28 27 26 25 24 23 22 21 20 19 18 17 16
Name
BDEC[31:16]
Type
RO
Reset
0
Bit
15 14 13 12 11 10 9 8 7 6 5 4 3 2 1 0
Name
BDEC[15:0]
Type
RO
Reset
0
BDEC Decrypted data from SE_BSRC.
4.1.3 Secure Booting Procedure
Secure Booting is the major feature of SE that protects the program contents on flash memory from modification, skip
or hard copy. With a secure process and a unique chip ID (UID), SE can encrypt or decrypt a segment of instruction
data in order.
Encryption procedure:
1. Activate the eFuse module.
2. Write the seed value into BSEED. The seed value can be any 32-bit value. The same seed value is
necessary in the decryption procedure.
3. Write the control value into BCON.
4. Write source data (instruction) into BSRC and read the cipher text from BENC.
5. Repeat step 4 until all instructions are encrypted.
Decryption procedure:

MT6225 GSM/GPRS Baseband Processor Data Sheet Revision 1.00
95
1. Activate the eFuse module.
2. Write the seed value into BSEED. The seed value must be the same one used in the encryption procedure.
3. Write the control value into BCON. The control value must be the same one used in the encryption
procedure.
4. Write the source data (instruction) into BSRC and read the plain text from BDEC.
5. Repeat step 4 until all instructions are decrypted.
Notes:
1. A bit length equal or less than 32 bits is acceptable for Secure Boot. E.g.: a 16-bit data 0x1234 is treated as
0x12340000 32-bit data and decrypted in the same manner.
2. For security reasons, access times to be encrypted or decrypted should not be the multiples of 4.
3. The internal states of Secure Booting function change under the following conditions, such that redundant
register access is forbidden.
• Write data into BSRC
• Write data into BSEED
• Read data from BENC or BDEC
As an example of the encryption and decryption of 16-bit data, consider the value 0xabcd:
Encryption:
1. The data is padded with zeros to obtain a 32-bit value: 0xabcd0000.
2. The encryption operation produces a value 0x12345678.
Decryption:
1. Only the most significant 16 bits 0x1234000 are considered and decrypted as 0xabcd7893.
2. The first 16 bits 0xabcd are retained, and 0x00007893 is ignored.
4.2 OTP Controller (OTPC)
4.2.1 General Description
There is 192-bit non-volatile memories consisted of OTPs in MT6225. OTP is one-time-programming
non-volatile memory in CMOS. Some regions of these memories can be programmed by customers.
Figure 33 OTP initialization procedure
VDD
1.8V
VPP
1.8V
POR
PDOB
Data out

MT6225 GSM/GPRS Baseband Processor Data Sheet Revision 1.00
96
Figure 34 Programmable OTPs organization.
4.2.2 Register Definitions
CONFG+f000h
OTP control 1 OTP_CON1
Bit
15 14 13 12 11 10 9 8 7 6 5 4 3 2 1 0
Name
SPD OTPSEL PGM
WR
RES
BUSY
VLD
Type
R/W R/W R/W
WO
WO
RO
RO
Reset
00 00 0 0 0 0 0
VLD Indicate if OTP_DATx is valid or not. OTPC will generate a POR to initialize OTPs. After the initialization
finished, this bit will change to 1 from initial 0. In other case, if you initialize OTPs by RD manually, the VLD
will go to low. After RD process done, VLD will go to high again.
0 OTP_DATx content is unknown.
1 OTP_DATx content is valid.
BUSY OTP controller is busy. You should program OTPC only when BUSY is low.
RES Reserved bit. Always write this bit 0 when you program OTP_CON1.
WR Write strobe to program OTPs based on PA and PDIN when PGM is high.
PGM OTP Programming mode.
OTPSEL OTP selection.
00 No OTP is selected.
01 OTP_DAT2 and OTP_DAT1 is selected
10 OTP_DAT4 and OTP_DAT3 is selected
11 OTP_DAT6 and OTP_DAT5 is selected
SPD OTPC speed selection. Change this field depends on the system bus speed.
00 OTPC operates at system bus frequency equal to 13MHz
01 OTPC operates at system bus frequency equal to 26MHz
10 OTPC operates at system bus frequency equal to 39MHz
11 OTPC operates at system bus frequency equal to 52MHz
Figure 35 OTP programming waveform

MT6225 GSM/GPRS Baseband Processor Data Sheet Revision 1.00
97
About programming mode:
If you’d like to program OTPs with desired data, you should obey the following procedures:
1. Set VPP to 1.8V
2. write PGM=1 to enter programming mode and wait until busy bit low.
3. set VPP to 6.7V. With correct setting (output mode, VPP mode. Please consult the GPIO section for more
information), GPIO35 is indicated for the VPP status. When GPIO35 output from 0 to , VPP should be feed 6.7V
from original 1.8V.
4. set OTPSEL, PA, PDIN properly to assign which OTP parts you want to write. You can refer to figure 2 to get to
OTP organization.
5. write WR to 1 and wait until busy bit low.
6. if you want to program other bits, repeat step 4&5
7. set VPP to 1.8V
8. write PGM=0 to leave programming mode and wait until busy bit low
CONFG+f004h
OTP control 2 OTP_CON2
Bit
15 14 13 12 11 10 9 8 7 6 5 4 3 2 1 0
Name
PDIN PA
Type
R/W R/W
Reset
0 0
PA Program address.
PDIN Program data. The data to be programmed. OTP controller program OTPs 8 bits each time and the initial bits
are all 1. Any bits can be write to 0 and not back to 1.
CONFG+f030h
OTP DATA1 OTP_DAT1
Bit
15 14 13 12 11 10 9 8 7 6 5 4 3 2 1 0
Name
OTP_DAT1
Type
W*/R
Reset
0xffff
CONFG+f034h
OTP DATA2 OTP_DAT2
Bit
15
14 13 12 11 10 9 8 7 6 5 4 3 2 1 0
Name
WEN1
2 OTP_DAT2
Type
W*/R
W*/R
Reset
1 0x7fff
CONFG+f038h
OTP DATA3 OTP_DAT3
Bit
15 14 13 12 11 10 9 8 7 6 5 4 3 2 1 0
Name
OTP_DAT3
Type
W*/R
Reset
0xffff
CONFG+f03ch
OTP DATA4 OTP_DAT4
Bit
15
14 13 12 11 10 9 8 7 6 5 4 3 2 1 0
Name
WEN3
4 OTP_DAT4
Type
W*/R
W*/R
Reset
1 0x7fff

MT6225 GSM/GPRS Baseband Processor Data Sheet Revision 1.00
98
CONFG+f040h
OTP DATA5 OTP_DAT5
Bit
15 14 13 12 11 10 9 8 7 6 5 4 3 2 1 0
Name
OTP_DAT5
Type
W*/R
Reset
0xffff
CONFG+f044h
OTP DATA6 OTP_DAT6
Bit
15
14 13 12 11 10 9 8 7 6 5 4 3 2 1 0
Name
WEN5
6 OTP_DAT6
Type
W*/R
W*/R
Reset
1 0x7fff
(*)Note: The bit can be write once, from 1 to 0, and from 0 to 1 is forbid.
WEN12 Write enable of OTP_DAT1 and OTP_DAT2. When this bit is 1, OTP_DAT1 and OTP_DAT2 are
programmable. Otherwise, they are read only.
WEN34 Write enable of OTP_DAT3 and OTP_DAT4. When this bit is 1, OTP_DAT3 and OTP_DAT4 are
programmable. Otherwise, they are read only.
WEN56 Write enable of OTP_DAT5 and OTP_DAT6. When this bit is 1, OTP_DAT5 and OTP_DAT6 are
programmable. Otherwise, they are read only.
4.3 Pulse-Width Modulation Outputs
4.3.1 General Description
Two generic pulse-width modulators are implemented to generate pulse sequences with programmable frequency and
duty cycle for LCD backlight or charging purpose. The duration of the PWM output signal is Low as long as the
internal counter value is greater than or equal to the threshold value. The waveform is shown in Figure 36.
Internal counter
Threshold
PWM Signal
Figure 36 PWM waveform
The frequency and volume of PWM output signal are determined by these registers: PWM_COUNT, PWM_THRES,
PWM_CON. POWERDOWN (pdn_pwm) signal is applied to power-down the PWM module. When PWM is
deactivated (POWERDOWN=1), the output will be in Low state.
The output PWM frequency is determined
by: 132000,0CLKSEL when 13000000CLK
)1_(_ ====
+× whenCLKSELCLK
COUNTPWMDIVCLOCK
CLK
CLOCK_DIV = 1, when CLK[1:0] = 00b
CLOCK_DIV = 2, when CLK[1:0] = 01b
CLOCK_DIV = 4, when CLK[1:0] = 10b
CLOCK_DIV = 8, when CLK[1:0] = 11b

MT6225 GSM/GPRS Baseband Processor Data Sheet Revision 1.00
99
The output PWM duty cycle is determined by:
1_
_
+COUNTPWM
THRESPWM
Note that PWM_THRES should be less than the PWM_COUNT. If this condition is not satisfied, the output pulse of
the PWM will always be in High state.
4.3.2 Register Definitions
PWM+0000h PWM1 Control register PWM1_CON
Bit
15 14 13 12 11 10 9 8 7 6 5 4 3 2 1 0
Name
CLKS
EL CLK [1:0]
Type
R/W
R/W
Reset
0 0
CLK Select PWM1 clock prescaler scale
00 CLK Hz
01 CLK/2 Hz
10 CLK/4 Hz
11 CLK/8 Hz
Note: When PWM1 module is disabled, its output should be kept in LOW state.
CLKSEL Select PWM1 clock
0 CLK=13M Hz
1 CLK=32K Hz
PWM+0004h PWM1 max counter value register PWM1_COUNT
Bit
15 14 13 12 11 10 9 8 7 6 5 4 3 2 1 0
Name
PWM1_COUNT [12:0]
Type
R/W
Reset
1FFFh
PWM1_COUNT PWM1 max counter value. It will be the initial value for the internal counter. If PWM1_COUNT is
written when the internal counter is counting backwards, no matter which mode it is, there is no
effect until the internal counter counts down to zero, i.e. a complete period.
PWM+0008h PWM1 Threshold Value register PWM1_THRES
Bit
15 14 13 12 11 10 9 8 7 6 5 4 3 2 1 0
Name
PWM1_THRES [12:0]
Type
R/W
Reset
0
PWM1_THRES Threshold value. When the internal counter value is greater than or equals to PWM1_THRES, the
PWM1 output signal will be “0”; when the internal counter is less than PWM1_THRES, the PWM1
output signal will be “1”.
PWM+000Ch PWM2 Control register PWM2_CON
Bit
15 14 13 12 11 10 9 8 7 6 5 4 3 2 1 0
Name
CLKS
EL CLK [1:0]
Type
R/W
R/W
Reset
0 0
CLK Select PWM2 clock prescaler scale
00 CLK Hz
01 CLK/2 Hz

MT6225 GSM/GPRS Baseband Processor Data Sheet Revision 1.00
100
10 CLK/4 Hz
11 CLK/8 Hz
Note: When PWM2 module is disabled, its output should be keep in LOW state.
CLKSEL Select PWM2 clock
0 CLK=13M Hz
1 CLK=32K Hz
PWM+0010h PWM2 max counter value register PWM2_COUNT
Bit
15 14 13 12 11 10 9 8 7 6 5 4 3 2 1 0
Name
PWM2_COUNT [12:0]
Type
R/W
Reset
1FFFh
PWM2_COUNT PWM2 max counter value. It will be the initial value for the internal counter. If PWM2_COUNT is
written when the internal counter is counting backwards, no matter which mode it is, there is no
effect until the internal counter counts down to zero, i.e. a complete period.
PWM+0014h PWM2 Threshold Value register PWM2_THRES
Bit
15 14 13 12 11 10 9 8 7 6 5 4 3 2 1 0
Name
PWM2_THRES [12:0]
Type
R/W
Reset
0
PWM2_THRES Threshold value. When the internal counter value is greater than or equals to PWM2_THRES, the
PWM1 output signal will be “0”; when the internal counter is less than PWM2_THRES, the PWM2
output signal will be “1”.
Figure 37 shows the PWM waveform with register value present.
PWM_COUNT = 5
P
WM_THRES = 1
PWM_CON = 0b
13MHz
Figure 37 PWM waveform with register value present
4.4 Alerter
4.4.1 General Description
The output of Alerter has two sources: one is the enhanced pwm output signal, which is implemented embedded in
Alerter module; the other is PDM signal from DSP domain directly. The enhanced pwm with three operation modes is
implemented to generate a signal with programmable frequency and tone volume. The frequency and volume are
determined by four registers: ALERTER_CNT1, ALERTER_THRES, ALERTER_CNT2 and ALERTER_CON.
ALERTER_CNT1 and ALERTER_CNT2 are the initial counting values of internal counter1 and internal counter2
respectively. POWERDOWN signal is applied to power-down the Alerter module. When Alerter is deactivated
(POWERDOWN=1), the output will be in low state.
With ALERTER_CON, the output source can be chosen from enhanced pwm or PDM. The waveform of the alerter
from enhanced pwm source in different modes can be shown in Figure 38. In mode 1, the polarity of alerter output
signal according to the relationship between internal counter1 and the programmed threshold will be inverted each time
internal counter2 reaches zero. In mode2, each time the internal counter2 count backwards to zero the alerter output

MT6225 GSM/GPRS Baseband Processor Data Sheet Revision 1.00
101
signal is normal pwm signal (i.e. signal is low as long as the internal counter1 value is greater than or equals to
ALERTER_THRES, and it is high when the internal counter1 is less than ALERTER_THRES) or low state by turns. In
mode3, the value of internal counter2 has no effect on output signal, i.e. the alerter output signal is low as long as the
internal counter1 value is above the programmed threshold and is high the internal counter1 is less than
ALERTER_THRES when no matter what value the internal counter2 is.
ALERTER_THRES
enhance pwm out (mode 1)
enhance pwm out (mode 2)
enhanced pwm out (mode 3)
T2
Internal counter1
T1 = ALERTER_CNT1 *1/13MHz *( ALERTER_CON[1:0]+1)
T2 = T1 *( ALERTER_CNT2+1)
T1
Internal counter2
Figure 38 Alerter waveform
The output signal frequency is determined by:
3 modeor
])0:1[_()11_(
13000000
2 mode and 1 modeor
)12_()11_()1]0:1[_(2
13000000
×+
+×+×+×
f
CONALERTERCNTALERTER
f
CNTALERTERCNTALERTERCONALERTER
The volume of the output signal is determined by:
11_
_
+CNTALERTER
THRESALERTER
4.4.2 Register Definitions
ALTER+0000h
Alerter counter1 value register ALERTER_CNT
1
Bit
15 14 13 12 11 10 9 8 7 6 5 4 3 2 1 0
Name
ALERTER_CNT1 [15:0]
Type
R/W
Reset
FFFFh
ALERTER_CNT1 Alerter max counter’s value. ALERTER_CNT1 is the initial value of internal counter1. If
ALERTER_CNT1 is written when the internal counter1 is counting backwards, no matter which mode
it is, there is no effect until the internal counter1 counts down to zero, i.e. a complete period.
ALTER+0004h
Alerter threshold value register ALERTER_THR
ES
Bit
15 14 13 12 11 10 9 8 7 6 5 4 3 2 1 0

MT6225 GSM/GPRS Baseband Processor Data Sheet Revision 1.00
102
Name
ALERTER_THRES [15:0]
Type
R/W
Reset
0
ALERTER_THRES Threshold value. When the internal counter1 value is greater than or equals to
ALERTER_THRES, the Alerter output signal will be low state; when the counter1 is less than
ALERTER_THRES, the Alerter output signal will be high state.
ALTER+0008h
Alerter counter2 value register ALERTER_CNT
2
Bit
15 14 13 12 11 10 9 8 7 6 5 4 3 2 1 0
Name
ALERTER_CNT2 [ 5:0]
Type
R/W
Reset
111111b
AlERTER_CNT2 ALERTER_CNT2 is the initial value for internal counter2. The internal counter2 decreases by
one everytime the internal counter1 count down to be zero. The polarity of alerter output signal which depends
on the relationship between the internal counter1 and ALERTER_THRES will be inverted anytime when the
internal counter2 counts down to zero. E.g. in the beginning, the output signal is low when the internal
counter1 isn’t less ALERTER_THRES and is high when the internal counter1 is less than ALERTER_THRES.
But after the internal counter2 counts down to zero, the output signal will be high when the internal counter1
isn’t less than ALERTER_THRES and will be low when the internal counter1 is less than ALERTER_THRES.
ALTER+000Ch
Alerter control register ALERTER_CON
Bit
15 14 13 12 11 10 9 8 7 6 5 4 3 2 1 0
Name
TYPE
MODE CLK [1:0]
Type
R/W
R/W R/W
Reset
0 0 0
CLK Select PWM Waveform clock
00 13M Hz
01 13/2M Hz
10 13/4M Hz
11 13/8M Hz
MODE Select Alerter mode
00 Mode 1 selected
01 Mode 2 selected
10 Mode 3 selected
TYPE Select the ALERTER output source from PWM or PDM
0 Output generated from PWM path
1 Output generated from PDM path
Note: When alerter module is power down, its output should be kept in low state.
Figure 39 shows the Alerter waveform with register value present.

MT6225 GSM/GPRS Baseband Processor Data Sheet Revision 1.00
103
ALERTER_CNT1 = 5
ALERTER_CNT2 = 1
ALERTER_THRESH = 1
ALERTER_CON = 01000b
ALERTER_CNT1 = 5
ALERTER_CNT2 = 1
ALERTER_THRESH = 1
ALERTER_CON = 00100b
ALERTER_CNT1 = 5
ALERTER_CNT2 = 1
ALERTER_THRESH = 1
ALERTER_CON =00000b
13MHz
Figure 39 Alerter output signal from enhanced pwm with register value present.
4.5 SIM Interface
The MT6225 contains a dedicated smart card interface to allow the MCU access to the SIM card. It can operate via 5
terminals, using SIMVCC, SIMSEL, SIMRST, SIMCLK and SIMDATA.
Figure 40 SIM Interface Block Diagram
The SIMVCC is used to control the external voltage supply to the SIM card and SIMSEL determines the regulated
smart card supply voltage. SIMRST is used as the SIM card reset signal. Besides, SIMDATA and SIMCLK are used for
data exchange purpose.
Basically, the SIM interface acts as a half duplex asynchronous communication port and its data format is composed of
ten consecutive bits: a start bit in state Low, eight information bits, and a tenth bit used for parity checking. The data
format can be divided into two modes as follows:
Direct Mode (ODD=SDIR=SINV=0)
SB D0 D1 D2 D3 D4 D5 D6 D7 PB
SB: Start Bit (in state Low)
Dx: Data Byte (LSB is first and logic level ONE is High)
PB: Even Parity Check Bit
Indirect Mode (ODD=SDIR=SINV=1)
SB N7 N6 N5 N4 N3 N2 N1 N0 PB
SB: Start Bit (in state Low)

MT6225 GSM/GPRS Baseband Processor Data Sheet Revision 1.00
104
Nx: Data Byte (MSB is first and logic level ONE is Low)
PB: Odd Parity Check Bit
If the receiver gets a wrong parity bit, it will respond by pulling the SIMDATA Low to inform the transmitter and the
transmitter will retransmit the character.
When the receiver is a SIM Card, the error response starts 0.5 bits after the PB and it may last for 1~2 bit periods.
When the receiver is the SIM interface, the error response starts 0.5 bits after the PB and lasts for 1.5 bit period.
When the SIM interface is the transmitter, it will take totally 14 bits guard period whether the error response appears. If
the receiver shows the error response, the SIM interface will retransmit the previous character again else it will transmit
the next character.
Figure 41 SIM Interface Timing Diagram
4.5.1 Register Definitions
SIM+0000h SIM module control register SIM_CONT
Bit
15 14 13 12 11 10 9 8 7 6 5 4 3 2 1 0
Name
WRST
CSTO
P
SIMO
N
Type
W R/W
R/W
Reset
0 0 0
SIMON SIM card power-up/power-down control
0 Initiate the card deactivation sequence
1 Initiate the card activation sequence
CSTOP Enable clock stop mode. Together with CPOL in SIM_CNF register, it determines the polarity of the SIMCLK
in this mode.
0 Enable the SIMCLK output.
1 Disable the SIMCLK output
WRST SIM card warm reset control

MT6225 GSM/GPRS Baseband Processor Data Sheet Revision 1.00
105
SIM+0004h SIM module configuration register SIM_CONF
Bit
15 14 13 12 11 10 9 8 7 6 5 4 3 2 1 0
Name
HFEN
T0EN
T1EN
TOUT
SIMS
EL
ODD
SDIR
SINV
CPOL
TXAC
K
RXAC
K
Type
R/W
R/W
R/W
R/W
R/W
R/W
R/W
R/W
R/W
R/W
R/W
Reset
0 0 0 0 0 0 0 0 0 0 0
RXACK SIM card reception error handshake control
0 Disable character receipt handshaking
1 Enable character receipt handshaking
TXACK SIM card transmission error handshake control
0 Disable character transmission handshaking
1 Enable character transmission handshaking
CPOL SIMCLK polarity control in clock stop mode
0 Make SIMCLK stop in LOW level
1 Make SIMCLK stop in HIGH level
SINV Data Inverter.
0 Not invert the transmitted and received data
1 Invert the transmitted and received data
SDIR Data Transfer Direction
0 LSB is transmitted and received first
1 MSB is transmitted and received first
ODD Select odd or even parity
0 Even parity
1 Odd parity
SIMSEL SIM card supply voltage select
0 SIMSEL pin is set to LOW level
1 SIMSEL pin is set to HIGH level
TOUT SIM work waiting time counter control
0 Disable Time-Out counter
1 Enable Time-Out counter
T1EN T=1 protocol controller control
0 Disable T=1 protocol controller
1 Enable T=1 protocol controller
T0EN T=0 protocol controller control
0 Disable T=0 protocol controller
1 Enable T=0 protocol controller
HFEN Hardware flow control
0 Disable hardware flow control
1 Enable hardware flow control
SIM +0008h SIM Baud Rate Register SIM_BRR
Bit
15 14 13 12 11 10 9 8 7 6 5 4 3 2 1 0
Name
ETU[8:0] SIMCLK[1:0]
Type
R/W R/W
Reset
372d 01
SIMCLK Set SIMCLK frequency
00 13/2 MHz
01 13/4 MHz

MT6225 GSM/GPRS Baseband Processor Data Sheet Revision 1.00
106
10 13/8 MHz
11 13/32 MHz
ETU Determines the duration of elementary time unit in unit of SIMCLK
SIM +0010h SIM interrupt enable register SIM_IRQEN
Bit
15 14 13 12 11 10 9 8 7 6 5 4 3 2 1 0
Name
EDCE
RR
T1EN
D
RXER
R
T0EN
D
SIMO
FF
ATRER
R
TXER
R
TOU
T
OVRU
N
RXTID
E
TXTID
E
Type
R/W
R/W
R/W
R/W
R/W
R/W
R/W
R/W
R/W
R/W
R/W
Reset
0 0 0 0 0 0 0 0 0 0 0
For all these bits
0 Interrupt is disabled
1 Interrupt is enabled
SIM +0014h SIM module status register SIM_STS
Bit
15 14 13 12 11 10 9 8 7 6 5 4 3 2 1 0
Name
EDCE
RR
T1EN
D
RXER
R
T0EN
D
SIMO
FF
ATRER
R
TXER
R
TOU
T
OVRU
N
RXTID
E
TXTID
E
Type
R/C
R/C
R/C
R/C
R/C
R/C
R/C
R/C
R/C
R R
Reset
— — — — — — — —
— — —
TXTIDE Transmit FIFO tide mark reached interrupt occurred
RXTIDE Receive FIFO tide mark reached interrupt occurred
OVRUN Transmit/Receive FIFO overrun interrupt occurred
TOUT Between character timeout interrupt occurred
TXERR Character transmission error interrupt occurred
ATRERR ATR start time-out interrupt occurred
SIMOFF Card deactivation complete interrupt occurred
T0END Data Transfer handled by T=0 Controller completed interrupt occurred
RXERR Character reception error interrupt occurred
T1END Data Transfer handled by T=1 Controller completed interrupt occurred
EDCERR T=1 Controller CRC error occurred
SIM +0020h SIM retry limit register SIM_RETRY
Bit
15 14 13 12 11 10 9 8 7 6 5 4 3 2 1 0
Name
TXRETRY RXRETRY
Type
R/W R/W
Reset
3h 3h
RXRETRY Specify the max. numbers of receive retries that are allowed when parity error has occurred.
TXRETRY Specify the max. numbers of transmit retries that are allowed when parity error has occurred.
SIM +0024h SIM FIFO tide mark register SIM_TIDE
Bit
15 14 13 12 11 10 9 8 7 6 5 4 3 2 1 0
Name
TXTIDE[3:0] RXTIDE[3:0]
Type
R/W R/W
Reset
0h 0h
RXTIDE Trigger point for RXTIDE interrupt
TXTIDE Trigger point for TXTIDE interrupt
SIM +0030h Data register used as Tx/Rx Data Register SIM_DATA
Bit
15 14 13 12 11 10 9 8 7 6 5 4 3 2 1 0
Name
DATA[7:0]

MT6225 GSM/GPRS Baseband Processor Data Sheet Revision 1.00
107
Type
R/W
Reset
—
DATA Eight data digits. These correspond to the character being read or written
SIM +0034h SIM FIFO count register SIM_COUNT
Bit
15 14 13 12 11 10 9 8 7 6 5 4 3 2 1 0
Name
COUNT[4:0]
Type
R/W
Reset
0h
COUNT The number of characters in the SIM FIFO when read, and flushes when written.
SIM +0040h SIM activation time register SIM_ATIME
Bit
15 14 13 12 11 10 9 8 7 6 5 4 3 2 1 0
Name
ATIME[15:0]
Type
R/W
Reset
AFC7h
ATIME The register defines the duration, in SIM clock cycles, of the time taken for each of the three stages of the
card activation process
SIM +0044h SIM deactivation time register SIM_DTIME
Bit
15 14 13 12 11 10 9 8 7 6 5 4 3 2 1 0
Name
DTIME[11:0]
Type
R/W
Reset
3E7h
DTIME The register defines the duration, in 13MHz clock cycles, of the time taken for each of the three stages of
the card deactivation sequence
SIM +0048h Character to character waiting time register SIM_WTIME
Bit
15 14 13 12 11 10 9 8 7 6 5 4 3 2 1 0
Name
WTIME[15:0]
Type
R/W
Reset
983h
WTIME Maximum interval between the leading edge of two consecutive characters in 4 ETU unit
SIM +004Ch Block to block guard time register SIM_GTIME
Bit
15 14 13 12 11 10 9 8 7 6 5 4 3 2 1 0
Name
GTIME
Type
R/W
Reset
10d
GTIME Minimum interval between the leading edge of two consecutive characters sent in opposite directions in ETU
unit
SIM +0050h Block to error signal time register SIM_ETIME
Bit
15 14 13 12 11 10 9 8 7 6 5 4 3 2 1 0
Name
ETIME
Type
R/W
Reset
15d
ETIME The register defines the interval, in 1/16 ETU unit, between the end of transmitted parity bit and time to check
parity error signal sent from SIM card.

MT6225 GSM/GPRS Baseband Processor Data Sheet Revision 1.00
108
SIM +0060h SIM command header register: INS SIM_INS
Bit
15 14 13 12 11 10 9 8 7 6 5 4 3 2 1 0
Name
INSD
SIMINS[7:0]
Type
R/W
R/W
Reset
0h 0h
SIMINS This field should be identical to the INS instruction code. When writing to this register, the T=0 controller will
be activated and data transfer will be initiated.
INSD [Description for this register field]
0 T=0 controller receives data from the SIM card
1 T=0 controller sends data to the SIM card
SIM +0064h SIM command header register: P3 SIM_P3
(ICC_LEN)
Bit
15 14 13 12 11 10 9 8 7 6 5 4 3 2 1 0
Name
SIMP3[8:0]
Type
R/W
Reset
0h
SIMP3 This field should be identical to the P3 instruction code. It should be written prior to the SIM_INS register.
While the data transfer is going on, this field shows the no. of the remaining data to be sent or to be received
SIM +0068h SIM procedure byte register: SW1 SIM_SW1
(ICC_LEN)
Bit
15 14 13 12 11 10 9 8 7 6 5 4 3 2 1 0
Name
SIMSW1[7:0]
Type
R
Reset
0h
SIMSW1 This field holds the last received procedure byte for debug purpose. When the T0END interrupt occurred,
it keeps the SW1 procedure byte.
SIM +006Ch SIM procedure byte register: SW2 SIM_SW2
(ICC_EDC)
Bit
15 14 13 12 11 10 9 8 7 6 5 4 3 2 1 0
Name
SIMSW2[7:0]
Type
R
Reset
0h
SIMSW2 This field holds the SW2 procedure byte
4.5.2 SIM Card Insertion and Removal
The detection of physical connection to the SIM card and card removal is done by the external interrupt controller or by
GPIO.
4.5.3 Card Activation and Deactivation
The card activation and deactivation sequence both are controlled by H/W. The MCU initiates the activation sequence
by writing a “1” to bit 0 of the SIM_CON register, and then the interface performs the following activation sequence:
Assert SIMRST LOW
Set SIMVCC at HIGH level and SIMDATA in reception mode
Enable SIMCLK clock
De-assert SIMRST HIGH (required if it belongs to active low reset SIM card)

MT6225 GSM/GPRS Baseband Processor Data Sheet Revision 1.00
109
The final step in a typical card session is contact deactivation in order that the card is not electrically damaged. The
deactivation sequence is initiated by writing a “0” to bit 0 of the SIM_CONT register, and then the interface performs
the following deactivation sequence:
Assert SIMRST LOW
Set SCIMCLK at LOW level
Set SIMDATA at LOW level
Set SIMVCC at LOW level
4.5.4 Answer to Reset Sequence
After card activation, a reset operation results in an answer from the card consisting of the initial character TS, followed
by at most 32 characters. The initial character TS provides a bit synchronization sequence and defines the conventions
to interpret data bytes in all subsequent characters.
On reception of the first character, TS, MCU should read this character, establish the respective required convention
and reprogram the related registers. These processes should be completed prior to the completion of reception of the
next character. And then, the remainder of the ATR sequence is received, read via the SIM_DATA in the selected
convention and interpreted by the S/W.
The timing requirement and procedures for ATR sequence are handled by H/W and shall meet the requirement of ISO
7816-3 as shown in Figure 42.
Figure 42 Answer to Reset Sequence
Time Value Comment
T1 > 400 SIMCLK SIMCLK start to ATR appear
T2 < 200 SIMCLK SIMCLK start to SIMDATA in reception mode
T3 > 40000 SIMCLK SIMCLK start to SIMRST High
T4 — SIMVCC High to SIMCLK start
T5 — SIMRST Low to SIMCLK stop
T6 — SIMCLK stop to SIMDATA Low
T7 — SIMDATA Low to SIMVCC Low
Table 26 Answer to Reset Sequence Time-Out Condition

MT6225 GSM/GPRS Baseband Processor Data Sheet Revision 1.00
110
4.5.5 SIM Data Transfer
Two transfer modes are provided, either in software controlled byte by byte fashion or in a block fashion using T=0
controller and DMA controller. In both modes, the time-out counter could be enabled to monitor the elapsed time
between two consecutive bytes.
4.5.5.1 Byte Transfer Mode
This mode is used during ATR and PPS procedure. In this mode, the SIM interface only ensures error free character
transmission and reception.
Receiving Character
Upon detection of the start-bit sent by SIM card, the interface transforms into reception mode and the following bits are
shifted into an internal register. If no parity error is detected or character-receive handshaking is disabled, the
received-character is written into the SIM FIFO and the SIM_COUNT register is increased by one. Otherwise, the
SIMDATA line is held low at 0.5 etu after detecting the parity error for 1.5 etus, and the character is re-received. If a
character fails to be received correctly for the RXRETRY times, the receive-handshaking is aborted and the
last-received character is written into the SIM FIFO, the SIM_COUNT is increased by one and the RXERR interrupt is
generated
When the number of characters held in the receive FIFO exceeds the level defined in the
SIM_TIDE register, a RXTIDE interrupt is generated. The number of characters held in the SIM
FIFO can be determined by reading the SIM_COUNT register and writing to this register will flush
the SIM FIFO.
Sending Character
Characters that are to be sent to the card are first written into the SIM FIFO and then automatically transmitted to the
card at timed intervals. If character-transmit handshaking is enabled, the SIMDATA line is sampled at 1 etu after the
parity bit. If the card indicates that it did not receive the character correctly, the character is retransmitted a maximum
of TXRETRY times before a TXERR interrupt is generated and the transmission is aborted. Otherwise, the succeeding
byte in the SIM FIFO is transmitted.
If a character fails to be transmitted and a TXERR interrupt is generated, the interface needs to be reset by flushing the
SIM FIFO before any subsequent transmit or receive operation.
When the number of characters held in the SIM FIFO falls below the level defined in the SIM_TIDE register, a
TXTIDE interrupt is generated. The number of characters held in the SIM FIFO can be determined by reading the
SIM_COUNT register and writing to this register will flush the SIM FIFO.
4.5.5.2 Block Transfer Mode
Basically, the SIM interface is designed to work in conjunction with the T=0 protocol controller and the DMA
controller during non-ATR and non-PPS phase, though it is still possible for software to service the data transfer
manually like in byte transfer mode if necessary and thus the T=0 protocol should be controlled by software.
The T=0 controller is accessed via four registers representing the instruction header bytes INS and P3, and the
procedure bytes SW1 and SW2. These registers are:
SIM_INS, SIM_P3
SIM_SW1, SIM_SW2
During characters transfer, SIM_P3 holds the number of characters to be sent or to be received and SIM_SW1 holds the
last received procedure byte including NULL, ACK, NACK and SW1 for debug purpose.

MT6225 GSM/GPRS Baseband Processor Data Sheet Revision 1.00
111
Data Receive Instruction
Data Receive Instructions receive data from the SIM card. It is instantiated as the following procedure.
1. Enable the T=0 protocol controller by setting the T0EN bit to 1 in SIM_CONF register
2. Program the SIM_TIDE register to 0x0000 (TXTIDE = 0, RXTIDE = 0)
3. Program the SIM_IRQEN to 0x019C (Enable RXERR, TXERR, T0END, TOUT and OVRUN interrupts)
4. Write CLA, INS, P1, P2 and P3 into SIM FIFO
5. Program the DMA controller :
DMAn_MSBSRC and DMAn_LSBSRC : address of SIM_DATA register
DMAn_MSBDST and DMAn_LSBDST : memory address reserved to store the received characters
DMAn_COUNT : identical to P3 or 256 (if P3 == 0)
DMAn_CON : 0x0078
6. Write P3 into SIM_P3 register and then INS into SIM_INS register (Data Transfer is initiated
now)
7. Enable the Time-out counter by setting the TOUT bit to 1 in SIM_CONF register
8. Start the DMA controller by writing 0x8000 into the DMAn_START register to
Upon completion of the Data Receive Instruction, T0END interrupt will be generated and then the Time-out counter
should be disabled by setting the TOUT bit back to 0 in SIM_CONF register.
If error occurs during data transfer (RXERR, TXERR, OVRUN or TOUT interrupt is generated), the SIM card should
be deactivated first and then activated prior subsequent operations.
Data Send Instruction
Data Send Instructions send data to the SIM card. It is instantiated as the following procedure.
1. Enable the T=0 protocol controller by setting the T0EN bit to 1 in SIM_CONF register
2. Program the SIM_TIDE register to 0x0100 (TXTIDE = 1, RXTIDE = 0)
3. Program the SIM_IRQEN to 0x019C (Enable RXERR, TXERR, T0END, TOUT and OVRUN interrupts)
4. Write CLA, INS, P1, P2 and P3 into SIM FIFO
5. Program the DMA controller :
DMAn_MSBSRC and DMAn_LSBSRC : memory address reserved to store the transmitted characters
DMAn_MSBDST and DMAn_LSBDST : address of SIM_DATA register
DMAn_COUNT : identical to P3
DMAn_CON : 0x0074
6. Write P3 into SIM_P3 register and then (0x0100 | INS) into SIM_INS register (Data Transfer
is initiated now)
7. Enable the Time-out counter by setting the TOUT bit to 1 in SIM_CONF register
8. Start the DMA controller by writing 0x8000 into the DMAn_START register
Upon completion of the Data Send Instruction, T0END interrupt will be generated and then the Time-out counter
should be disabled by setting the TOUT bit back to 0 in SIM_CONF register.
If error occurs during data transfer (RXERR, TXERR, OVRUN or TOUT interrupt is generated), the SIM card should
be deactivated first and then activated prior subsequent operations.
4.6 Keypad Scanner
4.6.1 General Description
The keypad can be divided into two parts: one is the keypad interface including 7 columns and 6 rows; the other is the
key detection block which provides key pressed, key released and de-bounce mechanism. Each time the key is pressed
or released, i.e. something different in the 7 x 6 matrix, the key detection block will sense it, and it will start to
recognize if it is a key pressed or key released event. Whenever the key status changes and is stable, a KEYPAD IRQ
will be issued. The MCU can then read the key(s) pressed directly in KP_HI_KEY, KP_MID_KEY and
KP_LOW_KEY registers. To ensure that the key pressed information will not be missed, the status register in keypad

MT6225 GSM/GPRS Baseband Processor Data Sheet Revision 1.00
112
will not be read clear by APB bus read command. The status register can only be changed by the key-pressed detection
FSM. This keypad can detect one or two key-pressed simultaneously with any combination. Figure 43 shows one key
pressed condition. Figure 44(a) and Figure 44(b) indicate two keys pressed cases. Since the key press detection
depends on the high or low level of the external keypad interface, if keys are pressed at the same time and there exists a
key that is on the same column and the same row with the other keys, it will not be able to decode the correct key
pressed. For example, if there are three key presses: key1 = (x1, y1), key2 = (x2, y2), and key3 = (x1, y2), then both
key3 and key4 = (x2, y1) will be detected, and therefore it will not possible to distinguish correctly. Hence, the keypad
can detect only one or two keys pressed simultaneously at any combination. Due to the keypad interface, more than two
keys pressed simultaneously with some specific pattern will get the wrong information. If these specific patterns are
excluded, the keypad-scanning block can detect 11 keys at the same time and it’s shown as Figure 45.
Key-pressed Status
De-bounce time De-bounce time
Key Pressed
KP_IRQ
KEY_PRESS_IRQ KEY_RELEASE_ IRQ
Figure 43 One key pressed with de-bounce mechanism denoted
Key1 pr essed
Key2 pr essed
S t a t u s
IRQ
Key1 pr essed Ke y2 pressed Key1 r ele ase d Key2 r elease d
Key1 pr essed
Key2 pr essed
S t a t u s
IRQ
Key1 pr essed Ke y2 pressed Key2 r ele ase d Key1 r elease d
( a )
( b )
Key1 pr essed
Key2 pr essed
S t a t u s
IRQ
Key1 pr essed Ke y2 pressed Key1 r ele ase d Key2 r elease d
Key1 pr essed
Key2 pr essed
S t a t u s
IRQ
Key1 pr essed Ke y2 pressed Key2 r ele ase d Key1 r elease d
( a )
( b )
Figure 44 (a) Two keys pressed, case 1 (b) Two keys pressed, case 2
COL4 COL3 COL2 COL1 COL0
1
1
1
1
1
1
1
1
1
1
1
1
1
1
1
1
1
1
1
1
0
0
0
0
0
1
1
1
1
1
COL5
0 0 0 0 1
0
ROW0
ROW1
ROW2
ROW3
ROW4
ROW5 1
1
1
1
1
COL6
0
Figure 45 11 keys are detected at the same time

MT6225 GSM/GPRS Baseband Processor Data Sheet Revision 1.00
113
4.6.2 Register Definitions
KP +0000h Keypad status KP_STA
Bit
15 14 13 12 11 10 9 8 7 6 5 4 3 2 1 0
Name
STA
Type
RO
Reset
0
STA This register indicates the keypad status, and it will not be cleared by read.
0 No key pressed
1 Key pressed
KP +0004h Keypad scanning output, the lower 16 keys KP_LOW_KEY
Bit
15 14 13 12 11 10 9 8 7 6 5 4 3 2 1 0
Name
KEYS [15:0]
Type
RO
Reset
FFFFh
KP +0008h Keypad scanning output, the medium 16 keys KP_MID_KEY
Bit
15 14 13 12 11 10 9 8 7 6 5 4 3 2 1 0
Name
KEYS [31:16]
Type
RO
Reset
FFFFh
KP+000Ch Keypad scanning output, the higher 4 keys KP_HIGH_KEY
Bit
15 14 13 12 11 10 9 8 7 6 5 4 3 2 1 0
Name
KEYS[41:32]
Type
RO
Reset
3FF’h
These two registers list the status of 42 keys on the keypad. When the MCU receives the KEYPAD IRQ, both two
registers must be read. If any key is pressed, the relative bit will be set to 0.
KEYS Status list of the 42 keys.
KP +00010h De-bounce period setting KP_DEBOUNC
E
Bit
15 14 13 12 11 10 9 8 7 6 5 4 3 2 1 0
Name
DEBOUNCE [13:0]
Type
R/W
Reset
400h
This register defines the waiting period before key press or release events are considering stale.
DEBOUNCE De-bounce time = KP_DEBOUNCE/32 ms.
4.7 General Purpose Inputs/Outputs
MT6225 offers 53 general-purpose I/O pins and 4 general-purpose output pins. By setting the control registers, MCU
software can control the direction, the output value, and read the input values on these pins. These GPIOs and GPOs are
multiplexed with other functionalities to reduce the pin count.

MT6225 GSM/GPRS Baseband Processor Data Sheet Revision 1.00
114
Figure 46 GPIO Block Diagram
GPIOs at RESET
Upon hardware reset (SYSRST#), GPIOs are all configured as inputs and the following alternative usages of GPIO pins
are enabled:
These GPIOs are used to latch the inputs upon reset to memorize the desired configuration to make sure that the system
restarts or boots in the right mode.
Multiplexing of Signals on GPIO
The GPIO pins can be multiplexed with other signals.
DAICLK, DAIPCMIN, DAIPCMOUT, DAIRST: digital audio interface for FTA
BPI_BUS6, BPI_BUS7, BPI_BUS8, BPI_BUS9: radio hard-wire control
BSI_CS1: additional chip select signal for radio 3-wire interface
LSCK, LSA0, LSDA, LSCE0#, LSCE1#: serial display interface
LPCE1#: parallel display interface chip select signal
NRNB, NCLE, NALE, NWEB, NREB, NCEB: nand-flash control signals
PWM1, PWM2: pulse width modulation signal
ALERTER: pulse width modulation signal for buzzer
IRDA_RXD, IRDA_TXD, IRDA_PDN: IrDA control signals
URXD2, UTXD2, URTS2, UCTS2: data and flow control signals for UART2
URXD3, UTXD3, URTS3, UCTS3: data and flow control signals for UART3
CMMCLK, CMRST, CMPDN, CMVREF, CMHREF, CMDAT7~CMDAT0: cmos sensor interface
SRCLKENAI: external power on signal of the external VCXO LDO
Multiplexed of Signals on GPO
SRCLKENA: power on signal of the external VCXO LDO
EA25, EA24: external memory interface address bit [25:24]
EPDN_B: external memory power down signal
32KHz, 6.5MHz, 13MHz, 26MHz clocks

MT6225 GSM/GPRS Baseband Processor Data Sheet Revision 1.00
115
4.7.1 Register Definitions
GPIO+0000h GPIO direction control register 1 GPIO_DIR1
Bit
15 14 13 12 11 10 9 8 7 6 5 4 3 2 1 0
Name
GPIO
15
GPIO
14
GPIO
13
GPIO
12
GPIO
11
GPIO
10
GPIO
9
GPIO
8
GPIO
7
GPIO
6
GPIO
5
GPIO
4
GPIO
3
GPIO
2
GPIO
1
GPIO
0
Type
R/W
R/W
R/W
R/W
R/W
R/W
R/W
R/W
R/W
R/W
R/W
R/W
R/W
R/W
R/W
R/W
Reset
0 0 0 0 0 0 0 0 0 0 0 0 0 0 0 0
GPIO +0010h GPIO direction control register 2 GPIO_DIR2
Bit
15 14 13 12 11 10 9 8 7 6 5 4 3 2 1 0
Name
GPIO
31
GPIO
30
GPIO
29
GPIO
28
GPIO
27
GPIO
26
GPIO
25 GPIO
22
GPIO
21
PGIO
20
GPIO
19
GPIO
18
GPIO
17
GPIO
16
Type
R/W
R/W
R/W
R/W
R/W
R/W
R/W
R/W
R/W
R/W
R/W
R/W
R/W
R/W
Reset
0 0 0 0 0 0 0 0 0 0 0 0 0 0
GPIO+0020h GPIO direction control register 3 GPIO_DIR3
Bit
15 14 13 12 11 10 9 8 7 6 5 4 3 2 1 0
Name
GPIO
47
GPIO
46
GPIO
45
GPIO
44
GPIO
43
GPIO
42
GPIO
41
GPIO
40
GPIO
39
GPIO
38
GPIO
37
GPIO
36
GPIO
35
GPIO
34
GPIO
33
GPIO
32
Type
R/W
R/W
R/W
R/W
R/W
R/W
R/W
R/W
R/W
R/W
R/W
R/W
R/W
R/W
R/W
R/W
Reset
0 0 0 0 0 0 0 0 0 0 0 0 0 0 0 0
GPIO+0030h GPIO direction control register 4 GPIO_DIR4
Bit
15 14 13 12 11 10 9 8 7 6 5 4 3 2 1 0
Name
GPIO
54
GPIO
53
GPIO
52
GPIO
51
GPIO
50
GPIO
49
GPIO
48
Type
R/W
R/W
R/W
R/W
R/W
R/W
R/W
Reset
0 0 0 0 0 0 0
GPIOn GPIO direction control
0 GPIOs are configured as input
1 GPIOs are configured as output
GPIO +0040h GPIO pull-up/pull-down enable register 1 GPIO_PULLEN
1
Bit
15 14 13 12 11 10 9 8 7 6 5 4 3 2 1 0
Name
GPIO
15
GPIO
14
GPIO
13
GPIO
12
GPIO
11
GPIO
10
GPIO
9
GPIO
8
GPIO
7
GPIO
6
GPIO
5
GPIO
4
GPIO
3
GPIO
2
GPIO
1
GPIO
0
Type
R/W
R/W
R/W
R/W
R/W
R/W
R/W
R/W
R/W
R/W
R/W
R/W
R/W
R/W
R/W
R/W
Reset
1 1 1 1 1 1 1 1 1 1 1 1 1 1 1 1
GPIO +0050h GPIO pull-up/pull-down enable register 2 GPIO_PULLEN
2
Bit
15 14 13 12 11 10 9 8 7 6 5 4 3 2 1 0
Name
GPIO
31
GPIO
30
GPIO
29
GPIO
28
GPIO
27
GPIO
26
GPIO
25 GPIO
22
GPIO
21
PGIO
20
GPIO
19
GPIO
18
GPIO
17
GPIO
16
Type
R/W
R/W
R/W
R/W
R/W
R/W
R/W
R/W
R/W
R/W
R/W
R/W
R/W
R/W
Reset
1 1 1 1 1 1 1 1 1 1 1 1 1 1
GPIO+0060h GPIO pull-up/pull-down enable register 3 GPIO_PULLEN
3
Bit
15 14 13 12 11 10 9 8 7 6 5 4 3 2 1 0

MT6225 GSM/GPRS Baseband Processor Data Sheet Revision 1.00
116
Name
GPIO
47
GPIO
46
GPIO
45
GPIO
44
GPIO
43
GPIO
42
GPIO
41
GPIO
40
GPIO
39
GPIO
38
GPIO
37
GPIO
36
GPIO
35
GPIO
34
GPIO
33
GPIO
32
Type
R/W
R/W
R/W
R/W
R/W
R/W
R/W
R/W
R/W
R/W
R/W
R/W
R/W
R/W
R/W
R/W
Reset
1 1 1 1 1 1 1 1 1 1 1 1 1 1 1 1
GPIO+0070h GPIO pull-up/pull-down enable register 4 GPIO_PULLEN4
Bit
15 14 13 12 11 10 9 8 7 6 5 4 3 2 1 0
Name
GPIO
54
GPIO
53
GPIO
52
GPIO
51
GPIO
50
GPIO
49
GPIO
48
Type
R/W
R/W
R/W
R/W
R/W
R/W
R/W
Reset
1 1 1 1 1 1 1
GPIOn GPIO pull up/down enable
0 GPIOs pull up/down is not enabled
1 GPIOs pull up/down is enabled
GPIO +0080h GPIO data inversion control register 1 GPIO_DINV1
Bit
15 14 13 12 11 10 9 8 7 6 5 4 3 2 1 0
Name
INV15
INV14
INV13
INV12
INV11
INV10
INV9
INV8
INV7
INV6
INV5
INV4
INV3
INV2
INV1
INV0
Type
R/W
R/W
R/W
R/W
R/W
R/W
R/W
R/W
R/W
R/W
R/W
R/W
R/W
R/W
R/W
R/W
Reset
0 0 0 0 0 0 0 0 0 0 0 0 0 0 0 0
GPIO +0090h GPIO data inversion control register 2 GPIO_DINV2
Bit
15 14 13 12 11 10 9 8 7 6 5 4 3 2 1 0
Name
INV31
INV30
INV29
INV28
INV27
INV26
INV25
INV22
INV21
INV20
INV19
IVN18
INV17
INV16
Type
R/W
R/W
R/W
R/W
R/W
R/W
R/W
R/W
R/W
R/W
R/W
R/W
R/W
R/W
Reset
0 0 0 0 0 0 0 0 0 0 0 0 0 0
GPIO +00A0h
GPIO data inversion control register 3 GPIO_DINV3
Bit
15 14 13 12 11 10 9 8 7 6 5 4 3 2 1 0
Name
INV47
INV46
INV45
INV44
INV43
INV42
INV41
INV40
INV39
INV38
INV37
INV36
INV35
INV34
INV33
INV32
Type
R/W
R/W
R/W
R/W
R/W
R/W
R/W
R/W
R/W
R/W
R/W
R/W
R/W
R/W
R/W
R/W
Reset
0 0 0 0 0 0 0 0 0 0 0 0 0 0 0 0
GPIO+00B0h GPIO data inversion control register 4 GPIO_DINV4
Bit
15 14 13 12 11 10 9 8 7 6 5 4 3 2 1 0
Name
INV54
INV53
INV52
INV51
INV50
INV49
INV48
Type
R/W
R/W
R/W
R/W
R/W
R/W
R/W
Reset
0 0 0 0 0 0 0
INVn GPIO inversion control
0 GPIOs data inversion disable
1 GPIOs data inversion enable
GPIO +00C0h
GPIO data output register 1 GPIO_DOUT1
Bit
15 14 13 12 11 10 9 8 7 6 5 4 3 2 1 0
Name
GPIO
15
GPIO
14
GPIO
13
GPIO
12
GPIO
11
GPIO
10
GPIO
9
GPIO
8
GPIO
7
GPIO
6
GPIO
5
GPIO
4
GPIO
3
GPIO
2
GPIO
1
GPIO
0
Type
R/W
R/W
R/W
R/W
R/W
R/W
R/W
R/W
R/W
R/W
R/W
R/W
R/W
R/W
R/W
R/W
Reset
0 0 0 0 0 0 0 0 0 0 0 0 0 0 0 0
GPIO +00D0h
GPIO data output register 2 GPIO_DOUT2
Bit
15 14 13 12 11 10 9 8 7 6 5 4 3 2 1 0
Name
GPIO
31
GPIO
30
GPIO
29
GPIO
28
GPIO
27
GPIO
26
GPIO
25 GPIO
22
GPIO
21
PGIO
20
GPIO
19
GPIO
18
GPIO
17
GPIO
16

MT6225 GSM/GPRS Baseband Processor Data Sheet Revision 1.00
117
Type
R/W
R/W
R/W
R/W
R/W
R/W
R/W
R/W
R/W
R/W
R/W
R/W
R/W
R/W
Reset
0 0 0 0 0 0 0 0 0 0 0 0 0 0
GPIO +00E0h
GPIO data output register 3 GPIO_DOUT3
Bit
15 14 13 12 11 10 9 8 7 6 5 4 3 2 1 0
Name
GPIO
47
GPIO
46
GPIO
45
GPIO
44
GPIO
43
GPIO
42
GPIO
41
GPIO
40
GPIO
39
GPIO
38
GPIO
37
GPIO
36
GPIO
35
GPIO
34
GPIO
33
GPIO
32
Type
R/W
R/W
R/W
R/W
R/W
R/W
R/W
R/W
R/W
R/W
R/W
R/W
R/W
R/W
R/W
R/W
Reset
0 0 0 0 0 0 0 0 0 0 0 0 0 0 0 0
GPIO+00F0h GPIO data output register 4 GPIO_DOUT4
Bit
15 14 13 12 11 10 9 8 7 6 5 4 3 2 1 0
Name
GPIO
54
GPIO
53
GPIO
52
GPIO
51
GPIO
50
GPIO
49
GPIO
48
Type
R/W
R/W
R/W
R/W
R/W
R/W
R/W
Reset
0 0 0 0 0 0 0
GPIOn GPIO data output control
0 GPIOs data output 1
1 GPIOs data output 0
GPIO +0100h GPIO data Input register 1 GPIO_DIN1
Bit
15 14 13 12 11 10 9 8 7 6 5 4 3 2 1 0
Name
GPIO
15
GPIO
14
GPIO
13
GPIO
12
GPIO
11
GPIO
10
GPIO
9
GPIO
8
GPIO
7
GPIO
6
GPIO
5
GPIO
4
GPIO
3
GPIO
2
GPIO
1
GPIO
0
Type
RO
RO
RO
RO
RO
RO
RO
RO
RO
RO
RO
RO
RO
RO
RO
RO
Reset
X X X X X X X X X X X X X X X X
GPIO +0110h GPIO data Input register 2 GPIO_DIN2
Bit
15 14 13 12 11 10 9 8 7 6 5 4 3 2 1 0
Name
GPIO
31
GPIO
30
GPIO
29
GPIO
28
GPIO
27
GPIO
26
GPIO
25 GPIO
22
GPIO
21
PGIO
20
GPIO
19
GPIO
18
GPIO
17
GPIO
16
Type
RO
RO
RO
RO
RO
RO
RO
RO
RO
RO
RO
RO
RO
RO
Reset
X X X X X X X X X X X X X X
GPIO +0120h GPIO data Input register 3 GPIO_DIN3
Bit
15 14 13 12 11 10 9 8 7 6 5 4 3 2 1 0
Name
GPIO
47
GPIO
46
GPIO
45
GPIO
44
GPIO
43
GPIO
42
GPIO
41
GPIO
40
GPIO
39
GPIO
38
GPIO
37
GPIO
36
GPIO
35
GPIO
34
GPIO
33
GPIO
32
Type
RO
RO
RO
RO
RO
RO
RO
RO
RO
RO
RO
RO
RO
RO
RO
RO
Reset
X X X X X X X X X X X X X X X X
GPIO+0130h GPIO data input register 4 GPIO_DIN4
Bit
15 14 13 12 11 10 9 8 7 6 5 4 3 2 1 0
Name
GPIO
54
GPIO
53
GPIO
52
GPIO
51
GPIO
50
GPIO
49
GPIO
48
Type
RO
RO
RO
RO
RO
RO
RO
Reset
X X X X X X X
GPIOn GPIOs data input
GPIO +0140h GPO data output register GPO_DOUT
Bit
15 14 13 12 11 10 9 8 7 6 5 4 3 2 1 0
Name
GPO3
GPO2
GPO1
GPO0
Type
R/W
R/W
R/W
R/W

MT6225 GSM/GPRS Baseband Processor Data Sheet Revision 1.00
118
Reset
0 0 0 0
GPIO +0150h GPIO mode control register 1 GPIO_MODE1
Bit
15 14 13 12 11 10 9 8 7 6 5 4 3 2 1 0
Name
GPIO7_M
GPIO6_M
GPIO5_M
GPIO4_M
GPIO3_M
GPIO2_M
GPIO1_M
GPIO0_M
Type
R/W R/W R/W R/W R/W R/W R/W R/W
Reset
00 00 00 00 00 00 00 00
GPIO0_M GPIO mode selection
00 Configured as GPIO function
01 Reserved
10 Reserved
11 External interrupt 4
GPIO1_M GPIO mode selection
00 Configured as GPIO function
01 Reserved
10 Reserved
11 External interrupt 5
GPIO2_M GPIO mode selection
00 Configured as GPIO function
01 Resreved
10 UART1 CTS signal
11 External interrupt 6
GPIO3_M GPIO mode selection
00 Configured as GPIO function
01 BSI RF calibration data input
10 UART1 RTS signal
11 External interrupt 7
GPIO4_M GPIO mode selection
00 Configured as GPIO function
01 Digital Audio Interface Reset Signal Input
10 IrDA Power Down Control Signal
11 DSP Clock
GPIO5_M GPIO mode selection
00 Configured as GPIO function
01 EDI Clock
10 26MHz Clock
11 AHB Clock
GPIO6_M GPIO mode selection
00 Configured as GPIO function
01 EDI word select
10 32KHz Clock
11 MCU Clock
GPIO7_M GPIO mode selection
00 Configured as GPIO function
01 EDI serial data
10 Resreved
11 Slow Clock

MT6225 GSM/GPRS Baseband Processor Data Sheet Revision 1.00
119
GPIO +0160h GPIO mode control register 2 GPIO_MODE2
Bit
15 14 13 12 11 10 9 8 7 6 5 4 3 2 1 0
Name
GPIO15_M
GPIO14_M
GPIO13_M
GPIO12_M
GPIO11_M
GPIO10_M
GPIO9_M
GPIO8_M
Type
R/W R/W R/W R/W R/W R/W R/W R/W
Reset
00 00 00 00 00 00 00 00
GPIO8_M GPIO mode selection
00 Configured as GPIO function
01 I2C Clock
10 Reserved
11 Reserved
GPIO9_M GPIO mode selection
00 Configured as GPIO function
01 I2C Data
10 Reserved
11 Reserved
GPIO10_M GPIO mode selection
00 Configured as GPIO function
01 CMOS sensor reset signal output
10 Reserved
11 Reserved
GPIO11_M GPIO mode selection
00 Configured as GPIO function
01 CMOS sensor power down control
10 Reserved
11 Reserved
GPIO12_M GPIO mode selection
00 Configured as GPIO function
01 CMOS sensor vertical reference signal input
10 MIRQ Signal
11 Reserved
GPIO13_M GPIO mode selection
00 Configured as GPIO function
01 CMOS sensor horizontal reference signal input
10 MFIQ Signal
11 Reserved
GPIO14_M GPIO mode selection
00 Configured as GPIO function
01 CMOS sensor master clock output
10 26MHz Clock
11 6.5MHz Clock
GPIO15_M GPIO mode selection
00 Configured as GPIO function
01 CMOS sensor data input 7
10 MMC4.0 data 7
11 Reserved
GPIO +0170h GPIO mode control register 3 GPIO_MODE3
Bit
15 14 13 12 11 10 9 8 7 6 5 4 3 2 1 0

MT6225 GSM/GPRS Baseband Processor Data Sheet Revision 1.00
120
Name
GPIO22_M
GPIO21_M
GPIO20_M
GPIO19_M
GPIO18_M
GPIO17_M
GPIO16_M
Type
R/W R/W R/W R/W R/W R/W R/W
Reset
00 00 00 00 00 00 00
GPIO16_M GPIO mode selection
00 Configured as GPIO function
01 CMOS sensor data input 6
10 MMC4.0 data 6
11 DSP ICE clock
GPIO17_M GPIO mode selection
00 Configured as GPIO function
01 CMOS sensor data input 5
10 MMC4.0 data 5
11 DSP ICE data
GPIO18_M GPIO mode selection
00 Configured as GPIO function
01 CMOS sensor data input 4
10 MMC4.0 data 4
11 DSP ICE mode select
GPIO19_M GPIO mode selection
00 Configured as GPIO function
01 CMOS sensor data input 3
10 DSP General Purpose Output 3
11 TDMA Timer Uplink Frame Enable Signal
GPIO20_M GPIO mode selection
00 Configured as GPIO function
01 CMOS sensor data input 2
10 DSP General Purpose Output 2
11 TDMA Timer Uplink Frame Sync Signal
GPIO21_M GPIO mode selection
00 Configured as GPIO function
01 CMOS sensor data input 1
10 DSP General Purpose Output 1
11 TDMA Timer Downlink Frame Enable Signal
GPIO22_M GPIO mode selection
00 Configured as GPIO function
01 CMOS sensor data input 0
10 DSP General Purpose Output 0
11 TDMA Timer Downlink Frame Sync Signal
GPIO +0180h GPIO mode control register 4 GPIO_MODE4
Bit
15 14 13 12 11 10 9 8 7 6 5 4 3 2 1 0
Name
GPIO31_M
GPIO30_M
GPIO29_M
GPIO28_M
GPIO27_M
GPIO26_M
GPIO25_M
Type
R/W R/W R/W R/W R/W R/W R/W
Reset
00 00 00 00 00 00 00
GPIO25_M GPIO mode selection
00 Configured as GPIO function
01 BPI_BUS6
10 PWM1
11 13MHz Clock

MT6225 GSM/GPRS Baseband Processor Data Sheet Revision 1.00
121
GPIO26_M GPIO mode selection
00 Configured as GPIO function
01 BPI_BUS7
10 PWM2
11 32KHz Clock
GPIO27_M GPIO mode selection
00 Configured as GPIO function
01 BPI_BUS8
10 Alerter
11 26MHz Clock
GPIO28_M GPIO mode selection
00 Configured as GPIO function
01 BPI_BUS9
10 BSI_CS1
11 Reserved
GPIO29_M GPIO mode selection
00 Configured as GPIO function
01 Serial LCD Interface/PM IC Interface Clock Signal
10 TDMA Timer Debug Port Clock Output
11 DSP Task ID 0
GPIO30_M GPIO mode selection
00 Configured as GPIO function
01 Serial LCD Interface Address/Data Signal
10 TDMA Timer Debug Port Data Output 1
11 TDMA Timer DIRQ Signal
GPIO31_M GPIO mode selection
00 Configured as GPIO function
01 Serial LCD Interface Data/PM IC Interface Data Signal
10 TDMA Timer Debug Port Data Output 0
11 TDMA Timer CTIRQ2 Signal
GPIO +0190h GPIO mode control register 5 GPIO_MODE5
Bit
15 14 13 12 11 10 9 8 7 6 5 4 3 2 1 0
Name
GPIO39_M
GPIO38_M
GPIO37_M
GPIO36_M
GPIO35_M
GPIO34_M
GPIO33_M
GPIO32_M
Type
R/W R/W R/W R/W R/W R/W R/W R/W
Reset
00 00 00 00 00 00 00 00
GPIO32_M GPIO mode selection
00 Configured as GPIO function
01 Serial LCD Interface/PM IC Interface Chip Select Signal 0
10 TDMA Timer Debug Port Frame Sync Signal
11 TDMA Timer CTIRQ1 Signal
GPIO33_M GPIO mode selection
00 Configured as GPIO function
01 Serial LCD Interface Chip Select Signal 1
10 Parallel LCD Interface Chip Select Signal 2
11 TDMA Timer Event Validate Signal
GPIO34_M GPIO mode selection
00 Configured as GPIO function
01 Parallel LCD Interface Chip Select Signal 1

MT6225 GSM/GPRS Baseband Processor Data Sheet Revision 1.00
122
10 Nandflash Interface Chip Select Signal 1
11 Reserved
GPIO35_M GPIO mode selection
00 Configured as GPIO function
01 NAND/LCD data 17
10 Keypad column bit 5
11 VPP65 programming voltage indication of OTP macros
GPIO36_M GPIO mode selection
00 Configured as GPIO function
01 NAND/LCD data 16
10 Keypad column bit 6
11 Reserved
GPIO37_M GPIO mode selection
00 Configured as GPIO function
01 Nandflash Interface Ready/Busy Signal
10 DSP Task ID 1
11 Reserved
GPIO38_M GPIO mode selection
00 Configured as GPIO function
01 Nandflash Interface Command Latch Signal
10 DSP Task ID 2
11 Reserved
GPIO39_M GPIO mode selection
00 Configured as GPIO function
01 Nandflash Interface Address Latch Signal
10 DSP Task ID 3
11 Reserved
GPIO +01A0h
GPIO mode control register 6 GPIO_MODE6
Bit
15 14 13 12 11 10 9 8 7 6 5 4 3 2 1 0
Name
GPIO47_M
GPIO46_M
GPIO45_M
GPIO44_M
GPIO43_M
GPIO42_M
GPIO41_M
GPIO40_M
Type
R/W R/W R/W R/W R/W R/W R/W R/W
Reset
00 00 00 00 00 00 00 00
GPIO40_M GPIO mode selection
00 Configured as GPIO function
01 Nandflash Interface Write Strobe Signal
10 DSP Task ID 4
11 Reserved
GPIO41_M GPIO mode selection
00 Configured as GPIO function
01 Nandflash Interface Read Strobe Signal
10 DSP Task ID 5
11 Reserved
GPIO42_M GPIO mode selection
00 Configured as GPIO function
01 Nandflash Interface Chip Select Signal 0
10 DSP Task ID 6
11 Reserved
GPIO43_M GPIO mode selection

MT6225 GSM/GPRS Baseband Processor Data Sheet Revision 1.00
123
00 Configured as GPIO function
01 VCXO Enable Signal Input
10 Reserved
11 Reserved
GPIO44_M GPIO mode selection
00 Configured as GPIO function
01 MS/SD/MMC/MS PRO Write Protection Signal
10 Reserved
11 Reserved
GPIO45_M GPIO mode selection
00 Configured as GPIO function
01 MS/SD/MMC Card Insertion Signal
10 Reserved
11 Reserved
GPIO46_M GPIO mode selection
00 Configured as GPIO function
01 SIM Interface Voltage Select Signal
10 Reserved
11 Reserved
GPIO47_M GPIO mode selection
00 Configured as GPIO function
01 UART2 RXD Signal
10 UART3 CTS Signal
11 IrDA RXD Signal
GPIO +01B0h
GPIO mode control register 7 GPIO_MODE7
Bit
15 14 13 12 11 10 9 8 7 6 5 4 3 2 1 0
Name
GPIO54 GPIO53 GPIO52 GPIO51 GPIO50 GPIO49 GPIO48
Type
R/W R/W R/W R/W R/W R/W R/W
Reset
0 0 0 0 0 0 0
GPIO48_M GPIO mode selection
00 Configured as GPIO function
01 UART2 TXD Signal
10 UART3 RTS Signal
11 IrDA TXD Signal
GPIO49_M GPIO mode selection
00 Configured as GPIO function
01 UART3 RXD Signal
10 UART2 CTS Signal
11 Reserved
GPIO50_M GPIO mode selection
00 Configured as GPIO function
01 UART3 TXD Signal
10 UART2 RTS Signal
11 Reserved
GPIO51_M GPIO mode selection
00 Configured as GPIO function
01 Digital Audio Interface Clock Output
10 Reserved

MT6225 GSM/GPRS Baseband Processor Data Sheet Revision 1.00
124
11 Reserved
GPIO52_M GPIO mode selection
00 Configured as GPIO function
01 Digital Audio Interface PCM Data Output
10 Reserved
11 Reserved
GPIO53_M GPIO mode selection
00 Configured as GPIO function
01 Digital Audio Interface PCM Data Input
10 Reserved
11 Reserved
GPIO54_M GPIO mode selection
00 Configured as GPIO function
01 Digital Audio Interface Synchronization Signal Output
10 Resreved
11 Reserved
GPIO +01C0h
GPO mode control register 1 GPO_MODE1
Bit
15 14 13 12 11 10 9 8 7 6 5 4 3 2 1 0
Name
GPO3_M GPO2_M GPO1_M GPO0_M
Type
R/W R/W R/W R/W
Reset
01 01 01 01
GPO0_M GPO mode selection
00 Configured as GPO function
01 VCXO Enable Signal Output Active High
10 Reserved
11 Reserved
GPO1_M GPO mode selection
00 Configured as GPO function
01 External Memory Interface Address 24
10 26MHz Clock
11 32KHz Clock
GPO2_M GPO mode selection
00 Configured as GPO function
01 External Memory Interface Address25
10 32KHz Clock
11 26MHz Clock
GPO3_M GPO mode selection
00 Configured as GPO function
01 External Memory Interface Power Down Control for Pseudo SRAM
10 6.5MHz Clock
11 26MHz Clock
GPIO+xxx4h GPIO xxx register SET GPIO_XXX_SET
For all registers addresses listed above, writing to the +4h addresse offset will perform a bit-wise OR function between
the 16bit written value and the 16bit register value already existing in the corresponding GPIO_xxx registers.
Eg.
If GPIO_DIR1 (GPIO+0000h) = 16’h0F0F,
writing GPIO_DIR1_SET (GPIO+0004h) = 16’F0F0 will result in GPIO_DIR1 = 16’hFFFF.

MT6225 GSM/GPRS Baseband Processor Data Sheet Revision 1.00
125
GPIO+xxx8h GPIO xxx register CLR GPIO_XXX_CLR
For all registers addresses listed above, writing to the +8h addresse offset will perform a bit-wise AND-NOT function
between the 16bit written value and the 16bit register value already existing in the corresponding GPIO_xxx registers.
Eg.
If GPIO_DIR1 (GPIO+0000h) = 16’h0F0F,
writing GPIO_DIR1_CLR (GPIO+0008h) = 16’0F0F will result in GPIO_DIR1 = 16’h0000.
CONFG
+0704h LCD/CAM I/O driving strength control ACIF_CON1
Bit
15 14 13 12 11 10 9 8 7 6 5 4 3 2 1 0
Name
SLCD
_SR
SLCD
_E2
SLCD
_E4
PLCD
_SR
PLCD
_E2
PLCD
_E4
CAM_
PD
CAM_
E2
CAM_
E4
CAM_
E8
Type
R/W
R/W
R/W
R/W
R/W
R/W
R/W
R/W
R/W
R/W
Reset
0 0 0 0 0 0 0 0 0 0
CAM _E8 The driving strength control of the CMMCLK pin (CMOS sensor master clock).
CAM _E4 The driving strength control of the CMMCLK pin.
CAM _E2 The driving strength control of the CMMCLK pin.
CAM _PD Pulldown control of CMOS sensor pins (CMMCLK, CMPCLK, CMRST, CMPDN, CMVREF, CMHREF,
CMDAT7~ CMDAT0).
PLCD _E4 The driving strength control of the parallel LCM control interface and NFI/LCM shared data bus.
PLCD _E2 The driving strength control of the parallel LCM control interface and NFI/LCM shared data bus.
PLCD_SR The slew rate control of the parallel LCM control interface and NFI/LCM shared data bus.
SLCD_E4 The driving strength control of the serial LCM interface.
SLCD _E2 The driving strength control of the serial LCM interface.
SLCD _SR The slew rate control of the serial LCM interface.
4.8 General Purpose Timer
4.8.1 General Description
Three general-purpose timers are provided. The timers are 16 bits long and run independently of each other, although
they share the same clock source. Two timers can operate in one of two modes: one-shot mode and auto-repeat mode;
the other is a free running timer. In one-shot mode, when the timer counts down and reaches zero, it is halted. In
auto-repeat mode, when the timer reaches zero, it simply resets to countdown initial value and repeats the countdown to
zero; this loop repeats until the disable signal is set to 1. Regardless of the timer’s mode, if the countdown initial
value (i.e. GPTIMER1_DAT for GPT1 or GPTIMER_DAT2 for GPT2) is written when the timer is running, the new
initial value does not take effect until the next time the timer is restarted. In auto-repeat mode, the new countdown
start value is used on the next countdown iteration. Therefore, before enabling the gptimer, the desired values for
GPTIMER_DAT and the GPTIMER_PRESCALER registers must first be set.
4.8.2 Register Definitions
GPT +0000h GPT1 Control register GPTIMER1_CO
N
Bit
15 14 13 12 11 10 9 8 7 6 5 4 3 2 1 0
Name
EN
MODE
Type
R/W
R/W
Reset
0 0

MT6225 GSM/GPRS Baseband Processor Data Sheet Revision 1.00
126
MODE This register controls GPT1 to count repeatedly (in a loop) or just one-shot.
0 One-shot mode is selected.
1 Auto-repeat mode is selected.
EN This register controls GPT1 to start counting or to stop.
0 GPT1 is disabled.
1 GPT1 is enabled.
GPT +0004h GPT1 Time-Out Interval register GPTIMER1_DA
T
Bit
15 14 13 12 11 10 9 8 7 6 5 4 3 2 1 0
Name
CNT [15:0]
Type
R/W
Reset
FFFFh
CNT [15:0] Initial counting value. GPT1 counts down from GPTIMER1_DAT. When GPT1 counts down to zero,
a GPT1 interrupt is generated.
GPT +0008h GPT2 Control register GPTIMER2_CO
N
Bit
15 14 13 12 11 10 9 8 7 6 5 4 3 2 1 0
Name
EN
MODE
Type
R/W
R/W
Reset
0 0
MODE This register controls GPT2 to count repeatedly (in a loop) or just one-shot.
0 One-shot mode is selected
1 Auto-repeat mode is selected
EN This register controls GPT2 to start counting or to stop.
0 GPT2 is disabled.
1 GPT2 is enabled.
GPT +000Ch GPT2 Time-Out Interval register GPTIMER2_DA
T
Bit
15 14 13 12 11 10 9 8 7 6 5 4 3 2 1 0
Name
CNT [15:0]
Type
R/W
Reset
FFFFh
CNT [15:0] Initial counting value. GPT2 counts down from GPTIMER2_DAT. When GPT2 counts down to zero,
a GPT2 interrupt is generated.
GPT +0010h GPT Status register GPTIMER_STA
Bit
15 14 13 12 11 10 9 8 7 6 5 4 3 2 1 0
Name
GPT2
GPT1
Type
RC
RC
Reset
0 0
This register illustrates the gptimer timeout status. Each flag is set when the corresponding timer countdown
completes, and can be cleared when the CPU reads the status register.
GPT +0014h GPT1 Prescaler register GPTIMER1_PRES
CALER
Bit
15 14 13 12 11 10 9 8 7 6 5 4 3 2 1 0

MT6225 GSM/GPRS Baseband Processor Data Sheet Revision 1.00
127
Name
PRESCALER [2:0]
Type
R/W
Reset
100b
PRESCALER This register controls the counting clock for gptimer1.
000 16 KHz
001 8 KHz
010 4 KHz
011 2 KHz
100 1 KHz
101 500 Hz
110 250 Hz
111 125 Hz
GPT +0018h GPT2 Prescaler register GPTIMER2_PRES
CALER
Bit
15 14 13 12 11 10 9 8 7 6 5 4 3 2 1 0
Name
PRESCALER [2:0]
Type
R/W
Reset
100b
PRESCALER This register controls the counting clock for gptimer2.
000 16 KHz
001 8 KHz
010 4 KHz
011 2 KHz
100 1 KHz
101 500 Hz
110 250 Hz
111 125 Hz
GPT+001Ch GPT3 Control register GPTIMER3_CO
N
Bit
15 14 13 12 11 10 9 8 7 6 5 4 3 2 1 0
Name
EN
Type
R/W
Reset
0
EN This register controls GPT3 to start counting or to stop.
0 GPT3 is disabled.
1 GPT3 is enabled.
GPT+0020h GPT3 Time-Out Interval register GPTIMER3_DA
T
Bit
15 14 13 12 11 10 9 8 7 6 5 4 3 2 1 0
Name
CNT[15:0]
Type
RO
Reset
0
CNT [15:0] If EN=1, GPT3 is a free running timer . Software reads this register for the countdown start value for
GPT3.

MT6225 GSM/GPRS Baseband Processor Data Sheet Revision 1.00
128
GPT+0024h GPT3 Prescaler register GPTIMER3_PRES
CALER
Bit
15 14 13 12 11 10 9 8 7 6 5 4 3 2 1 0
Name
PRESCALER [2:0]
Type
R/W
Reset
100b
PRESCALER This register controls the counting clock for gptimer3.
000 16 KHz
001 8 KHz
010 4 KHz
011 2 KHz
100 1 KHz
101 500 Hz
110 250 Hz
111 125 Hz
4.9 UART
4.9.1 General Description
The baseband chipset houses three UARTs. The UARTs provide full duplex serial communication channels between
baseband chipset and external devices.
The UART has M16C450 and M16550A modes of operation, which are compatible with a range of standard software
drivers. The extensions have been designed to be broadly software compatible with 16550A variants, but certain areas
offer no consensus.
In common with the M16550A, the UART supports word lengths from five to eight bits, an optional parity bit and
one or two stop bits, and is fully programmable by an 8-bit CPU interface. A 16-bit programmable baud rate
generator and an 8-bit scratch register are included, together with separate transmit and receive FIFOs. Eight modem
control lines and a diagnostic loop-back mode are provided. The UART also includes two DMA handshake lines,
used to indicate when the FIFOs are ready to transfer data to the CPU. Interrupts can be generated from any of the 10
sources.
Note: The UART has been designed so that all internal operations are synchronized by the CLK signal. This
synchronization results in minor timing differences between the UART and the industry standard 16550A device, which
means that the core is not clock for clock identical to the original device.
After a hardware reset, the UART is in M16C450 mode. Its FIFOs can be enabled and the UART can then enter
M16550A mode. The UART adds further functionality beyond M16550A mode. Each of the extended functions can
be selected individually under software control.
The UART provides more powerful enhancements than the industry-standard 16550:
Hardware flow control. This feature is very useful when the ISR latency is hard to predict and control in the
embedded applications. The MCU is relieved of having to fetch the received data within a fixed amount of
time.
Output of an IR-compatible electrical pulse with a width 3/16 of that of a regular bit period.
Note: In order to enable any of the enhancements, the Enhanced Mode bit, EFR[4], must be set. If EFR[4] is not set,

MT6225 GSM/GPRS Baseband Processor Data Sheet Revision 1.00
129
IER[7:5], FCR[5:4], ISR[5:4] and MCR[7:6] cannot be written. The Enhanced Mode bit ensures that the UART is
backward compatible with software that has been written for 16C450 and 16550A devices.
Figure 47 shows the block diagram of the UART device.
APB
BUS
I/F
Baud Rate
Generator
TX FIFO TX Machine
RX FIFO
Modem
Control
RX Machine
Modem Outputs
Modem Inputs
APB Bus
clock
divisor
uart_tx_data
uart_rx_data
baud
Figure 47 Block Diagram of UART
4.9.2 Register Definitions
n = 1, 2, 3; for uart1, uart2 and uart3 respectively.
UARTn+0000h
RX Buffer Register UARTn_RBR
Bit
15 14 13 12 11 10 9 8 7 6 5 4 3 2 1 0
Name
RBR[7:0]
Type
RO
RBR RX Buffer Register. Read-only register. The received data can be read by accessing this register.
Modified when LCR[7] = 0.
UARTn+0000h
TX Holding Register UARTn_THR
Bit
15 14 13 12 11 10 9 8 7 6 5 4 3 2 1 0
Name
THR[7:0]
Type
WO
THR TX Holding Register. Write-only register. The data to be transmitted is written to this register, and then
sent to the PC via serial communication.
Modified when LCR[7] = 0.
UARTn+0004h
Interrupt Enable Register UARTn_IER
Bit
15 14 13 12 11 10 9 8 7 6 5 4 3 2 1 0
Name
CTSI
RTSI
XOFFI
X EDSSI
ELSI
ETBEI
ERBFI
Type
R/W
Reset
0
IER By storing a ‘1’ to a specific bit position, the interrupt associated with that bit is enabled. Otherwise, the
interrupt is disabled.
IER[3:0] are modified when LCR[7] = 0.
IER[7:4] are modified when LCR[7] = 0 & EFR[4] = 1.
CTSI Masks an interrupt that is generated when a rising edge is detected on the CTS modem control line.

MT6225 GSM/GPRS Baseband Processor Data Sheet Revision 1.00
130
Note: This interrupt is only enabled when hardware flow control is enabled.
0 Unmask an interrupt that is generated when a rising edge is detected on the CTS modem control line.
1 Mask an interrupt that is generated when a rising edge is detected on the CTS modem control line.
RTSI Masks an interrupt that is generated when a rising edge is detected on the RTS modem control line.
Note: This interrupt is only enabled when hardware flow control is enabled.
0 Unmask an interrupt that is generated when a rising edge is detected on the RTS modem control line.
1 Mask an interrupt that is generated when a rising edge is detected on the RTS modem control line.
XOFFI Masks an interrupt that is generated when an XOFF character is received.
Note: This interrupt is only enabled when software flow control is enabled.
0 Unmask an interrupt that is generated when an XOFF character is received.
1 Mask an interrupt that is generated when an XOFF character is received.
EDSSI When set ("1"), an interrupt is generated if DDCD, TERI, DDSR or DCTS (MSR[4:1]) becomes set.
0 No interrupt is generated if DDCD, TERI, DDSR or DCTS (MSR[4:1]) becomes set.
1 An interrupt is generated if DDCD, TERI, DDSR or DCTS (MSR[4:1]) becomes set.
ELSI When set ("1"), an interrupt is generated if BI, FE, PE or OE (LSR[4:1]) becomes set.
0 No interrupt is generated if BI, FE, PE or OE (LSR[4:1]) becomes set.
1 An interrupt is generated if BI, FE, PE or OE (LSR[4:1]) becomes set.
ETBEI When set ("1"), an interrupt is generated if the TX Holding Register is empty or the contents of the TX FIFO
have been reduced to its Trigger Level.
0 No interrupt is generated if the TX Holding Register is empty or the contents of the TX FIFO have been
reduced to its Trigger Level.
1 An interrupt is generated if the TX Holding Register is empty or the contents of the TX FIFO have been
reduced to its Trigger Level
ERBFI When set ("1"), an interrupt is generated if the RX Buffer contains data.
0 No interrupt is generated if the RX Buffer contains data.
1 An interrupt is generated if the RX Buffer contains data.
UARTn+0008h
Interrupt Identification Register UARTn_IIR
Bit
15 14 13 12 11 10 9 8 7 6 5 4 3 2 1 0
Name
FIFOE ID4
ID3
ID2
ID1
ID0
NINT
Type
RO
Reset
0 0 0 0 0 0 0 1
IIR Identify if there are pending interrupts; ID4 and ID3 are presented only when EFR[4] = 1.
The following table gives the IIR[5:0] codes associated with the possible interrupts:
IIR[5:0]
Priority
Level
Interrupt Source
000001
- No interrupt pending
000110
1 Line Status Interrupt BI, FE, PE or OE set in LSR
000100
2 RX Data Received RX Data received or RX Trigger Level reached.
001100
2 RX Data Timeout Timeout on character in RX FIFO.
000010
3 TX Holding Register Empty
TX Holding Register empty or TX FIFO Trigger Level reached.
000000
4 Modem Status change DDCD, TERI, DDSR or DCTS set in MSR
010000
5 Software Flow Control XOFF Character received
100000
6 Hardware Flow Control CTS or RTS Rising Edge
Table 27 The IIR[5:0] codes associated with the possible interrupts
Line Status Interrupt: A RX Line Status Interrupt (IIR[5:0`] == 000110b) is generated if ELSI (IER[2]) is set and any of
BI, FE, PE or OE (LSR[4:1]) becomes set. The interrupt is cleared by reading the Line Status Register.

MT6225 GSM/GPRS Baseband Processor Data Sheet Revision 1.00
131
RX Data Received Interrupt: A RX Received interrupt (IER[5:0] == 000100b) is generated if EFRBI (IER[0]) is set and
either RX Data is placed in the RX Buffer Register or the RX Trigger Level is reached. The interrupt is cleared by
reading the RX Buffer Register or the RX FIFO (if enabled).
RX Data Timeout Interrupt:
When virtual FIFO mode is disabled, RX Data Timeout Interrupt is generated if all of the following apply:
1. FIFO contains at least one character;
2. The most recent character was received longer than four character periods ago (including all start, parity and stop
bits);
3. The most recent CPU read of the FIFO was longer than four character periods ago.
The timeout timer is restarted on receipt of a new byte from the RX Shift Register, or on a CPU read from the RX
FIFO.
The RX Data Timeout Interrupt is enabled by setting EFRBI (IER[0]) to 1, and is cleared by reading RX FIFO.
When virtual FIFO mode is enabled, RX Data Timeout Interrupt is generated if all of the following apply:
1. FIFO is empty;
2. The most recent character was received longer than four character periods ago (including all start, parity and stop
bits);
3. The most recent CPU read of the FIFO was longer than four character periods ago.
The timeout timer is restarted on receipt of a new byte from the RX Shift Register.
RX Holding Register Empty Interrupt: A TX Holding Register Empty Interrupt (IIR[5:0] = 000010b) is generated if
ETRBI (IER[1]) is set and either the TX Holding Register or, if FIFOs are enabled, the TX FIFO becomes empty. The
interrupt is cleared by writing to the TX Holding Register or TX FIFO if FIFO enabled.
Modem Status Change Interrupt: A Modem Status Change Interrupt (IIR[5:0] = 000000b) is generated if EDSSI
(IER[3]) is set and either DDCD, TERI, DDSR or DCTS (MSR[3:0]) becomes set. The interrupt is cleared by reading
the Modem Status Register.
Software Flow Control Interrupt: A Software Flow Control Interrupt (IIR[5:0] = 010000b) is generated if Software
Flow Control is enabled and XOFFI (IER[5]) becomes set, indicating that an XOFF character has been received. The
interrupt is cleared by reading the Interrupt Identification Register.
Hardware Flow Control Interrupt: A Hardware Flow Control Interrupt (IER[5:0] = 100000b) is generated if Hardware
Flow Control is enabled and either RTSI (IER[6]) or CTSI (IER[7]) becomes set indicating that a rising edge has been
detected on either the RTS/CTS Modem Control line. The interrupt is cleared by reading the Interrupt Identification
Register.
UARTn+0008h
FIFO Control Register UARTn_FCR
Bit
15 14 13 12 11 10 9 8 7 6 5 4 3 2 1 0
Name
RFTL1
RFTL0
TFTL1
TFTL0
DMA1
CLRT
CLRR
FIFOE
Type
WO
FCR FCR is used to control the trigger levels of the FIFOs, or flush the FIFOs.
FCR[7:6] is modified when LCR != BFh
FCR[5:4] is modified when LCR != BFh & EFR[4] = 1
FCR[4:0] is modified when LCR != BFh
FCR[7:6] RX FIFO trigger threshold
0 1

MT6225 GSM/GPRS Baseband Processor Data Sheet Revision 1.00
132
1 6
2 12
3 RXTRIG
FCR[5:4] TX FIFO trigger threshold
0 1
1 4
2 8
3 14 (FIFOSIZE - 2)
DMA1 This bit determines the DMA mode, which the TXRDY and RXRDY pins support. TXRDY and RXRDY act
to support single-byte transfers between the UART and memory (DMA mode 0) or multiple byte transfers
(DMA mode1). Note that this bit has no effect unless the FIFOE bit is set as well
0 The device operates in DMA Mode 0.
1 The device operates in DMA Mode 1.
TXRDY – mode0: Goes active (low) when the TX FIFO or the TX Holding Register is empty. Becomes
inactive when a byte is written to the Transmit channel.
TXRDY – mode1: Goes active (low) when there are no characters in the TX FIFO. Becomes inactive when
the TX FIFO is full.
RXRDY – mode0: Becomes active (low) when at least one character is in the RX FIFO or the RX Buffer
Register is full. Becomes inactive when there are no more characters in the RX FIFO or RX Buffer
register.
RXRDY – mode1: Becomes active (low) when the RX FIFO Trigger Level is reached or an RX FIFO
Character Timeout occurs. Goes inactive when the RX FIFO is empty.
CLRT Clear Transmit FIFO. This bit is self-clearing.
0 Leave TX FIFO intact.
1 Clear all the bytes in the TX FIFO.
CLRR Clear Receive FIFO. This bit is self-clearing.
0 Leave RX FIFO intact.
1 Clear all the bytes in the RX FIFO.
FIFOE FIFO Enabled. This bit must be set to 1 for any of the other bits in the registers to have any effect.
0 Disable both the RX and TX FIFOs.
1 Enable both the RX and TX FIFOs.
UARTn+000Ch
Line Control Register UARTn_LCR
Bit
15 14 13 12 11 10 9 8 7 6 5 4 3 2 1 0
Name
DLAB
SB
SP
EPS
PEN
STB
WLS1
WLS0
Type
R/W
Reset
0 0 0 0 0 0 0 0
LCR Line Control Register. Determines characteristics of serial communication signals.
Modified when LCR[7] = 0.
DLAB Divisor Latch Access Bit.
0 The RX and TX Registers are read/written at Address 0 and the IER register is read/written at Address 4.
1 The Divisor Latch LS is read/written at Address 0 and the Divisor Latch MS is read/written at Address 4.
SB Set Break
0 No effect
1 SOUT signal is forced into the “0” state.
SP Stick Parity
0 No effect.
1 The Parity bit is forced into a defined state, depending on the states of EPS and PEN:
If EPS=1 & PEN=1, the Parity bit is set and checked = 0.

MT6225 GSM/GPRS Baseband Processor Data Sheet Revision 1.00
133
If EPS=0 & PEN=1, the Parity bit is set and checked = 1.
EPS Even Parity Select
0 When EPS=0, an odd number of ones is sent and checked.
1 When EPS=1, an even number of ones is sent and checked.
PEN Parity Enable
0 The Parity is neither transmitted nor checked.
1 The Parity is transmitted and checked.
STB Number of STOP bits
0 One STOP bit is always added.
1 Two STOP bits are added after each character is sent; unless the character length is 5 when 1 STOP bit is
added.
WLS1, 0 Word Length Select.
0 5 bits
1 6 bits
2 7 bits
3 8 bits
UARTn+0010h
Modem Control Register UARTn_MCR
Bit
15 14 13 12 11 10 9 8 7 6 5 4 3 2 1 0
Name
XOFF
STAT
US
IR
ENAB
LE
X LOOP
OUT2
OUT1
RTS
DTR
Type
R/W
Reset
0 0 0 0 0 0 0 0
MCR Modem Control Register. Control interface signals of the UART.
MCR[4:0] are modified when LCR[7] = 0,
MCR[7:6] are modified when LCR[7] = 0 & EFR[4] = 1.
XOFF Status This is a read-only bit.
0 When an XON character is received.
1 When an XOFF character is received.
LOOP Loop-back control bit.
0 No loop-back is enabled.
1 Loop-back mode is enabled.
OUT2 Controls the state of the output NOUT2, even in loop mode.
0 NOUT2=1.
1 NOUT2=0.
OUT1 Controls the state of the output NOUT1, even in loop mode.
0 NOUT1=1.
1 NOUT1=0.
RTS Controls the state of the output NRTS, even in loop mode.
0 NRTS=1.
1 NRTS=0.
DTR Control the state of the output NDTR, even in loop mode.
0 NDTR=1.
1 NDTR=0.
UARTn+0014h
Line Status Register UARTn_LSR
Bit
15 14 13 12 11 10 9 8 7 6 5 4 3 2 1 0
Name
FIFOE
RR
TEMT
THRE
BI FE
PE
OE
DR

MT6225 GSM/GPRS Baseband Processor Data Sheet Revision 1.00
134
Type
R/W
Reset
0 1 1 0 0 0 0 0
LSR Line Status Register.
Modified when LCR[7] = 0.
FIFOERR RX FIFO Error Indicator.
0 No PE, FE, BI set in the RX FIFO.
1 Set to 1 when there is at least one PE, FE or BI in the RX FIFO.
TEMT TX Holding Register (or TX FIFO) and the TX Shift Register are empty.
0 Empty conditions below are not met.
1 If FIFOs are enabled, the bit is set whenever the TX FIFO and the TX Shift Register are empty. If FIFOs
are disabled, the bit is set whenever TX Holding Register and TX Shift Register are empty.
THRE Indicates if there is room for TX Holding Register or TX FIFO is reduced to its Trigger Level.
0 Reset whenever the contents of the TX FIFO are more than its Trigger Level (FIFOs are enabled),
or whenever TX Holding Register is not empty(FIFOs are disabled).
1 Set whenever the contents of the TX FIFO are reduced to its Trigger Level (FIFOs are enabled), or
whenever TX Holding Register is empty and ready to accept new data (FIFOs are disabled).
BI Break Interrupt.
0 Reset by the CPU reading this register
1 If the FIFOs are disabled, this bit is set whenever the SIN is held in the 0 state for more than one
transmission time (START bit + DATA bits + PARITY + STOP bits).
If the FIFOs are enabled, this error is associated with a corresponding character in the FIFO and is flagged
when this byte is at the top of the FIFO. When a break occurs, only one zero character is loaded into the
FIFO: the next character transfer is enabled when SIN goes into the marking state and receives the next
valid start bit.
FE Framing Error.
0 Reset by the CPU reading this register
1 If the FIFOs are disabled, this bit is set if the received data did not have a valid STOP bit. If the FIFOs
are enabled, the state of this bit is revealed when the byte it refers to is the next to be read.
PE Parity Error
0 Reset by the CPU reading this register
1 If the FIFOs are disabled, this bit is set if the received data did not have a valid parity bit. If the FIFOs
are enabled, the state of this bit is revealed when the referred byte is the next to be read.
OE Overrun Error.
0 Reset by the CPU reading this register.
1 If the FIFOs are disabled, this bit is set if the RX Buffer was not read by the CPU before new data from
the RX Shift Register overwrote the previous contents.
If the FIFOs are enabled, an overrun error occurs when the RX FIFO is full and the RX Shift Register
becomes full. OE is set as soon as this happens. The character in the Shift Register is then overwritten,
but not transferred to the FIFO.
DR Data Ready.
0 Cleared by the CPU reading the RX Buffer or by reading all the FIFO bytes.
1 Set by the RX Buffer becoming full or by a byte being transferred into the FIFO.
UARTn+0018h
Modem Status Register UARTn_MSR
Bit
15 14 13 12 11 10 9 8 7 6 5 4 3 2 1 0
Name
DCD
RI DSR
CTS
DDCD
TERI
DDSR
DCTS
Type
R/W
R/W
R/W
R/W
R/W
R/W
R/W
R/W
Reset
Input
Input
Input
Input
0 0 0 0

MT6225 GSM/GPRS Baseband Processor Data Sheet Revision 1.00
135
Note: After a reset, D4-D7 are inputs. A modem status interrupt can be cleared by writing ‘0’ or set by writing ‘1’ to
this register. D0-D3 can be written to.
Modified when LCR[7] = 0.
MSR Modem Status Register
DCD Data Carry Detect.
When Loop = "0", this value is the complement of the NDCD input signal.
When Loop = "1", this value is equal to the OUT2 bit in the Modem Control Register.
RI Ring Indicator.
When Loop = "0", this value is the complement of the NRI input signal.
When Loop = "1", this value is equal to the OUT1 bit in the Modem Control Register.
DSR Data Set Ready
When Loop = "0", this value is the complement of the NDSR input signal.
When Loop = "1", this value is equal to the DTR bit in the Modem Control Register.
CTS Clear To Send.
When Loop = "0", this value is the complement of the NCTS input signal.
When Loop = "1", this value is equal to the RTS bit in the Modem Control Register.
DDCD Delta Data Carry Detect.
0 The state of DCD has not changed since the Modem Status Register was last read
1 Set if the state of DCD has changed since the Modem Status Register was last read.
TERI Trailing Edge Ring Indicator
0 The NRI input does not change since this register was last read.
1 Set if the NRI input changes from “0” to “1” since this register was last read.
DDSR Delta Data Set Ready
0 Cleared if the state of DSR has not changed since this register was last read.
1 Set if the state of DSR has changed since this register was last read.
DCTS Delta Clear To Send
0 Cleared if the state of CTS has not changed since this register was last read.
1 Set if the state of CTS has changed since this register was last read.
UARTn+001Ch
Scratch Register UARTn_SCR
Bit
15 14 13 12 11 10 9 8 7 6 5 4 3 2 1 0
Name
SCR[7:0]
Type
R/W
A general purpose read/write register. After reset, its value is un-defined.
Modified when LCR[7] = 0.
UARTn+0000h
Divisor Latch (LS) UARTn_DLL
Bit
15 14 13 12 11 10 9 8 7 6 5 4 3 2 1 0
Name
DLL[7:0]
Type
R/W
Reset
1
UARTn+0004h
Divisor Latch (MS) UARTn_DLM
Bit
15 14 13 12 11 10 9 8 7 6 5 4 3 2 1 0
Name
DLL[7:0]
Type
R/W

MT6225 GSM/GPRS Baseband Processor Data Sheet Revision 1.00
136
Reset
0
Note: DLL & DLM can only be updated if DLAB is set (“1”).. Note too that division by 1 generates a BAUD signal
that is constantly high.
Modified when LCR[7] = 1.
The table below shows the divisor needed to generate a given baud rate from CLK inputs of 13, 26 MHz and 52 MHz.
The effective clock enable generated is 16 x the required baud rate.
BAUD 13MHz 26MHz 52MHz
110 7386 14773 29545
300 2708 5417 10833
1200 677 1354 2708
2400 338 677 1354
4800 169 339 677
9600 85 169 339
19200 42 85 169
38400 21 42 85
57600 14 28 56
115200 6 14 28
Table 28 Divisor needed to generate a given baud rate
UARTn+0008h
Enhanced Feature Register UARTn_EFR
Bit
15 14 13 12 11 10 9 8 7 6 5 4 3 2 1 0
Name
AUTO
CTS
AUTO
RTS
D5
ENAB
LE -E
SW FLOW CONT[3:0]
Type
R/W
R/W
R/W
R/W
R/W
Reset
0 0 0 0 0
*NOTE: Only when LCR=BF’h
Auto CTS Enables hardware transmission flow control
0 Disabled.
1 Enabled.
Auto RTS Enables hardware reception flow control
0 Disabled.
1 Enabled.
Enable-E Enable enhancement features.
0 Disabled.
1 Enabled.
CONT[3:0] Software flow control bits.
00xx No TX Flow Control
10xx Transmit XON1/XOFF1 as flow control bytes
01xx Transmit XON2/XOFF2 as flow control bytes
11xx Transmit XON1 & XON2 and XOFF1 & XOFF2 as flow control words
xx00 No RX Flow Control
xx10 Receive XON1/XOFF1 as flow control bytes
xx01 Receive XON2/XOFF2 as flow control bytes
xx11 Receive XON1 & XON2 and XOFF1 & XOFF2 as flow control words

MT6225 GSM/GPRS Baseband Processor Data Sheet Revision 1.00
137
UARTn+0010h
XON1 UARTn_XON1
Bit
15 14 13 12 11 10 9 8 7 6 5 4 3 2 1 0
Name
XON1[7:0]
Type
R/W
Reset
0
UARTn+0014h
XON2 UARTn_XON2
Bit
15 14 13 12 11 10 9 8 7 6 5 4 3 2 1 0
Name
XON2[7:0]
Type
R/W
Reset
0
UARTn+0018h
XOFF1 UARTn_XOFF1
Bit
15 14 13 12 11 10 9 8 7 6 5 4 3 2 1 0
Name
XOFF1[7:0]
Type
R/W
Reset
0
UARTn+001Ch
XOFF2 UARTn_XOFF2
Bit
15 14 13 12 11 10 9 8 7 6 5 4 3 2 1 0
Name
XOFF2[7:0]
Type
R/W
Reset
0
*Note: XON1, XON2, XOFF1, XOFF2 are valid only when LCR=BFh.
UARTn+0020h
AUTOBAUD_EN UARTn_AUTOBAU
D_EN
Bit
15 14 13 12 11 10 9 8 7 6 5 4 3 2 1 0
Name
AUTO
_EN
Type
R/W
Reset
0
AUTOBAUD_EN Auto-baud enable signal
0 Auto-baud function disable
1 Auto-baud function enable
UARTn+0024h
HIGH SPEED UART UARTn_HIGHSPEED
Bit
15 14 13 12 11 10 9 8 7 6 5 4 3 2 1 0
Name
SPEED [1:0]
Type
R/W
Reset
0
SPEED UART sample counter base
0 based on 16*baud_pulse, baud_rate = system clock frequency/16/{DLH, DLL}
1 based on 8*baud_pulse, baud_rate = system clock frequency/8/{DLH, DLL}
2 based on 4*baud_pulse, baud_rate = system clock frequency/4/{DLH, DLL}
3 based on sampe_count * baud_pulse, baud_rate = system clock frequency / sampe_count
The table below shows the divisor needed to generate a given baud rate from CLK inputs of 13M Hz based on different
HIGHSPEED value.

MT6225 GSM/GPRS Baseband Processor Data Sheet Revision 1.00
138
BAUD
HIGHSPEED = 0
HIGHSPEED = 1
HIGHSPEED = 2
110 7386 14773 29545
300 2708 7386 14773
1200 677 2708 7386
2400 338 677 2708
4800 169 338 677
9600 85 169 338
19200 42 85 169
38400 21 42 85
57600 14 21 42
115200
7 14 21
230400
* 7 14
460800
* * 7
921600
* * *
Table 29 Divisor needed to generate a given baud rate from 13MHz based on different HIGHSPEED value
The table below shows the divisor needed to generate a given baud rate from CLK inputs of 26 MHz based on different
HIGHSPEED value.
BAUD
HIGHSPEED = 0
HIGHSPEED = 1
HIGHSPEED = 2
110 14773 29545 59091
300 5417 14773 29545
1200 1354 5417 14773
2400 677 1354 5417
4800 339 677 1354
9600 169 339 667
19200 85 169 339
38400 42 85 169
57600 28 42 85
115200
14 28 42
230400
7 14 28
460800
* 7 14
921600
* * 7
Table 30 Divisor needed to generate a given baud rate from 26 MHz based on different HIGHSPEED value
The table below shows the divisor needed to generate a given baud rate from CLK inputs of 52MHz based on different
HIGHSPEED value.
BAUD
HIGHSPEED = 0
HIGHSPEED = 1
HIGHSPEED = 2
110 29545 59091 118182
300 10833 29545 59091
1200 2708 10833 29545

MT6225 GSM/GPRS Baseband Processor Data Sheet Revision 1.00
139
2400 1354 2708 10833
4800 677 1354 2708
9600 339 677 1354
19200 169 339 677
38400 85 169 339
57600 56 85 169
115200
28 56 85
230400
14 28 56
460800
7 14 28
921600
* 7 14
Table 31 Divisor needed to generate a given baud rate from 52 MHz based on different HIGHSPEED value
UARTn+0028h
SAMPLE_COUNT UARTn_SAMPLE_COUN
T
Bit
15 14 13 12 11 10 9 8 7 6 5 4 3 2 1 0
Name
SAMPLECOUNT [7:0]
Type
R/W
Reset
0
When HIGHSPEED=3, the sample_count is the threshold value for UART sample counter (sample_num).
Count from 0 to sample_count. For example: If you want to divide by 13, this value should be set to 12.
UARTn+002C
h SAMPLE_POINT UARTn_SAMPLE_POIN
T
Bit
15 14 13 12 11 10 9 8 7 6 5 4 3 2 1 0
Name
SAMPLEPOINT [7:0]
Type
R/W
Reset
Ffh
When HIGHSPEED=3, UART gets the input data when sample_count=sample_num.
e.g. system clock = 13MHz, 921600 = 13000000 / 14
sample_count = 14 and sample point = 7 (sample the central point to decrease the inaccuracy)
The SAMPLE_POINT is usually (SAMPLE_COUNT/2).
UARTn+0030h
AUTOBAUD_REG UARTn_AUTOBAUD_RE
G
Bit
15 14 13 12 11 10 9 8 7 6 5 4 3 2 1 0
Name
BAUD_STAT[3:0] BAUDRATE[3:0]
Type
RO RO
Reset
0 0
BAUD_RATE Autobaud baud rate
0 115200
1 57600
2 38400
3 19200
4 9600
5 4800
6 2400

MT6225 GSM/GPRS Baseband Processor Data Sheet Revision 1.00
140
7 1200
8 300
9 110
BAUDSTAT Autobaud format
0 Autobaud is detecting
1 AT_7N1
2 AT_7O1
3 AT_7E1
4 AT_8N1
5 AT_8O1
6 AT_8E1
7 at_7N1
8 at_7E1
9 at_7O1
10 at_8N1
11 at_8E1
12 at_8O1
13 Autobaud detection fails
UARTn+0034h
Rate Fix Address UARTn_RATEFIX_AD
Bit
15 14 13 12 11 10 9 8 7 6 5 4 3 2 1 0
Name
REST
RICT
FREQ
_SEL
AUTO
BAUD
_RAT
E_FIX
RXTE_
FIX
Type
R/W
R/W
R/W
R/W
Reset
0 0 0 0
RATE_FIX When you set "rate_fix"(34H[0]), you can transmit and receive data only if 1) the
f13m_en is enable and the freq_sel (34H[2]) is set to 1, or
2) the f26m_en is enable and the freq_sel (34H[2]) is set to 0.
AUTOBAUD_RATE_FIX When you set "autobaud_rate_fix"(34H[1]), you can tx/rx the autobaud packet only if
1) the f13m_en is enable and the freq_sel (34H[2]) is set to 1, or
2) the f26m_en is enable and the freq_sel (34H[2]) is set to 0.
FREQ_SEL
0 Select f26m_en for rate_fix and autobaud_rate_fix
1 Select f13m_en for rate_fix and autobaud_rate_fix
RESTRICT The "restrict" (34H[3]) is used to set a more condition for the autobaud fsm starting point
UARTn+0038h
AUTOBAUDSAMPLE UARTn_AUTOBAUDSA
MPLE
Bit
15 14 13 12 11 10 9 8 7 6 5 4 3 2 1 0
Name
AUTOBAUDSAMPLE
Type
R/W
R/W
R/W
R/W
R/W
R/W
R/W
Reset
dh
Since the system clock may change, autobaud sample duration should change as system clock changes.
When system clock = 13MHz, autobaudsample = 6; when system clock = 26MHz, autobaudsample = 13.

MT6225 GSM/GPRS Baseband Processor Data Sheet Revision 1.00
141
UARTn+003C
h Guard time added register UARTn_GUARD
Bit
15 14 13 12 11 10 9 8 7 6 5 4 3 2 1 0
Name
GUARD_
EN GUARD_CNT[3:0]
Type
R/W
R/W
R/W
R/W
R/W
Reset
0 0 0 0 0
GUARD_CNT Guard interval count value. Guard interval = (1/(system clock / div_step / div )) * GUARD_CNT.
GUARD_EN Guard interval add enable signal.
0 No guard interval added.
1 Add guard interval after stop bit.
UARTn+0040h
Escape character register UARTn_ESCAPE_DAT
Bit
15 14 13 12 11 10 9 8 7 6 5 4 3 2 1 0
Name
ESCAPE_DAT[7:0]
Type
R/W
Reset
FFh
ESCAPE_DAT Escape character added before software flow control data and escape character, i.e. if tx data is xon
(31h), with esc_en =1, uart transmits data as esc + CEh (~xon).
UARTn+0044h
Escape enable register UARTn_ESCAPE_EN
Bit
15 14 13 12 11 10 9 8 7 6 5 4 3 2 1 0
Name
ESC_E
N
Type
R/W
Reset
0
ESC_EN Add escape character in transmitter and remove escape character in receiver by UART.
0 Do not deal with the escape character.
1 Add escape character in transmitter and remove escape character in receiver.
UARTn+0048h
Sleep enable register UARTn_SLEEP_EN
Bit
15 14 13 12 11 10 9 8 7 6 5 4 3 2 1 0
Name
SELL
P_EN
Type
R/W
Reset
0
SLEEP_EN For sleep mode issue
0 Do not deal with sleep mode indicate signal
1 To activate hardware flow control or software control according to software initial setting when chip
enters sleep mode. Releasing hardware flow when chip wakes up; but for software control, uart sends
xon when awaken and when FIFO does not reach threshold level.
UARTn+004C
h Virtual FIFO enable register UARTn_VFIFO_EN
Bit
15 14 13 12 11 10 9 8 7 6 5 4 3 2 1 0
Name
VFIF
O_EN
Type
R/W
Reset
0
VFIFO_EN Virtual FIFO mechanism enable signal.

MT6225 GSM/GPRS Baseband Processor Data Sheet Revision 1.00
142
0 Disable VFIFO mode.
1 Enable VFIFO mode. When virtual mode is enabled, the flow control is based on the DMA threshold,
and generates a timeout interrupt for DMA.
UARTn+0050h
Rx Trigger Address UARTn_RXTRI_
AD
Bit
15 14 13 12 11 10 9 8 7 6 5 4 3 2 1 0
Name
RXTRIG[3:0]
Type
R/W
Reset
0
RXTRIG When {rtm,rtl}=2’b11, The Rx FIFO threshold will be Rxtrig.
4.10 IrDA Framer
4.10.1 General Description
IrDA framer, which is depicted in Figure 48, is implemented to reduce the CPU loading for IrDA transmission. IrDA
framer functional block can be divided into two parts: the transmitting part and the receiving part. In the transmitter, it
will perform BOFs addition, byte stuffing, the addition of 16-bits FCS, and EOF appendence. In the receiving part, it
will execute BOFs removal, ESC character removal, CRC checking, and EOF detection. In addition, the framer will
perform 3/16 modulation and demodulation to connect to the IR transceiver. The transmitter and receiver all need DMA
channel.
IrDA_TX
IrDA_RX
IrDA_TX_FIFO
IrDA_RX_FIFO
IrDA_TX_FIFO_CTRL
IrDA_RX_FIFO_CTRL
3/16 mod
3/16 demod
Figure 48 IrDA framer functional block
4.10.2 Register Definitions
IRDA+0000h TX BUF and RX BUF BUF
Bit
15 14 13 12 11 10 9 8 7 6 5 4 3 2 1 0
Name
BUF[7:0]
Type
R/W
Reset
0
BUF IrDA Framer transmit or receive data
IRDA+0004h TX BUF and RX BUF clear signal BUF_CLEAR
Bit
15 14 13 12 11 10 9 8 7 6 5 4 3 2 1 0

MT6225 GSM/GPRS Baseband Processor Data Sheet Revision 1.00
143
Name
CLEAR
Type
R/W
Reset
0
CLEAR When CLEAR=1, the FIFO will be cleared
IRDA+0008h Maximum Turn Around Time MAX_T
Bit
15 14 13 12 11 10 9 8 7 6 5 4 3 2 1 0
Name
MAX_T [13:0]
Type
R/W
Reset
3E80h
MAX_T Maximum turn around time is the maximum time that a station can hold the P/F bit. This parameter along with
the baud rate parameter dictates the maximum number of bytes that a station can transmit before giving the
line to another station by transmitting a frame with the P/F bit. This parameter is used by one station to
indicate the maximum time the other station can send before it must turn the link around. 500ms is the only
valid value when the baud rate is less than 115200kbps. The default value is 500ms.
IRDA+000Ch Minimum Turn Around Time MIN_T
Bit
15 14 13 12 11 10 9 8 7 6 5 4 3 2 1 0
Name
MIN_T [15:0]
Type
R/W
Reset
FDE8h
MIN_T Minimum turn around time, the default value is 10ms. The minimum turn around time parameter deals with the
time needed for a receiver to recover following saturation by transmission from the same device. This
parameter corresponds to the required time delay between the last byte of the last frame sent by a station and
the point at which it is ready to receive the first byte of a frame from another station, i.e. it is the latency for
transmit to complete and be ready for receive.
IRDA+0010h Number of additional BOFs
prefixed to the beginning
of a frame BOFS
Bit
15 14 13 12 11 10 9 8 7 6 5 4 3 2 1 0
Name
TYPE
BOFS [6:0]
Type
R/W
R/W
Reset
0 1011b
BOFs Additional BOFs number; the additional BOFs parameter indicates the number of additional flags needed at the
beginning of every frame. The main purpose of the addition of additional BOFs is to provide a delay at the
beginning of each frame for device with long interrupt latency.
TYPE Additional BOFs type
1 BOF = C0h
0 BOF = FFh
IRDA+0014h Baud rate divisor DIV
Bit
15 14 13 12 11 10 9 8 7 6 5 4 3 2 1 0
Name
DIV[15:0]
Type
R/W
Reset
55h
DIV Transmit or receive rate divider. Rate = System clock frequency / DIV/ 16; the default value = ‘h55 when in
contention mode.

MT6225 GSM/GPRS Baseband Processor Data Sheet Revision 1.00
144
IRDA+0018h Transmit frame size TX_FRAME_SIZ
E
Bit
15 14 13 12 11 10 9 8 7 6 5 4 3 2 1 0
Name
TX_FRAME_SIZE[11:0]
Type
R/W
Reset
40h
TX_FRAME_SIZE Transmit frame size; the default value = 64 when in contention mode.
IRDA+001Ch Receiving frame1 size RX_FRAME1_SI
ZE
Bit
15 14 13 12 11 10 9 8 7 6 5 4 3 2 1 0
Name
RX_FRAME1_SIZE[11:0]
Type
RO
Reset
0
RX_FRAME1_SIZE The actual number of receiving frame1 size.
IRDA+0020h Transmit abort indication ABORT
Bit
15 14 13 12 11 10 9 8 7 6 5 4 3 2 1 0
Name
ABO
RT
Type
R/W
Reset
0
ABORT When set 1, the framer will transmit abort sequence and closes the frame without an FCS field or an ending
flag.
IRDA+0024h IrDA framer transmit enable signal TX_EN
Bit
15 14 13 12 11 10 9 8 7 6 5 4 3 2 1 0
Name
TX_ON
E
TXINVE
RT MODE
TX_E
N
Type
R/W
R/W
R/W
R/W
Reset
0 0 0 0
TX_EN Transmit enable
MODE Modulation type selection
0 3/16 modulation
1 1.61us
TXINVERT Invert transmit signal
0 transmit signal is not inverted
1 inverts transmit signal
TX_ONE: Control the tranmit enable signal is one hot or not
0 tx_en will not be de-asserted until software programs
1 tx_en will be de-asserted (i.e. transmit disabled) automatically after one frame has been sent
IRDA+0028h IrDA framer receive enable signal RX_EN
Bit
15 14 13 12 11 10 9 8 7 6 5 4 3 2 1 0
Name
RX_ON
E
RXINVE
RT
RX_E
N
Type
R/W
R/W
R/W
Reset
0 0 0
RX_EN Receive enable
RXINVERT Invert receive signal

MT6225 GSM/GPRS Baseband Processor Data Sheet Revision 1.00
145
0 receive signal is not inverted
1 inverts receive signal
RX_ONE Disable receive when get one frame
0 rx_en will not be de-asserted until software programs
1 rx_en will be de-asserted (i.e. transmit disabled) automatically after one frame has been sent
IRDA+002Ch FIFO trigger level indication TRIGGER
Bit
15 14 13 12 11 10 9 8 7 6 5 4 3 2 1 0
Name
RX_TRIG[
TX_TRIG
Type
R/W R/W
Reset
0 0
TX_TRIG The tx FIFO interrupt trigger threshold
00 0 byte
01 1 byte
02 2 byte
RX_TRIG The rx FIFO interrupt trigger threshold
00 1 byte
01 2 byte
02 3 byte
IRDA+0030h IRQ enable signal IRQ_ENABLE
Bit
15 14 13 12 11 10 9 8 7 6 5 4 3 2 1 0
Name
2NDR
X_CO
MP
RXRE
START
THRE
SHTIM
EOUT
FIFOTI
MEOU
T
TXABO
RT
RXABO
RT
MAXTI
MEOU
T
MINTI
MEOU
T
RXCO
MPLET
E
TXCO
MPLET
E
STATU
S
RXTRI
G
TXTRI
G
Type
R/W
R/W
R/W
R/W
R/W
R/W
R/W
R/W
R/W
R/W
R/W
R/W
Reset
0 0 0 0 0 0 0 0 0 0 0 0
IRQ_ENABLE Interrupt enable signal
0 disable
1 enable
TXTRIG Transmit data reaches the threshold level
0 No interrupt is generated
1 Interrupt is generated when transmit FIFO size reaches threshold
RXTRIG Receive data reaches the threshold level
0 No interrupt is generated
1 Interrupt is generated when receive FIFO size reaches threshold
STATUS Any status lists as following has happened
(overrun, size_error)
0 No interrupt is generated
1 Interrupt is generated when one of the statuses occurred
TXCOMPLETE Transmit one frame completely
0 No interrupt is generated
1 Interrupt is generated when transmitting one frame completely
RXCOMPLETE Receive one frame completely
0 No interrupt is generated
1 Interrupt is generated when receiving one frame completely
MINTIMEOUT Minimum time timeout
0 No interrupt is generated
1 Interrupt is generated when minimum timer is timed out
MAXTIMEOUT Maximum time timeout

MT6225 GSM/GPRS Baseband Processor Data Sheet Revision 1.00
146
0 No interrupt is generated
1 Interrupt is generated when maximum timer is timed out
RXABORT Receiving aborting frame
0 No interrupt is generated
1 Interrupt is generated when receiving aborting frame
TXABORT Transmitting aborting frame
0 No interrupt is generated
1 Interrupt is generated when transmitting aborting frame
FIFOTIMEOUT FIFO timeout
0 No interrupt is generated
1 Interrupt is generated when FIFO timeout
THRESHTIMEOUT Threshold time timeout
0 No interrupt is generated
1 Interrupt is generated when threshold timer is timed out
RXRESTART Receiving a new frame before one frame is received completely
0 No interrupt is generated
1 Interrupt is generated when receiving a new frame before one frame is received completely
2NDRX_COMP Receiving second frame and get P/F bit
0 No interrupt is generated
1 Interrupt is generated when receiving second frame and get P/F bit completely
IRDA+0034h Interrupt Status IRQ_STA
Bit
15 14 13 12 11 10 9 8 7 6 5 4 3 2 1 0
Name
2NDR
X_CO
MP
RXRE
START
THRE
SHTIM
EOUT
FIFOTI
MEOU
T
TXABO
RT
RXABO
RT
MAXTI
MEOU
T
MINTI
MEOU
T
RXCO
MPLET
E
TXCO
MPLET
E
STATU
S
RXFIF
O
TXFIF
O
Type
RC
RC
RC
RC
RC
RC
RC
RC
RC
RC
RC
RC
RC
Reset
0 0 0 0 0 0 0 0 0 0 0 0 0
TXFIFO Transmit FIFO reaches threshold
RXFIFO Receive FIFO reaches threshold
ERROR generated when one of the statuses occurred
(data_error, PF_detect, fifo_hold1, fifo_empty, crc_fail, frame_error, overrun, size_error)
TXCOMPLETE Transmitting one frame completely
RXCOMPLETE Receiving one frame completely
MINTIMEOUT Minimum turn around time timeout
MAXTIMEOUT Maximum turn around time timeout
RXABORT Receiving aborting frame
TXABORT Transmitting aborting frame
FIFOTIMEOUT FIFO is timeout
THRESHTIMEOUT Threshold time timeout
RXRESTART Receiving a new frame before one frame is received completely
2NDRX_COMP Receiving second frame and get P/F bit completely
IRDA+0038h STATUS register STATUS
Bit
15 14 13 12 11 10 9 8 7 6 5 4 3 2 1 0
Name
FIFOHO
LD1
FIFO
EMPTY
OVER
RUN
RXSIZ
E
Type
R/W
R/W
R/W
R/W
Reset
0 0 0 0
RXSIZE Receive frame size error

MT6225 GSM/GPRS Baseband Processor Data Sheet Revision 1.00
147
OVERRUN Frame over run
FIFOEMPTY FIFO empty
FIFOHOLD1 FIFO holds one
IRDA+003Ch Transceiver power on/off control TRANSCEIVER
_PDN
Bit
15 14 13 12 11 10 9 8 7 6 5 4 3 2 1 0
Name
TRANS_
PDN
Type
R/W
Reset
1
Transceiver_PDN Power on/off control for external IrDA transceiver
IRDA+0040h Maximum number of receiving frame size RX_FRAME_MA
X
Bit
15 14 13 12 11 10 9 8 7 6 5 4 3 2 1 0
Name
MAX_RX_FRAME_SIZE_
Type
R/W
Reset
0
RX_FRAME_MAX Receive frame max size, when actual receiving frame size is larger than rx_frame_max,
RXSIZE is
asserted.
IRDA+0044h Threshold Time THRESH_T
Bit
15 14 13 12 11 10 9 8 7 6 5 4 3 2 1 0
Name
DISCONNECT_TIME[15:0]
Type
R/W
Reset
bb8h
THRESHOLD TIME Threshold time; it’s used to control the time a station will wait without receiving valid frame
before it disconnects the link. Associated with this is the time a station will wait without receiving valid frames
before it will send a status indication to the service user layer.
IRDA+0048h Counter enable signal COUNT_ENABL
E
Bit
15 14 13 12 11 10 9 8 7 6 5 4 3 2 1 0
Name
THRESH
_EN
MIN_E
N
MAX_
EN
Type
R/W
R/W
R/W
Reset
0 0 0
COUNT_ENABLE Counter enable signals
IRDA+004Ch Indication of system clock rate CLOCK_RATE
Bit
15 14 13 12 11 10 9 8 7 6 5 4 3 2 1 0
Name
CLOCK_RA
TE
Type
R/W
Reset
0
CLOCK_RATE Indication of the system clock rate
0 26MHz
1 52MHz
2 13MHz

MT6225 GSM/GPRS Baseband Processor Data Sheet Revision 1.00
148
IRDA+0050h System Clock Rate Fix RATE_FIX
Bit
15 14 13 12 11 10 9 8 7 6 5 4 3 2 1 0
Name
RATE
_FIX
Type
R/W
Reset
0
RATE_FIX Fix irda framer sample base clock rate as 13MHz
0 clock rate base on clock_rate selection
1 13MHz
IRDA+0054h RX Frame1 Status FRAME1_STAT
US
Bit
15 14 13 12 11 10 9 8 7 6 5 4 3 2 1 0
Name
UNKNO
W_ERRO
R
PF_DET
ECT
CRC_FAI
L
FRAME_
ERROR
Type
R/W
R/W
R/W
R/W
Reset
0 0 0 0
FRAME_ERROR Framing error, i.e. stop bit = 0
0 No framing error
1 Framing error occurred
CRC_FAIL CRC check fail
0 CRC check successfully
1 CRC check fail
PF_DETECT P/F bit detect
0 No a P/F bit frame
1 Detect P/F bit in this frame
UNKNOWN_ERROR Receiving error data i.e. escape character is followed by a character that is not an esc, bof, or
eof character.
0 Data received correctly
1 Unknown error occurred
IRDA+0058h RX Frame2 Status FRAME2_STAT
US
Bit
15 14 13 12 11 10 9 8 7 6 5 4 3 2 1 0
Name
UNKNO
W_ERRO
R
PF_DET
ECT
CRC_FAI
L
FRAME_
ERROR
Type
R/W
R/W
R/W
R/W
Reset
0 0 0 0
FRAME_ERROR Framing error, i.e. stop bit = 0
0 No framing error
1 Framing error occurred
CRC_FAIL CRC check fail
0 CRC check successfully
1 CRC check fail
PF_DETECT P/F bit detect
0 No a P/F bit frame
1 Detect P/F bit in this frame

MT6225 GSM/GPRS Baseband Processor Data Sheet Revision 1.00
149
UNKNOWN_ERROR Receiving error data i.e. escape character is followed by a character that is not an esc, bof, or
eof character.
0 Data receiving correctly
1 Unknown error occurred
IRDA+005Ch Receiving frame2 size RX_FRAME2_SI
ZE
Bit
15 14 13 12 11 10 9 8 7 6 5 4 3 2 1 0
Name
RX_FRAME2_SIZE[11:0]
Type
RO
Reset
0
RX_FRAME2_SIZE The actual number of receiving frame2 size.
4.11 Real Time Clock
4.11.1 General Description
The Real Time Clock (RTC) module provides time and data information. The clock is based on a 32.768KHz
oscillator with an independent power supply. When the mobile handset is powered off, a dedicated regulator supplies
the RTC block. If the main battery is not present, a backup supply such as a small mercury cell battery or a large
capacitor is used. In addition to providing timing data, an alarm interrupt is generated and can be used to power up
the baseband core via the BBWAKEUP pin. Regulator interrupts corresponding to seconds, minutes, hours and days
can be generated whenever the time counter value reaches a maximum value (e.g., 59 for seconds and minutes, 23 for
hours, etc.). The year span is supported up to 2127. The maximum day-of-month values, which depend on the leap
year condition, are stored in the RTC block.
4.11.2 Register Definitions
RTC+0000h Baseband power up RTC_BBPU
Bit
15 14 13 12 11 10 9 8 7 6 5 4 3 2 1 0
Name
KEY_BBPU AUTO
BBPU
WRITE_E
N
PWRE
N
Type
W R/W
R/W
R/W
R/W
KEY_BBPU A bus write is acceptable only when KEY_BBPU=0x43.
AUTO Controls if BBWAKEUP is automatically in the low state when SYSRST# transitions from high to low.
0 BBWAKEUP is not automatically in the low state when SYSRST# transitions from high to low.
1 BBWAKEUP is automatically in the low state when SYSRST# transitions from high to low.
BBPU Controls the power of PMIC. If powerkey1=A357h and powerkey2=67D2h, PMIC takes on the value
programmed by software; otherwise PMIC is low.
0 Power down
1 Power on
WRITE_EN When WRITE_EN is set to 0 by the software program, the RTC write interface is disabled until another
system power on. This is equivalent to RTC_debounce_counter_clear_b signal. In most cases, you should
write this bit same as BBPU.
PWREN
0 RTC alarm has no action on power switch.
1 When an RTC alarm occurs, BBPU is set to 1, and the system powers on by RTC alarm wakeup.

MT6225 GSM/GPRS Baseband Processor Data Sheet Revision 1.00
150
RTC+0004h RTC IRQ status RTC_IRQ_STA
Bit
15 14 13 12 11 10 9 8 7 6 5 4 3 2 1 0
Name
TCST
A
ALST
A
Type
R/C
R/C
ALSTA This register indicates the IRQ status and whether or not the alarm condition has been met.
0 No IRQ occurred; the alarm condition has not been met.
1 IRQ occurred; the alarm condition has been met.
TCSTA This register indicates the IRQ status and whether or not the tick condition has been met.
0 No IRQ occurred; the tick condition has not been met.
1 IRQ occurred; the tick condition has been met.
RTC+0008h RTC IRQ enable RTC_IRQ_EN
Bit
15 14 13 12 11 10 9 8 7 6 5 4 3 2 1 0
Name
WING
ONESH
OT
TC_E
N
AL_E
N
Type
R/O
R/W
R/W
R/W
ONESHOT Controls automatic reset of AL_EN and TC_EN.
AL_EN This register enables the control bit for IRQ generation if the alarm condition has been met.
0 Disable IRQ generation.
1 Enable the alarm time match interrupt. Clear the interrupt when ONESHOT is high upon generation of
the corresponding IRQ.
TC_EN This register enables the control bit for IRQ generation if the tick condition has been met.
0 Disable IRQ generation.
1 Enable the tick time match interrupt. Clear the interrupt when ONESHOT is high upon generation of the
corresponding IRQ.
WING This bit indicates that RTC is still writing to this register.
RTC+000Ch Counter increment IRQ enable RTC_CII_EN
Bit
15 14 13 12 11 10 9 8 7 6 5 4 3 2 1 0
Name
WING
1/8SEC
CII
1/4SEC
CII
1/2SEC
CII
YEAC
II
MTHC
II
DOW
CII
DOM
CII
HOUC
II
MINCI
I
SECC
II
Type
R/O
R/W
R/W
R/W
R/W
R/W
R/W
R/W
R/W
R/W
R/W
This register activates or de-activates the IRQ generation when the TC counter reaches its maximum value.
SECCII Set this bit to 1 to activate the IRQ at each second update.
MINCII Set the bit to 1 to activate the IRQ at each minute update.
HOUCII Set the bit to 1 to activate the IRQ at each hour update.
DOMCII Set the bit to 1 to activate the IRQ at each day-of-month update.
DOWCII Set the bit to 1 to activate the IRQ at each day-of-week update.
MTHCII Set the bit to 1 to activate the IRQ at each month update.
YEACII Set the bit to 1 to activate the IRQ at each year update.
1/2SECCII Set the bit to 1 to activate the IRQ at each one-half of a second update.
1/4SECCII Set the bit to 1 to activate the IRQ at each one-fourth of a second update.
1/8SECCII Set the bit to 1 to activate the IRQ at each one-eighth of a second update.
WING This bit indicates RTC is still writing to this register.
RTC+0010h RTC alarm mask RTC_AL_MASK
Bit
15 14 13 12 11 10 9 8 7 6 5 4 3 2 1 0

MT6225 GSM/GPRS Baseband Processor Data Sheet Revision 1.00
151
Name
WING
YEA_M
SK
MTH_M
SK
DOW_M
SK
DOM_M
SK
HOU_M
SK
MIN_M
SK
SEC_M
SK
Type
R/O
R/W
R/W
R/W
R/W
R/W
R/W
R/W
The alarm condition for alarm IRQ generation depends on whether or not the corresponding bit in this register is
masked. Warning: If you set all bits 1 in RTC_AL_MASK (i.e. RTC_AL_MASK=0x7f) and PWREN=1 in RTC_BBPU,
it means alarm comes EVERY SECOND, not disabled.
SEC_MSK
0 Condition (RTC_TC_SEC = RTC_AL_SEC) is checked to generate the alarm signal.
1 Condition (RTC_TC_SEC = RTC_AL_SEC) is masked, i.e. the value of RTC_TC_SEC does not affect
the alarm IRQ generation.
MIN_MSK
0 Condition (RTC_TC_MIN = RTC_AL_MIN) is checked to generate the alarm signal.
1 Condition (RTC_TC_MIN = RTC_AL_MIN) is masked, i.e. the value of RTC_TC_MIN does not affect
the alarm IRQ generation.
HOU_MSK
0 Condition (RTC_TC_HOU = RTC_AL_HOU) is checked to generate the alarm signal.
1 Condition (RTC_TC_HOU = RTC_AL_HOU) is masked, i.e. the value of RTC_TC_HOU does not affect
the alarm IRQ generation.
DOM_MSK
0 Condition (RTC_TC_DOM = RTC_AL_DOM) is checked to generate the alarm signal.
1 Condition (RTC_TC_DOM = RTC_AL_DOM) is masked, i.e. the value of RTC_TC_DOM does not
affect the alarm IRQ generation.
DOW_MSK
0 Condition (RTC_TC_DOW = RTC_AL_DOW) is checked to generate the alarm signal.
1 Condition (RTC_TC_DOW = RTC_AL_DOW) is masked, i.e. the value of RTC_TC_DOW does not
affect the alarm IRQ generation.
MTH_MSK
0 Condition (RTC_TC_MTH = RTC_AL_MTH) is checked to generate the alarm signal.
1 Condition (RTC_TC_MTH = RTC_AL_MTH) is masked, i.e. the value of RTC_TC_MTH does not affect
the alarm IRQ generation.
YEA_MSK
0 Condition (RTC_TC_YEA = RTC_AL_YEA) is checked to generate the alarm signal.
1 Condition (RTC_TC_YEA = RTC_AL_YEA) is masked, i.e. the value of RTC_TC_YEA does not affect
the alarm IRQ generation.
WING This bit indicates RTC is still writing to this register.
RTC+0014h RTC seconds time counter register RTC_TC_SEC
Bit
15 14 13 12 11 10 9 8 7 6 5 4 3 2 1 0
Name
WING
TC_SECOND
Type
R/O
R/W
TC_SECOND The second initial value for the time counter. The range of its value is: 0-59.
WING This bit indicates RTC is still writing to this register.
RTC+0018h RTC minutes time counter register RTC_TC_MIN
Bit
15 14 13 12 11 10 9 8 7 6 5 4 3 2 1 0
Name
WING
TC_MINUTE
Type
R/O
R/W
TC_MINUTE The minute initial value for the time counter. The range of its value is: 0-59.

MT6225 GSM/GPRS Baseband Processor Data Sheet Revision 1.00
152
WING This bit indicates RTC is still writing to this register.
RTC+001Ch RTC hours time counter register RTC_TC_HOU
Bit
15 14 13 12 11 10 9 8 7 6 5 4 3 2 1 0
Name
WING
TC_HOUR
Type
R/O
R/W
TC_HOUR The hour initial value for the time counter. The range of its value is: 0-23.
WING This bit indicates RTC is still writing to this register.
RTC+0x0020 RTC day-of-month time counter register RTC_TC_DOM
Bit
15 14 13 12 11 10 9 8 7 6 5 4 3 2 1 0
Name
WING
TC_DOM
Type
R/O
R/W
TC_DOM The day-of-month initial value for the time counter. The day-of-month maximum value depends on the
leap year condition, i.e. 2 LSB of year time counter are zeros.
WING This bit indicates RTC is still writing to this register.
RTC+0x0024 RTC day-of-week time counter register RTC_TC_DOW
Bit
15 14 13 12 11 10 9 8 7 6 5 4 3 2 1 0
Name
WING
TC_DOW
Type
R/O
R/W
TC_DOW The day-of-week initial value for the time counter. The range of its value is: 1-7.
WING This bit indicates RTC is still writing to this register.
RTC+0x0028 RTC month time counter register RTC_TC_MTH
Bit
15 14 13 12 11 10 9 8 7 6 5 4 3 2 1 0
Name
WING
TC_MONTH
Type
R/O
R/W
TC_MONTH The month initial value for the time counter. The range of its value is: 1-12.
WING This bit indicates RTC is still writing to this register.
RTC+0x002C RTC year time counter register RTC_TC_YEA
Bit
15 14 13 12 11 10 9 8 7 6 5 4 3 2 1 0
Name
WING
AL_SECOND
Type
R/O
R/W
TC_YEAR The year initial value for the time counter. The range of its value is: 0-127. (2000-2127)
WING This bit indicates RTC is still writing to this register.
RTC+0x0030 RTC second alarm setting register RTC_AL_SEC
Bit
15 14 13 12 11 10 9 8 7 6 5 4 3 2 1 0
Name
WING
AL_SECOND
Type
R/O
R/W
AL_SECOND The second value of the alarm counter setting. The range of its value is: 0-59.
WING This bit indicates RTC is still writing to this register.
RTC+0x0034 RTC minute alarm setting register RTC_AL_MIN
Bit
15 14 13 12 11 10 9 8 7 6 5 4 3 2 1 0
Name
WING
AL_MINUTE
Type
R/O
R/W
AL_MINUTE The minute value of the alarm counter setting. The range of its value is: 0-59.

MT6225 GSM/GPRS Baseband Processor Data Sheet Revision 1.00
153
WING This bit indicates RTC is still writing to this register.
RTC+0x0038 RTC hour alarm setting register RTC_AL_HOU
Bit
15 14 13 12 11 10 9 8 7 6 5 4 3 2 1 0
Name
WING
AL_HOUR
Type
R/O
R/W
AL_HOUR The hour value of the alarm counter setting. The range of its value is: 0-23.
WING This bit indicates RTC is still writing to this register.
RTC+0x003C RTC day-of-month alarm setting register RTC_AL_DOM
Bit
15 14 13 12 11 10 9 8 7 6 5 4 3 2 1 0
Name
WING
AL_DOM
Type
R/O
R/W
AL_DOM The day-of-month value of the alarm counter setting. The day-of-month maximum value depends on
the leap year condition, i.e. 2 LSB of year time counter are zeros.
WING This bit indicates RTC is still writing to this register.
RTC+0x0040 RTC day-of-week alarm setting register RTC_AL_DOW
Bit
15 14 13 12 11 10 9 8 7 6 5 4 3 2 1 0
Name
WING
AL_DOW
Type
R/O
R/W
AL_DOW The day-of-week value of the alarm counter setting. The range of its value is: 1-7.
WING This bit indicates RTC is still writing to this register.
RTC+0x0044 RTC month alarm setting register RTC_AL_MTH
Bit
15 14 13 12 11 10 9 8 7 6 5 4 3 2 1 0
Name
WING
AL_MONTH
Type
R/O
R/W
AL_MONTH The month value of the alarm counter setting. The range of its value is: 1-12.
WING This bit indicates RTC is still writing to this register.
RTC+0x0048 RTC year alarm setting register RTC_AL_YEA
Bit
15 14 13 12 11 10 9 8 7 6 5 4 3 2 1 0
Name
WING
AL_YEAR
Type
R/O
R/W
AL_YEAR The year value of the alarm counter setting. The range of its value is: 0-127. (2000-2127)
WING This bit indicates RTC is still writing to this register.
RTC+0050h RTC_POWERKEY1 register RTC_POWERK
EY1
Bit
15 14 13 12 11 10 9 8 7 6 5 4 3 2 1 0
Name
RTC_POWERKEY1
Type
R/W
RTC+0054h RTC_POWERKEY2 register RTC_POWERK
EY2
Bit
15 14 13 12 11 10 9 8 7 6 5 4 3 2 1 0
Name
RTC_POWERKEY2
Type
R/W

MT6225 GSM/GPRS Baseband Processor Data Sheet Revision 1.00
154
These register sets are used to determine if the real time clock has been programmed by software; i.e. the time value in
real time clock is correct. When the real time clock is first powered on, the register contents are all undefined,
therefore the time values shown are incorrect. Software needs to know if the real time clock has been programmed.
Hence, these two registers are defined to solve this power-on issue. After software programs the correct value, these
two register sets do not need to be updated. In addition to programming the correct time value, when the contents of
these register sets are wrong, the interrupt is not generated. Therefore, the real time clock does not generate the
interrupts before the software programs the registers; unwanted interrupt due to wrong time value do not occur. The
correct values of these two register sets are:
RTC_POWERKEY1 A357h
RTC_POWERKEY2 67D2h
RTC+0058h PDN1 RTC_PDN1
Bit
15 14 13 12 11 10 9 8 7 6 5 4 3 2 1 0
Name
WING
DBIN
G RTC_PDN1[7:0]
Type
R/O
R/O
R/W
RTC_PDN1[3:1] is for reset de-bounce mechanism.
0 2ms
1 8ms
2 32ms
3 128ms
4 256ms
5 512ms
6 1024ms
7 2048ms
RTC_PDN1[7:4] & RTC_PDN1[0] is the spare register for software to keep power on and power off state
information.
DBING This bit indicates RTC is still de-bouncing.
WING This bit indicates RTC is still writing to this register.
RTC+005Ch PDN2 RTC_PDN2
Bit
15 14 13 12 11 10 9 8 7 6 5 4 3 2 1 0
Name
WING
RTC_PDN2[7:0]
Type
R/O
R/W
RTC_PDN2 The spare register for software to keep power on and power off state information.
WING This bit indicates RTC is still writing to this register.
RTC+0060h RTC writing completed flag RTC_WOK
Bit
15 14 13 12 11 10 9 8 7 6 5 4 3 2 1 0
Name
WING
3
WING
2
WING
1
Type
R/O
R/O
R/O
WING1 This bit indicates RTC is still writing POWERKEY1.
WING2 This bit indicates RTC is still writing POWERKEY2.
WING3 This bit indicates RTC is still writing BBPU.
RTC+0064h Spare register for specific purpose RTC_SPAR
Bit
15 14 13 12 11 10 9 8 7 6 5 4 3 2 1 0
Name
RTC_SPAR

MT6225 GSM/GPRS Baseband Processor Data Sheet Revision 1.00
155
Type
R/W
RTC_SPAR These registers are reserved for specific purpose.
4.12 Auxiliary ADC Unit
The auxiliary ADC unit is used to monitor the status of battery and charger, identify the plugged peripheral, and
perform temperature measurement. There provides 7 input channels for diversified application in this unit.
There provides 2 modes of operation: immediate mode and timer-triggered mode. The mode of each channel can be
individually selected through register AUXADC_CON0. For example, if the flag SYN0 in the register
AUXADC_CON0 is set, the channel 0 will be set in timer-triggered mode. Otherwise, it’s in immediate mode.
In immediate mode, the A/D converter will sample the value once only when the flag in the register AUXADC_CON1
has been set. For example, if the flag IMM0 in the register AUXADC_CON1 is set, the A/D converter will sample the
data for channel 0. The IMM flags should be cleared and set again to initialize another sampling.
The value sampled for the channel 0 will be stored in register AUXADC_DAT0, the value for the channel 1 will be
stored in register AUXADC_DAT1, and vice versa.
If the AUTOSET flag in the register AUXADC_CON3 is set, the auto-sample function is enabled. The A/D converter
will sample the data for the channel in which the corresponding data register has been read. For example, in case the
SYN1 flag is not set, the AUTOSET flag is set, when the data register AUXADC_DAT0 has been read, the A/D
converter will sample the next value for the channel 1 immediately.
If multiple channels are selected at the same time, the task will be performed sequentially on every selected channel.
For example, if we set AUXADC_CON1 to be 0x7f, that is, all 7 channels are selected, the state machine in the unit
will start sampling from channel 6 to channel 0, and save the values of each input channel in the respective registers.
The same process also applies in the timer-triggered mode.
In timer-triggered mode, the A/D converter will sample the value for the channels in which the corresponding SYN
flags are set when the TDMA timer counts to the value specified in the register TDMA_AUXEV1, which is placed in
the TDMA timer. For example, if we set AUXADC_CON0 to be 0x7f, all 7 channels are selected to be in
timer-triggered mode. The state machine will make sampling for all 7 channels sequentially and save the values in
registers from AUXADC_DAT0 to AUXADC_DAT6, as it does in immediate mode.
There provides a dedicated timer-triggered scheme for channel 0. The scheme is enabled by setting the SYN7 flag in
the register AUXADC_CON2. The timing offset for this event is stored in the register TDMA_AUXEV0 in the TDMA
timer. The sampled data triggered by this specific event is stored in the register AUXADC_DAT7. It’s used to separate
the results of two individual software routines that perform action on the auxiliary ADC unit.
The AUTOCLRn in the register AUXADC_CON3 is set when it’s intended to sample only once after setting
timer-triggered mode. If AUTOCLR1 flag has been set, after the data for the channels in timer-triggered mode has been
stored, the SYNn flags in the register AUXADC_CON0 will be cleared. Instead, if AUTOCLR0 flag has been set, after
the data for the channel 0 has been stored in the register AUXADC_DAT7, the SYN7 flag in the register
AUXADC_CON2 will be cleared.
The usage of the immediate mode and timer-triggered mode are mutual exclusive in terms of individual channel.
The PUWAIT_EN bit in the registers AUXADC_CON3 is used to power up the analog port in advance. That ensures
that the power has ramped up to the stable state before A/D converter starts the conversion. The analog part will be
automatically powered down after the conversion is completed.

MT6225 GSM/GPRS Baseband Processor Data Sheet Revision 1.00
156
4.12.1 Register Definitions
AUXADC+000
0h Auxiliary ADC control register 0 AUXADC_CON0
Bit
15 14 13 12 11 10 9 8 7 6 5 4 3 2 1 0
Name
SYN6
SYN5
SYN4
SYN3
SYN2
SYN1
SYN0
Type
R/W
R/W
R/W
R/W
R/W
R/W
R/W
Reset
0 0 0 0 0 0 0
SYNn Those 7 bits define whether the corresponding channel is to be sampled or not in timer-triggered mode. It’s
associated with timing offset register TDMA_AUXEV1. It’s supported to set multiple flags. The flags can be
automatically clearly after those channel have been sampled if AUTOCLR1 in the register AUXADC_CON3
is set.
0 The channel is not selected.
1 The channel is selected.
AUXADC+000
4h Auxiliary ADC control register 1 AUXADC_CON1
Bit
15 14 13 12 11 10 9 8 7 6 5 4 3 2 1 0
Name
IMM6
IMM5
IMM4
IMM3
IMM2
IMM1
IMM0
Type
R/W
R/W
R/W
R/W
R/W
R/W
R/W
Reset
0 0 0 0 0 0 0
IMMn Those 7 bits are set individually to sample the data for the corresponding channel. It’s supported to set
multiple flags.
0 The channel is not selected.
1 The channel is selected.
AUXADC+000
8h Auxiliary ADC control register 2 AUXADC_CON2
Bit
15 14 13 12 11 10 9 8 7 6 5 4 3 2 1 0
Name
SYN7
Type
R/W
Reset
0
SYN7 This bit is used only for channel 0 and to be associated with timing offset register TDMA_AUXEV0 in the
TDMA timer in timer-triggered mode. The flag can be automatically clearly after channel 0 have been sampled
if AUTOCLR0 in the register AUXADC_CON3 is set.
0 The channel is not selected.
1 The channel is selected.
AUXADC+000
Ch Auxiliary ADC control register 3 AUXADC_CON3
Bit
15 14 13 12 11 10 9 8 7 6 5 4 3 2 1 0
Name
AUTO
SET
PUW
AIT_E
N
AUTO
CLR1
AUTO
CLR0
STA
Type
R/W
R/W
R/W
R/W
RO
Reset
0 0 0 0 0
AUTOSET The field defines the auto-sample mode of the module. In auto-sample mode, each channel with its sample
register being read can start sampling immediately without configuring the control register AUXADC_CON1
again.

MT6225 GSM/GPRS Baseband Processor Data Sheet Revision 1.00
157
PUWAIT_EN The field enables the power warm-up period to ensure power stability before the SAR process take
place. It’s recommended to activate.
0 The mode is not enabled.
1 The mode is enabled.
AUTOCLR1 The field defines the auto-clear mode of the module for event 1. In auto-clear mode, each
timer-triggered channel get the samples of the specified channels once after the SYNn bit in the register
AUXADC_CON0 have been set. The SYNn bits will be automatically be cleared and the channel will not
being enabled again by the timer event except the SYNn flags are set again.
0 The automatic clear mode is not enabled.
1 The automatic clear mode is enabled.
AUTOCLR0 The field defines the auto-clear mode of the module for event 0. In auto-clear mode, the
timer-triggered channel 0 get the sample once after the SYN7 bit in the register AUXADC_CON2 have been
set. The SYN7 bit will be automatically cleared and the channel will not be enabled again by the timer event 0
except the SYN7 flag is set again.
0 The automatic clear mode is not enabled.
1 The automatic clear mode is enabled.
STA The field defines the state of the module.
0 This module is idle.
1 This module is busy.
AUXADC+001
0h Auxiliary ADC channel 0 register AUXADC_DAT0
Bit
15 14 13 12 11 10 9 8 7 6 5 4 3 2 1 0
Name
DAT
Type
RO
Reset
0
The register stores the sampled data for the channel 0. There are 8 registers of the same type for the corresponding
channel. The overall register definition is listed in Table 32.
Register Address Register Function Acronym
AUXADC+0010h Auxiliary ADC channel 0 data register AUXADC_DAT0
AUXADC+0014h Auxiliary ADC channel 1 data register AUXADC_DAT1
AUXADC+0018h Auxiliary ADC channel 2 data register AUXADC_DAT2
AUXADC+001Ch Auxiliary ADC channel 3 data register AUXADC_DAT3
AUXADC+0020h Auxiliary ADC channel 4 data register AUXADC_DAT4
AUXADC+0024h Auxiliary ADC channel 5 data register AUXADC_DAT5
AUXADC+0028h Auxiliary ADC channel 6 data register AUXADC_DAT6
AUXADC+002Ch Auxiliary ADC channel 0 data register for TDMA event 0 AUXADC_DAT7
Table 32 Auxiliary ADC data register list
4.13 I2C / SCCB Controller
4.13.1 General Description
I2C (Inter-IC) /SCCB (Serial Camera Control Bus) is a two-wire serial interface. The two signals are SCL and SDA.
SCL is a clock signal that is driven by the master. SDA is a bi-directional data signal that can be driven by either the
master or the slave. This generic controller supports the master role and conforms to the I2C specification.

MT6225 GSM/GPRS Baseband Processor Data Sheet Revision 1.00
158
4.13.1.1 Feature Support
I2C compliant master mode operation
Adjustable clock speed for LS/FS mode operation.
7bit/10 bit addressing support.
High Speed mode support.
Slave Clock Extension support.
START/STOP/REPEATED START condition
Manual/DMA Transfer Mode
Multi write per transfer (up to 8 data bytes for non dma mode and 255 data bytes for dma mode)
Multi read per transfer (up to 8 data bytes for non dma mode and 255 data bytes for dma mode)
Multi transfer per transaction (up to 256 write transfers or 256 read transfers with dma mode)
DMA mode with Fifo Flow Control and bus signal holding
Combined format transfer with length change capability.
Active drive / wired-and I/O configuration
4.13.1.2 Manual/DMA Transfer Mode
The controller offers 2 types of transfer mode, Manual and DMA.
When Manual mode is selected, in addition to the slave address register, the controller has a built-in 8byte deep FIFO
which allows mcu to prepare up to 8 bytes of data for a write transfer, or read up to 8 bytes of data for a read transfer.
When DMA mode is enabled, the data to and from the FIFO is controlled via DMA transfer and can therefore support
up to 255 bytes of consecutive read or write, with the data read from or write to another memory space. When DMA
mode is enabled, flow control mechanism is also implemented to hold the bus clk when FIFO underflow or overflow
condition is encountered.
4.13.1.3 Transfer format support
This controller has been designed to be as generic as possible in order to support a wide range of devices that may
utilize different combinations of transfer formats. Here are the transfer format types that can be supported through
different software configuration:
(Wording convention note:
transfer = anything encapsulated within a Start and Stop or Repeated Start.
transfer length = the number of bytes within the transfer.
transaction = this is the top unit. Everything combined equals 1 transaction.
Transaction length = the number of transfers to be conducted.
)
Master to slave dir
Slave to master dir
Single Byte Access

MT6225 GSM/GPRS Baseband Processor Data Sheet Revision 1.00
159
Slave Address AS DATA A P
Slave Address AS DATA nA P
Single Byte Write
Single Byte Read
Multi Byte Access
Slave Address AS DATA A P
N bytes + ack
Slave Address AS DATA A/
nA P
N bytes + ack/nak
Multi Byte Write
Multi Byte Read
Multi Byte Transfer + Multi Transfer (same direction)
Slave
Address A DATA AS P
Slave
Address A DATA A/
nA
S P
N bytes + ack/nak
N bytes + ack/nak
Multi Byte Write + Multi Transfer
Multi Byte Read + Multi Transfer
X transfers
+ wait time +
X transfers
+ wait time +
Multi Byte Transfer + Multi Transfer w RS (same direction)
Slave
Address A DATA AS R
Slave
Address A DATA A/
nA
S R
N bytes + ack/nak
N bytes + ack/nak
Multi Byte Write + Multi Transfer + Repeated Start
Multi Byte Read + Multi Transfer + Repeated Start
X transfers
X transfers
++
P
P
+
Combined Write/Read with Repeated Start (direction change)

MT6225 GSM/GPRS Baseband Processor Data Sheet Revision 1.00
160
(Note: Only supports Write and then Read sequence. Read and then Write is not supported)
Slave
Address AS DATA A R
N bytes + ack/nak
Slave
Address A DATA A P
M bytes + ack/nak
Combined Multi Byte Write + Multi Byte Read
4.13.2 Programming Examples
Common Transfer Programmable Parameters
Slave
Address ADATA AS P/
RS
transfer_len
Programmable Parameters
transac_len
DATA A
rs_stop
slave_addr
Slave
Address ADATA AS P/
RS
DATA A
delay_len
transfer_len / aux transfer_len
slave_addr + dir change
Output Waveform Timing Programmable Parameters
sample_cnt_div * (1/13Mhz)
step_cnt_div = number of samples
half pulse width =
step_cnt_div * sample_cnt_div * (1/13Mhz)
Sample width =
4.13.3 Register Definitions
I2CREG+0000
h Data Port Register DATA_PORT
Bit
15 14 13 12 11 10 9 8 7 6 5 4 3 2 1 0
Name
FIFO DATA
Type
R/W
Reset
0
DATA_PORT[7:0] This is the FIFO access port. During master write sequences (slave_addr[0] = 0), this
port can be written by APB, and during master read sequences (slave_addr[0] = 1), this port
can be read by APB.
(NOTE) Slave_addr must be set correctly before accessing the fifo.
(DEBUG ONLY) If the fifo_apb_debug bit is set, then the FIFO can be read and write by the
APB

MT6225 GSM/GPRS Baseband Processor Data Sheet Revision 1.00
161
I2CREG+0004
h Slave Address Register SLAVE_ADDR
Bit
15 14 13 12 11 10 9 8 7 6 5 4 3 2 1 0
Name
SLAVE_ADDR
Type
R/W
Reset
0
SLAVE_ADDR [7:0] This specifies the slave address of the device to be accessed. Bit 0 is defined by the
I2C protocol as a bit that indicates the direction of transfer. 1 = master read, 0 = master write.
I2CREG+0008
h Interrupt Mask Register INTR_MASK
Bit
15 14 13 12 11 10 9 8 7 6 5 4 3 2 1 0
Name
DEBU
G
HS_N
ACKE
R
ACKE
RR
TRAN
SAC_
COM
P
Type
R.W
R/W
R/W
R/W
Reset
1 1 1 1
This register provides masks for the corresponding interrupt sources as indicated in intr_stat register.
1 = allow interrupt
0 = disable interrupt
Note: while disabled, the corresponding interrupt will not be asserted, however the intr_stat will still be updated with
the status. Ie. mask does not affect intr_stat register values.
I2CREG+000C
h Interrupt Status Register INTR_STAT
Bit
15 14 13 12 11 10 9 8 7 6 5 4 3 2 1 0
Name
HS_N
ACKE
RR
ACKE
RR
TRAN
SAC_
COM
P
Type
W1C
W1C
W1C
Reset
0 0 0
When an interrupt is issued by i2c controller, this register will need to be read by mcu to determine the cause for the
interrupt. After this status has been read and appropriate actions are taken, the corresponding interrupt source will need
to be write 1 cleared.
HS_NACKERR This status is asserted if hs master code nack error detection is enabled. If enabled, hs
master code nack err will cause transaction to end and stop will be issued.
ACKERR This status is asserted if ACK error detection is enabled. If enabled, ackerr will cause transaction to
end and stop will be issued.
TRANSAC_COMP This status is asserted when a transaction has completed successfully.
I2CREG+0010
h Control Register CONTROL
Bit
15 14 13 12 11 10 9 8 7 6 5 4 3 2 1 0
Name
TRAN
SFER
_LEN
_CHA
NGE
ACKE
RR_D
ET_E
N
DIR_
CHAN
GE
CLK_
EXT
EN
DMA_
EN
RS_S
TOP

MT6225 GSM/GPRS Baseband Processor Data Sheet Revision 1.00
162
Type
R/W
R/W
RW
RW
RW
RW
R/W
Reset
0 0 0 0 0 0 0
TRANSFER_LEN_CHANGEThis options specifies whether or not to change the transfer length after the fist
transfer completes. If enabled, the transfers after the first transfer will use the
transfer_len_aux parameter.
ACKERR_DET_EN This option enables slave ack error detection. When enabled, if slave ack error is
detected, the master shall terminate the transaction by issuing a STOP condition and
then asserts ackerr interrupt. Mcu shall handle this case appropriately and then resets
the fifo address before reissuing transaction again. If this option is disabled, the
controller will ignore slave ack error and keep on scheduled transaction.
0 disable
1 enable
DIR_CHANGE This option is used for combined transfer format, where the direction of transfer is to be
changed from write to read after the FIRST RS condition. Note: when set to 1, the
transfers after the direction change will be based on the transfer_len_aux parameter.
0 disable
1 enable
CLK_EXT_EN I2C spec allows slaves to hold the SCL line low if it is not yet ready for further
processing. Therefore, if this bit is set to 1, master controller will enter a high wait state
until the slave releases the SCL line.
DMA_EN By default, this is disabled, and fifo data shall be manually prepared by mcu. This
default setting should be used for transfer sizes of less than 8 data bytes and no
multiple transfer is configured. When enabled, dma requests are turned on, and the fifo
data should be prepared in memory.
RS_STOP In LS/FS mode, this bit affects multi-transfer transaction only. It controls whether or not
REPEATED-START condition is used between transfers. The last ending transfer
always ends with a STOP.
In HS mode, this bit must be set to 1.
0 use STOP
1 use REPEATED-START
I2CREG+0014
h
Transfer Length Register (Number of Bytesper
Transfer)
TRANSFER_LE
N
Bit
15 14 13 12 11 10 9 8 7 6 5 4 3 2 1 0
Name
TRANSFER_LEN_AUX TRANSFER_LEN
Type
R/W R/W
Reset
‘h1 ‘h1
TRANSFER_LEN_AUX[4:0]This field is valid only when dir_change is set to 1. This indicates the number of
DATA BYTES to be transferred in 1 transfer unit (excluding slave address byte) for the
transfers following the direction change. I.e., if dir_change =1, then the first write
transfer length depends on transfer_len, while the second read transfer length depend
on transfer_len_aux. Dir change is always after the first transfer.
(NOTE) The value must be set greater than 1, otherwise no transfer will take place.
TRANSFER_LEN[7:0] This indicates the number of DATA BYTES to be transferred in 1 transfer unit
(excluding slave address byte)

MT6225 GSM/GPRS Baseband Processor Data Sheet Revision 1.00
163
(NOTE) The value must be set greater than 1, otherwise no transfer will take place.
I2CREG+0018
h
Transaction Length Register (Number of Transfers
per Transaction) TRANSAC_LEN
Bit
15 14 13 12 11 10 9 8 7 6 5 4 3 2 1 0
Name
TRANSAC_LEN
Type
R/W
Reset
‘h1
TRANSAC_LEN[7:0] This indicates the number of TRANSFERS to be transferred in 1 transaction
(NOTE) The value must be set greater than 1, otherwise no transfer will take place.
I2CREG+001C
h Inter Delay Length Register DELAY_LEN
Bit
15 14 13 12 11 10 9 8 7 6 5 4 3 2 1 0
Name
DELAY_LEN
Type
R/W
Reset
‘h2
DELAY_LEN[3:0] This sets the wait delay between consecutive transfers when RS_STOP bit is set to 0.
(the unit is same as the half pulse width)
I2CREG+0020
h Timing Control Register TIMING
Bit
15 14 13 12 11 10 9 8 7 6 5 4 3 2 1 0
Name
DATA
READ
ADJ
DATA_READ_TIME
SAMPLE_CNT_DIV
STEP_CNT_DIV
Type
R/W
R/W R/W R/W
Reset
‘h0
‘h1 ‘h3 ‘h3
LS/FS only. This register is used to control the output waveform timing. Each half pulse width (ie. each high or low
pulse) is equal to = step_cnt_div * (sample_cnt_div * 1/13Mhz)
SAMPLE_CNT_DIV[2:0] Used for LS/FS only. This adjusts the width of each sample. (sample width =
sample_cnt_div * 1/13Mhz)
STEP_CNT_DIV[5:0] This specifies the number of samples per half pulse width (ie. each high or low pulse)
DATA_READ_ADJ When set to 1, data latch in sampling time during master reads are adjusted according
to DATA_READ_TIME value. Otherwise, by default, data is latched in at half of the high
pulse width point. This value must be set to less or equal to half the high pulse width.
DATA_READ_TIME[2:0] This value is valid only when DATA_READ_ADJ is set to 1. This can be used to
adjust so that data is latched in at earlier sampling points (assuming data is settled by
then)
I2CREG+0024
h Start Register START
Bit
15 14 13 12 11 10 9 8 7 6 5 4 3 2 1 0
Name
STAR
T
Type
R/W
Reset
0
START This register starts the transaction on the bus. It is auto deasserted at the end of the
transaction.

MT6225 GSM/GPRS Baseband Processor Data Sheet Revision 1.00
164
I2CREG+0030
h Fifo Status Register FIFO_STAT
Bit
15 14 13 12 11 10 9 8 7 6 5 4 3 2 1 0
Name
RD_ADDR WR_ADDR FIFO_OFFSET WR_F
ULL
RD_E
MPTY
Type
RO RO RO RO
RO
Reset
0 0 0 0 0 0 0
RD_ADDR[3:0] The current rd address pointer. (only bit [2:0] has physical meaning)
WR_ADDR[3:0] The current wr address pointer. (only bit [2:0] has physical meaning)
FIFO_OFFSET[3:0] wr_addr[3:0] – rd_addr[3:0]
WR_FULL This indicates that the fifo is full.
RD_EMPTY This indicates that the fifo is empty.
I2CREG+0034
h Fifo Thresh Register FIFO_THRESH
Bit
15 14 13 12 11 10 9 8 7 6 5 4 3 2 1 0
Name
TX_TRIG_THRESH
RX_TRIG_THRESH
Type
RW R/W
Reset
‘h7 ‘h0
DEBUG ONLY. By default, these values do not need to be adjusted. Note! for RX, no timeout mechanism is
implemented. Therefore, RX_trig_thresh must be left at 0, or there would be data left in the fifo
that is not fetched by DMA controller.
TX_TRIG_THRESH[2:0] When tx fifo level is below this value, tx dma request is asserted.
RX_TRIG_THRESH[2:0] When rx fifo level is above this value, rx dma request is asserted.
I2CREG+0038
h Fifo Address Clear Register FIFO_ADDR_CL
R
Bit
15 14 13 12 11 10 9 8 7 6 5 4 3 2 1 0
Name
FIFO_
ADDR
_CR
Type
WO
Reset
0
FIFO_ADDR_CLR When written with a 1’b1, a 1 pulse fifo_addr_clr is generated to clear the fifo address to
back to 0.
I2CREG+0040
h IO Config Register IO_CONFIG
Bit
15 14 13 12 11 10 9 8 7 6 5 4 3 2 1 0
Name
IO
SYNC
EN
SDA_I
O_CO
NFIG
SCL_I
O_CO
NFIG
Type
R/W
R/W
R/W
Reset
0 0 0
This register is used to configure the I/O for the sda and scl lines to select between normal i/o mode, or open-drain
mode to support wired-and bus.
IO_SYNC_EN DEBUG ONLY: When set to 1, scl and sda inputs will be first dual synced by bclk_ck.
This should not be needed. Only reserved for debugging.

MT6225 GSM/GPRS Baseband Processor Data Sheet Revision 1.00
165
SDA_IO_CONFIG 0 normal tristate io mode
1 open-drain mode
SCL_IO_CONFIG 0 normal tristate io mode
1 open-drain mode
I2CREG+0044
h RESERVED DEBUG Register DEBUG
Bit
15 14 13 12 11 10 9 8 7 6 5 4 3 2 1 0
Name
Type
R/W
R/W
R/W
Reset
0 0 0
NOTE: This register is for DEBUG ONLY. The bits are R/W, do not change the values from the default value.
I2CREG+0048
h High Speed Mode Register HS
Bit
15 14 13 12 11 10 9 8 7 6 5 4 3 2 1 0
Name
HS_SAMPLE_CNT
DIV HS_STEP_CNT_DI
V MASTER_CODE
HS_N
ACKE
RR_D
ET_E
N
HS_E
N
Type
R/W R/W R/W R/W
R/W
Reset
0 1 0 1 0
This register contains options for supporting high speed operation features
Each HS half pulse width (ie. each high or low pulse) is equal to = step_cnt_div * (sample_cnt_div * 1/13Mhz)
HS_SAMPLE_CNT_DIV[2:0]When high speed mode is entered after the master code transfer has been
completed, the sample width becomes dependent on this parameter.
HS_STEP_CNT_DIV[2:0] When high speed mode is entered after the master code transfer has been
completed, the number of samples per half pulse width becomes dependent on this
value.
MASTER_CODE[2:0] This is the 3 bit programmable value for the master code to be transmitted.
HS_NACKERR_DET_EN This enables NACKERR detection during the master code transmission. When
enabled, if NACK is not received after master code has been transmitted, the
transaction will terminated with a STOP condition.
HS_EN This enables the high speed transaction. (note: rs_stop must be set to 1 as well)
I2CREG+0050
h Soft Reset Register SOFTRESET
Bit
15 14 13 12 11 10 9 8 7 6 5 4 3 2 1 0
Name
SOFT
_RES
ET
Type
WO
Reset
0
SOFT_RESET When written with a 1’b1, a 1 pulse soft reset is used as synchronous reset to reset the
I2C internal hardware circuits.

MT6225 GSM/GPRS Baseband Processor Data Sheet Revision 1.00
166
I2CREG+0064
h Debug Status Register DEBUGSTAT
Bit
15 14 13 12 11 10 9 8 7 6 5 4 3 2 1 0
Name
BUS_
BUSY
MAST
ER_W
RITE
MAST
ER_R
EAD
MASTER_STATE
Type
RO
RO
RO
RO
Reset
0 1 0 0
BUS_BUSY DEBUG ONLY: valid when bus_detect_en is 1. bus_busy = 1 indicates a start
transaction has been detected and no stop condition has been detected yet.
MASTER_WRITE DEBUG ONLY: 1 = current transfer is in the master write dir
MASTER_READ DEBUG ONLY: 1 = current transfer is in the master read dir
MASTER_STATE[3:0] DEBUG ONLY: reads back the current master_state.
I2CREG+0068
h Debug Control Register DEBUGCTRL
Bit
15 14 13 12 11 10 9 8 7 6 5 4 3 2 1 0
Name
APB_
DEBU
G_RD
FIFO_
APB_
DEBU
G
Type
WO
R/W
Reset
0 0
APB_DEBUG_RD This bit is only valid when fifo_apb_debug is set to 1. Writing to this register will
generate a 1 pulsed fifo apb rd signal for reading the fifo data.
FIFO_APB_DEBUG This is used for trace32 debug purposes. When using trace32, and the memory map is
shown, turning this bit on will block the normal apb read access. Apb read access to the
fifo is then enabled by writing to apb_debug_rd.
0 disable
1 enable

MT6225 GSM/GPRS Baseband Processor Data Sheet Revision 1.00
167
5 Microcontroller Coprocessors
Microcontroller Coprocessors are designed to run computing-intensive processes in place of the Microcontroller
(MCU). These coprocessors especially target timing critical GSM/GPRS Modem processes that require fast response
and large data movement. Controls to the coprocessors are all through memory access via the APB.
5.1 Divider
To ease the processing load of the MCU, a divider is employed. The divider can perform signed and unsigned
32bit/32bit division, as well as modulus. The processing time of the divider is from 1 clock cycle to 33 clock cycles,
depending on the magnitude of the dividend. Detailed processing times are listed below in Table 33. Table 33 shows
two processing times (except for when the dividend is zero) for each range of dividends, depending on whether or not
restoration is required during the last step of the division operation.
Table 33: Processing Time for Different Dividend Values
Signed Division Unsigned Division
Dividend Clock Cycles Dividend Clock Cycles
0000_0000h 1 0000_0000h 1
0000_00ffh –
(-0000_0100h), excluding
0x0000_0000
8 or 9 0000_0001h - 0000_00ffh 8 or 9
0000_ffffh – (-0001_0000h)
16 or 17 0000_0100h - 0000_ffffh 16 or 17
00ff_ffffh – (-0100_0000h)
24 or 25 0001_0000h - 00ff_ffffh 24 or 25
7fff_ffffh – (-8000_0000h)
32 or 33 0100_0000h - ffff_ffffh 32 or 33
When the divider is started by setting the Divider Control Register START bit to 1, DIV_RDY becomes 0; this bit is
asserted when the division process is complete. MCU detects this status bit by polling it to know the correct access
timing. To simplify polling, only the value of register DIV_RDY is visible while Divider Control Register is being
read. Hence, MCU does not need to mask other bits to extract the value of DIV_RDY.
In a GSM/GPRS system, many divisions are executed with constant divisors. Therefore, oft-used constants are stored
in the divider to speed up the process. By controlling control bits IS_CNST and CNST_IDX in Divider Control
register, a division can be performed without providing a divisor. This omission of a step saves on the time for writing
a divisor in and on the instruction fetch time, thus making the process more efficient.
5.1.1 Register Definitions
DIVIDER+000
0h Divider Control Register DIV_CON
Bit
31
30 29
28
27
26
25
24
23
22 21 20
19
18
17 16
Name
CNST_IDX
Type
WO
Reset
0
Bit
15
14 13
12
11
10
9 8 7 6 5 4 3 2 1 0
Name
IN_CNS
T SIGN
DIV_RD
Y
STAR
T
Type
WO
WO
RO WO
Reset
0 1 1 0
START Starts a division operation. Returns to 0 after the division has started.

MT6225 GSM/GPRS Baseband Processor Data Sheet Revision 1.00
168
DIV_RDY Current status of the divider. Note that when DIV_CON register is read, only the value of DIV_RDY
appears; the program does not need to mask other parts of the register to extract the information in
DIV_RDY.
0 Division is in progress.
1 Division is finished
SIGN Indicates a signed or unsigned division operation.
0 Unsigned division
1 Signed division
IS_CNST Specifies that an internal constant value should be used as a divisor. If IS_CNST is enabled, the divisor
value need not be written, and divider automatically uses the internal constant value instead. The
internal constant value used depends on the value of CNST_IDX.
0 Normal division. Divisor is written in via APB.
1 Using internal constant divisor instead.
CNST_IDX Index of constant divisor.
0 divisor = 13
1 divisor = 26
2 divisor = 51
3 divisor = 52
4 divisor = 102
5 divisor = 104
DIVIDER
+0004h Divider Dividend register DIV_DIVIDEND
Bit
31 30 29 28 27 26 25 24 23 22 21 20 19 18 17 16
Name
DIVIDEND[31:16]
Type
WO
Reset
0
Bit
15 14 13 12 11 10 9 8 7 6 5 4 3 2 1 0
Name
DIVIDEND[15:0]
Type
WO
Reset
0
Dividend.
DIVIDER
+0008h Divider Divisor register DIV_DIVISOR
Bit
31 30 29 28 27 26 25 24 23 22 21 20 19 18 17 16
Name
DIVISOR[31:16]
Type
WO
Reset
0
Bit
15 14 13 12 11 10 9 8 7 6 5 4 3 2 1 0
Name
DIVISOR[15:0]
Type
WO
Reset
0
Divisor.
DIVIDER
+000Ch Divider Quotient register DIV_QUOTIENT
Bit
31 30 29 28 27 26 25 24 23 22 21 20 19 18 17 16
Name
QUOTIENT[31:16]
Type
RO
Reset
0

MT6225 GSM/GPRS Baseband Processor Data Sheet Revision 1.00
169
Bit
15 14 13 12 11 10 9 8 7 6 5 4 3 2 1 0
Name
QUOTIENT[15:0]
Type
RO
Reset
0
Quotient.
DIVIDER
+0010h Divider Remainder register DIV_REMAINDE
R
Bit
31 30 29 28 27 26 25 24 23 22 21 20 19 18 17 16
Name
REMAINDER[31:16]
Type
RO
Reset
0
Bit
15 14 13 12 11 10 9 8 7 6 5 4 3 2 1 0
Name
REMAINDER[15:0]
Type
RO
Reset
0
Remainder.
5.2 CSD Accelerator
5.2.1 General Description
This unit performs the data format conversion of RA0, RA1, and FAX in CSD service. CSD service consists of two
major functions: data flow throttling and data format conversion. The data format conversion is a bit-wise operation
and requires several instructions to complete a conversion, thus making it inefficient for the MCU to perform itself. A
coprocessor, CSD accelerator, is designed to reduce the computing power needed to perform this function.
The CSD accelerator helps in converting data format only; the data flow throttling function is still implemented by the
MCU. CSD accelerator performs three types of data format conversion: RA0, RA1, and FAX.
For RA0 conversion, too many case scenarios for the downlink path conversion greatly increase the hardware area cost,
thus only uplink RA0 data format conversion is provided. Uplink RA0 conversion consists of inserting a start bit
before and a stop bit after each a byte, for a duration of 16 bytes. Figure 49 illustrates the detailed conversion table.
Figure 49: Data Format Conversion of RA0

MT6225 GSM/GPRS Baseband Processor Data Sheet Revision 1.00
170
Data bits Stop bitStart bit
State 0
State 1
State 2
State 3
State 4
The RA0 converter processes data state by state. Therefore, before filling in new data, software must ensure that
converted data of in a state is withdrawn, otherwise the converted data is replaced by new data. For example, if 32
bits of data are written, the state pointer increments from state 0 to state 1, and word ready of state 0 is asserted.
Before writing the next 32-bit data, the word of state 0 must be withdrawn first, or the data is lost when the next
conversion is performed.
RA0 records the number of written bytes, the state pointer, and a ready state word. This information helps the
software to perform flow control. See Register Definition for more detail.
For RA1 conversion, both downlink and uplink directions are supported. The data formats vary for different data rate.
Detailed conversion tables are shown in Figure 50 and Figure 51. The yellow part is the payload data, and the blue
part is the status bit.
Figure 50: Data Format Conversion for 6k/12k RA1
D1 D2 D3 D4 D5 D6 S1
D7 D8 D9 D10 D11 D12 X
D13 D14 D15 D16 D17 D18 S3
D19 D20 D21 D22 D23 D24 S4
E4 E5 E6 E7 D25 D26 D27
D28 D29 D30 S6 D31 D32 D33
D34 D35 D36 X D37 D38 D39
D40 D41 D42 S8 D43 D44 D45
D46 D47 D48 S9
Bit 0
Bit 59
Bit 6
Figure 51: Data Format Conversion for 3.6k RA1

MT6225 GSM/GPRS Baseband Processor Data Sheet Revision 1.00
171
For FAX, two types of bit-reversal functions are provided. Type 1 reversal is a bit-wise reversal (Figure 52), and Type
2 is a byte-wise reversal (Figure 53).
Figure 52: Type 1 Bit Reversal
b31 b30 b29 b0
b0 b1 b2 b31
Figure 53: Type 2 Bit Reversal
b31 b0b7b15b23
b0b7 b15 b8 b23 b16 b31 b24
Table 34: CSD Accelerator Registers
Register Address Register Function Acronym
CSD + 0000h CSD RA0 Control Register CSD_RA0_CON
CSD + 0004h CSD RA0 Status Register CSD_RA0_STA
CSD + 0008h CSD RA0 Input Data Register CSD_RA0_DI
CSD + 000Ch CSD RA0 Output Data Register CSD_RA0_DO
CSD + 0100h CSD RA1 6K/12K Uplink Input Data Register 0 CSD_RA1_6K_12K_ULDI0
CSD + 0104h CSD RA1 6K/12K Uplink Input Data Register 1 CSD_RA1_6K_12K_ULDI1
CSD + 0108h CSD RA1 6K/12K Uplink Status Data Register CSD_RA1_6K_12K_ULSTUS
CSD + 010Ch CSD RA1 6K/12K Uplink Output Data Register 0 CSD_RA1_6K_12K_ULDO0
CSD + 0110h CSD RA1 6K/12K Uplink Output Data Register 1 CSD_RA1_6K_12K_ULDO1
CSD + 0200h CSD RA1 6K/12K Downlink Input Data Register 0 CSD_RA1_6K_12K_DLDI0

MT6225 GSM/GPRS Baseband Processor Data Sheet Revision 1.00
172
CSD + 0204h CSD RA1 6K/12K Downlink Input Data Register 1 CSD_RA1_6K_12K_DLDI1
CSD + 0208h CSD RA1 6K/12K Downlink Output Data Register 0 CSD_RA1_6K_12K_DLDO0
CSD + 020Ch CSD RA1 6K/12K Downlink Output Data Register 1 CSD_RA1_6K_12K_DLDO1
CSD + 0210h CSD RA1 6K/12K Downlink Status Data Register CSD_RA1_6K_12K_DLSTUS
CSD + 0300h CSD RA13.6K Uplink Input Data Register 0 CSD_RA1_3P6K_ULDI0
CSD + 0304h CSD RA13.6K Uplink Status Data Register CSD_RA1_3P6K_ULSTUS
CSD + 0308h CSD RA13.6K Uplink Output Data Register 0 CSD_RA1_3P6K_ULDO0
CSD + 030Ch CSD RA13.6K Uplink Output Data Register 1 CSD_RA1_3P6K_ULDO1
CSD + 0400h CSD RA1 3.6K Downlink Input Data Register 0 CSD_RA1_3P6K_DLDI0
CSD + 0404h CSD RA1 3.6K Downlink Input Data Register 1 CSD_RA1_3P6K_DLDI1
CSD + 0408h CSD RA1 3.6K Downlink Output Data Register 0 CSD_RA1_3P6K_DLDO0
CSD + 040Ch CSD RA1 3.6K Downlink Status Data Register CSD_RA1_3P6K_DLSTUS
CSD + 0500h CSD FAX Bit Reverse Type 1 Input Data Register CSD_FAX_BR1_DI
CSD + 0504h CSD FAX Bit Reverse Type 1 Output Data Register CSD_FAX_BR1_DO
CSD + 0510h CSD FAX Bit Reverse Type 2 Input Data Register CSD_FAX_BR2_DI
CSD + 0514h CSD FAX Bit Reverse Type 2 Output Data Register CSD_FAX_BR2_DO
5.2.2 Register Definitions
CSD+0000h CSD RA0 Control Register CSD_RA0_CON
Bit
31 30 29 28 27 26 25 24 23 22 21 20 19 18 17 16
Name
Type
Reset
Bit
15 14 13 12 11 10 9 8 7 6 5 4 3 2 1 0
Name
RST
BTS0
VLD_BYTE
Type
WO
WO
WO
Reset
0 0 100
VLD_BYTE Specifies the number of valid bytes in the current input data. This value must be specified before filling
data.
BTS0 Back to state 0. Forces RA0 converter return back to state 0. Incomplete words are padded with stop bits.
For example, consider a back-to-state0 command that is issued after 8 bytes of data are filled in. All bits
after the 8th byte are padded with stop bits, and the second ready word byte RDYWD2 is asserted. After
removing state word 2, the state pointer goes back to state 0. Note that new data filling should take place
after removing state word 2, or the state pointer may be out of order.
Figure 54: Example of Back to State 0

MT6225 GSM/GPRS Baseband Processor Data Sheet Revision 1.00
173
Data bits Stop bitStart bit
State 0
State 1
State 2
RST Resets the RA0 converter. If an erroneous operation disorders the data, this bit restores all states to their
original state.
CSD+0004h CSD RA0 Status Register CSD_RA0_STA
Bit
31 30 29 28 27 26 25 24 23 22 21 20 19 18 17 16
Name
Type
Reset
Bit
15 14 13 12 11 10 9 8 7 6 5 4 3 2 1 0
Name
BYTECNT CRTSTA RDYWD
Type
RO RO RC
Reset
0 0 0
RDYWD0~4 Ready words. Indicates which state words are ready for withdrawal. If any bits asserted, data
must be withdrawn before new data is filled into CSD_RA0_DI, to avoid data loss.
0 Not ready
1 Ready
CRTSTA Current state. State0 ~ State4. Indicates which state word software is currently filling.
BYTECNT Total number of bytes being filled.
CSD+0008h CSD RA0 Input Data Register CSD_RA0_DI
Bit
31 30 29 28 27 26 25 24 23 22 21 20 19 18 17 16
Name
DIN
Type
WO
Reset
0
Bit
15 14 13 12 11 10 9 8 7 6 5 4 3 2 1 0
Name
DIN
Type
WO
Reset
0
DIN The RA0 conversion input data. The ready word indicator is checked before filling in data; if any words are
ready, they are withdrawn first, otherwise the ready data in RA0 converter is replaced.
CSD+000Ch CSD RA0 Output Data Register CSD_RA0_DO
Bit
31 30 29 28 27 26 25 24 23 22 21 20 19 18 17 16
Name
DOUT
Type
RO
Reset
0
Bit
15 14 13 12 11 10 9 8 7 6 5 4 3 2 1 0
Name
DOUT
Type
RO
Reset
0

MT6225 GSM/GPRS Baseband Processor Data Sheet Revision 1.00
174
DOUT RA0 converted data. The return data corresponds to the ready word indicator defined in CSD_RA0_STA
register. The five bits of RDYWD map to state0 ~ state 4 respectively. When CSD_RA0_DO is read, the
asserted state word is returned. If two state words asserted at the same time, the lower one is returned.
CSD+0100h CSD RA1 6K/12K Uplink Input Data Register 0 CSD_RA1_6K_1
2K_ULDI0
Bit
31 30 29 28 27 26 25 24 23 22 21 20 19 18 17 16
Name
DIN
Type
WO
Reset
0
Bit
15 14 13 12 11 10 9 8 7 6 5 4 3 2 1 0
Name
DIN
Type
WO
Reset
0
DIN D1 to D32 of the RA1 uplink data.
CSD+0104h CSD RA1 6K/12K Uplink Input Data Register 1 CSD_RA1_6K_1
2K_ULDI1
Bit
31 30 29 28 27 26 25 24 23 22 21 20 19 18 17 16
Name
Type
Reset
Bit
15 14 13 12 11 10 9 8 7 6 5 4 3 2 1 0
Name
DIN
Type
WO
Reset
0
DIN D33 to D48 of the RA1 uplink data.
CSD+0108h CSD RA1 6K/12K Uplink Status Data Register CSD_RA1_6K_1
2K_ULSTUS
Bit
31 30 29 28 27 26 25 24 23 22 21 20 19 18 17 16
Name
Type
Reset
Bit
15 14 13 12 11 10 9 8 7 6 5 4 3 2 1 0
Name
E7
E6
E5
E4
X SB
SA
Type
WO
WO
WO
WO
WO
WO
WO
Reset
0 0 0 0 0 0 0
SA Represents S1, S3, S6, and S8 of the status bits.
SB Represents S4 and S9 of the status bits.
X Represents X of the status bits.
E4 Represents E4 of the status bits.
E5 Represents E5 of the status bits.
E6 Represents E6 of the status bits.
E7 Represents E7 of the status bits.
CSD+010Ch CSD RA1 6K/12K Uplink Output Data Register 0 CSD_RA1_6K_1
2K_ULDO0
Bit
31 30 29 28 27 26 25 24 23 22 21 20 19 18 17 16
Name
DOUT
Type
RO
Reset
0
Bit
15 14 13 12 11 10 9 8 7 6 5 4 3 2 1 0

MT6225 GSM/GPRS Baseband Processor Data Sheet Revision 1.00
175
Name
DOU
Type
RO
Reset
0
DOUT Bit 0 to bit 31 of the RA1 6K/12K uplink frame.
CSD+0110h CSD RA1 6K/12K Uplink Output Data Register 1 CSD_RA1_6K_1
2K_ULDO1
Bit
31 30 29 28 27 26 25 24 23 22 21 20 19 18 17 16
Name
DOUT
Type
RO
Reset
0
Bit
15 14 13 12 11 10 9 8 7 6 5 4 3 2 1 0
Name
DOUT
Type
RO
Reset
0
DOUT Bit 32 to bit 59 of the RA1 6K/12K uplink frame.
CSD+0200h CSD RA1 6K/12K Downlink Input Data Register 0 CSD_RA1_6K_1
2K_DLDI0
Bit
31 30 29 28 27 26 25 24 23 22 21 20 19 18 17 16
Name
DIN
Type
WO
Reset
0
Bit
15 14 13 12 11 10 9 8 7 6 5 4 3 2 1 0
Name
DIN
Type
WO
Reset
0
DIN Bit 0 to bit 31 of the RA1 6K/12K downlink frame.
CSD+0204h CSD RA1 6K/12K Downlink Input Data Register 1 CSD_RA1_6K_1
2K_DLDI1
Bit
31 30 29 28 27 26 25 24 23 22 21 20 19 18 17 16
Name
DIN
Type
WO
Reset
0
Bit
15 14 13 12 11 10 9 8 7 6 5 4 3 2 1 0
Name
DIN
Type
WO
Reset
0
DIN Bit 32 to bit 59 of the RA1 6K/12K downlink frame.
CSD+0208h CSD RA1 6K/12K Downlink Output Data Register 0 CSD_RA1_6K_1
2K_DLDO0
Bit
31 30 29 28 27 26 25 24 23 22 21 20 19 18 17 16
Name
DOUT
Type
RO
Reset
0
Bit
15 14 13 12 11 10 9 8 7 6 5 4 3 2 1 0
Name
DOUT
Type
RO
Reset
0
DOUT D1 to D32 of the RA1 downlink data.

MT6225 GSM/GPRS Baseband Processor Data Sheet Revision 1.00
176
CSD+020Ch CSD RA1 6K/12K Downlink Output Data Register 1 CSD_RA1_6K_1
2K_DLDO1
Bit
31 30 29 28 27 26 25 24 23 22 21 20 19 18 17 16
Name
Type
Reset
Bit
15 14 13 12 11 10 9 8 7 6 5 4 3 2 1 0
Name
DOUT
Type
RO
Reset
0
DOUT D33 to D48 of the RA1 downlink data.
CSD+0210h CSD RA1 6K/12K Downlink Status Data Register CSD_RA1_6K_1
2K_DLSTUS
Bit
31 30 29 28 27 26 25 24 23 22 21 20 19 18 17 16
Name
Type
Reset
Bit
15 14 13 12 11 10 9 8 7 6 5 4 3 2 1 0
Name
E7
E6
E5
E4
X SB
SA
Type
RO
RO
RO
RO
RO
RO
RO
Reset
0 0 0 0 0 0 0
SA The majority vote of the S1, S3, S6 and S8 status bits. If the vote is split, SA=0.
SB The majority vote of the S4 and S9 status bits. If the vote is split, SB=0.
X The majority vote of the two X bits in downlink frame. If the vote is split, X=0.
E4 Represents E4 of the status bits.
E5 Represents E5 of the status bits.
E6 Represents E6 of the status bits.
E7 Represents E7 of the status bits.
CSD+0300h CSD RA1 3.6K Uplink Input Data Register 0 CSD_RA1_3P6
K_ULDI0
Bit
31 30 29 28 27 26 25 24 23 22 21 20 19 18 17 16
Name
DIN
Type
WO
Reset
0
Bit
15 14 13 12 11 10 9 8 7 6 5 4 3 2 1 0
Name
DIN
Type
WO
Reset
0
DIN D1 to D24 of the RA1 3.6K uplink data.
CSD+0304h CSD RA1 3.6K Uplink Status Data Register CSD_RA1_3P6
K_ULSTUS
Bit
31 30 29 28 27 26 25 24 23 22 21 20 19 18 17 16
Name
Type
Reset
Bit
15 14 13 12 11 10 9 8 7 6 5 4 3 2 1 0
Name
E7
E6
E5
E4
X SB
SA
Type
WO
WO
WO
WO
WO
WO
WO
Reset
0 0 0 0 0 0 0

MT6225 GSM/GPRS Baseband Processor Data Sheet Revision 1.00
177
SA Represents S1, S3, S6, and S8 of the status bits.
SB Represents S4 and S9 of the status bits.
X Represents X of the status bits.
E4 Represents E4 of the status bits.
E5 Represents E5 of the status bits.
E6 Represents E6 of the status bits.
E7 Represents E7 of the status bits.
CSD+0308h CSD RA1 3.6K Uplink Output Data Register 0 CSD_RA1_3P6
K_ULDO0
Bit
31 30 29 28 27 26 25 24 23 22 21 20 19 18 17 16
Name
DOUT
Type
RO
Reset
0
Bit
15 14 13 12 11 10 9 8 7 6 5 4 3 2 1 0
Name
DOUT
Type
RO
Reset
0
DOUT Bit 0 to bit 31 of the RA1 3.6K uplink frame.
CSD+030Ch CSD RA1 3.6K Uplink Output Data Register 1 CSD_RA1_3P6
K_ULDO1
Bit
31 30 29 28 27 26 25 24 23 22 21 20 19 18 17 16
Name
Type
Reset
Bit
15 14 13 12 11 10 9 8 7 6 5 4 3 2 1 0
Name
DOUT
Type
RO
Reset
0
DOUT Bit 32 to bit 35 of the RA1 3.6K uplink frame.
CSD+0400h CSD RA1 3.6K Downlink Input Data Register 0 CSD_RA1_3P6
K_DLDI0
Bit
31 30 29 28 27 26 25 24 23 22 21 20 19 18 17 16
Name
DIN
Type
WO
Reset
0
Bit
15 14 13 12 11 10 9 8 7 6 5 4 3 2 1 0
Name
DIN
Type
WO
Reset
0
DIN Bit 0 to bit 31 of the RA1 3.6K downlink frame.
CSD+0404h CSD RA1 3.6K Downlink Input Data Register 1 CSD_RA1_3P6
K_DLDI1
Bit
31 30 29 28 27 26 25 24 23 22 21 20 19 18 17 16
Name
Type
Reset
Bit
15 14 13 12 11 10 9 8 7 6 5 4 3 2 1 0
Name
DIN
Type
WO
Reset
0

MT6225 GSM/GPRS Baseband Processor Data Sheet Revision 1.00
178
DIN Bit 32 to bit 35 of the RA1 3.6K downlink frame.
CSD+0408h CSD RA1 3.6K Downlink Output Data Register 0 CSD_RA1_3P6
K_DLDO0
Bit
31 30 29 28 27 26 25 24 23 22 21 20 19 18 17 16
Name
DOUT
Type
RO
Reset
0
Bit
15 14 13 12 11 10 9 8 7 6 5 4 3 2 1 0
Name
DOUT
Type
RP
Reset
0
DIN D1 to D24 of the RA1 3.6K downlink data.
CSD+040Ch CSD RA1 3.6K Downlink Status Data Register CSD_RA1_3P6
K_DLSTUS
Bit
31 30 29 28 27 26 25 24 23 22 21 20 19 18 17 16
Name
Type
Reset
Bit
15 14 13 12 11 10 9 8 7 6 5 4 3 2 1 0
Name
E7
E6
E5
E4
X SB
SA
Type
RO
RO
RO
RO
RO
RO
RO
Reset
0 0 0 0 0 0 0
SA The majority vote of the S1, S3, S6 and S8 status bits. If the vote is split, SA=0.
SB The majority vote of the S4 and S9 status bits. If the vote is split, SB=0.
X The majority vote of the two X bits in downlink frame. If the vote is split, X=0.
E4 Represents E4 of status bits.
E5 Represents E5 of status bits.
E6 Represents E6 of status bits.
E7 Represents E7 of status bits.
CSD+0500h CSD FAX Bit Reverse Type 1 Input Data Register CSD_FAX_BR1
_DI
Bit
31 30 29 28 27 26 25 24 23 22 21 20 19 18 17 16
Name
DIN
Type
WO
Reset
0
Bit
15 14 13 12 11 10 9 8 7 6 5 4 3 2 1 0
Name
DIN
Type
WO
Reset
0
DIN 32-bit input data for a Type 1 bit reversal of the FAX data. A Type 1 bit reversal reverses the data bit by bit.
CSD+0504h CSD FAX Bit Reverse Type 1 Output Data Register CSD_FAX_BR1
_DO
Bit
31 30 29 28 27 26 25 24 23 22 21 20 19 18 17 16
Name
DOUT
Type
RO
Reset
0
Bit
15 14 13 12 11 10 9 8 7 6 5 4 3 2 1 0
Name
DOUT
Type
RO

MT6225 GSM/GPRS Baseband Processor Data Sheet Revision 1.00
179
Reset
0
DOUT 32-bit result data for a Type 1 bit reversal of the FAX data.
CSD+0510h CSD FAX Bit Reverse Type 2 Input Data Register CSD_FAX_BR2
_DI
Bit
31 30 29 28 27 26 25 24 23 22 21 20 19 18 17 16
Name
DIN
Type
WO
Reset
0
Bit
15 14 13 12 11 10 9 8 7 6 5 4 3 2 1 0
Name
DIN
Type
WO
Reset
0
DIN 32-bit input data for a Type 2 bit reversal of the FAX data. A Type 2 bit reversal reverses the data byte by
byte.
CSD+0514h CSD FAX Bit Reverse Type 2 Output Data Register CSD_FAX_BR2
_DO
Bit
31 30 29 28 27 26 25 24 23 22 21 20 19 18 17 16
Name
DOUT
Type
RO
Reset
0
Bit
15 14 13 12 11 10 9 8 7 6 5 4 3 2 1 0
Name
DOUT
Type
RO
Reset
0
DOUT 32-bit result data for a Type 2 bit reversal of the FAX data.
5.3 FCS Codec
5.3.1 General Description
The Frame Check Sequence (FCS) serves to detect errors in the following information bits:
• RLP-frame of CSD services in GSM: The frame length is fixed at 240 or 576 bits including the 24-bit FCS
field.
• LLC-frame of GPRS service: The frame length is determined by the information field, and length of the
FCS field is 24 bits.
Generation of the FCS is very similar to CRC coding in baseband signal processing. ETSI GSM specifications 04.22
and 04.64 both define the coding rules as:
1. The CRC is the one’s complement of the modulo-2 sum of the following additives:
• the remainder of xk(x23 + x22 + x21 + … + x2 + x + 1) modulo-2 divided by the generator polynomial, where k
is the number of bits of the dividend (i.e. fill the shift registers with all ones initially before feeding data); and,
• the remainder of the modulo-2 division by the generator polynomial of the product of x24 by the dividend,
which are the information bits.
2. The CRC-24 generator polynomial is:
G(x) = x24 + x23 + x21 + x20 + x19 + x17 + x16 + x15 + x13 + x8 + x7 + x5 + x4 + x2 + 1

MT6225 GSM/GPRS Baseband Processor Data Sheet Revision 1.00
180
3. The 24-bit CRC is appended to the data bits in the MSB-first manner.
4. Decoding is identical to encoding except that data fed into the syndrome circuit is 24 bits longer than the
information bits at encoding. The dividend is also multiplied by x24. If no error occurs, the remainder satisfies:
R(x) = x22 + x21 + x19 + x18 + x16 + x15 + x11 + x8 + x5 + x4 (0x6d8930)
And the parity output word is 0x9276cf.
In contrast to conventional CRC, this special coding scheme makes the encoder identical to the decoder and simplifies
the hardware design.
5.3.2 Register Definitions
FCS+0000h FCS input data register FCS_DATA
Bit
15 14 13 12 11 10 9 8 7 6 5 4 3 2 1 0
Name
D15
D14
D13
D12
D11
D10
D9
D8
D7
D6
D5
D4
D3
D2
D1
D0
Type
WO
WO
WO
WO
WO
WO
WO
WO
WO
WO
WO
WO
WO
WO
WO
WO
The data bits input. First write of this register is the starting point of the encode or decode process.
D0~15 The input format is D15·xn+ D14·xn-1+ D13·xn-2+ … + Dk·xk+ …, thus D15 is the first bit pushed into the
shift register. If the last data word is less than 16 bits, the remaining bits are neglected.
FCS+0004h Input data length indication register FCS_DLEN
Bit
15 14 13 12 11 10 9 8 7 6 5 4 3 2 1 0
Name
LEN
Type
WO
The MCU specifies the total data length (in bits) to be encoded or decoded.
LEN Data length. The length must be a multiple of 8 bits.
FCS+0x0008h
FCS parity output register 1, MSB part FCS_PAR1
Bit
15 14 13 12 11 10 9 8 7 6 5 4 3 2 1 0
Name
P15
P14
P13
P12
P11
P10
P9
P8
P7
P6
P5
P4
P3
P2
P1
P0
Type
RC
RC
RC
RC
RC
RC
RC
RC
RC
RC
RC
RC
RC
RC
RC
RC
Reset
0 0 0 0 0 0 0 0 0 0 0 0 0 0 0 0
FCS+000Ch FCS parity output register 2, LSB part FCS_PAR2
Bit
15 14 13 12 11 10 9 8 7 6 5 4 3 2 1 0
Name
P23
P22
P21
P20
P19
P18
P17
P16
Type
RC
RC
RC
RC
RC
RC
RC
RC
Reset
0 0 0 0 0 0 0 0
Parity bits output. For FCS_PAR2, bit 8 to bit 15 are filled with zeros when reading.
P0~23 The output format is P23·D23+ P22·D22+ P21·D21+ … + Pk·Dk+ …+P1·D1+P0, thus P23 is the first bit
being popped out from the shift register and the first appended to the information bits. In other words,
{FCS_PAR2[7:0], FCS_PAR1[15:8], FCS_PAR1[7:0] } is the order of the parity bits appended to the data.
FCS+0010h FCS codec status register FCS_STAT
Bit
15 14 13 12 11 10 9 8 7 6 5 4 3 2 1 0
Name
BUSY
FER
RDY
Type
RC
RC
RC
Reset
0 1 0
BUSY Indicates whether or not the current data work is available for writing. The codec works in a serial manner
and the data word is input in a parallel manner. BUSY=1 indicates that the current data word is being

MT6225 GSM/GPRS Baseband Processor Data Sheet Revision 1.00
181
processed and a write to FCS_DATA is invalid: the operation is permitted but the data may not be consistent.
BUSY=0 allows a write of FCS_DATA during an encoding or decoding process.
FER Frame error indication, for decode mode only. FER=0 means no error has occurred; FER=1 indicates the
parity check has failed. Writing to FCS_RST.RST or the first write to FCS_DATA resets this bit to 0.
RDY When RDY=1, verify that the encode or decode process has been finished. For an encode, the parity data in
FCS_PAR1 and FCS_PAR2 are available and consistent. For a decode, FCS_STAT.FER indication is
valid. A write of FCS_RST.RST or the first write of FCS_DATA resets this bit to 0.
FCS+0014h FCS codec reset register FCS_RST
Bit
15 14 13 12 11 10 9 8 7 6 5 4 3 2 1 0
Name
EN_D
E PAR
BIT
RST
Type
WO
WO
WO
WO
RST RST=0 resets the CRC coprocessor. Before setup of the FCS codec, the MCU needs to set RST=0 to flush
the shift register content before encode or decode.
BIT BIT=0 signifies not to invert the bit order in a data word byte when the codec is running. BIT=1 signifies to
reverse the bit order in a byte written in FCS_DATA.
PAR PAR=0 means not to invert the bit order in a byte of parity words when the codec is running, including
reading FCS_PAR1 and FCS_PAR2. PAR=1 means the bit order of the parity words should be reversed,
in encoding or decoding .
EN_DE EN_DE=0 indicates an encode operation; EN_DE=1 indicates a decode operation.

MT6225 GSM/GPRS Baseband Processor Data Sheet Revision 1.00
182
6 Multi-Media Subsystem
MT6225 is specially designed to support multi-media terminals. It integrates several hardware based accelerators, like
advanced LCD display controller and hardware Image Resizer. Besides, MT6225 also incorporates NAND Flash, USB
1.1 Device and SD/MMC/MS/MS Pro Controllers for massive data transfers and storages. This chapter describes those
functional blocks in detail.
6.1 LCD Interface
6.1.1 General Description
MT6225 contains a versatile LCD controller which is optimized for multimedia applications. This controller supports
many types of LCD modules and contains a rich feature set to enhance the functionality. These features are:
Up to 320 x 240 resolution
The internal frame buffer supports 8bpp indexed color and RGB 565 format.
Supports 8-bpp (RGB332), 12-bpp (RGB444), 16-bpp (RGB565), 18-bit (RGB666) and 24-bit (RGB888) LCD
modules.
4 Layers Overlay with individual color depth, window size, vertical and horizontal offset, source key, alpha value
and display rotation control(90°,180°, 270°, mirror and mirror then 90°, 180° and 270°)
One Color Look-Up Tables
For parallel LCD modules, the LCD controller can reuse external memory interface or use dedicated 8/9/16/18-bit
parallel interface to access them and 8080 type interface is supported. It can transfer the display data from the internal
SRAM or external SRAM/Flash Memory to the off-chip LCD modules.
For serial LCD modules, this interface performs parallel to serial conversion and both 8- and 9- bit serial interface is
supported. The 8-bit serial interface uses four pins – LSCE#, LSDA, LSCK and LSA0 – to enter commands and data.
Meanwhile, the 9-bit serial interface uses three pins – LSCE#, LSDA and LSCK – for the same purpose. Data read is
not available with the serial interface and data entered must be 8 bits.
Data and command send to LCM are always through the parallel Nandflash/Lcd interface or through serial SPI/LCD
interface. Sending LCM signals through EMI is forbidden, but the pixel data produced by LCD controller can be
dumped to memory through AHB bus.

MT6225 GSM/GPRS Baseband Processor Data Sheet Revision 1.00
183
Figure 55 LCD Interface Block Diagram
Figure 56 shows the timing diagram of this serial interface. When the block is idle, LSCK is forced LOW and LSCE#
is forced HIGH. Once the data register contains data and the interface is enabled, LSCE# is pulled LOW and remain
LOW for the duration of the transmission.
8-bit Serial Interface
LSCK(SPH=SPO=0)
LSDA D7 D6 D5 D4 D3 D2 D1 D0
LSCE#
LSA0
9-bit Serial Interface
LSCK(SPH=SPO=0)
LSDA A0 D7 D6 D5 D4 D3 D2 D1 D0
LSCE#
LSA0
Figure 56 LCD Interface Transfer Timing Diagram
LCD = 0x9000_0000
Address Register Function Width Acronym
LCD + 0000h
LCD Interface Status Register 16 LCD_STA
LCD + 0004h
LCD Interface Interrupt Enable Register 16 LCD_INTEN
LCD + 0008h
LCD Interface Interrupt Status Register 16 LCD_INTSTA
LCD + 000ch LCD Interface Frame Transfer Register 16 LCD_START
LCD + 0010h
LCD Parallel/Serial LCM Reset Register 16 LCD_RSTB

MT6225 GSM/GPRS Baseband Processor Data Sheet Revision 1.00
184
LCD + 0014h
LCD Serial Interface Configuration Register 16 LCD_SCNF
LCD + 0018h
LCD Parallel Interface 0 Configuration Register 32 LCD_PCNF0
LCD + 001ch LCD Parallel Interface 1 Configuration Register 32 LCD_PCNF1
LCD + 0020h
LCD Parallel Interface 2 Configuration Register 32 LCD_PCNF2
LCD + 0024h
LCD Parallel Interface N-to-L Wait Cycle 16 LCD_N2L_WAIT_CYCLE
LCD + 0040h
LCD Main Window Size Register 32 LCD_MWINSIZE
LCD + 0044h
LCD ROI Window Write to Memory Offset Register
32 LCD_WROI_W2MOFS
LCD + 0048h
LCD ROI Window Write to Memory Control
Register 16 LCD_WROI_W2MCON
LCD + 004ch LCD ROI Window Write to Memory Address
Register 32 LCD_WROI_W2MADD
LCD + 0050h
LCD ROI Window Control Register 32 LCD_WROICON
LCD + 0054h
LCD ROI Window Offset Register 32 LCD_WROIOFS
LCD + 0058h
LCD ROI Window Command Start Address Register
16 LCD_WROICADD
LCD + 005ch LCD ROI Window Data Start Address Register 16 LCD_WROIDADD
LCD + 0060h
LCD ROI Window Size Register 32 LCD_WROISIZE
LCD + 0068h
LCD ROI Window Background Color Register 32 LCD_WROI_BGCLR
LCD + 0070h
LCD Layer 0 Window Control Register 32 LCD_L0WINCON
LCD + 0074h
LCD Layer 0 Window Display Offset Register 32 LCD_L0WINOFS
LCD + 0078h
LCD Layer 0 Window Display Start Address Register
32 LCD_L0WINADD
LCD + 008Ch
LCD Layer 0 Window Size 32 LCD_L0WINSIZE
LCD + 0080h
LCD Layer 1 Window Control Register 32 LCD_L1WINCON
LCD + 0084h
LCD Layer 1 Window Display Offset Register 32 LCD_L1WINOFS
LCD + 0088h
LCD Layer 1 Window Display Start Address Register
32 LCD_L1WINADD
LCD + 008Ch
LCD Layer 1 Window Size 32 LCD_L1WINSIZE
LCD + 0090h
LCD Layer 2 Window Control Register 32 LCD_L2WINCON
LCD + 0094h
LCD Layer 2 Window Display Offset Register 32 LCD_L2WINOFS
LCD + 0098h
LCD Layer 2 Window Display Start Address Register
32 LCD_L2WINADD
LCD + 009Ch
LCD Layer 2 Window Size 32 LCD_L2WINSIZE
LCD + 00A0h
LCD Layer 3 Window Control Register 32 LCD_L3WINCON
LCD + 00A4h
LCD Layer 3 Window Display Offset Register 32 LCD_L3WINOFS
LCD + 00A8h
LCD Layer 3 Window Display Start Address Register
32 LCD_L3WINADD
LCD + 00ACh
LCD Layer 3 Window Size 32 LCD_L3WINSIZE
LCD + 4000h
LCD Parallel Interface 0 Data 32 LCD_PDAT0
LCD + 4100h
LCD Parallel Interface 0 Command 32 LCD_PCMD0
LCD + 5000h
LCD Parallel Interface 1 Data 32 LCD_PDAT1
LCD + 5100h
LCD Parallel Interface 1 Command 32 LCD_PCMD1
LCD + 6000h
LCD Parallel Interface 2 Data 32 LCD_PDAT2
LCD + 6100h
LCD Parallel Interface 2 Command 32 LCD_PCMD2
LCD + 8000h
LCD Serial Interface 1 Data 16 LCD_SDAT1
LCD + 8100h
LCD Serial Interface 1 Command 16 LCD_SCMD1
LCD + 9000h
LCD Serial Interface 0 Data 16 LCD_SDAT0
LCD + 9100h
LCD Serial Interface 0 Command 16 LCD_SCMD0
LCD + c000h LCD Color Palette LUT0 Register 32 LCD_PAL

MT6225 GSM/GPRS Baseband Processor Data Sheet Revision 1.00
185
~ c3FCh
LCD + c400h
~ c47Ch LCD Interface Command/Parameter 0 Register 32 LCD_COMD0
LCD + c480h
~ c4FCh LCD Interface Command/Parameter 1 Register 32 LCD_COMD1
LCD + c500h
~ c5FCh LCD Gamma LUT Register 32 LCD_GAMMA
Table 35 Memory Map of LCD Interface
6.1.2 Register Definitions
LCD +0000h LCD Interface Status Register LCD_STA
Bit
15 14 13 12 11 10 9 8 7 6 5 4 3 2 1 0
Name
RUN
Type
R
Reset
0
RUN LCD Interface Running Status
LCD +0004h LCD Interface Interrupt Enable Register LCD_INTEN
Bit
15 14 13 12 11 10 9 8 7 6 5 4 3 2 1 0
Name
CPL
Type
R/W
Reset
0
CPL LCD Frame Transfer Complete Interrupt Control
LCD +0008h LCD Interface Interrupt Status Register LCD_INTSTA
Bit
15 14 13 12 11 10 9 8 7 6 5 4 3 2 1 0
Name
CPL
Type
R
Reset
0
CPL LCD Frame Transfer Complete Interrupt
LCD +000Ch LCD Interface Frame Transfer Register LCD_START
Bit
15 14 13 12 11 10 9 8 7 6 5 4 3 2 1 0
Name
STAR
T
Type
R/W
Reset
0
START Start Control of LCD Frame Transfer
LCD +0010h LCD Parallel/Serial Interface Reset Register LCD_RSTB
Bit
15 14 13 12 11 10 9 8 7 6 5 4 3 2 1 0
Name
RSTB
Type
R/W
Reset
1
RSTB Parallel/Serial LCD Module Reset Control
LCD +0014h LCD Serial Interface Configuration Register LCD _SCNF
Bit
15 14 13 12 11 10 9 8 7 6 5 4 3 2 1 0
Name
26M
13M
GAMMA_ID
CSP1
CSP0
8/9
DIV SPH
SPO
Type
R/W
R/W
R/W R/W
R/W
R/W
R/W R/W
R/W

MT6225 GSM/GPRS Baseband Processor Data Sheet Revision 1.00
186
Type
0 0 0 0 0 0 0 0 0
SPO Clock Polarity Control
SPH Clock Phase Control
DIV Serial Clock Divide Select Bits
8/9 8-bit or 9-bit Interface Selection
CSP0 Serial Interface Chip Select 0 Polarity Control
CSP1 Serial Interface Chip Select 1 Polarity Control
GAMMA_ID Serial Interface Gamma Table Selection
00 table 0
01 table 1
10 table 2
11 no table selected
13M Enable 13MHz clock gating
26M Enable 26MHz clock gating
LCD +0018h LCD Parallel Interface Configuration Register 0 LCD_PCNF0
Bit
31 30 29 28 27 26 25 24 23 22 21 20 19 18 17 16
Name
C2WS C2WH C2RS GAMMA_ID_
R
GAMMA_ID_
G
GAMMA_ID_
B DW
Type
R/W R/W R/W R/W R/W R/W R/W
0 0 0 0 0 0 0
Bit
15 14 13 12 11 10 9 8 7 6 5 4 3 2 1 0
Name
26M
13M
WST RLT
Type
R/W
R/W
R/W R/W
Reset
0 0 0 0
RLT Read Latency Time
WST Write Wait State Time
13M Enable 13MHz clock gating
26M Enable 26MHz clock gating
DW Data width of the parallel interface
00 8-bit.
01 9-bit
10 16-bit
11 18-bit
GAMMA_ID _RGamma Correction LUT ID for Red Component
00 table 0
01 table 1
10 table 2
11 no table selected
GAMMA_ID_G Gamma correction LUT ID for Green Component
00 table 0
01 table 1
10 table 2
11 no table selected
GAMMA_ID_B Gamma correction LUT ID for Blue Component
00 table 0
01 table 1
10 table 2
11 no table selected

MT6225 GSM/GPRS Baseband Processor Data Sheet Revision 1.00
187
C2RS Chip Select (LPCE#) to Read Strobe (LRD#) Setup Time
C2WH Chip Select (LPCE#) to Write Strobe (LWR#) Hold Time
C2WS Chip Select (LPCE#) to Write Strobe (LWR#) Setup Time
LCD +001Ch LCD Parallel Interface Configuration Register 1 LCD_PCNF1
Bit
31 30 29 28 27 26 25 24 23 22 21 20 19 18 17 16
Name
C2WS C2WH C2RS GAMM_ID
DW
Type
R/W R/W R/W R/W R/W
0 0 0 0 0
Bit
15 14 13 12 11 10 9 8 7 6 5 4 3 2 1 0
Name
26M
13M
WST RLT
Type
R/W
R/W
R/W R/W
Reset
0 0 0 0
RLT Read Latency Time
WST Write Wait State Time
13M Enable 13MHz clock gating
26M Enable 26MHz clock gating
DW Data width of the parallel interface
00 8-bit.
01 9-bit
10 16-bit
11 18-bit
GAMMA_ID Gamma correction LUT ID for RGB component
00 table 0
01 table 1
10 table 2
11 no table selected
C2RS Chip Select (LPCE#) to Read Strobe (LRD#) Setup Time
C2WH Chip Select (LPCE#) to Write Strobe (LWR#) Hold Time
C2WS Chip Select (LPCE#) to Write Strobe (LWR#) Setup Time
LCD +0020h LCD Parallel Interface Configuration Register 2 LCD_PCNF2
Bit
31 30 29 28 27 26 25 24 23 22 21 20 19 18 17 16
Name
C2WS C2WH C2RS GAMMA_ID
DW
Type
R/W R/W R/W R/W R/W
0 0 0 0 0
Bit
15 14 13 12 11 10 9 8 7 6 5 4 3 2 1 0
Name
26M
13M
WST RLT
Type
R/W
R./W
R/W R/W
Reset
0 0 0 0
RLT Read Latency Time
WST Write Wait State Time
13M Enable 13MHz clock gating.
26M Enable 26MHz clock gating.
DW Data width of the parallel interface
00 8-bit.
01 9-bit
10 16-bit
11 18-bit
GAMMA_ID Gamma Correction LUT ID
00 table 0

MT6225 GSM/GPRS Baseband Processor Data Sheet Revision 1.00
188
01 table 1
10 table 2
11 no table selected
C2RS Chip Select (LPCE#) to Read Strobe (LRD#) Setup Time
C2WH Chip Select (LPCE#) to Write Strobe (LWR#) Hold Time
C2WS Chip Select (LPCE#) to Write Strobe (LWR#) Setup Time
LCD +0024h LCD N-to-L Wait Cycle Register LCD_N2L_WAIT_C
YCLE
Bit
15 14 13 12 11 10 9 8 7 6 5 4 3 2 1 0
Name
N2L_WAIT_CYCLE
Type
R/W
Reset
0
N2L_WAIT_CYCLE Wait cycle between Nandflash to LCD bus grant. The period is (N2L_WAIT_CYCLE+1).
LCD +4000h LCD Parallel 0 Interface Data LCD_PDAT0
Bit
31 30 29 28 27 26 25 24 23 22 21 20 19 18 17 16
Name
DATA[31:16]
Type
R/W
Bit
15 14 13 12 11 10 9 8 7 6 5 4 3 2 1 0
Name
DATA[15:0]
Type
R/W
DATA Writing to LCD+4000 will drive LPA0 low when sending this data out in parallel BANK0, while writing to
LCD+4100 will drive LPA0 high.
LCD +5000h LCD Parallel 1 Interface Data LCD_PDAT1
Bit
31 30 29 28 27 26 25 24 23 22 21 20 19 18 17 16
Name
DATA[31:16]
Type
R/W
Bit
15 14 13 12 11 10 9 8 7 6 5 4 3 2 1 0
Name
DATA[15:0]
Type
R/W
DATA Writing to LCD+5000 will drive LPA0 low when sending this data out in parallel BANK1, while writing to
LCD+5100 will drive LPA0 high
LCD +6000h LCD Parallel 2 Interface Data LCD_PDAT2
Bit
31 30 29 28 27 26 25 24 23 22 21 20 19 18 17 16
Name
DATA[31:16]
Type
R/W
Bit
15 14 13 12 11 10 9 8 7 6 5 4 3 2 1 0
Name
DATA[15:0]
Type
R/W
DATA Writing to LCD+6000 will drive LPA0 low when sending this data out in parallel BANK2, while writing to
LCD+6100 will drive LPA0 high
LCD
+8000/8100h LCD Serial Interface 1 Data LCD_SDAT1
Bit
15 14 13 12 11 10 9 8 7 6 5 4 3 2 1 0
Name
DATA
Type
W

MT6225 GSM/GPRS Baseband Processor Data Sheet Revision 1.00
189
DATA Writing to LCD+8000 will drive LSA0 low while sending this data out in serial BANK1, while writing to
LCD+8100 will drive LSA0 high
LCD
+9000/9100h LCD Serial Interface 0 Data LCD_SDAT0
Bit
15 14 13 12 11 10 9 8 7 6 5 4 3 2 1 0
Name
DATA
Type
W
DATA Writing to LCD+9000 will drive LSA0 low while sending this data out in serial BANK0, while writing to
LCD+9100 will drive LSA0 high
LCD +0040h Main Window Size Register LCD_MWINSIZE
Bit
31 30 29 28 27 26 25 24 23 22 21 20 19 18 17 16
Name
ROW
Type
R/W
Bit
15 14 13 12 11 10 9 8 7 6 5 4 3 2 1 0
Name
COLUMN
Type
R/W
COLUMN 10-bit Virtual Image Window Column Size
ROW 10-bit Virtual Image Window Row Size
LCD +0044h Region of Interest Window Write to Memory Offset
Register
LCD_WROI_W2
MOFS
Bit
31 30 29 28 27 26 25 24 23 22 21 20 19 18 17 16
Name
Y-OFFSET
Type
R/W
Bit
15 14 13 12 11 10 9 8 7 6 5 4 3 2 1 0
Name
X-OFFSET
Type
R/W
This control register is used to specify the offset of the ROI window from the LCD_WROI_W2MADDR when writing
the ROI window’s content to memory.
X-OFFSET the x offset of ROI window in the destination memory.
Y-OFFSET the y offset of ROI window in the destination memory.
LCD +0048h Region of Interest Window Write to Memory Control
Register
LCD_WROI_W2
MOON
Bit
15 14 13 12 11 10 9 8 7 6 5 4 3 2 1 0
Name
DISC
ON
W2L
CM
Type
R/W
R/W
Reset
0 0
This control register is effective only when the W2M bit is set in LCD_WROICON register.
W2LCM Write to LCM simultaneously.
DISCON Block Write Enable Control. By setting both DISCON and W2M to 1, the LCD controller will write
out the ROI pixel data as a part of MAIN window, using the width of MAIN window to calculate the write-out address.
If this bit is not set, the ROI window will be written to memory in continuous addresses.
LCD +004Ch Region of Interest Window Write to Memory
Address Register
LCD_WROI_W2
MADD
Bit
31 30 29 28 27 26 25 24 23 22 21 20 19 18 17 16
Name
W2M_ADDR

MT6225 GSM/GPRS Baseband Processor Data Sheet Revision 1.00
190
Type
R/W
Bit
15 14 13 12 11 10 9 8 7 6 5 4 3 2 1 0
Name
W2M_ADDR
Type
R/W
W2M_ADDR Write to memory address.
LCD +0050h Region of Interest Window Control Register LCD_WROICO
N
Bit
31
30
29
28
27
26
25
24
23
22
21
20
19
18
17
16
Name
EN0
EN1
EN2
EN3
PERIOD
Type
R/W
R/W
R/W
R/W
R/W
Bit
15
14
13
12
11
10
9
8
7
6
5
4
3
2
1
0
Name
ENC
W2M
COM
M_SE
L
COMMAND FORMAT
Type
R/W
R/W
R/W
R/W R/W
FORMAT LCD Module Data Format
Bit 0 : in BGR sequence, otherwise in RGB sequence.
Bit 1 : LSB first, otherwise MSB first.
Bit 2 : padding bits on MSBs, otherwise on LSBs.
Bit 5-3 : 000 for RGB332, 001 for RGB444, 010 for RGB565, 011 for RGB666, 100 for RGB888.
Bit 7-6 : 00 for 8-bit interface, 01 for 16-bit interface, 10 for 9-bit interface, 11 for 18-bit interface.
Note: When the interface is configured as 9 bit or 18 bit, the field of bit5-2 is ignored.
00000000 8bit 1cycle/1pixel RGB3.3.2 RRRGGGBB
00000001 1cycle/1pixel RGB3.3.2 BBGGGRRR
00001000 3cycle/2pixel RGB4.4.4 RRRRGGGG
BBBBRRRR
GGGGBBBB
00001011 3cycle/2pixel RGB4.4.4 GGGGRRRR
RRRRBBBB
BBBBGGGG
00010000 2cycle/1pixel RGB5.6.5 RRRRRGGG
GGGBBBBB
00010011 2cycle/1pixel RGB5.6.5 GGGRRRRR
BBBBBGGG
00011000 3cycle/1pixel RGB6.6.6 RRRRRRXX
GGGGGGXX
BBBBBBXX
00011100 3cycle/1pixel RGB6.6.6 XXRRRRRR
XXGGGGGG
XXBBBBBB
00100000 3cycle/1pixel RGB8.8.8 RRRRRRRR
GGGGGGGG
BBBBBBBB
10011000 9bit 2cycle/1pixel RGB6.6.6 RRRRRRGGG
GGGBBBBBB
10011011 2cycle/1pixel RGB6.6.6 GGGRRRRRR
BBBBBBGGG
01000000 16bit 1cycle/2pixel RGB3.3.2 RRRGGGBBRRRGGGBB

MT6225 GSM/GPRS Baseband Processor Data Sheet Revision 1.00
191
01000010 1cycle/2pixel RGB3.3.2 RRRGGGBBRRRGGGBB
01000001 1cycle/2pixel RGB3.3.2 BBGGGRRRBBGGGRRR
01000011 1cycle/2pixel RGB3.3.2 BBGGGRRRBBGGGRRR
01001100 1cycle/1pixel RGB4.4.4 XXXXRRRRGGGGBBBB
01001101 1cycle/1pixel RGB4.4.4 XXXXBBBBGGGGRRRR
01001000 1cycle/1pixel RGB4.4.4 RRRRGGGGBBBBXXXX
01001001 1cycle/1pixel RGB4.4.4 BBBBGGGGRRRRXXXX
01010000 1cycle/1pixel RGB5.6.5 RRRRRGGGGGGBBBBB
01010001 1cycle/1pixel RGB5.6.5 BBBBBGGGGGGRRRRR
01011100 3cycle/2pixel RGB6.6.6 XXXXRRRRRRGGGGGG
XXXXBBBBBBRRRRRR
XXXXGGGGGGBBBBBB
01011111 3cycle/2pixel RGB6.6.6 XXXXGGGGGGRRRRRR
XXXXRRRRRRBBBBBB
XXXXBBBBBBGGGGGG
01011000 3cycle/2pixel RGB6.6.6 RRRRRRGGGGGGXXXX
BBBBBBRRRRRRXXXX
GGGGGGBBBBBBXXXX
01011011 3cycle/2pixel RGB6.6.6 GGGGGGRRRRRRXXXX
RRRRRRBBBBBBXXXX
BBBBBBGGGGGGXXXX
01100000 3cycle/2pixel RGB8.8.8 RRRRRRRRGGGGGGGG
BBBBBBBBRRRRRRRR
GGGGGGGGBBBBBBBB
01100011 3cycle/2pixel RGB8.8.8 GGGGGGGGRRRRRRRR
RRRRRRRRBBBBBBBB
BBBBBBBBRRRRRRRR
11011000 18bit 1cycle/1pixel RGB6.6.6 RRRRRRGGGGGGBBBBBB
11011001 1cycle/1pixel RGB6.6.6 BBBBBBGGGGGGRRRRRR
11100000 3cycle/2pixel RGB8.8.8 RRRRRRRRGGGGGGGG
BBBBBBBBRRRRRRRR
GGGGGGGGBBBBBBBB
11100011 3cycle/2pixel RGB8.8.8 GGGGGGGGRRRRRRRR
RRRRRRRRBBBBBBBB
BBBBBBBBRRRRRRRR
COMMAND Number of Commands to be sent to LCD module. Maximum is 31.
COMM_SEL Command Queue Selection, 0 for LCD_COMD0 , 1 for LCD_COMD1.
W2M Enable Data Address Increasing After Each Data Transfer
ENC Command Transfer Enable Control
PERIOD Waiting period between two consecutive transfers, effective for both data and command.
ENn Layer Window Enable Control
LCD +0054h Region of Interest Window Offset Register LCD_WROIOFS
Bit
31 30 29 28 27 26 25 24 23 22 21 20 19 18 17 16
Name
Y-OFFSET
Type
R/W
Bit
15 14 13 12 11 10
9 8 7 6 5 4 3 2 1 0
Name
X-OFFSET
Type
R/W

MT6225 GSM/GPRS Baseband Processor Data Sheet Revision 1.00
192
X-OFFSET ROI Window Column Offset
Y-OFFSET ROI Window Row Offset
LCD +0058h Region of Interest Window Command Start Address
Register
LCD_WROICAD
D
Bit
15 14 13 12 11 10 9 8 7 6 5 4 3 2 1 0
Name
ADDR
Type
R/W
ADDR ROI Window Command Address. Only writing to LCD modules is allowed.
LCD +005Ch Region of Interest Window Data Start Address
Register
LCD_WROIDAD
D
Bit
15 14 13 12 11 10 9 8 7 6 5 4 3 2 1 0
Name
ADDR
Type
R/W
ADDR ROI Window Data Address Only writing to LCD modules is allowed.
LCD +0060h Region of Interest Window Size Register LCD_WROISIZE
Bit
31 30 29 28 27 26 25 24 23 22 21 20 19 18 17 16
Name
ROW
Type
R/W
Bit
15 14 13 12 11 10
9 8 7 6 5 4 3 2 1 0
Name
COLUMN
Type
R/W
COLUMN ROI Window Column Size (height)
ROW ROI Window Row Size (width)
LCD +0068h Region of Interest Background Color Register LCD_WROI_BG
CLR
Bit
15 14 13 12 11
10 9 8 7 6 5 4 3 2 1 0
Name
RED[4:0] GREEN[5:0] BLUE[4:0]
Type
R/W R/W R/W
Reset
1_1111 11_1111 1_1111
RED Red component of ROI window’s background color
GREEN Green component of ROI window’s background color
BLUE Blue component of ROI window’s background color
LCD +0070h Layer 0 Window Control Register LCD_L0WINCO
N
Bit
31 30 29 28 27 26 25 24 23 22 21 20 19 18 17 16
Name
SRCKEY
Type
R/W
Bit
15 14 13 12 11 10 9 8 7 6 5 4 3 2 1 0
Name
SRC
KEYE
N ROTATE PLAE
N OPAE
N OPA SWP
Type
R/W
R/W
R/W R/W
R/W
R/W R/W
SWP Swap high byte and low byte of pixel data
OPA Opacity value, used as constant alpha value.
OPAEN Opacity enabled
PLAEN Color Palette enabled( 8bpp indexed color mode), otherwise in RGB565 mode.

MT6225 GSM/GPRS Baseband Processor Data Sheet Revision 1.00
193
ROTATE Rotation Configuration
000 0 degree rotation
001 90 degree rotation anti-counterclockwise
010 180 degree rotation anti-counterclockwise
011 270 degree rotation anti-counterclockwise
100 Horizontal flip
101 Horizontal flip then 90 degree rotation anti-counterclockwise
110 Horizontal flip then 180 degree rotation anti-counterclockwise
111 Horizontal flip then 270 degree rotation anti-counterclockwise
KEYEN Source Key Enable Control
SRC Disable auto-increment of the source pixel address
LCD +0074h Layer 0 Window Display Offset Register LCD_L0WINOF
S
Bit
31 30 29 28 27 26 25 24 23 22 21 20 19 18 17 16
Name
Y-OFFSET
Type
R/W
Bit
15 14 13 12 11 10
9 8 7 6 5 4 3 2 1 0
Name
X-OFFSET
Type
R/W
Y-OFFSET Layer 0 Window Row Offset
X-OFFSET Layer 0 Window Column Offset
LCD+0078h Layer 0 Window Display Start Address Register LCD_L0WINAD
D
Bit
31 30 29 28 27 26 25 24 23 22 21 20 19 18 17 16
Name
ADDR
Type
R/W
Bit
15 14 13 12 11 10 9 8 7 6 5 4 3 2 1 0
Name
ADDR
Type
R/W
ADDR Layer 0 Window Data Address
LCD +007Ch Layer 0 Window Size LCD_L0WINSIZ
E
Bit
31 30 29 28 27 26 25 24 23 22 21 20 19 18 17 16
Name
ROW
Type
R/W
Bit
15 14 13 12 11 10
9 8 7 6 5 4 3 2 1 0
Name
COLUMN
Type
R/W
ROW Layer 0 Window Row Size
COLUMN Layer 0 Window Column Size
LCD +0080h Layer 1 Window Control Register LCD_L1WINCO
N
Bit
31 30 29 28 27 26 25 24 23 22 21 20 19 18 17 16
Name
SRCKEY
Type
R/W
Bit
15 14 13 12 11 10 9 8 7 6 5 4 3 2 1 0
Name
SRC
KEYE
N ROTATE PLAE
N
PLA0/
1
OPAE
N OPA SWP

MT6225 GSM/GPRS Baseband Processor Data Sheet Revision 1.00
194
Type
R/W
R/W
R/W R/W
R/W
R/W
R/W R/W
SWP Swap high byte and low byte of pixel data
OPA Opacity value, used as constant alpha value.
OPAEN Opacity enabled
PLA0/1 Palette 0 or 1 selection
PLAEN Color Palette enabled( 8bpp indexed color mode), otherwise in RGB565 mode.
ROTATE Rotation Configuration
000 0 degree rotation
001 90 degree rotation counterclockwise
010 180 degree rotation counterclockwise
011 270 degree rotation counterclockwise
100 Horizontal flip
101 Horizontal flip then 90 degree rotation counterclockwise
110 Horizontal flip then 180 degree rotation counterclockwise
111 Horizontal flip then 270 degree rotation counterclockwise
KEYEN Source Key Enable Control
SRC Disable auto-increment of the source pixel address
LCD +0084h Layer 1 Window Display Offset Register LCD_L1WINOF
S
Bit
31 30 29 28 27 26 25 24 23 22 21 20 19 18 17 16
Name
Y-OFFSET
Type
R/W
Bit
15 14 13 12 11 10
9 8 7 6 5 4 3 2 1 0
Name
X-OFFSET
Type
R/W
Y-OFFSET Layer 1 Window Row Offset
X-OFFSET Layer 1 Window Column Offset
LCD+0088h Layer 1 Window Display Start Address Register LCD_L1WINAD
D
Bit
31 30 29 28 27 26 25 24 23 22 21 20 19 18 17 16
Name
ADDR
Type
R/W
Bit
15 14 13 12 11 10 9 8 7 6 5 4 3 2 1 0
Name
ADDR
Type
R/W
ADDR Layer 1 Window Data Address
LCD +008Ch Layer 1 Window Size LCD_L1WINSIZ
E
Bit
31 30 29 28 27 26 25 24 23 22 21 20 19 18 17 16
Name
ROW
Type
R/W
Bit
15 14 13 12 11 10
9 8 7 6 5 4 3 2 1 0
Name
COLUMN
Type
R/W
ROW Layer 1 Window Row Size
COLUMN Layer 1 Window Column Size

MT6225 GSM/GPRS Baseband Processor Data Sheet Revision 1.00
195
LCD +0090h Layer 2 Window Control Register LCD_L2WINCO
N
Bit
31 30 29 28 27 26 25 24 23 22 21 20 19 18 17 16
Name
SRCKEY
Type
R/W
Bit
15 14 13 12 11 10 9 8 7 6 5 4 3 2 1 0
Name
SRC
KEYE
N ROTATE PLAE
N
PLA0/
1
OPAE
N OPA SWP
Type
R/W
R/W
R/W R/W
R/W
R/W
R/W R/W
SWP Swap high byte and low byte of pixel data
OPA Opacity value, used as constant alpha value.
OPAEN Opacity enabled
PLA0/1 Palette 0 or 1 selection
PLAEN Color Palette enabled( 8bpp indexed color mode), otherwise in RGB565 mode.
ROTATE Rotation Configuration
000 0 degree rotation
001 90 degree rotation anti-counterclockwise
010 180 degree rotation anti-counterclockwise
011 270 degree rotation anti-counterclockwise
100 Horizontal flip
101 Horizontal flip then 90 degree rotation anti-counterclockwise
110 Horizontal flip then 180 degree rotation anti-counterclockwise
111 Horizontal flip then 270 degree rotation anti-counterclockwise
KEYEN Source Key Enable Control
SRC Disable auto-increment of the source pixel address
LCD +0094h Layer 2 Window Display Offset Register LCD_L2WINOF
S
Bit
31 30 29 28 27 26 25 24 23 22 21 20 19 18 17 16
Name
Y-OFFSET
Type
R/W
Bit
15 14 13 12 11 10
9 8 7 6 5 4 3 2 1 0
Name
X-OFFSET
Type
R/W
Y-OFFSET Layer 2 Window Row Offset
X-OFFSET Layer 2 Window Column Offset
LCD+0098h Layer 2 Window Display Start Address Register LCD_L2WINAD
D
Bit
31 30 29 28 27 26 25 24 23 22 21 20 19 18 17 16
Name
ADDR
Type
R/W
Bit
15 14 13 12 11 10 9 8 7 6 5 4 3 2 1 0
Name
ADDR
Type
R/W
ADDR Layer 1 Window Data Address
LCD +009Ch Layer 2 Window Size LCD_L2WINSIZ
E
Bit
31 30 29 28 27 26 25 24 23 22 21 20 19 18 17 16

MT6225 GSM/GPRS Baseband Processor Data Sheet Revision 1.00
196
Name
ROW
Type
R/W
Bit
15 14 13 12 11 10
9 8 7 6 5 4 3 2 1 0
Name
COLUMN
Type
R/W
ROW Layer 2 Window Row Size
COLUMN Layer 2 Window Column Size
LCD +00A0h Layer 3 Window Control Register LCD_L3WINCO
N
Bit
31 30 29 28 27 26 25 24 23 22 21 20 19 18 17 16
Name
SWP
Type
R/W
Bit
15 14 13 12 11 10 9 8 7 6 5 4 3 2 1 0
Name
SRC
KEYE
N ROTATE CLRDPT OPAE
N OPA
Type
R/W
R/W
R/W R/W R/W
R/W
SWP Swap high byte and low byte of pixel data
OPA Opacity value, used as constant alpha value.
OPAEN Opacity enabled
PLA0/1 Palette 0 or 1 selection
PLAEN Color Palette enabled( 8bpp indexed color mode), otherwise in RGB565 mode.
ROTATE Rotation Configuration
000 0 degree rotation
001 90 degree rotation anti-counterclockwise
010 180 degree rotation anti-counterclockwise
011 270 degree rotation anti-counterclockwise
100 Horizontal flip
101 Horizontal flip then 90 degree rotation anti-counterclockwise
110 Horizontal flip then 180 degree rotation anti-counterclockwise
111 Horizontal flip then 270 degree rotation anti-counterclockwise
KEYEN Source Key Enable Control
SRC Disable auto-increment of the source pixel address
LCD +00A4h Layer 3 Window Display Offset Register LCD_L3WINOF
S
Bit
31 30 29 28 27 26 25 24 23 22 21 20 19 18 17 16
Name
Y-OFFSET
Type
R/W
Bit
15 14 13 12 11 10
9 8 7 6 5 4 3 2 1 0
Name
X-OFFSET
Type
R/W
Y-OFFSET Layer 3 Window Row Offset
X-OFFSET Layer 3 Window Column Offset
LCD+00A8h Layer 3 Window Display Start Address Register LCD_L3WINAD
D
Bit
31 30 29 28 27 26 25 24 23 22 21 20 19 18 17 16
Name
ADDR
Type
R/W
Bit
15 14 13 12 11 10 9 8 7 6 5 4 3 2 1 0

MT6225 GSM/GPRS Baseband Processor Data Sheet Revision 1.00
197
Name
ADDR
Type
R/W
ADDR Layer 3 Window Data Address
LCD +00ACh Layer 3 Window Size LCD_L3WINSIZ
E
Bit
31 30 29 28 27 26 25 24 23 22 21 20 19 18 17 16
Name
ROW
Type
R/W
Bit
15 14 13 12 11 10
9 8 7 6 5 4 3 2 1 0
Name
COLUMN
Type
R/W
ROW Layer 3 Window Row Size
COLUMN Layer 3 Window Column Size
LCD
+C000h~C3FCh LCD Interface Color Palette LUT Registers LCD_PAL
Bit
31 30 29 28 27 26 25 24 23 22 21 20 19 18 17 16
Name
RED[5:4]
Type
R/W
Bit
15 14 13 12 11 10 9 8 7 6 5 4 3 2 1 0
Name
RED[3:0] GREEN[5:0] BLUE[5:0]
Type
R/W R/W R./W
LUT0 These Bits Set Palettte LUT Data in RGB666 Format
LCD +C400h~C47C
LCD Interface Command/Parameter 0 Registers
LCD_COMD0
Bit
31 30 29 28 27 26 25 24 23 22 21 20 19 18 17 16
Name
C0
COMM[17:16
]
Type
R/W
R/W
Bit
15 14 13 12 11 10 9 8 7 6 5 4 3 2 1 0
Name
COMM[15:0]
Type
R/W
COMM Command Data and Parameter Data for LCD Module
C0 Write to ROI Command Address if C0 = 1, otherwise write to ROI Data Address
LCD +C480h~C500
LCD Interface Command/Parameter 1 Registers
LCD_COMD1
Bit
31 30 29 28 27 26 25 24 23 22 21 20 19 18 17 16
Name
C0
COMM[17:16
]
Type
R/W
R/W
Bit
15 14 13 12 11 10 9 8 7 6 5 4 3 2 1 0
Name
COMM[15:0]
Type
R/W
COMM Command Data and Parameter Data for LCD Module
C0 Write to ROI Command Address if C0 = 1, otherwise write to ROI Data Address
LCD
+C500h~C5FCh LCD Interface Gamma LUT Registers LCD_GAMMA
Bit
31 30 29 28 27 26 25 24 23 22 21 20 19 18 17 16
Name
TABLE_2[5:
4]
Type
R/W

MT6225 GSM/GPRS Baseband Processor Data Sheet Revision 1.00
198
Bit
15 14 13 12 11 10 9 8 7 6 5 4 3 2 1 0
Name
TABLE_2[3:0] TABLE_1[5:0] TABLE_0[5:0]
Type
R/W R/W R./W
TABLE_0 These Bits Set the Values of Gamma Table 0
TABLE_1 These Bits Set the Values of Gamma Table 1
TABLE_2 These Bits Set the Values of Gamma Table 2
6.2 Image Resizer
6.2.1 General Description
This block provides the image resizing function for image and video capturing scenarios. It receives image data from
the ISP module, performs the image resizing function and outputs either RGB565 or YUV420 to the GMC module.
Figure 57 shows the block diagram. The capture resize is composed of horizontal and vertical resizing blocks. It
can scale up or down the input image by any ratio. However, the maximum sizes of input and output images are
limited to 2047x2047.
Figure 57 Overview of Image Resizer
The base address of Image Resizer is 0x8061_0000.
6.2.2 Fine Resizing
Fine resizing is composed of horizontal resizing and vertical resizing. It has fractional resizing capability. The image
input to fine resizing has size limit of maximum 2047x2047, so does the output of fine resizing. For the sake of cost
and speed, the algorithm used in fine resizing is bilinear algorithm. In horizontal resizing working memory enough to
fill in two scan-lines is needed. Of course dual buffer or more can be used. For pixel-based image, horizontal or vertical
resizing can be trigged if necessarily or disabled if unnecessarily. However, if horizontal/vertical resizing is
unnecessary and trigged, then horizontal/vertical resizing must be reset after resizing finishes.
6.2.3 YUV2RGB
Format translation from YUV domain to RGB domain is provided after vertical resizing. The sources of YUV2RGB are
image data on the fly after vertical resizing. RGB is in format of 5-6-5. RGB output from YUV2RGB is in format of
5-6-5. That is, one pixel occupies two bytes.
Vertical
resize
ISP
YUV4
44
vert. buffer
GMC
YUV422
Horizontal
resize
YUV4
20
RGB565

MT6225 GSM/GPRS Baseband Processor Data Sheet Revision 1.00
199
MSB LSB Memory Address
pixel 1 R (5bits) G (6 bits) B (5 bits) 0
pixel 2 R (5bits) G (6 bits) B (5 bits) 2
pixel 3 R (5bits) G (6 bits) B (5 bits) 4
Line 1 pixel 4 R (5bits) G (6 bits) B (5 bits) 6
pixel W R (5bits) G (6 bits) B (5 bits) 2x(W-1)
pixel 1 R (5bits) G (6 bits) B (5 bits) 2W
pixel 2 R (5bits) G (6 bits) B (5 bits) 2W+2
pixel 3 R (5bits) G (6 bits) B (5 bits) 2W+4
Line 2 pixel 4 R (5bits) G (6 bits) B (5 bits) 2W+6
pixel W R (5bits) G (6 bits) B (5 bits) 2x(2W-1)
Figure 58 RGB Format
6.2.4 Register Definitions
REGISTER ADDRESS
REGISTER NAME SYNONYM
RESZ+ 0000h Image Resizer Configuration Register RESZ_CFG
RESZ + 0004h Image Resizer Control Register RESZ_CON
RESZ + 0008h Image Resizer Status Register RESZ_STA
RESZ + 000Ch Image Resizer Interrupt Register RESZ_INT
RESZ + 0010h Image Resizer Source Image Size Register 1 RESZ_SRCSZ1
RESZ + 0014h Image Resizer Target Image Size Register 1 RESZ_TARSZ1
RESZ + 0018h Image Resizer Horizontal Ratio Register 1 RESZ_HRATIO1
RESZ + 001Ch Image Resizer Vertical Ratio Register 1 RESZ_VRATIO1
RESZ + 0020h Image Resizer Horizontal Residual Register 1 RESZ_HRES1
RESZ + 0024h Image Resizer Vertical Residual Register 1 RESZ_VRES1
RESZ + 0040h Image Resizer Fine Resizing Configuration Register RESZ_FRCFG
RESZ + 005Ch Image Resizer Pixel-Based Resizing Working Memory Base
Address RESZ_PRWMBASE
RESZ + 0080h Image Resizer YUV2RGB Configuration Register RESZ_YUV2RGB
RESZ + 0084h Image Resizer Target Memory Base Address Register 1
(RGB565) RESZ_TMBASE1
RESZ + 0088h Image Resizer Target Memory Base Address Register 2
(RGB565) RESZ_TMBASE2
RESZ + 00B0h Image Resizer Information Register 0 RESZ_INFO0
RESZ + 00B8h Image Resizer Information Register 2 RESZ_INFO2
RESZ + 00BCh Image Resizer Information Register 3 RESZ_INFO3
RESZ + 00C0h Image Resizer Information Register 4 RESZ_INFO4
RESZ + 00C4h Image Resizer Information Register 5 RESZ_INFO5
RESZ + 00D0h Image Resizer Target Memory Base Address for Y (YUV420 RESZ_TMBASE_Y

MT6225 GSM/GPRS Baseband Processor Data Sheet Revision 1.00
200
mode)
RESZ + 00D4h Image Resizer Target Memory Base Address for U (YUV420
mode) RESZ_TMBASE_U
RESZ + 00D8h Image Resizer Target Memory Base Address for V (YUV420
mode) RESZ_TMBASE_V
RESZ+0000h Image Resizer Configuration Register RESZ_CFG
Bit
31 30 29
28
27
26
25
24
23
22
21
20 19 18 17 16
Name
Type
Reset
Bit
15 14 13
12
11
10
9 8 7 6 5 4 3 2 1 0
Name
PCON
Type
R/W
Reset
0
The register is for global configuration of Image Resizer.
PCON The register bit specifies if pixel-based resizing continues whenever an image finishes processing. Once
continuous run for pixel-based resizing is enabled and pixel-based resizing is running, the only way to stop is
to reset Capture Resize. If to stop immediately is desired, reset Capture Resize directly. If the last image is
desired, set the register bit to ‘0’ first. Then wait until image resizer is not busy again. Finally reset image
resizer.
0 Single run
1 Continuous run
RESZ+0004h Image Resizer Control Register RESZ_CON
Bit
31 30 29 28 27 26 25 24 23 22 21 20 19 18 17 16
Name
OUTR
ST
PELV
RRST
PELH
RRST
Type
R/W
R/W
R/W
Reset
0 0 0
Bit
15 14 13 12 11 10 9 8 7 6 5 4 3 2 1 0
Name
OUTE
NA
PELV
RENA
PELH
RENA
Type
R/W
R/W
R/W
Reset
0 0 0
The register is for global control of Image Resizer. Furthermore, software reset will NOT reset all register setting.
Remember trigger Image Resizer first before trigger image sources to Image Resizer.
PELHRENA Writing ‘1’ to the register bit will cause pixel-based fine horizontal resizing proceed to work.
However, if horizontal resizing is not necessary, donot write ‘1’ to the register bit.
PELVRENA Writing ‘1’ to the register bit will cause pixel-based fine vertical resizing proceed to work. However,
if vertical resizing is not necessary, donot write ‘1’ to the register bit.
OUTENA Writing ‘1’ to the register bit will cause Output proceed to work.
PELHRRST Writing ‘1’ to the register will cause pixel-based fine horizontal resizing to stop immediately and have
pixel-based fine horizontal resizing keep in reset state. In order to have pixel-based fine horizontal
resizing go to normal state, writing ‘0’ to the register bit.
PELVRRST Writing ‘1’ to the register will pixel-based fine vertical resizing to stop immediately and have
pixel-based fine vertical resizing keep in reset state. In order to have pixel-based fine vertical resizing
go to normal state, writing ‘0’ to the register bit.
OUTRST Writing ‘1’ to the register will force Output to GMC to stop immediately and have Output keep in reset
state. In order to have Output go to normal state, writing ‘0’ to the register bit.

MT6225 GSM/GPRS Baseband Processor Data Sheet Revision 1.00
201
RESZ+0008h Image Resizer Status Register RESZ_STA
Bit
31 30 29 28 27 26 25 24 23 22 21 20 19 18 17 16
Name
Type
Reset
Bit
15 14 13 12 11 10 9 8 7 6 5 4 3 2 1 0
Name
FRMS
TALL
WMF
ULL
PELO
VRUN
OUTB
USY
PELV
RBUS
Y
PELH
RBUS
Y
Type
RO
RO
RO
Reset
0 0 0
The register indicates global status of Image Resizer.
PELHRBUSY Pixel-based HR (Horizontal Resizing) Busy Status
PELVRBUSY Pixel-based VR (Vertical Resizing) Busy Status
OUTBUSY Output Busy Status
PELOVRUN Pixel over run (Camera request but resizer not ack)
WMFULL Working memory full
FRMSTALL Working memory not empty when new frame arrives
RESZ+000Ch
Image Resizer Interrupt Register RESZ_INT
Bit
31 30 29 28 27 26 25 24 23 22 21 20 19 18 17 16
Name
Type
Reset
Bit
15 14 13 12 11 10 9 8 7 6 5 4 3 2 1 0
Name
Y2RIN
T
PELV
RINT
PELH
RINT
Type
RC
RC
RC
Reset
0 0 0
The register shows up the interrupt status of resizer.
PELHRINT Interrupt for PELHR (Pixel-based Horizontal Resizing). No matter the register bit
RESZ_FRCFG.HRINTEN is enabled or not, the register bit will be active whenever PELHR completes. It
could be as software interrupt by polling the register bit. Clear it by reading the register.
PELVRINT Interrupt for PELVR (Pixel -based Vertical Resizing). No matter the register bit RESZ_FRCFG.VRINTEN
is enabled or not, the register bit will be active whenever PELVR completes. It could be as software
interrupt by polling the register bit. Clear it by reading the register.
OUTINT Interrupt for Output to GMC. No matter the register bit RESZ_YUV2RGB.INTEN is enabled or not, the
register bit will be active whenever interrupt for completeness of Output to GMC of an image is active. It
could be as software interrupt by polling the register bit. Clear it by reading the register.
RESZ+0010h Image Resizer Source Image Size Register 1 RESZ_SRCSZ1
Bit
31 30 29 28 27 26 25 24 23 22 21 20 19 18 17 16
Name
HS
Type
R/W
Bit
15 14 13 12 11 10 9 8 7 6 5 4 3 2 1 0
Name
WS
Type
R/W
The register specifies the size of source image after coarse shrink process. The allowable maximum size is
2047x2047.
WS The register field specifies the width of source image after coarse shrink process.
1 The width of source image after coarse shrink process is 1.

MT6225 GSM/GPRS Baseband Processor Data Sheet Revision 1.00
202
2 The width of source image is 2.
…
HS The register field specifies the height of source image after coarse shrink process.
1 The height of source image after coarse shrink process is 1.
2 The height of source image after coarse shrink process is 2.
…
RESZ+0014h Image Resizer Target Image Size Register 1 RESZ_TARSZ1
Bit
31 30 29 28 27 26 25 24 23 22 21 20 19 18 17 16
Name
HT
Type
R/W
Bit
15 14 13 12 11 10 9 8 7 6 5 4 3 2 1 0
Name
WT
Type
R/W
The register specifies the size of target image. The allowable maximum size is 2047x2047.
WT The register field specifies the width of target image.
1 The width of target image is 1.
2 The width of target image is 2.
…
HT The register field specifies the height of target image.
1 The height of target image is 1.
2 The height of target image is 2.
…
Note: WT and HT must be even number when YUV420 mode is selected. WT must be even number when RGB565
mode is selected.
RESZ+0018h Image Resizer Horizontal Ratio Register RESZ_HRATIO1
Bit
31 30 29 28 27 26 25 24 23 22 21 20 19 18 17 16
Name
RATIO [31:16]
Type
R/W
Bit
15 14 13 12 11 10 9 8 7 6 5 4 3 2 1 0
Name
RATIO [15:0]
Type
R/W
The register specifies horizontal resizing ratio. It is obtained by RESZ_SRCSZ.WS * 217 / RESZ_TARSZ.WT.
RESZ+001Ch
Image Resizer Vertical Ratio Register 1 RESZ_VRATIO1
Bit
31 30 29 28 27 26 25 24 23 22 21 20 19 18 17 16
Name
RATIO [31:16]
Type
R/W
Bit
15 14 13 12 11 10 9 8 7 6 5 4 3 2 1 0
Name
RATIO [15:0]
Type
R/W
The register specifies vertical resizing ratio. It is obtained by RESZ_SRCSZ.HS * 217 / RESZ_TARSZ.HT.
RESZ+0020h Image Resizer Horizontal Residual Register 1 RESZ_HRES1
Bit
31 30 29 28 27 26 25 24 23 22 21 20 19 18 17 16
Name
Type
Bit
15 14 13 12 11 10 9 8 7 6 5 4 3 2 1 0
Name
RESIDUAL
Type
R/W

MT6225 GSM/GPRS Baseband Processor Data Sheet Revision 1.00
203
The register specifies horizontal residual. It is obtained by RESZ_SRCSZ.WS % RESZ_TARSZ.WT The allowable
maximum value is 2046.
RESZ+0024h Image Resizer Vertical Residual Register 1 RESZ_VRES1
Bit
31 30 29 28 27 26 25 24 23 22 21 20 19 18 17 16
Name
Type
Bit
15 14 13 12 11 10 9 8 7 6 5 4 3 2 1 0
Name
RESIDUAL
Type
R/W
The register specifies vertical residual. It is obtained by RESZ_SRCSZ.HS % RESZ_TARSZ.HT. The allowable
maximum value is 2046.
RESZ+0040h Image Resizer Fine Resizing Configuration
Register RESZ_FRCFG
Bit
31 30 29 28 27 26 25 24 23 22 21 20 19 18 17 16
Name
WMSZ
Type
R/W
Bit
15 14 13 12 11 10 9 8 7 6 5 4 3 2 1 0
Name
PCSF1 VRINT
EN
HRIN
TEN
AVG
VRSS
Type
R/W R/W
R/W
R/W
R/W
Reset
00 0 0 0 0
The register specifies various setting of control for fine resizing, including of horizontal and vertical resizing. Note that
all parameters must be set before horizontal and vertical resizing proceeds.
VRSS The register bit specifies whether subsampling for vertical resizing is enabled. For throughput issue, vertical
resizing may be simplified by subsampling lines vertically. The register bit is only valid in pixel-based mode.
0 Subsampling for vertical resizing is disabled.
1 Subsampling for vertical resizing is enabled.
AVG Average if src/tar = 1/n
0 Average is disabled.
1 Average is enabled.
HRINTEN HR (Horizontal Resizing) Interrupt Enable. When interrupt for HR is enabled, interrupt will arise whenever
HR finishes.
0 Interrupt for HR is disabled.
1 Interrupt for HR is enabled.
VRINTEN VR (Vertical Resizing) Interrupt Enable. When interrupt for VR is enabled, interrupt will arise whenever
VR finishes.
0 Interrupt for VR is disabled.
1 Interrupt for VR is enabled.
PCSF1 Coarse Shrinking Factor 1 for pixel-based resizing. Only horizontal coarse shrinking is supported for
pixel-based resizing.
00 No coarse shrinking.
01 Image width becomes 1/2 of original size after coarse shrink pass.
10 Image width becomes 1/4 of original size after coarse shrink pass.
11 Image width becomes 1/8 of original size after coarse shrink pass.

MT6225 GSM/GPRS Baseband Processor Data Sheet Revision 1.00
204
WMSZ It stands for Working Memory SiZe. The register specifies how many lines after horizontal resizing can be
filled into working memory. If dual line buffer is used, horizontal resizing and vertical resizing can execute
parallel. Its minimum value is 4.
4 Working memory for each color component in block-based mode is 4.
5 Working memory for each color component in block-based mode is 5.
6 Working memory for each color component in block-based mode is 6.
7 Working memory for each color component in block-based mode is 7.
…
RESZ+005Ch Image Resizer Pixel-Based Resizing Working
Memory Base Address Register RESZ_PRWMBASE
Bit
31 30 29 28 27 26 25 24 23 22 21 20 19 18 17 16
Name
PRWMBASE [31:16]
Type
R/W
Bit
15 14 13 12 11 10 9 8 7 6 5 4 3 2 1 0
Name
PRWMBASE [15:0]
Type
R/W
The register specifies the base address of working memory in pixel-based resizing mode. It must be byte-aligned.
RESZ+0080h Image Resizer YUV2RGB Configuration
Register RESZ_YUV2RGB
Bit
31 30 29 28 27 26 25 24 23 22 21 20 19 18 17
16
Name
Type
Reset
Bit
15 14 13 12 11 10 9 8 7 6 5 4 3 2 1 0
Name
INTEN
MOD
E
Type
R/W
R/W
Reset
0 0
The register specifies various setting of control for YUV2RGB. Note that ALL parameters must be set before
writing ‘1’ to the register bit RESZ_CONN.YUV2RGBENA.
INTEN Interrupt Enable. When interrupt for YUV2RGB is enabled, interrupt will arise whenever YUV2RGB finishes.
0 Interrupt for YUV2RGB is disabled.
1 Interrupt for YUV2RGB is enabled.
MODE Output mode.
0 RGB565 output.
1 YUV420 output.
RESZ+0084h Image Resizer Target Memory Base Address
Register RESZ_TMBASE1
Bit
31 30 29 28 27 26 25 24 23 22 21 20 19 18 17 16
Name
TMBASE1 [31:16]
Type
R/W
Bit
15 14 13 12 11 10 9 8 7 6 5 4 3 2 1 0
Name
TMBASE1 [15:1]
Type
R/W
The register specifies the base address of target memory for RGB565 mode. Target memory is memory space for
destination of YUV2RGB. It’ must be half-word (2 bytes) aligned. RESZ_TMBASE1 and RESZ_TMBASE2 are

MT6225 GSM/GPRS Baseband Processor Data Sheet Revision 1.00
205
auto-switched by hardware, so both two registers should be filled. If dual buffer is not required, please fill these two
registers with the same value.
RESZ+0088h Image Resizer Target Memory Base Address
Register RESZ_TMBASE2
Bit
31 30 29 28 27 26 25 24 23 22 21 20 19 18 17 16
Name
TMBASE2 [31:16]
Type
R/W
Bit
15 14 13 12 11 10 9 8 7 6 5 4 3 2 1 0
Name
TMBASE2 [15:1]
Type
R/W
The register specifies the base address of target memory for RGB565 mode. Target memory is memory space for
destination of YUV2RGB. It’ must be half-word (2 bytes) aligned. RESZ_TMBASE1 and RESZ_TMBASE2 are
auto-switched by hardware, so both two registers should be filled. If dual buffer is not required, please fill these two
registers with the same value.
RESZ+0090h Image Resizer Debug Configuration Register RESZ_DBGCFG
Bit
31 30 29 28 27 26 25 24 23 22 21 20 19 18 17 16
Name
AUTORSTWIDTH
Type
R/W
Reset
0
Bit
15 14 13 12 11 10 9 8 7 6 5 4 3 2 1 0
Name
AUTO
RST
NODB
PHR1
PVR1
Type
R/W
R/W
R/W
R/W
Reset
0 0 0 1
The register is used to help debug.
AUTORSTWIDTH Pulse-width of auto reset signal
AUTORST Enable auto reset mechanism
0 Disable auto reset
1 Enable auto reset, image resizer will auto reset and restart when new frame comes while previous frame
not completed yet.
NODB Force register not double buffered
0 No double buffered,
1 Double buffered, registers are effective when vsync arrives or RESZ_CON.ena is set to 1.
PVR1 Force vertical resizing to execute even though it’s not necessary.
0 Normal operation
1 Force vertical resizing to execute even though it’s not necessary.
PHR1 Force horizontal resizing to execute even though it’s not necessary.
0 Normal operation
1 Force horizontal resizing to execute even though it’s not necessary.
RESZ+00B0h Image Resizer Information Register 0 RESZ_INFO0
Bit
31 30 29 28 27 26 25 24 23 22 21 20 19 18 17 16
Name
INFO[31:16]
Type
RO
Bit
15 14 13 12 11 10 9 8 7 6 5 4 3 2 1 0
Name
INFO[15:0]
Type
RO
The register shows the max working memory really used

MT6225 GSM/GPRS Baseband Processor Data Sheet Revision 1.00
206
INFO[15:00] max working memory counter
RESZ+00B8 Image Resizer Information Register 2 RESZ_INFO2
Bit
31 30 29 28 27 26 25 24 23 22 21 20 19 18 17 16
Name
INFO[31:16]
Type
RO
Bit
15 14 13 12 11 10 9 8 7 6 5 4 3 2 1 0
Name
INFO[15:0]
Type
RO
The register shows progress of pixels received from BLKCS in fine resizing stage.
INFO[31:16] Indicate the account of vertical lines received from BLKCS in fine resizing stage.
INFO[15:00] Indicate the account of horizontal pixels received from BLKCS in fine resizing stage. Note that it will
become zero when resizing completes.
RESZ+00BC Image Resizer Information Register 3 RESZ_INFO3
Bit
31 30 29 28 27 26 25 24 23 22 21 20 19 18 17 16
Name
INFO[31:16]
Type
RO
Bit
15 14 13 12 11 10 9 8 7 6 5 4 3 2 1 0
Name
INFO[15:0]
Type
RO
The register shows progress of horizontal resizing in fine resizing stage.
INFO[31:16] Indicate the account of horizontal resizing in fine resizing stage in horizontal direction.
INFO[15:00] Indicate the account of horizontal resizing in fine resizing stage in vertical direction.
RESZ+00C0 Image Resizer Information Register 4 RESZ_INFO4
Bit
31 30 29 28 27 26 25 24 23 22 21 20 19 18 17 16
Name
INFO[31:16]
Type
RO
Bit
15 14 13 12 11 10 9 8 7 6 5 4 3 2 1 0
Name
INFO[15:0]
Type
RO
The register shows progress of vertical resizing in fine resizing stage.
INFO[31:16] Indicate the account of vertical resizing in fine resizing stage in horizontal direction.
INFO[15:00] Indicate the account of vertical resizing in fine resizing stage in vertical direction.
RESZ+00C4 Image Resizer Information Register 5 RESZ_INFO5
Bit
31 30 29 28 27 26 25 24 23 22 21 20 19 18 17 16
Name
INFO[31:16]
Type
RO
Bit
15 14 13 12 11 10 9 8 7 6 5 4 3 2 1 0
Name
INFO[15:0]
Type
RO
The register shows progress of YUV-to-RGB
INFO[31:16] Indicate YUV-to-RGB in horizontal direction.
INFO[15:00] Indicate YUV-to-RGB in vertical direction.

MT6225 GSM/GPRS Baseband Processor Data Sheet Revision 1.00
207
RESZ+00D0h Image Resizer YUV420 Y-Component Target
Memory Base Address Register RESZ_TMBASE_Y
Bit
31 30 29 28 27 26 25 24 23 22 21 20 19 18 17 16
Name
TMBASE_Y[31:16]
Type
R/W
Bit
15 14 13 12 11 10 9 8 7 6 5 4 3 2 1 0
Name
TMBASE_Y[15:2]
Type
R/W
The register specifies the base address of YUV420 output for Y-component. It should be word-aligned. It’s only useful
in YUV420 mode.
RESZ+00D4h Image Resizer YUV420 U-Component Target
Memory Base Address Register RESZ_TMBASE_U
Bit
31 30 29 28 27 26 25 24 23 22 21 20 19 18 17 16
Name
TMBASE_U[31:16]
Type
R/W
Bit
15 14 13 12 11 10 9 8 7 6 5 4 3 2 1 0
Name
TMBASE_U[15:2]
Type
R/W
The register specifies the base address of YUV420 output for U-component. It should be word-aligned. It’s only useful
in YUV420 mode.
RESZ+00D8h Image Resizer YUV420 V-Component Target
Memory Base Address Register RESZ_TMBASE_V
Bit
31 30 29 28 27 26 25 24 23 22 21 20 19 18 17 16
Name
TMBASE_V[31:16]
Type
R/W
Bit
15 14 13 12 11 10 9 8 7 6 5 4 3 2 1 0
Name
TMBASE_V[15:2]
Type
R/W
The register specifies the base address of YUV420 output for V-component. It should be word-aligned. It’s only useful
in YUV420 mode.
6.2.5 Application Notes
Working memory. Maximum value is 1023 and minimum 4. Remember that each pixel occupies 2 bytes.
Thus minimum requirement for working memory in pixel-based resizing is (pixel number in a line)x2x4 bytes.
Configuration procedure for block-based image sources
RESZ_CFG = 0x10 (continuous), 0x0 (single run);
RESZ_TMBASE1 = target memory 1 base address;
RESZ_TMBASE2 = target memory 2 base address;
RESZ_TMBASE_Y = target memory for Y base address (YUV420 mode);
RESZ_TMBASE_U = target memory for U base address (YUV420 mode);
RESZ_TMBASE_V = target memory for V base address (YUV420 mode);
RESZ_SRCSZ = source image size;
RESZ_TARSZ = target image size;
RESZ_HRATIO = horizontal ratio;
RESZ_VRATIO = vertical ratio;
RESZ_HRES = horizontal residual;
RESZ_VRES = vertical residual;

MT6225 GSM/GPRS Baseband Processor Data Sheet Revision 1.00
208
RESZ_FRCFG = working memory size, interrupt enable;
RESZ_PRWMBASE = working memory base;
RESZ_YUV2RGB = Output mode select, interrupt enable;
RESZ_CON = 0xf;
6.3 NAND FLASH interface
6.3.1 General description
MT6225 provides NAND flash interface.
The NAND FLASH interface support features as follows:
ECC (Hamming code) acceleration capable of one-bit error correction or two bits error detection.
Programmable ECC block size. Support 1, 2 or 4 ECC block within a page.
Word/byte access through APB bus.
Direct Memory Access for massive data transfer.
Latch sensitive interrupt to indicate ready state for read, program, erase operation and error report.
Programmable wait states, command/address setup and hold time, read enable hold time, and write enable
recovery time.
Support page size: 512(528) bytes and 2048(2112) bytes.
Support 2 chip select for NAND flash parts.
Support 8/16 bits I/O interface.
The NFI core can automatically generate ECC parity bits when programming or reading the device. If the user approves
the way it stores the parity bits in the spare area for each page, the AUTOECC mode can be used. Otherwise, the user
can prepare the data (may contains operating system information or ECC parity bits) for the spare area with another
arrangement. In the former case, the core can check the parity bits when reading from the device. The ECC module
features the hamming code, which is capable of correcting one bit error or detecting two bits error within one ECC
block.
6.3.2 Register definition
NFI+0000h NAND flash access control register NFI_ACCCON
Bit
15 14 13 12 11 10 9 8 7 6 5 4 3 2 1 0
Name
LCD2NAND C2R W2R WH WST RLT
Type
R/W R/W R/W R/W R/W R/W
Reset
0 0 0 0 0 0
This is the timing access control register for the NAND FLASH interface. In order to accommodate operations for
different system clock frequency ranges from 13MHz to 52MHz, wait states and setup/hold time margin can be
configured in this register.
C2R The field represents the minimum required time from NCEB low to NREB low.
W2R The field represents the minimum required time from NWEB high to NREB low. It’s in unit of 2T. So the
actual time ranges from 2T to 8T in step of 2T.
WH Write-enable hold-time.
The field specifies the hold time of NALE, NCLE, NCEB signals relative to the rising edge of NWEB. This

MT6225 GSM/GPRS Baseband Processor Data Sheet Revision 1.00
209
field is associated with WST to expand the write cycle time, and is associated with RLT to expand the read
cycle time.
RLT Read Latency Time
The field specifies how many wait states to be inserted to meet the requirement of the read access time for the
device.
00 No wait state.
01 1T wait state.
10 2T wait state.
11 3T wait state.
WST Write Wait State
The field specifies the wait states to be inserted to meet the requirement of the pulse width of the NWEB
signal.
00 No wait state.
01 1T wait state.
10 2T wait state.
11 3T wait state.
LCD2NAND Arbitration Wait State
The field specifies the wait states to be inserted for the APB arbitrator when bus user changes.
NFI +0004h NFI page format control register NFI_PAGEFMT
Bit
15 14 13 12 11 10 9 8 7 6 5 4 3 2 1 0
Name
B16E
N ECCBLKSIZE ADRM
ODE
PSIZE
Type
R/W
R/W R/W
R/W
Reset
0 0 0 0
This register manages the page format of the device. It includes the bus width selection, the page size, the associated
address format, and the ECC block size.
B16EN 16 bits I/O bus interface enable.
ECCBLKSIZE ECC block size.
This field represents the size of one ECC block. The hardware-fuelled ECC generation provides 2 or 4 blocks
within a single page.
0 ECC block size: 128 bytes. Used for devices with page size equal to 512 bytes.
1 ECC block size: 256 bytes. Used for devices with page size equal to 512 bytes.
2 ECC block size: 512 bytes. Used for devices with page size equal to 512 (1 ECC block) or 2048 bytes (4
ECC blocks).
3 ECC block size: 1048 bytes. Used for devices with page size equal to 2048 bytes.
4~ Reserved.
ADRMODE Address mode. This field specifies the input address format.
0 Normal input address mode, in which the half page identifier is not specified in the address assignment
but in the command set. As in Table 36, A7 to A0 identifies the byte address within half a page, A12 to A9
specifies the page address within a block, and other bits specify the block address. The mode is used
mostly for the device with 512 bytes page size.
1 Large size input address mode, in which all address information is specified in the address assignment
rather than in the command set. As in Table 37, A11 to A0 identifies the byte address within a page. The
mode is used for the device with 2048 bytes page size and 8bits I/O interface.
2 Large size input address mode. As in Table 37, A10 to A0 identifies the column address within a page.
The mode is used for the device with 2048 byte page size and 16bits I/O interface.

MT6225 GSM/GPRS Baseband Processor Data Sheet Revision 1.00
210
NLD7 NLD6 NLD5 NLD4 NLD3 NLD2 NLD1 NLD0
First cycle A7 A6 A5 A4 A3 A2 A1 A0
Second cycle
A16 A15 A14 A13 A12 A11 A10 A9
Table 36 Page address assignment of the first type (ADRMODE = 0)
NLD7 NLD6 NLD5 NLD4 NLD3 NLD2 NLD1 NLD0
First cycle A7 A6 A5 A4 A3 A2 A1 A0
Second cycle
0 0 0 0 A11 A10 A9 A8
Table 37 Page address assignment of the second type (ADRMODE = 1 or 2)
PSIZE Page Size.
The field specifies the size of one page for the device. Two most widely used page size are supported.
0 The page size is 512 bytes or 528 bytes (including 512 bytes data area and 16 bytes spare area).
1 The page size is 2048 bytes or 2112 bytes (including 2048 bytes data area and 64 bytes spare area).
2~ Reserved.
NFI +0008h Operation control register NFI_OPCON
Bit
15 14 13 12 11 10 9 8 7 6 5 4 3 2 1 0
Name
NOB SRD
EWR
ERD
BWR
BRD
Type
W/R WO
WO
WO
R/W
R/W
Reset
0 0 0 0 0 0
This register controls the burst mode and the single of the data access. In burst mode, the core supposes there are one or
more than one page of data to be accessed. On the contrary, in single mode, the core supposes there are only less than 4
bytes of data to be accessed.
BRD Burst read mode. Setting this field to be logic-1 enables the data read operation. The NFI core will issue read
cycles to retrieve data from the device when the data FIFO is not full or the device is not in the busy state. The
NFI core supports consecutive page reading. A page address counter is built in. If the reading reaches to the
end of the page, the device will enter the busy state to prepare data of the next page, and the NFI core will
automatically pause reading and remain inactive until the device returns to the ready state. The page address
counter will restart to count from 0 after the device returns to the ready state and start retrieving data again.
BWR Burst write mode. Setting to be logic-1 enables the data burst write operation for DMA operation. Actually the
NFI core will issue write cycles once if the data FIFO is not empty even without setting this flag. But if DMA
is to be utilized, the bit should be enabled. If DMA is not to be utilized, the bit didn’t have to be enabled.
ERD ECC read mode. Setting to be logic-1 initializes the ECC checking and correcting for the current page. The
ECC checking is only valid when a full ECC block has been read.
EWR Setting to be logic-1 initializes the ECC parity generation for the current page. The ECC code generation is
only valid when a full ECC block has been programmed.
SRD Setting to be logic-1 initializes the one-shot data read operation. It’s mainly used for read ID and read status
command, which requires no more than 4 read cycles to retrieve data from the device.
NOB The field represents the number of bytes to be retrieved from the device in single mode, and the number of
bytes per AHB transaction in both single and burst mode.
0 Read 4 bytes from the device.
1 Read 1 byte from the device.
2 Read 2 bytes from the device.
3 Read 3 bytes from the device.
NFI +000Ch Command register NFI_CMD
Bit
15 14 13 12 11 10 9 8 7 6 5 4 3 2 1 0
Name
CMD

MT6225 GSM/GPRS Baseband Processor Data Sheet Revision 1.00
211
Type
R/W
Reset
45
This is the command input register. The user should write this register to issue a command. Please refer to device
datasheet for the command set. The core can issue some associated commands automatically. Please check out register
NFI_CON for those commands.
CMD Command word.
NFI +0010h Address length register NFI_ADDNOB
Bit
15 14 13 12 11 10 9 8 7 6 5 4 3 2 1 0
Name
ADDR_NOB
Type
R/W
Reset
0
This register represents the number of bytes corresponding to current command. The valid number of bytes ranges from
1 to 5. The address format depends on what device to be used and what commands to be applied. The NFI core is made
transparent to those different situations except that the user has to define the number of bytes.
The user should write the target address to the address register NFI_ADDRL before programming this register.
ADDR_NOB Number of bytes for the address
NFI +0014h Least significant address register NFI_ADDRL
Bit
31 30 29 28 27 26 25 24 23 22 21 20 19 18 17 16
Name
ADDR3 ADDR2
Type
R/W R/W
Reset
0 0
Bit
15 14 13 12 11 10 9 8 7 6 5 4 3 2 1 0
Name
ADDR1 ADDR0
Type
R/W R/W
Reset
0 0
This defines the least significant 4 bytes of the address field to be applied to the device. Since the device bus width is 1
byte, the NFI core arranges the order of address data to be least significant byte first. The user should put the first
address byte in the field ADDR0, the second byte in the field ADDR1, and so on.
ADDR3 The fourth address byte.
ADDR2 The third address byte.
ADDR1 The second address byte.
ADDR0 The first address byte.
NFI +0018h Most significant address register NFI_ADDRM
Bit
15 14 13 12 11 10 9 8 7 6 5 4 3 2 1 0
Name
ADDR4
Type
R/W
Reset
0
This register defines the most significant byte of the address field to be applied to the device. The NFI core supports
address size up to 5 bytes. Programming this register implicitly indicates that the number of address field is 5. In this
case, the NFI core will automatically set the ADDR_NOB to 5.
ADDR4 The fifth address byte.
NFI +001Ch Write data buffer NFI_DATAW
Bit
31 30 29 28 27 26 25 24 23 22 21 20 19 18 17 16
Name
DW3 DW2
Type
R/W R/W
Reset
0 0

MT6225 GSM/GPRS Baseband Processor Data Sheet Revision 1.00
212
Bit
15 14 13 12 11 10 9 8 7 6 5 4 3 2 1 0
Name
DW1 DW0
Type
R/W R/W
Reset
0 0
This is the write port of the data FIFO. It supports word access. The least significant byte DW0 is to be programmed to
the device first, then DW1, and so on.
If the data to be programmed is not word aligned, byte write access will be needed. Instead, the user should use another
register NFI_DATAWB for byte programming. Writing a word to NFI_DATAW is equivalent to writing four bytes
DW0, DW1, DW2, DW3 in order to NFI_DATAWB. Be reminded that the word alignment is from the perspective of
the user. The device bus is byte-wide. According to the flash’s nature, the page address will wrap around once it reaches
the end of the page.
DW3 Write data byte 3.
DW2 Write data byte 2.
DW1 Write data byte 1.
DW0 Write data byte 0.
NFI +0020h Write data buffer for byte access NFI_DATAWB
Bit
15 14 13 12 11 10 9 8 7 6 5 4 3 2 1 0
Name
DW0
Type
R/W
Reset
0
This is the write port for the data FIFO for byte access.
DW0 Write data byte.
NFI +0024h Read data buffer NFI_DATAR
Bit
31 30 29 28 27 26 25 24 23 22 21 20 19 18 17 16
Name
DR3 DR2
Type
RO RO
Reset
0 0
Bit
15 14 13 12 11 10 9 8 7 6 5 4 3 2 1 0
Name
DR1 DR0
Type
RO RO
Reset
0 0
This is the read port of the data FIFO. It supports word access. The least significant byte DR0 is the first byte read from
the device, then DR1, and so on.
DR3 Read data byte 3.
DR2 Read data byte 2.
DR1 Read data byte 1.
DR0 Read data byte 0.
NFI +0028h Read data buffer for byte access NFI_DATARB
Bit
15 14 13 12 11 10 9 8 7 6 5 4 3 2 1 0
Name
DR0
Type
RO
Reset
0
This is the read port of the data FIFO for byte access.
NFI +002Ch NFI status NFI_PSTA
Bit
15 14 13 12 11 10 9 8 7 6 5 4 3 2 1 0

MT6225 GSM/GPRS Baseband Processor Data Sheet Revision 1.00
213
Name
BUSY
DATA
W
DATA
R ADDR
CMD
Type
RO
R/W
R/W
R/W
R/W
Reset
0* 0 0 0 0
This register represents the NFI core control status including command mode, address mode, data program and read
mode. The user should poll this register for the end of those operations.
*The value of BUSY bit depends on the GPIO configuration. If GPIO is configured for NAND flash application, the
reset value should be 0, which represents that NAND flash is in idle status. When the NAND flash is busy, the value
will be 1.
BUSY Synchronized busy signal from the NAND flash. It’s read-only.
DATAW The NFI core is in data write mode.
DATAR The NFI core is in data read mode.
ADDR The NFI core is in address mode.
CMD The NFI core is in command mode.
NFI +0030h FIFO control NFI_FIFOCON
Bit
15 14 13 12 11 10 9 8 7 6 5 4 3 2 1 0
Name
RESE
T
FLUS
H
WR_F
ULL
WR_E
MPTY
RD_F
ULL
RD_E
MPTY
Type
WO
WO
RO
RO
RO
RO
Reset
0 0 0 1 0 1
The register represents the status of the data FIFO.
RESET Reset the state machine and data FIFO.
FLUSH Flush the data FIFO.
WR_FULL Data FIFO full in burst write mode.
WR_EMPTY Data FIFO empty in burst write mode.
RD_FULL Data FIFO full in burst read mode.
RD_EMPTY Data FIFO empty in burst read mode.
NFI +0034h NFI control NFI_CON
Bit
15 14 13 12 11 10 9 8 7 6 5 4 3 2 1 0
Name
BYTE
_RW
MULT
IPAG
E_CO
N
READ
_CON
PROG
RAM_
CON
ERAS
E_CO
N
SW_P
ROGS
PARE
_EN
MULT
I_PA
GE_R
D_EN
AUTO
ECC_
ENC_
EN
AUTO
ECC_
DEC_
EN
DMA_
WR_E
N
DMA_
RD_E
N
Type
R/W
R/W
R/W
R/W
R/W
R/W
R/W
R/W
R/W
R/W
R/W
Reset
0 0 0 0 0 0 0 0 0 0 0
The register controls the DMA and ECC functions. For all field, Setting to be logic-1 represents enabled, while 0
represents disabled.
BYTE_RW Enable APB byte access.
MULTIPAGE_CON This bit represents that the first-cycle command for read operation (00h) can be automatically
performed to read the next page automatically. Automatic ECC decoding flag AUTOECC_DEC_EN should
also be enabled for multiple page access.
READ_CON This bit represents that the second-cycle command for read operation (30h) can be automatically
performed.
PROGRAM_CON This bit represents that the second-cycle command for page program operation (10h) can be
automatically performed after the data for the entire page (including the spare area) has been written. It should
be associated with automatic ECC encoding mode enabled.

MT6225 GSM/GPRS Baseband Processor Data Sheet Revision 1.00
214
ERASE_CON The bit represents that the second-cycle command for block erase operation (D0h) can be
automatically performed after the block address is latched.
SW_PROGSPARE_EN If enabled, the NFI core allows the user to program or read the spare area directly.
Otherwise, the spare area can be programmed or read by the core.
MULTI_PAGE_RD_EN Multiple page burst read enable. If enabled, the burst read operation could continue
through multiple pages within a block. It’s also possible and more efficient to associate with DMA scheme to
read a sector of data contained within the same block.
AUTOECC_ENC_EN Automatic ECC encoding enable. If enabled, the ECC parity is written automatically to the
spare area right after the end of the data area. If SW_PROGSPARE_EN is set, however, the mode can’t be
enabled since the core can’t access the spare area.
AUTOECC_DEC_EN Automatic ECC decoding enabled, the error checking and correcting are performed
automatically on the data read from the memory and vice versa. If enabled, when the page address reaches the
end of the data read of one page, additional read cycles will be issued to retrieve the ECC parity-check bits
from the spare area to perform checking and correcting.
DMA_WR_EN This field is used to control the activity of DMA write transfer.
DMA_RD_EN This field is used to control the activity of DMA read transfer.
NFI +0038h Interrupt status register NFI_INTR
Bit
15 14 13 12 11 10 9 8 7 6 5 4 3 2 1 0
Name
BUSY
_RET
URN
ERR_
COR3
ERR_
COR2
ERR_
COR1
ERR_
COR0
ERR_
DET3
ERR_
DET2
ERR_
DET1
ERR_
DET0
ERAS
E_CO
MPLE
TE
RESE
T_CO
MPLE
TE
WR_C
OMPL
ETE
RD
_CO
MPLE
TE
Type
RC
RC
RC
RC
RC
RC
RC
RC
RC
RC
RC
RC
RC
Reset
0 0 0 0 0 0 0 0 0 0 0 0 0
The register indicates the status of all the interrupt sources. Read this register will clear all interrupts.
BUSY_RETURN Indicates that the device state returns from busy by inspecting the R/B# pin.
ERR_COR3 Indicates that the single bit error in ECC block 3 needs to be corrected.
ERR_COR2 Indicates that the single bit error in ECC block 2 needs to be corrected.
ERR_COR1 Indicates that the single bit error in ECC block 1 needs to be corrected.
ERR_COR0 Indicates that the single bit error in ECC block 0 needs to be corrected.
ERR_DET3 Indicates an uncorrectable error in ECC block 3.
ERR_DET2 Indicates an uncorrectable error in ECC block 2.
ERR_DET1 Indicates an uncorrectable error in ECC block 1.
ERR_DET0 Indicates an uncorrectable error in ECC block 0.
ERASE_COMPLETE Indicates that the erase operation is completed.
RESET_COMPLETE Indicates that the reset operation is completed.
WR_COMPLETE Indicates that the write operation is completed.
RD_COMPLETE Indicates that the single page read operation is completed.
NFI +003Ch Interrupt enable register NFI_INTR_EN
Bit
15 14 13 12 11 10 9 8 7 6 5 4 3 2 1 0
Name
ERR_
COR3
_EN
ERR_
COR2
_EN
ERR_
COR1
_EN
ERR_
DET3
_EN
ERR_
DET2
_EN
ERR_
DET1
_EN
BUSY
_RET
URN_
EN
ERR_
COR_
EN
ERR_
DET_
EN
ERAS
E_CO
MPLE
TE_E
N
RESE
T_CO
MPLE
TE_E
N
WR_C
OMPL
ETE_
EN
RD_
COM
PLET
E_EN
Type
R/W
R/W
R/W
R/W
R/W
R/W
R/W
R/W
R/W
R/W
R/W
R/W
R/W
Reset
0 0 0 0 0 0 0 0 0 0 0 0 0
This register controls the activity for the interrupt sources.

MT6225 GSM/GPRS Baseband Processor Data Sheet Revision 1.00
215
ERR_COR1_EN The error correction interrupt enable for the 2nd ECC block.
ERR_COR2_EN The error correction interrupt enable for the 3rd ECC block.
ERR_COR3_EN The error correction interrupt enable for the 4th ECC block.
ERR_DET1_EN The error detection interrupt enable for the 2nd ECC block.
ERR_DET2_EN The error detection interrupt enable for the 3rd ECC block.
ERR_DET3_EN The error detection interrupt enable for the 4th ECC block.
BUSY_RETURN_EN The busy return interrupt enable.
ERR_COR_EN The error correction interrupt enable for the 1st ECC block.
ERR_DET_EN The error detection interrupt enable for the 1st ECC block.
ERASE_COMPLETE_EN The erase completion interrupt enable.
RESET_COMPLETE_EN The reset completion interrupt enable.
WR_COMPLETE_EN The single page write completion interrupt enable.
RD_COMPLETE_EN The single page read completion interrupt enable.
NFI+0040h NAND flash page counter NFI_PAGECNT
R
Bit
15 14 13 12 11 10 9 8 7 6 5 4 3 2 1 0
Name
CNTR
Type
R/W
Reset
0
The register represents the number of pages that the NFI has read since the issuing of the read command. For some
devices, the data can be read consecutively through different pages without the need to issue another read command.
The user can monitor this register to know current page count, particularly when read DMA is enabled.
CNTR The page counter.
NFI+0044h NAND flash page address counter NFI_ADDRCNT
R
Bit
15 14 13 12 11 10 9 8 7 6 5 4 3 2 1 0
Name
CNTR
Type
R/W
Reset
0
The register represents the current read/write address with respect to initial address input. It counts in unit of byte. In
page read and page program operation, the address should be the same as that in the state machine in the target device.
NFI supports the address counter up to 4096 bytes.
CNTR The address count.
NFI +0050h ECC block 0 parity error detect syndrome address
NFI_
SYM0_ADDR
Bit
15 14 13 12 11 10 9 8 7 6 5 4 3 2 1 0
Name
SYM
Type
RO
Reset
0
This register identifies the address within ECC block 0 that a single bit error has been detected.
SYM The byte address of the error-correctable bit.

MT6225 GSM/GPRS Baseband Processor Data Sheet Revision 1.00
216
NFI +0054h ECC block 1 parity error detect syndrome address NFI_SYM1_ADD
R
Bit
15 14 13 12 11 10 9 8 7 6 5 4 3 2 1 0
Name
SYM
Type
RO
Reset
0
This register identifies the address within ECC block 1 that a single bit error has been detected.
SYM The byte address of the error-correctable bit.
NFI +0058h ECC block 2 parity error detect syndrome address NFI_SYM2_ADD
R
Bit
15 14 13 12 11 10 9 8 7 6 5 4 3 2 1 0
Name
SYM
Type
RO
Reset
0
This register identifies the address within ECC block 2 that a single bit error has been detected.
SYM The byte address of the error-correctable bit.
NFI +005Ch ECC block 3 parity error detect syndrome address NFI_SYM3_ADD
R
Bit
15 14 13 12 11 10 9 8 7 6 5 4 3 2 1 0
Name
SYM
Type
RO
Reset
0
This register identifies the address within ECC block 3 that a single bit error has been detected.
SYM The byte address of the error-correctable bit.
NFI +0060h ECC block 0 parity error detect syndrome word NFI_SYM0_DAT
Bit
31 30 29 28 27 26 25 24 23 22 21 20 19 18 17 16
Name
ED3 ED2
Type
RO RO
Reset
0 0
Bit
15 14 13 12 11 10 9 8 7 6 5 4 3 2 1 0
Name
ED1 ED0
Type
RO RO
Reset
0 0
This register represents the syndrome word for the corrected ECC block 0. To correct the error, the user should first
read NFI_ SYM0_ADDR for the address of the correctable word, and then read NFI_SYM0_DAT, directly XOR the
syndrome word with the data word to obtain the correct word.
NFI +0064h ECC block 1 parity error detect syndrome word NFI_SYM1_DAT
Bit
31 30 29 28 27 26 25 24 23 22 21 20 19 18 17 16
Name
ED3 ED2
Type
RO RO
Reset
0 0
Bit
15 14 13 12 11 10 9 8 7 6 5 4 3 2 1 0
Name
ED1 ED0
Type
RO RO
Reset
0 0

MT6225 GSM/GPRS Baseband Processor Data Sheet Revision 1.00
217
This register represents the syndrome word for the corrected ECC block 0. To correct the error, the user should first
read NFI_ SYM1_ADDR for the address of the correctable word, and then read NFI_SYM1_DAT, directly XOR the
syndrome word with the data word to obtain the correct word.
NFI +0068h ECC block 2 parity error detect syndrome word NFI_SYM2_DAT
Bit
31 30 29 28 27 26 25 24 23 22 21 20 19 18 17 16
Name
ED3 ED2
Type
RO RO
Reset
0 0
Bit
15 14 13 12 11 10 9 8 7 6 5 4 3 2 1 0
Name
ED1 ED0
Type
RO RO
Reset
0 0
This register represents the syndrome word for the corrected ECC block 0. To correct the error, the user should first
read NFI_ SYM2_ADDR for the address of the correctable word, and then read NFI_SYM2_DAT, directly XOR the
syndrome word with the data word to obtain the correct word.
NFI +006Ch ECC block 3 parity error detect syndrome word NFI_SYM3_DAT
Bit
31 30 29 28 27 26 25 24 23 22 21 20 19 18 17 16
Name
ED3 ED2
Type
RO RO
Reset
0 0
Bit
15 14 13 12 11 10 9 8 7 6 5 4 3 2 1 0
Name
ED1 ED0
Type
RO RO
Reset
0 0
This register represents the syndrome word for the corrected ECC block 0. To correct the error, the user should first
read NFI_ SYM3_ADDR for the address of the correctable word, and then read NFI_SYM3_DAT, directly XOR the
syndrome word with the data word to obtain the correct word.\
NFI +0070h NFI ECC error detect indication register NFI_ERRDET
Bit
15 14 13 12 11 10 9 8 7 6 5 4 3 2 1 0
Name
EBLK
3
EBLK
2
EBLK
1
EBLK
0
Type
RO
RO
RO
RO
Reset
0 0 0 0
This register identifies the block in which an uncorrectable error has been detected.
NFI +0080h NFI ECC parity word 0 NFI_PAR0
Bit
15 14 13 12 11 10 9 8 7 6 5 4 3 2 1 0
Name
PAR
Type
RO
Reset
0
This register represents the ECC parity for the ECC block 0. It’s calculated by the NFI core and can be read by the user.
It’s generated when writing or reading a page.
Register Address Register Function Acronym
NFI +0080h NFI ECC parity word 0 NFI_PAR0
NFI +0084h NFI ECC parity word 1 NFI_PAR1
NFI +0088h NFI ECC parity word 2 NFI_PAR2

MT6225 GSM/GPRS Baseband Processor Data Sheet Revision 1.00
218
NFI +008Ch NFI ECC parity word 3 NFI_PAR3
NFI +0090h NFI ECC parity word 4 NFI_PAR4
NFI +0094h NFI ECC parity word 5 NFI_PAR5
NFI +0098h NFI ECC parity word 6 NFI_PAR6
NFI +009Ch NFI ECC parity word 7 NFI_PAR7
Table 38 NFI parity bits register table
NFI+0100h NFI device select register NFI_CSEL
Bit
15 14 13 12 11 10 9 8 7 6 5 4 3 2 1 0
Name
CSEL
Type
R/W
Reset
0
The register is used to select the target device. It decides which CEB pin to be functional. This is useful while using the
high-density device.
CSEL Chip select. The value defaults to 0.
0 Device 1 is selected.
1 Device 2 is selected.
6.3.3 Device programming sequence
This section lists the program sequences to successfully use any compliant devices.
For block erase
1. Enable erase complete interrupt (NFI_INTR_EN = 8h).
2. Write command (NFI_CMD = 60h).
3. Write block address (NFI_ADDR).
4. Set the number of address bytes (NFI_ADDRNOB).
5. Check program status (NFI_PSTA) to see whether the operation has been completed. Omitted if ERASE_CON has
been set.
6. Write command (NFI_CMD = D0h). Omitted if ERASE_CON has been set.
7. Check the erase complete interrupt.
For status read
1. Write command (NFI_CMD = 70h).
2. Set single word read for 1 byte (NFI_OPCON = 1100h).
3. Check program status (NFI_PSTA) to see whether the operation has been completed.
4. Read single byte (NFI_DATAR).
For page program
1. Enable write complete interrupt (NFI_INTR_EN = 2h).
2. Set DMA mode, and hardware ECC mode (NFI_CON = Ah).
3. Write command (NFI_CMD = 80h).
4. Write page address (NFI_ADDR).

MT6225 GSM/GPRS Baseband Processor Data Sheet Revision 1.00
219
5. Set the number of address bytes (NFI_ADDRNOB).
6. Set burst write (NFI_OPCON = 2h).
7. In DMA mode, the signal DMA_REQ controls the access. The user can also check the status of the FIFO
(NFI_FIFOCON) and write a pre-specified number of data whenever the FIFO is not full and until the end of page
is reached.
8. Check program status (NFI_PSTA) to see whether all operation has been completed.
9. Set ECC parities write. Omitted if hardware ECC mode has been set.
10. Check program status (NFI_PSTA) to see whether the above operation has been completed.
11. Write command (NFI_CMD = 10h). Omitted if PROGRAM_CON has been set.
12. Check the program complete interrupt.
For page read
1. Enable busy ready, read complete, ECC correct indicator, and ECC error indicator interrupt. (NFI_INTR_EN =
41h).
2. Set DMA mode, and hardware ECC mode. (NFI_CON = 5h).
3. Write command (NFI_CMD = 00h).
4. Write page address (NFI_ADDR).
5. Set the number of address bytes (NFI_ADDRNOB).
6. Check busy ready interrupt.
7. Set burst read (NFI_OPCON = 1h).
8. In DMA mode, the signal DMA_REQ controls the access. The user can also check the status of the FIFO
(NFI_FIFOCON) and read a pre-specified number of data whenever the FIFO is not empty and until the end of
page is reached.
9. Set ECC parities check. Omitted if hardware ECC mode has been set.
10. Check program status (NFI_PSTA) or check ECC correct and error interrupt.
11. Read the ECC correction or error information.
6.3.4 Device timing control
This section illustrates the timing diagram.
The ideal timing for write access is listed as listed in Table 39.
Parame
ter
Description Timing specification
Timing at 13MHz
(WST, WH) = (0,0)
Timing at 26MHz
(WST, WH) = (0,0)
Timing at 52MHz
(WST, WH) = (1,0)
TWC1 Write cycle time 3T + WST + WH 230.8ns 105.4ns 76.9ns
TWC2 Write cycle time 2T + WST + WH 153.9ns 76.9ns 57.7ns
TDS Write data setup time 1T + WST 76.9ns 38.5ns 38.5ns
TDH Write data hold time 1T + WH 76.9ns 38.5ns 19.2ns
TWP Write enable time 1T + WST 76.9ns 38.5ns 38.5ns
TWH Write high time 1T + WH 76.9ns 38.5ns 19.2ns
TCLS Command latch enable
setup time
1T 76.9ns 38.5ns 19.2ns

MT6225 GSM/GPRS Baseband Processor Data Sheet Revision 1.00
220
TCLH Command latch enable
hold time
1T + WH 76.9ns 38.5ns 19.2ns
TALS Address latch enable
setup time
1T 76.9ns 38.5ns 19.2ns
TALH Address latch enable
hold time
1T + WH 76.9ns 38.5ns 19.23ns
FWC Write data rate 1 / TWC2 6.5Mbytes/s 13Mbytes/s 17.3Mbytes/s
Table 39 Write access timing
WST
tCLS, tALS tCLH, tALH
tWP
tDH
HCLK
NCLE
NWEB
NLD
NCEB
tCES tCEH
tDS
NALE
command
tWC1
Figure 59 Command input cycle (1 wait state).
WST
tALS tALH
tWP
tDH
HCLK
NALE
NWEB
NLD
tWH
OE
(internal)
NCEB
tCES tCEH
NCLE
tCLS tCLH
tDH
tWH
tDH
tWP tWP
WST WST
A0 A1 A2
tWC2
tWC1
Figure 60 Address input cycle (1 wait state)

MT6225 GSM/GPRS Baseband Processor Data Sheet Revision 1.00
221
WST
tALS tALH
tWP
tDH
HCLK
NALE
NWEB
NLD
tWH
OE
(internal)
NCEB
tCES tCEH
NCLE tCLS
tCLH
tDH
tWH
tDH
tWP tWP
WST WST
D0 D526 D527
tWC2
tWC1
tWC2
Figure 61 Consecutive data write cycles (1 wait state, 0 hold time extension)
WST
tALS tALH
tWP
HCLK
NALE
NWEB
NLD
tWH
WHWH
OE
(internal)
NCEB
tCES tCEH
tDH
tDH
NCLE tCLS
D0 D527
WST
tWP
tCLH
tWC2
tWC1
Figure 62 Consecutive data write cycles (1 wait state, 1 hold time extension)
The ideal timing for read access is as listed in Table 28.
Parame
ter
Description Timing
specification
Timing at 13MHz
(RLT, WH) = (0,0)
Timing at 26MHz
(RLT, WH) = (1,0)
Timing at 52MHz
(RLT, WH) = (2,0)
TRC1 Read cycle time 3T + RLT + WH 230.8ns 153.8ns 96.2ns
TRC2 Read cycle time 2T + RLT + WH 153.9ns 115.4ns 76.9ns
TDS Read data setup time 1T + RLT 76.9ns 76.9ns 57.7ns
TDH Read data hold time 1T + WH 76.9ns 38.5ns 19.2ns
TRP Read enable time 1T + RLT 76.9ns 76.9ns 57.7ns
TRH Read high time 1T + WH 76.9ns 38.5ns 19.2ns
TCLS Command latch enable
setup time
1T 76.9ns 38.5ns 19.2ns
TCLH Command latch enable
hold time
1T + WH 76.9ns 38.5ns 19.2ns

MT6225 GSM/GPRS Baseband Processor Data Sheet Revision 1.00
222
TALS Address latch enable
setup time
1T 76.9ns 38.5ns 19.2ns
TALH
Address latch enable hold
time
1T + WH 76.9ns 38.5ns 19.2ns
FRC Write data rate 1 / TRC2 6.5Mbytes/s 8.7Mbytes/s 13Mbytes/s
Table 40 Read access timing
RLT
tALS
tCLH, tALH
tWP
HCLK
NALE
NREB
NLD
tWH
WHWH
OE
(internal)
NCEB
tCES tCEH
tDH
tDH
NCLE
tCLS
D0 D527
RLT
Figure 63 Serial read cycle (1 wait state, 1 hold time extension)
RLT
tCLS tCLH
tWP
tDH
HCLK
NCLE
NWEB
NLD
NCEB
tCES tCEH
tDS
NALE
70h
tALS tALH
NREB
Status
tWHR
tRP
RLT
OE
(internal)
W2R
Figure 64 Status read cycle (1 wait state)

MT6225 GSM/GPRS Baseband Processor Data Sheet Revision 1.00
223
tCLS tCLH
tWP
tDH
HCLK
NCLE
NWEB
NLD
NCEB
tCES tCEH
tDS
NALE
90h
tALS tALH
NREB
01h, 06h
tWHR
tRP
OE
(internal)
tWP
00h
tDH
tDS
Figure 65 ID and manufacturer read (0 wait state)
6.4 USB Device Controller
6.4.1 General Description
This chip provides a USB function interface that is in compliance with Universal Serial Bus Specification Rev 1.1. The
USB device controller supports only full-speed (12Mbps) operation. The cellular phone can make use of this widely
available USB interfaces to transmit/receive data with USB hosts, typically PC/laptop.
There provides 5 endpoints in the USB device controller besides the mandatory control endpoint, where among them, 3
endpoints are for IN transactions and 2 endpoints are for OUT transactions. Word, half-word, and byte access are
allowed for loading and unloading the FIFO. 4 DMA channels are equipped with the controller to accelerate the data
transfer. The features of the endpoints are as follows:
1. Endpoint 0: The control endpoint feature 16 bytes FIFO and accommodates maximum packet size of up to 16 bytes.
DMA transfer is not supported.
2. IN endpoint 1: It features 64 bytes FIFO and accommodates maximum packet size of up to 64 bytes. DMA transfer
is supported.
3. IN endpoint 2: It features 64 bytes FIFO and accommodates maximum packet size of up to 64 bytes. DMA transfer
is supported.
4. IN endpoint 3: It features 16-byte FIFO and accommodates maximum packet size of 16 bytes. DMA transfer is not
supported.
5. OUT endpoint 1: It features 64 bytes FIFO and accommodates maximum packet size of 64 bytes. DMA transfer is
supported.
6. OUT endpoint 2: It features 64 bytes FIFO and accommodates maximum packet size of 64 bytes. DMA transfer is
supported.
For each endpoint except the endpoint 0, if the packet size is small than half the size of the FIFO, at most 2 packets can
be buffered.

MT6225 GSM/GPRS Baseband Processor Data Sheet Revision 1.00
224
This unit is highly software configurable. All endpoints except the control endpoint can be configured to be a bulk,
interrupt or isochronous endpoints. Composite device is also supported. The IN endpoint 1 and the OUT endpoint 1
shares the same endpoint number but they can be use separately. So is the situation as the IN endpoint 2 and the OUT
endpoint 2.
The USB device uses cable-powered feature for the transceiver but only drains little current. An external resistor
(nominally 1.5Kohm) is required to be placed across Vbus and D+ signal. Two additional external serial resistors might
be needed to place on the output of D+ and D- signals to make the output impedance equivalent to 28~44Ohm.
6.4.2 Register Definitions
70000000h USB function address register USB_FADDR
Bit
7 6 5 4 3 2 1 0
Name
UPD FADDR
Type
RO R/W
Reset
0 0
This is an 8-bit register that should be written with the function’s 7-bit address (received through a SET_ADDRESS
description). It is then used for decoding the function address in subsequent token packets.
UPD Set when FADDR is written. It’s cleared when the new address takes effect (at the end of the current transfer).
FADDR The function address of the device.
70000001h USB power control register USB POWER
Bit
7 6 5 4 3 2 1 0
Name
ISO_UP SWRSTENA
B RESET RESUME SUSPMODE
SUSPENAB
Type
R/W R/W RO R/W RO R/W
Reset
0 0 0 0 0 0
ISO_UP When set by the MCU, the core will wait for an SOF token from the time INPKTRDY is set before
sending the packet.
SWRSTENAB Set by the MCU to enable the mode in which the device can only be reset by the software after
detecting reset signals on the bus. In case the software is delayed by other high-priority process and can’t
make it to read the command from the buffer before the hardware reset the device after detecting the reset
signal on the bus, the command will be lost. That’s why the software-reset mode is effective. When the
flag is enabled, the hardware state machine can’t reset by itself, but rather can be reset by the software. In
that sense, the software and the hardware can keep synchronous on detecting the reset signal.
RESET The read-only bit is set when Reset signaling is present on the bus.
RESUME Set by the MCU to generate Resume signaling when the function is in suspend mode. The MCU should
clear this bit after 10 ms (a maximum of 15 ms) to end Resume signaling.
SUSPMODE Set by the USB core when Suspend mode is entered. Cleared when the CPU reads the interrupt
register, or sets the Resume bit of this register.
SUSPENAB Set by the MCU to enable device into Suspend mode when Suspend signaling is received on the bus.
70000002h USB IN endpoints interrupt register USB_INTRIN
Bit
7 6 5 4 3 2 1 0
Name
EP3 EP2 EP1 EP0
Type
RC RC RC RC
Reset
0 0 0 0
This is a read-only register that indicates which of the interrupts for IN endpoints 0 to 3 are currently active. All active
interrupts will be cleared when this register is read.
EP3 IN endpoint #3 interrupt.

MT6225 GSM/GPRS Baseband Processor Data Sheet Revision 1.00
225
EP2 IN endpoint #2 interrupt.
EP1 IN endpoint #1 interrupt.
EP0 IN endpoint #0 interrupt.
70000004h USB OUT endpoints interrupt register USB_INTROUT
Bit
7 6 5 4 3 2 1 0
Name
EP2 EP1
Type
RC RC
Reset
0 0
This is a read-only register that indicates which of the interrupts for OUT endpoints 1 and 2 are currently active. All
active interrupts will be cleared when this register is read.
EP2 OUT endpoint #2 interrupt.
EP1 OUT endpoint #1 interrupt.
70000006h USB general interrupt register USB_INTRUSB
Bit
7 6 5 4 3 2 1 0
Name
SOF RESET RESUME SUSP
Type
RC RC RC RC
Reset
0 0 0 0
This is a read-only register that indicates which USB interrupts are currently active. All active interrupts will be cleared
when this register is read.
SOF Set at the start of each frame.
RESET Set when Reset signaling is detected on the bus.
RESUME Set when Resume signaling is detected on the bus while the USB core is in suspend mode.
SUSP Set when Suspend signaling is detected on the bus.
70000007h USB IN endpoints interrupt enable register USB_INTRINE
Bit
7 6 5 4 3 2 1 0
Name
EP3 EP2 EP1 EP0
Type
R/W R/W R/W R/W
Reset
1 1 1 1
This register provides interrupt enable bits for the interrupts in USB_INTRIN. On reset, the bits corresponding to
endpoint 0 and all IN endpoints are set to 1.
EP3 IN endpoint 3 interrupt enable.
EP2 IN endpoint 2 interrupt enable.
EP1 IN endpoint 1 interrupt enable.
EP0 IN endpoint 0 interrupt enable.
70000009h USB OUT endpoints interrupt enable register USB_INTROUT
E
Bit
7 6 5 4 3 2 1 0
Name
EP2 EP1
Type
R/W R/W
Reset
1 1
This register provides interrupt enable bits for the interrupts in USB_INTROUT. On reset, the bits corresponding to all
OUT endpoints are set to 1.
EP2 OUT endpoint 2 interrupt enable.
EP1 OUT endpoint 1 interrupt enable.

MT6225 GSM/GPRS Baseband Processor Data Sheet Revision 1.00
226
7000000Bh USB general interrupt enable register USB_INTRUSB
E
Bit
7 6 5 4 3 2 1 0
Name
SOF RESET RESUME SUSP
Type
R/W R/W R/W R/W
Reset
0 1 1 0
This register provides interrupt enable bits for each of the interrupts for USB_INTRUSB.
SOF SOF interrupt enable
RESET Reset interrupt enable
RESUME Resume interrupt enable
SUSP Suspend interrupt enable
7000000Ch USB frame count #1 register USB_FRAME1
Bit
7 6 5 4 3 2 1 0
Name
NUML
Type
RO
Reset
0
The register holds the lower 8 bits of the last received frame number.
NUML The lower 8 bits of the frame number.
7000000Dh USB frame count #2 register USB_FRAME2
Bit
7 6 5 4 3 2 1 0
Name
NUMH
Type
RO
Reset
0
The register holds the upper 3 bits of the last received frame number.
NUMH The upper 3 bits of the frame number.
7000000Eh USB endpoint register index USB_INDEX
Bit
7 6 5 4 3 2 1 0
Name
INDEX
Type
R/W
Reset
0
The register determines which endpoint control/status registers are to be accessed at addresses USB+10h to USB+17h.
Each IN endpoint and each OUT endpoint have their own set of control/status registers. Only one set of IN
control/status and one set of OUT control/status registers appear in the memory map at any one time. Before accessing
an endpoint’s control/status registers, the endpoint number should be written to the USB_INDEX register to ensure that
the correct control/status registers appear in the memory map.
INDEX The index of the endpoint.
7000000Fh USB reset control USB_RSTCTRL
Bit
7 6 5 4 3 2 1 0
Name
SWRST RSTCNTR
Type
R/W R/W
Reset
0 0
The register is used to control the reset process when the device detects the reset command issued from the host.

MT6225 GSM/GPRS Baseband Processor Data Sheet Revision 1.00
227
SWRST If the flag SWRSTENAB in the register USB_POWER is set to be 1, the software enable mode is
enabled, and the device can be reset by writing this flag to be 1.
RSTCNTR The field signifies the duration for the reset operation to take place after detecting reset signal on the bus.
It’s only enabled when software reset is not enabled. If the value is equal to zero, the duration is 2.5us.
Otherwise, the duration is equal to this value multiplied by 341 and then added by 2.5 in unit of us. The
range consequently starts from 2.5us to 5122.5 us.
70000011h USB control/status register for endpoint 0 USB_EP0_CSR
Bit
7 6 5 4 3 2 1 0
Name
SSETUPEND
SOUTPKTR
DY SENDSTALL
SETUPEND
DATAEND
SENTSTALL
INPKTRDY
OUTPKTRD
Y
Type
R/WS R/WS R/WS RO R/WS R/WC R/WS RO
Reset
0 0 0 0 0 0 0 0
The register is used for all control/status of endpoint 0. The register is active when USB_INDEX register is set to 0.
SSETUPEND The MCU writes a 1 to this bit to clear the SETUPEND bit. It’s cleared automatically. Only
active when a transaction has been started.
SOUTPKTRDY The MCU writes a 1 to this bit to clear the OUTPKTRDY bit. It’s cleared automatically. Only
active when an OUT transaction has been started.
SENDSTALL The MCU writes a 1 to this bit to terminate the current transaction. The STALL handshake will
be transmitted and then this bit will be cleared automatically.
SETUPEND This bit will be set when a control transaction ends before the DATAEND bit has been set. An
interrupt will be generated and FIFO flushed at this time. The bit is cleared by the MCU writing a 1
to the SSETUPEND bit.
DATAEND The MCU sets this bit:
1. When setting INPKTRDY for the last data packet.
2. When clearing OUTPKTRDY after unloading the last data packet.
3. When setting INPKTRDY for a zero length data packet.
It’s cleared automatically
SENTSTALL This bit is set when a STALL handshake is transmitted. The MCU should clear this bit by
writing a 0.
INPKTRDY The MCU sets this bit after loading a data packet into the FIFO. It is cleared automatically when the
data packet has been transmitted. An interrupt is generated when this bit is set.
OUTPKTRDY This bit is set when a data packet has been received. An interrupt is generated when this bit is
set. The MCU clears this bit by setting the SOUTPKTRDY bit.
70000016h USB byte count register USB_EP0_COU
NT
Bit
7 6 5 4 3 2 1 0
Name
COUNT
Type
RO
Reset
0
The register indicates the number of received data bytes in the endpoint 0. The value returned is valid while
OUTPKTRDY bit of USB_EP0_CSR register is set. The register is active when USB_INDEX register is set to 0.
COUNT The number of received data bytes in the endpoint 0.
70000010h USB maximum packet size register for IN endpoint
1~3
USB_EP_INMA
XP
Bit
7 6 5 4 3 2 1 0
Name
MAXP

MT6225 GSM/GPRS Baseband Processor Data Sheet Revision 1.00
228
Type
R/W
Reset
0
The register holds the maximum packet size for transactions through the currently selected IN endpoint – in units of 8
bytes. In setting the value, the programmer should note the constraints placed by the USB Specification on packet size
for bulk interrupt, and isochronous transactions in full-speed operations. There is an INMAXP register for each IN
endpoint except endpoint 0. The registers are active when USB_INDEX register is set to 1, 2, and 3, respectively.
The value written to this register should match the wMaxPacketSize field of the standard endpoint descriptor for the
associated endpoint. A mismatch could cause unexpected results. If a value greater than the configured IN FIFO size for
the endpoint is written to the register, the value will be automatically changed to the IN FIFO size. If the value written
to the register is less than, or equal to, half the IN FIFO size, two IN packets can be buffered. The configured IN FIFO
size for the endpoint 1, 2, and 3, are 64 bytes, 64 bytes, and 16 bytes, respectively.
The register is reset to 0. If the register is changed after packets have been sent from the endpoint, the endpoint IN
FIFO should be completely flushed after writing the new value to the register.
MAXP The maximum packet size in units of 8 bytes.
70000011h USB control/status register #1 for IN endpoint 1~3 USB_EP_INCS
R1
Bit
7 6 5 4 3 2 1 0
Name
CLRDATAT
OG SENTSTALL
SENDSTALL
FLUSHFIFO
UNDERRUN
FIFONOTEM
PTY INPKTRDY
Type
WO R/WC R/W WO R/WC RO R/WS
Reset
0 0 0 0 0 0 0
The register provides control and status bits for IN transactions through the currently selected endpoint. There is an
INCSR1 register for each IN endpoint except endpoint 0. The registers are active when USB_INDEX register is set to 1,
2, and 3, respectively.
CLRDATATOG The MCU writes a 1 to this bit to reset the endpoint IN data toggle to 0.
SENTSTALL The bit is set when a STALL handshake is transmitted. The FIFO is flushed and the
INPKTRDY bit is cleared. The MCU should clear this bit by writing a 0 to this bit.
SENDSTALL The MCU writes a 1 to this bit to issue a STALL handshake to an IN token. The MCU clears
this bit to terminate the stall condition.
FLUSHFIFO The MCU writes a 1 to this bit to flush the next packet to be transmitted from the endpoint IN
FIFO. The FIFO pointer is reset and the INPKTRDY bit is cleared. If the FIFO contains two packets,
FLUSHFIFO will need to be set twice to completely clear the FIFO.
UNDERRUN In isochronous mode, this bit is set when a zero length data packet is sent after receiving an IN
token with the INPKTRDY bit not set. In Bulk/Interrupt mode, this bit is set when a NAK is returned
in response to an IN token. The MCU should clear this bit by writing a 0 to this bit.
FIFONOTEMPTY This bit is set when there is at least 1 packet in the IN FIFO.
INPKTRDY The MCU sets this bit after loading a data packet into the FIFO. Only active when an IN transaction
has been started. It is cleared automatically when a data packet has been transmitted. An interrupt is
generated (if enabled) when the bit is cleared.
70000012h USB control/status register #2 for IN endpoint 1~3 USB_EP_INCS
R2
Bit
7 6 5 4 3 2 1 0
Name
AUTOSET
ISO MODE DMAENAB
RFCDATAT
OG
Type
R/W R/W R/W R/W R/W
Reset
0 0 0 0 0

MT6225 GSM/GPRS Baseband Processor Data Sheet Revision 1.00
229
The register provides further control bits for IN transactions through the currently selected endpoint. There is an
INCSR2 register for each IN endpoint except endpoint 0. The registers are active when USB_INDEX register is set to 1,
2, and 3, respectively.
AUTOSET If the MCU sets the bit, INPKTRDY will be automatically set when data of the maximum packet size
(value in INMAXP) is loaded into the IN FIFO. If a packet of less than the maximum packet size is
loaded, then INPKTRDY will have to be set manually. When 2 packets are in the IN FIFO then
INPKTRDY will also be automatically set when the first packet has been sent, if the second packet is
the maximum packet size.
ISO The MCU sets this bit to enable the IN endpoint for isochronous transfer, and clears it to enable the
IN endpoint for bulk/interrupt transfers.
MODE The MCU sets this bit to enable the endpoint direction as IN, and clears it to enable the endpoint
direction as OUT. It’s valid only where the same endpoint FIFO is used for both IN and OUT
transaction.
DMAENAB The MCU sets this bit to enable the DMA request for the IN endpoint.
FRCDATATOG The MCU sets this bit to force the endpoint’s IN data toggle to switch after each data packet is
sent regardless of whether an ACK was received. This can be used by interrupt IN endpoints which
are used to communicate rate feedback for isochronous endpoints.
70000013h USB maximum packet size register for OUT
endpoint
1~2
USB_EP_OUTM
AXP
Bit
7 6 5 4 3 2 1 0
Name
MAXP
Type
R/W
Reset
0
This register holds the maximum packet size for transactions through the currently selected OUT endpoint – in units of
8 bytes. In setting this value, the programmer should note the constraints placed by the USB specification on packet
sizes for bulk, interrupt, and isochronous transactions in full speed operations. There is an OUTMAXP register for each
OUT endpoint except endpoint 0. The registers are active when USB_INDEX register is set to 1 and 2, respectively.
The value written to this register should match the wMaxPacketSize field of the standard endpoint descriptor for the
associated endpoint. A mismatch could cause unexpected results. The total amount of data represented by the value
written to this register must not exceed the FIFO size for the OUT endpoint, and should not exceed half the FIFO size if
double buffering is required. If a value greater than the configured OUT FIFO size for the endpoint is written to the
register, the value will be automatically changed to the OUT FIFO size. If the value written to the register is less than,
or equal to, half the OUT FIFO size, two OUT packets can be buffered. The configured IN FIFO size for the endpoint 1
and 2 are both 64 bytes.
MAXP The maximum packet size in units of 8 bytes.
70000014h USB control/status register #1 for OUT endpoint 1~2
USB_EP_OUTC
SR1
Bit
7 6 5 4 3 2 1 0
Name
CLRDATAT
OG SENTSTALL
SENDSTALL
FLUSHFIFO
DATAERRO
R OVERRUN
FIFOFULL
OUTPKTRD
Y
Type
WO R/WC R/W WO RO R/WC RO R/WC
Reset
0 0 0 0 0 0 0 0
The register provides control status bits for OUT transactions through the currently selected endpoint. The registers are
active when USB_INDEX register is set to 1 and 2, respectively.
CLRDATATOG The MCU writes a 1 to this bit to reset the endpoint data toggle to 0.

MT6225 GSM/GPRS Baseband Processor Data Sheet Revision 1.00
230
SENTSTALL The bit is set when a STALL handshake is transmitted. The MCU should clear this bit by
writing a 0.
SENDSTALL The MCU writes a 1 to this bit to issue a STALL handshake. The MCU clears this bit to
terminate the stall condition. This bit has no effect if the OUT endpoint is in isochronous mode.
FLUSHFIFO The MCU writes a 1 to this bit to flush the next packet to be read from the endpoint OUT FIFO.
If the FIFO contains two packets, FLUSHFIFO will need to be set twice to completely clear the
FIFO.
DATAERROR The bit is set when OUTPKTRDY is set if the data packet has a CRC or bit-stuff error. It is
cleared when OUTPKTRDY is cleared. This bit is only valid in isochronous mode.
OVERRUN The bit is set if an OUT packet cannot be loaded into the OUT FIFO. The MCU should clear the bit
by writing a zero. This bit is only valid in isochronous mode.
FIFOFULL This bit is set when no more packets can be loaded into the OUT FIFO.
OUTPKTRDY The bit is set when a data packet has been received. The MCU should clear (write a 0 to) the bit
when the packet has been unloaded from the OUT FIFO. An interrupt is generated when the bit is set.
70000015h USB control/status register #2 for OUT endpoint 1~2
USB_EP_OUTC
SR2
Bit
7 6 5 4 3 2 1 0
Name
AUTOCLEA
R ISO DMAENAB
DMAMODE
Type
R/W R/W R/W R/W
Reset
0 0 0 0
The register provides further control bits for OUT transactions through the currently selected endpoint. The registers
are active when USB_INDEX register is set to 1 and 2, respectively.
AUTOCLEAR If the MCU sets this bit then the OUTPKTRDY bit will be automatically cleared when a packet
of OUTMAXP bytes has been unloaded from the OUT FIFO. When packets of less then the
maximum packet size are unloaded, OUTPKTRDY will have to be cleared manually.
ISO The MCU sets this bit to enable the OUT endpoint for isochronous transfers, and clears it to enable
the OUT endpoint for bulk/interrupt transfers.
DMAENAB The MCU sets this bit to enable the DMA request for the OUT endpoint.
DMAMODE Two modes of DMA operation are supported: DMA mode 0 in which a DMA request is generated for
all received packets, together with an interrupt (if enabled); and DMA mode 1 in which a DMA
request (but no interrupt) is generated for OUT packets of size OUTMAXP bytes and an interrupt
(but no DMA request) is generated for OUT packets of any other size. The MCU sets the bit to select
DMA mode 1 and clears this bit to select DMA mode 0.
70000016h USB OUT endpoint byte counter register LSB part
for
endpoint 1~2
USB_EP_COUN
T1
Bit
7 6 5 4 3 2 1 0
Name
NUML
Type
RO
Reset
0
The register holds the lower 8 bits of the number of received data bytes in the packet in the FIFO associated with the
currently selected OUT endpoint. The value returned is valid while OUTPKTRDY in the register USB_OUTCSR1 is
set. The registers are active when USB_INDEX register is set to 1 and 2, respectively.
NUML The lower 8 bits of the number of received data bytes for the OUT endpoint.

MT6225 GSM/GPRS Baseband Processor Data Sheet Revision 1.00
231
70000017h USB OUT endpoint byte counter register MSB part
for endpoint 1~2
USB_EP_COUN
T2
Bit
7 6 5 4 3 2 1 0
Name
NUMH
Type
RO
Reset
0
The register holds the upper 3 bits of the number of received data bytes in the packet in the FIFO associated with the
currently selected OUT endpoint. The value returned is valid while OUTPKTRDY in the register USB_EP_OUTCSR1
is set. The registers are active when USB_INDEX register is set to 1 and 2, respectively.
NUMH The upper 8 bits of the number of received data bytes for the OUT endpoint.
70000020h USB endpoint 0 FIFO access register USB_EP0_FIFO
Bit
31 30 29 28 27 26 25 24 23 22 21 20 19 18 17 16
Name
DB3 DB2
Type
R/W R/W
Bit
15 14 13 12 11 10 9 8 7 6 5 4 3 2 1 0
Name
DB1 DB0
Type
R/W R/W
The register provides MCU access to the FIFO for the endpoint 0. Writing to this register loads data into the FIFO for
the endpoint 0. Reading from this register unloads data from the FIFO for the endpoint 0.
The register provides word, half-word, and byte mode access. If word or half-word accesses are performed, the less
significant byte corresponds to the prior byte to load in or unload from the FIFO.
DB0 The first byte to be loaded into or unloaded from the FIFO.
DB1 The second byte to be loaded into or unloaded from the FIFO.
DB2 The third byte to be loaded into or unloaded from the FIFO.
DB3 The forth byte to be loaded into or unloaded from the FIFO.
70000024h USB endpoint 1 FIFO access register USB_EP1_FIFO
Bit
31 30 29 28 27 26 25 24 23 22 21 20 19 18 17 16
Name
DB3 DB2
Type
R/W R/W
Bit
15 14 13 12 11 10 9 8 7 6 5 4 3 2 1 0
Name
DB1 DB0
Type
R/W R/W
The register provides MCU access to the IN FIFO and the OUT FIFO for the endpoint 1. Writing to the register loads
data into the IN FIFO for the endpoint 1. Reading from the register unloads data from the OUT FIFO for the endpoint
1.
The register provides word, half-word, and byte mode access. If word or half-word accesses are performed, the less
significant byte corresponds to the prior byte to load in the IN FIFO or unload from the OUT FIFO.
DB0 The first byte to be loaded in the IN FIFO or unloaded from the OUT FIFO.
DB1 The second byte to be loaded in the IN FIFO or unloaded from the OUT FIFO.
DB2 The third byte to be loaded in the IN FIFO or unloaded from the OUT FIFO.
DB3 The forth byte to be loaded in the IN FIFO or unloaded from the OUT FIFO.
70000028h USB endpoint 2 FIFO access register USB_EP2_FIFO
Bit
31 30 29 28 27 26 25 24 23 22 21 20 19 18 17 16
Name
DB3 DB2
Type
R/W R/W
Bit
15 14 13 12 11 10 9 8 7 6 5 4 3 2 1 0

MT6225 GSM/GPRS Baseband Processor Data Sheet Revision 1.00
232
Name
DB1 DB0
Type
R/W R/W
The register provides MCU access to the IN FIFO and the OUT FIFO for the endpoint 2. Writing to the register loads
data into the IN FIFO for the endpoint 2. Reading from the register unloads data from the OUT FIFO for the endpoint
2.
The register provides word, half-word, and byte mode access. If word or half-word accesses are performed, the less
significant byte corresponds to the prior byte to load in the IN FIFO or unload from the OUT FIFO.
DB0 The first byte to be loaded into the IN FIFO or unloaded from the OUT FIFO.
DB1 The second byte to be loaded into the IN FIFO or unloaded from the OUT FIFO.
DB2 The third byte to be loaded into the IN FIFO or unloaded from the OUT FIFO.
DB3 The forth byte to be loaded into the IN FIFO or unloaded from the OUT FIFO.
7000002Ch USB endpoint 3 FIFO access register USB_EP3_FIFO
Bit
31 30 29 28 27 26 25 24 23 22 21 20 19 18 17 16
Name
DB3 DB2
Type
R/W R/W
Bit
15 14 13 12 11 10 9 8 7 6 5 4 3 2 1 0
Name
DB1 DB0
Type
R/W R/W
The register provides MCU access to the IN FIFO for the endpoint 3. Writing to the register loads data into the IN FIFO
for the endpoint 3.
The register provides word, half-word, and byte mode access. If word or half-word accesses are performed, the less
significant byte corresponds to the prior byte to load in the IN FIFO.
DB0 The first byte to be loaded into the IN FIFO.
DB1 The second byte to be loaded into the IN FIFO.
DB2 The third byte to be loaded into the IN FIFO.
DB3 The forth byte to be loaded into the IN FIFO.
6.5 Memory Stick and SD Memory Card Controller
6.5.1 Introduction
The controller fully supports the Memory Stick bus protocol as defined in Format Specification version 2.0 of Memory
Stick Standard (Memory Stick PRO) and the SD Memory Card bus protocol as defined in SD Memory Card
Specification Part 1 Physical Layer Specification version 1.0 as well as the MultiMediaCard (MMC) bus protocol as
defined in MMC system specification version 2.2. Since SD Memory Card bus protocol is backward compatible to
MMC bus protocol, the controller is capable of working well as the host on MMC bus under control of proper firmware.
Furthermore, the controller also support SDIO card specification version 1.0 partially. However, the controller can only
be configured as either the host of Memory Stick or the host of SD/MMC Memory Card at one time. Hereafter, the
controller is also abbreviated as MS/SD controller. The following are the main features of the controller.
Interface with MCU by APB bus
16/32-bit access on APB bus
16/32-bit access for control registers
32-bit access for FIFO
Shared pins for Memory Stick and SD/MMC Memory Card
Built-in 32 bytes FIFO buffers for transmit and receive, FIFO is shared for transmit and receive

MT6225 GSM/GPRS Baseband Processor Data Sheet Revision 1.00
233
Built-in CRC circuit
CRC generation can be disabled
DMA supported
Interrupt capabilities
Automatic command execution capability when an interrupt from Memory Stick
Data rate up to 26 Mbps in serial mode, 26x4 Mbps in parallel model, the module is targeted at 26 MHz
operating clock
Serial clock rate on MS/SD/MMC bus is programmable
Card detection capabilities
Controllability of power for memory card
Not support SPI mode for MS/SD/MMC Memory Card
Not support multiple SD Memory Cards
6.5.2 Overview
6.5.2.1 Pin Assignment
Since the controller can only be configured as either the host of Memory Stick or the host of SD/MMC Memory Card at
one time, pins for Memory Stick and SD/MMC Memory Card are shared in order to save pin counts. The following
lists pins required for Memory Stick and SD/MMC Memory Card. Table 41 shows how they are shared. In Table 41,
all I/O pads have embedded both pull up and pull down resistor because they are shared by both the Memory Stick and
SD/MMC Memory Card. Pins 2,4,5,8 are only useful for SD/MMC Memory Card. Pull down resistor for these pins can
be used for power saving. All embedded pull-up and pull-down resistors can be disabled by programming the
corresponding control registers if optimal pull-up or pull-down resistors are required on the system board. The pin
VDDPD is used for power saving. Power for Memory Stick or SD/MMC Memory Card can be shut down by
programming the corresponding control register. The pin WP (Write Protection) is only valid when the controller is
configured for SD/MMC Memory Card. It is used to detect the status of Write Protection Switch on SD/MMC Memory
Card.
No.
Name
Type
MMC
SD
MS
MSPRO
Description
1SD_CLK O CLK CLK SCLK SCLK Clock
2SD_DAT3 I/O/PP CD/DAT3 DAT3 Data Line [Bit 3]
3SD_DAT0 I/O/PP DAT0 DAT0 SDIO DAT0 Data Line [Bit 0]
4SD_DAT1 I/O/PP DAT1 DAT1 Data Line [Bit 1]
5SD_DAT2 I/O/PP DAT2 DAT2 Data Line [Bit 2]
6SD_CMD I/O/PP CMD CMD BS BS Command Or Bus State
7SD_PWRON O VDD ON/OFF
8
SD_WP
I
Write Protection Switch in SD
9
SD_INS
IVSS2 VSS2 INS INS Card Detection
Table 41 Sharing of pins for Memory Stick and SD/MMC Memory Card Controller
6.5.2.2 Card Detection
For Memory Stick, the host or connector should provide a pull up resistor on the signal INS. Therefore, the signal INS
will be logic high if no Memory Stick is on line. The scenario of card detection for Memory Stick is shown in Figure
66. Before Memory Stick is inserted or powered on, on host side SW1 shall be closed and SW2 shall be opened for
card detection. It is the default setting when the controller is powered on. Upon insertion of Memory Stick, the signal

MT6225 GSM/GPRS Baseband Processor Data Sheet Revision 1.00
234
INS will have a transition from high to low. Hereafter, if Memory Stick is removed then the signal INS will return to
logic high. If card insertion is intended to not be supported, SW1 shall be opened and SW2 closed always.
For SD/MMC Memory Card, detection of card insertion/removal by hardware is also supported. Because a pull down
resistor with about 470 KΩ resistance which is impractical to embed in an I/O pad is needed on the signal CD/DAT3,
and it has to be capable of being connected or disconnected dynamically onto the signal CD during initialization period,
an additional I/O pad is needed to switch on/off the pull down resistor on the system board. The scenario of card
detection for SD/MMC Memory Card is shown in Figure 67. Before SD/MMC Memory Card is inserted or powered
on, SW1 and SW2 shall be opened for card detection on the host side. Meanwhile, pull down resistor RCD on system
board shall attach onto the signal CD/DAT3 by the output signal RCDEN. In addition, SW3 on the card is default to be
closed. Upon insertion of SD/MMC Memory Card, the signal CD/DAT3 will have a transition from low to high. If
SD/MMC Memory Card is removed then the signal CD/DAT3 will return to logic low. After the card identification
process, pull down resistor RCD on system board shall disconnect with the signal CD/DAT3 and SW3 on the card shall
be opened for normal operation.
Since the scheme above needs a mechanical switch such as a relay on system board, it is not ideal enough. Thus, a
dedicated pin “INS” is used to perform card insertion and removal for SD/MMC. The pin “INS” will connect to the pin
“VSS2” of a SD/MMC connector. Then the scheme of card detection is the same as that for MS. It is shown in Figure
66.
INS
RPU
PAD
SW1
RPD
SW2
DAT3 OUT
CD/DAT3 IN
HOST CARD
output enable
Figure 66 Card detection for Memory Stick

MT6225 GSM/GPRS Baseband Processor Data Sheet Revision 1.00
235
RPU
PAD
SW1
RPD
SW2
DAT3 OUT
CD/DAT3 IN
HOST CARD
10-90 K
SW3
output enable
output enable
470 Kohm
RCDEN
PAD
Figure 67 Card detection for SD/MMC Memory Card

MT6225 GSM/GPRS Baseband Processor Data Sheet Revision 1.00
236
6.5.3 Register Definitions
REGISTER ADDRESS
REGISTER NAME SYNONYM
MSDC + 0000h MS/SD Memory Card Controller Configuration Register
MSDC_CFG
MSDC + 0004h MS/SD Memory Card Controller Status Register MSDC_STA
MSDC + 0008h MS/SD Memory Card Controller Interrupt Register MSDC_INT
MSDC + 000Ch MS/SD Memory Card Controller Data Register MSDC_DAT
MSDC + 00010h MS/SD Memory Card Pin Status Register MSDC_PS
MSDC + 00014h MS/SD Memory Card Controller IO Control Register MSDC_IOCON
MSDC + 0020h SD Memory Card Controller Configuration Register SDC_CFG
MSDC + 0024h SD Memory Card Controller Command Register SDC_CMD
MSDC + 0028h SD Memory Card Controller Argument Register SDC_ARG
MSDC + 002Ch SD Memory Card Controller Status Register SDC_STA
MSDC + 0030h SD Memory Card Controller Response Register 0 SDC_RESP0
MSDC + 0034h SD Memory Card Controller Response Register 1 SDC_RESP1
MSDC + 0038h SD Memory Card Controller Response Register 2 SDC_RESP2
MSDC + 003Ch SD Memory Card Controller Response Register 3 SDC_RESP3
MSDC + 0040h SD Memory Card Controller Command Status Register
SDC_CMDSTA
MSDC + 0044h SD Memory Card Controller Data Status Register SDC_DATSTA
MSDC + 0048h SD Memory Card Status Register SDC_CSTA
MSDC + 004Ch SD Memory Card IRQ Mask Register 0 SDC_IRQMASK0
MSDC + 0050h SD Memory Card IRQ Mask Register 1 SDC_IRQMASK1
MSDC + 0054h SDIO Configuration Register SDIO_CFG
MSDC + 0058h SDIO Status Register SDIO_STA
MSDC + 0060h Memory Stick Controller Configuration Register MSC_CFG
MSDC + 0064h Memory Stick Controller Command Register MSC_CMD
MSDC + 0068h Memory Stick Controller Auto Command Register MSC_ACMD
MSDC + 006Ch Memory Stick Controller Status Register MSC_STA
Table 42 MS/SD Controller Register Map
6.5.3.1 Global Register Definitions
MSDC+0000h
MS/SD Memory Card Controller Configuration
Register MSDC_CFG
Bit
31 30 29 28 27 26 25 24 23 22 21 20 19 18 17 16
Name
FIFOTHD PRCFG2 PRCFG1 PRCFG0 VDDP
D
RCDE
N
DIRQ
EN
PINE
N
DMAE
N
INTE
N
Type
R/W R/W R/W R/W R/W
R/W
R/W
R/W
R/W
R/W
Reset
0001 01 01 10 0 0 0 0 0 0
Bit
15 14 13 12 11 10 9 8 7 6 5 4 3 2 1 0
Name
SCLKF SCLK
ON
RED
STDB
Y
CLKS
RC
RST
NOCR
C MSD
C
Type
R/W R/W
R/W
R/W
R/W
W R/W
R/W
Reset
00000000 0 0 1 0 0 0 0
The register is for general configuration of the MS/SD controller. Note that MSDC_CFG[31:16] can be accessed by
16-bit APB bus access.

MT6225 GSM/GPRS Baseband Processor Data Sheet Revision 1.00
237
MSDC The register bit is used to configure the controller as the host of Memory Stick or as the host of SD/MMC
Memory card. The default value is to configure the controller as the host of Memory Stick.
0 Configure the controller as the host of Memory Stick
1 Configure the controller as the host of SD/MMC Memory card
NOCRC CRC Disable. A ‘1’ indicates that data transfer without CRC is desired. For write data block, data will be
transmitted without CRC. For read data block, CRC will not be checked. It is for testing purpose.
0 Data transfer with CRC is desired.
1 Data transfer without CRC is desired.
RST Software Reset. Writing a ‘1’ to the register bit will cause internal synchronous reset of MS/SD controller, but
does not reset register settings.
0 Otherwise
1 Reset MS/SD controller
CLKSRC The register bit specifies which clock is used as source clock of memory card. If MUC clock is used, the
fastest clock rate for memory card is 52/2=26MHz. If USB clock is used, the fastest clock rate for memory
card is 48/2=24MHz.
0 Use MCU clock as source clock of memory card.
1 Use USB clock as source clock of memory card.
STDBY Standby Mode. If the module is powered down, operating clock to the module will be stopped. At the same
time, clock to card detection circuitry will also be stopped. If detection of memory card insertion and removal
is desired, write ‘1’ to the register bit. If interrupt for detection of memory card insertion and removal is
enabled, interrupt will take place whenever memory is inserted or removed.
0 Standby mode is disabled.
1 Standby mode is enabled.
RED Rise Edge Data. The register bit is used to determine that serial data input is latched at the falling edge or the
rising edge of serial clock. The default setting is at the rising edge. If serial data has worse timing, set the
register bit to ‘1’. When memory card has worse timing on return read data, set the register bit to ‘1’.
0 Serial data input is latched at the rising edge of serial clock.
1 Serial data input is latched at the falling edge of serial clock.
SCLKON Serial Clock Always On. It is for debugging purpose.
0 Not to have serial clock always on.
1 To have serial clock always on.
SCLKF The register field controls clock frequency of serial clock on MS/SD bus. Denote clock frequency of MS/SD
bus serial clock as fslave and clock frequency of the MS/SD controller as fhost which is 104 or 52 MHz. Then the
value of the register field is as follows. Note that the allowable maximum frequency of fslave is 26MHz.
00000000b fslave =(1/2) * fhost
00000001b fslave = (1/(4*1)) * fhost
00000010b fslave = (1/(4*2)) * fhost
00000011b fslave = (1/(4*3))* fhost
…
00010000b fslave = (1/(4*16))* fhost
…
11111111b fslave = (1/(4*255)) * fhost
INTEN Interrupt Enable. Note that if interrupt capability is disabled then application software must poll the status of
the register MSDC_STA to check for any interrupt request.
0 Interrupt induced by various conditions is disabled, no matter the controller is configured as the host of
either SD/MMC Memory Card or Memory Stick.
1 Interrupt induced by various conditions is enabled, no matter the controller is configured as the host of
either SD/MMC Memory Card or Memory Stick.

MT6225 GSM/GPRS Baseband Processor Data Sheet Revision 1.00
238
DMAEN DMA Enable. Note that if DMA capability is disabled then application software must poll the status of the
register MSDC_STA for checking any data transfer request. If DMA is desired, the register bit must be set
before command register is written.
0 DMA request induced by various conditions is disabled, no matter the controller is configured as the host
of either SD/MMC Memory Card or Memory Stick.
1 DMA request induced by various conditions is enabled, no matter the controller is configured as the host
of either SD/MMC Memory Card or Memory Stick.
PINEN Pin Interrupt Enable. The register bit is used to control if the pin for card detection is used as an interrupt
source.
0 The pin for card detection is not used as an interrupt source.
1 The pin for card detection is used as an interrupt source.
DIRQEN Data Request Interrupt Enable. The register bit is used to control if data request is used as an interrupt
source.
0 Data request is not used as an interrupt source.
1 Data request is used as an interrupt source.
RCDEN The register bit controls the output pin RCDEN that is used for card identification process when the controller
is for SD/MMC Memory Card. Its output will control the pull down resistor on the system board to connect or
disconnect with the signal CD/DAT3.
0 The output pin RCDEN will output logic low.
1 The output pin RCDEN will output logic high.
VDDPD The register bit controls the output pin VDDPD that is used for power saving. The output pin VDDPD will
control power for memory card.
0 The output pin VDDPD will output logic low. The power for memory card will be turned off.
1 The output pin VDDPD will output logic high. The power for memory card will be turned on.
PRCFG0 Pull Up/Down Register Configuration for the pin WP. The default value is 10.
00 Pull up resistor and pull down resistor in the I/O pad of the pin WP are all disabled.
01 Pull down resistor in the I/O pad of the pin WP is enabled.
10 Pull up resistor in the I/O pad of the pin WP is enabled.
11 Use keeper of IO pad.
PRCFG1 Pull Up/Down Register Configuration for the pin CMD/BS. The default value is 0b01.
00 Pull up resistor and pull down resistor in the I/O pad of the pin CMD/BS are all disabled.
01 Pull down resistor in the I/O pad of the pin CMD/BS is enabled.
10 Pull up resistor in the I/O pad of the pin CMD/BS is enabled.
11 Use keeper of IO pad.
PRCFG2 Pull Up/Down Register Configuration for the pins DAT0, DAT1, DAT2, DAT3. The default value is 0b01.
00 Pull up resistor and pull down resistor in the I/O pads o the pins DAT0, DAT1, DAT2, DAT3. are all
disabled.
01 Pull down resistor in the I/O pads of the pins DAT0, DAT1, DAT2, DAT3 and WP. is enabled.
10 Pull up resistor in the I/O pads of the pins DAT0, DAT1, DAT2, DAT3. is enabled.
11 Use keeper of IO pad.
FIFOTHD FIFO Threshold. The register field determines when to issue a DMA request. For write transactions, DMA
requests will be asserted if the number of free entries in FIFO are larger than or equal to the value in the
register field. For read transactions, DMA requests will be asserted if the number of valid entries in FIFO are
larger than or equal to the value in the register field. The register field must be set according to the setting of

MT6225 GSM/GPRS Baseband Processor Data Sheet Revision 1.00
239
data transfer count in DMA burst mode. If single mode for DMA transfer is used, the register field shall be set
to 0b0001.
0000 Invalid.
0001 Threshold value is 1.
0010 Threshold value is 2.
…
1000 Threshold value is 8.
others Invalid
MSDC+0004h
MS/SD Memory Card Controller Status Register MSDC_STA
Bit
15 14 13 12 11 10 9 8 7 6 5 4 3 2 1 0
Name
BUSY
FIFOC
LR
FIFOCNT INT
DRQ
BE
BF
Type
R W RO RO
RO
RO
RO
Reset
0 - 0000 0 0 0 0
The register contains the status of FIFO, interrupts and data requests.
BF The register bit indicates if FIFO in MS/SD controller is full.
0 FIFO in MS/SD controller is not full.
1 FIFO in MS/SD controller is full.
BE The register bit indicates if FIFO in MS/SD controller is empty.
0 FIFO in MS/SD controller is not empty.
1 FIFO in MS/SD controller is empty.
DRQ The register bit indicates if any data transfer is required. While any data transfer is required, the register bit
still will be active even if the register bit DIRQEN in the register MSDC_CFG is disabled. Data transfer can
be achieved by DMA channel alleviating MCU loading, or by polling the register bit to check if any data
transfer is requested. While the register bit DIRQEN in the register MSDC_CFG is disabled, the second
method is used.
0 No DMA request exists.
1 DMA request exists.
INT The register bit indicates if any interrupt exists. While any interrupt exists, the register bit still will be active
even if the register bit INTEN in the register MSDC_CFG is disabled. MS/SD controller can interrupt MCU
by issuing interrupt request to Interrupt Controller, or software/application polls the register endlessly to check
if any interrupt request exists in MS/SD controller. While the register bit INTEN in the register MSDC_CFG is
disabled, the second method is used. For read commands, it is possible that timeout error takes place. Software
can read the status register to check if timeout error takes place without OS time tick support or data request is
asserted. Note that the register bit will be cleared when reading the register MSDC_INT.
0 No interrupt request exists.
1 Interrupt request exists.
FIFOCNT FIFO Count. The register field shows how many valid entries are in FIFO.
0000 There is 0 valid entry in FIFO.
0001 There is 1 valid entry in FIFO.
0010 There are 2 valid entries in FIFO.
…
1000 There are 8 valid entries in FIFO.
others Invalid
FIFOCLR Clear FIFO. Writing ‘1’ to the register bit will cause the content of FIFO clear and reset the status of FIFO
controller.
0 No effect on FIFO.
1 Clear the content of FIFO clear and reset the status of FIFO controller.

MT6225 GSM/GPRS Baseband Processor Data Sheet Revision 1.00
240
BUSY Status of the controller. If the controller is in busy state, the register bit will be ‘1’. Otherwise ‘0’.
0 The controller is in busy state.
1 The controller is in idle state.
MSDC+0008h
MS/SD Memory Card Controller Interrupt Register MSDC_INT
Bit
15 14 13 12 11 10 9 8 7 6 5 4 3 2 1 0
Name
SDIOI
RQ
SDR1
BIRQ
MSIFI
RQ
SDMC
IRQ
SDDA
TIRQ
SDCM
DIRQ
PINIR
Q DIRQ
Type
RC
RC
RC
RC
RC
RC
RC
RC
Reset
0 0 0 0 0 0 0 0
The register contains the status of interrupts. Note that the register still show status of interrupt even though interrupt is
disabled, that is, the register bit INTEN of the register MSDC_CFG is set to ‘0. It implies that software interrupt can be
implemented by polling the register bit INT of the register MSDC_STA and this register. However, if hardware
interrupt is desired, remember to clear the register before setting the register bit INTEN of the register
MSDC_CFG to ‘1’. Or undesired hardware interrupt arisen from previous interrupt status may take place.
DIRQ Data Request Interrupt. The register bit indicates if any interrupt for data request exists. Whenever data request
exists and data request as an interrupt source is enabled, i.e., the register bit DIRQEN in the register
MSDC_CFG is set to ‘1’, the register bit will be active. It will be reset when reading it. For software, data
requests can be recognized by polling the register bit DRQ or by data request interrupt. Data request interrupts
will be generated every FIFOTHD data transfers.
0 No Data Request Interrupt.
1 Data Request Interrupt occurs.
PINIRQ Pin Change Interrupt. The register bit indicates if any interrupt for memory card insertion/removal exists.
Whenever memory card is inserted or removed and card detection interrupt is enabled, i.e., the register bit
PINEN in the register MSDC_CFG is set to ‘1’, the register bit will be set to ‘1’. It will be reset when the
register is read.
0 Otherwise.
1 Card is inserted or removed.
SDCMDIRQ SD Bus CMD Interrupt. The register bit indicates if any interrupt for SD CMD line exists. Whenever
interrupt for SD CMD line exists, i.e., any bit in the register SDC_CMDSTA is active, the register bit will be
set to ‘1’ if interrupt is enabled. It will be reset when the register is read.
0 No SD CMD line interrupt.
1 SD CMD line interrupt exists.
SDDATIRQ SD Bus DAT Interrupt. The register bit indicates if any interrupt for SD DAT line exists. Whenever
interrupt for SD DAT line exists, i.e., any bit in the register SDC_ DATSTA is active, the register bit will be set
to ‘1’ if interrupt is enabled. It will be reset when the register is read.
0 No SD DAT line interrupt.
1 SD DAT line interrupt exists.
SDMCIRQ SD Memory Card Interrupt. The register bit indicates if any interrupt for SD Memory Card exists.
Whenever interrupt for SD Memory Card exists, i.e., any bit in the register SDC_CSTA is active, the register
bit will be set to ‘1’ if interrupt is enabled. It will be reset when the register is read.
0 No SD Memory Card interrupt.
1 SD Memory Card interrupt exists.
MSIFIRQ MS Bus Interface Interrupt. The register bit indicates if any interrupt for MS Bus Interface exists.
Whenever interrupt for MS Bus Interface exists, i.e., any bit in the register MSC_STA is active, the register bit
will be set to ‘1’ if interrupt is enabled. It will be reset when the register MSDC_STA or MSC_STA is read.
0 No MS Bus Interface interrupt.
1 MS Bus Interface interrupt exists.

MT6225 GSM/GPRS Baseband Processor Data Sheet Revision 1.00
241
SDR1BIRQ SD/MMC R1b Response Interrupt. The register bit will be active when a SD/MMC command with R1b
response finishes and the DAT0 line has transition from busy to idle state. Single block write commands
with R1b response will cause the interrupt when the command completes no matter successfully or
with CRC error. However, multi-block write commands with R1b response do not cause the interrupt
because multi-block write commands are always stopped by STOP_TRANS commands.
STOP_TRANS commands (with R1b response) behind multi-block write commands will cause the
interrupt. Single block read command with R1b response will cause the interrupt when the command
completes but multi-block read commands do not. Note that STOP_TRANS commands (with R1b
response) behind multi-block read commands will cause the interrupt.
0 No interrupt for SD/MMC R1b response.
1 Interrupt for SD/MMC R1b response exists.
MSDC+000Ch
MS/SD Memory Card Controller Data Register MSDC_DAT
Bit
31 30 29 28 27 26 25 24 23 22 21 20 19 18 17 16
Name
DATA[31:16]
Type
R/W
Bit
15 14 13 12 11 10 9 8 7 6 5 4 3 2 1 0
Name
DATA[15:0]
Type
R/W
The register is used to read/write data from/to FIFO inside MS/SD controller. Data access is in unit of 32 bits.
MSDC+0010h
MS/SD Memory Card Pin Status Register MSDC_PS
Bit
31 30 29 28 27 26 25 24 23 22 21 20 19 18 17 16
Name
CMD
DAT
Type
RO
RO
Reset
- -
Bit
15 14 13 12 11 10 9 8 7 6 5 4 3 2 1 0
Name
CDDEBOUNCE PINC
HG
PIN0
POEN
0 PIEN0
CDEN
Type
RW RC
RO
R/W
R/W
R/W
Reset
0000 0 1 0 0 0
The register is used for card detection. When the memory card controller is powered on, and the system is powered on,
the power for the memory card is still off unless power has been supplied by the PMIC. Meanwhile, pad for card
detection defaults to pull down when the system is powered on. The scheme of card detection for MS is the same as
that for SD/MMC.
For detecting card insertion, first pull up INS pin, and then enable card detection and input pin at the same time. After
32 cycles of controller clock, status of pin changes will emerge. For detecting card removal, just keep enabling card
detection and input pin.
CDEN Card Detection Enable. The register bit is used to enable or disable card detection.
0 Card detection is disabled.
1 Card detection is enabled.
PIEN0 The register bit is used to control input pin for card detection.
0 Input pin for card detection is disabled.
1 Input pin for card detection is enabled.
POEN0 The register bit is used to control output of input pin for card detection.
0 Output of input pin for card detection is disabled.
1 Output of input pin for card detection is enabled.
PIN0 The register shows the value of input pin for card detection.
0 The value of input pin for card detection is logic low.
1 The value of input pin for card detection is logic high.

MT6225 GSM/GPRS Baseband Processor Data Sheet Revision 1.00
242
PINCHG Pin Change. The register bit indicates the status of card insertion/removal. If memory card is inserted or
removed, the register bit will be set to ‘1’ no matter pin change interrupt is enabled or not. It will be cleared
when the register is read.
0 Otherwise.
1 Card is inserted or removed.
CDDEBOUNCE The register field specifies the time interval for card detection de-bounce. Its default value is 0. It
means that de-bounce interval is 32 cycle time of 32KHz. The interval will extend one cycle time of 32KHz by
increasing the counter by 1.
DAT Memory Card Data Lines.
CMD Memory Card Command Lines.
MSDC+0014h
MS/SD Memory Card Controller IO Control Register MSDC_IOCON
Bit
31 30 29 28 27 26 25 24 23 22 21 20 19 18 17 16
Name
DLT
Type
R/W
Reset
00000010
Bit
15 14 13 12 11 10 9 8 7 6 5 4 3 2 1 0
Name
CMDR
E PRCFG3 SRCF
G1
SRCF
G0
ODCCFG1 ODCCFG0
Type
R/W
R/W R/W
R/W
R/W R/W
Reset
0 10 1 1 000 011
The register specifies Output Driving Capability and Slew Rate of IO pads for MSDC. The reset value is suggestion
setting. If output driving capability of the pins DAT0, DAT1, DAT2 and DAT3 is too large, it’s possible to arise ground
bounce and thus result in glitch on SCLK.
ODCCFG0 Output driving capability the pins CMD/BS and SCLK
000 4mA
010 8mA
100 12mA
110 16mA
ODCCFG1 Output driving capability the pins DAT0, DAT1, DAT2 and DAT3
000 4mA
010 8mA
100 12mA
110 16mA
SRCFG0 Output driving capability the pins CMD/BS and SCLK
0 Fast Slew Rate
1 Slow Slew Rate
SRCFG1 Output driving capability the pins DAT0, DAT1, DAT2 and DAT3
0 Fast Slew Rate
1 Slow Slew Rate
PRCFG3 Pull Up/Down Register Configuration for the pin INS. The default value is 10.
00 Pull up resistor and pull down resistor in the I/O pad of the pin INS are all disabled.
01 Pull down resistor in the I/O pad of the pin INS is enabled.
10 Pull up resistor in the I/O pad of the pin INS is enabled.
11 Use keeper of IO pad.
CMDRE The register bit is used to determine whether the host should latch response token (which is sent from card
on CMD line ) at rising edge or falling edge of serial clock.
0 Host latches response at rising edge of serial clock
1 Host latches response at falling edge of serial clock
DLT Data Latch Timing. The register is used for SW to select the latch timing on data line.

MT6225 GSM/GPRS Baseband Processor Data Sheet Revision 1.00
243
Figure 3 illustrates the data line latch timing. sclk_out is the serial clock output to card. div_clk is the
internal clock used for generating divided clock. The number “1 2 1 2” means the current sclk_out is
divided from div_clk by a ratio of 2. data_in is the output data from card, and latched_data(r)/(f) is the
rising/falling edge latched data inside the host (configured by RED in MSDC_CFG). In this example,
SCLKF(in MSDC_CFG) is set to 8’b0 which means the division ratio is 2, and DLT is set to 1. Note that
the value of DLT CANNOT be set as 0 and its value should not exceed the division ratio ( in the example,
the division ratio is 2). Also note that, the latching time will be one div_clk later than the indicated DLT
value and the falling edge is always half div_clk ahead from rising edge. The default value of DLT is set
to 8’b2.
Figure 3 Illustration of data line latch timing
6.5.3.2 SD Memory Card Controller Register Definitions
MSDC+0020h
SD Memory Card Controller Configuration Register SDC_CFG
Bit
31 30 29 28 27 26 25 24 23 22 21 20 19 18 17 16
Name
DTOC WDOD SDIO
MDL
W8
MDLE
N SIEN
Type
R/W R/W R/W
R/W
R/W
R/W
Reset
00000000 0000 0 0 0 0
Bit
15 14 13 12 11 10 9 8 7 6 5 4 3 2 1 0
Name
BSYDLY BLKLEN
Type
R/W R/W
Reset
1000 00000000000
The register is used for configuring the MS/SD Memory Card Controller when it is configured as the host of SD
Memory Card. If the controller is configured as the host of Memory Stick, the contents of the register have no impact
on the operation of the controller. Note that SDC_CFG[31:16] can be accessed by 16-bit APB bus access.
BLKLEN It refers to Block Length. The register field is used to define the length of one block in unit of byte in a data
transaction. The maximal value of block length is 2048 bytes.
000000000000 Reserved.
000000000001 Block length is 1 byte.
000000000010 Block length is 2 bytes.
…
011111111111 Block length is 2047 bytes.
100000000000 Block length is 2048 bytes.
BSYDLY The register field is only valid for the commands with R1b response. If the command has a response of
R1b type, MS/SD controller must monitor the data line 0 for card busy status from the bit time that is two
serial clock cycles after the command end bit to check if operations in SD/MMC Memory Card have finished.

MT6225 GSM/GPRS Baseband Processor Data Sheet Revision 1.00
244
The register field is used to expand the time between the command end bit and end of detection period to
detect card busy status. If time is up and there is no card busy status on data line 0, then the controller will
abandon the detection.
0000 No extend.
0001 Extend one more serial clock cycle.
0010 Extend two more serial clock cycles.
…
1111 Extend fifteen more serial clock cycle.
SIEN Serial Interface Enable. It should be enabled as soon as possible before any command.
0 Serial interface for SD/MMC is disabled.
1 Serial interface for SD/MMC is enabled.
MDLW8 Eight Data Line Enable. The register works when MDLEN is enabled. The register can be enabled only
when MultiMediaCard 4.0 is applied and detected by software application.
0 4-bit Data line is enabled.
1 8-bit Data line is enabled.
SDIO SDIO Enable.
0 SDIO mode is disabled
1 SDIO mode is enabled
MDLEN Multiple Data Line Enable. The register can be enabled only when SD Memory Card is applied and detected
by software application. It is the responsibility of the application to program the bit correctly when an
MultiMediaCard is applied. If an MultiMediaCard is applied and 4-bit data line is enabled, then 4 bits will be
output every serial clock. Therefore, data integrity will fail.
0 4-bit Data line is disabled.
1 4-bit Data line is enabled.
WDOD Write Data Output Delay. The period from finish of the response for the initial host write command or the last
write data block in a multiple block write operation to the start bit of the next write data block requires at least
two serial clock cycles. The register field is used to extend the period (Write Data Output Delay) in unit of one
serial clock.
0000 No extend.
0001 Extend one more serial clock cycle.
0010 Extend two more serial clock cycles.
…
1111 Extend fifteen more serial clock cycle.
DTOC Data Timeout Counter. The period from finish of the initial host read command or the last read data block in a
multiple block read operation to the start bit of the next read data block requires at least two serial clock cycles.
The counter is used to extend the period (Read Data Access Time) in unit of 65,536 serial clock. See the
register field description of the register bit RDINT for reference.
00000000 Extend 65,536 more serial clock cycle.
00000001 Extend 65,536x2 more serial clock cycle.
00000010 Extend 65,536x3 more serial clock cycle.
…
11111111 Extend 65,536x 256 more serial clock cycle.
MSDC+0024h
SD Memory Card Controller Command Register SDC_CMD
Bit
31 30 29 28 27 26 25 24 23 22 21 20 19 18 17 16
Name
CMDF
AIL
Type
R/W
Reset
0
Bit
15 14 13 12 11 10 9 8 7 6 5 4 3 2 1 0

MT6225 GSM/GPRS Baseband Processor Data Sheet Revision 1.00
245
Name
INTC
STOP
RW
DTYPE IDRT
RSPTYP BREA
K CMD
Type
R/W
R/W
R/W
R/W R/W
R/W R/W
R/W
Reset
0 0 0 00 0 000 0 000000
The register defines a SD Memory Card command and its attribute. Before MS/SD controller issues a transaction onto
SD bus, application shall specify other relative setting such as argument for command. After application writes the
register, MS/SD controller will issue the corresponding transaction onto SD serial bus. If the command is
GO_IDLE_STATE, the controller will have serial clock on SD/MMC bus run 128 cycles before issuing the command.
CMD SD Memory Card command. It is totally 6 bits.
BREAK Abort a pending MMC GO_IRQ_MODE command. It is only valid for a pending GO_IRQ_MODE command
waiting for MMC interrupt response.
0 Other fields are valid.
1 Break a pending MMC GO_IRQ_MODE command in the controller. Other fields are invalid.
RSPTYP The register field defines response type for the command. For commands with R1 and R1b response, the
register SDC_CSTA (not SDC_STA) will update after response token is received. This register SDC_CSTA
contains the status of the SD/MMC and it will be used as response interrupt sources. Note that if CMD7 is
used with all 0’s RCA then RSPTYP must be “000”. And the command “GO_TO_IDLE” also have
RSPTYP=’000’.
000 There is no response for the command. For instance, broadcast command without response and
GO_INACTIVE_STATE command.
001 The command has R1 response. R1 response token is 48-bit.
010 The command has R2 response. R2 response token is 136-bit.
011 The command has R3 response. Even though R3 is 48-bit response, but it does not contain CRC
checksum.
100 The command has R4 response. R4 response token is 48-bit. (Only for MMC)
101 The command has R5 response. R5 response token is 48-bit. (Only for MMC)
110 The command has R6 response. R6 response token is 48-bit.
111 The command has R1b response. If the command has a response of R1b type, MS/SD controller must
monitor the data line 0 for card busy status from the bit time that is two or four serial clock cycles after
the command end bit to check if operations in SD/MMC Memory Card have finished. There are two
cases for detection of card busy status. The first case is that the host stops the data transmission during
an active write data transfer. The card will assert busy signal after the stop transmission command end
bit followed by four serial clock cycles. The second case is that the card is in idle state or under a
scenario of receiving a stop transmission command between data blocks when multiple block write
command is in progress. The register bit is valid only when the command has a response token.
Note that the response type R4 and R5 mentioned above is for MMC only.
For SDIO, RSPTYP definition is different and shall be set to :
001 (i) CMD5 of SDIO is to be issued. (Where the response is defined as R4 in SDIO spec)
(ii) CMD52 or CMD53 for READ is to be issued. (Where the response is defined as R5 in SDIO
spec)
111 CMD52 for I/O abort or CMD53 for WRITE is to be issued (Where the response is defined as R5
in SDIO spec)
IDRT Identification Response Time. The register bit indicates if the command has a response with NID (that is, 5
serial clock cycles as defined in SD Memory Card Specification Part 1 Physical Layer Specification version
1.0) response time. The register bit is valid only when the command has a response token. Thus the register bit
must be set to ‘1’ for CMD2 (ALL_SEND_CID) and ACMD41 (SD_APP_OP_CMD).
0 Otherwise.
1 The command has a response with NID response time.

MT6225 GSM/GPRS Baseband Processor Data Sheet Revision 1.00
246
DTYPE The register field defines data token type for the command.
00 No data token for the command
01 Single block transaction
10 Multiple block transaction. That is, the command is a multiple block read or write command.
11 Stream operation. It only shall be used when an MultiMediaCard is applied.
RW The register bit defines the command is a read command or write command. The register bit is valid only
when the command will cause a transaction with data token.
0 The command is a read command.
1 The command is a write command.
STOP The register bit indicates if the command is a stop transmission command. It should be set to 1 when
CMD12 (SD/MMC) or CMD52 with I/O abort (SDIO) is to be issued.
0 The command is not a stop transmission command.
1 The command is a stop transmission command.
INTC The register bit indicates if the command is GO_IRQ_STATE. If the command is GO_IRQ_STATE, the period
between command token and response token will not be limited.
0 The command is not GO_IRQ_STATE.
1 The command is GO_IRQ_STATE.
CMDFAIL The register bit is used for controlling SDIO interrupt period when CRC error or Command/Data timeout
condition occurs. It is useful only when SDIO 4-bit mode is activated.
0 SDIO Interrupt period will re-start after a stop command (CMD12) or I/O abort command (CMD52) is
issued.
1 SDIO Interrupt period will re-start whenever DAT line is not busy.
MSDC+0028h
SD Memory Card Controller Argument Register SDC_ARG
Bit
31 30 29 28 27 26 25 24 23 22 21 20 19 18 17 16
Name
ARG [31:16]
Type
R/W
Bit
15 14 13 12 11 10 9 8 7 6 5 4 3 2 1 0
Name
ARG [15:0]
Type
R/W
The register contains the argument of the SD/MMC Memory Card command.
MSDC+002Ch
SD Memory Card Controller Status Register SDC_STA
Bit
15 14 13 12 11 10 9 8 7 6 5 4 3 2 1 0
Name
WP
R1BS
Y
RSV
DATB
USY
CMDB
USY
SDCB
USY
Type
R RO
RO
RO
RO
RO
Reset
- 0 0 0 0 0
The register contains various status of MS/SD controller as the controller is configured as the host of SD Memory Card.
SDCBUSY The register field indicates if MS/SD controller is busy, that is, any transmission is going on CMD or DAT
line on SD bus.
0 MS/SD controller is idle.
1 MS/SD controller is busy.
CMDBUSY The register field indicates if any transmission is going on CMD line on SD bus.
0 No transmission is going on CMD line on SD bus.
1 There exists transmission going on CMD line on SD bus.
DATBUSY The register field indicates if any transmission is going on DAT line on SD bus. For those commands
without data but still involving DAT line, the register bit is useless. For example, if an Erase command is

MT6225 GSM/GPRS Baseband Processor Data Sheet Revision 1.00
247
issued, then checking if the register bit is ‘0’ before issuing next command with data would not
guarantee that the controller is idle. In this situation, use the register bit SDCBUSY.
0 No transmission is going on DAT line on SD bus.
1 There exists transmission going on DAT line on SD bus.
R1BSY The register field shows the status of DAT line 0 for commands with R1b response.
0 SD/MMC Memory card is not busy.
1 SD/MMC Memory card is busy.
WP It is used to detect the status of Write Protection Switch on SD Memory Card. The register bit shows the status
of Write Protection Switch on SD Memory Card. There is no default reset value. The pin WP (Write Protection)
is also only useful while the controller is configured for SD Memory Card.
1 Write Protection Switch ON. It means that memory card is desired to be write-protected.
0 Write Protection Switch OFF. It means that memory card is writable.
MSDC+0030h
SD Memory Card Controller Response Register 0 SDC_RESP0
Bit
31 30 29 28 27 26 25 24 23 22 21 20 19 18 17 16
Name
RESP [31:16]
Type
RO
Bit
15 14 13 12 11 10 9 8 7 6 5 4 3 2 1 0
Name
RESP [15:0]
Type
RO
The register contains parts of the last SD/MMC Memory Card bus response. See description for the register field
SDC_RESP3.
MSDC+0034h
SD Memory Card Controller Response Register 1 SDC_RESP1
Bit
31 30 29 28 27 26 25 24 23 22 21 20 19 18 17 16
Name
RESP [63:48]
Type
RO
Bit
15 14 13 12 11 10 9 8 7 6 5 4 3 2 1 0
Name
RESP [47:32]
Type
RO
The register contains parts of the last SD/MMC Memory Card bus response. See description for the register field
SDC_RESP3.
MSDC+0038h
SD Memory Card Controller Response Register 2 SDC_RESP2
Bit
31 30 29 28 27 26 25 24 23 22 21 20 19 18 17 16
Name
RESP [95:80]
Type
RO
Bit
15 14 13 12 11 10 9 8 7 6 5 4 3 2 1 0
Name
RESP [79:64]
Type
RO
The register contains parts of the last SD/MMC Memory Card bus response. See description for the register field
SDC_RESP3.
MSDC+003Ch
SD Memory Card Controller Response Register 3 SDC_RESP3
Bit
31 30 29 28 27 26 25 24 23 22 21 20 19 18 17 16
Name
RESP [127:112]
Type
RO
Bit
15 14 13 12 11 10 9 8 7 6 5 4 3 2 1 0
Name
RESP [111:96]
Type
RO

MT6225 GSM/GPRS Baseband Processor Data Sheet Revision 1.00
248
The register contains parts of the last SD/MMC Memory Card bus response. The register fields SDC_RESP0,
SDC_RESP1, SDC_RESP2 and SDC_RESP3 compose the last SD/MMC Memory card bus response. For response of
type R2, that is, response of the command ALL_SEND_CID, SEND_CSD and SEND_CID, only bit 127 to 0 of
response token is stored in the register field SDC_RESP0, SDC_RESP1, SDC_RESP2 and SDC_RESP3. For response
of other types, only bit 39 to 8 of response token is stored in the register field SDC_RESP0.
MSDC+0040h
SD Memory Card Controller Command Status
Register SDC_CMDSTA
Bit
15 14 13 12 11 10 9 8 7 6 5 4 3 2 1 0
Name
MMCI
RQ
RSPC
RCER
R
CMDT
O
CMD
RDY
Type
RC
RC
RC
RC
Reset
0 0 0 0
The register contains the status of MS/SD controller during command execution and that of MS/SD bus protocol after
command execution when MS/SD controller is configured as the host of SD/MMC Memory Card. The register will
also be used as interrupt sources. The register will be cleared when reading the register. Meanwhile, if interrupt is
enabled and thus interrupt caused by the register is generated, reading the register will deassert the interrupt.
CMDRDY For command without response, the register bit will be ‘1’ once the command completes on SD/MMC bus.
For command with response, the register bit will be ‘1’ whenever the command is issued onto SD/MMC bus
and its corresponding response is received without CRC error.
0 Otherwise.
1 Command with/without response finish successfully without CRC error.
CMDTO Timeout on CMD detected. A ‘1’ indicates that MS/SD controller detected a timeout condition while
waiting for a response on the CMD line.
0 Otherwise.
1 MS/SD controller detected a timeout condition while waiting for a response on the CMD line.
RSPCRCERR CRC error on CMD detected. A ‘1’ indicates that MS/SD controller detected a CRC error after
reading a response from the CMD line.
0 Otherwise.
1 MS/SD controller detected a CRC error after reading a response from the CMD line.
MMCIRQ MMC requests an interrupt. A ‘1’ indicates that a MMC supporting command class 9 issued an interrupt
request.
0 Otherwise.
1 A ‘1’ indicates that a MMC supporting command class 9 issued an interrupt request.
MSDC+0044h
SD Memory Card Controller Data Status Register SDC_DATSTA
Bit
15 14 13 12 11 10 9 8 7 6 5 4 3 2 1 0
Name
DATC
RCER
R
DATT
O
BLKD
ONE
Type
RC
RC
RC
Reset
0 0 0
The register contains the status of MS/SD controller during data transfer on DAT line(s) when MS/SD controller is
configured as the host of SD/MMC Memory Card. The register also will be used as interrupt sources. The register will
be cleared when reading the register. Meanwhile, if interrupt is enabled and thus interrupt caused by the register is
generated, reading the register will deassert the interrupt.
BLKDONE The register bit indicates the status of data block transfer.
0 Otherwise.

MT6225 GSM/GPRS Baseband Processor Data Sheet Revision 1.00
249
1 A data block was successfully transferred.
DATTO Timeout on DAT detected. A ‘1’ indicates that MS/SD controller detected a timeout condition while waiting
for data token on the DAT line.
0 Otherwise.
1 MS/SD controller detected a timeout condition while waiting for data token on the DAT line.
DATCRCERR CRC error on DAT detected. A ‘1’ indicates that MS/SD controller detected a CRC error after reading
a block of data from the DAT line or SD/MMC signaled a CRC error after writing a block of data to the DAT
line.
0 Otherwise.
1 MS/SD controller detected a CRC error after reading a block of data from the DAT line or SD/MMC
signaled a CRC error after writing a block of data to the DAT line.
MSDC+0048h
SD Memory Card Status Register SDC_CSTA
Bit
31 30 29 28 27 26 25 24 23 22 21 20 19 18 17 16
Name
CSTA [31:16]
Type
RC
Reset
0000000000000000
Bit
15 14 13 12 11 10 9 8 7 6 5 4 3 2 1 0
Name
CSTA [15:0]
Type
RC
Reset
0000000000000000
After commands with R1 and R1b response this register contains the status of the SD/MMC card and it will be used as
response interrupt sources. In all register fields, logic high indicates error and logic low indicates no error. The register
will be cleared when reading the register. Meanwhile, if interrupt is enabled and thus interrupt caused by the register is
generated, reading the register will deassert the interrupt.
CSTA31 OUT_OF_RANGE. The command’s argument was out of the allowed range for this card.
CSTA30 ADDRESS_ERROR. A misaligned address that did not match the block length was used in the
command.
CSTA29 BLOCK_LEN_ERROR. The transferred block length is not allowed for this card, or the number of
transferred bytes does not match the block length.
CSTA28 ERASE_SEQ_ERROR. An error in the sequence of erase commands occurred.
CSTA27 ERASE_PARAM. An invalid selection of write-blocks for erase occurred.
CSTA26 WP_VIOLATION. Attempt to program a write-protected block.
CSTA25 Reserved. Return zero.
CSTA24 LOCK_UNLOCK_FAILED. Set when a sequence or password error has been detected in lock/unlock
card command or if there was an attempt to access a locked card.
CSTA23 COM_CRC_ERROR. The CRC check of the previous command failed.
CSTA22 ILLEGAL_COMMAND. Command not legal for the card state.
CSTA21 CARD_ECC_FAILED. Card internal ECC was applied but failed to correct the data.
CSTA20 CC_ERROR. Internal card controller error.
CSTA19 ERROR. A general or an unknown error occurred during the operation.
CSTA18 UNDERRUN. The card could not sustain data transfer in stream read mode.
CSTA17 OVERRUN. The card could not sustain data programming in stream write mode.
CSTA16 CID/CSD_OVERWRITE. It can be either one of the following errors: 1. The CID register has been
already written and cannot be overwritten 2. The read only section of the CSD does not match the card. 3. An
attempt to reverse the copy (set as original) or permanent WP (unprotected) bits was made.
CSTA[15:4] Reserved. Return zero.
CSTA3 AKE_SEQ_ERROR. Error in the sequence of authentication process
CSTA[2:0] Reserved. Return zero.

MT6225 GSM/GPRS Baseband Processor Data Sheet Revision 1.00
250
MSDC+004Ch
SD Memory Card IRQ Mask Register 0 SDC_IRQMASK
0
Bit
31 30 29 28 27 26 25 24 23 22 21 20 19 18 17 16
Name
IRQMASK [31:16]
Type
R/W
Reset
0000000000000000
Bit
15 14 13 12 11 10 9 8 7 6 5 4 3 2 1 0
Name
IRQMASK [15:0]
Type
R/W
Reset
0000000000000000
The register contains parts of SD Memory Card Interrupt Mask Register. See the register description of the register
SDC_IRQMASK1 for reference. The register will mask interrupt sources from the register SDC_CMDSTA and
SDC_DATSTA. IRQMASK[15:0] is for SDC_CMDSTA and IRQMASK[31:16] for SDC_DATSTA. A ‘1’ in some bit
of the register will mask the corresponding interrupt source with the same bit position. For example, if IRQMASK[0] is
‘1’ then interrupt source from the register field CMDRDY of the register SDC_ CMDSTA will be masked. A ‘0’ in
some bit will not cause interrupt mask on the corresponding interrupt source from the register SDC_CMDSTA and
SDC_DATSTA.
MSDC+0050h
SD Memory Card IRQ Mask Register 1 SDC_IRQMASK
1
Bit
31 30 29 28 27 26 25 24 23 22 21 20 19 18 17 16
Name
IRQMASK [63:48]
Type
R/W
Reset
0000000000000000
Bit
15 14 13 12 11 10 9 8 7 6 5 4 3 2 1 0
Name
IRQMASK [47:32]
Type
R/W
Reset
0000000000000000
The register contains parts of SD Memory Card Interrupt Mask Register. The registers SDC_IRQMASK1 and
SDC_IRQMASK0 compose the SD Memory Card Interrupt Mask Register. The register will mask interrupt sources
from the register SDC_CSTA. A ‘1’ in some bit of the register will mask the corresponding interrupt source with the
same bit position. For example, if IRQMASK[63] is ‘1’ then interrupt source from the register field OUT_OF_RANGE
of the register SDC_ CSTA will be masked. A ‘0’ in some bit will not cause interrupt mask on the corresponding
interrupt source from the register SDC_ CSTA.
MSDC+0054h
SDIO Configuration Register SDIO_CFG
Bit
31 30 29 28 27 26 25 24 23 22 21 20 19 18 17 16
Name
Type
Reset
Bit
15 14 13 12 11 10 9 8 7 6 5 4 3 2 1 0
Name
DSBS
EL
INTSE
L
INTE
N
Type
R/W
R/W
R/W
Reset
0 0 0
The register is used to configure functionality for SDIO.
INTEN Interrupt enable for SDIO.
0 Disable
1 Enable
INTSEL Interrupt Signal Selection

MT6225 GSM/GPRS Baseband Processor Data Sheet Revision 1.00
251
0 Use data line 1 as interrupt signal
1 Use data line 5 as interrupt signal
DSBSEL Data Block Start Bit Selection.
0 Use data line 0 as start bit of data block and other data lines are ignored.
1 Start bit of a data block is received only when data line 0-3 all become low.
MSDC+0058h
SDIO Status Register SDIO_STA
Bit
31 30 29 28 27 26 25 24 23 22 21 20 19 18 17 16
Name
Type
Reset
Bit
15 14 13 12 11 10 9 8 7 6 5 4 3 2 1 0
Name
IRQ
Type
RO
Reset
0
6.5.3.3 Memory Stick Controller Register Definitions
MSDC+0060h
Memory Stick Controller Configuration Register MSC_CFG
Bit
15 14 13 12 11 10 9 8 7 6 5 4 3 2 1 0
Name
PMOD
E PRED
BUSYCNT SIEN
Type
R/W
R/W
R/W R/W
Reset
0 0 101 0
The register is used for Memory Stick Controller Configuration when MS/SD controller is configured as the host of
Memory Stick.
SIEN Serial Interface Enable. It should be enabled as soon as possible before any command.
0 Serial interface for Memory Stick is disabled.
1 Serial interface for Memory Stick is enabled.
BUSYCNT RDY timeout setting in unit of serial clock cycle. The register field is set to the maximum BUSY timeout
time (set value x 4 +2) to wait until the RDY signal is output from the card. RDY timeout error detection is not
performed when BUSYCNT is set to 0. The initial value is 0x5. That is, BUSY signal exceeding 5x4+2=22
serial clock cycles causes a RDY timeout error.
000 Not detect RDY timeout
001 BUSY signal exceeding 1x4+2=6 serial clock cycles causes a RDY timeout error.
010 BUSY signal exceeding 2x4+2=10 serial clock cycles causes a RDY timeout error.
…
111 BUSY signal exceeding 7x4+2=30 serial clock cycles causes a RDY timeout error.
PRED Parallel Mode Rising Edge Data. The register field is only valid in parallel mode, that is, MSPRO mode. In
parallel mode, data must be driven and latched at the falling edge of serial clock on MS bus. In order to
mitigate hold time issue, the register can be set to ‘1’ such that write data is driven by MSDC at the rising edge
of serial clock on MS bus.
0 Write data is driven by MSDC at the falling edge of serial clock on MS bus.
1 Write data is driven by MSDC at the rising edge of serial clock on MS bus.
PMODE Memory Stick PRO Mode.
0 Use Memory Stick serial mode.
1 Use Memory Stick parallel mode.
MSDC+0064h
Memory Stick Controller Command Register MSC_CMD
Bit
15 14 13 12 11 10 9 8 7 6 5 4 3 2 1 0

MT6225 GSM/GPRS Baseband Processor Data Sheet Revision 1.00
252
Name
PID DATASIZE
Type
R/W R/W
Reset
0000 0000000000
The register is used for issuing a transaction onto MS bus. Transaction on MS bus is started by writing to the register
MSC_CMD. The direction of data transfer, that is, read or write transaction, is extracted from the register field PID.
16-bit CRC will be transferred for a write transaction even if the register field DATASIZE is programmed as zero under
the condition where the register field NOCRC in the register MSDC_CFG is ‘0’. If the register field NOCRC in the
register MSDC_CFG is ‘1’ and the register field DATASIZE is programmed as zero, then writing to the register
MSC_CMD will not induce transaction on MS bus. The same applies for when the register field RDY in the register
MSC_STA is ‘0’.
DATASIZE Data size in unit of byte for the current transaction.
0000000000 Data size is 0 byte.
0000000001 Data size is one byte.
0000000010 Data size is two bytes.
…
0111111111 Data size is 511 bytes.
1000000000 Data size is 512 bytes.
PID Protocol ID. It is used to derive Transfer Protocol Code (TPC). The TPC can be derived by cascading PID and
its reverse version. For example, if PID is 0x1, then TPC is 0x1e, that is, 0b0001 cascades 0b1110. In addition,
the direction of the bus transaction can be determined from the register bit 15, that is, PID[3].
MSDC+0068h
Memory Stick Controller Auto Command Register MSC_ACMD
Bit
15 14 13 12 11 10 9 8 7 6 5 4 3 2 1 0
Name
APID ADATASIZE ACEN
Type
R/W R/W R/W
Reset
0111 0000000001 0
The register is used for issuing a transaction onto MS bus automatically after the MS command defined in MSC_CMD
completed on MS bus. Auto Command is a function used to automatically execute a command like GET_INT or
READ_REG for checking status after SET_CMD ends. If auto command is enabled, the command set in the register
will be executed once the INT signal on MS bus is detected. After auto command is issued onto MS bus, the register bit
ACEN will become disabled automatically. Note that if auto command is enabled then the register bit RDY in the
register MSC_STA caused by the command defined in MSC_CMD will be suppressed until auto command completes.
Note that the register field ADATASIZE cannot be set to zero, or the result will be unpredictable.
ACEN Auto Command Enable.
0 Auto Command is disabled.
1 Auto Command is enabled.
ADATASIZE Data size in unit of byte for Auto Command. Initial value is 0x01.
0000000000 Data size is 0 byte.
0000000001 Data size is one byte.
0000000010 Data size is two bytes.
…
0111111111 Data size is 511 bytes.
1000000000 Data size is 512 bytes.
APID Auto Command Protocol ID. It is used to derive Transfer Protocol Code (TPC). Initial value is
GSET_INT(0x7).
MSDC+006Ch
Memory Stick Controller Status Register MSC_STA
Bit
15 14 13 12 11 10 9 8 7 6 5 4 3 2 1 0

MT6225 GSM/GPRS Baseband Processor Data Sheet Revision 1.00
253
Name
CMDN
K BREQ
ERR
CED
HSRD
Y
CRCE
R TOER
SIF
RDY
Type
R R R R RO
RO
RO
RO
RO
Reset
0 0 0 0 0 0 0 0 1
The register contains various status of Memory Stick Controller, that is, MS/SD controller is configured as Memory
Stick Controller. These statuses can be used as interrupt sources. Reading the register will NOT clear it. The register
will be cleared whenever a new command is written to the register MSC_CMD.
RDY The register bit indicates the status of transaction on MS bus. The register bit will be cleared when writing to
the command register MSC_CMD.
0 Otherwise.
1 A transaction on MS bus is ended.
SIF The register bit indicates the status of serial interface. If an interrupt is active on MS bus, the register bit will
be active. Note the difference between the signal RDY and SIF. When parallel mode is enabled, the signal SIF
will be active whenever any of the signal CED, ERR, BREQ and CMDNK is active. In order to separate
interrupts caused by the signals RDY and SIF, the register bit SIF will not become active until the
register MSDC_INT is read once. That is, the sequence for detecting the register bit SIF by polling is as
follows:
1. Detect the register bit RDY of the register MSC_STA
2. Read the register MSDC_INT
3. Detect the register bit SIF of the register MSC_STA
BSBS0 BS1 BS2 BS3 BS0
SDIO command execution command finished
INT
IRQ
RDY IRQ clear SIF IRQ clear
0 Otherwise.
1 An interrupt is active on MS bus
TOER The register bit indicates if a BUSY signal timeout error takes place. When timeout error occurs, the signal BS
will become logic low ‘0’. The register bit will be cleared when writing to the command register MSC_CMD.
0 No timeout error.
1 A BUSY signal timeout error takes place. The register bit RDY will also be active.
CRCER The register bit indicates if a CRC error occurs while receiving read data. The register bit will be cleared when
writing to the command register MSC_CMD.
0 Otherwise.
1 A CRC error occurs while receiving read data. The register bit RDY will also be active.
HSRDY The register bit indicates the status of handshaking on MS bus. The register bit will be cleared when writing to
the command register MSC_CMD.
0 Otherwise.
1 A Memory Stick card responds to a TPC by RDY.
CED The register bit is only valid when parallel mode is enabled. In fact, it’s value is from DAT[0] when serial
interface interrupt takes place. See Format Specification version 2.0 of Memory Stick Standard (Memory Stick
PRO) for more details.
0 Command does not terminate.

MT6225 GSM/GPRS Baseband Processor Data Sheet Revision 1.00
254
1 Command terminates normally or abnormally.
ERR The register bit is only valid when parallel mode is enabled. In fact, it’s value is from DAT[1] when serial
interface interrupt takes place. See Format Specification version 2.0 of Memory Stick Standard (Memory Stick
PRO) for more details.
0 Otherwise.
1 Indicate memory access error during memory access command.
BREQ The register bit is only valid when parallel mode is enabled. In fact, it’s value is from DAT[2] when serial
interface interrupt takes place. See Format Specification version 2.0 of Memory Stick Standard (Memory Stick
PRO) for more details.
0 Otherwise.
1 Indicate request for data.
CMDNK The register bit is only valid when parallel mode is enabled. In fact, it’s value is from DAT[3] when serial
interface interrupt takes place. See Format Specification version 2.0 of Memory Stick Standard (Memory Stick
PRO) for more details.
0 Otherwise
1 Indicate non-recognized command.
6.5.4 Application Notes
6.5.4.1 Initialization Procedures After Power On
Disable power down control for MSDC module
Remember to power on MSDC module before starting any operation to it.
6.5.4.2 Card Detection Procedures
The pseudo code is as follows:
MSDC_CFG.PRCFG0 = 2’b10
MSDC_PS = 2’b11
MSDC_CFG.VDDPD = 1
if(MSDC_PS.PINCHG) { // card is inserted
. . .
}
The pseudo code segment perform the following tasks:
1. First pull up CD/DAT3 (INS) pin.
2. Enable card detection and input pin at the same time.
3. Turn on power for memory card.
4. Detect insertion of memory card.
6.5.4.3 Notes on Commands
For MS, check if MSC_STA.RDY is ‘1’ before issuing any command.
For SD/MMC, if the command desired to be issued involves data line, for example, commands with data transfer or
R1b response, check if SDC_STA.SDCBUSY is ‘0’ before issuing. If the command desired to be issued does not
involve data line, only check if SDC_STA.CMDBUSY is ‘0’ before issuing.
6.5.4.4 Notes on Data Transfer
For SD/MMC, if multiple-block-write command is issued then only issue STOP_TRANS command
inter-blocks instead of intra-blocks.

MT6225 GSM/GPRS Baseband Processor Data Sheet Revision 1.00
255
Once SW decides to issue STOP_TRANS commands, no more data transfer from or to the controller.
6.5.4.5 Notes on Frequency Change
Before changing the frequency of serial clock on MS/SD/MMC bus, it is necessary to disable serial interface of the
controller. That is, set the register bit SIEN of the register SDC_CFG to ‘0’ for SD/MMC controller, and set the register
bit SIEN of the register MSC_CFG to ‘0’ for Memory Stick controller. Serial interface of the controller needs to be
enabled again before starting any operation to the memory card.
6.5.4.6 Notes on Response Timeout
If a read command doest not receive response, that is, it terminates with a timeout, then register SDC_DATSTA needs
to be cleared by reading it. The register bit “DATTO” should be active. However, it may take a while before the register
bit becomes active. The alternative is to send the STOP_TRANS command. However, this method will receive
response with illegal-command information. Also, remember to check if the register bit SDC_STA.CMDBUSY is
active before issuing the STOP_TRANS command. The procedure is as follows:
1. Read command => response time out
2. Issue STOP_TRANS command => Get Response
3. Read register SDC_DATSTA to clear it
6.5.4.7 Source or Destination Address is not word-aligned
It is possible that the source address is not word-aligned when data move from memory to MSDC. Similarly,
destination address may be not word-aligned when data move from MSDC to memory. This can be solved by setting
DMA byte-to-word functionality.
1. DMAn_CON.SIZE=0
2. DMAn_CON.BTW=1
3. DMAn_CON.BURST=2 (or 4)
4. DMAn_COUNT=byte number instead of word number
5. fifo threshold setting must be 1 (or 2), depending on DMAn_CON.BURST
Note n=4 ~ 11
6.5.4.8 Miscellaneous notes
Siemens MMC card: When a write command is issued and followed by a STOP_TRANS command, Siemens
MMC card will de-assert busy status even though flash programming has not yet finished. Software must use
“Get Status” command to make sure that flash programming finishes.
6.6 Graphic Memory Controller
6.6.1 General Description
Graphic memory controller provides channels to allow graphic engines to access SYSRAM and External Memory.
Simple Request-Acknowledge handshaking scheme is employed here to ease the complexity of memory access control
circuitry in each graphic engine.

MT6225 GSM/GPRS Baseband Processor Data Sheet Revision 1.00
256
Graphic Memory Interface
GREQ
GADDR
GSIZE
GWRITE
GWDATA
GLCOMD
GDRDY
GRDATA
Graphic Engines
AHB
Figure 68 Graphic memory controller
6.6.2 Register Definitions
Register Address Register Function Acronym
CONFG + 0600h GMC Memory Bank Control Register SYSRAM_CON
Table 43 GMC Registers
CONFG+0600
h GMC Memory Bank Control Register SYSRAM_CON
Bit
15 14 13 12 11 10 9 8 7 6 5 4 3 2 1 0
Name
ASST
PAUS
E
Type
RO
R/W
Reset
0 0
SYSRAM Bank mapping of GMC ports.
PAUSE To pause EMI port access. Any access to the address range of EMI will be blocked if this bit is set.
ASST GMC assertion. The value of the register bit is “1” if there is abnormal access to the address range of
0x4001_0000~0x4003_ffff.

MT6225 GSM/GPRS Baseband Processor Data Sheet Revision 1.00
257
6.7 Camera Interface
Sensor
(SOC) TG Color Process
ISP
ISPISP
ISP
Hue Saturation
SaturationSaturation
Saturation
Brightness
BrightnessBrightness
Brightness Contrast
ContrastContrast
Contrast
Grab
DownSample
DownSampleDownSample
DownSample
MT6225 ISP support VGA Sensor YUV422/RGB565 interface. Included Functions are Brightness、Contrast、
Saturation、Hue Tuning and Input Image Grab Window. Down Sample Function can be used before image output from
ISP.
6.7.1 Register Table
REGISTER ADDRESS
REGISTER NAME SYNONYM
CAM + 0000h TG Phase Counter Register CAM_PHSCNT
CAM + 0004h Sensor Size Configuration Register CAM_CAMWIN
CAM + 0008h TG Grab Range Start/End Pixel Configuration Register CAM_GRABCOL
CAM + 000Ch TG Grab Range Start/End Line Configuration Register CAM_GRABROW
CAM + 0010h Sensor Mode Configuration Register CAM_CSMODE
CAM + 0018h View Finder Mode Control Register CAM_VFCON
CAM + 001Ch Camera Module Interrupt Enable Register CAM_INTEN
CAM + 0020h Camera Module Interrupt Status Register CAM_INTSTA
CAM + 0024h Camera Module Path Config Register CAM_PATH
CAM + 0028h Camera Module Input Address Register CAM_INADDR
CAM + 002Ch Camera Module Output Address Register CAM_OUTADDR
CAM + 0030h Preprocessing Control Register 1 CAM_CTRL1
CAM + 00B8h Y Channel Configuration Register CAM_YCHAN
CAM + 00BCh UV Channel Configuration Register CAM_UVCHAN
CAM + 00C0h Space Convert YUV Register 1 CAM_SCONV1
CAM + 00C4h Space Convert YUV Register 2 CAM_SCONV2
CAM + 0128h Vertical Subsample Control Register CAM_VSUB
CAM + 012Ch Horizontal Subsample Control Register CAM_HSUB
CAM + 0174h Result Window Vertical Size Register RWINV_SEL
CAM + 0178h Result Window Horizontal Size Register RWINH_SEL
CAM + 0180h Camera Interface Debug Mode Control Register CAM_DEBUG
CAM + 0184h Camera Module Debug Information Write Out Destination Address
CAM_DSTADDR
CAM + 0188h Camera Module Debug Information Last Transfer Destination Address CAM_LSTADDR

MT6225 GSM/GPRS Baseband Processor Data Sheet Revision 1.00
258
CAM + 018Ch Camera Module Frame Buffer Transfer Out Count Register CAM_XFERCNT
CAM + 0190h Sensor Test Module Configuration Register 1 CAM_MDLCFG1
CAM + 0194h Sensor Test Module Configuration Register 2 CAM_MDLCFG2
CAM + 01D8h Cam Reset Register CAM_RESET
CAM + 01DCh TG Status Register TG_STATUS
CAM + 0248h GMC Debug Register CAM_GMCDEBUG
CAM + 0274h Cam Version Register CAM_VERSION
Table 44 Camera Interface Register Map
6.7.1.1 TG Register Definitions
CAM+0000h TG Phase Counter Register CAM_PHSCNT
Bit
31 30 29 28 27 26 25 24 23 22 21 20 19 18 17 16
Name
PCEN
CLKE
N
CLKP
OL
CLKCNT CLKRS CLKFL
Type
R/W
R/W
R/W
R/W R/W R/W
Reset
0 0 0 1 0 1
Bit
15 14 13 12 11 10 9 8 7 6 5 4 3 2 1 0
Name
HVALI
D_EN
PXCL
K_EN
PXCL
K_INV
PXCL
K_IN
CLKF
L_PO
L
TGCL
K_SE
L
PIXCNT DLATCH
Type
R/W
R/W
R/W
R/W
R/W
R/W
R/W R/W
Reset
0 0 0 0 0 0 1 1
PCEN TG phase counter enable control
CLKEN Enable sensor master clock (mclk) output to sensor
CLKPOL Sensor master clock polarity control
CLKCNT Sensor master clock frequency divider control.
Sensor master clock will be 52Mhz/CLKCNT, where CLKCNT >=1.
CLKRS Sensor master clock rising edge control
CLKFL Sensor master clock falling edge control
HVALID_EN Sensor hvalid or href enable
PXCLK_EN Sensor clock input monitor.
PXCLK_INV Pixel clock inverse
PXCLK_IN Pixel clock sync enable. If sensor master based clock is 48 Mhz, PXCLK_IN must be enabled.
CLKFL_POL Sensor clock falling edge polarity
TGCLK_SEL Sensor master based clock selection (0: 52 Mhz, 1: 48 Mhz)
PIXCNT Sensor data latch frequency control
DLATCH Sensor data latch position control
Example waveform(CLKCNT=1,CLKRS=0,CLKFL=1,PIXCNT=3,DLATCH=2)

MT6225 GSM/GPRS Baseband Processor Data Sheet Revision 1.00
259
Internal Clock Sync
Internal Clock SyncInternal Clock Sync
Internal Clock Sync
0 1 0 1 0 1 0 1 0 1 0 1 0 1 0 1 0 1 0 1 0 1
0 1 2 3 0 1 2 3 0 1 2 3 0 1 2 3 0 1 2 3 0 1
52Mhz
mclk
pclk
Bclk
CLKCNT=1
CLKCNT=1CLKCNT=1
CLKCNT=1
CLKRS=0
CLKRS=0CLKRS=0
CLKRS=0
CLKFL=1
CLKFL=1CLKFL=1
CLKFL=1 Sensor output signals
ISP output signals
PIXCNT=3
PIXCNT=3PIXCNT=3
PIXCNT=3
DLATCH=2
DLATCH=2DLATCH=2
DLATCH=2
hsync
1 2 3
Pixel_ID
Pixel_IDPixel_ID
Pixel_ID 4 5
0 1
0
CAM+0004h Sensor Size Configuration Register CAM_CAMWIN
Bit
31 30 29 28 27 26 25 24 23 22 21 20 19 18 17 16
Name
PIXELS
Type
R/W
Reset
fffh
Bit
15 14 13 12 11 10 9 8 7 6 5 4 3 2 1 0
Name
LINES
Type
R/W
Reset
fffh
PIXEL Total input pixel number
LINE Total input line number
CAM+0008h TG Grab Range Start/End Pixel Configuration
Register
CAM_GRABCO
L
Bit
31 30 29 28 27 26 25 24 23 22 21 20 19 18 17 16
Name
START
Type
R/W
Reset
0
Bit
15 14 13 12 11 10 9 8 7 6 5 4 3 2 1 0
Name
END
Type
R/W
Reset
0
START Grab start pixel number
END Grab end pixel number
CAM+000Ch TG Grab Range Start/End Line Configuration
Register
CAM_GRABRO
W
Bit
31 30 29 28 27 26 25 24 23 22 21 20 19 18 17 16
Name
START
Type
R/W
Reset
0
Bit
15 14 13 12 11 10 9 8 7 6 5 4 3 2 1 0
Name
END
Type
R/W
Reset
0

MT6225 GSM/GPRS Baseband Processor Data Sheet Revision 1.00
260
START Grab start line number
END Grab end line number
CAM+0010h Sensor Mode Configuration Register CAM_CSMODE
Bit
31 30 29 28 27 26 25 24 23 22 21 20 19 18 17 16
Name
Type
Reset
Bit
15 14 13 12 11 10 9 8 7 6 5 4 3 2 1 0
Name
VSPO
L
HSPO
L
PWR
ON
RST
AUTO
EN
Type
R/W
R/W
R/W
R/W
R/W
R/W
Reset
0 0 0 0 0 0
VSPOL Sensor Vsync input polarity
HSPOL Sensor Hsync input polarity
AUTO Auto lock sensor input horizontal pixel numbers enable
EN Sensor process counter enable
CAM+0018h View Finder Mode Control Register CAM_VFCON
Bit
31 30 29 28 27 26 25 24 23 22 21 20 19 18 17 16
Name
AV_S
YNC_
SEL
AV_SYNC_LINENO[11:0]
Type
R/W
R/W
Reset
0 0
Bit
15 14 13 12 11 10 9 8 7 6 5 4 3 2 1 0
Name
SP_DELAY SP_M
ODE
TAKE
_PIC
FR_CON
Type
R/W R/W
R/W
R/W
Reset
0 0 0 0
AV_SYNC_SEL Av_sync start point selection
0 Start from AV_SYNC_LINENO
1 Start from vsync
AV_SYNC_LINENO Av_sync start point line counts
SP_DELAY Still Picture Mode delay
SP_MODE Still Picture Mode
TAKE_PIC Take Picture Request
FR_CON Frame Sampling Rate Control
000 Every frame is sampled
001 One frame is sampled every 2 frames
010 One frame is sampled every 3 frames
011 One frame is sampled every 4 frames
100 One frame is sampled every 5 frames
101 One frame is sampled every 6 frames
110 One frame is sampled every 7 frames
111 One frame is sampled every 8 frames
CAM+001Ch Camera Module Interrupt Enable Register CAM_INTEN
Bit
31 30 29 28 27 26 25 24 23 22 21 20 19 18 17 16
Name
VSYN
C_INT
_SEL
Type
R/W
Reset
0

MT6225 GSM/GPRS Baseband Processor Data Sheet Revision 1.00
261
Bit
15 14 13 12 11 10 9 8 7 6 5 4 3 2 1 0
Name
AV_S
YNC_I
NT
VSYN
C_INT
ISPD
ONE
IDLE
GMC
OVRU
N
REZO
VRUN
EXPD
O
Type
R/W
R/W
R/W
R/W
R/W
R/W
R/W
Reset
0 0 0 0 0 0 0
VSYNC_SEL Vsync interrupt selection
0 From Vsync Falling Edge
1 From Vsync Rising Edge
AV_SYNC_INT AV sync interrupt
VSYNC_INT Vsync interrupt
ISPDONE ISP done interrupt enable control
IDLE Returning idle state interrupt enable control
GMCOVRUN GMC port over run interrupt enable control
REZOVRUN Resizer over run interrupt enable control
EXPDO Exposure done interrupt enable control
CAM+0020h Camera Module Interrupt Status Register CAM_INTSTA
Bit
31 30 29 28 27 26 25 24 23 22 21 20 19 18 17 16
Name
Type
Reset
Bit
15 14 13 12 11 10 9 8 7 6 5 4 3 2 1 0
Name
AV_S
YNC_I
NT
VSYN
C_INT
ISPD
ONE
IDLE
GMC
OVRU
N
REZO
VRUN
EXPD
O
Type
R/W
R R R R R R
Reset
0 0 0 0 0 0 0
CAM+0024h Camera Module Path Config Register CAM_PATH
Bit
31 30 29 28 27 26 25 24 23 22 21 20 19 18 17 16
Name
CNTO
N CNTMODE
WRITE_LEVEL
BAYE
R10_
OUT
REZ_
DISC
ONN
REZ_
LPF_
OFF
OUTPATH_T
YPE
OUTP
ATH_
EN
Type
R/W
R/W R/W R/W
RW
RW
R/W R/W
Reset
0 0 3 0 0 0 0 0
Bit
15 14 13 12 11 10 9 8 7 6 5 4 3 2 1 0
Name
SWAP
_Y
SWAP
_CBC
R
INDA
TA_F
ORM
AT
INTYPE_SEL INPATH_RATE
INPAT
H_TH
ROTE
N
INPA
TH_S
EL
Type
R/W
R/W
R/W
R/W
R/W R/W R/W
R/W
Reset
0 0 0 0 1 0 0 0
CNTON Enable Debug Mode Data Transfer Counter
CNTMODE Data Transfer Count Selection
00 sRGB count
01 YCbCr count
REZ_DISCONN Resizer disconnect enable
REZ_LPF_OFF Resizer low-Pass disable
WRITE_LEVEL Write FIFO threshold level
BAYER10_OUT 10-bit Bayer Format output.
Outpath type should be set to 00.
OUTPATH_TYPE Outpath Type Select
00 Bayer Format

MT6225 GSM/GPRS Baseband Processor Data Sheet Revision 1.00
262
01 ISP output
02 RGB888 Format
03 RGB565 Format
OUTPATH_EN Enable Output to Memory
SWAP_Y YCbCr in Swap Y
SWAP_CBCR YCbCr in Swap Cb Cr
INDATA_FORMAT Sensor Input Data connection
INTYPE_SEL Input type selection
000 Bayer Format
001 YUV422 Format
Default Input Format : UYVY
101 YCbCr422 Format
010 RGB Format
To enable YUV422/YCbCr422 input fast mode, refer to CAM + 011C bit 20
INPATH_RATE Input type rate control
INPATH_THROTEN Input path throttle enable
INPATH_SEL Input path selection
0 Sensor input
1 From memory
CAM+0028h Camera Module Input Address Register CAM_INADDR
Bit
31 30 29 28 27 26 25 24 23 22 21 20 19 18 17 16
Name
CAM_INADDR[31:16]
Type
R/W
Reset
0
Bit
15 14 13 12 11 10 9 8 7 6 5 4 3 2 1 0
Name
CAM_INADDR[15:0]
Type
R/W
Reset
0
CAM_INADDR Input memory address
CAM+002Ch Camera Module Output Address Register CAM_OUTADD
R
Bit
31 30 29 28 27 26 25 24 23 22 21 20 19 18 17 16
Name
CAM_OUTADDR[31:16]
Type
R/W
Reset
0
Bit
15 14 13 12 11 10 9 8 7 6 5 4 3 2 1 0
Name
CAM_OUTADDR[15:0]
Type
R/W
Reset
0
CAM_OUTADDR Output memory address
6.7.1.2 Color Process Register Definition
CAM+00B8h Y Channel Configuration Register CAM_YCHAN
Bit
31 30 29 28 27 26 25 24 23 22 21 20 19 18 17 16
Name
CONTRAST_GAIN
Type
R/W
Reset
40h
Bit
15 14 13 12 11 10 9 8 7 6 5 4 3 2 1 0

MT6225 GSM/GPRS Baseband Processor Data Sheet Revision 1.00
263
Name
SIGN_
BRIG
HT_O
FFSE
T
BRIGHT_OFFSET VSUP
_EN
UV_L
P_EN
CSUP_EDGE_GAIN
Type
R/W
R/W R/W
R/W
R/W
Reset
1 0 0 0 10h
CONTRAST_GAIN Y channel contrast gain value
SIGN_BRIGHT_OFFSET Sign bit of Y channel brightness offset value
BRIGHT_OFFSET Y channel brightness offset value
VSUP_EN Vertical Edge color suppression enable
UV_LP_EN UV channel low pass enable
CSUP_EDGE_GAIN Chroma suppression edge gain value(1.3)
CAM+00BCh UV Channel Configuration Register CAM_UVCHAN
Bit
31 30 29 28 27 26 25 24 23 22 21 20 19 18 17 16
Name
U11 V22
Type
R/W R/W
Reset
20h 20h
Bit
15 14 13 12 11 10 9 8 7 6 5 4 3 2 1 0
Name
SIGN_
U_OF
FSET
U_OFFSET
SIGN_
V_OF
FSET
V_OFFSET
Type
R/W
R/W R/W
R/W
Reset
0 0 0 0
U11 Hue U channel operating value
V11 Hue V channel operating value
SIGN_U_OFFSET Sign bit of Hue U channel offset value
U_OFFSET Hue U channel offset value
SIGN_V_OFFSET Sign bit of Hue V channel offset value
V_OFFSET Hue V channel offset value
CAM+00C0h Space Convert YUV Register 1 CAM_SCONV1
Bit
31 30 29 28 27 26 25 24 23 22 21 20 19 18 17 16
Name
Y_GAIN
Type
R/W
Reset
FFh
Bit
15 14 13 12 11 10 9 8 7 6 5 4 3 2 1 0
Name
U_GAIN V_GAIN
Type
R/W R/W
Reset
91h B8h
Y_GAIN Space Convert Y channel gain value
U_GAIN Space Convert U channel gain value
V_GAIN Space Convert V channel gain value
CAM+00C4h Space Convert YUV Register 2 CAM_SCONV2
Bit
31 30 29 28 27 26 25 24 23 22 21 20 19 18 17 16
Name
Y_OFFSET
Type
R/W
Reset
01h
Bit
15 14 13 12 11 10 9 8 7 6 5 4 3 2 1 0
Name
U_OFFSET V_OFFSET
Type
R/W R/W
Reset
80h 80h

MT6225 GSM/GPRS Baseband Processor Data Sheet Revision 1.00
264
Y_OFFSET Space Convert Y channel offset value
U_OFFSET Space Convert U channel offset value
V_OFFSET Space Convert V channel offset value
CAM+0128h Vertical Subsample Control Register CAM_VSUB
Bit
31 30 29 28 27 26 25 24 23 22 21 20 19 18 17 16
Name
V_SU
B_EN
V_SUB_IN
Type
R/W
R/W
Reset
0 0
Bit
15 14 13 12 11 10 9 8 7 6 5 4 3 2 1 0
Name
V_SUB_OUT
Type
R/W
Reset
0
V_SUB_EN Vertical sub-sample enable
V_SUB_IN Source vertical size
V_SUB_OUT Sub-sample vertical size
CAM+012ch Horizontal Subsample Control Register CAM_HSUB
Bit
31 30 29 28 27 26 25 24 23 22 21 20 19 18 17 16
Name
H_SU
B_EN
H_SUB_IN
Type
R/W
R/W
Reset
0 0
Bit
15 14 13 12 11 10 9 8 7 6 5 4 3 2 1 0
Name
H_SUB_OUT
Type
R/W
Reset
0
H_SUB_EN Horizontal sub-sample enable
H_SUB_IN Source horizontal size
H_SUB_OUT Sub-sample horizontal size
CAM+0174h Result Window Vertical Size Register RWINV_SEL
Bit
31 30 29 28 27 26 25 24 23 22 21 20 19 18 17 16
Name
RWIN
_EN
RWINV_START
Type
R/W
R/W
Reset
0h 0h
Bit
15 14 13 12 11 10 9 8 7 6 5 4 3 2 1 0
Name
RWINV_END
Type
R/W
Reset
0h
RWIN_EN Result window enable
RWINV_START Result window vertical start line
RWINV_END Result window vertical end line
CAM+0178h Result Window Horizontal Size Register RWINH_SEL
Bit
31 30 29 28 27 26 25 24 23 22 21 20 19 18 17 16
Name
RWINH_START
Type
R/W
Reset
0h
Bit
15 14 13 12 11 10 9 8 7 6 5 4 3 2 1 0
Name
RWINH_END
Type
R/W
Reset
0h

MT6225 GSM/GPRS Baseband Processor Data Sheet Revision 1.00
265
RWINH_START Result window horizontal start pixel
RWINH_END Result window horizontal end pixel
CAM+0180h Camera Interface Debug Mode Control Register CAM_DEBUG
Bit
31 30 29 28 27 26 25 24 23 22 21 20 19 18 17 16
Name
Type
Reset
Bit
15 14 13 12 11 10 9 8 7 6 5 4 3 2 1 0
Name
Type
Reset
CAM+0184h Camera Module Debug Information Write Out
Destination Address
CAM_DSTADD
R
Bit
31 30 29 28 27 26 25 24 23 22 21 20 19 18 17 16
Name
DST_ADD[31:16]
Type
R/W
Reset
4000h
Bit
15 14 13 12 11 10 9 8 7 6 5 4 3 2 1 0
Name
DST_ADD[15:0]
Type
R/W
Reset
0000h
DST_ADD Debug Information Write Output Destination Address
CAM+0188h Camera Module Debug Information Last Transfer
Destination Address
CAM_LASTADD
R
Bit
31 30 29 28 27 26 25 24 23 22 21 20 19 18 17 16
Name
LAST_ADD[31:16]
Type
R/W
Reset
0
Bit
15 14 13 12 11 10 9 8 7 6 5 4 3 2 1 0
Name
LAST_ADD[15:0]
Type
R/W
Reset
0
LAST_ADD Debug Information Last Transfer Destination Address
CAM+018Ch Camera Module Frame Buffer Transfer Out Count
Register CAM_XFERCNT
Bit
31 30 29 28 27 26 25 24 23 22 21 20 19 18 17 16
Name
XFER_COUNT [31:16]
Type
RO
Reset
0
Bit
15 14 13 12 11 10 9 8 7 6 5 4 3 2 1 0
Name
XFER_COUNT[15:0]
Type
RO
Reset
0
XFER_COUNT Pixel Transfer Count per Frame
CAM+0190h Sensor Test Model Configuration Register 1 CAM_MDLCFG
1
Bit
31 30 29 28 27 26 25 24 23 22 21 20 19 18 17 16
Name
VSYNC IDLE_PIXEL_PER_LINE

MT6225 GSM/GPRS Baseband Processor Data Sheet Revision 1.00
266
Type
R/W R/W
Reset
0 0
Bit
15 14 13 12 11 10 9 8 7 6 5 4 3 2 1 0
Name
LINEC
HG_E
N
GRAY
_LEV
EL
ON
RST
STILL
PATT
ERN
PIXEL_SEL
CLK_DIV
Type
R/W
R/W
R/W
R/W
R/W
R/W
R/W R/W
Reset
0 0 0 0 0 0 0 0
VSYNC VSYNC high duration in line unit(IDLE_PIXEL_PER_LINE + PIXEL)
IDLE_PIXEL_PER_LINE HSYNC low duration in pixel unit
LINECHG_EN Pattern 0 2 lines change mode enable
GRAY_LEVEL Sensor Model Gray Level Enable. When gray level is enable, increased gray level pattern
will
be generated.
ON Enable Sensor Model.
RST Reset Sensor Model
STILL Still picture Mode
PATTERN Sensor Model Test Pattern Selection
PIXEL_SEL Sensor Model output pixel selection.
00 All pixels
01 01 pixel
10 10 pixel
11 00 and 11 pixels
CLK_DIV Pixel_Clock/System_Clock Ratio
CAM +0194h Sensor Test Model Configuration Register 2 CAM_MDLCFG
2
Bit
31 30 29 28 27 26 25 24 23 22 21 20 19 18 17 16
Name
LINE
Type
R/W
Reset
0
Bit
15 14 13 12 11 10 9 8 7 6 5 4 3 2 1 0
Name
PIXEL
Type
R/W
Reset
0
LINE Sensor Model Line Number
PIXEL Sensor Model Pixel Number (HSYNC high duration in pixel unit)
CAM +01D8h CAM RESET Register CAM_RESET
Bit
31 30 29 28 27 26 25 24 23 22 21 20 19 18 17 16
Name
TG_STATUS
Type
R
Reset
Bit
15 14 13 12 11 10 9 8 7 6 5 4 3 2 1 0
Name
ISP_FRAME_COUNT[7:0]
ISP_
RES
ET
Type
RW RW
Reset
0 0
ISP_FRAME_COUNT ISP frame counter
ISP_RESET ISP reset

MT6225 GSM/GPRS Baseband Processor Data Sheet Revision 1.00
267
CAM +01DCh
TG STATUS Register TG_STATUS
Bit
31 30 29 28 27 26 25 24 23 22 21 20 19 18 17 16
Name
SYN_
VFON
LINE_COUNT[11:0]
Type
R R
Reset
Bit
15 14 13 12 11 10 9 8 7 6 5 4 3 2 1 0
Name
PIXEL_COUNT[11:0]
Type
R
Reset
SYN_VFON TG view finder status
LINE_COUNT TG line counter
PIXEL_COUNT TG pixel counter
CAM +0248h CAM GMC DEBUG Register CAM_DEBUG
Bit
31 30 29 28 27 26 25 24 23 22 21 20 19 18 17 16
Name
Type
Reset
Bit
15 14 13 12 11 10 9 8 7 6 5 4 3 2 1 0
Name
Type
Reset
CAM +0274h CAM VERSION Register CAM_VERSION
Bit
31 30 29 28 27 26 25 24 23 22 21 20 19 18 17 16
Name
YEAR[16:0]
Type
R
Reset
Bit
15 14 13 12 11 10 9 8 7 6 5 4 3 2 1 0
Name
MONTH[15:0] DATE[15:0]
Type
R R
Reset
YEAR Year ASCII
MONTH Month ASCII
DATE Date ASCII

MT6225 GSM/GPRS Baseband Processor Data Sheet Revision 1.00
268
7 Audio Front-End
7.1 General Description
The audio front-end essentially consists of voice and audio data paths. Figure 69 shows the block diagram of the
audio front-end. All voice band data paths comply with the GSM 03.50 specification. Mono hands-free audio or
external FM radio playback paths are also provided. The audio stereo path facilitates CD-quality playback, external
FM radio, and voice playback through a headset.
AU_MOUTL
AU_MOUTR
AU_OUT1_P
AU_OUT1_N
AU_FMINL
AU_FMINR
MUXMUX
Stereo-
to-Mono
Stereo-
to-Mono
FM/AM radio
chip
Voice
Signal
Audio
Signal
Voice Amp-1
Audio Amp-R
Audio Amp-L
AU_VIN0_P
AU_VIN0_N
AU_VIN1_N
AU_VIN1_P
MUX
MUX
Voice
Signal
Audio
LCH-DAC
Audio
RCH-DAC
Voice DAC
Voice ADC
PGA
Figure 69 Block diagram of audio front-end
Figure 70 shows the digital circuits block diagram of the audio front-end. The APB register block is an APB
peripheral that stores settings from the MCU. The DSP audio port block interfaces with the DSP for control and data
communications. The digital filter block performs filter operations for voice band and audio band signal processing.
The Digital Audio Interface (DAI) block communicates with the System Simulator for FTA or external Bluetooth
modules.

MT6225 GSM/GPRS Baseband Processor Data Sheet Revision 1.00
269
Digital
DigitalDigital
Digital
Filters
FiltersFilters
Filters
DAC
DACDAC
DAC
ADC
ADCADC
ADC
Audio
AudioAudio
Audio
Front-End
Front-EndFront-End
Front-End
DSP
DSPDSP
DSP
System
SystemSystem
System
Simulator
SimulatorSimulator
Simulator
DAI
DAIDAI
DAI
APB
APBAPB
APB
Registers
RegistersRegisters
Registers
DSP
DSPDSP
DSP
Audio
AudioAudio
Audio
Port
PortPort
Port
DAC
DACDAC
DAC
DAC
DACDAC
DAC
Figure 70 Block diagram of digital circuits of the audio front-end
To communicate with the external Bluetooth module, the master-mode PCM interface and master-mode I2S/EIAJ
interface are supported. The clock of PCM interface is 256 KHz, and the frame sync is 8 KHz. Both long sync and
short sync interfaces are supported. The PCM interface can transmit 16-bit stereo or 32-bit mono 8KHz sampling rate
voice signal. Figure 71 shows the timing diagram of the PCM interface. Note that the serial data changes when the
clock is rising and is latched when the clock is falling.
dai_clk
dai_clkdai_clk
dai_clk
dai_tx
dai_txdai_tx
dai_tx
dai_rx
dai_rxdai_rx
dai_rx
bt_sync(s)
bt_sync(s)bt_sync(s)
bt_sync(s)
bt_sync(l)
bt_sync(l)bt_sync(l)
bt_sync(l)
2
22
2 1
11
1 31
3131
310
00
0 30
3030
30 28
2828
28 24
2424
2427
2727
27 25
2525
2526
2626
26 22
2222
2223
2323
2329
2929
29
2
22
2 1
11
1 31
3131
310
00
0 30
3030
30 28
2828
28 24
2424
2427
2727
27 25
2525
2526
2626
26 22
2222
2223
2323
2329
2929
29
3
33
3
3
33
3
Figure 71 Timing diagram of Bluetooth application
I2S/EIAJ interface is designed to transmit high quality audio data. Figure 71 and Figure 72 illustrate the timing
diagram of the two types of interfaces. I2S/EIAJ can support 32KHz, 44.1KHz, and 48KHz sampling rate audio
signals. The clock frequency of I2S/EIAJ can be 32×(sampling frequency), or 64×(sampling frequency). For
example, to transmit a 44.1KHz CD-quality music, the clock frequency should be 32×44.1KHz = 1.4112MHz or
64×44.1KHz = 2.8224MHz.
I2S/EIAJ interface is not only used for Bluetooth module, but also for external DAC components. Audio data can
easily be sent to the external DAC through the I2S/EIAJ interface.

MT6225 GSM/GPRS Baseband Processor Data Sheet Revision 1.00
270
In this document, the I2S/EIAJ interface is referred to as EDI (External DAC Interface).
EDI_CLK
EDI_WS Left Channel Right Channel
EDI_DAT
6 5 4 3 2 1 0 15 14 13 12 11 10 9 8 7 6 5 4 3 2 1 0 15 14 13 12 11 10 9 8 7 6 5 4 3 2 1 0 15 14 13
Figure 72 EDI Format 1: EIAJ (FMT = 0).
EDI_CLK
EDI_WS Left Channel Right Channel
EDI_DAT
6 5 4 3 2 1 0 15 14 13 12 11 10 9 8 7 6 5 4 3 2 1 0 15 14 13 12 11 10 9 8 7 6 5 4 3 2 1 0 15 14 13
Figure 73 EDI Format 2: I2S (FMT = 1).
7.1.1 DAI, PCM and EDI Pin Sharing
DAI, PCM, and EDI interfaces share the same pins. The pin mapping is listed in Table 45.
PIN NAME DAI PCM EDI
DAI_CLK (OUTPUT) DAI_CLK PCM_CLK EDI_CLK
DAI_TX (OUTPUT) DAI_TX PCM_OUT EDI_DAT
DAI_RX (INPUT) DAI_RX PCM_IN
BT_SYNC (OUTPUT) - PCM_SYNC EDI_WS
Table 45 Pin mapping of DAI, PCM, and EDI interfaces.
Beside the shared pins, the EDI interface can also use other dedicated pins. With the dedicated pins, PCM and EDI
interfaces can operate at the same time.
int
2
int
1FIR SD-DAC
upsampling
DSP
IO BUS SDM
BYPASS
=00
BYPASS
=01
BYPASS
=10
BYPASS
=11
EDI
PCM DAI
Shared
Pins
Dedicated
Pins
Figure 74 DAI, PCM, EDI interfaces

MT6225 GSM/GPRS Baseband Processor Data Sheet Revision 1.00
271
7.2 Register Definitions
MCU APB bus registers in audio front-end are listed as follows.
AFE+0000h AFE Voice MCU Control Register AFE_VMCU_CO
N0
Bit
15 14 13 12 11 10 9 8 7 6 5 4 3 2 1 0
Name
VAFE
ON
Type
R/W
Reset
0
MCU sets this register to start AFE voice operation. A synchronous reset signal is issued, then periodical interrupts of
8-KHz frequency are issued. Clearing this register stops the interrupt generation.
VAFEON Turn on audio front-end operations.
AFE+000Ch AFE Voice Analog-Circuit Control Register 1 AFE_VMCU_CO
N1
Bit
15 14 13 12 11 10 9 8 7 6 5 4 3 2 1 0
Name
VRSD
ON
Type
R/W
Reset
0
Set this register for consistency of analog circuit setting. Suggested value is 80h.
VRSDON Turn on the voice-band redundant signed digit function.
0: 1-bit 2-level mode
1: 2-bit 3-level mode
AFE+0014h AFE Voice DAI Bluetooth Control Register AFE_VDB_CON
Bit
15 14 13 12 11 10 9 8 7 6 5 4 3 2 1 0
Name
EDIO
N
VDAI
ON
PCMO
N
VBTS
YNC
VBTSLEN
Type
RW
R/W
R/W
R/W
R/W
Reset
0 0 0 0 000
Set this register for DAI test mode and Bluetooth application.
EDION EDI signals are selected as the output of DAI, PCM, EDI shared interface.
0 EDI is not selected. A dedicated EDI interface can be enabled by programming the GPIO selection.
Please refer to GPIO section for details.
1 EDI is selected. VDAION and VBTON are not set.
VDAION Turn on the DAI function.
VBTON Turn on the Bluetooth PCM function.
VBTSYNC Bluetooth PCM frame sync type
0: short
1: long
VBTSLEN Bluetooth PCM long frame sync length = VBTSLEN+1
AFE+0018h AFE Voice Look-Back mode Control Register AFE_VLB_CON
Bit
15 14 13 12 11 10 9 8 7 6 5 4 3 2 1 0

MT6225 GSM/GPRS Baseband Processor Data Sheet Revision 1.00
272
Name
VBYP
ASSII
R
VDAP
INMO
DE
VINTI
NMO
DE
VDEC
INMO
DE
Type
R/W
R/W
R/W
R/W
Reset
0 0 0 0
Set this register for AFE voice digital circuit configuration control. Several loop back modes are implemented for test
purposes. Default values correspond to the normal function mode.
VBYPASSIIR Bypass hardware IIR filters.
VDAPINMODE DSP audio port input mode control
0 Normal mode
1 Loop back mode
VINTINMODE interpolator input mode control
0 Normal mode
1 Loop back mode
VDECINMODE decimator input mode control
0 Normal mode
1 Loop back mode
AFE+0020h AFE Audio MCU Control Register 0 AFE_AMCU_CO
N0
Bit
15 14 13 12 11 10 9 8 7 6 5 4 3 2 1 0
Name
AAFE
ON
Type
R/W
Reset
0
MCU sets this register to start AFE audio operation. A synchronous reset signal is issued, then periodical interrupts of
1/6 sampling frequency are issued. Clearing this register stops the interrupt generation.
AFE+0024h AFE Audio Control Register 1 AFE_AMCU_CO
N1
Bit
15 14 13 12 11 10 9 8 7 6 5 4 3 2 1 0
Name
MON
O
NEWS
DM
IDWA
BYPASS ADIT
HON
ADITHVAL
ARAMPSP
AMUT
ER
AMUT
EL
AFS
Type
R/W
R/W
R/W
RW R/W
R/W R/W R/W
R/W
R/W
Reset
0 1 1 00 0 00 00 0 0 00
MCU sets this register to inform hardware of the sampling frequency of audio being played back.
MONO Mono mode select. AFE HW will do (left + right) / 2 operation to the audio sample pair. Thus both right/left
channel DAC will have the same inputs.
0 Disable modno mode.
1 Enable mono mode.
NEWSDM Select new 9-level SDM in audio DAC.
0 Select old SDM.
1 Select new SDM.
IDWA Select IDWA algorithm in new audio DAC SDM. If choosing old SDM, this bit is neglected.
0 Use no IDWA algorithm in analog part of DAC.
1 Use IDWA algorithm in analog part of DAC.
BYPASS To bypass part of the audio hardware path.

MT6225 GSM/GPRS Baseband Processor Data Sheet Revision 1.00
273
00 No bypass. The input data rate is 1/4 sampling frequency. For example, if the sampling frequency is
32KHz, then the input data rate is 8KHz.
01 Bypass the first stage of interpolation. The input data rate is 1/2 the sampling frequency.
10 Bypass two stages of interpolation. The input data rate is the same as the sampling frequency.
11 Bypass two stages of interpolation and EQ filter. The input data rate is the same as the sampling
frequency.
int
2
int
1FIR SD-DAC
upsampling
DSP
IO BUS SDM
BYPASS
=00
BYPASS
=01
BYPASS
=10
BYPASS
=11
EDI
Figure 75 Block diagram of the audio path.
ADITHON Turn on the audio dither function.
ADITHVAL Dither scaling setting.
00 1/4
01 1/2
10 1
11 2
ARAMPSP ramp up/down speed selection
00 8, 4096/AFS
01 16, 2048/AFS
10 24, 1024/AFS
11 32, 512/AFS
AMUTER Mute the audio R-channel, with a soft ramp up/down.
AMUTEL Mute the audio L-channel, with a soft ramp up/down.
AFS Sampling frequency setting.
00 32-KHz
01 44.1-KHz
10 48-KHz
11 reserved
AFE+0028h AFE EDI Control Register AFE_EDI_CON
Bit
15 14 13 12 11 10 9 8 7 6 5 4 3 2 1 0
Name
DIR
SRC
WCYCLE FMT
EN
Type
R/W
R/W
R/W R/W
R/W
Reset
0 0 01111 0 0
This register is used to control the EDI
EN Enable EDI. When EDI is disabled, EDI_DAT and EDI_WS hold low.
0 disable EDI
1 enable EDI
FMT EDI format

MT6225 GSM/GPRS Baseband Processor Data Sheet Revision 1.00
274
0 EIAJ
1 I2S
WCYCLE Clock cycle count in a word. Cycle count = WCYCLE + 1, and WCYCLE can be 15 or 31 only. Any
other values result in an unpredictable error.
15 Cycle count is 16.
31 Cycle count is 32.
SRC I2S clock and WS signal source.
0 Internal mode. The clock and word select signals are fed to external device from AFE.
1 External mode. The clock and word select signals are fed externally from the connected device. There is a
buffer control mechanism to deal with the clock mismatch between internal and external clocks.
DIR Serial data bit direction
0 Output mode. Audio data is fed out to the external device.
1 Input mode or recording mode. By this recording mechanism, DSP can do some post processing or voice
memos.
EDI_CLK
EDI_WS Left Channel Right Channel
EDI_DAT 6 5 4 3 2 1 0 15 14 13 12 11 10 9 8 7 6 5 4 3 2 1 0 15 14 13 12 11 10 9 8 7 6 5 4 3 2 1 0 15 14 13
16 cycles 16 cycles
Figure 76 Cycle count is 16 for I2S format.
EDI_CLK
EDI_WS Left Channel Right Channel
EDI_DAT 6 5 4 3 2 1 0 15 14 13 12 2 1 0 15 14 13 12 2 1 0 15 14 13
32 cycles 32 cycles
Figure 77 Cycle count is 32 for I2S format.
AFE+0030h Audio/Voice DAC SineWave Generator AFE_DAC_TES
T
Bit
15 14 13 12 11 10 9 8 7 6 5 4 3 2 1 0
Name
VON
AON
MUTE
AMP_DIV FREQ_DIV
Type
R/W
R/W
R/W
R/W R/W
Reset
0 0 0 111 0000_0001
This register is only for analog design verification on audio/voice DACs.
VON Makes voice DAC output the test sine wave.
0 Voice DAC inputs are normal voice samples
1 Voice DAC inputs are sine waves
AON Makes audio DAC output the test sine wave.
0 Audio DAC inputs are normal audio samples
1 Audio DAC inputs are sine waves
MUTE Mute switch.
0 Turn on the sine wave output in this test mode.
1 Mute the sine wave output.

MT6225 GSM/GPRS Baseband Processor Data Sheet Revision 1.00
275
AMP_DIV Amplitude setting.
FREQ_DIV Frequency setting.
AFE+0034h Audio/Voice Interactive Mode Setting AFE_VAM_SET
Bit
15 14 13 12 11 10 9 8 7 6 5 4 3 2 1 0
Name
A2V
PER_VAL
Type
R/W
R/W
Reset
0 101
A2V Redirect audio interrupt to voice interrupt. In other words, replace voice interrupt by audio interrupt.
0 [voice interrupt / audio interrupt] [voice / audio]
1 [audio interrupt / no interrupt] [voice / audio]
PER_VAL Counter reset value for audio interrupt generation period setting. For example, by default, the setting = 5
causes interrupt per 6 L/R samples. Changing this value can change the rate of audio interrupt.
AFE+0040h~0
0F0h AFE Audio Equalizer Filter Coefficient Register AFE_EQCOEF
Bit
15 14 13 12 11 10 9 8 7 6 5 4 3 2 1 0
Name
A
Type
WO
Audio front-end provides a 45-tap equalizer filter. The filter is shown below.
DO = (A44 X DI44 + A43 X DI43 … + A1 X DI1 + A0 X DI0)/32768.
DIn is the input data, and An is the coefficient of the filter, which is a 16-bit 2’s complement signed integer. DI0 is the
last input data.
The coefficient cannot be programmed when the audio path is enabled, or unpredictable noise may be generated. If
coefficient programming is necessary while the audio path is enabled, the audio path must be muted during
programming. After programming is complete, the audio path is not to be resumed (unmated) for 100 sampling
periods.
A Coefficient of the filter.
7.3 Programming Guide
Several cases – including speech call, voice memo record, voice memo playback, melody playback and DAI tests –
requires that partial or the whole audio front-end be turned on.
The following are the recommended voice band path programming procedures to turn on audio front-end:
1. MCU programs the AFE_DAI_CON, AFE_LB_CON, AFE_VAG_CON, AFE_VAC_CON0,
AFE_VAC_CON1 and AFE_VAPDN_CON registers for specific operation modes. Refer also to the analog
chip interface specification.
2. MCU clears the VAFE bit of the PDN_CON2 register to ungate the clock for the voice band path. Refer to
the software power down control specification.
3. MCU sets AFE_VMCU_CON to start operation of the voice band path.
The following are the recommended voice band path programming procedures to turn off audio front-end:
1. MCU programs AFE_VAPDN_CON to power down the voice band path analog blocks.
2. MCU clears AFE_VMCU_CON to stop operation of the voice band path.
3. MCU sets VAFE bit of PDN_CON2 register to gate the clock for the voice band path.

MT6225 GSM/GPRS Baseband Processor Data Sheet Revision 1.00
276
To start the DAI test, the MS first receives a GSM Layer 3 TEST_INTERFACE message from the SS and puts the
speech transcoder into one of the following modes:
Normal mode (VDAIMODE[1:0]: 00)
Test of speech encoder/DTX functions (VDAIMODE[1:0]: 10)
Test of speech decoder/DTX functions (VDAIMODE[1:0]: 01)
Test of acoustic devices and A/D & D/A (VDAIMODE[1:0]: 11)
The MS then waits for DAIRST# signaling from the SS. Recognizing this, DSP starts to transmit to and/or receive
from the DSP. For further details, refer to the GSM 11.10 specification.
The following are the recommended audio band path programming procedures to turn on audio front-end:
1. MCU programs the AFE_MCU_CON1, AFE_AAG_CON, AFE_AAC_CON, and AFE_AAPDN_CON
registers for specific configurations. Refer also to the analog chip interface specification.
2. MCU clears the AAFE bit of the PDN_CON2 register to ungate the clock for the audio band path. Refer to
the software power down control specification.
3. MCU sets AFE_AMCU_CON0 to start operation of the audio band path.
The following are the recommended audio band path programming procedures to turn off audio front-end:
1. MCU programs the AFE_AAPDN_CON to power down the audio band path analog blocks. Refer also to the
analog block specification for further details.
2. MCU clears AFE_AMCU_CON0 to stop operation of the audio band path.
3. MCU sets the AAFE bit of the PDN_CON2 register to gate the clock for the audio band path.

MT6225 GSM/GPRS Baseband Processor Data Sheet Revision 1.00
277
8 Radio Interface Control
This chapter details the MT6225 interface control with the radio part of a GSM terminal. Providing a comprehensive
control scheme, the MT6225 radio interface consists of Baseband Serial Interface (BSI), Baseband Parallel Interface
(BPI), Automatic Power Control (APC) and Automatic Frequency Control (AFC), together with APC-DAC and
AFC-DAC.
8.1 Baseband Serial Interface
The Baseband Serial Interface controls external radio components. A 3-wire serial bus transfers data to RF circuitry
for PLL frequency change, reception gain setting, and other radio control purposes. In this unit, BSI data registers are
double-buffered in the same way as the TDMA event registers. The user writes data into the write buffer and the data
is transferred from the write buffer to the active buffer when a TDMA_EVTVAL signal (from the TDMA timer) is
pulsed.
Each data register BSI_Dn_DAT is associated with one data control register BSI_Dn_CON, where n denotes the index.
Each data control register identifies which events (signaled by TDMA_BSISTRn, generated by the TDMA timer)
trigger the download process of the word in register BSI_Dn_DAT. The word and its length (in bits) is downloaded
via the serial bus. A special event is triggered when the IMOD flag is set to 1: it provides immediate download
process without software programming the TDMA timer.
If more than one data word is to be downloaded on the same BSI event, the word with the lowest address among them
is downloaded first, followed by the next lowest and so on.
The total download time depends on the word length, the number of words to download, and the clock rates. The
programmer must space the successive event to provide enough time. If the download process of the previous event is
not complete before a new event arrives, the latter is suppressed.
The unit has four output pins: BSI_CLK is the output clock, BSI_DATA is the serial data port, and BSI_CS0 and
BSI_CS1 are the select pins for 2 external components. BSI_CS1 is multiplexed with another function. Please refer
to GPIO table for more detail.
In order to support bi-directional read and write operations of the RF chip, software can directly write values to
BSI_CLK, BSI_DATA and BSI_CS by programming the BSI_DOUT register. Data from the RF chip can be read by
software via the register BSI_DIN. If the RF chip interface is a 3-wire interface, then BSI_DATA is bi-directional.
Before software can program the 3-wire behavior, the BSI_IO_CON register must be set. An additional signal path
from GPIO accommodates RF chips with a 4-wire interface.
The block diagram of the BSI unit is as depicted in Figure 78.

MT6225 GSM/GPRS Baseband Processor Data Sheet Revision 1.00
278
Control
Write
buffer
Active
buffer
Serial port
control
SETENV
IMOD
BSI_CS0
BSI_DATA
BSI_CLK
BSI_CS1 (GPIO)
BSI Unit
TDMA_BSISTR (0~15)
(from TDMA timer)
TDMA_EVTVAL
(from TDMA timer)
APB
BUS BSI_DIN_GPIO (read from RFIC)
(GPIO)
Figure 78 Block diagram of BSI unit.
BSI_CSx
(long)
BSI_CLK
(true)
BSI_CSx
(short)
BSI_DATA
BSI_CLK
(invert)
LSBMSB
Figure 79 Timing characteristic of BSI interface.
8.1.1 Register Definitions
BSI+0000h BSI control register BSI_CON
Bit
15 14 13 12 11 10 9 8 7 6 5 4 3 2 1 0
Name
SETE
NV
EN1_
POL
EN1_
LEN
EN0_
POL
EN0_
LEN
IMOD
CLK_SPD
CLK_
POL
Type
R/W
R/W
R/W
R/W
R/W
WO
R/W R/W
Reset
0 0 0 0 0 N/A
0 0
This register is the control register for the BSI unit. The register controls the signal type of the 3-wire interface.
CLK_POL Controls the polarity of BSI_CLK. Refer to Figure 79.
0 True clock polarity
1 Inverted clock polarity
CLK_SPD Defines the clock rate of BSI_CLK. The 3-wire interface provides 4 choices of data bit rate. The
default is 13/2 MHz.
00 13/2 MHz
01 13/4 MHz
10 13/6 MHz
11 13/8 MHz
IMOD Enables immediate mode. If the user writes 1 to the flag, the download is triggered immediately without
waiting for the timer events. The words for which the register event ID equals 1Fh are downloaded

MT6225 GSM/GPRS Baseband Processor Data Sheet Revision 1.00
279
following this signal. This flag is write-only. The immediate write is exercised only once: the programmer
must write the flag again to invoke another immediate download. Setting the flag does not disable the other
events from the timer; the programmer can disable all events by setting BSI_ENA to all zeros.
ENX_LEN Controls the type of signals BSI_CS0 and BSI_CS1. Refer to Figure 78.
0 Long enable pulse
1 Short enable pulse
ENX_POL Controls the polarity of signals BSI_CS0 and BSI_CS1.
0 True enable pulse polarity
1 Inverted enable pulse polarity
SETENV Enables the write operation of the active buffer.
0 The user writes to the write buffer. The data is then latched in the active buffer after TDMA_EVTVAL
is pulsed.
1 The user writes data directly to the active buffer.
BSI+0004h Control part of data register 0 BSI_D0_CON
Bit
15 14 13 12 11 10 9 8 7 6 5 4 3 2 1 0
Name
ISB
LEN EVT_ID
Type
R/W
R/W R/W
This register is the control part of the data register 0. The register determines the required length of the download data
word, the event to trigger the download process of the word, and the targeted device.
Table 47 lists the 27 data registers of this type. Multiple data control registers may contain the same event ID: the
data words of all registers with the same event ID are downloaded when the event occurs.
EVT_ID Stores the event ID for which the data word awaits to be downloaded.
00000~01111 Synchronous download of the word with the selected EVT_ID event. The relationship
between this field and the event is listed as Table 46.
Event ID (in binary) – EVT_ID Event name
00000 TDMA_BSISTR0
00001 TDMA_BSISTR1
00010 TDMA_BSISTR2
00011 TDMA_BSISTR3
00100 TDMA_BSISTR4
00101 TDMA_BSISTR5
00110 TDMA_BSISTR6
00111 TDMA_BSISTR7
01000 TDMA_BSISTR8
01001 TDMA_BSISTR9
01010 TDMA_BSISTR10
01011 TDMA_BSISTR11
01100 TDMA_BSISTR12
01101 TDMA_BSISTR13
01110 TDMA_BSISTR14
01111 TDMA_BSISTR15
Table 46 The relationship between the value of EVT_ID field in the BSI control registers and the
TDMA_BSISTR events.
10000~11110 Reserved

MT6225 GSM/GPRS Baseband Processor Data Sheet Revision 1.00
280
11111 Immediate download
LEN Stores the length of the data word. The actual length is defined as LEN + 1 (in bits). The value ranges from
0 to 31, corresponding to 1 to 32 bits in length.
ISB The flag selects the target device.
0 Device 0 is selected.
1 Device 1 is selected.
BSI +0008h Data part of data register 0 BSI_D0_DAT
Bit
31 30 29 28 27 26 25 24 23 22 21 20 19 18 17 16
Name
DAT [31:16]
Type
R/W
Bit
15 14 13 12 11 10 9 8 7 6 5 4 3 2 1 0
Name
DAT [15:0]
Type
R/W
This register is the data part of the data register 0. The legal length of the data is up to 32 bits. The actual number of
bits to be transmitted is specified in LEN field in the BSI_D0_CON register.
DAT The field signifies the data part of the data register.
Table 47 lists the address mapping and function of the 27 pairs of data registers.
Register Address Register Function Acronym
BSI +0004h Control part of data register 0 BSI_D0_CON
BSI +0008h Data part of data register 0 BSI_D0_DAT
BSI +000Ch Control part of data register 1 BSI_D1_CON
BSI +0010h Data part of data register 1 BSI_D1_ DAT
BSI +0014h Control part of data register 2 BSI_D2_CON
BSI +0018h Data part of data register 2 BSI_D2_ DAT
BSI +001Ch Control part of data register 3 BSI_D3_CON
BSI +0020h Data part of data register 3 BSI_D3_ DAT
BSI +0024h Control part of data register 4 BSI_D4_CON
BSI +0028h Data part of data register 4 BSI_D4_ DAT
BSI +002Ch Control part of data register 5 BSI_D5_CON
BSI +0030h Data part of data register 5 BSI_D5_ DAT
BSI +0034h Control part of data register 6 BSI_D6_CON
BSI +0038h Data part of data register 6 BSI_D6_ DAT
BSI +003Ch Control part of data register 7 BSI_D7_CON
BSI +0040h Data part of data register 7 BSI_D7_ DAT
BSI +0044h Control part of data register 8 BSI_D8_CON
BSI +0048h Data part of data register 8 BSI_D8_ DAT
BSI +004Ch Control part of data register 9 BSI_D9_CON
BSI +0050h Data part of data register 9 BSI_D9_ DAT
BSI +0054h Control part of data register 10 BSI_D10_CON
BSI +0058h Data part of data register 10 BSI_D10_ DATA
BSI +005Ch Control part of data register 11 BSI_D11_CON
BSI +0060h Data part of data register 11 BSI_D11_ DAT
BSI +0064h Control part of data register 12 BSI_D12_CON
BSI +0068h Data part of data register 12 BSI_D12_ DAT

MT6225 GSM/GPRS Baseband Processor Data Sheet Revision 1.00
281
BSI +006Ch Control part of data register 13 BSI_D13_CON
BSI +0070h Data part of data register 13 BSI_D13_ DAT
BSI +0074h Control part of data register 14 BSI_D14_CON
BSI +0078h Data part of data register 14 BSI_D14_ DAT
BSI +007Ch Control part of data register 15 BSI_D15_CON
BSI +0080h Data part of data register 15 BSI_D15_ DAT
BSI +0084h Control part of data register 16 BSI_D16_CON
BSI +0088h Data part of data register 16 BSI_D16_ DAT
BSI +008Ch Control part of data register 17 BSI_D17_CON
BSI +0090h Data part of data register 17 BSI_D17_ DAT
BSI +0094h Control part of data register 18 BSI_D18_CON
BSI +0098h Data part of data register 18 BSI_D18_ DAT
BSI +009Ch Control part of data register 19 BSI_D19_CON
BSI +00A0h Data part of data register 19 BSI_D19_ DAT
BSI +00A4h Control part of data register 20 BSI_D20_CON
BSI +00A8h Data part of data register 20 BSI_D20_ DAT
BSI +00ACh Control part of data register 21 BSI_D21_CON
BSI +00B0h Data part of data register 21 BSI_D21_ DAT
BSI +00B4h Control part of data register 22 BSI_D22_CON
BSI +00B8h Data part of data register 22 BSI_D22_ DAT
BSI +00BCh Control part of data register 23 BSI_D23_CON
BSI +00C0h Data part of data register 23 BSI_D23_ DAT
BSI +00C4h Control part of data register 24 BSI_D24_CON
BSI +00C8h Data part of data register 24 BSI_D24_ DAT
BSI +00CCh Control part of data register 25 BSI_D25_CON
BSI +00D0h Data part of data register 25 BSI_D25_ DAT
BSI +00D4h Control part of data register 26 BSI_D26_CON
BSI +00D8h Data part of data register 26 BSI_D26_ DAT
Table 47 BSI data registers
BSI +0190h BSI event enable register BSI_ENA
Bit
15 14 13 12 11 10 9 8 7 6 5 4 3 2 1 0
Name
BSI15
BSI14
BSI13
BSI12
BSI11
BSI10
BSI9
BSI8
BSI7
BSI6
BSI5
BSI4
BSI3
BSI2
BSI1
BSI0
Type
R/W
R/W
R/W
R/W
R/W
R/W
R/W
R/W
R/W
R/W
R/W
R/W
R/W
R/W
R/W
R/W
Reset
1 1 1 1 1 1 1 1 1 1 1 1 1 1 1 1
This register enables an event by setting the corresponding bit. After a hardware reset, all bits are initialized to 1.
These bits are also set to 1 after TDMA_EVTVAL pulse.
BSIx Enables downloading of the words corresponding to the events signaled by TMDA_BSI.
0 The event is not enabled.
1 The event is enabled.
BSI +0194h BSI IO mode control register BSI_IO_CON
Bit
15 14 13 12 11 10 9 8 7 6 5 4 3 2 1 0
Name
SEL_
CS1
4_WI
RE
DAT_
DIR
MOD
E

MT6225 GSM/GPRS Baseband Processor Data Sheet Revision 1.00
282
Type
R/W
R/W
R/W
R/W
R/W
R/W
R/W
R/W
R/W
R/W
R/W
R/W
R/W
R/W
R/W
R/W
Reset
0 0 0 0 0 0 0 0 0 0 0 0 0 0 1 0
MODE Defines the source of BSI signal.
0 BSI signal is generated by the hardware.
1 BSI signal is generated by the software. In this mode, the BSI clock depends on the value of the field
DOUT.CLK. BSI_CS depends on the value of the field DOUT.CS and BSI_DATA depends on the value
of the field DOUT.DATA.
DAT_DIR Defines the direction of BSI_DATA.
0 BSI _DATA is configured as input. The 3-wire interface is used and BSI_DATA is bi-directional.
1 BSI_DATA is configured as output.
4_WIRE Defines the BSI_DIN source.
0 The 3-wire interface is used and BSI_DATA is bi-directional. BSI_DIN comes from the same pin as
BSI_DATA.
1 The 4-wire interface is used. Another pin (GPIO) is used as BSI_DIN.
SEL_CS1 Defines which of the BSI_CSx (BSI_CS0 or BSI_CS1) is written by the software.
0 BSI_CS0 is selected.
1 BSI_CS1 is selected.
BSI +0198h Software-programmed data out BSI_DOUT
Bit
15 14 13 12 11 10 9 8 7 6 5 4 3 2 1 0
Name
DATA
CS
CLK
Type
R/W
R/W
R/W
R/W
R/W
R/W
R/W
R/W
R/W
R/W
R/W
R/W
R/W
W W W
Reset
0 0 0 0 0 0 0 0 0 0 0 0 0 0 0 0
CLK Signifies the BSI_CLK signal.
CS Signifies the BSI_CS signal.
DATA Signifies the BSI_DATA signal.
BSI +019ch Input data from RF chip BSI_DIN
Bit
15 14 13 12 11 10 9 8 7 6 5 4 3 2 1 0
Name
DIN
Type
R/W
R/W
R/W
R/W
R/W
R/W
R/W
R/W
R/W
R/W
R/W
R/W
R/W
R/W
R/W
R
Reset
0 0 0 0 0 0 0 0 0 0 0 0 0 0 0 0
DIN Registers the input value of BSI_DATA from the RF chip.
8.2 Baseband Parallel Interface
8.2.1 General Description
The Baseband Parallel Interface features 10 control pins, which are used for timing-critical external circuits. These
pins typically control front-end components which must be turned on or off at specific times during GSM operation,
such as transmit-enable, band switching, TR-switch, etc.

MT6225 GSM/GPRS Baseband Processor Data Sheet Revision 1.00
283
Event Register
APB I/F
Active
buffer
Write
buffer
Output
buffer
TDMA_EVTVAL
(from TDMA timer)
TDMA_BPISTR (0~21)
(from TDMA timer)
BPI_BUS0
BPI_BUS1
BPI_BUS2
BPI_BUS3
BPI_BUS4
BPI_BUS5
BPI_BUS6
BPI_BUS7
MUX
MUX
Immediate mode
petev
BPI_BUS8
BPI_BUS9
The driving capability is configurable.
The driving capability is fixed.
Figure 80 Block diagram of BPI interface
The user can program 26 sets of 10-bit registers to set the output value of BPI_BUS0~BPI_BUS9. The data is stored
in the write buffers. The write buffers are then forwarded to the active buffers when the TDMA_EVTVAL signal is
pulsed, usually once per frame. Each of the 26 write buffers corresponds to an active buffer, as well as to a TDMA
event.
Each TDMA_BPISTR event triggers the transfer of data in the corresponding active buffer to the output buffer, thus
changing the value of the BPI bus. The user can disable the events by programming the enable registers in the TDMA
timer. If the TDMA_BPISTR event is disabled, the corresponding signal TDMA_BPISTR is not pulsed, and the value
on the BPI bus remains unchanged.
For applications in which BPI signals serve as the switch, current-driving components are typically added to enhance
driving capability. Four configurable output pins provide current up to 8 mA, and help reduce the number of external
components. The output pins BPI_BUS6, BPI_BUS7, BPI_BUS8, and BPI_BUS9 are multiplexed with GPIO.
Please refer to the GPIO table for more detailed information.
8.2.2 Register Definitions
BPI+0000h BPI control register BPI_CON
Bit
15 14 13 12 11 10 9 8 7 6 5 4 3 2 1 0
Name
PINM
3
PINM
2
PINM
1
PINM
0
PETE
V
Type
WO
WO
WO
WO
R/W
Reset
0 0 0 0 0
This register is the control register of the BPI unit. The register controls the direct access mode of the active buffer
and the current driving capability for the output pins.
The driving capabilities of BPI_BUS0, BPI_BUS1, BPI_BUS2, and BPI_BUS3 can be 2 mA or 8 mA, determined by
the value of PINM0, PINM1, PINM2, and PINM3, respectively. These output pins provide a higher driving capability
and save on external current-driving components. In addition to the configurable pins, pins BPI_BUS4 to BPI_BUS9
provide a driving capability of 2 mA (fixed).
PETEV Enables direct access to the active buffer.

MT6225 GSM/GPRS Baseband Processor Data Sheet Revision 1.00
284
0 The user writes data to the write buffer. The data is latched in the active buffer after the
TDMA_EVTVAL signal is pulsed.
1 The user directly writes data to the active buffer without waiting for the TDMA_EVTVAL signal.
PINM0 Controls the driving capability of BPI_BUS0.
0 The output driving capability is 2mA.
1 The output driving capability is 8mA.
PINM1 Controls the driving capability of BPI_BUS1.
0 The output driving capability is 2mA.
1 The output driving capability is 8mA.
PINM2 Controls the driving capability of BPI_BUS2.
0 The output driving capability is 2mA.
1 The output driving capability is 8mA.
PINM3 Controls the driving capability of BPI_BUS3.
0 The output driving capability is 2mA.
1 The output driving capability is 8mA.
BPI +0004h BPI data register 0 BPI_BUF0
Bit
15 14 13 12 11 10 9 8 7 6 5 4 3 2 1 0
Name
PO9
PO8
PO7
PO6
PO5
PO4
PO3
PO2
PO1
PO0
Type
R/W
R/W
R/W
R/W
R/W
R/W
R/W
R/W
R/W
R/W
This register defines the BPI signals that are associated with the event TDMA_BPI0.
Table 48 lists 26 registers of the same structure, each of which is associated with one specific event signal from the
TDMA timer. The data registers are all double-buffered. When PETEV is set to 0, the data register links to the write
buffer. When PETEV is set to 1, the data register links to the active buffer.
One register, BPI_BUFI, is dedicated for use in immediate mode. Writing a value to that register effects an immediate
change in the corresponding BPI signal and bus.
POx This flag defines the corresponding signals for BPIx after the TDMA event 0 takes place.
The overall data register definition is listed in Table 48.
Register Address Register Function Acronym
BPI +0004h BPI pin data for event TDMA_BPI 0 BPI_BUF0
BPI +0008h BPI pin data for event TDMA_BPI 1 BPI_BUF1
BPI +000Ch BPI pin data for event TDMA_BPI 2 BPI_BUF2
BPI +0010h BPI pin data for event TDMA_BPI 3 BPI_BUF3
BPI +0014h BPI pin data for event TDMA_BPI 4 BPI_BUF4
BPI +0018h BPI pin data for event TDMA_BPI 5 BPI_BUF5
BPI +001Ch BPI pin data for event TDMA_BPI 6 BPI_BUF6
BPI +0020h BPI pin data for event TDMA_BPI 7 BPI_BUF7
BPI +0024h BPI pin data for event TDMA_BPI 8 BPI_BUF8
BPI +0028h BPI pin data for event TDMA_BPI 9 BPI_BUF9
BPI +002Ch BPI pin data for event TDMA_BPI 10 BPI_BUF10
BPI +0030h BPI pin data for event TDMA_BPI 11 BPI_BUF11
BPI +0034h BPI pin data for event TDMA_BPI 12 BPI_BUF12
BPI +0038h BPI pin data for event TDMA_BPI 13 BPI_BUF13
BPI +003Ch BPI pin data for event TDMA_BPI 14 BPI_BUF14
BPI +0040h BPI pin data for event TDMA_BPI 15 BPI_BUF15

MT6225 GSM/GPRS Baseband Processor Data Sheet Revision 1.00
285
BPI +0044h BPI pin data for event TDMA_BPI 16 BPI_BUF16
BPI +0048h BPI pin data for event TDMA_BPI 17 BPI_BUF17
BPI +004Ch BPI pin data for event TDMA_BPI 18 BPI_BUF18
BPI +0050h BPI pin data for event TDMA_BPI 19 BPI_BUF19
BPI +0054h BPI pin data for event TDMA_BPI 20 BPI_BUF20
BPI +0058h BPI pin data for event TDMA_BPI 21 BPI_BUF21
BPI +005Ch BPI pin data for event TDMA_BPI 22 BPI_BUF22
BPI +0060h BPI pin data for event TDMA_BPI 23 BPI_BUF23
BPI +0064h BPI pin data for event TDMA_BPI 24 BPI_BUF24
BPI +0068h BPI pin data for event TDMA_BPI 25 BPI_BUF25
BPI +0090h BPI pin data for immediate mode BPI_BUFI
Table 48 BPI Data Registers.
BPI +0094h BPI event enable register 0 BPI_ENA0
Bit
15 14 13 12 11 10 9 8 7 6 5 4 3 2 1 0
Name
BEN15
BEN14
BEN13
BEN12
BEN11
BEN10
BEN9
BEN8
BEN7
BEN6
BEN5
BEN4
BEN3
BEN2
BEN1
BEN0
Type
R/W
R/W
R/W
R/W
R/W
R/W
R/W
R/W
R/W
R/W
R/W
R/W
R/W
R/W
R/W
R/W
Reset
1 1 1 1 1 1 1 1 1 1 1 1 1 1 1 1
This register enables the events that are signaled by the TDMA timer: by clearing a register bit, the corresponding event
signal is ignored. After a hardware reset, all the enable bits default to 1 (enabled). Upon receiving a
TDMA_EVTVAL pulse, all register bits are also set to 1 (enabled).
BENn This flag indicates whether event n signals are heeded or ignored.
0 Event n is disabled (ignored).
1 Event n is enabled.
BPI+0098h BPI event enable register 1 BPI_ENA1
Bit
15 14 13 12 11 10 9 8 7 6 5 4 3 2 1 0
Name
BEN25
BEN24
BEN23
BEN22
BEN21
BEN20
BEN19
BEN18
BEN17
BEN16
Type
R/W
R/W
R/W
R/W
R/W
R/W
R/W
R/W
R/W
R/W
Reset
0 0 0 0 0 0 0 0 0 0
This register enables the events that are signaled by the TDMA timing generator: by clearing a register bit, the
corresponding event signal is ignored. After a hardware reset, all the enable bits default to 1 (enabled). Upon
receiving the TDMA_EVTVAL pulse, all register bits are also set to 1 (enabled).
BENn This flag indicates whether event n signals are heeded or ignored.
0 Event n is disabled (ignored).
1 Event n is enabled.
8.3 Automatic Power Control (APC) Unit
8.3.1 General Description
The Automatic Power Control (APC) unit controls the Power Amplifier (PA) module. Through APC unit, the proper
transmit power level of the handset can be set to ensure that burst power ramping requirements are met. In one
TDMA frame, up to 7 TDMA events can be enabled to support multi-slot transmission. In practice, 5 banks of ramp
profiles are used in one frame to make up 4 consecutive transmission slots.

MT6225 GSM/GPRS Baseband Processor Data Sheet Revision 1.00
286
The shape and magnitude of the ramp profiles are configurable to fit ramp-up (ramp up from zero), intermediate ramp
(ramp between transmission windows), and ramp-down (ramp down to zero) profiles. Each bank of the ramp profile
consists of 16 8-bit unsigned values, which are adjustable for different conditions.
The entries from one bank of the ramp profile are partitioned into two parts, with 8 values in each half. In normal
operation, the entries in the left half are multiplied by a 10-bit left scaling factor, and the entries in the right half are
multiplied by a 10-bit right scaling factor. The values are then truncated to form 16 10-bit intermediate values.
Finally the intermediate ramp profile are linearly interpolated into 32 10-bit values and sequentially used to update the
D/A converter. The block diagram of the APC unit is shown in Figure 81 .
The APB bus interface is 32 bits wide. Four write accesses are required to program each bank of ramp profile. The
detailed register allocations are listed in Table 49.
Ramp profile,
scaling factor,
& offset
Multiplier &
interpolator
APB
I/F
APB BUS
(32bits
data bus)
APC_BUS
(10 bits)
DAC_PU
DAC
Power and
clock
control
Output
buffer
TDMA_APCEN
( from TDMA timer )
TDMA_APCSTR (0~6)
( from TDMA timer) QBIT_EN
APC unit
PDN_APC
( from global
control)
Figure 81 Block diagram of APC unit.
8.3.2 Register Definitions
APC+0000h APC 1st ramp profile #0 APC_PFA0
Bit
31 30 29 28 27 26 25 24 23 22 21 20 19 18 17 16
Name
ENT3 ENT2
Type
R/W R/W
Bit
15 14 13 12 11 10 9 8 7 6 5 4 3 2 1 0
Name
ENT1 ENT0
Type
R/W R/W
The register stores the first four entries of the first power ramp profile. The first entry resides in the least significant
byte [7:0], the second entry in the second byte [15:8], the third entry in the third byte [23:16], and the fourth in the most
significant byte [31:24]. Since this register provides no hardware reset, the programmer must configure it before any
APC event takes place.
ENT3 The field signifies the 4th entry of the 1st ramp profile.
ENT2 The field signifies the 3rd entry of the 1st ramp profile.
ENT1 The field signifies the 2nd entry of the 1st ramp profile.
ENT0 The field signifies the 1st entry of the 1st ramp profile.
The overall ramp profile register definition is listed in Table 49.
Register Address Register Function Acronym
APC +0000h APC 1st ramp profile #0 APC_PFA0
APC +0004h APC 1st ramp profile #1 APC_PFA1

MT6225 GSM/GPRS Baseband Processor Data Sheet Revision 1.00
287
APC +0008h APC 1st ramp profile #2 APC_PFA2
APC +000Ch APC 1st ramp profile #3 APC_PFA3
APC +0020h APC 2nd ramp profile #0 APC_PFB0
APC +0024h APC 2nd ramp profile #1 APC_PFB1
APC +0028h APC 2nd ramp profile #2 APC_PFB2
APC +002Ch APC 2nd ramp profile #3 APC_PFB3
APC +0040h APC 3rd ramp profile #0 APC_PFC0
APC +0044h APC 3rd ramp profile #1 APC_PFC1
APC +0048h APC 3rd ramp profile #2 APC_PFC2
APC +004Ch APC 3rd ramp profile #3 APC_PFC3
APC +0060h APC 4th ramp profile #0 APC_PFD0
APC +0064h APC 4th ramp profile #1 APC_PFD1
APC +0068h APC 4th ramp profile #2 APC_PFD2
APC +006Ch APC 4th ramp profile #3 APC_PFD3
APC +0080h APC 5th ramp profile #0 APC_PFE0
APC +0084h APC 5th ramp profile #1 APC_PFE1
APC +0088h APC 5th ramp profile #2 APC_PFE2
APC +008Ch APC 5th ramp profile #3 APC_PFE3
APC +00A0h APC 6th ramp profile #0 APC_PFF0
APC +00A4h APC 6th ramp profile #1 APC_PFF1
APC +00A8h APC 6th ramp profile #2 APC_PFF2
APC +00ACh APC 6th ramp profile #3 APC_PFF3
APC +00C0h APC 7th ramp profile #0 APC_PFG0
APC +00C4h APC 7th ramp profile #1 APC_PFG1
APC +00C8h APC 7th ramp profile #2 APC_PFG2
APC +00CCh APC 7th ramp profile #3 APC_PFG3
Table 49 APC ramp profile registers
APC +0010h APC 1st ramp profile left scaling factor APC_SCAL0L
Bit
15 14 13 12 11 10 9 8 7 6 5 4 3 2 1 0
Name
SF
Type
R/W
Reset
1_0000_0000
The register stores the left scaling factor of the 1st ramp profile. This factor multiplies the first 8 entries of the 1st ramp
profile to provide the scaled profile, which is then interpolated to control the D/A converter.
After a hardware reset, the initial value of the register is 256. In this case, no scaling is done (each entry of the ramp
profile is multiplied by 1), because the 8 least significant bits are truncated after multiplication.
The overall scaling factor register definition is listed in Table 50 .
SF Scaling factor. After a hardware reset, the value is 256.
APC +0014h APC 1st ramp profile right scaling factor APC_SCAL0R
Bit
15 14 13 12 11 10 9 8 7 6 5 4 3 2 1 0
Name
SF
Type
R/W
Reset
1_0000_0000

MT6225 GSM/GPRS Baseband Processor Data Sheet Revision 1.00
288
The register stores the right scaling factor of the 1st ramp profile. This factor multiplies the last 8 entries of the 1st
ramp profile to provide the scaled profile, which is then interpolated to control the D/A converter.
After a hardware reset, the initial value of the register is 256. In this case, no scaling is done (each entry of the ramp
profile is multiplied by 1), because the 8 least significant bits are truncated after multiplication.
The overall scaling factor register definition is listed in Table 50 .
SF Scaling factor. After a hardware reset, the value is 256.
APC+0018h APC 1st ramp profile offset value APC_OFFSET0
Bit
15 14 13 12 11 10 9 8 7 6 5 4 3 2 1 0
Name
OFFSET
Type
R/W
Reset
0
There are 7 offset values for the corresponding ramp profile.
The 1st offset value also serves as the pedestal value. The value is used to power up the APC D/A converter before the
RF signals start to transmit. The D/A converter is then biased on the value, to provide the initial control voltage for
the external control loop. The exact value depends on the characteristics of the external components. The timing to
output the pedestal value is configurable through the TDMA_BULCON2 register of the timing generator; its valid
range is 0~127 quarter-bits of time after the baseband D/A converter is powered up.
OFFSET Offset value for the corresponding ramp profile. After a hardware reset, the default value is 0.
The overall offset register definition is listed in Table 50.
Register Address Register Function Acronym
APC +0010h APC 1st ramp profile left scaling factor APC_SCAL0L
APC +0014h APC 1st ramp profile right scaling factor APC_SCAL0R
APC +0018h APC 1st ramp profile offset value APC_OFFSET0
APC +0030h APC 2nd ramp profile left scaling factor APC_SCAL1L
APC +0034h APC 2nd ramp profile right scaling factor APC_SCAL1R
APC +0038h APC 2nd ramp profile offset value APC_OFFSET1
APC +0050h APC 3rd ramp profile left scaling factor APC_SCAL2L
APC +0054h APC 3rd ramp profile right scaling factor APC_SCAL2R
APC +0058h APC 3rd ramp profile offset value APC_OFFSET2
APC +0070h APC 4th ramp profile left scaling factor APC_SCAL3L
APC +0074h APC 4th ramp profile right scaling factor APC_SCAL3R
APC +0078h APC 4th ramp profile offset value APC_OFFSET3
APC +0090h APC 5th ramp profile left scaling factor APC_SCAL4L
APC +0094h APC 5th ramp profile right scaling factor APC_SCAL4R
APC +0098h APC 5th ramp profile offset value APC_OFFSET4
APC +00B0h APC 6th ramp profile left scaling factor APC_SCAL5L
APC +00B4h APC 6th ramp profile right scaling factor APC_SCAL5R
APC +00B8h APC 6th ramp profile offset value APC_OFFSET5
APC +00D0h APC 7th ramp profile left scaling factor APC_SCAL6L
APC +00D4h APC 7th ramp profile right scaling factor APC_SCAL6R
APC +00D8h APC 7th ramp profile offset value APC_OFFSET6
Table 50 APC scaling factor and offset value registers

MT6225 GSM/GPRS Baseband Processor Data Sheet Revision 1.00
289
APC+00E0h APC control register APC_CON
Bit
15 14 13 12 11 10 9 8 7 6 5 4 3 2 1 0
Name
GSM
FPU
Type
R/W
R/W
Reset
1 0
GSM Defines the operation mode of the APC module. In GSM mode, each frame has only one slot, thus only one
scaling factor and one offset value must be configured. If the GSM bit is set, the programmer needs only to
configure APC_SCAL0L and APC_OFFSET0. If the bit is not set, the APC module is operating in GPRS
mode.
0 The APC module is operating in GPRS mode.
1 The APC module is operating in GSM mode. Default value.
FPU Forces the APC D/A converter to power up. Test only.
0 The APC D/A converter is not forced to power up. The converter is only powered on when the
transmission window is opened. Default value.
1 The APC D/A converter is forced to power up.
8.3.3 Ramp Profile Programming
The first value of the first normalized ramp profile must be written in the least significant byte of the APC_PFA0
register. The second value must be written in the second least significant byte of the APC_PFA0, and so on.
Each ramp profile can be programmed to form an arbitrary shape.
The start of ramping is triggered by one of the TDMA_APCSTR signals. The timing relationship between
TDMA_APCSTR and TDMA slots is depicted in Figure 82 for 4 consecutive time slots case. The power ramping
profile must comply with the timing mask defined in GSM SPEC 05.05. The timing offset values for 7 ramp profiles
are stored in the TDMA timer register from TDMA_APC0 to TDMA_APC6.
RX MXTX RX
TDMA_APCSTR0 TDMA_APCSTR1
TXTX TX
TDMA_APCSTR2 TDMA_APCSTR3 TDMA_APCSTR4
Figure 82 Timing diagram of TDMA_APCSTR.
Because the APC unit provides more than 5 ramp profiles, up to 4 consecutive transmission slots can accommodated.
The 2 additional ramp profiles are useful particularly when the timing between the last 2 transmission time slots and
CTIRQ is uncertain; software can begin writing the ramp profiles for the succeeding frame during the current frame,
alleviating the risk of not writing the succeeding frame’s profile data in time.
In GPRS mode, to fit the intermediate ramp profile between different power levels, a simple scaling scheme is used to
synthesize the ramp profile. The equation is as follows:

MT6225 GSM/GPRS Baseband Processor Data Sheet Revision 1.00
290
8 15 if 1,
0 8 if 0,
0,1,...,15,DNSOFFDA
,...,151 ,
2
DN DN
S OFFDA
2
DN DN
S OFFDA
12
1
2
0,15
00
≥≥
≥>
=
=⋅+=
=
+
⋅+=
+
⋅+=
+
−
k
k
l
k
k
klk
kk
lk
pre
where DA = the data to present to the D/A converter,
DN = the normalized data which is stored in the register APC_PFn,
S0 = the left scaling factor stored in register APC_SCALnL,
S1 = the right scaling factor stored in register APC_SCALnR, and
OFF = the offset value stored in the register APC_OFFSETn.
The subscript n denotes the index of the ramp profile.
The ramp calculation before interpolation is as depicted in Figure 83.
During each ramp process, each word of the normalized profile is first multiplied by 10-bit scaling factors and added to
an offset value to form a bank of 18-bit words. The first 8 words (in the left half part as in Figure 83) are multiplied
by the left scaling factor S0 and the last 8 words (in the right half part as in Figure 83) are multiplied by the right
scaling factor S1. The lowest 8 bits of each word are then truncated to get a 10-bit result. The scaling factor is 0x100,
which represents no scaling on reset. A value smaller than 0x100 scales the ramp profile down, and a value larger
than 100 scales the ramp profile up.
DN0 * S0 + OFF
DN4 * S0 + OFF
DN8 * S1 + OFF
DN12 * S1 + OFF
DN15 * S1 + OFF
16 Qb
DN4 * S0DN8 * S1
OFF
Figure 83 The timing diagram of the APC ramp.
The 16 10-bit words are linearly interpolated into 32 10-bit words. A 10-bit D/A converter is then used to convert
these 32 ramp values at a rate of 1.0833 MHz, that is, at quarter-bit rate. The timing diagram is shown in Figure 84
and the final value is retained on the output until the next event occurs.

MT6225 GSM/GPRS Baseband Processor Data Sheet Revision 1.00
291
TX TX
TX Burst TX Burst
TDMA_APCSTR0
Ramp ProfileRamp Profile Ramp Profile
TDMA_APCSTR2
TDMA_APCSTR1
~29.5us ~29.5us
APC_DATA
TDMA_APCSTR1
1032 29 30 31
TDMA_APCEN
TDMA_APCSTRx
~29.5us
offset
Figure 84 Timing diagram of the APC ramping.
The APC unit is only powered up when the APC window is open. The APC window is controlled by configuring the
TDMA registers TDMA_BULCON1 and TDMA_BULCON2. Please refer to the TDMA timer unit for more detailed
information.
The first offset value stored in the register APC_OFFSET0 also serves as the pedestal value, which is used to provide
the initial power level for the PA.
Since the profile is not double-buffered, the timing to write the ramping profile is critical. The programmer must be
restricted from writing to the data buffer during the ramping process, otherwise the ramp profile may be incorrect and
lead to a malfunction.
8.4 Automatic Frequency Control (AFC) Unit
8.4.1 General Description
The Automatic Frequency Control (AFC) unit provides the direct control of the oscillator for frequency offset and
Doppler shift compensation. The block diagram is of the AFC unit depicted in Figure 85. The module utilizes a
13-bit D/A converter to achieve high-resolution control. Two modes of operation provide flexibility when controlling
the oscillator; they are described as follows.

MT6225 GSM/GPRS Baseband Processor Data Sheet Revision 1.00
292
Active
buffer
Power
control
APB
BUS
TDMA_AFC
( from TDMA timer )
Write
buffer
AFC_BUS
Control
register
TDMA_EVTVAL
( from TDMA timer )
DAC
oscillator
PDN_AFC
( from global control )
VC
AFC unit
Immediate write
Output
buffer
nPDN_DAC
F_MODE
I_MODE
AFC
Figure 85 Block Diagram of the AFC Controller
In timer-triggered mode, the TDMA timer controls the AFC enabling events. Each TDMA frame can pulse at most
four events. Double buffer architecture is supported. AFC values can be written to the write buffers. When the
signal TDMA_EVTVAL is received, the values in the write buffers are latched into the active buffers. However, AFC
values can also be written to the active buffers directly. Each event is associated with an active buffer sharing the
same index. When a TDMA event is triggered by TDMA_AFC, the value in the corresponding active buffer takes
effect. Figure 86 shows a timing diagram of AFC events with respect to TX/RX/MX windows. In this mode, the D/A
converter can stay powered on or be powered on for a programmable duration (256 quarter-bits, by default). The
latter option is for power saving.
RX MX MXTX
AFC_STR0 AFC_STR3AFC_STR2AFC_STR1
Figure 86 Timing Diagram for the AFC Controller
In immediate mode, the MCU can directly control the AFC value without event-triggering. The value written by the
MCU takes effect immediately. In this mode, the D/A converter must be powered on continuously. When
transitioning from immediate mode into timer-triggered mode (by setting flag I_MODE in the register AFC_CON to be
0), the D/A converter is kept powered on for a programmable duration (256 quarter-bits by default) if a TDMA_AFC is
not been pulsed. The duration is prolonged upon receiving events.
8.4.2 Register Definitions
AFC+0000h AFC control register AFC_CON
Bit
15 14 13 12 11 10 9 8 7 6 5 4 3 2 1 0
Name
RDAC
T
F_MO
DE
FETE
NV
I_MO
DE
Type
R/W
R/W
R/W
R/W
Reset
0 0 0 0
Four control modes are defined and can be controlled through the AFC control register.
RDACT The flag enables the direct read operation from the active buffer. Note that the control flag is only applicable
to the four data buffers AFC_DAT0, AFC_DAT1, AFC_DAT2, and AFC_DAT3.
0 APB read from the write buffer.
1 APB read from the active buffer.
FETENV The flag enables the direct write operation to the active buffer. Note that the control flag is only
applicable to the four data buffers AFC_DAT0, AFC_DAT1, AFC_DAT2, and AFC_DAT3.

MT6225 GSM/GPRS Baseband Processor Data Sheet Revision 1.00
293
0 APB write to the write buffer.
1 APB write to the active buffer.
F_MODE The flag enables the force power up mode.
0 The force power up mode is not enabled.
1 The force power up mode is enabled.
I_MODE The flag enables immediate mode. To enable immediate mode, force power up mode must also be
enabled.
0 Immediate mode is not enabled.
1 Immediate mode is enabled.
AFC +0004h AFC data register 0 AFC_DAT0
Bit
15 14 13 12 11 10 9 8 7 6 5 4 3 2 1 0
Name
AFCD
Type
R/W
The register stores the AFC value for the event 0 triggered by the TDMA timer in timer-triggered mode. When the
RDACT or FETENV bit (of the AFC_CON register) is set, the data transfer operates on the active buffer. When
neither flag is set, the data transfer operates on the write buffer.
AFCD The AFC sample for the D/A converter.
Four registers (AFC_DAT0, AFC_DAT1, AFC_DAT2, AFC_DAT3) of the same type correspond to the event triggered
by the TDMA timer. The four registers are summarized in Table 51.
Register Address Register Function Acronym
AFC +0004h AFC control value 0 AFC_DAT0
AFC +0008h AFC control value 1 AFC_DAT1
AFC +000Ch AFC control value 2 AFC_DAT2
AFC +0010h AFC control value 3 AFC_DAT3
Table 51 AFC Data Registers
Immediate mode can only use AFC_DAT0. In this mode, only the control value in the AFC_DAT0 write buffer is
used to control the D/A converter. Unlike timer-triggered mode, the control value in AFC_DAT0 write buffer can
bypass the active buffer stage and be directly coupled to the output buffer in immediate mode. To use immediate
mode, program the AFC_DAT0 in advance and then enable immediate mode by setting the I_MODE flag in the
AFC_CON register.
The registers AFC_DATA0, AFC_DAT1, AFC_DAT2, and AFC_DAT3 have no initial values, thus the register must be
programmed before any AFC event takes place. The AFC value for the D/A converter, i.e., the output buffer value, is
initially 0 after power up before any event occurs.
AFC +0014h AFC power up period AFC_PUPER
Bit
15 14 13 12 11 10 9 8 7 6 5 4 3 2 1 0
Name
PU_PER
Type
R/W
Reset
ff
This register stores the AFC power up period, which is 13 bits wide. The value ranges from 0 to 8191. If the
I_MODE or F_MODE flag is set, this register has no effect since the D/A converter is powered up continuously. If
neither flag is set, the register controls the power up duration of the D/A converter. During that period, the signal
nPDN_DAC in Figure 85 is set to 1(power up).
PU_PER Stores the AFC power up period. After hardware power up, the field is initialized to 255.

MT6225 GSM/GPRS Baseband Processor Data Sheet Revision 1.00
294/377 MediaTek Inc. Confidential
9 Baseband Front End
Baseband Front End is a modem interface between TX/RX mixed-signal modules and digital signal processor (DSP). We
can divide this block into two parts (see 錯誤! 找不到參照來源。). The first is the uplink (transmitting) path, which
converts bit-stream from DSP into digital in-phase (I) and quadrature (Q) signals for TX mixed-signal module. The second
part is the downlink (receiving) path, which receives digital in-phase (I) and quadrature (Q) signals from RX mixed-signal
module, performs FIR filtering and then sends results to DSP. 錯誤! 找不到參照來源。 illustrates interconnection around
Baseband Front End. In the figure the shadowed blocks compose Baseband Front End.
The uplink path is mainly composed of GMSK Modulator and uplink parts of Baseband Serial Ports, and the downlink path
is mainly composed of RX digital FIR filter, RX interference detection filter (ITD) including power measurement blocks,
downlink parts of Baseband Serial Ports and DSP I/O. Baseband Serial Ports is a serial interface used to communicate with
DSP. In addition, there is a set of control registers in Baseband Front End that is intended for control of TX/RX
mixed-signal modules, inclusive of several compensation circuit: calibration of I/Q DC offset, I/Q Quadrature Phase
Compensation and I/Q Gain Mismatch of uplink analog-to-digital (D/A) converters as well as I/Q Gain Mismatch for
downlink digital-to-analog (A/D) converters in TX/RX mixed-signal modules. The timing of bit streaming through
Baseband Front End is completely under control of TDMA timer. Usually only either of uplink and downlink paths is active
at one moment. However, both of the uplink and downlink paths will be active simultaneously when Baseband Front End is
in loopback mode.
When either of TX windows in TDMA timer is opened, the uplink path in Baseband Front End will be activated.
Accordingly components on the uplink path such as GMSK Modulator will be powered on, and then TX mixed-signal
module is also powered on. The sub-block Baseband Serial Ports will sink TX data bits from DSP and then forward them to
GMSK Modulator. The outputs from GMSK Modulator are sent to TX mixed-signal module in format of I/Q signals.
Finally D/A conversions are performed in TX mixed-signal module and the output analog signal is output to RF module.
Similarly, while either of RX windows in TDMA timer is opened, the downlink path in Baseband Front End will be
activated. Accordingly components on the downlink path such as RX mixed-signal module and RX digital FIR filter are
then powered on. First A/D conversions are performed in RX mixed-signal module, and then the results in format of I/Q
signals are sourced to Low Pass Filtering with different bandwidth (Narrow one about FC = 90 kHz, Wide one about FC =
110khz), Interference Detection Circuit to determine which Filter to be used by judging receiving power on current burst.
Additionally, “I/Q Compensation Circuit” is an option in data path for modifying Receiving I/Q pair gain mismatch. Finally
the results will be sourced to DSP through Baseband Serial Ports.

MT6225 GSM/GPRS Baseband Processor Data Sheet Revision 1.00
295/377 MediaTek Inc. Confidential
GMSK
Modulator
P/S
RX Digital FIR
Filter
10 bits I-Signal
10 bits Q-Signal
Comb
Filter
16bits I-Signal
16 bits Q-Signal
BBTX
BBRX
2 bits I-Signal
2 bits Q-Signal
Uplink Path
Downlink Path
4 bits I/Q-Signal 1X bit stream
RX ITD IIR
Filter
16bits I-Signal
16 bits Q-Signal
Figure 87 Block Diagram of Baseband Front End
9.1 Baseband Serial Ports
9.1.1 General Description
Baseband Front End communicates with DSP through the sub block of Baseband Serial Ports. Baseband Serial Ports
interfaces with DSP in serial manner. This implies that DSP must be configured carefully in order to have Baseband Serial
Ports cooperate with DSP core correctly.
If downlink path is programmed in bypass-filter mode (NOT bypass-filter loopback mode), behavior of Baseband Serial
Ports will be completely be different from that in normal function mode. The special mode is for testing purpose. Please see
the subsequent section of Downlink Path for more details.
TX and RX windows are under control of TDMA timer. Please refer to functional specification of TDMA timer for the
details on how to open/close a TX/RX window. Opening/Closing of TX/RX windows have two major effects on Baseband
Front End: power on/off of corresponding components and data souring/sinking. It is worth noticing that Baseband Serial
Ports is only intended for sinking TX data from DSP or sourcing data to DSP. It does not involve power on/off of TX/RX
mixed-signal modules.
As far as downlink path is concerned, if a RX window is opened by TDMA timer Baseband Front End will have RX
mixed-signal module proceed to make A/D conversion, two parallel RX digital filter proceed to perform filtering and
Baseband Serial Ports be activated to source data from RX digital filter to Master DSP while Power Measurement through

MT6225 GSM/GPRS Baseband Processor Data Sheet Revision 1.00
296/377 MediaTek Inc. Confidential
DSP I/O to DSP no matter the data is meaningful or not. However, the interval between the moment that RX mixed-signal
module is powered on and the moment that data proceed to be dumped by Baseband Serial Ports can be well controlled in
TDMA timer. Let us denote RX enable window as the interval that RX mixed-signal module is powered on and denote RX
dump window as the interval that data is dumped by Baseband Serial Ports. If the first samples from RX digital filter desire
to be discarded, the corresponding RX enable window must cover the corresponding RX dump window. Note that RX
dump windows always win over RX enable windows. It means that a RX dump window will always raise a RX enable
window. RX enable windows can be raised by TDMA timer or by programming RX power-down bit in global control
registers to be ‘0’. This is useful in debugging environment.
Similarly, a TX dump window refers to the interval that Baseband Serial Ports sinks data from DSP on uplink path and a
TX enable window refers to the interval that TX mixed-signal module is powered on. A TX window controlled by TDMA
timer involves a TX dump window and a TX enable window simultaneously. The interval between the moment that TX
mixed-signal module is powered on and the moment that data proceed to be forwarded from DSP to GMSK or 8PSK
modulator by Baseband Serial Ports can be well controlled in TDMA timer. TX dump windows always win over TX enable
windows. It means that a TX dump window will always raise a TX enable window. TX enable windows can be raised by
TDMA timer or by programming TX power-down bit in global control registers to be ‘0’. It is useful in debugging
environment.
Accordingly, Baseband Serial Ports are only under the control of TX/RX dump window. Note that if TX/RX dump window
is not integer multiplies of bit-time it will be extended to be integer multiplies of bit-time. For example, if TX/RX dump
window has interval of 156.25 bit-times then it will be extended to 157 bit-times in Baseband Serial Ports.
For uplink path, if uplink path is enabled, then the bit BULEN (Baseband Up-Link Enable) will be ‘1’. Otherwise the bit
BULEN will be 0.
For downlink path, if BDLEN (Baseband DownLink Enable) is enabled, RX mixed-signal module will also be powered on.
Similarly, once uplink path is enabled, TX mixed-signal module will also be powered on. Furthermore, enabling BDLFS
(Baseband Down-Link FrameSync) Baseband Serial Ports for downlink path refers to dumping results from RX digital FIR
filter to DSP.
9.1.2 Register Definitions
BFE+0000h Base-band Common Control Register BFE_CON
Bit
15 14 13 12 11 10 9 8 7 6 5 4 3 2 1 0
Name
BCIE
N
Type
R/W
Reset
0
This register is for common control of Baseband Front End. It consists of ciphering encryption control.
BCIEN The bit is for ciphering encryption control. If the bit is set to ‘1’, XOR will be performed on some TX bits
(payload of Normal Burst) and ciphering pattern bit from DSP, and then the result is forwarded to GMSK
Modulator only. Meanwhile, Baseband Front End will generate signals to drive DSP ciphering process and
produce corresponding ciphering pattern bits if the bit is set to ‘1’. If the bit is set to ‘0’, the TX bit from DSP will
be forwarded to GMSK modulator directly. Baseband Front End will not activate DSP ciphering process.
0 Disable ciphering encryption.
1 Enable ciphering encryption.

MT6225 GSM/GPRS Baseband Processor Data Sheet Revision 1.00
297/377 MediaTek Inc. Confidential
BFE +0004h Base-band Common Status Register BFE_STA
Bit
15 14 13 12 11 10 9 8 7 6 5 4 3 2 1 0
Name
BULE
N4
BULE
N3
BULE
N2
BULE
N1
BULF
S4
BULF
S3
BULF
S2
BULF
S1
BDLF
S
BDLE
N
Type
RO
RO
RO
RO
RO
RO
RO
RO
RO
RO
Reset
0 0 0 0 0 0 0 0 0 0
This register indicates status of Baseband Front End. Under control of TDMA timer, Baseband Front End can be driven in
several statuses. If downlink path is enabled, then the bit BDLEN will be ‘1’. Otherwise the bit BDLEN will be ‘0’. If
downlink parts of Baseband Serial Ports is enabled, the bit BDLFS will be ‘1’. Otherwise the bit BDLFS will be ‘0’. If
uplink path is enabled, then the bit BULEN will be ‘1’. Otherwise the bit BULEN will be 0. If uplink parts of Baseband
Serial Ports is enabled, the bit BULFS will be ‘1’. Otherwise the bit BULFS will be ‘0’. Once downlink path is enabled, RX
mixed-signal module will also be powered on. Similarly, once uplink path is enabled, TX mixed-signal module will also be
powered on. Furthermore, enabling Baseband Serial Ports for downlink path refers to dumping results from RX digital FIR
filter to DSP. Similarly, enabling Baseband Serial Ports for uplink path refers to forwarding TX bit from DSP to GMSK
modulator. BDLEN stands for “Baseband DownLink ENable”. BULEN stands for “Baseband UpLink ENable”. BDLFS
stands for “Baseband DownLink FrameSync”. BULFS stands for “Baseband UpLink FrameSync”.
BDLEN Indicate if downlink path is enabled.
0 Disabled
1 Enabled
BDLFS Indicate if Baseband Serial Ports for downlink path is enabled.
0 Disabled
1 Enabled
BULFS1 Indicate if Baseband Serial Ports for uplink path is enabled in 1st burst
0 Disabled
1 Enabled
BULFS2 Indicate if Baseband Serial Ports for uplink path is enabled in 2nd burst
0 Disabled
1 Enabled
BULFS3 Indicate if Baseband Serial Ports for uplink path is enabled in 3rd burst
0 Disabled
1 Enabled
BULFS4 Indicate if Baseband Serial Ports for uplink path is enabled in 4th burst
0 Disabled
1 Enabled
BULEN1 Indicate if uplink path is enabled in 1st burst.
0 Disabled
1 Enabled
BULEN2 Indicate if uplink path is enabled in 2nd burst.
0 Disabled
1 Enabled
BULEN3 Indicate if uplink path is enabled in 3rd burst.
0 Disabled
1 Enabled

MT6225 GSM/GPRS Baseband Processor Data Sheet Revision 1.00
298/377 MediaTek Inc. Confidential
BULEN4 Indicate if uplink path is enabled in 4th burst.
0 Disabled
1 Enabled
9.2 Downlink Path (RX Path)
9.2.1 General Description
On the downlink path, the sub-block between RX mixed-signal module and Baseband Serial Ports is RX Path. It mainly
consists of two parallel digital FIR filter with programmable tap number, two sets of multiplexing paths for loopback modes,
interface for RX mixed-signal module, Interference Detection Circuit, I/Q Gain Mismatch compensation circuit, and
interface for Baseband Serial Ports. The block diagram is shown in 錯誤
錯誤錯誤
錯誤! 找不到參照來源
找不到參照來源找不到參照來源
找不到參照來源。
。。
。.
While RX enable windows are open, RX Path will issue control signals to have RX mixed-signal module proceed to make
A/D conversion. As each conversion is finished, one set of I/Q signals will be latched. There exists a digital FIR filter for
these I/Q signals. The result of filtering will be dumped to Baseband Serial Ports whenever RX dump windows are opened.
BBRX
I/Q Mismatch
Comp CKT
Master DSP
RX Sports1
BBRX
Interference
Detection DSP
PWR Measurement
Output
BBRX
Baseband
Serial Port
Receiving I/Q Pair
BBRX A/D
RX Dump Window
RX Enable Window
Loopback Path
from BBTX
BBRX
Narrow Filter
(Fc= 90khz)
BBRX
Wide Filter
(Fc= 110khz)
Loopback Path
bypass FIR
Loopback Path
thru FIR
DSP I/O
Figure 88 Block Diagram of RX Path
9.2.2 Comb Filter
The comb filter which takes the 2-bit A/D converter as input, and output the 18-bit I/Q data words to the baseband receiving
path. The system is designed as 48X over-sampling with symbol period 541.7 kHz, thus the data inputs are 26MHz 2-bit
signal. The input 2-bit signals are formed in (sign, magnitude) manner; that is, total 3 values are permitted as input: (-1, 0,
+1).

MT6225 GSM/GPRS Baseband Processor Data Sheet Revision 1.00
299/377 MediaTek Inc. Confidential
The data path is mainly a decimation filter which contains the integration stages and the decimation stages. For a 3rd order
design with 48X over-sampling, gain of the data path is 483 = 110592, which locates between 216 and 217. Thus the internal
word-length must be set to 18-bit to avoid overflow in the integration process.
9.2.3 Compensation Circuit - I/Q Gain Mismatch
In order to compensate I/Q Gain Mismatch , configure IGAINSEL(I Gain Selection) in RX_CON control register, the I
over Q ratio can be compensate for 0.3 dB/step, totally 11 steps resulted in dynamic range up to +/-1.5dB.
RX_filter
I/Q mismatch
compensation
14
1414
Q
IA/D
A/D
16
Figure 89 I/Q Mismatch Compensation Block Diagram
The I/Q swap functionality can be setting “1” for SWAP(I/Q Swapping) in RX_CFG control register, which is used to
swap I/Q channel signals from RX mixed-signal module before they are latched into RX digital FIR filter. It is intended to
provide flexibility for I/Q connection with RF modules
9.2.4 Phase De-rotation Circuit
Phase De-rotation Mode will usually turn on during FCB Detection for down conversion the wide spread receiving power
to 67.7 kHz single tone.
Two separate control for implement this mode on data path through NarrowFIR filter or WideFIR filter by setting ‘1’ to
PHROEN_N (Phase Rotate Enable for NarrowFIR) or PHROEN_W(Phase Rotate Enable for WideFIR) in RX_CON
control register, respectively.
9.2.5 Adaptive Bandwidth & Programmable Digital FIR Filter
For the two parallel digital FIR Filter, the total tap number is programmable by FIRTPNO(FIR Tap number) in RX_CFG
control register, which will configure the filter with different tap buffer depth.
9.2.5.1 Programmable tap & programmable Coefficient for FIR
In order to satisfy the signal requirements in both of idle and traffic modes, two sets of coefficients must be provided for the
RX digital FIR filter. Therefore, the RX digital FIR filter is implemented as a FIR filter with programmable coefficients
which can be accessed on the APB bus. The coefficient number can be programmable, range from 1~31. Each coefficient is
ten-bit wide and coded in 2’s complement.
Take 21 Tap Coefficient for example, based on assumption that the FIR filter has symmetric coefficients, only 11
coefficients are implemented as programmable registers to save gate count. Denoting these digital filter coefficients as
RX_RAM0_CS0 ~ RX_RAM0_CS11(RX_RAM0 Coefficient Set 0~11), and these tap registers for I/Q channel signals as
I/QTAPR [0:20], then the RX digital FIR filtering can be represented as the following equation:

MT6225 GSM/GPRS Baseband Processor Data Sheet Revision 1.00
300/377 MediaTek Inc. Confidential
11,...,1,0],20[][
0
])20[][(*][]11[*]11[
4mn at time
0
][*][)(
0
])20[][(*][]11[*]11[
4mn at time
20
0
][*][)(
1120
11
=−=
∑
=−++=
+
∑
=
=
∑
=−++=
+
∑
=
=
iiBDLDFCRiBDLDFCR
i
iQTAPRiQTAPRiBDLDFCRQTAPRBDLDFCR
i
iQTAPRiBDLDFCRm
out
Q
i
iITAPRiITAPRiBDLDFCRITAPRBDLDFCR
i
iITAPRiBDLDFCRm
out
I
where ITAPR [0] and QTAPR [0] are the latest samples for I- and Q-channel respectively and assume )0(),0( outout QI
are obtained based on the content of tap registers at time moment n. From the equation above it follows that the digital RX
FIR filter will produce one output every four data conversions out of A/D converters. That is, filtering and decimation are
performed simultaneously to achieve low power design.
However, different “Coefficient Set ID“(CS ID) will be dump to Slave DSP RX buffer to represent the current selecting of
coefficient Set from either 2 ROM table or 2 set of programmable RAM table according to different burst mode, while
ROM table are fixed coefficient and RAM table can be programmed through 2set of 16 control register (RX_RAM0_CS0~
RX_RAM_CS15, (RX_RAM1_CS0~RX_RAM1_CS15). Generally, CSID = 0 represent ROM table selection, while CSID
2~ CSID 15 represent RAM table selection. Please be noted that the total coefficient number in a RAM table should be
greater than half of the FIRTPNO (total FIR Tap number) and smaller than half of maximum tap number (15) since the FIR
function in symmetric behavior.
Additionally, the data sequence of two parallel FIR filter output will dump to Master DSP RX buffer in following order :
“I channel output from Narrow FIR”=> “ I channel output from Wide FIR””=>“Q channel output from Narrow FIR=>” Q
channel output from Wide FIR.
9.2.5.1.1 Coefficient Set Selection
The Coefficient Set used for digital FIR can be changed during different burst mode switching. For example, during Normal
Burst while no FB_STROBE (Frequency Burst Strobe, comes from TDMA controller) assertion, defined as “State B”,
“Coefficient Set ID” (CSID) selection for both Narrow/Wide filter can be configured by ST_B_WCOF_SEL (State B Wide
FIR Coefficient Selection) and “ST_B_NCOF_SEL” (State B Narrow FIR Coefficient Selection) on RX_FIR_CSID_CON
control register, respectively. Usually during State B, Layer 1 software will select RAM table coefficient from either RAM0
or RAM1 table in condition I for Narrow FIR and Wide FIR, respectively. The CS ID for both Narrow / Wide FIR filter be
stored at Slave DSP RX buffer once TDMA trigger RX interrupt to DSP..ST_A_NCOF_SEL” (State A Narrow FIR
Coefficient Selection) on RX_FIR_CSID_CON control register.
During FCB detection, MCU will notice TDMA controller by assertion FB_STROBE, defined as “StateA”. “Coefficient Set
ID” ( CS ID) selection for both Narrow/Wide filter can be configured by ST_A_WCOF_SEL(State A Wide FIR Coefficient
Selection) and “ST_A_NCOF_SEL” (State A Narrow FIR Coefficient Selection) on RX_FIR_CSID_CON control register,
respectively. Usually during State B, Layer 1 software will select CS ID 2 and CSID 3 from either ROM0 or ROM1 table or
RAM0 or RAM1 table in Condition II for Narrow FIR and Wide FIR, respectively.
9.2.5.2 Interference Detection Circuit for Adaptive Bandwidth Scheme
Used to compare the power of Co-channel Interference and Adjacent-channel Interference for determine if WideFIR filter is
needed rather than default NarrowFIR filter. Two parallel path of power measurement for evaluating Co-channel effect or
Adjacent Channel Effect by analyzing power after High Pass Filter (HPF) or Band Pass Filter (BPF), respectively. If
Co-channel effect is worse than Adjacent Channel effect, WideFIR filter is needed.

MT6225 GSM/GPRS Baseband Processor Data Sheet Revision 1.00
301/377 MediaTek Inc. Confidential
The power measurement is accumulate I/Q Root Mean Square (RMS) power over the whole RX burst window, while exact
accumulation period within the burst can be adjusted the starting point offset and duration length.. The “starting point
Offset” and be configured by “RXID_PWR_OFF[7:0]” ( RX Interference Detection Power Starting Point Offset) and
duration period by “ RXID_PWR_PER[7:0]”(RX Interference Detection Power Duration Period) in RX_PM_CON control
register, while default value for starting offset is 11 and duration period is 141. The two accumulated power measurement
output for Co-channel and Adjacent-channel will be dump to Slave DSP RX buffer alternatively at the end of the duration
period within a burst. However, if the duration period is longer than the RX Dump Window, the accumulated measurement
output will be dump out at falling edge of RX_DUMP_Window rather than the end of configured duration period.
Additionally, the power measurement data sequence at Slave DSP RX buffer will be “Coefficient Set ID for NarrowFIR
filter”=> “Coefficient Set ID for WideFIR filter”=>“Power output of HPF(Co-channel)=>”Power output of
BPF(Adjacent-channel), while the coefficient Set ID (CSID) is for DSP debug purpose.
The power result can be further scale down by control the PWR_SHFT_NO (power right Shift Number) in RX_CON
control register. E.g. set to “1” will divide the power output by two.
9.2.5.3 Supporting Single Filter 2X symbol rate Mode
The two parallel FIR filter default output data rate in 1x Symbol rate after 2X decimation. but by programming
2XFIRSEL( 2x Symbol Rate FIR Selection) in RX_CFG control register, WideFIR filter will be disable, while NarrowFIR
filter will output data rate in 2X symbol rate without 2x decimation.
9.2.6 Debug Mode
9.2.6.1 Normal Mode bypass Filter
By setting “1” for BYPFLTR(Bypass Filter) in RX_CFG control register, the ADC outputs out of RX mixed-signal module
will be directed into Baseband Serial Ports directly without through FIR. Limited by bandwidth of the serial interface
between Baseband Serial Ports and DSP, only ADC outputs which are from either I-channel or Q-channel ADC can be
dumped into DSP. Both I- and Q-channel ADC outputs cannot be dumped simultaneously. Which channel will be dumped is
controlled by the register bit SWAP of the control register RX_CFG when downlink path is programmed in “Bypass RX
digital FIR filter” mode. See register definition below for more details. The mode is for measurement of performance of
A/D converters in RX mixed-signal module.
9.2.6.2 TX-RX Digital Loopback Mode (Debug Mode)
In addition to normal function, there are two loopback modes in RX Path. One is bypass-filter loopback mode, and the other
is through-filter loopback mode. They are intended for verification of DSP firmware and hardware. The bypass-filter
loopback mode refers to that RX digital FIR filter is not on the loopback path. However, the through-filter loopback mode
refers to that RX digital FIR filter is on the loopback path, while “ thru-Filter Loopback Mode” can be configured by setting
“2’b10” for BLPEN(Baseband Loopback Enable) or “bypass-Filter Loopback Mode” by setting “ 2’b01” for BLPEN in
RX_CON control register.
9.2.7 Register Definitions
BFE +0010h RX Configuration Register RX_CFG
Bit
15 14 13 12 11 10 9 8 7 6 5 4 3 2 1 0

MT6225 GSM/GPRS Baseband Processor Data Sheet Revision 1.00
302/377 MediaTek Inc. Confidential
Name
FIRTPNO
2X
FIRSE
L
BYPF
LTR
SWA
P
Type
R/W R/W
R/W
R/W
Reset
000000 0 0 0
This register is for configuration of downlink path, inclusive of configuration of RX mixed-signal module and RX path in
Baseband Front End.
SWAP This register bit is for control of whether I/Q channel signals need to swap before they are inputted to Baseband
Front End. It provides flexibility flexible of connection of I/Q channel signals between RF module and baseband
module. The register bit has another purpose when the register bit “BYPFLTR” is set to 1. Please see description
for the register bit “BYPFLTR”.
0 I- and Q-channel signals are not swapped
1 I- and Q-channel signals are swapped
BYPFLTR Bypass RX FIR Filter control. The register bit is used to configure Baseband Front End in the state called
“Bypass RX FIR filter state” or not. Once the bit is set to ‘1’, RX FIR filter will be bypassed. That is, ADC outputs
of RX mixed-signal module that are has 11-bit resolution and at sampling rate of 1.083MHz can be dumped into
DSP by Baseband Serial Ports and RX FIR filtering will not be performed on them. Limited by bandwidth of the
serial interface between Baseband Serial Ports and DSP, these ADC outputs are all from either I-channel or
Q-channel ADC. Both of I- and Q-channel ADC outputs cannot be dumped simultaneously. When the bit is set to
‘1’ and the register bit “SWAP” is set to ‘0’, ADC outputs of I-channel will be dumped. When the bit is set to ‘1’
and the register bit “SWAP” is set to ‘1’, ADC outputs of Q-channel will be dumped.
0 Not bypass RX FIR filter
1 Bypass RX FIR filter
2XFIRSEL Enable for single FIR w/ output data rate in 2x Symbol rate output Enable. This mode will disable WideFIR,
while Narrow FIR w/ 2x symbol rate without 2x decimation.
0 Disable Single FIR 2X symbol rate output mode.
1 Enable Single FIR 2X Symbol rate output mode
FIRTPNO RX FIR filter tap no. select. This control register will control the two parallel digital filter with different tap
buffer depth since the FIR function in symmetric behavior. The maximum tap number is 31, minimum is 1., ODD
number only.
BFE+0014h RX Control Register RX_CON
Bit
15 14 13 12 11 10 9 8 7 6 5 4 3 2 1 0
Name
PWR_SHFT_NO IGAINSEL
PH_R
OEN_
N
PH_R
OEN_
W
BLPEN
Type
R/W R/W R/W
R/W
R/W
Reset
0000 0000 0 0 00
This register is for control of downlink path, inclusive of control of RX mixed-signal module and RX path in Baseband
Front End module.
BLPEN The register field is for loopback configuration selection in Baseband Front End.
00 Configure Baseband Front End in normal function mode
01 Configure Baseband Front End in bypass-filter loopback mode
10 Configure Baseband Front End in through-filter loopback mode

MT6225 GSM/GPRS Baseband Processor Data Sheet Revision 1.00
303/377 MediaTek Inc. Confidential
11 Reserved
PH_ROEN_W Enable for I/Q pair Phase De-rotation in Wide FIR Data Path,
0 Disable Phase De-rotation for I/Q pair.
1 Enable Phase De-rotation for I/Q pair.
PH_ROEN_N Enable for I/Q pair Phase De-rotation in Narrow FIR Data Path,
0 Disable Phase De-rotation for I/Q pair.
1 Enable Phase De-rotation for I/Q pair.
IGAINSEL RX I data Gain Compensation Select. 0.3dB/step, totally 11 steps and dynamic range up to +/-1.5dB for
0000 compensate 0dB for I/Q
0001 compensate 0.3dB for I/Q
0010 compensate 0.6dB for I/Q
0011 compensate 0.9dB for I/Q
0100 compensate 1.2dB for I/Q
0101 compensate 1.5dB for I/Q
1001 compensate –0.3dB for I/Q
1010 compensate -0.6dB for I/Q
1011 compensate –0.9dB for I/Q
1100 compensate –1.2dB for I/Q
1101 compensate –1.5dB for I/Q
Default No compensation for I/Q
PWR_SHFT_NO Power measuring Result Right Shift Number. The Power level measurement result can be right shift
from 0 to 16 bits.
BFE+0018h RX Interference Detection Power Measurement
Control Register RX_PWR_CON
Bit
15 14 13 12 11 10 9 8 7 6 5 4 3 2 1 0
Name
RXID_PWR_PER RXID_PWR_OFF
Type
R/W R/W
Reset
8D B
RXID_PWR_OFF RX Interference Detection Power Measurement Starting Offset. Setting this register will delay the
starting time of Interference Detection Power Measurement in symbol time unit. Maximum value is 156, while
default value is 11 (0xB).
RXID_PWR_PER RX Interference Detection Power Measurement Accumulation Period. By setting this control
register will determine the length of accumulation duration for power Measurement. Minimum value is 0,
Maximum value is 156, while default value is 141(0x8D). Please notice that RXID_PWR_OFF +
RXID_PWR_PER should less than 155 due to hardware implementation limitation.
BFE+001Ch RX FIR Coefficient Set ID Control Register RX_CSSEEL_CON
Bit
15 14 13 12 11 10 9 8 7 6 5 4
3 2 1 0
Name
RX_CSSEL_N_A RX_CSSEL_N_B RX_CSSEL_W_B
Type
R/W R/W R/W
Reset
0000 0010 0011
These three set of Coefficient Set ID will be dump to slave DSP RX Buffer for indicating the current selection of FIR
coefficient from either RAM or ROM table, while CSID= 0 represents ROM table selection, and CSID2~CSID15
represent RAM table selection.

MT6225 GSM/GPRS Baseband Processor Data Sheet Revision 1.00
304/377 MediaTek Inc. Confidential
RX_CSSEL_W_B State B Coefficient Set Selection for WideFIR
RX_CSSEL_N_B State B Coefficient Set Selection for Narrow FIR
RX_CSSEL_N_A State A Coefficient Set Selection for Narrow FIR
BFE +0070h RX RAM0Coefficient Set 0Register RX_FIR_COEF_N0
Bit
15 14 13 12 11 10 9 8 7 6 5 4 3 2 1 0
Name
BDLDFC0R_N
Type
R/W
Reset
000000000
This register is 1st of the 16 coefficient in RAM0 table, Coefficient Set ID 2 or 4. The content is coded in 2’s complement.
That is, its maximum is 255 and its minimum is –256, while the total coefficient number in this Coefficient Set has to be
greater than half of TAPNO(programmable Tap no.) and smaller than half of maximum tap no(15).
Register Address Register Function Acronym
BFE +0070h RX RAM0Coefficient Set 0 Register RX_FIR_COEF_N0
BFE +0074h RX RAM0Coefficient Set 1 Register RX_FIR_COEF_N1
BFE +0078h RX RAM0Coefficient Set 2 Register RX_FIR_COEF_N2
BFE +007Ch RX RAM0Coefficient Set 3 Register RX_FIR_COEF_N3
BFE +0080h RX RAM0Coefficient Set 4 Register RX_FIR_COEF_N4
BFE +0084h RX RAM0Coefficient Set 5 Register RX_FIR_COEF_N5
BFE +0088h RX RAM0Coefficient Set 6 Register RX_FIR_COEF_N6
BFE +008Ch RX RAM0Coefficient Set 7 Register RX_FIR_COEF_N7
BFE +0090h RX RAM0Coefficient Set 8 Register RX_FIR_COEF_N8
BFE +0094h RX RAM0Coefficient Set 9 Register RX_FIR_COEF_N9
BFE +0098h RX RAM0Coefficient Set 10 Register RX_FIR_COEF_N10
BFE +009Ch RX RAM0Coefficient Set 11Register RX_FIR_COEF_N11
BFE +00a0h RX RAM0Coefficient Set 12Register RX_FIR_COEF_N12
BFE +00a4h RX RAM0Coefficient Set 13Register RX_FIR_COEF_N13
BFE +00a8h RX RAM0Coefficient Set 14 Register RX_FIR_COEF_N14
BFE +00aCh RX RAM0Coefficient Set 15 Register RX_FIR_COEF_N15
BFE +0020h RX RAM1 Coefficient Set 0 Register RX_FIR_COEF_W0
Bit
15 14 13 12 11 10 9 8 7 6 5 4 3 2 1 0
Name
BDLDFC0R_W
Type
R/W
Reset
000000000
This register is 1st of the 16 coefficient in RAM1 table, Coefficient Set ID 2 or 4. The content is coded in 2’s complement.
That is, its maximum is 255 and its minimum is –256, while the total coefficient number in this Coefficient Set has to be
greater than half of TAPNO(programmable Tap no.) and smaller than half of maximum tap no(15).
Register Address Register Function Acronym
BFE +0020h RX RAM1 Coefficient Set 0 Register RX_FIR_COEF_W0
BFE +0024h RX RAM1 Coefficient Set 1Register RX_FIR_COEF_W1
BFE +0028h RX RAM1 Coefficient Set 2 Register RX_FIR_COEF_W2

MT6225 GSM/GPRS Baseband Processor Data Sheet Revision 1.00
305/377 MediaTek Inc. Confidential
BFE +002Ch RX RAM1 Coefficient Set 3 Register RX_FIR_COEF_W3
BFE +0030h RX RAM1 Coefficient Set 4 Register RX_FIR_COEF_W4
BFE +0034h RX RAM1 Coefficient Set 5 Register RX_FIR_COEF_W5
BFE +0038h RX RAM1 Coefficient Set 6 Register RX_FIR_COEF_W6
BFE +003Ch RX RAM1 Coefficient Set 7 Register RX_FIR_COEF_W7
BFE +0040h RX RAM1 Coefficient Set 8 Register RX_FIR_COEF_W8
BFE +0044h RX RAM1 Coefficient Set 9 Register RX_FIR_COEF_W9
BFE +0048h RX RAM1 Coefficient Set 10 Register RX_FIR_COEF_W10
BFE +004Ch RX RAM1 Coefficient Set 11 Register RX_FIR_COEF_W11
BFE +0050h RX RAM1 Coefficient Set 12 Register RX_FIR_COEF_W12
BFE +0054h RX RAM1 Coefficient Set 13 Register RX_FIR_COEF_W13
BFE +0058h RX RAM1 Coefficient Set 14 Register RX_FIR_COEF_W14
BFE +005Ch RX RAM1 Coefficient Set 15 Register RX_FIR_COEF_W15
BFE+00B0h RX Interference Detection HPF Power Register RX_HPWR_STS
Bit
15 14 13 12 11 10 9 8 7 6 5 4 3 2 1 0
Name
RX_PWR_HPF
Type
R/O
Reset
0000000000000000
This register is for read the power measurement result of the HPF interference detection filter.
RX_PWR_HPF Value of the power measurement result for the outband interference detection.
BFE+00B4h RX Interference Detection BPF Power Register RX_BPWR_STS
Bit
15 14 13 12 11 10 9 8 7 6 5 4 3 2 1 0
Name
RX_PWR_BPF
Type
R/O
Reset
0000000000000000
This register is for read the power measurement result of the BPF interference detection filter.
RX_PWR_BPF Value of the power measurement result for the inband interference detection.
BFE+0743h RX HPF ITD Power Register of Window0 DSPIO_ITD_H_0
Bit
15 14 13 12 11 10 9 8 7 6 5 4 3 2 1 0
Name
ITD_H_DATA_0
Type
R/O
Reset
0000000000000000
This register is for DSP to read the power measurement result of the BPF interference detection filter through DSP I/O.
DSPIO_ITD_H_0 Value of the power measurement result for the inband interference detection of window0.
Register Address Register Function Acronym
BFE +0743h RX HPF ITD Power Register of Window0 DSPIO_ITD_H_0
BFE +0747h RX HPF ITD Power Register of Window1 DSPIO_ITD_H_1
BFE +074Bh RX HPF ITD Power Register of Window2 DSPIO_ITD_H_2
BFE +074Fh RX HPF ITD Power Register of Window3 DSPIO_ITD_H_3
BFE +0753h RX HPF ITD Power Register of Window4 DSPIO_ITD_H_4

MT6225 GSM/GPRS Baseband Processor Data Sheet Revision 1.00
306/377 MediaTek Inc. Confidential
BFE +0757h RX HPF ITD Power Register of Window5 DSPIO_ITD_H_5
BFE+0744h RX BPF ITD Power Register of Window0 DSPIO_ITD_B_0
Bit
15 14 13 12 11 10 9 8 7 6 5 4 3 2 1 0
Name
ITD_B_DATA_0
Type
R/O
Reset
0000000000000000
This register is for DSP to read the power measurement result of the BPF interference detection filter through DSP I/O.
DSPIO_ITD_B_0 Value of the power measurement result for the outband interference detection of window0.
Register
Address Register Function Acronym
BFE +0744h
RX BPF ITD Power Register of
Window0 DSPIO_ITD_B_0
BFE +0748h
RX BPF ITD Power Register of
Window1 DSPIO_ITD_B_1
BFE +074Ch
RX BPF ITD Power Register of
Window2 DSPIO_ITD_B_2
BFE +0750h
RX BPF ITD Power Register of
Window3 DSPIO_ITD_B_3
BFE +0754h
RX BPF ITD Power Register of
Window4 DSPIO_ITD_B_4
BFE +0758h
RX BPF ITD Power Register of
Window5 DSPIO_ITD_B_5
BFE+0759h
RX ITD Power Measurement
Ready Flag DSPIO_RXID_RDY
Bit
15
14
13
12
11
10
9
8
7
6
5 4 3 2 1 0
Name
RXID_RDY_5
RXID_RDY_4
RXID_RDY_3
RXID_RDY_2
RXID_RDY_1
RXID_RDY_0
Type
R/O R/O R/O R/O R/O R/O
Reset
0 0 0 0 0 0
This register is for DSP to see whether the RX ITD power register is ready or not through DSP I/O. When the
DSPIO_ITD_H_0 and DSPIO_ITD_B_0 are ready, bit 0 is set to 1. Moreover, while DSP read the data of
DSPIO_ITD_H_0 and DSPIO_ITD_B_0, bit 0 is reset to 0.
RXID_RDY_0 Ready flag for DSP to read the ITD power measurement result of window0.
RXID_RDY_1 Ready flag for DSP to read the ITD power measurement result of window1.
RXID_RDY_2 Ready flag for DSP to read the ITD power measurement result of window2.
RXID_RDY_3 Ready flag for DSP to read the ITD power measurement result of window3.
RXID_RDY_4 Ready flag for DSP to read the ITD power measurement result of window4.
RXID_RDY_5 Ready flag for DSP to read the ITD power measurement result of window5.

MT6225 GSM/GPRS Baseband Processor Data Sheet Revision 1.00
307/377 MediaTek Inc. Confidential
9.3 Uplink Path (TX Path)
9.3.1 General Description
The purpose of the uplink path inside Baseband Front End is to sink TX symbols, from DSP, then perform GMSK
modulation on them, then perform offset cancellation on I/Q digital signals, and finally control TX mixed-signal module to
make D/A conversion on I/Q signals out of GMSK Modulator with offset cancellation. Accordingly, the uplink path is
composed of uplink parts of Baseband Serial Ports, GSM Encryptor, GMSK Modulator and several compensation circuits
including I/Q DC offset, I/Q Quadrature Phase Compensation, and I/Q Gain Mismatch. The block diagram of uplink path is
shown as followed.
GMSK
Modulator
GSM
Encryptor
Uplink Patrts
Of
Baseband
Serial
Ports
DSP
Offset
Cancellation
1-bit TX
Symbol
1-bit TX
Symbol
1-bit TX bit
GSM TX
Mixed-Signal
Module
I/Q siignalsI/Q siignals
Figure 90 Block Diagram of Uplink Path
On uplink path, the content of a burst, including tail bits, data bits, and training sequence bits is sent from DSP. DSP outputs
will be t translated by GMSK Modulator. Where translated bits after modulation will become I/Q digital signals with certain
latency.
TDMA timer having a quarter-bit timing accuracy gives the timing windows for uplink operation. Uplink operation is
controlled by TX enable window and TX dump window of TDMA timer. Usually, TX enable window is opened earlier
than TX dump window. When TX enable window of TDMA timer is opened, uplink path in Baseband Front End will
power-on GSK TX mixed-signal module and thus drive valid outputs to RF module. However, uplink parts of Baseband
Serial Ports still do not sink data from DSP through the serial interface between Baseband Serial Ports and DSP until TX
dump window of TDMA timer is opened.
9.3.2 Compensation Circuit
9.3.2.1 DC offset Cancellation
Offset cancellation will be performed on these I/Q digital signals to compensate offset error of D/A converters (DAC) in TX
mixed-signal module. Finally the generated I/Q digital signals will be input to TX mixed-signal module that contains two
DAC for I/Q signal respectively.
9.3.3 Auxiliary Calibration Circuit - 540 kHz Sine Tone Generator
By setting ‘1’ to SGEN(Sine Tone Generation) in TX_CFG control register, the BBTX output will become 540khz single
sine tone, which is used for Factory Calibration scheme for Mixed Signal Low Pass Filter Cut-off Frequency Accuracy.

MT6225 GSM/GPRS Baseband Processor Data Sheet Revision 1.00
308/377 MediaTek Inc. Confidential
9.3.4 GSM Encryptor
When uplink parts of Baseband Serial Ports pass a TX symbol to GSM Encryptor, GSM Encryptor will perform encryption
on the TX symbol if set ‘1’ to BCIEN(Baseband Ciphering Encryption) in 錯誤! 找不到參照來源。 register. Otherwise,
the TX symbol will be directed to GMSK modulator directly.
9.3.5 Modulation
9.3.5.1 GMSK Modulation
GMSK Modulator is used to convert bit stream of GSM bursts into in-phase and quadrature-phase outputs by means of
GMSK modulation scheme. It consists of a ROM table, timing control logic and some state registers for GMSK modulation
scheme. GMSK Modulator is activated when TX dump window is opened. There is latency between assertion of TX dump
window and the first valid output of GMSK Modulator. The reason is because the bit rate of TX symbols is 270.833 KHz
and the output rate of GMSK Modulator is 4.333 MHz, and therefore timing synchronization is necessary between the two
rates.
Additionally, in order to prevent phase discontinuity in between the multiple-burst Mode, the GMSK modulator will output
continuous 67.7khs sine tone outside the burst once RX DAC Enable window is still asserted. Once RX DAC Enable
window is disserted, GMSK modulator will park at DC level.
9.3.5.2 I/Q Swap
By setting ‘1’ to IQSWP in TX_CFG control register, phase on I/Q plane will rotate in inverse direction. This option is to
meet the different requirement form RF chip regarding I/Q plane. This control signal is for GMSK Modulation only.
9.3.5.3 Debug Mode
9.3.5.3.1 Modulation Bypass Mode
For DSP debug purpose, set both ‘1’ for MDBYP(Modulator Bypass) in TX_CFG control register and BYPFLR(Bypass
RX Filter) in RX_CFG control register for directly loopback DSP 16-bits data (10bits valid data plus sign or zero extension)
through DAC only.
9.3.5.3.2 Force GMSK Modulator turn on
By setting ‘1’ to APNDEN(Append Enable) bit in TX CFG control register, GMSK modulator will park on constant DC
level during the non-burst period, while the I/Q pair output phase maybe discontinuous since both modulator will be reset at
the beginning of the burst. However, the reset of the modulator will be helpful for the debugging purpose.
9.3.6 Register Definitions
BFE +0060h TX Configuration Register TX_CFG
Bit
15 14 13 12 11 10 9 8 7 6 5 4 3 2 1 0
Name
ALL_10_EN
SGEN
MDBY
P APND
EN
Type
RW R/W
R/W
R/W
Reset
00 0 0 0

MT6225 GSM/GPRS Baseband Processor Data Sheet Revision 1.00
309/377 MediaTek Inc. Confidential
This register is for configuration of uplink path, inclusive of configuration of TX mixed-signal module and TX path in
Baseband Front End.
APNDEN Appending Bits Enable. (For DSP digital loopback debug mode) The register bit is used to control the ending
scheme of GPRS Mode GMSK modulation only.
0 Suitable for GPRS /EDGE mode. If a TX enable window contains several TX dump window, then GMSK
modulator will still output in the intervals between two TX dump window and all 1’s will be fed into GMSK
modulator. In the other word, mainly used PA to perform the power ramp up/down, while Modulator output
low amplitude sinewave. Note that when the bit is set to ‘0’, the interval between the moment at which
TX enable window is activated and the moment at which TX dump window is activated must be
multiples of one bit time.
1 Suitable for GSM only. After a TX dump window, GMSK modulator will only output for some bit time.
MDBYP Modulator Bypass (For DSP Debug Mode) Select. The register bit is used to select the bypass mode for I/Q
pair outputs bypassed both the GMSK/8PSK modulator
0 Regular Modulation Mode
1 Bypass Modulator Mode (DSP Debug Mode).
SGEN SineTone Generator Enable. (For Factory Calibration Purpose). The register bit is used to select the TX modulator
output switch to 540 kHz Sine Tone.
0 BBTX output from regulator modulator output.
1 BBTX output switch to 540 kHz sine Tone
ALL_10GEN For Debug mode of BBTX. Generate all 1’s or zero’s input during BBTX valid burst. For GMSK
modulation, set 2’b1 or 2’b10 will generate 67.7 kHz sine tone, while 8PSK modulator will generate 50 kHz sine
tone. Default value 2’b00 is normal mode.
0 Normal Mode, regular modulator input from Slave DSP TX Buffer.
1 Debug Mode, All zero’s input pattern generated; GMSK modulator will generate 67.7 kHz sine tone.
2 Debug Mode All 1’s input pattern generated; GMSK modulator will generate 67.7 kHz sine tone.
BFE +0064h TX Control Register TX_CON
Bit
15 14 13 12 11 10 9 8 7 6 5 4 3 2 1 0
Name
TX_PH_SEL IQSW
P
Type
R/W R/O
Reset
000 0
This register is for control of uplink path, inclusive of control of TX mixed-signal module and TX path in Baseband Front
End.
IQSWP The register bit is for only read back the IQWAP control register status from TDMA_EVTENA1[7]
0: I and Q are not swapped.
1: I and Q are swapped.
PHSEL Quadrature phase compensation select
000: 0 degree compensation.
001: 1 degree compensation.
010: 2 degree compensation.
011: 3 degree compensation.
100: -3 degree compensation.
101: -2 degree compensation.

MT6225 GSM/GPRS Baseband Processor Data Sheet Revision 1.00
310/377 MediaTek Inc. Confidential
110: -1 degree compensation.
111: 0 degree compensation.
BFE +0068h TX I/Q Channel Offset Compensation Register TX_OFF
Bit
15 14 13 12 11 10 9 8 7 6 5 4 3 2 1 0
Name
OFF_
TYP
OFFQ[5:0] OFFI[5:0]
Type
R/W
R/W R/W
Reset
0 000000 000000
The register is for offset cancellation of I-channel DAC in TX mixed-signal module. It is for compensation of offset error
caused by I/Q-channel DAC in TX mixed-signal module. It is coded in 2’s complement, that is, with maximum 31 and
minimum –32.
OFFI Value of offset cancellation for I-channel DAC in TX mixed-signal module
OFFQ Value of offset cancellation for Q-channel DAC in TX mixed-signal module
OFF_TYP Type of the OFFI and OFFQ register. While OFF_TYP = 1, the offset values are double buffered and can be
chaneged burst by burst after EVENT_VALIDATE comes. Otherwise, the offset values would change immidately
after the coming of APB commands, which can't be adjusted burst by burst.
0 No double buffer
1 Double buffered

MT6225 GSM/GPRS Baseband Processor Data Sheet Revision 1.00
311/377 MediaTek Inc. Confidential
10 Timing Generator
Timing is the most critical issue in GSM/GPRS applications. The TDMA timer provides a simple interface for the MCU to
program all the timing-related events for receive event control, transmit event control and the timing adjustment. Detailed
descriptions are mentioned in Section 10.1.
In pause mode, the 13MHz reference clock may be switched off temporarily for the purpose of power saving and the
synchronization to the base-station is maintained by using a low power 32KHz crystal oscillator. The 32KHz oscillator is
not accurate and therefore it should be calibrated prior to entering pause mode. The calibration sequence, pause begin
sequence and the wake up sequence are described in Section 10.2.
10.1 TDMA timer
The TDMA timer unit is composed of three major blocks: Quarter bit counter, Signal generator and Event registers.
Figure 91 The block diagram of TDMA timer
By default, the quarter-bit counter continuously counts from 0 to the wrap position. In order to apply to cell synchronization
and neighboring cell monitoring, the wrap position can be changed by the MCU to shorten or lengthen a TDMA frame. The
wrap position is held in the TDMA_WRAP register and the current value of the TDMA quarter bit counter may be read by
the MCU via the TDMA_TQCNT register.
The signal generator handles the overall comparing and event-generating processes. When a match has occurred between
the quarter bit counter and the event register, a predefined control signal is generated. These control signals may be used for
on-chip and off-chip purposes. Signals that change state more than once per frame make use of more than one event
register.
The event registers are programmed to contain the quarter bit position of the event that is to occurr. The event registers are
double buffered. The MCU writes into the first register, and the event TDMA_EVTVAL transfers the data from the write
buffer to the active buffer, which is used by the signal generator for comparison with the quarter bit count. The
TDMA_EVTVAL signal itself may be programmed at any quarter bit position. These event registers could be classified into
four groups:
On-chip Control Events
TDMA_EVTVAL

MT6225 GSM/GPRS Baseband Processor Data Sheet Revision 1.00
312/377 MediaTek Inc. Confidential
This event allows the data values written by the MCU to pass through to the active buffers.
TDMA_WRAP
TDMA quarter bit counter wrap position. This sets the position at which the TDMA quarter bit counter resets back to zero.
The default value is 4999, changing this value will advance or retard the timing events in the frame following the next
TDMA_EVTVAL signal.
TDMA_DTIRQ
DSP TDMA interrupt requests. DTIRQ triggers the DSP to read the command from the MCU/DSP Shard RAM to schedule
the activities that will be executed in the current frame.
TDMA_CTIRQ1/CTIRQ2
MCU TDMA interrupt requests.
TDMA_AUXADC [1:0]
This signal triggers the monitoring ADC to measure the voltage, current, temperature, device id etc..
TDMA_AFC [3:0]
This signal powers up the automatic frequency control DAC for a programmed duration after this event.
Note: For both MCU and DSP TDMA interrupt requests, these signals are all active Low during one quarter bit duration
and they should be used as edge sensitive events by the respective interrupt controllers.
On-chip Receive Events
TDMA_BDLON [5:0]
These registers are a set of six which contain the quarter bit event that initiates the receive window assertion sequence
which powers up and enables the receive ADC, and then enables loading of the receive data into the receive buffer.
TDMA_BDLOFF [5:0]
These registers are a set of six which contain the quarter bit event that initiates the receive window de-assertion sequence
which disables loading of the receive data into the receive buffer, and then powers down the receive ADC.
TDMA_RXWIN[5:0]
DSP TDMA interrupt requests. TDMA_RXWIN is usually used to initiate the related RX processing including two modes.
In single-shot mode, TDMA_RXWIN is generated when the BRXFS signal is de-asserted. In repetitive mode,
TDMA_RXWIN will be generated both regularly with a specific interval after BRXFS signal is asserted and when the
BRXFS signal is de-asserted.
Figure 92 The timing diagram of BRXEN and BRXFS
Note: TDMA_BDLON/OFF event registers, together with TDMA_BDLCON register, generate the corresponding BRXEN
and BRXFS window used to power up/down baseband downlink path and control the duration of data transmission to the
DSP, respectively.
On-chip Transmit Events
TDMA_APC [6:0]
These registers initiate the loading of the transmit burst shaping values from the transmit burst shaping RAM into the
transmit power control DAC.
TDMA_BULON [3:0]

MT6225 GSM/GPRS Baseband Processor Data Sheet Revision 1.00
313/377 MediaTek Inc. Confidential
This register contains the quarter bit event that initiates the transmit window assertion sequence which powers up the
modulator DAC and then enables reading of bits from the transmit buffer into the GMSK modulator.
TDMA_BULOFF [3:0]
This register contains the quarter bit event that initiates the transmit window de-assertion sequence which disables the
reading of bits from the transmit buffer into the GMSK modulator, and then power down the modulator DAC.
Figure 93 The timing diagram of BTXEN and BTXFS
Note: TDMA_BULON/OFF event registers, together with TDMA_BULCON1, TDMA_BULCON2 register, generate the
corresponding BTXEN, BTXFS and APCEN window used to power up/down the baseband uplink path, control the duration
of data transmission from the DSP and power up/down the APC DAC, respectively.
Off-chip Control Events
TDMA_BSI [15:0]
The quarter bit positions of these 16 BSI events are used to initiate the transfer of serial words to the transceiver and
synthesizer for gain control and frequency adjustment.
TDMA_BPI [25:0]
The quarter bit positions of these 26 BPI events are used to generate changes of state on the output pins to control the
external radio components.
10.1.1 Register Definitions
TDMA+0150h Event Enable Register 0 TDMA_EVTENA
0
Bit
15 14 13 12 11 10 9 8 7 6 5 4 3 2 1 0
Name
AFC3
AFC2
AFC1
AFC0
BDL5
BDL4
BDL3
BDL2
BDL1
BDL0
CTIRQ
2
CTIRQ
1
DTIR
Q
Type
R/W
R/W
R/W
R/W
R/W
R/W
R/W
R/W
R/W
R/W
R/W
R/W
R/W
Reset
0 0 0 0 0 0 0 0 0 0 0 0 0
DTIRQ Enable TDMA_DTIRQ
CTIRQn Enable TDMA_CTIRQn
AFCn Enable TDMA_AFCn
BDLn Enable TDMA_BDLONn and TDMA_BDLOFFn
For all these bits,
0 function is disabled
1 function is enabled
TDMA+0154h Event Enable Register 1 TDMA_EVTENA
1
Bit
15 14 13 12 11 10 9 8 7 6 5 4 3 2 1 0

MT6225 GSM/GPRS Baseband Processor Data Sheet Revision 1.00
314/377 MediaTek Inc. Confidential
Name
GPRS
BUL3
BUL2
BUL1
BUL0
APC6
APC5
APC4
APC3
APC2
APC1
APC0
Type
R/W
R/W
R/W
R/W
R/W
R/W
R/W
R/W
R/W
R/W
R/W
R/W
Reset
0 0 0 0 0 0 0 0 0 0 0 0
APCn Enable TDMA_APCn
BULn Enable TDMA_BULONn and TDMA_BULOFFn
For all these bits,
0 function is disabled
1 function is enabled
TDMA +0158h
Event Enable Register 2 TDMA_EVTENA
2
Bit
15 14 13 12 11 10 9 8 7 6 5 4 3 2 1 0
Name
BSI15
BSI14
BSI13
BSI12
BSI11
BSI10
BSI9
BSI8
BSI7
BSI6
BSI5
BSI4
BSI3
BSI2
BSI1
BSI0
Type
R/W
R/W
R/W
R/W
R/W
R/W
R/W
R/W
R/W
R/W
R/W
R/W
R/W
R/W
R/W
R/W
Reset
0 0 0 0 0 0 0 0 0 0 0 0 0 0 0 0
BSIn BSI event enable control
0 Disable TDMA_BSIn
1 Enable TDMA_BSIn
TDMA +015Ch
Event Enable Register 3 TDMA_EVTENA
3
Bit
15 14 13 12 11 10 9 8 7 6 5 4 3 2 1 0
Name
BPI15
BPI14
BPI13
BPI12
BPI11
BPI10
BPI9
BPI8
BPI7
BPI6
BPI5
BPI4
BPI3
BPI2
BPI1
BPI0
Type
R/W
R/W
R/W
R/W
R/W
R/W
R/W
R/W
R/W
R/W
R/W
R/W
R/W
R/W
R/W
R/W
Reset
0 0 0 0 0 0 0 0 0 0 0 0 0 0 0 0
TDMA+0160h Event Enable Register 4 TDMA_EVTENA
4
Bit
15 14 13 12 11 10 9 8 7 6 5 4 3 2 1 0
Name
BPI25
BPI24
BPI23
BPI22
BPI21
BPI20
BPI19
BPI18
BPI17
BPI16
Type
R/W
R/W
R/W
R/W
R/W
R/W
R/W
R/W
R/W
R/W
Reset
0 0 0 0 0 0 0 0 0 0
BPIn BPI event enable control
0 Disable TDMA_BPIn
1 Enable TDMA_BPIn
TDMA+0164h Event Enable Register 5 TDMA_EVTENA
5
Bit
15 14 13 12 11 10 9 8 7 6 5 4 3 2 1 0
Name
DIGRF
_TX3
DIGRF
_TX2
DIGRF
_TX1
DIGRF
_TX0
AUX1
AUX0
Type
R/W
R/W
R/W
R/W
R/W
R/W
Reset
0 0 0 0 0 0
AUX Auxiliary ADC event enable control
0 Disable Auxiliary ADC event

MT6225 GSM/GPRS Baseband Processor Data Sheet Revision 1.00
315/377 MediaTek Inc. Confidential
1 Enable Auxiliary ADC event
DIGRF_TX Dig RF event enable control
0 Disable Dig RF event
1 Enable Dig RF event
TDMA +0170h
Qbit Timer Offset Control Register TDMA_WRAPOF
S
Bit
15 14 13 12 11 10 9 8 7 6 5 4 3 2 1 0
Name
TOI[1:0]
Type
R/W
Reset
0
TOI This register defines the value used to advance the Qbit timer in unit of 1/4 quarter bit; the timing advance will be
take place as soon as the TDMA_EVTVAL is occurred, and it will be cleared automatically.
TDMA +0174h
Qbit Timer Biasing Control Register TDMA_REGBIA
S
Bit
15 14 13 12 11 10 9 8 7 6 5 4 3 2 1 0
Name
TQ_BIAS[13:0]
Type
R/W
Reset
0
TQ_BIAS This register defines the Qbit offset value which will be added to the registers being programmed. It only
takes effects on AFC, BDLON/OFF, BULON/OFF, APC, AUXADC, BSI and BPI event registers.
TDMA +0180h
DTX Control Register TDMA_DTXCON
Bit
15 14 13 12 11 10 9 8 7 6 5 4 3 2 1 0
Name
DTX3
DTX2
DTX1
DTX0
Type
R/W
R/W
R/W
R/W
DTX DTX flag is used to disable the associated transmit signals
0 BULON0, BULOFF0, APC_EV0 & APC_EV1 are controlled by TDMA_EVTENA1 register
1 BULON0, BULOFF0, APC_EV0 & APC_EV1 are disabled
TDMA +0184h
Receive Interrupt Control Register TDMA_RXCON
Bit
15 14 13 12 11 10 9 8 7 6 5 4 3 2 1 0
Name
MOD5
MOD4
MOD3
MOD2
MOD1
MOD0
RXINTCNT[9:0]
Type
R/W
R/W
R/W
R/W
R/W
R/W
R/W
RXINTCNT TDMA_RXWIN interrupt generation interval in quarter bit unit
MODn Mode of Receive Interrupts
0 Single shot mode for the corresponding receive window
1 Repetitive mode for the corresponding receive window
TDMA +0188h
Baseband Downlink Control Register TDMA_BDLCON
Bit
15 14 13 12 11 10 9 8 7 6 5 4 3 2 1 0
Name
ADC_ON ADC_OFF
Type
R/W R/W
ADC_ON BRXEN to BRXFS setup up time in quarter bit unit.

MT6225 GSM/GPRS Baseband Processor Data Sheet Revision 1.00
316/377 MediaTek Inc. Confidential
ADC_OFF BRXEN to BRXFS hold up time in quarter bit unit.
TDMA +018Ch
Baseband Uplink Control Register 1 TDMA_BULCON
1
Bit
15 14 13 12 11 10 9 8 7 6 5 4 3 2 1 0
Name
DAC_ON DAC_OFF
Type
R/W R/W
DAC_ON BTXEN to BTXFS setup up time in quarter bit unit.
DAC_OFF BTXEN to BTXFS hold up time in quarter bit unit.
TDMA +0190h
Baseband Uplink Control Register 2 TDMA_BULCON
2
Bit
15 14 13 12 11 10 9 8 7 6 5 4 3 2 1 0
Name
APC_HYS
Type
R/W
APC_HYS APCEN to BTXEN hysteresis time in quarter bit unit.
Address
Type Width Reset Value Name Description
+0000h R [13:0] — TDMA_TQCNT Read quarter bit counter
+0004h R/W [13:0] 0x1387 TDMA_WRAP Latched Qbit counter reset position
+0008h R/W [13:0] 0x1387 TDMA_WRAPIMD Direct Qbit counter reset position
+000Ch R/W [13:0] 0x0000 TDMA_EVTVAL Event latch position
+0010h R/W [13:0] — TDMA_DTIRQ DSP software control
+0014h R/W [13:0] — TDMA_CTIRQ1 MCU software control 1
+0018h R/W [13:0] — TDMA_CTIRQ2 MCU software control 2
+0020h R/W [13:0] — TDMA_AFC0 The 1st AFC control
+0024h R/W [13:0] — TDMA_AFC1 The 2nd AFC control
+0028h R/W [13:0] — TDMA_AFC2 The 3rd AFC control
+002Ch R/W [13:0] — TDMA_AFC3 The 4th AFC control
+0030h R/W [13:0] — TDMA_BDLON0
+0034h R/W [13:0] — TDMA_BDLOFF0 Data serialization of the 1st RX block
+0038h R/W [13:0] — TDMA_BDLON1
+003Ch R/W [13:0] — TDMA_BDLOFF1 Data serialization of the 2nd RX block
+0040h R/W [13:0] — TDMA_BDLON2
+0044h R/W [13:0] — TDMA_BDLOFF2 Data serialization of the 3rd RX block
+0048h R/W [13:0] — TDMA_BDLON3
+004Ch R/W [13:0] — TDMA_BDLOFF3 Data serialization of the 4th RX block
+0050h R/W [13:0] — TDMA_BDLON4
+0054h R/W [13:0] — TDMA_BDLOFF4 Data serialization of the 5th RX block
+0058h R/W [13:0] — TDMA_BDLON5
+005Ch R/W [13:0] — TDMA_BDLOFF5 Data serialization of the 6th RX block
+0060h R/W [13:0] — TDMA_BULON0
+0064h R/W [13:0] — TDMA_BULOFF0 Data serialization of the 1st TX slot
+0068h R/W [13:0] — TDMA_BULON1
+006Ch R/W [13:0] — TDMA_BULOFF1 Data serialization of the 2nd TX slot
+0070h R/W [13:0] — TDMA_BULON2
+0074h R/W [13:0] — TDMA_BULOFF2 Data serialization of the 3rd TX slot
+0078h R/W [13:0] — TDMA_BULON3
+007Ch R/W [13:0] — TDMA_BULOFF3 Data serialization of the 4th TX slot

MT6225 GSM/GPRS Baseband Processor Data Sheet Revision 1.00
317/377 MediaTek Inc. Confidential
+0090h R/W [13:0] — TDMA_APC0 The 1st APC control
+0094h R/W [13:0] — TDMA_APC1 The 2nd APC control
+0098h R/W [13:0] — TDMA_APC2 The 3rd APC control
+009Ch R/W [13:0] — TDMA_APC3 The 4th APC control
+00A0h R/W [13:0] — TDMA_APC4 The 5th APC control
+00A4h R/W [13:0] — TDMA_APC5 The 6th APC control
+00A8h R/W [13:0] — TDMA_APC6 The 7th APC control
+00B0h R/W [13:0] — TDMA_BSI0 BSI event 0
+00B4h R/W [13:0] — TDMA_BSI1 BSI event 1
+00B8h R/W [13:0] — TDMA_BSI2 BSI event 2
+00BCh R/W [13:0] — TDMA_BSI3 BSI event 3
+00C0h R/W [13:0] — TDMA_BSI4 BSI event 4
+00C4h R/W [13:0] — TDMA_BSI5 BSI event 5
+00C8h R/W [13:0] — TDMA_BSI6 BSI event 6
+00CCh R/W [13:0] — TDMA_BSI7 BSI event 7
+00D0h R/W [13:0] — TDMA_BSI8 BSI event 8
+00D4h R/W [13:0] — TDMA_BSI9 BSI event 9
+00D8h R/W [13:0] — TDMA_BSI10 BSI event 10
+00DCh R/W [13:0] — TDMA_BSI11 BSI event 11
+00E0h R/W [13:0] — TDMA_BSI12 BSI event 12
+00E4h R/W [13:0] — TDMA_BSI13 BSI event 13
+00E8h R/W [13:0] — TDMA_BSI14 BSI event 14
+00ECh R/W [13:0] — TDMA_BSI15 BSI event 15
+0100h R/W [13:0] — TDMA_BPI0 BPI event 0
+0104h R/W [13:0] — TDMA_BPI1 BPI event 1
+0108h R/W [13:0] — TDMA_BPI2 BPI event 2
+010Ch R/W [13:0] — TDMA_BPI3 BPI event 3
+0110h R/W [13:0] — TDMA_BPI4 BPI event 4
+0114h R/W [13:0] — TDMA_BPI5 BPI event 5
+0118h R/W [13:0] — TDMA_BPI6 BPI event 6
+011Ch R/W [13:0] — TDMA_BPI7 BPI event 7
+0120h R/W [13:0] — TDMA_BPI8 BPI event 8
+0124h R/W [13:0] — TDMA_BPI9 BPI event 9
+0128h R/W [13:0] — TDMA_BPI10 BPI event 10
+012Ch R/W [13:0] — TDMA_BPI11 BPI event 11
+0130h R/W [13:0] — TDMA_BPI12 BPI event 12
+0134h R/W [13:0] — TDMA_BPI13 BPI event 13
+0138h R/W [13:0] — TDMA_BPI14 BPI event 14
+013Ch R/W [13:0] — TDMA_BPI15 BPI event 15
+0140h R/W [13:0] — TDMA_BPI16 BPI event 16
+0144h R/W [13:0] — TDMA_BPI17 BPI event 17
+0148h R/W [13:0] — TDMA_BPI18 BPI event 18
+014Ch R/W [13:0] — TDMA_BPI19 BPI event 19
+01A0h R/W [13:0] — TDMA_BPI20 BPI event 20
+01A4h R/W [13:0] — TDMA_BPI21 BPI event 21
+01A8h R/W [13:0] — TDMA_BPI22 BPI event 22
+01ACh R/W [13:0] — TDMA_BPI23 BPI event 23
+01B0h R/W [13:0] — TDMA_BPI24 BPI event 24
+01B4h R/W [13:0] — TDMA_BPI25 BPI event 25
+01C0h R/W [13:0] — TDMA_AUXEV0 Auxiliary ADC event 0

MT6225 GSM/GPRS Baseband Processor Data Sheet Revision 1.00
318/377 MediaTek Inc. Confidential
+01C4h R/W [13:0] — TDMA_AUXEV1 Auxiliary ADC event 1
+0240h R/W [13:0] TDMA_DIGRF_TX0_ON Dig RF TX ON event0
+0244h R/W [13:0] TDMA_DIGRF_TX1_ON Dig RF TX ON event1
+0248h R/W [13:0] TDMA_DIGRF_TX2_ON Dig RF TX ON event2
+024Ch R/W [13:0] TDMA_DIGRF_TX3_ON Dig RF TX ON event3
+0250h R/W [13:0] TDMA_DIGRF_TX0_OFF Dig RF TX OFF event0
+0254h R/W [13:0] TDMA_DIGRF_TX1_OFF Dig RF TX OFF event1
+0258h R/W [13:0] TDMA_DIGRF_TX2_OFF Dig RF TX OFF event2
+025Ch R/W [13:0] TDMA_DIGRF_TX3_OFF Dig RF TX OFF event3
+0150h R/W [15:0] 0x0000 TDMA_EVTENA0 Event Enable Control 0
+0154h R/W [15:0] 0x0000 TDMA_EVTENA1 Event Enable Control 1
+0158h R/W [15:0] 0x0000 TDMA_EVTENA2 Event Enable Control 2
+015Ch R/W [15:0] 0x0000 TDMA_EVTENA3 Event Enable Control 3
+0160h R/W [9:0] 0x0000 TDMA_EVTENA4 Event Enable Control 4
+0164h R/W [5:0] 0x0000 TDMA_EVTENA5 Event Enable Control 5
+0170h R/W [1:0] 0x0000 TDMA_WRAPOFS TQ Counter Offset Control Register
+0174h R/W [13:0] 0x0000 TDMA_REGBIAS Biasing Control Register
+0180h R/W [3:0] — TDMA_DTXCON DTX Control Register
+0184h R/W [15:0] — TDMA_RXCON Receive Interrupt Control Register
+0188h R/W [15:0] — TDMA_BDLCON Downlink Control Register
+018Ch R/W [15:0] — TDMA_BULCON1 Uplink Control Register 1
+0190h R/W [7:0] — TDMA_BULCON2 Uplink Control Register 2
Table 52 TDMA Timer Register Map
10.2 Slow Clocking Unit
Figure 94 The block diagram of the slow clocking unit

MT6225 GSM/GPRS Baseband Processor Data Sheet Revision 1.00
319/377 MediaTek Inc. Confidential
The slow clocking unit is provided to maintain the synchronization to the base-station timing using a 32KHz crystal
oscillator while the 13MHz reference clock is switched off. As shown in Figure 94, this unit is composed of frequency
measurement unit, pause unit, and clock management unit.
Because of the inaccuracy of the 32KHz oscillator, a frequency measurement unit is provided to calibrate the 32KHz crystal
taking the accurate 13MHz source as the reference. The calibration procedure always takes place prior to the pause period.
The pause unit is used to initiate and terminate the pause mode procedure and it also works as a coarse time-base during the
pause period.
The clock management unit is used to control the system clock while switching between the normal mode and the pause
mode. SRCLKENA is used to turn on/off the clock squarer, DSP PLL and off-chip TCVCXO. CLOCK_OFF signal is used
for gating the main MCU and DSP clock, and VCXO_OFF is used as the acknowledgement signal of the CLOCK_OFF
request.
10.2.1 Register Definitions
TDMA +0218h
Slow clocking unit control register SM_CON
Bit
15
14
13
12
11
10
9 8 7 6 5 4 3 2 1 0
Name
PAUSE_STA
RT
FM_STAR
T
Type
W W
Reset
0 0
FM_START Initiate the frequency measurement procedure
PAUSE_START Initiate the pause mode procedure at the next timer wrap position
TDMA +0220h
Slow clocking unit status register SM_STA
Bit
15 14 13 12 11 10 9 8
Name
PAUSE_ABO
RT
Type
R
Bit
7 6 5 4 3 2 1 0
Name
SETTLE_CP
L PAUSE_CPL
PAUSE_INT
PAUSE_RQS
T FM_CPL FM_RQST
Type
R R R R R R
FM_RQST Frequency measurement procedure is requested
FM_CPL Frequency measurement procedure is completed
PAUSE_RQST Pause mode procedure is requested
PAUSE_INT Asynchronous wake up from pause mode
PAUSE_CPL Pause period is completed
SETTLE_CPL Settling period is completed
PAUSE_ABORT Pause mode is aborted because of the reception of interrupt prior to entering pause mode
TDMA +022Ch
Slow clocking unit configuration register SM_CNF
Bit
15 14 13 12 11 10 9 8 7 6 5 4 3 2 1 0
Name
MSDC
RTC
EINT
KP
SM
FM
Type
R/W
R/W
R/W
R/W
R/W
R/W
Reset
0 0 0 0 1 1

MT6225 GSM/GPRS Baseband Processor Data Sheet Revision 1.00
320/377 MediaTek Inc. Confidential
FM Enable interrupt generation upon completion of frequency measurement procedure
SM Enable interrupt generation upon completion of pause mode procedure
KP Enable asynchronous wake-up from pause mode by key press
EINT Enable asynchronous wake-up from pause mode by external interrupt
RTC Enable asynchronous wake-up from pause mode by real time clock interrupt
MSDC Enable asynchronous wake-up from pause mode by memory card insertion interrupt
Address Type Width Reset Value
Name Description
+0200h R/W [2:0] — SM_PAUSE_M MSB of pause duration
+0204h R/W [15:0] — SM_PAUSE_L 16 LSB of pause duration
+0208h R/W [13:0] — SM_CLK_SETTLE Off-chip VCXO settling duration
+020Ch R [2:0] — SM_FINAL_PAUSE_M
MSB of final pause count
+0210h R [15:0] — SM_FINAL_PAUSE_L
16 LSB of final pause count
+0214h R [13:0] — SM_QBIT_START TQ_ COUNT value at the start of the pause
+0218h W [1:0] 0x0000 SM_CON SM control register
+021Ch R [7:3,1:0]
0x0000 SM_STA SM status register
+0220h R/W [15:0] — SM_FM_DURATION 32KHz measurement duration
+0224h R [9:0] — SM_FM_RESULT_M 10 MSB of frequency measurement result
+0228h R [15:0] — SM_FM_RESULT_L 16 LSB of frequency measurement result
+022Ch R/W [4:0] 0x0000 SM_CNF SM configuration register

MT6225 GSM/GPRS Baseband Processor Data Sheet Revision 1.00
321/377 MediaTek Inc. Confidential
11 Power, Clocks and Reset
This chapter describes the power, clock and reset management functions provided by MT6225. Together with Power
Management IC (PMIC), MT6225 offers both fine and coarse resolutions of power control through software programming.
With this efficient method, the developer can turn on selective resources accordingly in order to achieve optimized power
consumption. The operating modes of MT6225 as well as main power states provided by the PMIC are shown in Figure
95.
Active Mode Sleep Mode
Active Mode
Power Down
Mode
Power On Software
Program
Software
Program
Power On
Software
Program
Active State Standby State
Pause Mode
Core
Processors
Core
Peripherals
Phone Power State
Core Operating Mode
Core
Figure 95 Major Phone Power States and Operating Modes for MT6225 based terminal
11.1 B2PSI
11.1.1 General Description
A 3-wire B2PSI interface is used for connecting to power management IC (PMIC). This bi-directional serial bus interface
allows baseband to write to or read from PMIC. The bus protocol utilizes a 16-bit format. B2PSICK is the serial bus
clock and is driven by the master. B2PSIDAT is the serial data; master or slave can drive it. B2PSICS is the bus
selection signal. Once the B2PSICS goes LOW, baseband starts to transfer the 4 register bits followed by a read/write bit,
then waits 3 clock cycles for the PMIC B2PSI state machine to decode the operation for the next 8 data bits. The state
machine should count 16 clocks to complete the data transfer.

MT6225 GSM/GPRS Baseband Processor Data Sheet Revision 1.00
322/377 MediaTek Inc. Confidential
B 2 P S I C K
B 2 P S I C K
R 3 R 2 R 1 R 0 W X X X D 7 D 6 D 5 D 4 D 3 D 2 D 1 D 0
R 3 R 2 R 1 R 0 R X X X D 7 D 6 D 5 D 4 D 3 D 2 D 1 D 0
T > 1 0 0 n s e c
R e ce iv e
I n d e x
R eg is te r
D e c o d e
W ri te R e g is te r C on t e n t
R e ce iv e
I n d e x
R eg is te r
D e c o d e
R e ad R eg is te r C on te n t
B 2 P S I D A T
B2 P S ID A T
B 2 P S I C S
B 2 P S I C S
Figure 96 B2PSI bus timing
11.1.2 Register Definitions
B2PSI+0000h B2PSI data register B2PSI_DATA
Bit
15 14 13 12 11 10 9 8 7 6 5 4 3 2 1 0
Name
B2PSI_DATA [15:0]
Type
R/W
Reset
0
B2PSI_DATA The B2PSI DATA format contains 4 bit register + 3 bit do not care + write / read bit + 8 bit data.
0 Read operation
1 Write operation
To prevent a writing error, B2PSI_DATA must be set to 8216h before the actual data write.
B2PSI +0008h
B2PSI baud rate divider register B2PSI _DIV
Bit
15 14 13 12 11 10 9 8 7 6 5 4 3 2 1 0
Name
B2PSI _DIV [15:0]
Type
R/W
Reset
0
B2PSI_DIV B2PSI clock rate divisor. B2PSICK = system clock rate / div.
B2PSI+0010h B2PSI status register B2PSI_STAT
Bit
15 14 13 12 11 10 9 8 7 6 5 4 3 2 1 0
Name
WRIT
E_SU
CCES
S
READ
_REA
DT
Type
RC
RC
Reset
0 0
READ_READY Read data ready.
0 Read data is not ready yet.
1 Read data is ready. The bit is cleared by reading B2PSI_STAT register or if B2PSI initializes a new transmit.

MT6225 GSM/GPRS Baseband Processor Data Sheet Revision 1.00
323/377 MediaTek Inc. Confidential
WRITE_SUCCESS B2PSI write successfully.
0 B2PSI write is not finished yet.
1 B2PSI write has finished. The bit is cleared by reading B2PSI_STAT register or if B2PSI initializes a new
transmit.
B2PSI+0014h B2PSI CS to CK time register B2PSI_TIME
Bit
15 14 13 12 11 10 9 8 7 6 5 4 3 2 1 0
Name
B2PSI_TIME
Type
R/W
Reset
0
B2PSI_TIME The time interval that first B2PSICK is started after the B2PSICS is active low.
Time interval = 1/system clock * B2PSI_time.
11.2 Clocks
There are two major time bases in the MT6225. For the faster one is the 13 MHz clock originating from an off-chip
temperature-compensated voltage controlled oscillator (TCVCXO) that can be either 13MHz or 26MHz. This signal is the
input from the SYSCLK pad then is converted to the square-wave signal. The other time base is the 32768 Hz clock
generated by an on-chip oscillator connected to an external crystal. Figure 97 shows the clock sources as well as their
utilizations inside the chip.
Figure 97 Clock distributions inside the MT6225.

MT6225 GSM/GPRS Baseband Processor Data Sheet Revision 1.00
324/377 MediaTek Inc. Confidential
11.2.1 32.768 KHz Time Base
The 32768 Hz clock is always running. It’s mainly used as the time base of the Real Time Clock (RTC) module, which
maintains time and date with counters. Therefore, both the 32768Hz oscillator and the RTC module is powered by separate
voltage supplies that shall not be powered down when the other supplies do.
In low power mode, the 13 MHz time base is turned off, so the 32768 Hz clock shall be employed to update the critical
TDMA timer and Watchdog Timer. This time base is also used to clocks the keypad scanner logic.
11.2.2 13 MHz Time Base
One 1/2-dividers for PLL existing to allow using 26 or 13 MHz TCVCXO.
One phase-locked loops (PLL) to generate 624Mhz clock output, then a frequency divider futher divide 6, 6, 13 to generate
104Mhz, 104Mhz, 48Mhz for three primary clocks, DSP_CLOCK, MCU_CLOCK and USB_CLOCK, respectively. This
three primary clocks then feed to DSP Clock Domain and MCU Clock Domain and USB, respectively. The PLL require no
off-chip components for operations and can be turn off in order to save power. After power-on, the PLLs are off by default
and the source clock signal is selected through multiplexers. The software shall take cares of the PLL lock time while
changing the clock selections. The PLL and usages are listed below.
PLL supplies three clock source
DSP system clock, DSP_CLOCK. The outputted 104MHz clock is connected to DSP DCM (dynamic clock
manager) for dynamically adjusting clock rate by digital clock divider.
MCU system clock, MCU_CLOCK, which paces the operations of the MCU cores, MCU memory system, and
MCU peripherals as well. The outputted 104MHz clock is connected to ARM DCM and MCU DCM for
dynamically adjusting clock rate by digital clock divider.
USB system clock, USB_CLOCK. The 48MHz is sent to USB module for its operation.
Note that PLL need some time to become stable after being powered up. The software shall take cares of the PLL lock time
before switching them to the proper frequency. Usually, a software loop longer than the PLL lock time is employed to deal
with the problem.
For power management, the MCU software program may stop MCU Clock by setting the Sleep Control Register. Any
interrupt requests to MCU can pause the sleep mode, and thus MCU return to the running mode.
AHB also can be stop by setting the Sleep Control Register. However the behavior of AHB in sleep mode is a little different
from that of MCU. After entering Sleep Mode, it can be temporarily waken up by any “hreq” (bus request), and then goes
back to sleep automatically after all “hreqs” de-assert. Any transactions can take place as usual in sleep mode, and it can
save power while there is no transaction on it. However the penalty is losing a little system efficiency for switching on and
off bus clock, but the impact is small.
11.2.3 Dynamic Clock Switch of MCU Clock
Dynamic Clock Manager is implemented to allow MCU and DSP switching clock dynamically without any jitter, and
enabling signal drift, and system can operate stably during any clock rate switch.
Please note that PLL must be enabled and the frequency shall be set as 624MHz, therefore the required MCU/DSP/USB
clocks can be generated from 624MHz. Before switching to 52MHz clock rate, the clock from PLL DIV2 will feed through
dynamic clock manager (DCM) directly. That means if PLL DIV2 is enabled, the internal clock rate is the half of SYSCLK.
Contrarily, the internal clock rate is identical to SYSCLK.

MT6225 GSM/GPRS Baseband Processor Data Sheet Revision 1.00
325/377 MediaTek Inc. Confidential
However, the settings of some hardware modules is required to be changed before or after clock rate change. Software has
the responsibility to change them at proper timing. The following table is list of hardware modules needed to be changed
their setting during clock rate change.
Module Name Programming Sequence
EMI
1. Low clock speed -> high clock speed
Changing wait state before clock change. New wait state will not take effect until
current EMI access is complete. Software should insert a period of time before
switching clock.
2. High clock speed -> low clock speed
Changing wait state after clock change.
NAND
1. Low clock speed -> high clock speed
Changing wait state before clock change. New wait state will not take effect until
current EMI access is complete. Software should insert a period of time before
switching clock.
2. High clock speed -> low clock speed
Changing wait state after clock change.
LCD Change wait state while LCD in IDLE state.
Table 53 Programming sequence during clock switch
11.2.4 Register Definitions
CONFG+0100h
PLL Frequency Register PLL
Bit
15 14 13 12 11 10 9 8 7 6 5 4 3 2 1 0
Name
Q_PLL CALI RST
UPLL
SEL
DPLL
SEL
MPLLSEL
PLLT
ME
PLLVCOSEL
Type
R/W R/W R/W
R/W
R/W
R/W R/W
R/W
Reset
0 0 0 0 0 0 0 00
PLLVCOSEL Selects VCO in PLL frequency for PLL debug purpose. Default value is 0x0.
PLLTME PLL test mode Enable
0 Disable
1 Enables
MPLLSEL Select MCU Clock source. Using this mux to gate out unstable clock output from PLL after system boot up
00 PLL bypassed, using CLK from CLKSQ, default value after chip power up.
01 PLL bypassed, using CLK from SYSCLK
10 Using PLL Clock for MCU
11 Reserved
DPLLSEL Select DSP Clock source. Using this mux to gate out unstable clock output from PLL after system boot up
0 PLL bypassed, using CLK from CLKSQ
1 Using PLL Clock for DSP
UPLLSEL Select USB Clock source. Using this mux to gate out unstable clock output from PLL after system boot up
0 PLL bypassed, using CLK from CLKSQ
1 Using PLL Clock for USB
RST Reset Control of PLL
0 Normal Operation

MT6225 GSM/GPRS Baseband Processor Data Sheet Revision 1.00
326/377 MediaTek Inc. Confidential
1 Reset the PLL
CALI Calibration Control for PLL
Q_PLL Select source of PLL output clock when in test
CONFG+110h Clock Control Register CLK_CON
Bit
15 14 13 12 11 10 9 8 7 6 5 4 3 2 1 0
Name
DSP_
EXTC
K
USB_
EXTC
K
CLKS
Q_PL
D
CLKS
Q_DIV
2_MC
U
CLKS
Q_DIV
2_DS
P
Type
R/W
R/W
R/W
R/W
R/W
Reset
0 0 0 0 0
CLKSQ_DIV2_DSP Control the clock divider for DSP clock domain
0 Divider bypassed
1 Divider not bypassed
CLKSQ_DIV2_MCU Control the x2 clock divider for MCU clock domain
0 Divider bypassed
1 Divider not bypassed
CLKSQ_PLD Pull Down Control
0 Disable
1 Enables
USB_EXTCK Use external USB clock source.
0 Not use external clock.
1 Use external clock.
DSP_EXTCK Use external DSP clock source.
0 Not use external clock.
1 Use external clock.
CONFG+114h Sleep Control Register SLEEP_CON
Bit
15 14 13 12 11 10 9 8 7 6 5 4 3 2 1 0
Name
DSP
AHB
MCU
Type
WO
WO
WO
Reset
0 0 0
MCU Stop the MCU Clock to force MCU Processor entering sleep mode. MCU clock will be resumed as long as there
comes an interrupt request or system is reset.
0 MCU Clock is running
1 MCU Clock is stopped
AHB Stop the AHB Bus Clock to force the entire bus entering sleep mode. AHB clock will be resumed as long as there
comes an interrupt request or system is reset.
0 AHB Bus Clock is running
1 AHB Bus Clock is stopped
DSP Stop the DSP Clock.
0 DSP Bus Clock is running
1 DSP Bus Clock is stopped

MT6225 GSM/GPRS Baseband Processor Data Sheet Revision 1.00
327/377 MediaTek Inc. Confidential
CONFG+0118h
MCU Clock Control Register MCUCLK_CON
Bit
15 14 13 12 11 10 9 8 7 6 5 4 3 2 1 0
Name
ARM_FSEL SRCC
LK
MCU_FSEL
Type
R/W R/W
R/W
Reset
3 1 3
MCU_FSEL MCU clock frequency selection. This control register is used to control the output clock frequency of
MCU Dynamic Clock Manager. The clock frequency is from 13MHz to 52MHz. The waveform of the output
clock is shown in Fig. 98.
0 13MHz
1 26MHz
2 39MHz
3 52MHz
Others reserved
When MCU Clock Source bypass PLL (MPLL_SEL[1]==0), the output frequency is controlled by
SRCCLK ,CLKSQ_DIV2_MCU , MPLL_SEL[0] and MCU_FSEL[0]
SRCCLK CLKSQ_DIV2_MCU MPLL_SEL[0] MCU_FSEL[0]
0 0 x x 13Mhz
1 1 0 0 13Mhz
1 1 1 1 26Mhz
Other illegal
SRCCLK off-chip temperature-compensated voltage controlled oscillator (TCVCXO) frequency identifier.
0 13MHz
1 26MHz
ARM_FSEL ARM clock frequency selection. This control register is used to control the output clock frequency of
ARM Dynamic Clock Manager. The clock frequency is from 13MHz to 104MHz.
0 13MHz
1 26MHz
2 39MHz
3 52MHz
4 65MHz
5 78MHz
6 91MHz
7 104MHz
Others reserved
Please note that the clock period of 39MHz is not uniform. The shortest period of 39MHz clock is the same
as the period of 52MHz. As a result, the wait states of external interfaces, such as EMI, NAND, and so on,
have to be configured based on 52MHz timing. Therefore, the MCU performance executing in external
memory at 39MHz may be worse than at 26MHz. 65Mhz, 78MHz and 91MHz are not uniform clocks,
either.
Also note that the maximum latency of clock switch is 8 104MHz-clock periods. Software provides at least
8T locking time after clock switch command.

MT6225 GSM/GPRS Baseband Processor Data Sheet Revision 1.00
328/377 MediaTek Inc. Confidential
104MHz
91MHz
78MHz
65MHz
52MHz
39MHz
26MHz
13MHz
Figure 99 Output of Dynamic Clock Manager
CONFG+011C
h DSP Clock Control Register DSPCLK_CON
Bit
15 14 13 12 11 10 9 8 7 6 5 4 3 2 1 0
Name
DSP_FSEL
Type
R/W
Reset
3
DSP_FSEL DSP clock frequency selection. This control register is used to control the output clock frequency of DSP
Dynamic Clock Managers. The clock frequency is from 13MHz to 104MHz. Note that 39MHz, 65MHz, 78MHz,
and 91MHz are not a uniform period clock rate.
0 13MHz
1 26MHz
2 39MHz
3 52MHz
4 65MHz
5 78MHz
6 91MHz
7 104MHz
Others reserved
104MHz
91MHz
78MHz
65MHz
52MHz
39MHz
26MHz
13MHz
11.3 Reset Generation Unit (RGU)
Figure 100 shows the reset scheme used in MT6225. MT6225 provides three kinds of resets: hardware reset, watchdog
reset, and software reset.

MT6225 GSM/GPRS Baseband Processor Data Sheet Revision 1.00
329/377 MediaTek Inc. Confidential
Figure 100 Reset Scheme Used in MT6225
11.3.1 General Description
11.3.1.1 Hardware Reset
This reset is input through the SYSRST# pin, which is driven low during power-on. The hardware reset has a global
effect on the chip: all digital and analog circuits are initialized, except the Real Time Clock module. The initial states of
the MT6225 sub-blocks are as follows:.
• All analog circuits are turned off.
• All PLLs are turned off and bypassed. The 13 MHz system clock is the default time base.
• Special trap states in GPIO.
11.3.1.2 Watchdog Reset
A watchdog reset is generated when the Watchdog Timer expires: the MCU software failed to re-program the timer counter
in time. This situation is typically induced by abnormal software execution, which can be aborted by a hardwired
watchdog reset. Hardware blocks that are affected by the watchdog reset are:
• MCU subsystem,
• DSP subsystem, and
• External components (trigged by software).
11.3.1.3 Software Resets
Software resets are local reset signals that initialize specific hardware components. For example, if hardware failures are
detected, the MCU or DSP software may write to software reset trigger registers to reset those specific hardware modules to
their initial states.
The following modules have software resets.
• DSP Core

MT6225 GSM/GPRS Baseband Processor Data Sheet Revision 1.00
330/377 MediaTek Inc. Confidential
• DSP Coprocessors
11.3.2 Register Definitions
RGU +0000h Watchdog Timer Control Register WDT_MODE
Bit
15 14 13 12 11 10 9 8 7 6 5 4 3 2 1 0
Name
KEY[7:0]
AUTO
-REST
ART
IRQ
EXTE
N
EXTP
OL
ENAB
LE
Type
R/W
R/W
R/W
R/W
R/W
Reset
0 0 0 0 1
ENABLE Enables the Watchdog Timer.
0 Disables the Watchdog Timer.
1 Enables the Watchdog Timer.
EXTPOL Defines the polarity of the external watchdog pin.
0 Active low.
1 Active high.
EXTEN Specifies whether or not to generate an external watchdog reset signal.
0 The watchdog does not generate an external watchdog reset signal.
1 If the watchdog counter reaches zero, an external watchdog signal is generated.
IRQ Issues an interrupt instead of a Watchdog Timer reset. For debug purposes, RGU issues an interrupt to the MCU
instead of resetting the system.
0 Disable.
1 Enable.
AUTO-RESTART Restarts the Watchdog Timer counter with the value of WDT_LENGTH while task ID is written
into Software Debug Unit.
0 Disable. The counter restarts by writing KEY into the WDT_RESTART register.
1 Enable. The counter restarts by writing KEY into the WDT_RESTART register or by writing task ID into
the software debug unit.
KEY Write access is allowed if KEY=0x22.
RGU +0004h Watchdog Time-Out Interval Register WDT_LENGTH
Bit
15 14 13 12 11 10 9 8 7 6 5 4 3 2 1
0
Name
TIMEOUT[10:0] KEY[4:0]
Type
WO
Reset
111_1111_1111b
KEY Write access is allowed if KEY=08h.
TIMEOUT The counter is restarted with {TIMEOUT [10:0], 1_1111_1111b}. Thus the Watchdog Timer time-out period
is a multiple of 512*T32k=15.6ms.
RGU +0008h Watchdog Timer Restart Register WDT_RESTART
Bit
15 14 13 12 11 10 9 8 7 6 5 4 3 2 1 0
Name
KEY[15:0]
Type
Reset

MT6225 GSM/GPRS Baseband Processor Data Sheet Revision 1.00
331/377 MediaTek Inc. Confidential
KEY Restart the counter if KEY=1971h.
RGU +000Ch Watchdog Timer Status Register WDT_STA
Bit
15 14 13 12 11 10 9 8 7 6 5 4 3 2 1 0
Name
WDT
SW_W
DT
Type
RO
RO
Reset
0 0
WDT Indicates the cause of the watchdog reset.
0 Reset not due to Watchdog Timer.
1 Reset because the Watchdog Timer time-out period expired.
SW_WDT Indicates if the watchdog was triggered by software.
0 Reset not due to software-triggered Watchdog Timer.
1 Reset due to software-triggered Watchdog Timer.
NOTE: A system reset does not affect this register. This bit is cleared when the WTU_MODE register ENABLE bit is
written.
RGU +0010h CPU Peripheral Software Reset Register SW_PERIPH_RS
TN
Bit
15 14 13 12 11 10 9 8 7 6 5 4 3 2 1 0
Name
DAMR
ST
USBR
ST KEY
Type
R/W
R/W
Reset
0 0
KEY Write access is allowed if KEY=37h.
DMARST Reset the DMA peripheral.
0 No reset.
1 Invoke a reset.
USBRST Reset the USB.
0 No reset.
1 Invoke a reset.
RGU +0014h DSP Software Reset Register SW_DSP_RSTN
Bit
15 14 13 12 11 10 9 8 7 6 5 4 3 2 1 0
Name
RST
Type
R/W
Reset
0
RST Controls the DSP System Reset Control.
0 No reset.
1 Invoke a reset.
RGU +0018h Watchdog Timer Reset Signal Duration Register WDT_RSTINTRE
VAL
Bit
15 14 13 12 11 10 9 8 7 6 5 4 3 2 1 0
Name
LENGTH[ 11:0]
Type
R/W

MT6225 GSM/GPRS Baseband Processor Data Sheet Revision 1.00
332/377 MediaTek Inc. Confidential
Reset
FFFh
LENGTH This register indicates the reset duration when Watchdog Timer times out. However, if the WDT_MODE
register IRQ bit is set to 1, an interrupt is issued instead of a reset.
RGU+001Ch Watchdog Timer Software Reset Register WDT_SWRST
Bit
15 14 13 12 11 10 9 8 7 6 5 4 3 2 1 0
Name
KEY[15:0]
Type
Reset
Software-triggered Watchdog Timer reset. If the register content matches the KEY, a watchdog reset is issued. However,
if the WDT_MODE register IRQ bit is set to 1, an interrupt is issued instead of a reset.
KEY 1209h
11.4 Software Power Down Control
In addition to have Pause Mode at Standby State, the software program can also put each peripherals independently in
Power Down Mode at Active State by gating their clock off. The typical logic implemented is described as Figure 101. For
all these configuration bits, 1 means that the function is Power Down Mode and 0 means that it is in the Active Mode.
CLOCK
POWER DOWN
TESTMODE
Figure 101 Power Down Control at Block Level
11.4.1 Register Definitions
CONFG+300h Power Down Control 0 Register PDN_CON0
Bit
15 14 13 12 11 10 9 8 7 6 5 4 3 2 1 0
Name
DSP_
DIV2
PLL
MCU_
DIV2
CLKS
Q IRDB
G
WAVE
TABL
E
GCU
USB
DMA
Type
R/W
R/W
R/W
R/W
R W
R/ W
R/W
R/W
R/W
Reset
1 1 1 0 1 1 1 1 1
DMA Controls the DMA Controller Power Down
USB Controls the USB Controller Power Down
GCU Controls the GCU Controller Power Down
WAVETABLE Controls the Wavetable Power Down
IRDBG Controls the IRDBG Power Down
CLKSQ Controls the Clock squarer Power Down
MCU_DIV2 Controls the MCU DIV2 Power Down
PLL Controls the PLL Power Down

MT6225 GSM/GPRS Baseband Processor Data Sheet Revision 1.00
333/377 MediaTek Inc. Confidential
DSP_DIV2 Controls the DSP DIV2 Power Down
CONFG +304h
Power Down Control 1 Register PDN_CON1
Bit
15 14 13 12 11 10 9 8 7 6 5 4 3 2 1 0
Name
IRDA
UART
3 SPI
NFI
PWM2
MSDC
UART
2 LCD
ALTE
R PWM
SIM
UART
1 GPIO
KP
GPT
Type
R W
R W
R/W
R/W
R/W
R/W
R/W
R/W
R/W
R/W
R/W
R/W
R/W
R/W
R/W
Reset
1 1 1 1 1 1 1 1 1 1 1 0 1 1 1
GPT Controls the General Purpose Timer Power Down
KP Controls the Keypad Scanner Power Down
GPIO Controls the GPIO Power Down
UART1 Controls the UART1 Controller Power Down
SIM Controls the SIM Controller Power Down
PWM Controls the PWM Generator Power Down
ALTER Controls the Alerter Generator Power Down
LCD Controls the Serial LCD Controller Power Down
UART2 Controls the UART2 Controller Power Down
MSDC Controls the MS/SD Controller Power Down
PWM2 Controls the PWM2 Generator Power Down
NFI Controls the NAND FLASH Interface Power Down
SPI Controls the Serial Port Interface Power Down
UART3 Controls the UART3 Controller Power Down
IRDA Controls the IrDA Framer Power Down
CONFG +308h
Power Down Control 2 Register PDN_CON2
Bit
15 14 13 12 11 10 9 8 7 6 5 4 3 2 1 0
Name
GMSK
BBRX
I2C
AAFE
DIV
GCC
BFE
VAFE
AUXA
D FCS
APC
AFC
BPI
BSI
RTC
TDMA
Type
R/W
R/W
R/W
R/W
R/W
R/W
R/W
R/W
R/W
R/W
R/W
R/W
R/W
R/W
R/W
R/W
Reset
1 1 1 1 1 1 1 1 1 1 1 1 1 1 1 1
TDMA Controls the TDMA Power Down
RTC Controls the RTC Power Down
BSI Controls the BSI Power Down. This control will not be updated until both tdma_evtval and qbit_en are asserted.
BPI Controls the BPI Power Down. This control will not be updated until both tdma_evtval and qbit_en are asserted.
AFC Controls the AFC Power Down. This control will not be updated until both tdma_evtval and qbit_en are asserted.
APC Controls the APC Power Down. This control will not be updated until both tdma_evtval and qbit_en are asserted.
FCS Controls the FCS Power Down
AUXAD Controls the AUX ADC Power Down
VAFE Controls the Audio Front End of VBI Power Down
BFE Controls the Base-Band Front End Power Down
GCU Controls the GCU Power Down
DIV Controls the Divider Power Down
AAFE Controls the Audio Front End of MP3 Power Down
I2C Controls the I2C Power Down
BBRX Controls the BB RX Power Down

MT6225 GSM/GPRS Baseband Processor Data Sheet Revision 1.00
334/377 MediaTek Inc. Confidential
GMSK Controls the GMSK Power Down
CONFG +30Ch
Power Down Control 3 Register PDN_CON3
Bit
15 14 13 12 11 10 9 8 7 6 5 4 3 2 1 0
Name
ISP
RESZ
ICE
Type
R/W
R/W
R/W
Reset
1 1 1
ICE Enables the debug feature of the ARM7EJS core. It controls the DBGEN pin of the ICEBreaker.
RESZ Controls the Image Resizer Power Down
ISP Controls the Image Signal Processor Power Down
CONFG+0310h
Power Down Set 0 Register PDN_SET0
Bit
15 14 13 12 11 10 9 8 7 6 5 4 3 2 1 0
Name
DSP_
DIV2
PLL
MCU_
DIV2
CLKS
Q IRDB
G
WAVE
TABL
E
GCU
USB
DMA
Type
W1S
W1S
W1S
W1S
W1S
W1S
W1S
W1S
W1S
CONFG+0314h
Power Down Set 1 Register PDN_SET1
Bit
15 14 13 12 11 10 9 8 7 6 5 4 3 2 1 0
Name
IRDA
UART
3 SPI
NFI
PWM2
MSDC
UART
2 LCD
ALTE
R PWM
SIM
UART
1 GPIO
KP
GPT
Type
W1S
W1S
W1S
W1S
W1S
W1S
W1S
W1S
W1S
W1S
W1S
W1S
W1S
W1S
W1S
CONFG+0318h
Power Down Set 2 Register PDN_SET2
Bit
15 14 13 12 11 10 9 8 7 6 5 4 3 2 1 0
Name
GMSK
BBRX
SCCB
AAFE
DIV
GCC
BFE
VAFE
AUXA
D FCS
APC
AFC
BPI
BSI
RTC
TDMA
Type
W1S
W1S
W1S
W1S
W1S
W1S
W1S
W1S
W1S
W1S
W1S
W1S
W1S
W1S
W1S
W1S
CONFG+031C
h Power Down Set 3 Register PDN_SET3
Bit
15 14 13 12 11 10 9 8 7 6 5 4 3 2 1 0
Name
ISP
RESZ
ICE
Type
W1S
W1S
W1S
These registers are used to individually set power down control bit. Only the bits set to 1 are in effect, and these power
down control bits will set to 1. Else the other bits keep original value.
EACH BIT Set the Associated Power Down Control Bit to 1.
0 no effect
1 Set corresponding bit to 1
CONFG+0320h
Power Down Clear 0 Register PDN_CLR0
Bit
15 14 13 12 11 10 9 8 7 6 5 4 3 2 1 0
Name
DSP_
DIV2
PLL
MCU_
DIV2
CLKS
Q IRDB
G
WAVE
TABL
E
GCU
USB
DMA
Type
W1C
W1C
W1C
W1C
W1C
W1C
W1C
W1C
W1C

MT6225 GSM/GPRS Baseband Processor Data Sheet Revision 1.00
335/377 MediaTek Inc. Confidential
CONFG+0324h
Power Down Clear 1 Register PDN_CLR1
Bit
15 14 13 12 11 10 9 8 7 6 5 4 3 2 1 0
Name
IRDA
UART
3 SPI
NFI
PWM2
MSDC
UART
2 LCD
ALTE
R PWM1
SIM
UART
1 GPIO
KP
GPT
Type
W1C
W1C
W1C
W1C
W1C
W1C
W1C
W1C
W1C
W1C
W1C
W1C
W1C
W1C
W1C
CONFG+0328h
Power Down Clear 2 Register PDN_CLR2
Bit
15 14 13 12 11 10 9 8 7 6 5 4 3 2 1 0
Name
GMSK
BBRX
SCCB
AAFE
DIV
GCC
BFE
VAFE
AUXA
D FCS
APC
AFC
BPI
BSI
RTC
TDMA
Type
W1C
W1C
W1C
W1C
W1C
W1C
W1C
W1C
W1C
W1C
W1C
W1C
W1C
W1C
W1C
W1C
CONFG+032C
h Power Down Clear 3 Register PDN_CLR3
Bit
15 14 13 12 11 10 9 8 7 6 5 4 3 2 1 0
Name
ISP
RESZ
ICE
Type
W1C
W1C
W1C
These registers are used to individually Clear power down control bit. Only the bits set to 1 are in effect, and these power
down control bits will set to 0. Else the other bits keep original value.
EACH BIT Clear the Associated Power Down Control Bit.
0 no effect
1 Set corresponding bit to 0

MT6225 GSM/GPRS Baseband Processor Data Sheet Revision 1.00
336/377 MediaTek Inc. Confidential
12 Analog Front-end & Analog Blocks
12.1 General Description
To communicate with analog blocks, a common control interface for all analog blocks is implemented. In addition, there are
some dedicated interfaces for data transfer. The common control interface translates APB bus write and read cycle for
specific addresses related to analog front-end control. During writing or reading of any of these control registers, there is a
latency associated with transferring of data to or from the analog front-end. Dedicated data interface of each analog block is
implemented in the corresponding digital block. The Analog Blocks includes the following analog function for complete
GSM/GPRS base-band signal processing:
1. Base-band RX: For I/Q channels base-band A/D conversion
2. Base-band TX: For I/Q channels base-band D/A conversion and smoothing filtering, DC level shifting
3. RF Control: Two DACs for automatic power control (APC) and automatic frequency control (AFC) are included.
Their outputs are provided to external RF power amplifier and VCXO), respectively.
4. Auxiliary ADC: Providing an ADC for battery and other auxiliary analog function monitoring
5. Audio mixed-signal blocks: It provides complete analog voice signal processing including microphone amplification,
A/D conversion, D/A conversion, earphone driver, and etc. Besides, dedicated stereo D/A conversion and
amplification for audio signals are included).
6. Clock Generation: A clock squarer for shaping system clock, and three PLLs that provide clock signals to DSP, MCU,
and USB units are included
7. XOSC32: It is a 32-KHz crystal oscillator circuit for RTC application Analog Block Descriptions
12.1.1 BBRX
12.1.1.1 Block Descriptions
The receiver (RX) performs base-band I/Q channels downlink analog-to-digital conversion:
1. Analog input multiplexer: For each channel, a 4-input multiplexer that supports offset and gain calibration is included.
2. A/D converter: Two 14-bit sigma-delta ADCs perform I/Q digitization for further digital signal processing.
12.1.1.2 Functional Specifications
The functional specifications of the base-band downlink receiver are listed in the following table.
Symbol Parameter Min Typical Max Unit
N Resolution 14 Bit
FC Clock Rate 26 MHz
FS Output Sampling Rate 13/12 MSPS
Input Swing
When GAIN=’0’
0.8*AVDD
0.4*AVDD
Vpk
Vpk

MT6225 GSM/GPRS Baseband Processor Data Sheet Revision 1.00
337/377 MediaTek Inc. Confidential
When GAIN=’1’
OE Offset Error +/- 10 mV
FSE Full Swing Error +/- 30 mV
I/Q Gain Mismatch 0.5 dB
SINAD Signal to Noise and Distortion Ratio
- 45kHz sine wave in [0:90] kHz bandwidth
- 145kHz sine wave in [10:190] kHz
bandwidth
65
65
dB
dB
ICN Idle channel noise
- [0:90] kHz bandwidth
- [10:190] kHz bandwidth
-74
-70
dB
dB
DR Dynamic Range
- [0:90] kHz bandwidth
- [10:190] kHz bandwidth
74
70
dB
dB
RIN Input Resistance 75 kΩ
DVDD Digital Power Supply 1.6 1.8 2.0 V
AVDD Analog Power Supply 2.5 2.8 3.1 V
T Operating Temperature -20 80 ℃
Current Consumption
Power-up
Power-Down
5
5
mA
µA
Table 54 Base-band Downlink Specifications
12.1.2 BBTX
12.1.2.1 Block Descriptions
The transmitter (TX) performs base-band I/Q channels up-link digital-to-analog conversion. Each channel includes:
1. 10-Bits D/A Converter: It converts digital GMSK modulated signals to analog domain. The input to the DAC is sampled
at 4.33-MHz rate with 10-bits resolution.
2. Smoothing Filter: The low-pass filter performs smoothing function for DAC output signals with a 350-kHz 2nd-order
Butterworth frequency response.
12.1.2.2 Function Specifications
The functional specifications of the base-band uplink transmitter are listed in the following table.
Symbol Parameter Min Typical Max Unit
N Resolution 10 Bit
FS Sampling Rate 4.33 MSPS
SINAD Signal to Noise and Distortion Ratio 57 60 dB
Output Swing 0.18*AVDD
0.89*AVDD
V
VOCM Output CM Voltage 0.34*AVDD
0.5*AVDD 0.62*AVDD
V

MT6225 GSM/GPRS Baseband Processor Data Sheet Revision 1.00
338/377 MediaTek Inc. Confidential
Output Capacitance 20 PF
Output Resistance 10 KΩ
DNL Differential Nonlinearity +/- 0.5 LSB
INL Integral Nonlinearity +/- 1.0 LSB
OE Offset Error +/- 15 mV
FSE Full Swing Error +/- 30 mV
FCUT Filter –3dB Cutoff Frequency 300 350 400 KHz
ATT Filter Attenuation at
100-KHz
270-KHz
4.33-MHz
0.1
2.2
46.4
0.0
1.3
43.7
0.0
0.8
41.4
dB
dB
dB
I/Q Gain Mismatch +/- 0.5 dB
I/Q Gain Mismatch Correction Range -1.18 +1.18 dB
DVDD Digital Power Supply 1.6 1.8 2.0 V
AVDD Analog Power Supply 2.5 2.8 3.1 V
T Operating Temperature -20 80 ℃
Current Consumption
Power-up
Power-Down
5
5
mA
µA
Table 55 Base-band Uplink Transmitter Specifications
12.1.3 AFC-DAC
12.1.3.1 Block Descriptions
As shown in the following figure, together with a 2nd-oder digital sigma-delta modulator, AFC-DAC is designed to produce
a single-ended output signal at AFC pin. AFC pin should be connected to an external 1st-order R-C low pass filter to meet
the 13-bits resolution (DNL) requirement2.
The AFC_BYP pin is the mid-tap of a resistor divider inside the chip to offer the AFC output common-mode level. Nominal
value of this common-mode voltage is half the analog power supply, and typical value of output impedance of AFC_BYP
pin is about 21kΩ. To suppress the noise on common mode level, it is suggested to add an external capacitance between
AFC_BYP pin and ground. The value of the bypass capacitor should be chosen as large as possible but still meet the
settling time requirement set by overall AFC algorithm3.
2 DNL performance depends on external output RC filter bandwidth: the narrower the bandwidth, the better the DNL. Thus,
there exists a tradeoff between output setting speed and DNL performance
3 AFC_BYP output impedance and bypass capacitance determine the common-mode settling RC time constant. Insufficient
common-mode settling will affect the INL performance. A typical value of 1nF is suggested.

MT6225 GSM/GPRS Baseband Processor Data Sheet Revision 1.00
339/377 MediaTek Inc. Confidential
Figure 102 Block diagram of AFC-DAC
12.1.3.2 Functional Specifications
The following table gives the electrical specification of AFC-DAC.
Symbol Parameter Min Typical Max Unit
N Resolution 13 Bit
FS Sampling Rate 6500 KHz
DVDD Digital Power Supply 1.6 1.8 2.0 V
AVDD Analog Power Supply 2.6 2.8 3.1 V
T Operating Temperature -20 80 ℃
Current Consumption
Power-up
Power-Down
1.2
1 mA
µA
Output Swing 0.75*AVDD V
Output Resistor
(in AFC output RC network)
1 KΩ
DNL Differential Nonlinearity +1/-1 LSB
INL Integral Nonlinearity +4.0/-4.0 LSB
Table 56 Functional specification of AFC-DAC
12.1.4 APC-DAC
12.1.4.1 Block Descriptions
The APC-DAC is a 10-bits DAC with output buffer aimed for automatic power control. Here blow are its analog pin
assignment and functional specification tables.
12.1.4.2 Function Specifications
Symbol Parameter Min Typical Max Unit
N Resolution 10 Bit
FS Sampling Rate 1.0833 MSPS
SINAD Signal to Noise and Distortion Ratio 50 dB

MT6225 GSM/GPRS Baseband Processor Data Sheet Revision 1.00
340/377 MediaTek Inc. Confidential
(10-KHz Sine with 1.0V Swing & 100-KHz BW)
99% Settling Time (Full Swing on Maximal Capacitance)
5 µS
Output Swing AVDD-0.2
V
Output Capacitance 200 pF
Output Resistance 10 KΩ
DNL Differential Nonlinearity +/- 0.5 LSB
INL Integral Nonlinearity +/- 1.0 LSB
OE Offset Error +/- 10 mV
FSE Full Swing Error +/- 10 mV
DVDD Digital Power Supply 1.6 1.8 2.0 V
AVDD Analog Power Supply 2.5 2.8 3.1 V
T Operating Temperature -20 80 ℃
Current Consumption
Power-up
Power-Down
600
1
µA
µA
Table 57 APC-DAC Specifications
12.1.5 Auxiliary ADC
12.1.5.1 Block Descriptions
The auxiliary ADC includes the following functional blocks:
1. Analog Multiplexer: The analog multiplexer selects signal from one of the seven auxiliary input pins. Real word
message to be monitored, like temperature, should be transferred to the voltage domain.
2. 10 bits A/D Converter: The ADC converts the multiplexed input signal to 10-bit digital data.
12.1.5.2 Function Specifications
The functional specifications of the auxiliary ADC are listed in the following table.
Symbol Parameter Min Typical Max Unit
N Resolution 10 Bit
FC Clock Rate 0.1 1.0833 5 MHz
FS Sampling Rate @ N-Bit 5/(N+1) MSPS
Input Swing 1.0 AVDD V
VREFP Positive Reference Voltage
(Defined by AUX_REF pin)
1.0 AVDD V
CIN Input Capacitance
Unselected Channel
Selected Channel
50
1.2
fF
pF
RIN Input Resistance
Unselected Channel
Selected Channel
10
1.8
MΩ
MΩ

MT6225 GSM/GPRS Baseband Processor Data Sheet Revision 1.00
341/377 MediaTek Inc. Confidential
RS Resistor String Between AUX_REF pin & ground
Power Up
Power Down
35
10
50 65 KΩ
MΩ
Clock Latency 11 1/FC
DNL Differential Nonlinearity +0.5/-0.5 LSB
INL Integral Nonlinearity +1.0/-1.0 LSB
OE Offset Error +/- 10 mV
FSE Full Swing Error +/- 10 mV
SINAD Signal to Noise and Distortion Ratio (10-KHz Full
Swing Input & 13-MHz Clock Rate)
50 dB
DVDD Digital Power Supply 1.6 1.8 2.0 V
AVDD Analog Power Supply 2.5 2.8 3.1 V
T Operating Temperature -20 80 ℃
Current Consumption
Power-up
Power-Down
300
1
µA
µA
Table 58 The Functional specification of Auxiliary ADC
12.1.6 Audio mixed-signal blocks
12.1.6.1 Block Descriptions
Audio mixed-signal blocks (AMB) integrate complete voice uplink/downlink and audio playback functions. As shown in
the following figure, it includes mainly three parts. The first consists of stereo audio DACs and speaker amplifiers for audio
playback. The second is the voice downlink path, including voice-band DACs and amplifiers, which produces voice signal
to earphone or other auxiliary output device. Amplifiers in these two blocks are equipped with multiplexers to accept
signals from internal audio/voice or external radio sources. The last is the voice uplink path, which is the interface between
microphone (or other auxiliary input device) input and MT6225 DSP. A set of bias voltage is provided for external electret
microphone..

MT6225 GSM/GPRS Baseband Processor Data Sheet Revision 1.00
342/377 MediaTek Inc. Confidential
AU_MOUTL
AU_MOUTR
AU_OUT0_P
AU_OUT0_N
AU_FMINL
AU_FMINR
MUXMUX
Stereo-
to-Mono
Stereo-
to-Mono
FM/AM radio
chip
Voice
Signal
Audio
Signal
Voice Amp-0
Audio Amp-R
Audio Amp-L
AU_VIN0_P
AU_VIN0_N
AU_VIN1_N
AU_VIN1_P
MUX
Voice
Signal
Audio
LCH-DAC
Audio
RCH-DAC
Voice DAC
Voice ADC
PGA
Figure 103 Block diagram of audio mixed-signal blocks.
12.1.6.2 Functional Specifications
The following table gives functional specifications of voice-band uplink/downlink blocks.
Symbol Parameter Min Typical Max Unit
FS Sampling Rate 4096 KHz
CREF Decoupling Cap Between AU_VREF_P
And AU_VREF_N
47 NF
DVDD Digital Power Supply 1.6 1.8 2.0 V
AVDD Analog Power Supply 2.5 2.8 3.1 V
T Operating Temperature -20 80 ℃
IDC Current Consumption 5 mA
VMIC Microphone Biasing Voltage 1.9 V
IMIC
Current Draw From Microphone Bias
2 mA

MT6225 GSM/GPRS Baseband Processor Data Sheet Revision 1.00
343/377 MediaTek Inc. Confidential
Pins
Uplink Path4
SINAD
Signal to Noise and Distortio
n Ratio
Input Level:
-40 dbm0
Input Level: 0 dbm0
29
69
dB
dB
RIN Input Impedance (Differential) 13 20 27 KΩ
ICN Idle Channel Noise -67 dBm0
XT Crosstalk Level -66 dBm0
Downlink Path5
SINAD
Signal to Noise and Distortion Ratio
Input Leve
l: -40 dBm0
Input Level: 0 dBm0
29
69
dB
dB
RLOAD Output Resistor Load (Differential) 28 Ω
CLOAD Output Capacitor Load 200 pF
ICN Idle Channel Noise of Transmit Path -67 dBm0
XT Crosstalk Level on Transmit Path -66 dBm0
Table 59 Functional specifications of analog voice blocks
Functional specifications of the audio blocks are described in the following.
Symbol Parameter Min Typical Max Unit
FCK Clock Frequency Fs*128 KHz
Fs Sampling Rate 32 44.1 48 KHz
AVDD Power Supply 2.6 2.8 3.1 V
T Operating Temperature -20 80 ℃
IDC Current Consumption 5 mA
PSNR Peak Signal to Noise Ratio 80 dB
DR Dynamic Range 80 dB
VOUT Output Swing for 0dBFS Input Level 0.85 Vrms
THD Total Harmonic Distortion
45mW at 16 Ω Load
-40
-60
dB
dB
4 For uplink-path, not all gain setting of VUPG meets the specification listed on table, especially for the several highest
gains. The maximum gain that meets the specification is to be determined.
5 For downlink-path, not all gain setting of VDPG meets the specification listed on table, especially for the several lowest
gains. The minimum gain that meets the specification is to be determined.

MT6225 GSM/GPRS Baseband Processor Data Sheet Revision 1.00
344/377 MediaTek Inc. Confidential
22mW at 32 Ω Load
RLOAD Output Resistor Load (Single-Ended) 16 Ω
CLOAD Output Capacitor Load 200 pF
XT L-R Channel Cross Talk TBD dB
Table 60 Functional specifications of the analog audio blocks
12.1.7 Clock Squarer
12.1.7.1 Block Descriptions
For most VCXO, the output clock waveform is sinusoidal with too small amplitude (about several hundred mV) to make
MT6228 digital circuits function well. Clock squarer is designed to convert such a small signal to a rail-to-rail clock signal
with excellent duty-cycle. It provides also a pull-down function when the circuit is powered-down.
12.1.7.2 Function Specifications
The functional specification of clock squarer is shown in Table 61.
Symbol Parameter Min Typical Max Unit
Fin Input Clock Frequency 13 MHz
Fout Output Clock Frequency 13 MHz
Vin Input Signal Amplitude 500 AVDD mVpp
DcycIN Input Signal Duty Cycle 50 %
DcycOUT Output Signal Duty Cycle DcycIN-5 DcycIN+5
%
TR Rise Time on Pin CLKSQOUT 5 ns/pF
TF Fall Time on Pin CLKSQOUT 5 ns/pF
DVDD Digital Power Supply 1.3 1.5 1.7 V
AVDD Analog Power Supply 2.5 2.8 3.1 V
T Operating Temperature -20 80 ℃
Current Consumption TBD ΜA
Table 61 The Functional Specification of Clock Squarer
12.1.7.3 Application Notes
Here below in the figure is an equivalent circuit of the clock squarer. Please be noted that the clock squarer is designed to
accept a sinusoidal input signal. If the input signal is not sinusoidal, its harmonic distortion should be low enough to not
produce a wrong clock output. As an reference, for a 13MHz sinusoidal signal input with amplitude of 0.2V the harmonic
distortion should be smaller than 0.02V.

MT6225 GSM/GPRS Baseband Processor Data Sheet Revision 1.00
345/377 MediaTek Inc. Confidential
Figure 104 Equivalent circuit of Clock Squarer.
12.1.8 Phase Locked Loop
12.1.8.1 Block Descriptions
MT6228 includes three PLLs: DSP PLL, MCU PLL, and USB PLL. DSP PLL and MCU PLL are identical and
programmable to provide either 52MHz or 78 MHz output clock while accepts 13MHz signal. USB PLL is designed to
accept 4MHz input clock signal and provides 48MHz output clock.
12.1.8.2 Function Specifications
The functional specification of DSP/MCU PLL is shown in the following table.
Symbol Parameter Min Typical Max Unit
Fin Input Clock Frequency 13 MHz
Fout Output Clock Frequency 52 78 MHz
Lock-in Time TBD Μs
Output Clock Duty Cycle 40 50 60 %
Output Clock Jitter 650 ps
DVDD Digital Power Supply 1.6 1.8 2.0 V
AVDD Analog Power Supply 2.5 2.8 3.1 V
T Operating Temperature -20 80 ℃
Current Consumption TBD µA
Table 62 The Functional Specification of DSP/MCU PLL
The functional specification of USB PLL is shown below.
Symbol Parameter Min Typical Max Unit
Fin Input Clock Frequency 4 MHz
Fout Output Clock Frequency 48 MHz
Lock-in Time TBD µs
Output Clock Duty Cycle 40 50 60 %
Output Clock Jitter 650 ps

MT6225 GSM/GPRS Baseband Processor Data Sheet Revision 1.00
346/377 MediaTek Inc. Confidential
DVDD Digital Power Supply 1.3 1.5 1.7 V
AVDD Analog Power Supply 2.5 2.8 3.1 V
T Operating Temperature -20 80 ℃
Current Consumption TBD µA
Table 63 The Functional Specification of USB PLL
12.1.9 32-KHz Crystal Oscillator
12.1.9.1 Block Descriptions
The low-power 32-KHz crystal oscillator XOSC32 is designed to work with an external piezoelectric 32.768kHz crystal
and a load composed of two functional capacitors, as shown in the following figure.
Figure 105 Block diagram of XOSC32
12.1.9.2 Functional specifications
The functional specification of XOSC32 is shown in the following table.
Symbol Parameter Min Typical Max Unit
AVDDRTC
Analog power supply 1.2 1.5 2 V
Tosc Start-up time 5 sec
Dcyc Duty cycle 50 %
TR Rise time on XOSCOUT TBD ns/pF
TF Fall time on XOSCOUT TBD ns/pF
Current consumption 5 µA
Leakage current 1 µA
T Operating temperature -20 80 ℃
Table 64 Functional Specification of XOSC32
Here below are a few recommendations for the crystal parameters for use with XOSC32.
Symbol Parameter Min Typical Max Unit
F Frequency range 32768 Hz

MT6225 GSM/GPRS Baseband Processor Data Sheet Revision 1.00
347/377 MediaTek Inc. Confidential
GL Drive level 5 uW
∆f/f Frequency tolerance +/- 20 Ppm
ESR Series resistance 50 KΩ
C0 Static capacitance 1.6 pF
CL6 Load capacitance 6 12.5 pF
Table 65 Recommended Parameters of the 32kHz crystal
12.2 MCU Register Definitions
12.2.1 BBRX
MCU APB bus registers for BBRX ADC are listed as followings.
MIXED+0300h
BBRX ADC Analog-Circuit Control Register BBRX_AC_CON
Bit
15 14 13 12 11 10 9 8 7 6 5 4 3 2 1 0
Name
DITHE
N QSEL ISEL RSV
GAIN CALBIAS
Type
R/W
R/W R/W R/W
R/W R/W
Reset
0 00 00 0 0 00000
Set this register for analog circuit configuration controls.
CALBIAS The register field is for control of biasing current in BBRX mixed-signal module. It is coded in 2’s complement.
That is, its maximum is 15 and minimum is –16. Biasing current in BBRX mixed-signal module has impact on
the performance of A/D conversion. The larger the value of the register field, the larger the biasing current in
BBRX mixed-signal module, and the larger the SNR.
GAIN The register bit is for configuration of gain control of analog inputs in GSM RX mixed-signal module.
00 Input range is 0.8x AVDD for analog inputs in GSM RX mixed-signal module.
01 Input range is 0.4x AVDD for analog inputs in GSM RX mixed-signal module.
10 Input range is 0.57x AVDD for analog inputs in GSM RX mixed-signal module.
11 Input range is 0.33x AVDD for analog inputs in GSM RX mixed-signal module.
ISEL Loopback configuration selection for I-channel in BBRX mixed-signal module
00 Normal mode
01 Loopback TX analog I
10 Loopback TX analog Q
11 Select the grounded input
QSEL Loopback configuration selection for Q-channel in BBRX mixed-signal module
00 Normal mode
01 Loopback TX analog Q
10 Loopback TX analog I
11 Select the grounded input
6 CL is the parallel combination of C1 and C2 in the block diagram.

MT6225 GSM/GPRS Baseband Processor Data Sheet Revision 1.00
348/377 MediaTek Inc. Confidential
DITHDIS Dither feature Disable control register, which can effectively reduce the THD ( total harmonic distortion) of
the BBRX ADC.
0 turn on the dither (default value)
1 Disable the dither
12.2.2 BBTX
MCU APB bus registers for BBTX DAC are listed as followings.
MIXED+0400h
BBTX DAC Analog-Circuit Control Register 0 BBTX_AC_CON
0
Bit
15 14 13 12 11 10 9 8 7 6 5 4 3 2 1 0
Name
CALR
CDON
E
STAR
TCAL
RC
GAIN CALRCSEL TRIMI TRIMQ
Type
R R/W
R/W R/W R/W R/W
Reset
0 0 000 000 0000 0000
Set this register for analog circuit configuration controls. The procedure to perform calibration processing for smoothing
filter in BBTX mixed-signal module is as follows:
1. Write 1 to the register bit CARLC in the register TX_CON of Baseband Front End in order to activate clock required
for calibration process. Initiate calibration process.
2. Write 1 to the register bit STARTCALRC. Start calibration process.
3. Read the register bit CALRCDONE. If read as 1, then calibration process finished. Otherwise repeat the step.
4. Write 0 to the register bit STARTCALRC. Stop calibration process.
5. Write 0 to the register bit CARLC in the register TX_CON of Baseband Front End in order to deactivate clock required
for calibration process. Terminate calibration process.
6. The result of calibration process can be read from the register field CALRCOUT of the register BBTX_AC_CON1.
Software can set the value to the register field CALRCSEL for 3-dB cutoff frequency selection of smoothing filter in
DAC of BBTX.
Remember to set the register field CALRCCONT of the register BBTX_AC_CON1 to 0xb before the calibration process. It
only needs to be set once.
TRIMQ The register field is used to control gain trimming of Q-channel DAC in BBTX mixed-signal module. It is coded
in 2’s complement, that is, with maximum 15 and minimum –16.
TRIMI The register field is used to control gain trimming of I-channel DAC in BBTX mixed-signal module. It is coded in
2’s complement, that is, with maximum 15 and minimum –16.
CALRCSEL The register field is for selection of cutoff frequency of smoothing filter in BBTX mixed-signal module.
It is coded in 2’s complement. That is, its maximum is 3 and minimum is –4.
GAIN The register field is used to control gain of DAC in BBTX mixed-signal module. It has impact on both of I- and
Q-channel DAC in BBTX mixed-signal module. It is coded in 2’s complement, that is, with maximum 3 and
minimum –4.
STARTCALRC Whenever 1 is writing to the bit, calibration process for smoothing filter in BBTX mixed-signal module
will be triggered. Once the calibration process is completed, the register bit CARLDONE will be read as 1.

MT6225 GSM/GPRS Baseband Processor Data Sheet Revision 1.00
349/377 MediaTek Inc. Confidential
CALRCDONE The register bit indicates if calibration process for smoothing filter in BBTX mixed-signal module has
finished. When calibration processing finishes, the register bit will be 1. When the register bit STARTCALRC is
set to 0, the register bit becomes 0 again.
MIXED+0404h
BBTX DAC Analog-Circuit Control Register 1 BBTX_AC_CON
1
Bit
15 14 13 12 11 10 9 8 7 6 5 4 3 2 1 0
Name
CALRCOUT FLOA
T
CALRCCNT
CALBIAS
CMV
Type
R R/W
R/W R./W R/W
Reset
- 0 00000 0000 000
Set this register for analog circuit configuration controls.
CMV The register field is used to control common voltage in BBTX mixed-signal module. It is coded in 2’s complement,
that is, with maximum 3 and minimum –4.
CALBIAS The register field is for control of biasing current in BBTX mixed-signal module. It is coded in 2’s
complement. That is, its maximum is 7 and minimum is –8. Biasing current in BBTX mixed-signal module has
impact on performance of D/A conversion. Larger the value of the register field, the larger the biasing current in
BBTX mixed-signal module.
CALRCCNT Parameter for calibration process of smoothing filter in BBTX mixed-signal module. Default value is ‘22’.
Note that it is NOT coded in 2’s complement. Therefore the range of its value is from 0 to 31. Remember to set it
to 0x16 before BBTX calibration process if clock sent to BBTX is 26mhz. Otherwise set to 0xb if clock is 13mhz.
It only needs to be set once.
FLOAT The register field is used to have the outputs of DAC in BBTX mixed-signal module float or not.
CALRCOUT After calibration processing for smoothing filter in BBTX mixed-signal module, a set of 3-bit value is
obtained. It is coded in 2’s complement.
Bit
15 14 13 12 11 10 9 8 7 6 5 4 3 2 1 0
Name
DCCOARSE
Q DCCOARSEI
DAC_PTR DWAE
N COARSE
CALR
CAUT
OL
CALR
COPE
N
Type
R/W
R/W
R/W
R/W R/W R/W R/W
R/W
R/W R/W
R/W
Reset
0 0 0 00 0 0000 0 0 0 0 0
Set this register for analog circuit configuration controls.
CALRCOPEN The register field is used to control normal Mode( close loop) or debug mode (open loop) for BBTX
comparator in mixed signal
0 normal Mode (close loop)
1 debug Mode (open Loop)
CALRCAUTO The register field is used to control the result of calibration process of smoothing filter can automatically
load to control the smoothing filter or not.
0 Not auto load, need manual load (default)
1 Auto load
COARSE The register field is used to control the central nominal value of BBTX DAC output
00 central nominal @ 1V
01 central nominal @ 1V –0.2V

MT6225 GSM/GPRS Baseband Processor Data Sheet Revision 1.00
350/377 MediaTek Inc. Confidential
10 reserved
11 central nominal @ 1V +0.2V
DWAEN The register field is used to turn on the DWA scheme of the BBTX DAC,
0 DWA scheme off (default)
1 DWA scheme on
DACPTR The register field is used to configured the staring pointer of 1 hot pulling of LSB[7:0] signal to BBTX
DAC, range from 0~7. There is two different configuration. For DWAEN = 0, pointer always starts from the configuration
value (e.g. if DACPTR = 3’b1, 1 hot will start pulling from LSB[1]). However, for DWAEN=1, the initial starting pointer
will follow the configuration, while the pointer will move to most significant 1 hot pointer + 1 from the last LSB[7:0] input.
( e.g. if DACPTR = 3’b1,and LSB[7:0] maybe 8’b00001110, then the next starting poiter will starts from LSB[4].). Defulat
value is 0h.
DCCOARSEI The register field is used to control the central nominal value of BBTX DAC for I channel offset
00 central nominal @ +0mV
01 central nominal @ +30mV
11 central nominal @ - 30mV
10 reserved
DCCOARSEQ The register field is used to control the central nominal value of BBTX DAC for Q channel offset
00 central nominal @ +0mV
01 central nominal @ +30mV
11 central nominal @ - 30mV
10 reserved
12.2.3 AFC DAC
MCU APB bus registers for AFC DAC are listed as follows.
MIXED+0500h
AFC DAC Analog-Circuit Control Register AFC_AC_CON
Bit
15 14 13 12 11 10 9 8 7 6 5 4 3 2 1 0
Name
GAIN
SEL
CALI
Type
R/W
R/W
Reset
0 0
Set this register for analog circuit configuration controls. Please refer to analog functional specification for more details.
GAINSEL gain selection of output swing
0 3/4VDD
1 Full VDD
CALI biasing current control
12.2.4 APC DAC
MCU APB bus registers for APC DAC are listed as followings.

MT6225 GSM/GPRS Baseband Processor Data Sheet Revision 1.00
351/377 MediaTek Inc. Confidential
MIXED+0600h
APC DAC Analog-Circuit Control Register APC_AC_CON
Bit
15 14 13 12 11 10 9 8 7 6 5 4 3 2 1 0
Name
BYP
CALI
Type
R/W
R/W
Reset
0 0
Set this register for analog circuit configuration controls. Please refer to analog functional specification for more details.
BYP bypass output buffer
CALI biasing current control
12.2.5 Auxiliary ADC
MCU APB bus registers for AUX ADC are listed as followings.
MIXED+0700h
Auxiliary ADC Analog-Circuit Control Register AUX_AC_CON
Bit
15 14 13 12 11 10 9 8 7 6 5 4 3 2 1 0
Name
GAIN
EN
CALI
Type
R/W
R/W
Reset
0 0
Set this register for analog circuit configuration controls. Please refer to analog functional specification for more details.
CALI Biasing current control
GAINEN Comparator switch enable signal.
12.2.6 Voice Front-end
MCU APB bus registers for speech are listed as followings.
MIXED+0100h
AFE Voice Analog Gain Control Register AFE_VAG_CON
Bit
15 14 13 12 11 10 9 8 7 6 5 4 3 2 1 0
Name
VUPG VDPG0
Type
R/W R/W
Reset
0000 0000
Set this register for analog PGA gains. VUPG is set for microphone input volume control. And VDPG0 and VDPG1 are set
for two output volume controls
VUPG voice-band up-link PGA gain control bits. For VCFG[3] = 1, it is only valid for INPUT 1.
VCFG [3] =’0’ VCFG [3] =’1’
VUPG [4:0] Gain VUPG [4:0] Gain
11111 42 dB XX111 -21dB
11110 40 dB XX110 -18dB
11101 38 dB XX101 -15dB
11100 36 dB XX100 -12dB
11011 34 dB XX011 -9dB

MT6225 GSM/GPRS Baseband Processor Data Sheet Revision 1.00
352/377 MediaTek Inc. Confidential
11010 32 dB XX010 -6dB
11001 30 dB XX001 -3dB
11000 28 dB XX000 0dB
10111 26 dB
10110 24 dB
10101 22 dB
10100 20 dB
10011 18 dB
10010 16 dB
10001 14 dB
10000 12 dB
01111 10 dB
01110 8 dB
01101 6 dB
01100 4 dB
01011 2 dB
01010 0 dB
01001 -2 dB
01000 -4 dB
00111 -6 dB
00110 -8 dB
00101 -10 dB
00100 -12 dB
00011 -14 dB
00010 -16 dB
00001 -18 dB
00000 -20 dB
VDPG0 voice-band down-link PGA0 gain control bits
VDPG0 [3:0] Gain
1111 8dB
1110 6dB
1101 4dB
1100 2dB
1011 0dB
1010 -2dB
1001 -4dB
1000 -6dB
0111 -8dB

MT6225 GSM/GPRS Baseband Processor Data Sheet Revision 1.00
353/377 MediaTek Inc. Confidential
0110 -10dB
0101 -12dB
0100 -14dB
0011 -16dB
0010 -18dB
0001 -20dB
0000 -22dB
MIXED+0104h AFE Voice Analog-Circuit Control Register 0
AFE_VAC_CON0
Bit
15 14 13
12
11
10
9
8
7
6
5 4
3
2 1 0
Name
VDC_COUPLE
VMIC_SHORT
VMIC_VREF
VCFG VDSEND0
VCALI
Type
R/W R/W R/W R/W R/W R/W
Reset
0 0 00 00000 00 00000
Set this register for analog circuit configuration controls.
VDC_COUPLE Selectively choose DC couple microphone sense.
0 Disable DC couple sense of microphone
1 Enable DC couple sense of microphone
VMIC_SHORT Selectively short AU_MICBIASP / AU_MICBIASN.
0 float MIC_BIASN and short it to MIC_BIASP when handsfree mode mic is plugged in
1 short MIC_BIASN to ground when handsfree mode mic is plugged in. In this mode, differential mic has
current leakage and cause power loss.
VMIC_VREF Tuning MICBIASP DC voltage.
00 1.9V
01 2.0V
10 2.1V
11 2.2V
VCFG[4] microphone biasing control
0 differential biasing
1 single-ended biasing
VCFG[3] gain mode control. This control register is only valid to input 1. Others can be amplification mode only.
0 amplification
1 attenuation
VCFG[2] coupling control
0 AC
1 DC
VCFG[1:0] input select control
00 input 0
01 input 1
10 FM
11 reserved
VDSEND0 single-ended configuration control for out0
VCALI biasing current control, in 2’s complement format

MT6225 GSM/GPRS Baseband Processor Data Sheet Revision 1.00
354/377 MediaTek Inc. Confidential
MIXED+0108h
AFE Voice Analog-Circuit Control Register 1 AFE_VAC_CON1
Bit
15 14 13 12 11 10 9 8 7 6 5 4 3 2 1 0
Name
VUPO
P_EN
VBIAS
_EN
VOC_
EN
VBG_CTRL VIBO
OT
VFLO
AT
VRSD
ON
VADC
INMO
DE
VDAC
INMO
DE
Type
R/W
R/W
R/W
R/W R/W
R/W
R/W
R/W
R/W
Reset
0 0 0 000 1 0 0 0 0
Set this register for analog circuit configuration controls. There are several loop back modes and test modes implemented
for test purposes. Suggested value is 0280h.
VUPOP_EN de-pop noise enable
0: disable
1: enable
VBIAS_EN voice downlink buffer bias current control
0: normal bias current
1: increase bias current
VOC_EN voice downlink buffer over current protection
0: disable
1: enable
VBG_CTRL voice-band bandgap control
IBOOT voice downlink DAC bias current control
0: increase bias current
1: normal bias current
VFLOAT voice-band output driver float
0: normal operating mode
1: float mode
VRSDON voice-band redundant signed digit function on
0: 1-bit 2-level mode
1: 2-bit 3-level mode
VADCINMODE Voice-band ADC output mode.
0: normal operating mode
1: the ADC input from the DAC output
VDACINMODE Voice-band DAC input mode.
0: normal operating mode
1: the DAC input from the ADC output
MIXED+010Ch
AFE Voice Analog Power Down Control Register AFE_VAPDN_C
ON
Bit
15 14 13 12 11 10 9 8 7 6 5 4 3 2 1 0
Name
VPDN
_BIAS
VPDN
_LNA
VPDN
_ADC
VPDN
_DAC
VPDN
_OUT
0
Type
R/W
R/W
R/W
R/W
R/W

MT6225 GSM/GPRS Baseband Processor Data Sheet Revision 1.00
355/377 MediaTek Inc. Confidential
Reset
0 0 0 0 0
Set this register to power up analog blocks. 0: power down, 1: power up.
VPDN_BIAS bias block
VPDN_LNA low noise amplifier block
VPDN_ADC ADC block
VPDN_DAC DAC block
VPDN_OUT0 OUT0 buffer block
MIXED+0110h
AFE Voice AGC Control Register AFE_VAGC_CO
N
Bit
15 14 13 12 11 10 9 8 7 6 5 4 3 2 1 0
Name
AAGC
EN
AGCT
EST
RELNOIDUR
SEL
RELNOILEV
SEL FRELCKSEL
SRELCKSEL
ATTTHDCAL
ATTC
KSEL
HYST
EREN
DAGC
EN
Type
R/W
R/W
R/W R/W R/W R/W R/W R/W
R/W
R/W
Reset
0 0 00 00 00 00 00 0 0 0
Set this register for analog circuit configuration controls. There are several loop back modes and test modes implemented
for test purposes. Suggested value is 4dcfh.
DAGCEN Digital AGC function enable. The loop-back path of AGC comprises analog comparators and digital gain
control circuitry. This control register is used to enable the digital gain control circuitry. For normal function, DAGCEN
and AAGCEN shall be set to “1” to enable voice AGC function.
HYSTEREN AGC hysteresis function enable
ATTCKSEL attack clock selection
0: 16 KHz
1: 32 KHz
ATTTHDCAL attack threshold calibration
SRELCKSEL release slow clock selection
00: 1000/512 Hz
01: 1000/256 Hz
10: 1000/128 Hz
11: 1000/64 Hz
FRELCKSEL release fast clock selection
00: 1000/64 Hz
01: 1000/32 Hz
10: 1000/16 Hz
11: 1000/8 Hz
RELNOILEVSEL release noise level selection
00: -8 dB
01: -14 dB
10: -20 dB
11: -26 dB
RELNOIDURSEL release noise duration selection
00: 64 ms

MT6225 GSM/GPRS Baseband Processor Data Sheet Revision 1.00
356/377 MediaTek Inc. Confidential
01: 32 ms
10: 16 ms
11: 8 ms, 32768/4096
AAGCEN Analog AGC function enable. This control bit is used to enable the comparators of AGC loop-back path.
12.2.7 Audio Front-end
MCU APB bus registers for audio are listed as followings.
MIXED+0200h
AFE Audio Analog Gain Control Register AFE_AAG_CON
Bit
15 14 13 12 11 10 9 8 7 6 5 4 3 2 1 0
Name
AMUT
ER
AMUT
EL
APGR APGL
Type
R/W
R/W
R/W R/W
Reset
0 0 0000 0000
Set this register for analog PGA gains.
AMUTER audio PGA L-channel mute control
AMUTEL audio PGA R-channel mute control
APGR audio PGA R-channel gain control
APGL audio PGA L-channel gain control
APGR [3:0] / APGL [3:0] Gain
1111 23dB
1110 20dB
1101 17dB
1100 14dB
1011 13dB
1010 8dB
1001 5dB
1000 2dB
0111 -1dB
0110 -4dB
0101 -7dB
0100 -10dB
0011 -13dB
0010 -16dB
0001 -19dB
0000 -22dB
MIXED+0204h
AFE Audio Analog-Circuit Control Register AFE_AAC_CON
Bit 15
14
13 12 11
10
9 8 7 6 5 4 3 2 1 0
Name
APRO_SC
ADEPOP
ABUFSELR ABUFSELL ACALI
Type
R/W R/W R/W R/W R/W
Reset
0 0 000 000 00000

MT6225 GSM/GPRS Baseband Processor Data Sheet Revision 1.00
357/377 MediaTek Inc. Confidential
Set this register for analog circuit configuration controls.
APRO_SC Short circuit protection.
0 disable
1 enable
ADEPOP De-POP noise.
0 disable
1 enable
ABUFSELR audio buffer R-channel input selection
000: audio DAC R/L-channel output; stereo to mono
001: audio DAC R-channel output
010: voice DAC output
100: external FM R/L-channel radio output, stereo to mono
101: external FM R-channel radio output
OTHERS: reserved.
ABUFSELL audio buffer L-channel input selection
000: audio DAC R/L-channel output; stereo to mono
001: audio DAC L-channel output
010: voice DAC output
100: external FM R/L-channel radio output, stereo to mono
101: external FM L-channel radio output
OTHERS: reserved.
ACALI audio bias current control, in 2’s complement format
MIXED+0208h
AFE Audio Analog Power Down Control Register AFE_AAPDN_C
ON
Bit
15 14 13 12 11 10 9 8 7 6 5 4 3 2 1 0
Name
APDN
_BIAS
APDN
_DAC
R
APDN
_DAC
L
APDN
_OUT
R
APDN
_OUT
L
Type
R/W
R/W
R/W
R/W
R/W
Reset
0 0 0 0 0
Set this register to power up analog blocks. 0: power down, 1: power up. Suggested value is 00ffh.
APDN_BIAS BIAS block
APDN_DACR R-channel DAC block
APDN_DACL L-channel DAC block
APDN_OUTR R-channel OUT buffer block
APDN_OUTL L-channel OUT buffer block
MIXED+020Ch
Enhanced Audio Analog Front End Control &
Parameters AFE_AAC_NEW
Bit
15 14 13 12 11 10 9 8 7 6 5 4 3 2 1 0
Name
MIC_S
HORT
BUF_BIAS
DAC_
MODE
MUX
VCMB
UF_E
N
VCM_
MODE
DC_C
OUPL
E

MT6225 GSM/GPRS Baseband Processor Data Sheet Revision 1.00
358/377 MediaTek Inc. Confidential
Type
R/W
R/W R/W
R/W R/W
R/W
R/W
Reset
0 0 0 0 0 0
MT6225 ehnahced audio DAC application circuitry selection and control parameters.
MIC_SHORT Selectively short AU_MICBIASP and AU_MICBIASN. Useless.
BUF_BIAS Select buffer quasi-current.
00 Nominal bias current
01 Larger bias current
10 Smallest bias current
11 Smaller bias current
DAC_MODE Select two different DAC circuitry.
0 New DAC
1 Old DAC
MUX Mux audio DAC output to DM R/L pins.
00 FM input
01 FM input
10 Left channel DAC
11 Right channel O/P
VCMBUF_EN Enable DC couple VCM buffer.
0 Disable VCM buffer
1 Enable VCM buffer
VCM_MODE Change common mode generation circuitry.
0 New VCM circuitry
1 Old VCM circuitry
DC_COUPLE Enable DC couple microphone sense. Useless.
0 Disable
1 Enable
12.2.8 Reserved
Some registers are reserved for further extensions.
MIXED+0800h
Reserved 0 Analog Circuit Control Register 0 RES0_AC_CON
0
Bit
15 14 13 12 11 10 9 8 7 6 5 4 3 2 1 0
Name
Type
R/W
R/W
R/W
R/W
R/W
R/W
R/W
R/W
R/W
R/W
R/W
R/W
R/W
R/W
R/W
R/W
Reset
0 0 0 0 0 0 0 0 0 0 0 0 0 0 0 0

MT6225 GSM/GPRS Baseband Processor Data Sheet Revision 1.00
359/377 MediaTek Inc. Confidential
MIXED+0804h
Reserved 0 Analog Circuit Control Register 1 RES0_AC_CON
1
Bit
15 14 13 12 11 10 9 8 7 6 5 4 3 2 1 0
Name
Type
R/W
R/W
R/W
R/W
R/W
R/W
R/W
R/W
R/W
R/W
R/W
R/W
R/W
R/W
R/W
R/W
Reset
0 0 0 0 0 0 0 0 0 0 0 0 0 0 0 0
MIXED+0900h
Reserved 1 Analog Circuit Control Register 0 RES1_AC_CON
0
Bit
15 14 13 12 11 10 9 8 7 6 5 4 3 2 1 0
Name
Type
R/W
R/W
R/W
R/W
R/W
R/W
R/W
R/W
R/W
R/W
R/W
R/W
R/W
R/W
R/W
R/W
Reset
0 0 0 0 0 0 0 0 0 0 0 0 0 0 0 0
MIXED+0904h
Reserved 1 Analog Circuit Control Register 1 RES1_AC_CON
1
Bit
15 14 13 12 11 10 9 8 7 6 5 4 3 2 1 0
Name
Type
R/W
R/W
R/W
R/W
R/W
R/W
R/W
R/W
R/W
R/W
R/W
R/W
R/W
R/W
R/W
R/W
Reset
0 0 0 0 0 0 0 0 0 0 0 0 0 0 0 0
MIXED+0A00h
Reserved 2 Analog Circuit Control Register 0 RES2_AC_CON
0
Bit
15 14 13 12 11 10 9 8 7 6 5 4 3 2 1 0
Name
Type
R/W
R/W
R/W
R/W
R/W
R/W
R/W
R/W
R/W
R/W
R/W
R/W
R/W
R/W
R/W
R/W
Reset
0 0 0 0 0 0 0 0 0 0 0 0 0 0 0 0
MIXED+0A04h
Reserved 2 Analog Circuit Control Register 1 RES2_AC_CON
1
Bit
15 14 13 12 11 10 9 8 7 6 5 4 3 2 1 0
Name
Type
R/W
R/W
R/W
R/W
R/W
R/W
R/W
R/W
R/W
R/W
R/W
R/W
R/W
R/W
R/W
R/W
Reset
0 0 0 0 0 0 0 0 0 0 0 0 0 0 0 0
MIXED+0B00h
Reserved 3 Analog Circuit Control Register 0 RES3_AC_CON
0
Bit
15 14 13 12 11 10 9 8 7 6 5 4 3 2 1 0
Name
Type
R/W
R/W
R/W
R/W
R/W
R/W
R/W
R/W
R/W
R/W
R/W
R/W
R/W
R/W
R/W
R/W
Reset
0 0 0 0 0 0 0 0 0 0 0 0 0 0 0 0
MIXED+0B04h
Reserved 3 Analog Circuit Control Register 1 RES3_AC_CON
1
Bit
15 14 13 12 11 10 9 8 7 6 5 4 3 2 1 0

MT6225 GSM/GPRS Baseband Processor Data Sheet Revision 1.00
360/377 MediaTek Inc. Confidential
Name
Type
R/W
R/W
R/W
R/W
R/W
R/W
R/W
R/W
R/W
R/W
R/W
R/W
R/W
R/W
R/W
R/W
Reset
0 0 0 0 0 0 0 0 0 0 0 0 0 0 0 0
MIXED+0C00h
Reserved 4 Analog Circuit Control Register 0 RES4_AC_CON
0
Bit
15 14 13 12 11 10 9 8 7 6 5 4 3 2 1 0
Name
Type
R/W
R/W
R/W
R/W
R/W
R/W
R/W
R/W
R/W
R/W
R/W
R/W
R/W
R/W
R/W
R/W
Reset
0 0 0 0 0 0 0 0 0 0 0 0 0 0 0 0
MIXED+0C04h
Reserved 4 Analog Circuit Control Register 1 RES4_AC_CON
1
Bit
15 14 13 12 11 10 9 8 7 6 5 4 3 2 1 0
Name
Type
R/W
R/W
R/W
R/W
R/W
R/W
R/W
R/W
R/W
R/W
R/W
R/W
R/W
R/W
R/W
R/W
Reset
0 0 0 0 0 0 0 0 0 0 0 0 0 0 0 0
MIXED+0D00h
Reserved 5 Analog Circuit Control Register 0 RES5_AC_CON
0
Bit
15 14 13 12 11 10 9 8 7 6 5 4 3 2 1 0
Name
Type
R/W
R/W
R/W
R/W
R/W
R/W
R/W
R/W
R/W
R/W
R/W
R/W
R/W
R/W
R/W
R/W
Reset
0 0 0 0 0 0 0 0 0 0 0 0 0 0 0 0
MIXED+0D04h
Reserved 5 Analog Circuit Control Register 1 RES5_AC_CON1
Bit
15 14 13 12 11 10 9 8 7 6 5 4 3 2 1 0
Name
Type
R/W
R/W
R/W
R/W
R/W
R/W
R/W
R/W
R/W
R/W
R/W
R/W
R/W
R/W
R/W
R/W
Reset
0 0 0 0 0 0 0 0 0 0 0 0 0 0 0 0
MIXED+0E00h
Reserved 6 Analog Circuit Control Register 0 RES6_AC_CON0
Bit
15 14 13 12 11 10 9 8 7 6 5 4 3 2 1 0
Name
Type
R/W
R/W
R/W
R/W
R/W
R/W
R/W
R/W
R/W
R/W
R/W
R/W
R/W
R/W
R/W
R/W
Reset
0 0 0 0 0 0 0 0 0 0 0 0 0 0 0 0
MIXED+0E04h
Reserved 6 Analog Circuit Control Register 1 RES6_AC_CON1
Bit
15 14 13 12 11 10 9 8 7 6 5 4 3 2 1 0
Name
Type
R/W
R/W
R/W
R/W
R/W
R/W
R/W
R/W
R/W
R/W
R/W
R/W
R/W
R/W
R/W
R/W
Reset
0 0 0 0 0 0 0 0 0 0 0 0 0 0 0 0
MIXED+0F00h
Reserved 7 Analog Circuit Control Register 0 RES7_AC_CON0
Bit
15 14 13 12 11 10 9 8 7 6 5 4 3 2 1 0
Name
Type
R/W
R/W
R/W
R/W
R/W
R/W
R/W
R/W
R/W
R/W
R/W
R/W
R/W
R/W
R/W
R/W

MT6225 GSM/GPRS Baseband Processor Data Sheet Revision 1.00
361/377 MediaTek Inc. Confidential
Reset
0 0 0 0 0 0 0 0 0 0 0 0 0 0 0 0
MIXED+0F04h
Reserved 7 Analog Circuit Control Register 1 RES7_AC_CON1
Bit
15 14 13 12 11 10 9 8 7 6 5 4 3 2 1 0
Name
Type
R/W
R/W
R/W
R/W
R/W
R/W
R/W
R/W
R/W
R/W
R/W
R/W
R/W
R/W
R/W
R/W
Reset
0 0 0 0 0 0 0 0 0 0 0 0 0 0 0 0
12.3 Programming Guide
12.3.1 BBRX Register Setup
The register used to control analog base-band receiver is BBRX_AC_CON.
12.3.1.1 Programmable Biasing Current
To maximize the yield in modern digital process, the receiver features providing 5-bit 32-level programmable current to
bias internal analog blocks. The 5-bits registers CALBIAS [4:0] is coded with 2’s complement format.
12.3.1.2 Offset / Gain Calibration
The base-band downlink receiver (RX), together with the base-band uplink transmitter (TX) introduced in the next section,
provides necessary analog hardware for DSP algorithm to correct the mismatch and offset error. The connection for
measurement of both RX/TX mismatch and gain error is shown in Figure 106, and the corresponding calibration procedure
is described below.
Figure 106 Base-band A/D and D/A Offset and Gain Calibration

MT6225 GSM/GPRS Baseband Processor Data Sheet Revision 1.00
362/377 MediaTek Inc. Confidential
12.3.1.3 Downlink RX Offset Error Calibration
The RX offset measurement is achieved by selecting grounded input to A/D converter (set ISEL [1:0] =’11’ and QSEL [1:0]
=’11’ to select channel 3 of the analog input multiplexer, as shown in Figure 107. The output of the ADC is sent to DSP for
further offset cancellation. The offset cancellation accuracy depends on the number of samples being converted. That is,
more accurate measurement can be obtained by collecting more samples followed by averaging algorithm.
Figure 107 Downlink ADC Offset Error Measurement
12.3.1.4 Downlink RX and Uplink TX Gain Error Calibration
To measure the gain mismatch error, both I/Q uplink TXs should be programmed to produce full-scale pure sinusoidal
waves output. Such signals are then fed to downlink RX for A/D conversion, in the following two steps.
A. The uplink I-channel output are connected to the downlink I-channel input, and the uplink Q-channel output are
connected to the downlink Q-channel input. This can be achieved by setting ISEL [1:0] =’01’ and QSEL [1:0] =’01’
(shown in Figure 108 (A))..
B. The uplink I-channel output are then connected to the downlink Q-channel input, and the uplink Q-channel output are
connected to the downlink I-channel input. This can be achieved by setting ISEL [1:0] =’10’ and QSEL [1:0] =’10’
(shown in Figure 108 (B)).

MT6225 GSM/GPRS Baseband Processor Data Sheet Revision 1.00
363/377 MediaTek Inc. Confidential
Figure 108 Downlink RX and Up-link TX Gain Mismatch Measurement (A) I/Q TX connect to I/Q RX (B) I/Q TX
connect to Q/I RX
Once above successive procedures are completed, RX/TX gain mismatch could be easily obtained because the amplitude
mismatch on RX digitized result in step A and B is the sum and difference of RX and TX gain mismatch, respectively.
The gain error of the downlink RX can be corrected in the DSP section and the uplink TX gain error can be corrected by the
gain trimming facility that TX block provide.
12.3.1.5 Uplink TX Offset Error Calibration
Once the offset of the downlink RX is known and corrected, the offset of the uplink TX alone could be easily estimated.
The offset error of TX should be corrected in the digital domain by means of the programmable feature of the digital
GMSK modulator.
Finally, it is important that above three calibration procedures should be exercised in order, that is, correct the RX offset
first, then RX/TX gain mismatch, and finally TX offset. This is owing to that analog gain calibration in TX will affect its
offset, while the digital offset correction has no effect on gain.
12.3.2 BBTX Register Setup
The register used to control analog base-band transmitter is BBTX_AC_CON0 and BBTX_AC_CON1.
12.3.2.1 Output Gain Control
The output swing of the uplink transmitter is controlled by register GAIN [2:0] coded in 2’s complement with about 2dB
step. When TRIMI [3:0] / TRIMQ [3:0] = 0 the swing is listed in Table 66, defined to be the difference between positive
and negative output signal.
GAIN [2:0] Output Swing For AVDD=2.8 (V)
+3 (011) AVDD*0.900 (+6.02 dB) 2.52
+2 (010) AVDD*0.720 (+4.08 dB) 2.02

MT6225 GSM/GPRS Baseband Processor Data Sheet Revision 1.00
364/377 MediaTek Inc. Confidential
+1 (001) AVDD*0.576 (+2.14 dB) 1.61
+0 (000) AVDD*0.450 (+0.00 dB) 1.26
-1 (111) AVDD*0.360 (-1.94 dB) 1
-2 (110) AVDD*0.288 (-3.88 dB) 0.81
-3 (101) AVDD*0.225 (-6.02 dB) 0.63
-4 (100) AVDD*0.180 (-7.95 dB) 0.5
Table 66 Output Swing Control Table
12.3.2.2 Output Gain Trimming
I/Q channels can also be trimmed separately to compensate gain mismatch in the base-band transmitter or the whole
transmission path including RF module. The gain trimming is adjusted in 16 steps spread from –1.18dB to +1.18dB (Table
67), compared to the full-scale range set by GAIN [2:0].
TRIMI [3:0] / TRIMQ [3:0] Gain Step (dB)
+7 (0111) 1.18
+6 (0110) 1.00
+5 (0101) 0.83
+4 (0100) 0.66
+3 (0011) 0.49
+2 (0010) 0.32
+1 (0001) 0.16
+0 (0000) 0.00
-1 (1111) -0.16
-2 (1110) -0.31
-3 (1101) -0.46
-4 (1100) -0.61
-5 (1011) -0.75
-6 (1010) -0.90
-7 (1001) -1.04
-8 (1000) -1.18
Table 67 Gain Trimming Control Table
12.3.2.3 Output Common-Mode Voltage
The output common-mode voltage is controlled by CMV [2:0] with about 0.08*AVDD step, as listed in the following table.
CMV [2:0] Common-Mode Voltage
+3 (011) AVDD*0.62

MT6225 GSM/GPRS Baseband Processor Data Sheet Revision 1.00
365/377 MediaTek Inc. Confidential
+2 (010) AVDD*0.58
+1 (001) AVDD*0.54
+0 (000) AVDD*0.50
-1 (111) AVDD*0.46
-2 (110) AVDD*0.42
-3 (101) AVDD*0.38
-4 (100) AVDD*0.34
Table 68 Output Common-Mode Voltage Control Table
12.3.2.4 Programmable Biasing Current
The transmitter features providing 5-bit 32-level programmable current to bias internal analog blocks. The 5-bits registers
CALBIAS [4:0] is coded with 2’s complement format.
12.3.2.5 Smoothing Filter Characteristic
The 2nd –order Butterworth smoothing filter is used to suppress the image at DAC output: it provides more than 40dB
attenuation at the 4.44MHz sampling frequency. To tackle with the digital process component variation, programmable
cutoff frequency control bits CALRCSEL [2:0] are included. User can directly change the filter cut-off frequency by
different CALRCSEL value (coded with 2’s complement format and with a default value 0). In addition, an internal
calibration process is provided, by setting START CALRC to high and CALRCCNT to an appropriate value (default is 11).
After the calibration process, the filter cut-off frequency is calibrated to 350kHz +/- 50 kHz and a new CALRCOUT value
is stored in the register. During the calibration process, the output of the cell is high-impedance.
12.3.3 AFC-DAC Register Setup
The register used to control the APC DAC is AFC_AC_CON, which providing 5-bit 32-level programmable current to bias
internal analog blocks. The 5-bits registers CALI [4:0] is coded with 2’s complement format.
12.3.4 APC-DAC Register Setup
The register used to control the APC DAC is AFC_AC_CON, which providing 5-bit 32-level programmable current to bias
internal analog blocks. The 5-bits registers CALI [4:0] is coded with 2’s complement format.
12.3.5 Auxiliary A/D Conversion Register Setup
The register used to control the Aux-ADC is AUX_AC_CON. For this register, which providing 5-bit 32-level
programmable current to bias internal analog blocks. The 5-bits registers CALI [4:0] is coded with 2’s complement
format.
12.3.6 Voice-band Blocks Register Setup
The registers used to control AMB are AFE_VAG_CON, AFE_VAC_CON0, AFE_VAC_CON1, and AFE_VAPDN_CON.
For these registers, please refer to chapter “Analog Chip Interface”

MT6225 GSM/GPRS Baseband Processor Data Sheet Revision 1.00
366/377 MediaTek Inc. Confidential
12.3.6.1 Reference Circuit
The voice-band blocks include internal bias circuits, a differential bandgap voltage reference circuit and a differential
microphone bias circuit. Internal bias current could be calibrated by varying VCALI[4:0] (coded with 2’s complement
format).
The differential bandgap circuit generates a low temperature dependent voltage for internal use. For proper operation, there
should be an external 47nF capacitor connected between differential output pins AU_VREFP and AU_VREFN. The
bandgap voltage (~1.24V7, typical) also defines the dBm0 reference level through out the audio mixed-signal blocks. The
following table illustrates typical 0dBm0 voltage when uplink/downlink programmable gains are unity. For other gain
setting, 0dBm0 reference level should be scaled accordingly.
Symbol Parameter Min Typical Max Unit
V0dBm0,UP
0dBm0 Voltage for Uplink Path, Applied
Differentially Between Positive and
Negative Microphone Input Pins
0.2V V-rms
V0dBm0,Dn 0dBm0 voltage for Downlink Path,
Appeared Differentially Between Positive
and Negative Power Amplifier Output Pins
0.6V V-rms
Table 69 0dBm0 reference level for unity uplink/downlink gain
The microphone bias circuit generates a differential output voltage between AU_MICBIAS_P and AU_MICBIAS_N for
external electret type microphone. Typical output voltage is 1.9 V. In singled-ended mode, by set VCFG[3] =1,
AU_MICBIAS_N is pull down while output voltage is present on AU_MICBIAS_P, respect to ground. The max current
supplied by microphone bias circuit is 2mA.
12.3.6.2 Uplink Path
Uplink path of voice-band blocks includes an uplink programmable gain amplifier and a sigma-delta modulator.
12.3.6.2.1 Uplink Programmable Gain Amplifier
Input to the PGA is a multiplexer controlled by VCFG [3:0], as described in the following table. In normal operation, both
input AC and DC coupling are feasible for attenuation the input signal (gain <= 0dB). However, only AC coupling is
suggested if amplification of input signal is desired (gain>=0dB).
Control
Signal
Function Descriptions
VCFG [0] Input Selector 0: Input 0 (From AU_VIN0_P / AU_VIN0_N) Is Selected
1: Input 1 (From AU_VIN1_P / AU_VIN1_N) Is Selected
VCFG [1] Coupling Mode
0: AC Coupling
1: DC Coupling
VCFG [2] Gain Mode 0: Amplification Mode (gain >= 0 dB)
7 The bandgap voltage could be calibrated by adjusting control signal VBG_CTRL[1:0]. Its default value is [00].
VBG_CTRL not only adjust the bandgap voltage but also vary its temperature dependence. Optimal value of VBG_CTRL
is to be determined.

MT6225 GSM/GPRS Baseband Processor Data Sheet Revision 1.00
367/377 MediaTek Inc. Confidential
1: Attenuation Mode (gain <= 0dB)
VCFG [3] Microphone
Biasing
0: Differential Biasing (Take Bias Voltage Between AU_MICBIAS_P
and AU_MICBIAS_N)
1: Signal-Ended Biasing (Take Bias Voltage From AU_MICBIAS_P
Respected to Ground. AU_MICBIAS_N Is Connected to Ground)
Table 70 Uplink PGA input configuration setting
The PGA itself provides programmable gain (through VUPG [3:0]) with step of 3dB, as listed in the following table.
VCFG [2] =’0’ VCFG [2] =’1’
VUPG [3:0] Gain VUPG [3:0] Gain
1111 NA X111 -21dB
1110 42dB X110 -18dB
1101 39dB X101 -15dB
1100 36dB X100 -12dB
1011 33dB X011 -9dB
1010 30dB X010 -6dB
1001 27dB X001 -3dB
1000 24dB X000 0dB
0111 21dB
0110 18dB
0101 15dB
0100 12dB
0011 9dB
0010 6dB
0001 3dB
0000 0dB
Table 71 Uplink PGA gain setting (VUPG [3:0])
The following table illustrates typically the 0dBm0 voltage applied at the microphone inputs, differentially, for several gain
settings.
VCFG [2] =’0’ VCFG [2] =’1’
VUPG [3:0] 0dBm0 (V-rms) VUPG [3:0] 0dBm0 (V-rms)
1100 3.17mV X110 1.59V
1000 12.6mV X100 0.8V
0100 50.2mV X010 0.4V
0000 0.2V X000 0.2V
Table 72 0dBm0 voltage at microphone input pins

MT6225 GSM/GPRS Baseband Processor Data Sheet Revision 1.00
368/377 MediaTek Inc. Confidential
12.3.6.2.2 Sigma-Delta Modulator
Analog-to-digital conversion in uplink path is made with a second-order sigma-delta modulator (SDM) whose sampling
rate is 4096kHz. Output signals are coded in either one-bit or RSD format, optionally controlled by VRSDON register.
For test purpose, one can set VADCINMODE to HI to form a look-back path from downlink DAC output to SDM input.
The default value of VADCINMODE is zero.
12.3.6.3 Downlink Path
Downlink path of voice-band blocks includes a digital to analog converter (DAC) and two programmable output power
amplifiers.
12.3.6.3.1 Digital to Analog Converter
The DAC converts input bit-stream to analog signal by sampling rate of 4096kHz. . Besides, it performs a 2nd-order 40kHz
butterworth filtering. The DAC receives input signals from MT6228 DSP by set VDACINMODE = 0. It can also take
inputs from SDM output by setting VDACINMODE = 1.
12.3.6.3.2 Downlink Programmable Power Amplifier
Voice-band analog blocks include two identical output power amplifiers with programmable gain. Amplifier 0 and amplifier
1 can be configured to either differential or single-ended mode by adjusting VDSEND [0] and VDSEND [1], respectively.
In single-ended mode, when VDSEND[0] =1, output signal is present at AU_VOUT0_P pin respect to ground. Same as
VDSEND[1] for AU_VOUT1_P pin.
For the amplifier itself, programmable gain setting is described in the following table.
VDPG0 [3:0] / VDPG1 [3:0] Gain
1111 8dB
1110 6dB
1101 4dB
1100 2dB
1011 0dB
1010 -2dB
1001 -4dB
1000 -6dB
0111 -8dB
0110 -10dB
0101 -12dB
0100 -14dB
0011 -16dB
0010 -18dB
0001 -20dB
0000 -22dB
Table 73 Downlink power amplifier gain setting

MT6225 GSM/GPRS Baseband Processor Data Sheet Revision 1.00
369/377 MediaTek Inc. Confidential
Control signal VFLOAT, when set to ‘HI’, is used to make output nodes totally floating in power down mode. If VFLOAT
is set to ‘LOW” in power down mode, there will be a resistor of 50k ohm (typical) between AU_VOUT0_P and
AU_VOUT0_N, as well as between AU_VOUT0_P and AU_VOUT0_N.
The amplifiers deliver signal power to drive external earphone. The minimum resistive load is 28 ohm and the upper limit
of the output current is 50mA. On the basis that 3.14dBm0 digital input signal into downlink path produces DAC output
differential voltage of 0.87V-rms (typical), the following table illustrates the power amplifier output signal level (in V-rms)
and signal power for an external 32 ohm resistive load.
VDPG Output Signal
Level (V-rms)
Output Signal Power
(mW / dBm)
0010 0.11 0.37/-4.3
0110 0.27 2.28/3.6
1010 0.69 14.8/11.7
1110 1.74 94.6/19.8
Table 74 Output signal level/power for 3.14dBm0 input. External resistive load = 32 ohm
The following table illustrates the output signal level and power for different resistive load when VDPG =1110.
RLOAD Output Signal
Level (V-rms)
Output Signal Power
(mW / dBm)
30 1.74 101/20
100 1.74 30.3/14.8
600 1.74 5/7
Table 75 Output signal level/power for 3.14dBm0 input, VDPG =1110
12.3.6.4 Power Down Control
Each block inside audio mixed-signal blocks features dedicated power-down control, as illustrated in the following table.
Control
Signal
Descriptions
VPDN_BIAS
Power Down Reference Circuits (Active Low)
VPDN_LNA
Power Down Uplink PGA (Active Low)
VPDN_ADC
Power Down Uplink SDM (Active Low)
VPDN_DAC
Power Down DAC (Active Low)
VPDN_OUT0
Power Down Downlink Power Amp 0 (Active Low)
VPDN_OUT1
Power Down Downlink Power Amp 1 (Active Low)
Table 76 Voice-band blocks power down control
12.3.7 Audio-band Blocks Register Setup
The registers used to control audio blocks are AFE_AAG_CON, AFE_AAC_CON, and AFE_AAPDN_CON. For these
registers, please refer to chapter “Analog Chip Interface”

MT6225 GSM/GPRS Baseband Processor Data Sheet Revision 1.00
370/377 MediaTek Inc. Confidential
12.3.7.1 Output Gain Control
Audio blocks include stereo audio DACs and programmable output power amplifiers. The DACs convert input bit-stream
to analog signal by sampling rate of Fs*128 where Fs could be 32kHz, 44.1kHz, or 48kHz. Besides, it performs a 2nd-order
butterworth filtering. The two identical output power amplifiers with programmable gain are designed to driving external
AC-coupled single-end speaker. The minimum resistor load is 16 ohm and the maximum driving current is 50mA. The
programmable gain setting, controlled by APGR[] and APGL[], is the same as that of the voice-band amplifiers.
Unlike voice signals, 0dBFS defines the full-scale audio signals amplitude. Based on bandgap reference voltage again, the
following table illustrates the power amplifier output signal level (in V-rms) and signal power for an external 16 ohm
resistive load.
APGR[]/
APGL[]
Output Signal
Level (V-rms)
Output Signal Power
(mW / dBm)
0010 0.055 0.19/-7.2
0110 0.135 1.14/0.6
1010 0.345 7.44/8.7
1110 0.87 47.3/16.7
Table 77 Output signal level/power for 0dBFS input. External resistive load = 16 ohm
12.3.7.2 Mute Function and Power Down Control
By setting AMUTER (AMUTEL) to high, right (Left) channel output will be muted.
Each block inside audio mixed-signal blocks features dedicated power-down control, as illustrated in the following table.
Control Signal
Descriptions
APDN_BIAS
Power Down Reference Circuits (Active Low)
APDN_DACL
Power Down L-Channel DAC (Active Low)
APDN_DACR
Power Down R-Channel DAC (Active Low)
APDN_OUTL
Power Down L-Channel Audio Amplifier (Active Low)
APDN_OUTR
Power Down R-Channel Audio Amplifier (Active Low)
Table 78 Audio-band blocks power down control
12.3.8 Multiplexers for Audio and Voice Amplifiers
The audio/voice amplifiers feature accepting signals from various signal sources including AU_FMINR/AU_FMINL pins,
that aimed to receive stereo AM/FM signal from external radio chip:
1) Voice-band amplifier 0 accepts signals from voice DAC output only.
2) Voice-band amplifier 1 accepts signal from either voice DAC, audio DAC, or AM/FM radio input pins (controlled
by register VBUF1SEL[] ). For the last two cases, left and right channel signals will be summed together to form a
mono signal first.

MT6225 GSM/GPRS Baseband Processor Data Sheet Revision 1.00
371/377 MediaTek Inc. Confidential
3) Audio left/right channel amplifiers receive signals from either voice DAC, audio DAC, or AM/FM radio input pins
(controlled by registers ABUFSELL[] and ABUFSELR[] ), too. Left and right channel amplifiers will produce
identical output waveforms when receiving mono signals from voice DAC.
12.3.9 Preferred Microphone and Earphone Connections
In this section, preferred microphone and earphone connections are discussed.
Differential connection of microphone is shown below. This is the preferred method to obtain the possible best performance.
C1 and Rin form an AC coupling and high-pass network. C1*Rin should be chosen such that the in-band signal will not be
attenuated too much. For differential minimum resistance of 13k ohm, minimum value of C1 is 170nF for less than 1dB
attenuation at 300Hz. R2 is determined by microphone sensitivity. C2 and R2 form another low-pass filter to filtering noise
coming from microphone bias pins. Pole frequency less than 50Hz is recommended.
Figure 6 Differential Microphone Connection
For reference, single-ended connection method of microphone is shown below. R1 and R3 are chosen based on microphone
sensitivity requirement. C1 and Rin form an AC coupling and high-pass network. R2 and C2 constitute a low-pass network
for filtering out noise from microphone bias pins.

MT6225 GSM/GPRS Baseband Processor Data Sheet Revision 1.00
372/377 MediaTek Inc. Confidential
Figure 7 Single-ended Microphone Connection
For earphone, both differential and single-ended connections can be used. Advantage of differential connection includes
lower cost and better click-noise immunity. For single-ended connection, an additional AC-coupling capacitor is necessary
to not provide DC voltage to earphone. The high-pass cut-off frequency formed by AC-coupling capacitor and earphone
equivalent load should be low enough (e.g. < 300 Hz).
12.3.10 Clock Squarer Register Setup
The register used to control clock squarer is CLK_CON. For this register, please refer to chapter “Clocks”
CLKSQ_PLD is used to bypass the clock squarer.
12.3.11 Phase-Locked Loop Register Setup
For registers control the PLL, please refer to chapter “Clocks” and “Software Power Down Control”
12.3.11.1 Frequency Setup
The DSP/MCU PLL itself could be programmable to output either 52MHz or 78MHz clocks. Accompanied with additional
digital dividers, 13/26/39/52/65/78 MHz clock outputs are supported.
12.3.11.2 Programmable Biasing Current
The PLLs feature providing 5-bit 32-level programmable current to bias internal analog blocks. The 5-bits registers CALI
[4:0] is coded with 2’s complement format.
12.3.12 32-khz Crystal Oscillator Register Setup
For registers that control the oscillator, please refer to chapter “Real Time Clock” and “Software Power Down Control”.
XOSCCALI[4:0] is the calibration control registers of the bias current, and is coded with 2’s complement format.
1 CL is the parallel combination of C1 and C2 in the block diagram.

MT6225 GSM/GPRS Baseband Processor Data Sheet Revision 1.00
373/377 MediaTek Inc. Confidential
13 Digital Pin Electrical Characteristics
Based on I/O power supply (VDD33) = 3.3 V
Vil (max) = 0.8 V
Vih (min) = 2.0 V
PU/PD Resistor Ball
12x12
Name Dir Driving Iol &
Ioh Typ (mA)
Vol at Iol Max
(V)
Voh at Ioh Min
(V) Min Typ Max
Pull Cin
(pF)
JTAG Port
C2 JTRST# I 40K 75K 190K PD 5.2
D2 JTCK I 40K 75K 190K PU 5.2
D3 JTDI I 40K 75K 190K PU 5.2
E1 JTMS I 40K 75K 190K PU 5.2
E2 JTDO O 4 0.4 2.4
F1 JRTCK O 4 0.4 2.4
RF Parallel Control Unit
E3 BPI_BUS0 O 2/8 0.4 2.4
E4 BPI_BUS1 O 2/8 0.4 2.4
F2 BPI_BUS2 O 2/8 0.4 2.4
F3 BPI_BUS3 O 2/8 0.4 2.4
F4 BPI_BUS4 O 2 0.4 2.4
F5 BPI_BUS5 O 2 0.4 2.4
F6 BPI_BUS6 IO 2 0.4 2.4 40K 75K 190K PD 5.2
G5 BPI_BUS7 IO 2 0.4 2.4 40K 75K 190K PD 5.2
G4 BPI_BUS8 IO 2 0.4 2.4 40K 75K 190K PD 5.2
G3 BPI_BUS9 IO 2 0.4 2.4 40K 75K 190K PD 5.2
RF Serial Control Unit
G2 BSI_CS0 O 2 0.4 2.4
G1 BSI_DATA O 2 0.4 2.4
H1 BSI_CLK O 2 0.4 2.4
Serial LCD/PM IC Interface
H2 LSCK IO 2/4/6/8 0.4 2.4 40K 75K 190K PU 5.2
H3 LSA0 IO 2/4/6/8 0.4 2.4 40K 75K 190K PU 5.2
H4 LSDA IO 2/4/6/8 0.4 2.4 40K 75K 190K PU 5.2
J1 LSCE0# IO 2/4/6/8 0.4 2.4 40K 75K 190K PU 5.2
J2 LSCE1# IO 2/4/6/8 0.4 2.4 40K 75K 190K PU 5.2
Parallel LCD/NAND-Flash Interface
J3 LPCE1# IO 2/4/6/8 0.4 2.4 40K 75K 190K PU 5.2
J4 LPCE0# O 2/4/6/8 0.4 2.4
K1 LRST# O 2/4/6/8 0.4 2.4
K2 LRD# O 2/4/6/8 0.4 2.4
K3 LPA0 O 2/4/6/8 0.4 2.4
K4 LWR# O 2/4/6/8 0.4 2.4
K5 NLD17 IO 2/4/6/8 0.4 2.4 40K 75K 190K PD 5.2
L5 NLD16 IO 2/4/6/8 0.4 2.4 40K 75K 190K PD 5.2
L4 NLD15 IO 2/4/6/8 0.4 2.4 40K 75K 190K PD 5.2
L3 NLD14 IO 2/4/6/8 0.4 2.4 40K 75K 190K PD 5.2

MT6225 GSM/GPRS Baseband Processor Data Sheet Revision 1.00
374/377 MediaTek Inc. Confidential
L2 NDL13 IO 2/4/6/8 0.4 2.4 40K 75K 190K PD 5.2
L1 NLD12 IO 2/4/6/8 0.4 2.4 40K 75K 190K PD 5.2
M5 NLD11 IO 2/4/6/8 0.4 2.4 40K 75K 190K PD 5.2
M4 NLD10 IO 2/4/6/8 0.4 2.4 40K 75K 190K PD 5.2
M3 NLD9 IO 2/4/6/8 0.4 2.4 40K 75K 190K PD 5.2
M2 NLD8 IO 2/4/6/8 0.4 2.4 40K 75K 190K PD 5.2
M1 NLD7 IO 2/4/6/8 0.4 2.4 40K 75K 190K PD 5.2
N4 NLD6 IO 2/4/6/8 0.4 2.4 40K 75K 190K PD 5.2
N3 NLD5 IO 2/4/6/8 0.4 2.4 40K 75K 190K PD 5.2
N2 NLD4 IO 2/4/6/8 0.4 2.4 40K 75K 190K PD 5.2
N1 NLD3 IO 2/4/6/8 0.4 2.4 40K 75K 190K PD 5.2
P4 NLD2 IO 2/4/6/8 0.4 2.4 40K 75K 190K PD 5.2
P3 NLD1 IO 2/4/6/8 0.4 2.4 40K 75K 190K PD 5.2
P2 NLD0 IO 2/4/6/8 0.4 2.4 40K 75K 190K PD 5.2
P1 NRNB IO 4 0.4 2.4 40K 75K 190K PU 5.2
R4 NCLE IO 4 0.4 2.4 40K 75K 190K PD 5.2
R2 NALE IO 4 0.4 2.4 40K 75K 190K PD 5.2
R1 NWE# IO 4 0.4 2.4 40K 75K 190K PU 5.2
T1 NRE# IO 4 0.4 2.4 40K 75K 190K PU 5.2
U1 NCE# IO 4 0.4 2.4 40K 75K 190K PU 5.2
SIM Card Interface
K14 SIMRST O 2 0.4 2.4
J17 SIMCLK O 2 0.4 2.4
J16 SIMVCC O 2 0.4 2.4
J15 SIMSEL IO 2 0.4 2.4 40K 75K 190K PD 5.2
J14 SIMDATA IO 2 0.4 2.4 5.2
Dedicated GPIO Interface
T3 GPIO0 IO 2 0.4 2.4 40K 75K 190K PU 5.2
U4 GPIO1 IO 2 0.4 2.4 40K 75K 190K PU 5.2
T4 GPIO2 IO 2 0.4 2.4 40K 75K 190K PU 5.2
U5 GPIO3 IO 2 0.4 2.4 40K 75K 190K PU 5.2
G13 GPIO4 IO 4 0.4 2.4 40K 75K 190K PU 5.2
F13 GPIO5 IO 4 0.4 2.4 40K 75K 190K PD 5.2
D13 GPIO6 IO 4 0.4 2.4 40K 75K 190K PD 5.2
D14 GPIO7 IO 4 0.4 2.4 40K 75K 190K PD 5.2
B16 GPIO8 IO 4 0.4 2.4 40K 75K 190K PU 5.2
A16 GPIO9 IO 4 0.4 2.4 40K 75K 190K PU 5.2
Miscellaneous
U3 SYSRST# I 5.2
K8 WATCHDOG# O 4 0.4 2.4
U2 SRCLKENA O 2 0.4 2.4
T2 SRCLKENAI IO 2 0.4 2.4 40K 75K 190K PD 5.2
Keypad Interface
G15 KCOL4 I 40K 75K 190K PU 5.2
G14 KCOL3 I 40K 75K 190K PU 5.2
F17 KCOL2 I 40K 75K 190K PU 5.2
F16 KCOL1 I 40K 75K 190K PU 5.2
F15 KCOL0 I 40K 75K 190K PU 5.2

MT6225 GSM/GPRS Baseband Processor Data Sheet Revision 1.00
375/377 MediaTek Inc. Confidential
F14 KROW5 O 2 0.4 2.4
E17 KROW4 O 2 0.4 2.4
E16 KROW3 O 2 0.4 2.4
E15 KROW2 O 2 0.4 2.4
E14 KROW1 O 2 0.4 2.4
D17 KROW0 O 2 0.4 2.4
External Interrupt Interface
T5 EINT0 I 40K 75K 190K PU 5.2
R5 EINT1 I 40K 75K 190K PU 5.2
P5 EINT2 I 40K 75K 190K PU 5.2
U6 EINT3 I 40K 75K 190K PU 5.2
External Memory Interface
M14 ED0 IO 2~16 0.4 2.4 5.2
M15 ED1 IO 2~16 0.4 2.4 5.2
M16 ED2 IO 2~16 0.4 2.4 5.2
M17 ED3 IO 2~16 0.4 2.4 5.2
N14 ED4 IO 2~16 0.4 2.4 5.2
N15 ED5 IO 2~16 0.4 2.4 5.2
N16 ED6 IO 2~16 0.4 2.4 5.2
N17 ED7 IO 2~16 0.4 2.4 5.2
P15 ED8 IO 2~16 0.4 2.4 5.2
P16 ED9 IO 2~16 0.4 2.4 5.2
P17 ED10 IO 2~16 0.4 2.4 5.2
R16 ED11 IO 2~16 0.4 2.4 5.2
R17 ED12 IO 2~16 0.4 2.4 5.2
T17 ED13 IO 2~16 0.4 2.4 5.2
U17 ED14 IO 2~16 0.4 2.4 5.2
T16 ED15 IO 2~16 0.4 2.4 5.2
R14 ERD# O 2~16 0.4 2.4
P13 EWR# O 2~16 0.4 2.4
R13 ECS0# O 2~16 0.4 2.4
T15 ECS1# O 2~16 0.4 2.4
T14 ECS2# O 2~16 0.4 2.4
U16 ELB# O 2~16 0.4 2.4
P14 EUB# O 2~16 0.4 2.4
N12 EPDN# O 2 0.4 2.4
R12 EADV# O 2~16 0.4 2.4
T12 EWAIT I 40K 75K 190K PU 5.2
P12 ECLK O 2~16 0.4 2.4
U14 ERAS# O 2~16 0.4 2.4
U15 ECAS# O 2~16 0.4 2.4
U13 ECKE O 2~16 0.4 2.4
T13 EDCLK O 2~16 0.4 2.4
U12 EA1 O 2~16 0.4 2.4
N11 EA2 O 2~16 0.4 2.4
P11 EA3 O 2~16 0.4 2.4
R11 EA4 O 2~16 0.4 2.4
T11 EA5 O 2~16 0.4 2.4
U11 EA6 O 2~16 0.4 2.4

MT6225 GSM/GPRS Baseband Processor Data Sheet Revision 1.00
376/377 MediaTek Inc. Confidential
P10 EA7 O 2~16 0.4 2.4
R10 EA8 O 2~16 0.4 2.4
T10 EA9 O 2~16 0.4 2.4
U10 EA10 O 2~16 0.4 2.4
P9 EA11 O 2~16 0.4 2.4
R9 EA12 O 2~16 0.4 2.4
T9 EA13 O 2~16 0.4 2.4
U9 EA14 O 2~16 0.4 2.4
P8 EA15 O 2~16 0.4 2.4
R8 EA16 O 2~16 0.4 2.4
T8 EA17 O 2~16 0.4 2.4
U8 EA18 O 2~16 0.4 2.4
P7 EA19 O 2~16 0.4 2.4
R7 EA20 O 2~16 0.4 2.4
T7 EA21 O 2~16 0.4 2.4
U7 EA22 O 2~16 0.4 2.4
P6 EA23 O 2~16 0.4 2.4
R6 EA24 O 2~16 0.4 2.4
T6 EA25 O 2~16 0.4 2.4
Memory Card Interface
M13 MCCM0 IO 4~16 0.4 2.4 40K 75K 190K PU/PD
5.2
L14 MCDA0 IO 4~16 0.4 2.4 40K 75K 190K PU/PD
5.2
L15 MCDA1 IO 4~16 0.4 2.4 40K 75K 190K PU/PD
5.2
L16 MCDA2 IO 4~16 0.4 2.4 40K 75K 190K PU/PD
5.2
L17 MCDA3 IO 4~16 0.4 2.4 40K 75K 190K PU/PD
5.2
K17 MCCK O 4~16 0.4 2.4
K16 MCWP I 40K 75K 190K PU 5.2
K15 MCINS I 40K 75K 190K PU 5.2
UART/IrDA Interface
H17 URXD1 I 40K 75K 190K PU 5.2
H16 UTXD1 O 2 0.4 2.4
H15 URXD2 IO 2 0.4 2.4 40K 75K 190K PU 5.2
H14 UTXD2 IO 2 0.4 2.4 40K 75K 190K PU 5.2
G17 URXD3 IO 2 0.4 2.4 40K 75K 190K PU 5.2
G16 UTXD3 IO 2 0.4 2.4 40K 75K 190K PU 5.2
Digital Audio Interface
D16 DAICLK IO 4 0.4 2.4 40K 75K 190K PU 5.2
D15 DAIPCMOUT IO 4 0.4 2.4 40K 75K 190K PD 5.2
D15 DAIPCMIN IO 4 0.4 2.4 40K 75K 190K PU 5.2
C16 DAISYNC IO 4 0.4 2.4 40K 75K 190K PU 5.2
Image Sensor Interface
C15 CMRST IO 2 0.4 2.4 40K 75K 190K PD 5.2
B15 CMPDN IO 2 0.4 2.4 40K 75K 190K PD 5.2
A15 CMVREF I 40K 75K 190K PU/PD
5.2
C14 CMHREF I 40K 75K 190K PU/PD
5.2
A17 CMPCLK I 40K 75K 190K PD 5.2
B17 CMMCLK O 2~16 0.4 2.4 40K 75K 190K PD
B14 CMDAT7 IO 2 0.4 2.4 40K 75K 190K PD 5.2

MT6225 GSM/GPRS Baseband Processor Data Sheet Revision 1.00
377/377 MediaTek Inc. Confidential
A14 CMDAT6 IO 2 0.4 2.4 40K 75K 190K PD 5.2
C13 CMDAT5 IO 2 0.4 2.4 40K 75K 190K PD 5.2
B13 CMDAT4 IO 2 0.4 2.4 40K 75K 190K PD 5.2
A13 CMDAT3 IO 2 0.4 2.4 40K 75K 190K PD 5.2
D12 CMDAT2 IO 2 0.4 2.4 40K 75K 190K PD 5.2
C12 CMDAT1 IO 2 0.4 2.4 40K 75K 190K PD 5.2
B12 CMDAT0 IO 2 0.4 2.4 40K 75K 190K PD 5.2
