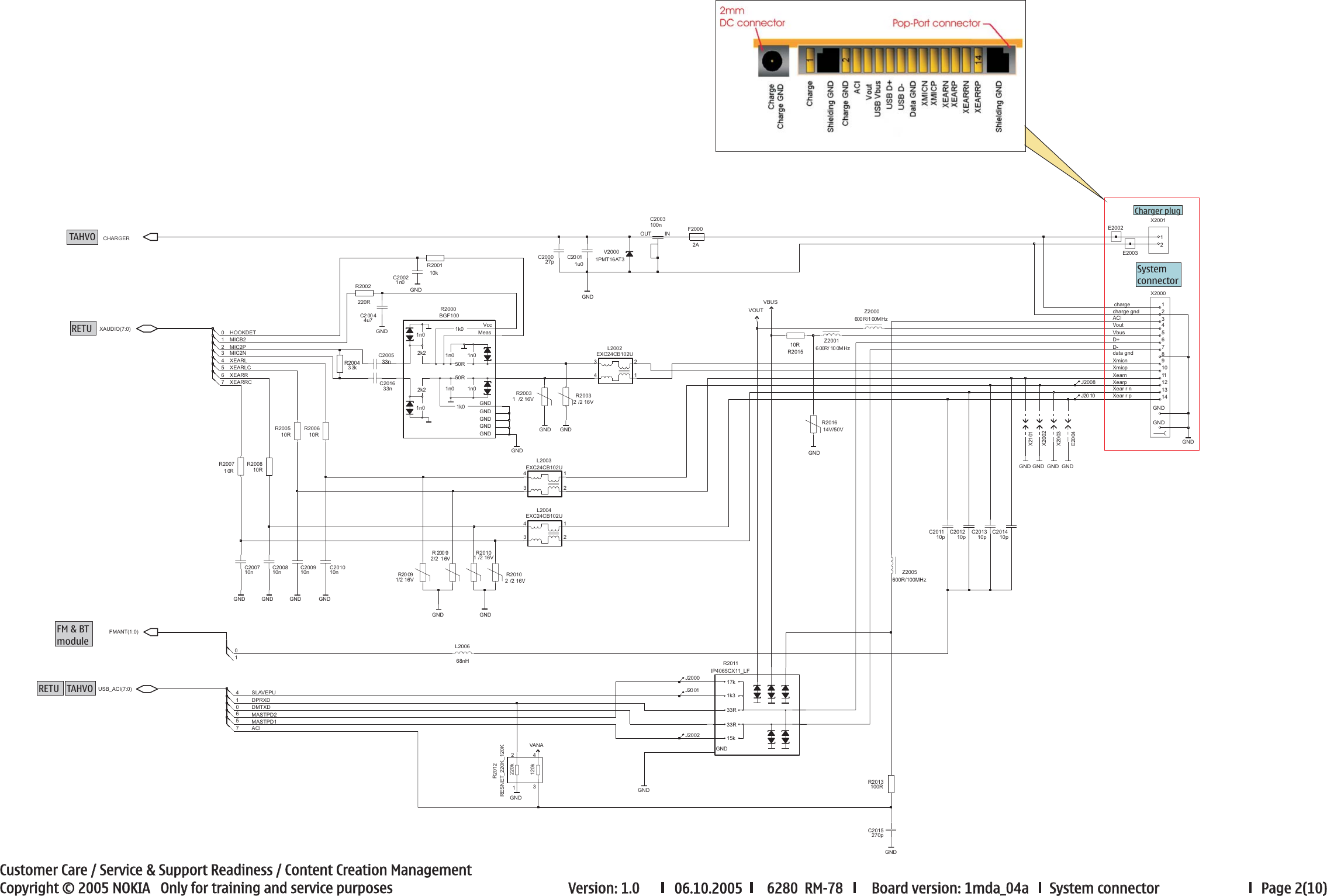
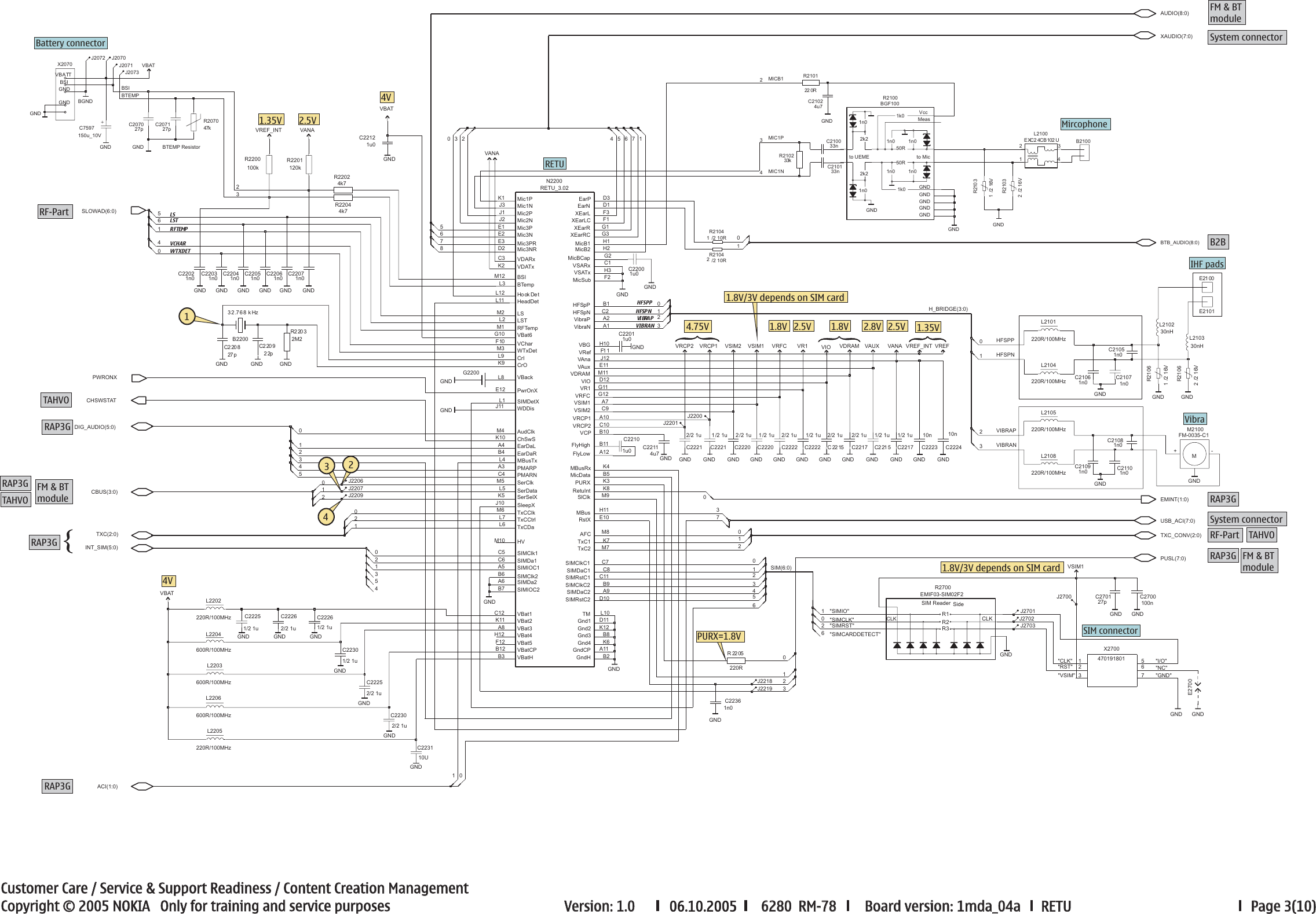
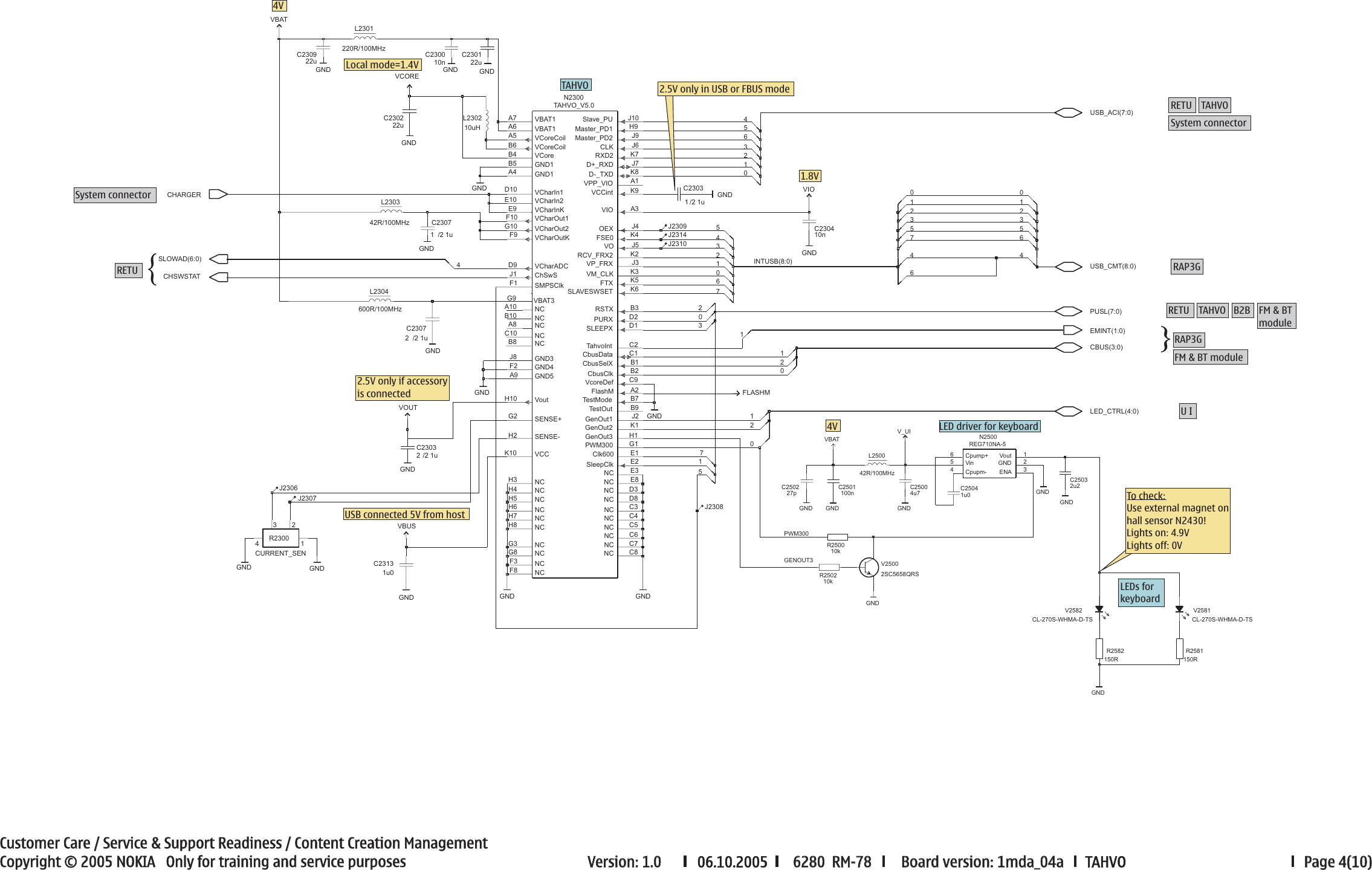
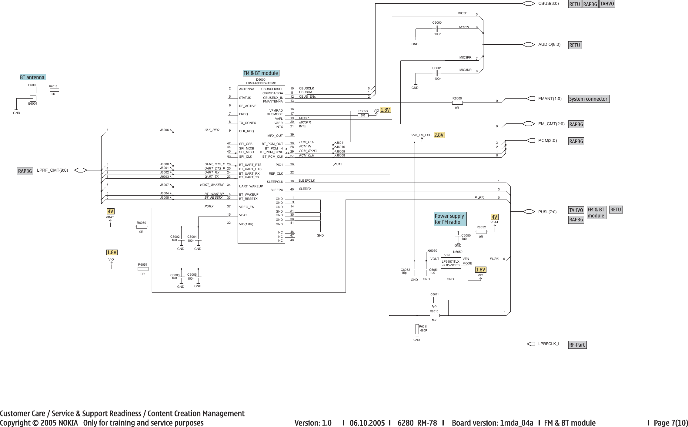
New_york_6280_schematics_1.0 Nokia 6280 Rm 78 Service Schematics
User Manual: Phone Nokia 6280 RM-78 - Service manuals and Schematics, Disassembly / Assembly. Free.
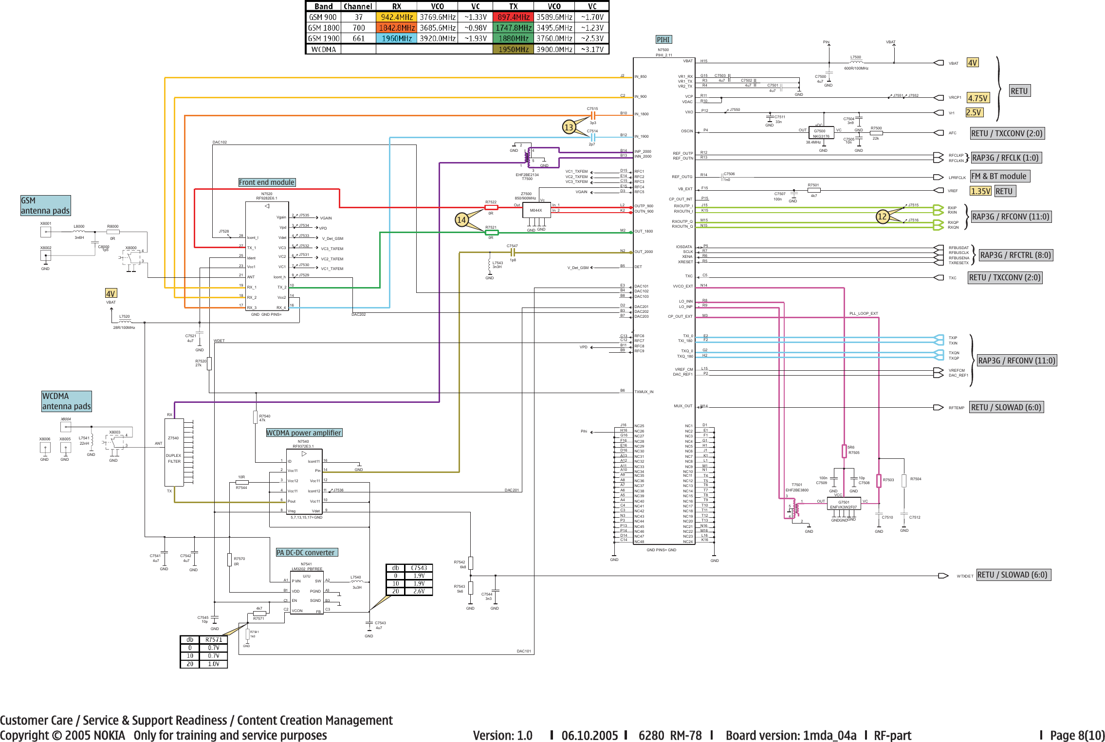
Open the PDF directly: View PDF
.
Page Count: 10










User Manual: Phone Nokia 6280 RM-78 - Service manuals and Schematics, Disassembly / Assembly. Free.
Open the PDF directly: View PDF
.
Page Count: 10









