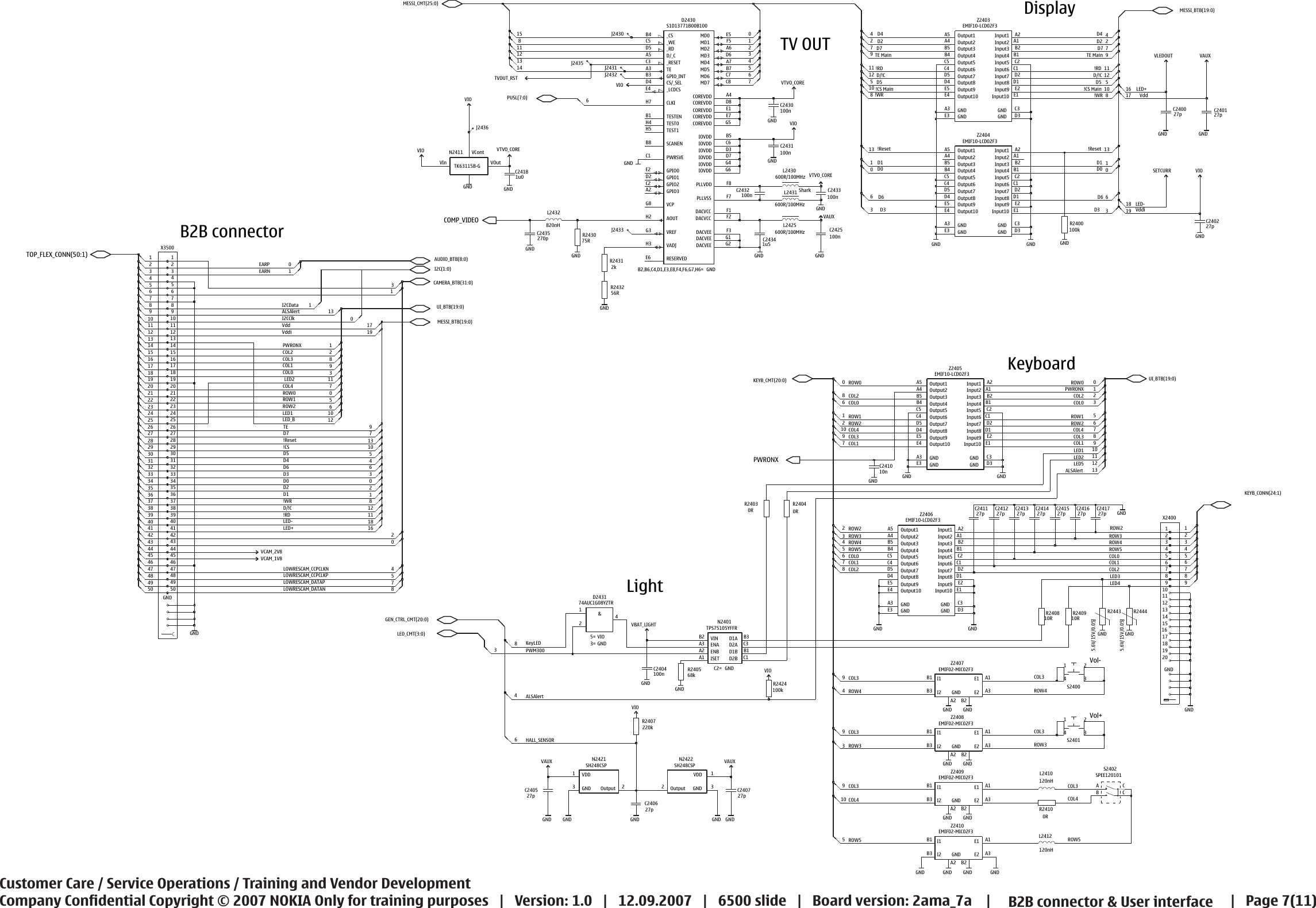
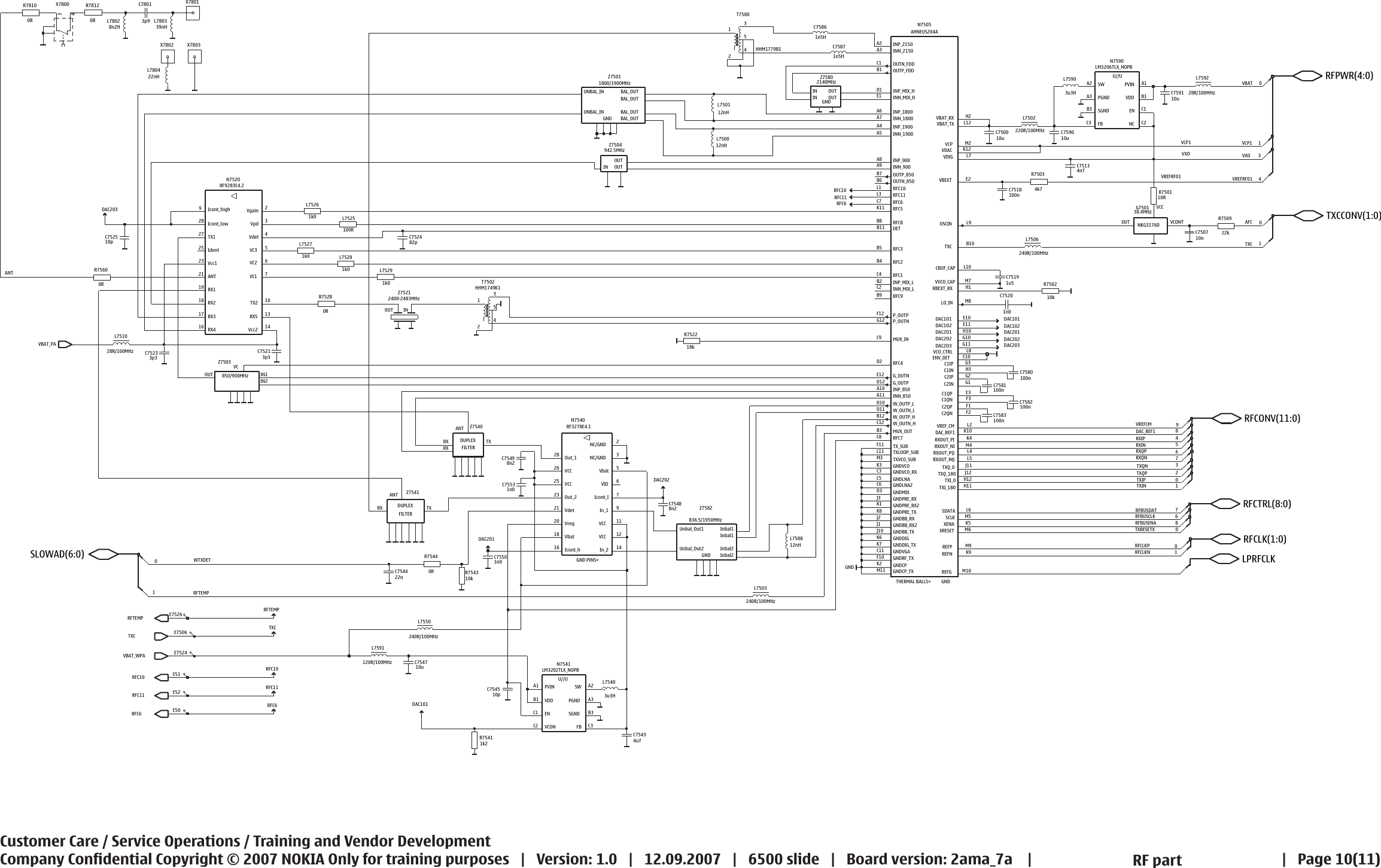
Nokia 6500s Rm 240 Service Schematics V1
User Manual: Phone Nokia 6500 RM-240 - Service manuals and Schematics, Disassembly / Assembly. Free.
Open the PDF directly: View PDF
.
Page Count: 11











User Manual: Phone Nokia 6500 RM-240 - Service manuals and Schematics, Disassembly / Assembly. Free.
Open the PDF directly: View PDF
.
Page Count: 11










