Nokia 7070 Rh 116, 117 Schematics
User Manual: Phone Nokia 7070 RH-116, RH-117 - Service manuals and Schematics, Disassembly / Assembly. Free.
Open the PDF directly: View PDF
.
Page Count: 11

Service Manual
RH-116; RH-117 (Nokia 7070 prism)
Schematics
Part No: 9210680 (Issue 1)
Nokia Customer Care
COMPANY CONFIDENTIAL
Copyright © 2008 Nokia. All rights reserved.

RH-116; RH-117
Nokia 7070 prism Service Manual Structure
(This page left intentionally blank.)
Page iv COMPANY CONFIDENTIAL Issue 1
Copyright © 2008 Nokia. All rights reserved.

1 — RH-116/117 schematics
Nokia Customer Care
Issue 1 COMPANY CONFIDENTIAL Page 1 –1
Copyright © 2008 Nokia. All rights reserved.

RH-116; RH-117
RH-116/117 schematics
(This page left intentionally blank.)
Page 1 –2 COMPANY CONFIDENTIAL Issue 1
Copyright © 2008 Nokia. All rights reserved.

Table of Contents
RH-116/117 BB........................................................................................................................................................1–4
RH-116/117 BB & RF ...............................................................................................................................................1–5
RH-116/117 BB & EM ..............................................................................................................................................1–6
RH-116/117 UIHW & AUDIO ...................................................................................................................................1–7
RH-116/117 HUGIN+ RF Reuse Block Schematic ..................................................................................................1–8
RH-116; RH-117
RH-116/117 schematics
Issue 1 COMPANY CONFIDENTIAL Page 1 –3
Copyright © 2008 Nokia. All rights reserved.

RH-116/117 BB
RH-116; RH-117
RH-116/117 schematics
Issue 1 COMPANY CONFIDENTIAL Page 1 –4
Copyright © 2008 Nokia. All rights reserved.

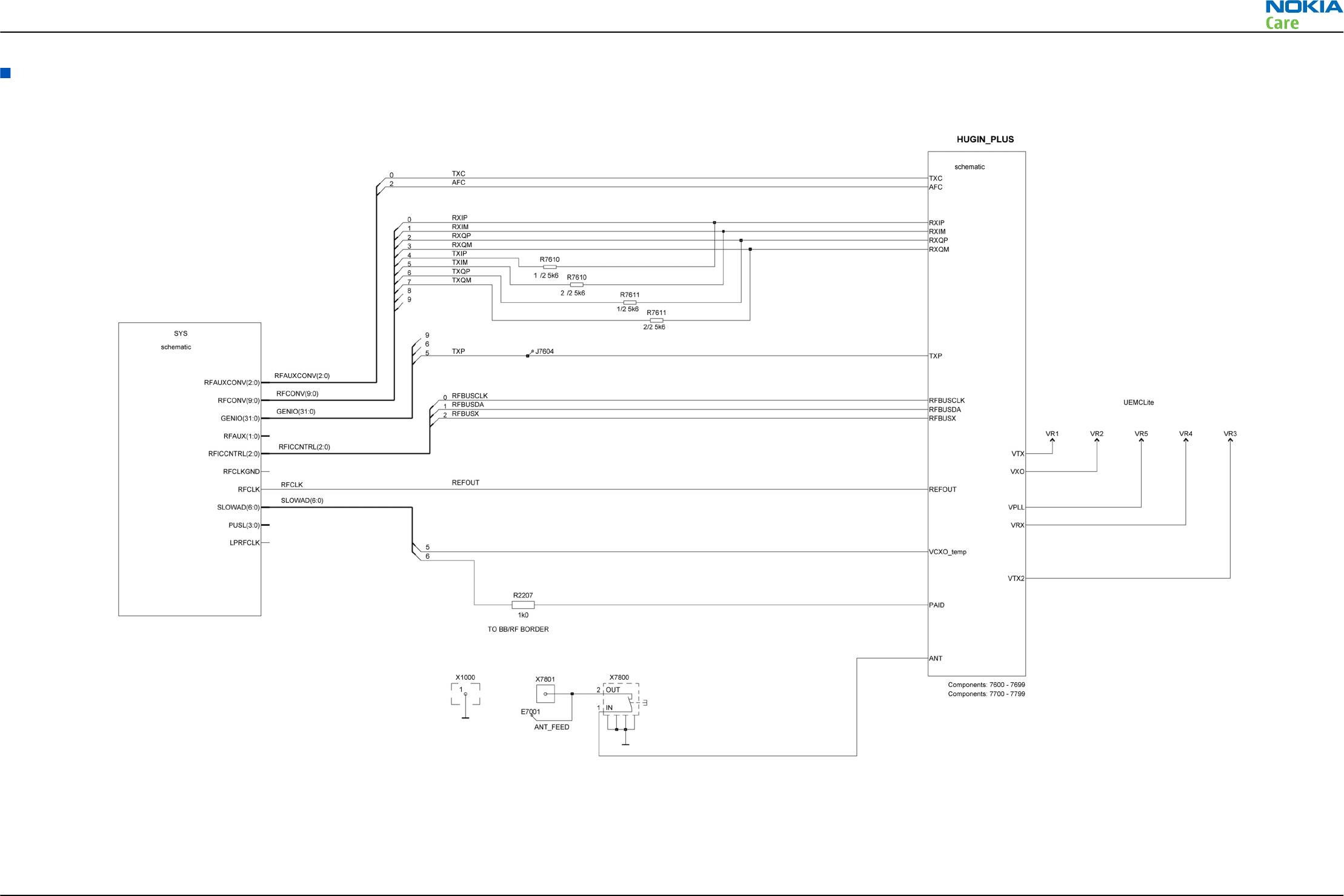
RH-116/117 BB & RF
RH-116; RH-117
RH-116/117 schematics
Issue 1 COMPANY CONFIDENTIAL Page 1 –5
Copyright © 2008 Nokia. All rights reserved.

RH-116/117 BB & EM
RH-116; RH-117
RH-116/117 schematics
Issue 1 COMPANY CONFIDENTIAL Page 1 –6
Copyright © 2008 Nokia. All rights reserved.

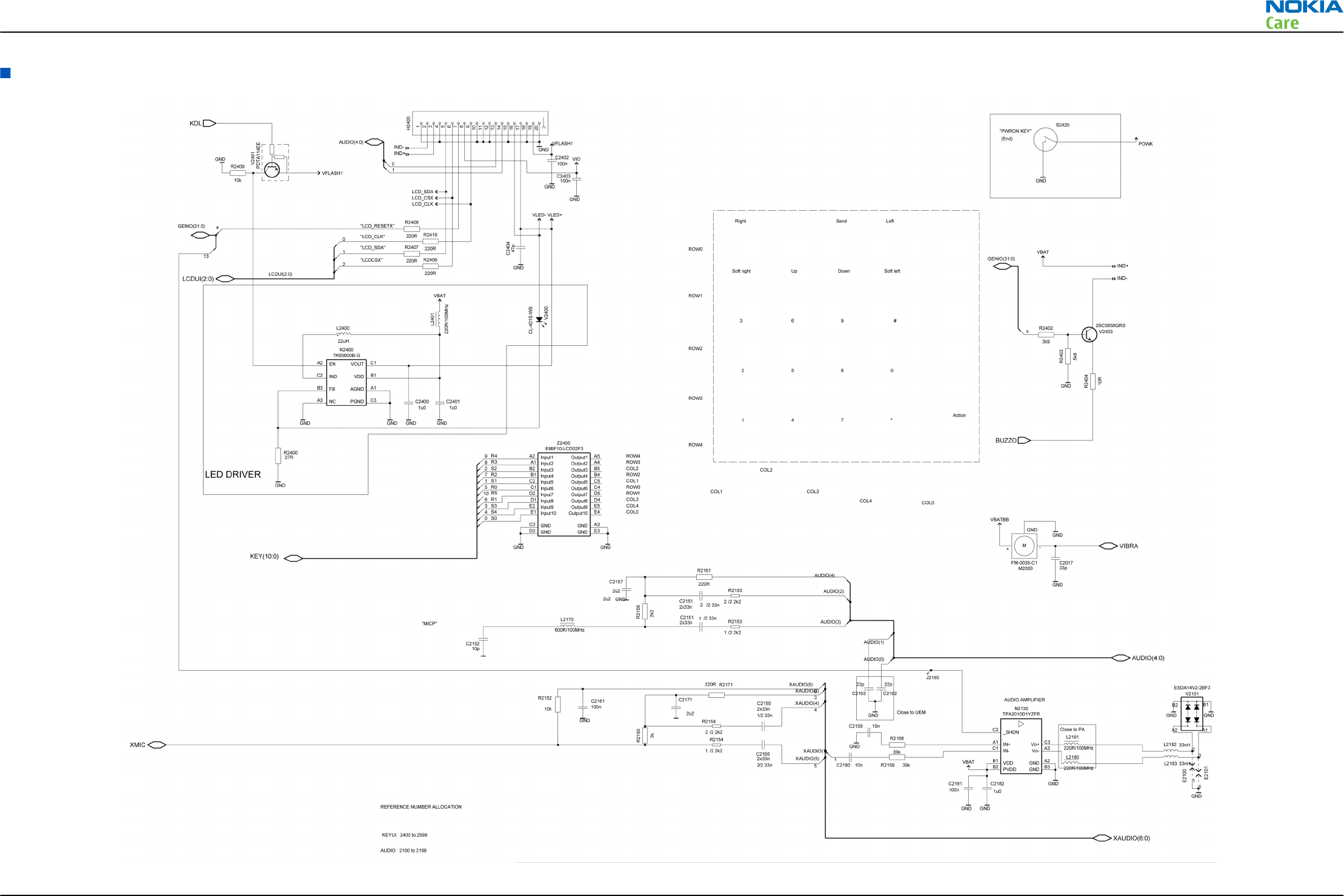
RH-116/117 UIHW & AUDIO
RH-116; RH-117
RH-116/117 schematics
Issue 1 COMPANY CONFIDENTIAL Page 1 –7
Copyright © 2008 Nokia. All rights reserved.

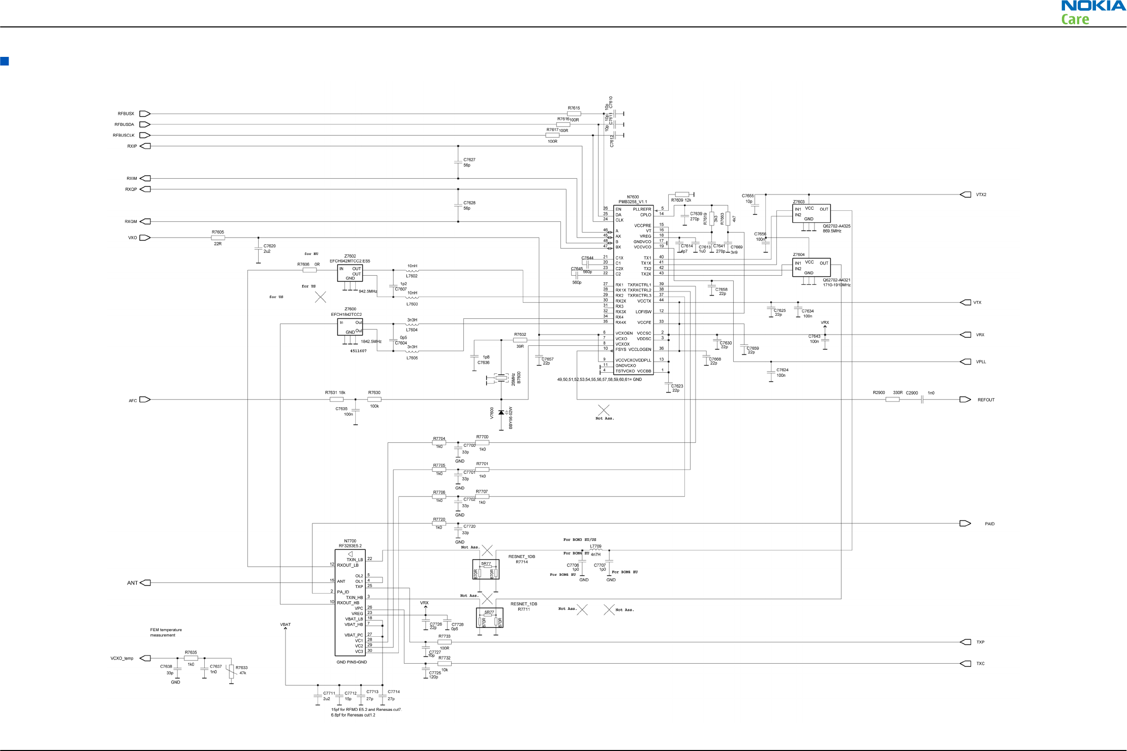
RH-116/117 HUGIN+ RF Reuse Block Schematic
RH-116; RH-117
RH-116/117 schematics
Issue 1 COMPANY CONFIDENTIAL Page 1 –8
Copyright © 2008 Nokia. All rights reserved.
