Nokia C7 00 RM 675 Service Schematics V2
User Manual: Smartphone Nokia C7-00 RM-675, RM-691 - Service manuals and Schematics, Disassembly / Assembly. Free.
Open the PDF directly: View PDF
.
Page Count: 12
- 01_C7-00_Front_Page_02
- 02_C7-00_ImagingProcessor_Camera_DisplayIF_05
- 03_C7-00_RAPS_Memory_UIFlex_LEDs_08
- 04_C7-00_RAPS_NFC_TouchUI_Sensors_04
- 05_C7-00_GAZOO_Battery_HSUSB_PowerKey_01
- 06_C7-00_GAZOO_Audio_AVconnector_SIM_MMC_02
- 07_C7-00_Gps_Bt_Wlan_01
- 08_C7-00_UI_Flex_board_02
- 09_C7-00_RF_01
- 10_C7-00_ComponentFinder_Top_02
- 11_C7-00_ComponentFinder_Bottom_01
- 12_C7-00_ComponentFinder_Flex_01

Confidential Copyright © 2010 Nokia Only for training and service purposes
Page 1 (12) | Front page | C7-00 RM-675 | Board: 3GB_05.0a | v2.0 | 03.08.2010
Service
schematics
RM-675
Contents
IMPORTANT
1.0 First approved version.
2.0 C1520 connection corrected.
VBAT added between C1517/C1519.
C2242 changed to C2342.
N3303 changed to R3303.
N2037 changed to N2007.
While every effort has been made to ensure that the docu-
ment is accurate, some errors may exist. Please always
check for the latest published version for this document.
If you find any errors in the document please
send email to: service.manuals@nokia.com
Version information
This document is intended for use by authorized Nokia
service centers only. Please use the document together
with other documents such as the Service Manual and
Service Bulletins.
Front page
Imaging prosessor, Camera, Display IF,
Camera LED flash flex
RAPS, Memory, UI flex connector, LEDs
RAPS, NFC, Touch UI, Touch flex, Sensors
GAZOO, Battery, HS USB, Power key
GAZOO, Audio, AV connector, SIM, MMC, AV-connector flex
UI flex board
RF part
Component finder top
Component finder bottom
2
3
4
5
6
8
BTH FM, WLAN, GPS 7
9
10
11
Component finder flex boards 12
1

Confidential Copyright © 2010 Nokia Only for training and service purposes
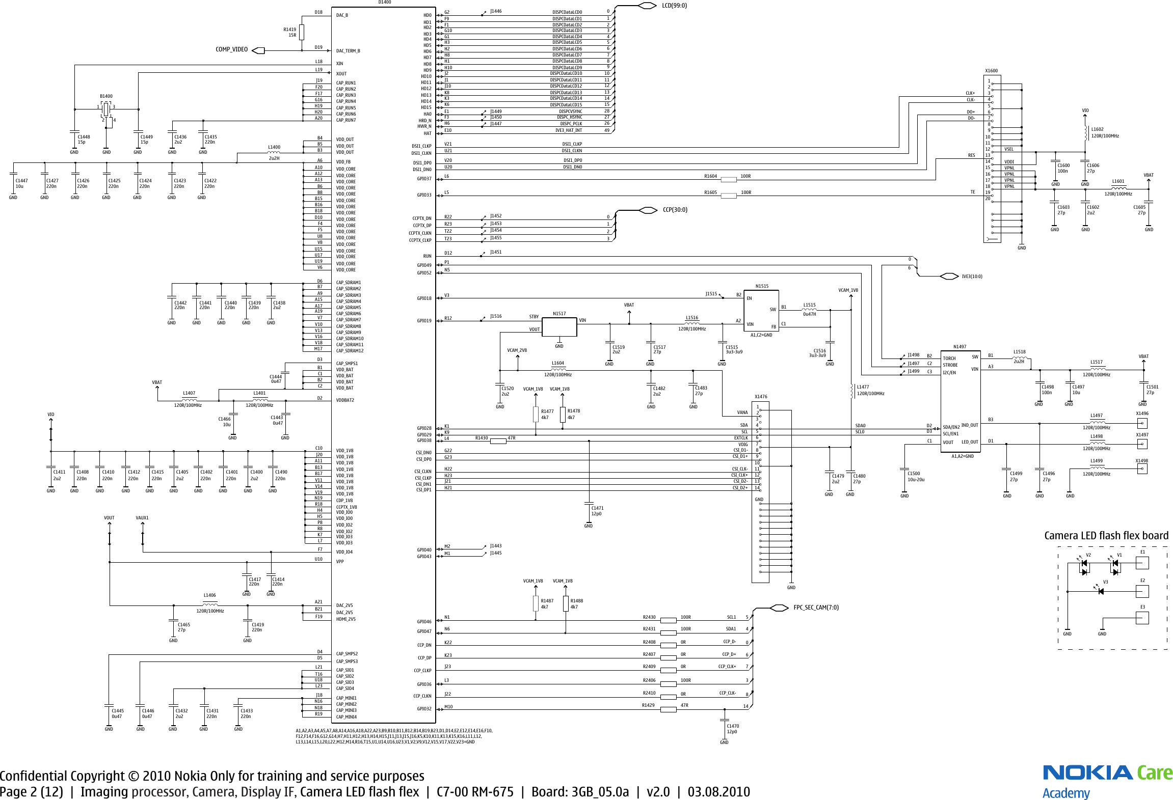
Page 2 (12) | Imaging processor, Camera, Display IF, Camera LED flash flex | C7-00 RM-675 | Board: 3GB_05.0a | v2.0 | 03.08.2010
D1400
A1,A2,A3,A4,A5,A7,A8,A14,A16,A18,A22,A23,B9,B10,B11,B12,B14,B19,B23,D1,D14,E2,E12,E14,E16,F10,
F12,F14,F16,G12,G14,H7,H11,H12,H13,H14,H15,J11,J13,J15,J16,K5,K10,K11,K13,K15,K16,L11,L12,
L13,L14,L15,L20,L22,M12,M14,R16,T15,U1,U14,U16,U23,V1,V2,V9,V12,V15,V17,V22,V23=GND
C1517 C1515
27p
GND
3u3-3u9
A2
VOUT
C1417
220n
GND
GND
C1519
2u2
GND
C1470
12p0
GND
C1471
12p0
GND
4k7
R1487 R1488
4k7
4k7
R1478
4k7
R1477
CSI_D1-
CSI_D1+
CSI_D2+
CSI_D2-
CSI_CLK+
CSI_CLK-
SCL
SDA
VANA
EXTCLK
VDIG
120R/100MHz
L1604
L1477
120R/100MHz
J1515
L1515
0u47H
B1
VIN
B2 EN
FB C1
GNDGND
N1515
A1,C2=GND
SW
GND
27p
C1483
C1482
2u2
GND
C1520
2u2
4
5
6
7
8
9
3
1
10
11
12
13
14
2
GND
GND
X1476
STBY
VOUT
VIN
VCAM_2V8
J1516 N1517
120R/100MHz
L1516
GPIO18 V3
GPIO19
GPIO49
GPIO52
R12
N6
GPIO47
N1
SDA1
SCL1
GPIO46
GPIO36 L3
GPIO38 L4
M10
GPIO32
K9
GPIO29
GPIO28 K1
R1430 47R
CCP_DN K22
K23
CCP_DP
CSI_DN1 J21
CCP_CLKN J22
CCP_CLKP J23
CCP_D-
CCP_D+
CCP_CLK-
CCP_CLK+
H21
CSI_DP1
H22
CSI_CLKN H23
CSI_CLKP
G22
CSI_DN0 G23
CSI_DP0
GND
220n
C1441
V18 CAP_SDRAM11
V7 CAP_SDRAM7
CAP_SDRAM8
V10
CAP_SDRAM9
V13
V16 CAP_SDRAM10
CAP_SDRAM12
M17
D6 CAP_SDRAM1
B7 CAP_SDRAM2
A9 CAP_SDRAM3
A15 CAP_SDRAM4
CAP_SDRAM5
A17
CAP_SDRAM6
A19
220n
C1439 C1438
2u2
GNDGND GND
C1442
220n
GND
220n
C1440
220n
C1435
GND GND
2u2
C1436
J19
0
CAP_RUN1
G16 CAP_RUN4
H19 CAP_RUN5
CAP_RUN6
H20
CAP_RUN3
F17
CAP_RUN2
F20
A20 CAP_RUN7
GND
C1425
220n
C1423
220n
V6 VDD_CORE
V8 VDD_CORE
U15 VDD_CORE
VDD_CORE
U17
VDD_CORE
U19
VDD_CORE
U8
F4 VDD_CORE
VDD_CORE
F5
B8 VDD_CORE
VDD_CORE
D10
B18
VDD_OUT
B3
B4 VDD_OUT
B5 VDD_OUT
VDD_CORE
B6
VDD_CORE
B15
VDD_CORE
B16
VDD_CORE
A6 VDD_FB
VDD_CORE
VDD_CORE
A13
A10 VDD_CORE
A12
10u
C1447
L1400
2u2H
C1426
220n
GNDGND GNDGND
C1424
220n
GND
C1422
220n220n
C1427
GND
XIN
L18
L19 XOUT
15p
C1448
GND
C1449
15p
2
3
4
B1400
1
GNDGND
220n
C1414
U10 VPP
F19 HDMI_2V5
VDD_IO4
F7
VAUX1
DAC_2V5
B21 DAC_2V5
A21
GND
120R/100MHz
L1406
C1465
27p 220n
C1419
GND
GND
R19 CAP_MINI4
N16 CAP_MINI2
CAP_MINI3
N18
2u2
C1432
GND
220n
C1431
GND
U18 CAP_SIO3
CAP_SIO2
T16
L21
CAP_SIO4
L23
CAP_SIO1
CAP_MINI1
J18
D4 CAP_SMPS2
CAP_SMPS3
D5
C1446
0u47
C1433
220n0u47
C1445
GND GNDGND
GPIO43 M1
GPIO40 M2
J1445
J1443
R2408 0R
R2430 100R
R2409 0R
R2410 0R
R2407 0R
R2431 100R
R1429 47R
R2406 100R
GND
C1516
3u3-3u9
2u2
C1479
GND
27p
C1480
GND
SCL0
SDA0
A1,A2=GND
GND
6
X1497
GND
X1496
LED_OUT D1
D2 SDA/EN2
D3 SCL/EN1
B2 TORCH
B3
IND_OUT
C1 VOUT
STROBE
C2
I2C/EN
C3
N1497
J1497
J1499
C1500
10u-20u
C1496
27p
120R/100MHz
120R/100MHz
L1497
L1498
GNDGND
L1499
120R/100MHz
C1499
J1498
27p
X1498
2u2H
L1518
GND
C1498
VIN A3
B1
SW
L1517
120R/100MHz
C1497
GND
C1501
100n 10u 27p
GND
6
7
8
3
5
4
14
0
FPC_SEC_CAM(7:0)
J1451
RUN D12
P1
N5
27p
C1605
GND
120R/100MHz
L1602
C1606
27p
C1600
100n
DSI1_CLKP
DSI1_CLKN
DSI1_DP0
DSI1_DN0
CLK+
CLK-
DO+
DO-
TE
RES
VSEL
VDDI
VPNL
VPNL
VPNL
VPNL
5
6
7
8
9
12
13
14
15
16
17
18
19
2
20
3
4
X1600
1
10
11
GND
GND
27p
C1603
2u2
C1602
GND
VBAT
VBAT
VIO
0u47
C1443
D3 CAP_SMPS1
C1 VDD_BAT
VDD_BAT
C2
D2 VDDBAT2
B2 VDD_BAT
B1 VDD_BAT
GNDGND
10u
C1466
L1401
120R/100MHz
C1444
0u47
L1407
120R/100MHz
VBAT
L1601
120R/100MHz
R1604 100R
R1605 100R
GPIO33 L5
GPIO37 L6
V20
DSI1_DP0
DSI1_CLKP V21
DSI1_DN0 U20
DSI1_CLKN U21
DAC_B
D18
D19 DAC_TERM_B
15R
R1419
COMP_VIDEO
GNDGND
0
1
2
3
T22
CCPTX_CLKN
CCPTX_CLKP T23
CCPTX_DN R22
R23
CCPTX_DP
J1452
J1453
J1454
J1455
CCP(30:0)
0
1
2
3
4
5
6
7
8
9
10
11
12
13
14
15
28
27
26
49
HD1 F9
K3
HD14 K6
HD15
K8
HD13
HD7 H8
J1
HD11 J10
HD12
J2
HD10
HD6 H2
H3
HD5
HWR_N H6
G1
HD4
HD3 G10
HD0 G2
H1
HD8 H10
HD9
HRD_N F3
HA0 E1
HAT E10
HD2 F1
IVE3_HAT_INT
DISPCVSYNC
DISPC_HSYNC
DISPC_PCLK
DISPCDataLCD2
DISPCDataLCD3
DISPCDataLCD4
DISPCDataLCD5
DISPCDataLCD6
DISPCDataLCD7
DISPCDataLCD8
DISPCDataLCD9
DISPCDataLCD10
DISPCDataLCD11
DISPCDataLCD12
DISPCDataLCD13
DISPCDataLCD14
DISPCDataLCD15
DISPCDataLCD0
DISPCDataLCD1
J1446
J1449
J1450
J1447
LCD(99:0)
IVE3(10:0)
C1415 C1401
220n220n
GND VDD_1V8
V19
VDD_1V8
V11
V14 VDD_1V8
P8
R8 VDD_IO2
VDD_IO3
L7
VDD_IO2
K7 VDD_IO3
J20 VDD_1V8
VDD_IO0
H4
VDD_IO0
H5
C10 VDD_1V8
VDD_1V8
B13
VDD_1V8
B17
A11 VDD_1V8
C1410
220n
C1408
220n
GND
220n
C1402
2u2
C1400
GND
C1490
220n
GNDGND
220n
C1412
GND
C1411
2u2
GND GND GND
C1405
2u2
GND
R18 CCPTX_1V8
CDP_1V8
N19
VIO
VCAM_1V8
VCAM_1V8 VCAM_1V8
VCAM_1V8 VCAM_1V8
VBAT
E1
GND
V3 E2
V2 V1
GND
E3
Camera LED flash flex board

Confidential Copyright © 2010 Nokia Only for training and service purposes
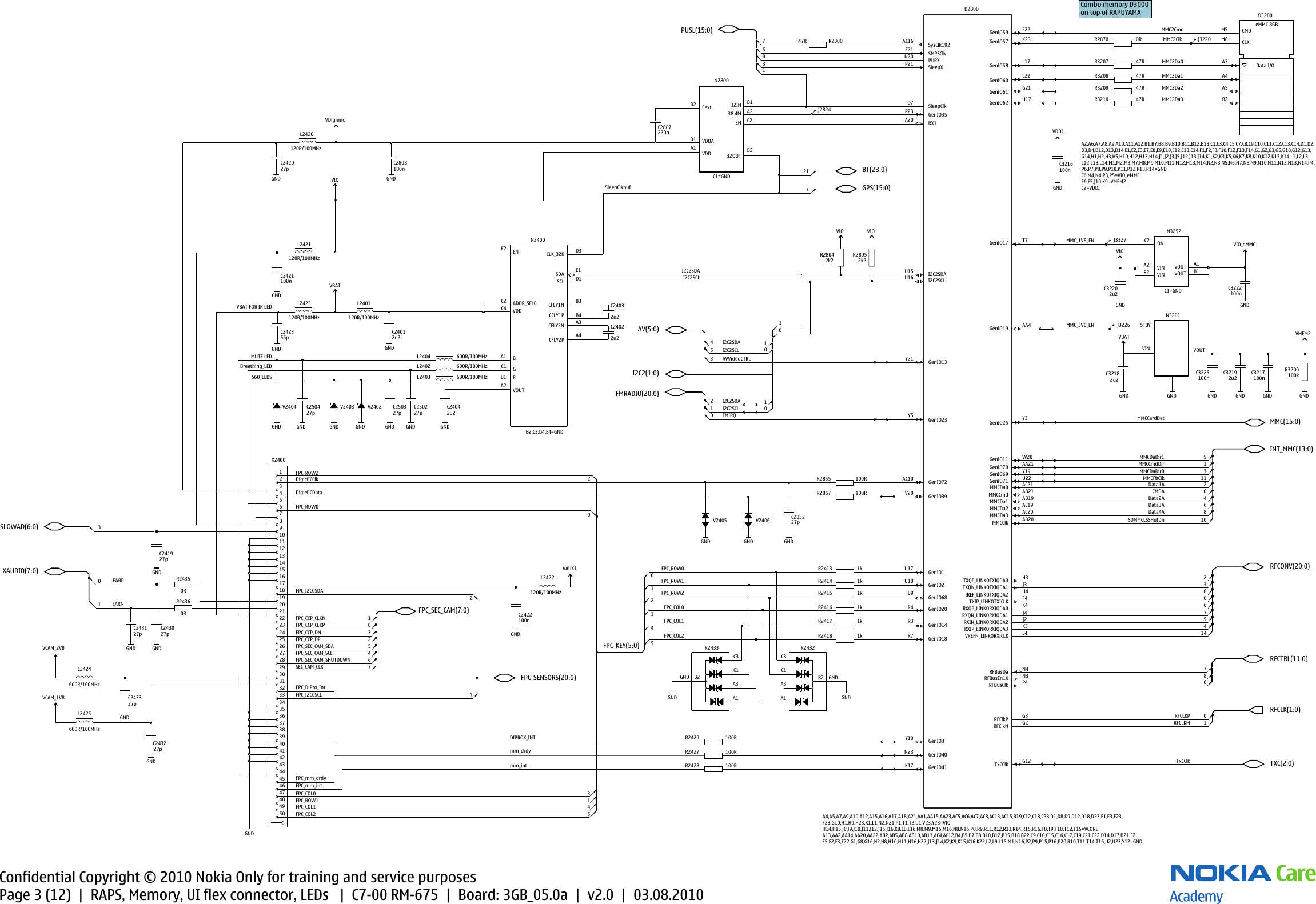
Page 3 (12) | RAPS, Memory, UI flex connector, LEDs | C7-00 RM-675 | Board: 3GB_05.0a | v2.0 | 03.08.2010
GPS(15:0)
BT(23:0)
3 AVVideoCTRL Y21
0 FMIRQ GenIO23
GenIO13
I2C2SDA
U15
U16 I2C2SCL
VIO
2k2
R2804 R2805
2k2
VIO
2
1
I2C2SDA
I2C2SCL
FMRADIO(20:0)
I2C2SDA
I2C2SCL
1
1
4
50
0
I2C2(1:0)
1
0
Y5
7
1
21
FPC_SEC_CAM(7:0)
G3
RFClkP
RFClkN G2 1
0
RFCLK(1:0)
A4,A5,A7,A9,A10,A12,A15,A16,A17,A18,A21,AA1,AA15,AA23,AC5,AC6,AC7,AC8,AC13,AC15,B19,C12,C18,C23,D1,D8,D9,D12,D18,D23,E1,E3,E23,
F23,G10,H1,H9,H23,K1,L1,N2,N21,P1,T1,T2,U1,V23,Y23=VIO
H14,H15,J8,J9,J10,J11,J12,J15,J16,K8,L8,L16,M8,M9,M15,M16,N8,N15,P8,R9,R11,R12,R13,R14,R15,R16,T8,T9,T10,T12,T15=VCORE
A13,AA2,AA14,AA20,AA22,AB2,AB5,AB8,AB10,AB13,AC4,AC12,B4,B5,B7,B8,B10,B12,B15,B18,B22,C9,C10,C15,C16,C17,C19,C21,C22,D14,D17,D21,E2,
E5,F2,F3,F22,G1,G8,G16,H2,H8,H10,H11,H16,H22,J13,J14,K2,K9,K15,K16,K22,L2,L9,L15,M1,N16,P2,P9,P15,P16,P20,R10,T11,T14,T16,U2,U23,Y12=GND
D2800
RFBusClk P4
RFBusEn1X N3
RFBusDa N4 7
6
8
RFCTRL(11:0)
TXC(2:0)
TxCClkG12
TxCClk
RFCLKM
RFCLKP
XAUDIO(7:0)
SleepClkbuf
EARN
I2C2SCL
VBAT FOR IR LED
I2C2SDA
EARP
0
GND
GND
GND
GND
R2416
R2417
47
48
49
5
50
6
7
8
9
1
33
34
35
36
37
38
39
4
40
41
42
43
44
MUTE LED
45
46
18
19
2
20
21
22
23
24
25
26
27
28
29
3
30
31
32
2
X2400
1
10
11
12
13
14
15
16
17
3
VCAM_1V8
GND
C2502
27p
GND
C2431
GND
27p
6
GND
L2421
120R/100MHz
3
5
27p
C2504
120R/100MHz
L2420
2
C2402
2u2
V2404
27p
C2503
R2433
A1
A3
GND B2
C1
C3
V2402
27p
C2419
GND
B2,C3,D4.E4=GND
3
100n
C2421
R2415
0
L2404 600R/100MHz
2
0R
R2436
GND
4
120R/100MHz
L2401
600R/100MHzL2402
GND
600R/100MHz
L2425
L2423
120R/100MHz
GND
V2403
GNDGND
R2418 1k
1k
1k
1k
1k
1k
27p
4
GND
C2420
3
3
4
GND
R2413
1
C2422
L2422
100n
GND
1
GND
2
0
C2433
27p
600R/100MHz
L2424
600R/100MHzL2403
120R/100MHz
7
C2430
2u2
27p
C2401
5
2u2
C2403
C2423
56p
0
A1
A3
B2 GND
C1
C3
CLK_32K D3
SDA E1
E2 EN
R2432
CFLY1N B3
CFLY1P B4
R
C1
ADDR_SEL0
C2
VDD
C4
D1
SCL
N2400
B
A1
VOUT
A2
A3
CFLY2N
CFLY2P
A4
B1
G
C2404
VAUX1
2u2
R2414
GND
V2406
C2432
5
27p
VBAT
GND
1
VCAM_2V8
R2435
0R
S60_LEDS
SLOWAD(6:0)
FPC_mm_int
FPC_COL0
FPC_ROW1
FPC_COL1
FPC_COL2
FPC_KEY(5:0)
FPC_ROW0
FPC_ROW1
FPC_ROW2
FPC_COL2
FPC_COL0
FPC_I2C0SDA
FPC_CCP_CLKN
FPC_CCP_CLKP
FPC_CCP_DN
FPC_CCP_DP
FPC_SEC_CAM_SDA
FPC_SEC_CAM_SCL
FPC_SEC_CAM_SHUTDOWN
SEC_CAM_CLK
FPC_DiPro_Int
FPC_I2C0SCL
FPC_mm_drdy
FPC_ROW2
Breathing_LED
FPC_ROW0
FPC_COL1
V2405
FPC_SENSORS(20:0)
VIO
Y3
J3220
CMD
CLK
M5
M6
A2,A6,A7,A8,A9,A10,A11,A12,B1,B7,B8,B9,B10,B11,B12,B13,C1,C3,C4,C5,C7,C8,C9,C10,C11,C12,C13,C14,D1,D2,
D3,D4,D12,D13,D14,E1,E2,E3,E7,E8,E9,E10,E12,E13,E14,F1,F2,F3,F10,F12,F13,F14,G1,G2,G3,G5,G10,G12,G13,
G14,H1,H2,H3,H5,H10,H12,H13,H14,J1,J2,J3,J5,J12,J13,J14,K1,K2,K3,K5,K6,K7,K8,K10,K12,K13,K14,L1,L2,L3,
L12,L13,L14,M1,M2,M3,M7,M8,M9,M10,M11,M12,M13,M14,N2,N3,N5,N6,N7,N8,N9,N10,N11,N12,N13,N14,P4,
P6,P7,P8,P9,P10,P11,P12,P13,P14=GND
C6,M4,N4,P3,P5=VIO_eMMC
E6,F5,J10,K9=VMEM2
C2=VDDI
B2
A4
A5
A3
eMMC 8GB
Data I/O
D3200
R2870 0R
R3207 47R
R3209
R3208
R3210
47R
47R
47R MMC2Da3
MMC2Clk
GenIO57
GenIO59
GenIO58
GenIO60
GenIO61
GenIO62
MMC2Cmd
MMC2Da0
MMC2Da1
MMC2Da2
MMCCardDet
GenIO25 MMC(15:0)
L17
L22
K23
H17
G21
E22
C3216
100n
VDDI
GND
Combo memory D3000
on top of RAPUYAMA
D7 SleepClk
J2824
VDD
VDDA
A1
A20 RX1
C2807
220n
100n
C2808
GND
D1
Cext
D2
N2800
38.4M A2
32IN B1
32OUT
B2
EN C2
VDigimic
C1=GND
GenIO35
P23
R280047R
P21 SleepX
N20 PURX
SMPSClk
E21
AC16 SysClk192
0
7
5
3
PUSL(15:0)
100R
R2855
100RR2867
DigiMICData
DigiMICClk
GenIO39
GenIO72
27p
C2852
GNDGNDGND
AC10
V20
GenIO40
mm_drdy N23
mm_int GenIO41
K17R2428 100R
R2427 100R
GenIO3
DIPROX_INT Y10
R2429 100R
R7
B9
R4
U10
GenIO1
GenIO2
GenIO68
GenIO20
GenIO14
GenIO18
U17
R3
AC19
MMCDa2
MMCDa3
MMCClk
AC20
AB20
MMCDa0 Data1A
Data2A
Data3A
Data4A
CMDA
AC21
MMCDa1 AB19
AB21
MMCCmd
6
4
8
SDMMCLSSHutDn 10
2
0
11
1
5
3
INT_MMC(13:0)
MMCFbClk
MMCDaDir1
GenIO11
GenIO71
MMCDaDir0
GenIO69
MMCCmdDir
GenIO70
W20
Y19
U22
AA21
VIO
GND
GenIO17 MMC_1V8_EN
A2 VIN
B2 VIN
C1=GND
C2 ON
J3327
N3252
2u2
C3220
T7
GND
STBY
N3201
J3226MMC_3V0_EN
GenIO19 AA4
VOUT
VMEM2
GND
C3217
100n 100k
R3200
GNDGND
2u2
C3219
GND
C3225
100n
C3222
100n
VIO_eMMC
GND
A1
VOUT B1
VOUT
6
7
8
VREFN_LINKORXICLK L4
K3
RXQP_LINKORXIQDA0 K4
TXQN_LINKOTXIQDA1 J3
RXQN_LINKORXIQDA1 J4
RXIP_LINKORXIQDA3
H3
TXQP_LINKOTXIQDA0
IREF_LINKOTXIQDA2 H4
J2
RXIN_LINKORXIQDA2
F4
TXIP_LINKOTXICLK
3
5
2
4
14
0
RFCONV(20:0)
AV(5:0)
VIN
2u2
C3218
GND
VBAT

Confidential Copyright © 2010 Nokia Only for training and service purposes
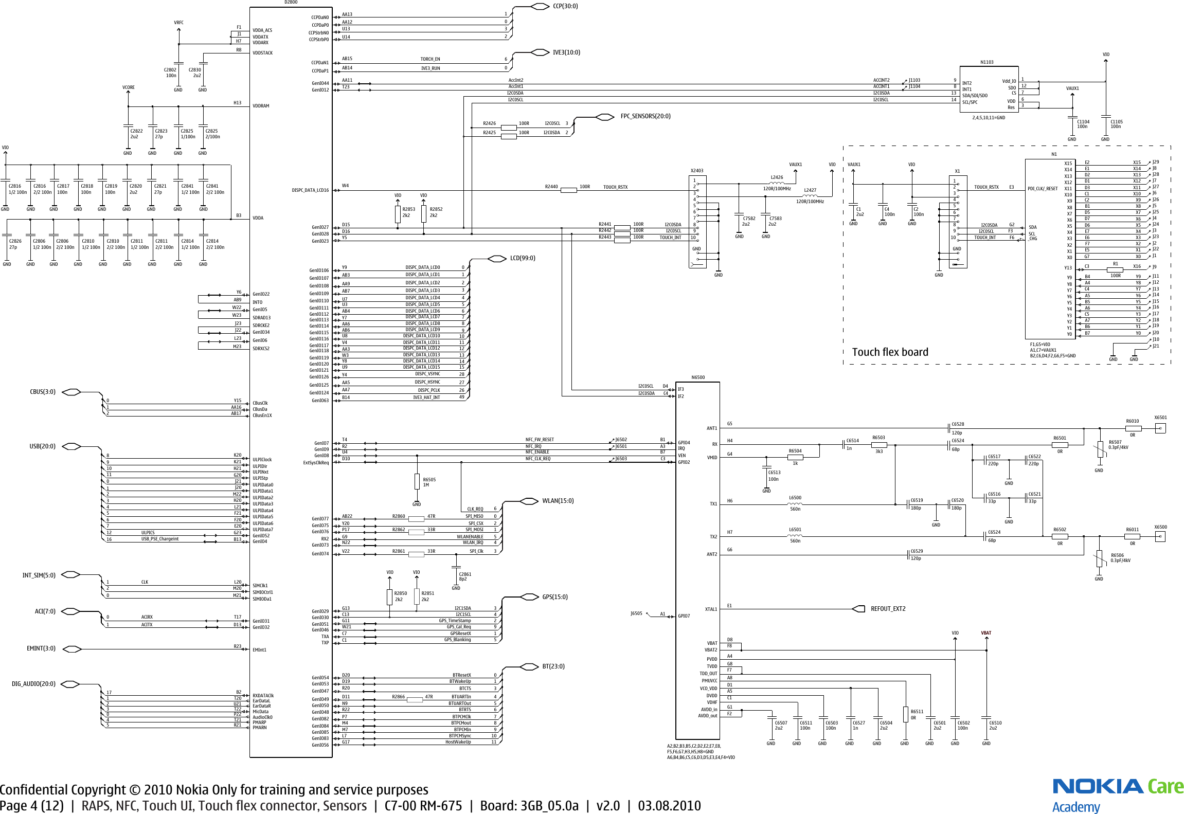
Page 4 (12) | RAPS, NFC, Touch UI, Touch flex connector, Sensors | C7-00 RM-675 | Board: 3GB_05.0a | v2.0 | 03.08.2010
D2800
A2,B2,B3,B5,C2,D2,E2,E7,E8,
F5,F6,G7,H3,H5,H8=GND
A6,B4,B6,C5,C6,D3,D5,E3,E4,F4=VIO
N6500
VBATVBATVIO
VDDA
B3
C2811 C2811C2810
GND
C2810
GND GNDGND
GNDGND
C2816
GNDGND
C2814 C2814
GND
2/2 100n
2/2 100n2/2 100n 2/2 100n
1/2 100n
1/2 100n1/2 100n 1/2 100n
GNDGND
C2817 C2818
100n
GND
C2819
100n
GND
C2820
2u2
GND
C2821
27p
C2826
27p
100n
C2816
GNDGND
C2841
2/2 100n1/2 100n
C2841
C2806
1/2 100n
GND GND
C2806
2/2 100n
0R2860 47R
R2862 33R
GenIO77 SPI_MISO
33RR2861 3
8p2
C2861
GND
SPI_Clk
GenIO74
4
1
2
5
RX2
WLAN(15:0)
SPI_CSX
SPI_MOSI
WLANENABLE
WLAN_IRQ
GenIO75
GenIO76
G9
GenIO73
Y20
V22
P17
N22
AB22
ExtSysClkReq D10
T4
R2
U4
6
CLK_REQ
AB14
CCPDaP1 IVE3_RUN
1
0
3
2
U13
CCPStrbN0
CCPStrbP0 U14
CCPDaP0 AA12
CCPDaN0 AA13
CCP(30:0)
AB15 TORCH_EN 6
0
CCPDaN1
IVE3(10:0)
Y15 CBusClk
CBusEn1X
AB17
AA16 CBusDa
0
1
2
CBUS(3:0)
7
11
8
4
ULPIData2
M22
L21 ULPIData4
ULPIClock
K20
K21
ULPIDir
ULPIData3
H21 ULPINxt
ULPIData1
J20 ULPIData0
J21
H20
ULPIStp
G20
E20 ULPIData7
ULPIData6
F20 ULPIData5
F21
10
9
6
3
0
5
1
2
12
16 GenIO4
ULPICS
USB_PSE_Chargeint GenIO52
USB(20:0)
G23
B13
RXDATAClk
B2
17
DIG_AUDIO(20:0)
2U21 EarDataR
T21
MicData
T22
EarDataL
T20
PMARP
PMARN
R21
AudioClk0
P22
5
3
4
1
0
120p
C6528
68p
C6524
68p
C6524
220p
C6517
J6501
J6503
100n
C6502
R6503
3k3
H6
TX1
H7
TX2
VMID G4
ANT1
G5
ANT2
G6
RX H4
XTAL1 E1
GPIO2
C3
B1 GPIO4
VEN
B7
GPIO7
A1
A3 IRQ
PVDD A4
33p
C6516
C6529
120p
R6505
1M
C6513
100n
33p
C6521
0R
R6501
R6502
0R
J6505
J6502
C6522
220p
GND
L6500
560n
1n
C6514
560n
L6501
R6504
1k
REFOUT_EXT2
R6011
X6501
R6010
0R
0R
X6500
GND
GND
GND
180p
C6520
180p
C6519
GND
GND
C6501
2u2
C6527
1n
TVDD G8
TDD_OUT F7
VCO_VDD D1
A8
PMUVCC
VDHF C1
DVDD
A5
C6503
100n
C6511
100n
GND
R6511
0R
2u2
C6504
GNDGND
AVDD_out F2
G1
AVDD_in
C6507
2u2
GND GNDGNDGND
GND
R6507
0.3pF/4kV
R6506
0.3pF/4kV
GND
VBAT2 F8
VBAT D8
2u2
C6510
GND
NFC_IRQ
NFC_ENABLE
NFC_FW_RESET
GenIO9
GenIO8
GenIO7
NFC_CLK_REQ
2u2
C2822
VDDRAM
H13
GND
27p
C2823
GND
VCORE
J23 SDRCKE2
L23 GenIO6
J22 GenIO34
SDRXCS2
M23
1/100n
C2825
GND
2/100n
C2825
GND
Y6 GenIO22
INTO
AB9
W22 GenIO5
SDRAD13
W23
100n
C2802
VDDARX
H7 VDDATX
J1 VDDA_ACS
F1
GND GND
VRFC
VDDSTACK
2u2
R8
C2830
CLK
0SIMIOCtrl1
M20
SIMIODa1
M21
L20 SIMClk1
1
2
INT_SIM(5:0)
R23 EMInt1
EMINT(3:0)
1
0
ACI(7:0)
ACIRX
ACITX GenIO31
GenIO32
T17
D13
GPS(15:0)
1
4
3
5
2
GPS_Blanking
GPS_TimeStamp
GenIO51
GPSResetXC7
TXA C1
TXP
G13
GenIO29
GenIO30 C13
VIO
R2851R2850
2k2
I2C1SCL
I2C1SDA
2k2
VIO
9GPS_Cal_Req
GenIO46 W21
G11
3
7
10
5
0
9
4
6
8
11
1
47R
BT(23:0)
BTResetX
HostWakeUp
GenIO56
GenIO83
GenIO84
BTRTS
BTCTS
BTUARTIn
BTUARTOut
BTWakeUp
BTPCMClk
BTPCMSync
BTPCMIn
BTPCMout
GenIO85
R2866
GenIO82
GenIO49
GenIO48
GenIO47
GenIO53
GenIO50
D20
GenIO54
R20
R22
N9
G17
D19
D11
P7
M4
M7
L7
IF2
I2C0SDA
I2C0SCL IF3
D4
C4
I2C0SDA
ACCINT2
I2C0SCL
ACCINT1
J1103
VAUX1
VAUX1 VIO
6
VDD
8INT1
9INT2
2,4,5,10,11=GND
SDA/SDI/SDO
13
14 SCL/SPC 3
Res
N1103
C7583
L2426
120R/100MHz
120R/100MHz
L2427
2u2
GND GND
C7582
2u2
J1104
AccInt2
GenIO44 AccInt1
GenIO12 T23
AA11
GND
C1104
100n
CS 7
Vdd_IO 1
SDO 12
TOUCH_INT
Y5
W4 TOUCH_RSTX
DISPC_DATA_LCD16
GenIO27
GenIO28
GenIO23
D16
D15
GND
2
3
4
5
6
7
8
9
X2403
1
10
GND
R2852
2k2
VIO VIO
2k2
R2853
I2C0SDA
I2C0SDA
I2C0SCL
I2C0SCL
R2440 100R
R2443 100R
I2C0SCL
R2442 100R
I2C0SDA
R2441 100R
GND
C1105
100n
2
3
FPC_SENSORS(20:0)
R2426 100R
R2425 100R
B14 IVE3_HAT_INT
GenIO63
GenIO106
GenIO107
GenIO108
GenIO109
GenIO110
GenIO111
GenIO112
GenIO113
GenIO114
GenIO115
GenIO116
GenIO118
GenIO117
GenIO119
GenIO120
GenIO121
GenIO126
GenIO125
GenIO124
DISPC_VSYNC
DISPC_HSYNC
DISPC_DATA_LCD14
Y9 0
1
2
3
4
5
6
7
8
9
10
11
12
13
14
15
28
27
26
49
DISPC_DATA_LCD0
DISPC_DATA_LCD7
Y7
Y8
V4 DISPC_DATA_LCD11
W3 DISPC_DATA_LCD13
U3 DISPC_DATA_LCD5
U7 DISPC_DATA_LCD4
DISPC_DATA_LCD10
U8
DISPC_DATA_LCD15
U9
Y4
AA5
AB6
AB7 DISPC_DATA_LCD3
AB3 DISPC_DATA_LCD1
DISPC_DATA_LCD6
AB4
DISPC_DATA_LCD9
AA3
DISPC_DATA_LCD8
AA6
DISPC_PCLK
AA7
AA9 DISPC_DATA_LCD2
DISPC_DATA_LCD12
LCD(99:0)
VIO
VIO
TOUCH_INT
I2C0SCL
I2C0SDA
TOUCH_RSTX
Touch flex board
J18
F1,G5=VIO
A1,C7=VAUX1
B2,C6,D4,F2,G6,F5=GND
J4
J5
J8
J9
J3
J2
2
3
4
5
6
7
8
9
J1
GND
X1
1
10
GND
VAUX1
J12
J11
VIO
J15
J14
J13
J16
2u2
C1
J7
J17
R1
J27
J28
J29
GNDGND
GND
100R
100n
C4
F7
X2
SDA
G2
G7
X0
E2
PDI_CLK/_RESET
E3
X1 E5
E6
X3
X4 E7
F3 SCL
F6 _CHG
C5
X12 D1
D2
X13
X11 D3
D5
X7
D6
X5
D7
X6
E1
X14
X15
Y9
Y5 B5
Y1 B6
B7
Y0
X10 C1
X9 C2
Y13 C3
C4
Y7
Y3
Y8 A4
A5
Y6
A6
Y4
A7
Y2
X8 B1
B4
N1
J26
C2
100n
J24
J25
J6
J20
J22
J23
J19
X4
X5
X8
X14
X10
X12
X1
Y7
Y6
X15
X3
Y5
X9
Y4
Y3
X11
X13
Y2
Y1
X0
X2
Y0
Y8
X7
Y9
X6
X16
J10
J21
GNDGND

Confidential Copyright © 2010 Nokia Only for training and service purposes
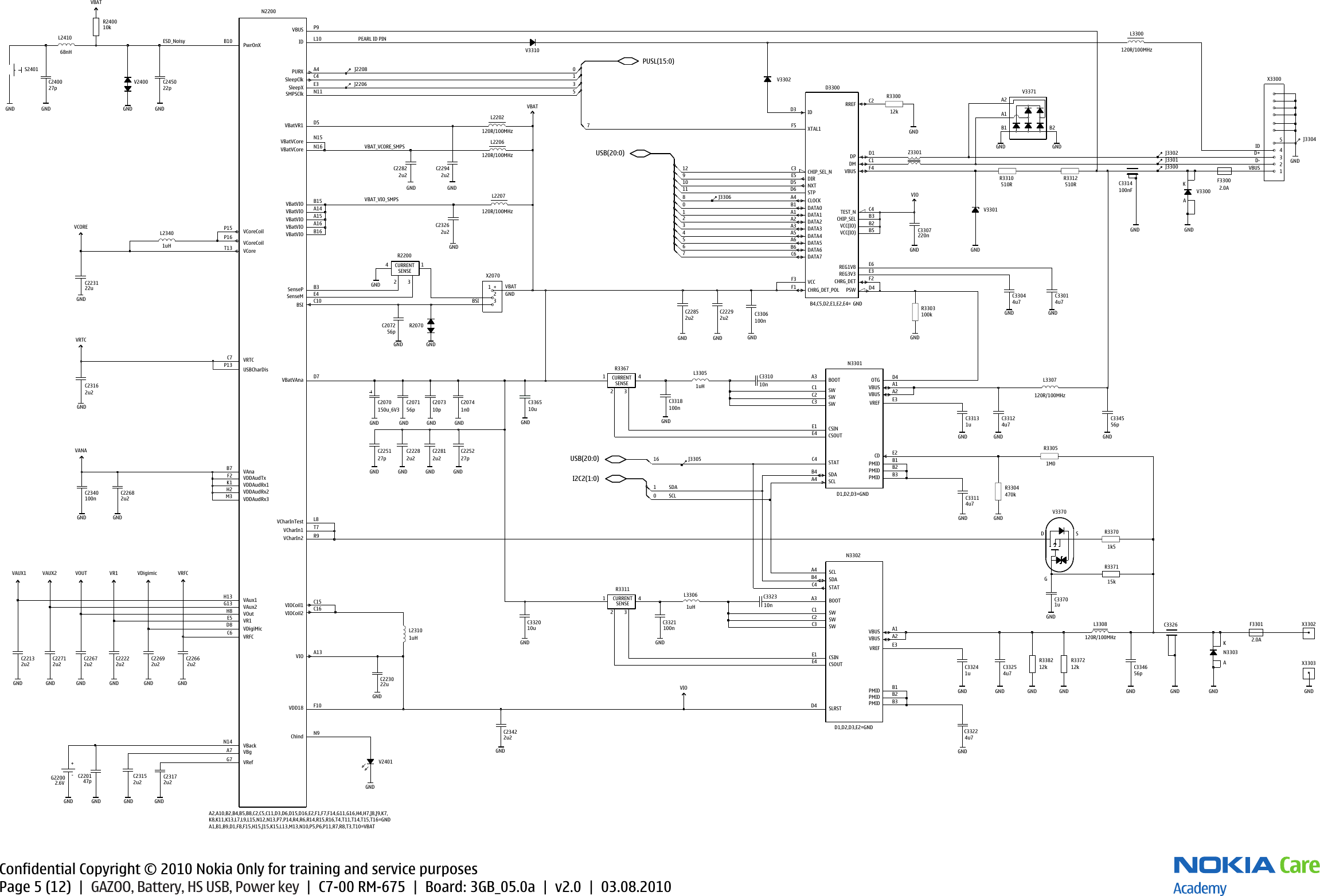
Page 5 (12) | GAZOO, Battery, HS USB, Power key | C7-00 RM-675 | Board: 3GB_05.0a | v2.0 | 03.08.2010
C2266
2u2
VAUX1
GND
2u2
C2267
GND
VAUX2
GND
2u2
C2269
H8 VOut
VAux1
H13
VAux2
G13
VR1
E5
2u2
C2271 C2222
2u2
GND GND GND
VR1VOUT
C2213
VDigimic
2u2
2u2
C2317
C6 VRFC
GND
VRFC
G7 VRef
VDigiMic
D8
2u2
C2285
GND
C2229
2u2
GND
GND
GND
C2342
2u2
T13 VCore
P15 VCoreCoil
P16
VCoreCoil
L10 PEARL ID PIN
ID
VDD18 F10
GND
C2231
22u
1uH
L2340
F3 VCC
B5
VCC(IO) B2
VCC(IO)
VIO
VIO
SCL
SDA
0
16 J3305
1
USB(20:0)
I2C2(1:0)
GND
C3307
220n
B1 B2
V3371
A1
A2
GND GND
V3302
X3302
X3303
120R/100MHz
L3307
1u
J3306
C3324
C3314
100nF
GND
V3301
C3311
11
10
9
12
4u7
R3371
C3370
1u
V3370
D
G
S
15k
1k5
R3370
V3310
C3320
10u
GND
GND
Z3301
GND
GND
GND
R3300
12k
E3
VREF
CSOUT
E4
C3365
10u
B4 SDA
SW
SW
C2
C3 SW
STAT
C4
D1,D2,D3,E2=GND
D1,D2,D3=GND
D4 SLRST
E1 CSIN
N3302
VBUS
VBUS A2
A3 BOOT
SCL
A4
REG1V8
F1 CHRG_DET_POL
CHRG_DET F2
VBUS F4
XTAL1
F5
D3
D4
PSW
D5 NXT
STP
D6
E3
REG3V3
E5 DIR
E6
DATA6
B6
C1
DM
RREF C2
C3 CHIP_SEL_N
TEST_N C4
DATA7
C6
D1
DP
ID
A3
A4 CLOCK
A5 DATA4
A6 DATA5
B1 DATA0
B3
CHIP_SEL
GND
B4,C5,D2,E1,E2,E4= GND
D3300
A1 DATA1
DATA2
A2
DATA3
C4
D4
OTG
E1 CSIN
CD E2
E3
VREF
CSOUT
E4
VBUS A2
A3 BOOT
SCL
A4
B4 SDA
C1 SW
SW
C2
C3 SW
STAT
120R/100MHz
L3300
N3301
A1
A1
VBUS
ID
J3304
5
10n
X3300
1
VBUS 2
D- 3
D+ 4
GND
C3323
8
GND
2.0A
7
GND
R3312
510R
R3310
510R F3300
L3305
GND
1
2 3
4
4u7
C3304
C3325
4u7
GND
C3346
L3308
120R/100MHz
56p
CURRENT
SENSE
R3367
1u
C3313
470k
R3304
GND
GND
1M0
R3305
GND GND GND
GND
1uH
1uH
PMID B1
B2
PMID
PMID B3
GND
C1
PMID B1
B2
PMID
PMID B3
4u7
C3322
GND
L3306
C3326
4u7
C3312
GND
56p
C3345
C3310
C3301
4u7
10n
V3300
K
A
CURRENT
SENSE
R3311
1
2 3
4
C3321
100n
GND
GND
GND
C3306
100n
2.0A
C3318
100n
GND
7
6
5
4
3
2
1
0
F3301
12k
GND
100k
R3303
R3382
12k
GND
R3372
N3303
K
A
USB(20:0)
VCharIn1 T7
R9
VCharIn2
L8
VCharInTest
C2230
22u
GND
L2310
1uH
C15
VIOCoil1 C16
VIOCoil2
A13
VIO
VBatVAna D7
J2208
N11
SMPSClk
SleepX E3
C4
SleepClk
PURX A4
J2206
PUSL(15:0)
0
5
1
3
GND GND
C2074
1n0
C2070
150u_6V3
GND
C2071
56p
GND
C2073
10p
L2202
120R/100MHz
VBAT
2u2
C2294
GND
D5
VBatVR1
2u2
C2282
2u2
C2326
120R/100MHz
L2207
GND
VBatVCore N15
N16
VBatVCore VBAT_VCORE_SMPS
VBAT_VIO_SMPS
VBatVIO B15
B16
VBatVIO
A14
VBatVIO
VBatVIO A15
VBatVIO A16
L2206
120R/100MHz
GND
27p
C2252
GND
27p
C2251
GND
68nH
L2410
S2401
GND
V2400 C2450
22p
GND
10k
R2400
GND
C2400
27p
GND
B10ESD_Noisy PwrOnX
-
+
G2200
2.6V
N14 VBack
GND
47p
GND
C2201
P9
VBUS
VCORE
J3302
J3301
J3300
C2228
2u2
C2281
2u2
GND GND
SenseM E4
B3
SenseP
SENSE
CURRENT 1
2 3
4
R2200
GND
C2072
56p
X2070
1 +
GND
VBAT
2
BSI 3
C10
BSI
R2070
GND
GND
Chind N9
V2401
GND
GND
C2340
100n
GND
C2268
2u2 M3 VDDAudRx3
K1 VDDAudRx1
H2 VDDAudRx2
F2 VDDAudTx
VAna
B7
VANA
VRTC
C2316
2u2
GND
P13 USBCharDis
C7 VRTC
GND
C2315
2u2
A7 VBg
VBAT
A2,A10,B2,B4,B5,B8,C2,C5,C11,D3,D6,D15,D16,E2,F1,F7,F14,G11,G16,H4,H7,J8,J9,K7,
K8,K11,K13,L7,L9,L15,N12,N13,P7,P14,R4,R6,R14,R15,R16,T4,T11,T14,T15,T16=GND
A1,B1,B9,D1,F8,F15,H15,J15,K15,L13,M13,N10,P5,P6,P11,R7,R8,T3,T10=VBAT
N2200

Confidential Copyright © 2010 Nokia Only for training and service purposes
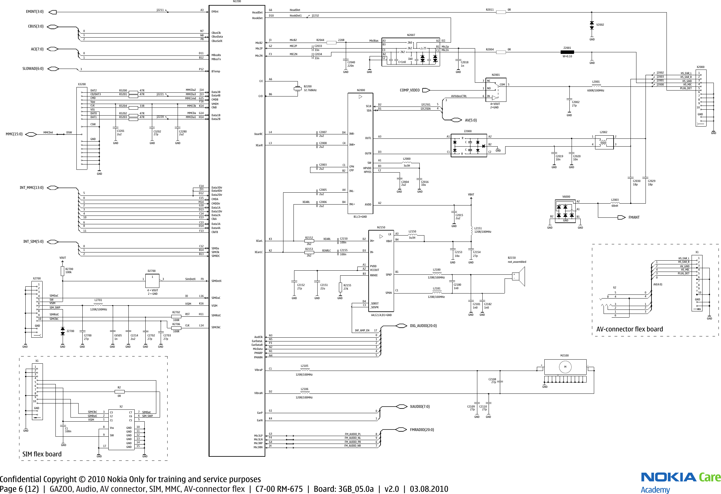
Page 6 (12) | GAZOO, Audio, AV connector, SIM, MMC, AV-connector flex | C7-00 RM-675 | Board: 3GB_05.0a | v2.0 | 03.08.2010
GND
2
3
4
5
6
7
8
9
X2000
1
10
GND
1n0
GND GND
B2150
+
-
B3 RKNEE
C1
SPKN
N2150
A1 PVDD
VCCOUT
A2
SPKP
B1
120R/100MHz
L2180
1n0
C2182
GND
A4,C2,C4,D1=GND
L2181
120R/100MHz
C2181
1n0
22u
C2151 C2180
27p
C2152
GND
GND
27K
R2155
IHF_AMP_EN
_SDBST
D4
C3 _SDSPK
17
GND
2u2
C2015
GND
10n
C2019
GND
10n
C2020
AVDD A2
L2000
3u3H
GND
10u
C2016
B3
HPVDD
A1
SW
I2C2SDA
MIC2P
I2C2SCL
MicB2
AVVideoCTRL
B1,C3=GND
HS_MIC
HS_GND
HS_EAR_L
HS_EAR_R
PLUG_DET
XearRC
MIC2N
XEARL
HookDet1
HeadDet
B3
Mic2n
C1
C2
C3
GND
2k0
2k2
1k0
25
2k2
C=1n0
N2007
ECIMicBias A2
A3
B1 Mic2p
B2
V2002
4
5
3
1 NO
3 NC
COM 5
IN6
4=VOUT
GND2=
N2001
C2018
1n
GND
L2001
J2000
J2003
J2002
J2001
600R/100MHz
L2002
3
2
4
1
L4
C2029
18p
GND
C2040
220n
18p
C2030
C2006
2u2
2u2
C2005
C2002
GND
27p
C2008
GND
2u2
HPVSS
C4 INR+
D1
SDA
D2
SCLK
D3
OUTR
D4 INR-
OUTL A3
INL-
B4
A4
INL+
C2
N2000
33n
220R
C2033
C2004
R2044
0RR2004
0RR2011
2u2
2u2
R
C
C
Z2000
RA2A1
B2
C2C1
C2007
C2034
33n
GND
GND
GND
V6000
GND
A1
A2
B1
B2
GND
68nH
L2003
W=0.10
FMANT
COMP_VIDEO
AV(5:0)
GND
Z2001
L3
XEarR
XEarLC K2
K3
XEarL
MicB2
J3
G2
Mic2P
Mic2N F3
not_assembled
HeadDet G6
HookDet D10 J2232
MMCCmd
MMCDa1
MMCDa3
MMCDa2
MMCClk
MMCDa
DAT0
DAT1
CSW
CD/DAT3
CMD
Vpp
CLK
VSS
X3200
DAT2
DSW
GND
J2220
J2221
R3200 47R
R3201 47R
R3204 33R
R3202 47R
R3203 47R
R2152
2k2
R2153
2k2
C3201
2u2
GND
MMCDet
GND
MMC(15:0)
K14 ClkB
Data4B
Data3B
J14
J13
H14 Data2B
G14 Data1B
CMDB
G15
GND
D11 MBusRx
B12 MBusTx
ACI(7:0)
EarN K4
EarP G1 0
1
XAUDIO(7:0)
DIG_AUDIO(20:0)
0
5
1
2
3
EarDataR P3
N2
MicData
N3
AudClk
N4
PMARN
N5
EarDataL
PMARP N1 4
0
1
INT_SIM(5:0)
EMInt
A3J2211
EMINT(3:0)
0
10
11
5
1
2
3
6
8
M14 CMDDir
Data1A
G10
E15 CMDA
F13 ClkFB
E13 ClkA
Data2Dir
Data3Dir
Data4Dir
D12
E14
J11
Data1Dir
D13
D14 Data4A
C13 Data3A
Data2A
C144
INT_MMC(13:0)
7
9
6
8
FM_AUDIO_PR
FM_AUDIO_NR
FM_AUDIO_PL
FM_AUDIO_NL
FMRADIO(20:0)
J4
Mic3RN
G3
Mic3LP
Mic3RP G4
Mic3LN F4
0
1
2
SIMDa
C12
SIMIOC
B13 SIMClk
B14
CBusSelX
P8
CBusClk
N7
CBusData
N8
CBUS(3:0)
0
1
2
VBAT
L2150
3u3H
B4
VBAT
LX A3
10u
C2153
GND
27p
C2154
GND
B2 CPP
CPN
C1
C2003
2u2
XEARL
XEARLC
D2 IN+
IN-
D3
C2150
100n
C2155
100n
VMEM
F16
27p
C3202
GND
2u2
C2280
GNDGND
+ -
C2110
27p
GND
L2105
120R/100MHz
M
M2100
120R/100MHz
L2106
27p
C2109
27p
C2108
VibraN D2
VibraP C1
L2151
120R/100MHz
32.768kHz
B2200
B6
CrO
CrI A6
SIMClkC
L14
SIMDaC
L16
H11 SIMRstC
SIMDetX
F9
GNDGND
SW
SIM_SWP
VSIM
SIMRstC
SIMDaC
SIMClkC
GND
R2706
100R
GND
C2702
27p
Z2700
D2700
1 3
27p
2 = GND
4 = VOUT
1
GND
C2703
27p
C2700
120R/100MHz
L2701
R2702
100R
4
5
6
7
8
9
X2700
1
10
GND
2
3
IO
CLK
RST
SimDetX
GND
C2214
2u2
GND
VSIM
VSIM K16
VOUT
100k
R2700
C6505
1n
3
SLOWAD(6:0) BTemp
P12
N2200
3
2
0
1
2
3
4
0
1
7
8
9
GND
4
X1
1
10
GND
2
3
4
5
6
HS_EAR_R
AV(4:0)
HS_EAR_L
PLUG_DET
HS_MIC
AV_GND
X2
1
2
3
4
5
6
AV-connector flex board
3C3
C5 5
6
C6
C7 7
Vss
8
9SW
10
11
GND
GND 12
GND 13
GND 14
GND 1517
2C2
5
6
7
8
9
GND
X2
C1
1
GND
GND
X1
1
10
GND
2
3
4
100n
C1
0R
R2
GND
GND
VSIM
SIMRstC
SIMClkC
SIM_SWP
SIMDat
SIM flex board

Confidential Copyright © 2010 Nokia Only for training and service purposes
Page 7 (12) | BTH FM, WLAN, GPS | C7-00 RM-675 | Board: 3GB_05.0a | v2.0 | 03.08.2010
5
9
4
2
33p
C6201
3
GND
J6204
OUT
7
1
1
Z6200
1575.42MHz
IN
GND
GND
IO_PA_EN
H6
H2 GPS_EN_RESET
H3 AGPS_CLK_REQ
I2C_SDA_U1RX
E6
IO_TIMESTAMP_DATARDY
E8
D7 RTC_CLK
D1
LNA_IN
I2C_SCL_U1TX
B6
GND GND
100n
C6209
GND
C6202
100n
GND
100n
C6207
100n
C6206
GND
C6212
100n
G8 VDD_DIG
H5 VDD_DIG
VCC_IF
G2
VCC_MIX
E2
VDD_DIG
B7
C3 VCC_LNA
VCC_PLL
A3
VCC_LNA
A1
L6200
3n9H
L6201
6n8H
C6200
33p
A6
REF_CLK
GPS(15:0)
FM_AUDIO_PL
FM_AUDIO_NR
FM_AUDIO_NL
CBUSCLK/SDA
FM_INTX
FM_AUDIO_PR
CBUSCLK/SCL
J3,K3,K4,K9,L9,=GND
GND
2
1
0
9
8
L6202
120R/100MHz
L6203
120R/100MHz
G
2400MHz
Z6300
G
K8
FM_AUDIO_PL
I2C_SDA L1
M2
M8
FMANT
FM_AUDIO_NR H9
FM_AUDIO_PR J8
J9
FM_AUDIO_NL
K1
I2C_SCL
FM_INTX G3
F7
XTALM
VIO
7
RF_PORT
A3
6
VBAT
C2
VBAT
VBAT D1
D2
VBAT
F8
REFCLK_I
FMANT
FMRADIO(20:0)
UART_RX
UART_WAKE
UART_CTS
UART_RTS
BT_RESETX
4
BT_WAKEUP
UART_TX
SleepClkBuf
0
21
5
1
3
6
11
SLEEPCLK L6
UART_RTS H7
BT_RESETX J5
UART_TX J6
UART_CTS G6
UART_RX H6
C8
UART_WAKE
BT_WAKEUP C9
0
SPI_CLK
WLAN_IRQ
WLANENABLE
4
SPI_CSX
SPI_MOSI
SPI_MISO
CLK_REQ 6
5
2
J4
WLAN_IRQ
SPI_MISO G4
E4
SPI_CSX
F4
SPI_MOSI
B9
CLK_REQ
WLANENABLE E2
SPI_CLK E3 3
1
0
WLAN(15:0)
BT(23:0)
PCM_SYNC
PCM_OUT
PCM_IN
PCM_CLK
10
8
7
G5
I2S/PCM_IN
I2S/PCM_CLK E5
E6
I2S/PCM_SYNC
I2S/PCM_OUT F5 9
VIO
100n
C6204
C6203
100n
GND
27p
C6213
GND
27p
C6214
GND
L6300
120R/100MHz
2u2
C6301
GND
27p
C6300
GND
27p
C6220
GND
VBAT1
H1
F4 VBAT1
A2 VBAT3
C6205
GND
100n
VIO_GPS
I2C_UART_N
VDDS
F8
SLEEPX_N
G4
G5 VDDS
F5
VDDS
A7
VBAT2
E1
GND
C6210
100n
GND
VCC_TCXO
F2
16.368MHz
G6200
OUT+VCC
GND
C6211
3p3 GPS_CLK
A4
RFClkExt(1:0)
J6305
J6306
J6331
J6210
J6211
X6203
X6204
GNDGND
J6311
J6310
GND
L6304
1n2H
X6304
GND
V6002
GND
A1
A2
B1
B2
15nH
L6001
GND
A1
A2
B1
B2
0R
R6004
GND
V6001
X6000
2p2
1.0n
C6000
C6003
GND
GND
C6002
1.0n
L8
TXANT
N6300
A8,B2,B3,B8,D2,D3,E3,E4,E7,
F1,F6,F7,G1,H4,H7,H8=GND
N6200

Confidential Copyright © 2010 Nokia Only for training and service purposes
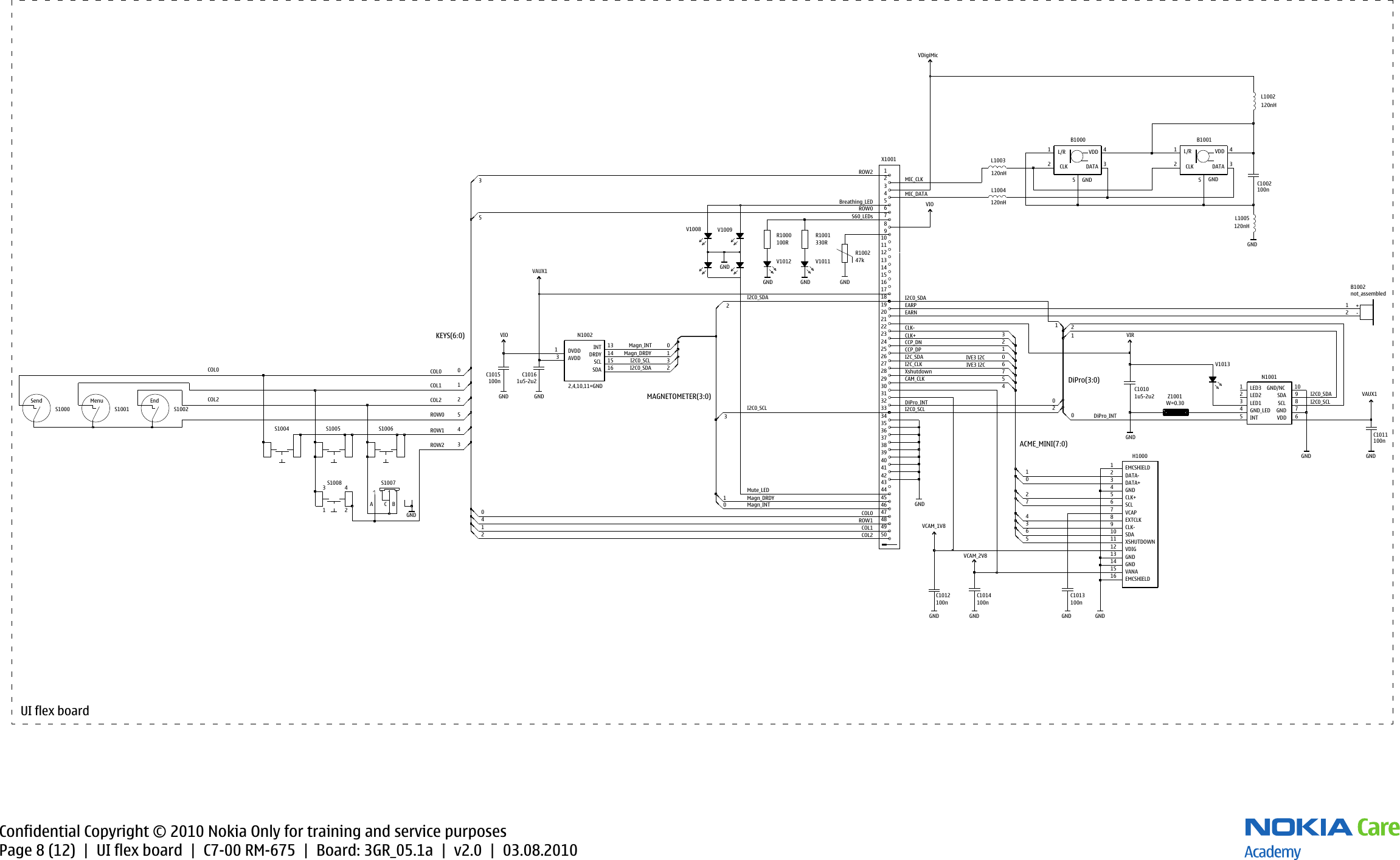
Page 8 (12) | UI flex board | C7-00 RM-675 | Board: 3GR_05.1a | v2.0 | 03.08.2010
IVE3 I2C
ROW2
COL0
Send
ROW0
ROW1
COL1
Menu End
IVE3 I2C
COL2
B1002
not_assembled
+
1
2-
GND
2
S1002
4
S1001
7
V1012 V1011
GND
1
3
2
GND
2
1
0
2
VAUX1
S1006
100n
C1014
7
1
2
5
4
3
6
LED1
3
4GND_LED
5INT 6
VDD
GND 7
8
SCL
9
SDA
6
N1001
LED3
1GND/NC 10
LED2
2
GND
VDigiMic
GND
VIO
V1009
9CLK-
GND
V1008
13
GND
14
VANA
15
EMCSHIELD
16
DATA-
2
DATA+
3
GND
4
CLK+
5
SCL
6
7VCAP
EXTCLK
8
H1000
1EMCSHIELD
SDA
10
XSHUTDOWN
11
12 VDIG
GND
Z1001
W=0.30
5
1
2
GND
4
330R
R1001
3
1
5
4
0
5
GND
VAUX1
0
0
GND
VCAM_1V8
C1010
1u5-2u2
8
9
C1011
100n
4
40
41
42
43
44
45
46
47
48
49
5
50
6
7
25
26
27
28
29
3
30
31
32
33
34
35
36
37
38
39
1
10
11
12
13
14
15
16
17
18
19
2
20
21
22
23
24
3
X1001
0
S1004 S1005
1
VCAM_2V8
S1000
V1013
100R
R1000
3
GND
C1013
100n
2
47k
R1002
120nH
L1002
5
B1001
L/R
1
2CLK DATA 3
4
VDD
GND C1002
100n
120nH
L1003
L1005
120nH
L1004
120nH
GND
B1000
1L/R
CLK
2 3
DATA
VDD 4
5 GND
C1012
GND
0
GND
GND
100n
1 2
3 4 S1007
A BC
Mute_LED
Breathing_LED
VIR
1
0
S1008
I2C0_SCL
DiPro_INT
DiPro(3:0)
ACME_MINI(7:0)
MAGNETOMETER(3:0)
KEYS(6:0)
I2C0_SDA
Xshutdown
CAM_CLK
I2C_CLK
I2C_SDA
CLK+
COL0
MIC_DATA
DiPro_INT
CLK-
I2C0_SCL
I2C0_SCL
ROW1
COL1
Magn_INT
Magn_DRDY
S60_LEDs
ROW2
MIC_CLK
ROW0
COL0
COL2
I2C0_SDA
I2C0_SDA
COL2
EARP
EARN
CCP_DN
CCP_DP
2
3
0
SCL
16
SDA
N1002
INT 13
DRDY 14
15
2,4,10,11=GND
1
Magn_INT
Magn_DRDY
I2C0_SCL
I2C0_SDA
100n
C1015
AVDD
3
1DVDD
VIO
1u5-2u2
C1016
GNDGND
UI flex board

Confidential Copyright © 2010 Nokia Only for training and service purposes
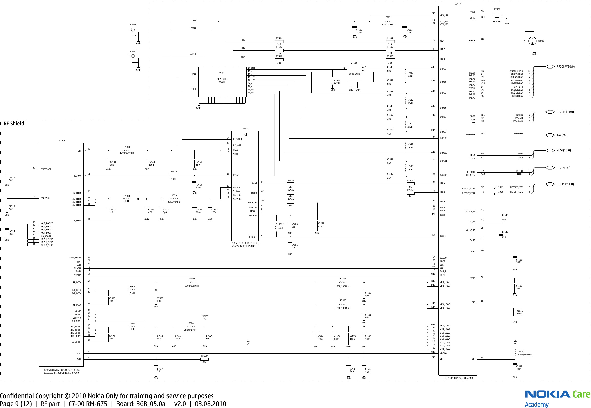
Page 9 (12) | RF part | C7-00 RM-675 | Board: 3GB_05.0a | v2.0 | 03.08.2010
TXHM
N1
M1 TXHP
TXLM
L1
TXLP
K1
RFC1
B2
RFC3
B3
RFC4
B1
A1 RFC5
A3 RFC2
C7566
1p8
220n
C7562
R7505
3k3
3k3
R7504
GND
GND
C7565
1p8
Vcc2HB
3
RFinLB+ 8
RFinLB-
RFoutHB
26 Vcc1HB
2
RFinHB-
30
RFoutLB
19
17
Icont
RFinHB+
N7510
9
R7503
GNDGND
C7553
470p
GND
GNDGND
R7502
R7501
L7522
5n6H
20
Detector
R7546
GND
3k3
470p
C7567
Mode
24
21
22
Band
3k3
R7540
3k3
R7545
Vcc1LB
Vcc2LB
11
15
220n
C7561
Vreg
5Vbat
6
GND
C7559
3p9
VBG G14
GND
100n
C7506
F13 VREF
6
7
3
8
100n
C7575
GNDGNDGNDGND
C7509
L7501
DAT_T
P4
P5 CLK_T
SCLK P11
SLE P12
PURX P13
XINP P14
G13
SDAT N11
RFSTROBE N12
N14
XINM
SLE_T
N4
M13
SYSCR M7
M11 DXPD
REFOUTM
L13
REFOUTP
REFOUT_EXT2 L14
REFOUT_EXT1 K13 J1001
J1000
VTX_LOW4
K2
VTX_LOW6
J2
J1 VTX_LOW3
H1 VTX_LOW5
H2 VTX_HI1
DIODE
F2 VTX_LOW1
ADC1
E2
GND
VRX_LOW4
D14 VRX_LOW1
INM21
C14
C2 VTX_LOW7
DACOUT
B4
A5 ADC2
A7 INPLB1
A8 INMLB1
INPLB2
A9
B12 VRX_LOW3
B14 INM21
A10 INMLB2
A11 INP19
INM19
A12
A13 INP18
A14 INM18
A2 VTX_HI2
A4 VTX_LOW2
GND
120R/100MHz
L7513
GND
L7506
2u2H
Z7518
1842.5MHz
IN OUT
OUT
2u2
C7516
2p7
C7541
4n7H
L7511
15nH
C7502
100n
3n9H
L7524
L7516
28R/100MHz
C7548
C7549
5p6
5p6
GND
L7512
C7514
470n
GND
C7507
3p9
GND
GND
GND
3p3
3p3
C7545
C7543
C7501
100n
GND
100n
C7560
C7510
C7505
100n
C7523
2u2
GND
1uH
L7503
B7500
38.4 MHz
2p7
C7542
L7508
GND
68p
C7581
K14 VRX_LOW2
J14 VRX_LOW5
L7507
120R/100MHz
GND
D13
120R/100MHz
1p8
1p8
100n
C7504
10n
C7508
GND
G1
OUTCP_TX
F14
OUTCP_RX
F1
VC_TX
E14
VC_RX
820p
C7547
560p
C7546
C7511
VREG50S
H4
H5
CB_SMPS
10n
IND_SMPS G6
IND_SMPS G7
G8
IND_SMPS
H1
FB_SMPS
VXO D2
IND_DCDC A7
CB_DCDC
E4
B4
B7
IND_DCDC
FB_DCDC A1
A4 VREG50BD
V7502
C7528
10u
120R/100MHz
L7525
6n8H
L7505
L7510
18nH
RFClkExt(1:0)
REFOUT_EXT1 0
0
1
1
XRESET
G1
DATA F1
F2
ENABLE
SCLK
100n
C7540
120R/100MHz
L7509
VHI H2
C7531
2u2
TXHB
TXLB
RX_GSM
AntLB
RX_II
RX_II
RX_I+IV
RX_I+IV
VCC
RFC1
RFC3
RFC2
RX_VIII
RX_VIII
4n7H
RX_V
AntHB
RX_V
MODULE
DUPLEXER
Z7513
GND
R7544
3k3
R7542
3k3
R7541
3k3
3k3
3k3
3k3
RFCTRL(11:0)
PUSL(15:0)
TXC(2:0)
RFCLK(1:0)
RFBusDa
RFBusClk
RFBusEn1X
RFSTROBE
RFCLKP
RFCLKM
SYSCR
PURX 0
REFOUT_EXT2
R7538
100R
3k3
R7509
G2
SMPS_CNTRL
C1
PA_DAC
C4
MUX1
VREF D1
C7529
10n
GND
GND
10u
C7513 OUT_BOOST
E7
OUT_BOOST
E8
INPUT_SMPS
F6
F7 INPUT_SMPS
INPUT_SMPS
F8
OUT_BOOST
E5
E6 OUT_BOOST
FB_BOOST
B1
GND
GND
P9
VDIG
100n
C7503
C7512
5p6
D1
CID
R7539
470R
GND
M14 VBOKO
100n
C7500
VR1
P7
VIO
GND
100n
C7539
120R/100MHz
L7530
VIO
68p
C7579
28R/100MHz
L7520
C7520
4u7 100n
C7524
GND
H3
VBB_VRX
D5
IND_BOOST
IND_BOOST D6
D7
IND_BOOST
IND_BOOST D8
CB_BOOST
A8
VBATT
VBATT B8
VBB_VRX1 A3
A6
1uH
L7504
10n
C7521
GND
GND
C7580
1n0
GND
GND
VBAT
E13 VRX_HI1
6
7
5
4
0
2
3
8
14
RXDA0 N9
P10
RFCONV(20:0)
N10
RXDA2
N5
TXDA1
N6
TXCLK M5
TXDA0
M6
TXDA2
M9
RXDA1
RXDA3 M10
RXQN/RXDA1
RXQP/RXDA0
VREFN/RXCLK
RXIN/RXDA2
RXCLK
RXIP/RXDA3
TXIP/TXCLK
TXQP/TXDA0
TXQn/TXDA1
IREF/TXDA2
X7000
X7001
GND
GND
RF Shield
N7512
A2,A5,B3,B5,B6,C3,C5,C6,C7,C8,D3,D4,
E1,E2,E3,F3,F5,G3,G4,H6,H7,H8=GND
N7509
B7,B13,C13,D2,M4,N3,P6=GND
1,4,7,10,12,13,14,16,18,23,
25,27,28,29,31,32=GND

Confidential Copyright © 2010 Nokia Only for training and service purposes
Page 10 (12) | Component finder top | C7-00 RM-675 | Board: 3GB_05.0a | v2.0 | 03.08.2010
C1497 I4 C2231 A8 C6212 I10 C7548 C3 L2423 D8 R1604 C11 R6504 H10
A1400 I6 C1498 I4 C2251 B6 C6300 C9 C7549 B3 L2424 E8 R1605 D11 R6505 H9
A2000 B7 C1500 I5 C2252 B7 C6301 E10 C7553 F4 L2425 E7 R2004 F9 R6506 G11
A6200 I10 C1501 J4 C2266 C6 C6501 G10 C7559 F4 L2426 C12 R2011 F9 R6507 G11
A6500 H9 C1515 J7 C2267 C6 C6502 H9 C7560 B3 L2427 C12 R2044 D8 R6511 G9
A7501 B4 C1516 J8 C2268 C6 C6503 H9 C7561 E5 L2701 A5 R2070 I3 R7501 B5
A7502 E4 C1517 J8 C2269 C6 C6504 H9 C7562 E3 L3306 J5 R2152 I8 R7502 B4
A7503 G4 C1519 F6 C2271 A7 C6505 G9 C7565 F3 L3308 K4 R2153 I8 R7503 C4
C1520 F6 C2280 A7 C6507 H9 C7566 F4 L6200 J9 R2155 H8 R7504 B5
B1400 H7 C1600 B11 C2281 C6 C6510 G9 C7567 B5 L6201 J10 R2200 H3 R7505 B5
B2200 C6 C1602 C11 C2282 B8 C6511 H9 C7575 B4 L6300 C9 R2400 G9 R7509 B3
B7500 A3 C1603 C11 C2285 C8 C6513 H10 C7579 H5 L6500 H10 R2406 E8 R7538 F5
C1605 D11 C2294 D7 C6514 H10 C7580 H3 L6501 G10 R2407 D8 R7539 B5
C1104 G3 C1606 C11 C2315 C6 C6515 H10 C7581 B3 L7501 B3 R2408 D8 R7540 E4
C1105 F3 C2002 F9 C2316 C6 C6516 H11 C7582 C12 L7503 G4 R2409 D8 R7541 D5
C1400 H6 C2003 D8 C2317 D7 C6517 H11 C7583 C12 L7504 H4 R2410 D8 R7542 C5
C1401 J7 C2004 D8 C2326 B7 C6519 H10 L7505 B5 R2413 D7 R7544 D5
C1402 I5 C2005 C9 C2340 D7 C6520 G10 D1400 J6 L7506 H5 R2414 F6 R7545 E4
C1405 I5 C2006 D9 C2342 C6 C6521 H11 D2700 C6 L7507 B3 R2415 D6 R7546 E4
C1408 K6 C2007 D8 C2401 K8 C6522 H11 L7508 C4 R2416 E6
C1410 J7 C2008 D8 C2402 J8 C6524 H10 G2200 G6 L7509 G5 R2417 E6 V2002 F9
C1411 K7 C2015 C8 C2403 J8 C6527 H9 G6200 I9 L7510 C4 R2418 E6 V2402 D7
C1412 J7 C2016 C9 C2404 J8 C6528 G11 L7511 B4 R2426 E7 V2403 D7
C1414 J5 C2018 E8 C2420 D6 C6529 G11 L1400 J5 L7512 B4 R2427 E7 V2404 E7
C1415 I7 C2019 G9 C2421 D7 C7500 B3 L1401 K6 L7513 B5 R2428 E6 V2405 E6
C1417 J7 C2020 G9 C2422 D7 C7501 B4 L1406 I5 L7516 F3 R2429 E7 V2406 D7
C1419 I5 C2029 F9 C2423 D8 C7502 B3 L1407 K6 L7520 H4 R2430 E8 V6000 E10
C1422 I7 C2030 F9 C2430 D8 C7503 A5 L1515 K8 L7522 F4 R2431 E8 V7502 B3
C1423 J7 C2033 D7 C2431 D8 C7504 A5 L1516 J7 L7524 C4 R2432 D6
C1424 I7 C2034 D7 C2432 E8 C7505 B5 L1517 I4 L7525 C3 R2433 E6 X1600 C11
C1425 I5 C2040 D8 C2433 E8 C7506 B3 L1518 I4 L7530 A6 R2435 D8 X2000 E9
C1426 J5 C2070 J3 C2502 D6 C7507 G4 L1601 C11 R2436 D8 X2070 I3
C1427 J7 C2071 J3 C2503 D6 C7508 H5 L1602 C11 N1103 G3 R2440 D12 X2400 E7
C1431 I7 C2072 H3 C2504 E7 C7509 B3 L2000 C8 N1497 I4 R2441 D11 X2403 D11
C1432 H6 C2073 J3 C2700 A5 C7510 B3 L2001 F9 N1515 J7 R2442 D11 X2700 B6
C1433 I7 C2074 J3 C2702 B5 C7511 F4 L2002 F9 N1517 F6 R2443 D12 X3302 A10
C1435 I5 C2108 D6 C2703 B5 C7512 B3 L2003 F9 N2000 C8 R2700 B6 X3303 A8
C1436 H6 C2109 D6 C3320 J4 C7513 G4 L2105 D6 N2001 E9 R2702 B5 X7000 A2
C1438 I5 C2110 D6 C3321 J4 C7514 G4 L2106 D6 N2007 E9 R2706 B6 X7001 D2
C1439 J7 C2150 I8 C3322 J5 C7516 F5 L2150 I7 N2150 I8 R2804 E10 X7501 E12
C1440 J7 C2151 I7 C3323 K4 C7520 H4 L2151 H8 N2200 C7 R2805 E10 X7502 G12
C1441 J7 C2152 I8 C3324 J4 C7521 G4 L2180 I8 N2400 J8 R2850 E8
C1442 I5 C2153 H7 C3325 K5 C7523 G5 L2181 I8 N3302 J4 R2851 E8 Z2000 G9
C1443 K6 C2154 H8 C3346 K4 C7524 G5 L2202 D6 N6200 I10 R2860 C9 Z2700 A5
C1444 K6 C2155 I8 C6200 I9 C7528 H5 L2206 B7 N6300 D10 R2862 C9 Z6200 J9
C1445 J5 C2180 I8 C6201 J9 C7529 H5 L2207 B6 N6500 H9 R2866 D9 Z6300 C10
C1446 J5 C2181 I8 C6202 J9 C7531 F5 L2310 B7 N7509 G5 R3204 C6 Z7513 D4
C1447 K5 C2182 I8 C6203 J10 C7539 A5 L2340 B8 N7510 E4 R3311 J4 Z7518 C3
C1448 H7 C2201 G6 C6204 J10 C7540 D5 L2401 K8 N7512 B4 R3372 J4
C1449 H6 C2213 B7 C6205 I10 C7541 C4 L2402 D6 R3382 I4
C1465 I5 C2214 B7 C6206 J10 C7542 C4 L2403 D6 R1419 I5 R6010 G11
C1466 K5 C2222 D7 C6207 I9 C7543 C4 L2404 E7 R1429 H6 R6011 G11
C1470 H6 C2228 B7 C6209 J10 C7545 C4 L2420 D6 R1430 K7 R6501 H11
C1471 K7 C2229 D6 C6210 J10 C7546 B3 L2421 D7 R1477 J7 R6502 H11
C1490 H6 C2230 A7 C6211 I9 C7547 B5 L2422 D7 R1478 J7 R6503 H10
L
X
N
Z
R
A
B
C
D
G V

Confidential Copyright © 2010 Nokia Only for training and service purposes
Page 11 (12) | Component finder bottom | C7-00 RM-675 | Board: 3GB_05.0a | v2.0 | 03.08.2010
C3365 D10 R3208 E3
A2800 C7 C3370 D9 R3209 E3
A3000 F4 C6000 J6 R3210 E4
A3100 D10 C6002 K6 R3300 E9
C6003 J6 R3303 D10
C1479 E6 C6213 I10 R3304 C9
C1480 E6 C6214 J10 R3305 C9
C1482 E8 C6220 I10 R3310 D9
C1483 E8 R3312 D9
C1496 E6 D2800 C7 R3367 D10
C1499 E8 D3000 C7 R3370 D9
C2400 H10 D3200 F4 R3371 D9
C2419 E7 D3300 E10 R6004 K5
C2450 H10
C2802 C6 F3300 D11 S2401 H12
C2806 D6 F3301 C9
C2807 C8 V2400 H10
C2808 D8 L1477 E6 V2401 E12
C2810 B6 L1497 E6 V3300 D11
C2811 D8 L1498 E8 V3301 D10
C2814 A7 L1499 E7 V3302 D9
C2816 C6 L1604 E8 V3310 D9
C2817 D7 L2410 H10 V3370 E8
C2818 D7 L3300 E11 V3371 E11
C2819 D8 L3305 C10 V6001 J6
C2820 D8 L3307 C9 V6002 J5
C2821 A6 L6001 K6
C2822 A8 L6202 I10 X1476 G7
C2823 A8 L6203 I10 X1496 E7
C2825 A6 L6304 B10 X1497 E8
C2826 D6 X1498 E7
C2830 B6 M2100 I3 X2060 I10
C2841 A8 X3200 C4
C2852 A7 N2800 C8 X3300 D12
C2861 B9 N3201 F5 X6000 K4
C3201 B5 N3252 E5 X6203 K9
C3202 B5 N3301 D10 X6204 K9
C3216 E3 N3303 C9 X6304 B10
C3217 G5 X6500 G10
C3218 F5 R1487 F6 X6501 G11
C3219 G5 R1488 F6 X7500 G9
C3220 F6 R2425 D8 X7503 A2
C3222 F5 R2800 A8
C3225 E4 R2852 G6 Z3301 D10
C3301 E9 R2853 G6 Z3326 C10
C3304 E10 R2855 A7
C3306 E9 R2861 B9
C3307 D10 R2867 D7
C3310 D9 R2870 D8
C3311 C10 R3002 G5
C3312 C9 R3200 B5
C3313 D10 R3201 B5
C3314 C11 R3202 D5
C3318 D10 R3203 D5
C3345 C9 R3207 E4
L
X
M
N
R
Z
A
C
D
F
S
V

Confidential Copyright © 2010 Nokia Only for training and service purposes
Page 12 (12) | Component finder flex boards | C7-00 RM-675 | 3GB_05.0a | v2.0 | 03.08.2010
LED flash flex board
Version 3GU_02a
TOP BOTTOM
TOP TOP
BOTTOM
BOTTOM
E1 V1
V3
V2
E2
E3
N1
C4
F4 test pad
G4 test pad
C1
C2
R1
J1 J2 J3 J4 J5 J6 J7 J8 J9 J10 J20 J19 J18 J17 J16 J15 J14 J13 J12 J11 J21 J29 J28 J27 J26 J25 J24 J23 J22
UI touch flex board
Version 3GV_03a
X1
SIM flex board
Version 3GS_03a
C1 R2
X2
X1
AV connector
flex board
Version 3GT_03a
X2
X1
B1000 C1
B1001 D2
C1002 C3
C1010 G21
C1011 G24
C1012 H22
C1013 G21
C1014 G21
C1015 J6
C1016 J6
H1000 H21
L1002 C3
L1003 C2
L1004 C2
L1005 C2
N1001 G24
N1002 J6
R1000 B3
R1001 G3
R1002 B21
S1004 J18
S1005 J17
S1006 J14
S1007 J10
S1008 J4
V1008 C2
V1009 F2
V1011 G2
V1012 B21
V1013 F21
X1001 C18
A
C
H
L
N
R
S
V
X
Bottom
Top