E65 Nokia Rm 208 Schematics
User Manual: Smartphone Nokia E65 RM-208 - Service manuals and Schematics, Disassembly / Assembly. Free.
Open the PDF directly: View PDF
.
Page Count: 30

BB and RF shields
RM-208
Schematics Nokia Customer Care
Issue 1 COMPANY CONFIDENTIAL Page 10 –4
Copyright © 2007 Nokia. All rights reserved.

BB top level
RM-208
Schematics Nokia Customer Care
Issue 1 COMPANY CONFIDENTIAL Page 10 –5
Copyright © 2007 Nokia. All rights reserved.

BB and RF
RM-208
Schematics Nokia Customer Care
Issue 1 COMPANY CONFIDENTIAL Page 10 –6
Copyright © 2007 Nokia. All rights reserved.

BB top level 2
RM-208
Schematics Nokia Customer Care
Issue 1 COMPANY CONFIDENTIAL Page 10 –7
Copyright © 2007 Nokia. All rights reserved.

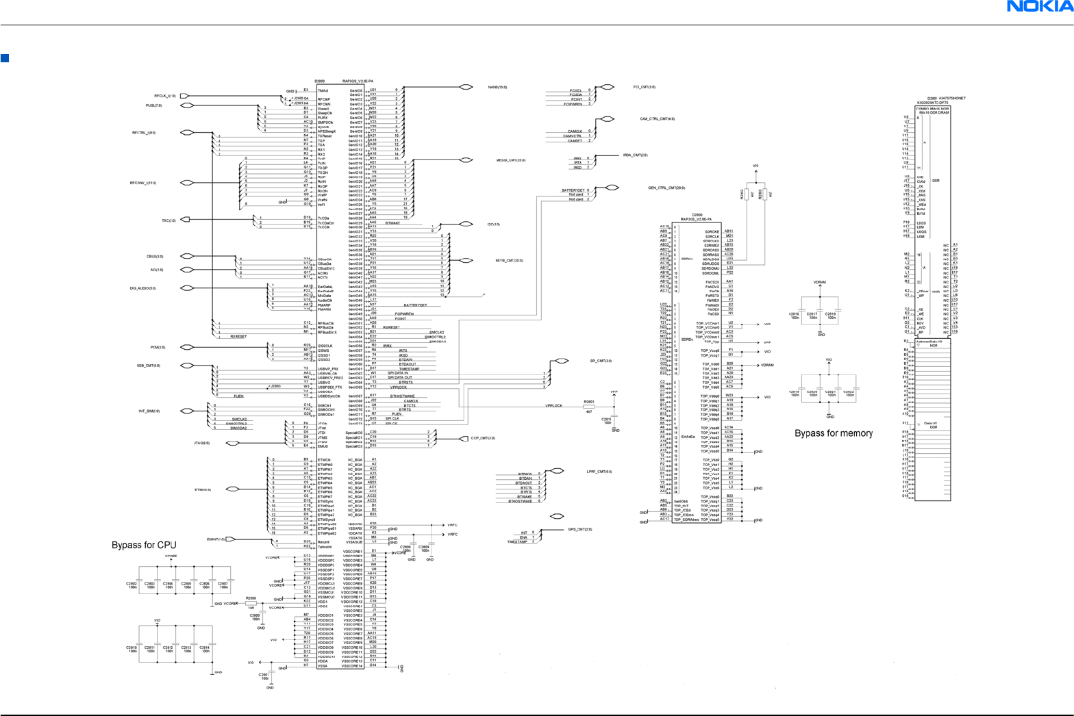
CMT engine top level
RM-208
Schematics Nokia Customer Care
Issue 1 COMPANY CONFIDENTIAL Page 10 –8
Copyright © 2007 Nokia. All rights reserved.

RAPstack for memory
RM-208
Schematics Nokia Customer Care
Issue 1 COMPANY CONFIDENTIAL Page 10 –9
Copyright © 2007 Nokia. All rights reserved.

USB connections with APE
RM-208
Schematics Nokia Customer Care
Issue 1 COMPANY CONFIDENTIAL Page 10 –10
Copyright © 2007 Nokia. All rights reserved.

RF IF
RM-208
Schematics Nokia Customer Care
Issue 1 COMPANY CONFIDENTIAL Page 10 –11
Copyright © 2007 Nokia. All rights reserved.

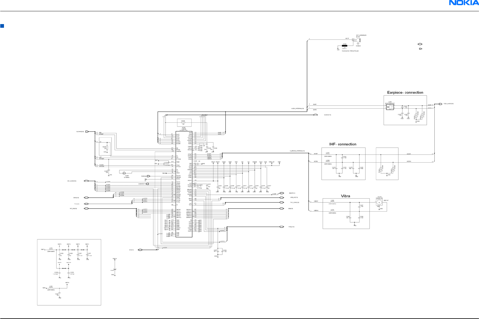
Energy management
RM-208
Schematics Nokia Customer Care
Issue 1 COMPANY CONFIDENTIAL Page 10 –12
Copyright © 2007 Nokia. All rights reserved.

Vilma
RM-208
Schematics Nokia Customer Care
Issue 1 COMPANY CONFIDENTIAL Page 10 –13
Copyright © 2007 Nokia. All rights reserved.

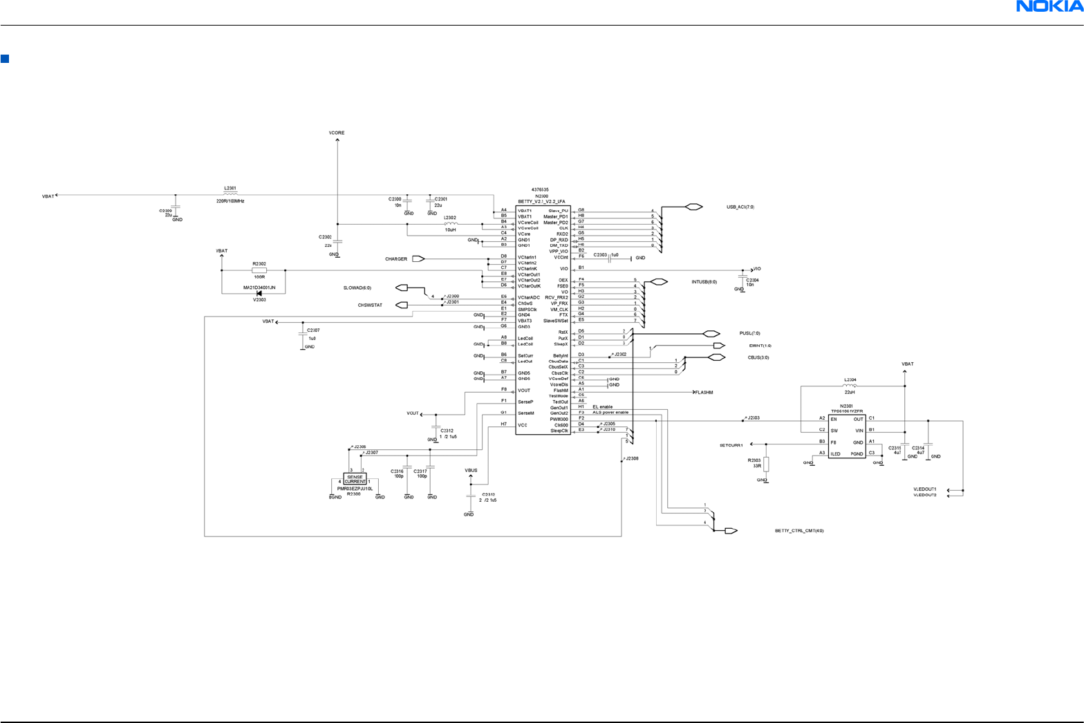
Betty
RM-208
Schematics Nokia Customer Care
Issue 1 COMPANY CONFIDENTIAL Page 10 –14
Copyright © 2007 Nokia. All rights reserved.

CMT IF top level
RM-208
Schematics Nokia Customer Care
Issue 1 COMPANY CONFIDENTIAL Page 10 –15
Copyright © 2007 Nokia. All rights reserved.

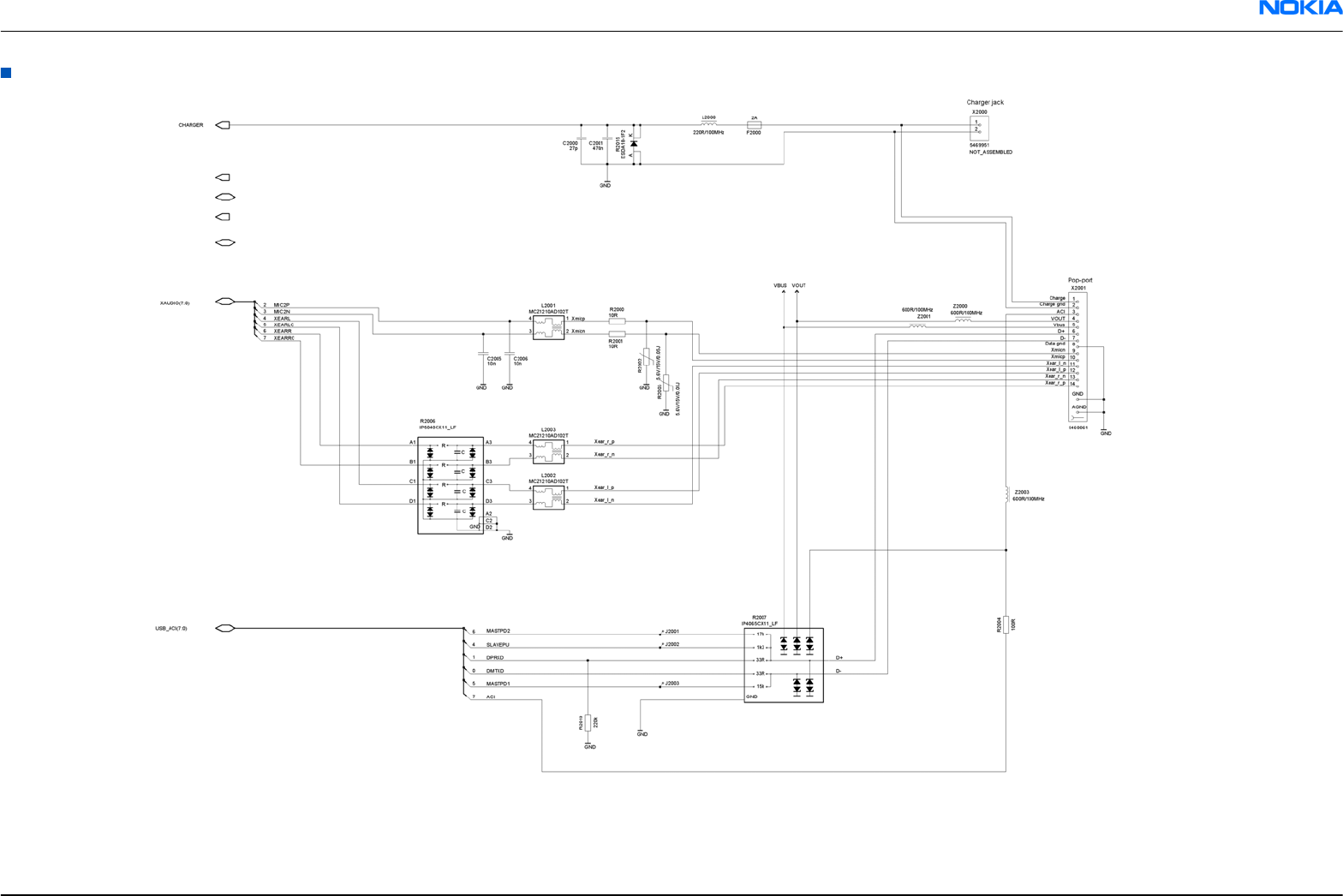
System and battery connector
RM-208
Schematics Nokia Customer Care
Issue 1 COMPANY CONFIDENTIAL Page 10 –16
Copyright © 2007 Nokia. All rights reserved.

System connector
RM-208
Schematics Nokia Customer Care
Issue 1 COMPANY CONFIDENTIAL Page 10 –17
Copyright © 2007 Nokia. All rights reserved.

Battery connector
RM-208
Schematics Nokia Customer Care
Issue 1 COMPANY CONFIDENTIAL Page 10 –18
Copyright © 2007 Nokia. All rights reserved.

Test pad
RM-208
Schematics Nokia Customer Care
Issue 1 COMPANY CONFIDENTIAL Page 10 –19
Copyright © 2007 Nokia. All rights reserved.

Application engine top level
RM-208
Schematics Nokia Customer Care
Issue 1 COMPANY CONFIDENTIAL Page 10 –20
Copyright © 2007 Nokia. All rights reserved.

APE engine
RM-208
Schematics Nokia Customer Care
Issue 1 COMPANY CONFIDENTIAL Page 10 –21
Copyright © 2007 Nokia. All rights reserved.

APE memories
RM-208
Schematics Nokia Customer Care
Issue 1 COMPANY CONFIDENTIAL Page 10 –22
Copyright © 2007 Nokia. All rights reserved.

Regulators
RM-208
Schematics Nokia Customer Care
Issue 1 COMPANY CONFIDENTIAL Page 10 –23
Copyright © 2007 Nokia. All rights reserved.

Helen
RM-208
Schematics Nokia Customer Care
Issue 1 COMPANY CONFIDENTIAL Page 10 –24
Copyright © 2007 Nokia. All rights reserved.

APE IF
RM-208
Schematics Nokia Customer Care
Issue 1 COMPANY CONFIDENTIAL Page 10 –25
Copyright © 2007 Nokia. All rights reserved.

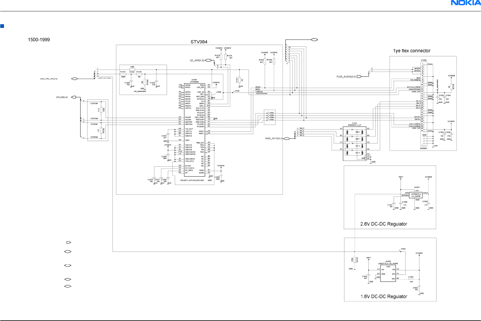
STV984 + SMIA85
RM-208
Schematics Nokia Customer Care
Issue 1 COMPANY CONFIDENTIAL Page 10 –26
Copyright © 2007 Nokia. All rights reserved.

MMC
RM-208
Schematics Nokia Customer Care
Issue 1 COMPANY CONFIDENTIAL Page 10 –27
Copyright © 2007 Nokia. All rights reserved.

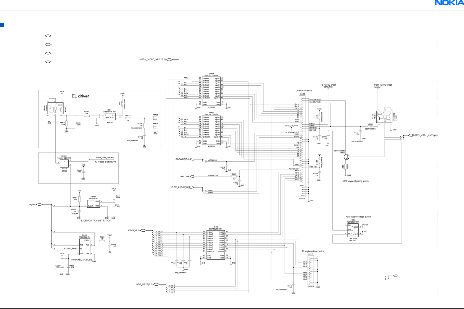
UI
RM-208
Schematics Nokia Customer Care
Issue 1 COMPANY CONFIDENTIAL Page 10 –28
Copyright © 2007 Nokia. All rights reserved.

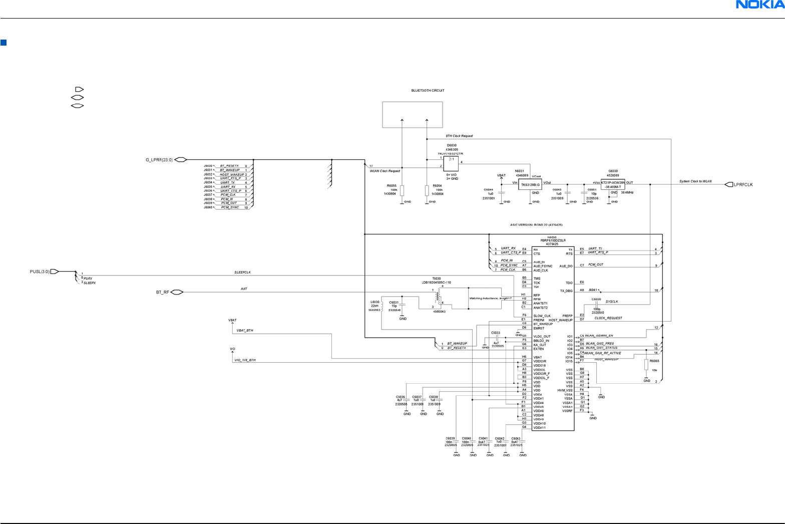
BT interface
RM-208
Schematics Nokia Customer Care
Issue 1 COMPANY CONFIDENTIAL Page 10 –29
Copyright © 2007 Nokia. All rights reserved.

BTHcost
RM-208
Schematics Nokia Customer Care
Issue 1 COMPANY CONFIDENTIAL Page 10 –30
Copyright © 2007 Nokia. All rights reserved.

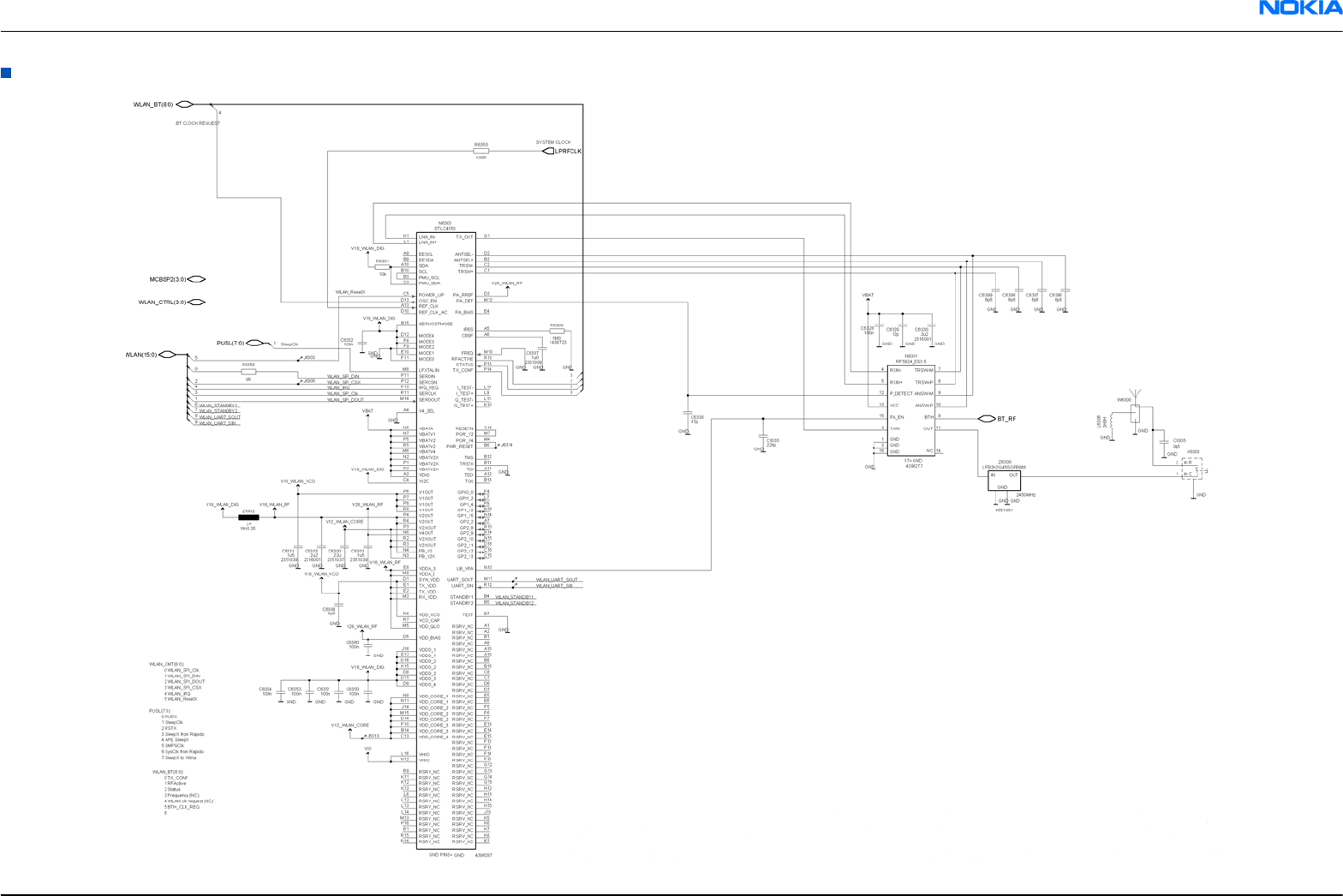
WLAN
RM-208
Schematics Nokia Customer Care
Issue 1 COMPANY CONFIDENTIAL Page 10 –31
Copyright © 2007 Nokia. All rights reserved.

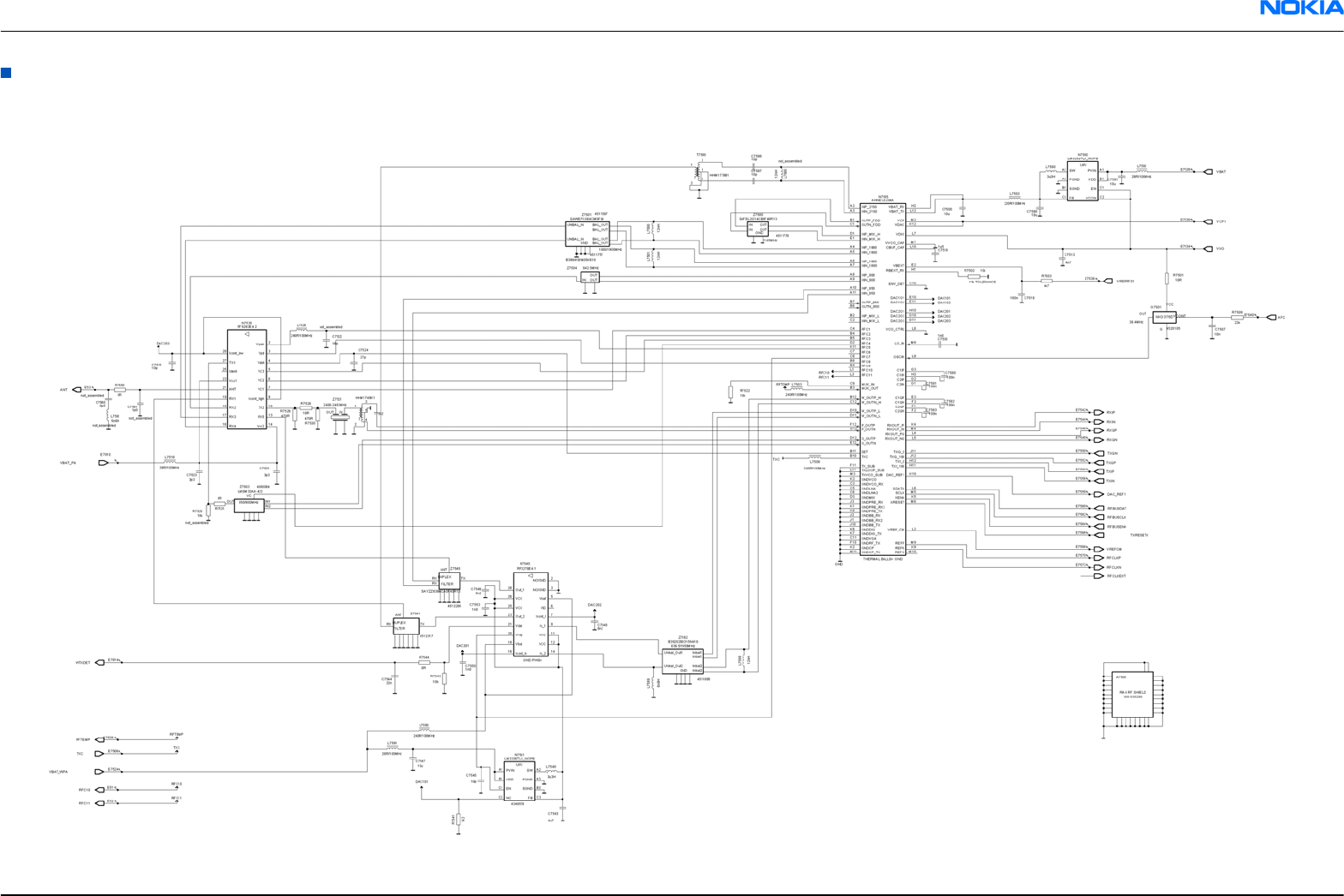
RF engine
RM-208
Schematics Nokia Customer Care
Issue 1 COMPANY CONFIDENTIAL Page 10 –32
Copyright © 2007 Nokia. All rights reserved.

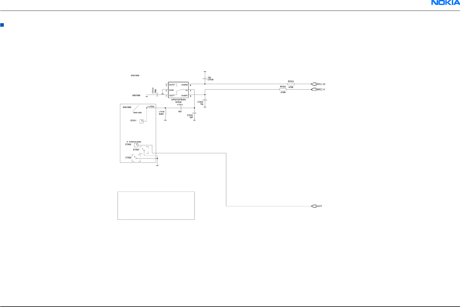
Antenna interface
RM-208
Schematics Nokia Customer Care
Issue 1 COMPANY CONFIDENTIAL Page 10 –33
Copyright © 2007 Nokia. All rights reserved.