Nokia N71 Rm 67 Service Schematics
User Manual: Smartphone Nokia N71 RM-67, RM-112 - Service manuals and Schematics, Disassembly / Assembly. Free.
Open the PDF directly: View PDF
.
Page Count: 15

Customer Care / Service Operations / Content Creation Team
Condential Copyright © 2006 NOKIA Only for training purposes Version: 2.0 | 29.03.2006 | N-71 | | | Page 1(15) Board version: 1lq_11
Service Schematics
Exploded view and compnent disposal
Introduction
RM-67
Important:
This document is intended for use by authorized service centers only.
“Service Schematics“ was created with focus on customer care.
The purpose of this document is to provide further technical repair information for
NOKIA mobile phones on Level 3/4 service activities.
It contains additional information such as e.g. “Component nder”,
“Frequency band table” or “Antenna switch table”.
The “Signal overview” page gives a good and fast overview about the most
important signals and voltages on board.
Saving process time and improving the repair quality is the aim of this document.
It is to be used additionaly to the service manual and other training
or service information such as Service Bulletins.
All measurements were made using following equipment:
Nokia repair SW : Phoenix version 2006.44.7.123
Oscilloscope : Fluke PM 3380A/B
Spectrum Analyzer : Advanced R3162 with an analog probe
RF-Generator/GSM Tester : Rhode & Schwarz CMU 200
Multimeter : Fluke 73 Series II
While every endeavour has been made to ensure the accuracy of this document, some
errors may exist. If the reader nds any errors, NOKIA should be notied in writing.
Please send E-Mail to: training.sace@nokia.com
Copyright © NOKIA
This material , including documentation and any related computer programs is protected
by copyright, controlled by NOKIA. All rights are reserved. Copying, including reproducing,
modifying, storing, adapting or translating any or all of this material requires the prior
written consent of NOKIA. This material also contains condential information, which may
not be disclosed to others whitout the prior written consent of NOKIA.
Table of contents
Frontpage
Frontpage 1
System connector 2
RETU, Audio 3
TAHVO 4
RAP3G, memories 5
OMAP, Combo memory 6
FM Radio 7
UI part 8
Board to Board connector/ Main PWB 9
Board to Board connector/ LID PWB 10
Display, Cameras/ LID PWB 11
Bluetooth PWB 12
RF part 13
Signal overview 14
Component nder 15

Customer Care / Service Operations / Content Creation Team
Condential Copyright © 2006 NOKIA Only for training purposes Version: 2.0 | 29.03.2006 | N-71 | | | Page 2(15) Board version: 1lq_11
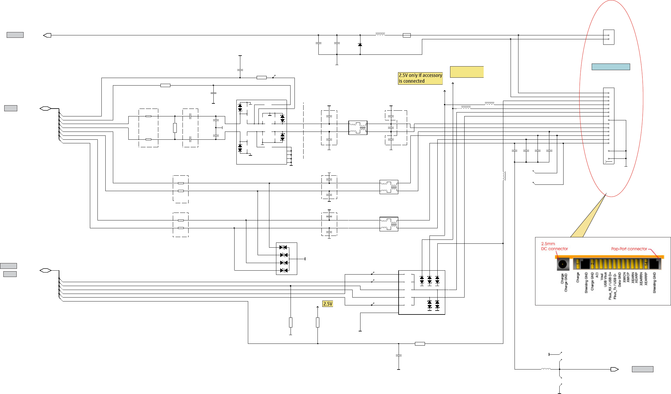
System connector
CHARGER PLUG
ACI
MICB2
D-
MIC2P
MIC2N
XEARL
XEARLC
XEARR
XEARRC
Xear_r_n
Xear_r_p
DPRXD
A3, B3, C3 =EMC GND
D+
data gnd
Xmicn
Xmicp
Xear_l_n
Xear_l_p
VOUT
Top Side
Bottom Side
HOOKDET
charge
charge gnd
ACI
Vbus
EMC
SLAVEPU
DMTXD
MASTPD2
MASTPD1
J2001
VOUT
GND
J2002
GND
C2005
5n6
270p
C2011
100R
J2008
R2009
R2011
120k
R2000
220R
R2003
L2004
68nH
33k
4
5
L2000
220R/100MHz
1
2
3
4
GND
GND
C2003
1 /2 33n
L2002
EXC24CB102U
GND
GND
R2004
1
/2 10n2
C2009
GND
5
/2 10R
Vcc
GND
Meas
GND
GND
GND
6
7
R2001
BGF100
1k0
2k2
50R
50R
2k2
1k0
1n0
1n01n0
1n01n0
to Mic
1n0
to UEME
J2006
2u2
C2002
C2014
10p
R2010
220k
7
0
10p
C2013
/2 2k2
R2002
2
/2 10n1
C2010
/2 10n2
C2006
R2012
10k
1n0
C2017
4
5
6
7
8
9
0
J2003
X2001
1
10
11
12
13
14
GND
AGND
2
3
1
23
4
GND
J2005
EXC24CB102U
L2001
C2004
5n6
Z2000
600R/100MHz
VBUS
4
Z2001
600R/100MHz
GND
GND
/2 10n2
C2010
J2004
GND
/2 10n1
C2006
EXC24CB102U
L2003
1
2
3
4
R2005
2
J2000
R2005
1
/2 10R
F2000
/2 10R
V2000
1PMT16AT3
2A
C3
GND
GND
GND
ESDA14V2-4BF2
R2006
A3
A1
B2
C1
33R
33R
17k
1k3
600R/100MHz
Z2003
R2007
IP4065CX11_LF
15k
6
VANA
1
/2 2k2
R2002
1
22p
C2008
J2009
GND
2
3
C2003
2/2 33n
GND
2 /2 10R
R2004
C2012
470n
GND
NF
X2000
1
2
1
/2 10n1
C2009
GND
GND
GND
J2007
/2 22p2
C2007
/2 22p1
C2007
10p
C2015
C2000
C2016
10p
27p
CHARGER
USB_ACI(7:0)
XAUDIO(17:0)
FMANT
GND
FM Radio
RETU
TAHVO
RETU
TAHVO
System connector
GND
USB connected
= 5V from host

Customer Care / Service Operations / Content Creation Team
Condential Copyright © 2006 NOKIA Only for training purposes Version: 2.0 | 29.03.2006 | N-71 | | | Page 3(15) Board version: 1lq_11
RETU, Audio
VIBRAP
VIBRAN
WTXDET
HFSPN
EARN
EARP
RFTEMP
LS
BSI
VCHAR
LST
GND
HFSPP
1u0
C2214
1n0
C2203
GNDGND
VREF
2
J2211
0
1
1n0
C2202
L2205
220R/100MHz
J2221
9
1
1
1
GND
J2206
L2206
600R/100MHz
GND
GND
1u0
C2205
4
C2212
GND
1n0
6
13
GND
GND
VBATCP
5
VBAT
GND
J2213
6
GND
GND
VANA
0
1u0 C2221
GND
J2212
1
3
0
GND
J2219
27p
3
GND
2
VANA
C2234
0
10u
C2231
C2201
1u0
2
1u0
J2214
GND
2
C2222
600R/100MHz
L2203
VDRAM
0
GND
VBAT2
GND
C2217
1u0
1n0
C2206
G2200
VIO
1
J2200
8
VBAT1
600R/100MHz
L2204
VBAT3
VSIM1
1
C2213
1u0
GND
J2207
GND
0
GND
0
GND
J2220
J2208
J2204
220R/100MHz
0
5
C2225
1u0
L2202
VSIM2 VRFC
GND
2
2
1
GND
GND
GND
3
GND
22p
C2209
GND
GND
1
J2215
4u7
C2211
0
1
2
GND
J2217
R2201
120k
3
2
R2200
VAUX
100k
27p
GND
1
C2208
0
J2205
0
5
C2219
1u0
M5
M6 TxCClk
M7
TxC2
AFC M8
SlClk M9
J2218
TxCDa
L7 TxCCtrl
VBack
L8
L9 CrI
RFTemp
M1
HV
M10
M11
VDRAM
BSI
M12
M2 LS
M3 WTxDet
M4 AudClk
SerClk K8
RetuInt
CrO
K9
L1 SIMDetX
L10
TM
L11 HeadDet
L12 HookDet
LST
L2
BTemp
L3
MBusTx
L4
L5 SerData
L6
J3 Mic1N
K1 Mic1P
K10 ChSwS
K11 VBat2
K12
Gnd2
VDATx
K2
PURX K3
K4
MBusRx
K5 SerSelX
Gnd4 K6
K7
TxC1
H1
H10
VBG
MBus H11
H12 VBat4
H2
MicB2
VSATx H3
J1 Mic2P
SleepX
J10
J11 WDDis
J12
VAna
J2 Mic2N
VRef F11
F12 VBat5
MicSub F2
XEarL F3
G1
XEarR
VBat6
G10
G11
VR1
VRFC G12
G2
MicBCap
XEarRC G3
MicB1
VIO
Mic3NR
D2
EarP D3
Mic3P
E1
E10
RstX
E11
VAux
PwrOnX
E12
Mic3N
E2
Mic3PR
E3
F1
XEarLC
F10 VChar
HFSpN
C3 VDARx
PMARN
C4
SIMClk1
C5
SIMDa1
C6
C7
SIMClkC1
SIMDaC1 C8
C9
VSIM2
EarN D1
D10
SIMRstC2
Gnd1 D11
D12
B4 EarDaR
MicData B5
B6 SIMClk2
B7 SIMIOC2
B8
Gnd3
SIMClkC2 B9
VSARx C1
VRCP2 C10
C11
SIMRstC1
VBat1
C12
C2
SIMIOC1
SIMDa2
A6
VSIM1 A7
A8 VBat3
SIMDaC2 A9
B1
HFSpP
B10
VCP
B11
FlyHigh
VBatCP
B12
B2
GndHVBatH
B3
RETU_3.02
VibraN A1
A10
VRCP1
GndCP A11
A12
FlyLow
VibraP A2
A3 PMARP
EarDaL
A4
A5
1u0
C2215
VRCP2
N2200
4
PWRON
VREF
C2228
1u0
1u0
C2227
4k7
R2209
GND
GND
GND
GND
1n0
C2207
10n
C2223
C2216
1u0
1u0
J2202
C2220
4
B2200
32.768kHz
0
GND
7
10n
C2224
GND
VRCP1
7
12
2
C2226
1u0
C2210
1u0
2M2
0
J2216
VR1
R2206
27p
C2233
3
J2209
GND
C2235
1n0
GND
6
4
VBATH
C2230
1u0
GND
GND
2
GND
C2204
1n0
1u0
C2232
J2210
1J2201
1u0 C2200
GND
PWRONX
PUSL(7:0)
3
ACI(1:0)
XAUDIO(17:0)
DIG_AUDIO(5:0) EMINT(1:0)
CBUS(3:0)
USB_ACI(7:0)
TXC(2:0) TXCCONV(2:0)
INT_SIM(5:0)
SIM(6:0)
AUDIO(8:0)
SLOWAD(6:0)
CHSWSTAT
BSI
BTEMP NTC
15p
C2071
GNDGND
47p
C2072
22p
C2070
GND
X2070
1
2
3
R2070
14V/50V
J2072
J2071
47k
GND
J2070
GND
-t R2071
VBAT
BGND
1
1
HFSPP
VIBRAN
HFSPN
B2102
VIBRAP
6
220R/100MHz
L2106
GND
1n0
C2114
1
GND
4
X2101
EXC24CB102U
L2108
1
2
3
220R/100MHz
L2105
2
3
M
M2100
FM-0035-C1
-
+
5
/2 10R2
R2104
0
/2 10R1
R2104
14V/50V
R2106
C2112
1n0
1n0
C2110
R2107
X2100
GND
14V/50V
GND
L2104
220R/100MHz
1n0
C2116
C2115
1n0
56nH
L2103
L2102
56nH
L2107
220R/100MHz C2111
1n0
EARN_F
EARP_F
1
2
MIC1P
MIC1N
MICB1
EMC
/2 22p1
C2105
3
/2 10n
2
C2104
2
2u2
C2100
R2101
GND
GND
220R
GND
33k
R2103
5n6
C2102
2
C2101
5n6
/2 33n
C2103
1
23
4
GND
C2103
1/2 33n
GND
GND
GND
EXC24CB102U
L2100
1n0
1n01n0
1n01n0
to Mic
1n0
R2100
Vcc
GND
Meas
GND
GND
C2104
/2 10n
to UEME
BGF100
1k0
2k2
50R
50R
2k2
1k0
4
1
GND
/2 2k2
R2102
1
R2102
2 /2 2k2
22p
GND
B2100
NF
OUT
GND
C2105
C2106
/2 22p2
GND
OMAP
System
connector
RAP3G
HINKU
VINKU
WCDMA PA
TAHVO
Audio
Battery
connector
Microphone
Earpiece
RETU
Vibra
B-to-B conn. /
LID PWB
RAP3G
TAHVO
RAP3G
RAP3G
FM radio
B-to-B conn. /
Main PWB
RAP3G
TAHVO
System
connector
VINKU
BT connector/
Main PWB
TAHVO
RAP3G
BT
B-to-B conn. /
Main PWB
1.8V/3V
depends
on SIM
1
7
9
8
11
13
12
15
PURX = 1.8V
not_assembled

Customer Care / Service Operations / Content Creation Team
Condential Copyright © 2006 NOKIA Only for training purposes Version: 2.0 | 29.03.2006 | N-71 | | | Page (15) Board version: 1lq_11
TAHVO
J2300
C2302
GND
0
1
J2306
22u
7
VBAT
BGND GND
6
3
FLASHM
J2309
GND
4
GND
GND
4
4
5
10n
C2300
1u0
C2307
CURRENT_SEN
1
23
4
5
5
VIO
R2300
GND
GND
2SC5658QRS
V2300
100R
R2304
GND
1u0
C2313
1
0
J2308
0
GND
J2307
C2309
1
GND
GND
2
GND
22u
1
0
C2301
22u
VBAT
L2301
220R/100MHz
GND
GND
C2306
1u0
2
J2301
VBUS
C2303
1u0
1
3
J2305
2
1
J2302
SETCURR2
GND
VCORE
6
1k0
R2303
K2
K3
VM_CLK
FSE0 K4
FTX K5
K6
SLAVESWSET
K7
RXD2
K8
D-_TXD
VCCint K9
J4
J5
VO
CLK J6
D+_RXD J7
J8 GND3
Master_PD2 J9
GenOut2 K1
VCC
K10
RCV_FRX2
NC
H6
H7 NC
H8 NC
Master_PD1 H9
ChSwS
J1
J10
Slave_PU
GenOut1 J2
VP_FRX J3
OEX
NC
G3
G8 NC
VBAT3
G9
H1
GenOut3
Vout
H10
H2 SENSE-
H3 NC
H4 NC
NC
H5
SMPSClk
VCharOut1
F10
GND4
F2
NC
F3
F8 NC
F9 VCharOutK
PWM300
G1
VCharOut2
G10
SENSE+
G2
NC D8
VCharADC
D9
Clk600 E1
E10 VCharIn2
SleepClk E2
E3
NC
NC E8
VCharInK
E9
F1
C7
NC
NC C8
VcoreDef C9
SLEEPX D1
VCharIn1
D10
D2
PURX
D3
NC
NC
B8
B9
TestOut
CbusData C1
C10
NC
TahvoInt C2
C3
NC
NC C4
C5
NC
NC C6
B1
B10 NC
B2
CbusClk
B3
RSTX
B4 VCore
B5 GND1
B6 VCoreCoil
B7
TestMode
A2
FlashM
VIO A3
GND1
A4
VCoreCoil
A5
A6 VBAT1
A7 VBAT1
NC
A8
GND5
A9
CbusSelX
N2300
TAHVO_V5.2_LF
A1
VPP_VIO
NC
A10
GND
1u0
C2312
3
L2302
10uH
GND
C2304
10n
PWMTAHVO
CBUS(3:0)
LED_DRV(1:0)
GND
0
CHARGER
SLOWAD(6:0)
USB_ACI(7:0)
INTUSB(8:0)
CHSWSTAT
PUSL(7:0)
EMINT(1:0)
Traceability pad
X2060
1
GND
VBUS
3
0
VPP
GND
1
2
3
4
6
7
8
2
1
J2060
GND
4
220R/100MHz
L4201
22u
C4200
L4200
10uH
GND
GND
GND
VCOREA
FB SGND A2
A3
VDDVSEL
B1
PVIN B3C1 ISEL
C3
SW
D1 SYNC/MODE
EN
D2 PGND D3
GND GND
VBAT
U//U
N4200
LM3661TLX-1.40_NOPB
A1
10n
C4202C4201
22u
VOUT
VBAT
RETU
System connector
RAP3G
RETU
OMAP
RAP3G
OMAP
RAP3G
RAP3G
RETU
System connector
B- to -B conn. /
Main PWB
RETU
TAHVO
2
2
CLK
RXD
TXD
DC / DC converter
Current gauge
24
19
14
R4404
19V/27V
CL-270S-WHMA-D-TS
V4425
V4424
V4423
CL-270S-WHMA-D-TS
CL-270S-WHMA-D-TS
V4427
CL-270S-WHMA-D-TS
R4408
0R
0R
R4407
GND
19V/27V
R4403
V4426
CL-270S-WHMA-D-TS
CL-270S-WHMA-D-TS
V4421
V4422
GND
CL-270S-WHMA-D-TS
VLEDOUT2
CL-270S-WHMA-D-TS
V4420
LED driver (Keyboard)
Keyboard
lights on = ~1.2V
Keyboard lights
on = ~1.2V
1.4V
USB connected
= 5V from host
1.4V
1n
C4407
5.6V/15V/0.05J
R4424R4425
5.6V/15V/0.05J
R4427
5.6V/15V/0.05J
C4406
1n 1n
C4405
1n
C4404
R4426
5.6V/15V/0.05J

Customer Care / Service Operations / Content Creation Team
Condential Copyright © 2006 NOKIA Only for training purposes Version: 2.0 | 29.03.2006 | N-71 | | | Page 5(15) Board version: 1lq_11
RAP3G, memories
3
100n
C2806C2802
100n 100n
C2803
VRFC
C2801
100n
GND
6
5
7
GENIO36 Y17
GENIO35 W17
GENIO34 V16
CBusClk
P13 P14
GENIO37
VDDATX
L8
L1 VSSATX
VSSASUB
K2
J7 EMU0
J1 VDDARX
H18
SDRDa3
H19
VDDSIO7
G21
VSSA
G4
H11
ExtAdDa23
ExtAdDa24 H12
G12
FlsWaitX
G13
FlsCS2X
SDRDa2 G18
SDRDa1 G19
JTMS
F18
SDRDa4
F19
SDRDa0
JTDI
F4
G1 VSSARX
E1 VDDA
E2 JTDO
E3
D7
FlsCSX D13
D14
FlsRSTX
FlsADVX D15
C7 ETMPkt1
FlsClk C15
SpeciallO2 C17
SpeciallO1 C18
C14
FlsWEX
B7 ETMPkt0
FlsOEX B12
B17
SpeciallO3
ETMClk
A7
A1 VDDSIO10
A11 VDDSIO9
A21 VDDSIO8
0
GND
9
100n
C2804
1
100n
C2809
23
4
J2815
2
8
C2805
100n
24
5
4
3
2
1
0
J2816
J2818
J2817
0
2
GND
J2814
J2813
VCORE
1
J2819
0
J2804
C2808
100n
GND
RFCTRL_I(8:0)
ACI(1:0)
INT_SIM(5:0)
DIG_AUDIO(5:0)
VPPLOCK
WPX
CBUS(3:0)
USB_CMT(8:0)
SPI CLK
SPI CS
0
1
3
Y7
GENIO51
EarDataR
Y8
Y9 MicDa
Y2 USBVP_FRX
W8 EarDataL
W9 PMARP
I2SSD2
Y12
Y13 I2SSCLK
Y15
GENIO42
GENIO39 Y16
USBVO
W2
USBVM_Clk
W3
CBusEn1X
W12
I2SSD1
W13
W14
GENIO46
W15
GENIO41
GENIO38 W16
V4 USBRCV_FRX2
GENIO49 V8
V9 PMARN
V15
GENIO40
V2 USBDSyncClk
USBOEX
V3
U3
GENIO72
U4 USBFSE0_FTX
GENIO67 V10
V12 CBusDa
V13 I2SWS
GENIO45 V14
T3
GENIO64
GENIO73 T4
GENIO70 U1
GENIO71
U2
GENIO61 R3
R4
GENIO62
GENIO63 T2
GENIO65 R12
GENIO47 R13
R14
GENIO44
GENIO60 R2
GENIO52
P3
P4
GENIO57
P7
GENIO58
GENIO69 P8
R1
GENIO59
R10 AudioClk
P11
GENIO68
GENIO66 P12
P2
GENIO56
N2 RFBusDa
RFBusClk
N4
GENIO50 P10
M8 RFBusEn1X GENIO53 G14
E4 JTrst
E18 SIMIODa1
D2 JTClk
ACIRx
D16
D18 SIMClk1
C19
GENIO55
SIMIOCtrl1
C20
SpeciallO0
B20
GENIO54
ACITx
B18
B19
AA7
GENIO48
GENIO43 AA15
1
3
0
2
4
5
0
6
1
3
7
1
J2803
2
1
0
2
6
8
3
2
4
5
VPPLOCK
BTRSTX
BLS
WPX
PUEN
RXRESET
PCM(3:0)
0
9
10
11
12
13
14
15
1
2
3
4
5
6
7
8
1
3
J2809
0
J2811
9
J2810
Y6 VSSCORE6
Y18 VSSDSP2
Y21 VDDCORE6
Y1 VSSCORE5
VSSCORE7
Y10
VSSDSP1
Y14
W1 VDDCORE4
TahvoInt
W10
T20
SDRAd5
SDRCKE U21
R21 VDDDSP3
T19
SDRAd9
SDRDa9 R18
R19
SDRUDQS
SDRAd10 R20
P15 VSSCORE8
SDRDa13 P18
P19
SDRDa11
VSSDSP3
P20
SDRAd2 N20
N21 VDDSIO6
M4 VDDCORE3
VSSCORE4
M7
SDRDa12 N18
SDRDa15 N19
VDDSIO5
M14
M15
SDRAd6
SDRDa10 M18
M19
SDRDa14
M2 VDDSIO1
VSSCORE9
M20
K8
L14
SDRAd11
L15
SDRAd7
L18
SDRDQMU
L19
SDRDa8
VDDCORE7
L21
K15
SDRAd4
K18
SDRCLKX
SDRCLK K19
K20
SDRCASX
VSSCORE2
SDRAd13 J20
VSSCORE10
J21
SDRAd12 K14
H4 VSSCORE3
H7 VSSCORE1
ETMPkt4
H8
H9
ExtAdDa14
J14
SDRWEX
SDRAd8 J15
J18
SDRDa7
J19
SDRDQML
H13 RetuInt
SDRRASX H14
H15 VDDCORE8
SDRDa5
H20 VDD1
G20
SDRAd14
VDDCORE12
G3
ExtAdDa15 G8
ExtAdDa7 G9
ExtAdDa6 H10
G10
ExtAdDa21
ExtAdDa16 G11
G2 VDDCORE2
SDRAd1 F20
D8
ExtAdDa5
D9
ExtAdDa4
E19
SDRDa6
E20
SDRAd0
E21 VDDMCU1
SDRLDQS D19
D20 VSSMCU1
D4 ETMPipeB0
D5 ETMPipe1
D6 ETMPkt7
ETMPkt2
D11
ExtAdDa10
ExtAdDa9 D12
C3 ETMPipeB2
ETMPipe0
C4
ETMPkt6
C5
C6 ETMPkt3
ExtAdDa13 C8
C9
ExtAdDa12
ExtAdDa11 D10
C16
ExtAdDa20
C21
SDRAd3
B8
ExtAdDa1
ExtAdDa0 B9
ExtAdDa3 C10
ExtAdDa2 C11
ExtAdDa8 C12
C13
ExtAdDa18
B21 VSSCORE11
ETMSyncB
B3
B4 ETMSync
ETMPkt5
B5
VSSCORE14
B6
B10 VSSCORE13
B13
ExtAdDa22
VSSCORE12
B14
B15
ExtAdDa19
B16 VSSMCU2
AA21 VDDSIO4
VDDCORE5
AA5
VDD2
AA9
VDDCORE1
B1
A3 ETMPipe2
A5 VDDCORE11
VDDCORE10
A9
VDDSIO2
AA1
AA11 VDDSIO3
VDDDSP1
AA13
AA17 VDDDSP2
A13 VDDCORE9
A15
ExtAdDa17
VDDMCU2
A17
ETMPipeB1
A2
7
0
J2807
J2806
8
10
16
17
18
19
20
21
22
0
6
100n
C2800
VCORE
1
2
GND
J2808
9
8
7
12
15
6
14
13
12
11
10
GND
J2812
J2805
0
6
9
GND
VCORE_INT
11
3
1
5
4
7
4
5
1
8
2
EMINT(1:0)
21
1
4
GND
C2817
33p
GENIO23
GENIO20 Y5
Y19
GENIO14
Y20
GENIO10
GENIO27 Y3
Y4
GENIO11
GENIO8 W20
GENIO6 W21
W4
GENIO26
W5
GENIO21
GENIO18 W6
GENIO16 W7
W18
GENIO33
W19
GENIO24 V5
V6
GENIO22
V7
GENIO17
W11
GENIO30
V17
GENIO32
GENIO13 V18
GENIO7 V19
GENIO4 V20
GENIO31 V11
GENIO5 U18
GENIO2 U19
U20
GENIO1
R8 SysClk
GENIO19 R9
GENIO3 T18
R11 SMPSClk
P9
GENIO29
N3 RX1
RX2
N7
N8 TXA
TXP
N1
GENIO9 N14
N15
GENIO0
L7 Iref1
TXReset
M3
TXQP
L3
TXQN
L4
TxIN
K3
K4 TxIP
K7 VrefN
VrefP
J2
J3 RxQP
J4 RxQN
TMAct
J8
H2 RxIP
RxIN
H3
RFClkN
F2
RFClkP
F3
PURX
D3
D17 TxCClk
C2 SleepX
SleepClk
C1
B2 APESleepX
AA2
GENIO28
GENIO12 AA20
GENIO25 AA3
AA19
GENIO15
A19 TxCDa
A20 TxCDaCtrl
D2800
RAP3G_V2.20E-PA
1n0
C2815
2
5
18
19
2
3
0
GND
R2800
10R
GND
J2800
1
0
GND
5
J2801
5
1
0
2
0
1
9
1
4
0
0
3
7
4
5
3
6
17
6
7
6
0
1
1
4
2
8 16
PUSL(7:0)
I2C(1:0)
TXC(2:0)
RFCLK_I(1:0)
RFCONV_I(11:0)
MESSI_CMT(25:0)
1
2
6
0
INTUSB(8:0)
64 MBit NOR FLASH
1
5
19
20
D7
D9
100n
C3001
C8
C9
D1
D10
D2
D4
D5
D6
_CE
_OE
C10
C2
C3
C4
C5
C6
C7
A9
16
B2
B3
_AVD
B4 GND
_RESET
B6
_WP
B7
B8
B9
RDY
A1
A10 NC
21
A2
A4 CLK
_WE
A6
A8
HR27F640W18TE60
VPP
A3
VIO
A5
ADDRESS/DATA I/O
NC
9
8
17
GND
VIO
D8
A
FLASHM 4Mx16
D3000
C3003
10n
GND GND
4
2
5
4
3
2
1
0
14
13
12
11
10
9
8
7
15
6
VPP
R3000
4k7 7C3002
100n
3
VPP
0
100n
C3000
21
22
16
GND
VIO
18
0
GEN_CTRL_CMT(20:0)
BATTERYDET
SPI DATA IN
SPI DATA OUT
2
1
0
3
BT_CLK_REQ
Data out
CLK
Data in
CS
J3115
J3116
J3117
J3118
J3120
GND
1u0
C2807
C2814
100n100n
C2813C2811
100n
C2812
100n
C2810
100n
VIO
GND
B1
VIO
C1
B10
D3
GND
GND
GND
GND
A7
1 2
64 Mbit SDRAM
1
0
14
13
12
11
10
9
8
7
2
G9 _CAS
_CS
H8
_RAS
G10
G8 _WE
15
6
5
4
3
2
A10
GND
F10
GND
NC F3
A3
B10
C1
D10
GND
F2 UDQM
C9
D8
D9
E8
E3
D2
LDQM
F9
GND
K10
D3
C2
C3
B2
B3
A2
B9
C8
J2
J3
H1
H9 BA0
BA1
H10
G1 CKE
CLK
G2
A9
B8
J10
J8
H2 11
K8
K9
K2
K3
J1
0
4194303
DATA I/O
A
SDRAM 4Mx16
VDRAM
B1
VIO
K4M64163PK-VG75
D3001
J9 0
GND
11 C3008
100n
VCORE_INT
VIO
10
GND
GND
4
5
10n
C3007
100n
C3006
VCORE
900X288|0.2
E3004
GND
1
2
3C3005
0
100n 100n
C3004
4
1
GND
8
9
0
5
3
7
GND
1
VIO
6
GND
VDRAM
6
0
VDRAM
VDRAM
A8
D1
C10
GND
GND
GND
A1
F1
K1
VIO
VIO
OMAP
SDRAM
FM Radio
HINKU
RETU
TAHVO
HINKU
HINKU
RETU
RETU
B-to-B conn. /
Main PWB
TAHVO
RETU
RETU
RETU
TAHVO
OMAP
RAP3G
BT connector/
Main PWB
Flash
BT connector/
Main PWB
1
2
4
0
TAHVO
OMAP
OMAP
VINKU
VINKU
3
1.4V
1.4V
1.4V
22
10

Customer Care / Service Operations / Content Creation Team
Condential Copyright © 2006 NOKIA Only for training purposes Version: 2.0 | 29.03.2006 | N-71 | | | Page 6(15) Board version: 1lq_11
OMAP, Combo memory
5
A6= Nand Power
N7= Nand VIO
4
5
9
0
2
12
7
J5007
8
9
J5006
J5003
11
0
12
1
7
GND
10
GND
6
14
11
J5002
NC
P12
DNU P13
P14
DNU
DNU P2
NC
P3
P4 NC
NC
P5
N12 NC
N13 NC
DNU N14
N2 NC
N3 NC
P1
DNU
P10 NC
P11 NC
L2 A14
A15
L3
NC M1
M12 LDQS
M13 NC
M14 NC
M2 NC
N1
DNU
J2
J3
K1
LDM
K13
K2 12
K3 A13
L1
NC
L14
NC
M5
P6
N5
M6
P7
N6
M7
J1
F2
F3 CKE
G13 CK
_CK
G14
BA1
G2
H1 BA0
H2
H3 _WEd
N4
K14
F14
E14
E1
E2
E3
_RAS
F1
F12 UDM
_CAS
C11
C10
M10
N11
M11
L13
L12
D3
A1 Index
D4
N10
M9
E13
E12
D12
C12
C4
C5 _CS
C7 _WEn
_CE
C8
C9 ALE
NC D1
UDQS
D13
NC D14
D2
NC B6
B7 CLE
_WP
B9
NC C1
NC C13
NC C14
NC C2
C3 0
_RE
A8
DNU B1
NC B12
NC B13
B14
DNU
B2
NC
NC B3
B4
NC
A11
NC
NC A12
A13
DNU
DNU A14
A2
DNU
NC A3
A4
NC
A5 R/_B
VIO
VDRAM_SEL
DDR
K5E1212ACM-S075
Data I/O
NAND Flash
Data I/O
DDR
NAND
64Mx8 NAND
A
COMBO 32Mx16 DDR
D5000
A1
DNU
3
4
2
A7,B8,H12,M3,N9= GND
4
0
6
9
0
7
J5001
1
6
12
8
J5004
0
1
3
13
13
R5000
0R
VDRAM
8
3
1
J5005
1
2
J5009
9
5
8
10
3
J5008
11
2
5
15
14
10
7
4
6
CLk
RC FIlter for PURX
CLk_Feedback
14
13
12
11
10
9
8
7
NMP Reset Mode
According to application note
15
6
5
4
3
2
1
0
GND
2
4
VCOREA
27p
C4817
J4811
12
100n
6
VCOREA
C4804
470p
C4815
3
2
1
0
12
11
10
9
8
7
6
5
10
C4802
100n
1
13
4
15
J4802
J4822
J4813
8
7
1
0
5
4
0
6
GND
11
0
4
1u0
GND
6
C4801
5
4
2J4815
J4817
R4816
75R/100MHz
R4818
100R
1
17
18
4
5
7
15
1
GND GND
GND
2
0
5
0
J4800
VCOREA
75R/100MHz
R4815
11
GND
5
4
12
6
6
0
J4821
9
9
1
0
VIO
0
1
3
8
8
J4808
J4812
J4825
GND
14
13
0
7
14
C4800
100n
J4824
6
1
2
3
7
16
J4827
13
2
1
J4814
J4806
8
J4820
5
16
C4803
J4826
14
0
19
100n
0
11
13
4
3
0
1
8
4
0
3
2
7
14
J4803
7
0
2
1
R4800
10R
5
VCOREA
5
6
1
20
GND
J4807
R4809
1k0
VDDA
Y21
Y3 VSS
SysClk Y4
Y5 usb0_rcv
mcbsp2_clkx Y6
VDDSHV3 Y7
Y8 mmc2_cmd
VDD Y9
Y13
Y14 ccpdan
cam_clk
Y15
Y16
VDDSHV7
Y17 rtck
NRST
Y18
osc1_in Y2
VDD Y20
usb0_se0
W5
W6 gpio_12
W7 mcbsp2_xsync
mmc2_dat0
W8
W9 usb0_txen
nfcs_1b Y1
Y10 mmc2_clk
Y12 ccpclkp
VSS
W17 EMU1
TCK
W18
mmc2_datdir1
W19
W2
FlsWrX
W20 VSS
W21
spidout
W3
osc1_out
APESleepX W4
nfrp W1
W10 caflag
acflag
W11
W12 VDD_RTC
W13 ccpclkn
ccpdap
W14
W15 mmc2_dat2
W16 mcbsp3_clk
V20 sda
FlsWrPr V4
V5 mmc2_datdir
usb0_txd
V6
gpio_11
V7
mmc2_dat1
V8
mmc2_cmddir
V9
osc32k_in V13
V14 rx1
acwake
V15
V16 EMU0
V18
conf
kbc_7
V19
FlsWaitX V2
U19
spiclk
U2 VSS
armio_14
U20
U21
VDDSHV9
FlsOEX U4
V10 acdata
V11 caready
VDDSHV_RTC
V12
T18
armio_4 T19
armio_5
T20
U18
spidin
rts3
R19
R20
VDD3
VSS
R21
gpio_9 R8
R9 usb0_vm
scl
P9 usb_puen
VDDSHV5 R1
mmc2_dat3
R10
acready
R11
R12
PURX
R13 tx1
cts1
R14
mmc2_clkin
R18
P18 ETMPSTAT3
gpio_6
P19
P20 gpio_4
P3
nfcs_2b
FlsCS3X N8
P10 mcbsp2_din
cadata
P11
P12
reset_mode P13
SleepClk
mcbsp3_dout
P14
kbc_6
P15
spi_ncs1 N15
N18 mcbsp3_fsync
N19 kbr_5
N20 ETMPSTAT5
kbr_6
N21
FlsCLK N3
M19
VDD M2
M20 kbr_7
nfcs_1 M3
FlsCS2X M4
M7 gpio_62
gpio_60
M8
N1 VSS
N14
spi_ncs0
L21
VDDSHV8
L3
gpio_59
L4
FlsADVX
ExtAd24 L7
L8
ExtAd21
M14 ETMPSTAT4
ETMTS2
M15
M18 tx3
ETMPSTAT0
ExtAd23
ExtAd22 K4
NFlsRDY
NFlsWE
VPP
L1
rx3
L14
ETMPSTAT1
L15
L18 ETMPSTAT2
ETMPkt0
L19
NFlsWP
NFlsRE
K14 ETMPkt1
ETMPkt2
K15
ETMPkt4
K18
K19 ETMPkt3
K2 VSS
VSS
K20
K3
J15 ETMClk
ETMPkt7
J18
ETMPkt6
J19
J2
ExtAd17
J20
arm_boot
J21
VDD3
J3
ExtAd19
ExtAd18 J4
mcbsp1_din
H20
NFlsALE
NFlsCLE
SDRMRASX H7
H8
SDRMWEX
SDRMAd12 H9
VDD4
J1
ETMPkt5
J14
SDRMAd11
SDRMAd13 H11
H12
SDRMCKE
lcdda4
H13
H14 kbr_2
mcbsp1_sync
H15
mcbsp1_dout
H18
H19 ETMTS1
VDDSHV5 H2
kbc_5
NFlsFD7
te
G20
G21 mbsp1_bclk
NFlsCE1
NFlsCE2
cs_sdram G8
G9
SDRMAd8
H10
NFlsFD5
VSS
G1
SDRMAd4 G10
G11
SDRMAd7
SDRMAd6 G12
lcdda12
G13
G14 lcdda3
G18 kbr_0
G19
NFlsFD3
reserved E5
kbc_0
F18
kbr_1
F19
F2
ExtAd20
F20 VSS
NFlsFD0
D7
SDRMDa7 D8
SDRMCLKX D9
ExtAd25 E1
kbc_3
E18
kbr_4
E19
VDD2 E2
kbr_3
E20
E21
VDDSHV1
NFlsFD6
D18
D19 kbc_2
NFlsFD4
kbc_1
D20
NFlsFD1
SDRMUDQSL D4
SDRMDa4 D5
SDRMDa0 D6
SDRMDa3
SDRMDa10 D11
D12
SDRMDa14
D13
SDRMDa13
SDRMDa9 D14
D15 lcdda15
D16 lcdda9
lcdda8
D17
lcdda0
C21
SDRMBSA2 C3
C4
SDRMDa6
C5
SDRMDa2
SDRMDa1 C6
SDRMDa5 C7
C8
SDRMDQML
SDRMCLK C9
SDRMDQMU D10
C14
C15 lcdwrx
lcdda14
C16
C17 lcdda10
C18 lcdda7
lcdda2
C19
VDDSHV5 C2
C20 lcdcsx
kbc_4
B7
SDRMAd10 B8
B9
SDRMAd5
NFlsFD2
C10
SDRMDa8
C11
SDRMDa12
C12
SDRMDa15
SDRMDa11 C13
SDRMLDQSH
lcdrdx
lcdda6
B19
SDRMAd1 B2
VDD3 B20
lcdda1
B21
B3
SDRMBSA1
SDRMCASX B4
B5 VSS
B6
SDRMAd2
VSS
usb0_vp
B1 VSS
VDDSHV4 B10
B12
SDRMAd9
VDD3 B13
B14
VDDSHV4
lcdcmd
B15
VSS
B16
lcdda11
B17
B18
rts1
mcbsp3_din
AA17
VDDSHV2 AA2
AA20 gpio_41
VSS
AA21
AA3
VDD1
AA5 mcbsp2_dout
VSS
AA7
AA9
SDRMAd0
lcdda5
A20
VSS
A21
VDD2 A3
VDDSHV4 A5
A7
VDDSHV4
A9
VDD2
AA1 VSS
VDDSHV6 AA11
osc32k_out AA13
AA15
SDRMAd3 A1
VDD_DLL
A11
VSS
A13
VDD A15
A17 lcdda13
VDDSHV1 A19
A2
12
HELEN3PS2.0_N3
D4800
J4816
15
3
4
9
GND
3
2
13
21
7
GND
2
J4818
100R
R4811
1
10
1
2
3
10
1n0
C4813
15
2
6
10R
R4814
3
1
J4823
4
3
GND
15
4
GND
GND
100n
C4812
3
2
10
3
9
0
J4805
VIO
R4810
100R
BATTERYDET
SD_DETECT
SD_DOOR
SD_LS_EN
UART3_TX
UART3_RX
REC_LED
NAX_RESX
KEYB_APE(19:0)
LPRF_APE(6:0)
SPI_APE(4:0)
CAM_CTRL_APE(4:0)
VGA_LS_EN
MUTE_REJECT
CAM_EN_MIRAGE
ETM_APE(16:0)
FLIP_SWITCH
PUSL(7:0)
MESSI_CMT(25:0)
CCP_APE(3:0)
GEN_CTRL_APE(20:0)
MESSI_VIDEO_APE(25:0)
SD_APE(15:0)
INTUSB(8:0)
R5100
10k
GND
J5102
TX3
IRED_A
RX3
RTS3/SD_MODE
GND
GND
GND
4R7
R4601
100n
C4602
2
VANA
GND
0
C4601
100n
RPM960-H14E3A
1LEDA
2LEDC
3
TXD
4RXD
PWDWN 5
6
Vcc
7
VIO
GND
8
9
N4600
1
VIO
4u7
C4603
0R
NF
GND
VBAT
J4600
J4601
GND
100n
C5000
GND
C5001
100n
27p
C5009
GND
1u0
C5006
GND
GND
100n
C5005
VIO
100n
C5002
GND GND
C5004
100n
C5007
27p
GND GND
C5008
27p
GND
100n
C5003
GND 10n
C4409
VDD 1
Output
2
GND
3
N4401
SH248CSP
100k
R4405
GND
VAUX
VIO
C4408
10n
R4409
0R
GND
7
6
5
4
3
2
1
0
E4
G2
D2
F3
E3
C1
D3
F4
12
11
10
15
G3
J7
H3
H4
K8
G4
13
14
9
8
K7
J8
100n
C4805
GND
100n
C4806
GND
100n
C4807
GND
27p
C4816
GND
GND
100n
C4811
GND
100n
C4810
GND
100n
C4809
GND
100n
C4808
VIO
Flash_LED(1:0)
A1
A2
B2
B1
GND
VBAT
-1.8_NOPB
N4281
LP3990TLX
1u0 GND
GND
C4285
GND
C4286
1n0
M4
N8
G1
J12
J14
H14
A9
C6
VDRAM_SEL
VDRAM_SEL
VDRAM_SEL
VDRAM_SEL
VDRAM_SEL
VDRAM_SEL
VDRAM_SEL
B11
M8
N7
A6
H13
J13
VIO
VIO
VIO
VIO
VIO
0
2
B5,B10,G3,G12,P8= GND
A10,F13,K12,P9= GND
OMAP
UI
Combo memory
RAP3G
RETU
RAP3G
RAP3G
TAHVO
B-to-B conn. /
Main PWB
UI
BT connector /
Main PWB
BT connector /
Main PWB
B-to-B conn. /
Main PWB
B-to-B conn. /
Main PWB
CAM_EN_VGA
B-to-B conn. /
Main PWB
INFRARED
23
HALL SENSOR
RAP3G
25
21
20
1.4V
1.4V

Customer Care / Service Operations / Content Creation Team
Condential Copyright © 2006 NOKIA Only for training purposes Version: 2.0 | 29.03.2006 | N-71 | | | Page 7(15) Board version: 1lq_11
FM Radio
5
120nH
L6176
FmRadio_2V7_ANA
FmRadio_1V8_Dig
FmRadio_2V7_ANA
C6179
GND
C6178
47p
C6176
27p
2
100p
6
7
SLEEPCLK
PUSL(3:0)
FMANT
1
FmRadio_1V8_Dig
3k3
R6170
0
R6171
3k3
I2C(1:0)
FmRadio_1V8_Dig
10k
R6150
GND
R6160
R6159
100k
10k
100n
C6162
33n
C6158
L6156
GND
GND
47nH
G6
G7 INTX
10n
C6157
F2
F4
VAFL
INTCON1 F6
DGND
F7
FREQIN
G1
AGND G2
MPXOUT G4
G5
VAFR
TMUTE
RFIN1
D1
CD3 D2
D6 BUSMODE
D7 VDD
VCC E1
INTCON2 E6
CD2 E7
XTAL
F1
AGND
B1 CAGC
B2
CPOUT
B6 VREFDIG
B7 DATA
C1 RFIN2
RFGND
C2
CBUSenX
C7
N6156
TEA5761UK_N4B
LOOPSW A1
A2
LO1
A3
LO2
CD1 A4
SWPORT
A5
BUSENABLE
A6
CLOCK
A7
10n
GND
GND
GND
GND
C6170 C6165
33n
33n
C6163 C6159
33n
GND
G_FMRADIO(11:0)
GND
MIC3P
MIC3PR
MIC3N
MIC3NR
9
13
GND
C6185
100n
12
100n
C6184
100n
C6180
8
C6182
100n
XAUDIO(17:0)
System
connector
RETU
RAP3G RETU
FM Radio
RAP3G

Customer Care / Service Operations / Content Creation Team
Condential Copyright © 2006 NOKIA Only for training purposes Version: 2.0 | 29.03.2006 | N-71 | | | Page (15) Board version: 1lq_11
UI part
End
9
6
Collumn_3
Row3
3
8
Key
Voice
7
Operator
4
Key LeftSK
Apps
VOICE KEY
Row_2
Row_4
Row_5
15
Down
RightSK
Clear
Collumn_1
Collumn_2
Right
Key
Row_3
Row_6
0
Row0
Edit
Send
Collumn_0
Left
Col2Col3
2
Col1
Row4
Row5
Row6
Key
*
Row1
Key
#
Row2
Key
Up
Row_1
Row_0
Col0
GND
3
GND
3
5
S4426
1
8
9
6
S4437
0
S4424
S4441
2
S4435
S4432
S4439
1
S4422
2
4
GND
3
RIGHT
DOWN
LEFT
UP
S4420
1
10
2
3
4
5
6
7
8
9
3
0
GND
S4438
S4425
2
14V/50V
1
0
R4402
1
S4430
0
S4429
S4434
0
S4436
2
GND
S4400
1
2
GND
Z4401
IN1
IN2
OUT1
OUT2
6
ESD_LEV=4
ESD_LEV=1
EMIF02-MIC02F2
S4423
0
S4433
11
S4427
5
3
2
1
OUT2
6
4
0
ESD_LEV=4
ESD_LEV=1
EMIF02-MIC02F2
GND
Z4400
IN1
IN2
OUT1
10
1
3
S4431
1
S4421
2
5
4
S4428
5
ROWBUS(0:6)
COLBUS(0:3)
KEYB(19:0)
OMAP

Customer Care / Service Operations / Content Creation Team
Condential Copyright © 2006 NOKIA Only for training purposes Version: 2.0 | 29.03.2006 | N-71 | | | Page 9(15) Board version: 1lq_11
Board to Board connector/ Main PWB
I2C SDA
I2C SCL
0
6
4
13
2
0
1
7
11
6
VAUX
4
7
VIO
19
18
1
6
VLEDOUT2
3
0
5
7
1
GND
15
1
3
2
VBAT
0
6
2
3
19
GND
GND
16
0
20
17
5
1
0
5
5
AGND
4
17
4
12
7
OUT8 D3
OUT9 D4
D5
OUT10
OUT1 E1
OUT2 E2
OUT3 E3
OUT4 E4
OUT5 E5
B2
IN8
B3
IN9
B4
IN10
B5
C1 GND
GND
C2
GND C3
GND C4
GND C5
OUT6 D1
OUT7 D2
18
Z4100
EMIF10-COM01F2
IN1
A1
IN2
A2
IN3
A3
IN4
A4
IN5
A5
IN6
B1
IN7
D4
OUT9
OUT10 D5
E1
OUT1
E2
OUT2
E3
OUT3
E4
OUT4
E5
OUT5
7
B3 IN8
B4 IN9
B5 IN10
GND
C1
C2 GND
C3
GND
C4
GND
C5
GND
D1
OUT6
D2
OUT7
D3
OUT8
EMIF10-COM01F2
Z4101
A1 IN1
A2 IN2
A3 IN3
A4 IN4
A5 IN5
B1 IN6
B2 IN7
0
5
0
20
16
17
2
1
21
GND
20
6
16
3
2
3
69
7
70
71
72
73
74
75
76
77
78
79
8
80
9
53
54
55
56
57
58
59
6
60
61
62
63
64
65
66
67
68
39
4
40
41
42
43
44
45
46
47
48
49
5
50
51
52
24
25
26
27
28
29
3
30
31
32
33
34
35
36
37
38
1
10
11
12
13
14
15
16
17
18
19
2
20
21
22
23
0
21
GND
X4100
18
19
21
13
6
4
8
CAM_VCTRL
CAM_CLK
CAM_CTRL(4:0)
MESSI_D0_F
MESSI_RESX_F
MESSI_CSX_F
MESSI_WRX_F
MESSI_RDX_F
MESSI_CMD_F
MESSI_D1_F
MESSI_D3_F
MESSI_D5_F
MESSI_D7_F
MESSI_TE_F
LST
SLOWAD(6:0)
SPI_SCL_F
SPI_SDA_F
CCP_CLKN
CCP_CLKP
CCP_DN
CCP_DP
CCP(3:0)
BLS
MESSI(25:0)
SPI(4:0)
Keyb_APE(19:0)
MESSI_D6
MESSI_D7
MESSI_RDX
MESSI_WRX
MESSI_CSX
MESSI_CMD
MESSI_TE
MESSI_RESX
MESSI_VIDEO(25:0)
SPI_SCL_F
SPI_SCL
SPI_SDA_F
SPI_SDA
SPI_CS1X_F
SPI_CS1X
NAX_RESX_F
NAX_RESX
ETM_D5
ETM_D6
ETM_D7
ETM_DCLK
ETM_HD
ETM_VD
Vctrl_LED
PWM300
LED_DRV(1:0)
PWRONX MUTE_REJECT
VGA_LS_EN
REC_LED
FLASH_LED(1:0)
SPI_CS1X_F
ETM_APE(16:0)
NAX_RESX_F
LS
EARP_F
EARN_F
AUDIO(8:0)
MESSI_D6_F
MESSI_D4_F
MESSI_D2_F
CAM_EN_VGA
CAM_EN_MIRAGE
MESSI_D0
MESSI_D1
MESSI_D2
MESSI_D3
MESSI_D4
MESSI_D5
B-to-B connector/
Main PWB
OMAP
TAHVO
RAP3G
OMAP
OMAP
RETU
RETU
OMAP
OMAP
Keyb_APE(19:0)
14
B-to-B connector
Main PWB
X4100
B-to-B connector
LID PWB
X1100
80
1
.
.
.
.
.
.
.
.
.
.
80
1
.
.
.
.
.
.
.
.
.
.
Keyb_APE_(19:0) GEN_CTRL_APE_(20:0)
UI PART

Customer Care / Service Operations / Content Creation Team
Condential Copyright © 2006 NOKIA Only for training purposes Version: 2.0 | 29.03.2006 | N-71 | | | Page 10(15) Board version: 1lr_09
Board to Board connector/ LID PWB
Display EMC Springs
VLED_KeyB
2
0
20
6
7
4
X1104
GND
6
9
X1101 X1102 X1103
67
68
69
7
70
71
72
73
74
75
76
77
78
79
8
80
52
53
54
55
56
57
58
59
6
60
61
62
63
64
65
66
38
39
4
40
41
42
43
44
45
46
47
48
49
5
50
51
23
24
25
26
27
28
29
3
30
31
32
33
34
35
36
37
1
10
11
12
13
14
15
16
17
18
19
2
20
21
22
5
5
X1100
6
0
0
1
VMIRAGE_1V8
8
11
12
3k3
R1101
21
3k3
R1100
0
2
4
0
3
3
2
6
13
3
2
17
VBAT VAUX
3
5
7
0
16
1
18
19
3
VIO
6
1
GND
4
5
5
GND
10
3
2
3
1u0
C1101
GND
9
4
GND
C1100
1u0
1
SPI_CS1X_F
SPI_SCL_F
SPI_SDA_F
SPI(4:0)
FLASH_LED(1:0)
NAX_RESX GEN_CTRL_APE(20:0)
I2C_SCL
I2C_SDA
1u0
C1102
GND
MUTE_REJECT
CTRL_LS1
ETM_EXCLK
ETM_RESX
ETM_D0
ETM_D1
ETM_D2
ETM_D3
ETM_D4
EARP_F
MESSI_D6_F
MESSI_D4_F
MESSI_D2_F
MESSI_D0_F
MESSI_RESX_F
MESSI_CSX_F
MESSI_WRX_F
LST
CCP_CLKN
CCP_CLKP
CCP_DN
CCP_DP
CCP(3:0)
MESSI_RDX_F
MESSI_CMD_F
MESSI_D1_F
MESSI_D3_F
MESSI_D5_F
MESSI_D7_F
MESSI_TE_F
MESSI_VIDEO(25:0)
BLS
Vctrl_LED
PWM300
ETM_APE(16:0)
ETM_D5
ETM_D6
ETM_D7
ETM_DCLK
ETM_HD
ETM_VD
CAM_VCTRL
CAM_CLK
CAM_CTRL(4:0)
EARN_F
LS
LED_REC
PWRONX
CAM_EN_1V5
CAM_EN_2V8
LS & Temp
100n
C1272
R1213
47k
100k
R1211
C1278
1u0
VBAT
1u0
C1274
VAUX
X1270
CL-713S-4WJ-SD-T
GND
9,10,11,12=
WHITE
RED
1u0
C1277
V1270
PMEG3002AEL
C1270
100n
470k
R1210
PT202MR0MP
V1210
C
E
VMIRAGE_2V8
R1274
6R8
OUT
470R
R1283
R1
R2 47k
47k
IN
1
EN
VIN 2
GND 3
4
VFB
5EAOUT
OVP
6
7SW
8PGND
DTC143ZM-T2L
V1272
TK11891F-G
N1270
U//U
C1273
1u0
C1271
4u7
100k
R1270
0
1
470k
R1212
42R/100MHz
L1271
GND
GND
GND
GND
GND
GND GND GND
GND
GND
GND
GND GND GND
3u3H
L1270
EMC
22p
C1251
1 /2 22p
C1252
GND
GND
GND
GND
GND
GND
GND
5
1
C1250
/2 22p
R1250
2 /2 VWM16V
R1250
1 /2 VWM16V
10nH
L1251
EXC24CB102U
L1250
14
not_assembled not_assembled
B1251 B1250
2
C1250
/2 22p
EARP_GND
6
2 /2 22p
C1252
C1253
22p
7
GND
S1261
12
3 4
1
2
3
4
S1260
C1260
22p
R1260
14V/50V
GND
Display BL Selection
SETCURR_BW
2SC5658QRS
V1220
68R
R1222
LED_FB
2SC5658QRS
V1221
SETCURR_NAX
R1220
39k
R1221
1k0
BLS
FLASH
LS
GND
LST
1
32
Mute/Reject Key
Power on Key
Earpice
Earpice Camilla
B-to-B connector/
Lid PWB
Level shifter /
Front camera
Front camera
regulators
Back camera
B-to-B connector
Main PWB
X4100
B-to-B connector
LID PWB
X1100
80
1
.
.
.
.
.
.
.
.
.
.
80
1
.
.
.
.
.
.
.
.
.
.
Keyb_APE_(19:0) GEN_CTRL_APE_(20:0)
SMPS
Flash light
Indicator light
Ambient light sensor
Display backlight selection
Back camera
Back camera
Front camera
Front camera
GND
GND
GND GND GND GND
VLEDOUT1
600R/100MHz
L1403
VLEDOUT2
C1204
470p
22uH
L1200
33R
R1201
VBAT
C1200
1u_25V LED_FB
1u0
C1203
C1201
4u7
A3
VDD
B1
B3
FB
C1 VOUT
C2
IND
PGND
C3
4W_LED_DRIVER
N1200
AGND
A1
EN A2
NC
PWM300
LED driver
Cover displayMain display
Main display
Cover display
Main display
Cover display
Cover display
Back camera regulators
C1261
22p

Customer Care / Service Operations / Content Creation Team
Condential Copyright © 2006 NOKIA Only for training purposes Version: 2.0 | 29.03.2006 | N-71 | | | Page 11(15) Board version: 1lr_09
Display, Cameras/ LID PWB
EXTCLK
Dclk
Dout0
RESET
SCL
HD
SDA
VD
Dout6
Dout1
Dout2
Dout3
Dout4
Dout5
DVSS
R1401
Dout7
PVDD
VDDD
IOVDD
IOVSS
1u0
15R
GND
C1408
J1402
C1404
100n
C1407
6
1u0
VBAT
3
2
VVGA_2V8
VIO
33R
R1400
VVGA_2V8
GND
0
10
8
VVGA_1V5
GND
J1407
9
75R/100MHz
L1404
75R/100MHz
L1402
3
4
5
6
7
8
9
13
14
15
16
17
18
19
2
20
GND
GND
X1400
1
10
11
12
C1402
1u0
-2.8_NOPB
N1401
VEN
VIN
VOUT
J1401
75R/100MHz
L1401
LP3985ITLX
I/O_VB2
G3 I/O_VA2 G4
G5
I/O_VA1
2A14 G6
GND
7
1
1B10 1A10 E5
E6
1A11
F1 2B13
1B12
F2
2DIR F3
_2G
F4
1A12 F5
2A13 F6
G1 2B14
G2 I/O_VB1
1B6
C2 1A6 C5
C6
1A7
D1 1B9
D2 1B8
D3 VCCB D4
VCCA
1A8 D5
D6
1A9
1B11
E1
E2
1B1 A4
1A1
1A2 A5
1A3 A6
B1 1B5
1B4
B2
1DIR B3
_1G
B4
B5
1A4
1A5 B6
C1 1B7
VVGA_2V8
N1400
C3,C4,E3,E4=GND
ST16C32245TBR
1B3
A1
A2 1B2
A3
0u47
C1406
3
5
GND
C1401
4
GND
GND
VBAT
0u47
L1400
75R/100MHz
GND
470p
C1410
12
J1406
GND
4
VVGA_1V5
GND
GND
0u47
C1400
C1411
470p
GND
100R
R1403
VOUT
VEN
VIN
GND
11
GND
C1405
-1.5V_NOPB
N1402
LP3990YDX
1u0
0u47
DCLK
C1403
DOUT4
DOUT7
DOUT6
RESET
VCAM2_EN
HD
VD
DOUT5
DOUT3
DOUT2
DOUT1
DOUT0
I2C_SCL
ETM_APE(16:0)
I2C_SDA
CTRL_LS1
EXTCLK
GND
GND
VDD
VDDI
0
3
1J1450
L1462
600R/100MHz
0
GND
J1454
600R/100MHz
L1463
C1454
GND
GND
470p
VMIRAGE_2V8
R1450
100R
1u0
C1463
100k
GND
R1460
15
16
GND
C1462
GND
X1450
1
1u0
GND
LP3999ITLX
N1460
-1.8_NOPB
VEN
CBYP
VOUT
VIN
10n
GND
10n
C1465
C1466
6
VBAT
1u0
C1461
GND
GND
2
GND
C1453
100n
GND
100n
C1452
1u0
BYPASS
VEN
VIN
VOUT
1J1453
C1460
N1461
LP3985ITLX
-2.8_NOPB
GND
GND
DP
DM
CLKM
CLKP
VCTRL
CAM_CTRL(4:0)
FLASH_LED(1:0)
STROBE
GND
EXTCLK
VMIRAGE_1V8
VBAT
GND
GND
GND
GND
GND
GND
GND
GND
GND
Naxos
Broadway
VLED2-
7
5
21
600R/100MHz
L1350
19
18
4
C1351
1u0
20
SETCURR_NAX
0
3
16
2
17
3
1u0
C1350
L1351
600R/100MHz
VIO
1
1u0
C1300
GND
1u0
VLEDOUT1
3
4
5
6
7
8
9
VIO
C1301
GND
X1300
1
10
2
VLEDOUT1
2
9
GND
SETCURR_BW
20
21
22
23
24
3
4
5
6
7
8
X1350
1
10
11
12
13
14
15
16
17
18
19
2
VAUX
VAUX
GND
0
D3
D1
CMD
RDX
VLED1+
CSX
RESX
6
3
SCL
SDA
NAX_CSX
NAX_RES
GEN_CTRL_APE(20:0)
WRX
D0
D2
D4
D6
TE
D7
D5
GND GND
B-to-b conn./
LID PWB
SMPS
Front camera connector
Back camera connector
Cover display connector
Main display connector
Back camera regulators
2
CCP(3:0)
SPI(4:0)
MESSI_VIDEO(25:0)
13
Level shifter/
Front camera
Front camera regulators

Customer Care / Service Operations / Content Creation Team
Condential Copyright © 2006 NOKIA Only for training purposes Version: 2.0 | 29.03.2006 | N-71 | | | Page 12(15) Board version: 1lz_09
Bluetooth PWB
3 2
1
2
1
2
PCM_OUT
UART_CTS_P
UART_or_HOST_WAKEUP
UART_TX
BT_CLK_REQ
PCM_CLK
200mR copper
Height=
1.5mm
BT_WAKEUP
CLK
UART_RTS_P
UART_RX
DATA
RSTX
GND
PCM_IN
BT_RESETX
CLK_FEEDBACK
PCM_SYNC
GND
GND
VBAT
J5206
C5208
1n0
GND
GND
R5215
100k
C5200
1u0
10
VSIM1
VSIM1
GND
7
R6052
0R
C5203
2u2
C2
3C3
C5 5
C6 6
C7 7
4
9
VIO
X2701
SK_200500165_H1.3
1C1
2
22p
C6051
VSD
J6009
J5207
0
J5201
C2700
GND
J5208
100n
GND
VSD
47R
R5211
GND
CLK
GND
CLK
GND
R2700
EMIF03-SIM02F2
R2
R3
R1
3
J6007
VIO
100k
R5210
GND
J6004
C3 MMCdat1
MMCdat0C4
D1dat3
GNDD2
D3 MMCdat3
MMCdat2D4
A1cmd
A2clk
Vdd/
A3 Vmmc
MMCclkA4
B1dat1
dat0 B2
GNDB3
B4 MMCcmd
dat2 C1
C2 GND
R14
R13
R12
R11
R10
R4
R3
R2
Z5200
EMIF06-HMC01F2
R6
R7
R5
GND
J6000
J5205
GND
B1 C1
C2 LatchClk
Dir3
C3
A1 C4
B2 D1
B3 D2
A3 D3
A2 D4
A1 VBAT
A2 EN2
GND A3
EN1
A4
VCCB
B1
B2 Dir2
Dir1
B3
VCCA
B4
C5202
1u0
2
N5200
LP3928TLX-1828_NOPB
GND
C5205
100n
GND
S5200
14
2
VSD
LPRFCLK
J6001
J6005
GND
J6008
6
J6002
1u0
C5204
E5200
J6010
E5201
GND
1u0
C6050
1
D5200
1
2
4
C3 Dir3
C4
A1
D1
B2
D2
B3
D3
A3
D4
A2
VIO
74LVC1G32DCK6
GND A3
A4 EN1
B1 VCCB
Dir2
B2
B3 Dir1
B4 VCCA
C1
B1
LatchClk
C2
47R
R5204
N5201
LP3928TLX-1828_NOPB
VBAT
A1
EN2
A2
40
GND
5
6
7
8
9
26
27
28
29
3
30
31
32
33
34
35
36
37
38
39
4
11
12
13
14
15
16
17
18
19
2
20
21
22
23
24
25
14V/50V
X5200
1
10
R5209
5
1
NF
R5214
GND
100k
GND
J6003
VIO
GND
GND
R5202
12k
GND
J5204
J5202
8
VBAT
J5203
C5207
2u2
SD_LS_EN
SD_DETECT
PUSL(3:0)
BT_CLK
G_LPRF(23:0)
SD_DAT3_2V8
SD_CLK_2V8
SD_DOOR
GND
VBAT
SD_DATA_2
SD_DAT2_2V8
SD_DATA_1
SD_DAT1_2V8
SD_DAT_DIR1
SD_DATA_3
SD_CMD_DIR
SIM_RST
SIM_CLK
SIM_DATA
SD_CLK_FB
SLEEP_CLK
SD_CLK
SD_CMD_2V8
SD_DAT0_2V8
SD_DATA_0
SD_CMD
SD_DAT_DIR0
3
5
200mR copper
PCM_CLK
PCM_IN
PCM_CLK
PCM_IN
PCM_SYNC
UART_CTS_P
UART_RTS_P
UART_CTS_P
BT_RESETX
BT_WAKEUP
UART_RTS_P
UART_TX
ANT
HOST_WAKEUP
CRITICAL RF TRACK LENGTHS
UART_TX
UART_RX
BT_RESETX BT_CLK_REQ
UART_WAKEUP
PCM_OUT
PCM_SYNC
HOST_WAKEUP
PCM_OUT
UART_RX
BT_WAKEUP
GND
E6036
GND
C6041
0u47
9
E6033
E6034
15p
C6031
VIO_1V8_BTH
E6032
E6031
LFB2B2G44BB2A285
Unbal_port
DC
GND Bal
Bal
E6050
VBAT_BTH
2441.75MHz
Z6030
GND
C6036
4u7
C6039
100n
C6030
E6040
GND
GND
100p
3
4
GND
6
5
R6032
R6030
0R
0R
E6039
E6038
C6042
1u0
E6037
2
J6011
GND
VSS G8
RFP
H1
H2 RFM
H3 VDDA9
H4
VSSA
VDD
H5
H6 VBAT
VSS H7
VDDS3R_F
H8
GND
F5 BBLDO_IN
SLOW_CLK
F6
IO15 F7
F8 VDD
G1
VSSA1
VSSA1 G2
G3
VDDA10
VDDA11 G4
G5 VLDO_OUT
G6 KA_OUT
VDDS3R
G7
E3 EXTEN
E4 RX E5
TX
E6
TDO
RTS E7
CTS
E8
VDDA4
F1
VDDA1
F2
F3
VSSRF
F4
HVM_VSS
AUD_DO C7
BT_WAKEUP
C8
D1
VSSA
D2 VDDA
TCK
D4
IO3 D5
EMRST
D6
HOST_WAKEUP D7
D8 VDDS18
FREFM
E1
FREFP E2
B4
IO14
TMS
B5
B6 AUD_CLK
IO2 B7
B8
VSS
C1 ANATST2
VDDA8
C2
TDI
C3
C4
IO5
C5 AUD_DI
IO1 C6
VDDA6
VSS A2
A3 VDDS3L
A4 VDD
VSS A5
A6
IO4
A7 AUD_FSYNC
TX_DBG A8
B1 VDDA5
ANATST1
B2
VDDS3L_F
B3
4376425
N6030
PBRF6150DZSLR
A1
0u47
C6043
E6051
E6030
E6035
GND
100n
C6040
C6037
1u0 1u0
C6038 GND
10
1
0
9
8
7
6
5
4
3
2
0
1
GND
GND
4u7
C6033
L6030
22nH
GND
7
10
8
L6032
2n2H
R6051
0R
VIO
VSD
C5206
1n0
GND
100n
C5201
J5200
GND
0R
R5212
GND
NF
3
4
5
6
7
8
9
X5201
1
10
11
A
B
2
GND
UART_TX
UART_RX
-->
<--
PCM_CLK
PCM_OUT
-->
<--
PCM_SYNC
UART_CTS_P
BT_WAKEUP
-->
Sleep Clk
PCM_IN
-->
SYSCLK
HOST_WAKEUP
BT_RESETX -->
-->
-->
<--
<--
UART_RTS_P
10
1
2
GND
2
3
0
1
39
4
40
GND
5
6
7
8
9
1
24
25
26
27
28
29
3
30
31
32
33
34
35
36
37
38
1
10
11
12
13
14
15
16
17
18
19
2
20
21
22
23
2
1
0
X4300
8
6
13
7
3
4
5
1
5
6
0
2
4
0
15
14
3
LPRF(6:0)
PUSL(7:0)
LPRFCLK_I
SD_CLK_FBK
SIM_RST
SIM_CLK
PCM(3:0)
SIM_DAT
SIM(6:0)
SD(15:0)
SD_DAT_0
SD_CLK
SD_DOOR
SD_DETECT
SD_DAT_1
SD_CMD
SD_DAT_2
SD_DAT_3
SD_DAT_DIR1
SD_CMD_DIR
SD_LS_EN
SD_DAT_DIR0
BT_CLK_REQ
PCM_CLK
PCM_OUT
PCM_SYNC
PCM_IN
UART_TX
UART_RX
UART_CTS_P
BT_WAKEUP
HOST_WAKEUP
BT_RESETX
UART_RTS_P
SIM_RST
SIM_DAT
SD_DAT_DIR1
SD_CMD_DIR
SIM_CLK
SD_CLK_FBK
SD_DAT_0
SD_CLK
SD_DOOR
SD_DETECT
SD_DAT_1
SD_CMD
SD_DAT_2
SD_DAT_3
SD_LS_EN
SD_DAT_DIR0
Main PWB
OMAP
RAP3G
HINKU
RETU
OMAP
RETU
BT connector/ BT PWB
BT
SIM
BT connector/ Main PWB
SD detector
SD connector
SD level shifter
SD level shifter
MiniSD EMIF
SIM EMIF

Customer Care / Service Operations / Content Creation Team
Condential Copyright © 2006 NOKIA Only for training purposes Version: 2.0 | 29.03.2006 | N-71 | | | Page 13(15) Board version: 1lq_11
RF part
TXQ_0
TXI_0
TXI_180
TXQ_180
C7587
10p
18p
C7570
10k
R7521
L7511
10nH
1
2
3
4
5
EHF2BE3800
T7503
C7571
330p
C7501
18p
J7516
C7586
C7533
10p
22n
C7591
470p
8n2
C7534
8n2
C7553
100nH
L7502
10p
C7509
GND
C7515
1p8
VBATRF
C7513
10p
GND
GND
R7520
270R
R7527
220R
J7517
VXO
G8
VBAT1
VCP H1
CP_OUT H2
LOI_INP H3
LO_INN H4
H5
VCO_IN
H6 GNDVCO
H7
VVCO
H8
VR2
EMPTY2
F6 GNDBAT
VR1 F7
DAC_REF2 F8
G1
OSCIN
G2 GNDCP
G3
VPRE
G4
VLO
G5 GNDVCO_SH
VVCO_CAP G6
G7
VBAT2
E3
TXMUX_OUT
E4
EMPTY1
VB_EXT E5
DAC_REF1
E6
E7
TXI_180
TXI_0 E8
VDIG F1
F2 GNDBUF
GNDPRE
F3
GNDLO
F4
F5
C8
RB_EXT
VDAC D3
XRESET D4
TXQ_0 D7
TXQ_180 D8
GNDDIG
E2
B5 DET_SW_W
VVGA B6
B7 DET_SW_G
GNDBB
B8
DAC103
C1
DAC102
C2
C3 DAC101
SMPS_CTRL
C4
C5 DET
GEN_CTRL
C6
A3 G_OUTN
P_OUTP
A4
A5 P_OUTN
GNDVGA
A6
W_OUTP
A7
A8 W_OUTN
B1 DAC203
B2 DAC202
VRF_TX B3
GNDRF_TX
B4
N7501
VINKU314A
A1 DAC201
G_OUTP
A2
GND
27nH
L7504
5k6
R7526
GND
J7504
R7531
8k2
0p5
C7555
C7547
1p8
C7512
VDIG
2p7
ANT
TX RX
R7503
4k7
DUAL
DUPLEX
FILTER
Z7502
RB851YT2R
V7500
15p
C7577
L7506
12nH
L7515
10uH
VB_EXT
VDIG
22p
C7531
10R
R7525
100n
C7505
1k0
GND
R7516
IN
ESI-3EAR1.950G03-7
Z7505
OUT
C7568
150p
9k1
R7523
C7545
4p7
VR1RX
C7561
1u0
4p7
C7548
R7505
8k2
2Vcon
3ABD
BYP
4
5EN
6
PGND
SW 7
8
PVin
FB 9
GND
8n2
LM2706TLX
U//U
N7504
1Vdd
10
SGND
GND
C7530
4u7
C7518
100n
C7593
R7519
1k0
2n2
C7524
1n0
C7564
VREG2
VREG1
GND
C7525
5p6
18p
C7507
T7500
EHF2BE2134
1
2
3
4
5
C7554
4p7
KT21P-CCW25A
VCONT
OUT
VCC
GND
2n2
C7573
G7501
R7518
470k
L7517
1n5H
1u0
C7504
C7592
3n3
C7584
5p6
18p
C7508
R7506
33R
12nH
L7505
R7512
RESNET_2DB
436R
436R
11R6
GND
1u0
C7503
GND
VBAT_ASIC
C7532
8n2
SAFEK897MFL0F04R13
Z7504
GND
OUT
IN
Icont12
7Vcc11
9Pout
897.5MHz
PF57603B_CUT8.1
1,3,8,10,13= GND
N7503
ChipDet 11
Vcc11
12
2
Pin
4
Icont11
Vcc12
5
6
VB_EXT
C7596
2p7
4u7
C7589
600R/100MHz
L7516 4n7
C7560
OUT
4n7H
L7512
B9005
Z7501
2140MHz
IN
GND
IN
OUT
C7550
2p7
15p
C7567
GND
GND
C7527
100p
100p
C7523
C7529
C7590 GND
5p6
10p
10k
R7504
5
R7501
1k0
LDB211G8010C-001
T7502
1
2
3
4
150p
C7516
J7505
C7558
1n0
EGSM_RX_2
VC1
EGSM_TX
VC2
DCS/PCS_TX
ANT
VC3
Z7503
LMSP65HA-319
PCS_RX_1
PCS_RX_2
DCS_RX_1
DCS_RX_2
EGSM_RX_1
2
3
4
5
10k
R7509
EHF2BE3800
T7501
1
OUT
J7506
UCVE6-304A
G7502
VC
VCC
C7556
10p
GND
1p0
C7585
10p
C7579
R7530
8k2
2p7
C7552
15p
6n8H
C7575
L7514
VC
VCC
OUT
WB003
G7500
4u7
C7569
GND
18p
C7520
2p7
C7514
K10 GNDBB
K2
INP_LO
VCNT K3
K4 GNDGD
GNDDIG
K5
K6
RXOUTP_Q
XENA K7
K8
RXOUTM_I
VREFCM K9
J1
VBAT3
J10
C2IP
NC J2
VDIG J4
SDATA J5
RXOUTM_Q J6
XRESET J7
J8
RXOUTP_I
J9
C2IM
K1
INM_LO
G9
H1
VREFBUF
H10
C1IP
REF_OUTG H2
GNDVCO
H3
SCLK H4
H5
VBB
H6
VREFM
H7
VREFP
C1QM H8
H9
C1IM
OSCIN F2
GNDOSCIN
F3
F8
VFILT
F9 GNDFILT
G1
OSCIN_REF
G10
C1QP
G2
REF_OUTP
REF_OUTM G3
G8
C2QP
C2QM
D2 GNDLO
D3
VPRE
D8
VB_EXT
RB_EXT D9
E1 GNDPRE
GND1
E10
VCP E2
CP_OUT E3
VBAT1 E8
E9
VR1
GNDCP
F1
INP_850
VLO C2
C3
VMIX
C4 GNDFE3
C6 GNDFE1
C7
MUX_OUT
C8
VDDLNA2
C9 VC4
INP_MIX
D1
CALIN D10
INM_850
B10
B2 GNDMIX
VDDLNA1 B3
B4 VC2
B5 REF_DIV
B6 REF_FILT
B8 VC1
GNDFE2
B9
C1 INM_MIX
C10
OUTP_2000
A1
VC3
A10
INM_2000
A2
INP_2000
A3
INM_1900
A4
INP_1900
A5
INM_1800
A6
A7 INP_1800
A8 INM_900
A9 INP_900
OUTM_2000
B1
V7500
DUAL
HINKU310A
N7500
GND
RB851YT2R
IN
IN
C7598
0p5
Z7506
SAFEK1G95FL0F04R13
1950MHz
GND
OUT
C7536
8n2
R7522
220k
4n7H
L7510
VREG2
C7535
1n0
C7541
_Vcc_32
DCS/PCS
Icont_31 9
1u0
22
Icont_22
Icont_21 23
GSM_
Vcc_22
3GSM_Vcc_21
4
Vpd
DCS/PC
_Vcc_31
5
GND 6
7
DCS/PCS
_RF_In
DCS_
Vcc_33
Vdet 16
Vcc_23
GSM_17
18
19 GSM_
RF_out
2
GND
NC
20
21
GSM_RF_in 1
Icont_32 10
11
GND
12
Vmode
_RF_Out
DCS/PCS
13
14
15
DCS/PCS_GND= GND
GSM_GND= GND
RF9292E9.2
N7502
C7582
100p
GND
C7563
4p7
VCP1
600R/100MHz
L7503
1u0
C7543
J7515
VCP2
C7528
22p
2k2
C7583
4u7
R7529
VREFRF01
J7503
C7522
150p
GND
C7581
5p6
VBAT_ASIC
VBAT_ASIC
RFBUSDAT
RFCLKN
RFCLKP
VREFM
VREFCM
VREFP
WTXDET
RXQP
RXIP
RXQN
RXIN
RXRESETX
IREF1
TXRESETX
TXIP
TXQN
TXIN
TXQP
RFTEMP
AFC
RFBUSENA
RFBUSCLK
RFCLKEXT
10k
R7514
TXC C7
C7549
100p
TXC
C7580
1u0
R7528
470k
TXMUX_IN2
D5
R7534
470k
VREG2
GND
GND
GND
C7597
100u_14V
28R/100MHz
Z7500
GND
VBAT
24
GND
8
IN
C7559
1p0
GND
GND
GND
GND
GND
GND
D1 IO_SDATA
D2 XENA
SCLK
E1
D6 CAL_OUT
J7518
J3
VOUT
VC5 F10
C5
NC4
B7
NC3
4n7H
L7401
J7521
3k3
R7517
GND
J7508
J7509
J7510
J7511
4n7H
L7402
C7526
10n
SB1R95F2R14BT
0p7
C7402
GND
3n3H
L7404
J7519
J7520
X7400
3
4
L7400
4n7H
GND
X7402
X7401
3
4
C7401
4p7
X7403
GND
VINKU
GND
GND
GND GND
GND GND
GND
GND GND GND
GND GND
GND
GND
GND
GND GND
GND GND
GNDGND
GND
GND
GND
GND
GND
GND GND GND
GND
GND
GND
GND
GND
GND
GND
GND
GND
GND
GND
GND
GND GND
GND
GND
GND
GND
GND
GND GND
GND GND
GND
RFCLK_I(1:0)
LPRFCLK
RFCONV_I(11:0)
BT
RAP3G
RAP3G
RFCTRL_I(8:0) RAP3G
TXCCONV(2:0) RAP3G
RFCTRL_I(8:0)
RAP3G
TXCCONV(2:0)
RAP3G
RFCONV_I(11:0)
RETU
SLOWAD(6:0)
HINKU
PA DC/DC Converter
WCDMA PA
Power amplifier
RX- SHF oscillator
GSM antenna spring clip
WCDMA antenna spring clip
TX- SHF oscillator
Antenna switch
E6
Band Channel TX VCO VC
GSM 900 37 897.4MHz 3589.6MHz ~1.70V
GSM 1800 700 1747.8MHz 3495.6MHz ~1.23V
GSM 1900 661 1880MHz 3760MHz ~2.53V
WCDMA 9750 1950MHz 3900MHz ~3.17
Band Channel RX VCO VC
GSM 900 37 942.4MHz 3769.6MHz ~1.33V
GSM 1800 700 1842.8MHz 3685.6MHz ~0.98V
GSM 1900 661 1960MHz 3920MHz ~1.93V
WCDMA 10700 2140MHz 4280MHz ~3.30V
RX signal (Delta Frequency 1MHz)
Set -Generator: -25dB
Channel: 10705 (Freq.:
Set Phoenix
RX control: Algorithm mode
Channel:
RF
2141MHz)
Modulation: NO
10700 (Freq.: 2140MHz)
VCTCXO
RFCLK = 38.4 MHz
WCDMA = 2.8V
RX signal
Set Generator: -20dB
Freq.: 2140MHz (10700)
Set Analyzer:
Center Freq.: 2140Mhz
Level: -10dB
Span: 10MHz
Sweep: 200ms
RBW: 100kHz
VBW: 1kHz
TX signal
Set Phone power: 0dB
Freq.: 1950MHz (9750)
Set Analyzer:
Center Freq.: 1950MHz
Level: -10dB
Span: 10MHz
Sweep: 200ms
RBW: 100kHz
VBW: 1kHz
WCDMA = 2.8V
28
30
17
16 18
29
31
32
33
34
35
36
SLOWAD(6:0)
37
4
65

Customer Care / Service Operations / Content Creation Team
Condential Copyright © 2006 NOKIA Only for training purposes Version: 2.0 | 29.03.2006 | N-71 | | | Page 1(15) Board version: 1lq_11
Signal overview
4
72
73
9
8
7
69
70
71
14
13
12
65
66
67
18
17
16
62
63
64
23
21
20
59
60
61
27
26
25
55
56
57
78
76
6
5
31
30
29
52
53
54
36
35
33
49
50
51 47
VBAT = ~4V
VLEDOUT2 = 11.2V
when Keyboard
lights on
12
13
14
15
16
17
18
19
21
22
23
24
26
27
20
29
31
32
33
34
36
37
VANA=2.5V
VRFC=1.8V
VRCP1=4.75V
VRCP2=4.75V
VCORE=1.4V
VDRAM=1.8V
VAUX=2.8V
VR1=2.5V
VREF=1.4V
VDIG=2.5V
VREG1=2.8V
10 15 19 24 28
77
75
20
23
21
POWRONX = ~4V
VREG2 (WCDMA) =2.8V
VLEDOUT2 = 11.2V
when Keyboard
lights on
VLEDOUT2 = 11.2V
if Keyboard
lights on
Module Jig - LID PWB Test points
31) TXC (Low) at R7514
30) VR1RX at C7515
29) RXIQ_WCDMA at J7508
27) BTREQ at BT PWB (TP35)
26) SIMCLK at BT PWB (TP24)
25) COMBOCLK at J5003
23) DCLK (Front cam) at R4818
22) FLSCLK at J2812
21) CAMCLK (Back cam) at R4815
19) CLK600 at J2305
18) XENA at J7506
17) SDATA at J7504
15) AUDIOCLK at J2200
14) SMPSCLK at J2308
13) TXCDATA at J2212
11) TXCCLK at J2210
10) SDRAMCLK at J2806
9) CBUSSELX at J2209
7) CBUSCLK at J2206
6) LPRFCLK at C7535
5) RFCLK at C7528
3) SYSClk at C2817
2) SLEEPClk at BT PWB (TP4)
1) 32.768kHz at C2208
16) SCLK at J7505
12) TXCCTRL at J2211
8) CBUSDATA at J2207
4) 38.4MHz at C7529
35) TX SHF at L7517
34) TX GSM at J7519 / J7520
33) RX SHF at T7501
20) EXTCLK (Front Cam) at J7518
24) PWM300 at J2309
28) RXIQ at J7508
32) RX GSM at L7504 / L7506 36) WCDMA_RX at L7404 37) WCDMA_TX at L7514
2, 4, 6, 8, 10, 12, 14
16, 17, 18, 19, 20
40
39
38
37
22, 24, 26, 28, 30, 32, 34, 36
21, 23, 25, 27, 29, 31, 33, 35
BT PWB
28
25
30
35
VIO=1.8V 32 37
VIO=1.8V

Customer Care / Service Operations / Content Creation Team
Condential Copyright © 2006 NOKIA Only for training purposes Version: 2.0 | 29.03.2006 | N-71 | | | Page 15(15) Board version: 1lq_11
Component nder
Top Bottom
SYSTEM CONNECTOR
RETU
TAHVO
SDRAM
IRDA
B-TO-B
conn.
BT PWB
B-TO-B conn.
LID PWB
OMAP
COMBO MEMORY
RAP3G
HINKU
VINKU
WCDMA PA
POWER
AMPLIFIER
FLASH
FM
RADIO
BATTERY
CONNECTOR
C3001 C14 C7548 F5 J2803 F13 R4810 D10
B2200 E12 C3002 C14 C7549 E5 J2804 A12 L2000 F15 R4811 D10
C3003 A15 C7550 F7 J2805 B11 L2001 D15 R4814 D8
C2000 G15 C3004 B11 C7552 F6 J2806 B11 L2002 D15 R4815 G12
C2002 D14 C3005 C13 C7553 F6 J2807 A11 L2003 C15 R4816 G11
C2003 E14 C3006 A12 C7554 G7 J2808 A12 L2004 C15 R4818 G11
C2004 E14 C3007 B11 C7555 G7 J2809 A12 L2100 B16 R5000 I11
C2005 D14 C3008 A11 C7556 C5 J2810 C12 L2102 A2 R5100 G10
C2006 D15 C4200 F13 C7558 E6 J2811 B11 L2103 B2 R6150 E16
C2007 D15 C4201 F14 C7559 B4 J2812 A11 L2104 C13 R6159 D16
C2008 D15 C4202 F13 C7560 E7 J2813 A11 L2105 C13 R6160 E16
C2009 D15 C4285 I9 C7561 C5 J2814 B13 L2106 C13 R6170 E16
C2010 C15 C4286 F13 C7563 C4 J2815 B13 L2107 C13 R6171 E16
C2011 E15 C4404 D7 C7564 B4 J2816 B13 L2108 D14 R7501 E4
C2012 G15 C4405 A3 C7567 E6 J2817 A11 L2202 E11 R7503 E7
C2013 C15 C4406 F7 C7568 F7 J2818 A11 L2203 D11 R7504 D2
C2014 C15 C4407 I3 C7569 C4 J2819 B13 L2204 E11 R7505 E4
C2015 D15 C4408 I2 C7570 E7 J3100 D8 L2205 C13 R7506 C5
C2016 D15 C4409 I2 C7571 G6 J3101 A8 L2206 C11 R7509 E5
C2017 E15 C4601 A14 C7573 F7 J3102 A8 L2301 H14 R7512 C6
C2070 H11 C4602 A15 C7575 E7 J3103 A8 L2302 H14 R7514 E5
C2071 G11 C4603 A14 C7577 E6 J3104 A9 L4200 F12 R7516 B4
C2072 H11 C4800 G10 C7579 I5 J3105 A9 L4201 F14 R7517 A4
C2100 D14 C4801 E8 C7580 I4 J3106 A8 L6156 D16 R7518 A4
C2101 E14 C4802 G10 C7581 C3 J3107 H7 L6176 D15 R7519 F6
C2102 E14 C4803 D9 C7582 F7 J3108 G7 L7400 C1 R7520 D6
C2103 E14 C4804 D9 C7583 G5 J3109 G7 L7401 F6 R7521 E6
C2104 C16 C4805 F8 C7584 C3 J3110 A8 L7402 E5 R7522 H5
C2105 B16 C4806 F11 C7585 H4 J3111 G7 L7404 F2 R7523 F7
C2106 B16 C4807 D10 C7586 H4 J3112 H7 L7502 F6 R7525 I5
C2110 G15 C4808 D9 C7587 H4 J3113 H7 L7503 F5 R7526 H4
C2111 H15 C4809 G10 C7589 G5 J3114 G7 L7504 C3 R7527 H4
C2112 H15 C4810 E8 C7590 H5 J3115 B8 L7505 C3 R7528 F5
C2114 C13 C4811 G9 C7591 G5 J3116 A8 L7506 C4 R7529 H5
C2115 C13 C4812 E11 C7592 H5 J3117 A8 L7510 E6 R7530 G5
C2116 C13 C4813 E8 C7593 C5 J3118 B8 L7511 D6 R7531 G5
C2200 D13 C4815 G11 C7596 D3 J3119 I7 L7512 E6 R7534 F5
C2201 E11 C4816 F8 C7597 C7 J3120 B8 L7514 I4
C2202 E13 C4817 G9 C7598 F5 J4600 B13 L7515 G4 S4400 A13
C2203 E13 C5000 I11 J4601 B13 L7516 C6
C2204 E14 C5001 H8 D2800 B9 J4800 G8 L7517 F6 T7500 F2
C2205 E13 C5002 I8 D3000 B14 J4802 G8 T7501 F3
C2206 E14 C5003 G10 D3001 B12 J4803 G9 M2100 I14 T7502 B6
C2207 E12 C5004 G9 D4800 E9 J4805 G9 T7503 H6
C2208 E13 C5005 I10 D5000 H9 J4806 G9 N2200 D12
C2209 E12 C5006 I10 J4807 G9 N2300 G14 V2000 F15
C2210 C11 C5007 I10 F2000 G15 J4808 G9 N4200 F13 V2300 F14
C2211 C11 C5008 I8 J4811 C9 N4401 I2 V4420 A11
C2212 C12 C5009 H8 G2200 A7 J4812 F11 N4600 A15 V4421 I11
C2213 D11 C6157 D16 G7500 F4 J4813 C9 N6156 E15 V4422 D7
C2214 D11 C6158 D16 G7501 D4 J4814 F11 N7500 E3 V4423 A3
C2215 D11 C6159 E15 G7502 H7 J4815 F11 N7501 E6 V4424 D8
C2216 C11 C6162 E16 J4816 E11 N7502 B5 V4425 F8
C2217 E11 C6163 D15 J2000 E15 J4817 F11 N7503 I5 V4426 F7
C2219 E11 C6165 E15 J2001 E15 J4818 D10 N7504 G5 V4427 I3
C2220 C12 C6170 D16 J2002 E15 J4820 D8 V7500 H4
C2221 C12 C6176 D15 J2003 E15 J4821 D10 R2000 D13
C2222 C12 C6178 D15 J2004 D15 J4822 D9 R2001 E15 X2001 E16
C2223 E13 C6179 D16 J2005 D15 J4823 D9 R2002 E13 X2060 I3
C2224 D13 C6180 E15 J2006 C15 J4824 D9 R2003 E14 X2070 H12
C2225 D11 C6182 E15 J2007 D15 J4825 D8 R2004 C14 X2100 A2
C2226 C12 C6184 E15 J2008 C16 J4826 D8 R2006 C14 X2101 B2
C2227 E11 C6185 E15 J2009 B16 J4827 D8 R2007 E15 X4100 G15
C2228 D11 C7401 H1 J2060 I7 J5001 F8 R2009 E15 X4300 B14
C2230 D11 C7402 F2 J2070 G11 J5002 F8 R2010 E15 X7400 C2
C2231 C12 C7501 E2 J2071 F11 J5003 G9 R2011 E15 X7401 H2
C2232 D11 C7503 E2 J2072 F11 J5004 G9 R2012 E15 X7402 C1
C2233 B8 C7504 D2 J2200 D11 J5005 G8 R2070 H12 X7403 G1
C2234 E12 C7505 F3 J2201 A11 J5006 G10 R2071 I11
C2235 G13 C7507 E4 J2204 B11 J5007 G8 R2100 E15 Z2000 E15
C2300 G15 C7508 F4 J2205 A11 J5008 G8 R2101 D14 Z2001 E15
C2301 H15 C7509 D3 J2206 B11 J5009 E8 R2102 E13 Z2003 F15
C2302 H13 C7512 C2 J2207 B11 J5100 I8 R2103 E14 Z4100 I14
C2303 F15 C7513 F4 J2208 C11 J5101 H8 R2104 D13 Z4101 H14
C2304 H13 C7514 C3 J2209 A11 J5102 I8 R2106 A3 Z4400 G13
C2306 F15 C7515 F5 J2210 D10 J5103 I8 R2107 A3 Z4401 G14
C2307 G15 C7516 F4 J2211 D10 J5104 C7 R2200 G11 Z7400 G5
C2309 H15 C7518 E7 J2212 D10 J5105 I7 R2201 F12 Z7500 C6
C2312 F15 C7520 D2 J2213 D11 J5106 D7 R2206 E12 Z7501 D4
C2313 F15 C7522 E4 J2214 C11 J5107 C7 R2209 I13 Z7502 H3
C2800 C11 C7523 C3 J2215 D10 J5108 I7 R2303 F14 Z7503 B3
C2801 C8 C7524 E4 J2216 D11 J5109 I7 R2304 E14 Z7504 B6
C2802 D9 C7525 C4 J2217 B15 J5110 I7 R2800 B8 Z7505 I4
C2803 A10 C7526 D5 J2218 E13 J7503 D3 R3000 C14 Z7506 D6
C2804 D10 C7527 E4 J2219 D10 J7504 D7 R4402 B13
C2805 A9 C7528 E4 J2220 D10 J7505 D7 R4403 I13
C2806 D8 C7529 D4 J2221 D10 J7506 D7 R4404 G14
C2807 B8 C7530 E2 J2300 F12 J7508 F2 R4405 I3
C2808 D9 C7531 F4 J2301 F12 J7509 F2 R4407 A11
C2809 C8 C7532 F2 J2303 F13 J7510 F3 R4408 D7
C2810 A10 C7533 E5 J2305 G13 J7511 F3 R4409 I2
C2811 A8 C7534 E2 J2306 G13 J7515 F2 R4424 D7
C2812 A10 C7535 F4 J2307 G13 J7516 E2 R4425 A2
C2813 C11 C7536 E2 J2308 A11 J7517 D7 R4426 F7
C2814 D9 C7541 F5 J2309 G13 J7518 D2 R4427 I3
C2815 B8 C7543 E5 J2800 C8 J7519 B4 R4601 A14
C2817 A9 C7545 A5 J2801 C8 J7520 B3 R4800 G10
C3000 A15 C7547 F6 J2802 A10 J7521 A6 R4809 D8
F
G
J
S
M
N
V
T
B
C
D
R
L
Z
X