N91 Schematics Nokia Rm 43 Service
User Manual: Smartphone Nokia N91 RM-43, RM-158 - Service manuals and Schematics, Disassembly / Assembly. Free.
Open the PDF directly: View PDF
.
Page Count: 12

Service Schematics
RM-43
Exploded view and component disposal
IMPORTANT:
This document is intended for use by authorized NOKIA service centers only.
Introduction
“Service Schematics” was created with focus on customer care.
The purpose of this document is to provide further technical repair information for
NOKIA mobile phones on Level 3/4 service activities.
It contains additional information such as e.g. “Component finder”.
The “Signal overview” page gives a good and fast overview about the most
important signals and voltages on board.
Saving process time and improving the repair quality is the aim of this document.
It is to be used additionally to the service manual and other training
or service information such as Service Bulletins.
All measurements were made using following equipment:
Nokia repair SW : Phoenix version 2005.44.4.120
Oscilloscope : Fluke PM 3380A/B
Spectrum Analyzer : Advantest R3162 with an analog probe
RF-Generator / GSM Tester : Rhode & Schwarz CMU 200
Multimeter : Fluke 73 Series II
While every endeavour has been made to ensure the accuracy of this document, some
errors may exist. If the reader finds any errors, NOKIA shall be notified in writing.
Please send E-Mail to: training.sace@nokia.com
Copyright © NOKIA
This material, including documentation and any related computer programs is protected
by copyright, controlled by NOKIA. All rights are reserved. Copying, including reproducing,
modifying, storing, adapting or translating any or all of this material requires the prior
written consent of NOKIA. This material also contains companyconfidential information,
which may not be disclosed to others without the prior written consent of NOKIA.
Page 1 (12)
Frontpage
Customer Care / Service & Support Readiness / Content Creation Management
Confidential - Copyright © 2006 NOKIA Only for training and service purposes
Version: 1.0 23.01.2006N91/ RM-43
Board version: 1JY_17
Table of Contents Page
1
2
3
4
5
6
7
8
9
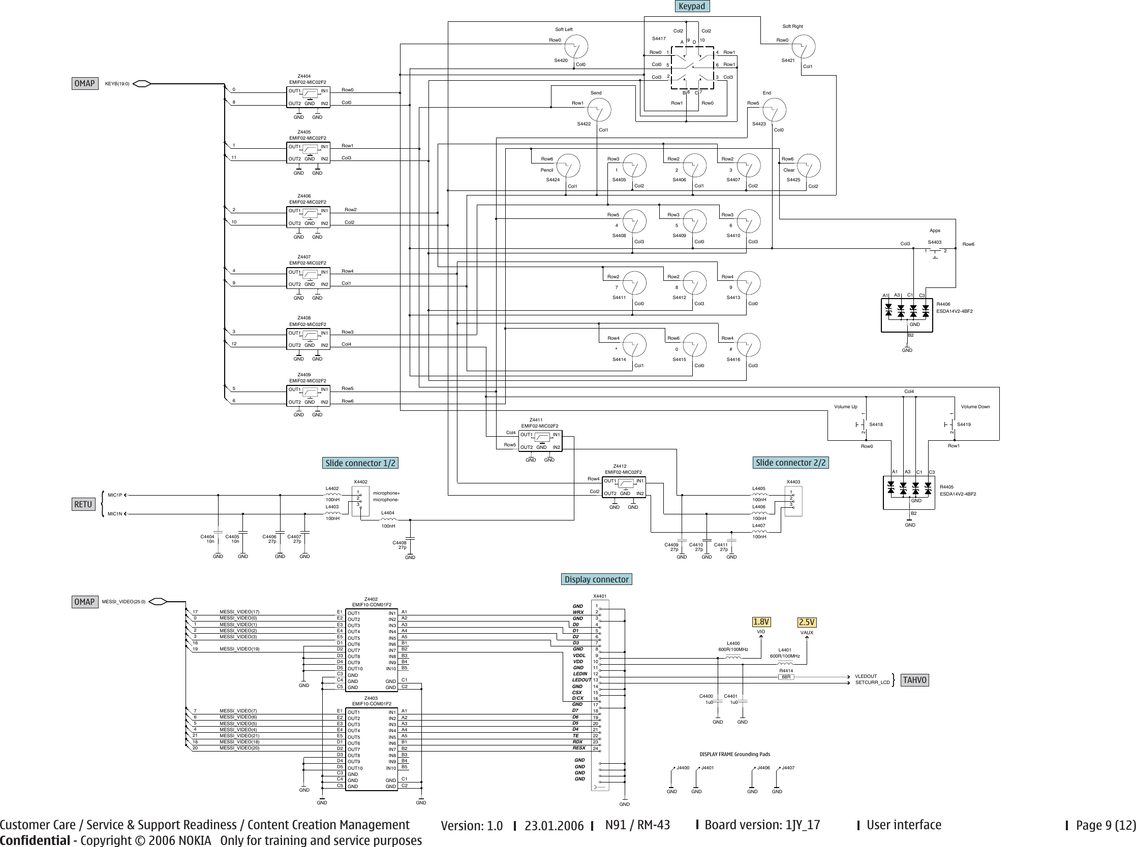
System connector
Front page
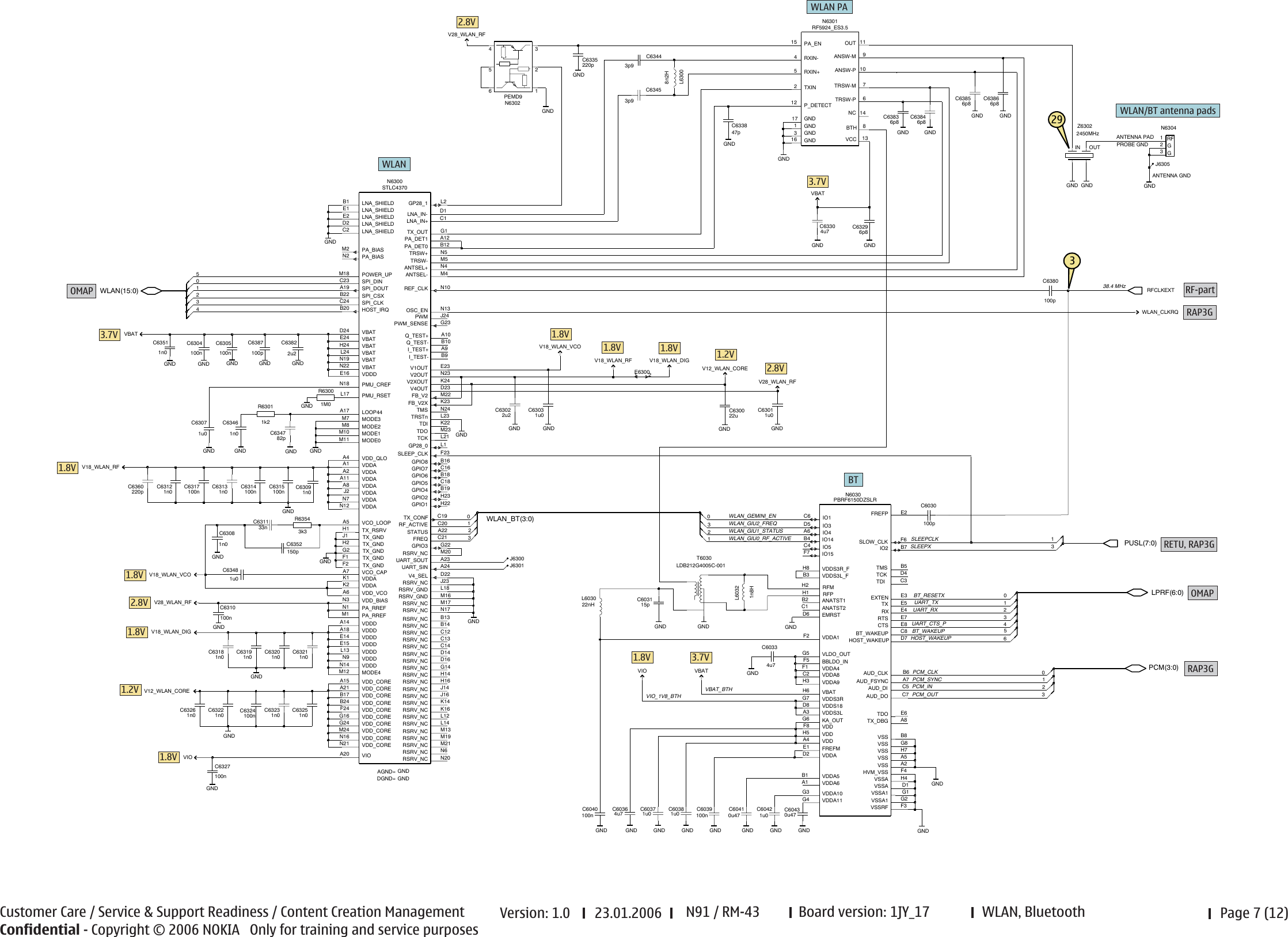
WLAN, BT
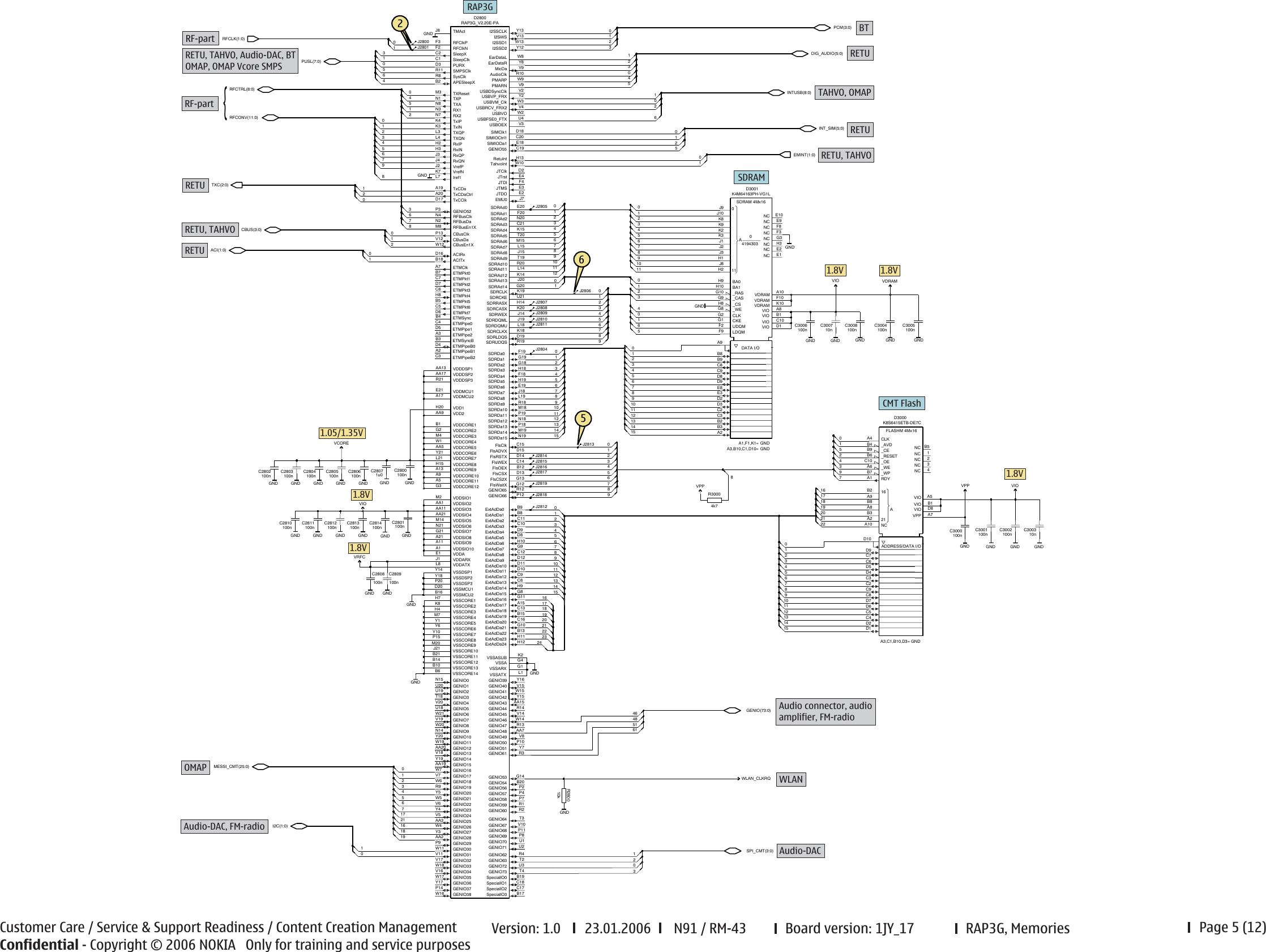
RAP3G, Memories
RETU
FM-radio, Audio-DAC
OMAP, Memory, Camera, HDD
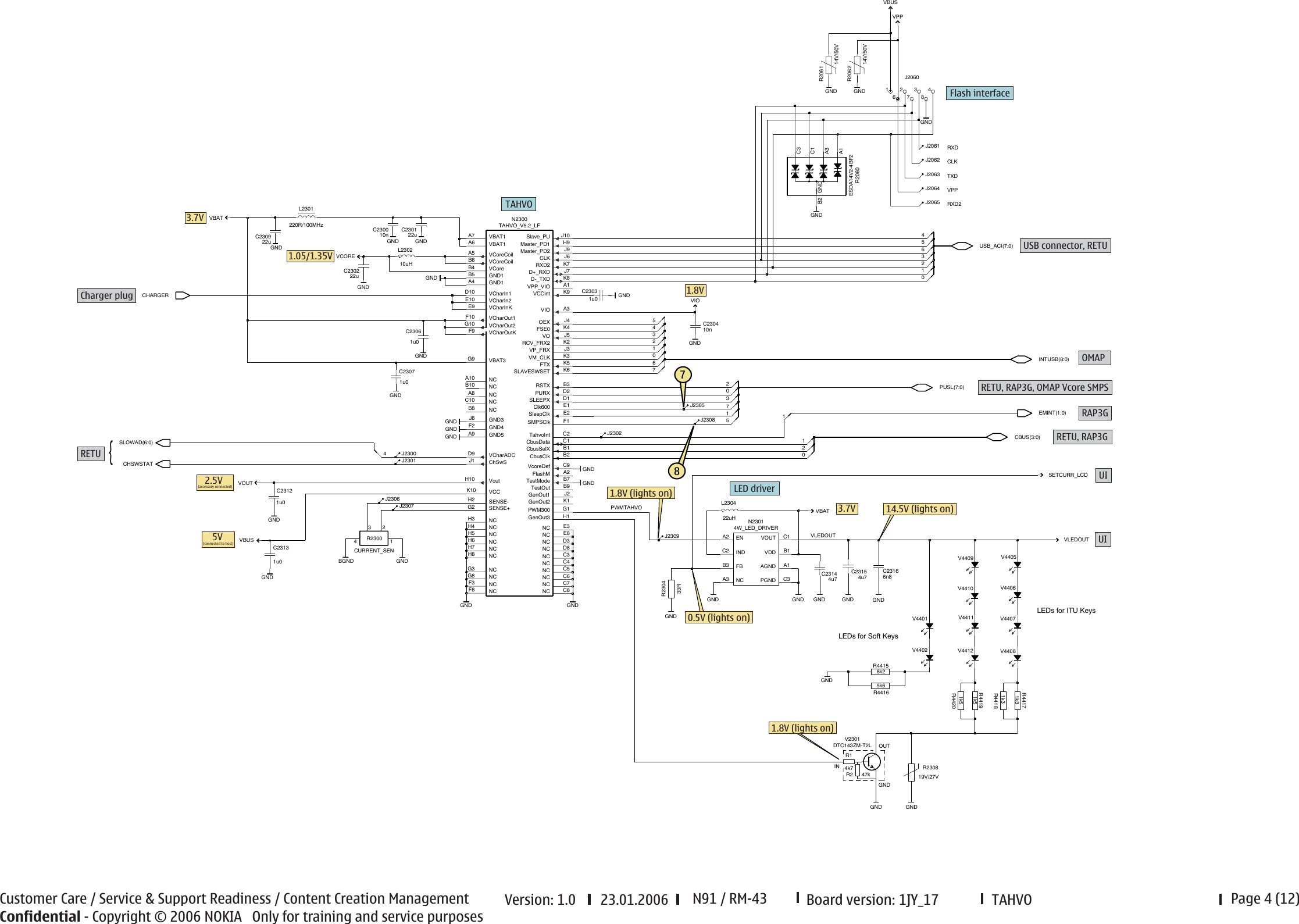
TAHVO
10
RF- part
11
Component finder
Signal overview
UI
12

System connector
Page 2 (12)
Customer Care / Service & Support Readiness / Content Creation Management
Confidential - Copyright © 2006 NOKIA Only for training and service purposes
Version: 1.0 23.01.2006N91 / RM-43
Board version: 1JY_17
HOOKDET
SLAVEPU
MASTPD2
DMTXD
MICB2
MIC2P
-
Vbus
ID
D+
+
MASTPD1
MIC-
D-
MIC2N
MIC+
ACI
J2003
DPRXD
ACI
10n
GND
GND
GND
C2036
220k
R2018
GND
J2001
1000R/100MHz
L2004
2u2
C2002
100n
C2018
GND
1u5 C2026
100n
J2002
C2004
0
GND
R2007
IP4065CX11_LF
15k
33R
33R
17k
1k3
VIO
1
GND
1500R/100MHz
L2002
L2006
1500R/100MHz
1
2
3
4
5
1
X2001
GND
10n
C2028
C2025
1u5
100R
L2005
1500R/100MHz
R2009
10n
C2037
1 /2 VWM16V
3
GND
R2022
3
X2000
1
2
VDAC
2
C2038
V2000
1PMT16AT3
GND
100n
5
120k
R2019
GND
1500R/100MHz
L2003
1n0
C2011
R2021
1
2 /2 VWM16V
100k
R2024
47nH
GND
L2011
1500R/100MHz
L2008
GND
GND
2u2
C2020
C2019
2u2
VBUS
GND
22p
C2015
3
4
5
6
7
8
9
R2023
100k
R2022
X2002
1
2
/2 VWM16V2
R2031
0R
GND
0R R2030
0
GND
VANA
/2 VWM16V1
GND
6
R2021
C2029
10n
C2012
470n
1500R/100MHz
L2000
220R/100MHz
L2009
C2027
6n8
C1 INL OUTR C2
NC C3
C1N C4
D1 SVDD
OUTL D2
D3
SVSS
PVSS D4
TPA4411YZH
A1 INR
A2 SGND
A3 PVDD
C1P A4
B1 _SDR
_SDL
B2
NC B3
B4 PGND
GND
N2000
GND
C2016
22p
C2003
VOUT
GND
100n
Vcc
GND
Meas
GND
GND
GND
GND
1k0
2k2
50R
50R
2k2
1k0
BGF100
R2017
1n0
1n0 1n0
to Mic
1n0 1n0
1n0
to UEME
C2000
L2001
1500R/100MHz
7
27p
4
GND
220R
R2000
L2007
1500R/100MHz
J2032
Z2001
600R/100MHz
C2017
1u0
L2010
2A
F2000
GND
47nH
CHARGER
USB_ACI(7:0)
FMANT
AIC33(3:0)
APE_AUDIOL
APE_AUDIOR
XAUDIO(7:0)
61
48
GENIO(73:0)
TAHVO
Audio amplifier
Charger plug
Audio connector
USB connector
{
RAP3G
Audio-DAC
FM-radio
RETU
RETU, TAHVO
3V
1.8V if N2000 is active
2.1V if ext. mic is active
13 5V
(connected
to host)
1.8V
2.5V
(accessory connected)
2.5V

RETU
Page 3 (12)
Customer Care / Service & Support Readiness / Content Creation Management
Confidential - Copyright © 2006 NOKIA Only for training and service purposes
Version: 1.0 23.01.2006N91 / RM-43
Board version: 1JY_17
VCHAR
WTXDET
RFTEMP
BSI
J2217
GND
GND
GND
C2240
10n
C2241
GND
GND
GND
GND
VRCP1
J2209
1n0
C2203
0
2
VREF
2M2
R2205
0
C2239
0u47
600R/100MHz
GND
L2206
2
3
J2220
3
GND
J2206
GND
GND
0u47
C2238
0
J2218
1
C2209
22p
J2212
1
C2202
1n0
4
1
VRFC
7
C2200
1u0
1u0
C2226
14
GND
2
GND
1
GND
4
GND
C2215
1u0
J2210
27p
C2208
0
C2227
1u0
1u0
C2222
0
1u0
C2235
1n0
C2207
C2210
GND
1n0
1u0
C2216
R2200
100k
J2201
5
J2215
220R/100MHz
AFC
M9
SlClk
GND
GND
L2205
M1 RFTemp
M10 HV
VDRAM M11
BSI
M12
WTxDet
M3
AudClk
M4
M5 SerClk
M6 TxCClk
TxC2 M7
M8
L10
HeadDet L11
HookDet L12
BTemp
L3
L4 MBusTx
SerData
L5
TxCDa
L6
TxCCtrl
L7
VBack
L8
CrI
L9
K11
Gnd2 K12
K2 VDATx
K3
PURX
MBusRx
K4
SerSelX
K5
K6
Gnd4
TxC1 K7
K9 CrO
SIMDetX
TM
MicB2 H2
H3
VSATx
Mic2P J1
J10
SleepX
J11 WDDis
VAna J12
Mic2N J2
Mic1N
J3
Mic1P
K1
VBat2
XEarL
XEarR G1
G10 VBat6
VR1 G11
VRFC G12
MicBCap G2
G3
XEarRC
VBG H10
MBus H11
VBat4
H12
Mic3P
RstX E10
VAux E11
E2 Mic3N
E3 Mic3PR
XEarLC F1
VChar
11F
01F
VRef
VBat5
F12
F2
MicSub
F3
C6 SIMDa1 SIMClkC1 C7
C8
SIMDaC1
VSIM2 C9
EarN
D1
SIMRstC2 D10
D11
Gnd1
VIO D12
D2 Mic3NR
EarP
D3
E1
B7
Gnd3 B8
B9
SIMClkC2
C1
VSARx
VRCP2 C10
SIMRstC1 C11
C12 VBat1
VDARx
C3
PMARN
C4
C5 SIMClk1
A9
SIMDaC2
VCP B10
FlyHigh B11
B12 VBatCP
GndH B2
B3 VBatH
EarDaR
B4
B5 MicData
SIMClk2
B6
SIMIOC2
VRCP1 A10
A11
GndCP
FlyLow A12
PMARP
A3
A4 EarDaL
SIMIOC1
A5
A6 SIMDa2
VBat3
A8
32.768kHz
B2200
GND
RETU_3.02
N2200
0
J2211
3
J2207
GND
2
1n0
C2205
J2213
7
10U
VIO
VRCP2
3
GND
GND
C2231
C2213
5
C2219
1u0
1
GND
GND
1u0
J2219
C2211
4u7
GND
J2208
C2237
C2221
1u0
1u0
7
GND
0
2
6
1
VANA
GND
GND
VANA
J2200
1
4
2
J2214
VANA
2
J2202
VR1
2
GND
GND
GND
1u0
C2214
GND
GND
1
VDRAM
0
5
GND
GND
0
1u0
C2220
5
0
1
GND
120k
R2201
3
GND
0
3
2
C2225
1u0
1u0
0
VREF
6
C2232
J2204
4
VAUX
1u0
C2217
3
GND
GND
1u0
C2201
ACI(1:0)
DIG_AUDIO(5:0)
TXC(2:0)
PUSL(7:0)
AUDIO(8:0)
EMINT(1:0)
INT_SIM(5:0)
USB_ACI(7:0)
XAUDIO(7:0)
SLOWAD(6:0)
TXC_CONV(2:0)
CBUS(3:0)
GND
HFSPP +
HFSPN
-
VIBRAP
VIBRAN
GND
L2106
39nH
GND
M
M2100
KHN4NX1AB
-
+
GND
2 3
4
EXC24CP221U
L2108
1L2109
39nH
3
1n0
C2110
GND
2
C2108
1n0
GND
L2110
39nH
L2112
220R/100MHz
GND
C2127
1n0
39nH
L2105
C2126
J2107
1n0
R2106
14V/50V
220R/100MHz
L2111
R2107
14V/50V
B2100
+
-
C2109
1n0
1n0
C2128
0
1
2H1 MicB1
L1
HFSpN C2
HFSpP B1
A1
VibraN
A2
VibraP
8
9
GND
GNDGND
1
GND 10
2
43
5
6
7GND
GND
GND
X2700
47067-0006
EMIF03-SIM02F2
R2
R3
R1
R2700
Side
SIM Reader
CLK
100n
GND GND
GND
1
0
2
C2700
GND
1u0
C2212
VSIM1 A7
Internal microphone
-
+
MICB1
MIC1P
MIC1N
GND
GND
GND
GND
1n01n0
to Mic
1n0
Vcc
GND
Meas
GND
GND
R2108
BGF100
1k0
2k2
50R
50R
2k2
1k0
1n0
1n01n0
C2101 100n
C2100 100n
2u2
C2125
2
3
220R
MIC1P
R2111
MIC1N
4
EARP
EARN
R2104
14V/50V
4
EXC24CB102U
L2100
1
B2101
14V/50V
R2105 C2134
10n 10n
C2133
GND
2
3
GND GND
E12 PwrOnX
10n
3V3
G2200
+
-
GND
GND
14V/50V
R2206 LS
M2
L2 LST
GND
GND
K10 ChSwS
1
GND GND
10n
C2223 C2224
10n
RetuInt
K8
BTEMP NTC
C2070
27p
GND
GND
X2070
VBATT
BSI
14V/50V
R2070
R2072
14V/50V
J2072
BGND
J2071
J2070
GND GND
GND
GND
R2071
-t
47k
GND
600R/100MHz
L2203
GND
1u0
C2228
600R/100MHz
L2204
GND
1u0
C2230
220R/100MHz
L2202
CHSWSTAT C6181
GND
0u47
GND
0u47
C6180
GND
14V/50V
R4408
R4407
4k7
1 2
S4401
GND
Battery connector
Power key
Earpiece
RETU
SIM connector
Vibra
Hands-free speaker
TAHVO
TAHVO, RF-part
RAP3G
TAHVO, RAP3G
RAP3G
{
RF-part
TAHVO, Audio connector
UI
}
Audio-DAC, FM-radio
Audio-DAC,
audio connector
TAHVO, RAP3G, OMAP, BT,
OMAP Vcore SMPS, WLAN,
Audio-DAC, FM-radio
1.35V
2.5V 2.5V
1.8V
1.8V
2.5V
1.8V
4.7V
4.7V
1.35V
2.5V 2.5V
12
2.1V if int. mic is active
~3.7V if switch is unpressed
3.7V
30 32
31
10 11 9
2827
26
25
11.8V: active
0V: sleep mode
3.7V
1.8V

TAHVO
Page 4 (12)
Customer Care / Service & Support Readiness / Content Creation Management
Confidential - Copyright © 2006 NOKIA Only for training and service purposes
Version: 1.0 23.01.2006N91 / RM-43
Board version: 1JY_17
1
2
3
J2309
6
5
4
4
5
5
1
7
220R/100MHz
L2301
3
0
VBAT
VBUS
VBAT
GND
1
K3
K4
FSE0
K5
FTX
SLAVESWSET K6
RXD2 K7
D-_TXD K8
K9
VCCint
J2300
J5
J6
CLK
J7
D+_RXD
GND3
J8
J9
Master_PD2
K1
GenOut2
K10 VCC
K2
RCV_FRX2
VM_CLK
NC
H7
NC
H8
H9
Master_PD1
J1 ChSwS
Slave_PU J10
J2
GenOut1
J3
VP_FRX
J4
OEX
VO
NC
G8
G9 VBAT3
H10 Vout
SENSE-
H2
NC
H3
NC
H4
H5 NC
H6 NC
F10 VCharOut1
F2 GND4
F3 NC
NC
F8
VCharOutK
F9
G1
PWM300
G10 VCharOut2
G2 SENSE+
G3 NC
VCharADC
E1
Clk600
VCharIn2
E10
E2
SleepClk
NC E3
E8
NC
E9 VCharInK
SMPSClk
C7
C8
NC
C9
VcoreDef
D1
SLEEPX
D10 VCharIn1
PURX D2
NC D3
D8
NC
D9
TestOut B9
NC
C10
NC C3
C4
NC
NC C5
C6
NC
NC
NC
B10 RSTX B3
VCore
B4
GND1
B5
VCoreCoil
B6
TestMode B7
B8 NC
A2
A3
VIO
A4 GND1
A5 VCoreCoil
VBAT1
A6
VBAT1
A7
A8 NC
A9 GND5
GND
TAHVO_V5.2_LF
N2300
VPP_VIO A1
A10 NC
FlashM
J2305
C2302
22u
GND
2
GND
GND
C2314
4u7
VOUT
4u7
C2315
C2303
10n
C2304
GND
1u0
GND
A3
VDD B1
B3 FB
C1
VOUT
C2 IND
PGND C3
SETCURR_LCD
GND
BGND
0
4W_LED_DRIVER
N2301
AGND A1
EN
A2
NC
GND
4
22u
C2301
1u0
J2308
C2312
6
22uH
L2304
GND
C2316
6n8
33R
GND
VLEDOUT
R2304
GND
GND
GNDGND
J2307
GND
0
2
C2309
22u
3
VCORE
VIO
C2307
1u0
J2301
GND
J2306
7
10uH
L2302
GND
CURRENT_SEN
R2300 1
23
4
1u0
C2306
GND
GND
GND
C2300
10n
GND
C2313
1u0
PUSL(7:0)
USB_ACI(7:0)
INTUSB(8:0)
GND
GND
GND
SLOWAD(6:0)
CHSWSTAT
CHARGER
PWMTAHVO
RXD
CLK
TXD
VPP
RXD2
J2062
J2061
J2065
GNDGND
J2063
R2061
14V/50V
8
VBUS
14V/50V
R2062
B2 GND
C1
C3
J2060
1 2 3 4
6 7
R2060
ESDA14V2-4BF2
A1
A3
GND
VPP
GND
J2064
F1
GND
GenOut3 H1
R2308
19V/27V
R2
R1
4k7
V2301
DTC143ZM-T2L
IN
GND
OUT
GND
47k
0
1
C1
CbusData
C2
TahvoInt
CbusClk B2
B1
CbusSelX
1
J2302
2
CBUS(3:0)
EMINT(1:0)
LEDs for ITU Keys
R4419
1k5
R4418
1k3
V4412
V4409
1k3
R4417
V4408
1k5
R4420
V4410
V4407
V4411
V4406
V4405
LEDs for Soft Keys
V4402
5k6
R4416
R4415
8k2
GND
V4401
TAHVO
Flash interface
LED driver
Charger plug
RETU
{
UI
RAP3G
RETU, RAP3G
RETU, RAP3G, OMAP Vcore SMPS
OMAP
USB connector, RETU
3.7V
1.05/1.35V
2.5V
(accessory connected)
5V
(connected to host)
1.8V
3.7V
7
8
VLEDOUT
UI
1.8V (lights on)
1.8V (lights on)
0.5V (lights on)
14.5V (lights on)

RAP3G, Memories
Page 5 (12)
Customer Care / Service & Support Readiness / Content Creation Management
Confidential - Copyright © 2006 NOKIA Only for training and service purposes
Version: 1.0 23.01.2006N91 / RM-43
Board version: 1JY_17
0
1
100n
C2801
C2804
100n
1
0
J2801
0
100n
C2802
6
C2813
100n
0
6
C2809
100n
1
VCORE
3
2
GND
100n
C2814
60
7
Y1
VSSCORE7
Y10
VDDCORE6
Y21
VSSCORE6
Y6
VDDSIO1
M2
VSSCORE9
M20
VDDCORE3
M4
M7 VSSCORE4
VDDSIO6
N21
VSSCORE8
P15
R21 VDDDSP3
VDDCORE4
W1
VSSCORE5
H4 VSSCORE3
VSSCORE1
H7
VDDARX
J1
VSSCORE10
J21
K2
VSSASUB
K8 VSSCORE2
VSSATX L1
VDDCORE7
L21
L8 VDDATX
M14 VDDSIO5
E1 VDDA
E21 VDDMCU1
VSSARX G1
VDDCORE2
G2
VDDSIO7
G21
G3 VDDCORE12
VSSA G4
VDDCORE8
H15
H20 VDD1
VDDDSP2
AA21 VDDSIO4
VDDCORE5
AA5
AA9 VDD2
VDDCORE1
B1
B10 VSSCORE13
B14 VSSCORE12
B21 VSSCORE11
B6 VSSCORE14
VDDSIO10
A1
A11 VDDSIO9
A13 VDDCORE9
A17 VDDMCU2
VDDSIO8
A21
VDDCORE11
A5
VDDCORE10
A9
AA1 VDDSIO2
AA11 VDDSIO3
AA13 VDDDSP1
AA17
M18
SDRDa10
M19
SDRDa14
N18
SDRDa12
SDRDa15 N19
SDRDa13 P18
SDRDa11 P19
R18
SDRDa9
SDRDa8 L19
H19
SDRDa5
J18
SDRDa7
SDRDa4 F18
F19
SDRDa0
G18
SDRDa2
G19
SDRDa1
SDRDa3 H18
SDRDa6 E19
W9
I2SSD2 Y12
Y13
I2SSCLK
Y2
USBVP_FRX
Y8
EarDataR
Y9
MicDa
V4
V9
PMARN
TahvoInt W10
W12 CBusEn1X
I2SSD1 W13
W2
USBVO
W3
USBVM_Clk
EarDataL W8
PMARP
AudioClk
SMPSClk
R11
R8 SysClk
USBFSE0_FTX U4
CBusDa
V12
V13
I2SWS
V2
USBDSyncClk
USBOEX V3
USBRCV_FRX2
M8
TXP
N1
N2 RFBusDa
N3 RX1
RFBusClk
N4
RX2
N7
TXA
N8
CBusClk
P13
R10
J8
K3 TxIN
TxIP
K4
VrefN
K7
L3 TXQP
TXQN
L4
L7 Iref1
M3 TXReset
RFBusEn1X
RetuInt
H2 RxIP
H3 RxIN
H8 ETMPkt4
J2 VrefP
RxQP
J3
RxQN
J4
J7
EMU0
TMAct
ETMPkt2
SIMIODa1 E18
E2
JTDO
JTMS E3
JTrst E4
RFClkN
F2
F3 RFClkP
JTDI F4
H13
D16
TxCClk
D17
D18
SIMClk1
D2
JTClk
PURX
D3
ETMPipeB0
D4
ETMPipe1
D5
D6 ETMPkt7
D7
C1
SleepX
C2
C20
SIMIOCtrl1
ETMPipeB2
C3
ETMPipe0
C4
ETMPkt6
C5
ETMPkt3
C6
C7 ETMPkt1
ACIRx
ETMPipe2
A7 ETMClk
ACITx
B18
B2 APESleepX
B3 ETMSyncB
ETMSync
B4
B5 ETMPkt5
ETMPkt0
B7
SleepClk
RAP3G_V2.20E-PA
D2800
TxCDa
A19
A2 ETMPipeB1
A20 TxCDaCtrl
A3
GND
4
0
1
GND
1
2
100n
4
C2810
0
1
5
3
GND
5
5
2
100n
C2812
2
2
C2803
n001n001
1
3
C2806
3
4
C2800
100n
0
1
4
GND
GND
8
100n
C2808
C2807
1u0
1
8
7
J2800
15
6
5
4
3
2
1
0
14
13
12
11
10
9
2
1
100n
C2805
0
GND
VIO
6
J2804
8
9
100n
C2811
0
2
0
7
1
0
1
GND
5
2
PUSL(7:0)
INT_SIM(5:0)
INTUSB(8:0)
ACI(1:0)
CBUS(3:0)
RFCLK(1:0)
RFCONV(11:0)
DIG_AUDIO(5:0)
PCM(3:0)
EMINT(1:0)
RFCTRL(8:0)
TXC(2:0)
Y14 VSSDSP1
Y18 VSSDSP2
P20 VSSDSP3
VSSMCU1
D20
VSSMCU2
B16
J2811
1
5
0
SDRUDQS R19
R20
SDRAd10
SDRAd9 T19
T20
SDRAd5
SDRCKE U21
SDRAd2 N20
SDRCLKX K18
SDRCLK K19
K20
SDRCASX
SDRAd11 L14
SDRAd7 L15
SDRDQMU L18
M15
SDRAd6
SDRWEX J14
J15
SDRAd8
J19
SDRDQML
J20
SDRAd13
SDRAd12 K14
SDRAd4 K15
SDRAd1 F20
SDRAd14 G20
SDRRASX H14
SDRAd3 C21
D19
SDRLDQS
E20
SDRAd0
4
12
9
6
J2807
8
0
J2806
4
0
2
5
1
J2808
6
3
J2809
7
11
3
10
9
J2805
1
7
8
2
J2810
0
J2816
H12
ExtAdDa24
ExtAdDa14 H9
G10
ExtAdDa21
G11
ExtAdDa16
G12
FlsWaitX
G13
FlsCS2X
ExtAdDa15 G8
ExtAdDa7 G9
ExtAdDa6 H10
ExtAdDa23 H11
D10
ExtAdDa10 D11
ExtAdDa9 D12
FlsCSX D13
D14
FlsRSTX
D15
FlsADVX
ExtAdDa5 D8
ExtAdDa4 D9
C11
ExtAdDa2
ExtAdDa8 C12
C13
ExtAdDa18
C14
FlsWEX
FlsClk C15
C16
ExtAdDa20
ExtAdDa13 C8
ExtAdDa12 C9
ExtAdDa11
A15
ExtAdDa17
FlsOEX B12
ExtAdDa22 B13
B15
ExtAdDa19
ExtAdDa1 B8
ExtAdDa0 B9
ExtAdDa3 C10
J2815 3
J2814
6
4
5
J2813
J2819 7
J2812
2
1
24
J2817
7
8
0
9
10
11
12
13
14
15
1
2
3
4
5
6
16
17
18
19
20
21
22
23
61
2
5
46
48
5
1
0
51
1
18
Y20
GENIO27
Y3
GENIO23
Y4
GENIO20
Y5
GENIO51 Y7
GENIO26
W5 GENIO21
W6 GENIO18
GENIO16
W7
GENIO42 Y15
Y16
GENIO39
Y17 GENIO36
Y19 GENIO14
GENIO10
GENIO46
GENIO41 W15
W16 GENIO38
GENIO35
W17
GENIO33
W18
GENIO11
W19
W20 GENIO8
W21 GENIO6
W4
GENIO13
V19 GENIO7
V20 GENIO4
GENIO24
V5
GENIO22
V6
V7 GENIO17
V8
GENIO49
GENIO30
W11
W14
GENIO1
GENIO72 U3
GENIO67
GENIO31
V11
V14
GENIO45
GENIO40 V15
V16 GENIO34
V17 GENIO32
V18
T18
GENIO63 T2
T3
GENIO64
GENIO73 T4
GENIO70 U1
U18 GENIO5
GENIO2
U19
U20
GENIO59
GENIO47 R13
R14
GENIO44
R2
GENIO60
R3
GENIO61
GENIO62 R4
R9 GENIO19
GENIO3
P14 GENIO37
P2
GENIO56
P4
GENIO57
P7
GENIO58
GENIO69 P8
P9 GENIO29
R1
SpeciallO2
C18
SpeciallO1
C19
GENIO55
G14
GENIO53
GENIO9
N14
GENIO0
N15
P10
GENIO50
GENIO68 P11
GENIO15
AA2 GENIO28
AA20 GENIO12
GENIO25
AA3
AA7
GENIO48
B17
SpeciallO3
B19
SpeciallO0
B20
GENIO54
C17
AA15
GENIO43
AA19
0
7
1
2
19
3
17
4
21
3
6
WLAN_CLKRQ
16
GENIO(73:0)
SPI_CMT(3:0)
MESSI_CMT(25:0)
I2C(1:0)
18
3
3
21
6
22
C3005
100n
6
100n
10
9
8
7
C3004
15
6
5
4
3
2
1
0
14
13
12
11
12
11
10
9
8
7
8
8
GND
3
15
6
5
4
3
2
1
0
14
13
4
0
16
1
1
1
GND
5
5
100n
C3002
GND
C3000
100n
2
4
5
C3007
10n
10
GND
9
17
4k7
R3000
2
GND
19
2
D4
D5
D6
D7
D9
C3001
100n
C5
C6
C7
C8
C9
D1
D10
D2
B6
_WP
B7
B8
B9 _CE
_OE
C10
C2
C3
C4
A4 CLK
_WE
A6
A8
A9
16
B2
B3
_AVD
B4 NC B5
_RESET NC 1
2
NC
NC 3
4
NC
RDY
A1
A10 NC
21
A2
9
ADDRESS/DATA I/O
A3,C1,B10,D3= GND
K8S6415ETB-DE7C
D3000
FLASHM 4Mx16
A
100n
C3008
GND
VPP
7
GND
0
11
4
0
20
GND
0
100n
7
_CS
G10 _RAS
_WE
G8
C3006
F3
NC
NC G3
H3
NC
E2
NC
NC E1
UDQM
F2
_CAS
G9
H8
D9
E8
E3
D2
F9 LDQM
E10
NC
NC E9
NC F8
C3
B2
B3
A2
B9
C8
C9
D8
BA0
H9
H10 BA1
CKE
G1
G2 CLK
A9
B8
D3
C2
H2
K8
K9
K2
K3
J1
J2
J3
H1
A1,F1,K1=
SDRAM 4Mx16
A
DATA I/O
4194303
0
0
J9
J10
J8
11
GND
GND
GND
1
D3001
K4M64163PH-VG1L
GNDA3,B10,C1,D10=
GND
10n
C3003
GND
0
GND
GND
GND
GND
GND
GND
VRFC
GND
GND
GND
GND
GND
10k
R2800
GND
A10
F10
K10
A8
B1
C10
D1
VDRAM
VDRAM
VDRAM
VIO
VIO
VIO
VIO
VIO
VIO B1
D8
VIO
A7
VPP
A5
RAP3G
SDRAM
CMT Flash
RF-part
VIO VDRAM
VPP VIO
RETU, TAHVO, Audio-DAC, BT
OMAP, OMAP Vcore SMPS
RF-part
RETU
RETU, TAHVO
RETU
{
OMAP
RETU
BT
Audio-DAC, FM-radio
V10
RETU, TAHVO
WLAN
TAHVO, OMAP
RETU
GENIO71 U2
8
GENIO65 R12
P12
GENIO66 J2818 9
Audio-DAC
Audio connector, audio
amplifier, FM-radio
P3 GENIO52
3
2
1.05/1.35V
1.8V
1.8V
1.8V 1.8V
1.8V
5
6

OMAP, Camera, HDD
Page 6 (12)Customer Care / Service & Support Readiness / Content Creation Management
Confidential - Copyright © 2006 NOKIA Only for training and service purposes
Version: 1.0 23.01.2006N91 / RM-43
Board version: 1JY_17
UART3_TX
C4808
GND
100n
C4805
GND
100n
2
2
3
15
7
GND
0
1
C4811
100n
J4811
1
0
J4829
J4828
100n
C4809
GND
J4817
2
GND
4
C4804
100n
5
1
C4806
100n
GND
GND
J4814
J4815
Y12
CCPCLKP
CCPDAN Y14
Y15
UARTS_CLKIO
Y2 OSC1_IN
CCPCLKN W13
W14
CCPDAP
W3 OSC1_OUT
WIRE_SCLK V19
MCBSP2_CLKR V7
OSC32K_OUT
AA13
D4800
HELEN3PS2.0_N3
GND
100n
C4807
0
3
GND
J4816
4
100n
C4812
GND GND
C4803
100n
2
GND
C4802
100n
4
Y5 USB_RCV
0
1
V14
USB_DAT
V6
USB_SE0
W5
W9 USB_TXEN
GPIO8
P9
TX1
R13
R14 CTS1
R19 GPIO1
R9 USB_VM
SCL
RX1
RX3 L14
TX3 M18
RTS1
AA15
USB_VP
AA9
J4813
3
J4812
100n
C4810
INTUSB(8:0)
LPRF(6:0)
3
6
GND
GND
12
0
1
2
4
14
11
8
9
1
6
12
8
9
2
3
2
3
0
-1.8_NOPB
A1
A2
B2
B1
GND
LP3990TLX
N5000
C5008
2u2
1
2
0
6
4
7
4
5
10
11
11
13
15
14
10
J5001
J5002
VIO
GND GND
C5003
100n
GND
100n
C5004
100n
P12 NC
P13 DNU
DNU
P14
P2 DNU
NC
P3
P4 NC
P5 NC
GND
N12 NC
NC
N13
N14 DNU
N2 NC
NC
N3
DNU
P1
P10 NC
NC
P11
A14 L2
L3
A15
M1 NC
M12
LDQS
M13
NC
M14
NC
M2
DNU
N1
J2
J3
K1
K13
LDM
12 K2
K3
A13
NC
L1
L14 NC
M5
P6
N5
M6
P7
N6
M7
J1
F2
CKE F3
G13
CK
G14
_CK
BA1 G2
BA0 H1
H2
_WEd H3
N4
F14
E14
E1
E2
E3
_RAS F1
UDM F12
_CAS
C11
C10
M10
N11
M11
L13
L12
K14
D3
A1 Index
D4
N10
M9
E13
E12
D12
C12
C4
_CS C5
C7
_WEn
C8
_CE
ALE C9
UDQS D13
D2
B7
CLE
B9
_WP
0
C3
A8
_RE
B1 DNU
DNU
B14
A13 DNU
DNU
A14
A2 DNU
R/_B A5
GNDH12,M3,N9,A7,B8,P8=
D5000
COMBO 32Mx16 DDR
A
64Mx8 NAND
NAND
DDR
Data I/O
NAND Flash
Data I/O
K5E1212ACM-S075
DDR
DNU
A1
GND
GND
B5,B10,G3,G12=
GNDA10,F13,K12,P9=
8
C5007
1u0
3
13
7
5
0
6
7
10
12
8
7
5
1
9
4
5
GND
1
9
0
C5002
100n
R5099
VBAT
0R
SDRAM_AD_APE(15:0)
SDRAM_CTRL_APE(10:0)
VDD_ANALOG
CAMVCTRL
GND
SCL
CCPCLKN
GND
SDA
CCPDAP
VBAT
CCPDAN
GND
STROBE
CAMCLK
VDD_LOGIC
GND
CCPCLKP
600R/100MHz
J1470
J1471
J1472
L1472
N1470
-1.8_NOPB
LP3999ITLX
VEN
CBYP
GND
VDD_Logic
VIN
1u0
C1472
GND
5
6
7
8
9
13
14
SOCKET
2
3
4
X1470
1
10
11
12
1
2
0
0
4
3
R1474
33R
3
GND
1
2
BAS16TT1
V1470
GND GND GND
1u0
C1475
GNDGND
1u0
C1473 C1477
10n
C1476
1u0
-2.8_NOPB
LP3985ITLX
N1471
BYPASS
GND
VEN
VIN
VDD_Analog
10n
C1474
CAM_CTRL(1)
CAM_CTRL(0)
CAM_CTRL(2)
CAM_CTRL(4)
CAM_CTRL(3)
GND GND
RSV(NC)
RSV(NC)
DAT1
VSS
CLKF
DATA_DIR0
DAT0
CLK
DAT1
CMD
CMD
DAT0
CMD_DIR
DATA_DIR1
HDD Spring Clip
CD/DAT3
DAT2
HDD Grounding Pads
DAT2
DAT2
CLK
DAT3
RSV(NC)
RSV(NC)
DAT1
DAT3
DAT0
CMD
CLK
VDD
VSS
GND
GND
GND
GND
C5234
27p
100n
C5221
GND
19 Vdd
GND 2
20
Res
Vdd
3
Res 4
GND 5
6RDY/INT SDO 9
N5204
LIS3LV02DQ
SDA/SDI/SDO
10
Vdd_IO
11
12 SCL/SPC
CS
13
CK
16
GND 17
Res 18
R5232
180k
29= GND
4p7
C5228
4p7
C5227
220R/100MHz
L5201
VIO
C5220
100n
27p
C5232
4p7
9
GND
C5231
100n
GND
100n
C5215
J5234
GND
C5216
9
GND
GND
J5239
1
1
10
11
12
13
2
3
4
5
6
7
8
GND
GND
X5200
GND
VIO
C5206
100n
22R
R5224
J5235
3k3
R5243
GND
GND
R5241
22R
GND
VHDD
J5244
1
2
R5242
3k3
8
5k6
R5218
GND
C5214
10u_6.3V
C5237
27p
4
6
2
GND
VAUX
C5223
2u2
10U
C5225
C5235
GND
GND
GND
GND
27p27p
C5233
120k
R5231
GND
VIO
GND
7
L5200
28R/100MHz
10U
C5213
J5236
GND
3
4p7
GND
C5230
0
1
R5222
100k
R5238
100k
VBAT
B4 MMCcmd
dat2 C1
C2 GND
C3 MMCdat1
MMCdat0C4
D1dat3
GNDD2
D3 MMCdat3
MMCdat2D4 R6
R7
R5
A1cmd
clk A2
Vdd/
A3 Vmmc
MMCclkA4
B1dat1
dat0 B2
GNDB3
5
J5238
GND
R14
R13
R12
R11
R10
R4
R3
R2
Z5200
EMIF06-HMC01F2
J5242
J5243
VHDD
J5240
J5241
GND
4p7
C5229
C5236
33n
GND
0
IN
C5222
1u0
TPS72501D
N5205
OUT
FB
G
NC EN
G G
10U
VIO
G7 J5237
GND
GND
C5226
F6
5B
14B F7
G1
VCCA
G2 5A
11A
G3
G4 _CS1
G5
8B
G6
6B
VCCB1
E4 _CS0
10B2 E6
E7
9B2
F1 7A
F2 8A
F3 12A
13A
F4
F5
7B
D1 9DIR
D2 4A
D3 56DIR
D5
4B
D6
11B
D7
12B
78DIR
E1
E2 6A
B5 MODE0
9B1 B6
B7
1B
C1 9A
C2 10A2
C4 3DIR
C6
2B
C7
3B
A4
A5 MODE1
A6
10B1
A7
VCCB0
10A1
B1
B2 3A
B3 1A
B4 1DIR
10
SN74AVCA406ZQCR
N5200
C5,D4,E3,E5= GND
VCCA A1
A2 2A
4DIR
A3
2DIR
GND
VIO
VBAT
600R/100MHz
L1473
R1471
100R
R1470
100R
3k3
R1473
R1472
3k3
GND
GND GND
GND GND
UART3_RX
NC NC D1
D14
NC
NC B6
NC C1
C13
NC
C14
NC
C2
NC
B12
NC
NC B13
B2 NC
NC B3
NC B4
NC
A11
A12 NC
A3 NC
NC
A4
M4
N8
J14
H14
J12
C6
G1
A9 VDRAM2
VDRAM2
VDRAM2
VDRAM2
VDRAM2
VDRAM2
VDRAM2
VDRAM2
C5000
100n
C5001
100n
GND
GND
VIO
N7
M8 VIO
VIO
A6
H13 VIO
VIO
J13
B11 VIO
G9
H10
H11 13
H9
D6
3
D7
7
D8
G10
G11
G12
10
D11
D12 14
13
D13
9
D14
4
D5
0
C13 11
C4 6
2
C5 1
C6
5
C7
B6
B8
B9
C10 8
C11 12
15
C12
SDATA
SADD
A1
0
A2
B12
B2
12
11
10
9
8
7
6
5
13
12
11
10
9
8
7
13
4
3
2
1
0
15
6
5
4
3
2
1
0
14
J4802
J4800
15
5
4
10
9
7
8
12
11
V4
W1
NFRP
NFWE W2
Y1
NFCS_1B
T2
10 T3
14 T4
12 U1
13 U3
U4
NFOE
V2
FRDY
15 V3
NFWP
NFCS_3
P2
3
4P4
5P7
11 P8
6R2
7R3
8R4
9
L8
M3
NFCS_1
NFCS_2 M4
1N2
FCLK N3
N4
0
2N7
N8
J4
J7 NFLSWP
J8 NFLSRE
K3
K4
K7 NF_RDY
K8 NFLSWE
NFADV L4
L7
NFLSFD7
G2
G3 NFLSCE1
G4 NFLSCE2
H3 NFSALE
H4 NFLSCLE
F2
17 J2
J3
NFLSFD2
C1
NFLSFD4
D2
NFLSFD1
D3
25 E1
NFLSFD6
E3
NFLSFD3
E4
NFLSFD0
F3
NFLSFD5
F4
FADD
FLASH
14
13
6
1
0
3
2
J4805
J4806
J4808
J4803
J4807
7
8
9
6
SDCLK_EN
H12
H7 NSRAS
H8 NSWE
D9 SDCLKX
CS_SDRAM
G8
C9
D10 NSDQMU
D4 DQS_L
DQS_H
C14
NSDQML
C8
SDCLK
NSCAS
B4
5
4
0
1
3
2
0
C3 SBANK1
SBANK0
B3
1
NAND_APE(15:0)
SDRAM_DA_APE(15:0)
SDRAM_BA_APE(1:0)
FDATA
M7
GPIO62
P19
GPIO6 1
3
W19
MMC2_DAT_DIR1
MMC2_DAT_DIR0 V5
AA20
NRESET_OUT
7
8
14
SDA V20
T18
9
3
10
2
4
MMC2_DAT0 W8
MMC2_CLK Y10
Y8
MMC2_CMD
MMC2_CMD_DIR V9
W15
MMC2_DAT2
R10
MMC2_DAT3
R18
MMC2_CLKIN
R8
GPIO9
MMC2_DAT1 V8
G13
GPIO33
0
6
15
5
1
6
0
5T20 ARMIO5
U20 ARMIO14
P20 GPIO4
W12
W20
VSS
VSS Y13
VDDSHV7
Y16
Y20 VDD
VDDA
Y21
Y3
VSS
VDD
Y9
L21 VDDSHV8
VDD
M2
N1
VSS
VDDSHV5
R1
VDD3
R20
R21
VSS
U2
VSS
VDDSHV9
U21
V12 VDDSHV_RTC
VDD_RTC
B7
VSS
VDDSHV5
C2
VDD2
E2
VDDSHV1
E21
F20
VSS
G1
VSS
VDDSHV5
H2
J21 VDD3
VSS K2
VSS K20
VPP L1
VSS AA21
VDD1
AA3
VSS AA7
VSS B1
B13 VDD3
VSS B16
VDD3
B20
B5
VSS
VDD_DLL
A13
VSS
A15 VDD
VDDSHV1
A19
A21
VSS
VDD2
A3
VDD2
A9
AA1
VSS
VDDSHV6
AA11
A11
VIO
10R
VCOREA
R4800
GND
C4800
100n
Y7
VDDSHV3
VDDSHV2
B10
VDDSHV4
B14
VDDSHV4
VDDSHV4 A5
VDDSHV4 A7
AA2
GND
VIO
P3 GPIO5
100k
R5221
W_BAT_SW
C5211
100n
GND
C5210
10p
6 PRG
TLE4917
N5203
Vs
Q 3
4Gnd
GND
XUAV OIV
GND
1
Gnd
Gnd
2
5
D16
GPIO30
R11
ACDATA V10
CAREADY V11
ACWAKE V15
CAFLAG W10
W11
ACFLAG
M20
KBR7
N19
KBR5
KBR6 N21
P11
CADATA
P15
KBC6
ACREADY
G18
KBR0
KBC5 G19
KBR2 H14
C21
KBC4
KBC2 D19
KBC1 D20
KBC3 E18
KBR4 E19
E20
KBR3
F18
KBC0
F19
KBR1
12
7
6
4
3
13
14
5
J4826
J4825
J4823
J4824
6
7
J4821
J4822
2
1
0
5
4
J4820
0
9
8
11
10
1
2
KEYB(19:0)
MESSI_CMT(25:0)
K18
CAM_D3
K19
L15 CAM_HS
CAM_VS
L18
L19 CAM_D0
M19 CAM_RSTZ
H19 CAM_EXCLK
CAM_D5
J14
J15 CAM_LCLK
CAM_D7
J18
J19 CAM_D6
K14 CAM_D1
CAM_D2
K15
CAM_D4
M15 GPIO7
P18 STIDATAIN
STIDATAOUT
M14
STICLK
N20
J4827 3
W6
MCBSP2_RSYNC
20
GPIO60 M8
3
2
19
6
D15
D17
LCDDA8
D18
LCDDA0
LCDDA3 G14
H13
LCDDA4
A20
LCDCMD
LCDRDX
B19
LCDDA1 B21
LCDWRX
C16
LCDDA14
C18
LCDDA7
C19
LCDDA2
LCDCSX
LCDDA15
A17
LCDDA13
LCDDA5
17
18
5
4
7
16
14
13
8
15
1
0
MESSI_VIDEO(25:0)
B15
C20
B18
C15
LCDDA6
220R/100MHz
L4201
2
7
22u
C4200
L4200
10uH
GND
A2
A3
VDD
VSEL B1
PVIN B3
C1 ISEL
C3
SW
D1 SYNC/MODE
EN
D2
PGND
D3
GND
GND
VBAT
U//U
N4200
LM3661TLX-1.40_NOPB
A1
FB
10n
C4202
GND
C4201
22u
PUSL(7:0)
SGND
VCOREA
21
MCBSP1_CLKS G20
P14 MCSI1_BCLK
1J4819
Y4 SYS_CLK_IN
R12 nRESPWRON
CLK32K_IN
P13
0
6
4
PUSL(7:0)
NLOW_PWR
W4
J4818
PUSL(7:0)
C5005
1
0
3
0
2
1
MCBSP2_XSYNC W7
Y6
MCBSP2_CLKX
MCBSP3_CLK
W21
WIRE_SDO
WIRE_SDI U18
N14
WIRE_nSCS0
P10
MCBSP2_DIN
AA17
MCSI1_SYNC
MCBSP2_DOUT AA5
2
3
U19
ARMIO1
APE_AUDIO(3:0)
WLAN(15:0)
W16
ARMIO4 T19 4
6
5
GPIO59 L3
MCBSP1_DIN H20
GND
GND GND
1
S4404
R4413
14V/50V
B17 GPIO32
23
Y18
Y19 TDI
V16 nEMU0
TMS
V17
nEMU1
W17
W18 TCK
Y17 RTCK
nTRST
TDO
AA19
GND
10k
R5100
ARMIO2 N15
GPIO12 N18
MCBSP1_BCLK
G21
H15 MCPSP1_SYNC
H18 MCBSP1_DOUT
RESET_MODE P12
GPIO31
C17
GND
VAUX
100n
C4402
TLE4917
1 Vs
2 Gnd 3
Gnd
5 Gnd
PRG
N4400
GND
6
Q
4
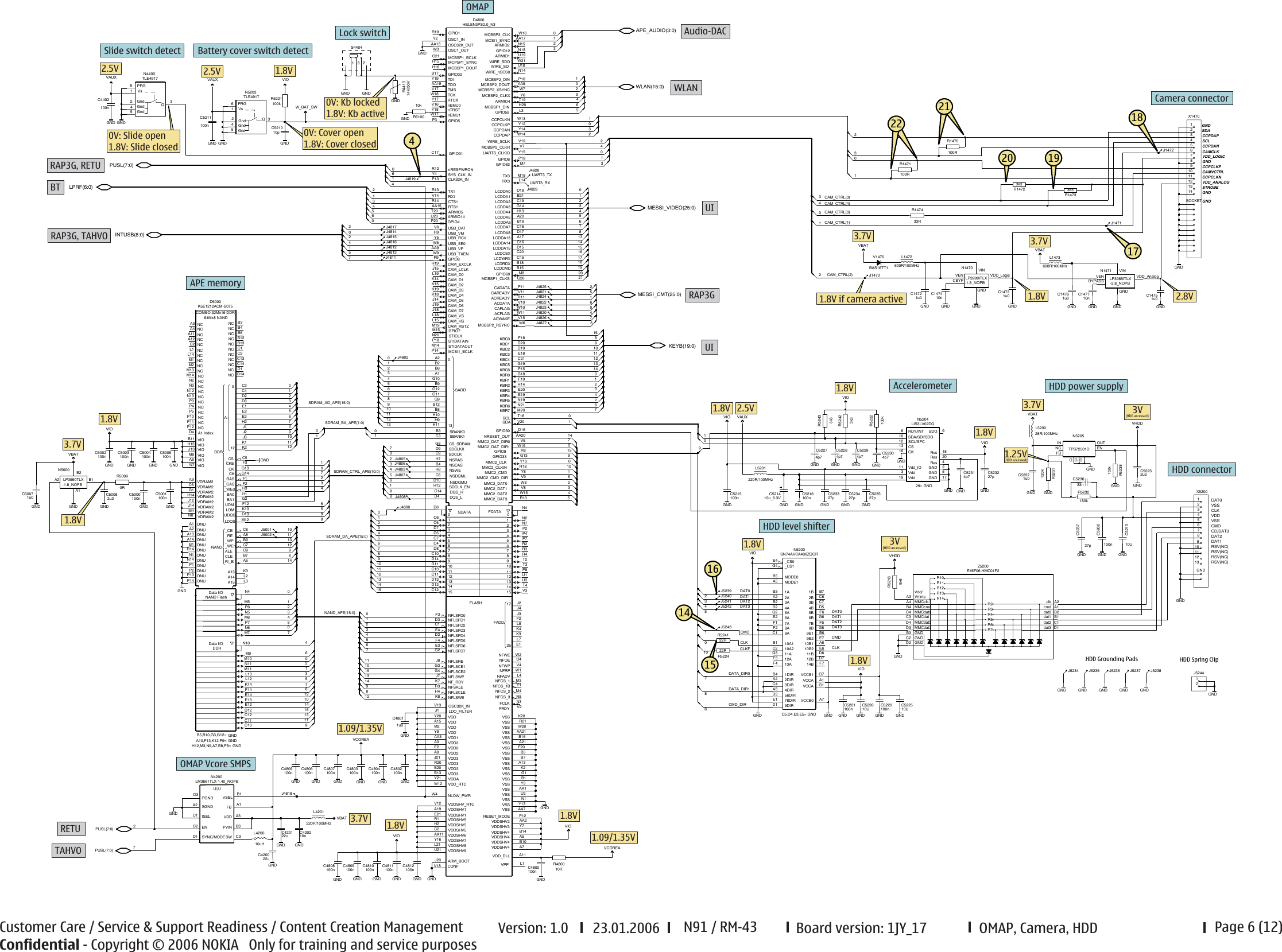
OMAP
RAP3G, TAHVO
Slide switch detect Battery cover switch detect
Lock switch
Camera connector
Accelerometer HDD power supply
HDD connector
APE memory
OMAP Vcore SMPS
RETU
TAHVO
BT
RAP3G, RETU
WLAN
Audio-DAC
UI
RAP3G
UI
3.7V
3.7V
2.8V
1.8V
1.8V if camera active
18
17
21
22
19
20
1.8V 2.5V
1.8V
3.7V 3V
(HDD accessed)
1.8V
1.8V
1.8V
1.8V
1.09/1.35V
1.25V
(HDD accessed)
15
14
16
1.8V
3.7V
1.09/1.35V
1.8V
3.7V
1.8V
2.5V 1.8V
2.5V
0V: Kb locked
1.8V: Kb active
GND
ARM_BOOT
J20
V18 CONF
0V: Cover open
1.8V: Cover closed 4
0V: Slide open
1.8V: Slide closed
HDD level shifter
OSC32K_IN
V13
J1 LDO_FILTER
GND
C4801
1u0
3V
(HDD accessed)

WLAN, Bluetooth
Page 7 (12)
Customer Care / Service & Support Readiness / Content Creation Management
Confidential - Copyright © 2006 NOKIA Only for training and service purposes
Version: 1.0 23.01.2006N91 / RM-43
Board version: 1JY_17
38.4 MHz
ANTENNA GND
ANTENNA PAD
PROBE GND
C6346
1n0
V28_WLAN_RF
V18_WLAN_RF
1n0
C6325
C6321
1n0
6p8
2
3 GND
RXIN-
4
RXIN+
5
TRSW-P 6
7
TRSW-M
8
BTH
9
ANSW-M
C6384
N6301
RF5924_ES3.5
GND
1
ANSW-P 10
OUT 11
P_DETECT
12
13
VCC
NC 14
PA_EN
15
GND
16
TXIN
C6319
17
100n
C6315
1n0
6p8
C6383
GND
C6326
1n0
150p
C6352
V28_WLAN_RF
GND
GND
C6310
100n
C6302
2u2
C6327
100n
GND
OUTIN
GND
GND
3
Z6302
2450MHz
220p
C6335
GND
GND
J6300
C6345
3p9
C6360
220p
GNDGND
GND
V28_WLAN_RF
GND
C6338
47p
V18_WLAN_DIG
4
C6330
4u7
82p
GND
VBAT
1n0
C6313
C6347
2
C6314
100n
C6317
100n
22u
C6300
V18_WLAN_RF
V12_WLAN_CORE
C6320
1n0
C6312
1n0
GND
C6301
1u0
C6307
1u0
2u2
C6308
1n0
C6382
GND
6p8
C6386
C6387
100p
1
2
34
5
6
PEMD9
N6302
GND
6p8
C6329
8n2H
L6300
1n0
C6322
GND
1n0
C6351
1
GND
V18_WLAN_VCO
GND
5
V12_WLAN_CORE
GND
C6385
6p8
GND
J6301
GND
R6354
3k3
C6323
1n0
N22 VBAT
N23
V2OUT
TMS N24
N3 VDD_BIAS
N4
ANTSEL+
N5
TRSW+
RSRV_NC N6
VDDA
N7
VDDD
N9
N10
N12 VDDA
OSC_EN N13
N14 VDDD
VDD_CORE
N16
RSRV_NC N17
PMU_CREF
N18
N19 VBAT
N2 PA_BIAS
RSRV_NC N20
N21 VDD_CORE
PA_BIAS
RSRV_NC M20
M21
RSRV_NC
FB_V2 M22
M23
TDO
M24 VDD_CORE
ANTSEL- M4
TRSW- M5
M7 MODE3
M8 MODE2
REF_CLK
L24 VBAT
MODE1
M10
M11 MODE0
MODE4
M12
RSRV_NC M13
RSRV_GND M16
M17
RSRV_NC
M18 POWER_UP
M19
RSRV_NC
M2
K23
FB_V2X
V2XOUT K24
GP28_0 L1
RSRV_NC L12
L13 VDDD
L14
RSRV_NC
PMU_RSET
L17
L18
RSRV_GND
L2
GP28_1
L21
TCK
L23
TRSTn
RSRV_NC J14
J16
RSRV_NC
J2 VDDA
J23
RSRV_NC
PWM J24
K1 VDDA
RSRV_NC K14
K16
RSRV_NC
VDDA
K2
TDI K22
GPIO3 G22
PWM_SENSE G23
VDD_CORE
G24
H1 TX_RSRV
H14
RSRV_NC
RSRV_NC H16
TX_GND
H2
GPIO1 H22
H23
GPIO2
VBAT
H24
J1 TX_GND
E2
V1OUT E23
VBAT
E24
TX_GND
F1
F2 TX_GND
SLEEP_CLK F23
VDD_CORE
F24
G1
TX_OUT
RSRV_NC G14
G16 VDD_CORE
G2 TX_GND
RSRV_NC D14
D16
RSRV_NC
D2 LNA_SHIELD
V4_SEL D22
D23
V4OUT
VBAT
D24
E1 LNA_SHIELD
E14 VDDD
VDDD
E15
VDDD
E16
LNA_SHIELD
C13
RSRV_NC
C14
RSRV_NC
GPIO7 C16
C18
GPIO5
LNA_SHIELD
C2
SPI_DIN
C23
C24 SPI_CLK
LNA_IN- D1
GPIO8 B16
VDD_CORE
B17
B18
GPIO6
B19
GPIO4
B20 HOST_IRQ
B22 SPI_CSX
B24 VDD_CORE
I_TEST- B9
LNA_IN+ C1
RSRV_NC C12
A4
A5 VCO_LOOP
VDD_VCO
A6
VCO_CAP
A7
VDDA
A8
A9
I_TEST+
LNA_SHIELD
B1
B10
Q_TEST-
RSRV_NC B13
B14
RSRV_NC
VDDD
VDD_CORE
A15
LOOP44
A17
VDDD
A18
SPI_DOUT
A19
A2 VDDA
A20 VIO
A21 VDD_CORE
UART_SOUT A23
A24
UART_SIN
VDD_QLO
DGND= GND
GND
AGND=
STLC4370
N6300
VDDA
A1
A10
Q_TEST+
A11 VDDA
A14
33n
C6311
C6344
C6318
1n0
VIO
3p9
V18_WLAN_VCO
GND
R6300
WLAN_CLKRQ
GND
J6305
1M0
GND
GND
GND
100n
C6324
100p
0
E6300
1 2
GND
C6380
1u0
C6303
100n
C6304
GND
N6304
1RF
2G
3G
GND
1k2
GND
VBAT
GND
R6301
GND
GND
V18_WLAN_DIG
GND
GND
C6305
100n
WLAN(15:0)
UART_RX
BT_RESETX
SLEEPCLK
PCM_CLK
HOST_WAKEUP
PCM_SYNC
UART_TX
VBAT_BTH
UART_CTS_P
VIO_1V8_BTH PCM_OUT
PCM_IN
VBAT
H6
H7
VSS
H8 VDDS3R_F
BT_WAKEUP
SLEEPX
G3
G4 VDDA11
VLDO_OUT
G5
KA_OUT
G6
G7 VDDS3R
G8
VSS
H1 RFP
RFM
H2
VDDA9
H3
VSSA H4
H5 VDD
CTS
F1 VDDA4
F2 VDDA1
VSSRF F3
HVM_VSS F4
BBLDO_IN
F5
F6
SLOW_CLK
VDD
F8
VSSA1 G1
G2
VSSA1
VDDA10
D6 EMRST
D7
HOST_WAKEUP
VDDS18
D8
E1 FREFM
E2
FREFP
EXTEN E3
RX E4
TX E5
TDO E6
E7
RTS
E8
VDDA8
C3
TDI
AUD_DI C5
C7
AUD_DO
C8
BT_WAKEUP
VSSA D1
VDDA
D2
D4
TCK
A8
TX_DBG
VDDA5
B1
B2 ANATST1
B3 VDDS3L_F
B5
TMS
AUD_CLK B6
B7
IO2
VSS B8
ANATST2
C1
C2
PBRF6150DZSLR
N6030
VDDA6
A1
A2
VSS
VDDS3L
A3
VDD
A4
A5
VSS
AUD_FSYNC A7
GND GND
0
1
2
VIO
100n
GND
C6042
GND
C6040
3
1u0
GND
GND
GND
GND
C6043
0u47
VBAT
GNDGND
1u0
C6037
6
100n
C6039
GND
GND
0u47
C6041
4
2
LDB212G4005C-001
T6030
GND
100p
C6030
4u7
C6033
3
1
22nH
L6030
1
C6031
15p
0
5
3
GND
C6038
1u0
L6032
1n8H
4u7
C6036
PUSL(7:0)
GND
PCM(3:0)
LPRF(6:0)
WLAN_GEMINI_EN
WLAN_GIU1_STATUS
WLAN_GIU2_FREQ
WLAN_GIU0_RF_ACTIVE
F7 IO15
IO5
C4
C6 IO1
D5 IO3
IO14
B4
IO4
A6
1
2
3
0
WLAN_BT(3:0)
1
2
3
0
C19
TX_CONF
RF_ACTIVE C20
C21
FREQ
A22
STATUS
B12
PA_DET0
A12
PA_DET1
GND
1n0
C6309
C6348
1u0
PA_RREF
N1
M1 PA_RREF
WLAN
WLAN PA
WLAN/BT antenna pads
BT
OMAP
RAP3G
OMAP
RETU, RAP3G
RAP3G
RFCLKEXT
RF-part
3
29
3.7V
2.8V
1.8V
1.8V 1.8V 1.2V
2.8V
1.8V 3.7V
1.8V
1.2V
1.8V
2.8V
1.8V
1.8V
3.7V

FM-radio, Audio-DAC
Page 8 (12)Customer Care / Service & Support Readiness / Content Creation Management
Confidential - Copyright © 2006 NOKIA Only for training and service purposes
Version: 1.0 23.01.2006N91 / RM-43
Board version: 1JY_17
DNGDNG
33n
C6165
C6163
33n
C6159
GND
GND
R6160
100k
C6162
R6159
10k
C6158
33n
GND
100n
L6156
47nH
C6157
10n
C6170
10n
G7 INTX
GND
VAFL
INTCON1 F6
DGND F7
FREQIN
G1
AGND
G2
MPXOUT G4
G5
VAFR
TMUTE G6
D2
D6
BUSMODE
D7
VDD
VCC E1
INTCON2 E6
CD2 E7
XTAL
F1
AGND
F2
F4
CAGC
B2
CPOUT
B6 VREFDIG
B7 DATA
C1 RFIN2
RFGND
C2
CBUSenX
C7
RFIN1
D1
CD3
TEA5761UK_N4B
LOOPSW A1
A2
LO1
A3
LO2
CD1 A4
SWPORT
A5
BUSENABLE
A6
CLOCK
A7
B1
N6158
VIO
GND
C2131
4u7
6
LP3985ITLX
N2101
-3.0_NOPB
BYPASS
GND
VEN
VIN
VOUT
1
C2129
1u0
1u0
C2117
47p
GND
C2124
VBAT
100n
C2132
GND GND
LEFT_LOP
LEFT_LOM
J5
J6 RIGHT_LOP
J7 RIGHT_LOM
J8 DET_INTR/GPIO2
CLK_OUT/GPIO1
J9
1
DRVDD2
H1
H2 AVSS_DAC
_RESET
H8
H9
DVDD
J1 AVDD_DAC
J2 MONO_OUTP
J3 MONO_OUTM
J4
SDIN HPRCOM/SPKFC F1
F2 DRVSS2
SDOUT
F8
WCLK
F9
G1
HPR+
AVSS_DAC
G2
G9 BCLK
IOVDD
D1
HPL+
AVSS_ADC
D2
D8 SDA
D9
D_IO_VSS
HPLCOM E1
DRVSS1
E2
E8 SELECT
E9
LINE2LM
LINE1RM B6
B7
LINE1RP
C1 DRVDD1
C2 AVSS_ADC
SCL
C8
C9
A5
A6
LINE1LP
MISO
A8
A9 MOSI
B1 AVDD_ADC
B2
MIC_DET
MIC3L B3
B4
LINE2RP
B5
TLV320AIC33
N2100
A1
MIC3R
A2
MICBIAS
LINE2RM A3
A4
LINE2LP
LINE1M 0u47
2
C2121
3
GND
C2120
0u47
1
0
GND
0
3
2
1
0
L2107
600R/100MHz
0
2
C2123
1u0
C2130
10n
VDAC
GND
100n
C2115
GND
J2110
GND
3
APE_AUDIO(3:0) J2108
J2109
I2C(1:0)
PUSL(7:0)
SPI_CMT(3:0)
AIC33(3:0)
APE_AUDIOR
APE_AUDIOL
33n
G8 MCLK
_SS B8
SCLK B9
1
0
VIO
R6107
3k3
3k3
R6108
1
SLEEPCLK
GND
VDAC
600R/100MHz
L6175
C6175
100n
GND
46
GENIO(73:0)
E6100
1 2
27p
C6178
C6176
100p
120nH
L6176
47p
C6179
GND
FMANT
XEARRC
XEARLC
INL
INR
5
R2033
22R
22R
R2032
10n
C2023
22R
R2026
C2024
10n
7
10n
C2035
GND
4
6
C2034
10n
GND
100n
C2032
22R
R2025
GND
C2033
100n
GND
100n
C2030
C2031
100n
XAUDIO(7:0)
FM_RADIO_R
FM_RADIO_L 5
7
AUDIO(8:0)
FM-radio
Audio-DAC
Audio connector
RAP3G
RAP3G
RAP3G
OMAP
RETU, RAP3G
RETU
}
Audio amplifier
Audio connector
RETU
1.8V
3V
24 23
3.7V 3V
1.8V

User interface
Page 9 (12)
Customer Care / Service & Support Readiness / Content Creation Management
Confidential - Copyright © 2006 NOKIA Only for training and service purposes
Version: 1.0 23.01.2006N91 / RM-43
Board version: 1JY_17
GND
GND
Volume Up
6
D5
LEDIN
5
0
GND
9
D6
2
microphone+
3
microphone-
Clear
Volume Down
8
D3
1
4
Soft Left Soft Right
D2
RESX
RDX
End
Pencil
GND
WRX
GND
LEDOUT
D/CX
GND
DISPLAY FRAME Grounding Pads
Send
CSX
GND
D7
GND
GND
TE
7
D4
#
VDD
VDDL
*
D1
D0
GND
GND
GND
S4414
GNDGND
C4408
GND
27p
C4405
10n
20
C1 C3
6
GND
S4407
VLEDOUT
ESDA14V2-4BF2
R4405
A1 A3
GND
B2
C4400
1u0
R4414
S4406
0
GND
68R
OUT2
C4401
1u0
Z4412
GND
EMIF02-MIC02F2
IN1
IN2
OUT1
S4416
S4411
J4406
S4409
C4409
27p
GND
9
18
GND
GND
Z4407
GND
EMIF02-MIC02F2
IN1
IN2
OUT1
OUT2
19
2
6
GND
S4412
1
GND
600R/100MHz
L4400
1
GND
12
GND
GND
21
GND
GND
S4420 S4421
3
16
VIO
S4415
OUT2
GND
7
Z4404
GND
EMIF02-MIC02F2
IN1
IN2
OUT1
GND
C4404
10n C4411
27p
L4403
100nH
5
GND
L4402
100nH
L4406
100nH
L4405
100nH
J4400
GND
J4401
GND
S4425
GND
GND
GND
5
VAUX
S4424
GND
MIC1P
11
S4408
S4423
GND
8
MIC1N
10
GND
OUT1
OUT2
EMIF02-MIC02F2
GND
Z4405
IN1
IN2
23
24
3
4
5
6
7
8
9
GND
1
10
11
12
13
14
15
16
17
18
19
2
20
21
22
GND
GND
4
X4401
Z4406
GND
EMIF02-MIC02F2
IN1
IN2
OUT1
OUT2
GND
27p
C4410
S4418
12
S4410
S4405
23
4
5 6
7
C
8
B
9
A
1
2
3
S4417
1
10
D
IN2
OUT1
OUT2
X4403
Z4409
GND
EMIF02-MIC02F2
IN1
IN1
IN2
OUT1
OUT2
GND
GND
S4413
EMIF02-MIC02F2
GND
Z4408
27p
C4406
OUT1
E1
OUT2
E2
OUT3
E3
OUT4
E4
OUT5
E5
C4407
27p
B5
C1
GND
GND C2
GND
C3
GND
C4
GND
C5
OUT6
D1
OUT7
D2
OUT8
D3
OUT9
D4
D5 OUT10
IN1 A1
IN2 A2
IN3 A3
IN4 A4
IN5 A5
IN6 B1
IN7 B2
IN8 B3
IN9 B4
IN10
OUT8
D4 OUT9
OUT10
D5
E1 OUT1
E2 OUT2
E3 OUT3
E4 OUT4
E5 OUT5
Z4403
EMIF10-COM01F2
IN7
B3
IN8
B4
IN9
B5
IN10
GND C1
C2
GND
C3 GND
C4 GND
C5 GND
D1 OUT6
D2 OUT7
D3
EMIF10-COM01F2
Z4402
A1
IN1
A2
IN2
A3
IN3
A4
IN4
A5
IN5
B1
IN6
B2
X4402
1
2
3
4
GND
SETCURR_LCD
S4422
L4404
100nH L4407
100nH
17
S4419
12
Z4411
IN1
IN2
OUT1
OUT2
2
0
EMIF02-MIC02F2
GND
L4401
600R/100MHz
3
J4407
GND
MESSI_VIDEO(25:0)
Col1
Row4
Col0
Row6
Col3
Row4
Col0
Col3
Row1
Row0
Col2
Row1
Col2
Row1 Row0
Col3
Col4
Row0 Row1
Col4
Row5
Row4
Col2
Col0
Row6
Col0
Row0
Col1
Row0
Col1
Row1
Col0
Row5
Col1
Row6
Col2
Row6
Col2
Row3
Col1
Row2
Col2
Row2
Col3
Row5
Col0
Row3
Col3
Row3
Col0
Row2
Col3
Row2
Col0
Row4
KEYB(19:0)
Col2
Col4
Row2
MESSI_VIDEO(17)
MESSI_VIDEO(0)
MESSI_VIDEO(1)
MESSI_VIDEO(2)
MESSI_VIDEO(3)
MESSI_VIDEO(19)
MESSI_VIDEO(7)
MESSI_VIDEO(6)
MESSI_VIDEO(5)
MESSI_VIDEO(4)
MESSI_VIDEO(21)
MESSI_VIDEO(18)
MESSI_VIDEO(20)
Col1
Row3
Row1
Row0
Row5
Col3
Row4
Apps
ESDA14V2-4BF2
R4406
A1 A3
GND
B2
C1 C3
S4403
1 2
GND
Col3 Row6
OMAP
{
RETU
OMAP
Display connector
Slide connector 1/2 Slide connector 2/2
Keypad
1.8V 2.5V
}
TAHVO

RF-part
Page 10 (12)
Customer Care / Service & Support Readiness / Content Creation Management
Confidential - Copyright © 2006 NOKIA Only for training and service purposes
Version: 1.0 23.01.2006 N91 / RM-43
Board version: 1JY_17
PROBE GND
WCDMA ANTENNA GND
TXQ_0
TXI_0
TXI_180
TX VCO CAN
TXQ_180
C7587
10p
18p
C7570
10k
R7521
L7511
10nH
1
2
3
4
5
EHF2BE3800
T7503
C7571
330p
C7501
18p
J7516
C7586
C7533
10p
10n
C7591
470p
8n2
C7534
8n2
C7553
100nH
L7502
2p7
C7509
GND
C7515
10p
VBAT
C7513
4n7
GND
GND
R7520
270R
R7527
220R
J7517
VR1
G8
VBAT1
VCP H1
CP_OUT H2
LOI_INP H3
LO_INN H4
H5
VCO_IN
H6 GNDVCO
H7
VVCO
H8
VR2
EMPTY2
F6 GNDBAT
VR1 F7
DAC_REF2 F8
G1
OSCIN
G2 GNDCP
G3
VPRE
G4
VLO
G5 GNDVCO_SH
VVCO_CAP G6
G7
VBAT2
E3
TXMUX_OUT
E4
EMPTY1
VB_EXT E5
DAC_REF1 E6
E7
TXI_180
TXI_0 E8
VDIG F1
F2 GNDBUF
GNDPRE
F3
GNDLO
F4 F5
C8
RB_EXT
VDAC D3
XRESET D4
TXQ_0 D7
TXQ_180 D8
GNDDIG
E2
B5 DET_SW_W
VVGA B6
B7 DET_SW_G
GNDBB
B8
DAC103
C1
DAC102
C2
C3 DAC101
SMPS_CTRL
C4
C5 DET
GEN_CTRL
C6
A3 G_OUTN
P_OUTP
A4
A5 P_OUTN
GNDVGA
A6
W_OUTP
A7
A8 W_OUTN
B1 DAC203
B2 DAC202
VRF_TX B3
GNDRF_TX
B4
N7501
VINKU314A
A1 DAC201
G_OUTP
A2
GND
22nH
L7504
5k6
R7526
VDIG
GND
J7504
R7531
8k2
0p5
C7555
C7547
1p8
C7512
VDIG
4p7
ANT
TX RX
R7503
4k7
DUAL
DUPLEX
FILTER
Z7502
RB851YT2R
V7500
15p
C7577
L7506
10nH
L7515
10uH
VB_EXT
VDIG
22p
C7531
10R
R7525
100n
C7505
1k0
GND
R7516
IN
CES301G95DCB000RB2
Z7505
OUT
C7568
150p
9k1
R7523
C7545
4p7
VR1RX
C7561
1u0
4p7
C7548
R7505
8k2
2Vcon
3ABD
BYP
4
5EN
6
PGND
SW 7
8
PVin
FB 9
GND
8n2
LM2706TLX
U//U
N7504
1Vdd
10
SGND
GND
C7530
4u7
C7518
100n
C7593
R7519
1k0
2n2
C7524
1n0
C7564
VREG2
VREG1
GND
C7525
1p5
18p
C7507
T7500
EHF2BE2134
1
2
3
4
5
C7554
4p7
NKG3176D
VCONT
OUT
VCC
GND
2n2
C7573
G7501
38.4MHz
R7518
470k
L7517
1n5H
1u0
C7504
C7592
3n3
C7584
1p8
18p
C7508
R7506
33R
12nH
L7505
R7535
RESNET_2DB
436R
436R
11R6
GND
1u0
C7503
GND
VBAT_ASIC
C7532
8n2
SAFEK897MFL0F04R13
Z7504
OUT
IN
Icont12
7Vcc11
9Pout
897.5MHz
RF9252E8.2
1,3,8,10,13= GND
N7503
ChipDet 11
Vcc11
12
2
Pin
4
Icont11
Vcc12
5
6
VB_EXT
C7596
2p7
4u7
C7589
600R/100MHz
L7516
RF
1
G
2
G
3
4n7
N7506
C7560
OUT
J7508
4n7H
L7512
SAFEK2G14CA0F04R13
Z7501
2140MHz
IN
GND
IN
OUT
C7550
2p7
15p
C7567
GND
GND
C7527
100p
100p
C7523
C7529
C7590 GND
1p5
10p
N7505
1
RF
2
G
3
G
J7510
10k
R7504
5
R7501
1k0
LDB211G8010C-001
T7502
1
2
3
4
150p
C7516
J7505
C7558
1n0
EGSM_RX_2
VC1
EGSM_TX
VC2
DCS/PCS_TX
ANT
VC3
Z7503
ESHS-L090SQ-C2
PCS_RX_1
PCS_RX_2
DCS_RX_1
DCS_RX_2
EGSM_RX_1
J7004
2
3
4
5
22k
R7509
EHF2BE3800
T7501
1
OUT
J7506
IT017
G7502
VC
VCC
C7556
10p
GND
0R
R7533
1p0
C7585
10p
C7579
R7530
8k2
2p7
C7552
15p
6n8H
C7575
L7514
VC
VCC
OUT
IT018
G7500
4u7
C7569
GND
18p
C7520
4p7
C7514
K10 GNDBB
K2
INP_LO
VCNT K3
K4 GNDGD
GNDDIG
K5
K6
RXOUTP_Q
XENA K7
K8
RXOUTM_I
VREFCM K9
J1
VBAT3
J10
C2IP
NC J2
VDIG J4
SDATA J5
RXOUTM_Q J6
XRESET J7
J8
RXOUTP_I
J9
C2IM
K1
INM_LO
G9
H1
VREFBUF
H10
C1IP
REF_OUTG H2
GNDVCO
H3
SCLK H4
H5
VBB
H6
VREFM
H7
VREFP
C1QM H8
H9
C1IM
OSCIN F2
GNDOSCIN
F3
F8
VFILT
F9 GNDFILT
G1
OSCIN_REF
G10
C1QP
G2
REF_OUTP
REF_OUTM G3
G8
C2QP
C2QM
D2 GNDLO
D3
VPRE
D8
VB_EXT
RB_EXT D9
E1 GNDPRE
GND1
E10
VCP E2
CP_OUT E3
VBAT1 E8
E9
VR1
GNDCP
F1
INP_850
VLO C2
C3
VMIX
C4 GNDFE3
C6 GNDFE1
C7
MUX_OUT
C8
VDDLNA2
C9 VC4
INP_MIX
D1
CALIN D10
INM_850
B10
B2 GNDMIX
VDDLNA1 B3
B4 VC2
B5 REF_DIV
B6 REF_FILT
B8 VC1
GNDFE2
B9
C1 INM_MIX
C10
OUTP_2000
A1
VC3
A10
INM_2000
A2
INP_2000
A3
INM_1900
A4
INP_1900
A5
INM_1800
A6
A7 INP_1800
A8 INM_900
A9 INP_900
OUTM_2000
B1
V7500
DUAL
HINKU310A
N7500
GND
RB851YT2R
IN
IN
C7598
0p5
Z7506
SAFEK1G95FL0F04R13
1950MHz
GND
OUT
C7536
8n2
R7522
220k
4n7H
L7510
VREG2
C7535
1n0
C7541
_Vcc_32
DCS/PCS
Icont_31 9
1u0
22
Icont_22
Icont_21 23
GSM_
Vcc_22
3GSM_Vcc_21
4
Vpd
DCS/PC
_Vcc_31
5
GND 6
7
DCS/PCS
_RF_In
DCS_
Vcc_33
Vdet 16
Vcc_23
GSM_17
18
19 GSM_
RF_out
2
GND
NC
20
21
GSM_RF_in 1
Icont_32 10
11
GND
12
Vmode
_RF_Out
DCS/PCS
13
14
15
DCS/PCS_GND= GND
GSM_GND= GND
RF9292E9.2
N7502
C7582
100p
GND
C7563
4p7
VRCP1
600R/100MHz
L7503
1u0
C7543
J7515
VRCP2
C7528
GND
GND
22p
2k2
C7583
4u7
R7529
J7001
VREF
J7503
C7522
150p
GND
C7581
1p8
J7003
VBAT_ASIC
RFBUSDAT
RFCLKN
RFCLKP
VREFCM
WTXDET
RXQP
RXIP
RXQN
RXIN
RXRESETX
DAC_REF1
TXRESETX
TXIP
TXQN
TXIN
TXQP
RFTEMP
AFC
RFBUSENA
RFBUSCLK
RFCLKEXT
12k
R7514
TXC C7
C7549
100p
TXC
C7580
1u0
R7528
470k
TXMUX_IN2
D5
VREG2
GND
GND
GND
C7597
100u_14V
28R/100MHz
Z7500
GND
VBAT
24
GND
8
IN
C7559
1p0
GND
GND
GND
GND
GND
GND
D1 IO_SDATA
D2 XENA
SCLK
E1
D6 CAL_OUT
J7518
J3
VOUT
VC5 F10
C5
NC4
B7
NC3
VR1RX
HINKU
VINKU
RX VCO
TX VCO
Reference oscillator
GSM antenna pads
WCDMA antenna pads
GSM PA
WCDMA PA
}
WLAN, BT
RAP3G
RFCLK (1:0)
0
1
}
4
5
6
7
9
7
6
8
3
}
RAP3G
RFCONV (11:0)
RAP3G
RFCTRL (8:0)
}
}
RAP3G
RFCONV (11:0)
RETU
SLOWAD (6:0)
RAP3G
RFCTRL (8:0)
RETU
TXC_CONV (2:0)
0
1
0
1
3
2
8
1
0
RETU
TXC_CONV (2:0)
0
GNDGND
GND
GND
GND
GND
GND GND GND
GND
GND
GND
GND
GND
GND
GND
GND GND GND GND GND
GND GND
GND GND
GND
GND GND
GND
GND
GND
GND
GND
GND GND
GND
GND
GND GND
GND GND
GND
GND
GND
GND
GND
GND
GND
GND
GND
GND
GND
GND
GND
GND
GND
GND
GND GND
R7534
470k
GND
3.7V
37
35
0.25Vpp - 2.2Vpp
dependent on Tx PL
33
34
36
Power WTXDET Vcon Vcc11
0 dBm 0.15V 0.3V 1.5V
10 dBm 0.3V 0.6V 1.5V
20 dBm 0.9V 1.8V 3.3V
35
36
36
Parts in this area are not accessible
due to soldered shielding cans!

13
25
26
26
27
28
10
11
9
31
30
32
1
12
7
8
2
6
5
4
21
22
20
19
17 18
16
14
15
3
29
24
23
36
35
34
37
33
VREF 1.35V
VANA 2.5V
VAUX 2.5V
VDRAM 1.8V
VIO 1.8V
VR1 2.5V
VRFC 1.8V
VRCP2 4.7V
VRCP1 4.7V
VCORE 1.05/1.35V
VBAT 3.7V
VOUT 2.5V
VBUS 5V
VLEDOUT 14.5V
VDRAM2 1.8V
VCOREA 1.09V/1.35V
VHDD 3V
VDD_ANALOG 2.8V
VDD_LOGIC 1.8V
VDAC 3V
V12_WLAN_CORE 1.2V
V18_WLAN_VCO 1.8V
V28_WLAN_RF 2.8V
V18_WLAN_RF 1.8V
V18_WLAN_DIG 1.8V
Signal overview
Page 11 (12)
Customer Care / Service & Support Readiness / Content Creation Management
Confidential - Copyright © 2006 NOKIA Only for training and service purposes
Version: 1.0 23.01.2006N91 /RM-43
Board version: 1JY_17
5) FlsClk at J2813
1) Sleepclock at J2217 4) SysClkIn at J4819
3) RFCLKEXT at C6380
6) SDRCLK at J2806
2) RFClk at J2800/J2801
8) SMPSClk at J2308
7) Clk600 at J2305
9) SerSelX at J2209 10) SerClk at J2206 12) VSIM at C2212
11) SerData at J2207
HDD CMD at J5243)
4
1
DPRXD at R2018)
31 16) HDD DAT0 at J523915) HDD CLK at R5241
CAMCLK at J1472
)81
CAMVCTRL at J1471)
71 20) CAMSDA at R147219) CAMSCL at R1473
CCPCLKP/N at R1471
)22
CCPDAP/N at R1470)
12 24) I2C Data at R610723) I2C Clock at R6108
EarData at J2201/J2202
)62
AudClk at J2200)
52 28) PMARP at 2204
27) MicData at J2220
TxCCtrl at J2211
)03
WLAN TX at Z6302)
92 32) TxCData at J2212
31) TxCClk at J2210 Vmode at R7506 (Edge on)
)43
VDET at C7559)
33 36) GSM900 RX at L7504
35) GSM900 TX at Z7504 37) WCDMA TX at Z7505
power on
power off
without SIM
with 3V SIM

Page 12 (12)
Component finder
Customer Care / Service & Support Readiness / Content Creation Management
Confidential - Copyright © 2006 NOKIA Only for training and service purposes
Version: 1.0 23.01.2006N91 /RM-43
Board version: 1JY_17
Top side Bottom side
Display connector
WCDMA Duplexfilter
HDD LDO
Diplexer
GSM-
GSM PA
HINKU
VINKU
RX VCO
WLAN
BT
WLAN PA
FM-radio
TX VCO
WCDMA PA
Camera connector
HDD connector
Accelerometer
Lock switch
Battery connector
RETU
TAHVO
RAP3G
SDRAM
CMT Flash
OMAP
APE memory
SIM connector
USB connector
1
13
17
19
RX TX
Ant
VC3
VC1
GSM TX
VC2
DCS/PCS TX
GSM RX
DCS RX
PCS RX
{
{
{
not accessible
not accessible
C2300 I9 C5236 C21 C7533 G16 J2212 F10 J5110 C2 N2101 D8 R6354 D13
B2100 B20 C2301 I9 C5237 I19 C7534 G18 J2213 F10 J5111 B2 N2200 F11 R7501 E16
B2200 E11 C2302 H9 C6030 B15 C7535 F18 J2214 F10 J5234 D17 N2300 I10 R7503 G15
C2303 J11 C6031 C14 C7536 G18 J2215 C10 J5235 J17 N2301 H11 R7504 G19
C1472 E22 C2304 H9 C6033 C15 C7541 G16 J2217 E10 J5236 D14 N4200 D7 R7505 E17
C1473 E21 C2306 J10 C6036 C14 C7543 F16 J2218 D6 J5237 J15 N4400 F2 R7506 D18
C1474 E21 C2307 J10 C6037 D14 C7545 B17 J2219 C13 J5238 J16 N5000 H9 R7509 G16
C1475 E21 C2309 J8 C6038 C15 C7547 G16 J2220 H11 J5239 I8 N5200 G9 R7514 F16
C1476 E21 C2312 J10 C6039 B14 C7548 G16 J2300 G13 J5240 I8 N5203 J4 R7516 C18
C1477 E21 C2313 J11 C6040 B14 C7549 F16 J2301 H11 J5241 E8 N5204 B18 R7518 B18
C2000 C3 C2314 H11 C6041 C15 C7550 G14 J2302 H10 J5242 F6 N5205 D21 R7519 G14
C2002 I19 C2315 J11 C6042 C14 C7552 F14 J2305 D5 J5243 D6 N6030 C15 R7520 E15
C2003 H19 C2316 I11 C6043 C14 C7553 F14 J2306 H12 J6300 G13 N6158 I13 R7521 F16
C2004 H19 C2700 D4 C6157 I12 C7554 J15 J2307 H11 J6301 G13 N6300 E12 R7522 H18
C2011 H20 C2800 C10 C6158 I12 C7555 J15 J2308 D10 J6305 C16 N6301 C12 R7523 G14
C2012 C3 C2801 C12 C6159 H13 C7556 D17 J2309 H11 J7001 K21 N6302 C11 R7525 J16
C2015 J19 C2802 C10 C6162 I12 C7558 F16 J2800 E18 J7003 B21 N7500 F18 R7526 I17
C2016 J19 C2803 E10 C6163 I13 C7559 C18 J2801 E18 J7004 E21 N7501 F15 R7527 I17
C2017 F9 C2804 C10 C6165 I13 C7560 F14 J2804 C9 J7503 G19 N7502 C17 R7528 G15
C2018 F9 C2805 D12 C6170 J12 C7561 D17 J2805 B8 J7504 F14 N7503 H18 R7529 J17
C2019 F8 C2806 B12 C6175 H13 C7563 D18 J2806 D8 J7505 F14 N7504 I16 R7530 J17
C2020 F8 C2807 C12 C6176 J13 C7564 C18 J2807 B9 J7506 F14 R7531 J17
C2023 F10 C2808 D12 C6178 J13 C7567 E15 J2808 B8 J7508 G17 R1470 E7 R7533 F17
C2024 F10 C2809 C12 C6179 J12 C7568 G14 J2809 B8 J7510 F17 R1471 E7 R7534 B18
C2025 F9 C2810 E10 C6180 G10 C7569 D18 J2810 B8 J7515 F17 R1472 G20 R7535 D17
C2026 F9 C2811 D12 C6181 G10 C7570 G15 J2811 D10 J7516 G18 R1473 G20
C2027 C3 C2812 D10 C6300 G12 C7571 J14 J2812 B6 J7517 F14 R1474 E7 S4401 C22
C2028 J19 C2813 C10 C6301 G13 C7573 G14 J2813 C6 J7518 G18 R2000 I19 S4403 K18
C2029 J19 C2814 C10 C6302 F11 C7575 E15 J2814 C6 R2007 C4 S4404 F22
C2030 E9 C3000 C8 C6303 G12 C7577 E15 J2815 C7 L1472 E22 R2009 H20 S4417 F9
C2031 E9 C3001 C8 C6304 G12 C7579 H17 J2816 C6 L1473 E21 R2017 H19 S4418 A20
C2032 E10 C3002 D8 C6305 F11 C7580 I17 J2817 C7 L2000 B3 R2018 C3 S4419 A18
C2033 F10 C3003 C6 C6307 F11 C7581 D19 J2818 C7 L2001 J19 R2019 H20
C2034 E10 C3004 C8 C6308 E13 C7582 F14 J2819 C6 L2002 J19 R2021 J19 T6030 C14
C2035 F10 C3005 C9 C6309 D13 C7583 I16 J3100 D14 L2003 H21 R2022 H20 T7500 F19
C2036 H19 C3006 D9 C6310 D11 C7584 D19 J3101 C14 L2004 I19 R2023 J21 T7501 E17
C2037 H19 C3007 C8 C6311 D13 C7585 I18 J3102 D16 L2005 I19 R2024 F9 T7502 D16
C2038 J21 C3008 D9 C6312 D11 C7586 I17 J3103 D16 L2006 H21 R2025 F10 T7503 H15
C2070 I12 C4200 E7 C6313 D13 C7587 I17 J3104 D16 L2007 J22 R2026 F10
C2100 C3 C4201 D7 C6314 D11 C7589 H16 J3105 D16 L2008 H19 R2030 F9 V1470 C21
C2101 C2 C4202 D7 C6315 E13 C7590 J17 J3106 D15 L2009 H19 R2031 F9 V2000 B3
C2108 G10 C4400 I20 C6317 E11 C7591 J17 J3107 I5 L2010 H20 R2032 F10 V2301 H10
C2109 G10 C4401 I20 C6318 F13 C7592 J17 J3108 J5 L2011 J20 R2033 E10 V4401 H9
C2110 G10 C4402 F2 C6319 E11 C7593 C16 J3109 I5 L2100 G22 R2060 J3 V4402 E9
C2115 E10 C4404 D2 C6320 F13 C7596 F19 J3110 D15 L2105 C14 R2061 J4 V4405 G7
C2117 E8 C4405 D2 C6321 E11 C7597 D15 J3111 I5 L2106 C14 R2062 J4 V4406 E7
C2120 E9 C4406 D2 C6322 G12 C7598 G16 J3112 I5 L2107 E8 R2070 H12 V4407 E5
C2121 E9 C4407 D2 C6323 F13 J3113 I5 L2108 B21 R2071 H12 V4408 G5
C2123 E9 C4408 E3 C6324 F11 D2800 C11 J3114 J5 L2109 B21 R2072 I12 V4409 G6
C2124 E8 C4409 H2 C6325 E13 D3000 C7 J3115 F13 L2110 B21 R2104 G21 V4410 E6
C2125 C3 C4410 H2 C6326 F11 D3001 C9 J3116 E13 L2111 G10 R2105 G21 V4411 E4
C2126 B21 C4411 I2 C6327 F13 D4800 F7 J3117 F13 L2112 G10 R2106 B21 V4412 G4
C2127 B21 C4800 G8 C6329 C11 D5000 I7 J3118 F13 L2202 E12 R2107 B21 V7500 J17
C2128 B21 C4801 F6 C6330 C11 J4400 B19 L2203 F13 R2108 C3
C2129 D8 C4802 G6 C6335 C11 F2000 B2 J4401 B18 L2204 E12 R2111 C3 X1470 F20
C2130 D8 C4803 E6 C6338 B12 J4406 J20 L2205 G11 R2200 E12 X2001 B4
C2131 D8 C4804 G8 C6344 D12 G2200 J3 J4407 J18 L2206 F13 R2201 E13 X2060 C4
C2132 E8 C4805 F8 C6345 C12 G7500 F17 J4800 H7 L2301 I9 R2205 E11 X2070 I13
C2133 H21 C4806 E8 C6346 F13 G7501 G17 J4802 I7 L2302 H9 R2206 J4 X2700 G3
C2134 H21 C4807 F6 C6347 F13 G7502 I15 J4803 I7 L2304 I11 R2304 H10 X4401 I21
C2200 F10 C4808 G6 C6348 E13 J4805 I6 L4200 D6 R2308 H10 X5200 F16
C2201 E12 C4809 F8 C6351 E13 J1470 E20 J4806 I6 L4201 D7 R2700 C4 X5201 F18
C2202 E12 C4810 G8 C6352 D13 J1471 F20 J4807 H8 L4400 I20 R2800 B11
C2203 E10 C4811 E8 C6360 E13 J1472 G20 J4808 H7 L4401 I20 R3000 C8 Z2001 C3
C2205 E10 C4812 E6 C6380 E11 J2001 D4 J4811 I10 L4402 D2 R4405 A17 Z4402 H20
C2207 F13 C5000 I8 C6382 G11 J2002 D4 J4812 E13 L4403 E2 R4406 K18 Z4403 J20
C2208 E11 C5001 H6 C6383 C12 J2003 D4 J4813 I7 L4404 E2 R4407 B22 Z4404 E8
C2209 E11 C5002 H8 C6384 C12 J2004 I18 J4814 I10 L4405 H2 R4408 B22 Z4405 G10
C2210 G12 C5003 I8 C6385 B12 J2005 J18 J4815 E13 L4406 H2 R4413 G21 Z4406 E10
C2211 H11 C5004 I8 C6386 B12 J2006 I18 J4816 I10 L4407 I2 R4414 J21 Z4407 E2
C2212 G11 C5005 G6 C6387 G11 J2007 I18 J4817 I10 L5200 C21 R4415 G9 Z4408 I5
C2213 F12 C5007 H9 C7501 G18 J2032 H18 J4818 C8 L5201 B16 R4416 G8 Z4409 C5
C2214 F12 C5008 H8 C7503 G19 J2060 I3 J4819 D5 L6030 C14 R4417 H10 Z4411 G2
C2215 F12 C5206 I19 C7504 G18 J2061 D3 J4820 E13 L6032 C14 R4418 H10 Z4412 H2
C2216 F12 C5210 J4 C7505 F18 J2062 D2 J4821 E13 L6156 I12 R4419 H10 Z5200 J12
C2217 E12 C5211 J3 C7507 E18 J2063 D3 J4822 E13 L6175 H12 R4420 H10 Z6302 C13
C2219 E11 C5213 I19 C7508 E18 J2064 D4 J4823 F13 L6176 J13 R4800 G8 Z7500 D16
C2220 G11 C5214 B17 C7509 E19 J2065 D3 J4824 F7 L6300 C12 R5099 H8 Z7501 E19
C2221 G12 C5215 A17 C7512 D20 J2070 I14 J4825 F7 L7502 F14 R5100 C3 Z7502 I19
C2222 G12 C5216 B16 C7513 F18 J2071 I14 J4826 E12 L7503 G16 R5218 I12 Z7503 C19
C2223 F10 C5220 H10 C7514 D19 J2072 H14 J4827 E6 L7504 D20 R5221 J4 Z7504 C16
C2224 F10 C5221 G9 C7515 G16 J2107 C20 J4828 J5 L7505 D19 R5222 A18 Z7505 J18
C2225 E12 C5222 D21 C7516 E16 J2108 D9 J4829 J4 L7506 D19 R5224 F8 Z7506 E16
C2226 G11 C5223 C21 C7518 G19 J2109 D10 J5001 G6 L7510 F15 R5231 C21
C2227 G12 C5225 G10 C7520 G19 J2110 E10 J5002 I7 L7511 E15 R5232 C21
C2228 F12 C5226 G8 C7522 E17 J2200 E13 J5100 B2 L7512 F15 R5238 E22
C2230 F12 C5227 B17 C7523 D19 J2201 H11 J5101 C2 L7514 I18 R5241 E8
C2231 G11 C5228 B17 C7524 E17 J2202 H10 J5102 C2 L7515 I16 R5242 A18
C2232 F12 C5229 B18 C7525 D18 J2204 H10 J5103 B2 L7516 C16 R5243 A17
C2235 E10 C5230 B18 C7527 E18 J2206 H10 J5104 H5 L7517 G15 R6107 H12
C2237 F12 C5231 C18 C7528 E18 J2207 I10 J5105 D2 R6108 H12
C2238 F10 C5232 B18 C7529 G17 J2208 C13 J5106 H5 N1470 E21 R6159 I12
C2239 F10 C5233 B17 C7530 G18 J2209 H10 J5107 H5 N1471 E21 R6160 I12
C2240 H11 C5234 B16 C7531 E18 J2210 F10 J5108 B2 N2000 F9 R6300 E11
C2241 H12 C5235 C18 C7532 G18 J2211 F10 J5109 C2 N2100 E9 R6301 F13
Z
S
T
V
X
G
L
N
R
J
B
C
D
F