N97 Mini Service Schematics RM 555 Version 1.0 Nokia V2
User Manual: Smartphone Nokia N97 mini RM-553, RM-555 - Service manuals and Schematics, Disassembly / Assembly. Free.
Open the PDF directly: View PDF
.
Page Count: 12

Customer Care / GTM / Competence Management
Confidential Copyright © 2009 NOKIA Only for training and service purposes Version: 2.0 | 04.11.2009 | N97 mini/RM-555 | Board version: 2YS_11_2a | Front Page | Page 1 (12)
Service Schematics
RM-555
IMPORTANT
Table of Contents
1
2
3
4
5
6
Rapido, Memory, TV-out, Sensors
Front page
HS USB
BTFM, WLAN, GPS 7
Camera, SD, MMC
Audio
Betty, Vilma, Battery
8
9
12Component Finder
RF part
User Interface
10
11Signal Overview (9-11)
Signal Overview (1-8)
All measurements were made using the following equipment:
Nokia repair SW : Phoenix 2009.20.011.39237
Oscilloscope :
Spectrum Analyzer : Advantest R3162
PicoScope 3206
Multimeter : Fluke 175
Copyright © Nokia
This material,including documentation and any related computer programs
is protected by copyright, controlled by Nokia. All rights are reserved. Copy-
ing, including reproducing, modifying, storing, adapting or translating any or
all of this material requires the prior written consent of Nokia. This material
also contains company confidential information, which may not be disclosed
to others without the prior written consent of Nokia.
Version history
While every effort has been made to ensure that the document is accurate, some
errors may exist. Please always check for the latest published version for this
document.
If you find any errors in the document please send email to:
TrainingAndVendorDevelopment@nokia.com
1.0 First Approved version
2.0
R5272 added
Measurements
Version information
The measurement points in the schematics are linked to the oscillo-
grams on the signal overview page. The links cycle between the
measurement point in the schematics, the oscillogram and the
measurement point in the component finder.
This document is intended for use by authorized Nokia
service centers only. Please use the document together
with other documents such as the Service Manual and
Service Bulletins.

Customer Care / GTM / Competence Management
Confidential Copyright © 2009 NOKIA Only for training and service purposes Version: 2.0 | 04.11.2009 | N97 mini/RM-555 | Board version: 2YS_11_2a | RAPIDO, Memory, TV-out | Page 2 (12)
8
0
1
5
6
4
2
2
1
3
3
TxCDa
Y8
Y9 CBusClk
9
CBusDa
W9
TxCDaCtrl
V8
CBusEn1X
V9
T9
PMARN
R9
PMARP
Iref
R16 ACITx
R18 ACIRx
M18 TxIP
TxIN
M19
N18 TXQN
TXQP
N19
P21
RxIP
K18
K19 RxIN
TxCClk
L15
L18 RxQN
RxQP
L19
L20 VrefP
J15
F20
EarDataL
EarDataR G19
AudioClk C17
MicData B17
1
D2800
1
2
2
0
0
7
1
5
0
4
0
ACI(1:0)
RFCONV_I(11:0)
DIG_AUDIO(5:0)
TXC(2:0)
CBUS(3:0)
AVEClCtrl
IHF_AMP_En
AVPlugDet
AVPaEn
3
2
1
4
GenIO16
Y18
GenIO17
T16
G12 GenIO19
GenIO18
A13
AUDIOCTRL(5:0)
USB_CMT(15:0)
2k
R2860
GND
8
6
17
18
27
7
12
3
13
14
2
25
0
DISPC_DATA_LCD10
Y16
DISPC_HSYNC
Y19
V17
Y15 DISPC_DATA_LCD13
DISPC_DATA_LCD12
W15
W16 DISPC_DATA_LCD9
W17 DISPC_DATA_LCD3
DISPC_DATA_LCD2
W18
DISPC_DATA_LCD16
W14
V14 DISPC_DATA_LCD17
DISPC_DATA_LCD7
V15
V16 DISPC_DATA_LCD5
DISPC_PCLK
DISPC_DATA_LCD1
T14
T15 DISPC_DATA_LCD0
T12 DISPC_DATA_LCD15
T13 DISPC_DATA_LCD8
R12 DISPC_DATA_LCD11
R13 DISPC_DATA_LCD6
DISPC_ACBIAS
R14
AA16 DISPC_DATA_LCD14
DISPC_DATA_LCD4
AA18
AA19 DISPC_VSYNC
9
16
1
10
5
15
11
26
24
4
VISSI_CMT(27:0)
CCPDaP
CCPClkN
CCPDaN
CCPClkP
5
3
4
0
1
2
3
0
1
2
3
6
5
4
6
0
1
2
100RR2857
77
R2856 100R
CCP_CMT(3:0)
SpeciallO4
Y10
SpeciallO6
W10
V10
C21
SpeciallO7
B9 SpeciallO2
C10 SpeciallO1
SpeciallO5
B10 SpeciallO0
specialio0
specialio1
specialio2
specialio3
specialio4
specialio5
specialio6
specialio7
SpeciallO3
A9
AA9
100kR2861
GND
SPI_CLK
DAC33INT
SPI_CS
SPI_IN
3
0
1
2
DAC33(3:0)
WLAN_SPI_DIN
WLAN_SPI_DOUT
WLAN_SPI_CLK
WLAN_IRQ
WLAN_ENABLE
WLAN_SPI_CSX
4
1
0
2
3
5
WLAN_CMT(7:0)
M15 GenIO39
G14 GenIO43
E19 GenIO63
C19 GenIO73
C20 GenIO72
A1,A2,A20,A21,AA1,AA2,AA20,AA21,B1,B21,F16,G11,H7,H8,H9,H10,H11,H12,H13,H14,J8,J14,K7,K8,K14,K15,K20,
L7,L8,L14,L21,M8,M14,N8,N14,N15,N16,N21,P8,P9,P10,P14,P11,P12,P13,P15,P20,R10,V18,V21,Y1,Y21=GND
A3,A5,A6,A7,A8,A11,A14,A15,A16,A17,AA3,AA5,AA7,AA11,AA14,AA15,B18,G1,J21,R1,Y12,Y17=VCORE
A4,A19,AA8,AA13,AA17,B12,C1,E21,F1,G21,J1,L1,N1,T1,U2,U21,Y4=VIO
0
1
10
11
12
1
0
9
2
3
4
11 H2
10 H3
9H4
6H6
12 J2
14 J3
G2
7G3
8
4G4
2G6
13 H1
0D1
3E1
5F2
F3
1
8
7
5
6
6
7
6
10
11
10
0
5
14
2
4
5
3
12
13
7
8
1
3
4
15
V6
SDRxCS1
SDRDQMU W1
SDRDQML W3
W4
SDRCKE
SDRxCS2 W5
Y3
SDRWEX
SDRDQML2 T6
SDRLDQS U3
SDRDQMU2 U4
SDRRASX V4
R3
SDRUDQS
SDRCASX R7
SDRCLK P1
P2
SDRCLKX
M2
SDRLDQS2
K3
SDRUDQS2
F4
FlsClk
G7
FlsOEX
G8
FlsADVX
C2
FlsCS2X
D2
C13
FlsWEX
FlsCSX E2
FlsWaitX E3
2
RX2 J16
9
1
0
genio22
12
4
13
14
15
11
5
6
9
10
0
1
2
3
8
7
GenIO9 G9
GenIO11 G10
F7
GenIO2
F8
GenIO3
GenIO1 D5
D6
GenIO7
GenIO10 D7
D8
GenIO14
C6
GenIO15 C7
GenIO0 C3
C4
GenIO4
GenIO6 C5
GenIO12
GenIO5 B4
GenIO8 B5
B6
GenIO13
23
24
5
6
7
8
12
13
14
11
29
22
15
9
10
4
21
16
25
26
27
28
20
17
18
19
9U1
4V1
2V2
1V3
R2
13
8R4
3R6
T2
11
10 T3
5T4
N6
12
7N7
P3
14
15 P4
6P6
0P7
L6
22
M3
21
M4
19
M6
17
20 M7
18 N3
N4
16
30 J7
K2
29
28 K4
26 K6
25 L2
L3
24
23 L4
31 J4
27 J6
3
0
1
2
30
31
0
2
1
6
5
GND
7
0
3
4
30
4
15
21
0
8
7
9
10
0
0
1
3
15
27
2
5
6
23
0
11
11
8
1
7
12
9
5
6
24
12
8
7
22
2
4
9
14
20
13
31
1
13
17
25
26
10
11
14
18
10
3
11
10
1
2
1
19
3
13
6
5
P13
DNU
DNU P14
DNU P2
14
N11
DQS0d
N12
DNU N14
N3
NC
N7
N8
N9
DNU P1
M11
M12
M13
NC M3
M7
M8
M9
DNU N1
N10
K2
K3
L1
NC
L12
L13
L2
L3
M10
DQS1d
J12
DM0d
J13
J3
K1
K12
DM1d
K13
K14
NC G10
G14 CKd
G2
G3 BA1d
_CKd
H14
H2
H3
J1
E9
_CASd
F1
NC F10
F12
F13
F13
F2 12
F3 0
F5 CLKo
CKEd
G1
E12
E13
DQS2d
E14
E2 _RASd
E3
E6
NC
NC E7
INTo
E8
NC
C9
D12
D13 DM3d
D2 _CS0d
D3 BA0d
D4
A1_Index
E1
NC
E10
NC
C13
C2
NC
C3 _WEd
C4 _AVDo
_CEo
C5
C6 RDYo
C7
C8
_RPo
B5
B6 _WEo
B7 DQS3d
B8
B9
C10
C11
C12
DM2d
J5
B1
DNU
B10
B11
B12
DNU B14
B3 _OEo
NC B4
H10
M5
N5
P5
M4
N4
P4
H5
A3
NC
M6
P6
K5
K6
K9
K10
J10
A1
DNU
A13
DNU
DNU A14
DNU A2
5
DDR
NAND
DDR
Data I/O
NAND
Ad
D3000
Addr/ Data Bus
9
12
4
15
8
3
2
10
12
6
28
29
7
SDRAM_BA(1:0)
MEMADDA(24:0)
SDRAM_DA(31:0)
SDRAM_CTRL(15:0)
SDRAM_AD(15:0)
MEMCONT(15:0)
16
4
A4,A6,A9,A10,A12,B2,C1,D14,F14,G5,H12,J2,
J14,K8,L14,M1,N6,P3,P9,P10,P12=GND
A5,A7,A8,B13,C14,E5,G13,H13,K7,
M14,N2,N13,P7,P8=VIO
A11,D1,G12,H1,M2,P11=VDRAM
0
10
2
4
5
11
6
7
10
1
MMCDa Y5
SIMIOCtrl1 Y6
MMCDa2 W6
MMCClk W7
SIMIODa1
I2SSD1
V7
SIMClk1 T8
T7
MMCCmd
R8
MMCDa3
I2SSCLK
I2SWS
MMCDaDir E5
D3
MMCLSShutDn
MMCCmdDir D4
MMCDa1 AA4
R2821 0R
2
8
1
0
9
1
0
2
3
3
INT_SIM(5:0)
PCM(3:0)
BT_FM(12:0)
MMC(14:0)
VCORE
100n
C2812 C2814
100n
GND GNDGND GND
C2811
100n100n
C2813
100n
C2810
GND
C2815
100n
2u2
C2807
GND
C2816
100n
GND
C2817
100n
GND
C2818
100n
GND
C2825
2u2
GND
100n
C2800
VDDDPLL_RAPIDO U20
P16
VDDDPLL_YAWE
P19
VDDA
N2
VDDDLL_RAPIDO
GND
GND
100n
C2801
GND
100n
C2803 C2802
100n
C2805
100n 100n
C2804
GND GND
100n
C2806
GND GND GND
C3001
100n
C3003
100n
GND
C3002
100n
C3000
100n
GND
C3005
100n
GND
C3006
100n
GND
C3007
100n
GND
C3008
100n
GND
C3009
100n
GND GND GND
GND
100n
C3004
VIO
GenIO71 G15
GenIO45 F14
GenIO46 D20
MMCDet
MMCFbClk
MMCDaDir1
12
13
7
100n
C2808
100n
C2809
GND
M20
VDDARX
VDDATX N20 GND
Col1
Col0
Col2
Col3
Col4
Col7
Col6
Row0
Col5
Col8
Row2
Row3
Row4
Row1
PurX
TOUCH_RSTX
2k
GND GND
2k
R2858
R2864
2
3
4
1
_IRQ F3
F4
VCC
GND
KP-Y9/ROT_IN_1
D6
CONFIG_1
E1
ACB_SCL
ACB_SDA E2
KP-Y8
E3
KP-X6
A3
KP-X7
B4
PWM-2 E5
E6
KP-Y10/ROT_IN_2
KP-X2
F1
KP-X3
F2
C2 KP-Y7
KP-Y1
C5
C6 KP-Y0
C3,C4,D2,D3,D4=GND
D5
A4
A5 KP-X1
A6 KP-X0
KP-Y6
B1
KP-Y4
B2
KP-X5
B3
KP-Y11
F6
KP-Y3
B5
B6 KP-Y2
_RESET C1
N2850
KP-Y5
A1
A2 KP-X4
VCC
100n
C2850 GND
3p3
C2865
15
13
16
11
12
14
10
0
7
8
9
GND
C2862
1n0
R2862
1k0
6
AVVideoCtrl
KEYB_CMT(20:0)
KP_Y8
KP_Y7
KP_Y6
LOCK_SWITCH
TOUCH_INT
Proxy_Int
18
20
KP_Y10
KP_X2
KP_X3
TVOUT_RstX
KP_Y5
KP_X4
KP_X1
KP_X0
KP_Y4
KP_X5
KP_Y11
KP_Y3
KP_Y2
KP_Y1
KP_Y0
KP_Y9
V20 GenIO66
44
H21 TXReset
H18 TXP
0
7
8
RFBusClk
H19
RFBusEn1X
K16
F21 RFBusDa
6
RFCTRL(8:0)
GPS_TIMESTAMP
GPS_ENABLE
1
2
3
GPS_CMT(3:0)
GenIO57
H15
H16 GenIO61
GenIO52
T18
B20
GenIO68
T19
C16
G18
D15
F18
GenIO33
GenIO44
GenIO58
GenIO41
GenIO29
Julie_Clk
Julie2host_Int
COMP_INT
COMP_DRDY
Card_Sel
HALL_Sensor_Det
TVOUT_CSX
AccelerometerINT
Julie_WakeUp
8
R2854
2
1
0
CAM_CTRL_CMT(8:0)
1
00
5W8 SMPSClk
APESleepX
T20
SleepClk
R20 SysClk
R19
P18 SleepX
J18 PURX
4
3
47RR2800
6
PUSL(7:0)
7
Data
1
DMIC(4:0)
A18 GenIO42
GenIO42
I2C_SPP_SDA
I2C_ISA_SDA
I2C_ISA_SCL
I2C_SPP_SCL
1k
R2850 R2851
1k
0
1k
1
1
0
1
0
R2853
R2852
1k
I2C(1:0)
Y20 GenIO48
V13
M16
J19
D16
GenIO30
GenIO51
Y14 GenIO31
GenIO38
GenIO40
GenIO55
AVVideoCtrl/TVOUT_Enable 18
4k7
R2870
GND
4k7
R2869
GND
100R
4
7
R2855
100k
R2859
2k
ULPIData0
ULPIData1
ULPIData3
ULPIData2
ULPIData7
11
9
2
14
USBPUEn
F9
F10 USBFSE0_FTX
USBVO
F11
ULPIDir
D9
ULPINxt
C8
C9 USBDSyncClk
D10 USBOEX
D11 USBRCV_FRX2
ULPIClock
USBVM_Clk
C11
B7 ULPIStp
B8
USBVP_FRX
B11
15
3
8
10
7
13
1
0
ULPIData4
ULPIData5
ULPI_CSX
ULPIData6
ULPIData0
5
12
4
0
6
R15 GenIO47
F12 GenIO62
D12 GenIO64
GenIO67
C12
GenIO23
B13
W21
GenIO50
GenIO65
GenIO20
U19
G16
GenIO70
GenIO59 E20
D21
GenIO69 D19
GenIO60
GenIO21 D13
BTUARTOUT
BTCTS
BTRSTX
FM_INT
BTHOSTWAKE
BTRTS
BTUARTIN
BTWAKE
1
0
4
5
6
3
2
LPRF_CMT(7:0)
F15
GenIO35
D17
GenIO34
C18
GenIO37
GenIO36 B19
JULIE_SPI_DOUT
JULIE_SPI_DIN
JULIE_SPI_CSX
JULIE_SPI_CLK
3
0
2
1
SPI_CMT(5:0)
TVOUT_RstX 2
eMMC_shut_down 4
9
10
14
19
I2SSD2
12
LCDRSTX LCDCLK
LCDDATA
LCDCSX
LCDTE
LCD_CS2X
4
0
5
3
2
1
LOSSI_CMT(5:0)
FCI_CMT(3:0)
G13 GenIO26
C14 GenIO25
GenIO28
C15
GenIO24
B14
GenIO27
B15
0
1D14 BettyInt
VilmaInt
B16
EMINT(1:0)
1
0Y7 GenIO53
GenIO54
AA6
COMPASS(1:0)
GenIO56
F19
AGPS_CLK_REQ
VRFC
1RFClkN
R21
T21 RFClkP
J2801
J2856
J2802
J2800
0
RFCLK_I(1:0)
VIO
R2873
4k7
GND
R2872
100k
R2866
0R
R2871 0R
1k2
R2483
GND
7
6
5
4
3
2
1
0
IREF
G7
MDATA0
MDATA1
MDATA2
MDATA3
MDATA4
MDATA5
MDATA6
MDATA7
D7
G3
H4
E8
H5
D8
E7
G4
D2,E2,F2,F7,G1,G5=GND
N2480
6
75R
GND
R2481
GND
GND
H8
33R
GND
R2482
G8
CVBS_P
CVBS_N
CLKIN
H6
IRQ
H1
VDD18
VDD18
VSS_RAP1
VSS_RAP2
VSS_RCAP3
VDD18
VDD25
E1
G6
F8
C2
F1
D1
H7
100n
C2484
GND
2u2
C2482
GND
2u2
C2481
GND
2u2
C2483
COMP_VIDEO
PUSL(7:0)
26
24
27
16 16
18 18 TVOUT_TE
MWRX C8
MRDX A4
TE H2
MDCX G2
R2480
0R
214
RESX
PDX
C7
C1
_CS H3
J2493
J2495
J2492
18
GEN_CTRL_CMT(20:0)
R2486
100k GND
0R
R2490
GNDGND
100n
C2480
VAUX
0R
R2491
I2C_SCL
I2C_SDA
J1301
J1300
10 SLV0
11 SLV1
13
INT
14
DRDY
SCL 15
SDA 16
0R
R1302
GND
0R
R1304
1
J1303
E1300
J1303
0
0
1
COMPASS(1:0)
I2C(1:0)
I2C_SDA
I2C_SCL
GND
GND J1302
0u47
C1301
VAUX
VIO
AVDD
12
TEST6
2,4=GND
3=GND
3
N1300
DVDD
1
10n
C1201
GND
10n
C1200
GND
N1200
1
VDD
Output
2
GND
R1300
0R
SDA/SDI/SDO
13
14 SCL/SPC
Res 3
6
VDD
CS
7
INT1
8
10
N1100
Vdd_IO
1
19
0
10n
C1300
1
C1101
100n
I2C(1:0)
2,4,5,10,11=GND
SDO
12
R1303
0R
R1305 0R
R1306 0R
E1301
SleepX
RstX L2391
120R/100MHz
56p
E2390
C2392
VCORE
3
2
C2391
GND
1uH
L2390
10u
D1
FB
VSEL
D2
N2390
A1,B1,B2,C1=GND
A2
SW
PVIN A3
B3
AVIN
EN
C2
4u7
GND
VBAT
PUSL(7:0)
GenIO48 / SDA
GenIO51 / SCL
1
0
SDA
C3
SCL
D3
FCI_CMT(3:0)
GND
C2390
VIO
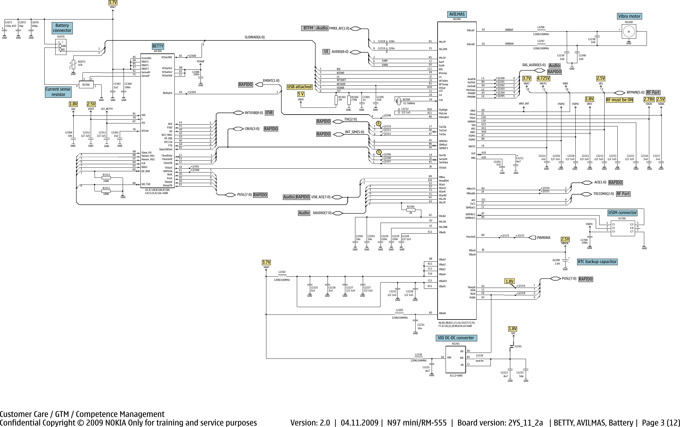
RAPIDOYAWE Combo memory
TV-out
Magnetometer (compass)
Accelerometer
Hall sensor (tilt slide)
RAPIDO VCORE
DC-DC converter
IO expander
UI
UI
AVILMAS
AVILMAS
AVILMAS
BETTY
BETTY
RF part
RF part
BETTY
Audio
GPS
WLAN
RF part
Audio
Audio
Audio
Audio
Audio
BTFM
BTFM
BTFM
Audio
AudioSD/MMC
SD/MMC
SD/MMC
USB
USB
USB
WLAN
RAPIDO
Camera
Camera
Camera
RAPIDO
RAPIDO UI
UI
UI
Audio USB
UI
UI
AVILMAS
1.8V
1.2V
3.7V
1.2V
2.78V
1.8V
1.8V
1.8V RF must be ON
1.8V
7
4

Customer Care / GTM / Competence Management
Confidential Copyright © 2009 NOKIA Only for training and service purposes Version: 2.0 | 04.11.2009 | N97 mini/RM-555 | Board version: 2YS_11_2a | BETTY, AVILMAS, Battery | Page 3 (12)
C2312
2/2 1u5
5
1/2 1u5
0
6
GND
VCHAR
1
C2312
1
GND
J2302
J2300
GND
0
1
VCC_BETTY
VOUT
VIO
VBAT
2u2 2
GND
C2303
1
0
GND
C2304
10n
7
VM_CLK H2
VO H3
H7 VCC
G1
G2
RCV_FRX2 G3
VP_FRX
FTX G4
F1 SenseP
F4
OEX F5
FSE0
VCCint
F6
VBAT3
F7
F8 t
SenseM
E1
SMPSClk
SleepClk E3
ChSwS E4
E5
SlaveSWSet
VCharADC E6
PurX D1
D2
SleepX
D3
BettyInt
D5
RstX
D7
VCharIn2
D8
VCharIn1
CbusData C1
CbusClk C2
C3
CbusSelX
VCharInK C7
VIO
B1
B5 VBAT1
N2300
VBAT1
A4 VcoreDis
A5
A2,A7,A8,B3,B6,B7,B8,
C4,C5,C6,E2,G6,=GND
R2300 1
23
4100n
C2300
J2308
J2301
3
3
4
2
2
5
4
CBUS(3:0)
INTUSB(8:0)
PUSL(7:0)
SLOWAD(6:0)
2u2
C2307
56p
R2071
-t
C2072
GND
C2071
150u_6V3
1 +
2 GND
3 BSI
3
GND
GND
100p
C2076
GNDGND
GND
X2070
2
GND
100n
C2308 BTEMP
EARP
WTXDET
EARN
BSI
VCHAR
RFTEMP
LST
LS
2u2
C2217
2
2/2 1u5
C2213
0
GND
0
3
0
VSIM1
VREF_INT
1
6
1
C2220
1/2 1u5
2
GND
220nC2219
GND
C2203
10u
GND
1
1n0
C2205
5
4
6
7
1
GND
0
2
VRFC
GND
VSIM2
L7
TxCDa
LST
L1
L10
VDRAM
L11 BSI
MicData L2
L3
AudClk
SerClk
L4
SlClk L5
TxCClk
RFTemp
K1
PURX K3
MBusTx K4
J5 SerSelX
K6 VilmaInt
K7
AFC J11
J2 LS
J3 WTxDet
J4
MBusRx
K5 SerData
ChSwS
J6
J7
TxC1
VIO
G2 MicB2
G3 Mic2P
SleepX G5
G6 TxCCtrl
A6,B1,B8,B11,C1,C6,C10,E7,F2,F6,
F7,G7,H2,J1,J9,K8,K10,L6=GND
VRef G9
H1 Mic1P
H10
VRFC
H11
VR1
F3 XEarR
Mic3PR
F5
F9
RstX
G1 Mic2N
G10
VBG
G11
D9
E1
VAna
E10
VAux
E2 XEarLC
XEarL
E3
E6 SIMIOC1
E9 BTemp
XEarRC
F1
PMARN
SIMDaC1 C7
C9
VRCP1
Mic3P
D1
D10 VChar
D3 EarN
PwrOnX
B5
SIMRstC1
SIMDa1
B6
B7
SIMClkC1
B9
VSIM2
C2 EarP
C4
A5
A7
VSIM1
EarDaL B4
N2200
A10
VCP
A3
PMARP
A4
EarDaR
SIMClk1
0
2u2
C2216
0
C2211
4u7
GND
C2220
2/2 1u5
3
VANA
0
GND
2/2 1u5
C2215
1
0
GND
GND
C2224
220n
D2 Mic3N
GND
C2229
220n
E5 Mic3NR
GND
2u2
C2222
1
J2218
J2219
J2221
J2220
J2222J2223
2u2
C2201
1
5
4
4
GND
5
C2213
GND
GND
1/2 1u5
J2206
J2208
J2207
J2208
J2210
J2211
J2212
J2200
J2201
J2202
J2203
J2204
J2205
1/2 1u5
C2215
C2218 220n
2
7
VAUX
2
INT_SIM(5:0)
ACI(1:0)
DIG_AUDIO(5:0)
EMINT(1:0)
USB_ACI(7:0)
AUDIO(8:0)
FMRX_AF(1:0)
TXCCONV(2:0)
2
3
R2200
2k
2
0
1
2
0
1
TXC(2:0)
GND
270k
R3302 C3305
1n
GND
VBUS 1M
R3301
C2228
2/2 1u5
32.768kHz
B2200
GND
C2202
10u
GND
L8 CrI
CrO
L9
J8
VBack
VBat6
E11
B10 FlyHigh
A11 FlyLow
2/2 1u5
C2232
VBACK
G2200
VBack
2.6V
+
-
GND
1
0
XAUDIO(7:0)
3
H9 MBus
J10 HeadDet
7
4
3
0
6
2
H4 CLK
DP_RXD
H5
H6 DM_TXD
Master_PD1
H8
RXD2
G5
G7 Master_PD2
G8 Slave_PU
5
1
GND
100k
R3311
100k
R3312
47k
PWRONX
PUSL(7:0)
5
C6 6
C7 7
X2700
1C1
2C2
3C3
C5
GND
C2700
100n
GND
VSIM1
VIO
A1,C2=GND
B1
SW
B2
EN
FB C1
N2201
GND
56p
C2233
GND
E2201
4u7
C2223
L2210
0u47H
K11 VBat2
F10 VBat4
VBat1
F11
A8 VBat3
VBatH
B3
D11 VBat5
VBatCP
C11
VIN
A2
L2230
120R/100MHz
GND
4u7
C2221
GND
C2231
10u
L2205
120R/100MHz
2/2 1u5
C2232
1/2 1u5
C2227
GND
2/2 1u5
C2227
GND
GNDGND
GND
120R/100MHz
L2202
1/2 1u5
C2228
C2225
2u2
GND
C2226
2u2
VBAT
VIBRAP
VIBRAN GND
GND
M2200
M
+-
L2207
120R/100MHz
1n0
C2240
120R/100MHz
L2206
VibraP A2
VibraN A1
C2239
1n0
1n0
C2238
3410
VR1VRCP1
RFPWR(5:0)
VREFVBAT
RAPIDO
RAPIDO
Audio
RF Part
USB
RAPIDO
RAPIDO
RAPIDO
RAPIDO
Audio
UI
Audio
RAPIDO
RF Part
BTFM
Audio
RAPIDO
RAPIDO
3.7V
2.5V1.8V
3.7V
3.7V 4.725V
1.8V
2.5V
2.5V
2.5V2.78V
1.8V
VIO DC-DC converter
AVILMAS
RTC backup capacitor
USIM connector
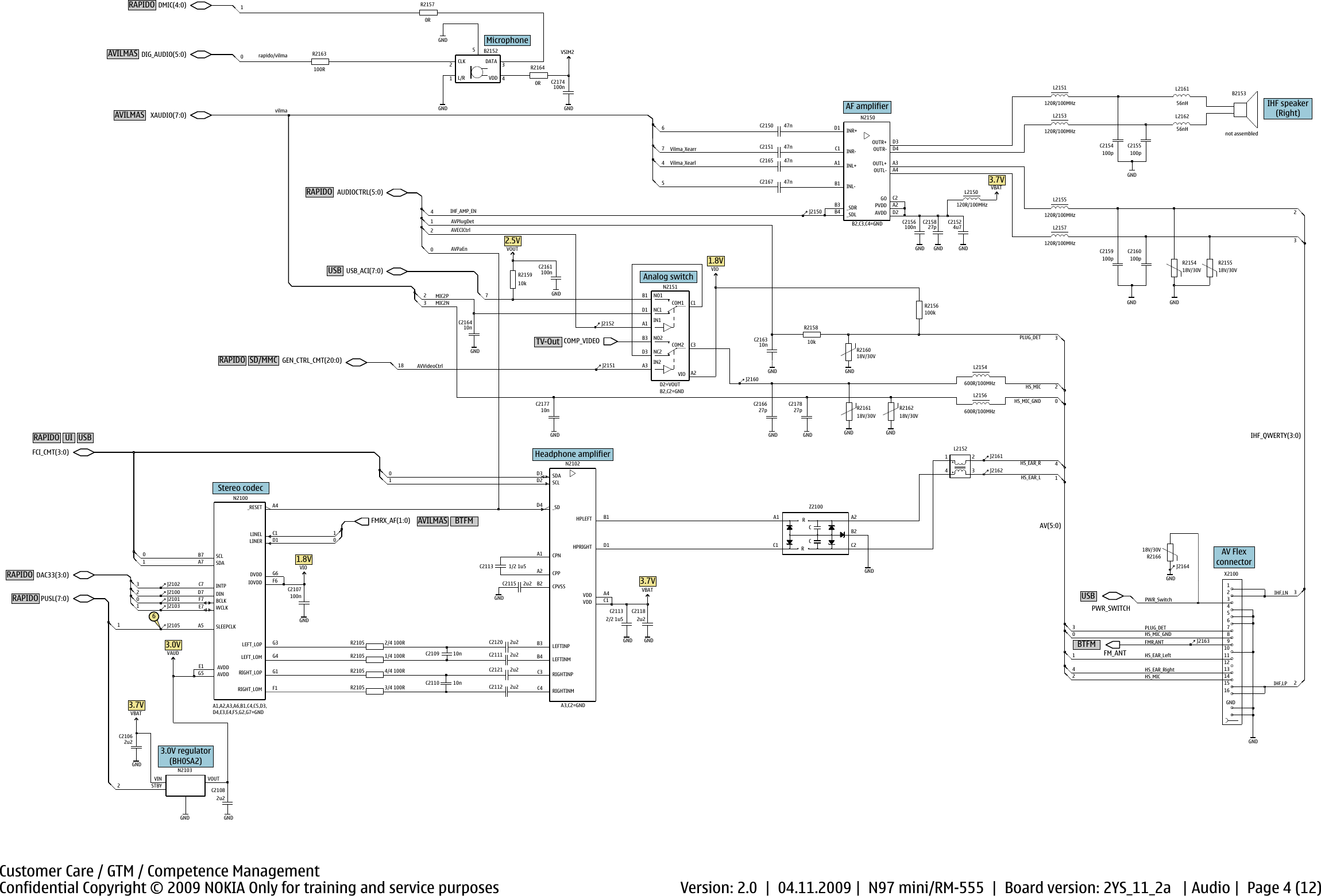
Vibra motor
BETTY
Current sense
resistor
Battery
connector
1.8V RF must be ON
5 V
USB attached
8
5

Customer Care / GTM / Competence Management
Confidential Copyright © 2009 NOKIA Only for training and service purposes Version: 2.0 | 04.11.2009 | N97 mini/RM-555 | Board version: 2YS_11_2a | Audio | Page 4 (12)
HS_EAR_Left
IHF,LP
IHF_AMP_EN
HS_MIC_GND
AVVideoCtrl
HS_EAR_L
IHF,LN
PLUG_DET
AVECICtrl
Vilma_Xearr
PWR_Switch
MIC2N
HS_MIC
vilma
PLUG_DET
Vilma_Xearl
HS_EAR_R
AVPlugDet
AVPaEn
HS_MIC
HS_EAR_Right
HS_MIC_GND
rapido/vilma
MIC2P
FMR,ANT
100n
C2107
C2164
3
10n
C2113 1/2 1u5
R2154
18V/30V
R2155
18V/30V
4
R2158
10k
27p
C2166
1 2
34
GND
GND
L2152
C1 C2
R
C
C
Z2100
R
A1 A2
B2
0R
J2100
R2162
GND
R2164
600R/100MHz
L2154
18V/30V
1
GND
VAUD
0
47nC2165
C2112 2u2
R2105
J2160
J2161
J2162
J2163
J2164
STBY
VOUTVIN
2/2 1u5
VBAT
GND
N2103
2
GND
C2113
10n
1
4
1
GND
C2163
0
1
J2150
56nH
L2161
not assembled
B2153
R2163
100R
C3COM2
NC1D1
D3 NC2
C2155
100p
N2151
B2,C2=GND
D2=VOUT
IN1
A1
A2
VIO
A3 IN2
B1 NO1
NO2B3
COM1 C1
2
7
VSIM2
0R
R2157
J2152
RIGHTINM
C4
HPRIGHT D1
D2 SCL
SDA
D3
_SD
D4
HPLEFT
CPVSS
B2
LEFTINP
B3
B4 LEFTINM
VDD C1
C3 RIGHTINP
N2102
A1 CPN
CPP
A2
A3,C2=GND
A4
VDD
B1
GND
C2106
2u2
R2166
18V/30V
3
J2101
4
2u2
C2115
6
GND
3
100p
C2159
L2151
120R/100MHz
0
18V/30V
R2160
0
GND
VIO
GND
2u2
1/4 100R
R2105 2/4 100R
R2105 3/4 100R
R2105 4/4 100R
C2111
2u2
10nC2110
GND
C2108
GND
GND 2u2
C2118
120R/100MHz
L2153
L/R
1
2CLK DATA 3
4
VDD
5
VBAT
B2152
27p
L2157
120R/100MHz
C2178
GND
2
0
R2161
18V/30V
GND
11
12
13
14
15
16
GND
2
3
4
5
6
7
8
9
X2100
1
10
GND
J2103
C2150 47n
L2156
600R/100MHz
GND
VIO
L2162
56nH
C2160
100p
INR+
D1
AVDD D2
D3
OUTR+
D4
OUTR-
OUTL-
INL-
B1
B2,C3,C4=GND
_SDR
B3
_SDL
B4
C1 INR-
2
N2150
A1 INL+
A2
PVDD
C2
GO
OUTL+ A3
A4
1
120R/100MHz
L2155
0
2
GND
2
2
GND
0
2
5
100p
C2154
F7
RIGHT_LOP G1
G3
LEFT_LOP
G4
LEFT_LOM
AVDD
G5
G6
DVDD
D7
E1 AVDD
WCLK
E7
RIGHT_LOM F1
F6
IOVDD
BCLK
B7
LINEL C1
LINER D1
DIN
J2102
J2105
3C7 INTP
A1,A2,A3,A6,B1,C4,C5,D3,
D4,E3,E4,F5,G2,G7=GND
_RESET A4
SLEEPCLK
A5
A7 SDA
SCL
N2100
R2159
10k
GND
10n
C2177
GND
VOUT
C2109 10n
47nC2167
47nC2151
3
C2120
2u2
C2121 2u2
VBAT
GND
7
3
1
0
4
GND
100n
C2161
GND
100n
C2156
GND
27p
C2158
GND
4u7
C2152
GND
100n
C2174
120R/100MHz
L2150
100k
J2151
1
1
18
1
R2156
AV(5:0)
GEN_CTRL_CMT(20:0)
AUDIOCTRL(5:0)
FM_ANT
PWR_SWITCH
USB_ACI(7:0)
XAUDIO(7:0)
PUSL(7:0)
DAC33(3:0)
IHF_QWERTY(3:0)
COMP_VIDEO
DMIC(4:0)
DIG_AUDIO(5:0)
FCI_CMT(3:0)
FMRX_AF(1:0)
BTFM
AVILMAS BTFM
Microphone
AF amplifier IHF speaker
(Right)
AV Flex
connector
3.0V regulator
(BH0SA2)
Headphone amplifier
Stereo codec
Analog switch
6
1.8V
1.8V
2.5V
3.7V
3.7V
3.7V
3.0V
USB
USB
UI
RAPIDO
RAPIDO
RAPIDO
RAPIDO
RAPIDO
SD/MMC
AVILMAS
AVILMAS
RAPIDO
TV-Out
USB

Customer Care / GTM / Competence Management
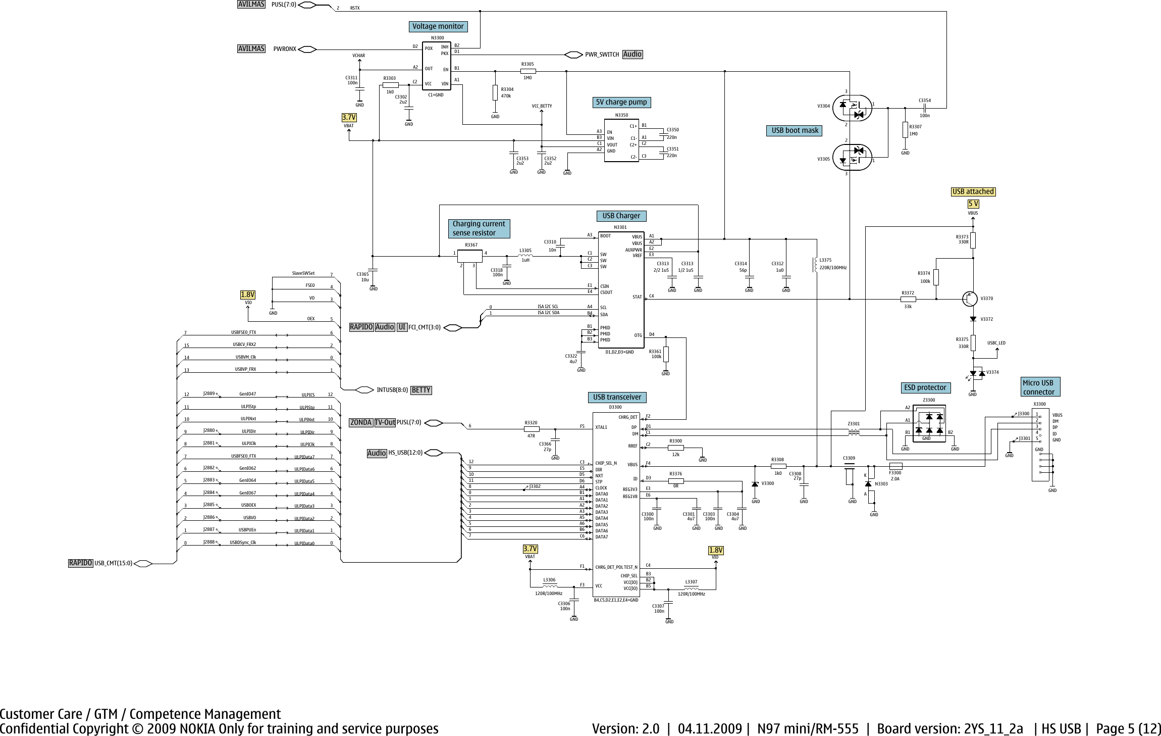
Confidential Copyright © 2009 NOKIA Only for training and service purposes Version: 2.0 | 04.11.2009 | N97 mini/RM-555 | Board version: 2YS_11_2a | HS USB | Page 5 (12)
VBUS
ISA I2C SDA
ISA I2C SCL
ID
DM
RSTX
DP
C3301
GND
4u7
1k0
GND
GND
R3303
7
6
5
4
3
2
1
0
V3370
100n
C3306
V3304 1
2
3
CHRG_DET
VCC
F3
F4
VBUS
XTAL1
F5
D5
D6 STP
REG3V3 E3
DIR
E5
REG1V8 E6
CHRG_DET_POL
F1
F2
D1
C2
RREF
CHIP_SEL_N
C3
DATA7
C6
DM C1
D3
ID
NXT
A5
DATA5
A6
DATA0
B1
B2
VCC(IO)
B3
CHIP_SEL
C4
TEST_N
B5
VCC(IO)
B6 DATA6
DP
D3300
B4,C5,D2,E1,E2,E4=GND
A1 DATA1
A2 DATA2
A3 DATA3
CLOCK
A4
DATA4
C3308
J3300
27p
V3372
R3374
100k
V3374
GND
USBC_LED
R3372
33k
100n
C3309
GND
C3318
K
A
100n
N3303
GND
C3303
4u7
C3304
F3300
2.0A
R3305
VBAT
1M0
E1
E2
AUXPWR
VREF E3
E4 CSOUT
GND
0
1
C1
C2 SW
SW
C3
C4
STAT
D1,D2,D3=GND
OTG D4
CSIN
A2
VBUS
BOOT
A3
A4 SCL
B1 PMID
PMID
B2
B3 PMID
SDA
B4
SW
N3301
VBUS A1
GND
R3373
330R
1/2 1u5
120R/100MHz
L3306
8
11
10
9
12
C3313
Z3301
GND
3
4L3305
1uH
R3367
1
2
A1
A2
B1 B2
J3301
GND
GND
Z3300
V3300
GND
GND
47R
R3320
GND
10n
C3310
R3375
330R
GND
L3307
120R/100MHz
C3322
4u7
VIO
GND
GND
GND
GND
6
GND
C3366
27p
GND
VBUS
GND
GND
1u0
C3312
GND
56p
C3314
GND
GND
C3313
2/2 1u5
VCHAR
R3376
0R
R3300
12k
470k
R3304
VBAT GND
GND
C2 VCC
D1
PKX
POX
D2
R3307
1M0
N3300
A1
VIN
OUT
A2 EN B1
INH B2
C1=GND
100n
C3300
R3361
100k
220R/100MHz
L3375
1k0
R3308
2
1
2
3
4
5
GND
GND
X3300
J3302
GND
C3307
100n
10u
C3365
GND
2u2
C3302
V3305 1
2
3
100n
C3354
C3311
100n
PWRONX
PUSL(7:0)
PUSL(7:0)
PWR_SWITCH
HS_USB(12:0)
FCI_CMT(3:0)
A3 EN
B1
C1+
B3 VIN
C1 VOUT C2
C2+
C3
C2-
N3350
A1
C1-
A2 GND
C3350
220n
220n
C3351
GND
C3352
2u2
GND GND
VCC_BETTY
2u2
C3353
ULPIData6
ULPIData7
ULPICS
ULPIClk
ULPIDir
GenIO62
GenIO47
USBVP_FRX
USBVM_Clk
USBCV_FRX2
USBFSE0_FTX
GenIO67
SlaveSWSet
FSE0
VO
USBOEX
USBFSE0_FTX
OEX
USBDSync_Clk
USBPUEn
USBVO
ULPIClk
ULPIDir
ULPINxt
ULPIStp
ULPIData0
ULPIData1
ULPIData2
ULPIData3
ULPIData4
ULPINxt
ULPIStp
ULPIData5
1
8
3
GenIO64
0
6
5
12
7
4
10
GND
7
15
2
0
J2888
6
1
J2884
J2885
J2887
8
9
J2882
11
9
10
11
J2889
14
7
7
3
J2886
3
4
5
VIO
6
J2883
0
1
2
J2880
J2881
2
4
5
USB_CMT(15:0)
INTUSB(8:0)
12
13
3.7V 1.8V
3.7V
1.8V
AVILMAS
AVILMAS Audio
Audio
Audio
UI
RAPIDO
RAPIDO
BETTY
ZONDA TV-Out
USB transceiver
5V charge pump
USB boot mask
Voltage monitor
Charging current
sense resistor
USB Charger
ESD protector Micro USB
connector
5 V
USB attached

Customer Care / GTM / Competence Management
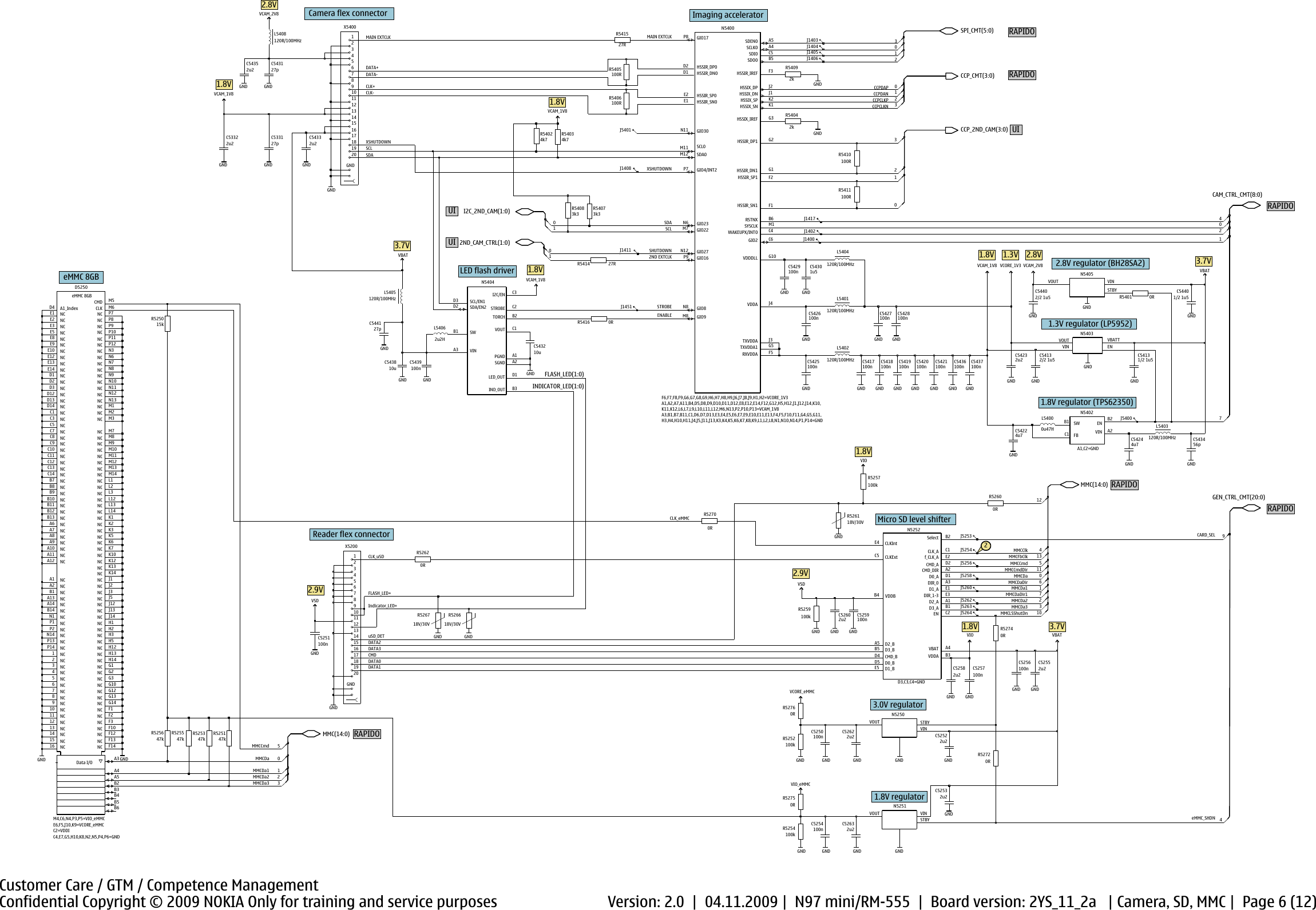
Confidential Copyright © 2009 NOKIA Only for training and service purposes Version: 2.0 | 04.11.2009 | N97 mini/RM-555 | Board version: 2YS_11_2a | Camera, SD, MMC | Page 6 (12)
DATA+
SHUTDOWN
XSHUTDOWN
CLK-
CCPCLKP
SDA
SCL
2ND EXTCLK
STROBE
ENABLE
SCL
CLK+ CCPDAP
MAIN EXTCLK
XSHUTDOWN
CCPCLKN
DATA-
SDA
CCPDAN
MAIN EXTCLK
GND
1
VBAT
2
27p
0
C5331
VCAM_1V8
120R/100MHz
L5402
J1403
VCAM_2V8
2
0u47H
L5400
C5422
4u7
0
C5433
2u2
0
VIN
VOUT VBATT
EN
C5332
N5403
N5405
STBY
VOUT VIN
2u2
VCAM_2V8
L5403
120R/100MHz
GND
GND
C5440
1/2 1u5
C5440
2/2 1u5
GND
C5424
4u7
GND
C5434
56p
GND
VCAM_1V8
J5400
3
VCAM_1V8
100R
R5405
R5403
2
1
0
3
2
4k7
R5402
4k7
R5407
3k3
R5408
3k3
J1404
GND
GND
1
J1417
J1402
R5404
2k
2u2
GND
27p
C5431C5435
2u2
GNDGND
1
7
C5423
P9 GIO16
P7 GIO4/INT2
P8 GIO17
N6 GIO23
GIO8
M7 GIO22
GIO9
M8
N11 GIO30
GIO27
N12
SYSCLK M1
SCL0
M11
M12 SDA0
K2
HSSIX_SP
HSSIX_DN J1
HSSIX_DP J2
J3
TXVDDA
J4
VDDA
K1
HSSIX_SN
G1
HSSIR_DP1 G2
G3
GND
R5409
2k
F3
HSSIX_IREF
G5
TXVDDA1
RXVDDA
F1
HSSIR_SP1 F2
HSSIR_IREF
F5
HSSIR_DN1
D1 HSSIR_DN0
D2 HSSIR_DP0
100R
R5406 E1 HSSIR_SN0
E2 HSSIR_SP0
HSSIR_SN1
C4
WAKEUPX/INT0
C6
GIO2
SDI0 C5
SDO0 B5
B6
RSTNX
SCLK0 A4
A5
SDEN0
0
F6,F7,F8,F9,G6,G7,G8,G9,H6,H7,H8,H9,J6,J7,J8,J9,H1,H2=VCORE_1V3
A3,B1,B7,B11,C1,D6,D7,D13,E3,E4,E5,E6,E7,E9,E10,E11,E13,F4,F5,F10,F11,G4,G5,G11,
H3,H4,H10,H11,J4,J5,J11,J13,K3,K4,K5,K6,K7,K8,K9,L1,L2,L8,N1,N10,N14,P1,P14=GND
A1,A2,A7,A11,B4,D5,D8,D9,D10,D11,D12,E8,E12,E14,F12,G12,H5,H12,J1,J12,J14,K10,
K11,K12,L6,L7,L9,L10,L11,L12,M6,N13,P2,P10,P13=VCAM_1V8
N5400
3
4
5
6
7
8
9
1
10
11
12
13
14
15
16
17
18
19
2
20
GND
0
X5400
100R
R5411
1
27R
J5401
R5414
R5410
100R
3
N5402
A1,C2=GND
A2
VIN
SW
B1 EN
B2
C1 FB
4
GND
GND
GND
27R
R5415
J1405
J1406
J1411
J1408
VBAT
J1400
1
GND
2/2 1u5
C5413
1/2 1u5
C5413
GND GND
100n
C5425
GND
100n
C5417
GND
100n
C5418
GND
100n
C5419
GND
100n
C5420
GND
100n
C5421
GND
100n
C5436
GND
100n
C5437
GND
120R/100MHz
L5401
100n
C5426
GND
100n
C5427
GND
100n
C5428
GND
G10
VDDDLL
120R/100MHz
L5404
1u5
C5430
GND
100n
C5429
GND
L5408
120R/100MHz
SPI_CMT(5:0)
CCP_CMT(3:0)
CCP_2ND_CAM(3:0)
2ND_CAM_CTRL(1:0)
CAM_CTRL_CMT(8:0)
GEN_CTRL_CMT(20:0)
I2C_2ND_CAM(1:0)
N8
C5432
10u
L5406
2u2H
R5416 0R
C5439
GND
GND
100n
J1451
C5438
10u
GND
L5405
120R/100MHz
VCAM_1V8
D3 SCL/EN1
C5441
27p B1 SW
B2
TORCH
LED_OUT D1
C1
VOUT
STROBE C2
I2C/EN C3
IND_OUT B3
D2 SDA/EN2
GND
N5404
A1
PGND
SGND A2
VIN
A3
MMCDa1
MMCCmd
MMCDa
MMCDa3
MMCCmd
CLK_eMMC
MMCCmdDir
MMCDa
MMCFbClk
MMCLSShutDn
MMCClk
MMCDa2
MMCDa3
eMMC_SHDN
CARD_SEL
MMCDaDir
MMCDa1
MMCDaDir1
MMCDa2
R5261
18V/30V
GND
J5262
0
11
VBAT
J5263
R5256
7
GND
47k
R5255
47k
R5250
15k
R5253
47k
R5251
47k
100k
R5257
GND
0
N5250
STBY
VOUT
VIN
VCORE_eMMC
STBY
VOUT VIN
9
12
N5251
GND
J5254
6
P14
P2 NC
P7
NC
NC P8
NC P9
3
NC
NC N8
NC N9
P1 NC
NC P10
NC P11
P12
NC
NC
P13
NC
NC N10
NC N11
NC N12
NC N13
NC
N14
NC N3
N6
NC
N7
M14
NC M2
M3
NC
M5
CMD
M6
CLK
NC M7
NC M8
NC M9
N1 NC
NC L2
L3
NC
M1
NC
NC M10
NC M11
NC M12
NC M13
NC
NC
NC K3
NC K5
K6
NC
NC K7
NC L1
NC L12
L13
NC
NC L14
J3
NC
NC J5
K1
NC
NC K10
K12
NC
NC K13
NC K14
K2
H2
NC
NC H3
H5
NC
J1
NC
J12
NC
NC J13
J14
NC
NC J2
NC G13
NC G14
NC G2
NC G3
NC H1
H12
NC
NC H13
H14
NC
NC F12
F13
NC
NC F14
NC F2
F3
NC
NC G1
NC G10
NC G12
NC
E14
NC
E2
E3 NC
E5 NC
NC
E8
E9 NC
F1
NC
F10
NC
NC
D14
D2 NC
NC
D3
A1_Index
D4
E1 NC
NC
E10
NC
E12
E13 NC
C3 NC
C5 NC
NC
C7
C8 NC
NC
C9
NC
D1
NC
D12
D13 NC
NC
B8
B9 NC
NC
C1
C10 NC
NC
C11
C12 NC
NC
C13
C14 NC
B13 NC
NC
B14
B2
B3
B4
B5
B6
B7 NC
NC
A6
A7 NC
NC
A8
A9 NC
B1 NC
NC
B10
B11 NC
NC
B12
A11 NC
NC
A12
NC
A13
NC
A14
NC
A2
A3
A4
A5
NC
NC
4
5NC
NC
6
7NC
NC
8
9NC
A1 NC
NC
A10
11 NC
12 NC
NC
13
NC
14
15 NC
NC
16
NC
2
3
eMMC 8GB
Data I/O
D5250
NC
1
10 NC
0R
R5270
C4,E7,G5,H10,K8,N2,N5,P4,P6=GND
C2=VDDI
E6,F5,J10,K9=VCORE_eMMC
M4,C6,N4,P3,P5=VIO_eMMC 4
2
J5258
1
GND
GND
GND
E1
D1_A
E2
f_CLK_A
E3
DIR_1-3
CLKInt
E4
D1_B
E5
D0_B
D5
CMD_B
D4
D3_B
B5
D2_B
A5
C1
CLK_A
C2
EN
D3,C3,C4=GND
CLKExt
C5
D0_A D1
CMD_A D2
A2
CMD_DIR
DIR_0 A3
VBAT A4
D3_A B1
B2
Select
B3
VDDA
N5252
D2_A A1
C5250
100n
C5262
2u2
GND
VIO_eMMC
J5253
2
VIO
C5253
2u2
C5252
2u2
GND
0R
R5260
0RR5401
5
GND
C5257
100n
J5264
R5274
0R
3
GND
C5258
2u2
GND GND
C5255
2u2
C5256
100n
J5260
GND
10
4
13
5
1
J5256
VIO
100k
R5252
0R
R5276
0R
R5275
0R
R5272
GND GNDGND
C5254
100n
C5263
2u2
100k
R5254
MMC(14:0)
MMC(14:0)
FLASH_LED(1:0)
INDICATOR_LED(1:0)
VSD
GND
2u2
GND
C5260
VDDB
B4
C5259
100n
R5259
100k
GND
CMD
DATA2
DATA1
CLK_uSD
FLASH_LED+
DATA3
DATA0
Indicator_LED+
uSD_DET
100n
C5251
17
18
19
2
20
GND
3
4
5
6
7
8
9
X5200
1
10
11
12
13
14
15
16
VSD
GND
GND
GND
R5267
18V/30V
R5266
18V/30V
0R
R5262
GND
1.3V regulator (LP5952)
Imaging accelerator
Camera flex connector
Micro SD level shifter
3.0V regulator
1.8V regulator
1.8V regulator (TPS62350)
2.8V regulator (BH28SA2)
LED flash driver
eMMC 8GB
Reader flex connector
VCORE_1V3
3.7V
3.7V
3.7V
1.8V
1.8V 1.3V
1.8V
1.8V
2.9V
2.9V
1.8V
1.8V
2.8V
2.8V
2
RAPIDO
RAPIDO
RAPIDO
RAPIDO
RAPIDO
RAPIDO
UI
UI
UI

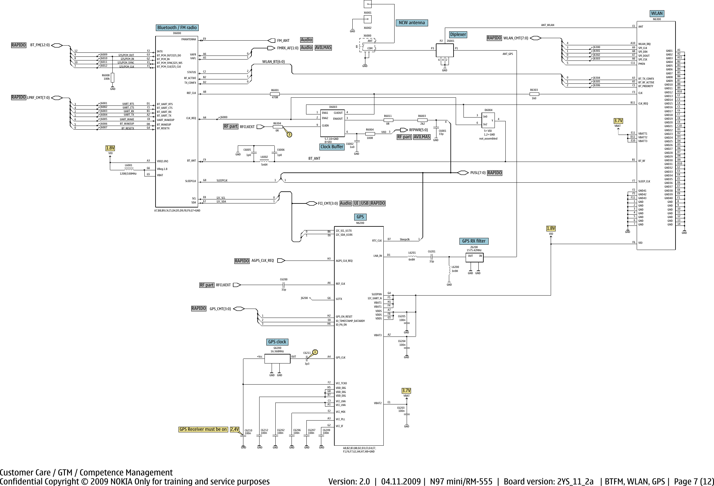
Customer Care / GTM / Competence Management
Confidential Copyright © 2009 NOKIA Only for training and service purposes Version: 2.0 | 04.11.2009 | N97 mini/RM-555 | Board version: 2YS_11_2a | BTFM, WLAN, GPS | Page 7 (12)
UART_RX
UART_WAKE
BT_WAKEUP
UART_CTS
BT_RESETX
UART_RTS
SLEEPCLK
UART_TX
I2C_SDA
I2C_SCL
1 1
VIO
1
J6006
1
0
1
5
J6004
J6005
3
6
0
2
J6007
J6011
J6009
J6010
J6012
4J6002
120R/100MHz
L6001
0
470R
R6001
J6001
J6000
J6003
BT_RESETX
G4
G5 VBAT
G6 VReg.1.8
G8
SLEEPCLK
E2
SDA
E8
SCL
FMANTENNA E9
C8 UART_WAKEUP
BT_UART_RTS
D1
BT_WAKEUP
D8
REF_CLK A8
BT_UART_RX
B1
BT_UART_CTS
C1
D6000
A2 BT_UART_TX
VIO(1.8V)
A3
VAFL A5
VAFR A6
A7,B8,B9,C4,C5,D4,D5,D9,F8,F9,G7=GND
LPRF_CMT(7:0)
FMRX_AF(1:0)
WLAN_BT(6:0)
FM_ANT
GND
5n6H
L6002
1p0
C6005
1p0
C6006
J6301
5
4
0
2
0
VBAT
F3 CLK
F5 GND42
VIO
F6
SLEEP_CLK
F7
GND34
E5
GND35
E6
GND36
GND37 E7
E8
GND38
E9
GND39
GND40 F1F11 GND43
GND41
F2
D6
GND27
D7
GND28
D8
GND29
GND30 D9
E1 ANT
E10 VBATT3
BT_RF
E11 VBATT1
GND32 E2
E3
GND33
E4
GND17
C7
GND18
GND19 C8
GND20 C9
D1
GND22
GND31 D10
VBATT2
D11
GND23 D2
GND24 D3
GND25 D4
GND26 D5
B7
B8
GND10
GND11 B9
C1 BT_PRIORITY
C10
GND21
C11 PMEN
C2
GND13
GND14 C3
GND15 C4
C5
GND16
C6
A8 SPI_DIN
SPI_CLK
A9
B1
B10
GND12
CLK_REQ
B11
B2
GND4
GND5 B3
B4
GND6
GND7 B5
B6
GND8
GND9
GND
9
GND
A1
GND1
WLAN_IRQ
A10
GND3 A11
GND2 A2
A3 BT_TX_CONFX
BT_RF_ACTIVE
A5
SPI_CSX
A6
SPI_DOUT
A7
GND 12
13
GND
GND 14
2GND
3GND
GND
4
GND
5
6GND
GND
7
8
GND
N6300
GND
1
10
GND
GND 11
1
3J6300
J6302
J6303
J6304
J6305
J6306
1k0
R6303
1
2
GND
PUSL(7:0)
WLAN_CMT(7:0)
BT_ANT
I2S/PCM_SYNC
I2S/PCM_IN
I2S/PCM_OUT
I2S/PCM_CLK
7
10
8
9
1
100k
R6008
2
GND
0
12
BT_PCM_IN
G2
G3 BT_PCM_OUT/I2S_DO
BT_PCM_SYNC/I2S_WS
E1
BT_PCM_CLK/I2S_CLK
F1
F2 INTX
BT_ANT C9
TX_CONFX D2
RF_ACTIVE B2
C2
STATUS
A4
CLK_REQ
BT_FM(12:0)
RAPIDO
0R
GND
R6011
100R
R6004
4
3
GND
2k2
R6003
C6001
33p
ENA2
23
ENAOUT
4
CLKOUT
5,7,10=GND
8=VIO
6
9CLKIN
D6003
1ENA1
R6304
0R
C6002
1u0
VXO RFPWR(5:0)
RFCLKEXT
4
not_assembled
6In2
D6004
5= VIO
1,2= GND
3In0
Y
COM 1
ANT 2
X6000
GND
ANT_GPS
X6001
GND
GND
X6002
P3
6
Z6001P2
2
P1
4
ANT_WLAN
RFCLKEXT
Sleepclk
GND
GND
H3 AGPS_CLK_REQ
H5 VDD_DIG
IO_PA_EN
H6
G2
G5
VDDS
U2TX
G6
G8 VDD_DIG
VBAT1 H1
H2 GPS_EN_RESET
F4
VBAT1
F5
I2C_UART_N
G4
SLEEPXN
VDDS F8
VCC_IF
E2
I2C_SDA_U1RX
E6
IO_TIMESTAMP_DATARDY
E8
A8,B2,B3,B8,D2,D3,E3,E4,E7,
F1,F6,F7,G1,H4,H7,H8=GND
VCC_TCXO
F2
D7
RTC_CLK
VBAT2 E1
VCC_MIX
C3 VCC_LNA
D1
LNA_IN
A7
I2C_SCL_U1TX
B6
VDD_DIG
B7
N6200
VCC_LNA
A1
A2
VBAT3
VCC_PLL
A3
GPS_CLK
A4
A6 REF_CLK
VDDS
OUT+Vcc
J6200
3
16.368MHz
G6200
3p3
C6211
GND
C6204
GND
GND GND
100n
GND
C6205
100n
GND
33p
C6201
1
C6200
0
33p
2
GNDGND
C6206
VIO
100n
C6212
100n 100n
C6207
GND
L6201
6n8H
GND
100n
C6209
100n
C6202
1
GND
VBAT
OUT
1
C6210
100n
Z6200
1575.42MHz
IN
GND
L6200
3n9H
GPS_CMT(3:0)
FCI_CMT(3:0)
AGPS_CLK_REQ
C6203
100n
Audio
Audio AVILMAS
AVILMAS
RAPIDO
RAPIDO
RAPIDO
RAPIDO
RAPIDO
RAPIDO
RF part
RF part
RF part
Audio USB
UI
3.7V
2,4VGPS Receiver must be on
3.7V
1.8V
1.8V
3
1
Bluetooth / FM radio
Clock Buffer
Diplexer
NCW antenna
GPS RX filter
GPS clock
WLAN
GPS

Customer Care / GTM / Competence Management
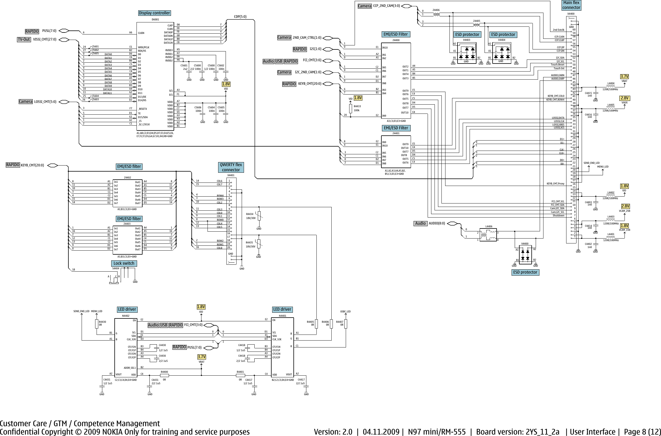
Confidential Copyright © 2009 NOKIA Only for training and service purposes Version: 2.0 | 04.11.2009 | N97 mini/RM-555 | Board version: 2YS_11_2a | User Interface | Page 8 (12)
DATA6
DATA7
DATA8
DATA9
DATA10
DATA11
DATA3
DATA0
DATA1
DATA2
DATA4
DATA5
0
1
2
3
4
5
A1,A8,C2,D3,D4,D5,D7,E3,E4,E5,E6,
E7,F2,F3,F6,G4,G7,H1,H4,H8=GND
6
H2
VDDI
H3
VDDI
RVDD3 H5
H6
RVDD2
RVDD1 H7
D15/SDA
G1
D11
G2
G3
VDDI
G5
VDDI
G6
RVDD2
DATA0N G8
F1
ECS
_RESETX
F7
F8
DATA0P
E1 WRX/PCLK
D13/DE
E2
CLKN E8
D1 TE
D14/HS
D2
D0
D6
D8
CLKP
_D/_C/SCLK
C1
D8
C3
D5
C4
D3
C5
D1
C6
VDDI C7
C8
DATA1N
B1
VDDI
RDX/VS
B2
D9
B3
D6
B4
D4
B5
B6 D2
B7
VDDI
DATA1P B8
_CS
A2
SCS A3
D10
A4
D7
A5
CLKIN
A6
A7
VDDI
4
D6001
GND
1
0
2
J5601
J5604
J5603
5
VIO
1
27
24
5
3
2u2
C5601
GND
100n
C5602
GND
2/2 100n
C5600
GND
1/2 100n
C5600
GND
100n
C5604
GND
100n
C5606
GND
100n
C5605
2
J5605
J5602
3
0
10
11
25
26
CDP(5:0)
PUSL(7:0)
LOSSI_CMT(5:0)
VISSI_CMT(27:0)
6
7
8
9
CLK_32K
E1 SDA
EN
E2
C1
R
SCL
D1
D3
A1
B
G B1
B2,C2,C3,D4,E4=GND
0
16
9
S4404
A BC
In6
D2 In7
D4
Out6
D5
Out7
A4
Out1
A5
Out2
B1 In3 B5
Out3
C1 In4
C2 In5
C4
Out4
C5
Out5
D1
Z4402
A1 In1
A2 In2
1
14
15
D4
Out6
D5
Out7
B1 In3 B5
Out3
C1 In4
C2 In5
C4
Out4
C5
Out5
D1 In6
D2 In7
Z4403
A1 In1
A2 In2
A3,B3,C3,D3=GND
A3,B3,C3,D3=GND
A4
Out1
A5
Out2
8
11
13
18
10
3
4
USBC_LED
R4405
0R
R4406
0R
R4407
0R
0
1
0R
R4401
GND
1/2 1u5
C4417
VDD
C4
GND
2/2 1u5
C4417
VOUT A2
2/2 1u5
C4418
1/2 1u5
C4418
CFLY1N
B3
CFLY1P
B4
A3 CFLY2N
CFLY2P
A4
2
12
0
16
9
1
14
15
8
11
13
10
3
4
2
12
GND
KEYB_CMT(20:0)
0R
R4400
1 1
GND
SEND_END_LED MENU_LED
0
VIO
VBAT
R4430
0R
2/2 1u5
C4431
GND
1/2 1u5
C4431
2/2 1u5
C4430
1/2 1u5
SCL
CLK_32K D3
SDA E1
D1
E2
EN
C4430
B1 G
B2
ADDR_SEL1
CFLY1N B3
CFLY1P B4
C2,C3,C4,D4,E4=GND
VDD C4
N4402
B
A1
VOUT
A2
A3
CFLY2N
CFLY2P A4
1
PUSL(7:0)
FCI_CMT(3:0)
N4401
LOSSI,DATA
LOSSI,XRES
Cam,I2C_SDA
CLK-
D0+
2nd Extclk
FCI_CMT,SCL
D1+
D1-
CCP,DN
FCI_CMT,SDA
CLK+
D0-
I2C,SDA
I2C,SCL
Shutdown
AUDIO,EARN
KEYB_CMT,COL0
CCP,CLKN
Touch Int
LOSSI,XCS
Touch,Reset
KEYB_CMT,Proxy
AUDIO,EARP
KEYB_CMT,ROW4
CCP,DP
LOSSI,CLK
Cam,I2C_SCL
CCP,CLKP
C4403
GND
OUT10 E4
OUT9 E5
1n0
OUT6 C4
OUT5 C5
IN8
D1
IN7D2
OUT8 D4
OUT7 D5
E1 IN10
IN9
E2
A1
A2 IN1
A3,C3,D3,E3=GND
OUT2 A4
OUT1 A5
IN4
B1
IN3
B2
OUT4 B4
B5
OUT3
IN6
C1
IN5
C2
1
Z4400
IN2
0
A1
A2
B1 B2
V4403
GND
A2
B1 B2
GND
V4404
A1
GNDGND
1n0
C4402
L4406
1
2 3
4
GND
4
VCAM_2V8
8
2
GND
L4403
120R/100MHz
L4402
0
120R/100MHz
0
0
VCAM_1V8
GND
4
GND
0
4
VIO
C4416
GND
1n0
L4405
120R/100MHz
56
57
58
59
6
60
GND
7
8
9
MENU_LED
41
42
43
44
45
46
47
48
49
5
50
51
52
53
54
55
28
29
3
30
31
32
33
34
35
36
37
38
39
4
40
13
14
15
16
17
18
19
2
20
21
22
23
24
25
26
27
X4400
1
10
11
12
0
20
GND
C4414
1n0
GND
3
VAUX
C4415
GND
1n0
L4404
120R/100MHz
VBAT
1
6
1
SEND_END_LED
3
2
Z4406
1
1
3
1
100k
R4433
Z4405
1
A2
B1 B2
0
V4400
A1
0
E4
OUT10
E5
OUT9
C4
OUT6
C5
OUT5
D1 IN8
D2 IN7
D4
OUT8
D5
OUT7
E1 IN10
E2 IN9
A1,A2,A3,A4,A5,B2,
B5,C3,D3,E3=GND
C1 IN6
C2 IN5
7
VIO
Z4401
GND
2
5
L4401
120R/100MHz
I2C(1:0)
2ND_CAM_CTRL(1:0)
I2C_2ND_CAM(1:0)
FCI_CMT(3:0)
CCP_2ND_CAM(3:0)
AUDIO(8:0)
KEYB_CMT(20:0)
ROW4
COL3
COL1
COL5
COL2
COL4
ROW1
COL0
ROW2
COL8
COL6
ROW0
ROW3
COL7
GND
GND
R4435
18V/30V
R4434
18V/30V
8
10
11
12
13
9
GND
0
1
2
3
4
14
15
16
9
14
15
16
17
18
19
2
20
GND
3
4
5
6
7
8
X4401
1
10
11
12
13
EMI/ESD Filter
EMI/ESD Filter
ESD protector ESD protector
ESD protector
LED driverLED driver
EMI/ESD filter
EMI/ESD filter
Lock switch
Display controller
Main flex
connector
QWERTY flex
connector
1.8V
1.8V
1.8V
3.7V
3.7V
1.8V
1.8V
2.8V
2.8V
RAPIDO
TV-Out
Audio
RAPIDOAudio USB
RAPIDOAudio USB
RAPIDO
RAPIDO
RAPIDO
RAPIDO
Camera
Camera
Camera
Camera

Customer Care / GTM / Competence Management
Confidential Copyright © 2009 NOKIA Only for training and service purposes Version: 2.0 | 04.11.2009 | N97 mini/RM-555 | Board version: 2YS_11_2a | RF part | Page 9 (12)
RF shield can
4Vbat
1,3,5,8,10,12,15,17,19,22,24,
26,27,28,30,32,34,35=GND
6
Icntrl1
7Vcc1_amp2
In1 9
C7500
100n
2Vcc_amp1
20
Icntrl3
21 Vbat
23 Vcc2_amp3
25 Out3
GND GND GND GND
Out2
29
Vcc2_amp2
31
33 Out1
N7540
In2 11
Vcc1_amp2
13
Icntrl2 14
16
In3
Vcc1_amp3
18
18p
C7527
L11 VBAT_BAT
RXOUT_PQ L5
L9
REFG
DAC_REF1 K11
K2 RFC10
RXOUT_PI K4
RXOUT_NQ K5
K6
VDIG
REFP K8
VBAT_TX K9
J11
TXQ_0
VREF_CM J3
RXOUT_NI J4
SCLK J5
J6
SDATA
REFM J8
J9
TXI_180
VCP K1
TXI_0 H11
XENA H5
H6
XRESET
H8
OSCIN
J10
TXQ_180
C1NI
P_OUTP
G10
G_OUTP
G11
G2 C1PI
G3 C2NI
VBAT_RX G4
VDAC G8
DAC202
G9
VBAT_VCO H1
DAC201
H10
E4 C1PQ VBAT_WTX E9
C2NQ
F1
F10 P_OUTM
G_OUTM
F11
F2 C2PI
F3 C2PQ
F4 C1NQ
G1
D10
D11 W_OUTN_H2
WTRP2
D2
D7 RFC9
E10 W_OUTM_L
E11 W_OUTP_H2
E3
VBEXT
C10 W_OUTP_H
DAC102
C2
C3 DAC203
RFC7
C7
C9
TXC
W_OUTN_L
B10 W_OUTN_H
MUX_OUT B2
RFC2
B4
B7 RFC6
RFC8
B8
INP_850
A11 INM_850
A2 INP_2150
A3 INM_2150
A4 INP_1900
INM_1900
A5
INP_1800
A6
INM_1800
A7
INP_900
A8
A9 INM_900
B1 WTRP1
N7500
A10
C7532
18p
Z7540
C7526
8p2
100nC7505
18p
C7531
C7548
18p
10n
C7533
R7506
47R
Z7544
Z7541
100n
C7506
2u2
C7528
C7503 100n
18p
C7529 R7501
10R
G7500
18p
R7505
C7510
27R
18p
C7547
T7520
18p
C7530
1n0
C7542C7541
1n0
R7922
Z7521
L7541
L7525
RFout
ISO CPLD
6
L7500
RFin
Z7542
470R
R7520
R7921
2u2
C7577
100n
C7504
Z7523
6
VC2
VC1 7
Icont_h
9
26 Vsw
27
TX_1
Icont_I
28
3
Vpd
5
VC3
16
TRX2
RX2 17
18
RX1
19
TRX3
2
Vgain
21 Ant
TX_2 10
Vcc3 11
13
TRX1
1n0
C7543
N7520
L7521
L7524
R7923
J7550
Z7543
C7508
10n
33p
C7511
R7510
10k
10n
C7502
100p
C7545
R7924
100p
5p6
C7534
C7578
10n
C7501
R7500
R7502
4k7
22k
10n
C7546
L7540
TXC
C7544
2u2
Vcp1
Vcp
TXC_in
RFCLKN
RFCLKEXT
DAC203
DAC202
TXFEM_VC3
TXFEM_VC2
TXFEM_VC1
TXFEM_Vgain
DAC102
TXFEM_Vpd
DAC201
TXresetX
AFC
RFCLKP
RFbusClk
RFbusDat
RFCTRL(8:0)
RFbusEna
GND
GND
GND
28R/100MHz
L7501
C7512
2u2
C7576
2u2
J7538
C7574
2u2
L7560
1uH
120R/100MHz
C7570
2u2
L7563
IND_SMPS
G7 IND_SMPS
IND_SMPS
G8
H2
VHI
H3
VBB_VRX
H4 VREG50S
CB_SMPS
H5
INPUT_SMPS
F6
INPUT_SMPS
F7
F8 INPUT_SMPS
G1
SCLK
MUX2 G5
G6 XRESET E4
E5 OUT_BOOST
OUT_BOOST
E6
E7 OUT_BOOST
E8 OUT_BOOST
F1
DATA
ENABLE F2
D1
VREF
D2
VXO
IND_BOOST
D5
D6 IND_BOOST
IND_BOOST
D7
D8 IND_BOOST
CB_DCDC
IND_DCDC B7
VBATT
B8
MUX1 C4
A3
VBB_VRX1
VREG50BD A4
CB_BOOST
A6
IND_DCDC A7
VBATT
A8
B4
N7560
FB_DCDC A1
10n
C7573
120R/100MHz
L7502
10u
C7560
C7509
2u2
J7536
10n
C7561
2u2
C7572
100p
C7571
L7562
3u3H
10u
C7562 J7537
10nC7568
120R/100MHz
L7575
C7566
10n
C7563
10u
C7569
10u
2u2
C7567
C7565
2u2
R7560
47k
L7561
28R/100MHz
Vcc1 24
Vcc2 14
8
0
7
6
RFCLK_I(1:0)
0
1
1
5
2
4
RXQN
RXQP
TXIN
TXIP
TXQN
TXQP
VREFCM
DAC_REF1
RXIN
RXIP
7
6
9
0
8
3
RFCONV(11:0)
0
1
TXCCONV(2:0)
VREFRF01
0
3
4
VREFRF01 4
1
VBATRF
RFPWR(5:0)
VCP1
VXO
3
VXO
GND
HV L1
10n
C7514
GND
GND
GND
GND
C7575
18p
GNDGND
GND
GND
GND
GND
GND GND
GND
GND
GND
GNDGND
GNDGND
GND
GND
3p3
C7520
18p
C7521
GND
GND
GND
GNDGNDGND
GNDGND
GND
GND
GND
GND
GND
C7535
5p6
R7521
GND
GND
GND
10n
C7507
GND
GNDGND
GND
GND
GNDGNDGND
GND
GND
GND
GNDGNDGND
C5
GND_BOOST
GND_BOOST
GND_BOOST
GND_BOOST
C6
C7
C8
GNDGNDGNDGND
GND
GND
GND GND
1,8,12,15,20,22,23,25,29=GND
A1,B5,B6,B9,B11,C1,C5,C6,C11,D1,D4,D5,
D6,D8,D9,E1,E2,E5,E6,E7,E8,F5,F6,F7,F8,F9,
G5,G6,H2,H3,H4,H7,H9,J1,J7,K7,K10,L2,
L3,L4,L6,L7,L8,L10 = GND
15nH
A2,A5,B3,B5,B6,C3,D3,D4,E1,E2,E3,F3,F5,G3,G4,
H6,H7,H8 =GND
R7508
0R
0R
R7404
L7402
1n5H
R7403
0R
L7401
2n2H
C7402
0p7
Z7400 P2
2
P1
4
P3
6
C7405
8p2
GND GND
GND
GND GND
X7402
X7401
R7401
X7400
IN 1
ANT 2
Front-end Module (FEM)
WCDMA
Power amplifier
TX filter
RX filter
TX filter
TX filter
WCDMA
duplexer
WCDMA
duplexer
WCDMA
duplexer
DC-DC converter
VCTCXO (RF clock)
VAPAUS RF IC
Antenna
Connector
(Low band)
Antenna
Connector
(High band)
AVILMAS
AVILMAS
RAPIDO
RAPIDO
RAPIDO
GPS

Customer Care / GTM / Competence Management
Confidential Copyright © 2009 NOKIA Only for training and service purposes Version: 2.0 | 04.11.2009 | N97 mini/RM-555 | Board version: 2YS_11_2a | Signal Overview (1-8) | Page 10 (12)
Average 16.368 MHz
50ns/div 400mV/div probe:10x
1) GPS_CLK at C6211
Average 25 MHz
5µs/div 400mV/div probe:1x
2) MMCClk at J5254
Average 38.4 MHz
50ns/div 400mV/div probe:10x
3) RFCLKEXT at R6304
Average 38.4 kHz
50ns/div 200mV/div probe:10x
4) RFClkN at J2801
Average 4.5 MHz
500ns/div 1V/div probe:10x
5) SerClk at J2206
Average 32.768 MHz
20µs/div 400mV/div probe:10x
6) SleepCLK at J2105
Average 19.2 MHz
50ns/div 400mV/div probe:10x
7) SYSCLK at R2800
Average 19.2 MHz
50ns/div 400mV/div probe:1x
8) TxCClk at J2210
VAUX 2.78V
VDRAM 1.8V
VOUT 2.5V
VAUD 3.0V
VCAM_1V8 1.8V
VCAM_2V8 2.8V
PURX 1.8V
RSTX 3.7V
VCC_TXC0 2.4V
VBAT 3.7V
SleepX 1.8V
VANA 2.5V
VRCP1 4.75V
VIO 1.8V
VCORE 1.2V
VSD 2.9V
VCAM_1V3/VCORE_1V3 1.3V
VR1 2.5V
VRFC 1.8V
3
7
1
2
4
5
6
8

Customer Care / GTM / Competence Management
Confidential Copyright © 2009 NOKIA Only for training and service purposes Version: 2.0 | 04.11.2009 | N97 mini/RM-555 | Board version: 2YS_11_2a | Signal Overview (9-11) | Page 11 (12)
RBW:100 kHz VBW:300 Hz ATT:45dB
SPAN:50.0 kHz CENTER:2.412 GHz
9) GSM at X7400
RBW:10 kHz VBW:1 kHz SWP:500 ms
ATT:5dB SPAN:8.0 MHz CENTER:1.95 GHz
10) WCDMA at X7400
RBW:10 kHz VBW:1 kHz SWP:500 ms
ATT:35dB SPAN:250 MHz CENTER:836.6 GHz
11) WLAN at X6000
VAUX 2.78V
VDRAM 1.8V
VOUT 2.5V
VAUD 3.0V
VCAM_1V8 1.8V
VCAM_2V8 2.8V
PURX 1.8V
RSTX 3.7V
VCC_TXC0 2.4V
VBAT 3.7V
SleepX 1.8V
VANA 2.5V
VRCP1 4.75V
VIO 1.8V
VCORE 1.2V
VSD 2.9V
VCAM_1V3/VCORE_1V3 1.3V
VR1 2.5V
VRFC 1.8V
11
9
10

Customer Care / GTM / Competence Management
Confidential Copyright © 2009 NOKIA Only for training and service purposes Version: 2.0 | 04.11.2009 | N97 mini/RM-555 | Board version: 2YS_11_2a | Component Finder | Page 12 (12)
Bottom
Top
C2227 D15 C3306 D17 C5436 G13 C7548 E12 L4405 L13 N7520 E7 R3361 G17 R7508 E5
A2060 F19 C2228 D15 C3307 E17 C5437 I12 C7560 D5 L4406 J12 N7540 E9 R3367 F17 R7510 D11
A7500 E8 C2229 E14 C3308 E16 C5438 J 15 C7561 E5 L5400 G14 N7560 E5 R3372 D20 R7520 D7
C2231 E14 C3309 D20 C5439 J15 C7562 D6 L5401 I14 R3373 D20 R7521 F10
B2152 C6 C2232 D14 C3310 F17 C5440 I14 C7563 E6 L5402 I13 R1300 C12 R3374 D20 R7560 E6
B2200 D16 C2233 J6 C3311 F16 C5441 J15 C7565 E5 L5403 G14 R1302 E13 R3375 C21 R7921 E10
C2238 I4 C3312 F17 C5600 I8 C7566 F5 L5404 G13 R1303 G16 R3376 E17 R7922 E10
C1101 H16 C2239 J4 C3313 G17 C5601 J8 C7567 F5 L5405 J15 R1304 C12 R4400 K16 R7923 E10
C1200 J17 C2240 I4 C3314 F17 C5602 J8 C7568 F5 L5406 I16 R1305 G16 R4401 I17 R7924 E10
C1201 K16 C2300 E14 C3318 F17 C5604 J9 C7569 F6 L5408 J17 R1306 G16 R4407 H17
C1300 C12 C2303 F13 C3322 F17 C5605 J8 C7570 F11 L6001 G18 R2071 I9 R4423 H17 S4404 C11
C1301 C12 C2304 E14 C3350 D17 C5606 I8 C7571 E6 L6002 E21 R2105 G15 R4430 K16
C2071 E4 C2307 F13 C3351 C17 C6001 H17 C7572 D5 L6200 E19 R2154 H21 R4433 J14 T7520 D10
C2072 E4 C2308 F13 C3352 F16 C6002 G17 C7573 E6 L6201 E19 R2155 I21 R4434 K14
C2076 D5 C2312 F13 C3353 D17 C6005 E21 C7574 F5 L7401 E4 R2156 I21 R4435 L14 V3300 E17
C2106 G15 C2390 K7 C3354 D20 C6006 E21 C7575 F10 L7402 E4 R2157 C7 R5250 I7 V3304 E20
C2107 F16 C2391 J7 C3365 F17 C6200 E18 C7576 D6 L7500 F7 R2158 I21 R5251 J7 V3305 E20
C2108 G15 C2392 J7 C3366 E17 C6201 E19 C7577 D7 L7501 D5 R2159 F16 R5252 J 5 V3370 C20
C2109 H15 C2480 J 11 C4402 J13 C6202 E19 C7578 D7 L7502 F6 R2160 I21 R5253 J7 V3372 C21
C2110 H15 C2481 J10 C4403 J12 C6203 E19 L7521 F10 R2163 C7 R5254 J 6 V3374 C20
C2111 H15 C2482 J11 C4414 J 13 C6204 E18 D2800 H11 L7524 D10 R2164 C7 R5255 J7 V4400 J 12
C2112 H15 C2483 J10 C4415 J 12 C6205 D19 D3000 H8 L7525 F10 R2166 I21 R5256 J7 V4403 J 13
C2113 H15 C2484 J10 C4416 L13 C6206 E19 D3300 E17 L7540 E8 R2200 E15 R5257 E20 V4404 J13
C2115 I15 C2700 G18 C4417 I17 C6207 E18 D5250 H6 L7541 F8 R2300 D5 R5259 H16
C2118 I15 C2800 G10 C4418 H17 C6209 D19 D6000 G19 L7560 D5 R2480 J10 R5260 D20 X2060 C20
C2120 H15 C2801 G10 C4430 K16 C6210 D19 D6001 J8 L7561 D6 R2481 J 11 R5261 E20 X2070 E6
C2121 H15 C2802 I10 C4431 K16 C6211 E18 D6003 G17 L7562 F5 R2482 I11 R5262 D20 X2100 I22
C2150 D16 C2803 G10 C5250 J5 C6212 D18 L7563 F10 R2483 J11 R5266 E20 X2700 F19
C2151 D16 C2804 I12 C5251 E20 C7402 E4 E2060 F14 L7575 D9 R2486 J 9 R5267 E20 X3300 C19
C2152 E16 C2805 G10 C5252 J5 C7405 E4 E2061 I22 R2490 J10 R5270 I16 X4400 K11
C2154 F16 C2806 H12 C5253 J6 C7500 F11 M2200 I4 R2491 J 11 R5272 J6 X4401 K15
C2155 F16 C2807 I12 C5254 J6 C7501 D12 F3300 D20 R2800 J12 R5274 J5 X5200 E21
C2156 E16 C2808 H12 C5255 H16 C7502 D11 N1100 G16 R2850 I11 R5275 J6 X5400 K17
C2158 E16 C2809 H12 C5256 H16 C7503 F11 G2200 C9 N1200 J 16 R2851 I 11 R5276 J5 X6000 C21
C2159 F16 C2810 I12 C5257 H16 C7504 F11 G6200 F18 N1300 C13 R2852 H12 R5401 H14 X6001 C22
C2160 F16 C2811 I10 C5258 H16 C7505 F11 G7500 D11 N2100 G15 R2853 I12 R5402 K18 X6002 C21
C2161 F15 C2812 I10 C5259 H16 C7506 F11 N2102 H15 R2854 I12 R5403 K18 X7400 E5
C2163 I21 C2813 G10 C5260 H16 C7507 E12 L2150 F16 N2103 H15 R2855 H12 R5404 I13 X7401 E3
C2164 F15 C2814 H12 C5261 J6 C7508 E12 L2151 E16 N2150 E16 R2856 G10 R5405 I12 X7402 E3
C2165 D16 C2815 G12 C5262 J5 C7509 F6 L2152 J22 N2151 F15 R2857 G10 R5406 I13 X7403 D3
C2166 F15 C2816 I12 C5263 J6 C7510 E11 L2153 E16 N2200 D15 R2858 J 15 R5407 I14
C2167 D16 C2817 G11 C5331 K17 C7511 D11 L2154 I22 N2201 J6 R2859 J 14 R5408 I13 Z2100 J22
C2174 C7 C2818 H12 C5332 K17 C7512 F9 L2155 E16 N2300 E13 R2860 I12 R5409 I13 Z3300 D18
C2177 E15 C2825 I12 C5413 I14 C7514 E12 L2156 I22 N2390 J7 R2861 I10 R5410 I13 Z3301 D18
C2178 E15 C2850 J14 C5417 H12 C7520 F6 L2157 E16 N2480 J11 R2862 I14 R5411 I13 Z4400 K13
C2201 D16 C2862 I14 C5418 G13 C7521 F8 L2161 F4 N2850 J14 R2864 I14 R5414 H14 Z4401 K13
C2202 F15 C2865 I12 C5419 G13 C7526 D8 L2162 H4 N3300 F16 R2866 I15 R5415 H14 Z4402 K14
C2203 F15 C3000 I9 C5420 G13 C7527 F6 L2202 D14 N3301 G17 R2869 H14 R5416 H14 Z4403 K14
C2205 E15 C3001 G9 C5421 H14 C7528 F9 L2205 E14 N3303 D20 R2870 J14 R6001 G18 Z4405 J13
C2211 D14 C3002 G8 C5422 G14 C7529 D7 L2206 G4 N3350 D17 R2871 I12 R6003 H17 Z4406 J13
C2213 D16 C3003 G8 C5423 G13 C7530 D7 L2207 G4 N4401 H17 R2872 I14 R6004 G17 Z6001 D21
C2215 D16 C3004 G8 C5424 G14 C7531 D7 L2210 K6 N4402 K16 R2873 J17 R6008 H18 Z6200 F19
C2216 D14 C3005 G9 C5425 I13 C7532 D8 L2230 J6 N5250 J5 R3300 D16 R6011 G16 Z7400 E5
C2217 E15 C3006 I8 C5426 I13 C7533 D7 L2390 K7 N5251 J6 R3301 E16 R6303 G18 Z7521 E10
C2218 E14 C3007 I8 C5427 F13 C7534 D10 L2391 J7 N5252 I16 R3302 E15 R6304 H17 Z7523 D11
C2219 E15 C3008 I8 C5428 F13 C7535 F10 L3305 F17 N5400 H13 R3303 F16 R7401 E4 Z7540 E8
C2220 E14 C3009 I9 C5429 G13 C7541 D9 L3306 D17 N5402 G14 R3304 F16 R7403 E4 Z7541 F8
C2221 J6 C3300 E17 C5430 G13 C7542 D10 L3307 E17 N5403 G13 R3305 F16 R7404 E4 Z7542 D8
C2222 E14 C3301 E17 C5431 J 17 C7543 F9 L3375 F17 N5404 I15 R3307 D20 R7500 F10 Z7543 E10
C2223 K6 C3302 F16 C5432 I15 C7544 F12 L4401 J13 N5405 I15 R3308 E17 R7501 D12 Z7544 D10
C2224 F14 C3303 E17 C5433 K17 C7545 D9 L4402 J12 N6200 E18 R3311 D12 R7502 D11
C2225 D14 C3304 E17 C5434 G13 C7546 F9 L4403 J13 N6300 G20 R3312 E12 R7505 F12
C2226 D16 C3305 E16 C5435 J17 C7547 F11 L4404 J12 N7500 E11 R3320 E17 R7506 D9
E
F
R
A
B
C
S
T
V
X
D
Z
G
L
M
N