N97 Service Schematics Nokia Rm 505 507 V2

User Manual: Smartphone Nokia N97 RM-505, RM-506, RM-507 - Service manuals and Schematics, Disassembly / Assembly. Free.

Open the PDF directly: View PDF PDF.
Page Count: 12

Customer Care / GTM / Competence Management
Confidential Copyright © 2009 NOKIA Only for training and service purposes Version: 2.0 | 23.06.2009 | N97/RM-505/RM-507 | Board version: 2UZ_07a | Front Page | Page 1 (12)
Service Schematics
RM-505/RM-507
IMPORTANT
Table of Contents
1
2
3
4
5
6
Rapido, Memory, TV-out, Sensors
Front page
HS USB
BTFM, WLAN, GPS 7
Camera, SD, MMC
Audio
Betty, Vilma, Battery
8
9
12Component Finder
RF part
User Interface
10
11Signal Overview (9-15)
Signal Overview (1-8)
All measurements were made using the following equipment:
Nokia repair SW : Phoenix 2009.12.002.38101
Oscilloscope :
Spectrum Analyzer : Advantest R3162
PicoScope 3206
Multimeter : Fluke 175
Copyright © Nokia
This material,including documentation and any related computer programs
is protected by copyright, controlled by Nokia. All rights are reserved. Copy-
ing, including reproducing, modifying, storing, adapting or translating any or
all of this material requires the prior written consent of Nokia. This material
also contains company confidential information, which may not be disclosed
to others without the prior written consent of Nokia.
Version history
While every effort has been made to ensure that the document is accurate, some
errors may exist. Please always check for the latest published version for this
document.
If you find any errors in the document please send email to:
TrainingAndVendorDevelopment@nokia.com
1.0 First Approved version
2.0 Page 1: layout updated, version history added.
Page 2: R2866 removed, FMTX_IRQ and APESleepX
direction changed, unused signals removed from RFCTRL bus.
Page 3: VBACK measurement value changed.
Page 4: X2100 label changed.
Page 5: N3301 label changed.
Page 6: N5404 connections corrected.
Page 12: J2308 location updated.
Measurements
Version information
The measurement points in the schematics are linked to the oscillo-
grams on the signal overview page. The links cycle between the
measurement point in the schematics, the oscillogram and the
measurement point in the component finder.
This document is intended for use by authorized Nokia
service centers only. Please use the document together
with other documents such as the Service Manual and
Service Bulletins.
Customer Care / GTM / Competence Management
Confidential Copyright © 2009 NOKIA Only for training and service purposes Version: 2.0 | 23.06.2009 | N97/RM-505/RM-507 | Board version: 2UZ_07a | RAPIDO, Memory, TV-out | Page 2 (12)
8
0
1
5
6
4
2
2
1
3
3
TxCDa
Y8
Y9 CBusClk
9
CBusDa
W9
TxCDaCtrl
V8
CBusEn1X
V9
T9
PMARN
R9
PMARP
Iref
R16 ACITx
R18 ACIRx
M18 TxIP
TxIN
M19
N18 TXQN
TXQP
N19
P21
RxIP
K18
K19 RxIN
TxCClk
L15
L18 RxQN
RxQP
L19
L20 VrefP
J15
F20
EarDataL
EarDataR G19
AudioClk C17
MicData B17
1
D2800
1
2
2
0
0
7
1
5
0
4
0
ACI(1:0)
RFCONV_I(11:0)
DIG_AUDIO(5:0)
TXC(2:0)
CBUS(3:0)
AVEClCtrl
IHF_AMP_En
AVPlugDet
AVPaEn
3
2
1
4
GenIO16
Y18
GenIO17
T16
G12 GenIO19
GenIO18
A13
AUDIOCTRL(5:0)
USB_CMT(15:0)
2k
R2860
GND
8
6
17
27
7
12
3
13
14
2
25
0
DISPC_DATA_LCD10
Y16
DISPC_HSYNC
Y19
V17
Y15 DISPC_DATA_LCD13
DISPC_DATA_LCD12
W15
W16 DISPC_DATA_LCD9
W17 DISPC_DATA_LCD3
DISPC_DATA_LCD2
W18
DISPC_DATA_LCD16
W14
V14 DISPC_DATA_LCD17
DISPC_DATA_LCD7
V15
V16 DISPC_DATA_LCD5
DISPC_PCLK
DISPC_DATA_LCD1
T14
T15 DISPC_DATA_LCD0
T12 DISPC_DATA_LCD15
T13 DISPC_DATA_LCD8
R12 DISPC_DATA_LCD11
R13 DISPC_DATA_LCD6
DISPC_ACBIAS
R14
AA16 DISPC_DATA_LCD14
DISPC_DATA_LCD4
AA18
AA19 DISPC_VSYNC
9
16
1
10
5
15
11
26
24
4
VISSI_CMT(27:0)
CCPDaP
CCPClkN
CCPDaN
CCPClkP
5
3
4
0
1
2
3
0
1
2
3
6
5
4
6
0
1
2
100RR2857
77
R2856 100R
CCP_CMT(3:0)
SpeciallO4
Y10
SpeciallO6
W10
V10
C21
SpeciallO7
B9 SpeciallO2
C10 SpeciallO1
SpeciallO5
B10 SpeciallO0
specialio0
specialio1
specialio2
specialio3
specialio4
specialio5
specialio6
specialio7
SpeciallO3
A9
AA9
100kR2861
GND
SPI_CLK
DAC33INT
SPI_CS
SPI_IN
3
0
1
2
DAC33(3:0)
WLAN_SPI_DIN
WLAN_SPI_DOUT
WLAN_SPI_CLK
WLAN_IRQ
WLAN_ENABLE
WLAN_SPI_CSX
4
1
0
2
3
5
WLAN_CMT(7:0)
M15 GenIO39
G14 GenIO43
E19 GenIO63
C19 GenIO73
C20 GenIO72
A1,A2,A20,A21,AA1,AA2,AA20,AA21,B1,B21,F16,G11,H7,H8,H9,H10,H11,H12,H13,H14,J8,J14,K7,K8,K14,K15,K20,
L7,L8,L14,L21,M8,M14,N8,N14,N15,N16,N21,P8,P9,P10,P14,P11,P12,P13,P15,P20,R10,V18,V21,Y1,Y21=GND
A3,A5,A6,A7,A8,A11,A14,A15,A16,A17,AA3,AA5,AA7,AA11,AA14,AA15,B18,G1,J21,R1,Y12,Y17=VCORE
A4,A19,AA8,AA13,AA17,B12,C1,E21,F1,G21,J1,L1,N1,T1,U2,U21,Y4=VIO
0
1
10
11
12
1
0
9
2
3
4
11 H2
10 H3
9H4
6H6
12 J2
14 J3
G2
7G3
8
4G4
2G6
13 H1
0D1
3E1
5F2
F3
1
8
7
5
6
6
7
6
10
11
10
0
5
14
2
4
5
3
12
13
7
8
1
3
4
15
V6
SDRxCS1
SDRDQMU W1
SDRDQML W3
W4
SDRCKE
SDRxCS2 W5
Y3
SDRWEX
SDRDQML2 T6
SDRLDQS U3
SDRDQMU2 U4
SDRRASX V4
R3
SDRUDQS
SDRCASX R7
SDRCLK P1
P2
SDRCLKX
M2
SDRLDQS2
K3
SDRUDQS2
F4
FlsClk
G7
FlsOEX
G8
FlsADVX
C2
FlsCS2X
D2
C13
FlsWEX
FlsCSX E2
FlsWaitX E3
2
RX2 J16
9
1
0
genio22
12
4
13
14
15
11
5
6
9
10
0
1
2
3
8
7
GenIO9 G9
GenIO11 G10
F7
GenIO2
F8
GenIO3
GenIO1 D5
D6
GenIO7
GenIO10 D7
D8
GenIO14
C6
GenIO15 C7
GenIO0 C3
C4
GenIO4
GenIO6 C5
GenIO12
GenIO5 B4
GenIO8 B5
B6
GenIO13
23
24
5
6
7
8
12
13
14
11
29
22
15
9
10
4
21
16
25
26
27
28
20
17
18
19
9U1
4V1
2V2
1V3
R2
13
8R4
3R6
T2
11
10 T3
5T4
N6
12
7N7
P3
14
15 P4
6P6
0P7
L6
22
M3
21
M4
19
M6
17
20 M7
18 N3
N4
16
30 J7
K2
29
28 K4
26 K6
25 L2
L3
24
23 L4
31 J4
27 J6
3
0
1
2
30
31
0
2
1
6
5
GND
7
0
3
4
30
4
15
21
0
8
7
9
10
0
0
1
3
15
27
2
5
6
23
0
11
11
8
1
7
12
9
5
6
24
12
8
7
22
2
4
9
14
20
13
31
1
13
17
25
26
10
11
14
18
10
3
11
10
1
2
1
19
3
13
6
5
P13
DNU
DNU P14
DNU P2
14
N11
DQS0d
N12
DNU N14
N3
NC
N7
N8
N9
DNU P1
M11
M12
M13
NC M3
M7
M8
M9
DNU N1
N10
K2
K3
L1
NC
L12
L13
L2
L3
M10
DQS1d
J12
DM0d
J13
J3
K1
K12
DM1d
K13
K14
NC G10
G14 CKd
G2
G3 BA1d
_CKd
H14
H2
H3
J1
E9
_CASd
F1
NC F10
F12
F13
F13
F2 12
F3 0
F5 CLKo
CKEd
G1
E12
E13
DQS2d
E14
E2 _RASd
E3
E6
NC
NC E7
INTo
E8
NC
C9
D12
D13 DM3d
D2 _CS0d
D3 BA0d
D4
A1_Index
E1
NC
E10
NC
C13
C2
NC
C3 _WEd
C4 _AVDo
_CEo
C5
C6 RDYo
C7
C8
_RPo
B5
B6 _WEo
B7 DQS3d
B8
B9
C10
C11
C12
DM2d
J5
B1
DNU
B10
B11
B12
DNU B14
B3 _OEo
NC B4
H10
M5
N5
P5
M4
N4
P4
H5
A3
NC
M6
P6
K5
K6
K9
K10
J10
A1
DNU
A13
DNU
DNU A14
DNU A2
5
DDR
NAND
DDR
Data I/O
NAND
Ad
D3000
Addr/ Data Bus
9
12
4
15
8
3
2
10
12
6
28
29
7
SDRAM_BA(1:0)
MEMADDA(24:0)
SDRAM_DA(31:0)
SDRAM_CTRL(15:0)
SDRAM_AD(15:0)
MEMCONT(15:0)
16
4
A4,A6,A9,A10,A12,B2,C1,D14,F14,G5,H12,J2,
J14,K8,L14,M1,N6,P3,P9,P10,P12=GND
A5,A7,A8,B13,C14,E5,G13,H13,K7,
M14,N2,N13,P7,P8=VIO
A11,D1,G12,H1,M2,P11=VDRAM
0
10
2
4
5
11
6
7
10
1
MMCDa Y5
SIMIOCtrl1 Y6
MMCDa2 W6
MMCClk W7
SIMIODa1
I2SSD1
V7
SIMClk1 T8
T7
MMCCmd
R8
MMCDa3
I2SSCLK
I2SWS
MMCDaDir E5
D3
MMCLSShutDn
MMCCmdDir D4
MMCDa1 AA4
R2821 0R
2
8
1
0
9
1
0
2
3
3
INT_SIM(5:0)
PCM(3:0)
BT_FM(12:0)
MMC(14:0)
VCORE
100n
C2812 C2814
100n
GND GNDGND GND
C2811
100n100n
C2813
100n
C2810
GND
C2815
100n
2u2
C2807
GND
C2816
100n
GND
C2817
100n
GND
C2818
100n
GND
C2825
2u2
GND
100n
C2800
VDDDPLL_RAPIDO U20
P16
VDDDPLL_YAWE
P19
VDDA
N2
VDDDLL_RAPIDO
GND
GND
100n
C2801
GND
100n
C2803 C2802
100n
C2805
100n 100n
C2804
GND GND
100n
C2806
GND GND GND
C3001
100n
C3003
100n
GND
C3002
100n
C3000
100n
GND
C3005
100n
GND
C3006
100n
GND
C3007
100n
GND
C3008
100n
GND
C3009
100n
GND GND GND
GND
100n
C3004
VIO
GenIO71 G15
GenIO45 F14
GenIO46 D20
MMCDet
MMCFbClk
MMCDaDir1
12
13
7
100n
C2808
100n
C2809
GND
M20
VDDARX
VDDATX N20 GND
Col1
Col0
Col2
Col3
Col4
Col7
Col6
Row0
Col5
Col8
Row2
Row3
Row4
Row1
PurX
TOUCH_RSTX
2k
GND GND
2k
R2858
R2864
2
3
4
1
_IRQ F3
F4
VCC
GND
KP-Y9/ROT_IN_1
D6
CONFIG_1
E1
ACB_SCL
ACB_SDA E2
KP-Y8
E3
KP-X6
A3
KP-X7
B4 PWM-2 E5
E6
KP-Y10/ROT_IN_2
KP-X2
F1
KP-X3
F2
C2 KP-Y7
KP-Y1
C5
C6 KP-Y0
C3,C4,D2,D3,D4=GND
D5
A4
A5 KP-X1
A6 KP-X0
KP-Y6
B1
KP-Y4
B2
KP-X5
B3
KP-Y11
F6
KP-Y3
B5
B6 KP-Y2
_RESET C1
N2850
KP-Y5
A1
A2 KP-X4
VCC
100n
C2850
GND
1n0
C2853 GND
27p
C2852
15
13
16
11
12
14
10
0
7
8
9
GND
C2862
1n0
R2862 1k0
6
AVVideoCtrl
KEYB_CMT(20:0)
KP_Y8
KP_Y7
KP_Y6
LOCK_SWITCH
Camera_reveal_Det
TOUCH_INT
Proxy_Int
18
20
17
KP_Y10
KP_X2
KP_X3
TVOUT_RstX
KP_Y5
KP_X4
KP_X1
KP_X0
KP_Y4
KP_X5
KP_Y11
KP_Y3
KP_Y2
KP_Y1
KP_Y0
KP_Y9
V20 GenIO66
44
H21 TXReset
H18 TXP
0
7
8
RFBusClk
H19
RFBusEn1X
K16
F21 RFBusDa
6
RFCTRL(8:0)
GPS_TIMESTAMP
GPS_ENABLE
1
2
3
GPS_CMT(3:0)
GenIO57
H15
H16 GenIO61
GenIO52
T18
B20
GenIO68
T19
C16
G18
D15
F18
GenIO33
GenIO44
GenIO58
GenIO41
GenIO29
Julie_Clk
Julie2host_Int
COMP_INT
COMP_DRDY
Card_Sel
HALL_Sensor_Det
TVOUT_CSX
AccelerometerINT
Julie_WakeUp
8
R2854
2
1
0
CAM_CTRL_CMT(8:0)
1
00
5W8 SMPSClk
APESleepX
T20
SleepClk
R20 SysClk
R19
P18 SleepX
J18 PURX
4
4
3
47RR2800
6
PUSL(7:0)
7
Data
1
DMIC(4:0)
A18 GenIO42
GenIO42
I2C_SPP_SDA
I2C_ISA_SDA
I2C_ISA_SCL
I2C_SPP_SCL
1k
R2850 R2851
1k
0
1k
1
1
0
1
0
R2853
R2852
1k
I2C(1:0)
Y20 GenIO48
V13
V19
M16
J19
D16
GenIO30
GenIO51
Y14 GenIO31
GenIO38
GenIO49
GenIO40
GenIO55
AVVideoCtrl/TVOUT_Enable 18
4k7
R2866
GND
4k7
R2867
GND
100R
4
7
R2859
2k
ULPIData0
ULPIData1
ULPIData3
ULPIData2
ULPIData7
11
9
2
14
USBPUEn
F9
F10 USBFSE0_FTX
USBVO
F11
ULPIDir
D9
ULPINxt
C8
C9 USBDSyncClk
D10 USBOEX
D11 USBRCV_FRX2
ULPIClock
USBVM_Clk
C11
B7 ULPIStp
B8
USBVP_FRX
B11
15
3
8
10
7
13
1
0
ULPIData4
ULPIData5
ULPI_CSX
ULPIData6
ULPIData0
5
12
4
0
6
R15 GenIO47
F12 GenIO62
D12 GenIO64
GenIO67
C12
GenIO23
B13
W21
GenIO50
GenIO65
GenIO20
U19
G16
GenIO70
GenIO59 E20
D21
GenIO69 D19
GenIO60
GenIO21 D13
BTUARTOUT
BTCTS
BTRSTX
FM_INT
BTHOSTWAKE
BTRTS
BTUARTIN
BTWAKE
1
0
4
5
6
3
2
LPRF_CMT(7:0)
F15
GenIO35
D17
GenIO34
C18
GenIO37
GenIO36 B19
JULIE_SPI_DOUT
JULIE_SPI_DIN
JULIE_SPI_CSX
JULIE_SPI_CLK
3
0
2
1
SPI_CMT(5:0)
TVOUT_RstX 2
eMMC_shut_down 4
9
10
14
19
I2SSD2
12
LCDRSTX LCDCLK
LCDDATA
LCDCSX
LCDTE
LCD_CS2X
4
0
5
3
2
1
LOSSI_CMT(5:0)
FCI_CMT(3:0)
G13 GenIO26
C14 GenIO25
GenIO28
C15
GenIO24
B14
GenIO27
B15
0
1D14 BettyInt
VilmaInt
B16
EMINT(1:0)
1
0Y7 GenIO53
GenIO54
AA6
COMPASS(1:0)
FMTX_INT
1GenIO56
F19
FMTX_IRQ
AGPS_CLK_REQ
VRFC
1RFClkN
R21
T21 RFClkP
J2801
J2855
J2802
J2800
0
RFCLK_I(1:0)
R2865
0R
VIO
2k
R2494
GND
7
6
5
4
3
2
1
0
VADJ
H3
MD0 E5
MD1 F5
D4 CS_SEL
MD3 D6
MD6 C7
MD7 C8
A6
MD4 A7
MD5 B7
B2,B6,C1,C4,D1,E3,E8,F3,
F4,F6,F7,G1,G2,G7,H6=GND
D2480
MD2
6
75R
GND
R2493
L2491
120R/100MHz
GND
AOUT H2
CLKI H7
PLLVDD
F8
IOVDD
G4
COREVDD
G5
IOVDD
G6
COREVDD
E7
DACVCC
F1
DACVCC
F2
D3
IOVDD
D7
COREVDD
D8
E1 COREVDD
IOVDD
C6
IOVDD
IOVDD
B5
COREVDD
A4
100n
C2481
GND
100n
C2482
GND
2u2
C2489
GND
100n
C2487
VAUX
VCORE_WD
COMP_VIDEO
PUSL(7:0)
24
26
27
16
_RD D5
_WE C5
TE A3
D/_C A5
R2480
1k0
214
_RESET C3
_CS B4
J2483 18
GEN_CTRL_CMT(20:0)
VIN
VOUT VBATT
EN
N2498
C2496
GND
GND
VBAT
C2498
GND
2.78V
I2C_SCL
I2C_SDA
J1301
J1300
10 SLV0
11 SLV1
13
INT
14
DRDY
SCL 15
SDA 16
0R
R1302
GND
1
J1303
J1304 0
1
0
COMPASS(1:0)
I2C(1:0)
I2C_SDA
I2C_SCL
GND
GND J1302
0u47
C1301
VAUX
VIO
AVDD
12
TEST6
2,4=GND
3=GND
3
N1300
DVDD
1
10n
C1201
GND
10n
C1200
GND
N1200
1
VDD
Output
2
GND
R1300
0R
SDA/SDI/SDO
13
14 SCL/SPC
Res 3
6
VDD
CS
7
INT1
8
10
N1100
Vdd_IO
1
19
0
10n
C1300
1
C1101
100n
I2C(1:0)
2,4,5,10,11=GND
SDO
12
R1303
0R
SleepX
RstX L2391
120R/100MHz
56p
E2390
C2392
VCORE
3
2
C2391
GND
1uH
L2390
10u
D1
FB
VSEL
D2
N2390
A1,B1,B2,C1=GND
A2
SW
PVIN A3
B3
AVIN
EN
C2
4u7
GND
VBAT
PUSL(7:0)
GenIO48 / SDA
GenIO51 / SCL
1
0
SDA
C3
SCL
D3
FCI_CMT(3:0)
GND
C2390
3.7V
1.25V
2.78V
1.25V
RAPIDOYAWE Combo memory
TV-out
Magnetometer (compass)
Accelerometer
Hall sensor (tilt slide)
RAPIDO VCORE
DC-DC converter
IO expander
1.8V
1.5V TV-out must
be on
UI
UI
AVILMAS
AVILMAS
AVILMAS
BETTY
BETTY
RF part
RF part
BETTY
Audio
GPS
GPS
Audio
RF part
Audio
Audio
Audio
Audio
Audio
BTFM
BTFM
BTFM
Audio
AudioSD/MMC
SD/MMC
SD/MMC
USB
USB
USB
WLAN
RAPIDO
Camera
Camera
Camera
RAPIDO
RAPIDO UI
UI
UI
Audio USB
UI
UI
AVILMAS
1.8V
1.8V
3.7V
1
65
1.8V
Customer Care / GTM / Competence Management
Confidential Copyright © 2009 NOKIA Only for training and service purposes Version: 2.0 | 23.06.2009 | N97/RM-505/RM-507 | Board version: 2UZ_07a | BETTY, AVILMAS, Battery | Page 3 (12)
C2312
2/2 1u5
5
1/2 1u5
0
6
GND
VCHAR
1
C2312
1
GND
J2302
J2300
GND
0
1
VCC_BETTY
VOUT
VIO
VBAT
2u2 2
GND
C2303
1
0
GND
C2304
10n
7
VM_CLK H2
VO H3
H7 VCC
G1
G2
RCV_FRX2 G3
VP_FRX
FTX G4
F1 SenseP
F4
OEX F5
FSE0
VCCint
F6
VBAT3
F7
F8 t
SenseM
E1
SMPSClk
SleepClk E3
ChSwS E4
E5
SlaveSWSet
VCharADC E6
PurX D1
D2
SleepX
D3
BettyInt
D5
RstX
D7
VCharIn2
D8
VCharIn1
CbusData C1
CbusClk C2
C3
CbusSelX
VCharInK C7
VIO
B1
B5 VBAT1
N2300
VBAT1
A4 VcoreDis
A5
A2,A7,A8,B3,B6,B7,B8,
C4,C5,C6,E2,G6,=GND
R2300 1
23
4100n
C2300
J2308
J2301
3
3
4
2
2
5
4
CBUS(3:0)
CHSWSTAT
INTUSB(8:0)
PUSL(7:0)
SLOWAD(6:0)
2u2
C2307
56p
56p
C2073 R2072
-t
C2072
GND
C2071
150u_6V3
1 +
2 GND
3 BSI
3
GND
GNDGND
GND
X2070
2
GND
GND
100n
C2308
USB
RAPIDO
RAPIDO
RAPIDO
RAPIDO
RAPIDO
RAPIDO
Audio
Audio
UI
Audio
RAPIDO
RF Part
RF Part
BTFM
BTEMP
EARP
WTXDET
EARN
BSI
VCHAR
RFTEMP
LST
LS
2u2
C2217
2
2/2 1u5
C2213
0
GND
0
3
0
VSIM1
VREF_INT
1
6
1
C2220
2/2 1u5
2
GND
220nC2219
GND
C2203
10u
GND
1
1n0
C2205
5
4
6
7
1
GND
0
2
VRFC
GND
VSIM2
L7
TxCDa
LST
L1
L10
VDRAM
L11 BSI
MicData L2
L3
AudClk
SerClk
L4
SlClk L5
TxCClk
RFTemp
K1
PURX K3
MBusTx K4
J5 SerSelX
K6 VilmaInt
K7
AFC J11
J2 LS
J3 WTxDet
J4
MBusRx
K5 SerData
ChSwS
J6
J7
TxC1
VIO
G2 MicB2
G3 Mic2P
SleepX G5
G6 TxCCtrl
A6,B1,B8,B11,C1,C6,C10,E7,F2,F6,
F7,G7,H2,J1,J9,K8,K10,L6=GND
VRef G9
H1 Mic1P
H10
VRFC
H11
VR1
F3 XEarR
Mic3PR
F5
F9
RstX
G1 Mic2N
G10
VBG
G11
D9
E1
VAna
E10
VAux
E2 XEarLC
XEarL
E3
E6 SIMIOC1
E9 BTemp
XEarRC
F1
PMARN
SIMDaC1 C7
C9
VRCP1
Mic3P
D1
D10 VChar
D3 EarN
PwrOnX
B5
SIMRstC1
SIMDa1
B6
B7
SIMClkC1
B9
VSIM2
C2 EarP
C4
A5
A7
VSIM1
EarDaL B4
N2200
A10
VCP
A3
PMARP
A4
EarDaR
SIMClk1
0
2u2
C2216
0
C2211
4u7
GND
C2220
1/2 1u5
3
VANA
0
GND
2/2 1u5
C2215
1
0
GND
GND
C2224
220n
D2 Mic3N
GND
C2229
220n
E5 Mic3NR
GND
2u2
C2222
1
J2218
J2219
J2221
J2220
2u2
C2201
1
5
J2216
4
4
GND
5
C2213
GND
GND
1/2 1u5
J2213
J2214
J2215
J2206
J2208
J2207
J2208
J2210
J2211
J2212
J2200
J2201
J2202
J2203
J2204
J2205
1/2 1u5
C2215
C2218 220n
2
7
VAUX
2
INT_SIM(5:0)
ACI(1:0)
DIG_AUDIO(5:0)
EMINT(1:0)
USB_ACI(7:0)
AUDIO(8:0)
FMRX_AF(1:0)
TXCCONV(2:0)
2
3
R2200
2k
2
0
1
2
0
1
TXC(2:0)
GND
270k
R3302 C3305
1n
GND
VBUS 1M
R3301
C2228
2/2 1u5
32.768kHz
B2200
GND
L8 CrI
CrO
L9
J8
VBack
VBat6
E11
B10 FlyHigh
A11 FlyLow
2/2 1u5
C2232
VBACK
G2200
GND
1
0
XAUDIO(7:0)
3
H9 MBus
J10 HeadDet
7
4
3
0
6
2
H4 CLK
DP_RXD
H5
H6 DM_TXD
Master_PD1
H8
RXD2
G5
G7 Master_PD2
G8 Slave_PU
5
1
GND
220k
R3311
220k
R3312
47k
PWRONX
PUSL(7:0)
5
C6 6
C7 7
X2700
1C1
2C2
3C3
C5
GND
C2700
100n
GND
VSIM1
Audio
RAPIDO
120R/100MHz
L2204
VIO
A1,C2=GND
B1
SW
B2
EN
FB C1
N2201
GND
56p
C2233
GND
E2201
4u7
C2223
L2210
0u47H
VIO DC-DC converter
K11 VBat2
F10 VBat4
VBat1
F11
A8 VBat3
VBatH
B3
D11 VBat5
VBatCP
C11
VIN
A2
L2203
120R/100MHz
GND
C2230
56p
GND
4u7
C2221
GND
C2231
10u
L2205
120R/100MHz
2/2 1u5
C2232
1/2 1u5
C2227
GND
2/2 1u5
C2227
GND
GNDGND
GND
120R/100MHz
L2202
1/2 1u5
C2228
C2225
2u2
GND
C2226
2u2
VBAT
3.7V
VIBRAP
VIBRAN GND
GND
M2200
M
+-
L2207
120R/100MHz
1n0
C2240
120R/100MHz
L2206
VibraP A2
VibraN A1
C2239
1n0
1n0
C2238
2.5V1.8V
3.7V
3.7V
1.8V
2.5V
AVILMAS
RTC backup capacitor
USIM connector
Vibra motor
BETTY
Current sense
resistor
Battery
connector
RAPIDO
3410
VR1VRCP1
RFPWR(5:0)
VREFVBAT
2.5V
1.8V
Switch RF ON
4.75V
2.5V2.78V
1.8V3.7V
7
8
9
11
1.8V
Customer Care / GTM / Competence Management
Confidential Copyright © 2009 NOKIA Only for training and service purposes Version: 2.0 | 23.06.2009 | N97/RM-505/RM-507 | Board version: 2UZ_07a | Audio | Page 4 (12)
HS_EAR_Left
IHF,LN
IHF_AMP_EN
HS_MIC_GND
AVVideoCtrl
HS_EAR_L
IHF,LP
HS_MIC_GND
AVECICtrl
Vilma_Xearr
PWR_Switch
MIC2N
HS_MIC
vilma
PLUG_DET
Vilma_Xearl
HS_EAR_R
AVPlugDet
AVPaEn
PULG_DET
HS_MIC
HS_EAR_Right
rapido/vilma
MIC2P
FMR,ANT
1
100n
C2107
C2164
3
10n
C2113 1/2 1u5
R2154
18V/30V
R2155
18V/30V
4
R2158
10k
27p
C2166
1 2
34
GND
GND
L2152
C1 C2
VAUD
R
C
C
Z2100
R
A1 A2
B2
0R
GND
J2100
R2162
GND
R2164
120R/100MHz
L2154
18V/30V
1
GND
VAUD
C2105
1/2 100n
0
47nC2165
C2112 2u2
R2105
J2160
J2163
J2164
STBY
VOUTVIN
2/2 1u5
VBAT
GND
N2103
3
GND
C2113
10n
1
2
1
GND
C2163
4
1
J2150
56nH
L2161
not assembled
B2153
R2163
100R
C3COM2
NC1D1
D3 NC2
C2155
100p
N2151
B2,C2=GND
D2=VOUT
IN1
A1
A2
VIO
A3 IN2
B1 NO1
NO2B3
COM1 C1
2
7
VSIM2
0R
R2157
J2152
RIGHTINM
C4
HPRIGHT D1
D2
SCL
SDA D3
_SD
D4
HPLEFT
CPVSS
B2
LEFTINP
B3
B4 LEFTINM VDD C1
C3 RIGHTINP
N2102
A1 CPN
CPP
A2
A3,C2=GND
A4
VDD
B1
C2117
39p
GND
C2106
2u2
R2166
18V/30V
100p
C2119
3
J2101
4
V2100
GND
A1
A2
B1
B2
2u2
C2115
not assembled
6
J1243
J2161
GND
3
R2100
4k7
100p
C2159
L2151
120R/100MHz
R2103
14/350V
0
18V/30V
R2160
C2104 2/2 100n
GND
0
GND
VIO
GND
2u2
1/4 100R
R2105 2/4 100R
R2105 3/4 100R
R2105 4/4 100R
C2111
2u2 10nC2110 GND
C2108
J2104
GND
GND
2/2100n
C2105
GND
2u2
C2118
120R/100MHz
L2153
L/R
1
2CLK DATA 3
4
VDD
5
VBAT
B2152
27p
L2157
120R/100MHz
C2178
GND
2
GND
0
R2161
18V/30V
GND
X2159
J2158
11
12
13
14
15
16
GND
2
3
4
5
6
7
8
9
X2100
1
10
GND
J2103
1/2 100nC2104
C2150 47n
L2156
120R/100MHz
GND
VIO
L2162
56nH
J2153
C2160
100p
INR+
D1
AVDD D2
D3
OUTR+
D4
OUTR-
OUTL-
INL-
B1
B2,C3,C4=GND
_SDR
B3
_SDL
B4
C1 INR-
2
N2150
A1 INL+
A2
PVDD
C2
GO
OUTL+ A3
A4
1
0R
R2108
120R/100MHz
L2155
GND
0
2
R2101
4k7
GND
2
GND
3
GND
0
GND
2
5
L2100
10nH
100p
C2154
TXO 4
5_RST
6,10,19=VIO
7SCLK
8SDIO
RCLK
9
0
15 RIN
LIN
16
GPO2/_INT 18
N2101
3,12,21,17=GND
11
VDD
F7
RIGHT_LOP G1
G3
LEFT_LOP
G4
LEFT_LOM
AVDD
G5
G6
DVDD
D7
E1 AVDD
WCLK
E7
RIGHT_LOM F1
F6
IOVDD
BCLK
B7
LINEL C1
LINER D1
DIN
J2102
3C7 INTP
A1,A2,A3,A6,B1,C4,C5,D3,
D4,E3,E4.F5,G2,G7=GND
_RESET A4
SLEEPCLK
A5
A7 SDA
SCL
N2100
J2162
R2159
10k
GND
10n
C2177
GND
VOUT
C2109 10n
0R
R2102
47nC2167
47nC2151
0
C2120
2u2
C2121 2u2
VBAT
GND
7
2
1
0
4
GND
100n
C2161
GND
100n
C2156
GND
27p
C2158
GND
4u7
C2152
GND
100n
C2174
R2107
0R
C2116
10p
GND
120R/100MHz
L2150
100k
J2151
1
1
18
1
R2156
AV(5:0)
GEN_CTRL_CMT(20:0)
AUDIOCTRL(5:0)
FM_ANT
PWR_SWITCH
USB_ACI(7:0)
XAUDIO(7:0)
PUSL(7:0)
DAC33(3:0)
FMTX_IRQ
IHF_QWERTY(3:0)
COMP_VIDEO
DMIC(4:0)
DIG_AUDIO(5:0)
FCI_CMT(3:0)
FMRX_AF(1:0)
BTFM
AVILMAS BTFM
1.8V
1.8V
2.5V
3.7V
3.7V
3.7V
3.0V
3.0V
4
Microphone
AF amplifier IHF speaker
(Right)
Audio FPC
connector
3.0V regulator
(BH0SA2)
FM transmitter
FMTX antenna
pads
Headphone amplifier
Stereo codec
Analog switch
USB
USB
UI
RAPIDO
RAPIDO
RAPIDO
RAPIDO
RAPIDO
SD/MMC
AVILMAS
AVILMAS
RAPIDO
RAPIDO
TV-Out
USB
Customer Care / GTM / Competence Management
Confidential Copyright © 2009 NOKIA Only for training and service purposes Version: 2.0 | 23.06.2009 | N97/RM-505/RM-507 | Board version: 2UZ_07a | HS USB | Page 5 (12)
VBUS
ISA I2C SDA
ISA I2C SCL
ID
DM
RSTX
DP
C3301
GND
4u7
C3317
120R/100MHz
L3304
220n
1k0
GND
GND
GND
R3303
7
6
5
4
3
2
1
0
V3370
100n
C3306
V3304 1
2
3
CHRG_DET
VCC
F3
F4
VBUS
XTAL1
F5
D5
D6 STP
REG3V3 E3
DIR
E5
REG1V8 E6
CHRG_DET_POL
F1
F2
D1
C2
RREF
CHIP_SEL_N
C3
DATA7
C6
DM C1
D3
ID
NXT
A5
DATA5
A6
DATA0
B1
B2
VCC(IO)
B3
CHIP_SEL
C4
TEST_N
B5
VCC(IO)
B6 DATA6
DP
D3300
B4,C5,D2,E1,E2,E4=GND
A1 DATA1
A2 DATA2
A3 DATA3
CLOCK
A4
DATA4
C3308
J3300
27p
V3372
R3374
100k
V3374
GND
USBC_LED
R3372
33k
100n
C3309
GND
C3318
K
A
100n
N3303
GND
C3303
4u7
C3304
F3300
2.0A
R3305
VBAT
1M0
E1
E2
AUXPWR
VREF E3
E4 CSOUT
GND
0
1
C1
C2 SW
SW
C3
C4
STAT
D1,D2,D3=GND
OTG D4
CSIN
A2
VBUS
BOOT
A3
A4 SCL
B1 PMID
PMID
B2
B3 PMID
SDA
B4
SW
N3301
VBUS A1
GND
R3373
330R
1/2 1u5
120R/100MHz
L3306
8
11
10
9
12
C3313
Z3301
GND
3
4L3305
1uH
R3367
1
2
A1
A2
B1 B2
J3301
GND
GND
Z3300
V3300
GND
GND
47R
R3320
GND
10n
C3310
R3375
330R
GND
L3307
120R/100MHz
C3322
4u7
VIO
GND
GND GND
GND
6
GND
VBUS
GND
GND
1u0
C3312
GND
56p
C3314
GND
GND
C3313
2/2 1u5
VCHAR
R3306
0R
R3300
12k
470k
R3304
J3303
VBAT GND
GND
C2 VCC
D1
PKX
POX
D2
R3307
1M0
N3300
A1
VIN
OUT
A2 EN B1
INH B2
C1=GND
100n
C3300
R3361
100k
120R/100MHz
L3375
1k0
R3308
2
1
2
3
4
5
GND
GND
X3300
J3302
GND
C3307
100n
10u
C3365
GND
2u2
C3302
V3305 1
2
3
100n
C3354
C3315
100n
PWRONX
PUSL(7:0)
PUSL(7:0)
PWR_SWITCH
HS_USB(12:0)
FCI_CMT(3:0)
A3 EN
B1
C1+
B3 VIN
C1 VOUT C2
C2+
C3
C2-
N3350
A1
C1-
A2 GND
C3350
220n
220n
C3351
GND
C3352
2u2
GND GND
VCC_BETTY
2u2
C3353
3.7V 1.8V
3.7V
1.8V
1.8V
3.3V
REG3V3 & REG1V8 = 0V if
USB cable is not attached
ULPIData6
ULPIData7
ULPICS
ULPIClk
ULPIDir
GenIO62
GenIO47
USBVP_FRX
USBVM_Clk
USBCV_FRX2
USBFSE0_FTX
GenIO67
SlaveSWSet
FSE0
VO
USBOEX
USBFSE0_FTX
OEX
USBDSync_Clk
USBPUEn
USBVO
ULPIClk
ULPIDir
ULPINxt
ULPIStp
ULPIData0
ULPIData1
ULPIData2
ULPIData3
ULPIData4
ULPINxt
ULPIStp
ULPIData5
1
8
3
GenIO64
0
6
5
12
7
4
10
GND
7
15
2
0
J2888
6
1
J2884
J2885
J2887
8
9
J2882
11
9
10
11
J2889
14
7
7
3
J2886
3
4
5
VIO
6
J2883
0
1
2
J2880
J2881
2
4
5
USB_CMT(15:0)
INTUSB(8:0)
12
13
AVILMAS
AVILMAS Audio
Audio
Audio
UI
RAPIDO
RAPIDO
BETTY
ZONDA TV-Out
USB transceiver
5V charge pump
USB boot mask
Voltage monitor
Charging current
sense resistor
USB Charger
ESD protector Micro USB
connector
Customer Care / GTM / Competence Management
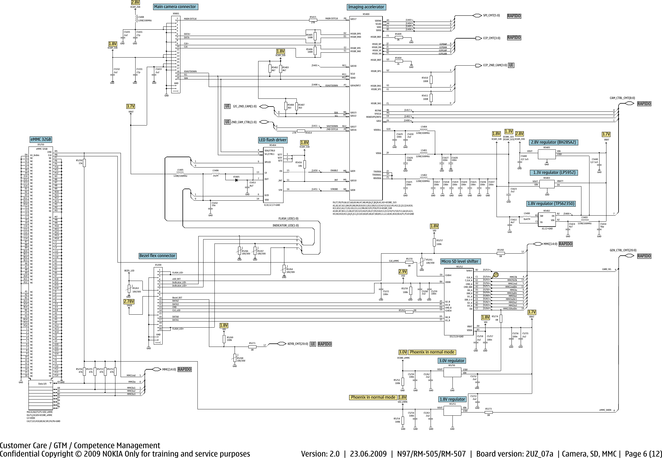
Confidential Copyright © 2009 NOKIA Only for training and service purposes Version: 2.0 | 23.06.2009 | N97/RM-505/RM-507 | Board version: 2UZ_07a | Camera, SD, MMC | Page 6 (12)
DATA+
SHUTDOWN
XSHUTDOWN
CLK-
CCPCLKP
SDA
STROBE
SCL
2ND EXTCLK
SCL
CLK+ CCPDAP
MAIN EXTCLK
INT
XSHUTDOWN
CCPCLKN
ENABLE
DATA-
SDA
CCPDAN
MAIN EXTCLK
GND
1
VBAT
2
27p
0
C5331
VCAM_1V8
120R/100MHz
L5402
J1403
9HPLED
VCAM_2V8
15
16
STR
2
SETF
3SCL/CTRL1
4SDA/CTRL0
SETI 5
6
14
ILED
VDD
OUT
7
N5404
1
SETT
11
_INT
13 LX EN
GND
8,10,12,17=GND
2
C5453
4u7
0u47H
L5400
C5422
4u7
1
0
C5433
2u2
0
VIN
VOUT VBATT
EN
C5332
N5403
N5405
STBY
VOUT VIN
2u2
0
VCAM_2V8
L5403
120R/100MHz
GND
GND
C5440
1/2 1u5
C5440
2/2 1u5
GND
C5424
4u7
GND
C5434
56p
GND
VCAM_1V8
J5400
1
3
VCAM_1V8
100R
R5405
R5403
2
1
0
3
2
4k7
R5402
4k7
R5407
3k3
R5408
3k3
J1404
GND
GND
1
J1417
J1402
R5404
2k
2u2
J1451
GND
27p
C5431C5435
2u2
GNDGND
1
7
C5423
P9 GIO16
P7 GIO4/INT2
P8 GIO17
N6 GIO23
GIO8
M7 GIO22
GIO9
M8
M9 GIO10
N11 GIO30
GIO27
N12
SYSCLK M1
SCL0
M11
M12 SDA0
K2
HSSIX_SP
HSSIX_DN J1
HSSIX_DP J2
J3
TXVDDA
J4
VDDA
K1
HSSIX_SN
G1
HSSIR_DP1 G2
G3
GND
R5409
2k
F3
HSSIX_IREF
G5
TXVDDA1
RXVDDA
F1
HSSIR_SP1 F2
HSSIR_IREF
F5
HSSIR_DN1
D1 HSSIR_DN0
D2 HSSIR_DP0
100R
R5406 E1 HSSIR_SN0
E2 HSSIR_SP0
HSSIR_SN1
C4
WAKEUPX/INT0
C6
GIO2
SDI0 C5
SDO0 B5
B6
RSTNX
SCLK0 A4
A5
SDEN0
0
F6,F7,F8,F9,G6,G7,G8,G9,H6,H7,H8,H9,J6,J7,J8,J9,H1,H2=VCORE_1V3
A3,B1,B7,B11,C1,D6,D7,D13,E3,E4,E5,E6,E7,E9,E10,E11,E13,F4,F5,F10,F11,G4,G5,G11,
H3,H4,H10,H11,J4,J5,J11,J13,K3,K4,K5,K6,K7,K8,K9,L1,L2,L8,N1,N10,N14,P1,P14=GND
A1,A2,A7,A11,B4,D5,D8,D9,D10,D11,D12,E8,E12,E14,F12,G12,H5,H12,J1,J12,J14,K10,
K11,K12,L6,L7,L9,L10,L11,L12,M6,N13,P2,P10,P13=VCAM_1V8
N5400
2u2H
3
4
5
6
7
8
9
L5406
1
10
11
12
13
14
15
16
17
18
19
2
20
GND
0
X9001
100R
R5411
1
V5405
10k
R5416
VCORE_1V3
(VCAM_1V3)
27R
J5401
0
R5414
R5410
100R
3
N5402
A1,C2=GND
A2
VIN
SW
B1 EN
B2
C1 FB
4
GND
GND
GND
27R
GND
R5415
J1405
J1406
J1411
J1408
J1450
VBAT
J1400
C5432
10u
120R/100MHz
L5405
1
GND
100n
C5425
GND
100n
C5417
GND
100n
C5418
GND
100n
C5419
GND
100n
C5420
GND
100n
C5421
GND
100n
C5436
GND
100n
C5437
GND
120R/100MHz
L5401
100n
C5426
GND
100n
C5427
GND
100n
C5428
GND
G10
VDDDLL
120R/100MHz
L5404
2u2
C5430
GND
100n
C5429
GND
L5408
120R/100MHz
SPI_CMT(5:0)
CCP_CMT(3:0)
CCP_2ND_CAM(3:0)
2ND_CAM_CTRL(1:0)
CAM_CTRL_CMT(8:0)
GEN_CTRL_CMT(20:0)
I2C_2ND_CAM(1:0)
N8
3.7V
3.7V
3.0V Phoenix in normal mode
Phoenix in normal mode 1.8V
3.7V
2.78V
1.8V
1.8V 1.3V
1.8V
2.9V
1.8V
1.8V
VCAM_1V8
1.8V
2.8V
2.8V
1.3V regulator (LP5952)
Indicator_LED-
MMCDa1
Bezel_DET
MMCCmd
FLASH_LED-
CMD
MMCDa
Indicator_LED+
MMCDa3
MMCCmd
CLK_eMMC
MMCCmdDir
CLK_uSD
MMCDa
DATA3
DATA0
MMCFbClk
MMCLSShutDn
MMCClk
DATA2
DATA1
MMCDa2
MMCDa3
uSD_DET
eMMC_SHDN
FLASH_LED+
CARD_SEL
MMCDaDir
MMCDa1
MMCDaDir1
MMCDa2
R5262 0R
R5261
18V/30V
GND
J5262
0
11
VBAT
J5263
R5256
7
VSD
GND
47k
R5255
47k
R5250
15k
R5253
47k
R5251
47k
0R
R5273
100k
R5257
GND
0
N5250
STBY
VOUT
VIN
VCORE_eMMC
STBY
VOUT VIN
9
12
N5251
GND
J5254
6
P14
P2 NC
P7
NC
NC P8
NC P9
3
NC
NC N8
NC N9
P1 NC
NC P10
NC P11
P12
NC
NC
P13
NC
NC N10
NC N11
NC N12
NC N13
NC
N14
NC N3
N6
NC
N7
M14
NC M2
M3
NC
M5
CMD
M6
CLK
NC M7
NC M8
NC M9
N1 NC
NC L2
L3
NC
M1
NC
NC M10
NC M11
NC M12
NC M13
NC
NC
NC K3
NC K5
K6
NC
NC K7
NC L1
NC L12
L13
NC
NC L14
J3
NC
NC J5
K1
NC
NC K10
K12
NC
NC K13
NC K14
K2
H2
NC
NC H3
H5
NC
J1
NC
J12
NC
NC J13
J14
NC
NC J2
NC G13
NC G14
NC G2
NC G3
NC H1
H12
NC
NC H13
H14
NC
NC F12
F13
NC
NC F14
NC F2
F3
NC
NC G1
NC G10
NC G12
NC
E14
NC
E2
E3 NC
E5 NC
NC
E8
E9 NC
F1
NC
F10
NC
NC
D14
D2 NC
NC
D3
A1_Index
D4
E1 NC
NC
E10
NC
E12
E13 NC
C3 NC
C5 NC
NC
C7
C8 NC
NC
C9
NC
D1
NC
D12
D13 NC
NC
B8
B9 NC
NC
C1
C10 NC
NC
C11
C12 NC
NC
C13
C14 NC
B13 NC
NC
B14
B2
B3
B4
B5
B6
B7 NC
NC
A6
A7 NC
NC
A8
A9 NC
B1 NC
NC
B10
B11 NC
NC
B12
A11 NC
NC
A12
NC
A13
NC
A14
NC
A2
A3
A4
A5
NC
NC
4
5NC
NC
6
7NC
NC
8
9NC
A1 NC
NC
A10
11 NC
12 NC
NC
13
NC
14
15 NC
NC
16
NC
2
3
eMMC 32GB
Data I/O
D5250
NC
1
10 NC
0R
R5270
C4,E7,G5,H10,K8,N2,N5,P4,P6=GND
C2=VDDI
E6,F5,J10,K9=VCORE_eMMC
M4,C6,N4,P3,P5=VIO_eMMC
VAUX
GND
4
2u2
2
GND
J5258
C5260
GND
100n
C5221
J5257
1
GND
J5259
GND
GND
CMD_B
D4
D0_B
D5
E1
D1_A
E2
f_CLK_A
E3
DIR_1-3
CLKInt
E4
D1_B
E5
B5 D3_B
C1
CLK_A
C2
EN
D3,C3,C4=GND
CLKExt
C5
D0_A D1
CMD_A D2
A2
CMD_DIR
DIR_0 A3
VBAT A4
A5 D2_B
D3_A B1
B2
Select
B3
VDDA
VDDB
B4
N5252
D2_A A1
C5250
100n
C5262
2u2
GND
VIO_eMMC
J5253
2
VIO
C5259
100n
C5253
2u2
C5252
2u2
GND
0R
R5260
GND
5
GND
C5257
100n
J5264
R5274
0R
16
17
18
19
2
20
GND
3
4
5
6
7
8
9
X5200
1
10
11
12
13
14
15
J5255
3
GND
C5258
2u2
GND GND
C5255
2u2
C5256
100n
J5260
GND
R5259
100k
10
4
13
J5261
5
GND
1
BEZEL_LED
J5256
GND
R5263
18V/30V
VIO
100k
R5252
GND GNDGND
C5254
100n
C5263
2u2
100k
R5254
MMC(14:0)
MMC(14:0)
RAPIDO
RAPIDO
RAPIDO
RAPIDO
RAPIDO
15
RAPIDO
1.8V
R5268
18V/30V
R5269
100k
17
VIO
GND
0R
R5271
KEYB_CMT(20:0)
FLASH_LED(1:0)
INDICATOR_LED(1:0)
RAPIDOUI
0
1
1
0
R5266
18V/30V
R5267
18V/30V
GND
R5264
18V/30V
GND
GND
Imaging accelerator
Main camera connector
Micro SD level shifter
3.0V regulator
1.8V regulator
1.8V regulator (TPS62350)
2.8V regulator (BH28SA2)
LED flash driver
eMMC 32GB
Bezel flex connector
UI
UI
UI
Customer Care / GTM / Competence Management
Confidential Copyright © 2009 NOKIA Only for training and service purposes Version: 2.0 | 23.06.2009 | N97/RM-505/RM-507 | Board version: 2UZ_07a | BTFM, WLAN, GPS | Page 7 (12)
UART_RX
UART_WAKE
BT_WAKEUP
UART_CTS
BT_RESETX
UART_RTS
SLEEPCLK
UART_TX
I2C_SDA
I2C_SCL
1 1
VIO
1
J6006
1
0
1
5
J6004
J6005
3
6
0
2
J6007
4J6002
120R/100MHz
L6000
0
0R
R6001
J6001
J6003
BT_RESETX
G4
G5 VBAT
G6 VReg.1.8 G8
SLEEPCLK
E2
SDA
E8
SCL
FMANTENNA E9
C8 UART_WAKEUP
BT_UART_RTS
D1
BT_WAKEUP
D8
REF_CLK A8
BT_UART_RX
B1
BT_UART_CTS
C1
D6000
A2 BT_UART_TX
VIO(1.8V)
A3
VAFL A5
VAFR A6
A7,B8,B9,C4,C5,D4,D5,D9,F8,F9,G7=GND
LPRF_CMT(7:0)
FMRX_AF(1:0)
WLAN_BT(6:0)
REFCLK_I
FM_ANT
Audio
Audio AVILMAS
J6301
C6302
6p8
5
GND
4
0
2
GND
0
GND
VBAT
100k
R6454
GND
F3 CLK
F5 GND42
VIO
F6
SLEEP_CLK
F7
X6001
GND34
E5
GND35
E6
GND36
GND37 E7
E8
GND38
E9
GND39
GND40 F1
F11 GND43
GND41
F2
D6
GND27
D7
GND28
D8
GND29
GND30 D9
E1 ANT
E10 VBATT3
E11 VBATT
GND32 E2
E3
GND33
E4
GND17
C7
GND18
GND19 C8
GND20 C9
D1
GND22
GND31 D10
VBATT2
D11
GND23 D2
GND24 D3
GND25 D4
GND26 D5
B7
B8
GND10
GND11 B9
C1 BT_PRIORITY
C10
GND21
C11 PMEN
C2
GND13
GND14 C3
GND15 C4
C5
GND16
C6
A8 SPI_DIN
SPI_CLK
A9
B1
B10
GND12
CLK_REQ
B11
B2
GND4
GND5 B3
B4
GND6
GND7 B5
B6
GND8
GND9
GND
9
GND
A1
GND1
WLAN_IRQ
A10
GND3 A11
GND2 A2
A3 BT_TX_CONFX
BT_RF_ACTIVE
A5
SPI_CSX
A6
SPI_DOUT
A7
GND 12
13
GND
GND 14
2GND
3GND
GND
4
GND
5
6GND
GND
7
8
GND
GND
N6300
GND
110
GND
GND 11
VOUT
VIN
1/2 1u5
C6300
VBAT
N6301
STBY
GND
1
3
GND
J6300
J6302
J6303
100R
R6303
1
2
GND GND
GND
2/2 1u5
C6300
OUT+Vcc
Z6000
X6000
IN 1
OUT 2
G6300
PUSL(7:0)
WLAN_CMT(7:0)
BT_ANT
ANT
I2S/PCM_SYNC
I2S/PCM_IN
I2S/PCM_OUT
I2S/PCM_CLK
7
10
8
9
1
100k
R6000
2
GND
0
12
BT_PCM_IN
G2
G3 BT_PCM_OUT/I2S_DO
BT_PCM_SYNC/I2S_WS
E1
BT_PCM_CLK/I2S_CLK
F1
F2 INTX
BT_ANT C9
TX_CONFX D2
RF_ACTIVE B2
C2
STATUS
A4
CLK_REQ
BT_FM(12:0)
CLK_REQ
RAPIDO RAPIDO
RAPIDO
RAPIDO
RAPIDO
RAPIDO
RAPIDO
RF part
Sleepclk
X6200
1
ANTCOM
2
GND
GND
H3
AGPS_CLK_REQ
H5 VDD_DIG
IO_PA_EN
H6
G2
G5
VDDS
U2TX
G6
G8 VDD_DIG
VBAT1 H1
H2 GPS_EN_RESET
F4
VBAT1
F5
I2C_UART_N
G4
SLEEPXN
VDDS F8
VCC_IF
E2
I2C_SDA_U1RX
E6
IO_TIMESTAMP_DATARDY
E8
A8,B2,B3,B8,D2,D3,E3,E4,E7,
F1,F6,F7,G1,H4,H7,H8=GND
VCC_TCXO
F2
D7
RTC_CLK
VBAT2 E1
VCC_MIX
C3 VCC_LNA
D1 LNA_IN
A7
I2C_SCL_U1TX
B6
VDD_DIG
B7
N6200
VCC_LNA
A1
A2
VBAT3
VCC_PLL
A3
GPS_CLK
A4
A6 REF_CLK
VDDS
OUT+Vcc
J6200
3
16.368MHz
G6200
3p3
C6211
GND
not_assembled
Z6201
C6204
GND
GND GND
100n
GND
C6205
100n
GND
33p
C6201
R6201
0R
1
C6200
0
GND
33p
2
GNDGND
C6206
VIO
100n
C6212
100n 100n
C6207
GND
L6201
6n8H
GND
100n
C6209
100n
C6202
J6201
1
GND
VBAT
J6202
OUT
1
C6210
100n
GND
Z6200
1575.42MHz
IN
GND
X6201
J6203
L6200
3n9H
GPS_CMT(3:0)
FCI_CMT(3:0)
AGPS_CLK_REQ
C6203
100n
RFCLKEXT_GPS
Audio USB
UI
not_assembled
2
3
Bluetooth / FM radio
GPS antenna
WLAN/BT antenna
WLAN/BT antenna
coax connector
GPS RX filter
GPS clock
WLAN
WLAN/BT clock
38.4 MHz
GPS
3.7V
3.7V
2.4VGPS Receiver must be on
3.7V
1.8V
1.8V
GPS antenna
coax connector
Customer Care / GTM / Competence Management
Confidential Copyright © 2009 NOKIA Only for training and service purposes Version: 2.0 | 23.06.2009 | N97/RM-505/RM-506/RM-507 | Board version: 2UZ_07a | User Interface | Page 8 (12)
DATA6
DATA7
DATA8
DATA9
DATA10
DATA11
DATA3
DATA0
DATA1
DATA2
DATA4
DATA5
0
1
2
3
4
5
A1,A8,C2,D3,D4,D5,D7,E3,E4,E5,E6,
E7,F2,F3,F6,G4,G7,H1,H4,H8=GND
6
H2
VDDI
H3
VDDI
RVDD3 H5
H6
RVDD2
RVDD1 H7
D15/SDA
G1
D11
G2
G3
VDDI
G5
VDDI
G6
RVDD2
DATA0N G8
F1
ECS
_RESETX
F7
F8
DATA0P
E1 WRX/PCLK
D13/DE
E2
CLKN E8
D1 TE
D14/HS
D2
D0
D6
D8
CLKP
_D/_C/SCLK
C1
D8
C3
D5
C4
D3
C5
D1
C6
VDDI C7
C8
DATA1N
B1
VDDI
RDX/VS
B2
D9
B3
D6
B4
D4
B5
B6 D2
B7
VDDI
DATA1P B8
_CS
A2
SCS A3
D10
A4
D7
A5
CLKIN
A6
A7
VDDI
4
D6001
GND
1
0
J5606
2
J5601
J5604
J5603
5
VIO
1
27
24
5
3
2u2
C5601
GND
100n
C5602
GND
2/2 100n
C5600
GND
1/2 100n
C5600
GND
100n
C5604
GND
100n
C5606
GND
100n
C5605
2
J5605
J5602
3
0
10
11
25
26
CDP(5:0)
PUSL(7:0)
LOSSI_CMT(5:0)
VISSI_CMT(27:0)
6
7
8
9
RAPIDO
TV-Out
Audio
10
AUDIO,EARP
ROW1
ROW2
LOSSI,DATA
LOSSI,CLK
KEYB_CMT,Proxy
COL1
KEYB_CMT,COL4
D1-
DO+
Cam,I2C_SCL
CLK+
Touch,Reset
CCP,DP
CCP,CLKP
CCP,CLKN
FCI_CMT,SDA
I2C,SDA
Shutdown
COL7
COL8
ROW0
COL4
LOSSI,XRES
AUDIO,EARN
LOSSI,XCS
KEYB_CMT,ROW3
CLK-
CCP,DN
COL0
COL6
Cam,I2C_SDA
FCI_CMT,SCL
I2C,SCL
D1+
COL5
DO-
COL2
COL3
Touch Int
ROW3
ROW4
2nd Extclk
GND
0
4
7
GND
C4415
1n0
CLK_32K
E1 SDA
EN
E2
C1
R
SCL
D1
D3
A1
B
G B1
B2,C2,C3,D4,E4=GND
0
4
16
3
VCAM_2V8
S4404
A BC
In6
D2 In7
D4
Out6
D5
Out7
A4
Out1
A5
Out2
B1 In3 B5
Out3
C1 In4
C2 In5
C4
Out4
C5
Out5
D1
2
Z4402
A1 In1
A2 In2
15
14
GND
L4404
120R/100MHz
1n0
C4402
1
1
VBAT
GND
0
13
1
GND
VAUX
D4
Out6
D5
Out7
0
0
B1 In3 B5
Out3
C1 In4
C2 In5
C4
Out4
C5
Out5
D1 In6
D2 In7
Z4403
A1 In1
A2 In2
A3,B3,C3,D3=GND
A3,B3,C3,D3=GND
A4
Out1
A5
Out2
GND
GND
1n0
C4414
1
0
L4403
120R/100MHz
1n0
C4416
6
A1
A2
B1 B2
GND
B1 B2
GND
V4403 V4404
GND
A1
A2
L4406
1
2 3
4
8
9
4
V4400
A1 A2
B1 B2
2
GND
1
3
1
20
60
7
8
9
MENU_LED
SEND_END_LED
VIO
46
47
48
49
5
50
51
52
53
54
55
56
57
58
59
6
31
32
33
34
35
36
37
38
39
4
40
41
42
43
44
45
17
18
19
2
20
21
22
23
24
25
26
27
28
29
3
30
0
X4400
1
10
11
12
13
14
15
16
18
10
5
QWERTY_LED2
1n0
C4403
QWERTY_LED1
1
12
11
12
D4
OUT8
D5
OUT7
E1 IN10
E2 IN9
OUT10 E4
E5
OUT9
B2 IN3
B5
OUT3
C1 IN6
C2 IN5
C4
OUT6
C5
OUT5
D1 IN8
D2 IN7
Z4400
A1 IN2
A2 IN1
A3,B1,B4,C3,D3,E3=GND
A4
OUT2
A5
OUT1
GND
2
3
100k
R4433
GND
USBC_LED
R4405
0R
R4406
0R
R4407
0R
L4402
120R/100MHz
VCAM_1V8
GND
9
2
14
15
16
17
18
19
2
20
GND
3
4
5
6
7
8
E2
E4
OUT10
OUT9 E5
X4401
1
10
11
12
13
IN5
C2
OUT6 C4
OUT5 C5
IN8
D1
IN7
D2
OUT8 D4
OUT7 D5
IN10
E1
IN9
A1,A2,A3,A4,A5,B2,B5,C3,D3,E3=GND
IN4
B1
OUT4 B4
IN6
C1
3
0
1
0R
R4401
GND
1/2 1u5
C4417
VDD
C4
GND
2/2 1u5
C4417
VOUT A2
2/2 1u5
C4418
1/2 1u5
C4418
CFLY1N
B3
CFLY1P
B4
A3 CFLY2N
CFLY2P
A4
0
1
0
GND
3
GND
120R/100MHz
120R/100MHz
L4401
L4405
AUDIO(8:0)
I2C_2ND_CAM(1:0)
2ND_CAM_CTRL(1:0)
I2C(1:0)
KEYB_CMT(20:0)
FCI_CMT(3:0)
CCP_2ND_CAM(3:0)
KEYB_CMT(20:0)
0R
R4400
BEZEL_LED
1 1
GND
SEND_END_LED MENU_LED
0
VIO
VBAT
R4430
0R
R4431
0R
R4433
0R
1/2 1u5
C4431
GND
2/2 1u5
C4431
2/2 1u5
C4430
1/2 1u5
D1
SCL
CLK_32K D3
SDA E1
E2
EN
C4430
B1 G
B2
ADDR_SEL1
CFLY1N B3
CFLY1P B4
R
C1
C2,C3,C4,D4,E4=GND
VDD C4
N4402
B
A1
VOUT
A2
A3
CFLY2N
CFLY2P A4
1
PUSL(7:0)
FCI_CMT(3:0)
EMI/ESD Filter
EMI/ESD Filter
ESD protector ESD protector
ESD protector
LED driverLED driver
Z4401
EMI/ESD filter Keyboard flex
connector
EMI/ESD filter
Lock switch
N4401
RAPIDOAudio USB
RAPIDOAudio USB
RAPIDO
RAPIDO
RAPIDO
RAPIDO
Camera
Camera
Camera
Camera
1.8V
1.8V
1.8V
3.7V
3.7V
1.8V
2.8V
2.78V
Display controller
Slide tilt flex
connector
Customer Care / GTM / Competence Management
Confidential Copyright © 2009 NOKIA Only for training and service purposes Version: 2.0 | 23.06.2009 | N97/RM-505/RM-507 | Board version: 2UZ_07a | RF part | Page 9 (12)
RF shield can
4Vbat
1,3,5,8,10,12,15,17,19,22,24,
26,27,28,30,32,34,35=GND
6
Icntrl1
7Vcc1_amp2
In1 9
C7500
100n
2Vcc_amp1
20
Icntrl3
21 Vbat
23 Vcc2_amp3
25 Out3
GND GND GND GND
Out2
29
Vcc2_amp2
31
33 Out1
N7540
In2 11
Vcc1_amp2
13
Icntrl2 14
16
In3
Vcc1_amp3
18
18p
C7527
L11 VBAT_BAT
RXOUT_PQ L5
L9
REFG
DAC_REF1 K11
K2 RFC10
RXOUT_PI K4
RXOUT_NQ K5
K6
VDIG
REFP K8
VBAT_TX K9
J11
TXQ_0
VREF_CM J3
RXOUT_NI J4
SCLK J5
J6
SDATA
REFM J8
J9
TXI_180
VCP K1
TXI_0 H11
XENA H5
H6
XRESET
H8
OSCIN
J10
TXQ_180
C1NI
P_OUTP
G10
G_OUTP
G11
G2 C1PI
G3 C2NI
VBAT_RX G4
VDAC G8
DAC202
G9
VBAT_VCO H1
DAC201
H10
E4 C1PQ VBAT_WTX E9
C2NQ
F1
F10 P_OUTM
G_OUTM
F11
F2 C2PI
F3 C2PQ
F4 C1NQ
G1
D10
D11 W_OUTN_H2
WTRP2
D2
D7 RFC9
E10 W_OUTM_L
E11 W_OUTP_H2
E3
VBEXT
C10 W_OUTP_H
DAC102
C2
C3 DAC203
RFC7
C7
C9
TXC
W_OUTN_L
B10 W_OUTN_H
MUX_OUT B2
RFC2
B4
B7 RFC6
RFC8
B8
INP_850
A11 INM_850
A2 INP_2150
A3 INM_2150
A4 INP_1900
INM_1900
A5
INP_1800
A6
INM_1800
A7
INP_900
A8
A9 INM_900
B1 WTRP1
N7500
A10
C7532
18p
Z7540
C7526
8p2
100nC7505
18p
C7531
C7548
18p
10n
C7533
R7506
47R
Z7544
Z7541
100n
C7506
2u2
C7528
C7503 100n
18p
C7529 R7501
10R
G7500
18p
R7505
C7510
27R
18p
C7547
T7520
18p
C7530
1n0
C7542C7541
1n0
R7922
Z7521
L7541
L7525
RFout
ISO CPLD
6
L7500
RFin
Z7542
470R
R7520
R7921
3p3
C7520
100n
C7504
Z7523
6
VC2
VC1 7
Icont_h
9
Vcc1
24
26 Vsw
27
TX_1
Icont_I
28
3
Vpd
5
VC3
16
TRX2
RX2 17
18
RX1
19
TRX3
2
Vgain
21 Ant
TX_2 10
Vcc3 11
13
TRX1
Vcc2
14
1n0
C7543
N7520
L7521
L7524
R7923
J7550
Z7543
C7508
10n
33p
C7511
R7510
10k
10n
C7502
100p
C7545
R7924
100p
18p
C7534
C7521
10n
C7501
R7500
R7502
4k7
22k
10n
C7546
L7540
TXC
C7544
2u2
Vcp1
Vcp
TXC_in
RFCLKN
RFCLKEXT_GPS
DAC203
DAC202
TXFEM_VC3
TXFEM_VC2
TXFEM_VC1
TXFEM_Vgain
DAC102
TXFEM_Vpd
DAC201
TXresetX
AFC
RFCLKP
RFbusClk
RFbusDat
RFCTRL(8:0)
RFbusEna
GND
GND
GND
28R/100MHz
L7501
C7512
2u2
C7564
4u7
J7538
C7574
2u2
L7560
1uH
120R/100MHz
C7570
2u2
L7563
IND_SMPS
G7 IND_SMPS
IND_SMPS
G8
H2
VHI
H3
VBB_VRX
H4 VREG50S
CB_SMPS
H5
INPUT_SMPS
F6
INPUT_SMPS
F7
F8 INPUT_SMPS
G1
SCLK
MUX2 G5
G6
XRESET E4
E5 OUT_BOOST
OUT_BOOST
E6
E7 OUT_BOOST
E8 OUT_BOOST
F1
DATA
ENABLE F2
D1
VREF
D2
VXO
IND_BOOST
D5
D6 IND_BOOST
IND_BOOST
D7
D8 IND_BOOST
CB_DCDC
IND_DCDC B7
VBATT
B8
MUX1 C4
A3
VBB_VRX1
VREG50BD A4
CB_BOOST
A6
IND_DCDC A7
VBATT
A8
B4
N7560
FB_DCDC A1
10n
C7573
120R/100MHz
L7502
10u
C7560
C7509
2u2
J7536
10n
C7561
2u2
C7572
100p
C7571
L7562
10u
C7562 J7537
10nC7568
120R/100MHz
L7575
C7566
10n
C7563
10u
C7569
10u
2u2
C7567
C7565
2u2
R7560
47k
L7561
28R/100MHz
8
0
7
6
RFCLK_I(1:0)
0
1
1
5
2
4
RXQN
RXQP
TXIN
TXIP
TXQN
TXQP
VREFCM
DAC_REF1
RXIN
RXIP
7
6
9
0
8
3
RFCONV(11:0)
0
1
TXCCONV(2:0)
VREFRF01
0
3
4
VREFRF01 4
1
VBATRF
RFPWR(5:0)
VCP1
VXO
3
VXO
GND
HV L1
10n
C7514
GND
GND
GND
GND
C7575
18p
GNDGND
GND
GND
GND
GND
GND GND
GND
GND
GND
GNDGND
GNDGND
GND
GND
GND
GNDGNDGND
GNDGND
GND
GND
GND
GND
GND
GND
GND
10n
C7507
GND
GNDGND
GND
GND
GNDGNDGND
GND
GND
GND
GNDGNDGND
C5 GND_BOOST
GND_BOOST
GND_BOOST
GND_BOOST
C6
C7
C8
GNDGNDGNDGND
GND
GND
GND GND
1,8,12,15,20,22,23,25,29=GND
A1,B5,B6,B9,B11,C1,C5,C6,C11,D1,D4,D5,
D6,D8,D9,E1,E2,E5,E6,E7,E8,F5,F6,F7,F8,F9,
G5,G6,H2,H3,H4,H7,H9,J1,J7,K7,K10,L2,
L3,L4,L6,L7,L8,L10 = GND
15nH
A2,A5,B3,B5,B6,C3,D3,D4,E1,E2,E3,F3,F5,G3,G4,
H6,H7,H8 =GND
Front-end Module (FEM)
WCDMA
Power amplifier
TX filter
RX filter
RX filter
TX filter
WCDMA
duplexer
WCDMA
duplexer
WCDMA
duplexer
Antenna
connector
Antenna
connector
DC-DC converter
VCTCXO (RF clock)
VAPAUS RF IC
AVILMAS
AVILMAS
RAPIDO
RAPIDO
RAPIDO
GPS
W=0.40
W=0.40
W=0.40
W=0.40
W=0.40
W=0.40
L=2.975
L=4.45
C7400
1p8
X7400
IN 1
OUT 2 GND
GND
GND
L=3.0 Z7403
Z7405
L=2.0
GND
X7402
X7401
1p2
C7401
X7403
L=2.0 Z7402
C7402
12p
3n9H
L7400
Z7404
GND
Z7401
L=2.0 Z7408
GND
Customer Care / GTM / Competence Management
Confidential Copyright © 2009 NOKIA Only for training and service purposes Version: 2.0 | 23.06.2009 | N97/RM-505/RM-507 | Board version: 2UZ_07a | Signal Overview (1-8) | Page 10 (12)
Average 19.2 MHz
100ns/div 40mV/div probe:10x
1) SysClk at R2800
Average 38.43 MHz
50ns/div 20mV/div probe:10x
2) REF_CLK at C6200
Average 16.37 MHz
50ns/div 20mV/div probe:10x
3) GPS_CLK at C6211
Average 32.768 kHz
20µs/div 40mV/div probe:10x
4) SleepClk at C2116
Average 38.48 MHz
50ns/div 20mV/div probe:10x
5) RFClkP at J2800
Average 38.53 MHz
50ns/div 20mV/div probe:10x
6) RFClkN at J2801
Average 19.2 MHz
100ns/div 100mV/div probe:10x
7) TxCClk at J2210
Average 4.5 MHz
20µs/div 100mV/div probe:10x
8) SerClk at J2206
VBACK 2.2V
VAUX 2.78V
VDRAM 1.8V
VDRAM 1.8V
VCORE 1.25V
VIO 1.8V
VCORE_WD 1.5V
VIO 1.8V
VCC_TCXO 2.4V
VCORE_eMMC 3V
VIO_eMMC 1.8V
PURX 1.8V
RSTX 3.7V
SLEEPX 1.8V
VOUT 2.5V
REG1V8 1.8V
REG3V3 3.3V
VAUD 3.0V
VCAM_1V8 1.8V
VCAM_1V3 1.3V
VCAM_2V8 2.8V
VR1 2.5V
VBAT 3.7V
VANA 2.5V
VSD 2.9V
VIO 1.8V
VBAT 3.7V
VRFC 1.8V
VRCP1 4.75V
1
7
8
5
6
23
4
Customer Care / GTM / Competence Management
Confidential Copyright © 2009 NOKIA Only for training and service purposes Version: 2.0 | 23.06.2009 | N97/RM-505/RM-507 | Board version: 2UZ_07a | Signal Overview (9-15) | Page 11 (12)
Average 1.5 MHz
500ns/div 100mV/div probe:10x
9) SerDat at J2207
Average 17.5 MHz
10ms/div 100mV/div probe:10x
10) PCLK at J5601
Average 32.768 kHz
50µs/div 100mV/div probe:10x
11) SleepClk at B2200
RBW:10 kHz VBW:3 kHz ATT:35dB
SPAN:250.0 kHz CENTER:897.4 MHz
12) GSM at X7400
RBW:10 kHz VBW:1 kHz SWP:500 ms
ATT:5dB SPAN:8.0 MHz CENTER:1.95 GHz
13) WCDMA at X7400
RBW:100 kHz VBW:300 Hz SWP:500 ms
ATT:45dB SPAN:50.0 MHz CENTER:2.42 GHz
14) WLAN at X6000
24 MHz SD card, Phoenix:normal
50ns/div 1V/div probe:1x
15) MMCClk at J5254
VBACK 2.2V
VAUX 2.78V
VDRAM 1.8V
VDRAM 1.8V
VCORE 1.25V
VIO 1.8V
VCORE_eMMC 3V
VIO_eMMC 1.8V
VIO 1.8V
VRFC 1.8V
VCORE_WD 1.5V
VIO 1.8V
VBAT 3.7V
PURX 1.8V
RSTX 3.7V
SLEEPX 1.8V
VOUT 2.5V
REG1V8 1.8V
REG3V3 3.3V
VCAM_1V8 1.8V
VCAM_1V3 1.3V
VCAM_2V8 2.8V
VR1 2.5V
VBAT 3.7V
VRCP1 4.75V
VANA 2.5V
VSD 2.9V
VCC_TCXO 2.4V
VAUD 3.0V
15
12
13
14
11
9
10
12
13
Customer Care / GTM / Competence Management
Confidential Copyright © 2009 NOKIA Only for training and service purposes Version: 2.0 | 23.06.2009 | N97/RM-505/RM-507 | Board version: 2UZ_07a | Component Finder | Page 12 (12)
Bottom
Top
C2232 C13 C3318 E16 C6210 E21 N2100 F15 R2859 I4 R5416 G18
A2060 E19 C2233 E12 C3322 E16 C6211 F20 G2200 B9 N2101 C16 R2860 H12 R6000 E19
A7500 D8 C2238 J6 C3350 F21 C6212 E20 G6200 G20 N2102 E15 R2861 H11 R6001 E19
C2239 J6 C3351 F21 C6300 F18 G6300 F19 N2103 G16 R2862 I4 R6201 E20
B2152 B6 C2240 J6 C3352 F21 C6302 F19 G7500 C11 N2150 G13 R2864 I6 R6303 E19
B2200 D14 C2300 D15 C3353 F20 C7400 C3 N2151 E14 R2865 J9 R6454 F18
C2303 E16 C3354 F21 C7401 D3 J2158 B16 N2200 D13 R2867 I11 R7500 E10
C1101 F16 C2304 D15 C3365 F17 C7402 D3 N2201 D12 R2868 I10 R7501 B11
C1200 J16 C2307 E16 C4402 K13 C7500 D10 L2100 C16 N2300 E15 R3100 I6 R7502 B10
C1201 I16 C2308 D16 C4403 I14 C7501 C11 L2150 F14 N2390 H13 R3101 I6 R7505 D11
C1300 B14 C2312 E16 C4414 J14 C7502 C10 L2151 G14 N2498 I12 R3300 D15 R7506 B8
C1301 B14 C2390 G13 C4415 K12 C7503 D11 L2152 D20 N2850 I5 R3301 C14 R7510 B10
C2071 B8 C2391 I14 C4416 J11 C7504 D10 L2153 G14 N3300 E21 R3302 C14 R7520 B6
C2072 B7 C2392 G13 C4417 J18 C7505 D10 L2154 D20 N3301 E17 R3303 E21 R7521 D10
C2104 F16 C2481 H11 C4418 J18 C7506 D10 L2155 F14 N3303 C19 R3304 E21 R7560 C5
C2105 D16 C2482 I12 C4430 B20 C7507 D11 L2156 D20 N3350 F21 R3305 E20 R7921 C9
C2106 G16 C2487 I12 C4431 B20 C7508 C11 L2157 G14 N4401 I18 R3306 D14 R7922 C9
C2107 G15 C2489 I11 C5250 H5 C7509 E6 L2161 H3 N4402 C19 R3307 F21 R7923 C9
C2108 G15 C2496 I13 C5251 C21 C7510 C10 L2162 H3 N5250 H4 R3308 D19 R7924 C9
C2109 F15 C2498 I12 C5252 H4 C7511 B10 L2202 C12 N5251 H5 R3311 C14
C2110 E15 C2700 F18 C5253 H5 C7512 E8 L2203 C12 N5252 G19 R3312 C14 S4404 B12
C2111 F15 C2800 F10 C5254 H6 C7514 D11 L2204 E12 N5400 H15 R3320 C14
C2112 E15 C2801 F11 C5255 F19 C7520 D6 L2205 E12 N5402 H16 R3361 D17 T7520 C9
C2113 F15 C2802 H10 C5256 F18 C7521 D7 L2206 J6 N5403 H16 R3367 E17
C2115 F16 C2803 F10 C5257 G18 C7526 B8 L2207 J6 N5404 G18 R3372 F20 V3300 D19
C2116 C16 C2804 H12 C5258 G19 C7527 D5 L2210 D12 N5405 G17 R3373 E20 V3304 F20
C2117 B16 C2805 F11 C5259 G19 C7528 E8 L2390 H13 N6200 E20 R3374 F20 V3305 F20
C2118 F15 C2806 G12 C5260 G18 C7529 B7 L2391 G13 N6300 D18 R3375 E21 V3370 E20
C2119 C16 C2807 H12 C5261 H6 C7530 B7 L2491 I11 N6301 F19 R4400 B20 V3372 E20
C2120 F15 C2808 G12 C5262 H5 C7531 B7 L3304 F17 N7500 D10 R4401 J18 V3374 B17
C2121 E15 C2809 G12 C5263 H6 C7532 B7 L3305 F16 N7520 C6 R4405 I18 V4400 K13
C2150 G13 C2810 G12 C5331 J17 C7533 B7 L3306 C15 N7540 C8 R4406 I18 V4403 K14
C2151 G13 C2811 H11 C5332 J17 C7534 C9 L3307 D14 N7560 D5 R4407 I18 V4404 K14
C2152 F14 C2812 H11 C5417 G14 C7535 D9 L3375 D16 R4430 K13 V5405 F17
C2154 G14 C2813 F11 C5418 G15 C7541 B9 L4401 K13 R1300 B14 R4431 K12
C2155 G14 C2814 F12 C5419 G14 C7542 C9 L4402 J14 R1302 B14 R4432 C19 X2060 J16
C2156 F14 C2815 H10 C5420 G14 C7543 E9 L4403 J14 R1303 F17 R4433 J11 X2070 D4
C2158 F14 C2816 H12 C5421 I16 C7544 D11 L4404 K12 R2072 B13 R5250 I6 X2100 D21
C2159 F14 C2817 F12 C5422 H16 C7545 B8 L4405 I11 R2100 D17 R5251 H7 X2159 B6
C2160 G14 C2818 F12 C5423 H16 C7546 E9 L4406 J15 R2101 D17 R5252 H5 X2700 E19
C2161 E15 C2825 G12 C5424 H17 C7547 D11 L5400 H16 R2102 D16 R5253 H6 X3300 B19
C2163 F14 C2850 I6 C5425 I15 C7548 D11 L5401 I15 R2103 C16 R5254 H6 X4400 J13
C2164 E14 C2852 G17 C5426 I15 C7560 B5 L5402 I16 R2105 F14 R5255 H6 X4401 J5
C2165 F13 C2853 I5 C5427 I15 C7561 C4 L5403 G17 R2107 C16 R5256 H7 X5200 B21
C2166 E14 C2862 I4 C5428 I15 C7562 C5 L5404 G13 R2108 B16 R5257 C20 X6000 B18
C2167 G13 C3000 E10 C5429 G14 C7563 C5 L5405 F17 R2154 C20 R5259 F18 X6200 H21
C2174 B7 C3001 E9 C5430 G13 C7564 B6 L5406 G17 R2155 C20 R5260 C20 X7400 D4
C2177 E14 C3002 E9 C5431 I17 C7565 C5 L5408 I18 R2156 F14 R5261 C20 X7401 D2
C2178 E14 C3003 E8 C5432 F17 C7566 D5 L6000 E19 R2157 B7 R5262 F19 X7402 E2
C2201 C13 C3004 E8 C5433 J17 C7567 D5 L6200 F21 R2158 F14 R5263 B20 X7403 C2
C2203 E14 C3005 H10 C5434 G16 C7568 D4 L6201 F21 R2159 E14 R5264 B20 X9001 J17
C2205 E14 C3006 H9 C5435 I18 C7569 E5 L7400 D3 R2160 F14 R5266 B20
C2211 C12 C3007 H10 C5436 G15 C7570 D11 L7500 D7 R2161 D20 R5267 C20 Z2100 C20
C2213 C14 C3008 H9 C5437 I14 C7571 D5 L7501 B4 R2162 D20 R5268 B20 Z3300 C19
C2215 C13 C3009 H9 C5440 H17 C7572 C4 L7502 D6 R2163 B7 R5269 B20 Z3301 D19
C2216 C13 C3300 C14 C5453 F18 C7573 D5 L7521 D10 R2164 B6 R5270 F19 Z4400 J14
C2217 E13 C3301 C14 C5600 I9 C7574 D4 L7524 B10 R2166 C20 R5271 B20 Z4401 J11
C2218 E13 C3302 E21 C5601 J9 C7575 E10 L7525 D9 R2200 E13 R5273 I9 Z4402 I6
C2219 E13 C3303 C14 C5602 I9 L7540 C7 R2300 C3 R5274 E11 Z4403 I6
C2220 D12 C3304 C14 C5604 J10 D2480 I12 L7541 E8 R2480 H11 R5402 J18 Z6200 G21
C2221 D12 C3305 C14 C5605 I10 D2800 G11 L7560 C4 R2493 I11 R5403 J18 Z7521 D9
C2222 D12 C3306 C15 C5606 I9 D3000 G9 L7561 B6 R2494 I11 R5404 I15 Z7523 C10
C2223 D12 C3307 C14 C6200 F20 D3300 C15 L7562 E4 R2800 H12 R5405 I14 Z7540 D7
C2224 E13 C3308 D18 C6201 F21 D5250 G6 L7563 D10 R2850 H11 R5406 I14 Z7541 D7
C2225 D12 C3309 D18 C6202 F20 D6000 D19 L7575 B8 R2851 H11 R5407 I15 Z7542 C7
C2226 D14 C3310 E16 C6203 E21 D6001 I10 R2852 G12 R5408 I15 Z7543 C9
C2227 C13 C3312 D17 C6204 F20 M2200 J8 R2853 H12 R5409 I14 Z7544 C9
C2228 C13 C3313 E16 C6205 E20 E2060 F13 R2854 H12 R5410 I14
C2229 E12 C3314 D17 C6206 F21 E2061 H22 N1100 G16 R2856 F11 R5411 I14
C2230 C12 C3315 E21 C6207 F20 N1200 I16 R2857 F11 R5414 H15
C2231 E12 C3317 F17 C6209 E21 F3300 C18 N1300 B15 R2858 I5 R5415 H15
L
M
N
R
S
T
V
X
Z
G
H
A
B
C
D
E
F
Page 1 of 12 - N97 Service Schematics Nokia Rm-505 Rm-507 V2
Page 2 of 12 - N97 Service Schematics Nokia Rm-505 Rm-507 V2
Page 3 of 12 - N97 Service Schematics Nokia Rm-505 Rm-507 V2
Page 4 of 12 - N97 Service Schematics Nokia Rm-505 Rm-507 V2
Page 5 of 12 - N97 Service Schematics Nokia Rm-505 Rm-507 V2
Page 6 of 12 - N97 Service Schematics Nokia Rm-505 Rm-507 V2
Page 7 of 12 - N97 Service Schematics Nokia Rm-505 Rm-507 V2
Page 8 of 12 - N97 Service Schematics Nokia Rm-505 Rm-507 V2
Page 9 of 12 - N97 Service Schematics Nokia Rm-505 Rm-507 V2
Page 10 of 12 - N97 Service Schematics Nokia Rm-505 Rm-507 V2
Page 11 of 12 - N97 Service Schematics Nokia Rm-505 Rm-507 V2
Page 12 of 12 - N97 Service Schematics Nokia Rm-505 Rm-507 V2

Navigation menu