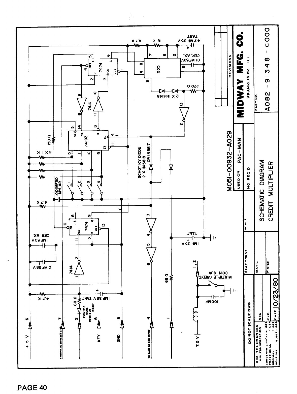
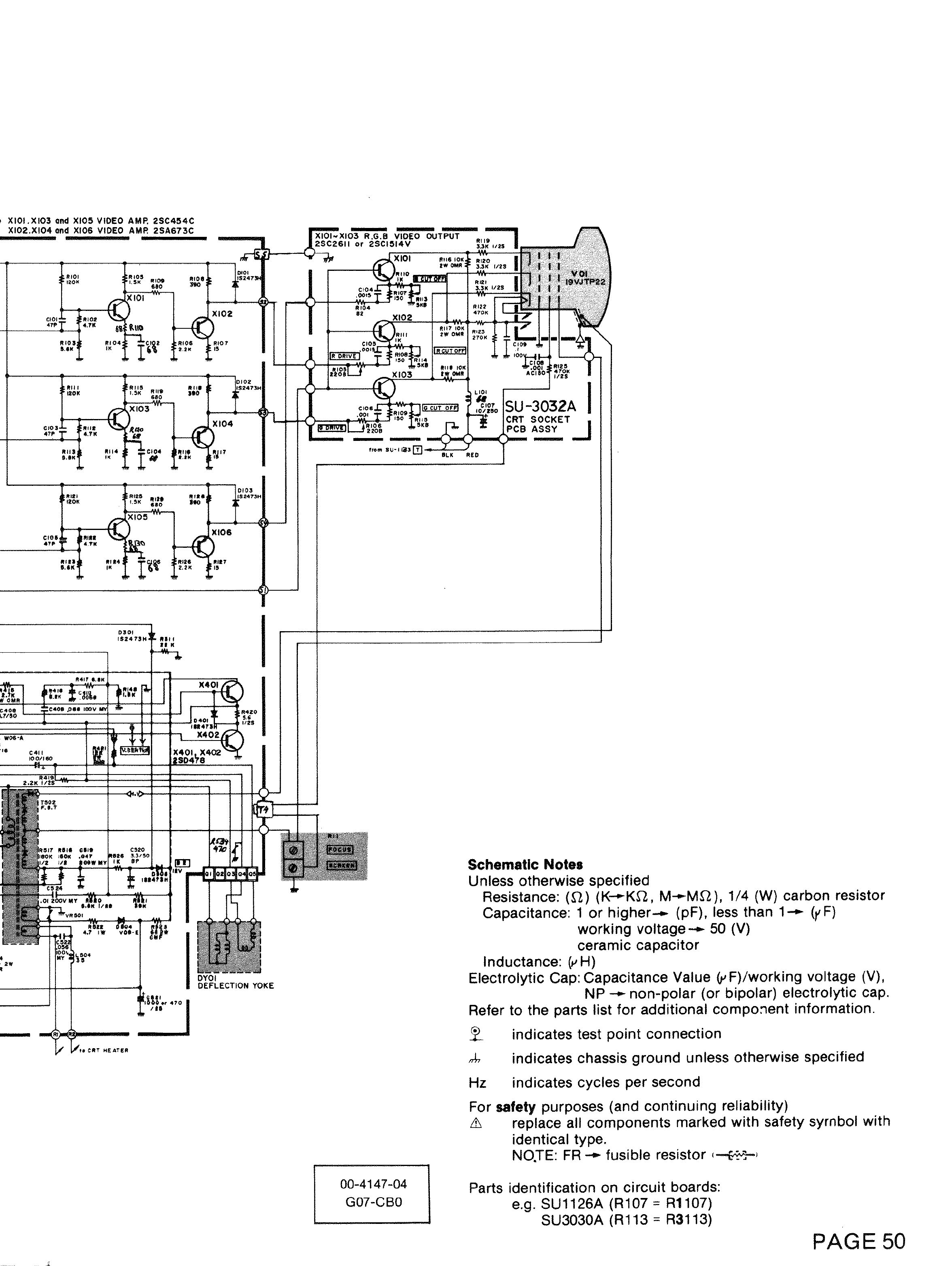
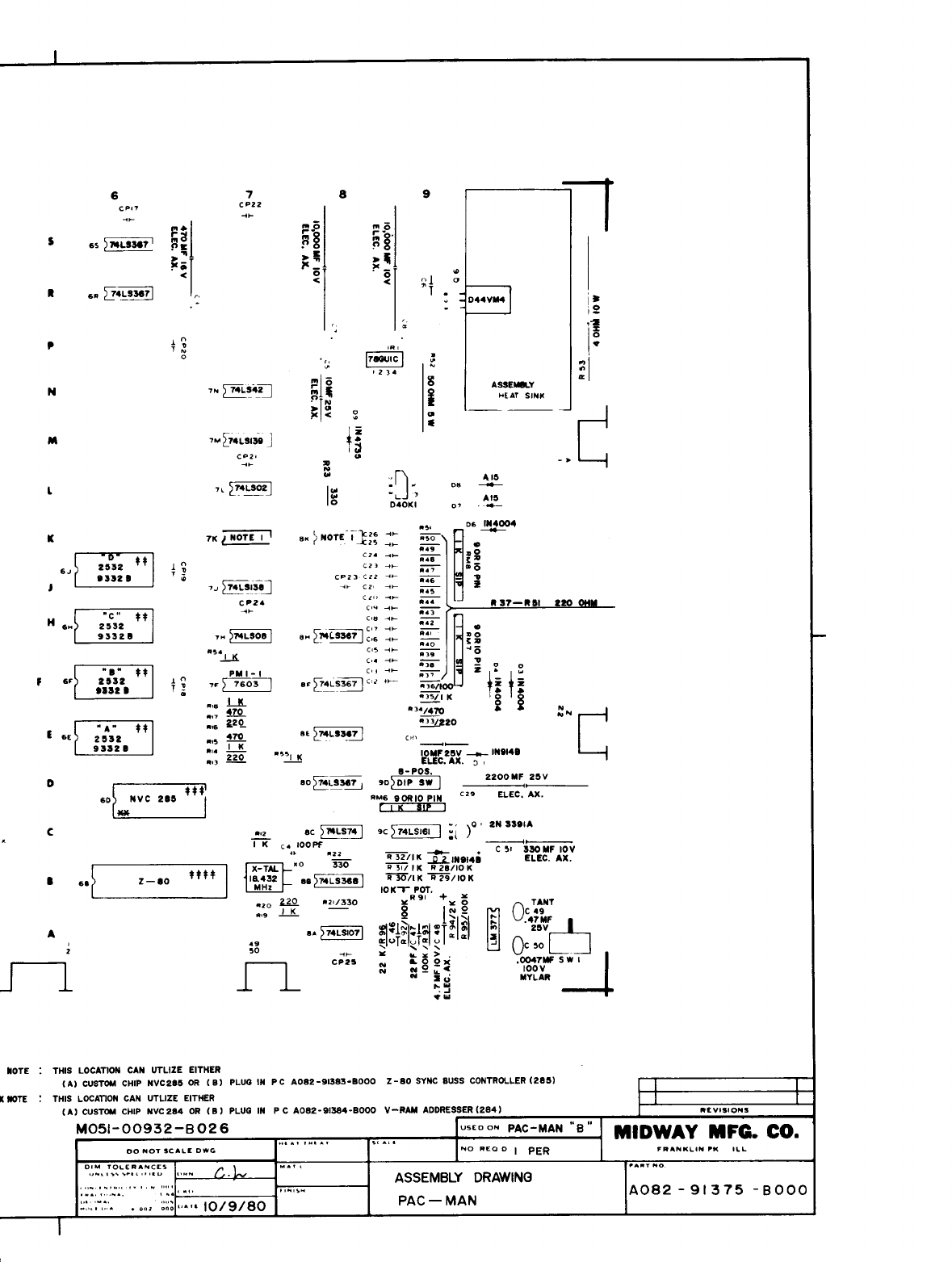
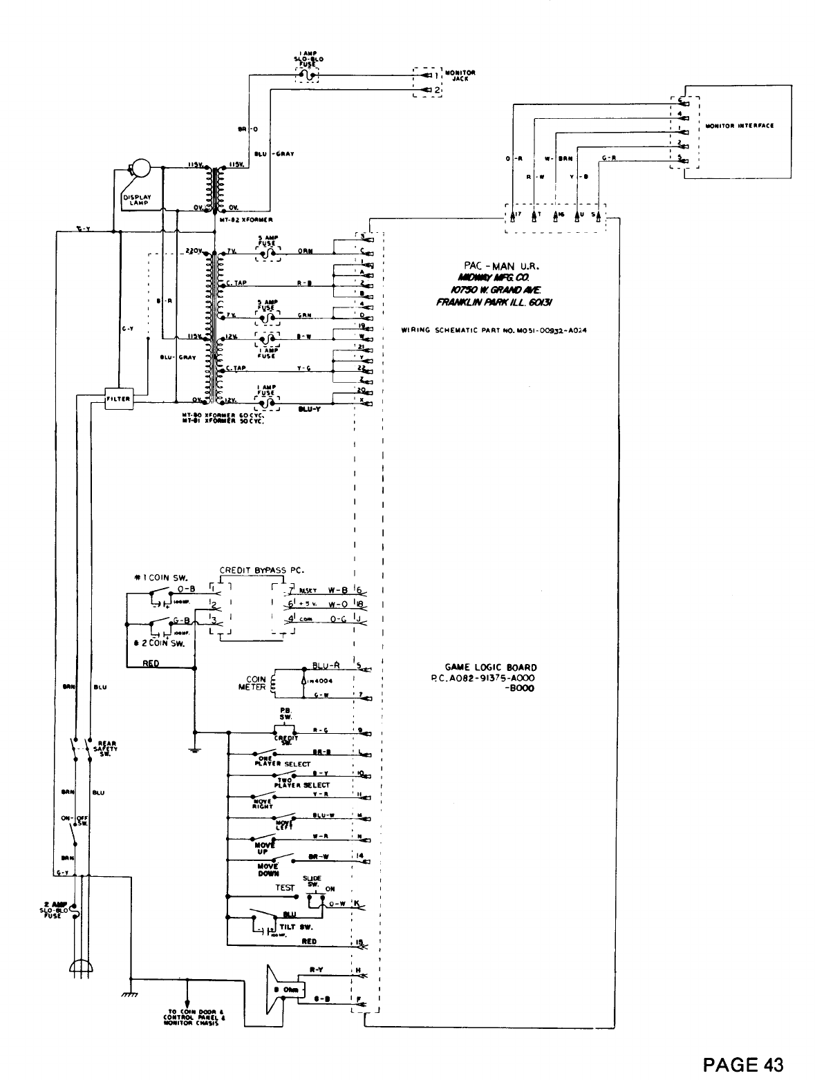
Pac Man

Pac Man, by Midway (1980) Pac Man, by Midway (1980)

User Manual: pac-man T E X T F I L E S

Open the PDF directly: View PDF PDF.
Page Count: 70

Navigation menu