Panasonic CQ TS7471A Service Manual. Www.s Manuals.com. (toyota) Manual
User Manual: Panasonic CQ-TS7471A (TOYOTA audio component) - Service manuals and Schematics. Free.
Open the PDF directly: View PDF
.
Page Count: 36

General
Power Supply DC 12V
Test Voltage 14.4V
Negative Ground
Current Consumption Less than 3.0A (at 0.5W)
FM Stereo Radio
Frequency Range 87.50 - 108MHz
Effective Sensitivity Less than 14dB/µV
Signal to Noise Ratio More than 46dB
LW Radio
Frequency Range 153 - 279Hz
Effective Sensitivity 43dB/µV
Signal to Noise Ratio More than 42dB
MW Radio
Frequency Range 522 - 1611Hz
Effective Sensitivity 34dB/µV
Signal to Noise Ratio More than 42dB
CQ-TS7471A
AM/FM/RDS MPX ELECTRONIC
TUNING RADIO with CD Player
TOYOTA PART No. 86120-12880
ID CODE : 58816
VEHICLE : COROLLA
DESTINATION : Europe
PRODUCED AFTER : Apr., 2004
CD Player (YGFD15269)
Signal to Noise Ratio More than 65dB
Total Harmonic Distortion Less than 0.3%
Channel Separation More than 70dB
Dimensions** 178×100×136mm(W×H×D)
Weight** 2000g
* Specifications and the design are subject to possible modification
without notice due to improvements.
** Dimensions and Weight shown are approximate.
·
Above specifications comply with EIA standards.
Specifications

1 FEATUERS 2
2 SYSTEM BLOCK DIAGRAM 2
3 VIEW AND CONNECTORS 3
4 WIRING CONNECTION 4
5 BLOCK DIAGRAM 5
6 TERMINALS DESCRIPTION 6
7 PACKAGE AND IC BLOCK DIAGRAM 7
8 REPLACEMENT PARTS LIST 10
9 EXPLODED VIEW (Unit) 17
10 WIRING DIAGRAM 18
11 SCHEMATIC DIAGRAM 21
12 MEMO 23
CONTENTS
Page Page
1 FEATUERS
•
• •
• TOYOTA AVC-LAN
•
• •
• 10-Pro Tuner Pack
•
• •
• 24-station preset (18-FM, 6-AM)
•
• •
• RDS (Radio Data System)
•
• •
• LCD Module
•
• •
• Escutcheon Color : Black
•
• •
• The corner of the view is27°
•
• •
• CD changer control
•
• •
• Compatible with Audio CD, CD-R and CD-RW
2 SYSTEM BLOCK DIAGRAM
2
CQ-TS7471A

3 VIEW AND CONNECTORS
3
CQ-TS7471A

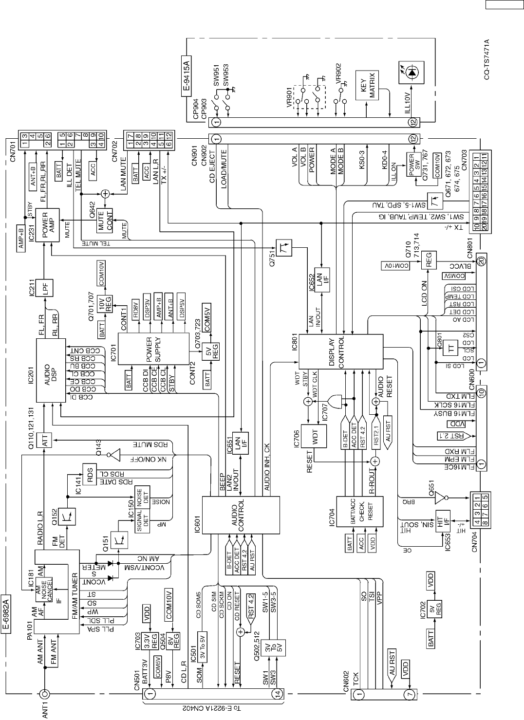
5 BLOCK DIAGRAM
5
CQ-TS7471A

6.1. Main Block
IC601 : C2CBKH000103
Pin
No. Port Descriptions I/O (V)
FM AM CD
1 BEEP - O 0 0 0
2 NC No connection - - - -
3 NC No connection - - - -
4SW3-5 CD Mute I/O 4.8 4.9 0
5 NC No connection - - - -
6 CD-ON CD.C controller enable O 0 0 4.9
7CD-RESET CD.C reset O 4.9 5.0 5.0
8 CD-SCKM CD.C shift clock O 0 0 4.9
9 CD-SOM CD serial data input I 4.9 4.9 1.5
10 CD-SIM CD serial data output O 4.9 4.9 4.9
11 RESET Reset I 4.9 4.9 5.0
12 XT2(NC) No connection - - - -
13 XT1 Ground I 0 0 0
14 GND Ground - 0 0 0
15 X2 Crystal oscillator
terminal - 1.8 1.8 1.8
16 X1 Crystal oscillator
terminal I 1.5 1.5 1.5
17 REGOFF Ground - 0 0 0
18 REGCPU Capacitor terminal - 3.6 3.6 3.6
19 VDD0 +5V power supply - 4.9 5.0 5.0
20 NC No connection - - - -
21 GREEN(NC) No connection - - - -
22 RED(NC) No connection - - - -
23 Phanton (Ground Pull-down) - 0 0 0
24 MODE Ground I 4.9 4.9 5.0
25 NC No connection - - - -
26 LOAD Loading Detection - 4.9 4.9 4.9
27 MODE-A Mode encoder data O 4.9 4.9 4.9
28 MODE-B Mode encoder data O 4.9 4.9 4.9
29 VOL-A Volume encoder data O 4.9 4.9 4.9
30 VOL-B Volume encoder data O 4.9 4.9 4.9
31 NC No connection - - - -
32 AUDIO-CK Audio clock O 1.5 1.5 1.5
33 AUDIO-INH Audio enable O 4.9 5.0 4.9
34 LCD-SCK LCD serial clock O 0 0 0
35 LCD-DATA LCD serial data I 4.8 4.9 4.8
36 LCD-STB LCD CE data O 0 0 0
37 LCD-REQ LCD data O 0 0 0
38 NC No connection - - - -
39 LCD-RESET LCD Reset O 0 0 0
40 GND Ground - 0 0 0
41 VDD +5V power supply - 4.9 5.0 5.0
42 - - - - - -
43 STBY Stand-by I 4.9 5.0 5.0
44 CCB-DI CCB Data input I 4.8 5.0 4.9
45 CCB-DO CCB Data output O 0.5 0.5 0.5
46 CCB-CL CCB serial clock I 4.8 5.0 4.9
47 CCB-CE CCB chip enable I 0 0 0
48 CCB-RS CCB RS O 4.9 5.0 5.0
49 CCB-BU CCB bus I 0.5 0.5 0.5
50 CCB-CNT CCB control I 4.9 0 0
51 NC No connection - - - -
52 MP - O 4.9 4.9 4.8
53 SD SD signal I 4.9 4.9 4.8
54 PLL-SDA PLL serial data I/O 4.9 4.9 4.9
55 PLL-SCL PLL serial clock O 4.9 5.0 5.0
56 ST FM stereo detection I 4.9 4.9 4.8
57 NC No connection - - - -
58 NK ON/OFF AM noise cancellor on/off - 4.8 0 0
59 NC No connection - - - -
60 TEL MUTE TEL Mute - 4.9 4.9 4.9
61 MUTE Mute - 0 0 0
62 NC No connection - - - -
63 NC No connection - - - -
64 NC No connection - - - -
65 RDS CL RDS clock O 2.4 2.4 2.4
66 RDS DATA RDS data I 2.7 2.7 2.5
Pin
No. Port Descriptions I/O (V)
FM AM CD
67 NC No connection - - - -
68 RDS MUTE RDS Mute O 5.0 5.0 0
69 NC No connection - - - -
70 NC No connection - - - -
71 NC No connection - - - -
72 NC No connection - - - -
73 TEST(FLASH
VPP) (Ground pull-down) - 0 0 0
74 ACC-IN Temperature sensor - 0 1.4 0
75 VCONT
(VSM) Field intensity detection I 0.6 1.1 0.6
76 MP - I 0 0 0
77 NOISE FM noise detection I 1.4 0 1.4
78 NC No connection - - - -
79 NC No connection - - - -
80 NC No connection - - - -
81 NC No connection - - - -
82 VDD +5V power supply - 5.0 5.0 5.0
83 AVDD +5V power supply - 4.9 4.9 4.9
84 GND (AVSS) Ground - 0 0 0
85 LAN IN LAN data input I 0 0 0
86 LAN OUT LAN data output O 0 0 0
87 GND Ground - 0 0 0
88 CD EJ CD Eject I 4.9 4.9 4.9
89 NC (Ground Pull-down) - 0 0 0
90 PACK(SW) - I 4.9 4.9 0
91 +B-DET Battery detection I 4.9 4.9 4.9
92 ACC-DET ACC detection I 4.9 4.9 4.9
93 RESET 4.2 - I 4.9 4.9 4.9
94 TSO(SUBC) CD text serial data input I 0 0 0
95 SO Serial data output O 0 0 0
96 TSI CD text serial data output O 0 0 0
97 TCK(SBCK) CD text serial clock O 0 0 0
98 TSTB CD text TSTB No I 0 0 0
99 NC No connection - - - -
100 NC No connection - - - -
6 TERMINALS DESCRIPTION
6
CQ-TS7471A

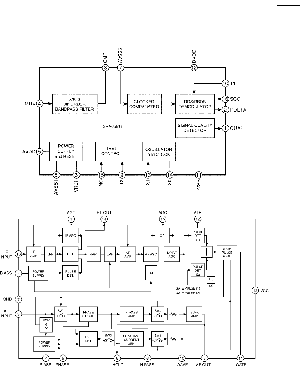
7 PACKAGE AND IC BLOCK DIAGRAM
7.1. Main Block
IC141 : C1EB00000061
IC181 : YEAMHA12181F
7
CQ-TS7471A

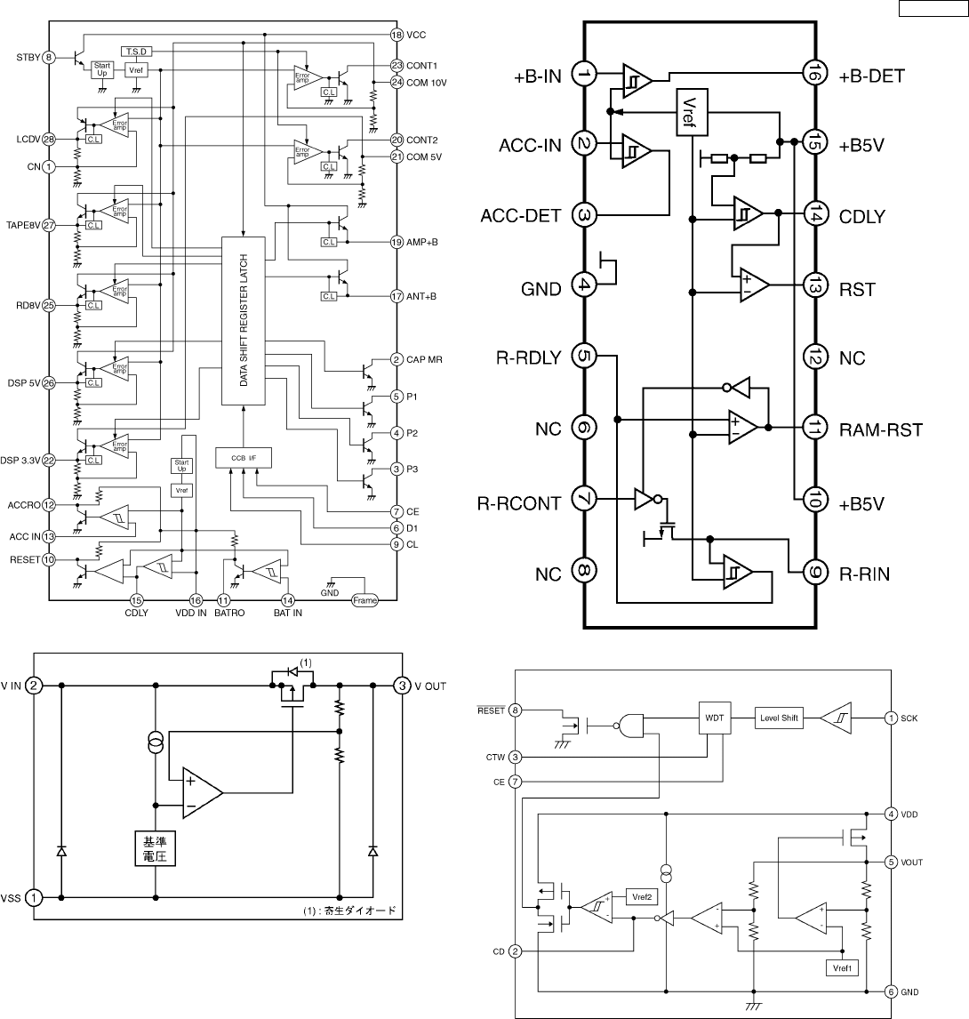
IC231 : C1BA00000345
IC651,652 : C1EB00000001
IC653 : C1EB00000017
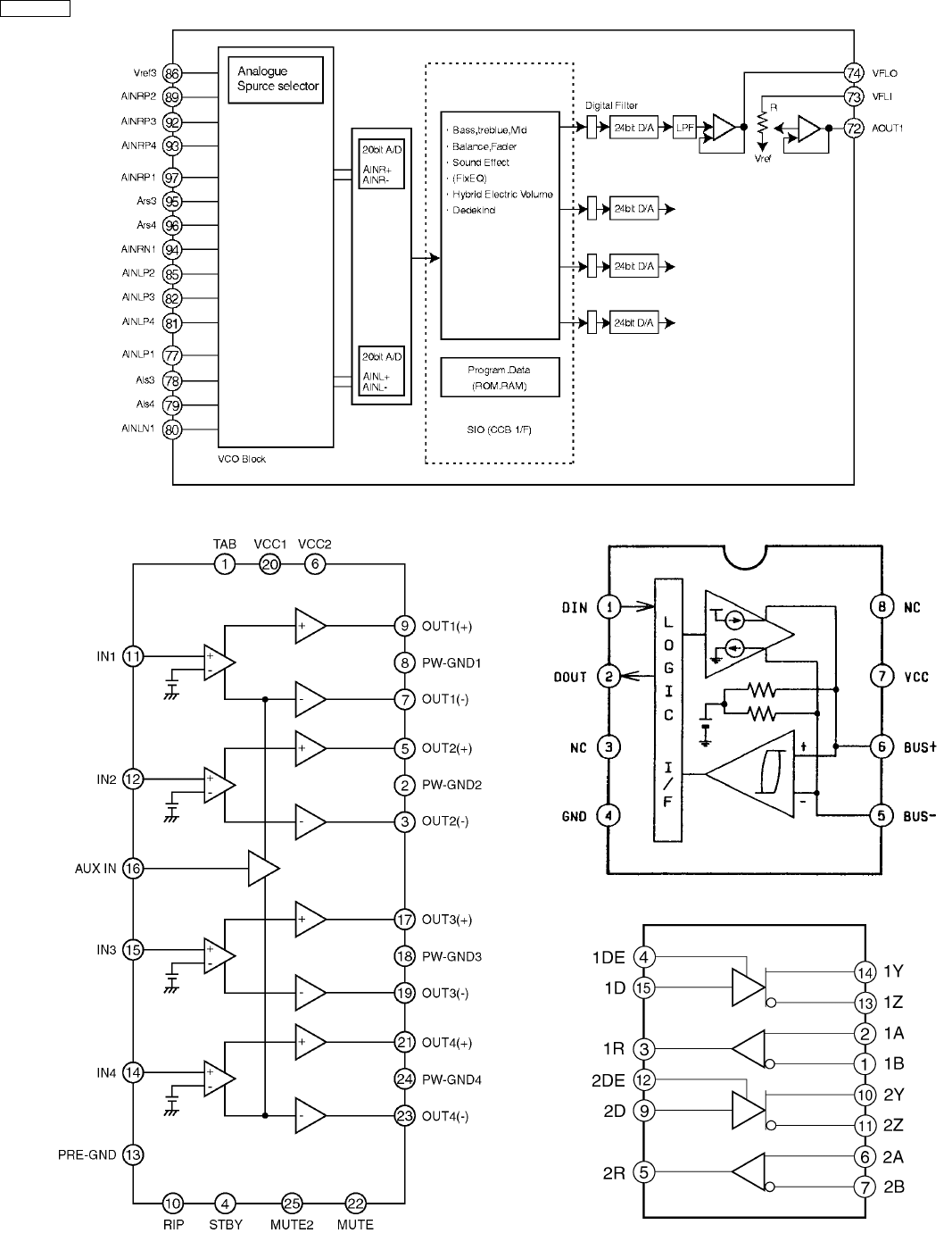
IC201 : C2HBZF000007
8
CQ-TS7471A

IC701 : C0DBZHZ00020
IC703 : C0CBABC00138
IC704 : AN31910A-NF
IC706 : C0EBE0000174
9
CQ-TS7471A

8 REPLACEMENT PARTS
LIST
Notes :
1. Be sure to make your orders of replacement parts
according to this list.
2. Important safety notice: Components, identified by mark
have special characteristics important for safety. When
replacing any of these components, use only
manufacturer´s specified parts.
3. Location keys in the remarks column indicates the general
location of the parts shown in the exploded drawing, as in a
road map.
4. The marking (RTL) indicates that Retention Time is limited
for this item. After the discontinuation of assembly in
production, the item will continue to be available for a
specific period of time. The retention period of availability is
dependent on the type of assembly, and in accordance with
the laws governing part and product retention. After the end
of this period, the assembly will no longer be available.
Ref.
No. Part No. Part Name & Description Remarks
[E6982A] Main Block
IC´s AND TRANSISTORs
IC141 C1EB00000061 IC
IC150 C0ABCB000032 IC
IC181 YEAMHA12181F IC
IC201 C2HBZF000007 IC
IC211 C0ABCB000038 IC
IC231 C1BA00000345 IC
IC501 YEAMT7ST00UL IC
IC601 C2CBKH000103 IC
IC651 C1EB00000001 IC
IC652 C1EB00000001 IC
IC653 C1EB00000017 IC
IC701 C0DBZHZ00020 IC
IC702 C1BB00000828 IC
IC703 C0CBABC00138 IC
IC704 AN31910A-NF IC
IC706 C0EBE0000174 IC
IC707 C0JBAA000102 IC
IC801 C2CBJH000062 IC
PA101 YEP0PTB566B0 Electronic Tuner
Q110 B1GDCFNN0007 Transistor
Q121 YEANC323TUTX Transistor
Q131 YEANC323TUTX Transistor
Q143 B1GBCFGN0001 Transistor
Q151 B1ABCF000044 Transistor
Q152 B1ABCF000044 Transistor
Q502 YEAN2SK3018T Transistor
Q504 B1BBCD000001 Transistor
Q512 YEAN2SK3018T Transistor
Q642 B1GKCFNN0006 Transistor
Q651 B1GBCFNN0004 Transistor
Q671 B1GDCFJJ0002 Transistor
Q672 B1GDCFJJ0002 Transistor
Q673 B1GDCFJJ0002 Transistor
Q674 B1GDCFJJ0002 Transistor
Q675 B1GDCFJJ0002 Transistor
Q681 B1ABCF000042 Transistor
Q691 B1ABCF000042 Transistor
Q701 YEAN2SA1757 Transistor
Q703 YEAN2SA1757 Transistor
Q707 YEAN2SA1757 Transistor
Q710 B1BBCD000001 Transistor
Q713 B1GDCFGN0001 Transistor
Q714 B1GBCFNN0009 Transistor
Q723 YEAN2SA1757 Transistor
Ref.
No. Part No. Part Name & Description Remarks
Q731 2SB1073TX Transistor
Q751 B1GBCFNN0009 Transistor
Q767 YEANC114YKX Transistor
Q801 YEAN2SK1133T Transistor
DIODEs
D16 YEADEC10DS1 Diode
D101 B0ADDJ000007 Diode
D110 B0ACCK000005 Diode
D141 MA153TX Diode
D142 MA153TX Diode
D501 B0BC8R200012 Diode
D502 B0ADDJ000006 Diode
D601 B0ADDJ000006 Diode
D641 B0ACCK000005 Diode
D643 B0ACCK000005 Diode
D644 B0ACCK000005 Diode
D651 YEADRD18M2T1 Diode
D652 YEADRD18M2T1 Diode
D653 YEADRD18M2T1 Diode
D654 YEADRD18M2T1 Diode
D655 YEADRD13P2T1 Diode
D656 YEADRD13P2T1 Diode
D658 B0ACCK000005 Diode
D671 MA8056LMHTX Diode
D672 MA8056LMHTX Diode
D673 MA8056LMHTX Diode
D674 MA8056LMHTX Diode
D675 MA8056LMHTX Diode
D676 B0ACCK000005 Diode
D677 B0ACCK000005 Diode
D678 B0ACCK000005 Diode
D679 B0ACCK000005 Diode
D680 B0ACCK000005 Diode
D683 MA153TX Diode
D684 MA153TX Diode
D685 MA153TX Diode
D691 YEADSR1544TL Diode
D701 B0BC02700005 Diode
D703 YEADRB051L40 Diode
D705 B0BC3R900023 Diode
D712 B0ADDJ000007 Diode
D751 B0BC6R800004 Diode
D760 B0ADDJ000008 Diode
D761 B0ADDJ000008 Diode
D762 B0ADDJ000006 Diode
D800 B0ACCK000005 Diode
D801 B0ACCK000005 Diode
D802 B0ACCK000005 Diode
D803 B0ACCK000005 Diode
CAPACITORs
C51 F1J1H102A394 Ceramic, 1000PF 50WV
C101 YECUS1C154KX Ceramic, 0.15µF 16WV
C102 YECUS1H123KX Ceramic, 0.012µF 50WV
C103 YECUZ1E223KX Ceramic, 0.022µF 25WV
C104 ECEA1AKA101I Electrolytic, 100µF 10WV
C107 ECEA1CKA100I Electrolytic, 10µF 16WV
C109 F1H1A1050019 Ceramic, 1µF 10WV
C110 ECEA1HKAR22I Electrolytic, 0.22µF 50WV
C111 YECUS1E223KX Ceramic, 0.022µF 25WV
C112 YECUS1E223KX Ceramic, 0.022µF 25WV
C115 EEUFC1A221B Electrolytic, 220µF 10WV
C118 ECEA1HKA010I Electrolytic, 1µF 50WV
C119 YECUZ1H103KX Ceramic, 0.01µF 50WV
C120 F1J1H471A665 Ceramic, 470PF 50WV
C121 YECUS1C683KX Ceramic, 0.068µF 16WV
C123 YECUS1A105KX Ceramic, 1µF 10WV
C131 YECUS1C683KX Ceramic, 0.068µF 16WV
C133 YECUS1A105KX Ceramic, 1µF 10WV
C141 F1J1H331A665 Ceramic, 330PF 50WV
10
CQ-TS7471A

Ref.
No. Part No. Part Name & Description Remarks
C142 ECEA1HKA2R2I Electrolytic, 2.2µF 50WV
C143 F1J1H271A672 Ceramic, 270PF 50WV
C144 YECUZ1H103KX Ceramic, 0.01µF 50WV
C145 F1J1H561A672 Ceramic, 560PF 50WV
C146 ECEA0JKA470I Electrolytic, 47µF 6.3WV
C147 F1J1H103A513 Ceramic, 0.01µF 50WV
C148 YECUS1H470JC Ceramic, 47PF 50WV
C149 F1J1H560A025 Ceramic, 56PF 50WV
C150 F1J1H122A675 Ceramic, 1200PF 50WV
C151 F1J1H152A675 Ceramic, 1500PF 50WV
C152 F1J1H103A513 Ceramic, 0.01µF 50WV
C153 ECEA1HKA4R7I Electrolytic, 4.7µF 50WV
C154 F1J1H151A672 Ceramic, 150PF 50WV
C155 YECUZ1H151JC Ceramic, 150PF 50WV
C156 F1J1H151A672 Ceramic, 150PF 50WV
C157 F1J1H151A672 Ceramic, 150PF 50WV
C158 F1J1H1020024 Ceramic, 1000PF 50WV
C159 YECUS1H100CC Ceramic, 10PF 50WV
C160 F1J1H1020024 Ceramic, 1000PF 50WV
C161 YECUS1E223KX Ceramic, 0.022µF 25WV
C162 ECEA1CKA100I Electrolytic, 10µF 16WV
C178 ECEA1AKA101I Electrolytic, 100µF 10WV
C180 YECUZ1H103KX Ceramic, 0.01µF 50WV
C181 F1H1E273A011 Ceramic, 0.027µF 25WV
C182 YECUS1E333KX Ceramic, 0.033µF 25WV
C183 YECUS1E333KX Ceramic, 0.033µF 25WV
C184 YECUS1C683KX Ceramic, 0.068µF 16WV
C186 ECEA1HKA3R3I Electrolytic, 3.3µF 50WV
C187 F1H1E153A011 Ceramic, 0.015µF 25WV
C188 YECUS1E333KX Ceramic, 0.033µF 25WV
C189 YECUS1C224KX Ceramic, 0.22µF 16WV
C190 F1H1E103A011 Ceramic, 0.01µF 25WV
C191 F1J1H562A675 Ceramic, 5600PF 50WV
C192 YECUS1E333KX Ceramic, 0.033µF 25WV
C196 YECUZ1H102KX Ceramic, 1000PF 50WV
C201 YECUS1E333KX Ceramic, 0.033µF 25WV
C202 F1J1C1050013 Ceramic, 1µF 16WV
C203 YECUS1E104ZF Ceramic, 0.1µF 25WV
C204 F1J1C1050013 Ceramic, 1µF 16WV
C205 F1J1C1050013 Ceramic, 1µF 16WV
C206 F1H1H152A201 Ceramic, 1500PF 50WV
C207 ECEA1HSN2R2I Electrolytic, 2.2µF 50WV
C208 ECEA1HSN2R2I Electrolytic, 2.2µF 50WV
C209 F1H1H180A231 Ceramic, 18PF 50WV
C210 F1H1H180A231 Ceramic, 18PF 50WV
C213 F1H1H821A190 Ceramic, 820PF 50WV
C215 F1H1H821A190 Ceramic, 820PF 50WV
C219 ECEA1HSNR33I Electrolytic, 0.33µF 50WV
C220 ECEA1HSNR33I Electrolytic, 0.33µF 50WV
C221 YECUZ1H221JC Ceramic, 220PF 50WV
C222 YECUZ1H221JC Ceramic, 220PF 50WV
C225 F1J1E2240009 Ceramic, 0.22µF 25WV
C226 F1J1E2240009 Ceramic, 0.22µF 25WV
C227 F1J1E2240009 Ceramic, 0.22µF 25WV
C228 F1J1E2240009 Ceramic, 0.22µF 25WV
C229 YECUZ1H102KX Ceramic, 1000PF 50WV
C230 F1H1E4730007 Ceramic, 0.047µF 25WV
C231 ECEA1CKA100I Electrolytic, 10µF 16WV
C233 YECUZ1C104KX Ceramic, 0.1µF 16WV
C270 EEUFC1A221B Electrolytic, 220µF 10WV
C271 YECUZ1E104ZF Ceramic, 0.1µF 25WV
C272 ECEA1CKA100I Electrolytic, 10µF 16WV
C273 YECUS1E104ZF Ceramic, 0.1µF 25WV
C274 YECUZ1E104ZF Ceramic, 0.1µF 25WV
C275 YECUZ1E104ZF Ceramic, 0.1µF 25WV
C276 YECUZ1E104ZF Ceramic, 0.1µF 25WV
C277 YECUZ1E104ZF Ceramic, 0.1µF 25WV
C278 YECUS1E104ZF Ceramic, 0.1µF 25WV
C279 YECUZ1E104ZF Ceramic, 0.1µF 25WV
C280 YECUZ1E104ZF Ceramic, 0.1µF 25WV
C281 F1H1H100A226 Ceramic, 10PF 50WV
C282 F1H1H100A226 Ceramic, 10PF 50WV
C283 YECUZ1E104ZF Ceramic, 0.1µF 25WV
Ref.
No. Part No. Part Name & Description Remarks
C284 YECUS1E104ZF Ceramic, 0.1µF 25WV
C285 YECUS1E104ZF Ceramic, 0.1µF 25WV
C289 YECUS1E104ZF Ceramic, 0.1µF 25WV
C290 ECEA1CKA100I Electrolytic, 10µF 16WV
C291 YECUS1E104ZF Ceramic, 0.1µF 25WV
C292 YECUS1E104ZF Ceramic, 0.1µF 25WV
C293 YECUS1E104ZF Ceramic, 0.1µF 25WV
C294 YECUZ1E104ZF Ceramic, 0.1µF 25WV
C295 ECEA1CKA100I Electrolytic, 10µF 16WV
C296 YECUS1E104ZF Ceramic, 0.1µF 25WV
C297 YECUS1E104ZF Ceramic, 0.1µF 25WV
C298 YECUS1E104ZF Ceramic, 0.1µF 25WV
C299 YECUZ1E104ZF Ceramic, 0.1µF 25WV
C301 YECUS1E333KX Ceramic, 0.033µF 25WV
C302 F1J1C1050013 Ceramic, 1µF 16WV
C304 F1J1C1050013 Ceramic, 1µF 16WV
C305 F1J1C1050013 Ceramic, 1µF 16WV
C306 F1H1H152A201 Ceramic, 1500PF 50WV
C307 ECEA1HSN2R2I Electrolytic, 2.2µF 50WV
C308 ECEA1HSN2R2I Electrolytic, 2.2µF 50WV
C309 F1H1H180A231 Ceramic, 18PF 50WV
C310 F1H1H180A231 Ceramic, 18PF 50WV
C313 F1H1H821A190 Ceramic, 820PF 50WV
C315 F1H1H821A190 Ceramic, 820PF 50WV
C319 ECEA1HSNR33I Electrolytic, 0.33µF 50WV
C320 ECEA1HSNR33I Electrolytic, 0.33µF 50WV
C321 YECUZ1H221JC Ceramic, 220PF 50WV
C322 YECUZ1H221JC Ceramic, 220PF 50WV
C325 F1J1E2240009 Ceramic, 0.22µF 25WV
C326 F1J1E2240009 Ceramic, 0.22µF 25WV
C327 F1J1E2240009 Ceramic, 0.22µF 25WV
C328 F1J1E2240009 Ceramic, 0.22µF 25WV
C363 YECUZ1C104KX Ceramic, 0.1µF 16WV
C502 YECUZ1H102KX Ceramic, 1000PF 50WV
C521 YECUZ1H271JC Ceramic, 270PF 50WV
C522 YECUZ1H271JC Ceramic, 270PF 50WV
C531 YECUZ1H271JC Ceramic, 270PF 50WV
C532 YECUZ1H271JC Ceramic, 270PF 50WV
C600 YECUS1E104ZF Ceramic, 0.1µF 25WV
C602 F1J1C1050013 Ceramic, 1µF 16WV
C603 F1H1H180A231 Ceramic, 18PF 50WV
C604 F1H1H180A231 Ceramic, 18PF 50WV
C607 F1J1H103A700 Ceramic, 0.01µF 50WV
C609 YECUZ1E104ZF Ceramic, 0.1µF 25WV
C611 YECUZ1E104ZF Ceramic, 0.1µF 25WV
C612 YECUS1E104ZF Ceramic, 0.1µF 25WV
C614 F1J1H103A700 Ceramic, 0.01µF 50WV
C615 F1J1H103A700 Ceramic, 0.01µF 50WV
C640 ECEA1HKAR47I Electrolytic, 0.47µF 50WV
C641 F1J1H103A513 Ceramic, 0.01µF 50WV
C644 YECUS1C104KX Ceramic, 0.1µF 16WV
C651 F1J1H103A700 Ceramic, 0.01µF 50WV
C653 YECUS1H820JM Ceramic, 82PF 50WV
C654 YECUS1H820JM Ceramic, 82PF 50WV
C655 YECUS1H103ZF Ceramic, 0.01µF 50WV
C656 YECUS1C104KX Ceramic, 0.1µF 16WV
C657 F1J1H221A665 Ceramic, 220PF 50WV
C671 YECUS1C104KX Ceramic, 0.1µF 16WV
C672 YECUS1C104KX Ceramic, 0.1µF 16WV
C673 YECUS1C104KX Ceramic, 0.1µF 16WV
C674 YECUS1C104KX Ceramic, 0.1µF 16WV
C675 YECUS1C104KX Ceramic, 0.1µF 16WV
C676 YECUV2A102KX Ceramic, 1000PF 100WV
C677 YECUS1C104KX Ceramic, 0.1µF 16WV
C682 YECUS1E473KX Ceramic, 0.047µF 25WV
C684 F1J1H471A665 Ceramic, 470PF 50WV
C685 YECUS1C104KX Ceramic, 0.1µF 16WV
C686 YECUV1H221JM Ceramic, 220PF 50WV
C687 F1J1H471A665 Ceramic, 470PF 50WV
C688 YECUS1C104KX Ceramic, 0.1µF 16WV
C690 YECUV1H221JM Ceramic, 220PF 50WV
C691 YECUV2A102KX Ceramic, 1000PF 100WV
C701 ECA1CM222B Electrolytic, 2200µF 16WV
11
CQ-TS7471A

Ref.
No. Part No. Part Name & Description Remarks
C702 ECA1CM222B Electrolytic, 2200µF 16WV
C703 ECEA1CKA100I Electrolytic, 10µF 16WV
C704 F1J1H102A394 Ceramic, 1000PF 50WV
C705 ECEA1CKA100I Electrolytic, 10µF 16WV
C707 F2A1C2220064 Electrolytic, 2200µF 16WV
C708 ECA1CHG102B Electrolytic, 1000µF 16WV
C709 EEUFC1C471LB Electrolytic, 470µF 16WV
C710 ECEA1CKA100I Electrolytic, 10µF 16WV
C711 F1J1H103A700 Ceramic, 0.01µF 50WV
C713 EEAFC0J121H Electrolytic, 120µF 6.3WV
C714 F1H1E103A011 Ceramic, 0.01µF 25WV
C716 ECA1CM100I Electrolytic, 10µF 16WV
C719 YECUS1C104KX Ceramic, 0.1µF 16WV
C721 YECUS1C104KX Ceramic, 0.1µF 16WV
C725 YECUZ1H103KX Ceramic, 0.01µF 50WV
C727 YECUB1H104KX Ceramic, 0.1µF 16WV
C728 YECUB1H104KX Ceramic, 0.1µF 50WV
C738 ECA1AM221B Electrolytic, 220µF 10WV
C750 ECA1CM101I Electrolytic, 100µF 16WV
C751 F1J1H103A700 Ceramic, 0.01µF 50WV
C756 YECUZ1C104KX Ceramic, 0.1µF 16WV
C757 YECUZ1C104KX Ceramic, 0.1µF 16WV
C772 ECEA1HKAR22I Electrolytic, 0.22µF 50WV
C773 ECEA1HKAR22I Electrolytic, 0.22µF 50WV
C774 YECUS1C104KX Ceramic, 0.1µF 16WV
C776 F1J1H221A665 Ceramic, 220PF 50WV
C777 F1J1H221A665 Ceramic, 220PF 50WV
C778 YECUS2A103KX Ceramic, 0.01µF 100WV
C780 F1J1H221A665 Ceramic, 220PF 50WV
C781 F1J1H221A665 Ceramic, 220PF 50WV
C782 YECUS1H820JM Ceramic, 82PF 50WV
C783 YECUS1H820JM Ceramic, 82PF 50WV
C788 YECUZ1H103KX Ceramic, 0.01µF 50WV
C790 YECUS1C823KX Ceramic, 0.082µF 16WV
C791 YECUZ1E223KX Ceramic, 0.022µF 25WV
C792 F1J1C1050013 Ceramic, 1µF 16WV
C793 YECUZ1C104KX Ceramic, 0.1µF 16WV
C794 YECUZ1H102KX Ceramic, 1000PF 50WV
C795 F1J1C1050013 Ceramic, 1µF 16WV
C796 YECUZ1C104KX Ceramic, 0.1µF 16WV
C797 YECUZ1H103KX Ceramic, 0.01µF 50WV
C798 F1J1H103A700 Ceramic, 0.01µF 50WV
C800 ECA1AM221B Electrolytic, 220µF 10WV
C801 F1H1H2200007 Ceramic, 22PF 50WV
C802 F1H1H2200007 Ceramic, 22PF 50WV
C803 YECUZ1H220JC Ceramic, 22PF 50WV
C804 YECUZ1H220JC Ceramic, 22PF 50WV
C805 YECUZ1C104KX Ceramic, 0.1µF 16WV
C806 YECUS1C104KX Ceramic, 0.1µF 16WV
C807 YECUS1C104KX Ceramic, 0.1µF 16WV
C808 YECUZ1H102KX Ceramic, 1000PF 50WV
C809 YECUS1C104KX Ceramic, 0.1µF 16WV
C810 F1J1H103A700 Ceramic, 0.01µF 50WV
C811 YECUS1H100CC Ceramic, 10PF 50WV
C812 F1H1E103A011 Ceramic, 0.01µF 25WV
C814 YECUS1C104KX Ceramic, 0.1µF 16WV
C816 F1J1H103A700 Ceramic, 0.01µF 50WV
C841 F1H1C473A005 Ceramic, 0.047µF 16WV
C842 YECUZ1C104KX Ceramic, 0.1µF 16WV
C844 YECUZ1H221JC Ceramic, 220PF 50WV
C845 YECUZ1H221JC Ceramic, 220PF 50WV
C846 F1J1H221A665 Ceramic, 220PF 50WV
C847 F1J1H221A665 Ceramic, 220PF 50WV
RESISTORs
C211 ERJ6GEY0R00V Chip, 0Ω
ΩΩ
Ω1/10W
C212 ERJ6GEY0R00V Chip, 0Ω
ΩΩ
Ω1/10W
C288 ERJ6GEY0R00V Chip, 0Ω
ΩΩ
Ω1/10W
C311 ERJ6GEY0R00V Chip, 0Ω
ΩΩ
Ω1/10W
C312 ERJ6GEY0R00V Chip, 0Ω
ΩΩ
Ω1/10W
C605 ERJ3GEY0R00V Chip, 0Ω
ΩΩ
Ω1/16W
L2 ERJ6GEY0R00V Chip, 0Ω
ΩΩ
Ω1/10W
Ref.
No. Part No. Part Name & Description Remarks
L140 ERJ6GEY0R00V Chip, 0Ω
ΩΩ
Ω1/10W
L500 ERJ6GEY0R00V Chip, 0Ω
ΩΩ
Ω1/10W
L502 ERJ6GEY0R00V Chip, 0Ω
ΩΩ
Ω1/10W
L504 ERJ8GEY0R00V Chip, 0Ω
ΩΩ
Ω1/8W
L521 ERJ6GEY0R00V Chip, 0Ω
ΩΩ
Ω1/10W
L531 ERJ6GEY0R00V Chip, 0Ω
ΩΩ
Ω1/10W
L671 ERJ6GEY0R00V Chip, 0Ω
ΩΩ
Ω1/10W
L672 ERJ6GEY0R00V Chip, 0Ω
ΩΩ
Ω1/10W
L673 ERJ6GEY0R00V Chip, 0Ω
ΩΩ
Ω1/10W
L674 ERJ6GEY0R00V Chip, 0Ω
ΩΩ
Ω1/10W
L675 ERJ6GEY0R00V Chip, 0Ω
ΩΩ
Ω1/10W
L681 ERJ6GEY0R00V Chip, 0Ω
ΩΩ
Ω1/10W
L710 ERJ6GEY0R00V Chip, 0Ω
ΩΩ
Ω1/10W
R51 ERJ6GEY0R00V Chip, 0Ω
ΩΩ
Ω1/10W
R66 ERA6YED103V Metal Film, 10kΩ
ΩΩ
Ω1/10W
R101 ERJ6GEYJ183 Chip, 18kΩ
ΩΩ
Ω1/10W
R102 ERJ3GEYJ103V Chip, 10kΩ
ΩΩ
Ω1/16W
R110 ERJ3GEYJ332V Chip, 3.3kΩ
ΩΩ
Ω1/16W
R111 ERJ3GEYJ222V Chip, 2.2kΩ
ΩΩ
Ω1/16W
R122 ERJ6GEYJ101 Chip, 100Ω
ΩΩ
Ω1/10W
R123 ERJ3GEYJ472V Chip, 4.7kΩ
ΩΩ
Ω1/16W
R124 ERJ3GEYJ392V Chip, 3.9kΩ
ΩΩ
Ω1/16W
R132 ERJ6GEYJ101 Chip, 100Ω
ΩΩ
Ω1/10W
R133 ERJ3GEYJ472V Chip, 4.7kΩ
ΩΩ
Ω1/16W
R134 ERJ3GEYJ392V Chip, 3.9kΩ
ΩΩ
Ω1/16W
R140 ERJ6GEY0R00V Chip, 0Ω
ΩΩ
Ω1/10W
R142 ERJ6GEYJ334 Chip, 330kΩ
ΩΩ
Ω1/10W
R145 ERJ6GEY0R00V Chip, 0Ω
ΩΩ
Ω1/10W
R147 ERJ6GEYJ103 Chip, 10kΩ
ΩΩ
Ω1/10W
R148 ERJ6GEYJ103 Chip, 10kΩ
ΩΩ
Ω1/10W
R150 ERJ6GEYJ103 Chip, 10kΩ
ΩΩ
Ω1/10W
R151 ERJ6GEYJ222 Chip, 2.2kΩ
ΩΩ
Ω1/10W
R152 ERJ6GEYJ561 Chip, 560Ω
ΩΩ
Ω1/10W
R153 ERJ6GEYJ683 Chip, 68kΩ
ΩΩ
Ω1/10W
R154 ERJ6GEYJ332 Chip, 3.3kΩ
ΩΩ
Ω1/10W
R155 ERJ3GEYJ223V Chip, 22kΩ
ΩΩ
Ω1/16W
R156 ERJ6GEYJ103 Chip, 10kΩ
ΩΩ
Ω1/10W
R157 ERJ3GEYJ183V Chip, 18kΩ
ΩΩ
Ω1/16W
R158 ERJ3GEYJ102V Chip, 1kΩ
ΩΩ
Ω1/16W
R159 ERJ3GEYJ393V Chip, 39kΩ
ΩΩ
Ω1/16W
R160 ERJ6GEYJ393 Chip, 39kΩ
ΩΩ
Ω1/10W
R161 ERJ3GEYJ103V Chip, 10kΩ
ΩΩ
Ω1/16W
R162 ERJ3GEYJ103V Chip, 10kΩ
ΩΩ
Ω1/16W
R163 ERJ6GEYJ393 Chip, 39kΩ
ΩΩ
Ω1/10W
R164 ERJ6GEYJ103 Chip, 10kΩ
ΩΩ
Ω1/10W
R165 ERJ6GEYJ332 Chip, 3.3kΩ
ΩΩ
Ω1/10W
R166 ERJ6GEYJ224 Chip, 220kΩ
ΩΩ
Ω1/10W
R167 ERJ3GEYJ223V Chip, 22kΩ
ΩΩ
Ω1/16W
R168 ERJ6GEYJ332 Chip, 3.3kΩ
ΩΩ
Ω1/10W
R169 ERJ6GEYJ332 Chip, 3.3kΩ
ΩΩ
Ω1/10W
R184 ERJ6GEYJ123 Chip, 12kΩ
ΩΩ
Ω1/10W
R187 ERJ3GEYJ332V Chip, 3.3kΩ
ΩΩ
Ω1/16W
R189 ERJ6GEYJ223 Chip, 22kΩ
ΩΩ
Ω1/10W
R190 ERJ6GEYJ184 Chip, 180kΩ
ΩΩ
Ω1/10W
R194 ERJ6GEY0R00V Chip, 0Ω
ΩΩ
Ω1/10W
R195 ERJ3GEYJ303V Chip, 30kΩ
ΩΩ
Ω1/16W
R196 ERJ3GEYJ332V Chip, 3.3kΩ
ΩΩ
Ω1/16W
R197 ERJ6GEYJ104 Chip, 100kΩ
ΩΩ
Ω1/10W
R200 ERJ6GEYJ473 Chip, 47kΩ
ΩΩ
Ω1/10W
R204 ERJ3GEYJ102V Chip, 1kΩ
ΩΩ
Ω1/16W
R205 ERJ3GEYJ102V Chip, 1kΩ
ΩΩ
Ω1/16W
R206 ERJ3GEYJ102V Chip, 1kΩ
ΩΩ
Ω1/16W
R207 ERJ3GEYJ102V Chip, 1kΩ
ΩΩ
Ω1/16W
R209 ERJ3GEYJ102V Chip, 1kΩ
ΩΩ
Ω1/16W
R210 ERJ3GEYJ102V Chip, 1kΩ
ΩΩ
Ω1/16W
R211 ERJ3GEYJ223V Chip, 22kΩ
ΩΩ
Ω1/16W
R212 ERJ3GEYJ103V Chip, 10kΩ
ΩΩ
Ω1/16W
R213 ERJ3GEY0R00V Chip, 0Ω
ΩΩ
Ω1/16W
R216 ERJ3GEYJ223V Chip, 22kΩ
ΩΩ
Ω1/16W
R217 ERJ3GEYJ103V Chip, 10kΩ
ΩΩ
Ω1/16W
R218 ERJ3GEY0R00V Chip, 0Ω
ΩΩ
Ω1/16W
R219 ERJ3GEYJ152V Chip, 1.5kΩ
ΩΩ
Ω1/16W
R220 ERJ3GEYJ152V Chip, 1.5kΩ
ΩΩ
Ω1/16W
12
CQ-TS7471A

Ref.
No. Part No. Part Name & Description Remarks
R221 ERJ3GEYJ272V Chip, 2.7kΩ
ΩΩ
Ω1/16W
R222 ERJ3GEYJ272V Chip, 2.7kΩ
ΩΩ
Ω1/16W
R225 ERJ6GEY0R00V Chip, 0Ω
ΩΩ
Ω1/10W
R226 ERJ6GEY0R00V Chip, 0Ω
ΩΩ
Ω1/10W
R227 ERJ6GEY0R00V Chip, 0Ω
ΩΩ
Ω1/10W
R228 ERJ6GEY0R00V Chip, 0Ω
ΩΩ
Ω1/10W
R229 ERJ3GEYJ471V Chip, 470Ω
ΩΩ
Ω1/16W
R230 ERJ3GEYJ103V Chip, 10kΩ
ΩΩ
Ω1/16W
R251 ERJ6GEYJ102 Chip, 1kΩ
ΩΩ
Ω1/10W
R252 ERJ6GEYJ682 Chip, 6.8kΩ
ΩΩ
Ω1/10W
R253 ERJ6GEYJ102 Chip, 1kΩ
ΩΩ
Ω1/10W
R254 ERJ6GEYJ682 Chip, 6.8kΩ
ΩΩ
Ω1/10W
R255 ERJ6GEYJ103 Chip, 10kΩ
ΩΩ
Ω1/10W
R256 ERJ6GEYJ103 Chip, 10kΩ
ΩΩ
Ω1/10W
R271 ERJ6GEYJ221V Chip, 220Ω
ΩΩ
Ω1/10W
R272 ERJ6GEYJ103 Chip, 10kΩ
ΩΩ
Ω1/10W
R274 ERJ6GEYJ102 Chip, 1kΩ
ΩΩ
Ω1/10W
R276 ERJ3GEYJ102V Chip, 1kΩ
ΩΩ
Ω1/16W
R281 ERJ3GEYJ102V Chip, 1kΩ
ΩΩ
Ω1/16W
R304 ERJ3GEYJ102V Chip, 1kΩ
ΩΩ
Ω1/16W
R305 ERJ3GEYJ102V Chip, 1kΩ
ΩΩ
Ω1/16W
R306 ERJ3GEYJ102V Chip, 1kΩ
ΩΩ
Ω1/16W
R307 ERJ3GEYJ102V Chip, 1kΩ
ΩΩ
Ω1/16W
R309 ERJ3GEYJ102V Chip, 1kΩ
ΩΩ
Ω1/16W
R310 ERJ3GEYJ102V Chip, 1kΩ
ΩΩ
Ω1/16W
R311 ERJ3GEYJ223V Chip, 22kΩ
ΩΩ
Ω1/16W
R312 ERJ3GEYJ103V Chip, 10kΩ
ΩΩ
Ω1/16W
R313 ERJ3GEY0R00V Chip, 0Ω
ΩΩ
Ω1/16W
R316 ERJ3GEYJ223V Chip, 22kΩ
ΩΩ
Ω1/16W
R317 ERJ3GEYJ103V Chip, 10kΩ
ΩΩ
Ω1/16W
R318 ERJ3GEY0R00V Chip, 0Ω
ΩΩ
Ω1/16W
R319 ERJ3GEYJ152V Chip, 1.5kΩ
ΩΩ
Ω1/16W
R320 ERJ3GEYJ152V Chip, 1.5kΩ
ΩΩ
Ω1/16W
R321 ERJ3GEYJ272V Chip, 2.7kΩ
ΩΩ
Ω1/16W
R322 ERJ3GEYJ272V Chip, 2.7kΩ
ΩΩ
Ω1/16W
R325 ERJ6GEY0R00V Chip, 0Ω
ΩΩ
Ω1/10W
R326 ERJ6GEY0R00V Chip, 0Ω
ΩΩ
Ω1/10W
R327 ERJ6GEY0R00V Chip, 0Ω
ΩΩ
Ω1/10W
R328 ERJ6GEY0R00V Chip, 0Ω
ΩΩ
Ω1/10W
R351 ERJ6GEYJ102 Chip, 1kΩ
ΩΩ
Ω1/10W
R352 ERJ6GEYJ682 Chip, 6.8kΩ
ΩΩ
Ω1/10W
R353 ERJ6GEYJ102 Chip, 1kΩ
ΩΩ
Ω1/10W
R354 ERJ6GEYJ682 Chip, 6.8kΩ
ΩΩ
Ω1/10W
R355 ERJ6GEYJ103 Chip, 10kΩ
ΩΩ
Ω1/10W
R356 ERJ6GEYJ103 Chip, 10kΩ
ΩΩ
Ω1/10W
R502 ERJ3GEYJ562V Chip, 5.6kΩ
ΩΩ
Ω1/16W
R504 ERJ3GEYJ474V Chip, 470kΩ
ΩΩ
Ω1/16W
R505 ERJ3GEYJ561V Chip, 560Ω
ΩΩ
Ω1/16W
R512 ERJ3GEYJ562V Chip, 5.6kΩ
ΩΩ
Ω1/16W
R514 ERJ3GEYJ474V Chip, 470kΩ
ΩΩ
Ω1/16W
R515 ERJ3GEYJ123V Chip, 12kΩ
ΩΩ
Ω1/16W
R516 ERJ3GEYJ123V Chip, 12kΩ
ΩΩ
Ω1/16W
R521 ERJ3GEYJ222V Chip, 2.2kΩ
ΩΩ
Ω1/16W
R522 ERJ3GEYJ222V Chip, 2.2kΩ
ΩΩ
Ω1/16W
R531 ERJ3GEYJ222V Chip, 2.2kΩ
ΩΩ
Ω1/16W
R532 ERJ3GEYJ222V Chip, 2.2kΩ
ΩΩ
Ω1/16W
R600 ERJ3GEYJ472V Chip, 4.7kΩ
ΩΩ
Ω1/16W
R602 ERJ3GEYJ102V Chip, 1kΩ
ΩΩ
Ω1/16W
R604 ERJ3GEYJ102V Chip, 1kΩ
ΩΩ
Ω1/16W
R605 ERJ3GEYJ221V Chip, 220Ω
ΩΩ
Ω1/16W
R607 ERJ6GEYJ102 Chip, 1kΩ
ΩΩ
Ω1/10W
R610 ERJ3GEYJ274V Chip, 270kΩ
ΩΩ
Ω1/16W
R615 ERJ6GEYJ473 Chip, 47kΩ
ΩΩ
Ω1/10W
R618 ERJ3GEYJ332V Chip, 3.3kΩ
ΩΩ
Ω1/16W
R619 ERJ3GEYJ102V Chip, 1kΩ
ΩΩ
Ω1/16W
R620 ERJ6GEYJ474 Chip, 470kΩ
ΩΩ
Ω1/10W
R621 ERJ3GEYJ102V Chip, 1kΩ
ΩΩ
Ω1/16W
R622 ERJ3GEYJ102V Chip, 1kΩ
ΩΩ
Ω1/16W
R623 ERJ6GEYJ472 Chip, 4.7kΩ
ΩΩ
Ω1/10W
R625 ERJ3GEY0R00V Chip, 0Ω
ΩΩ
Ω1/16W
R628 ERJ3GEYJ101V Chip, 100Ω
ΩΩ
Ω1/16W
R630 ERJ3GEYJ102V Chip, 1kΩ
ΩΩ
Ω1/16W
R631 ERJ3GEYJ102V Chip, 1kΩ
ΩΩ
Ω1/16W
Ref.
No. Part No. Part Name & Description Remarks
R633 ERJ3GEYJ104V Chip, 100kΩ
ΩΩ
Ω1/16W
R634 ERJ6GEYJ473 Chip, 47kΩ
ΩΩ
Ω1/10W
R637 ERJ3GEYJ473V Chip, 47kΩ
ΩΩ
Ω1/16W
R638 ERJ3GEYJ101V Chip, 100Ω
ΩΩ
Ω1/16W
R639 ERJ3GEYJ104V Chip, 100kΩ
ΩΩ
Ω1/16W
R641 ERJ3GEYJ563V Chip, 56kΩ
ΩΩ
Ω1/16W
R643 ERJ6GEYJ102 Chip, 1kΩ
ΩΩ
Ω1/10W
R644 ERJ6GEYJ472 Chip, 4.7kΩ
ΩΩ
Ω1/10W
R646 ERJ6GEYJ102 Chip, 1kΩ
ΩΩ
Ω1/10W
R648 ERJ6GEYJ472 Chip, 4.7kΩ
ΩΩ
Ω1/10W
R649 ERJ3GEY0R00V Chip, 0Ω
ΩΩ
Ω1/16W
R650 ERG1SJ680E Metal Oxid, 68Ω
ΩΩ
Ω1W
R651 ERJ8GEYJ101V Chip, 100Ω
ΩΩ
Ω1/8W
R652 ERJ8GEYJ101V Chip, 100Ω
ΩΩ
Ω1/8W
R653 ERJ8GEYJ101V Chip, 100Ω
ΩΩ
Ω1/8W
R654 ERJ8GEYJ101V Chip, 100Ω
ΩΩ
Ω1/8W
R655 ERG1SJ101E Metal Oxid, 100Ω
ΩΩ
Ω1W
R656 ERG1SJ101E Metal Oxid, 100Ω
ΩΩ
Ω1W
R657 ERJ6GEYJ271 Chip, 270Ω
ΩΩ
Ω1/10W
R658 ERJ6GEYJ391 Chip, 390Ω
ΩΩ
Ω1/10W
R659 ERJ6GEYJ391 Chip, 390Ω
ΩΩ
Ω1/10W
R660 ERJ3GEYJ562V Chip, 5.6kΩ
ΩΩ
Ω1/16W
R661 ERJ3GEYJ103V Chip, 10kΩ
ΩΩ
Ω1/16W
R662 ERJ3GEYJ562V Chip, 5.6kΩ
ΩΩ
Ω1/16W
R663 ERJ6GEYJ473 Chip, 47kΩ
ΩΩ
Ω1/10W
R671 ERJ6GEYJ473 Chip, 47kΩ
ΩΩ
Ω1/10W
R672 ERJ6GEYJ473 Chip, 47kΩ
ΩΩ
Ω1/10W
R673 ERJ6GEYJ473 Chip, 47kΩ
ΩΩ
Ω1/10W
R674 ERJ6GEYJ473 Chip, 47kΩ
ΩΩ
Ω1/10W
R675 ERJ6GEYJ473 Chip, 47kΩ
ΩΩ
Ω1/10W
R676 ERA6YED472V Metal Film, 4.7kΩ
ΩΩ
Ω1/10W
R677 ERJ6GEYJ102 Chip, 1kΩ
ΩΩ
Ω1/10W
R679 ERJ6GEYJ103 Chip, 10kΩ
ΩΩ
Ω1/10W
R680 ERA6YED303V Metal Film, 30kΩ
ΩΩ
Ω1/10W
R681 ERJ6GEYJ473 Chip, 47kΩ
ΩΩ
Ω1/10W
R682 ERJ6GEYJ432V Chip, 4.3kΩ
ΩΩ
Ω1/10W
R683 ERJ6GEYJ512V Chip, 5.1kΩ
ΩΩ
Ω1/10W
R685 ERJ6GEYJ102 Chip, 1kΩ
ΩΩ
Ω1/10W
R686 ERA6YED303V Metal Film, 30kΩ
ΩΩ
Ω1/10W
R687 ERA6YED103V Metal Film, 10kΩ
ΩΩ
Ω1/10W
R688 ERJ6GEYJ102 Chip, 1kΩ
ΩΩ
Ω1/10W
R691 ERJ6GEYJ103 Chip, 10kΩ
ΩΩ
Ω1/10W
R692 ERJ6GEYJ103 Chip, 10kΩ
ΩΩ
Ω1/10W
R693 ERJ6GEYJ473 Chip, 47kΩ
ΩΩ
Ω1/10W
R696 ERJ6GEYJ473 Chip, 47kΩ
ΩΩ
Ω1/10W
R699 ERJ8GEY0R00V Chip, 0Ω
ΩΩ
Ω1/8W
R702 ERJ6GEYJ1R0V Chip, 1Ω
ΩΩ
Ω1/10W
R703 ERJ6GEYJ103 Chip, 10kΩ
ΩΩ
Ω1/10W
R704 ERJ6GEYJ560 Chip, 56Ω
ΩΩ
Ω1/10W
R706 ERJ6GEYJ560 Chip, 56Ω
ΩΩ
Ω1/10W
R711 ERJ6GEY0R00V Chip, 0Ω
ΩΩ
Ω1/10W
R712 ERJ6RED274V Metal Film, 270kΩ
ΩΩ
Ω1/10W
R716 ERJ6GEYJ560 Chip, 56Ω
ΩΩ
Ω1/10W
R717 ERJ6GEYJ560 Chip, 56Ω
ΩΩ
Ω1/10W
R718 ERJ3GEY0R00V Chip, 0Ω
ΩΩ
Ω1/16W
R720 ERJ3GEYJ471V Chip, 470Ω
ΩΩ
Ω1/16W
R727 ERJ6GEY0R00V Chip, 0Ω
ΩΩ
Ω1/10W
R730 ERJ6GEYJ680 Chip, 68Ω
ΩΩ
Ω1/10W
R741 ERJ6GEYJ1R0V Chip, 1Ω
ΩΩ
Ω1/10W
R742 ERJ6GEY0R00V Chip, 0Ω
ΩΩ
Ω1/10W
R744 ERJ6GEYJ102 Chip, 1kΩ
ΩΩ
Ω1/10W
R750 ERJ3GEY0R00V Chip, 0Ω
ΩΩ
Ω1/16W
R751 ERJ6GEYJ103 Chip, 10kΩ
ΩΩ
Ω1/10W
R753 ERJ6GEYJ473 Chip, 47kΩ
ΩΩ
Ω1/10W
R758 ERJ6GEYJ561 Chip, 560Ω
ΩΩ
Ω1/10W
R760 ERJ3GEYJ152V Chip, 1.5kΩ
ΩΩ
Ω1/16W
R761 ERJ6GEYJ103 Chip, 10kΩ
ΩΩ
Ω1/10W
R762 ERJ3GEYJ152V Chip, 1.5kΩ
ΩΩ
Ω1/16W
R763 ERJ6GEYJ103 Chip, 10kΩ
ΩΩ
Ω1/10W
R764 ERJ6GEYJ222 Chip, 2.2kΩ
ΩΩ
Ω1/10W
R765 ERJ6GEYJ473 Chip, 47kΩ
ΩΩ
Ω1/10W
R766 ERJ6GEYJ222 Chip, 2.2kΩ
ΩΩ
Ω1/10W
R767 ERJ6GEY0R00V Chip, 0Ω
ΩΩ
Ω1/10W
13
CQ-TS7471A

Ref.
No. Part No. Part Name & Description Remarks
R788 ERJ3RED274V Metal Film, 270kΩ
ΩΩ
Ω1/16W
R789 ERJ3RBD332V Metal Glaze, 3.3kΩ
ΩΩ
Ω1/16W
R790 ERJ3RBD392V Metal Glaze, 3.9kΩ
ΩΩ
Ω1/16W
R792 ERJ3RBD223V Metal Glaze, 22kΩ
ΩΩ
Ω1/16W
R793 ERJ6RBD393V Metal Film, 39kΩ
ΩΩ
Ω1/10W
R794 YER816R4702D Metal Glaze, 47kΩ
ΩΩ
Ω1/16W
R795 YER816R4702D Metal Glaze, 47kΩ
ΩΩ
Ω1/16W
R796 D1BB15030001 Chip, 150kΩ
ΩΩ
Ω1/16W
R797 ERJ3RBD104V Metal Glaze, 100kΩ
ΩΩ
Ω1/16W
R798 ERJ3GEYJ103V Chip, 10kΩ
ΩΩ
Ω1/16W
R799 ERJ3RBD223V Metal Glaze, 22kΩ
ΩΩ
Ω1/16W
R801 ERJ3GEYJ102V Chip, 1kΩ
ΩΩ
Ω1/16W
R807 ERJ3GEYJ472V Chip, 4.7kΩ
ΩΩ
Ω1/16W
R809 ERJ3GEYJ684V Chip, 680kΩ
ΩΩ
Ω1/16W
R810 ERJ6GEYJ102 Chip, 1kΩ
ΩΩ
Ω1/10W
R811 ERJ3GEYJ102V Chip, 1kΩ
ΩΩ
Ω1/16W
R819 ERJ6GEYJ473 Chip, 47kΩ
ΩΩ
Ω1/10W
R820 ERJ3GEYJ102V Chip, 1kΩ
ΩΩ
Ω1/16W
R823 ERJ3GEYJ472V Chip, 4.7kΩ
ΩΩ
Ω1/16W
R825 ERJ3GEYJ102V Chip, 1kΩ
ΩΩ
Ω1/16W
R826 ERJ3GEYJ102V Chip, 1kΩ
ΩΩ
Ω1/16W
R827 ERJ3GEYJ102V Chip, 1kΩ
ΩΩ
Ω1/16W
R828 ERJ3GEYJ102V Chip, 1kΩ
ΩΩ
Ω1/16W
R830 ERJ6GEYJ272 Chip, 2.7kΩ
ΩΩ
Ω1/10W
R833 ERJ3GEYJ102V Chip, 1kΩ
ΩΩ
Ω1/16W
R834 ERJ3GEYJ102V Chip, 1kΩ
ΩΩ
Ω1/16W
R836 ERJ3GEYJ102V Chip, 1kΩ
ΩΩ
Ω1/16W
R840 YER816R4702D Metal Glaze, 47kΩ
ΩΩ
Ω1/16W
R841 ERJ3GEYJ471V Chip, 470Ω
ΩΩ
Ω1/16W
R843 ERJ3RED274V Metal Film, 270kΩ
ΩΩ
Ω1/16W
R846 ERJ6GEYJ152 Chip, 1.5kΩ
ΩΩ
Ω1/10W
R854 ERJ3GEYJ473V Chip, 47kΩ
ΩΩ
Ω1/16W
R855 ERJ3GEYJ102V Chip, 1kΩ
ΩΩ
Ω1/16W
R861 ERJ3GEYJ102V Chip, 1kΩ
ΩΩ
Ω1/16W
R863 ERJ6GEYJ103 Chip, 10kΩ
ΩΩ
Ω1/10W
R864 ERJ6GEYJ103 Chip, 10kΩ
ΩΩ
Ω1/10W
R865 ERJ6GEYJ103 Chip, 10kΩ
ΩΩ
Ω1/10W
R868 ERJ3GEYJ473V Chip, 47kΩ
ΩΩ
Ω1/16W
R873 ERJ3GEYJ102V Chip, 1kΩ
ΩΩ
Ω1/16W
R882 ERJ3GEYJ102V Chip, 1kΩ
ΩΩ
Ω1/16W
R889 ERJ3GEYJ102V Chip, 1kΩ
ΩΩ
Ω1/16W
R895 ERJ3GEYJ102V Chip, 1kΩ
ΩΩ
Ω1/16W
CONNECTORs
CN501 YEAE012763 Connector, 14P
CN600 K1MN10B00062 Connector, 10P
CN602 YEAEBM07BSRS Connector, 7P
CN701 K1FA116B0023 Connector, 10P+6P
CN702 K1FA112B0017 Connector, 12P
CN703 K1FA120B0009 Connector, 20P
CN704 K1FA108B0011 Connector, 8P
CN801 K1MN20A00020 Connector, 20P
CN901 K1MN12B00131 Connector, 12P
CN902 K1MN12B00131 Connector, 12P
COILs
L1 J0JCC0000030 Coil
L143 YELT03N220JT Coil
L144 YELTBLM2A102 Coil
L151 J0JCC0000030 Coil
L191 YELTBLM21A10 Coil
L271 J0JCC0000053 Coil
L272 J0JCC0000053 Coil
L273 J0JCC0000053 Coil
L274 YELTBLM2B601 Coil
L275 J0JCC0000053 Coil
L276 G1C330K00022 Coil
L601 YELTBLM21A10 Coil
L602 YELTBLM21A10 Coil
L603 YELTBLM21A10 Coil
L604 YELTBLM21A10 Coil
Ref.
No. Part No. Part Name & Description Remarks
L640 YELTBLM2B222 Coil
L701 G0A111J00003 Coil
L751 YELTBLM32A06 Coil
L752 YELTBLM21A10 Coil
L801 YELT03N100KT Coil
L803 J0JCC0000030 Coil
L804 J0JCC0000030 Coil
L805 J0JCC0000030 Coil
L806 J0JCC0000030 Coil
L841 YELT03N100KT Coil
R208 YELTBLM2B601 Coil
CRYSTALs
XL140 YEXL49U0433T Crystal Oscillator
XL271 H0D168500001 Crystal Oscillator
XL601 H0D123500002 Crystal Oscillator
XL801 H0A327200080 Crystal Oscillator
XL802 H0D100500005 Crystal Oscillator
NETWORK RESISTORs
R103 D1H84724A024 Network Resistor
R273 D1H410320002 Network Resistor
R277 D1H81024A024 Network Resistor
R506 D1H856140002 Network Resistor
R507 D1H83324A024 Network Resistor
R601 D1H82224A024 Network Resistor
R603 D1H84724A024 Network Resistor
R608 D1H422220001 Network Resistor
R609 D1H82224A024 Network Resistor
R612 D1H82224A024 Network Resistor
R613 D1H81024A024 Network Resistor
R614 D1H81024A024 Network Resistor
R616 D1H81024A024 Network Resistor
R617 D1H410220001 Network Resistor
R624 D1H81024A024 Network Resistor
R626 D1H81024A024 Network Resistor
R627 D1H81024A024 Network Resistor
R629 D1H410220001 Network Resistor
R632 D1H81024A024 Network Resistor
R802 D1H81024A024 Network Resistor
R816 D1H81024A024 Network Resistor
R821 D1H81024A024 Network Resistor
R822 D1H84724A024 Network Resistor
R835 D1H410220001 Network Resistor
R851 EXBV8V102JV Network Resistor
R856 D1H81024A024 Network Resistor
R857 D1H847340001 Network Resistor
R867 D1H81024A024 Network Resistor
R874 D1H410220001 Network Resistor
R883 D1H81024A024 Network Resistor
R888 D1H410220001 Network Resistor
R890 D1H410220001 Network Resistor
R892 D1H410220001 Network Resistor
R899 D1H410220001 Network Resistor
FILTERs
Z53 J0LM00000001 Noise Filter
ZL655 YECCL51R206T EMI Filter
ZL656 YECCL51R206T EMI Filter
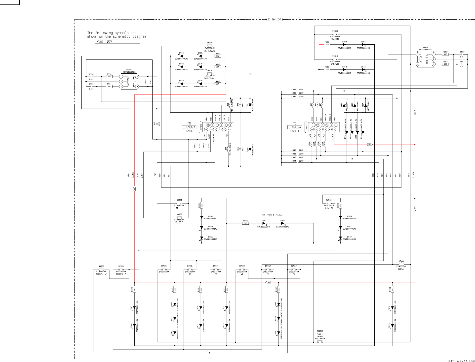
[E9415A] Display Block
DIODEs
D900 B3ABB0000140 Diode
D903 B3ABB0000140 Diode
D905 B3ABB0000140 Diode
D906 B3ABB0000140 Diode
D908 B3ABB0000140 Diode
D910 B3ABB0000140 Diode
14
CQ-TS7471A

Ref.
No. Part No. Part Name & Description Remarks
D913 B3ABB0000140 Diode
D915 B3ABB0000140 Diode
D916 B3ABB0000140 Diode
D918 B3ABB0000140 Diode
D920 B3ABB0000140 Diode
D921 B3ABB0000140 Diode
D922 B3ABB0000140 Diode
D925 B3ABB0000140 Diode
D931 B3ABB0000140 Diode
D932 B3ABB0000140 Diode
D933 B3ABB0000140 Diode
D936 B3ABB0000140 Diode
D938 B3ABB0000140 Diode
D940 B3ABB0000140 Diode
D941 B3ABB0000140 Diode
D942 B3ABB0000140 Diode
D945 B3ABB0000140 Diode
D946 B3ABB0000140 Diode
D948 B3ABB0000140 Diode
D951 B3ABB0000140 Diode
D952 B3ABB0000140 Diode
D953 B3ABB0000140 Diode
D961 B3ABB0000140 Diode
D962 B3ABB0000140 Diode
D970 B3ABB0000140 Diode
D971 B3ABB0000140 Diode
D991 MA8056LMHTX Diode
D992 MA8056LMHTX Diode
D993 MA8056LMHTX Diode
D994 MA8056LMHTX Diode
D995 MA8056LMHTX Diode
D996 MA8056LMHTX Diode
D997 MA8056LMHTX Diode
D998 MA8056LMHTX Diode
D999 MA8056LMHTX Diode
CAPACITORs
C901 F1J1H221A665 Ceramic, 220PF 50WV
C902 F1J1H221A665 Ceramic, 220PF 50WV
C903 F1J1H221A665 Ceramic, 220PF 50WV
C904 F1J1H221A665 Ceramic, 220PF 50WV
C951 F1J1H103A513 Ceramic, 0.01µF 50WV
C953 F1J1H103A513 Ceramic, 0.01µF 50WV
C961 F1J1H101A667 Ceramic, 100PF 50WV
C990 YECUS1H103ZF Ceramic, 0.01µF 50WV
C991 YECUS1H103ZF Ceramic, 0.01µF 50WV
C992 YECUS1H103ZF Ceramic, 0.01µF 50WV
C993 YECUS1H103ZF Ceramic, 0.01µF 50WV
C994 YECUS1H103ZF Ceramic, 0.01µF 50WV
C995 F1J1H221A665 Ceramic, 220PF 50WV
C996 F1J1H221A665 Ceramic, 220PF 50WV
C997 F1J1H221A665 Ceramic, 220PF 50WV
C998 F1J1H221A665 Ceramic, 220PF 50WV
C999 F1J1H221A665 Ceramic, 220PF 50WV
RESISTORs
R900 ERJ6GEYJ331 Chip, 330Ω
ΩΩ
Ω1/10W
R903 ERJ6GEYJ331 Chip, 330Ω
ΩΩ
Ω1/10W
R906 ERJ6GEYJ391 Chip, 390Ω
ΩΩ
Ω1/10W
R910 ERJ6GEYJ331 Chip, 330Ω
ΩΩ
Ω1/10W
R918 ERJ6GEYJ331 Chip, 330Ω
ΩΩ
Ω1/10W
R920 ERJ6GEYJ391 Chip, 390Ω
ΩΩ
Ω1/10W
R921 ERJ6GEYJ331 Chip, 330Ω
ΩΩ
Ω1/10W
R931 ERJ6GEYJ391 Chip, 390Ω
ΩΩ
Ω1/10W
R932 ERJ6GEYJ221V Chip, 220Ω
ΩΩ
Ω1/10W
R933 ERJ6GEYJ331 Chip, 330Ω
ΩΩ
Ω1/10W
R940 ERJ6GEYJ221V Chip, 220Ω
ΩΩ
Ω1/10W
R941 ERJ6GEYJ221V Chip, 220Ω
ΩΩ
Ω1/10W
R951 ERJ6GEYJ221V Chip, 220Ω
ΩΩ
Ω1/10W
R974 ERJ6GEY0R00V Chip, 0Ω
ΩΩ
Ω1/10W
R975 ERJ6GEYJ821 Chip, 820Ω
ΩΩ
Ω1/10W
Ref.
No. Part No. Part Name & Description Remarks
R990 ERJ8GEYJ331V Chip, 330Ω
ΩΩ
Ω1/8W
R991 ERJ8GEYJ331V Chip, 330Ω
ΩΩ
Ω1/8W
R992 ERJ8GEYJ331V Chip, 330Ω
ΩΩ
Ω1/8W
R993 ERJ8GEYJ331V Chip, 330Ω
ΩΩ
Ω1/8W
CONNECTORs
CP903 K1MN12A00071 Connector, 12P
CP904 K1MN12A00071 Connector, 12P
COILs
L991 YELTBLM21A10 Coil
L992 YELTBLM21A10 Coil
L993 YELTBLM21A10 Coil
L994 YELTBLM21A10 Coil
L995 YELTBLM21A10 Coil
L996 YELTBLM21A10 Coil
L997 YELTBLM21A10 Coil
L998 YELTBLM21A10 Coil
L999 YELTBLM21A10 Coil
SWITCHes
SW900 EVQ23504M Push Switch
SW903 EVQ23504M Push Switch
SW910 EVQ23504M Push Switch
SW913 EVQ23504M Push Switch
SW920 EVQ23504M Push Switch
SW921 EVQ23504M Push Switch
SW922 EVQ23504M Push Switch
SW930 EVQ23504M Push Switch
SW931 EVQ23504M Push Switch
SW932 EVQ23504M Push Switch
SW933 EVQ23504M Push Switch
SW940 EVQ23504M Push Switch
SW941 EVQ23504M Push Switch
SW942 EVQ23504M Push Switch
SW948 EVQ23504M Push Switch
SW951 EVQ23504M Push Switch
SW953 EVQ23504M Push Switch
VR901 K9AA015B0028 Switch
VR902 K9AA009B0009 Switch
LCD
LCD1 L5DZAHE00004 INDICATOR PANEL LCD
Mechanical Parts
MISCELLANEOUS
ANT1 YEAA10091 Antenna Receptacle
AE1 K9ZZ00001062 Flat Cable, 20P
AE4 K9ZZ00001158 Flat Cable, 12P
AE5 K9ZZ00001166 Flat Cable, 12P
AP1 YEAP2880 Flat Cable, 14P
AT1 YEAT03346A Terminal
AT2 YEAT03346A Terminal
AT3 YEAT03346A Terminal
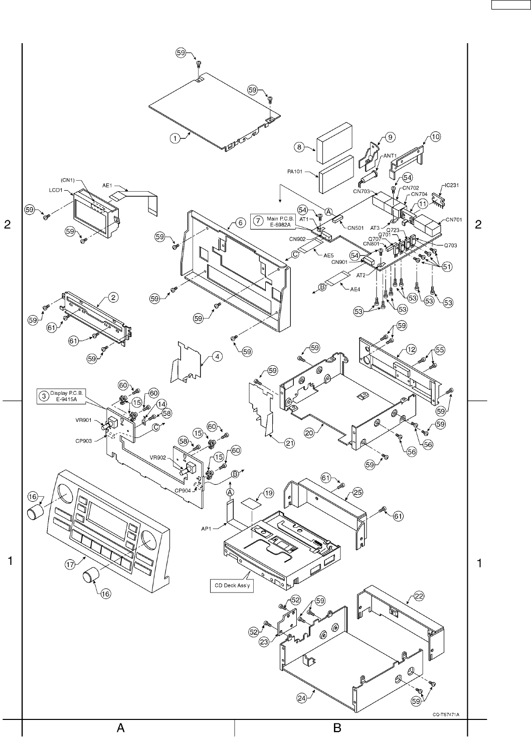
1YEFA031909 Upper Cover
2YGFX0216260 Bracket, Deck Front-1
3YEP0PT9415A0 Display PCB w/Component RTL
4YEFV012454 Insulator, Display Block (L)
6YGFA07663 Front Plate
7YEP0PT6982A0 Main PCB w/Component RTL
8YEFV03508 Magnetic Shield, PA101
9YEFX0216100 Bracket, ANT1
10 YEFX0216173 Bracket, Q701,703,707,723
11 YEFX0215142 Bracket, IC231
12 YEFF011122 Heat Sink
14 YEFX0213978 Fix Earth
15
CQ-TS7471A

Ref.
No. Part No. Part Name & Description Remarks
15 YGFK061119 Holder, Escutcheon
16 YGFE02495 Knob, Vol, Tuner
17 YGFC028179 Escutcheon Ass´y
19 YEFM031105 Laser Seal
20 YEFA012083A Chassis, Main Block
21 YEFV012455 Insulator, Display Block (R)
22 YEFX0216099 Bracket, Rear
23 YEFX9993107A Bracket, Left Side
24 YEFA012084A Bottom Cover
25 YGFX0216261 Bracket, Deck Rear
51 YEJS05035 Screw
52 YEJS06303 Screw
53 YEJT01103 Screw
54 YEJT03015 Screw
55 YEJT03289 Tapping Screw
56 YEJT03312 Screw
58 XTB2+6GFX Screw, M2x6
59 XTB3+6FFX Screw, M3x6
60 YEJT03279 Tapping Screw
61 YEJT03324 Screw
16
CQ-TS7471A

10.2. Main Block (Bottom View)
19
CQ-TS7471A

12 MEMO
23
CQ-TS7471A

24
CQ-TS7471A


1 FEATUERS 2
2 LASER PRODUCTS 2
3 WIRING CONNECTION (CD Deck) 2
4 BLOCK DIAGRAM (CD Deck) 3
5 TERMINALS DESCRIPTION (CD Deck) 4
1 FEATUERS
·
NCD-9 CD Deck.
·
12cm CD only.
·
The specifications are based on the main unit.
6 IC BLOCK DIAGRAM (CD Deck) 4
7 REPLACEMENT PARTS LIST 6
8 EXPLODED VIEW (CD Deck) 8
9 WIRING DIAGRAM (CD Deck) 9
10 SCHEMATIC DIAGRAM (CD Deck) 11
2 LASER PRODUCTS
CONTENTS
Page Page
3 WIRING CONNECTION (CD Deck)
2

4 BLOCK DIAGRAM (CD Deck)
3

5 TERMINALS
DESCRIPTION (CD Deck)
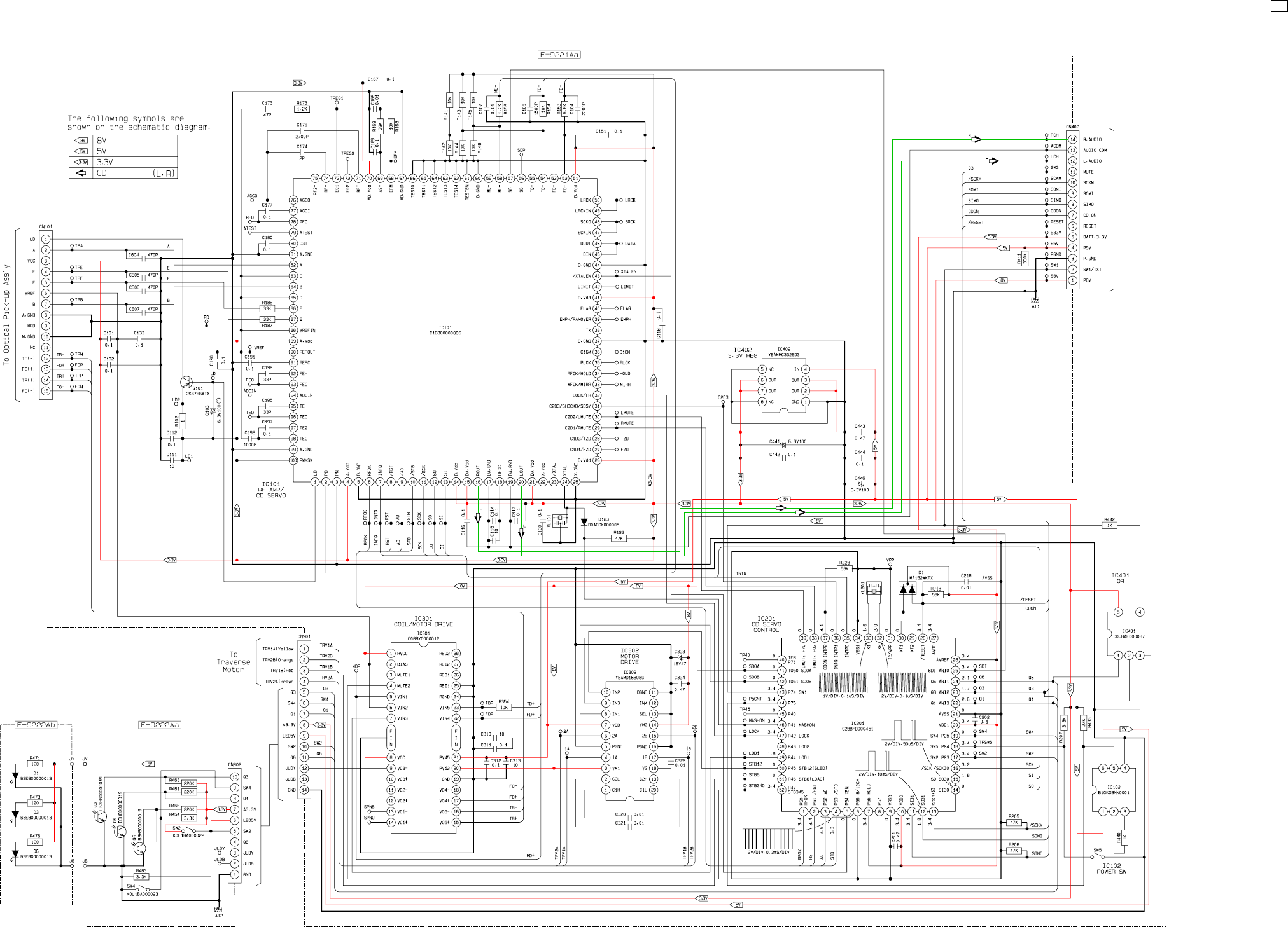
IC201 : C2BBFD000461
Pin
No. Port Description I/O (V)
1 P50 RFOK D63712 RFOK Signal I 3.4
2 P51/RST D63712 /RST Signal O 3.4
3 P52 A0 D63712 A0 Signal O 2.9
4 P53/STB D63712 /STB Signal O 3.3
5 P54 XEN D63712 /XTALEN Signal O 0
6 P55 8/12cm 0:12cm 1:8cm I 3.4
7 P56 HOLD 0:Wound vibration(Defect Hold) 1:
Normal (No Defect Hold) I 3.4
8P57(NC) - - -
9 VSS0 - - -
10 VDD0 - - -
11 SI31 Pana Bus SI I 3.4
12 SO31 Pana Bus SO O 1.8
13 SCK31 Pana Bus SCK I 3.4
14 SI SI30 D63712 SI I 0
15 SO SO30 D63712 SO O 1.8
16 SCK/SCK30 D63712 SCK O 3.2
17 P23 SW2 SW2 I 3.4
18 P24 SW5 SW5 I 3.4
19 P25 SW4 SW4 I 0
20 VDD1 - - -
21 AVSS - - -
22 Q1 ANI3 SW1 I 2.6
23 Q3 ANI12 SW3 I 1.7
24 Q6ANI1 SW6 I 2.1
25 SDI ANI0 Input of thread I 3.4
26 AVREF - - -
27 AVDD - - -
28 /RESET - - -
29 XT2(NC) - - -
30 XT1 - - -
31 IC/VPP - - -
32 X2 - - -
33 X1 - - -
34 VSS1 - - -
35 INTP0 D63712 SUBQ/CD TextInt I 0
36 INTQ INTP1 - I 0
37 CDON INTP2 Operation mode (H: Power supply
ON) I 3.1
38 P03 RMUTE TEST I 0
39 P70 LMUTE TEST I 0
40 P71 IFR TEST PORT(P TP40) O 0
41 TO50 SD0A Stepping motor drive PWM output O 0
42 TO51 SD0B Stepping motor drive PWM output O 0
43 P74 SW1 SW1 level control (at CD TEXT data
sent) I/O 3.4
44 P75 H (lighting): SLEEP/DISC no L
(turning off): DISC clamping I/O 3.4
45 P40 TEST PORT(P TP45) O 0
46 P41 MASHON D63712 sending control O 3.4
47 P42 LOCK D63712 LOCK signal I 3.4
48 P43 LOD2(NC) - - -
49 P44 LOD1 Loading motor control terminal 1 O 1.9
50 P45
STB12(SLED) Driver power supply MUTE (thread
output) control O 0
51 P46
STB6(LOAD) Driver power supply MUTE (LOAD
output) control O 0
52 P47 STB345 Driver power supply MUTE (FO/TE
output) control O 3.4
6 IC BLOCK DIAGRAM (CD
Deck)
IC401 C0JBAE000087
IC301 C0GBY0000012
4

IC101 C1BB00000806
5

7 REPLACEMENT PARTS
LIST
Notes :
1. Be sure to make your orders of replacement parts
according to this list.
2. Important safety notice: Components, identified by mark
have special characteristics important for safety. When
replacing any of these components, use only
manufacturer´s specified parts.
3. Location keys in the remarks column indicates the general
location of the parts shown in the exploded drawing, as in a
road map.
4. The marking (RTL) indicates that Retention Time is limited
for this item. After the discontinuation of assembly in
production, the item will continue to be available for a
specific period of time. The retention period of availability is
dependent on the type of assembly, and in accordance with
the laws governing part and product retention. After the end
of this period, the assembly will no longer be available.
Ref.
No. Part No. Part Name & Description Remarks
[E9221A] CD Servo Block
IC´s and TRANSISTORs
IC101 C1BB00000806 IC
IC102 B1GKGBNN0001 IC
IC201 C2BBFD000461 IC
IC301 C0GBY0000012 IC
IC302 YEAMD16808G IC
IC401 C0JBAE000087 IC
IC402 YEAMMC3326D3 IC
Q101 2SB766ATX Transistor
DIODEs
D1 MA152WKTX Diode
D123 B0ACCK000005 Diode
CAPACITORs
C101 F1G1A104A001 Ceramic, 0.1µF 10WV
C102 F1G1A104A001 Ceramic, 0.1µF 10WV
C103 F3H0J1070005 Tantalum, 100µF 6.3WV
C104 F1G1H222A401 Ceramic, 2200PF 50WV
C105 F1G1H152A401 Ceramic, 1500PF 50WV
C107 F1G1E1030003 Ceramic, 0.01 µF 25 WV
C111 F1J0J1060007 Ceramic, 10 µF 6.3 WV
C112 F1G1A104A001 Ceramic, 0.1µF 10WV
C114 F1G1A104A001 Ceramic, 0.1µF 10WV
C115 F1J0J1060007 Ceramic, 10 µF 6.3 WV
C116 F1G1A104A001 Ceramic, 0.1µF 10WV
C117 F1G1A104A001 Ceramic, 0.1µF 10WV
C118 F1G1A104A001 Ceramic, 0.1µF 10WV
C120 F1G1A104A001 Ceramic, 0.1µF 10WV
C133 F1G1A104A001 Ceramic, 0.1µF 10WV
C151 F1G1A104A001 Ceramic, 0.1µF 10WV
C167 F1G1A104A001 Ceramic, 0.1µF 10WV
C168 F1G1E1030003 Ceramic, 0.01 µF 25 WV
C169 F1G1A104A001 Ceramic, 0.1µF 10WV
C173 F1G1H470A058 Ceramic, 47PF 50WV
C174 F1G1H2R0A101 Ceramic, 2.0PF 50WV
C176 F1H1H272A021 Ceramic, 2700PF 50WV
C177 YECUZ1E104ZF Ceramic, 0.1µF 25WV
C180 F1G1A104A001 Ceramic, 0.1µF 10WV
C190 F1G1A104A001 Ceramic, 0.1µF 10WV
C191 F1G1A104A001 Ceramic, 0.1µF 10WV
C192 F1G1H330A058 Ceramic, 33PF 50WV
C195 F1G1H330A058 Ceramic, 33PF 50WV
Ref.
No. Part No. Part Name & Description Remarks
C197 F1G1A104A001 Ceramic, 0.1µF 10WV
C198 F1G1H1020006 Ceramic, 1000PF 50WV
C201 F1H1A4740008 Ceramic, 0.47µF 10WV
C202 F1G1A104A001 Ceramic, 0.1µF 10WV
C218 F1G1E1030003 Ceramic, 0.01µF 25WV
C310 F1J0J1060007 Ceramic, 10 µF 6.3 WV
C311 F1G1A104A001 Ceramic, 0.1µF 10WV
C312 F1G1A104A001 Ceramic, 0.1µF 10WV
C313 F1J0J1060007 Ceramic, 10 µF 6.3 WV
C320 F1G1E1030003 Ceramic, 0.01µF 25WV
C321 F1G1E1030003 Ceramic, 0.01µF 25WV
C322 F1G1E1030003 Ceramic, 0.01µF 25WV
C323 ECEV1CA470SP Electrolytic, 47µF 16WV
C324 F1H1A4740008 Ceramic, 0.47µF 10WV
C441 F2G0J1010001 Electrolytic, 100µF 6.3WV
C442 F1G1A104A001 Ceramic, 0.1µF 10WV
C443 F1H1A4740008 Ceramic, 0.47µF 10WV
C444 F1G1A104A001 Ceramic, 0.1µF 10WV
C446 F2G0J1010001 Electrolytic, 100µF 6.3WV
C604 F1H1H4710007 Ceramic, 470PF 50WV
C605 F1H1H4710007 Ceramic, 470PF 50WV
C606 F1H1H4710007 Ceramic, 470PF 50WV
C607 F1H1H4710007 Ceramic, 470PF 50WV
RESISTORs
R101 D0GBR00Z0001 Metal Film, 0Ω
ΩΩ
Ω1/16W
R102 D0GD1R0JA028 Metal Film, 1Ω
ΩΩ
Ω1/16W
R114 D0GBR00Z0001 Metal Film, 0Ω
ΩΩ
Ω1/16W
R123 D0GA473JA013 Metal Film, 47kΩ
ΩΩ
Ω1/16W
R141 D0GA103JA013 Metal Film, 10kΩ
ΩΩ
Ω1/16W
R142 D0GA103JA013 Metal Film, 10kΩ
ΩΩ
Ω1/16W
R143 D0GA103JA013 Metal Film, 10kΩ
ΩΩ
Ω1/16W
R144 D0GA103JA013 Metal Film, 10kΩ
ΩΩ
Ω1/16W
R145 D0GA103JA013 Metal Film, 10kΩ
ΩΩ
Ω1/16W
R146 D0GA103JA013 Metal Film, 10kΩ
ΩΩ
Ω1/16W
R152 D0GA682JA013 Metal Film, 6.8kΩ
ΩΩ
Ω1/16W
R154 D0GA103JA013 Metal Film, 10kΩ
ΩΩ
Ω1/16W
R156 D0YAR00J0002 Metal Film, 0Ω
ΩΩ
Ω1/16W
R158 D0GA122JA013 Metal Film, 1.2kΩ
ΩΩ
Ω1/16W
R168 D0GA103JA013 Metal Film, 10kΩ
ΩΩ
Ω1/16W
R169 D0GA393JA013 Metal Film, 39kΩ
ΩΩ
Ω1/16W
R173 D0GA122JA013 Metal Film, 1.2kΩ
ΩΩ
Ω1/16W
R186 D0GA333JA013 Metal Film, 33kΩ
ΩΩ
Ω1/16W
R187 D0GA333JA013 Metal Film, 33kΩ
ΩΩ
Ω1/16W
R199 D0YAR00J0002 Metal Film, 0Ω
ΩΩ
Ω1/16W
R201 D0GBR00Z0001 Metal Film, 0Ω
ΩΩ
Ω1/16W
R204 D0YAR00J0002 Metal Film, 0Ω
ΩΩ
Ω1/16W
R205 D0GA473JA013 Metal Film, 47kΩ
ΩΩ
Ω1/16W
R206 D0GA473JA013 Metal Film, 47kΩ
ΩΩ
Ω1/16W
R207 D0GA332JA013 Metal Film, 3.3kΩ
ΩΩ
Ω1/16W
R213 D0YAR00J0002 Metal Film, 0Ω
ΩΩ
Ω1/16W
R218 D0GA563JA013 Metal Film, 56kΩ
ΩΩ
Ω1/16W
R223 D0GA563JA013 Metal Film, 56kΩ
ΩΩ
Ω1/16W
R321 D0YAR00J0002 Metal Film, 0Ω
ΩΩ
Ω1/16W
R322 D0YAR00J0002 Metal Film, 0Ω
ΩΩ
Ω1/16W
R354 D0GA103JA013 Metal Film, 10kΩ
ΩΩ
Ω1/16W
R411 ERJ2GEJ334X Chip, 330kΩ
ΩΩ
Ω1/16W
R423 D0YAR00J0002 Metal Film, 0Ω
ΩΩ
Ω1/16W
R431 D0YAR00J0002 Metal Film, 0Ω
ΩΩ
Ω1/16W
R433 D0GA273JA013 Metal Film, 27kΩ
ΩΩ
Ω1/16W
R440 D0GA102JA013 Metal Film, 1kΩ
ΩΩ
Ω1/16W
R442 D0GA102JA013 Metal Film, 1kΩ
ΩΩ
Ω1/16W
R604 D0GBR00Z0001 Metal Film, 0Ω
ΩΩ
Ω1/16W
R607 D0GBR00Z0001 Metal Film, 0Ω
ΩΩ
Ω1/16W
CONNECTORs
CN101 K1MN15A00035 Connector, 15P
CN402 K1MN14B00080 Connector, 14P
CN901 K1MN14B00080 Connector, 14P
6

Ref.
No. Part No. Part Name & Description Remarks
SWITCHE
SW5 K0L1BA000022 Switch
CRYSTALs
XL101 H2D169500017 Crystal
XL201 H2D838400004 Crystal
[E9222A] CD Photo Block
IC´s and TRANSISTORs
Q1 B3HB00000019 Transistor
Q3 B3HB00000019 Transistor
Q6 B3HB00000019 Transistor
DIODEs
D1 B3EB00000013 Diode
D3 B3EB00000013 Diode
D6 B3EB00000013 Diode
RESISTORs
J1 ERJ8GEY0R00V Chip, 0Ω
ΩΩ
Ω1/8W
J2 ERJ8GEY0R00V Chip, 0Ω
ΩΩ
Ω1/8W
J3 ERJ8GEY0R00V Chip, 0Ω
ΩΩ
Ω1/8W
J4 ERJ8GEY0R00V Chip, 0Ω
ΩΩ
Ω1/8W
R454 ERJ6GEYJ332 Chip, 3.3kΩ
ΩΩ
Ω1/10W
R461 ERJ6GEYJ224 Chip, 220kΩ
ΩΩ
Ω1/10W
R463 ERJ6GEYJ224 Chip, 220kΩ
ΩΩ
Ω1/10W
R466 ERJ6GEYJ224 Chip, 220kΩ
ΩΩ
Ω1/10W
R471 ERJ6GEYJ121 Chip, 120Ω
ΩΩ
Ω1/10W
R473 ERJ6GEYJ121 Chip, 120Ω
ΩΩ
Ω1/10W
R476 ERJ6GEYJ121 Chip, 120Ω
ΩΩ
Ω1/10W
R482 D0GDR00Z0001 Metal Film, 0Ω
ΩΩ
Ω1/16W
R483 ERJ6GEYJ332 Chip, 3.3kΩ
ΩΩ
Ω1/10W
CONNECTORs
CN902 K1MN10B00102 Connector, 10P
SWITCHEs
SW2 K0L1BA000022 Switch
SW4 K0L1BA000023 Switch
Mechanical Parts
MISCELLANEOUS
AT1 YEATSD00405 Terminal
1YGP0FX5370 Clamper Arm Unit
2YGFX0052745 Clamper Arm Spring
3YGP0FX4985 Main Chassis (U) Unit
4YGP0FX4998 Traverse Unit
7YGP0FX5305 Feeder Arm Unit
9YGFX0052672 Suspension Spring (B)
10 YGFX0052672 Suspension Spring (A)
11 YGP0FX4993 Suspension Unit
12 YGP0FX5303 Main Chassis (L) Unit
21 YGJS02044 Screw
22 YGJS02043 Screw, M1.4 * 2
7










