Philips Chassis L01.1A AC Service Manual. Www.s Manuals.com. Tv Ch Manual
User Manual: TV Philips L01.1A AC Chassis - Service manuals and Schematics. Free.
Open the PDF directly: View PDF
.
Page Count: 77
- 1. Technical Specifications, Connections, and Chassis Overview
- 2. Safety & Maintenance Instructions, Warnings, and Notes
- 3. Direction for Use
- 4. Mechanical Instructions
- 5. Service Modes, Error Codes and Fault Finding
- 6. Block Diagram, Supply Voltage, and Testpoint Overview
- 7. Circuit Diagrams and PWB Layouts
- Mono Carrier: Power Supply
- Mono Carrier: Line Deflection
- Mono Carrier: Frame Deflection
- Mono Carrier: Tuner IF
- Mono Carrier: Video IF + Sound IF
- Mono Carrier: Synchronisation
- Mono Carrier: Control
- Mono Carrier: Audio Amplifier
- Mono Carrier: NICAM + 2CS + BTSC (Stereo/SAP) Decoder
- Mono Carrier: Audio/Video Source Switching
- Mono Carrier: BTSC NDBX Stereo Decoder
- Mono Carrier: Front I/O + Front Control + Headphone
- Mono Carrier: Rear I/O Cinch
- Mono Carrier: Diversity Tables
- Mono Carrier: PIP Interface Circuit + Tilt Interface
- Mono Carrier: Mapping Top Side
- Layout Mono Carrier: Top Side
- Layout Mono Carrier (Overview Bottom Side)
- Layout Mono Carrier (Part 1Bottom Side)
- Layout Mono Carrier (Part 2 Bottom Side)
- Layout Mono Carrier (Part 3 Bottom Side)
- Layout Mono Carrier (Part 4 Bottom Side)
- CRT Panel ECO SCAVEM
- CRT Panel ECO SCAVEM
- Layout CRT Panel (Top Side)
- Layout CRT Panel (Bottom Side)
- Side AV + HP Panel
- Layout Side AV + HP Panel
- Top Control Panel
- Layout Top Control Panel (Top Side)
- Layout Top Control Panel (Bottom Side)
- Degaussing & DAF Panel
- Layout Degaussing & DAF Panel (Top Side)
- Front Interface Panel
- Layout Front Interface Panel
- 8. Alignments
- 9. Circuit Description
- 9.1 Introduction
- 9.2 Audio Signal Processing
- 9.3 Video Signal Processing
- 9.4 Synchronization
- 9.5 Deflection
- 9.6 Power Supply
- 9.7 Control
- 9.8 Abbreviation list
- 9.9 IC Data Sheets
- 10. Spare Parts List
- 11. Revision List

Published by RB 0364 Service PaCE Printed in the Netherlands Subject to modification EN 3122 785 13210
©
Copyright 2003 Philips Consumer Electronics B.V. Eindhoven, The Netherlands.
All rights reserved. No part of this publication may be reproduced, stored in a
retrieval system or transmitted, in any form or by any means, electronic,
mechanical, photocopying, or otherwise without the prior permission of Philips.
Colour Television Chassis
L01.1A
AC
Contents Page Contents Page
1. Technical Specifications, Connections, and
Chassis Overview 2
2. Safety and Maintenance Instructions, Warnings,
and Notes 4
3. Directions for Use 6
4. Mechanical Instructions 16
5. Service Modes, Error Codes, and Faultfinding 18
6. Block Diagram, I2C, Supply Voltage, and
Testpoint Overviews
Block Diagram 23
I2C and Supply Voltage Diagram 24
Testpoint Overview Mono Carrier & CRT Panel 25
7. Electrical Diagrams and PWB’s Diagram PWB
Power Supply (Diagram A1) 26 41-46
Line Deflection (Diagram A2) 27 41-46
Frame Deflection (Diagram A3) 28 41-46
Tuner IF (Diagram A4) 29 41-46
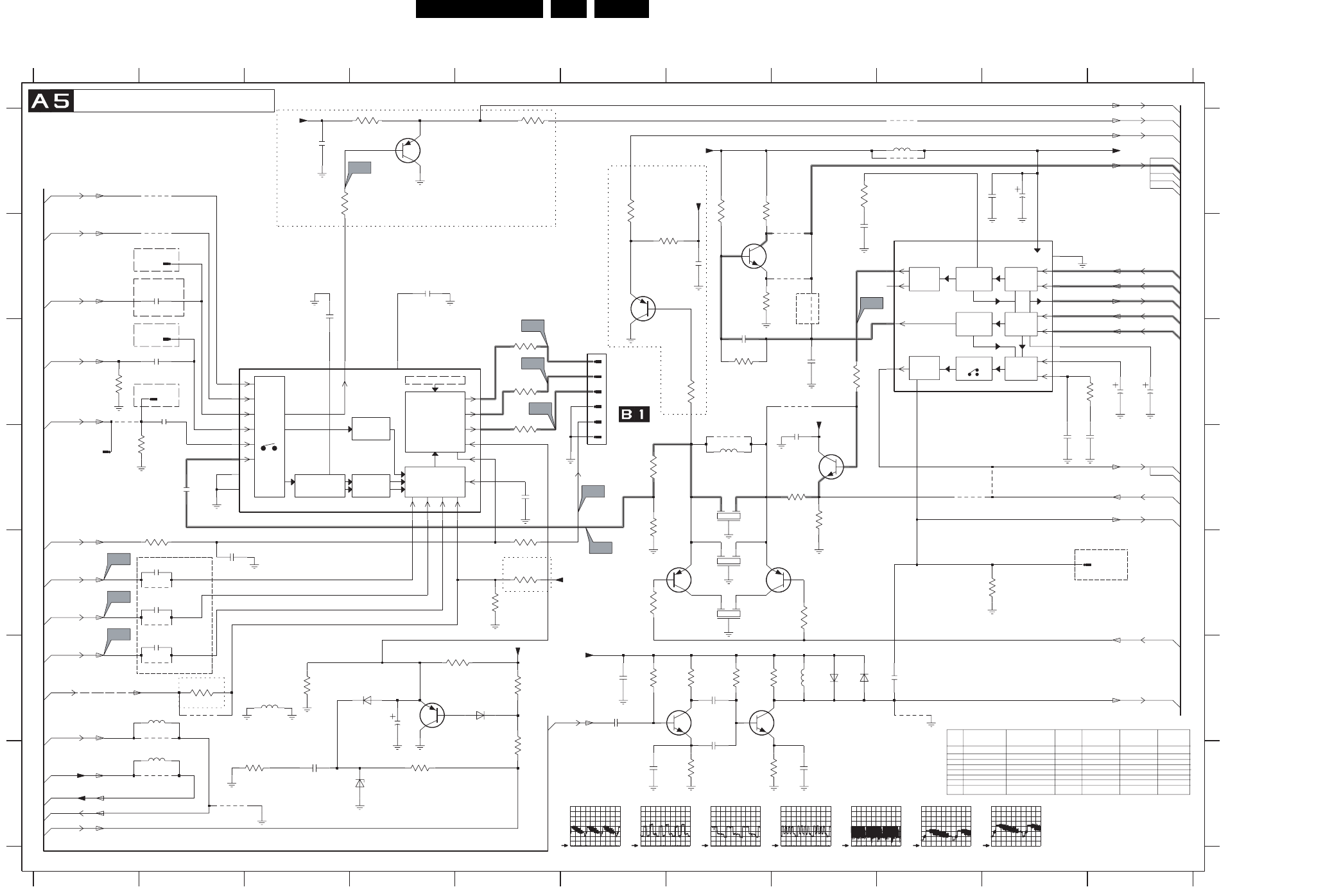
Video IF + Sound IF (Diagram A5) 30 41-46
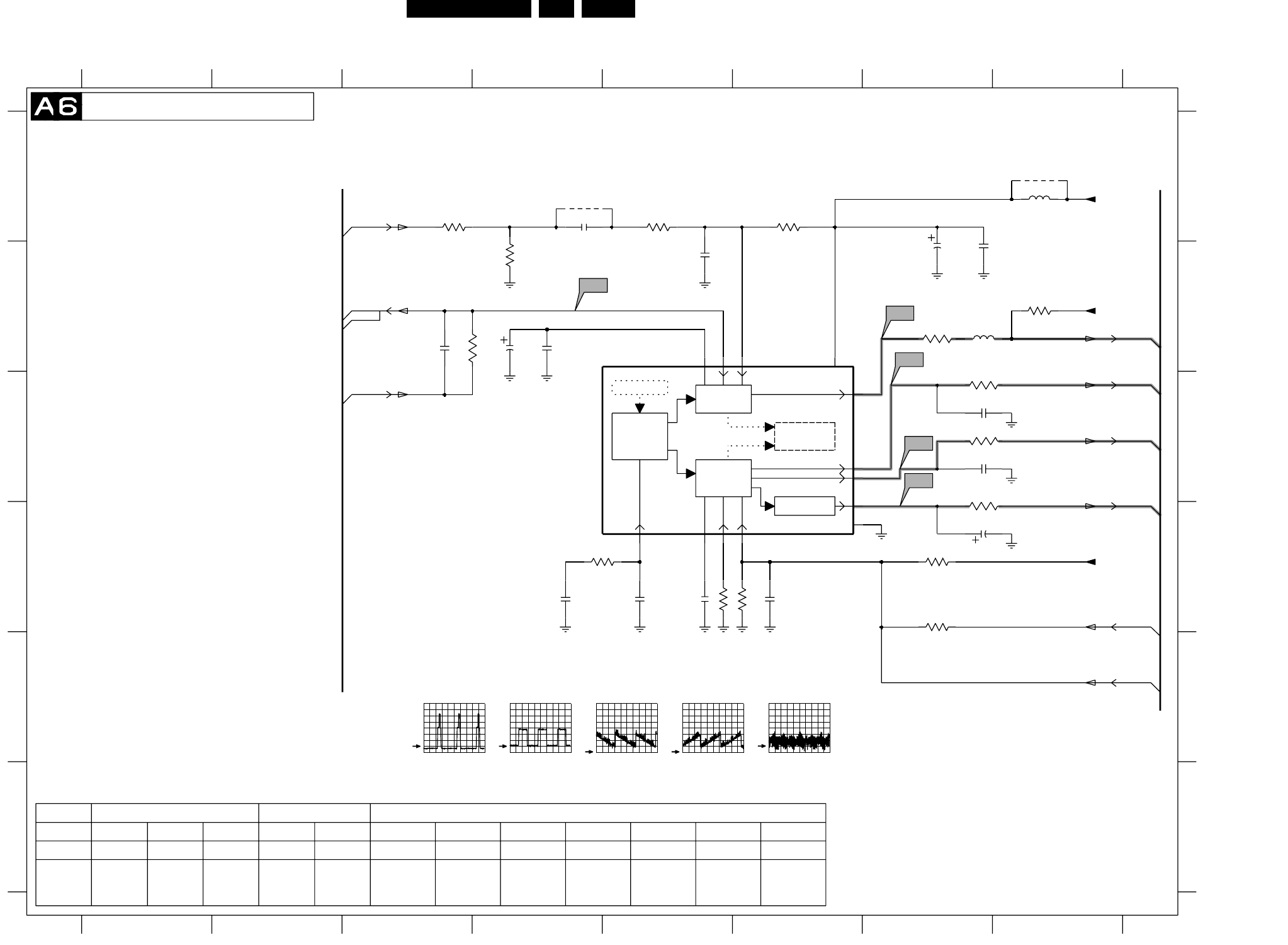
Synchronisation (Diagram A6) 31 41-46
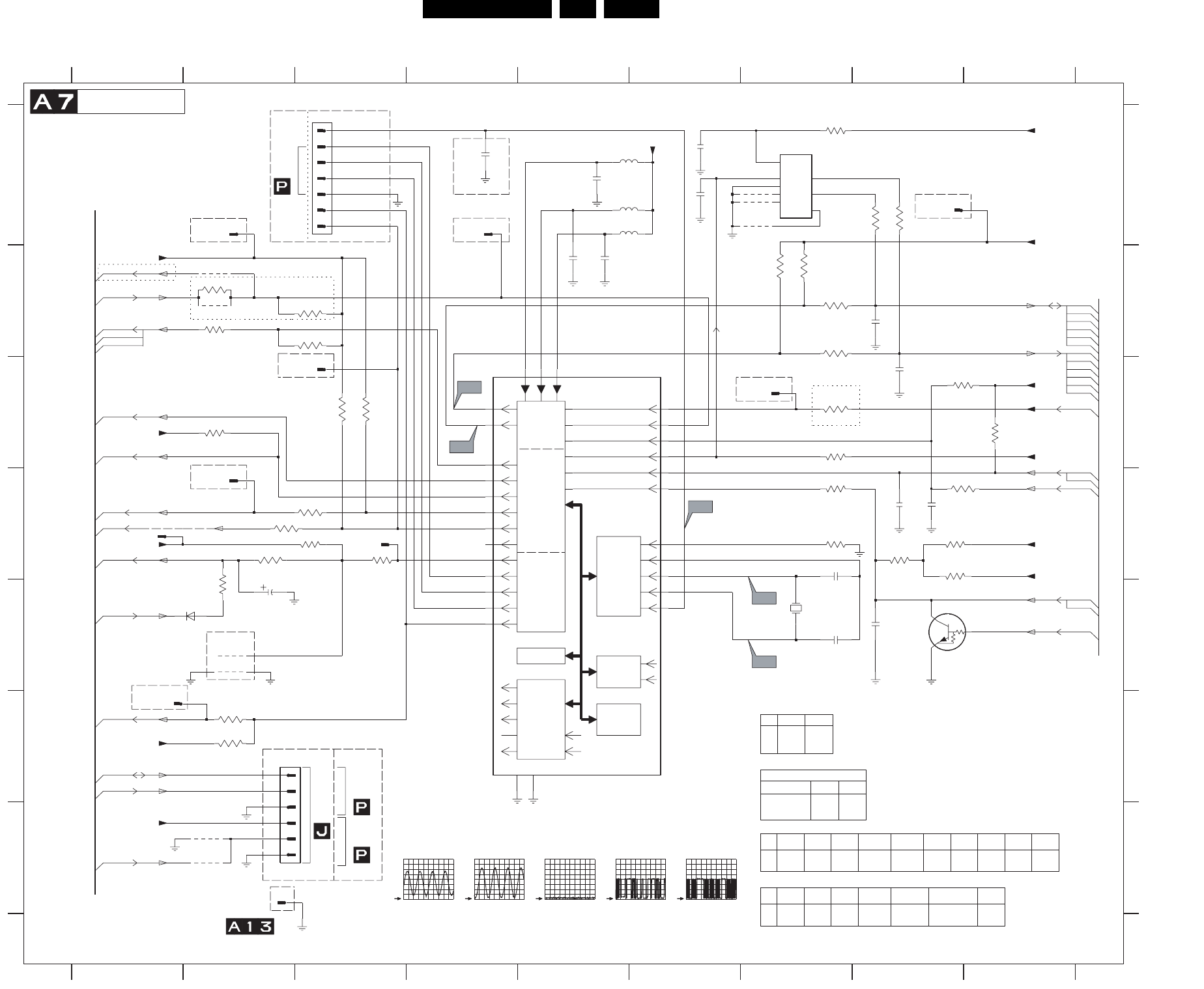
Control (Diagram A7) 32 41-46
Audio Amplifier (Diagram A8) 33 41-46
NICAM, 2CS, BTSC Stereo Dec.(Diagram A9) 34 41-46
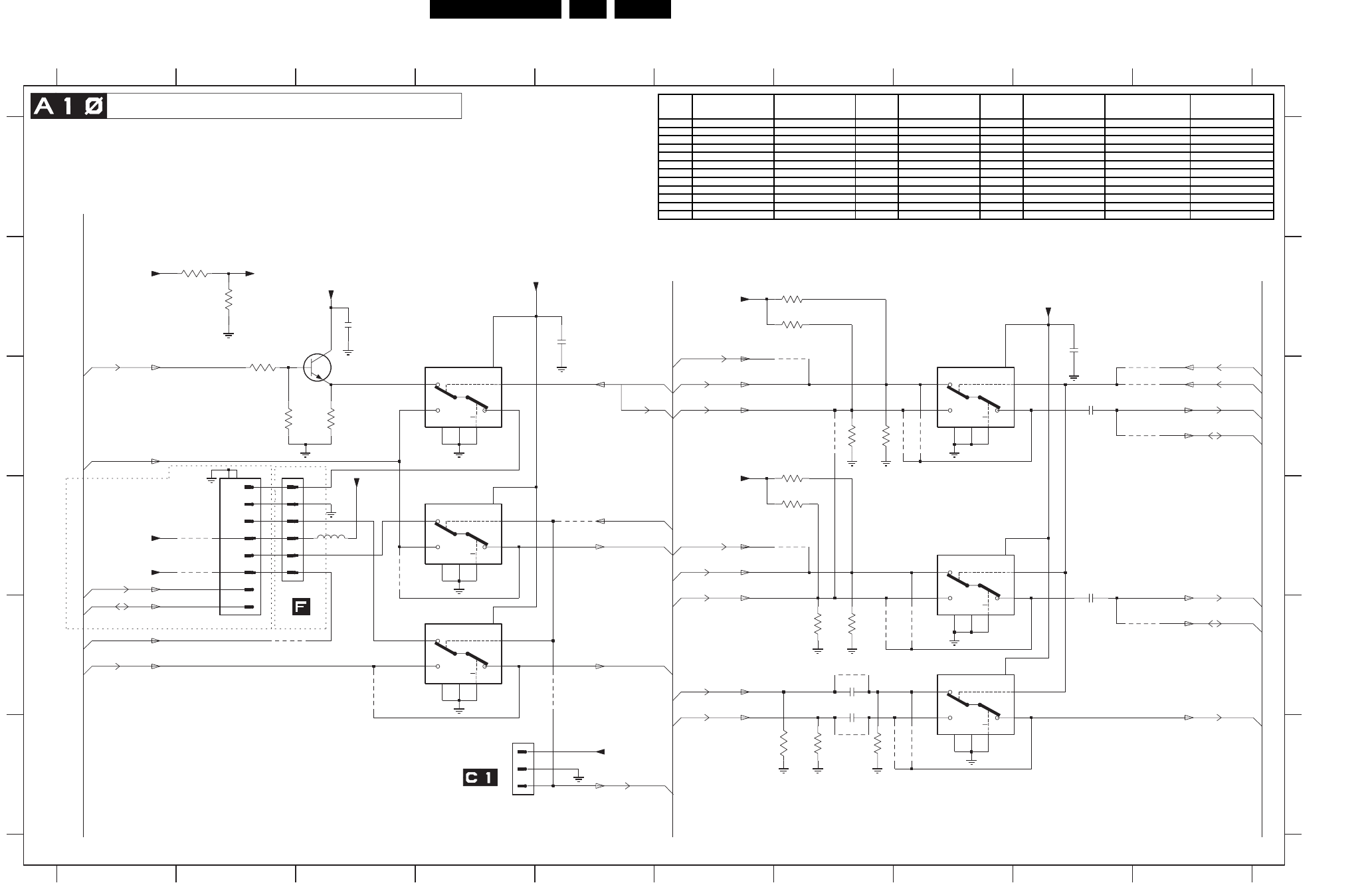
Audio/Video Source Switching (Diagram A10) 35 41-46
BTSC-NDBX Stereo Decoder (Diagram A11) 36 41-46
Front IO, Front Control and HP (Diagram A12) 37 41-46
Rear IO Cinch (Diagram A13) 38 41-46
Diversity Tables 39
PIP + Tilt Interface (Diagram A16) 40 41-46
CRT Panel: ECO Scavem (Diagram B1) 47 49-50
CRT Panel: ECO Scavem (Diagram B2) 48 49-50
Side AV Panel + Headphone (Diagram C) 51 51
Top Control Panel (Diagram E) 52 52
Degaussing + DAF Panel (Diagram G) 53 53
Front Interface Panel (Diagram Q1) 54 54
8. Alignments 55
9. Circuit Description 61
Abbreviation List 70
IC Data Sheets 71
10 Spare Parts List 72
11 Revision List 76

Technical Specifications, Connections, and Chassis Overview
EN 2 L01.1A AC1.
1. Technical Specifications, Connections, and Chassis Overview
Index:
1. Technical Specification
2. Connections
3. Chassis Overview
Note:
• Described specifications are valid for the whole product
range (see Product Survey for specific models).
• Figures can deviate slightly from the actual situation, due
to different set executions.
1.1 Technical Specifications
1.1.1 Reception
Tuning system : PLL
Colour systems : NTSC 3.58, 4.43
: PAL B/G, B/H, D/K, I
: SECAM B/G, D/K, K1
Sound systems : FM-Stereo
: 2CS (B/G, China,
Korea)
: 2CS B/G, DK
: BTSC DBX
: NICAM B/G, D, D/K, I
: BI-NICAM B/G, D, D/
K, I
A/V connections : NTSC 3.58, 4.43
Channel selections : 100 or 125 channels
: UVSH or full cable
Aerial input : 75 Ohm
: IEC- or F-type
1.1.2 Miscellaneous
Audio output : Stereo: 2 x 1 W or 2 x
3W or 2 x 5W or 2 x
10W
: Mono: 1 x 1W or 1 x
3W or 1 x 4W or 2 x
2W
Mains voltage : 90 - 276 V or 150-
276V
Mains frequency : 50 / 60 Hz
Ambient temperature : + 5 to + 45 deg. C
Maximum humidity : 90 %
Power consumption : 52 W (20") to
: 120 W (36")
Standby Power consumption : < 3 W
1.2 Connections
1.2.1 Front/Side Connections and Front/Top Control
Figure 1-1 Front/Side connections and Front/Top control
Audio / Video In
1 - Video CVBS 1 Vpp/75 Ohm
2 - Audio L 0.2 Vrms/10 kOhm
3 - Audio R 0.2 Vrms/10 kOhm
4 - Headphone 8 - 600 Ohm, 4 mW
1.2.2 Rear Connections
Figure 1-2 Rear connections
Monitor Out
1 - Video CVBS 1 Vpp/75 Ohm
2 - Audio L 0.5 Vrms/1 kOhm
3 - Audio R 0.5 Vrms/1 kOhm
AV1 YUV In(if present)
1 - Y 0.7 Vpp/75 Ohm
2 - U 0.7 Vpp/75 Ohm
3 - V 0.7 Vpp/75 Ohm
AV1 In
1 - Video CVBS 1 Vpp/75 Ohm
2 - Audio L 0.5 Vrms/10 kOhm
3 - Audio R 0.5 Vrms/10 kOhm
AV2 In
1 - Video CVBS 1 Vpp/75 Ohm
2 - Audio L 0.5 Vrms/10 kOhm
3 - Audio R 0.5 Vrms/10 kOhm
AV2 In (SVHS)
1 - gnd
2 - gnd
3 - Y 1 Vpp/75 Ohm
4 - C 0.3 Vpp/75 Ohm
RED
LED
V+V-
P-
P+
R AUDIO L
R AUDIO L
INSTALL/MENU
+ VOLUME -
CHANNEL
VIDEO CL 36532039_007.eps
240403
IR
TOP CONTROL SIDE I/O
FRONT CONTROL + FRONT I/O
V
L
R
Y
U
V
V
L
R
V
L
R SVHS
MONITOR
OUT
75 Ohm
FM
AV1
IN AV2
IN
CL 16532008_005.eps
120601

Technical Specifications, Connections, and Chassis Overview EN 3L01.1A AC 1.
1.3 Chassis Overview
Figure 1-3 PWB Location
SIDE AV PANEL +
HEADPHONE
B2
B1
C
MAIN
CHASSIS
PANEL
A1
E
A2
A3
A4
A5
A12
A9
A10
A11
A8
A13
POWER SUPPLY
Q1
FRONT INTERFACE PANEL
LINE DEFLECTION
FRAME DEFLECTION
A6
SYNCHRONISATION
TUNER IF
VIDEO + SOUND IF
FRONT I/O + FRONT CONTROL
+ HEADPHONE
BTSC - NDBX DECODER
A7
CONTROL (µC)
NICAM + 2CS +
BTSC DECODER
A/V SOURCE SWITCHING
AUDIO AMPLIFIER
REAR I/O CINCH
CL 36532039_008.eps
010503
A16
TILT INTERFACE
TOP CONTROL PANEL
CRT PANEL
GDEGAUSSING & DAF PANEL
(34" only)
CRT
SCAVEM

Safety & Maintenance Instructions, Warnings, and Notes
EN 4 L01.1A AC2.
2. Safety & Maintenance Instructions, Warnings, and Notes
Index of this chapter:
1. Safety Instructions for Repairs
2. Maintenance Instructions
3. Warnings
4. Notes
2.1 Safety Instructions for Repairs
Safety regulations require that during a repair:
• Due to the 'hot' parts of this chassis, the set must be
connected to the AC power via an isolation transformer.
• Safety components, indicated by the symbol , should be
replaced by components identical to the original ones.
• When replacing the CRT, safety goggles must be worn.
Safety regulations require that after a repair, the set must be
returned in its original condition. Pay particular attention to the
following points:
• General repair instruction: as a strict precaution, we advise
you to resolder the solder connections through which the
horizontal deflection current is flowing, in particular:
– all pins of the line output transformer (LOT)
– fly-back capacitor(s)
– S-correction capacitor(s)
– line output transistor
– pins of the connector with wires to the deflection coil
– other components through which the deflection current
flows.
Note: This resoldering is advised to prevent bad connections
due to metal fatigue in solder connections and is therefore only
necessary for television sets more than two years old.
• Route the wire trees and EHT cable correctly and secure
them with the mounted cable clamps.
• Check the insulation of the AC power cord for external
damage.
• Check the strain relief of the AC power cord for proper
function, to prevent the cord from touching the CRT, hot
components, or heat sinks.
• Check the electrical DC resistance between the AC plug
and the secondary side (only for sets that have an isolated
power supply). Do this as follows:
1. Unplug the AC power cord and connect a wire between
the two pins of the AC plug.
2. Turn on the main power switch (keep the AC power
cord unplugged!).
3. Measure the resistance value between the pins of the
AC plug and the metal shielding of the tuner or the
aerial connection of the set. The reading should be
between 4.5 MOhm and 12 MOhm.
4. Switch the TV 'off' and remove the wire between the
two pins of the AC plug.
• Check the cabinet for defects, to prevent the possibility of
the customer touching any internal parts.
2.2 Maintenance Instructions
It is recommended to have a maintenance inspection carried
out by qualified service personnel. The interval depends on the
usage conditions:
• When the set is used under normal circumstances, for
example in a living room, the recommended interval is
three to five years.
• When the set is used in an environment with higher dust,
grease or moisture levels, for example in a kitchen, the
recommended interval is one year.
• The maintenance inspection includes the following actions:
1. Perform the 'general repair instruction' noted above.
2. Clean the power supply and deflection circuitry on the
chassis.
3. Clean the picture tube panel and the neck of the picture
tube.
2.3 Warnings
• In order to prevent damage to ICs and transistors, avoid all
high voltage flashovers. In order to prevent damage to the
picture tube, use the method shown in Fig. 2-1, to
discharge the picture tube. Use a high voltage probe and a
multi-meter (position Vdc). Discharge until the meter
reading is 0 V (after approx. 30 s).
Figure 2-1 Discharge picture tube
• All ICs and many other semiconductors are susceptible to
electrostatic discharges (ESD ). Careless handling
during repair can reduce life drastically. When repairing,
make sure that you are connected with the same potential
as the mass of the set by a wristband with resistance. Keep
components and tools also at this potential.
• Available ESD protection equipment:
– Complete kit ESD3 (small tablemat, wristband,
connection box, extension cable, and ground cable)
4822 310 10671.
– Wristband tester 4822 344 13999.
• Together with the deflection unit and any multi-pole unit,
flat square picture tubes form an integrated unit. The
deflection and the multi-pole units are set optimally at the
factory. Adjustment of this unit during repair is therefore not
recommended.
• Be careful during measurements in the high voltage
section and on the picture tube.
• Never replace modules or other components while the unit
is switched 'on'.
• When you align the set, use plastic rather than metal tools.
This will prevent any short circuits and the danger of a
circuit becoming unstable.
2.4 Notes
2.4.1 General
• Measure the voltages and waveforms with regard to the
chassis (= tuner) ground (), or hot ground (), depending
on the area of circuitry being tested.
• The voltages and waveforms shown in the diagrams are
indicative. Measure them in the Service Default Mode (see
“Service Modes, Error Codes, and Faultfinding” section)
with a color bar signal and stereo sound (L: 3 kHz, R: 1 kHz
unless stated otherwise) and picture carrier at 61.25 MHz
(NTSC, channel 3).
• Where necessary, measure the waveforms and voltages
with () and without () aerial signal. Measure the
voltages in the power supply section both in normal
operation () and in standby (). These values are
indicated by means of the appropriate symbols.
V
CL96532156_040.eps
140501

Safety & Maintenance Instructions, Warnings, and Notes EN 5L01.1A AC 2.
• The picture tube panel has printed spark gaps. Each spark
gap is connected between an electrode of the picture tube
and the Aquadag coating.
• The semiconductors indicated in the circuit diagram and in
the parts lists are completely interchangeable per position
with the semiconductors in the unit, irrespective of the type
indication on these semiconductors.
2.4.2 Schematic Notes
• All Resistor values are in ohms and the value multiplier is
often used to indicate the decimal point location (e.g. 2K2
indicates 2.2 kOhm).
• Resistor values with no multiplier may be indicated with
either an 'E' or an 'R' (e.g. 220E or 220R indicates 220
Ohm).
• All Capacitor values are expressed in Micro-Farads (µ =
x10-6), Nano-Farads (n = x10-9), or Pico-Farads
(p = x10-12).
• Capacitor values may also use the value multiplier as the
decimal point indication (e.g. 2p2 indicates 2.2 pF).
• An 'asterisk' (*) indicates component usage varies. Refer to
the diversity tables for the correct values.
• The correct component values are listed in the Electrical
Replacement Parts List. Therefore, always check this list
when there is any doubt.
2.4.3 Practical Service Precautions
•It makes sense to avoid exposure to electrical shock.
While some sources are expected to have a possible
dangerous impact, others of quite high potential are of
limited current and are sometimes held in less regard.
•Always respect voltages. While some may not be
dangerous in themselves, they can cause unexpected
reactions - reactions that are best avoided. Before reaching
into a powered TV set, it is best to test the high voltage
insulation. It is easy to do, and is a good service precaution.
•Before powering up the TV set with the back cover off
(or on a test fixture), attach a clip lead to the CRT DAG
ground and to a screwdriver blade that has a well insulated
handle. After the TV is powered on and high voltage has
developed, probe the anode lead with the blade, starting at
the case of the High Voltage Transformer (flyback - IFT).
Move the blade to within two inches of the connector of the
CRT. If there is an arc, you found it the easy way,
without getting a shock! If there is an arc to the
screwdriver blade, replace the part which is causing the
problem; the High Voltage Transformer or the lead (if it is
removable).

Mechanical Instructions
EN 16 L01.1A AC4.
4. Mechanical Instructions
Index of this chapter:
1. Set Disassembly
2. Service Positions
3. Assy/Board Removal
4. Set Re-assembly
Note: Figures below can deviate slightly from the actual
situation, due to different set executions.
4.1 Set Disassembly
1. Remove all fixation screws of the rear cover (do not forget
the screws that hold the rear connection panel).
2. Now pull the rear cover backwards to remove it.
4.2 Service Positions
There are 2 configurations possible. With and without panel
bracket. Both have a different service position:
Main panel without bracket (with integrated 'control' part).
1. Disconnect the strain relief of the AC power cord.
2. Remove the main panel, by pushing the two center clips
outwards [1]. At the same time pull the panel away from the
CRT [2].
3. Disconnect the degaussing coil by removing the cable from
(red) connector 0212.
4. Turn the panel 90 degrees counter clockwise [3].
5. Flip the panel 90 degrees [4], with the components towards
the CRT.
6. Turn the panel with its rear connections towards the CRT
[5].
7. Slide the metal heatsink (near the mains transformer 5520)
underneath the right chassis bracket. This secures the
panel [6].
Figure 4-1 Service position (1)
Main panel with bracket (with separate 'control' part).
1. Disconnect the strain relief of the AC power cord.
2. Disconnect the degaussing coil by removing the cable from
(red) connector 0212 [1].
3. Remove the panel bracket from the bottom tray, by pulling
it backward [2].
4. Turn the chassis tray 90 degrees counter clockwise [2].
5. Move the panel somewhat to the left and flip it 90 degrees
[3], with the components towards the CRT.
6. Turn the panel with the rear I/O towards the CRT.
7. Place the hook of the tray in the fixation hole of the cabinet
bottom [4] and secure it.
Figure 4-2 Service position (2)
4.3 Assy/Board Removal
4.3.1 Comb Filter Assy/ Board (if present)
You can remove the Comb Filter panel from the Main Carrier
board, by disconnecting it from connector 1810 (located nearby
the mains transformer 5520).
B
1
A
CL 16532016_007.ai
040401
3
6
45
1
1
2
A
CL 16532016_009.eps
220501
B
4
3
2
1

Mechanical Instructions EN 17L01.1A AC 4.
4.3.2 Top Control Assy/Board (if present)
Figure 4-3 Top control removal
1. Remove the two fixation screws (if present).
2. Pull the module down and backwards (w.o.w. release it
from the front hinge [M]). You must use some force.
3. Lift the board from its bracket while releasing the two
fixation clamps. The board hinges on the other side.
4.3.3 Front Interface Assy/ Board (if present)
Figure 4-4 Front interface removal
1. You can remove the complete module from the bottom
plate, by pulling the two fixation clamps upwards [1] while
sliding the module away from the CRT [2].
2. Release the 2 fixation clamps [3] at the side of the bracket,
and lift the board out of the bracket (it hinges at one side).
4.3.4 DAF Assy/ Board (if present)
Figure 4-5 DAF panel removal
1. You can remove the complete module from the Main
Carrier bracket, by pressing its fixation clamp downwards
[1] while sliding the module in the direction of the CRT [2].
2. Release the 2 fixation clamps [3] to lift the board out of the
bracket [4].
4.3.5 Side I/O Assy/ Board (if present)
Figure 4-6 Side jack panel removal
1. You can remove the complete Side I/O assembly after
removing the 2 fixation screws.
2. Release the 2 fixation clamps to lift the board out of the
bracket.
4.4 Set Re-assembly
Before you mount the rear cover, perform the following checks:
1. Check whether the AC power cord is mounted correctly in
its guiding brackets.
2. Re-place the strain relief of the AC power cord into the
cabinet.
3. Check whether all cables are replaced in their original
position.
CL 06532012_003.eps
030200
M
Top control board
2
3
1
1
3
CL 06532130_018.eps
021000
CL 26532119_060.eps
181202
3
2
3
4
1
CL 06532012_004.eps
030200

Service Modes, Error Codes and Fault Finding
EN 18 L01.1A AC5.
5. Service Modes, Error Codes and Fault Finding
Index:
1. Test points.
2. Service Modes.
3. Problems and Solving Tips (related to CSM).
4. Compair
5. Error Codes.
6. The Blinking LED Procedure.
7. Protections.
8. Repair Tips.
5.1 Test Points
The chassis is equipped with test points printed on the circuit
board assemblies. These test points refer to the functional
blocks:
Table 5-1 Test Point Overview
The numbering is in a logical sequence for diagnostics. Always
start diagnosing within a functional block in the sequence of the
relevant test points for that block.
Perform measurements under the following conditions:
• Service Default Alignment Mode.
• Video: colour bar signal.
• Audio: 3 kHz left, 1 kHz right.
5.2 Service Modes
Service Default Alignment Mode (SDAM) offers several
features for the service technician, while the Customer Service
Mode (CSM) is used for communication between dealer and
customer.
There is also the option of using ComPair, a hardware interface
between a computer (see requirements) and the TV chassis. It
offers the ability of structured trouble shooting, error code
reading and software version readout for all chassis.
Requirements: To run ComPair on a computer (laptop or
desktop) requires, as a minimum, a 486 processor, Windows
3.1 and a CD-ROM drive. A Pentium Processor and Windows
95/98 are also acceptable (see also paragraph 5.4).
Table 5-2 SW Cluster
5.2.1 Service Default Alignment Mode (SDAM)
Purpose
• To change option settings.
• To create a predefined setting to get the same
measurement results as given in this manual.
• To display / clear the error code buffer.
• To override SW protections.
• To perform alignments.
• To start the blinking LED procedure.
Specifications
• Tuning frequency:
– 475.25 MHz for PAL/SECAM (AP-PAL).
– 61.25 MHz (channel 3) for NTSC-sets (AP-NTSC).
• Colour system:
– PAL-BG for AP-PAL.
– NTSC for AP-NTSC.
• All picture settings at 50 % (brightness, colour contrast,
hue).
• Bass, treble and balance at 50 %; volume at 25 %.
• All service-unfriendly modes (if present) are disabled, like:
– (sleep) timer,
– child/parental lock,
– blue mute,
– hotel/hospitality mode
– auto switch-off (when no “IDENT” video signal is
received for 15 minutes),
– skip / blank of non-favorite presets / channels,
– auto store of personal presets,
– auto user menu time-out.
• Operation hours counter.
• Software version.
• Option settings.
• Error buffer reading and erasing.
• Software alignments.
How to enter SDAM
Use one of the following methods:
• Use a standard customer RC-transmitter and key in the
code 062596 directly followed by the “M” (menu) button or
• Short jumper wires 9631 and 9641 on the mono carrier
(see Fig. 8-1) and apply AC power. Then press the power
button (remove the short after start-up).
• Caution: Entering SDAM by shorten wires 9631 and 9641
will override the +8V-protection. Do this only for a short
period. When doing this, the service-technician must know
exactly what he is doing, as it could lead to damaging the
set.
• Or via ComPair.
TEST POINT CIRCUIT DIAGRAM
A1-A2-A3-.. AUDIO PROCESSING A8, A9
C1-C2-C3-.. CONTROL A7
F1-F2-F3-.. FRAME DRIVE & OUTPUT A3
I1-I2-I3-.. TUNER & IF A4
L1-L2-L3-.. LINE DRIVE & OUTPUT A2
P1-P2-P3-.. POWER SUPPLY A1
S1-S2-S3-.. SYNCHRONISATION A6
V1-V2-V3-.. VIDEO PROCESSING A5, B1
SW
Cluster
Software
mane
UOC type UOC
Diversity
Special
Features
L3LAN1 L01AN4x.y TDA9582
(LS)
64K ROM
Size
China
L3LAN2 L01AN5x.y TDA9582
(LS)
64K ROM
Size
India, M.E.
L3LAN3 L01AN7x.y TDA9570
(LS)
55K ROM
Size
China,
AV stereo
L3LAT1 L01AT5x.y TDA9552
(LS)
64K ROM
Size
1pg TXT,
AV stereo
L3LAC1 L01AC2x.y TDA9580
(LS)
64K ROM
Size
NTSC,
Tai Wan,
Korean
Abbreviations in Software name: A = AP, T = TXT,
N = NON TXT, C = NTSC, M = MONO, D = DVD

Service Modes, Error Codes and Fault Finding EN 19L01.1A AC 5.
After entering SDAM, the following screen is visible, with S at
the upper right side for recognition.
Figure 5-1 SDAM menu
LLLL
This is the operation hours counter. It counts the normal
operation hours, not the standby hours.
AAABCD-X.Y
This is the software identification of the main micro controller:
A = the project name (L01).
B = the region: E= Europe, A= Asia Pacific, U= NAFTA, L=
LATAM.
C = the feature of software diversity: C = NTSC, D = DVD, N =
no TXT, T = TXT.
D = the language cluster number:
X = the main software version number.
Y = the sub software version number.
S
Indication of the actual mode. S= SDAM= Service Default
Alignment mode.
Error buffers
Five errors possible.
Option bytes
Seven codes possible.
Clear
Erase the contents of the error buffer. Select the CLEAR menu
item and press the CURSOR RIGHT key. The content of the
error buffer is cleared.
Options
To set the Option Bytes. See chapter 8.3.1 for a detailed
description.
AKB
Disable (0) or enable (1) the “black current loop” (AKB = Auto
Kine Bias).
Tuner
To align the Tuner. See chapter 8.3.2 for a detailed description.
White Tone
To align the White Tone. See chapter 8.3.3 for a detailed
description.
Geometry
To align the set geometry. See chapter 8.3.4 for a detailed
description.
Audio
To align the Audio. See chapter 8.3.5 for a detailed description.
How to navigate
• In SDAM, select menu items with the CURSOR UP/DOWN
key on the remote control transmitter. The selected item
will be highlighted. When not all menu items fit on the
screen, move the CURSOR UP/DOWN key to display the
next / previous menu items.
• With the CURSOR LEFT/RIGHT keys, it is possible to:
– Activate the selected menu item.
– Change the value of the selected menu item.
– Activate the selected submenu.
• When you press the MENU button twice, the set will switch
to the normal user menus (with the SDAM mode still active
in the background). To return to the SDAM menu press the
OSD / STATUS button.
• When you press the MENU key in a submenu, you will
return to the previous menu.
How to store settings
To store settings leave the SDAM (at top level SDAM main
menu) with the Standby button on the remote.
How to exit
Switch the set to STANDBY by pressing the power button on
the remote control (if you switch the set 'off' by removing the AC
power, the set will return in SDAM when AC power is re-
applied). The error buffer is not cleared.
5.2.2 Customer Service Mode (CSM)
Purpose
When a customer is having problems with his TV-set, he can
call his dealer. The service technician can than ask the
customer to activate the CSM, in order to identify the status of
the set. Now, the service technician can judge the severness of
the complaint. In many cases, he can advise the customer how
to solve the problem, or he can decide if it is necessary to visit
the customer.
The CSM is a read only mode; therefore, modifications in this
mode are not possible.
How to enter
To enter the CSM by pressing user remote control and key in
the code123654.
After switching ON the Customer Service Mode, the following
screen will appear:
Figure 5-2 CSM menu
• Indication of the actual mode CSM = Customer Service
Mode
• Reserved.
• Software identification of the main micro controller (see
paragraph 5.2.1 for the explanation)
• Reserved item.
• Indicates TV system and or not receiving an “IDENT” signal
on the selected source. It will display “NOT TUNED”
• Error code buffer (see paragraph 5.4 for more details).
Displays the last five errors of the error code buffer.
How to exit
Use one of the following methods:
• Press one of the buttons “Menu”, “OSD” or “Standby” of
the remote control keys.
• Switch-off the TV set with the AC power switch.
5.3 Problems and Solving Tips (Related to CSM)
5.3.1 Picture Problems
Note: Below described problems are all related to the TV
settings. The procedures to change the value (or status) of the
different settings are described.
LLLL AAABCD X.Y S
ERR XX XX XX XX XX
XXX XXX XXX XXX XXX XXX XXX
CLEAR CLEAR ?
OP
OP
TIONS >
>
AKB
TUNER >
WH I T E TONE >
GEOME TR Y >
AUD I O >
CL 26532046_078.eps
260402
1CSM
2
3 AAABCDX.Y
4 AKBS
5 TVSYSTEM/NOTTUNED
6 ERRORBUFFER
CL 26532046_002
040402

Service Modes, Error Codes and Fault Finding
EN 20 L01.1A AC5.
No colours / noise in picture
Check CSM line 5. Wrong colour system installed. To change
the setting:
1. Press the MENU button on the remote control.
2. Select the INSTALLATION sub menu.
3. Select and change the SYSTEM setting until picture and
sound are correct.
4. Select the STORE menu item.
Colours not correct / unstable picture
Check CSM line 5. Wrong colour system installed. To change
the setting:
1. Press the MENU button on the remote control.
2. Select the INSTALLATION sub menu.
3. Select and change the SYSTEM setting until picture and
sound are correct.
4. Select the STORE menu item.
Picture too dark or too bright
Increase / decrease the BRIGHTNESS and / or the
CONTRAST value when:
• The picture improves after you have pressed the “Smart
Picture” button on the remote control.
• The picture improves after you have switched on the
Customer Service Mode
The new “Personal” preference value is automatically stored.
White line around picture elements and text
Decrease the SHARPNESS value when:
• The picture improves after you have pressed the “Smart
Picture” button on the remote control.
The new “Personal” preference value is automatically stored.
Snowy picture
Check CSM line 5. If this line indicates “Not Tuned”, check the
following:
• No or bad antenna signal. Connect a proper antenna
signal.
• Antenna not connected. Connect the antenna.
• No channel / pre-set is stored at this program number. Go
to the INSTALL menu and store a proper channel at this
program number.
• The tuner is faulty (in this case the CODES line will contain
error number 10). Check the tuner and replace / repair if
necessary.
Snowy picture and/or unstable picture
• A scrambled or decoded signal is received.
Black and white picture
Increase the COLOR value when:
• The picture improves after you have pressed the “Smart
Picture” button on the remote control.
The new “Personal” preference value is automatically stored.
Menu text not sharp enough
Decrease the CONTRAST value when:
The picture improves after you have pressed the “Smart
Picture” button on the remote control.
The new “Personal” preference value is automatically stored.
5.3.2 Sound Problems
No sound or sound too loud (after channel change /
switching on)
Increase / decrease the VOLUME level when the volume is OK
after you switched on the CSM. The new “Personal” preference
value is automatically stored.
5.4 ComPair
5.4.1 Introduction
ComPair (Computer Aided Repair) is a service tool for Philips
Consumer Electronics products. ComPair is a further
development on the European DST (service remote control),
which allows faster and more accurate diagnostics. ComPair
has three big advantages:
• ComPair helps you to quickly get an understanding on how
to repair the chassis in a short time by guiding you
systematically through the repair procedures.
• ComPair allows very detailed diagnostics (on I2C level)
and is therefore capable of accurately indicating problem
areas. You do not have to know anything about I2C
commands yourself because ComPair takes care of this.
• ComPair speeds up the repair time since it can
automatically communicate with the chassis (when the
microprocessor is working) and all repair information is
directly available. When ComPair is installed together with
the SearchMan electronic manual of the defective chassis,
schematics and PWBs are only a mouse click away.
5.4.2 Specifications
ComPair consists of a Windows based faultfinding program
and an interface box between PC and the (defective) product.
The ComPair interface box is connected to the PC via a serial
or RS232 cable.
In case of the L01 chassis, the ComPair interface box and the
TV communicate via a bi-directional service cable via the
service connector (located on the Main panel, see also figure
8-1 suffix D).
The ComPair faultfinding program is able to determine the
problem of the defective television. ComPair can gather
diagnostic information in two ways:
• Automatic (by communication with the television): ComPair
can automatically read out the contents of the entire error
buffer. Diagnosis is done on I2C level. ComPair can access
the I2C bus of the television. ComPair can send and
receive I2C commands to the micro controller of the
television. In this way, it is possible for ComPair to
communicate (read and write) to devices on the I2C
busses of the TV-set.
• Manually (by asking questions to you): Automatic
diagnosis is only possible if the micro controller of the
television is working correctly and only to a certain extend.
When this is not the case, ComPair will guide you through
the faultfinding tree by asking you questions (e.g. Does the
screen gives a picture? Click on the correct answer: YES
/ NO) and showing you examples (e.g. Measure test-point
I7 and click on the correct oscillogram you see on the
oscilloscope). You can answer by clicking on a link (e.g.
text or a waveform picture) that will bring you to the next
step in the faultfinding process.
By a combination of automatic diagnostics and an interactive
question / answer procedure, ComPair will enable you to find
most problems in a fast and effective way.
Beside fault finding, ComPair provides some additional
features like:
• Up or downloading of presets.
• Managing of preset lists.
• If both ComPair and SearchMan (Electronic Service
Manual) are installed, all the schematics and the PWBs of
the set are available by clicking on the appropriate
hyperlink. Example: Measure the DC-voltage on capacitor
C2568 (Schematic/Panel) at the Monocarrier.
• Click on the “Panel” hyperlink to automatically show the
PWB with a highlighted capacitor C2568.
• Click on the “Schematic” hyperlink to automatically show
the position of the highlighted capacitor.

Service Modes, Error Codes and Fault Finding EN 21L01.1A AC 5.
5.4.3 How To Connect ComPair
1. First install the ComPair Browser software (see the Quick
Reference Card for installation instructions).
2. Connect the RS232 interface cable between a free serial
(COM) port of your PC and the PC connector (marked with
“PC”) of the ComPair interface.
3. Connect the AC power adapter to the supply connector
(marked with “POWER 9V DC”) on the ComPair interface.
4. Switch the ComPair interface OFF.
5. Switch the television set OFF (remove the AC power).
6. Connect the ComPair interface cable between the
connector on the rear side of the ComPair interface
(marked with “I2C”) and the ComPair connector on the
mono carrier (see figure 8-1 suffix D).
7. Plug the AC power adapter in the AC power outlet and
switch on the interface. The green and red LEDs light up
together. The red LED extinguishes after approx. 1 second
while the green LED remains lit.
8. Start the ComPair program and read the “introduction”
chapter.
Figure 5-3 Compair connection
5.4.4 How To Order
ComPair order codes:
• Starter kit ComPair32/ SearchMan32 software and
ComPair interface (excluding transformer): 3122 785
90450
• ComPair interface (excluding transformer): 4822 727
21631
• Starter kit ComPair32 software (registration version): 3122
785 60040
• Starter kit SearchMan32 software: 3122 785 60050
• ComPair32 CD (update): 3122 785 60070
• SearchMan32 CD (update): 3122 785 60080
• ComPair interface cable: 3122 785 90004
5.4.5 Error Buffer
The error code buffer contains all detected errors since the last
time the buffer was erased. The buffer is written from left to
right. When an error occurs that is not yet in the error code
buffer, it is written at the left side and all other errors shift one
position to the right.
5.4.6 How To Read The Error Buffer
You can read the error buffer in 3 ways:
• On screen via the SDAM (only if you have a picture).
Examples:
– ERROR: 0 0 0 0 0 : No errors detected
– ERROR: 6 0 0 0 0 : Error code 6 is the last and only
detected error
– ERROR: 9 6 0 0 0 : Error code 6 was first detected and
error code 9 is the last detected (newest) error
• Via the blinking LED procedure (when you have no
picture). See next paragraph.
•Via ComPair.
5.4.7 How To Clear The Error Buffer
The error code buffer is cleared in the following cases:
• By activation of the CLEAR command in the SDAM menu:
• If the content of the error buffer has not changed for 50
hours, it resets automatically.
Note:
When leaving SDAM by disconnecting the set from AC power,
the error buffer is not reset.
5.4.8 Error Codes
In case of non-intermittent faults, clear the error buffer before
you begin the repair. These to ensure that old error codes are
no longer present.
If possible, check the entire contents of the error buffer. In
some situations an error code is only the result of another error
code and not the actual cause (e.g., a fault in the protection
detection circuitry can also lead to a protection).
86532027_003.EPS
050898
PC VCR I2CPower
9V DC
ERROR Device Error
description
Check
item
Diagram
0Not
applicable
No Error
1Not
applicable
X-Ray Protec-
tion (USA)
2465,
7460
A2
2Not
applicable
Horizontal
Protection
7460,
7461,
7462,
7463,
6467
A2
3 TDA8359/
TDA9302
Vertical
Protection
VloAux
+13v
A2,A3
4 MSP34X5/
TDA9853
MAP I2C iden-
tification error
7831 A9
5 TDA95XX POR 3.3V / 8V
Protection
7200,
7560,
7480
A1,A2.
A5,A6,
A7
6 I2C bus General
I2C bus error
7200,
3624,
3625
A7
7Not
applicable
---
8Not
applicable
E/W
Protection
(Large
Screen)
7400,
3405,
3406,
3400
A2
9 M24C08 NVM I2C
identification
error
7602,
3611,
3603,
3604
A7
10 Tuner Tuner I2C
identification
error
1000,
7482
A2,A4
11 TDA6107/8 Black current
loop protection
7330,
RGB
amps,
CRT
B1,B2
12 M65669 MAP I2C iden-
tification error
(USA)
7803 P

Service Modes, Error Codes and Fault Finding
EN 22 L01.1A AC5.
5.5 The Blinking LED Procedure
Via this procedure you can make the contents of the error
buffer visible via the front LED. This is especially useful when
there is no picture.
When the SDAM is entered, the LED will blink the contents of
the error-buffer.
• n short blinks (n = 1 - 14),
• when all the error-codes are displayed, the sequence
finishes with a LED blink of 3 s,
• the sequence starts again.
Example of error buffer: 12 9 6 0 0
After entering SDAM:
• 12 short blinks followed by a pause of 3 s,
• 9 short blinks followed by a pause of 3 s,
• 6 short blinks followed by a pause of 3 s,
• 1 long blink of 3 s to finish the sequence,
• the sequence starts again.
5.6 Protections
If a fault situation is detected an error code will be generated
and if necessary the set will be put in the protection mode.
Blinking of the red LED at a frequency of 3 Hz indicates the
protection mode. In some error cases the microprocessor does
not put the set in the protection mode. The error codes of the
error buffer can be read via the service menu (SDAM), the
blinking LED procedure or via ComPair.
To get a quick diagnosis the chassis has two service modes
implemented:
• The Customer Service Mode (CSM).
• The Service Default Alignment Mode (SDAM). Start-up of
the set in a predefined way and adjustment of the set via a
menu and with the help of test patterns.
5.7 Repair Tips
Below some failure symptoms are given, followed by a repair
tip.
•Set is dead and makes hiccuping sound “MainSupply” is
available. Hiccupping stops when de-soldering L5561,
meaning that problem is in the “MainSupply” line. No output
voltages at LOT, no horizontal deflection. Reason: line
transistor 7460 is defective.
•Set is dead, and makes no soundCheck power supply IC
7520. Result: voltage at pins 1, 3, 4, 5 and 6 are about 180
V and pin 8 is 0 V. The reason why the voltage on these
pins is so high is because the output driver (pin 6) has an
open load. That is why MOSFET 7521 is not able to switch.
Reason: feedback resistor 3523 is defective. Caution: be
careful measuring on the gate of 7521; circuitry is very high
ohmic and can easily be damaged!
•Set is in hiccup mode and shuts down after 8 s.Blinking
LED (set in SDAM mode) indicates error 5. As it is unlikely
that µP “POR” and “+8V protection” happen at the same
time, measure the “+8V”. If this voltage is missing, check
transistor 7480.
•Set is non-stop in hiccup modeSet is in over current
mode; check the secondary sensing (opto coupler 7515)
and the “MainSupply” voltage. Signal “Stdby_con” must be
logic low under normal operation conditions and goes to
high (3.3 V) under standby and fault conditions.
•Set turns on, but without picture and soundThe screen
shows snow, but OSD and other menus are okay. Blinking
LED procedure indicates error 11, so problem is expected
in the tuner (pos. 1000). Check presence of supply
voltages. As “Vlotaux+5V” at pin 5 and 7 are okay,
“VT_supply” at pin 9 is missing. Conclusion: resistor 3460
is defective.
•Set turns on, but with a half screen at the bottom.
Sound is okayBlinking LED (set in SDAM mode) indicates
error 3. Check “Vlotaux+11V” and “+50V”. If they are okay,
problem is expected in the vertical amplifier IC 7471.
Measure with a scope the waveform on pin 17 of the UOC.
Measure also at pin 1 of IC 7471. If here the signal is
missing, a defective resistor R3244 causes the problem

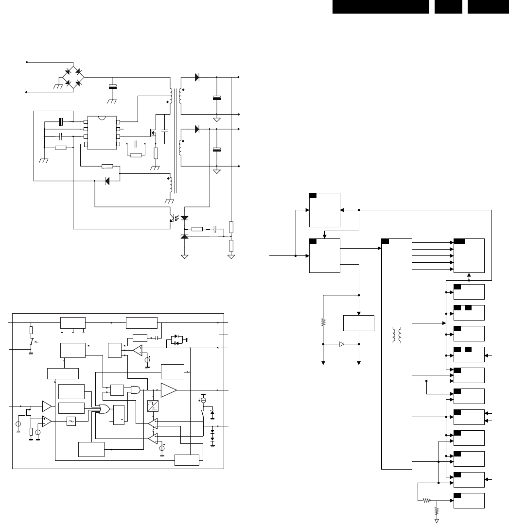
Block Diagram, Supply Voltage, and Testpoint Overview 23L01.1A AC 6.
6. Block Diagram, Supply Voltage, and Testpoint Overview
Block Diagram
CL 36532039_012.eps
250403
V4
I1
I2
V10
I4
I3
V9
C4
C5
A1
0265
SDA
SCL
5201
5001
TV TUNER
+
FM-RADIO
TUNER
(OPTIONAL)
3001
3000
3213
3251
3404
7400
STP3NC60FP
3405
7444
3259
EHT info
H flybk
2254
3242
5604 3611
36033604
3625
3624
56035602
7205
2203
3211
7202
1202
7203
6001
BZX79-C33
SYNCHRONISATION
A6
TILT INTERFACE
A16
LINE DEFLECTION
A2 DAF (34" only)
G
FRAME DEFLECTION
A3
TUNER IF
A4
DEGAUSSING (34" only)
G
FRONT I/O
A12
A7
A7
COMB-BYPASS
A7
VIDEO IF, SOUND IF
A5
A5
CRT
B1 ECO SCAVEM
B2
A9A8
A13
A12
A2
1506
3505
PTH451C
1505
Degaussing
Coil
3507
3506
+t
3
1
2
1
2
+t +t
+t
FILTER
SELECT
1000
7001, 7002
6, 7 9
1
1
2
2
10
FM
VIF_1
VIF_2
RF_AGC
1
VLOTAUX +5V
VT_SUPPLY
A
B
C
+8V
+8V
A7
VT
AGC
5
A7
A2
A6
A5 A6
A2
A2
4
FM
IF 11
18
38
7206
3230
3208
7201
MONO/AM_
MONO_SOUND
33
48
19
22
23
24
SC1_LIN
LFRONT-IN
28 29
FMR QSS_AM_DEM_OUT
AUDIO CARRIER
FILTERS
7200-A
TDA95XX
1002
1003
1004
VIDEO
IF
AGC
SIF_1
SIF_2
VIDEO
PLL
DEMOD.
VIDEO
AMPLIFIER
SOUND
FM-DEMOD.
DE-EMPH. AUDIO
SWITCH
SOUND
AMPL.
+ AVL
QSS
SOUND
IF + AGC
QSS MIXER
AM DEMOD.
S2
L1
F1
F2
L4
F3
L6
L7
L5
V5
L8
L10
L9
S1
11
30
H DRIVE
V DRIVE+
V DRIVE-
V DRIVE+
V DRIVE-
H
V
9
17
7
2
1
5
31
34
7200-D
TDA95XX
H-DRIVE
2nd LOOP
H-SHIFT
16
H/V SYNC
SEPARATOR
H-OSC
+PLL
3210
COMB-BYPASS
40
47
1200 4.5MHz NTSC
5.5MHz PAL
6MHz AP MULTI
1201
A13'
SS-C-IN
RES.
45
A10
A10
SSY-CVBS-IN 44
A13
A13
A10
A10
A10
CVBS1-IN 42
EW
+
GEOMETRY
VIDEO IDENT
7200-C
TDA95XX
I/O
SWITCHING
Y-DELAY
EHT INFO
PROC. EHT info
R-Y
B-Y
U
V
R
G
B
R
G
B
56
57
58
55
Y
VIDEO
FILTERS
RGB
MATRIX
RGB
INSERT
BLACK
STRETCH
WHITE
STRETCH
RGB
CONTROL
OSD TEXT
INSERT
BLUE
STRETCH
WHITE-P.
ADJ
VIDEO
IDENT
V
L
SIDE AV
C
V
0251
6
L3
R1
0219
6
3
1
MONO
V
L
R
CVBS-
FRONT-IN
L-FRONT-IN
R-FRONT-IN
A
B
C
STEREO
A13
A2
A1
A13 A4
A4 A5
A8
A9
A10
AUDIO AMPLIFIER
A8
HEADPHONE
A12
FRONT INTFACE
(PARTLY)
Q1
FRONT CONTROL
A12
A9
E
CONTROL
A7 +3.3V
36063607
+3.9V
+3.3V
A10
C5
A9
A8
A11
A6
3833
3834 2847
A13
A10
NICAM + 2CS + BTSC (STEREO/SAP) DECODER
A9 7831
MSP34X5G
QSS-AM-DEM-OUT
FMR 47
A5
MONO/AM-MONO-SOUND
7834
7835
6692
TSOP1836
ON/OFF
+3V3
MAIN-OUT-L
44
A13 SC1-L IN 41
A13 SC1-R IN 42
A10 SC2-L IN 39
A10 SC2-R IN 40
A7 SDA 8
A7 SCL 7
25
4SEL-MAIN-FRNT-RR
A13
30 R OUT
L OUT
A7
A5
A5
31
MAIN-OUT-R
24
51
52
AUDIO
DEMODULATOR
NICAM + 2CS
BTSC, AM, FM
3832
ERR
10
1831
18M432 C2
C1
63
1660
12MHz
64
7901 AN7522N (STEREO)
7902 AN7523N (MONO)
62 L+
L
8
9
VOLUME MUTE
MONO/AM_MONO-SOUND
1
MAINAUX_FB
ERR
7
7209, 7210
FM RADIO
DE-EMPHASIS
0280
A2
4L-
A3
10 R-
A4
12 R+ R
L
R
4
3
2
1
0255
4
3
2
1
L+
L-
R-
R+
L+
L-
R-
R+
HEADPHONE
C1C
L+
L-
R-
R+
R-
R+
L+
L-
0254
1
2
3
4
5
0257
0246
1
2
3
4
5
OR
OR
C2
OR
SDA
SCL
COMPAIR
CONNECTION
(FOR SERVICE)
IR
POWER DOWN
STATUS1
STATUS2
LED
6691
1
1
KEYBOARD-
_PROTN
EW-
PROTECTION
KEYBOARD
_PROTN
KEYBOARD
_PROTN
7606
LOCAL
KEYBOARD
LOCAL
KEYBOARD
7200-B
TDA95XX
I/O
VST
PWM-
DAC
ROM
RAM
CPU
IIC
BUS
TRANSCEIVER
I/O
PORTS
69 68 7
72
71
3
8
6
5
66 61 59
1
2
IR 67
LED 5
80
3908
7602
M24C08
EEPROM
(NVM)
SDA
SCL
COMB-BYPASS
A10
A16
70 COMB-SEL-CVBS0 or AV2
A1
6STANDBY-CON
A2
78 BASS PANORAMA
77 TREBLE-BUZZER-HOSP-APP
A8
A8
A1
73 VOLUME/MUTE
TILT
SDA
SCL
5241 +8V
VLOT AUX +13V
VLOTAUX +13V MAIN AUX
02450243
1
2
3
5
6
OR
OR
9641
9631
SDM
3172
ON
1/10
PAGES
MEMORY
TELE
TEXT
+
OSD
CVBS SYNC
PAL/NTSC
SECAM
DECODER
BASE
BAND
DELAY
A7A1
A1
A2
A7
3247
EHT info
EHT o
A2
A2
V-DRIVE
+
GEOMETRY
3244
S3
L2
3249
S4
EW DRIVE/
EWD-DYN
BASS_PANORAMA
15 3250
S5
VLOTAUX +13V VLOTAUX +50V
MAIN SUPPLY
140V
64696467
7462
7460
BU4508DX
3493
3431
(OPTIONAL)
7461
7463
LINE-OUTPUT
DRIVER
STAGE
7471
TDA8359J
FRAME
OUTPUT
5461
LINE
OUTPUT
CIRCUIT
only for sets with E/W correction
only for sets with panorama
L3
D
S
G
3487
3222
3201
3334
3332
3336
3202
3203
3204
3235
3221
3489 1400
2454
1
43
2
7
9
4
E/W
CIRCUIT
E/W PROTECTION
VCONTROL
0221
1
2
HOR.
DEFL.
COIL
0278
1
2SCAVEM
COIL
0222
1
2
VERT.
DEFL.
COIL
F4
1
3
5
6
2
V1+
VP
VOA
VM
VOB
V1-
5472
5471
3479
3471
VGUARD
CIRCUIT VGUARD
6470
0221
0261
DAF
CIRCUIT
0233
5451
5445
3
1
FOCUS VG2
EHT
0220
0244
12345
ABC D
10
6
EHT info
A4
34693490
H flybk
VIDEO SUPPLY
A3
VGUARD A5
BLK-IN
A1
POWER-DOWN
A6
EHT o
200V
VT_SUPPLY
FILAMENT
A
B
D
C
5
11
6485
7
12
8
9
6488
6487
3494
VLOTAUX +50V
VLOTAUX +13V
VLOTAUX +5V A
+8V B
3488
0258
1
2
1
2
HOR.
DEFL.
COIL
0268
1
2
TILT
DEFL.
COIL
3460
3455
3446 7441
7443, 7450
3452
5480
6486
3464
2444
PROT
CIRCUIT
PROT
CIRCUIT
+13V
3447
6447
7480
3450
7482
A2
BKL-IN
BKL BKL
+8V
V-OUT
R-V-IN
G-Y-IN
B-U-IN
FBL-IN
5251 5053 54
7204
V6
V7
V9
V12
V11
V13
V14
V15
V16
1
2
3
44
5
6
7330
TDA6107Q
2
1
3
8
5
9
7
R
G
B
EHT-INFO
Filament
+200VA
R
+200VA
+13V
+13V
SCAVEM
PROCESSING
+200VA
3340
2340 12345
3341
3342
OSD
R
G
B
CRT
25kV
FOCUS
EHT
EHT
VG2
8
6
11
10 9 5 7 1
5205 MAINAUX
INPUT
SWITCHING
ERR
4
TV
FM
0165 AQUADAG
ERR
9
ERR
6
ERR
5
ERR
3
ERR
2
ERR
8
ERR
1
ERR
11
ERR
2
6692
TSOP1836
+3V3
IR
LED
6691
7000
TDA8941P
A7
OR
POWER-DOWN
6601
TILT
TILT OUTPUT
G
B
SETS WITH
VIDEO OUT
ONLY
PICTURE
WIDTH
CONTROL
VLOTAUX +50V
IF DAF PANEL IS MOUNTED
5493
4905
+
3451
TV
REAR I/O CINCH
A13
Y
U
V
B-U-IN
G-Y-IN
R-V-IN
SC1-RIN
SC1-LIN
V
L
AV1
YUV
INPUT
R
A5
A5
A5
A5
CVBS1-IN
L-OUT
R-OUT
A9
A9
V
L
R
MONITOR
OUTPUT
R2-IN
L2-IN
V
LAV2
R
V-OUT
A7
7102, 7103
7101
STATUS 1
STATUS 1
A7
A5
A5
A10
A9
A5
A9
A13
A10
A10
A10
C-IN
C-IN SS-C-IN
SYY-CVBS-IN
Y-CVBS-IN
4
65
154
32
SVHS
STATUS2
10
911
AUDIO/VIDEO
SOURCE SWITCHING
A10
7802
HEF4053BT
A12 LFRONT-IN
L2-IN
12
13
RFRONT-IN
R2-IN
5
3
CVBSFRONT-IN
Y-CVBS-IN
4812
4814
2
1
A9
SC2-RIN
SC2-LIN
14
4A9
A10
A5
A5
SY-CVBS-IN
SEL-MAIN-FRONT-RR
15
A13
A13
A13
A12
A12
6.5MHz AP PAL
POWER SUPPLY 0212
43
2
2
3
4
17
16
14
13
5
38
9
1
3504
P1
P2
P3
P5
P4
0211
150-250V
SINGLE
RANGE
90-276V
FULL RANGE
3543
5562 3564
A
2564
3544
3558
7560
2567
7561, 7562
7564
6520
2521
A1
FRONT
INTERFACE
(PARTLY)
Q1
A2
A2
A7
t
1515
5520
7580
7520
TEA1507
DRAIN
DRIVER
SENSE
DEMAG
VCC
CONTROL
IC
CTRL
ENERGIZING
CIRCUIT
AC
DC
6500
5500 :
5502
12
11
N.C.
N.C.
10
1
2
3
4
1500
0231
T4E
MAINS
SWITCH
2503
A
0211
110V
6561
6562
MAIN AUX
E/W PROTECTION
POWER DOWN
VLOTAUX +13V
P6
5560 5564 5561
(2X)
6560 140V
MAIN SUPPLY
2561
PROTECTION
12V
+3.3V
3594
+3.9V
31
A7
A2
STDBY_CON
VCONTROL
HOT GROUND COLD GROUND
7540, 6540
REFERENCE
CIRCUIT
7541, 7542
STANDBY
CIRCUIT
7515
TCET1103
3532
3525
3523
3526
7521
STP7NB60FP
8
6
5
3522
3528
4
1
D
S
G
ERR
7
OR
2
1
3
1
2
0212
1
2
0231
MAINS
SWITCH
0298

24L01.1A AC 6.
Block Diagram, Supply Voltage, and Testpoint Overview
I2C and Supply Voltage Overview
POWER SUPPLY
2
3
4
A
A
17
16
14
3
10
13
12
11 N.C.
5
38
9
CL 26532119_005.eps
101202
C4
C5
I1 I2
P1
P2
P3
P5
P6
P4
0211
150 - 250V
SINGLE RANGE
90 - 276V
FULL RANGE
5205
5602
5603
5604
4693
7901
1000
7902
7200-B
5560 5564
3564
2564
5561
3543
5562
3549
3544
3557
3558
7560
2567
7561, 7562
7564
6520
2521
A1
CONTROL
A7 TUNER IF
A4
VIDEO IF
A5
CONTROL
A7
5520
7520
TEA1507
DRAIN
DRIVE R
SENSE
DEMAG
VCC
CONTROL
IC
CTRL
AC
DC
6500
GBU6J
5500 :
5502
1
1
66
61
59
8
1
2
3
4
1500
T4E
2503
6561
6562
6560
AUDIO SUPPLY GND
POWER DOWN
140V MAIN SUPPLY
12V MAIN AUX
2561
PROTECTION
CIRCUIT
AUDIO SUPPLY
GND-FB
+3.3V
+3.3V
+3.3V (TO 3256)
+3.9V
TO 3568
+3.9V
(TO 3606
3607,3633)
STBY_CON
HOT GROUND COLD GROUND
7540, 6540
REFERENCE
CIRCUIT
7541, 7542
STANDBY
CIRCUIT
7515
TCET1103
3532
3525
3523
3528
3526
7521
STP7NB60FP
8
6
5
3522
4
1
D
S
G
5204
AUDIO AMPL.
SYNCHRONISATION
A6
+3.3V +3V3A
FRONT CONTROL
A12
AUDIO
OUTPUT
STEREO
AUDIO
OUTPUT
MONO
TUNER
uC
7602
EEPROM
(NVM)
OR
OR
LINE
OUTPUT
3611
+3V3
LOT
+200VA 6
+13V
+13V
+200VA
TO CRT
FILAMENT
LINE DEFLECTIONA2 CRT
B1 SCAVEM
(OPTIONAL)
B2
TUNER IF
A4
POWER SUPPLY
A1
FRAME DEFLECTION
A3
5451
2450
MAIN SUPPLY
VIDEO SUPPLY
200V +200V
+13V
5445
3
EHT
2340
3487
6001BZX79
-/C33
FOCUS
VG2
52
5
9
6
7
7
FILAMENT FILAMENT
3494
5480
0220
3464
3340
3341
6485
11
9
8
VT_SUPPLY 33V
VT_SUPPLY
2
3
5
4
0244
3
4
ANODE CRT
FOCUS CRT
VG2 CRT
3342
+5V (TO 6470)
+8V (TO 3008)
5202
VIDEO IF
A5
VLOT AUX +50V
+13V
VLOT AUX +5V
TO 6445
VLOT AUX +5V
VLOT AUX +5V
VLOT AUX +13V
VLOT AUX
TO DEGAUSSING CIRCUIT
VLOT AUX +13V
CONTROL
A7
+8V (TO 4-0217) NOT USED
+5V (TO 2234)
VLOT AUX
VLOT AUX +5V (TO 3619)
+8VB (TO 7101-C)
VLOT AUX +5V
AUDIO AMPLIFIER
A8
VLOT AUX +5V (TO 9904 - 3912)
+8VA
EW_Protection
MAIN AUX_FB
3460
9420
7471
FRAME
OUTPUT
7330
RGB
DRIVER
6
3
5001
5472
SYNCHRONISATION
A6
7200-D
SYNC
PROC.
5241
+8V
VLOT AUX +50V
VLOT AUX +13V
+8V
+13V
+8V
+8VB
+8V
+8V (TO 3248)
7200-A
VIDEO
IF
9
5832
NICAM + 2CS + BTSC
DECODER
A9
FRONT
INTERFACE
Q1
VLOT AUX +5V
VLOT AUX +5V
REAR I/O CINCH
A13
+8V
AUDIO VIDEO
SOURCE SWITCHING
A10
7831
AUDIO
DECODER
5833 +5VA
+8VB +6V8
+8V
46
33
3455
34473446
3488
6487
6488
7482
7480
6486
6482
34503449
6481
3801
TILT INTERFACE
A16
VLOT AUX +13V
3625
7602
M24C08
EEPROM
(NVM)
3624
3607 3606
3604
3603
65
72
71
68 7
ERR
9
ERR
5
7200-B
SET
PROCESSOR
PART OF
VIDEO-
PROCESSOR
ERR
6
SDA
SCL
SCL
SDA
+3.9V
3626
+3.3V
+3.9V
1000
TUNER
3001
3000
45
ERR
10
1
2
0267
3
AUDIO AMPL.
A8
SCL
SDA
A7 A8
NICAM + 2CS +
BTSC DECODER
A9
7831
MSP34X5G
AUDIO
DECODER
3833
3832
78
ERR
4
SCL
SDA
FOR
COMPAIR
ONLY
3493
VLOT AUX +13V
MAIN AUX
H-DRIVE
VCONTROL
I2C BUS INTERCONNECTION DIAGRAM
3908
39
(TO 6452,6468,2441,
3448,3453)
A8
6469 6467
Error Description
0 No error
1 X-Ray / over voltage protection
2 High beam (BCI) protection
3 Vertical guard protection
4 I2C error while communicating with the sound processor
5 Power ON reset (POR bit) 3.3V protection / +8V protection
6 General I2C error
7 Power down (over current) protection
8 EW protection (Large Screen only)
9 I2C error EEPROM error
10 I2C error PLL tuner
11 Black current loop instability protection
ERROR CODE LIST
4
0217
0214
1
0214
1
2
3
1
A2
A2
A7
A2 A7
TO 3400
0231
MAINS
SWITCH

Block Diagram, Supply Voltage, and Testpoint Overview 25L01.1A AC 6.
Testpoint Overview
A1 B4
A2 A4
A3 A5
A4 A4
A5 C3
A6 B3
A7 B3
A8 B4
A8a B4
A9 B4
A10 B4
A11 B4
A11a C3
A12 C2
A13 C2
A14 C1
A15 B2
A16 B2
C1 B6
C2 B6
C3 B6
C4 B6
C5 B6
C6 E1
F1 D8
F2 D8
F3 C8
F4 C7
I1 A7
I2 A8
I3 A7
I4 A7
L1 C6
L2 E6
L3 E7
L4 E6
L6 C7
L7 E8
L8 E8
L9 C7
L10 C7
L11 D7
P1 E5
P2 E4
P3 D3
P4 C4
P5 C4
P6 D5
S1 B5
S2 A6
S3 A7
S4 A7
S5 A7
V1 B7
V2 B7
V3 B7
V4 B5
V5 B5
V6 B5
V7 B5
V8 B5
V9 A5
V10 A6
V20 A3
V22 A4
D
GS
D
GS B
9
1
CE
7521
14
85
7520
POWER
TRAFO
5520
7471
7400
7460
CL 16532119_007.eps
191202
CRT panel copper track side
Mono carrier copper track side
BTSC NDBX
7861
FRAME
E/W
SUPPLY
CONTROL
SUPPLY
LINE
7200 9631
TV-PROC.
HOT GROUND
7831
BTSC DBX
1
5
18
2
10
9
TILT
6
12 7901
AUDIO
OUTPUT
1
4
7000
1
26
52 27
4
6
7
8910 11
12
5
1
3LOT
5445
5
6 7
8
9
10
11
12
9641 SDM
A01
200mV / div AC
1ms / div
A02
200mV / div AC
1ms / div
A04
200mV / div AC
1ms / div
A05
200mV / div AC
1ms / div
A06
200mV / div AC
1ms / div
A07
200mV / div AC
1ms / div
A08
200mV / div AC
1ms / div
A08a
200mV / div AC
1ms / div
A09
200mV / div AC
1ms / div
A10
200mV / div AC
1ms / div
A11
200mV / div AC
1ms / div
A11a
200mV / div AC
1ms / div
A12
200mV / div AC
1ms / div
A13
10V / div DC
20µs / div
A14
10V / div DC
20µs / div
A15
10V / div DC
1ms / div
A16
10V / div DC
1ms / div
C01
500mV / div DC
1ms / div
C02
500mV / div DC
1ms / div
C03
200mV / div DC
1ms / div
C04
10V / div DC
100µs / div
C05
10V / div DC
100µs / div
C06
10V / div DC
2ms / div
F01
50mV / div DC
5ms / div
F02
50mV / div DC
5ms / div
F03
1V / div DC
5ms / div
F04
0.2V / div DC
5ms / div
I01
0.1V / div DC
200µs / div
I02
0.1V / div DC
200µs / div
I04
L01
500mV / div DC
20µs / div
L02
500mV / div DC
20µs / div
L03
200V / div DC
20µs / div
L04
20V / div AC
5ms / div
L06 33V7 DC
L07 51V DC
L11 13V DC
L10 8V2 DC
P01 148V DC
P02
20V / div DC
2µs / div
P03 16V1 DC
P04 3V3 DC
P06 126V DC
P05 12V DC
S01
10V / div DC
20µs / div
S02
10V / div DC
20µs / div
S03
500mV / div DC
5ms / div
S04
500mV / div DC
5ms / div
S05
500mV / div DC
5ms / div
V04
10V / div DC
20µs / div
V05
10V / div DC
20µs / div
V06
10V / div DC
20µs / div
V07
10V / div DC
20µs / div
V08
10V / div DC
5ms / div
1V / div DC
20µs / div
V09
500mV / div DC
10µs / div
V10
1V / div DC
10µs / div

26L01.1A AC 7.
Circuit Diagrams and PWB Layouts
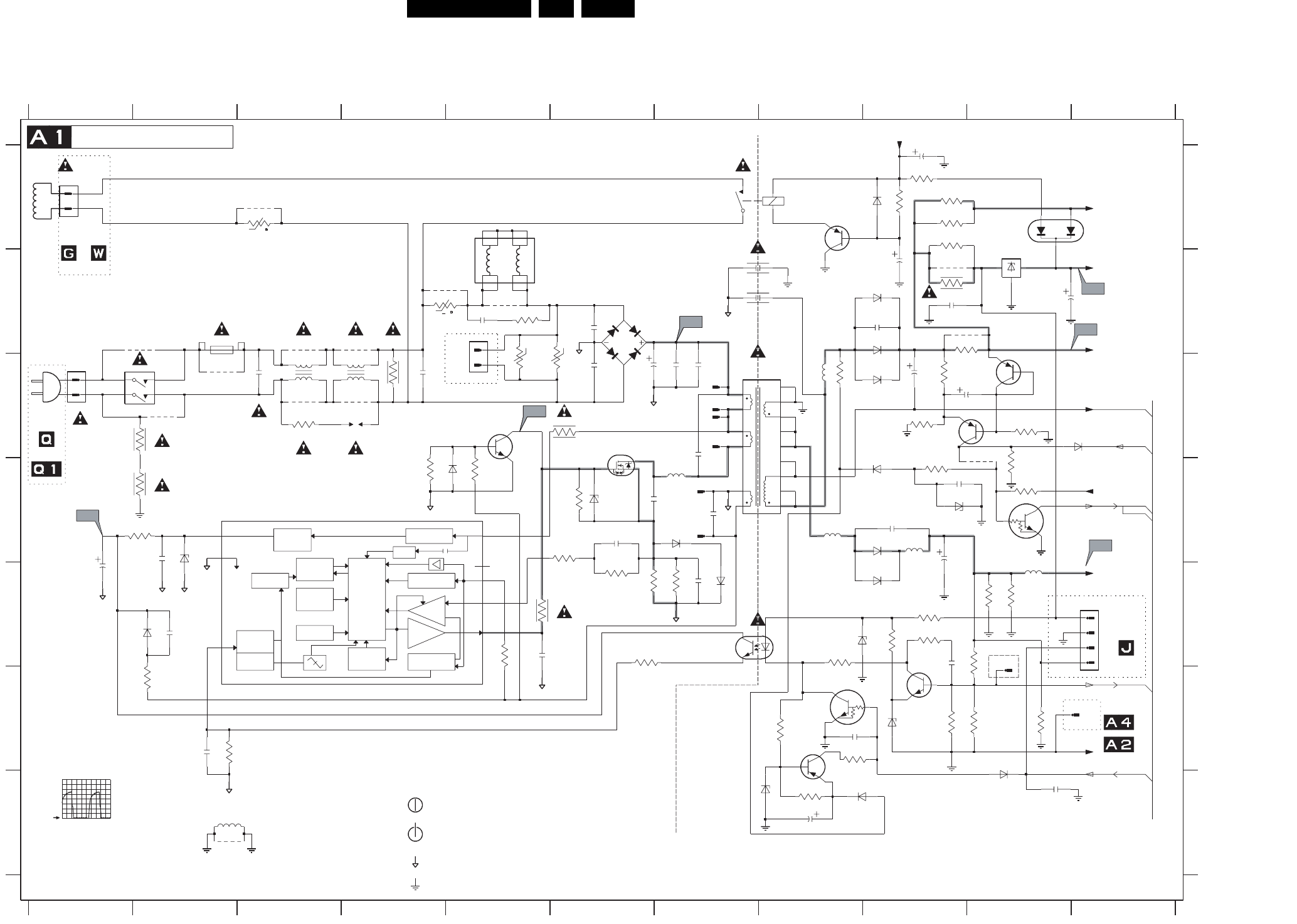
7. Circuit Diagrams and PWB Layouts
Mono Carrier: Power Supply
P5 12V DC
OVER
POWER
LOGIC
CONTROL
CIRCUIT
MAXIMUM
ON-TIME
PROTECTION
VOLTAGE
CONTRLLED
OSCILLATOR
OVER
TEMPERATURE
PROTECTIOM
POWER-ON
RESET
SUPPLY
MANAGEMENT
FREQUENCY
PROTECTION
CONTROL
INPUT
CONTROL
CIRCUIT
BURST
DETECTOR
Drain
HVS
Sense
Demag
Driver
Vcc
Gnd
Ctrl
START-UP
CURRENT SOURCE
VALLEY
START-UP
CURRENT SOURCE
CURRENT
SENSING
OUTPUT
DRIVER
V
+t
t
V
2564
2m2
91011
A
B
C
D
E
F
G
A
B
C
D
E
F
G
0211 C1
3
4
5
6
7
8
1234567891011
12345678
1
2
0212 A1
0213 B5
0231 C1
0251 E11
0282 F11
1500 B2
1515 A8
1540 F10
2500 C3
2501 C6
2502 B6
2503 C6
2504 C7
2505 C7
2506 B5
2507 D7
2508 C7
2509 C4
2515 B7
2516 B7
2520 F2
2521 E1
2522 D6
2523 D6
2525 E5
2526 D2
2527 E7
2528 E2
2540 E9
2541 F8
2560 D9
2561 D9
2562 B9
2563 D9
3565
330R
2564 C9
2566 C9
2567 B10
2568 G8
2569 G10
2580 B9
2581 A9
2590 B10
3500 C1
3501 D1
3503 C5
3504 A3
3506 C4
3507 C4
3508 C3
3509 B5
3510 B4
3511 C5
3519 E6
3520 F2
3521 F2
3522 E5
3523 E5
3524 E6
3525 D6
3526 E6
3527 E7
3528 D2
3529 D4
3530 D6
3531 D5
3532 C6
3541 E8
3542 E9
3543 E10
3544 F10
3545 F9
3548 E9
3550 F10
3552 F8
3557 A9
3558 A9
3560 C9
3561 C8
3562 D9
3563 D10
3564 B10
3565 A9
3566 G8
3567 C9
3568 C10
3569 F8
3570 D10
3580 A9
3590 A9
3591 B9
3594 E9
3595 E10
3596 E10
4500 D10
5500 C4
5501 C3
5502 B5
5520 C7
5521 D7
3508
5560 D8
5561 E10
5562 C8
5564 D9
5565 G2
6500 B6
6520 E2
6522 D2
6523 D5
6524 D7
6525 E7
6526 D6
6540 F9
6541 E8
6560 D9
6561 B9
6562 C9
6563 D9
6564 C11
6565 A11
6566 F10
6567 D9
6568 E9
6569 G9
6570 G7
6580 A9
6582 B9
7515 E7
7520 D2
7521 C6
470p
2507
7522 C5
7540 F9
7541 F8
7542 F8
7560 A10
7561 D10
7562 C9
7564 C10
7580 A8
9500 B2
9501 C2
9502 C2
9503 B5
9504 B5
9505 A3
5
5502
1
2
3
4
9506 B4
9507 C4
9508 B3
3526
9509 C3
9510 B9
9511 B10
9530 G2
3507
DSP
P1
47R
3560
2560
6540
6
7
8
P5
9508
G5PA
1515
9509
3506
1M5
220K
3596
0282
B57237
3510
6522
P2
7542
BC857B
3528
3564
2503
3
3567
2K2
4K7
1n
2541
2522
100n
3569
5K6
BC857B
3568
2
3
4
9506
1K
3557
2527
5564
3591
2K2
1n
2562
220R
3561
2505
2n2
5501
DMF-2405
14
23
7562
3594
470R
5521
ZPB
2566
470u
3522
9503
3527
3521
1K2
3520
3523
5560
5565
6569
BAS216
3501
3M3
6582
STPS10L60D
3552
10K
3M3
3500
3548
15K
8K2
3563
2528
1n
6500
56K
3524 6568
BYW76
9500
6570
3542
1K5
12V
LE33CZ
*
A7-11
*
0V
RES
*
2
6V8
OF
A2-9
A5-90
(-V) STANDBY OPERATION
9V
FOR ITV ONLY
0V
4
TO 0251
*
DEGAUSSING
4
*
RES
1V7
-3V2
OF
10V
A7-5
1
SDW
2u2
For AV Video
(12V)
*
12V4
(13V8)
1N5062
A2-100
*
12V
9V
*
1u
6V8
11V8
*
*
17V
POWER SUPPLY
-3V2
OF
HOT
0V
11V8
*
HOT
COLD
Jumper
1n5
*
RES
100u
0R1
0V
"$"
0V
*
T4E.250V
TO
12V
3V
**
"$"
MAINS
*
OR
2V
1V8
220V AC 309V (317V)
*
2n2
A2-11
0V
S
2V8
(7V7)
BZX79-B6V2
11V5
OR
For ITV only
2
*
RES
0V
680p
TO 0283
*
"$"
OF
*
D
HOT GROUND
USA
140V
for ITV only
ONLY
*
90 - 276 V FULL RANGE
*
1
COLD GROUND
*
3V3
11V5
0V
16V8
*
(6V7)
0V4
1V3
/
A1
K
A2
8V8
MAINS SWITCH
*
*
PDTC114ET
TO 0283
*
0V
FOR ITV ONLY
0V
-V NORMAL OPERATION
0V
0V
3
3
*
150 - 276 V SINGLE RANGE
*
"$"
COLD
1n5
*
G
BYV29X-500
*
FOR MAINS 120V AC 170V (177V)
*
0V
82K
TO 1505
OF
COIL
*
3V2
2523
47K
3580
2509
9504
TEA1507
7520
1
2
2526
270R
3519
2540
10n
7522
BC847B
2500
470n
15K
3570
3566
2K2
7540
BC547B
7521
100n
2520
6561
SB340
6525
2506
BYD33D
6520
23
14
0251
1
1500
9501
P6
3529
47K
2n2
2502
9511
2590
6523
1N4148
6562
EGP20DL
2568
6567
5500
DMF-2820
14
2
1
IN
3
OUT
5562
7560
2
GND
39K
3545
470p
2525
9505
6564
BAS216
330R
3558
1540
9502
7515
TCET1104G
2508
470p
7541
P4
P3
2569
3531
2n2
2501
2504
3504 7580
BC857B 6565
BAV70
3511
BAS316
6563
0231
13
24
56
6560
2561
47u
2580
PDTC143ZT
7561
3543
6524
220K
3595
0213
1
2
3503
BZX284-C22
6526
4
5
8
9
4500
10
11
12
13
14
15
16
17
18
2
3
10K
3530
5520
2516
12K
3562
1N4148
6566
100n
2563
4K7
3544
9507
22u
2521
2K2
3532
27u
5561
150R
3590
7564
BC857B
2515
470R
3541
9510
3509
PDZ-10B
6541
9530
0211
2567
47u
0212
1
2
3550
2581
22u
BAS316
3525
1K
EW_protection
+3.9V
VlotAux+13V
+3.3V
MainSupply
MainSupplyGnd
Vcontrol
MainAux
6580
AudioSupplyGnd
POWER_DOWN
+3.3V
EAR
MainSupplyGnd
Stdby_con
CL 36532039_013.eps
010503
P1 148V DC
P2
20V / div DC
2µs / div
P3 16V1 DC
P4 3V3 DC
P6 126V DC
* FOR DIVERSITY LIST SEE PAGE 39

Circuit Diagrams and PWB Layouts 27L01.1A AC 7.
Mono Carrier: Line Deflection
FOCUS
VG2
EHT
/
KA
5450
D
E
F
G
A
B
C
D
E
F
G
0220 A2
0221 B6
0289 A8
0298 F6
0319 B2
0321 D8
3447
1234
PDTA114ET
567891011
1234567
BC857B
7441
8 9 10 11
A
B
C
5457
0322 G5
1400 B4
1402 E7
1410 F7
1411 C2
1412 F11
2400 F4
2401 F4
2402 F3
2404 G5
2405 D3
2415 E3
2420 B4
2421 B4
47u
2450
2422 B4
2423 B4
2441 F9
2443 F10
2444 G8
2448 A9
2450 A5
2451 A6
2452 B2
2453 B5
2454 B5
EGP20DL
6486
2455 D3
2456 D6
2457 D6
2458 C6
2459 B6
2460 D2
2461 E2
2462 E4
2463 D4
2464 F6
2448
2465 D4
2466 E5
2467 E5
2468 E5
2469 E6
2470 E5
2480 D9
2481 D8
2482 A10
2484 E6
2485 C10
2486 D9
2487 D9
2488 D9
2489 D10
2490 C6
2491 E8
2492 C10
2493 F5
3400 E3
3401 F3
3402 F3
3403 G3
3404 G3
3405 G4
3406 G4
3407 G4
3403
3408 G5
3410 G5
3411 F4
3430 E6
3431 F6
3441 E10
3442 F9
3443 F10
3445 F8
3446 F8
3447 E9
3448 E10
3449 D10
3450 D10
3451 F8
3452 F8
3453 F10
3454 G9
3455 D9
3456 F9
3457 F10
3458 C6
3459 D6
3460 C10
3461 C6
3463 D4
3464 D8
3465 A10
3468 F2
3469 B9
3481 C8
3482 C9
3483 B10
3484 C9
3485 A6
3486 A6
3487 A5
3488 C9
3489 C3
3490 B9
3491 D2
3492 D2
3493 D3
3494 B9
3499 D2
4430 D2
4431 C2
5400 F4
5401 F4
5445 B7
5450 B2
5451 A6
5452 D4
5453 C3
5457 C6
5461 D3
5463 E6
5464 E6
5465 E6
5480 E8
6400 F3
6401 F5
6402 F3
6403 F3
6445 F8
6447 F8
6448 G10
6449 B9
6452 B4
6453 F10
6460 D4
6461 E4
6462 E2
6463 E2
6464 C2
6465 D5
6466 D5
6467 C2
6468 C2
6469 C3
6481 D10
6482 E10
1411
6483 C9
6485 B8
6486 D8
6487 C8
6488 D8
6490 D2
7400 G4
7441 E9
7443 G9
7444 C4
7450 F9
7460 D3
7461 D2
7462 F1
7463 E2
7480 E9
7482 D10
9420 B2
9422 D8
9423 D2
9424 F3
9426 F3
9451 A6
9453 A5
9460 D6
2463
9461 E5
9462 E6
9463 E6
9464 F6
0322
3489
L1
3499
3484
3K9
0319
L9
470u
2489
2469
L4
2455
47u
6482
BZX79-C9V1
3486
6448
3407
3460
3K9
6401
3469
3K3
9463
1K
3492
6403
L7
2465
3468
2458
2451
L2
1K
3442
3404
9420
3408
2466
2415
6462
3457
4R7
3464
BZX79-C33
6483
BU4508DX
7460
9424
BAS216
6464
4430
1
4
47u
2480
BAV99
6449
1M
3443
9462
L3
1410
TV
6R8
3455
BZX284-C10
6445
3405
5400
1u
2444
9460
23
14
1
2
3
4
5
0298
5452
100MHZ
3453
2461
2400
3454
L10
33R
3463
9464
2485
4u7
2422
*
G
*
1.9V
*
*
A3-65
A5-16
RES
*
*
HORIZONTAL
220u
*
A5-36
126V
PANEL
0V
5V2
5V
6V3
5V7
13V3
*
*
A2-69
PANEL
A6-18
RES
*
A1-11
*
*
*
*
*
*
0V
1V5
A7-7
*
*
*
*
A2-16
*
BZX79C5V6
*
*
*
*
0V
0R
*
TO 0244
*
A6-22
A6-16
*
RES
0V
*
*
8V
8V9
*
0V
E/W CORRECTION
*
ONLY FOR SETS WITH
S
*
*
*
*
*
9V
2V
RES
RES
*
RES
0213
BOARD
CORRECTION
A1-100
*
0V
CU15
Width Control
(reserved)
5V2
*
*
*
TO N/S
TO CRT
For ITV Only
RES
*
5V6
*
*
L.LIN
*
A6-23
*
For Picture
*
TO DAF
0V
*
*
CCT.
*
*
*
A2-16
*
COIL
*
*
13V3
*
A6-21
5V2
*
5V
OF CRT
DEFLECTION
UDZS-10B
*
*
0V
*
LINE DEFLECTION
137V
*
TO PICTURE TUBE
*
*
5V2
D
200V
*
*
PANEL
*
*
AK
5V
*
13V3
*
*
*
*
*
9V
*
0V5
*
*
A1-9
*
A2-69
5V5
*
PANORAMA
BZX79-B6V2
*
0R
*
*
11V6
*
0V
3401
3402
OR
TO 0221 OF
/
OF
TO 0261
FOR CHINA
ONLY
2467
9451
3431
2421
6467
BAS216
7444
180p
2452
4R7
3494
3483
3410
10K
3485
2492
3n3
3461
15K
3459
2488
1m
3456
9426
2420
100R
3441
6463
11
12
3
5
6
7
8
9
8K2
3490
5445
1
10
BAV21
BYD33M
6490
4431
6466
BD135
7480
L6
0221
VH
6447
1N4148
6469
BYD33M
2462
6461
RGP30J
BYD33J
6485
5480
5401
3450
100R
5463
CI-15
3445
15K
22u
5453
3452
6481
2490
7450
6465
BAV21
2482
3406
6402
2454
9423
2487
47u
9422
2491
6460
BZX384-C6V8
6453
2481
470p
1412
PDTC143ZT
7462
2402
1K
3458
7482
BD135
3481
2459
680p
2401
0220
0289
3482
BC557B
7443
6400
3493
3430
5461
1
36
2460
6452
BC337-25
7461
CU15
5465 43
21
2493
9453
3448
2470
L5
2468
2404
4R7
3488
EGP20DL
6488
3487
4R7
2457
2423
2453
2464
3451
3411
1402
1
2
3
3446
5K6
3491
2456
BYD33D
6487
3400
100R
3449
2443 47n
27u
5451
6468
BAS216
CU20d
5464
12
34
2486
470u
3465
1K
2484
1400
G5PA
2441
1u
0321
2405
7463
BC327-25
7400
VlotAux+13V
EHTinfo
VlotAux+13V
VideoSupply
VlotAux+13V
+13V
Bass_panorama
Vcontrol
POWER_DOWN
MainAux
MainAux
9461
VlotAux+13V
Hdrive
VT_Supply
Filament
Vguard
Hflybk
VlotAux+13V
EW_protection
VlotAux+50V
BLK-IN
VlotAux+5VA
+8VB
VideoSupply
VlotAux+13V
MainSupplyGnd
EHTinfo
Filament
MainSupply
+13V
EHTo
EWdrive|EWD_dyn
VlotAux+5VA
VlotAux+13V
CL 36532039_014.eps
010503
DAF
LOT
L1
500mV / div DC
20µs / div
L9 5V DC
L11 13V DC
L7 51V DC
L6 33V7 DC
L5 191V DC
L4
20V / div AC
5ms / div
L3
200V / div DC
20µs / div
L2
500mV / div DC
20µs / div
L10 8V2 DC
* FOR DIVERSITY LIST SEE PAGE 39
L11

28L01.1A AC 7.
Circuit Diagrams and PWB Layouts
Mono Carrier: Frame Deflection
GUARD
1:1
25uA
RR
R
A
INPUT/FEEDBACK
B
3MUH3
---
100V 10N
470K
SMGK(SF)
13V
4R7
TUBE
63V 150N
10
A
B
C
D
E
F
A
B
C
D
E
F
0222 C8
2471 B5
2472 C6
2473 B7
2474 D3
2475 D3
2476 C7
3470 C6
3471 D7
3472 D7
AP
*
*
LATAM
---
3472
A
K
SM0805 470K
63V 150N
63V 150N
270K
12345678910
123456789
63V 150N
470K
63V 150N2472
3R9
3R93R3
6U8
---
3472 2R2
SM0805 390K
---
3473
3R9
1R5
SET
---4470 1R5
32WSRF
5471
3473 D7
3474 D3
3475 D3
3477 C7
3478 D7
3479 D7
3480 D6
3495 C7
3496 C7
4470
21RF 29RF
GL
3470
3471
A6-19
-0V3
DEFLECTION
7V
3497 C7
3498 C3
4470 C6
5471 C7
5472 B7
6470 B8
6476 C6
7471 B4
9471 C7
9472 C6
LG.PH LG.PH
28WSRF
2R2
FRAME DEFLECTION
0V
COIL
*
1R5
TUBE SMGK
3U3
*
21RF
REGION
5V
ITEM
*
*
LG.PH
2472
3R3
SMD_JUMPER
---
---
9472
3U3
6V
1V
5V
A6-20
A2-65
3470
6MUH8
6U8
SMD_JUMPER
32V
6V
5471
JUMPER
3R9
3R3
3R9
1R5
3R3
6U8
---
1R5
3R9
3MUH3
6U8
---
3R9
6MUH83MUH3
---
100V 10N
48V
34RF
63V 150N
3MUH3
6R8
4R7
PHCO
63V 150N
330K
3R3
3R3
3R3
1R5
---
3U3
*
1V
3R9
270K
---
3480
3475
2K2
2472
*
470K
0V
VERTICAL
LG.PH
32WR 29RF
28WR 24WR
L2K3
REGION
3R3
3U3
1R5
3R3
2R2
4R7
SM0805 390K 63V 150N
SM0805 270K
---
1R5
TOS LG.PH
21RF
3R9
3480
63V 150N
3496
100K
3479
2K7
9472
3R9
3R9
2R2
---
6U8
---
---
LG.PH
34RF
---
---
---
---
---
---
---
---
---
---
SMGK
34RF
100V 150N
SM0805 220K
VOG
3
VP
9471
100n
2471
2R2
---
3R3
3R9
1R5
6U8
AK
6U8
LG.PH
5472 3MUH3 JUMPER
CH/IN
AP
3R9
3R9
3U3
470K
3471 3R3
3473
1R5
6U8
NAFTA
63V 150N
SM0805 470K
3R3
2R2
2R2
EU
MODEL
9472
25RF
63V 150N
SM0805 470K
3R9
3R9
3R9
1R5
6U8
---
---
LG.PH
21RF
100V 10N
270K
5R6
3R3
6R8
---
6U8
---
---
MMEC
21RF
100V 10N
270K
5R6
3R3
6R8
---
6U8
---
---
63V 150N
SM0805 220K
3R9
3R9
2R2
1R5
3U3
---
---
LG.PH
29RF
63V 150N
SM0805 470K
3R9
3R9
3R3
1R5
6U8
---
---
ORION
29RF
63V 150N
SM0805 470K
3R9
3R9
2R2
1R5
6U8
---
---
LG.PH
6470
BAV99
100K
3497
F2
F3
3495
22K
6476
BZX79-C12
3473
5471
3498
12K2K2
3474
3470
3477
150R
3471 5472
0222
1
2
150R
3478
F4
2n2
2474
TDA8359J
7471
5
GND
6
VFLB
1VI+
2VI-
9VM
7
VOA
4VOB
8
3480 4470
100n
2473
3472
F1
2475
2n2
2n7
2476
Vdrive-
Vdrive+
VlotAux+5VA
Vguard
+13V
VlotAux+50V
CL 36532039_002.eps
010503
F1
50mV / div DC
5ms / div
F3
1V / div DC
5ms / div
F2
50mV / div DC
5ms / div
F4
0.2V / div DC
5ms / div

Circuit Diagrams and PWB Layouts 29L01.1A AC 7.
Mono Carrier: Tuner IF
CL 36532039_015.eps
010503
I1
0.1V / div DC
200µs / div
I2
0.1V / div DC
200µs / div
I4
1V / div DC
20µs / div
+5V ADC
IF
FM
AGC
TUNER
MT
AS SCL SDA
FM-ANT
+5V
VT
GND
100n
2007
G
0265 A4
0283 C2
0285 B2
1000 B3
1002 D7
1003 E7
1004 F7
2001 D3
123456789
123456789
A
B
C
D
E
F
G
A
B
C
D
E
F
2002 D3
2003 D5
2004 B5
2005 A5
2006 B6
2007 B6
2008 C5
2009 C7
2010 A4
3000 C3
3001 C3
3002 C6
3003 B7
3004 C7
3005 C7
3006 E5
3007 D5
3008 D5
3009 D6
2004
47n
3010 D3
3011 D4
4001 D5
4002 F7
4003 E6
4004 E7
4005 E6
4006 E5
4011 F7
4012 G7
5001 B6
5002 C5
5003 F8
6001 A5
6002 C6
6003 C6
6004 E5
6005 E6
6006 F4
6007 F4
7001 F5
7002 F6
9001 D6
1
2
3
3009
0265
1n0
2010
4011
3000
100R
6007
1
1002
10u
2005
470u
2006
2008
100u
4002
6003
6002
3008
JMP
*
*
A7-14
FOR EMC ONLY
*
*
TUNER IF
NAAPLNA (AP)ITEM
A5-24
RES
RES
*
A5-27
RES
A5-28
LA/AP-NTSC
1000
5001
5002
UV1356A
47u
820n
TEDH9-228
*
*
TO 0282
RES
RES
ITEM
Tuner
820n
5u6
UV1336
TEDH9-200A
47u
---
ENV56
TEDH9-200A
27u
820n
IF
4.3V
*
FM-RADIO ANTENNA
RES
*
*
A7-13
A5-29
*
A7-3
K7260
Jmp
Jmp
---
2K2
6K8
10n
2K2
RES
RES
**
4.9V
*
0V
*
5V
RES
A5-25
K2978
PDTC124ET
*
4.3V
0V
1003 K6274
2003
3006
3007
3008
4001
4002
4003
4004
AP-multi CH-multi NA/LA/AP-NTSC
1002
*
OF
34V5
*
*
FOR ITV ONLY
*
RES
A5-26
+
FM RADIO
(OPTIONAL)
Jmp
---
M1971
---
1SS356
PDTC124ET
F072
---
---
---
---
---
---
Jmp
Jmp
---
6004
7001
K7257
Jmp
1SS356
10n
2K2
6K8
2K2
---
---
Jmp
5002
3010
BZX79-C33
6001
2001
7002
5
6
78
9
4003
PS1316
1000
1
10
11
12
13
14
15
2
34
BA792
6004
3003
1K5
4005
I3
I4
I2
4006
0285
7001
3011
3006
3004
8K2
9001
3
4
5
1N4148
6006
1004
1
2
6005
4001
5001
2002
100R
3001
3002
2009
22n
5003
I1
8
1IN
2ING
4
O1
5
O2
10 SWI
1003
3
1N4148
4004
3007
4012
3005
100R
2003
10n
2
3
4
5
0283
SDA
SCL RF_AGC
SIF_1
SIF_2
COMB_BYPASS
VlotAux+5V
FM
+8V
VIF_2
VIF_1
VT_Supply

30L01.1A AC 7.
Circuit Diagrams and PWB Layouts
Mono Carrier: Video IF + Sound IF
V7
10V / div DC
20µs / div
V6
10V / div DC
20µs / div
V5
10V / div DC
20µs / div
V4
10V / div DC
20µs / div
V8
10V / div DC
5ms / div
V9 V10
500mV / div DC
10µs / div
1V / div DC
10µs / div
PAL/SECAM/NTSC
DECODER
VIDEO
FILTERS
VIDEO
IDENT
I/O
SWITCHING
OSD
Y
U
V
OSD/TEXT INSERT
BLUE STRETCH
WHITE-P. ADJ.
RGB/YUV INSERT
BLACK STRETCH
WHITE STRETCH
BASE-BAND
DELAY LINE
LUMA DELAY
PEAKING
AMPL
SOUND
AMPL. + AVL
IF
VISION IF
AGC/AFC
QSS SOUND
AGC
SOUND PLL
DEEMPHASIS
VIDEO
PLL DEMOD.
QSS MIXER AM
DEMODULTOR
AUDIO SWITCH
VIDEO
1V9
*
A13-35
RES
1V9
2V5
A10-A
RES
SET WITH VIDEO OUT
A13-38
A13-41
FOR ITV ONLY
RES
RES
A
B
C
D
E
F
G
0243 C6
0248 C2
0249 B2
0266 E11
0276 C2
1200 D7
BAS216
6201
12
4214
3456789
OF
2V5
0V
T0 0245
3V1
A4-28
0V
A8-43
*
10 11
1234567891011
A
B
C
D
E
F
G
3V7
SET WITH YUV
A10-30A
9634
A10-42
4V
1V9
*
9616
1V4
1201 E7
1202 E7
1670 D1
2201 C2
2202 C2
2203 D2
2204 D5
0V
0V
A13-39
8V1
*
1V5
A9-42
2205 B3
2208 B8
2209 F4
2210 G3
2211 D8
2212 B7
2213 E2
2214 E2
2215 F2
2216 A10
2217 A10
2219 B4
2220 A3
2221 B2
2225 C7
2226 C8
2227 D10
2228 D10
2229 C11
2230 C11
2233 E2
3V3
A13-33
2V3
2234 F6
2235 F9
2236 F7
2237 G8
2238 F6
2239 G6
2240 F7
3200 A8
3201 C5
3202 C5
3203 C5
3204 E5
3205 E5
3206 F5
3207 C8
3208 D8
3209 D8
3210 E6
3211 E8
3212 D6
3213 D6
3214 C7
3215 B7
3216 A6
3217 G5
3218 G4
3219 G3
3220 A3
RES
3V5
3V7
3V3
A4-27
A8-91
3221 A4
3222 A5
3223 F2
3224 F3
3225 F5
3226 E5
3228 A7
3229 C7
3230 B7
3231 A7
3232 C10
3233 F7
3234 E10
3235 E2
3236 F7
3237 F7
3238 G7
3239 G7
3240 F6
3637 C1
3638 D1
4203 B8
4204 C8
A11-42
2V5
*
3V3
3V5
FOR ITV ONLY
VIDEO IF + SOUND IF
FOR ITV ONLY
SET WITH PIP
0V8
A4-25
*
SET WITH SVHS
2V
4205 E2
4206 F2
4207 E2
4209 D9
4210 B8
4211 B8
4212 B2
4213 A2
4214 D10
4216 F9
4219 G2
4223 F2
5201 D7
5202 A9
5203 F8
*
A4-24
3V8
RES
2V5
0V7
2V9
RES
*
SET WITH YUV
2V6
5204 F2
5205 G2
5206 F3
6201 F4
6202 F5
6203 F8
6204 F8
6206 G4
7200-A B9
7200-C C3
7201 D8
7202 E8
7203 E7
7204 F5
7205 A4
7206 B7
7208 B7
7209 F7
7210 F8
9200 D7
9202 A9
9618 A9
9653 F2
9673 G2
A13-32
2V5
2V5
TDA95XX
RES
A7-3
0V
2V5
9620
2V5
RES
*
RES
FOR ITV ONLY
5V
3V2
A5-42
CRT
A9-43
3V6
5V
3V5
PANEL
SET WITH PIP
A12-31
2V9
A2-36
2V9
RES
A13-40
A10-37A
2V6
A4-29
A13-34
A2-16
0V
for M’nas only
5V
A10-B
RES
1V7
2V9
100MHz
TDA95XX
RES
A4-26
1V5
*
7V8
RES
*
A1-90
2V5
A9-44
1V9
*
*
*
5V6
A5-42
*
RES
2V5
1V2
3223
100R
22n
2217
2236
1n0
3220
100R
10u
5202
V4
4213
220n
2219
BC847B
7201
3201
100R
2230
4u7
3231
680R
V3
4207
41
42
43
44
45
7200-C 10
28
29
40
36
38
39
48
49
4u7
2229
4210
4204
3219
2220
470n
7206
BC847B
2213
22n
5203
15u
1K
3205
V10
35
7200-A
18
19
22
23
24
25
26
27
32
33
2K2
4212
3207
1K
560R
3226
2210
470n
4219
3202
100R
3204
10K
V2
0248
7208
BC857B
68R
3216
100n
2234
3
4
5
6
1m
2216
V9
9202
3200
2235
1n
3221
560R
4216
5205 100MHZ
4206
2K2
9673
1K0
3238
46
47
5051 52 53
54
55
56
57
58
8
7203
3228
390K
6202
BAS216
2225
22n
1K0
3229
3233
2K2
6203
BAS216
3240
220K
7202
2239
1n0
3222
100R
2228
820p
100R
3214
3213
3209
0243
1
2
470R
3212
1202
G2
I1O3
4205
3210
VALUE
9618
2221
22n
2226
3n3
2214
22n
4211
V7
5204 100MHZ 7210
BFS20
0249
3218
82K
330K
3239
3206
33K
BFS20
7209
2233
100n
2203
VALUE
1201
2
G
1
I3
O
0266
680R
3234
V5
22n
2215
4209
6206
BZX384-C6V8
BC857B
7204
3637
3224
5201
5206
V6
2202
1200
G2
I1O3
6204
BAS216
VALUE
100K
3236
100R
3235
2212
3225
2208
560R
3215
2211
470n
3208
3232
2K2
9653
1n0
2237
270R
3230
0276
2205
220n
2227
4n7
1n0
2240
3217
330K
3203 100R
4203
2209
4u7
2201
3211
3237
9200
1670
4223
V8
3638
2204
100n
V1
2238
1n0
BC857B
7205
AudioSupplyGnd_FB
FBL-1
CVBS1-IN
RF_AGC
VIF_2
VIF_1
+8VA
+8V
V_OUT
AudioSupplyGnd
MainAux
SSY_CVBS-IN
EHTinfo
MainAux_FB
V1-OUT
CVBSO
REFO
+8V
+8V
+8V
+8V
G_Y-IN
B_U-IN
R_V-IN
BLK-IN
FMR
+8V
FM
VlotAux+5V
QSS_AM_DEM_OUT
SC1_LIN
LFRONT-IN
QSS_AM_DEM_OUT
COMB_BYPASS
SS_C-IN
MONO|AM_MONO_SOUND
SIF_2
SIF_1
CL 36532039_016.eps
010503
6M
--- 390
100
560
4u7
38.9M
---
4.5M
--- 220
68
560
6u8 470
150
82
6M5 390
82
---
NA/LA
ITEM
3209
AP-NTSC AP-Multi-QSS
3213
5201 560
6u8 560
6u8
45.75M
---
China Multi-QSS AP-Multi
45.75M
---
4.5M
--- 220
68
38M
6M1200
1201
---
3208
China-Multi
38M
---
6M
--- 390
82
VIF(NA/LA/AP)
560
4u7 4u7
1003
1002 38.9M
5M5/5M7/6M5

Circuit Diagrams and PWB Layouts 31L01.1A AC 7.
Mono Carrier: Synchronisation
+
H
V
H-DRIVE
2nd LOOP
H-SHIFT
VIDEO IDENT
H/V SYNC SEP.
H-OSC. + PLL
V-DRIVE
GEOMETRY
EW
GEOMATRY
TELETEXT/ODS
DISPLAY
A2-18
A2-16
A16-17
34RF
LG.PH
50V 2N2
1000u
3V8
SYNCHRONISATION
B
C
D
E
F
A
B
C
D
E
F
2241 D5
2242 D4
2243 B5
2244 D5
2245 D6
2246 D7
2247 B7
50V 10N
8K2
A3-19
470K (SMD)
SMGK LG.PH
680K (SMD)
*
0V9
3247 8K2
2V1
3250
12345678
12345678
A
2248 B7
2249 B4
2250 B4
2252 C7
2253 C7
2254 A4
2255 B3
3241 D5
3242 B3
3244 B7
3245 D5
3246 D6
3247 D7
3248 D7
3249 C7
3250 C7
3251 B7
3254 A6
3256 B8
3257 A5
3258 B4
3259 A3
4254 A4
5241 A8
5242 B7
7200-D B5
9241 A8
*
A3-20
32V
A2-16
TDA95XX
1K
4V
680K (SMD)
100K (SMD)
32WSRF
NAFTA LATAMREGION
1V3
50V 2N2
*
TUBE LG.PH
ITEM
A2-21
100K (SMD)
50V 10N
SM0603 100K
4K7
SM0603 680K
50V 2N2
LG.PH
29RF
SM0603 220K
4K7
A2-23
29RF
**
A7-17
*
100K (SMD) 8K2
680K (SMD)
50V 2N2
TOS
100K (SMD)
2243
7V9
0V
1V2
3V9
A2-22
1V2
3V9
2V9
25RF
LG.PH
50V 2N2
SM0603 270K
---
SM0603 100K
21RF
MMEC
50V 6N8
SM0603 270K
---
SM0603 100K
21RF
AP
LG.PH
34RF
180K
33R
470K (SMD)
100K (SMD)
1K
28WSRF
3258
*
SMGK
50V 2N2
SM0603 470K
2247
S2
10K
3246
1u0
2242
3254
1M0
S3
3251
100R
820R
3244
2253
1n0
2243
2n2
30
31
34
9
22K
3241
50V 2N2
SM0603 470K
4K7
180K
34RF
LG.PH
50V 2N2
SM0603 680K
8K2
SM0603 100K
29RF
ORION
50V 2N2
SM0603 680K
22n
2248
S4
10u
5242
15p
2255
9241
4254
220n
2245
3249
820R
27K
3242
3259
470K
2246
4u7
33K
3248
3257
10M
1n5
2241
1n0
2252
2244 100n
100R
3250
7200-D 11
12
13
14
15
16
17
2021
S5
S1
2249
22n
3258
100K
39K3245
2254
1K0
3256
2u2
2250
5241
10u
220K
3247
Vdrive+
Vdrive-
EHTinfo
+8VA
Hdrive
+3.3V
EHTinfo
EWdrive|EWD_dyn
EHTo
Hflybk
SANDCASTLE
+8V
CL 36532039_003.eps
010503
S5
500mV / div DC
5ms / div
S4
500mV / div DC
5ms / div
S3
500mV / div DC
5ms / div
S2
10V / div DC
20µs / div
S1
10V / div DC
20µs / div

32L01.1A AC 7.
Circuit Diagrams and PWB Layouts
Mono Carrier: Control
CL 36532039_017.eps
010503
C1
500mV / div DC
1ms / div
C4
10V / div DC
100µs / div
C3
200mV / div DC
1ms / div
C2
500mV / div DC
1ms / div
C5
10V / div DC
100µs / div
SDA
I/O
PORTS
VST PWM-DAC
ENHANCED
80C51
CPU
ROM/RAM
TELETEXT
ACQUISITION
1/10 PAGES
MEMORY
R
G
B
BL
COR
CVBS
SYNC
H
V
OSD
TELETEXT
DISPLAY
IIC-BUS
TRANSCEIVER
SCL
4618
FOR INDIA
FOR ITV ONLY
ONLY
*
3V2
A5-3
FOR INDIA ONLY
TO 0305
OF
FOR ITV ONLY
A7-11
G
A
B
C
D
E
F
G
0217 F2
0240 A3
123456789
DATA-IN
A13-2
A7-11
CLOCK
3V3
SDM
0V
0V
0217
Bass_panorama
FOR PIP
A1-5
A12-10
DATA-OUT
123456789
A
B
C
D
E
F
A11-13
A12-8
A7-13
0235
*
3V3
3V7
RES
OF
*
RES
3V7
0V
FOR ITV ONLY
SET WITH YUV
0V
OF
A8-6
A7-13
0V
0250 A2
0261 D2
0273 A4
0274 A8
0279 C3
0304 G2
0316 D3
0317 D1
0318 F1
1660 E7
1661 C7
2601 A6
A10-H
A6-17
A4-13
FOR ITV ONLY
RES
A12-4
2602 D8
2604 E2
2606 E8
2607 D7
2608 A5
2609 E7
2611 B5
2612 C8
2613 B8
2615 A6
2616 A4
2618 B5
2619 D8
3601 B3
3603 A8
3604 A8
3605 C2
3606 B7
3607 B7
TREBLE-BUZZ
A2-9
3V2
EEPROM
A11-14
3V2
A7-14
0R
3V7
A4-14
0V
1V5
A2-7
A13-92
GND
0V
3608 D9
3609 D3
3610 C3
3611 A7
3613 E2
3614 F2
3615 F2
3617 D2
3618 D2
3619 C3
3622 D7
0V
3V3
*
FOR ITV ONLY
FOR ITV ONLY
TO
FOR CVI
RES
TO
3623 D3
3624 B7
3625 B7
3626 C7
3627 C9
3628 D7
3629 C9
3630 D8
3632 D8
3633 D8
3634 C7
3635 B2
3636 B2
3639 D3
3640 B3
4601 A7
4602 A7
4603 A7
4604 G2
A10-I
3V7
FOR PIP
*
*
3V3
0V
A8-13
TO
RES
4618 G2
5602 A5
5603 A5
5604 A5
6601 E2
7200-B C4
7602 A7
7606 E8
9631 E2
9641 E2
9647 B2
9649 B2
*
0V
FOR ITV ONLY
RES
5V
A9-13
*
0V
A4-3
FOR ITV ONLY
A10-C
A9-14A10-D
3V3
CONTROL
#
0V
FOR ITV ONLY
A13-75
M24C08
3V3
*
SET WITH SVHS
0266
A7-14
TDA95XX
RES
OF
RES
A8-14
0V
A1-11
0V3
A8-15
0V
*
OF
RES
96369635
3V3
3V2
A9-8
0238
POR
FOR ITV ONLY
0V
TO
*
*
3614
4K7
3609
1K
0250
4603
C5
2613
C2
1
2
3
0217
2609
100R
3624
9631
7602
1
3640 8K2
10K
3628
3635 100R
68p
6K8
1K0
3636
4K7
3626
100R
3622
2602
100p
2611
1u0
3605
4K7
4K7
3623
0317
0316
3615
10K
7606
2612
68p
100R
4604
3611
0261
2604
2608
1u0
3610
8K2
2K2
3630
5604
5u6
0279
3603
100R
C4
1K0
3639
5602
5u6
4
5
6
1K0
3613
6601
BAS316
1660
12MHZ
3633
1n0
2615
2619
1u
3618
100R
3608
8K23601
220n
2601
0273
1u0
2618
1n0
2606
0274
9647
0318
2616
47n
100R
3604
2607
5u6
5603
0304
9649
1661
2
3
45
6
7
8
6
60
61
62
63
64
65
66
67
68
69
7
70
71
72
73
74
75
76
77
78
79
80
C3
C1
7200-B
1
2
3
4
5
59
2K2
3606
3607
2K2
3625
100R
4
5
6
7
4602
0240
1
2
3
4K7
3627
3629
3619
9641
4601
3617
3634
100R
3632
+3.3V
+8V
STATUS1
+3.3V
POWER_DOWN
POWER_DOWN
+3.3V
Treble_Buzzer_Hosp-app
+3.9V
SDA
STATUS2
VlotAux+5V
Bass_panorama
IR
Volume|Mute
SCL
Stdby_con
+3.3V
EW_protection
+3.3V
+3.9V
COMB_BYPASS
SCL
SDA
COMB-SEL-CVBSO-AV2
+3.3V
+3.3V
SANDCASTLE
KEYBOARD_protn
ITV_MSG
LED
+3.3V
2x5W-LA
2604
3618
3623
---
6K8
2x1W-NA SNDAMP-
TDA9570
For NA/LA/AP
ITEM SNDAMP-
1x1W-MN-
GL
SNDAMP-
2x1W-ST-
EU/AP
JUMPER
2K2
EU/AP
SNDAMP-
4K7
---
SNDAMP-
2x3W-ST-
NDBX-NA/LA
SNDAMP-2x5W-
ST+WOOFER-
IND
2604
3618
3623
---
6K8
4K7
---
10K
2x5W-ST-
AP
NA/LA
SNDAMP-
2x10W-ST-
AP
SNDAMP-
2x3W-ST-
NA
SNDAMP-
2x5W-ST-
IND-MKII
SNDAMP-
2x5W-ST-
LA
6K8
4K7
NA
SNDAMP-
SNDAMP-
TDA9587 TDA9599
1x4W-MN-
AP
6K8
4K7
TDA9565
TDA9570
NA LA
6K8
4K7
NTSC PAL/NTSC
TDA9586
4K7
6K8
---
4K7
6K8
---
AP
4K7
---
470R
SNDAMP-
2x3W-ST-
For AP/NA/LA
2x1W-NA
SNDAMP-
2x3W-LA
SNDAMP-
ITEM
ITEM 7200(UOC)
TDA9587
TDA9588
TDA9577
TDA9580
TDA9583
PAL/NTSC/SECAM
---
6K8
10uF
6K8
4K7
---
6K8
4K7
---
6K8
4K7
---
JMP
---
---
4K7
1x3W-
55K Non-55K
*
2606
SNDAMP-
3622
3630
1n 470n
---
JMP
470R
SNDAMP-
2x5W-ST-
---
6K8
4K7
---
10K
4K7
---
6K8
4K7
---

Circuit Diagrams and PWB Layouts 33L01.1A AC 7.
Mono Carrier: Audio Amplifier
A1
200mV / div AC
1ms / div
A3
200mV / div AC
1ms / div
A2
200mV / div AC
1ms / div
A4
200mV / div AC
1ms / div
OR
TO 1903 OF
L
R
*
*
*
*
*
*
2903
G
A
B
C
D
E
F
G
0246 B10
0267 G2
0271 C2
0275 B4
0280 D10
0281 D10
2901 B7
2902 B7
2903 B5
2904 B4
2905 C5
2906 C4
2907 D5
2908 E5
2910 C3
RES
*
COMMON
A5-91
68K
A16-74
TO
1V4
Tilt Rotation 29RF-CH/32WS-EU
2BY10W
FOR ITV
*
5V2
PANEL
*
1234567
9905
7903
7901
3912
A12-73
FOR ITV ONLY
ITEM
8 9 10 11
1234567891011
A
B
C
D
E
F
3909
10K
2911 B3
2947 C9
2948 C9
2949 C9
2950 C9
3172 D2
3901 B4
3902 B5
3903 B3
3904 C4
3905 C3
3906 D4
3907 E4
3908 B3
3909 C5
3910 D5
3911 A3
3912 E3
3921 D3
3922 D3
3923 D3
4901 B3
4902 B3
4903 C3
4904 C3
4905 C2
6K8
VOICE
1V4
RES
A12-72
FOR ITV ONLY
TO 0254
*
A7-15
A9-45
RES
5V2
*
A7-14
6K8
3K3 -
Yes No
AN7522N AN7580
Yes
1K3901
3902
4906 F2
4921 B4
6901 B5
6903 A3
6904 E4
7901 B6
7902 D6
3172
A5-43
A12-71
A12-70
A9-46
A11-45
A7-13
*
RES
*
PIP Interface
AUDIO_AMPLIFIER
A11-46
*
*
7903 E2
9901 C8
9902 C8
9903 A3
9904 B3
9905 E2
5V2
5V2
0V3
No
*
OF
RES
No
Yes
3V7
RES
*
11V8
A7-6
FOR COMPAIR ONLY
*
*
*
CONTROL
ONLY
*
*
*
*
*
4903
330K
3923
3903
A4
AudioSupplyGnd_FB
A2
2906
AudioSupplyGnd_FB
AudioSupplyGnd_FB
A3
9901
A1
2R2
3908
9902
AudioSupplyGnd_FB
3911
4R7
2
3
0267
1
6904
BAS316
6903
*
2911
AudioSupplyGnd_FB
1
2
3
4
9903
0280
4901
STB
1
VCC
9VOL
AN7522N
7901
2
CH1+
4
CH1-
6 CH1-IN
12
CH2+
10
CH2-
8 CH2-IN
3
GNDCH1
11
GNDCH2
7
GNDINP
5
AudioSupplyGnd_FB
2907 3902
3K3
68K
3172
0275
2947
2908
2904
470n
4
0281
1
2
3
4
10u
0271
1
2
3
3905
2905
1n
4902
6901
9905
2902
3912
560R
3906
4906
3907
1K
3901
BC847B
CH1+
2
CH1-
4
CH1-IN6
GNDCH1
3
GNDINP
78
NC
STB
5
VCC
1
VOL9
7903
2950
7902
AN7523N
9904
330K
3922
2948
2949
2910
330K
3921
3910
10K
2
3
4
5
1u
0246
1
4905
3904
4921
4904
AmpOutR+
MainAux_FB
VlotAux+5V
Volume|Mute
MONO|AM_MONO_SOUND
Main_OutL
2901
Main_OutR
VlotAux+5V
SDA
SCL
AmpOutL_Pos
AmpOutL_Pos
Tilt
Treble_Buzzer_Hosp-app
AmpOutL_Neg
AmpOutR_Neg
AmpOutL+
AmpOutR_Pos
AmpOutR_Pos
CL 36532039_018.eps
010503
* FOR DIVERSITY LIST SEE PAGE 39

34L01.1A AC 7.
Circuit Diagrams and PWB Layouts
Mono Carrier: NICAM + 2CS + BTSC (Stereo/SAP) Decoder
A11a
200mV / div AC
1ms / div
A5
200mV / div AC
1ms / div
A11
200mV / div AC
1ms / div
A10
200mV / div AC
1ms / div
A9
200mV / div AC
1ms / div
A8a
200mV / div AC
1ms / div
A8
200mV / div AC
1ms / div
A6
200mV / div AC
1ms / div
A7
200mV / div AC
1ms / div
RESETQ
STANDBYQ
ADR_SEL
I2C_CL
SCART
LOUDSPEAKER
TP
NC
FM1/AM
FM2
NICAM A
NICAM B
LOUDSPEAKER L
LOUDSPEAKER R
DSP
SC1-IN-L
SCART-R
MONO-IN
D/A
D/A
D/A
D/A
SCART-L
SCART-R
SC1-OUT-R
SC1-OUT-L
DACM-L
DACM-R
SC1-IN-R
SC2-IN-L
SC2-IN-R
MONO
SCART 1
SCART 2
SCART
Switching Facilities
AHVS S
AHVS UP
VREF1
VREF2
AUDIO PLL
CAPL_M
TESTEN
DVSS
DVS UP
AGNDC
AVS S
AVS UP
VREFTOP
SOUND IF
ANA_IN1+
ANA_IN1-
SCART-L
IDENT
A/D
A/D
I2C_DA
DEMODULATOR
& NICAM
DECODER
910
A
B
C
D
E
F
G
A
B
C
D
E
F
G
0239 F10
1831 B8
3834
12
7831
1
10
11
12
13
14
345678910
12345678
1851 E9
1852 D8
2817 F10
2818 F10
2831 C9
2832 C8
2833 D4
2834 A4
2835 A4
2836 A4
2837 A4
2838 A9
2839 B9
2840 B6
2841 B5
2842 A5
2843 A5
2844 C3
2845 C3
2846 G1
2847 D3
2848 D3
2849 C9
2850 D9
2851 E8
2852 F8
2853 E9
2854 F9
2855 E2
2856 E2
2857 F2
2858 F4
2859 G2
2860 F2
2861 E8
2894 A9
100n
2840
2895 B4
2896 F3
2897 B4
2898 B3
3831 B4
3832 A9
3833 A9
3834 D2
3835 D3
3837 F8
3839 F8
3840 E3
3841 F3
3842 G5
3843 F2
3849 F3
3851 E9
3852 E9
4832 E10
1851
1
2
3
4834 F1
4835 F3
4836 G3
4837 D2
3842
4838 D2
4839 F10
4840 F10
5831 A3
5832 B8
5833 G2
5835 F2
6831 A4
7831 C7
7834 F4
7835 F3
7851 E9
100u
2846
4832
3833
100R
2847
2857
1n0
2858
3837
100R
A10
2845
100n
A6
3840
100p
2853
A8a
100R
3839
5832
6u8
*
1V8
RES
3V8
1V5
0V
RES
A10-G
0V
RES
[ FBAN60 - AUDPROC ]
A10-F
A13-61
5V
3V
3V
*
0V
0V
2V4
*
0V
6V2
RES
RES
A5-44
1N4148
6831
A13-47
*
A7-13
5V
4V9
2V4
MSP34X5G
4V1
*
3V8
/
*
4V9
5V
0V
*
4u7
3V8
RES
A5-43
TO 0215 OF
TO 1901 OF
4V8
A8-46
3V7
A13-48
A5-42
RES
3V8
A10-E
1V8
RES
3V7
NICAM + 2CS + BTSC (STEREO/SAP) DECODER
A10-G
*
4V1
0V
7V8
A7-8
RES
RES
A9-43 0V
/
RES
Matrix Surround Panel
A10-H
A9-43
0V
2V6
*
0V
0V
A8-45
RES
RES
RES
A13-60
A7-14
1V5
RES
0239 1
2
3
*
*
*
*
4835
44
45 46
47
48
49
550 51 52678
9
3
30
31
32
3334 3536
37 38
39
4
40
41
42
43
15
1617
18 19
2
20
21 22
23
24
25
26
27 28
29
A9
6u8
5833
3852
1K0
2844
10u
2851
1u0
7834
4837
A11a
100n
2842
2860
1n0
2854
470p
2834
2894
220p
2843
10u
2817
4838
3835
1852
2818
3841
2850
1n0
470R
3849
4836
2859
2837
47K
3831
2852
1n0
3832
100R
2855
HC-49/U
1831
18M432
2838
A8
A11
2836
1n5
2861
1n0
7835
3851
330K
2835
220p
7851
BC847B
47p
2833
2898
10n
2839
3843
4839
4840
1n0
2849
A7
2856
10u
2841
2896
5835
2897
390p
2831
1p0
5831
6u8
4834
2832
1p0
A5
2895
560p
2848
SCL
SDA
MONO|AM_MONO_SOUND
VlotAux+5V +5VA
QSS_AM_DEM_OUT
+5VA
FMR
VlotAux+5V
+8V
SC2_RIN
SC2_LIN
Main_OutR
Main_OutL
+5VA
VlotAux+5V
MONO|AM_MONO_SOUND
VlotAux+5V
SC1_RIN
SC1_LIN
SC1_RINA
SC1_LINA
SEL-MAIN-FRNT-RR
L-OUT
R-OUT
KEYBOARD_protn
CL 36532039_019.eps
010503
SNDSYS-BTSC.DBX-
NA/LA
SNDSYS-NI/GS-QSS-
CH/AP
SNDSYS-
NTSC.DBX/KOREA-
2CS-AP
SNDSYS-BTSC.DBX-
VD/SW-NA/LA
SNDSYS-NI/GS-QSS-
AP
Item
2855 33P 27P 33P 33P 27P
2856 47P 15P 47P 47P 15P
2860 180P 56P 180P 180P 56P
7831 MSP3425G MSP3415G MSP3425G MSP3421G MSP3415G

Circuit Diagrams and PWB Layouts 35L01.1A AC 7.
Mono Carrier: Audio/Video Source Switching
Comb Filter
Side AV
10
12345678910
A
B
C
D
E
F
A
B
C
D
E
F
1810A E2
1810B C3
1811 F4
2802 B9
2807 B5
2810 C9
2813 D9
100K
123456789
A7-C
A10-37B
A12-31
3D comb filter
*
*
A9-G
*
AUDIO/VIDEO SOURCE SWITCHING
2814 E7
2815 E7
2816 B3
3801 B2
3802 B2
3809 F7
3810 F7
3811 C2
3812 C2
3813 C3
3814 B7
3815 C7
3816 B7
3817 C7
3818 D7
3819 E7
3820 C7
3821 E7
3822 F7
5V8
A11-48
0V
*
5V
A7-D
5V8
4807 F7
4808 F8
4812 D3
4814 E3
4816 C8
4817 C8
4818 E7
4819 E8
4820 E10
4821 D2
4823 D2
4824 E2
4825 C10
4826 C10
4827 C10
4829 D7
4830 E7
0V
A7-D
A13-52
*
4831 F7
4841 C7
4886 E5
4892 D5
5810 D3
7802-A C8
7802-B E8
7802-C D8
7803-A C4
7803-B D4
7803-C E4
7804 C3
9810 C7
A11-47
5V8
A9-F
A13-59
A5-37A
A5-A
1V6
A9-G
A9-H
A13-55
5V
A10_C
A10_C
T0 0266 OF
T0 1810 OF
*
A7-I
Reserved for
A13-30
*
A12-58
0V
A12-53
A10-37B
A5-30A
A5-B
A9-E
A7-H
5V
13 Y1 14Z
6
E
11S
16
Vdd
7
7803-A
HEF4053BT
VeeVss
8
12 Y0
13 Y1 14Z
4824
4819
1
2
3
1K0
3812
100K
3818
9810
3802
1K0
100K
3817
7802-A
HEF4053BT
6
E
11S
16
Vdd
7
Vee
8
Vss
12 Y0
100K
3819
4818
4821
4817
4812
10u
4841
5810
4826
4814
3810
4807
4825
3813
1K0
4886
1811
3815
3809
4830
4831
470n
2816
4816
4892
4808
2807
220n
3821
100K
8
Y02
Y11Z15
7802-B
HEF4053BT
E
6
S10
Vdd
16
Vee
7
Vss
3820
100K
3811
1K
2813
2u2
2810
2u2
6
S10
Vdd
16
Vee
7
Vss
8
Y02
Y11Z15
HEF4053BT
7803-B
E
100K
3816
3814
100K
4820
7
Vee
8
Vss
5Y0
3Y1 4Z
4827
7803-C
HEF4053BT
6
E
9S
16
Vdd
2815
220n
8
Vss
Y05
Y13Z4
2814
220n
7802-C
HEF4053BT
E
6
S9
Vdd
16
Vee
7
4823
4
5
6
3801
220R
1810B
1
2
3
4829
2802
7804
BC847B
1
2
3
4
5
6
7
8
1810A
3822
+8V
+3.3V
VlotAux+5V
CVBS-IN
GND
C_COMB
Y_COMB
+6V8
CVBSO
SC1_LIN
SC1_RIN
SC1_LINA
+8V
+6V8
CVBSFRONT-IN
Y_CVBS-IN
R2-IN
COMB_BYPASS
COMB-SEL-CVBSO-AV2
+8V
+6V8
SEL-MAIN-FRNT-RR
SSY_CVBS-IN
REFO
+6V8
SC2_LIN
SCL
SDA
SC2_RIN
COMB_BYPASS
SC1_RINA
+6V8
SY_CVBS-IN
RFRONT-IN
L2-IN
LFRONT-IN
SS_C-IN
C-IN
SY_CVBS-IN
+6V8
COMB-SEL-CVBSO-AV2
CL 36532039_020.eps
010503
2 x Rear AV in & 1 x AV
out with SVHS & YUV, 1 x
side AV in
2 x Rear AV in & 1 x AV
out with SVHS & YUV
2 x Rear AV
in with SVHS
2 x Rear AV in & 1 x AV
out with SVHS
1 x Rear AV
in
1 x Rear AV in & 1 x AV
out with SVHS & YUV, 1 x
front AV in
1 x Rear AV in & 1 x AV out
with SVHS & YUV, 1 x Side
AV in
1 x Rear AV in & 1 x AV
out
Item
2802 Yes Yes - Yes - Yes Yes -
3810 Yes - - - - Yes Yes -
4807 - Yes Yes Yes - - - -
4808 - - - - Yes - - -
4812 Yes Yes Yes Yes Yes Yes Yes -
4814 Yes Yes Yes Yes - Yes Yes -
4816 - Yes Yes Yes - - - -
4817 - - - - Yes - - Yes
4818 - Yes Yes Yes - - - -
4819 - - - - Yes - - -
7802 Yes Yes - Yes - Yes Yes -

36L01.1A AC 7.
Circuit Diagrams and PWB Layouts
Mono Carrier: BTSC NDBX Stereo Decoder
A12
200mV / div AC
1ms / div
A15
10V / div DC
1ms / div
A14
10V / div DC
20µs / div
A13
10V / div DC
20µs / div
A16
10V / div DC
1ms / div
CTRL AMP
L-R
VOLUME
LEFT
CTRL
FIL
REF
AND
TONE
RIGHT
CTRL
TONE
LEFT
CTRL
NC
NC
VOLTAGE
DET AND
DEMATRIX
+
NC
MODE
SELECT
TRANSC
INPUT
SELECT
STEREO DECODER AUTOMATIC RIGHT
CTRL
LOGIC
VOLUME
I2C
VOLUME AND
LEVEL CONTROL
L+R
SUPPLY
1V
A7-14
*
A8-45
4V
*
A7-13
4V
D
E
F
A
B
C
D
E
F
1861 C4
2803 C4
2862 C2
2863 C2
2864 B4
2865 B4
2866 E6
2867 E7
2868 E7
2869 D7
2870 C7
12345678910
12345678910
A
B
C
0V
0V
4V
*
4V
0V
0V
2871 C7
2872 C7
2873 B7
2874 E5
2875 E5
2876 B6
2877 E4
2878 E4
2879 E4
2880 E3
2881 E6
2882 E6
2883 E4
2884 B3
2885 B4
2886 E4
2892 B10
2893 E10
3861 E6
3862 C3
3863 D3
3864 D3
4V
BTSC - NDBX STEREO DECODER
4V
4V
4V
4V
RES
4V
RES
A13-60
4V
3865 F3
3866 F3
3867 B4
3891 B8
3892 A9
3893 C9
3894 E8
3895 D9
3896 F9
4861 E7
4862 D8
4863 B7
4864 B8
4893 B8
4894 E8
5861 E3
4V
*
*
RES
4V
0V
4V
8V
A13-61
A10-47
4V
4V
RES
6V
4V
6V
*
7861 C4
7891 B9
7892 E9
9891 A9
9892 D9
RES
A5-42
4.3V
4V
0V
4V
4V
4V
A8-46
4V
8V
*
*
RES
4V
*
*
4V
RES
0V
4V
*
4V
*
*
4V
0V
*
4V
A10-48
220n
2886
2892
100n
150p
2868
2882
CSB
3893
330R
A14
2863
10u
2877
1K2
3863
A15
100K
3861
15K
3862
3864
100R
2864
2u2
A12
470u
2883
2874 100u
4u7
2876
2u2
2873
3n32872
3896
330R
100R
3865
1u
10u
5861
4n7
2879
2803
220n
47n
2870
2867 3n3
100R
3891
3892
22n
2880
4893
4864
4894
2878
4V
0V
BC847B
7891
A13
100n
2893
100u
2875
9892
2871 150p
2885
220n
47n
2869
7892
BC847B
2881
A16
3866
100R
2u2
2865
1861
514K5
2u2
2884
3K3
3867
4863
2u2
2862
4862
100R
3894
3895
2u2
2866
VCC
10
VIL
24
VIR
27
VREF
44
16OUTL
18OUTR
7
RFR
40
SCL
38
SDA
TC1L
13
21
TC1R
14
TC2L TC2R
20
30
TW
VAL
11
VAR
23
28
VCAP
4131 37
DGND
FDI
35
33
FDO
8
LIL
26
LIR
9
LOL L OR
25
39
MAD
1 121722 34
36
AGND
BCL
15
19
BCR
32
BPU
29
CAV
43
CER
5
CMO
4
COMP
3
CP1
2
CP2
42
CPH
6
CSS
CW
4861
9891
TDA9853H
7861
SDA
SCL
+8V
QSS_AM_DEM_OUT
+8V
+8V
L-OUT
R-OUT
SC1_RINA
Main_OutR
Main_OutL
SC1_LINA
CL 36532039_021.eps
010503
The following items
will be under RES.
Item
4863
4864
3891
9891
7891
3893
2892
4861
4862
3894
9892
7892
3896
2893

Circuit Diagrams and PWB Layouts 37L01.1A AC 7.
Mono Carrier: Front I/O + Front Control + Headphone
CL 36532039_022.eps
010503
C6
10V / div DC
2ms / div
FRONT IO + FRONT CONTROL + HEADPHONE
*
A7-8
TO 0214 OF
channel-
*
*
A10-31
*
*
FOR ITV ONLY
MONO SET
*
E
F
G
0214 E9
0215 C4
0218-A C2
0218-B B2
0218-C B2
0219 C4
0232 E5
0259 E10
0270 A5
0277-A B1
0277-B B1
0286 F7
0292 E4
L
FOR ITV
*
RES
HEADPHONE
*
*
*
*
12345678910
12345678
9982
910
A
B
C
D
4691
E
F
G
A
B
C
1602
D
0293
A12-8
A8-71
TO 0259 OF
A8-72
A5-31
*
0293 E7
1181 A2
1182 B2
1183 C2
1600 C10
R
VOICE CONTROL
A8-73
A12-8
*
1601 A9
1602 A9
1603 A8
1606 B8
2181 A3
2182 B3
2183 C3
2184 B4
2185 B3
2186 C3
2187 B4
2691 D10
2692 D8
2693 F8
2694 F8
2695 F8
2696 F8
2981 E2
2982 F3
FOR ITV ONLY
A7-10
SET WITH
channel+
RES
RES
**
POWER
RES
2983 F2
2984 F3
3182 A3
3184 B3
3185 B3
3186 C3
3187 B3
3188 A3
3681 A9
3682 A10
3683 A8
3684 A8
3685 A7
3686 B9
3687 B10
FOR ITV ONLY
A10-53
A10-58
3688 B10
3689 A7
3691 C9
3692 D8
3693 D10
3694 D9
3695 C7
3981 E3
3982 F3
4691 E8
4692 D7
4693 D7
4694 G5
4695 C9
4696 B10
4697 B4
4698 B4
4699 B4
6181 A3
6681 B10
6691 D8
6692 D9
9181 A5
9184 A7
9982 F2
3185
0218-A
TO 0251 OF
*
RES
SIDE/FRONT AV.
V
*
TO 0251 & 0253 OF
OR
&
0R
FRONT CONTROL
*
ITV ONLY
A8-70
volume+
A7-4
For Engg Purpose Only
*
FOR ITV ONLY
*
FOR ITV ONLY
RES
*
*
TS
volume-
USA
*
*
FRONT CINCH
RES
*
FOR
4695
2183
2696
LTL-10224WHCR
6691
2185
2187
3695
100R
1603
4K7
3694
2K7
3689
470p
2984
0232
0286
4696
75R
3687
3681
1600
3683
7
8
9
1K
3692
BAT85
6681
10u
2691
4
5
AudioSupplyGnd_FB
1182
0270
0259
1
2
3
330R
3691
2692
1181
AudioSupplyGnd_FB
4694
0215
1
2
3
68R
3688
4697
4698
3184
2693
2181
22p
4699
9184
2694
1606
1601
3682
1
2
3
4
5
2186
0214
6181
9181
2184
2u2
0277-A
0218-B
4
5
6
4693
AudioSupplyGnd_FB
3693
220R
1
2
3
4
5
6
7
8
9
1
2
3
2695
3685
0218-C
1183
3182
0219
1
2
3
4
5
6
1
VS
3
3684
3186
6692
TSOP1836
GND
2
OUT
3981
120R
4692
2182
470p
2982
3187
0277-B
2u2
2983
10u
0292
C6
3686
3982
120R
10u
2981
3188
+3.3VA
LED
CVBSFRONT-IN
+3.3V
KEYBOARD_protn
IR
AmpOutR_Pos
AmpOutR+
AmpOutL_Pos
AmpOutL+
KEYBOARD_protn
+3.3VA
LFRONT-IN
RFRONT-IN
* FOR DIVERSITY LIST SEE PAGE 39

38L01.1A AC 7.
Circuit Diagrams and PWB Layouts
Mono Carrier: Rear I/O Cinch
(FOR SETS WITH 9+3P CINCH)
*
A10-55
A5-34
A10-59
PIP SET
RES
NOT FOR
A5-40
A5-35
910
A
B
C
D
E
F
G
A
B
C
D
E
F
G
0223-A A10
0223-B F2
0223-C C2
0223-D A2
0225-A D10
1 2345678910
1234
2142
4102
5678
JMP
21PT5431
2121 22p
JMP
OF
ONLY
FOR ITV
ONLY
TO 0242 OF
FOR ITV
0225-B D9
0226 D2
0227 A6
0229 E6
0242 D4
0262 G5
0305 E3
0310 B4
0311 C4
0312 D4
0313 E5
0314 E5
0315 E5
1101 A3
1102 B3
1103 B3
1104 C3
1105 C3
1106 D3
1107 F3
1108 F3
FOR ITV - TO 0227 OF
TO 0216 OF
SET WITH YUV
AV2
RES
FOR
A5-33
1109 G3
1110 A9
1111 B9
1112 B9
1113 C8
1114 D8
1115 D9
1130 C4
2101 A5
2102 A4
2103 B4
2104 B4
2105 B5
2106 B5
2107 B3
2108 B3
2111 C5
2112 C5
2113 D5
2121 F4
2122 F4
2123 F4
2124 G4
2125 G4
2127 F3
FOR ITV
2128 G3
2131 B8
2132 B7
2133 B8
2134 B7
2135 C7
2136 D7
2137 B8
2138 B8
2141 E7
2142 D1
2143 E2
2150 F1
3101 A4
3102 A4
3103 B4
3104 B4
3105 B4
3106 B4
3111 C3
3112 C4
3113 D3
3114 C4
3115 D3
3116 D4
3121 F3
3122 F3
3123 F3
3124 F4
3125 G3
3126 G4
SET W/O YUV
FOR ITV
A11-60
RES
*
V
A10-52
3131 B8
3132 B7
3133 B8
3134 B7
3135 C8
3136 C7
3137 D8
3138 D7
3141 D7
3149 F1
3150 F1
3151 C5
3152 C5
3153 D5
3154 D1
3156 D1
3157 E1
3158 D2
3159 E1
4101 B3
4102 B3
4104 B3
4121 D7
4122 E6
4123 E6
RES
TO 0229 OF
ONLY
A11-61
AV1
A7-75
L
0269
A5-41
4124 E7
4125 E8
4126 E8
4131 C9
4132 E7
6150 F1
7101 A5
7102 D2
7103 E1
9101 D4
9102 C4
9103 C4
9104 D7
9111 C4
9112 C4
9113 D4
9121 D6
9122 D6
9123 F3
9124 F3
9125 F3
SET WITH YUV
YUV INPUT
TO 0262
RES
R
RES
U
V
L
RES
ITV
V
ITEM
MONITOR OUTPUT
A5-38
*
SVHS
L
A7-92
FOR ITV ONLY
2u2
A5-32
SET WITH VIDEO OUT
V
A7-2
3V6
3V
FOR CVI
RES
A9-61
TO 0242 OF
FOR 0290 OF
A9-60
A9-48
(U&L)
A5-39
*
2u2
Y
A9-47
W/O SVHS
FOR
FOR ITV - TO 0242 OF
(U&L)
LOCATION
CONNECT TO 0311
CONNECT TO 0312
CONNECT TO 0310
(U&L)
RES
RES
R
RES
TO 0304
SET WITH AV2
AV1
AT
YUV
FOR
ONLY
*
7V9
(U&L)
RES
RES
FOR PIP - TO 0219 OF
FOR PIP
PIP
OF
REAR I/O CINCH
SET WITH SVHS
SET WITH SVHS
*
R
A10-30
0314
1
2
3
4121
1101
150R
3103
2124
330p
4131
9103
68R
3101
3124
47K
3156
10K
330p
2122
9111
1102
1K
3141
1107
3122
3159
1K2
2111
22p
330p
2141
2121
1103
3114
100R
3123
150R
22p
2112
BC857B
7102
0225-A
3138
47K
3134
2128
2137
100R3112
1115
1111
150R
3125
---
JMP
JMP
---
---
---
22p
---
---
---
75R
680R
22p
JMP
JMP
---
75R
---
22p
JMP
JMP
---
75R
680R
22p
JMP
---
22p
---
---
---
---
32LT621
25LT421
27ST420
27ST421
27LT621
25ST220
27ST110
27ST220
27ST230
27ST240
21PT1323
21PT1324
21PT1325
Mono Sets
2136
3121
3122
9104/3138
9123/3137
---
---
---
---
22p
---
---
---
JMP
JMP
---
---
---
29PT3323
25PT4324/3523
21PT4223 25PT5531
29PT4631 20PT633R
21PT633R 32ST220
32ST230
36ST220
25LT220
27LT220
2103
330p
9122
3157 1K5
2143
100n
470n
2101
75R3113
9104
9123
22p
2102
1130
1109
9113
BC847B
7103
1113
2123
3151
220K
3104
100R
3116
4122
3137
3111 75R
3131
150R
1
2
3
4
5
6
1106
2u2
2134
0227
0223-C
11
10
12
9
0315
2113
22p
1114
100R
3136
0242
1
2
3
4
5
6
7
330p
2133
1110
4132
BAS316
6150
0262
67
89
3153
9112
5K6
3154
3106
220K
4104
2131
330p
3152
0310
0311
2107
150R
3133
0226 1
2
3
4
3105
150R
2106
10u
3121
1108
75R
3135
4101
5
10
4
9
6
11
1104
0225-B
7101
BC847B
47K
3126
0223-A
3
2
4
1
4125
1105
4124
9121
3150
150K
0305
330p
2104
0223-B
7
6
8
5
2108
2138
1K
3102
2125
1112
2135
22p
9101
3149
100K
2105
10u
0229
1
2
3
4
5
6
7
2u2
2132
2136
2
7
3
8
1
3115
75R
0312
0313
9124
9125
3132
47K
3158
10K
4126
4123
9102
2150
150n
15
14
16
13
2127
0223-D
L-OUT
R-OUT
FBL-1
VlotAux+5V
ITV_MSG
VlotAux+5V
VlotAux+5V
STATUS1
VlotAux+5V
V_OUT
SC1_RIN
SC1_LIN
STATUS2
CVBS1-IN
Y_CVBS-IN
+8V
MainSupplyGnd
C-IN
G_Y-IN
B_U-IN
R_V-IN
L2-IN
R2-IN
V1-OUT
CL 36532039_004.eps
240403

Circuit Diagrams and PWB Layouts 39L01.1A AC 7.
Mono Carrier: Diversity Tables
-
FL 5MH FL 5MH FL 5MH
SS 39009-04 SS42202
CH
2X5W
144V 3R
1/6W 4R7 1/6W 4R7
330K 330K 330K
100R
12K 12K 12K
5K6 8K2 8K2
220R
--
SET
DIVERSITY TABLE FOR
DIVERSITY TABLE FOR
DIVERSITY TABLE FOR
1KV 2N2
130V 143V
2503 200V 470U
144V 3R
1/6W 4R7
16V 100N
3504
2520
POWER SUPPLY
--
16V 100N 16V 100N 50V10N 16V 100N 16V 100N 50V 10N
265V 9R 265V 9R 265V 9R 265V 9R 265 V9R 265V 9R
1/6W 22R
-2516
3522
3521
2X3W
LA/AP
3523
3526
3627
1KV 2N2
C9V1
C8V2
C6V2
C9V1
C6V2
C9V1C9V1
DIO DIO
DIO
DIO
JUMPER DIO
DIO DIO
C9V1 C9V1
2505
3563
3565
AUDIO OUTPUT
3552
3562
3557
10K
3545
3561
4K7 4K7
6570
5520
REGION
2X10W
7521
GBU4JL GBU4JL
DIO DIO DIO
DIO DIO DIO
C10V C9V1 C9V1
C6V8 C6V8
STP8NC50 STP8NC50
250V 470-
0.22R
270K 270K 270K 270K 270K
33K
180R
12K 12K 12K 12K
15K 15K
8K2 8K2 8K2 8K2 8K2 4K7
330R 330R
47R 47R 47R 47R 47R 47R
0.15R 0.15R 0.15R 0.15R 0.15R 0.22R
0.12R 0.12R 0.22R 0.22R 0.22R
SS42025 SS49109 SS49205 SS42025 PSS42-110
GBU6JL GBU6JL GBU4JL GBU4JL GBU4JL GBU4JL
DIO DIO DIO
DIO
10K 10K 10K 10K 4K7
4K7
1K 1K 1K5 1K5
1K 1K
220R 220R 220R 220R 220R
C6V2 C6V2 C8V2
STU9NC80 STU9NC80 STP7NC80 STU9NC80 STP7NC80 STP7NC80
6524
NA
5501
6500
6541
6525
220R 220R 220R330R
FL 10MH FL 10MH FL 10MH FL 10MH FL MAINS 22MH FL MAINS 22MH
FL 5MH FL 5MH FL 5MH FL 5MH FL 5MH FL 5MH
SS42026
0.1R 0.1R 0.1R
0.33 0.15R 0.15R
270K 33K 33K
1K 1K 1K
100R 100R 100R
1/6W 22R 1/6W 22R 1/6W 22R 1/6W 22R 1/6W 4R7
390K 390K 330K 330K 330K390K
220R330R
C6V8
5500
SS42204
GBU6JL
2X10W 2X5W 2X10W
143V 130V 130V 143V
200V 470U 200V 470U
1KV 2N2
--
16V 100N 16V 100N
144V 3R
STP8NC50
400V 330U 400V 330U 400V 330U 400V 330U 450V 220U 450V 220U
1KV 2N2 1KV 2N2 1KV 3N3 1KV 2N2 1KV 2N2 1KV 2N2
--
100R 100R
CL 36532039_001.eps
250403
DIVERSITY TABLE FOR LINE DEFLECTION
---
--- ---
JMP JMP
---
--- ---
330P 330P 330P 330P 330P
--- --- ---
7902
9923
JMP JMP JMP
--- --- ---
---
---
3k3
10k 10k
10k
8k2
---
---
---
JMP
2x10w
SNDAMP-
2x3w-NA SNDAMP-
2x5w-LA
---
470nF
---
---
470nF 470nF 470nF
6k86k8
---
------
47k
47k
47k
47k
---
6901
3912
3907
3909
3910
---
JMP JMP
--- ---
JMP JMP
JMP ---
---
---
---
---
ITEM SNDAMP-
2911
3901
3902
3903
3904
3905
3906
3k3 3k3
SNDAMP- SNDAMP- SNDAMP-
10k
6k8 8k2 8k2
AUDIO AMPIFIER
1n2 1n2
AN7522N
---
JMP
27nF 27nF
1nF 1n2 1n2
1nF 1nF 1nF 1nF
3n3 10n 10n
3n3 10n 10n
10k
10k
3k3
3k3
10k
2904
2902
JMP
--- ---
SNDAMP-
2x3w-ST- SNDAMP-
2x5w-ST-
2x10w ST 2x10w- 2x5w-ST-AP
1000uF/16v
470nF
1nF
470nF
1n
3n3
3n3
1k
27nF27nF
1nF 1nF 1nF
AN7522N AN7522N
--- ---
---
-NA/LA NDBX-LA/NA NDBX-LA/NA
NTSC-AP
ST-AP
SNDAMP-
P-1x4w-
MN-AP
SNDAMP-
1x3w-
MN-CH
1000uF/16v 1000uF/16v
470nF 470nF
1nF 1nF
470nF ---
1n ---
--- ---
---
6903
7901
7903
9903
3k3
---
330P 330P
1k 1k
3k3 3k3
3k3 3k3
10k 10k
--- ---
--- ---
8k2 8k2
--- ---
--- ---
--- ---
JMP JMP
--- ---
JMP
---
47k
47k
---
10k
3k3
470nF
1000uF/16v 1000uF/25v 1000uF/25v 1000uF/25v 1000uF/16v 1000uF/16v 1000uF/16v
1nF
470nF
3n3
3n3
1k
3k3
3k3
3k3
10k
3k3
10k
8k2
---
2906
2907
2910
2905
JMP JMP
JMP JMP
2950
---
--- --- ---
--- --- ---
---
BC847B
---
AN7522N
---
JMP
6k8
---
470nF
1nF
470nF
1k 1k 1k
3k3 3k3 3k3
3k3
---
---
---
---
JMP JMP
---
---
27k
27k
820 820
---
AN7580
BC847B
820
---
27k27k
27k27k
BC847B
AN7580 AN7580
--- ---
470nF
470nF
AN7522N AN7522N AN7522N
--- --- ---
---
4696
6681
9184
55K NA 55K LA
1603
1606
3681
3682
3684
3685
3686
3687
3688 *68
1602
2x5W-ST-
---
SNDAMP-
10uF
---
---
---
---
1K5
---
---
---
SNDAMP-
220R
---
---
---
YES
YES
---
ITEM
2604
2x10W-ST-
560R
SNDAMP-
2x5W-VD-ST-
10uF --- 10uF
2x10W-VD-
75R
SNDAMP-
---
EU/AP
EU ST-EU
---
ITEM
3609
SCART IN-
---
1K 10K
DUALSINGLE
DVD
3538
YES
EU
---
---
---
YES
YES
YES
YES
---
10uF
SCART IN
3K3
390R
560R
1K5
---
---
330R
220R
YES
BAT85
YES
YES
YES
YES
---
---
YES
---
---
---
JUMPER
YES
2K7
330R
220R
---
75R
---
YES
YES
YES
330R
---
YES
YES
YES
YES
YES
10uF
390R
3K3
390R
6681
560R
1K5
---
---
330R
220R
YES
---
BAT85
55K-LA
YES
NON-55K-
L2K2.FRNT NON-55K-LA
L2K2.FRNT NA
IR+LED.55K
NA
6692
9184
390R
YES YES
--- ---
--- YES
YES
---
---
YES
YES YES
YES
YES
10uF
180R
270R
390R
390R
---
68R 68R
330R
55K-NA
3693
4696
330R
YES
220R
---
---
---
220R
---
75R
L2K2.FRNT
IR+LED-KEYBOARD-
EU/NA/AP
---
6691
BAT85
YES ---
YES ---
--- ---
YES
YES
L2K2.FRNT
---
---
---
---
---
---
---
---
---
YES
---
---
---
---
---
---
---
YES
YES
YES
3691
---
YES
10uF
180R
270R
390R
390R
---
JUMPER
YES
2K7
10uF
10uF
3K3
390R
560R
560R
1K5
---
---
---
330R
---
YES
---
---
---
---
---
10uF
---
560
---
---
---
---
---
---
---
330R
YES
---
---
FRONT IO + FRONT CNTL + HP
---
ITEM
0214
0239
1600
1601
1602
1603
2691
3681
3683
3683
3684
3685
3686
3687
3688
3689
YES
IR+LED-GL EU/LA/AP TC.PNL+FI.
PNL-INTERF
---
---
YES
YES
YES
---
---
---
---
---
---
---
---
---
---
JMP
---
YES
---
YES
YES
YES
YES
---
390
3K3
560
YES
1K5
---
---
---
JMP
BAT85
---
---
---
---
* 1% TOLERENCE RESISTER
---
---
---
---
---
---
For Front Control
NON
55K LA
1606
LA IR + LED
LA
9500
9501
YES
YES
---
---
YES
YES
---
---
YES
YES
---
---
---
---
---
BAT85
---
YES
---
YES
YES
YES
YES
---
390
YES
560
560
1K5
---
---
JMP
BAT85
---
---
YES
--- *1K5
YES
---
---
---
---
---
---
---
1601
---
YES
YES
---
*180
*270
*390
---
JMP
*75
IR + LED
*2K7
---
---
YES
---
---
YES
YES
YES
YES
3689
390
3K
560
560
1K5
---
---
---
JMP
NON
55K NA IR + LED
NA
KEYBOARD+
JMP
*75
*68
*2K7
---
---
3K
---
---
YES
YES
YES
YES
YES
*180
*270
*390
YES
YES
---
YES
YES
ITEM
0231
0239
1600
AP
2209
2247
2216
2245
2243
2401
2454
2457
2405
2464
2465
2420
2421
2451
2463
ITEM
2404
2402
EW/NON EW
2458
2466
2467
3481
3484
5445
5401
5400
2468
4430
3257
5480
3640
3452
3492
3482
3451
3447
3491
3493
3499
3617
3619
4401
4402
6490
6464
6463
6467
7400
9646
9921
3465
7444
6469
9460
9451
9636
9462
9463
9464
9635
3468
3454
2469
2482
3448
3408
3407
TUBE
2490
3176
3206
3247
3250
6400
6401
6452
6460
6462
5464
5463
5461
5457
5453
5451
REGION
3489
3486
3258
3259
3400
3401
3403
3405
3406
7450
7460
9414
9423
9424
9426
JUMPER
---
JUMPER
JUMPER
BU4508DX
PDTA114ET
50V 2U2
500V 470P
---
10M
34RF
2KV 820P
50V 4U7
16V 2200U
16V 2200U
50V 2N2
16V 220N
100V 2U2
250V 270N
EW
50V 47U
25V 220U
---
50V 22N
---
160V 2U2
---
---
---
680K
470K
33K
82K
4R7
330R
4R7
---
15K
22R
3K9
---
0R05
---
---
---
---
1000U
BZX79-C47
BY228/24
42U
22U
47K
27K
10K
3R9
1K6V 12N
---
820R
4K7
180R
---
12K
BYV95C
10K
LG.PH
---
---
---
---
---
---
400V 18N
250V 168N
---
180K
33K
100R
---
JUMPER
---
JUMPER
---
STP3NC60FP
---
JF0101-2601B
SC10009-03
CHOKE COIL CU15
LAL04 A 18U
1K
---
---
---
---
BAS316
---
---
0R05
---
---
0R05
34RF
EW
SAMSUNG
JUMPER
---
---
---
---
---
---
---
---
BAS316
BAS316
STP3NC60FP
---
---
PDTA114ET
---
JUMPER
JUMPER
---
JUMPER
160V 2U2
---
---
---
680K
470K
33K
100K
4R7
330R
4R7
---
15K
---
3K9
470R
0R05
10R
---
0R05
---
---
0R05
1K
---
100V 2U2
2KV 820P
1K6V 15N
400V 15N
400V 18N
250V 120N
---
---
---
250V 390N
16V 220N
50V 4U7
16V 2200U
16V 2200U
50V 2N2
100K
100R
820R
180R
27K
10R
47K
10K
---
1000U
---
---
25U
---
BZX79-C47
BY228/24
BYD33J
BU4508DX
JUMPER
---
10K
50V 2U2
500V 470P
---
50V 47U
25V 220U
---
---
---
JF0101-2601B
SD10207-00
CHOKE COIL CU15
LAL04 A 15U
10K
33K
4K7
10M
EW
29RF
330R
4R7
---
15K
---
3K9
---
---
6R8
---
0R05
---
---
---
JF0501-2136
COI CHOKE
JUMPER
---
---
---
---
---
---
BAS316
STP3NC60FP
---
---
PDTA114ET
---
JUMPER
JUMPER
JUMPER
JUMPER
50V 4U7
10V 1000U
10V 1000U
50V 2N2
16V 220N
250V 330N
100V 2U2
2KV 2N2
1K6V 15N
---
BAS316
---
50V 47U
25V 220U
---
---
---
160V 2U2
LG.PH
---
400V 15N
250V 120N
---
33K
---
10M
400V 22N
---
---
680K
470K
33K
100K
4R7
820R
56R
27K
10R
47K
6K8
1K
1000U
---
---
25U
---
BZX79-C47
BY228/24
BYD33J
BU4508DX
JUMPER
---
15K
---
10K
100V 2U2
SRW0913DR-T06
CHOKE COIL CU15
LAL04 A 47U
500V 470P
1K
---
BZX384-C10
220K
100R
EW
---
29RF
JUMPER
PDTA114ET
---
JUMPER
JUMPER
JUMPER
JUMPER
47K
8K2
1K
1000U
---
---
33U
---
BZX79-C47
BY228/24
BYV95C
BU4508DX
JUMPER
---
15K
3K9
10K
100V 2U2
500V 470P
---
50V 47U
25V 220U
---
---
---
50V 10U
10V 1000U
10V 1000U
50V 2N2
16V 220N
250V 360N
100V 2U2
2KV 1N8
1K6V 15N
---
400V 15N
250V 120N
---
1K
---
BZX384-C10
---
---
BAS316
STP3NC60FP
27K
10R
---
---
160V 2U2
400V 22N
---
---
680K
ORION
33K
---
10M
220K
100R
820R
56R
470K
68K
100K
4R7
330R
4R7
---
15K
22R
3K9
---
---
6R8
---
0R05
---
---
---
LAL04 A 47U
COI CHOKE
JF0501-2136
SRW0913DR-T02
CHOKE COIL CU15
---
---
---
---
---
EW
---
---
---
---
25RF
---
---
JUMPER
JUMPER
---
22U
45U
---
BZX79-C47
BY228/24
---
BU4508DX
JUMPER
---
10K
---
10K
50V 2U2
500V 470P
---
50V 47U
25V 220U
---
---
---
160V 2U2
---
JUMPER
JUMPER
50V 4U7
16V 1000U
16V 1000U
50V 2N2
16V 220N
250V 390N
100V 2U2
2KV 1N5
1K6V 15N
400V 15N
400V 18N
250V 68N
---
33K
4K7
10M
100K
---
BAS316
STP3NC60FP
---
---
PDTA114ET
---
470R
1000U
---
---
680K
470K
68K
82K
4R7
LG.PH
330R
4R7
---
15K
---
3K9
---
0R05
6R8
---
0R05
---
---
---
BZX79-C10
---
JF0501-2135
SC10015-00
CHOKE COIL CU15
LAL04 A 27U
---
1K
---
100R
820R
56R
27K
10R
47K
15K
JUMPER
NO EW
JUMPER
---
---
---
---
---
---
21RF
---
BY228/24
---
BU4508DX
JUMPER
---
18K
---
10K
---
---
---
---
25V 220U
---
---
---
160V 2U2
400V 68N
---
---
270K
470K
50V 4U7
16V 1000U
10V 1000U
50V 2N2
16V 220N
250V 270N
100V 2U2
2KV 680P
1K6V 9N1
---
400V 15N
250V 68N
---
33K
---
10M
100K
---
820R
180R
27K
---
PDTA114ET
---
---
---
JUMPER
JUMPER
82U
---
---
---
---
---
---
---
15K
LG.PH(HF)
---
22U
3W 22R
3K9
---
---
6R8
---
0R05
---
---
---
---
---
JF0501-19196
SC10015-00
---
LAL04 A 22U
---
---
---
BZX384-C9V1
---
---
BAS316
10R
47K
12K
1K
---
NO EW
MMEC
---
---
---
---
---
---
---
21RF
JUMPER
---
18K
---
10K
---
---
---
---
25V 220U
---
---
---
---
400V 68N
---
---
270K
470K
---
---
---
470K
10V 1000U
50V 6N8
16V 330N
250V 330N
100V 2U2
2KV 470P
1K6V 8N2
---
400V 22N
250V 33N
---
100K
---
10M
330K
---
820R
56R
27K
10R
47K
12K
470R
---
JUMPER
JUMPER
BYV95C
BU4508DX
---
---
15K
---
3K9
---
---
50V 4U7
16V 1000U
82U
---
---
BY228/24
10R
---
---
---
---
---
---
---
JF0501-19196
SC10009-03
---
LAL04 A 27U
---
---
---
---
BZX79-C12
---
BAS316
---
---
---
PDTA114ET
---
---
---

40L01.1A AC 7.
Circuit Diagrams and PWB Layouts
Mono Carrier: PIP Interface Circuit + Tilt Interface
STANDBY/
MUTE LOGIC
Vcc
20K
20K
SHORT CIRCUIT
AND
TEMPERATURE
PROTECTION
2345
A
B
C
D
E
A
B
C
D
E
0268 D5
0284 A5
2171 B3
2172 D1
2173 D2
12345
1
3170 B1
3173 A2
3174 A3
3175 A3
3176 A4
3177 B2
3178 B3
3179 B4
3180 D1
3181 C2
3190 D2
4171 B2
7000 C3
7172 B4
7173 B3
7174 B2
8K2
3175
4K7
3170
4.9V
ROTATION
4.9V
4.9V
1.1V
1.6V
TO 0236
OF
TDA8941P
TO
1.1V
COIL
A8-74
0.7V
0.7V
PIP INTERFACE CIRCUIT & TILT INTERFACE
PIP INTERFACE (RESERVED)
TILT INTERFACE
A6-17
5
3
1
7
2
8
6
4
V20
V22
3173
10K
BC847B
7173
8K2
3177
1
2
3
3180
68K
220p
2173
0268
100p
2172
8K2
3174
3K9
3178
2K2
3179
4171
100R
3176
BC857B
7174
BC857B
7172
100K
3181
68K
3190
3
4
7000
GND
IN+
IN-
MODE
OUT+
OUT-
SVR
Vcc
0284
1
2
SANDCASTLE
VlotAux+5V
Tilt
VlotAux+13V
VlotAux+13V
HD
VD
2n2
2171
CL 26532119_021.eps
161202
Mono Carrier: Mapping Top Side
0211 A2
0212 B3
0213 A3
0214 B1
0215 B1
0217 E5
0218 C1
0219 B1
0220 C6
0221 B6
0222 C8
0223 D8
0225 C8
0226 E8
0227 C7
0229 C7
0231 A2
0232 B1
0239 C3
0240 D6
0242 D7
0243 D5
0246 E4
0248 E5
0249 D6
0250 C7
0251 B3
0259 B1
0261 D5
0262 D7
0265 E8
0266 E6
0267 E4
0268 E3
0270 B1
0271 E4
0273 D7
0274 C6
0275 D4
0276 D5
0277 B1
0279 D7
0280 E4
0281 E4
0282 B5
0283 E7
0284 E3
0285 E7
0286 C2
0289 B6
0292 B1
0293 C2
0298 B8
0304 E6
0305 D7
0310 D8
0311 D7
0312 D7
0313 C7
0314 C7
0315 C7
0316 D6
0317 D6
0318 D6
0319 C6
0321 C7
0322 C6
1000 E8
1002 E6
1003 E6
1004 E6
1130 D8
1200 E5
1201 E5
1202 E5
1400 C6
1402 B7
1410 A6
1411 C3
1412 C4
1500 A2
1515 B3
1530 B5
1531 B5
1532 B4
1533 B4
1534 B4
1535 B4
1540 B3
1600 C1
1601 C1
1602 D1
1603 D1
1606 A1
1660 D6
1661 D7
1670 D7
1810A C4
1810B C4
1811 D4
1831 C3
1851 D4
1852 D3
1861 C2
2005 E7
2006 E7
2008 E8
2105 D8
2106 D7
2142 D7
2209 D5
2216 E5
2220 D5
2229 E6
2230 E5
2235 E6
2244 E6
2246 E6
2247 E6
2250 E6
2400 A5
2401 A6
2402 A6
2404 C6
2405 C5
2441 B7
2444 B6
2448 C6
2450 B5
2451 B6
2453 B6
2454 B6
2455 B5
2456 B6
2457 B6
2458 B6
2459 B6
2462 A6
2463 A7
2464 B5
2465 A6
2466 A6
2467 A6
2468 A6
2469 B6
2470 A6
2471 B8
2472 C8
2473 B8
2480 B8
2481 C7
2482 A8
2484 B6
2485 C6
2486 A8
2487 A8
2488 C7
2489 C7
2490 B5
2491 B7
2492 C6
2493 A6
2500 A2
2501 A3
2502 A4
2503 A4
2504 A5
2505 A5
2506 B3
2508 B5
2509 B2
2515 B5
2516 B4
2521 B3
2523 A4
2560 C5
2561 C5
2562 B4
2563 B4
2564 B4
2566 C3
2567 C3
2568 C3
2580 C2
2581 C3
2604 D6
2691 A1
2837 D3
2841 C3
2843 C3
2844 C3
2846 D2
2864 C2
2865 C2
2869 D2
2870 D2
2874 D2
2875 D2
2876 D2
2877 D2
2878 D1
2883 C1
2884 C1
2885 C1
2902 D4
2903 E4
2908 E4
2981 B1
2983 B1
3000 E8
3001 E8
3005 E6
3101 D8
3103 D8
3105 D7
3111 D8
3112 D7
3113 D8
3114 D7
3115 D8
3116 D7
3121 D8
3122 D8
3123 C7
3125 C7
3131 C8
3133 D8
3135 C7
3136 C8
3137 C8
3138 C8
3141 C7
3154 D7
3156 D7
3172 E4
3182 B1
3185 C1
3187 C1
3188 B1
3200 E6
3201 D5
3202 D5
3203 D5
3204 D5
3207 E5
3210 E5
3211 E5
3213 E5
3216 E5
3220 D6
3221 D5
3222 D5
3228 E6
3235 D5
3244 E7
3249 E7
3250 E7
3251 E6
3400 A8
3401 A7
3402 A5
3403 A5
3404 A5
3405 A6
3406 A6
3407 A6
3408 A5
3410 A5
3411 A6
3430 A5
3431 A5
3445 C6
3446 C6
3447 C7
3448 C7
3449 C7
3450 C7
3451 B6
3452 C6
3453 C7
3454 C6
3455 C7
3458 B6
3459 B6
3460 B8
3461 B6
3463 A6
3464 C7
3465 A8
3468 B5
3469 C6
3471 C8
3472 C8
3473 C8
3474 B8
3475 B8
3477 C8
3478 C8
3480 B8
3481 A7
3482 A7
3483 C6
3484 A8
3485 B6
3486 B6
3487 B5
3488 A8
3489 C6
3490 C6
3493 C5
3494 B6
3500 A2
3501 B2
3503 A4
3504 B3
3506 B3
3507 B2
3508 A2
3509 B3
3510 B3
3511 A3
3519 B4
3521 B4
3523 A4
3526 A4
3527 A4
3532 A3
3543 B3
3550 C3
3558 C4
3560 C4
3561 B4
3564 C4
3565 C4
3590 C3
3591 C3
3601 D7
3603 D6
3604 D6
3606 D6
3607 D6
3608 D6
3609 D6
3610 D6
3614 D6
3615 D6
3617 D6
3618 D6
3619 D6
3624 D6
3625 D6
3634 D7
3635 D7
3640 E7
3811 D4
3832 D3
3833 D3
3837 C4
3839 C4
3865 D1
3866 D1
3892 C2
3895 C2
3908 D5
3911 D5
3912 E4
3981 B1
3982 B1
5001 E7
5002 E7
5201 E5
5202 E5
5203 E7
5204 C5
5205 C5
5206 C5
5241 E7
5242 E7
5400 A6
5401 A6
5445 B7
5451 B6
5452 A7
5453 C5
5457 B6
5461 B5
5463 A5
5464 A5
5465 A5
5471 C8
5472 B8
5480 C6
5500 B2
5501 B2
5502 A3
5520 B4
5521 B4
5560 B5
5561 B5
5562 B4
5564 C5
5565 C2
5602 D6
5603 D6
5604 D6
5831 D3
5832 C3
5833 C3
5861 C2
6001 E7
6006 E8
6007 E8
6400 A7
6401 A5
6402 A7
6403 A8
6447 B6
6448 C7
6460 A6
6461 A6
6462 B5
6465 B6
6466 B6
6469 C5
6476 C8
6481 C7
6482 C7
6483 A8
6485 B7
6486 C7
6487 A8
6488 B7
6490 C5
6500 A4
6520 B4
6523 B4
6524 A4
6525 A4
6540 C3
6560 C5
6561 C4
6562 C4
6566 B3
6568 B4
6582 C4
6681 D1
6691 A1
6692 B1
6831 D3
6903 D5
7000 E3
7400 A6
7443 C7
7444 B5
7460 A6
7461 C5
7463 C5
7471 C8
7480 C7
7482 C7
7515 B3
7520 B4
7521 A4
7540 B3
7560 C3
7602 D6
7831 D3
7901 E4
7902 E4
9001 E7
9101 D8
9102 D8
9103 D8
9104 C8
9111 D7
9112 D7
9113 D7
9121 C7
9122 C7
9123 D8
9124 C7
9125 C7
9160 E3
9171 C8
9172 C7
9173 D7
9175 D7
9176 D8
9178 D8
9179 D8
9181 C1
9182 C1
9183 C1
9184 C1
9191 B1
9192 B1
9193 B1
9200 E5
9202 E5
9206 C5
9241 E7
9406 A6
9407 A6
9408 B7
9409 C5
9410 C6
9411 B6
9412 C6
9413 C6
9414 C6
9415 C7
9416 C8
9417 C7
9418 C7
9419 B8
9420 C6
9421 A8
9422 B7
9423 C5
9424 A7
9425 B8
9426 A8
9427 B7
9451 B6
9453 B5
9460 B6
9461 A6
9462 A6
9463 A6
9464 B5
9471 C8
9472 B8
9500 A2
9501 A2
9502 A2
9503 A3
9504 B3
9505 B3
9506 B2
9507 B2
9508 B2
9509 B2
9510 C4
9511 C4
9512 C4
9513 C4
9514 B5
9515 C5
9516 C4
9518 B3
9520 B3
9521 A5
9522 C4
9524 C4
9525 B4
9526 B5
9528 B4
9529 B4
9530 C2
9531 A4
9611 C5
9612 C5
9613 D5
9614 E5
9615 D7
9616 D7
9617 D5
9618 D7
9619 D5
9620 D7
9621 D7
9622 C6
9623 D7
9624 D5
9625 E7
9626 D5
9627 D5
9628 E7
9629 D6
9630 C5
9631 D6
9632 E5
9633 D5
9634 D5
9635 D6
9636 C6
9637 E6
9638 D6
9639 D5
9640 D7
9641 D6
9642 D6
9643 D5
9644 E5
9645 E5
9646 E5
9647 D7
9648 E7
9649 D7
9650 E7
9651 E6
9652 D5
9653 C5
9654 C5
9655 C6
9656 C7
9657 D6
9658 C6
9659 C6
9660 C6
9661 D7
9662 D7
9663 D7
9664 C6
9665 C6
9666 C6
9667 D5
9668 C6
9669 C6
9670 C5
9671 D5
9672 C6
9673 C5
9674 C5
9675 C7
9676 C7
9678 C7
9679 C7
9680 D5
9681 E5
9682 E5
9683 D5
9685 D6
9686 D6
9687 D5
9688 D5
9689 D7
9690 D5
9691 E7
9692 C5
9693 C5
9694 E7
9695 E7
9696 E8
9697 D7
9698 D7
9699 C1
9810 C4
9821 C4
9822 C2
9825 C3
9826 D3
9827 C4
9828 C3
9829 C2
9831 C3
9832 C3
9833 D1
9834 C3
9837 C4
9838 D4
9839 D2
9846 C2
9847 C5
9848 D3
9849 C3
9850 C2
9851 C2
9852 D2
9853 D2
9854 D2
9855 D3
9856 D3
9857 C2
9858 D3
9859 D3
9860 C4
9861 C4
9862 C4
9863 C4
9864 C4
9865 D4
9866 C4
9867 D3
9868 D4
9869 D4
9870 D4
9871 D4
9873 D4
9874 C4
9875 C4
9876 D4
9877 D4
9878 D5
9891 C2
9892 C2
9901 D4
9902 E4
9903 D5
9904 D4
9905 E5
9911 D4
9912 D4
9913 E4
9914 E4
9915 E4
9916 E4
9918 D4
9919 D4
9920 E4
9921 E4
9922 E4
9923 D4
9982 B1
9991 B1
9993 E8
9994 E5
9996 E7
9997 E8
9998 E7

42L01.1A AC 7.
Circuit Diagrams and PWB Layouts
Layout Mono Carrier (Overview Bottom Side)
Part 1
CL26532119_40a.eps
Part 2
CL26532119_40b.eps
Part 3
CL26532119_40c.eps
Part 4
CL26532119_40d.eps
CL 26532119_040.eps
201202
2001 A8
2002 A8
2003 A7
2004 A7
2007 A7
2009 A6
2010 A8
2101 B7
2102 B7
2103 B8
2104 B7
2107 B8
2108 B8
2111 B7
2112 B7
2113 B7
2121 B8
2122 C7
2123 C7
2124 C7
2125 C7
2127 B8
2128 B8
2131 C8
2132 C7
2133 C8
2134 C7
2135 B7
2136 B8
2137 C8
2138 B8
2141 B7
2143 A7
2150 A7
2171 A3
2172 A4
2173 A3
2181 D1
2182 C1
2183 C1
2184 C2
2185 D1
2186 C1
2187 C2
2201 A5
2202 B6
2203 A5
2204 B6
2205 A6
2208 A5
2210 B5
2211 A6
2212 A5
2213 B5
2214 B5
2215 B5
2217 A5
2219 A6
2221 B6
2225 A5
2226 A6
2227 A6
2228 A6
2233 B5
2234 A7
2236 A7
2237 A7
2238 A7
2239 A7
2240 A7
2241 A6
2242 A6
2243 A6
2245 A5
2248 A7
2249 A6
2252 A7
2253 A7
2254 A7
2255 B5
2415 D5
2420 C5
2421 C6
2422 C6
2423 C5
2443 C6
2452 C8
2460 C5
2461 C6
2474 D8
2475 D8
2476 C7
2507 D4
2520 D4
2522 E4
2525 D4
2526 D3
2527 E4
2528 D4
2540 C3
2541 D3
2569 C5
2590 C3
2601 B6
2602 B6
2606 B7
2607 B6
2608 B6
2609 B6
2611 B6
2612 B7
2613 B7
2615 B6
2616 B6
2618 B6
2619 B6
2692 E1
2693 D2
2694 D1
2695 D1
2696 D1
2802 C4
2803 C2
2807 B4
2810 C3
2813 C3
2814 B4
2815 B4
2816 C4
2817 C4
2818 C4
2831 B3
2832 B3
2833 B3
2834 B3
2835 B3
2836 B3
2838 B3
2839 B3
2840 B3
2842 B3
2845 B3
2847 C3
2848 B3
2849 B3
2850 B3
2851 B3
2852 C4
2853 B4
2854 C4
2855 C3
2856 C3
2857 C3
2858 C3
2859 C3
2860 C3
2861 B3
2862 C2
2863 C2
2866 C2
2867 B2
2868 B2
2871 B2
2872 B2
2873 B2
2879 B1
2880 B1
2881 B1
2882 B1
2886 C1
2892 C3
2893 C3
2894 B3
2895 C3
2896 B2
2897 B3
2898 B3
2901 B4
2904 A4
2905 A4
2906 A4
2907 A4
2910 A4
2911 A4
2947 A4
2948 A4
2949 A4
2950 A4
2982 D1
2984 D1
3002 A8
3003 A8
3004 A8
3006 A7
3007 A7
3008 A7
3009 A6
3010 A7
3011 A7
3102 B7
3104 B8
3106 B7
3124 C7
3126 C7
3132 B8
3134 C8
3149 B7
3150 A7
3151 B7
3152 B7
3153 B7
3157 B7
3158 A7
3159 B7
3170 A4
3173 A3
3174 A3
3175 A3
3176 A3
3177 A3
3178 A3
3179 A3
3180 A3
3181 A3
3184 C1
3186 C1
3190 A3
3205 B5
3206 B5
3208 A5
3209 A5
3212 A5
3214 A5
3215 A5
3217 B5
3218 B5
3219 B5
3223 B5
3224 B5
3225 B5
3226 B5
3229 A6
3230 A6
3231 A6
3232 A6
3233 A8
3234 A6
3236 A8
3237 A7
3238 A7
3239 A7
3240 A8
3241 A6
3242 B5
3245 A6
3246 A5
3247 C6
3248 A5
3254 A6
3256 C6
3257 A6
3258 A7
3259 B6
3441 D7
3442 D7
3443 C6
3456 C7
3457 C6
3470 C8
3479 C8
3491 C5
3492 C5
3495 C8
3496 C8
3497 C7
3498 C8
3499 C5
3520 D4
3522 D4
3524 E4
3525 E4
3528 D3
3529 D4
3530 E4
3531 D4
3541 D3
3542 D3
3544 D3
3545 D3
3548 C3
3552 D3
3557 C5
3562 D4
3563 C4
3566 C3
3567 D3
3568 D3
3569 D3
3570 D4
3580 C2
3594 D3
3595 D5
3596 D5
3605 C6
3611 B6
3613 B6
3622 B7
3623 B6
3626 B6
3627 B6
3628 B6
3629 B6
3630 B6
3632 B6
3633 B6
3636 A7
3637 B5
3638 A5
3639 B6
3681 B1
3682 C1
3683 C1
3684 B1
3685 C2
3686 B1
3687 C1
3688 C1
3689 C2
3691 E1
3692 E1
3693 E1
3694 E1
3695 C2
3801 C4
3802 B4
3809 B4
3810 B4
3812 C4
3813 B4
3814 C4
3815 C4
3816 C4
3817 C4
3818 B4
3819 B4
3820 B4
3821 C4
3822 B4
3831 B3
3834 C3
3835 C3
3840 C3
3841 B2
3842 B3
3843 C3
3849 C3
3851 B3
3852 B4
3861 C2
3862 B1
3863 B1
3864 B1
3867 C1
3891 B2
3893 B2
3894 C2
3896 C2
3901 B4
3902 A4
3903 A4
3904 A4
3905 A4
3906 A4
3907 A4
3909 A4
3910 A4
3921 A4
3922 A4
3923 A4
4001 A7
4002 A6
4003 A7
4004 A6
4005 A7
4006 A7
4011 A6
4012 A6
4101 B8
4102 B8
4104 B8
4121 B8
4122 C7
4123 C7
4124 C7
4125 C7
4126 C8
4127 C7
4128 C8
4131 C8
4132 B7
4171 A3
4181 B7
4203 A6
4204 A5
4205 B5
4206 B5
4207 B5
4209 A5
4210 A5
4211 A5
4212 A6
4213 A6
4214 C5
4216 A6
4219 B5
4223 B5
4254 A7
4401 C7
4402 E8
4430 C5
4431 C4
4470 D8
4500 C4
4601 B6
4602 B6
4603 B6
4604 A5
4608 A8
4609 A8
4613 B5
4614 A5
4615 B6
4616 B6
4617 A6
4618 A5
4619 A6
4622 A7
4623 A7
4624 A6
4625 A5
4691 E1
4692 C2
4693 C2
4694 B1
4695 E1
4696 C1
4697 C2
4698 C2
4699 C2
4807 B4
4808 B4
4812 B4
4814 B4
4816 C4
4817 C4
4818 B4
4819 B4
4820 B3
4821 C4
4823 C4
4824 C4
4825 B4
4826 B4
4827 C3
4829 C4
4830 B4
4831 B4
4832 C4
4834 C3
4835 C2
4836 C2
4837 C3
4838 C3
4839 C4
4840 C4
4841 C5
4861 C2
4862 B2
4863 B2
4864 B2
4865 C2
4866 C4
4867 C4
4869 C4
4870 C4
4871 C4
4872 B4
4873 B4
4874 B4
4875 B4
4876 B4
4879 B4
4880 B4
4881 C4
4882 B4
4883 B5
4884 B4
4885 B3
4886 B4
4892 B5
4893 B2
4894 C2
4901 A4
4902 A4
4903 A4
4904 A4
4905 B4
4906 A4
4921 B4
4924 B5
4925 B5
4982 E1
5003 A6
5450 C8
5810 C4
5835 C3
6002 A8
6003 A8
6004 A7
6005 A7
6150 B7
6181 C1
6201 B5
6202 B5
6203 A7
6204 A7
6206 B5
6445 D7
6449 C7
6452 C6
6453 C6
6463 C6
6464 C4
6467 C5
6468 C5
6470 D7
6522 D3
6526 E4
6541 D3
6563 D4
6564 D4
6565 C4
6567 D4
6569 C3
6570 C3
6580 C3
6601 B6
6901 A4
6904 A4
7001 A7
7002 A6
7101 B7
7102 B7
7103 B7
7172 A3
7173 A3
7174 A3
7200 A6
7201 A5
7202 A5
7203 A5
7204 B5
7205 B5
7206 A5
7208 A5
7209 A8
7210 A7
7441 D7
7450 C6
7462 C5
7522 D4
7541 D3
7542 C3
7561 C4
7562 C4
7564 C3
7580 C3
7606 B7
7802 B4
7803 B4
7804 C4
7834 C3
7835 C3
7851 B4
7861 C2
7891 B2
7892 C2
7903 A5

Circuit Diagrams and PWB Layouts 47L01.1A AC 7.
CRT Panel ECO SCAVEM
V16
50V / div DC
20µs / div
V15
50V / div DC
20µs / div
V14
50V / div DC
20µs / div
V13
10V / div DC
20µs / div
V12
10V / div DC
20µs / div
V11
10V / div DC
20µs / div
3k75
188k7
3k77
3k75
188k7
3k77
3k75
188k7
Vref
7V
PROTECTION
THERMAL
BC1
A1
Vref
Vdd
2.5V
3k77
A2
Vref
Vdd
BC2
A3
Vref
Vdd
BC3
Blue
Green
Red
V
34567891011
A
B
C
D
E
F
A
B
C
D
E
F
VG2 F9
0165 A7
0244 E1
0245 D1
0254-A B7
0255 B6
0256-A B6
1345 D6
CB
11
1234567891011
12
0255
1346 D6
2330 B3
2331 B4
2340 E3
2341 C5
2342 C4
2343 F6
2344 D3
2345 C6
2346 F5
3331 C4
3332 C5
3333 B4
3334 B5
3335 C4
GND_CRT
3336 B5
3340 E2
3341 E3
3342 E3
3343 E6
3344 E6
3345 D6
3346 E6
4341 D6
5341 D6
5342 E4
6331 B4
6332 D3
6333 B4
6335 B4
7330 B3
9341 D6
9345 D6
H1
9
6331
BAV21
2331
1n
CR
8
1
2
3
4
5
2343
3n3
H2
10
3334
CB
3344
33R
V13
9345
6335
BAV21
3341
H2
10
GND
12
BAV21
6333
680p
2346
4341
7
1n
2345
V11
3333
100R
140V
*
CRT
6V
TO
FROM LINE DEFLECTION
EHT
*
AQUADAG
NOT USED
OF
2V5
B2-67
GNDSS
B
*
G
FROM LOT, MAIN CHASSIS
CRT PANEL (ECO SCAVEM)
0243
*
5
FOCUS
2V5
2V5
0220
B2-68
B2-69
*
T0 CRT SOCKET
*
140V
OF
FROM RGB PROCESSING 1
1K
T0 CRT SOCKET
1K
TO
140V
7
CRT Sockets
*
1K
WIRE
R
9341
B
G
GND_CRT
+200VA
+200VA
5341
3336
5342
6332
5
3343
1K5
9
G1
11
H1
2342
1n
V16
G1
5
0254-A
G3
1
3342
G2
2341
1n5
3340
100R
7
V14
1345
V12
CG
6
G2
4
5
6
1346
0245
1
2
3
R
G
B
3332
2340
10u
0244
10
11
12
4
5
6
7
8
9
1
GND
12
OUT2 8
OUT3 7
Vdd
6
7330
TDA6107Q
BCI 5
4
GND
IN11
IN22
IN33
OUT1 9
0165
6
VG2
CG
100R
3331
3345
G3
0256-A
1
2344
33R
3346
2330
100n
8
V15
CR
100R
3335
EHT_INFO
FF
+200V
BC_INFO
+13V
R
CL 26532119_023.eps
111202

48L01.1A AC 7.
Circuit Diagrams and PWB Layouts
CRT Panel ECO SCAVEM
K
AK
AK
AK
4K7
3375
567
A
B
C
D
A
B
C
D
0278 C7
2360 B1
2362 C2
2364 D1
1234567
1234
B1-69
2365 D1
2366 D1
2367 B3
2368 B4
2369 C3
2372 A3
2373 A5
2375 B4
2378 C7
2379 C7
2380 C4
2381 C5
2382 B4
3360 B2
3361 B2
3362 C2
3363 C2
3367 B3
3368 B4
3369 B3
3373 A5
3374 A5
3375 B5
3376 C5
3377 C6
3378 C6
3380 C5
3381 C5
3383 D5
3384 D5
3385 A2
BAT754S
8K2
ECO SCAVEM
SCAVEM COIL
A
TO
B1-68
3386 B2
4388 A7
5376 C6
6364 C2
6365 C2
6366 C3
6367 B3
7360 C2
7366 B5
7369 C3
7373 B5
7380 C5
7382 D5
9376 C6
B1-67
4n7
2362
2366
4n7
2360
3R3
10K
3361
0278
1
2
3
2364
2K2
3369
6366
BAT85
2379
10u
27p
4n7
2381
3385
2373
4n7
2369
39p
BAT85
6365
7369
BC635
7380
47u
2368
BC858C
BC848B
7360
4388
4n7
2375
3386
10R
3367
10K
BC337-25
7382
BC636
7366
2378
220p
BAV99
6367
10u
2372 1K
3373
3384
5376
2365 27p
27p
3368
2367
4n7 220R
9376
2382
1n
39K
1K
3383
3376
68K
3380
3378
220R
6364
3360
39K
3381
2380
4n7
3R3
3374
4K7
220R
33633362
39K
470R
BC327-25
7373
3377
+13V
R
G
B
+200VA
CL 26532119_024.eps
161202

Circuit Diagrams and PWB Layouts 49L01.1A AC 7.
Layout CRT Panel (Top Side)
CL 26532119_037.eps
161202
VG2 A1
0165 A1
0244 A2
0245 A1
0254 A2
0255 A2
0256 A2
0278 A2
2330 A1
2331 A1
2340 A1
2341 A2
2343 A2
2345 A1
2346 A1
2368 A2
2372 A2
2378 A2
2379 A2
3331 A1
3332 A2
3333 A1
3334 A1
3335 A1
3336 A2
3340 A2
3341 A2
3342 A2
3343 A1
3344 A2
3345 A1
3346 A2
3367 A2
3368 A2
3374 A2
3376 A2
3377 A2
3384 A2
3385 A2
3386 A2
5341 A1
5342 A2
5376 A2
6331 A1
6333 A1
6335 A1
6365 A1
6366 A1
7330 A1
7366 A2
7373 A2
7380 A2
7382 A2
9311 A1
9312 A1
9313 A2
9314 A2
9341 A1
9345 A1
9376 A2

50L01.1A AC 7.
Circuit Diagrams and PWB Layouts
Layout CRT Panel (Bottom Side)
CL 26532119_038.eps
161202
2342 A1
2344 A1
2360 A2
2362 A2
2364 A1
2365 A1
2366 A1
2367 A2
2369 A2
2373 A2
2375 A2
2380 A2
2381 A2
2382 A2
3360 A2
3361 A2
3362 A2
3363 A2
3369 A2
3373 A2
3375 A2
3378 A2
3380 A2
3381 A2
3383 A2
4311 A2
4312 A2
4313 A2
4341 A2
4388 A1
6332 A1
6364 A1
6367 A2
7360 A2
7369 A2

Circuit Diagrams and PWB Layouts 51L01.1A AC 7.
Side AV + HP Panel
VIDEO IN
LEFT
SIDE AV + HP PANEL
BZX79-C6V8
RIGHT
HEADPHONE
RES
RES
L+
L-
R-
R+
L+
L-
R-
R+
GND
To
Speakers
RES
8K2
10K
8K2
10K
RES
330R
330R
330p330p
TO
0219
OF
TO
0246
OF
2174
F
0232 E5
0250-A C2
0250-B D2
0250-C B2
0251 A5
0254 E2
0255 E5
0277-A B1
0277-B D1
2171 D4
2172 C4
2173 C4
2174 D4
2176 F3
2177 F3
2178 E3
2179 E3
123456
123456
A
B
C
D
E
F
A
B
C
D
E
SG07
3150 D4
3151 D4
3152 C4
3153 B4
3155 B4
3156 E3
3157 F3
6161 B4
9152 C3
9153 B4
SG02 B3
SG03 D3
SG04 C3
SG06 F4
SG07 E4
SG06
0277-A
0277-B
3157
1
2
3
4
5
3156
0254
100u
2177
2176
2179
100u
6
7
8
9
2178
4
0232
1
2
3
4
5
0255
1
2
3
2173
330p
2172
9153
9152
0251
1
2
3
4
5
6
7
8
9
3155
75R
0250-C
1
2
3
0250-A
0250-B
4
5
6
SG04
3153
SG02
330p
2171
SG03
6161
31523150
3151
CL 36532039_023.eps
010503
C
Layout Side AV + HP Panel
CL16532010_014.eps
210301

52L01.1A AC 7.
Circuit Diagrams and PWB Layouts
Top Control Panel
B
C
0215 A1
1091 B3
1092 B3
1093 B4
1094 B4
3091 A2
3092 A2
3093 A3
1234
1234
A
B
C
A
BAT85
6091
6091 B4
V-
TO 0239
OF
MENUPLUG&PLAY
TOP CONTROL PANEL
3095 A4
3096 B4
C+ C- V+
3094 A3
SKQNAB
1091
3095
3K3
3096
1K5
3094
270R
3092
390R 560R
30933091
560R
Molex-5268
0215
1
2
3
1094
SKQNAB
1092
SKQNAB SKQNAB
1093
CL 26532119_030.eps
111202
9
Layout Top Control Panel (Top Side)
Layout Top Control Panel (Bottom Side)
CL 06532012_031.eps
040200
CL 06532012_032.eps
040200

Circuit Diagrams and PWB Layouts 53L01.1A AC 7.
Degaussing & DAF Panel
+t
+t
V
+t
Rs
Rp
V
1010
0221
1
4
0233
1505
1
2
1234
1234
A
B
C
D
E
A
B
C
D
E
0221 D1
1
4
0233 E3
0258 C1
0261 D4
0262 E4
1505 A1
1506 A4
2492 D3
2493 D3
2510 A3
3498 E3
3499 D3
3505 B2
3506 A2
3507 A2
5493 D2
3498
1
3506
3499
1
64
DEGAUSSING
TO 0221 OF
DYNAMIC FOCUS
GND
DEGAUSSING & DAF PANEL
LINE DEFLECTION
LINE DEFLECTION
(LSP)
DEGAUSSING
TO 0298 OF
TO 5445 (LOT) OF
TO CRT COMBI
From 0212 of
0261
1
LINE DEFLECTION
OF YOKE COIL CCT
DAF
2492
390p
2510
33n
0258
PTH451C
1
23
1506
1
2
3505
3507
5493
CU20C2
3
1
2493
390p
0262
CL 36532039_005.eps
240403
Layout Degaussing & DAF Panel (Top Side)
CL 36532039_006.eps
240403
0221 B2
0233 D3
0258 B2
0261 C2
1505 A2
1506 B2
2492 D2
2493 D2
2510 A1
3498 D1
3499 D2
3505 A2
3506 A2
3507 A2
5493 C2
9493 B2

54L01.1A AC 7.
Circuit Diagrams and PWB Layouts
Front Interface Panel
G
H
A
B
C
D
E
F
G
H
0211 B3
0212 B5
0214 D3
0218 D3
0231 B4
1606 E4
12345
12
I001 B3
I002 C4
I003 C4
I004 D4
I005 D3
I006 D3
I007 E4
I008 E3
I009 D5
I010 E3
I011 E4
I012 B4
I013 B5
I014 B5
*
RES
345
A
B
C
D
E
F
---
---
---
---
---
---
*
*
*
*
**
*
*
*
*
**
2691 E5
2698 E5
3500 C3
3501 C3
3685 E4
3691 E4
3693 D5
3694 C5
6691 E4
6692 C6
9001 B4
9002 C4
9695 E4
TOP CTL + FR.PL
INTERF - EU/NA
0231
9001
9002
2P 8/128A SDKV
-
-
-
YES
YES
-
YES
YES
2P 8/128A SDKV
-
YES
YES
YES
YES
YES
YES
YES
YES
YEs
YES
---
---
---
---
---
---
ITEM KEYBOARD
IR+LED-GL KEYBOARD
IR+LED-NA IR+LED-NA IR+LED
EU/AP FRNT.INTERF
AP
3685
3691
T4.0AE
TO 0214
OF
FRONT
AC MAINS
INPUT
110V/220V
TO 0211 OF
POWER SUPPLY
TO ITV/
MULTIMEDIA
CONTROL
POWER
FOR
ITV
ONLY
LATAM 100V - 250V
NAFTA 110V
EUROPE 220V - 240V
L01 USA ONLY
FRONT INTERFACE PANEL
YES
YES
---
YES
YES
-
-
YES
YES
-
YES
YES
6692
6691
3693
FRNT INTERF. -
SLIM
NA
FRNT INTERF. -
SLIM
EU / LA
FRNT INTERF. -
SLIM
EU NON ULL01L
ITEM
0231
1606
2691
2698
3500
3501
6691
9901
9002
YES
YES
YES
---
---
---
YES
YES
YES
YES
---
YES
I014
I012 I013
100n
2698
9002
9001
I007
I009
I006
I008
I005
I003
I004
I002
3693
220R
I001
0218
1
2
1
VS
3
3501
3M3
0211
1
2
6692
TSOP1836
GND
2
OUT
3500
3M3
5
0212
1
2
0214
1
2
3
4
10u
2691
3691
330R
3694
9695
I010 I011 1606
13
24
56
560R
3685
+3.3V
+3.3V
SDDF
0231
CL 26532119_059.eps
161202
Layout Front Interface Panel
CL 16532020_103.eps
240801

Alignments EN 55L01.1A AC 8.
8. Alignments
Index of this chapter:
1. General Alignment Conditions
2. Hardware Alignments
3. Software Alignments and Settings
Note: The Service Default Alignment Mode (SDAM) is
described in the "Service Modes, Error Codes and Fault
Finding" section. SDAM menu navigation is performed by using
the MENU UP, MENU DOWN, MENU LEFT, and MENU
RIGHT keys of the remote control transmitter.
8.1 General Alignment Conditions
Perform all electrical adjustments under the following
conditions:
• AC voltage and frequency: according to country’s
standard.
• Connect the television set to the AC power via an isolation
transformer.
• Allow the television set to warm up for approximately 20
minutes.
• Measure the voltages and waveforms in relation to chassis
ground (with the exception of the voltages on the primary
side of the power supply). Never use heatsinks as ground.
• Test probe: Ri > 10 MOhm; Ci < 2.5 pF.
• Use an isolated trimmer/screwdriver to perform the
alignments.
8.2 Hardware Alignments
Figure 8-1 Family Board (top view)
8.2.1 Vg2 Adjustment
1. To enter SDAM, press the following key sequence on the
remote control transmitter: 0 6 2 5 9 6 directly followed by
the MENU button (do not allow the display to time out
between entries while keying the sequence).
2. Use the MENU UP/DOWN keys to highlight the WHITE
TONE sub menu.
3. Press the MENU LEFT or MENU RIGHT key to enter the
WHITE TONE sub menu.
4. In the WHITE TONE sub menu, press the MENU UP/
DOWN keys to select NORMAL RED, NORMAL GREEN,
or NORMAL BLUE.
5. Use the MENU LEFT/RIGHT keys to set the values of
NORMAL RED, NORMAL GREEN and NORMAL BLUE to
'40'.
6. Press the MENU button twice to enter the normal user
menu.
7. In the normal user menu, use the MENU UP/DOWN keys
to highlight the PICTURE sub menu (if necessary).
8. Press the MENU LEFT/RIGHT keys to enter the PICTURE
sub menu.
9. Use the MENU UP/DOWN keys to select PICTURE. Be
sure to record the current value of PICTURE.
10. Use the MENU LEFT/RIGHT keys to set the value of
PICTURE to '0'.
11. Use the MENU UP/DOWN keys to select BRIGHTNESS.
Be sure to record the current value of BRIGHTNESS.
12. Use the MENU LEFT/RIGHT keys to set the value of
BRIGHTNESS to minimum (OSD just visible in a dark
room).
13. Press the MENU button twice to return to the top level
SDAM menu.
14. Press the OSC/STATUS button to hide the SDAM
onscreen display.
15. Connect the RF output of a video pattern generator to the
antenna input.
16. Input a 'black picture' test pattern to the television set.
17. Set the oscilloscope to 50 V/div and the time base to 0.2
milliseconds (external triggering on the vertical pulse).
18. Ground the scope at the CRT panel and connect a 10:1
probe to one of the cathodes of the picture tube socket (see
schematic diagram B1).
19. Measure the' cut off pulse' during the first full line after the
frame blanking (see Fig. 8-2). You will see two pulses, one
being the 'cut off pulse' and the other being the 'white drive
pulse'. Choose the one with the lowest value; this is the 'cut
off pulse'.
20. Select the cathode with the highest VDC value for the
alignment. Adjust the Vcutoff of this gun with the SCREEN
potentiometer (see Fig. 8-1) on the LOT to the correct
value (see table 'Vg2 cut-off point').
21. Press the OSC/STATUS button to display the SDAM
onscreen display.
22. Press the MENU button to enter the normal user menu.
23. In the normal user menu, use the MENU UP/DOWN keys
to highlight the PICTURE sub menu (if necessary).
24. Press the MENU LEFT/RIGHT keys to enter the PICTURE
sub menu.
25. Use the MENU UP/DOWN keys to select PICTURE.
26. Use the MENU LEFT/RIGHT keys to reset the value of
PICTURE to the original value.
27. Use the MENU UP/DOWN keys to select BRIGHTNESS.
28. Use the MENU LEFT/RIGHT keys to reset the value of
BRIGHTNESS to the original value.
29. Press the MENU button twice to return to the top level
SDAM menu.
30. Use the POWER button on the remote control transmitter
or the POWER button on the television set to turn off the
television set. This will save the changes made in SDAM.
0231
0212
C
16532016_008.eps
120401
A
D
B
5445
LOT
Focus
Screen
VG2
5520
2403
0267
7602
ComPair
1004
1002 1000 (TUNER)
9631
9641
SDM
0231

Alignments
EN 56 L01.1A AC8.
Figure 8-2 Vcutoff
Table 8-1 Vg2 cut-off point (large screen)
8.2.2 Focusing
1. Connect the RF output of a video pattern generator to the
antenna input.
2. Input a circle or crosshatch test pattern to the television set.
3. Press the SMART PICTURE button on the remote control
transmitter repeatedly to choose NATURAL or MOVIES
picture mode.
4. Adjust the FOCUS potentiometer (see Fig. 8-1) until the
vertical lines near the left and right sides of the screen, and
near the horizontal center of the screen, are at minimum
width without visible haze.
8.3 Software Alignments and Settings
The following options are performed in the Service Default
Alignment Mode (SDAM). SDAM is described in the 'Service
Modes, Error Codes and Fault Finding' section.
The following alignments are explained:
1. OPTIONS
2. TUNER
3. WHITE TONE
4. GEOMETRY
5. AUDIO
8.3.1 Options
Options are used to control the presence or absence of certain
features and hardware.
How to change an Option Byte
An Option Byte represents a number of different options.
Changing these bytes directly makes it possible to set all
options very quickly. All options are controlled via 8 option
bytes.
Note: Each option byte controls several features of the
television set; therefore, before changing option byte
information, it is important to record the current option byte
values. This ensures that the television features can be
restored to the original settings, if necessary.
1. To enter SDAM, press the following key sequence on the
remote control transmitter: 0 6 2 5 9 6 directly followed by
the MENU button (do not allow the display to time out
between entries while keying the sequence).
2. Use the MENU UP/DOWN keys to highlight the OPTIONS
sub menu.
3. Press the MENU LEFT or MENU RIGHT key to enter the
OPTIONS sub menu.
4. In the OPTIONS sub menu, press the MENU UP/DOWN
keys to select 'OP 1' through 'OP 8'.
5. Use the number keys on the remote control transmitter to
enter a new value for the selected option byte. The value
must be entered as a three-digit value (for example, '4'
would be entered as '0 0 4').
6. The selected value must be between '0' and '255'.
7. When all desired changes to the option bytes are made,
press the MENU button to return to the top level SDAM
menu. This will save changes to the option byte settings.
8. To ensure the option byte changes take effect: Turn the
television set 'off' by using the POWER button on the
remote control transmitter or the local keyboard.
Disconnect the television set from AC power for at least ten
seconds. Reconnect the television set to AC power. Turn
the television set ON by using the POWER button on the
remote control transmitter or the local keyboard.
Figure 8-3 Options menu
8.3.2 Tuner
Note: Described alignments are only necessary when the NVM
(part reference number 7602) is replaced.
Screen Size Cut-off
point (V)
25/28Tesla
25/28BLD
+140 V ± 4 V
21RFMEC/ 21RF SMGK/ 21RF LG/
25"HF LA
25RF
25/28"BLS
29RF
+145 V ± 4 V
21RF AP/CH
25" AP/CH,
25RF AP/CH
29SF AP
29RF (CH)
34SF(AP)
+155 V ± 4 V
21RF Ph/ 21RF Ph RCF/
24WS BLD
24WSRF EU
28WS BLD
28WSRF
29RF (Eu)
32WS BLS
32WSRF
+160 V ± 4 V
0V Ref.
CL 06532130_014.eps
131000
VCUTOFF [VDC]
max.
S
OP 1 XX X
OP 2 XX X
OP 3 XX X
OP 4 XX X
OP 5 XX X
OP 6 XX X
OP 7 XX X
OP 8 XX X
CL 36532039_011.eps
250403

Alignments EN 57L01.1A AC 8.
Table 8-2 Options code setting IF-PLL
This adjustment is auto-aligned. Therefore, no action is
required.
AGC (AGC take over point)
1. Connect the RF output of a video pattern generator to the
antenna input.
2. Input a color bar test pattern to the television set.
3. Set the amplitude of the video pattern generator to 10 mV
and set the frequency to 475.25 MHz (PAL/SECAM) or
61.25 MHz (NTSC).
4. Connect a DC multimeter to pin 1 of the tuner (item 1000
on the main chassis).
5. To enter SDAM, press the following key sequence on the
remote control transmitter: 0 6 2 5 9 6 directly followed by
the MENU button (do not allow the display to time out
between entries while keying the sequence).
6. Use the MENU UP/DOWN keys to highlight the TUNER
sub menu.
7. Press the MENU LEFT/RIGHT keys to enter the TUNER
sub menu.
8. Use the MENU UP/DOWN keys to select AGC.
9. Use the MENU LEFT/RIGHT keys to adjust the AGC value
(default value is 27) until the DC-voltage at pin 1 of the
tuner lies between 3.8 V and 2.3 V.
10. Press the MENU button to return to the top level SDAM
menu.
11. To ensure the AGC change takes effect:
– Turn the television set 'off' by using the 'POWER'
button on the remote control transmitter or the local
keyboard.
– Disconnect the television set from AC power for at
least ten seconds.
– Reconnect the television set to AC power.
– Turn the television set 'on' by using the 'POWER'
button on the remote control transmitter or the local
keyboard.
SL (Slicing Level)
This adjustment sets the sync slicing level for non-standard
signals. You must turn it 'on' to have no picture instability in
premium decoded cable channels.
• OFF: slicing level dependent on noise level.
• ON: fixed slicing level of 70 %.
To adjust SL:
1. To enter SDAM, press the following key sequence on the
remote control transmitter: 0 6 2 5 9 6 directly followed by
the MENU button (do not allow the display to time out
between entries while keying the sequence).
2. Use the MENU UP/DOWN keys to highlight the TUNER
sub menu.
3. Press the MENU LEFT/RIGHT keys to enter the TUNER
sub menu.
4. Use the MENU UP/DOWN keys to select SL.
5. Use the MENU LEFT/RIGHT keys to toggle SL 'Off' and
'On'.
6. Press the MENU button to return to the top level SDAM
menu.
7. To ensure the SL setting is saved:
– Turn the television set 'off' by using the 'POWER'
button on the remote control transmitter or the local
keyboard.
– Disconnect the television set from AC power for at
least ten seconds.
– Reconnect the television set to AC power.
– Turn the television set 'on' by using the 'POWER'
button on the remote control transmitter or the local
keyboard.
Typenumber OP1 OP2 OP3 OP4 OP5 OP6 OP7 OP8
21PT1323/56R 0 23 65 0 192 144 12 4
21PT1323/67R 0 23 65 0 192 144 11 16
21PT1323/69R 0 23 65 0 192 144 11 1
21PT1323/71R 0 23 65 0 64 144 0 2
21PT1323/79R 0 23 65 0 192 144 11 1
21PT1324/93R 0 23 65 0 192 144 10 1
21PT1325/93R 1 23 65 0 192 144 10 1
21PT3123/93R 1 215 65 1 236 145 92 1
21PT3223/67R 0 215 65 1 228 145 28 16
21PT3323/56R 0 215 65 1 236 145 28 4
21PT3323/67R 0 215 65 1 236 145 28 16
21PT3323/69R 0 215 65 1 236 145 28 1
21PT3323/71R 0 215 65 33 108 145 16 2
21PT3323/79R 0 215 65 1 236 145 28 1
21PT4223/67R 0 215 65 170 236 145 92 16
21PT4223/69R 0 215 65 170 236 145 92 1
21PT4323/56R 0 215 81 170 252 145 92 4
21PT4323/67R 0 215 81 170 252 145 92 16
21PT4323/69R 0 215 81 170 252 145 92 1
21PT4323/71R 0 215 81 162 124 145 80 34
21PT4323/79R 0 215 81 170 252 145 92 1
25PT3123/93R 1 215 193 1 228 145 28 1
25PT3323/56R 0 215 193 1 236 145 28 4
25PT3323/67R 0 215 193 1 236 145 28 16
25PT3323/69R 0 215 193 1 236 145 28 1
25PT3523/93R 1 215 193 170 236 145 92 1
25PT4323/56R 0 215 209 170 236 145 92 4
25PT4323/67R 0 215 193 170 236 145 92 16
25PT4323/69R 0 215 209 170 236 145 92 1
25PT4323/71R 0 215 209 162 108 145 80 34
25PT4323/79R 0 215 209 170 236 145 92 1
29PT3123/93R 1 215 193 1 228 145 28 1
29PT3133/93R 1 215 193 1 228 145 12 1
29PT3223/56R 0 215 193 1 236 145 28 4
29PT3223/67R 0 215 193 1 236 145 28 16
29PT3223/69R 0 215 193 1 236 145 28 1
29PT3223/79R 0 215 193 1 236 145 28 1
29PT3323/56R 0 215 193 170 236 145 28 4
29PT3323/67R 0 215 193 9 236 145 28 16
29PT3323/69R 0 215 193 170 236 145 28 1
29PT3323/71R 0 215 193 162 108 145 16 34
29PT3323/79R 0 215 193 170 236 145 28 1
29PT3523/93R 1 215 193 170 252 145 92 1
29PT3533/93R 1 215 193 170 252 145 92 1
29PT4323/56R 0 215 209 170 252 145 92 4
29PT4323/67R 0 215 209 170 252 145 92 16
29PT4323/69R 0 215 209 170 252 145 92 1
29PT4323/71R 0 215 209 162 124 145 80 34
29PT4323/79R 0 223 209 170 252 145 92 1
29PT4520/93R 1 215 193 1 228 145 12 1
34PT4323/56R 0 223 209 170 252 145 92 4
34PT4323/67R 0 223 209 42 252 145 92 16
34PT4323/69R 0 223 209 170 252 145 92 1
34PT4323/71R 0 223 209 162 124 145 80 2
34PT4323/93R 1 223 209 170 252 145 92 1
34PT4523/93R 1 223 209 170 252 145 92 1

Alignments
EN 58 L01.1A AC8.
8.3.3 White Tone
Figure 8-4 White tone alignment menu
The values of the 'black cut off level' can be adjusted in the
'WHITE TONE' sub menu.
Normally, no alignment is needed for 'WHITE TONE', and the
given default values are used.
Default settings:
NORMAL (color temperature = 9600 K):
– NORMAL RED = 40
– NORMAL GREEN = 40
– NORMAL BLUE = 40
To adjust NORMAL RED, NORMAL GREEN, and NORMAL
BLUE:
1. To enter SDAM, press the following key sequence on the
remote control transmitter: 0 6 2 5 9 6 directly followed by
the MENU button (do not allow the display to time out
between entries while keying the sequence).
2. Use the MENU UP/DOWN keys to highlight the WHITE
TONE sub menu.
3. Press the MENU LEFT/RIGHT keys to enter the WHITE
TONE sub menu.
4. Use the MENU UP/DOWN keys to select NORMAL RED,
NORMAL GREEN, or NORMAL BLUE.
5. Use the MENU LEFT/RIGHT keys to adjust the value of
NORMAL RED, NORMAL GREEN, or NORMAL BLUE.
6. When all desired changes to the WHITE TONE sub menu
values are made, press the MENU button to return to the
top level SDAM menu.
7. To ensure the WHITE TONE settings are saved:
– Turn the television set 'off' by using the 'POWER'
button on the remote control transmitter or the local
keyboard.
– Disconnect the television set from AC power for at
least ten seconds.
– Reconnect the television set to AC power.
– Turn the television set 'on' by using the 'POWER'
button on the remote control transmitter or the local
keyboard.
–?
8.3.4 Geometry
The geometry alignments menu contains several items for
correct picture geometry alignment.
1. Connect the RF output of a video pattern generator to the
antenna input.
2. Input a crosshatch test pattern to the television set.
3. Set the amplitude of the video pattern generator to at least
1 mV and set the frequency to 475.25 MHz (PAL/SECAM)
or 61.25 MHz (NTSC).
4. Press the AUTO PICTURE button on the remote control
transmitter repeatedly to choose PERSONAL or MOVIES
picture mode.
5. To enter SDAM, press the following key sequence on the
remote control transmitter: 0 6 2 5 9 6 directly followed by
the MENU button (do not allow the display to time out
between entries while keying the sequence).
6. Use the MENU UP/DOWN keys to highlight the
GEOMETRY sub menu.
7. Press the MENU LEFT/RIGHT keys to enter the
GEOMETRY sub menu.
8. Use the MENU UP/DOWN keys to highlight either the
HORIZONTAL sub menu or the VERTICAL sub menu.
9. Press the MENU LEFT/RIGHT keys to enter either the
HORIZONTAL sub menu or the VERTICAL sub menu.
10. Use the MENU UP/DOWN keys to select items in the
HORIZONTAL sub menu or the VERTICAL sub menu.
11. Use the MENU LEFT/RIGHT keys to adjust the values of
items in the HORIZONTAL and VERTICAL sub menus.
12. When all desired changes to the HORIZONTAL and
VERTICAL sub menu values are made, press the MENU
button twice to return to the top level SDAM menu.
13. To ensure the GEOMETRY settings are saved:
– Turn the television set 'off' by using the 'POWER'
button on the remote control transmitter or the local
keyboard.
– Disconnect the television set from AC power for at
least ten seconds.
– Reconnect the television set to AC power.
– Turn the television set 'on' by using the 'POWER'
button on the remote control transmitter or the local
keyboard.
Figure 8-5 Geometry alignments
NORMAL BLUE XX
NORMAL GREEN XX
S
NORMAL RED XX
CL 26532046_005.eps
040402
CL 16532044_022.eps
140501
1
2
3
4
5
6
7
8
9
10
11
12
VERT. SLOPE
VERT. SHIFT
VERT. AMPLITUDE
V.S-CORRECTION
HOR. SHIFT
HOR. AMPLITUDE
E/W PARABOLE
UPPER E/W CORNER
LOWER E/W CORNER
E/W TRAPEZIUM
HOR. PARALLELOGRAM
HOR. BOW

Alignments EN 59L01.1A AC 8.
The following alignments can be performed in the GEOMETRY
sub menu:
Horizontal Amplitude and Phase:
Figure 8-6 Horizontal alignment menu
•Horizontal Shift (HSH). Select Horizontal Shift to canter
the picture on the screen.
•Horizontal Parallelogram (HP). Set Horizontal
Parallelogram to prevent the picture from slanting to one
side.
•Horizontal Bow (HB). Set Horizontal Bow to prevent the
top and bottom of picture from bending to the sides.
•East West Width (EWW). Select East-West Width and
align the picture width until the complete test pattern is
visible.
•East West Parabola (EWP). Select East-West Parabola
and align the vertical sides until the sides are straightened.
•Upper Corner Parabola (UCP). Select Upper Corner
Parabola to straighten the top of the vertical lines at the
sides.
•Lower Corner Parabola (LCP). Select Lower Corner
Parabola to straighten the bottom of the vertical lines at the
sides.
•East West Trapezium (EWT). Align straight vertical lines
in the middle of the screen.
Vertical Amplitude and Position:
Figure 8-7 Horizontal alignment menu
•Vertical Amplitude (VAM). Aligns the height of the picture
(other vertical alignments are NOT compensated).
•Vertical slope (VSL). Aligns the picture so the proportions
are the same at the top and botton of the screen.This
alignment must be performed first, before all other vertical
alignments. Turning SBL 'on' will assist in performing this
alignment.
•Service blanking (SBL). Turns the blanking of the lower
half of the screen 'on' or 'off' (to be used in combination with
the vertical slope alignment).
•Vertical S-Correction (VSC). Aligns the vertical linearity,
so that the vertical intervals of the grid-patterns are the
same over the entire height of the screen.
•Vertical Shift (VSH). Aligns the vertical center of the
picture to the vertical center of the CRT. After performing
this alignment, it may be necessary to perform the VAM
alignment again.
•Vertical Zoom (VX). Adjusts the picture height.
•Delta Horizontal Shift 60 Hz (H60).
•Delta Vertical Amplitude 60 Hz (V60).
Methods of adjustment
1. Select Service Blanking (SBL) and set it to 1. The lower half
of the picture will be blanked.
2. Press the MENU UP/DOWN buttons to select Vertical
Slope (VSL).
3. Align VSL to start the blanking exactly at the horizontal
white line at the canter of the test circle (align the bottom of
the screen so that castellations just disappear).
4. Press the MENU UP/DOWN buttons to select SBL and set
it back to 0. The full picture reappears.
5. Select Vertical Amplitude (VAM) and align the picture
height to approximately 13.0 - 13.1 blocks (align the top of
the screen so that castellations just disappear).
6. Select Vertical Shift (VSH) and align for vertical centering
of the picture on the screen.
Repeat the last two steps if necessary.
The table below lists the default GEOMETRY values for the
different television sets.
Table 8-3 Default geometry values
HP XX
HB XX
HSH XX
EWW XX
EWP XX
OCP XX
LCP XX
EWT XX
S
HOR IZONTAL >
VERTICAL >
CL 26532046_006.eps
040402
VSL XX
VAM XX
VSC XX
VSR XX
VX XX
SBL XX
CL 26532046_007.eps
040402
S
HOR IZONTAL >
VERTICAL >
Parameter
20RF, 21RF, 25RF, 27RF, 29RF,
25", 28", 29"SF, 32V, 33"
25V
27V/29"
35V
28WS
32WS
28WSRF
32WSRF
HP
Hor. Parallelogram
31 31 31 45 47 32 36 45
HB
Hor. Bow
31 31 31 25 32 32 40 30
HSH
Hor. Shift
35 35 35 23 27 24 31 29
EWW
East-West Width
34 - - 45 36 39 40 33
EWP
East-West Parabola
33 - - 23 21 21 37 16
UCP
Upper Corner Parabola
35 - - 25 26 23 14 16
LCP
Lower Corner Parabola
35 - - 31 30 30 25 23
EWT
East-West Trapezium
35 - - 24 28 26 18 27
VSL
Vertical Slope
33 25 25 19 42 35 31 25
VAM
Vertical Amplitude
26 32 32 31 30 23 23 30
VSC
Vertical S-Correction
23 23 23 27 24 24 12 20
VSH
Vertical Shift
31 28 28 26 18 23 36 34

Alignments
EN 60 L01.1A AC8.
8.3.5 Audio
Figure 8-8 Audio alignment menu
No alignments are necessary for the AUDIO sub menu. Use
the default values.
AF-M (NICAM threshold)
Default value is 300.
To adjust AF-M:
1. To enter SDAM, press the following key sequence on the
remote control transmitter: 0 6 2 5 9 6 directly followed by
the MENU button (do not allow the display to time out
between entries while keying the sequence).
2. Use the MENU UP/DOWN keys to highlight the AUDIO sub
menu.
3. Press the MENU LEFT/RIGHT keys to enter the AUDIO
sub menu.
4. Use the MENU UP/DOWN keys to select AF-M.
5. Use the MENU LEFT/RIGHT keys to adjust the value of
AF-M to 300.
6. Press the MENU button to return to the top level SDAM
menu.
7. To ensure the AF-M setting is saved:
– Turn the television set 'off' by using the 'POWER'
button on the remote control transmitter or the local
keyboard.
– Disconnect the television set from AC power for at
least ten seconds.
– Reconnect the television set to AC power.
– Turn the television set 'on' by using the 'POWER'
button on the remote control transmitter or the local
keyboard.
A2T (TV A2 Threshold)
Default value is 250.
To adjust A2T:
1. To enter SDAM, press the following key sequence on the
remote control transmitter: 0 6 2 5 9 6 directly followed by
the MENU button (do not allow the display to time out
between entries while keying the sequence).
2. Use the MENU UP/DOWN keys to highlight the AUDIO sub
menu.
3. Press the MENU LEFT/RIGHT keys to enter the AUDIO
sub menu.
4. Use the MENU UP/DOWN keys to select A2T.
5. Use the MENU LEFT/RIGHT keys to adjust the value of
A2T to 250.
6. Press the MENU button to return to the top level SDAM
menu.
7. To ensure the A2T setting is saved:
– Turn the television set 'off' by using the 'POWER'
button on the remote control transmitter or the local
keyboard.
– Disconnect the television set from AC power for at
least ten seconds.
– Reconnect the television set to AC power.
– Turn the television set 'on' by using the 'POWER'
button on the remote control transmitter or the local
keyboard
VX
Vertical Zoom
25 - - 25 25 25 25 25
H60
Horizontal Shift Offset
(NTSC)
9 9999999
V60
Vertical Shift Offset
(NTSC)
-2 -2 -2 -2 -2 -2 -2 -2
Parameter
20RF, 21RF, 25RF, 27RF, 29RF,
25", 28", 29"SF, 32V, 33"
25V
27V/29"
35V
28WS
32WS
28WSRF
32WSRF
S
AF-M XX
A2T XX
CL 26532046_008.eps
040402

Circuit Description EN 61L01.1A AC 9.
9. Circuit Description
Index of this chapter:
1. Introduction
2. Audio Signal Processing
3. Video Signal Processing
4. Synchronization
5. Deflection
6. Power Supply
7. Control
8. Abbreviations
9. IC Data Sheets
Notes:
• For a good understanding of the following circuit
descriptions, please use the block diagram in section
'Wiring Diagram, Block Diagrams, and Overviews' and/or
the electrical diagrams in section 'Circuit Diagrams and
PWB Layouts'. Where necessary, you will find a separate
drawing for clarification.
• Figures below can deviate slightly from the actual situation,
due to different set executions.
9.1 Introduction
The 'L01.1A AC' chassis is a global TV chassis for the model
year 2003 and is used for TV sets with screen sizes from 20" to
36", in Super Flat, Real Flat, and Wide Screen executions. In
comparison to its predecessor (the 'L01.1A AB'), the chassis
has enhanced features like 'Virtual Dolby', and 'Active Control',
presented in a new 'Smartline' styling.
The standard architecture consists of a Main panel, a Picture
Tube panel, a Side I/O panel, and a Top Control panel.
The Main panel consists primarily of conventional components
with hardly any surface mounted devices.
Figure 9-1 Block diagram
The functions for video processing, microprocessor (P), and
teletext (TXT) decoder are combined in one IC (TDA958xH),
the so-called Ultimate One Chip (UOC). This chip is (surface)
mounted on the copper side of the LSP.
The 'L01.1L AC' is divided into 2 basic audio systems, i.e. mono
and stereo sound. While the audio processing for the mono
sound is done in the audio block of the UOC, an external audio
processing IC is used for stereo sets.
The tuning system features 181 channels with on-screen
display. The main tuning system uses a tuner, a
microcomputer, and a memory IC mounted on the main panel.
The microcomputer communicates with the memory IC, the
customer keyboard, remote receiver, tuner, signal processor IC
and the audio output IC via the I2C bus. The memory IC retains
the settings for favorite stations, customer-preferred settings,
and service / factory data.
The on-screen graphics, teletext and closed caption decoding
are done within the microprocessor, and then sent to the signal
processor IC to be added to the main signal.
The chassis utilizes a Switching Mode Power Supply (SMPS)
for the main voltage source. The chassis has a 'hot' ground
reference on the primary side and a cold ground reference on
the secondary side of the power supply and the rest of the
chassis.
9.2 Audio Signal Processing
9.2.1 Stereo
In stereo sets, the signal goes via the SAW filter (position 1002/
1003), to the audio demodulator part of the UOC IC 7200. The
audio output on pin 33 goes to the stereo decoder 7831/ 7861.
The switch inside this IC selects either the internal decoder or
an external source (see also block diagram above).
The built-in stereo decoder item 7831 (MSP34X5) can receive
2CS, NICAM and BTSC stereo signals.
The output is fed to the to the audio amplifier (AN7522 at
position 7901). The volume level is controlled at this IC (pin 9)
by a 'Volume|Mute' control line from the microprocessor. The
audio signal from 7901 is then send to the speaker and
headphone output panel.
9.2.2 Mono
In mono sets, the signal goes via the SAW filter (position 1002/
1003), to the audio demodulator part of the UOC IC 7200. The
audio output on pin 48 goes to the audio amplifier (AN7523 at
position 7902).
The volume level is controlled at this IC (pin 9) by a
'Volume|Mute' control line from the microprocessor.
The audio signal from IC 7902 is then send to the speaker and
headphone output panel.
Figure 9-2 Mono audio signal processing
TUNER
VBAT
AUDI O
12V
3.9V
3.3V
FM IF
BUFFER
NOT FOR
NAFTA
VIDEO SOURCE
SELECTION
RF ANT.
FM ANT.
EXT. AUDIO
INPUT 7801
AUDIO SOURCE SELECTION
CONTROL
EXT. AUDIO OUT
7861
7831
7834
7835
7209
7210 7901
10
1000
0265
11
1
11
AGC
1200 : 1202
18
19
38
INT_CVBS
EXT_CVBS
40
42
16 17 15 30
68
I2C
50:53 EXT RGB/YUV INPUT
56:58
7330
EHT
7460
H
EW
V+
V-
7471
7602
7200
POWER
SUPPLY
CL 16532016_01a.eps
120303
AUDI O
AMPL.
SAW
FILTER
SOUND
IF
DEMOD.
AUDIO DECODING
AND
PROCESSING
SELECTION
MATR. SWITCH
VISION
IF
DEMOD.
NVM
VIDEO
AMPL.
HOR.
DEFL.
+
EW
VERT.
DEFL.
µP
VIDEO
PROCESSING
RGB/YUV
PROCESSING
SYNC
PROCESSING
SOUND
TRAP
VIDEO
SWITCH
EXT. VIDEO
INPUT 7802
TUNER
RF ANT.
EXT. AUDIO
OUTPUT
EXT. AUDIO
INPUT
7902
10
1000
11
1
11
AGC
18
19 68
7602
AUDIO SWITCH
7200
AVL
FM PRE
AMP.
NOT FOR
NAFTA
AUDIO
AMPL.
SMART
SND
SAW
FILTER
SOUND
IF
DEMOD.
VISION
IF
DEMOD.
NVM
µP
CL 16532016_01b.eps
120401
FM ANT.
0265

Circuit Description
EN 62 L01.1A AC9.
9.3 Video Signal Processing
9.3.1 Introduction
The video signal-processing path consists of the following
parts:
• RF signal processing.
• Video source selection.
• Video demodulation.
• Luminance / Chrominance signal processing.
• RGB control.
• RGB amplifier
The processing circuits listed above are all integrated in the
UOC TV processor. The surrounding components are for the
adaptation of the selected application. The I2C bus is for
defining and controlling the signals.
9.3.2 RF Signal Processing
The incoming RF signal goes to the tuner (pos. 1000), where
the IF signal is developed and amplified. The IF signals then
exits the tuner from pin 11 to pass through the SAW filter (pos.
1002/1003). The shaped signal is then applied to the IF
processor part of the UOC (pos. 7200).
Tuner AGC (Automatic Gain Control) will reduce the tuner gain
and thus the tuner output voltage when receiving strong RF
signals. Adjust the AGC takeover point via the Service Default
Alignment Mode (SDAM). The tuner AGC starts working when
the video-IF input reaches a certain input level and will adjust
this level via the I2C bus. The tuner AGC signal goes to the
tuner (pin 1) via the open collector output (pin 22) of the UOC.
The IC also generates an Automatic Frequency Control (AFC)
signal that goes to the tuning system via the I2C bus, to provide
frequency correction when needed.
The demodulated composite video signal is available at pin 38
and then buffered by transistor 7201.
9.3.3 Video Source Selection
The Composite Video Blanking Signal (CVBS) from buffer
7201 goes to the audio carrier trap filters 1200, 1201, or 1202
(depending on the system used), to remove the audio signal.
The signal then goes to pin 40 of IC 7200. The internal input
switch selects the following input signals:
• Pin 40: terrestrial CVBS input
• Pin 42: external AV1 CVBS input
• Pin 44: external Side I/O CVBS or Y input
• Pin 45: external AV2 or chrominance C input
Figure 9-3 Video source selection
Once the signal source is selected, a chroma filter calibration is
performed. The received color burst sub-carrier frequency is
used for this. Correspondingly, the chroma band pass filter for
PAL/NTSC processing or the cloche filter for SECAM
processing is switched on. The selected luminance (Y) signal
is supplied to the horizontal and vertical synchronization circuit
and to the luminance processing circuit. In the luminance-
processing block, the luminance signal goes to the chroma trap
filter. This trap is switched 'on' or 'off' depending on the color
burst detection of the chroma calibration circuit.
The group delay correction part can be switched between the
BG and a flat group delay characteristic. This has the
advantage that in multi-standard receivers no compromise has
to be made for the choice of the SAW filter.
9.3.4 Video Demodulation
The color decoder circuit detects whether the signal is a PAL,
NTSC, or SECAM signal. The result is made known to the auto
system manager. The PAL/NTSC decoder has an internal
clock generator, which is stabilized to the required frequency
by using the 12 MHz clock signal from the reference oscillator
of the microcontroller / teletext decoder.
The base-band delay line is used to obtain a good suppression
of cross color effects.
The Y signal and the delay line outputs U and V are applied to
the luminance / chroma signal processing part of the TV
processor.
9.3.5 Luminance / Chrominance signal Processing
The output of the YUV separator is fed to the internal YUV
switch, which switches between the output of the YUV
separator or the external YUV (for DVD or PIP) on pins 51-53.
Pin 50 is the input for the insertion control signal called 'FBL-1'.
When this signal level becomes higher than 0.9 V (but less than
3 V), the RGB signals at pins 51, 52, and 53 are inserted into
the picture by using the internal switches.
Also, some picture improvement features are implemented in
this part:
•Black stretch. This function corrects the black level of
incoming signals, which have a difference between the
black level and the blanking level. The amount of extension
depends upon the difference between actual black level
and the darkest part of the incoming video signal level. It is
detected by means of an internal capacitor.
•White stretch. This function adapts the transfer
characteristic of the luminance amplifier in a non-linear way
depending on the average picture content of the luminance
signal. It operates in such a way that maximum stretching
is obtained when signals with a low video level are
received. For bright pictures, stretching is not active.
•Dynamic skin tone correction. This circuit corrects
(instantaneously and locally) the hue of those colors, which
are located in the area in the UV plane that matches the
skin tone. The correction is dependent on the luminance,
saturation, and distance to the preferred axis.
The YUV signal is then fed to the color matrix circuit, which
converts it to R, G, and B signals.
The OSD/TXT signal from the microprocessor is mixed with the
main signal at this point, before being output to the CRT board
(pins 56, 57, and 58).
9.3.6 RGB Control
The RGB control circuit enables the picture parameters
contrast, brightness, and saturation to be adjusted, by using a
combination of the user menus and the remote control.
Additionally automatic gain control for the RGB signals via cut-
off stabilization is achieved in this functional block to obtain an
accurate biasing of the picture tube. Therefore, this block
inserts the cut-off point measuring pulses into the RGB signals
during the vertical retrace period.
FRONTAUDIOIN
AV1AUDIOIN
7802
7901
47
30,31
7831
CL36532039_010.eps
250403
RGB/YUV
INSERT
RGB
56˜58
VIDEO
PROC.
AUDIO
AMPL.
42
7200
V-OUT
L/ROUT
UOC
µP
CRT
PANEL
MON.OUT
MAIN_OUT
24,25
SOUND
DEC
44
C-IN45
SY_CVBS_IN
9
70
SEL-MAIN-FRNT-RR
QSS_AM_DEM_OUT
40
AV1_CVBS1_1
51˜53
RGB/YUV_IN
CVBS_FRONT_IN
0225-B
AV2CVBS_IN
SVHS
Y_IN
C_IN
INTERNAL_CVBS_IN
41,42
SC1-IN
39,40
SC2-IN
47

Circuit Description EN 63L01.1A AC 9.
The following additional controls are used:
•Black current calibration loop. Because of the 2-point
black current stabilization circuit, both the black level and
the amplitude of the RGB output signals depend on the
drive characteristics of the picture tube. The system checks
whether the returning measuring currents meet the
requirements, and adapt the output level and gain of the
circuit when necessary. After stabilization of the loop, the
RGB drive signals are switched on. The 2-point black level
system adapts the drive voltage for each cathode in such a
way that the two measuring currents have the right value.
This is done with the measurement pulses during the frame
flyback. During the first frame, three pulses with a current
of 8 µA are generated to adjust the cut off voltage. During
the second frame, three pulses with a current of 20 µA are
generated to adjust the 'white drive'. This has as a
consequence, that a change in the gain of the output stage
will be compensated by a gain change of the RGB control
circuit. Pin 55 (BLKIN) of the UOC is used as the feedback
input from the CRT base panel.
•Blue stretch. This function increases the color
temperature of the bright scenes (amplitudes which
exceed a value of 80% of the nominal amplitude). This
effect is obtained by decreasing the small signal gain of the
red and green channel signals, which exceed this 80%
level.
•Beam current limiting. A beam current limiting circuit
inside the UOC handles the contrast and brightness control
for the RGB signals. This prevents the CRT from being
overdriven, which could otherwise cause serious damage
in the line output stage. The reference used for this
purpose is the DC voltage on pin 54 (BLCIN) of the TV
processor. Contrast and brightness reduction of the RGB
output signals is therefore proportional to the voltage
present on this pin. Contrast reduction starts when the
voltage on pin 54 is lower than 2.8 V. Brightness reduction
starts when the voltage on pin 54 is less than 1.7 V. The
voltage on pin 54 is normally 3.3 V (limiter not active).
During set switch-off, the black current control circuit
generates a fixed beam current of 1 mA. This current
ensures that the picture tube capacitance is discharged.
During the switch-off period, the vertical deflection is
placed in an over-scan position, so that the discharge is not
visible on the screen.
9.3.7 RGB Amplifier
From outputs 56, 57, and 58 of IC 7200 the RGB signals are
applied to the integrated output amplifier (7330) on the CRT
panel. Via the outputs 7, 8, and 9, the picture tube cathodes are
driven.
The supply voltage for the amplifier is +200 V and is derived
from the line output stage.
9.3.8 Eco Scavem (diagram B2 if present)
The SCAn VElocity Modulation (Scavem) circuitry is
implemented in the layout of the picture tube panel. It is thus
not an extra module. This circuit influences the horizontal
deflection as a function of the picture content. In an ideal
square wave, the sides are limited in slope due to a limited
bandwidth (5 MHz). Scavem will improve the slope as follows:
•At a positive slope, a Scavem current is generated which
supports the deflection current. At the first half of the slope,
the spot is accelerated and the picture is darker. At the
second half of the slope, the spot is delayed and the slope
becomes steeper.
•At the end of the slope, the Scavem-current decays to
zero and the spot is at the original position. An overshoot
occurs which improves the impression of sharpness.
•At the negative slope, the Scavem-current counteracts
the deflection. During the first half of the slope, the spot is
delayed and the slope becomes steeper. During the
second half the spot accelerates, the Scavem-current is
zero at the end of the slope.
The RGB signals are fed into the Scavem circuit and
differentiated by C2364/2365/2366 and the input impedance of
the TS7360 stage. Diode D6364 (Schottky diode) is the coring
component, which blocks all the signals below 0.3 V so that the
noise is not amplified and all the signals larger than 0.3 V are
differentiated and amplified.
After differentiation, the signal is amplified by TS7360 with
R3369 as the collector resistor. The biasing of the TS7360
stage is done by R3369, R3361, R3360, R3362, and R3363.
Items D6367, C2367, R3367, R3361, and C2360 work as the
clipping components that limit the Scavem current at a certain
level, to prevent Scavem over-correction.
After being buffered by TS7369, the differentiated signals are
coupled through C2375 and C2380 to the output stage. The
output stage is configured into cascode stage and push-pull
operation. The biasing is done by R3373, R3375, R3376,
R3380, R3381, R3383, R3374, and R3384. The working
voltage of the transistors is settled at half the supply voltage.
At the rising portion of the RGB signals, cascode TS7380 and
TS7382 will be operating and will pull the current through the
Scavem coil. Contrarily, at the falling portion of the RGB
signals, cascode TS7373 and TS7366 will be operating and will
push the current through the Scavem coil.
The capacitors C2362, C2373, and C2381 ground the high
frequencies, to prevent high frequency amplification. The ferrite
bead L5376 is for EMC purpose. Resistors R3374 and R3384
determine the output Scavem current.
Items C2378 and R3378 are for the fine-tuning for different
Scavem coil impedances. They also help to suppress high
frequency oscillation. Capacitor C2369 helps to suppress the
high frequency components and controls the Scavem delay.
9.4 Synchronization
Inside IC 7200 part D, the vertical and horizontal sync pulses
are separated. These 'H' and 'V' signals are synchronized with
the incoming CVBS signal. They are then fed to the H- and V-
drive circuits and to the OSD/TXT circuit for synchronization of
the On Screen Display and Teletext (CC) information.
9.5 Deflection
Please use the diagrams in chapter 6 and/or 7 for elucidation
of the descriptions below.
9.5.1 Horizontal Drive
The horizontal drive signal is obtained from an internal VCO,
which is running at twice the line frequency. This frequency is
divided by two, to lock the first control loop to the incoming
signal.
When the IC is switched 'on', the 'Hdrive' signal is suppressed
until the frequency is correct.
The 'Hdrive' signal is available at pin 30. The 'Hflybk' signal is
fed to pin 31 to phase lock the horizontal oscillator, so that
TS7462 cannot switch 'on' during the flyback time.
The 'EWdrive' signal for the E/W circuit (if present) is available
on pin 15, where it drives transistor TS7400 to make linearity
corrections in the horizontal drive.
When the set is switched on, the '+8V' voltage goes to pin 9 of
IC7200. The horizontal drive starts up in a soft start mode. It
starts with a very short T_on time of the horizontal output
transistor. The T_off of the transistor is identical to the time in
normal operation. The starting frequency during switch on is
therefore about 2 times higher than the normal value. The 'on'
time is slowly increased to the nominal value in 1175 ms. When

Circuit Description
EN 64 L01.1A AC9.
the nominal value is reached, the PLL is closed in such a way
that only very small phase corrections are necessary.
The 'EHTinformation' line on pin 11 is intended to be used as a
'X-ray' protection. When this protection is activated (when the
voltage exceeds 6 V), the horizontal drive (pin 30) is switched
'off' immediately. If the 'H-drive' is stopped, pin 11 will become
low again. Now the horizontal drive is again switched on via the
slow start procedure.
The 'EHTinformation' line (Aquadag) is also fed back to the
UOC IC 7200 pin 54, to adjust the picture level in order to
compensate for changes in the beam current.
The filament voltage is monitored for 'no' or 'excessive' voltage.
This voltage is rectified by diode 6447 and fed to the emitter of
transistor 7443. If this voltage goes above 6.8 V, transistor
7443 will conduct, making the 'EHT0' line 'high'. This will
immediately switch off the horizontal drive (pin 30) via the slow
stop procedure.
The horizontal drive signal exits IC7200 at pin 30 and goes to
TS7462, the horizontal driver transistor. The signal is amplified
and coupled to the base circuit of TS7460, the horizontal output
transistor. This will drive the line output transformer (LOT)
L5445 and the associated circuit. The LOT provides the extra
high voltage (EHT), the VG2 voltage and the focus and filament
voltages for the CRT, while the line output circuit drives the
horizontal deflection coil.
9.5.2 Vertical Drive
A divider circuit performs the vertical synchronization. The
vertical ramp generator needs an external resistor (R3245, pin
20) and capacitor (C2244, pin 21). A differential output is
available at pins 16 and 17, which are DC-coupled with the
vertical output stage.
During the insertion of RGB signals, the maximum vertical
frequency is increased to 72 Hz so that the circuit can also
synchronize on signals with a higher vertical frequency like
VGA.
To avoid damage of the picture tube when the vertical
deflection fails, the guard output is fed to the beam current
limiting input. When a failure is detected, the RGB-outputs are
blanked. When no vertical deflection output stage is connected,
this guard circuit will also blank the output signals.
These 'V_DRIVE+' and 'V_DRIVE-' signals are applied to the
input pins 1 and 2 of IC 7471 (full bridge vertical deflection
amplifier). These are voltage driven differential inputs. As the
driver device (IC 7200) delivers output currents, R3474 and
R3475 convert them to voltage. The differential input voltage is
compared with the voltage across measuring resistor R3471
that provides internal feedback information. The voltage across
this measuring resistor is proportional to the output current,
which is available at pins 4 and 7 where they drive the vertical
deflection coil (connector 0222) in phase opposition.
IC 7471 is supplied by +13 V. The vertical flyback voltage is
determined by an external supply voltage at pin 6
(VlotAux+50V). This voltage is almost totally available as
flyback voltage across the coil, this being possible due to the
absence of a coupling capacitor (which is not necessary, due
to the 'bridge' configuration).
9.5.3 Deflection Corrections (see diagram A2)
The Linearity Correction
A constant voltage on the horizontal (or line) deflection coil
should result in a sawtooth current. This however is not the
case as the resistance of the coil is not negligible. In order to
compensate for this resistance, a pre-magnetized coil L5457 is
used. R3485 and C2459 ensure that L5457 does not excite,
because of its own parasite capacitance. This L5457 is called
the 'linearity coil'.
The Mannheim Effect
When clear white lines are displayed, the high-voltage circuit is
heavily loaded. During the first half of the flyback, the high
voltage capacitors are considerable charged. At that point in
time, the deflection coil excites through C2465. This current
peak, through the high-voltage capacitor, distorts the flyback
pulse. This causes synchronization errors, causing an
oscillation under the white line.
During the second half of the flyback, C2490//2458 is charged
via R3459. At the moment of the flyback, C2490//2458 is
subjected to the negative voltage pulses of the parabola
because of which D6465 and D6466 are conducting and
C2490//2458 is switched in parallel with C2456//2457. The
high-voltage diodes are conducting this moment. Now extra
energy is available for excitation through C2465 and the line
deflection. Consequently, the flyback pulse is less distorted.
The S-Correction
Since the sides of the picture are further away from the point of
deflection than from the center, a linear sawtooth current would
result in a non-linear image being scanned (the center would
be scanned slower than the sides). For the center-horizontal
line, the difference in relation of the distances is larger then
those for the top and bottom lines. An S-shaped current will
have to be superimposed onto the sawtooth current. This
correction is called finger-length correction or S-correction.
C2456//2457 is relatively small, as a result of which the
sawtooth current will generate a parabolic voltage with
negative voltage peaks. Left and right, the voltage across the
deflection coil decreases, and the deflection will slow down; in
the center, the voltage increases and deflection is faster. The
larger the picture width, the higher the deflection current
through C2456//2457. The current also results in a parabolic
voltage across C2484//2469, resulting in the finger length
correction proportionally increasing with the picture width. The
east/west drive signal will ensure the largest picture width in the
center of the frame. Here the largest correction is applied.
East/West Correction
In this chassis, there are three types of CRTs, namely the 100
deg., 110 deg., and wide screen CRTs. The 100 deg. CRT is
raster-correction-free and does not need East/West correction.
The 110 deg. 4:3 CRT comes with East/West correction and
East/West protection.
The wide screen TV sets have all the corrections of the 110
deg. 4:3 CRT, but also have additional picture formats like the
4:3 format, 16:9, 14:9, 16:9 zoom, subtitle zoom and the Super-
Wide picture format
A line, written at the upper- or lower side of the screen, will be
larger at the screen center when a fixed deflection current is
used. Therefore, the amplitude of the deflection current must
be increased when the spot approaches the center of the
screen. This is called the East/West or pincushion correction.
The 'Ewdrive' signal from pin 15 of IC 7200 takes care for the
correct correction. It drives FET 7400. It also corrects breathing
of the picture, due to beam current variations (the EHT varies
dependent of the beam current). This correction is derived from
the 'EHTinformation' line.
Two protections are built-in for the E/W circuit: over-current and
over-voltage protection. See paragraph 'Protection Events'.
Panorama
The panorama function is only used in 16:9 sets. This is a
function to enable the 4:3 and Super-Wide feature. It drives the
'Bass_panorama' line, to activate relay 1400. When this relay
is switched on, the capacitors 2453 and 2454 are added in
parallel to the default S-correction capacitors 2456 and 2457.
This results in an increased capacitance, a lower resonance
frequency of the line deflection coil and the S-correction
capacitors and therefore a less steep S-corrected line
deflection current.

Circuit Description EN 65L01.1A AC 9.
9.6 Power Supply
Figure 9-4 Switched Mode Power Supply standard circuit
Figure 9-5 Internal block diagram of the driver IC (TEA1507)
9.6.1 Introduction
The supply is a Switching Mode Power Supply (SMPS). The
frequency of operation varies with the circuit load. This 'Quasi-
Resonant Flyback' behavior has some important benefits
compared to a 'hard switching' fixed frequency Flyback
converter. The efficiency can be improved up to 90%, which
results in lower power consumption. Moreover, the supply runs
cooler and safety is enhanced.
The power supply starts operating when a DC voltage goes
from the rectifier bridge via T5520, R3532 to pin 8. The
operating voltage for the driver circuit is also taken from the
'hot' side of this transformer.
The switching regulator IC 7520 starts switching the FET 'on'
and 'off', to control the current flow through the primary winding
of transformer 5520. The energy stored in the primary winding
during the 'on' time is delivered to the secondary windings
during the 'off' time.
The 'MainSupply' line is the reference voltage for the power
supply. It is sampled by resistors 3543 and 3544 and fed to the
input of the regulator 7540 / 6540. This regulator drives the
feedback optocoupler 7515 to set the feedback control voltage
on pin 3 of 7520.
The power supply in the set is 'on' any time AC power goes to
the set.
Derived Voltages
The voltages supplied by the secondary windings of T5520 are:
• 'MainAux' for the audio circuit (voltage depends on set
execution, see table below),
• 3.3 V and 3.9 V for the microprocessor and
• 'MainSupply' for the horizontal output (voltage depends on
set execution, see table below).
Other supply voltages are provided by the LOT. It supplies +50
V (only for large screen sets), +13 V, +8 V, +5 V, and a +200 V
source for the video drive. The secondary voltages of the LOT
are monitored by the 'EHTinformation' lines. These lines are
fed to the video processor part of the UOC IC 7200 on pins 11
and 34.
This circuit will shut 'off' the horizontal drive in case of over-
voltage or excessive beam current.
Figure 9-6 Derived voltages
Degaussing
When the set is switched on, the degaussing relay 1515 is
immediately activated as transistor 7580 is conducting. Due to
the RC-time of R3580 and C2580, it will last about 3 to 4
seconds before transistor 7580 is switched off.
9.6.2 Basic IC Functionality
For a clear understanding of the Quasi-Resonant behavior, it is
possible to explain it by a simplified circuit diagram (see Figure
below). In this circuit diagram, the secondary side is transferred
to the primary side and the transformer is replaced by an
inductance L_p. Capacitor C_d is the total drain capacitance
including the resonance capacitor C_r, parasitic output
capacitor C_oss of the MOSFET and the winding capacitance
C_w of the transformer. The turn ratio of the transformer is
represented by n (N_p/N_s).
Demag4
Ctrl
Gnd
Vcc Drain
HVS
Driver
Sense
3
2
1
5
6
7
8
VLINE
V
TEA1507
IN
CIN
VCC
CD
RSENSE
CSS
RSS
VOUT
NS
NP
NVcc
CL 16532020_074.eps
120401
SUPPLY
MANAGEMENT
internal
supply
UVLO start
M-level
VCC 1
2
3
GND
S1
CTRL
FREQUENCY
CONTROL
VOLTAGE
CONTROLLED
OSCILLATOR
LOGIC
LOGIC
OVER-
VOLTAGE
PROTECTION
OVERPOWER
CL 16532020_073.eps
060701
PROTECTION
short
winding
soft
start
S2
OVER-
TEMPERATURE
PROTECTION
SQ
R
UVLO Q
MAXIMUM
ON-TIME
PROTECTION
POWER-ON
RESET
−1
VALLEY
TEA1507
100 mV
clamp
DRIVER
START-UP
CURRENT SOURCE
0.75 V
0.5 V
5Isense
6DRIVER
4DEM
8DRAIN
7HVS
n.c.
OCP
LEB
blank
Iss
2.5 V
burst
detect
CL 36532039_009.eps
010503
Tilt&
Rotation
A15
Lot
EHT
VG2
VideoSupply
Filament
Focus
A2
CRT
Panel
B1/B2
Main
Power
Supply
+3.9V +3.3V
Degaussing
Circuit
+
+
A1 G
3V3 Reg.
A1
Degaussing
Control
Circuit
A1
EW
Correction
A2
Horizontal
Deflection Vaux
+3.3V
+3.9V
Vaux
A2 G
Frame
Deflection
A3
Tuner
A4
uP
A7
Video
Processing
A5
Sound
Processing
A9
Audio
Amplifier
+6.8V
A8
Source
Selection
Switch
A10
Main Supply
Mains AC
Input
Main Aux
VlotAux +13V
VlotAux -13V
VlotAux +5V
+8V
VT_Supply
*VlotAux +50V

Circuit Description
EN 66 L01.1A AC9.
Figure 9-7 QR-mode time intervals
In the Quasi-Resonant mode each period can be divided into
four different time intervals, in chronological order:
•Interval 1: t0 < t < t1 primary stroke. At the beginning of
the first interval, the MOSFET is switched 'on' and energy
is stored in the primary inductance (magnetization). At the
end, the MOSFET is switched 'off' and the second interval
starts.
•Interval 2: t1 < t < t2 commutation time. In the second
interval, the drain voltage will rise from almost zero to
V_in+n•(V_out+V_f). V_f is the forward voltage drop of de
diode that will be omitted from the equations from now on.
The current will change its positive derivative,
corresponding to V_in/L_p, to a negative derivative,
corresponding to -n•(V_out/L_p).
•Interval 3: t2 < t < t3 secondary stroke. In the third
interval, the stored energy is transferred to the output, so
the diode starts to conduct and the inductive current Il will
decrease. In other words, the transformer will be
demagnetized. When the inductive current has become
zero the next interval begins.
•Interval 4: t3 < t < t00 resonance time. In the fourth
interval, the energy stored in the drain capacitor C_d will
start to resonate with the inductance L_p. The voltage and
current waveforms are sinusoidal waveforms. The drain
voltage will drop from V_in+(n•V_out) to V_in-(n•V_out).
Frequency Behavior
The frequency in the QR-mode is determined by the power
stage and is not influenced by the controller (important
parameters are L_p and C_d). The frequency varies with the
input voltage V_in and the output power P_out. If the required
output power increases, more energy has to be stored in the
transformer. This leads to longer magnetizing t_prim and
demagnetizing t_sec times, which will decrease the frequency.
See the frequency versus output power characteristics below.
The frequency characteristic is not only output power-, but also
input voltage dependent. The higher the input voltage, the
smaller t_prim, so the higher the frequency will be.
Figure 9-8 QR frequency behavior
Point P1 is the minimum frequency f_min that occurs at the
specified minimum input voltage and maximum output power
required by the application. Of course, the minimum frequency
has to be chosen above the audible limit (>20 kHz).
Start-Up Sequence
When the rectified AC voltage V_in (via the center tap
connected to pin 8) reaches the Mains dependent operation
level (Mlevel: between 60 and 100 V), the internal 'Mlevel
switch' will be opened and the start-up current source is
enabled to charge capacitor C2521 at the V_cc pin as shown
below.
The 'soft start' switch is closed when the V_cc reaches a level
of 7 V and the 'soft start' capacitor C_ss (C2522, between pin
5 and the sense resistor R3526), is charged to 0.5 V.
Once the V_cc capacitor is charged to the start-up voltage
V_start (11 V), the IC starts driving the MOSFET. Both internal
current sources are switched 'off' after reaching this start-up
voltage. Resistor R_ss (3524) will discharge the 'soft start'
capacitor, such that the peak current will slowly increase. This
to prevent 'transformer rattle'.
During start-up, the V_cc capacitor will be discharged until the
moment that the primary auxiliary winding takes over this
voltage.
Figure 9-9 Start-up behavior
VIN
VGATE
VD
n⋅VOUT
IL
CD
COUT
D
LP
CIN
0
Demagneti-
zation
VGATE
VD
IL
0
Magnetization
t1t2t3t00
T
t0
1234
Valley
n⋅VOUT
VIN
CL 16532020_084.eps
110401
V
IN_MAX
POUT_MIN POUT_MAX
power
switching
frequency
fMIN
fMAX
V
IN_MIN P1
P2
QR frequency characteristics at different input voltages
CL 16532020_077.eps
100401
0.5V
+
-
IL
RSENSE
ISS
VOCP
RSS
CSS
soft start
VIN
8
5
1
Mlevel
Iin(Vcc)
VSENSE
2
CVcc
VCC
Charging of VCC capacitor
taken over by the winding
V(start)=11V
CVcc charged
by current
VOUT
VGATE
VCC
VSENSE
IL
τ = RSS⋅CSS
≈7V
Start-up sequence
CL 16532020_078.eps
110401

Circuit Description EN 67L01.1A AC 9.
The moment that the voltage on pin 1 drops below the 'under
voltage lock out' level (UVLO = ± 9 V), the IC will stop switching
and will enter a safe restart from the rectified mains voltage.
Operation
The supply can run in three different modes depending on the
output power:
•Quasi-Resonant mode (QR). The 'QR' mode, described
above, is used during normal operation. This will give a
high efficiency.
•Frequency Reduction mode (FR). The 'FR' mode (also
called 'VCO' mode) is implemented to decrease the
switching losses at low output loads. In this way, the
efficiency at low output powers is increased, which enables
power consumption smaller than 3 W during stand-by. The
voltage at the pin 3 (Ctrl) determines where the frequency
reduction starts. An external Ctrl voltage of 1.425 V
corresponds with an internal VCO level of 75 mV. This
fixed VCO level is called V_vco,start . The frequency will be
reduced in relation to the VCO voltage between 75 mV and
50 mV (at levels larger than 75 mV, Ctrl voltage < 1.425V,
the oscillator will run on maximum frequency f_oscH = 175
kHz typically). At 50 mV (V_vco,max), the frequency is
reduced to the minimum level of 6 kHz. Valley switching is
still active in this mode.
•Minimum Frequency mode (MinF). At VCO levels below
50 mV, the minimum frequency will remain on 6 kHz, which
is called the 'MinF' mode. Because of this low frequency, it
is possible to run at very low loads without having any
output regulation problems.
Figure 9-10 Different supply modes
Safe-Restart Mode
This mode is introduced to prevent the components from being
destroyed during eventual system fault conditions. It is also
used for the Burst mode. The Safe-Restart mode will be
entered if it is triggered by one of the following functions:
• Over voltage protection,
• Short winding protection,
• Maximum 'on time' protection,
• V_cc reaching UVLO level (fold back during overload),
• Detecting a pulse for Burst mode,
• Over temperature protection.
When entering the Safe-Restart mode, the output driver is
immediately disabled and latched. The V_cc winding will not
charge the V_cc capacitor anymore and the V_cc voltage will
drop until UVLO is reached. To recharge the V_cc capacitor,
the internal current source (I_(restart)(vcc) ) will be switched
'on' to initiate a new start-up sequence as described before.
This Safe-Restart mode will persist until the controller detects
no faults or burst triggers.
Standby
The set goes to Standby in the following cases:
• After pressing the 'standby' key on the remote control.
• When the set is in protection mode.
In Standby, the power supply works in 'burst mode'. Burst
mode can be used to reduce the power consumption below 1
W at stand-by. During this mode, the controller is active
(generating gate pulses) for only a short time and for a longer
time inactive waiting for the next burst cycle.
In the active period, the energy is transferred to the secondary
and stored in the buffer capacitor C_stab in front of the linear
stabilizer (see figure below). During the inactive period, the
load (e.g. microprocessor) discharges this capacitor. In this
mode, the controller makes use of the Safe-Restart mode.
Figure 9-11 Supply standby mode (burst mode)
The system enters burst mode standby when the
microprocessor activates the 'Stdby_con' line. When this line is
pulled high, the base of TS7541 is allowed to go high. This is
triggered by the current from collector TS7542. When TS7541
turns 'on', the opto-coupler (7515) is activated, sending a large
current signal to pin 3 (Ctrl). In response to this signal, the IC
stops switching and enters a 'hiccup' mode. This burst
activation signal should be present for longer than the 'burst
blank' period (typically 30 s): the blanking time prevents false
burst triggering due to spikes.
Burst mode standby operation continues until the
microcontroller pulls the 'Stdby_con' signal low again. The
base of TS7541 is unable to go high, thus cannot turn 'on'. This
will disable the burst mode. The system then enters the start-
up sequence and begins normal switching behavior.
For a more detailed description of one burst cycle, three time
intervals are defined:
•t1: Discharge of V_cc when gate drive is active. During
the first interval, energy is transferred, which result in a
ramp-up of the output voltage (V_stab) in front of the
stabilizer. When enough energy is stored in the capacitor,
the IC will be switched 'off' by a current pulse generated at
the secondary side. This pulse is transferred to the primary
side via the opto coupler. The controller will disable the
output driver (safe restart mode) when the current pulse
reaches a threshold level of 16 mA into the 'Ctrl' pin. A
resistor R1 (R3519) is placed in series with the opto
coupler, to limit the current going into the 'Ctrl' pin.
Meanwhile the V_cc capacitor is discharged but has to stay
above V_uvlo .
•t2: Discharge of V_cc when gate drive is inactive.
During the second interval, the V_cc is discharged to
V_uvlo. The output voltage will decrease depending on the
load.
•t3: Charge of V_cc when gate drive is inactive. The third
interval starts when the UVLO is reached. The internal
current source charges the V_cc capacitor (also the soft
start capacitor is recharged). Once the V_cc capacitor is
charged to the start-up voltage, the driver is activated and
a new burst cycle is started.
frequency limit
POUT_MIN P OUT_MAX
f
oscL
= 6 kHz
f
oscH
= 175 kHz
kH MinF FR QR
power
switching
frequency
V
VCO,start
V
VCO,max
Multi mode operation
CL 16532020_080.eps
100401
Demag4
Ctrl
Gnd
Vcc Drain
HVS
Driver
Sense
3
2
1
5
6
7
8
Burst-Mode stand-by on/off
from microprocessor
Linear
stabilizer
VSTAB VµC
CSTAB
CVcc
VCC
R1
Current pulse
generator
VIN
Basic Burst mode configuration
CL 16532020_081.eps
100401

Circuit Description
EN 68 L01.1A AC9.
Figure 9-12 Burst mode waveforms
9.6.3 Protection Events
The SMPS IC 7520 has the following protection features:
Demagnetization sense
This feature guarantees discontinuous conduction mode
operation in every situation. The oscillator will not start a new
primary stroke until the secondary stroke has ended. This is to
ensure that FET 7521 will not turn on until the demagnetization
of transformer 5520 is complete. The function is an additional
protection feature against:
• Saturation of the transformer.
• Damage of the components during initial start-up.
• An overload of the output.
The demag(netization) sense is realized by an internal circuit
that guards the voltage (V_demag) at pin 4 that is connected to
V_cc winding by resistor R1 (R3522).
The figure below shows the circuit and the idealized waveforms
across this winding.
Figure 9-13 Demagnetization protection
Over Voltage Protection
The Over Voltage Protection ensures that the output voltage
will remain below an adjustable level. This works by sensing
the auxiliary voltage via the current flowing into pin 4 (DEM)
during the secondary stroke. This voltage is a well-defined
replica of the output voltage. Any voltage spikes are averaged
by an internal filter.
If the output voltage exceeds the OVP trip level, the OVP circuit
switches the power MOSFET 'off'.
Next, the controller waits until the 'under voltage lock out' level
(UVLO = ± 9 V) is reached on pin 1 (V_cc). This is followed by
a safe restart cycle, after which switching starts again. This
process is repeated as long as the OVP condition exists. The
output voltage at which the OVP function trips, is set by the
demagnetization resistor R3522.
Over Current Protection
The internal OCP protection circuit limits the 'sense' voltage on
pin 5 to an internal level.
Over Power Protection
During the primary stroke, the rectified AC input voltage is
measured by sensing the current drawn from pin 4 (DEM). This
current is dependent on the voltage on pin 9 of transformer
5520 and the value of R3522. The current information is used
to adjust the peak drain current, which is measured via pin
I_sense.
Short Winding Protection
If the 'sense' voltage on pin 5 exceeds the short winding
protection voltage (0.75 V), the converter will stop switching.
Once V_cc drops below the UVLO level, capacitor C2521 will
be recharged and the supply will start again. This cycle will be
repeated until the short circuit is removed (safe restart mode).
The short winding protection will also protect in case of a
secondary diode short circuit.
This protection circuit is activated after the leading edge
blanking time (LEB).
LEB time
The LEB (Leading Edge Blanking) time is an internally fixed
delay, preventing false triggering of the comparator due to
current spikes. This delay determines the minimum 'on' time of
the controller.
Over Temperature protection
When the junction temperature exceeds the thermal shutdown
temperature (typ. 140 deg. C), the IC will disable the driver.
When the V_cc voltage drops to UVLO, the V_cc capacitor will
be recharged to the V(start) level. If the temperature is still too
high, the V_cc voltage will drop again to the UVLO level (Safe-
Restart mode). This mode will persist until the junction
temperature drops 8 degrees typically below the shutdown
temperature.
Mains dependent operation enabling level
To prevent the supply from starting at a low input voltage, which
could cause audible noise, a mains detection is implemented
(Mlevel). This detection is provided via pin 8, which detects the
minimum start-up voltage between 60 and 100 V. As previous
mentioned, the controller is enabled between 60 and 100 V.
An additional advantage of this function is the protection
against a disconnected buffer capacitor (C_in). In this case, the
supply will not be able to start-up because the V_cc capacitor
will not be charged to the start-up voltage.
V(start)
V(UVLO)
V
CC
V
STAB
I
L
Active/
inactive
t1 t2 t3
VµC
Soft start
Burst mode waveforms
CL 16532020_082.eps
100401
R1
R2
D
VCC
winding
I(ovp)(demag)
I(opp)(demag)
Demag4
Ctrl
Gn
d
Vcc Drain
HVS
Driver
Sense
3
2
1
5
6
7
8
configuration
A
B
0V
OUT
S
Vcc V
N
N⋅
IN
P
Vcc
V
N
N⋅
Demagnetization
VGATE
VWINDING
Magnetization
Vdemag Comparator
threshold
Vdemag
0.7V
0V -0.25V

Circuit Description EN 69L01.1A AC 9.
9.7 Control
Figure 9-14 Block diagram set control
9.7.1 Introduction
The microprocessor part of the UOC, has the complete control
and teletext on board. User menu, Service Default Mode,
Service Alignment Mode and Customer Service Mode are
generated by the uP. Communication to other ICs is done via
the I2C-bus.
9.7.2 I2C-Bus
The main control system, which consists of the microprocessor
part of the UOC (7200), is linked to the external devices (tuner,
NVM, MSP, etc) by means of the I2C-bus. An internal I2C-bus
is used to control other signal processing functions, like video
processing, sound IF, vision IF, synchronization, etc.
9.7.3 User Interface
The 'L01.1L AC' uses a remote control with RC5 protocol. The
incoming signal is connected to pin 67 of the UOC.
The 'Top Control' keyboard, connected to UOC pin 80, can also
control the set. Button recognition is done via a voltage divider.
The front LED (6691) is connected to an output control line of
the microprocessor (pin 5). It is activated to provide the user
information about whether or not the set is working correctly
(e.g., responding to the remote control, normal operation (USA
only) or fault condition)
9.7.4 In- and Output Selection
For the control of the input and output selections, there are
three lines:
•STATUS1. This signal provides information to the
microprocessor on whether a video signal is available on
the SCART1 AV input and output port (only for Europe).
This signal is not connected in NAFTA sets.
•STATUS2. This signal provides information to the
microprocessor on whether a video signal is available on
the SCART2 AV input and output port (only for Europe).
For sets with an SVHS input it provides the additional
information if a Y/C or CVBS source is present. The
presence of an external Y/C source makes this line 'high'
while a CVBS source makes the line 'low'.
•SEL-MAIN-FRNT-RR. This is the source select control
signal from the microprocessor. This control line is under
user control or can be activated by the other two control
lines.
9.7.5 Power Supply Control
The microprocessor part is supplied with 3.3 V and 3.9 V both
derived from the 'MainAux' voltage via a 3V3 stabilizer (7560)
and a diode.
Two signals are used to control the power supply:
•Stdby_con. This signal is generated by the
microprocessor when over-current takes place at the
'MainAux' line. This is done to enable the power supply into
standby burst mode, and to enable this mode during a
protection. This signal is 'low' under normal operation
conditions and goes to 'high' (3.3 V) under 'standby' and
'fault' conditions.
•POWER_DOWN. This signal is generated by the power
supply. Under normal operating conditions, this signal is
'high' (3.3 V). During 'standby' mode, this signal is a pulse
train of approx. 10 Hz and a 'high' duration of 5 ms. It is
used to give information to the UOC about the fault
condition in the Audio amplifier supply circuit. This
information is generated by sensing the current on the
'MainAux' line (using voltage drop across R3564 to trigger
TS7562). This signal goes 'low' when the DC-current on
the 'MainAux' line exceeds 1.6 - 2.0 A. It is also used to give
an early warning to the UOC about a power failure. Then
the information is used to mute the sound amplifier to
prevent a switch off noise and to solve the switch-off spot.
9.7.6 Protection Events
Several protection events are controlled by the UOC:
•BC protection, to protect the picture tube from a too high
beam current. The UOC has the capability of measuring
the normal back level current during the vertical flyback. So
if for some reason the CRT circuit is malfunctioning (i.e.
high beam current), the normal black current will be out of
the 75 A range, and the UOC will trigger the power supply
to shut down. However, this is a high beam-current
situation, the TV screen will be bright white before the set
is shut down.
•E/W protection, two protection mechanisms are built in,
over-current and over-voltage.
– In case of over-current due to defective parts in the line
deflection output stage, a high current will flow through
resistors 3405//3406. If this current is large enough to
create a voltage drop of 0.7 V across 3405//3406,
transistor TS7606 (in A7 diagram) will conduct and pin
80 of the UOC will be pulled down. Thereafter, the
UOC will shut down the power supply. In case of further
current increase, the fused resistor 3411 is built-in for
double protection.
– In case of a high voltage appearing across capacitor
2401 (dependent of the tube size), which is high
enough to trigger zener diode 6401 into conduction,
transistor TS7606 (in A7 diagram) will conduct and
UOC is triggered to shut down the power supply.
•I2C protection, to check whether all I2C ICs are
functioning.
In case one of these protections is activated, the set will go into
'standby'.
The 'on' and 'standby' LEDs are controlled via the UOC.
CL 16532016_015.eps
220301
Signal
Processing
User
Interface
uP - Control
LED
PANORAMA
PANORAMA
BUZZ
BASS
TREBLE/Tilt
ITV-DATA-OUT
ITV-DATA-IN
ITV-CLOCK
RESET
VOLUME/
MUTE
IR
KEYBOARD/
(EW protection
STATUS 1
STATUS 2
SEL-MAIN-FRNT-RR
internal I2C Bus
Deflection
16:9
Expansion
Slot
I/O
POWER_DOWN
STBY_CON
Power
Supply
WRITE Enable NVM
SEL-IF-LL/M-TRAP
I2C Bus
Tuner / IF
Tilt
ITV
or
Pip
Amplifier
Processing
Sound

Circuit Description
EN 70 L01.1A AC9.
9.8 Abbreviation list
2CS 2 Carrier (or Channel) Stereo
ACI Automatic Channel Installation:
algorithm that installs TV sets directly
from cable network by means of a
predefined TXT page
ADC Analogue to Digital Converter
AFC Automatic Frequency Control: control
signal used to tune to the correct
frequency
AFT Automatic Fine Tuning
AGC Automatic Gain Control: algorithm that
controls the video input of the feature
box
AM Amplitude Modulation
AP Asia Pacific
AR Aspect Ratio: 4 by 3 or 16 by 9
ATS Automatic Tuning System
AV External Audio Video
AVL Automatic Volume Level
BC-PROT Beam Current Protection
BCL Beam Current Limitation
B/G Monochrome TV system. Sound
carrier distance is 5.5 MHz
BLC-INFORMATION Black current information
BTSC Broadcast Television Standard
Committee. Multiplex FM stereo sound
system, originating from the USA and
used e.g. in LATAM and AP-NTSC
countries
B-TXT Blue teletext
CBA Circuit Board Assembly
CC Closed Caption
ComPair Computer aided rePair
CRT Cathode Ray Tube or picture tube
CSM Customer Service Mode
CTI Color Transient Improvement:
manipulates steepness of chroma
transients
CVBS Composite Video Blanking and
Synchronization
DAC Digital to Analogue Converter
DBE Dynamic Bass Enhancement: extra
low frequency amplification
DBX Dynamic Bass Expander
D/K Monochrome TV system. Sound
carrier distance is 6.5 MHz
DFU Direction For Use: description for the
end user
DNR Dynamic Noise Reduction
DSP Digital Signal Processing
DST Dealer Service Tool: special remote
control designed for dealers to enter
e.g. service mode
DVD Digital Versatile Disc
EEPROM Electrically Erasable and
Programmable Read Only Memory
EHT Extra High Tension
EHT-INFORMATION Extra High Tension information
EU Europe
EW East West, related to horizontal
deflection of the set
EXT External (source), entering the set via
SCART or Cinch
FBL Fast Blanking: DC signal
accompanying RGB signals
FILAMENT Filament of CRT
FLASH Flash memory
FM Field Memory
FM Frequency Modulation
HA Horizontal Acquisition: horizontal sync
pulse coming out of the HIP
HFB Horizontal Flyback Pulse: horizontal
sync pulse from large signal deflection
HP Headphone
Hue Color phase control for NTSC (not the
same as 'Tint')
I Monochrome TV system. Sound
carrier distance is 6.0 MHz
I2C Integrated IC bus
IF Intermediate Frequency
IIC Integrated IC bus
Interlaced Scan mode where two fields are used
to form one frame. Each field contains
half the number of the total amount of
lines. The fields are written in 'pairs',
causing line flicker.
ITV Institutional TV
LATAM Latin America
LED Light Emitting Diode
L/L' Monochrome TV system. Sound
carrier distance is 6.5 MHz. L' is Band
I, L is all bands except for Band I
LNA Low Noise Amplifier
LS Large Screen
LS Loudspeaker
LSP Large signal panel
M/N Monochrome TV system. Sound
carrier distance is 4.5 MHz
MSP Multi standard Sound Processor: ITT
sound decoder
MUTE Mute-Line
NC Not Connected
NICAM Near Instantaneous Compounded
Audio Multiplexing. This is a digital
sound system, mainly used in Europe.
NTSC National Television Standard
Committee. Color system mainly used
in North America and Japan. Color
carrier NTSC M/N = 3.579545 MHz,
NTSC 4.43 = 4.433619 MHz (this is a
VCR norm, it is not transmitted off-air)
NVM Non Volatile Memory: IC containing
TV related data e.g. alignments
OB Option Byte
OC Open Circuit
OSD On Screen Display
PAL Phase Alternating Line. Color system
mainly used in West Europe (color
carrier = 4.433619 MHz) and South
America (color carrier PAL M =
3.575612 MHz and PAL N = 3.582056
MHz)
PCB Printed Circuit board
PIP Picture In Picture
PLL Phase Locked Loop. Used for e.g.
FST tuning systems. The customer
can give directly the desired frequency
POR Power-On Reset
Progressive Scan Scan mode where all scan lines are
displayed in one frame at the same
time, creating a double vertical
resolution.
PTP Picture Tube Panel (or CRT-panel)
RAM Random Access Memory
RC Remote Control handset
RC5 Remote Control system 5, signal from
the remote control receiver
RGB Red Green Blue
ROM Read Only Memory
SAM Service Alignment Mode
SAP Second Audio Program
SC Sandcastle: pulse derived from sync
signals

Circuit Description EN 71L01.1A AC 9.
S/C Short Circuit
SCAVEM Scan Velocity Modulation
SCL Serial Clock
SDA Serial Data
SDM Service Default Mode
SECAM SEequence Couleur Avec Memoire.
Color system mainly used in France
and East Europe. Color carriers =
4.406250 MHz and 4.250000 MHz
SIF Sound Intermediate Frequency
SS Small Screen
STBY Standby
SVHS Super Video Home System
SW Software
THD Total Harmonic Distortion
TXT Teletext
uP Microprocessor
UOC Ultimate One Chip
VA Vertical Acquisition
VBAT Main supply voltage for the deflection
stage (mostly 141 V)
V-chip Violence Chip
VCR Video Cassette Recorder
WYSIWYR What You See Is What You Record:
record selection that follows main
picture and sound
XTAL Quartz crystal
YC Luminance (Y) and Chrominance (C)
signal
9.9 IC Data Sheets
In this paragraph, the internal block diagrams and pinning are
given of ICs that are drawn as a 'black box' in the electrical
diagrams (with the exception of 'memory' and 'logic' ICs).
This is not applicable for this manual (all ICs are drawn with
internal block diagrams)

Spare Parts List
EN 72 L01.1A AC10.
10. Spare Parts List
Mono Carrier [A] + CRT Panel [B]
Various
0127 4822 265 11253 Fuse holder 2p
0129 3139 120 10151 NTC holder
0136 4822 492 70788 IC clamp
0137 4822 492 70289 IC fix
0138 4822 492 70788 IC clamp
0139 3122 121 24785 Spring fix IC
0139 4822 492 62076 Transistor clamp
0140 4822 492 70289 IC fix
0141 4822 492 70788 IC clamp
0152 3104 301 08411 Cable DIP 6p/560/6p DIP
0152 3104 301 09421 Cable 6p 400mm
0152 3139 121 08841 Cable 6p/400/6p
0153 3104 301 08381 Cable assy
0153 3104 311 00681 Cable 5p/560/5p
0153 3139 121 07951 Cable 5p/480/5p
0211 2422 025 16374 Connector 2p m
0211 4822 265 20723 Connector 2p m
0212 4822 267 10774 2P male red
0214 4822 267 10734 Connector 5p m
0219 2422 025 12482 Connector 6P
0220 4822 265 30735 Connector 5p m
0221 4822 267 10966 Connector 2p
0222 2422 025 10646 2p male
0223 2422 026 05185 Socket CINCH 4p f YEWH
0223 2422 026 05236 Socket CINCH 9p f
0225 2422 026 04926 Socket 4P
0231 2422 128 02972 Mains switch
0239 2422 025 16382 Connector 3p m
0243 2422 025 04854 6p female
0244 4822 265 30735 Connector 5p m
0245 2422 025 04854 6p female
0246 4822 267 10734 Connector 5p m
0254 2422 500 80076 CRT 9p female
0256 2422 500 80058 Connector 9p
0267 4822 267 10735 Connector 3p m
0268 4822 267 10735 Connector 3p m
0269 2422 026 05182 Socket CINCH 3p f YEWHRE
0278 4822 267 10735 Connector 3p m
0280 4822 267 10565 Connector 4p
1000 2422 542 90098 TEDH9-200A
1000 2422 542 90122 TEDE9-228B
1002 2422 549 44223 SAW OFWK7260M
1002 2422 549 44518 SAW 45.75MHz
OFWM1971M
1002 2422 549 44722 SAW 38.9MHz OFWK7257M
1004 2422 549 44719 SAW 38.9MHz OFWK9362M
1200 4822 242 10315 TPT02B-TF21
1200 4822 242 81572 TPS6,0MB-TF21
1200 4822 242 81978 TPS4,5MB-TF21
1201 4822 242 81572 TPS6,0MB-TF21
1202 4822 242 81978 TPS4,5MB-TF21
1500 2422 086 10914 Fuse 4A 250V
1515 2422 132 07467 Relay 1p 12V 5A LKS1AF
1600 4822 276 13775 Switch
1601 4822 276 13775 Switch
1602 4822 276 13775 Switch
1603 4822 276 13775 Switch
1660 2422 543 01203 Crystal 12.00MHz
1831 4822 242 10769 Crystal 18.432MHz
1861 4822 242 10359 CSB503F58
2003 5322 126 11583 10nF 10% 50V 0603
2004 3198 017 34730 47nF 16V 0603
2005 4822 124 40248 10µF 20% 63V
2006 4822 124 80791 470µF 20% 16V
2007 2238 586 59812 100nF 20-80% 50V 0603
2008 4822 124 40207 100µF 20% 25V
2009 2238 916 15641 22nF 10% 25V 0603
2101 4822 126 13482 470nF 80/20% 16V
2102 4822 122 33761 22pF 5% 50V
2103 4822 126 14241 330pF 50V 0603
2104 4822 126 14241 330pF 50V 0603
2105 4822 124 40248 10µF 20% 63V
2106 4822 124 40248 10µF 20% 63V
2111 4822 122 33761 22pF 5% 50V
2112 4822 122 33761 22pF 5% 50V
2113 4822 122 33761 22pF 5% 50V
2121 4822 122 33761 22pF 5% 50V
2122 4822 126 14241 330pF 50V 0603
2123 4822 126 14491 2.2µF -20+80% 10V 0805
2124 4822 126 14241 330pF 50V 0603
2125 4822 126 14491 2.2µF -20+80% 10V 0805
2131 4822 126 14241 330pF 50V 0603
2132 4822 126 14491 2.2µF -20+80% 10V 0805
2133 4822 126 14241 330pF 50V 0603
2134 4822 126 14491 2.2µF -20+80% 10V 0805
2135 4822 122 33761 22pF 5% 50V
2136 4822 122 33761 22pF 5% 50V
2141 4822 126 14241 330pF 50V 0603
2143 2238 586 59812 100nF 20-80% 50V 0603
2150 2238 786 19852 150nF 16V 0603
2172 2020 552 94427 100pF 5% 50v 0603
2173 4822 126 13883 220pF 5% 50V
2184 4822 126 14491 2.2µF -20+80% 10V 0805
2187 4822 126 14491 2.2µF -20+80% 10V 0805
2201 2238 586 59812 100nF 20-80% 50V 0603
2202 2238 586 59812 100nF 20-80% 50V 0603
2203 2238 586 59812 100nF 20-80% 50V 0603
2204 2238 586 59812 100nF 20-80% 50V 0603
2205 4822 126 13879 220nF 20% 16V
2208 2238 586 59812 100nF 20-80% 50V 0603
2209 4822 124 40769 4.7µF 20% 100V
2210 3198 017 41050 1µF 10V 0603
2211 3198 017 44740 470nF 10V 0603
2213 2238 916 15641 22nF 10% 25V 0603
2214 2238 916 15641 22nF 10% 25V 0603
2215 2238 916 15641 22nF 10% 25V 0603
2216 2020 012 93728 2200µF 20% 10V
2216 4822 124 81144 1000µF 16V
2217 2238 916 15641 22nF 10% 25V 0603
2219 4822 126 13879 220nF 20% 16V
2220 4822 121 51252 470nF 5% 63V
2221 2238 916 15641 22nF 10% 25V 0603
2226 2020 552 94427 100pF 5% 50v 0603
2226 5322 126 11579 3.3nF 10% 63V
2227 4822 126 13193 4.7nF 10% 63V
2228 3198 016 38210 820pF 25V
2229 4822 124 40248 10µF 20% 63V
2230 4822 124 40769 4.7µF 20% 100V
2241 4822 126 14247 1.5nF 50V 0603
2242 3198 017 41050 1µF 10V 0603
2243 4822 126 14238 2.2nF 50V 0603
2243 5322 126 11582 6.8nF 10% 63V
2244 5322 121 42386 100nF 5% 63V
2245 2238 786 19856 330nF 0603 16V
2245 4822 126 13879 220nF 20% 16V
2246 4822 124 40769 4.7µF 20% 100V
2247 2020 012 93728 2200µF 20% 10V
2247 4822 124 81144 1000µF 16V
2248 2238 916 15641 22nF 10% 25V 0603
2249 2238 916 15641 22nF 10% 25V 0603
2250 4822 124 22652 2.2µF 20% 50V
2252 3198 016 31020 1nF 25V 0603
2253 3198 016 31020 1nF 25V 0603
2254 4822 051 20008 Jumper 0805
2330 4822 121 51473 470nF 20% 63V
2340 4822 124 11565 10µF 20% 250V
2341 4822 126 13599 3.3nF 10% 500V
2342 5322 116 80853 560pF 5% 63V
2343 4822 126 13451 2.2nF 10% 2kV
2344 4822 126 14585 100nF 10% 50V
2345 4822 122 31175 1nF 10% 500V
2360 4822 126 13193 4.7nF 10% 63V
2362 4822 126 13883 220pF 5% 50V
2364 4822 126 11669 27pF 5% 50V 0603
2365 4822 126 11669 27pF 5% 50V 0603
2366 4822 126 11669 27pF 5% 50V 0603
2367 4822 126 13193 4.7nF 10% 63V
2368 4822 124 40433 47µF 20% 25V
2369 5322 122 32658 22pF 5% 50V
2372 2020 012 93318 10µF 20% 160V
2373 4822 126 13193 4.7nF 10% 63V
2375 5322 126 10223 4.7nF 10% 63V
2378 4822 126 13499 220pF 5% 50V
2379 5322 124 40641 10µF 20% 100V
2380 5322 126 10223 4.7nF 10% 63V
2381 4822 126 13193 4.7nF 10% 63V
2401 2038 035 13503 2.2µF 20% 50V
2402 4822 122 31177 470pF 10% 500V
2404 4822 124 41751 47µF 20% 50V
2405 4822 124 12379 220µF 25V
2415 5322 122 31863 330pF 5% 63V
2441 4822 124 21913 1µF 20% 63V
2443 4822 126 13751 47nF 10% 63V
2444 4822 124 21913 1µF 20% 63V
2448 4822 122 31211 100pF 10% 500V
2448 4822 126 12263 220pF 10% 2kV
2450 4822 124 11575 47µF 20% 160V
2451 4822 121 41856 22nF 5% 250V
2455 4822 124 40433 47µF 20% 25V
2457 2222 479 90014 0.22µF 250V
2457 2222 479 90016 270nF 5% 250V
2457 4822 121 10518 390nF 5% 250V
2457 4822 121 43888 360nF 5% 250V
2458 2022 031 00138 2.2µF 20% 100V
2459 4822 126 13185 680pF 10% 500V
2460 5322 122 32531 100pF 5% 50V
2463 2020 558 90611 1.8nF 10% 2kV
2463 4822 126 11503 820pF 10% 2kV
2463 4822 126 13862 1.5nF 10% 2kV
2463 4822 126 14237 470pF 10% 2kV
2464 4822 121 10739 2.2µF 5% 160V
2465 2222 375 24153 15nF 5% 1kV
2465 4822 121 70618 12nF 5% 1600V
2465 4822 121 70637 8.2nF 5% 1600V
2466 2222 347 90219 15nF 10% 400V
2466 5322 121 42532 18nF 10% 400V
2467 4822 121 40482 68nF 10% 250V
2467 4822 121 40488 22nF 10% 400V
2468 2222 347 90219 15nF 10% 400V
2468 4822 121 40488 22nF 10% 400V
2468 5322 121 42532 18nF 10% 400V
2471 5322 121 42386 100nF 5% 63V
2472 4822 121 41854 150nF 5% 63V
2472 4822 121 43693 10nF 100V
2473 5322 121 42386 100nF 5% 63V
2474 4822 122 33127 2.2nF 10% 63V
2475 4822 122 33127 2.2nF 10% 63V
2476 5322 126 10223 4.7nF 10% 63V
2480 4822 124 11965 47µF 20% 25V
2480 4822 124 40433 47µF 20% 25V
2481 4822 122 31177 470pF 10% 500V
2482 2222 479 90051 120nF 5% 250V
2482 4822 121 40482 68nF 10% 250V
2482 4822 121 51408 33nF 10% 250V
2485 2022 031 00137 4.7µF 20% 250V
2486 2022 031 00139 470µF 20% 16V
2487 2038 035 13508 47µF 20% 50V
2488 4822 124 81145 1000µF 16V 20%
2489 2022 031 00139 470µF 20% 16V
2491 4822 122 31175 1nF 10% 500V
2500 4822 126 13589 470nF 275V
2501 4822 126 14153 2.2nF 10% 1kV
2502 4822 126 14153 2.2nF 10% 1kV
2503 4822 124 12415 220µF 20% 400V
2503 4822 124 42159 330µF 20% 400V
2505 4822 126 13599 3.3nF 10% 500V
2505 4822 126 14153 2.2nF 10% 1kV
2506 4822 121 10798 33nF 5% 400V
2507 9965 000 09661 470pF 50V 10%
2508 4822 122 50116 470pF 10% 1kV
2509 4822 121 10711 100nF 20% 275V
2515 4822 126 14049 1.5nF 20% 250V
2516 4822 126 13867 330P 20% 250V
2520 4822 122 33177 10nF 20% 50V
2520 4822 126 14585 100nF 10% 50V
2521 4822 124 81151 22µF 50V
2522 4822 126 14585 100nF 10% 50V
2523 4822 126 13862 1.5nF 10% 2kV
2525 9965 000 09661 470pF 50V 10%
2526 4822 126 13482 470nF 80/20% 16V
2527 4822 122 33127 2.2nF 10% 63V
2528 5322 122 31647 1nF 10% 63V
2540 4822 122 33177 10nF 20% 50V
2541 4822 122 33177 10nF 20% 50V
2560 4822 126 14152 680pF 10% 1kV
2561 2020 021 91496 100µF 20% 160V
2562 5322 122 32331 1nF 10% 100V
2563 5322 121 42386 100nF 5% 63V
2564 2020 021 91374 2200µH 20% 25V
2564 4822 124 12417 2200µF 20% 25V
2567 4822 124 40433 47µF 20% 25V
2568 4822 124 21913 1µF 20% 63V
2580 4822 124 81286 47µF 20% 16V
2581 4822 124 81151 22µF 50V
2601 4822 126 14076 220nF 25V. 20%
2602 2020 552 94427 100pF 5% 50v 0603
2604 4822 124 40248 10µF 20% 63V
2606 3198 016 31020 1nF 25V 0603
2606 3198 017 44740 470nF 10V 0603
2607 2222 867 15339 33pF 5% 50V 0603
2608 3198 017 41050 1µF 10V 0603
2609 2222 867 15339 33pF 5% 50V 0603
2611 3198 017 41050 1µF 10V 0603
2612 4822 126 13956 68pF 5% 63V 0603
2613 4822 126 13956 68pF 5% 63V 0603
2615 5322 126 11578 1nF 10% 50V 0603
2618 3198 017 41050 1µF 10V 0603
2619 4822 126 14043 1µF 20% 16V
2691 4822 124 12379 220µF 25V

Spare Parts List EN 73L01.1A AC 10.
2802 4822 126 13879 220nF 20% 16V
2803 4822 126 13879 220nF 20% 16V
2810 4822 126 14491 2.2µF -20+80% 10V 0805
2813 4822 126 14491 2.2µF -20+80% 10V 0805
2816 3198 017 44740 470nF 10V 0603
2831 3198 016 31080 1pF 25% 50V 0603
2832 3198 016 31080 1pF 25% 50V 0603
2833 4822 126 11785 47pF 5% 50V 0603
2834 4822 126 13881 470pF 5% 50V
2835 4822 126 13883 220pF 5% 50V
2836 4822 126 14247 1.5nF 50V 0603
2837 4822 124 40769 4.7µF 20% 100V
2840 2238 586 59812 100nF 20-80% 50V 0603
2841 4822 124 40248 10µF 20% 63V
2842 2238 586 59812 100nF 20-80% 50V 0603
2843 4822 124 40248 10µF 20% 63V
2844 4822 124 40248 10µF 20% 63V
2845 2238 586 59812 100nF 20-80% 50V 0603
2846 4822 124 40207 100µF 20% 25V
2849 3198 016 31020 1nF 25V 0603
2850 3198 016 31020 1nF 25V 0603
2852 3198 016 31020 1nF 25V 0603
2854 3198 016 31020 1nF 25V 0603
2855 2222 867 15339 33pF 5% 50V 0603
2855 4822 126 11669 27pF 5% 50V 0603
2856 4822 122 33752 15pF 5% 50V
2856 4822 126 11785 47pF 5% 50V 0603
2857 4822 122 33753 150pF 5% 50V
2860 4822 126 14225 56pF 5% 50V 0603
2860 4822 126 14508 180pF 5% 50V
2862 4822 126 14491 2.2µF -20+80% 10V 0805
2864 4822 124 22652 2.2µF 20% 50V
2865 4822 124 22652 2.2µF 20% 50V
2866 4822 126 14491 2.2µF -20+80% 10V 0805
2867 4822 126 13617 1,8nF 10% 50V
2868 4822 122 33753 150pF 5% 50V
2869 5322 121 42465 68nF 5% 63V
2870 5322 121 42465 68nF 5% 63V
2871 4822 122 33753 150pF 5% 50V
2872 4822 126 13617 1,8nF 10% 50V
2873 4822 126 14491 2.2µF -20+80% 10V 0805
2874 4822 124 40207 100µF 20% 25V
2875 4822 124 40207 100µF 20% 25V
2876 4822 124 40769 4.7µF 20% 100V
2877 4822 124 40248 10µF 20% 63V
2878 4822 124 21913 1µF 20% 63V
2879 4822 126 13193 4.7nF 10% 63V
2880 2238 916 15641 22nF 10% 25V 0603
2883 4822 124 80791 470µF 20% 16V
2884 4822 124 22652 2.2µF 20% 50V
2885 4822 121 42408 220nF 10% 50V
2886 4822 126 13879 220nF 20% 16V
2892 2238 586 59812 100nF 20-80% 50V 0603
2893 2238 586 59812 100nF 20-80% 50V 0603
2894 4822 126 13883 220pF 5% 50V
2895 4822 126 14249 560pF 10% 50V 0603
2897 4822 126 14315 390pF 5% 50V 0603
2898 5322 126 11583 10nF 10% 50V 0603
2902 4822 124 11769 220µF 20% 50V
2902 4822 124 80061 1000µF 20% 25V
2902 4822 124 81144 1000µF 16V
2903 4822 124 21913 1µF 20% 63V
2904 4822 122 33735 27nF 10% 63V
2904 4822 126 13482 470nF 80/20% 16V
2905 4822 122 32614 1.2nF 10% 63V
2905 5322 122 31647 1nF 10% 63V
2906 4822 122 33735 27nF 10% 63V
2906 4822 126 13482 470nF 80/20% 16V
2907 4822 122 32614 1.2nF 10% 63V
2907 5322 122 31647 1nF 10% 63V
2908 4822 124 40248 10µF 20% 63V
2910 4822 122 33177 10nF 20% 50V
2910 4822 122 33891 3.3nF 10% 63V
2911 4822 122 32614 1.2nF 10% 63V
2911 4822 122 33177 10nF 20% 50V
2911 4822 122 33891 3.3nF 10% 63V
2950 4822 126 14241 330pF 50V 0603
3000 4822 116 52175 100Ω 5% 0.5W
3001 4822 116 52175 100Ω 5% 0.5W
3002 4822 051 30008 Jumper 0603
3003 4822 051 30152 1.5kΩ 5% 0.062W
3004 4822 117 12902 8.2kΩ 1% 0.063W 0603
3005 4822 116 52175 100Ω 5% 0.5W
3006 4822 051 30222 2.2kΩ 5% 0.062W
3007 4822 051 30682 6.8kΩ 5% 0.062W
3008 4822 051 30222 2.2kΩ 5% 0.062W
3101 4822 116 52199 68Ω 5% 0.5W
3102 4822 051 30102 1kΩ 5% 0.062W
3103 4822 116 83868 150Ω 5% 0.5W
3104 4822 117 12891 220kΩ 1% 0.063W 0603
3105 4822 116 83868 150Ω 5% 0.5W
3106 4822 117 12891 220kΩ 1% 0.063W 0603
3111 4822 116 52201 75Ω 5% 0.5W
3112 4822 116 52175 100Ω 5% 0.5W
3113 4822 116 52201 75Ω 5% 0.5W
3114 4822 116 52175 100Ω 5% 0.5W
3115 4822 116 52201 75Ω 5% 0.5W
3116 4822 116 52175 100Ω 5% 0.5W
3123 4822 116 83868 150Ω 5% 0.5W
3124 4822 117 12925 47kΩ 1% 0.063W 0603
3125 4822 116 83868 150Ω 5% 0.5W
3126 4822 117 12925 47kΩ 1% 0.063W 0603
3131 4822 116 83868 150Ω 5% 0.5W
3132 4822 117 12925 47kΩ 1% 0.063W 0603
3133 4822 116 83868 150Ω 5% 0.5W
3134 4822 117 12925 47kΩ 1% 0.063W 0603
3135 4822 116 52201 75Ω 5% 0.5W
3136 4822 116 52175 100Ω 5% 0.5W
3141 4822 050 11002 1kΩ 1% 0.4W
3149 4822 117 13632 100kΩ 1% 0603 0.62W
3150 4822 051 30154 150kΩ 5% 0.062W
3154 4822 116 52289 5.6kΩ 5% 0.5W
3156 4822 050 21003 10kΩ 1% 0.6W
3157 4822 051 30152 1.5kΩ 5% 0.062W
3158 4822 051 30103 10kΩ 5% 0.062W
3159 4822 051 20122 1.2kΩ 5% 0.1W
3172 4822 116 83961 6.8kΩ 5%
3180 4822 051 30683 68kΩ 5% 0.062W
3181 4822 051 30124 120kΩ 5% 0.062W
3190 4822 051 30683 68kΩ 5% 0.062W
3200 4822 116 83881 390Ω 5% 0.5W
3201 4822 116 52175 100Ω 5% 0.5W
3202 4822 116 52175 100Ω 5% 0.5W
3203 4822 116 52175 100Ω 5% 0.5W
3204 4822 116 52257 22kΩ 5% 0.5W
3205 4822 051 30102 1kΩ 5% 0.062W
3206 4822 051 30333 33kΩ 5% 0.062W
3206 4822 117 13632 100kΩ 1% 0603 0.62W
3207 4822 050 11002 1kΩ 1% 0.4W
3208 4822 051 30151 150Ω 5% 0.062W
3208 4822 051 30221 220Ω 5% 0.062W
3208 4822 051 30391 390Ω 5% 0.062W
3209 4822 051 30101 100Ω 5% 0.062W
3209 4822 051 30689 68Ω 5% 0.063W 0603
3209 4822 117 13501 82Ω 5% 0.62W 0603
3210 4822 116 52283 4.7kΩ 5% 0.5W
3211 4822 116 52283 4.7kΩ 5% 0.5W
3212 4822 051 30471 470Ω 5% 0.062W
3213 4822 116 52226 560Ω 5% 0.5W
3213 4822 116 83883 470Ω 5% 0.5W
3217 4822 051 30334 330kΩ 5% 0.062W
3218 4822 117 12864 82kΩ 5% 0.6W
3219 4822 051 30222 2.2kΩ 5% 0.062W
3220 4822 116 52175 100Ω 5% 0.5W
3221 4822 116 52226 560Ω 5% 0.5W
3222 4822 116 52175 100Ω 5% 0.5W
3226 4822 051 30561 560Ω 5% 0.062W
3229 4822 117 12968 820Ω 5% 0.62W
3230 4822 051 30271 270Ω 5% 0.062W
3231 4822 051 30561 560Ω 5% 0.062W
3232 4822 051 30222 2.2kΩ 5% 0.062W
3235 4822 116 52175 100Ω 5% 0.5W
3241 4822 051 30223 22kΩ 5% 0.062W
3242 4822 051 30273 27kΩ 5% 0.062W
3244 4822 116 52231 820Ω 5% 0.5W
3245 5322 117 13064 39kΩ 1% 0.063W 0603
3246 4822 051 30103 10kΩ 5% 0.062W
3247 4822 051 30474 470kΩ 5% 0.062W
3247 4822 051 30684 680kΩ 5% 0.062W
3247 4822 117 12889 270kΩ 1% 0.063W 0603
3248 4822 051 30333 33kΩ 5% 0.062W
3249 4822 116 52231 820Ω 5% 0.5W
3250 4822 116 52283 4.7kΩ 5% 0.5W
3251 4822 116 52175 100Ω 5% 0.5W
3256 4822 051 30102 1kΩ 5% 0.062W
3257 3198 021 31060 10MΩ 5% 0603
3258 2120 108 92641 180kΩ 1%
3258 2322 702 60394 390kΩ 5% 0.062W 0603
3258 4822 117 12891 220kΩ 1% 0.063W 0603
3258 4822 117 13632 100kΩ 1% 0603 0.62W
3259 4822 051 30474 470kΩ 5% 0.062W
3331 4822 116 52175 100Ω 5% 0.5W
3332 3198 013 01020 1kΩ 2% 0.5W
3333 4822 116 52175 100Ω 5% 0.5W
3334 3198 013 01020 1kΩ 2% 0.5W
3335 4822 116 52175 100Ω 5% 0.5W
3336 3198 013 01020 1kΩ 2% 0.5W
3340 4822 052 11109 10Ω 5% 0.5W
3341 4822 052 10108 1Ω 5% 0.33W
3342 4822 052 10108 1Ω 5% 0.33W
3343 3198 013 01520 1.5kΩ 2% 0.5W
3344 4822 116 52191 33Ω 5% 0.5W
3345 4822 117 13016 VDR 1mA/50V
3346 4822 116 52191 33Ω 5% 0.5W
3360 4822 051 30393 39kΩ 5% 0.062W
3361 4822 051 30103 10kΩ 5% 0.062W
3362 4822 051 30393 39kΩ 5% 0.062W
3363 4822 051 30221 220Ω 5% 0.062W
3367 4822 050 21003 10kΩ 1% 0.6W
3368 4822 116 83872 220Ω 5% 0.5W
3369 4822 051 30222 2.2kΩ 5% 0.062W
3373 4822 051 30102 1kΩ 5% 0.062W
3374 4822 116 81154 2.2Ω 5% 0.5W
3375 4822 051 30273 27kΩ 5% 0.062W
3376 4822 116 52297 68kΩ 5% 0.5W
3377 4822 116 83883 470Ω 5% 0.5W
3378 4822 117 11373 100Ω 1% 0805
3380 4822 051 30683 68kΩ 5% 0.062W
3381 4822 051 30273 27kΩ 5% 0.062W
3383 4822 051 30102 1kΩ 5% 0.062W
3384 4822 116 81154 2.2Ω 5% 0.5W
3385 2322 257 41103 10kΩ 5% 5W
3386 4822 052 10109 10Ω 5% 0.33W
3400 4822 116 52219 330Ω 5% 0.5W
3401 4822 050 23303 33k 1% 0.6W
3401 4822 116 52297 68kΩ 5% 0.5W
3403 4822 050 28203 82kΩ 1% 0.6W
3403 4822 116 52234 100kΩ 5% 0,5W
3403 4822 116 52304 82k 5% 0.5W
3404 4822 050 11002 1kΩ 1% 0.4W
3405 4822 050 24708 4.7Ω 1% 0.6W
3406 4822 050 24708 4.7Ω 1% 0.6W
3408 4822 116 52175 100Ω 5% 0.5W
3410 4822 050 21003 10kΩ 1% 0.6W
3411 4822 052 10478 4Ω7 5% 0.33W
3441 4822 117 11373 100Ω 1% 0805
3442 4822 051 20008 Jumper 0805
3443 4822 051 20105 1MΩ 5% 0.1W
3445 4822 116 52244 15kΩ 5% 0.5W
3446 4822 116 52289 5.6kΩ 5% 0.5W
3447 2122 101 02081 56Ω 5%
3447 4822 116 52213 180Ω 5% 0.5W
3448 4822 116 52231 820Ω 5% 0.5W
3449 4822 116 52199 68Ω 5% 0.5W
3450 4822 116 52191 33Ω 5% 0.5W
3451 4822 052 10109 10Ω 5% 0.33W
3451 4822 052 10398 3.9Ω 5% 0,33W
3452 4822 050 24703 47kΩ 1% 0.6W
3453 4822 050 11002 1kΩ 1% 0.4W
3454 4822 050 21503 15kΩ 1% 0.6W
3455 4822 053 11688 6.8Ω 5% 2W
3456 4822 051 20008 Jumper 0805
3457 4822 051 20008 Jumper 0805
3458 4822 050 11002 1kΩ 1% 0.4W
3459 4822 053 11153 15kΩ 5% 2W
3460 4822 116 52276 3.9kΩ 5% 0.5W
3463 4822 116 52191 33Ω 5% 0.5W
3465 4822 050 22703 27kΩ 1% 0.6W
3468 4822 116 52213 180Ω 5% 0.5W
3468 4822 116 52219 330Ω 5% 0.5W
3469 4822 116 52234 100kΩ 5% 0,5W
3469 4822 116 52269 3.3kΩ 5% 0.5W
3470 3198 021 52240 220kΩ 5% 0805
3470 4822 051 20274 270kΩ 5% 0.1W
3470 4822 051 20474 470kΩ 5% 0.1W
3471 4822 050 23908 3.9Ω 1% 0.6W
3471 4822 050 25608 5.6Ω 1% 0.6W
3472 4822 050 23308 3.3Ω 1% 0.6W
3472 4822 050 23908 3.9Ω 1% 0.6W
3473 4822 050 22202 2.2kΩ 1% 0.6W
3473 4822 050 23908 3.9Ω 1% 0.6W
3473 4822 050 26808 6.8Ω 1% 0.6W
3474 4822 050 22202 2.2kΩ 1% 0.6W
3475 4822 050 22202 2.2kΩ 1% 0.6W
3477 4822 116 83868 150Ω 5% 0.5W
3478 4822 116 83868 150Ω 5% 0.5W
3479 4822 117 12955 2.7kΩ 1% 0.1W 0805
3480 2122 101 02083 1.5Ω 5% 0,5W
3481 4822 050 21003 10kΩ 1% 0.6W
3481 4822 050 21203 12kΩ 1% 0,6W
3481 4822 050 21503 15kΩ 1% 0.6W
3481 4822 050 21803 18kΩ 1% 0,6W
3482 4822 050 21003 10kΩ 1% 0.6W
3482 4822 050 21203 12kΩ 1% 0,6W
3482 4822 050 21503 15kΩ 1% 0.6W
3482 4822 050 28202 8.2kΩ 1% 0,6W
3484 4822 116 52276 3.9kΩ 5% 0.5W
3486 4822 053 12229 22Ω 5% 3W
3488 4822 052 11478 4.7Ω 5% 0.5W
3490 4822 116 52256 2.2kΩ 5% 0.5W
3490 4822 116 52303 8.2kΩ 5% 0.5W
3491 4822 117 10833 10kΩ 1% 0.1W
3492 4822 051 10102 1kΩ 2% 0.25W
3492 4822 051 20471 470Ω 5% 0.1W
3493 4822 052 10109 10Ω 5% 0.33W
3493 4822 052 10688 6.8Ω 5% 0.33W
3494 4822 052 11478 4.7Ω 5% 0.5W
3495 4822 051 20223 22kΩ 5% 0.1W

Spare Parts List
EN 74 L01.1A AC10.
3496 4822 117 10837 100kΩ 1% 0.1W
3497 4822 117 10837 100kΩ 1% 0.1W
3498 4822 117 11383 12kΩ 1% 0.1W
3499 4822 051 20471 470Ω 5% 0.1W
3500 4822 053 21335 3.3MΩ 5% 0.5W
3501 4822 053 21335 3.3MΩ 5% 0.5W
3503 4822 116 21224 VDR 1mA/387V
3504 4822 116 10105 PTC 9Ω 220V
3506 4822 053 21155 1.5Ω 5% 0.5W
3507 4822 252 11215 Spark gap
3508 4822 116 83872 220Ω 5% 0.5W
3509 3198 013 04710 470Ω 20% 0.5W
3510 4822 117 12765 4.7Ω 20% 3W
3519 4822 116 83876 270Ω 5% 0.5W
3520 4822 051 20122 1.2kΩ 5% 0.1W
3521 4822 050 24708 4.7Ω 1% 0.6W
3521 4822 116 52186 22Ω 5% 0.5W
3522 4822 051 20334 330kΩ 5% 0,1W
3522 4822 051 20394 390kΩ 5% 0.1W
3523 4822 052 10479 47Ω 5% 0.33W
3524 4822 117 11148 56kΩ 1% 0.1W
3525 4822 051 10102 1kΩ 2% 0.25W
3526 3198 012 11570 0.15Ω 5% 1W
3526 4822 117 11744 0.22Ω 5% 1W
3527 4822 117 11744 0.22Ω 5% 1W
3528 4822 051 20008 Jumper 0805
3528 4822 051 20109 10Ω 5% 0.1W
3529 4822 117 10834 47kΩ 1% 0.1W
3530 4822 117 10833 10kΩ 1% 0.1W
3531 4822 051 20472 4.7kΩ 5% 0.1W
3532 4822 052 10222 2.2kΩ 5% 0.33W
3541 4822 051 20471 470Ω 5% 0.1W
3542 4822 117 11139 1.5kΩ 1% 0.1W
3543 4822 050 28203 82kΩ 1% 0.6W
3544 4822 117 11145 4.7kΩ 1% 0,1W
3545 4822 051 20274 270kΩ 5% 0.1W
3548 4822 116 83933 15kΩ 1% 0.1W
3552 4822 051 20472 4.7kΩ 5% 0.1W
3552 4822 117 10833 10kΩ 1% 0.1W
3557 4822 051 10102 1kΩ 2% 0.25W
3557 4822 117 11139 1.5kΩ 1% 0.1W
3561 4822 116 52213 180Ω 5% 0.5W
3561 4822 116 83872 220Ω 5% 0.5W
3562 4822 117 11383 12kΩ 1% 0.1W
3563 4822 051 20822 8.2kΩ 5% 0,1W
3565 4822 053 10331 330Ω 5% 1W
3566 4822 117 11449 2.2kΩ 5% 0.1W 0805
3569 4822 051 20562 5.6kΩ 5% 0.1W 0805
3580 4822 117 10834 47kΩ 1% 0.1W
3591 4822 052 10109 10Ω 5% 0.33W
3594 4822 117 13577 330Ω 1% 0805 1.25W
3595 3198 021 52240 220kΩ 5% 0805
3596 3198 021 52240 220kΩ 5% 0805
3601 4822 116 52303 8.2kΩ 5% 0.5W
3603 4822 116 52175 100Ω 5% 0.5W
3604 4822 116 52175 100Ω 5% 0.5W
3605 4822 051 30472 4.7kΩ 5% 0.062W
3606 4822 116 52256 2.2kΩ 5% 0.5W
3607 4822 116 52256 2.2kΩ 5% 0.5W
3608 4822 116 83883 470Ω 5% 0.5W
3609 4822 050 11002 1kΩ 1% 0.4W
3610 4822 116 52303 8.2kΩ 5% 0.5W
3611 4822 051 30101 100Ω 5% 0.062W
3614 4822 116 52283 4.7kΩ 5% 0.5W
3615 4822 050 21003 10kΩ 1% 0.6W
3618 4822 050 21003 10kΩ 1% 0.6W
3618 4822 116 83961 6.8kΩ 5%
3622 4822 051 30008 Jumper 0603
3622 4822 051 30471 470Ω 5% 0.062W
3623 4822 051 30472 4.7kΩ 5% 0.062W
3624 4822 116 52175 100Ω 5% 0.5W
3625 4822 116 52175 100Ω 5% 0.5W
3626 4822 051 30472 4.7kΩ 5% 0.062W
3627 4822 051 30472 4.7kΩ 5% 0.062W
3628 4822 051 30103 10kΩ 5% 0.062W
3630 4822 051 30222 2.2kΩ 5% 0.062W
3630 4822 051 30471 470Ω 5% 0.062W
3632 4822 051 30008 Jumper 0603
3634 4822 116 52175 100Ω 5% 0.5W
3635 4822 116 52175 100Ω 5% 0.5W
3636 4822 051 10102 1kΩ 2% 0.25W
3637 4822 051 30759 75Ω 5% 0.062W
3638 4822 051 30759 75Ω 5% 0.062W
3639 4822 051 30008 Jumper 0603
3640 4822 116 52303 8.2kΩ 5% 0.5W
3681 4822 051 20391 390Ω 5% 0.1W
3681 4822 117 11448 180Ω 1% 0.1W
3682 4822 051 20332 3.3kΩ 5% 0.1W
3682 4822 117 11504 270Ω 1% 0.1W
3683 4822 051 20391 390Ω 5% 0.1W
3683 4822 117 11596 390Ω 1% 0,1W
3684 4822 051 20561 560Ω 5% 0.1W
3684 4822 117 11596 390Ω 1% 0,1W
3685 4822 051 20561 560Ω 5% 0.1W
3685 4822 117 11139 1.5kΩ 1% 0.1W
3686 4822 051 20008 Jumper 0805
3686 4822 117 11139 1.5kΩ 1% 0.1W
3687 4822 117 11927 75Ω 1% 0.1W
3688 4822 117 12521 68Ω 1% 0.1W
3689 4822 117 12955 2.7kΩ 1% 0.1W 0805
3691 4822 051 30331 330Ω 5% 0.062W
3693 4822 051 30221 220Ω 5% 0.062W
3694 4822 051 30472 4.7kΩ 5% 0.062W
3801 4822 051 30221 220Ω 5% 0.062W
3802 4822 051 30102 1kΩ 5% 0.062W
3810 4822 051 30759 75Ω 5% 0.062W
3814 4822 117 13632 100kΩ 1% 0603 0.62W
3815 4822 117 13632 100kΩ 1% 0603 0.62W
3816 4822 117 13632 100kΩ 1% 0603 0.62W
3817 4822 117 13632 100kΩ 1% 0603 0.62W
3818 4822 117 13632 100kΩ 1% 0603 0.62W
3819 4822 117 13632 100kΩ 1% 0603 0.62W
3820 4822 117 13632 100kΩ 1% 0603 0.62W
3821 4822 117 13632 100kΩ 1% 0603 0.62W
3822 4822 051 30759 75Ω 5% 0.062W
3831 4822 117 12925 47kΩ 1% 0.063W 0603
3832 4822 116 52175 100Ω 5% 0.5W
3833 4822 116 52175 100Ω 5% 0.5W
3837 4822 116 52175 100Ω 5% 0.5W
3839 4822 116 52175 100Ω 5% 0.5W
3843 4822 051 30222 2.2kΩ 5% 0.062W
3861 4822 117 13632 100kΩ 1% 0603 0.62W
3862 4822 051 30153 15kΩ 5% 0.062W
3863 4822 117 11817 1.2kΩ 1% 1/16W
3864 4822 051 30101 100Ω 5% 0.062W
3865 4822 116 52175 100Ω 5% 0.5W
3866 4822 116 52175 100Ω 5% 0.5W
3867 4822 051 30332 3.3kΩ 5% 0.062W
3891 4822 051 30101 100Ω 5% 0.062W
3893 4822 051 30331 330Ω 5% 0.062W
3894 4822 051 30101 100Ω 5% 0.062W
3896 4822 051 30331 330Ω 5% 0.062W
3901 4822 051 30102 1kΩ 5% 0.062W
3901 4822 051 30682 6.8kΩ 5% 0.062W
3902 4822 051 30332 3.3kΩ 5% 0.062W
3903 4822 051 30153 15kΩ 5% 0.062W
3903 4822 051 30332 3.3kΩ 5% 0.062W
3903 4822 117 12925 47kΩ 1% 0.063W 0603
3904 4822 051 30103 10kΩ 5% 0.062W
3905 4822 051 30332 3.3kΩ 5% 0.062W
3905 4822 117 12925 47kΩ 1% 0.063W 0603
3906 4822 051 30103 10kΩ 5% 0.062W
3907 4822 051 30682 6.8kΩ 5% 0.062W
3907 4822 117 12902 8.2kΩ 1% 0.063W 0603
3909 4822 051 30273 27kΩ 5% 0.062W
3910 4822 051 30273 27kΩ 5% 0.062W
3912 4822 116 52231 820Ω 5% 0.5W
4xxx 4822 051 30008 Jumper 0603
4xxx 4822 051 20008 Jumper 0805
6400 4822 050 21002 1kΩ 1% 0.6W
9611 4822 157 52392 27µH
9672 4822 157 50961 22µH
9678 4822 157 50961 22µH
5001 4822 156 20966 47µH
5001 4822 157 51216 5.6µH 10%
5002 3198 018 18270 820nH 10%
5003 4822 157 11866 1.8µH 10%
5201 4822 157 11139 6.8µH 5%
5201 4822 157 11835 4,7µH 5%
5204 4822 157 11411 Bead 83Ω at 100MHz
5205 4822 157 11411 Bead 83Ω at 100MHz
5206 4822 157 11411 Bead 83Ω at 100MHz
5242 4822 157 11706 10µH 5%
5341 4822 157 50961 22µH
5342 4822 156 21125 3.9µH 10%
5342 4822 157 50961 22µH
5342 4822 157 70698 27µH
5376 4822 526 10704 Bead 45Ω at 50MHz
5401 4822 157 11885 1000µH 5%
5445 2422 531 02471 LOT JF0501-2135 21' / 25'
5445 2422 531 02472 LOT JF0501-2136 29'
5445 2422 531 02581 LOT JF0501-2601 34'
5451 4822 157 11737 22µH 10%
5452 4822 157 11411 Bead 83Ω at 100MHz
5457 2422 536 00425 Linearity coil 21'
5457 2422 536 00507 Linearity coil PSL12-104A B
5457 2422 536 00513 Linearity coil 21' / 25'
5457 3128 138 53181 Linearity coil 29'
5457 4822 157 11712 Linearity coil
5461 2422 531 02446 Transf. SC10009-03 B
5461 2422 531 02465 Transf. SC10015
5461 2422 531 02478 Transf. SC10027-00 B
5461 2422 531 02568 Transf. SD10207-00 B
5463 4822 157 11711 Choke coil
5471 2422 535 94638 6.8µH 20%
5472 4822 157 51157 3.3µH
5472 4822 158 10604 6,8µH
5480 4822 156 20966 47µH
5480 4822 157 63788 18µH 10%
5480 4822 157 70698 27µH
5480 5322 157 51687 39µH
5500 4822 157 10476 20mH 1.5A DMF-2820H
5500 4822 157 11538 10mH 2A DMF-2810H60
5501 4822 157 11523 DMF-2405
5520 2422 531 02462 Transf. SS42025-03 B
5520 2422 531 02544 Transf. PSS42-11
5520 2422 531 02579 Transf. SS49109-00 B
5521 4822 526 10704 Bead 45Ω at 50MHz
5560 4822 526 10704 Bead 45Ω at 50MHz
5561 4822 157 71401 27µH
5562 4822 157 11411 Bead 83Ω at 100MHz
5562 4822 526 10704 Bead 45Ω at 50MHz
5564 4822 526 10704 Bead 45Ω at 50MHz
5602 4822 157 11867 5.6µH 5%
5603 4822 157 11867 5.6µH 5%
5604 4822 157 11867 5.6µH 5%
5831 4822 157 11139 6.8µH 5%
5832 4822 157 11139 6.8µH 5%
5833 4822 157 11139 6.8µH 5%
5835 3198 018 31290 12µH 10%
5861 4822 157 11706 10µH 5%
6001 4822 130 34142 BZX79-B33
6004 4822 130 11525 1SS356
6150 4822 130 11397 BAS316
6201 4822 130 11397 BAS316
6202 4822 130 11397 BAS316
6206 4822 130 11416 PDZ6.8B
6331 4822 130 30842 BAV21
6332 4822 130 11397 BAS316
6333 4822 130 30842 BAV21
6335 4822 130 30842 BAV21
6365 4822 130 31983 BAT85
6366 4822 130 31983 BAT85
6367 5322 130 34337 BAV99
6401 4822 130 34383 BZX79-B47
6445 4822 130 11551 UDZS10B
6447 4822 130 30621 1N4148
6448 4822 130 34167 BZX79-B6V2
6449 5322 130 34337 BAV99
6453 3198 020 55680 BZX384-C5V6
6453 4822 130 11416 PDZ6.8B
6460 9340 559 50112 BY228/24
6461 4822 130 80572 RGP30J
6462 4822 130 34197 BZX79-B12
6463 4822 130 11551 UDZS10B
6464 4822 130 11397 BAS316
6465 4822 130 30842 BAV21
6466 4822 130 30842 BAV21
6467 4822 130 11397 BAS316
6468 4822 130 11397 BAS316
6469 4822 130 41487 BYV95C
6469 5322 130 34979 BYV96E
6470 5322 130 34337 BAV99
6476 4822 130 31024 BZX79-B18
6476 4822 130 34281 BZX79-B15
6481 4822 130 34173 BZX79-B5V6
6482 4822 130 30862 BZX79-B9V1
6483 4822 130 34142 BZX79-B33
6485 4822 130 41487 BYV95C
6486 9322 164 42682 EGP20DL-5100
6487 4822 130 41601 BYV95A
6488 9322 164 42682 EGP20DL-5100
6490 4822 130 41487 BYV95C
6500 3198 010 10640 Bridge cell GBU4K
6500 4822 130 10741 GBU6J
6520 4822 130 41601 BYV95A
6522 4822 130 11152 UDZ18B
6523 4822 130 30621 1N4148
6524 4822 130 31083 BYW55
6525 4822 130 31083 BYW55
6526 9340 548 67115 PDZ22B
6540 4822 130 34167 BZX79-B6V2
6541 4822 130 11551 UDZS10B
6541 9322 150 08685 BZX384-C9V1
6560 3139 120 52021 BYV29X-500
6561 4822 130 32715 SB340
6562 9322 164 42682 EGP20DL-5100
6563 4822 130 11397 BAS316
6565 5322 130 34331 BAV70
6566 4822 130 30621 1N4148
6567 4822 130 11148 UDZ4.7B
6569 4822 130 11397 BAS316
6570 4822 130 10837 UDZS8.2B
6570 9322 163 91685 BZX384-C6V2

Spare Parts List EN 75L01.1A AC 10.
6580 4822 130 11397 BAS316
6582 9322 175 70667 STPS10L60D
6681 4822 130 31983 BAT85
6691 9322 050 99682 LTL-10224WHCR
6692 9322 127 54667 TSOP1836UH1
6831 4822 130 30621 1N4148
6901 4822 051 20008 Jumper 0805
6904 4822 051 20008 Jumper 0805
7000 9352 628 51112 TDA8941P/N1
7001 4822 130 63732 MMUN2212
7101 5322 130 60159 BC846B
7102 4822 130 60373 BC856B
7103 5322 130 60159 BC846B
7200 9352 706 10557 TDA9570H/N1/AI
7200 9352 711 31557 TDA9580H/N1/3I
7200 9352 711 32557 TDA9582H/N1/3I
7200 9352 712 27557 TDA9583H/N1/3I
7200 9352 712 42557 TDA9555H/N1/3I
7200 9352 715 39557 TDA9586H/N1/3I
7201 5322 130 60159 BC846B
7202 4822 130 60373 BC856B
7203 4822 130 60373 BC856B
7204 4822 130 60373 BC856B
7205 4822 130 60373 BC856B
7206 5322 130 42755 BC847C
7330 9352 713 37112 TDA6107JF/N3
7360 5322 130 60159 BC846B
7366 9322 167 18676 2SA965
7369 4822 130 60373 BC856B
7373 4822 130 41246 BC327-25
7380 4822 130 43226 2SC2235-O
7382 4822 130 40981 BC337-25
7400 9322 157 37687 STP3NC60FP
7441 4822 130 60373 BC856B
7443 4822 130 44568 BC557B
7450 3198 010 44010 PDTA114ET
7460 9340 550 92127 BU4508DX
7461 4822 130 40981 BC337-25
7462 9340 547 00215 PDTC143ZT
7463 4822 130 41246 BC327-25
7471 0451 900 00151 TDA8357J
7471 9352 701 64112 TDA8359J/N2
7480 4822 130 40823 BD139
7482 4822 130 40823 BD139
7515 8238 274 02070 TCET1103G
7515 9322 175 72667 TCET1104(G)
7520 9352 673 56112 TEA1507P/N1
7521 9322 160 63687 STP7NC80ZFP
7521 9322 163 76687 STU9NC80ZI
7522 5322 130 60159 BC846B
7540 4822 130 40959 BC547B
7541 4822 130 11155 PDTC114ET
7542 4822 130 60373 BC856B
7560 4822 209 16978 LF33CV
7561 9340 547 00215 PDTC143ZT
7580 4822 130 60373 BC856B
7602 9322 147 25682 M24C16-WBN6
7606 9340 547 00215 PDTC143ZT
7802 5322 209 14481 HEF4053BT
7831 9322 187 89682 MSP3425G-PO-B8-V3
7831 9322 191 13682 MSP3415G-PO-C12
7861 9352 671 19557 TDA9853H/V1
7891 5322 130 60159 BC846B
7892 5322 130 60159 BC846B
7901 9322 166 29682 AN7580
7901 9322 181 41682 AN7522N
7903 5322 130 60159 BC846B
Side AV Panel [C]
Various
0163 3139 131 01551 Cable 6p/560/3p-3p
0186 3139 110 38861 Cable 5p/680/5p
0232 4822 267 31014 Socket headphone
0250 4822 265 11606 Connector 3p
0251 4822 267 10735 Connector 3p m
0253 2422 025 16382 Connector 3p m
0254 4822 267 10734 Connector 5p m
0255 4822 267 10565 Connector 4p
2171 5322 122 32311 470pF 10% 100V
2172 5322 122 32311 470pF 10% 100V
2173 5322 122 32311 470pF 10% 100V
2174 5322 122 32311 470pF 10% 100V
2176 5322 122 32311 470pF 10% 100V
2177 4822 124 40248 10µF 20% 63V
2178 5322 122 32311 470pF 10% 100V
2179 4822 124 40248 10µF 20% 63V
3150 4822 116 83884 47kΩ 5% 0.5W
3151 4822 116 83868 150Ω 5% 0.5W
3152 4822 116 83884 47kΩ 5% 0.5W
3153 4822 116 83868 150Ω 5% 0.5W
3156 4822 116 52206 120Ω 5% 0.5W
3157 4822 116 52206 120Ω 5% 0.5W
6161 4822 130 34278 BZX79-B6V8
Top Control Panel [E]
Various
0215 4822 267 10748 Connector 3p m
1091 4822 276 13775 Switch
1092 4822 276 13775 Switch
1093 4822 276 13775 Switch
1094 4822 276 13775 Switch
3088 4822 051 20008 Jumper 0805
3089 4822 051 20008 Jumper 0805
3091 4822 051 20561 560Ω 5% 0.1W
3092 4822 051 20391 390Ω 5% 0.1W
3093 4822 051 20561 560Ω 5% 0.1W
3094 4822 051 20391 390Ω 5% 0.1W
3095 4822 051 20332 3.3kΩ 5% 0.1W
3096 4822 117 11139 1.5kΩ 1% 0.1W
4092 4822 051 20008 Jumper 0805
6092 4822 130 11528 1PS76SB10
DAF Panel [G]
Various
0180 3139 131 00761 Cable 2p 560mm
0221 4822 267 10966 Connector 2p
0258 4822 267 10966 Connector 2p
0261 4822 267 10676 Connector 1P
0262 4822 267 10676 Connector 1P
2492 4822 126 13865 390pF 10% 2kV
2493 4822 126 13865 390pF 10% 2kV
3498 2322 592 13017 VDR 1mA/423V
3499 2322 592 13017 VDR 1mA/423V
5493 4822 148 81425 DAF
Front Interface Panel [Q]
Various
0211 2422 025 16268 Connector 2p m
0212 2422 025 16268 Connector 2p m
0214 2422 025 06353 Connector 5p male
0231 2422 128 02972 Mains switch
2691 4822 124 12379 220µF 25V
2692 4822 126 13751 47nF 10% 63V
2693 4822 126 13751 47nF 10% 63V
2694 4822 126 13751 47nF 10% 63V
2695 4822 126 13751 47nF 10% 63V
2698 5322 121 42386 100nF 5% 63V
3500 4822 053 21335 3.3MΩ 5% 0.5W
3501 4822 053 21335 3.3MΩ 5% 0.5W
3691 4822 116 52219 330Ω 5% 0.5W
3693 4822 116 83872 220Ω 5% 0.5W
6691 9322 050 99682 LTL-10224WHCR
6692 9322 127 54667 TSOP1836UH1
















