Philips Chassis LC13E AA Service Manual. Www.s Manuals.com. Tv Ch Manual
User Manual: LCD TV Philips LC13E AA Chassis - Service manuals and Schematics. Free.
Open the PDF directly: View PDF
.
Page Count: 33
- Front Page
- 6. Block Diagrams, Testpoint Overviews, and Waveforms
- 7. Circuit Diagrams and PWB Layouts
- TV Board: U_Cont
- TV Board: Memory for 100-pg Teletext
- TV Board: Tuner Function
- TV Board: IF Video Sync Chroma
- TV Board: SAW Filter, Ext. Video Select, Histogram, & C-Sync Generator
- TV Board: Analog Comb Filter
- TV Board: Audio Delay Line
- TV Board: Audio Processing
- TV Board: Audio Amplifier
- TV Board: Local Supply
- TV Board: SCART I/O
- Layout TV Board (13”/15”) (Overview Top Side)
- Layout TV Board (13”/15”) (Overview Bottom Side)
- Layout TV Board (20”) (Overview Top Side)
- Layout TV Board (20”) (Overview Bottom Side)
- Scaler Board: Power
- Scaler Board: I/O & Interface
- Scaler Board: Video Decoder
- Scaler Board: Output (LVDS)
- Scaler Board: Video Converter
- Inverter Panel (13”)
- Inverter Panel (15”)
- Inverter Panel (15”)
- Layout Inverter Panel (15”)
- Inverter Panel (20”)
- Inverter Panel (20”)
- Front LED Panel
- Layout Front LED Panel (Top Side)
- Layout Front LED Panel (Bottom Side)

Published by RB 0461 Service PaCE Printed in the Netherlands Subject to modification EN 3122 785 14031
©
Copyright 2004 Philips Consumer Electronics B.V. Eindhoven, The Netherlands.
All rights reserved. No part of this publication may be reproduced, stored in a
retrieval system or transmitted, in any form or by any means, electronic,
mechanical, photocopying, or otherwise without the prior permission of Philips.
Colour Television Chassis
LC13E
AA
Contents Page Contents Page
1 Technical Specifications, Connections,
and Chassis Overview 2
2 Safety Instructions, Warnings, and Notes 5
3 Directions for Use 6
4 Mechanical Instructions 11
5 Service Modes, Error messages,
and Repair Tips 15
6Block Diagrams, Testpoint Overviews,
and Waveforms
Wiring Diagram 13 & 15 Inch 23
Wiring Diagram 20 Inch 24
Block Diagram (Tuner-IF-Video) 25
Block Diagram (TV Control and Inverter Panel) 26
Testpoint Overview TV Board 27
Block Diagram (Scaler Board) 28
Testpoint Overview Scaler Board 29
I2C-IC’s and Error Codes Overview 30
Powerlines Overview 31
7Electrical Diagrams and PWB lay-outs Diagram PWB
TV Board: U_Cont (Diagram A1) 32 43-62
TV Board: Mem for 100-pg Txt (Diagram A2) 33 43-62
TV Board: Tuner Function (Diagram A3) 34 43-62
TV Board: IF Video Sync Chr. (Diagram A4) 35 43-62
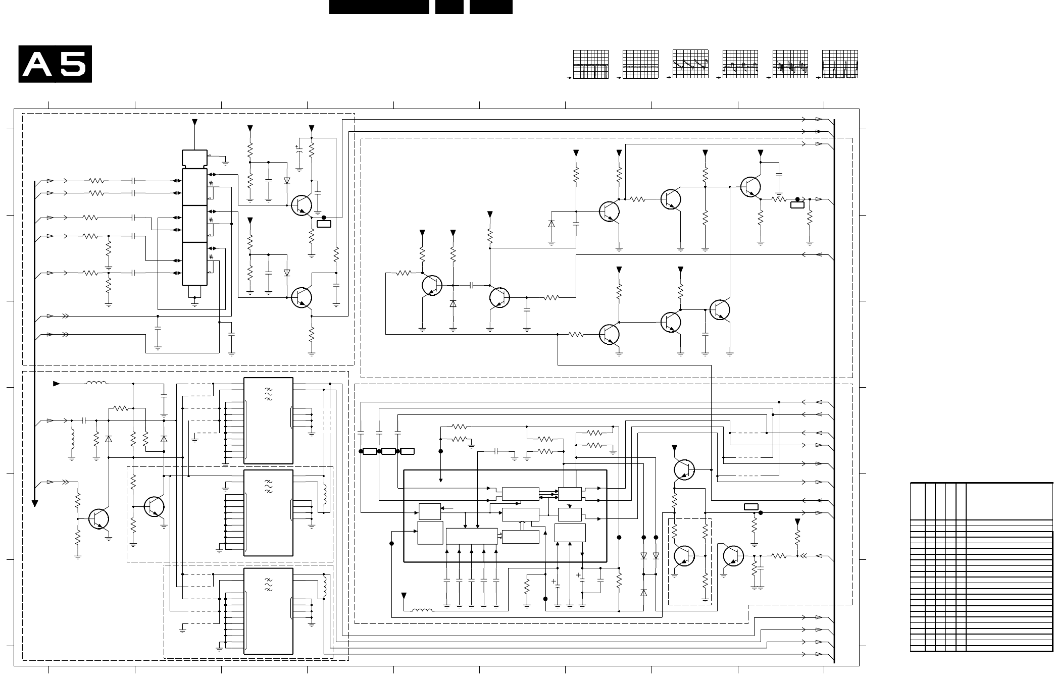
TV Board: SAW Filter (Diagram A5) 36 43-62
TV Board: Analog Comb Filter (Diagram A6) 37 43-62
TV Board: Audio Delay Line (Diagram A7) 38 43-62
TV Board: Audio Processing (Diagram A8) 39 43-62
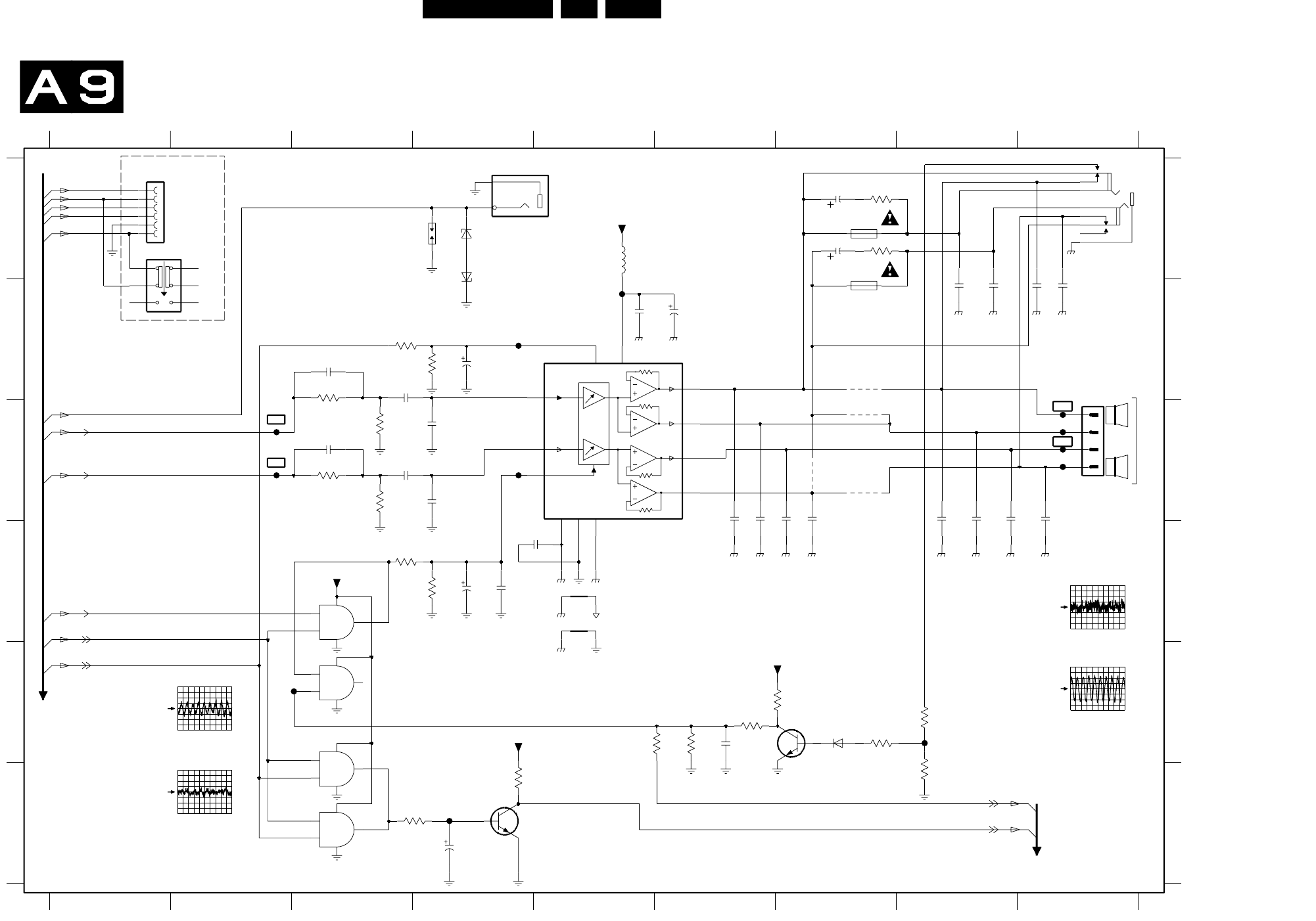
TV Board: Audio Ampl. (Diagram A9) 40 43-62
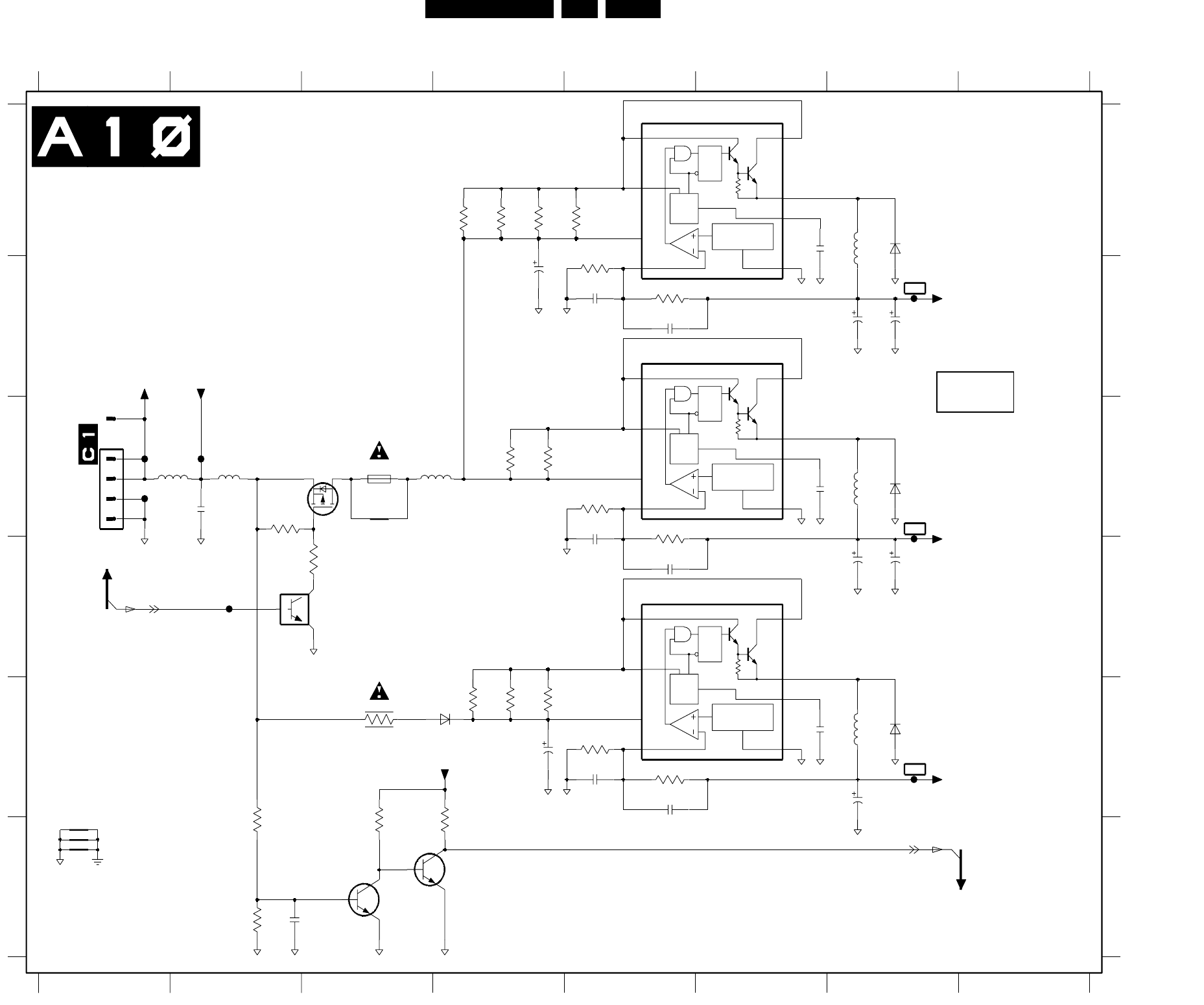
TV Board: Local Supply (Diagram A10) 41 43-62
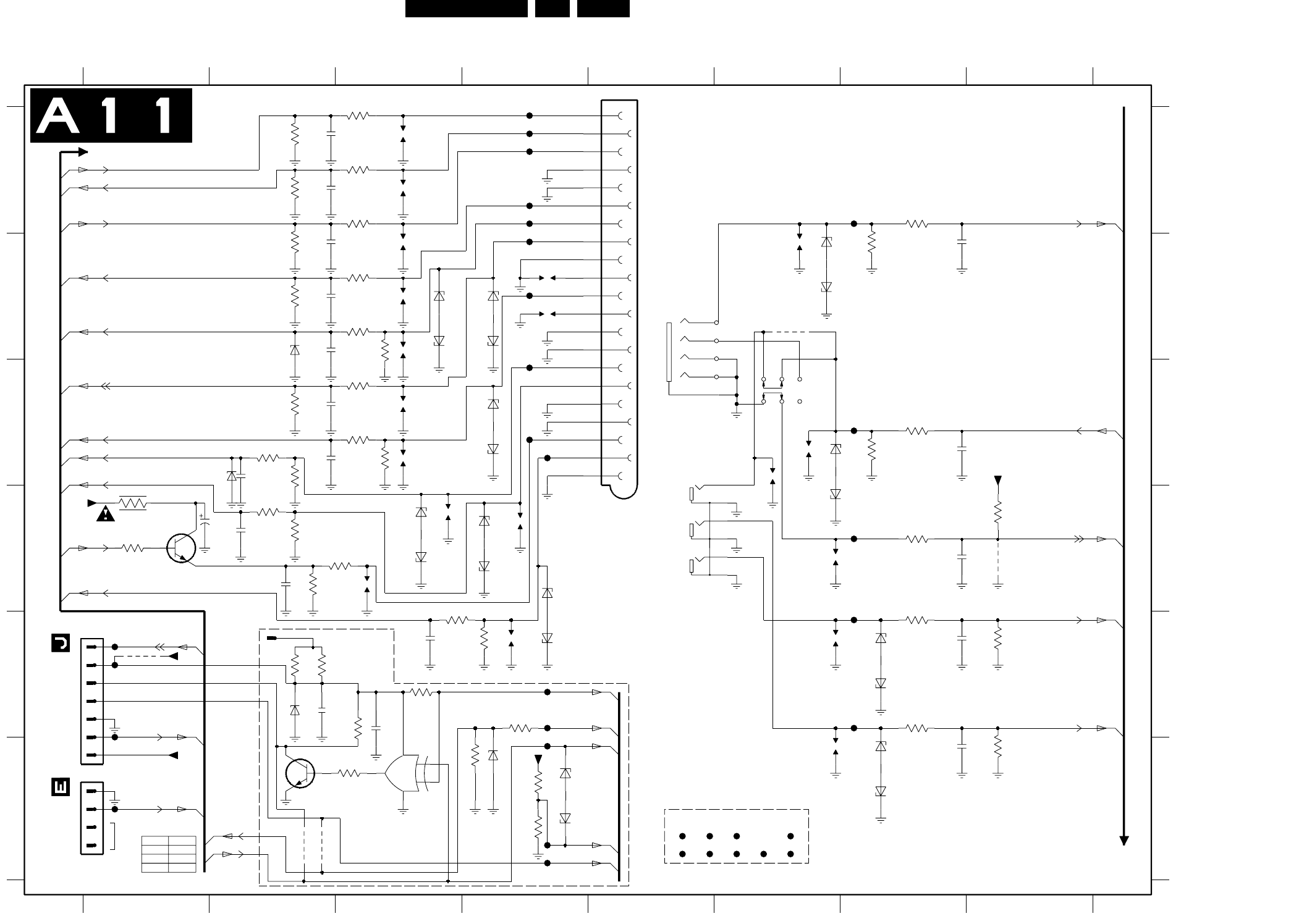
TV Board: SCART I/O (Diagram A11) 42 43-62
Scaler Board: Power (Diagram C1) 63 68-69
Scaler Board: I/O & Interface (Diagram C2) 64 68-69
Scaler Board: Video Decoder (Diagram C3) 65 68-69
Scaler Board: Output (LVDS) (Diagram C4) 66 68-69
Scaler Board: Video Converter (Diagram C5) 67 68-69
Top Control (Diagram E) 70 71
Inverter Panel (13”) (Diagram IN1) 72 73
Inverter Panel (15”) (Diagram IN1) 74 76
Inverter Panel (15”) (Diagram IN2) 75 76
Inverter Panel (20”) (Diagram IN1) 77 79
Inverter Panel (20”) (Diagram IN2) 78 79
Front LED Panel (Diagram J) 80 80
8 Alignments 81
9 Circuit Descriptions 85
Abbreviation List 97
IC Data Sheets 99
10 Spare Parts List 100
11 Revision List 105

Block Diagrams, Testpoint Overviews, and Waveforms 25LC13E 6.
Block Diagram (Tuner-IF-Video)
1100
+5V4
6,7,3 9
451
11
A3 TUNER
TV TV + RADIO
FM TUNER
FM
+5V4
Sound
Traps
+8V3A
1452
1454
VIF1
VIF2
AGC
VSIF2
VSIF1
1
2
7
8
9
23
16
27
7301-A
8
7
7
8
A4 VDP - COLOUR PROCESSING
QSS Mixer
AM Demod.
3308
11
10
7452
7130//7131
7120
6101
-/33
A5 VIDEO & QSS IF
EF
EF
COLOUR
DECOD-
ING
RGB/
YUV
INT
RGB/
YUV
MATRIX
RGB
INPUT
I2C
BUS
CTRL
CAT.
CALIB.
RGB
OUTPUT
+
+
54
21
20
49
51
17
52
18
33
32
31
2924
26
7301-B
COMB-ON
SCL
SDA
41
42
43
7302
7303
EF
7330
EF
EF
EF
7350
7353
7356
7401-C 7401-B
7401-A
SEL-MAIN-FRNT-RR
SEL-MAIN-R1R2
Y-CVBS-FRONT-IN
5
34
9
2
115
10
12
13
11
A5 EXT. VIDEO SELECT
EF
EF
7412-B
14
7412-A
C-FRONT-IN
MAIN-CBVS-EXT-IN
MAIN-C-EXT-IN
DSP
I2C
INTERF
D/A
D/A
D/A
IDENT
D/A
DEMOD-
ULATOR
INPUT SWITCH
AUD_SW
AUDIO-L
AUDIO-R
SDA-0
SCL-0
7620
23
21
20
17
18
28,29
41,42
44,45
38,39
21
A8 AUDIO PROCESSING
A9a AUDIO AMP 2x3W
(13" & 15") A9b AUDIO AMP 2x5W
(20")
L
R
3241
SVHS
C
Y
VIDEO
I2S_DATA_OUT
I2S_CLOCK
I2S_DATA_IN
356
7674/5
36,35
TO/FROM
1003 OF
SCALER
BOARD
LR-SC2-AV2-IN
Y-CVBS-SC2-AV2-IN
C-SC2-SVHS-IN
STATUS2-SVHS-RR-DET
LR-SC1_AV-OUT
LR-SC1_AV1-IN
LR-SC2_AV2-IN
PC-HDAUDIO-LR
A8
A1
A5
A5
A8
A4 VDP - COLOUR PROCESSING
A1
A1
A11
N.C.
N.C.
A4
A1
1
3
6
8
16
2
20
19
15
11
7
21
SCART 1
R-Out R-In
L-Out
L-In
B-In Status
G-In
R-In FBL-In
TER-Out CVBS-In
1
12
2
5
5
6
6
7
7
9
910
10
EF
LR-SC1_AV-OUT
STATUS1
B-SC1-IN_U-IN
G-SC1-IN_Y-IN
R-SC1-IN_V-IN
LR-SC1_AV1-IN
Y-CVBS-SC2_AV2-IN
CVBS-SC1_AV1-IN
CVBS_TER_OUT
FBL-SC1-IN
7224
A4
A4
A8
A4
A4
C-SC2_SVHS-IN
A11
A11 SCART IO
7680
LR-CL_VL-OUT
LR-SC2-OUT
SEL-MAIN-R1R2
7678/9
KEYBOARD 1234
2
+8V3
SDM
N.C.
RC5
1231
6
5
1
4
3
PC-TV-LED
STBY-LED
LIGHT-SENSOR_SDM
A1
A1
A1
A1
A1
R
L
SQ
R
OSC
REF
7901
3900
5
1
2
3
4
2911
+8V3
VCC
6
SQ
R
OSC
REF
5
1
2
3
4
2931
+5V4
VCC
6
7910
7
7
7930
391x
7903
7904
STANDBY
A1
C1
12-24DC-SUP_1
4
3
2
1
1902
3904
3925
1903
3901
393x
A1 A9
7900
A10 LOCAL SUPPLY
6930
5931
6910
5911
2913
2933
SIF-TV 50
A4
A11
2
1500 - POWER
- CH +
- CH -
- VOL +
- VOL -
E
5x
FRONT
TOP CONTROL
INTERFACE
1170
1
3
4
6
J
RED GREEN
7175
6175
5
8-BIT COUNTERS
32KX8
STATIC
RAM
A0
A13
D-LATCH
D-LATCH
4614
A0----A7
A7 AUDIO DELAY (80ms)
7601/2 7603
7604
7605
35
36
37
R-TXT-OSD
G-TXT-OSD
B-TXT-OSD
FBL-TXT-OSD 38
A1
RGB/
YUV
MATRIX
YUV
INTER-
FACE
SAT.
CTRL
Y-MAIN
U-MAIN
V-MAIN
39
47
48
40
45
46
HISTOGRAM
+8V3A
3
2
7
14
19
18
7403
16 5
SC
A5 HISTOGRAM (OPTIONAL)
Y-HISTOGRAM
U-HISTOGRAM
V-HISTOGRAM
CVBS_TER_OUT
(SCART)
A11
CVBS-SC2_MON-OUT
N.C.
SIF-TV
A8
G-SC1-IN_Y-IN
B-SC1-IN_U-IN
R-SC1-IN_V-IN
A11
44
FBL-SC1-IN
A11
A11
A11
LINEDRIVE1
EF
7390~1 7383~5
7380~1 7382
2380
A5 C-SYNC GENERATOR
COMB
FILTER
14
16
12 1
9
SYS2
C-IN
7428
+5V 5,6
EF
EF
7427
A6 ANALOG COMB FILTER
SANDCASTLE1
7
SYS1 11 10
Y-IN
A5
R-DRIVE
G-DRIVE
B-DRIVE
CLOCK12MHZ
A1
G
50/60Hz
15625
G
TV
TV
+8V3
53
56
7301-C
57 SC A5
C-SYNC
(HISTOGRAM)
MAIN-CBVS-EXT-IN
MAIN-C-EXT-IN
CVBS-TXT-CC
SIF-FM 52
A3
A1
N.C.
N.C.
N.C.
N.C.
SDA-0
SCL-0
SEL-IF-LL_M-TRAP
SIF-FM
A1
A1
A1
A8
8
8
POWER-DOWN SQ
R
OSC
REF
5
1
2
3
4
2921
+3V5
VCC
6
7
7920
3921
6920
5921
8
64
V-SYNC
H-SYNC
11,13 27
1,11
1,11
2
2,12
1,13
10,11
14,15
25,26
A1
LEFT
RIGHT
4
1
7731
7744
SOUND_ENABLE
STAND-BY
6
8
1
12
7732
1
2
9
10
12
13
HP
EXT. SW
16 OHM / 3 W
2750
3750
2751
2752
3752 2753
HP-SIDE-DET
12-24DC-SUP_1
POWER-DOWN
OUT_MUTE
3743
2746
59
VOLSTB
+
-
+
-
3
2
2
4
10
3
8
11
A10
A1
A1
A1
VCC
1733
1731
1732
1330
7405
+3V5
14
CL 36532073_035.eps
171103
F738
F470
F352
F350
F385
F355
F358
F602
F906
F907
F908
F104
F622
F622
F107
F472
F736
F740
F735
F471
F108
F603
ERR
13 ERR
8
6177
IR
REC.
7173
+8V3
+3V5 +3V5
77
ERR
14
FOR ITEM 7731 AN5277 IS USED

26LC13E 6.
Block Diagrams, Testpoint Overviews, and Waveforms
Block Diagram (TV Control and Inverter Panel)
ERR
15

28LC13E 6.
Block Diagrams, Testpoint Overviews, and Waveforms
Block Diagram (Scaler Board)
12/24V
DC-IN
1002
7004
3014
7005
SQ
R
OSC
REF
5
1
2
3
4
2025
12V
VCC
6
7010
7
3009/10
7002
7003
3001
4
3
2
1
1003
TO/FROM
1902 OF TV
BOARD
PANEL-PWR-CTL
+5V
3015
(1)
(2)
(1) = FOR 13"/15" ONLY
(2) = FOR 20 " ONLY
5011(2)
5010(1)
+5V
5015(2)
5013(1)
ONLY FOR 20"
6025
5025
2026
12V
5014(2)
PAN-VCC
22
20
19
17
16
14
13
12
10
9
7
5
3
1
VIN
ON|OFF FB
OUT
6002
2007
5001
5504
STAND-BY
7001
+5
+3V3
+1V8
7006
2006
2029
7009
2015
1
7011(OPTIONAL)
1
2
3
1
23
12-24DC-SUP
C1 POWER
PC-HDAUDIO-L
PC-HDAUDIO-R
STAND-BY
PC-VSYNC PC-SYNC
PC-HSYNC
SDA-1
RESET
SCL-1
VS-OSD
HS-OSD
AV-CVBS
B-Pb
G-Y
R-Pr
2305
2308
2315
IN OUT
ADJ
7301
+5
N.C.
Analog Input
Power
Ctrl
Video Proc
Decoder O/P
Sync
X-PORT
IIC Reg Map
VDDA
AI12
VXDD
VDDE
VDDI
AI32
AI22
AI42
YCBCR
S
DA-DATA 0....7
PORT
2
8 BIT
YCrCb
INPUT
PORT
1
24 BIT
YCrCb
INPUT
C2 I/O & INTERFACE
TO/FROM 1010 TV BOARD
+3V3
SCL-1
1301 SDA-1
XPDO
:
XPD7
XRV
XRH
DA-FID
N.C.
DA-HSYNC
XCLK DA-CLK
DA-VSYNC
1
3 2,4
INPUT PROC
AUTO SYNC
AUTO ADJ
CLK GEN
PLLs
NR
De-interlace
FRC
SDRAM
Interface
Horizontal
and
Vertical
Scalers
Horizontal
and
Vertical
Enhancers
O/P Proc
Sync Gen
DACs
ADDR 0...10
206
208
195
207
C3 VIDEO DECODER C5 VIDEO CONVERTER
13M5
1351
191
192
SCL-1
SDA-1
SOFT-RESET
PANEL-PWR-CTL
BACK-LIGHT-EN
DATA 0...31
R-V-OUT (0-7)R-V-OUT (0-7)
G-Y-OUT (0-7)G-Y-OUT (0-7)
B-U-OUT (0-7)
R-V-OUT (0-7)
B-U-OUT (0-7)
PLL
TTL PARALLEL-TO-LVDS
TXOUT0-
TXOUT0+
TXOUT1-
TXOUT1+
TXOUT2-
TXOUT2+
TXOUT3-
TXOUT3+
TXCLKOUT+
TXCLKOUT-
C4 OUTPUT (LVDS)
LVDS-OUT (15")
TTL-OUT (13" & 20")
2
4
10
12
18
20
26
28
34
36
40
PAN-VCC
1
2
1506
1501
1341
TO CN1
INVERTER
PANEL
LCD
PANEL 15"
LVDSVCC
PLLVCC
VCC
+3PLL
+3LVDS+3V3
7501
3511
4391
FHSYNC
FVSYNC
FDE
FSHFCLK
FSHFCLK
4
FHSYNC
6
5
7
36
15
1
2
3
4
5
6
7
8
FVSYNC
PDE
PAN_VCC
FHSYNC
FVSYNC
FDE
FSHFCLK
PC-SYNC
48
47
46
45
42
41
38
37
40
39
27
428
30
31
32
1,9,26 34 44
C2 3
23
1
5
2
4
N10
C7
A3 B4 P10 N9
C5 C5
C3
C2
C5
C3
C1
C5
A10
A1
PWRDWN
TIMING
REG SDRAM
2M x 32
VDD/VDDQ
7352
CLK & CONTROL
+3V3
7351
FAROUJA-S2300
9
2358 2356
45
46
47
C2
C1
IN
C2
3016
3005
3343
12-24DC-SUP
+5V
3342
3344
8
(C-SYNC) K1
F2
G3
D2
7302
(NOT USED)
(supply for LCD panel)
CL 36532073_036.eps
111103
F689
F529
F535
F009
F012
F013
F690
F692
F693
F694
F691
F304
ERR
17 ERR
16
ERR
21
1
7
7
4
5
6
5
2
3
4392
4393
37
38
39
40
41
42
43
5
1
2
3
16
25
26
35
G-Y-OUT (0-7)
B-U-OUT (0-7)
LCD
PANEL 13" & 20"

Block Diagrams, Testpoint Overviews, and Waveforms 31LC13E 6.
Powerlines Overview
CL 36532073_038.eps
171103
U_CONT
A1
LOCAL SUPPLY
A10
+3V5
+3V5
+5V4
+5V4
MEMORY
A2
+3V5
+3V5
AUDIO DELAY LINE
VIDEO CONVERTOR
A7
+5VD
+5V4
AUDIO AMPLIFIER
AUDIO PROC.
SCART I/O
FRONT LED
A9
+12_24DC_SUP_1
12_24DC_SUP_1
12_24DC_SUP 12_24DC_SUP
(FOR ITV ONLY)
+3V5
+3V5
+8V3
+3V5
+8V3
+3V5
IF VIDEO
A4
+3V5
+3V5
+5V4
+5V4
+8V3
+8V3
+8V3A
+5V4
+5V4
TUNER
A3
+5V4
+5V4
9-1100
TUNING VOLTAGE
DC/DC
CONVERTER
6120, 7120
CONTROL
AND
STABILIZER
7920
26
4303 5301
7
2
1231
7
2
1170
1201
5601
A8
+5V4
+5V4
+5V4A
+8V3
+8V3
5620
C5
+3V3
+3V
+3V3
DAC_3V3
5354
5521
5504
VDD_IO_3V3
5351
+1V8
+1V8
+5V
12-24DC_SUP
DAC_1V8
5352
PLL_1V8
5353
VDD_CORE_1V8
5357
A11
J
+3V5
+8V3
+8V3
+5V4
+5V4
+3V5
OUTPUTS (LVDS) LCD 15"
PANEL
C4
VIDEO DECODER
C3
POWER
C1
C5
C5
A1 A9
C2
+3V3
+3V3
+3V3
1x
+5V 3x
+3V3 3x
+1V8 1x
12_24DC_SUP
12_24DC_SUP
+5V
+3V3
+5
+1V8
PAN_VCC
+12V
+3V3
PAN_VCC
VIDEO
COMB
FILTER
A5
A6
+5V4
+5V4
+8V3A
+8V3
+8V3
+8V3A
1
2
3
4
1902
12_24DC_SUP 12_24DC_SUP 1x
12_24DC_SUP-1 1x
5900
+3V5+3V5
250mA
5x
5921
POWER
DOWN
CIRCUIT
7903,7904
POWER_DOWN
5901
5930
33u
3904
3925 6925
3915
3930
CONTROL
AND
STABILIZER
7910
27 +8V3+8V3
300mA/400mA
4x
5911
CONTROL
AND
STABILIZER
7930
27 +5V4+5V4
320mA
7x
5931
7901
1903
11V9
1600mA
1002
1001-1 1
2
7000mA
7900
STANDBY
LVDS
INPUT
3
2
1
7005
PANEL_PWR_CTR
4
CONTROL
STAND-BY CONTROL
K4-7302
+5 23 5304
5002
50015009
5003
7301
4301
I/O
C2
+5
+5
21
7001
7002
7003
23
7009
23
7006
4
3
2
1
1003
+5 5010
13" 15" (12V) ONLY
13" 15" (12V) ONLY
23
7011 (OPTIONAL)
CONTROL
CONTROL
+
STABILIZER
12_24DC_SUP 5011
20" (24V) ONLY
5013
5015 62
7010
MC34063A
20" (24V) ONLY
5025
5014
12V 13" 15"
SUPPLY
UNIT
24V 20"
8
1341
7
6
5
4
3
2
1
40
39
1506
40
41
39
1501
5026
3343
3342
3344
121-7351
+5
3517
5517
+3 LVDS
3516 +3 PLL
L1 L2 Vb
INVERTER (FOR 13" ONLY)
IN
Va
C3
Q4-Q6
5V
5
6
7
8
CN1
Vbri
Vcc 12V
ON/OFF
4
3
2
1
F1
F3A
R1
Q1
R5
R6
R4
R3
Q8
CONTROL
D1,Q3
Q2
R8 C4,5
R7
D3,8
4203
LCD 13".20"
PANEL
TTL
INPUT
BACK-LIGHT_EN
INVERTER (FOR 15" ONLY)
IN1 IN2
IN2
5V 5V
5
6
7
8
CN1
Vbri
Vin
ON/OFF
4
3
2
1
F1
F3A
Q8
R50
R49
Vin1
Vin1
5V
Vin1
5V
Vin1Vin1
5V
Vin1
INVERTER (FOR 20" ONLY)
IN1
5
6
7
8
CN1
Vbri
Vin 12V
ON/OFF
4
3
2
1
F1
F3A
R43
Q3
R44
R49
R25
R26
Q11
D15
6101
BZX384-C33
5V
Q8
R50
D15
OR
OR
OR

32LC13E 7.
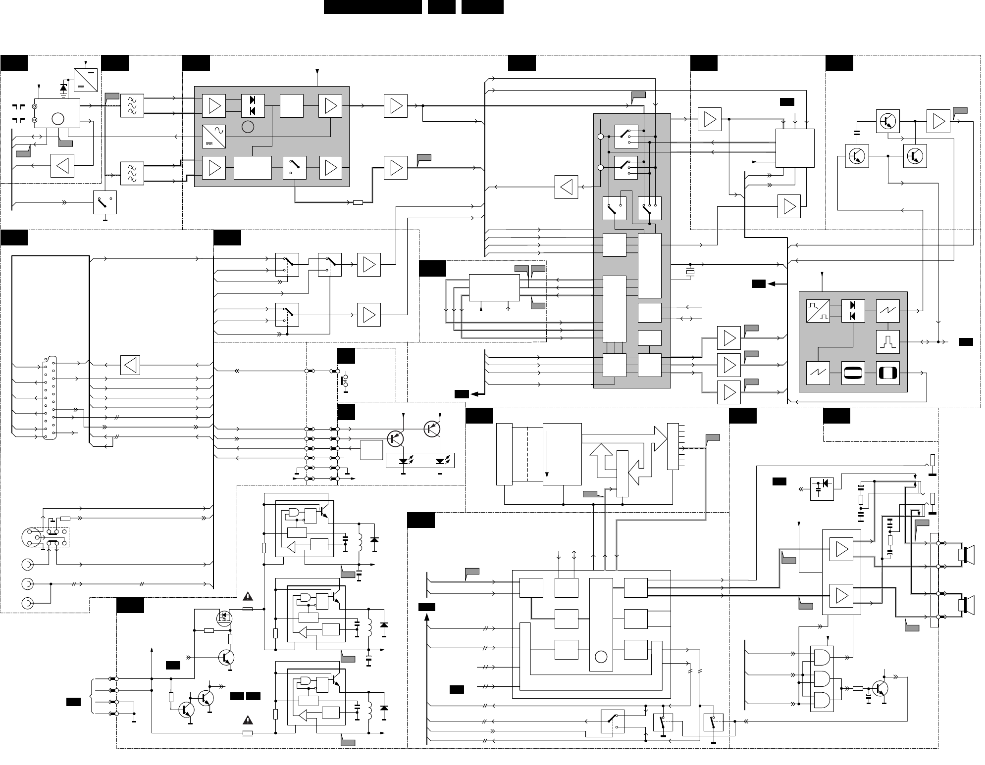
Circuit Diagrams and PWB Layouts
7. Circuit Diagrams and PWB Layouts
TV Board: U_Cont
P1.5/SDA1
P1.4/SCL1
P3
0 - 7
VDDP
P1.0/INT1
A16_LN
P1.1/T0
MEMORY
INTERFACE
DATA
CAPTURE
DISPLAY
A0 - A16
P0.3/INT3
A6
SYNC_FILTER
A15_BK
CVBS1
CVBS0
VSSA
P0.7/T2
A4
A5
P0
0 - 7
P2
0 - 7
P1
0 - 7
PROCESSOR
192 K
BYTES)
general I/O
I2C-bus, TV CONTROL
AND
INTERFACE
P1.6/SCL0
P1.7/SDA0
P1.1/T0
AD2
P2.2/PWM1
P3.1/ADC1
A7
A8
P2.0/TPWM
A3
R
P1.3/TI
AD1
AD7
ROMBK.0
ROMBK.1
ROMBK.2
VSYNC
AD6
AD5
AD4
AD3
VSSC
_INTD
VSSP
P3.6
P0.6
OSCGND
ROM
(128 K/
P0.4/INT4
IO
DRAM
(14 KBYTES)
B
VDDC
P3.4/PWM7/T2EX
_COR
VPE
FRAME
A1
A2
RAMBK.1
A0
A13
IREF
P3.2/ADC2
P3.3/ADC3
A15_LN
A14
P3.7
MICRO-
VPE
ALE
P2.7/PWM6
A17_LN
P0.0/RX
MOVX_WR
_PSEN
P3.0/ADC0
P2.3/PWM2
P2.4/PWM3
P2.5/PWM4
VSSC
A12
G
_RD
_WR
VSSC
VSSP
P0.5
_EA
P0.2/INT2
P0.1/TX
P3.5/INT5
HSYNC
VDS
RAMBK.0
A9
A10
A11
VDDC
P2.1/PWM0
AD0
P2.6/PWM5
RESET
_RESET
MOVX_RD
XTALIN
XTALOUT
U_CONT
RES
RES
RES
RES
RES
*
*
RES
RES
RES
3V5
3V5
3V5
3V5
3V3
0V
0V7
0V
5V3
3V5
2V7
0V
0V5
5V1
3V5
0V
3V5
3V5
0V2
3V5
0V2
3V5
3V5
4V8
3V5
0V1
3V5
0V
3V5
0V
5V
3V5
4V8
2V8
3V
4V8
2V6
3V5
3V5
3V5
0V
0V
0V
5V3
NC
NC
NC
NC
NC
NC
NC
NC
NC
NC
NC
RES
RES RES
RESRES
RES
RES
RES
1%
RES
TO 1681 OF SCALER S23 CL BOARD
FOR
SERVICE
RES
NVM
A11
A11
A2
A2
A11
A5
A9
A9
A9,A10
A10
A11
A4
A8
A4
A8
A4
A5
A4
A5
A11
A11
A4
A11
A2
A3,A4,A6,A8
A4
A11
A2
A11
A6
A2
A6
A6
A4
A11
A5
A4
A5,A8
A3,A4,A6,A8
A1
A1
A1
A1
A1
A1
A1
A1
A1
A1
(SCART)
(SCART)
RES
(COMMON)
2V9
0V 3V5
0V
1V
0V
0V7
1V3
3V5
0V
0V
0V6
3V5
0V
0V
0V
0V6
0V
0V
2V9
0V
0V
4V8
4V8
5V
0V
0V5
0V6
0V6
0V6
0V6
3V5
3V5
0V
(1)
(1) EU & AP-PAL
NTSC-AP
NTSC & LATAM
SAA5667
SAA5645
SAA5647
NOT FOR
NTSC &
LATAM
A4
A5
1 2 3 4 5 6 7 8 9
1 2 3 4 5 6 7 8 9
A
B
C
D
E
F
A
B
C
D
E
F
1010 C1
1057 E7
2010 B4
2012 E3
2013 D9
2014 D8
2015 C8
2016 C8
2017 C8
2018 F4
2019 A4
2020 A7
2021 C9
2041 F8
2042 F7
2043 E3
2044 A6
2045 B4
2046 A4
2047 B9
2048 B9
2049 A3
2050 A6
2051 F6
2052 F5
2053 A3
2054 C9
2055 F5
2056 F6
2057 E2
3002 E8
3003 F5
3004 F6
3006 A2
3007 E9
3008 A2
3009 A5
3010 F7
3012 A5
3013 A5
3014 C2
3015 C2
3016 C8
3017 B7
3018 B7
3019 B7
3021 A1
3022 A1
3023 D3
3024 A5
3028 F4
3029 F3
3030 F5
3031 D9
3032 F4
3033 C9
3034 A1
3035 D9
3036 D2
3037 D2
3038 E2
3042 A5
3043 C9
3044 E5
3045 B3
3046 D3
3047 B9
3048 B9
3049 D8
3050 A7
3051 C8
3052 F2
3053 F2
3054 F5
3055 F4
3056 F4
3057 F4
3058 F6
3059 A7
3060 F4
3061 F6
3062 C3
3063 B2
3064 A4
3065 A4
3066 A6
3068 D1
3069 D2
3070 E2
3071 E2
3072 E1
3081 E3
3082 E3
3083 E3
3084 A4
3085 B7
3086 A4
3088 A7
3092 C9
3093 D9
3094 D3
3099 C3
4008 A2
4036 E2
4057 E9
5040 C8
5041 F6
5042 A6
6020 F3
6031 E3
7008 A2
7022 F3
7036 E2
7053-A F5
7053-B E4
7062 C2
7063 E3
7064 B4
7066 A3
7067 F2
7068 D2
7069 E2
F002 D4
F003 D4
F004 B5
F006 E5
F007 E5
F008 B5
F010 E6
F011 A7
F012 C8
F013 D8
F014 D8
F015 D8
F022 F5
F025 E7
F032 E8
F044 E5
F045 A3
F046 A4
F054 E5
F066 B3
F068 E3
F070 D1
F071 D1
F072 E1
F073 E1
F074 E1
F075 F2
F076 F2
F077 E1
F080 C1
F085 D3
10K
3060
10K
3052
10K
3053
3038
10K
3006
10K
+3V5
F077
3033
10K
4036
+3V5
BC847BW
7036
3036
10K
3037
10K
4008
7008
BFS20
18
19
2
20
21
22
3
4
5
6
7
8
9
1010
1
10
11
12
13
14
15
16
17
+3V5
3099
F002
F011
F008
+3V5
+3V5
F068
3047
2K22K2
3048
+3V5
1u02015
F070
1u02014
F071
F073
F072
F074
F076
F075
F015
F014
F032
F044
F054
F080
F045
+3V5
2018 2n2
+3V5
3063
2K2
+3V5
7062
BC847BW
10K
3049
+3V5
+5V4
100R
3050
3016 1K0
4u7
2057
3070
27K
3071
100K
3072
100K
3068
3069
15K
47K
BC847BW
7068
BC847BW
7067
BC847BW
+3V5
+3V5
7069
70717273 74
75 76 7778 79
8
80 81828384
85
8687 8889
9
909192
93
94
95
96
97
98
99
41
42
43
44
45
46
47 48
49
5
50
5152535455565758 59
6
60616263646566
6768
69
7
12
13
14
1516
17
18
19
2
20
21
22
23
24
25
26
27
28
29
3
30
31
32
33
34
35
36
37 38
39
4
40
2K2
3010
7064 1
10
100
11
3056
47K
2021
2020
2019
4
WC_ 7
+3V5
F066
7066
M24C32
E0 1
E1 2
E2 3
SCL 6
SDA
5
VCC
8
VSS
2049
220n
150R
3059
F013
100n2044
3066
8K2
5042
4u7
3088 100R
3019
100p
2050
100R3085
3018 100R
100R
3017 100R
20472048
+3V5
150R
3043
2017 100n
5040 4u7
F012
3051 24K
100n2016
3093
2054
3092 100R
470R
3031
2013
8K23002
3035
470R
3007 8K2
+5V4
1057
2042
4057
+5V4
2041
F025
+3V5
3004
8K2
F010
100n
2051
4u7
5041
3061 2056
+3V5
470R
3058
470R
3054
10K
2052
7053-A
BC847BS
3057
10K
3003
F022
+5V4
+3V5
3030
1K
3055
10K
2055
BC847BS
7053-B
10K
3044
F007
470R
3083
2012
F006
4K7
3081
2043
4u7
10K
3082
BC847BW
BZX284-C2V4
6031
4K7
3046
+5V4
7063
3023
+3V5 F085
8K2
+3V5
F003
10K
3029
47K
3028
10K
3032
1SS355
6020
10K
3094
+3V5
BC847BW
7022
8K2
3014
+5V4
+3V5
820p
2010
3022
2K2
+3V5
100R3021
3045
12K
3062
47K
+3V5
3015
10K
+3V5
3064
F046
3086 100R
4K7
+3V5
2046 18p
3009 8K2
+5V4
F004
3012
100R
3084
+3V5
18p
4K7
3065
3042
2045
8K2
3013
+3V5
150R
1K
3024
3008
2053
10u
10K
3034
10K
TV-IRQ
STAND-BY
STAND-BY
PC-HDAUDIO-L
C-SYNC
R-DRIVE
G-DRIVE
PC-HDAUDIO-R
PC-VSYNC
B-DRIVE
V-SYNC
H-SYNC
HP-SIDE-DET
SVHS-SIDE-DET
POWER-DOWN-INT
POWER-DOWN
HIS-OFF
POWER-DOWN-INT
SEL-MAIN-R1R2
VS-OSD
PC-HSYNC
SCL-1
SDA-1
A(0:16)
IO(0:7)
COMM-LINE
STATUS1
HS-OSD
A(7)
A(6)
A(5)
A(4)
A(15)
A(13)
A(12)
A(3)
A(2)
A(1)
A(0)
A(16)
A(11)
A(10)
A(9)
A(8)
IO(1)
IO(2)
IO(3)
IO(4)
IO(5)
IO(6)
IO(7)
LIGHT-SENSOR_SDM
SOUND-ENABLE
SEL-IF-LL_M-TRAP
CLOCK12MHZ
SYS1
SYS2
CVBS-TXT-CC
G-SC1-IN_Y-IN
B-TXT-OSD
SDA-0
SCL-0
SDA-1
SCL-1
RC5
CENOT
A(14)
OENOT
WENOT
IO(0)
R-TXT-OSD
STBY-LED
P50-INT
STATUS2_SVHS-RR-DET
WC-NVM
FBL-TXT-OSD
CL 36532023_004.eps
021203
PC-HSYNC
SEL-MAIN-FRNT-RR
G-TXT-OSD
SCL-NVM
PC-TV-LED
SDA-NVM
STBY
KEYBOARD
P50-COMM
TV-IRQ
F044
1V / div DC
5ms / div
F054
1V / div DC
20µs / div
F080 = 2V3 DC
FOR DIVERSITY TABLE SEE DIAGRAM A2
C2

Circuit Diagrams and PWB Layouts 33LC13E 7.
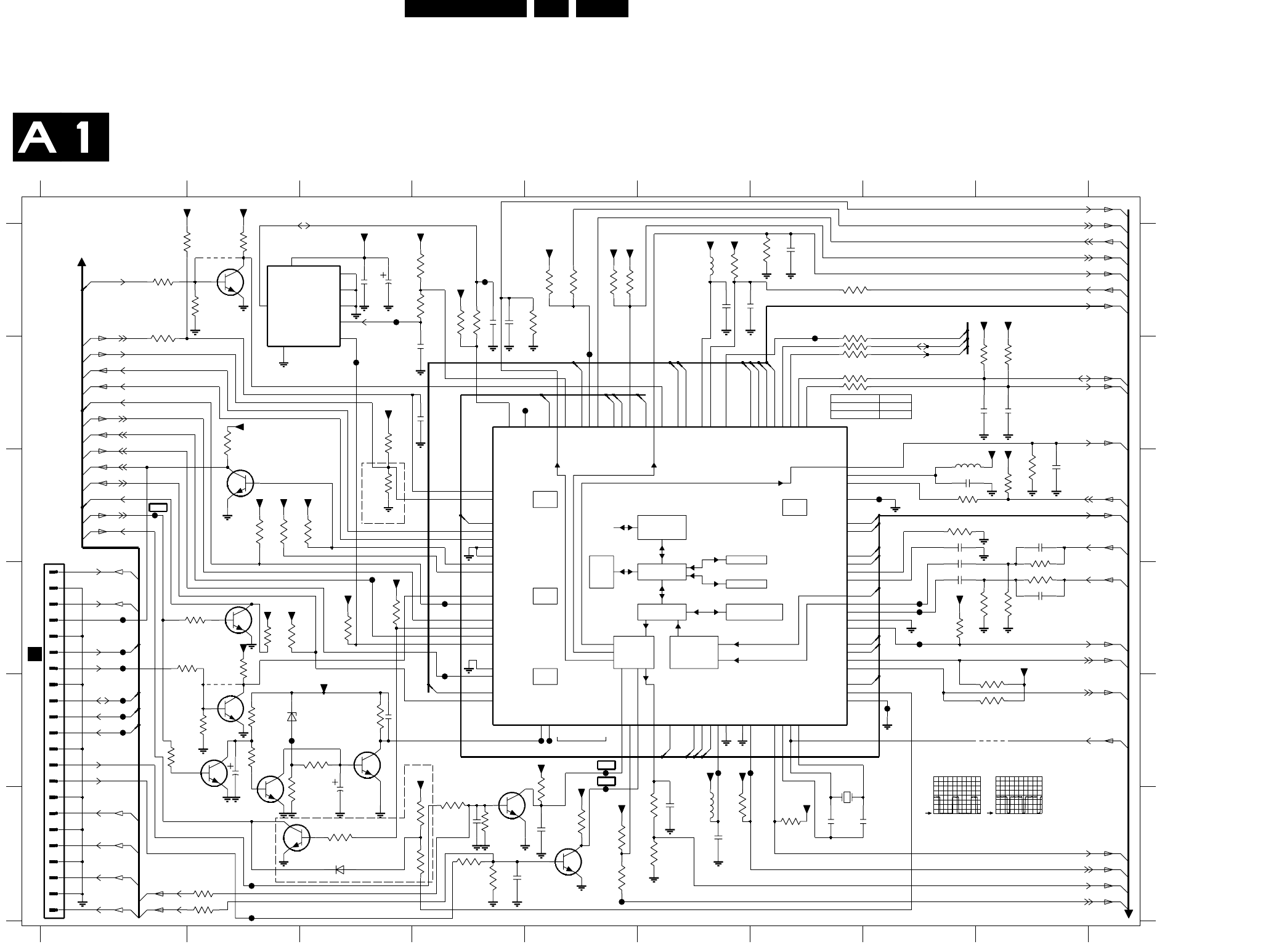
TV Board: Memory for 100-pg Teletext
VCC
DQ
16
7
128K-1
0
A
12
CE
WE
14
13
11
10
9
8
7
6
5
4
3
2
1
0
15
0
OE
VSS
MEMORY FOR 100-PG TELETEXT
3V3
3V3
3V3
3V3
3V5
0V
3V3
0V
0V
3V5
3V4
0V
0V
0V
0V
0V
0V
0V
3V3
0V
3V3
3V3
3V3
A1
A1
A1
0V
0V
0V
0V
0V
(COMMON FOR EUROPE & AP-PAL)
3V5
1 2
1 2
A
B
C
A
B
C
2060 A1
2061 A2
5050 A2
7070 A2
11
22
23
26
27
28
8
24
925
12
13
14
15
16
17
18
5
6
7
10
2
19
20
21
29
30
31
32
3
4
7070
CY7C1019CV33
128Kx8
RAM
1
100n
2060 100n
+3V5
4u7
5050
2061
IO(4)
IO(5)
IO(6)
IO(7)
A(0)
A(10)
A(11)
A(12)
A(13)
A(14)
A(15)
A(16)
A(2)
A(3)
A(4)
A(5)
A(6)
A(7)
A(8)
A(9)
CENOT
WENOT
OENOT
A(1)
IO(0)
IO(1)
IO(2)
IO(3)
CL 36532023_005.eps
150403
DIVERSITY TABLE DIAGRAM A1 AND A2
Item#
Europe -/12
Europe -/58
NAFTA
AP -/69
AP-NTSC -/61
Latam
Component type
2060 -- -- -- CER2 0603 X7R 16V 100N COL
2061 -- -- -- CER2 0603 X7R 16V 100N COL
3028 -- -- -- RST SM 0603 47K PM5 COL
3029 -- -- -- RST SM 0603 10K PM5 COL
3032 -- -- -- RST SM 0603 10K PM5 COL
3049 -- -- -- RST SM 0603 10K PM5 COL
3094 -- -- -- RST SM 0603 10K PM5 COL
5050 -- -- -- FXDIND SM 0805 4U7 PM10 COL R
6020 -- -- -- DIO SIG SM BAS316
(
COL
)
R
7022 -- -- -- TRA SIG SM BC847BW
(
COL
)
R
7064 -- -- -- IC SM SAA5667HL/M1/
(
PHSE
)
Y
7064 -- -- -- -- -- IC SM SAA5645HL/M1
(
PHSE
)
Y
7064 -- -- -- -- IC SM SAA5647HL/M1
(
PHSE
)
Y
7070 -- -- -- IC SM CY7C1019CV33-15ZC(CYPR)R
VV V
VV V
VV V
VV V
VV V
VV V
VV V
VV V
VV V
VV V
VV V
VV
V
VV
V
Personal Notes:

34LC13E 7.
Circuit Diagrams and PWB Layouts
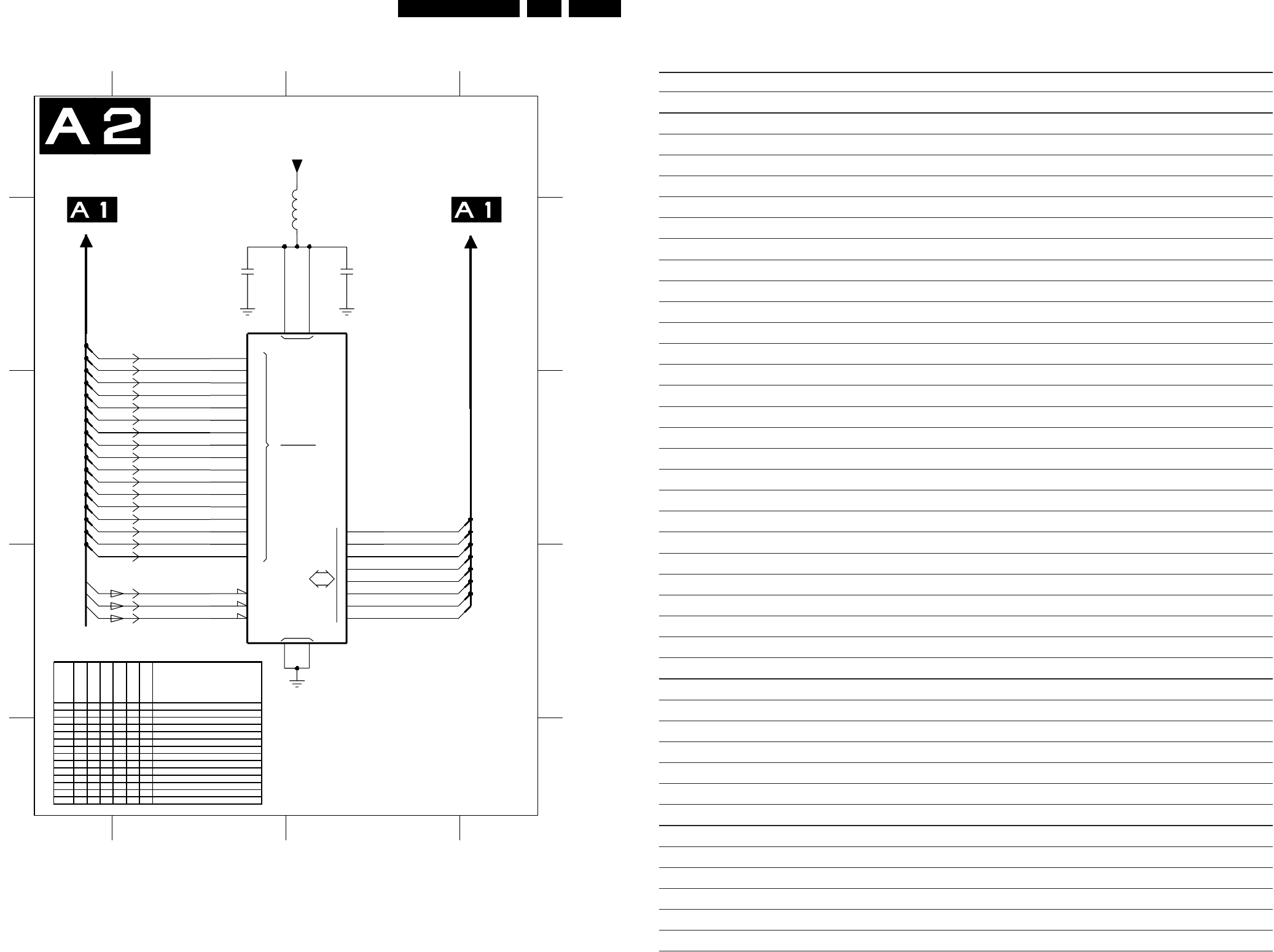
TV Board: Tuner Function
AS SCL SDA +5V ADC
MT
NC
TUNER FUNCTION
5V3
2V6
2V6
RES
7V1
DC/DC CONVERTER
(PENDING FOR 12NC)
# LOCALLIB
0R
0R
RES
NC
TUNER
A4
A5
A1
A1
A8
COMPAIR
(13"/15"/20" SCART)
5V3
5V3
1V7
0V
0V
2V7
2V5
1V8
1V3
1V7
0V9
0V4
4V4
7V4
12V6
*
PAL / SECAM
NTSC / LATAM
*
1100
UR1316
UR1336
1 2 3 4 5 6 7 8 9
1 2 3 4 5 6 7 8 9
A
B
C
D
E
A
B
C
D
E
1100 B2
1111 C1
2101 D3
2102 D3
2103 C5
2104 C4
2106 C5
2107 C6
2108 D5
2120 A7
2121 A7
2122 A8
2123 A8
2124 A8
2125 B8
2126 B8
2130 E2
2131 E2
2132 E3
2133 E4
3100 C2
3101 D2
3102 D5
3103 B6
3120 A7
3121 A9
3122 B8
3130 D2
3131 E2
3132 E2
3133 E3
3134 E3
3135 E3
4101 E4
5120 A7
5121 A8
5122 B6
6101 B5
6102 C5
6103 C5
6120 B9
7120 B7
7130 E2
7131 E3
F101 B4
F102 C4
F103 C4
F104 C4
F105 B2
F106 C8
F107 C2
F108 D2
F109 C4
(NA used 6148)
(NA used 2142)
For Nafta, different item nos. are used for this circuit:
EU/AP/LT used NA used
2120
2121
2122
2123
2124
2125
2126
3120
3121
3122
5120
5121
6120
7120
2144
2143
2145
2146
2147
2148
2149
3144
3146
3145
5149
5148
6149
7149
5122
12u
F109
BZX384-C33
6101
1111
1
2
3
50V
4101
5
6
78
9
2103
10u
+5V4
1100
1
10
11
12
13
14
15
2
34
270R
3131
560R
31352131
1n0
BFS20
7130
7131
BFS20
2133
1n0
100n
21323134
100K
1n0
2130
820R
3133
100K
3132
1K2
3130
10V470u
2108
10V
470u
2106
100p
2122
7120
5120
1m
BC847BW
5121
1m
6120
BAV99
100K
3122
220p
2125
27K
3121
33n
2124
33n
2123
47R
3120
4n7
2126
4n7
2121
4n7
2120
+5V4
6103
BAS316
6102
3101
3100
F107
F106
F108
2102
22p22p
2101
F102
F105
100n
2107
F101
F104
F103 2104
47n
3103
1K0
3102
10K
AGC
SCL-0
SDA-0
IF-TER
SIF-FM
CL 36532023_006.eps
021203
F104
500mV / div DC
20µs / div
F107
1V / div AC
20µs / div
F108
1V / div DC
20µs / div
Item#
Europe -/12 & -/58
NAFTA
AP -/61 & Latam
AP -/69
Component type
1100 -- -- TUNER UR1316/A I H-3
1100 -- -- TUNER UR1336/A F S H-3
2108 -- -- -- ELCAP 6V3 S 470U PM20 COL A
2108 -- ELCAP 25V S 100U PM20 COL A
2109 -- -- FIL CER 39MHZ75 MKTGA* BS A
3102 -- -- RST SM 0603 10K PM5 COL
3102 -- -- RST SM 0603 JUMP. 0R05 COL
3103 -- -- RST SM 0603 1K5 PM5 COL
3103 -- -- RST SM 0603 2K2 PM5 COL
3136 -- -- RST SM 0603 100R PM5 COL
6102 -- -- DIO SIG SM BAS316 (COL) R
VV
V
VV
VV
VV
VV
VV
VV
VV
VV
VV
V

Circuit Diagrams and PWB Layouts 35LC13E 7.
TV Board: IF Video Sync Chroma
RES
OUTPUT
VERTICAL
E / W
OUTPUT
HORIZONTAL
OUTPUT
VCO
+
CONTROL
SYNC
SEPARATOR
VERTICAL
SYNC
SEPARATOR
SWITCHABLE
SOUND TRAPS
4.5 / 5.5 / 6 / 6.5
MHZ
VIDEO
AMPLIFIER
MUTE
AGC + NARROW
BAND AUDIO FM
PLL DEMODULATOR
DE-EMPHASIS
OUTPUT
+
VOLUME
CONTROL
IF AMPLIFIER
PLL VIDEO DEMOD
AFC
CALIBRATION
AGC
PASS CATHODE
CALIBRATION
SW OUT
Y
U
V
U
V
VIDEO
IDENT
CVBS
CONTROL
DELAY
PEAKING
CORING
RGB-2
INPUT
IIC BUS
WHITE /
RGB
Y
U
VSTRETCH
+
RGB1
INPUT
+
TINT
SWITCH
CHROMA
BAND-
LUM-
+TRAP
BASE
BAND
DELAY
LINE
RGB / YUV
MATRIX
CD
MATRIX
SATURATION
CONTROL
R
MATRIX
BLACK
PAL / NTSC /
SECAM
DEMODULATOR
RGB
OUTPUT
G
B
678 9
1 2345678
2309 C2
A
A1
2308 C2
A8
1V4
B
A1
A11
0V1
9
2V2
(13"/15"/20" SCART & CINCH EXCEPT CINCH3L)
3V4
A5
3304 A1
3305 B1
3306 C1
3307 C3
3308 C3
3309 A5
3310 A5
3311 A5
3312 B5
3313 B5
3314 C5
3315 B6
1V9
A11
A3
RES
A1
2336 F8
A5
2V
A11
2330 D9
2V7
2335 F8
7301
TDA8885
2327 C5
EU ONLY
7303 B5
7330 D2
7350 C9
7353 D9
7356 D9
7360 E9
F301 C7
F302 A1
F321 A8
F337 F8
F338 F8
2K4 1%
A5
3V4
2V6
*
0V8
3V2
A8
7V8
A6
CINCH AP
5V
A5
TDA8889
3V9
2V6
PAL / SECAM
RES
A5
RES
A1
F339 F7
F340 F7
F341 F7
F342 F7
F345 F2
F346 F1
F349 D2
F350 D2
3V8
1V6
3V3
3V5
(SCART)
2V8
2V1
RES
3V8
2V2
3V6
1V9
3347 D2
3348 D2
3349 E1
3350 C9
3351 C9
3352 C9
3354 D9
3355 D9
3357 E9
3358 E9
RES
3329 C8
3330 C9
A5
3333 D8
3334 D9
A1
A1
3V
2V4
A6
3335 E9
3336 E8
3337 B9
3338 F8
3339 F8
3340 F7
3341 F7
3342 F7
3343 F6
3344 F6
3345 F6
3346 D1
3V4
NAFTA ONLY
SCART
(SCART)
A5
8V2
100R
2V4
2V9
1V9
8V
1V9
2V6
3360 F9
3361 E9
3362 F9
4301 C2
4302 A1
4303 A1
4320 A9
4323 A9
4324 A5
4325 A5
5301 A1
5302 A8
NAFTA
3V3
NC
4V9
2V6
NAFTA ONLY
4V1
TDA8887
A1
RES
ONLY
220R
3316 C6
3317 A6
3318 C6
3319 C6
3320 A8
3321 A9
3322 B9
3323 A8
3324 C7
3325 A1
3326 A5
2V5
3302 A1
3332 C9
3V3
A6
3303 A1
3V3
1V6
3V3
RES
2V9
3V4
3327 C5
3328 C5
2351 D1
2360 E9
3331 C9
C
D
E
F
A
B
C
D
E
F
1330 E2
2301 A1
2302 B1
2303 A5
2304 A5
2305 C1
3
NAFTA
2V2
IF-VIDEO -SYNC-CHROMA
3V3
2
A11
A5
1V7
2312 C3
2313 C4
2314 A5
2315 B5
2316 C5
2317 A7
2318 A6
2319 C6
2320 A7
2321 A7
2322 A9
2324 A9
2V6
RES
A6
7V8
*
2V7
A5
2332 E9
A5
A11
54
2325 A8
2326 B5
RES
1
2331 D9
8V5
EU ONLY
NC
*
3V4
2V4
RES
F351 D2
F352 C9
F355 D9
F358 D9
I346 D1
RES
A5
4V
A5
A6
A5
2V3
3V9
2V1
A1
A1
0V
5303 A9
5326 A5
6327 C5
6360 E9
6361 E9
6362 E9
7301-A A1
7301-B D2
7301-C A6
7302 A5
2V7
2V6
2V5
0V3
AP-NTSC / LATAM 7V8
*3304
2V4
2V4
2337 F8
2338 F8
2339 F6
2340 F6
2341 F5
2342 F5
2343 F5
2344 E2
2345 E2
2346 E1
2347 E1
2348 E1
A1
3301 A1
3V5
A11
2V6
2310 C2
0R
A1
3V3
2V
2V3
2311 C3
2349 E1
2350 C9
2306 C1
2307 C1
2361 F9
2315
100R3341
F350
+8V3
+8V3
1u0
HC-49/U
1330
12MHZ
4320
+8V3
3357
F337
470R
27K
3318
2318
4n7
75R
+8V3A
3326
470n
2341
150R
3358
16V
2310
2312
10u
+8V3A
2305 330p
F345
3344 10K
150R
3355
3362
3327
1K0
3301
3302
120p
2327
+3V5
3305
F302
2306
3348
10R
4n7
2336
470R
22n
2307
3315
F339
4n7
3325
1K03330
1K0
3312
BC847BW
7356
100R3332
7350
BC847BW
3314
1K0
3347
100R
7353
3319
10K
PLLIF
QSSO|AMOUT
1128
SECPLL
8
SIF1
9
SIF2
10
SIFAGC
12VIDEO|SIF
23
VP1
BC847BW
7301-A
7 AGCOUT
55
DECBG
50
DECDIG
6
GND
1 IFIN1
IFIN22
16
IFVO
27
IFVO|AUDOUT
15
100R
2316
1u0
3345
3346
8K2
1K0
3331 100R
3343
BC847BW
7360
6u8
5301
2304
10u 16V
100R
3349
10R
+8V3A
+3V5
3350
2319
100n
10n2347
100n
2303
F346
100n
2339
3307
I346
+8V3
F342
2337
2326
220p
22n
F321
2342 470n
5303
6u8
+8V3
1u0
2351
3311
1K0
680R3316
2302
3324
22n
39K
4303
22n2338
16V100u
2361
2321
100n
BAS316
6362
3337
3338
3335 150R
BAS316
6360
3360
1u02348
100R
3308
100R3340
100R
3310
F355
15K
150R
3317
F358
3352
2340 10p
470R
3354
F349
100n
2313
3351 470R
2320
2n2
5302
6u8
10R
2322
100n
3309 1u0 50V
2317
1u0
+8V3
16V10u
2325
2349
BC847BW
7302
100R3339
3323
3333
15p
2332
F341
150R
4u7
F340
35V
2308
F352
10K
3361
220n
2311
3304
3K3
3322
10R
3313
820p
2335
2309
220n
3328
1K5 1u0
2350
3306
3K9
4323
2343
2330
470n
+8V3A
15p
F338
3320
4302
BAS316
6361
+3V5
+8V3A
33p
F351
2345
2344
33p
3321
3K3
1u0
2314
2324
1n
18
SDA
22
SWO1
60
SWO2
47
UI|BI
UO|BL3
45 48
VI|RI
VO|YI|GI
46
WHSTR
1939
YIN
40
YOUT
54 CVBS1OUT
26 CVBS2OUT
24 CVBSINT
29 CVBS|Y2
CVBS|Y321
49
FSCOUT
32G
36
G|1
42
G|2
13
HALFT
51
OSCIN
52
OSCOUT
33
R
35
R|1
41
R|2
17
SCL
7301-B
31
B
34
BCLIN
30
BLKIN
BL|1
3844
BL|2
37
B|1
43
B|2
20 C3
100R
3342
2301 100n
5326
2u7
100p
2360
4325
3329
4324
270K
3303
390R
BAS316
6327
10n
2346
4301
BC847BW
7303
F301
3334 150R
3336
VP2
53
BC847BW
7330
DR+ 63
DR- 64
EHTO3
EW-DRIVE 62
FBISO
57
25
GND1 GND2
61
H-DRIVE 56
IREF
5
LPST-UP
14
PH1LF59
PH2LF
58
VCS
4
15p
+5V4
7301-C
CVBS_TER_OUT
2331
SIF-TV
V-SYNC
MAIN-CVBS-EXT-IN
Y-IN
C-IN
CVBS-SC2_MON-OUT
Y-HISTOGRAM
R-SC1_V-IN
B-SC1-IN_U-IN
G-SC1-IN_Y-IN
R-DRIVE
CVBSOUTA
G-DRIVE
B-DRIVE
V-MAIN
U-HISTOGRAM
V-HISTOGRAM
CLOCK12MHZ
Y-MAIN
COMB-ON
U-MAIN
FBL-TXT-OSD
B-TXT-OSD
G-TXT-OSD
R-TXT-OSD
OUTSEL
SCL-0
SDA-0
SC
LINEDRIVE1
FBL-SC1-IN
VIF1
VIF2
AGC
VSIF1
PIP-AUDIO
VSIF2
CL 36532073_001.eps
021203
1V / div DC
20µs / div
F342
F341
1V / div DC
20µs / div
F355
200mV / div DC
20µs / div
F346
1V / div DC
20µs / div
F340
1V / div DC
20µs / div
F350
1V / div DC
20µs / div
F358
200mV / div DC
20µs / div
F352
200mV / div DC
20µs / div

36LC13E 7.
Circuit Diagrams and PWB Layouts
TV Board: SAW Filter, Ext. Video Select, Histogram, & C-Sync Generator
NC
ISWI
I
O2
GND
O1
NC
ISWI
I
O2
GND
O1
NC
ISWI
I
O2
GND
O1
MUXDX
NON-LINEAR
AMPLIFIER
HISTOGRAM
PROCESSOR
BLUE
STRETCH
OUTPUT
AMP
SUPPLY
AND
BIASING
HISTOGRAM
MEASUREMENT
SATURATION
COMPENSATION
INPUT
AMP
TIMING
AND
CTRL
AMPSEL
AMPSEL
3V6
2V9
2V9
8V5
3V6
7V8
0V8
0V6
0V6
0V
0V5
5V
7V7
0V6
1V8
1V6
1V6
5V 1V7 0V5
0V5
2V4
2V4
2V1
SAW FILTER, EXT. VIDEO SELECT, HISTROGRAM & C-SYNC GEN
C-SYNC GENERATOR
HISTOGRAM PROCESSING
VIDEO & QSS IF
0V
4V9
0V
RES
RES
RES
RES
0R
0R
0R
0R
0R
A11
A11
A11
A11
A11
A1
A1
A3
A1
A6
A4,A6
A1
A4
A4
A4
A4
A4
A4
A4
A4
A6
A1
A4
A4
A4
A4
SWITCH
"401" ~ "425" "380" ~ "399"
"451" ~ "470"
"471" ~ "499"
(13"/15"/20" EUROPE & AP-PAL)
EXT. VIDEO SELECT
8V2
3V8
5V3
5V3
5V3
8V2 1V2
0V5 3V3
0V5
0V2
0V5
0V
0V6
0V2 0V
2V3
5V3
1V7
RES
RES
EUROPE & AP
PAL-MUTLI
ONLY
RES
RES
RES
RES RES
0R
0R
A1
1 2 3 4 5 6 7 8 9
1 2 3 4 5 6 7 8 9
A
B
C
D
E
F
A
B
C
D
E
F
1452 D3
1453 E3
1454 F3
2380 B7
2381 A9
2382 C8
2390 C6
2391 B5
2401 B1
2402 B1
2403 A1
2404 A1
2405 A1
2407 C3
2408 C2
2412 A3
2415 B3
2417 A3
2418 A4
2419 B4
2452 D2
2453 D1
2470 D4
2471 D4
2472 D5
2473 D6
2474 F5
2475 F5
2476 F5
2477 F6
2478 F6
2479 F6
2480 F7
2481 F7
2482 F9
3380 A6
3381 A7
3382 A7
3383 A8
3384 A8
3385 A9
3386 A9
3387 B7
3388 B8
3389 C7
3390 B6
3391 B6
3392 B5
3393 B5
3394 B5
3395 A9
3401 B1
3402 B1
3403 A1
3404 A1
3405 A1
3409 B1
3410 B1
3411 A3
3412 A3
3413 B3
3414 B3
3415 B3
3416 C4
3417 A4
3418 B4
3455 D1
3456 D1
3457 E1
3458 E1
3459 E2
3460 D2
3461 D1
3465 E2
3470 D5
3471 D5
3472 D6
3473 D6
3474 D7
3475 D7
3476 F6
3477 F7
3478 E8
3479 E8
3480 E8
3481 E9
3482 F8
3483 F9
3484 E9
3485 E9
4451 C2
4452 D2
4453 D2
4454 D2
4455 D2
4456 F2
4457 F2
4458 F2
4459 F2
4460 F2
4461 D4
4462 D4
4470 D9
4471 D9
4472 E9
5451 C1
5452 D1
5453 E4
5454 F4
5470 F5
6380 B6
6390 C5
6412 A3
6415 B3
6451 D1
6452 D2
6470 E7
6471 E7
6472 F7
7380 A7
7381 A8
7382 A8
7383 C7
7384 C8
7385 C8
7390 C5
7391 C6
7401 A2
7403 F5
7412-A B3
7412-B C3
7451 E2
7452 E1
7471 D8
7472 F8
7473 E8
F385 A9
F413 B4
F470 D4
F471 D4
F472 D5
F473 D5
F474 E4
F476 F6
F477 E7
F478 E7
F479 E8
F480 E9
270R
3395
F385
4462
F477
4461
F478
F476
F479
F473
F474
F472F470 F471
F413 2380
470p
+8V3
+8V3+8V3
560R
3389
+5V4 +5V4
+5V4+5V4 +5V4
BAS316
+5V4
6390
2391
330p
2390
2n2
220K
3392
27K
3394
3390
4K7
4K7
3393
10K
3391
7390
BC847CW
7391
BC847CW
33883387
10K 2K7
220n
2382
BC847CW
7385
BC847CW
7384
BC847CW
7383
2381
1u0
7382
BC847CW
7381
BC847CW
BC847CW
7380
470R
3385
560R
3386
3384
4K7
4K7
3383
10K
3382
5K6
3381
22K
3380
BAS316
6380
8
13
14
15
2
3
11
12
16
17
7
OFWK9656L
1
18
4
5
6
9
10
16
17
7
8
40M4
1452
6
9
10
13
14
15
2
3
11
12
40M4
OFWK9656L
1453
1
18
4
5
12
16
17
7
8
5
6
9
10
13
14
15
2
3
11
OFWK9656L
1
18
4
1454
40M4
5454
6u8
5451
4460
4456
4457
4459
5453
4458
4455
820n
4454
4453
4451
4452
+8V3A
5452
390n
2452
10n
2453
10n
3457
27K
18K
3458
2K2
3456
7452
1SS356
6451
BC847BW
6K8
3455
3461
3459
22K
2K2
3465
47K
1SS356
BC847BW
7451
2K2
6452
10R
3418
3460
3417
10R
1u0
2418
2419
1u0
4470
4472
4471
10u 16V
+8V3 +8V3
2417
10
9
+8V3
+8V3
1y0
12
1y1
13
14
2y0
2
2y1
1
15
3y0
5
3y1
3
4
G3
6
GND
8
VCC
16
VEE
7
11
7401
74HC4053
6472
BAS316
6471
F480
6470
3409
3410
2482
100p
+8V3A
+5V4
3485
10K
3483
10K
10K
3484
7473
BC847BW
VCC
16
VEE
15
VIN3 VOUT 18
VREF
17
YIN7
YOUT 14
AMPSEL
61
BLG
20
BLM
HM1
9
HM2
10
HM3
11
HM4
12
HM5
13
NLC
4
SC5
8
TAUHM
UIN2 UOUT 19
10u
2480
7403
TDA9171
5470
6u8
3481
4K7
+8V3A
BC847BW
7471
1K5
3414
1K5
3411
220n
2415
2401 1u0
22n2405
2404 22n
18K
3477
3470 10K
3472
220K3471
3476
15K
10u
3473
2479
2472
10n
10n
2471
2473 220n
2475 10n
10n
2474
2476 10n
10n2477
2478 10n
100n
2481
2470
100n
3478
10K
47K
3480
47K
3479
7472
BC847BW
3482
10K
3475
3474
2407
100n
100n
2408 3416
1K0
1K0
3413
BC847BS
7412-A
7412-B
BC847BS
6415
BAS316
1K5
3415
BAS316
64122412
220n
3412
1K5
2403 1u0
1u02402
3405
3404
3403
3402
3401
H-SYNC
C-SYNC
LINEDRIVE1
V-MAIN
HIS-OFF
SEL-MAIN-R1R2
MAIN-CVBS-EXT-IN
VIF1
VIF2
VSIF1
VSIF2
SEL-IF-LL_M-TRAP
IF-TER
SEL-MAIN-FRNT-RR
CVBS-SC1_AV1-IN
Y-CVBS-SC2_AV2-IN
Y-CVBS-FRONT-IN
C-SC2_SVHS-IN
C-FRONT-IN
MAIN-C-EXT-IN
SANDCASTLE1
SC
Y-HISTOGRAM
V-HISTOGRAM
Y-MAIN
U-MAIN
U-HISTOGRAM
CL 36532023_008.eps
021203
F470
500mV / div DC
20µs / div
F385
200mV / div DC
20µs / div
F471
500mV / div DC
20µs / div
F472
500mV / div DC
20µs / div
F413
1V / div DC
20µs / div
F480
1V / div DC
20µs / div
Item#
Europe
NAFTA
AP-PAL
AP-NTSC/Latam
Component type
1452 -- -- -- FIL SAW SM 38MHZ9 OFWK3953L R
1452 -- -- FIL SAW SM 45MHZ75 OFWM1967L R
1452 -- -- -- FIL SAW SM 38MHZ9 OFWK7265L R
1454 -- -- -- FIL SAW SM 38MHZ9 OFWK9656L R
1454 -- -- -- FIL SAW SM 38MHZ9 OFWK9361L R
2452 -- CER2 0603 X7R 50V 10N COL
2453 -- CER2 0603 X7R 50V 10N COL
3455 -- -- RST SM 0603 6K8 PM5 COL
3456 -- -- RST SM 0603 2K2 PM5 COL
3457 -- -- RST SM 0603 27K PM5 COL
3458 -- -- RST SM 0603 18K PM5 COL
3461 -- -- RST SM 0603 2K2 PM5 COL
4451 -- RST SM 0603 JUMP. 0R05 COL
4453 -- -- -- RST SM 0603 JUMP. 0R05 COL
4455 -- -- RST SM 0603 JUMP. 0R05 COL
4457 -- -- RST SM 0603 JUMP. 0R05 COL
4458 -- -- -- RST SM 0603 JUMP. 0R05 COL
4460 -- -- -- RST SM 0603 JUMP. 0R05 COL
5451 -- -- FXDIND SM 1008 6U8 PM5 COL R
5452 -- -- FXDIND SM 0805 0U39 PM10 COL R
5452 -- -- FXDIND SM 0805 0U82 PM10 COL R
6451 -- -- DIO SIG SM 1SS356
(
RHM0
)
R
7452 -- -- TRA SIG SM BC847BW (COL) R
V
V
VV
V
V
V
V
V
V
V
V
V
V
VV
V
V
V
V
V
V
V
V
V
V
VV
V
V
V
V
V
V
V
V
V
V
V
V
V

Circuit Diagrams and PWB Layouts 37LC13E 7.
TV Board: Analog Comb Filter
CLAMP
GEN
CLAMP
SAND-
CASTLE
2H/4H DELAY
ADAPTIVE
COMB FILTER
FILTER
TUNING CLOCK
2431 A2
2432 A2
5V
34
A
A4
A1
A4
ANALOG COMB FILTER
3V5
A5
A1
(13"/15"/20" SCART & CINCH EXCEPT CINCH3L)
0V
7V9
0V8
RES
D
E
A
B
C
A5
2433 D3
2434 E3
2435 E3
D
E
2424 C1
2426 B1
2428 B1
1
2V
1V7
234
2
5V3
0V9
0V
0V7
B
5V3
A1
1V4
C
A4
4V1 A4
1V4
RES
0V
2V7
2429 C1
2430 D2
A5
3431 A2
3432 C4
3433 D4
7427
BC847BW
F408 E1
F409 D3
F410 D3
F411 D3
F412 D4
A4
3434 D4
3436 E4
3437 E4
4426 B3
7V8
RES
RES 4427 B3
5426 B1
5427 C1
VDD
5
12 Y|CVBS1
3 Y|CVBS2
14
Y|CVBSO
3426 B1
3427 C2
3428 A2
3429 A2
3430 A3
7405 B2
7427 A3
7428 E4
F403 E1
F407 E1
13
AGND
1CIN
16COUT
DGND
49
FSC
8
FSCSEL
2 INPSEL
15
OUTSEL
7SC
11
SYS1
10
SYS2
6
VCC
7405
TDA9181
100R
3430
100R
3433
2433
100p
6u8
5426
16V
2424
F430
10u
100p
2434
47n
2435
2429
47n
2428
1u0
3428
1K0
1K0
3431
+5V4
5427
3427
1K0
+5V4
6u8
10R
3429
100R
3437
1K0
3436
4427
16V10u
F431
2426
3426
1K0
F432
+8V3A
2431
+8V3A
7428
BC847BW
3432
4426
3434
100R
2432
F429
1u0
100n
2430
MAIN-CVBS-EXT-IN
CVBS-TXT-CC
OUTSEL
SANDCASTLE1
Y-IN
CVBSOUTA
COMB-ON
MAIN-C-EXT-IN
C-IN
SYS2
SYS1
CL 36532073_002.eps
031203
Personal Notes:

38LC13E 7.
Circuit Diagrams and PWB Layouts
TV Board: Audio Delay Line
C2
G1
1+
CT=0
CTR8
(CT=255)Z4
2D 3
4
EN3
EN
C1
1D
EN
C1
1D
C2
G1
1+
CT=0
CTR8
(CT=255)Z4
2D 3
4
EN3
(1)
2V6
4615 C9
4616 C9
4617 C9
5601 A1
2V6
2V6
F613 F6
2V6
5V3
(1)
2V6
(1)
5V3
5V3
2V6
4614 C9
2V5
2V3
F601 A1
2V6
(1) NOT USED
(1) NOT USED
(1)
(1)
(1)
7603 A2
A8
7610 F6
2V6
2V6
7604 B7
7605 B8
7601 A1
7602 D1
3
AA
(1)
5V3
B
C
D
5V3
5V3
2V6
F
D-LATCH D-LATCH
(COMMON)
E
B
(1)
2V3
(1)
(1)
2V3
AUDIO DELAY LINE
4
D
A8
123
COUNTER
2V6
2605 B8
2610 F6
2611 F6
2612 D9
2613 D9
3610 F5
3611 F6
4601 E2
2
2V3
2V6
E
F
2601 B2
2602 D2
2603 B2
2604 B7
56789
1
F602 C9
F603 D9
F610 F9
2V5
2V5
F612 F5
5V3
A8
2V5
2V5
4602 E2
4603 F2
2V5
2V3
2V3
5V3
C
2V5
4606 F2
2V5
4605 F2
2V6
COUNTER
4610 C9
4611 C9
2V3
0V2
5V3
4612 C9
4613 C9
456789
4604 F2
4615
2V6
2V6
2V6
GNDDIGITAL
330p
2612
2604
100n
4601
+5VD
2
3
4
5
6
7
13
9
VCC 16
7602
TC74HC590AF
11
12
10
GND 8
14
15
1
11
I|O1 12
I|O2 13
I|O3 15
I|O4 16
I|O5 17
I|O6 18
I|O7 19
OE_ 22
VCC
28
WE_ 27
+5VD
6
A11
7
A12
8
A13
9
A14
10
A2
24
A3
25
A4
26
A5
1
A6
2
A7
3
A8
4
A9
5
CE_ 20
GND
14
I|O0
GNDDIGITAL GNDDIGITAL
7603
CY62256
A0
21
A1
23
A10
GNDDIGITAL
+5VD
+5VD
+5V4
4616
BC847BW
7610
GNDDIGITAL
GNDDIGITAL
4602
GNDDIGITAL
GNDDIGITAL
GNDDIGITAL
GNDDIGITAL
GNDDIGITAL
GNDDIGITAL
VCC 16
4610
12
10
GND 8
14
15
1
2
3
4
5
6
7
13
9
+5VD
+5VD
7601
TC74HC590AF
11
2610
82p
2605
100n
GNDDIGITAL F610
3610
470R
100n
2603
4603
4605
F602
GNDDIGITAL
100n
2601
4614
GNDDIGITAL
GNDDIGITAL
GNDDIGITAL
5601
1u0
F612
+5VD
4611
100n
+5VD
GNDHOT
2602
+5VD
4606
GNDDIGITAL
GNDDIGITAL
F603
4612
15
14
13
12
20
F613
7
8
9
10
11
1
19
18
17
16
2
3
4
5
6
17
16
15
14
13
12
20
74HCT573D
7604
5
6
7
8
9
10
11
1
19
18
7605
2
3
4
F601
74HCT573D
GNDDIGITAL
4617
82p
2611
470p
2613
GNDDIGITAL
3611
47K
4613
4604
GNDDIGITAL
GNDDIGITAL
I2S_DATA_IN
I2S_DATA_OUT
I2S_CLOCK
CL 36532023_010.eps
021203
F602
2V / div AC
2ms / div
F603
2V / div AC
2ms / div

Circuit Diagrams and PWB Layouts 39LC13E 7.
TV Board: Audio Processing
SCART-L
SCART 1
SCART 3
SCART-R
SCART 2
SCART-R
I2SL/R
NICAM B
NICAM A
FM2
FM1 S1...4
interface
I2S
interface
ADR
DEMODULATOR
D/A
D/A
D/A
D/A
A/D
A/D
SCART 1
SCART 2
MONO
SCART-L
HEADPHONE L
NC
HEADPHONE R
HEADPHONE
IDENT
DSP
IDENT
LOUDSPEAKER
SCART 4
Switching Facilities
SCART
LOUDSPEAKER R
LOUDSPEAKER L
D/A
D/A
I2SL/R
MUXDX
AUDIO PROCESSING
2V8
2V5
1V5
1V5
3V8
3V8
3V8
3V8
3V8
3V8
0V
5V3
3V8
3V8
3V8
3V8
7V
0V4
2V6
5V2
8V5
3V8
3V8
3V8
3V8
3V8
3V8
5V3
8V5
0V4
0V4
NC
NC
NC
NC
NC
NC
NC
NC
NC
NC
NC
NC
PDTC124ET PDTC124ET
PDTC124ET
PDTC124ET
PDTC124ET PDTC124ET
RES
RES
SWITCH
A1
A1
A11
A11
A11
A11
A11
A11
A4
A4
A1
A1
A3
A7
A7
A7
A9
A9
A9
A11
A11
A11
A11
A1
A11
A11
FOR SCART ONLY
(COMMON)
*
DIVERSITY FOR SOUND IC 7620
MSP-3410G NICAM VERSION W/O VIRTUAL DOLBY
MSP-3420G NTSC VERSION W/O VIRTUAL DOLBY
MSP-3411G NICAM VERSION WITH VIRTUAL DOLBY
MSP-3421G NTSC VERSION WITH VIRTUAL DOLBY
*
RES
RES
RES RES
RES
RES
RES
0V
3V8
3V8
3V8
2V5
2V5
0V3
0V3
0V3
0V3
0V4
0V4
0V
3V8
2V5
2V6
2V6
0V
RES
1 2 3 4 5 6 7 8 9 10
1 2 3 4 5 6 7 8 9 10
A
B
C
D
E
A
B
C
D
E
1620 E7
1691 A1
2620 A10
2621 A2
2622 A1
2623 B1
2624 A1
2625 B1
2626 B2
2627 B2
2628 C2
2629 C2
2630 C2
2631 D2
2632 D2
2633 B2
2634 B2
2635 C2
2636 C2
2637 C2
2638 D2
2639 B2
2640 B2
2645 B7
2646 B7
2647 B1
2648 A8
2649 B8
2650 C7
2651 E6
2652 C8
2653 C8
2654 A7
2655 A8
2656 E5
2657 B7
2658 B7
2661 C8
2662 C7
2663 D8
2664 D8
2665 D8
2666 E8
2667 E8
2668 E7
2669 E7
2670 C8
2671 C8
2672 D9
2673 D9
2674 E9
2675 E9
2676 B8
2677 D2
2678 D3
2679 B7
2680 E6
2681 E6
2682 E6
2683 E7
2684 A3
2688 E4
2689 D2
2690 D2
2691 A1
3620 A2
3621 A2
3622 B1
3623 A2
3624 B2
3625 B2
3626 A3
3633 B1
3634 B1
3635 C1
3636 C1
3637 C1
3638 D1
3640 B1
3645 D1
3646 D1
3650 A7
3651 C9
3652 C9
3653 D10
3654 D10
3655 E9
3656 E9
3691 A1
4620 A2
4646 C1
4647 C1
4648 C1
4649 C1
4650 D7
4651 D7
4691 A1
5620 A9
5621 A1
5650 A8
5680 C9
6650 A7
7620 A3
7621 A2
7622 A2
7674 B9
7675 B10
7676 C10
7677 D10
7678 E9
7679 E10
7680 D9
F620 A10
F621 A3
F622 A1
F626 A2
F640 B2
F645 D1
F646 D1
F650 A8
F655 A7
F656 E5
F676 B7
100R3620
330R
3691
22n
2691 I1O3
4691
1691
TPS
G2
100n
2679
2684
1n0
1n02645
2646
1n0
F646
4647
F645
4646
TESTEN
53
TP
56
VREF1
27
VREF2
19
VREFTOP 46
XTAL-IN
54
XTAL-OUT
55
SC2-IN-R42
SC2-OUT-L 26
SC2-OUT-R 25
SC3-IN-L38
SC3-IN-R39
SC4-IN-L35
SC4-IN-R36
STANDBYQ
63
14
15
24
RESETQ 16
SC1-IN-L44
SC1-IN-R45
SC1-OUT-L 29
SC1-OUT-R 28
SC2-IN-L41
12
I2S-DA-O1 5
I2S-WS 4
MONO-IN47
58
59
64
22
13
20
DACM-SUB
23
DVSS
11
DVSUP
10
I2C-CL
1
I2C-DA
2
I2S-CL 3
I2S-DA-IN1 6
I2S-DA-IN2
CAPL-A 30
CAPL-M 32
D-CTR-IO0 61
D-CTR-IO1 60
DACA-L 18
DACA-R 17
DACM-L 21
DACM-R
50
ANA-IN2+52
ASG0
43
ASG1
40
ASG2
37
AUD-CL-OUT 57
AVSS
48
AVSUP
49
ADR-DA 7
ADR-SEL
62
ADR-WS 8
AGNDC 34
AHVSS
33
AHVSUP 31
ANA-IN-
51
ANA-IN1+
MSP3410G
7620
ADR-CL 9
3646 1K0
1K03645
3638 1K0
1K03637
3636 1K0
1K03635
3634 1K0
1K0
3633
3640 1K0
4648
4649
F620
F656
F650
F655
F676
F621
F640
F626
1u0
2649
1u0
2648
2677
4n7 4n7
2678
2690 1u0
1u0
2689
3623
7621
7622
4620
3625
+5V4A
3624
2647 12p
3626
2688
2u2
7679
7678
7677
7676
7674 7675
2639
220p
2640
1u0
100n
2652 16V
2653
22u
2650
10u
2676
10u
16V
16V
10u
16V
2655
10u 16V
2658
16V
+5V4A +5V4A
2620
10u
2656
+5V4A
+5V4A
1n0
2621
7
VEE
11
10
9
7680
1y0
12
13 1y1
14
22y0
12y1
15
53y0
33y1
4
6
G3
8
GND
16
VCC
2665
1u0
74HC4053
1u0
1u0
2667
2664
4u7
2666
1u0
2638
5680
1u0
2637 1u0
2636 1u0
2635 1u0
2634
1u0
+8V3
1u0
100n
2633
1u0
2663
3653
2672
1u0
2673
100R
3654
100R
4650
4651
F622
DSX840
1620
18M432
56p2623
4n7
2631 2632
4n7
4n7
2629 2630
4n7
2628
4n7
2627
4n7
2682 3p3
2683
3p3
100n
2651
100n
2681
2680 470p
2626
47p
+5V4
2624
15p
2625
180p
5621
15u
3622 2K2
2622
27p
+8V3
2657
100n
1n0
2668 1n0
2669
2661
1n0
2662
1n0
5650
2671
1u0
2674
1u0
1u0
2670 1u0
2675
1u0
100R
3651
100R3652
3656
3655
100R
100R
2654
220n
22K
3650
1u0
5620
6650
BAS316
3621 100R
AUDIO-L
PC-HDAUDIO-L
PC-HDAUDIO-R
AUDIO-R
SIF-FM
I2S_DATA_IN
I2S_DATA_OUT
OUT_MUTE
L-SC1_AV-OUT
R-SC1_AV-OUT
L-SC2-OUT
R-CL_VL-OUT
AUD_SW
SCL-0
SDA-0
L-CL_VL-OUT
L-FRONT-IN
R-FRONT-IN
L-SC2_AV2-IN
R-SC2_AV2-IN
L-SC1_AV1-IN
R-SC1_AV1-IN
PIP-AUDIO
SEL-MAIN-R1R2
SIF-TV
R-SC2-OUT
I2S_CLOCK
CL 36532023_011.eps
140104
F622
100mV / div AC
5µs / div
Item#
Europe Non-VD 13"/15"/20"
NAFTA/AP-NTSC/Latam 15"/20"
AP-PAL Non-VD 15"/20"
Component type
2663 -- -- -- CER2 0603 X7R 16V 100N COL
2664 -- -- -- CER2 0603 Y5V 10V 1U COL
2665 -- -- -- CER2 0603 Y5V 10V 1U COL
2666 -- -- -- CER2 0603 Y5V 10V 1U COL
2667 -- -- -- CER2 0603 Y5V 10V 1U COL
2672 -- -- -- CER2 0603 Y5V 10V 1U COL
2673 -- -- -- CER2 0603 Y5V 10V 1U COL
2674 -- -- CER2 0603 Y5V 10V 1U COL
2675 -- -- CER2 0603 Y5V 10V 1U COL
3653 -- -- -- RST SM 0603 100R PM5 COL
3654 -- -- -- RST SM 0603 100R PM5 COL
3655 -- -- RST SM 0603 100R PM5 COL
3656 -- -- RST SM 0603 100R PM5 COL
5680 -- -- -- FXDIND SM 1008 4U7 PM5 COL R
7620 -- -- IC SM MSP3420G-QI-B8-V3
(
MIAS
)
Y
7620 -- IC SM MSP3410G-QI-C12
(
MIAS
)
Y
7676 -- -- -- TRA SIG SM PDTC124ET
(
COL
)
R
7677 -- -- -- TRA SIG SM PDTC124ET
(
COL
)
R
7678 -- -- TRA SIG SM PDTC124ET
(
COL
)
R
7679 -- -- TRA SIG SM PDTC124ET
(
COL
)
R
7680 -- -- -- IC SM 74HC4053PW (PHSE) R
V
V
V
VV
V
V
V
V

40LC13E 7.
Circuit Diagrams and PWB Layouts
TV Board: Audio Amplifier
3759 E7
1V4
6V1
3761 E8
3758 E7
0V
3760 E8
3V3
RES
2755
1u0
5733 A5
6731 A4
6732 A4
4738 B7
4739 C7
4740 C7
9
2737 C4
A1
*
A10
A8
*
8
2735 B3
2736 B3
1
2740 C3
A11
A11
4567
*
HMLINK
A
6V1
AUDIO AMPLIFIER
B
98
11V8
QUAD 2-INPUT AND GATE
2V9
6755 E7
7732-D F3
7732-B E3
7732-A D3
7731 B5
7732-C E3
4737 C7
2753 B8
2754 C6
2755 E6
2756 C7
2757 C7
2758 C6
2783 A9
2784 A9
2785 D4
2786 C9
2787 C9
2788 C8
RES
A1
2V9
E
32
2V3
3V5
HEADPHONE
4
A8
A8
5
A11
D
C
A8
A1
2741 C3
3V5
A11
2742 C4
7
A11
3V5
FOR ITV
6V2
6
5V3
0V
0V7
3733 B4
3V5
3V3
2789 C8
*
3V5
2745 D4
2746 F4
2750 A7
2751 B8
2752 A7
3732 B3
3735 B3
2V9
16 OHMS / 3 W
3V5
1752 B7
2731 D5
2732 B4
2733 B5
2734 B6
F
A
B
C
D
E
F
1232 A1
1702 A1
1730 A4
1731 A9
1732 B9
1733 A4
1750 A7
1
6V1
*
2V7
32
*
1V4
7744 F4
7756 F7
F731 B5
F732 B4
F735 C2
F736 C9
F737 C9
F738 C9
F739 C9
F740 C2
F743 F4
F745 C4
F755 E3
F759 E8
3736 C3
3740 C3
3741 C3
3743 F4
3744 F5
3745 D4
3746 D3
3750 A7
3752 A7
3755 E6
3756 E6
3757 E6
F740
F732
33n
2731
50V10u
2732
2753
470p
3741
6K8
3760
4K7
BAS316
6755
F745
3752
F738
470R
4
36
1702
SPPH4
25
1
2757
1n5
4738
3K3
3745
1u0
2741
1n5
2756
5733
22u
F731
3755
100R
F755
10n
2788
2K2
3761
10n
2786
1K0
3743
3756
1K0
3759
1n0
2735
1732
1
2
3
4
10K
3757
27K
3735
+3V5
3736
6K8
7
8
9
1
17316
5
4
2
3
50
10u2750
GNDHOT
50V100u
2745
2740
1n0
5K6
3746
2742
4n7
F736
F737
16V1m0
2734
2752 10u
50
F759
6
120R3750
1232
1
2
3
4
5
F739
27K
3740
1730
7732-B
74LCV08AD
4
5
6
14
7
4737
3732
220K
220n
2733
2758
1n5
1u0
2736
4740
BZX284-C6V8
6731
+3V5
7732-C
74LCV08AD
9
10
8
14
7
12-24DC-SUP_1
1752
1750
F743
2
BZX284-C6V8
6732
STB
1
VCC
9VOL
YKC21-3416
1733
1
3
CH1-
6 CH1-IN
12CH2+
10CH2-
8 CH2-IN
3
GNDCH1
11
GNDCH2
7
GNDINP
5
7731
AN7522N
2CH1+
4
7732-D
74LCV08AD
12
13
11
14
7
1n5
2754
4K7
3744
470p
2751
3758
2783
4n7
4K7
GNDEARTH
2789
10n
F735
2787
10n
BC847BW
7744
GNDEARTH
1n0
2785
4739
2737
50V1u0
2746
4n7
3733
+3V5
7756
BC847B
4n7
2784
7732-A
74LCV08AD
1
2
3
14
7
OUT_MUTE
POWER-DOWN
STAND-BY
LED_IN
STBY-LED
STATUS
IR_OUT
IR_IN
AUD_SW
SOUND-ENABLE
AUDIO-L
AUDIO-R
HP-SIDE-DET
CL 36532073_003.eps
021203
F736
20mV / div AC
1ms / div
F738
50mV / div AC
1ms / div
F735
20mV / div AC
1ms / div
F740
20mV / div AC
1ms / div

Circuit Diagrams and PWB Layouts 41LC13E 7.
TV Board: Local Supply
REGULATOR
REFERENCE
OSC
IPK
Q
R
S
REGULATOR
REFERENCE
OSC
IPK
Q
R
S
REGULATOR
REFERENCE
OSC
IPK
Q
R
S
1%
6V
(COMMON)
3933 C5
3911 A4
6930 C7
7900 C2
7901 D3
0V
11V9
LOCAL SUPPLY
3932 C5
1V2
1%
0V7
11V9
2923 E7
3930 C4
3931 C4
@
@2998 D7
7904 F4
2V9
RES
2910 B4
1V3
1904 C1
2903 F3
2900 C2
5V5
C
D
E
F
8
A
RES
5900 C2
5901 C2
5911 A7
5921 E7
5930 C4
5931 C7
3906 E4
3910 A4
F900
2999 B7
3900 C2
3901 D3
3903 F2
3904 E2
3905 E3
0V7
567
A9
RES
4
@
@@
11V
2V3
0V
,300mA / 430mA
6920
SS14
6
2924 4n7
7920 D5
1
1%
3
RES
0V7
,250mA
RES
2
2
1903 C3
0V5
3915 A4
3920 E4
3921 E4
3922 E4
2922 E5
78
8V4
1%
11V9
B
A
A1,A9
1%
2914 B5
2920 E4
2921 E7
B
1%
F
,320mA
2911 A7
2912 B5
2913 B7
7910 A5
E
D
11V7
6920 E7
6925 E4
100MHz 220R
11V8
3456
F902 C1
F903 D2
F906 B7
F907 C7
F908 E7
3923 E5
3924 E5
C
2924 E5
2931 C7
2932 C5
1V2
7930 B5
F900 C1
F901 C2
3925 E3
3V6
11V
RES
1902 C1
2933 D7
2934 D5
11V7
11V7
11V8
7903 F3
11V7
11V1
6910 A7
FROM 1003 OF SCALER 23 CL BD
1
3912 A5
3913 B5
3914 B5
1
2
3
4
1K
12-24DC-SUP
EH-B
1902
+3V5
3901
10V
470u
2933
220u
5931
1600mA F
1903
2999
1m0 16V
1K8
3924
2921
470p
1K
3932
7903
BC847B
2931
470p
F907
5921
220u
1R0
3930
100n
2900
4n7
2934 2998
1m0 16V
1R0
3931
+5V4
1K
3913
5901
3910
220K
3905
1R0
3912
3904
220K
5930
33u
CIN-5
DCOL8
GND 4
IS7
SWC 1
SWE 2
TIMC 3
VCC
6
10R
3925
7930
MC34063A
7900
SI2301DS-T1
3
1
2
2923
12-24DC-SUP_1
3923
1m0
6.3V
1K
3922
6930
SS14
2932
1R0
3915
5K6
3914
3903
15K
+3V5
5911
220u
6925
SS14
3933
3K3
6910
1904
1
2911
470p SS14
1K
3900
3921
1R0
25V
470u
2910
470u
2913
16V
2912
7904
BC847B
F901
2922
2
TIMC 3
VCC
6
+8V3
7910
MC34063A
CIN-5
DCOL8
4GND
IS7
SWC 1
SWE
F903
2914 4n7
5900
12u
3920
7901
PDTC114ET
470u 25V
2920
10n
2903
22K
3906
F906
1R0
3911
7920
MC34063A
CIN-5
DCOL8
GND 4
IS7
SWC 1
SWE 2
TIMC 3
VCC
F908
F902
POWER-DOWN
STAND-BY
CL 36532073_004.eps
200104
F906 = 8V3 DC
F907 = 5V4 DC
F908 = 3V5 DC

42LC13E 7.
Circuit Diagrams and PWB Layouts
TV Board: SCART I/O
SVHS
EX-OR
D
E
F
1201 E2
1202 A3
1203 A3
B
C
1204 B3
1205 B3
1206 B3
1207 C3
1208 C3
1209 D3
RES
FOR ITV
56
TO 1232 (RJ 12) OF SHT A9
RES
1210 D4
1211 D3
1212 E4
1214 E7
1216 F7
RES
A4
1220 C6
1221 C6
1223 B4
1224 B4
1231 E1
1234 F1
TO 1500 OF
FRONT CONTROL
A9
RES
1V3
A1
LOCALLIB (242202604926 PI=2)
A1
1201
1
330p
2233
2
7
3
1267-A
YKF51-5347
3V5
8V2
A9
2242 D8
2238 F8
2244 B8
A4
RES
A9
3217 C3
3218 C2
3219 C2
3221 D2
3222 D2
3223 D3
3224 D2
3225 D1
*
2218 C2
2222 D2
2224 D2
2225 D2
2227 E3
2233 E8
RES
A5
F230 F4
F231 C7
6287 D4
6288 C4
6289 C4
6290 B3
6291 B3
6292 B4
7224 D1
7260 F2
7261 F3
F201 A4
F202 A4
3203 A3
3204 A2
3206 A3
3207 B2
3208 B3
3209 B2
3211 B3
3212 B3
3213 C3
3214 C2
3216 C3
RES
2V4
1V
A9
A5
8V5
A4
TO 1170 OF
NC
2249 C8
2250 E3
2254 E3
3201 A3
3202 A2
RES
RES
A8
A8
3243 B7
RES
3244 A7
6239 F7
6243 B7
6244 B7
6250 E2
6253 E7
6254 E7
6257 F4
6281 D4
6282 E4
6283 B4
6284 D3
6285 D3
3226 E4
3227 E3
3228 D1
3233 E7
3234 E8
3238 E7
3239 F8
3241 D7
3242 D8
RES
A1
5678
A
1269 C5
2201 A3
D
E
F
A
B
C
2V
A1
SCART_1
VOL-
0V
RES
A8
A8
RES
RES
1234
1217 D7
1218 B6
78
1234
1V4
RES
A1
A1
A1
TOP CONTROL
CH+
1260 D5
1267-A C5
1267-B C6
1268-1 F5
1268-2 E5
A9
2203 A3
2206 B3
2208 B3
2211 B2
2214 C3
2217 C2
RES
TESTLANDS USED IN LC03
A8
CH-
VOL+
RES
RES
SCART IO
RES
RES
RES
3V5
F218 C4
1V9
6218 C2
6227 F4
6228 F4
6238 F7
RES
A4
A1,A4
3248 C7
3249 C7
3255 E2
3256 E4
3257 F3
3258 F4
F222 E1
A5
RES
A8
6286 D4
RES
F221 E1
F223 F1
F224 F1
F225 E4
F226 E4
F227 F4
F228 F4
3259 F4
3260 E2
3261 E3
3262 F3
3263 E3
4201 F2
4202 F2
4203 E1
4242 D8
4299 B6
6207 C7
6208 D7
6211 B2
F203 A4
F204 A4
F205 A4
F206 B4
F207 B4
F208 C4
F210 C4
F212 E7
F214 E7
F215 D7
F217 A7
RES
47u 25V
2224
3225 10R
1218
150R
3203
3260
270R
1209
7224
BC847B
F203
F227
2227
F211
1
2
3
4
5
6
1269
LPR6520-P210G
21
3
4
5
6
7
8
9
12
13
14
15
16
17
18
19
2
20
1260
1
10
11
2254
100n
150R3201
3213
1202
22K
150R
3206
6289
1210
75R
3216
F226
100R
3227
6K8
3214
6290
F231
4201
F201
F223
3241
22K
F210
F222
2242
330p
6291
F215
3248
75R
+8V3
6283
6254
F218
6244
2217
6243
47K
3239
2222
68R
3223
2208
1203
330p
6250
BZX384-C5V1
3261
4K7
F208
6288
100R
3249
2250
1220
1223
4u7
F235
6239
3242
10K
6253
F221
1
2
3
4
5
6
7
1231
6227
BZX284-C6V8
1217
BZX384-C3V3
6257
6292
100R3256
1224
150R
3233
F212
6284
F224
75R
3218
3262
5K6
1212 6282
1
2
3
4
6281
1234
3212
100R
3221
75R
F206
F207
2211
3207
1206
220K
3222
100R
F234
1204
F219
2249
10
4
9
6
11
YKF51-5347
1267-B
5
F236
F204
6285
270R
3255
1221
F205
F228
+8V3
1214
3244
100R
1211
6238
3217
100R
6228
BZX284-C6V8
330p
2206
330p
2238
3202
220K
2203
330p
2225
+5V4
F214
F225
4202
75R
3226
150R
3208
1205
+8V3
6208
47K
6207
3209
2244
F237
75R
BZX384-C12
6218
3243
BZX384-C12
6211
2201
330p
150R
3238
4242
6286
F216
3263
5K6
+3V5
2218
1207
1K0
3224
3211
F213
3259
75R
5K6
3K9
3258
1208
3257
1216
F238
8
1
47K
3204
4203
100R
3228 6287
F230
4299
3234
47K
2214
330p
3219 100R
7260
BC847BW
7261
74HCT1G86
2
1
4
5
3
F217
F202
STATUS2_SVHS-RR-DET
STATUS1
CVBS-SC1_AV1-IN
R-SC1_AV-OUT
R-SC1_AV1-IN
L-SC1_AV-OUT
CVBS_TER_OUT
PC-TV-LED
LIGHT-SENSOR_SDM
C-SC2_SVHS-IN
L-SC2_AV2-IN
R-SC2_AV2-IN
KEYBOARD
IR_OUT
LED_IN
STBY-LED
STBY-LED
STATUS
RC5
B-SC1-IN_U-IN
L-SC1_AV1-IN
FBL-SC1-IN
G-SC1-IN_Y-IN
R-SC1_V-IN
IR_IN
Y-CVBS-SC2_AV2-IN
CL 36532073_005.eps
011203

Circuit Diagrams and PWB Layouts 43LC13E 7.
Layout TV Board (13”/15”) (Overview Top Side)
Part 1
CL 36532073_07a.eps
Part 2
CL 36532073_07b.eps
Part 4
CL 36532073_07d.eps
Part 3
CL 36532073_07c.eps CL 36532073_007.eps
111103
3139 123 5712.2
1010 A3
1057 B4
1100 A1
1111 B1
1201 C2
1206 B1
1208 C1
1231 C2
1232 C4
1234 C3
1260 C1
1267 C3
1269 C2
1330 A3
1620 B4
1691 B4
1702 C4
1730 C4
1731 C3
1732 C5
1733 C4
1750 C5
1752 C5
1902 A6
1903 A5
1904 A5
2010 B3
2016 C3
2017 C3
2018 C4
2019 C4
2020 C4
2021 C3
2041 B4
2042 B4
2043 B4
2044 B4
2045 B4
2046 B3
2049 B4
2052 C4
2053 B4
2055 C4
2057 B4
2103 B2
2104 B2
2106 B1
2108 B1
2120 B2
2121 B2
2122 B2
2123 B2
2124 B2
2125 B2
2126 B2
2211 B1
2217 C1
2218 C1
2224 C1
2250 C3
2303 B3
2304 B2
2308 A2
2310 B2
2312 A3
2315 B3
2317 A2
2319 A2
2321 A3
2325 A3
2326 B2
2330 B3
2331 B3
2332 B3
2351 B3
2360 B3
2361 B3
2412 C2
2415 C2
2417 B2
2418 B2
2419 C2
2424 B3
2426 B2
2429 B3
2430 B2
2433 B2
2434 B2
2435 C2
2448 B2
2449 B2
2473 A4
2474 A4
2475 A4
2476 A4
2477 A4
2478 A4
2479 A3
2480 A3
2481 A3
2620 B4
2621 B4
2622 A4
2623 A4
2624 A4
2625 A4
2627 B4
2628 A4
2629 B5
2630 A5
2631 A5
2632 B5
2633 B4
2634 A4
2635 B5
2636 A4
2637 A5
2638 B5
2639 B4
2640 B4
2645 B5
2646 B5
2647 B4
2648 B5
2649 B5
2650 B5
2652 B5
2653 B5
2654 B5
2655 B5
2656 B5
2657 B5
2658 B5
2661 B5
2662 B5
2664 C4
2665 C4
2666 C4
2667 C4
2668 B5
2669 B5
2670 B5
2671 B5
2672 C4
2673 C4
2674 B5
2675 B5
2676 A4
2677 B5
2678 B5
2679 B4
2680 B4
2681 B4
2682 B4
2683 B4
2684 B4
2689 B5
2690 A5
2691 B4
2732 B5
2733 B5
2734 A5
2735 B5
2740 B5
2741 B5
2742 B5
2745 C5
2746 C4
2750 C5
2752 C5
2753 C5
2756 C5
2757 C5
2900 A5
2903 A5
2910 A5
2912 A6
2913 A6
2914 A6
2920 A4
2923 A4
2932 A5
2933 A5
2934 A5
2998 A5
2999 A6
3002 C3
3006 B3
3007 C3
3008 B3
3010 B3
3014 B3
3015 B3
3016 C3
3018 B4
3019 B3
3021 B3
3022 B3
3023 B4
3029 B3
3033 C3
3034 B3
3042 C3
3043 C3
3044 C4
3045 B3
3046 B3
3049 B3
3051 C3
3052 A3
3053 A3
3055 A3
3056 A3
3057 C4
3059 C4
3060 C4
3062 B3
3063 B3
3064 B3
3065 B3
3070 B4
3071 B4
3084 B4
3086 B3
3099 C3
3102 B1
3120 B2
3121 B2
3122 B2
3211 B1
3212 B1
3216 C1
3217 C1
3218 C1
3219 C1
3225 C1
3228 C1
3255 C2
3260 C2
3301 A4
3307 B3
3312 B3
3313 B3
3314 B3
3318 A2
3319 A2
3325 A4
3326 B2
3329 A2
3333 B3
3334 B3
3335 B3
3336 A3
3337 A3
3338 B3
3346 B3
3347 B3
3348 B2
3360 B3
3361 B3
3362 B3
3411 C2
3412 C2
3413 B2
3414 B2
3415 C2
3416 C2
3417 B2
3418 C2
3432 C3
3433 B2
3434 B2
3436 C2
3437 B2
3620 B4
3621 B4
3622 A4
3623 B4
3624 B4
3625 A4
3626 B4
3633 B4
3634 A4
3635 B5
3636 A4
3637 A4
3638 B5
3640 B4
3645 A4
3646 A4
3650 B4
3651 B5
3652 B5
3653 C4
3654 C4
3655 B5
3656 B5
3691 B4
3732 B5
3733 B5
3735 B5
3736 B5
3740 B5
3741 B5
3752 C5
3900 A5
3901 A5
3903 A5
3904 A5
3905 A5
3906 A4
3910 A6
3911 A6
3912 A5
3913 A6
3914 A6
3915 A6
3920 A4
3921 A4
3922 A4
3925 A5
3930 A5
3931 A5
3932 A5
3933 A5
4008 B3
4057 B4
4302 A4
4303 A4
4324 B2
4325 B2
4449 B2
4463 C2
4464 B2
4465 C2
4466 B2
4620 B4
4646 A4
4647 A4
4648 A4
4649 A4
4691 B4
4738 C5
5042 B4
5120 B2
5121 B2
5122 B2
5301 A4
5302 A3
5303 A2
5326 B2
5426 B2
5427 B2
5451 B1
5470 A4
5620 B4
5621 A4
5650 B5
5733 A5
5900 A5
5901 A5
5911 A6
5921 A4
5930 A5
5931 A5
6101 B2
6102 B1
6103 B1
6120 B2
6211 B1
6218 C1
6284 C1
6285 C1
6288 C1
6289 C1
6290 B1
6291 B1
6360 B3
6361 B3
6362 B3
6412 C2
6415 C2
6650 B5
6731 C4
6732 C4
6910 A6
6920 A4
6925 A4
6930 A5
7008 B3
7022 B3
7053 C4
7062 B3
7064 B3
7066 B4
7120 B2
7261 C4
7301 A3
7303 B3
7330 B3
7360 B3
7401 C2
7403 A3
7405 B2
7412 C2
7428 B2
7620 B4
7621 B4
7622 A4
7674 B5
7675 B5
7676 C4
7678 B5
7679 B5
7680 C4
7731 B5
7900 A5
7901 A5
7903 A5
7904 A5
7910 A6
7920 A4
7930 A5

48LC13E 7.
Circuit Diagrams and PWB Layouts
Layout TV Board (13”/15”) (Overview Bottom Side)
Part 1
CL 36532073_08a.eps
Part 2
CL 36532073_08b.eps
Part 4
CL 36532073_08d.eps
Part 3
CL CL 36532073_08c.eps
CL 36532073_008.eps
281103
3139 123 5712.2

Circuit Diagrams and PWB Layouts 53LC13E 7.
Layout TV Board (20”) (Overview Top Side)
CL 36532073_010.eps
111103
Part 1
CL 36532073_10a.eps
Part 2
CL 36532073_10b.eps
Part 4
CL 36532073_10d.eps
Part 3
CL 36532073_10c.eps
3139 123 5723.2
1010 A3
1057 B4
1100 A1
1111 B1
1201 C2
1206 B1
1208 C1
1231 C2
1232 C4
1234 C3
1260 C1
1267 C3
1269 C2
1330 A3
1620 B4
1691 B4
1702 C4
1730 C4
1731 C3
1732 C5
1733 C4
1734 C5
1750 C5
1752 C5
1902 A6
1903 A5
1904 A5
2010 B3
2016 C3
2017 C3
2018 C4
2019 C4
2020 C4
2021 C3
2041 B4
2042 B4
2043 B4
2044 B4
2045 B4
2046 B3
2049 B4
2052 C4
2053 B4
2055 C4
2057 B4
2103 B2
2104 B2
2106 B1
2108 B1
2120 B2
2121 B2
2122 B2
2123 B2
2124 B2
2125 B2
2126 B2
2211 B1
2217 C1
2218 C1
2224 C1
2250 C3
2303 B3
2304 B2
2308 A2
2310 B2
2312 A3
2315 B3
2317 A2
2319 A2
2321 A3
2325 A3
2326 B2
2330 B3
2331 B3
2332 B3
2351 B3
2360 B3
2361 B3
2412 C2
2415 C2
2417 B2
2418 B2
2419 C2
2424 B3
2426 B2
2429 B3
2430 B2
2433 B2
2434 B2
2435 C2
2448 B2
2449 B2
2473 A4
2474 A4
2475 A4
2476 A4
2477 A4
2478 A4
2479 A3
2480 A3
2481 A3
2620 B4
2621 B4
2622 A4
2623 A4
2624 A4
2625 A4
2627 B4
2628 A4
2629 B5
2630 A5
2631 A5
2632 B5
2633 B4
2634 A4
2635 B5
2636 A5
2637 A5
2638 B5
2639 B4
2640 B4
2645 B5
2646 B5
2647 B4
2648 B5
2649 B5
2650 B5
2652 B5
2653 B5
2654 B5
2655 B5
2656 B5
2657 B5
2658 B5
2661 B5
2662 B5
2664 C4
2665 C4
2666 C4
2667 C4
2668 B5
2669 B5
2670 B5
2671 B5
2672 C4
2673 C4
2674 B5
2675 B5
2676 A4
2677 B5
2678 B5
2679 B4
2680 B4
2681 B4
2682 B4
2683 B4
2684 B4
2689 B5
2690 A5
2691 B4
2732 B5
2734 B5
2735 B5
2738 C5
2739 C5
2740 C5
2741 C5
2742 B5
2743 C5
2744 C5
2745 B5
2746 C4
2799 B5
2900 A5
2903 A5
2910 A5
2912 A6
2913 A6
2914 A6
2920 A4
2923 A4
2932 A5
2933 A5
2934 A5
2998 A5
2999 A6
3002 C3
3006 B3
3007 C3
3008 B3
3010 B3
3014 B3
3015 B3
3016 C3
3018 B4
3019 B3
3021 B3
3022 B3
3023 B4
3029 B3
3033 C3
3034 B3
3042 C3
3043 C3
3044 C4
3045 B3
3046 B3
3049 B3
3051 C3
3052 A3
3053 A3
3055 A3
3056 A3
3057 C4
3059 C4
3060 C4
3062 B3
3063 B3
3064 B3
3065 B3
3070 B4
3071 B4
3084 B4
3086 B3
3099 C3
3102 B1
3120 B2
3121 B2
3122 B2
3211 B1
3212 B1
3216 C1
3217 C1
3218 C1
3219 C1
3225 C1
3228 C1
3255 C2
3260 C2
3301 A4
3307 B3
3312 B3
3313 B3
3314 B3
3318 A2
3319 A2
3325 A4
3326 B2
3329 A2
3333 B3
3334 B3
3335 B3
3336 A3
3337 A3
3338 B3
3346 B3
3347 B3
3348 B2
3360 B3
3361 B3
3362 B3
3411 C2
3412 C2
3413 B2
3414 B2
3415 C2
3416 C2
3417 B2
3418 C2
3432 C3
3433 B2
3434 B2
3436 C2
3437 B2
3620 B4
3621 B4
3622 A4
3623 B4
3624 B4
3625 A4
3626 B4
3633 B4
3634 A4
3635 B5
3636 A4
3637 A4
3638 B5
3640 B4
3645 A4
3646 A4
3650 B4
3651 B5
3652 B5
3653 C4
3654 C4
3655 B5
3656 B5
3691 B4
3733 B5
3735 B5
3736 B5
3739 C5
3740 C5
3741 B5
3747 C5
3748 C5
3900 A5
3901 A5
3903 A5
3904 A5
3905 A5
3906 A4
3910 A6
3911 A6
3912 A5
3913 A6
3914 A6
3915 A6
3920 A4
3921 A4
3922 A4
3925 A5
3930 A5
3931 A5
3932 A5
3933 A5
4008 B3
4057 B4
4302 A4
4303 A4
4324 B2
4325 B2
4449 B2
4463 C2
4464 B2
4465 C2
4466 B2
4620 B4
4646 A4
4647 A4
4648 A4
4649 A4
4691 B4
4738 C5
5042 B4
5120 B2
5121 B2
5122 B2
5301 A4
5302 A3
5303 A2
5326 B2
5426 B2
5427 B2
5451 B1
5470 A4
5620 B4
5621 A4
5650 B5
5733 A5
5900 A5
5901 A5
5911 A6
5921 A4
5930 A5
5931 A5
6101 B2
6102 B1
6103 B1
6120 B2
6211 B1
6218 C1
6284 C1
6285 C1
6288 C1
6289 C1
6290 B1
6291 B1
6360 B3
6361 B3
6362 B3
6412 C2
6415 C2
6650 B5
6731 C4
6732 C4
6910 A6
6920 A4
6925 A4
6930 A5
7008 B3
7022 B3
7053 C4
7062 B3
7064 B3
7066 B4
7120 B2
7261 C4
7301 A3
7303 B3
7330 B3
7360 B3
7401 C2
7403 A3
7405 B2
7412 C2
7428 B2
7620 B4
7621 B4
7622 A4
7674 B5
7675 B5
7676 C4
7678 B5
7679 B5
7680 C4
7731 B5
7739 C5
7900 A5
7901 A5
7903 A5
7904 A5
7910 A6
7920 A4
7930 A5

58LC13E 7.
Circuit Diagrams and PWB Layouts
Layout TV Board (20”) (Overview Bottom Side)
CL 36532073_011.eps
281103
Part 1
CL 36532073_11a.eps
Part 2
CL 36532073_11b.eps
Part 4
CL 36532073_11d.eps
Part 3
CL 36532073_11c.eps
3139 123 5723.2

Circuit Diagrams and PWB Layouts 63LC13E 7.
Scaler Board: Power
COM
OUTIN
REGULATOR
REFERENCE
OSC
IPK
Q
R
S
COM
OUTIN
COM
OUTIN
FB
GND
OUTVIN
ON_|OFF
24V
12V
24V
24V
24V
12V
F010 D5
7011 D5
F013 E9
7010 A6
F009 E7
F020 A1
W > 4mm
I018 C3
I008 E5
7001 E3
I007 E4
6025 B8
6002 E4
7005 B4
SS34
7004 C3
I017 B3
3009 B5
3010 B5
7003 E3
7006 E9
@
3017 C2
3016 C3
3006 F3
@
TO 1902 OF LCD-TV BOARD
@
W =3.5 mm
7002 F2
7009 E7
1001-1 A1
1001-2 A1
1001-3 A1
1002 A2
1003 A3
2001 A2
2002 E3
2004 D5
2005 F8
2006 E9
2007 E5
2008 E5
2009 E3
2010 B5
2015 F7
2016 F6
2019 C5
2020 C6
2033 A2
3001 F1
3004 F2
3005 E3
0122 F7
0V
(8V5)
5V 3V3
C2
1V8
(0V)
0V
RES
A
B
0121 F3
C
24V
F
E
C5
C
D D
F021 A1
5025 B7
F022 A1
W > 4mm
(0.4A)1%
2. Keep loop area around IC very small .
5015 B4
@
3020 C6
5001 E4
5002 E5
5003 E8
5009 E3
5010 B3
5011 B3
F011 C8
F012 E5
1. Trace (except pin 5) both 7003 should be thick and short .
6001 F1
3003 F1
5026 C8
1%
2021 C4
2024 D3
2025 B7
2026 C7
2027 C8
2028 D4
2030 A2
2031 B3
2032 A1
5013 B4
5014 B5
3002 F2
I015 B3
@
@
FOR 20" OR 23" ONLY
RES
RES
1K4
I014 E8
@
F023 A3
F024 A3
I001 F1
I002 F2
I003 F2
I004 B4
I005 E3
I006 D4
@
POWER
/3.3V(13")
@
I019 B5
I025 B7
I026 C7
@
@
3. All devices should be placed as close as possible to the IC .
1 2345678 9
1 2345678 9
A
B
3014 B2
3015 C2
E
F
3018 C3
3019 B5
220u
5025
0V
(0V6)
4V6
4V9
24V
0V7
1V3
PANEL-PWR-CTL
STAND-BY
BZX384-C15
6001
(0V)
0V6
3002
4K7
LD1086D2T18
7006
1
32
12-24DC-SUP
F023
+5
I018
BC847B
7004
12
HEATSINK
0121
12
I008
0122
HEATSINK
F013
25V470u
2015
5003
2026
470u 25V
I017
22K
3018
35V470u
2024
3017
47K
10K
3014
2027
470u 25V
50V10n
2021
7003
BC847B
3001
10K
32
12V
BC847B
7002
LD1086V33
7009
116V
2006
47u
10u5026
3020
12K
1R0
3009
MC34063A
7010
5 CIN-
8 DCOL
4GND
7IS
1SWC
2SWE
3TIMC
6VCC
4n7
2020
2019
100n
2001
25V
F7000mA
12-24DC-SUP
12-24DC-SUP
SSQ
1002
6002
3015
MAIN_GND
47K
3003
F009
I006
2031
1n0
+5
2032
1n0
10u
5009
2009
470u25V
I025
I026
3019
4
3
5
21
LM2596T-5.0
7001
7011
LD1117DT33
1
32
1001-2
EARTH_1
3
5013
5010
MAIN_GND
3006
22K
2008
470u 25V
10u
5002
1
2
3005
10K
+3V3
1001-1
+1V8
I002
12V
F012
EH-B
1
2
3
4
PAN-VCC
+5
F010
1003
2029
470u 25V
I007
I005
SS14
6025
F011
100n
2002
25V
33u
5015
+5
5014
470p
2025
100n
2005
16V
I001
100n
2016
16V
I003
10n
20332030
1n0
F024
I004
+3V3
1R0
3016
25V470u
2007
4
68u
5001
1001-3
EARTH_2
5011
I014
I015
F021
F022
22K
3004
2010
470u 35V
12-24DC-SUP
12-24DC-SUP
4
123
F020
7005
SI9433DY
5678
I019
16V
2028
100n
3010
1R0
CL 36532073_018.eps
021203
3139 123 5694.1
5010 Yes Yes
5014
Yes
--
REF
10K
SI4431DY
--
20"/23"
--
12K,1%
BZX384-C27
Yes
3016
10K3015
BZX384-C15
DIVERSITY
1R 10K
-- --
5013 --
--
5011
@
--
13"
3014
6001 BZX384-C15
3020
10K
--
--
--
7005 SI9433DY SI9433DY
1K4,1%3019
-- --
--
15"/17"
10K
Yes
F009 = 3V3 DC
F012 = 5V DC
F011 = 12V DC
F013 = 1V8 DC

64LC13E 7.
Circuit Diagrams and PWB Layouts
Scaler Board: I/O & Interface
F687 B3
F688 B3
F689 C3
C1
F683 A3
F691 C3
F692 C3
F686 B3
F694 D3
F693 D3
I681 A3
F690 C3
2
21
1
TO 1010 OF LCD-TV BOARD
3
I/O & INTERFACE
D
C
D
A
B
4685 B2
C
A
4684 B2
B
3682 B2
1681 A3
3681 C2
3
C3
C3
C3
C3
C3
C3
C3
C3
C5
I684 B3
I682 A3
I685 B3
C3
7
8
9
13
14
15
16
17
18
19
2
20
21
22
3
4
5
6
1681
1
10
11
12
ANALOG_GND
3K3
+5
3682
3K3
3681
F693
F694
F692
F690
F691
F689
F687
F688
I685
F686
+5
F683
I684
4685
4684
I681
I682
SDA-1
PC-SYNC PC-VSYNC
RESET
STAND-BY
AV-CVBS
R-Pr
G-Y
HS-OSD
VS-OSD
PC-HSYNC
B-Pb
SCL-1
CL 36532073_019.eps
141003
3139 123 5694.1
Personal Notes:

Circuit Diagrams and PWB Layouts 65LC13E 7.
Scaler Board: Video Decoder
RAW S
YCBCR
YCBCR
YCBCRS
CBCR
CBCR
RAW
BCS-SCALER
VDDA VDDE VDDI
VSSA VSSE VSSI
IIC REGISTER MAP
R
COMB
PROC
CHROM
PROC
COMP
DELAY
SWITCH
FAST
VIDEO
DECODER OUTPUT CONTROL
BOUNDARY
SCAN
OUTPUT FORMATTER I-PORT
1ST TASK IIC REG MAP SCALER
SCALER EVENT CONTROLLER
VIDEO/TEXT
ARBITER
TEXT
FIFO
VBI DATA
SLICER
ANALOG1
+ ADC1
VIDEO FIFO
VERTICAL SCALING
HORIZONTAL FINE-
(PHASE-) SCALING
LINE FIFO BUFFER
FIR-PREFILTER
PRESCALER
ANALOG1
+ ADC1
ANALOG1
+ ADC1
G
B
Y
S
C
CLK GPO XTAL
S
S
Y
CR
CB
CB
CR
Y
AUDIO
CLK
H-PORTX-PORT
2ST TASK IIC REG MAP SCALER
SYNC
PROC
LUM
FIL
ANALOG INPUT CONTROL
AD-PORT
CONTROL
ANALOG1
+ ADC1
COM
OUTIN
NC
RES
NC
NC
RES
NC
NC
NC
C5
NC
NC
NC
3456789
A
B
C
D
E
F
A
RES
VIDEO DECODER
(R)
2327 B7
0R05
NC
NC
2328 A8
RES
2329 A7
2323 A8
2324 A7
2325 B6
2326 B6
3322 E7
2331 A6
2332 A6
2333 A7
2334 E4
2335 E5
2336 E9
3304 D1
3305 D1
3306 D2
3307 E2
3308 E2
3311 D9
3312 E7
3324-2 F7
3320 B2
NC
3324-1 F7
3321 E7
3323 E7
3324-3 F7
3313 D9
3314 A4
3315 E7
3316 E7
I319 E9
I320 F9
I321 F9
I322 F9
I323 F9
I324 F9
I325 F9
I326 F9
I327 F9
I331 E6
C5
I332 E6
I333 E7
I334 E7
I335 E7
0V7
0V9
0V8
0V9
1V
1V
1V
3V3
0V5
0V
C2
DA-DAT
NC
C5
C2
C5
C2
C5
C5
C5
C2
C5
3V3
3V3
3V3
3V3
2V1
2V5
1V6
1V7
1V7
0V
1V6
1V5
NC
B
C
NC
I331
10V
2325
10u
3V3
3324-4 F7
3325-1 F7
3325-2 F7
3325-3 F7
3325-4 F7
3326 E7
3327 A9
3328 B9
3329 C9
4301 A6
5301 A8
5302 A7
5303 A6
5304 A6
7301 A5
7302 B3
F304 A6
I301 A7
I302 A7
I303 A6
I305 A6
I306 D3
I307 B2
I308 C3
I309 C3
I310 D3
I311 D3
I313 D8
I314 D8
I315 E9
I316 E9
I317 E9
D
E
F
1301 E4
2301 F8
2302 F8
2303 F8
2304 C2
2305 C2
2306 F8
2307 F8
2308 C2
2309 F9
2310 F9
2311 F9
2315 D2
2316 D3
2317 D3
2318 D2
2319 D2
2321 A8
123456789
12
47R
C2
C2
C2
C2
C2
3321
3307 100R
3329
3311
3312
2311
I332
100p
3308
150R
3306 I306
5301
+3V3
2323
100n
2336 68p
47n2315
ANALOG_GND
47n2305
I305
47n2308
150R
3304
5302
2306
100p 100p
2302 2303
100p
I303
100p
2301
I302
100n
2327
5303
100n
2331
2332
I308
100n
45
I309
47R3325-4
3320
100n
2328
ANALOG_GND
ANALOG_GND
I320
I319
3323
3315 47R
47R3316
3325-1 1 8
47R3325-2 2 7
47R
47R363325-3
ANALOG_GNDANALOG_GND
3K3
3314
AT-51CD2
24M576
1301
3326 47R
F304
I310
10u
2321
2326
I317
10u
47n
2318
2304 47n
XTAL
A3
B4 XTALI
A2 XTOUT
B11 XTRI
ANALOG_GND
L9
B3
VXDD
A4 VXSS
A7 XCLK
B7 XDQ
A8 XPD0
B8 XPD1
A9 XPD2
B9 XPD3
A10 XPD4
B10 XPD5
A11 XPD6
C11 XPD7
A6 XRDY
C7 XRH
D8 XRV
J4
H3
E4
C1
D5
D9
D11
G11
L4
L8
L11
D7
D10
F11
J11
L5
D4
E2
VDDA4A
C5
C9
D12
H12
M4
M8
M11
C8
C10
F12
J12
M5
M9
M2
TEST0 P13
TEST1 D13
TEST2 C14
TEST3 A13
TEST4 B12
TEST5 A12
D6 TMS
C6 TRSTN
M3
K4
L1
VDDA1A
H4
J1
VDDA2A
F4
G2
VDDA3A
RES3
C3
RES4
C4
RES5
C12
RES6
C13
RES7
N1
RES8
N2
RES9
P5
RESON
M10 RST0
N10 RST1
L10 RTCO
N9
SCL
P10
SDA
B6 TCK
B5 TDI
A5 TDO
IGP1 K13
K12IGPH
K14IGPV
P9
INT_A
N12ITRDY
L12ITRI
P4 LLC
N5 LLC2
B2
RES1
N3
RES10 N13
RES11
N14
RES12
P2
RES13
B13
RES2
B14
HPD3
E12
E14 HPD4
F13 HPD5
F14 HPD6
G13 HPD7
M14ICLK
G14IDP0
G12IDP1
H11IDP2
H14IDP3
H13IDP4
J14IDP5
J13IDP6
K11IDP7
L13IDQ
L14IGP0
A|32
F3 A|33
G1 A|34
F1 A|3D
B1 A|41
D2 A|42
D1 A|43
E1 A|44
D3 A|4D
N4
CE
N6
CLKEXT
P3
EXMCLR
M13 FSW
D14 HPD0
E11 HPD1
E13 HPD2
ALRCLK
P11AMCLK
M12AMXCLK
M1 AOUT
ASCLK N11
J2 A|11
K1 A|12
K2 A|13
L3 A|14
K3 A|1D
G4 A|21
G3 A|22
H2 A|23
J3 A|24
H1 A|2D
E3 A|31
F2
7302
SAA7118E
N8
ADP0
P8
ADP1
M7
ADP2
L7
ADP3
P7
ADP4
N7
ADP5
L6
ADP6
M6
ADP7
P6
ADP8
C2 AGND
L2 AGNDA
P12
15p
2334 2335
15p
I316
4301
ANALOG_GND
I321
3305
150R
4K7
1
32
+5
3313
+3V3
7301
LD1117DT33
I313
2333
100n
2324
100n
47n
2319
I335
I322
I334
45
5304
3324-4 47R
ANALOG_GND
100n
2329
I311
I307
100R
3327
100R
3328
3322
ANALOG_GND
100R
I315
I314
ANALOG_GND ANALOG_GND
ANALOG_GND
47R18
3324-2 47R27
3324-1
3324-3 47R36
I333
I323
I324
I326
I325
I301
47n
2317 2316
47n
ANALOG_GND
ANALOG_GND
100p
2309 2310
100p
2307
100p
DA-DATA(2)
DA-DATA(3)
DA-DATA(4)
DA-DATA(5)
DA-DATA(6)
DA-VSYNC
DA-HSYNC
DA-FID
DA-CLK
HS-OSD
G-Y
B-Pb
R-Pr
DA-DATA(7)
DA-DATA(0)
DA-DATA(1)
VS-OSD
AV-CVBS
RESET
SDA-1
SCL-1
CL 36532073_020.eps
190401
3139 123 5694.1
F304 = 3V3 DC
I327
I327
1V / div DC
2µs / div

66LC13E 7.
Circuit Diagrams and PWB Layouts
Scaler Board: Output (LVDS)
TO LCD MONITOR (13", 20")
TO LCD MONITOR (15")
TTL-OUT LVDS-OUT
PLL
TTL PARALLEL-TO-LVDS TTL PARALLEL-TO-LVDS
GND
PLL GND
LSVD
VCC
GND
932
1
RES
586471
3507 E4
4509 B7
3517 A9
3516 A9
OUTPUT (LVDS)
3511 F4
4506 A6
2521 E8
2501 A7
2504 F1
2512 A7
2513 A7
2516 A9
2517 A9
1V2
1V2
1V1
1V3
1V2
1V2
1V1
1V3
1V1
1V3
C5
C5
C5
C
D
1501 B1
E
F
A
1506 B9
B
2345678 9
A
B
C
D
E
F
F536 E8
F534 D8
F535 E8
4512 F7
4513 F7
5501 A7
5504 F1
5512 A7
5513 A7
5517 A9
5521 E8
7501 A5
F504 F1
F521 E8
F524 E4
F525 E4
F526 E4
F527 F4
F528 F4
F529 C8
F530 C8
C5
LVDS
4V8
F533 D8
F532 C8
F531 C8
F537 A8
F538 A8
F539 A8
F540 B9
F541 D8
F542 D8
C5
0V
3V3
5504
4509
+3LVDS
2504
220n
F532
+3PLL
F531
F525
F530
F524
TXOUT2- 42
TXOUT3+ 37
TXOUT3- 38
26
9
1
TXIN74
TXIN86
TXIN97
TXOUT0+ 47
TXOUT0- 48
TXOUT1+ 45
TXOUT1- 46
TXOUT2+ 41
27
TXIN2528
TXIN2630
TXIN2750
TXIN355
TXIN456
TXIN52
TXIN63
18
TXIN1819
TXIN1920
TXIN254
TXIN2022
TXIN2123
TXIN2224
TXIN2325
TXIN24
52
TXIN108
TXIN1110
TXIN1211
TXIN1312
TXIN1414
TXIN1515
TXIN1616
TXIN17
33 PLLVCC 34
PWRDWN_32
R-FB 17
TXCLKIN31
TXCLKOUT+ 39
TXCLKOUT- 40
TXIN051
TXIN1
5
13
21
29
53
36
43
49
LVDSVCC 44
35
9
41
42
DS90C385MTDX
7501
36
37
38
39
4
40
5
6
7
8
27
28
29
3
30
31
32
33
34
35
17
18
19
2
20
21
22
23
24
25
26
CON_STND_MAL_N40_M2
1
10
11
12
13
14
15
16
1453230
1506
3507
10K
+3V3
F538
F539 3517
10R
10n
25172516
10n
10R
3516
F533
F534
10K
3511
40
41
5
6
7
8
9
42 43
31
32
33
34
35
36
37
38
39
4
21
22
23
24
25
26
27
28
29
3
30
11
12
13
14
15
16
17
18
19
2
20
DF9
1501
1
10
F527
220n
4506
25132501
220n
F537
5513
+3PLL
4513
+3LVDS
5517
220n
2521
5521
PAN-VCCF504
F521
F536
+3V3
F535
5512
5501
F529
2512
F526
220n
4512
F540
+3V3
F528
F542
F541
PAN-VCC
2518
10n
CLK+
CLK-
3+
3-
2+
0-
2-
1+
1-
B-U-OUT6
G-Y-OUT4
G-Y-OUT4
B-U-OUT0
B-U-OUT0
G-Y-OUT7
G-Y-OUT7
R-V-OUT6
R-V-OUT6
0+
B-U-OUT5 B-U-OUT5
B-U-OUT1
B-U-OUT1
G-Y-OUT5
G-Y-OUT5 B-U-OUT7
B-U-OUT7
B-U-OUT6
G-Y-OUT6
G-Y-OUT2
G-Y-OUT2
B-U-OUT2
B-U-OUT2
B-U-OUT3
B-U-OUT3
B-U-OUT4 B-U-OUT4
R-V-OUT2
R-V-OUT1
R-V-OUT1
R-V-OUT0
R-V-OUT0
R-V-OUT5
R-V-OUT5
G-Y-OUT1
G-Y-OUT1
G-Y-OUT3
G-Y-OUT3
G-Y-OUT0
G-Y-OUT0
G-Y-OUT6
FSHFCLK
FSHFCLK
FDE
FDE
FVSYNC
FVSYNC
FHSYNC
FHSYNC
R-V-OUT7
R-V-OUT7
R-V-OUT4
R-V-OUT4
R-V-OUT3
R-V-OUT3
R-V-OUT2
CL 36532073_021.eps
021203
3139 123 5694.1
F531
F532 F533
500mV / div DC
10µs / div
500mV / div DC
10µs / div
F541
500mV / div DC
10µs / div
F542
500mV / div DC
10µs / div
500mV / div DC
10µs / div
F534
500mV / div DC
10µs / div
F529
500mV / div DC
10µs / div
F535
500mV / div DC
10µs / div
F530
500mV / div DC
10µs / div
F536
500mV / div DC
10µs / div
F537 = 3V3 DC
F538 = 3V2 DC
F539 = 3V DC

Circuit Diagrams and PWB Layouts 67LC13E 7.
Scaler Board: Video Converter
B_Cb_D1_0
G_Y_Y_0
R_Cr_CrCb_0
B_Cb_D1_1
B_Cb_D1_2
B_Cb_D1_3
B_Cb_D1_4
B_Cb_D1_5
B_Cb_D1_6
B_Cb_D1_7
G_Y_Y_1
G_Y_Y_2
G_Y_Y_3
G_Y_Y_4
G_Y_Y_5
G_Y_Y_6
G_Y_Y_7
R_Cr_CrCb_1
R_Cr_CrCb_2
R_Cr_CrCb_3
SCLK
SDATA
RESET_N
TEST0
TEST1
TEST2
TEST3
TEST_IN
D1_IN0
HSYNC_PORT2
VSYNC_PORT2
FIELD_ID_PORT2
XTAL_IN
XTAL_OUT
CLK_PORT2
D1_IN1
D1_IN2
D1_IN3
D1_IN4
D1_IN5
D1_IN6
D1_IN7
VDD1
VDD2
HSYNC1_PORT1
VSYNC1_PORT1
FIELD_ID1_PORT1
IN_CLK1_PORT1
HSYNC2_PORT1
VSYNC2_PORT1
FIELD_ID2_PORT1
IN_CLK2_PORT1
VDDcore2
VDDcore3
VDDcore4
VDDcore5
VDDcore6
VDDcore7
VDDcore8
PLL_VDD
AVDD_PLL_BE1
AVDD_PLL_BE2
AVDDPLL_SDI
AVDDPLL_FE
DAC_VDD
DAC_AVDDB
DAC_AVDDG
DAC_AVDDR
DAC_AVDD
DAC_GR_AVDD
DAC_PVDD
TEST_OUT0
TEST_OUT1
CTLOUT0
CTLOUT1
CTLOUT2
R_Cr_CrCb_4
R_Cr_CrCb_5
R_Cr_CrCb_6
R_Cr_CrCb_7
IN_SEL
FILM_CYNC_IN
DEV_ADDR1
DEV_ADDR0
SDRAM_DATA_7
SDRAM_DATA_8
SDRAM_DATA_9
SDRAM_DATA_10
SDRAM_DATA_11
SDRAM_DATA_12
SDRAM_DATA_13
SDRAM_DATA_14
SDRAM_DATA_15
SDRAM_DATA_16
SDRAM_DATA_17
SDRAM_DATA_18
SDRAM_DATA_19
SDRAM_DATA_20
SDRAM_DATA_21
SDRAM_DATA_22
SDRAM_DATA_23
SDRAM_DATA_24
SDRAM_DATA_25
SDRAM_DATA_26
SDRAM_DATA_27
SDRAM_DATA_28
SDRAM_DATA_29
SDRAM_DATA_30
VDD3
VDD4
VDD5
VDD6
VDD7
VDD8
VDD9
VDDcore1
SDRAM_DQM
SDRAM_CLKOUT
SDRAM_CLKIN
CLKOUT
B_U_Pb_C_OUT_0
SDRAM_DATA_1
SDRAM_ADDR9
SDRAM_ADDR8
SDRAM_ADDR7
SDRAM_ADDR6
SDRAM_ADDR5
SDRAM_ADDR4
SDRAM_ADDR3
SDRAM_ADDR2
SDRAM_ADDR1
SDRAM_ADDR0
B_U_Pb_C_OUT_1
B_U_Pb_C_OUT_2
B_U_Pb_C_OUT_3
B_U_Pb_C_OUT_4
B_U_Pb_C_OUT_5
B_U_Pb_C_OUT_6
B_U_Pb_C_OUT_7
R_V_Pr_OUT_0
CTLOUT3
CTLOUT4
SDRAM_DATA_0
SDRAM_DATA_2
SDRAM_DATA_3
SDRAM_DATA_4
SDRAM_DATA_5
SDRAM_DATA_6
G_Y_Y_Y_OUT_1
G_Y_Y_Y_OUT_2
G_Y_Y_Y_OUT_3
G_Y_Y_Y_OUT_4
G_Y_Y_Y_OUT_5
G_Y_Y_Y_OUT_6
G_Y_Y_Y_OUT_7
OE
VSS0
VSS1
VSS2
VSS3
VSS4
VSS5
VSS6
VSS7
VSS8
VSS9
VSS10
VSS11
VSS12
VSS13
VSS14
VSS15
SDRAM_DATA_31
SDRAM_ADDR10
SDRAM_WEN
SDRAM_RASN
SDRAM_CASN
SDRAM_BA1
SDRAM_BA0
SDRAM_CSN
VSS16
PLL_PVSS
AVSS_PLL_BE1
AVSS_PLL_BE2
AVSSPLL_SDI
AVSSPLL_FE
DAC_PVSS
DAC_VSS
DAC_AVSSB
DAC_AVSSG
DAC_AVSSR
DAC_AVSS
DAC_GR_AVSS
DAC_BOUT
DAC_GOUT
DAC_ROUT
DAC_COMP
DAC_RSET
DAC_VREFOUT
DAC_VREFIN
R_V_Pr_OUT_1
R_V_Pr_OUT_2
R_V_Pr_OUT_3
R_V_Pr_OUT_4
R_V_Pr_OUT_5
R_V_Pr_OUT_6
R_V_Pr_OUT_7
G_Y_Y_Y_OUT_0
14
17
18
19
20
16
15
3
4
5
28
27
26
25
24
23
22
1
VDD
0
2
8
7
6
VDDQ
VSS VSSQ
NC
BA
2k-1
0
A
D
DQM
13
12
11
10
9
8
7
6
5
4
3
2
1
0
9
10
21
0
1
CLK
CKE
CS
WE
CAS
RAS
0
1
2
3
31
30
29
C4
C4
C1
C4
C3
2378 I7
2379 H6
2358 G2
2382 A14
2381 A14
2357 H2
2377 H6
2365 I2
2362 I1
9 1011121314
1
2364 I2
2363 I2
2351 H1
2352 H1
2353 H1
2354 H2
2355 H2
2356 G2
10 11
2359 H3
2360 E2
2361 I1
C3
62 7831
2397 H13
2396 G13
2395 H13
2394 A10
2388 A12
2392 A11
2393 A11
2367 H3
2368 H3
3342 A8
RES
2383 A14
2384 A14
2385 A13
2386 A13
2387 A13
3384 D7
3381 C10
3382 D10
3386-1 B7
0R05
3385 D7
3383 D7
3351-3 B7
3351-4 B7
3376-1 H11
3376-2 H11
3376-3 I11
3376-4 I11
3377-1 I11
3377-2 I11
3377-3 I11
3377-4 I11
3357 D2
3358 C2
3380 D7
VIDEO CONVERTER
3346-4 D7
3347-1 C7
3346-3 D7
3344 A8
3347-2 C7
3346-1 D7
3346-2 D7
2374 I3
2373 I3
2372 I3
2376 H5
2371 I3
2345 H13
2344 I1
2375 H5
2366 H3
RES
2369 H4
3359-2 A7
3359-4 A7
0R05
3359-3 A7
3362 F2
3361 F1
3360 D7
3343 A9
3359-1 A7
3352 D2
3353 C2
3354 D2
3355-1 B7
3355-2 B7
3355-3 B7
3355-4 B7
3356 D2
3373-2 F11
3372-4 F11
TO INVERTER
3348-4 C7
3373-3 F11
3373-1 F11
3374-1 G11
3374-2 G11
3373-4 F11
3365 H6
3366 I6
3367 H7
3368 H8
3369 G3
3370 D7
3371 E7
3372-1 E11
3348-3 C7
3348-2 C7
3348-1 C7
3349-3 C7
2389 A12
3349-4 C7
3349-2 C7
3347-4 C7
3351-2 C7
3350 D2
3351-1 C7
3349-1 C7
2391 A11
3347-3 C7
2347 H13
2346 I13
2348 A9
5
0R05
2341 I13
2343 I13
2342 I13
2339 I14
2340 A9
2349 A9
4
RES
A
B
C
D
E
F
G
H
23456789
I
A
12 13 14
3386-2 B7
3386-3 B7
RES
3374-3 G11
3374-4 G11
3375-1 H11
3375-2 H11
3375-3 H11
3375-4 H11
F382 F11
F383 F11
F384 F11
F385 F11
F386 G11
F387 G11
F388 G11
F390 G11
3378 E11
3379 D7
F393 H11
F394 H11
F395 H11
F396 I11
F397 I11
F398 I11
F399 I11
I344 F13
5355 A13
5353 H12
5354 I12
7352 B11
5356 A11
5357 I1
7351 C5
3363 F2
3364 G1
3394-2 A6
3394-3 A6
3394-4 A6
3395 A6
3396 D1
4391 A7
4392 A7
4393 E8
3372-2 E11
3372-3 F11
3386-4 B7
3387-1 B7
3387-2 B7
3387-3 B7
3387-4 B7
3388 I6
3389 I6
3391 I6
3394-1 A6
I350 D2
I351 A12
I352 D2
I353 A12
I355 D3
I357 D3
I358 F1
I359 D3
5351 H1
5352 F12
I361 I1
I362 I6
I363 I6
I364 I6
I365 I6
I371 C10
I373 D10
I374 D11
I375 D10
I377 C10
VDD-IO-3V3
G-Y-OUT6
R-V-OUT1
DA-HSYNC
DA-VSYNC
DA-FID
FDE
DA-DATA(7)
DA-CLK
3349-2 22R
18
F343
2371
100n
3374-4
VDD-CORE-1V8 DAC-3V3
3381 22R
C2
F341 A10
F342 A10
F343 A10
F345 A10
F347 I11
F348 I11
F349 I11
F378 E11
F379 E11
F380 F11
F381 F11
I345 G13
I346 I13
I347 H7
I348 G1
I349 H1
F391 H11
F392 H11
18
C3
C2
C3
C3
C3
C2
C4 C4
B
C
D
E
F
G
H
I
1341 A10
1351 G1
2338 I14
VDD-CORE-1V8
47R 3375-1
27
VDD-IO-3V3
+3V3
36
3347-2 22R
45
22R
3347-3
22R
3348-4
3353
2381
3352
I351
10u
+5
2346
100n
3396
4K7
2379
100n
PLL-1V8+1V8
18
DAC-1V8
DAC-3V3
3348-1 22R
I359
I348
F385
45
F384
22R
3346-4
3363
10K
I344
F394
1351
13M5
3373-336
3373-227
100n
2347
PLL-1V8
5356
75R
3391
3367
100n
3357
2365
I358
470R
36 3374-3
+5
10K
3342
3374-1
47R 18
3373-445
+3V3
3372-445
3372-336
5353
2363
100n
F387
10K
3369
1341
1
2
3
4
5
6
7
8
470R
3343
45
3372-1
47R 18
100n
2378
2374
100n
100n
2373
2361
10u
100n
2386
3356 470R
+3V3
470R3354
3362
10K
100n
2338
10u
2352
3394-2 2 7
F396
10u
2395
3374-227
3358
I377
27 3372-2
2382
100n
3385 22R
22R3384
DAC-3V3
DAC-3V3
2393
100n
F382
2369
100n
F347
F388
3364
470K
100n
2345
10u
2357
6
F380
22R
3349-3 3
2366
100n
DAC-1V8
100n
2359
100n
2396
100n2375
92
93
94
95
96
97
98
99
78
79
8
80
81
82
83
84
85
86
87
88
89
9
90
91
63
64
65
66
67
68
69
7
70
71
72
73
74
75
76
77
49
5
50
51
52
53
54
55
56
57
58
59
6
60
61
62
34
35
36
37
38
39
4
40
41
42
43
44
45
46
47
48
207
208
21
22
23
24
25
26
27
28
29
3
30
31
32
33
193
194
195
196
197
198
199
2
20
200
201
202
203
204
205
206
179
18
180
181
182
183
184
185 186
187
188
189
19
190
191
192
164
165
166
167 168
169
17
170
171
172
173
174
175
176
177
178
15
150
151
152
153
154
155
156
157
158
159
16
160
161
162
163
135
136
137
138
139
14
140
141
142
143
144
145
146
147
148
149
120
121
122
123
124
125
126
127
128
129
13
130
131
132
133
134
106
107
108
109
11
110
111
112
113
114
115
116
117
118
119
12
3377-4
45
Farouja_s2300
7351
1
10
100
101
102
103
104
105
18 3376-1
47R
F345
5354
100n
2389
F348
100n
2349
F383
F395
100n
2392
10u
2348
27
3389
75R
VDD-IO-3V3
3355-2 22R
3366
18
100n
2383
45
47R 3377-1
45
3376-4
27
22R
3351-4 6
22R
3351-2 8
3351-3 22R3
5
3351-1 22R1
3349-4 22R4
22R3394-1 1 8
F390
F393
75R
3388
F342
F379
F341
F386
F349
10u
2354
2353
100n
VDD-IO-3V3
27
F391
5357
I374
I375
2387
100n
3371
22R
2355
10u
100n
2368
18
3360 22R
27
3359-1 22R
45
22R
3359-2
6
22R
3359-4
3359-3 22R3
3355-4 22R45
27
3365
180R
36
3377-2
22R
3355-3
22R
3355-1 18
10n
2011
3383 22R
22R3380
3379 22R
22R3370
F399
12-24DC-SUP
18
F398
22R
3349-1
F392
33p
2360
3377-3
36
+1V8
45 3375-4
2341
10u
100n
2364
5
I353
3394-4 4
10u
+3V3
2376
+3V3
2367
100n
I349
I361
INVERTER_GND
I347
27
I355
22R
3346-2
3344
18K
100n
2394
I362
2358
33p
33p
2356
2391
10u
6
3368
4K7
2397
100n
3376-33
3394-3 36
DAC-3V3
22R3395
22R36
3346-3
I365
I364
F378
I371
3387-4 22R45
3375-336
27
36
3376-2
3386-3 22R
I346
47R 3373-1
100n
2362
+1V8
100n
2372
5352
I345
I357
18
I350I352 22R
3347-1
4393
I373
4392
2339
100n
10K
3361
5351
2388
100n
I363
4391
3378
F397
100n
2343
3386-1 22R18
3347-4 22R45
3375-227
18
2017
47u
3346-1 22R
F381
5355
4K73382
100n
2385
2384
100n
3387-2 22R27
22R
3387-3 36
22R
3387-1 18
3386-4 45
27
22R
22R
3386-2
27
3350
36
22R
3348-2
3348-3 22R
52
78
84
17
81
44
58
72
86
6
12
32
38
46
1
15
29
43
3
9
35
41
49
55
75
28
59
14
21
30
57
69
70
73
19
7
54
56
8
10
11
13
74
76
16
71
37
39
40
42
45
47
48
50
51
53
77
79
80
82
83
85
31
33
34
36
5
64
65
66
22
23
18
67
68
20
2
4
25
26
24
27
60
61
62
63
SDRAM
2M x 32
K4S643232E-TC50
7352
100n
2342
2377
10u
10u
2351
DATA(8)
PC-SYNC
FVSYNC
FHSYNC
FSHFCLK
PC-SYNC
BACK_LIGHT_EN
ADDR(7)
ADDR(8)
ADDR(9)
DATA(15)
DATA(14)
DATA(13)
DATA(12)
DATA(11)
DATA(10)
DATA(9)
DATA(17)
DATA(16)
DATA(7)
DATA(6)
DATA(5)
DATA(4)
DATA(3)
DATA(2)
DATA(1)
DATA(0)
ADDR(4)
ADDR(5)
ADDR(6)
DATA(31)
DATA(30)
DATA(29)
DATA(28)
DATA(27)
DATA(26)
DATA(25)
DATA(24)
DATA(23)
DATA(22)
DATA(21)
DATA(20)
DATA(19)
DATA(18)
PANEL-PWR-CTL
RESET
ADDR(0)
ADDR(2)
ADDR(1)
ADDR(3)
ADDR(10)
{DATA(0:31)}
DA-DATA(6)
DA-DATA(5)
DA-DATA(4)
DA-DATA(3)
DA-DATA(2)
DA-DATA(1)
DA-DATA(0)
{DA-DATA(0:7)}
{ADDR(0:10)}
R-V-OUT7
G-Y-OUT0
G-Y-OUT1
G-Y-OUT2
G-Y-OUT3
G-Y-OUT4
G-Y-OUT7
G-Y-OUT5
B-U-OUT5
B-U-OUT6
B-U-OUT7
R-V-OUT0
R-V-OUT2
R-V-OUT3
R-V-OUT4
R-V-OUT5
R-V-OUT6
B-U-OUT0
B-U-OUT1
B-U-OUT2
B-U-OUT3
B-U-OUT4
SCL-1
SDA-1
DATA(12)
DATA(13)
DATA(14)
DATA(15)
DATA(16)
DATA(17)
DATA(18)
DATA(19)
DATA(2)
DATA(20)
DATA(21)
DATA(22)
DATA(23)
DATA(24)
DATA(25)
DATA(26)
DATA(27)
DATA(28)
DATA(29)
DATA(3)
DATA(30)
DATA(31)
DATA(4)
DATA(5)
DATA(6)
DATA(7)
DATA(8)
DATA(9)
ADDR(0)
ADDR(1)
ADDR(10)
ADDR(2)
ADDR(3)
ADDR(4)
ADDR(5)
ADDR(6)
ADDR(7)
ADDR(8)
ADDR(9)
DATA(0)
DATA(1)
DATA(10)
DATA(11)
CL 36532073_022.eps
021203
3139 123 5694.1

72LC13E 7.
Circuit Diagrams and PWB Layouts
Inverter Panel (13”)
1 2 3 4 5 6 78
A
B
C
D
8
7654321
D
C
B
A
12
R19
R/390/DIP
12
R15
R/33.2K
12
R12
R/34K
1 2
R8
R/1K/0805
12
C7
C/104K
12
C8
C/104K
12 C10
C/0.15uF
1 2
F1
F/4A/1206
12
+C4
C/220uF
1
2
3
Q5
Q/3904
1 2
L1
L/33uF
1 2
D4
D/18V
1
2
3
Q9
Q/2SD1804T
1
2
3
Q10
Q/2SD1804T
1
2
3
22k
22k
Q7
Q/DTC124EKA/NC
1 2
R17
R/100K
12 R62
R/10K
9
8
14
U1C
U/LM339A
11
10
13
U1D
U/LM339A
5V
1 2
D2
D/1N4148
12
C6
C/682K
1 2
R10
R/3.74K
12
R
R/NC
12
R16
R/120K
1 2
CP2
*
1 2
CP1
*
12
D5
D/1N4148
1 2
C33
C/270J/DIP
1 2
C30
C/270J/DIP
1 2
C31
C/270J/DIP
1 2
C32
C/270J/DIP
Vc Vd
Vcom
12
R23
R/NC
12
L30
L/350mH
1 2
R31
R/100K/1206
12
L31
L/350mH
1 2
R34
R/100K/1206
1 2
R0
R/0
12
C52
C/105Z/0805
5
42
U1B
U/LM339A
7
61
312
U1A
U/LM339A
5V
1
2
3
Q6
Q/3906
3
4
25
6
1
7
8
Q8
Q/SI4425
12
+C 5
C/220uF
1 2
R9
R/10 ohm
2
13
Q4
Q/0610
12
R1
R/33K
12
C1
C/105Z/0805
12
R6
R/10K
12
R7
R/510/1206
1 2
D1
D/5.6V
1
2
3
Q3
Q/3904
12
R22
R/10K
1 2
R35
R/100K/1206
1 2
R36
R/100K/1206
1 2
R30
R/100K/1206
1 2
R33
R/100K/1206
1 2
D3
D/F1AJ3/D-64
1
2
3
Q1
Q/3904
1
2
3
Q2
Q/3906
12
R2
R/33K
12
R3
R/33K
1 2
R4
R/33K
12
C2
C/104Z/0805
12 R40
R/200/DIP
1
3
CN3
C/SM02B-BHSS-1-TB
1
3
CN4
C/SM02B-BHSS-1-TB
1
3
CN5
C/SM02B-BHSS-1-TB
1
3
CN2
C/SM02B-BHSS-1-TB
Vcom
12
C3
C/104K
Va
Vb
VcVd
1
2
3
4
5
6
7
8
CN1
C/B8B-PH-SM3-TB
1 2
R5
R/3K
3
21
D30
D/BAV99
3
21
D31
D/BAV99
12
R24
R/210
FB
FB
12
R37
R/1M/1206
1 2
D32
D/BZM55B75
12
R38
R/1K/1206
1 2
D33
D/BZM55B75
12
R63
R/1M
12
C19
C/C105K
3
2
1
Q14
Q/2N7002
1 2
R64
R/10K
12 D34
D/1N4148
12
R60
R/2M
12
C55
C/105Z/0805
3
2
1
Q50
Q/2N7002
3
2
1
Q51
Q/2N7002
1
2
3
Q53
Q/3904
12V
Va
12
R61
R/14K
12
R21
R/1K
12
C11
C/0.15uF
FB
Vb
Note:
(1)R55,R56,R57 100Kohm
12
R13
R/2K
Vbri
12
D6D/BZM55B75
12
D7D/BZM55B75
12
R14
R/21K
12
R25
R/182K
Vbri
N1
N3
N4 N5
N6
N7
N8
N9
N10
N11
N12
N15N 16
N17
N18
N19
N20
N21
N22
N23
N24
N25
N26
N27
N28
N29
N30
N31
N32
N33
N34
N35
N36
N37
N38
N39
N40
N41
N42
N45
N48
N47
N13
N14
VCC
ON/OFF
1
2
4
3
5
6
10
7
T1
T/EFD20
1
2
4
3
5
6
10
7
T2
T/EFD20
12
C12
C/103K
12
C9
C/NC
1 2
D8
D/F1AJ3/D-64
12 R26
R/R0
12
R20
R/390/DIP
12 R32
R/100K/1206
12 R39
R/100K/1206
1 2
L2
L/33uF
12
R11
R/2K
1 2
CP3
*
N41
IN
INVERTER PANEL (13")
T50I034.02 CL 36532073_088.eps
031203

74LC13E 7.
Circuit Diagrams and PWB Layouts
Inverter Panel (15”)
1 2 3 4 5 6 78
A
B
C
D
8
7654321
D
C
B
A
CTIMR
1
OVP
2
ENA
3
SST
4
VDDA
5
AGND
6
REF
7
RT1
8
FB
9
CMP
10 NDR_D 11
PDR_C 12
LPWM 13
DIM 14
NDR_B 20
PDR_A 19
CT 18
RT 17
PGND 16
LCT 15
U1
U/OZ960\SSOP20
12
R1
R/NC
12
R6
R/1M
12 R12
R/51.1K
1 2
R13
R/NC
12
C1
C/104K
1 2
C6
C/225K/1206
1 2
C14
C/221G
12
C11
C/105K
12
C15
C/NC
12
C12
C/103K
12
C21
C/152K
1 2
C22
C/474K
1 2
C23
C/105K/0805
12
C24
C/105Z
1 2
F1
F/429003
RT
1 2
R22
R/28K
1 2
C28
C/472K/0805
3
2 1
D1
D/BAV99
12
R23
R/105
SST
12
R27
R/887K
1 2
R28
R/10K
5V
Vbri
NDR-D
PDR-C
PDR-A
NDR-B
3
2
1
Q1
Q/BSS138
VREF
SST
1 2
R29
R/33
12
C3
C/104Z
12
C4
C/105Z
OVP
1 2
C7
C/225K/1206
1 2
C16
C/225K/1206
1 2
C30
C/472K/0805
1
2
3
Q3
Q/3904
1
2
3
Q11
Q/3906
12
+C32
C/220uF
12
C33
C/39p
12
C34
C/39p
OVP
12
C25
C/105Z
ON/OFF
12
R16
R/105
1 2
R17
R/1.3K
12
CP1
C/CP
LCT
CT
CMP
RT1
VDDA
ENA
CTIM
1 2
R43
R/22K
1 2
R44
R/22K
N1
N11
N14
N15
N17
N18
N22
12
R49
R/10K/0805
12
R50
R/220/1206
1 2
D15
D/RLZ5.6C
1
2
3
Q8
Q/3904
RT
VREF
12
C44
C/333K/0805
12
C45
C/333K/0805
N37
N23
12
C13
C/NC
1 2
R24
R/NC
LPWM
12
C27
C/39p
FBK
12
L1
L/350m
12
R8
R/100K/1206
12
R9
R/100K/1206
12
R10
R/100K/1206
12
L2
L/350m
12
R39
R/100K/1206
12
R40
R/100K/1206
12
R41
R/100K/1206
12
L3
L/350m
12
R45
R/100K/1206
12
R46
R/100K/1206
12
R54
R/100K/1206
N70
N71
N72
N73
N74
N75
N76
N81
N82
12
R0
R/0
1 2
R64
R/0
1 2
R76
R/NC
N21
12
R63
R/5.49K
12
CP11
C/CP
5V
N33
1 2
C53
C/5pF
1 2
R25
R/10K
1 2
R26
R/10K
N78
12
R2
R/10K
1 2
R5
R/0
12
C5
C/473K
1 2
D4
D/RLZ5.1B
VIN-1
PDR-A
12
R4
R/10K
1 2
R11
R/0
12
C35
C/473K
1 2
D5
D/RLZ5.1B
PDR-C
12 C42
C/0 ohm/0805
12 C43
C/0 ohm/0805
12 C49
C/0 ohm/0805
N6 N7
N28
D2 5
D2 6
D1 7
D1 8
S1
1
G1
2
S2
3
G2
4U2
U/4600
A
D2 5
D2 6
D1 7
D1 8
S1
1
G1
2
S2
3
G2
4U3
U/4600
NDR-B
NDR-D
B
N8
N9
12
CP12
C/CP
12
CP10
C/CP
1 2
R38
R/348K
1 2
R35
R/35.7K
12
C10
C/682J
FB
3
2 1
D26
D/BAV99 3
2 1
D29
D/BAV99
1 4
2 3
CT1
EE0803
FBT1 FBT2
VIN
1
2
3
4
5
6
7
8
CN1
B8B-PH-SM3-TB
GND
VBRI
ON/OFF
5
7
2
8
4
1
T1
T/EEL19 20:1500 1
2
3
CN2
BHR-03VS-1
1
2
3
CN3
PHR-3
FBT1
FBK FBK
N38N40N 41
N48
N49
N50
N56
N59
1 2
RA
R
1 2
RB
R
12
R36
R/100k
D2 5
D2 6
D1 7
D1 8
S1
1
G1
2
S2
3
G2
4U6
U/4600
VIN-1
N9
NDR-D
T50I040.00 CL 36532073_089.eps
031203
IN1 INVERTER PANEL (15")

Circuit Diagrams and PWB Layouts 75LC13E 7.
Inverter Panel (15”)
1 2 3 4 5 67 8
A
B
C
D
8
7654321
D
C
B
A
1 2
C8
C/225K/1206
1 2
C9
C/225K/1206
1 2
C20
C/225K/1206
12
C29
C/39pF
12
C40
C/39pF
12
C47
C/47pF
12
L4
L/350m
12
R56
R/100K/1206
12
R57
R/100K/1206
12
R58
R/100K/1206
12
L5
L/350m
12
R66
R/100K/1206
12
R67
R/100K/1206
12
R68
R/100K/1206
12
L6
L/350m
12
R70
R/100K/1206
12
R71
R/100K/1206
12
R72
R/100K/1206
12
R73
R/1.37M/1206
1 2
D30
D/BZM55B75
12
D31
D/BZM55B75
12
R75
R/470/1206
N21
N91N 92
N93
N94
N95
N96
N97
N98
N44
N46
N47
N45
1 2
C19
C/472K/0805
3
2 1
D16
D/BAV99
OVP
1 2
C17
C/472K/0805
N5
1 2
C55
C/5pF
3
21
D9
D/BAV99
12
R37
R/100K
1 2
R30
R/10K
1 2
R7
R/1M
12
C56
C/103K
OVP
3
2
1
Q22
Q/2N7002
FB
N67
N68
N77N79
12 C50
C/0 ohm/0805
12 C51
C/0 ohm/0805
12 C52
C/0 ohm/0805
D2 5
D2 6
D1 7
D1 8
S1
1
G1
2
S2
3
G2
4U4
U/4600
D2 5
D2 6
D1 7
D1 8
S1
1
G1
2
S2
3
G2
4U5
U/4600
NDR-D
NDR-B
VIN-2 N9
N8
1 2
D6
R/0
12
D7
R/0
C
D
N25
N26
12
C37
C/333K/0805
12
C39
C/333K/0805
1
2
3
CN4
BHR-03VS-1
1
2
3
CN5
PHR-3
FBT2
1 2
R20
R/402K
VREF
VBRI
5V
1 2
R21
R/100K
1 2
R3
R/100K FB
1 2
R31
R/100K
12 R32
R/9.09K
1 2
R14
R/30.1K
12
R15
R/340K
12 CP2
CP
1 2
CP3
CP
12
R18
R/10K
3
2
1
Q2
Q/2N7002
3
2
1
Q4
Q/2N7002
NDR-D
NDR-B
5
67
U7B
LM392
3
21
84
U7A
LM392
1 2
R19
R/10K
1 2
R33
R/76.8K
1 2
R34
R/1M/1%
5V
VIN-1
1 2
D2
D/RLZ3.9B
VIN-1
N39N 42 N43
N51
N52
N53
N54N 55
N57
N58 N60
5
7
2
8
4
1
T2
T/EEL19 20:1500
1 2
F2
F/429003
12
+C48
C/220uF
VIN
D2 5
D2 6
D1 7
D1 8
S1
1
G1
2
S2
3
G2
4U8
U/4600
NDR-D
N9
VIN-2
T50I040.00
CL 36532073_090.eps
031203
IN2
INVERTER PANEL (15")

76LC13E 7.
Circuit Diagrams and PWB Layouts
Layout Inverter Panel (15”)
CL 36532073_094.eps
031203
INVERTER PANEL (15")

Circuit Diagrams and PWB Layouts 77LC13E 7.
Inverter Panel (20”)
1 2 3 4 5 6 77
A
B
C
D
8
7654321
D
C
B
A
CTIMR
1
OVP
2
ENA
3
SST
4
VDDA
5
AGND
6
REF
7
RT1
8
FB
9
CMP
10 NDR_D 11
PDR_C 12
LPWM 13
DIM 14
NDR_B 20
PDR_A 19
CT 18
RT 17
PGND 16
LCT 15
U1
U/OZ960\SSOP20
12
R1
R/NC
12
R6
R/1M
12 R12
R/51.1K
1 2
R13
R/NC
12
C1
C/104K/0805
1 2
C6
C/225K/1206
1 2
C14
C/221G
12
C11
C/105K
12
C15
C/NC
12
C12
C/103K
12
C21
C/152K
1 2
C22
C/474K
1 2
C23
C/105K/1206
12 C24
C/104K/0805
1 2
F1
F/429003
RT
1 2
R22
R/30.1K
1 2
C26
C/12pF
1 2
C28
C/122J/0805
3
2 1
D1
D/BAV99
12
R23
R/110
SST
12
R27
R/887K
12
R28
R/10K
5V
Vbri
NDR-D
PDR-C
PDR-A
NDR-B
3
2
1
Q1
Q/2N7002
VREF
SST
1 2
R29
R/33
12
C3
C/104Z
12
C4
C/105Z
OVP
1 2
C7
C/225K/1206
1 2
C16
C/225K/1206
1 2
C30
C/103J/0805
1
2
3
Q3
Q/3904
1
2
3
Q11
Q/3906
12
+C32
C/220uF/35V
12 C33
C/68pF
12
C34
C/68pF
OVP
12
C25
C/105Z/0805
ON/OFF
12
R16
R/105
1 2
R17
R/1K
12
CP1
C/CP
LCT
CT
CMP
RT1
VDDA
ENA
CTIM
1 2
R43
R/22K
1 2
R44
R/22K
N1
N11
N14
N15
N17
N18
N22
12
R49
R/4.7K/0805
12
R50
R/220/1206
1 2
D15
D/RLZ5.6C
1
2
3
Q8
Q/3904
RT
VREF
12
C44
C/333K/0805/50V
12
C45
C/333K/0805/50V
N37
N23
12
C13
C/104K
1 2
R24
R/22.1K
LPWM
12
C27
C/68pF 1
3
CN2
C/SM02B-BHSS-1-TB
FBK
12
L1
L/350m
12
R8
R/100K/1206
12 R9
R/100K/1206
12
R10
R/100K/1206
12
L2
L/350m
12
R39
R/100K/1206
12 R40
R/100K/1206
12
R41
R/100K/1206
12
L3
L/350m
12
R45
R/100K/1206
12 R46
R/100K/1206
12
R54
R/100K/1206
N70
N71
N72
N73
N74
N75
N76
N81
N82
12
+C48
C/220uF/35V
12 R0
R/0
N13
1 2
R64
R/0
1 2
R76
R/NC
1 2
C31
R/NC
N61
N62
N63
Vbri
ON/OFF
Vin
1
2
3
4
5
CN3
C/SM04(9-E2)B-BHS-1
N21
12
R63
R/4.7K
12
CP11
C/CP
5V
N33
2
106
7
3
5
1
4
T1
T/31:1500 126mH
1 2
C53
C/12pF
1 2
R25
R/10K
1 2
R26
R/10K
N65
N78
12 R14
R/100K/1206
12 R18
R/100K/1206
12 R21
R/100K/1206
12
R2
R/10K
1 2
R5
R/22
12
C5
C/473K/0805
1 2
D4
D/RLZ5.1B
VIN-1
PDR-A
12
R4
R/10K
1 2
R11
R/22
12
C35
C/473K/0805
1 2
D5
D/RLZ5.1B
PDR-C
12 CP3
C/CP
12 C42
R/0/0805
12 CP4
C/CP
12 C43
C/821K/250V
N3
N12
12 CP5
C/CP
12 C49
R/0/0805
N6 N7
N28
D2 5
D2 6
D1 7
D1 8
S1
1
G1
2
S2
3
G2
4U2
U/4600
A
D2 5
D2 6
D1 7
D1 8
S1
1
G1
2
S2
3
G2
4U3
U/4600
NDR-B
NDR-D
B
N8
N9
1 2
R19
R/NC
1 2
CP2
C/CP
1 2
R20
R/NC
1 2
CP9
C/CP
1 2
CP13
C/CP
1 2
C36
C/NC
12
CP12
C/CP
12
CP10
C/CP
1 2
R38
R/590K
N10
N16
N24
1 2
R35
R/35.7K
12
C10
C/NC
12
CP14
*
12
CP15
*
12
C2
C/NC
12
C38
C/NC
12
CP16
*
12
CP17
*
12
C41
C/NC
12
C46
C/NC
FB
3
2 1
D26
D/BAV99
3
2 1
D29
D/BAV99
14
23 CT5
T/EE0803
FBT1FBT2
14
23 CT3
T/EE0803
FBT1
FBT1
FBT1
12 R3
R/22
12 R15
R/22
12
R42
R/5.1K/1%
1
2
3
4
5
6
7
8
CN1
C/B8B-PH-SM3-TB
T50I044.00
CL 36532073_091.eps
031203
IN1 INVERTER PANEL (20")

78LC13E 7.
Circuit Diagrams and PWB Layouts
Inverter Panel (20”)
1 2 3 4 5 6 78
A
B
C
D
8
7654321
D
C
B
A
1 2
C8
C/225K/1206
1 2
C9
C/225K/1206
1 2
C20
C/225K/1206
12
C29
C/68pF
12
C40
C/68pF
12
C47
C/68pF 1
3
CN4
C/SM02B-BHSS-1-TB
12
L4
L/350m
12
R56
R/100K/1206
12 R57
R/100K/1206
12
R58
R/100K/1206
12
L5
L/350m
12
R66
R/100K/1206
12 R67
R/100K/1206
12
R68
R/100K/1206
12
L6
L/350m
12
R70
R/100K/1206
12 R71
R/100K/1206
12
R72
R/100K/1206
12
R73
R/1.37M/1206
1 2
D30
D/BZM55B75
12
D31
D/BZM55B75
12
R75
R/470/1206
N21
N91N 92
N93
N94
N95
N96
N97
N98
N44
N46
N47
N45
1 2
C18
C/12pF
1 2
C19
C/122J/0805
3
2 1
D16
D/BAV99
OVP
1 2
C17
C/103J/0805
N5
N49
N56
N57
1
2
3
4
5
CN5
C/SM04(9-E2)B-BHS-1
FBT2
N58
N60N59
2
106
7
3
5
1
4
T2
T/31:1500 126mH
1 2
C55
C/12pF
3
21
D9
D/BAV99
12
R37
R/100K
1 2
R30
R/10K
1 2
R7
R/1M
12
C56
C/103K
OVP
3
2
1
Q22
Q/2N7002
FB
N64
N67
N68
N77N79
12 R32
R/100K/1206
12 R33
R/100K/1206
12 R34
R/100K/1206
12 CP6
C/CP
12 C50
R/0/0805
12 CP7
C/CP
12 C51
C/821K/250V
12 CP8
C/CP
12 C52
R/0/0805
D2 5
D2 6
D1 7
D1 8
S1
1
G1
2
S2
3
G2
4U4
U/4600
D2 5
D2 6
D1 7
D1 8
S1
1
G1
2
S2
3
G2
4U5
U/4600
NDR-D
NDR-B
VIN-1 N9
N8
1 2
D6
D/BZM55B75
12
D7
D/BZM55B75
C
D
N25
N26
12
C37
C/333K/0805/50V
12
C39
C/333K/0805/50V
14
23 CT4
T/EE0803
FBT2
FBT2
12 R31
R/22
12 R36
R/22
12
R47
R/6.8K/0805
12
R48
R/15K
12
R52
R/100K/1%
Vin-1
2
1 3
Q2
Q/2N7002
NDR-D
NDR-B
Vin-1
12
R53
R/5.1K/1%
Vin-1 5V
12
C54
C/103K
3
21
84
U6A
U/LM392
2
1 3
Q4
Q/2N7002
1 2
D2
D/RLZ4.3B
ref-1
ref-2
1 2
R59
R/392K/1%
VREF
Vbri 1 2
R60
R/100K/1%
1 2
R61
R/100K/1% FB
1 2
R62
R/100K/1%
12 R65
R/9.09K/1%
1 2
R51
R/NC
12
R55
R/NC
12 CP18
C/CP
1 2
CP19
C/CP
5
67
U6B
U/LM392
1 2
R69
R/NC
T50I044.00
CL 36532073_092.eps
031203
IN2 INVERTER PANEL (20")

80LC13E 7.
Circuit Diagrams and PWB Layouts
Front LED Panel
RES
TO 1231 LCD-TV BD
RES 6177 C4
3185 E3
3186 D4
3187 E4
4176 B3
6175 B3
6176 B3
USE ONLY WITH LIGHT SENSOR MODELS
RES
3V5
3V5
3V5 0V1
3V5
7173 A3
7175 A3
7178 E1
7180-A D2
7180-B D3
RES
3173 A2
3174 B3
3175 A4
3176 B3
3177 B4
3178 B2
3179 B2
3180 D3
3181 D2
3182 E3
3183 E2
3184 E3
E
A
B
C
D
E
1170 B1
FRONT LED
2
42177 C4
2180 D3
2181 D2
3171 B2
3172 C2
3
2V7
3V5
1
A
3
12
4
3
4
5
6
7
7180-A
LM358D
3
2
1
8
4
330K
3181
2181
220n
6176
LTL-816GE
2
TSOP1836LL3V
6177
GND
+3V5
7175
BC857B
220R
3177
3184
1K0
3176
390R
GREEN
6175-2
SPR-325MVW
16V
B
C
D
2177
330K
3183
100u16V
10K
3175
3179
3186
4K7
+3V5
18K
3180
+8V3
1170
1
2
RED
12
+8V3
7178
BPW34
+3V5
BC857B
7173
390R
3174
2K2
3185
3172
2K4
2K23171
3173
10K
32
+8V3
OUT
1
VS
3
2180
100u
4176
7180-B
LM358D
5
6
7
8
4
3178
3K3
3182
3K3
3187
STBY-LED
PC-TV-LED
RC5
LIGHT-SENSOR-SDM
CL 36532023_063.eps
061003
3139 123 5622.1
Layout Front LED Panel (Top Side)
Layout Front LED Panel (Bottom Side)
CL 36532023_027.eps
160503
3139 123 5622.1
1170 A2 2177 A2 2180 A1 6175 A2 6176 A2 6177 A1 7178 A1
CL 36532023_028.eps
160503
3139 123 5622.1
2181 A2
3171 A1
3172 A2
3173 A1
3174 A1
3175 A2
3176 A1
3177 A1
3178 A1
3179 A1
3180 A2
3181 A2
3182 A2
3183 A2
3184 A2
3185 A2
3186 A2
3187 A2
4176 A1
7173 A1
7175 A2
7180 A2
