Philips Chassis LC7.5E LA Service Manual. Www.s Manuals.com. Tv Ch Manual
User Manual: LCD TV Philips LC7.5E LA Chassis - Service manuals and Schematics. Free.
Open the PDF directly: View PDF
.
Page Count: 134 [warning: Documents this large are best viewed by clicking the View PDF Link!]
- Content
- 1. Technical Specifications, Connections, and Chassis Overview
- 1.1 Technical Specifications
- 1.2 Connection Overview
- Figure 1-1 Side and rear I/O connections
- 1.2.1 Side Connections
- 1.2.2 Rear Connections
- Service Connector (ComPair)
- Service Connector (UART)
- EXT1: Video RGB - In, CVBS - In/Out, Audio - In/Out
- EXT2: Video YC - In, CVBS - In/Out, Audio - In/Out
- Common Interface
- Aerial - In
- HDMI1 & 2: Digital Video, Digital Audio - In
- EXT4: Cinch: Video YPbPr - In, Audio - In
- EXT4: S-Video (Hosiden): Video Y/C - In
- 1.3 Chassis Overview
- 2. Safety Instructions, Warnings, and Notes
- 3. Directions for Use
- 4. Mechanical Instructions
- 5. Service Modes, Error Codes, and Fault Finding
- 5.1 Test Points
- 5.2 Service Modes
- 5.3 Service Tools
- 5.4 Error Codes
- 5.5 The Blinking LED Procedure
- 5.6 Software Upgrading
- 5.7 Fault Finding and Repair Tips
- 6. Block Diagrams, Test Point Overviews, and Waveforms
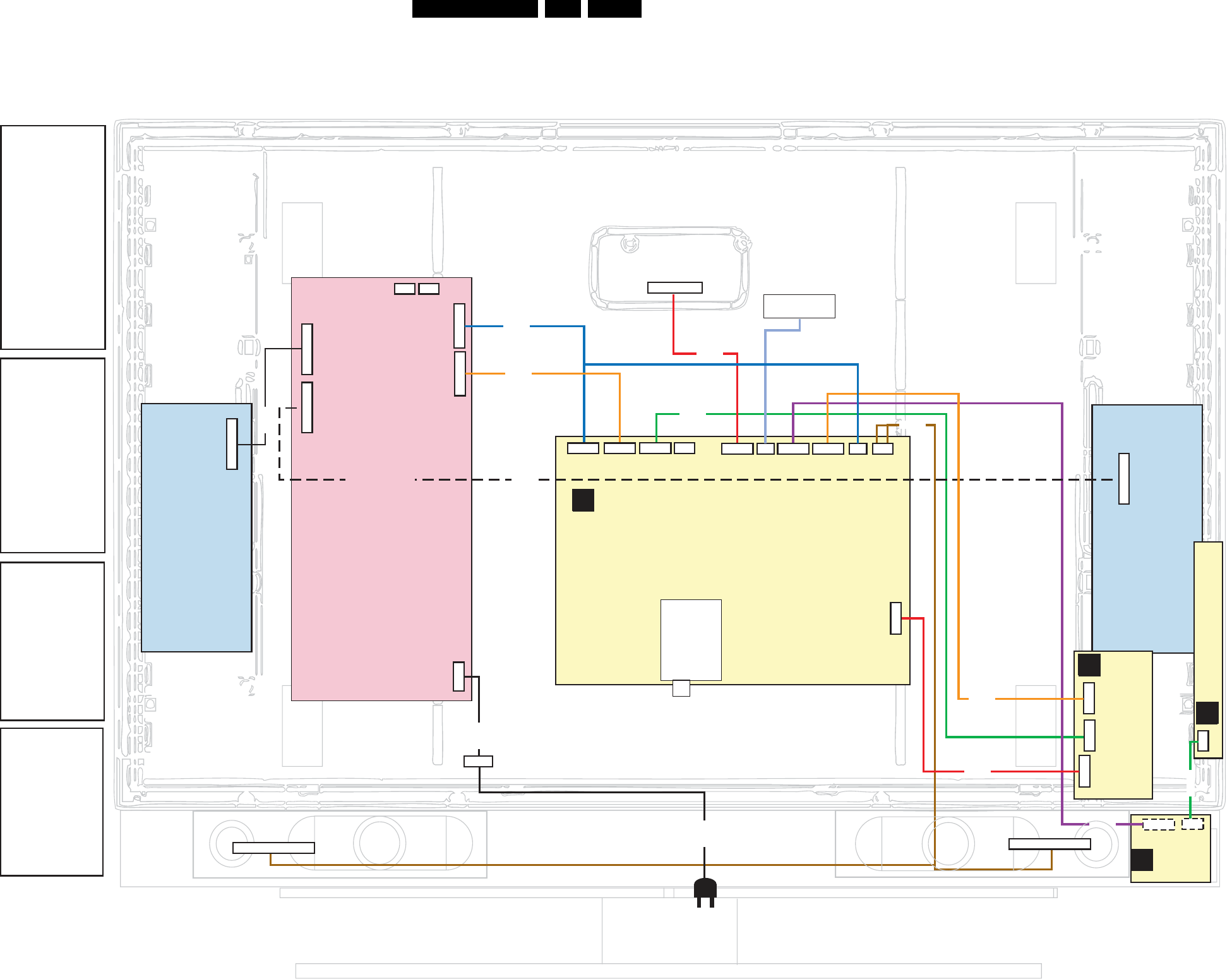
- Wiring Diagram 32” LCD (ME7)
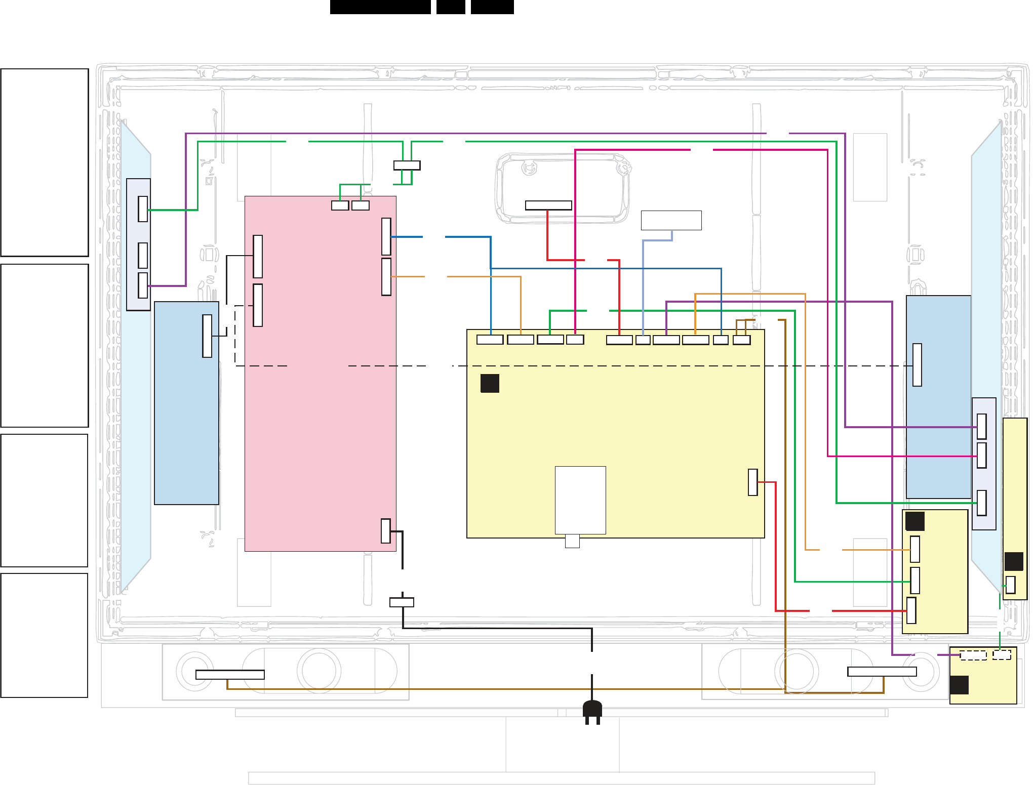
- Wiring Diagram 32” LCD with AmbiLight (ME7)
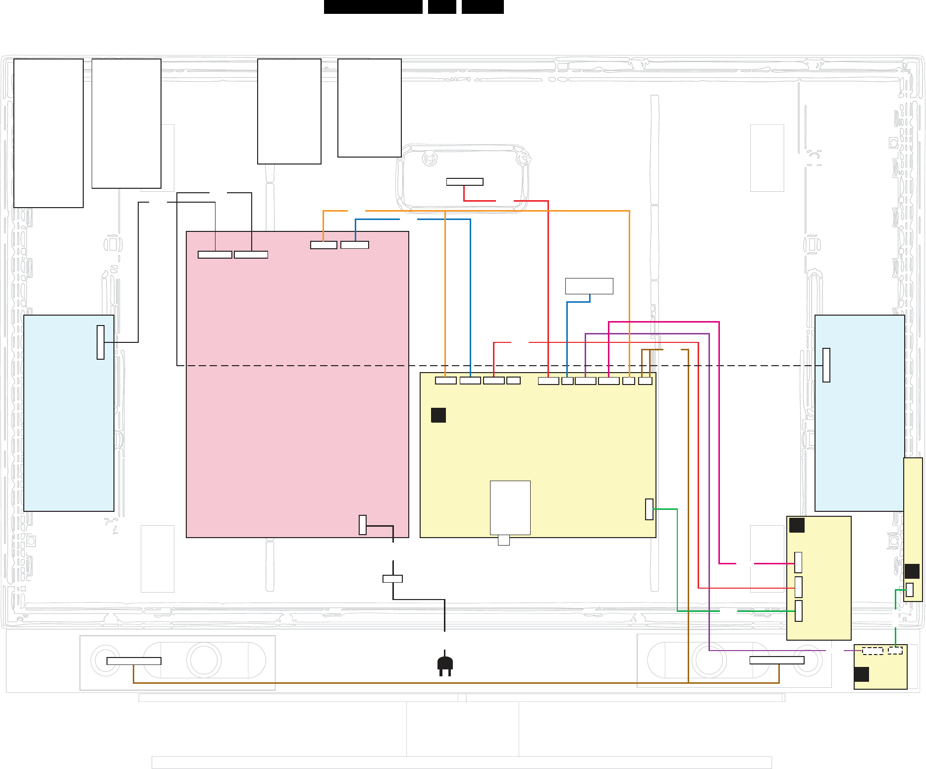
- Wiring Diagram 42” LCD (ME7)
- Wiring Diagram 42” LCD with AmbiLight (ME7)
- Wiring Diagram 52” LCD (ME7)
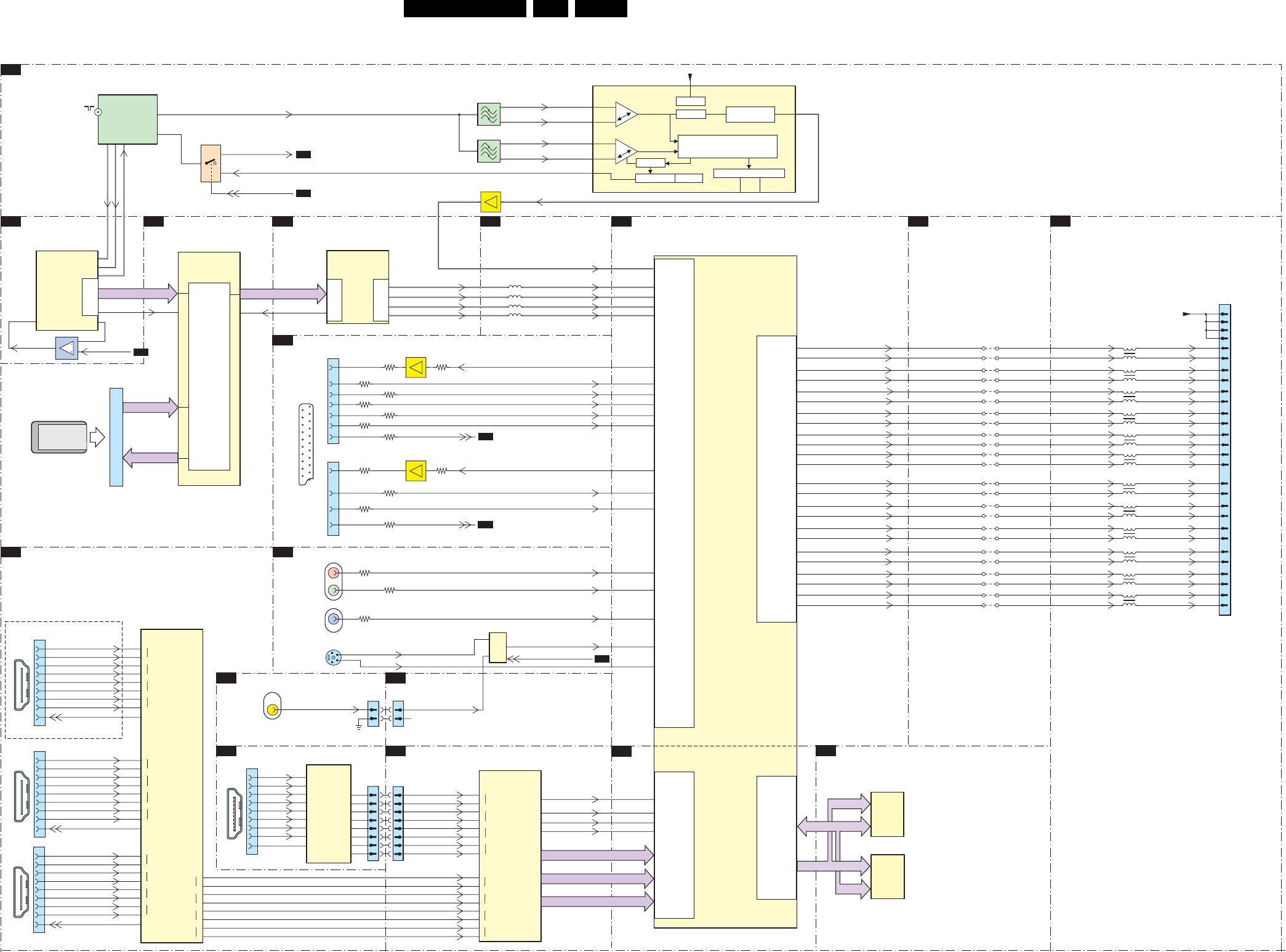
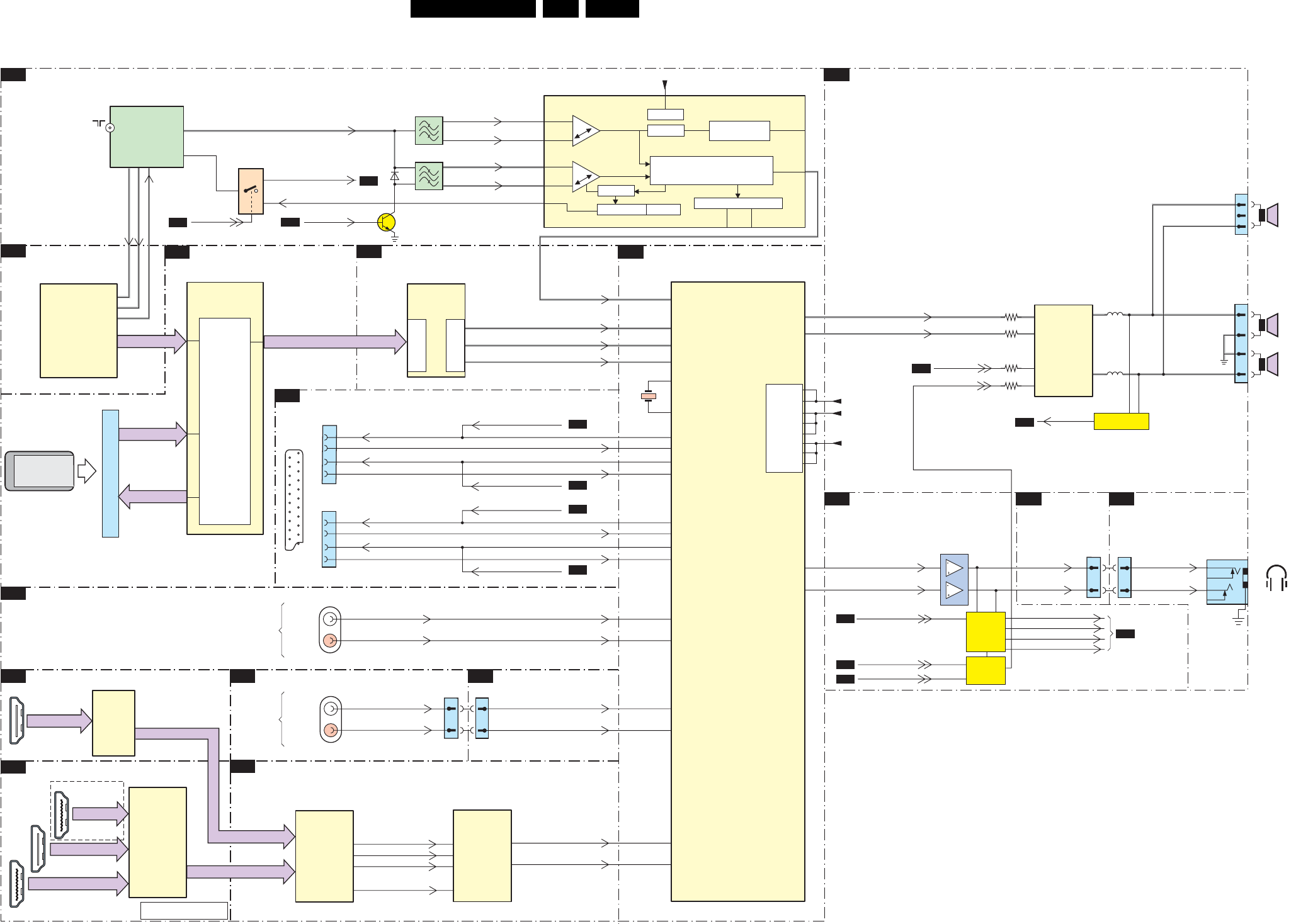
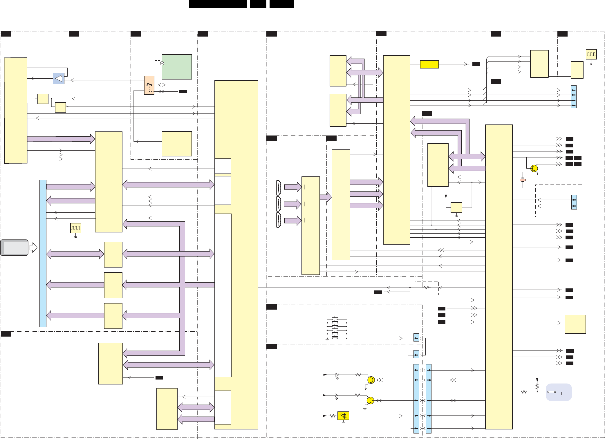
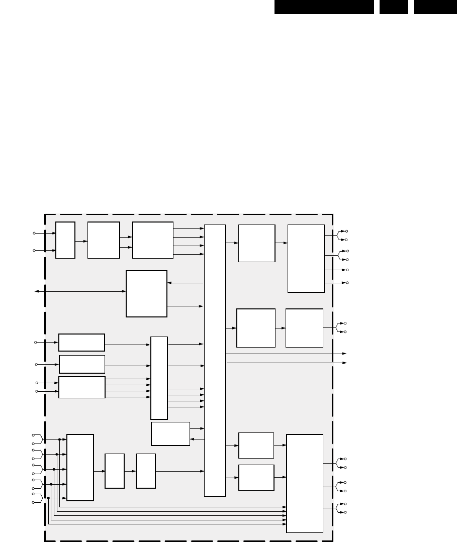
- Block Diagram Video
- Block Diagram Audio
- Block Diagram Control & Clock Signals
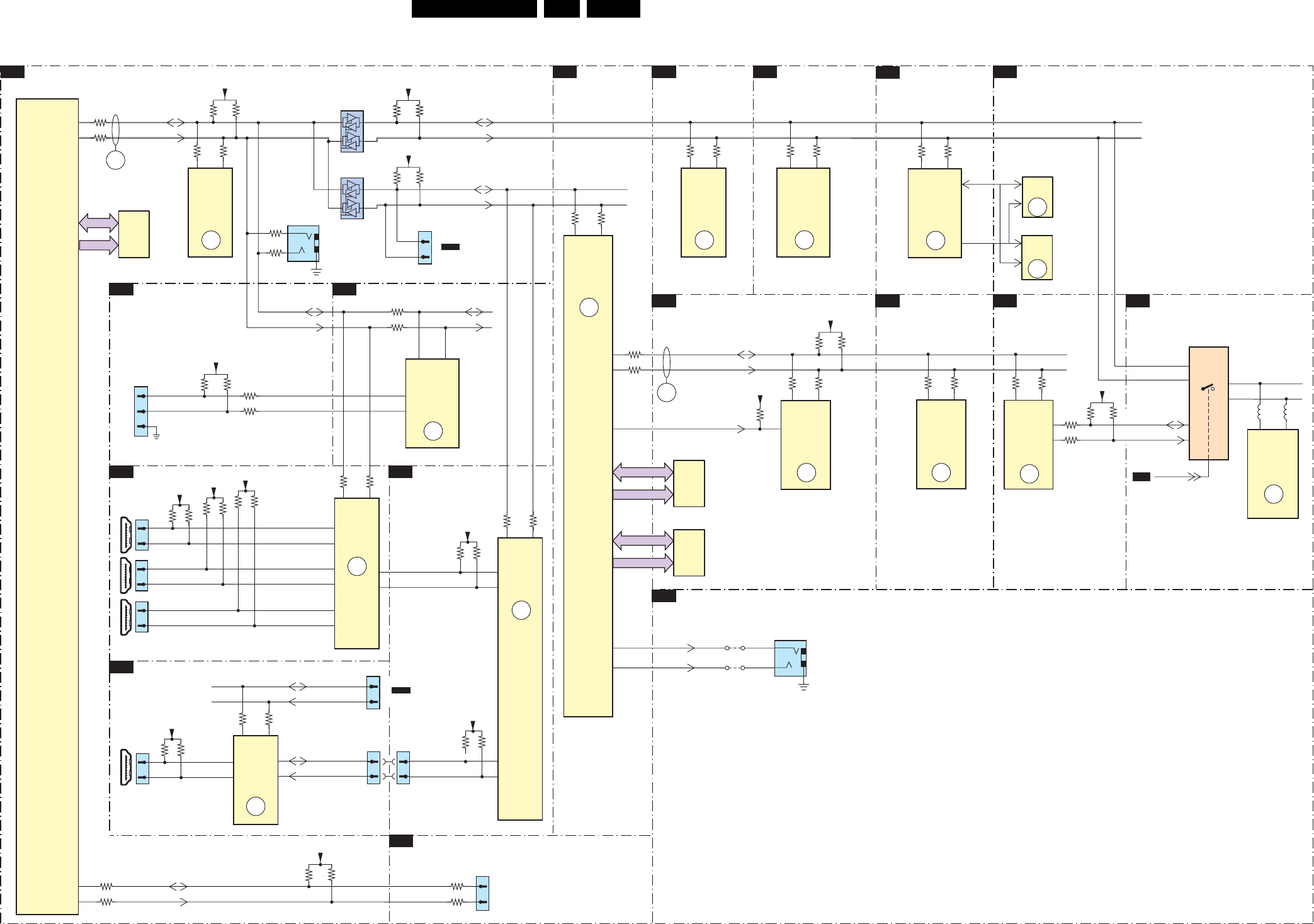
- Test Point Overview SSB (Overview Bottom Side)
- Test Point Overview SSB (Part 1 Bottom Side)
- Test Point Overview SSB (Part 2 Bottom Side)
- Test Point Overview SSB (Part 3 Bottom Side)
- Test Point Overview SSB (Part 4 Bottom Side)
- I2C Overview
- Supply Lines Overview
- 7. Circuit Diagrams and PWB Layouts
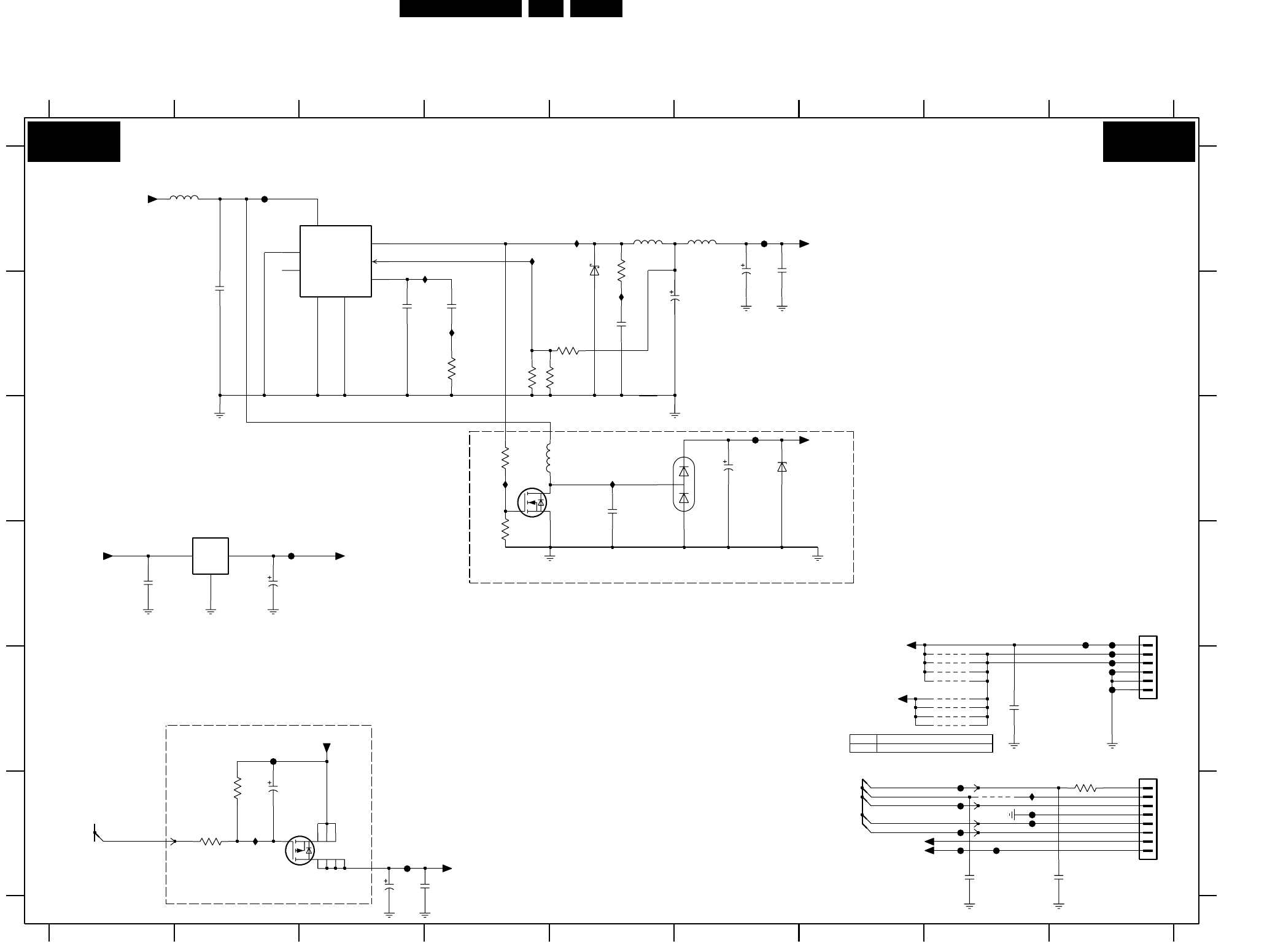
- SSB: DC / DC 3V3, VTUN, & 5V_SW
- SSB: DC / DC 1V2, 2V5, & 1V8
- SSB: Tuner IF & Demodulator
- SSB: DVB-Demodulator
- SSB: DVB-T: DVB Common Interface
- SSB: DVB MOJO
- SSB: DVB MOJO Memory
- SSB: DVB MOJO Analog Back End
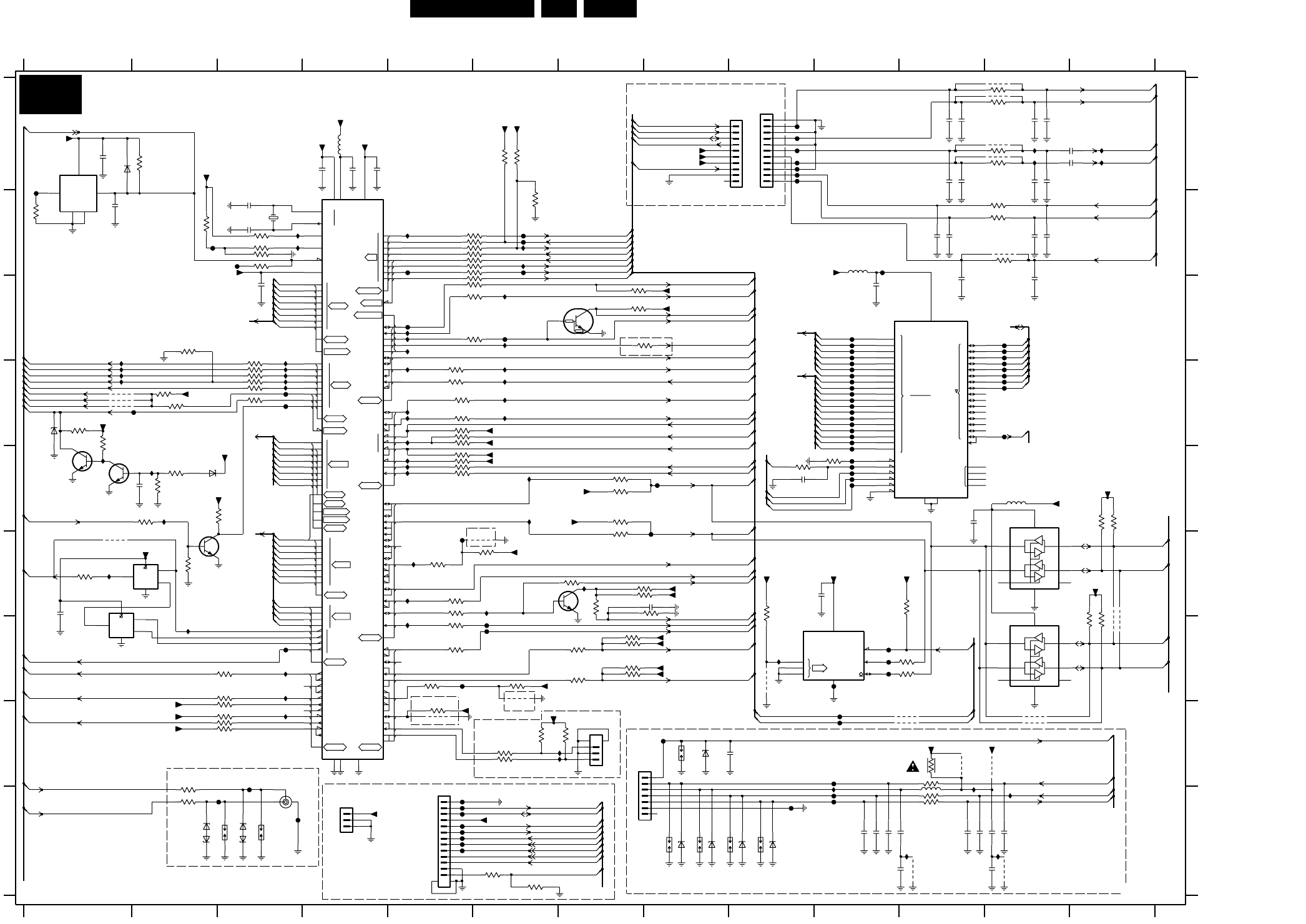
- SSB: Micro Processor
- SSB: Trident WX68
- SSB: DDR & CPU Interface
- SSB: WX Power / Ground
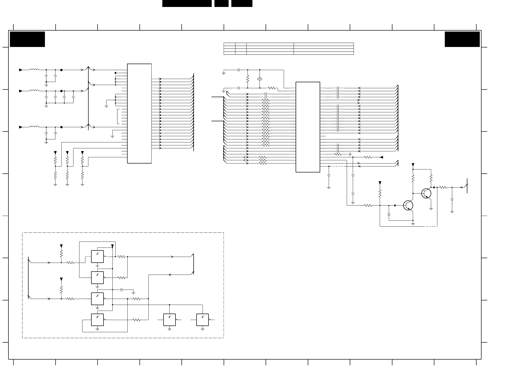
- SSB: FPGA Interface (AL Sets only)
- SSB: FPGA I/O Banks
- SSB: Audio Processor
- SSB: Audio
- SSB: Headphone Ampl. & Muting
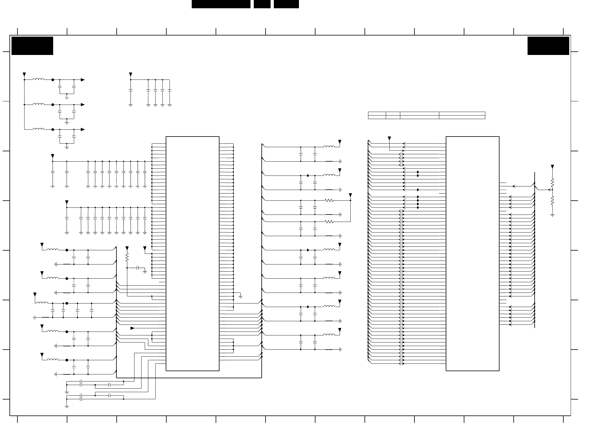
- SSB: YPBPR & SVHS
- SSB: I/O SCART 1&2
- SSB: HDMI Main
- SSB: HDMI Switch
- SSB: LVDS Connector
- SSB: SRP List
- Layout SSB (Overview Top Side)
- Layout SSB ( Part 1 Top Side)
- Layout SSB ( Part 2 Top Side)
- Layout SSB ( Part 3 Top Side)
- Layout SSB ( Part 4 Top Side)
- Layout SSB (Overview Bottom Side)
- Layout SSB (Part 1 Bottom Side)
- Layout SSB (Part 2 Bottom Side)
- Layout SSB (Part 3 Bottom Side)
- Layout SSB (Part 4 Bottom Side)
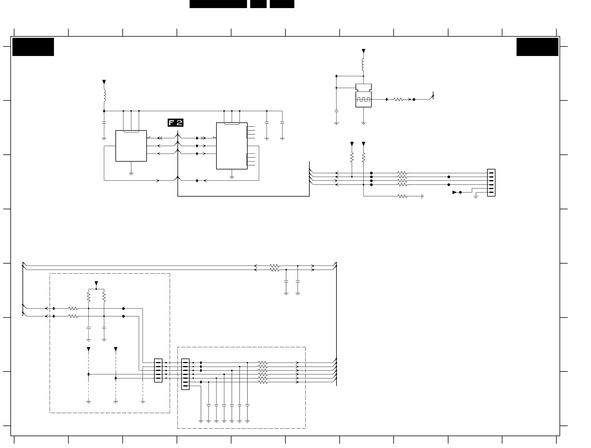
- Side I/O Panel (32”): HDMI
- Side I/O Panel (32”)
- Layout Side I/O Panel (32”) (Top Side)
- Layout Side I/O Panel (32”) (Bottom Side)
- Side I/O Panel (42” & 52”): HDMI
- Side I/O Panel (42” & 52”)
- Layout Side I/O Panel (42” & 52”) (Top Side)
- Layout Side I/O Panel (42” & 52”) (Bottom Side)
- Keyboard Control Panel
- Layout Keyboard Control Panel (Top Side)
- Layout Keyboard Control Panel (Bottom Side)
- Front IR / LED Panel
- Layout Front IR / LED Panel (Top Side)
- Layout Front IR / LED Panel (Bottom Side)
- 8. Alignments
- 9. Circuit Descriptions, Abbreviation List, and IC Data Sheets
- 9.1 Introduction
- 9.2 LCD Power Supply
- 9.3 DC/DC converters
- 9.4 Front-End
- 9.5 DVB-T Signal Processing
- 9.6 Video Processing
- 9.7 Audio Processing
- 9.8 HDMI
- 9.9 Abbreviation List
- 9.10 IC Data Sheets
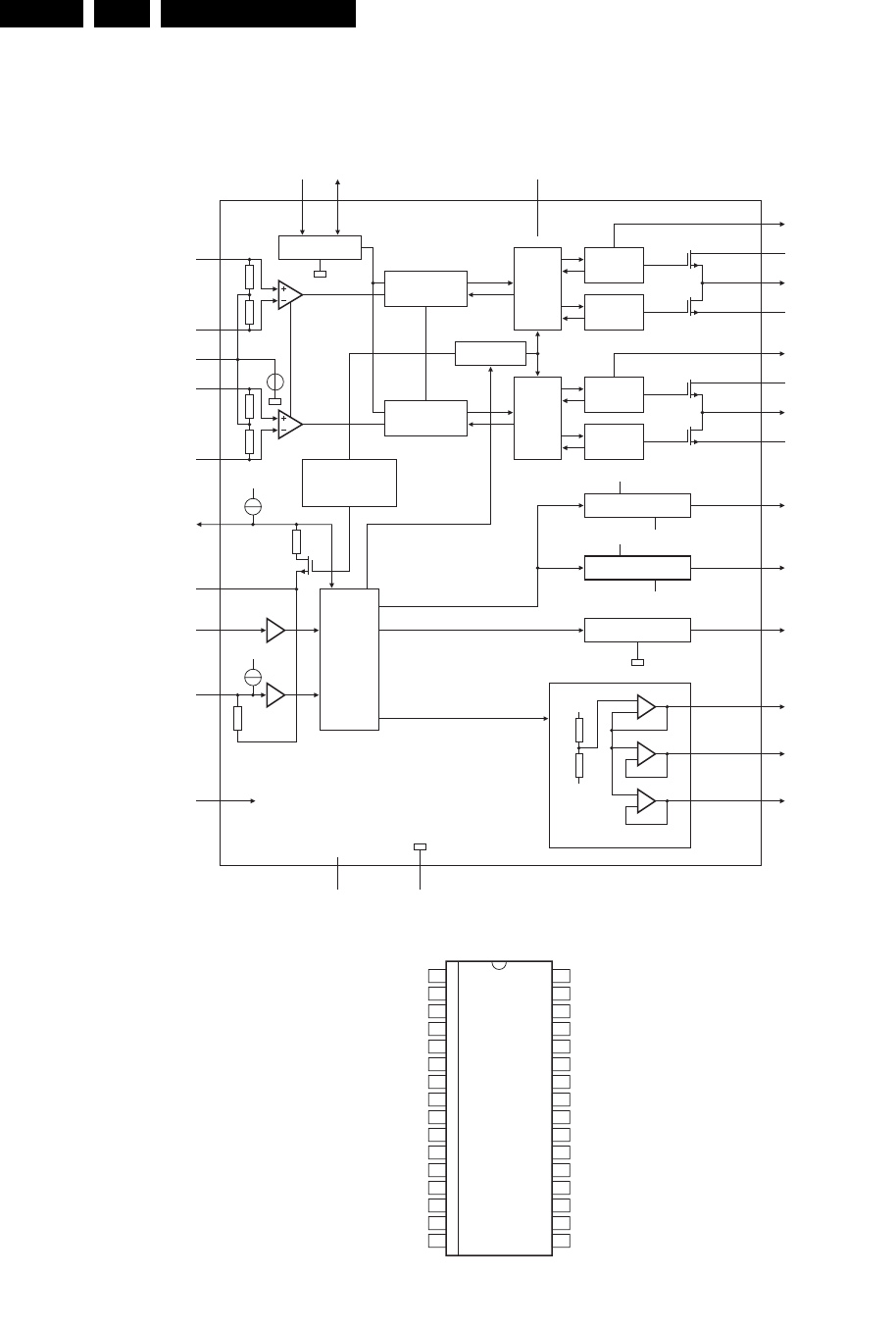
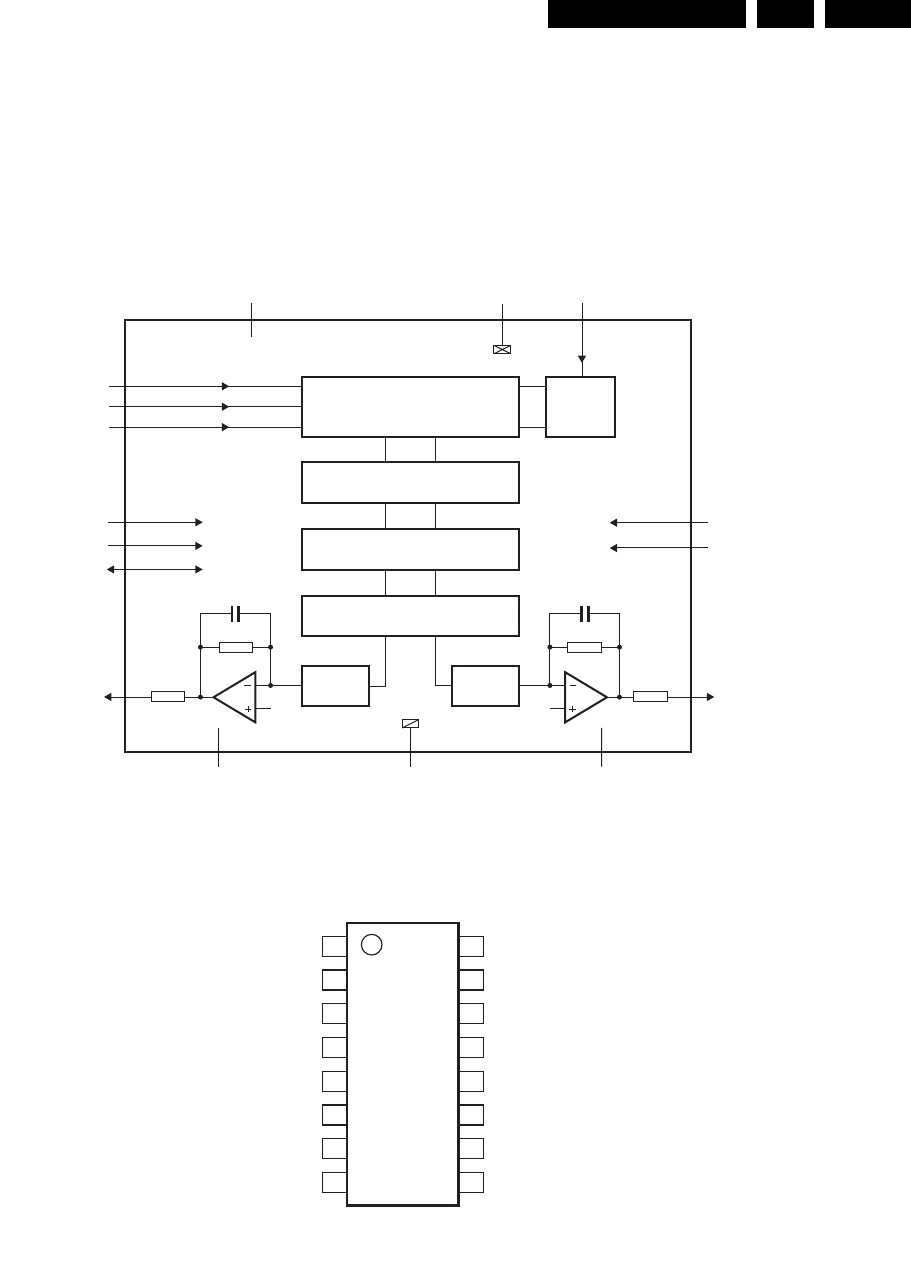
- 9.10.1 Diagram B03A, Type TDA10046AHT (IC7F01), COFDM Channel Decoder
- 9.10.2 Diagram B03B, Type STV0700 (IC7K00), PCMCIA Controller
- 9.10.3 Diagram B03C, Type PNX8314HS (IC7G00), DVB-MOJO
- 9.10.4 Diagram B05A, B05C, Type SVP WX68 (IC7C01), Trident Video processor
- 9.10.5 Diagram B06A, Type MSP4450P (IC7411), Micronas Sound Processor
- 9.10.6 Diagram B06B, Type TDA8932T (IC7A01), Audio Amplifier
- 9.10.7 Diagram B07C, Type UDA1334ATS (IC7N07), Audio DAC
- 9.10.8 Diagram B07C, Type SIL9125CTU (IC7817), HDMI Receiver
- 9.10.9 Diagram B07D, Type Sil 9185 (IC7M07), HDMI Switch
- 10. Spare Parts List
- 11. Revision List

Published by WS 0770 BU CD Customer Service Printed in the Netherlands Subject to modification EN 3122 785 17372
©
Copyright 2007 Philips Consumer Electronics B.V. Eindhoven, The Netherlands.
All rights reserved. No part of this publication may be reproduced, stored in a
retrieval system or transmitted, in any form or by any means, electronic,
mechanical, photocopying, or otherwise without the prior permission of Philips.
Colour Television Chassis
LC7.5E
LA
H_17370_000.eps
041007
SUPER NOVA
SUPER NOVA
Contents Page Contents Page
1. Technical Specifications, Connections, and Chassis
Overview 2
2. Safety Instructions, Warnings, and Notes 6
3. Directions for Use 7
4. Mechanical Instructions 8
5. Service Modes, Error Codes, and Fault Finding 15
6. Block Diagrams, Test Point Overviews, and
Waveforms
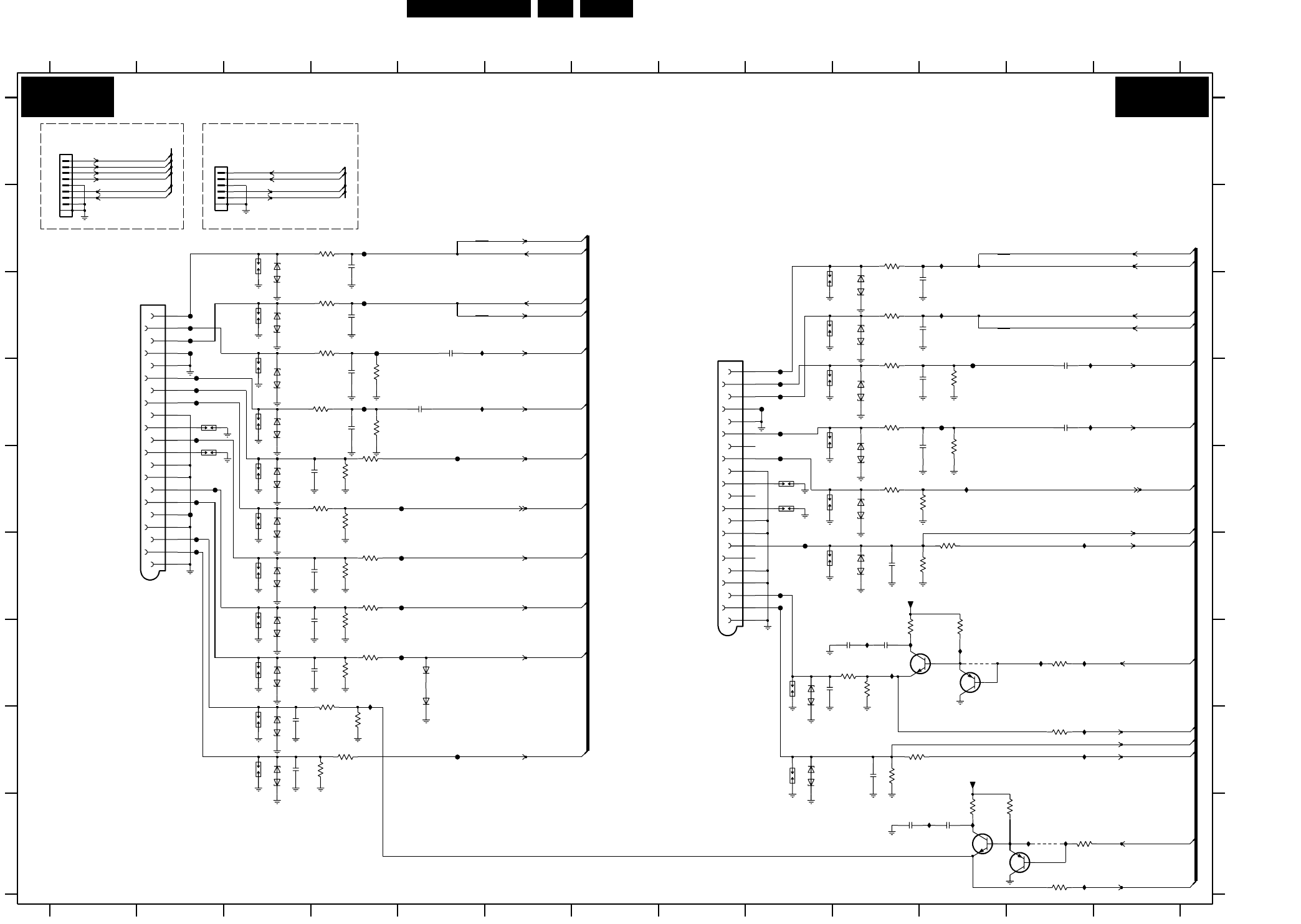
Wiring Diagram 32” LCD (ME7) 29
Wiring Diagram 32” LCD with AmbiLight (ME7) 30
Wiring Diagram 42” LCD (ME7) 31
Wiring Diagram 42” LCD with AmbiLight (ME7) 32
Wiring Diagram 52” LCD (ME7) 33
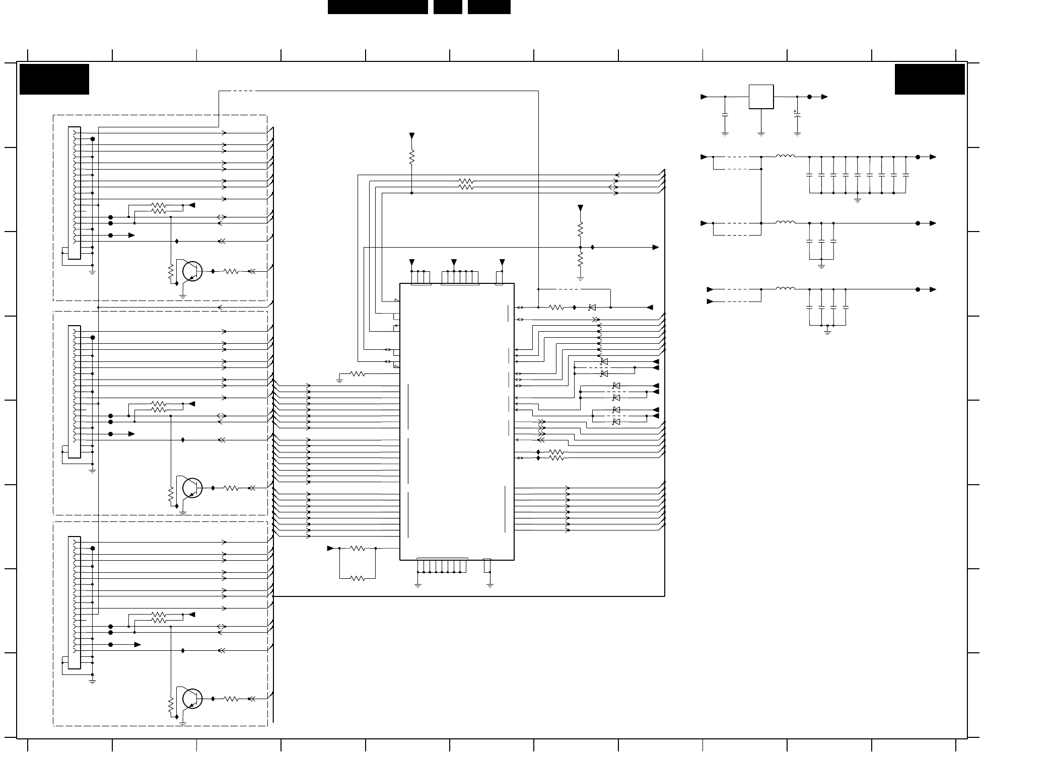
Block Diagram Video 34
Block Diagram Audio 35
Block Diagram Control & Clock Signals 36
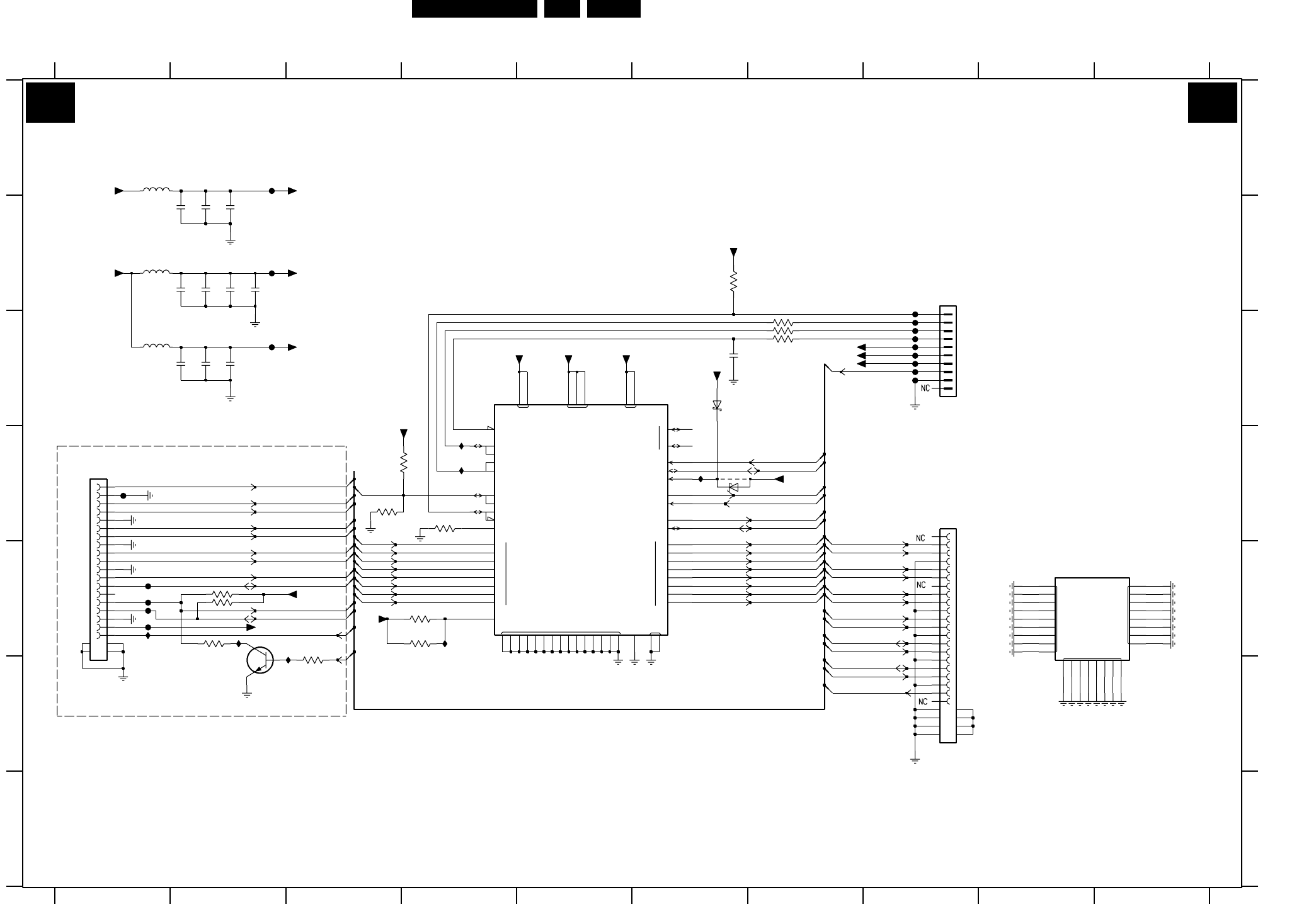
Testpoint Overview SSB (Bottom Side) 37-41
I2C Overview 42
Supply Lines Overview 43
7. Circuit Diagrams and PWB Layouts Diagram PWB
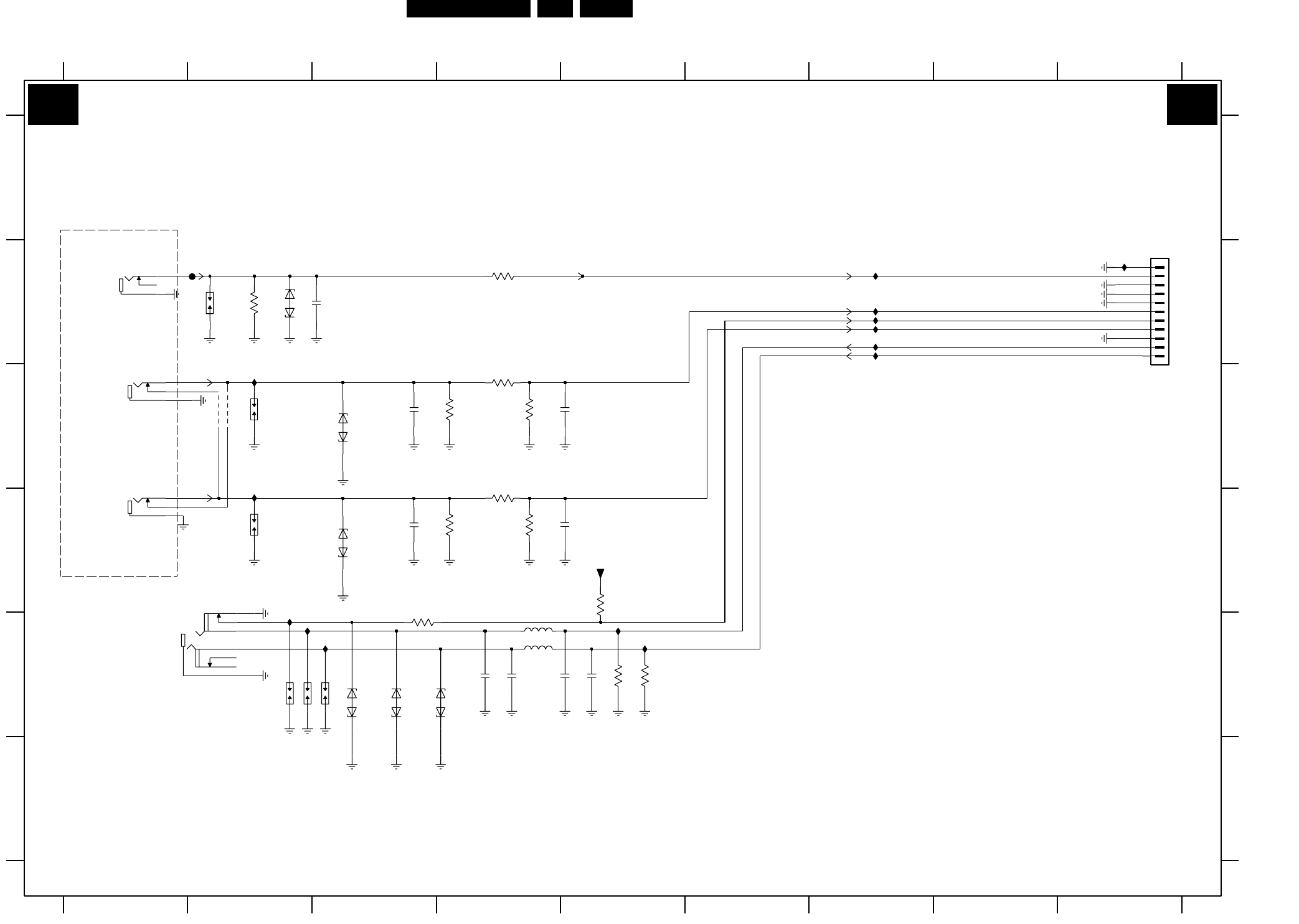
SSB: DC / DC 3V3, VTUN, & 5V_SW (B01A) 44 67-76
SSB: DC / DC 1V2, 2V5, & 1V8 (B01B) 45 67-76
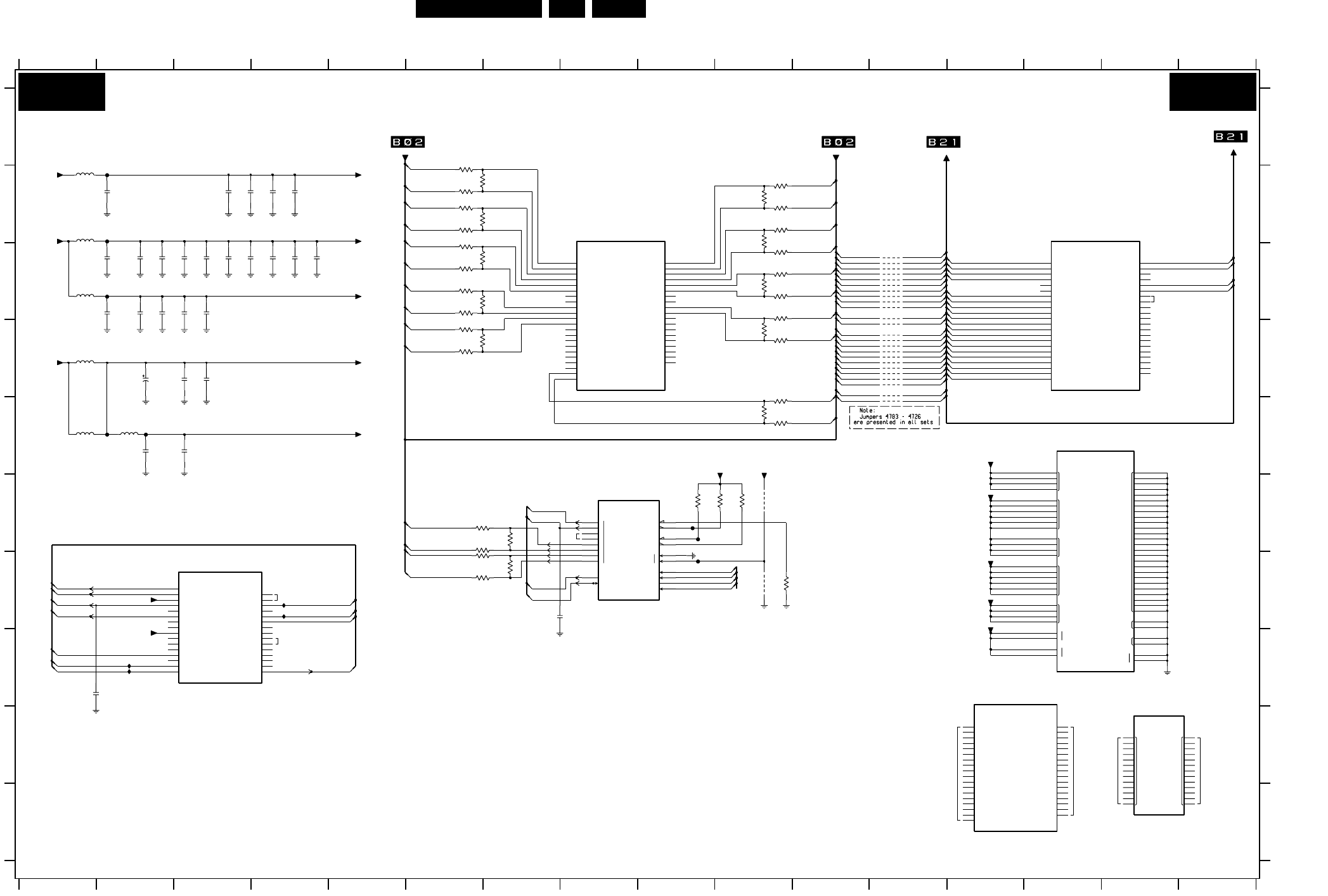
SSB: Tuner IF & Demodulator (B02) 46 67-76
SSB: DVB-Demodulator (B03A) 47 67-76
SSB: DVB-T: DVB Common Interface (B03B) 48 67-76
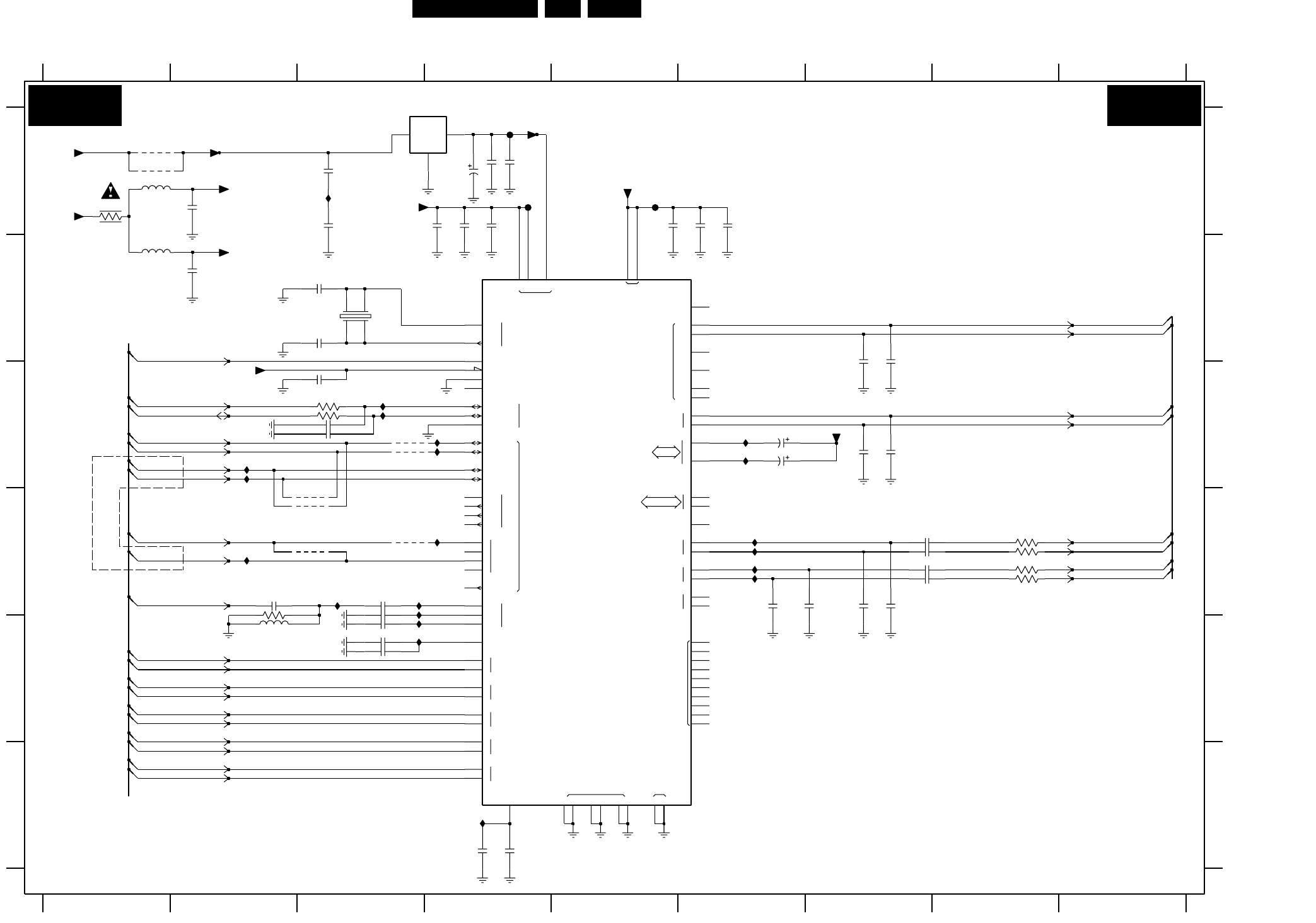
SSB: DVB MOJO (B03C) 49 67-76
SSB: DVB MOJO Memory (B03D) 50 67-76
SSB: DVB MOJO Analog Back End (B03E) 51 67-76
SSB: Micro Processor (B04) 52 67-76
SSB: Trident WX68 (B05A) 53 67-76
SSB: DDR & CPU Interface (B05B) 54 67-76
SSB: WX Power / Ground (B05C) 55 67-76
SSB: FPGA Interface (AL Sets only) (B05D) 56 67-76
SSB: FPGA I/O Banks (B05E) 57 67-76
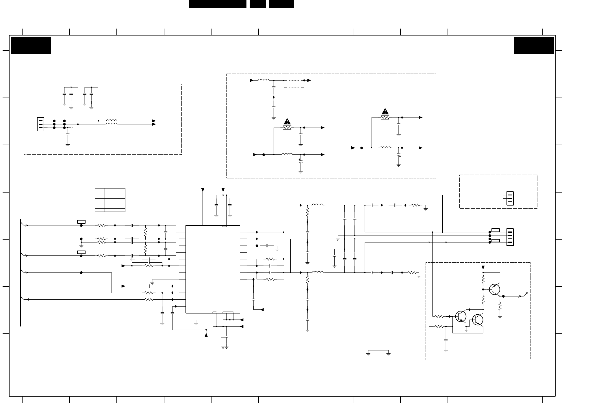
SSB: Audio Processor (B06A) 58 67-76
SSB: Audio (B06B) 59 67-76
SSB: Headphone Ampl. & Muting (B06C) 60 67-76
SSB: YPBPR & SVHS (B07A) 61 67-76
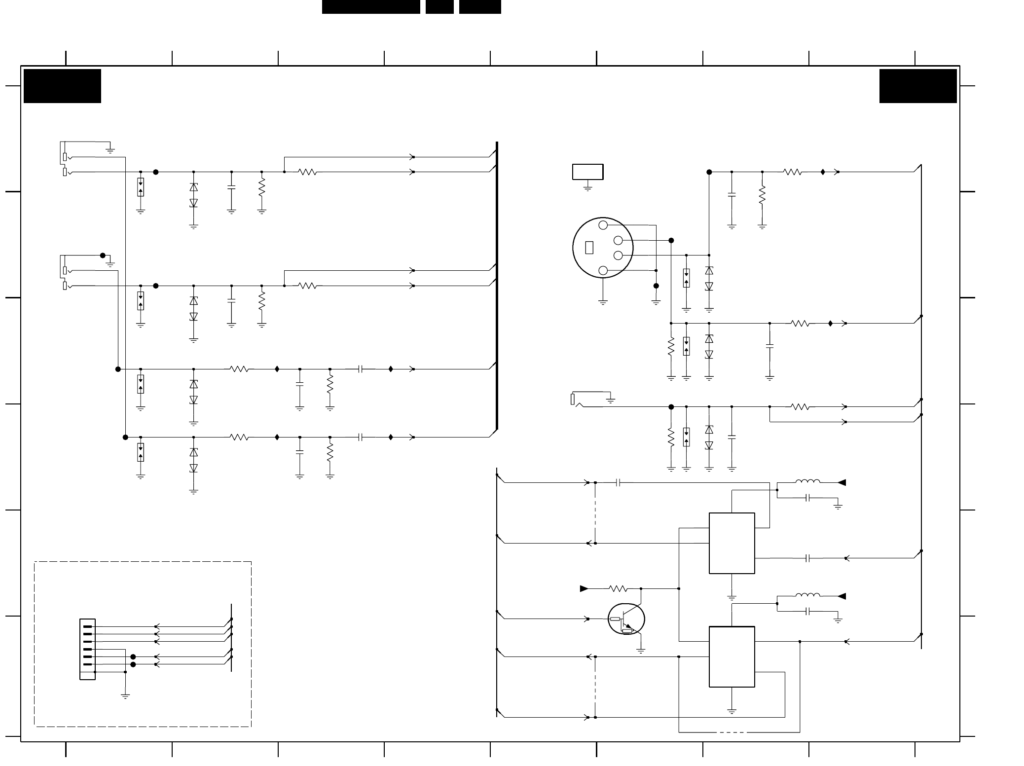
SSB: I/O SCART 1&2 (B07B) 62 67-76
SSB: HDMI Main (B07C) 63 67-76
SSB: HDMI Switch (B07D) 64 67-76
SSB: LVDS Connector (B07E) 65 67-76
SSB: SRP List 66 67-76
Side I/O Panel (32”): HDMI (D) 77 79
Side I/O Panel (32”) (D) 78 79
Side I/O Panel (42” & 52”): HDMI (D) 80 82
Side I/O Panel (42” & 52”) (D) 81 82
Side I/O Panel (42” & 52”) (D) 81 82
Keyboard Control Panel (E) 83 84
Front IR / LED Panel (J) 85 86
8. Alignments 87
9. Circuit Descriptions, Abbreviation List, and IC Data
Sheets 92
Abbreviation List 97
IC Data Sheets 99
10. Spare Parts List 107
11. Revision List 133

Technical Specifications, Connections, and Chassis Overview
EN 2 LC7.5E LA1.
1. Technical Specifications, Connections, and Chassis Overview
Index of this chapter:
1.1 Technical Specifications
1.2 Connection Overview
1.3 Chassis Overview
Notes:
• Figures can deviate due to the different set executions.
• Specifications are indicative (subject to change).
1.1 Technical Specifications
1.1.1 Vision
Display type : LCD
Screen size : 32" (82 cm), 16:9
: 42" (107 cm), 16:9
Resolution (HxV pixels) : 1366x768 (32")
: 1920x1080 (42")
Dyn. contrast ratio : 7500:1
Min. light output (cd/m2) : 500
Typ. response time (ms) : 8 (32")
: 5 (42")
Viewing angle (HxV degrees) : 176x176 (32")
: 178x178 (42")
Tuning system : PLL
Presets/channels : 100 presets
Tuner bands : VHF, UHF, S, H
TV Colour systems : PAL B/G, D/K, I
: SECAM B/G, D/K, L/L’
: DVB-T COFDM
Video playback : NTSC
: PAL
: SECAM
Supported computer formats : 640x480
: 800x600
: 1024x768
: 1280x768
: 1280x1024
: 1360x768
Supported video formats : 640x480i - 1fH
: 640x480p - 2fH
: 720x576i - 1fH
: 720x576p - 2fH
: 1280x720p - 3fH
: 1920x1080i - 2fH
: 1920x1080p - 3fH
1.1.2 Sound
Sound systems : stereo, BBE®
Maximum power (WRMS) : 2 × 20
1.1.3 Miscellaneous
Power supply:
- Mains voltage (VAC) : 220 - 240
- Mains frequency (Hz) : 50 / 60
Ambient conditions:
- Temperature range (°C) : +5 to +40
- Maximum humidity : 90% R.H.
Power consumption (values are indicative)
- Normal operation (W) : ≈ 110 (32")
:≈ 170 (42")
- Stand-by (W) : < 1
Dimensions (WxHxD cm) : 80.4x53.3x17.8 (32")
: 102.9x66.2x13.6 (42")
Weight (kg) : 15 (32")
: 25.5 (42")

Technical Specifications, Connections, and Chassis Overview EN 3LC7.5E LA 1.
1.2 Connection Overview
Figure 1-1 Side and rear I/O connections
Note: The following connector colour abbreviations are used
(acc. to DIN/IEC 757): Bk= Black, Bu= Blue, Gn= Green, Gy=
Grey, Rd= Red, Wh= White, and Ye= Yellow.
1.2.1 Side Connections
EXT3: Cinch: Video CVBS - In, Audio - In
Ye - Video CVBS 1 VPP / 75 ohm jq
Wh - Audio L 0.5 VRMS / 10 kohm jq
Rd - Audio R 0.5 VRMS / 10 kohm jq
EXT3: Head phone - Out
Bk - Head phone 32 - 600 ohm / 10 mW rt
EXT3: HDMI: Digital Video, Digital Audio - In
Figure 1-2 HDMI (type A) connector
1 - D2+ Data channel j
2 - Shield Gnd H
3 - D2- Data channel j
4 - D1+ Data channel j
5 - Shield Gnd H
6 - D1- Data channel j
7 - D0+ Data channel j
8 - Shield Gnd H
9 - D0- Data channel j
10 - CLK+ Data channel j
11 - Shield Gnd H
12 - CLK- Data channel j
13 - n.c.
14 - n.c.
15 - DDC_SCL DDC clock j
16 - DDC_SDA DDC data jk
17 - Ground Gnd H
18 - +5V j
19 - HPD Hot Plug Detect j
20 - Ground Gnd H
1.2.2 Rear Connections
Service Connector (ComPair)
1 - SDA-S I2C Data (0 - 5 V) jk
2 - SCL-S I2C Clock (0 - 5 V) j
3 - Ground Gnd H
Service Connector (UART)
1 - UART_TX Transmit k
2 - Ground Gnd H
3 - UART_RX Receive j
EXT1: Video RGB - In, CVBS - In/Out, Audio - In/Out
Figure 1-3 SCART connector
1 - Audio R 0.5 VRMS / 1 kohm k
2 - Audio R 0.5 VRMS / 10 kohm j
3 - Audio L 0.5 VRMS / 1 kohm k
4 - Ground Audio Gnd H
5 - Ground Blue Gnd H
6 - Audio L 0.5 VRMS / 10 kohm j
7 - Video Blue 0.7 VPP / 75 ohm j
8 - Function Select 0 - 2 V: INT
4.5 - 7 V: EXT 16:9
9.5 - 12 V: EXT 4:3 j
9 - Ground Green Gnd H
10 - Easylink P50 0 - 5 V / 4.7 kohm jk
11 - Video Green 0.7 VPP / 75 ohm j
12 - n.c.
13 - Ground Red Gnd H
14 - Ground P50 Gnd H
15 - Video Red 0.7 VPP / 75 ohm j
16 - Status/FBL 0 - 0.4 V: INT
1 - 3 V: EXT / 75 ohm j
17 - Ground Video Gnd H
18 - Ground FBL Gnd H
19 - Video CVBS 1 VPP / 75 ohm k
20 - Video CVBS 1 VPP / 75 ohm j
21 - Shield Gnd H
EXT. 4
AUDIO IN
Pb rPY
RL
HDMI 1
S-VIDEO
HDMI 2
TV ANTENNA
COMMON INTERFACE
H_17370_051.eps
100807
19 1
18 2
E_06532_017.eps
250505
21
20
1
2
E_06532_001.eps
050404

Technical Specifications, Connections, and Chassis Overview
EN 4 LC7.5E LA1.
EXT2: Video YC - In, CVBS - In/Out, Audio - In/Out
1 - Audio R 0.5 VRMS / 1 kohm k
2 - Audio R 0.5 VRMS / 10 kohm j
3 - Audio L 0.5 VRMS / 1 kohm k
4 - Ground Audio Gnd H
5-n.c.
6 - Audio L 0.5 VRMS / 10 kohm j
7 - C-out 0.7 VPP / 75 ohm k
8 - Function Select 0 - 2 V: INT
4.5 - 7 V: EXT 16:9
9.5 - 12 V: EXT 4:3 j
9-n.c.
10 - Easylink P50 0 - 5 V / 4.7 kohm jk
11 - n.c.
12 - n.c.
13 - n.c.
14 - Ground P50 Gnd H
15 - C 0.7 VPP / 75 ohm j
16 - Status/FBL 0 - 0.4 V: INT
1 - 3 V: EXT / 75 ohm j
17 - Ground Video Gnd H
18 - Ground FBL Gnd H
19 - Video CVBS 1 VPP / 75 ohm k
20 - Video CVBS/Y 1 VPP / 75 ohm j
21 - Shield Gnd H
Common Interface
68p- See diagram B03B jk
Aerial - In
- - IEC-type (EU) Coax, 75 ohm D
HDMI1 & 2: Digital Video, Digital Audio - In
1 - D2+ Data channel j
2-Shield Gnd H
3 - D2- Data channel j
4 - D1+ Data channel j
5-Shield Gnd H
6 - D1- Data channel j
7 - D0+ Data channel j
8-Shield Gnd H
9 - D0- Data channel j
10 - CLK+ Data channel j
11 - Shield Gnd H
12 - CLK- Data channel j
13 - n.c.
14 - n.c.
15 - DDC_SCL DDC clock j
16 - DDC_SDA DDC data jk
17 - Ground Gnd H
18 - +5V j
19 - HPD Hot Plug Detect j
20 - Ground Gnd H
EXT4: Cinch: Video YPbPr - In, Audio - In
Gn - Video Y 1 VPP / 75 ohm jq
Bu - Video Pb 0.7 VPP / 75 ohm jq
Rd - Video Pr 0.7 VPP / 75 ohm jq
Wh - Audio L 0.5 VRMS / 10 kohm jq
Rd - Audio R 0.5 VRMS / 10 kohm jq
EXT4: S-Video (Hosiden): Video Y/C - In
1 - Ground Y Gnd H
2 - Ground C Gnd H
3 - Video Y 1 VPP / 75 ohm j
4 - Video C 0.3 VPPP / 75 ohm j

Technical Specifications, Connections, and Chassis Overview EN 5LC7.5E LA 1.
1.3 Chassis Overview
Figure 1-4 PWB/CBA locations (32" sets)
Figure 1-5 PWB/CBA locations (42" models)
H_17370_052.eps
090807
B
MAIN SUPPLY UNIT
D
SIDE I/O PANEL
SMALL SIGNAL
BOARD
J
LED PANEL
E
CONTROL BOARD
H_17370_054.eps
090807
B
MAIN SUPPLY UNIT
D
SIDE I/O PANEL
SMALL SIGNAL
BOARD
J
LED PANEL
E
CONTROL BOARD

Safety Instructions, Warnings, and Notes
EN 6 LC7.5E LA2.
2. Safety Instructions, Warnings, and Notes
Index of this chapter:
2.1 Safety Instructions
2.2 Warnings
2.3 Notes
2.1 Safety Instructions
Safety regulations require the following during a repair:
• Connect the set to the Mains/AC Power via an isolation
transformer (> 800 VA).
• Replace safety components, indicated by the symbol h,
only by components identical to the original ones. Any
other component substitution (other than original type) may
increase risk of fire or electrical shock hazard.
Safety regulations require that after a repair, the set must be
returned in its original condition. Pay in particular attention to
the following points:
• Route the wire trees correctly and fix them with the
mounted cable clamps.
• Check the insulation of the Mains/AC Power lead for
external damage.
• Check the strain relief of the Mains/AC Power cord for
proper function.
• Check the electrical DC resistance between the Mains/AC
Power plug and the secondary side (only for sets that have
a Mains/AC Power isolated power supply):
1. Unplug the Mains/AC Power cord and connect a wire
between the two pins of the Mains/AC Power plug.
2. Set the Mains/AC Power switch to the "on" position
(keep the Mains/AC Power cord unplugged!).
3. Measure the resistance value between the pins of the
Mains/AC Power plug and the metal shielding of the
tuner or the aerial connection on the set. The reading
should be between 4.5 Mohm and 12 Mohm.
4. Switch "off" the set, and remove the wire between the
two pins of the Mains/AC Power plug.
• Check the cabinet for defects, to prevent touching of any
inner parts by the customer.
2.2 Warnings
• All ICs and many other semiconductors are susceptible to
electrostatic discharges (ESD w). Careless handling
during repair can reduce life drastically. Make sure that,
during repair, you are connected with the same potential as
the mass of the set by a wristband with resistance. Keep
components and tools also at this same potential. Available
ESD protection equipment:
– Complete kit ESD3 (small tablemat, wristband,
connection box, extension cable and earth cable)
4822 310 10671.
– Wristband tester 4822 344 13999.
• Be careful during measurements in the high voltage
section.
• Never replace modules or other components while the unit
is switched "on".
• When you align the set, use plastic rather than metal tools.
This will prevent any short circuits and the danger of a
circuit becoming unstable.
2.3 Notes
2.3.1 General
• Measure the voltages and waveforms with regard to the
chassis (= tuner) ground (H), or hot ground (I), depending
on the tested area of circuitry. The voltages and waveforms
shown in the diagrams are indicative. Measure them in the
Service Default Mode (see chapter 5) with a colour bar
signal and stereo sound (L: 3 kHz, R: 1 kHz unless stated
otherwise) and picture carrier at 475.25 MHz for PAL, or
61.25 MHz for NTSC (channel 3).
• Where necessary, measure the waveforms and voltages
with (D) and without (E) aerial signal. Measure the
voltages in the power supply section both in normal
operation (G) and in stand-by (F). These values are
indicated by means of the appropriate symbols.
• Manufactured under license from Dolby Laboratories.
“Dolby”, “Pro Logic” and the “double-D symbol”, are
trademarks of Dolby Laboratories.
2.3.2 Schematic Notes
• All resistor values are in ohms, and the value multiplier is
often used to indicate the decimal point location (e.g. 2K2
indicates 2.2 kohm).
• Resistor values with no multiplier may be indicated with
either an "E" or an "R" (e.g. 220E or 220R indicates 220
ohm).
• All capacitor values are given in micro-farads (μ= x10-6),
nano-farads (n= x10-9), or pico-farads (p= x10-12).
• Capacitor values may also use the value multiplier as the
decimal point indication (e.g. 2p2 indicates 2.2 pF).
• An "asterisk" (*) indicates component usage varies. Refer
to the diversity tables for the correct values.
• The correct component values are listed in the Spare Parts
List. Therefore, always check this list when there is any
doubt.
2.3.3 BGA (Ball Grid Array) ICs
Introduction
For more information on how to handle BGA devices, visit this
URL: www.atyourservice.ce.philips.com (needs subscription,
not available for all regions). After login, select “Magazine”,
then go to “Repair downloads”. Here you will find Information
on how to deal with BGA-ICs.
BGA Temperature Profiles
For BGA-ICs, you must use the correct temperature-profile,
which is coupled to the 12NC. For an overview of these profiles,
visit the website www.atyourservice.ce.philips.com (needs
subscription, but is not available for all regions)
You will find this and more technical information within the
"Magazine", chapter "Repair downloads".
For additional questions please contact your local repair help
desk.
2.3.4 Lead-free Soldering
Due to lead-free technology some rules have to be respected
by the workshop during a repair:
• Use only lead-free soldering tin Philips SAC305 with order
code 0622 149 00106. If lead-free solder paste is required,
please contact the manufacturer of your soldering
equipment. In general, use of solder paste within
workshops should be avoided because paste is not easy to
store and to handle.
• Use only adequate solder tools applicable for lead-free
soldering tin. The solder tool must be able:
– To reach a solder-tip temperature of at least 400°C.
– To stabilize the adjusted temperature at the solder-tip.
– To exchange solder-tips for different applications.
• Adjust your solder tool so that a temperature of around
360°C - 380°C is reached and stabilized at the solder joint.
Heating time of the solder-joint should not exceed ~ 4 sec.
Avoid temperatures above 400°C, otherwise wear-out of
tips will increase drastically and flux-fluid will be destroyed.

Directions for Use EN 7LC7.5E LA 3.
To avoid wear-out of tips, switch “off” unused equipment or
reduce heat.
• Mix of lead-free soldering tin/parts with leaded soldering
tin/parts is possible but PHILIPS recommends strongly to
avoid mixed regimes. If this cannot be avoided, carefully
clear the solder-joint from old tin and re-solder with new tin.
2.3.5 Alternative BOM identification
The third digit in the serial number (example:
AG2B0335000001) indicates the number of the alternative
B.O.M. (Bill Of Materials) that has been used for producing the
specific TV set. In general, it is possible that the same TV
model on the market is produced with e.g. two different types
of displays, coming from two different suppliers. This will then
result in sets which have the same CTN (Commercial Type
Number; e.g. 28PW9515/12) but which have a different B.O.M.
number.
By looking at the third digit of the serial number, one can
identify which B.O.M. is used for the TV set he is working with.
If the third digit of the serial number contains the number “1”
(example: AG1B033500001), then the TV set has been
manufactured according to B.O.M. number 1. If the third digit is
a “2” (example: AG2B0335000001), then the set has been
produced according to B.O.M. no. 2. This is important for
ordering the correct spare parts!
For the third digit, the numbers 1...9 and the characters A...Z
can be used, so in total: 9 plus 26= 35 different B.O.M.s can be
indicated by the third digit of the serial number.
Identification: The bottom line of a type plate gives a 14-digit
serial number. Digits 1 and 2 refer to the production centre (e.g.
AG is Bruges), digit 3 refers to the B.O.M. code, digit 4 refers
to the Service version change code, digits 5 and 6 refer to the
production year, and digits 7 and 8 refer to production week (in
example below it is 2006 week 17). The 6 last digits contain the
serial number.
Figure 2-1 Serial number (example)
2.3.6 Board Level Repair (BLR) or Component Level Repair
(CLR)
If a board is defective, consult your repair procedure to decide
if the board has to be exchanged or if it should be repaired on
component level.
If your repair procedure says the board should be exchanged
completely, do not solder on the defective board. Otherwise, it
cannot be returned to the O.E.M. supplier for back charging!
2.3.7 NVM content
If the processor NVM IC is replaced or initialised, the Model
Number, Serial Number, and SSB Code number must be re-
written to the NVM. ComPair will foresee in a possibility to do
this.
2.3.8 Practical Service Precautions
•It makes sense to avoid exposure to electrical shock.
While some sources are expected to have a possible
dangerous impact, others of quite high potential are of
limited current and are sometimes held in less regard.
•Always respect voltages. While some may not be
dangerous in themselves, they can cause unexpected
reactions that are best avoided. Before reaching into a
powered TV set, it is best to test the high voltage insulation.
It is easy to do, and is a good service precaution.
3. Directions for Use
You can download this information from the following websites:
http://www.philips.com/support
http://www.p4c.philips.com
E_06532_024.eps
130606
MODEL :
PROD.NO:
~
S
32PF9968/10
MADE IN BELGIUM
220-240V 50/60Hz
128W
AG 1A0617 000001
VHF+S+H+UHF
BJ3.0E LA

Mechanical Instructions
EN 8 LC7.5E LA4.
4. Mechanical Instructions
Index of this chapter:
4.1 Cable Dressing
4.2 Service Positions
4.3 Assy/Panel Removal
4.4 Set Re-assembly
Notes:
• Figures below can deviate slightly from the actual situation,
due to the different set executions.
• Follow the disassemble instructions in described order.
4.1 Cable Dressing
Figure 4-1 Cable dressing (32" sets)
H_17370_070.eps
090807

Mechanical Instructions EN 9LC7.5E LA 4.
Figure 4-2 Cable dressing (42" sets)
H_17370_072.eps
090807

Mechanical Instructions
EN 10 LC7.5E LA4.
4.2 Service Positions
For easy servicing of this set, there are a few possibilities
created:
• The buffers from the packaging.
• Foam bars (created for Service).
• Aluminium service stands (created for Service).
Note: the aluminium service stands can only be used when the
set is equipped with so-called “mushrooms”. Otherwise use the
original stand that comes with the set.
4.2.1 Foam Bars
Figure 4-3 Foam bars
The foam bars (order code 3122 785 90580 for two pieces) can
be used for all types and sizes of Flat TVs. See figure “Foam
bars” for details.
Sets with a display of 42" and larger, require four foam bars [1].
Ensure that the foam bars are always supporting the cabinet
and never only the display.
Caution: Failure to follow these guidelines can seriously
damage the display!
By laying the TV face down on the (ESD protective) foam bars,
a stable situation is created to perform measurements and
alignments. By placing a mirror under the TV, you can monitor
the screen.
4.2.2 Aluminium Stands
Figure 4-4 Aluminium stands
The MkII aluminium stands with order code 3122 785 90690,
can also be used to do measurements, alignments, and
duration tests. The stands can be (dis)mounted quick and easy
by means of sliding them in/out the "mushrooms". The stands
are backwards compatible with the earlier models.
Important: For (older) FTV sets without these "mushrooms", it
is obligatory to use the provided screws, otherwise it is possible
to damage the monitor inside!
4.3 Assy/Panel Removal
4.3.1 Rear Cover
Warning: Disconnect the mains power cord before you remove
the rear cover.
1. Refer to next figures.
2. Place the TV set upside down on a table top, using the
foam bars (see part “Service Positions”).
3. Remove rear cover screws [1] and the stand (if mounted).
4. Remove Subwoofer mounting screws [2] (if present).
5. Lift Subwoofer module, and unplug Subwoofer cable [3].
6. Unplug AmbiLight cables [4] (if present).
7. Remove rear cover.
Figure 4-5 Rear cover removal (1/3)
Figure 4-6 Rear cover removal (2/3)
Figure 4-7 Rear cover removal (3/3)
E_06532_018.eps
171106
1
Required for sets
42"
1
E_06532_039.eps
290507
H_17370_036.eps
080807
1
1
2
H_17370_037.eps
090807
3
H_17370_038.eps
090807
4

Mechanical Instructions EN 11LC7.5E LA 4.
4.3.2 AmbiLight Lamps (if present)
1. Refer to next figure.
2. Unplug connectors [1].
3. Remove the T10 parker screws [2].
4. Remove the unit by shifting it sidewards [3].
When defective, replace the whole unit.
Figure 4-8 AmbiLight lamps
4.3.3 Keyboard Control Panel
1. Refer to next figure.
2. Unplug connector [2].
3. Remove the T10 parker screws [1].
4. Remove the unit.
5. Release clips [3] and remove the board.
When defective, replace the whole unit.
Figure 4-9 Keyboard control panel
4.3.4 Side I/O Panel
1. Refer to next figures.
2. Unplug connectors [1]. To release the flatcable connector
[1b], push the two side levers and unplug the connector.
3. Remove screws [2] and remove the complete module [3].
When defective, replace the whole unit.
Figure 4-10 Side I/O module (1/2)
Figure 4-11 Side I/O module (2/2)
4.3.5 IR/LED Panel
1. Refer to next figure.
2. Unplug connectors [1].
3. Release clip [2] and remove the board.
When defective, replace the whole unit.
Figure 4-12 IR/LED panel
H_17370_039.eps
080807
1
2
2
2
2
2
2
3
3
G_16850_007.eps
310707
2
1
1
3
H_17370_049.eps
080807
1b
1a
2
2
2
3
H_17370_045.eps
080807
1b
G_16850_009.eps
110107
1
2

Mechanical Instructions
EN 12 LC7.5E LA4.
4.3.6 Speakers
Unplug the speaker cables and remove the speaker.
4.3.7 Main Supply Panel
1. Unplug cables.
2. Remove the fixation screws.
3. Take the board out (it hinges at the left side).
When defective, replace the whole unit.
4.3.8 Small Signal Board (SSB)
Note: Follow sequence below closely, otherwise you will have
difficulties with removing the top shielding.
1. Refer to next figures.
2. Disconnect all cables [1] on the SSB.
3. Remove the T10 tapping screws [2] that hold the SSB.
4. Remove the screws [3] that hold the connectors and the
connector plate.
5. Lift the complete SSB from the set (including the shielding
and connector plate).
6. Now, remove the connector plate first, by pulling it away
from the connectors.
7. Then, lift the top shielding from the SSB.
Figure 4-13 SSB removal (1/2)
Figure 4-14 SSB removal (2/2)
H_17370_044.eps
090807
22
2
2
2
3333
2
1
2
H_17370_043.eps
080807
3333
33

Mechanical Instructions EN 13LC7.5E LA 4.
4.3.9 LCD Panel
1. Refer to next figures.
2. Unplug the connectors [1] on the Main Supply Panel, the
display (LVDS connector), Loudspeakers, and the LED/IR
board.
3. Do NOT forget to unplug the LVDS connector from the
SSB. Important: Be careful, as this is a fragile connector!
4. Remove T10 parker screws [2] on the top and bottom of the
central sub-frame.
5. Remove the T20 panel fixation screws [3]. Note that the
number of these screws can vary, depending on the
screensize.
6. Lift he complete central sub-frame from the set [4] (incl. the
PSU, SSB, and Side I/O boards and wiring).
7. After removing the sub-frame, the LCD panel can be lifted
from the front cabinet.
Figure 4-15 LCD panel (1/3)
Figure 4-16 LCD panel (2/3)
Figure 4-17 LCD panel (3/3)
H_17370_042.eps
090807
1
1
2
3
3
3
1
2
3
H_17370_046.eps
090807
13
H_17370_047.eps
090807
14

Mechanical Instructions
EN 14 LC7.5E LA4.
4.4 Set Re-assembly
To re-assemble the whole set, execute all processes in reverse
order.
Notes:
• While re-assembling, make sure that all cables are placed
and connected in their original position. See figure "Cable
dressing".
• Pay special attention not to damage the EMC foams.
Ensure that EMC foams are mounted correctly (one is
located above the LVDS connector on the display, between
the LCD display and the metal sub-frame).

Service Modes, Error Codes, and Fault Finding EN 15LC7.5E LA 5.
5. Service Modes, Error Codes, and Fault Finding
Index of this chapter:
5.1 Test Points
5.2 Service Modes
5.3 Service Tools
5.4 Error Codes
5.5 The Blinking LED Procedure
5.6 Software Upgrading
5.7 Fault Finding and Repair Tips
5.1 Test Points
In the chassis schematics and layout overviews, the test points
(Fxxx) are mentioned. In the schematics, test points are
indicated with a rectangular box around “Fxxx” or “Ixxx”, in the
layout overviews with a “half-moon” sign.
As most signals are digital, it will be difficult to measure
waveforms with a standard oscilloscope. Several key ICs are
capable of generating test patterns, which can be controlled via
ComPair. In this way it is possible to determine which part is
defective.
Perform measurements under the following conditions:
• Service Default Mode.
• Video: Colour bar signal.
• Audio: 3 kHz left, 1 kHz right.
5.2 Service Modes
The Service Mode feature is split into four parts:
• Service Default Mode (SDM).
• Service Alignment Mode (SAM).
• Customer Service Mode (CSM) and Digital Customer
Service Mode (DCSM).
• Computer Aided Repair Mode (ComPair).
SDM and SAM offer features, which can be used by the Service
engineer to repair/align a TV set. Some features are:
• A pre-defined situation to ensure measurements can be
made under uniform conditions (SDM).
• Activates the blinking LED procedure for error identification
when no picture is available (SDM).
• The possibility to overrule software protections when SDM
was entered via the Service pins.
• Make alignments (e.g. white tone), (de)select options,
enter options codes, reset the error buffer (SAM).
• Display information (“SDM” or “SAM” indication in upper
right corner of screen, error buffer, software version,
operating hours, options and option codes, sub menus).
The (D)CSM is a Service Mode that can be enabled by the
consumer. The CSM displays diagnosis information, which the
customer can forward to the dealer or call centre. In CSM
mode, “CSM”, is displayed in the top right corner of the screen.
The information provided in CSM and the purpose of CSM is to:
• Increase the home repair hit rate.
• Decrease the number of nuisance calls.
• Solved customers' problem without home visit.
ComPair Mode is used for communication between a computer
and a TV on I2C /UART level and can be used by a Service
engineer to quickly diagnose the TV set by reading out error
codes, read and write in NVMs, communicate with ICs and the
uP (PWM, registers, etc.), and by making use of a fault finding
database. It will also be possible to up and download the
software of the TV set via I2C with help of ComPair. To do this,
ComPair has to be connected to the TV set via the ComPair
connector, which will be accessible through the rear of the set
(without removing the rear cover).
5.2.1 General
Some items are applicable to all Service Modes or are general.
These are listed below.
Life Timer
During the life time cycle of the TV set, a timer is kept. It counts
the normal operation hours (not the Stand-by hours). The
actual value of the timer is displayed in SDM and CSM in a
decimal value. Every two soft-resets increase the hour by +1.
Software Identification, Version, and Cluster
The software ID, version, and cluster will be shown in the main
menu display of SDM, SAM, and CSM.
The screen will show: “AAAABCD X.YY”, where:
•AAAA is the chassis name: LC71 for analogue range (non-
DVB), LC72 for digital range (DVB).
•B is the region indication: E= Europe, A= AP/China, U=
NAFTA, L= LATAM.
•C is the display indication: L= LCD, P= Plasma.
•D is the language/feature indication: 1= standard, H=
1080p full HD.
•X is the main version number: this is updated with a major
change of specification (incompatible with the previous
software version). Numbering will go from 1 - 9 and A - Z.
– If the main version number changes, the new version
number is written in the NVM.
– If the main version number changes, the default
settings are loaded.
•YY is the sub version number: this is updated with a minor
change (backwards compatible with the previous versions)
Numbering will go from 00 - 99.
– If the sub version number changes, the new version
number is written in the NVM.
– If the NVM is fresh, the software identification, version,
and cluster will be written to NVM.
Display Option Code Selection
When after an SSB or display exchange, the display option
code is not set properly, it will result in a TV with “no display”.
Therefore, it is required to set this display option code after
such a repair.
To do so, press the following key sequence on a standard RC
transmitter: “062598” directly followed by MENU and “xxx”,
where “xxx” is a 3 digit decimal value of the panel type: see
column “Panel Code” in table “Option Codes OP1...OP7” (ch.
8), or see sticker on the side/bottom of the cabinet. When the
value is accepted and stored in NVM, the set will switch to
Stand-by, to indicate that the process has been completed.
Figure 5-1 Location of Display Option Code sticker
During this algorithm, the NVM-content must be filtered,
because several items in the NVM are TV-related and not SSB-
related (e.g. Model and Prod. S/N). Therefore, “Model” and
“Prod. S/N” data is changed into “See Type Plate”.
In case a call centre or consumer reads “See Type Plate” in
CSM mode, he needs to look to the side/bottom sticker to
identify the set, for further actions.
PHILIPS
MODEL:
32PF9968/10
PROD.SERIAL NO:
AG 1A0620 000001
040
39mm
27mm
(CTN Sticker)
Display Option
Code
E_06532_038.eps
290107

Service Modes, Error Codes, and Fault Finding
EN 16 LC7.5E LA5.
5.2.2 Service Default Mode (SDM)
Purpose
Set the TV in SDM mode in order to be able to:
• Create a pre-defined setting for measurements to be
made.
• Override software protections.
• Start the blinking LED procedure.
• Read the error buffer.
• Check the life timer.
Specifications
Table 5-1 SDM default settings
• Set linear video and audio settings to 50%, but volume to
25%. Stored user settings are not affected.
• All service-unfriendly modes (if present) are disabled, since
they interfere with diagnosing/repairing a set. These
service unfriendly modes are:
– (Sleep) timer.
– Blue mute/Wall paper.
– Auto switch “off” (when there is no “ident” signal).
– Hotel or hospital mode.
– Child lock or parental lock (manual or via V-chip).
– Skipping, blanking of “Not favourite”, “Skipped” or
“Locked” presets/channels.
– Automatic storing of Personal Preset or Last Status
settings.
– Automatic user menu time-out (menu switches back/
OFF automatically.
– Auto Volume levelling (AVL).
How to Activate
To activate SDM, use one of the following methods:
• Press the following key sequence on the remote control
transmitter: “062596” directly followed by the MENU button
(do not allow the display to time out between entries while
keying the sequence).
• Short one of the “Service” jumpers on the TV board during
cold start (see Figures “Service jumper”). Then press the
mains button (remove the short after start-up).
Caution: Activating SDM by shorting “Service” jumpers will
override the DC speaker protection (error 1), the General
I2C error (error 4), and the Trident video processor error
(error 5). When doing this, the service-technician must
know exactly what he is doing, as it could damage the
television set.
Figure 5-2 Service jumper (SSB component side)
On Screen Menu
After activating SDM, the following screen is visible, with SDM
in the upper right corner of the screen to indicate that the
television is in Service Default Mode.
Figure 5-3 SDM menu
Menu explanation:
•HHHHH: Are the operating hours (in decimal).
•AAAABCD-X.YY: See paragraph “Service Modes” ->
“General” -> “Software Identification, Version, and Cluster”
for the SW name definition.
•SDM: The character “SDM” to indicate that the TV set is in
Service mode.
•ERR: Shows all errors detected since the last time the
buffer was erased. Five errors possible.
•OP: Used to read-out the option bytes. See “Options” in the
Alignments section for a detailed description. Seven codes
are possible.
How to Navigate
As this mode is read only, there is not much to navigate. To
switch to other modes, use one of the following methods:
• Command MENU from the user remote will enter the
normal user menu (brightness, contrast, colour, etc...) with
“SDM” OSD remaining, and pressing MENU key again will
return to the last status of SDM again.
• To prevent the OSD from interfering with measurements in
SDM, command “OSD” (“STATUS” for NAFTA and
LATAM) from the user remote will toggle the OSD “on/off”
with “SDM” OSD remaining always “on”.
• Press the following key sequence on the remote control
transmitter: “062596” directly followed by the OSD/i+
button to switch to SAM (do not allow the display to time out
between entries while keying the sequence).
How to Exit
Switch the set to STANDBY by pressing the mains button on
the remote control transmitter or on the television set.
If you switch the television set “off” by removing the mains (i.e.,
unplugging the television), the television set will remain in SDM
when mains is re-applied, and the error buffer is not cleared.
The error buffer will only be cleared when the “clear” command
is used in the SAM menu.
Note:
• If the TV is switched “off” by a power interrupt while in SDM,
the TV will show up in the last status of SDM menu as soon
as the power is supplied again. The error buffer will not be
cleared.
• In case the set is in Factory mode by accident (with “F”
displayed on screen), by pressing and hold “VOL-“ and
“CH-” together should leave Factory mode.
Region Freq. (MHz) Default syst.
Europe (except France),
AP-PAL/-Multi
475.25 PAL B/G
France SECAM L
NAFTA, AP-NTSC 61.25 (channel 3) NTSC M
LATAM PAL M
H_17370_048.eps
080807
SDMSDM
SDM
HHHHH A A A A B C D- X . Y Y
ERR XX XX XX XX XX
O P X X X X X X X X X X X X X X X X X X
G_16860_030.eps
260107

Service Modes, Error Codes, and Fault Finding EN 17LC7.5E LA 5.
5.2.3 Service Alignment Mode (SAM)
Purpose
• To change option settings.
• To display / clear the error code buffer.
• To perform alignments.
Specifications
• Operation hours counter (maximum five digits displayed).
• Software version, error codes, and option settings display.
• Error buffer clearing.
• Option settings.
• Software alignments (Tuner, White Tone, and Audio).
• NVM Editor.
• ComPair Mode switching.
• Set the screen mode to full screen (all contents on screen
are viewable).
How to Activate
To activate SAM, use one of the following methods:
• Press the following key sequence on the remote control
transmitter: “062596" directly followed by the OSD/
STATUS/INFO/i+ button (it depends on region which
button is present on the RC). Do not allow the display to
time out between entries while keying the sequence.
• Or via ComPair.
After entering SAM, the following screen is visible, with SAM in
the upper right corner of the screen to indicate that the
television is in Service Alignment Mode.
Figure 5-4 SAM menu
Menu explanation:
1. LLLLL. This represents the run timer. The run timer counts
normal operation hours, but does not count Stand-by
hours.
2. AAAABCD-X.YY. See paragraph “Service Modes” ->
“General” -> “Software Identification, Version, and Cluster”
for the SW name definition.
3. SAM. Indication of the Service Alignment Mode.
4. ERR (ERRor buffer). Shows all errors detected since the
last time the buffer was erased. Five errors possible.
5. OP (Option Bytes). Used to read-out the option bytes. See
“Options” in the Alignments section for a detailed
description. Seven codes are possible.
6. Clear. Erases the contents of the error buffer. Select the
CLEAR menu item and press the MENU RIGHT key. The
content of the error buffer is cleared.
7. Options. Used to set the option bits. See “Options” in the
“Alignments” chapter for a detailed description.
8. Tuner. Used to align the tuner. See “Tuner” in the
“Alignments” chapter for a detailed description.
9. RGB Align. Used to align the White Tone. See “White
Tone” in the “Alignments” chapter for a detailed
description.
10. NVM Editor. Can be used to change the NVM data in the
television set. See also paragraph “Fault Finding and
Repair Tips” further on.
11. ComPaIr. Can be used to switch the television to “In
Application Programming” mode (IAP), for software
uploading via ComPair. Read paragraph “Service Tools” -
> “ComPair”. Caution: When this mode is selected without
ComPair connected, the TV will be blocked. Remove the
AC power to reset the TV.
12. SW Events. Only to be used by development to monitor
SW behaviour during stress test.
How to Navigate
• In the SAM menu, select menu items with the MENU UP/
DOWN keys on the remote control transmitter. The
selected item will be indicated. When not all menu items fit
on the screen, use the MENU UP/DOWN keys to display
the next / previous menu items.
• With the MENU LEFT/RIGHT keys, it is possible to:
– Activate the selected menu item.
– Change the value of the selected menu item.
– Activate the selected sub menu.
• When you press the MENU button twice while in top level
SAM, the set will switch to the normal user menu (with the
SAM mode still active in the background). To return to the
SAM menu press the MENU button.
• Command “OSD/i+” key from the user remote will toggle
the OSD “on/off” with “SAM” OSD remaining always “on”.
• Press the following key sequence on the remote control
transmitter: “062596” directly followed by the MENU button
to switch to SDM (do not allow the display to time out
between entries while keying the sequence).
How to Store SAM Settings
To store the settings changed in SAM mode (except the
OPTIONS settings), leave the top level SAM menu by using the
POWER button on the remote control transmitter or the
television set.
How to Exit
Switch the set to STANDBY by pressing the mains button on
the remote control transmitter or the television set.
Note:
• When the TV is switched “off” by a power interrupt while in
SAM, the TV will show up in "normal operation mode" as
soon as the power is supplied again. The error buffer will
not be cleared.
• In case the set is in Factory mode by accident (with “F”
displayed on screen), by pressing and hold “VOL-“ and
“CH-” together should leave Factory mode.
SAM
LLLL L A AAABCD- X. YY
ERR XX XX XX XX XX
O P X X X X X X X X X X X X X X X X X X
C l e a r > Y e s
O p t i o n s >
T u n e r >
R G B A l i g n >
N V M E d i t o r >
C o m p a i r >
S W E V E N T S >
G_16860_031.eps
260107

Service Modes, Error Codes, and Fault Finding
EN 18 LC7.5E LA5.
5.2.4 Customer Service Mode (CSM)
Purpose
The Customer Service Mode shows error codes and
information on the TV’s operation settings. A call centre can
instruct the customer (by telephone) to enter CSM in order to
identify the status of the set. This helps them to diagnose
problems and failures in the TV before making a service call.
The CSM is a read-only mode; therefore, modifications are not
possible in this mode.
Specifications
• Ignore “Service unfriendly modes”.
• Line number for every line (to make CSM language
independent).
• Set the screen mode to full screen (all contents on screen
are viewable).
• After leaving the Customer Service Mode, the original
settings are restored.
• Possibility to use “CH+” or “CH-” for channel surfing, or
enter the specific channel number on the RC.
How to Activate
To activate CSM, press the following key sequence on the
remote control transmitter: “123654” (do not allow the display
to time out between entries while keying the sequence).
Upon entering the Customer Service Mode, the following
screen will appear:
Figure 5-5 CSM menu -1- (example)
Figure 5-6 CSM menu -2- (example)
Menu Explanation
1. MODEL. Type number, e.g. 32PFL7762D/05. (*)
2. PROD S/N. Product serial no., e.g. AG1A0712123456. (*)
3. SW ID. Software cluster and version is displayed.
4. OP. Option code information.
5. CODES. Error buffer contents.
6. SSB. Indication of the SSB factory ID (= 12nc). (*)
7. NVM. The NVM software version no.
8. Flash Data. PQ (picture quality) and AQ (audio quality)
data version. This is a sub set of the main SW.
9. DISPLAY. Indication of the display ID (=12 nc).
10. TUNER. Indicates the tuner signal condition: “Weak” when
signal falls below threshold value, “Medium” when signal is
at mid-range, and “Strong” when signal falls above
threshold value.
11. SYSTEM. Gives information about the video system of the
selected transmitter (PAL/SECAM/NTSC).
12. SOUND. Gives information about the audio system of the
selected transmitter (MONO/STEREO/NICAM).
13. n.a.
14. HDAU. HDMI audio stream detection. “YES” means audio
stream detected. “NO” means no audio stream present.
Only displayed when HDMI source is selected.
15. FORMAT. Gives information about the video format of the
selected transmitter (480i/480p/720p/1080i).
16. L.T. (LIFE TIMER). Operating hours indication.
17. FPGA FW. Only applicable to sets with an FPGA.
18. Reserved.
(*) If an NVM IC is replaced or initialised, the Model Number,
Serial Number, and SSB Code Number must be re-written to
the NVM. ComPair will foresee in a possibility to do this.
How to Exit
To exit CSM, use one of the following methods:
• Press the MENU button twice, or POWER button on the
remote control transmitter.
• Press the POWER button on the television set.
CS M
1 M O D E L : 3 2 P F L 7 7 6 2 D / 0
2 P R O D S / N : AG1A0712123456
3 S W I D : L C 7 5 E L 1 - 1 . x x
4 O P : X X X X X X X X X X X X X X X X X X X X X
5 C O D E S : X X X X X X X X X X
6 S S B : 3 1 39 127 12341
7 N V M : X X X X X X X X
8 F l a s h D a t a : X X . X X . X X . X X
9 D I S P L A Y : xxxx xxx xxxxx
H_17370_035a.eps
080807
5
P A G E D O W N B
y
CS M
1 0 T U N E R : W E A K / G O O D / S T R O N G
1 1 S Y S T E M : P A L / N T S C / S E C A M
1 2 S O U N D : M O N O / S T E R E O / N I C A M
1 3
1 4 H D A U : Y E S / N O
H_17370_035b.eps
080807
1 5 F O R M A T : X X X X X X X X
1 6 L. T. : xxxxxx
1 7 F P G A F W : xx.xx.xx
1 8 :
P A G E U P :
B
y

Service Modes, Error Codes, and Fault Finding EN 19LC7.5E LA 5.
5.2.5 Digital Customer Service Mode (DCSM)
Purpose
The Digital Customer Service Mode shows error codes and
information on the IBO Zapper module (DVB reception part)
operation settings. The call centre can instruct the customer to
activate DCSM by telephone and read off the information
displayed. This helps the call centre to diagnose problems and
failures in the IBO Zapper module before making a service
call.The DCSM is a read-only mode; therefore, modifications
are not possible in this mode.
How to Activate
To activate the DCSM, put the television in its digital mode (via
the “A/D” button on the remote control).
1. Press the “Digital Menu” button on the remote control to
activate the digital user menu (called “Setup”).
2. Activate the “Information” sub menu (via the “down” and
“right” cursor buttons).
3. In the “Information” sub menu, press the following key
sequence on the remote control to activate the DCSM:
“GREEN RED YELLOW 9 7 5 9” (do not allow the display
to time out between entries while keying this sequence).
Then, the “Service menu” will appear (see figures below).
Alternative method to activate DCSM: press key sequence
“123654” on the remote control transmitter while in digital mode
(do not allow the display to time out between entries while
keying the sequence). Then, the “Service menu” will appear
(see figures below).
Menu explanation
Figure 5-7 DCSM menu - 1
Figure 5-8 DCSM menu - 2
Figure 5-9 DCSM menu - 3
1. Hardware version: This indicates the version of the IBO
Zapper module hardware.
2. Application SW: The application software version.
3. NOR Version: The NOR Flash image software version
4. Digital Frequency: The digital frequency that the set is
tuned to.
5. Bit Error Rate: The error rate measured before the error
correction algorithm circuitry. (this value gives an
impression of the received signal)
6. Tuner AGC: Tuner AGC value.
7. COFDM Lock: Indication if COFDM decoder is locked.
8. AFD Status: Status of the Active Picture Format
Descriptor.
9. Terrestrial Delivery System Parameters:
–Bandwidth: Bandwidth of the received signal.
–Constellation Pattern: Displays the signal
constellation.
–Alpha Value: Displays the Alpha Value.
–FEC Scheme: Displays the Forward Error Correcting
Scheme
–Guard Interval: Displays the value for the Guard
Interval.
–Transmission Mode: Displays the Transmission
Mode.
10. Audio Comp Type: Type of detected audio stream.
11. MHEG Present: Indicates if MHEG is present or not.
12. CIM Card Present: Indicates if CIM card is present or not.
How to exit
Press the BLUE button on the Remote Control to exit DCSM.
E_14970_040.eps
090904
E_14970_041.eps
100904
E_14970_042.eps
090904

Service Modes, Error Codes, and Fault Finding
EN 20 LC7.5E LA5.
5.3 Service Tools
5.3.1 ComPair
Introduction
ComPair (Computer Aided Repair) is a Service tool for Philips
Consumer Electronics products. and offers the following:
1. ComPair helps you to quickly get an understanding on how
to repair the chassis in a short and effective way.
2. ComPair allows very detailed diagnostics and is therefore
capable of accurately indicating problem areas. You do not
have to know anything about I2C or UART commands
yourself, because ComPair takes care of this.
3. ComPair speeds up the repair time since it can
automatically communicate with the chassis (when the uP
is working) and all repair information is directly available.
4. ComPair features TV software up possibilities.
Specifications
ComPair consists of a Windows based fault finding program
and an interface box between PC and the (defective) product.
The (new) ComPair II interface box is connected to the PC via
an USB cable. For the TV chassis, the ComPair interface box
and the TV communicate via a bi-directional cable via the
service connector(s).
How to Connect
This is described in the ComPair chassis fault finding database.
Figure 5-10 ComPair II interface connection
Caution: It is compulsory to connect the TV to the PC as
shown in the picture above (with the ComPair interface in
between), as the ComPair interface acts as a level shifter. If
one connects the TV directly to the PC (via UART), ICs will be
blown!
How to Order
ComPair II order codes:
• ComPair II interface: 3122 785 91020.
• ComPair32 CD (update): 3122 785 60160.
•ComPair I
2C interface cable: 3122 785 90004 (to be used
with chassis L01, A02, A10, EMX, ...).
•ComPair I
2C interface extension cable: 3139 131 03791 (to
be used with chassis L01, A02, A10, L04, LC4, LC7.1,
LC7.2).
• ComPair UART interface cable: 3122 785 90630 (to be
used with chassis LC4, EJ3, BJ2, BL2, BP2, ...).
• ComPair RS232 cable: 3104 311 12742 (to be used with
chassis Q52x).
•ComPair I
2C adapter cable: 3122 785 90004 (to be used
with chassis TPM1.xA).
•ComPair I
2C interface cable: 9965 100 07325 (to be used
with chassis LC7.5).
• ComPair UART interface cable: 3138 188 75051 (to be
used with chassis LC7.5).
Note: If you encounter any problems, contact your local
support desk.
5.3.2 LVDS Tool
Support of the LVDS Tool has been discontinued.
G_06532_036.eps
240807
TO
UART SERVICE
CONNECTOR
TO
UART SERVICE
CONNECTOR
TO
I2C SERVICE
CONNECTOR
TO TV
PC
HDMI
I
2
C only
Optional power
5V DC
ComPair II Developed by Philips Brugge
RC out
RC in
Optional
Switch Power ModeLink/
Activity I
2
C
ComPair II
Multi
function
RS232 /UART

Service Modes, Error Codes, and Fault Finding EN 21LC7.5E LA 5.
5.4 Error Codes
5.4.1 Introduction
Error codes are required to indicate failures in the TV set. In
principle a unique error code is available for every:
• Activated protection.
• Failing I2C device.
• General I2C error.
• SDRAM failure.
The last five errors, stored in the NVM, are shown in the
Service menu’s. This is called the error buffer.
The error code buffer contains all errors detected since the last
time the buffer was erased. The buffer is written from left to
right. When an error occurs that is not yet in the error code
buffer, it is displayed at the left side and all other errors shift one
position to the right.
An error will be added to the buffer if this error differs from any
error in the buffer. The last found error is displayed on the left.
An error with a designated error code may never lead to a
deadlock situation. This means that it must always be
diagnosable (e.g. error buffer via OSD or blinking LED
procedure, ComPair to read from the NVM).
In case a failure identified by an error code automatically
results in other error codes (cause and effect), only the error
code of the MAIN failure is displayed.
Example: In case of a failure of the I2C bus (CAUSE), the error
code for a “General I2C failure” and “Protection errors” is
displayed. The error codes for the single devices (EFFECT) is
not displayed. All error codes are stored in the same error
buffer (TV’s NVM) except when the NVM itself is defective.
5.4.2 How to Read the Error Buffer
You can read the error buffer in 3 ways:
• On screen via the SAM/SDM/CSM (if you have a picture).
Example:
– ERROR: 0 0 0 0 0 : No errors detected
– ERROR: 6 0 0 0 0 : Error code 6 is the last and only
detected error
– ERROR: 9 6 0 0 0 : Error code 6 was detected first and
error code 9 is the last detected (newest) error
• Via the blinking LED procedure (when you have no
picture). See “The Blinking LED Procedure”.
•Via ComPair.
5.4.3 Error Codes
In case of non-intermittent faults, write down the errors present
in the error buffer and clear the error buffer before you begin
the repair. This ensures that old error codes are no longer
present.
If possible, check the entire contents of the error buffer. In
some situations, an error code is only the result of another error
and not the actual cause of the problem (for example, a fault in
the protection detection circuitry can also lead to a protection).
Table 5-2 Error code overview
Notes
1. Some of the error codes reported are depending on the
option code configurations.
2. This error means: no I2C device is responding to the
particular I2C bus. Possible causes: SCL/SDA shorted to
GND, SCL shorted to SDA, or SCL/SDA open (at uP pin).
The internal bus of the Trident platform should not cause
the entire system to halt as such an error can be reported.
5.4.4 How to Clear the Error Buffer
The error code buffer is cleared in the following cases:
• By using the CLEAR command in the SAM menu:
– To enter SAM, press the following key sequence on the
remote control transmitter: “062596” directly followed
by the OSD/i+ button (do not allow the display to time
out between entries while keying the sequence).
– Make sure the menu item CLEAR is selected. Use the
MENU UP/DOWN buttons, if necessary.
– Press the MENU RIGHT button to clear the error
buffer. The text on the right side of the “CLEAR” line will
change from “CLEAR?” to “CLEARED”
• If the contents of the error buffer have not changed for 50
hours, the error buffer resets automatically.
Error
code1) Description Item nr. Remarks
0No error.
1 DC Protection of speakers.
2 +12V protection error. 12V missing or "low".
3 Reserved.
4 General I2C error. note 2
5 Trident Video Processor
communication error.
7C01 When Trident IC is
defective, error 10 and 14
might also be reported.
Trident communicates via
parallel bus, not via the I2C
bus. The I2C bus of Trident
is only used in ComPair
mode.
6 I2C error while communicating
with the NVM.
7L23 The TV will not start-up due
to critical data not available
from the NVM, but the LED
will blink the error code.
7 I2C error while communicating
with the Tuner.
1101
8 I2C error while communicating
with the IF Demodulator.
7113
9 I2C error communicating with
the Sound Processor.
7411
10 SDRAM defective. 7D01
11 I2C error while communicating
with the HDMI IC.
7N01
12 I2C error while communicating
with the MOJO PNX8314.
7H03 if applicable
13 DVB HW communication
error.
7F01,
7K00,
7H03
if applicable
14 SDRAM defective. 7D02
15 I2C error while communicating
with the IBO COFDM channel
decoder.
7F01
16 I2C error while communicating
with the IBO NVM.
7H03
17 I2C error while communicating
with FPGA
7700 or
external
18 Reserved. (iTV)
19 Reserved. (1080p bolt-on module)
20 I2C error while communicating
with the IBO PCMCIA
controller.
7K00
21 I2C error while communicating
with the HDMI mux IC
7M07
22 I2C error while communicating
with the HDMI buffer in Side A/
V Panel
23 Reserved.

Service Modes, Error Codes, and Fault Finding
EN 22 LC7.5E LA5.
Note: If you exit SAM by disconnecting the mains from the
television set, the error buffer is not reset.
5.5 The Blinking LED Procedure
5.5.1 Introduction
The software is capable of identifying different kinds of errors.
Because it is possible that more than one error can occur over
time, an error buffer is available, which is capable of storing the
last five errors that occurred. This is useful if the OSD is not
working properly.
Errors can also be displayed by the blinking LED procedure.
The method is to repeatedly let the front LED pulse with as
many pulses as the error code number, followed by a period of
1.5 seconds in which the LED is “off”. Then this sequence is
repeated.
Example (1): error code 4 will result in four times the sequence
LED “on” for 0.25 seconds / LED “off” for 0.25 seconds. After
this sequence, the LED will be “off” for 1.5 seconds. Any RC5
command terminates the sequence. Error code LED blinking is
in red colour.
Example (2): the content of the error buffer is “12 9 6 0 0”
After entering SDM, the following occurs:
• 1 long blink of 5 seconds to start the sequence,
• 12 short blinks followed by a pause of 1.5 seconds,
• 9 short blinks followed by a pause of 1.5 seconds,
• 6 short blinks followed by a pause of 1.5 seconds,
• 1 long blink of 1.5 seconds to finish the sequence,
• The sequence starts again with 12 short blinks.
5.5.2 Displaying the Entire Error Buffer
Additionally, the entire error buffer is displayed when Service
Mode “SDM” is entered. In case the TV set is in protection or
Stand-by: The blinking LED procedure sequence (as in SDM-
mode in normal operation) must be triggered by the following
RC sequence: “MUTE” “062500” “OK”.
In order to avoid confusion with RC5 signal reception blinking,
this blinking procedure is terminated when a RC5 command is
received.
To erase the error buffer, the RC command “MUTE” “062599
“OK” can be used.
5.6 Software Upgrading
In this chassis, three SW “stacks” are used:
• TV mains SW (processor and processor NVM).
• Digital TV SW (IBO Zapper).
5.6.1 TV Main SW Upgrade
For instructions on how to upgrade the TV Main software, refer
to ComPair.
5.6.2 “Digital TV” Software Upgrade
How to Upgrade Philips “Digital TV” Software (IBO Zapper):
Preparation of the Memory Device for Software Upgrade
For the procedure you will require:
1. A personal computer with web browsing capability.
2. An archive utility that supports the ZIP-format (e.g. Winzip
for Windows).
3. A CompactFlash PC Card Adapter (Type II).
4. A CompactFlash (Type I) portable memory card for
insertion into the PC Card Adapter. Philips recommends
using Compact Flash (CF) portable memory cards with
their respective PC Card Adapters (Sandisk or Kingston)
with memory sizes of up to 256MB. Philips does not
guarantee that other types of portable memory cards and
their respective PC Card Adapters, including multi-card PC
Card Adapters work on Philips Digital TV.
Note: Only FAT16-formatted portable memory is
supported. NTFS & FAT32 are not supported.
Copying of Software Image Files to the Flash Device
Copy the appropriate “FCL.img” and “IBOZ.img” to the root
directory of the flash device.
Verifying the Current Version of the TV Software
Before you start the software upgrade procedure, it is advised
to check what the current TV software is. The current TV
software version can be seen in the “System software” menu.
1. First press the “A/D” key and then the “DIGITAL MENU”
key on the remote controller to access the “Setup” menu.
2. Access the “Information” menu.
3. Access the “Current software version” menu.
Example:
The menu shows “IdtvZapper_HW260.256_SW2.0.24”. This
means that the hardware version is “260.256” and the software
version is “2.0.24”.
Figure 5-11 Current software version
G_16221_001.eps
241006

Service Modes, Error Codes, and Fault Finding EN 23LC7.5E LA 5.
Software Upgrade Procedure
1. Power ON your TV with the power switch at the side of the
TV. Put your TV ON by using the remote controller if the TV
is in Stand-by.
2. Make sure that it is in “Digital” mode (via “A/D” button).
3. Make sure that your TV is not in Stand-by. Power OFF your
TV with the power switch of the TV.
4. Remove the Conditional Access Module (if any) from the
CI-slot.
5. Insert the PC Card Adapter with the portable memory card
containing the software upgrade files.
6. Switch ON your TV with the power switch at the side of the
TV.
7. At start-up, the TV will scan the CI slot until it finds the
update content. The TV will automatically go to the
upgrade mode. After a few seconds it will display the status
of the upgrade procedure.
Warnings:
Do NOT remove the memory card or the PC card adapter
during the software upgrade procedure.
In case of a power drop during the upgrade procedure, don’t
remove the portable memory from the TV. The TV will continue
the upgrade as soon as the power comes back.
Example: At start-up of the TV, the current software is erased.
Figure 5-12 Erasure of the software
If the erasure is successful, the programming will start.
Figure 5-13 Programming of the software
Example: The programming is completed when the progress
bar reaches the 100% mark.
Figure 5-14 Programming complete
The TV will reset and the screen will go blank, after a few
seconds a dialogue box will occur to inform you that the current
module inserted in the CI slot is not recognized. This is normal
as the slot only recognizes a Conditional Access Module during
normal operation.
Example: The following dialogue box will appear after the TV is
upgraded successfully:
Figure 5-15 Upgrade ready
When the software upgrade has been successful, switch OFF
the TV, remove the PC Card Adapter, and restart the TV with
the Power switch at the side of the TV.
The TV will now start up with the new software.
Verifying that the Software Has Been Upgraded
Successfully
Verify that the software is upgraded to the new version by
following the procedure outlined in the section “Verifying the
current version of the TV software”.
G_16221_002.eps
241006
G_16221_003.eps
241006
G_16221_004.eps
241006
G_16221_005.eps
241006

Service Modes, Error Codes, and Fault Finding
EN 24 LC7.5E LA5.
5.7 Fault Finding and Repair Tips
Notes:
• It is assumed that the components are mounted correctly
with correct values and no bad solder joints.
• Before any fault finding actions, check if the correct options
are set.
5.7.1 NVM Editor
In some cases, it can be convenient if one directly can change
the NVM contents. This can be done with the “NVM Editor” in
SAM mode. With this option, single bytes can be changed.
Caution:
•Do not change the NVM settings without
understanding the function of each setting, because
incorrect NVM settings may seriously hamper the
correct functioning of the TV set!
• Always write down the existing NVM settings, before
changing the settings. This will enable you to return to the
original settings, if the new settings turn out to be incorrect.
Table 5-3 NVM editor overview
5.7.2 Load Default NVM Values
It is possible to download default values automatically into the
NVM in case a blank NVM is placed or when the NVM first 20
address contents are "FF". After the default values are
downloaded, it is possible to start-up and to start aligning the
TV set. To initiate a forced default download the following
action has to be performed:
1. Switch “off” the TV set with the mains cord disconnected
from the wall outlet (it does not matter if this is from "Stand-
by" or "Off" situation).
2. Short-circuit the SDM jumpers on the SSB (keep short
circuited).
3. Press “P+” or “CH+” on the local keyboard (and keep it
pressed).
4. Reconnect the mains supply to the wall outlet.
5. Release the “P+” or “CH+” when the set is “on” or blue LED
is blinking.
When the downloading has completed successfully, the set
should be into Stand-by, i.e. red LED on.
Alternative method (1):
1. Go to SAM.
2. Select NVM Editor.
3. Select ADR (address) to 1 (dec).
4. Change the VAL (value) to 170 (dec).
5. Store the value.
6. Do a hard reset to make sure new default values took
place.
Alternative method (2):
It is also possible to upload the default values to the NVM with
ComPair in case the SW is changed, the NVM is replaced with
a new (empty) one, or when the NVM content is corrupted.
After replacing an EEPROM (or with a defective/no EEPROM),
default settings should be used to enable the set to start-up and
allow the Service Default Mode and Service Alignment Mode to
be accessed.
5.7.3 Start-up/Shut-down Flowcharts
Important note for DVB sets:
• When you put a DVB set into Stand-by mode with an RC,
the set will go to “Semi Stand-by” mode for 5 minutes. This,
to facilitate “Off the Air download” (OAD). If there is no
activity within these 5 minutes, the set will switch to Stand-
by mode. In “Semi Stand-by” mode, the LCD backlight and
Audio Amplifier are turned “off” but other circuits still work
as normal. The customer might think the set is in Stand-by.
However, in real Stand-by mode, only the uP and the NVM
are alive and all other circuits are switched “off”.
• If you press the mains switch at the local key board in a
DVB set, the set will switch to Stand-by mode.
On the next pages you will find start-up and shut-down
flowcharts, which might be helpful during fault finding.
Please note that some events are only related to PDP sets,
and therefore not applicable to this LCD chassis.
Hex Dec Description
.ADR 0x000A 10 Existing value
.VAL 0x0000 0 New value
.Store Store?

Service Modes, Error Codes, and Fault Finding EN 25LC7.5E LA 5.
Figure 5-16 Start-up flowchart
AC ON
LC07S
Start Up
M16C RST_H = LOW
HDMI_RST_RX_BUF=LOW
RST_AUD = LOW
RESET_n = LOW
LCD_PWR_ON = LOW
SDI PDP => CTRL_DISP1 = LOW
(SVP_Trident) M16C RST_H to LOW
HDMI_RST_RX_BUF= HIGH
RST_AUD = HIGH
(IBO) RESET_n = HIGH
M16C POR by +3VSTBY
STANDBYn = LOW
V1.5
13 June 2007
+5VSTBY&+3V3STBYAvailable
Initialise Trident WX
KMNPLL Latch data need 50us setup time
BL_ADJ = HIGH (100% Duty Cycle) first!!
DPTVInit( )
LCD_PWR_ON = HIGH
(Same function as CTRL-DISP2)
SDI PDP => CTRL_DISP1 = LOW
For LCD:
BL_ON_OFF = HIGH
*BL_ADJ keep 100% for 1000ms
then reduce gradually to 70% from
1001ms to 3000ms .After 3000ms
do the dimming according to
picture content.
Switch ON LVDS Signal
Wait for 20 ms
Init. Warm Component
(For software)
Initialise IF Demodulator, Afric
TDA9886T
Initialise Tuner
Initialise HDMI Receiver, Sil 9125
Initialise Micronas
Mute Audio
Initialise FHP Panel (Provision)
*ForFHPPDPSetsonly
Initialise Bolt-ON
(100Hz, iTV, USB) TBC
Last status is ON?
No
No
End
Standby Normal
Mode Yes
Wait for RC key or
Wake up event
Wait for Power Local Key
20ms
Enable Audio Mute ( 50ms)
STANDBYn = HIGH
(Same function as CTRL-DISP3)
Is Power Down =
HIGH?
Enable Power Down INT
Enable DC_PROT INT
Wait for 100ms
Wait for 100ms
Time out = 2000ms No
Error 2
[Protection]
Yes
Wait for 300ms
Blank Picture
Picture Mode Setup & Detection
Error5-Trident
[Protection]
Yes
DVB recording mode
No
Yes
WP for NVM
STANDBYn = LOW
Standby
Normal Mode
Recording Mode finished
Software Shutdown:
LED = BLUE for Normal mode
LED = RED for Recording mode
User wake up the sets
in DVB recording mode
BLOCK RC Key
Enable RC Key
Yes
Error 7
Error 8
Error 9
Error 11
Error 3
[Protection]
Standby Normal Mode
(RED LED)
Disable Audio Mute
Standby Soft Mode
(NO LED)
2000ms to
2500ms
100ms
300ms
500ms
SDI PDP => CTRL_DISP1 = HIGH
FHP PDP => CTRL_DISP4 = LOW
For DVB Sets only (Semistandby)
Recording mode
Notes:
---------
1. LC07S TV software only start communication with IBOZ once
receive the INT message from IBOZ.
2.Initialise HDMI MUX & Buffer IIC address ( EDID,CEC)
3.RESET_n is to reset IBOZ
4. Enable Mute mean ANTI_PLOP= LOW, MUTEn=HIGH
5. Disable Mute mean ANTI_PLOP = HIGH, MUTEn=LOW
150ms
Disable Audio Mute
Port Assignment in STANDBY
Port Assignment in STANDBY
Port Assignment in STANDBY
unBlank Picture &
UnMute Audio
Read NVM completed.
STOP I²C activities.
InitCold Component:
1. Check SDM port.
- If SDM pin = LOW and NVM first 20Byte = 0xFF,
reload Software default NVM value.
2. Check Panel port.
- If Panel Pin = LOW and check slave address
0x65 = 0xA5, Enter Panel Mode.
Error 6 - NVM
[Protection]
Error 10 – SDRAM 7204
[Protection]
Error 14 – SDRAM 7205
[Protection]
Error 19 – 1080P
Error 17 – AmbiLight
Error 18 – iTV iFace
For PDP:
3000ms delay
Initialise HDMI Buffer, Sil 9181
Initialise HDMI Mux, Sil 9185
Error 21
Error 22
AmbiLight Set
Initialise AmbiLight
Wait for IBO Config
MAX 500 ms
HDMI_MUX_RST
Reset (LOW =150ms) then go to HIGH
Wait for IBO System Ready
MAX 5000 ms
Wait for 100ms
M16C RST_H = HIGH
* 50ms for 1V2 DC-DC wait
* 50ms for Trident requirement 100ms
*100msfor12Vrising
50ms
H_17370_056.eps
090807

Service Modes, Error Codes, and Fault Finding
EN 26 LC7.5E LA5.
Figure 5-17 Semi Stand-by/Stand-by flowchart
SEMISTANDBY/ STANDBY Start
Mute Audio
WP for NVM
STANDBYn = LOW
Software Shutdown:
BL_ON_OFF = LOW
Wait 300ms
Switch OFF LVDS
Wait 20ms
LCD_PWR_ON = LOW
End
LED = NO LED
for Standby soft mode
Standby using
“power key”
LED = RED No
Yes
For DVB Sets only (Semistandby)
SDI PDP => CTRL_DISP1 = HIGH
FHP PDP => CTRL_DISP4 = LOW
Off Air Downloading/ Recording Mode
IBOZ send shut down command
BL_ADJ
(PWM duty cycle 70%)
Enable Audio Mute
Port Assignment in STANDBY
300ms
20ms
Total = 360ms
40ms
Wait for 3000ms
Sets go to standby here
Blocking for the next start up to ensure
power supply discard properly.
Disable Power Down INT &
DC_PROT_INT
Wait for 3000ms
Except power tact switch
BL_ADJ = LOW
(PWM duty cycle 0%)
Disable Audio Mute
(ANTI_PLOP=LOW)
(MUTEn =HIGH)
(ANTI_PLOP =HIGH)
(Mute_n = LOW)
(ANTI_PLOP =HIGH)
(Mute_n = LOW)
H_17370_057.eps
090807

Service Modes, Error Codes, and Fault Finding EN 27LC7.5E LA 5.
Figure 5-18 Power Down & DC_PROT flowchart
Start
WP for NVM
Mute Audio & VIdeo
Power Down INT:
AC OFF or Transient INT
DC_PROT INT
STANDBYn = LOW
Wait 5000 ms
Re-start: Start up
End
No
Notes:
1. Power Down INT will based on fall edge triggering
2. +3V3STBY will stay for 15ms, software must perform WP for NVM within 15ms.
Poll the Power Down
INT for 5 times
End
Avoid false trigger
Start
Mute Audio & VIdeo
No
End
Avoid false trigger
is DC_PROT = LOW
for 3 sec?
Log Error Code
STANDBYn = LOW
WP for NVM
Error 1
[Protection]
End
Yes
Yes
H_17370_058.eps
090807

Service Modes, Error Codes, and Fault Finding
EN 28 LC7.5E LA5.
Personal Notes:
E_06532_012.eps
131004

Block Diagrams, Test Point Overviews, and Waveforms 29LC7.5E LA 6.
6. Block Diagrams, Test Point Overviews, and Waveforms
Wiring Diagram 32” LCD (ME7)
(5215) (5213)
INVERTER
1M01
3P
1M20
7P
CN1
2P3
INLET
CN7
8P
CN2
14P
CN3
12P
WIRING 32” LCD (STYLING ME7)
CN2
14P
CN3
12P
H_17371_001.eps
171007
RIGHT SPEAKER
BSSB
E
KEYBOARD CONTROL
DSIDE I/O
JIR/LED/LIGHT
SENSOR
8M20
8319
8316
8308
CN6
9P
1M01
3P
8M01
LVDS
30P
8R01
MAIN SUPPLY
INVERTER
8191
8192(UK)
(1005)
(1116)
(1114)
(1112)
LCD DISPLAY
(1004)
ONLY USED
FOR LPL PANEL
TUNER
CN2
DISPLAY SUPPLY
1. +24VI
2. +24VI
3. +24VI
4. +24VI
5. +24VI
6. GND3
7. GND3
8. GND3
9. GND3
10. GND3
11. VBRI
12. ON/OFF
13. PWM
14. GND1
CN3
DISPLAY SUPPLY
1. +24VI
2. +24VI
3. +24VI
4. +24VI
5. +24VI
6. GND3
7. GND3
8. GND3
9. GND3
10. GND3
11. N.C.
12. N.C.
CN7
CONTROL:
1. BL-ADJUST
2. PG
3. BL_ON_OFF
4. GND1
5. BOOST
6. PSON
7. N.C.
8. +12V
CN6
CONTROL:
1. -12V(audio)
2. +12V(audio)
3. GND2(audio)
4. 5.2VS
5. 5.2VS
6. 5.2VS
7. GND1
8. GND1
9. GND1
CN5
4P
CN4
4P
1304
11P
1R01
41P
1A01
4P
1L20
7P
1B12
6P
1B13
8P
1305
10P
1A03
3P
1A02
3P
1201
5P
8B13
1Q02
10P
1R04
11P
1Q03
21P
1N01
21P
8N01
TO SUBWOOFER
IN BACK COVER
(5226)
8304
8305
(1150)
LEFT SPEAKER
(5215)(5213)
8R04
8B12

30LC7.5E LA 6.
Block Diagrams, Test Point Overviews, and Waveforms
Wiring Diagram 32” LCD with AmbiLight (ME7)
(5215) (5213)
INVERTER
1M01
3P
1M20
7P
CN1
2P3
INLET
CN7
8P
CN2
14P
CN3
12P
WIRING 32” LCD + AMBI LIGHT (STYLING ME7)
CN2
14P
CN3
12P
H_17371_002.eps
171007
RIGHT SPEAKER
BSSB
EKEYBOARD CONTROL
D
SIDE I/O
J
IR/LED/LIGHT
SENSOR
8M20
8319
8316
8308
CN6
9P
1M01
3P
8M01
LVDS
30P
8R01
MAIN SUPPLY
INVERTER
8191
8192(UK)
(1005)
(1116)
(1114)
(1112)
LCD DISPLAY
(1004)
ONLY USED
FOR LPL PANEL
TUNER
CN2
DISPLAY SUPPLY
1. +24VI
2. +24VI
3. +24VI
4. +24VI
5. +24VI
6. GND3
7. GND3
8. GND3
9. GND3
10. GND3
11. VBRI
12. ON/OFF
13. PWM
14. GND1
CN3
DISPLAY SUPPLY
1. +24VI
2. +24VI
3. +24VI
4. +24VI
5. +24VI
6. GND3
7. GND3
8. GND3
9. GND3
10. GND3
11. N.C.
12. N.C.
CN7
CONTROL:
1. BL-ADJUST
2. PG
3. BL_ON_OFF
4. GND1
5. BOOST
6. PSON
7. N.C.
8. +12V
CN5
4P
CN4
4P
1304
11P
1R01
41P
1A01
4P
1L20
7P
1B12
6P
1B13
8P
1305
10P
1A03
3P
1A02
3P
1201
5P
8B13
1Q02
10P
1R04
11P
1Q03
21P
1N01
21P
8N01
TO SUBWOOFER
IN BACK COVER
(5226)
8304
8305
(1150)
LEFT SPEAKER
(5215)(5213)
AMBI-LIGHT UNIT (IN BACK COVER) 1M09
4P7
1M59
5P
1M82
7P
CN6
CONTROL:
1. -12V(audio)
2. +12V(audio)
3. GND2(audio)
4. 5.2VS
5. 5.2VS
6. 5.2VS
7. GND1
8. GND1
9. GND1
AMBI-LIGHT UNIT (IN BACK COVER)
1M82
4P7
1M59
5P
1M09
4P
8M09 8M09
8M59
8M82
8116
8R04
8B12

Block Diagrams, Test Point Overviews, and Waveforms 31LC7.5E LA 6.
Wiring Diagram 42” LCD (ME7)
1304
11P
1R01
41P
1A01
4P
1L20
7P
1B12
6P
1M01
3P
1M20
7P
1Q02
10P
X101
2P3
INLET
X403
12P
X404
14P
WIRING 42” LCD
(STYLING ME7)
CN2
14P
CN3
12P
H_17371_003.eps
021007
RIGHT SPEAKER LEFT SPEAKER
BSSB
EKEYBOARD CONTROL
DSIDE I/O
J
IR/LED/LIGHT
SENSOR
8M20
8304
8319
8316
8308
1M01
3P
8M01
LVDS
51P
1B13
8P
8R03
MAIN SUPPLY
INVERTER INVERTER
X406
8P
X412
9P
8B13
8191
8192(UK)
(1005)
(1116)
(1114)
(1112)
LCD DISPLAY
(1004)
X405
4P
X411
4P
1305
10P
1A03
3P
8B12
1R04
11P
1Q03
21P
1N01
21P
1A02
3P
TO SUBWOOFER
IN BACK COVER
1201
5P
(1150)
8305
(5226)
8N01
(5215) (5213)(5215)
(5213)
8R04

32LC7.5E LA 6.
Block Diagrams, Test Point Overviews, and Waveforms
Wiring Diagram 42” LCD with AmbiLight (ME7)
1304
11P
1R01
41P
1A01
4P
1L20
7P
1B12
6P
1M01
3P
1M20
7P
1Q02
10P
X101
2P3
INLET
X403
12P
X404
14P
WIRING 42” LCD + AMBI LIGHT
(STYLING ME7)
CN2
14P
CN3
12P
H_17371_004.eps
181007
RIGHT SPEAKER LEFT SPEAKER
B
SSB
E
KEYBOARD CONTROL
D
SIDE I/O
J
IR/LED/LIGHT
SENSOR
8M20
8304
8319
8316
8308
1M01
3P
8M01
LVDS
51P
1B13
8P
8R03
MAIN SUPPLY
INVERTER
INVERTER
X406
8P
X412
9P
8B13
8191
8192(UK)
(1005)
(1116)
(1114)
(1112)
LCD DISPLAY
(1004)
X405
4P
X411
4P
1305
10P
1A03
3P
8B12
1R04
11P
1Q03
21P
1N01
21P
1A02
3P
TO SUBWOOFER
IN BACK COVER
1201
5P
8305
(5226)
(5215) (5213)(5215)
(5213)
AMBI-LIGHT UNIT
(IN BACK COVER) 1M09
4P
1M59
5P
1M82
4P7
(1175)
AMBI-LIGHT UNIT
(IN BACK COVER)
1M82
4P7
1M59
5P
1M09
4P
(1175)
8M82
8321
8M09
8M09
8M59
(1150)
8N01
8R04

Block Diagrams, Test Point Overviews, and Waveforms 33LC7.5E LA 6.
Wiring Diagram 52” LCD (ME7)
1304
11P
1R01
41P
1A01
4P
1L20
7P
1B12
6P
1M01
3P
1M20
7P
1Q02
10P
CN1
2P3
INLET
CN3
12P
CN2
14P
WIRING 52” LCD
(STYLING ME7)
CN2
14P
CN3
12P
H_17371_005.eps
021007
RIGHT SPEAKER LEFT SPEAKER
B
SSB
E
KEYBOARD CONTROL
DSIDE I/O
J
IR/LED/LIGHT
SENSOR
8M20
8304
8219
8316
8308
1M01
3P
8M01
LVDS
51P
1B13
8P
8R01
MAIN SUPPLY
INVERTER INVERTER
CN7
8P
CN6
9P
8B13
8191
8192(UK)
(1005)
(1116)
(1114)
(1112)
LCD DISPLAY
(1004)
1305
10P
1A03
3P
8B12
1R04
11P
1Q03
21P
1N01
21P
1A02
3P
TO SUBWOOFER
ON BACK COVER
1201
5P
CN2
DISPLAY SUPPLY
1. +24Vinv
2. +24Vinv
3. +24Vinv
4. +24Vinv
5. +24Vinv
6. GND3
7. GND3
8. GND3
9. GND3
10. GND3
11. Vbri
12. ON/OFF
13. PWM
14. GND1
CN3
DISPLAY SUPPLY
1. +24Vinv
2. +24Vinv
3. +24Vinv
4. +24Vinv
5. +24Vinv
6. GND3
7. GND3
8. GND3
9. GND3
10. GND3
11. N.C.
12. N.C.
CN7
CONTROL:
1. BL-ADJUST
2. Power OK
3. BL_ON_OFF
4. GND1
5. Boost
6. STA NDBY
7. N.C.
8. 12Vssb
CN6
CONTROL:
1. -12V(Audio)
2. +12V(Audio)
3. GND2(Audio)
4. 5V2stby
5. 5V2stby
6. 5V2stby
7. GND1
8. GND1
9. GND1
(1150)
8305
8N01
(5215) (5213) (5215)(5213)
(5226)
8R04

34LC7.5E LA 6.
Block Diagrams, Test Point Overviews, and Waveforms
Block Diagram Video
VIDEO
ADC
HDMI MAIN
B07C
YPBPR & SVHS
B07A
IO - SCART 1 & 2
B07B
TRIDENT - WX68
B05A
SIDE I/O
D2 MICROPROCESSOR
B04
TUNER IF & DEMODULATOR
B02
DVB-DEMODULATOR
B03ADVB-MOJO
ANALOG BACK END
B03E
DVB-COMMON INTERFACE
B03BDVB-MOJO
B03CFPGA I/O BANKS
B05E LVDS CONNECTOR
B07E
DDR & CPU
B05B
HDMI SWITCH
BO7D
B05C
SIDE HDMI
D1
1Q031N01
1818
20 20
ANALOG
MUX
1
5
4
1102
SIF1
SIF2
VIF1
VIF2
23
24
1
2
17
CVBS
DEMODULATOR
7113
TDA9886T/V4
2
4
1R04 1304
2
4
1302
FRONT_CVBS_IN
IF_ATV
VIDEO
1101
TD1316AF/IHP-2
MAIN
TUNER
(HYBRID)
8
IF_OUT1
14
2
RF_AGC
VIF1
VIF2
1
5
4
1103SIF1
SIF2
1504
20
11
15
21
1
2x SCART
19
7
EXT1
CVBS_RF
W2
3535EF
7503
W8
1506
20
15
19
EXT2
EF
7114
SC1_B_IN
SC1_G_IN
SC1_R_IN
SC1_CVBS_IN
W6
Y9
SC2_Y_CVBS_IN
SC2_C_IN
SC2_CVBS_MON_OUT
Y10
1615
Y
Pr
Pb
Y8
V6
W9
19 1
182
1
1M02
3
4
7
9
10
12
6
19
RX2+B
RX2-B
RX1+B
RX1-B
RX0+B
RX0-B
RXC+B
RXC-B
HDMI
CONNECTOR
HPD_RESET_B
7N01
SII9125CTU
FRONT_Y_CVBS_IN_T
HDMI
(MAIN)
H_17371_006.eps
021007
VIDEO
PROCESSOR
20
21
48
47
45
44
42
42
39
38
+
-R1XC
+
-R1X0
+
-R1X1
+
-R1X2
HDMI_H
HDMI_V
VSYNC
HSYNC
5HDMI_VCLK
ODCK W20
8SC1_STATUS
16 SC1_FBL_IN
8SC2_STATUS
B04
HD_Pr_IN
HD_Y_IN
HD_Pb_IN
CVBS_OUT1
Y_G2
PB_B3
FB1
PB_B2
Y5
B04
19
DE
19 1
182
1
1M03
3
4
7
9
10
12
6
19
RX2+C
RX2-C
RX1+C
RX1-C
RX0+C
RX0-C
RXC+C
RXC-C
HPD_RESET_C
68
67
65
64
62
61
59
58
+
-R0XC
+
-R0X0
+
-R0X1
+
-R0X2
HDMI_Cb(0-9)
HDMI_Y(0-9)
HDMI_Cr(0-9)
HDMI_DE
7C01
SVP WX68-7568-LF
V20
Y10
Y20
DP_VS
DP_HS
DP-CLK
DP_DE_FLD
7D01
K4D261638K
SDRAM
2Mx16x4
7D02
K4D261638K
SDRAM
2Mx16x4
WX_MD(0-31)
WX_MA
TxFPGAe_2p
TxFPGAe_2n
TxFPGAe_3p
TxFPGAe_3n
TxFPGAe_4p
TxFPGAe_4n
TxFPGAe_0n
TxFPGAe_1p
TxFPGAe_1n
TxFPGAe_0p
A14
B14
A15
B15
A16
B16
A18
B18
A19
B19
TA1
TB1
TC1
TCLK1
TD1
SC1_RF_OUT_CVBS
PR_R2
V2
V8PR_R3
FS2
CVBS_OUT2
W4
Y_G1
PB_B3
PR_R1
Y_G3
C
RF_AGC
12
13
7111
14
RF_AGC_IBO
B03A
Y4 CVBS1
MEMORY
SOUND TRAPS
4.5 to 6.5 Mhz
VIF-PLL
SINGLE REFERENCE QSS MIXER
INTERCARRIER MIXER AND
AM-DEMODULATOR
TUNER AGC VIF AGC
TAG C
SIF AGC
I2C-BUS TRANSCEIVER
MAD
SCL
SDA
SUPPLY
+5VS
ADC
165
167
IBO_G_IN
IBO_R_IN
R
G
172 IBO_CVBS_IN V4
163
BIBO_B_IN
Y7
U8
W10
PC_R
PC_G
FS1
PC_B
7G00
PNX8314HS/C102
MOJO
C
G|Y
R|Pr
C_CVBS
B|Pb
5J52
5J54
5J53
5J55
(16-31)
(0-15)
ADC
7F01
TDA10046AHT
COFDM
CHANNEL
DECODER
VIM_IBO
VIP_IBO
IF_AGC_IBO
2
62
61
9
10
11
7K00
STV0700L
PCMCIA
CONTROLLER
TDA_DAT(0-7) TS_DATA(0-7)
68P
PCMCIA
CONDITIONAL
ACCESS
A_MDO(0-7)
A_MDI(0-7)
1K00
MPEG-TS
(PARALLEL)
7F04
COMP_OUT RF_AGC_IBO
121
DVB_SW
B04
11
B02
(0-11)
(0-11)
3528
3523
3516
3545
3528
3518
3522
3529
3552
3550
3537
EF
7500
3521
3617
3618
3619
(TS)(AV)
TS
INTERFACE
3562
49 30
TS_SYNC
TDA_SYNC
28
27
1R01
TxLVDSe_2p
TxLVDSe_2n
LVD S
CONNECTOR
TO FULL HD
DISPLAY
25
24
TxLVDSe_CLKp
TxLVDSe_CLKn
22
21
TxLVDSe_3p
TxLVDSe_3n
17
16
TxLVDSo_0P
TxLVDSo_0n
15
14
TxLVDSo_1p
TxLVDSo_1n
13
12
TxLVDSo_2p
TxLVDSo_2n
10
9
TxLVDSo_CLKP
TxLVDSo_CLKn
7
6
TxLVDSo_3p
TxLVDSo_3n
TxLVDSe_0p
TxLVDSe_0n
30
29
TxLVDSe_1p
TxLVDSe_1n
32
31
ADC
7M07
SII9185ACTU
HDMI
SWITCH
+
-R1X2
+
-R1X1
+
-R1X0
+
-R1XC VSYNC
HSYNC
ODCK
DE
+
-R2X2
+
-R2X1
+
-R2X0
+
-R2XC
19 1
182
1
1M01
3
4
7
9
10
12
6
19
RX2+A
RX2-A
RX1+A
RX1-A
RX0+A
RX0-A
RXC+A
RXC-A
HPD_RESET_A
28
27
25
24
22
21
19
18
+
-R0X2
+
-R0X1
+
-R0X0
+
-R0XC
OPTIONAL
56
36
16
HDMI-MUX_TXC+
HDMI-MUX_TXC-
HDMI-MUX_TX0+
HDMI-MUX_TX0-
HDMI-MUX_TX1+
HDMI-MUX_TX1-
HDMI-MUX_TX2+
HDMI-MUX_TX2-
40
39
44
43
48
47
70
69
+
-
TXC
+
-
TX0
+
-
TX1
+
-
TX2
10
11
7
8
4
5
1
2
HDMI-SIDE_TXC+
HDMI-SIDE_TXC-
HDMI-SIDE_TX0+
HDMI-SIDE_TX0-
HDMI-SIDE_TX1+
HDMI-SIDE_TX1-
HDMI-SIDE_TX2+
HDMI-SIDE_TX2-
58
57
62
61
66
65
70
69
7Q03
SII9181CNU
19 1
182
1
1Q01
3
4
7
9
10
12
6
19
RX2+S
RX2-S
RX1+S
RX1-S
RX0+S
RX0-S
RXC+S
RXC-S
35
34
33
32
30
29
28
27
25
HDMI
BUFFER
15 15
17 17
12 12
14 14
99
11 11
8
9
6
7
3
4
1
2
1
5
S VIDEO
24
3
1601
Y_IN
C_IN V9
7601
FRONT_CVBS_SVHS_Y_IN Y6
NO
NC
COM
N.C.
1601
TxFPGAo_4n
TxFPGAo_4P
TxFPGAo_3n
TxFPGAo_3p
TxFPGAo_2n
TxFPGAo_2p
TxFPGAe_CLKp
TxFPGAo_CLKn
TxFPGAo_CLKp
TxFPGAe_CLKn
B17
A17
F19
E20
H19
G20
G19
F20
E19
D20
TxFPGAo_0n
TxFPGAo_0p
TxFPGAo_1n
TxFPGAo_1p
B20
A20
D19
C20
LVD Se_2p
LVD Se_2n
LVD Se_CLKp
LVD Se_CLKn
TxLVDSe_3p
TxLVDSe_3n
TxLVDSo_0P
TxLVDSo_0n
TxLVDSo_1p
TxLVDSo_1n
TxLVDSo_2p
TxLVDSo_2n
TxLVDSo_CLKP
TxLVDSo_CLKn
TxLVDSo_3p
TxLVDSo_3n
LVD Se_0p
LVD Se_0n
LVD Se_1p
LVD Se_1n
+VDISP41
40
39
38
HDMI
CONNECTOR
4713
4714
4715
4716
4717
4718
4725
4716
4719
4720
4703
4704
4705
4706
4707
4708
4723
4724
4709
4710
4711
4712
4721
4722
1R04
1R05
1R06
1R08
1R09
1R10
1R11
1R12
1R02
1R03
20
19
5
4
TxLVDSo_4p
TxLVDSo_4n
TxLVDSo_4p
TxLVDSo_4n
1R13
RES
TxLVDSe_4p
TxLVDSe_4n
TxLVDSe_4p
TxLVDSe_4n
1R07
RES
DIGITAL IN
LVD S
OUT
FRONT_CVBS_SVHS_SEL
B04

Block Diagrams, Test Point Overviews, and Waveforms 35LC7.5E LA 6.
Block Diagram Audio
AUDIO
HEADPHONE AMP & MUTING
B06C
AUDIO
B06B
HDMI MAIN
B07C
I0 - SCART 1 & 2
B07B
AUDIO PROCESSOR
B06A
YPBPR & SVHS
B07A
MICROPROCESSOR
B04A
SIDE HDMI
D1
SIDE I/O
D2
TUNER IF & DEMODULATOR
B02
DVB-MOJO
B03C
DVB-COMMON INTERFACE
B03B
DVB-DEMODULATOR
B03A
B04 MICRO
PROCESSOR
HDMI SWITCH
B07D
SIDE I/O
D2
10
1304 1R04
10
11 11
1
5
4
1102
23
24
1
2
12
6
1R04 1304
6
88
IF-ATV
1101
TD1316AF/IHP
MAIN
TUNER
(HYBRID)
8
IF_OUT1
14
RF_AGC
2
RF_AGC
VIF1
VIF2
15
4
1103SIF1
SIF2
1504
6
2
1
21
1
2x SCART
3
EXT1
7411
MSP4450K-VK-E8-001 Y
SIF 63
33
SC1_AUDIO _OUT_L
SC1_AUDIO_IN_R
SC1_AUDIO _OUT_R
SC1_AUDIO_IN_L
53
34
52
1R20
48
49
19 1
182
HDMI
CONNECTOR
7N01
SII9125CTU
HDMI
(MAIN)
27
26
H_17371_007.eps
021007
SOUND
PROCESSOR
58SC5-IN-R
L_FRONT_IN
R_FRONT_IN
ANA-IN1+
SC2-OUT-R
SC2-IN-R
SC2-OUT-L
SC2-IN-L
DACM-L
DACM-R
1506
6
2
1
3
EXT2
SC2_AUDIO _OUT_L
SC2_AUDIO_IN_R
SC2_AUDIO _OUT_R
SC2_AUDIO_IN_L
36SC1-OUT-R
55 SC1-IN-R
37SC1-OUT-L
54 SC1-IN-L
AUDIO
L/R IN
SIDE_AUDIO_IN_L
SIDE_AUDIO_IN_R
HDMI-SIDE
1615
COMP_AUDIO_IN_L
COMP_AUDIO_IN_R
AUDIO
L/R IN
7N07
UDA1334ATS
HDMI_AUDIO_IN_L
HDMI_AUDIO_IN_R
57 SC5-IN-L
50 SC3-IN-L
51 SC3-IN-R
AUDIO-LS_L
AUDIO-LS_R
7A01
TDA8932T
CLASS D
POWER
AMPLIFIER
2
14
27
22
ENGAGE 5
1
2
RIGHT
SPEAKER
HDMI_I2S_SCK 1
86
HDNI_I2S_WS2
85
HDMI_I2S_SD3
81
8
75
BCK
WS
DATAI
MUTE
SCK
WS
SD
MUTE
AUDIO
DAC
1A01
3
4
LEFT
SPEAKER
DC-DETECTION
STANDBYn 6
3A19
3A03
3A11
7901
HP_AUDIO_OUT_L
HP_AUDIO_OUT_R
HP_LOUT
HP_ROUT
MUTING
ANTI_PLOP
19 1
182
HDMI-MUX
14
16
VOUTL
VOUTR
SC1_AUDIO _MUTE_R
SC1_AUDIO _MUTE_L
SC2_AUDIO _MUTE_R
SC2_AUDIO _MUTE_L
B06C
B06C
B06C
B06C
24
23
DACA-L
DACA-R
COMP_AUDIO_IN_L
COMP_AUDIO_IN_R
SC4-IN-L
SC4-IN-R
1R03
2
3
5
HEAD_PH_L
HEAD_PH_R
HEADPHONE
12
13
7111
14
RF_AGC_IBO
B03A
CONTROL
POWER_DOWN
MUTEn
B04
B04
B04
B04
DC_PROT
B04
7G00
PNX8314HS/C102
MOJO
17 CL3
MOJO_I2S_OUT_SD
MOJO_I2S_OUT_SCK
20 DA3
202
203
MOJO_I2S_OUT_WS18WS3
204
ADC
7F01
TDA10046AHT
COFDM
CHANNEL
DECODER
VIM_IBO
VIP_IBO
IF_AGC_IBO
2
62
61
9
10
11
TDA_DAT(0-7)
TS_DATA(0-7)
68P
PCMCIA
CONDITIONAL
ACCESS
A_MDO(0-7)
A_MDO(0-7)
1K00
SIF1
SIF2
VIF1
VIF2
CVBS
DEMODULATOR
7113
TDA9886T/V4
SOUND TRAPS
4.5 to 6.5 Mhz
VIF-PLL
SINGLE REFERENCE QSS MIXER
INTERCARRIER MIXER AND
AM-DEMODULATOR
TUNER AGC VIF AGC
TAG C
SIF AGC
I2C-BUS TRANSCEIVER
MAD
SCL
SDA
SUPPLY
12
SIOMAD
+5VS
7109
B04
SAW_SW
6103
DVB_SW11
B04
1411
18M432
67
68
XTALIN
XTALOUT
7K00
STV0700L
PCMCIA
CONTROLLER
TS
INTERFACE
(TS)(AV)
3A26
5A03
5A04
SC1_AUDIO _MUTE_R
SC1_AUDIO _MUTE_L
SC2_AUDIO _MUTE_R
SC2_AUDIO _MUTE_L
B07B
SUPPLY
+5V_D
+8V
+5V_AUD
12
13
38
39
7A05÷7A07
EXT3
EXT4
EXT3
1
2
1A02
3
SUB
WOOFER
19 1
182
19 1
182
R1X
R0X
7M07
SII9185ACTU
HDMI
SWITCH
R1X
R0X
RX-C
7Q03
SII9181CNU
HDMI
BUFFER
RX
HDMI-SIDE
1M01
1M02
1M03
R2X
TX
FOR MORE DETAILS SEE
BLOCK DIAGRAM VIDEO
(OPTIONAL)
RX-A
RX-B
40
61
62
80

36LC7.5E LA 6.
Block Diagrams, Test Point Overviews, and Waveforms
Block Diagram Control & Clock Signals
DVB-COMMON INTERFACE
B03BDVB-MOJO
B03C
DVB-MOJO MEMORY
B03D
MICROPROCESSOR
B04
DVB-DEMODULATOR
B03A
KEYBOARD CONTROL
E
IR/LED/LIGHT-SENSOR
J
DDR & CPU INTERFACE
B05B
HDMI SWITCH
B07D
TUNER IF & DEMODULATOR
B02
CONTROL & CLOCK SIGNALS
TRIDENT - WX68
B05A
HDMI MAIN
B07C
LVDS CONNECTOR
B07E
FPGA I/O BANKS
B05E FPGA INTERGACE
(ONLY FOR AMBI-LIGHT)
B05D
1R01
25
18
93
95
87
1K00
68P
1
35
34
68
PCMCIA_D(0-7)
7K03
BUFFERING
PCMCIA_A(0-7)
7K01
BUFFERING
MIU_ADDR(0-7)
PCMCIA_D(8-14)
7K01
BUFFERING
MIU_ADDR(8-14)
7G00
PNX8314HS/C102
MOJO
7H00
M29W320ET70N6F
EPROM
SDRAM
4MX8/2Mx16
2/4/8MB
NOR
FLASH
MIU_ADDR(0-20)
MIU_DATA(0-15)
7311
M30300SAGP
MICRO
PROCESSOR
MIU_ADDR(0-24)
7K00
STV0700L
PCMCIA
CONTROLLER
MIU_ADDR(15-24)
MIU_DATA(0-7)
7H02
K4S281632I-UC60
SYNC
SDRAM
4x2Mx16
SDRAM_ADDR(0-14)
SDRAM_DATA(0-15)
7F01
TDA10046AHT/C1
COFDM
CHANNEL
DECODER
TDA_DAT(0-7)
TS_DATA(0-7)
(MIU)
(SDRAM)
(TS)
A_MDO(0-7)
A_MDI(0-7)
KEYBOARD
LED1
IR
SENSOR
RC
1M20 1M20
66
33
44
7011
+5V_STANDBY
7010
3010
6010
LED1
BLEU
+5V_STANDBY
3012
1M01
2
1M01
2
77
1011
1012
1013
1014
1015
1016
ON / OFF
CHANNEL -
VOLUME +
VOLUME -
CHANNEL +
MENU
LED2
7012
6011
LED2
RED
+5V_STANDBY
3013
LED1
LED2
REMOTE
KEYB
25 4301 SDM
3L56
3L79
+3V3_STBY
1301
10M
13
11
7C01
SVP WX68-7568
VIDEO
PROCESSOR
7D01
K4D261638K
SDRAM
2Mx16x4
7D02
K4D261638K
SDRAM
2Mx16x4
DQ(0-31)
WX_MA(0-11)
HDMI_Cb(0-7)
HDMI_Y(0-7)
HDMI_Cr(0-7)
19 1
182
HDMI
CONNECTOR
RXxxA
19 1
182
7817
SII9025CTU
SDRAM_CLK
38 136
A_MICLK
20 110
A_MOCLK
57 118
TS_CLK
6329
(GPIO)
RESET_STV
3432
TDA_CLK
37
50
44
44
111
WX_MCLK
HDMI_VCLK
5W20
1101
TD1316AF/IHP-2
MAIN
TUNER
(HYBRID)
6
4MHZ_CLK
54 1
4MHZ_MOJO 158
1
7F03
7F02
TXFPGAe_CLKn
B17
TxLVDSe_CLKn
24
TXFPGAe_CLKp
A17
TxLVDSe_CLKp TO DISPLAY
(LVDS)
2
16
IBO_RESET
43L11
RESET_n
IB0_IRQ
180
1312
6
ITV_SPI_CLK
9
ITV_CONNECTOR A
7K04
35
27M
2
11 LIGHT_SENSOR
N.C.
91
SC1_STATUS
B07B
90
SC2_STATUS
B07A
89
HDMI_HOTPLUG_RESET
88 RST_AUD
B06A
3STANDBYn
B06B
7322 STAND B Y
B07E
B01A B06C
RESET_n
38
B04A
B03D
FOR DVB ONLY
100 E_PAGE
7315
M24C64-WMN6P
EEPROM
8Kx8
7
99 LCD_PWR_ON
B07E
19 DCC_RESET
B07D
5
ITV_SPI_DATA_IN
8
23SAW_SW
B02
21 DVB_SW
B02
78MUTEn
B06C
75 BL_ON_OFF
B01A
74 ANTI_PLOP
B06C
72 POWER_DOWN
B06C
71
DC_PROT
B06B
H_17371_008.eps
021007
PCMCIA
CONDITIONAL
ACCESS
7F04
COMP_OUT
RF_AGC
12
13
7111
14
RF_AGC_IBO
7113
TDA9886T/V4
DEMODULATOR
14
2
DVB_SW
B04
11
1
21
TDA_SYNC
35
49
TDA_VALID
36
48
25 FE_LOCK 34
9RESET_FE_n 31
TS_SYNC
62 30
TS_VALID
61 28
7310
M29W800DT
EPROM
1Mx8
512Kx16
A(0-19)
AD(0-7)
A(0-7)
AD(0-7)
864
RST_H
56 18
INT
61 45
CS
6342
RD
62 44
WR
8438
ALE_EMU
CPU_RST
12 10
26 48
CE
11 28
MIU_RDY
15 109
7312
BD45275G
4
(3V3)
VOUT
2,3
+3V3_STBY
5
76 CTRL_DISP4_up
B07E
77 CTRL_DISP1_up
B07E
G17
BL_ADJUST
CONTROL
7C02
7C04
B01A
73FRONT_CVBS_SVHS_SEL
B07A
4RSR_H
B05A
7M07
SII9185ACTU
MUX
19 1
182
RXxxB
RXxxC
HDMI
SWITCH
+
-R0X
+
-R1X
+
-R2X
HDMI
MAIN
76
5
HDMI_RST_RX_BUF
100
73
HDMI_INT_MUX
35
36
HDMI_RST_MUX
13
10
TXFPGAo_CLKn
F19
TxLVDSo_CLKn
9
TXFPGAo_CLKp
E20
TxLVDSo_CLKp
7700
EP2C5F256C7N
FPGA
TXFPGAe_CLKn
TXFPGAe_CLKp
TXFPGAo_CLKn
TXFPGAo_CLKp
7201
EPCS4I8
SCD
nCSO
DCLK
ASDO
DATA0
1204
27M
H4
F4
H2
CLK_OSC1
F1
C3
J15
J16
H16
H15

Block Diagrams, Test Point Overviews, and Waveforms 37LC7.5E LA 6.
Test Point Overview SSB (Overview Bottom Side)
Part 1
H_17370_025a.eps
Part 2
H_17370_025b.eps
Part 3
H_17370_025c.eps
Part 4
H_17370_025d.eps
H_17370_025.eps
070804
3139 123 6273.1
A115 E5
A116 E5
A124 E5
A125 E5
F101 E5
F112 E7
F114 E7
F115 F6
F116 F6
F117 F6
F118 E6
F119 E6
F120 E6
F121 E6
F126 E7
F128 D5
F129 D5
F130 D5
F131 E6
F132 D7
F133 E6
F134 F7
F140 D5
F142 E6
F143 D6
F145 E7
F201 A6
F202 A4
F204 A4
F207 A6
F208 A4
F209 A5
F211 A5
F214 A5
F222 B4
F223 B4
F224 B4
F225 A4
F227 B4
F236 A6
F237 B4
F302 B4
F303 E3
F304 A4
F305 D3
F309 C3
F310 C4
F311 C4
F312 C4
F313 C5
F314 C4
F315 C4
F316 C4
F317 C4
F318 C4
F319 C5
F320 C4
F321 C5
F322 C4
F323 A3
F324 C4
F325 C4
F326 C3
F327 C4
F328 C3
F329 C3
F330 C5
F331 C3
F332 C3
F333 C4
F334 C4
F335 C4
F336 C4
F337 C4
F338 C4
F339 C4
F340 C3
F341 C3
F342 B2
F343 B2
F344 B2
F345 C3
F346 B4
F347 C3
F348 C3
F349 C3
F350 D3
F351 A4
F352 D3
F353 C3
F354 C5
F356 D3
F357 A3
F360 A3
F361 C4
F362 C4
F363 C3
F364 C3
F365 C3
F366 C3
F367 D5
F368 C5
F369 D4
F370 F7
F379 A4
F380 D5
F381 C5
F382 A3
F383 A3
F384 A3
F385 C4
F386 C5
F387 B3
F388 C3
F389 C5
F401 A3
F402 B3
F403 A4
F510 E2
F511 E3
F512 E1
F513 E2
F514 E1
F515 E3
F516 D2
F517 D2
F518 D1
F519 E2
F520 D2
F521 D2
F522 D2
F523 D2
F524 D2
F525 C2
F526 C3
F527 C2
F528 C2
F529 C1
F530 C2
F531 D3
F532 D2
F534 E3
F535 A3
F536 E2
F537 E2
F538 D3
F539 D2
F540 D3
F541 D3
F542 D2
F543 E1
F544 D1
F601 F3
F602 F2
F604 F2
F605 F1
F607 F2
F608 F2
F609 F1
F612 E2
F613 E2
F614 F2
F615 F3
F701 A4
F702 B4
F703 B5
F704 B5
F705 B5
F706 B5
F733 B5
F734 A5
F901 B4
F904 B4
FA01 A2
FA02 A1
FA04 A2
FA05 A3
FA06 A3
FA07 A1
FA08 A1
FA09 B3
FA10 A1
FA11 A1
FA12 A3
FA13 A2
FA14 A2
FA15 A2
FA16 A1
FA17 A1
FA18 A1
FA32 A2
FB07 A9
FB10 B9
FB11 A9
FB13 A10
FB14 B9
FB15 A9
FB27 A10
FB28 A8
FB29 A9
FB30 A9
FB31 A9
FB32 A9
FB33 A9
FB34 A8
FB36 A9
FB37 A9
FB38 A10
FB39 A9
FB40 A8
FC01 B7
FC02 C7
FC03 C7
FD01 B6
FE01 D7
FE02 C6
FE03 B6
FE04 C7
FE05 C7
FE06 C7
FE07 B6
FE08 C6
FF10 C8
FF11 E8
FF12 F8
FF13 F7
FF14 F8
FF16 E7
FF17 E8
FF18 E7
FF19 E8
FF20 E7
FF21 F7
FF22 E8
FF23 E7
FF24 C10
FF25 F7
FF26 E7
FF27 E7
FF28 E7
FF29 E7
FF30 E7
FG10 B10
FG11 B10
FG12 B10
FG13 D10
FG14 C10
FG15 C10
FG16 D10
FG17 C10
FG18 B10
FG19 C10
FG20 C10
FG21 C10
FG24 C9
FG25 C9
FG26 C10
FG27 C9
FG28 C9
FG29 C8
FG30 B9
FG31 B10
FG32 C10
FG33 B10
FG34 C10
FG35 C10
FG36 C10
FG37 B9
FG39 C10
FG40 C9
FG41 C9
FH00 B9
FH01 D9
FH02 B10
FH03 B9
FH04 B10
FH05 D10
FH06 D9
FH07 C8
FH08 D10
FJ01 D9
FJ02 B1
FJ22 C9
FJ23 C9
FJ24 B1
FJ25 B1
FJ26 C8
FJ27 C9
FJ28 B9
FK01 F9
FK02 F10
FK05 D8
FK06 F9
FK10 E9
FK11 E9
FK12 D9
FK13 E9
FK14 E9
FK15 E9
FK16 D9
FK17 E9
FK18 E9
FK19 E9
FK20 D9
FK21 E9
FK22 E9
FK23 E9
FK24 D9
FK25 E9
FK26 E9
FK27 E9
FK28 D9
FK29 E9
FK30 E9
FK31 E9
FK32 E9
FK33 E9
FK34 D9
FK35 E9
FK36 E9
FK37 E9
FK38 D9
FK39 E9
FK40 E9
FK41 E8
FK42 D9
FK43 E9
FK44 E8
FK45 E8
FK46 D8
FK47 E8
FK48 E8
FK49 E8
FK50 D8
FK51 E8
FK52 E8
FK53 E8
FK54 D8
FK55 E8
FK56 E8
FK57 E8
FK58 D8
FK59 E8
FK60 E8
FK61 E8
FK62 E10
FK63 E8
FK67 E10
FK68 E10
FK69 E10
FK70 D10
FK71 E10
FK72 E9
FK73 E9
FK74 D9
FK75 E9
FK80 D10
FK81 F9
FK82 F9
FK83 D10
FK84 E9
FL20 A3
FL21 A2
FL22 A2
FL23 A2
FL24 A2
FL25 A2
FL26 A2
FL36 C5
FM01 F4
FM02 F4
FM03 F4
FM05 F4
FM06 F5
FM07 F4
FM08 F4
FM10 F4
FM11 F3
FM12 F3
FM13 F3
FM15 F3
FM16 E4
FM17 F4
FM18 F4
FM19 F4
FN01 E3
FN02 E4
FN03 E4
FN04 E4
FP03 B8
FP05 A8
FP06 B8
FP08 A8
FP35 B9
FP40 A8
FR01 A6
FR02 A6
FR03 A5
FR04 A5
FR05 A5
FR06 A5
FR07 A5
FR08 A5
FR09 A5
FR10 A5
FR11 A5
FR12 A5
FR13 A5
FR14 A5
FR15 A4
FR16 A4
FR17 A4
FR18 A4
FR19 A4
FR20 A4
FR21 A4
FR22 A4
FR23 A7
FR24 A5
FR25 A5
FR26 A5
FR27 A5
FR28 A4
FR29 A4
FR30 A4
FR31 A4
I111 E7
I114 E5
I118 E5
I120 E5
I121 E7
I122 F6
I123 E6
I124 D5
I125 E5
I126 D5
I127 D5
I128 E5
I129 E5
I130 E4
I131 E5
I133 D5
I135 D5
I136 D5
I137 E5
I138 D5
I139 D5
I141 D4
I142 E5
I143 E5
I144 E5
I145 E6
I146 E7
I147 E6
I148 E5
I149 D5
I150 E7
I201 A4
I205 B4
I206 A7
I207 A7
I209 A5
I210 A7
I211 A7
I212 A7
I213 A7
I232 A4
I311 C4
I312 D4
I318 C3
I326 C4
I330 C4
I331 C4
I332 A5
I333 C4
I334 C4
I335 C4
I338 C4
I341 D3
I342 C3
I344 D4
I351 C3
I352 C4
I353 B4
I354 C3
I357 C4
I359 D3
I362 A5
I364 C4
I365 C3
I366 C3
I367 C3
I368 C3
I373 A3
I374 A4
I376 A4
I380 B4
I384 C3
I387 D5
I388 F7
I389 D4
I390 C5
I391 F7
I392 F7
I393 B3
I394 B3
I396 D4
I397 D4
I398 D4
I412 B4
I413 B4
I414 A3
I415 A3
I416 A3
I417 A3
I418 A3
I419 A3
I420 B3
I421 B3
I422 B3
I423 B3
I424 B3
I425 B3
I426 A3
I427 B4
I428 B4
I429 A4
I430 A4
I431 B4
I432 B4
I510 E2
I512 E2
I517 E1
I520 D1
I528 C2
I530 C2
I533 C1
I540 E2
I541 E2
I543 C2
I544 C1
I545 D2
I548 C3
I549 C3
I550 C3
I551 C2
I552 C2
I553 D3
I554 C3
I556 C2
I557 D2
I558 C3
I610 E2
I611 E1
I615 E2
I623 E2
I627 E1
I631 E2
I705 A7
I712 A6
I713 A7
I728 A7
I911 B4
I912 E1
I913 B2
I914 B2
I919 E2
I920 E1
I921 E1
I922 E1
I930 E2
I931 E1
I932 E1
I933 E1
IA01 A2
IA02 A2
IA03 A2
IA04 A1
IA05 A3
IA06 A3
IA07 A2
IA09 B2
IA10 B3
IA11 B3
IA12 B2
IA13 B2
IA14 A2
IA15 A2
IA16 B2
IA17 A1
IA18 A2
IA19 B2
IA20 A2
IA21 A2
IA22 B2
IA23 A2
IA24 A2
IA25 A2
IA26 B2
IA27 A1
IA29 A2
IA30 A2
IA31 A2
IA33 A3
IA34 A1
IA35 A2
IA36 A2
IA37 A1
IA38 B2
IA39 B2
IA40 A2
IA41 A3
IB12 A9
IB14 B9
IB15 B9
IB19 A9
IB20 A9
IB49 A10
IB50 B9
IB51 A10
IB52 A9
IC01 C5
IC02 B5
IC07 C6
ID01 A4
ID05 B4
IE04 A6
IE05 A6
IE06 A6
IE07 A6
IE08 A6
IE09 A6
IE10 C7
IE11 C7
IE12 C6
IE15 A7
IF10 F7
IF11 C9
IF12 F7
IF13 F7
IF14 E7
IF15 E7
IF16 E8
IF17 E7
IF18 E8
IF19 F8
IF20 F8
IF21 F8
IF22 F8
IF23 F8
IF24 F8
IF25 F8
IF26 F8
IF27 F9
IF28 F8
IF29 F8
IF30 F8
IF31 E8
IF32 E7
IF33 F8
IG13 C9
IG14 C9
IG15 C10
IG16 C10
IG17 C10
IG18 B10
IG19 C10
IG20 B10
IG21 B10
IH04 C10
IH06 D10
IH07 D9
IJ01 D8
IJ02 D8
IJ63 C9
IJ64 C9
IJ65 C9
IJ66 C9
IJ67 F1
IJ68 F1
IK68 E9
IK69 F9
IK70 F9
IK72 F9
IK73 E9
IK75 C9
IK76 F9
IK84 F8
IK85 F10
IL20 A3
IL21 B3
IL22 A3
IL23 B3
IL25 C3
IL26 C4
IL30 C5
IL31 A7
IL32 C3
IL33 D3
IL34 A3
IL35 A3
IL37 C5
IL38 E3
IL39 F3
IM01 F5
IM02 F5
IM03 F4
IM04 F4
IM07 F5
IM08 F4
IM09 F3
IM10 F3
IM11 F3
IM12 E3
IM13 F4
IM14 E3
IM15 E4
IN06 E4
IN07 E3
IN09 E3
IN10 E3
IN11 E4
IN12 E3
IN13 D4
IN14 D4
IN15 D4
IN16 E3
IN17 E3
IN18 E3
IN19 E3
IN20 E3
IN21 E3
IP01 B8
IP02 B8
IP03 A9
IP04 A8
IP08 A8
IP09 B8
IP16 B8
IP17 A8
IP23 B8
IP24 B8
IP25 A8
IP26 A8
IP27 B9
IP28 A8
IP29 B8
IP31 A8
IP32 B8
IP33 B7
IP36 B9
IP37 A8
IP38 A8
IP39 B8
IP40 B8
IP41 A8
IP42 B9
IP43 B8
IP44 B8
IP45 B8
IP55 B8
IP56 A8
IP57 A8
IP58 B8
IP59 B8
IR01 A6
IR02 A5
IR04 A6
IR05 A5
IR06 A6
IR08 A6

38LC7.5E LA 6.
Block Diagrams, Test Point Overviews, and Waveforms
Test Point Overview SSB (Part 1 Bottom Side)
Part 1
H_17370_025a.eps
070804
H_17370_025a.eps
070804

Block Diagrams, Test Point Overviews, and Waveforms 39LC7.5E LA 6.
Test Point Overview SSB (Part 2 Bottom Side)
Part 2
H_17370_025b.eps
070804

40LC7.5E LA 6.
Block Diagrams, Test Point Overviews, and Waveforms
Test Point Overview SSB (Part 3 Bottom Side)
Part 3
H_17370_025c.eps
070804

Block Diagrams, Test Point Overviews, and Waveforms 41LC7.5E LA 6.
Test Point Overview SSB (Part 4 Bottom Side)
Part 4
H_17370_025d.eps
070804

42LC7.5E LA 6.
Block Diagrams, Test Point Overviews, and Waveforms
I2C Overview
I²C
MICROPROCESSOR
B04 AUDIO PROCESSOR
B06A
LVDS CONNECTOR
B07E
TUNER IF & DEMODULATOR
B02
DVB-DEMODULATOR
B03A
DVB-MOJO
B03C
DVB-COMMON INTERFACE
B03B
DVB-MOJO MEMORY
B03D
DVB-MOJO ANALOG
BACK END
B03E
TRIDENT - WX68
B05A DDR & CPU INTERFACE
B05B
TUNER IF & DEMODULATOR
B02
B07D HDMI SWITCH B07C HDMI MAIN
FPGA INTERFACE
B05D FPGA I/O BANKS
B05E
SIDE HDMI
D1
1
2
+5V_SW
IIC_SDA_up
IIC_SCL_up
28
7311
M30300SAGP
MICRO
PROCESSOR
27
+3V3_STBY
3L76
3L75
IIC_SDA
IIC_SCL
3382
3L62
BOLT_ON_SDA
BOLT_ON_SCL
33
34
3354
3L53
54
1101
TD1316AF/IHP
TUNER
ERR
07
SDA2
SCL2
RXD0
TXD0
ERR
04
H_17371_009.eps
021007
32
7411
MSP4450P
SOUND
PROCESSOR
3411
3410
15
4
+3V3_SW
3351
3352
3R25
3R26
ERR
09
COMPAIR
SERVICE
CONNECTOR
3343
3345
10 11
7113
TDA9886T/V4
DEMODULATOR
3152
3151
ERR
08
7111
74HCT4053D
1
3
2
5
I2C_TDA_SDA
I2C_TDA_SCL
86
7F01
TDA10046AHT
COFDM
CHANNEL
DECODER
3F40
3F44
+5V_SW
3F41
3F42
98
7G00
PNX8314HS
MOJO
3G47
3G46
ERR
12
I2C_LOCAL_SDA
I2C_LOCAL_SCL
7
6
3031
7K00
STV0700L
PCMCIA
CONTROLLER
3K01
3K00
56
7H03
M24C64
EEPROM
8Kx8
3H09
3H10
+5V_SW
3H13
3H12
56
7L23
M24C64
EEPROM
(NVM)
3L54
3355
ERR
06
4
3
3G43
3G44
185user_EEPROM_WP 7
3H11
15 TXD0
14 RXD0
DVB_SW11
B04A
ERR
13
4J15
4J14
DOC_SDAB
DOC_SCLB
DOC_SDAC
DOC_SCLC
5120
5121
3F46
3F48
7H00
M29W320ET70
NOR
FLASH
2/4/8MB
7H02
K4S281632I
SYNC
DRAM
4x2Mx16
ADDR
DATA
ADDR
DATA
1314
2
3
7302
PCA9515ADP
3
2
6
7
7303
PCA9515ADP
3
2
6
7
IIC_SDA_SIDE
IIC_SCL_SIDE
+3V3SW
3359
3360
+3V3SW
3362
3361
7310
MX29LV800CTTI
EPROM
1Mx8/
512kx16
ADDR
DATA
H17 H18
7C01
SVP WX68
TRIDENT
3C08
3C09
ERR
05
7D01
K4D261638K
SDRAM
8Mx16
7D02
K4D261638K
SDRAM
8Mx16
14 15
3M20
19 1
182
HDMI
CONNECTOR
1M02
16
15
19 1
182
1M03
16
15
7M07
SII9185CTU
HDMI
SWITCH
50
51
70
71
+5VHDMI_B
3M38
3M37
+5VHDMI_C
3M40
3M39
3M21
26 27
3N39
7N01
SII9125CTU
HDMI
MAIN
ERR
11
3N40
HDMI-MUX_SDA
HDMI-MUX_SCL
UART
SERVICE
CONNECTOR
1J14
2
3
HDMI-SIDE_TSCL
28
29
33
34
+3V3_ANA-MUX
3N38
3N37
+3V3_ANA-MUX
3N36
3N35
1R01
77
78
ERR
10
ERR
14
ERR
15
ERR
20
ERR
16
P2 H1
7700
EP2C5F256C7N
FPGA
ERR
17
N2
P3
3205
3206
1
2
3
1201
+3V3_FPGA
3203
3204
TO AMBI-LIGHT
MODULE
AMBI_SDA
AMBI_SCL
3202
3201
MAIN_SDA
MAIN_SCL
(ONLY FOR AMBI-LIGHT SET)
IIC_SDA_up
IIC_SCL_up
LVDS
CONNECTOR
(ONLY FOR AMBI-LIGHT SET)
1Q031N01
316
217
1Q02
3
2
12 13
3Q10
7Q03
SII9181CNU
HDMI
BUFFER
3Q11
19 1
182
1Q01
16
15
DOC_SDAA
DOC_SCLB
19 1
182
1M01
16
15
30
31
+5VHDMI_A
3M36
3M35
1305
2
3
D1
TO 1Q02
SIDE I/O
B04
FROM 1305
SSB
IIC_SDA
IIC_SCL
52
53
HDMI-SIDE_TSDA
HDMI-SIDE_TSCL
DDC_SDAS
DDC_SCLS
37
38
+5VHDMI_S
3Q15
3Q14
ERR
22
ERR
21
HDMI-SIDE_TSDA

Block Diagrams, Test Point Overviews, and Waveforms 43LC7.5E LA 6.
Supply Lines Overview
SUPPLY LINES OVERVIEW
B01A
DC-DC - 3V3 & VTUN & 5 V_SW
B03B
DVB-COMMON INTERFACE
B03C
DVB-MOJO
B03D
DVB-MOJO MEMORY
B04
MICROPROCESSOR
B05A
TRIDENT - WX68
B07C
HDMI MAIN
B06C
HEADPHONE AMP & MUTING
B06B
AUDIO
B02
TUNER IF & DEMODULATOR
B03A
DVB-DEMODULATOR
B07A
YPBPR & SVHS
J
IR/LED/LIGHT-SENSOR
B07D
HDMI SWITCH
B07E
LVDS CONNECTOR
B05E
FPGA I/O BANKS
B01B
DC/DC - 1V2 & 2V5 & 1V8
B03E
DVB-MOJO ANALOG BACK END
B05A
TRIDENT - WX68
B05C
WX POWER / GROUND
B05D
FPGA INTERFACE
B07B
I/O - SCART 1 & 2
D1
SIDE HDMI
D2
SIDE I/O
1M20
5
SUPPLY
+3V3+3V3
+1V2_SW +1V2_SW
+3V3_VDDP
5G04
+3V3+3V3
+3V3_STBY +3V3_STBY
+3V3_SW+3V3_SW
+5V_SW +5V_SW
B01a
B03e
B01a
B01a
63
B01b
B03e
1B13
41
52
+5V_STANDBY
B04,B05a
B02,B03a,b,d
B06a,c,B07a,b,d
77
88
1B12
+5V_STANDBY
+12V_DISPB03a,B04,
B06a,B07e
7B02
IN OUT
COM
+3V3_STBY
7B12
STANDBY
+5V_SW
STEP
DOWN
REG.
7B01 5B035B02 +3V3_SW
+VTUN
5B06 6B03
7B13(34V)
3B67
+3V3_SW+3V3_SW
+5V_SW +5V_SW
5115 +5V_IF
+5VS
5114
B01a
B01a
3133
3134
+VTUN +VTUN
B01a
+12V_DISP +12V_DISP
B01a
+3V3+3V3
5F10 +3V3FE
B03e
+1V8_SW +1V8_SW
B01b
+5V_SW +5V_SW
B01a
+3V3_BUF
5K05
+3V3_STV
5K03
+3V3_CORE
5K04
+5V_SW +5V_SW
B01a
PCMCIA_5V
7K05
IN OUT
COM
5K02 PCMCIA_VPP
5K01 PCMCIA_AVCC
+3V3clean+3V3clean
B03e
+3V3_NOR48
5H02
+3V3+3V3
B03e
+5V_SW +5V_SW
B01a
+5V_STANDBY +5V_STANDBY
B01a
B01a
+2V5_SW +2V5_SW
B01b
+2V5_VDDMQ
5D03
+5V_SW +5V_SW
B01a
+5V_SW +5V_SW
+3V3_STBY +3V3_STBY
B01a
B01a
+AUDIO_POWER
+AUDIO_POWER_+12V_DISP
4A01
RES
VDDA
VDD
5A05
3A01
-AUDIO_POWER
VSSA
VSS
5A06
3A02
B04,B06c
B02
B03e,B04,
B05a,c,e,
B07c,d
CN7
X406
CN6
X404
3L10 1L20
5
+5V_STANDBY +5V_STANDBY
J
1M20
IR/LED
B04
5B01
1
3
7
ONLY FOR ANALOG TV
5304
5A07
+1V8_SW+1V8_SW
STEP
DOWN
REG.
7P11
7P06-2
1
7
+12V
5A07
7P06-1
2
+2V5_SW
5P01
+3V3clean
5J01
+3V3_SW+3V3_SW
B01a
7J04 +3V3
IJ01
CONTROL
B03a,b,c
B03E
+3V3_SW+3V3_SW
+3V3_FPGA
B01a
H_17371_010.eps
021007
1
2
CN4
X405
+12V_DISP+12V_DISP
B01a
96
74
85
ONLY FOR ANALOG TUNER
+1V8S_SW+1V8S_SW
B01b
+5V_STANDBY +5V_STANDBY
B01a
+3V3_SW+3V3_SW
DDR_VREF
3D15
+1V2_SW +1V2_SW
+1V2_CORE
B01b
+1V2_ADC
+1V2_PLL
5E12
5E14
5E13
B01a+3V3_SW+3V3_SW
+2V5_VDDMQ +2V5_VDDMQ
B05aDDR_VREF DDR_VREF
B05a
+3V3_FPGA +3V3_FPGA
B05e
(ONLY FOR AMBI-LIGHT SETS)
5700
+2V5_SW +2V5_SW
+2V5out-FPGA
+2V5in-FPGA
5702
5701
+1V2_SW +1V2_SW
+1V2_FPGA
+2V5in-PLL
5704
5703
5705
B06A
AUDIO PROCESSOR
+12V_DISP +12V_DISP
+AUDIO_POWER_+12V_DISP
+5V_SW +5V_SW
+5V_AUD
+5V_D
5401
B01a
B01a
4401
+8V
7410
IN OUT
COM
3402
5402
2
1A03
1
5A09
5A08
A
CN6
SUPPLY
+5V_SW +5V_SW
B01a
+3V3_SW+3V3_SW
+3V3_SWC
B01a
+3V3_SWA
+3V3_SWB
5N02
5N07
5N03
+3V3_SWD
5N08
+3V3_SWE
5N09
+1V8_SW +1V8_SW
1V8_SWC
B01b
+1V8_SWA
+1V8_SWB
5N01
5N05
5N04
+1V8_SWD
5N06
+3V3_ANA-MUX +3V3_ANA-MUX
B07d
1N01
19 +5VHDMI-SIDE-_TPWR
+5VHDMI-MUX-_TPWR +5VHDMI-MUX-_TPWR
B07d
+1V8_ANA-MUX
+1V8_DIG-MUX
5M03
5M02
+3V3_SW+3V3_SW
5M01 +3V3_ANA-MUX
B01a
+5VHDMI_A
18
HDMI
CONNECTOR-1
+5VHDMI_B
1M02
18
HDMI
CONNECTOR-2
1M01
+5VHDMI_C
18
HDMI
CONNECTOR-3
1M03
+5V_SW+5V_SW
B01a
VDISP
+12V_DISP +12V_DISP
7R05
B01a
5R02
7R07
CONTROL
5R03
LCD_PWR_ON
B04
TO
DISPLAY
1R01
41
7P07-2
15
7P07-1
16
+1V2_SW
5P09
+12V
+1V8_SW
B04
1L20
SSB
B01a
B01b
+5VHDMI-MUX-_TPWR
3M13
1Q02
5+3V3_SW
B04
1305
SSB
6+1V8_SW
7+5V_SW
5Q01 +3V3_ANA-SIDE
5Q03+1V8_DIG-SIDE
5Q02 +1V8_ANA-SIDE
+5VHDMI_S
18
1Q01
+3V3_SW+3V3_SW
D1 +5V_SW +5V_SW
D1
+5V_USB
7R02
IN OUT
COM
D2
D2
B03a,e
B07c,d
1Q03
3
B07C
1N01
SSB
+5VHDMI_SIDE_TPWR
3Q09
D1
1Q03
SIDE I/O
B07c
B07c
B05c
B05c
B01b
B01b
B05d
B05a,e
B03c,B05c,e
3
1
2
B06B
1A03
SSB
3
4
1
2
CN5
X411
3
4
SUPPLY
AMBI-LIGHT
MODULES

44LC7.5E LA 7.
Circuit Diagrams and PWB Layouts
7. Circuit Diagrams and PWB Layouts
SSB: DC / DC 3V3, VTUN, & 5V_SW
COM
OUTIN
FB
OUT
COMP
VREFVCC
INH
SYNC
GND GND_HS
RES RES
ONLY FOR LCD
RES
RES
LCD
PDP
4B04 / 4B05 / 4B06 / 4B07
4B08 / 4B09 / 4B10 / 4B11
RES
RES
RES
RES
TO / FROM PSU
5V2
TO / FROM PSU
2V9
2V8
1V6
0V(5V)
0V(5V)
(---V) MEASURED IN STANDBY
34V
*
*
*
*
*
*
*
*
*
DC / DC - 3V3 & VTUN & 5V_SW
ONLY FOR ANALOG TUNER
123456789
123456789
A
B
C
D
E
F
A
B
C
D
E
F
1B12 D9
1B13 F9
2B06 E8
2B10 A6
2B12 B2
2B18 D2
2B19 C6
2B20 C5
2B21 F3
2B22 F2
2B24 F3
2B25 B3
2B26 B4
2B27 B7
2B63 F8
2B65 D1
2B66 B5
2B67 B5
2B68 F9
3B10 A5
3B12 B5
3B15 D4
3B17 F2
3B18 F2
3B19 B5
3B65 B4
3B66 B4
3B67 C4
3B68 F9
4B04 E8
4B05 E8
4B06 E8
4B07 E8
4B08 E8
4B09 E8
4B10 E8
4B11 E8
4B12 F8
5B01 A2
5B05 A5
5B06 C4
5B08 A6
6B02 C6
6B03 C5
6B30 B5
7B01 A3
7B02 D2
7B12 F2
7B13 C5
FB07 E9
FB10 A2
FB11 A6
FB13 D2
FB14 C6
FB15 E2
FB27 D9
FB28 D9
FB29 E9
FB30 E9
FB31 E9
FB32 F8
FB33 F8
FB34 F8
FB36 F8
FB37 F8
FB38 F8
FB39 F8
FB40 F3
IB12 A4
IB14 C4
IB15 C5
IB19 B4
IB20 B5
IB49 F2
IB50 A5
IB51 A4
IB52 F8
FB40
7B02
LD1117DT33C
5B05
22u
220p
2B68
3B68100R
4B11
4B07
4B10
4B06
FB34
IB19
IB20
IB52
FB33
FB31
FB32
FB30
FB29
FB28FB27
5B06
220u 3B19
6K8
1n0
2B63
+5V_SW
4B12
4B09
4B05
4B08
4B04
FB39
+5V_STANDBY
FB38
FB37
FB36
FB07
+5V_STANDBY
2B06 1n0
6
7
8
+12V_DISP
1B13
440054-8
1
2
3
4
5
4
5
6
440054-6
1B12
1
2
3
35V22u
2B19
3B18
6K8
IB15
FB14
IB14
3B10
GNDTUN
100p
2B20
3B15
1K0
BZX384-C33
6B02
+VTUN
3
1
2
BAV99 6B03
2N7002
7B13
3B67
220R
2B67
2B27
10n
2B21
100n
4K7
3B65
5B08
10u
2B65
100n
470u 16V
2B66
FB15
IB49
FB11
FB10
6K8
IB12
3B17
2B22
4u7 35V
2
3
+5V_SW
+5V_STANDBY
SI4423DY
7B12
5
6
7
8
4
1
+3V3_SW
3B12
1K5
SS246B30
1K0 1%
+5V_SW
3B66
IB50
IB51
22n
2B26
220p
2B25
GNDDC
5B01
10u
22u
2B12
5
7
9
3
1
2
8
6
Φ
7B01
L5973D
4
FB13
+3V3_STBY
100u
2B10
2B24
16V
16V
47u
16V10u
2B18
1
32
+5V_STANDBY
POWER_DOWN
BL_ADJUST
BL_ON_OFF
STANDBY
BACKLIGHT_BOOST
STANDBY
B01A B01A
H_17370_001.eps
010804
3139 123 6273.1

Circuit Diagrams and PWB Layouts 45LC7.5E LA 7.
SSB: DC / DC 1V2, 2V5, & 1V8
NCNC
A
REF
K
VCC
L2
+1
-1
1
2
+2
-2
2
VFB
GATE
IS
COMP
GATE
GND
1
BST
ROSC
H2
L1
H1
DC/DC - 1V2 & 2V5 & 1V8
NC
NC
RES
RES
RES
123456789
123456789
A
B
C
D
E
A
B
C
D
E
2P07 A3
2P28 A4
2P29 A4
2P30 A4
2P31 B2
2P32 B3
2P33 B6
2P34 B6
2P35 B4
2P36 B6
2P37 C4
2P38 C4
2P39 D3
2P40 D1
2P41 D1
2P42 E3
2P43 D7
2P46 D8
2P48 E6
2P49 E1
2P52 D5
2P53 D5
2P54 D6
2P55 B8
2P56 B9
2P58 C8
2P59 B6
2P61 D7
2P68 D8
2P72 B7
2P73 B8
2P78 A3
3P13 C4
3P20 B2
3P23 B3
3P25 B4
3P26 C3
3P32 D3
3P34 D4
3P37 B6
3P38 C6
3P40 D2
3P41 D3
3P45 D6
3P47 A3
3P48 A3
3P49 A2
3P50 D6
3P51 D7
3P52 E6
3P53 E7
3P54 E1
3P56 E1
3P59 C8
3P61 C5
3P64 C1
3P68 D4
3P69 D4
3P70 D3
3P71 E3
3P72 E3
3P74 D4
3P77 C8
3P78 C7
3P79 C7
4P01 B3
4P02 C4
5P01 B6
5P02 A5
5P09 C7
6P05 B8
6P12 C7
6P13 A4
6P14 A3
6P15 A2
7P05 A2
7P06-1 B3
7P06-2 B3
7P07-1 C4
7P07-2 C4
7P08 C8
7P09 B7
7P11 C2
FP03 C9
FP05 B9
FP06 B9
FP08 B6
FP35 E4
FP40 C1
IP01 B2
IP02 A5
IP03 B3
IP04 B3
IP08 C1
IP09 D1
IP16 D3
IP17 D3
IP23 B7
IP24 C8
IP25 C3
IP26 C3
IP27 C3
IP28 D1
IP29 D1
IP31 D3
IP32 E2
IP33 A5
IP36 C5
IP37 A2
IP38 B3
IP39 D3
IP40 D4
IP41 D4
IP42 C4
IP43 D4
IP44 D6
IP45 E1
IP55 D1
IP56 A4
IP57 B6
IP58 C7
IP59 D6
IP59
IP57
IP58
IP56
4
TS431AILT
7P08
53
12
3P79 1K0
GNDDC2
GNDDC2
GNDDC1V2
GNDDC1V2
GNDDC2V5
2P61
22u
+2V5_SW
+2V5_SW
+1V2_SW
2P40 100n
GNDDC2
GNDDC1V2
4V
2P68 100u
1%
3P64
680R
+12V_DISP
IP42
3P13
4P02
10R
2R2
3P32
220R3P49
10R
3P23
5
1213
14
7
10
8
9
1
16
2
15
3
6
11
7P11
Φ
NCP5422ADR2G
4
IP45
IP37
IP33
FP03
FP35
IP43
IP55
FP40
IP28
IP29
IP08
IP09
IP02
IP03
IP04
IP38
IP41IP17
IP16 IP40
IP27
IP26
IP31
IP25
IP39
GNDDC1V2
IP32
100u2P46 4V
68R3P48
68R3P47
22u
GNDDC2V5
3P71
2P29
6K8
6K8
3P69
6K8
3P68
6K8
3P74
IP36
2P37
3n3
3n3
2P32
4P01
3P20
2R2
3P26
1n0
10R
2P53
1n0
2P52
10R
3P61
1n0
2P38
1n0
2P35
10R
3P25
IP44
IP01
GNDDC2
FP08
GNDDC2 GNDDC2
GNDDC2
1%
GNDDC2 GNDDC2
GNDDC2
3P51
180R
1u0
2P31
22u
2P28
GNDDC1V2
22u
2P30
3P40
GNDDC2 GNDDC2
39K
100p
3P54
10K
2P49
1%
470R
3P56
5P02
10u
100p
2P48
GNDDC2
680R
100n2P41
3P53
1%
2K2
3P52
2P43 3n3
1K0
3P50
6K8
3P45
GNDDC2V5
100n
2P54
22u
2P34
3n3
2P33
3P34
3K3
6K8
3P41
100n
2P39
1K0
3P38 6K8
3P37
100n
2P36
5P01
10u
2
1
GNDDC2V5
GNDDC1V2
+1V2_SW
7P06-1
SI4936ADY
78
56
43
56
4
3
7P06-2
SI4936ADY
5P09
7P07-2
SI4936ADY
2
1
10u
7P07-1
SI4936ADY
78
BZX384-C18
6P15
7P05
BC817-25W 1u0
2P78
6P14
BAS316
BAS316
6P13
100n2P07
3K3
3P70
6K8
100n
2P42
3P72
FP05
+12V_DISP
+2V5_SW
BZX384-C6V8
6P12
1K03P78
4V
GNDDC2V5
IP24
100u
2P72
IP23
4V
100u
2P56
4V
2P55
100u
1u0
470R
3P59
2P58
2P59
GNDDC2V5
1%
100u 4V
BZX384-C6V8
6P05
1%
1K0
3P77
2P73
2
1
3
22n
FP06
7P09
PHD38N02LT
+1V8_SW
B01B B01B
H_17370_002.eps
010804
3139 123 6273.1

46LC7.5E LA 7.
Circuit Diagrams and PWB Layouts
SSB: Tuner IF & Demodulator
COM
OUTIN
I
O2ISWI
O1
GND
I
O2IGND
O1
GND
4X1
G4
4X2
1
2
VDD
VEEVSS
MTMT
SIF
AGC
AFC DETECTOR
PORTS
INTERCARRIER MIXER AND
AM-DEMODULATOR
I C-BUS TRANSCEIVER
2
RC VCO
NARROW-BAND FM-PLL
DIGITAL VCO CONTROL
SOUND TRAPS
4.5 to 6.5 Mhz
AUDIO PROCESSING
MAD
TUNER AGC VIF AGC
SUPPLY OUTPUT
VIF-PLL
SINGLE REFERENCE QSS MIXER
AND SWITCHES
DEMODULATOR
TUNER IF & DEMODULATOR
RES
RES
DEMODULATOR
TUNER
SAW FILTERS DVB ONLY
ANALOG DIGITAL
4110
4111
4112
4113
4114
4115
Y
Y
Y
4116
4117
4118
4119
RES
RES
RES
4120
4121
4122
4123
4124
Y
Y
Y
Y
Y
Y
Y
Y
Y
Y
Y
Y
Y
Y
Y
Y
Y
ONLY FOR ANALOG TV
RES
RES
RES RES
RES
RES
RES
1V3
1V3
4V9
4V3
2V
2V
2V
2V
0V
2V1
1V5
2V1
2V3
*
*
** ***
*
*
*
*
*
*
*
*
*
RES
RES
RES
123456789101112
123456789101112
A
B
C
D
E
F
G
H
I
A
B
C
D
E
F
G
H
I
1101 A6
1102 B4
1103 C4
1104 E4
2112 B11
2113 B10
2115 B6
2116 B6
2117 C3
2118 C10
2119 C8
2120 C9
2121 E7
2122 D7
2123 F3
2124 F2
2125 F2
2126 F3
2127 F4
2128 F7
2129 H11
2130 H11
2131 I11
2132 I11
2133 G6
2134 H7
2135 H8
2136 G6
2137 H5
2138 H2
2139 H5
2140 I3
2141 I3
2142 C8
2143 F5
2144 I3
2145 I3
2146 B6
2147 A8
2148 A9
2149 B11
3110 A12
3111 A11
3113 B3
3115 B12
3117 C3
3118 C2
3119 C1
3120 D8
3123 E3
3124 E2
3125 G7
3126 H7
3127 H6
3133 H10
3134 H10
3135 F7
3136 A8
3137 A9
3140 I8
3146 E8
3151 I3
3152 I3
3187 I8
3188 D2
3190 D10
3191 E10
3192 B8
3193 I5
3194 I5
3195 I5
4112 B6
4113 B8
4114 C7
4115 C7
4116 C7
4117 C7
4118 C7
4119 C7
4120 D8
4121 D10
4122 E10
4123 D7
4124 G7
4125 B11
4126 I5
5111 B1
5112 B9
5114 H11
5115 H11
5116 G7
5117 B5
5118 A8
5120 D7
5121 E7
6103 C3
6110 A11
7109 C2
7111 B10
7113 F2
7114 G7
7131 D11
7132 E11
7133 A8
7134 I6
A115 B5
A116 B5
A124 C5
A125 C5
F101 B1
F112 A6
F114 H10
F115 B7
F116 B7
F117 B7
F118 B7
F119 B7
F120 B7
F121 B7
F126 C7
F128 F2
F129 H11
F130 G6
F131 H11
F132 A6
F133 B9
F134 A8
F140 G8
F142 B7
F143 B7
F145 C7
I111 A12
I114 C4
I118 C4
I120 C2
I121 D10
I122 D7
I123 E10
I124 E3
I125 F4
I126 F3
I127 F3
I128 G6
I129 G6
I130 H6
I131 H5
I133 I4
I135 I4
I136 I4
I137 B8
I138 G7
I139 G7
I141 C1
I142 F5
I143 H3
I144 H3
I145 A9
I146 A8
I147 A8
I148 I7
I149 H11
I150 H11
2124
22n
4126
+5VS
BC847B
7134
18K
3195
22K
3193
22K
3194
I150
I148
+5VS
I149
4K7
3187
3140
150R
4125
120R5121
120R5120
I147I146
2u2
2149
33R
5118
I145
+12V_DISP
2148
100n
2147
330n
3137
47R47R
2
13
3136
L78M05CDT
7133
2146
1u0
3135
15R
I144
I142
I143
+5V_IF
I141
1R0
3134
3133
1R0
10n
2144
2143
1n0
1n0
2145
10u
5115
5114
10u
F140
5112
33R
I139
I138
I136
I137
7132 +3V3_SW
+5V_IF
BSH111
3191
4K7
+3V3_SW
+5V_IF
7131
BSH111
4K7
3190
F132
50V
10u
2142
3192
1K0
5117
4124
5116
5u6
15p
2135
2134
15p
3126
180R
A115
A116
F130
F112 I111
I121
I123
F134
F115
F116
10n
2128
1u0
2115
1u0
2116
A124
A125
+5VS
3125
150R
7114
BC847B
5
4
OFWK3953M
1102
38M9
3
1
F114
5
4
4123
1103
OFWK9656M
3
1
F143
38M9
F121
F142
F120
F119
F117
F118
I118
I120
I114
+5V_IF
F131
3113
6K8
3117
2K2
10n
2117
2113
10n
22u
2120
2121
15p
4121
4122
2122
4116
15p
2119
100n
22u
2131
+5V_SW +5V_IF
2132
22u
4112 1314
15
2RF_AGC
4SCL
5SDA
XTAL_OUT
6
7
3CS
1DC_PWR
9IF_AGC
8IF_OUT1
10 IF_OUT2
IF_OUT3
11
12
TUNER
1101
TD1316AF/IHP-2
+5V
+VTUN
4113
4120
4118
4119
4117
4115
4114
1
3
12
2
5
14
15
4
6
11
10
9
16
7
8
13
F145
MDX
7111
74HCT4053D
3120
F126
I122
10R
F133
3146 10R
2118
10n
+5V_IF
3110
8K2
5K6
3111
6110
3115
39K
BAS316
22u
F101
+5V_IF
2112
2K2
3118
6103
1SS356
390n
5111
18K
22K
3119 7109
3188
BC847B
I130
I131
I129
I128
I133
I125
F128
+5VS
+5V_SW
+5VS
16VAGC
VIF11
VIF22
VPLL 19
Vp20
15
SCL11
SDA10
SIF123
SIF224
SIOMAD12
TAG C 1 4
TOP 9
8
CVBS 17
DEEM 5
DGND7
FMPLL4
NC
13
OP13
OP222
REF
7113
TDA9886T/V4
AFC 21
AFD 6
AGND18
AUD
2136
470n
3127
10n
2133
5K6
2137
10n
2139
390p
I127
I126
F129
I124
I135
2141
2140
2129
22u 10n
2130
3152 100R
100R
3151
4M0
10n2138
1104
22p
2127
3123
330R
2123
1n5
2126
220n
470n
2125
3124
100R
I2C_TDA_SDA
CVBS_RF
I2C_TDA_SCL
4MHZ_CLK
IF_ATV
DVB_SW
WAGC_SW
IIC_SDA
IIC_SCL
VIM_IBO
VIP_IBO
RF_AGC_IBO
IF_AGC_IBO
SAW_SW
SIF1
RF_AGC
IF_ATV
SIF1
VIF2
VIF1
SIF2
SIF
VIF2
VIF1
SIF2
RF_AGC
IIC_SCL_up
IIC_SDA_up
B02
H_17370_003.eps
010804
3139 123 6273.1

Circuit Diagrams and PWB Layouts 47LC7.5E LA 7.
SSB: DVB-Demodulator
MPEG-TS (PARALLEL)
I2C
MPEG-TS (SERIAL)
MPEG-TS (SERIAL)
JTAG
NC
1
NC
1
DVB - DEMODULATOR
COFDM
CHANNEL DECODER
3V2
1V3 1V6
3V2
1V3 1V6
2V8
1V3
1V5
1V5
0V7
0V6
2V3
3V2
4V6
4V6
5V
5V
0V
0V
0V
2V4
2V4
2V2
2V2
2V2
2V2
2V2
2V2
2V2
2V2
1V7
1V3
0V
0V
2V2
3V3
3V3
3V2
3F48 F
6
4F11
D
4F12
D
5F10 B
5F11 B
7F01
C
7F02 B
7F03
C
7F04-1
7F04-2
FF10
B
FF11
B
FF12
B
FF13
C
FF14
C
FF16
D
FF17
D
FF18
D
FF19
D
FF20
D
FF21
E
FF22
E
FF23
E
3F16
C
3F17
C
3F18
D
3F19
D
3F20
D
3F21
D
3F22
D
3F23
D
3F24
D
3F25
D
3F26
D
3F27
D
3F28 E
3F29 E
3F30 E
3F31-1
3F31-2
3F31-3
3F31-4
3F32-1
3F32-2
3F32-3
3F32-4
3F33 E
3F34-1
3F34-2
3F34-3
3F40 F
6
3F41 F
3
3F42 F
3
3F44 F
6
3F46 F
6
F
G
2F10 B
2F11 B
2F12 B
2F13 B
2F14 B
2F15 B
2F16 B
2F17 B
2F18 B
2F19 B
2F20 B
2F21 B
2F22
C
2F23
C
2F24
C
2F25
C
2F26
C
2F27
D
2F28
D
2F29
D
2F30
D
2F31
D
2F32
D
2F33 E
3F10 B
3F11 B
3F12 B
3F13 B
3F14
C
3F15
C
1234567891011
12345
7F01
AGC_IF
TDA10046AHT/C1
678
IF33
91011
A
B
C
D
E
F
G
A
B
C
D
E
IF32
+3V3+3V3FE
2F10
100n
60R
5F10
2F11
47u 16V
FF12
FF14
FF11
FF29
FF30
FF27
FF25
FF19
FF13
FF17
FF10
100n
2F18
+5V_SW+5V_SW
+3V3
+5V_SW
+5V_SW
+3V3FE
3F33
+3V3FE
IF12
10K
4
7F03
74AHC1GU04GW
2
3
1
5
3F12
330R
3F17 220K
330R
3F14
680K
3F15
+3V3
IF11
5
4
7F02
74AHC1GU04GW
2
3
1
390R
3F16
220K3F13
470R
3F10
3F11
680K
+3V3FE
+3V3FE
+1V8_SW
+5V_SW
+5V_SW +5V_SW
+1V8_SW
+5V_SW
+5V_SW
IF17
IF18
2F16
100n
3F21
33R
FF20
FF16
FF24
FF18
FF21
33R
3F30
IF29
IF30
33R
3F34-3 36
IF28
33R
27
18
3F34-2
18
33R
3F34-1
33R3F32-1
33R27
33R3F32-3 3 6
3F32-2
3F32-4 4 5
18
33R
27
3F31-1 33R
3F31-2 33R
33R3F31-3 3 6
33R45
10p
2F33
3F31-4
100n
2F30
4K7
3F23
IF31
4F11
100n
2F27
3F24
100K
5
6
7
8
4
4
LM393D
7F04-2
LM393D
7F04-1
3
2
1
8
60R
5F11
IF26
IF27
IF25
IF24
IF22
IF23
IF21
IF20
FF26
FF28
FF22
IF10
IF13
IF16IF15IF14 4F12
1K0
4K7
3F20
3F26
2F29 100n
3F48 100R
100R3F46
47u
2F21
16V
100R
3F44
100R
3F40
100n
2F26
680K
100n
2F28
3F223F27
100K
4K7
3F19
3F25
100K
100K
3F28
100K
FF23
3F29
IF19
100n2F31
2F32 100n
2K7
3F41
2K7
3F42
2F15
100n
2F14
100n
2F12
100n
100n
2F20
2F17
100n
2F19
100n
2F13
100n
2F24
100n
2F25
100n
2F23
100n
100n
2F22
3F18
10K
54 XIN
55 XOUTXOUT
24
VSS3
29
VSS4VSS4
VSS5VSS5
40
VSS6
45
VSS6
VSS7
52
VSS7
63
VSSA_ADCVSSA_ADC
56
VSSA_OSCVSSA_OSC
VSS_PLL_ADCVSS_PLL_ADC
58
XIN
VDDI18_1VDDI18_1
VDDI18_2VDDI18_2
22
VDDI18_3
42
VDDI18_3
50
VDDI18_4VDDI18_4
VIM
61 VIM
VIP
62 VIP
VSS1
7
VSS1
15
VSS2VSS2
VSS3
59
VDD18_PLL_ADC
64
VDD33_ADCVDD33_ADC
VDDA18_OSC
53
VDDA18_OSC
VDDA18_PLL
57
VDDA18_PLL
60
VDDA33_ADCVDDA33_ADC
19
VDDE33_1VDDE33_1
34
VDDE33_2VDDE33_2
VDDE33_3VDDE33_3
475
TCKTCK 18
TDI 17
TDI
TDO 20
TDO
TEST
12 TEST
16
TMSTMS
TRST 14
TRST
UNCOR 33
UNCOR
VDD18_PLL_ADC
3
SDA
8SDA
4SDA_TUNSDA_TUN
30
S_DENS_DEN
32
S_DOS_DO
S_OCLKS_OCLK 31
28
S_PSYNC
S_PSYNC
S_UNCORS_UNCOR 27
GPIO2
GPIO3GPIO3
26
OCLK 37
OCLK
PSYNC 35
PSYNC
SACLK 51
SACLK
SADDR0
11 SADDR0
10 SADDR1SADDR1
SCLSCL
6
SCL_TUNSCL_TUN
44
DO4DO4
DO5DO5 46
DO6 48
DO6
DO7 49
DO7
ENSERI 13
ENSERI
GPIO0GPIO0
21
GPIO1GPIO1
23
GPIO2
25
2AGC_IF
AGC_TUNAGC_TUN
1
9CLR_CLR_
DEN 36
DEN
DO0 38
DO0
DO1 39
DO1
DO2 41
DO2
DO3DO3 43
TDA_DAT(0:7)
4MHZ_CLK
TDA_CLK
TDA_VALID
TDA_SYNC
FE_LOCK
TDA_DAT(6)
TDA_DAT(7)
COMP_OUT
TDA_DAT(0)
TDA_DAT(1)
TDA_DAT(2)
TDA_DAT(3)
TDA_DAT(4)
TDA_DAT(5)
RF_AGC_IBO
IF_AGC_IBO
4MHz_MOJO
I2C_LOCAL_SCL
I2C_TDA_SCL
I2C_TDA_SDA
VIM_IBO
VIP_IBO
I2C_LOCAL_SDA
STV_TDO
10046_TDO
JTAG_TM S
JTAG_TRST
RES
RES
RESET_FE_n
COMP_OUT
JTAG_TCK
B03A B03A
H_17370_004.eps
010804
3139 123 6273.1

48LC7.5E LA 7.
Circuit Diagrams and PWB Layouts
SSB: DVB-T: DVB Common Interface
INTERRUPTS
UCSG
INTERFACE
TS INTERFACE
I C
2
MANAGEMENT
EN
C1
1D
EN
C1
1D
G3
1
2
3EN2
3EN1
STNDBY
OUT
GND
VDD
PCMCIA
CONTROLLER
68p PCMCIA
CONNECTOR
LATCH
LATCH
BUS TRANSCEIVER
CURRENT
SWITCH
DVB-COMMON INTERFACE
0V
3V2
3V2
3V2
3V2
0V
3V2
3V2
3V2
0V
0V
3V2
3V2
3V2
3V2
0V
3V2
3V2
0V
3V2
3V2
3V2
0V
0V
0V
0V
0V
3V2
0V
0V
3V2
0V
3V2
3V2
0V
0V
0V
0V
0V
0V
0V
0V
0V
0V
0V
0V
0V
0V
0V
0V
0V
0V
0V
0V
0V
0V
0V
0V
0V
0V
0V
0V
0V
0V
2V8
0V
0V
0V
0V
0V
0V
0V
0V
0V
4V6
4V6
1V6
0V
2V2
2V2
2V2
2V2
2V2
2V2
2V2
1V3
2V2
1V5
0V
1V3
2V2
2V2
2V2
2V2
2V2
2V2
2V2
2V2
2V5
0V
3V2
3V2
3V2
0V
0V
3V2
3V2
3V2
3V2
3V2
3V2
0V
0V
3V2
3V2
3V2
0V
0V
0V
0V
0V
0V
0V
0V
0V
3V2
3V2
3V2
3V2
3V2
3V2
3V2
5V
5V
0V
5V
5V
3V2
3V2
3V2
3V2
5V
5V
1%
EMC
EMC
IK73 C10
IK75 F11
IK76 C11
IK84 G8
IK85 C4
FK50 J7
FK51 J9
FK52 J7
FK53 J9
FK54 J7
FK55 J9
FK56 J7
FK57 J9
FK58 J7
FK59 J9
FK60 J7
FK61 J9
FK62 J8
FK63 J7
FK67 H9
FK68 H7
FK69 H9
FK70 H7
FK71 H9
FK72 H7
FK73 H9
FK74 H7
FK75 H9
FK80 H7
FK81 H16
FK82 I16
FK83 I16
FK84 F15
IK68 C10
IK69 C10
IK70 F15
IK72 F16
FK18 I7
FK19 I9
FK20 I7
FK21 I9
FK22 I7
FK23 I9
FK24 I7
FK25 I9
FK26 I7
FK27 I9
FK28 I7
FK29 I9
FK30 I7
FK31 I7
FK32 I7
FK33 I9
FK34 I7
FK35 I9
FK36 I7
FK37 I9
FK38 I7
FK39 I9
FK40 J7
FK41 J9
FK42 J7
FK43 J9
FK44 J7
FK45 J9
FK46 J7
FK47 J9
FK48 J7
FK49 J9
3K44 C5
3K45 C5
3K46 C5
3K47 C6
3K48 C6
3K49 H2
3K50 H2
3K51 K6
3K52 C4
5K01 G15
5K02 H15
5K03 H15
5K04 I15
5K05 I15
7K00 E1
7K01 H3
7K02 I3
7K03 K3
7K04 F8
7K05 E16
FK01 E9
FK02 F10
FK05 G9
FK06 F15
FK10 H7
FK11 H9
FK12 H7
FK13 H9
FK14 I7
FK15 I9
FK16 I7
FK17 I9
3K18 B9
3K19 B9
3K20 B9
3K21 B9
3K22 C9
3K23-1 K4
3K23-2 K4
3K23-3 K4
3K23-4 K4
3K24-1 K4
3K24-2 K4
3K24-3 K4
3K24-4 K4
3K25 K4
3K26 K4
3K27 C2
3K28 C3
3K29 C3
3K30 C3
3K31 C3
3K32 C3
3K33 C3
3K34-1 C4
3K34-2 C4
3K34-3 C4
3K34-4 C4
3K38 C4
3K39 C4
3K40 C4
3K41 C5
3K42 C5
3K43 C5
2K11 I15
2K12 I15
2K13 I15
2K14 F9
2K15 K4
2K16 F8
2K17 G8
3K00 F2
3K01 F2
3K02-1 F4
3K02-2 F4
3K02-3 F4
3K03-1 F5
3K03-2 F5
3K03-3 F5
3K03-4 F5
3K04 H9
3K05-1 F5
3K05-2 F5
3K05-3 F6
3K05-4 F6
3K06 K9
3K07 K9
3K08 K6
3K09 F9
3K10 E14
3K11 F16
3K12 F10
3K13 F15
3K15 B9
3K16 B9
3K17 B9
7K00
STV0700L
E
F
G
H
I
J
K
1K00-A H7
1K00-B H8
2K00 H4
2K01 I4
2K02 H15
2K03 H15
2K04 J3
2K05 H15
2K06 H15
2K07 F14
2K08 H15
2K09 H15
2K10 H15
1 2 3 4 5 6 7 8 9 10 11 12 13 14 15 16
1 2 3 4 5 6 7 8 9 10 11 12 13 14 15 16
A
B
C
D
E
F
G
H
I
J
K
A
B
C
D
IK84
IK85
47n
2K17 2K16
47n
FK82
FK83
FK81
+3V3_CORE
+3V3_BUF
+3V3_CORE
16V
+3V3
2K13
10u
60R
5K05
+3V3
100n
2K12
16V10u
2K11
5K04
60R
+3V3 +3V3_STV
2K10
100n
100n
2K09
2K08
100n
2K06
10u 16V
60R
5K03
33R3K50
33R3K49
4K7
3K51
4K7
3K52
4
5
3
6
47R3K34-4
2
7
47R3K34-3
47R
3K34-2
47R3K48
3K47 47R
3K46
3K45
47R
3K44
47R
47R
3K43 47R
3K42
3K41 47R
47R
3K40
3K39 47R
47R
1
8
47R3K38
47R
3K34-1
3K33 47R
47R3K32
3K31 47R
47R3K30
3K29 47R
47R3K28
3K27 47R
2K15 100p
33R3K26
45
33R3K25
33R3K24-4 33R3K24-3 36
33R3K24-2 2 7
33R3K24-1 1 8
45
36
33R3K23-4
27
33R3K23-3 33R
3K23-2 33R
3K23-1 1 8
PCMCIA_VPP
PCMCIA_AVCC
+3V3_STV
PCMCIA_5V
PCMCIA_VPP
PCMCIA_AVCC
19
VCC
20
+3V3_BUF
+3V3_BUF
+3V3_BUF
18
17
16
15
14
13
12
11
1
GND
10
7K03
2
3
4
5
6
7
8
9
PCMCIA_5V
74LVC245A
+3V3_STV
+3V3_STV
+3V3_STV
+5V_SW
+3V3_STV
2K14
1n0
FK02
FK05
FK01
+3V3_STV
RDY|BSY
17
VCC1
18
VPP1
WE|P 15
WP|IOIS16 33
3K09
10K
D5
5
D6
6
D7
1
GND1
GND2 34
6970
9
OE
16
11
A9
7
CE1
30
D0
31
D1
32
D2
D3 2
3
D4
4
19
A16
27
A2 26
A3 25
A4 24
A5
A6 23
22
A7
A8 12
29
A0 28
A1
A10 8
10
A11
21
A12
13
A13
14
A14
20
A15
59
ROW_A
1K00-A
45
7172
REG
61
RESET
58
VCC2
51 VPP2
52
VS1
43
VS2
57
WAIT
41
D8
64 D9
65
GND3
35
GND4
68
INPACK
60
IORD
44 IOWR
36
CD2
67
CE2
42
D10
66
D11
37
38 D12
39 D13
D14
40 D15
49 A21
50
A22
53 A23
54 A24
55 A25
56
BVD1|STSCHG
63
BVD2|SPKR
62
CD1
1K00-B
A17
46 A18
47 A19
48 A20
ROW_B
FK62
FK63
FK80 FK67
FK68 FK69
FK70 FK71
FK72 FK73
FK74 FK75
FK10 FK11
FK13FK12
FK14 FK15
FK17FK16
FK18 FK19
FK21FK20
FK22 FK23
FK25FK24
FK26 FK27
FK29
FK30
FK28
FK31 FK33
FK35
FK32
FK34
FK37
FK39
FK36
FK38
FK41
FK43
FK40
FK42 FK45
FK47
FK44
FK46
FK49
FK51
FK48
FK50
FK53
FK55
FK52
FK54 FK57
FK59
FK56
FK58
FK61
IK68
FK60
IK69
IK73
IK75
IK76
FK84
FK06
IK70
3
1
4
+5V_SW
IK72
27M
7K04
2560NK
2
33R
3K05-4
3K12
10K
3K05-3 33R
33R
3K05-2
33R
3K03-4
3K05-1
3K03-3 33R
33R
33R
3K03-2
3K03-1 33R
33R
3K02-3
33R
3K02-1
3K02-2 33R
100n
2K03 100n
2K05
2K02
100n
PCMCIA_AVCC
PCMCIA_VPP
60R
5K01
5K02
60R
PCMCIA_5V
SET
10K
3K06
8
FAULT_
GND
4
IN1 1
IN2 2
3
ON_
OUT1
7
6OUT2
5
ST890C
7K05
2K0
3K13
2K07
10u
3K01
PCMCIA_5V
100R
100R
3K00
10K
10K
+3V3_STV
3K07
3K04
3K08
+3V3_STV
10K
2K00
100n
100n
2K01
100n
2K04
Q1 17Q2
16Q3
15Q4 14Q5
13Q6 12Q7
20
VCC
5D3
6D4
D57
8D6
9D7
10
GND
11
OE_1
19Q0
18
2D0
3D1
4D2
19
18Q1
17Q2
Q3 16
15Q4
14Q5 13Q6
12Q7
20
VCC
7K01
74LVC573ADB
3
4D2
5D3
6D4
7D5
8D6
9D7
10
GND
11
1OE_
Q0
7K02
74LVC573ADB
2D0
D1
10K
3K11
10K
3K16
10K
3K15
10K
3K22
3K17 10K
10K
3K18
3K20 10K
3K21 10K
10K
3K19
10K
3K10
70
WAITA_ 122
121
WAITB_
WAIT|ACK
15
WE_ 97
WR|STR
16
+3V3_STV
TDO
10
TMS
65
TRST_
8
VCC-CORE 36
109
VCC-PROC
VCC-TSI 51
VCC-TSO 64
VCCEN
RSTA 120
RSTB 119
32 SA0
SA1
33
31 SCL
SDA
30
TCK
11
TDI
38
MOVAL A 125
MOVAL B 124
88
OE_
RDY|IRQA_ 101
RDY|IRQB_ 100
17 RD|DIR
REG_ 123
RESET
34
MIVALB 104
MOCLK
63 118
MOCLKA
MOCLKB 117
MOSTRT
62 MOSTRTA 127
126
MOSTRTB
MOVAL
61
50 MICLK MICLKA 110
108
MICLKB
MISTRT
49 MISTRTA 92
MISTRTB 91
MIVAL
48 105
MIVALA
128
MDOB1 2
4
MDOB2
MDOB3 73
MDOB4 75
MDOB5 77
MDOB6 79
MDOB7 83
1
MDOA1 3
5
MDOA2
MDOA3 74
MDOA4 76
MDOA5 78
MDOA6 80
MDOA7 84
MDOB0
53
MDO1
54
MDO2
55
MDO3
56
57 MDO4
MDO5
58
MDO6
59
MDO760
MDOA0
MDIB1 95
MDIB2 98
102
MDIB3
MDIB4 106
MDIB5 111
MDIB6 113
MDIB7 115
MDO0
96
MDIA1
MDIA2 99
103
MDIA3
MDIA4 107
MDIA5 112
MDIA6 114
MDIA7 116
MDIB0 93
41 MDI1
MDI2
42
43 MDI3
MDI4
44
MDI5
45
MDI6
46
MDI7
47
MDIA0 94
86
GND-PROC 9
39
GND-TSI
GND-TSO 52
INT
14
IORD_ 89
IOW_R 90
MDI0
40
85
CLK
35
18 CS
DATDI R 68
DATOE_ 69
EXTCS
13
EXTINT
12
GND-CORE 37
GND-DVB2
67
CD1A_ 72
71
CD1B_
CD2A_ 7
CD2B_ 6
CE1A_ 82
CE1B_ 81
CE2A_ 87
CE2B_
23
A20
24
A21
25
A22
26
A23
27
A24
28
A25
29
ADLE 66
ADOE_
A15
19
A16
20
A17
21
A18
22
A19
A_MDO(0:7)
A_MDI(0:7)
TDA_DAT(0:7 )
TS_DATA(0:7)
|DATOE
DATDI R
TS_SYNC
TS_CLK
TS_VALID
A_|WAIT
A_|INPACK PCMCIA_|REG
A_MOVAL
A_MOSTRT
A_|CD2
A_MOCLK
A_MOSTRT
A_MOVAL
A_|CD1
A_|CE2
A_|VS1
PCMCIA_|IORD
PCMCIA_|IOWR
A_MISTRT
A_MOCLK
A_RESET
ADLE
A_|CE1
PCMCIA_|OE
PCMCIA_|WE
A_|RDY|IRQ
A_MIVAL
A_MICLK
A_|IOIS16
I2C_LOCAL_SCL
I2C_LOCAL_SDA
VCCEN
|ADOE
VCCEN
A_|WAIT
PCMCIA_|WE
A_MISTRT
A_MICLK
A_MIVAL
PCMCIA_|REG
RESET_STV
A_RESET
JTAG_TCK
STV_TDI
STV_TDO
JTAG_TMS
JTAG_TRS T
DATDI R
|DATOE
STV_INT
PCMCIA_|IORD
PCMCIA_|IOWR
PCMCIA_|OE
A_|RDY|IRQ
MIU_DATA(4)
MIU_DATA(3)
TDA_VALID
TDA_SYNC
MIU_ADDR(20)
STV_A25
ADLE
|ADOE
A_|CD1
A_|CD2
A_|CE1
A_|CE2
MIU_WEN
MIU_OEN
MIU_RDY
STV_CS
MIU_DATA(0:15)
MIU_DATA(0)
MIU_DATA(1)
MIU_DATA(2)
MIU_DATA(7)
MIU_DATA(6)
MIU_DATA(5)
MIU_ADDR(1)
MIU_ADDR(2)
MIU_ADDR(3)
MIU_ADDR(4)
MIU_ADDR(5)
MIU_ADDR(6)
MIU_ADDR(7)
MIU_ADDR(24)
MIU_ADDR(12)
MIU_ADDR(10)
MIU_ADDR(11)
MIU_ADDR(8)
MIU_ADDR(9)
MIU_ADDR(14)
MIU_ADDR(13)
MIU_ADDR(0)
MIU_ADDR(15)
MIU_ADDR(16)
MIU_ADDR(17)
MIU_ADDR(18)
MIU_ADDR(19)
MIU_ADDR(21)
MIU_ADDR(22)
MIU_ADDR(23)
TDA_DAT(6 )
TDA_DAT(7 )
TDA_CLK
TS_DATA(7)
TS_DATA(6)
TS_DATA(5)
TS_DATA(4)
TS_DATA(3)
TS_DATA(2)
TS_DATA(1)
TS_DATA(0)
MIU_ADDR(0:24)
MIU_ADDR(0:24)
PCMCIA_A(1)
PCMCIA_A(0)
PCMCIA_A(10)
PCMCIA_A(11)
PCMCIA_A(9)
PCMCIA_A(8)
PCMCIA_A(13)
PCMCIA_A(14)
PCMCIA_A(12)
TDA_DAT(0 )
TDA_DAT(1 )
TDA_DAT(2 )
TDA_DAT(3 )
TDA_DAT(4 )
TDA_DAT(5 )
A_MDI(0)
A_MDI(1)
A_MDI(2)
A_MDI(3)
A_MDI(4)
A_MDI(5)
A_MDI(6)
A_MDI(7)
PCMCIA_A(7)
PCMCIA_A(6)
PCMCIA_A(5)
PCMCIA_A(4)
PCMCIA_A(3)
PCMCIA_A(2)
PCMCIA_A(1)
PCMCIA_A(0)
PCMCIA_D(0)
PCMCIA_D(1)
PCMCIA_D(2)
A_MDO(3)
A_MDO(4)
A_MDO(5)
A_MDO(6)
A_MDO(7)
A_MDO(0)
A_MDO(1)
A_MDO(2)
PCMCIA_D(6)
PCMCIA_D(7)
PCMCIA_A(0:14)
PCMCIA_A(10)
PCMCIA_A(11)
PCMCIA_A(9)
PCMCIA_A(8)
PCMCIA_A(13)
PCMCIA_A(14)
PCMCIA_A(12)
PCMCIA_A(7)
PCMCIA_A(6)
PCMCIA_A(5)
PCMCIA_A(4)
PCMCIA_A(3)
PCMCIA_A(2)
A_MDI(0:7)
A_MDI(0)
A_MDI(1)
A_MDI(2)
A_MDI(3)
A_MDI(4)
A_MDI(5)
A_MDI(6)
A_MDI(7)
A_MDO(0:7)
A_MDO(0)
A_MDO(1)
A_MDO(2)
A_MDO(3)
A_MDO(4)
A_MDO(5)
A_MDO(6)
A_MDO(7)
PCMCIA_D(0:7)
PCMCIA_D(0)
PCMCIA_D(1)
PCMCIA_D(2)
PCMCIA_D(7)
PCMCIA_D(6)
PCMCIA_D(5)
PCMCIA_D(4)
PCMCIA_D(3)
PCMCIA_D(3)
PCMCIA_D(4)
PCMCIA_D(5)
B03B B03B
H_17370_005.eps
010804
3139 123 6273.1

Circuit Diagrams and PWB Layouts 49LC7.5E LA 7.
SSB: DVB MOJO
2
AVDD
1
2
IDUMP
(PWR)
VDDC
VDDP
VSSC
VSSP
0
1
TS_DAT A
(TS)
0
1
2
3
4
5
6
7
TS_VAL
TS_STROBE
TS_SYNC
Y
C
CVBS
G
R
SD_OUT
SCK_OUT
WS_OUT
SPDIF
FSCLK
Y
CVBS
CVBS
Y
C
(AV)
B
DQM0
14
13
12
11
10
9
8
7
6
5
4
3
2
1
0
8
9
10
11
12
13
(SDRAM)
14
15
0
1
2
3
4
5
6
7
SDRAM_DATA
SDRAM_ADDR
HSCKB
CKE
WE
RAS
CAS
DQM1
0
4
5
6
7
8
9
MIU_CS_N3
MIU_OE_N
MIU_WEN
MIU_MASK0
0
1
2
3
4
5
6
7
8
9
10
11
12
13
14
15
16
17
MIU_DAT A
MIU_LBA
MIU_BAA
MIU_CLK
24
MIU_ADDR
(MIU)
3
2
1
18
19
20
21
22
23
MIU_MASK1
10
11
12
13
14
15
MIU_RDY
MIU_CS_N0
MIU_CS_N1
MIU_CS_N2
SC0_CCK
USB_DM
USB_DP
USB_PWR
SC0_CMDVCC
(I2C-USB-SCO)
SCL1
SDA0
SCL0
SDA1
SC0_DA
USB_OVRCUR
SC0_OFF
SC0_RST
PIO <0:15>
VS
SC1_DA
SC1_CMDVCC
SC1_RST
SC1_OFF
SC1_CCK
CTS0
RTS0
RX0
TX0
DCD0
PLL_OUTX0
VCXO_CLOCK
BOOT <0:3>
PIO <16:27>
ITU_OUT
(GPIO)
TX1
DTR0
RX1
ITU_CLOCK
7
6
5
4
3
2
1
0
IR_IN
IR_OUT
PWM
VPP
C4
C8
DSU_TPC0
1
2
0
1
2
SYS_RESETN
TDI
TDO
PCST0
PCST1
TMS
TRST
TCK
RESETN
XTAL_I N
XTAL_OUT
AVDD_PL L
AVSS_PLL
(JTAG-ETAG-SYS)
DSU_CLK
DSU_TPC1
0
DVB-MOJO
100MHz
100MHz
100MHz
1%
2V2
2V2
2V2
2V2
2V2
2V2
2V2
2V2
0V
1V6
1V3
0V
1V
1V6
0V
0V
0V
0V
4V6
4V6
3V3
3V3
3V2
3V2
3V3
3V3
0V
3V3
0V
1V2
1V2
3V3
1V2
0V
0V
0V
0V
0V
0V
0V
0V
0V
0V
0V
0V
0V
0V
0V
0V
0V
2V1
3V1
3V
3V
2V9
3V3
1V5
2V3
2V3
2V3
0V
2V5
0V
2V5
2V9
2V3
3V3
0V
4V6
3V3
0V
0V
0V
3V3
0V
0V
0V
0V
0V
3V3
0V
0V
0V
0V
0V
0V
0V
0V
0V
0V
0V
0V
0V
0V
0V
0V
0V
3V3
3V3
3V3
3V3
3V3
3V3
3V3
3V3
3V3
3V3
3V3
3V3
3V3
3V3
3V3
3V3
3V3
0V
0V
0V
0V
0V
3V3
0V
0V
0V
0V
0V
0V
0V
2V6
2V6
2V6
2V6
2V6
RES
0V
0V
3V3
3V3
3V2
RES
FOR DEV. ONLY
CONFIGURABLE
4G05 FOR DEVELOPMENT ONLY
4G01, 4G02, 4G03,4G04 FOR PRODUCTION
RES
RES
RES RES
RES
RES
RES
RES
1234567891011121314
1234567891011121314
A
B
C
D
E
F
G
H
I
A
B
C
D
E
F
G
H
I
1G01-1 A8
1G01-2 A9
2G02 G5
2G03 G6
2G04 G6
2G05 G6
2G06 H6
2G07 H6
2G08 H6
2G09 H6
2G10 H6
2G11 H6
2G12 F6
2G13 G6
2G14 G6
2G15 G6
2G16 G6
2G17 G6
2G18 G6
2G19 H9
2G20 I9
2G21 I9
2G22 H6
2G23 I6
2G24 I6
2G31 B3
2G32 C5
2G33 C5
3G11 E6
3G12 E9
3G15 A4
3G16 A4
3G17 A4
3G18 A4
3G19 A4
3G20 A4
3G28 E14
3G29 F14
3G30 E14
3G31 E14
3G33 G2
3G34 G2
3G35 F2
3G36 F14
3G37 F14
3G38 A4
3G40 I8
3G41 E14
3G43 H2
3G44 H2
3G46 H2
3G47 I2
3G48 C6
3G51 G13
3G54 G13
3G55 G13
3G56-1 H10
3G56-2 H10
3G56-3 H10
3G56-4 H10
3G57-1 G10
3G57-2 H10
3G57-3 G10
3G57-4 H10
3G58-1 G10
3G58-2 H10
3G58-3 G10
3G58-4 H10
3G59-1 H10
3G59-2 H10
3G59-3 H10
3G59-4 H10
3G60 I11
3G61 I11
3G62 I11
3G63 F10
4G01 B9
4G02 B9
4G03 B9
4G04 C8
4G05 C8
4G09 A2
4G10 A2
4G31 C3
5G01 G5
5G02 G5
5G03 C5
5G04 I6
5G05 C4
5G06 F5
5G07 F5
7G00-1 F7
7G00-2 E3
7G00-3 F3
7G00-4 A12
7G00-5 G12
7G00-6 H4
7G00-7 D12
7G00-8 D7
FG10 A7
FG11 A7
FG12 A7
FG13 A9
FG14 A7
FG15 A7
FG16 A7
FG17 H2
FG18 C6
FG19 H2
FG20 E13
FG21 E13
FG22 E13
FG23 E13
FG24 E14
FG25 E14
FG26 E9
FG27 F14
FG28 F13
FG29 F13
FG30 F13
FG31 H2
FG32 H3
FG33 H2
FG34 H3
FG35 H3
FG36 I3
FG37 C5
FG39 F6
FG40 A7
FG41 A7
IG13 I8
IG14 F1
IG15 G1
IG16 G1
IG17 F11
IG18 F2
IG19 G2
IG20 G2
IG21 E6
100R
33R5G05
33R
5G06
5G07
33R
IG21
FG21
FG20
4G31
100n
2G31
100n
IG20
2G32
IG19
4G05
IG18
4G04
4G03
4G02
4G01
FG13
4
6
8
10
12
14
16
18
2
2019
3
5
7
9
11
13
15
17
FTSH
ROW_2
1G01-2
FTSH
ROW_1
1G01-1
1
+3V3_VDDP
+3V3_VDDP
+3V3_VDDP
3G11
10K
IG17
IG16
IG14
IG15
10K3G20
4G10 FG41
4G09 FG40
10u
16V
2G24
16V
2G23
10u
16V10u
2G22
10K
3G18
5G04
60R
10u
10u
16V2G18
2G17 16V
FG27
FG28
FG25
FG24
FG35
FG36
FG34
FG32
FG18
FG39
FG37
+3V3
+3V3
+3V3
+3V3
+3V3
10K
FG29
3G54
3G55
10K
3G51
FG30
10K
3G37
10K3G36
10K
3G31
3G28 +3V3
10K
10K
10K3G29
3G30 10K
3G63 10K
3G62
3G61
33R
33R
33R
3G60
3G59-4 33R45
3G59-2 27
3G56-4 45
33R
27
33R
45
33R3G56-2
5
33R3G58-4
33R3G57-4 4
33R
27
33R
27
3G58-2
33R
18
3G57-2
36
3G59-1 6
3G56-3 33R
33R3G59-3 3
3G56-1 18
3G58-3 36
33R
3G58-1 1
8
33R
36
33R
18
3G57-3 33R
3G57-1 33R
3G15
+1V2_SW
+1V2_SW
FG16
10K FG12
FG15
FG14
FG10
FG11
FG26
1K2
+3V3
FG31
3G40
FG33
10u 16V
2G33
IG13
10K
3G12
33R
3G48
3G38 10K
3G19 10K
5G03
100n2G11
100n
2G10
2G09 100n
100n
2G06
2G07 100n
100n
2G08
2G03 100n
2G04 100n
2G05 100n
2G14 100n
2G15 100n
100n
2G16
2G12 100n
5G02
100n
2G13
5G01
2G02 10u 16V
100n
+3V3clean
2G21
100n2G20
100n2G19
2
158
159
188
197
196
195 4
5
3
208
207
1
157
160
186
187
194
189
34
35
45
46
47
48
7G00-8
PNX8314HS
32
177
178
179
180
181
182
183
184
185
33
49
12
13
14
15
16
17
18
19
176
199
7G00-7
PNX8314HS
31
37
36
39 38
6
8
7
9
201
200
198
108
7G00-6
PNX8314HS
40
57
55
53
68
66
110
106
107
70
109
69
67
64
62
58
56
54
52
65
63
59
85
86
87
88
50
51
74
73
72
71
100
81
101
102
103
104
105
82
83
84
80
89
90
91
92
93
96
97
98
99
139
PNX8314HS
7G00-5
75
125
124
123
115
116
117
118
121
122
132
129
148
147
146
145
144
113
114
128
127
126
141
153
154
152
143
142
150
151
155
156
149
7G00-4
PNX8314HS
140
137
138
133
136
165
167
203
202
206
204 170
7G00-3
163
168
172
205
22
23
24
25
26
27
29
30
28
PNX8314HS
7G00-2
20
21
192
11
44
61
77
95
112
131
162
193
PNX8314HS
94
111
130
161
190
173
42
79
120
135
171
166
174
41
78
119
134
191
10
43
60
76
7G00-1
175
169
164
10K
PNX8314HS
3G16
22R
10K
3G17
3G35
3G33 22R
3G41 10K
FG22
FG23
22R
FG17
3G34
FG19
3G44 100R
100R3G43
3G47
3G46
100R
MOJO_TDI
MOJO_TRST
MOJO_TRST
PIO19|ITU_OUT0|BOOT0
PIO20|ITU_OUT1|BOOT1
PIO21|ITU_OUT2|BOOT2
PIO22|ITU_OUT3|BOOT3
DSW_I2C_enable
DSW_n
1V2clean
1V2_CORE
MOJO_TMS
MOJO_TCK
MOJO_TMS
JTAG_TMS
10046_TDO
10046_TDO
STV_TDI
IIC_SCL_SIDE
IIC_SDA_SIDE
TX_ZAP
RX_ZAP
MOJO_TCK
MOJO_I2S_OUT_SCK
MOJO_I2S_OUT_WS
RXD0
TXD0
IBO_IRQ
JTAG_TCK
JTAG_TRST
SDRAM_ADDR(10)
SDRAM_ADDR(11)
SDRAM_ADDR(12)
SDRAM_ADDR(13)
SDRAM_ADDR(14)
SDRAM_DQM0
MIU_WEN
NOR_RYBY
4MHZ_MOJO
MOJO_I2S_OUT_SD
FE_LOCK
SDRAM_ADDR(0:14)
SDRAM_ADDR(0)
SDRAM_ADDR(1)
SDRAM_ADDR(2)
SDRAM_ADDR(3)
SDRAM_ADDR(4)
SDRAM_ADDR(5)
SDRAM_ADDR(6)
SDRAM_ADDR(7)
SDRAM_ADDR(8)
SDRAM_ADDR(9)
SDRAM_CKE
SDRAM_CLK
C_CVBS
B|Pb
G|Y
R|Pr
I2C_LOCAL_SDA
I2C_LOCAL_SCL
RESET_FE_n
RESET_n
RESET_n
RESET_STV
user_EEPROM_WP
NOR_RYBY
NOR_WP
STV_INT
STV_A25
SDRAM_DQM1
SDRAM_CAS
SDRAM_RAS
SDRAM_WE
MIU_DATA(6)
MIU_DATA(7)
MIU_DATA(8)
MIU_DATA(9)
MIU_DATA(10)
MIU_DATA(11)
MIU_DATA(12)
MIU_DATA(13)
MIU_DATA(14)
MIU_DATA(15)
MIU_ADDR(21)
MIU_ADDR(22)
MIU_ADDR(23)
MIU_ADDR(24)
MIU_DATA(0:15)
MIU_DATA(0)
MIU_DATA(1)
MIU_DATA(2)
MIU_DATA(3)
MIU_DATA(4)
MIU_DATA(5)
MIU_ADDR(10)
MIU_ADDR(11)
MIU_ADDR(12)
MIU_ADDR(13)
MIU_ADDR(14)
MIU_ADDR(15)
MIU_ADDR(16)
MIU_ADDR(17)
MIU_ADDR(18)
MIU_ADDR(19)
MIU_ADDR(20)
MIU_ADDR(0:24)
MIU_ADDR(0)
MIU_ADDR(1)
MIU_ADDR(2)
MIU_ADDR(3)
MIU_ADDR(4)
MIU_ADDR(5)
MIU_ADDR(6)
MIU_ADDR(7)
MIU_ADDR(8)
MIU_ADDR(9)
SDRAM_DATA(5)
SDRAM_DATA(6)
SDRAM_DATA(7)
SDRAM_DATA(8)
SDRAM_DATA(9)
SDRAM_DATA(10)
SDRAM_DATA(11)
SDRAM_DATA(12)
SDRAM_DATA(13)
SDRAM_DATA(14)
SDRAM_DATA(15)
TS_DATA(5)
TS_DATA(6)
TS_DATA(7)
TS_SYNC
TS_CLK
TS_VALID
SDRAM_DATA(0:15)
SDRAM_DATA(0)
SDRAM_DATA(1)
SDRAM_DATA(2)
SDRAM_DATA(3)
SDRAM_DATA(4)
RES
RES
RES
RES
MIU_WEN
MIU_RDY
MIU_OEN
STV_CS
NOR_CS
TS_DATA(0)
TS_DATA(1)
TS_DATA(2)
TS_DATA(3)
TS_DATA(4)
B03C B03C
H_17370_006.eps
010804
3139 123 6273.1

50LC7.5E LA 7.
Circuit Diagrams and PWB Layouts
SSB: DVB MOJO Memory
VDD VDDQ
13
14
CKE
10
D
A
DQM L
U
11
4
5
6
1
2
3
7
3
7
8
9
10
CLK
4
BA
CS
5
VSS
2
CAS
WE
15
RAS
VSSQ
0
9
NC
1
0
0
6
12
8
1
11
SCL
ADR
0
1
2SDA
WC
10
4
9
8
7
6
0
32M-1
0
A
D
5
11
2
1
17
OE
12
13
14
15
VPP/WP_
20
19
18
16
RB
4
3
2
CE
7
6
WE
RP
1
0
BYTE
3
NC
5
8
9
10
11
12
13
14
15
A-1
2/4/8MB
NOR
FLASH
I2C ADDRESS:A0
DVB-MOJO MEMORY
100MHz
100MHz
0V
0V
0V
0V
0V
0V
0V
0V
0V
0V
0V
0V
0V
0V
1V5
3V3
3V
3V
3V
0V
1V3
1V3
1V
1V3
1V3
1V2
0V
1V4
1V3
1V3
1V
1V4
1V4
1V3
1V2
0V7
3V3
2V2
5V
5V
4V6
4V6
4V6
0V
0V
0V
0V
0V
0V
0V
0V
0V
0V
0V
0V
0V
0V
0V
0V
0V
3V2
3V2
3V2
3V2
3V2
3V2
3V2
3V2
3V2
3V2
3V2
3V2
3V2
3V2
3V2
3V2
3V2
3V2
3V2
0V
0V
0V
0V
0V
0V
0V
0V
0V
100MHz
12345678
12345678
A
B
C
D
E
A
B
C
D
E
2H03 C2
2H04 A7
2H06 B1
2H07 A7
2H08 C2
2H09 C2
2H10 C2
2H11 C3
2H12 C2
2H13 C2
2H14 D6
2H15 D6
3H00 C5
3H05 C7
3H09 E7
3H10 E7
3H11 E7
3H12 E8
3H13 E8
3H14 D5
4H00 C5
4H01 C5
4H02 C5
4H03 C5
4H04 C5
4H05 C7
4H12 E7
4H15 C7
5H01 B1
5H02 A6
5H03 D5
7H00 A6
7H02 C1
7H03 E5
FH00 E7
FH01 D5
FH02 E7
FH03 D6
FH04 E7
FH05 D5
FH06 D5
FH07 B2
FH08 A7
IH04 C5
IH06 C7
IH07 C7
SDRAM_ADDR(0:14)
SDRAM_DATA(0:15)
MIU_DATA(0:15)
3H14
1R0
FH05
2H15
220n
FH08
IH07
+3V3_NOR48
16V10u
2H07
+5V_SW
+5V_SW
220n
2H14
3H13 3K3
3K33H12
10K
3H11
+3V3 5H02
FH04
FH02
FH03
100n
2H03
+3V3_NOR48
+3V3_NOR48
+3V3
+5V_SW
FH01
+3V3_NOR48
4H04
IH04
4H01
3K3
3H00
46
11
4H00
44
30
32
13
28
15
12
37
14
27
34
36
39
41
43
45
33
35
38
40
42
22
21
20
19
18
8
7
47
26
29
31
4
3
2
1
48
17
16
9
23
10
M29W320ET70N
7H00
4Mx8/2Mx16
25
24
6
5
EPROM
FH00
4H12
100R
3H09
100R
3H10
3
6
5
8
4
7
(8Kx8)
Φ
EEPROM
M24C64-WMN6
7H03
1
2
4H03
5H03
4H02
4H05
FH06
IH06
4H15
10K
3H05
2H04
100n
52
16
FH07
39
43 49
28 41 54 6 12 46
13
42
44
15
36
40
18
39
11427
47
48
50
51
53
5
7
8
10
11
33
34
20
21
17
37
38
19
2
4
45
23
24
22
35
25
26
29
30
31
32
Φ
4x2Mx16
DRAM
7H02
K4S281632I-UC60T
SYNC
5H01
16V10u
2H06
2H11 100n
100n
2H08
100n2H12
2H09 100n
100n
2H10
100n2H13
user_EEPROM_WP
MIU_DATA(1)
NOR_RYBY
MIU_ADDR(20)
MIU_ADDR(21)
MIU_DATA(12)
MIU_DATA(13)
MIU_DATA(14)
MIU_WEN
MIU_ADDR(0:24)
I2C_LOCAL_SCL
I2C_LOCAL_SDA
NOR_CS
NOR_WP
MIU_DATA(8)
MIU_DATA(9)
MIU_DATA(10)
MIU_DATA(11)
MIU_DATA(6)
MIU_DATA(7)
MIU_ADDR(18)
MIU_ADDR(19)
MIU_ADDR(20)
MIU_ADDR(22)
MIU_ADDR(22)
MIU_OEN
RESET_n
MIU_ADDR(15)
MIU_ADDR(16)
MIU_ADDR(17)
MIU_DATA(15)
MIU_DATA(0)
MIU_DATA(2)
MIU_DATA(3)
MIU_DATA(4)
MIU_DATA(5)
MIU_ADDR(4)
MIU_ADDR(5)
MIU_ADDR(6)
MIU_ADDR(7)
MIU_ADDR(8)
MIU_ADDR(9)
MIU_ADDR(10)
MIU_ADDR(11)
MIU_ADDR(12)
MIU_ADDR(13)
MIU_ADDR(14)
SDRAM_ADDR(3)
SDRAM_ADDR(2)
SDRAM_ADDR(1)
SDRAM_ADDR(0)
SDRAM_ADDR(14)
SDRAM_ADDR(13)
MIU_ADDR(1)
MIU_ADDR(2)
MIU_ADDR(3)
SDRAM_ADDR(11)
SDRAM_ADDR(10)
SDRAM_ADDR(9)
SDRAM_ADDR(8)
SDRAM_ADDR(7)
SDRAM_ADDR(6)
SDRAM_ADDR(5)
SDRAM_ADDR(4)
SDRAM_DATA(8)
SDRAM_DATA(9)
SDRAM_DATA(10)
SDRAM_DATA(11)
SDRAM_DATA(12)
SDRAM_DATA(13)
SDRAM_DATA(14)
SDRAM_DATA(15)
SDRAM_DATA(0)
SDRAM_DATA(1)
SDRAM_DATA(2)
SDRAM_DATA(3)
SDRAM_DATA(4)
SDRAM_DATA(5)
SDRAM_DATA(6)
SDRAM_DATA(7)
SDRAM_ADDR(12)
SDRAM_DQM1
SDRAM_DQM0
SDRAM_WE
SDRAM_CAS
SDRAM_RAS
SDRAM_CKE
SDRAM_CLK
RES
RES
RES
B03D B03D
H_17370_007.eps
010804
3139 123 6273.1

Circuit Diagrams and PWB Layouts 51LC7.5E LA 7.
SSB: DVB MOJO Analog Back End
DVB-MOJO ANALOG BACK END
ESD Protection
UART CONNECTOR (SERVICE)
RES
RES
RES
RES
RES
RES
EMC
RESRES RES
1V8
1V2
RES
123456789
123456789
A
B
C
D
E
A
B
C
D
E
1001 D7
1002 D7
1J14 D6
2J01 B7
2J02 B7
2J04 B8
2J05 C8
2J06 C9
2J60 A3
2J62 B3
2J63 B2
2J64 C3
2J66 C2
2J67 C3
2J68 D2
2J69 D2
2J70 D3
2J71 E2
2J72 E2
2J73 E2
3J01 B8
3J02 B8
3J03 B6
3J14 D8
3J15 D8
3J59 B2
3J60 B3
3J61 C2
3J62 C3
3J63 D2
3J64 D3
3J65 E2
3J66 E3
4J14 C8
4J15 D8
5J01 A6
5J52 A3
5J53 C3
5J54 D2
5J55 E2
6J03 B7
6J14 D7
6J15 D8
6J60 B3
6J61 C3
6J62 D3
6J63 E3
7J04 B9
7J05 B7
FJ01 B9
FJ02 D6
FJ22 A4
FJ23 C4
FJ24 D8
FJ25 D8
FJ26 D4
FJ27 E4
FJ28 A8
IJ01 B7
IJ02 B8
IJ63 B1
IJ64 C1
IJ65 C1
IJ66 C1
IJ67 D8
IJ68 D8
2
13
2
6J14
PESD3V3L1BA
1
PESD3V3L1BA
6J15
12
1J14
MSJ-035-29D PPO (PHT)
PESD5V0S1BA
6J63 6J62
PESD5V0S1BA PESD5V0S1BA
6J61 6J60
PESD5V0S1BA
BAS316
6J03
3J03
100R
IJ67
IJ68
2J06
100n
FJ23
FJ28
FJ02
FJ01
IJ02
IJ01
1001
1002
4J15
FJ25
4J14
FJ24
100R3J15
3J14 100R
2J01
10u 16V
60R
5J01
+3V3clean
2J02
100n
+3V3_SW
+1V8_SW
+3V3
SI2301BDS
7J04
2J05
100u 16V
2J04
22u 16V
22K
3J01
12K
3J02
7J05
PDTC114ET
+3V3_SW
FJ27
FJ22
FJ26
3J66
47R
3J64
47R 47R
3J62 3J60
47R
2J71
22p
22p
2J68
2J64
22p
2J60
22p
68p
2J73
180p
2J70
2J72
180p
68p
2J69
68p
2J67
180p
2J66
68p
2J62
180p
2J63
5J53
180R
3J61
3u3
180R
3J65
5J55
3u3
3u3
180R
3J59
5J52
3J63
180R
3u3
5J54
IJ66
IJ64
IJ65
IJ63
TXD0
RXD0
IBO_R_IN
IBO_G_IN
IBO_CVBS_IN
R|Pr
IBO_B_IN
C_CVBS
G|Y
B|Pb
B03E B03E
H_17370_008.eps
010804
3139 123 6273.1

52LC7.5E LA 7.
Circuit Diagrams and PWB Layouts
SSB: Micro Processor
SCL
ADR
0
1
2SDA
WC
18
16
RB
4
3
2
CE
7
6
WE
RP
1
0
BYTE
3
NC
5
8
9
10
11
12
13
14
15
A-1
10
4
9
8
7
6
0
8M-1
0
AD
5
11
2
1
17
OE
12
13
14
15
DA1
8
TA3OUT
W
9
W
ADDR
V
P1<0:7>
4
ANEX0
HLDA
6
HOLD
RXD1
INT<3:5>
7
TA2 IN
XTA L
TA4OUT
RESET
SOUT4
CLK4
AVCC
TA1 IN
VSS
TA2OUT
SIN4
TXD1
BYTE
8
9
10
11
P9<0:7>
6
CLK3
CTS1
SDA2
RDY
WRL
4
5
6
NMI
3
TA3 IN
CLK1
1
2
TA1OUT
TB5IN
TA0OUT
17
SIN3
ANEX1
DA0
5
2
3
3
2
1
3
P6<0:7>
TA4 IN
INT
D<0:7>
ADDR
0
1
2
0
KI<0:3>
AN0<0:7>
WRH
BHE
RD
U
7
P3<0:7>
RTS1
19
P7<0:7>
DATA
CLK2
V
CTS2
RTS2
D<0:7>
TBIN<0:4>5
0
VCC
16
CLKOUT
P4<0:7>
ALE
P5<0:7>
OUT
AVS S
P0<0:7> SOUT3
IN
12
BCLK
ADDR
ADTRG
CNVSS
13
TA0 IN
RXD2
SCL2
XCOUT
A<0:7>
P2<0:7>
4
WR
AN
18
U
P8<0:7>
SDA1
SDA0
SCL1
CTS0
ZP
RTS0
CTS0
CLK0
7
CLKS1
VREF
10
11
12
13
CS
TXD0
RXD0
TXD2
V
DAT A
P10<0:7>
XCIN
14
15
14
15
0
1
0
2
1
AN2<0:7>
SCL1
SUB
ER
GND
VOUT
VDD
MICROPROCESSOR
RES
SDM
COMPAIR
ITV_Connector A:
EMC
EMC
EMC
EMC
EMC
TO / FROM IR/ LED & KEYBOARD
RES
RES
RES
RES
RES
RES
RES
NC
RES
RES
For Development only
RES
RES
RES
UART CON
PANE L
RES
RES
RES
RES
FOR DVB ONLY
RES FOR BDS
RES FOR BDS
NC
RES
RES
RES
RES
TO / FROM SIDE IO
RES
RES
RES
RES
RES
RES
RES
*
**
*
*
*
*
*
FOR EMC
RES
*
RES
*
RES
*
RES
RES
1V5
1V5
3V3
0V8
0V6
3V3
3V3
3V2
NC
RES
RES
RES
RES
*
*
RES
*
RES
RESERVED
RES
BOOT LOADER
RES
NC
NC
RES
RES
NC
NC
RES
RES
RES
*
RES
*
RES
*
RES
RES
RES
RES
RES
RESERVED
1 2 3 4 5 6 7 8 9 10111213
1 2 3 4 5 6 7 8 9 10111213
A
B
C
D
E
F
G
H
I
A
B
C
D
E
F
G
H
I
1301 B3
1302 I3
1303 I3
1304 A9
1305 A9
1306 H8
1307 I8
1308 I8
1309 I9
1310 I9
1311 H7
1312 I5
1313 I4
1314 H3
1L20 H8
2310 A4
2311 C10
2312 A4
2313 A4
2314 B3
2315 A1
2316 B3
2317 B1
2318 C3
2319 E9
2320 F10
2323 F1
2324 F7
2327 H9
2329 I10
2330 I10
2331 I10
2332 I12
2333 I11
2335 I11
2336 I11
2337 I12
2338 E2
2339 I12
2340 I11
2341 E12
2L20 A11
2L21 A11
2L22 A12
2L23 A12
2L24 A12
2L25 A12
2L26 B11
2L27 B11
2L28 B12
2L29 B12
2L30 B11
2L31 B11
2L32 B12
2L33 B12
2L34 C11
2L35 C12
3300 C2
3301 F6
3303 B5
3306 F7
3307 F7
3309 I6
3310 A6
3311 I6
3313 B5
3314 B3
3315 B5
3316 B2
3317 B5
3318 B3
3319 A2
3320 B5
3321 B3
3322 B5
3323 B3
3324 B5
3325 B1
3326 E10
3329 C5
3330 A6
3336 E9
3338 D3
3339 D3
3340 D3
3341 D3
3343 I2
3345 I2
3346 D5
3347 D5
3348 D5
3349 D5
3350 E5
3351 G7
3352 G7
3353 F11
3354 G7
3355 G11
3356 C7
3357 C5
3359 F13
3360 F13
3361 G13
3362 G13
3380 D5
3382 E7
3384 G2
3386 H2
3387 D5
3388 E5
3389 H11
3390 I11
3391 I11
3393 D1
3395 E2
3396 C7
3397 E5
3398 E2
3399 E3
3L01 G6
3L02 G5
3L03 H5
3L04 E2
3L05 B5
3L06 H6
3L07 H7
3L08 H6
3L09 H6
3L10 H11
3L11 C7
3L12 G7
3L13 G7
3L14 G9
3L15 F1
3L16 F7
3L17 D3
3L20 A11
3L21 A11
3L22 B11
3L23 B11
3L24 A11
3L25 A11
3L26 D5
3L27 B12
3L28 D2
3L53 G7
3L54 G11
3L55 F5
3L56 F5
3L57 D3
3L58 F5
3L59 C5
3L60 G5
3L61 G5
3L62 F7
3L63 D2
3L67 E5
3L71 G2
3L72 F2
3L73 H2
3L75 E7
3L76 E7
3L79 F5
3L86 D1
3L93 F7
3L94 H2
3L95 H2
3L96 B6
4301 F6
4302 H11
4303 H12
4304 H12
4305 H12
4306 G13
4307 G13
4309 I12
4310 I11
4313 H6
4314 H11
4315 H11
4316 G9
4323 F1
4326 D1
4327 D1
4328 D1
4L03 H5
4L20 A11
4L21 A11
4L24 A11
4L25 A11
4L26 B12
5301 A4
5302 B10
5304 I11
5306 E12
6301 A1
6306 I2
6307 I3
6308 H8
6309 I8
6310 I8
6311 I9
6312 I9
6317 D1
6318 E2
7302 E12
7303 G12
7308 E1
7310 C10
7311 B3
7312 A1
7314 F6
7317 E1
7322 C6
7323-1 G1
7323-2 F1
7L10 F3
7L23 G10
F302 B6
F303 G6
F304 C6
F305 F5
F309 G5
F310 C10
F311 C10
F312 C12
F313 C10
F314 C12
F315 C10
F316 C12
F317 D10
F318 D12
F319 D10
F320 D12
F321 D10
F322 D12
F323 B6
F324 D10
F325 D12
F326 D10
F327 D12
F328 D10
F329 D10
F330 A1
F331 D10
F332 D10
F333 D10
F334 D10
F335 D10
F336 D10
F337 D12
F338 D10
F339 E10
F340 E10
F341 E10
F342 H3
F343 I3
F344 I3
F345 G10
F346 I5
F347 I5
F348 I5
F349 I5
F350 F8
F351 I5
F352 I5
F353 I5
F354 I5
F356 E8
F357 H8
F360 I9
F361 D3
F362 B5
F363 G10
F364 G10
F365 G10
F366 E10
F367 E10
F368 B10
F369 E10
F370 G6
F379 D2
F380 B2
F381 B3
F382 H10
F383 I10
F384 I10
F385 D3
F386 C5
F387 H10
F388 H10
F389 G3
FL20 A9
FL21 A9
FL22 A9
FL23 A9
FL24 A9
FL25 A9
FL26 A9
FL36 B6
I311 B5
I312 B3
I318 G9
I326 C5
I330 D1
I331 D3
I332 D1
I333 D3
I334 D1
I335 D3
I338 D3
I341 D5
I342 D5
I344 D5
I351 F5
I352 C3
I353 C1
I354 F5
I357 C5
I359 G5
I362 D6
I364 D5
I365 G3
I366 E6
I367 E6
I368 G3
I373 I10
I374 I11
I376 I12
I380 E1
I384 H3
I387 B3
I388 D6
I389 C5
I390 C6
I391 H6
I392 H6
I393 E2
I394 E2
I396 E5
I397 E5
I398 E5
IL20 A12
IL21 A13
IL22 A12
IL23 A13
IL25 F1
IL26 G2
IL30 C6
IL31 D6
IL32 F7
IL33 F6
IL34 I11
IL35 I12
IL37 B6
IL38 B6
IL39 D6
6307
Φ
F389
IL39
IL37
IL38
FL36
100K
3L96
6306
PESD3V3L1BA
12
PESD3V3L1BA
12
4L21
10p
2L23
100R
2L20 10p
3L21
4306
4307
4305
4304
+3V3_SW
3362
3K33361
3K3
3SDA0 6SDA1
8
VCC
PCA9515ADP
7303
EN5
4
GND
1
NC
2SCL0 7SCL1
3311 75R
75R3309
+3V3_SW
3360 4K7
3359 4K7
+3V3_STBY
4L03
10K3L03
2
3
+5V_STANDBY
440054-3
1313
1
MSJ-035-29D PPO (PHT)
1314
2
1
3
IL34 IL35
IL33
IL31
IL32
IL30
IL26
IL25
F387
F388
+3V3_STBY
3L28
4K7
100n
2341
30R +3V3_SW
SDA03SDA16
VCC
8
5306
5EN
GND
4
NC 1
SCL02SCL17
+3V3_SW
7302
PCA9515A
3356 10K
3357 100R
100R
3L17
100R 3L63
+3V3_SW
100R3387
10K3330
4L26
100R
3L27
2L35 1n0
2L34 1n0
4326
4328
+5V_SW
4327
8
9
+3V3_SW
+1V8_SW
1-440054-0
1
10
2
3
4
5
6
7
1305
3301 100R
I388
3L26 100R
4L20
4L24
4L25 IL22
IL20
IL21
IL23
33R3L24
3L25 33R
1n02L33
2L32 1n0
2L31 1n0
7
8
9
1n02L30
1
10
11
2
3
4
5
6
1-440054-1
1304
220n
2L25
2L24
220n
FL26
FL23
FL25
FL21
FL22
FL20
2L22 10p
10p
2L21
3L20 100R
22n
2L29
2L26
33R3L23
100p
22n
2L28
100p2L27
3L22 33R
FL24
4323
330R
3L15
+3V3_STBY
100n
2323
6
4
8
3
7323-2
NL27WZ08USG
5
7323-1
1
2
48
7
I398
NL27WZ08USG
I397
I394
I396
I393
4310
2339
4309
1n0
1n02340
I391
I392
I390
I318
4316 3L14 10K
+3V3_STBY
F302
3L13
+3V3_STBY
+3V3_STBY
3K3
3L12 3K3
3L11 100R
I389
4315
1R0
4314
3L10
4313
F362
F361
F386
100R3L09
3L08 100R 2
3
45
1311
1
10K
3L07
+3V3_STBY
3L06
10K
3L05 100R
+12V_DISP
6318
PDZ8.2-B
220n
2338
3L04
1K5
+3V3_STBY
7308
BC847BW
F309 +3V3_STBY
BZX384-C3V3
6317
100R3L02 4K73L01
3300 1K2
+3V3_STBY
+5V_STANDBY
3397 47K
1K03396
PDTC114ET
7322
4K73L94
+3V3_STBY
3321 1K0
+3V3_STBY 4K7
3L95
3L73
+3V3_STBY 47K
3307
3306
1K0
100R3303
+3V3_SW
I387
I384
+3V3_STBY
47K
3L72
3398
100K
10K
BC847BW
7L10
F379
3399
I380
BC847BW
3L86
7317
22K
3395
1K5
15K
3393
1307
6309
BZX384-C6V8
1308
BZX384-C6V8
6310
1309
BZX384-C6V8
6311
1310
6312
BZX384-C6V8
1306
F363
BZX384-C6V8
6308
F365
2324 1u0
F364
+5V_SW
4K73L93
3L16 1K0 +3V3_SW
3L55 10K BC847BW
7314
13
2
F305 4301
I374 I376
4303
4302
+5V_STANDBY
F357
2327
10n
I373
+3V3_STBY
2329 1n0
2330 1n0
2331
2335
1n0
1n0
2336 1n0
1n02332
3390
3391 47R
47R
47R3389
F360
1
2
3
4
5
6
7
440054-7
1L20
2333
1n02337
1n0
5304 220R
F384
F382
F383
1303
1302
100R3345
3343 100R
3K3 +3V3_SW
3351 3K3
3352
3355
100R
F352
22R
3L71
3384 22R
3386 100R
3318 100R
F350
F356
F346
F343
F344
F342
2318
+3V3_STBY
+3V3_STBY
100n
3354 100R
100R3L53
F303
I362
F370
F304
I344
I326
I353
I342
I341
I352
I351
I354
I357
I359
I334
I364
I332
I330
I338
F385
I335
F353
F349
F348
F347
F354
F351
7
8
9
1415
10
11
12
13
2
3
4
5
6
1312
1
3326 100R
+3V3_STBY
+5V_STANDBY
3L61 100R
100R3338
3339 100R
3388 100R
3L67 100R
3L60 100R
100R3340
3341 100R
5302
60R
3346 100R
100R3315
F339
3317 330R
10
13
14
28
15
12
37
27
46
11
43
45
33
35
38
40
42
44
30
32
9
8
7
47
26
29
31
34
36
39
41
1
48
17
16
23
22
21
20
19
18
1Mx8/512Kx16
EPROM
25
24
6
5
4
3
2
M29W800DT-70N6
7310
100n
2310
2312
100n
100R
3329
I368
I333
I311
F340
I331
F323
10
14
60
96
12
62
13
11
3347 10K
9
8
5
4
3
2
1
100
99
98
24
23
22
21
20
19
18
17
16
15
34
33
32
31
30
29
28
27
26
25
45
44
43
42
41
40
39
38
37
36
35
55
54
53
52
51
50
49
48
47
46
68
67
66
65
64
63
61
59
58
57
56
78
77
76
75
74
73
72
71
70
69
80
79
95
93
92
91
90
89
88
87
97
94
6
7
86
85
84
83
82
81
7311
M30300SAGP
Φ
+3V3_STBY
+3V3_STBY
1K0
+3V3_STBY
3310
3350 10K
100n
F337
2319
F325
F327
F322
F318
F320
F316
F312
F314
F341
F338
F336
F334
F335
F332
F333
F331
F329
F328
F324
F326
F321
F317
F319
F313
F315
F311
F310
I367
+3V3_STBY
I365
I366
I312
100R
3336
2313
100n
60R
5301
F330
3325
10K
100n
2317
F368
6301 BAS316
F381
F380
F366
F369
F367
47R3348
F345
10u
2311
+3V3_STBY
+3V3_STBY
+3V3_STBY
+3V3_STBY
+3V3_STBY
+3V3_STBY
+3V3_STBY
+3V3_STBY
+3V3_STBY
3313 330R
100R3323
100n
10K
2315
1
32
5
4
3319
Φ
BD45275G
7312
3L56 100R
3L57
3L58 100R
100R
100R3L59
10K3349
3382
10K3316
100R
3L76 2K2
3L62 100R
2K2
100R
3L75
10K
3380
3L79
100R3320
3322 100R
3324 10K
3314 10K
15p
2314
2316 15p
10M
1301
3L54
100R
10K
3353
100n
2320
3
6
5
8
4
7
EEPROM
7L23
M24C64-WMN6
(8Kx8)
1
2
IIC_SCL
IIC_SDA
IIC_SCL_SIDE
IIC_SDA_SIDE
FRONT_C_IN_T
HDMI_RST_RX_BUF
RESET_n
IBO_CVBS_IN
DDC_RESET
HDMI_INT_MAIN
HDMI_INT_MUX
HDMI_INT_SIDE
HP_DETECT_T
HP_DETECT
WAGC_SW
FPGA_BL_BOOST
CEC_D
HDMI_INT_SIDE
IIC_SCL_SIDE
IIC_SDA_SIDE
HDMI_RST_RX_BUF
R_FRONT_IN
HEAD_PH_L
HEAD_PH_R
FRONT_Y_CVBS_IN FRONT_Y_CVBS_IN_T
SIDE_AUDIO_IN_R
SIDE_AUDIO_IN_L
HP_ROUT
HP_LOUT
FRONT_C_IN
L_FRONT_IN
BOLT_ON_SDA IIC_SDA
BOLT_ON_SCL IIC_SCL
RESET_n
RST_AUD
SAW_SW
ITV_SPI_CLK
ITV_SPI_DATA_I N
HDMI_HOTPLUG_RESET
STANDBY
DC_PROT
KEYB
BACKLIGHT_BOOST
LED1
LED2
REMOTE
SC1_CVBS_RF_OUT
IBO_IRQ
ITV_SPI_DATA_I N
IIC_SDA_up
IIC_SCL_up BOLT_ON_SCL
BOLT_ON_SDA
ITV_SPI_CLK
REMOTE
STANDBY
BOLT_ON_SCL
BOLT_ON_SDA
A(8)
A(19)
DDC_RESET
ANTI_PLOP
BL_ON_OFF
DVB_SW
CTRL_DISP4_up
CTRL_DISP1_up
A(13)
A(12)
A(11)
A(10)
A(9)
A(18)
A(17)
A(16)
A(15)
A(14)
REMOTE
E_PAGE
IBO_RESET
A(1:7)
A(8:19)
RST_H
LCD_PWR_ON
FRONT_CVBS_SVHS_SEL
IBO_IRQ
A(10)
A(9)
A(8)
A(14)
A(8:19)
CS
CE
A(19)
A(18)
A(17)
A(16)
A(3)
A(2)
A(1)
A(0)
A(0:7)
A(15)
A(13)
A(12)
A(11)
HDMI_INT
A(7)
A(6)
A(5)
A(4)
AD(5)
AD(4)
AD(3)
AD(2)
AD(1)
AD(0)
POWER_DOWN
CPU_RST
AD(7)
AD(6)
CPU_RST
AD(5)
AD(6)
AD(7)
HDMI_RST_MUX
LED1
IIC_SDA_up
IIC_SDA_up
AD(0)
AD(1)
AD(2)
AD(3)
AD(4)
KEYB
WR
ALE_EMU
CNVSS
STANDBYn
MUTEn
WR
AD(0:7)
INT
AD(0:7)
LED2
SC2_STATUS
SC1_STATUS
HP_DETECT_T
A(7)
CE
RD
RD
IIC_SCL_up
IIC_SCL_up
E_PAGE
A(0)
A(1)
A(2)
A(3)
A(4)
A(5)
A(6)
B04
H_17370_009.eps
010804
3139 123 6273.1

Circuit Diagrams and PWB Layouts 53LC7.5E LA 7.
SSB: Trident WX68
Trident - WX68
NC
RES
RES
RES
WS U12 Use ALE to latch Address Use Falling Edges of WR#&RD# to latch Address(*)
SD0 V12 Use Rising Edge of WR# to latch data(*) Use Falling Edge of WR# to latch dat a
SCK Y11 I2C Slave Address=0x7E/7F(*) I2C Slave Address=0x7C/7D
Pin Name Pin No 1(HIGH) 0(LOW)
RES
FOR ITV ONLY
NC
NC
NC
NC
NC
NC
NC
NC
NC
TO FPGA / TO LVDS CONNECTO R
RES
RES
RES
RES
0R
3C36 F3
3C37 G3
3C39 C1
3C40 C2
3C41 C2
3C42 D2
3C43 D2
3C44 D2
4C07 C8
4C08 E10
5C06 A1
5C07 A1
5C08 B1
7C01-1 A7
7C01-3 A3
7C02 D10
7C03-1 E2
7C03-2 F2
7C03-3 F2
7C03-4 G2
7C03-5 G4
7C03-6 G5
7C04 D10
FC01 A2
FC02 A2
FC03 B2
IC01 D10
IC02 D11
IC07 A3
3C03-1 C6
3C03-2 C6
3C03-3 C6
3C03-4 C6
3C04-1 B6
3C04-2 B6
3C04-3 B6
3C04-4 B6
3C05-1 B6
3C05-2 B6
3C05-3 B6
3C05-4 B6
3C06-1 C6
3C06-2 B6
3C06-3 B6
3C06-4 B6
3C07 D9
3C08 C6
3C09 C6
3C10 C6
3C19 C8
3C20 C9
3C22 D10
3C23 D11
3C24 D11
3C25 D9
3C29 E2
3C30 E3
3C31 F2
3C32 F2
3C33 F2
3C34 F3
7C01-3
A
B
C
D
E
F
G
A
B
C
D
E
F
G
1C24 A6
2C01 A6
2C02 A6
2C03 A8
2C04 B8
2C05 B8
2C06 B8
2C07 B8
2C08 B8
2C09 B8
2C10 B8
2C11 B8
2C12 B8
2C13 B8
2C14 B8
1234567891011
1234567891011
IC01
2C15 B8
2C17 C8
2C18 C8
2C19 C8
2C20 D8
2C21 D8
2C22 A1
2C23 A1
2C24 B2
2C25 B2
2C26 B1
2C27 B1
2C28 C1
2C29 C1
2C30 D9
2C33 F3
2C73 D9
2C74 D11
2C81 B6
2C82 B6
3C01 A6
3C02 A7
IC02
FC03
FC01
FC02
2C30 100n
2C82 2n7
2C81 2n7
74LCX14T
13
714
1211
714
10
7C03-67C03-5
74LCX14T
+5V_SW
+5V_SW
3C29
4K74K7
3C32
+3V3_SW
2C33
100n
22R
3C31
3C33
22R
22R
3C37
22R
22R
3C36
3C34
8
3C30
22R
74LCX14T
7C03-4
9
714
74LCX14T
7C03-3
5
714
6
3
714
4
14
2
74LCX14T
7C03-2
74LCX14T
7C03-1
1
7
FPGA_BL_DIMMING
100R
3C07
+3V3_SW +3V3_SW +3V3_SW
3C44
4K7
3C43
4K7
3C41
4K7
4K7
3C40
3C42
4K7 3C39
4K7
3C25 10K
2C74
22u
3C24
100R
+3V3_SW
4C08
10u
2C73
BC847BW
7C04
BC847BW
7C02
3C23
220R
+3V3_SW
3C22
4K7
+3V3_SW
+3V3_SW
2C26
100n
2C25
100n
2C24
100n
2C28
100n 2C22
100n
2C27
6.3V10u
2C29
6.3V10u 6.3V10u
2C23
5C08
220R
220R
5C07
5C06
220R
2C19 100n
2C18 100n
2C17 100n
2C15 100n
2C14
2C13 100n
100n
2C12 100n
2C11 100n
2C10 100n
2C09 100n
2C08 100n
2C07 100n
100n2C06
2C04
2C05 100n
2C03
100n
+5V_STANDBY
100n
3C20
2C20 100n
1K0
2C21 100n
4C07
470R3C19
3C10
100R
3C09
3C08
45
100R
6
100R3C03-4
3C03-3 100R
3
100R3C03-2 27
3C03-1 18
18
100R
27
100R3C06-1
36
3C06-2 100R
100R3C06-3
100R3C06-4 45
3C05-3 100R
36
100R
3C05-4 45
3C05-2 27
18
100R
100R
3C05-1
3C04-4 100R
45
100R3C04-3 36
3C04-2 27
18
100R
100R3C04-1
2C01 18p
2C02 18p
24M0
1C24
1M0
3C01
Y6
Y_G3
33R
3C02
H17 SDA
F17
TESTMODE F16
V5SF
J19 WR_
W1 XTALI
Y1 XTALO V6
Y_G1 W6
Y_G2
R4 PLF2
Y8
PR_R1 W8
PR_R2 V8
PR_R3
G17
PWM0
J20 RD_
F18
RESET
H18 SCL G18
INTN
U2 MLF1
W9
PB_B1 Y9
PB_B2 Y10
PB_B3
W10
PC_B
Y7
PC_G
U8
PC_R
J17 CPU_CS
Y4
CVBS1
W2
CVBS_OUT1 V2
CVBS_OUT2
FB1 Y5
U4
FB2
V4
FS1 W4
FS2
M20 ADDR4
M19 ADDR5
M18 ADDR6
M17 ADDR7
AIN_H V10
U10
AIN_V
J18 ALE
V9
C
K17 AD4
K18 AD5
K19 AD6
K20 AD7
ADDR0
N17
N18 ADDR1
N19 ADDR2
N20 ADDR3
AD0
L17
L18 AD1
L19 AD2
L20 AD3
SVP WX68
7C01-1
M3 TMDS_GND2
N3 TMDS_GND3
P3 TMDS_GND4
R1 TMDS_GND5
U12 WS
IC07
A18
TD1P
G19
TD2M F20
TD2P
B19
TE1M
A19
TE1P
H19
TE2M G20
TE2P
L3 TMDS_GND1
A16
TC1P
E19
TC2M D20
TC2P
B17
TCLK1M A17
TCLK1P F19
TCLK2M E20
TCLK2P
B18
TD1M
TA1P
B20
TA2M A20
TA2P
B15
TB1M
A15
TB1P
D19
TB2M C20
TB2P
B16
TC1M
RX2-
L1 RXC+
L2 RXC-
V11 SCDT
Y11 SCK
V12 SD0
W12 SPDIF
B14
TA1M
A14
PVCC
T10 PWR5V
R5 REGVCC
M1 RX0+
M2 RX0-
N1 RX1+
N2 RX1-
P1 RX2+
P2
AUDIOCLK
M4 AVCC1
N4 AVCC2
N5 AVCC3
P4 AVCC4
P5 DGND
T11 DSCL
U11 DSDA
L4
SVP WX68
M5 ANTSTO
W11
WX_PAVDD1
WX_PAVDD2
PC_VGA_H
PC_VGA_V
VGA_H
VGA_V
BL_ADJUST
IBO_G_IN
IBO_B_IN
WX_PVCC
WX_AVCC
WX_REGVCC
SC1_CVBS_IN
HD_PR_IN
SC1_R_IN
SC2_Y_CVBS_IN
IBO_CVBS_IN
SC2_C_IN
IBO_R_IN
HD_Y_IN
SC1_G_IN
FRONT_CVBS_SVHS_Y_IN
SVHS_C_IN
HD_PB_IN
SC1_B_IN
A(0:7)
AD(0:7)
IIC_SCL
IIC_SDA
CS
RST_H
CVBS_RF
A(2)
A(3)
A(4)
A(5)
A(6)
A(7)
AD(6)
AD(7)
A(0)
A(1)
AD(0)
AD(1)
AD(2)
AD(3)
AD(4)
AD(5)
SC1_RF_OUT_CVBS
SC2_CVBS_MON_OUT
SC1_FBL_IN
INT
RD
WR
WX_PVCC
WX_REGVCC
TxFPGAe_4p
TxFPGAe_4n
TxFPGAo_4n
TxFPGAo_4p
PC_VGA_H
PC_VGA_V
ALE_EMU
TxFPGAe_2p
TxFPGAe_3n
TxFPGAe_3p
TxFPGAe_CLKn
TxFPGAe_CLKp
WX_AVCC
TxFPGAe_0p
TxFPGAe_1n
TxFPGAe_1p
TxFPGAe_2n
TxFPGAo_3n
TxFPGAo_3p
TxFPGAo_CLKn
TxFPGAo_CLKp
TxFPGAe_0n
TxFPGAo_0n
TxFPGAo_0p
TxFPGAo_1n
TxFPGAo_1p
TxFPGAo_2n
TxFPGAo_2p
B05A B05A
H_17370_010.eps
010804
3139 123 6273.1

54LC7.5E LA 7.
Circuit Diagrams and PWB Layouts
SSB: DDR & CPU Interface
VDDQ
VSS VSSQ
VDD VDDQ
VSS VSSQ
VDD
DDR&CPU INTERFACE
NC NC
RES
ID05 G8
3D06-2 D4
3D06-3 D4
3D06-4 D4
3D09 F1
3D10 G1
3D11 F1
3D14 G1
3D15 B4
3D16 B4
3D38 F7
3D40 F7
3D43-1 D10
3D43-2 D10
3D43-3 D10
3D43-4 D10
3D44-1 D10
3D44-2 D10
3D44-3 D10
3D44-4 D10
3D47-1 E10
3D47-2 E10
3D47-3 D10
3D47-4 D10
3D48-1 E10
3D48-2 E10
3D48-3 E10
3D48-4 E10
5D03 B1
7D01 D2
7D02 D8
FD01 B2
ID01 G2
D
E
F
G
A
B
C
D
E
F
G
2D02 C2
2D03 C3
2D04 C3
2D08 C3
2D09 C3
2D10 C3
2D11 C2
2D12 C3
2D14 G1
2D18 C2
2D31 B3
2D32 B4
2D33 B4
2D34 B4
2D37 C8
2D38 C9
1234567891011
1234567891011
A
B
C
3D05-1 22R
2D39 C9
2D43 C8
2D46 C7
2D57 C8
2D58 C8
2D59 C9
2D60 C9
2D71 B2
2D72 B2
3D01-1 E4
3D01-2 E4
3D01-3 E4
3D01-4 E4
3D02-1 E4
3D02-2 E4
3D02-3 D4
3D02-4 D4
3D05-1 D4
3D05-2 D4
3D05-3 D4
3D05-4 D4
3D06-1 D4
2D31
100n
+2V5_VDDMQ +2V5_VDDMQ
58
64
21 WE_
DDR_VREF
15
55
61
49 VREF
34
48
66
6
12
52
42
NC6
23 RAS_
47 UDM
51 UDQS
1
18
33
3
9
DQ9
20 LDM
16 LDQS
14
NC1 17
NC2 25
NC3 43
NC4 53
NC5
DQ15
5
DQ2 7
DQ3 8
DQ4 10
DQ5 11
DQ6 13
DQ7 54
DQ8 56
50
2
DQ0 4
DQ1
57
DQ10 59
DQ11 60
DQ12 62
DQ13 63
DQ14 65
BA0
27 BA1
22 CAS_
45 CK
44 CKE
46 CK_
24 CS_
DNU1 19
DNU2
31 A2
32 A3
35 A4
36 A5
37 A6
38 A7
39 A8
40 A9
26
K4D261638K
7D02
29 A0
30 A1
28 A10|AP
41 A11
6
12
52
58
64
21 WE_
3
9
15
55
61
49 VREF
34
48
66
43
NC4 53
NC5 42
NC6
23 RAS_
47 UDM
51 UDQS
1
18
33
DQ7 54
DQ8
DQ9 56
20 LDM
16 LDQS
14
NC1 17
NC2 25
NC3
DQ13 63
DQ14 65
DQ15
5
DQ2 7
DQ3 8
DQ4 10
DQ5 11
DQ6 13
24
DNU1 19
DNU2 50
2
DQ0 4
DQ1
57
DQ10 59
DQ11 60
DQ12 62
A8
40 A9
26 BA0
27 BA1
22 CAS_
45 CK
44 CKE
46 CK_
CS_
28
41 A11
31 A2
32 A3
35 A4
36 A5
37 A6
38 A7
39
K4D261638K
7D01
29 A0
30 A1
A10|AP
FD01
5D03
DDR_VREF
DDR_VREF
220R
100n
2D32
+2V5_VDDMQ
1K0
+2V5_VDDMQ
3D16 3D15
1K0
100n
2D33
+2V5_SW
100n
2D34
+2V5_VDDMQ
10n
2D72
6.3V22u
2D71
ID05
470p
2D60
10n2D59
10n2D58
10n2D57
2D46
10u
470p
2D43
100n
2D39
100n
2D38
100n
2D37
3D40 15R
8
3D38 15R
3D44-1 22R1
3D44-2 22R27
22R
36
45
3D44-3
18
3D44-4 22R
7
22R
3D43-1
22R
3D43-2 2
3D43-3 22R36
3D43-4 4 5
36
22R
3D48-4 22R45
3D48-3 22R
18
7
3D48-1 22R
22R2
3D47-1 18
3D48-2
3D47-2 2 7
22R
36
22R
45
22R3D47-3
3D47-4 22R
ID01
10u
2D18
2D12 470p
2D11 470p
2D10 100n
2D09 10n
2D08 10n
2D04 10n
2D03 100n
2D02 100n
10n
2D14 51R
3D10
51R3D14
15R3D11
15R3D09
22R36
22R45
3D02-3
3D02-2 2 7
3D02-4
18
22R
22R3D02-1
3D01-2 22R27
3D01-1 22R18
22R36
45
3D01-3
18
3D01-4 22R
22R3D06-1
22R3D06-2 2 7
22R3D06-3 3 6
3D06-4 4 5
45
22R
36
22R3D05-4
22R3D05-3
22R3D05-2 2 7
18
WX_MD31
WX_MD30
WX_MD16
WX_MD19
WX_MD18
WX_MD17
WX_MD23
WX_MD24
WX_MD25
WX_MD26
WX_MD27
WX_MD29
WX_MD28
WX_MD14
WX_MD12
WX_MD13
WX_MD11
WX_MD10
WX_MD8
WX_MD9
WX_MD20
WX_MD21
WX_MD22
2_DQ18
WX_MD7
WX_MD3
WX_MD6
WX_MD2
WX_MD5
WX_MD1
WX_MD0
WX_MD4
WX_MD15
2_DQ16
WX_CS0# WX_CS0#
2_DQ19
2_DQ17
2_DQ23
2_DDQS2
2_DDQS3
2_DQ25
2_DQ26
2_DQ27
2_DQ29
2_DQ28
2_DQ31
2_DQ30
2_DQ20
2_DQ21
2_DQ22
2_DQ24
1_DQ3
1_DQ2
1_DQ1
1_DQ0
1_DQ13
1_DQ11
1_DQ10
1_DQ8
1_DQ9
1_DDQS1
1_DDQS0
WX_BA0
WX_BA1
WX_DQM2
WX_DQM3
1_DQ15
1_DQ14
1_DQ7
1_DQ6
1_DQ5
1_DQ4
1_DQ12
WX_MA10
WX_MA11
WX_CLKE
WX_RAS#
WX_CAS#
WX_WE#
WX_MCK0
WX_MCK0#
WX_DQS2
WX_DQS3
WX_DQS0
WX_MA0
WX_MA1
WX_MA2
WX_MA3
WX_MA4
WX_MA5
WX_MA6
WX_MA7
WX_MA8
WX_MA9
WX_MA0
WX_MA1
WX_MA2
WX_MA3
WX_MA4
WX_MA5
WX_MA6
WX_MA7
WX_MA8
WX_MA9
WX_MA10
WX_MA11
WX_BA0
WX_BA1
WX_DQM1
WX_DQM0
WX_CLKE
WX_RAS#
WX_CAS#
WX_WE#
WX_MCK0
WX_MCK0#
WX_DQS1
B05B B05B
H_17370_011.eps
010804
3139 123 6273.1

Circuit Diagrams and PWB Layouts 55LC7.5E LA 7.
SSB: WX Power / Ground
NC
WX POWER / GROUND
NC
NC
NC
NC
NC
Pin Name Pin No
DP_HS P19 MPU in A/D Multiplix Mode MPU in A/D Separate Mode(*)
1(HIGH) 0(LOW)
RES
NC
RES
0R
IE11 D6
IE12 F6
IE15 C9
3E07 E3
5E03 E1
5E04 F1
5E05 G1
5E06 B7
5E07 C7
5E08 D7
5E09 E7
5E10 F7
5E11 F7
5E12 A1
5E13 B1
5E14 B1
5E16 D1
5E17 E1
7C01-2 B10
7C01-4 B4
FE01 D2
FE02 E2
FE03 F2
FE04 F2
FE05 G2
FE06 A1
FE07 B1
FE08 B1
IE04 C9
IE05 C9
IE06 C9
IE07 C9
IE08 D9
IE09 D9
IE10 C6
2E41 D3
2E42 D3
2E43 D1
2E44 A3
2E45 A3
2E46 A3
2E47 A4
2E48 A3
2E49 C3
2E50 C3
2E51 C3
2E52 C3
2E53 C2
2E54 C2
2E55 C2
2E56 C2
2E57 C1
2E58 C2
2E66 C1
2E67 A2
2E68 A1
2E69 B2
2E70 B1
2E71 B1
2E72 B2
2E75 D3
2E76 D3
2E77 E3
3E02 C7
3E04 D7
3E05 C11
3E06 C11
2E09 F2
2E10 F2
2E11 G2
2E12 G2
2E13 G2
2E14 G2
2E15 G2
2E16 G2
2E17 G2
2E18 G2
2E19 C6
2E20 C6
2E21 C6
2E22 C6
2E23 D6
2E24 D6
2E25 D6
2E26 D6
2E27 E6
2E28 E6
2E29 E6
2E30 E6
2E31 F6
2E32 F6
2E33 F6
2E34 F6
2E35 D2
2E36 D2
2E37 D2
2E38 D2
2E39 D2
2E40 D2
IE12
91011
A
B
C
D
E
F
G
A
B
C
D
E
F
G
2E01 E2
2E02 E2
2E03 E2
2E04 E2
2E05 F1
2E06 F1
2E07 F2
2E08 F2
1234567891011
12345678
IE11
IE10
2E77
10u
3E07
FE08
FE06
FE07
FE05
FE04
FE02
FE03
FE01 +2V5_VDDMQ
+3V3_SW
4K7
3E06
4K7
3E05
2E75 470p
2E76 470p
DDR_VREF
+1V2_ADC
+1V2_SW
+1V2_CORE
+1V2_PLL
2E72
100n
2E69
100n
2E67
100n
2E71
22u 6.3V
2E70
22u 6.3V
2E68
22u 6.3V
33R
5E14
150R
5E13
5E12
IE15
150R
IE06
IE07
IE09
IE08
IE04
VS P17
WE_
K1
IE05
MD4
C11
MD5
B11
MD6
A11
MD7
A10
MD8
B10
MD9
C10
MVREF
E3
RAS_
J2
MD26
A2
MD27
A1
MD28
C1
MD29
C2
MD3
D12
MD30
C3
MD31
D3
MD19
A7
MD2
A13
MD20
D6
MD21
A5
MD22
B5
MD23
A4
MD24
C5
MD25
A3
MD11
D9
MD12
A8
MD13
B8
MD14
C8
MD15
D8
MD16
D7
MD17
C7
MD18
B7
MA7
G4
MA8
F4
MA9
F3
MCK0
D1
MCK0_
E1
MD0
C13
MD1
B13
MD10
D10
MA1
H3
MA10
F2
MA11
F1
MA2
H2
MA3
H1
MA4
G1
MA5
G2
MA6
G3
DQM2
A6
DQM3
B1
DQS0
B12
DQS1
B9
DQS2
B6
DQS3
B2
HS P19
MA0
H4
DPB8 R20
DPB9 R19
DPB_CLK T19
DPB_DE W20
DPB_HS V19
DPB_VS V20
DQM0
A12
DQM1
A9
DPA_HS Y19
DPA_VS Y20
DPB10 T17
DPB11 T18
DPB12 T20
DPB13 U20
DPB14 U19
DPB15 U18
DPA3 Y18
DPA4 Y17
DPA5 W17
DPA6 V17
DPA7 U17
DPA8 U16
DPA9 V16
DPA_CLK Y15
DPA17 W14
DPA18 Y14
DPA19 Y13
DPA2 W18
DPA20 W13
DPA21 V13
DPA22 U13
DPA23 Y12
DPA1 V18
DPA10 W16
DPA11 Y16
DPA12 W15
DPA13 V15
DPA14 U15
DPA15 U14
DPA16 V14
7C01-2
SVP WX68
BA0
K3
BA1
K4
CAS_
J1
CLKE
K2
CS0_
J4
CS1_
J3
DPA0 W19
+1V2_CORE
+3V3_SW
2E66
10u 6.3V
2E57
10u 6.3V
10u 6.3V
6.3V
2E48
2E43
10u
100n2E47
100n
2E46
100n2E45
100n2E44
100n
2E39
100n
2E35
100n
2E40
100n
2E36
100n
2E42
100n2E37
100n
2E41
100n
2E38
100n2E58
100n2E49
100n
2E53
100n2E50
100n2E54
100n2E51
100n2E55
100n2E56
100n2E52
+3V3_SW
+3V3_SW
+1V2_PLL
+1V2_PLL
100n
2E04
100n
2E02
100n
2E11
+3V3_SW
100n
2E06
100n
2E07
100n
2E08
2E05
10u 6.3V
2E03
10u 6.3V
2E01
10u 6.3V6.3V
2E10
10u
220R
5E17
220R
5E16
150R
5E05
+1V2_ADC
+1V2_ADC
+1V2_ADC
+1V2_ADC
+3V3_SW
+3V3_SW
3E04
22R
+3V3_SW
3E02
22R
220R
5E07
150R
5E04
220R
5E03
150R
5E11
150R
5E10
150R
5E09
150R
5E08
220R
5E06
2E12
10u
2E34
10u 6.3V
6.3V
10u 6.3V 6.3V
2E32 2E30
10u
2E28
10u 6.3V
2E26
10u 6.3V
2E24
10u 6.3V
2E22
10u 6.3V
100n
2E09
100n
2E33
100n
2E31
100n
2E29
100n
2E27
100n
2E25
100n
2E23
100n
2E21
100n
2E19
2E20
10u 6.3V
+2V5_VDDMQ
+1V2_PLL
+3V3_SW
100p2E18
2E17 100p
100p2E14
100p
2E13
100p2E16
100p2E15
VSS45 H20
VSS5 D2
VSS6 H8
VSS7 H9
VSS8 H10
VSS9 H11
VSSR1 E4
VSSR2 E7
VSS38 N9
VSS39 N10
VSS4 C12
VSS40 N11
VSS41 N12
VSS42 N13
VSS43 P18
VSS44 T16
VSS30 L13
VSS31 M8
VSS32 M9
VSS33 M10
VSS34 M11
VSS35 M12
VSS36 M13
VSS37 N8
VSS23 K13
VSS24 L5
VSS25 L8
VSS26 L9
VSS27 L10
VSS28 L11
VSS29 L12
VSS3 C9
VSS16 J12
VSS17 J13
VSS18 K8
VSS19 K9
VSS2 C6
VSS20 K10
VSS21 K11
VSS22 K12
VREFP_2
W7
VSS1 B3
VSS10 H12
VSS11 H13
VSS12 J8
VSS13 J9
VSS14 J10
VSS15 J11
VDDM7
E6
VDDM8
E9
VDDM9
E10
VDDR1
E2
VDDR2
E8
VREFN_1
V5
VREFN_2
V7 VREFP_1
W5
VDDM11
E12
VDDM12
F5
VDDM13
G5
VDDM2
C4
VDDM3
D4
VDDM4
D5
VDDM5
D11
VDDM6
E5
VDDH3
N16
VDDH4
P16
VDDH5
T12
VDDH6
T13
VDDH7
R17
VDDH8
R18
VDDM1
B4
VDDM10
E11
VDDC4
D14
VDDC5
D15
VDDC6
E13
VDDC7
E14
VDDC8
E15
VDDC9
G16
VDDH1
L16
VDDH2
M16
VDDC13
J16
VDDC14
K5
VDDC15
K16
VDDC16
R16
VDDC17
T14
VDDC18
T15
VDDC2
C15
VDDC3
D13
PAV D D 1
T3
PAV D D 2
T4
PAV S S 1 T2
PAV S S 2 R3
VDDC1
C14
VDDC10
H5
VDDC11
H16
VDDC12
J5
LVDS_VDDO2
D17
LVDS_VDDP
D18
LVDS_VSSA E16
LVDS_VSSD C16
LVDS_VSSO1 C18
LVDS_VSSO2 C19
LVDS_VSSP E18
NC
P20
T7
AVSS_ADC3 T9
AVSS_ADC4 T6
AVSS_BG_ASS W3
AVSS_OUTBUF Y2
LVDS_VDDA
E17
LVDS_VDDD
D16
LVDS_VDDO1
C17
R2
AVDD_ADC1
U5
AVDD_ADC2
U7
AVDD_ADC3
T8
AVDD_ADC4
U6
AVSSAPLL V1
AVSSLLPLL T1
AVSS_ADC1 T5
AVSS_ADC2
7C01-4
SVP WX68
AVDD3_ADC1
Y3
AVDD3_ADC2
U9
AVDD3_BG_ASS
V3
AVDD3_OUTBUF
U3
AVDDAPLL
U1
AVDDLLPLL
DP_HS
WX_RAS#
WX_WE#
WX_MD29
WX_MD3
WX_MD30
WX_MD31
WX_MD4
WX_MD5
WX_MD6
WX_MD7
WX_MD8
WX_MD9
WX_MD2
WX_MD20
WX_MD21
WX_MD22
WX_MD23
WX_MD24
WX_MD25
WX_MD26
WX_MD27
WX_MD28
WX_MD10
WX_MD11
WX_MD12
WX_MD13
WX_MD14
WX_MD15
WX_MD16
WX_MD17
WX_MD18
WX_MD19
WX_MA3
WX_MA4
WX_MA5
WX_MA6
WX_MA7
WX_MA8
WX_MA9
WX_MCK0
WX_MCK0#
WX_MD0
WX_MD1
WX_DQM3
WX_DQS0
WX_DQS1
WX_DQS2
WX_DQS3
DP_HS
WX_MA0
WX_MA1
WX_MA10
WX_MA11
WX_MA2
HDMI_V
HDMI_Cr(0)
HDMI_Cr(1)
HDMI_Cb(0)
HDMI_Cb(1)
HDMI_Y(0)
HDMI_Y(1)
HDMI_DE
WX_DQM0
WX_DQM1
WX_DQM2
HDMI_Cr(7)
HDMI_Cr(8)
HDMI_Cr(9)
HDMI_Y(5)
HDMI_Y(6)
HDMI_Y(7)
HDMI_Y(8)
HDMI_Y(9)
HDMI_Cb(2)
HDMI_Cb(3)
HDMI_VCLK
HDMI_H
HDMI_Cb(5)
HDMI_Cb(6)
HDMI_Cb(7)
HDMI_Cb(8)
HDMI_Cb(9)
HDMI_Cr(2)
HDMI_Cr(3)
HDMI_Cr(4)
HDMI_Cr(5)
HDMI_Y(4)
HDMI_Cr(6)
WX_BA0
WX_BA1
WX_CAS#
WX_CLKE
WX_CS0#
HDMI_Y(2)
HDMI_Y(3)
HDMI_Cb(4)
WX_AVDD3_ADC1
WX_AVDD3_ADC2
WX_AVSS_ADC1
WX_AVSS_ADC2
WX_LVDS_VSS
WX_AVDD_ADC4
WX_AVSSAPLL
WX_AVDDAPLL
WX_AVSSLLPLL
WX_AVDDLLPLL
WX_LVDS_VDD
WX_AVSS_OUTBUF
WX_AVDD3_OUTBUF
WX_AVSS_BG_ASS
WX_AVDD3_BG_ASS
WX_PAVSS1
WX_PAVDD1
WX_PAVSS2
WX_PAVDD2
WX_AVSS_ADC1
WX_AVDD_ADC1
WX_AVSS_ADC2
WX_AVDD_ADC2
WX_AVSS_ADC3
WX_AVDD_ADC3
WX_AVSS_ADC4
WX_AVDD3_ADC1
WX_AVDD3_ADC2
WX_AVDD3_BG_ASS
WX_AVDD3_OUTBUF
WX_AVDDAPLL
WX_AVDDLLPLL
WX_AVDD_ADC1
WX_AVDD_ADC2
WX_AVDD_ADC3
WX_AVDD_ADC4
WX_AVSSAPLL
WX_AVSSLLPLL
WX_AVSS_ADC1
WX_AVSS_ADC2
WX_AVSS_ADC3
WX_AVSS_ADC4
WX_AVSS_BG_ASS
WX_AVSS_OUTBUF
WX_LVDS_VDD
WX_LVDS_VSS
WX_PAVDD1
WX_PAVDD2
WX_PAVSS1
WX_PAVSS2
B05C B05C
H_17370_012.eps
010804
3139 123 6273.1

56LC7.5E LA 7.
Circuit Diagrams and PWB Layouts
SSB: FPGA Interface (AL Sets only)
DATA
GND
ASDI
DCLK
CS_
VCC NC
NC
DATA
GND
ASDI
DCLK
CS
VCC
FPGA INTERFACE
RES
RES RES
RES
FOR PWM AL DRIVER
TO DRIVE IC AL DRIVERS
RES
RES
2 CONNECTORS
OVERLAPPING 5PIN & 7PIN
RES RES
RES
SOFTWARE DEBUGGER
RES
FOR PROGRAMMING FPGA
(FOR DEVELOPMENT)
(ONLY FOR AMBI-LIGHT SET)
I213 G4
I232 A7
4201 F2
4202 F2
4203 G2
4204 G3
4205 G2
5201 A2
5202 A7
7201 B3
7202 B4
F201 C9
F202 C7
F204 C7
F207 C9
F208 C7
F209 E3
F211 E1
F214 E3
F222 B4
F223 B4
F224 B4
F225 C7
F227 C4
F236 C9
F237 B8
I201 A6
I205 B2
I206 G2
I207 G2
I209 E1
I210 F4
I211 F4
I212 F4
2203 F2
2204 F2
2205 G4
2206 G4
2207 G4
2208 G4
2209 G5
2210 G5
2211 B2
2212 B5
2213 B6
2214 B7
3201 E5
3202 E5
3203 E2
3204 E2
3205 E2
3206 E2
3207 G5
3222 F5
3224 F5
3225 G5
3231 C7
3232 C7
3234 C7
3235 C7
3236 A8
3238 C7
3240 C7
3246 C7
3247 F5
3248 G5
I213
10
A
B
C
D
E
F
G
A
B
C
D
E
F
G
1201 F3
1202 F4
1203 C9
1204 A7
2201 E6
2202 E6
12345678910
123456789
I212
I210
I211
3
4
5
6
440054-6
1
2
F236
1203
F201
F207
+3V3_FPGA +3V3_FPGA
+3V3_FPGA
3231
1K0 3232
3238 1K0
F208
F225
F204
F202
100R3240
3246 100R
100R3235
3234 100R
1201
440054-5
1
2
3
4
5
4204
2210 1n0
2209 1n0
2208 1n0
2207 1n0
2206 1n0
2205 1n0
100R
3248
100R
3207
100R
3225
100R3224
100R
3222
3
4
5
6
7
100R3247
440054-7
1202
1
2
F237
I232
+3V3_FPGA
1K5
3203
3204
1K5
I207
I201
I206
F211
I209 F209
F214
+3V3_FPGA
4203
4205
4201
+3V3_FPGA
4202
DSO751SV
1204
27M0
2
14
3
1n0
2203
3206
100R
2204
1n0
100R 3205
+3V3_FPGA
47R
3236
30R
5202
2214
10u
100p
2202
2201
100p
3202 100R
100R3201
+3V3_FPGA
I205
10n
2211
1
26
4
3
7
8
7201
EPCS4SI8
Φ
5
F227
SCD F223
F224
F222
5201
30R
2213
10n
2212
10n
11
12
13
14
1
2
9
15
7
816
10
3
4
5
6
7202
Φ
EPCS16SI16N
SCD
JTAG_TCK
JTAG_TDO
JTAG_TMS
JTAG_TDI
ambi_pwm(0)
ambi_pwm(1)
ambi_pwm(2)
ambi_pwm(3)
ambi_pwm(4)
ambi_pwm(5)
TCK_FPGA
TDO_FPGA
TMS_FPGA
TDI_FPGA
CLK_OSC1
AMBI_SCL S_SCL
AMBI_SDA S_SDA
I2S_SEL2
I2S_SEL1
IIC_SCL_up
IIC_SDA_up
nCSO nCSO
DCLK DCLK
ASDO ASDO
DATA0 DATA0
MAIN_SCL
MAIN_SDA
B05D B05D
H_17370_013.eps
010804
3139 123 6273.1

Circuit Diagrams and PWB Layouts 57LC7.5E LA 7.
SSB: FPGA I/O Banks
VCCA_PLL
VCCD_PLL
GNDA_PLL
GND
GND
GND
VCCIO4
VCCINT
1
2
1
2
2
1
GND_PLL2
GND_PLL1
VCCIO3
VCCIO2
VCCIO1
NCNC
CLK
MSEL
6
5
4
3
2
1
0
7
DATA0
DCLK
TDI
TDO
TMS
TCK
1
0
CONF_DONE
CONFIG
STATUS
CE
FPGA I/O BANKS
NC NC NC NC
NC
NC
RES
NC
NC
FROM TRIDENT FROM TRIDENT
INPUT BANK
TO LVDS
OUTPUT BANK
TO LVDS
FPGA BYPASS
RES
RES
5701 B1
5702 C1
5703 D1
5704 E1
5705 E2
7700-1 F8
7700-2 G3
7700-3 B14
7700-4 H13
7700-5 B8
7700-6 E14
7700-7 I15
F701 B2
F702 B2
F703 C2
F704 E2
F705 E2
F706 F9
F733 G9
F734 F9
I705 G4
I712 G4
I713 H2
I728 H2
3749 B6
3750 F6
3751 F6
3752 G6
3753 G6
4700 F10
4701 G10
4703 C12
4704 C12
4705 C12
4706 C12
4707 C12
4708 C12
4709 C12
4710 C12
4711 C12
4712 C12
4713 D12
4714 D12
4715 D12
4716 D12
4717 D12
4718 D12
4719 D12
4720 D12
4721 D12
4722 D12
4723 C12
4724 D12
4725 D12
4726 E12
5700 B1
3703 F9
3713 G7
3714 F7
3720 B10
3721 B10
3722 B10
3723 B10
3724 B10
3725 C10
3726 C10
3727 C10
3728 C10
3729 C10
3730 D10
3731 D10
3732 E10
3733 E10
3734 E10
3735 C6
3736 C7
3737 C6
3738 B6
3739 B7
3740 B6
3741 C6
3742 C7
3743 C6
3744 D6
3745 D7
3746 D6
3747 B6
3748 B7
J
2700 H1
2701 B2
2702 B3
2703 B4
2704 B4
2705 B4
2706 C2
2707 C2
2708 C2
2709 C3
2710 C3
2711 C3
2712 C4
2713 C4
2714 C4
2715 C4
2717 C2
2718 C2
2719 C2
2720 C3
2721 C3
2724 D2
2725 D3
2726 D3
2729 E2
2730 E3
2734 G8
3700 F10
3701 F10
3702 G11
F734
12345678910111213141516
12345678910111213141516
A
B
C
D
E
F
G
H
I
J
A
B
C
D
E
F
G
H
I
10K
3703
10K
3701
22R
3752
3753
22R
3751 22R
22R
3750
4724
4723
4725
4726
4722
4721
4720
4718
4719
4717
4716
4715
4714
4713
4712
4710
4711
4709
4708
4707
4706
4705
4704
4703
22R
3749
3748
180R
3747
22R
22R
3746 180R
3745
22R
3744
22R
3743 180R
3742
22R
22R
3740
3741
3739
180R
3737
3738
22R
22R
180R
3736
22R
3735
22R
180R
3733
3734
22R
3732
3731
22R
3730
180R
22R
3729
22R
180R
3727
3728
22R
3726
22R
3725
180R
3724 22R
3723
22R
3722
180R
22R
3721
3720
180R
3714
180R
3713
FPGA_BL_DIMMING
FPGA_BL_BOOST
3702
10K
+1V2-PLL
+3V3_FPGA +3V3_FPGA
+2V5out-FPGA
+2V5in-FPGA
+1V2-FPGA
+3V3_FPGA
2700
1n0
2734
1n0
I705
I712
I713
I728
F733
F706
2726
10n10n
2725
2730
10n
+1V2-FPGA
10n
2707
+2V5out-FPGA
+1V2_SW
+1V2-PLL
+2V5_SW F702
F703 +2V5in-FPGA
+3V3_SW +3V3_FPGA
2721
10n10n10n 27202719
10n4u7 2718
30R
2717
5702
30R
5705
5703
30R
30R
5704
27122711 10n10n10n
2705
2710
2704
10n10n10n
27032702
10n
2715
10n10n
2714
2709
10n10n
2708
F701
F705
F704
10n
2713
5700
30R
1u0
2701
1u0
2729
2706
4u7
5701
30R
2724
47u
4V
3700
10K
4700
F2
H5
G2
G1 4701
H16
H15
J15
J16
J5
L13
F1
H4
J13
K12
M13
EP2C5F256C7N
G5H2
H1
J2
J1
D1
D2
D7
D9
E13
E15
7700-1
CONTROL
Φ
K6
K7
C15
K8
N3
N4
N6
N7
P6
R6
C16
EP2C5F256C7N
7700-7
B8
F13
F14
F5
G4
H6
J10
J6
K13
Φ
NC
B16
G14
K14
R16
M10
M7
P10
P7
T15
T2
B1
G3
K3
R1
A15
A2
C10
C7
E10
E7
N5
D12
F12
M5
E12
L6
F11
G9
H10
H7
J7
T16
B15
B2
C8
C9
E8
E9
G8
M6
E11
L5
K9
M8
A16
M9
P8
P9
R15
R2
T1
7700-6
A1
H14
H3
H8
H9
J14
J3
J8
J9
IO_T8|LVDS53p
T9 IO_T9|LVDS52p
EP2C5F256C7N
Φ
POWER
IO_T12|LVDS46p
T13 IO_T13|LVDS45p
T14 IO_T14|LVDS44p
T3
IO_T3|LVDS58p
T4
IO_T4|LVDS56p
T5
IO_T5|LVDS55p
T6
IO_T6
T7
IO_T7|LVDS54p
T8
IO_R3|LVDS58n
R4
IO_R4|LVDS56n
R5
IO_R5|LVDS55n
R7
IO_R7|LVDS54n
R8 IO_R8|LVDS53n
R9 IO_R9|LVDS52n
T10 IO_T10|LVDS49n
T11 IO_T11|LVDS51p
T12
IO_P13|LVDS47n
P4
IO_P4|LVDS57n
P5
IO_P5|LVDS57p
R10 IO_R10|LVDS49p
R11 IO_R11|LVDS51n
R12 IO_R12|LVDS46n
R13 IO_R13|LVDS45n
R14 IO_R14|LVDS44n
R3
IO_L9|LVDS50p
M11 IO_M11|LVDS43p
N10
IO_N10|LVDS59n
N11
IO_N11|VREFB4N0 N8
IO_N8|VREFB4N1
N9
IO_N9|LVDS59p
P11
IO_P11
P12 IO_P12|LVDS47p
P13
K10 IO_K10|LVDS48n
K11 IO_K11|LVDS48p
L10 IO_L10|LVDS50n
L11 IO_L11|LVDS43n
L12
IO_L12
L7
IO_L7|LVDS60p L8
IO_L8|LVDS60n
L9
G7 IO_G7|LVDS11p
7700-5
EP2C5F256C7N
Φ
BANK4
F10 IO_F10|LVDS12n
F6 IO_F6|LVDS13n
F7 IO_F7|LVDS19n
F8 IO_F8|LVDS19p
F9 IO_F9|LVDS12p
G10
IO_G10|LVDS24n
G11
IO_G11|LVDS24p
G6 IO_G6|LVDS11n
C4 IO_C4|LVDS10p
C5 IO_C5|LVDS10n
C6 IO_C6|LVDS17p
D10
IO_D10|LVDS22p D11
IO_D11|LVDS22n
D6 IO_D6|LVDS17n D8
IO_D8|VREFB2N1
E6 IO_E6|LVDS13p
B4 IO_B4|LVDS15n
B5 IO_B5|LVDS16n
B6 IO_B6|LVDS18n
B7 IO_B7|LVDS20p
B9
IO_B9|LVDS21p
C11
IO_C11|VREFB2N0
C12
IO_C12|LVDS27p C13
IO_C13|LVDS27n
A8
IO_A8
A9
IO_A9|LVDS21n
B10
IO_B10|LVDS23n
B11
IO_B11
B12
IO_B12|LVDS25n
IO_B13|LVDS26n B13
B14
IO_B14|LVDS28n
B3 IO_B3|LVDS14n
A12
IO_A12|LVDS25p
A13
IO_A13|LVDS26p
A14
IO_A14|LVDS28p
A3 IO_A3|LVDS14p
A4 IO_A4|LVDS15p
A5 IO_A5|LVDS16p
A6 IO_A6|LVDS18p
A7 IO_A7|LVDS20n
7700-3
EP2C5F256C7N
Φ
BANK2
A10
IO_A10|LVDS23p
A11
IO_A11
IO_M4|PLL1_OUTn M4
IO_N1|LVDS1p
N1
IO_N2|LVDS1n
N2
IO_P1|LVDS0p
P1
IO_P2|LVDS0n
P2
IO_P3 P3
IO_K5|LVDS3n
K5
IO_L1|LVDS2p
L1
IO_L2|LVDS2n
L2
IO_L3 L3
IO_L4|PLL1_OUTp L4
IO_M1 M1
IO_M2 M2
IO_M3 M3
E4
IO_E5|LVDS8n E5
IO_F3|VREFB1N0 F3
IO_F4|CSO_
F4
IO_J4|VREFB1N1 J4
IO_K1|LVDS4n
K1
IO_K2|LVDS4p
K2
IO_K4|LVDS3p
K4
IO_C2|LVDS9n
IO_C3|ASDO
C3
IO_D3|LVDS6p
D3
IO_D4|LVDS6n
D4
IO_D5|LVDS8p D5
E1 IO_E1|LVDS5p
E2 IO_E2|LVDS5n
IO_E3|LVDS7p E3
IO_E4|LVDS7n
Φ
BANK1
EP2C5F256C7N
7700-2
IO_C1|LVDS9p C1
C2
IO_N13|LVDS41n N13
IO_N14|LVDS41p N14
N15
IO_N15|LVDS39n
N16
IO_N16|LVDS39p
P14
IO_P14
P15
IO_P15|LVDS40n
P16
IO_P16|LVDS40p
IO_L14 L14
L15 IO_L15|LVDS37n
L16 IO_L16|LVDS37p
M12
IO_M12|LVDS42p
M14
IO_M14|VREFB3N1
M15
IO_M15|LVDS38n
M16
IO_M16|LVDS38p
N12
IO_N12|LVDS42n
IO_G16|LVDS34n
G16
H11 IO_H11|LVDS32p
H12 IO_H12|LVDS35n
H13
IO_H13|VREFB3N0
J11 IO_J11|LVDS32n
J12 IO_J12|LVDS35p
K15 IO_K15|LVDS36p
IO_K16|LVDS36n
K16
IO_D16|LVDS30p
D16
IO_E14|PLL2_OUTp E14
IO_E16 E16
F15 IO_F15|LVDS33n
F16 IO_F16|LVDS33p
G12 IO_G12|LVDS31n
G13 IO_G13|LVDS31p
G15 IO_G15|LVDS34p
EP2C5F256C7N
Φ
BANK3
7700-4
C14 IO_C14|LVDS29n
D13 IO_D13|LVDS29p
D14
IO_D14|PLL2_OUTn
IO_D15|LVDS30n
D15
TxLVDSo_4p
TxLVDSo_4n
TxLVDSo_1n
TxLVDSo_CLKp
TxLVDSo_CLKn
TxLVDSo_3p
TxLVDSo_3n
TxLVDSe_4p
TxLVDSe_4n
TxLVDSe_3p
TxLVDSe_3n
TxLVDSo_0p
TxLVDSo_0n
TxLVDSo_1p
TxLVDSe_0p
TxLVDSe_0n
TxLVDSe_1n
TxLVDSe_2p
TxLVDSe_2n
TxLVDSe_4p
TxFPGAe_CLKn TxLVDSe_CLKn
TxFPGAe_CLKp TxLVDSe_CLKp
TxFPGAo_CLKn TxLVDSo_CLKn
TxFPGAo_CLKp TxLVDSo_CLKp
TxFPGAo_CLKp
TxFPGAo_CLKn
TxFPGAe_CLKp
TxFPGAe_CLKn
TxFPGAe_0p TxLVDSe_0p
TxLVDSe_1nTxFPGAe_1n
TxFPGAe_1p TxLVDSe_1p
TxLVDSe_2nTxFPGAe_2n
TxFPGAe_2p TxLVDSe_2p
TxLVDSe_3nTxFPGAe_3n
TxFPGAe_3p TxLVDSe_3p
TxLVDSe_4nTxFPGAe_4n
TxFPGAe_4p
TxFPGAo_0p TxLVDSo_0p
TxLVDSo_1nTxFPGAo_1n
TxFPGAo_1p TxLVDSo_1p
TxLVDSo_2nTxFPGAo_2n
TxFPGAo_2p TxLVDSo_2p
TxLVDSo_3nTxFPGAo_3n
TxFPGAo_3p TxLVDSo_3p
TxLVDSo_4nTxFPGAo_4n
TxFPGAo_4p TxLVDSo_4p
TxFPGAe_0n TxLVDSe_0n
TxFPGAo_1p
TxFPGAo_1n
TxFPGAo_2p
TxFPGAo_2n
TxFPGAo_4p
TxFPGAo_4n
TxFPGAo_3p
TxFPGAo_3n
TxFPGAo_0n TxLVDSo_0n
TxFPGAe_2n
TxFPGAe_1p
TxFPGAe_1n
TxFPGAe_0p
TxFPGAe_0n
TxFPGAe_4p
TxFPGAe_4n
TxFPGAo_0p
TxFPGAo_0n
TxLVDSo_2p
TxLVDSo_2n
TxLVDSe_CLKp
TxLVDSe_CLKn
TxFPGAe_3p
TxFPGAe_3n
TxFPGAe_2p
CLK_OSC1
MAIN_SCL
TxLVDSe_1p
TCK_FPGA
DCLK
TMS_FPGA
TDO_FPGA
TDI_FPGA
DATA 0
ambi_pwm(5)
ambi_pwm(0)
ambi_pwm(1)
ASDO
ambi_pwm(4)
nCSO
MAIN_SDA
AMBI_SCL
AMBI_SDA
ambi_pwm(3)
ambi_pwm(2)
B05E B05E
H_17370_014.eps
010804
3139 123 6273.1

58LC7.5E LA 7.
Circuit Diagrams and PWB Layouts
SSB: Audio Processor
COM
OUTIN
WS
OUT
IN
C
SR
SL
L
R
SC3_OUT
A
DEL
L
R
L
R
L
CL3
TP
1
R
2AH
AH
L
R
L
R
VREFTOP
L
R
RESETQ
SUB
ADR_SEL
TESTEN
AD
XTAL
I2C
DA
I2S
ANA
SC1_IN
SC2_IN
SC3_IN
SC4_IN
VSS VREF
NC
L
R
3
IN-
IN1+
IN2+
DA
L
RSC5_IN
CL
CL
4
SPDIF_OUT
AUD_CL_OUT
1
0
DVSUP
STNDBYQ
A
IN
OUT
SC2_OUT
SC1_OUT
DCTR_IO
DACM
DACA
CAPL
SUP
WS3
2
DA_OUT
1
CL
WS
L
R
M
AGNDC
AUDIO PROCESSOR
RES
RES
RES
RES
RES
RES
RES
2V4
2V4
1V4
1V6
1V5
2V6
0V6
0V6
0V2
0V2
6V7
6V3
3V8
3V8
3V8
3V8
UAB-09
UAB-09
123456789
123456789
A
B
C
D
E
F
A
B
C
D
E
F
1411 B3
2408 A4
2409 A4
2410 A4
2411 A2
2412 A4
2413 A5
2414 B2
2415 B3
2416 B3
2417 B7
2418 B7
2419 C3
2420 C6
2421 C7
2422 C7
2423 C6
2424 D7
2425 D7
2426 D7
2427 D7
2428 D6
2429 D7
2430 D7
2431 D7
2432 D2
2433 D3
2434 D3
2435 E3
2436 E3
2437 F4
2438 F4
2439 A3
2440 A3
2441 A4
2442 A4
2443 A6
2444 A6
2445 E3
2446 C3
2447 C3
3402 A1
3410 C3
3411 C3
3416 D2
3417 D8
3418 D8
3419 D8
3420 D8
4401 A1
4402 A1
4407 C3
4408 C3
4409 D3
4410 D3
4411 D3
4412 D3
5401 A1
5402 B1
5403 E2
7410 A3
7411 B4
F401 A4
F402 A4
F403 A5
I412 C3
I413 C3
I414 C6
I415 C6
I416 D6
I417 D6
I418 D6
I419 D6
I420 D3
I421 D4
I422 D4
I423 E4
I424 E4
I425 F4
I426 A3
I427 C4
I428 C4
I429 C2
I430 C2
I431 D4
I432 D2
B06A B06A
H_17370_015.eps
010804
3139 123 6273.1
4412
4410
4409
I431
I432
I430
I428
I429
I427
4411
4407
4408
2408 470p
2409 1n5
I426
2447 100p
100p
2446
2444
470p
470p
2442
2443
1n5
1n5
2441
100n2445
2440
470n 470n
2439
3420 100R
100R3419
3418 100R
100R3417
3402
1R0
4402
4401
+12V_DISP
I425
I417
I416
I418
I419
I414
I415
I413
I412
2424 10u
10u2425
10u2426
10u2427
58
76
80
66
69
35
25
56
67
68
53
34
33
50
51
42
41
48
49
57
47
71
72
73
74
19
54
55
37
36
52
8
9
11
5
18
1
75
22
32
46
2
3
4
17
7
16
20
21
6
10
27
26
31
30
29
78
77
14
15 12
13
59
60
61
62
38
40
24
23
28
79
45
43
44
39
64
63
65
70
Φ
MULTISTANDARD
SOUND PROCESSOR
MSP4450P-VK-E8 000
7411
2413
220p
220p
2412
100n 2419
I421I420
10u
2436 I424
2438
100n
10u
2437
+5V_D
5401
120R
10u
2411
+5V_SW
+5V_AUD
120R
5402
2414
10u
+5V_D
+5V_AUD
2433 330p
+8V
F401
F402 F403
I422
+5V_AUD
+8V
I423
+AUDIO_POWER_+12V_DISP
1
25V
220u
2410
7410
L78L08ACU
2
3
16V2423 10u
4
2
3
16V10u2420
1411
18M432
1
22u5403
3416 470R
56p2432
330p2435
2417
330p
330p
2421
330p
2418
2422
330p
2430
100p 100p
24312428
100p 100p
2429
2416
3p3
2415
3p3
3410 100R
100R3411
330p2434
XTALOUT
SIDE_AUDIO_IN_L
IIC_SCL_up
IIC_SDA_up
XTALIN
SC2_AUDIO_OUT_R
SC2_AUDIO_OUT_L
RST_AUD
HDMI_SCK
HDMI_WS
HDMI_SD
SIDE_AUDIO_IN_R
AUDIO_LS_R
AUDIO_LS_L
HP_AUDIO_OUT_R
HP_AUDIO_OUT_L
SC1_AUDIO_OUT_R
SC1_AUDIO_OUT_L
SC2_AUDIO_IN_R
SC2_AUDIO_IN_L
COMP_AUDIO_IN_R
COMP_AUDIO_IN_L
HDMI_AUDIO_IN_R
HDMI_AUDIO_IN_L
MOJO_I2S_OUT_SCK
MOJO_I2S_OUT_WS
MOJO_I2S_OUT_SD
SIF
SC1_AUDIO_IN_R
SC1_AUDIO_IN_L

Circuit Diagrams and PWB Layouts 59LC7.5E LA 7.
SSB: Audio
VSSD|HW
IN1N
IN2P
IN2N
INREF
OSCREF
OSCIO
HVPREF
DREF
ENGAGE
POWERUP
TEST
VDDP
VSSP
VDDA
STAB2
STAB1
BOOT2
BOOT1
HVP2
HVP1
DIAG
OUT2
OUT1
CGND VSSA
IN1P
NC
NC
NC
LEFT +
GND
GND
RIGHT -
EMC
EMC
AUDIO
DC-DETECTION
RES
RES
11V9
12V2
-12V2
+12V2
TO SPEAKERS
2V6
8V9
3V9
-1V3
-2V8
-2V8
-2V8
-2V8
-7V6
-8V2
4V7
3V2
-2V6
*
*
*
*
*
*
*
LCD PDP
3A03
3A04
3A06
3A07
3A08
3A11
10K 6K8
12K 22K
10K 6K8
10K 6K8
12K 22K
10K 6K8
TO SUBWOOFER OUT
RES
RES
RES
-12V2
+12V2
TO / FROM PSU
IA17 E9
IA18 E5
IA19 E4
IA20 E6
IA21 F4
IA22 F4
IA23 D6
IA24 B6
IA25 B9
IA26 C6
IA27 B9
IA29 F10
IA30 F10
IA31 F10
IA33 F4
IA34 D8
IA35 D7
IA36 E7
IA37 E8
IA38 F7
IA39 F7
IA40 A6
IA41 A6
FA02 C8
FA04 E6
FA05 D2
FA06 E2
FA07 D1 1
FA08 D1 1
FA09 E2
FA10 D1 1
FA11 E11
FA12 E2
FA13 B1
FA14 B1
FA15 B1
FA16 B1
FA17 B1
FA18 B1
FA32 F11
IA01 D2
IA02 D3
IA03 D6
IA04 D9
IA05 D2
IA06 D3
IA07 D6
IA09 E3
IA10 E2
IA11 E2
IA12 E3
IA13 E4
IA14 E6
IA15 E4
IA16 E6
3A05 D9
3A06 D2
3A07 E2
3A08 E3
3A09 D7
3A11 E2
3A12 E6
3A13 E3
3A14 E9
3A15 E6
3A17 E7
3A19 F3
3A26 F3
3A27 F9
3A28 F9
3A29 E10
3A30 F10
3A31 F11
4A01 A6
4A02 A6
5A03 D7
5A04 E7
5A05 C6
5A06 C8
5A07 A6
5A08 B2
5A09 B2
7A01 D4
7A05 E11
7A06 F10
7A07 F10
FA01 C6
2A21 D7
2A22 E3
2A23 E8
2A24 E3
2A25 E6
2A26 E8
2A27 E6
2A28 E7
2A29 E3
2A30 F6
2A31 F7
2A32 F4
2A33 G5
2A34 G5
2A35 E7
2A36 F7
2A37 D8
2A38 E8
2A40 F3
2A41 G9
2A45 E7
2A46 A6
2A47 B6
2A50 B1
2A51 B1
2A52 B2
2A53 B2
2A54 B2
3A01 B6
3A02 B8
3A03 D2
3A04 D3
B
C
D
E
F
G
A
B
C
D
E
F
G
1A01 D11
1A02 C11
1A03 B1
2A01 B7
2A02 B9
2A04 C6
2A08 C9
2A09 D5
2A10 D5
2A11 D3
2A12 D4
2A13 D8
2A14 D7
2A15 D3
2A16 E3
2A17 D8
2A18 E6
2A19 E4
2A20 E3
1234567891011
12
Φ
CLASS D
POWER
AMPLIFIER
TDA8932T
7A01
345678
22u
5A04
91011
A
5A03
22u
1
2
3
3
440054-3
1A02
1A03
440054-3
1
2
10n2A50
2A52 10n
2A54
100n
10u5A09
FA18
5A08 10u
FA17
FA16
FA14
FA15
FA13
GNDSND GNDSND
1n0
2A51
+AUDIO_POWER
GNDSND
1n0
2A53
IA41
-AUDIO_POWER GNDSND
2A47
47n 47n
2A46
5A07
33R
IA40
+AUDIO_POWER
4A02
+AUDIO_POWER_+12V_DISP
VSSA
4A01
VSS
VSSA
GNDSND
IA38
IA39
IA37
IA36
IA35
IA34
IA33
2A28
470n
2A14
470n
1n0
2A45
FA32
IA30
IA31
IA29
2A04
220u 25V
25V220u
2A08
GNDSND
GNDSND
GNDSND
1u0
2A41
220K
3A28
220K
3A27
BC847BW
7A06
BC847BW
7A07
10K
3A31
7A05
BC857BW
3A30
47K 47K
3A29
470n
2A40
GNDSND
3A26
GNDSND
VDD
4K7
220n
2A38
2A37
220n
2A36
1n0
2A35
1n0
GNDSND
GNDSND
GNDSND
GNDSND
GNDSNDGNDSND
GNDSND
GNDSND
GNDSND
GNDSND
GNDSND
GNDSND
GNDSND
IA27
GNDSND
IA26
IA25
IA23
IA24
IA04
IA17
IA18
IA20
IA14
IA16
FA04
IA03
IA07
IA21
IA19
IA22
IA15
IA13
IA12IA11
IA06
IA09
IA05
IA10
IA01
FA08
FA07
FA10
FA02
FA11
FA01
FA12
FA06
FA09
IA02
FA05
3A07
3A06
2A16
2A15
1u0
100n
1u0
2A02
100n
2A01
1n0
2A17
2A23
1n0
3A15 1M0
1M0
3A12
VDD
3A19
10K
2A26
220n
VSS
22R
3A14
220n
2A13 3A05
22R
3A17
10R
3A09
10R
1n0
2A18
1n0
2A32 VSS
30R
30R5A06
5A05
3A11
3A03
3A08
3A04
220p
2A19
VSSA
220p
2A12
3A02
VDDA
3A01
10R
+AUDIO_POWER
-AUDIO_POWER
10R
1
2
3
4
1A01
440054-4
1n0
2A21
1n0
2A31
100n2A34
2A09 100n
VDD
15n2A25
100n
2A30
15n2A27
100n
100n
2A33
2A10
100n2A29
2A20 1u0
100n
VSSA
GNDSND
100n
2A22
2A24
39K3A13
VDDA
VSSA
32
26
23
1u02A11
25
24
13
8
29
20
9
1
16
17
3
2
14
15
12
31
10
27
22
6
28
21
7
4
18
5
30
19
11
DC_PROT
STANDBYn
AUDIO_LS_R
ENGAGE
AUDIO_LS_L
B06B B06B
H_17370_016.eps
010804
3139 123 6273.1

60LC7.5E LA 7.
Circuit Diagrams and PWB Layouts
SSB: Headphone Ampl. & Muting
HEADPHONE AMP & MUTING
MUTING CIRCUIT
RES
3V3
0V
0V
0V
0V
3V3
2V6
2V6 2V6
5V3
2V6
2V6 2V6
5V3
ITV Connector E
RES
RES
RES
RES
RES
RES
RES
RES
RES
RES
RES
RES
1234567
1234567
A
B
C
D
E
F
A
B
C
D
E
F
1901 B2
2901 A4
2902 A2
2904 B2
2905 B4
2907 C3
2908 B5
2913 B5
2914 E2
2915 A5
2916 C5
3901 A3
3902 A4
3903 A6
3904 A6
3905 B3
3906 B3
3907 C3
3908 B4
3909 B6
3910 C6
3911 D2
3912 D4
3913 D4
3914 E4
3915 E4
3916 F4
3917 C4
3918 D4
3934 D3
3935 E2
3937 E1
3938 E2
3940 F3
3942 F5
3943 F6
4901 D3
4902 D2
6914 E2
6916 E3
6919 F4
7901-1 A4
7901-2 B4
7902 D3
7911 C5
7912 D5
7913 D5
7914 E5
7915 E5
7916 F5
7917 E3
7919 E2
7922 F6
F901 B3
F904 B3
I911 D2
I912 D3
I913 A1
I914 B1
I919 D6
I920 E6
I921 E6
I922 F6
I930 D5
I931 E5
I932 E5
I933 F5
RES
RES
4902
1K0
3918
1
3
2
1K0
3917
2
7911
BC847BW
7912
BC847BW
1
3
I914
I913
2916
47u6.3V
2915
47u6.3V
I932
I933
I931
I930
2913
220n
6
1901
1
2
3
4
5
2907
470n
3909
33R
3903
33R
2905
33p
2901
3910
33p
3904
33R
33R
220n
2908
+5V_SW
3
2
1
84
7
84
TS482IDT
7901-1
TS482IDT
7901-2
5
6
F901
F904
100K
3907
120K
47K
3902
3905
47K
3901
3908 120K
100K
3906
2904
470n
470n
2902
3916
1K0
3915
1K0
3914
1K0
3913
1K0
3912
10K
10K
3938
I921
I922
I920
I919
4901
+3V3_STBY
6919
BAS316
3940
10K
6914
BAT54 COL
BC847BW
7922
3943
22K
3942
10K
3937
10K
BC847BW
7919
BAS316
6916
47u 6.3V
7917
BC857BW
2914
4K7
4K7
3935
3934
+3V3_STBY
7914
BC847BW
1
3
2
1
3
2
BC847BW
7915
I911
I912
1
3
2
10K
3911
2
BC847BW
7916
BC847BW
7913
1
3
+3V3_STBY
BC857BW
7902
SC2_CVBS_MON_OUT_ITV
HPIC_RIN
HPIC_ROUT
HPIC_LOUT
HPIC_LINHP_AUDIO_OUT_L
HP_AUDIO_OUT_R
HP_LOUT
HP_ROUT
ANTI_PLOP
SC1_AUDIO_MUTE_R
SC1_AUDIO_MUTE_L
SC2_AUDIO_MUTE_R
SC2_AUDIO_MUTE_L
POWER_DOWN
STANDBY
ENGAGE
MUTEn
B06C B06C
H_17370_017.eps
010804
3139 123 6273.1
Personal Notes:
E_06532_012.eps
131004

Circuit Diagrams and PWB Layouts 61LC7.5E LA 7.
SSB: YPBPR & SVHS
YPBPR & SVHS
RES
RES
PR
R
L
PB
RES
RES
RES
RES
Y
SVHS
RES
RES
RES
RES
RES
PEND NEW 12NC PEND NEW 12NC
RES
RES
RES
RES
RES
RES
ITV-Connector D
RES
12345678
12345678
A
B
C
D
E
F
A
B
C
D
E
F
1601-A B6
1601-B C5
1601-C A5
1606 B1
1607 D6
1608 C6
1609 B6
1610 C1
1611 C1
1613 D1
1615-1 B1
1615-2 A1
1619 F1
2600 A7
2602 A2
2603 D7
2606 B2
2607 C3
2608 C3
2609 C7
2610 D3
2612 D3
2613 D6
2614 D7
2615 E7
2616 E7
3600 A7
3601 A2
3602 C7
3603 D6
3604 A7
3605 C2
3607 C2
3608 C3
3609 C6
3611 D2
3612 D3
3617 A3
3618 C7
3619 B3
3620 E6
4601 E5
4602 F5
4603 F7
5601 D7
5602 E7
6604 B7
6606 C7
6610 B2
6611 D7
6612 C2
6613 C2
6614 D2
7601 D7
7602 F7
7603 F6
F601 A7
F602 B6
F604 C6
F605 A1
F607 B1
F608 C1
F609 D1
F612 F1
F613 F1
F614 B1
F615 B6
I610 C4
I611 D4
I615 A8
I623 C2
I627 D2
I631 C8
3
1
2
78
1615-2
RED_RED_RIGHT
MSD-244V-131 NIDIP
BM06B-SRSS-TBT
1619
1
2
3
4
5
6
4603
4602 4601
4K7
3620
+5V_SW
2613 100n
100n
2615
+5V_SW
100n
2616
+5V_SW
5602 33R
2614 100n
33R
5601
4COM
2
GND
6IN
3
NC
1
NO
5
VCC
NO
5
VCC
74LVC1G3157GW
7602
74LVC1G3157GW
7601
4COM
2
GND
6IN
3
NC
1
PDTC114ET
8
7603
2
3
4
5
GND
MSP-801V1-07-01-B NI FE
1601-C
MSP-801V1-07-01-B NI FE
1601-A
1
1601-B
MSP-801V1-07-01-B NI FE
6
73618
33R
PESD5V0S1BA
6611
6606
F615
PESD5V0S1BA
F601
6604
PESD5V0S1BA
I631
F602
F604
75R
3609
75R
3604
2600
100R
3600
3603
75R
2603
1608
I615
100R
3602
2609
1609
3612
33K
33K
3608
150R
3611
3607
150R
3619
33R
3617
33R
F613
F614
I611
F612
F607
I610
F605
F608
F609
PESD5V0S1BA
6614
6612
6613
PESD5V0S1BA PESD5V0S1BA
4
5
PESD5V0S1BA
6610
MSD-244V-131 NIDIP
BLUE_WHITE_LEFT
1615-1
6
I623
I627
16111613
1607
16061610
2602
75R
3601
2606 3605
75R
2607
220n
220n
2610
3n3
2608
2612
3n3
HD_PR_IN_ITV
HD_Y_IN_ITV
HD_PB_IN_ITV
VGA_V
VGA_H
Y_IN
FRONT_CVBS_SVHS_Y_IN
SVHS_C_IN
C_IN
FRONT_C_IN_T
FRONT_Y_CVBS_IN_T
HD_Y_IN
FRONT_CVBS_SVHS_SEL
HD_PR_IN
HD_PB_IN
C_IN
Y_IN
HD_PR_IN_ITV
HD_Y_IN_ITV
COMP_AUDIO_IN_R
COMP_AUDIO_IN_L
HD_PB_IN_ITV
B07A B07A
H_17370_018.eps
010804
3139 123 6273.1

62LC7.5E LA 7.
Circuit Diagrams and PWB Layouts
SSB: I/O SCART 1&2
Audio-R_out
Audio-R_in
Audio-L_out
RGB-B_in
Function_Sw
RGB-G_in
Audio-L_in
RGB-R_in
RGB-BL_in
Video_in
Terr_CVBS_out
Audio-R_out
Audio-R_in
Audio-L_out
Function_Sw
Audio-L_in
RGB-R_out/YC-C_in
Video/YC-Y_in
CVBS_out
SCART 1
SCART 2
5V2
3V
3V7
IO - SCART 1 & 2
ITV-Connector C
RES
RES
RES
RES
RES
RES
RES
RES
RES
RES
RES
RESRESRESRES
RESRESRES
RES
RESRESRES
RES
RES
RES
RES
RES
RES
RES
RES
RES
ITV-Connector B
RES
12345678910111213
12345678910111213
A
B
C
D
E
F
G
H
I
A
B
C
D
E
F
G
H
I
1500 C9
1501 C9
1502 C3
1503 D9
1504 C2
1505 C3
1506 D8
1507 D3
1508 E9
1509 D2
1510 E9
1511 D3
1512 E2
1513 E9
1514 E9
1515 F9
1516 E3
1517 E3
1518 G9
1519 F3
1520 G3
1521 H9
1522 G3
1523 H3
1524 H3
1525 A2
1526 A1
2502 C10
2506 C10
2508 B4
2509 D12
2512 D10
2514 C4
2515 C5
2517 D4
2518 D12
2520 E10
2521 D5
2523 D4
2524 F10
2525 G10
2526 G10
2527 F4
2528 E4
2529 F4
2530 H10
2531 G4
2533 I11
2534 I10
2535 H3
2536 G10
2538 H3
3500 B10
3502 C10
3503 B4
3506 D10
3507 C4
3508 D11
3510 C4
3511 D4
3512 D10
3513 E11
3514 D4
3515 D4
3516 E4
3517 E4
3518 E4
3519 G11
3520 E4
3521 G12
3522 G10
3523 F4
3524 I11
3525 G10
3526 F4
3528 F4
3529 H10
3530 G4
3531 H10
3532 G4
3533 G4
3535 G3
3536 H4
3537 I12
3538 G11
3540 I12
3545 H4
3546 H4
3550 E10
3551 E10
3552 F11
3553 F11
3554 I12
3555 H12
4502 G11
4504 I12
6501 D10
6504 D3
6505 E10
6507 D3
6509 F10
6510 H9
6511 H3
6512 G5
6513 G5
6514 E3
6515 F3
6516 G3
6517 H3
6518 C3
6519 C3
6520 E3
6521 G3
6522 C10
6523 C10
6524 E10
6525 G9
7500 G10
7502 G11
7503 I11
7504 I11
F510 D9
F511 C2
F512 D9
F513 C2
F514 D9
F515 C2
F516 D9
F517 C2
F518 D9
F519 D2
F520 D2
F521 D2
F522 D2
F523 F9
F524 E2
F525 E2
F526 F2
F527 F9
F528 F2
F529 F9
F530 H5
F531 E2
F532 E9
F534 B4
F535 C4
F536 C4
F537 D4
F538 E5
F539 E5
F540 F5
F541 F5
F542 G4
F543 C11
F544 D11
I510 B11
I512 C11
I517 D12
I520 D12
I528 G12
I530 G10
I533 H12
I540 C5
I541 D5
I543 G11
I544 G12
I545 E11
I548 I11
I549 I12
I550 G4
I551 G10
I552 G11
I553 I11
I554 I12
I556 H12
I557 F12
I558 I12
6
7
8
910
1526
1
2
3
4
5
I558
6525
PESD5V0S1BA
PESD5V0S1BA
6524 6523
PESD5V0S1BA PESD5V0S1BA
6522
6521
PESD5V0S1BA
6520
PESD5V0S1BA
6519
PESD5V0S1BA
6518
PESD5V0S1BA
6517
PESD5V0S1BA
6516
PESD5V0S1BAPESD5V0S1BA
6515
PESD5V0S1BA
6514
4504
BC857BW
4502
7504
7502
BC857BW
3540
4K7
4K7
3538
I557
I556
68R
3555
I554
I553
I551
I552
6513
1N4148
6512
1N4148
220n
2534
8
9
220n
2536
17
18
19
2
20
21
3
4
5
6
7
1
10
11
12
13
14
15
16
7
8
9
1506
PPTV/55
18
19
2
20
21
3
4
5
6
1
10
11
12
13
14
15
16
17
PPTV/55
1504
3515
33K
33K
3511
3513
33K
3508
33K
150R
3512
150R
3506
150R
3514
150R
3510
I550
3554
68R
I549
I548
3524
15R
220n
2533
7503
+5V_SW
BC847B
3537
1K0
1K0
3536
67
1525
1
2
3
4
5
F531
F532
I543
I544
I541
I545
I540
F536
2528
PESD5V0S1BA
6510
6511
100R
PESD5V0S1BA
3552
75R
3553
3551
6K8
27K
3550
6K8
3520
2518
220n
2509
220n
2520
1n0
2512
1n0 330p
2506 2502
330p
75R
3533 3530
75R 75R
3526
75R
3517
2521
220n
2515
220n
2523
1n0
1n0
2517
2514
330p
2508
330p
150R
3502
150R
3500
150R
3507
150R
3503
15R
3519
220n
2525
2526
2524
2535
2531
2529
2527
I528
1518
6509
PESD5V0S1BA
6505
PESD5V0S1BA PESD5V0S1BA
6501
6507
PESD5V0S1BA
6504
PESD5V0S1BA
2530
2538
I520
1510
F523
1515
F522
I517
+5V_SW
F516
I530
F517
F525 3518
27K
3525
1K0
7500
BC847B
3521
F543
1K0
I512
F544
1508 1501
1503 1500
3532
3528
100R
1K0
100R
3523
I510
I533
F542
F541
F539
F540
F538
F535
F537
F534
1513
1512
1509
F527
F512
F510
F514
F518
F526
F529
F511
F528
F513
F515
F519
F521
F520
F524
F530 100R
3529
3531
75R
1521
68R
3522
1514
3545
100R
3546
75R
1524 1523
68R3535
1522 1520 1519 1517
3516
100R
1516 1511 1507 1505 1502
SC1_FBL_IN
SC1_AUDIO_OUT_L
SC1_AUDIO_OUT_R
SC1_B_IN
SC1_G_IN
SC1_R_IN
SC2_CVBS_MON_OUT_ITV
SC2_AUDIO_MUTE_R
SC1_RF_OUT_CVBS
SC1_CVBS_RF_OUT
SC2_C_IN
SC2_AUDIO_IN_R
SC2_AUDIO_IN_L
SC2_Y_CVBS_IN_ITV
SC2_C_IN_ITV
SC2_AUDIO_MUTE_L
SC1_AUDIO_MUTE_R
SC1_AUDIO_MUTE_L
SC1_AUDIO_IN_R
SC2_STATUS
SC2_Y_CVBS_IN
SC2_CVBS_MON_OUT
SC1_FBL_IN
SC1_AUDIO_IN_L
SC1_AUDIO_OUT_L
SC2_AUDIO_OUT_R
SC2_C_IN_ITV
SC2_Y_CVBS_IN_ITV
SC2_AUDIO_OUT_L
SC1_AUDIO_OUT_R
SC1_STATUS
SC1_B_IN
SC2_AUDIO_IN_R
SC2_AUDIO_IN_L
SC1_CVBS_IN
SC1_R_IN
SC1_G_IN
B07B B07B
H_17370_019.eps
010804
3139 123 6273.1

Circuit Diagrams and PWB Layouts 63LC7.5E LA 7.
SSB: HDMI Main
+
-R0X2
R1XC
R1X0
+
-R1X1
+
-
DSCL1
DSDA1
CSCL
CSDA
CI2CA
SCDT
R0PWR5V
R1PWR5V
-
+
-
+
-
+
-
RSVDL
+
18
IN
OUT
MCLK
SCK
WS
SD
SPDIF
MUTEOUT
ODCK
R0XC
R0X0
+
-R0X1
34
33
32
31
30
29
28
27
26
25
24
23
22
21
20
19
DSCL0
RESET
INT
17
16
15
14
13
12
11
10
R1X2
XTAL
Q
RSVDNC
DSDA0
9
8
7
6
5
4
3
2
1
0
EVNODD
VSYNC
HSYNC
DE
35
DGND
CGNDIOGND
GND_HS
REGVCC
DVCC18
XTALVCC
IOVCC33 CVCC18 AVCC33 AVCC18
AGND
VIA
VIA
VIA
VIA
VOUTR
SFOR
PLL1
CLKOUT
VOUTL
VDDD
VDDA
BCK
SYSCLK
DATAI
PLL0
0
1
WS
MUTE
VSSA
VSSD
VREF_DAC
DEEM
RES
NC
HDMI MAIN
NC
NC
NC
NC
NC
NC
NC
NC
NC
NC
NC
NC
NC
RES
TO / FROM SIDE I/O
Pend New 12NC
5N03 A11
5N04 B11
5N05 C11
5N06 C11
5N07 D11
5N08 D11
5N09 E11
7N01-1 A6
7N01-2 B8
7N01-3 F7
7N07 F3
FN01 A4
FN02 A4
FN03 B4
FN04 B4
IN06 A11
IN07 A11
IN09 B11
IN10 B11
IN11 C11
IN12 C11
IN13 D11
IN14 D11
IN15 E11
IN16 F2
IN17 F2
IN18 F1
IN19 F2
IN20 G2
IN21 G1
3N16 E7
3N18-1 D4
3N18-2 E4
3N18-3 E4
3N18-4 E4
3N19 F4
3N20 F4
3N21 F4
3N22 G5
3N23 E3
3N24 G4
3N25 G1
3N26 G1
3N27 E2
3N33 B7
3N34 B5
3N35 A3
3N36 A3
3N37 B3
3N38 B3
3N39 B5
3N40 B5
4N01 D4
4N02 D4
4N03 A4
4N04 A4
4N05 B4
4N06 B4
4N07 B4
4N08 B4
5N01 A11
5N02 A11
3N02-1 B7
3N02-2 B7
3N02-3 B7
3N02-4 B7
3N03 B7
3N04-1 C7
3N04-2 C7
3N04-3 C7
3N04-4 C7
3N05 C7
3N06-1 C7
3N06-2 C7
3N06-3 C7
3N06-4 C7
3N07 C7
3N08-1 B7
3N08-2 B7
3N08-3 B7
3N08-4 C7
3N09 D7
3N10 D7
3N11-1 D7
3N11-2 D7
3N11-3 D7
3N11-4 D7
3N12-1 D7
3N12-2 D7
3N12-3 D7
3N12-4 D7
3N13 D7
3N14 E7
3N15 E7
2N35 C10
2N36 C10
2N37 C11
2N38 C9
2N39 C9
2N40 C11
2N41 D10
2N42 D9
2N43 D10
2N44 D10
2N45 D9
2N46 D10
2N47 D11
2N48 D9
2N49 D10
2N50 D10
2N51 E9
2N52 E10
2N53 E10
2N54 E9
2N55 E10
2N56 E11
2N58 E10
2N59 E10
2N60 F9
2N61 A9
2N62 A10
2N63 E9
2N64 F10
2N66 B9
2N67 D1
3N01 B7
E
F
G
1N01 C1
1N02 G5
2N03 E2
2N04 E2
2N05 F1
2N06 F2
2N07 G1
2N08 G1
2N09 F2
2N10 F2
2N11 E3
2N12 E3
2N13 F4
2N14 G4
2N15 A9
2N16 A9
2N17 A10
2N18 A9
2N20 A10
2N25 A9
2N26 A10
2N27 A10
2N28 A9
2N29 A10
2N30 A11
2N31 A9
2N32 A10
2N33 B10
2N34 C9
1234567891011
33R
1234567891011
A
B
C
D
E
F
G
A
B
C
D
100n
2N67
FN04
FN03
FN01
FN02
4N08
+3V3_ANA-MUX
4N07
18
33R
3N11-2 2 7
33R3N11-1
36
33R
3N11-3
3N11-4 33R
45
+5VHDMI-MUX_TPWR
+5VHDMI-SIDE_TPWR
+5VHDMI-SIDE_TPWR
+1V8SWD
+3V3SWC
+3V3SWD
+3V3SWE
+3V3SWB
+1V8SWB
+1V8SWC
+3V3_ANA-MUX
+1V8SWA
+3V3SWA
3N40 100R
3N39 100R
3N37
4K7
4K7
3N38
4K7
3N35
3N36
4K7
2N66 1n0
4K7
3N34
3N33
4K7
4N06
4N04
4N05
4N03
1n0
2N59
+1V8_SW
IN07
2N20 100n
2N17 100n
100n
2N16
1n02N18
120R
5N01
1n0
2N15
100n
IN09
2N33
IN15
IN13
IN14
IN12
IN11
IN06
IN10
+1V8_SW
1n0
2N342N60 1n0
100n
2N64
120R
5N09 +3V3_SW
2N38 1n0
100n
120R
+1V8_SW
2N36
1n0
5N04
2N52
2N53
2N56 100n
100n
1n0
2N58
2N55 1n0
1n0
2N51
2N63
1n0
2N54
+3V3_SW
1n0
120R
5N08
100n
2N47
100n
2N49
2N44
1n0
2N46 1n0
1n0
2N43
1n0
2N41
1n0
2N45
2N48 1n0
2N42 1n0
100n2N37
+3V3_SW
2N50 100n
5N07
120R
2N40
2N35 100n
+1V8_SW
100n
120R
5N05
+3V3_SW
+3V3_SW
2N61 1n0
5N03
120R
100n
2N30
100n
2N27
1n0
1n0
2N39
2N26
1n0
2N31
2N28 1n0
2N29 1n0
2N32 1n0
5N06
120R
5N02
120R
2N25 1n0
2N62 1n0
+3V3_SW
3N23
1R0
+3V3_SW
3N27
1R0
47u 6.3V
2N11
2N12
100n
6.3V
47u
2N03
100n
2N04
100n
2N05
2N06
47u 6.3V
IN16
IN21
IN19
IN20
IN18
IN17
10n2N08
10n
2N07
3N26 220R
3N25 220R
10u2N10
10u2N09
18p
2N13
18p
2N14
3N24
1M0
3N22
33R
33R
1N02
28M322
3N21
33R
3N20
3N19 33R
+3V3_SW 4N02
18
4N01
27
3N18-1 33R
6
33R
3N18-2
3N18-3 33R
3
33R
3N18-4 4 5
4
14
16
12
15
5
2
1
3
9
8
10
11
7
6
13
27
DAC
Φ
7N07
UDA1334ATS
33R3N02-2
18
3N16 33R
3N02-1 33R
33R
3N15
3N14 33R
33R
3N13
3N10 33R
33R3N09
3N07 33R
45
33R3N05
36
3N08-4 33R
7
33R3N08-3
3N08-2 33R2
33R3N08-1 1 8
453N02-4 33R
3N03 33R
5
3N01 33R
3N12-4 33R4
33R3N12-3 3 6
33R
3N06-3 36
33R27
27
3N06-2
18
33R3N04-2
153
154
3N04-1 33R
165
166
167
168
169
170
148
149
150
151
152
156
157
158
159
160
161
162
163
164
147
SII9125CTU
7N01-3
VIA
146
155
18
32
74
88
104
113
125
137
97
96
4
17
31
73
87
103
112
124
136
6
24
25
80
91
107
119
131
143
93
92
145
64
68
11
23
79
90
106
118
130
142
12
71
37
54
72
38
42
46
50
56
60
36
41
45
49
53
59
63
67
85
95
94
POWER
SII9125CTU
7N01-2
76
77
82
83
84
98
101
86
81
78
21
61
66
65
70
69
58
57
100
99
55
35
44
43
48
47
52
51
40
39
30
62
111
110
109
108
10
9
8
7
3
2
127
126
123
122
121
120
117
116
13
115
114
140
139
138
135
134
133
132
14
129
128
20
102
89
75
5
16
15
1
144
141
MAIN
105
27
26
19
34
29
33
28
22
2829
SII9125CTU
7N01-1
5
6
7
8
9
2223
2425
2627
14
15
16
17
18
19
2
20
21
3
4
FI-RE21S-HF-R1500
1N01
1
10
11
12
13
27
18
33R3N12-2
45
33R3N12-1
33R
3N06-4
33R3N06-1 1 8
33R
3N04-4 45
36
3N02-3 3 6
33R
3N04-3
HDMI-SIDE_TX0+
HDMI-SIDE_TX1-
HDMI-SIDE_TX1+
HDMI_Cr(2)
HDMI_Cr(3)
HDMI_Cr(5)
HDMI_Cr(4)
HDMI-SIDE_TX2-
HDMI-SIDE_TX2+
HDMI-SIDE_TXC-
HDMI-SIDE_TXC+
HDMI-SIDE_TX0-
HDMI-MUX_TSDA
HDMI-SIDE_TSDA
IIC_SDA_SIDE
IIC_SCL_SIDE
HDMI-SIDE_TSCL
HDMI-MUX_TSCL
HDMI-SIDE_TSCL
HDMI-SIDE_TSDA
HDMI_SCK
HDMI_WS
HDMI_SD
HDMI_AUDIO_IN_L
HDMI_AUDIO_IN_R
HDMI_Y(2)
HDMI_Cr(1)
HDMI_Cr(9)
HDMI_Y(1)
HDMI_Y(8)
HDMI_V
HDMI_Cb(2)
HDMI_Cb(3)
HDMI_Y(7)
HDMI_Y(0)
HDMI_VCLK
HDMI_Cr(8)
HDMI_Y(3)
HDMI_RST_RX_BUF
HDMI-SIDE_TX0-
HDMI-SIDE_TX1+
HDMI-SIDE_TX1-
HDMI-SIDE_TX2+
HDMI-SIDE_TX2-
HDMI-SIDE_TXC+
HDMI-SIDE_TXC-
HDMI-SIDE_CEC_A
HDMI_HOTPLUG_RESET
HDMI_INT_MAIN
HDMI-MUX_TX0+
HDMI-MUX_TX0-
HDMI-MUX_TX1+
HDMI-MUX_TX1-
HDMI-MUX_TX2+
HDMI-MUX_TX2-
HDMI-MUX_TXC+
HDMI-MUX_TXC-
HDMI-SIDE_TX0+
HDMI_Cr(7)
HDMI_Cb(5)
HDMI_DE
HDMI_H
HDMI_Cb(8)
HDMI_Cb(7)
HDMI_Cb(6)
HDMI_Cr(0)
HDMI_Cb(9)
HDMI_Cb(4)
HDMI_Cb(1)
HDMI_Cb(0)
HDMI_Y(4)
HDMI_Y(5)
HDMI_Y(6)
HDMI_Y(9)
HDMI_Cr(6)
B07C
H_17370_020.eps
010804
3139 123 6273.1

64LC7.5E LA 7.
Circuit Diagrams and PWB Layouts
SSB: HDMI Switch
2+
2-
R0X
0+
DSCL
RESET
C-
0
2-
2+
1-
C+
C+
C-
2-
DGND
AVCC33
2+
1-
0+
DVCC18
AGND
R1X
0-
LSCL
1+
D
A
0
HPD
2
1
TSDA
EXT_SWING
AVCC18
HPDIN
1+
0-
0+
C-
C+
TSCL
I2CADDR
0-
1+
1-
1
C+
C-
0+
0-
1+
1-
2+
2-
R2X
TX
EPSEL1
LSDA
EPSEL0
CEC
TPWR
I2CSEL
INT
RSVDL
2
0
1
2
DSDA
0
RPWR
2
1
COM
OUTIN
NC
NC
A
B
HDMI SWITCH
RES
RES
RES
HDMI 1
HDMI 2
RES
NC
C
HDMI 3
RES
RES
RES
RES
RES
RES
RES RES
RES
RES
RES
RES
RES
RES
RES
FM08 E2
FM10 E2
FM11 G2
FM12 G2
FM13 G2
FM15 F1
FM16 A10
FM17 B11
FM18 B11
FM19 C11
IM01 C3
IM02 C2
IM03 E3
IM04 F2
IM07 C2
IM08 E2
IM09 G2
IM10 H3
IM11 H2
IM12 C7
IM13 C7
IM14 E7
IM15 E7
4M01 A3
4M02 B9
4M03 B9
4M04 B9
4M05 C9
4M07 E7
4M08 D7
4M09 D7
4M10 C9
4M11 C9
4M12 C7
5M01 C9
5M02 B9
5M03 B9
6M01 E7
6M02 D7
6M03 D7
6M04 E7
6M06 D7
6M07 D7
6M08 C7
7M01 A9
7M02 C2
7M04 F2
7M07 C5
7M09 H2
FM01 B2
FM02 B2
FM03 C2
FM05 A1
FM06 D1
FM07 E2
2M10 D10
2M11 A10
2M12 A9
2M15 C10
2M16 C10
2M17 C10
2M19 B11
2M20 B11
2M21 B11
3M03 C2
3M04 C3
3M07 F2
3M08 F3
3M09 D4
3M10 F4
3M11 G4
3M13 H2
3M14 E7
3M15 E7
3M18 B7
3M20 B5
3M21 B5
3M31 H3
3M32 C7
3M33 B5
3M34 C7
3M35 B2
3M36 B2
3M37 E2
3M38 E2
3M39 G2
3M40 G2
91011
A
B
C
D
E
F
G
H
A
B
C
D
E
F
G
H
1M01 A1
1M02 D1
1M03 F1
2M01 B10
2M02 B10
2M03 B10
2M04 B10
2M05 B10
2M06 B10
2M07 D10
2M08 D10
2M09 D10
4M12
1234567891011
123
7M07
SII9185CTU
SWITCH
HDMI
Φ
45678
IM15
IM13
IM14
IM12
FM19
FM18
FM17
+5VHDMI_C
FM16
47K3M39
3M40 47K
3M37 47K +5VHDMI_B
+5VHDMI_A
47K3M38
47K3M35
3M36 47K
1K0
3M11
100n
2M12
+1V8_STBY
16V100u
2M11
7M01
LF18CD
2
13
+1V8_ANA-MUX
+3V3_STBY
4M05
+5VHDMI-MUX_TPWR
+3V3_ANA-MUX
4M04
4M11
+3V3_STBY
+1V8_STBY
4M03
4M02
+3V3_ANA-MUX
4M10
4K7
3M34
3M33
4M09
4K7
4M08
4M07
BAT54 COL
3M32 6M08
82K
100n2M21
2M20 100n
100n2M19
+5VHDMI_C
BAT54 COL
+5V_SW
6M04 BAT54 COL
6M01
IM09
+5VHDMI_C
FM13
FM11
FM12
FM15
IM11
2K2
3M31
IM10
100R
3M13
BC847BW
8
9
2021
2223
7M09
17
18
19
2
3
4
5
6
7
10029449-002
1
10
11
12
13
14
15
16
1M03
+5V_SW
6M06 BAT54 COL
BAT54 COL6M07
6M03 BAT54 COL
6M02 BAT54 COL
100R3M21
+5V_SW
100R
3M20
+5V_SW
3M18
4K7
+5VHDMI_A
+5VHDMI_B
+5VHDMI_A
+5VHDMI_B
+1V8_SW
4M01
220R
5M03
+3V3_ANA-MUX
5M01
220R
220R
5M02
IM07
IM08
FM10
FM08
FM06
FM07
FM03
FM01
FM02
FM05
3M09
4K7
2M17 100n
+1V8_DIG-MUX
100n2M16
+3V3_SW
2M15 10u
2M10 100n
+1V8_ANA-MUX
2M09 100n
2M08 10u
2M07 10u 2M01 10u
2M02 10u
2M03 100n
2M04 100n
2M05 100n
2M06 100n
3M10
470R
IM03
IM04
3M08
2K2
3M07
100R
BC847BW
7M04
6
7
8
9
2021
2223
14
15
16
17
18
19
2
3
4
5
1M02
1
10
11
12
13
10029449-002
IM01
IM02
100R
3M03
2K2
3M04
BC847BW
7M02
+3V3_ANA-MUX +1V8_ANA-MUX +1V8_DIG-MUX
100R
3M15
100R
3M14
4
5
6
7
8
9
2021
2223
11
12
13
14
15
16
17
18
19
2
3
10029449-002
1M01
1
10
77
7
8
4
5
1
2
10
11
64
68
67
59
58
13
32
52
72
75
78
41
45
44
48
47
39
38
62
61
65
14
22
21
25
24
28
27
19
18
42
33
73
12
16
36
56
76
79
35
15
63
54
53
34
74
31
51
71
30
50
70
80
6
17
29
37
49
57
69
23
43
55
3
9
20
26
40
46
60
66
RX0-C
RXC+C
RXC-C
DDC_SCLC
DDC_SDAC
HPD_RESET_C
DDC_RESET
RX2+C
RX2-C
RX1+C
RX1-C
RX0+C
RXC-B
RX0+B
RX0-B
RX2-B
RX1+B
RX1-B
DDC_RESET
HDMI-MUX_TSCL
HDMI-MUX_TSDA
DDC_RESET
DDC_SCLB
DDC_SDAB
HPD_RESET_B
RX2+B
RXC+B
RX0+A
RX0-A
RX2-A
RX1+A
RX1-A
HDMI-MUX_TX2+
HDMI-MUX_TX2-
HDMI-MUX_TXC+
HDMI-MUX_TXC-
RX2+A
RXC+A
RXC-A
RXC-C
HDMI_RST_MUX
HDMI-MUX_TX0+
HDMI-MUX_TX0-
HDMI-MUX_TX1+
HDMI-MUX_TX1-
RX0+C
RX0-C
RX1+C
RX1-C
RX2+C
RX2-C
RXC+C
RX1+B
RX1-B
RX2+B
RX2-B
RXC+B
RXC-B
RX2+A
RX2-A
RXC+A
RXC-A
RX0+B
RX0-B
HDMI_INT_MUX
IIC_SCL_up
IIC_SDA_up
RX0+A
RX0-A
RX1+A
RX1-A
HDMI-SIDE_CEC_A
CEC_D
DDC_SCLA
DDC_SCLA
DDC_SCLB
DDC_SCLC
DDC_SDAA
DDC_SDAA
DDC_SDAB
DDC_SDAC
HPD_RESET_A
HPD_RESET_A
HPD_RESET_B
HPD_RESET_C
HDMI_HOTPLUG_RESET
B07DB07D
H_17370_021.eps
010804
3139 123 6273.1

Circuit Diagrams and PWB Layouts 65LC7.5E LA 7.
SSB: LVDS Connector
FROM FPGA
LVD S
SINGLE
LVDS CONNECTOR
VDISP-SWITCH
RES
RES
RES
RES
RES
*
RES
LCD
PDP
12V1
0V
3V2
CPU-GO
PDP-GO
PDWIN
RESET
FHP
SDI
LGE
CTRL-DISP1
CTRL-DISP2(LCD_PWR_on)
CTRL-DISP3(Rev_Standby)
CTRL-DISP4
Semi standby : H
Normal and off : L
On time : H
Off time : Don’t care On time : H
Off time : Don’t care
On time : H
Off time : Don’t care
On time : H
Semi standby : L
Off time : Don’t care
DISPEN
1080p
MAIN_RESET
RES
RES
3R35
3R52
3R53
3R54
4R05
4R06
4R07
4R08
LCD PDP
--
--
--
--
Y
Y
Y
Y
--
--
--
--
100R
100R
100R
100R
***
*
*
*
*
*
*
1R02
1R03
1R04
1R05
1R06
1R07
1R08
1R09
8 Bit Single
LVDS
--
--
--
--
--
--
Y
Y
10 Bit Single
LVD S
8 Bit Dual
LVD S
10 Bit Dual
LVDS
1R10
1R11
1R12
1R13
Y
--
Y
Y
--
--
--
--
--
--
Y
Y
Y
Y
Y
Y
Y
Y
Y
Y
Y
--
Y
Y
Y
--
Y
Y
Y
Y
Y
Y
Y
Y
Y
Y
Y
Y
Y
Y
RESRES
FR20 E4
FR21 E4
FR22 E4
FR23 F5
FR24 F10
FR25 F10
FR26 F10
FR27 F10
FR28 F4
FR29 F4
FR30 F4
FR31 E4
IR01 C8
IR02 D8
IR04 D9
IR05 F8
IR06 D9
IR08 C9
4R02 C8
4R03 C8
4R04 C8
4R05 G9
4R06 G9
4R07 G9
4R08 G9
5R01 C9
5R02 C9
5R03 C9
6R02 D8
7R05 C9
7R07 D8
FR01 C10
FR02 C5
FR03 D4
FR04 D4
FR05 D4
FR06 D4
FR07 D4
FR08 D4
FR09 D4
FR10 D4
FR11 D4
FR12 D4
FR13 E4
FR14 E4
FR15 E4
FR16 E4
FR17 E4
FR18 E4
FR19 E4
B
C
D
E
F
G
A
B
C
D
E
F
G
1R01 C5
1R02 B2
1R03 B2
1R04 C2
1R05 C2
1R06 D2
1R07 D2
1R08 D2
1R09 E2
1R10 E2
1R11 F2
12345678910
12345678910
A
1R12 F2
1R13 G2
2R01 F5
2R02 F5
2R10 D8
2R11 C10
2R12 C10
2R20 G9
2R21 G9
2R23 G9
2R24 G9
3R10 C8
3R12 D8
3R13 D9
3R25 F4
3R26 F4
3R35 F9
3R48 F9
3R49 F9
3R50 F9
3R51 F9
3R52 F9
3R53 F9
3R54 F9
4R01 C8
FR28
FR30
FR29
FR31
FR21
FR22
FR20
FR19
FR17
FR18
FR16
FR14
FR15
FR13
FR12
FR10
FR11
FR09
FR07
FR08
FR06
FR05
FR03
FR04
4R07
4R08
4R05
4R06
16V47u
2R11
4R04
4R03
IR05 3R53
100R
SI4835BDY
7R05
100p
2R21 3R49
IR08
4K7
4R02
4R01
FR25
+5V_STANDB Y
IR04
IR02
IR01
3R35
100R
100R
3R54
3R52
100R
FR01
220R
5R03
5R02
220R
5R01
220R
100n
2R12
4K7
3R50
+3V3_SW
4K7
3R48
2R23 100p
100p
FR24
2R24
FR27
FR26
+VDISP
100p
2R20
4K7
3R51
IR06
2R10
1u0
47R
6R02
BZX384-C5V6
+12V_DISP
3R12
7R07
PDTC114ET
47K
3R13
47K
3R10
+VDISP
2R01
100p
100p
2R02
100R3R26
100R
3R25
1R07
DLW21S
1R13
DLW21S
FR02
FR23
1R12
DLW21S DLW21S
1R11 1R10
DLW21S DLW21S
1R09 1R08
DLW21S
1R06
DLW21S DLW21S
1R05 1R04
DLW21S
1R02
DLW21SDLW21S
1R03
9
42 43
44 45
46 47
48 49
37
38
39
4
40
41
5
6
7
8
27
28
29
3
30
31
32
33
34
35
36
17
18
19
2
20
21
22
23
24
25
26
1R01
FX15S-41S-0.5SH
1
10
11
12
13
14
15
16
CTRL_DISP4_up
CTRL_DISP1
CTRL_DISP3
CTRL_DISP4
CTRL_DISP2
CTRL_DISP1_up
LCD_PWR_ON
STANDBYn
TxLVDSo_4 p
TxLVDSe_4 p
TxLVDSe_4 n
BOLT_ON_SCL
BOLT_ON_SDA
TxLVDSo_CLKp
<,,,annot_deleted,>
TxLVDSo_3 p
LVDSe_4 n
TxLVDSo_4 n
TxLVDSo_3 n
TxLVDSo_0 p
TxLVDSo_1 p
<,,,annot_deleted,>
TxLVDSo_2 p
TxLVDSo_0 n
TxLVDSo_1 n
TxLVDSo_2 n
TxLVDSo_CLKn
TxLVDSe_CLKp
TxLVDSe_CLKn
TxLVDSe_3 p
TxLVDSe_3 n
TxLVDSe_0n LVDSe_0n
TxLVDSe_2 p
TxLVDSe_2 n
TxLVDSe_1 p
TxLVDSe_1 n
TxLVDSe_0 p LVDSe_0p
LVDSe_2n
LVDSe_1p
LVDSe_1n
LVDSo_3p
LVDSo_3n
LVDSo_CLKp
LVDSe_3 p
LVDSe_3n
LVDSe_CLKp
LVDSe_CLKn
LVDSe_2p
LVDSo_CLKn
LVDSo_2p
LVDSo_2n
LVDSo_1p
LVDSo_1n
LVDSo_0p
LVDSo_0 n
LVDSe_4 p
CTRL_DISP1
CTRL_DISP2
CTRL_DISP3
CTRL_DISP4
LVDSo_4 n
LVDSo_4 p
B07E
H_17370_022.eps
010804
3139 123 6273.1

66LC7.5E LA 7.
Circuit Diagrams and PWB Layouts
SSB: SRP List
3104 313 6073.5 H_17370_034.eps
080807
Netname Schematic
+12V_DISP B01A (1x)
+12V_DISP B01B (2x)
+12V_DISP B02 (1x)
+12V_DISP B04 (1x)
+12V_DISP B06A (1x)
+12V_DISP B07E (1x)
+1V2_ADC B05C (5x)
+1V2_CORE B05C (2x)
+1V2_PLL B05C (4x)
+1V2_SW B01B (3x)
+1V2_SW B03C (2x)
+1V2_SW B05C (1x)
+1V2_SW B05E (1x)
+1V2-FPGA B05E (2x)
+1V2-PLL B05E (2x)
+1V8_ANA-MUX B07D (3x)
+1V8_DIG-MUX B07D (2x)
+1V8_STBY B07D (2x)
+1V8_SW B01B (1x)
+1V8_SW B03A (2x)
+1V8_SW B03E (1x)
+1V8_SW B04 (1x)
+1V8_SW B07C (4x)
+1V8_SW B07D (1x)
+1V8SWA B07C (1x)
+1V8SWB B07C (1x)
+1V8SWC B07C (1x)
+1V8SWD B07C (1x)
+2V5_SW B01B (3x)
+2V5_SW B05B (1x)
+2V5_SW B05E (1x)
+2V5_VDDMQ B05B (5x)
+2V5_VDDMQ B05C (2x)
+2V5in-FPGA B05E (2x)
+2V5out-FPGA B05E (2x)
+3V3 B03A (3x)
+3V3 B03B (3x)
+3V3 B03C (7x)
+3V3 B03D (2x)
+3V3 B03E (1x)
+3V3_ANA-MUX B07C (2x)
+3V3_ANA-MUX B07D (4x)
+3V3_BUF B03B (4x)
+3V3_CORE B03B (2x)
+3V3_FPGA B05D (8x)
+3V3_FPGA B05E (4x)
+3V3_NOR48 B03D (4x)
+3V3_STBY B01A (1x)
+3V3_STBY B04 (31x)
+3V3_STBY B06C (3x)
+3V3_STBY B07D (2x)
+3V3_STV B03B (10x)
+3V3_SW B01A (1x)
+3V3_SW B02 (2x)
+3V3_SW B03E (2x)
+3V3_SW B04 (9x)
+3V3_SW B05A (8x)
+3V3_SW B05C (9x)
+3V3_SW B05E (1x)
+3V3_SW B07C (8x)
+3V3_SW B07D (1x)
+3V3_SW B07E (1x)
+3V3_VDDP B03C (3x)
+3V3clean B03C (1x)
+3V3clean B03E (1x)
+3V3FE B03A (5x)
+3V3SWA B07C (1x)
+3V3SWB B07C (1x)
+3V3SWC B07C (1x)
+3V3SWD B07C (1x)
+3V3SWE B07C (1x)
+5V_AUD B06A (3x)
+5V_D B06A (2x)
+5V_IF B02 (7x)
+5V_STANDBY B01A (4x)
+5V_STANDBY B04 (4x)
+5V_STANDBY B05A (1x)
+5V_STANDBY B07E (1x)
+5V_SW B01A (3x)
+5V_SW B02 (2x)
+5V_SW B03A (9x)
+5V_SW B03B (2x)
+5V_SW B03D (3x)
+5V_SW B04 (2x)
+5V_SW B05A (2x)
+5V_SW B06A (1x)
+5V_SW B06C (1x)
+5V_SW B07A (3x)
+5V_SW B07B (2x)
+5V_SW B07D (4x)
+5VHDMI_A B07D (3x)
+5VHDMI_B B07D (3x)
+5VHDMI_C B07D (3x)
+5VHDMI-MUX_TPWR B07C (1x)
+5VHDMI-MUX_TPWR B07D (1x)
+5VHDMI-SIDE_TPWR B07C (2x)
+5VS B02 (4x)
+8V B06A (2x)
+AUDIO_POWER B06B (3x)
+AUDIO_POWER_+12V_DISP B06A (1x)
+AUDIO_POWER_+12V_DISP B06B (1x)
+VDISP B07E (2x)
+VTUN B01A (1x)
+VTUN B02 (1x)
10046_TDO B03A (1x)
10046_TDO B03C (1x)
4MHZ_CLK B02 (1x)
4MHZ_CLK B03A (1x)
4MHz_MOJO B03A (1x)
4MHz_MOJO B03C (1x)
A(0) B04 (2x)
A(0) B05A (1x)
A(0:7) B04 (1x)
A(1) B04 (2x)
A(1) B05A (1x)
A(1:7) B04 (1x)
A(10) B04 (2x)
A(11) B04 (2x)
A(12) B04 (2x)
A(13) B04 (2x)
A(14) B04 (2x)
A(15) B04 (2x)
A(16) B04 (2x)
A(17) B04 (2x)
A(18) B04 (2x)
A(19) B04 (2x)
A(2) B04 (2x)
A(2) B05A (1x)
A(3) B04 (2x)
A(3) B05A (1x)
A(4) B04 (2x)
A(4) B05A (1x)
A(5) B04 (2x)
A(5) B05A (1x)
A(6) B04 (2x)
A(6) B05A (1x)
A(7) B04 (2x)
A(7) B05A (1x)
A(8) B04 (2x)
A(8:19) B04 (2x)
A(9) B04 (2x)
A_MICLK B03B (2x)
A_MISTRT B03B (2x)
A_MIVAL B03B (2x)
A_MOCLK B03B (2x)
A_MOSTRT B03B (2x)
A_MOVAL B03B (2x)
AD(0) B04 (2x)
AD(0) B05A (1x)
AD(0:7) B04 (2x)
AD(1) B04 (2x)
AD(1) B05A (1x)
AD(2) B04 (2x)
AD(2) B05A (1x)
AD(3) B04 (2x)
AD(3) B05A (1x)
AD(4) B04 (2x)
AD(4) B05A (1x)
AD(5) B04 (2x)
AD(5) B05A (1x)
AD(6) B04 (2x)
AD(6) B05A (1x)
AD(7) B04 (2x)
AD(7) B05A (1x)
ALE_EMU B04 (1x)
ALE_EMU B05A (1x)
ambi_pwm(0) B05D (1x)
ambi_pwm(0) B05E (1x)
ambi_pwm(1) B05D (1x)
ambi_pwm(1) B05E (1x)
ambi_pwm(2) B05D (1x)
ambi_pwm(2) B05E (1x)
ambi_pwm(3) B05D (1x)
ambi_pwm(3) B05E (1x)
ambi_pwm(4) B05D (1x)
ambi_pwm(4) B05E (1x)
ambi_pwm(5) B05D (1x)
ambi_pwm(5) B05E (1x)
AMBI_SCL B05D (1x)
AMBI_SCL B05E (1x)
AMBI_SDA B05D (1x)
AMBI_SDA B05E (1x)
ANTI_PLOP B04 (1x)
ANTI_PLOP B06C (1x)
ASDO B05D (2x)
ASDO B05E (1x)
AUDIO_LS_L B06A (1x)
AUDIO_LS_L B06B (1x)
AUDIO_LS_R B06A (1x)
AUDIO_LS_R B06B (1x)
-AUDIO_POWER B06B (2x)
BACKLIGHT_BOOST B01A (1x)
BACKLIGHT_BOOST B04 (1x)
BL_ADJUST B01A (1x)
BL_ADJUST B05A (1x)
BL_ON_OFF B01A (1x)
BL_ON_OFF B04 (1x)
BOLT_ON_SCL B04 (2x)
BOLT_ON_SCL B07E (1x)
BOLT_ON_SDA B04 (2x)
BOLT_ON_SDA B07E (1x)
C_IN B07A (2x)
CE B04 (1x)
CE B05E (1x)
CEC_D B04 (1x)
CEC_D B07D (1x)
CLK_OSC1 B05D (1x)
CLK_OSC1 B05E (1x)
COMP_AUDIO_IN_L B06A (1x)
COMP_AUDIO_IN_L B07A (1x)
COMP_AUDIO_IN_R B06A (1x)
COMP_AUDIO_IN_R B07A (1x)
CPU_RST B04 (1x)
CS B04 (1x)
CS B05A (1x)
CTRL_DISP1 B07E (2x)
CTRL_DISP1_up B04 (1x)
CTRL_DISP1_up B07E (1x)
CTRL_DISP2 B07E (2x)
CTRL_DISP3 B07E (2x)
CTRL_DISP4 B07E (2x)
CTRL_DISP4_up B04 (1x)
CTRL_DISP4_up B07E (1x)
CVBS_RF B02 (1x)
CVBS_RF B05A (1x)
DATA0 B05D (2x)
DATA0 B05E (1x)
DC_PROT B04 (1x)
DC_PROT B06B (1x)
DCLK B05D (2x)
DCLK B05E (1x)
DDC_RESET B04 (2x)
DDC_RESET B07D (3x)
DDC_SCLA B07D (2x)
DDC_SCLB B07D (2x)
DDC_SCLC B07D (2x)
DDC_SDAA B07D (2x)
DDC_SDAB B07D (2x)
DDC_SDAC B07D (2x)
DDR_VREF B05B (3x)
DDR_VREF B05C (1x)
DP_HS B05C (2x)
DVB_SW B02 (1x)
DVB_SW B04 (1x)
E_PAGE B04 (2x)
ENGAGE B06B (1x)
ENGAGE B06C (1x)
FE_LOCK B03A (1x)
FE_LOCK B03C (1x)
FPGA_BL_BOOST B05E (1x)
FPGA_BL_DIMMING B05A (1x)
FPGA_BL_DIMMING B05E (1x)
FRONT_C_IN_T B04 (1x)
FRONT_C_IN_T B07A (1x)
FRONT_CVBS_SVHS_SEL B04 (1x)
FRONT_CVBS_SVHS_SEL B07A (1x)
FRONT_CVBS_SVHS_Y_IN B05A (1x)
FRONT_CVBS_SVHS_Y_IN B07A (1x)
FRONT_Y_CVBS_IN_T B04 (1x)
FRONT_Y_CVBS_IN_T B07A (1x)
GNDDC B01A (1x)
GNDDC1V2 B01B (6x)
GNDDC2 B01B (13x)
GNDDC2V5 B01B (6x)
GNDSND B06B (25x)
GNDTUN B01A (1x)
HD_PB_IN B05A (1x)
HD_PB_IN B07A (1x)
HD_PB_IN_ITV B07A (2x)
HD_PR_IN B05A (1x)
HD_PR_IN B07A (1x)
HD_PR_IN_ITV B07A (2x)
HD_Y_IN B05A (1x)
HD_Y_IN B07A (1x)
HD_Y_IN_ITV B07A (2x)
HDMI_AUDIO_IN_L B06A (1x)
HDMI_AUDIO_IN_L B07C (1x)
HDMI_AUDIO_IN_R B06A (1x)
HDMI_AUDIO_IN_R B07C (1x)
HDMI_Cb(0) B05C (1x)
HDMI_Cb(0) B07C (1x)
HDMI_Cb(1) B05C (1x)
HDMI_Cb(1) B07C (1x)
HDMI_Cb(2) B05C (1x)
HDMI_Cb(2) B07C (1x)
HDMI_Cb(3) B05C (1x)
HDMI_Cb(3) B07C (1x)
HDMI_Cb(4) B05C (1x)
HDMI_Cb(4) B07C (1x)
HDMI_Cb(5) B05C (1x)
HDMI_Cb(5) B07C (1x)
HDMI_Cb(6) B05C (1x)
HDMI_Cb(6) B07C (1x)
HDMI_Cb(7) B05C (1x)
HDMI_Cb(7) B07C (1x)
HDMI_Cb(8) B05C (1x)
HDMI_Cb(8) B07C (1x)
HDMI_Cb(9) B05C (1x)
HDMI_Cb(9) B07C (1x)
HDMI_Cr(0) B05C (1x)
HDMI_Cr(0) B07C (1x)
HDMI_Cr(1) B05C (1x)
HDMI_Cr(1) B07C (1x)
HDMI_Cr(2) B05C (1x)
HDMI_Cr(2) B07C (1x)
HDMI_Cr(3) B05C (1x)
HDMI_Cr(3) B07C (1x)
HDMI_Cr(4) B05C (1x)
HDMI_Cr(4) B07C (1x)
HDMI_Cr(5) B05C (1x)
HDMI_Cr(5) B07C (1x)
HDMI_Cr(6) B05C (1x)
HDMI_Cr(6) B07C (1x)
HDMI_Cr(7) B05C (1x)
HDMI_Cr(7) B07C (1x)
HDMI_Cr(8) B05C (1x)
HDMI_Cr(8) B07C (1x)
HDMI_Cr(9) B05C (1x)
HDMI_Cr(9) B07C (1x)
HDMI_DE B05C (1x)
HDMI_DE B07C (1x)
HDMI_H B05C (1x)
HDMI_H B07C (1x)
HDMI_HOTPLUG_RESET B04 (1x)
HDMI_HOTPLUG_RESET B07C (1x)
HDMI_HOTPLUG_RESET B07D (1x)
HDMI_INT_MAIN B04 (1x)
HDMI_INT_MAIN B07C (1x)
HDMI_INT_MUX B04 (1x)
HDMI_INT_MUX B07D (1x)
HDMI_INT_SIDE B04 (2x)
HDMI_RST_MUX B04 (1x)
HDMI_RST_MUX B07D (1x)
HDMI_RST_RX_BUF B04 (2x)
HDMI_RST_RX_BUF B07C (1x)
HDMI_SCK B06A (1x)
HDMI_SCK B07C (1x)
HDMI_SD B06A (1x)
HDMI_SD B07C (1x)
HDMI_V B05C (1x)
HDMI_V B07C (1x)
HDMI_VCLK B05C (1x)
HDMI_VCLK B07C (1x)
HDMI_WS B06A (1x)
HDMI_WS B07C (1x)
HDMI_Y(0) B05C (1x)
HDMI_Y(0) B07C (1x)
HDMI_Y(1) B05C (1x)
HDMI_Y(1) B07C (1x)
HDMI_Y(2) B05C (1x)
HDMI_Y(2) B07C (1x)
HDMI_Y(3) B05C (1x)
HDMI_Y(3) B07C (1x)
HDMI_Y(4) B05C (1x)
HDMI_Y(4) B07C (1x)
HDMI_Y(5) B05C (1x)
HDMI_Y(5) B07C (1x)
HDMI_Y(6) B05C (1x)
HDMI_Y(6) B07C (1x)
HDMI_Y(7) B05C (1x)
HDMI_Y(7) B07C (1x)
HDMI_Y(8) B05C (1x)
HDMI_Y(8) B07C (1x)
HDMI_Y(9) B05C (1x)
HDMI_Y(9) B07C (1x)
HDMI-MUX_TSCL B07C (1x)
HDMI-MUX_TSCL B07D (1x)
HDMI-MUX_TSDA B07C (1x)
HDMI-MUX_TSDA B07D (1x)
HDMI-MUX_TX0- B07C (1x)
HDMI-MUX_TX0- B07D (1x)
HDMI-MUX_TX0+ B07C (1x)
HDMI-MUX_TX0+ B07D (1x)
HDMI-MUX_TX1- B07C (1x)
HDMI-MUX_TX1- B07D (1x)
HDMI-MUX_TX1+ B07C (1x)
HDMI-MUX_TX1+ B07D (1x)
HDMI-MUX_TX2- B07C (1x)
HDMI-MUX_TX2- B07D (1x)
HDMI-MUX_TX2+ B07C (1x)
HDMI-MUX_TX2+ B07D (1x)
HDMI-MUX_TXC- B07C (1x)
HDMI-MUX_TXC- B07D (1x)
HDMI-MUX_TXC+ B07C (1x)
HDMI-MUX_TXC+ B07D (1x)
HDMI-SIDE_CEC_A B07C (1x)
HDMI-SIDE_CEC_A B07D (1x)
HDMI-SIDE_TSCL B07C (2x)
HDMI-SIDE_TSDA B07C (2x)
HDMI-SIDE_TX0- B07C (2x)
HDMI-SIDE_TX0+ B07C (2x)
HDMI-SIDE_TX1- B07C (2x)
HDMI-SIDE_TX1+ B07C (2x)
HDMI-SIDE_TX2- B07C (2x)
HDMI-SIDE_TX2+ B07C (2x)
HDMI-SIDE_TXC- B07C (2x)
HDMI-SIDE_TXC+ B07C (2x)
HP_AUDIO_OUT_L B06A (1x)
HP_AUDIO_OUT_L B06C (1x)
HP_AUDIO_OUT_R B06A (1x)
HP_AUDIO_OUT_R B06C (1x)
HP_DETECT_T B04 (2x)
HP_LOUT B04 (1x)
HP_LOUT B06C (1x)
HP_ROUT B04 (1x)
HP_ROUT B06C (1x)
HPD_RESET_A B07D (2x)
HPD_RESET_B B07D (2x)
HPD_RESET_C B07D (2x)
I2C_LOCAL_SCL B03A (1x)
I2C_LOCAL_SCL B03B (1x)
I2C_LOCAL_SCL B03C (1x)
I2C_LOCAL_SCL B03D (1x)
I2C_LOCAL_SDA B03A (1x)
I2C_LOCAL_SDA B03B (1x)
I2C_LOCAL_SDA B03C (1x)
I2C_LOCAL_SDA B03D (1x)
I2C_TDA_SCL B02 (1x)
I2C_TDA_SCL B03A (1x)
I2C_TDA_SDA B02 (1x)
I2C_TDA_SDA B03A (1x)
IBO_B_IN B03E (1x)
IBO_B_IN B05A (1x)
IBO_CVBS_IN B03E (1x)
IBO_CVBS_IN B04 (1x)
IBO_CVBS_IN B05A (1x)
IBO_G_IN B03E (1x)
IBO_G_IN B05A (1x)
IBO_IRQ B03C (1x)
IBO_IRQ B04 (2x)
IBO_R_IN B03E (1x)
IBO_R_IN B05A (1x)
IF_AGC_IBO B02 (1x)
IF_AGC_IBO B03A (1x)
IF_ATV B02 (2x)
IIC_SCL B02 (1x)
IIC_SCL B04 (1x)
IIC_SCL B05A (1x)
IIC_SCL B07C (1x)
IIC_SCL_SIDE B04 (2x)
IIC_SCL_up B02 (1x)
IIC_SCL_up B03C (1x)
IIC_SCL_up B04 (2x)
IIC_SCL_up B05D (1x)
IIC_SCL_up B06A (1x)
IIC_SCL_up B07D (1x)
IIC_SDA B02 (1x)
IIC_SDA B04 (1x)
IIC_SDA B05A (1x)
IIC_SDA B07C (1x)
IIC_SDA_SIDE B04 (2x)
IIC_SDA_up B02 (1x)
IIC_SDA_up B03C (1x)
IIC_SDA_up B04 (2x)
IIC_SDA_up B05D (1x)
IIC_SDA_up B06A (1x)
IIC_SDA_up B07D (1x)
INT B04 (1x)
INT B05A (1x)
ITV_SPI_CLK B04 (2x)
ITV_SPI_DATA_IN B04 (2x)
JTAG_TCK B03A (1x)
JTAG_TCK B03B (1x)
JTAG_TCK B03C (1x)
JTAG_TCK B05D (1x)
JTAG_TMS B03A (1x)
JTAG_TMS B03B (1x)
JTAG_TMS B03C (1x)
JTAG_TMS B05D (1x)
JTAG_TRST B03A (1x)
JTAG_TRST B03B (1x)
JTAG_TRST B03C (1x)
KEYB B04 (2x)
LCD_PWR_ON B04 (1x)
LCD_PWR_ON B07E (1x)
LED1 B04 (2x)
LED2 B04 (2x)
MAIN_SCL B05D (1x)
MAIN_SCL B05E (1x)
MAIN_SDA B05D (1x)
MAIN_SDA B05E (1x)
MIU_ADDR(0) B03B (1x)
MIU_ADDR(0) B03C (1x)
MIU_ADDR(0:24) B03B (1x)
MIU_ADDR(0:24) B03C (1x)
MIU_ADDR(1) B03B (1x)
MIU_ADDR(1) B03C (1x)
MIU_ADDR(1) B03D (1x)
MIU_ADDR(10) B03B (1x)
MIU_ADDR(10) B03C (1x)
MIU_ADDR(10) B03D (1x)
MIU_ADDR(11) B03B (1x)
MIU_ADDR(11) B03C (1x)
MIU_ADDR(11) B03D (1x)
MIU_ADDR(12) B03B (1x)
MIU_ADDR(12) B03C (1x)
MIU_ADDR(12) B03D (1x)
MIU_ADDR(13) B03B (1x)
MIU_ADDR(13) B03C (1x)
MIU_ADDR(13) B03D (1x)
MIU_ADDR(14) B03B (1x)
MIU_ADDR(14) B03C (1x)
MIU_ADDR(14) B03D (1x)
MIU_ADDR(15) B03B (1x)
MIU_ADDR(15) B03C (1x)
MIU_ADDR(15) B03D (1x)
MIU_ADDR(16) B03B (1x)
MIU_ADDR(16) B03C (1x)
MIU_ADDR(16) B03D (1x)
MIU_ADDR(17) B03B (1x)
MIU_ADDR(17) B03C (1x)
MIU_ADDR(17) B03D (1x)
MIU_ADDR(18) B03B (1x)
MIU_ADDR(18) B03C (1x)
MIU_ADDR(18) B03D (1x)
MIU_ADDR(19) B03B (1x)
MIU_ADDR(19) B03C (1x)
MIU_ADDR(19) B03D (1x)
MIU_ADDR(2) B03B (1x)
MIU_ADDR(2) B03C (1x)
MIU_ADDR(2) B03D (1x)
MIU_ADDR(20) B03B (1x)
MIU_ADDR(20) B03C (1x)
MIU_ADDR(20) B03D (1x)
MIU_ADDR(21) B03B (1x)
MIU_ADDR(21) B03C (1x)
MIU_ADDR(21) B03D (1x)
MIU_ADDR(22) B03B (1x)
MIU_ADDR(22) B03C (1x)
MIU_ADDR(22) B03D (1x)
MIU_ADDR(23) B03B (1x)
MIU_ADDR(23) B03C (1x)
MIU_ADDR(24) B03B (1x)
MIU_ADDR(24) B03C (1x)
MIU_ADDR(3) B03B (1x)
MIU_ADDR(3) B03C (1x)
MIU_ADDR(3) B03D (1x)
MIU_ADDR(4) B03B (1x)
MIU_ADDR(4) B03C (1x)
MIU_ADDR(4) B03D (1x)
MIU_ADDR(5) B03B (1x)
MIU_ADDR(5) B03C (1x)
MIU_ADDR(5) B03D (1x)
MIU_ADDR(6) B03B (1x)
MIU_ADDR(6) B03C (1x)
MIU_ADDR(6) B03D (1x)
MIU_ADDR(7) B03B (1x)
MIU_ADDR(7) B03C (1x)
MIU_ADDR(7) B03D (1x)
MIU_ADDR(8) B03B (1x)
MIU_ADDR(8) B03C (1x)
MIU_ADDR(8) B03D (1x)
MIU_ADDR(9) B03B (1x)
MIU_ADDR(9) B03C (1x)
MIU_ADDR(9) B03D (1x)
MIU_DATA(0) B03B (1x)
MIU_DATA(0) B03C (1x)
MIU_DATA(0) B03D (1x)
MIU_DATA(0:15) B03C (1x)
MIU_DATA(0:15) B03D (1x)
MIU_DATA(1) B03B (1x)
MIU_DATA(1) B03C (1x)
MIU_DATA(1) B03D (1x)
MIU_DATA(10) B03C (1x)
MIU_DATA(10) B03D (1x)
MIU_DATA(11) B03C (1x)
MIU_DATA(11) B03D (1x)
MIU_DATA(12) B03C (1x)
MIU_DATA(12) B03D (1x)
MIU_DATA(13) B03C (1x)
MIU_DATA(13) B03D (1x)
MIU_DATA(14) B03C (1x)
MIU_DATA(14) B03D (1x)
MIU_DATA(15) B03C (1x)
MIU_DATA(15) B03D (1x)
MIU_DATA(2) B03B (1x)
MIU_DATA(2) B03C (1x)
MIU_DATA(2) B03D (1x)
MIU_DATA(3) B03B (1x)
MIU_DATA(3) B03C (1x)
MIU_DATA(3) B03D (1x)
MIU_DATA(4) B03B (1x)
MIU_DATA(4) B03C (1x)
MIU_DATA(4) B03D (1x)
MIU_DATA(5) B03B (1x)
MIU_DATA(5) B03C (1x)
MIU_DATA(5) B03D (1x)
MIU_DATA(6) B03B (1x)
MIU_DATA(6) B03C (1x)
MIU_DATA(6) B03D (1x)
MIU_DATA(7) B03B (1x)
MIU_DATA(7) B03C (1x)
MIU_DATA(7) B03D (1x)
MIU_DATA(8) B03C (1x)
MIU_DATA(8) B03D (1x)
MIU_DATA(9) B03C (1x)
MIU_DATA(9) B03D (1x)
MIU_OEN B03B (1x)
MIU_OEN B03C (1x)
MIU_OEN B03D (1x)
MIU_RDY B03B (1x)
MIU_RDY B03C (1x)
MIU_WEN B03B (1x)
MIU_WEN B03C (1x)
MIU_WEN B03D (1x)
MOJO_I2S_OUT_SCK B03C (1x)
MOJO_I2S_OUT_SCK B06A (1x)
MOJO_I2S_OUT_SD B03C (1x)
MOJO_I2S_OUT_SD B06A (1x)
MOJO_I2S_OUT_WS B03C (1x)
MOJO_I2S_OUT_WS B06A (1x)
MUTEn B04 (1x)
MUTEn B06C (1x)
nCSO B05D (2x)
nCSO B05E (1x)
NOR_CS B03C (1x)
NOR_CS B03D (1x)
NOR_RYBY B03C (1x)
NOR_RYBY B03D (1x)
NOR_WP B03C (1x)
NOR_WP B03D (1x)
PC_VGA_H B05A (2x)
PC_VGA_V B05A (2x)
PCMCIA_5V B03B (4x)
PCMCIA_AVCC B03B (3x)
PCMCIA_VPP B03B (3x)
POWER_DOWN B01A (1x)
POWER_DOWN B04 (1x)
POWER_DOWN B06C (1x)
RD B04 (1x)
RD B05A (1x)
REMOTE B04 (3x)
RESET_FE_n B03A (1x)
RESET_FE_n B03C (1x)
RESET_n B03C (1x)
RESET_n B03D (1x)
RESET_n B04 (2x)
RESET_STV B03B (1x)
RESET_STV B03C (1x)
RF_AGC B02 (2x)
RF_AGC_IBO B02 (1x)
RF_AGC_IBO B03A (1x)
RST_AUD B04 (1x)
RST_AUD B06A (1x)
RST_H B04 (1x)
RST_H B05A (1x)
RX0+A B07D (2x)
RX0+B B07D (2x)
RX0+C B07D (2x)
RX0-A B07D (2x)
RX0-B B07D (2x)
RX0-C B07D (2x)
RX1+A B07D (2x)
RX1+B B07D (2x)
RX1+C B07D (2x)
RX1-A B07D (2x)
RX1-B B07D (2x)
RX1-C B07D (2x)
RX2+A B07D (2x)
RX2+B B07D (2x)
RX2+C B07D (2x)
RX2-A B07D (2x)
RX2-B B07D (2x)
RX2-C B07D (2x)
RXC+A B07D (2x)
RXC+B B07D (2x)
RXC+C B07D (2x)
RXC-A B07D (2x)
RXC-B B07D (2x)
RXC-C B07D (2x)
RXD0 B03C (1x)
RXD0 B03E (1x)
SAW_SW B02 (1x)
SAW_SW B04 (1x)
SC1_AUDIO_IN_L B06A (1x)
SC1_AUDIO_IN_L B07B (1x)
SC1_AUDIO_IN_R B06A (1x)
SC1_AUDIO_IN_R B07B (1x)
SC1_AUDIO_MUTE_L B06C (1x)
SC1_AUDIO_MUTE_L B07B (1x)
SC1_AUDIO_MUTE_R B06C (1x)
SC1_AUDIO_MUTE_R B07B (1x)
SC1_AUDIO_OUT_L B06A (1x)
SC1_AUDIO_OUT_L B07B (2x)
SC1_AUDIO_OUT_R B06A (1x)
SC1_AUDIO_OUT_R B07B (2x)
SC1_B_IN B05A (1x)
SC1_B_IN B07B (2x)
SC1_CVBS_IN B05A (1x)
SC1_CVBS_IN B07B (1x)
SC1_CVBS_RF_OUT B04 (1x)
SC1_CVBS_RF_OUT B07B (1x)
SC1_FBL_IN B05A (1x)
SC1_FBL_IN B07B (2x)
SC1_G_IN B05A (1x)
SC1_G_IN B07B (2x)
SC1_R_IN B05A (1x)
SC1_R_IN B07B (2x)
SC1_RF_OUT_CVBS B05A (1x)
SC1_RF_OUT_CVBS B07B (1x)
SC1_STATUS B04 (1x)
SC1_STATUS B07B (1x)
SC2_AUDIO_IN_L B06A (1x)
SC2_AUDIO_IN_L B07B (2x)
SC2_AUDIO_IN_R B06A (1x)
SC2_AUDIO_IN_R B07B (2x)
SC2_AUDIO_MUTE_L B06C (1x)
SC2_AUDIO_MUTE_L B07B (1x)
SC2_AUDIO_MUTE_R B06C (1x)
SC2_AUDIO_MUTE_R B07B (1x)
SC2_AUDIO_OUT_L B06A (1x)
SC2_AUDIO_OUT_L B07B (1x)
SC2_AUDIO_OUT_R B06A (1x)
SC2_AUDIO_OUT_R B07B (1x)
SC2_C_IN B05A (1x)
SC2_C_IN B07B (1x)
SC2_C_IN_ITV B07B (2x)
SC2_CVBS_MON_OUT B05A (1x)
SC2_CVBS_MON_OUT B07B (1x)
SC2_CVBS_MON_OUT_ITV B06C (1x)
SC2_CVBS_MON_OUT_ITV B07B (1x)
SC2_STATUS B04 (1x)
SC2_STATUS B07B (1x)
SC2_Y_CVBS_IN B05A (1x)
SC2_Y_CVBS_IN B07B (1x)
SC2_Y_CVBS_IN_ITV B07B (2x)
SDRAM_ADDR(0) B03C (1x)
SDRAM_ADDR(0) B03D (1x)
SDRAM_ADDR(0:14) B03C (1x)
SDRAM_ADDR(0:14) B03D (1x)
SDRAM_ADDR(1) B03C (1x)
SDRAM_ADDR(1) B03D (1x)
SDRAM_ADDR(10) B03C (1x)
SDRAM_ADDR(10) B03D (1x)
SDRAM_ADDR(11) B03C (1x)
SDRAM_ADDR(11) B03D (1x)
SDRAM_ADDR(12) B03C (1x)
SDRAM_ADDR(12) B03D (1x)
SDRAM_ADDR(13) B03C (1x)
SDRAM_ADDR(13) B03D (1x)
SDRAM_ADDR(14) B03C (1x)
SDRAM_ADDR(14) B03D (1x)
SDRAM_ADDR(2) B03C (1x)
SDRAM_ADDR(2) B03D (1x)
SDRAM_ADDR(3) B03C (1x)
SDRAM_ADDR(3) B03D (1x)
SDRAM_ADDR(4) B03C (1x)
SDRAM_ADDR(4) B03D (1x)
SDRAM_ADDR(5) B03C (1x)
SDRAM_ADDR(5) B03D (1x)
SDRAM_ADDR(6) B03C (1x)
SDRAM_ADDR(6) B03D (1x)
SDRAM_ADDR(7) B03C (1x)
SDRAM_ADDR(7) B03D (1x)
SDRAM_ADDR(8) B03C (1x)
SDRAM_ADDR(8) B03D (1x)
SDRAM_ADDR(9) B03C (1x)
SDRAM_ADDR(9) B03D (1x)
SDRAM_CAS B03C (1x)
SDRAM_CAS B03D (1x)
SDRAM_CKE B03C (1x)
SDRAM_CKE B03D (1x)
SDRAM_CLK B03C (1x)
SDRAM_CLK B03D (1x)
SDRAM_DATA(0) B03C (1x)
SDRAM_DATA(0) B03D (1x)
SDRAM_DATA(0:15) B03C (1x)
SDRAM_DATA(1) B03C (1x)
SDRAM_DATA(1) B03D (1x)
SDRAM_DATA(10) B03C (1x)
SDRAM_DATA(10) B03D (1x)
SDRAM_DATA(11) B03C (1x)
SDRAM_DATA(11) B03D (1x)
SDRAM_DATA(12) B03C (1x)
SDRAM_DATA(12) B03D (1x)
SDRAM_DATA(13) B03C (1x)
SDRAM_DATA(13) B03D (1x)
SDRAM_DATA(14) B03C (1x)
SDRAM_DATA(14) B03D (1x)
SDRAM_DATA(15) B03C (1x)
SDRAM_DATA(15) B03D (1x)
SDRAM_DATA(2) B03C (1x)
SDRAM_DATA(2) B03D (1x)
SDRAM_DATA(3) B03C (1x)
SDRAM_DATA(3) B03D (1x)
SDRAM_DATA(4) B03C (1x)
SDRAM_DATA(4) B03D (1x)
SDRAM_DATA(5) B03C (1x)
SDRAM_DATA(5) B03D (1x)
SDRAM_DATA(6) B03C (1x)
SDRAM_DATA(6) B03D (1x)
SDRAM_DATA(7) B03C (1x)
SDRAM_DATA(7) B03D (1x)
SDRAM_DATA(8) B03C (1x)
SDRAM_DATA(8) B03D (1x)
SDRAM_DATA(9) B03C (1x)
SDRAM_DATA(9) B03D (1x)
SDRAM_DQM0 B03C (1x)
SDRAM_DQM0 B03D (1x)
SDRAM_DQM1 B03C (1x)
SDRAM_DQM1 B03D (1x)
SDRAM_RAS B03C (1x)
SDRAM_RAS B03D (1x)
SDRAM_WE B03C (1x)
SDRAM_WE B03D (1x)
SIDE_AUDIO_IN_L B04 (1x)
SIDE_AUDIO_IN_L B06A (1x)
SIDE_AUDIO_IN_R B04 (1x)
SIDE_AUDIO_IN_R B06A (1x)
SIF B02 (1x)
SIF B06A (1x)
SIF1 B02 (2x)
SIF2 B02 (2x)
STANDBY B01A (2x)
STANDBY B04 (2x)
STANDBY B06C (1x)
STANDBYn B04 (1x)
STANDBYn B06B (1x)
STANDBYn B07E (1x)
STV_A25 B03B (1x)
STV_A25 B03C (1x)
STV_CS B03B (1x)
STV_CS B03C (1x)
STV_INT B03B (1x)
STV_INT B03C (1x)
STV_TDO B03A (1x)
STV_TDO B03B (1x)
SVHS_C_IN B05A (1x)
SVHS_C_IN B07A (1x)
TCK_FPGA B05D (1x)
TCK_FPGA B05E (1x)
TDA_CLK B03A (1x)
TDA_CLK B03B (1x)
TDA_DAT(0) B03A (1x)
TDA_DAT(0) B03B (1x)
TDA_DAT(0:7) B03A (1x)
TDA_DAT(0:7) B03B (1x)
TDA_DAT(1) B03A (1x)
TDA_DAT(1) B03B (1x)
TDA_DAT(2) B03A (1x)
TDA_DAT(2) B03B (1x)
TDA_DAT(3) B03A (1x)
TDA_DAT(3) B03B (1x)
TDA_DAT(4) B03A (1x)
TDA_DAT(4) B03B (1x)
TDA_DAT(5) B03A (1x)
TDA_DAT(5) B03B (1x)
TDA_DAT(6) B03A (1x)
TDA_DAT(6) B03B (1x)
TDA_DAT(7) B03A (1x)
TDA_DAT(7) B03B (1x)
TDA_SYNC B03A (1x)
TDA_SYNC B03B (1x)
TDA_VALID B03A (1x)
TDA_VALID B03B (1x)
TDI_FPGA B05D (1x)
TDI_FPGA B05E (1x)
TDO_FPGA B05D (1x)
TDO_FPGA B05E (1x)
TMS_FPGA B05D (1x)
TMS_FPGA B05E (1x)
TS_CLK B03B (1x)
TS_CLK B03C (1x)
TS_DATA(0) B03B (1x)
TS_DATA(0) B03C (1x)
TS_DATA(0:7) B03C (1x)
TS_DATA(1) B03B (1x)
TS_DATA(1) B03C (1x)
TS_DATA(2) B03B (1x)
TS_DATA(2) B03C (1x)
TS_DATA(3) B03B (1x)
TS_DATA(3) B03C (1x)
TS_DATA(4) B03B (1x)
TS_DATA(4) B03C (1x)
TS_DATA(5) B03B (1x)
TS_DATA(5) B03C (1x)
TS_DATA(6) B03B (1x)
TS_DATA(6) B03C (1x)
TS_DATA(7) B03B (1x)
TS_DATA(7) B03C (1x)
TS_SYNC B03B (1x)
TS_SYNC B03C (1x)
TS_VALID B03B (1x)
TS_VALID B03C (1x)
TXD0 B03C (1x)
TXD0 B03E (1x)
TxFPGAe_0n B05A (1x)
TxFPGAe_0n B05E (1x)
TxFPGAe_0p B05A (1x)
TxFPGAe_0p B05E (1x)
TxFPGAe_1n B05A (1x)
TxFPGAe_1n B05E (1x)
TxFPGAe_1p B05A (1x)
TxFPGAe_1p B05E (1x)
TxFPGAe_2n B05A (1x)
TxFPGAe_2n B05E (1x)
TxFPGAe_2p B05A (1x)
TxFPGAe_2p B05E (1x)
TxFPGAe_3n B05A (1x)
TxFPGAe_3n B05E (1x)
TxFPGAe_3p B05A (1x)
TxFPGAe_3p B05E (1x)
TxFPGAe_4n B05A (1x)
TxFPGAe_4n B05E (1x)
TxFPGAe_4p B05A (1x)
TxFPGAe_4p B05E (1x)
TxFPGAe_CLKn B05A (1x)
TxFPGAe_CLKn B05E (1x)
TxFPGAe_CLKp B05A (1x)
TxFPGAe_CLKp B05E (1x)
TxFPGAo_0n B05A (1x)
TxFPGAo_0n B05E (1x)
TxFPGAo_0p B05A (1x)
TxFPGAo_0p B05E (1x)
TxFPGAo_1n B05A (1x)
TxFPGAo_1n B05E (1x)
TxFPGAo_1p B05A (1x)
TxFPGAo_1p B05E (1x)
TxFPGAo_2n B05A (1x)
TxFPGAo_2n B05E (1x)
TxFPGAo_2p B05A (1x)
TxFPGAo_2p B05E (1x)
TxFPGAo_3n B05A (1x)
TxFPGAo_3n B05E (1x)
TxFPGAo_3p B05A (1x)
TxFPGAo_3p B05E (1x)
TxFPGAo_4n B05A (1x)
TxFPGAo_4n B05E (1x)
TxFPGAo_4p B05A (1x)
TxFPGAo_4p B05E (1x)
TxFPGAo_CLKn B05A (1x)
TxFPGAo_CLKn B05E (1x)
TxFPGAo_CLKp B05A (1x)
TxFPGAo_CLKp B05E (1x)
TxLVDSe_0n B05E (1x)
TxLVDSe_0n B07E (1x)
TxLVDSe_0p B05E (1x)
TxLVDSe_0p B07E (1x)
TxLVDSe_1n B05E (1x)
TxLVDSe_1n B07E (1x)
TxLVDSe_1p B05E (1x)
TxLVDSe_1p B07E (1x)
TxLVDSe_2n B05E (1x)
TxLVDSe_2n B07E (1x)
TxLVDSe_2p B05E (1x)
TxLVDSe_2p B07E (1x)
TxLVDSe_3n B05E (1x)
TxLVDSe_3n B07E (1x)
TxLVDSe_3p B05E (1x)
TxLVDSe_3p B07E (1x)
TxLVDSe_4n B05E (1x)
TxLVDSe_4n B07E (1x)
TxLVDSe_4p B05E (1x)
TxLVDSe_4p B07E (1x)
TxLVDSe_CLKn B05E (1x)
TxLVDSe_CLKn B07E (1x)
TxLVDSe_CLKp B05E (1x)
TxLVDSe_CLKp B07E (1x)
TxLVDSo_0n B05E (1x)
TxLVDSo_0n B07E (1x)
TxLVDSo_0p B05E (1x)
TxLVDSo_0p B07E (1x)
TxLVDSo_1n B05E (1x)
TxLVDSo_1n B07E (1x)
TxLVDSo_1p B05E (1x)
TxLVDSo_1p B07E (1x)
TxLVDSo_2n B05E (1x)
TxLVDSo_2n B07E (1x)
TxLVDSo_2p B05E (1x)
TxLVDSo_2p B07E (1x)
TxLVDSo_3n B05E (1x)
TxLVDSo_3n B07E (1x)
TxLVDSo_3p B05E (1x)
TxLVDSo_3p B07E (1x)
TxLVDSo_4n B05E (1x)
TxLVDSo_4n B07E (1x)
TxLVDSo_4p B05E (1x)
TxLVDSo_4p B07E (1x)
TxLVDSo_CLKn B05E (1x)
TxLVDSo_CLKn B07E (1x)
TxLVDSo_CLKp B05E (1x)
TxLVDSo_CLKp B07E (1x)
user_EEPROM_WP B03C (1x)
user_EEPROM_WP B03D (1x)
VCCEN B03B (2x)
VDD B06B (3x)
VDDA B06B (2x)
VGA_H B05A (1x)
VGA_H B07A (1x)
VGA_V B05A (1x)
VGA_V B07A (1x)
VIF1 B02 (2x)
VIF2 B02 (2x)
VIM_IBO B02 (1x)
VIM_IBO B03A (1x)
VIP_IBO B02 (1x)
VIP_IBO B03A (1x)
VSS B06B (3x)
VSSA B06B (5x)
WAGC_SW B02 (1x)
WAGC_SW B04 (1x)
WR B04 (1x)
WR B05A (1x)
WX_AVCC B05A (2x)
WX_BA0 B05B (2x)
WX_BA0 B05C (1x)
WX_BA1 B05B (2x)
WX_BA1 B05C (1x)
WX_CAS# B05B (2x)
WX_CAS# B05C (1x)
WX_CLKE B05B (2x)
WX_CLKE B05C (1x)
WX_CS0# B05B (2x)
WX_CS0# B05C (1x)
WX_DQM0 B05B (1x)
WX_DQM0 B05C (1x)
WX_DQM1 B05B (1x)
WX_DQM1 B05C (1x)
WX_DQM2 B05B (1x)
WX_DQM2 B05C (1x)
WX_DQM3 B05B (1x)
WX_DQM3 B05C (1x)
WX_DQS0 B05B (1x)
WX_DQS0 B05C (1x)
WX_DQS1 B05B (1x)
WX_DQS1 B05C (1x)
WX_DQS2 B05B (1x)
WX_DQS2 B05C (1x)
WX_DQS3 B05B (1x)
WX_DQS3 B05C (1x)
WX_MA0 B05B (2x)
WX_MA0 B05C (1x)
WX_MA1 B05B (2x)
WX_MA1 B05C (1x)
WX_MA10 B05B (2x)
WX_MA10 B05C (1x)
WX_MA11 B05B (2x)
WX_MA11 B05C (1x)
WX_MA2 B05B (2x)
WX_MA2 B05C (1x)
WX_MA3 B05B (2x)
WX_MA3 B05C (1x)
WX_MA4 B05B (2x)
WX_MA4 B05C (1x)
WX_MA5 B05B (2x)
WX_MA5 B05C (1x)
WX_MA6 B05B (2x)
WX_MA6 B05C (1x)
WX_MA7 B05B (2x)
WX_MA7 B05C (1x)
WX_MA8 B05B (2x)
WX_MA8 B05C (1x)
WX_MA9 B05B (2x)
WX_MA9 B05C (1x)
WX_MCK0 B05B (2x)
WX_MCK0 B05C (1x)
WX_MCK0# B05B (2x)
WX_MCK0# B05C (1x)
WX_MD0 B05B (1x)
WX_MD0 B05C (1x)
WX_MD1 B05B (1x)
WX_MD1 B05C (1x)
WX_MD10 B05B (1x)
WX_MD10 B05C (1x)
WX_MD11 B05B (1x)
WX_MD11 B05C (1x)
WX_MD12 B05B (1x)
WX_MD12 B05C (1x)
WX_MD13 B05B (1x)
WX_MD13 B05C (1x)
WX_MD14 B05B (1x)
WX_MD14 B05C (1x)
WX_MD15 B05B (1x)
WX_MD15 B05C (1x)
WX_MD16 B05B (1x)
WX_MD16 B05C (1x)
WX_MD17 B05B (1x)
WX_MD17 B05C (1x)
WX_MD18 B05B (1x)
WX_MD18 B05C (1x)
WX_MD19 B05B (1x)
WX_MD19 B05C (1x)
WX_MD2 B05B (1x)
WX_MD2 B05C (1x)
WX_MD20 B05B (1x)
WX_MD20 B05C (1x)
WX_MD21 B05B (1x)
WX_MD21 B05C (1x)
WX_MD22 B05B (1x)
WX_MD22 B05C (1x)
WX_MD23 B05B (1x)
WX_MD23 B05C (1x)
WX_MD24 B05B (1x)
WX_MD24 B05C (1x)
WX_MD25 B05B (1x)
WX_MD25 B05C (1x)
WX_MD26 B05B (1x)
WX_MD26 B05C (1x)
WX_MD27 B05B (1x)
WX_MD27 B05C (1x)
WX_MD28 B05B (1x)
WX_MD28 B05C (1x)
WX_MD29 B05B (1x)
WX_MD29 B05C (1x)
WX_MD3 B05B (1x)
WX_MD3 B05C (1x)
WX_MD30 B05B (1x)
WX_MD30 B05C (1x)
WX_MD31 B05B (1x)
WX_MD31 B05C (1x)
WX_MD4 B05B (1x)
WX_MD4 B05C (1x)
WX_MD5 B05B (1x)
WX_MD5 B05C (1x)
WX_MD6 B05B (1x)
WX_MD6 B05C (1x)
WX_MD7 B05B (1x)
WX_MD7 B05C (1x)
WX_MD8 B05B (1x)
WX_MD8 B05C (1x)
WX_MD9 B05B (1x)
WX_MD9 B05C (1x)
WX_PAVDD1 B05A (1x)
WX_PAVDD1 B05C (1x)
WX_PAVDD2 B05A (1x)
WX_PAVDD2 B05C (1x)
WX_PVCC B05A (2x)
WX_RAS# B05B (2x)
WX_RAS# B05C (1x)
WX_REGVCC B05A (2x)
WX_WE# B05B (2x)
WX_WE# B05C (1x)
Y_IN B07A (2x)

Circuit Diagrams and PWB Layouts 67LC7.5E LA 7.
Layout SSB (Overview Top Side)
Part 1
H_17370_023a.eps
Part 2
H_17370_023b.eps
Part 3
H_17370_023c.eps Part 4
H_17370_023d.eps
H_17370_023.eps
070804
3139 123 6273.1
1001 B10
1002 B9
1101 E3
1102 E6
1103 E6
1104 D6
1201 A4
1202 A4
1203 A5
1301 D7
1302 B9
1303 B9
1304 A9
1305 A3
1306 A8
1307 A8
1308 A8
1309 A8
1310 A8
1312 B8
1313 A1
1314 B9
1500 E10
1501 E10
1502 E9
1503 E10
1504 D9
1505 E9
1506 D10
1507 E9
1508 D10
1509 D9
1510 D10
1511 D9
1512 D9
1513 D10
1514 D10
1515 D10
1516 D9
1517 D9
1518 C10
1519 D9
1520 D9
1521 C10
1522 D9
1523 C9
1524 C9
1525 B10
1526 E10
1601 F9
1606 F10
1607 F9
1608 F9
1609 F8
1610 F9
1611 F9
1613 F10
1615 F9
1619 E9
1901 B9
1A01 A10
1A02 A7
1A03 A9
1B12 A2
1B13 A2
1C24 C4
1J14 B10
1K00 E5
1L20 A8
1M01 F6
1M02 F7
1M03 F8
1N01 F10
1N02 D8
1R01 A6
1R02 A6
1R03 A6
1R04 A6
1R05 A6
1R06 A6
1R07 A6
1R08 A7
1R09 A7
1R10 A7
1R11 A7
1R12 A7
1R13 A7
2117 F6
2119 E6
2127 D6
2142 E6
2201 A6
2202 A6
2211 B7
2212 B7
2213 B7
2310 D7
2312 C7
2313 B7
2314 D7
2316 D7
2317 D7
2318 C7
2323 C8
2338 B8
2341 C8
2408 B8
2409 B8
2410 A8
2411 B8
2412 B8
2413 B8
2414 B8
2417 B8
2418 B8
2419 B8
2420 B8
2421 B8
2422 B7
2423 A8
2432 B8
2433 B8
2434 B8
2435 B8
2436 B8
2437 B8
2438 B8
2439 A7
2440 A7
2441 B8
2442 B8
2443 B8
2444 B8
2445 B8
2446 B8
2447 B8
2700 A6
2702 A6
2718 A6
2721 A6
2724 B7
2734 A6
2901 A7
2902 B7
2904 B7
2905 A7
2907 B7
2908 B7
2913 B7
2914 B7
2915 A7
2916 A7
2A01 A9
2A02 A9
2A04 B9
2A08 A9
2A09 A9
2A10 B9
2A11 A9
2A12 A9
2A15 A8
2A16 B8
2A18 A9
2A19 B9
2A20 B8
2A22 B9
2A24 B9
2A29 B9
2A30 A9
2A32 B9
2A33 A9
2A34 A9
2A40 A9
2A41 A9
2B10 A2
2B12 B1
2B18 A1
2B19 B2
2B21 B1
2B22 A1
2B24 B1
2B25 A2
2B26 A2
2B27 A2
2B65 A2
2B66 B2
2B67 A2
2C01 C4
2C02 C4
2C03 D4
2C04 D5
2C05 D5
2C06 D5
2C07 D5
2C08 D5
2C09 D5
2C10 D5
2C11 D5
2C12 D5
2C13 D5
2C14 D4
2C15 D4
2C18 D5
2C19 D5
2C22 B4
2C23 C4
2C28 C4
2C29 C4
2C33 C4
2C81 C4
2C82 C4
2D31 A4
2D32 C4
2D71 A4
2D72 A4
2E01 D4
2E02 D4
2E09 C4
2E10 C4
2E11 C4
2E12 C4
2E13 D5
2E14 D5
2E15 D5
2E16 D5
2E17 D5
2E18 D5
2E19 D4
2E20 D4
2E23 C4
2E24 C4
2E25 C4
2E26 C4
2F10 D3
2F11 D3
2F12 F3
2F13 F3
2F20 D3
2F21 D3
2F22 E3
2G02 C3
2G17 B1
2G18 C1
2G22 D3
2G23 D1
2G24 B1
2G33 B2
2H06 C3
2H07 D1
2H08 D3
2J01 B1
2J04 D3
2J05 D3
2J06 D3
2K06 F1
2K07 E1
2K11 D3
2K13 D3
2K14 F2
2K16 F3
2K17 F3
2L20 A8
2L21 A7
2L22 A7
2L23 A8
2L24 A8
2L25 A8
2L26 A8
2L27 A8
2L28 A8
2L29 A8
2L30 A8
2L31 A8
2L32 A8
2L33 A8
2L34 A8
2L35 A8
2M11 F6
2N03 E8
2N06 E8
2N11 E8
2N13 D8
2N14 E8
2N67 E10
2P28 A3
2P29 B3
2P30 B3
2P34 A3
2P46 B3
2P55 C3
2P56 C4
2P59 B3
2P61 B3
2P68 B3
2P72 A4
2R01 A7
2R02 A7
2R11 A5
2R20 A6
2R21 A6
2R23 A6
2R24 A6
3113 E6
3117 F6
3118 E6
3119 E6
3188 E6
3192 D6
3201 A6
3202 A6
3303 C6
3309 B8
3310 C6
3311 B8
3313 C7
3314 D7
3315 C7
3317 C7
3320 C6
3322 C7
3324 C7
3329 D7
3330 C6
3343 B9
3345 B9
3347 D8
3348 D8
3349 D8
3350 D7
3351 C8
3352 C8
3354 C8
3359 C8
3360 C8
3361 C8
3362 C8
3380 C6
3382 C8
3384 C8
3386 C8
3387 C6
3388 D7
3393 B7
3395 B8
3396 C6
3397 D7
3398 B8
3399 B7
3402 B8
3410 B7
3411 B7
3416 B8
3702 B7
3713 B6
3714 B6
3720 B6
3721 B6
3722 B6
3723 A6
3724 A6
3725 A6
3726 A6
3727 A6
3728 A6
3729 A6
3730 A6
3731 A6
3732 B6
3733 B6
3734 B6
3735 B6
3736 B6
3737 B6
3738 B6
3739 B6
3740 B6
3741 B6
3742 B6
3743 B6
3744 B6
3745 B6
3746 B6
3747 B6
3748 B6
3749 B6
3750 B6
3751 B6
3752 B6
3753 B6
3901 B7
3902 B7
3903 A7
3904 A7
3905 B7
3906 B7
3907 B7
3908 A7
3909 A7
3910 A7
3934 B7
3935 B7
3937 B7
3938 B7
3A01 A9
3A02 A9
3A03 A8
3A04 A9
3A06 A8
3A07 B8
3A08 B9
3A11 B8
3A13 B9
3A19 A9
3A26 A8
3A27 A9
3A28 A9
3A29 A9
3A30 A9
3A31 A9
3B10 A2
3B12 A1
3B17 A1
3B18 A1
3B19 A1
3B65 A2
3B66 A1
3C01 C4
3C02 D4
3C03 C6
3C04 C6
3C05 C6
3C06 C6
3C29 C4
3C30 C4
3C31 C4
3C32 C3
3C33 C3
3C34 C3
3C36 D3
3C37 D3
3D01 B5
3D02 B5
3D05 B5
3D06 B5
3D09 B5
3D11 B5
3D38 B4
3D40 B4
3D43 B4
3D44 B5
3D47 B4
3D48 B4
3E02 C4
3E04 C4
3G15 B1
3G19 B1
3G48 B1
3G56 D1
3G57 D1
3G58 D1
3G59 D1
3J01 D3
3J02 D3
3J03 D3
3J14 B9
3J15 B9
3K00 F2
3K01 F2
3K02 E3
3K03 F3
3K05 F3
3K09 F2
3K12 F2
3K15 E1
3K16 E2
3K18 F1
3K21 F2
3K25 E2
3K26 E2
3K27 F1
3K28 E2
3K29 F1
3K30 E2
3K31 E2
3K32 E2
3K33 E1
3K34 F1
3K49 E2
3K50 E2
3K51 F1
3K52 F1
3L01 C8
3L02 C8
3L03 C8
3L04 B7
3L05 C7
3L06 C8
3L07 C8
3L08 C8
3L09 C8
3L11 C6
3L12 C8
3L13 C8
3L15 C8
3L17 B7
3L20 A7
3L21 A8
3L22 A8
3L23 A8
3L24 A8
3L25 A8
3L27 A8
3L28 D8
3L53 C8
3L55 D8
3L56 D8
3L58 D8
3L59 C6
3L61 C8
3L62 C8
3L63 D8
3L67 D7
3L71 C8
3L72 B8
3L73 C8
3L75 C8
3L76 C8
3L79 D8
3L86 B7
3L94 C8
3L95 C8
3N01 E7
3N02 D7
3N03 E7
3N04 D7
3N05 D7
3N06 D7
3N07 D7
3N08 D7
3N09 D7
3N10 D7
3N11 D8
3N12 D8
3N13 E7
3N14 E7
3N15 E7
3N16 D7
3N22 D8
3N24 D8
3N33 D8
3N34 D8
3N39 E7
3N40 E7
3R25 A7
3R26 A7
3R35 A6
3R48 A6
3R49 A6
3R50 A6
3R51 A6
3R52 A6
3R53 A6
3R54 A6
4113 D6
4117 E5
4120 E5
4301 A7
4313 C8
4323 C8
4401 A7
4402 A7
4407 B7
4408 B7
4409 B7
4410 B7
4411 B7
4412 B7
4902 B7
4H01 D2
4H02 D2
4H03 D3
4H04 D2
4H05 D2
4J14 B9
4J15 B9
4L03 C8
4L20 A7
4L21 A8
4L24 A8
4L25 A8
4L26 A8
4N03 E7
4N04 E7
4N05 E7
4R05 A6
4R06 A6
4R07 A6
4R08 A6
5111 F6
5117 E6
5201 B7
5301 B7
5306 C8
5401 B8
5402 B8
5403 B8
5700 A6
5A03 A10
5A04 B10
5A05 A9
5A06 A9
5B01 B1
5B05 B2
5B08 A2
5C06 C4
5C08 C4
5D03 A4
5E04 C4
5E05 C4
5E06 D4
5E16 D4
5F10 D3
5F11 D3
5G01 C3
5G02 C3
5G04 D3
5G06 C3
5G07 C3
5H01 D3
5H02 D1
5K03 F1
5K04 D2
5K05 D3
5P01 A3
5P02 A2
5P09 B3
6103 E6
6306 B9
6307 B9
6317 B7
6318 B8
6914 B7
6B30 B2
6J03 D3
6J14 B9
6J15 B9
7109 E6
7113 D6
7201 B7
7302 C8
7303 C8
7308 B7
7311 C7
7317 B7
7322 C6
7323 C8
7410 A8
7700 B6
7901 B7
7917 B7
7919 B7
7A01 A9
7A05 A9
7A06 A9
7A07 A9
7B01 B1
7B02 A1
7C01 C5
7C03 C3
7D01 B5
7D02 B4
7G00 C2
7H00 D2
7H02 C3
7J04 D3
7J05 D3
7K00 F2
7K04 F3
7L10 B8
7M07 F7
7N01 E7
7P06 A3
7P07 B3

68LC7.5E LA 7.
Circuit Diagrams and PWB Layouts
Layout SSB ( Part 1 Top Side)
Part 1
H_17370_023a.eps
070804

Circuit Diagrams and PWB Layouts 69LC7.5E LA 7.
Layout SSB ( Part 2 Top Side)
Part 2
H_17370_023b.eps
070804

70LC7.5E LA 7.
Circuit Diagrams and PWB Layouts
Layout SSB ( Part 3 Top Side)
Part 3
H_17370_023c.eps
070804

Circuit Diagrams and PWB Layouts 71LC7.5E LA 7.
Layout SSB ( Part 4 Top Side)
Part 4
H_17370_023d.eps
070804

72LC7.5E LA 7.
Circuit Diagrams and PWB Layouts
Layout SSB (Overview Bottom Side)
Part 1
H_17370_024a.eps
Part 2
H_17370_024b.eps
Part 3
H_17370_024c.eps
Part 4
H_17370_024d.eps
H_17370_024.eps
070804
3139 123 6273.1
1204 A4
1311 F7
1411 B3
1G01 C10
2112 F7
2113 E7
2115 F6
2116 F6
2118 E6
2120 E6
2121 F6
2122 E6
2123 D5
2124 D5
2125 D5
2126 D5
2128 D5
2129 D5
2130 E5
2131 E7
2132 E7
2133 E5
2134 D5
2135 D5
2136 D5
2137 E5
2138 E5
2139 E5
2140 D5
2141 D5
2143 E5
2144 E5
2145 E5
2146 F6
2147 E6
2148 E7
2149 F7
2203 A5
2204 A5
2205 A6
2206 A7
2207 A7
2208 A7
2209 A7
2210 A7
2214 B4
2311 C4
2315 D5
2319 C3
2320 C3
2324 C3
2327 A3
2329 A3
2330 A3
2331 A3
2332 A3
2333 A3
2335 A3
2336 A3
2337 A4
2339 A3
2340 A3
2415 B3
2416 B3
2424 A3
2425 A3
2426 A3
2427 A3
2428 A3
2429 A3
2430 A3
2431 A3
2502 E2
2506 E2
2508 E3
2509 E1
2512 E1
2514 E3
2515 E2
2517 E2
2518 D1
2520 D1
2521 E2
2523 E2
2524 D2
2525 C2
2526 C2
2527 D3
2528 D3
2529 D3
2530 C1
2531 D2
2533 C3
2534 D3
2535 C3
2536 C2
2538 C2
2600 F2
2602 F1
2603 F2
2606 F2
2607 E2
2608 F2
2609 F2
2610 E1
2612 F1
2613 E3
2614 E3
2615 E2
2616 E2
2701 A5
2703 A5
2704 A5
2705 A4
2706 B4
2707 B5
2708 B5
2709 B5
2710 B5
2711 B5
2712 B4
2713 B5
2714 B5
2715 A4
2717 A5
2719 B5
2720 B5
2725 B5
2726 B5
2729 B5
2730 B5
2A13 A1
2A14 A1
2A17 A1
2A21 A2
2A23 A1
2A25 A2
2A26 A1
2A27 B2
2A28 A1
2A31 B2
2A35 A2
2A36 B2
2A37 A1
2A38 A1
2A45 A1
2A46 A2
2A47 A2
2A50 A1
2A51 A1
2A52 A2
2A53 A2
2A54 A1
2B06 A9
2B20 B9
2B63 A9
2B68 A9
2C17 C6
2C20 C6
2C21 C6
2C24 C7
2C25 C7
2C26 C7
2C27 C7
2C30 C5
2C73 C5
2C74 B5
2D02 B6
2D03 B6
2D04 A6
2D08 B6
2D09 B6
2D10 B6
2D11 B6
2D12 B6
2D14 A6
2D18 B6
2D33 B6
2D34 B6
2D37 B7
2D38 B7
2D39 B7
2D43 B7
2D46 A6
2D57 A7
2D58 B7
2D59 B7
2D60 B7
2E03 C6
2E04 C6
2E05 C6
2E06 C6
2E07 C6
2E08 C6
2E21 C7
2E22 C7
2E27 C6
2E28 C7
2E29 C6
2E30 C6
2E31 C6
2E32 C6
2E33 C6
2E34 C6
2E35 C6
2E36 C6
2E37 C6
2E38 C6
2E39 C6
2E40 C6
2E41 C7
2E42 C6
2E43 C6
2E44 C6
2E45 C6
2E46 C6
2E47 C6
2E48 C6
2E49 C6
2E50 C6
2E51 C6
2E52 C6
2E53 C6
2E54 C6
2E55 C6
2E56 C6
2E57 C6
2E58 C6
2E66 C6
2E67 C7
2E68 C7
2E69 C6
2E70 B6
2E71 C5
2E72 C6
2E75 C6
2E76 C6
2E77 C6
2F14 E8
2F15 E8
2F16 E8
2F17 E8
2F18 E7
2F19 F8
2F23 F8
2F24 E8
2F25 E8
2F26 F7
2F27 E7
2F28 E7
2F29 E7
2F30 E7
2F31 E7
2F32 E7
2F33 E7
2G03 C9
2G04 D9
2G05 D10
2G06 C9
2G07 C9
2G08 C9
2G09 C10
2G10 C10
2G11 D9
2G12 C9
2G13 D9
2G14 C9
2G15 C9
2G16 C10
2G19 B9
2G20 B9
2G21 C9
2G31 C9
2G32 C9
2H03 C8
2H04 D9
2H09 C8
2H10 C8
2H11 C8
2H12 C8
2H13 C8
2H14 B9
2H15 B9
2J02 B9
2J60 C9
2J62 C9
2J63 C9
2J64 C9
2J66 C9
2J67 C9
2J68 C8
2J69 C8
2J70 C8
2J71 C9
2J72 C9
2J73 C9
2K00 D10
2K01 D9
2K02 E9
2K03 E9
2K04 D9
2K05 E9
2K08 F9
2K09 F9
2K10 F9
2K12 F9
2K15 D10
2M01 F4
2M02 F4
2M03 F4
2M04 F4
2M05 F4
2M06 F4
2M07 E4
2M08 F4
2M09 F4
2M10 F4
2M12 F5
2M15 F4
2M16 F4
2M17 F4
2M19 F4
2M20 F4
2M21 E4
2N04 E3
2N05 E3
2N07 E3
2N08 E3
2N09 E3
2N10 E3
2N12 E3
2N15 E4
2N16 E4
2N17 E4
2N18 E4
2N20 E3
2N25 E4
2N26 E4
2N27 E4
2N28 E4
2N29 E3
2N30 E3
2N31 E4
2N32 E3
2N33 D3
2N34 E3
2N35 E4
2N36 E3
2N37 E4
2N38 E4
2N39 E4
2N40 E4
2N41 D3
2N42 E3
2N43 D4
2N44 D4
2N45 D4
2N46 E3
2N47 D3
2N48 D4
2N49 E3
2N50 E4
2N51 E4
2N52 D4
2N53 E3
2N54 D4
2N55 D4
2N56 E3
2N58 D4
2N59 D3
2N60 D3
2N61 E4
2N62 E4
2N63 D3
2N64 D3
2N66 D3
2P07 A8
2P31 B8
2P32 A8
2P33 A8
2P35 A9
2P36 A8
2P37 B9
2P38 A9
2P39 A8
2P40 A8
2P41 B8
2P42 B8
2P43 B8
2P48 B8
2P49 A8
2P52 B9
2P53 B9
2P54 B8
2P58 B8
2P73 B8
2P78 A8
2R10 A6
2R12 A6
3110 E7
3111 E7
3115 E7
3120 E6
3123 D5
3124 D5
3125 D5
3126 D5
3127 E5
3133 D5
3134 E7
3135 D5
3136 E6
3137 E7
3140 E5
3146 F6
3151 D5
3152 D5
3187 E5
3190 E6
3191 F6
3193 E5
3194 E5
3195 E5
3203 A5
3204 A5
3205 A5
3206 A5
3207 A7
3222 A7
3224 A7
3225 A7
3231 A6
3232 A6
3234 A6
3235 A6
3236 B4
3238 A6
3240 A6
3246 A6
3247 A7
3248 A7
3300 C4
3301 D4
3306 C3
3307 C3
3316 D5
3318 D5
3319 C5
3321 D5
3323 D5
3325 C5
3326 C3
3336 C3
3338 C4
3339 C4
3340 C4
3341 C4
3346 D3
3353 C3
3355 C3
3356 C5
3357 C5
3389 A3
3390 A3
3391 A3
3417 A3
3418 A3
3419 A3
3420 A3
3500 E2
3502 E2
3503 E3
3506 E1
3507 E3
3508 E1
3510 E2
3511 E2
3512 D1
3513 D1
3514 E2
3515 E2
3516 D3
3517 D3
3518 D2
3519 C2
3520 D2
3521 C2
3522 C2
3523 D3
3524 C3
3525 C2
3526 D3
3528 D3
3529 C1
3530 D3
3531 C1
3532 D2
3533 D2
3535 C3
3536 C3
3537 C3
3538 C2
3540 C3
3545 C2
3546 C2
3550 D2
3551 D2
3552 D2
3553 D2
3554 C3
3555 C2
3600 E2
3601 F1
3602 E2
3603 F2
3604 F2
3605 F2
3607 F2
3608 F2
3609 F2
3611 F1
3612 F1
3617 E1
3618 E2
3619 E2
3620 E2
3700 B5
3701 B5
3703 A5
3911 B4
3912 B4
3913 E1
3914 E1
3915 E1
3916 E1
3917 A4
3918 A4
3940 B4
3942 B4
3943 B4
3A05 A1
3A09 A2
3A12 A2
3A14 A1
3A15 B2
3A17 B2
3B15 B9
3B67 B9
3B68 A9
3C07 C5
3C08 C6
3C09 C6
3C10 C5
3C19 C6
3C20 C6
3C22 C5
3C23 C5
3C24 B5
3C25 C5
3C39 C6
3C40 C6
3C41 D6
3C42 C6
3C43 C6
3C44 C6
3D10 A6
3D14 A6
3D15 B6
3D16 B6
3E05 C6
3E06 C6
3E07 C6
3F10 C9
3F11 C8
3F12 C9
3F13 C9
3F14 F7
3F15 F7
3F16 F7
3F17 F7
3F18 F7
3F19 E7
3F20 E7
3F21 F8
3F22 E7
3F23 E7
3F24 E7
3F25 E7
3F26 E7
3F27 E7
3F28 E7
3F29 E7
3F30 F8
3F31 F8
3F32 F8
3F33 F8
3F34 F8
3F40 F7
3F41 E7
3F42 E7
3F44 F7
3F46 E7
3F48 E7
3G11 B10
3G12 D10
3G16 C10
3G17 C10
3G18 C10
3G20 D9
3G28 C9
3G29 C9
3G30 C9
3G31 C9
3G33 B10
3G34 B10
3G35 C10
3G36 C9
3G37 C9
3G38 B10
3G40 C9
3G41 C10
3G43 C10
3G44 C10
3G46 C10
3G47 C10
3G51 C9
3G54 B9
3G55 B9
3G60 D9
3G61 D10
3G62 D9
3G63 C10
3H00 D9
3H05 D10
3H09 B9
3H10 B9
3H11 B9
3H12 B9
3H13 B9
3H14 C9
3J59 C9
3J60 C9
3J61 C9
3J62 C8
3J63 C8
3J64 C8
3J65 C9
3J66 C9
3K04 E9
3K06 E9
3K07 E8
3K08 D8
3K10 E9
3K11 F9
3K13 F9
3K17 E8
3K19 E9
3K20 E9
3K22 F9
3K23 D10
3K24 D10
3K38 E9
3K39 E8
3K40 E8
3K41 E8
3K42 E8
3K43 E8
3K44 E10
3K45 E10
3K46 E9
3K47 E9
3K48 E9
3L10 A4
3L14 C3
3L16 C3
3L26 D3
3L54 C3
3L57 C4
3L60 D3
3L93 C3
3L96 C5
3M03 F5
3M04 F5
3M07 F4
3M08 F4
3M09 F4
3M10 E4
3M11 E4
3M13 F3
3M14 E3
3M15 E4
3M18 E3
3M20 E4
3M21 E4
3M31 F3
3M32 F3
3M33 F4
3M34 E3
3M35 F4
3M36 F4
3M37 F4
3M38 F4
3M39 F3
3M40 F3
3N18 E3
3N19 E3
3N20 E3
3N21 E3
3N23 E3
3N25 E3
3N26 E3
3N27 E3
3N35 E3
3N36 E4
3N37 E3
3N38 E3
3P13 B8
3P20 B8
3P23 A8
3P25 A8
3P26 A8
3P32 B8
3P34 A8
3P37 A8
3P38 A8
3P40 B8
3P41 A8
3P45 B8
3P47 A8
3P48 A8
3P49 A8
3P50 B8
3P51 B8
3P52 B8
3P53 B8
3P54 A8
3P56 A8
3P59 B8
3P61 B9
3P64 A8
3P68 A8
3P69 B8
3P70 B8
3P71 B8
3P72 B8
3P74 A8
3P77 B8
3P78 B8
3P79 B7
3R10 A6
3R12 A6
3R13 A6
4112 E7
4114 F6
4115 F6
4116 E6
4118 E6
4119 E6
4121 E6
4122 F6
4123 F6
4124 D5
4125 F7
4126 E5
4201 A7
4202 A7
4203 A7
4204 A7
4205 A7
4302 A4
4303 A4
4304 C3
4305 C3
4306 C3
4307 C3
4309 A3
4310 A3
4314 C3
4315 C3
4316 C3
4326 D3
4327 D3
4328 D3
4502 C2
4504 C3
4601 E3
4602 E2
4603 E2
4700 B5
4701 B5
4703 B5
4704 B5
4705 B5
4706 B5
4707 B5
4708 B5
4709 B5
4710 B5
4711 B5
4712 B5
4713 A5
4714 A5
4715 A5
4716 A5
4717 A5
4718 A5
4719 B5
4720 B5
4721 B5
4722 B5
4723 B5
4724 B5
4725 B5
4726 B5
4901 B4
4A01 A2
4A02 A2
4B04 A9
4B05 A9
4B06 A9
4B07 A9
4B08 A9
4B09 A9
4B10 A9
4B11 A9
4B12 A9
4C07 C5
4C08 C5
4F11 E7
4F12 E7
4G01 C10
4G02 C10
4G03 C10
4G04 C10
4G05 C10
4G09 D9
4G10 C10
4G31 C9
4H00 D9
4H12 B9
4H15 D10
4M01 F3
4M02 E4
4M03 E4
4M04 E4
4M05 E4
4M07 F3
4M08 F4
4M09 F4
4M10 E4
4M11 E4
4M12 F3
4N01 E3
4N02 E3
4N06 E4
4N07 E4
4N08 E4
4P01 A8
4P02 B9
4R01 A6
4R02 A5
4R03 A6
4R04 A6
5112 E6
5114 D5
5115 E7
5116 D5
5118 D7
5120 E6
5121 F6
5202 A4
5302 C4
5304 A4
5601 E2
5602 E2
5701 B4
5702 A5
5703 B5
5704 B5
5705 B5
5A07 A2
5A08 A2
5A09 B2
5B06 B9
5C07 C7
5E03 C6
5E07 C7
5E08 C7
5E09 C7
5E10 C6
5E11 D7
5E12 D7
5E13 B6
5E14 C5
5E17 C6
5G03 B9
5G05 B9
5H03 C9
5J01 B9
5J52 C9
5J53 C9
5J54 C8
5J55 C9
5K01 E9
5K02 E9
5M01 F4
5M02 F4
5M03 F4
5N01 E4
5N02 E4
5N03 E3
5N04 E3
5N05 E4
5N06 D4
5N07 E4
5N08 D4
5N09 D3
5R01 A6
5R02 A6
5R03 A6
6110 E7
6301 C5
6308 A3
6309 A3
6310 A3
6311 A3
6312 A3
6501 E1
6504 E2
6505 D1
6507 E2
6509 D2
6510 C1
6511 C2
6512 D2
6513 D2
6514 D3
6515 D3
6516 D3
6517 D3
6518 E3
6519 D3
6520 D2
6521 D2
6522 E1
6523 E2
6524 D2
6525 C2
6604 F2
6606 F2
6610 F1
6611 F2
6612 F2
6613 F2
6614 F1
6916 B4
6919 B4
6B02 B9
6B03 B9
6J60 C9
6J61 C8
6J62 C8
6J63 C9
6M01 F3
6M02 F4
6M03 F4
6M04 F3
6M06 F4
6M07 F4
6M08 F4
6P05 B8
6P12 B8
6P13 A8
6P14 A8
6P15 A8
6R02 A6
7111 F7
7114 D5
7131 E6
7132 F6
7133 D7
7134 E5
7202 B4
7310 C4
7312 C5
7314 D3
7411 B3
7500 C2
7502 C2
7503 C3
7504 C3
7601 E2
7602 E2
7603 E2
7902 B4
7911 A4
7912 A4
7913 E2
7914 E1
7915 E1
7916 E1
7922 B4
7B12 B10
7B13 B9
7C02 C5
7C04 C5
7F01 F8
7F02 C8
7F03 F7
7F04 E7
7H03 B10
7K01 D9
7K02 D9
7K03 D10
7K05 F9
7L23 C3
7M01 F5
7M02 F5
7M04 F4
7M09 F3
7N07 E3
7P05 A8
7P08 B8
7P09 B8
7P11 B8
7R05 A6
7R07 A6

Circuit Diagrams and PWB Layouts 73LC7.5E LA 7.
Layout SSB (Part 1 Bottom Side)
Part 1
H_17370_024a.eps
070804
H_17370_024a.eps
070804

74LC7.5E LA 7.
Circuit Diagrams and PWB Layouts
Layout SSB (Part 2 Bottom Side)
Part 2
H_17370_024c.eps
070804

Circuit Diagrams and PWB Layouts 75LC7.5E LA 7.
Layout SSB (Part 3 Bottom Side)
Part 3
H_17370_024c.eps
070804

76LC7.5E LA 7.
Circuit Diagrams and PWB Layouts
Layout SSB (Part 4 Bottom Side)
Part 4
H_17370_024d.eps
070804

Circuit Diagrams and PWB Layouts 77LC7.5E LA 7.
Side I/O Panel (32”): HDMI
0+
DSDA
0-
RPWR
1+
HPDIN
AVCC 1 8
HPD
EXT_SWING
I2CADDR
0-
1+
GND_HS
C+
2-
C-
1-
RESET
DSCL
2+
RX
2-
2+
TX
EPSEL1
CEC
AGND AGND
TSDA
LSDA
EPSEL0
DGND
AVCC 3 3
0+
DVCC18
LSCL
D
A
TPWR
I2CSEL
INT
RSVDL
TSCL
C+
C-
1-
GND_VIA
GND_VIA GND_VIA
RES
SIDE HDMI
HDMI-SIDE TO SSB HDMI-SIDE FROM SSB
NC
NC
RES
RES
NC
7Q03-2 E10
FQ01 E1
FQ02 E1
FQ03 E1
FQ05 D1
FQ06 C8
FQ07 C8
FQ08 C8
FQ09 C8
FQ10 C8
FQ11 C8
FQ12 C8
FQ13 C8
FQ14 C8
FQ15 A2
FQ16 B2
FQ17 C2
FQ18 E1
IQ01 E3
IQ02 E2
IQ03 D6
IQ04 E1
IQ05 D4
IQ06 D4
IQ07 E4
G
A
B
C
D
E
F
G
1Q01 D1
1Q02 B8
1Q03 D8
2Q01 B2
2Q02 B2
2Q03 B2
2Q04 B2
2Q05 B2
2Q06 B2
2Q07 B2
2Q08 C2
2Q09 C2
2Q10 C2
2Q11 C6
3Q03 E2
3Q04 E3
+5V_SW
12345678910
12345678910
A
B
C
D
E
F26 27
28 29
3Q05 D4
3Q06 E4
3Q07 E4
3Q09 D3
3Q10 C7
3Q11 C7
3Q12 D3
3Q13 B6
3Q14 E2
3Q15 E2
3Q16 C7
4Q03 D6
5Q01 A1
5Q02 B1
5Q03 C1
6Q01 D6
6Q02 C6
7Q02 F2
7Q03-1 C4
3
4
5
6
7
8
9
22 23
24 25
13
14
15
16
17
18
19
2
20
21
1
10
11
12
1Q03
FI-RE21S-HF-R1500
2Q11
1n0 7
8
9
330R3Q16
1
10
2
3
4
5
6
+5VHDMI_S
B10P-PH-K-S
1Q02
47K3Q15
47K3Q14
IQ07
IQ03
FQ18
IQ06
FQ17
IQ05
FQ16
FQ15
FQ13
FQ14
FQ12
FQ10
FQ11
FQ09
FQ08
FQ06
FQ07
3Q07
1K0
3Q13
4K7
3Q12
4K7
4Q03
BAT54 COL
6Q01
6Q02
BAT54 COL
+5V_SW
+3V3_SW
+1V8_SW
100R
+5VHDMI_S
3Q11
+5V_SW
3Q10 100R
4K7
3Q09
+1V8_ANA-SIDE
+3V3_ANA-SIDE +1V8_ANA-SIDE +1V8_DIG-SIDE
3Q06
1K0
3Q05
4K7
+3V3_ANA-SIDE
+1V8_SW
+3V3_SW
5Q01
5Q03
220R
220R
5Q02
220R
+1V8_DIG-SIDE
100n
2Q10
2Q09
100n
10u
+1V8_ANA-SIDE
+3V3_SW
2Q08
100n
2Q03
2Q02
100n
2Q012Q04
10u
2Q05
10u
10u
100n
2Q06
2Q07
100n
IQ04
+5VHDMI_S
FQ02
FQ03
FQ01
IQ02
FQ05
IQ01 3Q04 2K2
3Q03 100R
7Q02
BC847BW
6
7
8
9
2021
2223
14
15
16
17
18
19
2
3
4
5
DC1R019JBAR190
1
10
11
12
13 82
60
61
62
63
64
65
66
1Q01
73
74
75
76
59
77
78
79
80
81
7Q03-2
SII9181CNU
58
67
68
69
70
71
72
4
1
2
8
9
32
35
34
28
27
53
52
6
7
3
51
54
24
13
12
11
39
50
30
29
33
40
23
49
38
37
22
48
10
57
25
19
20
21
43 5
26
36
31
42
41
44
45
46
47
55
56
15
16
17
18
Φ
HDMI
BUFFER
SII9181CNU
7Q03-1
14
DDC_RESET
+5VHDMI_SIDE_TPWR
HDMI_SIDE_TSCL
HDMI_SIDE_TX2+
HDMI_SIDE_TX1+
HDMI_SIDE_TX0+
HDMI_SIDE_TXC+
IIC_SCL
IIC_SDA
HDMI_INT_SIDE
HDMI_SIDE_TX2-
HDMI_SIDE_TX1-
HDMI_SIDE_TX0-
HDMI_HOTPLUG_RESET
HDMI_SIDE_TXC-
HDMI_SIDE_TSDA
HDMI_SIDE_CEC_A
+5VHDMI_SIDE_TPWR
HDMI_RST_RX_BUF
RXC+S
RXC-S
RX0+S
RX0-S
RX2-S
RX1+S
RX1-S
DDC_RESET
RX2-S
RXC+S
RXC-S
HDMI_SIDE_TSCL
HDMI_SIDE_TSDA
HDMI_SIDE_TX0+
HDMI_SIDE_TX0-
HDMI_SIDE_TX1+
HDMI_SIDE_TX1-
HDMI_SIDE_TX2+
HDMI_SIDE_TX2-
HDMI_SIDE_TXC+
HDMI_SIDE_TXC-
HDMI_SIDE_CEC_A
DDC_SCLS
DDC_SDAS
HPD_RESET_S
RX2+S
DDC_SCLS
DDC_SDAS
HPD_RESET_S
HDMI_HOTPLUG_RESET
RX0+S
RX0-S
RX1+S
RX1-S
RX2+S
SIDE HDMI
D1 D1
H_17370_030.eps
080807
3139 123 6295.1

78LC7.5E LA 7.
Circuit Diagrams and PWB Layouts
Side I/O Panel (32”)
HEADPHONE
CVBS
RES
L
R
RES
RES
RES
RES
TO LC07S SSB
PARTLIST: 2422 026 05983
MTJ-032-37BBB-234 NI
IR12 E3
IR14 B7
IR16 B7
IR17 B7
IR18 B7
IR19 B7
IR20 B7
IR21 B9
2R10 E5
2R11 E4
2R13 E4
3R04 B4
3R08 B2
3R10 C4
3R11 C4
3R12 E5
3R13 E5
3R14 D4
3R15 D4
3R16 C4
3R17 D4
3R18 D3
3R22 D5
4R03 C2
4R04 C2
5R02 E4
5R03 E4
6R03 B2
6R04 C3
6R05 D3
6R06 E3
6R07 E3
6R08 E3
FR04 B2
IR02 E5
IR03 E5
IR08 C2
IR09 D2
IR10 E2
IR11 E3
B
C
D
E
F
A
B
C
D
E
F
1R03 D2
1R04 B9
1R11 B2
1R12 C2
1R16 E2
1R17 E2
1R18 E3
1R19 D2
1R20-1 D1
1R20-2 C1
1R20-3 B1
2R04 B3
2R05 C3
2R06 C5
2R07 D3
2R08 D5
2R09 E5
12
IR03
3456
10K
3R22
789
123456789
A
11
2
3
4
5
6
7
8
9
1R04
1
10
+3V3_SW
B11B-PH-K
IR02
IR10
RED
MTJ-032-37AAA-432 NIDIP
9
7
8
6
4
5
1R20-3
3
1
2
1R20-2
WHITE
MTJ-032-37AAA-432 NIDIP
1R20-1
YELLOW
MTJ-032-37AAA-432 NIDIP
3R18
100R
6R06
PESD5V0S1BA
12
1n0
2R05 3R11
33K
2R07
1n0 33K
3R14
IR09
IR08
6R05
PESD5V0S1BA
12
PESD5V0S1BA
6R04
12
4R04
4R03
3R17
150R
3R10
150R
2R06
1n033K
3R16
1R12
1n0
2R08
33K
3R15
1R19
PESD5V0S1BA
6R03
FR04
75R
3R08 2R04
3R04
10R
1R11
3
4
5
7
8
1R03
MSJ-035-10A B AG PPO
1
2
IR12
2
IR11
6R08
PESD5V0S1BA
1
6R07
12
PESD5V0S1BA
3R13
10K10K
3R122R10
10n10n
2R09
120R
120R
5R03
5R02
IR17
IR20
IR21
IR19
IR14
22n
2R132R11
22n
1R16
1R17
1R18
IR18
IR16
FRONT_CVBS_IN
HP_DETECT
L_FRONT_IN
R_FRONT_IN
HEAD_PH_R
HEAD_PH_L
SIDE IO
D2 D2
H_17370_031.eps
080807
3139 123 6295.1

Circuit Diagrams and PWB Layouts 79LC7.5E LA 7.
Layout Side I/O Panel (32”) (Top Side)
H_17370_032.eps
080807
3139 123 6295.1
1Q01 D1
1Q02 B1
1Q03 C1
1R03 C1
1R04 B1
1R20 B1
2Q06 D1
2Q08 C1
2Q09 C1
2Q10 D1
2R10 C1
3Q05 C1
3Q13 C1
3R13 C1
5Q03 C1
5R03 C1
7Q03 D1
Layout Side I/O Panel (32”) (Bottom Side)
H_17370_033.eps
080807
3139 123 6295.1
1R11 A1
1R12 B1
1R16 C1
1R17 C1
1R18 C1
1R19 B1
2Q01 C1
2Q02 D1
2Q03 D1
2Q04 C1
2Q05 C1
2Q07 D1
2Q11 D1
2R04 A1
2R05 B1
2R06 B1
2R07 B1
2R08 B1
2R09 C1
2R11 C1
2R13 C1
3Q03 D1
3Q04 D1
3Q06 D1
3Q07 D1
3Q09 C1
3Q10 D1
3Q11 D1
3Q12 C1
3Q14 D1
3Q15 D1
3Q16 D1
3R04 A1
3R08 A1
3R10 B1
3R11 B1
3R12 C1
3R14 B1
3R15 B1
3R16 B1
3R17 B1
3R18 C1
3R22 C1
4Q03 C1
4R03 B1
4R04 B1
5Q01 C1
5Q02 C1
5R02 C1
6Q01 C1
6Q02 C1
6R03 A1
6R04 B1
6R05 B1
6R06 C1
6R07 C1
6R08 C1
7Q02 D1

80LC7.5E LA 7.
Circuit Diagrams and PWB Layouts
Side I/O Panel (42” & 52”): HDMI
0+
DSDA
0-
RPWR
1+
HPDIN
AVCC18
HPD
EXT_SWING
I2CADDR
0-
1+
GND_HS
C+
2-
C-
1-
RESET
DSCL
2+
RX
2-
2+
TX
EPSEL1
CEC
AGND AGND
TSDA
LSDA
EPSEL0
DGND
AVCC33
0+
DVCC18
LSCL
D
A
TPWR
I2CSEL
INT
RSVDL
TSCL
C+
C-
1-
GND_VIA
GND_VIA GND_VIA
RES
SIDE HDMI
SIDE HDMI
HDMI-SIDE TO SSB HDMI-SIDE FROM SSB
NC
NC
RES
RES
NC
7Q02 F2
7Q03-1 C4
7Q03-2 E10
FQ01 E1
FQ02 E1
FQ03 E1
FQ05 D1
FQ06 B8
FQ07 C8
FQ08 C8
FQ09 C8
FQ10 C8
FQ11 C8
FQ12 C8
FQ13 C8
FQ14 C8
FQ15 A2
FQ16 B2
FQ17 C2
FQ18 E1
IQ01 E3
IQ02 E2
IQ03 D6
IQ04 E1
IQ05 D4
IQ06 D4
IQ07 F4
1Q02 B8
1Q03 D8
2Q01 B2
2Q02 B2
2Q03 B2
2Q04 B2
2Q05 B2
2Q06 B2
2Q07 B2
2Q08 C2
2Q09 C2
2Q10 C2
2Q11 C7
3Q03 E2
3Q04 E3
3Q05 D4
3Q06 E4
3Q07 E4
3Q09 D4
3Q10 C7
3Q11 C7
3Q12 D3
3Q13 B6
3Q14 E2
3Q15 E2
3Q16 C7
4Q03 D6
5Q01 A1
5Q02 B1
5Q03 C1
6Q01 D6
6Q02 C6
910
A
B
C
D
E
F
G
A
B
C
D
E
F
G
1Q01 D1
+5V_SW
1
IQ07
2345
47K3Q14
678910
12345678
2Q11
1n0
330R3Q16
10
2
3
4
5
6
7
8
9
B10P-PH-K-S
1Q02
1
47K3Q15 +5VHDMI_S
FQ18
IQ06
IQ03
IQ05
FQ17
FQ15
FQ16
FQ14
FQ12
FQ13
FQ11
FQ09
FQ10
FQ08
FQ06
FQ07
1K0
3Q07
3Q13
4K7
4Q03
3Q12
4K7
BAT54 COL
6Q01
+5V_SW
6Q02
BAT54 CO L
+3V3_SW
+1V8_SW
+5VHDMI_S
3Q11 100R
+5V_SW
3Q10 100R
4K7
3Q09
+1V8_ANA-SIDE +1V8_DIG-SIDE
1K0
+1V8_ANA-SIDE
+3V3_ANA-SIDE
3Q06
4K7
3Q05
8
9
22 23
24 25
26 27
28 29
18
19
2
20
21
3
4
5
6
7
1
10
11
12
13
14
15
16
17
1Q03
FI-RE21S-HF-R1500
+3V3_ANA-SIDE
+1V8_SW
+3V3_SW
5Q01
5Q03
220R
220R
5Q02
220R
+1V8_DIG-SIDE
100n
2Q10
2Q09
100n
10u
+1V8_ANA-SIDE
+3V3_SW
2Q08
100n
2Q03
2Q02
100n
2Q012Q04
10u
2Q05
10u
10u
100n
2Q06
2Q07
100n
IQ04
+5VHDMI_S
FQ02
FQ03
FQ01
IQ02
FQ05
IQ01 3Q04 2K2
3Q03 100R
7Q02
BC847BW
6
7
8
9
2021
2223
14
15
16
17
18
19
2
3
4
5
DC1R019JBAR190
1
10
11
12
13 82
60
61
62
63
64
65
66
1Q01
73
74
75
76
59
77
78
79
80
81
7Q03-2
SII9181CNU
58
67
68
69
70
71
72
4
1
2
8
9
32
35
34
28
27
53
52
6
7
3
51
54
24
13
12
11
39
50
30
29
33
40
23
49
38
37
22
48
10
57
25
19
20
21
43 5
26
36
31
42
41
44
45
46
47
55
56
15
16
17
18
Φ
HDMI
BUFFER
SII9181CNU
7Q03-1
14
HDMI_RST_RX_BUF
DDC_RESET
+5VHDMI_SIDE_TPWR
HDMI_SIDE_TSCL
HDMI_SIDE_TX2+
HDMI_SIDE_TX1+
HDMI_SIDE_TX0+
HDMI_SIDE_TXC+
IIC_SDA
HDMI_INT_SIDE
HDMI_SIDE_TX2-
HDMI_SIDE_TX1-
HDMI_SIDE_TX0-
HDMI_HOTPLUG_RESET
HDMI_SIDE_TXC-
HDMI_SIDE_TSDA
HDMI_SIDE_CEC_A
+5VHDMI_SIDE_TPWR
IIC_SCL
RXC+S
RXC-S
RX0+S
RX0-S
RX2-S
RX1+S
RX1-S
DDC_RESET
RX2-S
RXC+S
RXC-S
HDMI_SIDE_TSCL
HDMI_SIDE_TSDA
HDMI_SIDE_TX0+
HDMI_SIDE_TX0-
HDMI_SIDE_TX1+
HDMI_SIDE_TX1-
HDMI_SIDE_TX2+
HDMI_SIDE_TX2-
HDMI_SIDE_TXC+
HDMI_SIDE_TXC-
HDMI_SIDE_CEC_A
DDC_SCLS
DDC_SDAS
HPD_RESET_S
RX2+S
DDC_SCLS
DDC_SDAS
HPD_RESET_S
HDMI_HOTPLUG_RESET
RX0+S
RX0-S
RX1+S
RX1-S
RX2+S
D1 D1
H_17370_026.eps
080807
3139 123 6271.1

Circuit Diagrams and PWB Layouts 81LC7.5E LA 7.
Side I/O Panel (42” & 52”)
1
2
IN
1
2
3
OUT
HEADPHONE
CVBS
RES
L
R
RES
RES
RES
RES
SIDE IO
TO LC07S SSB
USB
TO BOLT-ON USB
RES
0R
PARTLIST: 2422 026 05983
MTJ-032-37BBB-234 NI
NC
IR20 B7
IR21 B9
IR25 C8
IR26 C8
IR27 C8
IR28 D8
IR31 C9
IR32 C9
3R21 F8
3R22 D5
4R03 C2
4R04 C2
4R05 D8
4R09 C9
4R10 D9
4R11 C9
4R12 C9
5R01 E9
5R02 E4
5R03 E4
6R03 B2
6R04 C3
6R05 D3
6R06 E3
6R07 E3
6R08 E4
7R02 E9
FR04 B2
IR02 D5
IR03 E5
IR08 B2
IR09 C2
IR10 D3
IR11 D3
IR12 E3
IR14 B7
IR16 B7
IR17 B7
IR18 B7
IR19 B7
1R16 E2
1R17 E3
1R18 E3
1R19 D2
1R20-1 D1
1R20-2 C1
1R20-3 B1
2R04 B3
2R05 C4
2R06 C5
2R07 D4
2R08 D5
2R09 E5
2R10 E5
2R11 E4
2R12 F10
2R13 E4
2R17 E8
2R18 E8
2R19 F10
3R04 B4
3R08 B2
3R10 B4
3R11 C4
3R12 E5
3R13 E5
3R14 D4
3R15 D5
3R16 C5
3R17 C4
3R18 D4
3R20 E8
9
10
A
B
C
D
E
F
A
B
C
D
E
F
1R03 D2
1R04 B10
1R06 C9
1R07 C7
1R11 B2
1R12 C2
1R13 D8
1R14 D8
1R15 D8
1R11
12345678910
1234
1R07
5401-032-100-70
56789
1
10
11
2
3
4
5
6
7
8
1R04
B11B-PH-K
1R20-3
RED
MTJ-032-37AAA-432 NIDIP
9
7
8
MTJ-032-37AAA-432 NIDIP
6
4
5
3
1
2
1R20-2
WHITE
+3V3_SW
1R20-1
YELLOW
MTJ-032-37AAA-432 NIDIP
10K
3R22
4R12
4R11
3R21
+5V_SW
3R20
+5V_USB
+5V_USB
100n
2R18
2R17
10u
8
+5V_SW
2R19
100n
EN_
4
1GND
2
3
5
OC_
6
7
7R02
TPS2041BD
16V
100u
2R12
4R10
4R09
IR32
IR31
220R5R01
3
4
5
6
7
1R06
B7B-PH-K
1
2
IR28
IR26
IR27
IR25
4R05
1R15
1R14
1R13
1
2
3
456
IR02
IR03
IR10 100R
3R18
12
PESD5V0S1BA
6R06
2R05
1n0 33K
3R11
1n0
2R07
33K
3R14
IR09
12
IR08
12
PESD5V0S1BA
6R05 6R04
PESD5V0S1BA
4R04
4R03
150R
3R17
150R
3R10
1n0
2R063R16
33K
1R12
2R08
1n033K
3R15
1R19
6R03
PESD5V0S1BA
FR04
3R08
75R
2R04
10R
3R04
1
2
3
4
5
7
8
MSJ-035-10A B AG PPO
1R03
IR11
IR12
12
12
PESD5V0S1BA
6R08
6R07
PESD5V0S1BA
10K
3R133R12
10K10n 10n
2R10
5R03
2R09
120R
120R
5R02
IR20
IR19
IR17
IR21
IR14
2R13
22n
2R11
1R16
22n
1R17
IR16
1R18
IR18
D+
USB_GND
IIC_SCL
IIC_SDA
D-
FRONT_CVBS_IN
HP_DETECT
L_FRONT_IN
R_FRONT_IN
HEAD_PH_R
HEAD_PH_L
D2 D2
H_17370_027.eps
080807
3139 123 6271.1

82LC7.5E LA 7.
Circuit Diagrams and PWB Layouts
Layout Side I/O Panel (42” & 52”) (Top Side)
H_17370_028.eps
080807
3139 123 6271.1
1Q01 C1
1Q02 B1
1Q03 C1
1R03 B1
1R04 A1
1R06 D1
1R07 D1
1R13 D1
1R20 A1
2Q06 C1
2Q08 C1
2Q09 C1
2Q10 C1
2R10 B1
2R12 D1
2R19 C1
3Q05 C1
3Q13 B1
3R13 B1
4R05 C1
4R11 D1
4R12 C1
5Q03 C1
5R01 D1
5R03 B1
7Q03 C1
Layout Side I/O Panel (42” & 52”) (Bottom Side)
H_17370_028.eps
080807
3139 123 6271.1
1R11 A1
1R12 A1
1R14 D1
1R15 D1
1R16 B1
1R17 B1
1R18 B1
1R19 B1
2Q01 C1
2Q02 C1
2Q03 C1
2Q04 C1
2Q05 C1
2Q07 C1
2Q11 C1
2R04 A1
2R05 A1
2R06 A1
2R07 B1
2R08 B1
2R09 B1
2R11 B1
2R13 B1
2R17 C1
2R18 C1
3Q03 C1
3Q04 C1
3Q06 C1
3Q07 C1
3Q09 C1
3Q10 C1
3Q11 C1
3Q12 C1
3Q14 C1
3Q15 C1
3Q16 C1
3R04 A1
3R08 A1
3R10 A1
3R11 A1
3R12 B1
3R14 B1
3R15 B1
3R16 A1
3R17 B1
3R18 B1
3R20 D1
3R21 D1
3R22 B1
4Q03 C1
4R03 B1
4R04 A1
4R09 D1
4R10 D1
5Q01 C1
5Q02 C1
5R02 B1
6Q01 C1
6Q02 C1
6R03 A1
6R04 A1
6R05 B1
6R06 B1
6R07 B1
6R08 B1
7Q02 C1
7R02 D1

Circuit Diagrams and PWB Layouts 83LC7.5E LA 7.
Keyboard Control Panel
KEYBOARD CONTROL
Diversity Resistor
RES
VOLUME-
VOLUME+
MENU
CHANNEL-
CHANNEL+
ON / OFF
0R
0R
0R
*
LC06 Jaguar
3012
3014
3011
3013
3010
150R
390R
560R
1K8
820R
6011
6013
6012
YES
NO
YES
NO
YES
NO
RES
150R
390R
560R
1K8
820R
1234
1234
A
B
C
D
A
B
C
D
1001 C1
1002 C1
1003 C1
1004 C2
1005 C2
1011 C1
1012 C1
1013 C2
1014 C2
1015 C2
1016 C3
1M01 A4
2001 B3
3010 B1
3011 B2
3012 B2
3013 B1
3014 B2
3015 B1
3016 B2
3017 B2
3099 D1
4001 B4
5001 B4
6011 B3
6012 C3
6013 B3
6014 C1
6015 C1
6016 C1
6017 C2
6018 C2
F001 B4
F002 B3
F310 D1
F311 D1
I110 B3
I111 B1
I112 B1
I113 B2
I114 B2
I115 B2
I116 C1
I117 C2
I118 C2
SKQNAB
1005
1004
1003
1002
1001
6018 BZX384-C5V6
BZX384-C5V66017
6014 BZX384-C5V6
6016 BZX384-C5V6
BZX384-C5V66015
5001
4001
270R
1K8
3012
820R
3014
560R
3011
390R
3010
150R
3013
BZX384-C3V9
6013
2001
470p
BZX384-C3V9
1
2
3
6012
S3B-PH-K
1M01
3016
3017
3015
BZX384-C3V9
6011
I118I116 I117
I110
1016
SKQNAB
1015
SKQNAB
1014
SKQNAB
SKQNAB
1013
1012
SKQNAB
I115I114I112 I113I111
F002
F001
1011
F310 F311
3099
KEYBOARD
E E
G_16850_024.eps
110107
3139 123 6219.1
Personal Notes:
E_06532_012.eps
131004

84LC7.5E LA 7.
Circuit Diagrams and PWB Layouts
Layout Keyboard Control Panel (Top Side)
Layout Keyboard Control Panel (Bottom Side)
1011 A5 1012 A6 1013 A3 1014 A2 1015 A1 1016 A7 1M01 A8
G_16850_028.eps
120107
3139 123 6219.1
G_16850_029.eps
020207
3139 123 6219.1
2001 A1
3010 A4
3011 A6
3012 A8
3013 A5
3014 A7
3015 A3
3016 A6
3017 A7
3099 A8
4001 A1
5001 A1
6011 A2
6012 A3
6013 A1
6014 A4
6015 A3
6016 A5
6017 A6
6018 A8

Circuit Diagrams and PWB Layouts 85LC7.5E LA 7.
Front IR / LED Panel
IR/LED/LIGHT-SENSOR
LS
RESERVED
RES
0R
RES
Bi- LED
ITV
RES
ITV
RES
IR Tx
ITV
MFD
MFD
MFD
MFD ITVREF
820R 180R3013
YN4010
YN4015
NY4013
NY4014
NY4011
N Bi-GR/RD6001
BLUE LED N6010
RED LED N6011
N IR ED6002
YN4017
RES
RES
ITV
ITV
MFD
YN4012
RES
RES
RES
ITV
MFD
ITV
FOR LIGHT SENSOR ONLY
YN4018
YN4019
3K3 82R
3012
F015 E2
F016 E2
12345
12345
A
B
C
D
E
F
A
B
C
D
E
F
1M01 E1
1M20 E1
1M21 E1
2001 A2
2002 D2
3010 A2
S7B-PH-K
3011 A2
3012 B4
3013 B4
3014 B2
3015 C2
3016 C3
3017 D2
3018 D3
3019 E3
3020 E3
3021 C3
3022 C5
4010 A4
4011 B5
4012 D3
4013 D4
4014 D5
4015 D5
4016 D2
4017 B4
4018 B4
4019 B5
6001-1 D5
6001-2 D4
6002 B4
6010 B3
6011 B4
6012 B2
6013 B3
6014 D2
6015 E2
6016 E2
7010 B1
7011 C4
7012 B5
7013 C2
7014 C2
F010 E2
F011 E2
F012 E2
F013 E2
F014 E2
4018
4019
1
2
L-174A2F3BT
6002
10K
3022
3021
10K
4017 4010
4011
6001-2
SPR-325MVW
GREEN
32
SPR-325MVW
RED
12
4015
6001-1
4012
4014
L-934F3BT
4013
6013
BZX384-C5V6
6014
F010
F011
F012
F014
F013
F016
F015
1
2
3
4
5
6
S6B-PH-K
1M21
2M2
3016
6012
BZX384-C4V7
BZX384-C4V7
6015
6016
BZX384-C4V7
BC847B
7012
1
3
2
7011
BC847B
820R
22u
2001
3013
4016
6K8
3012
+5V_STANDBY
3014
10K 6K8
3011
330R
3010
GP1UE260RKVF
7010
3
GND
4
5
1
OUT
2
VS
+5V_STANDBY+5V_STANDBY
BPW34
7013
4M7
3018
2002
1u0
3015
3017
10K
7014
+5V_STANDBY +5V_STANDBY
BC847B
3019 150R
1
2
150R3020
L-174A2PBC-A
6010
BLUE
L-174A2IT
1
2
RED
6011
S3B-PH-K
1M01
1
2
3
6
7
+5V_STANDBY
1M20
1
2
3
4
5
LED1
RC
LIGHT_SENSOR
KEYBOARD
LED2
RC
J J
G_16850_025.eps
110107
3139 123 6210.1
Personal Notes:
E_06532_012.eps
131004

86LC7.5E LA 7.
Circuit Diagrams and PWB Layouts
Layout Front IR / LED Panel (Top Side)
G_16850_030.eps
020207
3139 123 6210.1
1M01 D4
1M20 D2
1M21 D2
6001 B2
6002 B1
6010 B2
6011 B1
6013 A1
7010 A3
7013 B4
Layout Front IR / LED Panel (Bottom Side)
G_16850_031.eps
020207
3139 123 6210.1
2001 C2
2002 B1
3010 C2
3011 C3
3012 B4
3013 B4
3014 B2
3015 B1
3016 A2
3017 C1
3018 B1
3019 C3
3020 C3
3021 C3
3022 C3
4001 D3
4002 C3
4004 C2
4005 C2
4010 A3
4011 B4
4012 B3
4013 B3
4014 B4
4015 C4
4016 C1
4017 A4
4018 A3
4019 B4
6012 D3
6014 D4
6015 C3
6016 C2
7011 B3
7012 C4
7014 C1

Alignments EN 87LC7.5E LA 8.
8. Alignments
Index of this chapter:
8.1 General Alignment Conditions
8.2 Hardware Alignments
8.3 Software Alignments
8.4 Option Settings
Note: Figures below can deviate slightly from the actual
situation, due to the different set executions.
General: The Service Default Mode (SDM) and Service
Alignment Mode (SAM) are described in chapter 5. Menu
navigation is done with the CURSOR UP, DOWN, LEFT or
RIGHT keys of the remote control transmitter.
8.1 General Alignment Conditions
Perform all electrical adjustments under the following
conditions:
• Power supply voltage (depends on region):
– AP-NTSC: 120 VAC or 230 VAC / 50 Hz (± 10%).
– AP-PAL-multi: 120 - 230 VAC / 50 Hz (± 10%).
– EU: 230 VAC / 50 Hz (± 10%).
– LATAM-NTSC: 120 - 230 VAC / 50 Hz (± 10%).
– US: 120 VAC / 60 Hz (± 10%).
• Connect the set to the mains via an isolation transformer
with low internal resistance.
• Allow the set to warm up for approximately 15 minutes.
• Measure voltages and waveforms in relation to correct
ground (e.g. measure audio signals in relation to
AUDIO_GND).
Caution: It is not allowed to use heatsinks as ground.
• Test probe: Ri > 10 Mohm, Ci < 20 pF.
• Use an isolated trimmer/screwdriver to perform
alignments.
8.2 Hardware Alignments
There are no hardware alignments foreseen for this chassis,
but below find an overview of the most important DC voltages
on the SSB. These can be used for checking proper functioning
of the DC/DC converters.
8.3 Software Alignments
With the software alignments of the Service Alignment Mode
(SAM) the Tuner and RGB settings can be aligned.
To store the data: Use the RC button “Menu” to switch to the
main menu and next, switch to “Stand-by” mode.
8.3.1 Tuner Adjustment (RF AGC Take Over Point)
Purpose: To keep the tuner output signal constant as the input
signal amplitude varies.
The LC7.5x chassis comes with the TD1316AF tuner. No
alignment is necessary, as the AGC alignment is done
automatically (standard value: “15”), even during analogue
reception.
8.3.2 RGB Alignment
Before alignment, choose “TV MENU” -> “Picture” and set:
• “Brightness” to “50”.
• “Colour” to “50”.
• “Contrast” to “100”.
White Tone Alignment:
• Activate SAM.
• Select “RGB Align.” -> “White Tone” and choose a colour
temperature.
• Use a 100% white screen as input signal and set the
following values:
– All “White point” values initial to “256”.
– All “BlackL Offset” values to “0”.
In case you have a colour analyser:
• Measure with a calibrated (phosphor- independent) colour
analyser (e.g. Minolta CA-210) in the centre of the screen.
Consequently, the measurement needs to be done in a
dark environment.
• Adjust the correct x,y coordinates (while holding one of the
White point registers R, G or B on “256”) by means of
decreasing the value of one or two other white points to the
correct x,y coordinates (see table “White D alignment
values”). Tolerance: dx: ± 0.004, dy: ± 0.004.
• Repeat this step for the other colour Temperatures that
need to be aligned.
• When finished return to the SAM root menu and press
STANDBY on the RC to store the aligned values to the
NVM.
Table 8-1 White D alignment values
Description
Test
Point
Specifications
(V)
DiagramMin. Typ.
Max
.
+AUDIO_PO
WER
FA16 11.4
0
12.0
0
12.6
0
B06B_Audio
-
AUDIO_POW
ER
FA14 11.4
0
12.0
0
12.6
0
B06B_Audio
+12V_DISP FB34 11.4
0
12.0
0
12.6
0
B01A_DC-DC
+8V F401 7.60 8.00 8.40 B06A_Audio Proc.
+5V_STAND
BY
FB28 4.94 5.20 5.46 B01A_DC-DC
+5V_SW FB40 4.93 5.19 5.45 B01A_DC-DC
+5V_D F403 4.75 5.00 5.25 B06A_Audio Proc.
+5V_AUD F402 4.75 5.00 5.25 B06A_Audio Proc.
+5V_TUN F133 4.75 5.00 5.25 B02_Tuner IF
+3V3_STBY FB13 3.10 3.30 3.50 B01A_DC-DC
+3V3_SW FB11 3.1 3.3 3.5 B01A_DC-DC
+1V8_SW FP06 1.72 1.82 1.92 B01B_DC-DC
+1V2_SW FP03 1.18 1.25 1.31 B01B_DC-DC
+2V5_SW FP05 2.37 2.5 2.63 B01B_DC_DC
+3V3 FJ01 3.2 3.27 3.4 B03E_DVB-
MOJO
+3V3_FE FF14 3.2 3.27 3.4 B03A_DVB-
Demod
+1V2_CORE FE08 1.14 1.24 1.34 B05C_WX_POW
ER
Value
Cool
(11000 K)
Normal
(9000 K)
Warm
(6500 K)
x 0.278 0.289 0.314
y 0.278 0.291 0.319
Description
Test
Point
Specifications
(V)
DiagramMin. Typ.
Max
.

Alignments
EN 88 LC7.5E LA8.
If you do not have a colour analyser, you can use the default
values. This is the next best solution. The default values are
average values coming from production (statistics).
• Set the RED, GREEN and BLUE default values per
temperature according to the values in the “Tint settings”
table.
• When finished return to the SAM root menu and press
STANDBY on the RC to store the aligned values to the
NVM.
Table 8-2 Tint settings
Black Level Offset Alignment
• Activate SAM.
• Select “RGB Align.” -> “BlackL Offset” and choose a colour.
• Set all “BlackL Offset” values to “0”.
• When finished return to the SAM root menu and press
STANDBY on the RC to store the aligned values to the
NVM.
Note: For models with “Pixel Plus”, the “Black Offset” (black
level offset) should NOT be changed in SAM. These offset
values of RGB should be set to “0”, and should NOT be
adjusted. Any adjustment of these values will affect the low
light white balance.
ADC YPbPr Gray Scale Alignment
When the grey scale is not correct, use this alignment:
• Activate SAM.
• Select “NVM Editor”.
• Enter address “26(dec)” (ADR).
• Set value (VAL) to “197(dec) ± 25”.
• Store (STORE) the value.
8.4 Option Settings
8.4.1 Introduction
The microprocessor communicates with a large number of I2C
ICs in the set. To ensure good communication and to make
digital diagnosis possible, the microprocessor has to know
which ICs to address. The presence/absence of these specific
ICs (or functions) is made known by the option codes.
Notes:
• After changing the option(s), save them with the STORE
command.
• The new option setting becomes active after the TV is
switched "off" and "on" again with the mains switch (the
EAROM is then read again).
8.4.2 How To Set Option Codes
When the NVM is replaced, all options will require resetting. To
be certain that the factory settings are reproduced exactly, you
must set all option numbers. You can find the correct option
numbers in table “Option Codes OP1...OP7“ below.
How to Change Options Codes
An option code (or “option byte”) represents eight different
options (bits). When you change these numbers directly, you
can set all options very quickly. All options are controlled via
seven option bytes (OP1... OP7).
Activate SAM and select “Options”. Now you can select the
option byte (OP1.. OP7) with the CURSOR UP/ DOWN keys,
and enter the new 3 digit (decimal) value. For the correct
factory default settings, see the next table “Option codes
OP1...OP7“. For more detailed information, see the second
table “Option codes at bit level“. If an option is set (value “1”), it
represents a certain decimal value.
When all the correct options (bits) are set, the sum of the
decimal values of each Option Byte (OP) will give the option
code.
Alignment 32" 42" 52"
COOL_RED 250 249 255
COOL_GREEN 251 241 254
COOL_BLUE 246 246 238
NORMAL_RED 252 251 255
NORMAL_GREEN 246 238 247
NORMAL_BLUE 228 229 219
WARM_RED 252 246 255
WARM_GREEN 232 222 233
WARM_BLUE 197 199 179

Alignments EN 89LC7.5E LA 8.
Figure 8-1 Option codes OP1...OP7
Panel Code
Sets 12NC Sets Type Panel Type Panel 12NC (Dec) Option Byte
Ambilight Group 1 Group 2
1 2 3 4 5 6 7
CMO: V315B1-L05 9322 248 65682 069 147 055 042 223 077 242 006
Reserved Reserved Reserved
8670 000 32646 32PFL7962D/05
Reserved Reserved Reserved
AUO: T420HW01V2 9322 254 10682 110 147 055 042 223 077 242 006
LPL: LC420WU3-XXXX not available not available
8670 000 32656 42PFL7962D/05
Reserved Reserved Reserved
Non Ambilight Group 1 Group 2
1 2 3 4 5 6 7
CMO: V315B1-L05 9322 248 65682 069 147 023 042 223 077 242 006
Reserved Reserved Reserved
8670 000 32644 32PFL7762D/05
Reserved Reserved Reserved
AUO: T420HW01V2 9322 254 10682 110 147 023 042 223 077 242 006
LPL: LC420WU3-XXXX not available not available
8670 000 32638 42PFL7762D/05
Reserved Reserved Reserved
Sharp: LK520D3LZ13 9322 254 45682 098 147 023 042 223 077 242 005
Reserved Reserved Reserved
8670 000 32635 52PFL7762D/05
Reserved Reserved Reserved
Ambilight Group 1 Group 2
1 2 3 4 5 6 7
CMO: V315B1-L05 9322 248 65682 069 147 055 042 223 077 242 006
Reserved Reserved Reserved
8670 000 32647 32PFL7962D/12
Reserved Reserved Reserved
AUO: T420HW01V2 9322 254 10682 110 147 055 042 223 077 242 006
LPL: LC420WU3-XXXX not available not available
8670 000 32655 42PFL7962D/12
Reserved Reserved Reserved
Non Ambilight Group 1 Group 2
1 2 3 4 5 6 7
CMO: V315B1-L05 9322 248 65682 069 147 023 042 223 077 242 006
Reserved Reserved Reserved
8670 000 32645 32PFL7762D/12
Reserved Reserved Reserved
AUO: T420HW01V2 9322 254 10682 110 147 023 042 223 077 242 006
LPL: LC420WU3-XXXX not available not available
8670 000 32639 42PFL7762D/12
Reserved Reserved Reserved
H_17370_060.eps
100807

Alignments
EN 90 LC7.5E LA8.
Option Bit Overview
Below find an overview of the Option Codes on bit level.
Table 8-3 Option codes at bit level (OP1-OP4)
Option Byte & Bit Dec. Value Option Name Description
Byte OP1
Bit 7 (MSB) 128 BBE ON = BBE is available OFF = BBE is not available
Bit 6 64 CHINA ON = SW is for CHINA only OFF = SW is for Non-China AP cluster
Bit 5 32 DTV_CHINA ON = DTV_CHINA will be available (Reserved) OFF = DTV_CHINA will not be available
Bit 4 16 DTV_EU ON = DTV will be available OFF = DTV will not be available
Bit 3 8 UK_PNP ON = UK PNP is available (for analogue TV only) OFF = UK PNP is not available (for analogue TV
only)
Bit 2 4 VIRGIN_MODE ON = Virgin Mode (PNP) is available OFF = Virgin Mode (PNP) is not available
Bit 1 2 ACI ON = ACI is available OFF = ACI is not available
Bit 0 (LSB) 1 ATS ON = ATS is available OFF = ATS is not available
Total DEC Value
Byte OP2
Bit 7 (MSB) 128 1080P ON = 1080p is available OFF = 1080p is not available
Bit 6 64 LIGHT_SENSOR ON = Light Sensor is available OFF = Light Sensor is not available
Bit 5 32 AMBILIGHT ON = Ambilight Feature will be available OFF = Ambilight Feature will not be available
Bit 4 16 BACKLIGHT_DIMMING ON = Backlight Dimming is available OFF = Backlight Dimming is not available
Bit 3 8 HUE ON = Hue is available OFF = Hue is not available
Bit 2 4 2D3DCF ON = 3D Comb Filter is available OFF = 2D Comb Filter is available
Bit 1 2 WSSB ON = WSS is available OFF = WSS is not available
Bit 0 (LSB) 1 WIDE_SCREEN ON = TV is 16x9 set OFF = TV is 4x3 set
Total DEC Value
Byte OP3
Bit 7 (MSB) 128 CVI1 ON=CVI1 (YPbPr) (For ROW)
Bit 6 64 HDMI3 ON = HDMI3 (rear) is available OFF = HDMI3 (rear) is not available
Bit 5 32 HDMI4 ON = HDMI4 (side) is available OFF = HDMI4 (side) is not available
Bit 4 16 VCHIP ON = VChip is available OFF = VChip is not available
Bit 3 8 VIDEO_TEXT ON = Video-TXT is available OFF = Video-TXT is not available
Bit 2 4 STEREO_DBX ON = Stereo DBX detection is available (LATAM) OFF = Stereo DBX detection is not available
Bit 1 2 STEREO_NICAM_2CS ON = Stereo NICAM 2CS detection is available (EU/AP/China) OFF = Stereo NICAM 2CS
detection is not available
Bit 0 (LSB) 1 LIP_SYNC ON = Lip Sync is available OFF = Lip Sync is not available
Total DEC Value
Byte OP4
Bit 7 (MSB) 128 HDMI2 ON = HDMI2 is available OFF = HDMI2 is not available
Bit 6 64 HDMI1 ON = HDMI1 is available OFF = HDMI1 is not available
Bit 5 32 VGA ON = VGA is available OFF = VGA is not available
Bit 4 16 SVHS3 ON = SVHS3 is available OFF = SVHS3 is not available
Bit 3 8 AV3 ON = AV3 is available OFF = AV3 is not available
Bit 2 4 CVI ON = CVI is available OFF = CVI is not available
Bit 1 2 SVHS2 ON = SVHS2 is available OFF = SVHS2 is not available
Bit 0 (LSB) 1 AV2 ON = AV2 is available OFF = AV2 is not available
Total DEC Value

Alignments EN 91LC7.5E LA 8.
Table 8-4 Option codes at bit level (OP5-OP7)
Option Byte & Bit Dec. Value Option Name Description
Byte OP5
Bit 7 (MSB) 128 NVM_CHECK ON = NVM (range) checking is available OFF = NVM (range) checking is not available
Bit 6 64 DNM ON = DNM is available OFF = DNM is not available
Bit 5 32 SUBWOOFER ON = Subwoofer is available OFF = Subwoofer is not available
Bit 4 16 MP_ALIGN ON = Using multi-point alignment for Gamma & White Point OFF = Using old way for Gamma (pre-
defined) & WP alignment
Bit 3 8 SYS_RECVRY ON = System Recovery is available OFF = System Recovery is not available
Bit 2 4 ED_HD_DNM ON = DNM not available on ED and HD signal OFF = DNM available on ED and HD signal
Bit 1 2 HOTEL ON = Hotel/BDS is available OFF = Hotel/BDS is not available
Bit 0 (LSB) 1 SS_DEMO ON = Split Screen Demo is available OFF = Split Screen Demo is not available
Total DEC Value
Byte OP6
Bit 7 (MSB) 128 BACKLIGHT_BOOST ON = iLAB Backlight boost feature is available OFF = iLAB Backlight boost feature is not available
Bit 6 64 STATIC _DIMMING ON = iLAB Static Dimming feature is available OFF = iLAB Static Dimming feature is not available
Bit 5 32 CEC ON = CEC feature available OFF = CEC feature not available
Bit 4 16 AUTO_HDMI ON = Auto HDMI feature available OFF = Auto HDMI feature not available
Bit 3 8 TUNER PROFILE 0 = ATV_EU_PHILIPS UV1318S/AIH-3 1 = ATV_EU_Panasonic EN57K28G3F2 =
DTV_EU_PHILIPS TD1316AF/IHP-24 = ATV_AP_PHILIPS UV1316E/AIH-45 = ATV_AP_Tuner2
(Reserved)6 = ATV_CHINA_ALPS TEDE9-286B7 = ATV_CHINA_Tuner2 (Reserved)8 =
ATV_LATAM_PHILIPS UV1338/AIH-4 9 = ATV_LATAM_Tuner2 (Reserved)10 =
DTV_CHINA_Tuner1 (Reserved)11 = DTV_CHINA_Tuner2 (Reserved)12 = Not Used
(Reserved)13 = Not Used (Reserved)14 = Not Used (Reserved)15 = Not Used (Reserved)
Bit 2 4
Bit 1 2
Bit 0 (LSB) 1
Total DEC Value
Byte OP7
Bit 7 (MSB) 128 Reserved Not Used (Reserved)
Bit 6 64 Reserved Not Used (Reserved)
Bit 5 32 Reserved Not Used (Reserved)
Bit 4 16 CABINET PROFILE 0 = Cabinet_Profile_26_LCD_ME7 1 = Cabinet_Profile_32_LCD_ME7 2 =
Cabinet_Profile_37_42_47_LCD_ME73 = Cabinet_Profile_42_50_PDP_ME7 4 =
Cabinet_Profile_26_LCD_ME5P 5 = Cabinet_Profile_52_LCD_ME7 6 =
Cabinet_Profile_Supernova7- 32 = Reserved
Bit 3 8
Bit 2 4
Bit 1 2
Bit 0 (LSB) 1
Total DEC Value

Circuit Descriptions, Abbreviation List, and IC Data Sheets
EN 92 LC7.5E LA9.
9. Circuit Descriptions, Abbreviation List, and IC Data Sheets
Index of this chapter:
9.1 Introduction
9.2 LCD Power Supply
9.3 DC/DC converters
9.4 Front-End
9.5 DVB-T Signal Processing
9.6 Video Processing
9.7 Audio Processing
9.8 HDMI
9.9 Abbreviation List
9.10 IC Data Sheets
Notes:
•Only new circuits (circuits that are not published recently)
are described.
• Figures can deviate slightly from the actual situation, due
to different set executions.
• For a good understanding of the following circuit
descriptions, please use the Wiring, Block (chapter 6) and
Circuit Diagrams (chapter 7). Where necessary, you will
find a separate drawing for clarification.
9.1 Introduction
The LC7.5x chassis (development name “LC07S”) is a digital
derivative from the digital LC7.2x chassis (development name
“LC07”). It covers screen sizes of 32" and 42" with a new styling
called “SuperNova” and 52" with existing styling “ME7”.
Some delta’s with respect to the LC7.2x chassis are:
•Video: Video processing is performed by the Trident video
processor SVP WX86 (item 7C01) which outputs a signal
of 1080p (no additional 1080p panel needed), introduces
Digital Natural Motion (DNM) and supports MPEG Artifact
Reduction.
• AmbiLight: FPGA-based AmbiLight controller integrated on
SSB (no additional AmbiLight panel needed).
•Audio: introducing BBE® technology for increased speech
intelligibility and music performance with an additional
subwoofer.
• HDMI: Additional HDMI connector with on-board switch
has been added.
•On-board DC-DC converters: DC-DC-converters on-
board the SSB have been changed.
For (other) features of the chassis, please refer to the
LC7.2E LA Service Manual.
9.1.1 SSB Cell Layout
Figure 9-1 SSB top view
H_17370_061.eps
100807
VIDEO PROCESSING
TRIDENT
VIDEO
PROC.
RENEAS
uP
AMBILIGHT
DRIVER
AUDIO CLASS D
COMMON INTERFACE
HYBRID TUNER
PCMCIA
CONTROLLER
MOJO
DC-DC CONVERSION
SDRAM
FLASH
MEM
HDMI
RECEIVER
HDMI
SWITCH
SIF SAW
IF
DEMODU
LATOR
VIF SAW

Circuit Descriptions, Abbreviation List, and IC Data Sheets EN 93LC7.5E LA 9.
Figure 9-2 SSB bottom view
9.2 LCD Power Supply
The Power Supply Unit (PSU) in this chassis is a buy-in and is
a black-box for Service. When defective, a new panel must be
ordered and the defective panel must be returned for repair,
unless the main fuse of the unit is broken. Always replace the
fuse with one of the correct specifications! This part is
commonly available in the regular market.
Three different PSU can be used in this chassis:
• 32" sets use a “Delta” PSU
• 42" sets use a “PPS” (Philips Power Solutions) PSU
• 52" sets use a “Delta” PSU.
Figure “Overview of PSU connectivity” shows the connectivity
of the Power Supply Unit with the other panels in the set.
Figure 9-3 Overview of PSU connectivity
All Power Supply Units deliver the following voltages to the
chassis:
• +24 V to the inverters
• +12 V to SSB
• +12 V and -12 V to Audio Supply
• +12 V to Bolt-on Supply (where applicable)
• +5.2 V Standby voltage.
9.3 DC/DC converters
A switch (mounted on-board the SSB) generates the +5 V
(+5V_SW) from the +5 V (+5V_STANDBY) supply voltage.
They deliver the following voltages to the board:
• +3.3 V (+3V3_STBY)
• +5 V (+5V_SW)
• +3.3 V (+3V3_SW)
• +34 V (+VTUN)
• +2.5 V (+2V5_SW)
• +1.8 V (+1V8_SW)
• +1.2 V (+1V2_SW)
An overview can be found in figure “DC-DC converter block
diagram”.
H_17370_062.eps
100807
COMMON INTERFACE
FLASH
MEM
CHANNEL
DECODER
MICRONAS
AUDIO PROC.
G_16860_051.eps
310107

Circuit Descriptions, Abbreviation List, and IC Data Sheets
EN 94 LC7.5E LA9.
Figure 9-4 DC-DC converter block diagram
9.4 Front-End
Refer to the LC7.2E LA Service Manual.
9.5 DVB-T Signal Processing
Refer to the LC7.2E LA Service Manual.
9.5.1 Common Interface (CI)
Refer to the LC7.2E LA Service Manual.
9.5.2 Supply
The internal voltages that are used are:
• +5 V (+5V_SW)
• +3.3 V (+3V3_SW)
• +1.2 V (+1V2_SW)
• +1.8 V (+1V8S_SW).
During start-up, it is important that the +1V8S_SW line comes
up earlier than the +3V3_MOJO line. In order to implement this,
a delay circuit is added which is shown in figure “Delay
circuitry”.
Figure 9-5 Delay circuitry
Item 7J05 switches the MOSFET “on” and “off” (item 7J04).
The diode (item 6J03) performs a short-circuit protection for the
+3V3 output stage.
9.6 Video Processing
The video processing is completely handled by the Trident SVP
WX68 video processor which features:
• CVBS-input for analogue signals.
• RGB-input for digital (DVB-T) signals.
• Motion and “edge-adaptive” de-interlacing.
• Integrated ADC.
• Built-in 8-bit LVDS transmitter.
• Colour stretch.
• Skin colour enhancement.
• 3D Digital Comb Video Decoder.
• Interlaced and Progressive Scan refresh.
• TeleText decoding.
• OSD and VBI/Closed Caption.
• Digital Natural Motion (DNM).
• MPEG Artifact reduction.
9.6.1 System Overview
Refer to figure “System Overview” for details.
DC_DC
L5973D
UP
CONVERTER
+VTUN
+5V_SW
STANDBY
LD1117DT3 +3V3_STBY
LCD
only
+5V_STANDBY
+5V_SW (for PDP only)
DC_DC
NCP5422
ADR2G
+ 3.3V SW
+
1V2 SW
+2.5V SW
+1V8_SW
L78L08
ACU +8V
control
L78M05
CDT 5Vtun
+12V_DISP
LF18CDT +1V8_STBY
CEC
Tuner / Audio
Linear re
g
H_17370_059.eps
090807
H_17370_064.eps
100807
+3V3_SW

Circuit Descriptions, Abbreviation List, and IC Data Sheets EN 95LC7.5E LA 9.
Figure 9-6 System Overview
9.6.2 Video Application
Figure 9-7 Block diagram video processing
“Block diagram video processing” shows the input and output
signals to and from the Trident Video Processor.
During analogue reception, a CVBS signal coming from the
analogue front-end is fed to the video processor via pin
CVBS1. During digital reception, the video signal coming from
the MPEG decoder (MOJO) is fed to the video processor via
pins FS1, PC_B, PC_G and PC_R.
The video processor also interfaces the SCART1 & 2 input,
side AV, EXT4 (HD where applicable) and HDMI1 & 2 and Side
HDMI input. Through the SCART1 & 2 connectors, a monitor
output is foreseen.
9.7 Audio Processing
Refer to the LC7.2E LA Service Manual.
System overview
LC07 uses 24 bit inputLC07 uses 24 bit input
WX68
2M x 16Bit x 4 Banks
2x DDRs
Microprocessor
Flash Memory
1.2V 2.5V 3.3V 5V
Address
Data
Address (0:7)Data (0:19)
Scart 1 CVBS output
Scart 2 CVBS output
BL Dimming PWM output
Single/Dual LVDS output
ATV - RF CVBS input
Scart 1 CVBS/RGB/FB input
Scart 2 CVBS/YC input
Front/Rear CVBS/YC input
YPbPr input
DTV - IBO RGB/CVBS input
HDMI 30 bit input
Address (0:7)
Data (0:7)
2.5V
HD
WX68
2M x 16Bit x 4 Banks
2x DDRs
Microprocessor
Flash Memory
1.2V 2.5V 3.3V 5V
Address
Data
Address (0:7)Data (0:19)
Scart 1 CVBS output
Scart 2 CVBS output
BL Dimming PWM output
Single/Dual LVDS output
ATV - RF CVBS input
Scart 1 CVBS/RGB/FB input
Scart 2 CVBS/YC input
Front/Rear CVBS/YC input
YPbPr input
DTV - IBO RGB/CVBS input
HDMI 30 bit input
Address (0:7)
Data (0:7)
2.5V
HD
H_17370_065.eps
100807
Video I/O
SC1_R_IN
SC1_G_IN
SC1_B_IN
SC1_CVBS_IN
SC1_FBL_IN
Scart1/Ext1
RF CVBS
Digital RF
DVB
IBO_R_IN
IBO_G_IN
IBO_B_IN
IBO_CVBS_IN
SC2_Y_CVBS_IN
SC2_C_IN
Scart2/Ext2
FRONT_CVBS_SVHS_Y_IN
SideAV/Ext3 or
USB Y_IN (Provision)
Y_IN
C_IN
Ext4 YC
USB C_IN (Provision)
SW SVHS_C_IN
SW
HD_Y_IN
HD_PB_IN
HD_PR_IN
YPbPr/Ext4
HDMI1
HDMI2
Side HDMII
Sil9185
Sil9185
24/30bit
YCbCr
PC_R
PC_G
PC_B
FS1
PR_R2
Y_G2
PB_B2
PB_B3
FB1
CVBS1
PR_R3
FS2
Y_G3
C
Y_G1
PB_B1
PR_R1
CVBS_OUT1
CVBS_OUT2
Scart1 Ouput
Scart2 Output
Trident
WX68
SC1_R_IN
SC1_G_IN
SC1_B_IN
SC1_CVBS_IN
SC1_FBL_IN
Scart1/Ext1
RF CVBS
Digital RF
DVB
IBO_R_IN
IBO_G_IN
IBO_B_IN
IBO_CVBS_IN
SC2_Y_CVBS_IN
SC2_C_IN
Scart2/Ext2
FRONT_CVBS_SVHS_Y_IN
SideAV/Ext3 or
USB Y_IN (Provision)
Y_IN
C_IN
Ext4 YC
USB C_IN (Provision)
SW SVHS_C_IN
SW
HD_Y_IN
HD_PB_IN
HD_PR_IN
YPbPr/Ext4
HDMI1
HDMI2
Side HDMII
Sil9185
Sil9185
24/30bit
YCbCr
PC_R
PC_G
PC_B
FS1
PR_R2
Y_G2
PB_B2
PB_B3
FB1
CVBS1
PR_R3
FS2
Y_G3
C
Y_G1
PB_B1
PR_R1
CVBS_OUT1
CVBS_OUT2
Scart1 Ouput
Scart2 Output
Trident
WX68
H_17370_066.eps
100807

Circuit Descriptions, Abbreviation List, and IC Data Sheets
EN 96 LC7.5E LA9.
9.8 HDMI
9.8.1 Introduction
Refer to the LC7.2E LA Service Manual.
9.8.2 Implementation
The main HDMI receiver which is used is the Sil 9125 (Silicon
Image) third generation HDMI receiver (item 7N01 on the
SSB). In addition, the Sil 9185 HDMI switch (item 7M07) and
Sil 9181 HDMI buffer (item 7Q03) are used for switching the 3
HDMI inputs and buffering to ensure good signal quality. Refer
to figure “HDMI implementation” for details.
Figure 9-8 HDMI implementation
The implementation supports:
• Three HDMI input connectors to the TV via “HDMI rear” as
“HDMI1”, “HDMI2” and “HDMI3”.
• One HDMI input connector to the TV via “HDMI side” as
“Side HDMI”.
• All EDID is stored in the internal EEPROM which is
integrated inside the Sil9185 multiplexer and Sil9181 buffer
IC.
•I
2S output for connection to low-cost DACs at a frequency
of 32 to 192 kHz.
• Pre-programmed HDCP keys providing the highest level of
security and simplicity during manufacturing.
When the HDMI receiver Sil9125 receives either RGB or
YCbCr 4:2:2 input signals, it will convert these signals to 24-36-
bit YCbCr 4:4:4 output signals. When it receives an YCbCr
4:4:4 input signal, it will just bypass this signal to the Trident
WX68 video processor.
Refer to figures “HDMI signal flow diagram” and “HDMI
interface to Video Processor” for details.
Figure 9-9 HDMI signal flow diagram
Figure 9-10 HDMI interface to Video Processor
9185 HDMI
Switch
Multiplexer
9181
HDMI
buffer
Side
HDMI
Input
9125
HDMI
Main
Receiver
Video
Processor
WX68
Port A
Rear HDMI Input 2
Rear HDMI Input 3
Future CEC
Rear HDM1 Input 1
Port B
Side Panel
Main SSB Panel
H_17370_067.eps
100807
HDMI Receiver
Sil9125
Trident
WX68
I2S DAC
I2S
HDMI_Audio LR
Audio Processor
Micronas MSP4450P
COMP_AUDIO LR
for DVI audio input
only through Side
AV
Microprocessor
RESET MUX
(Port B)
(Port A)
HDMI 1
Side
HDMI
HDMI 3
HDMI 2
HDMI
switch
Sil9185
(+5V)
(+5V)
(+5V)
(+5V)
(+5V)
HDMI
buffer
Sil9181
HPD
HPD
HPD
HPD
(+5V)
RESET RX BUF
24 to 36 bits
YCbCr 444
DDC Reset
H_17370_068.eps
100807
HDMI
Receiver
Sil9125
Trident WX68
Video
Processor
24 to 36 bits YCbCr 444
HDMI DE
HDMI H and V
HDMI VCLK
Input source
RGB, YCbCr 422
or YCbCr444
H_17370_069.eps
100807

Circuit Descriptions, Abbreviation List, and IC Data Sheets EN 97LC7.5E LA 9.
9.9 Abbreviation List
1080i 1080 visible lines, interlaced
1080p 1080 visible lines, progressive scan
2CS 2 Carrier Sound
2DNR Spatial (2D) Noise Reduction
3DNR Temporal (3D) Noise Reduction
480i 480 visible lines, interlaced
480p 480 visible lines, progressive scan
AARA Automatic Aspect Ratio Adaptation:
algorithm that adapts aspect ratio to
remove horizontal black bars; keeping
up the original aspect ratio
ACI Automatic Channel Installation:
algorithm that installs TV channels
directly from a cable network by
means of a predefined TXT page
ADC analogue to Digital Converter
AFC Automatic Frequency Control: control
signal used to tune to the correct
frequency
AGC Automatic Gain Control: algorithm that
controls the video input of the feature
box
AM Amplitude Modulation
AUO Acer Unipack Optronics
AP Asia Pacific
AR Aspect Ratio: 4 by 3 or 16 by 9
ASD Automatic Standard Detection
AV Audio Video
B/G Monochrome TV system. Sound
carrier distance is 5.5 MHz
BTSC Broadcast Television System
Committee
CAM Conditional Access Module
CBA Circuit Board Assembly (or PWB)
CEC Consumer Electronics Control bus;
remote control bus on HDMI
connections
CI Common Interface; E.g PCMCIA slot
for a CAM in a set top box
CL Constant Level: audio output to
connect with an external amplifier
CLUT Colour Look Up Table
ComPair Computer aided rePair
COFDM Coded Orthogonal Frequency Division
Multiplexing; A multiplexing technique
that distributes the data to be
transmitted over many carriers
CSM Customer Service Mode
CVBS Composite Video Blanking and
Synchronisation
CVBS-MON CVBS monitor signal
CVBS-TER-OUT CVBS terrestrial out
CVI Component Video Input
DAC Digital to analogue Converter
DBE Dynamic Bass Enhancement: extra
low frequency amplification
DDC Display Data Channel; is a part of the
"Plug and Play" feature
DFU Directions For Use: owner's manual
DNR Dynamic Noise Reduction
DRAM Dynamic RAM
DSP Digital Signal Processing
DST Dealer Service Tool: special
(European) remote control designed
for service technicians
DTS Digital Theatre Sound
DVB(T) Digital Video Broadcast; An MPEG2
based standard for transmitting digital
audio and video. T= Terrestrial
DVD Digital Versatile Disc
DVI Digital Visual Interface
DW Double Window
ED Enhanced Definition: 480p, 576p
EDID Extended Display Identification Data
(VESA standard)
EEPROM Electrically Erasable and
Programmable Read Only Memory
EU EUrope
EXT EXTernal (source), entering the set by
SCART or by cinches (jacks)
FBL Fast Blanking: DC signal
accompanying RGB signals
FBL-TXT Fast Blanking Teletext
FLASH FLASH memory
FM Field Memory / Frequency Modulation
FMR FM Radio
FRC Frame Rate Converter
FTV Flat TeleVision
H H_sync to the module
HD High Definition: 720p, 1080i, 1080p
HDCP High-bandwidth Digital Content
Protection; A "key" encoded into the
HDMI/DVI signal that prevents video
data piracy. If a source is HDCP coded
and connected via HDMI/DVI without
the proper HDCP decoding, the
picture is put into a "snow vision"
mode or changed to a low resolution.
For normal content distribution, the
source and the display device must be
enabled for HDCP "software key"
decoding
HDMI High Definition Multimedia Interface,
digital audio and video interface
HP Head Phone
I Monochrome TV system. Sound
carrier distance is 6.0 MHz
I2C Integrated IC bus
I2S Integrated IC Sound bus
IBO(Z) Intelligent Bolt On module. Z= Zapper;
module for DVB reception.
IC Integrated Circuit
IF Intermediate Frequency
IR Infra Red
IRQ Interrupt ReQuest
Last Status The settings last chosen by the
customer and read and stored in RAM
or in the NVM. They are called at start-
up of the set to configure it according
the customers wishes
LATAM LATin AMerica
LC07 Philips chassis name for LCD TV 2007
project
LCD Liquid Crystal Display
LED Light Emitting Diode
L/L' Monochrome TV system. Sound
carrier distance is 6.5 MHz. L' is Band
I, L is all bands except for Band I
LPL LG Philips LCD
LS Loud Speaker
LVDS Low Voltage Differential Signalling,
data transmission system for high
speed and low EMI communication.
M/N Monochrome TV system. Sound
carrier distance is 4.5 MHz
MOSFET Metal Oxide Semiconductor Field
Effect Transistor
MPEG Motion Pictures Experts Group
MSP Multi-standard Sound Processor: ITT
sound decoder
MUTE MUTE Line
NAFTA North American Free Trade
Association: Trade agreement
between Canada, USA and Mexico
NC Not Connected

Circuit Descriptions, Abbreviation List, and IC Data Sheets
EN 98 LC7.5E LA9.
NICAM Near Instantaneous Compounded
Audio Multiplexing. This is a digital
sound system, used mainly in Europe.
NTSC National Television Standard
Committee. Colour system used
mainly in North America and Japan.
Colour carrier NTSC M/N = 3.579545
MHz, NTSC 4.43 = 4.433619 MHz
(this is a VCR norm, it is not
transmitted off-air)
NVM Non Volatile Memory: IC containing
TV related data (for example, options)
O/C Open Circuit
ON/OFF LED On/Off control signal for the LED
OAD Over the Air Download
OSD On Screen Display
PAL Phase Alternating Line. Colour system
used mainly in Western Europe
(colour carrier = 4.433619 MHz) and
South America (colour carrier PAL M =
3.575612 MHz and PAL N = 3.582056
MHz)
PC Personal Computer
PCB Printed Circuit Board (or PWB)
PDP Plasma Display Panel
PIG Picture In Graphic
PIP Picture In Picture
PLL Phase Locked Loop. Used, for
example, in FST tuning systems. The
customer can directly provide the
desired frequency
PSU Power Supply Unit
PWB Printed Wiring Board (or PCB)
RAM Random Access Memory
RC Remote Control transmitter
RC5 (6) Remote Control system 5 (6), the
signal from the remote control receiver
RF Radio Frequency
RGB Red, Green, and Blue. The primary
colour signals for TV. By mixing levels
of R, G, and B, all colours (Y/C) are
reproduced.
RGBHV Red, Green, Blue, Horizontal sync,
and Vertical sync
ROM Read Only Memory
SAM Service Alignment Mode
SC SandCastle: two-level pulse derived
from sync signals
SC1-OUT SCART output of the MSP audio IC
SC2-OUT SCART output of the MSP audio IC
S/C Short Circuit
SCL Clock signal on I2C bus
SD Standard Definition: 480i, 576i
SDA Data signal on I2C bus
SDI Samsung Display Industry
SDM Service Default Mode
SDRAM Synchronous DRAM
SECAM SEequence Couleur Avec Memoire.
Colour system used mainly in France
and Eastern Europe. Colour carriers =
4.406250 MHz and 4.250000 MHz
SIF Sound Intermediate Frequency
SMPS Switch Mode Power Supply
SND SouND
SOPS Self Oscillating Power Supply
S/PDIF Sony Philips Digital InterFace
SRAM Static RAM
SSB Small Signal Board
STBY Stand-by
SVHS Super Video Home System
SW Sub Woofer / SoftWare / Switch
THD Total Harmonic Distortion
TXT TeleteXT
uP Microprocessor
VL Variable Level out: processed audio
output toward external amplifier
VCR Video Cassette Recorder
VGA Video Graphics Array
WD Watch Dog
WYSIWYR What You See Is What You Record:
record selection that follows main
picture and sound
XTAL Quartz crystal
YPbPr Component video (Y= Luminance, Pb/
Pr= Colour difference signals B-Y and
R-Y, other amplitudes w.r.t. to YUV)
Y/C Video related signals: Y consists of
luminance signal, blanking level and
sync; C consists of colour signal.
Y-OUT Luminance-signal
YUV Baseband component video (Y=
Luminance, U/V= Colour difference
signals)

Circuit Descriptions, Abbreviation List, and IC Data Sheets EN 99LC7.5E LA 9.
9.10 IC Data Sheets
This section shows the internal block diagrams and pin layouts
of ICs that are drawn as "black boxes" in the electrical diagrams
(with the exception of "memory" and "logic" ICs).
9.10.1 Diagram B03A, Type TDA10046AHT (IC7F01), COFDM Channel Decoder
Figure 9-11 Internal block diagram and pin configuration
Block Diagram
Pin Configuration
G_16860_044.eps
300107
SADDR(1:0)
spare inputs
10
SCL
SDA
Fsamp
ΔΣ
SACLK
I2C
Interface
XIN
SCL_TUN
SDA_TUN
AGC_TUN
VIM
DIGITAL FRONT-END
AND OFDM
DEMODULATION
GPIO(3:0)
DSP CORE
SYNCHRONISATION
Frequency, Time, Frame Recovery
FFT Window positioning
TPS decoding
CHANNEL DECODER
VBER CBER
CPT_UNCOR
MPEG-TS
(parallel)
CHANNEL ESTIMATION
AND CORRECTION
OFDM Spectrum
Confidence (I,Q)
Carrier
Recovery
VIP
XOUT
Time
Recovery
ACI
Filtering
Digital
AGC
Dynamic
TimeShift
FFT
2K/8K
Coarse
Time
Estimator
Dual AGC
ΔΣ
AGC_IF
ANALOG
Time
Interpolation
Frequency
Interpolation
Partial
Channel
Estimation
CPE
calculation
Channel
Correction
Confidence
Calculation
Outer
Forney
Deinterleaver
Inner
Frequency
Deinterleaver
Bit
Deinterleaver
Descrambler RS decoder Demapper
MPEG2
Output
Interface
Viterbi
Decoder
A
D
C
PLL
O
S
C
MPEG-TS
(serial)
ΔΣ
ΔΣ
ΔΣ
ΔΣ
VDD 1.8 V
VDD 3.3 V
VSS 0 V
64
116
17 32
33 48
SACLK
VSSA_OSC
XOUT
XIN
VDDA18_OSC
DO[7]
49
GPIO[0]
GPIO[1]
ENSERI
AGC_TUN
AGC_IF
SCL_TUN
SDA_TUN
VDDI18
SCL
SDA
CLR#
SADDR[1]
SADDR[0]
TEST
UNCOR
PSYNC
DEN
OCLK
DO[0]
DO[1]
DO[2]
DO[3]
VDDE33
VDDI18
DO[4]
DO[5]
DO[6]
VDD18_PLL_ADC
VSS_PLL_ADC
VDDA18_PLL
VSSA_ADC
VIP
VIM
VDDA33_ADC
VDD33_ADC
GPIO[2]
VDDE33
VDDI18
GPIO[3]
TRST
TMS
TDI
TCK
TDO
S_UNCOR
S_PSYNC
S_DEN
31311975
2725232119 29
35 37 39 41 43 45
5155 53575961
S_DO
S_OCLK
TDA10046
TQFP 64
VDDE33
VDDI18
VSS
VSS
VSS
VSS
VSS
VSS
VSS

Circuit Descriptions, Abbreviation List, and IC Data Sheets
EN 100 LC7.5E LA9.
9.10.2 Diagram B03B, Type STV0700 (IC7K00), PCMCIA Controller
Figure 9-12 Internal block diagram and pin configuration
Pin Configuration
Block Diagram
H_16861_001.eps
060307

Circuit Descriptions, Abbreviation List, and IC Data Sheets EN 101LC7.5E LA 9.
9.10.3 Diagram B03C, Type PNX8314HS (IC7G00), DVB-MOJO
Figure 9-13 Internal block diagram and pin configuration
Block Diagram
G_16860_043b.eps
300107
Video decoder
Audio decoder
MPEG system processor
Background color
Display
Graphics (OSD)
Cursor
Mixer unit
DENC
Priority int ctrl
USB host
GPIO
Infrared
RS232-UART0
Boot
I2C-unit1
RS232-UART1
ISO7816-UART
Analog video CCIR-656
CPU PR1910
PI Bridge DMA
SDRAM interface
Central Data Unit
MIU
DVP L3
DVP L2Bus
Slow PI-Bus (60 MHz)
Fast PI-Bus@120 MHz
Clock, Reset
Power down
Bus
CCIR
EJTAG, DSU
16 bit@133 MHz
I2C-unit2
RGB, Y,C,CVBS
Pin Configuration
G_16860_043p.eps
300107
RGB, Y,C,CVBS
1
2
3
4
5
6
7
8
9
10
11
12
13
14
15
16
17
18
19
20
21
22
23
24
25
26
27
28
29
30
31
32
33
34
35
36
37
38
39
40
41
42
43
44
45
46
47
48
49
50
51
52
156
155
154
153
152
151
150
149
148
147
146
145
144
143
142
141
140
139
138
137
136
135
134
133
132
131
130
129
128
127
126
125
124
123
122
121
120
119
118
117
116
115
114
113
112
111
110
109
108
107
106
105
53
54
55
104
208
157
pnx831x
(SQFP208 top view)
158
159
160
161
162
163
164
165
166
167
168
169
179
178
177
176
175
174
173
172
171
170
207
206
205
204
203
202
201
200
199
198
197
196
195
194
193
192
191
190
189
188
187
186
185
184
183
182
181
180
56
57
58
59
60
61
62
63
64
65
66
67
68
69
70
71
72
73
74
75
76
77
78
79
80
81
82
83
84
85
86
87
88
89
90
91
92
93
94
95
96
97
98
99
100
101
102
103
TMS
TRST
RESETN
SYS_RESETN
SCL0
SDA0
SCL1
SDA1
PIO11 / CTS0
VDDP
PIO12 / RTS0
PIO13 / RX0
PIO14 / TX0
PIO15 / DCD0 / PLL_OUT
PIO17 / RX1
PIO18 / TX1
TS_DATA[0]
PIO16 / DTR0 / VCXO_CLOCK
TS_DATA[1]
TS_DATA[2]
TS_DATA[4]
TS_DATA[5]
TS_VAL
TS_DATA[6]
TS_DATA[7]
TS_DATA[3]
TS_STROBE
TS_SYNC
PIO1 / IR_OUT
PIO3 / VPP
PIO0 / IR_IN
PIO4 / C4
PIO5 / C8
SC0_DA
SC0_RST
SC0_OFF
SC0_CCK
VDDC
VSSC
VSSP
PIO9 / SC1_OFF
PIO10 / SC1_CCK
MIU_BAA
MIU_CLK
MIU_DATA[15]
SC0_CMDVCC
MIU_ADDR[23]
MIU_ADDR[22]
MIU_ADDR[21]
MIU_ADDR[20]
MIU_ADDR[19]
MIU_ADDR[18]
MIU_ADDR[17]
MIU_ADDR[16]
MIU_ADDR[15]
VSSP
VDDP
MIU_ADDR[14]
MIU_ADDR[13]
MIU_ADDR[12]
MIU_ADDR[11]
MIU_ADDR[10]
MIU_ADDR[9]
MIU_ADDR[8]
MIU_ADDR[7]
MIU_ADDR[6]
MIU_ADDR[5]
MIU_ADDR[4]
MIU_ADDR[3]
MIU_ADDR[2]
MIU_ADDR[1]
VSSC
VDDC
VSSP
VDDP
MIU_ADDR[0]
MIU_CS_N[0]
MIU_CS_N[1]
MIU_CS_N[2]
MIU_CS_N[3]
MIU_OE_N
MIU_DATA[0]
MIU_DATA[8]
MIU_DATA[1]
MIU_DATA[9]
MIU_DATA[2]
MIU_DATA[10]
MIU_DATA[3]
MIU_DATA[11]
VSSP
VDDP
MIU_DATA[4]
MIU_DATA[12]
MIU_DATA[5]
MIU_DATA[13]
MIU_DATA[6]
MIU_DATA[14]
MIU_DATA[7]
SDRAM_ADDR[3]
SDRAM_ADDR[2]
SDRAM_ADDR[1]
SDRAM_ADDR[0]
SDRAM_ADDR[10]
SDRAM_ADDR[14]
SDRAM_ADDR[13]
SDRAM_ADDR[4]
SDRAM_ADDR[5]
SDRAM_ADDR[6]
SDRAM_ADDR[9]
SDRAM_ADDR[11]
SDRAM_ADDR[12]
RAS
CAS
WE
DQM[0]
CKE
HSCKB
VSSC
VDDC
DQM[1]
VSSP
VDDP
SDRAM_DATA[8]
SDRAM_DATA[9]
SDRAM_DATA[10]
SDRAM_DATA[12]
SDRAM_DATA[13]
SDRAM_DATA[14]
SDRAM_DATA[15]
SDRAM_DATA[7]
SDRAM_DATA[6]
VSSC
VDDC
SDRAM_DATA[5]
SDRAM_DATA[4]
SDRAM_DATA[3]
SDRAM_ADDR[8]
SDRAM_DATA[1]
SDRAM_DATA[0]
VSSP
VDDP
MIU_LBA
MIU_RDY
MIU_WEN
MIU_MASK[1]
MIU_MASK[0]
MIU_ADDR[24]
IDUMP_2
R / C
CVBS / Y
AVDD_1
IDUMP_1
C / CVBS
VREF
RSET
AVDD_0
PIO19 / ITU_OUT[0] / BOOT[0]
PIO20 / ITU_OUT[1] / BOOT[1]
Y / CVBS
AVDD_PLL
XTAL_IN
XTAL_OUT
AVSS_PLL
VDDP
VSSP
B
AVDD_2
PIO25 / ITU_OUT[6]
PIO26 / ITU_OUT[7]
PIO27 / ITU_CLOCK
PIO2 / PWM / VS
DSU_CLK
DSU_TPC1
VDDP
VDDC
VSSC
VSSP
PCST0[0]
PCST1[2]
PCST1[1]
PCST1[0]
USB_PWR
USB_DP
USB_DM
SD_OUT
SCK_OUT
WS_OUT
FSCLK
SPDIF
TDO / DSU_TPC0
TDI
TCK
VDDP
PIO6 / SC1_DA
PIO7 / SC1_CMDVCC
PIO8 / SC1_RST
SDRAM_DATA[2]
SDRAM_DATA[11]
SDRAM_ADDR[7]
G / Y
PIO21 / ITU_OUT[2] / BOOT[2]
PIO22 / ITU_OUT[3] / BOOT[3]
PIO23 / ITU_OUT[4]
PIO24 / ITU_OUT[5]
PCST0[2]
PCST0[1]
USB_OVRCUR
VSSP

Circuit Descriptions, Abbreviation List, and IC Data Sheets
EN 102 LC7.5E LA9.
9.10.4 Diagram B05A, B05C, Type SVP WX68 (IC7C01), Trident Video processor
Figure 9-14 Internal block diagram
Block Diagram
H_17370_076.eps
100807
NTSC/PAL/
SECAM
3D Comb
Decoder/
Motion
Adaptive De-
interlacing
ICSC
CPU &
OSD
Interface
CVBS1
CVBS1
S-Video
YPbPr
SXGA RGB
(1280x1024/
60)
8 bit
Digita
l RGB
Hsync/
Vsync
I2C
8 bit Add/Data
Frame
Buffer
Controller
Frame
Rate
Converter
Deinterlacer
3:2/2:2 pull
down
Deinterlace
VBI/OSD/
TELETEXT
Display
Auto Color
Adjustment
ICSC
Blender
Chroma Key
VM Control
H&V Voltage
Protection
Gamma LUT
10 bit
LVDS
CRTC/DPLL
Clock PLL
Auto Mode/Auto
Tune/Auto
Phase
LVDS
H Sync
V Sync
Crystal
BMNR NR
ICSC
Luma
chroma
Cubic4
Scalar
Cubic4
scalar
HDMI HDCP
HDMI
Differential
Signals
I2S SPDIF
ME/MC

Circuit Descriptions, Abbreviation List, and IC Data Sheets EN 103LC7.5E LA 9.
9.10.5 Diagram B06A, Type MSP4450P (IC7411), Micronas Sound Processor
Figure 9-15 Internal block diagram
Source Select
SCART1
SCART2
SCART1
SCART2
SCART4
SCART3
De-
modulator
Headphone
I2S
Sound
Processing
DAC/
DAC
L
DAC
DAC
Subwoofer
Sound IF1
Sound IF2
R
Headphone
SCART
DSP
Input
Select SCART
Output
Select
I
2
S2
I
2
S1 I
2
S
I
2
S
I
2
S3
(2..8-channel)
I
2
S
Prescale
SL
SR
Center
SCART3
SCART5
S/PDIF
ADC
Prescale
ADC
internal /
external
Audio Delay
I
2
S5
/
/
12
16
Loud-
speaker
Sound
Processing High-
Resolution
PWM
Loudspeaker
Pre-
processing
Surround
Processing
I
2
S4
Block Diagram
G_16860_041.eps
300107

Circuit Descriptions, Abbreviation List, and IC Data Sheets
EN 104 LC7.5E LA9.
9.10.6 Diagram B06B, Type TDA8932T (IC7A01), Audio Amplifier
Figure 9-16 Internal block diagram and pin configuration
Block Diagram
Pin Configuration
G_16860_045.eps
300107
2
81301
28
29
27
3
12
TDA8932
OSCILLATOR
26
BOOT1
V
DDP1
OUT1
V
SSP1
PWM
MODULATOR
DRIVER
HIGH
DRIVER
LOW
CTRL
MANAGER
CTRL
PWM
MODULATOR
PROTECTIONS:
OVP, OCP, OTP,
UVP, TF, WP
STABILIZER 11 V
STABILIZER 11 V
REGULATOR 5 V
MODE
V
DDA
15
14
IN1P
VOICSOFERCSO
DDA
V
SSD
IN1N
INREF
IN2P
IN2N
6
POWERUP
4
DIAG
7
CGND
21
20
22
23
BOOT2
V
DDP2
OUT2
25 STAB1
24 STAB2
18
11
DREF
HVPREF
30 HVP1
19 HVP2
V
SSP2
DRIVER
HIGH
DRIVER
LOW
V
DDA
V
SSP1
V
SSP2
V
SSD
V
DDA
V
SSA
HALF SUPPLY VOLTAGE
5
ENGAGE
13
9
TEST
V
SSA
1, 16, 17, 32
V
SSD(HW)
TDA8932T
V
SSD(HW)
V
SSD(HW)
OICSOP1NI
1PVHN1NI
VGAID
DDP1
1TOOBEGAGNE
1TUOPUREWOP
VDNGC
SSP1
V
DDA
STAB1
V
SSA
STAB2
OSCREF V
SSP2
2TUOFERPVH
2TOOBFERNI
VTSET
DDP2
2PVHN2NI
FERDP2NI
V
SSD(HW)
V
SSD(HW)
1
2
3
4
5
6
7
8
9
10
11
12
13
14
15
16
18
17
20
19
22
21
24
23
26
25
32
31
30
29
28
27

Circuit Descriptions, Abbreviation List, and IC Data Sheets EN 105LC7.5E LA 9.
9.10.7 Diagram B07C, Type UDA1334ATS (IC7N07), Audio DAC
Figure 9-17 Internal block diagram and pin configuration
DAC
UDA1334ATS
NOISE SHAPER
INTERPOLATION FILTER
DE-EMPHASIS
14
15
DAC
6
DIGITAL INTERFACE PLL
16
3
2
1
45
11
7
13 12
VOUTR
BCK
VSSA
WS
VOUTL
DATAI
VDDA
VDDD
10
PLL0
Vref(DAC)
VSSD
SFOR0
SYSCLK/PLL1 8
MUTE 9
DEEM/CLKOUT
SFOR1
UDA1334ATS
1
2
3
4
5
6
7
8
16
15
14
13
12
11
10
9
VOUTR
BCK
VSSA
WS
VOUTL
DATAI
VDDA
VDDD
Vref(DAC)
VSSD
SFOR0SYSCLK/PLL1
PLL0SFOR1
DEEM/CLKOUTMUTE
Block Diagram
Pin Configuration
G_16860_081.eps
220207

Circuit Descriptions, Abbreviation List, and IC Data Sheets
EN 106 LC7.5E LA9.
9.10.8 Diagram B07C, Type SIL9125CTU (IC7817), HDMI Receiver
Figure 9-18 Internal block diagram
9.10.9 Diagram B07D, Type Sil 9185 (IC7M07), HDMI Switch
Figure 9-19 Internal block diagram
Block Diagram
H_17370_075.eps
100807
Block Diagram
H_17370_074.eps
100807

Spare Parts List EN 107LC7.5E LA 10.
10. Spare Parts List
Index of this chapter:
10.1 Set Level
10.2 Small Signal Board [B]
10.1 Set Level
Table 10-1 32PFL7762D/05 (Alt. BOM 1)
Table 10-2 32PFL7762D/12 (Alt. BOM 1)
Table 10-3 32PFL7962D/05 (Alt. BOM 1)
Table 10-4 32PFL7962D/12 (Alt. BOM 1)
Table 10-5 42PFL7762D/05 (Alt. BOM 1)
Table 10-6 42PFL7762D/12 (Alt. BOM 1)
Item Philips 12NC Description
0815 Proc. main SW Download from website
0816 Proc. NVM SW Download from website
0851 IBOZ main SW Download from website
0852 IBOZ NVM SW Download from website
0006 313926886261 Front cabinet 32”
0011 313926886131 Back cover 32"
0260 313918758081 Stand assy
1004 932224865682 LCD V315B1-L05 (CMO)
1005 313912878452 Power Supply Unit Delta
1112 313926805931 IR/LED assy
1114 313926805921 Keyboard Control assy
1116 313926852541 Side IO Bracket assy
5213 242226400639 Speaker 12 ohm 10W FULR
5215 242226400642 Speaker 12 ohm 15W TWT
5226 242226400641 Speaker 24 ohm 15W WFR
8304 313917100081 Cbl. 4p/480+820/2FT Fer
8305 310431106541 Cable 10p/560/10p
8308 310431108061 Cable 2p3/120/Inlet
8319 310431112441 Cable 14P/220/14P KR
8B12 313917100221 Cable 09P/400+220/3+6P
8B13 313917100151 Cable 08P/220/08P
8M01 310431112371 Cable 3p/80/3p
8M20 310431103811 Cable 7p/480/7p Wh
8N01 313917100201 Cable 21p/200/21p
8R01 313913109981 Cable FX15 41p/180/51p
8R04 310431107001 Cable 11p/400/11p
Item Philips 12NC Description
0815 Proc. main SW Download from website
0816 Proc. NVM SW Download from website
0851 IBOZ main SW Download from website
0852 IBOZ NVM SW Download from website
0006 313926886261 Front cabinet 32”
0011 313926886131 Back cover 32"
0260 313918758081 Stand assy
1004 932224865682 LCD V315B1-L05 (CMO)
1005 313912878452 Power Supply Unit Delta
1112 313926805931 IR/LED assy
1114 313926805921 Keyboard Control assy
1116 313926852541 Side IO Bracket assy
5213 242226400639 Speaker 12 ohm 10W FULR
5215 242226400642 Speaker 12 ohm 15W TWT
5226 242226400641 Speaker 24 ohm 15W WFR
8304 313917100081 Cbl. 4p/480+820/2FT Fer
8305 310431106541 Cable 10p/560/10p
8308 310431108061 Cable 2p3/120/Inlet
8319 310431112441 Cable 14P/220/14P KR
8B12 313917100221 Cable 09P/400+220/3+6P
8B13 313917100151 Cable 08P/220/08P
8M01 310431112371 Cable 3p/80/3p
8M20 310431103811 Cable 7p/480/7p Wh
8N01 313917100201 Cable 21p/200/21p
8R01 313913109981 Cable FX15 41p/180/51p
8R04 310431107001 Cable 11p/400/11p
Item Philips 12NC Description
0815 Proc. main SW Download from website
0816 Proc. NVM SW Download from website
0851 IBOZ main SW Download from website
0852 IBOZ NVM SW Download from website
0006 313926886401 Front cabinet 32"
0011 313926886141 Back cover 32"
0260 313918758081 Stand assy
1004 932224865682 LCD V315B1-L05 (CMO)
1005 313912878452 Power Supply Unit Delta
1112 313926805931 IR/LED assy
1114 313926805921 Keyboard Control assy
1116 313926852541 Side IO Bracket assy
5213 242226400639 Speaker 12 ohm 10W FULR
5215 242226400642 Speaker 12 ohm 15W TWT
5226 242226400641 Speaker 24 ohm 15W WFR
8116 313917100261 Cable 08P/400+400/4+4P
8304 313917100081 Cbl. 4p/480+820/2FT Fer
8305 310431106541 Cable 10p/560/10p
8308 310431108061 Cable 2p3/120/Inlet
8319 310431112441 Cable 14P/220/14P KR
8B12 313917100221 Cable 09P/400+220/3+6P
8B13 313917100151 Cable 08P/220/08P
8M01 310431112371 Cable 3p/80/3p
8M20 310431103811 Cable 7p/480/7p Wh
8N01 313917100201 Cable 21p/200/21p
8R01 313913109981 Cable FX15 41p/180/51p
8R04 310431107001 Cable 11p/400/11p
Item Philips 12NC Description
0815 Proc. main SW Download from website
0816 Proc. NVM SW Download from website
0851 IBOZ main SW Download from website
0852 IBOZ NVM SW Download from website
0006 313926886401 Front cabinet 32"
0011 313926886141 Back cover 32"
0260 313918758081 Stand assy
1004 932224865682 LCD V315B1-L05 (CMO)
1005 313912878452 Power Supply Unit Delta
1112 313926805931 IR/LED assy
1114 313926805921 Keyboard Control assy
1116 313926852541 Side IO Bracket assy
5213 242226400639 Speaker 12 ohm 10W FULR
5215 242226400642 Speaker 12 ohm 15W TWT
5226 242226400641 Speaker 24 ohm 15W WFR
8116 313917100261 Cable 08P/400+400/4+4P
8304 313917100081 Cbl. 4p/480+820/2FT Fer
8305 310431106541 Cable 10p/560/10p
8308 310431108061 Cable 2p3/120/Inlet
8319 310431112441 Cable 14P/220/14P KR
8B12 313917100221 Cable 09P/400+220/3+6P
8B13 313917100151 Cable 08P/220/08P
8M01 310431112371 Cable 3p/80/3p
8M20 310431103811 Cable 7p/480/7p Wh
8N01 313917100201 Cable 21p/200/21p
8R01 313913109981 Cable FX15 41p/180/51p
8R04 310431107001 Cable 11p/400/11p
Item Philips 12NC Description
0815 Proc. main SW Download from website
0816 Proc. NVM SW Download from website
0851 IBOZ main SW Download from website
0852 IBOZ NVM SW Download from website
0006 313926886241 Front Cabinet 42"
0011 313926886111 Back Cover 42"
0158 310430891131 Mushroom screw
0164 313918758641 Fixation bracket assy L/R
0260 313918757681 Stand assy
1004 932225410682 LCD T420HW01V2 (AUOP)
1005 312242724573 PSU PLCD300P3
1112 313926805931 IR/LED assy
1114 313926805921 Keyboard Control assy
1116 313926852551 Side I/O assy
5213 242226400639 Speaker 12 ohm 10W FULR
5215 242226400642 Speaker 12 ohm 15W TWT
5226 242226400641 Speaker 24 ohm 15W WFR
8304 313917100231 Cbl. 4p/480+1k0/2Ft
8305 310431106091 Cable 10p/680/10p
8308 310431108061 Cable 2p3/120/Inlet
8316 310431108191 Cable 12p/1200/12p
8319 310431112481 Cable 14p/400/14p
8B12 313917100141 Cable 09P/560+400/3+6P
8B13 313917100161 Cable PH 08P/400/08P
8M01 310431112371 Cable 3p/80/3p
8M20 310431104341 Cable 7p/560/7p
8N01 313913109961 Cable 21p/300/21p
8R01 313913109781 Cable FX15 41p/280/51p
8R04 310431108031 Cable 11p/480/11p
Item Philips 12NC Description
0815 Proc. main SW Download from website
0816 Proc. NVM SW Download from website
0851 IBOZ main SW Download from website
0852 IBOZ NVM SW Download from website
0006 313926886241 Front Cabinet 42"
0011 313926886111 Back Cover 42"
0025 313917817781 Control knob assy
0158 310430891131 Mushroom screw
0164 313918758641 Fixation bracket assy L/R
0260 313918757681 Stand assy
1004 932225410682 LCD T420HW01V2 (AUOP)
1005 312242724573 PSU PLCD300P3
1112 313926805931 IR/LED assy
1114 313926805921 Keyboard Control assy
1116 313926852551 Side I/O assy
5213 242226400639 Speaker 12 ohm 10W FULR
5215 242226400642 Speaker 12 ohm 15W TWT
5226 242226400641 Speaker 24 ohm 15W WFR
8304 313917100231 Cbl. 4p/480+1k0/2Ft
8305 310431106091 Cable 10p/680/10p
8308 310431108061 Cable 2p3/120/Inlet
8316 310431108191 Cable 12p/1200/12p
8319 310431112481 Cable 14p/400/14p
8B12 313917100141 Cable 09P/560+400/3+6P
8B13 313917100161 Cable PH 08P/400/08P
8M01 310431112371 Cable 3p/80/3p
8M20 310431104341 Cable 7p/560/7p
8N01 313913109961 Cable 21p/300/21p
8R01 313913109781 Cable FX15 41p/280/51p
8R04 310431108031 Cable 11p/480/11p

Spare Parts List
EN 108 LC7.5E LA10.
Table 10-7 42PFL7962D/05 (Alt. BOM 1)
Table 10-8 42PFL7962D/12 (Alt. BOM 1)
10.2 Small Signal Board [B]
Table 10-9 SSB: 32 and 42PFL7762D/
05 (3139 268 52891)
Item Philips 12NC Description
0815 Proc. main SW Download from website
0816 Proc. NVM SW Download from website
0851 IBOZ main SW Download from website
0852 IBOZ NVM SW Download from website
0006 313926886411 Front cabinet 42"
0011 313926886101 Back cover 42"
0158 310430891131 Mushroom screw
0164 313918758641 Fixation bracket assy L/R
0260 313918757681 Stand assy
1004 932225410682 LCD T420HW01V2 (AUOP)
1005 312242724573 PSU PLCD300P3
1112 313926805931 IR/LED assy
1114 313926805921 Keyboard Control assy
1116 313926852551 Side I/O assy
5213 242226400639 Speaker 12 ohm 10W FULR
5215 242226400642 Speaker 12 ohm 15W TWT
5226 242226400641 Speaker 24 ohm 15W WFR
8304 313917100231 Cbl. 4p/480+1k0/2Ft
8305 310431106091 Cable 10p/680/10p
8308 310431108061 Cable 2p3/120/Inlet
8316 310431108191 Cable 12p/1200/12p
8319 310431112481 Cable 14p/400/14p
8321 313917100211 Cable 8p/480+480/4+4p
8B12 313917100141 Cable 09P/560+400/3+6P
8B13 313917100161 Cable PH 08P/400/08P
8M01 310431112371 Cable 3p/80/3p
8M20 310431104341 Cable 7p/560/7p
8N01 313913109961 Cable 21p/300/21p
8R01 313913109781 Cable FX15 41p/280/51p
8R04 310431108031 Cable 11p/480/11p
Item Philips 12NC Description
0815 Proc. main SW Download from website
0816 Proc. NVM SW Download from website
0851 IBOZ main SW Download from website
0852 IBOZ NVM SW Download from website
0006 313926886411 Front cabinet 42"
0011 313926886101 Back cover 42"
0025 313917817781 Control knob assy
0158 310430891131 Mushroom screw
0164 313918758641 Fixation bracket assy L/R
0260 313918757681 Stand assy
1004 932225410682 LCD T420HW01V2 (AUOP)
1005 312242724573 PSU PLCD300P3
1112 313926805931 IR/LED assy
1114 313926805921 Keyboard Control assy
1116 313926852551 Side I/O assy
5213 242226400639 Speaker 12 ohm 10W FULR
5215 242226400642 Speaker 12 ohm 15W TWT
5226 242226400641 Speaker 24 ohm 15W WFR
8304 313917100231 Cbl. 4p/480+1k0/2Ft
8305 310431106091 Cable 10p/680/10p
8308 310431108061 Cable 2p3/120/Inlet
8316 310431108191 Cable 12p/1200/12p
8319 310431112481 Cable 14p/400/14p
8321 313917100211 Cable 8p/480+480/4+4p
8B12 313917100141 Cable 09P/560+400/3+6P
8B13 313917100161 Cable PH 08P/400/08P
8M01 310431112371 Cable 3p/80/3p
8M20 310431104341 Cable 7p/560/7p
8N01 313913109961 Cable 21p/300/21p
8R01 313913109781 Cable FX15 41p/280/51p
8R04 310431108031 Cable 11p/480/11p
Item Philips 12NC Description
0233 313918758541 Top shield assy
0237 313918758531 Bottom shield assy
0476 310430312201 EMC foam 2.3x2.3x32.5
1101 311229714001 Tuner TD1316AF/IHP-2
1102 932204272682 SAW 38MHz9 K3953M
1103 242254944341 SAW 38MHz9 K9656M
1104 242254301386 Xtal 4MHz00 20pF SMD-49
1301 242254301526 Crystal 12pF 10MHz
1304 242202518131 Conn. 11p m 2.00 Wh
1305 242202518129 Conn. 10p m 2.00 Wh
1314 242202605905 Sock. Phone 1p f 3.5
1411 242254301461 Xtal 18.432MHz 12pF
1504 242202520251 Sock. SCART 21p f Bk
1506 242202520251 Sock. SCART 21p f Bk
1601 242203300675 Sock. 2p f CINCH/MDIN
1615 242202605985 Sock. CINCH 4p f 2L2
2112 202055200211 22uF 10% 16V 1210
2113 319801731030 10nF 20% 50V 0603
2117 319801731030 10nF 20% 50V 0603
2118 319801731030 10nF 20% 50V 0603
2120 202055200211 22uF 10% 16V 1210
2121 319801631590 15pF 10% 50V 0603
2122 319801631590 15pF 10% 50V 0603
2123 319801731520 1.5nF 20% 50V 0603
2125 319801744740 470pF 5% 10V 0603
2126 319801742240 220nF 16V Y5V 0603
2127 319801632290 22pF 10% 50V 0603
2128 319801731030 10nF 20% 50V 0603
2129 202055200211 22uF 10% 16V 1210
2130 319801731030 10nF 20% 50V 0603
2131 202055200211 22uF 10% 16V 1210
2132 202055200211 22uF 10% 16V 1210
2133 319801731030 10nF 20% 50V 0603
2136 319801744740 470pF 5% 10V 0603
2137 319801731030 10nF 20% 50V 0603
2138 319801731030 10nF 20% 50V 0603
2139 319801633910 390pF 50V NP0 0603
2143 319801731020 1nF 50V 0603
2145 319801731020 1nF 50V 0603
2146 319801741050 1uF 5% 10V 0603
2147 223878619856 330nF 20% 160V 0603
2148 319801731040 100nF 16V 0603
2149 319802752280 2.2uF 10V X5R 0603
2310 319801731040 100nF 16V 0603
2311 202055200291 10uF 20% 6.3V 0603
2312 319801731040 100nF 16V 0603
2313 319801731040 100nF 16V 0603
2314 319801631590 15pF 10% 50V 0603
2315 319801731040 100nF 16V 0603
2316 319801631590 15pF 10% 50V 0603
2317 319801731040 100nF 16V 0603
2318 319801731040 100nF 16V 0603
2320 319801731040 100nF 16V 0603
2323 319801731040 100nF 16V 0603
2324 202055296807 1uF 5% 10V 0603
2327 319801731030 10nF 20% 50V 0603
2329 319801731020 1nF 50V 0603
2330 319801731020 1nF 50V 0603
2331 319801731020 1nF 50V 0603
2332 319801731020 1nF 50V 0603
2333 319801731020 1nF 50V 0603
2335 319801731020 1nF 50V 0603
2336 319801731020 1nF 50V 0603
2337 319801731020 1nF 50V 0603
2338 319801732240 220nF 20% 10V 0603
2341 319802341040 100nF 10% 100V 0603
2408 319801734710 470pF 50V X7R 0603
2409 319801731520 1.5nF 20% 50V 0603
2410 202002100215 220uF 20% 25V
2411 202055200291 10uF 20% 6.3V 0603
2412 319801632210 220pF 10% 50V 0603
2413 319801632210 220pF 10% 50V 0603
2414 202055200291 10uF 20% 6.3V 0603
2415 319801633380 3.3pF 50V 0603
2416 319801633380 3.3pF 50V 0603
2417 319801733310 330pF 50V X7R 0603
2418 319801733310 330pF 50V X7R 0603
2419 319801731040 100nF 16V 0603
2420 319803041090 10pF 20% 16V
2421 319801633310 330pF 1% 50V 0603
2422 319801633310 330pF 1% 50V 0603
2423 319803041090 10pF 20% 16V
2424 202055200291 10uF 20% 6.3V 0603
2425 202055200291 10uF 20% 6.3V 0603
2426 202055200291 10uF 20% 6.3V 0603
2427 202055200291 10uF 20% 6.3V 0603
2428 319801631010 100pF 10% 50V 0603
2429 319801631010 100pF 10% 50V 0603
2430 319801631010 100pF 10% 50V 0603
2431 319801631010 100pF 10% 50V 0603
2432 319801635690 56pF 10% 50V 0603
2433 319801633310 330pF 1% 50V 0603
2434 319801633310 330pF 1% 50V 0603
2435 319801633310 330pF 1% 50V 0603
2436 202055200291 10uF 20% 6.3V 0603
2437 202055200291 10uF 20% 6.3V 0603
2438 319801731040 100nF 16V 0603
2439 202055200247 470nF 10% 25V 0603
2440 202055200247 470nF 10% 25V 0603
2441 319801731520 1.5nF 20% 50V 0603
2442 319801734710 470pF 50V X7R 0603
2443 319801731520 1.5nF 20% 50V 0603
2444 319801734710 470pF 50V X7R 0603
2445 319801731040 100nF 16V 0603
2502 319801733310 330pF 50V X7R 0603
2506 319801733310 330pF 50V X7R 0603
2508 319801733310 330pF 50V X7R 0603
2509 319801732240 220nF 20% 10V 0603
2512 319801731020 1nF 50V 0603
2514 319801733310 330pF 50V X7R 0603
2515 319801732240 220nF 20% 10V 0603
2517 319801731020 1nF 50V 0603
2518 319801732240 220nF 20% 10V 0603
2520 319801731020 1nF 50V 0603
2521 319801732240 220nF 20% 10V 0603
2523 319801731020 1nF 50V 0603
2525 319801732240 220nF 20% 10V 0603
2533 319801732240 220nF 20% 10V 0603
2534 319801732240 220nF 20% 10V 0603
2536 319801732240 220nF 20% 10V 0603
2607 319801732240 220nF 20% 10V 0603
2608 319801733320 3.3nF 50V 0603
2610 319801732240 220nF 20% 10V 0603
2612 319801733320 3.3nF 50V 0603
2613 319801731040 100nF 16V 0603
2614 319801731040 100nF 16V 0603
2615 319801731040 100nF 16V 0603
2901 319801633390 33pF 50V NP0 0603
2902 319801744740 470pF 5% 10V 0603
2904 319801744740 470pF 5% 10V 0603
2905 319801633390 33pF 50V NP0 0603
2907 319801744740 470pF 5% 10V 0603
2908 319801732240 220nF 20% 10V 0603
2913 319801732240 220nF 20% 10V 0603
2915 319803024790 47uF 20% 6.3V
2916 319803024790 47uF 20% 6.3V
3110 319802138220 8.2k Ohm 5% 0.062W 0603
3111 319802135620 5.6k Ohm 5% 0.062W 0603
3113 319802136820 6.8k Ohm 5% 0603
3115 319802133930 39k Ohm 5% 0.062W 0605
3117 319802132220 2.2k Ohm 5% 0603
3118 319802132220 2.2k Ohm 5% 0603
Item Philips 12NC Description

Spare Parts List EN 109LC7.5E LA 10.
3119 319802132230 22k Ohm 5% 0603
3123 319802133310 330 Ohm 5% 0.062W 0603
3124 319802131010 100 Ohm 5% 0.062W 0603
3125 319802131510 150 Ohm 5% 0603
3126 319802131810 180 Ohm 5% 0.062W 0603
3127 319802135620 5.6k Ohm 5% 0.062W 0603
3133 212010894132 1 Ohm 1206
3134 212010894132 1 Ohm 1206
3135 319802131590 15 Ohm 5% 0.062W 0603
3136 232276260479 47Ohm 5% 2512
3137 232276260479 47Ohm 5% 2512
3140 319802131510 150 Ohm 5% 0603
3151 319802131010 100 Ohm 5% 0.062W 0603
3152 319802131010 100 Ohm 5% 0.062W 0603
3188 319802131830 18k Ohm 5% 0603
3193 319802132230 22k Ohm 5% 0603
3194 319802132230 22k Ohm 5% 0603
3195 319802131830 18k Ohm 5% 0603
3300 319802131220 1.2k Ohm 5% 0.062W 0603
3303 319802131010 100 Ohm 5% 0.062W 0603
3306 319802131020 1k Ohm 5% 0.062W 0603
3310 319802131020 1k Ohm 5% 0.062W 0603
3313 319802133310 330 Ohm 5% 0.062W 0603
3314 319802131030 10k Ohm 5% 0.062W 0603
3315 319802131010 100 Ohm 5% 0.062W 0603
3316 319802131030 10k Ohm 5% 0.062W 0603
3317 319802133310 330 Ohm 5% 0.062W 0603
3318 319802131010 100 Ohm 5% 0.062W 0603
3319 319802131030 10k Ohm 5% 0.062W 0603
3320 319802131010 100 Ohm 5% 0.062W 0603
3322 319802131010 100 Ohm 5% 0.062W 0603
3323 319802131010 100 Ohm 5% 0.062W 0603
3324 319802131030 10k Ohm 5% 0.062W 0603
3325 319802131030 10k Ohm 5% 0.062W 0603
3329 319802131010 100 Ohm 5% 0.062W 0603
3336 319802131010 100 Ohm 5% 0.062W 0603
3338 319802131010 100 Ohm 5% 0.062W 0603
3339 319802131010 100 Ohm 5% 0.062W 0603
3340 319802131010 100 Ohm 5% 0.062W 0603
3341 319802131010 100 Ohm 5% 0.062W 0603
3343 319802131010 100 Ohm 5% 0.062W 0603
3345 319802131010 100 Ohm 5% 0.062W 0603
3346 319802131010 100 Ohm 5% 0.062W 0603
3347 319802131030 10k Ohm 5% 0.062W 0603
3348 319802134790 47 Ohm 5% 0603
3349 319802131030 10k Ohm 5% 0.062W 0603
3350 319802131030 10k Ohm 5% 0.062W 0603
3351 319802133320 3.3k Ohm 5% 0.062W 0603
3352 319802133320 3.3k Ohm 5% 0.062W 0603
3353 319802131030 10k Ohm 5% 0.062W 0603
3354 319802131010 100 Ohm 5% 0.062W 0603
3355 319802131010 100 Ohm 5% 0.062W 0603
3357 319802131010 100 Ohm 5% 0.062W 0603
3359 319802134720 4.7k Ohm 5% 0603
3360 319802134720 4.7k Ohm 5% 0603
3361 319802133320 3.3k Ohm 5% 0.062W 0603
3362 319802133320 3.3k Ohm 5% 0.062W 0603
3380 319802131010 100 Ohm 5% 0.062W 0603
3382 319802131010 100 Ohm 5% 0.062W 0603
3384 319802132290 22 Ohm 5% 0603
3386 319802131010 100 Ohm 5% 0.062W 0603
3387 319802131010 100 Ohm 5% 0.062W 0603
3388 319802131010 100 Ohm 5% 0.062W 0603
3389 319802134790 47 Ohm 5% 0603
3390 319802134790 47 Ohm 5% 0603
3391 319802134790 47 Ohm 5% 0603
3393 319802131530 15k Ohm 5% 0603
3395 319802131520 1.5k Ohm 5% 0.062W 0603
3396 319802131020 1k Ohm 5% 0.062W 0603
3397 319802134730 47k Ohm 5% 0603
3398 319802131040 100k Ohm 5% 0.062W 0603
3399 319802131030 10k Ohm 5% 0.062W 0603
3402 212010894132 1 Ohm 1206
3410 319802131010 100 Ohm 5% 0.062W 0603
Item Philips 12NC Description
3411 319802131010 100 Ohm 5% 0.062W 0603
3417 319802131010 100 Ohm 5% 0.062W 0603
3418 319802131010 100 Ohm 5% 0.062W 0603
3419 319802131010 100 Ohm 5% 0.062W 0603
3420 319802131010 100 Ohm 5% 0.062W 0603
3500 319802131510 150 Ohm 5% 0603
3502 319802131510 150 Ohm 5% 0603
3503 319802131510 150 Ohm 5% 0603
3506 319802131510 150 Ohm 5% 0603
3507 319802131510 150 Ohm 5% 0603
3508 319802133330 33k Ohm 5% 0.062W 0603
3510 319802131510 150 Ohm 5% 0603
3511 319802133330 33k Ohm 5% 0.062W 0603
3512 319802131510 150 Ohm 5% 0603
3513 319802133330 33k Ohm 5% 0.062W 0603
3514 319802131510 150 Ohm 5% 0603
3515 319802133330 33k Ohm 5% 0.062W 0603
3516 319802131010 100 Ohm 5% 0.062W 0603
3517 319802137590 75 Ohm 5% 0603
3518 319802132730 27k Ohm 5% 0603
3519 319802131590 15 Ohm 5% 0.062W 0603
3520 319802136820 6.8k Ohm 5% 0603
3521 319802131020 1k Ohm 5% 0.062W 0603
3522 319802136890 68 Ohm 5% 0.062W 0603
3523 319802131010 100 Ohm 5% 0.062W 0603
3524 319802131590 15 Ohm 5% 0.062W 0603
3525 319802131020 1k Ohm 5% 0.062W 0603
3526 319802137590 75 Ohm 5% 0603
3528 319802131010 100 Ohm 5% 0.062W 0603
3529 319802131010 100 Ohm 5% 0.062W 0603
3530 319802137590 75 Ohm 5% 0603
3531 319802137590 75 Ohm 5% 0603
3532 319802131020 1k Ohm 5% 0.062W 0603
3533 319802137590 75 Ohm 5% 0603
3535 319802136890 68 Ohm 5% 0.062W 0603
3536 319802131020 1k Ohm 5% 0.062W 0603
3537 319802131020 1k Ohm 5% 0.062W 0603
3538 319802134720 4.7k Ohm 5% 0603
3540 319802134720 4.7k Ohm 5% 0603
3545 319802131010 100 Ohm 5% 0.062W 0603
3546 319802137590 75 Ohm 5% 0603
3550 319802132730 27k Ohm 5% 0603
3551 319802136820 6.8k Ohm 5% 0603
3552 319802131010 100 Ohm 5% 0.062W 0603
3553 319802137590 75 Ohm 5% 0603
3554 319802136890 68 Ohm 5% 0.062W 0603
3555 319802136890 68 Ohm 5% 0.062W 0603
3600 319802131010 100 Ohm 5% 0.062W 0603
3601 319802137590 75 Ohm 5% 0603
3602 319802131010 100 Ohm 5% 0.062W 0603
3603 319802137590 75 Ohm 5% 0603
3604 319802137590 75 Ohm 5% 0603
3605 319802137590 75 Ohm 5% 0603
3607 319802131510 150 Ohm 5% 0603
3608 319802133330 33k Ohm 5% 0.062W 0603
3609 319802137590 75 Ohm 5% 0603
3611 319802131510 150 Ohm 5% 0603
3612 319802133330 33k Ohm 5% 0.062W 0603
3617 319802133390 33 Ohm 5% 0.062W 0603
3618 319802133390 33 Ohm 5% 0.062W 0603
3619 319802133390 33 Ohm 5% 0.062W 0603
3620 319802134720 4.7k Ohm 5% 0603
3901 319802134730 47k Ohm 5% 0603
3902 232270260124 120k Ohm 5% 0603
3904 319802133390 33 Ohm 5% 0.062W 0603
3905 319802134730 47k Ohm 5% 0603
3906 319802131040 100k Ohm 5% 0.062W 0603
3907 319802131040 100k Ohm 5% 0.062W 0603
3908 232270260124 120k Ohm 5% 0603
3910 319802133390 33 Ohm 5% 0.062W 0603
3911 319802131030 10k Ohm 5% 0.062W 0603
3912 319802131030 10k Ohm 5% 0.062W 0603
3913 319802131020 1k Ohm 5% 0.062W 0603
3914 319802131020 1k Ohm 5% 0.062W 0603
Item Philips 12NC Description
3915 319802131020 1k Ohm 5% 0.062W 0603
3916 319802131020 1k Ohm 5% 0.062W 0603
3917 319802131020 1k Ohm 5% 0.062W 0603
3918 319802131020 1k Ohm 5% 0.062W 0603
3942 319802131030 10k Ohm 5% 0.062W 0603
3943 319802132230 22k Ohm 5% 0603
4112 319802190030 Jumper 0603
4115 319802190030 Jumper 0603
4116 319802190030 Jumper 0603
4117 319802190030 Jumper 0603
4118 319802190030 Jumper 0603
4119 319802190030 Jumper 0603
4123 319802190030 Jumper 0603
4124 319802190030 Jumper 0603
4125 319802190030 Jumper 0603
4309 319802190030 Jumper 0603
4310 319802190030 Jumper 0603
4316 319802190030 Jumper 0603
4326 319802190030 Jumper 0603
4401 319802190030 Jumper 0603
4402 319802190030 Jumper 0603
4409 319802190030 Jumper 0603
4410 319802190030 Jumper 0603
4412 319802190030 Jumper 0603
4602 319802190030 Jumper 0603
4703 319802190030 Jumper 0603
4704 319802190030 Jumper 0603
4705 319802190030 Jumper 0603
4706 319802190030 Jumper 0603
4707 319802190030 Jumper 0603
4708 319802190030 Jumper 0603
4709 319802190030 Jumper 0603
4710 319802190030 Jumper 0603
4711 319802190030 Jumper 0603
4712 319802190030 Jumper 0603
4713 319802190030 Jumper 0603
4714 319802190030 Jumper 0603
4715 319802190030 Jumper 0603
4716 319802190030 Jumper 0603
4717 319802190030 Jumper 0603
4718 319802190030 Jumper 0603
4719 319802190030 Jumper 0603
4720 319802190030 Jumper 0603
4721 319802190030 Jumper 0603
4722 319802190030 Jumper 0603
4723 319802190030 Jumper 0603
4724 319802190030 Jumper 0603
4725 319802190030 Jumper 0603
4726 319802190030 Jumper 0603
5111 242253601057 0.39uH 5% 0603
5112 242254901582 Bead 0603 33R at 100MHz
5114 242253601521 Ind. 10uH 10% 1207
5115 242253601521 Ind. 10uH 10% 1207
5118 242254901582 Bead 0603 33R at 100MHz
5120 319801890030 120 Ohm 100MHz 0603
5121 319801890030 120 Ohm 100MHz 0603
5301 242254942979 Ind. 100MHz 60Ohm 0603
5302 242254942979 Ind. 100MHz 60Ohm 0603
5304 242254901582 Bead 0603 33R at 100MHz
5306 242254943276 Ind. 100MHz 30 Ohm 0603
5401 319801890030 120 Ohm 100MHz 0603
5402 319801890030 120 Ohm 100MHz 0603
5403 319801862290 22uH 5% 1008
5601 242254901582 Bead 0603 33R at 100MHz
6103 932210737685 1SS356
6110 319801010630 BAS316
6301 319801010630 BAS316
6306 934058419115 PESD3V3L1BA
6307 934058419115 PESD3V3L1BA
6318 319802058280 BZX384-C8V2
6512 932220595685 1N4148WS-V
6513 932220595685 1N4148WS-V
6919 319801010630 BAS316
7109 319801042030 BC847B
Item Philips 12NC Description

Spare Parts List
EN 110 LC7.5E LA10.
7111 933715320118 74HCT4053D (PHSE
7113 935272371118 TDA9886T/V4
7114 319801042030 BC847B
7133 932210447668 L78M05CDT
7134 319801042030 BC847B
7302 935275998118 PCA9515ADP
7303 935275998118 PCA9515ADP
7308 319801042310 BC847BW
7310 For SW see item 0815
7311 932224553671 M30300SAGP
7312 932222946685 BD45275G
7314 319801042310 BC847BW
7317 319801042310 BC847BW
7322 319801044110 PDTC114ET
7323 932224685685 NL27WZ08USG
7410 932219811685 L78L08ACU
7411 932225185671 MSP4450K-VK-E8-001
7500 319801042030 BC847B
7502 319801042320 BC857BW
7503 319801042030 BC847B
7504 319801042320 BC857BW
7601 935277231125 74LVC1G3157GW
7603 319801044110 PDTC114ET
7901 932218305668 TS482ID
7902 319801042320 BC857BW
7911 319801042310 BC847BW
7912 319801042310 BC847BW
7913 319801042310 BC847BW
7914 319801042310 BC847BW
7915 319801042310 BC847BW
7916 319801042310 BC847BW
7922 319801042310 BC847BW
1A01 242202518123 Conn. 4p m 2.00 Wh
1A02 242202518122 Conn. 3p m 2.00 Wh
1A03 242202518122 Conn. 3p m 2.00 Wh
1B12 242202518125 Conn. 6p m 2.00 Wh
1B13 242202518127 Conn. 8p m 2.00 Wh
1C24 242254301624 Xtal 24MHz 18pF NX5032
1J14 242202605905 Sock. Phone 1p f 3.5
1K00 242202520413 Sock. PCMCIA 68p f 1.27
1L20 242202518126 Conn. 7p m 2.00 Wh
1M02 242203300618 Sock. HDMI 19p f SM
1M03 242203300618 Sock. HDMI 19p f SM
1N01 242202520569 Conn. 21p f 0.5
1N02 242254301517 Xtal 28M322 18pF NX5032
1R01 242202520345 Conn. 41p f 1.00 FX15S
1R02 242254945325 Bead 67 Ohm at 100MHz
1R03 242254945325 Bead 67 Ohm at 100MHz
1R04 242254945325 Bead 67 Ohm at 100MHz
1R05 242254945325 Bead 67 Ohm at 100MHz
1R06 242254945325 Bead 67 Ohm at 100MHz
1R08 242254945325 Bead 67 Ohm at 100MHz
1R09 242254945325 Bead 67 Ohm at 100MHz
1R10 242254945325 Bead 67 Ohm at 100MHz
1R11 242254945325 Bead 67 Ohm at 100MHz
1R12 242254945325 Bead 67 Ohm at 100MHz
2A01 319801731040 100nF 16V 0603
2A02 319801731040 100nF 16V 0603
2A04 202002100215 220uF 20% 25V
2A08 202002100215 220uF 20% 25V
2A09 319801731040 100nF 16V 0603
2A10 319801731040 100nF 16V 0603
2A11 319802751080 1uF 10V X5R 0603
2A12 319801632210 220pF 10% 50V 0603
2A13 319801742240 220nF 16V Y5V 0603
2A14 202055200247 470nF 10% 25V 0603
2A15 319802751080 1uF 10V X5R 0603
2A16 319802751080 1uF 10V X5R 0603
2A17 319801631020 1nF 25V 0603
2A18 319801631020 1nF 25V 0603
2A19 319801632210 220pF 10% 50V 0603
2A20 319802751080 1uF 10V X5R 0603
2A21 319801631020 1nF 25V 0603
2A22 319801731040 100nF 16V 0603
Item Philips 12NC Description
2A23 319801631020 1nF 25V 0603
2A24 319801731040 100nF 16V 0603
2A25 319801731530 15nF 50V 0603
2A26 319801742240 220nF 16V Y5V 0603
2A27 319801731530 15nF 50V 0603
2A28 202055200247 470nF 10% 25V 0603
2A29 319801731040 100nF 16V 0603
2A30 319801731040 100nF 16V 0603
2A31 319801631020 1nF 25V 0603
2A32 319801631020 1nF 25V 0603
2A33 319801731040 100nF 16V 0603
2A34 319801731040 100nF 16V 0603
2A35 319801631020 1nF 25V 0603
2A36 319801631020 1nF 25V 0603
2A37 319801742240 220nF 16V Y5V 0603
2A38 319801742240 220nF 16V Y5V 0603
2A40 202055200247 470nF 10% 25V 0603
2A41 319802751080 1uF 10V X5R 0603
2A45 319801631020 1nF 25V 0603
2A46 319802444730 47NF Y5V 50V 0603
2A47 319802444730 47NF Y5V 50V 0603
2A51 319801731020 1nF 50V 0603
2A53 319801731020 1nF 50V 0603
2B06 319801731020 1nF 50V 0603
2B10 319803041010 1005F 20% 16V
2B12 202055200211 22uF 10% 16V 1210
2B18 319803041090 10pF 20% 16V
2B21 319801731040 100nF 16V 0603
2B22 319803074780 4.7uF 20% 35V
2B24 319803044790 47pF 20% 16V SMD
2B25 319801732210 220pF 20% 50V 0603
2B26 319801732230 22nF 20% 25V 0603
2B27 319801731030 10nF 20% 50V 0603
2B65 319801731040 100nF 16V 0603
2B66 202001200003 4705F 16V 20% SMD
2B68 319801732210 220pF 20% 50V 0603
2C01 319801631890 18pF 1% 50V 0603
2C02 319801631890 18pF 1% 50V 0603
2C03 319802341040 100nF 10% 100V 0603
2C04 319802341040 100nF 10% 100V 0603
2C05 319802341040 100nF 10% 100V 0603
2C06 319802341040 100nF 10% 100V 0603
2C07 319802341040 100nF 10% 100V 0603
2C08 319802341040 100nF 10% 100V 0603
2C09 319802341040 100nF 10% 100V 0603
2C10 319802341040 100nF 10% 100V 0603
2C11 319802341040 100nF 10% 100V 0603
2C12 319802341040 100nF 10% 100V 0603
2C13 319802341040 100nF 10% 100V 0603
2C14 319802341040 100nF 10% 100V 0603
2C15 319802341040 100nF 10% 100V 0603
2C17 319802341040 100nF 10% 100V 0603
2C18 319802341040 100nF 10% 100V 0603
2C19 319802341040 100nF 10% 100V 0603
2C20 319802341040 100nF 10% 100V 0603
2C21 319802341040 100nF 10% 100V 0603
2C22 319801731040 100nF 16V 0603
2C23 202055200291 10uF 20% 6.3V 0603
2C24 319801731040 100nF 16V 0603
2C25 319801731040 100nF 16V 0603
2C26 319801731040 100nF 16V 0603
2C27 202055200291 10uF 20% 6.3V 0603
2C28 319801731040 100nF 16V 0603
2C29 202055200291 10uF 20% 6.3V 0603
2C30 319802341040 100nF 10% 100V 0603
2C81 223858615628 2.7nF 10% 50V 0603
2C82 223858615628 2.7nF 10% 50V 0603
2D02 319801731040 100nF 16V 0603
2D03 319801731040 100nF 16V 0603
2D04 319801731030 10nF 20% 50V 0603
2D08 319801731030 10nF 20% 50V 0603
2D09 319801731030 10nF 20% 50V 0603
2D10 319801731040 100nF 16V 0603
2D11 319801634710 470pF 10% 50V 0603
Item Philips 12NC Description
2D12 319801634710 470pF 10% 50V 0603
2D14 319801731030 10nF 20% 50V 0603
2D18 202055200291 10uF 20% 6.3V 0603
2D31 319801731040 100nF 16V 0603
2D32 319801731040 100nF 16V 0603
2D33 319801731040 100nF 16V 0603
2D34 319801731040 100nF 16V 0603
2D37 319801731040 100nF 16V 0603
2D38 319801731040 100nF 16V 0603
2D39 319801731040 100nF 16V 0603
2D43 319801634710 470pF 10% 50V 0603
2D46 202055200291 10uF 20% 6.3V 0603
2D57 319801731030 10nF 20% 50V 0603
2D58 319801731030 10nF 20% 50V 0603
2D59 319801731030 10nF 20% 50V 0603
2D60 319801634710 470pF 10% 50V 0603
2D71 319803022290 ELCAP 6V3 22UF
2D72 319801731030 10nF 20% 50V 0603
2E01 202055200291 10uF 20% 6.3V 0603
2E02 319801731040 100nF 16V 0603
2E03 202055200291 10uF 20% 6.3V 0603
2E04 319801731040 100nF 16V 0603
2E05 202055200291 10uF 20% 6.3V 0603
2E06 319801731040 100nF 16V 0603
2E07 319801731040 100nF 16V 0603
2E08 319801731040 100nF 16V 0603
2E09 319801731040 100nF 16V 0603
2E10 202055200291 10uF 20% 6.3V 0603
2E11 319801731040 100nF 16V 0603
2E12 202055200291 10uF 20% 6.3V 0603
2E13 319801631010 100pF 10% 50V 0603
2E14 319801631010 100pF 10% 50V 0603
2E15 319801631010 100pF 10% 50V 0603
2E16 319801631010 100pF 10% 50V 0603
2E17 319801631010 100pF 10% 50V 0603
2E18 319801631010 100pF 10% 50V 0603
2E19 319801731040 100nF 16V 0603
2E20 202055200291 10uF 20% 6.3V 0603
2E21 319801731040 100nF 16V 0603
2E22 202055200291 10uF 20% 6.3V 0603
2E23 319801731040 100nF 16V 0603
2E24 202055200291 10uF 20% 6.3V 0603
2E25 319801731040 100nF 16V 0603
2E26 202055200291 10uF 20% 6.3V 0603
2E27 319801731040 100nF 16V 0603
2E28 202055200291 10uF 20% 6.3V 0603
2E29 319801731040 100nF 16V 0603
2E30 202055200291 10uF 20% 6.3V 0603
2E31 319801731040 100nF 16V 0603
2E32 202055200291 10uF 20% 6.3V 0603
2E33 319801731040 100nF 16V 0603
2E34 202055200291 10uF 20% 6.3V 0603
2E35 319801731040 100nF 16V 0603
2E36 319801731040 100nF 16V 0603
2E37 319801731040 100nF 16V 0603
2E38 319801731040 100nF 16V 0603
2E39 319801731040 100nF 16V 0603
2E40 319801731040 100nF 16V 0603
2E41 319801731040 100nF 16V 0603
2E42 319801731040 100nF 16V 0603
2E43 202055200291 10uF 20% 6.3V 0603
2E44 319801731040 100nF 16V 0603
2E45 319801731040 100nF 16V 0603
2E46 319801731040 100nF 16V 0603
2E47 319801731040 100nF 16V 0603
2E48 202055200291 10uF 20% 6.3V 0603
2E49 319801731040 100nF 16V 0603
2E50 319801731040 100nF 16V 0603
2E51 319801731040 100nF 16V 0603
2E52 319801731040 100nF 16V 0603
2E53 319801731040 100nF 16V 0603
2E54 319801731040 100nF 16V 0603
2E55 319801731040 100nF 16V 0603
2E56 319801731040 100nF 16V 0603
Item Philips 12NC Description

Spare Parts List EN 111LC7.5E LA 10.
2E57 202055200291 10uF 20% 6.3V 0603
2E58 319801731040 100nF 16V 0603
2E66 202055200291 10uF 20% 6.3V 0603
2E67 319801731040 100nF 16V 0603
2E68 319802702290 22uF 10% 6.3V 0805
2E69 319801731040 100nF 16V 0603
2E70 319802702290 22uF 10% 6.3V 0805
2E71 319802702290 22uF 10% 6.3V 0805
2E72 319801731040 100nF 16V 0603
2E75 319801634710 470pF 10% 50V 0603
2E76 319801634710 470pF 10% 50V 0603
2F10 319801731040 100nF 16V 0603
2F11 319803044790 47pF 20% 16V SMD
2F12 319801731040 100nF 16V 0603
2F13 319801731040 100nF 16V 0603
2F14 319801731040 100nF 16V 0603
2F15 319801731040 100nF 16V 0603
2F16 319801731040 100nF 16V 0603
2F17 319801731040 100nF 16V 0603
2F18 319801731040 100nF 16V 0603
2F19 319801731040 100nF 16V 0603
2F20 319801731040 100nF 16V 0603
2F21 319803044790 47pF 20% 16V SMD
2F22 319801731040 100nF 16V 0603
2F23 319801731040 100nF 16V 0603
2F24 319801731040 100nF 16V 0603
2F25 319801731040 100nF 16V 0603
2F26 319801731040 100nF 16V 0603
2F27 319801731040 100nF 16V 0603
2F28 319801731040 100nF 16V 0603
2F29 319801731040 100nF 16V 0603
2F30 319801731040 100nF 16V 0603
2F31 319801731040 100nF 16V 0603
2F32 319801731040 100nF 16V 0603
2F33 319801631090 10pF 10% 50V 0603
2G02 319803041090 10pF 20% 16V
2G03 319801731040 100nF 16V 0603
2G04 319801731040 100nF 16V 0603
2G05 319801731040 100nF 16V 0603
2G06 319801731040 100nF 16V 0603
2G07 319801731040 100nF 16V 0603
2G08 319801731040 100nF 16V 0603
2G09 319801731040 100nF 16V 0603
2G10 319801731040 100nF 16V 0603
2G11 319801731040 100nF 16V 0603
2G12 319801731040 100nF 16V 0603
2G13 319801731040 100nF 16V 0603
2G14 319801731040 100nF 16V 0603
2G15 319801731040 100nF 16V 0603
2G16 319801731040 100nF 16V 0603
2G17 319803041090 10pF 20% 16V
2G18 319803041090 10pF 20% 16V
2G19 319801731040 100nF 16V 0603
2G20 319801731040 100nF 16V 0603
2G21 319801731040 100nF 16V 0603
2G22 319803041090 10pF 20% 16V
2G23 319803041090 10pF 20% 16V
2G24 319803041090 10pF 20% 16V
2G32 319801731040 100nF 16V 0603
2G33 319803041090 10pF 20% 16V
2H03 319801731040 100nF 16V 0603
2H04 319801731040 100nF 16V 0603
2H06 319803041090 10pF 20% 16V
2H07 319803041090 10pF 20% 16V
2H08 319801731040 100nF 16V 0603
2H09 319801731040 100nF 16V 0603
2H10 319801731040 100nF 16V 0603
2H11 319801731040 100nF 16V 0603
2H12 319801731040 100nF 16V 0603
2H13 319801731040 100nF 16V 0603
2H14 319801732240 220nF 20% 10V 0603
2H15 319801732240 220nF 20% 10V 0603
2J01 319803041090 10pF 20% 16V
2J02 319801731040 100nF 16V 0603
Item Philips 12NC Description
2J04 319803042290 22uF 20% 16V
2J05 319803041010 1005F 20% 16V
2J06 319801731040 100nF 16V 0603
2J62 319801636890 CER1 0603 NP0 50V 68P
2J63 319801631810 180pF 10% 50V 0603
2J66 319801631810 180pF 10% 50V 0603
2J67 319801636890 CER1 0603 NP0 50V 68P
2J69 319801631810 180pF 10% 50V 0603
2J70 319801636890 CER1 0603 NP0 50V 68P
2J72 319801631810 180pF 10% 50V 0603
2J73 319801636890 CER1 0603 NP0 50V 68P
2K00 319801731040 100nF 16V 0603
2K01 319801731040 100nF 16V 0603
2K02 319801731040 100nF 16V 0603
2K03 319801731040 100nF 16V 0603
2K04 319801731040 100nF 16V 0603
2K05 319801731040 100nF 16V 0603
2K06 319803041090 10pF 20% 16V
2K07 319803041090 10pF 20% 16V
2K08 319801731040 100nF 16V 0603
2K09 319801731040 100nF 16V 0603
2K10 319801731040 100nF 16V 0603
2K11 319803041090 10pF 20% 16V
2K12 319801731040 100nF 16V 0603
2K13 319803041090 10pF 20% 16V
2K14 319801731020 1nF 50V 0603
2K15 319801631010 100pF 10% 50V 0603
2K16 319801734730 47nF 10% 16V 0603
2K17 319801734730 47nF 10% 16V 0603
2L24 319801732240 220nF 20% 10V 0603
2L25 319801732240 220nF 20% 10V 0603
2M01 202055200291 10uF 20% 6.3V 0603
2M02 202055200291 10uF 20% 6.3V 0603
2M03 319801731040 100nF 16V 0603
2M04 319801731040 100nF 16V 0603
2M05 319801731040 100nF 16V 0603
2M06 319801731040 100nF 16V 0603
2M07 202055200291 10uF 20% 6.3V 0603
2M08 202055200291 10uF 20% 6.3V 0603
2M09 319801731040 100nF 16V 0603
2M10 319801731040 100nF 16V 0603
2M11 319803041010 1005F 20% 16V
2M12 319801731040 100nF 16V 0603
2M15 202055200291 10uF 20% 6.3V 0603
2M16 319801731040 100nF 16V 0603
2M17 319801731040 100nF 16V 0603
2M19 319801731040 100nF 16V 0603
2M20 319801731040 100nF 16V 0603
2M21 319801731040 100nF 16V 0603
2N03 319803024790 47uF 20% 6.3V
2N04 319801731040 100nF 16V 0603
2N05 319801731040 100nF 16V 0603
2N06 319803024790 47uF 20% 6.3V
2N07 319801731030 10nF 20% 50V 0603
2N08 319801731030 10nF 20% 50V 0603
2N09 202055200291 10uF 20% 6.3V 0603
2N10 202055200291 10uF 20% 6.3V 0603
2N11 319803024790 47uF 20% 6.3V
2N12 319801731040 100nF 16V 0603
2N13 319801631890 18pF 1% 50V 0603
2N14 319801631890 18pF 1% 50V 0603
2N15 319801631020 1nF 25V 0603
2N16 319801731040 100nF 16V 0603
2N17 319802341040 100nF 10% 100V 0603
2N18 319801731020 1nF 50V 0603
2N20 319802341040 100nF 10% 100V 0603
2N25 319801631020 1nF 25V 0603
2N26 319801731020 1nF 50V 0603
2N27 319802341040 100nF 10% 100V 0603
2N28 319801731020 1nF 50V 0603
2N29 319801731020 1nF 50V 0603
2N30 319802341040 100nF 10% 100V 0603
2N31 319801731020 1nF 50V 0603
2N32 319801731020 1nF 50V 0603
Item Philips 12NC Description
2N33 319802341040 100nF 10% 100V 0603
2N34 319801731020 1nF 50V 0603
2N35 319802341040 100nF 10% 100V 0603
2N36 319801731040 100nF 16V 0603
2N37 319802341040 100nF 10% 100V 0603
2N38 319801731020 1nF 50V 0603
2N39 319801731020 1nF 50V 0603
2N40 319802341040 100nF 10% 100V 0603
2N41 319801731020 1nF 50V 0603
2N42 319801731020 1nF 50V 0603
2N43 319801731020 1nF 50V 0603
2N44 319801731040 100nF 16V 0603
2N45 319801731020 1nF 50V 0603
2N46 319801731020 1nF 50V 0603
2N47 319801731040 100nF 16V 0603
2N48 319801731020 1nF 50V 0603
2N49 319801631020 1nF 25V 0603
2N50 319802341040 100nF 10% 100V 0603
2N51 319801731020 1nF 50V 0603
2N52 319801731020 1nF 50V 0603
2N53 319801731040 100nF 16V 0603
2N54 319801631020 1nF 25V 0603
2N55 319801731020 1nF 50V 0603
2N56 319802341040 100nF 10% 100V 0603
2N58 319801731020 1nF 50V 0603
2N59 319801731020 1nF 50V 0603
2N60 319801731020 1nF 50V 0603
2N61 319801731020 1nF 50V 0603
2N62 319801731020 1nF 50V 0603
2N63 319801731020 1nF 50V 0603
2N64 319802341040 100nF 10% 100V 0603
2N66 319801731020 1nF 50V 0603
2N67 319801731040 100nF 16V 0603
2P07 319801731040 100nF 16V 0603
2P28 202055200211 22uF 10% 16V 1210
2P29 202055200211 22uF 10% 16V 1210
2P30 202055200211 22uF 10% 16V 1210
2P31 202055200169 1uF 25V Y5V 0603
2P32 319801733320 3.3nF 50V 0603
2P33 319801733320 3.3nF 50V 0603
2P34 202055200211 22uF 10% 16V 1210
2P35 319801731020 1nF 50V 0603
2P36 319801731040 100nF 16V 0603
2P37 319801733320 3.3nF 50V 0603
2P38 319801731020 1nF 50V 0603
2P39 319801731040 100nF 16V 0603
2P40 319801731040 100nF 16V 0603
2P41 319801731040 100nF 16V 0603
2P42 319801731040 100nF 16V 0603
2P43 319801733320 3.3nF 50V 0603
2P46 319803011010 100uF 20% 4V
2P48 319801631010 100pF 10% 50V 0603
2P49 319801631010 100pF 10% 50V 0603
2P52 319801731020 1nF 50V 0603
2P53 319801731020 1nF 50V 0603
2P54 319801731040 100nF 16V 0603
2P55 319803011010 100uF 20% 4V
2P56 319803011010 100uF 20% 4V
2P59 319803011010 100uF 20% 4V
2P61 202055200211 22uF 10% 16V 1210
2P68 319803011010 100uF 20% 4V
2P72 319803011010 100uF 20% 4V
2P73 319801732230 22nF 20% 25V 0603
2P78 202055200169 1uF 25V Y5V 0603
2R10 202055296448 1uF 10% 16V 0805
2R11 319803044790 47pF 20% 16V SMD
2R12 319801731040 100nF 16V 0603
3A01 212010894133 10 Ohm 5% 1206
3A02 212010894133 10 Ohm 5% 1206
3A03 319802131030 10k Ohm 5% 0.062W 0603
3A04 319802131230 12k Ohm 5% 0.062W 0603
3A05 232276260229 22 Ohm 5% 2512
3A06 319802131030 10k Ohm 5% 0.062W 0603
3A07 319802131030 10k Ohm 5% 0.062W 0603
Item Philips 12NC Description

Spare Parts List
EN 112 LC7.5E LA10.
3A08 319802131230 12k Ohm 5% 0.062W 0603
3A09 319802131090 TDA8932T/N1 IC
3A11 319802131030 10k Ohm 5% 0.062W 0603
3A12 319802131050 1M Ohm 5% 0603
3A13 319802133930 39k Ohm 5% 0.062W 0605
3A14 232276260229 22 Ohm 5% 2512
3A15 319802131050 1M Ohm 5% 0603
3A17 319802131090 TDA8932T/N1 IC
3A19 319802131030 10k Ohm 5% 0.062W 0603
3A26 319802134720 4.7k Ohm 5% 0603
3A27 319802132240 220k Ohm 5% 0603
3A28 319802132240 220k Ohm 5% 0603
3A29 319802134730 47k Ohm 5% 0603
3A30 319802134730 47k Ohm 5% 0603
3A31 319802131030 10k Ohm 5% 0.062W 0603
3B12 232270461502 1k5 1% 0603
3B17 319802136820 6.8k Ohm 5% 0603
3B18 319802136820 6.8k Ohm 5% 0603
3B19 319802136820 6.8k Ohm 5% 0603
3B65 319802134720 4.7k Ohm 5% 0603
3B66 232270461002 1k Ohm 1% 0603
3B68 319802131010 100 Ohm 5% 0.062W 0603
3C01 319802131050 1M Ohm 5% 0603
3C02 319802133390 33 Ohm 5% 0.062W 0603
3C03 319803111010 4*100 Ohm 5% 1206
3C04 319803111010 4*100 Ohm 5% 1206
3C05 319803111010 4*100 Ohm 5% 1206
3C06 319803111010 4*100 Ohm 5% 1206
3C08 319802131010 100 Ohm 5% 0.062W 0603
3C09 319802131010 100 Ohm 5% 0.062W 0603
3C10 319802132290 22 Ohm 5% 0603
3C19 232270464701 470 Ohm 1% 0603
3C20 319802131020 1k Ohm 5% 0.062W 0603
3C22 319802134720 4.7k Ohm 5% 0603
3C23 319802132210 220 Ohm 5% 0603
3C24 319802131010 100 Ohm 5% 0.062W 0603
3C25 319802131030 10k Ohm 5% 0.062W 0603
3C40 319802134720 4.7k Ohm 5% 0603
3C41 319802134720 4.7k Ohm 5% 0603
3C42 319802134720 4.7k Ohm 5% 0603
3D01 319803112290 4*22 Ohm 5% 1206
3D02 319803112290 4*22 Ohm 5% 1206
3D05 319803112290 4*22 Ohm 5% 1206
3D06 319803112290 4*22 Ohm 5% 1206
3D09 319802131590 15 Ohm 5% 0.062W 0603
3D10 232270465109 51 Ohm 1% 0603
3D11 319802131590 15 Ohm 5% 0.062W 0603
3D14 232270465109 51 Ohm 1% 0603
3D15 319802131020 1k Ohm 5% 0.062W 0603
3D16 319802131020 1k Ohm 5% 0.062W 0603
3D38 319802131590 15 Ohm 5% 0.062W 0603
3D40 319802131590 15 Ohm 5% 0.062W 0603
3D43 319803112290 4*22 Ohm 5% 1206
3D44 319803112290 4*22 Ohm 5% 1206
3D47 319803112290 4*22 Ohm 5% 1206
3D48 319803112290 4*22 Ohm 5% 1206
3E02 319802132290 22 Ohm 5% 0603
3E04 319802132290 22 Ohm 5% 0603
3E06 319802134720 4.7k Ohm 5% 0603
3E07 319802190030 Jumper 0603
3F10 319802134710 470 Ohm 5% 0603
3F11 319802136840 680k Ohm 5% 0.062W 0603
3F12 319802133310 330 Ohm 5% 0.062W 0603
3F13 319802132240 220k Ohm 5% 0603
3F14 319802133310 330 Ohm 5% 0.062W 0603
3F15 319802136840 680k Ohm 5% 0.062W 0603
3F16 319802133910 390 Ohm 5% 0.062W 0603
3F17 319802132240 220k Ohm 5% 0603
3F18 319802131030 10k Ohm 5% 0.062W 0603
3F19 319802134720 4.7k Ohm 5% 0603
3F20 319802134720 4.7k Ohm 5% 0603
3F21 319802133390 33 Ohm 5% 0.062W 0603
3F23 319802134720 4.7k Ohm 5% 0603
3F24 319802131040 100k Ohm 5% 0.062W 0603
Item Philips 12NC Description
3F25 319802131040 100k Ohm 5% 0.062W 0603
3F26 319802131020 1k Ohm 5% 0.062W 0603
3F28 319802131040 100k Ohm 5% 0.062W 0603
3F29 319802131040 100k Ohm 5% 0.062W 0603
3F30 319802133390 33 Ohm 5% 0.062W 0603
3F31 319803113390 4*33 Ohm 5% 1206
3F32 319803113390 4*33 Ohm 5% 1206
3F33 319802131030 10k Ohm 5% 0.062W 0603
3F34 319803113390 4*33 Ohm 5% 1206
3F40 319802131010 100 Ohm 5% 0.062W 0603
3F41 319802132720 2.7k Ohm 5% 0603
3F42 319802132720 2.7k Ohm 5% 0603
3F44 319802131010 100 Ohm 5% 0.062W 0603
3F46 319802131010 100 Ohm 5% 0.062W 0603
3F48 319802131010 100 Ohm 5% 0.062W 0603
3G11 319802131030 10k Ohm 5% 0.062W 0603
3G12 319802131030 10k Ohm 5% 0.062W 0603
3G16 319802131030 10k Ohm 5% 0.062W 0603
3G17 319802131030 10k Ohm 5% 0.062W 0603
3G19 319802131030 10k Ohm 5% 0.062W 0603
3G20 319802131030 10k Ohm 5% 0.062W 0603
3G28 319802131030 10k Ohm 5% 0.062W 0603
3G30 319802131030 10k Ohm 5% 0.062W 0603
3G31 319802131030 10k Ohm 5% 0.062W 0603
3G33 319802132290 22 Ohm 5% 0603
3G34 319802132290 22 Ohm 5% 0603
3G35 319802132290 22 Ohm 5% 0603
3G37 319802131030 10k Ohm 5% 0.062W 0603
3G38 319802131030 10k Ohm 5% 0.062W 0603
3G40 232270461202 1.2k Ohm 1%
3G41 319802131030 10k Ohm 5% 0.062W 0603
3G43 319802131010 100 Ohm 5% 0.062W 0603
3G44 319802131010 100 Ohm 5% 0.062W 0603
3G46 319802131010 100 Ohm 5% 0.062W 0603
3G47 319802131010 100 Ohm 5% 0.062W 0603
3G48 319802133390 33 Ohm 5% 0.062W 0603
3G54 319802131030 10k Ohm 5% 0.062W 0603
3G56 319803113390 4*33 Ohm 5% 1206
3G57 319803113390 4*33 Ohm 5% 1206
3G58 319803113390 4*33 Ohm 5% 1206
3G59 319803113390 4*33 Ohm 5% 1206
3G60 319802133390 33 Ohm 5% 0.062W 0603
3G61 319802133390 33 Ohm 5% 0.062W 0603
3G62 319802133390 33 Ohm 5% 0.062W 0603
3G63 319802131030 10k Ohm 5% 0.062W 0603
3H00 319802133320 3.3k Ohm 5% 0.062W 0603
3H05 319802131030 10k Ohm 5% 0.062W 0603
3H09 319802131010 100 Ohm 5% 0.062W 0603
3H10 319802131010 100 Ohm 5% 0.062W 0603
3H11 319802131030 10k Ohm 5% 0.062W 0603
3H12 319802133320 3.3k Ohm 5% 0.062W 0603
3H13 319802133320 3.3k Ohm 5% 0.062W 0603
3H14 212010894132 1 Ohm 1206
3J01 319802132230 22k Ohm 5% 0603
3J02 319802131230 12k Ohm 5% 0.062W 0603
3J03 319802131010 100 Ohm 5% 0.062W 0603
3J59 319802131810 180 Ohm 5% 0.062W 0603
3J60 319802134790 47 Ohm 5% 0603
3J61 319802131810 180 Ohm 5% 0.062W 0603
3J62 319802134790 47 Ohm 5% 0603
3J63 319802131810 180 Ohm 5% 0.062W 0603
3J64 319802134790 47 Ohm 5% 0603
3J65 319802131810 180 Ohm 5% 0.062W 0603
3J66 319802134790 47 Ohm 5% 0603
3K00 319802131010 100 Ohm 5% 0.062W 0603
3K01 319802131010 100 Ohm 5% 0.062W 0603
3K02 319803113390 4*33 Ohm 5% 1206
3K03 319803113390 4*33 Ohm 5% 1206
3K04 319802131030 10k Ohm 5% 0.062W 0603
3K05 319803113390 4*33 Ohm 5% 1206
3K06 319802131030 10k Ohm 5% 0.062W 0603
3K07 319802131030 10k Ohm 5% 0.062W 0603
3K08 319802131030 10k Ohm 5% 0.062W 0603
3K09 319802131030 10k Ohm 5% 0.062W 0603
Item Philips 12NC Description
3K10 319802131030 10k Ohm 5% 0.062W 0603
3K11 319802131030 10k Ohm 5% 0.062W 0603
3K12 319802131030 10k Ohm 5% 0.062W 0603
3K13 232270462002 2k Ohm 1% 0603
3K15 319802131030 10k Ohm 5% 0.062W 0603
3K16 319802131030 10k Ohm 5% 0.062W 0603
3K17 319802131030 10k Ohm 5% 0.062W 0603
3K18 319802131030 10k Ohm 5% 0.062W 0603
3K19 319802131030 10k Ohm 5% 0.062W 0603
3K20 319802131030 10k Ohm 5% 0.062W 0603
3K21 319802131030 10k Ohm 5% 0.062W 0603
3K22 319802131030 10k Ohm 5% 0.062W 0603
3K23 319803113390 4*33 Ohm 5% 1206
3K24 319803113390 4*33 Ohm 5% 1206
3K25 319802133390 33 Ohm 5% 0.062W 0603
3K26 319802133390 33 Ohm 5% 0.062W 0603
3K27 319802134790 47 Ohm 5% 0603
3K28 319802134790 47 Ohm 5% 0603
3K29 319802134790 47 Ohm 5% 0603
3K30 319802134790 47 Ohm 5% 0603
3K31 319802134790 47 Ohm 5% 0603
3K32 319802134790 47 Ohm 5% 0603
3K33 319802134790 47 Ohm 5% 0603
3K34 319803114790 4*47 Ohm 5% 1206
3K38 319802134790 47 Ohm 5% 0603
3K39 319802134790 47 Ohm 5% 0603
3K40 319802134790 47 Ohm 5% 0603
3K41 319802134790 47 Ohm 5% 0603
3K42 319802134790 47 Ohm 5% 0603
3K43 319802134790 47 Ohm 5% 0603
3K44 319802134790 47 Ohm 5% 0603
3K45 319802134790 47 Ohm 5% 0603
3K46 319802134790 47 Ohm 5% 0603
3K47 319802134790 47 Ohm 5% 0603
3K48 319802134790 47 Ohm 5% 0603
3K49 319802133390 33 Ohm 5% 0.062W 0603
3K50 319802133390 33 Ohm 5% 0.062W 0603
3K51 319802134720 4.7k Ohm 5% 0603
3K52 319802134720 4.7k Ohm 5% 0603
3L01 319802134720 4.7k Ohm 5% 0603
3L02 319802131010 100 Ohm 5% 0.062W 0603
3L03 319802131030 10k Ohm 5% 0.062W 0603
3L04 319802131520 1.5k Ohm 5% 0.062W 0603
3L05 319802131010 100 Ohm 5% 0.062W 0603
3L10 212010894132 1 Ohm 1206
3L11 319802131010 100 Ohm 5% 0.062W 0603
3L15 319802133310 330 Ohm 5% 0.062W 0603
3L16 319802131020 1k Ohm 5% 0.062W 0603
3L17 319802131010 100 Ohm 5% 0.062W 0603
3L22 319802190030 Jumper 0603
3L23 319802190030 Jumper 0603
3L28 319802134720 4.7k Ohm 5% 0603
3L53 319802131010 100 Ohm 5% 0.062W 0603
3L54 319802131010 100 Ohm 5% 0.062W 0603
3L55 319802131030 10k Ohm 5% 0.062W 0603
3L56 319802131010 100 Ohm 5% 0.062W 0603
3L57 319802131010 100 Ohm 5% 0.062W 0603
3L58 319802131010 100 Ohm 5% 0.062W 0603
3L59 319802131010 100 Ohm 5% 0.062W 0603
3L60 319802131010 100 Ohm 5% 0.062W 0603
3L61 319802131010 100 Ohm 5% 0.062W 0603
3L62 319802131010 100 Ohm 5% 0.062W 0603
3L63 319802131010 100 Ohm 5% 0.062W 0603
3L67 319802131010 100 Ohm 5% 0.062W 0603
3L71 319802132290 22 Ohm 5% 0603
3L72 319802134730 47k Ohm 5% 0603
3L73 319802134730 47k Ohm 5% 0603
3L75 319802132220 2.2k Ohm 5% 0603
3L76 319802132220 2.2k Ohm 5% 0603
3L79 319802131030 10k Ohm 5% 0.062W 0603
3L86 319802132230 22k Ohm 5% 0603
3L94 319802134720 4.7k Ohm 5% 0603
3L95 319802134720 4.7k Ohm 5% 0603
3L96 319802131040 100k Ohm 5% 0.062W 0603
Item Philips 12NC Description

Spare Parts List EN 113LC7.5E LA 10.
3M07 319802131010 100 Ohm 5% 0.062W 0603
3M08 319802132220 2.2k Ohm 5% 0603
3M09 319802134720 4.7k Ohm 5% 0603
3M10 319802134710 470 Ohm 5% 0603
3M13 319802131010 100 Ohm 5% 0.062W 0603
3M14 319802131010 100 Ohm 5% 0.062W 0603
3M15 319802131010 100 Ohm 5% 0.062W 0603
3M20 319802131010 100 Ohm 5% 0.062W 0603
3M21 319802131010 100 Ohm 5% 0.062W 0603
3M31 319802132220 2.2k Ohm 5% 0603
3M32 319802138230 82k Ohm 5% 0.062W 0603
3M34 319802134720 4.7k Ohm 5% 0603
3M37 319802134730 47k Ohm 5% 0603
3M38 319802134730 47k Ohm 5% 0603
3M39 319802134730 47k Ohm 5% 0603
3M40 319802134730 47k Ohm 5% 0603
3N01 319802133390 33 Ohm 5% 0.062W 0603
3N02 319803113390 4*33 Ohm 5% 1206
3N03 319802133390 33 Ohm 5% 0.062W 0603
3N04 319803113390 4*33 Ohm 5% 1206
3N05 319802133390 33 Ohm 5% 0.062W 0603
3N06 319803113390 4*33 Ohm 5% 1206
3N07 319802133390 33 Ohm 5% 0.062W 0603
3N08 319803113390 4*33 Ohm 5% 1206
3N09 319802133390 33 Ohm 5% 0.062W 0603
3N10 319802133390 33 Ohm 5% 0.062W 0603
3N11 319803113390 4*33 Ohm 5% 1206
3N12 319803113390 4*33 Ohm 5% 1206
3N13 319802133390 33 Ohm 5% 0.062W 0603
3N14 319802133390 33 Ohm 5% 0.062W 0603
3N15 319802133390 33 Ohm 5% 0.062W 0603
3N16 319802133390 33 Ohm 5% 0.062W 0603
3N18 319803113390 4*33 Ohm 5% 1206
3N22 319802133390 33 Ohm 5% 0.062W 0603
3N23 212010894132 1 Ohm 1206
3N24 319802131050 1M Ohm 5% 0603
3N25 319802132210 220 Ohm 5% 0603
3N26 319802132210 220 Ohm 5% 0603
3N27 212010894132 1 Ohm 1206
3N33 319802134720 4.7k Ohm 5% 0603
3N34 319802134720 4.7k Ohm 5% 0603
3N35 319802134720 4.7k Ohm 5% 0603
3N36 319802134720 4.7k Ohm 5% 0603
3N37 319802134720 4.7k Ohm 5% 0603
3N38 319802134720 4.7k Ohm 5% 0603
3N39 319802131010 100 Ohm 5% 0.062W 0603
3N40 319802131010 100 Ohm 5% 0.062W 0603
3P13 319802131090 TDA8932T/N1 IC
3P20 212010894133 10 Ohm 5% 1206
3P23 319802131090 TDA8932T/N1 IC
3P25 319802131090 TDA8932T/N1 IC
3P26 319802132280 2R2 5% 0603
3P32 319802132280 2R2 5% 0603
3P34 319802133320 3.3k Ohm 5% 0.062W 0603
3P37 319802136820 6.8k Ohm 5% 0603
3P38 319802131020 1k Ohm 5% 0.062W 0603
3P40 319802133930 39k Ohm 5% 0.062W 0605
3P41 319802136820 6.8k Ohm 5% 0603
3P45 319802136820 6.8k Ohm 5% 0603
3P47 319802136890 68 Ohm 5% 0.062W 0603
3P48 319802136890 68 Ohm 5% 0.062W 0603
3P49 319802132210 220 Ohm 5% 0603
3P50 319802131020 1k Ohm 5% 0.062W 0603
3P51 232270461801 180 Ohm 1% 0603
3P53 232270466801 680 Ohm 1% 0603
3P54 319802131030 10k Ohm 5% 0.062W 0603
3P56 232270464701 470 Ohm 1% 0603
3P59 232270464701 470 Ohm 1% 0603
3P61 319802131090 TDA8932T/N1 IC
3P64 232270466801 680 Ohm 1% 0603
3P68 319802136820 6.8k Ohm 5% 0603
3P69 319802136820 6.8k Ohm 5% 0603
3P70 319802133320 3.3k Ohm 5% 0.062W 0603
3P71 319802136820 6.8k Ohm 5% 0603
Item Philips 12NC Description
3P72 319802136820 6.8k Ohm 5% 0603
3P74 319802136820 6.8k Ohm 5% 0603
3P77 232270461002 1k Ohm 1% 0603
3P78 319802131020 1k Ohm 5% 0.062W 0603
3R10 319802134730 47k Ohm 5% 0603
3R12 319802134790 47 Ohm 5% 0603
3R13 319802134730 47k Ohm 5% 0603
3R25 319802131010 100 Ohm 5% 0.062W 0603
3R26 319802131010 100 Ohm 5% 0.062W 0603
4B04 319802190030 Jumper 0603
4B05 319802190030 Jumper 0603
4B06 319802190030 Jumper 0603
4B07 319802190030 Jumper 0603
4C07 319802190030 Jumper 0603
4F12 319802190030 Jumper 0603
4G01 319802190030 Jumper 0603
4G02 319802190030 Jumper 0603
4G03 319802190030 Jumper 0603
4G04 319802190030 Jumper 0603
4G09 319802190030 Jumper 0603
4G31 319802190030 Jumper 0603
4H00 319802190030 Jumper 0603
4H02 319802190030 Jumper 0603
4H04 319802190030 Jumper 0603
4H05 319802190030 Jumper 0603
4H12 319802190030 Jumper 0603
4J14 319802190030 Jumper 0603
4J15 319802190030 Jumper 0603
4L20 319802190030 Jumper 0603
4L24 319802190030 Jumper 0603
4L25 319802190030 Jumper 0603
4L26 319802190030 Jumper 0603
4M01 319802190030 Jumper 0603
4M04 319802190030 Jumper 0603
4M05 319802190030 Jumper 0603
4M07 319802190030 Jumper 0603
4M08 319802190030 Jumper 0603
4M09 319802190030 Jumper 0603
4M11 319802190030 Jumper 0603
4N02 319802190030 Jumper 0603
4N03 319802190030 Jumper 0603
4N04 319802190030 Jumper 0603
4N05 319802190030 Jumper 0603
4N06 319802190030 Jumper 0603
4N07 319802190030 Jumper 0603
4N08 319802190030 Jumper 0603
4P01 319802190030 Jumper 0603
4P02 319802190030 Jumper 0603
4R02 319802190030 Jumper 0603
4R03 319802190030 Jumper 0603
4R04 319802190030 Jumper 0603
4R05 319802190030 Jumper 0603
4R06 319802190030 Jumper 0603
4R07 319802190030 Jumper 0603
4R08 319802190030 Jumper 0603
5A03 242253601564 22uF 20%
5A04 242253601564 22uF 20%
5A05 242254942958 Bead 0805 30R at 100MHz
5A06 242254942958 Bead 0805 30R at 100MHz
5A07 242254901582 Bead 0603 33R at 100MHz
5A08 242253594134 105H 20% 0805
5A09 242253594134 105H 20% 0805
5B01 242253594134 105H 20% 0805
5B05 242253601564 22uF 20%
5B08 242253600779 105uH 20%
5C06 242254901582 Bead 0603 33R at 100MHz
5C07 242254901582 Bead 0603 33R at 100MHz
5C08 242254901582 Bead 0603 33R at 100MHz
5D03 242254901582 Bead 0603 33R at 100MHz
5E03 242254901582 Bead 0603 33R at 100MHz
5E04 242254901582 Bead 0603 33R at 100MHz
5E05 242254901582 Bead 0603 33R at 100MHz
5E06 242254901582 Bead 0603 33R at 100MHz
5E07 242254901582 Bead 0603 33R at 100MHz
Item Philips 12NC Description
5E08 242254901582 Bead 0603 33R at 100MHz
5E09 242254901582 Bead 0603 33R at 100MHz
5E10 242254901582 Bead 0603 33R at 100MHz
5E11 242254901582 Bead 0603 33R at 100MHz
5E12 242254901582 Bead 0603 33R at 100MHz
5E13 242254901582 Bead 0603 33R at 100MHz
5E14 242254901582 Bead 0603 33R at 100MHz
5E16 242254901582 Bead 0603 33R at 100MHz
5E17 242254901582 Bead 0603 33R at 100MHz
5F10 242254942979 Ind. 100MHz 60Ohm 0603
5F11 242254942979 Ind. 100MHz 60Ohm 0603
5G04 242254942979 Ind. 100MHz 60Ohm 0603
5G05 242254901582 Bead 0603 33R at 100MHz
5G06 242254901582 Bead 0603 33R at 100MHz
5G07 242254901582 Bead 0603 33R at 100MHz
5H01 242254942979 Ind. 100MHz 60Ohm 0603
5H02 242254942979 Ind. 100MHz 60Ohm 0603
5H03 242254942979 Ind. 100MHz 60Ohm 0603
5J01 242254942979 Ind. 100MHz 60Ohm 0603
5J52 319801853380 3.35H 10% 0603
5J53 319801853380 3.35H 10% 0603
5J54 319801853380 3.35H 10% 0603
5J55 319801853380 3.35H 10% 0603
5K01 242254942979 Ind. 100MHz 60Ohm 0603
5K02 242254942979 Ind. 100MHz 60Ohm 0603
5K03 242254942979 Ind. 100MHz 60Ohm 0603
5K04 242254942979 Ind. 100MHz 60Ohm 0603
5K05 242254942979 Ind. 100MHz 60Ohm 0603
5M01 242254901582 Bead 0603 33R at 100MHz
5M02 242254901582 Bead 0603 33R at 100MHz
5M03 242254901582 Bead 0603 33R at 100MHz
5N01 242254942896 Ind. 120 Ohm 100MHz
5N02 242254942896 Ind. 120 Ohm 100MHz
5N03 242254942896 Ind. 120 Ohm 100MHz
5N04 242254942896 Ind. 120 Ohm 100MHz
5N05 242254942896 Ind. 120 Ohm 100MHz
5N06 242254942896 Ind. 120 Ohm 100MHz
5N07 242254942896 Ind. 120 Ohm 100MHz
5N08 242254942896 Ind. 120 Ohm 100MHz
5N09 242254942896 Ind. 120 Ohm 100MHz
5P01 242253600671 10uH 20%
5P02 242253594134 105H 20% 0805
5P09 242253600671 10uH 20%
5R02 242254901582 Bead 0603 33R at 100MHz
5R03 242254901582 Bead 0603 33R at 100MHz
6B30 319801010720 SS24
6J03 319801010630 BAS316
6J14 934058419115 PESD3V3L1BA
6J15 934058419115 PESD3V3L1BA
6M08 319801010660 BAT54
6P05 319802056880 BZX384-C6V8
6P12 319802056880 BZX384-C6V8
6P13 319801010630 BAS316
6P14 319801010630 BAS316
6P15 319802051890 BZX384-C18
6R02 319802055680 BZX384-C5V6
7A01 935279642118 TDA8932T/N1
7A05 319801042320 BC857BW
7A06 319801042310 BC847BW
7A07 319801042310 BC847BW
7B01 932220234668 L5973D
7B02 932211988668 LD1117DT33C
7B12 932221214668 SI4423DY
7C01 932224957671 SVP WX68-7568-LF
7C02 319801042310 BC847BW
7C04 319801042310 BC847BW
7D01 932225195671 K4D261638K-LC40
7D02 932225195671 K4D261638K-LC40
7F01 935273245518 TDA10046AHT/C1
7F02 935263016165 74AHC1GU04GW
7F03 935263016165 74AHC1GU04GW
7F04 319801070580 LM393D
7G00 935277355557 PNX8314HS/C102
7H00 For SW see item 0851
Item Philips 12NC Description

Spare Parts List
EN 114 LC7.5E LA10.
Table 10-10 SSB: 32 and 42PFL7762D/
12 (3139 268 52511)
7H02 932224127668 K4S281632I-UC60
7H03 For SW see item 0852
7J04 932221400668 SI2301BDS-E3
7J05 319801044110 PDTC114ET
7K00 932222791671 STV0700L
7K01 935219010118 74LVC573ADB
7K02 935219010118 74LVC573ADB
7K03 319801070650 74LVC245APW
7K04 272217100207 Xtal 27MHz 50P
7K05 932217513668 ST890CD
7L10 319801042310 BC847BW
7L23 For SW see item 0816
7M01 932216761668 LF18CD
7M04 319801042310 BC847BW
7M07 932225506671 SII9185ACTU
7M09 319801042310 BC847BW
7N01 932225010671 SII9125CTU
7N07 935266839118 UDA1334ATS/N2
7P05 319801044340 BC817-25W
7P06 932216070668 SI4936ADY-E3
7P07 932216070668 SI4936ADY-E3
7P08 932221350685 TS431AIL
7P09 934057587118 PHD38N02LT
7P11 932220746668 NCP5422AD
7R05 932220471668 SI4835BDY
7R07 319801044110 PDTC114ET
Item Philips 12NC Description
Item Philips 12NC Description
0214 313918758551 ASSY IO plate
0215 313912132441 IO plate LCO7S
0233 313918758541 Top shield assy
0237 313918758531 Bottom shield assy
1101 311229714001 Tuner TD1316AF/IHP-2
1102 932204272682 SAW 38MHz9 K3953M
1103 242254944341 SAW 38MHz9 K9656M
1104 242254301386 Xtal 4MHz00 20pF SMD-49
1301 242254301526 Crystal 12pF 10MHz
1304 242202518131 Conn. 11p m 2.00 Wh
1305 242202518129 Conn. 10p m 2.00 Wh
1314 242202605905 Sock. Phone 1p f 3.5
1411 242254301461 Xtal 18.432MHz 12pF
1504 242202520251 Sock. SCART 21p f Bk
1506 242202520251 Sock. SCART 21p f Bk
1601 242203300675 Sock. 2p f CINCH/MDIN
1615 242202605985 Sock. CINCH 4p f 2L2
2112 202055200211 22uF 10% 16V 1210
2113 319801731030 10nF 20% 50V 0603
2117 319801731030 10nF 20% 50V 0603
2118 319801731030 10nF 20% 50V 0603
2120 202055200211 22uF 10% 16V 1210
2121 319801631590 15pF 10% 50V 0603
2122 319801631590 15pF 10% 50V 0603
2123 319801731520 1.5nF 20% 50V 0603
2125 319801744740 470pF 5% 10V 0603
2126 319801742240 220nF 16V Y5V 0603
2127 319801632290 22pF 10% 50V 0603
2128 319801731030 10nF 20% 50V 0603
2129 202055200211 22uF 10% 16V 1210
2130 319801731030 10nF 20% 50V 0603
2131 202055200211 22uF 10% 16V 1210
2132 202055200211 22uF 10% 16V 1210
2133 319801731030 10nF 20% 50V 0603
2136 319801744740 470pF 5% 10V 0603
2137 319801731030 10nF 20% 50V 0603
2138 319801731030 10nF 20% 50V 0603
2139 319801633910 390pF 50V NP0 0603
2143 319801731020 1nF 50V 0603
2145 319801731020 1nF 50V 0603
2146 319801741050 1uF 5% 10V 0603
2147 223878619856 330nF 20% 160V 0603
2148 319801731040 100nF 16V 0603
2149 319802752280 2.2uF 10V X5R 0603
2310 319801731040 100nF 16V 0603
2311 202055200291 10uF 20% 6.3V 0603
2312 319801731040 100nF 16V 0603
2313 319801731040 100nF 16V 0603
2314 319801631590 15pF 10% 50V 0603
2315 319801731040 100nF 16V 0603
2316 319801631590 15pF 10% 50V 0603
2317 319801731040 100nF 16V 0603
2318 319801731040 100nF 16V 0603
2320 319801731040 100nF 16V 0603
2323 319801731040 100nF 16V 0603
2324 202055296807 1uF 5% 10V 0603
2327 319801731030 10nF 20% 50V 0603
2329 319801731020 1nF 50V 0603
2330 319801731020 1nF 50V 0603
2331 319801731020 1nF 50V 0603
2332 319801731020 1nF 50V 0603
2333 319801731020 1nF 50V 0603
2335 319801731020 1nF 50V 0603
2336 319801731020 1nF 50V 0603
2337 319801731020 1nF 50V 0603
2338 319801732240 220nF 20% 10V 0603
2341 319802341040 100nF 10% 100V 0603
2408 319801734710 470pF 50V X7R 0603
2409 319801731520 1.5nF 20% 50V 0603
2410 202002100215 220uF 20% 25V
2411 202055200291 10uF 20% 6.3V 0603
2412 319801632210 220pF 10% 50V 0603
2413 319801632210 220pF 10% 50V 0603
2414 202055200291 10uF 20% 6.3V 0603
2415 319801633380 3.3pF 50V 0603
2416 319801633380 3.3pF 50V 0603
2417 319801733310 330pF 50V X7R 0603
2418 319801733310 330pF 50V X7R 0603
2419 319801731040 100nF 16V 0603
2420 319803041090 10pF 20% 16V
2421 319801633310 330pF 1% 50V 0603
2422 319801633310 330pF 1% 50V 0603
2423 319803041090 10pF 20% 16V
2424 202055200291 10uF 20% 6.3V 0603
2425 202055200291 10uF 20% 6.3V 0603
2426 202055200291 10uF 20% 6.3V 0603
2427 202055200291 10uF 20% 6.3V 0603
2428 319801631010 100pF 10% 50V 0603
2429 319801631010 100pF 10% 50V 0603
2430 319801631010 100pF 10% 50V 0603
2431 319801631010 100pF 10% 50V 0603
2432 319801635690 56pF 10% 50V 0603
2433 319801633310 330pF 1% 50V 0603
2434 319801633310 330pF 1% 50V 0603
2435 319801633310 330pF 1% 50V 0603
2436 202055200291 10uF 20% 6.3V 0603
2437 202055200291 10uF 20% 6.3V 0603
2438 319801731040 100nF 16V 0603
2439 202055200247 470nF 10% 25V 0603
2440 202055200247 470nF 10% 25V 0603
2441 319801731520 1.5nF 20% 50V 0603
2442 319801734710 470pF 50V X7R 0603
2443 319801731520 1.5nF 20% 50V 0603
2444 319801734710 470pF 50V X7R 0603
2445 319801731040 100nF 16V 0603
2502 319801733310 330pF 50V X7R 0603
2506 319801733310 330pF 50V X7R 0603
2508 319801733310 330pF 50V X7R 0603
2509 319801732240 220nF 20% 10V 0603
2512 319801731020 1nF 50V 0603
2514 319801733310 330pF 50V X7R 0603
2515 319801732240 220nF 20% 10V 0603
2517 319801731020 1nF 50V 0603
2518 319801732240 220nF 20% 10V 0603
2520 319801731020 1nF 50V 0603
2521 319801732240 220nF 20% 10V 0603
2523 319801731020 1nF 50V 0603
2525 319801732240 220nF 20% 10V 0603
2533 319801732240 220nF 20% 10V 0603
2534 319801732240 220nF 20% 10V 0603
2536 319801732240 220nF 20% 10V 0603
2607 319801732240 220nF 20% 10V 0603
2608 319801733320 3.3nF 50V 0603
2610 319801732240 220nF 20% 10V 0603
2612 319801733320 3.3nF 50V 0603
2613 319801731040 100nF 16V 0603
2614 319801731040 100nF 16V 0603
2615 319801731040 100nF 16V 0603
2901 319801633390 33pF 50V NP0 0603
2902 319801744740 470pF 5% 10V 0603
2904 319801744740 470pF 5% 10V 0603
2905 319801633390 33pF 50V NP0 0603
2907 319801744740 470pF 5% 10V 0603
2908 319801732240 220nF 20% 10V 0603
2913 319801732240 220nF 20% 10V 0603
2915 319803024790 47uF 20% 6.3V
2916 319803024790 47uF 20% 6.3V
3110 319802138220 8.2k Ohm 5% 0.062W 0603
3111 319802135620 5.6k Ohm 5% 0.062W 0603
3113 319802136820 6.8k Ohm 5% 0603
3115 319802133930 39k Ohm 5% 0.062W 0605
3117 319802132220 2.2k Ohm 5% 0603
3118 319802132220 2.2k Ohm 5% 0603
3119 319802132230 22k Ohm 5% 0603
Item Philips 12NC Description

Spare Parts List EN 115LC7.5E LA 10.
3123 319802133310 330 Ohm 5% 0.062W 0603
3124 319802131010 100 Ohm 5% 0.062W 0603
3125 319802131510 150 Ohm 5% 0603
3126 319802131810 180 Ohm 5% 0.062W 0603
3127 319802135620 5.6k Ohm 5% 0.062W 0603
3133 212010894132 1 Ohm 1206
3134 212010894132 1 Ohm 1206
3135 319802131590 15 Ohm 5% 0.062W 0603
3136 232276260479 47Ohm 5% 2512
3137 232276260479 47Ohm 5% 2512
3140 319802131510 150 Ohm 5% 0603
3151 319802131010 100 Ohm 5% 0.062W 0603
3152 319802131010 100 Ohm 5% 0.062W 0603
3188 319802131830 18k Ohm 5% 0603
3193 319802132230 22k Ohm 5% 0603
3194 319802132230 22k Ohm 5% 0603
3195 319802131830 18k Ohm 5% 0603
3300 319802131220 1.2k Ohm 5% 0.062W 0603
3303 319802131010 100 Ohm 5% 0.062W 0603
3306 319802131020 1k Ohm 5% 0.062W 0603
3310 319802131020 1k Ohm 5% 0.062W 0603
3313 319802133310 330 Ohm 5% 0.062W 0603
3314 319802131030 10k Ohm 5% 0.062W 0603
3315 319802131010 100 Ohm 5% 0.062W 0603
3316 319802131030 10k Ohm 5% 0.062W 0603
3317 319802133310 330 Ohm 5% 0.062W 0603
3318 319802131010 100 Ohm 5% 0.062W 0603
3319 319802131030 10k Ohm 5% 0.062W 0603
3320 319802131010 100 Ohm 5% 0.062W 0603
3322 319802131010 100 Ohm 5% 0.062W 0603
3323 319802131010 100 Ohm 5% 0.062W 0603
3324 319802131030 10k Ohm 5% 0.062W 0603
3325 319802131030 10k Ohm 5% 0.062W 0603
3329 319802131010 100 Ohm 5% 0.062W 0603
3336 319802131010 100 Ohm 5% 0.062W 0603
3338 319802131010 100 Ohm 5% 0.062W 0603
3339 319802131010 100 Ohm 5% 0.062W 0603
3340 319802131010 100 Ohm 5% 0.062W 0603
3341 319802131010 100 Ohm 5% 0.062W 0603
3343 319802131010 100 Ohm 5% 0.062W 0603
3345 319802131010 100 Ohm 5% 0.062W 0603
3346 319802131010 100 Ohm 5% 0.062W 0603
3347 319802131030 10k Ohm 5% 0.062W 0603
3348 319802134790 47 Ohm 5% 0603
3349 319802131030 10k Ohm 5% 0.062W 0603
3350 319802131030 10k Ohm 5% 0.062W 0603
3351 319802133320 3.3k Ohm 5% 0.062W 0603
3352 319802133320 3.3k Ohm 5% 0.062W 0603
3353 319802131030 10k Ohm 5% 0.062W 0603
3354 319802131010 100 Ohm 5% 0.062W 0603
3355 319802131010 100 Ohm 5% 0.062W 0603
3357 319802131010 100 Ohm 5% 0.062W 0603
3359 319802134720 4.7k Ohm 5% 0603
3360 319802134720 4.7k Ohm 5% 0603
3361 319802133320 3.3k Ohm 5% 0.062W 0603
3362 319802133320 3.3k Ohm 5% 0.062W 0603
3380 319802131010 100 Ohm 5% 0.062W 0603
3382 319802131010 100 Ohm 5% 0.062W 0603
3384 319802132290 22 Ohm 5% 0603
3386 319802131010 100 Ohm 5% 0.062W 0603
3387 319802131010 100 Ohm 5% 0.062W 0603
3388 319802131010 100 Ohm 5% 0.062W 0603
3389 319802134790 47 Ohm 5% 0603
3390 319802134790 47 Ohm 5% 0603
3391 319802134790 47 Ohm 5% 0603
3393 319802131530 15k Ohm 5% 0603
3395 319802131520 1.5k Ohm 5% 0.062W 0603
3396 319802131020 1k Ohm 5% 0.062W 0603
3397 319802134730 47k Ohm 5% 0603
3398 319802131040 100k Ohm 5% 0.062W 0603
3399 319802131030 10k Ohm 5% 0.062W 0603
3402 212010894132 1 Ohm 1206
3410 319802131010 100 Ohm 5% 0.062W 0603
3411 319802131010 100 Ohm 5% 0.062W 0603
Item Philips 12NC Description
3417 319802131010 100 Ohm 5% 0.062W 0603
3418 319802131010 100 Ohm 5% 0.062W 0603
3419 319802131010 100 Ohm 5% 0.062W 0603
3420 319802131010 100 Ohm 5% 0.062W 0603
3500 319802131510 150 Ohm 5% 0603
3502 319802131510 150 Ohm 5% 0603
3503 319802131510 150 Ohm 5% 0603
3506 319802131510 150 Ohm 5% 0603
3507 319802131510 150 Ohm 5% 0603
3508 319802133330 33k Ohm 5% 0.062W 0603
3510 319802131510 150 Ohm 5% 0603
3511 319802133330 33k Ohm 5% 0.062W 0603
3512 319802131510 150 Ohm 5% 0603
3513 319802133330 33k Ohm 5% 0.062W 0603
3514 319802131510 150 Ohm 5% 0603
3515 319802133330 33k Ohm 5% 0.062W 0603
3516 319802131010 100 Ohm 5% 0.062W 0603
3517 319802137590 75 Ohm 5% 0603
3518 319802132730 27k Ohm 5% 0603
3519 319802131590 15 Ohm 5% 0.062W 0603
3520 319802136820 6.8k Ohm 5% 0603
3521 319802131020 1k Ohm 5% 0.062W 0603
3522 319802136890 68 Ohm 5% 0.062W 0603
3523 319802131010 100 Ohm 5% 0.062W 0603
3524 319802131590 15 Ohm 5% 0.062W 0603
3525 319802131020 1k Ohm 5% 0.062W 0603
3526 319802137590 75 Ohm 5% 0603
3528 319802131010 100 Ohm 5% 0.062W 0603
3529 319802131010 100 Ohm 5% 0.062W 0603
3530 319802137590 75 Ohm 5% 0603
3531 319802137590 75 Ohm 5% 0603
3532 319802131020 1k Ohm 5% 0.062W 0603
3533 319802137590 75 Ohm 5% 0603
3535 319802136890 68 Ohm 5% 0.062W 0603
3536 319802131020 1k Ohm 5% 0.062W 0603
3537 319802131020 1k Ohm 5% 0.062W 0603
3538 319802134720 4.7k Ohm 5% 0603
3540 319802134720 4.7k Ohm 5% 0603
3545 319802131010 100 Ohm 5% 0.062W 0603
3546 319802137590 75 Ohm 5% 0603
3550 319802132730 27k Ohm 5% 0603
3551 319802136820 6.8k Ohm 5% 0603
3552 319802131010 100 Ohm 5% 0.062W 0603
3553 319802137590 75 Ohm 5% 0603
3554 319802136890 68 Ohm 5% 0.062W 0603
3555 319802136890 68 Ohm 5% 0.062W 0603
3600 319802131010 100 Ohm 5% 0.062W 0603
3601 319802137590 75 Ohm 5% 0603
3602 319802131010 100 Ohm 5% 0.062W 0603
3603 319802137590 75 Ohm 5% 0603
3604 319802137590 75 Ohm 5% 0603
3605 319802137590 75 Ohm 5% 0603
3607 319802131510 150 Ohm 5% 0603
3608 319802133330 33k Ohm 5% 0.062W 0603
3609 319802137590 75 Ohm 5% 0603
3611 319802131510 150 Ohm 5% 0603
3612 319802133330 33k Ohm 5% 0.062W 0603
3617 319802133390 33 Ohm 5% 0.062W 0603
3618 319802133390 33 Ohm 5% 0.062W 0603
3619 319802133390 33 Ohm 5% 0.062W 0603
3620 319802134720 4.7k Ohm 5% 0603
3901 319802134730 47k Ohm 5% 0603
3902 232270260124 120k Ohm 5% 0603
3904 319802133390 33 Ohm 5% 0.062W 0603
3905 319802134730 47k Ohm 5% 0603
3906 319802131040 100k Ohm 5% 0.062W 0603
3907 319802131040 100k Ohm 5% 0.062W 0603
3908 232270260124 120k Ohm 5% 0603
3910 319802133390 33 Ohm 5% 0.062W 0603
3911 319802131030 10k Ohm 5% 0.062W 0603
3912 319802131030 10k Ohm 5% 0.062W 0603
3913 319802131020 1k Ohm 5% 0.062W 0603
3914 319802131020 1k Ohm 5% 0.062W 0603
3915 319802131020 1k Ohm 5% 0.062W 0603
Item Philips 12NC Description
3916 319802131020 1k Ohm 5% 0.062W 0603
3917 319802131020 1k Ohm 5% 0.062W 0603
3918 319802131020 1k Ohm 5% 0.062W 0603
3942 319802131030 10k Ohm 5% 0.062W 0603
3943 319802132230 22k Ohm 5% 0603
4112 319802190030 Jumper 0603
4115 319802190030 Jumper 0603
4116 319802190030 Jumper 0603
4117 319802190030 Jumper 0603
4118 319802190030 Jumper 0603
4119 319802190030 Jumper 0603
4123 319802190030 Jumper 0603
4124 319802190030 Jumper 0603
4125 319802190030 Jumper 0603
4309 319802190030 Jumper 0603
4310 319802190030 Jumper 0603
4316 319802190030 Jumper 0603
4326 319802190030 Jumper 0603
4401 319802190030 Jumper 0603
4402 319802190030 Jumper 0603
4409 319802190030 Jumper 0603
4410 319802190030 Jumper 0603
4412 319802190030 Jumper 0603
4602 319802190030 Jumper 0603
4703 319802190030 Jumper 0603
4704 319802190030 Jumper 0603
4705 319802190030 Jumper 0603
4706 319802190030 Jumper 0603
4707 319802190030 Jumper 0603
4708 319802190030 Jumper 0603
4709 319802190030 Jumper 0603
4710 319802190030 Jumper 0603
4711 319802190030 Jumper 0603
4712 319802190030 Jumper 0603
4713 319802190030 Jumper 0603
4714 319802190030 Jumper 0603
4715 319802190030 Jumper 0603
4716 319802190030 Jumper 0603
4717 319802190030 Jumper 0603
4718 319802190030 Jumper 0603
4719 319802190030 Jumper 0603
4720 319802190030 Jumper 0603
4721 319802190030 Jumper 0603
4722 319802190030 Jumper 0603
4723 319802190030 Jumper 0603
4724 319802190030 Jumper 0603
4725 319802190030 Jumper 0603
4726 319802190030 Jumper 0603
5111 242253601057 0.39uH 5% 0603
5112 242254901582 Bead 0603 33R at 100MHz
5114 242253601521 Ind. 10uH 10% 1207
5115 242253601521 Ind. 10uH 10% 1207
5118 242254901582 Bead 0603 33R at 100MHz
5120 319801890030 120 Ohm 100MHz 0603
5121 319801890030 120 Ohm 100MHz 0603
5301 242254942979 Ind. 100MHz 60Ohm 0603
5302 242254942979 Ind. 100MHz 60Ohm 0603
5304 242254901582 Bead 0603 33R at 100MHz
5306 242254943276 Ind. 100MHz 30 Ohm 0603
5401 319801890030 120 Ohm 100MHz 0603
5402 319801890030 120 Ohm 100MHz 0603
5403 319801862290 22uH 5% 1008
5601 242254901582 Bead 0603 33R at 100MHz
6103 932210737685 1SS356
6110 319801010630 BAS316
6301 319801010630 BAS316
6306 934058419115 PESD3V3L1BA
6307 934058419115 PESD3V3L1BA
6318 319802058280 BZX384-C8V2
6512 932220595685 1N4148WS-V
6513 932220595685 1N4148WS-V
6919 319801010630 BAS316
7109 319801042030 BC847B
7111 933715320118 74HCT4053D (PHSE
Item Philips 12NC Description

Spare Parts List
EN 116 LC7.5E LA10.
7113 935272371118 TDA9886T/V4
7114 319801042030 BC847B
7133 932210447668 L78M05CDT
7134 319801042030 BC847B
7302 935275998118 PCA9515ADP
7303 935275998118 PCA9515ADP
7308 319801042310 BC847BW
7310 For SW see item 0815
7311 932224553671 M30300SAGP
7312 932222946685 BD45275G
7314 319801042310 BC847BW
7317 319801042310 BC847BW
7322 319801044110 PDTC114ET
7323 932224685685 NL27WZ08USG
7410 932219811685 L78L08ACU
7411 932225185671 MSP4450K-VK-E8-001
7500 319801042030 BC847B
7502 319801042320 BC857BW
7503 319801042030 BC847B
7504 319801042320 BC857BW
7601 935277231125 74LVC1G3157GW
7603 319801044110 PDTC114ET
7901 932218305668 TS482ID
7902 319801042320 BC857BW
7911 319801042310 BC847BW
7912 319801042310 BC847BW
7913 319801042310 BC847BW
7914 319801042310 BC847BW
7915 319801042310 BC847BW
7916 319801042310 BC847BW
7922 319801042310 BC847BW
1A01 242202518123 Conn. 4p m 2.00 Wh
1A02 242202518122 Conn. 3p m 2.00 Wh
1A03 242202518122 Conn. 3p m 2.00 Wh
1B12 242202518125 Conn. 6p m 2.00 Wh
1B13 242202518127 Conn. 8p m 2.00 Wh
1C24 242254301624 Xtal 24MHz 18pF NX5032
1J14 242202605905 Sock. Phone 1p f 3.5
1K00 242202520413 Sock. PCMCIA 68p f 1.27
1L20 242202518126 Conn. 7p m 2.00 Wh
1M02 242203300618 Sock. HDMI 19p f SM
1M03 242203300618 Sock. HDMI 19p f SM
1N01 242202520569 Conn. 21p f 0.5
1N02 242254301517 Xtal 28M322 18pF NX5032
1R01 242202520345 Conn. 41p f 1.00 FX15S
1R02 242254945325 Bead 67 Ohm at 100MHz
1R03 242254945325 Bead 67 Ohm at 100MHz
1R04 242254945325 Bead 67 Ohm at 100MHz
1R05 242254945325 Bead 67 Ohm at 100MHz
1R06 242254945325 Bead 67 Ohm at 100MHz
1R08 242254945325 Bead 67 Ohm at 100MHz
1R09 242254945325 Bead 67 Ohm at 100MHz
1R10 242254945325 Bead 67 Ohm at 100MHz
1R11 242254945325 Bead 67 Ohm at 100MHz
1R12 242254945325 Bead 67 Ohm at 100MHz
2A01 319801731040 100nF 16V 0603
2A02 319801731040 100nF 16V 0603
2A04 202002100215 220uF 20% 25V
2A08 202002100215 220uF 20% 25V
2A09 319801731040 100nF 16V 0603
2A10 319801731040 100nF 16V 0603
2A11 319802751080 1uF 10V X5R 0603
2A12 319801632210 220pF 10% 50V 0603
2A13 319801742240 220nF 16V Y5V 0603
2A14 202055200247 470nF 10% 25V 0603
2A15 319802751080 1uF 10V X5R 0603
2A16 319802751080 1uF 10V X5R 0603
2A17 319801631020 1nF 25V 0603
2A18 319801631020 1nF 25V 0603
2A19 319801632210 220pF 10% 50V 0603
2A20 319802751080 1uF 10V X5R 0603
2A21 319801631020 1nF 25V 0603
2A22 319801731040 100nF 16V 0603
2A23 319801631020 1nF 25V 0603
Item Philips 12NC Description
2A24 319801731040 100nF 16V 0603
2A25 319801731530 15nF 50V 0603
2A26 319801742240 220nF 16V Y5V 0603
2A27 319801731530 15nF 50V 0603
2A28 202055200247 470nF 10% 25V 0603
2A29 319801731040 100nF 16V 0603
2A30 319801731040 100nF 16V 0603
2A31 319801631020 1nF 25V 0603
2A32 319801631020 1nF 25V 0603
2A33 319801731040 100nF 16V 0603
2A34 319801731040 100nF 16V 0603
2A35 319801631020 1nF 25V 0603
2A36 319801631020 1nF 25V 0603
2A37 319801742240 220nF 16V Y5V 0603
2A38 319801742240 220nF 16V Y5V 0603
2A40 202055200247 470nF 10% 25V 0603
2A41 319802751080 1uF 10V X5R 0603
2A45 319801631020 1nF 25V 0603
2A46 319802444730 47NF Y5V 50V 0603
2A47 319802444730 47NF Y5V 50V 0603
2A51 319801731020 1nF 50V 0603
2A53 319801731020 1nF 50V 0603
2B06 319801731020 1nF 50V 0603
2B10 319803041010 1005F 20% 16V
2B12 202055200211 22uF 10% 16V 1210
2B18 319803041090 10pF 20% 16V
2B21 319801731040 100nF 16V 0603
2B22 319803074780 4.7uF 20% 35V
2B24 319803044790 47pF 20% 16V SMD
2B25 319801732210 220pF 20% 50V 0603
2B26 319801732230 22nF 20% 25V 0603
2B27 319801731030 10nF 20% 50V 0603
2B65 319801731040 100nF 16V 0603
2B66 202001200003 4705F 16V 20% SMD
2B68 319801732210 220pF 20% 50V 0603
2C01 319801631890 18pF 1% 50V 0603
2C02 319801631890 18pF 1% 50V 0603
2C03 319802341040 100nF 10% 100V 0603
2C04 319802341040 100nF 10% 100V 0603
2C05 319802341040 100nF 10% 100V 0603
2C06 319802341040 100nF 10% 100V 0603
2C07 319802341040 100nF 10% 100V 0603
2C08 319802341040 100nF 10% 100V 0603
2C09 319802341040 100nF 10% 100V 0603
2C10 319802341040 100nF 10% 100V 0603
2C11 319802341040 100nF 10% 100V 0603
2C12 319802341040 100nF 10% 100V 0603
2C13 319802341040 100nF 10% 100V 0603
2C14 319802341040 100nF 10% 100V 0603
2C15 319802341040 100nF 10% 100V 0603
2C17 319802341040 100nF 10% 100V 0603
2C18 319802341040 100nF 10% 100V 0603
2C19 319802341040 100nF 10% 100V 0603
2C20 319802341040 100nF 10% 100V 0603
2C21 319802341040 100nF 10% 100V 0603
2C22 319801731040 100nF 16V 0603
2C23 202055200291 10uF 20% 6.3V 0603
2C24 319801731040 100nF 16V 0603
2C25 319801731040 100nF 16V 0603
2C26 319801731040 100nF 16V 0603
2C27 202055200291 10uF 20% 6.3V 0603
2C28 319801731040 100nF 16V 0603
2C29 202055200291 10uF 20% 6.3V 0603
2C30 319802341040 100nF 10% 100V 0603
2C81 223858615628 2.7nF 10% 50V 0603
2C82 223858615628 2.7nF 10% 50V 0603
2D02 319801731040 100nF 16V 0603
2D03 319801731040 100nF 16V 0603
2D04 319801731030 10nF 20% 50V 0603
2D08 319801731030 10nF 20% 50V 0603
2D09 319801731030 10nF 20% 50V 0603
2D10 319801731040 100nF 16V 0603
2D11 319801634710 470pF 10% 50V 0603
2D12 319801634710 470pF 10% 50V 0603
Item Philips 12NC Description
2D14 319801731030 10nF 20% 50V 0603
2D18 202055200291 10uF 20% 6.3V 0603
2D31 319801731040 100nF 16V 0603
2D32 319801731040 100nF 16V 0603
2D33 319801731040 100nF 16V 0603
2D34 319801731040 100nF 16V 0603
2D37 319801731040 100nF 16V 0603
2D38 319801731040 100nF 16V 0603
2D39 319801731040 100nF 16V 0603
2D43 319801634710 470pF 10% 50V 0603
2D46 202055200291 10uF 20% 6.3V 0603
2D57 319801731030 10nF 20% 50V 0603
2D58 319801731030 10nF 20% 50V 0603
2D59 319801731030 10nF 20% 50V 0603
2D60 319801634710 470pF 10% 50V 0603
2D71 319803022290 ELCAP 6V3 22UF
2D72 319801731030 10nF 20% 50V 0603
2E01 202055200291 10uF 20% 6.3V 0603
2E02 319801731040 100nF 16V 0603
2E03 202055200291 10uF 20% 6.3V 0603
2E04 319801731040 100nF 16V 0603
2E05 202055200291 10uF 20% 6.3V 0603
2E06 319801731040 100nF 16V 0603
2E07 319801731040 100nF 16V 0603
2E08 319801731040 100nF 16V 0603
2E09 319801731040 100nF 16V 0603
2E10 202055200291 10uF 20% 6.3V 0603
2E11 319801731040 100nF 16V 0603
2E12 202055200291 10uF 20% 6.3V 0603
2E13 319801631010 100pF 10% 50V 0603
2E14 319801631010 100pF 10% 50V 0603
2E15 319801631010 100pF 10% 50V 0603
2E16 319801631010 100pF 10% 50V 0603
2E17 319801631010 100pF 10% 50V 0603
2E18 319801631010 100pF 10% 50V 0603
2E19 319801731040 100nF 16V 0603
2E20 202055200291 10uF 20% 6.3V 0603
2E21 319801731040 100nF 16V 0603
2E22 202055200291 10uF 20% 6.3V 0603
2E23 319801731040 100nF 16V 0603
2E24 202055200291 10uF 20% 6.3V 0603
2E25 319801731040 100nF 16V 0603
2E26 202055200291 10uF 20% 6.3V 0603
2E27 319801731040 100nF 16V 0603
2E28 202055200291 10uF 20% 6.3V 0603
2E29 319801731040 100nF 16V 0603
2E30 202055200291 10uF 20% 6.3V 0603
2E31 319801731040 100nF 16V 0603
2E32 202055200291 10uF 20% 6.3V 0603
2E33 319801731040 100nF 16V 0603
2E34 202055200291 10uF 20% 6.3V 0603
2E35 319801731040 100nF 16V 0603
2E36 319801731040 100nF 16V 0603
2E37 319801731040 100nF 16V 0603
2E38 319801731040 100nF 16V 0603
2E39 319801731040 100nF 16V 0603
2E40 319801731040 100nF 16V 0603
2E41 319801731040 100nF 16V 0603
2E42 319801731040 100nF 16V 0603
2E43 202055200291 10uF 20% 6.3V 0603
2E44 319801731040 100nF 16V 0603
2E45 319801731040 100nF 16V 0603
2E46 319801731040 100nF 16V 0603
2E47 319801731040 100nF 16V 0603
2E48 202055200291 10uF 20% 6.3V 0603
2E49 319801731040 100nF 16V 0603
2E50 319801731040 100nF 16V 0603
2E51 319801731040 100nF 16V 0603
2E52 319801731040 100nF 16V 0603
2E53 319801731040 100nF 16V 0603
2E54 319801731040 100nF 16V 0603
2E55 319801731040 100nF 16V 0603
2E56 319801731040 100nF 16V 0603
2E57 202055200291 10uF 20% 6.3V 0603
Item Philips 12NC Description

Spare Parts List EN 117LC7.5E LA 10.
2E58 319801731040 100nF 16V 0603
2E66 202055200291 10uF 20% 6.3V 0603
2E67 319801731040 100nF 16V 0603
2E68 319802702290 22uF 10% 6.3V 0805
2E69 319801731040 100nF 16V 0603
2E70 319802702290 22uF 10% 6.3V 0805
2E71 319802702290 22uF 10% 6.3V 0805
2E72 319801731040 100nF 16V 0603
2E75 319801634710 470pF 10% 50V 0603
2E76 319801634710 470pF 10% 50V 0603
2F10 319801731040 100nF 16V 0603
2F11 319803044790 47pF 20% 16V SMD
2F12 319801731040 100nF 16V 0603
2F13 319801731040 100nF 16V 0603
2F14 319801731040 100nF 16V 0603
2F15 319801731040 100nF 16V 0603
2F16 319801731040 100nF 16V 0603
2F17 319801731040 100nF 16V 0603
2F18 319801731040 100nF 16V 0603
2F19 319801731040 100nF 16V 0603
2F20 319801731040 100nF 16V 0603
2F21 319803044790 47pF 20% 16V SMD
2F22 319801731040 100nF 16V 0603
2F23 319801731040 100nF 16V 0603
2F24 319801731040 100nF 16V 0603
2F25 319801731040 100nF 16V 0603
2F26 319801731040 100nF 16V 0603
2F27 319801731040 100nF 16V 0603
2F28 319801731040 100nF 16V 0603
2F29 319801731040 100nF 16V 0603
2F30 319801731040 100nF 16V 0603
2F31 319801731040 100nF 16V 0603
2F32 319801731040 100nF 16V 0603
2F33 319801631090 10pF 10% 50V 0603
2G02 319803041090 10pF 20% 16V
2G03 319801731040 100nF 16V 0603
2G04 319801731040 100nF 16V 0603
2G05 319801731040 100nF 16V 0603
2G06 319801731040 100nF 16V 0603
2G07 319801731040 100nF 16V 0603
2G08 319801731040 100nF 16V 0603
2G09 319801731040 100nF 16V 0603
2G10 319801731040 100nF 16V 0603
2G11 319801731040 100nF 16V 0603
2G12 319801731040 100nF 16V 0603
2G13 319801731040 100nF 16V 0603
2G14 319801731040 100nF 16V 0603
2G15 319801731040 100nF 16V 0603
2G16 319801731040 100nF 16V 0603
2G17 319803041090 10pF 20% 16V
2G18 319803041090 10pF 20% 16V
2G19 319801731040 100nF 16V 0603
2G20 319801731040 100nF 16V 0603
2G21 319801731040 100nF 16V 0603
2G22 319803041090 10pF 20% 16V
2G23 319803041090 10pF 20% 16V
2G24 319803041090 10pF 20% 16V
2G32 319801731040 100nF 16V 0603
2G33 319803041090 10pF 20% 16V
2H03 319801731040 100nF 16V 0603
2H04 319801731040 100nF 16V 0603
2H06 319803041090 10pF 20% 16V
2H07 319803041090 10pF 20% 16V
2H08 319801731040 100nF 16V 0603
2H09 319801731040 100nF 16V 0603
2H10 319801731040 100nF 16V 0603
2H11 319801731040 100nF 16V 0603
2H12 319801731040 100nF 16V 0603
2H13 319801731040 100nF 16V 0603
2H14 319801732240 220nF 20% 10V 0603
2H15 319801732240 220nF 20% 10V 0603
2J01 319803041090 10pF 20% 16V
2J02 319801731040 100nF 16V 0603
2J04 319803042290 22uF 20% 16V
Item Philips 12NC Description
2J05 319803041010 1005F 20% 16V
2J06 319801731040 100nF 16V 0603
2J62 319801636890 CER1 0603 NP0 50V 68P
2J63 319801631810 180pF 10% 50V 0603
2J66 319801631810 180pF 10% 50V 0603
2J67 319801636890 CER1 0603 NP0 50V 68P
2J69 319801631810 180pF 10% 50V 0603
2J70 319801636890 CER1 0603 NP0 50V 68P
2J72 319801631810 180pF 10% 50V 0603
2J73 319801636890 CER1 0603 NP0 50V 68P
2K00 319801731040 100nF 16V 0603
2K01 319801731040 100nF 16V 0603
2K02 319801731040 100nF 16V 0603
2K03 319801731040 100nF 16V 0603
2K04 319801731040 100nF 16V 0603
2K05 319801731040 100nF 16V 0603
2K06 319803041090 10pF 20% 16V
2K07 319803041090 10pF 20% 16V
2K08 319801731040 100nF 16V 0603
2K09 319801731040 100nF 16V 0603
2K10 319801731040 100nF 16V 0603
2K11 319803041090 10pF 20% 16V
2K12 319801731040 100nF 16V 0603
2K13 319803041090 10pF 20% 16V
2K14 319801731020 1nF 50V 0603
2K15 319801631010 100pF 10% 50V 0603
2K16 319801734730 47nF 10% 16V 0603
2K17 319801734730 47nF 10% 16V 0603
2L24 319801732240 220nF 20% 10V 0603
2L25 319801732240 220nF 20% 10V 0603
2M01 202055200291 10uF 20% 6.3V 0603
2M02 202055200291 10uF 20% 6.3V 0603
2M03 319801731040 100nF 16V 0603
2M04 319801731040 100nF 16V 0603
2M05 319801731040 100nF 16V 0603
2M06 319801731040 100nF 16V 0603
2M07 202055200291 10uF 20% 6.3V 0603
2M08 202055200291 10uF 20% 6.3V 0603
2M09 319801731040 100nF 16V 0603
2M10 319801731040 100nF 16V 0603
2M11 319803041010 1005F 20% 16V
2M12 319801731040 100nF 16V 0603
2M15 202055200291 10uF 20% 6.3V 0603
2M16 319801731040 100nF 16V 0603
2M17 319801731040 100nF 16V 0603
2M19 319801731040 100nF 16V 0603
2M20 319801731040 100nF 16V 0603
2M21 319801731040 100nF 16V 0603
2N03 319803024790 47uF 20% 6.3V
2N04 319801731040 100nF 16V 0603
2N05 319801731040 100nF 16V 0603
2N06 319803024790 47uF 20% 6.3V
2N07 319801731030 10nF 20% 50V 0603
2N08 319801731030 10nF 20% 50V 0603
2N09 202055200291 10uF 20% 6.3V 0603
2N10 202055200291 10uF 20% 6.3V 0603
2N11 319803024790 47uF 20% 6.3V
2N12 319801731040 100nF 16V 0603
2N13 319801631890 18pF 1% 50V 0603
2N14 319801631890 18pF 1% 50V 0603
2N15 319801631020 1nF 25V 0603
2N16 319801731040 100nF 16V 0603
2N17 319802341040 100nF 10% 100V 0603
2N18 319801731020 1nF 50V 0603
2N20 319802341040 100nF 10% 100V 0603
2N25 319801631020 1nF 25V 0603
2N26 319801731020 1nF 50V 0603
2N27 319802341040 100nF 10% 100V 0603
2N28 319801731020 1nF 50V 0603
2N29 319801731020 1nF 50V 0603
2N30 319802341040 100nF 10% 100V 0603
2N31 319801731020 1nF 50V 0603
2N32 319801731020 1nF 50V 0603
2N33 319802341040 100nF 10% 100V 0603
Item Philips 12NC Description
2N34 319801731020 1nF 50V 0603
2N35 319802341040 100nF 10% 100V 0603
2N36 319801731040 100nF 16V 0603
2N37 319802341040 100nF 10% 100V 0603
2N38 319801731020 1nF 50V 0603
2N39 319801731020 1nF 50V 0603
2N40 319802341040 100nF 10% 100V 0603
2N41 319801731020 1nF 50V 0603
2N42 319801731020 1nF 50V 0603
2N43 319801731020 1nF 50V 0603
2N44 319801731040 100nF 16V 0603
2N45 319801731020 1nF 50V 0603
2N46 319801731020 1nF 50V 0603
2N47 319801731040 100nF 16V 0603
2N48 319801731020 1nF 50V 0603
2N49 319801631020 1nF 25V 0603
2N50 319802341040 100nF 10% 100V 0603
2N51 319801731020 1nF 50V 0603
2N52 319801731020 1nF 50V 0603
2N53 319801731040 100nF 16V 0603
2N54 319801631020 1nF 25V 0603
2N55 319801731020 1nF 50V 0603
2N56 319802341040 100nF 10% 100V 0603
2N58 319801731020 1nF 50V 0603
2N59 319801731020 1nF 50V 0603
2N60 319801731020 1nF 50V 0603
2N61 319801731020 1nF 50V 0603
2N62 319801731020 1nF 50V 0603
2N63 319801731020 1nF 50V 0603
2N64 319802341040 100nF 10% 100V 0603
2N66 319801731020 1nF 50V 0603
2N67 319801731040 100nF 16V 0603
2P07 319801731040 100nF 16V 0603
2P28 202055200211 22uF 10% 16V 1210
2P29 202055200211 22uF 10% 16V 1210
2P30 202055200211 22uF 10% 16V 1210
2P31 202055200169 1uF 25V Y5V 0603
2P32 319801733320 3.3nF 50V 0603
2P33 319801733320 3.3nF 50V 0603
2P34 202055200211 22uF 10% 16V 1210
2P35 319801731020 1nF 50V 0603
2P36 319801731040 100nF 16V 0603
2P37 319801733320 3.3nF 50V 0603
2P38 319801731020 1nF 50V 0603
2P39 319801731040 100nF 16V 0603
2P40 319801731040 100nF 16V 0603
2P41 319801731040 100nF 16V 0603
2P42 319801731040 100nF 16V 0603
2P43 319801733320 3.3nF 50V 0603
2P46 319803011010 100uF 20% 4V
2P48 319801631010 100pF 10% 50V 0603
2P49 319801631010 100pF 10% 50V 0603
2P52 319801731020 1nF 50V 0603
2P53 319801731020 1nF 50V 0603
2P54 319801731040 100nF 16V 0603
2P55 319803011010 100uF 20% 4V
2P56 319803011010 100uF 20% 4V
2P59 319803011010 100uF 20% 4V
2P61 202055200211 22uF 10% 16V 1210
2P68 319803011010 100uF 20% 4V
2P72 319803011010 100uF 20% 4V
2P73 319801732230 22nF 20% 25V 0603
2P78 202055200169 1uF 25V Y5V 0603
2R10 202055296448 1uF 10% 16V 0805
2R11 319803044790 47pF 20% 16V SMD
2R12 319801731040 100nF 16V 0603
3A01 212010894133 10 Ohm 5% 1206
3A02 212010894133 10 Ohm 5% 1206
3A03 319802131030 10k Ohm 5% 0.062W 0603
3A04 319802131230 12k Ohm 5% 0.062W 0603
3A05 232276260229 22 Ohm 5% 2512
3A06 319802131030 10k Ohm 5% 0.062W 0603
3A07 319802131030 10k Ohm 5% 0.062W 0603
3A08 319802131230 12k Ohm 5% 0.062W 0603
Item Philips 12NC Description

Spare Parts List
EN 118 LC7.5E LA10.
3A09 319802131090 TDA8932T/N1 IC
3A11 319802131030 10k Ohm 5% 0.062W 0603
3A12 319802131050 1M Ohm 5% 0603
3A13 319802133930 39k Ohm 5% 0.062W 0605
3A14 232276260229 22 Ohm 5% 2512
3A15 319802131050 1M Ohm 5% 0603
3A17 319802131090 TDA8932T/N1 IC
3A19 319802131030 10k Ohm 5% 0.062W 0603
3A26 319802134720 4.7k Ohm 5% 0603
3A27 319802132240 220k Ohm 5% 0603
3A28 319802132240 220k Ohm 5% 0603
3A29 319802134730 47k Ohm 5% 0603
3A30 319802134730 47k Ohm 5% 0603
3A31 319802131030 10k Ohm 5% 0.062W 0603
3B12 232270461502 1k5 1% 0603
3B17 319802136820 6.8k Ohm 5% 0603
3B18 319802136820 6.8k Ohm 5% 0603
3B19 319802136820 6.8k Ohm 5% 0603
3B65 319802134720 4.7k Ohm 5% 0603
3B66 232270461002 1k Ohm 1% 0603
3B68 319802131010 100 Ohm 5% 0.062W 0603
3C01 319802131050 1M Ohm 5% 0603
3C02 319802133390 33 Ohm 5% 0.062W 0603
3C03 319803111010 4*100 Ohm 5% 1206
3C04 319803111010 4*100 Ohm 5% 1206
3C05 319803111010 4*100 Ohm 5% 1206
3C06 319803111010 4*100 Ohm 5% 1206
3C08 319802131010 100 Ohm 5% 0.062W 0603
3C09 319802131010 100 Ohm 5% 0.062W 0603
3C10 319802132290 22 Ohm 5% 0603
3C19 232270464701 470 Ohm 1% 0603
3C20 319802131020 1k Ohm 5% 0.062W 0603
3C22 319802134720 4.7k Ohm 5% 0603
3C23 319802132210 220 Ohm 5% 0603
3C24 319802131010 100 Ohm 5% 0.062W 0603
3C25 319802131030 10k Ohm 5% 0.062W 0603
3C40 319802134720 4.7k Ohm 5% 0603
3C41 319802134720 4.7k Ohm 5% 0603
3C42 319802134720 4.7k Ohm 5% 0603
3D01 319803112290 4*22 Ohm 5% 1206
3D02 319803112290 4*22 Ohm 5% 1206
3D05 319803112290 4*22 Ohm 5% 1206
3D06 319803112290 4*22 Ohm 5% 1206
3D09 319802131590 15 Ohm 5% 0.062W 0603
3D10 232270465109 51 Ohm 1% 0603
3D11 319802131590 15 Ohm 5% 0.062W 0603
3D14 232270465109 51 Ohm 1% 0603
3D15 319802131020 1k Ohm 5% 0.062W 0603
3D16 319802131020 1k Ohm 5% 0.062W 0603
3D38 319802131590 15 Ohm 5% 0.062W 0603
3D40 319802131590 15 Ohm 5% 0.062W 0603
3D43 319803112290 4*22 Ohm 5% 1206
3D44 319803112290 4*22 Ohm 5% 1206
3D47 319803112290 4*22 Ohm 5% 1206
3D48 319803112290 4*22 Ohm 5% 1206
3E02 319802132290 22 Ohm 5% 0603
3E04 319802132290 22 Ohm 5% 0603
3E06 319802134720 4.7k Ohm 5% 0603
3E07 319802190030 Jumper 0603
3F10 319802134710 470 Ohm 5% 0603
3F11 319802136840 680k Ohm 5% 0.062W 0603
3F12 319802133310 330 Ohm 5% 0.062W 0603
3F13 319802132240 220k Ohm 5% 0603
3F14 319802133310 330 Ohm 5% 0.062W 0603
3F15 319802136840 680k Ohm 5% 0.062W 0603
3F16 319802133910 390 Ohm 5% 0.062W 0603
3F17 319802132240 220k Ohm 5% 0603
3F18 319802131030 10k Ohm 5% 0.062W 0603
3F19 319802134720 4.7k Ohm 5% 0603
3F20 319802134720 4.7k Ohm 5% 0603
3F21 319802133390 33 Ohm 5% 0.062W 0603
3F23 319802134720 4.7k Ohm 5% 0603
3F24 319802131040 100k Ohm 5% 0.062W 0603
3F25 319802131040 100k Ohm 5% 0.062W 0603
Item Philips 12NC Description
3F26 319802131020 1k Ohm 5% 0.062W 0603
3F28 319802131040 100k Ohm 5% 0.062W 0603
3F29 319802131040 100k Ohm 5% 0.062W 0603
3F30 319802133390 33 Ohm 5% 0.062W 0603
3F31 319803113390 4*33 Ohm 5% 1206
3F32 319803113390 4*33 Ohm 5% 1206
3F33 319802131030 10k Ohm 5% 0.062W 0603
3F34 319803113390 4*33 Ohm 5% 1206
3F40 319802131010 100 Ohm 5% 0.062W 0603
3F41 319802132720 2.7k Ohm 5% 0603
3F42 319802132720 2.7k Ohm 5% 0603
3F44 319802131010 100 Ohm 5% 0.062W 0603
3F46 319802131010 100 Ohm 5% 0.062W 0603
3F48 319802131010 100 Ohm 5% 0.062W 0603
3G11 319802131030 10k Ohm 5% 0.062W 0603
3G12 319802131030 10k Ohm 5% 0.062W 0603
3G16 319802131030 10k Ohm 5% 0.062W 0603
3G17 319802131030 10k Ohm 5% 0.062W 0603
3G19 319802131030 10k Ohm 5% 0.062W 0603
3G20 319802131030 10k Ohm 5% 0.062W 0603
3G28 319802131030 10k Ohm 5% 0.062W 0603
3G30 319802131030 10k Ohm 5% 0.062W 0603
3G31 319802131030 10k Ohm 5% 0.062W 0603
3G33 319802132290 22 Ohm 5% 0603
3G34 319802132290 22 Ohm 5% 0603
3G35 319802132290 22 Ohm 5% 0603
3G37 319802131030 10k Ohm 5% 0.062W 0603
3G38 319802131030 10k Ohm 5% 0.062W 0603
3G40 232270461202 1.2k Ohm 1%
3G41 319802131030 10k Ohm 5% 0.062W 0603
3G43 319802131010 100 Ohm 5% 0.062W 0603
3G44 319802131010 100 Ohm 5% 0.062W 0603
3G46 319802131010 100 Ohm 5% 0.062W 0603
3G47 319802131010 100 Ohm 5% 0.062W 0603
3G48 319802133390 33 Ohm 5% 0.062W 0603
3G54 319802131030 10k Ohm 5% 0.062W 0603
3G56 319803113390 4*33 Ohm 5% 1206
3G57 319803113390 4*33 Ohm 5% 1206
3G58 319803113390 4*33 Ohm 5% 1206
3G59 319803113390 4*33 Ohm 5% 1206
3G60 319802133390 33 Ohm 5% 0.062W 0603
3G61 319802133390 33 Ohm 5% 0.062W 0603
3G62 319802133390 33 Ohm 5% 0.062W 0603
3G63 319802131030 10k Ohm 5% 0.062W 0603
3H00 319802133320 3.3k Ohm 5% 0.062W 0603
3H05 319802131030 10k Ohm 5% 0.062W 0603
3H09 319802131010 100 Ohm 5% 0.062W 0603
3H10 319802131010 100 Ohm 5% 0.062W 0603
3H11 319802131030 10k Ohm 5% 0.062W 0603
3H12 319802133320 3.3k Ohm 5% 0.062W 0603
3H13 319802133320 3.3k Ohm 5% 0.062W 0603
3H14 212010894132 1 Ohm 1206
3J01 319802132230 22k Ohm 5% 0603
3J02 319802131230 12k Ohm 5% 0.062W 0603
3J03 319802131010 100 Ohm 5% 0.062W 0603
3J59 319802131810 180 Ohm 5% 0.062W 0603
3J60 319802134790 47 Ohm 5% 0603
3J61 319802131810 180 Ohm 5% 0.062W 0603
3J62 319802134790 47 Ohm 5% 0603
3J63 319802131810 180 Ohm 5% 0.062W 0603
3J64 319802134790 47 Ohm 5% 0603
3J65 319802131810 180 Ohm 5% 0.062W 0603
3J66 319802134790 47 Ohm 5% 0603
3K00 319802131010 100 Ohm 5% 0.062W 0603
3K01 319802131010 100 Ohm 5% 0.062W 0603
3K02 319803113390 4*33 Ohm 5% 1206
3K03 319803113390 4*33 Ohm 5% 1206
3K04 319802131030 10k Ohm 5% 0.062W 0603
3K05 319803113390 4*33 Ohm 5% 1206
3K06 319802131030 10k Ohm 5% 0.062W 0603
3K07 319802131030 10k Ohm 5% 0.062W 0603
3K08 319802131030 10k Ohm 5% 0.062W 0603
3K09 319802131030 10k Ohm 5% 0.062W 0603
3K10 319802131030 10k Ohm 5% 0.062W 0603
Item Philips 12NC Description
3K11 319802131030 10k Ohm 5% 0.062W 0603
3K12 319802131030 10k Ohm 5% 0.062W 0603
3K13 232270462002 2k Ohm 1% 0603
3K15 319802131030 10k Ohm 5% 0.062W 0603
3K16 319802131030 10k Ohm 5% 0.062W 0603
3K17 319802131030 10k Ohm 5% 0.062W 0603
3K18 319802131030 10k Ohm 5% 0.062W 0603
3K19 319802131030 10k Ohm 5% 0.062W 0603
3K20 319802131030 10k Ohm 5% 0.062W 0603
3K21 319802131030 10k Ohm 5% 0.062W 0603
3K22 319802131030 10k Ohm 5% 0.062W 0603
3K23 319803113390 4*33 Ohm 5% 1206
3K24 319803113390 4*33 Ohm 5% 1206
3K25 319802133390 33 Ohm 5% 0.062W 0603
3K26 319802133390 33 Ohm 5% 0.062W 0603
3K27 319802134790 47 Ohm 5% 0603
3K28 319802134790 47 Ohm 5% 0603
3K29 319802134790 47 Ohm 5% 0603
3K30 319802134790 47 Ohm 5% 0603
3K31 319802134790 47 Ohm 5% 0603
3K32 319802134790 47 Ohm 5% 0603
3K33 319802134790 47 Ohm 5% 0603
3K34 319803114790 4*47 Ohm 5% 1206
3K38 319802134790 47 Ohm 5% 0603
3K39 319802134790 47 Ohm 5% 0603
3K40 319802134790 47 Ohm 5% 0603
3K41 319802134790 47 Ohm 5% 0603
3K42 319802134790 47 Ohm 5% 0603
3K43 319802134790 47 Ohm 5% 0603
3K44 319802134790 47 Ohm 5% 0603
3K45 319802134790 47 Ohm 5% 0603
3K46 319802134790 47 Ohm 5% 0603
3K47 319802134790 47 Ohm 5% 0603
3K48 319802134790 47 Ohm 5% 0603
3K49 319802133390 33 Ohm 5% 0.062W 0603
3K50 319802133390 33 Ohm 5% 0.062W 0603
3K51 319802134720 4.7k Ohm 5% 0603
3K52 319802134720 4.7k Ohm 5% 0603
3L01 319802134720 4.7k Ohm 5% 0603
3L02 319802131010 100 Ohm 5% 0.062W 0603
3L03 319802131030 10k Ohm 5% 0.062W 0603
3L04 319802131520 1.5k Ohm 5% 0.062W 0603
3L05 319802131010 100 Ohm 5% 0.062W 0603
3L10 212010894132 1 Ohm 1206
3L11 319802131010 100 Ohm 5% 0.062W 0603
3L15 319802133310 330 Ohm 5% 0.062W 0603
3L16 319802131020 1k Ohm 5% 0.062W 0603
3L17 319802131010 100 Ohm 5% 0.062W 0603
3L22 319802190030 Jumper 0603
3L23 319802190030 Jumper 0603
3L28 319802134720 4.7k Ohm 5% 0603
3L53 319802131010 100 Ohm 5% 0.062W 0603
3L54 319802131010 100 Ohm 5% 0.062W 0603
3L55 319802131030 10k Ohm 5% 0.062W 0603
3L56 319802131010 100 Ohm 5% 0.062W 0603
3L57 319802131010 100 Ohm 5% 0.062W 0603
3L58 319802131010 100 Ohm 5% 0.062W 0603
3L59 319802131010 100 Ohm 5% 0.062W 0603
3L60 319802131010 100 Ohm 5% 0.062W 0603
3L61 319802131010 100 Ohm 5% 0.062W 0603
3L62 319802131010 100 Ohm 5% 0.062W 0603
3L63 319802131010 100 Ohm 5% 0.062W 0603
3L67 319802131010 100 Ohm 5% 0.062W 0603
3L71 319802132290 22 Ohm 5% 0603
3L72 319802134730 47k Ohm 5% 0603
3L73 319802134730 47k Ohm 5% 0603
3L75 319802132220 2.2k Ohm 5% 0603
3L76 319802132220 2.2k Ohm 5% 0603
3L79 319802131030 10k Ohm 5% 0.062W 0603
3L86 319802132230 22k Ohm 5% 0603
3L94 319802134720 4.7k Ohm 5% 0603
3L95 319802134720 4.7k Ohm 5% 0603
3L96 319802131040 100k Ohm 5% 0.062W 0603
3M07 319802131010 100 Ohm 5% 0.062W 0603
Item Philips 12NC Description

Spare Parts List EN 119LC7.5E LA 10.
3M08 319802132220 2.2k Ohm 5% 0603
3M09 319802134720 4.7k Ohm 5% 0603
3M10 319802134710 470 Ohm 5% 0603
3M13 319802131010 100 Ohm 5% 0.062W 0603
3M14 319802131010 100 Ohm 5% 0.062W 0603
3M15 319802131010 100 Ohm 5% 0.062W 0603
3M20 319802131010 100 Ohm 5% 0.062W 0603
3M21 319802131010 100 Ohm 5% 0.062W 0603
3M31 319802132220 2.2k Ohm 5% 0603
3M32 319802138230 82k Ohm 5% 0.062W 0603
3M34 319802134720 4.7k Ohm 5% 0603
3M37 319802134730 47k Ohm 5% 0603
3M38 319802134730 47k Ohm 5% 0603
3M39 319802134730 47k Ohm 5% 0603
3M40 319802134730 47k Ohm 5% 0603
3N01 319802133390 33 Ohm 5% 0.062W 0603
3N02 319803113390 4*33 Ohm 5% 1206
3N03 319802133390 33 Ohm 5% 0.062W 0603
3N04 319803113390 4*33 Ohm 5% 1206
3N05 319802133390 33 Ohm 5% 0.062W 0603
3N06 319803113390 4*33 Ohm 5% 1206
3N07 319802133390 33 Ohm 5% 0.062W 0603
3N08 319803113390 4*33 Ohm 5% 1206
3N09 319802133390 33 Ohm 5% 0.062W 0603
3N10 319802133390 33 Ohm 5% 0.062W 0603
3N11 319803113390 4*33 Ohm 5% 1206
3N12 319803113390 4*33 Ohm 5% 1206
3N13 319802133390 33 Ohm 5% 0.062W 0603
3N14 319802133390 33 Ohm 5% 0.062W 0603
3N15 319802133390 33 Ohm 5% 0.062W 0603
3N16 319802133390 33 Ohm 5% 0.062W 0603
3N18 319803113390 4*33 Ohm 5% 1206
3N22 319802133390 33 Ohm 5% 0.062W 0603
3N23 212010894132 1 Ohm 1206
3N24 319802131050 1M Ohm 5% 0603
3N25 319802132210 220 Ohm 5% 0603
3N26 319802132210 220 Ohm 5% 0603
3N27 212010894132 1 Ohm 1206
3N33 319802134720 4.7k Ohm 5% 0603
3N34 319802134720 4.7k Ohm 5% 0603
3N35 319802134720 4.7k Ohm 5% 0603
3N36 319802134720 4.7k Ohm 5% 0603
3N37 319802134720 4.7k Ohm 5% 0603
3N38 319802134720 4.7k Ohm 5% 0603
3N39 319802131010 100 Ohm 5% 0.062W 0603
3N40 319802131010 100 Ohm 5% 0.062W 0603
3P13 319802131090 TDA8932T/N1 IC
3P20 212010894133 10 Ohm 5% 1206
3P23 319802131090 TDA8932T/N1 IC
3P25 319802131090 TDA8932T/N1 IC
3P26 319802132280 2R2 5% 0603
3P32 319802132280 2R2 5% 0603
3P34 319802133320 3.3k Ohm 5% 0.062W 0603
3P37 319802136820 6.8k Ohm 5% 0603
3P38 319802131020 1k Ohm 5% 0.062W 0603
3P40 319802133930 39k Ohm 5% 0.062W 0605
3P41 319802136820 6.8k Ohm 5% 0603
3P45 319802136820 6.8k Ohm 5% 0603
3P47 319802136890 68 Ohm 5% 0.062W 0603
3P48 319802136890 68 Ohm 5% 0.062W 0603
3P49 319802132210 220 Ohm 5% 0603
3P50 319802131020 1k Ohm 5% 0.062W 0603
3P51 232270461801 180 Ohm 1% 0603
3P53 232270466801 680 Ohm 1% 0603
3P54 319802131030 10k Ohm 5% 0.062W 0603
3P56 232270464701 470 Ohm 1% 0603
3P59 232270464701 470 Ohm 1% 0603
3P61 319802131090 TDA8932T/N1 IC
3P64 232270466801 680 Ohm 1% 0603
3P68 319802136820 6.8k Ohm 5% 0603
3P69 319802136820 6.8k Ohm 5% 0603
3P70 319802133320 3.3k Ohm 5% 0.062W 0603
3P71 319802136820 6.8k Ohm 5% 0603
3P72 319802136820 6.8k Ohm 5% 0603
Item Philips 12NC Description
3P74 319802136820 6.8k Ohm 5% 0603
3P77 232270461002 1k Ohm 1% 0603
3P78 319802131020 1k Ohm 5% 0.062W 0603
3R10 319802134730 47k Ohm 5% 0603
3R12 319802134790 47 Ohm 5% 0603
3R13 319802134730 47k Ohm 5% 0603
3R25 319802131010 100 Ohm 5% 0.062W 0603
3R26 319802131010 100 Ohm 5% 0.062W 0603
4B04 319802190030 Jumper 0603
4B05 319802190030 Jumper 0603
4B06 319802190030 Jumper 0603
4B07 319802190030 Jumper 0603
4C07 319802190030 Jumper 0603
4F12 319802190030 Jumper 0603
4G01 319802190030 Jumper 0603
4G02 319802190030 Jumper 0603
4G03 319802190030 Jumper 0603
4G04 319802190030 Jumper 0603
4G09 319802190030 Jumper 0603
4G31 319802190030 Jumper 0603
4H00 319802190030 Jumper 0603
4H02 319802190030 Jumper 0603
4H04 319802190030 Jumper 0603
4H05 319802190030 Jumper 0603
4H12 319802190030 Jumper 0603
4J14 319802190030 Jumper 0603
4J15 319802190030 Jumper 0603
4L20 319802190030 Jumper 0603
4L24 319802190030 Jumper 0603
4L25 319802190030 Jumper 0603
4L26 319802190030 Jumper 0603
4M01 319802190030 Jumper 0603
4M04 319802190030 Jumper 0603
4M05 319802190030 Jumper 0603
4M07 319802190030 Jumper 0603
4M08 319802190030 Jumper 0603
4M09 319802190030 Jumper 0603
4M11 319802190030 Jumper 0603
4N02 319802190030 Jumper 0603
4N03 319802190030 Jumper 0603
4N04 319802190030 Jumper 0603
4N05 319802190030 Jumper 0603
4N06 319802190030 Jumper 0603
4N07 319802190030 Jumper 0603
4N08 319802190030 Jumper 0603
4P01 319802190030 Jumper 0603
4P02 319802190030 Jumper 0603
4R02 319802190030 Jumper 0603
4R03 319802190030 Jumper 0603
4R04 319802190030 Jumper 0603
4R05 319802190030 Jumper 0603
4R06 319802190030 Jumper 0603
4R07 319802190030 Jumper 0603
4R08 319802190030 Jumper 0603
5A03 242253601564 22uF 20%
5A04 242253601564 22uF 20%
5A05 242254942958 Bead 0805 30R at 100MHz
5A06 242254942958 Bead 0805 30R at 100MHz
5A07 242254901582 Bead 0603 33R at 100MHz
5A08 242253594134 105H 20% 0805
5A09 242253594134 105H 20% 0805
5B01 242253594134 105H 20% 0805
5B05 242253601564 22uF 20%
5B08 242253600779 105uH 20%
5C06 242254901582 Bead 0603 33R at 100MHz
5C07 242254901582 Bead 0603 33R at 100MHz
5C08 242254901582 Bead 0603 33R at 100MHz
5D03 242254901582 Bead 0603 33R at 100MHz
5E03 242254901582 Bead 0603 33R at 100MHz
5E04 242254901582 Bead 0603 33R at 100MHz
5E05 242254901582 Bead 0603 33R at 100MHz
5E06 242254901582 Bead 0603 33R at 100MHz
5E07 242254901582 Bead 0603 33R at 100MHz
5E08 242254901582 Bead 0603 33R at 100MHz
Item Philips 12NC Description
5E09 242254901582 Bead 0603 33R at 100MHz
5E10 242254901582 Bead 0603 33R at 100MHz
5E11 242254901582 Bead 0603 33R at 100MHz
5E12 242254901582 Bead 0603 33R at 100MHz
5E13 242254901582 Bead 0603 33R at 100MHz
5E14 242254901582 Bead 0603 33R at 100MHz
5E16 242254901582 Bead 0603 33R at 100MHz
5E17 242254901582 Bead 0603 33R at 100MHz
5F10 242254942979 Ind. 100MHz 60Ohm 0603
5F11 242254942979 Ind. 100MHz 60Ohm 0603
5G04 242254942979 Ind. 100MHz 60Ohm 0603
5G05 242254901582 Bead 0603 33R at 100MHz
5G06 242254901582 Bead 0603 33R at 100MHz
5G07 242254901582 Bead 0603 33R at 100MHz
5H01 242254942979 Ind. 100MHz 60Ohm 0603
5H02 242254942979 Ind. 100MHz 60Ohm 0603
5H03 242254942979 Ind. 100MHz 60Ohm 0603
5J01 242254942979 Ind. 100MHz 60Ohm 0603
5J52 319801853380 3.35H 10% 0603
5J53 319801853380 3.35H 10% 0603
5J54 319801853380 3.35H 10% 0603
5J55 319801853380 3.35H 10% 0603
5K01 242254942979 Ind. 100MHz 60Ohm 0603
5K02 242254942979 Ind. 100MHz 60Ohm 0603
5K03 242254942979 Ind. 100MHz 60Ohm 0603
5K04 242254942979 Ind. 100MHz 60Ohm 0603
5K05 242254942979 Ind. 100MHz 60Ohm 0603
5M01 242254901582 Bead 0603 33R at 100MHz
5M02 242254901582 Bead 0603 33R at 100MHz
5M03 242254901582 Bead 0603 33R at 100MHz
5N01 242254942896 Ind. 120 Ohm 100MHz
5N02 242254942896 Ind. 120 Ohm 100MHz
5N03 242254942896 Ind. 120 Ohm 100MHz
5N04 242254942896 Ind. 120 Ohm 100MHz
5N05 242254942896 Ind. 120 Ohm 100MHz
5N06 242254942896 Ind. 120 Ohm 100MHz
5N07 242254942896 Ind. 120 Ohm 100MHz
5N08 242254942896 Ind. 120 Ohm 100MHz
5N09 242254942896 Ind. 120 Ohm 100MHz
5P01 242253600671 10uH 20%
5P02 242253594134 105H 20% 0805
5P09 242253600671 10uH 20%
5R02 242254901582 Bead 0603 33R at 100MHz
5R03 242254901582 Bead 0603 33R at 100MHz
6B30 319801010720 SS24
6J03 319801010630 BAS316
6J14 934058419115 PESD3V3L1BA
6J15 934058419115 PESD3V3L1BA
6M08 319801010660 BAT54
6P05 319802056880 BZX384-C6V8
6P12 319802056880 BZX384-C6V8
6P13 319801010630 BAS316
6P14 319801010630 BAS316
6P15 319802051890 BZX384-C18
6R02 319802055680 BZX384-C5V6
7A01 935279642118 TDA8932T/N1
7A05 319801042320 BC857BW
7A06 319801042310 BC847BW
7A07 319801042310 BC847BW
7B01 932220234668 L5973D
7B02 932211988668 LD1117DT33C
7B12 932221214668 SI4423DY
7C01 932224957671 SVP WX68-7568-LF
7C02 319801042310 BC847BW
7C04 319801042310 BC847BW
7D01 932225195671 K4D261638K-LC40
7D02 932225195671 K4D261638K-LC40
7F01 935273245518 TDA10046AHT/C1
7F02 935263016165 74AHC1GU04GW
7F03 935263016165 74AHC1GU04GW
7F04 319801070580 LM393D
7G00 935277355557 PNX8314HS/C102
7H00 For SW see item 0851
7H02 932224127668 K4S281632I-UC60
Item Philips 12NC Description

Spare Parts List
EN 120 LC7.5E LA10.
Table 10-11 SSB: 32 and 42PFL7962D/
05 (3139 268 52881)
7H03 For SW see item 0852
7J04 932221400668 SI2301BDS-E3
7J05 319801044110 PDTC114ET
7K00 932222791671 STV0700L
7K01 935219010118 74LVC573ADB
7K02 935219010118 74LVC573ADB
7K03 319801070650 74LVC245APW
7K04 272217100207 Xtal 27MHz 50P
7K05 932217513668 ST890CD
7L10 319801042310 BC847BW
7L23 For SW see item 0816
7M01 932216761668 LF18CD
7M04 319801042310 BC847BW
7M07 932225506671 SII9185ACTU
7M09 319801042310 BC847BW
7N01 932225010671 SII9125CTU
7N07 935266839118 UDA1334ATS/N2
7P05 319801044340 BC817-25W
7P06 932216070668 SI4936ADY-E3
7P07 932216070668 SI4936ADY-E3
7P08 932221350685 TS431AIL
7P09 934057587118 PHD38N02LT
7P11 932220746668 NCP5422AD
7R05 932220471668 SI4835BDY
7R07 319801044110 PDTC114ET
Item Philips 12NC Description
Item Philips 12NC Description
0233 313918758541 Top shield assy
0237 313918758531 Bottom shield assy
0476 310430312201 EMC foam 2.3x2.3x32.5
0484 310430310871 EMC foam tuner
1101 311229714001 Tuner TD1316AF/IHP-2
1102 932204272682 SAW 38MHz9 K3953M
1103 242254944341 SAW 38MHz9 K9656M
1104 242254301386 Xtal 4MHz00 20pF SMD-49
1201 242202518124 Conn. 5p m 2.00 Wh
1203 242202518125 Conn. 6p m 2.00 Wh
1204 272217108785 Xtal 27MHz 30pF DSO751
1301 242254301526 Crystal 12pF 10MHz
1304 242202518131 Conn. 11p m 2.00 Wh
1305 242202518129 Conn. 10p m 2.00 Wh
1314 242202605905 Sock. Phone 1p f 3.5
1411 242254301461 Xtal 18.432MHz 12pF
1504 242202520251 Sock. SCART 21p f Bk
1506 242202520251 Sock. SCART 21p f Bk
1601 242203300675 Sock. 2p f CINCH/MDIN
1615 242202605985 Sock. CINCH 4p f 2L2
2112 202055200211 22uF 10% 16V 1210
2113 319801731030 10nF 20% 50V 0603
2117 319801731030 10nF 20% 50V 0603
2118 319801731030 10nF 20% 50V 0603
2120 202055200211 22uF 10% 16V 1210
2121 319801631590 15pF 10% 50V 0603
2122 319801631590 15pF 10% 50V 0603
2123 319801731520 1.5nF 20% 50V 0603
2125 319801744740 470pF 5% 10V 0603
2126 319801742240 220nF 16V Y5V 0603
2127 319801632290 22pF 10% 50V 0603
2128 319801731030 10nF 20% 50V 0603
2129 202055200211 22uF 10% 16V 1210
2130 319801731030 10nF 20% 50V 0603
2131 202055200211 22uF 10% 16V 1210
2132 202055200211 22uF 10% 16V 1210
2133 319801731030 10nF 20% 50V 0603
2136 319801744740 470pF 5% 10V 0603
2137 319801731030 10nF 20% 50V 0603
2138 319801731030 10nF 20% 50V 0603
2139 319801633910 390pF 50V NP0 0603
2143 319801731020 1nF 50V 0603
2145 319801731020 1nF 50V 0603
2146 319801741050 1uF 5% 10V 0603
2147 223878619856 330nF 20% 160V 0603
2148 319801731040 100nF 16V 0603
2149 319802752280 2.2uF 10V X5R 0603
2203 319801631020 1nF 25V 0603
2204 319801631020 1nF 25V 0603
2211 319801731030 10nF 20% 50V 0603
2214 202055296858 10uF 10% 6V3 X5R 0805
2310 319801731040 100nF 16V 0603
2311 202055200291 10uF 20% 6.3V 0603
2312 319801731040 100nF 16V 0603
2313 319801731040 100nF 16V 0603
2314 319801631590 15pF 10% 50V 0603
2315 319801731040 100nF 16V 0603
2316 319801631590 15pF 10% 50V 0603
2317 319801731040 100nF 16V 0603
2318 319801731040 100nF 16V 0603
2320 319801731040 100nF 16V 0603
2323 319801731040 100nF 16V 0603
2324 202055296807 1uF 5% 10V 0603
2327 319801731030 10nF 20% 50V 0603
2329 319801731020 1nF 50V 0603
2330 319801731020 1nF 50V 0603
2331 319801731020 1nF 50V 0603
2332 319801731020 1nF 50V 0603
2333 319801731020 1nF 50V 0603
2335 319801731020 1nF 50V 0603
2336 319801731020 1nF 50V 0603
2337 319801731020 1nF 50V 0603
2338 319801732240 220nF 20% 10V 0603
2341 319802341040 100nF 10% 100V 0603
2408 319801734710 470pF 50V X7R 0603
2409 319801731520 1.5nF 20% 50V 0603
2410 202002100215 220uF 20% 25V
2411 202055200291 10uF 20% 6.3V 0603
2412 319801632210 220pF 10% 50V 0603
2413 319801632210 220pF 10% 50V 0603
2414 202055200291 10uF 20% 6.3V 0603
2415 319801633380 3.3pF 50V 0603
2416 319801633380 3.3pF 50V 0603
2417 319801733310 330pF 50V X7R 0603
2418 319801733310 330pF 50V X7R 0603
2419 319801731040 100nF 16V 0603
2420 319803041090 10pF 20% 16V
2421 319801633310 330pF 1% 50V 0603
2422 319801633310 330pF 1% 50V 0603
2423 319803041090 10pF 20% 16V
2424 202055200291 10uF 20% 6.3V 0603
2425 202055200291 10uF 20% 6.3V 0603
2426 202055200291 10uF 20% 6.3V 0603
2427 202055200291 10uF 20% 6.3V 0603
2428 319801631010 100pF 10% 50V 0603
2429 319801631010 100pF 10% 50V 0603
2430 319801631010 100pF 10% 50V 0603
2431 319801631010 100pF 10% 50V 0603
2432 319801635690 56pF 10% 50V 0603
2433 319801633310 330pF 1% 50V 0603
2434 319801633310 330pF 1% 50V 0603
2435 319801633310 330pF 1% 50V 0603
2436 202055200291 10uF 20% 6.3V 0603
2437 202055200291 10uF 20% 6.3V 0603
2438 319801731040 100nF 16V 0603
2439 202055200247 470nF 10% 25V 0603
2440 202055200247 470nF 10% 25V 0603
2441 319801731520 1.5nF 20% 50V 0603
2442 319801734710 470pF 50V X7R 0603
2443 319801731520 1.5nF 20% 50V 0603
2444 319801734710 470pF 50V X7R 0603
2445 319801731040 100nF 16V 0603
2502 319801733310 330pF 50V X7R 0603
2506 319801733310 330pF 50V X7R 0603
2508 319801733310 330pF 50V X7R 0603
2509 319801732240 220nF 20% 10V 0603
2512 319801731020 1nF 50V 0603
2514 319801733310 330pF 50V X7R 0603
2515 319801732240 220nF 20% 10V 0603
2517 319801731020 1nF 50V 0603
2518 319801732240 220nF 20% 10V 0603
2520 319801731020 1nF 50V 0603
2521 319801732240 220nF 20% 10V 0603
2523 319801731020 1nF 50V 0603
2525 319801732240 220nF 20% 10V 0603
2533 319801732240 220nF 20% 10V 0603
2534 319801732240 220nF 20% 10V 0603
2536 319801732240 220nF 20% 10V 0603
2607 319801732240 220nF 20% 10V 0603
2608 319801733320 3.3nF 50V 0603
2610 319801732240 220nF 20% 10V 0603
2612 319801733320 3.3nF 50V 0603
2613 319801731040 100nF 16V 0603
2614 319801731040 100nF 16V 0603
2615 319801731040 100nF 16V 0603
2701 202055296448 1uF 10% 16V 0805
2702 319801741030 10nF 50V Y5V 0603
2703 319801741030 10nF 50V Y5V 0603
2704 319801741030 10nF 50V Y5V 0603
2705 319801741030 10nF 50V Y5V 0603
2706 202055200141 4.75F 10% 6.3V 0805
2707 319801741030 10nF 50V Y5V 0603
2708 319801741030 10nF 50V Y5V 0603
2709 319801741030 10nF 50V Y5V 0603
Item Philips 12NC Description

Spare Parts List EN 121LC7.5E LA 10.
2710 319801741030 10nF 50V Y5V 0603
2711 319801741030 10nF 50V Y5V 0603
2712 319801741030 10nF 50V Y5V 0603
2713 319801741030 10nF 50V Y5V 0603
2714 319801741030 10nF 50V Y5V 0603
2715 319801741030 10nF 50V Y5V 0603
2717 202055200141 4.75F 10% 6.3V 0805
2718 319801741030 10nF 50V Y5V 0603
2719 319801741030 10nF 50V Y5V 0603
2720 319801741030 10nF 50V Y5V 0603
2721 319801741030 10nF 50V Y5V 0603
2724 319803014790 475uF 20% 4V
2725 319801741030 10nF 50V Y5V 0603
2726 319801741030 10nF 50V Y5V 0603
2729 202055296448 1uF 10% 16V 0805
2730 319801741030 10nF 50V Y5V 0603
2901 319801633390 33pF 50V NP0 0603
2902 319801744740 470pF 5% 10V 0603
2904 319801744740 470pF 5% 10V 0603
2905 319801633390 33pF 50V NP0 0603
2907 319801744740 470pF 5% 10V 0603
2908 319801732240 220nF 20% 10V 0603
2913 319801732240 220nF 20% 10V 0603
2915 319803024790 47uF 20% 6.3V
2916 319803024790 47uF 20% 6.3V
3110 319802138220 8.2k Ohm 5% 0.062W 0603
3111 319802135620 5.6k Ohm 5% 0.062W 0603
3113 319802136820 6.8k Ohm 5% 0603
3115 319802133930 39k Ohm 5% 0.062W 0605
3117 319802132220 2.2k Ohm 5% 0603
3118 319802132220 2.2k Ohm 5% 0603
3119 319802132230 22k Ohm 5% 0603
3123 319802133310 330 Ohm 5% 0.062W 0603
3124 319802131010 100 Ohm 5% 0.062W 0603
3125 319802131510 150 Ohm 5% 0603
3126 319802131810 180 Ohm 5% 0.062W 0603
3127 319802135620 5.6k Ohm 5% 0.062W 0603
3133 212010894132 1 Ohm 1206
3134 212010894132 1 Ohm 1206
3135 319802131590 15 Ohm 5% 0.062W 0603
3136 232276260479 47Ohm 5% 2512
3137 232276260479 47Ohm 5% 2512
3140 319802131510 150 Ohm 5% 0603
3151 319802131010 100 Ohm 5% 0.062W 0603
3152 319802131010 100 Ohm 5% 0.062W 0603
3188 319802131830 18k Ohm 5% 0603
3193 319802132230 22k Ohm 5% 0603
3194 319802132230 22k Ohm 5% 0603
3195 319802131830 18k Ohm 5% 0603
3201 319802131010 100 Ohm 5% 0.062W 0603
3202 319802131010 100 Ohm 5% 0.062W 0603
3203 319802131520 1.5k Ohm 5% 0.062W 0603
3204 319802131520 1.5k Ohm 5% 0.062W 0603
3205 319802131010 100 Ohm 5% 0.062W 0603
3206 319802131010 100 Ohm 5% 0.062W 0603
3231 319802131020 1k Ohm 5% 0.062W 0603
3234 319802131010 100 Ohm 5% 0.062W 0603
3235 319802131010 100 Ohm 5% 0.062W 0603
3236 319802134790 47 Ohm 5% 0603
3240 319802131010 100 Ohm 5% 0.062W 0603
3246 319802131010 100 Ohm 5% 0.062W 0603
3300 319802131220 1.2k Ohm 5% 0.062W 0603
3303 319802131010 100 Ohm 5% 0.062W 0603
3306 319802131020 1k Ohm 5% 0.062W 0603
3310 319802131020 1k Ohm 5% 0.062W 0603
3313 319802133310 330 Ohm 5% 0.062W 0603
3314 319802131030 10k Ohm 5% 0.062W 0603
3315 319802131010 100 Ohm 5% 0.062W 0603
3316 319802131030 10k Ohm 5% 0.062W 0603
3317 319802133310 330 Ohm 5% 0.062W 0603
3318 319802131010 100 Ohm 5% 0.062W 0603
3319 319802131030 10k Ohm 5% 0.062W 0603
3320 319802131010 100 Ohm 5% 0.062W 0603
3322 319802131010 100 Ohm 5% 0.062W 0603
Item Philips 12NC Description
3323 319802131010 100 Ohm 5% 0.062W 0603
3324 319802131030 10k Ohm 5% 0.062W 0603
3325 319802131030 10k Ohm 5% 0.062W 0603
3329 319802131010 100 Ohm 5% 0.062W 0603
3336 319802131010 100 Ohm 5% 0.062W 0603
3338 319802131010 100 Ohm 5% 0.062W 0603
3339 319802131010 100 Ohm 5% 0.062W 0603
3340 319802131010 100 Ohm 5% 0.062W 0603
3341 319802131010 100 Ohm 5% 0.062W 0603
3343 319802131010 100 Ohm 5% 0.062W 0603
3345 319802131010 100 Ohm 5% 0.062W 0603
3346 319802131010 100 Ohm 5% 0.062W 0603
3347 319802131030 10k Ohm 5% 0.062W 0603
3348 319802134790 47 Ohm 5% 0603
3349 319802131030 10k Ohm 5% 0.062W 0603
3350 319802131030 10k Ohm 5% 0.062W 0603
3351 319802133320 3.3k Ohm 5% 0.062W 0603
3352 319802133320 3.3k Ohm 5% 0.062W 0603
3353 319802131030 10k Ohm 5% 0.062W 0603
3354 319802131010 100 Ohm 5% 0.062W 0603
3355 319802131010 100 Ohm 5% 0.062W 0603
3357 319802131010 100 Ohm 5% 0.062W 0603
3359 319802134720 4.7k Ohm 5% 0603
3360 319802134720 4.7k Ohm 5% 0603
3361 319802133320 3.3k Ohm 5% 0.062W 0603
3362 319802133320 3.3k Ohm 5% 0.062W 0603
3380 319802131010 100 Ohm 5% 0.062W 0603
3382 319802131010 100 Ohm 5% 0.062W 0603
3384 319802132290 22 Ohm 5% 0603
3386 319802131010 100 Ohm 5% 0.062W 0603
3387 319802131010 100 Ohm 5% 0.062W 0603
3388 319802131010 100 Ohm 5% 0.062W 0603
3389 319802134790 47 Ohm 5% 0603
3390 319802134790 47 Ohm 5% 0603
3391 319802134790 47 Ohm 5% 0603
3393 319802131530 15k Ohm 5% 0603
3395 319802131520 1.5k Ohm 5% 0.062W 0603
3396 319802131020 1k Ohm 5% 0.062W 0603
3397 319802134730 47k Ohm 5% 0603
3398 319802131040 100k Ohm 5% 0.062W 0603
3399 319802131030 10k Ohm 5% 0.062W 0603
3402 212010894132 1 Ohm 1206
3410 319802131010 100 Ohm 5% 0.062W 0603
3411 319802131010 100 Ohm 5% 0.062W 0603
3417 319802131010 100 Ohm 5% 0.062W 0603
3418 319802131010 100 Ohm 5% 0.062W 0603
3419 319802131010 100 Ohm 5% 0.062W 0603
3420 319802131010 100 Ohm 5% 0.062W 0603
3500 319802131510 150 Ohm 5% 0603
3502 319802131510 150 Ohm 5% 0603
3503 319802131510 150 Ohm 5% 0603
3506 319802131510 150 Ohm 5% 0603
3507 319802131510 150 Ohm 5% 0603
3508 319802133330 33k Ohm 5% 0.062W 0603
3510 319802131510 150 Ohm 5% 0603
3511 319802133330 33k Ohm 5% 0.062W 0603
3512 319802131510 150 Ohm 5% 0603
3513 319802133330 33k Ohm 5% 0.062W 0603
3514 319802131510 150 Ohm 5% 0603
3515 319802133330 33k Ohm 5% 0.062W 0603
3516 319802131010 100 Ohm 5% 0.062W 0603
3517 319802137590 75 Ohm 5% 0603
3518 319802132730 27k Ohm 5% 0603
3519 319802131590 15 Ohm 5% 0.062W 0603
3520 319802136820 6.8k Ohm 5% 0603
3521 319802131020 1k Ohm 5% 0.062W 0603
3522 319802136890 68 Ohm 5% 0.062W 0603
3523 319802131010 100 Ohm 5% 0.062W 0603
3524 319802131590 15 Ohm 5% 0.062W 0603
3525 319802131020 1k Ohm 5% 0.062W 0603
3526 319802137590 75 Ohm 5% 0603
3528 319802131010 100 Ohm 5% 0.062W 0603
3529 319802131010 100 Ohm 5% 0.062W 0603
3530 319802137590 75 Ohm 5% 0603
Item Philips 12NC Description
3531 319802137590 75 Ohm 5% 0603
3532 319802131020 1k Ohm 5% 0.062W 0603
3533 319802137590 75 Ohm 5% 0603
3535 319802136890 68 Ohm 5% 0.062W 0603
3536 319802131020 1k Ohm 5% 0.062W 0603
3537 319802131020 1k Ohm 5% 0.062W 0603
3538 319802134720 4.7k Ohm 5% 0603
3540 319802134720 4.7k Ohm 5% 0603
3545 319802131010 100 Ohm 5% 0.062W 0603
3546 319802137590 75 Ohm 5% 0603
3550 319802132730 27k Ohm 5% 0603
3551 319802136820 6.8k Ohm 5% 0603
3552 319802131010 100 Ohm 5% 0.062W 0603
3553 319802137590 75 Ohm 5% 0603
3554 319802136890 68 Ohm 5% 0.062W 0603
3555 319802136890 68 Ohm 5% 0.062W 0603
3600 319802131010 100 Ohm 5% 0.062W 0603
3601 319802137590 75 Ohm 5% 0603
3602 319802131010 100 Ohm 5% 0.062W 0603
3603 319802137590 75 Ohm 5% 0603
3604 319802137590 75 Ohm 5% 0603
3605 319802137590 75 Ohm 5% 0603
3607 319802131510 150 Ohm 5% 0603
3608 319802133330 33k Ohm 5% 0.062W 0603
3609 319802137590 75 Ohm 5% 0603
3611 319802131510 150 Ohm 5% 0603
3612 319802133330 33k Ohm 5% 0.062W 0603
3617 319802133390 33 Ohm 5% 0.062W 0603
3618 319802133390 33 Ohm 5% 0.062W 0603
3619 319802133390 33 Ohm 5% 0.062W 0603
3620 319802134720 4.7k Ohm 5% 0603
3700 319802131030 10k Ohm 5% 0.062W 0603
3701 319802131030 10k Ohm 5% 0.062W 0603
3702 319802131030 10k Ohm 5% 0.062W 0603
3703 319802131030 10k Ohm 5% 0.062W 0603
3713 319802131810 180 Ohm 5% 0.062W 0603
3714 319802131810 180 Ohm 5% 0.062W 0603
3720 319802132290 22 Ohm 5% 0603
3721 319802131810 180 Ohm 5% 0.062W 0603
3722 319802132290 22 Ohm 5% 0603
3723 319802132290 22 Ohm 5% 0603
3724 319802131810 180 Ohm 5% 0.062W 0603
3725 319802132290 22 Ohm 5% 0603
3726 319802132290 22 Ohm 5% 0603
3727 319802131810 180 Ohm 5% 0.062W 0603
3728 319802132290 22 Ohm 5% 0603
3729 319802132290 22 Ohm 5% 0603
3730 319802131810 180 Ohm 5% 0.062W 0603
3731 319802132290 22 Ohm 5% 0603
3732 319802132290 22 Ohm 5% 0603
3733 319802131810 180 Ohm 5% 0.062W 0603
3734 319802132290 22 Ohm 5% 0603
3735 319802132290 22 Ohm 5% 0603
3736 319802131810 180 Ohm 5% 0.062W 0603
3737 319802132290 22 Ohm 5% 0603
3738 319802132290 22 Ohm 5% 0603
3739 319802131810 180 Ohm 5% 0.062W 0603
3740 319802132290 22 Ohm 5% 0603
3741 319802132290 22 Ohm 5% 0603
3742 319802131810 180 Ohm 5% 0.062W 0603
3743 319802132290 22 Ohm 5% 0603
3744 319802132290 22 Ohm 5% 0603
3745 319802131810 180 Ohm 5% 0.062W 0603
3746 319802132290 22 Ohm 5% 0603
3747 319802132290 22 Ohm 5% 0603
3748 319802131810 180 Ohm 5% 0.062W 0603
3749 319802132290 22 Ohm 5% 0603
3750 319802132290 22 Ohm 5% 0603
3751 319802132290 22 Ohm 5% 0603
3752 319802132290 22 Ohm 5% 0603
3753 319802132290 22 Ohm 5% 0603
3901 319802134730 47k Ohm 5% 0603
3902 232270260124 120k Ohm 5% 0603
3904 319802133390 33 Ohm 5% 0.062W 0603
Item Philips 12NC Description

Spare Parts List
EN 122 LC7.5E LA10.
3905 319802134730 47k Ohm 5% 0603
3906 319802131040 100k Ohm 5% 0.062W 0603
3907 319802131040 100k Ohm 5% 0.062W 0603
3908 232270260124 120k Ohm 5% 0603
3910 319802133390 33 Ohm 5% 0.062W 0603
3911 319802131030 10k Ohm 5% 0.062W 0603
3912 319802131030 10k Ohm 5% 0.062W 0603
3913 319802131020 1k Ohm 5% 0.062W 0603
3914 319802131020 1k Ohm 5% 0.062W 0603
3915 319802131020 1k Ohm 5% 0.062W 0603
3916 319802131020 1k Ohm 5% 0.062W 0603
3917 319802131020 1k Ohm 5% 0.062W 0603
3918 319802131020 1k Ohm 5% 0.062W 0603
3942 319802131030 10k Ohm 5% 0.062W 0603
3943 319802132230 22k Ohm 5% 0603
4112 319802190030 Jumper 0603
4115 319802190030 Jumper 0603
4116 319802190030 Jumper 0603
4117 319802190030 Jumper 0603
4118 319802190030 Jumper 0603
4119 319802190030 Jumper 0603
4123 319802190030 Jumper 0603
4124 319802190030 Jumper 0603
4125 319802190030 Jumper 0603
4201 319802190030 Jumper 0603
4204 319802190030 Jumper 0603
4205 319802190030 Jumper 0603
4309 319802190030 Jumper 0603
4310 319802190030 Jumper 0603
4316 319802190030 Jumper 0603
4326 319802190030 Jumper 0603
4401 319802190030 Jumper 0603
4402 319802190030 Jumper 0603
4409 319802190030 Jumper 0603
4410 319802190030 Jumper 0603
4412 319802190030 Jumper 0603
4602 319802190030 Jumper 0603
4700 319802190030 Jumper 0603
4703 319802190030 Jumper 0603
4704 319802190030 Jumper 0603
4705 319802190030 Jumper 0603
4706 319802190030 Jumper 0603
4707 319802190030 Jumper 0603
4708 319802190030 Jumper 0603
4709 319802190030 Jumper 0603
4710 319802190030 Jumper 0603
4711 319802190030 Jumper 0603
4712 319802190030 Jumper 0603
4713 319802190030 Jumper 0603
4714 319802190030 Jumper 0603
4715 319802190030 Jumper 0603
4716 319802190030 Jumper 0603
4717 319802190030 Jumper 0603
4718 319802190030 Jumper 0603
4719 319802190030 Jumper 0603
4720 319802190030 Jumper 0603
4721 319802190030 Jumper 0603
4722 319802190030 Jumper 0603
4723 319802190030 Jumper 0603
4724 319802190030 Jumper 0603
4725 319802190030 Jumper 0603
4726 319802190030 Jumper 0603
5111 242253601057 0.39uH 5% 0603
5112 242254901582 Bead 0603 33R at 100MHz
5114 242253601521 Ind. 10uH 10% 1207
5115 242253601521 Ind. 10uH 10% 1207
5118 242254901582 Bead 0603 33R at 100MHz
5120 319801890030 120 Ohm 100MHz 0603
5121 319801890030 120 Ohm 100MHz 0603
5201 242254901582 Bead 0603 33R at 100MHz
5202 242254943769 ind. 100MHz 30Ohm
5301 242254942979 Ind. 100MHz 60Ohm 0603
5302 242254942979 Ind. 100MHz 60Ohm 0603
5304 242254901582 Bead 0603 33R at 100MHz
Item Philips 12NC Description
5306 242254943276 Ind. 100MHz 30 Ohm 0603
5401 319801890030 120 Ohm 100MHz 0603
5402 319801890030 120 Ohm 100MHz 0603
5403 319801862290 22uH 5% 1008
5601 242254901582 Bead 0603 33R at 100MHz
5700 242254901582 Bead 0603 33R at 100MHz
5701 242254901582 Bead 0603 33R at 100MHz
5702 242254901582 Bead 0603 33R at 100MHz
5703 242254901582 Bead 0603 33R at 100MHz
5704 242254901582 Bead 0603 33R at 100MHz
5705 242254901582 Bead 0603 33R at 100MHz
6103 932210737685 1SS356
6110 319801010630 BAS316
6301 319801010630 BAS316
6306 934058419115 PESD3V3L1BA
6307 934058419115 PESD3V3L1BA
6318 319802058280 BZX384-C8V2
6512 932220595685 1N4148WS-V
6513 932220595685 1N4148WS-V
6919 319801010630 BAS316
7109 319801042030 BC847B
7111 933715320118 74HCT4053D (PHSE
7113 935272371118 TDA9886T/V4
7114 319801042030 BC847B
7133 932210447668 L78M05CDT
7134 319801042030 BC847B
7201 932221001668 EPCS4SI8N
7302 935275998118 PCA9515ADP
7303 935275998118 PCA9515ADP
7308 319801042310 BC847BW
7310 For SW see item 0815
7311 932224553671 M30300SAGP
7312 932222946685 BD45275G
7314 319801042310 BC847BW
7317 319801042310 BC847BW
7322 319801044110 PDTC114ET
7323 932224685685 NL27WZ08USG
7410 932219811685 L78L08ACU
7411 932225185671 MSP4450K-VK-E8-001
7500 319801042030 BC847B
7502 319801042320 BC857BW
7503 319801042030 BC847B
7504 319801042320 BC857BW
7601 935277231125 74LVC1G3157GW
7603 319801044110 PDTC114ET
7700 932224397671 EP2C5F256C7N
7901 932218305668 TS482ID
7902 319801042320 BC857BW
7911 319801042310 BC847BW
7912 319801042310 BC847BW
7913 319801042310 BC847BW
7914 319801042310 BC847BW
7915 319801042310 BC847BW
7916 319801042310 BC847BW
7922 319801042310 BC847BW
1A01 242202518123 Conn. 4p m 2.00 Wh
1A02 242202518122 Conn. 3p m 2.00 Wh
1A03 242202518122 Conn. 3p m 2.00 Wh
1B12 242202518125 Conn. 6p m 2.00 Wh
1B13 242202518127 Conn. 8p m 2.00 Wh
1C24 242254301624 Xtal 24MHz 18pF NX5032
1J14 242202605905 Sock. Phone 1p f 3.5
1K00 242202520413 Sock. PCMCIA 68p f 1.27
1L20 242202518126 Conn. 7p m 2.00 Wh
1M02 242203300618 Sock. HDMI 19p f SM
1M03 242203300618 Sock. HDMI 19p f SM
1N01 242202520569 Conn. 21p f 0.5
1N02 242254301517 Xtal 28M322 18pF NX5032
1R01 242202520345 Conn. 41p f 1.00 FX15S
1R02 242254945325 Bead 67 Ohm at 100MHz
1R03 242254945325 Bead 67 Ohm at 100MHz
1R04 242254945325 Bead 67 Ohm at 100MHz
1R05 242254945325 Bead 67 Ohm at 100MHz
1R06 242254945325 Bead 67 Ohm at 100MHz
Item Philips 12NC Description
1R08 242254945325 Bead 67 Ohm at 100MHz
1R09 242254945325 Bead 67 Ohm at 100MHz
1R10 242254945325 Bead 67 Ohm at 100MHz
1R11 242254945325 Bead 67 Ohm at 100MHz
1R12 242254945325 Bead 67 Ohm at 100MHz
2A01 319801731040 100nF 16V 0603
2A02 319801731040 100nF 16V 0603
2A04 202002100215 220uF 20% 25V
2A08 202002100215 220uF 20% 25V
2A09 319801731040 100nF 16V 0603
2A10 319801731040 100nF 16V 0603
2A11 319802751080 1uF 10V X5R 0603
2A12 319801632210 220pF 10% 50V 0603
2A13 319801742240 220nF 16V Y5V 0603
2A14 202055200247 470nF 10% 25V 0603
2A15 319802751080 1uF 10V X5R 0603
2A16 319802751080 1uF 10V X5R 0603
2A17 319801631020 1nF 25V 0603
2A18 319801631020 1nF 25V 0603
2A19 319801632210 220pF 10% 50V 0603
2A20 319802751080 1uF 10V X5R 0603
2A21 319801631020 1nF 25V 0603
2A22 319801731040 100nF 16V 0603
2A23 319801631020 1nF 25V 0603
2A24 319801731040 100nF 16V 0603
2A25 319801731530 15nF 50V 0603
2A26 319801742240 220nF 16V Y5V 0603
2A27 319801731530 15nF 50V 0603
2A28 202055200247 470nF 10% 25V 0603
2A29 319801731040 100nF 16V 0603
2A30 319801731040 100nF 16V 0603
2A31 319801631020 1nF 25V 0603
2A32 319801631020 1nF 25V 0603
2A33 319801731040 100nF 16V 0603
2A34 319801731040 100nF 16V 0603
2A35 319801631020 1nF 25V 0603
2A36 319801631020 1nF 25V 0603
2A37 319801742240 220nF 16V Y5V 0603
2A38 319801742240 220nF 16V Y5V 0603
2A40 202055200247 470nF 10% 25V 0603
2A41 319802751080 1uF 10V X5R 0603
2A45 319801631020 1nF 25V 0603
2A46 319802444730 47NF Y5V 50V 0603
2A47 319802444730 47NF Y5V 50V 0603
2A51 319801731020 1nF 50V 0603
2A53 319801731020 1nF 50V 0603
2B06 319801731020 1nF 50V 0603
2B10 319803041010 1005F 20% 16V
2B12 202055200211 22uF 10% 16V 1210
2B18 319803041090 10pF 20% 16V
2B21 319801731040 100nF 16V 0603
2B22 319803074780 4.7uF 20% 35V
2B24 319803044790 47pF 20% 16V SMD
2B25 319801732210 220pF 20% 50V 0603
2B26 319801732230 22nF 20% 25V 0603
2B27 319801731030 10nF 20% 50V 0603
2B65 319801731040 100nF 16V 0603
2B66 202001200003 4705F 16V 20% SMD
2B68 319801732210 220pF 20% 50V 0603
2C01 319801631890 18pF 1% 50V 0603
2C02 319801631890 18pF 1% 50V 0603
2C03 319802341040 100nF 10% 100V 0603
2C04 319802341040 100nF 10% 100V 0603
2C05 319802341040 100nF 10% 100V 0603
2C06 319802341040 100nF 10% 100V 0603
2C07 319802341040 100nF 10% 100V 0603
2C08 319802341040 100nF 10% 100V 0603
2C09 319802341040 100nF 10% 100V 0603
2C10 319802341040 100nF 10% 100V 0603
2C11 319802341040 100nF 10% 100V 0603
2C12 319802341040 100nF 10% 100V 0603
2C13 319802341040 100nF 10% 100V 0603
2C14 319802341040 100nF 10% 100V 0603
2C15 319802341040 100nF 10% 100V 0603
Item Philips 12NC Description

Spare Parts List EN 123LC7.5E LA 10.
2C17 319802341040 100nF 10% 100V 0603
2C18 319802341040 100nF 10% 100V 0603
2C19 319802341040 100nF 10% 100V 0603
2C20 319802341040 100nF 10% 100V 0603
2C21 319802341040 100nF 10% 100V 0603
2C22 319801731040 100nF 16V 0603
2C23 202055200291 10uF 20% 6.3V 0603
2C24 319801731040 100nF 16V 0603
2C25 319801731040 100nF 16V 0603
2C26 319801731040 100nF 16V 0603
2C27 202055200291 10uF 20% 6.3V 0603
2C28 319801731040 100nF 16V 0603
2C29 202055200291 10uF 20% 6.3V 0603
2C30 319802341040 100nF 10% 100V 0603
2C81 223858615628 2.7nF 10% 50V 0603
2C82 223858615628 2.7nF 10% 50V 0603
2D02 319801731040 100nF 16V 0603
2D03 319801731040 100nF 16V 0603
2D04 319801731030 10nF 20% 50V 0603
2D08 319801731030 10nF 20% 50V 0603
2D09 319801731030 10nF 20% 50V 0603
2D10 319801731040 100nF 16V 0603
2D11 319801634710 470pF 10% 50V 0603
2D12 319801634710 470pF 10% 50V 0603
2D14 319801731030 10nF 20% 50V 0603
2D18 202055200291 10uF 20% 6.3V 0603
2D31 319801731040 100nF 16V 0603
2D32 319801731040 100nF 16V 0603
2D33 319801731040 100nF 16V 0603
2D34 319801731040 100nF 16V 0603
2D37 319801731040 100nF 16V 0603
2D38 319801731040 100nF 16V 0603
2D39 319801731040 100nF 16V 0603
2D43 319801634710 470pF 10% 50V 0603
2D46 202055200291 10uF 20% 6.3V 0603
2D57 319801731030 10nF 20% 50V 0603
2D58 319801731030 10nF 20% 50V 0603
2D59 319801731030 10nF 20% 50V 0603
2D60 319801634710 470pF 10% 50V 0603
2D71 319803022290 ELCAP 6V3 22UF
2D72 319801731030 10nF 20% 50V 0603
2E01 202055200291 10uF 20% 6.3V 0603
2E02 319801731040 100nF 16V 0603
2E03 202055200291 10uF 20% 6.3V 0603
2E04 319801731040 100nF 16V 0603
2E05 202055200291 10uF 20% 6.3V 0603
2E06 319801731040 100nF 16V 0603
2E07 319801731040 100nF 16V 0603
2E08 319801731040 100nF 16V 0603
2E09 319801731040 100nF 16V 0603
2E10 202055200291 10uF 20% 6.3V 0603
2E11 319801731040 100nF 16V 0603
2E12 202055200291 10uF 20% 6.3V 0603
2E13 319801631010 100pF 10% 50V 0603
2E14 319801631010 100pF 10% 50V 0603
2E15 319801631010 100pF 10% 50V 0603
2E16 319801631010 100pF 10% 50V 0603
2E17 319801631010 100pF 10% 50V 0603
2E18 319801631010 100pF 10% 50V 0603
2E19 319801731040 100nF 16V 0603
2E20 202055200291 10uF 20% 6.3V 0603
2E21 319801731040 100nF 16V 0603
2E22 202055200291 10uF 20% 6.3V 0603
2E23 319801731040 100nF 16V 0603
2E24 202055200291 10uF 20% 6.3V 0603
2E25 319801731040 100nF 16V 0603
2E26 202055200291 10uF 20% 6.3V 0603
2E27 319801731040 100nF 16V 0603
2E28 202055200291 10uF 20% 6.3V 0603
2E29 319801731040 100nF 16V 0603
2E30 202055200291 10uF 20% 6.3V 0603
2E31 319801731040 100nF 16V 0603
2E32 202055200291 10uF 20% 6.3V 0603
2E33 319801731040 100nF 16V 0603
Item Philips 12NC Description
2E34 202055200291 10uF 20% 6.3V 0603
2E35 319801731040 100nF 16V 0603
2E36 319801731040 100nF 16V 0603
2E37 319801731040 100nF 16V 0603
2E38 319801731040 100nF 16V 0603
2E39 319801731040 100nF 16V 0603
2E40 319801731040 100nF 16V 0603
2E41 319801731040 100nF 16V 0603
2E42 319801731040 100nF 16V 0603
2E43 202055200291 10uF 20% 6.3V 0603
2E44 319801731040 100nF 16V 0603
2E45 319801731040 100nF 16V 0603
2E46 319801731040 100nF 16V 0603
2E47 319801731040 100nF 16V 0603
2E48 202055200291 10uF 20% 6.3V 0603
2E49 319801731040 100nF 16V 0603
2E50 319801731040 100nF 16V 0603
2E51 319801731040 100nF 16V 0603
2E52 319801731040 100nF 16V 0603
2E53 319801731040 100nF 16V 0603
2E54 319801731040 100nF 16V 0603
2E55 319801731040 100nF 16V 0603
2E56 319801731040 100nF 16V 0603
2E57 202055200291 10uF 20% 6.3V 0603
2E58 319801731040 100nF 16V 0603
2E66 202055200291 10uF 20% 6.3V 0603
2E67 319801731040 100nF 16V 0603
2E68 319802702290 22uF 10% 6.3V 0805
2E69 319801731040 100nF 16V 0603
2E70 319802702290 22uF 10% 6.3V 0805
2E71 319802702290 22uF 10% 6.3V 0805
2E72 319801731040 100nF 16V 0603
2E75 319801634710 470pF 10% 50V 0603
2E76 319801634710 470pF 10% 50V 0603
2F10 319801731040 100nF 16V 0603
2F11 319803044790 47pF 20% 16V SMD
2F12 319801731040 100nF 16V 0603
2F13 319801731040 100nF 16V 0603
2F14 319801731040 100nF 16V 0603
2F15 319801731040 100nF 16V 0603
2F16 319801731040 100nF 16V 0603
2F17 319801731040 100nF 16V 0603
2F18 319801731040 100nF 16V 0603
2F19 319801731040 100nF 16V 0603
2F20 319801731040 100nF 16V 0603
2F21 319803044790 47pF 20% 16V SMD
2F22 319801731040 100nF 16V 0603
2F23 319801731040 100nF 16V 0603
2F24 319801731040 100nF 16V 0603
2F25 319801731040 100nF 16V 0603
2F26 319801731040 100nF 16V 0603
2F27 319801731040 100nF 16V 0603
2F28 319801731040 100nF 16V 0603
2F29 319801731040 100nF 16V 0603
2F30 319801731040 100nF 16V 0603
2F31 319801731040 100nF 16V 0603
2F32 319801731040 100nF 16V 0603
2F33 319801631090 10pF 10% 50V 0603
2G02 319803041090 10pF 20% 16V
2G03 319801731040 100nF 16V 0603
2G04 319801731040 100nF 16V 0603
2G05 319801731040 100nF 16V 0603
2G06 319801731040 100nF 16V 0603
2G07 319801731040 100nF 16V 0603
2G08 319801731040 100nF 16V 0603
2G09 319801731040 100nF 16V 0603
2G10 319801731040 100nF 16V 0603
2G11 319801731040 100nF 16V 0603
2G12 319801731040 100nF 16V 0603
2G13 319801731040 100nF 16V 0603
2G14 319801731040 100nF 16V 0603
2G15 319801731040 100nF 16V 0603
2G16 319801731040 100nF 16V 0603
2G17 319803041090 10pF 20% 16V
Item Philips 12NC Description
2G18 319803041090 10pF 20% 16V
2G19 319801731040 100nF 16V 0603
2G20 319801731040 100nF 16V 0603
2G21 319801731040 100nF 16V 0603
2G22 319803041090 10pF 20% 16V
2G23 319803041090 10pF 20% 16V
2G24 319803041090 10pF 20% 16V
2G32 319801731040 100nF 16V 0603
2G33 319803041090 10pF 20% 16V
2H03 319801731040 100nF 16V 0603
2H04 319801731040 100nF 16V 0603
2H06 319803041090 10pF 20% 16V
2H07 319803041090 10pF 20% 16V
2H08 319801731040 100nF 16V 0603
2H09 319801731040 100nF 16V 0603
2H10 319801731040 100nF 16V 0603
2H11 319801731040 100nF 16V 0603
2H12 319801731040 100nF 16V 0603
2H13 319801731040 100nF 16V 0603
2H14 319801732240 220nF 20% 10V 0603
2H15 319801732240 220nF 20% 10V 0603
2J01 319803041090 10pF 20% 16V
2J02 319801731040 100nF 16V 0603
2J04 319803042290 22uF 20% 16V
2J05 319803041010 1005F 20% 16V
2J06 319801731040 100nF 16V 0603
2J62 319801636890 CER1 0603 NP0 50V 68P
2J63 319801631810 180pF 10% 50V 0603
2J66 319801631810 180pF 10% 50V 0603
2J67 319801636890 CER1 0603 NP0 50V 68P
2J69 319801631810 180pF 10% 50V 0603
2J70 319801636890 CER1 0603 NP0 50V 68P
2J72 319801631810 180pF 10% 50V 0603
2J73 319801636890 CER1 0603 NP0 50V 68P
2K00 319801731040 100nF 16V 0603
2K01 319801731040 100nF 16V 0603
2K02 319801731040 100nF 16V 0603
2K03 319801731040 100nF 16V 0603
2K04 319801731040 100nF 16V 0603
2K05 319801731040 100nF 16V 0603
2K06 319803041090 10pF 20% 16V
2K07 319803041090 10pF 20% 16V
2K08 319801731040 100nF 16V 0603
2K09 319801731040 100nF 16V 0603
2K10 319801731040 100nF 16V 0603
2K11 319803041090 10pF 20% 16V
2K12 319801731040 100nF 16V 0603
2K13 319803041090 10pF 20% 16V
2K14 319801731020 1nF 50V 0603
2K15 319801631010 100pF 10% 50V 0603
2K16 319801734730 47nF 10% 16V 0603
2K17 319801734730 47nF 10% 16V 0603
2L24 319801732240 220nF 20% 10V 0603
2L25 319801732240 220nF 20% 10V 0603
2M01 202055200291 10uF 20% 6.3V 0603
2M02 202055200291 10uF 20% 6.3V 0603
2M03 319801731040 100nF 16V 0603
2M04 319801731040 100nF 16V 0603
2M05 319801731040 100nF 16V 0603
2M06 319801731040 100nF 16V 0603
2M07 202055200291 10uF 20% 6.3V 0603
2M08 202055200291 10uF 20% 6.3V 0603
2M09 319801731040 100nF 16V 0603
2M10 319801731040 100nF 16V 0603
2M11 319803041010 1005F 20% 16V
2M12 319801731040 100nF 16V 0603
2M15 202055200291 10uF 20% 6.3V 0603
2M16 319801731040 100nF 16V 0603
2M17 319801731040 100nF 16V 0603
2M19 319801731040 100nF 16V 0603
2M20 319801731040 100nF 16V 0603
2M21 319801731040 100nF 16V 0603
2N03 319803024790 47uF 20% 6.3V
2N04 319801731040 100nF 16V 0603
Item Philips 12NC Description

Spare Parts List
EN 124 LC7.5E LA10.
2N05 319801731040 100nF 16V 0603
2N06 319803024790 47uF 20% 6.3V
2N07 319801731030 10nF 20% 50V 0603
2N08 319801731030 10nF 20% 50V 0603
2N09 202055200291 10uF 20% 6.3V 0603
2N10 202055200291 10uF 20% 6.3V 0603
2N11 319803024790 47uF 20% 6.3V
2N12 319801731040 100nF 16V 0603
2N13 319801631890 18pF 1% 50V 0603
2N14 319801631890 18pF 1% 50V 0603
2N15 319801631020 1nF 25V 0603
2N16 319801731040 100nF 16V 0603
2N17 319802341040 100nF 10% 100V 0603
2N18 319801731020 1nF 50V 0603
2N20 319802341040 100nF 10% 100V 0603
2N25 319801631020 1nF 25V 0603
2N26 319801731020 1nF 50V 0603
2N27 319802341040 100nF 10% 100V 0603
2N28 319801731020 1nF 50V 0603
2N29 319801731020 1nF 50V 0603
2N30 319802341040 100nF 10% 100V 0603
2N31 319801731020 1nF 50V 0603
2N32 319801731020 1nF 50V 0603
2N33 319802341040 100nF 10% 100V 0603
2N34 319801731020 1nF 50V 0603
2N35 319802341040 100nF 10% 100V 0603
2N36 319801731040 100nF 16V 0603
2N37 319802341040 100nF 10% 100V 0603
2N38 319801731020 1nF 50V 0603
2N39 319801731020 1nF 50V 0603
2N40 319802341040 100nF 10% 100V 0603
2N41 319801731020 1nF 50V 0603
2N42 319801731020 1nF 50V 0603
2N43 319801731020 1nF 50V 0603
2N44 319801731040 100nF 16V 0603
2N45 319801731020 1nF 50V 0603
2N46 319801731020 1nF 50V 0603
2N47 319801731040 100nF 16V 0603
2N48 319801731020 1nF 50V 0603
2N49 319801631020 1nF 25V 0603
2N50 319802341040 100nF 10% 100V 0603
2N51 319801731020 1nF 50V 0603
2N52 319801731020 1nF 50V 0603
2N53 319801731040 100nF 16V 0603
2N54 319801631020 1nF 25V 0603
2N55 319801731020 1nF 50V 0603
2N56 319802341040 100nF 10% 100V 0603
2N58 319801731020 1nF 50V 0603
2N59 319801731020 1nF 50V 0603
2N60 319801731020 1nF 50V 0603
2N61 319801731020 1nF 50V 0603
2N62 319801731020 1nF 50V 0603
2N63 319801731020 1nF 50V 0603
2N64 319802341040 100nF 10% 100V 0603
2N66 319801731020 1nF 50V 0603
2N67 319801731040 100nF 16V 0603
2P07 319801731040 100nF 16V 0603
2P28 202055200211 22uF 10% 16V 1210
2P29 202055200211 22uF 10% 16V 1210
2P30 202055200211 22uF 10% 16V 1210
2P31 202055200169 1uF 25V Y5V 0603
2P32 319801733320 3.3nF 50V 0603
2P33 319801733320 3.3nF 50V 0603
2P34 202055200211 22uF 10% 16V 1210
2P35 319801731020 1nF 50V 0603
2P36 319801731040 100nF 16V 0603
2P37 319801733320 3.3nF 50V 0603
2P38 319801731020 1nF 50V 0603
2P39 319801731040 100nF 16V 0603
2P40 319801731040 100nF 16V 0603
2P41 319801731040 100nF 16V 0603
2P42 319801731040 100nF 16V 0603
2P43 319801733320 3.3nF 50V 0603
2P46 319803011010 100uF 20% 4V
Item Philips 12NC Description
2P48 319801631010 100pF 10% 50V 0603
2P49 319801631010 100pF 10% 50V 0603
2P52 319801731020 1nF 50V 0603
2P53 319801731020 1nF 50V 0603
2P54 319801731040 100nF 16V 0603
2P55 319803011010 100uF 20% 4V
2P56 319803011010 100uF 20% 4V
2P59 319803011010 100uF 20% 4V
2P61 202055200211 22uF 10% 16V 1210
2P68 319803011010 100uF 20% 4V
2P72 319803011010 100uF 20% 4V
2P73 319801732230 22nF 20% 25V 0603
2P78 202055200169 1uF 25V Y5V 0603
2R10 202055296448 1uF 10% 16V 0805
2R11 319803044790 47pF 20% 16V SMD
2R12 319801731040 100nF 16V 0603
3A01 212010894133 10 Ohm 5% 1206
3A02 212010894133 10 Ohm 5% 1206
3A03 319802131030 10k Ohm 5% 0.062W 0603
3A04 319802131230 12k Ohm 5% 0.062W 0603
3A05 232276260229 22 Ohm 5% 2512
3A06 319802131030 10k Ohm 5% 0.062W 0603
3A07 319802131030 10k Ohm 5% 0.062W 0603
3A08 319802131230 12k Ohm 5% 0.062W 0603
3A09 319802131090 TDA8932T/N1 IC
3A11 319802131030 10k Ohm 5% 0.062W 0603
3A12 319802131050 1M Ohm 5% 0603
3A13 319802133930 39k Ohm 5% 0.062W 0605
3A14 232276260229 22 Ohm 5% 2512
3A15 319802131050 1M Ohm 5% 0603
3A17 319802131090 TDA8932T/N1 IC
3A19 319802131030 10k Ohm 5% 0.062W 0603
3A26 319802134720 4.7k Ohm 5% 0603
3A27 319802132240 220k Ohm 5% 0603
3A28 319802132240 220k Ohm 5% 0603
3A29 319802134730 47k Ohm 5% 0603
3A30 319802134730 47k Ohm 5% 0603
3A31 319802131030 10k Ohm 5% 0.062W 0603
3B12 232270461502 1k5 1% 0603
3B17 319802136820 6.8k Ohm 5% 0603
3B18 319802136820 6.8k Ohm 5% 0603
3B19 319802136820 6.8k Ohm 5% 0603
3B65 319802134720 4.7k Ohm 5% 0603
3B66 232270461002 1k Ohm 1% 0603
3B68 319802131010 100 Ohm 5% 0.062W 0603
3C01 319802131050 1M Ohm 5% 0603
3C02 319802133390 33 Ohm 5% 0.062W 0603
3C03 319803111010 4*100 Ohm 5% 1206
3C04 319803111010 4*100 Ohm 5% 1206
3C05 319803111010 4*100 Ohm 5% 1206
3C06 319803111010 4*100 Ohm 5% 1206
3C08 319802131010 100 Ohm 5% 0.062W 0603
3C09 319802131010 100 Ohm 5% 0.062W 0603
3C10 319802132290 22 Ohm 5% 0603
3C19 232270464701 470 Ohm 1% 0603
3C20 319802131020 1k Ohm 5% 0.062W 0603
3C22 319802134720 4.7k Ohm 5% 0603
3C23 319802132210 220 Ohm 5% 0603
3C24 319802131010 100 Ohm 5% 0.062W 0603
3C25 319802131030 10k Ohm 5% 0.062W 0603
3C40 319802134720 4.7k Ohm 5% 0603
3C41 319802134720 4.7k Ohm 5% 0603
3C42 319802134720 4.7k Ohm 5% 0603
3D01 319803112290 4*22 Ohm 5% 1206
3D02 319803112290 4*22 Ohm 5% 1206
3D05 319803112290 4*22 Ohm 5% 1206
3D06 319803112290 4*22 Ohm 5% 1206
3D09 319802131590 15 Ohm 5% 0.062W 0603
3D10 232270465109 51 Ohm 1% 0603
3D11 319802131590 15 Ohm 5% 0.062W 0603
3D14 232270465109 51 Ohm 1% 0603
3D15 319802131020 1k Ohm 5% 0.062W 0603
3D16 319802131020 1k Ohm 5% 0.062W 0603
3D38 319802131590 15 Ohm 5% 0.062W 0603
Item Philips 12NC Description
3D40 319802131590 15 Ohm 5% 0.062W 0603
3D43 319803112290 4*22 Ohm 5% 1206
3D44 319803112290 4*22 Ohm 5% 1206
3D47 319803112290 4*22 Ohm 5% 1206
3D48 319803112290 4*22 Ohm 5% 1206
3E02 319802132290 22 Ohm 5% 0603
3E04 319802132290 22 Ohm 5% 0603
3E06 319802134720 4.7k Ohm 5% 0603
3E07 319802190030 Jumper 0603
3F10 319802134710 470 Ohm 5% 0603
3F11 319802136840 680k Ohm 5% 0.062W 0603
3F12 319802133310 330 Ohm 5% 0.062W 0603
3F13 319802132240 220k Ohm 5% 0603
3F14 319802133310 330 Ohm 5% 0.062W 0603
3F15 319802136840 680k Ohm 5% 0.062W 0603
3F16 319802133910 390 Ohm 5% 0.062W 0603
3F17 319802132240 220k Ohm 5% 0603
3F18 319802131030 10k Ohm 5% 0.062W 0603
3F19 319802134720 4.7k Ohm 5% 0603
3F20 319802134720 4.7k Ohm 5% 0603
3F21 319802133390 33 Ohm 5% 0.062W 0603
3F23 319802134720 4.7k Ohm 5% 0603
3F24 319802131040 100k Ohm 5% 0.062W 0603
3F25 319802131040 100k Ohm 5% 0.062W 0603
3F26 319802131020 1k Ohm 5% 0.062W 0603
3F28 319802131040 100k Ohm 5% 0.062W 0603
3F29 319802131040 100k Ohm 5% 0.062W 0603
3F30 319802133390 33 Ohm 5% 0.062W 0603
3F31 319803113390 4*33 Ohm 5% 1206
3F32 319803113390 4*33 Ohm 5% 1206
3F33 319802131030 10k Ohm 5% 0.062W 0603
3F34 319803113390 4*33 Ohm 5% 1206
3F40 319802131010 100 Ohm 5% 0.062W 0603
3F41 319802132720 2.7k Ohm 5% 0603
3F42 319802132720 2.7k Ohm 5% 0603
3F44 319802131010 100 Ohm 5% 0.062W 0603
3F46 319802131010 100 Ohm 5% 0.062W 0603
3F48 319802131010 100 Ohm 5% 0.062W 0603
3G11 319802131030 10k Ohm 5% 0.062W 0603
3G12 319802131030 10k Ohm 5% 0.062W 0603
3G16 319802131030 10k Ohm 5% 0.062W 0603
3G17 319802131030 10k Ohm 5% 0.062W 0603
3G19 319802131030 10k Ohm 5% 0.062W 0603
3G20 319802131030 10k Ohm 5% 0.062W 0603
3G28 319802131030 10k Ohm 5% 0.062W 0603
3G30 319802131030 10k Ohm 5% 0.062W 0603
3G31 319802131030 10k Ohm 5% 0.062W 0603
3G33 319802132290 22 Ohm 5% 0603
3G34 319802132290 22 Ohm 5% 0603
3G35 319802132290 22 Ohm 5% 0603
3G37 319802131030 10k Ohm 5% 0.062W 0603
3G38 319802131030 10k Ohm 5% 0.062W 0603
3G40 232270461202 1.2k Ohm 1%
3G41 319802131030 10k Ohm 5% 0.062W 0603
3G43 319802131010 100 Ohm 5% 0.062W 0603
3G44 319802131010 100 Ohm 5% 0.062W 0603
3G46 319802131010 100 Ohm 5% 0.062W 0603
3G47 319802131010 100 Ohm 5% 0.062W 0603
3G48 319802133390 33 Ohm 5% 0.062W 0603
3G54 319802131030 10k Ohm 5% 0.062W 0603
3G56 319803113390 4*33 Ohm 5% 1206
3G57 319803113390 4*33 Ohm 5% 1206
3G58 319803113390 4*33 Ohm 5% 1206
3G59 319803113390 4*33 Ohm 5% 1206
3G60 319802133390 33 Ohm 5% 0.062W 0603
3G61 319802133390 33 Ohm 5% 0.062W 0603
3G62 319802133390 33 Ohm 5% 0.062W 0603
3G63 319802131030 10k Ohm 5% 0.062W 0603
3H00 319802133320 3.3k Ohm 5% 0.062W 0603
3H05 319802131030 10k Ohm 5% 0.062W 0603
3H09 319802131010 100 Ohm 5% 0.062W 0603
3H10 319802131010 100 Ohm 5% 0.062W 0603
3H11 319802131030 10k Ohm 5% 0.062W 0603
3H12 319802133320 3.3k Ohm 5% 0.062W 0603
Item Philips 12NC Description

Spare Parts List EN 125LC7.5E LA 10.
3H13 319802133320 3.3k Ohm 5% 0.062W 0603
3H14 212010894132 1 Ohm 1206
3J01 319802132230 22k Ohm 5% 0603
3J02 319802131230 12k Ohm 5% 0.062W 0603
3J03 319802131010 100 Ohm 5% 0.062W 0603
3J59 319802131810 180 Ohm 5% 0.062W 0603
3J60 319802134790 47 Ohm 5% 0603
3J61 319802131810 180 Ohm 5% 0.062W 0603
3J62 319802134790 47 Ohm 5% 0603
3J63 319802131810 180 Ohm 5% 0.062W 0603
3J64 319802134790 47 Ohm 5% 0603
3J65 319802131810 180 Ohm 5% 0.062W 0603
3J66 319802134790 47 Ohm 5% 0603
3K00 319802131010 100 Ohm 5% 0.062W 0603
3K01 319802131010 100 Ohm 5% 0.062W 0603
3K02 319803113390 4*33 Ohm 5% 1206
3K03 319803113390 4*33 Ohm 5% 1206
3K04 319802131030 10k Ohm 5% 0.062W 0603
3K05 319803113390 4*33 Ohm 5% 1206
3K06 319802131030 10k Ohm 5% 0.062W 0603
3K07 319802131030 10k Ohm 5% 0.062W 0603
3K08 319802131030 10k Ohm 5% 0.062W 0603
3K09 319802131030 10k Ohm 5% 0.062W 0603
3K10 319802131030 10k Ohm 5% 0.062W 0603
3K11 319802131030 10k Ohm 5% 0.062W 0603
3K12 319802131030 10k Ohm 5% 0.062W 0603
3K13 232270462002 2k Ohm 1% 0603
3K15 319802131030 10k Ohm 5% 0.062W 0603
3K16 319802131030 10k Ohm 5% 0.062W 0603
3K17 319802131030 10k Ohm 5% 0.062W 0603
3K18 319802131030 10k Ohm 5% 0.062W 0603
3K19 319802131030 10k Ohm 5% 0.062W 0603
3K20 319802131030 10k Ohm 5% 0.062W 0603
3K21 319802131030 10k Ohm 5% 0.062W 0603
3K22 319802131030 10k Ohm 5% 0.062W 0603
3K23 319803113390 4*33 Ohm 5% 1206
3K24 319803113390 4*33 Ohm 5% 1206
3K25 319802133390 33 Ohm 5% 0.062W 0603
3K26 319802133390 33 Ohm 5% 0.062W 0603
3K27 319802134790 47 Ohm 5% 0603
3K28 319802134790 47 Ohm 5% 0603
3K29 319802134790 47 Ohm 5% 0603
3K30 319802134790 47 Ohm 5% 0603
3K31 319802134790 47 Ohm 5% 0603
3K32 319802134790 47 Ohm 5% 0603
3K33 319802134790 47 Ohm 5% 0603
3K34 319803114790 4*47 Ohm 5% 1206
3K38 319802134790 47 Ohm 5% 0603
3K39 319802134790 47 Ohm 5% 0603
3K40 319802134790 47 Ohm 5% 0603
3K41 319802134790 47 Ohm 5% 0603
3K42 319802134790 47 Ohm 5% 0603
3K43 319802134790 47 Ohm 5% 0603
3K44 319802134790 47 Ohm 5% 0603
3K45 319802134790 47 Ohm 5% 0603
3K46 319802134790 47 Ohm 5% 0603
3K47 319802134790 47 Ohm 5% 0603
3K48 319802134790 47 Ohm 5% 0603
3K49 319802133390 33 Ohm 5% 0.062W 0603
3K50 319802133390 33 Ohm 5% 0.062W 0603
3K51 319802134720 4.7k Ohm 5% 0603
3K52 319802134720 4.7k Ohm 5% 0603
3L01 319802134720 4.7k Ohm 5% 0603
3L02 319802131010 100 Ohm 5% 0.062W 0603
3L03 319802131030 10k Ohm 5% 0.062W 0603
3L04 319802131520 1.5k Ohm 5% 0.062W 0603
3L05 319802131010 100 Ohm 5% 0.062W 0603
3L10 212010894132 1 Ohm 1206
3L11 319802131010 100 Ohm 5% 0.062W 0603
3L15 319802133310 330 Ohm 5% 0.062W 0603
3L16 319802131020 1k Ohm 5% 0.062W 0603
3L17 319802131010 100 Ohm 5% 0.062W 0603
3L22 319802190030 Jumper 0603
3L23 319802190030 Jumper 0603
Item Philips 12NC Description
3L28 319802134720 4.7k Ohm 5% 0603
3L53 319802131010 100 Ohm 5% 0.062W 0603
3L54 319802131010 100 Ohm 5% 0.062W 0603
3L55 319802131030 10k Ohm 5% 0.062W 0603
3L56 319802131010 100 Ohm 5% 0.062W 0603
3L57 319802131010 100 Ohm 5% 0.062W 0603
3L58 319802131010 100 Ohm 5% 0.062W 0603
3L59 319802131010 100 Ohm 5% 0.062W 0603
3L60 319802131010 100 Ohm 5% 0.062W 0603
3L61 319802131010 100 Ohm 5% 0.062W 0603
3L62 319802131010 100 Ohm 5% 0.062W 0603
3L63 319802131010 100 Ohm 5% 0.062W 0603
3L67 319802131010 100 Ohm 5% 0.062W 0603
3L71 319802132290 22 Ohm 5% 0603
3L72 319802134730 47k Ohm 5% 0603
3L73 319802134730 47k Ohm 5% 0603
3L75 319802132220 2.2k Ohm 5% 0603
3L76 319802132220 2.2k Ohm 5% 0603
3L79 319802131030 10k Ohm 5% 0.062W 0603
3L86 319802132230 22k Ohm 5% 0603
3L94 319802134720 4.7k Ohm 5% 0603
3L95 319802134720 4.7k Ohm 5% 0603
3L96 319802131040 100k Ohm 5% 0.062W 0603
3M07 319802131010 100 Ohm 5% 0.062W 0603
3M08 319802132220 2.2k Ohm 5% 0603
3M09 319802134720 4.7k Ohm 5% 0603
3M10 319802134710 470 Ohm 5% 0603
3M13 319802131010 100 Ohm 5% 0.062W 0603
3M14 319802131010 100 Ohm 5% 0.062W 0603
3M15 319802131010 100 Ohm 5% 0.062W 0603
3M20 319802131010 100 Ohm 5% 0.062W 0603
3M21 319802131010 100 Ohm 5% 0.062W 0603
3M31 319802132220 2.2k Ohm 5% 0603
3M32 319802138230 82k Ohm 5% 0.062W 0603
3M34 319802134720 4.7k Ohm 5% 0603
3M37 319802134730 47k Ohm 5% 0603
3M38 319802134730 47k Ohm 5% 0603
3M39 319802134730 47k Ohm 5% 0603
3M40 319802134730 47k Ohm 5% 0603
3N01 319802133390 33 Ohm 5% 0.062W 0603
3N02 319803113390 4*33 Ohm 5% 1206
3N03 319802133390 33 Ohm 5% 0.062W 0603
3N04 319803113390 4*33 Ohm 5% 1206
3N05 319802133390 33 Ohm 5% 0.062W 0603
3N06 319803113390 4*33 Ohm 5% 1206
3N07 319802133390 33 Ohm 5% 0.062W 0603
3N08 319803113390 4*33 Ohm 5% 1206
3N09 319802133390 33 Ohm 5% 0.062W 0603
3N10 319802133390 33 Ohm 5% 0.062W 0603
3N11 319803113390 4*33 Ohm 5% 1206
3N12 319803113390 4*33 Ohm 5% 1206
3N13 319802133390 33 Ohm 5% 0.062W 0603
3N14 319802133390 33 Ohm 5% 0.062W 0603
3N15 319802133390 33 Ohm 5% 0.062W 0603
3N16 319802133390 33 Ohm 5% 0.062W 0603
3N18 319803113390 4*33 Ohm 5% 1206
3N22 319802133390 33 Ohm 5% 0.062W 0603
3N23 212010894132 1 Ohm 1206
3N24 319802131050 1M Ohm 5% 0603
3N25 319802132210 220 Ohm 5% 0603
3N26 319802132210 220 Ohm 5% 0603
3N27 212010894132 1 Ohm 1206
3N33 319802134720 4.7k Ohm 5% 0603
3N34 319802134720 4.7k Ohm 5% 0603
3N35 319802134720 4.7k Ohm 5% 0603
3N36 319802134720 4.7k Ohm 5% 0603
3N37 319802134720 4.7k Ohm 5% 0603
3N38 319802134720 4.7k Ohm 5% 0603
3N39 319802131010 100 Ohm 5% 0.062W 0603
3N40 319802131010 100 Ohm 5% 0.062W 0603
3P13 319802131090 TDA8932T/N1 IC
3P20 212010894133 10 Ohm 5% 1206
3P23 319802131090 TDA8932T/N1 IC
3P25 319802131090 TDA8932T/N1 IC
Item Philips 12NC Description
3P26 319802132280 2R2 5% 0603
3P32 319802132280 2R2 5% 0603
3P34 319802133320 3.3k Ohm 5% 0.062W 0603
3P37 319802136820 6.8k Ohm 5% 0603
3P38 319802131020 1k Ohm 5% 0.062W 0603
3P40 319802133930 39k Ohm 5% 0.062W 0605
3P41 319802136820 6.8k Ohm 5% 0603
3P45 319802136820 6.8k Ohm 5% 0603
3P47 319802136890 68 Ohm 5% 0.062W 0603
3P48 319802136890 68 Ohm 5% 0.062W 0603
3P49 319802132210 220 Ohm 5% 0603
3P50 319802131020 1k Ohm 5% 0.062W 0603
3P51 232270461801 180 Ohm 1% 0603
3P53 232270466801 680 Ohm 1% 0603
3P54 319802131030 10k Ohm 5% 0.062W 0603
3P56 232270464701 470 Ohm 1% 0603
3P59 232270464701 470 Ohm 1% 0603
3P61 319802131090 TDA8932T/N1 IC
3P64 232270466801 680 Ohm 1% 0603
3P68 319802136820 6.8k Ohm 5% 0603
3P69 319802136820 6.8k Ohm 5% 0603
3P70 319802133320 3.3k Ohm 5% 0.062W 0603
3P71 319802136820 6.8k Ohm 5% 0603
3P72 319802136820 6.8k Ohm 5% 0603
3P74 319802136820 6.8k Ohm 5% 0603
3P77 232270461002 1k Ohm 1% 0603
3P78 319802131020 1k Ohm 5% 0.062W 0603
3R10 319802134730 47k Ohm 5% 0603
3R12 319802134790 47 Ohm 5% 0603
3R13 319802134730 47k Ohm 5% 0603
3R25 319802131010 100 Ohm 5% 0.062W 0603
3R26 319802131010 100 Ohm 5% 0.062W 0603
4B04 319802190030 Jumper 0603
4B05 319802190030 Jumper 0603
4B06 319802190030 Jumper 0603
4B07 319802190030 Jumper 0603
4C07 319802190030 Jumper 0603
4F12 319802190030 Jumper 0603
4G01 319802190030 Jumper 0603
4G02 319802190030 Jumper 0603
4G03 319802190030 Jumper 0603
4G04 319802190030 Jumper 0603
4G09 319802190030 Jumper 0603
4G31 319802190030 Jumper 0603
4H00 319802190030 Jumper 0603
4H02 319802190030 Jumper 0603
4H04 319802190030 Jumper 0603
4H05 319802190030 Jumper 0603
4H12 319802190030 Jumper 0603
4J14 319802190030 Jumper 0603
4J15 319802190030 Jumper 0603
4L20 319802190030 Jumper 0603
4L24 319802190030 Jumper 0603
4L25 319802190030 Jumper 0603
4L26 319802190030 Jumper 0603
4M01 319802190030 Jumper 0603
4M04 319802190030 Jumper 0603
4M05 319802190030 Jumper 0603
4M07 319802190030 Jumper 0603
4M08 319802190030 Jumper 0603
4M09 319802190030 Jumper 0603
4M11 319802190030 Jumper 0603
4N02 319802190030 Jumper 0603
4N03 319802190030 Jumper 0603
4N04 319802190030 Jumper 0603
4N05 319802190030 Jumper 0603
4N06 319802190030 Jumper 0603
4N07 319802190030 Jumper 0603
4N08 319802190030 Jumper 0603
4P01 319802190030 Jumper 0603
4P02 319802190030 Jumper 0603
4R02 319802190030 Jumper 0603
4R03 319802190030 Jumper 0603
4R04 319802190030 Jumper 0603
Item Philips 12NC Description

Spare Parts List
EN 126 LC7.5E LA10.
Table 10-12 SSB: 32 and 42PFL7962D/
12 (3139 268 52501)
4R05 319802190030 Jumper 0603
4R06 319802190030 Jumper 0603
4R07 319802190030 Jumper 0603
4R08 319802190030 Jumper 0603
5A03 242253601564 22uF 20%
5A04 242253601564 22uF 20%
5A05 242254942958 Bead 0805 30R at 100MHz
5A06 242254942958 Bead 0805 30R at 100MHz
5A07 242254901582 Bead 0603 33R at 100MHz
5A08 242253594134 105H 20% 0805
5A09 242253594134 105H 20% 0805
5B01 242253594134 105H 20% 0805
5B05 242253601564 22uF 20%
5B08 242253600779 105uH 20%
5C06 242254901582 Bead 0603 33R at 100MHz
5C07 242254901582 Bead 0603 33R at 100MHz
5C08 242254901582 Bead 0603 33R at 100MHz
5D03 242254901582 Bead 0603 33R at 100MHz
5E03 242254901582 Bead 0603 33R at 100MHz
5E04 242254901582 Bead 0603 33R at 100MHz
5E05 242254901582 Bead 0603 33R at 100MHz
5E06 242254901582 Bead 0603 33R at 100MHz
5E07 242254901582 Bead 0603 33R at 100MHz
5E08 242254901582 Bead 0603 33R at 100MHz
5E09 242254901582 Bead 0603 33R at 100MHz
5E10 242254901582 Bead 0603 33R at 100MHz
5E11 242254901582 Bead 0603 33R at 100MHz
5E12 242254901582 Bead 0603 33R at 100MHz
5E13 242254901582 Bead 0603 33R at 100MHz
5E14 242254901582 Bead 0603 33R at 100MHz
5E16 242254901582 Bead 0603 33R at 100MHz
5E17 242254901582 Bead 0603 33R at 100MHz
5F10 242254942979 Ind. 100MHz 60Ohm 0603
5F11 242254942979 Ind. 100MHz 60Ohm 0603
5G04 242254942979 Ind. 100MHz 60Ohm 0603
5G05 242254901582 Bead 0603 33R at 100MHz
5G06 242254901582 Bead 0603 33R at 100MHz
5G07 242254901582 Bead 0603 33R at 100MHz
5H01 242254942979 Ind. 100MHz 60Ohm 0603
5H02 242254942979 Ind. 100MHz 60Ohm 0603
5H03 242254942979 Ind. 100MHz 60Ohm 0603
5J01 242254942979 Ind. 100MHz 60Ohm 0603
5J52 319801853380 3.35H 10% 0603
5J53 319801853380 3.35H 10% 0603
5J54 319801853380 3.35H 10% 0603
5J55 319801853380 3.35H 10% 0603
5K01 242254942979 Ind. 100MHz 60Ohm 0603
5K02 242254942979 Ind. 100MHz 60Ohm 0603
5K03 242254942979 Ind. 100MHz 60Ohm 0603
5K04 242254942979 Ind. 100MHz 60Ohm 0603
5K05 242254942979 Ind. 100MHz 60Ohm 0603
5M01 242254901582 Bead 0603 33R at 100MHz
5M02 242254901582 Bead 0603 33R at 100MHz
5M03 242254901582 Bead 0603 33R at 100MHz
5N01 242254942896 Ind. 120 Ohm 100MHz
5N02 242254942896 Ind. 120 Ohm 100MHz
5N03 242254942896 Ind. 120 Ohm 100MHz
5N04 242254942896 Ind. 120 Ohm 100MHz
5N05 242254942896 Ind. 120 Ohm 100MHz
5N06 242254942896 Ind. 120 Ohm 100MHz
5N07 242254942896 Ind. 120 Ohm 100MHz
5N08 242254942896 Ind. 120 Ohm 100MHz
5N09 242254942896 Ind. 120 Ohm 100MHz
5P01 242253600671 10uH 20%
5P02 242253594134 105H 20% 0805
5P09 242253600671 10uH 20%
5R02 242254901582 Bead 0603 33R at 100MHz
5R03 242254901582 Bead 0603 33R at 100MHz
6B30 319801010720 SS24
6J03 319801010630 BAS316
6J14 934058419115 PESD3V3L1BA
6J15 934058419115 PESD3V3L1BA
6M08 319801010660 BAT54
6P05 319802056880 BZX384-C6V8
Item Philips 12NC Description
6P12 319802056880 BZX384-C6V8
6P13 319801010630 BAS316
6P14 319801010630 BAS316
6P15 319802051890 BZX384-C18
6R02 319802055680 BZX384-C5V6
7A01 935279642118 TDA8932T/N1
7A05 319801042320 BC857BW
7A06 319801042310 BC847BW
7A07 319801042310 BC847BW
7B01 932220234668 L5973D
7B02 932211988668 LD1117DT33C
7B12 932221214668 SI4423DY
7C01 932224957671 SVP WX68-7568-LF
7C02 319801042310 BC847BW
7C04 319801042310 BC847BW
7D01 932225195671 K4D261638K-LC40
7D02 932225195671 K4D261638K-LC40
7F01 935273245518 TDA10046AHT/C1
7F02 935263016165 74AHC1GU04GW
7F03 935263016165 74AHC1GU04GW
7F04 319801070580 LM393D
7G00 935277355557 PNX8314HS/C102
7H00 For SW see item 0851
7H02 932224127668 K4S281632I-UC60
7H03 For SW see item 0852
7J04 932221400668 SI2301BDS-E3
7J05 319801044110 PDTC114ET
7K00 932222791671 STV0700L
7K01 935219010118 74LVC573ADB
7K02 935219010118 74LVC573ADB
7K03 319801070650 74LVC245APW
7K04 272217100207 Xtal 27MHz 50P
7K05 932217513668 ST890CD
7L10 319801042310 BC847BW
7L23 For SW see item 0816
7M01 932216761668 LF18CD
7M04 319801042310 BC847BW
7M07 932225506671 SII9185ACTU
7M09 319801042310 BC847BW
7N01 932225010671 SII9125CTU
7N07 935266839118 UDA1334ATS/N2
7P05 319801044340 BC817-25W
7P06 932216070668 SI4936ADY-E3
7P07 932216070668 SI4936ADY-E3
7P08 932221350685 TS431AIL
7P09 934057587118 PHD38N02LT
7P11 932220746668 NCP5422AD
7R05 932220471668 SI4835BDY
7R07 319801044110 PDTC114ET
Item Philips 12NC Description
Item Philips 12NC Description
0233 313918758541 Top shield assy
0237 313918758531 Bottom shield assy
0476 310430312201 EMC foam 2.3x2.3x32.5
0484 310430310871 EMC foam tuner
1101 311229714001 Tuner TD1316AF/IHP-2
1102 932204272682 SAW 38MHz9 K3953M
1103 242254944341 SAW 38MHz9 K9656M
1104 242254301386 Xtal 4MHz00 20pF SMD-49
1201 242202518124 Conn. 5p m 2.00 Wh
1203 242202518125 Conn. 6p m 2.00 Wh
1204 272217108785 Xtal 27MHz 30pF DSO751
1301 242254301526 Crystal 12pF 10MHz
1304 242202518131 Conn. 11p m 2.00 Wh
1305 242202518129 Conn. 10p m 2.00 Wh
1314 242202605905 Sock. Phone 1p f 3.5
1411 242254301461 Xtal 18.432MHz 12pF
1504 242202520251 Sock. SCART 21p f Bk
1506 242202520251 Sock. SCART 21p f Bk
1601 242203300675 Sock. 2p f CINCH/MDIN
1615 242202605985 Sock. CINCH 4p f 2L2
2112 202055200211 22uF 10% 16V 1210
2113 319801731030 10nF 20% 50V 0603
2117 319801731030 10nF 20% 50V 0603
2118 319801731030 10nF 20% 50V 0603
2120 202055200211 22uF 10% 16V 1210
2121 319801631590 15pF 10% 50V 0603
2122 319801631590 15pF 10% 50V 0603
2123 319801731520 1.5nF 20% 50V 0603
2125 319801744740 470pF 5% 10V 0603
2126 319801742240 220nF 16V Y5V 0603
2127 319801632290 22pF 10% 50V 0603
2128 319801731030 10nF 20% 50V 0603
2129 202055200211 22uF 10% 16V 1210
2130 319801731030 10nF 20% 50V 0603
2131 202055200211 22uF 10% 16V 1210
2132 202055200211 22uF 10% 16V 1210
2133 319801731030 10nF 20% 50V 0603
2136 319801744740 470pF 5% 10V 0603
2137 319801731030 10nF 20% 50V 0603
2138 319801731030 10nF 20% 50V 0603
2139 319801633910 390pF 50V NP0 0603
2143 319801731020 1nF 50V 0603
2145 319801731020 1nF 50V 0603
2146 319801741050 1uF 5% 10V 0603
2147 223878619856 330nF 20% 160V 0603
2148 319801731040 100nF 16V 0603
2149 319802752280 2.2uF 10V X5R 0603
2203 319801631020 1nF 25V 0603
2204 319801631020 1nF 25V 0603
2211 319801731030 10nF 20% 50V 0603
2214 202055296858 10uF 10% 6V3 X5R 0805
2310 319801731040 100nF 16V 0603
2311 202055200291 10uF 20% 6.3V 0603
2312 319801731040 100nF 16V 0603
2313 319801731040 100nF 16V 0603
2314 319801631590 15pF 10% 50V 0603
2315 319801731040 100nF 16V 0603
2316 319801631590 15pF 10% 50V 0603
2317 319801731040 100nF 16V 0603
2318 319801731040 100nF 16V 0603
2320 319801731040 100nF 16V 0603
2323 319801731040 100nF 16V 0603
2324 202055296807 1uF 5% 10V 0603
2327 319801731030 10nF 20% 50V 0603
2329 319801731020 1nF 50V 0603
2330 319801731020 1nF 50V 0603
2331 319801731020 1nF 50V 0603
2332 319801731020 1nF 50V 0603
2333 319801731020 1nF 50V 0603
2335 319801731020 1nF 50V 0603

Spare Parts List EN 127LC7.5E LA 10.
2336 319801731020 1nF 50V 0603
2337 319801731020 1nF 50V 0603
2338 319801732240 220nF 20% 10V 0603
2341 319802341040 100nF 10% 100V 0603
2408 319801734710 470pF 50V X7R 0603
2409 319801731520 1.5nF 20% 50V 0603
2410 202002100215 220uF 20% 25V
2411 202055200291 10uF 20% 6.3V 0603
2412 319801632210 220pF 10% 50V 0603
2413 319801632210 220pF 10% 50V 0603
2414 202055200291 10uF 20% 6.3V 0603
2415 319801633380 3.3pF 50V 0603
2416 319801633380 3.3pF 50V 0603
2417 319801733310 330pF 50V X7R 0603
2418 319801733310 330pF 50V X7R 0603
2419 319801731040 100nF 16V 0603
2420 319803041090 10pF 20% 16V
2421 319801633310 330pF 1% 50V 0603
2422 319801633310 330pF 1% 50V 0603
2423 319803041090 10pF 20% 16V
2424 202055200291 10uF 20% 6.3V 0603
2425 202055200291 10uF 20% 6.3V 0603
2426 202055200291 10uF 20% 6.3V 0603
2427 202055200291 10uF 20% 6.3V 0603
2428 319801631010 100pF 10% 50V 0603
2429 319801631010 100pF 10% 50V 0603
2430 319801631010 100pF 10% 50V 0603
2431 319801631010 100pF 10% 50V 0603
2432 319801635690 56pF 10% 50V 0603
2433 319801633310 330pF 1% 50V 0603
2434 319801633310 330pF 1% 50V 0603
2435 319801633310 330pF 1% 50V 0603
2436 202055200291 10uF 20% 6.3V 0603
2437 202055200291 10uF 20% 6.3V 0603
2438 319801731040 100nF 16V 0603
2439 202055200247 470nF 10% 25V 0603
2440 202055200247 470nF 10% 25V 0603
2441 319801731520 1.5nF 20% 50V 0603
2442 319801734710 470pF 50V X7R 0603
2443 319801731520 1.5nF 20% 50V 0603
2444 319801734710 470pF 50V X7R 0603
2445 319801731040 100nF 16V 0603
2502 319801733310 330pF 50V X7R 0603
2506 319801733310 330pF 50V X7R 0603
2508 319801733310 330pF 50V X7R 0603
2509 319801732240 220nF 20% 10V 0603
2512 319801731020 1nF 50V 0603
2514 319801733310 330pF 50V X7R 0603
2515 319801732240 220nF 20% 10V 0603
2517 319801731020 1nF 50V 0603
2518 319801732240 220nF 20% 10V 0603
2520 319801731020 1nF 50V 0603
2521 319801732240 220nF 20% 10V 0603
2523 319801731020 1nF 50V 0603
2525 319801732240 220nF 20% 10V 0603
2533 319801732240 220nF 20% 10V 0603
2534 319801732240 220nF 20% 10V 0603
2536 319801732240 220nF 20% 10V 0603
2607 319801732240 220nF 20% 10V 0603
2608 319801733320 3.3nF 50V 0603
2610 319801732240 220nF 20% 10V 0603
2612 319801733320 3.3nF 50V 0603
2613 319801731040 100nF 16V 0603
2614 319801731040 100nF 16V 0603
2615 319801731040 100nF 16V 0603
2701 202055296448 1uF 10% 16V 0805
2702 319801741030 10nF 50V Y5V 0603
2703 319801741030 10nF 50V Y5V 0603
2704 319801741030 10nF 50V Y5V 0603
2705 319801741030 10nF 50V Y5V 0603
2706 202055200141 4.75F 10% 6.3V 0805
2707 319801741030 10nF 50V Y5V 0603
2708 319801741030 10nF 50V Y5V 0603
2709 319801741030 10nF 50V Y5V 0603
Item Philips 12NC Description
2710 319801741030 10nF 50V Y5V 0603
2711 319801741030 10nF 50V Y5V 0603
2712 319801741030 10nF 50V Y5V 0603
2713 319801741030 10nF 50V Y5V 0603
2714 319801741030 10nF 50V Y5V 0603
2715 319801741030 10nF 50V Y5V 0603
2717 202055200141 4.75F 10% 6.3V 0805
2718 319801741030 10nF 50V Y5V 0603
2719 319801741030 10nF 50V Y5V 0603
2720 319801741030 10nF 50V Y5V 0603
2721 319801741030 10nF 50V Y5V 0603
2724 319803014790 475uF 20% 4V
2725 319801741030 10nF 50V Y5V 0603
2726 319801741030 10nF 50V Y5V 0603
2729 202055296448 1uF 10% 16V 0805
2730 319801741030 10nF 50V Y5V 0603
2901 319801633390 33pF 50V NP0 0603
2902 319801744740 470pF 5% 10V 0603
2904 319801744740 470pF 5% 10V 0603
2905 319801633390 33pF 50V NP0 0603
2907 319801744740 470pF 5% 10V 0603
2908 319801732240 220nF 20% 10V 0603
2913 319801732240 220nF 20% 10V 0603
2915 319803024790 47uF 20% 6.3V
2916 319803024790 47uF 20% 6.3V
3110 319802138220 8.2k Ohm 5% 0.062W 0603
3111 319802135620 5.6k Ohm 5% 0.062W 0603
3113 319802136820 6.8k Ohm 5% 0603
3115 319802133930 39k Ohm 5% 0.062W 0605
3117 319802132220 2.2k Ohm 5% 0603
3118 319802132220 2.2k Ohm 5% 0603
3119 319802132230 22k Ohm 5% 0603
3123 319802133310 330 Ohm 5% 0.062W 0603
3124 319802131010 100 Ohm 5% 0.062W 0603
3125 319802131510 150 Ohm 5% 0603
3126 319802131810 180 Ohm 5% 0.062W 0603
3127 319802135620 5.6k Ohm 5% 0.062W 0603
3133 212010894132 1 Ohm 1206
3134 212010894132 1 Ohm 1206
3135 319802131590 15 Ohm 5% 0.062W 0603
3136 232276260479 47Ohm 5% 2512
3137 232276260479 47Ohm 5% 2512
3140 319802131510 150 Ohm 5% 0603
3151 319802131010 100 Ohm 5% 0.062W 0603
3152 319802131010 100 Ohm 5% 0.062W 0603
3188 319802131830 18k Ohm 5% 0603
3193 319802132230 22k Ohm 5% 0603
3194 319802132230 22k Ohm 5% 0603
3195 319802131830 18k Ohm 5% 0603
3201 319802131010 100 Ohm 5% 0.062W 0603
3202 319802131010 100 Ohm 5% 0.062W 0603
3203 319802131520 1.5k Ohm 5% 0.062W 0603
3204 319802131520 1.5k Ohm 5% 0.062W 0603
3205 319802131010 100 Ohm 5% 0.062W 0603
3206 319802131010 100 Ohm 5% 0.062W 0603
3231 319802131020 1k Ohm 5% 0.062W 0603
3234 319802131010 100 Ohm 5% 0.062W 0603
3235 319802131010 100 Ohm 5% 0.062W 0603
3236 319802134790 47 Ohm 5% 0603
3240 319802131010 100 Ohm 5% 0.062W 0603
3246 319802131010 100 Ohm 5% 0.062W 0603
3300 319802131220 1.2k Ohm 5% 0.062W 0603
3303 319802131010 100 Ohm 5% 0.062W 0603
3306 319802131020 1k Ohm 5% 0.062W 0603
3310 319802131020 1k Ohm 5% 0.062W 0603
3313 319802133310 330 Ohm 5% 0.062W 0603
3314 319802131030 10k Ohm 5% 0.062W 0603
3315 319802131010 100 Ohm 5% 0.062W 0603
3316 319802131030 10k Ohm 5% 0.062W 0603
3317 319802133310 330 Ohm 5% 0.062W 0603
3318 319802131010 100 Ohm 5% 0.062W 0603
3319 319802131030 10k Ohm 5% 0.062W 0603
3320 319802131010 100 Ohm 5% 0.062W 0603
3322 319802131010 100 Ohm 5% 0.062W 0603
Item Philips 12NC Description
3323 319802131010 100 Ohm 5% 0.062W 0603
3324 319802131030 10k Ohm 5% 0.062W 0603
3325 319802131030 10k Ohm 5% 0.062W 0603
3329 319802131010 100 Ohm 5% 0.062W 0603
3336 319802131010 100 Ohm 5% 0.062W 0603
3338 319802131010 100 Ohm 5% 0.062W 0603
3339 319802131010 100 Ohm 5% 0.062W 0603
3340 319802131010 100 Ohm 5% 0.062W 0603
3341 319802131010 100 Ohm 5% 0.062W 0603
3343 319802131010 100 Ohm 5% 0.062W 0603
3345 319802131010 100 Ohm 5% 0.062W 0603
3346 319802131010 100 Ohm 5% 0.062W 0603
3347 319802131030 10k Ohm 5% 0.062W 0603
3348 319802134790 47 Ohm 5% 0603
3349 319802131030 10k Ohm 5% 0.062W 0603
3350 319802131030 10k Ohm 5% 0.062W 0603
3351 319802133320 3.3k Ohm 5% 0.062W 0603
3352 319802133320 3.3k Ohm 5% 0.062W 0603
3353 319802131030 10k Ohm 5% 0.062W 0603
3354 319802131010 100 Ohm 5% 0.062W 0603
3355 319802131010 100 Ohm 5% 0.062W 0603
3357 319802131010 100 Ohm 5% 0.062W 0603
3359 319802134720 4.7k Ohm 5% 0603
3360 319802134720 4.7k Ohm 5% 0603
3361 319802133320 3.3k Ohm 5% 0.062W 0603
3362 319802133320 3.3k Ohm 5% 0.062W 0603
3380 319802131010 100 Ohm 5% 0.062W 0603
3382 319802131010 100 Ohm 5% 0.062W 0603
3384 319802132290 22 Ohm 5% 0603
3386 319802131010 100 Ohm 5% 0.062W 0603
3387 319802131010 100 Ohm 5% 0.062W 0603
3388 319802131010 100 Ohm 5% 0.062W 0603
3389 319802134790 47 Ohm 5% 0603
3390 319802134790 47 Ohm 5% 0603
3391 319802134790 47 Ohm 5% 0603
3393 319802131530 15k Ohm 5% 0603
3395 319802131520 1.5k Ohm 5% 0.062W 0603
3396 319802131020 1k Ohm 5% 0.062W 0603
3397 319802134730 47k Ohm 5% 0603
3398 319802131040 100k Ohm 5% 0.062W 0603
3399 319802131030 10k Ohm 5% 0.062W 0603
3402 212010894132 1 Ohm 1206
3410 319802131010 100 Ohm 5% 0.062W 0603
3411 319802131010 100 Ohm 5% 0.062W 0603
3417 319802131010 100 Ohm 5% 0.062W 0603
3418 319802131010 100 Ohm 5% 0.062W 0603
3419 319802131010 100 Ohm 5% 0.062W 0603
3420 319802131010 100 Ohm 5% 0.062W 0603
3500 319802131510 150 Ohm 5% 0603
3502 319802131510 150 Ohm 5% 0603
3503 319802131510 150 Ohm 5% 0603
3506 319802131510 150 Ohm 5% 0603
3507 319802131510 150 Ohm 5% 0603
3508 319802133330 33k Ohm 5% 0.062W 0603
3510 319802131510 150 Ohm 5% 0603
3511 319802133330 33k Ohm 5% 0.062W 0603
3512 319802131510 150 Ohm 5% 0603
3513 319802133330 33k Ohm 5% 0.062W 0603
3514 319802131510 150 Ohm 5% 0603
3515 319802133330 33k Ohm 5% 0.062W 0603
3516 319802131010 100 Ohm 5% 0.062W 0603
3517 319802137590 75 Ohm 5% 0603
3518 319802132730 27k Ohm 5% 0603
3519 319802131590 15 Ohm 5% 0.062W 0603
3520 319802136820 6.8k Ohm 5% 0603
3521 319802131020 1k Ohm 5% 0.062W 0603
3522 319802136890 68 Ohm 5% 0.062W 0603
3523 319802131010 100 Ohm 5% 0.062W 0603
3524 319802131590 15 Ohm 5% 0.062W 0603
3525 319802131020 1k Ohm 5% 0.062W 0603
3526 319802137590 75 Ohm 5% 0603
3528 319802131010 100 Ohm 5% 0.062W 0603
3529 319802131010 100 Ohm 5% 0.062W 0603
3530 319802137590 75 Ohm 5% 0603
Item Philips 12NC Description

Spare Parts List
EN 128 LC7.5E LA10.
3531 319802137590 75 Ohm 5% 0603
3532 319802131020 1k Ohm 5% 0.062W 0603
3533 319802137590 75 Ohm 5% 0603
3535 319802136890 68 Ohm 5% 0.062W 0603
3536 319802131020 1k Ohm 5% 0.062W 0603
3537 319802131020 1k Ohm 5% 0.062W 0603
3538 319802134720 4.7k Ohm 5% 0603
3540 319802134720 4.7k Ohm 5% 0603
3545 319802131010 100 Ohm 5% 0.062W 0603
3546 319802137590 75 Ohm 5% 0603
3550 319802132730 27k Ohm 5% 0603
3551 319802136820 6.8k Ohm 5% 0603
3552 319802131010 100 Ohm 5% 0.062W 0603
3553 319802137590 75 Ohm 5% 0603
3554 319802136890 68 Ohm 5% 0.062W 0603
3555 319802136890 68 Ohm 5% 0.062W 0603
3600 319802131010 100 Ohm 5% 0.062W 0603
3601 319802137590 75 Ohm 5% 0603
3602 319802131010 100 Ohm 5% 0.062W 0603
3603 319802137590 75 Ohm 5% 0603
3604 319802137590 75 Ohm 5% 0603
3605 319802137590 75 Ohm 5% 0603
3607 319802131510 150 Ohm 5% 0603
3608 319802133330 33k Ohm 5% 0.062W 0603
3609 319802137590 75 Ohm 5% 0603
3611 319802131510 150 Ohm 5% 0603
3612 319802133330 33k Ohm 5% 0.062W 0603
3617 319802133390 33 Ohm 5% 0.062W 0603
3618 319802133390 33 Ohm 5% 0.062W 0603
3619 319802133390 33 Ohm 5% 0.062W 0603
3620 319802134720 4.7k Ohm 5% 0603
3700 319802131030 10k Ohm 5% 0.062W 0603
3701 319802131030 10k Ohm 5% 0.062W 0603
3702 319802131030 10k Ohm 5% 0.062W 0603
3703 319802131030 10k Ohm 5% 0.062W 0603
3713 319802131810 180 Ohm 5% 0.062W 0603
3714 319802131810 180 Ohm 5% 0.062W 0603
3720 319802132290 22 Ohm 5% 0603
3721 319802131810 180 Ohm 5% 0.062W 0603
3722 319802132290 22 Ohm 5% 0603
3723 319802132290 22 Ohm 5% 0603
3724 319802131810 180 Ohm 5% 0.062W 0603
3725 319802132290 22 Ohm 5% 0603
3726 319802132290 22 Ohm 5% 0603
3727 319802131810 180 Ohm 5% 0.062W 0603
3728 319802132290 22 Ohm 5% 0603
3729 319802132290 22 Ohm 5% 0603
3730 319802131810 180 Ohm 5% 0.062W 0603
3731 319802132290 22 Ohm 5% 0603
3732 319802132290 22 Ohm 5% 0603
3733 319802131810 180 Ohm 5% 0.062W 0603
3734 319802132290 22 Ohm 5% 0603
3735 319802132290 22 Ohm 5% 0603
3736 319802131810 180 Ohm 5% 0.062W 0603
3737 319802132290 22 Ohm 5% 0603
3738 319802132290 22 Ohm 5% 0603
3739 319802131810 180 Ohm 5% 0.062W 0603
3740 319802132290 22 Ohm 5% 0603
3741 319802132290 22 Ohm 5% 0603
3742 319802131810 180 Ohm 5% 0.062W 0603
3743 319802132290 22 Ohm 5% 0603
3744 319802132290 22 Ohm 5% 0603
3745 319802131810 180 Ohm 5% 0.062W 0603
3746 319802132290 22 Ohm 5% 0603
3747 319802132290 22 Ohm 5% 0603
3748 319802131810 180 Ohm 5% 0.062W 0603
3749 319802132290 22 Ohm 5% 0603
3750 319802132290 22 Ohm 5% 0603
3751 319802132290 22 Ohm 5% 0603
3752 319802132290 22 Ohm 5% 0603
3753 319802132290 22 Ohm 5% 0603
3901 319802134730 47k Ohm 5% 0603
3902 232270260124 120k Ohm 5% 0603
3904 319802133390 33 Ohm 5% 0.062W 0603
Item Philips 12NC Description
3905 319802134730 47k Ohm 5% 0603
3906 319802131040 100k Ohm 5% 0.062W 0603
3907 319802131040 100k Ohm 5% 0.062W 0603
3908 232270260124 120k Ohm 5% 0603
3910 319802133390 33 Ohm 5% 0.062W 0603
3911 319802131030 10k Ohm 5% 0.062W 0603
3912 319802131030 10k Ohm 5% 0.062W 0603
3913 319802131020 1k Ohm 5% 0.062W 0603
3914 319802131020 1k Ohm 5% 0.062W 0603
3915 319802131020 1k Ohm 5% 0.062W 0603
3916 319802131020 1k Ohm 5% 0.062W 0603
3917 319802131020 1k Ohm 5% 0.062W 0603
3918 319802131020 1k Ohm 5% 0.062W 0603
3942 319802131030 10k Ohm 5% 0.062W 0603
3943 319802132230 22k Ohm 5% 0603
4112 319802190030 Jumper 0603
4115 319802190030 Jumper 0603
4116 319802190030 Jumper 0603
4117 319802190030 Jumper 0603
4118 319802190030 Jumper 0603
4119 319802190030 Jumper 0603
4123 319802190030 Jumper 0603
4124 319802190030 Jumper 0603
4125 319802190030 Jumper 0603
4201 319802190030 Jumper 0603
4204 319802190030 Jumper 0603
4205 319802190030 Jumper 0603
4309 319802190030 Jumper 0603
4310 319802190030 Jumper 0603
4316 319802190030 Jumper 0603
4326 319802190030 Jumper 0603
4401 319802190030 Jumper 0603
4402 319802190030 Jumper 0603
4409 319802190030 Jumper 0603
4410 319802190030 Jumper 0603
4412 319802190030 Jumper 0603
4602 319802190030 Jumper 0603
4700 319802190030 Jumper 0603
4703 319802190030 Jumper 0603
4704 319802190030 Jumper 0603
4705 319802190030 Jumper 0603
4706 319802190030 Jumper 0603
4707 319802190030 Jumper 0603
4708 319802190030 Jumper 0603
4709 319802190030 Jumper 0603
4710 319802190030 Jumper 0603
4711 319802190030 Jumper 0603
4712 319802190030 Jumper 0603
4713 319802190030 Jumper 0603
4714 319802190030 Jumper 0603
4715 319802190030 Jumper 0603
4716 319802190030 Jumper 0603
4717 319802190030 Jumper 0603
4718 319802190030 Jumper 0603
4719 319802190030 Jumper 0603
4720 319802190030 Jumper 0603
4721 319802190030 Jumper 0603
4722 319802190030 Jumper 0603
4723 319802190030 Jumper 0603
4724 319802190030 Jumper 0603
4725 319802190030 Jumper 0603
4726 319802190030 Jumper 0603
5111 242253601057 0.39uH 5% 0603
5112 242254901582 Bead 0603 33R at 100MHz
5114 242253601521 Ind. 10uH 10% 1207
5115 242253601521 Ind. 10uH 10% 1207
5118 242254901582 Bead 0603 33R at 100MHz
5120 319801890030 120 Ohm 100MHz 0603
5121 319801890030 120 Ohm 100MHz 0603
5201 242254901582 Bead 0603 33R at 100MHz
5202 242254943769 ind. 100MHz 30Ohm
5301 242254942979 Ind. 100MHz 60Ohm 0603
5302 242254942979 Ind. 100MHz 60Ohm 0603
5304 242254901582 Bead 0603 33R at 100MHz
Item Philips 12NC Description
5306 242254943276 Ind. 100MHz 30 Ohm 0603
5401 319801890030 120 Ohm 100MHz 0603
5402 319801890030 120 Ohm 100MHz 0603
5403 319801862290 22uH 5% 1008
5601 242254901582 Bead 0603 33R at 100MHz
5700 242254901582 Bead 0603 33R at 100MHz
5701 242254901582 Bead 0603 33R at 100MHz
5702 242254901582 Bead 0603 33R at 100MHz
5703 242254901582 Bead 0603 33R at 100MHz
5704 242254901582 Bead 0603 33R at 100MHz
5705 242254901582 Bead 0603 33R at 100MHz
6103 932210737685 1SS356
6110 319801010630 BAS316
6301 319801010630 BAS316
6306 934058419115 PESD3V3L1BA
6307 934058419115 PESD3V3L1BA
6318 319802058280 BZX384-C8V2
6512 932220595685 1N4148WS-V
6513 932220595685 1N4148WS-V
6919 319801010630 BAS316
7109 319801042030 BC847B
7111 933715320118 74HCT4053D (PHSE
7113 935272371118 TDA9886T/V4
7114 319801042030 BC847B
7133 932210447668 L78M05CDT
7134 319801042030 BC847B
7201 932221001668 EPCS4SI8N
7302 935275998118 PCA9515ADP
7303 935275998118 PCA9515ADP
7308 319801042310 BC847BW
7310 For SW see item 0815
7311 932224553671 M30300SAGP
7312 932222946685 BD45275G
7314 319801042310 BC847BW
7317 319801042310 BC847BW
7322 319801044110 PDTC114ET
7323 932224685685 NL27WZ08USG
7410 932219811685 L78L08ACU
7411 932225185671 MSP4450K-VK-E8-001
7500 319801042030 BC847B
7502 319801042320 BC857BW
7503 319801042030 BC847B
7504 319801042320 BC857BW
7601 935277231125 74LVC1G3157GW
7603 319801044110 PDTC114ET
7700 932224397671 EP2C5F256C7N
7901 932218305668 TS482ID
7902 319801042320 BC857BW
7911 319801042310 BC847BW
7912 319801042310 BC847BW
7913 319801042310 BC847BW
7914 319801042310 BC847BW
7915 319801042310 BC847BW
7916 319801042310 BC847BW
7922 319801042310 BC847BW
1A01 242202518123 Conn. 4p m 2.00 Wh
1A02 242202518122 Conn. 3p m 2.00 Wh
1A03 242202518122 Conn. 3p m 2.00 Wh
1B12 242202518125 Conn. 6p m 2.00 Wh
1B13 242202518127 Conn. 8p m 2.00 Wh
1C24 242254301624 Xtal 24MHz 18pF NX5032
1J14 242202605905 Sock. Phone 1p f 3.5
1K00 242202520413 Sock. PCMCIA 68p f 1.27
1L20 242202518126 Conn. 7p m 2.00 Wh
1M02 242203300618 Sock. HDMI 19p f SM
1M03 242203300618 Sock. HDMI 19p f SM
1N01 242202520569 Conn. 21p f 0.5
1N02 242254301517 Xtal 28M322 18pF NX5032
1R01 242202520345 Conn. 41p f 1.00 FX15S
1R02 242254945325 Bead 67 Ohm at 100MHz
1R03 242254945325 Bead 67 Ohm at 100MHz
1R04 242254945325 Bead 67 Ohm at 100MHz
1R05 242254945325 Bead 67 Ohm at 100MHz
1R06 242254945325 Bead 67 Ohm at 100MHz
Item Philips 12NC Description

Spare Parts List EN 129LC7.5E LA 10.
1R08 242254945325 Bead 67 Ohm at 100MHz
1R09 242254945325 Bead 67 Ohm at 100MHz
1R10 242254945325 Bead 67 Ohm at 100MHz
1R11 242254945325 Bead 67 Ohm at 100MHz
1R12 242254945325 Bead 67 Ohm at 100MHz
2A01 319801731040 100nF 16V 0603
2A02 319801731040 100nF 16V 0603
2A04 202002100215 220uF 20% 25V
2A08 202002100215 220uF 20% 25V
2A09 319801731040 100nF 16V 0603
2A10 319801731040 100nF 16V 0603
2A11 319802751080 1uF 10V X5R 0603
2A12 319801632210 220pF 10% 50V 0603
2A13 319801742240 220nF 16V Y5V 0603
2A14 202055200247 470nF 10% 25V 0603
2A15 319802751080 1uF 10V X5R 0603
2A16 319802751080 1uF 10V X5R 0603
2A17 319801631020 1nF 25V 0603
2A18 319801631020 1nF 25V 0603
2A19 319801632210 220pF 10% 50V 0603
2A20 319802751080 1uF 10V X5R 0603
2A21 319801631020 1nF 25V 0603
2A22 319801731040 100nF 16V 0603
2A23 319801631020 1nF 25V 0603
2A24 319801731040 100nF 16V 0603
2A25 319801731530 15nF 50V 0603
2A26 319801742240 220nF 16V Y5V 0603
2A27 319801731530 15nF 50V 0603
2A28 202055200247 470nF 10% 25V 0603
2A29 319801731040 100nF 16V 0603
2A30 319801731040 100nF 16V 0603
2A31 319801631020 1nF 25V 0603
2A32 319801631020 1nF 25V 0603
2A33 319801731040 100nF 16V 0603
2A34 319801731040 100nF 16V 0603
2A35 319801631020 1nF 25V 0603
2A36 319801631020 1nF 25V 0603
2A37 319801742240 220nF 16V Y5V 0603
2A38 319801742240 220nF 16V Y5V 0603
2A40 202055200247 470nF 10% 25V 0603
2A41 319802751080 1uF 10V X5R 0603
2A45 319801631020 1nF 25V 0603
2A46 319802444730 47NF Y5V 50V 0603
2A47 319802444730 47NF Y5V 50V 0603
2A51 319801731020 1nF 50V 0603
2A53 319801731020 1nF 50V 0603
2B06 319801731020 1nF 50V 0603
2B10 319803041010 1005F 20% 16V
2B12 202055200211 22uF 10% 16V 1210
2B18 319803041090 10pF 20% 16V
2B21 319801731040 100nF 16V 0603
2B22 319803074780 4.7uF 20% 35V
2B24 319803044790 47pF 20% 16V SMD
2B25 319801732210 220pF 20% 50V 0603
2B26 319801732230 22nF 20% 25V 0603
2B27 319801731030 10nF 20% 50V 0603
2B65 319801731040 100nF 16V 0603
2B66 202001200003 4705F 16V 20% SMD
2B68 319801732210 220pF 20% 50V 0603
2C01 319801631890 18pF 1% 50V 0603
2C02 319801631890 18pF 1% 50V 0603
2C03 319802341040 100nF 10% 100V 0603
2C04 319802341040 100nF 10% 100V 0603
2C05 319802341040 100nF 10% 100V 0603
2C06 319802341040 100nF 10% 100V 0603
2C07 319802341040 100nF 10% 100V 0603
2C08 319802341040 100nF 10% 100V 0603
2C09 319802341040 100nF 10% 100V 0603
2C10 319802341040 100nF 10% 100V 0603
2C11 319802341040 100nF 10% 100V 0603
2C12 319802341040 100nF 10% 100V 0603
2C13 319802341040 100nF 10% 100V 0603
2C14 319802341040 100nF 10% 100V 0603
2C15 319802341040 100nF 10% 100V 0603
Item Philips 12NC Description
2C17 319802341040 100nF 10% 100V 0603
2C18 319802341040 100nF 10% 100V 0603
2C19 319802341040 100nF 10% 100V 0603
2C20 319802341040 100nF 10% 100V 0603
2C21 319802341040 100nF 10% 100V 0603
2C22 319801731040 100nF 16V 0603
2C23 202055200291 10uF 20% 6.3V 0603
2C24 319801731040 100nF 16V 0603
2C25 319801731040 100nF 16V 0603
2C26 319801731040 100nF 16V 0603
2C27 202055200291 10uF 20% 6.3V 0603
2C28 319801731040 100nF 16V 0603
2C29 202055200291 10uF 20% 6.3V 0603
2C30 319802341040 100nF 10% 100V 0603
2C81 223858615628 2.7nF 10% 50V 0603
2C82 223858615628 2.7nF 10% 50V 0603
2D02 319801731040 100nF 16V 0603
2D03 319801731040 100nF 16V 0603
2D04 319801731030 10nF 20% 50V 0603
2D08 319801731030 10nF 20% 50V 0603
2D09 319801731030 10nF 20% 50V 0603
2D10 319801731040 100nF 16V 0603
2D11 319801634710 470pF 10% 50V 0603
2D12 319801634710 470pF 10% 50V 0603
2D14 319801731030 10nF 20% 50V 0603
2D18 202055200291 10uF 20% 6.3V 0603
2D31 319801731040 100nF 16V 0603
2D32 319801731040 100nF 16V 0603
2D33 319801731040 100nF 16V 0603
2D34 319801731040 100nF 16V 0603
2D37 319801731040 100nF 16V 0603
2D38 319801731040 100nF 16V 0603
2D39 319801731040 100nF 16V 0603
2D43 319801634710 470pF 10% 50V 0603
2D46 202055200291 10uF 20% 6.3V 0603
2D57 319801731030 10nF 20% 50V 0603
2D58 319801731030 10nF 20% 50V 0603
2D59 319801731030 10nF 20% 50V 0603
2D60 319801634710 470pF 10% 50V 0603
2D71 319803022290 ELCAP 6V3 22UF
2D72 319801731030 10nF 20% 50V 0603
2E01 202055200291 10uF 20% 6.3V 0603
2E02 319801731040 100nF 16V 0603
2E03 202055200291 10uF 20% 6.3V 0603
2E04 319801731040 100nF 16V 0603
2E05 202055200291 10uF 20% 6.3V 0603
2E06 319801731040 100nF 16V 0603
2E07 319801731040 100nF 16V 0603
2E08 319801731040 100nF 16V 0603
2E09 319801731040 100nF 16V 0603
2E10 202055200291 10uF 20% 6.3V 0603
2E11 319801731040 100nF 16V 0603
2E12 202055200291 10uF 20% 6.3V 0603
2E13 319801631010 100pF 10% 50V 0603
2E14 319801631010 100pF 10% 50V 0603
2E15 319801631010 100pF 10% 50V 0603
2E16 319801631010 100pF 10% 50V 0603
2E17 319801631010 100pF 10% 50V 0603
2E18 319801631010 100pF 10% 50V 0603
2E19 319801731040 100nF 16V 0603
2E20 202055200291 10uF 20% 6.3V 0603
2E21 319801731040 100nF 16V 0603
2E22 202055200291 10uF 20% 6.3V 0603
2E23 319801731040 100nF 16V 0603
2E24 202055200291 10uF 20% 6.3V 0603
2E25 319801731040 100nF 16V 0603
2E26 202055200291 10uF 20% 6.3V 0603
2E27 319801731040 100nF 16V 0603
2E28 202055200291 10uF 20% 6.3V 0603
2E29 319801731040 100nF 16V 0603
2E30 202055200291 10uF 20% 6.3V 0603
2E31 319801731040 100nF 16V 0603
2E32 202055200291 10uF 20% 6.3V 0603
2E33 319801731040 100nF 16V 0603
Item Philips 12NC Description
2E34 202055200291 10uF 20% 6.3V 0603
2E35 319801731040 100nF 16V 0603
2E36 319801731040 100nF 16V 0603
2E37 319801731040 100nF 16V 0603
2E38 319801731040 100nF 16V 0603
2E39 319801731040 100nF 16V 0603
2E40 319801731040 100nF 16V 0603
2E41 319801731040 100nF 16V 0603
2E42 319801731040 100nF 16V 0603
2E43 202055200291 10uF 20% 6.3V 0603
2E44 319801731040 100nF 16V 0603
2E45 319801731040 100nF 16V 0603
2E46 319801731040 100nF 16V 0603
2E47 319801731040 100nF 16V 0603
2E48 202055200291 10uF 20% 6.3V 0603
2E49 319801731040 100nF 16V 0603
2E50 319801731040 100nF 16V 0603
2E51 319801731040 100nF 16V 0603
2E52 319801731040 100nF 16V 0603
2E53 319801731040 100nF 16V 0603
2E54 319801731040 100nF 16V 0603
2E55 319801731040 100nF 16V 0603
2E56 319801731040 100nF 16V 0603
2E57 202055200291 10uF 20% 6.3V 0603
2E58 319801731040 100nF 16V 0603
2E66 202055200291 10uF 20% 6.3V 0603
2E67 319801731040 100nF 16V 0603
2E68 319802702290 22uF 10% 6.3V 0805
2E69 319801731040 100nF 16V 0603
2E70 319802702290 22uF 10% 6.3V 0805
2E71 319802702290 22uF 10% 6.3V 0805
2E72 319801731040 100nF 16V 0603
2E75 319801634710 470pF 10% 50V 0603
2E76 319801634710 470pF 10% 50V 0603
2F10 319801731040 100nF 16V 0603
2F11 319803044790 47pF 20% 16V SMD
2F12 319801731040 100nF 16V 0603
2F13 319801731040 100nF 16V 0603
2F14 319801731040 100nF 16V 0603
2F15 319801731040 100nF 16V 0603
2F16 319801731040 100nF 16V 0603
2F17 319801731040 100nF 16V 0603
2F18 319801731040 100nF 16V 0603
2F19 319801731040 100nF 16V 0603
2F20 319801731040 100nF 16V 0603
2F21 319803044790 47pF 20% 16V SMD
2F22 319801731040 100nF 16V 0603
2F23 319801731040 100nF 16V 0603
2F24 319801731040 100nF 16V 0603
2F25 319801731040 100nF 16V 0603
2F26 319801731040 100nF 16V 0603
2F27 319801731040 100nF 16V 0603
2F28 319801731040 100nF 16V 0603
2F29 319801731040 100nF 16V 0603
2F30 319801731040 100nF 16V 0603
2F31 319801731040 100nF 16V 0603
2F32 319801731040 100nF 16V 0603
2F33 319801631090 10pF 10% 50V 0603
2G02 319803041090 10pF 20% 16V
2G03 319801731040 100nF 16V 0603
2G04 319801731040 100nF 16V 0603
2G05 319801731040 100nF 16V 0603
2G06 319801731040 100nF 16V 0603
2G07 319801731040 100nF 16V 0603
2G08 319801731040 100nF 16V 0603
2G09 319801731040 100nF 16V 0603
2G10 319801731040 100nF 16V 0603
2G11 319801731040 100nF 16V 0603
2G12 319801731040 100nF 16V 0603
2G13 319801731040 100nF 16V 0603
2G14 319801731040 100nF 16V 0603
2G15 319801731040 100nF 16V 0603
2G16 319801731040 100nF 16V 0603
2G17 319803041090 10pF 20% 16V
Item Philips 12NC Description

Spare Parts List
EN 130 LC7.5E LA10.
2G18 319803041090 10pF 20% 16V
2G19 319801731040 100nF 16V 0603
2G20 319801731040 100nF 16V 0603
2G21 319801731040 100nF 16V 0603
2G22 319803041090 10pF 20% 16V
2G23 319803041090 10pF 20% 16V
2G24 319803041090 10pF 20% 16V
2G32 319801731040 100nF 16V 0603
2G33 319803041090 10pF 20% 16V
2H03 319801731040 100nF 16V 0603
2H04 319801731040 100nF 16V 0603
2H06 319803041090 10pF 20% 16V
2H07 319803041090 10pF 20% 16V
2H08 319801731040 100nF 16V 0603
2H09 319801731040 100nF 16V 0603
2H10 319801731040 100nF 16V 0603
2H11 319801731040 100nF 16V 0603
2H12 319801731040 100nF 16V 0603
2H13 319801731040 100nF 16V 0603
2H14 319801732240 220nF 20% 10V 0603
2H15 319801732240 220nF 20% 10V 0603
2J01 319803041090 10pF 20% 16V
2J02 319801731040 100nF 16V 0603
2J04 319803042290 22uF 20% 16V
2J05 319803041010 1005F 20% 16V
2J06 319801731040 100nF 16V 0603
2J62 319801636890 CER1 0603 NP0 50V 68P
2J63 319801631810 180pF 10% 50V 0603
2J66 319801631810 180pF 10% 50V 0603
2J67 319801636890 CER1 0603 NP0 50V 68P
2J69 319801631810 180pF 10% 50V 0603
2J70 319801636890 CER1 0603 NP0 50V 68P
2J72 319801631810 180pF 10% 50V 0603
2J73 319801636890 CER1 0603 NP0 50V 68P
2K00 319801731040 100nF 16V 0603
2K01 319801731040 100nF 16V 0603
2K02 319801731040 100nF 16V 0603
2K03 319801731040 100nF 16V 0603
2K04 319801731040 100nF 16V 0603
2K05 319801731040 100nF 16V 0603
2K06 319803041090 10pF 20% 16V
2K07 319803041090 10pF 20% 16V
2K08 319801731040 100nF 16V 0603
2K09 319801731040 100nF 16V 0603
2K10 319801731040 100nF 16V 0603
2K11 319803041090 10pF 20% 16V
2K12 319801731040 100nF 16V 0603
2K13 319803041090 10pF 20% 16V
2K14 319801731020 1nF 50V 0603
2K15 319801631010 100pF 10% 50V 0603
2K16 319801734730 47nF 10% 16V 0603
2K17 319801734730 47nF 10% 16V 0603
2L24 319801732240 220nF 20% 10V 0603
2L25 319801732240 220nF 20% 10V 0603
2M01 202055200291 10uF 20% 6.3V 0603
2M02 202055200291 10uF 20% 6.3V 0603
2M03 319801731040 100nF 16V 0603
2M04 319801731040 100nF 16V 0603
2M05 319801731040 100nF 16V 0603
2M06 319801731040 100nF 16V 0603
2M07 202055200291 10uF 20% 6.3V 0603
2M08 202055200291 10uF 20% 6.3V 0603
2M09 319801731040 100nF 16V 0603
2M10 319801731040 100nF 16V 0603
2M11 319803041010 1005F 20% 16V
2M12 319801731040 100nF 16V 0603
2M15 202055200291 10uF 20% 6.3V 0603
2M16 319801731040 100nF 16V 0603
2M17 319801731040 100nF 16V 0603
2M19 319801731040 100nF 16V 0603
2M20 319801731040 100nF 16V 0603
2M21 319801731040 100nF 16V 0603
2N03 319803024790 47uF 20% 6.3V
2N04 319801731040 100nF 16V 0603
Item Philips 12NC Description
2N05 319801731040 100nF 16V 0603
2N06 319803024790 47uF 20% 6.3V
2N07 319801731030 10nF 20% 50V 0603
2N08 319801731030 10nF 20% 50V 0603
2N09 202055200291 10uF 20% 6.3V 0603
2N10 202055200291 10uF 20% 6.3V 0603
2N11 319803024790 47uF 20% 6.3V
2N12 319801731040 100nF 16V 0603
2N13 319801631890 18pF 1% 50V 0603
2N14 319801631890 18pF 1% 50V 0603
2N15 319801631020 1nF 25V 0603
2N16 319801731040 100nF 16V 0603
2N17 319802341040 100nF 10% 100V 0603
2N18 319801731020 1nF 50V 0603
2N20 319802341040 100nF 10% 100V 0603
2N25 319801631020 1nF 25V 0603
2N26 319801731020 1nF 50V 0603
2N27 319802341040 100nF 10% 100V 0603
2N28 319801731020 1nF 50V 0603
2N29 319801731020 1nF 50V 0603
2N30 319802341040 100nF 10% 100V 0603
2N31 319801731020 1nF 50V 0603
2N32 319801731020 1nF 50V 0603
2N33 319802341040 100nF 10% 100V 0603
2N34 319801731020 1nF 50V 0603
2N35 319802341040 100nF 10% 100V 0603
2N36 319801731040 100nF 16V 0603
2N37 319802341040 100nF 10% 100V 0603
2N38 319801731020 1nF 50V 0603
2N39 319801731020 1nF 50V 0603
2N40 319802341040 100nF 10% 100V 0603
2N41 319801731020 1nF 50V 0603
2N42 319801731020 1nF 50V 0603
2N43 319801731020 1nF 50V 0603
2N44 319801731040 100nF 16V 0603
2N45 319801731020 1nF 50V 0603
2N46 319801731020 1nF 50V 0603
2N47 319801731040 100nF 16V 0603
2N48 319801731020 1nF 50V 0603
2N49 319801631020 1nF 25V 0603
2N50 319802341040 100nF 10% 100V 0603
2N51 319801731020 1nF 50V 0603
2N52 319801731020 1nF 50V 0603
2N53 319801731040 100nF 16V 0603
2N54 319801631020 1nF 25V 0603
2N55 319801731020 1nF 50V 0603
2N56 319802341040 100nF 10% 100V 0603
2N58 319801731020 1nF 50V 0603
2N59 319801731020 1nF 50V 0603
2N60 319801731020 1nF 50V 0603
2N61 319801731020 1nF 50V 0603
2N62 319801731020 1nF 50V 0603
2N63 319801731020 1nF 50V 0603
2N64 319802341040 100nF 10% 100V 0603
2N66 319801731020 1nF 50V 0603
2N67 319801731040 100nF 16V 0603
2P07 319801731040 100nF 16V 0603
2P28 202055200211 22uF 10% 16V 1210
2P29 202055200211 22uF 10% 16V 1210
2P30 202055200211 22uF 10% 16V 1210
2P31 202055200169 1uF 25V Y5V 0603
2P32 319801733320 3.3nF 50V 0603
2P33 319801733320 3.3nF 50V 0603
2P34 202055200211 22uF 10% 16V 1210
2P35 319801731020 1nF 50V 0603
2P36 319801731040 100nF 16V 0603
2P37 319801733320 3.3nF 50V 0603
2P38 319801731020 1nF 50V 0603
2P39 319801731040 100nF 16V 0603
2P40 319801731040 100nF 16V 0603
2P41 319801731040 100nF 16V 0603
2P42 319801731040 100nF 16V 0603
2P43 319801733320 3.3nF 50V 0603
2P46 319803011010 100uF 20% 4V
Item Philips 12NC Description
2P48 319801631010 100pF 10% 50V 0603
2P49 319801631010 100pF 10% 50V 0603
2P52 319801731020 1nF 50V 0603
2P53 319801731020 1nF 50V 0603
2P54 319801731040 100nF 16V 0603
2P55 319803011010 100uF 20% 4V
2P56 319803011010 100uF 20% 4V
2P59 319803011010 100uF 20% 4V
2P61 202055200211 22uF 10% 16V 1210
2P68 319803011010 100uF 20% 4V
2P72 319803011010 100uF 20% 4V
2P73 319801732230 22nF 20% 25V 0603
2P78 202055200169 1uF 25V Y5V 0603
2R10 202055296448 1uF 10% 16V 0805
2R11 319803044790 47pF 20% 16V SMD
2R12 319801731040 100nF 16V 0603
3A01 212010894133 10 Ohm 5% 1206
3A02 212010894133 10 Ohm 5% 1206
3A03 319802131030 10k Ohm 5% 0.062W 0603
3A04 319802131230 12k Ohm 5% 0.062W 0603
3A05 232276260229 22 Ohm 5% 2512
3A06 319802131030 10k Ohm 5% 0.062W 0603
3A07 319802131030 10k Ohm 5% 0.062W 0603
3A08 319802131230 12k Ohm 5% 0.062W 0603
3A09 319802131090 TDA8932T/N1 IC
3A11 319802131030 10k Ohm 5% 0.062W 0603
3A12 319802131050 1M Ohm 5% 0603
3A13 319802133930 39k Ohm 5% 0.062W 0605
3A14 232276260229 22 Ohm 5% 2512
3A15 319802131050 1M Ohm 5% 0603
3A17 319802131090 TDA8932T/N1 IC
3A19 319802131030 10k Ohm 5% 0.062W 0603
3A26 319802134720 4.7k Ohm 5% 0603
3A27 319802132240 220k Ohm 5% 0603
3A28 319802132240 220k Ohm 5% 0603
3A29 319802134730 47k Ohm 5% 0603
3A30 319802134730 47k Ohm 5% 0603
3A31 319802131030 10k Ohm 5% 0.062W 0603
3B12 232270461502 1k5 1% 0603
3B17 319802136820 6.8k Ohm 5% 0603
3B18 319802136820 6.8k Ohm 5% 0603
3B19 319802136820 6.8k Ohm 5% 0603
3B65 319802134720 4.7k Ohm 5% 0603
3B66 232270461002 1k Ohm 1% 0603
3B68 319802131010 100 Ohm 5% 0.062W 0603
3C01 319802131050 1M Ohm 5% 0603
3C02 319802133390 33 Ohm 5% 0.062W 0603
3C03 319803111010 4*100 Ohm 5% 1206
3C04 319803111010 4*100 Ohm 5% 1206
3C05 319803111010 4*100 Ohm 5% 1206
3C06 319803111010 4*100 Ohm 5% 1206
3C08 319802131010 100 Ohm 5% 0.062W 0603
3C09 319802131010 100 Ohm 5% 0.062W 0603
3C10 319802132290 22 Ohm 5% 0603
3C19 232270464701 470 Ohm 1% 0603
3C20 319802131020 1k Ohm 5% 0.062W 0603
3C22 319802134720 4.7k Ohm 5% 0603
3C23 319802132210 220 Ohm 5% 0603
3C24 319802131010 100 Ohm 5% 0.062W 0603
3C25 319802131030 10k Ohm 5% 0.062W 0603
3C40 319802134720 4.7k Ohm 5% 0603
3C41 319802134720 4.7k Ohm 5% 0603
3C42 319802134720 4.7k Ohm 5% 0603
3D01 319803112290 4*22 Ohm 5% 1206
3D02 319803112290 4*22 Ohm 5% 1206
3D05 319803112290 4*22 Ohm 5% 1206
3D06 319803112290 4*22 Ohm 5% 1206
3D09 319802131590 15 Ohm 5% 0.062W 0603
3D10 232270465109 51 Ohm 1% 0603
3D11 319802131590 15 Ohm 5% 0.062W 0603
3D14 232270465109 51 Ohm 1% 0603
3D15 319802131020 1k Ohm 5% 0.062W 0603
3D16 319802131020 1k Ohm 5% 0.062W 0603
3D38 319802131590 15 Ohm 5% 0.062W 0603
Item Philips 12NC Description

Spare Parts List EN 131LC7.5E LA 10.
3D40 319802131590 15 Ohm 5% 0.062W 0603
3D43 319803112290 4*22 Ohm 5% 1206
3D44 319803112290 4*22 Ohm 5% 1206
3D47 319803112290 4*22 Ohm 5% 1206
3D48 319803112290 4*22 Ohm 5% 1206
3E02 319802132290 22 Ohm 5% 0603
3E04 319802132290 22 Ohm 5% 0603
3E06 319802134720 4.7k Ohm 5% 0603
3E07 319802190030 Jumper 0603
3F10 319802134710 470 Ohm 5% 0603
3F11 319802136840 680k Ohm 5% 0.062W 0603
3F12 319802133310 330 Ohm 5% 0.062W 0603
3F13 319802132240 220k Ohm 5% 0603
3F14 319802133310 330 Ohm 5% 0.062W 0603
3F15 319802136840 680k Ohm 5% 0.062W 0603
3F16 319802133910 390 Ohm 5% 0.062W 0603
3F17 319802132240 220k Ohm 5% 0603
3F18 319802131030 10k Ohm 5% 0.062W 0603
3F19 319802134720 4.7k Ohm 5% 0603
3F20 319802134720 4.7k Ohm 5% 0603
3F21 319802133390 33 Ohm 5% 0.062W 0603
3F23 319802134720 4.7k Ohm 5% 0603
3F24 319802131040 100k Ohm 5% 0.062W 0603
3F25 319802131040 100k Ohm 5% 0.062W 0603
3F26 319802131020 1k Ohm 5% 0.062W 0603
3F28 319802131040 100k Ohm 5% 0.062W 0603
3F29 319802131040 100k Ohm 5% 0.062W 0603
3F30 319802133390 33 Ohm 5% 0.062W 0603
3F31 319803113390 4*33 Ohm 5% 1206
3F32 319803113390 4*33 Ohm 5% 1206
3F33 319802131030 10k Ohm 5% 0.062W 0603
3F34 319803113390 4*33 Ohm 5% 1206
3F40 319802131010 100 Ohm 5% 0.062W 0603
3F41 319802132720 2.7k Ohm 5% 0603
3F42 319802132720 2.7k Ohm 5% 0603
3F44 319802131010 100 Ohm 5% 0.062W 0603
3F46 319802131010 100 Ohm 5% 0.062W 0603
3F48 319802131010 100 Ohm 5% 0.062W 0603
3G11 319802131030 10k Ohm 5% 0.062W 0603
3G12 319802131030 10k Ohm 5% 0.062W 0603
3G16 319802131030 10k Ohm 5% 0.062W 0603
3G17 319802131030 10k Ohm 5% 0.062W 0603
3G19 319802131030 10k Ohm 5% 0.062W 0603
3G20 319802131030 10k Ohm 5% 0.062W 0603
3G28 319802131030 10k Ohm 5% 0.062W 0603
3G30 319802131030 10k Ohm 5% 0.062W 0603
3G31 319802131030 10k Ohm 5% 0.062W 0603
3G33 319802132290 22 Ohm 5% 0603
3G34 319802132290 22 Ohm 5% 0603
3G35 319802132290 22 Ohm 5% 0603
3G37 319802131030 10k Ohm 5% 0.062W 0603
3G38 319802131030 10k Ohm 5% 0.062W 0603
3G40 232270461202 1.2k Ohm 1%
3G41 319802131030 10k Ohm 5% 0.062W 0603
3G43 319802131010 100 Ohm 5% 0.062W 0603
3G44 319802131010 100 Ohm 5% 0.062W 0603
3G46 319802131010 100 Ohm 5% 0.062W 0603
3G47 319802131010 100 Ohm 5% 0.062W 0603
3G48 319802133390 33 Ohm 5% 0.062W 0603
3G54 319802131030 10k Ohm 5% 0.062W 0603
3G56 319803113390 4*33 Ohm 5% 1206
3G57 319803113390 4*33 Ohm 5% 1206
3G58 319803113390 4*33 Ohm 5% 1206
3G59 319803113390 4*33 Ohm 5% 1206
3G60 319802133390 33 Ohm 5% 0.062W 0603
3G61 319802133390 33 Ohm 5% 0.062W 0603
3G62 319802133390 33 Ohm 5% 0.062W 0603
3G63 319802131030 10k Ohm 5% 0.062W 0603
3H00 319802133320 3.3k Ohm 5% 0.062W 0603
3H05 319802131030 10k Ohm 5% 0.062W 0603
3H09 319802131010 100 Ohm 5% 0.062W 0603
3H10 319802131010 100 Ohm 5% 0.062W 0603
3H11 319802131030 10k Ohm 5% 0.062W 0603
3H12 319802133320 3.3k Ohm 5% 0.062W 0603
Item Philips 12NC Description
3H13 319802133320 3.3k Ohm 5% 0.062W 0603
3H14 212010894132 1 Ohm 1206
3J01 319802132230 22k Ohm 5% 0603
3J02 319802131230 12k Ohm 5% 0.062W 0603
3J03 319802131010 100 Ohm 5% 0.062W 0603
3J59 319802131810 180 Ohm 5% 0.062W 0603
3J60 319802134790 47 Ohm 5% 0603
3J61 319802131810 180 Ohm 5% 0.062W 0603
3J62 319802134790 47 Ohm 5% 0603
3J63 319802131810 180 Ohm 5% 0.062W 0603
3J64 319802134790 47 Ohm 5% 0603
3J65 319802131810 180 Ohm 5% 0.062W 0603
3J66 319802134790 47 Ohm 5% 0603
3K00 319802131010 100 Ohm 5% 0.062W 0603
3K01 319802131010 100 Ohm 5% 0.062W 0603
3K02 319803113390 4*33 Ohm 5% 1206
3K03 319803113390 4*33 Ohm 5% 1206
3K04 319802131030 10k Ohm 5% 0.062W 0603
3K05 319803113390 4*33 Ohm 5% 1206
3K06 319802131030 10k Ohm 5% 0.062W 0603
3K07 319802131030 10k Ohm 5% 0.062W 0603
3K08 319802131030 10k Ohm 5% 0.062W 0603
3K09 319802131030 10k Ohm 5% 0.062W 0603
3K10 319802131030 10k Ohm 5% 0.062W 0603
3K11 319802131030 10k Ohm 5% 0.062W 0603
3K12 319802131030 10k Ohm 5% 0.062W 0603
3K13 232270462002 2k Ohm 1% 0603
3K15 319802131030 10k Ohm 5% 0.062W 0603
3K16 319802131030 10k Ohm 5% 0.062W 0603
3K17 319802131030 10k Ohm 5% 0.062W 0603
3K18 319802131030 10k Ohm 5% 0.062W 0603
3K19 319802131030 10k Ohm 5% 0.062W 0603
3K20 319802131030 10k Ohm 5% 0.062W 0603
3K21 319802131030 10k Ohm 5% 0.062W 0603
3K22 319802131030 10k Ohm 5% 0.062W 0603
3K23 319803113390 4*33 Ohm 5% 1206
3K24 319803113390 4*33 Ohm 5% 1206
3K25 319802133390 33 Ohm 5% 0.062W 0603
3K26 319802133390 33 Ohm 5% 0.062W 0603
3K27 319802134790 47 Ohm 5% 0603
3K28 319802134790 47 Ohm 5% 0603
3K29 319802134790 47 Ohm 5% 0603
3K30 319802134790 47 Ohm 5% 0603
3K31 319802134790 47 Ohm 5% 0603
3K32 319802134790 47 Ohm 5% 0603
3K33 319802134790 47 Ohm 5% 0603
3K34 319803114790 4*47 Ohm 5% 1206
3K38 319802134790 47 Ohm 5% 0603
3K39 319802134790 47 Ohm 5% 0603
3K40 319802134790 47 Ohm 5% 0603
3K41 319802134790 47 Ohm 5% 0603
3K42 319802134790 47 Ohm 5% 0603
3K43 319802134790 47 Ohm 5% 0603
3K44 319802134790 47 Ohm 5% 0603
3K45 319802134790 47 Ohm 5% 0603
3K46 319802134790 47 Ohm 5% 0603
3K47 319802134790 47 Ohm 5% 0603
3K48 319802134790 47 Ohm 5% 0603
3K49 319802133390 33 Ohm 5% 0.062W 0603
3K50 319802133390 33 Ohm 5% 0.062W 0603
3K51 319802134720 4.7k Ohm 5% 0603
3K52 319802134720 4.7k Ohm 5% 0603
3L01 319802134720 4.7k Ohm 5% 0603
3L02 319802131010 100 Ohm 5% 0.062W 0603
3L03 319802131030 10k Ohm 5% 0.062W 0603
3L04 319802131520 1.5k Ohm 5% 0.062W 0603
3L05 319802131010 100 Ohm 5% 0.062W 0603
3L10 212010894132 1 Ohm 1206
3L11 319802131010 100 Ohm 5% 0.062W 0603
3L15 319802133310 330 Ohm 5% 0.062W 0603
3L16 319802131020 1k Ohm 5% 0.062W 0603
3L17 319802131010 100 Ohm 5% 0.062W 0603
3L22 319802190030 Jumper 0603
3L23 319802190030 Jumper 0603
Item Philips 12NC Description
3L28 319802134720 4.7k Ohm 5% 0603
3L53 319802131010 100 Ohm 5% 0.062W 0603
3L54 319802131010 100 Ohm 5% 0.062W 0603
3L55 319802131030 10k Ohm 5% 0.062W 0603
3L56 319802131010 100 Ohm 5% 0.062W 0603
3L57 319802131010 100 Ohm 5% 0.062W 0603
3L58 319802131010 100 Ohm 5% 0.062W 0603
3L59 319802131010 100 Ohm 5% 0.062W 0603
3L60 319802131010 100 Ohm 5% 0.062W 0603
3L61 319802131010 100 Ohm 5% 0.062W 0603
3L62 319802131010 100 Ohm 5% 0.062W 0603
3L63 319802131010 100 Ohm 5% 0.062W 0603
3L67 319802131010 100 Ohm 5% 0.062W 0603
3L71 319802132290 22 Ohm 5% 0603
3L72 319802134730 47k Ohm 5% 0603
3L73 319802134730 47k Ohm 5% 0603
3L75 319802132220 2.2k Ohm 5% 0603
3L76 319802132220 2.2k Ohm 5% 0603
3L79 319802131030 10k Ohm 5% 0.062W 0603
3L86 319802132230 22k Ohm 5% 0603
3L94 319802134720 4.7k Ohm 5% 0603
3L95 319802134720 4.7k Ohm 5% 0603
3L96 319802131040 100k Ohm 5% 0.062W 0603
3M07 319802131010 100 Ohm 5% 0.062W 0603
3M08 319802132220 2.2k Ohm 5% 0603
3M09 319802134720 4.7k Ohm 5% 0603
3M10 319802134710 470 Ohm 5% 0603
3M13 319802131010 100 Ohm 5% 0.062W 0603
3M14 319802131010 100 Ohm 5% 0.062W 0603
3M15 319802131010 100 Ohm 5% 0.062W 0603
3M20 319802131010 100 Ohm 5% 0.062W 0603
3M21 319802131010 100 Ohm 5% 0.062W 0603
3M31 319802132220 2.2k Ohm 5% 0603
3M32 319802138230 82k Ohm 5% 0.062W 0603
3M34 319802134720 4.7k Ohm 5% 0603
3M37 319802134730 47k Ohm 5% 0603
3M38 319802134730 47k Ohm 5% 0603
3M39 319802134730 47k Ohm 5% 0603
3M40 319802134730 47k Ohm 5% 0603
3N01 319802133390 33 Ohm 5% 0.062W 0603
3N02 319803113390 4*33 Ohm 5% 1206
3N03 319802133390 33 Ohm 5% 0.062W 0603
3N04 319803113390 4*33 Ohm 5% 1206
3N05 319802133390 33 Ohm 5% 0.062W 0603
3N06 319803113390 4*33 Ohm 5% 1206
3N07 319802133390 33 Ohm 5% 0.062W 0603
3N08 319803113390 4*33 Ohm 5% 1206
3N09 319802133390 33 Ohm 5% 0.062W 0603
3N10 319802133390 33 Ohm 5% 0.062W 0603
3N11 319803113390 4*33 Ohm 5% 1206
3N12 319803113390 4*33 Ohm 5% 1206
3N13 319802133390 33 Ohm 5% 0.062W 0603
3N14 319802133390 33 Ohm 5% 0.062W 0603
3N15 319802133390 33 Ohm 5% 0.062W 0603
3N16 319802133390 33 Ohm 5% 0.062W 0603
3N18 319803113390 4*33 Ohm 5% 1206
3N22 319802133390 33 Ohm 5% 0.062W 0603
3N23 212010894132 1 Ohm 1206
3N24 319802131050 1M Ohm 5% 0603
3N25 319802132210 220 Ohm 5% 0603
3N26 319802132210 220 Ohm 5% 0603
3N27 212010894132 1 Ohm 1206
3N33 319802134720 4.7k Ohm 5% 0603
3N34 319802134720 4.7k Ohm 5% 0603
3N35 319802134720 4.7k Ohm 5% 0603
3N36 319802134720 4.7k Ohm 5% 0603
3N37 319802134720 4.7k Ohm 5% 0603
3N38 319802134720 4.7k Ohm 5% 0603
3N39 319802131010 100 Ohm 5% 0.062W 0603
3N40 319802131010 100 Ohm 5% 0.062W 0603
3P13 319802131090 TDA8932T/N1 IC
3P20 212010894133 10 Ohm 5% 1206
3P23 319802131090 TDA8932T/N1 IC
3P25 319802131090 TDA8932T/N1 IC
Item Philips 12NC Description

Spare Parts List
EN 132 LC7.5E LA10.
3P26 319802132280 2R2 5% 0603
3P32 319802132280 2R2 5% 0603
3P34 319802133320 3.3k Ohm 5% 0.062W 0603
3P37 319802136820 6.8k Ohm 5% 0603
3P38 319802131020 1k Ohm 5% 0.062W 0603
3P40 319802133930 39k Ohm 5% 0.062W 0605
3P41 319802136820 6.8k Ohm 5% 0603
3P45 319802136820 6.8k Ohm 5% 0603
3P47 319802136890 68 Ohm 5% 0.062W 0603
3P48 319802136890 68 Ohm 5% 0.062W 0603
3P49 319802132210 220 Ohm 5% 0603
3P50 319802131020 1k Ohm 5% 0.062W 0603
3P51 232270461801 180 Ohm 1% 0603
3P53 232270466801 680 Ohm 1% 0603
3P54 319802131030 10k Ohm 5% 0.062W 0603
3P56 232270464701 470 Ohm 1% 0603
3P59 232270464701 470 Ohm 1% 0603
3P61 319802131090 TDA8932T/N1 IC
3P64 232270466801 680 Ohm 1% 0603
3P68 319802136820 6.8k Ohm 5% 0603
3P69 319802136820 6.8k Ohm 5% 0603
3P70 319802133320 3.3k Ohm 5% 0.062W 0603
3P71 319802136820 6.8k Ohm 5% 0603
3P72 319802136820 6.8k Ohm 5% 0603
3P74 319802136820 6.8k Ohm 5% 0603
3P77 232270461002 1k Ohm 1% 0603
3P78 319802131020 1k Ohm 5% 0.062W 0603
3R10 319802134730 47k Ohm 5% 0603
3R12 319802134790 47 Ohm 5% 0603
3R13 319802134730 47k Ohm 5% 0603
3R25 319802131010 100 Ohm 5% 0.062W 0603
3R26 319802131010 100 Ohm 5% 0.062W 0603
4B04 319802190030 Jumper 0603
4B05 319802190030 Jumper 0603
4B06 319802190030 Jumper 0603
4B07 319802190030 Jumper 0603
4C07 319802190030 Jumper 0603
4F12 319802190030 Jumper 0603
4G01 319802190030 Jumper 0603
4G02 319802190030 Jumper 0603
4G03 319802190030 Jumper 0603
4G04 319802190030 Jumper 0603
4G09 319802190030 Jumper 0603
4G31 319802190030 Jumper 0603
4H00 319802190030 Jumper 0603
4H02 319802190030 Jumper 0603
4H04 319802190030 Jumper 0603
4H05 319802190030 Jumper 0603
4H12 319802190030 Jumper 0603
4J14 319802190030 Jumper 0603
4J15 319802190030 Jumper 0603
4L20 319802190030 Jumper 0603
4L24 319802190030 Jumper 0603
4L25 319802190030 Jumper 0603
4L26 319802190030 Jumper 0603
4M01 319802190030 Jumper 0603
4M04 319802190030 Jumper 0603
4M05 319802190030 Jumper 0603
4M07 319802190030 Jumper 0603
4M08 319802190030 Jumper 0603
4M09 319802190030 Jumper 0603
4M11 319802190030 Jumper 0603
4N02 319802190030 Jumper 0603
4N03 319802190030 Jumper 0603
4N04 319802190030 Jumper 0603
4N05 319802190030 Jumper 0603
4N06 319802190030 Jumper 0603
4N07 319802190030 Jumper 0603
4N08 319802190030 Jumper 0603
4P01 319802190030 Jumper 0603
4P02 319802190030 Jumper 0603
4R02 319802190030 Jumper 0603
4R03 319802190030 Jumper 0603
4R04 319802190030 Jumper 0603
Item Philips 12NC Description
4R05 319802190030 Jumper 0603
4R06 319802190030 Jumper 0603
4R07 319802190030 Jumper 0603
4R08 319802190030 Jumper 0603
5A03 242253601564 22uF 20%
5A04 242253601564 22uF 20%
5A05 242254942958 Bead 0805 30R at 100MHz
5A06 242254942958 Bead 0805 30R at 100MHz
5A07 242254901582 Bead 0603 33R at 100MHz
5A08 242253594134 105H 20% 0805
5A09 242253594134 105H 20% 0805
5B01 242253594134 105H 20% 0805
5B05 242253601564 22uF 20%
5B08 242253600779 105uH 20%
5C06 242254901582 Bead 0603 33R at 100MHz
5C07 242254901582 Bead 0603 33R at 100MHz
5C08 242254901582 Bead 0603 33R at 100MHz
5D03 242254901582 Bead 0603 33R at 100MHz
5E03 242254901582 Bead 0603 33R at 100MHz
5E04 242254901582 Bead 0603 33R at 100MHz
5E05 242254901582 Bead 0603 33R at 100MHz
5E06 242254901582 Bead 0603 33R at 100MHz
5E07 242254901582 Bead 0603 33R at 100MHz
5E08 242254901582 Bead 0603 33R at 100MHz
5E09 242254901582 Bead 0603 33R at 100MHz
5E10 242254901582 Bead 0603 33R at 100MHz
5E11 242254901582 Bead 0603 33R at 100MHz
5E12 242254901582 Bead 0603 33R at 100MHz
5E13 242254901582 Bead 0603 33R at 100MHz
5E14 242254901582 Bead 0603 33R at 100MHz
5E16 242254901582 Bead 0603 33R at 100MHz
5E17 242254901582 Bead 0603 33R at 100MHz
5F10 242254942979 Ind. 100MHz 60Ohm 0603
5F11 242254942979 Ind. 100MHz 60Ohm 0603
5G04 242254942979 Ind. 100MHz 60Ohm 0603
5G05 242254901582 Bead 0603 33R at 100MHz
5G06 242254901582 Bead 0603 33R at 100MHz
5G07 242254901582 Bead 0603 33R at 100MHz
5H01 242254942979 Ind. 100MHz 60Ohm 0603
5H02 242254942979 Ind. 100MHz 60Ohm 0603
5H03 242254942979 Ind. 100MHz 60Ohm 0603
5J01 242254942979 Ind. 100MHz 60Ohm 0603
5J52 319801853380 3.35H 10% 0603
5J53 319801853380 3.35H 10% 0603
5J54 319801853380 3.35H 10% 0603
5J55 319801853380 3.35H 10% 0603
5K01 242254942979 Ind. 100MHz 60Ohm 0603
5K02 242254942979 Ind. 100MHz 60Ohm 0603
5K03 242254942979 Ind. 100MHz 60Ohm 0603
5K04 242254942979 Ind. 100MHz 60Ohm 0603
5K05 242254942979 Ind. 100MHz 60Ohm 0603
5M01 242254901582 Bead 0603 33R at 100MHz
5M02 242254901582 Bead 0603 33R at 100MHz
5M03 242254901582 Bead 0603 33R at 100MHz
5N01 242254942896 Ind. 120 Ohm 100MHz
5N02 242254942896 Ind. 120 Ohm 100MHz
5N03 242254942896 Ind. 120 Ohm 100MHz
5N04 242254942896 Ind. 120 Ohm 100MHz
5N05 242254942896 Ind. 120 Ohm 100MHz
5N06 242254942896 Ind. 120 Ohm 100MHz
5N07 242254942896 Ind. 120 Ohm 100MHz
5N08 242254942896 Ind. 120 Ohm 100MHz
5N09 242254942896 Ind. 120 Ohm 100MHz
5P01 242253600671 10uH 20%
5P02 242253594134 105H 20% 0805
5P09 242253600671 10uH 20%
5R02 242254901582 Bead 0603 33R at 100MHz
5R03 242254901582 Bead 0603 33R at 100MHz
6B30 319801010720 SS24
6J03 319801010630 BAS316
6J14 934058419115 PESD3V3L1BA
6J15 934058419115 PESD3V3L1BA
6M08 319801010660 BAT54
6P05 319802056880 BZX384-C6V8
Item Philips 12NC Description
6P12 319802056880 BZX384-C6V8
6P13 319801010630 BAS316
6P14 319801010630 BAS316
6P15 319802051890 BZX384-C18
6R02 319802055680 BZX384-C5V6
7A01 935279642118 TDA8932T/N1
7A05 319801042320 BC857BW
7A06 319801042310 BC847BW
7A07 319801042310 BC847BW
7B01 932220234668 L5973D
7B02 932211988668 LD1117DT33C
7B12 932221214668 SI4423DY
7C01 932224957671 SVP WX68-7568-LF
7C02 319801042310 BC847BW
7C04 319801042310 BC847BW
7D01 932225195671 K4D261638K-LC40
7D02 932225195671 K4D261638K-LC40
7F01 935273245518 TDA10046AHT/C1
7F02 935263016165 74AHC1GU04GW
7F03 935263016165 74AHC1GU04GW
7F04 319801070580 LM393D
7G00 935277355557 PNX8314HS/C102
7H00 For SW see item 0851
7H02 932224127668 K4S281632I-UC60
7H03 For SW see item 0852
7J04 932221400668 SI2301BDS-E3
7J05 319801044110 PDTC114ET
7K00 932222791671 STV0700L
7K01 935219010118 74LVC573ADB
7K02 935219010118 74LVC573ADB
7K03 319801070650 74LVC245APW
7K04 272217100207 Xtal 27MHz 50P
7K05 932217513668 ST890CD
7L10 319801042310 BC847BW
7L23 For SW see item 0816
7M01 932216761668 LF18CD
7M04 319801042310 BC847BW
7M07 932225506671 SII9185ACTU
7M09 319801042310 BC847BW
7N01 932225010671 SII9125CTU
7N07 935266839118 UDA1334ATS/N2
7P05 319801044340 BC817-25W
7P06 932216070668 SI4936ADY-E3
7P07 932216070668 SI4936ADY-E3
7P08 932221350685 TS431AIL
7P09 934057587118 PHD38N02LT
7P11 932220746668 NCP5422AD
7R05 932220471668 SI4835BDY
7R07 319801044110 PDTC114ET
Item Philips 12NC Description

Revision List EN 133LC7.5E LA 11.
11. Revision List
Manual xxxx xxx xxxx.0
• First release.
Manual xxxx xxx xxxx.1
•Chapter 6: Block diagrams added.
Manual xxxx xxx xxxx.2
•Chapter 8: Tint settings 52" sets added.
