Manual Mackie ProFX16 22_SW0898_RevC_ESP Pro FX22 Owner's (Español) 22 Om Es
Mackie ProFX16 Owner's Manual (Español) profx16-22_om_es Mackie - ProFX16 - Owner's Manual (Español)
Mackie ProFX22 Owner's Manual (Español) profx16-22_om_es Mackie - ProFX22 - Owner's Manual (Español)
Mackie ProFX16 Owner's Manual (Español) profx16-22_om_es Mackie - ProFX16 - Owner's Manual (Español)
User Manual: Mackie ProFX22 Owner's Manual (Español) Mackie - ProFX22 - Owner's Manual (Español)
Open the PDF directly: View PDF
.
Page Count: 36

ProFX16 y ProFX22
MANUAL DEL USUARIO
48V
MUTE MUTE MUTE MUTE MUTE MUTE MUTE MUTE MUTE MUTE MUTE MUTEMUTEMUTEMUTEMUTEMUTEMUTE
OL
4
6
3
10
15
7
10
20
30
0
2
0dB = 0dBu
LEVEL
SET
RUDE
SOLO
MAIN
METERS
RL
MIC MIC MIC MIC MIC MIC MIC MIC MIC MIC
GAINGAIN
+20
-20
GAIN
(MONO)
LINE IN 9
LINE IN 10
L
R
(MONO)
L
R
(MONO)
BAL /UNBAL
BAL /UNBAL
BAL /UNBAL
BAL /UNBAL
BAL /UNBAL
BAL /UNBAL BAL /UNBAL
BAL /UNBAL BAL /UNBAL
BAL /UNBAL BAL /UNBALBAL /UNBALBAL /UNBALBAL /UNBALBAL /UNBALBAL /UNBALBAL /UNBALBAL /UNBALBAL /UNBALBAL /UNBALBAL /UNBAL
L
R
(MONO)
L
R
LINE IN 11
LINE IN 12
LINE IN 13
LINE IN 14
LINE IN 15
LINE IN 16
LR
17/1815/16 19/20 21/22
U
GAIN
M
I
C
G
A
I
N
U+50
-20dB +30dB
AUX
LINE IN LINE INLINE IN LINE IN LINE IN LINE IN
OL
RL
PAN
7
dB
30
20
10
10
40
50
5
5
U
60
7
PFL
SOLO
L-R
1-2
3-4
80Hz
LOW
MID
FREQ
600
1.5k150
8k100
EQ
12kHz
HI
MON
1
MON
2
U
+15
U
+15
U
+15
-15
U
+15
-15
U
+15
-15
U
+15
LOW CUT
8 9 10 11 12 13 14
GAIN
U+50
M
I
C
G
A
I
N
U+50
M
I
C
G
A
I
N
U
LOW CUT LOW CUT
AUX
RETURN
MON
1
INTERNAL FX
MON
2
AUX
MASTER
U
+15
U
+15
U
+15
TO
MON 1
TO
MON 2
TO
MON 1
TO
MON 2
TO
MAIN
L-R
U
+10
U
+15
U
+15
U
+10
U
+15
U
+15
SOURCE
LINE
USB
PHANTOM POWER
8 9 10 11 12 13 14 15 /16 17/18 19/20 21/22
8K4K2K1K500250125
15
15
10
10
5
5
0
15
15
10
10
5
5
0
STEREO GRAPHIC EQ
PHONES
L
R
(MONO)
L
R
1
2
3
4
1
2
RLRLRLRL
SUB 2 SUB 3SUB 1
INSERT
U
GAIN
M
I
C
G
A
I
N
U+50
-20dB +30dB
AUX
LINE IN
OL
RL
PAN
dB
30
20
10
10
40
50
5
5
U
60
PFL
SOLO
L-R
1-2
3-4
80Hz
LOW
MID
FREQ
600
1.5k150
8k100
EQ
12kHz
HI
MON
1
MON
2
U
+15
U
+15
U
+15
-15
U
+15
-15
U
+15
-15
U
+15
LOW CUT
INSERT
U
GAIN
M
I
C
G
A
I
N
U+50
-20dB +30dB
AUX
LINE IN
OL
RL
PAN
dB
30
20
10
10
40
50
5
5
U
60
PFL
SOLO
L-R
1-2
3-4
80Hz
LOW
MID
FREQ
600
1.5k150
8k100
EQ
12kHz
HI
MON
1
MON
2
U
+15
U
+15
U
+15
-15
U
+15
-15
U
+15
-15
U
+15
LOW CUT
INSERT
U
GAIN
M
I
C
G
A
I
N
U+50
-20dB +30dB
AUX
LINE IN
OL
RL
PAN
dB
30
20
10
10
40
50
5
5
U
60
PFL
SOLO
L-R
1-2
3-4
80Hz
LOW
MID
FREQ
600
1.5k150
8k100
EQ
12kHz
HI
MON
1
MON
2
U
+15
U
+15
U
+15
-15
U
+15
-15
U
+15
-15
U
+15
LOW CUT
U
GAIN
M
I
C
G
A
I
N
U+50
-20dB +30dB
AUX
OL
RL
PAN
dB
30
20
10
10
40
50
5
5
U
60
PFL
SOLO
L-R
1-2
3-4
80Hz
LOW
MID
FREQ
600
1.5k150
8k100
EQ
12kHz
HI
MON
1
MON
2
U
+15
U
+15
U
+15
-15
U
+15
-15
U
+15
-15
U
+15
LOW CUT
U
GAIN
M
I
C
G
A
I
N
U+50
-20dB +30dB
AUX
OL
RL
PAN
dB
30
20
10
10
40
50
5
5
U
60
PFL
SOLO
L-R
1-2
3-4
80Hz
LOW
MID
FREQ
600
1.5k150
8k100
EQ
12kHz
HI
MON
1
MON
2
U
+15
U
+15
U
+15
-15
U
+15
-15
U
+15
-15
U
+15
LOW CUT
U
GAIN
M
I
C
G
A
I
N
U+50
-20dB +30dB
AUX
OL
RL
PAN
dB
30
20
10
10
40
50
5
5
U
60
PFL
SOLO
L-R
1-2
3-4
80Hz
LOW
MID
FREQ
600
1.5k150
8k100
EQ
12kHz
HI
MON
1
MON
2
U
+15
U
+15
U
+15
-15
U
+15
-15
U
+15
-15
U
+15
LOW CUT
U
GAIN
M
I
C
G
A
I
N
U+50
-20dB +30dB
AUX
OL OL OL OL OL
RL
PAN
dB
30
20
10
10
40
50
5
5
U
60
PFL
SOLO
L-R
1-2
3-4
dB
30
20
10
10
40
50
5
5
U
60
PFL
SOLO
L-R
1-2
3-4
dB
30
20
10
10
40
50
5
5
U
60
PFL
SOLO
L-R
1-2
3-4
dB
30
20
10
10
40
50
5
5
U
60
PFL
SOLO
L-R
1-2
3-4
dB
30
20
10
10
40
50
5
5
U
60
PFL
SOLO
L-R
1-2
3-4
80Hz
LOW
MID
FREQ
600
1.5k150
8k100
EQ EQ EQ EQ EQ
12kHz
HI
MON
1
MON
2
U
+15
U
+15
U
+15
AUX
RL
PAN
MON
1
MON
2
U
+15
U
+15
U
+15
AUX
RL
PAN
MON
1
MON
2
U
+15
U
+15
U
+15
AUX
RL
PAN
MON
1
MON
2
U
+15
U
+15
U
+15
AUX
RL
PAN
MON
1
MON
2
U
+15
U
+15
U
+15
-15
U
+15
-15
U
+15
-15
U
+15 -15
U
+15
-15
U
+15
-15
U
+15
-15
U
+15
-15
U
+15
-15
U
+15
-15
U
+15
-15
U
+15
-15
U
+15
-15
U
+15
-15
U
+15
-15
U
+15
LOW CUT
INSERT
OFF MAX
COMP
OFF MAX
COMP
OFF MAX
COMP
OFF MAX
COMP
12kHz
HI
80Hz
LOW
MID
2.5kHz
12kHz
HI
80Hz
LOW
MID
2.5kHz
12kHz
HI
80Hz
LOW
MID
2.5kHz
12kHz
HI
80Hz
LOW
MID
2.5kHz
dB
30
20
10
10
40
50
5
5
U
60
dB
30
20
10
10
40
50
5
5
U
60
dB
30
20
10
10
40
50
5
5
U
60
SUB 4
dB
30
20
10
10
40
50
5
5
U
60
CR /PHONES
MAX
2-TRACK RETURN
TAPE
USB OUT
MAIN
LEVEL
U
+15
INT FX
MUTE
SIG/OL
PROFESSIONAL MIC/LINE MIXER WITH FX
FX SEND
FOOTSWITCH
MON SEND
BALANCED BALANCED
AUX RETURN CR OUT SUB OUT
MAIN OUT
IN OUT
TAPE
L
R
dB
30
20
10
10
40
50
5
5
U
60
MAIN
+20
-20
U
MIC
BAL /UNBAL
U
GAIN
M
I
C
G
A
I
N
U+50
-20dB +30dB
AUX
LINE IN
OL
RL
PAN
6
dB
30
20
10
10
40
50
5
5
U
60
6
PFL
SOLO
L-R
1-2
3-4
80Hz
LOW
MID
FREQ
600
1.5k150
8k100
EQ
12kHz
HI
MON
1
MON
2
U
+15
U
+15
U
+15
-15
U
+15
-15
U
+15
-15
U
+15
LOW CUT
INSERT
MIC
BAL /UNBAL
U
GAIN
M
I
C
G
A
I
N
U+50
-20dB +30dB
AUX
LINE IN
OL
RL
PAN
5
dB
30
20
10
10
40
50
5
5
U
60
5
PFL
SOLO
L-R
1-2
3-4
80Hz
LOW
MID
FREQ
600
1.5k150
8k100
EQ
12kHz
HI
MON
1
MON
2
U
+15
U
+15
U
+15
-15
U
+15
-15
U
+15
-15
U
+15
LOW CUT
INSERT
MIC
BAL /UNBAL
U
GAIN
M
I
C
G
A
I
N
U+50
-20dB +30dB
AUX
LINE IN
OL
RL
PAN
4
dB
30
20
10
10
40
50
5
5
U
60
4
PFL
SOLO
L-R
1-2
3-4
80Hz
LOW
MID
FREQ
600
1.5k150
8k100
EQ
12kHz
HI
MON
1
MON
2
U
+15
U
+15
U
+15
-15
U
+15
-15
U
+15
-15
U
+15
LOW CUT
INSERT
MIC
BAL /UNBAL
U
GAIN
M
I
C
G
A
I
N
U+50
-20dB +30dB
AUX
LINE IN
OL
RL
PAN
3
dB
30
20
10
10
40
50
5
5
U
60
3
PFL
SOLO
L-R
1-2
3-4
80Hz
LOW
MID
FREQ
600
1.5k150
8k100
EQ
12kHz
HI
MON
1
MON
2
U
+15
U
+15
U
+15
-15
U
+15
-15
U
+15
-15
U
+15
LOW CUT
INSERT
MIC
BAL /UNBAL
U
GAIN
M
I
C
G
A
I
N
U+50
-20dB +30dB
AUX
LINE IN
OL
RL
PAN
2
dB
30
20
10
10
40
50
5
5
U
60
2
PFL
SOLO
L-R
1-2
3-4
80Hz
LOW
MID
FREQ
600
1.5k150
8k100
EQ
12kHz
HI
MON
1
MON
2
U
+15
U
+15
U
+15
-15
U
+15
-15
U
+15
-15
U
+15
LOW CUT
INSERT
MIC
BAL /UNBAL
U
GAIN
M
I
C
G
A
I
N
U+50
-20dB +30dB
AUX
LINE IN
OL
RL
PAN
1
dB
30
20
10
10
40
50
5
5
U
60
1
PFL
SOLO
L-R
1-2
3-4
80Hz
LOW
MID
FREQ
600
1.5k150
8k100
EQ
12kHz
HI
MON
1
MON
2
U
+15
U
+15
U
+15
-15
U
+15
-15
U
+15
-15
U
+15
LOW CUT
100Hz 100Hz 100 Hz 100Hz 100 Hz 100Hz 100 Hz 100Hz 100Hz 100 Hz 100Hz 100 Hz 100Hz 100Hz 100 Hz 100Hz
INSERT
MAIN MIX
MON 1
EQ IN
BYPASS
USBSUB 1-2
13 DELAY 1 (300ms)
14 DELAY 2 (380ms)
15 DELAY 3 (480ms)
16 REVERB + DLY (250ms)
01 BRIGHT ROOM
02 WARM LOUNGE
03 SMALL STAGE
04 WARM THEATER
09 CHORUS
10 CHORUS + REV
11 DOUBLER
12 TAPE SLAP
05 WARM HALL
06 CONCERT HALL
07 PLATE REVERB
08 CATHEDRAL
BREAK
(MUTES ALL CH)
FX FX TO
MAIN
L-R
FX FX FX FX FX FX FX FX FXFX FXFXFXFXFXFXFX
Mezcladores profesionales de micrófono / línea
con efectos y E/S USB

2 ProFX16 y ProFX22
1. Lea estas instrucciones.
2. Conserve las instrucciones.
3. Preste atención a las advertencias.
4. Siga todas las instrucciones.
5. No use este aparato cerca del agua.
6. Límpielo sólo con un paño seco.
7. No bloquee ninguna abertura de ventilación. Instálelo de acuerdo con
las introducciones del fabricante.
8. No lo instale cerca de fuentes de calor como radiadores, acumuladores
u otros aparatos que den calor (incluyendo amplificadores).
9. No anule la seguridad del enchufe polarizado o con toma de tierra.
Un enchufe polarizado tiene dos clavijas, una más ancha que la otra.
Un enchufe con conexión a tierra tiene dos clavijas y una tercera para
la toma de tierra. La hoja ancha o la tercera clavija se proporciona
para su seguridad. Si el enchufe no encaja en su toma de corriente,
consulte con su electricista para sustituir la toma de corriente obsoleta.
10.
No sobrecargue los enchufes o alargadores ya que puede constituir un
riesgo de descarga eléctrica.
11.
Evite obstaculizar el cable de electricidad, particularmente en los enchu-
fes, receptáculos convenientes y en el punto en el que salen del aparato.
12.
Use sólo accesorios especificados por el fabricante.
13.
Use únicamente un carro, pedestal, trípode, soporte o mesa especifica-
dos por el fabricante, o vendido con el aparato. Al
emplear una carretilla, tenga cuidado al mover la
carretilla/equipo para evitar dañarlo.
14.
Desenchufe el equipo durante las tormentas o
cuando no vaya a usarlo durante largos periodos
de tiempo.
15.
Deje que las reparaciones sean realizadas por per-
sonal cualificado. La reparación es requerida cuando el aparato ha sido
dañado de tal forma, como el cable de corriente o enchufe dañado,
líquidos que se han filtrado u objetos caídos en su interior, si el aparato
ha sido expuesto a la lluvia o humedad, si no opera correctamente o si
se ha caído.
16.
Este aparato no debe exponerse a goteos ni salpicaduras, y no debe
emplazar objetos con líquidos, como floreros, encima del aparato.
17.
Este aparato ha sido diseñado como construcción Clase-I, y debe ser
conectado a la red principal con un enchufe con toma de tierra (la
tercera clavija).
18.
Este aparato ha sido diseñado con un conmutador de CA tipo balancín.
Este conmutador está situado en el panel posterior y debe permanecer
accesible por el usuario.
19.
El enchufe de red o acoplador es usado como dispositivo de desco-
nexión, por lo que debe mantenerse fácilmente operable.
20. NOTA: Este equipo ha sido probado y cumple con los límites estipu-
lados para dispositivos digitales de Clase B, conforme a la Parte 15
del Reglamento de la FCC. Estos límites han sido diseñados para
proporcionar una protección razonable contra las interferencias per-
judiciales en una instalación residencial. Este equipo genera, utiliza
y puede irradiar energía de radiofrecuencia, y si no se instala y se
utiliza de acuerdo con las instrucciones, puede provocar interferencias
perjudiciales para las comunicaciones por radio. Sin embargo, no hay
garantía de que no se produzcan interferencias en una instalación
particular. Si este equipo provoca interferencias perjudiciales para la
recepción de radio o televisión, lo cual puede determinarse apagán-
dolo y conectándolo, se recomienda al usuario que intente corregir
las interferencias mediante una o más de las siguientes medidas:
s 2EORIENTEOREUBIQUELAANTENARECEPTORA
s !UMENTELADISTANCIAENTREELEQUIPOYELRECEPTOR
s #ONECTEELEQUIPOAUNATOMADECORRIENTEDEUNCIRCUITO
diferente al que está conectado el receptor.
s #ONSULTEALDISTRIBUIDORTÏCNICODERADIOO46PARAOBTENER
ayuda.
ATENCIÓN: Los cambios no autorizados o modificaciones de este
equipo o aprobados expresamente por LOUD Technologies Inc. pueden
anular la autoridad del usuario para operar el equipo.
21.
Este aparato no excede los límites Clase A / Clase B (para cual-
quiera que se aplique) en emisiones de ruido de radio de aparatos
digitales, tal y como han marcado las regulaciones de interferencia
de radio del Departamento Canadiense de Comunicaciones
.
ATTENTION — Le présent appareil numérique n’émet pas de bruits
radioélectriques dépassant las limites applicables aux appareils
numériques de class A/de class B (selon le cas) prescrites dans le
réglement sur le brouillage radioélectrique édicté par les ministere des
communications du Canada.
22.
La exposición a niveles de ruido extremadamente altos puede causar
una pérdida auditiva permanente. Los individuos varían considerable-
mente en cuanto a susceptibilidad a la pérdida auditiva causada por
ruido, pero casi todo el mundo perderá audición si se expone a ruido
suficientemente intenso por un período de tiempo suficientemente
largo. La Administración de Seguridad y Salud Ocupacional del Gobier-
no de los EEUU (OSHA) especifica las exposiciones de nivel de ruido
permitibles en el siguiente cuadro.
De acuerdo con OSHA, cualquier exposición en exceso de estos límites
permitidos puede resultar en un pérdida auditiva. Para asegurarse
contra una potencial exposición peligrosa a niveles de presión de
sonido altos, se recomienda que todas las personas expuestas a estos
equipos, que utilicen protectores de audición durante la operación
del equipo. Deben utilizarse tapones para el oído o protectores en
los canales del oído o sobre las orejas al operar con el equipo y para
prevenir una pérdida auditiva permanente si hay una exposición en
exceso a los límites indicados aquí:
Importantes instrucciones de seguridad
CUIDADO CON
LA CARRETILLA
ATENCIÓN AVIS
RIESGO DE SHOCK ELÉCTRICO NO ABRIR
RISQUE DE CHOC ELECTRIQUE. NE PAS OUVRIR
ADVERTENCIA: PARA REDUCIR EL RIESGO DE DESCARGA, NO QUITAR LA CUBIERTA (O LA DE ATRAS)
NO HAY PARTES ÚTILES PARA EL USUARIO EN SU INTERIOR. SÓLO PARA PERSONAL CAPACITADO
ATTENTION: POUR EVITER LES RISQUES DE CHOC ELECTRIQUE, NE PAS ENLEVER LE COUVERCLE.
AUCUN ENTRETIEN DE PIECES INTERIEURES PAR L'USAGER.
CONFIER L'ENTRETIEN AU PERSONNEL QUALIFIE.
AVIS: POUR EVITER LES RISQUES D'INCENDIE OU D'ELECTROCUTION, N'EXPOSEZ PAS CET ARTICLE
A LA PLUIE OU A L'HUMIDITE
El símbolo de rayo con cabeza de flecha dentro de un triángulo equilátero
tiene la función de alertar al usuario de la presencia de “voltaje peligroso”
no aislado dentro del recinto del producto que puede ser de suficiente
magnitud para constituir un riesgo de descarga para las personas.
Le symbole éclair avec point de flèche à l'intérieur d'un triangle équilatéral
est utilisé pour alerter l'utilisateur de la présence à l'intérieur du coffret de
"voltage dangereux" non isolé d'ampleur suffisante pour constituer un risque
d'éléctrocution.
El signo de exclamación en un triángulo equilátero alerta al usuario de la
presencia de importantes instrucciones de operación y mantenimiento
(servicio) en la documentación que acompaña al aparato.
Le point d'exclamation à l'intérieur d'un triangle équilatéral est employé
pour alerter les utilisateurs de la présence d'instructions importantes pour le
fonctionnement et l'entretien (service) dans le livret d'instruction
accompagnant l'appareil.
Correcta eliminación de este producto. Este símbolo indica que este producto no debe eliminarse junto con los residuos de su hogar, de acuerdo con la Directiva RAEE (2002/96/CE) y su legislación nacional.
Este producto debe ser entregado a un sitio autorizado de recogida para el reciclaje de residuos eléctricos y electrónicos (EEE). Un manejo inadecuado de los residuos de este tipo podría tener un posible impacto negativo
en el medio ambiente y la salud humana, debido a las sustancias potencialmente peligrosas que están generalmente asociadas con dichos aparatos EEE. Al mismo tiempo, su colaboración en la correcta eliminación de
este producto contribuirá a la eficaz utilización de los recursos naturales. Para obtener más información acerca de dónde puede entregar sus equipos para el reciclaje de residuos, por favor contacte con la oficina local en su
ciudad, la autoridad gestora de residuos, o con el servicio de eliminación de residuos.
!$6%24%.#)!0ARAREDUCIRELRIESGODEINCENDIOODESCARGAS
no exponga este aparato a la lluvia o la humedad.
Duración, por
día en horas Nivel de sonido
dBA, respuesta
lenta
Ejemplo típico
890Dúo en un club pequeño
692
495Metro subterráneo
397
2 100 Música clásica muy fuerte
1.5 102
1 105 Griterío extremadamente fuerte
0.5 110
0.25 o menos 115 Partes más fuertes de un concierto
de rock

Manual del Usuario 3
Parte Núm. SW0898 Rev. C 05/11
©2011 LOUD Technologies Inc. Todos los derechos reservados.
Colega... ¿por qué estás leyendo esto? Es una conversación
entre dos. ¿Por qué no sales de ella?
3. Asegúrese de que el volumen de la fuente sea el
mismo que en condiciones normales o deberá
reajustar la ganancia en mitad del show. Puede
escuchar mediante con unos auriculares si sube
cuidadosamente el fader de canal y el nivel de
los auriculares.
4. La ganancia del canal mono afecta a las entra-
das de micrófono y de línea. La ganancia del ca-
nal estéreo ajusta las entradas de línea estéreo.
Ajústela como desee, y asegúrese que el LED
OL no se ilumine en los pasajes más fuertes.
Nota: Hay dos canales híbridos [9/10 y 11/12 en
ProFX16, y 15/16 and 17/18 y en ProFX22] que
tienen tanto la ent4rada de micrófono mono
como la entrada estéreo de línea. En estos
canales el control de ganancia afecta sólo a la
ganancia del micrófono.
5. Repita los pasos 1 a 4 para los otros canales.
Mezcla instantánea
1.
Para obtener sonido de los altavoces y ofrecerlo
al mundo, habilite el conmutador de asignación
L-R, suba el fader del canal a la posición de
ganancia U (“unity gain”), y suba lentamente el
fader principal a un nivel confortable
.
2. Cante y toque. ¡Es una estrella!
3. Habilite los otros canales como acaba de hacer.
USB
La conexión USB le permite reproducir dos canales de
audio desde su ordenador, y grabar la mezcla principal
a su ordenador. Esta prestación se expone de forma
amplia en las páginas 4, 9-10, 16 y 23.
Notas
Para un óptimo rendimiento acústico, los faders de
canal y el fader principal deben establecerse cerca de
las marcas “U” (“unity gain”).
Baje todos los faders antes de realizar las conexiones
hacia y desde su mezclador ProFX.
Cuando apague su sistema, apague primero los ampli-
ficadores o altavoces. Al encender, conecte el mezclador
en el último lugar. Esto evitará la posibilidad de golpes y
ruidos al encender y apagar los equipos.
¡Guarde el embalaje! Algún día puede necesitarlo.
¡Lea esta página!
Probablemente querrá probar su nuevo
mezclador de inmediato. Antes de hacer-
lo lea las instrucciones de seguridad de
la página 2, y luego lea esta página y deje
el resto para más tarde, si lo desea.
Ajuste los controles a cero
1. Baje todos los diales menos la EQ, panorama, y
ajuste los faders completamente hacia abajo.
2. Ajuste todos los diales de EQ, panorama, y los
deslizadores de la EQ gráfica al centro.
3. Ajuste todos los botones a la posición “afuera”.
4. Silbe alguna canción popular.
Conexiones
Si ya tiene claro cómo desea usar las conexiones del
mezclador siga adelante y conecte las entradas y salidas
de la forma deseada. Si solamente se desea obtener
sonido a través del mezclador, siga estos pasos:
1.
Conecte las fuentes de señal de esta forma:
s -ICRØFONOSALASENTRADASDEMICRØFONO
Use la alimentación phantom si lo necesi-
tan. Compruebe los manuales de usuario de
los micrófonos para asegurarse.
s $ISPOSITIVOSCONNIVELDELÓNEACOMOTECLA
dos, cajas de ritmos, o reproductores de CD
conectados a las entradas de línea.
2
. Conecte los cables de las salidas principales a
los altavoces activos o al amplificador.
3. Conecte el cable de alimentación a una toma de
CA y ponga en marcha el mezclador.
4. Si está usando altavoces activos enciéndalos. Si
no, conecte sus altavoces pasivos al amplifica-
dor usando cables de altavoces. Ajuste el nivel
de los altavoces o del amplificador a lo que el
fabricante diga (generalmente hacia arriba).
Ajuste de la ganancia
1. Conecte algo en la entrada. Podría ser un ins-
trumento, una voz cantando o narrando, o una
entrada de línea como un teclado o reproductor
de CD.
2. Habilite el conmutador PFL Solo del canal para
ver el nivel entrante en los medidores principa-
les.
4 ProFX16 y ProFX22
Introducción
Asombrosas y frescas características
Potente procesador de efectos integrado y
cuatro compresores individuales
%NLABÞSQUEDADELMEZCLADOR-ACKIEDOITALL
definitivo para el sonido en vivo, vomitamos en el fre-
gadero de la cocina y rellenamos a este chico malo con
un completo conjunto de procesadores que le permite
VIAJARLIBRESDERACKSSINDEJARDELOGRARMEZCLASCON
sonido profesional.
Para empezar, hemos añadido nuestro sistema paten-
TADODEPROCESADORES2UNNING-AN&82-&8CON
PRESETSLISTOSPARAELCONCIERTO%STOSNOINCLUYEN
AEFECTOSINÞTILESCOMOLAREINITAOELELRETARDODELA
LOCURASINOMÈSBIENUNCONJUNTODEREVERBERACIONES
rápidamente accesibles y útiles, coros y retardos que
logran mejorar la mezcla en un suspiro.
Los mezcladores ProFX16 y ProFX22 también tienen
cuatro compresores con un único dial para controlar la
dinámica de las señales que sobresalen de la mezcla.
Están ubicados en as últimas cuatro entradas de micró-
fono mono para que las señales más importantes (por
ejemplo, voces, baterías, o cabras montesas) pueden ser
procesadas.
¿En pocas palabras? Tiene un impresionante mezcla-
DORCONLACALIDADDESONIDO-ACKIECALIDADDECONS-
TRUCCIØNCONSTRUIDOCOMOUNTANQUEYUNCONJUNTODE
funciones de grabación y proceso que no tiene paran-
gón. Felicitaciones... ¡y feliz mezcla!
Reproducción y grabación USB
Los mezcladores de la serie ProFX cuentan con la
función de grabación y reproducción 2x2 USB. Esto
significa que es posible grabar dos señales de forma
simultánea y retornar una mezcla estéreo al mezclador
para su reproducción.
Hay un conmutador en la sección principal etique-
tado como USB OUT que permite realizar un flexible y
potente enrutamiento. La configuración por defecto del
conmutador permite grabar la mezcla LR para mezclas
estéreo convenientes del show. O puede encaminar los
subgrupos 1-2 mediante la conexión USB hacia su soft-
ware DAW favorito, para una grabación de 2 pistas alter-
nativa cuando el conmutador USB OUT está activado.
Para la reproducción, hay un conmutador en la
sección principal llamado 2-TRACK RETURN. Este
conmutador cambia las entradas RCA duales estándar a
principal (cinta, con el conmutador desactivado) a esté-
reo USB a principal (USB, conmutador activado). Esta
es una función muy conveniente para la reproducción
de música a través de la mezcla principal del ordenador.
Preferimos mermelada algunos Johnny 'El Hombre de
Negro' en efectivo en una banda a otra en los clubes de
ROCKLOCAL0ERONODUDEENREPRODUCIRLOQUEQUIERAA
menos que sea... ah, no se preocupe, ¡no vamos a ir por
ahí!
Otra característica interesante de ProFX es la de en-
caminar el retorno estéreo USB al canal estéreo último
del mezclador. Esta es una poderosa herramienta para
un buen número de usos en directo o grabación. Por
ejemplo, la reproducción a través de los canales estéreo
permite que usar la EQ para endulzar los sonidos. Tam-
bién puede ser usada para propósitos de sobre grabación
mediante el envío de la música a los auriculares de los
músicos a través de los auxiliares.

Manual del Usuario 5
Características
s -EZCLADORPROFESIONALDEBUSESPARAELSONIDO
en vivo con efectos integrados y E/S USB
s 0REAMPLIlCADORES-ACKIEDEBAJORUIDOYALTO
headroom con un rango de ganancia de +50 dB
s #OMPRESIØNINLINEPARALASENTRADASCRITICAS
s 0ROCESADORABITS2-&8CONPRESETS
“Gig-Ready” con reverberaciones, coros y retar-
dos
s %1GRÈlCODEBANDASDEALTAPRECISIØNPARAEL
grupo principal y monitores
s %353"PARALAGRABACIØNDESHOWSYLAREPRO-
DUCCIØNMUSICALVÓA-ACO0#
s%NVÓODESUBGRUPOSOMEZCLA,2PRINCI-
pal a su ordenador para la grabación
s%3ESTÏREO53"TAPECONCONTROLDENIVEL
entrante a principal
s2ETORNO53"ESTÏREOACANALESTÏREOPARALA
implementación de EQ, auxiliares y más
s %1DEBANDASCONRANGODEMEDIOSTIPOSWEEP
en los canales mono
s -ÞLTIPLESENTRADASDELÓNEADEALTOHEADROOM
s #ONMUTADORES-UTEINDIVIDUALESENLOSCANALES
e indicadores de sobrecarga (OL)
s &ILTROSDECORTEDEGRAVESDED"OCTAVAEN
los 100 Hz en todos los canales de micrófono
s )NSERCIONESENLOSCANALESDEMICRØFONOLÓNEA
para la conexión de procesadores externos
s &ADERSDEMMPARALOSCANALESSUBGRUPOY
principales
s !LIMENTACIØN0HANTOMDE6CON,%$SPARA
su uso con micrófonos de condensador
s h&8MUTEvCONTROLABLEVÓAPEDALDEPULSACIØN
s %LCONMUTADORh"REAKvENNUDECETODOSLOS
canales para la reproducción musical entre
actuaciones
s 3ALIDASDESALADECONTROLAURICULARESCON
controles de nivel rotatorios
s 3ALIDASPRINCIPALESBALANCEADAS8,2YBALAN-
CEADASNOBALANCEADASENLASENTRADASDE
s $ISE×OMONTABLEENRACKUSANDOELKITDEORE-
JASDERACKOPCIONAL;0RO&8=
s #HASISDEACERORESISTENTE
s &UENTEDEALIMENTACIØNCONMÞLTIPLESVOLTAJES
para su uso en todo el mundo
s )NCLUYEELSOFTWAREDEPRODUCCIØNMUSICAL
4RACKTIONPARA-ACO0#
¿Como usar este manual?
Las primeras páginas después del índice incluyen
varios diagramas de conexiones. Éstos muestran confi-
guraciones típicas para su ProFX16 o ProFX22.
A continuación viene un detallado recorrido por todo
el mezclador. Las descripciones se dividen en secciones,
siguiendo el orden en las distintas zonas del mezclador:
s 0ANELPOSTERIORENTRADADE#!BOTØNDEENCEN-
dido y E/S USB.
s 3ECCIØNDECONEXIONESYCONTROLESDELOSCANA-
les del panel frontal: sección superior, en la que
se conectan los micrófonos y guitarras, etc. y las
tiras de canal en las que ajusta y controla cada
canal.
s %NTRADASYSALIDASADICIONALESDELPANELFRONTAL
la sección superior en la que puede conectar
altavoces, auriculares, reproductores de CD,
etc.
s #ONTROLESMASTERLASECCIØNDELADERECHACON
el EQ gráfico, el procesador de efectos estéreo y
los controles de nivel principales.
A lo largo del manual encontrará ilustraciones nume-
radas con la función descrita en los párrafos cercanos.
Este icono indica la existencia de información
críticamente importante o única para su mez-
clador. Para su propio bien, lea y recuerde.
Este icono le conduce a explicaciones más
profundas y consejos prácticos.
Anexos
Anexo A: Información de servicio
s3OLUCIØNDEPROBLEMAS
s2EPARACIØN
Anexo B: Conexiones
s#ONEXIONES8,2
s#ONEXIONESYJACKSDE423
s#ONEXIONESYJACKSDE43
s#ONEXIONES2#!
s*ACKS423DEENVÓOYRETORNO
Anexo C: Información técnica
s%SPECIlCACIONES
s$IMENSIONES
s$IAGRAMADEBLOQUES
s4RACK3HEET
Anexo D: Tabla de presets de efectos
6 ProFX16 y ProFX22
Contenido
IMPORTANTES INSTRUCIONES DE SEGURIDAD ......... 2
¡LEA ESTA PÁGINA! ................................................. 3
INTRODUCCIÓN ...................................................... 4
CARACTERÍSTICAS ................................................... 5
TABLA DE CONTENIDO ............................................. 6
DIAGRAMAS DE CONEXIONADO .............................. 7
PANEL POSTERIOR - CONEXIONES ........................ 9
1. CONEXIÓN DE POTENCIA .......................... 9
2. CONMUTADOR DE POTENCIA .................... 9
3. ENTRADA / SALIDA USB ........................... 9
4. EL LOGO "RUNNING MAN" ..................... 10
PANEL FRONTAL ................................................ 11
CONEXIONES Y TIRA DE CANAL .......................... 11
5. ENTRADAS DE MICRÓFONO .................... 11
ALIMENTACIÓN PHANTOM ..................... 11
6. ENTRADAS DE LÍNEA .............................. 12
7. ENTRADAS DE LÍNEA ESTÉREO................. 12
8. INSERCIONES ......................................... 13
9. GANANCIA............................................. 13
10. CONMUTADOR LOW CUT ........................ 13
ECUALIZACIÓN DE CANAL (EQ) ............... 13
11. EQ de AGUDOS ...................................... 14
12. EQ de MEDIOS (solo canales mono) .......... 14
13. FREC. de EQ de MEDIOS (canales mono) ... 14
14. EQ de MEDIOS (canales estéreo) ............. 14
15. EQ de GRAVES ....................................... 14
16. AUXILIARES DE MONITORES 1-2............. 14
17. AUXILIARES DE EFECTOS ......................... 15
18. PANORAMA ........................................... 15
19. Indicador LED OL .................................... 15
20. Conmutador MUTE .................................. 15
21. Conmutadores ASSIGN ............................ 15
22. Conmutador PFL SOLO ............................ 16
23. FADER DEL CANA.................................... 16
24. Conmutador USB .................................... 16
25. COMPRESOR .......................................... 17
ENTRADAS Y SALIDAS ADICIONALES ................... 18
26. ENVÍO DE MONITORES ........................... 18
27. ENVÍO DE EFECTOS ................................. 18
28. PEDAL PARA LOS EFECTOS ...................... 18
29. RETORNO DE AUXILIARES L/R................ 19
30. SALIDA MAIN L/R: XLR y 1/4" .............. 19
31. SALIDA CR L/R ...................................... 19
32. SALIDAS SUB 1-4 ................................... 19
33. AURICULARES ........................................ 19
34. ENTRADAS / SALIDAS TAPE .................... 19
EQ GRÁFICO ESTÉREO, MEDIDORES PRINCIPALES ....
Y MÁS ............................................................... 20
35. Conmutador 48V PHANTOM POWER ....... 20
36. Indicador LED POWER ............................. 20
37. ECUALIZADOR GRÁFICO ESTÉREO ........... 20
38. Conmutador MAIN MIX / MON 1 ............ 21
39. Conmutador EQ IN / BYPASS .................. 21
40. MEDIDORES PRINCIPALES ....................... 21
41. Indicador LED RUDE SOLO ....................... 21
AUX MASTERS, AUX RETURNS & INTERNAL FX ... 22
42. AUXILARES MASTER ............................... 22
43. RETORNO DE AUXILIARES ...................... 22
44. EFECTOS INTERNOS ................................ 22
45. SELECTOR DE PRESET .............................. 22
46. VISUALIZADOR DE PRESET ..................... 22
47. Indicador LED SIG / O............................. 22
48. Conmutador y LED INT FX MUTE .............. 23
MEZCLA PRINCIPAL Y SUB, SALIDA USB, ................
RETORNO 2 PISTAS Y MÁS ................................. 23
49. Conmutador USB OUT ............................. 23
50. Conmutador 2-TRACK RETURN TAPE/USB 23
51. NIVEL 2-TRACK RETURN ......................... 23
52. Conmutador e indicador LED BREAK ......... 23
53. Dial CR/PHONES .................................... 23
54. Conmutadores SUBS ASSIGN ................... 24
55. FADERS SUB 1-4 .................................... 24
56. MEZCLA PRINCIPAL ................................ 24
ANEXO A: INFORMACIÓN DE SERVICIO .................. 25
ANEXO B: CONEXIONES ........................................ 26
ANEXO C: INFORMACIÓN TÉCNICA ........................ 28
DIMENSIONES.................................................... 29
DIAGRAMA DE BLOQUES .................................... 30
TRACK SHEET ..................................................... 31
ANEXO D: TABLA DE PRESETS DE EFECTOS .............. 34
GARANTÍA LIMITADA ............................................ 35

Manual del Usuario 7
Diagramas de conexionado
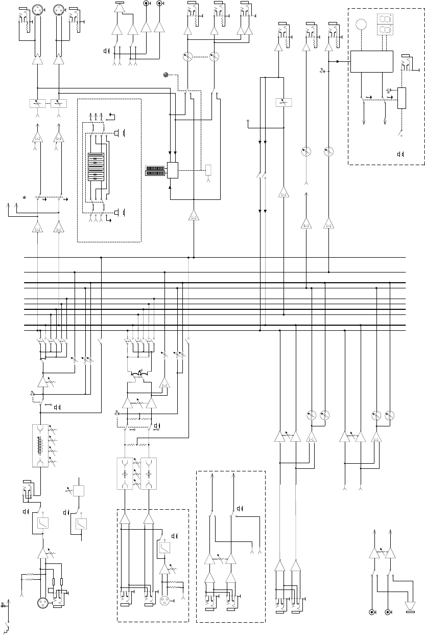
Sistema típico de sonido en vivo
Este diagrama muestra un kit de batería con micrófonos conectados a los primeros siete canales del
mezclador. Los micrófonos de las voces solistas y de acompañamiento se conectan en los siguientes tres
canales. La guitarra y el bajo se conectan en las entradas con nivel de línea de los dos siguientes ca-
nales, cada uno a través de un procesador de efectos mono. Una base para iPod está conectada a las
entradas estéreo Tape.
Los altavoces Mackie SRM450v2 están conectados a la salida principal izquierda y derecha. Dos
de estos altavoces son también empleados como monitores de escenario y conectados a las salidas de
monitor esdel mezclador pasando por un ecualizador gráfico. Los controles aux mon de cada canal le
permiten crear una mezcla de monitores de escenario a su gusto. Los auriculares son empleados para la
monitorización y un pedal conmutador le permite activar / desactivar los efectos internos como desee.
Un ordenador portátil se conecta al puerto USB permitiendo la mezcla de los dos canales principales
del show que serán grabados en un DAW. También se pueden reproducir dos canales de audio desde su
ordenador a la mezcla principal.
48V
MUTE MUTE MUTE MUTE MUTE MUTE MUTE MUTE MUTE MUTE MUTE MUTE
OL
4
6
3
10
15
7
10
20
30
0
2
LEVEL
SET
MAIN
METERS
RL
MIC MIC MIC MIC MIC MIC MIC MIC MIC MIC
GAINGAIN
+20-20
GAIN
(MONO)
LINE IN 9
LINE IN 10
L
R
(MONO)
L
R
(MONO)
BAL/ UNBAL
BAL/ UNBAL
BAL/ UNBAL
BAL/ UNBAL
BAL/ UNBAL
BAL/ UNBAL BAL / UNBAL
BAL/ UNBAL BAL / UNBAL
BAL/ UNBAL BAL / UNBALBAL/ UNBALBAL/ UNBALBAL/ UNBALBAL/ UNBALBAL/ UNBALBAL/ UNBALBAL/ UNBALBAL/ UNBALBAL/ UNBALBAL/ UNBAL
L
R
(MONO)
L
R
LINE IN 11
LINE IN 12
LINE IN 13
LINE IN 14
LINE IN 15
LINE IN 16
LR
11/129/10 13/14 15/16
U
GAIN
M
I
C
G
A
I
N
U+50
-20dB +30dB
AUX
LINE IN LINE INLINE IN LINE IN LINE IN LINE IN
OL
RL
PAN
dB
30
20
10
10
OO
40
50
5
5
U
60
PFL
SOLO
L-R
1-2
3-4
80Hz
LOW
MID
FREQ
600
1.5k150
8k100
EQ
12kHz
HI
MON
1
MON
2
U
+15
OO
U
+15
OO
U
+15
OO
-15
U
+15
-15
U
+15
-15
U
+15
LOW CUT
100Hz100Hz100Hz100Hz100Hz100Hz100Hz100Hz100Hz100Hz
GAIN
U+50
M
I
C
G
A
I
N
U+50
M
I
C
G
A
I
N
U
LOW CUT LOW CUT
AUX
RETURN
MON
1
INTERNAL FX
MON
2
AUX
MASTER
U
+15
OO
U
+15
OO
U
+15
OO
TO
MON 1
TO
MON 2
TO
MAIN
L-R
TO
MON 1
TO
MON 2
TO
MAIN
L-R
U
+10
OO
U
+15
OO
U
+15
OO
U
+10
OO
U
+15
OO
U
+15
OO
SOURCE
LINE
USB
9/10 11/12 13/ 14 15/16
8K4K2K1K
500250125
15
15
10
10
5
5
0
15
15
10
10
5
5
0
STEREO GRAPHIC EQ
MAIN MIX
MON 1
EQ IN
BYPASS
PHONES
L
R
(MONO)
L
R
1
2
3
4
1
2
SUB 2 SUB 3SUB 1
INSERT
U
GAIN
M
I
C
G
A
I
N
U+50
-20dB +30dB
AUX
LINE IN
OL
RL
PAN
dB
30
20
10
10
OO
40
50
5
5
U
60
PFL
SOLO
L-R
1-2
3-4
80Hz
LOW
MID
FREQ
600
1.5k150
8k100
EQ
12kHz
HI
MON
1
MON
2
U
+15
OO
U
+15
OO
U
+15
OO
-15
U
+15
-15
U
+15
-15
U
+15
LOW CUT
INSERT
U
GAIN
M
I
C
G
A
I
N
U+50
-20dB +30dB
AUX
LINE IN
OL
RL
PAN
dB
30
20
10
10
OO
40
50
5
5
U
60
PFL
SOLO
L-R
1-2
3-4
80Hz
LOW
MID
FREQ
600
1.5k150
8k100
EQ
12kHz
HI
MON
1
MON
2
U
+15
OO
U
+15
OO
U
+15
OO
-15
U
+15
-15
U
+15
-15
U
+15
LOW CUT
INSERT
U
GAIN
M
I
C
G
A
I
N
U+50
-20dB +30dB
AUX
LINE IN
OL
RL
PAN
dB
30
20
10
10
OO
40
50
5
5
U
60
PFL
SOLO
L-R
1-2
3-4
80Hz
LOW
MID
FREQ
600
1.5k150
8k100
EQ
12kHz
HI
MON
1
MON
2
U
+15
OO
U
+15
OO
U
+15
OO
-15
U
+15
-15
U
+15
-15
U
+15
LOW CUT
U
GAIN
M
I
C
G
A
I
N
U+50
-20dB +30dB
AUX
OL
RL
PAN
dB
30
20
10
10
OO
40
50
5
5
U
60
PFL
SOLO
L-R
1-2
3-4
80Hz
LOW
MID
FREQ
600
1.5k150
8k100
EQ
12kHz
HI
MON
1
MON
2
U
+15
OO
U
+15
OO
U
+15
OO
-15
U
+15
-15
U
+15
-15
U
+15
LOW CUT
U
GAIN
M
I
C
G
A
I
N
U+50
-20dB +30dB
AUX
OL
RL
PAN
dB
30
20
10
10
OO
40
50
5
5
U
60
PFL
SOLO
L-R
1-2
3-4
80Hz
LOW
MID
FREQ
600
1.5k150
8k100
EQ
12kHz
HI
MON
1
MON
2
U
+15
OO
U
+15
OO
U
+15
OO
-15
U
+15
-15
U
+15
-15
U
+15
LOW CUT
U
GAIN
M
I
C
G
A
I
N
U+50
-20dB +30dB
AUX
OL
RL
PAN
dB
30
20
10
10
OO
40
50
5
5
U
60
PFL
SOLO
L-R
1-2
3-4
80Hz
LOW
MID
FREQ
600
1.5k150
8k100
EQ
12kHz
HI
MON
1
MON
2
U
+15
OO
U
+15
OO
U
+15
OO
-15
U
+15
-15
U
+15
-15
U
+15
LOW CUT
U
GAIN
M
I
C
G
A
I
N
U+50
-20dB +30dB
AUX
OL OL OL OL OL
RL
PAN
dB
30
20
10
10
OO
40
50
5
5
U
60
PFL
SOLO
L-R
1-2
3-4
dB
30
20
10
10
OO
40
50
5
5
U
60
PFL
SOLO
L-R
1-2
3-4
dB
30
20
10
10
OO
40
50
5
5
U
60
PFL
SOLO
L-R
1-2
3-4
dB
30
20
10
10
OO
40
50
5
5
U
60
PFL
SOLO
L-R
1-2
3-4
dB
30
20
10
10
OO
40
50
5
5
U
60
PFL
SOLO
L-R
1-2
3-4
80Hz
LOW
MID
FREQ
600
1.5k150
8k100
EQ EQ EQ EQ EQ
12kHz
HI
MON
1
MON
2
U
+15
OO
U
+15
OO
U
+15
OO
AUX
RL
PAN
MON
1
MON
2
U
+15
OO
U
+15
OO
U
+15
OO
AUX
RL
PAN
MON
1
MON
2
U
+15
OO
U
+15
OO
U
+15
OO
AUX
RL
PAN
MON
1
MON
2
U
+15
OO
U
+15
OO
U
+15
OO
AUX
RL
PAN
MON
1
MON
2
U
+15
OO
U
+15
OO
U
+15
OO
-15
U
+15
-15
U
+15
-15
U
+15 -15
U
+15
-15
U
+15
-15
U
+15
-15
U
+15
-15
U
+15
-15
U
+15
-15
U
+15
-15
U
+15
-15
U
+15
-15
U
+15
-15
U
+15
-15
U
+15
LOW CUT
INSERT
OFF MAX
COMP
OFF MAX
COMP
OFF MAX
COMP
OFF MAX
COMP
12kHz
HI
80Hz
LOW
MID
2.5kHz
12kHz
HI
80Hz
LOW
MID
2.5kHz
12kHz
HI
80Hz
LOW
MID
2.5kHz
12kHz
HI
80Hz
LOW
MID
2.5kHz
dB
30
20
10
10
OO
40
50
5
5
U
60
dB
30
20
10
10
OO
40
50
5
5
U
60
dB
30
20
10
10
OO
40
50
5
5
U
60
SUB 4
dB
30
20
10
10
OO
40
50
5
5
U
60
CR/PHONES
OO
MAX
(MUTES ALL CH)
2-TRACK RETURN
TAPE
USB
USB OUT
MAIN
SUB 1-2
LEVEL
U
+15
OO
INT FX
MUTE
SIG/OL
PROFESSIONAL MIC/LINE MIXER WITH FX
FX SEND
FOOTSWITCH
MON SEND
BALANCED BALANCED
AUX RETURN CR OUT SUB OUT
MAIN OUT
IN OUT
TAPE
L
R
dB
30
20
10
10
OO
40
50
5
5
U
60
MAIN
+20-20
U
0dB = 0dBu
RUDE
SOLO
PHANTOM POWER
RLRLRLRL
7
78
86
6
5
5
4
4
3
3
2
2
1
1
13 DELAY 1 (300ms)
14 DELAY 2 (380ms)
15 DELAY 3 (480ms)
16 REVERB + DLY (250ms)
01 BRIGHT ROOM
02 WARM LOUNGE
03 SMALL STAGE
04 WARM THEATER
09 CHORUS
10 CHORUS + REV
11 DOUBLER
12 TAPE SLAP
05 WARM HALL
06 CONCERT HALL
07 PLATE REVERB
08 CATHEDRAL
BREAK
FX FX
FX FX FX FX FX FX FX FX FX FX FX
dB
30
20
10
10
OO
40
50
5
5
U
60
POWER
PROFESSIONAL MIC/LINE MIXER WITH FX
USB
REVISION
SERIAL NUMBER
WARNING:
TO REDUCE THE RISK OF FIRE OR ELECTRIC
SHOCK, DO NOT EXPOSE THIS EQUIPMENT TO RAIN OR
MOISTURE. DO NOT REMOVE COVER. NO USER SERVICEABLE
PARTS INSIDE. REFER SERVICING TO QUALIFIED PERSONNEL.
AVIS:
RISQUE DE CHOC ELECTRIQUE — NE PAS OUVRIR
THIS DEVICE COMPLIES WITH PART 15 OF THE FCC RULES FOR THE U.S. AND
ICES-003, FOR CANADA. OPERATION IS SUBJECT TO THE FOLLOWING TWO
CONDITIONS: (1) THIS DEVICE MAY NOT CAUSE HARMFUL INTERFERENCE, AND
(2) THIS DEVICE MUST ACCEPT ANY INTERFERENCE RECEIVED, INCLUDING
INTERFERENCE THAT MAY CAUSE UNDESIRED OPERATION.
Microphones
Auriculares
Altavoces auto-amplificados
SRM450v2
Monitores auto-amplificados
SRM450v2
Pedal de pulsación iPod
Docking Station
Ordenador portátil
con iTunes para la
reproducción entre bandas
EQ de monitores
Efectos mono
Bajo
eléctrico
Baterías
Guitarra
eléctrica

8 ProFX16 y ProFX22
Sistema típico de grabación
Este diagrama muestra un bajo y un procesador de efectos conectados a las entradas con nivel de
línea del canal 5, micrófonos conectados en los canales 6, 7 y 8, un modelador de amplificadores de
guitarra conectado a las entradas de nivel de línea de los canales 9/10, una batería electrónica conec-
tada a los canales 13/14 y un teclado conectado a los canales 15/16.
Los monitores de referencia auto-amplificados Mackie MR8mk2 están conectados a las salidas de
sala de control izquierda y derecha para una cuidadosa y precisa monitorización de la actuación. Los
auriculares están conectados a mon send 1 vía un amplificador de auriculares para que el artista pueda
escucharse al grabar.
Un ordenador de sobremesa está conectado al puerto USB para grabar los 2 canales de la mezcla
principal en la aplicación de audio, así como reproducir dos canales de audio.
48V
MUTE MUTE MUTE MUTE MUTE MUTE MUTE MUTE MUTE MUTE MUTE MUTE
OL
4
6
3
10
15
7
10
20
30
0
2
LEVEL
SET
MAIN
METERS
RL
MIC MIC MIC MIC MIC MIC MIC MIC MIC MIC
GAINGAIN
+20-20
GAIN
(MONO)
LINE IN 9
LINE IN 10
L
R
(MONO)
L
R
(MONO)
BAL/ UNBAL
BAL/ UNBAL
BAL/ UNBAL
BAL/ UNBAL
BAL/ UNBAL
BAL/ UNBAL BAL / UNBAL
BAL/ UNBAL BAL / UNBAL
BAL/ UNBAL BAL/ UNBALBAL/ UNBALBAL/ UNBALBAL/ UNBALBAL/ UNBALBAL/ UNBALBAL /UNBALBAL /UNBALBAL /UNBALBAL /UNBALBAL /UNBAL
L
R
(MONO)
L
R
LINE IN 11
LINE IN 12
LINE IN 13
LINE IN 14
LINE IN 15
LINE IN 16
LR
11/129/10 13/14 15/16
U
GAIN
M
I
C
G
A
I
N
U+50
-20dB +30dB
AUX
LINE IN LINE INLINE IN LINE IN LINE IN LINE IN
OL
RL
PAN
dB
30
20
10
10
OO
40
50
5
5
U
60
PFL
SOLO
L-R
1-2
3-4
80Hz
LOW
MID
FREQ
600
1.5k150
8k100
EQ
12kHz
HI
MON
1
MON
2
U
+15
OO
U
+15
OO
U
+15
OO
-15
U
+15
-15
U
+15
-15
U
+15
LOW CUT
100Hz 100Hz 100Hz 100Hz 100Hz 100Hz 100Hz 100Hz 100Hz 100Hz
GAIN
U+50
M
I
C
G
A
I
N
U+50
M
I
C
G
A
I
N
U
LOW CUT LOW CUT
AUX
RETURN
MON
1
INTERNAL FX
MON
2
AUX
MASTER
U
+15
OO
U
+15
OO
U
+15
OO
TO
MON 1
TO
MON 2
TO
MAIN
L-R
TO
MON 1
TO
MON 2
TO
MAIN
L-R
U
+10
OO
U
+15
OO
U
+15
OO
U
+10
OO
U
+15
OO
U
+15
OO
SOURCE
LINE
USB
9/10 11/12 13/ 14 15/16
8K4K2K1K
500250125
15
15
10
10
5
5
0
15
15
10
10
5
5
0
STEREO GRAPHIC EQ
MAIN MIX
MON 1
EQ IN
BYPASS
PHONES
L
R
(MONO)
L
R
1
2
3
4
1
2
SUB 2 SUB 3SUB 1
INSERT
U
GAIN
M
I
C
G
A
I
N
U+50
-20dB +30dB
AUX
LINE IN
OL
RL
PAN
dB
30
20
10
10
OO
40
50
5
5
U
60
PFL
SOLO
L-R
1-2
3-4
80Hz
LOW
MID
FREQ
600
1.5k150
8k100
EQ
12kHz
HI
MON
1
MON
2
U
+15
OO
U
+15
OO
U
+15
OO
-15
U
+15
-15
U
+15
-15
U
+15
LOW CUT
INSERT
U
GAIN
M
I
C
G
A
I
N
U+50
-20dB +30dB
AUX
LINE IN
OL
RL
PAN
dB
30
20
10
10
OO
40
50
5
5
U
60
PFL
SOLO
L-R
1-2
3-4
80Hz
LOW
MID
FREQ
600
1.5k150
8k100
EQ
12kHz
HI
MON
1
MON
2
U
+15
OO
U
+15
OO
U
+15
OO
-15
U
+15
-15
U
+15
-15
U
+15
LOW CUT
INSERT
U
GAIN
M
I
C
G
A
I
N
U+50
-20dB +30dB
AUX
LINE IN
OL
RL
PAN
dB
30
20
10
10
OO
40
50
5
5
U
60
PFL
SOLO
L-R
1-2
3-4
80Hz
LOW
MID
FREQ
600
1.5k150
8k100
EQ
12kHz
HI
MON
1
MON
2
U
+15
OO
U
+15
OO
U
+15
OO
-15
U
+15
-15
U
+15
-15
U
+15
LOW CUT
U
GAIN
M
I
C
G
A
I
N
U+50
-20dB +30dB
AUX
OL
RL
PAN
dB
30
20
10
10
OO
40
50
5
5
U
60
PFL
SOLO
L-R
1-2
3-4
80Hz
LOW
MID
FREQ
600
1.5k150
8k100
EQ
12kHz
HI
MON
1
MON
2
U
+15
OO
U
+15
OO
U
+15
OO
-15
U
+15
-15
U
+15
-15
U
+15
LOW CUT
U
GAIN
M
I
C
G
A
I
N
U+50
-20dB +30dB
AUX
OL
RL
PAN
dB
30
20
10
10
OO
40
50
5
5
U
60
PFL
SOLO
L-R
1-2
3-4
80Hz
LOW
MID
FREQ
600
1.5k150
8k100
EQ
12kHz
HI
MON
1
MON
2
U
+15
OO
U
+15
OO
U
+15
OO
-15
U
+15
-15
U
+15
-15
U
+15
LOW CUT
U
GAIN
M
I
C
G
A
I
N
U+50
-20dB +30dB
AUX
OL
RL
PAN
dB
30
20
10
10
OO
40
50
5
5
U
60
PFL
SOLO
L-R
1-2
3-4
80Hz
LOW
MID
FREQ
600
1.5k150
8k100
EQ
12kHz
HI
MON
1
MON
2
U
+15
OO
U
+15
OO
U
+15
OO
-15
U
+15
-15
U
+15
-15
U
+15
LOW CUT
U
GAIN
M
I
C
G
A
I
N
U+50
-20dB +30dB
AUX
OL OL OL OL OL
RL
PAN
dB
30
20
10
10
OO
40
50
5
5
U
60
PFL
SOLO
L-R
1-2
3-4
dB
30
20
10
10
OO
40
50
5
5
U
60
PFL
SOLO
L-R
1-2
3-4
dB
30
20
10
10
OO
40
50
5
5
U
60
PFL
SOLO
L-R
1-2
3-4
dB
30
20
10
10
OO
40
50
5
5
U
60
PFL
SOLO
L-R
1-2
3-4
dB
30
20
10
10
OO
40
50
5
5
U
60
PFL
SOLO
L-R
1-2
3-4
80Hz
LOW
MID
FREQ
600
1.5k150
8k100
EQ EQ EQ EQ EQ
12kHz
HI
MON
1
MON
2
U
+15
OO
U
+15
OO
U
+15
OO
AUX
RL
PAN
MON
1
MON
2
U
+15
OO
U
+15
OO
U
+15
OO
AUX
RL
PAN
MON
1
MON
2
U
+15
OO
U
+15
OO
U
+15
OO
AUX
RL
PAN
MON
1
MON
2
U
+15
OO
U
+15
OO
U
+15
OO
AUX
RL
PAN
MON
1
MON
2
U
+15
OO
U
+15
OO
U
+15
OO
-15
U
+15
-15
U
+15
-15
U
+15 -15
U
+15
-15
U
+15
-15
U
+15
-15
U
+15
-15
U
+15
-15
U
+15
-15
U
+15
-15
U
+15
-15
U
+15
-15
U
+15
-15
U
+15
-15
U
+15
LOW CUT
INSERT
OFF MAX
COMP
OFF MAX
COMP
OFF MAX
COMP
OFF MAX
COMP
12kHz
HI
80Hz
LOW
MID
2.5kHz
12kHz
HI
80Hz
LOW
MID
2.5kHz
12kHz
HI
80Hz
LOW
MID
2.5kHz
12kHz
HI
80Hz
LOW
MID
2.5kHz
dB
30
20
10
10
OO
40
50
5
5
U
60
dB
30
20
10
10
OO
40
50
5
5
U
60
dB
30
20
10
10
OO
40
50
5
5
U
60
SUB 4
dB
30
20
10
10
OO
40
50
5
5
U
60
CR/PHONES
OO
MAX
(MUTES ALL CH)
2-TRACK RETURN
TAPE
USB
USB OUT
MAIN
SUB 1-2
LEVEL
U
+15
OO
INT FX
MUTE
SIG/OL
PROFESSIONAL MIC/LINE MIXER WITH FX
FX SEND
FOOTSWITCH
MON SEND
BALANCED BALANCED
AUX RETURN CR OUT SUB OUT
MAIN OUT
IN OUT
TAPE
L
R
dB
30
20
10
10
OO
40
50
5
5
U
60
MAIN
+20-20
U
0dB = 0dBu
RUDE
SOLO
PHANTOM POWER
RLRLRLRL
7
78
86
6
5
5
4
4
3
3
2
2
1
1
13 DELAY 1 (300ms)
14 DELAY 2 (380ms)
15 DELAY 3 (480ms)
16 REVERB + DLY (250ms)
01 BRIGHT ROOM
02 WARM LOUNGE
03 SMALL STAGE
04 WARM THEATER
09 CHORUS
10 CHORUS + REV
11 DOUBLER
12 TAPE SLAP
05 WARM HALL
06 CONCERT HALL
07 PLATE REVERB
08 CATHEDRAL
BREAK
FX FX
FX FX FX FX FX FX FX FX FX FX FX
dB
30
20
10
10
OO
40
50
5
5
U
60
POWER
PROFESSIONAL MIC/LINE MIXER WITH FX
USB
REVISION
SERIAL NUMBER
WARNING:
TO REDUCE THE RISK OF FIRE OR ELECTRIC
SHOCK, DO NOT EXPOSE THIS EQUIPMENT TO RAIN OR
MOISTURE. DO NOT REMOVE COVER. NO USER SERVICEABLE
PARTS INSIDE. REFER SERVICING TO QUALIFIED PERSONNEL.
AVIS:
RISQUE DE CHOC ELECTRIQUE — NE PAS OUVRIR
THIS DEVICE COMPLIES WITH PART 15 OF THE FCC RULES FOR THE U.S. AND
ICES-003, FOR CANADA. OPERATION IS SUBJECT TO THE FOLLOWING TWO
CONDITIONS: (1) THIS DEVICE MAY NOT CAUSE HARMFUL INTERFERENCE, AND
(2) THIS DEVICE MUST ACCEPT ANY INTERFERENCE RECEIVED, INCLUDING
INTERFERENCE THAT MAY CAUSE UNDESIRED OPERATION.
Modelador
de amplificadores
Guitarra
eléctrica Auriculares
Amplificador de auriculares
Kit de batería electrónica Teclado
Monitores de referencia
auto-amplificados
MR8mk2
Mac o PC
de sobremesa
con Tracktion 3
para grabación
Micrófonos de
condensador
para voces
Efectos mono
Bajo
eléctrico

Manual del Usuario 9
Conexiones
1. CONEXIÓN DE POTENCIA
Es un conector de alimentación CA estándar IEC de 3
pines. Conecte aquí el cable de corriente (proporcio-
nado), y enchufe el otro extremo a una toma de CA. El
mezclador tiene una fuente de alimentación universal
QUEACEPTACUALQUIERDEVOLTAJEDEA6!#.O
tiene que usar conmutadores de tensión o transfor-
mador alguno, funcionará prácticamente en cualquier
lugar del mundo. Es por todo ello que la llamamos
“Planet- Earth”. Es menos susceptible a las caídas y
picos de tensión que los alimentadores convencionales,
y proporciona un mayor aislamiento electromagnético y
una mejor protección contra el ruido de la línea CA.
Desconectar el pin de toma de tierra es peli-
groso. No lo haga.
2. CONMUTADOR DE POTENCIA
Presione la parte superior de este conmutador para
conectar el mezclador. El indicador LED de alimenta-
ción [36] del panel frontal se iluminará felizmente, o al
menos lo intentará si usted ha conectado el mezclador a
una toma de corriente operativa.
Presione la parte inferior de este conmutador para
poner el mezclador en espera. No operará, pero algunos
circuitos permanecerán activos. Para retirar la potencia
CA apague la fuente de alimentación o desconecte el
cable del mezclador y de la fuente de CA.
Como guía general, debe activar el mezclador
en primer lugar, antes de cualquier amplifi-
cador o altavoces externos, y desactivarlo en
último lugar. Esto reducirá la posibilidad de ruidos en
los altavoces cada vez que lo encienda o apague.
Características de ProFX – Panel posterior
3. ENTRADA / SALIDA USB
El interface USB integrado permite un enrutamiento
flexible y potente. Se trata de una interface 2x2 que
le permite grabar dos streams desde el mezclador o
introducir la reproducción estéreo desde el ordenador
y enviarla a casi cualquier salida o un par de salidas del
mezclador.
Las capacidades de enrutamiento USB son las si-
guientes:
Entrada USB al mezclador -reproducción:
(1) Los canales estéreo 15/16 (en ProFX16) y 21/22
(en ProFX22) disponen de un conmutador USB, por lo
que es posible encaminar la salida del ordenador (como
iTunes®) al último canal estéreo del mezclador. Esta
señal estéreo puede ser entonces ecualizado, enviada a
los auxiliares (es decir, para alimentar a los monitores,
auriculares o efectos) y se puede encaminarse al grupo
principal o subgrupos con las capacidades de enruta-
miento del fader que están disponibles en todos los
demás canales. En resumen, esta señal puede enviarse a
casi cualquier salida o par de salidas. Además, el control
de ganancia de la parte superior del canal ajusta el nivel
de entrada USB del mezclador para lograr un nivel de
señal óptimo.
,ASECCIØN4RACK2ETURNCUENTACONUNCONMU-
tador que permite encaminar al bus principal una fuen-
te “Tape” (como un iPod® conectado mediante cables
RCA) o la señal USB de un ordenador (reproduciendo
ARCHIVOS7INDOWS-EDIA0LAYER¤POREJEMPLO%STA
sección también incluye un ajuste del nivel de entrada
para realizar fundidos entre las bandas, en cualquier
evento que puede necesitarlo.
POWER
PROFESSIONAL MIC/LINE MIXER WITH FX
USB
REVISION
SERIAL NUMBER
WARNING:
TO REDUCE THE RISK OF FIRE OR ELECTRIC
SHOCK, DO NOT EXPOSE THIS EQUIPMENT TO RAIN OR
MOISTURE. DO NOT REMOVE COVER. NO USER SERVICEABLE
PARTS INSIDE. REFER SERVICING TO QUALIFIED PERSONNEL.
AVIS:
RISQUE DE CHOC ELECTRIQUE — NE PAS OUVRIR
THIS DEVICE COMPLIES WITH PART 15 OF THE FCC RULES FOR THE U.S. AND
ICES-003, FOR CANADA. OPERATION IS SUBJECT TO THE FOLLOWING TWO
CONDITIONS: (1) THIS DEVICE MAY NOT CAUSE HARMFUL INTERFERENCE, AND
(2) THIS DEVICE MUST ACCEPT ANY INTERFERENCE RECEIVED, INCLUDING
INTERFERENCE THAT MAY CAUSE UNDESIRED OPERATION.
1
4
2 34

10 ProFX16 y ProFX22
Salida USB desde el mezclador - grabación, etc:
En la sección USB OUT puede seleccionar la mezcla
principal (deshabilitado) o subgrupos 1-2 (habilitado)
mediante el conmutador USB OUT [49]. Los puntos de
extracción del audio para los subgrupos son pre-fader
y las señales se mostrarán en la aplicación de audio
dependiendo de cómo han sido panoramizadas.
En otras palabras, si los subgrupos 1 y 2 se usan para
una sub-mezcla de batería y si esta batería tiene una
imagen estéreo (por ejemplo, toms panoramizados a su
gusto), la imagen estéreo se mantendrá en las entradas
DAW (suponiendo que el subgrupo 1 se establezca en
,YELSUBGRUPOEN2,OSAJUSTESENLOSNIVELESDE
la batería del subgrupo durante el show sólo afectan al
propio show en directo; los niveles de grabación no son
ajustados en el DAW a menos que ajuste los canales.
Asimismo, es posible grabar la mezcla principal para
llevarse a casa una copia del show. Estos niveles son
también pre-fader principal. Por lo tanto, los niveles
pueden ser mezclados arriba o abajo en el DAW poste-
riormente en función de las necesidades de la grabación
en vez de servir a propósitos del directo. El resultado
final es que los fundidos de entrada y/o salida realizados
en la interpretación no afectan a los niveles grabados.
4. EL LOGO "RUNNING MAN"
%LLOGOTIPO2UNNING-ANHOMBREQUECORREHA
sido un punto de controversia desde sus inicios. La his-
toria del logotipo es más bien vaga y no sabemos si está
corriendo desde un lugar o hacia otro... O tal vez el hom-
bre está creando música y no está físicamente corriendo
hacia o desde ningún sitio. Esto es lo que sabemos:
Orígenes:
Se originó en los años 90 cuando su fundador, Greg
-ACKIEDECIDIØQUEELLOGOTIPOERAIGUALDEIMPORTANTE
que el nombre (si no más). Afirmó que, “las marcas no
son reconocidos por su nombre, sino por su logotipo...
ECHADUNVISTAZOALOSLOGOTIPOSDE-C$ONALD¤.IKE
¤-ICROSOFT¤Y!PPLE¤3EPUEDERECONOCERALAS
marcas basadas viendo únicamente el logotipo.
Rápidamente se formó un equipo para diseñar lo que
se convertiría en el logotipo del hombre que corre. Aquí
están algunos ejemplos que fueron rechazados con el
tiempo:
Luego, en la década del 2000, los diseñadores gráficos
decidieron dar el logotipo del hombre que corre algo de
color, básicamente, darle algo de “vidilla”. Esta idea no
cuajó, por lo que fue finalmente archivada.
Estado actual, futuro y más allá:
El estado actual es sencillo: es como lo vemos hoy
ENDÓAENTODOSLOSPRODUCTOS-ACKIEz1UIÏNSABELO
QUEELFUTUROLEDEPARAALLOGOTIPO2UNNING-AN%S
como la analogía de la rueda: ¿para qué arreglarla si no
ESTÈROTA%LLOGOTIPODE2UNNING-ANPUEDESERVISTO
en todo el mundo, desde el más pequeño agujero en el
muro de los clubes de los mayores escenarios, a teatros
de tamaño medio, lugares de culto, casinos… ¡Y mucho
más!
Jazz Man Reggae Man Country Man
Rockabilly Man Samba Man Metal Man
Descartes de la primera ronda
Descartes de la segunda ronda
Running Man (en todo su esplendor)
Thinking Man Drinking Man Stinking Man
Smashing Guitar Man

Manual del Usuario 11
Panel frontal - Conexiones y
tira de canal
Los canales verticales son muy similares y sólo tienen
algunas diferencias entre ellos. Cada canal funciona
de manera independiente, y sólo controla las señales
conectadas a las entradas directamente relacionadas.
5. ENTRADAS DE MICRÓFONO
Este es un conector XLR hembra que acepta niveles
entrantes balanceados de micrófono o de línea de casi
cualquier tipo de fuente. Los previos disponen de nuestro
diseño XDR2, con mayor fidelidad y headroom rivalizando
con cualquier pre-amplificador de micrófonos autónomo del
mercado hoy en día.
Las entradas XLR están cableadas como sigue:
0IN-ASAOTOMADETIERRA
Pin 2 = Positivo (+ o vivo)
Pin 3 = Negativo (– o neutro)
Usamos entradas de micrófono balanceadas con
alimentación phantom al igual que las mega-consolas
de los grandes estudios por la misma razón: este tipo
de circuito es excelente en el rechazo de zumbidos y
ruidos.
-ICRØFONOSDECINTAPROFESIONALESDINÈMICOSYTODOS
los micrófonos de condensador sonarán de forma exce-
lente a través de estas entradas. Las entradas de micro
de ProFX pueden manejar cualquier tipo de nivel de
micrófono, sin sobrecargar el sonido.
Las señales con nivel de micrófono pasarán a través
de los esplendidos pre-amplificadores de micrófonos
del mezclador para convertirse en señales con nivel de
línea.
6EAEL!NEXO"PÈGINAPARAMÈSDETALLESYALGU-
nos diagramas acerca de los conectores que puede usar
con su mezclador.
ALIMENTACIÓN PHANTOM
La mayoría de los micrófonos de condensador profe-
sionales están equipados con alimentación phantom de
6QUEPERMITEENVIARVOLTAJEDE##ALAELECTRØNICA
del micrófono mediante los mismos cables del audio
(muchos de los micrófonos de condensador semi-profe-
SIONALESUSANBATERÓASPARAELLO%LNOMBREDE0HAN-
TOMVIENEDESUCAPACIDADDESERINVISIBLESPORLOS
MICROSDINÈMICOSCOMOEL3HURE3-3-QUENO
requieren alimentación y no se ven afectados por ella.
Características
Canales Mono Canales Estéreo
Canales 1-8 en ProFX16
Canales 1-14 en ProFX22
Canales 9-16 en ProFX16
Canales 15-22 en ProFX22
MUTE MUTE MUTE MUTE MUTE
MIC MIC MIC
GAINGAIN
+20-20
GAIN
(MONO)
L
R
(MONO)
BAL /UNBAL
BAL /UNBAL
BAL /UNBAL
BAL /UNBAL
BAL /UNBAL
BAL /UNBALBAL /UNBALBAL /UNBAL
L
R
(MONO)
L
R
LINE IN XX
LINE IN XX
LINE IN XX
LINE IN XX
LINE IN XX
LINE IN XX
XX / XX XX / XX XX / XX
LINE INLINE IN
XX XX
U+50
M
I
C
G
A
I
N
U
LOW CUT
SOURCE
LINE
USB
XX XX XX / XX XX / XX XX / XX
1
2
U
GAIN
M
I
C
G
A
I
N
U+50
-20dB +30dB
AUX
LINE IN
OL
RL
PAN
dB
30
20
10
10
OO
40
50
5
5
U
60
PFL
SOLO
L-R
1-2
3-4
80Hz
LOW
MID
FREQ
600
1.5k150
8k100
EQ
12kHz
HI
MON
1
MON
2
U
+15
OO
U
+15
OO
U
+15
OO
-15
U
+15
-15
U
+15
-15
U
+15
LOW CUT
U
GAIN
M
I
C
G
A
I
N
U+50
-20dB +30dB
AUX
OL
RL
PAN
dB
30
20
10
10
OO
40
50
5
5
U
60
PFL
SOLO
L-R
1-2
3-4
80Hz
LOW
MID
FREQ
600
1.5k150
8k100
EQ
12kHz
HI
MON
1
MON
2
U
+15
OO
U
+15
OO
U
+15
OO
-15
U
+15
-15
U
+15
-15
U
+15
LOW CUT
OL OL OL
dB
30
20
10
10
OO
40
50
5
5
U
60
PFL
SOLO
L-R
1-2
3-4
dB
30
20
10
10
OO
40
50
5
5
U
60
PFL
SOLO
L-R
1-2
3-4
dB
30
20
10
10
OO
40
50
5
5
U
60
PFL
SOLO
L-R
1-2
3-4
EQ EQ EQ
AUX
RL
PAN
MON
1
MON
2
U
+15
OO
U
+15
OO
U
+15
OO
AUX
RL
PAN
MON
1
MON
2
U
+15
OO
U
+15
OO
U
+15
OO
AUX
RL
PAN
MON
1
MON
2
U
+15
OO
U
+15
OO
U
+15
OO
-15
U
+15
-15
U
+15
-15
U
+15
-15
U
+15
-15
U
+15
-15
U
+15
-15
U
+15
-15
U
+15
-15
U
+15
INSERT
OFF MAX
COMP
12kHz
HI
80Hz
LOW
MID
2.5kHz
12kHz
HI
80Hz
LOW
MID
2.5kHz
12kHz
HI
80Hz
LOW
MID
2.5kHz
FX SEND
FOOTSWITCH
MON SEND
+20-20
U
100Hz 100Hz 100Hz
FX FX FX FX FX
5
6
8
9
10 24
11
12
14
13
15
16
17
18
19
23
20
21
21
21
22
25
7

12 ProFX16 y ProFX22
La alimentación Phantom puede ser seleccionado pul-
sando el conmutador phantom [35] del mezclador.
Nunca conecte micrófonos con terminación
no-balanceada, o micrófonos de cinta en las
conexiones de entrada de micrófono si la ali-
mentación phantom está activada. No conecte la salida
de instrumentos a las entradas XLR con alimentación
phantom si no está seguro de que sea conveniente.
6. ENTRADAS DE LÍNEA
%STEJACKDEvCOMPARTELOSCIRCUITOSPERONO
la alimentación phantom) con el pre-amplificador de
micrófonos, y puede ser alimentado con fuentes balan-
ceadas o no-balanceadas.
Para conectar una línea balanceada use un conector
de 1/4” “Tip-Ring-Sleeve” (TRS), cableado como sigue:
Punta = Positivo (+ o vivo)
Cuello = Negativo (– o neutro)
-ASA4OMADETIERRA
Para conectar una línea no-balanceada use un
conector de 1/4” mono (TS) o un cable de instrumento,
cableado como sigue
Punta = Positivo (+ o vivo)
-ASA4OMADETIERRA
7. ENTRADAS DE LÍNEA ESTÉREO
Las entradas de línea estéreo han sido diseñadas para
SE×ALESBALANCEADASEN423Y43NOBALANCEA-
das. Pueden aceptar cualquier instrumento con nivel de
línea, unidad de efectos, reproductor de CD, etc
El control de nivel permite un rango de -20 dB a +20
dB. Si conecta una fuente mono, utilice la entrada iz-
quierda (mono). Las señales mono aparecerán a ambos
lados de la mezcla principal.
Los dos primeros canales estéreo [9 / 10 y 11/12 en
ProFX16, y 15/16 y 17/18 en ProFX22] son los canales
híbridos, cada uno cuenta con una entrada de micrófono
en XLR [5] y el conmutador de corte de graves [10]. En
estos canales, el control de ganancia [9] sólo afecta a
la entrada de micrófono. Las entradas de línea estéreo
usan la ganancia de unidad.
Canales Mono Canales Estéreo
Canales 1-8 en ProFX16
Canales 1-14 en ProFX22
Canales 9-16 en ProFX16
Canales 15-22 en ProFX22
MUTE MUTE MUTE MUTE MUTE
MIC MIC MIC
GAINGAIN
+20-20
GAIN
(MONO)
L
R
(MONO)
BAL /UNBAL
BAL /UNBAL
BAL /UNBAL
BAL /UNBAL
BAL /UNBAL
BAL /UNBALBAL /UNBALBAL /UNBAL
L
R
(MONO)
L
R
LINE IN XX
LINE IN XX
LINE IN XX
LINE IN XX
LINE IN XX
LINE IN XX
XX / XX XX / XX XX / XX
LINE INLINE IN
XX XX
U+50
M
I
C
G
A
I
N
U
LOW CUT
SOURCE
LINE
USB
XX XX XX / XX XX / XX XX / XX
1
2
U
GAIN
M
I
C
G
A
I
N
U+50
-20dB +30dB
AUX
LINE IN
OL
RL
PAN
dB
30
20
10
10
OO
40
50
5
5
U
60
PFL
SOLO
L-R
1-2
3-4
80Hz
LOW
MID
FREQ
600
1.5k150
8k100
EQ
12kHz
HI
MON
1
MON
2
U
+15
OO
U
+15
OO
U
+15
OO
-15
U
+15
-15
U
+15
-15
U
+15
LOW CUT
U
GAIN
M
I
C
G
A
I
N
U+50
-20dB +30dB
AUX
OL
RL
PAN
dB
30
20
10
10
OO
40
50
5
5
U
60
PFL
SOLO
L-R
1-2
3-4
80Hz
LOW
MID
FREQ
600
1.5k150
8k100
EQ
12kHz
HI
MON
1
MON
2
U
+15
OO
U
+15
OO
U
+15
OO
-15
U
+15
-15
U
+15
-15
U
+15
LOW CUT
OL OL OL
dB
30
20
10
10
OO
40
50
5
5
U
60
PFL
SOLO
L-R
1-2
3-4
dB
30
20
10
10
OO
40
50
5
5
U
60
PFL
SOLO
L-R
1-2
3-4
dB
30
20
10
10
OO
40
50
5
5
U
60
PFL
SOLO
L-R
1-2
3-4
EQ EQ EQ
AUX
RL
PAN
MON
1
MON
2
U
+15
OO
U
+15
OO
U
+15
OO
AUX
RL
PAN
MON
1
MON
2
U
+15
OO
U
+15
OO
U
+15
OO
AUX
RL
PAN
MON
1
MON
2
U
+15
OO
U
+15
OO
U
+15
OO
-15
U
+15
-15
U
+15
-15
U
+15
-15
U
+15
-15
U
+15
-15
U
+15
-15
U
+15
-15
U
+15
-15
U
+15
INSERT
OFF MAX
COMP
12kHz
HI
80Hz
LOW
MID
2.5kHz
12kHz
HI
80Hz
LOW
MID
2.5kHz
12kHz
HI
80Hz
LOW
MID
2.5kHz
FX SEND
FOOTSWITCH
MON SEND
+20-20
U
100Hz 100Hz 100Hz
FX FX FX FX FX
5
6
8
9
10 24
11
12
14
13
15
16
17
18
19
23
20
21
21
21
22
25
7
MASA
PUNTAMASA
PUNTA
CUELLO
CUELLO
PUNTA
MASACUELLO
MASA
PUNTA
PUNTAMASA
PUNTA
MASA

Manual del Usuario 13
8. INSERCIONES
%STOSJACKSNOBALANCEADOSENSIRVENPARACONECTAR
procesadores de efectos en serie, como compresores,
ecualizadores, de-essers, o filtros. El punto de inserción
es después del control de ganancia [9] y del filtro de
corte de graves [10], pero antes de la EQ del canal [11-
15] y del nivel [23]. La señal del canal puede salir des-
DEELJACKDEINSERCIØNALDISPOSITIVOEXTERNOPROCESARSE
YRETORNARENELMISMOJACK
Para ello se requiere un cable de inserción estándar que
se debe conectar de esta forma:
Punta = envío (salida al dispositivo de efectos)
Ring = retorno (entrada de los efectos)
-ASATOMADETIERRA
,OSJACKSDEINSERCIØNSEPUEDENUSARCOMOSALIDAS
DIRECTASDELCANALSONPOSTGANANCIAYPRE%16EALA
sección de conexión de la página 27 (figura G) que
muestra tres formas de utilizar los cables de inserción.
“U" de ganancia de unidad
,OSMEZCLADORES-ACKIETIENENUNSÓMBOLO5ENCASI
TODOSLOSDECONTROLDENIVEL3IGNIlCAGANANCIADEUNI-
DADESDECIRNOHAYCAMBIOENELNIVELDELASE×AL,AS
etiquetas de los controles se miden en decibelios (dB)
de forma que usted sepa lo que está haciendo si decide
cambiar el ajuste de un control.
9. GANANCIA
Si todavía no lo ha hecho, por favor lea el procedi-
miento para ajustar el de la página 3.
Los diales de ganancia ajustan la sensibilidad de las
entradas de micrófono y línea. Esto permite que las
señales del mundo exterior se ajusten para poder operar
en cada canal con los niveles óptimos internos.
Si la señal se origina en los conectores XLR de micró-
fono habrá 0 dB de ganancia con el dial completamente
bajado y llegará a los 50 dB completamente subido.
%NLOSJACKSDEENTRADADELÓNEADEDELOSCANALES
1-8 (ProFX16) y los canales 1-14 (ProFX22), hay 20 dB
de atenuación completamente abajo y 30 dB de ganan-
CIACOMPLETAMENTESUBIDOCONLAGANANCIADEUNIDAD
5ENLAS
%NLOSJACKSDEENTRADADELÓNEADEDELOSCANALES
13/14 y 15/16 (ProFX16) y 19/20 y 21/22 (ProFX22), hay
20 dB de atenuación completamente abajo y 20 dB de
ganancia completamente subido, con la ganancia de
UNIDAD5ENLAS
Estos 20 dB de atenuación pueden ser muy útiles al
insertar una señal muy caliente, o cuando desee añadir
GANANCIADE%1OAMBASCOSAS3INESTEPADVIRTUAL
hay más posibilidades de saturación del canal.
10. CONMUTADOR LOW CUT
Todos los canales mono tienen un conmutador de corte
de graves (a veces referido como filtro pasa-altos) que
corta las frecuencias por debajo de los 100 Hz con una
pendiente de 18 dB por octava.
Le recomendamos que use el corte de graves en cada
aplicación de micrófono a excepción de los bombos, ba-
jos, y sonidos de bajo sintético. Dejando a un lado esos
sonidos, esas frecuencias no ofrecen nada interesante y
filtrándolas logrará que los graves interesantes suenen
más crujientes y sabrosos. Y no sólo eso, el corte de
graves ayuda a reducir la posibilidad de situaciones de
realimentación y preserva el amplificador.
Otra forma de considerar el corte de graves
es que añade flexibilidad durante los directos.
Con la adición del corte de graves puede usar
DEFORMASEGURAUNA%1GRAVEENLAVOZ-UCHASVECES
las EQ tipo “lo-shelf” benefician a las voces. El problema
es que al añadir EQ en los graves también aumenta los
zumbidos, ruidos de manipulación de micros y pops. El
corte de graves elimina esto para que pueda añadir EQ
grave sin tener que tirar un woofer por la ventana.
ECUALIZACIÓN DE CANAL (EQ)
Todos los canales mono de ProFX tienen ecualización
DEBANDASCONAGUDOSTIPOSHELFMEDIOSTIPOPEAK
con frecuencia ajustable y graves tipo shelf. Los canales
ESTÏREOTIENENUNCONTROLPEAKPARALOSMEDIOSADEMÈS
de los controles de la EQ de graves y agudos tipo shelf.
Tipo “shelf” significa que el circuito realza o corta todas
las frecuencias más allá de la especificada. Por ejemplo,
la EQ de graves refuerza las frecuencias graves inferio-
res a 80 Hz y continuando hasta la nota más grave que
HAYAOÓDOJAMÈSh0EAKvSIGNIlCAQUECIERTASFRECUENCIAS
FORMARUNACOLINAALREDEDORLACENTRAL
Con demasiada EQ usted puede realmente
alterar las cosas. Hemos diseñado una gran
cantidad de realce y corte en cada circuito de
ecualización porque sabemos que todo el mundo ocasio-
nalmente puede necesitarlo. Pero si alcanza el límite de
la EQ en cada canal obtendrá una mezcla pésima. Ecua-
lice de forma sutil y use también el lado izquierdo de los
diales (corte), así como el derecho (aumento). Si usted
se encuentra empleando cortes o aumentos repetida-
mente considere modificar la fuente del sonido, como
colocar un micrófono de forma diferente, probando de
un tipo diferente de micrófono, un vocalista distinto,
cambiar las cuerdas, o hacer gárgaras.
“punta”
Este conector se conecta a uno
de los jacks de inserción de canal
del mezclador. “cuello”
punta
cuellomasa
ENVÍO al procesador
RETORNO desde el procesador
(conector TRS)

14 ProFX16 y ProFX22
11. EQ de AGUDOS
La EQ de agudos proporcio-
na hasta 15 dB de aumento o
recorte por encima de los 12
K(ZYESPLANOSINACENTUAR
o reducir) en la posición
central. Úselo para añadir
chisporroteos en los platos, y un sentimiento general de
transparencia, o de sonido afilado en los teclados, voz,
guitarra y freír el tocino. Bájelo un poco para reducir
sibilancias u ocultar el seseo de una cinta.
12. EQ de MEDIOS y 13.
FREC. (solo canales mono)
Los canales mono emplean
una EQ de medios tipo semi-
paramétrica. La ganancia
(hasta 15 dB de aumento o
recorte) es ajustada vía el dial
-)$;=YLUEGOhENCAMINADAvAUNAFRECUENCIAESPECI-
lCADE(:AK(ZVÓAELDIAL&2%1;=
14. EQ de MEDIOS (solo para
los canales estéreo)
Significando “rango medio”,
este control ofrece 15 dB de
aumento o recorte alrede-
DORDELOSK(ZYESTAMBIÏNPLANOENSUPOSICIØN
central. La EQ de rango medio es a menudo considerada
como la más dinámica, porque las frecuencias que defi-
nen cada sonido casi siempre se encuentran en este ran-
go. Puede crear muchos cambios interesantes y útiles de
EQ girando este dial hacia abajo, así como arriba.
15. EQ de GRAVES
Este control le ofrece hasta
15 dB de aumento o reducción
por debajo de los 80 Hz. Es
plano en su posición central.
Esta frecuencia representa el “punch” en el bombo, bajo,
gruesos sonidos de sintetizador, y algunos cantantes
masculinos serios que comen carne cruda para desayu-
nar.
16. AUXILIARES DE MONITORES 1-2
Estos diales envían una porción de la señal de cada
canal creando una mezcla para los monitores de escena-
rio que es independiente de la mezcla principal. Ajuste
los controles en cada canal hasta que su grupo esté
satisfecho con la mezcla de monitores en el escenario.
Los controles están a cero completamente abajo, ofre-
cen ganancia de unidad en la posición central, y pueden
dar hasta 15 dB de ganancia completamente subidos.
Canales Mono Canales Estéreo
Canales 1-8 en ProFX16
Canales 1-14 en ProFX22
Canales 9-16 en ProFX16
Canales 15-22 en ProFX22
MUTE MUTE MUTE MUTE MUTE
MIC MIC MIC
GAINGAIN
+20-20
GAIN
(MONO)
L
R
(MONO)
BAL /UNBAL
BAL /UNBAL
BAL /UNBAL
BAL /UNBAL
BAL /UNBAL
BAL /UNBALBAL /UNBALBAL /UNBAL
L
R
(MONO)
L
R
LINE IN XX
LINE IN XX
LINE IN XX
LINE IN XX
LINE IN XX
LINE IN XX
XX / XX XX / XX XX / XX
LINE INLINE IN
XX XX
U+50
M
I
C
G
A
I
N
U
LOW CUT
SOURCE
LINE
USB
XX XX XX / XX XX / XX XX / XX
1
2
U
GAIN
M
I
C
G
A
I
N
U+50
-20dB +30dB
AUX
LINE IN
OL
RL
PAN
dB
30
20
10
10
OO
40
50
5
5
U
60
PFL
SOLO
L-R
1-2
3-4
80Hz
LOW
MID
FREQ
600
1.5k150
8k100
EQ
12kHz
HI
MON
1
MON
2
U
+15
OO
U
+15
OO
U
+15
OO
-15
U
+15
-15
U
+15
-15
U
+15
LOW CUT
U
GAIN
M
I
C
G
A
I
N
U+50
-20dB +30dB
AUX
OL
RL
PAN
dB
30
20
10
10
OO
40
50
5
5
U
60
PFL
SOLO
L-R
1-2
3-4
80Hz
LOW
MID
FREQ
600
1.5k150
8k100
EQ
12kHz
HI
MON
1
MON
2
U
+15
OO
U
+15
OO
U
+15
OO
-15
U
+15
-15
U
+15
-15
U
+15
LOW CUT
OL OL OL
dB
30
20
10
10
OO
40
50
5
5
U
60
PFL
SOLO
L-R
1-2
3-4
dB
30
20
10
10
OO
40
50
5
5
U
60
PFL
SOLO
L-R
1-2
3-4
dB
30
20
10
10
OO
40
50
5
5
U
60
PFL
SOLO
L-R
1-2
3-4
EQ EQ EQ
AUX
RL
PAN
MON
1
MON
2
U
+15
OO
U
+15
OO
U
+15
OO
AUX
RL
PAN
MON
1
MON
2
U
+15
OO
U
+15
OO
U
+15
OO
AUX
RL
PAN
MON
1
MON
2
U
+15
OO
U
+15
OO
U
+15
OO
-15
U
+15
-15
U
+15
-15
U
+15
-15
U
+15
-15
U
+15
-15
U
+15
-15
U
+15
-15
U
+15
-15
U
+15
INSERT
OFF MAX
COMP
12kHz
HI
80Hz
LOW
MID
2.5kHz
12kHz
HI
80Hz
LOW
MID
2.5kHz
12kHz
HI
80Hz
LOW
MID
2.5kHz
FX SEND
FOOTSWITCH
MON SEND
+20-20
U
100Hz 100Hz 100Hz
FX FX FX FX FX
5
6
8
9
10 24
11
12
14
13
15
16
17
18
19
23
20
21
21
21
22
25
7
20
Hz
100
Hz
1k
Hz
10k
Hz
20k
Hz
–15
–10
–5
0
+5
+10
+15
20
Hz
100
Hz
1k
Hz
10k
Hz
20k
Hz
–15
–10
–5
0
+5
+10
+15
20
Hz
100
Hz
1k
Hz
10k
Hz
20k
Hz
–15
–10
–5
0
+5
+10
+15
20Hz 100Hz 1kHz 10kHz 20kHz
–15
–10
–5
0
+5
+10
+15
Manual del Usuario 15
El panorama [18], los mutes [20] y el fader del canal
[23] no afectan a la salida de monitores, pero sí los
otros controles del canal. Los auxiliares de monitores
son pre-fader.
El nivel general de salida se puede ajustar con los
controles aux master mon [42] y la EQ de monitores 1
puede ser ajustada con el ecualizador gráfico [37], si
el conmutador main mix/mon 1 [38] está presionado.
Los efectos internos pueden ser añadidos a la mezcla de
monitores con los diales internal FX to mon [44].
17. AUXILIARES DE EFECTOS
Estos diales toman una porción de la señal de cada
canal para crear una mezcla que alimentará al procesa-
dor interno de efectos, y para alimentar a procesadores
externos a través del envío de efectos [27].
Los controles están a cero completamente abajo, ofre-
cen ganancia de unidad en la posición central, y pueden
dar hasta 15 dB de ganancia completamente subidos.
El mute [20] y el fader del canal [23] afectan a la
salida de efectos, pero el control de panorama no [18].
Los auxiliares de efectos son post-fader.
La señal de efectos entrante al procesador de efectos
YELJACKDESALIDADEEFECTOSSONLASUMAMEZCLADE
todos los canales cuyo control de auxiliar de efectos está
a más del mínimo.
El nivel general de salida se puede ajustar con los
controles aux master FX [42]. Los efectos son añadidos
a la mezcla principal incrementando el nivel del dial
internal FX to main L-R [44]. Es posible añadir los efec-
tos internos a la mezcla de monitores incrementando el
nivel de los diales internal FX to mon [44].
18. PANORAMA
Este control le permite ajustar la cantidad de la señal
del canal enviada a la salida izquierda frente a la salida
derecha.
Con el dial ajustado totalmente a la izquierda, la señal
alimenta la parte izquierda de la mezcla principal, bus
sub 1 o bus sub- 3, dependiendo de la configuración de
los conmutadores de asignación [21]. Con el dial ajus-
tado totalmente a la derecha, la señal la parte derecha
de la mezcla principal, bus sub 2 o bus sub- 4, de nuevo
dependiendo de la configuración de los conmutadores
de asignación.
El control de panorama emplea un diseño llamado
#ONSTANT,OUDNESS3IUSTEDTIENEUNCANALPANORA-
mizado hacia el extremo izquierdo (o derecho) y luego
realiza un panorama al central, la señal se atenúa cerca
de 3 dB para mantener el mismo volumen aparente. De
lo contrario haría que el sonido pareciera mucho más
fuerte al estar en el centro.
19. Indicador LED OL
Este indicador LED muestra el nivel de la señal des-
pués de la ganancia [9] y de la EQ [11-15], pero justo
antes del nivel del canal [23]. Incluso si el nivel está
bajado podrá ver si el canal está siendo sobrecargado.
El indicador LED OL (sobrecarga) se iluminará cuan-
do la señal del canal de entrada sea demasiado alta.
Esto debe evitarse ya que se producirá distorsión. Si el
LED OL se ilumina de forma regular asegúrese de que
la ganancia [9] sea la adecuada para su dispositivo de
entrada, y que la EQ del canal no esté demasiado alta.
El indicador LED OL también se iluminará si el conmu-
TADOR-UTEDELCANAL;=ESTÈACTIVO.
20. Conmutador MUTE
Estos conmutadores hacen únicamente lo indicado:
apagan la señal encaminándola hacia el olvido. Habilitar
el mute de un canal da el mismo resultado que situar
el fader al mínimo (un envío auxiliar pre-fader no se
ve afectado por el fader del canal, pero sí por el mute).
Cualquier asignación de canales a la mezcla principal,
grupo 1-2 o 3-4 será interrumpida y todos los envíos
auxiliares serán silenciados (tanto pre y post-fader).
La inserción del canal [8] seguirá proporcionando una
señal aunque el canal esté silenciado. El LED OL [19]
se iluminará cuando el mute de un canal esté pulsado.
21. Conmutadores ASSIGN
Junto a cada fader de canal hay tres botones referidos
como conmutadores de asignación del canal. Utilizados
en conjunción con dial de panorama del canal [18], se
utilizan para determinar el destino de la señal del canal.
Con el panorama en la posición central, la izquierda
y derecha reciben los mismos niveles de señal (mezcla
I-D principal, grupo 1-2 y 3-4). Para alimentar a un solo
lado o el otro, gire el control Pan en concordancia.
Si está mezclando a 2 pistas, por ejemplo, sólo tiene
que activar el conmutador de la mezcla principal en los
canales que desea escuchar, y serán enviados al bus de
mezcla principal. Si desea crear un grupo con ciertos
canales, active los conmutadores 1-2 o 3-4 en vez de la
mezcla principal, y serán enviados a los faders del grupo
apropiado. A partir de ahí, los grupos pueden ser envia-
dos de vuelta a la mezcla principal (usando los conmu-
tadores de asignación de los grupos [54] encima de los
faders del grupo [55]), permitiéndole usar los faders de
grupo como un control maestro para esos canales.
Si va a crear nuevos temas o mezclar los ya existen-
tes, también utilizará los conmutadores 1-2 y 3-4, pero
no el conmutador de la mezcla principal. En este caso
no desea enviar de nuevo los grupos al bus de mezcla
PRINCIPALPEROSÓDESEAENVIARLOSALOSJACKSDESALIDADE
los grupos [32], y a las entradas de su grabadora multi-
pista.

16 ProFX16 y ProFX22
22. Conmutador PFL SOLO
Cuando el conmutador Solo de un canal es activado,
cualquier selección actual es reemplazada por la señal
en Solo, que aparecerá en las salidas de la sala de
control [31], auriculares [33] y en el medidor izquierdo
[40]. Los niveles audibles del Solo son controlados por
el dial de la sala de control [53]. Los niveles del Solo
que aparecen en los medidores no están controlados por
el dial de la sala de control [53]: de todos modos esto
no le gustaría. Lo que queremos ver es el nivel real del
canal en los medidores sin importar cuán fuerte están
los volúmenes de la sala de control y auriculares.
PFL significa escucha pre-fader (post-EQ). Con el con-
mutador Solo PFL activado, el Solo no se verá afectado
PORLAPOSICIØNDELCONMUTADOR-UTEDELCANAL
Recuerde, PFL toma la señal del canal antes
del fader. Si tiene el fader de un canal por
DEBAJODE5GANANCIADEUNIDADEL3OLONO
lo sabrá, y enviará una señal a ganancia de unidad a las
salidas CR [31] (sala de control), salida de auriculares
[33] y medidor [40], que puede arquear algunas cejas...
23. FADER DEL CANAL
Este es el último control en la ruta de la señal de
un canal, y ajusta el nivel de cada canal en la mezcla
PRINCIPAL,A5INDICALAGANANCIADEUNIDADESDECIR
ningún aumento o disminución del nivel de la señal.
Situando el fader completamente hacia arriba propor-
cionará un aumento adicional de 10 dB, por si usted
necesita aumentar una sección de una canción. Si cree
que el nivel general es demasiado bajo o fuerte y tiene
el fader situado cerca de la ganancia de unidad, com-
pruebe que la posición del control de ganancia [9] sea
la correcta.
24. Conmutador USB
El conmutador USB en el último canal estéreo pro-
porciona una reproducción estéreo de iTunes®, o de
cualquier aplicación de audio a través de la conexión
USB. Al igual que cualquier otra entrada, esta señal
también puede ser ecualizada, enviada a un bus auxi-
liar o mezclada con las otras señales y asignada a los
subgrupos o a las salidas principales. Este conmutador
anula las entradas TRS [6,7].
Canales Mono Canales Estéreo
Canales 1-8 en ProFX16
Canales 1-14 en ProFX22
Canales 9-16 en ProFX16
Canales 15-22 en ProFX22
MUTE MUTE MUTE MUTE MUTE
MIC MIC MIC
GAINGAIN
+20-20
GAIN
(MONO)
L
R
(MONO)
BAL /UNBAL
BAL /UNBAL
BAL /UNBAL
BAL /UNBAL
BAL /UNBAL
BAL /UNBALBAL /UNBALBAL /UNBAL
L
R
(MONO)
L
R
LINE IN XX
LINE IN XX
LINE IN XX
LINE IN XX
LINE IN XX
LINE IN XX
XX / XX XX / XX XX / XX
LINE INLINE IN
XX XX
U+50
M
I
C
G
A
I
N
U
LOW CUT
SOURCE
LINE
USB
XX XX XX / XX XX / XX XX / XX
1
2
U
GAIN
M
I
C
G
A
I
N
U+50
-20dB +30dB
AUX
LINE IN
OL
RL
PAN
dB
30
20
10
10
OO
40
50
5
5
U
60
PFL
SOLO
L-R
1-2
3-4
80Hz
LOW
MID
FREQ
600
1.5k150
8k100
EQ
12kHz
HI
MON
1
MON
2
U
+15
OO
U
+15
OO
U
+15
OO
-15
U
+15
-15
U
+15
-15
U
+15
LOW CUT
U
GAIN
M
I
C
G
A
I
N
U+50
-20dB +30dB
AUX
OL
RL
PAN
dB
30
20
10
10
OO
40
50
5
5
U
60
PFL
SOLO
L-R
1-2
3-4
80Hz
LOW
MID
FREQ
600
1.5k150
8k100
EQ
12kHz
HI
MON
1
MON
2
U
+15
OO
U
+15
OO
U
+15
OO
-15
U
+15
-15
U
+15
-15
U
+15
LOW CUT
OL OL OL
dB
30
20
10
10
OO
40
50
5
5
U
60
PFL
SOLO
L-R
1-2
3-4
dB
30
20
10
10
OO
40
50
5
5
U
60
PFL
SOLO
L-R
1-2
3-4
dB
30
20
10
10
OO
40
50
5
5
U
60
PFL
SOLO
L-R
1-2
3-4
EQ EQ EQ
AUX
RL
PAN
MON
1
MON
2
U
+15
OO
U
+15
OO
U
+15
OO
AUX
RL
PAN
MON
1
MON
2
U
+15
OO
U
+15
OO
U
+15
OO
AUX
RL
PAN
MON
1
MON
2
U
+15
OO
U
+15
OO
U
+15
OO
-15
U
+15
-15
U
+15
-15
U
+15
-15
U
+15
-15
U
+15
-15
U
+15
-15
U
+15
-15
U
+15
-15
U
+15
INSERT
OFF MAX
COMP
12kHz
HI
80Hz
LOW
MID
2.5kHz
12kHz
HI
80Hz
LOW
MID
2.5kHz
12kHz
HI
80Hz
LOW
MID
2.5kHz
FX SEND
FOOTSWITCH
MON SEND
+20-20
U
100Hz 100Hz 100Hz
FX FX FX FX FX
5
6
8
9
10 24
11
12
14
13
15
16
17
18
19
23
20
21
21
21
22
25
7

Manual del Usuario 17
En la compresión máxima, el umbral se fija en 0 dBu,
y la relación de entrada a salida está representada por la
curva inferior. Si la entrada es de -5 dBu (es decir, por
debajo del umbral), la salida es de -5 dBu. Como la en-
trada llega a 0 dBu, la salida es un poco menos de 0 dBu.
Si la entrada es de +5 dBu, la salida es de unos 2 dBu.
Si la entrada llega a los +10 dBu, entonces la salida es
D"U/BSERVELACURVABIENFORMADATIPOhSOFTKNEEv
entre la pendiente de la diagonal x = y, y la pendiente
del compresor de 6:1 (proporción de compresión).
Las otras curvas azules representan las posiciones
intermedias del dial del compresor, con unos umbrales
más elevados antes de la compresión tenga lugar.
Los compresores externos habitualmente tienen
controles como la proporción de compresión (ratio),
UMBRALhSOFTKNEEvhHARDKNEEvTIEMPODEATAQUEY
tiempo de liberación. Estos dos últimos afectan a la
rapidez con la que el compresor se activa cuando la
entrada supera el umbral, y la rapidez con que deja de
operar cuando la señal cae por debajo del umbral. En
este compresor estos parámetros han sido especialmen-
te elegidos para darle el mejor rendimiento global.
Ajuste el umbral cuidadosamente para que su ran-
go dinámico sea todavía hermoso, pero también sin
distorsión o sobrecarga en el rendimiento. Practique
con varios gritos y notas agudas y ajuste la compresión
según sea necesario.
25. COMPRESOR
Cada uno de los cuatro últimos canales mono del mez-
clador ProFX incluyen un circuito de compresor in-line
con un umbral variable. Esto resulta muy útil para la
compresión de voces y bombos de baterías, por ejemplo,
por lo que debería considerar conectar los micrófonos
de las voces y baterías a estos canales en vez de otros.
Cuando las señales entrantes sobrepasan el límite
establecido por este control, el nivel de la señal se com-
prime automáticamente. Esto reduce el rango dinámico
y reduce la posibilidad de distorsión debido a la sobre-
carga de las señales entrantes.
El rango dinámico es la diferencia de nivel en-
tre las partes más tranquilas y las más fuerte
ENUNAMISMACANCIØN5NCOMPRESORAPRIE-
TAELRANGODINÈMICOLOQUERESULTAENUNVOLUMENMÈS
estable y más constante de la señal. Ayuda a las fuentes
TALESCOMOVOCESAQUESEASIENTENBIENENLAMEZCLA
y es muy útil para el sonido en directo.
La proporción de la compresión se ha fijado en torno a
CONUNARESPUESTATIPOhSOFTKNEEv%LUMBRALPUEDE
ser ajustado hacia la derecha desde la posición “off” (sin
compresión) a 0 dBu (compresión máxima).
A modo de ejemplo, supongamos que el umbral se fija
en el máximo. Una señal entrante alcanza el umbral de
0 dBu. A medida que aumenta más allá del umbral ésta
se comprime en una proporción de 6:1. Esto significa
que incluso si la entrada aumenta más de 6 dB, la salida
real sólo aumenta en 1 dB. Esto comprime la señal de
salida, por lo que protege a su sistema de la distorsión
y sobrecarga debidas a pésimas técnicas de microfonía
(digamos que no es así) y pops, estallidos sónicos y gri-
TOSDEMETALESPESADOS,AEXPRESIØNhSOFTKNEEvSIGNIl-
ca que la compresión realiza una rampa lenta hasta 6:1
desde el umbral. No salta bruscamente a 6:1, ya que esto
SERÓAUNACOMPRESIØNTIPOhHARDKNEEvQUEDACOMO
resultado una compresión más dura para nuestros oídos.
El gráfico adjunto muestra el nivel de señal entrante
que se introduce en el compresor, en comparación con
el nivel saliente del mismo. Es el típico gráfico emplea-
do para exponer los compresores, y es justo la clase de
cosas que nuestros ingenieros discuten durante la fiesta
de la Navidad de la compañía.
Si el compresor está apago, entonces la entrada = la
salida. Por ejemplo un nivel de señal entrante de +5
dBu equivale a un nivel saliente de +5 dBu. La línea
diagonal desde el extremo inferior izquierdo hasta el
extremo superior derecho representa x = y, esto es,
entrada = salida.
+20
-10
-5
+0
+5
+10
+15
+20-10 -5 +0
SLOPE 6:1
SOFT KNEE
SLOPE 1:1
+5 +10 +15
FUERZA DE LA SEÑAL ENTRANTE dBu
FUERZA DE LA SEÑAL SALIENTE dBu
-IPROFESORDEMATEMÈTICASENLAESCUELAEL3R-AR-
vin, pensaba que estos gráficos podrían ser útiles para mí
algún día. ¡Por fin!

18 ProFX16 y ProFX22
Entradas y salidas adicionales
26. ENVÍO DE MONITORES
Los monitores de escenario permiten que los músicos
puedan escucharse con claridad en el escenario, y esto
a menudo es algo bueno. La mezcla de monitores puede
ser ajustada usado los controles aux mon [16]. Estas
conexiones envían la señal de cada canal a la salida de
1/4” TRS empleada para alimentar monitores de esce-
nario. Éstos pueden ser tanto unos monitores pasivos de
escenario alimentados mediante un amplificador exter-
no o etapa de potencia, o monitores de escenario auto-
alimentados con sus propios amplificadores integrados.
La señal de monitores es la suma (mezcla) de todos
los canales en los que sus respectivos controles aux mon
están establecidos a algo más del mínimo. Si los músicos
le piden “más yo, y menos Juan”, puede subir el control
de monitores de sus canales, y bajar el control de moni-
tores de “Juan”.
El nivel de salida general puede ser ajustado con el
dial aux master mon [42] y su EQ ajustada con el EQ
gráfico [37] si el conmutador main mix/mon 1 [38] está
presionado. Alternativamente podría añadir un ecuali-
zador gráfico externo entre esta salida y sus monitores
auto-amplificados. Esto le permitirá ajustar el ecualiza-
dor y reducir al mínimo las posibilidades de realimenta-
ción de los micrófonos cercanos.
La salida de monitores no se ve afectada por el fader
principal [56] o los faders de canal [23]. Esto permi-
te ajustar la mezcla de monitores y niveles de forma
adecuada, y no tener que cambiar cuando el fader del
canal o el fader de mezcla principal es ajustado. Esto se
conoce como “pre-fader” .
(MONO)
BAL /UNBAL
BAL /UNBAL
BAL /UNBAL
BAL /UNBAL
BAL /UNBAL
BAL /UNBAL BAL /UNBAL
BAL /UNBAL BAL /UNBAL
BAL /UNBAL BAL / UNBAL
L
R
(MONO)
L
R
LINE IN 13
LINE IN 14
LINE IN 15
LINE IN 16
LR
XX / XX XX / XX PHONES
L
R
(MONO)
L
R
1
2
3
4
1
2
FX SEND
FOOTSWITCH
MON SEND
BALANCED BALANCED
AUX RETURN CR OUT SUB OUT
MAIN OUT
IN OUT
TAPE
L
R
26
28
30
30 33
34
27
29 31 32
27. ENVÍO DE EFECTOS
%STEJACKEN423CONNIVELDELÓNEAPUEDEUSARSE
para alimentar un procesador de efectos externo (FX),
como un bonito efecto de sonido o unidad de retardos.
%LRESULTADODEESTAJACKESUNACOPIAEXACTADELOQUE
va al interior del procesador de efectos, siendo una
mezcla cuidadosa de todos los canales cuyo control FX
[17] está a más del mínimo.
(La salida del procesador interno de efectos no sale
desde esta salida, pero se añade internamente a la mez-
cla principal o mezcla de monitores
El nivel general de salida se puede ajustar con el
control aux master FX [42] (Este dial también afecta al
nivel entrante a los efectos internos).
,ASALIDAESPOSTFADERPORLOQUECUALQUIERCAMBIO
en el fader del canal [23] también afectará al nivel de
la señal entrante al procesador externo.
La salida procesada de los procesadores de efectos
suele ser devuelto a la retornos auxiliares [29] o a un
canal libre, y puede mezclar cuidadosamente el ca-
nal original sin procesar (seco) y el canal procesado
(húmedo). Alterar el fader del canal aumenta tanto las
señales húmeda y seca, manteniendo la delicada rela-
ción entre las mismas. Por ejemplo, la reverberación se
mantiene en el mismo nivel en relación con el original.

Manual del Usuario 19
28. PEDAL PARA LOS EFECTOS
Este conector de 1/4” TRS le permite conectar su
pedal de control favorito. Esto le permitirá enmudecer o
desenmudecer fácilmente los efectos internos. Cual-
quier pedal conmutador tipo on/off operará perfecta-
mente.
Si los efectos internos ya han sido silenciados con el
CONMUTADORINTERNO&8-54%;=ELPEDALNOPROVOCA-
rá efecto alguno.
29. RETORNO DE AUXILIARES L/R
Los retornos estéreo (auxiliares) están diseñados
PARAACEPTARSE×ALES423BALANCEADASO43
no-balanceadas, de -20 dB a 20 dB. Permiten la salida
estéreo procesada de un procesador de efectos externo
u otros dispositivos que se añaden a la mezcla principal.
El ajuste de nivel de las señales de entrada se realiza
con los controles de retorno [43].
También puede usar estas entradas para añadir
cualquier señal estéreo con nivel de línea a su mezcla
principal, por lo que podría ser cualquier otra fuente de
nivel de línea y no sólo un procesador de efectos.
Si está conectando una fuente mono, utilice la entra-
da de retorno estéreo izquierda (mono), y las señales
aparecerán a ambos lados de la mezcla principal.
30. SALIDA MAIN L/R: XLR y 1/4"
Los conectores XLR macho proporcionan una señal
balanceada con nivel de línea que representa el final
de la cadena del mezclador, donde su señal estéreo
completamente mezclada se introduce en el mundo
real. Conéctelos las entradas izquierda o derecha de
los amplificadores de potencia principales, altavoces, o
procesadores de efectos en serie (como un ecualizador
gráfico o un compresor / limitador). Las salidas XLR son
6 dB más “calientes” que las salidas TRS.
,OSCONECTORESDESALIDA423PROPORCIONAN
señales con nivel de línea balanceada o no balanceada.
Conéctelos al siguiente dispositivo en la cadena de
señal, como un procesador externo (compresor / limi-
tador), o directamente a las entradas del amplificador
principal. Éstos conectores transportan los misma señal
que aparece en las salidas principales XLR, pero 6 dB
más bajas que cuando se utilizan los XLR balanceados.
Cuando los medidores muestran “0”, estas salidas TRS
están a 0 dBu.
31. SALIDA CR L/R
%STOSJACKSDESONHABITUALMENTECONECTADOSA
las entradas del amplificador de la sala de control o de
un amplificador de auriculares.
32. SALIDAS SUB 1-4
%STOSCUATROJACKSDE423SUELENSERCONECTADOS
a las entradas de una multipista, o para los amplificado-
res secundarios en una instalación compleja.
33. AURICULARES
%STECONECTORDE423PROPORCIONAUNASALIDA
para alimentar a sus auriculares. Se trata de la misma
señal que se encamina a las salidas de sala de control
[31]. El volumen es controlado por el dial cr/phones
[53] próximo al fader de la mezcla principal [56].
Cada vez que un conmutador solo está activado [22]
usted sólo podrá oír en los auriculares los canales en
solo. Esto le da la oportunidad de escuchar los canales
antes de añadirlos a la mezcla principal (las señales en
solo que llegan hasta los auriculares no se ven afectadas
por el nivel de canal o de nivel principal, por lo tanto
baje en primer lugar el nivel de los auriculares ya que
los canales en solo pueden sonar muy fuerte)
La salida de los auriculares siguen las siguientes
convenciones estándar:
Punta = Canal izquierdo channel
Cuello = Canal derecho
-ASA4OMADETIERRA
ATENCION: El amplificador de auriculares
tiene mucho volumen, y puede provocar un
daño permanente de la audición. Incluso los
niveles intermedios pueden ser dolorosamente altos con
unos auriculares. ¡TENGA CUIDADO! Gire completa-
mente hacia abajo el control del nivel de los auriculares
[69] antes de conectar éstos o pulsar un conmutador de
solo, o hacer algo nuevo que pueda afectar al volumen
de los auriculares. Luego suba el volumen lentamente
mientras escucha cuidadosamente.
34. ENTRADAS / SALIDAS TAPE
Las entradas RCA estéreo no-balanceadas le permiten
reproducir una cinta, reproductor de CD, conexión para
I0OD¤UOTRAFUENTECONNIVELDELÓNEA,OSJACKShTAPEv
aceptan señales no-balanceadas mediante cables están-
dar de alta fidelidad.
Las salidas RCA estéreo no-balanceadas le permiten
grabar la mezcla estéreo principal en una unidad de
cinta, grabadora de disco duro, grabadora de CD, por
ejemplo. Esto le permite realizar una grabación para la
posteridad / archivado / o para efectos legales cuando la
banda vuelva a reunirse de nuevo.
La salida “tape” transporta la mezcla estéreo princi-
pal y no se ve afectada por el fader de nivel de mezcla
principal [56]. Esta salida también puede ser utilizada
como un conjunto adicional de salidas principales para
alimentar a otra zona.

20 ProFX16 y ProFX22
EQ gráfico estéreo, medidores
principales y más
35. Conmutador 48V PHANTOM POWER
La mayoría de los micrófonos de condensador profesio-
NALESREQUIERENALIMENTACIØNPHANTOMDE6PERMI-
tiendo que el mezclador envíe corriente a la electrónica
del micrófono por el mismo cable de audio (los micró-
fonos de condensador semi-profesionales suelen incluir
baterías para lo mismo). “Phantom” viene de la capa-
cidad de ser “invisible” frente a los dinámicos (Shure
3-3-POREJEMPLOQUENOREQUIERENALIMENTA-
ción externa y no se ven afectados por ella.
Pulse en este botón si sus micrófonos necesitan alimen-
tación phantom (siempre compruebe la posición de este
conmutador antes de conectar los micrófonos). Un indi-
cador LED rojo a la derecha del conmutador se ilumina
indicando de la alimentación phantom está activada. Es
un conmutador global que afecta a todos los canales de
micrófono a la vez.
No conecte micrófonos no-balanceados o mi-
crófonos de cinta en la entrada de micrófono
si la alimentación phantom está activada. No
conecte la salida de sus instrumentos en las conexiones
de entrada de micrófono con alimentación phantom de
menos que sepa a ciencia cierta que es seguro hacerlo.
36. Indicador LED POWER
Este LED se ilumina cuando el mezclador se conecta
a la red de alimentación como recordatorio de que el
aparato está operando. Si no se ilumina, es que el mez-
clador está apagado y será un buen peso para evitar que
su periódico se vaya volando con el viento.
Si el LED no se ilumina, asegúrese de que la alimenta-
ción de CA está funcionando correctamente, con ambos
extremos del cable insertados firmemente, compruebe
que haya pagado su factura de electricidad, y que el
conmutador de potencia [2] esté en “on”.
37. ECUALIZADOR GRÁFICO ESTÉREO
Este EQ gráfico de 7 bandas ajusta la salida de mezcla
principal. Afecta a las salidas con nivel de línea [30,
31], pero no a los auriculares [33], salidas Tape [34],
o USB [3]. Este EQ puede ser usado para la mezcla
de monitores en lugar de la principal si el conmutador
main mix/mon 1 [38] está habilitado. También puede
ser deshabilitado con el conmutador EQ in/bypass [39].
Cada control deslizante permite ajustar el nivel de su
banda de frecuencias, con un máximo de 15 dB de au-
mento o reducción, y sin cambios de nivel en el centro
D",ASBANDASSONKKKYK(Z
La sección de EQ se ubica antes del fader principal
[56], y de los medidores [40]. Al igual que ocurre con la
EQ de canal, hay que usarla con sabiduría. Hay una gran
margen de ajuste, y si no es cuidadoso puede alterar el
delicado equilibrio natural. Aunque no parece una gran
opción bajar los controles de la EQ, al usarla muchas
veces es la mejor opción. Baje el rango de frecuencias
no deseado en lugar de aumentar el rango deseado.
Puede utilizarla para reducir el nivel de algunas bandas
de frecuencias en las que se produce realimentación.
48V
OL
4
6
3
10
15
7
10
20
30
0
2
0dB = 0dBu
LEVEL
SET
RUDE
SOLO
MAIN
METERS
RL
PHANTOM POWER
8K4K2K1K500250125
15
15
10
10
5
5
0
15
15
10
10
5
5
0
STEREO GRAPHIC EQ
PROFESSIONAL MIC/LINE MIXER WITH FX
MAIN MIX
MON 1
EQ IN
BYPASS
36
41
4037
38 39
35
4

Manual del Usuario 21
38. Conmutador MAIN MIX / MON 1
Este conmutador le permite elegir si el ecualizador
gráfico estéreo [37] se utiliza para la mezcla estéreo
principal o si se utiliza para mezcla de monitores. Por
ejemplo, quizás hay momentos en los que el ecualizador
gráfico se puede utilizar con sabiduría en la mezcla
de monitores para reducir la realimentación en los
monitores cercanos a los micrófonos. Observe que esto
nbo afecta al envío de monitores 2, sólo a la salida de
monitores 1.
39. Conmutador EQ IN / BYPASS
Este conmutador le permite habilitar o deshabilitar
rápidamente el EQ gráfico estéreo [37]. Esto puede ser
usado como una rápida comprobación de sus ajustes de
EQ o para acortar la ruta de la señal si usted no necesita
utilizar el ecualizador.
40. MEDIDORES PRINCIPALES
Estos medidores constan de 2 columnas de 12 indica-
dores LED, con tgres colores para indicar los distintos
RANGOSDENIVELESTILOSEMÈFORO6ARÓANDED"ENLA
parte inferior, 0 en la central y +20 (CLIP) en la parte
superior.
Cuando un canal está en solo el medidor de la dere-
cha no muestra lectura y el de la izquierda muestra el
nivel de señal de ese canal, pre-fader.
El LED de 0 dB del medidor de la izquierda tiene la
ETIQUETALEVELSETPARAMOSTRARDØNDEDEBERÓAESTAR
el nivel al ajustar la ganancia de un canal [9] en modo
solo.
Cuando en las salidas principales izquierda y derecha
423;=HAYD"U6SEMUESTRANCOMOD"EN
los medidores.
Usted puede obtener una buena mezcla con picos
intermitentes en cualquier lugar entre los -20 y +10 dB
en los medidores. La mayoría de amplificadores produ-
cen clips alrededor de +10 dBu, y algunas grabadoras no
lo perdonarán. Para obtener los mejores resultados del
MUNDOREALTRATARDEMANTENERSUSPICOSENTREY
Recuerde, los medidores de audio son sólo herramientas
para ayudar a asegurar que sus niveles son correctos. No
tiene que mirarlos a menos que quiera hacerlo.
41. Indicador LED RUDE SOLO
Este gran indicador LED rojo parpadea cuando uno o
más conmutadores solo están pulsados [22]. Esto actúa
como recordatorio de que lo que se oye en la sala de
control y en los auriculares son los canal(es) en solo.
Si se le olvida que está en modo solo, que puede ocurrir
que crea que algo anda mal en su mezclador. Por lo
tanto, este es el motivo de la existencia de la luz solo.
Por favor, perdone su grosería, tan sólo trata de ayudarle
y quiere ser su amigo.
48V
OL
4
6
3
10
15
7
10
20
30
0
2
0dB = 0dBu
LEVEL
SET
RUDE
SOLO
MAIN
METERS
RL
PHANTOM POWER
8K4K2K1K500250125
15
15
10
10
5
5
0
15
15
10
10
5
5
0
STEREO GRAPHIC EQ
PROFESSIONAL MIC/LINE MIXER WITH FX
MAIN MIX
MON 1
EQ IN
BYPASS
36
41
4037
38 39
35
4

22 ProFX16 y ProFX22
AUX
RETURN
MON
1
INTERNAL FX
MON
2
AUX
MASTER
U
+15
OO
U
+15
OO
U
+15
OO
TO
MON 1
TO
MON 2
TO
MON 1
TO
MON 2
TO
MAIN
L-R
U
+10
OO
U
+15
OO
U
+15
OO
U
+10
OO
U
+15
OO
U
+15
OO
INT FX
MUTE
SIG/OL
13 DELAY 1 (300ms)
14 DELAY 2 (380ms)
15 DELAY 3 (480ms)
16 REVERB + DLY (250ms)
01 BRIGHT ROOM
02 WARM LOUNGE
03 SMALL STAGE
04 WARM THEATER
09 CHORUS
10 CHORUS + REV
11 DOUBLER
12 TAPE SLAP
05 WARM HALL
06 CONCERT HALL
07 PLATE REVERB
08 CATHEDRAL
FX TO
MAIN
L-R
4547
46
48
42 43 44
Auxiliares y retornos Masters
y efectos internos
42. AUXILARES MASTER
Estos diales dan un control total sobre los niveles de
los envíos de monitores y efectos, antes de ser encami-
nados a las salidas de monitores y efectos [26, 27], y la
entrada de los efectos en el caso del master de efectos.
6ANDELAPOSICIØNOFFADBCUANDOESTÈNARRIBA
Este suele ser el dial que gira hacia arriba cuando el
cantante solista le mira, señala su monitor de escenario,
y sitúa el pulgar hacia arriba en el aire. (De ello se des-
prendería que si el cantante sitúa el pulgar hacia abajo
debería bajar el dial, pero esto nunca sucede).
43. RETORNO DE AUXILIARES
Estos tres controles ajustan el nivel global de las señales
DELÓNEADELOSJACKSDERETORNOAUX;=6ANDESDEOFF
a +15 db (a mon 1/2) y de off a +10 db (a principal I/D)
de ganancia cuando están completamente subidos, para
compensar el bajo nivel de efectos.
Las señales que pasan a través de estos
controles van directamente a la mezcla
principal y mezcla de monitores donde son
combinadas con las señales de los canales.
44. EFECTOS INTERNOS
Estos diales encaminan las salidas de efectos mon 1,
mon 2 y principal de forma independiente. Use mon 1 y
mon 2 para proporcionar efectos a los monitores. Poco
a poco añada efectos a los monitores girando los diales
'to mon 1' y 'to mon 2' hacia la derecha. Use el auxiliar
master [42] para controlar la cantidad enviada. La
salida de efectos a principal se escuchará directamente
en la PA.
45. SELECTOR DE PRESET
Gire este dial para aumentar o
disminuir el número de preset. Al
detener la rotación, el preset será
cargado y estará disponible para la
operación. El número actual de pre-
set se muestra en el visualizador de
presets [46]. Los distintos presets se
muestran en la tabla inferior y en la
serigrafía justo por debajo del ecua-
lizador gráfico estéreo [37]. Hay
más detalles acerca de cada preset
en el Anexo D de la página 34. Sólo
se puede seleccionar un único un
preset a la vez.
46. VISUALIZADOR DE PRESET
Esta pantalla muestra el número del efecto preset se-
leccionado, tal y como se muestra en la lista de presets
superior. Gire el selector de presets [45] a izquierda o
derecha para cambiar el preset.
Un nuevo preset será cargado aproximadamente
en 1/4 de segundo después de dejar de girar el dial, y
se almacenará en la memoria de efectos después de
aproximadamente un segundo. Al conectar el mezclador
la sección de efectos cargará el último preset utilizado.
47. Indicador LED SIG / OL
Este doble indicador LED se ilumina en verde cuando
el nivel de la señal que llega al procesador de efectos
está en un rango de funcionamiento óptimo (SIG). Se
ilumina en rojo cuando el procesador de efectos está
siendo sobrecargado con una señal demasiado fuerte
(OC). Baje el nivel [44] y compruebe los envíos del
canal si se ilumina en rojo regularmente.
Las señales entrantes al procesador se ven afectadas
por la ganancia del canal [9], EQ [11-15] y faders del
canal [23], así como los envíos de efectos [17] y el
envío de efectos master [42].
1 Bright Room 9 Chorus
2 Warm Lounge 10 Chorus + Reverb
3 Small Stage 11 Doubler
4 Warm Theater 12 Tape Slap
5 Warm Hall 13 Delay 1 (300ms)
6 Concert Hall 14 Delay 2 (380ms)
7 Plate Reverb 15 Delay 3 (480ms)
8 Cathedral 16 Reverb + Delay (250ms)
4

Manual del Usuario 23
48. Conmutador e indicador LED INT
FX MUTE
Al habilitarlo, el procesador de efec-
tos interno se enmudece y su salida
no aparecerá en la mezcla principal
o mezcla de monitores. El indicador
LED adyacente se iluminará como
recordatorio que los efectos están en-
mudecidos. Al conectar la unidad este
LED se iluminará y los efectos serán
enmudecidos durante 10 segundos.
Si este conmutador no está activado
los efectos internos pueden ser usa-
dos libremente y añadirse a la mezcla
principal o a la de monitores.
RLRLRLRL
SUB 2 SUB 3SUB 1
dB
30
20
10
10
OO
40
50
5
5
U
60
dB
30
20
10
10
OO
40
50
5
5
U
60
dB
30
20
10
10
OO
40
50
5
5
U
60
SUB 4
dB
30
20
10
10
OO
40
50
5
5
U
60
CR /PHONES
OO
MAX
2-TRACK RETURN
TAPE
USB OUT
MAIN
LEVEL
U
+15
OO
dB
30
20
10
10
OO
40
50
5
5
U
60
MAIN
USBSUB 1-2
BREAK
(MUTES ALL CH)
49 50 51 52 53
55 56
54
Mezcla Principal y Sub, salida
USB, retorno 2 pistas y más
49. Conmutador USB OUT
Este conmutador permite una mayor flexibilidad en
las señales de grabación. La configuración del conmu-
tador por defecto (desactivado) permite que la mezcla
principal I/D pueda grabarse para mezclas estéreo del
show. Pulsando el conmutador se encaminan los subgru-
pos 1-2 a la conexión USB a su software DAW favorito
para una grabación de 2 pistas alternativa.
50. Conmutador 2-TRACK RETURN TAPE / USB
Esto determina si el retorno de 2-pistas recibe la se-
×ALDESDELASENTRADAS2#!TAPE;=ELCONMUTADOR
desactivado) o USB (conmutador activado).
51. NIVEL 2-TRACK RETURN
Este dial controla el nivel general principal de la
salida tape (RCA) o USB, dependiendo de la posición
DELCONMUTADORTRACKRETURNTAPE53";=%STEDIAL
varía desde off, pasando por unidad (posición central)
hasta los 15 dB de ganancia adicional (completamente a
la derecha).
52. Conmutador e indicador LED BREAK
Este importante conmutador enmudece rápidamente
todas entradas de micrófonos y de nivel de línea, cuando
la banda está descansando o entre actuaciones. Evitará
LAINTERVENCIØNDEESPONTÈNEOSOCANTANTESDEKARAOKE
asaltando el escenario en el intervalo. Los envíos de
monitores [26] y envíos de efectos [27] no se ven afec-
tados. Si no hay sonido saliendo del sistema, compruebe
este conmutador en primer lugar. El indicador LED
adjunto se ilumina como recordatorio que los canales
están enmudecidos.
Es posible reproducir las entradas Tape RCA esté-
reo [34] en la mezcla principal estéreo o reproducir
el audio que viene desde el ordenador a través de las
entradas USB. Por ejemplo, es posible reproducir un CD
mientras la banda está fuera del escenario.
53. Dial CR/PHONES
Como es de esperar, este dial controla el nivel de la
sala de control y auriculares. Asegúrese de que este
control esté totalmente apagado (izquierda) antes de
seleccionar o añadir una nueva fuente.

24 ProFX16 y ProFX22
Cualquiera que sea la selección, las salidas de sala de
control también se puede utilizar para otras aplica-
ciones. Su calidad de sonido es tan impecable como la
de las salidas principales. Pueden ser utilizadas como
salidas de mezcla principal adicionales con su propio
control de nivel. Sin embargo, tenga en cuenta que si
hay activado un conmutador Solo [22] la mezcla se
interrumpirá:
Cuando el conmutador Solo [22] de un canal es acti-
vado, cualquier selección actual es reemplazada por la
señal en Solo, que aparecerá en las salidas de la sala de
control [31], auriculares [33] y en el medidor izquierdo
[40]. Los niveles audibles del Solo son controlados por
el dial de la sala de control [53]. Los niveles del Solo
que aparecen en los medidores no están controlados por
el dial de la sala de control [53]: de todos modos esto
no le gustaría. Lo que queremos ver es el nivel real del
canal en los medidores sin importar cuán fuerte están
los volúmenes de la sala de control y auriculares.
Las señales de Solo que llegan a los auricula-
res y salidas de monitores no se ven afectadas
por el nivel del canal o nivel principal, por lo
tanto, baje el nivel de los auriculares [53] y el nivel de
monitores [42] en primer lugar, ya que los canales en
solo pueden sonar muy fuerte.
54. Conmutadores SUBS ASSIGN
Un uso popular de los subgrupos es usarlos como
faders master de un grupo de canales hacia la mez-
CLAPRINCIPAL;=$IGAMOSQUEUSTEDTIENEUNKITDE
batería ocupando hasta siete canales y desea controlar
su volumen con una mayor comodidad. Usted no quiere
probarlo usando siete manos o siete dedos, así debería
desasignar estos canales de la mezcla principal y rea-
signarlos a subs 1-2, habilitar la asignación to main mix
left en sub 1 y asignar to main mix right en sub 2.Ahora
puede mover la combinación de la batería completa con
dos faders: subs 1 y 2.
Si sólo habilita un conmutador de asignación a la
mezcla principal por grupo (izquierdo o derecho), la se-
ñal enviada a los fader de mezcla principal [56] tendrá
el mismo nivel que las salidas sub [32]. Si desea que el
subgrupo aparezca en el centro de la mezcla principal,
habilite ambos conmutadores de asignación a la mezcla
principal izquierdo y derecho. La señal será enviada a
ambos lados, y reducida en nivel a 3 dB como si fuera
un control de panorama, por lo que el nivel general es el
mismo, tanto si el grupo principal se asigna a la derecha
a la izquierda, principal, o ambos.
55. FADERS SUB 1-4
Como es de esperar, estos faders controlan los niveles
de las señales enviadas a las salidas sub [32]. Todos los
canales que están asignados a subs, no enmudecidos y
que no están completamente abajo aparecerán en las
salidas sub.
La señal sub está apagada cuando el fader está com-
PLETAMENTEHACIAABAJOLAMARCA5ESLAGANANCIADE
unidad, y completamente arriba proporciona 10 dB de
ganancia adicional. Recuerde que si está tratando dos
subgrupos como un par estéreo, sub 1 y 2, por ejemplo,
asegúrese de que los dos faders sub se muevan en con-
junto para mantener el balance izquierdo / derecho.
56. MEZCLA PRINCIPAL
Este fader estéreo le permite ajustar los niveles de
las señales de la mezcla principal enviadas a las salidas
PRINCIPALESCONNIVELDELÓNEA8,2Y;=YALAS
salidas “tape” [34].
Esto le da la sensación de poder y control definitiva
de los niveles de sonido enviados a su audiencia. Ajuste
este control con cuidado, con su buen ojo concentrado
en los medidores para evitar una sobrecarga y su buen
oído en los niveles para asegurarse de que su público (si
lo hay) esté feliz.
Las señales de la mezcla principal desaparecen cuan-
DOELFADERESTÈTOTALMENTEBAJADO,AMARCA5INDICA
la ganancia de unidad, y cuando está completamente
hacia arriba proporciona 10 dB de ganancia adicional.
Esta ganancia adicional nunca suele ser necesaria, pero
una vez más, es bueno saber que está ahí. El fader es
estéreo, ya que afecta tanto a la izquierda y a la derecha
de la mezcla principal por igual. Este es el control ideal
para finalizar una canción bajando lentamente su nivel
(o rápidamente en mitad de una canción, si alguna vez
se requiere).
Este control no afecta a las salidas de monitores o de
efectos [26, 27]. Esto concluye la parte principal del
manual del usuario. De aquí en adelante encontrará los
anexos.
Manual del Usuario 25
Si cree que su mezclador tiene algún problema, por
favor revise los siguientes consejos para solucionar pro-
BLEMASYASÓCONlRMARSUEXISTENCIA6ISITEELSOPORTE
DENUESTRAPÈGINAWEBWWWMACKIECOMENLAQUE
encontrará mucha información útil, como preguntas fre-
cuentes, documentación y foros de usuarios. Posible-
mente usted pueda encontrar la respuesta al problema
sin tener que enviar su mezclador.
Descripción del problema
Canal defectuoso
s z%STÈLA%1DELCANALAJUSTADADEFORMAMODE-
rada?
s z(AAJUSTADOLAGANANCIADEFORMACORRECTA
s z4IENESUlCIENTENIVELENESECANAL
s z%STÈELINDICADOR,%$/,DELCANALILUMINADO
s z(AAJUSTADOEL0ANORAMAENSUPOSICIØNCEN-
tral?
s 0RUEBELAMISMAFUENTEDESONIDOENOTRO
canal, y ajústelo de la misma forma que el canal
sospechoso.
s z3USMICRØFONOSREQUIERENALIMENTACIØNPHAN-
tom?
Salida defectuosa
s z4IENEELNIVELPRINCIPALSUBIDO
s z,AS%1SESTÈNAJUSTADASANIVELESRAZONABLES
s z4IENEALGÞNRETORNOAUXILIARALLÓMITE
s $ESCONECTELASOTRASALIDASDELÓNEACOMOLAS
salidas de monitores, en caso de uno de sus
equipos externos tenga un problema.
s !SEGÞRESEDENOESTARSATURANDOSUSAMPLIl-
cadores. Compruebe que la carga media de la
impedancia no sea menor de la mínima que
el amplificador puede manejar. Compruebe el
cableado de los altavoces.
Ruido
s "AJELASGANANCIAUNAAUNA3IELSONIDO
desaparece significa que es algo que hay en ese
canal o bien lo que se está instroduciendo en
ese canal, por lo que desconecte la fuente de
sonido de ese canal. Si el ruido desaparece eso
confirmará que el ruido provenía del exterior
Potencia
s %LINDICADOR,%$DEPOTENCIADEBEENCENDERSE
si el mezclador está conectado a una toma de
red adecuada, y si el conmutador de potencia
está encendido. Asegúrese de que el cable de
alimentación esté bien enchufado.
Reparación
Para la reparación o reemplazo en garantía por favor
refiérase a la información de garantía de la página 35.
,AREPARACIØNSINGARANTÓAPARAPRODUCTOS-ACKIE
está disponible en los centros de servicio autorizados
por el fabricante. Para localizar su centro de servicio
MÈSCERCANOVISITEWWWMACKIECOMHAGACLICENh3UP-
port” y seleccione “Locate a Service Center”. El servicio
DEPRODUCTOS-ACKIEPARALOSRESIDENTESDEFUERADELOS
Estados Unidos puede ser obtenido desde los distribui-
dores locales.
Si usted no tiene acceso a nuestro sitio web, puede
llamar nuestro departamento de Soporte de Tecnología
en el 1- 800-898-3211, de lunes a viernes, en horario la-
boral, zona horaria del pacífico, para explicar el proble-
ma. El Soporte de Tecnología le dirá dónde dispone del
centro de servicio autorizado más cercano en su área.
Anexo A: Información de servicio

26 ProFX16 y ProFX22
Conectores “XLR”
,OSMEZCLADORES-ACKIEUSANCONECTORESHEMBRA
“XLR” de 3-pines en todos los conectores de entradas de
micrófonos, con el pin 1 cableado a la masa (toma de
tierra), el pin 2 cableado al lado vivo (o con polaridad
positiva) de la señal de audio y el pin 3 cableado al lado
NEUTROOCONPOLARIDADNEGATIVADELASE×AL6EALA
Figura A.
Use un conector macho “XLR”, que se encuentra en
uno de los extremos de los llamados “cables de micrófo-
nos”, para conectarlo a un conector XLR hembra.
Conexiones y jacks 1⁄4" TRS
“TRS” significa Tip-Ring-Sleeve (punta-cuello-masa),
las tres conexiones disponibles en un conector o cable
hESTÏREOvDEvBALANCEADO6EALA&IGURA"
,OSJACKSYCONECTORES423SEUTILIZANENDIFERENTES
aplicaciones:
s #IRCUITOSBALANCEADOSMONO#UANDOSECABLEA
COMOCONECTORBALANCEADOUNJACKOCABLEv
TRS está conectado de esta forma: punta a la
señal viva, cuello a la señal neutra, y masa a la
toma de tierra.
s !URICULARESESTÏREOYRARAVEZMICRØFONOS
estéreo y conexiones de línea estéreo. Cuando
SECABLEACOMOESTÏREOUNJACKOCABLEv
TRS está conectado de esta forma: punta a la
izquierda, cuello a la derecha y la masa a la
TOMADETIERRA,OSMEZCLADORES-ACKIENO
Anexo B: Conexiones
aceptan directamente micrófonos estéreo del
tipo de una conexión. Estos deben ser separa-
dos en dos cables, uno a la izquierda y otro a
la derecha, que estarán conectados a los dos
pre-amplificadores de micrófonos.
s #IRCUITOSDEENVÓORETORNONOBALANCEADOS
Cuando se cablea como envío / retorno en
FORMADECONECTORh9vUNJACKOCABLEv423
está conectado de esta forma: punta a la señal
de envío (salida del mezclador), cuello a la
señal de retorno (entrada de vuelta al mezcla-
dor), y masa a la toma de tierra.
Conexiones y jacks 1⁄4" TS
“TS” significa Tip-Sleeve (punta-masa), las dos co-
nexiones disponibles en un conector o cable “mono” de
v6EALA&IGURA#
Los conectores y cables TS se usan en muchas apli-
caciones diferentes, siempre no-balanceadas. La punta
está conectada a la señal de audio y la masa a la toma
de tierra. Algunos ejemplos:
s -ICRØFONOSNOBALANCEADOS
s 'UITARRASELÏCTRICASEINSTRUMENTOSELECTRØNI-
cos
s #ONEXIONESCONNIVELDELÓNEANOBALANCEADAS
s #ONEXIONESDEALTAVOCES
¡No use cables de guitarra como cables de
altavoz! No han sido diseñados para manejar
las señales con nivel de altavoz.
Conexiones RCA
Los cables y conectores RCA (también conocido
como conectores phono) se utilizan a menudo en los
equipos de audio hi-fi y equipos de vídeo en hogares, y
en muchas otras aplica- ciones (Figura D). No están
balanceados y son eléctricamente idénticos a los conec-
tores o cables tipo 1/4” TS (vea la Figura C). Conecte la
señal en la toma central y la toma de tierra en la “cesta”
circundante.
MASA
NEUTRO
VIVO
MASA
NEUTRO
VIVO
MASA
VIVO
NEUTRO
Figura A: Conectores XLR
MASA
PUNTAMASA
PUNTA
CUELLO
CUELLO
PUNTA
MASACUELLO
Figure B: TRS Plug
MASA
PUNTA
PUNTAMASA
PUNTA
MASA
Figura C: Conector TS

Manual del Usuario 27
Figura E: No aparece en este manual del usuario debido
a una obligación contractual, tocando todas las noches
en varios garitos del centro
Jacks de inserción de envío /
retorno TRS
,OSJACKSDEINSERCIØN-ACKIESONJACKv423.O
son conexiones balanceadas, pero tienen tanto la señal
saliente del mezclador (envío) como la entrada al mez-
CLADORRETORNOENUNÞNICOCONECTOR6EALA&IGURA&
La masa actúa como toma de tierra común para
ambas señales. El envío desde el mezclador a la unidad
externa se realiza en la punta, y el retorno de la unidad
al mezclador se realiza en el cuello.
Usando sólo el envío de una inserción
Si inserta un cable de 1/4” TS (mono) sólo parcial-
MENTEHASTAELPRIMERCLICENUNJACKDEINSERCIØN
-ACKIEELCABLENOACTIVARÈELCONMUTADORDELJACKY
no abrirá el bucle de inserción en el circuito (lo que
permite que la señal prosiga su camino). Esto le per-
mite enviar la señal del canal o bus sin interrumpir el
funcionamiento normal.
Si se presiona el conector 1/4” TS hasta el segundo
CLICABRIRÈLACONMUTACIØNDELJACKYCREARÈUNASALIDA
DIRECTAQUESÓINTERRUMPIRÈLASE×ALENESECANAL6EALA
Figura G.
NOTA: No sobrecargue o cortocircuite la señal que
está aprovechando desde el mezclador. Esto afectaría a
la señal interna.
“punta”
Este conector se conecta a uno
de los jacks de inserción de canal
del mezclador. “cuello”
punta
cuellomasa
ENVÍO al procesador
RETORNO desde el procesador
(conector TRS)
Figura F
Salida directa sin interrupción al master.
Insertar sólo hasta el primer “click.”
Jack de inserción del canal
Jack de inserción del canal
Jack de inserción del canal
Salida directa con interrupción al master.
Insrertar completamente hasta el segundo “click.”
Para su uso como bucle de efectos.
(PUNTA= ENVÍO a efectos, CUELLO= RETORNO desde los efectos)
CONECTOR
MONO
CONECTOR
MONO
CONECTOR
ESTÉREO
Figura G
PUNTAMASAPUNTAMASA
Figura D: Conector RCA

28 ProFX16 y ProFX22
Especificaciones
Características de ruido:
(20 Hz – 20 kHz, fuente con 150 Ohm de impedancia
E.I.N. "Equivalent Input Noise")
Entrada de micro a salida Insert Send, máx gan –128.0 dBu
(Ruido residual de salida)
Todas las salidas, niveles master en off, todos los niveles de
canal en off –95 dBu
Todas las salidas, niveles master en Unidad, todos los niveles
de canal en off –85 dBu
Todas las salidas, niveles master en Unidad, un canal con nivel
en Unidad –85 dBu
Respuesta de frecuencias:
(Entrada de micrófono a cualquier salida ganancia de Unidad)
20 Hz a 40 kHz +0 dB / –1 dB
Distorsión (THD+N):
(Ancho de banda de 20 Hz a 20 kHz)
Entrada de Micro a Salida principal <0.01% @ +4 dBu
Atenuación y Crosstalk:
(Ancho de banda de 20 Hz a 20 kHz)
Entradas adyacentes @ 1 kHz –90 dBu
Fader en Off @ 1 kHz –75 dBu
#ONMUTADOR-UTE#ONMUTADOR"REAK @ 1 kHz –100 dBu
Common Mode Rejection Ratio (CMRR):
(Entrada de micrófono a Salida Principal, gan- al máx.: 50 dB)
@1 kHz 70 dB
Niveles máximos:
Todas las entradas +22 dBu
Mezcla Principal XLR +28 dBu
Todas las otras salidas +22 dBu
Ecualización de 3 bandas (canales mono)
Graves ±15 dB @ 80 Hz
Medios ±15 dB sweep
100 Hz–8 kHz
Agudos ±15 dB @ 12 kHz
Filtro de corte de graves 18 dB/octava,
–3 dB @ 100 Hz
Ecualización de 4 bandas (canales estéreo)
Graves ±15 dB @ 80 Hz
Medios ±15 dB @ 2.5 kHz
Agudos ±15 dB @ 12 kHz
USB
Formato USB 1.1
E/S Entrada estéreo,
Salida estéreo
A/D/A 16 bits, 44.1 kHz / 48 kHz
Impedancia de entrada y salida:
Entrada de micrófono 3.3 k1
Retorno de inserción del canal 10 k1
Todas las otras entradas 20 k1
Salida Tape 1 k1
Salida de auriculares 25 1
Todas las otras salidas 120 1
AC Power Requirements:
Consumo de potencia 40 vatios (ProFX16)
45 vatios (ProFX22)
Fuente de alimentación Universal 100 VAC – 240 VAC,
50 – 60 Hz
Conector IEC de 3 pines
Dimensiones físicas ypeso
Altura frontal 1.7 in / 44 mm (ambos)
Altura posterior 3.8 in / 97 mm (ambos)
Profundo 16.0 in / 407 mm (ambos)
Ancho 18.7 in / 475 mm (ProFX16)
25.1 in / 639 mm (ProFX22)
Peso 13 lb / 5.9 kg (ProFX16)
18 lb / 8.2 kg (ProFX22)
En LOUD Technologies siempre deseamos mejorar nuestros pro-
ductos mediante la incorporación de nuevos y mejores materiales,
componentes y métodos de fabricación. Por lo tanto, nos reservamos
el derecho de cambiar estas especificaciones en cualquier momento
sin previo aviso.
h-ACKIEvYh2UNNING-ANvSONMARCASCOMERCIALESOMARCASREGISTRA-
das de LOUD Technologies Inc: Todos los demás nombres de marcas
mencionadas son marcas comerciales o marcas comerciales registra-
das de sus respectivos titulares, y se reconocen por este medio.
Por favor visite nuestra web para culaquier actualización de este
MANUALWWWMACKIECOM
©2011 LOUD Technologies Inc. Todos los derechos reservados.
Anexo C: Información técnica

Manual del Usuario 29
Dimensiones
48V
MUTE MUTE MUTE MUTE MUTE MUTE MUTE MUTE MUTE MUTE MUTE MUTEMUTEMUTEMUTEMUTEMUTEMUTE
OL
4
6
3
10
15
7
10
20
30
0
2
0dB = 0dBu
LEVEL
SET
RUDE
SOLO
MAIN
METERS
RL
MIC MIC MIC MIC MIC MIC MIC MIC MIC MIC
GAINGAIN
+20
-20
GAIN
(MONO)
LINE IN 9
LINE IN 10
L
R
(MONO)
L
R
(MONO)
BAL/ UNBAL
BAL/ UNBAL
BAL/ UNBAL
BAL/ UNBAL
BAL/ UNBAL
BAL/ UNBAL BAL/UNBAL
BAL/ UNBAL BAL/UNBAL
BAL/ UNBAL BAL /UNBALBAL/ UNBALBAL/ UNBALBAL/ UNBALBAL/ UNBALBAL/ UNBALBAL/ UNBALBAL/ UNBALBAL/ UNBALBAL/ UNBALBAL/ UNBAL
L
R
(MONO)
L
R
LINE IN 11
LINE IN 12
LINE IN 13
LINE IN 14
LINE IN 15
LINE IN 16
LR
17/1815/16 19/20 21/22
U
GAIN
M
I
C
G
A
I
N
U+50
-20dB +30dB
AUX
LINE IN LINE INLINE IN LINE IN LINE IN LINE IN
OL
RL
PAN
7
dB
30
20
10
10
OO
40
50
5
5
U
60
7
PFL
SOLO
L-R
1-2
3-4
80Hz
LOW
MID
FREQ
600
1.5k150
8k100
EQ
12kHz
HI
MON
1
MON
2
U
+15
OO
U
+15
OO
U
+15
OO
-15
U
+15
-15
U
+15
-15
U
+15
LOW CUT
8 9 10 11 12 13 14
GAIN
U+50
M
I
C
G
A
I
N
U+50
M
I
C
G
A
I
N
U
LOW CUT LOW CUT
AUX
RETURN
MON
1
INTERNAL FX
MON
2
AUX
MASTER
U
+15
OO
U
+15
OO
U
+15
OO
TO
MON 1
TO
MON 2
TO
MON 1
TO
MON 2
TO
MAIN
L-R
U
+10
OO
U
+15
OO
U
+15
OO
U
+10
OO
U
+15
OO
U
+15
OO
SOURCE
LINE
USB
PHANTOM POWER
8 9 10 11 12 13 14 15/ 16 17/ 18 19/20 21/22
8K4K2K1K500250125
15
15
10
10
5
5
0
15
15
10
10
5
5
0
STEREO GRAPHIC EQ
PHONES
L
R
(MONO)
L
R
1
2
3
4
1
2
RLRLRLRL
SUB 2 SUB 3SUB 1
INSERT
U
GAIN
M
I
C
G
A
I
N
U+50
-20dB +30dB
AUX
LINE IN
OL
RL
PAN
dB
30
20
10
10
OO
40
50
5
5
U
60
PFL
SOLO
L-R
1-2
3-4
80Hz
LOW
MID
FREQ
600
1.5k150
8k100
EQ
12kHz
HI
MON
1
MON
2
U
+15
OO
U
+15
OO
U
+15
OO
-15
U
+15
-15
U
+15
-15
U
+15
LOW CUT
INSERT
U
GAIN
M
I
C
G
A
I
N
U+50
-20dB +30dB
AUX
LINE IN
OL
RL
PAN
dB
30
20
10
10
OO
40
50
5
5
U
60
PFL
SOLO
L-R
1-2
3-4
80Hz
LOW
MID
FREQ
600
1.5k150
8k100
EQ
12kHz
HI
MON
1
MON
2
U
+15
OO
U
+15
OO
U
+15
OO
-15
U
+15
-15
U
+15
-15
U
+15
LOW CUT
INSERT
U
GAIN
M
I
C
G
A
I
N
U+50
-20dB +30dB
AUX
LINE IN
OL
RL
PAN
dB
30
20
10
10
OO
40
50
5
5
U
60
PFL
SOLO
L-R
1-2
3-4
80Hz
LOW
MID
FREQ
600
1.5k150
8k100
EQ
12kHz
HI
MON
1
MON
2
U
+15
OO
U
+15
OO
U
+15
OO
-15
U
+15
-15
U
+15
-15
U
+15
LOW CUT
U
GAIN
M
I
C
G
A
I
N
U+50
-20dB +30dB
AUX
OL
RL
PAN
dB
30
20
10
10
OO
40
50
5
5
U
60
PFL
SOLO
L-R
1-2
3-4
80Hz
LOW
MID
FREQ
600
1.5k150
8k100
EQ
12kHz
HI
MON
1
MON
2
U
+15
OO
U
+15
OO
U
+15
OO
-15
U
+15
-15
U
+15
-15
U
+15
LOW CUT
U
GAIN
M
I
C
G
A
I
N
U+50
-20dB +30dB
AUX
OL
RL
PAN
dB
30
20
10
10
OO
40
50
5
5
U
60
PFL
SOLO
L-R
1-2
3-4
80Hz
LOW
MID
FREQ
600
1.5k150
8k100
EQ
12kHz
HI
MON
1
MON
2
U
+15
OO
U
+15
OO
U
+15
OO
-15
U
+15
-15
U
+15
-15
U
+15
LOW CUT
U
GAIN
M
I
C
G
A
I
N
U+50
-20dB +30dB
AUX
OL
RL
PAN
dB
30
20
10
10
OO
40
50
5
5
U
60
PFL
SOLO
L-R
1-2
3-4
80Hz
LOW
MID
FREQ
600
1.5k150
8k100
EQ
12kHz
HI
MON
1
MON
2
U
+15
OO
U
+15
OO
U
+15
OO
-15
U
+15
-15
U
+15
-15
U
+15
LOW CUT
U
GAIN
M
I
C
G
A
I
N
U+50
-20dB +30dB
AUX
OL OL OL OL OL
RL
PAN
dB
30
20
10
10
OO
40
50
5
5
U
60
PFL
SOLO
L-R
1-2
3-4
dB
30
20
10
10
OO
40
50
5
5
U
60
PFL
SOLO
L-R
1-2
3-4
dB
30
20
10
10
OO
40
50
5
5
U
60
PFL
SOLO
L-R
1-2
3-4
dB
30
20
10
10
OO
40
50
5
5
U
60
PFL
SOLO
L-R
1-2
3-4
dB
30
20
10
10
OO
40
50
5
5
U
60
PFL
SOLO
L-R
1-2
3-4
80Hz
LOW
MID
FREQ
600
1.5k150
8k100
EQ EQ EQ EQ EQ
12kHz
HI
MON
1
MON
2
U
+15
OO
U
+15
OO
U
+15
OO
AUX
RL
PAN
MON
1
MON
2
U
+15
OO
U
+15
OO
U
+15
OO
AUX
RL
PAN
MON
1
MON
2
U
+15
OO
U
+15
OO
U
+15
OO
AUX
RL
PAN
MON
1
MON
2
U
+15
OO
U
+15
OO
U
+15
OO
AUX
RL
PAN
MON
1
MON
2
U
+15
OO
U
+15
OO
U
+15
OO
-15
U
+15
-15
U
+15
-15
U
+15 -15
U
+15
-15
U
+15
-15
U
+15
-15
U
+15
-15
U
+15
-15
U
+15
-15
U
+15
-15
U
+15
-15
U
+15
-15
U
+15
-15
U
+15
-15
U
+15
LOW CUT
INSERT
OFF MAX
COMP
OFF MAX
COMP
OFF MAX
COMP
OFF MAX
COMP
12kHz
HI
80Hz
LOW
MID
2.5kHz
12kHz
HI
80Hz
LOW
MID
2.5kHz
12kHz
HI
80Hz
LOW
MID
2.5kHz
12kHz
HI
80Hz
LOW
MID
2.5kHz
dB
30
20
10
10
OO
40
50
5
5
U
60
dB
30
20
10
10
OO
40
50
5
5
U
60
dB
30
20
10
10
OO
40
50
5
5
U
60
SUB 4
dB
30
20
10
10
OO
40
50
5
5
U
60
CR/PHONES
OO
MAX
2-TRACK RETURN
TAPE
USB OUT
MAIN
LEVEL
U
+15
OO
INT FX
MUTE
SIG/OL
PROFESSIONAL MIC/LINE MIXER WITH FX
FX SEND
FOOTSWITCH
MON SEND
BALANCED BALANCED
AUX RETURN CR OUT SUB OUT
MAIN OUT
IN OUT
TAPE
L
R
dB
30
20
10
10
OO
40
50
5
5
U
60
MAIN
+20
-20
U
MIC
BAL/ UNBAL
U
GAIN
M
I
C
G
A
I
N
U+50
-20dB +30dB
AUX
LINE IN
OL
RL
PAN
6
dB
30
20
10
10
OO
40
50
5
5
U
60
6
PFL
SOLO
L-R
1-2
3-4
80Hz
LOW
MID
FREQ
600
1.5k150
8k100
EQ
12kHz
HI
MON
1
MON
2
U
+15
OO
U
+15
OO
U
+15
OO
-15
U
+15
-15
U
+15
-15
U
+15
LOW CUT
INSERT
MIC
BAL/ UNBAL
U
GAIN
M
I
C
G
A
I
N
U+50
-20dB +30dB
AUX
LINE IN
OL
RL
PAN
5
dB
30
20
10
10
OO
40
50
5
5
U
60
5
PFL
SOLO
L-R
1-2
3-4
80Hz
LOW
MID
FREQ
600
1.5k150
8k100
EQ
12kHz
HI
MON
1
MON
2
U
+15
OO
U
+15
OO
U
+15
OO
-15
U
+15
-15
U
+15
-15
U
+15
LOW CUT
INSERT
MIC
BAL/ UNBAL
U
GAIN
M
I
C
G
A
I
N
U+50
-20dB +30dB
AUX
LINE IN
OL
RL
PAN
4
dB
30
20
10
10
OO
40
50
5
5
U
60
4
PFL
SOLO
L-R
1-2
3-4
80Hz
LOW
MID
FREQ
600
1.5k150
8k100
EQ
12kHz
HI
MON
1
MON
2
U
+15
OO
U
+15
OO
U
+15
OO
-15
U
+15
-15
U
+15
-15
U
+15
LOW CUT
INSERT
MIC
BAL/ UNBAL
U
GAIN
M
I
C
G
A
I
N
U+50
-20dB +30dB
AUX
LINE IN
OL
RL
PAN
3
dB
30
20
10
10
OO
40
50
5
5
U
60
3
PFL
SOLO
L-R
1-2
3-4
80Hz
LOW
MID
FREQ
600
1.5k150
8k100
EQ
12kHz
HI
MON
1
MON
2
U
+15
OO
U
+15
OO
U
+15
OO
-15
U
+15
-15
U
+15
-15
U
+15
LOW CUT
INSERT
MIC
BAL/ UNBAL
U
GAIN
M
I
C
G
A
I
N
U+50
-20dB +30dB
AUX
LINE IN
OL
RL
PAN
2
dB
30
20
10
10
OO
40
50
5
5
U
60
2
PFL
SOLO
L-R
1-2
3-4
80Hz
LOW
MID
FREQ
600
1.5k150
8k100
EQ
12kHz
HI
MON
1
MON
2
U
+15
OO
U
+15
OO
U
+15
OO
-15
U
+15
-15
U
+15
-15
U
+15
LOW CUT
INSERT
MIC
BAL/ UNBAL
U
GAIN
M
I
C
G
A
I
N
U+50
-20dB +30dB
AUX
LINE IN
OL
RL
PAN
1
dB
30
20
10
10
OO
40
50
5
5
U
60
1
PFL
SOLO
L-R
1-2
3-4
80Hz
LOW
MID
FREQ
600
1.5k150
8k100
EQ
12kHz
HI
MON
1
MON
2
U
+15
OO
U
+15
OO
U
+15
OO
-15
U
+15
-15
U
+15
-15
U
+15
LOW CUT
100Hz 100Hz 100Hz 100Hz 100Hz 100Hz 100Hz 100Hz 100Hz 100Hz 100Hz 100Hz 100Hz 100Hz 100Hz 100Hz
INSERT
MAIN MIX
MON 1
EQ IN
BYPASS
USBSUB 1-2
13 DELAY 1 (300ms)
14 DELAY 2 (380ms)
15 DELAY 3 (480ms)
16 REVERB + DLY (250ms)
01 BRIGHT ROOM
02 WARM LOUNGE
03 SMALL STAGE
04 WARM THEATER
09 CHORUS
10 CHORUS + REV
11 DOUBLER
12 TAPE SLAP
05 WARM HALL
06 CONCERT HALL
07 PLATE REVERB
08 CATHEDRAL
BREAK
(MUTES ALL CH)
POWER
PROFESSIONAL MIC/LINE MIXER WITH FX
USB
REVISION
SERIAL NUMBER
WARNING:
TO REDUCE THE RISK OF FIRE OR ELECTRIC
SHOCK, DO NOT EXPOSE THIS EQUIPMENT TO RAIN OR
MOISTURE. DO NOT REMOVE COVER. NO USER SERVICEABLE
PARTS INSIDE. REFER SERVICING TO QUALIFIED PERSONNEL.
AVIS:
RISQUE DE CHOC ELECTRIQUE — NE PAS OUVRIR
FX FX TO
MAIN
L-R
FX FX FX FX FX FX FX FX FXFX FXFXFXFXFXFXFX
THIS DEVICE COMPLIES WITH PART 15 OF THE FCC RULES FOR THE U.S. AND
ICES-003, FOR CANADA. OPERATION IS SUBJECT TO THE FOLLOWING TWO
CONDITIONS: (1) THIS DEVICE MAY NOT CAUSE HARMFUL INTERFERENCE, AND
(2) THIS DEVICE MUST ACCEPT ANY INTERFERENCE RECEIVED, INCLUDING
INTERFERENCE THAT MAY CAUSE UNDESIRED OPERATION.
PESO
13 lb
5.9 kg
18.7 in / 475 mm 1.7 in /
44 mm
3.8 in /
97 mm
16.0 in /
407 mm
PESO
18 lb
8.2 kg
25.1 in / 639 mm 1.7 in /
44 mm
3.8 in /
97 mm
16.0 in /
407 mm
48V
MUTE MUTE MUTE MUTE MUTE MUTE MUTE MUTE MUTE MUTE MUTE MUTE
OL
4
6
3
10
15
7
10
20
30
0
2
LEVEL
SET
MAIN
METERS
RL
MIC MIC MIC MIC MIC MIC MIC MIC MIC MIC
GAINGAIN
+20-20
GAIN
(MONO)
LINE IN 9
LINE IN 10
L
R
(MONO)
L
R
(MONO)
BAL/ UNBAL
BAL/ UNBAL
BAL/ UNBAL
BAL/ UNBAL
BAL/ UNBAL
BAL/ UNBAL BAL/UNBAL
BAL/ UNBAL BAL/UNBAL
BAL/ UNBAL BAL /UNBALBAL/ UNBALBAL/ UNBALBAL/ UNBALBAL/ UNBALBAL/ UNBALBAL/ UNBALBAL/ UNBALBAL/ UNBALBAL/ UNBALBAL/ UNBAL
L
R
(MONO)
L
R
LINE IN 11
LINE IN 12
LINE IN 13
LINE IN 14
LINE IN 15
LINE IN 16
LR
11/129/10 13/14 15 /16
U
GAIN
M
I
C
G
A
I
N
U+50
-20dB +30dB
AUX
LINE IN LINE INLINE IN LINE IN LINE IN LINE IN
OL
RL
PAN
dB
30
20
10
10
OO
40
50
5
5
U
60
PFL
SOLO
L-R
1-2
3-4
80Hz
LOW
MID
FREQ
600
1.5k150
8k100
EQ
12kHz
HI
MON
1
MON
2
U
+15
OO
U
+15
OO
U
+15
OO
-15
U
+15
-15
U
+15
-15
U
+15
LOW CUT
100Hz 100Hz 100Hz 100Hz 100Hz 100Hz 100Hz 100Hz 100Hz 100Hz
GAIN
U+50
M
I
C
G
A
I
N
U+50
M
I
C
G
A
I
N
U
LOW CUT LOW CUT
AUX
RETURN
MON
1
INTERNAL FX
MON
2
AUX
MASTER
U
+15
OO
U
+15
OO
U
+15
OO
TO
MON 1
TO
MON 2
TO
MAIN
L-R
TO
MON 1
TO
MON 2
TO
MAIN
L-R
U
+10
OO
U
+15
OO
U
+15
OO
U
+10
OO
U
+15
OO
U
+15
OO
SOURCE
LINE
USB
9/10 11/12 13/ 14 15/16
8K4K2K1K50025012 5
15
15
10
10
5
5
0
15
15
10
10
5
5
0
STEREO GRAPHIC EQ
MAIN MIX
MON 1
EQ IN
BYPASS
PHONES
L
R
(MONO)
L
R
1
2
3
4
1
2
SUB 2 SUB 3SUB 1
INSERT
U
GAIN
M
I
C
G
A
I
N
U+50
-20dB +30dB
AUX
LINE IN
OL
RL
PAN
dB
30
20
10
10
OO
40
50
5
5
U
60
PFL
SOLO
L-R
1-2
3-4
80Hz
LOW
MID
FREQ
600
1.5k150
8k100
EQ
12kHz
HI
MON
1
MON
2
U
+15
OO
U
+15
OO
U
+15
OO
-15
U
+15
-15
U
+15
-15
U
+15
LOW CUT
INSERT
U
GAIN
M
I
C
G
A
I
N
U+50
-20dB +30dB
AUX
LINE IN
OL
RL
PAN
dB
30
20
10
10
OO
40
50
5
5
U
60
PFL
SOLO
L-R
1-2
3-4
80Hz
LOW
MID
FREQ
600
1.5k150
8k100
EQ
12kHz
HI
MON
1
MON
2
U
+15
OO
U
+15
OO
U
+15
OO
-15
U
+15
-15
U
+15
-15
U
+15
LOW CUT
INSERT
U
GAIN
M
I
C
G
A
I
N
U+50
-20dB +30dB
AUX
LINE IN
OL
RL
PAN
dB
30
20
10
10
OO
40
50
5
5
U
60
PFL
SOLO
L-R
1-2
3-4
80Hz
LOW
MID
FREQ
600
1.5k150
8k100
EQ
12kHz
HI
MON
1
MON
2
U
+15
OO
U
+15
OO
U
+15
OO
-15
U
+15
-15
U
+15
-15
U
+15
LOW CUT
U
GAIN
M
I
C
G
A
I
N
U+50
-20dB +30dB
AUX
OL
RL
PAN
dB
30
20
10
10
OO
40
50
5
5
U
60
PFL
SOLO
L-R
1-2
3-4
80Hz
LOW
MID
FREQ
600
1.5k150
8k100
EQ
12kHz
HI
MON
1
MON
2
U
+15
OO
U
+15
OO
U
+15
OO
-15
U
+15
-15
U
+15
-15
U
+15
LOW CUT
U
GAIN
M
I
C
G
A
I
N
U+50
-20dB +30dB
AUX
OL
RL
PAN
dB
30
20
10
10
OO
40
50
5
5
U
60
PFL
SOLO
L-R
1-2
3-4
80Hz
LOW
MID
FREQ
600
1.5k150
8k100
EQ
12kHz
HI
MON
1
MON
2
U
+15
OO
U
+15
OO
U
+15
OO
-15
U
+15
-15
U
+15
-15
U
+15
LOW CUT
U
GAIN
M
I
C
G
A
I
N
U+50
-20dB +30dB
AUX
OL
RL
PAN
dB
30
20
10
10
OO
40
50
5
5
U
60
PFL
SOLO
L-R
1-2
3-4
80Hz
LOW
MID
FREQ
600
1.5k150
8k100
EQ
12kHz
HI
MON
1
MON
2
U
+15
OO
U
+15
OO
U
+15
OO
-15
U
+15
-15
U
+15
-15
U
+15
LOW CUT
U
GAIN
M
I
C
G
A
I
N
U+50
-20dB +30dB
AUX
OL OL OL OL OL
RL
PAN
dB
30
20
10
10
OO
40
50
5
5
U
60
PFL
SOLO
L-R
1-2
3-4
dB
30
20
10
10
OO
40
50
5
5
U
60
PFL
SOLO
L-R
1-2
3-4
dB
30
20
10
10
OO
40
50
5
5
U
60
PFL
SOLO
L-R
1-2
3-4
dB
30
20
10
10
OO
40
50
5
5
U
60
PFL
SOLO
L-R
1-2
3-4
dB
30
20
10
10
OO
40
50
5
5
U
60
PFL
SOLO
L-R
1-2
3-4
80Hz
LOW
MID
FREQ
600
1.5k150
8k100
EQ EQ EQ EQ EQ
12kHz
HI
MON
1
MON
2
U
+15
OO
U
+15
OO
U
+15
OO
AUX
RL
PAN
MON
1
MON
2
U
+15
OO
U
+15
OO
U
+15
OO
AUX
RL
PAN
MON
1
MON
2
U
+15
OO
U
+15
OO
U
+15
OO
AUX
RL
PAN
MON
1
MON
2
U
+15
OO
U
+15
OO
U
+15
OO
AUX
RL
PAN
MON
1
MON
2
U
+15
OO
U
+15
OO
U
+15
OO
-15
U
+15
-15
U
+15
-15
U
+15 -15
U
+15
-15
U
+15
-15
U
+15
-15
U
+15
-15
U
+15
-15
U
+15
-15
U
+15
-15
U
+15
-15
U
+15
-15
U
+15
-15
U
+15
-15
U
+15
LOW CUT
INSERT
OFF MAX
COMP
OFF MAX
COMP
OFF MAX
COMP
OFF MAX
COMP
12kHz
HI
80Hz
LOW
MID
2.5kHz
12kHz
HI
80Hz
LOW
MID
2.5kHz
12kHz
HI
80Hz
LOW
MID
2.5kHz
12kHz
HI
80Hz
LOW
MID
2.5kHz
dB
30
20
10
10
OO
40
50
5
5
U
60
dB
30
20
10
10
OO
40
50
5
5
U
60
dB
30
20
10
10
OO
40
50
5
5
U
60
SUB 4
dB
30
20
10
10
OO
40
50
5
5
U
60
CR/PHONES
OO
MAX
(MUTES ALL CH)
2-TRACK RETURN
TAPE
USB
USB OUT
MAIN
SUB 1-2
LEVEL
U
+15
OO
INT FX
MUTE
SIG/OL
PROFESSIONAL MIC/LINE MIXER WITH FX
FX SEND
FOOTSWITCH
MON SEND
BALANCED BALANCED
AUX RETURN CR OUT SUB OUT
MAIN OUT
IN OUT
TAPE
L
R
dB
30
20
10
10
OO
40
50
5
5
U
60
MAIN
+20-20
U
0dB = 0dBu
RUDE
SOLO
PHANTOM POWER
RLRLRLRL
7
78
86
6
5
5
4
4
3
3
2
2
1
1
13 DELAY 1 (300ms)
14 DELAY 2 (380ms)
15 DELAY 3 (480ms)
16 REVERB + DLY (250ms)
01 BRIGHT ROOM
02 WARM LOUNGE
03 SMALL STAGE
04 WARM THEATER
09 CHORUS
10 CHORUS + REV
11 DOUBLER
12 TAPE SLAP
05 WARM HALL
06 CONCERT HALL
07 PLATE REVERB
08 CATHEDRAL
BREAK
FX FX
FX FX FX FX FX FX FX FX FX FX FX
dB
30
20
10
10
OO
40
50
5
5
U
60
POWER
PROFESSIONAL MIC/LINE MIXER WITH FX
USB
REVISION
SERIAL NUMBER
WARNING:
TO REDUCE THE RISK OF FIRE OR ELECTRIC
SHOCK, DO NOT EXPOSE THIS EQUIPMENT TO RAIN OR
MOISTURE. DO NOT REMOVE COVER. NO USER SERVICEABLE
PARTS INSIDE. REFER SERVICING TO QUALIFIED PERSONNEL.
AVIS:
RISQUE DE CHOC ELECTRIQUE — NE PAS OUVRIR
THIS DEVICE COMPLIES WITH PART 15 OF THE FCC RULES FOR THE U.S. AND
ICES-003, FOR CANADA. OPERATION IS SUBJECT TO THE FOLLOWING TWO
CONDITIONS: (1) THIS DEVICE MAY NOT CAUSE HARMFUL INTERFERENCE, AND
(2) THIS DEVICE MUST ACCEPT ANY INTERFERENCE RECEIVED, INCLUDING
INTERFERENCE THAT MAY CAUSE UNDESIRED OPERATION.

30 ProFX16 y ProFX22
Diagrama de bloques
L
R
Solo Solo
Main
Nivel CR/Phones
HPF
Nivel
Pan
I
D
Salida Sub 1
(Sub 2-4 iguales)
a Retorno FX I
Auriculares
Salida
sala de
Control
I
D
Sumatorio
I
Sumatorio
D
Sumatorio de Sub 1
Sub
Main
Sub
Mon 1 (pre) Mon 1 (pre)
Asignación
EQ de 3 bandas
con medios Swept
Mon 2 (pre) Mon 2 (pre)
FX (post) FX (post)
4
3
2
1
L
R
4
3
2
1
Efectos Internos
Nivel de Sub 1
Asignación de Sub
a mezcla principal
I
D
Retorno de
auxiliares
L/R
1/2
3/4
A mezcla Principal
100Hz
NOTA: Los conmutadores se muestran en su posición hacia afuera (por defecto).
Mute
Salida
Principal
48V
Canales
Mono
1 - 4 [ProFX16] /
1-10 [ProFX22]
Micro +
-
Micro: 0 ~ +50dB
Línea: -20 ~ +30dB
Canales
estéreo
9/10 y 11/12
[ProFX16] y
15/16 y 17/18
[ProFX22]
Canales
estéreo 15/16
(13/14 indénticos
menos el USB)
[ProFX16] y
21/22 (19/20
indénticos
menos el USB)
[ProFX22]
I
D
EQ de 3 bandas
Nivel
Pan
Asignación
L/R
1/2
3/4
Mute
PFL
Solo
RUDE
SOLO
LED
Medidores
A Mon 1
Conmutador
Bypass
PFL
PFL
LO MID
80 100~8K 12K
HI
Línea
Ganancia
EQ gráco estéreo
de 7 bandas EQ out
EQ In
Conmutador de
asignación de EQ
Mon 1
Mains
Monitor send 1
(Envío Mon 2 igual)
Nivel Master de Mon 1
Selector de Preset
Visualizador
de número
de Preset
Pedal de pulsación
Sig/OL
Conmutador / LED
Global 48v
desde/hacia EQ gráco
(sólo en Mon 1)
A Mon 2
FX
Mon 2
Mon 1
FX
Mon 2
Mon 1
HPF In
bypass
Micro
HPF
100Hz
+
-
Gan. de Micro:
0 ~ +50dB
Solo Logic
PFL Solo
Salida USB
Envío FX
FX 1 Bypass
Logic
Entrada
FX 1
Salida I
Salida D
Main D
Main I
Mon 1
Main D
Main I
Mon 1
MID
Alimentación Phantom
(para todos los Micros)
Alimentación Phantom
Alimentación
Phantom
Nota: Cuando no se usa la EQ la señal se envía directamente a su destino.
R
L
A salida USB/Tape D
A salida USB/Tape I (Sub 1)
Suma
Main L
Suma Main R
a Retorno FX D
Salida FX internos I
Salida FX internos D
I
D
Ganancia
Línea
-20 ~ +20dB
A EQ In de
canales estéreo
15/16
Entrada USB I
OL /
Mute
OL /
Mute
Entrada USB L
Nivel Master de FX
Entrada
USB
Nivel FX Mute
Activo
Si el conmutador frontal o pedal
de pulsación son presionados,
los efectos son enmudecidos.
I
D
Salida Tape
HPF In
bypass
a
Conmutador
Post-Break
Entrada Tape
I
D
Retorno 2-Track I
Retorno 2-Track D
Conmutador
Break
Nivel Principal
Hacia/desde
EQ gráco
Comp
+
-
+
-
+
-
+
-
+
-
+
-
Inserción
EQ in
EQ in
HPF
100Hz
HPF In
bypass
Salida del
pre-amplicador
LO
80 2.5K 12K
HIMID
LO
80 2.5K 12K
HIMID
USB
Línea
A Mezcla Principal
A Mon 1
A Mon 2
desde Sub1
desde Sub2
Sub 1-2
Main
Canales mono 5-8 [ProFX16] /
11-14 [ProFX22]
Idénticos menos el compresor
en lugar del jack de inserción
Retorno
2-Track
A salida USB/Tape D (Sub 2)

Manual del Usuario 31
Track Sheet - Canales mono
MIC MIC MIC MIC
BAL /UNBALBAL /UNBALBAL /UNBALBAL /UNBAL
U
GAIN
M
I
C
G
A
I
N
U+50
-20dB +30dB
AUX
LINE IN
OL
RL
PAN
–––
dB
30
20
10
10
40
50
5
5
U
60
–––
PFL
SOLO
L-R
1-2
3-4
80Hz
LOW
MID
FREQ
600
1.5k150
8k100
EQ
12kHz
HI
MON
1
MON
2
U
+15
U
+15
U
+15
-15
U
+15
-15
U
+15
-15
U
+15
LOW CUT
––– ––– –––
––– ––– –––
INSERT
U
GAIN
M
I
C
G
A
I
N
U+50
-20dB +30dB
AUX
LINE IN
OL
RL
PAN
dB
30
20
10
10
40
50
5
5
U
60
PFL
SOLO
L-R
1-2
3-4
80Hz
LOW
MID
FREQ
600
1.5k150
8k100
EQ
12kHz
HI
MON
1
MON
2
U
+15
U
+15
U
+15
-15
U
+15
-15
U
+15
-15
U
+15
LOW CUT
INSERT
U
GAIN
M
I
C
G
A
I
N
U+50
-20dB +30dB
AUX
LINE IN
OL
RL
PAN
dB
30
20
10
10
40
50
5
5
U
60
PFL
SOLO
L-R
1-2
3-4
80Hz
LOW
MID
FREQ
600
1.5k150
8k100
EQ
12kHz
HI
MON
1
MON
2
U
+15
U
+15
U
+15
-15
U
+15
-15
U
+15
-15
U
+15
LOW CUT
INSERT
U
GAIN
M
I
C
G
A
I
N
U+50
-20dB +30dB
AUX
LINE IN
OL
RL
PAN
dB
30
20
10
10
40
50
5
5
U
60
PFL
SOLO
L-R
1-2
3-4
80Hz
LOW
MID
FREQ
600
1.5k150
8k100
EQ
12kHz
HI
MON
1
MON
2
U
+15
U
+15
U
+15
-15
U
+15
-15
U
+15
-15
U
+15
LOW CUT
INSERT
MIC
BAL /UNBAL
U
GAIN
M
I
C
G
A
I
N
U+50
-20dB +30dB
AUX
LINE IN
OL
RL
PAN
–––
dB
30
20
10
10
40
50
5
5
U
60
–––
PFL
SOLO
L-R
1-2
3-4
80Hz
LOW
MID
FREQ
600
1.5k150
8k100
EQ
12kHz
HI
MON
1
MON
2
U
+15
U
+15
U
+15
-15
U
+15
-15
U
+15
-15
U
+15
LOW CUT
INSERT
MIC
BAL /UNBAL
U
GAIN
M
I
C
G
A
I
N
U+50
-20dB +30dB
AUX
LINE IN
OL
RL
PAN
–––
dB
30
20
10
10
40
50
5
5
U
60
–––
PFL
SOLO
L-R
1-2
3-4
80Hz
LOW
MID
FREQ
600
1.5k150
8k100
EQ
12kHz
HI
MON
1
MON
2
U
+15
U
+15
U
+15
-15
U
+15
-15
U
+15
-15
U
+15
LOW CUT
INSERT
MIC
BAL /UNBAL
U
GAIN
M
I
C
G
A
I
N
U+50
-20dB +30dB
AUX
LINE IN
OL
RL
PAN
–––
dB
30
20
10
10
40
50
5
5
U
60
–––
PFL
SOLO
L-R
1-2
3-4
80Hz
LOW
MID
FREQ
600
1.5k150
8k100
EQ
12kHz
HI
MON
1
MON
2
U
+15
U
+15
U
+15
-15
U
+15
-15
U
+15
-15
U
+15
LOW CUT
INSERT
MIC
BAL /UNBAL
U
GAIN
M
I
C
G
A
I
N
U+50
-20dB +30dB
AUX
LINE IN
OL
RL
PAN
–––
dB
30
20
10
10
40
50
5
5
U
60
–––
PFL
SOLO
L-R
1-2
3-4
80Hz
LOW
MID
FREQ
600
1.5k150
8k100
EQ
12kHz
HI
MON
1
MON
2
U
+15
U
+15
U
+15
-15
U
+15
-15
U
+15
-15
U
+15
LOW CUT
INSERT
100Hz 100Hz 100Hz 100Hz 100Hz 100Hz 100Hz 100Hz
FX FX FX FXFXFXFXFX

32 ProFX16 y ProFX22
Track Sheet - Canales estéreo y Comp
MIC MIC MIC MIC MIC MIC
GAINGAIN
+20
-20
GAIN
(MONO)
LINE IN 9
LINE IN 10
L
R
(MONO)
L
R
(MONO)
BAL /UNBAL
BAL /UNBAL
BAL /UNBAL
BAL /UNBAL
BAL /UNBAL
BAL /UNBALBAL /UNBALBAL /UNBALBAL /UNBALBAL /UNBALBAL /UNBAL
L
R
(MONO)
L
R
LINE IN 11
LINE IN 12
LINE IN 13
LINE IN 14
LINE IN 15
LINE IN 16
–––/––––––/––– –––/––– –––/–––
LINE INLINE IN LINE IN LINE IN LINE IN
––– ––– ––– –––
GAIN
U+50
M
I
C
G
A
I
N
U+50
M
I
C
G
A
I
N
U
LOW CUT LOW CUT
SOURCE
LINE
USB
––– ––– ––– ––– –––/––– –––/––– –––/––– –––/–––
1
2
U
GAIN
M
I
C
G
A
I
N
U+50
-20dB +30dB
AUX
OL
RL
PAN
dB
30
20
10
10
40
50
5
5
U
60
PFL
SOLO
L-R
1-2
3-4
80Hz
LOW
MID
FREQ
600
1.5k150
8k100
EQ
12kHz
HI
MON
1
MON
2
U
+15
U
+15
U
+15
-15
U
+15
-15
U
+15
-15
U
+15
LOW CUT
U
GAIN
M
I
C
G
A
I
N
U+50
-20dB +30dB
AUX
OL
RL
PAN
dB
30
20
10
10
40
50
5
5
U
60
PFL
SOLO
L-R
1-2
3-4
80Hz
LOW
MID
FREQ
600
1.5k150
8k100
EQ
12kHz
HI
MON
1
MON
2
U
+15
U
+15
U
+15
-15
U
+15
-15
U
+15
-15
U
+15
LOW CUT
U
GAIN
M
I
C
G
A
I
N
U+50
-20dB +30dB
AUX
OL
RL
PAN
dB
30
20
10
10
40
50
5
5
U
60
PFL
SOLO
L-R
1-2
3-4
80Hz
LOW
MID
FREQ
600
1.5k150
8k100
EQ
12kHz
HI
MON
1
MON
2
U
+15
U
+15
U
+15
-15
U
+15
-15
U
+15
-15
U
+15
LOW CUT
U
GAIN
M
I
C
G
A
I
N
U+50
-20dB +30dB
AUX
OL OL OL OL OL
RL
PAN
dB
30
20
10
10
40
50
5
5
U
60
PFL
SOLO
L-R
1-2
3-4
dB
30
20
10
10
40
50
5
5
U
60
PFL
SOLO
L-R
1-2
3-4
dB
30
20
10
10
40
50
5
5
U
60
PFL
SOLO
L-R
1-2
3-4
dB
30
20
10
10
40
50
5
5
U
60
PFL
SOLO
L-R
1-2
3-4
dB
30
20
10
10
40
50
5
5
U
60
PFL
SOLO
L-R
1-2
3-4
80Hz
LOW
MID
FREQ
600
1.5k150
8k100
EQ EQ EQ EQ EQ
12kHz
HI
MON
1
MON
2
U
+15
U
+15
U
+15
AUX
RL
PAN
MON
1
MON
2
U
+15
U
+15
U
+15
AUX
RL
PAN
MON
1
MON
2
U
+15
U
+15
U
+15
AUX
RL
PAN
MON
1
MON
2
U
+15
U
+15
U
+15
AUX
RL
PAN
MON
1
MON
2
U
+15
U
+15
U
+15
-15
U
+15
-15
U
+15
-15
U
+15 -15
U
+15
-15
U
+15
-15
U
+15
-15
U
+15
-15
U
+15
-15
U
+15
-15
U
+15
-15
U
+15
-15
U
+15
-15
U
+15
-15
U
+15
-15
U
+15
LOW CUT
OFF MAX
COMP
OFF MAX
COMP
OFF MAX
COMP
OFF MAX
COMP
12kHz
HI
80Hz
LOW
MID
2.5kHz
12kHz
HI
80Hz
LOW
MID
2.5kHz
12kHz
HI
80Hz
LOW
MID
2.5kHz
12kHz
HI
80Hz
LOW
MID
2.5kHz
FX SEND
FOOTSWITCH
MON SEND
+20
-20
U
100Hz 100 Hz 100Hz 100Hz 100Hz 100Hz
FX FX FX FX FX FXFX FX

Manual del Usuario 33
Track Sheet - Sección Master
OL
4
6
3
10
15
7
10
20
30
0
2
0dB = 0dBu
LEVEL
SET
RUDE
SOLO
MAIN
METERS
RL
BAL /UNBAL BAL /UNBAL
BAL /UNBAL BAL /UNBAL
BAL /UNBAL BAL / UNBAL
LR
AUX
RETURN
MON
1
INTERNAL FX
MON
2
AUX
MASTER
U
+15
U
+15
U
+15
TO
MON 1
TO
MON 2
TO
MON 1
TO
MON 2
TO
MAIN
L-R
U
+10
U
+15
U
+15
U
+10
U
+15
U
+15
PHANTOM POWER
8K4K2K1K500250125
15
15
10
10
5
5
0
15
15
10
10
5
5
0
STEREO GRAPHIC EQ
PHONES
L
R
(MONO)
L
R
1
2
3
4
RLRLRLRL
SUB 2 SUB 3SUB 1
dB
30
20
10
10
40
50
5
5
U
60
dB
30
20
10
10
40
50
5
5
U
60
dB
30
20
10
10
40
50
5
5
U
60
SUB 4
dB
30
20
10
10
40
50
5
5
U
60
CR /PHONES
MAX
2-TRACK RETURN
TAPE
USB OUT
MAIN
LEVEL
U
+15
INT FX
MUTE
SIG/OL
PROFESSIONAL MIC/LINE MIXER WITH FX
BALANCED BALANCED
AUX RETURN CR OUT SUB OUT
MAIN OUT
IN OUT
TAPE
L
R
dB
30
20
10
10
40
50
5
5
U
60
MAIN
MAIN MIX
MON 1
EQ IN
BYPASS
USBSUB 1-2
13 DELAY 1 (300ms)
14 DELAY 2 (380ms)
15 DELAY 3 (480ms)
16 REVERB + DLY (250ms)
01 BRIGHT ROOM
02 WARM LOUNGE
03 SMALL STAGE
04 WARM THEATER
09 CHORUS
10 CHORUS + REV
11 DOUBLER
12 TAPE SL AP
05 WARM HALL
06 CONCERT HALL
07 PLATE REVERB
08 CATHEDR AL
BREAK
(MUTES ALL CH)
FX TO
MAIN
L-R

34 ProFX16 y ProFX22
Anexo D: Tabla de Presets de efectos
Nú. Titulo Descripción Ejemplo de uso
01 Bright Room Esta reverberación de sala tiene un tono brillante con
muchas reflexiones dispersas para simular superficies
más duras y reflexivas.
Muy útil en voces que requieran una brillante
reverberación que destaque o para dar vida a
instrumentos acústicos.
02 Warm Lounge Este preset ofrece una reverberación de tamaño me-
diano, con únicamente la suficiente mejora para que
las frecuencias graves-medias produzcan un tono más
cálido.
Es útil para voces en canciones que requieran
un sonido mayor, más “húmedo”, o para dar
dimensión de brillantez sin añadir dureza.
03 Small Stage Este preset simula el sonido de un pequeño concierto,
con una reverberación de duración media y espacio
reverberante reducido.
Muy útil para voces o rápidas guitarras,
canciones de alta energía que requieran una
reverberación de sonido “en vivo”.
04 Warm Theater Esta reverberación tiene un cálido tono en su cuerpo
y una largo tiempo de reverberación para simular la
acústica en vivo de un teatro.
Es perfecto para voces, baterías, guitarras
acústicas y eléctricas, teclados, y más.
05 Warm Hall Esta reverberación simula el sonido de un amplia pero
acogedora sala de conciertos, muy adornada y alfom-
brada, con un tono especialmente cálido.
Es ideal para dar ambiente natural de sala de
conciertos con micros de instrumentos orquesta-
les en posiciones muy cercanas.
06 Concert Hall Esta sala de reverberación se caracteriza por su gran-
de y espacioso sonido, un pre-retardo muy largo y su
tono vibrante.
Agrega vida a instrumentos acústicos y voces,
desde solos a sinfonías completas y coros.
07 Plate Reverb Este preset emula reverberación mecánica vintage ge-
nerada mediante placas de metal. Su sonido se carac-
teriza por la gran cantidad de reflexiones tempranas y
su ausencia de pre-retardo.
Es perfecto para engordar instrumentos de
percusión, como una caja, o para “apretar”
arreglos vocales.
08 Cathedral Esta reverberación simula la larga cola, y la densa y
larga difusión previa a los retrasos y reflexiones que
se encuentran en un gran templo de culto con paredes
de piedra.
Otorga una sorprendente profundidad a los
coros, instrumentos de viento, órganos y suaves
guitarras acústicas.
09 Chorus Este preset ofrece un suave y etéreo efecto de barrido
que es útil para engordar y dar lograr que destaque un
sonido en la mezcla.
Es ideal para la mejora de guitarras acústicas
y eléctricas, y bajo, o para añadir un efecto
dramático a la voz, y en particular para grupos
de armonías y coros.
10 Chorus + Reverb Este preset combina a la perfección el efecto de cho-
rus anterior con una gran y espaciosa reverberación. Este efecto le permite engordar su sonido tanto
con el efecto de chorus al tiempo que añade
calidez y espacio gracias a la reverberación.
11 Doubler Este efecto simula el sonido de una voz o instrumento
que ha sido doblado dos veces en una grabadora
multipista.
Proporciona un efecto que es similar al chorus
sin su sutil remolino de frecuencias.
12 Tape Slap Este efecto proporciona un único y relativamente
rápido retardo de la señal original, con la calidez
típica que proporcionaban los echos vintage basados
en cinta.
Empleado a menudo en las voces para lograr
esa típica sensación de la era de los 50, o en
las guitarras para lograr un tono tipo “surf”. A
menudo fue utilizado por personas cuyo número
favorito es el 12.
13
14
15
DLY 1 (300ms)
DLY 2 (380ms)
DLY 3 (480ms)
Estos presets de delay proporcionan alrededor de tres
repeticiones de la señal original. El tiempo de retardo
por defecto se muestra en milisegundos, cuanto menor
sea el tiempo más rápido será el delay.
Estos funcionan mejor con música completa
como rock, en la que el delay necesita destacar
en la mezcla.
16 Reverb + DLY (250ms) Este efecto combina la calidez de una reverberación
de teatro con los ecos de un efecto de delay de tres
repeticiones.
Es perfecto para engordar voces al tiempo que
añade dimensión acústica, y también puede
ser utilizado como efecto espacial para las
guitarras eléctricas.

Manual del Usuario 35
Garantía limitada de ProFX16 y ProFX22
Por favor, mantenga siempre el recibo de venta en un lugar seguro.
Esta garantía limitada de producto (“Garantía del Producto”) es proporcionada por LOUD Technologies
Inc. (“LOUD”) y es aplicable a los productos comprados en los Estados Unidos o Canadá a través de
un distribuidor o vendedor autorizado. La garantía del producto no se extenderá a nadie que no sea el
comprador original del producto (en adelante, “cliente”, “usted” o “tú”).
Para los productos comprados fuera de los EE.UU. o Canadá, por favor visite www.mackie.com/warranty
para encontrar información de contacto de su distribuidor local e información acerca de la cobertura de la
garantía proporcionada por el distribuidor en su mercado local.
LOUD garantiza al Cliente que el producto estará libre de defectos en materiales y mano de obra bajo un
uso normal durante el Periodo de Garantía. Si el producto no se ajuste a la garantía, entonces LOUD o sus
representantes de servicio autorizados, a su elección, reparará o reemplazará cualquiera de los productos
no conformes, siempre que el Cliente de aviso de la falta de cumplimiento durante el Período de Garantía
a la compañía en: www.mackie.com/support o llamando al soporte técnico de LOUD al 1.800.898.3211
(llamada gratuita desde los EE.UU. y Canadá) durante el horario normal, hora del Pacífico, excluyendo los
fines de semana o días festivos de LOUD. Por favor, guarde el recibo original de la compra con la fecha
como prueba de la fecha de compra. Lo necesitará para obtener cualquier servicio de garantía.
Para conocer los términos y condiciones, así como la duración concreta de la garantía de este producto,
por favor visite www.mackie.com/warranty.
La Garantía del Producto, junto con su factura o recibo, y los términos y condiciones publicados en www.
mackie.com/warranty constituyen un acuerdo completo y sustituye a cualquier otro acuerdo anterior
entre LOUD y el Cliente relacionados con sujeto del mismo. Ninguna enmienda, modificación o renuncia
de cualquiera de las disposiciones de la presente Garantía del Producto serán válidas si no ha sido
establecidas mediante instrumento escrito firmado por las partes obligadas.
¿Necesita ayuda con su nuevo mezclador?
• Visite www.mackie.com y pulse en Soporte para encontrar: FAQs, manuales, anexos y documentación.
• Escríbanos a: techmail@mackie.com.
• Llámenos al 1-800-898-3211 para hablar con uno de nuestros estupendos técnicos de soporte (Lunes a Viernes,
horario laboral, PST).

16220 Wood-Red Road NE • Woodinville, WA 98072 • USA
United States and Canada: 800.898.3211
Europe, Asia, Central and South America: 425.487.4333
Middle East and Africa: 31.20.654.4000
Fax: 425.487.4337 • www.mackie.com
E-mail: sales@mackie.com