PS223 Datasheet. Www.s Manuals.com. Ps222 Ra.003 Silicon Touch
User Manual: Datasheets PS223, PS223S.
Open the PDF directly: View PDF
.
Page Count: 12

PS223
Version : A.003
Issue Date : 2004/09/10
File Name : SP-PS223-A.003.doc
Total Pages : 11
4-Channel Secondary Monitoring IC
With 4-Channel OCP
And an Additional OTP
新竹市科學園區展業一路 9 號 7 樓之 1
SILICON TOUCH TECHNOLOGY INC
.
9-7F-1, Prosperity Road I, Science Based Industrial Park,
Hsin-Chu, Taiwan 300, R.O.C.
Tel
:
886-3-5645656 Fax
:
886-3-5645626

點晶科技股份有限公司
SILICON TOUCH TECHNOLOGY INC.
4-Channel Secondary Monitoring IC Version
:
A.003
-1-
PS223
PS223 4-Channel Secondary Monitoring IC
With 4-Channel OCP
And an Additional OTP
General Description
PS223 is specially designed for switching power supply system. Four important
functions of PS223 are the followings: over-voltage protection, over-current protection,
under-voltage protection and power good signal generating.
OVP/UVP (Over-Voltage/Under-Voltage Protection) monitors 3.3V, 5V and double
12V to protect our power supply and PC, FPO/ goes to high when one of these supply
voltages exceeds their normal operation voltage range.
OCP(Over Current Protection) monitors IS33, IS5, IS12A, IS12B input current
sense. An adjustable over-current condition composed of Iref and “protection current
range resistor” helps users design OCP easily.
An additional OTP channel helps users monitor if there have any over temperature
occur.
Power good signal generating notifies personal computer when power supply is
ready or power supply is going to shutdown, therefore it can provide a reliable power
supply environment.
Features
• Over/Under-voltage protection and lock out
• Over-current protection and lock out
• Over-temperature protection
• Fault protection output with open drain output stage
• Open drain power good output signal for power good input
• Built-in 300mS power good delay
• AC on 75ms delay for UV/OC protection
• 38mS PSON/ control de-bounce
• 73uS de-bounce for noise immunity
• Wide power supply range
• Special care for AC power off

點晶科技股份有限公司
SILICON TOUCH TECHNOLOGY INC.
4-Channel Secondary Monitoring IC Version
:
A.003
-2-
PS223
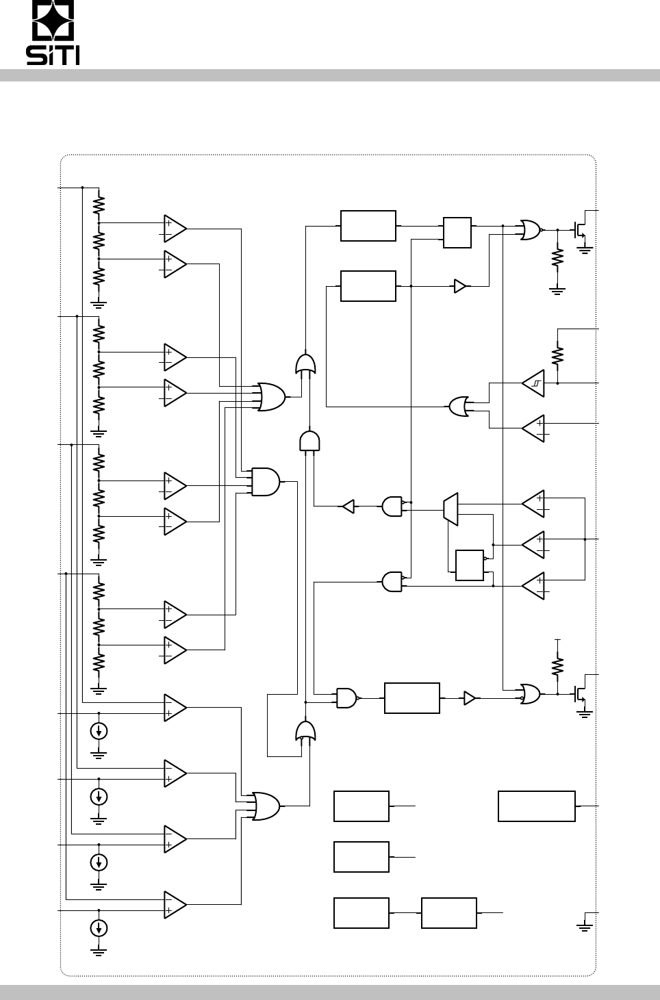
Block Diagram
Vcc
IS33 Iref X 8
3.3 OC
IS5 Iref X 8
5 OC
IS12A Iref X 8
12 OC
IS12B Iref X 8
12 OC
VS33 16.3KΩ
8.9KΩ
12KΩ Vre
f
Vre
f
3.3 OV
3.3 UV
VS5 37.7KΩ
8.3KΩ
12KΩ Vre
f
Vre
f
5 OV
5 UV
VS12B 171KΩ
9.4KΩ
18KΩ Vre
f
Vre
f
12 OV
12 UV
Band-Gap
Reference
Power On
Reset
Clock
Generator
38mS
De-bounce
Constant Current
Source Iref
FPO/
PSON/
PGI
PGO
RI
GND
POR
Vref CLK
20KΩ
73uS
De-bounce H : 300mS
L : 4.5uS
delay
1MΩ
1
0
S
Q
R
H : 75mS
L : 4.5uS
delay
0.63V
1.25V
VCCI
1.13V
73uS
De-bounce S Q
R1MΩ
H : 4mS
L : 4.5uS
delay
VS12A
12 OV
12 UV
171KΩ
9.4KΩ
18KΩ Vre
f
Vre
f
2.5V OTP
Internal
Power VCCI = 4V

點晶科技股份有限公司
SILICON TOUCH TECHNOLOGY INC.
4-Channel Secondary Monitoring IC Version
:
A.003
-3-
PS223
Timing Chart
Td1 T
b1
Td3
Td2
FPO/
PSON/
PGI
Vcc
IS12A
VS12B IS12B
VS5 IS5
VS12A
VS33 IS33
PGO
UVP/OVP/OCP
protect
PSON/
turn on
AC
turn on
PSON/
turn off
PSON/
turn on
AC
turn off
VPGI
Td2
Td1
1.25V
0.63V 1.13V
OVP OVP/UVP/OCP OVP

點晶科技股份有限公司
SILICON TOUCH TECHNOLOGY INC.
4-Channel Secondary Monitoring IC Version
:
A.003
-4-
PS223
Pin Descriptions
Pin No PIN NAME Descriptions
1 PGI Power good input signal pin
2 GND Ground
3 FPO/ Inverted fault protection output ,open drain output stage
4 PSON/ Remote ON/OFF control input pin
5 IS12A 12V(1) over current protection input pin
6 RI Current sense setting
7 IS12B 12V(2) over current protection input pin
8 VS12B 12V(2) over/under voltage protection input pin
9 OTP Over temperature protection input pin
10 IS5 5.0V over current protection input pin
11 IS33 3.3V over current protection input pin
12 VS12A 12V(1) over/under voltage protection input pin
13 VS33 3.3V over/under voltage protection input pin
14 VS5 5.0V over/under voltage protection input pin
15 VCC Power supply
16 PGO Power good output signal pin , open drain output stage
Absolute Maximum Ratings
Parameter Rating Unit
Storage Temperature (Tstg) -40 to +125 ° C
Operating Temperature (Topr) -30 to +90 ° C
Supply Voltage (VCC) VCC -0.5 to +16.0 V
VS12A/B, IS12A/B -0.5 to +16.0 V
VS5, IS5 -0.5 to +9.0 V
VS33, IS33 -0.5 to +7.0 V
PGI -0.5 to +16.0 V
Input Voltage Range (VI)
PSON/, OTP -0.5 to Vcc+0.5 V
FPO/ -0.5 to +16.0 V
Output Voltage Range (VO) PGO -0.5 to Vcc+0.5 V

點晶科技股份有限公司
SILICON TOUCH TECHNOLOGY INC.
4-Channel Secondary Monitoring IC Version
:
A.003
-5-
PS223
Electrical Characteristics, Vcc=12V, Ta = Full range. (unless otherwise specified)
Power Supply Section
Parameter Conditions MIN TYP MAX Unit
Supply Voltage 4.2 5.0 16.0 V
Supply Current VPSON/ = 5V 4.5 5.0 mA
Power On Reset Threshold Voltage (VPOR) 3.6 V
Power On Reset Hysteresis (VHYST)
±0.6 V
Over-Voltage Section
Parameter Conditions MIN TYP MAX Unit
VS33 3.7 3.9 4.1 V
VS5 5.7 6.1 6.5 V
Over-Voltage Threshold
VS12A/B 13.1 13.8 14.5 V
Under-Voltage Section
Parameter Conditions MIN TYP MAX Unit
VS33 2.0 2.2 2.4 V
VS5 3.3 3.5 3.7 V
Under-Voltage Threshold
VS12A/B 8.5 9.0 9.5 V
Over-Current Section
Parameter Conditions MIN TYP MAX Unit
Constant Current Generator Voltage (VRI) 1.20 1.25 1.30 V
Constant Current (IRI) 12.5 20.0 62.5 uA
Over-Temperature Section
Parameter Conditions MIN TYP MAX Unit
Over-Temperature Threshold(VTH) 2.4 2.5 2.6 V
Hysteresis (VHYST)
-0.26 V

點晶科技股份有限公司
SILICON TOUCH TECHNOLOGY INC.
4-Channel Secondary Monitoring IC Version
:
A.003
-6-
PS223
Electrical Characteristics (Continued)
PSON/, Analog Input
Parameter Conditions MIN TYP MAX Unit
Threshold Voltage 1.16 1.25 1.33 V
Hysteresis (VHYST)
±
50 mV
PGI, Analog Input
Parameter Conditions MIN TYP MAX Unit
Threshold Voltage for start Td1 1.16 1.25 1.33 V
Threshold Voltage for start Td2 0.60 0.63 0.75 V
Threshold Voltage for mask OC,UV 1.05 1.13 1.21 V
Hysteresis (VHYST)*
±
50 mV
* All of the comparator for PGI input in block diagram.
PGO, Open Drain Digital Output
Parameter Conditions MIN TYP MAX Unit
Leakage Current (ILKG) VPGO=5V 5 uA
Low Level Output Voltage (VOL) ISINK=10mA 0.3 V
FPO/, Open Drain Digital Output
Parameter Conditions MIN TYP MAX Unit
Leakage Current (ILKG) VFPO/=5V 5 uA
Low Level Output Voltage (VOL) ISINK=10mA 0.3 V
Switching Characteristics, Vcc=12V, Ta = Full range.
Parameter Conditions MIN TYP MAX Unit
PGI to PGO Delay Time (Td1) 200 300 480 mS
Short Circuit Delay Time (Td2) 49 75 114 mS
PGO to FPO/ Delay Time (Td3) 2 4 6 mS
PSON/ De-bounce Time (Tb1) 24 38 61 mS
FPO/ Noise De-glitch Time (Tb2) 47 73 110 uS
PGO Noise De-glitch Time (Tb3) 47 73 110 uS

點晶科技股份有限公司
SILICON TOUCH TECHNOLOGY INC.
4-Channel Secondary Monitoring IC Version
:
A.003
-7-
PS223
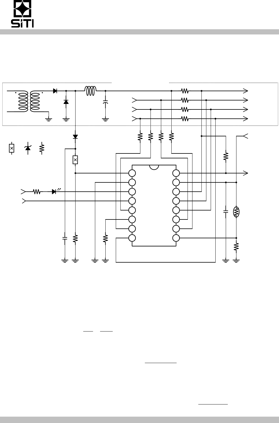
Application
Typical 4 rails SPS
Notes:
1. Zener diode or resistor or both of them can be used in component X.
2. The bypass capacitor Cby suggests to be 0.1uF~ 10uF and layout nearby pin VCC.
3. The recommend sense values of RS12(1), RS12(2), RS5 and RS33 are ≥ 0.002Ω.
4. Over-Current Protection design example:
(1) AIref
μ
20=,
()
Ω=== K
I
V
R
RI
RI
I5.62
20
25.1
μ
(2) RS5=0.002Ω,refOCVV IRIV
×
×
=
×
=Δ +8002.0 555
(3) If +5V OCP trip point is 20A,
()
Ω=
×
×
=250
208
20002.0
5
μ
OC
R
5. Over-Temperature Protection design example:
(1) NTC (25℃-10K), (70℃-2.2K)
(2) If 70℃ Over-Temperature occurred, VOTP =2.5V,
T
T
RK
R
+
×
=2.2
5
5.2 ,RT=2.2K
ROC12(2)
ROC5
ROC33
ROC12(1)
16
15
14
13
12
11
10
9
1
2
3
4
5
6
7
8
PGI
PSON/
RI
IS12B
VS12B
IS12A
FPO/
GND
PGO
VS33
IS33
IS5
OTP
VS12A
VS5
Vcc
PS223
RI
RPGI
CPGI
1K
RT
Cby
+5VSB
PGO
PSON
+5VSB
NTC
= or
S.P.S. Secondary Side
RS5 +5V Output
RS12(2) +12V(2) Output+12V(2) Coil
RS12(1) +12V(1) Output+12V(1) Coil
RS33 +3.3V Output+3.3V Coil
RPGO
4.7K

點晶科技股份有限公司
SILICON TOUCH TECHNOLOGY INC.
4-Channel Secondary Monitoring IC Version
:
A.003
-8-
PS223
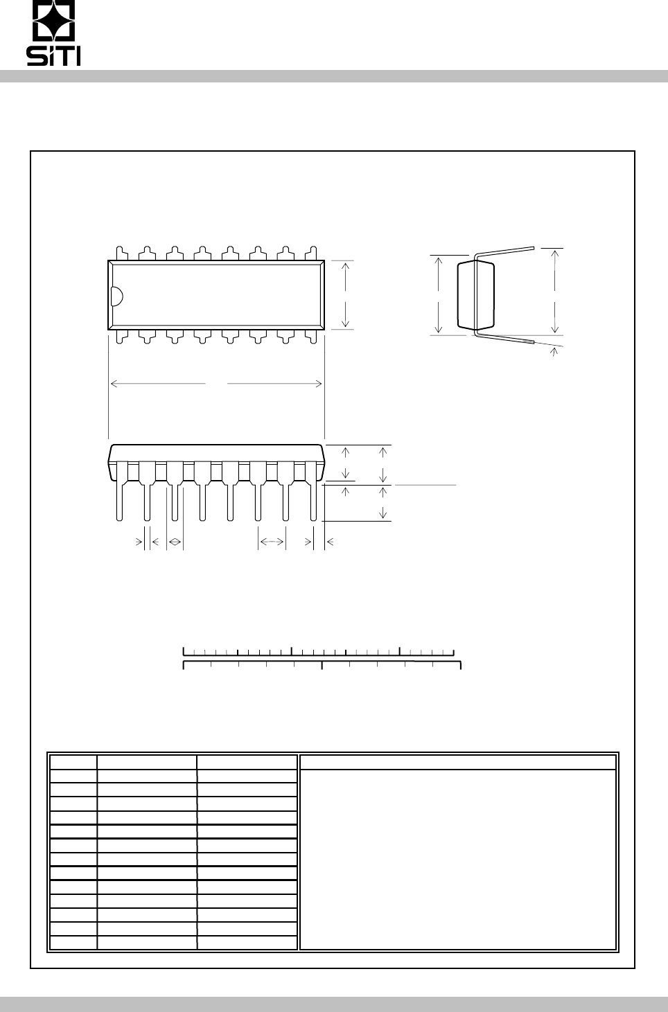
Package Specification
E1E
b1
A1
e
A
S
A2
θ°
0.0 0.5 1.0 inch
0 10 25 mm155 20
( 16-pin DIP )
L
Seating Plane
b
eB
Dimension in mm Symbol Dimension in inch
A 5.330 (MAX) 0.210 (MAX)
A
1 0.380 (MIN) 0.015 (MIN)
A
2 3.300 ± 0.130 0.130 ± 0.005
b 1.520 (TYP) 0.060 (TYP)
b
1 0.460 (TYP) 0.018 (TYP)
D 19.180 ± 0.200 0.755 ± 0.008
E 7.620 (TYP) 0.300 (TYP)
E
1 6.350 ± 0.130 0.250 ± 0.005
e 2.540 (TYP) 0.100 (TYP)
e
B 9.000 ± 0.500 0.355 ± 0.020
L 3.302 ± 0.500 0.130 ± 0.020
S 1.800 (TYP) 0.074 (TYP)
θ° 0° ~ 15° 0° ~ 15°
NOTE
D

點晶科技股份有限公司
SILICON TOUCH TECHNOLOGY INC.
4-Channel Secondary Monitoring IC Version
:
A.003
-9-
PS223
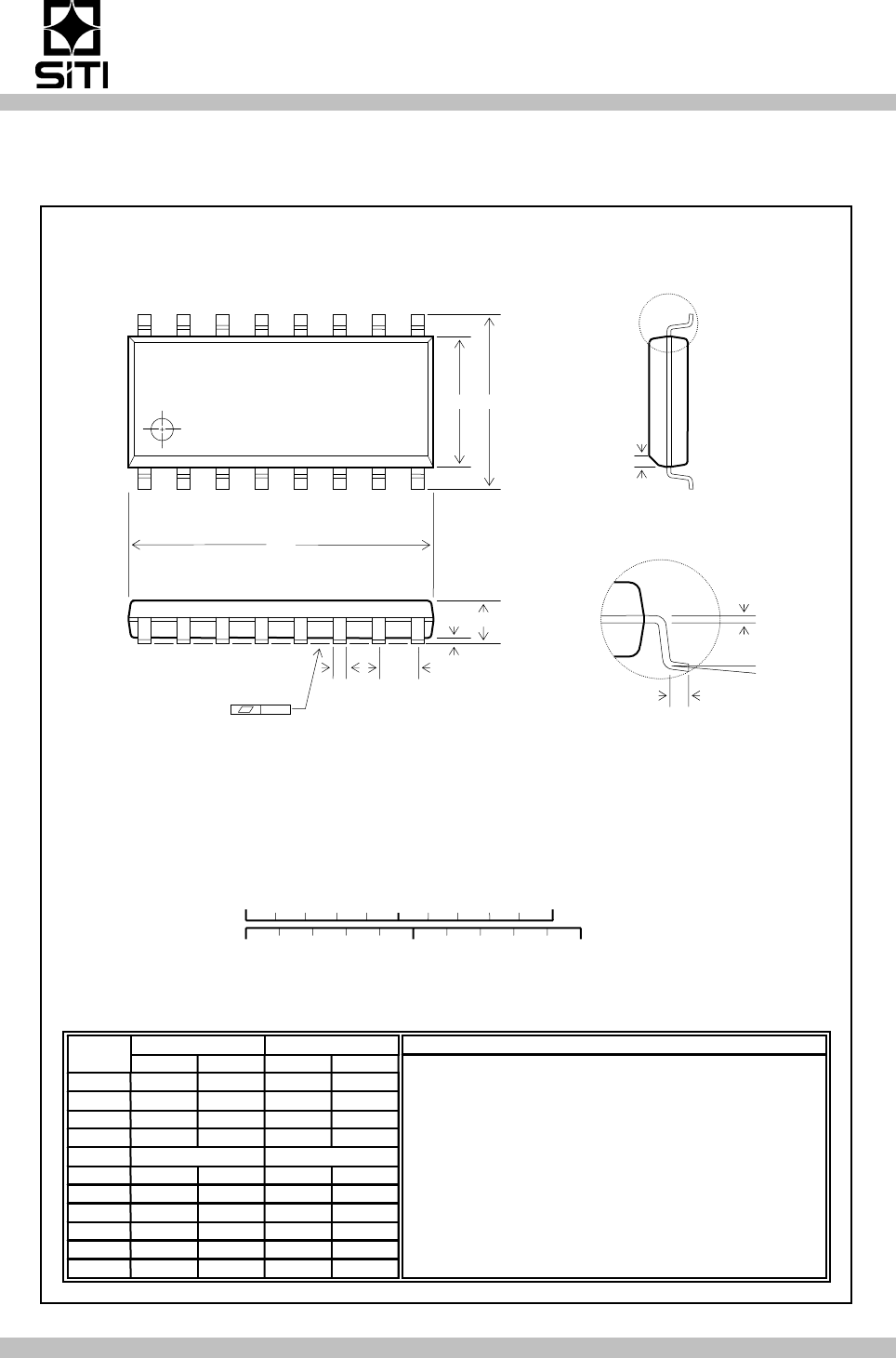
Package Specification (Continued)
Dimension in mm
Symbol Dimension in inch
MIN. MAX. MIN. MAX.
θ
C
L
0.0 0.2 0.4 inch
0 10 mm
5
( 16-pin SOP )
A 1.35 1.75 0.0532 0.0688
A
1 0.10 0.25 0.0040 0.0098
B 0.33 0.51 0.013 0.020
C 0.19 0.25 0.0075 0.0098
e 1.27BSC 0.050BSC
D 9.80 10.00 0.3859 0.3937
H 5.80 6.20 0.2284 0.2440
E 3.80 4.00 0.1497 0.1574
L 0.40 1.27 0.016 0.050
h 0.25 0.50 0.0099 0.0196
θ 0° 8° 0° 8°
NOTE
D
E H
A1
A
Seating Plane
B e
h x 45°

點晶科技股份有限公司
SILICON TOUCH TECHNOLOGY INC.
4-Channel Secondary Monitoring IC Version
:
A.003
-10-
PS223
The products listed herein are designed for ordinary electronic applications, such as
electrical appliances, audio-visual equipment, communications devices and so on.
Hence, it is advisable that the devices should not be used in medical instruments,
surgical implants, aerospace machinery, nuclear power control systems,
disaster/crime-prevention equipment and the like. Misusing those products may
directly or indirectly endanger human life, or cause injury and property loss.
Silicon Touch Technology, Inc. will not take any responsibilities regarding the
misusage of the products mentioned above. Anyone who purchases any products
described herein with the above-mentioned intention or with such misused
applications should accept full responsibility and indemnify. Silicon Touch Technology,
Inc. and its distributors and all their officers and employees shall defend jointly and
severally against any and all claims and litigation and all damages, cost and
expenses associated with such intention and manipulation.
Silicon Touch Technology, Inc. reserve the right to make changes to their products or
to discontinue any product or service without notice, and advise customers to obtain
the latest version of relevant information to verify, before placing orders, that
information being relied on is current and complete.
