PT2308 Datasheet. Www.s Manuals.com. Ptc
User Manual: Datasheets PT2308, PT2308-S.
Open the PDF directly: View PDF
.
Page Count: 4

Headphone Driver IC PT2308
Tel : 886-2-66296288
Fax: 886-2-29174598
URL: http://www.princeton.com.tw
PT2308 v 1.1 1Updated June 1998
DESCRIPTION
PT2308 is a Class AB stereo headphone driver chip utilizing CMOS Technology specially designed for
portable digital audio applications. It is housed in an 8-pin DIP or SO package and is functionally
compatible with TDA1308. Pin assignments and application circuit are optimized for lower cost effec-
tiveness and easy PCB Layout
FEATURES
•CMOS Technology
•Low Power Consumption
•Wide Temperature Range
•Excellent Power Supply Ripple Rejection
•High Signal-to-Noise Ratio, S/N=110dB
•Low Harmonic Distortion, THD= 0.001%
•Large Output Voltage Swing
APPLICATIONS
•Portable Digital Audio
•Hi-fi Audio System
•Walkman
•CD-ROM

Headphone Driver IC PT2308
Tel : 886-2-66296288
Fax: 886-2-29174598
URL: http://www.princeton.com.tw
PT2308 v 1.1 2Updated June 1998
PIN CONFIGURATION

Headphone Driver IC PT2308
Tel : 886-2-66296288
Fax: 886-2-29174598
URL: http://www.princeton.com.tw
PT2308 v 1.1 3Updated June 1998
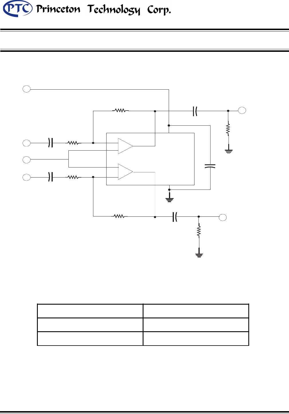
APPLICATION CIRCUIT
-
-
+
+
+
+
+
+
+
3.9K
3.9K
3.9K
3.9K
10uF
10uF
2
3
5
6
VIN1
VIN2
VREF
PT2308
1 8
7 4
100uF
VDD
V
OUT1
RL
10K
100uF
100uF
V
OUT2
RL
10K
ORDER INFORMATION
Valid Part Number Package
PT2308 8 Pins, DIP (300 mil)
PT2308-S 8 Pins, SO (150 mil)
