Quanta J01 Schematics. Www.s Manuals.com. R3a Schematics
User Manual: Motherboard Quanta J01 - Schematics. Free.
Open the PDF directly: View PDF
.
Page Count: 49

1
1
2
2
3
3
4
4
5
5
6
6
7
7
8
8
A A
B B
C C
D D
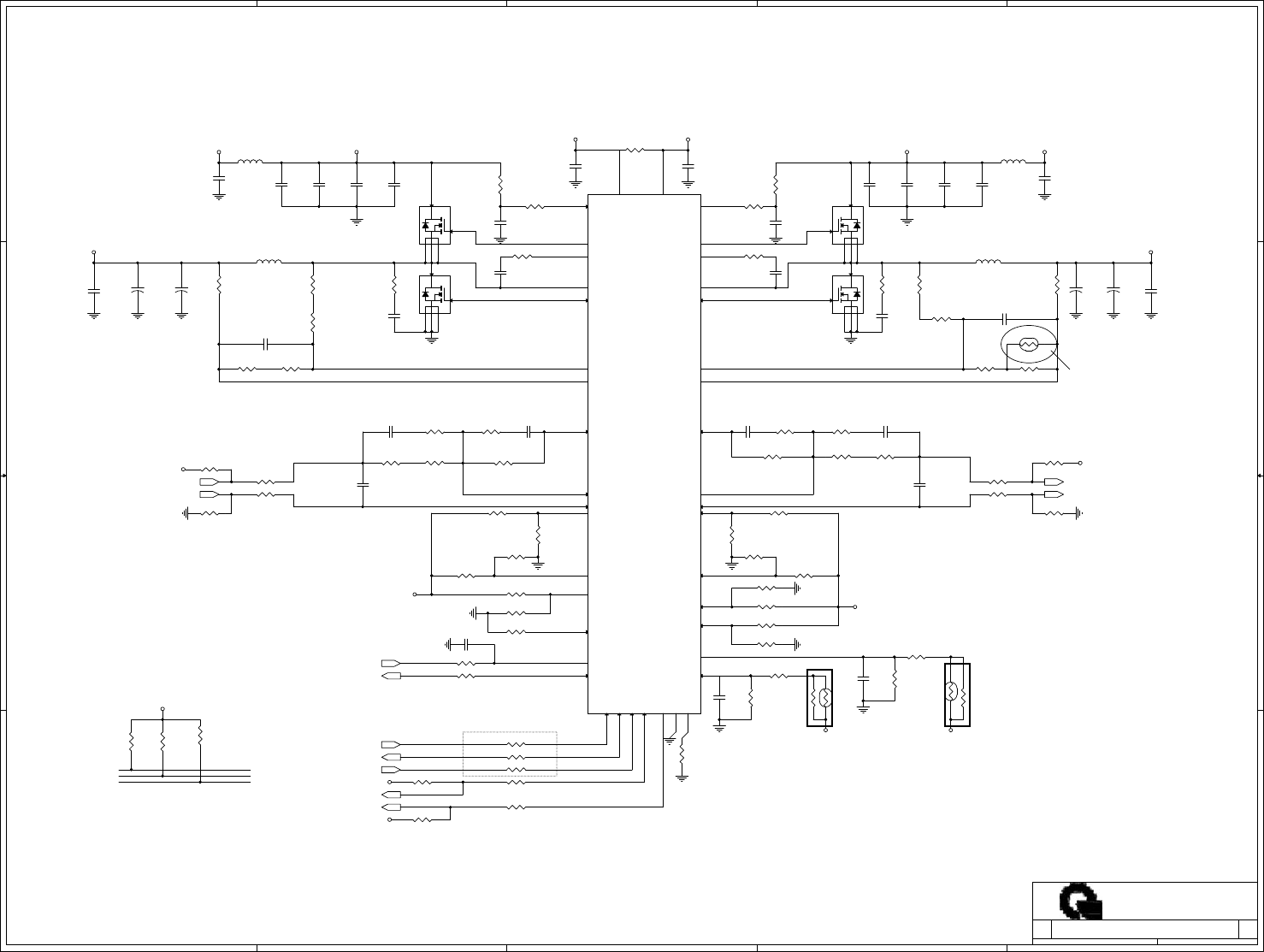
SPI NOR
W25Q64
USB2.0 HUB 0
1067 MT/S
P15
10.1" LVDS panel 1024X768
Audio Codec
Speaker
HP Combo-Jack
SPI
2GB [(256x16)x4]
DDR3L-Memory Onboard
H9CCNNN8KTMLBR-NTM
Touch Panel Controller
mXT1664S
P11,12
FCBGA 1170
IVB GEN7 (DX11)
(25x27mm)
DDI1
Valleyview -M SoC
HDA
1.6GHz (4C/4T)
SATA1
DDR3L-CH0
P2,3,4,5,6,7,8,9,10
P33
DC-IN JACK
Bridge IC
(eDP TO LVDS)
*do not stuff
Schematic Marks
Reference Description
/F 1% esistance
P33
P25
ST LSM303DLHC
Accel_sensor
ST L3G4200D
Capella CM3218
Light_sensor Gyro_sensor
Crystal
32.768KHz
USB2.0 HUB 1
USB2.0-P3
Still Camera (Rear)
[8Mpixel]
Video Camera (front)
[2Mpixel]
WIFI/BT
3G
Description
VER : 1A
BOM P/N
01
Block Diagram (Intel Bay Trail-M Platform)
LPC
P33
EC
Battery Charger
(1S2P)
Battery Conn
ALG MIC
ANTENNA
32GB
EMMC 4.41
USB2.0-P2
ANTENNA
PCIE
DDI0(HDMI)
MICRO HDMI
USB2.0-P1
USB3.0
MICRO-USB3.0
Docking Connector
HUB1,P2
I2C
I2C
Crystal
25MHz
USB2.0 HUB 0
EC
INT I2C
P30
DC-IN JACK
P30 P30
Battery Charger
(1S2P)
Battery Conn
I2C
STANDARD USB
USB to STAT Bridge SATA HDD
2.0
I2C
Micro-SDCARD READER
SDIO
SATA TO EMMC
Bridge
eMMC
P19 P19
P21
P1
P2
P3
EC / Sense HUB
P30
P22
P22
P24
P23
USB2-P2
P1
P2
P3
P4
P20
P30
P27
P28
P28
P28
P20
P16
P17P18
P25P22
P2~10
P5
Size Document Number Rev
Date: Sheet of
Quanta Computer Inc.
PROJECT :
BLOCK DIAGRAM
3A
148Tuesday, Sept ember 24, 2013
J01
Size Document Number Rev
Date: Sheet of
Quanta Computer Inc.
PROJECT :
BLOCK DIAGRAM
3A
148Tuesday, Sept ember 24, 2013
J01
Size Document Number Rev
Date: Sheet of
Quanta Computer Inc.
PROJECT :
BLOCK DIAGRAM
3A
148Tuesday, Sept ember 24, 2013
J01

5
5
4
4
3
3
2
2
1
1
D D
C C
B B
A A
Layout: C741 close to SOC
Layout: Close to CPU pin on M_VREF
Layout: width 10mil / spacing 15mil
DRAM_PWROK DRAM_VCCA_PWROK
2
M0_CLK2P
M0_CLK2N
M0_ODT2
DDR3_TERMN1
DDR3_RCOMP0
DDR3_RCOMP1
DDR3_RCOMP2
M0_DQ0
M0_DQ1
M0_DQ2
M0_DQ3
M0_DQ4
M0_DQ5
M0_DQ6
M0_DQ7
M0_DQ8
M0_DQ9
M0_DQ10
M0_DQ11
M0_DQ12
M0_DQ13
M0_DQ14
M0_DQ15
M0_DQ16
M0_DQ17
M0_DQ18
M0_DQ19
M0_DQ20
M0_DQ21
M0_DQ22
M0_DQ23
M0_DQ24
M0_DQ25
M0_DQ26
M0_DQ27
M0_DQ28
M0_DQ29
M0_DQ30
M0_DQ31
M0_DQ32
M0_DQ33
M0_DQ34
M0_DQ35
M0_DQ36
M0_DQ37
M0_DQ38
M0_DQ39
M0_DQ40
M0_DQ41
M0_DQ42
M0_DQ43
M0_DQ44
M0_DQ45
M0_DQ46
M0_DQ47
M0_DQ48
M0_DQ49
M0_DQ50
M0_DQ51
M0_DQ52
M0_DQ53
M0_DQ54
M0_DQ55
M0_DQ56
M0_DQ57
M0_DQ58
M0_DQ59
M0_DQ60
M0_DQ61
M0_DQ62
M0_DQ63
M0_MA0
M0_MA1
M0_MA2
M0_MA3
M0_MA4
M0_MA5
M0_MA6
M0_MA7
M0_MA8
M0_MA9
M0_MA10
M0_MA11
M0_MA12
M0_MA13
M0_MA14
M0_MA15
M0_DM0
M0_DM1
M0_DM2
M0_DM3
M0_DM4
M0_DM5
M0_DM6
M0_DM7
SOC_DRAM_PWROK
SOC_VCCA_PWROK
M0_DQSN3
M0_DQSN5
M0_DQSN2
M0_DQSN0
M0_DQSN7
M0_DQSN6
M0_DQSN4
M0_DQSN1
M0_DQSP2
M0_DQSP0
M0_DQSP3
M0_DQSP4
M0_DQSP5
M0_DQSP6
M0_DQSP1
M0_DQSP7
DDR3_TERMN0
SLP_S4
SOC_DRAM_PWROK
SOC_VCCA_PWROKSOC_VCCA_PWROK#
+1.35V_DDR3L
+0.675VTERM_DDR3L
+3.3V_ALW
M0_CLK0P
M0_CLK0N
DRMA_CLK0_CT
SOC_DRAM_PWROK_R
DRAM_ODT0
M0_DQ[0..63] (11,12)
M0_CS#0(11,12,13)
M0_WE#(11,12,13)
M0_RAS#(11,12,13)
M0_CAS#(11,12,13)
M0_BS0(11,12,13)
M0_BS1(11,12,13)
M0_BS2(11,12,13)
M0_MA[0..15](11,12,13)
M0_DM[0..7](11,12)
M0_CS2#(11,12,13)
M0_CKE0(11,12,13)
M0_CKE2(11,12,13)
M0_CLK0P(11,12)
M0_CLK0N(11,12)
M0_RST#(11,12)
M0_DQSP[0..7] (11,12)
M0_DQSN[0..7] (11,12)
SLP_S4#(14,30) DDR3_VCCA_PWROK(29,30)
+0.675VTERM_DDR3L(13,35,43)
+1.35V_DDR3L(7,11,12,35,42,43)
+3.3V_ALW(8,14,15,19,22,23,26,29,30,31,34,35,36,37,38,39,40,41,42)
+1.35V_DDR3L_PG(35)
DRAM_ODT0(11,12,13)
+1.35V_DDR3L +0.675_SOC_DVREF
+0.675_SOC_DVREF
+3.3V_ALW
+1.35V_DDR3L
+3.3V_ALW
+1.35V_DDR3L
+0.675VTERM_DDR3L
+3.3V_ALW
Size Document Number Rev
Date: Sheet of
Quanta Computer Inc.
PROJECT :
VLV-M (Memory 0,1)
3A
248Tuesday, September 24, 2013
J01
Size Document Number Rev
Date: Sheet of
Quanta Computer Inc.
PROJECT :
VLV-M (Memory 0,1)
3A
248Tuesday, September 24, 2013
J01
Size Document Number Rev
Date: Sheet of
Quanta Computer Inc.
PROJECT :
VLV-M (Memory 0,1)
3A
248Tuesday, September 24, 2013
J01
Q43B
2
61
R91 162/1%_4
R372 *Short pad_4
TP10
R376
4.7K_2
C117
*0.1uF/10V_2
R107 100K/1%_2
C119
0.2pF/50V/OCG_4
REV = 1.15
2 OF 13
U25B
CPU VALLEYVIEW -M
DRAM1_ODT_0
AP41
DRAM1_CKN_0
AV48 DRAM1_CKP_0
AV50
DRAM1_DRAMRST
AT41
DRAM1_CKN_2
AT48 DRAM1_CKP_2
AT50
DRAM1_DQSN_7 AJ51
DRAM1_DQSP_7 AH52
DRAM1_DQSN_6 AK48
DRAM1_DQSP_6 AK47
DRAM1_DQSN_5 AP44
DRAM1_DQSP_5 AP42
DRAM1_DQSN_4 AV52
DRAM1_DQSP_4 AU53
DRAM1_DQSN_3 BG43
DRAM1_DQSP_3 BH44
DRAM1_DQSN_2 AY38
DRAM1_DQSP_2 BA38
DRAM1_DQSN_1 BH34
DRAM1_DQSP_1 BG35
DRAM1_DQSN_0 BD40
DRAM1_DQSP_0 BF40
DRAM1_DQ_63 AF51
DRAM1_DQ_62 AF52
DRAM1_DQ_61 AK51
DRAM1_DQ_60 AL53
DRAM1_DQ_59 AG51
DRAM1_DQ_58 AG53
DRAM1_DQ_57 AL51
DRAM1_DQ_56 AM52
DRAM1_DQ_55 AK45
DRAM1_DQ_54 AH44
DRAM1_DQ_53 AM50
DRAM1_DQ_52 AM48
DRAM1_DQ_51 AF50
DRAM1_DQ_50 AF48
DRAM1_DQ_49 AM47
DRAM1_DQ_48 AM45
DRAM1_DQ_47 AH40
DRAM1_DQ_46 AK42
DRAM1_DQ_45 AP50
DRAM1_DQ_44 AP48
DRAM1_DQ_43 AM41
DRAM1_DQ_42 AK40
DRAM1_DQ_41 AP45
DRAM1_DQ_40 AP47
DRAM1_DQ_39 AR53
DRAM1_DQ_38 AR51
DRAM1_DQ_37 AW53
DRAM1_DQ_36 AW51
DRAM1_DQ_35 AP51
DRAM1_DQ_34 AP52
DRAM1_DQ_33 AY51
DRAM1_DQ_32 AY52
DRAM1_DQ_31 BH47
DRAM1_DQ_30 BH48
DRAM1_DQ_29 BH40
DRAM1_DQ_28 BG40
DRAM1_DQ_27 BH46
DRAM1_DQ_26 BJ45
DRAM1_DQ_25 BG41
DRAM1_DQ_24 BJ41
DRAM1_DQ_23 AY40
DRAM1_DQ_22 AY42
DRAM1_DQ_21 AV36
DRAM1_DQ_20 BA36
DRAM1_DQ_19 AT40
DRAM1_DQ_18 AV40
DRAM1_DQ_17 AT36
DRAM1_DQ_16 AU36
DRAM1_DQ_15 BH38
DRAM1_DQ_14 BG37
DRAM1_DQ_13 BJ33
DRAM1_DQ_12 BG33
DRAM1_DQ_11 BJ37
DRAM1_DQ_10 BG36
DRAM1_DQ_8 BH32
DRAM1_DQ_7 BC44
DRAM1_DQ_6 BF42
DRAM1_DQ_5 BD36
DRAM1_DQ_4 BC38
DRAM1_DQ_3 BD42
DRAM1_DQ_2 BA42
DRAM1_DQ_1 BC40
DRAM1_DQ_0 BG38
DRAM1_ODT_2
AT42
DRAM1_CKE_22
BD44
DRAM1_CKE_00
BG47
DRAM1_CS_2
AT45
DRAM1_CS_0
AT44
DRAM1_BS_2
BF52 DRAM1_BS_1
AY44 DRAM1_BS_0
AY47
DRAM1_WE
BB51 DRAM1_CAS
AV44 DRAM1_RAS
AV45
DRAM1_DM_7
AK52 DRAM1_DM_6
AK50 DRAM1_DM_5
AM42 DRAM1_DM_4
AT51 DRAM1_DM_3
BH42 DRAM1_DM_2
BC36 DRAM1_DM_1
BH36 DRAM1_DM_0
BD38
DRAM1_MA_15
BH50 DRAM1_MA_14
BH49 DRAM1_MA_13
BA51 DRAM1_MA_12
BD47 DRAM1_MA_11
BE51 DRAM1_MA_10
AY48 DRAM1_MA_9
BE52 DRAM1_MA_8
BC52 DRAM1_MA_7
BF50 DRAM1_MA_6
BB49 DRAM1_MA_5
BC53 DRAM1_MA_4
BB50 DRAM1_MA_3
BB44 DRAM1_MA_2
AW41 DRAM1_MA_1
BB47 DRAM1_MA_0
AY45
RESERVED_BF48
BF48
RESERVED_BE46
BE46
DRAM1_DQ_9 BG32
R378
1M/5%_4
R377
*10k/5%_4
Q42A
PJ4N3KDW/30V_0.1A-SC70
5
34
C325 *0.1u/10V/X5R_2
R374
4.7K/1%_2
R105 4.7K/1%_2
REV = 1.15
1 OF 13
U25A
CPU VALLEYVIEW -M
DRAM0_DM_7
Y52
DRAM0_MA_9
E52
DRAM0_MA_14
B49
DRAM0_BS_2
D52
DRAM0_DQ_19 J42
DRAM0_DQ_18 F42
DRAM0_DQ_24 A41
DRAM0_DQ_23 D42
DRAM0_DQ_22 G44
DRAM0_DQ_21 C38
DRAM0_DQ_20 G40
DRAM0_DQ_29 B40
DRAM0_DQ_28 C40
DRAM0_DQ_27 B46
DRAM0_DQ_26 A45
DRAM0_DQ_25 C41
DRAM0_DQ_34 T52
DRAM0_DQ_33 K51
DRAM0_DQ_32 K52
DRAM0_DQ_31 B47
DRAM0_DQ_30 B48
DRAM0_DQ_39 R53
DRAM0_DQ_38 R51
DRAM0_DQ_37 L53
DRAM0_DQ_36 L51
DRAM0_DQ_35 T51
DRAM0_DQ_40 T47
DRAM0_DQ_44 T48
DRAM0_DQ_43 V41
DRAM0_DQ_42 Y40
DRAM0_DQ_41 T45
DRAM0_DQ_45 T50
DRAM0_DQ_49 V47
DRAM0_DQ_48 V45
DRAM0_DQ_47 AB40
DRAM0_DQ_46 Y42
DRAM0_DQ_50 AD48
DRAM0_DQ_55 Y45
DRAM0_DQ_54 AB44
DRAM0_DQ_53 V50
DRAM0_DQ_52 V48
DRAM0_DQ_51 AD50
DRAM0_DQ_60 W53
DRAM0_DQ_59 AC51
DRAM0_DQ_58 AC53
DRAM0_DQ_57 W51
DRAM0_DQ_56 V52
DRAM0_DQ_63 AD51
DRAM0_DQ_62 AD52
DRAM0_DQ_61 Y51
DRAM0_DQSP_0 J38
DRAM0_DQSN_0 K38
DRAM0_DQSN_1 B34
DRAM0_DQSP_2 D40
DRAM0_DQSP_3 B44
DRAM0_DQSN_2 F40
DRAM0_DQSN_3 C43
DRAM0_DQSP_4 N53
DRAM0_DQSN_4 M52
DRAM0_DQSN_5 T44
DRAM0_DQSP_5 T42
DRAM0_DQSP_7 AB52
DRAM0_DQSN_6 Y48
DRAM0_DQSP_6 Y47
DRAM0_DQSN_7 AA51
DRAM0_MA_3
H44 DRAM0_MA_2
L41 DRAM0_MA_1
H47 DRAM0_MA_0
K45
DRAM0_MA_4
H50
DRAM0_MA_6
H49 DRAM0_MA_5
G53
DRAM0_MA_15
B50
DRAM0_DM_1
B36 DRAM0_DM_0
G36
DRAM0_DM_2
F38
DRAM0_DM_4
P51
DRAM0_WE
H51
DRAM0_BS_0
K47
DRAM0_CS_2
P45
DRAM_RCOMP_0
AD44
DRAM_RCOMP_2
AD45
RESERVED_AF40
AF40
RESERVED_AF41
AF41
RESERVED_AD41
AD41 RESERVED_AD40
AD40
DRAM0_MA_8
G52 DRAM0_MA_7
D50
DRAM0_CAS
M44 DRAM0_RAS
M45
DRAM0_DM_6
Y50 DRAM0_DM_5
V42
DRAM_CORE_PWROK
AB42
DRAM0_CKE_0
C47
DRAM0_CKE_2
F44
DRAM0_ODT_0
T41
DRAM0_ODT_2
P42
DRAM0_CKP_0
M50
DRAM0_CKN_0
M48
DRAM0_DRAMRST
P41
DRAM0_CKN_2
P48 DRAM0_CKP_2
P50
DRAM_VREF
AF44
DRAM0_CS_0
P44
DRAM0_BS_1
K44
DRAM0_DM_3
B42
DRAM0_DQ_17 G38
DRAM0_DQ_16 F36
DRAM0_DQ_15 B38
DRAM0_DQ_14 C37
DRAM0_DQ_13 A33
DRAM0_DQ_12 C33
DRAM0_DQ_11 A37
DRAM0_DQ_10 C36
DRAM0_DQ_8 B32
DRAM0_DQ_7 K42
DRAM0_DQ_6 K40
DRAM0_DQ_5 N36
DRAM0_DQ_4 P36
DRAM0_DQ_3 M40
DRAM0_DQ_2 P40
DRAM0_DQ_1 J36
DRAM0_DQ_0 M36
DRAM0_MA_13
J51 DRAM0_MA_12
F47 DRAM0_MA_11
E51 DRAM0_MA_10
K48
RESERVED_E46
E46
RESERVED_D48
D48
ICLK_DRAM_TERMN
AH42
DRAM_VDD_S4_PWROK
AD42
ICLK_DRAM_TERMN_AF42
AF42
DRAM0_DQ09_C32 C32
DRAM0_DQSP_1 C35
DRAM_RCOMP_1
AF45
TP7
Q43A
PJ4N3KDW/30V_0.1A-SC70
5
34
R110
10K_2
Q42B
2
61
TP8
C61 0.1u/10V/X5R_4
R375
4.7K/1%_2
R93 23.2/1%_4
C327
*0.1u/10V/X5R_4
C326
*0.1u/10V/X5R_4
R67 39/1%_4
C112
0.1uF/10V_2
R60 39/1%_4
R103 100K/1%_2
R373 *Short pad_4
TP9
R96 29.4/1%_4
R106 4.7K/1%_2

5
5
4
4
3
3
2
2
1
1
D D
C C
B B
A A
HDMI
LVDS Panel
ok
DDI0_DDCDATA:
DDI0 Dectect
0 = DDI0 not detect
1 = DDI0 detect
DDI1_DDCDATA:
DDI1 Dectect
0 = DDI1 not detect
1 = DDI1 detect
Hardware Straps
DG
Elpida (TN) EDJ4216EFBG-GN-F F
Hynix (TG) H5TC4G63MFR-PBA ,M
Samsung (TH) K4B4G1646Q-HYK0 B
Micron (TF) MT41K256M16HA-125:E V80A/E
GPIO24GPIO25GPIO26
0
000
10
0
0
10
100
11
Memory ID
Memory ID
+1.8V
+1.0VSX
+1.8V
3
ok
H: LED active
AKD5JGSTL02
AKD5PGST500
AKD5PGSTW00
Follow CRB
Hynix (TG) H5TC4G63AFR-PBA HUMA, A
AKD5JGST403
AKD5JGETW00
0916: Add Elpida memory.
CRB
CRB
DDI0_DDC_SDA
DDI0_RCOMPN
VSS_AM3
VSS_AM2
TP_GPIO_NC14
GPIO_NC13
DDI0_AUX_DP
DDI0_AUX_DN
DDI1_DDC_SDA
DDI1_BKLT_EN
DDI0_RCOMPP
VSS_AH3
VSS_AH2
INTD_DSI_TE
VGA_DDCCLK
VGA_DDCDATA
DDI0_DDC_SDA
DDI1_DDC_SDA
GPIO_NC13
SOC_GPIO_S0_NC26
SOC_GPIO_S0_NC25
SOC_GPIO_S0_NC24
SOC_GPIO_S0_NC26
SOC_GPIO_S0_NC25
SOC_GPIO_S0_NC24
DDI0_AUX_DP
DDI0_AUX_DN
SOC_VGA_IREF
SOC_VGA_IRTN
+1.8V
REAR_CAM_LED
DDI1_DDC_SCL
DDI0_TX0_DP(16)
DDI0_TX0_DN(16)
DDI0_TX1_DP(16)
DDI0_TX1_DN(16)
DDI0_TX2_DP(16)
DDI0_TX2_DN(16)
DDI0_TX3_DP(16)
DDI0_DDC_SCL(16)
DDI0_HPD#(16)
DDI0_DDC_SDA(16)
DDI1_TX0_DP (15)
DDI1_TX0_DN (15)
DDI1_AUX_DP (15)
DDI1_AUX_DN (15)
DDI1_eDP_HPD (15)
SOC_DDI1_VDDEN (14)
SOC_DDI1_BKLTCTL (14)
DDI0_TX3_DN(16)
EN_FRONT_CAM (22)
LCD_BK_OFF (15)
WWAN_OFF# (24)
EN_REAR_CAM (22)
SOC_HDD_PROTECT (14)
+1.8V
(4,5,6,8,14,15,16,18,24,29,31,42,43)
DDI1_TX1_DP (15)
DDI1_TX1_DN (15)
REAR_CAM_LED (22)
+1.8V
+1.8V
+1.8V
+1.8V
+1.8V
Size Document Number Rev
Date: Sheet of
Quanta Computer Inc.
PROJECT :
VLV-M (DISPLAY)
3A
348Tuesday, September 24, 2013
J01
Size Document Number Rev
Date: Sheet of
Quanta Computer Inc.
PROJECT :
VLV-M (DISPLAY)
3A
348Tuesday, September 24, 2013
J01
Size Document Number Rev
Date: Sheet of
Quanta Computer Inc.
PROJECT :
VLV-M (DISPLAY)
3A
348Tuesday, September 24, 2013
J01
TP45
R455 0/5%_2
TP59
R458 *10k/1%_4
R127 *10K/5%_2
R138 10K/1%_2
TP58
R462 0/5%_2
R125 *2.2K/5%_2
R460 *10k/1%_4
R126 *10K/5%_2
R197 402/1%_4
R124 *10K/5%_2
TP46
R118 2.2K/5%_2
TP60
R121 10K/5%_2
R463
*357/1%_4
R120 10K/5%_2
R133 10K/5%_2
R461 *10k/1%_4
R464 0/5%_2
R465 0/5%_2
TP77
R457 *Short pad_2
3 OF 13
REV = 1.15
U25C
CPU VALLEYVIEW-M
DDI1_TXP_0 AG3
DDI0_HPD
D27
DDI1_TXN_1 AF2
DDI1_TXP_1 AF3
VGA_HSYNC BD2
VGA_IRTN AY3
VGA_IREF AW1
VGA_GREEN BA1
DDI0_TXP_0
AV3
DDI0_TXN_0
AV2
DDI0_TXP_1
AT2
DDI0_TXN_1
AT3
DDI0_TXP_2
AR3
DDI0_TXP_3
AP3 DDI0_TXN_2
AR1
DDI0_TXN_3
AP2
DDI0_AUXP
AL3
DDI0_AUXN
AL1
DDI0_DDCDATA
C26
DDI0_DDCCLK
C28
DDI0_BKLTEN
C27 DDI0_VDDEN
B28
RESERVED_AM13
AM13
RESERVED_T2
T2
RESERVED_W3
W3
RESERVED_W1
W1
RESERVED_V2
V2
RESERVED_R3
R3 RESERVED_V3
V3
RESERVED_R1
R1
RESERVED_AD6
AD6
RESERVED_AD4
AD4
RESERVED_AB7
AB7 RESERVED_AB9
AB9
RESERVED_Y4
Y4
RESERVED_Y6
Y6
RESERVED_V4
V4
RESERVED_V6
V6
RESERVED_AB14
AB14
GPIO_S0_NC12
B30
RESERVED_C30
C30
DDI1_TXN_0 AG1
DDI1_TXP_2 AD3
DDI1_TXN_2 AD2
VGA_BLUE AY2
VGA_RED BA3
DDI1_BKLTCTL M30
DDI1_BKLTEN J30
DDI1_VDDEN N30
DDI1_DDCCLK G30
DDI1_DDCDATA P30
DDI1_HPD K30
DDI1_AUXN AK2
DDI1_AUXP AK3
DDI1_TXN_3 AC1
DDI1_TXP_3 AC3
RESERVED_AF13 AF13
RESERVED_AF14 AF14
RESERVED_AH13 AH13
RESERVED_AH14 AH14
VGA_DDCDATA BC2
VGA_DDCCLK BC1
VGA_VSYNC BF2
RESERVED_T7 T7
RESERVED_AB13 AB13
RESERVED_T9 T9
RESERVED_AB12 AB12
RESERVED_Y13 Y13
RESERVED_Y12 Y12
RESERVED_T12 T12
RESERVED_V9 V9
RESERVED_V10 V10
RESERVED_V14 V14
RESERVED_T10 T10
RESERVED_T13 T13
RESERVED_T14 T14
RESERVED_V13 V13
RESERVED_T4 T4
RESERVED_T6 T6
RESERVED_P14 P14
RESERVED_K34 K34
DDI0_BKLTCTL
B26
RESERVED_AM14
AM14
RESERVED_Y2
Y2 RESERVED_Y3
Y3 RESERVED_AB2
AB2 RESERVED_AB3
AB3 RESERVED_T3
T3
GPIO_S0_NC13
A29
GPIO_S0_NC25 N32
GPIO_S0_NC16 M32
GPIO_S0_NC23 K28
GPIO_S0_NC24 J34
GPIO_S0_NC18 J28
GPIO_S0_NC15 F34
GPIO_S0_NC21 F32
GPIO_S0_NC22 F28
GPIO_S0_NC20 D34
GPIO_S0_NC26 D32
GPIO_S0_NC17 D28
GPIO_S0_NC14_C29
C29
VSS_AM3
AM3
VSS_AM2
AM2
DDI0_RCOMP
AK13
DDI0_RCOMP_P
AK12
VSS_AH3 AH3
VSS_AH2 AH2
R122 *10K/5%_2
R117 *10K/5%_2
TP16
R459 *10k/1%_4
R136 *10K/5%_2
R134 10K/5%_2
R453 *Short pad_2

5
5
4
4
3
3
2
2
1
1
D D
C C
B B
A A
Internal PD 2K
GPIO_S0_SC_63 (LPE_I2S2_FRM):
BIOS/EFI Boot Selection
0 = LPC
1 = SPI
Mirco SD
OK
GPIO_S0_SC_65 (LPE_I2S2_DATAOUT):
Security Flash Description
0 = Override
1 = Normal operation
Hardware Straps
PROCHOT
VAUD
(+1.5V)
WLAN
SATA
SATA
1.8V
1.8V
VSDIO
VSDIO
+1.8V
4
DG: close to connector
eMMC
NGFF
WR2
0726: DG1.2: USE 70.7 OHM.
CRB
0924: All SKU: depopulate C37/C33/C46/C47
0924: Entry SKU: depopulate
HDA_BIT_CLK
HDA_SYNC
HDA_RST#
HDA_SDI0#
HDA_SDOUT
HDA_RCOMP
VSS_BB7
VSS_BB5
PCIE_RCOMPP
PCIE_RCOMPN
H_PROCHOT#_R
SD3_CLK
SD3_D0
SD3_D1
SD3_D2
SD3_D3
SD3_CD#
SD3_CMD
SD3_1.8_EN#
VSS_BB7
VSS_BB5
WLAN_PCIE_CLKREQ0#
H_PROCHOT#_R
SATA_RCOMP_P
SATA_RCOMP_N
ICLK_SATA_TERMP
ICLK_SATA_TERMN
EMMC_RCOMP
SDIO3_RCOMP
HDA_RCOMP
ICLK_SATA_TERMP
ICLK_SATA_TERMN
BIOS_STRAP
BIOS_STRAP
SOC_Override
SOC_Override
WLAN_PCIE_RX0N
SOC_PCIE_TX0N
SOC_PCIE_TX0P
WLAN_PCIE_RX0P
WLAN_PCIE_CLKREQ0#
CARD_PCIE_CLKREQ1#
PCIE_CLKREQ2#
PCIE_CLKREQ3#
PCIE_CLKREQ3#
PCIE_CLKREQ2#
CARD_PCIE_CLKREQ1#
SATA_RXP0
SATA_RXN0
SATA_TXN0
SATA_TXP0
SATA_RXN0_C
SATA_RXP0_C
SATA_TXP0_C
SATA_TXN0_C SATA_TXN0
SATA_RXN0
SATA_RXP0
SATA_TXP0
SOC_DEVSLP
SOC_DEVSLP
SOC_SATA_LED#
SOC_SATA_LED#
SOC_Override
SATA_RXP1
SATA_TXN1
SATA_TXP1
SATA_RXN1
SATA_RXN1_WR2
SATA_RXP1_WR2
SATA_TXP1_WR2
SATA_TXN1_WR2
EMMC_RCOMP
+1.8V
+1.0V
SDIO3_RCOMP
SOC_RUNTIME_SCI#
SATA_RXN1
SATA_RXP1
SATA_TXP1
SATA_TXN1
SD3_D0(19)
SD3_D1(19)
SD3_D2(19)
SD3_D3(19)
SD3_CMD(19)
SD3_CD#
(19)
HDA_SYNC (27)
HDA_RST# (27)
HDA_SDI0# (27)
HDA_SDOUT (27)
HDA_BIT_CLK (27)
H_PROCHOT#(34,41)
SD3_PWR_EN#(19)
SD3_CLK(19)
WLAN_PCIE_TX0P (23)
WLAN_PCIE_RX0N (23)
WLAN_PCIE_RX0P (23)
WLAN_PCIE_TX0N (23)
WLAN_PCIE_CLKREQ0# (23)
SATA_RXN0_C(24)
SATA_TXN0_C(24)
SATA_TXP0_C(24)
SATA_RXP0_C(24)
SOC_DEVSLP(24)
SOC_SATA_LED#(24)
EN_OVERRIDE(30)
SATA_RXN1_WR2(17)
SATA_TXN1_WR2(17)
SATA_TXP1_WR2(17)
SATA_RXP1_WR2(17)
SOC_EMMC_D0(17)
SOC_EMMC_D1(17)
SOC_EMMC_D2(17)
SOC_EMMC_D3(17)
SOC_EMMC_D4(17)
SOC_EMMC_D5(17)
SOC_EMMC_D6(17)
SOC_EMMC_D7(17)
SOC_EMMC_CMD(17)
SOC_EMMC_RST#(18)
SOC_EMMC_CLK(17)
+1.8V
(3,5,6,8,14,15,16,18,24,29,31,42,43)
+1.0V
(5,8,17,41,42,43)
EC_H_PROCHOT(30)
SOC_RUNTIME_SCI#(14) +1.8V
+1.0V
+1.8V
+1.8V
Size Document Number Rev
Date: Sheet of
Quanta Computer Inc.
PROJECT :
VLV-M (SATA/PCIE&AUDIO)
3A
448Tuesday, September 24, 2013
J01
Size Document Number Rev
Date: Sheet of
Quanta Computer Inc.
PROJECT :
VLV-M (SATA/PCIE&AUDIO)
3A
448Tuesday, September 24, 2013
J01
Size Document Number Rev
Date: Sheet of
Quanta Computer Inc.
PROJECT :
VLV-M (SATA/PCIE&AUDIO)
3A
448Tuesday, September 24, 2013
J01
C33 0.01U/16V_2
C220 0.1U/10V_2
R208 10K_2
R220 0/5%_2
R148 Short pad_2
Q48A
PJ4N3KDW
5
34
R152 73.2/1%_4
C210 0.01U/16V_2
R215 10K_2
C194 0.01U/16V_2
R185 10K_2
R383 10k/5%_4
C208 0.01U/16V_2
TP22
TP55
R129 *10K_2
R169 402/1%_4
R189 *10K_2
R181 10K/1%_2
R159 49.9/1%_4
TP24
C46 0.01U/16V_2
C37 0.01U/16V_2
C219 0.1U/10V_2
TP53
R218 0/5%_2
R196 402/1%_4
C188 0.01U/16V_2
R384 *4.7k/5%_4
R204 0/5%_2
R131 10K_2
Q16
2N7002K/60V/0.3A
3
2
1
R214 10K_2
R163 49.9/1%_4
R153 49.9/1%_4
R216 10K_2
R219 0/5%_2
4 OF 13
REV = 1.15
U25D
CPU VALLEYVIEW-M
ICLK_SATA_TERMP
BB10
ICLK_SATA_TERMN
BC10
LPE_I2S2_CLK BF28
SD3_RCOMP
BF26
SD3_1P8EN
BF22
HDA_LPE_RCOMP BF20
LPE_I2S2_DATAIN BD28
SD3_PWREN
BD22
LPE_I2S2_DATAOUT BC30
SD3_CD#
BC24
SD2_CMD
BC18
LPE_I2S2_FRM BA30
MMC1_RST
BA24
SD2_CLK
BA18
SD3_CLK
AY26
MMC1_RCOMP
AY18
SD3_CMD
AV28
MMC1_CMD
AV26
MMC1_CLK
AT22
PCIE_CLKREQ_0 BG3
PCIE_CLKREQ_1 BD7
PCIE_CLKREQ_2 BG5
PCIE_CLKREQ_3 BE3
PCIE_TXN_0 AY6
SATA_TXP_0
BF6
SATA_TXN_0
BG7
PCIE_RXP_0 AT14
PCIE_RXN_0 AT13
SATA_RXN_0
AV16
PCIE_TXP_1 AV6
PCIE_TXN_1 AV4
SATA_TXN_1
BF10
PCIE_RXN_1 AT9
PCIE_RXP_1 AT10
SATA_RXN_1
BA16
PCIE_TXP_2 AT7
PCIE_TXN_2 AT6
PCIE_RXN_3 AP7
PCIE_RXP_3 AP9
PCIE_TXN_3 AP4
RESERVED_P34 P34
RESERVED_N34 N34
RESERVED_AK9 AK9
RESERVED_AK7 AK7
PROCHOT C24
HDA_RST BG22
HDA_SYNC BH20
HDA_CLK BJ21
HDA_SDO BG20
HDA_SDI0 BG19
HDA_SDI1 BG21
HDA_DOCKRST BH18
HDA_DOCKEN BG18
PCIE_RXP_2 AP12
PCIE_RXN_2 AP10
PCIE_TXP_3 AP6
SATA_GP0
BA12
SATA_LED
AY12 SATA_GP1
AY14
PCIE_TXP_0 AY7
SATA_RXP_1
AY16
SATA_RXP_0
AU16
MMC1_D0
AV20
MMC1_D1
AU22
MMC1_D2
AV22
MMC1_D3
AT20
MMC1_D4
AY24
MMC1_D5
AU26
MMC1_D6
AT26
MMC1_D7
AU20
SD2_D0
AY20
SD2_D1
BD20
SD2_D2
BA20
SD2_D3_CD
BD18
SD3_D0
AT28
SD3_D1
BD26
SD3_D2
AU28
SD3_D3
BA26
SD3_WP_BD5 BD5
VSS_BB7 BB7
VSS_BB5 BB5
RESERVED_BB4 BB4
RESERVED_BB3 BB3
RESERVED_AV10 AV10
RESERVED_AV9 AV9
SATA_RCOMP_P_AU18
AU18
SATA_RCOMP_N_AT18
AT18
PCIE_RCOMP_P_AP14_AP14 AP14
PCIE_RCOMP_N_AP13_AP13 AP13
SATA_TXP1
BD10
C47 0.01U/16V_2

5
5
4
4
3
3
2
2
1
1
D D
C C
B B
A A
RTC domain
WLAN
(+1.8V SPI ROM)64M-bit
LAYOUT: CLOSE TO SOC
LAYOUT: CLOSE TO SPI ROM
LAYOUT: PLACE WITHIN .25' FROM XDP CONN
LAYOUT: PLACE WITHIN 1.1' FROM SOC CONN
LAYOUT: PLACE WITHIN 1.1' OF BUFFER PIN
EC
RTC Power trace width 20mils.
20mils
RTC Circuit
RTC well reset
INTEL: EDS page1979
+1.8V_ALW
CRB
only GPO
only GPI
DG
+1.8V_ALW
+1.8V_ALW
XDP
RTC Clock 32.768KHz
XTAL 25MHz
DG
+1.8V
+1.8V
+1.8V_ALW
+1.8V
OLB?
5
DG1.2
DG1.2
0823: CRB
0822: For EA.
XTAL_25M_OUT
XTAL_25M_IN
ICLK_ICOMP
ICLK_RCOMP
GPIO_RCOMP
SOC_SPI_MOSI
SOC_SPI_MISO
SOC_SPI_CLK
SOC_SPI_CS0#
SPI_MOSI
CORE_PWROK
SOC_PLTRST#
SOC_RSMRST#
SOC_SUSACK#
SOC_SLP_S4#
SOC_SLP_S3#
SOC_ACIN
SOC_BATLOW#
SOC_PWRBTN#
SOC_PCIE_WAKE#
ILB_RTC_EXTPAD
RTC_XTAL_IN
RTC_XTAL_OUT
SOC_SVID_CLK
SOC_SVID_DATA
SOC_SVID_ALERT#
XDP_H_TCK
XDP_H_TMS
XDP_H_TDI
XDP_H_TDO
XDP_H_PRDY#
XDP_H_TRST#
XDP_H_PREQ#
RTC_TEST#
SOC_RSTBTN#
GPIO_S5_14
SOC_SUS_STAT#
SOC_TCH_INT#_R
SPI_WP#
SPI_CLK
SPI_CS0#
SOC_SPI_MOSI
SOC_SPI_MISO
SOC_SPI_CLK
SOC_SPI_CS0# SPI_CS0#
SPI_CLK
SPI_MISO
XDP_H_PREQ#
XDP_H_TMS
XDP_H_TDI
XDP_H_TDO
SOC_SLP_S0IX#
SOC_SENSHUB_INT
SOC_SENSHUB_RST#
SRTC_RST#
SRTC_RST#
SOC_SUS_STAT#
SOC_SUSACK#
ICLK_RCOMP
ICLK_ICOMP
SOC_PCIE_WAKE#
GPIO_RCOMP
GPIO_S5_14
EC_RSMRST#
SOC_TCH_INT#_R
SOC_SUSCLK
GPIO_S5_17
SOC_WWAN_WAKE#
GPIO_S5[02]
GPIO_S5[03]
GPIO_S5[02]
GPIO_S5[03]
SOC_BATLOW#
SOC_RSTBTN#
RTC_XTAL_OUT
RTC_XTAL_IN
SOC_RSMRST#
XTAL_25M_IN
XTAL_25M_OUT
UART1_TXD
UART1_RXD
RTC_TEST#
XDP_H_TRST#
XDP_H_TCK
GPIO_S5[04]
GPIO_S5[05]
GPIO_S5[04]
GPIO_S5[05]
VR_SVID_DATA
SOC_SVID_CLK
VR_SVID_ALERT#
SPI_WP#
SPI_MOSI
SPI_CS0#
SPI_MISO
SPI_CLK
SPI_HOLD
SPI_HOLD
SOC_WWAN_WAKE#(24)
SOC_WAKE_SCI#(30)
VR_SVID_DATA (41)
VR_SVID_CLK (41)
SOC_ACIN (30)
SOC_SUSACK# (14)
SOC_SLP_S0IX# (14)
SOC_SLP_S4# (14)
SOC_SLP_S3# (14)
SOC_PWRBTN# (14)
SOC_SUS_STAT# (14)
SOC_PCIE_WAKE# (14)
WLAN_PCIE_CLK0N(23)
WLAN_PCIE_CLK0P(23)
SOC_EXTSMI#(14)
SOC_WLAN_PWR (23)
CORE_PWROK (29)
SOC_PLTRST# (14,24)
EC_RSMRST#(30,31)
SOC_TCH_INT#_R (14)
VR_SVID_ALERT# (41)
+1.8V_ALW
+1.8V_ALW
+1.8V_ALW
+1.8V_ALW
+1.8V_ALW
+3.3VPCU +3.3V_RTC
+V_COIN_BAT
+1.8V_ALW
+1.8V_ALW
+1.8V
+1.8V_ALW
+1.8V_ALW
+1.0V
Size Document Number Rev
Date: Sheet of
Quanta Computer Inc.
PROJECT :
VLV-M (CLK/PMU/SPI/RTC)
3A
548Tuesday, September 24, 2013
J01
Size Document Number Rev
Date: Sheet of
Quanta Computer Inc.
PROJECT :
VLV-M (CLK/PMU/SPI/RTC)
3A
548Tuesday, September 24, 2013
J01
Size Document Number Rev
Date: Sheet of
Quanta Computer Inc.
PROJECT :
VLV-M (CLK/PMU/SPI/RTC)
3A
548Tuesday, September 24, 2013
J01
R180 200/5%_4
R438
10M/5%_2
R289 20k/1%_4
R392 *Short pad_2
R177 51/5%_4
R186 51/5%_4
R413 *10K_2
TP21
R200 51/5%_4
R165 *10k/5%_4
R410 22/1%_4
R395 16.9/1%_4
R399 73.2/F_2
C342 0.1u/10V/X5R_2
TP57
Y4
32.768KHz
12
R402 22/1%_4
C339 0.1u/10V/X5R_2
Y6
25MHz
4
1
2
3
TP12
R393 *73.2/F_2
R151 10K_2
C271
1uF/6.3_2
R116 10K_2
C337 *1u/6.3V/X5R_4
R202 47.5/1%_4
R414 *10K_2
R435 10K_2
R154 10K_2
TP18
TP14
R178 10k/1%_4
R424 51/5%_4
R443 100k/5%_4
R408 *10K_2
C336 8.2p/50V/NPO_4
R396 3.3K/F_4
C340 8.2p/50V/NPO_4
R147 49.9/1%_4
C335 *0.1u/10V/X5R_4
R441 3.3K/F_4
U27
SPI_FLASH
soic8-7_9-1_27
AKE5EZN0N00
IC FLASH (8P) W25Q64FWSSIG (SOIC)
CS#
1
SPI_SCK
6
SPI_SI
5
SPI_SO
2
SPI_HOLD 7
GND
4
VCC 8
WP# 3
C272
1uF/6.3_2
TP56
R398 20/F_2
R394 *73.2/F_2
R419 10K_2
R450
1M/1%_2
C273
1u/6.3V/X5R_4
TP23
R161 10k/5%_4
TP54
D9
BAT54CW
R412 22/1%_4
R423 *10K_2
R397 3.3K/F_4
5 OF 13
REV = 1.15
U25E
CPU VALLEYVIEW-M
ICLK_ICOMP
AD14
ICLK_RCOMP
AD13
ICLK_OSCOUT
AH10
RESERVED_AD9
AD9
RESERVED_AD10
AD10
RESERVED_AD12
AD12
PCIE_CLKN_00
AF6
PCIE_CLKP_00
AF4
PCIE_CLKN_11
AF9
PCIE_CLKP_11
AF7
GPIO_RCOMP
N26
PMC_PLT_CLK_00
BH7
PMC_PLT_CLK_22
BH4 PMC_PLT_CLK_11
BH5
PMC_PLT_CLK_33
BH8
PMC_PLT_CLK_44
BH6
PMC_PLT_CLK_55
BJ9
ILB_RTC_RST
C12
PCIE_CLKP_22
AK6 PCIE_CLKN_22
AK4
PCIE_CLKP_33
AM6 PCIE_CLKN_33
AM4
TAP_TCK
D14
TAP_TDO
G16
TAP_PREQ
F16 TAP_PRDY
D18
RESERVED
AT34
PCU_SPI_CS_00
C23
PCU_SPI_CS_11
C21
PCU_SPI_MISO
B22
PCU_SPI_MOSI
A21
PCU_SPI_CLK
C22
SIO_UART2_CTS BF32
SIO_SPI_CS AV32
SIO_SPI_MISO BA28
SIO_SPI_CLK AY30
SIO_SPI_MOSI AY28
SIO_PWM_00 AU32
SIO_PWM_11 AT32
SVID_CLK C25
PMC_SUSPWRDNACK D26
PMC_SLP_S0IX F18
PMC_SLP_S4 F22
PMC_SLP_S3 D22
PMC_BATLOW K26
PMC_ACPRESENT D20
PMC_RSTBTN BG9
PMC_PWRBTN J26
PMC_PLTRST F20
SIO_UART2_RTS BD32
SIO_UART2_TXD BD34
SIO_UART2_RXD BF34
SIO_UART1_TXD AV34
SIO_UART1_RTS BA34
SIO_UART1_CTS AY34
ICLK_OSCIN
AH12 SIO_UART1_RXD AU34
TAP_TRST
G12
TAP_TMS
F14
TAP_TDI
F12
SVID_DATA A25
SVID_ALERT B24
ILB_RTC_EXTPAD B8
ILB_RTC_X2 A9
ILB_RTC_X1 C9
PMC_CORE_PWROK B7
PMC_RSMRST B10
ILB_RTC_TEST C11
PMC_SUS_STAT G18
PMC_WAKE_PCIE_0 F26
GPIO_S5_22 K24
GPIO_S5_23 N24
GPIO_S5_24 M20
GPIO_S5_25 J18
GPIO_S5_26 M18
GPIO_S5_27 K18
GPIO_S5_28 K20
GPIO_S5_29 M22
GPIO_S5_30 M24
GPIO_S5_0
B18
GPIO_S5_1
B16
GPIO_S5_2
C18
GPIO_S5_3
A17
GPIO_S5_4
C17
GPIO_S5_5
C16
GPIO_S5_6
B14
GPIO_S5_7
C15
GPIO_S5_8
C13
GPIO_S5_9
A13
GPIO_S5_10
C19
GPIO_S517_J24 J24
GPIO_S514_J20 J20
PMC_SUSCLK0_G24 G24
RESERVED_AM10
AM10
RESERVED_AM9
AM9
C334 *47p/50V/NPO_4
CN18
BAT_CONN
DFHD02MR045
1
2
R207 4.02k/1%_4
R146 10K_2
C346 10P/50V/C0G_4
R201 51/5%_4 R298
1k/1%_4
R445 0/5%_4
R290 20k/1%_4
TP13
C345 10P/50V/C0G_4
R405 22/1%_4

5
5
4
4
3
3
2
2
1
1
D D
C C
B B
A A
GPIO_S0_SC_56:
A16 Swap Override
0 = Enable
1 = Disable
Reference EDS Page 216
DOCK
USB3.0
USB HUB 0
USB HUB 1
USB3.0
LPC
CRB:
GPIO_S0_55: I2S_RST#
Design guide
SIO_V1P8_S3
(+1.8V)
+1.8V
+1.8V/+3.3V
+1.8V
Hardware Straps
LPC
SEARCHC 12.5 OHM
UNCORE_V1P8_S3
(+1.8V)
PMC_V1P8_G3
(+1.8V_ALW)
6
hŶͲ^ƚƵĨĨĨŽƌdĞƐƚKŶůLJ
Follow CRB
SOC_USB2_OC0#
SOC_USB2_OC1#
USB3_REXT0
PCU_SMB_CLK
PCU_SMB_DATA
PCU_SMB_ALERT#
GPIO_S0_SC_56
SOC_USB2_OC0#
SOC_USB2_OC1#
GPIO_S0_092
GPIO_S0_093
SOC_UART_TX
ICLK_USB_TERMN_0
ICLK_USB_TERMN_1
USB_RCOMP
USB_PLL_MON
USB_HSIC_RCOMP
USB3_REXT0
SOC_UART_TX
SOC_TOUCH_RST#
USB_RCOMP
USB_PLL_MON
USB_HSIC_RCOMP
LPC_RCOMP
LPC_RCOMP
SOC_LPC_AD1
SOC_LPC_AD0
SOC_LPC_AD2
SOC_LPC_AD3
SOC_LPC_FRAME#
SOC_LPC_CLKOUT0
SOC_LPC_CLKOUT1
SOC_LPC_CLKRUN#_R
SOC_LPC_SERIRQ
SOC_PCBEEP
GPIO_S0_SC_56
ICLK_USB_TERMN_0
ICLK_USB_TERMN_1
SOC_SENSHUB_WAKE
SOC_LPC_AD1
SOC_LPC_AD0
SOC_LPC_AD3
SOC_LPC_AD2
SOC_LPC_FRAME#
SOC_LPC_CLKRUN#
SOC_LPC_SERIRQ
I2C_6_SCL
I2C_6_SDA
SOC_I2C5_SCL
SOC_I2C5_SDA
I2C_2_SCL_R
I2C_2_SDA_R
I2C_1_SCL
I2C_1_SDA
I2C_0_SCL
I2C_0_SDA
SOC_I2C4_SCL
SOC_I2C4_SDA
SOC_I2C3_SCL
SOC_I2C3_SDA
SOC_I2C4_SDA
SOC_I2C4_SCL
GPIO_S0_SC_55
SOC_LPC_CLKOUT0
SOC_LPC_CLKOUT1
PCU_SMB_CLK
PCU_SMB_DATA
PCU_SMB_ALERT#
SOC_LPC_CLKRUN#_R
I2C_0_SCL
I2C_0_SDA
I2C_1_SCL
I2C_1_SDA
I2C_2_SCL_R
I2C_2_SDA_R
SOC_SENSHUB_WAKE
SOC_TOUCH_RST#
SOC_I2C3_SCL
SOC_I2C3_SDA
SOC_I2C5_SCL
SOC_I2C5_SDA
I2C_6_SCL
I2C_6_SDA
SOC_VOL_UP
SOC_VOL_DOWN
SOC_HOME_BUT
SOC_ROTATE
SOC_PWR_BUT
SOC_VOL_UP
SOC_VOL_DOWN
SOC_HOME_BUT
SOC_ROTATE
SOC_PWR_BUT
GPIO_S0_092
GPIO_S0_093
SOC_UART_RX
SOC_UART_TX SOC_UART_RX
SOC_USB_2P(20)
SOC_USB_2N(20)
SOC_USB_1P(21)
SOC_USB_1N(21)
SOC_USB_3P(21)
SOC_USB_3N(21)
SOC_LPC_AD0(23,26,30)
SOC_LPC_AD1(23,26,30)
SOC_LPC_AD2(23,26,30)
SOC_LPC_AD3(23,26,30)
SOC_LPC_FRAME#(23,26,30)
SOC_LPC_SERIRQ(14)
SOC_USB3_RX0P (21)
SOC_USB3_RX0N (21)
SOC_USB3_TX0P (21)
SOC_USB3_TX0N (21)
SOC_PCBEEP (27)
SOC_USB2_OC1#(21)
EC_LCLKOUT (30)
TPM_LCLKOUT (26)
SOC_USB_0P(29)
SOC_USB_0N(29)
DEBUG_LCLKOUT(23)
SOC_LPC_CLKRUN# (26,30)
PCU_SMB_CLK(14)
PCU_SMB_DATA(14)
+1.8V_ALW
+1.8V
+1.8V
+1.8V
+1.8V
+1.8V
+1.8V_ALW
Size Document Number Rev
Date: Sheet of
Quanta Computer Inc.
PROJECT :
VLV-M (USB/LPC/SMBus)
3A
648Tuesday, September 24, 2013
J01
Size Document Number Rev
Date: Sheet of
Quanta Computer Inc.
PROJECT :
VLV-M (USB/LPC/SMBus)
3A
648Tuesday, September 24, 2013
J01
Size Document Number Rev
Date: Sheet of
Quanta Computer Inc.
PROJECT :
VLV-M (USB/LPC/SMBus)
3A
648Tuesday, September 24, 2013
J01
R221 0/5%_4
R130 2.2K_2
R389 2.2K_2
R431 10K_2
TP42
TP26
R188 2.2K_2
R400 2.2K_2
R407 10K_2
R157 10K_2
R217 1.24K/1%_4
TP48
R382 2.2K_2
TP52
R418 22_2
TP27
TP43
R404 2.2K_2
R416 *4.7k/5%_4
R192 1K/F_2
TP29
R466 *10K_2
R390 2.2K_2
R449 45.3/1%_4R417 *4.7k/5%_4
R427 22_2
TP51
R456 *10K_2
R206 *10k/5%_4
R158 49.9/F_2
R415 *4.7k/5%_4
R387 2.2K_2
R380 2.2K_2
TP28
R164 *10k/5%_4
R385 2.2K_2
TP41
TP47
R388 2.2K_2
TP50
R434 *4.7k/5%_4
R436 *4.7k/5%_4
TP30
R430 2.2K_2
R401 2.2K_2
R406 10K_2
R381 2.2K_2
R160 *10k/5%_4
R425 22/1%_4
R429 *4.7k/5%_4
R191 1K/F_2
R403 2.2K_2
R210 45.3/1%_4
R421 22_2
TP49
R448 *10K_2
R391 2.2K_2R173
*0_4
R162 10K_2
R454 *10K_2 6 OF 13
REV = 1.15
U25F
CPU VALLEYVIEW-M
SIO_I2C5_DATA BH28
SIO_I2C5_CLK BG28
PCU_SMB_ALERT
BG11 PCU_SMB_CLK
BH10 PCU_SMB_DATA
BG12
ILB_LPC_SERIRQ
BG13
ILB_LPC_CLK_0
BG15
ILB_LPC_AD_3
BG14
ILB_LPC_AD_1
BJ17
ILB_LPC_CLKRUN
BG16 ILB_LPC_CLK_1
BH14
ILB_LPC_FRAME
BG17
ILB_LPC_AD_2
BJ13
ILB_LPC_AD_0
BH16
USB_HSIC_RCOMP
A7 SIO_I2C0_CLK BG23
SIO_I2C0_DATA BH22
USB_HSIC1_STROBE
D2 USB_HSIC1_DATA
E2
USB_HSIC0_STROBE
B5 USB_HSIC0_DATA
B4
USB_RCOMPO
D6
USB_RCOMPI
C7
USB_OC_0
C20
USB_OC_1
B20
RESERVED_M9 M9
RESERVED_M10 M10
RESERVED_H7 H7
RESERVED_H8 H8
SIO_I2C1_CLK BH24
SIO_I2C1_DATA BG24
SIO_I2C2_DATA BG25
SIO_I2C2_CLK BJ25
SIO_I2C6_CLK BG29
SIO_I2C6_DATA BJ29
SIO_I2C4_CLK BG27
SIO_I2C4_DATA BF27
SIO_I2C3_CLK BH26
SIO_I2C3_DATA BG26
ILB_8254_SPKR BH12
GPIO_S0_SC_55 BD12
GPIO_S0_SC_56 BC12
GPIO_S0_SC_57 BD14
GPIO_S0_SC_58 BC14
GPIO_S0_SC_59 BF14
GPIO_S0_SC_60 BD16
GPIO_S0_SC_61 BC16
LPC_RCOMP
BF18
ICLK_USB_TERMN
F10
RESERVED_M4 M4
RESERVED_M6 M6
RESERVED_M7 M7
RESERVED_P10 P10
RESERVED_P12 P12
USB_DN0
K16
USB_DN1
G14
USB_DN2
J12
USB_DN3
H10
USB_DP0
M16
USB_DP1
J14
USB_DP2
K12
USB_DP3
K10
GPIO_S0_SC_092 BH30
GPIO_S0_SC_093 BG30
GPIO_S5_31
G2
GPIO_S5_32
M3
GPIO_S5_33
L1
GPIO_S5_34
K2
GPIO_S5_35
K3
GPIO_S5_36
M2
GPIO_S5_37
N3
GPIO_S5_38
P2
GPIO_S5_39
L3
GPIO_S5_40
J3
GPIO_S5_41
P3
GPIO_S5_42
H3
GPIO_S5_43
B12
USB3_REXT0 M12
USB3_RXN0 E3
USB3_RXP0 D4
USB3_TXN0 K7
USB3_TXP0 K6
RESERVED_P7 P7
RESERVED_P6 P6
USB_PLL_MON
M13
RESERVED_H5 H5
RESERVED_H4 H4
ICLK_USB_TERMN_D10
D10
R467 *10K_2
R198 *10k/5%_4
R409 *4.7k/5%_4
R386 2.2K_2
R379 2.2K_2
TP44

5
5
4
4
3
3
2
2
1
1
D D
C C
B B
A A
Close to AD38 and AF38
confirm!!
7
80mil
120mil 40mil
15A
10A
close to BB8
0726: change fooptrint for EOD
TP_CORE_V1P05_S4 TP2_CORE_VCC_S0IX
VCC_SENSE
VCC_AXG_SENSE
VSS_SENSE
VCC_SENSE(41)
VCC_AXG_SENSE(41)
VSS_SENSE(41)
+1.35V_DDR3L(2,11,12,35,42,43)
+1.35V_GFX(8,41)
+VCORE(41)
VSS_AXG_SENSE(41)
+VCORE
+1.35V_SOC_DDRCLK+1.35V_DDR3L
+1.35V_SOC_DDRXXX
+1.35V_SOC_DDRXXX
+1.35V_GFX
+1.35V_SOC_DDRCLK
+1.35V_SOC_DDRXXX
+1.35V_GFX
+VCORE
+VCORE+1.35V_GFX
Size Document Number Rev
Date: Sheet of
Quanta Computer Inc.
PROJECT :
VLV-M (POWER 1/2)
3A
748Tuesday, September 24, 2013
J01
Size Document Number Rev
Date: Sheet of
Quanta Computer Inc.
PROJECT :
VLV-M (POWER 1/2)
3A
748Tuesday, September 24, 2013
J01
Size Document Number Rev
Date: Sheet of
Quanta Computer Inc.
PROJECT :
VLV-M (POWER 1/2)
3A
748Tuesday, September 24, 2013
J01
C115
2.2uF/6.3V_4
R209
100/F_2
C322
22u/6.3V/X5R_6
C154 10uF/6.3V_4
C123
2.2uF/6.3V_4
R142
100/F_2
REV = 1.15
7 OF 13
U25G
CPU VALLEYVIEW-M
CORE_VSS_SENSE_N28
N28
CORE_VCC_SENSE_P28
P28
DRAM_VDD_S4
A48
TP2_CORE_VCC_S0IX AA22
UNCORE_VNN_S3_AA24 AA24
CORE_VCC_S0IX_AA27
AA27
CORE_VCC_S0IX_AA29
AA29
CORE_VCC_S0IX_AA30
AA30
UNCORE_VNN_S3_AC22 AC22
CORE_VCC_S0IX_AC27
AC27
CORE_VCC_S0IX_AC29
AC29
CORE_VCC_S0IX_AC30
AC30
UNCORE_VNN_S3_AD22 AD22
UNCORE_VNN_S3_AD24 AD24
CORE_VCC_S0IX_AD27
AD27
CORE_VCC_S0IX_AD29
AD29
CORE_VCC_S0IX_AD30
AD30
DRAM_VDD_S4_AD38
AD38
UNCORE_VNN_S3_AF22 AF22
UNCORE_VNN_S3_AF24 AF24
CORE_VCC_S0IX_AF27
AF27
CORE_VCC_S0IX_AF29
AF29
TP_CORE_V1P05_S4
AF30
DRAM_VDD_S4_AF38
AF38
UNCORE_VNN_S3_AG22 AG22
UNCORE_VNN_S3_AG24 AG24
CORE_VCC_S0IX_AG27
AG27
CORE_VCC_S0IX_AG29
AG29
CORE_VCC_S0IX_AG30
AG30 UNCORE_VNN_S3_AJ22 AJ22
UNCORE_VNN_S3_AJ24 AJ24
UNCORE_VNN_S3_AK22 AK22
UNCORE_VNN_S3_AK24 AK24
UNCORE_VNN_S3_AK25 AK25
UNCORE_VNN_S3_AK27 AK27
UNCORE_VNN_S3_AK29 AK29
UNCORE_VNN_S3_AK30 AK30
UNCORE_VNN_S3_AK32 AK32
DRAM_VDD_S4_AK38
AK38
UNCORE_VNN_S3_AM22 AM22
DRAM_VDD_S4_AM38
AM38
DRAM_VDD_S4_AV41
AV41
DRAM_VDD_S4_AV42
AV42
UNCORE_VNN_SENSE
BB8
DRAM_VDD_S4_BB46
BB46
DRAM_VDD_S4_BD49 BD49
DRAM_VDD_S4_BD52 BD52
DRAM_VDD_S4_BD53 BD53
DRAM_VDD_S4_BF44 BF44
DRAM_VDD_S4_BG51 BG51
DRAM_VDD_S4_BJ48 BJ48
DRAM_VDD_S4_C51 C51
DRAM_VDD_S4_D44 D44
DRAM_VDD_S4_F49 F49
DRAM_VDD_S4_F52 F52
DRAM_VDD_S4_F53 F53
DRAM_VDD_S4_H46 H46
DRAM_VDD_S4_M41 M41
DRAM_VDD_S4_M42 M42
CORE_VCC_S0IX_P26
P26
CORE_VCC_S0IX_P27
P27
CORE_VCC_S0IX_U27
U27
CORE_VCC_S0IX_U29
U29
CORE_VCC_S0IX_V27
V27
CORE_VCC_S0IX_V29
V29
CORE_VCC_S0IX_V30
V30
DRAM_VDD_S4_V38 V38
CORE_VCC_S0IX_Y27
Y27
CORE_VCC_S0IX_Y29
Y29
CORE_VCC_S0IX_Y30
Y30
DRAM_VDD_S4_Y38 Y38
UNCORE_VNN_S3_AC24 AC24
C151 10uF/6.3V_4
C144 10uF/6.3V_4
C142 10uF/6.3V_4
C121 4.7uF/6.3V_4
R371 *Short pad_6
C182
10uF/6.3V_4
C152
10uF/6.3V_4
C124 1uF/6.3_2
R205 0_2
R92 *Short pad_6
C158 10uF/6.3V_4
C146 10uF/6.3V_4
C163
10uF/6.3V_4
C164
10uF/6.3V_4
TP11
C110
22u/6.3V/X5R_6
R108 *Short pad_4
C143 4.7uF/6.3V_4
C147
1uF/6.3_2
C169
1uF/6.3_2
C145 10uF/6.3V_4
C321
22u/6.3V/X5R_6
C168
1uF/6.3_2
C153 4.7uF/6.3V_4
C155 2.2uF/6.3V_4
R132
100/F_2
TP17
C150 2.2uF/6.3V_4
C138
10uF/6.3V_4
C104
22u/6.3V/X5R_6

5
5
4
4
3
3
2
2
1
1
D D
C C
B B
A A
Close to Y19 and C3
Close to BJ6
Close to AF36
Close to AK36
Close to Y36
Close to AJ18
C765 for AM16
Close to AN18
Close to U38
Close to AM30 and AN32
R1199: ROUTE 2 SEPERATE TRACES FROM SENSE
RESISTOR TO EACH PINS GROUPS OF SOC
Close to N18 AND P18
Close to AA18
Close to N22
ok
0.1uf??
ok
ok
ok
ok
ok
0.1uf?
ok
ok
Back Side Cap
Close to AK19
Close to AK21
(Package Edge Cap)
(Package Edge Cap)
(Package Edge Cap)
2:EDGE 2:BACK SIDE
(Package Edge Cap)
(Package Edge Cap)
ok
(Package Edge Cap)
(Package Edge Cap)
(Package Edge Cap)
8
confirm...
DG ok
ROUTE 2 SEPERATE TRACES
FROM SENSE RESISTOR TO
EACH PINS OF SOC
2:EDGE 3:BACK SIDE
Close to U36
Close to V36
Close to AD36
Close to AG32
Close to AG19
Close to AF19
Close to AG18/AJ19
Close to BD1
(Package Edge Cap)
DG ok
Close to V24,Y22 and Y24
ok
Close to AN19
Close to AF21 and AG21
For U18/U19
ok
Close to AF16 and AF18
(Package Edge Cap)
Close to AN25
10mil
10mil
10mil
10mil
10mil
10mil
10mil
15mil
10mil
10mil
60mil
15mil
15mil
15mil
15mil
10mil
15mil
20mil
202mA
30mil
10mil
20mil 10mil
60mil
40mil
40mil
40mil
+1.0V_S0IX_SOC_DRAM1
+1.0V_S0IX_SOC_DRAM2
+1.05V_SOC_CORE
+1.0V_SOC_USB3_2
+1.35V_SFRBD0SI0
+1.35V_SFRDSISI0
+1.35V_SFRBD0SI0
+1.5V_SOC_HDA
+1.8V_SOC_PADCF1
+3.3V_SOC_LPC
+3.3V_ALW_SOC_USB
+1.8V_ALW_SOC_USB
+VSDIO_SOCPADCF3SI0
+1.2V_PADSI0
+3.3V_SOC_RTC
+1.8V_ALW_PADSUS
+1.05V_SOC_CORE
+1.0V_GPIO
+1.0V
+1.0V
+1.0V_S0IX_SOC_DRAM1
+1.0V_S0IX
+1.0V_S0IX_SOC_DRAM2
+1.0V_SOC_USB3_1
+1.0V_S0IX
+1.0V
+1.0V
+1.0V_SOC_USB3_1
+1.5V_SOC_HDA
+1.8V
+1.5V
+1.8V_SOC_PADCF1
+3.3V_SOC_LPC
+3.3V
+3.3V_ALW_SOC_USB
+3.3V_ALW
+3.3V_CARD
+1.2V_PADSI0
+1.2V_ALW
+1.2V_ALW
+1.2V_ALW
+1.8V_ALW
+3.3V_RTC
+1.8V_ALW_PADSUS
+1.8V_ALW_SOC_USB
+1.8V_ALW
+1.0V_GPIO
+1.0V
+1.0V
+1.0V
+1.05V
+1.0V_ALW
+1.05V
+1.0V_S0IX_SOC_DDI
+1.35V_S0IX
+VSDIO_SOCPADCF3SI0
+3.3V_SOC_RTC
+1.0V_SOC_USB3_1 +1.35V_GFX
+1.0V_S0IX_SOC_DDI
+1.0V_S0IX
+1.35V
+1.05V_SOC_CORE
+1.35V_SFRBD0SI0
+1.35V_SFRDSISI0
+1.35V
+1.35V
+1.0V
+1.0V_SOC_USB3_2
+1.0V
+1.0V_S0IX
+1.0V
+1.0V
+1.0V
+1.0V_S0IX_VIS
+1.0V_S0IX_VIS
+1.05V_FHVCPU
Size Document Number Rev
Date: Sheet of
Quanta Computer Inc.
PROJECT :
VLV-M (POWER 2/2)
3A
848Tuesday, September 24, 2013
J01
Size Document Number Rev
Date: Sheet of
Quanta Computer Inc.
PROJECT :
VLV-M (POWER 2/2)
3A
848Tuesday, September 24, 2013
J01
Size Document Number Rev
Date: Sheet of
Quanta Computer Inc.
PROJECT :
VLV-M (POWER 2/2)
3A
848Tuesday, September 24, 2013
J01
R111 0/5%_4
R119 *Short pad_4
C159 1u/6.3V/X5R_2
C175 1u/6.3V/X5R_2
C176 1u/6.3V/X5R_2
R113 *Short pad_4
C131 1u/6.3V/X5R_2
R170 *Short pad_4
R137 *Short pad_4
C184 0.1u/10V/X5R_2
R114 *0/5%_4
C137 1u/6.3V/X5R_2
C126 1u/6.3V/X5R_2
C204 1u/6.3V/X5R_2
C187 1u/6.3V/X5R_2
R155 *Short pad_4
R104 *Short pad_4
C122 1u/6.3V/X5R_2
C141 1u/6.3V/X5R_2
C186 1u/6.3V/X5R_2
R112 *Short pad_4
C178 1u/6.3V/X5R_2
R168 *Short pad_4
C125 0.01u/10V/X5R_2
C200 1u/6.3V/X5R_2
C198 1u/6.3V/X5R_2
R183 *0/5%_4
C221 22u/6.3V/X5R_6
C170 1u/6.3V/X5R_2
C172 1u/6.3V/X5R_2
C179 1u/6.3V/X5R_2
C195 1u/6.3V/X5R_2
C157 1u/6.3V/X5R_2
C134 1u/6.3V/X5R_2
C191 1u/6.3V/X5R_2
C196 0.1u/10V/X5R_2
C180 0.01u/10V/X5R_2
C165 1u/6.3V/X5R_2
C199 1u/6.3V/X5R_2
C160 0.01u/10V/X5R_2
C166 1u/6.3V/X5R_2
C183 1u/6.3V/X5R_2
C177 0.1u/10V/X5R_2
C113 1u/6.3V/X5R_2
C173 1u/6.3V/X5R_2
R184 *Short pad_4
TP62
C193 1u/6.3V/X5R_2
C132 1u/6.3V/X5R_2
C189 *1u/6.3V/X5R_2
C127 1u/6.3V/X5R_2
R174 *Short pad_4
C140 1u/6.3V/X5R_2
C135 1u/6.3V/X5R_2
C212 0.01u/10V/X5R_2
C181 1u/6.3V/X5R_2
C133 1u/6.3V/X5R_2
R199 *Short pad_4
R203 *Short pad_4
C148 1u/6.3V/X5R_2
C192 1u/6.3V/X5R_2
R194 *Short pad_4
C130 1u/6.3V/X5R_2C222 0.01u/10V/X5R_2
C171 1u/6.3V/X5R_2
C202 1u/6.3V/X5R_2
C215 1u/6.3V/X5R_2
C129 0.47u/4V/X5R_2
R115 *Short pad_4
R212 *Short pad_4
C217 22u/6.3V/X5R_6
R190 *Short pad_4
C128 22u/6.3V/X5R_6
R101 *Short pad_4
C149 1u/6.3V/X5R_2
C136 1u/6.3V/X5R_2
C120 1u/6.3V/X5R_2
C161 1u/6.3V/X5R_2
R145 *Short pad_4C139 1u/6.3V/X5R_2
8 OF 13
REV = 1.15
U25H
CPU VALLEYVIEW-M
VIS_V1P0_S0IX_V24
V24
VIS_V1P0_S0IX_Y24
Y24 VIS_V1P0_S0IX_Y22
Y22
VIS_V1P0_S0IX_AN29
AN29
VIS_V1P0_S0IX_AN30
AN30
CORE_V1P0_S3_AC32
AC32
CORE_V1P0_S3_Y32
Y32
CORE_V1P05_S3_AA33
AA33
CORE_V1P05_S3_AF33 AF33
CORE_V1P05_S3_AG33 AG33
CORE_V1P05_S3_AG35 AG35
CORE_V1P05_S3_U33 U33
CORE_V1P05_S3_U35 U35
CORE_V1P05_S3_V33 V33
DDI_V1P0_S0IX_AJ18
AJ18
DDI_V1P0_S0IX_AK19
AK19
DDI_V1P0_S0IX_AK21
AK21
DDI_V1P0_S0IX_AM16
AM16
DRAM_V1P0_S0IX_AA36
AA36
DRAM_V1P0_S0IX_AD35
AD35
DRAM_V1P0_S0IX_AF35
AF35
DRAM_V1P0_S0IX_AF36
AF36
DRAM_V1P0_S0IX_AJ36
AJ36
DRAM_V1P0_S0IX_AK35
AK35
DRAM_V1P0_S0IX_AK36
AK36
DRAM_V1P0_S0IX_Y35
Y35
DRAM_V1P0_S0IX_Y36
Y36
GPIO_V1P0_S3_AN25
AN25
HDA_LPE_V1P5V1P8_S3_AM32 AM32
LPC_V1P8V3P3_S3_AM27 AM27
PCIE_GBE_SATA_V1P0_S3_AN18
AN18
PCU_V1P8_G3_V25 V25
PCU_V3P3_G3_N22 N22
PMU_V1P8_G3_U25 U25
RESERVED_F1 F1
RTC_VCC_P22 P22
SATA_V1P0_S3_AN19
AN19
SD3_V1P8V3P3_S3_AN27 AN27
SVID_V1P0_S3_V32
V32
UNCORE_V1P0_G3_B6
B6 UNCORE_V1P0_G3_C5
C5
UNCORE_V1P0_G3_U22
U22
UNCORE_V1P0_G3_V22
V22
UNCORE_V1P0_S0IX_AF21
AF21
UNCORE_V1P0_S0IX_AG21
AG21
UNCORE_V1P0_S3_AF16
AF16
UNCORE_V1P0_S3_AF18
AF18
UNCORE_V1P0_S3_G1
G1 UNCORE_V1P0_S3_Y18
Y18
UNCORE_V1P8_G3_U24 U24
UNCORE_V1P8_S3_AM30 AM30
UNCORE_V1P8_S3_AN32 AN32
UNCORE_V1P8_S3_U38 U38
USB3_V1P0_G3_C3
C3 USB3_V1P0_G3_Y19
Y19
USB_V1P0_S3_M14
M14
USB_V1P0_S3_U18
U18
USB_V1P0_S3_U19
U19
USB_V1P8_G3_N20 N20
USB_V3P3_G3_N18 N18
USB_V3P3_G3_P18 P18
USB_VSSA_U16
U16
VGA_V1P0_S3_BJ6
BJ6
VGA_V1P35_S3_F1_BD1
BD1
VGA_V3P3_S3_AN24 AN24
VSSA_AN16
AN16
VSS_A3_A3 A3
VSS_A5_A5 A5
VSS_A6_A6 A6
VSS_A49_A49 A49
VSS_A51_A51 A51
VSS_A52_A52 A52
VSS_AD16 AD16
VSS_AD18 AD18
VSS_B2_B2 B2
VSS_B52_B52 B52
VSS_B53_B53 B53
VSS_BE1_BE1 BE1
VSS_BE53_BE53 BE53
VSS_BG1_BG1 BG1
VSS_BG53_BG53 BG53
VSS_BH1_BH1 BH1
VSS_BH2_BH2 BH2
VSS_BH52_BH52 BH52
VSS_BH53_BH53 BH53
VSS_BJ2_BJ2 BJ2
VSS_BJ3_BJ3 BJ3
VSS_BJ5_BJ5 BJ5
VSS_BJ49_BJ49 BJ49
VSS_BJ51_BJ51 BJ51
VSS_BJ52_BJ52 BJ52
VSS_C1_C1 C1
VSS_C53_C53 C53
VSS_E1_E1 E1
VSS_E53_E53 E53
UNCORE_V1P8_G3_AA18 AA18
UNCORE_V1P35_S0IX_F5_AA25
AA25
DRAM_V1P35_S0IX_F1_AD36 AD36
UNCORE_V1P35_S0IX_F6
AF19
UNCORE_V1P35_S0IX_F3_V36
V36
USB_HSIC_V1P2_G3_V18 V18
UNCORE_V1P35_S0IX_F4_U36
U36
PCIE_V1P0_S3_AN21
AN21 PCIE_V1P0_S3_AM21
AM21
PCIE_V1P0_S3_AM18 AM18
PCIE_V1P0_S3_AK18 AK18
ICLK_V1P35_S3_F1_AJ19
AJ19
UNCORE_V1P35_S0IX_F2_AG32
AG32
UNCORE_V1P35_S0IX_F1_AG19
AG19
ICLK_V1P35_S3_F2
AG18
C347 1u/6.3V/X5R_2
C201 1u/6.3V/X5R_2
C185 1u/6.3V/X5R_2
C213 1u/6.3V/X5R_2
R109 *Short pad_4

5
5
4
4
3
3
2
2
1
1
D D
C C
B B
A A
9
Size Document Number Rev
Date: Sheet of
Quanta Computer Inc.
PROJECT :
VLV-M (GND)
3A
948Tuesday, September 24, 2013
J01
Size Document Number Rev
Date: Sheet of
Quanta Computer Inc.
PROJECT :
VLV-M (GND)
3A
948Tuesday, September 24, 2013
J01
Size Document Number Rev
Date: Sheet of
Quanta Computer Inc.
PROJECT :
VLV-M (GND)
3A
948Tuesday, September 24, 2013
J01
12 OF 13
REV = 1.15
U25L
CPU VALLEYVIEW-M
VSS211
BF30
VSS212
BF36
VSS213
BF4
VSS214
BG31
VSS215
BG34
VSS217
BG42 VSS216
BG39
VSS219
BG49 VSS218
BG45
VSS220
BJ11
VSS222
BJ19 VSS221
BJ15
VSS229
BJ47
VSS231
C14
VSS232
C31
VSS233
C34
VSS235
C42 VSS234
C39
VSS236
C45
VSS237
C49
VSS238
D12
VSS239
D16
VSS240
D24
VSS241
D30
VSS242
D36
VSS243
D38
VSS245
E35 VSS244
E19
VSS252 F35
VSS254 F7
VSS253 F5
VSS255 G10
VSS257 G22
VSS256 G20
VSS258 G26
VSS259 G28
VSS260 G32
VSS262 G42
VSS261 G34
VSS264 H27
VSS263 H19
VSS265 H35
VSS266 J1
VSS267 J16
VSS268 J19
VSS270 J27
VSS269 J22
VSS271 J32
VSS272 J35
VSS273 J40
VSS274 J53
VSS275 K14
VSS276 K22
VSS277 K32
VSS278 K36
VSS280 K50
VSS279 K4
VSS230
BJ7
VSS228
BJ43 VSS227
BJ39 VSS226
BJ35 VSS225
BJ31 VSS224
BJ27 VSS223
BJ23
VSS251 F30
VSS250 F27
VSS249 F24
VSS248 F2
VSS247 F19
VSS246 E8
REV = 1.15
10 OF 13
U25J
CPU VALLEYVIEW-M
VSS73
AH41 VSS72
AH4 VSS71
AG38
VSS104
AM40
VSS105
M28
VSS103
AM36 VSS102
AM35 VSS101
AM33 VSS100
AM29 VSS99
AM25 VSS98
AM24 VSS97
AM19 VSS96
AM12
VSS94
AK41
VSS95
AK44
VSS93
AK33 VSS92
AK16 VSS91
AK14 VSS90
AK10
VSS88
AJ38
VSS89
AJ53
VSS86
AJ33
VSS87
AJ35
VSS85
AJ32 VSS84
AJ30 VSS83
AJ3
VSS81
AJ27
VSS82
AJ29
VSS80
AJ25
VSS78
AJ16
VSS79
AJ21
VSS76
AH9
VSS77
AJ1
VSS75
AH7 VSS74
AH45
VSS139 AT16
VSS140 AT19
VSS138 AT12
VSS137 AP40
VSS136 AN9
VSS135 AN8
VSS134 AN6
VSS133 AN53
VSS132 AN51
VSS131 AN5
VSS129 AN48
VSS130 AN49
VSS128 AN46
VSS127 AN45
VSS126 AN43
VSS125 AN42
VSS123 AN38
VSS124 AN40
VSS121 AN35
VSS122 AN36
VSS120 AN33
VSS119 AN3
VSS118 AN22
VSS116 AN12
VSS117 AN14
VSS115 AN11
VSS113 AM7
VSS114 AN1
VSS111 AM44
VSS112 AM51
VSS110 AH6
VSS109 AH51
VSS108 AH50
VSS107 AH48
VSS106 AH47
11 OF 13
REV = 1.15
U25K
CPU VALLEYVIEW-M
VSS141
AT24
VSS142
AT27
VSS143
AT30
VSS144
AT35
VSS145
AT38
VSS147
AT47 VSS146
AT4
VSS149
AU1 VSS148
AT52
VSS150
AU24
VSS152
AU30 VSS151
AU3
VSS153
AU38
VSS154
AU51
VSS155
AV12
VSS157
AV14 VSS156
AV13
VSS159
AV19 VSS158
AV18
VSS160
AV24
VSS161
AV27
VSS162
AV30
VSS163
AV35
VSS165
AV47 VSS164
AV38
VSS166
AV51
VSS167
AV7
VSS170
AW27
VSS172
AW35
VSS173
AY10
VSS175
AY32 VSS174
AY22 VSS209 BF24
VSS210 BF38
VSS208 BF16
VSS207 BF12
VSS206 BE8
VSS205 BE35
VSS204 BE2
VSS203 BE19
VSS202 BD35
VSS201 BD30
VSS199 BD24
VSS200 BD27
VSS198 BD19
VSS197 BC42
VSS196 BC34
VSS195 BC32
VSS193 BC26
VSS194 BC28
VSS191 BC20
VSS192 BC22
VSS190 BB35
VSS189 BB27
VSS188 BB19
VSS186 BA40
VSS187 BA53
VSS185 BA35
VSS183 BA27
VSS184 BA32
VSS181 BA19
VSS182 BA22
VSS180 BA14
VSS179 AY9
VSS178 AY50
VSS177 AY4
VSS176 AY36
VSS168
AW13
VSS169
AW19
VSS171
AW3
REV = 1.15
9 OF 13
U25I
CPU VALLEYVIEW-M
VSS1
A11
VSS2
A15
VSS3
A19
VSS4
A23
VSS5
A27
VSS6
A31
VSS7
A35
VSS9
A43 VSS8
A39
VSS10
A47
VSS12
AA16 VSS11
AA1
VSS15
AA3 VSS14
AA21 VSS13
AA19
VSS16
AA32
VSS17
AA35
VSS19
AA53 VSS18
AA38
VSS20
AB10
VSS21
AB4
VSS22
AB41
VSS23
AB45
VSS24
AB47
VSS25
AB48
VSS27
AB51 VSS26
AB50
VSS28
AB6
VSS29
AC16
VSS30
AC18
VSS31
AC19
VSS32
AC21
VSS33
AC25
VSS34
AC33
VSS35
AC35
VSS37 AC38
VSS36 AC36
VSS38 AD19
VSS39 AD21
VSS40 AD25
VSS41 AD32
VSS42 AD33
VSS44 AD7
VSS43 AD47
VSS45 AE1
VSS47 AE12
VSS46 AE11
VSS50 AE4
VSS49 AE3
VSS48 AE14
VSS51 AE40
VSS52 AE42
VSS53 AE43
VSS54 AE45
VSS55 AE46
VSS56 AE48
VSS57 AE50
VSS58 AE51
VSS59 AE53
VSS60 AE6
VSS62 AE9
VSS61 AE8
VSS63 AF10
VSS64 AF12
VSS65 AF25
VSS66 AF32
VSS67 AF47
VSS68 AG16
VSS69 AG25
VSS70 AG36
13 OF 13
REV = 1.15
U25M
CPU VALLEYVIEW-M
VSS282
L13
VSS283
L19
VSS284
L27
VSS287
M26
VSS289
M34 VSS288
M27
VSS290
M35
VSS292
M47 VSS291
M38
VSS293
M51
VSS294
N1
VSS295
N16
VSS297
N51 VSS296
N38
VSS299
P16 VSS298
P13
VSS300
P19
VSS301
P20
VSS302
P24
VSS303
P32
VSS305
P38 VSS304
P35
VSS306
P4
VSS307
P47
VSS308
P52
VSS309
P9
VSS310
T40
VSS311
U1
VSS312
U11
VSS313
U12
VSS315
U21 VSS314
U14
VSS316 U3
VSS317 U30
VSS320 U42
VSS322 U45
VSS321 U43
VSS323 U46
VSS327 U51
VSS326 U5
VSS328 U53
VSS329 U6
VSS330 U8
VSS332 V12
VSS331 U9
VSS334 V19
VSS333 V16
VSS335 V21
VSS336 V35
VSS337 V40
VSS338 V44
VSS340 V7
VSS339 V51
VSS341 Y10
VSS342 Y14
VSS343 Y16
VSS344 Y21
VSS345 Y25
VSS346 Y33
VSS347 Y41
VSS348 Y44
VSS350 Y9
VSS349 Y7
VSS285
L35
VSS286
M19
VSS324 U48
VSS325 U49
VSS281
K9
VSS319 U40
VSS318 U32

5
5
4
4
3
3
2
2
1
1
D D
C C
B B
A A
Size Document Number Rev
Date: Sheet of
Quanta Computer Inc.
PROJECT :
VLV-M SOC (DEBUG)
3A
10 48Tuesday, September 24, 2013
J01
Size Document Number Rev
Date: Sheet of
Quanta Computer Inc.
PROJECT :
VLV-M SOC (DEBUG)
3A
10 48Tuesday, September 24, 2013
J01
Size Document Number Rev
Date: Sheet of
Quanta Computer Inc.
PROJECT :
VLV-M SOC (DEBUG)
3A
10 48Tuesday, September 24, 2013
J01

1
1
2
2
3
3
4
4
5
5
6
6
A A
B B
C C
D D
CONFIRM
close to each device close to each device
close to DIMM_VREF_CAclose to DIMM_VREF_DQ
11
M0_BS0
M0_BS1
M0_BS2
M0_CAS#
M0_RAS#
M0_WE#
M0_CS#0
DRAM_ODT0
M0_CLK0N
M0_CLK0P
M0_CKE0
DDRA_ZQ1
DDR_ZQ1
DDRA_ZQ2
DDR_ZQ2
M0_ODT2
M0_CKE2
M0_CS2#
M0_RST#M0_RST#
M0_MA0
M0_MA1
M0_MA2
M0_MA3
M0_MA4
M0_MA5
M0_MA6
M0_MA7
M0_MA8
M0_MA9
M0_MA10
M0_MA11
M0_MA12
M0_MA13
M0_MA14
M0_MA15
M0_MA0
M0_MA1
M0_MA2
M0_MA3
M0_MA4
M0_MA5
M0_MA6
M0_MA7
M0_MA8
M0_MA9
M0_MA10
M0_MA11
M0_MA12
M0_MA13
M0_MA14
M0_MA15
M0_BS0
M0_BS1
M0_BS2
M0_CAS#
M0_RAS#
M0_WE#
M0_CS#0
DRAM_ODT0
M0_CLK0N
M0_CLK0P
M0_CKE0
M0_ODT2
M0_CKE2
M0_CS2#
M0_DQ2
M0_DQ3
M0_DQSN1
M0_DQSP1
M0_DM1
M0_DQSN0
M0_DQSP0
M0_DM0
M0_DQ8
M0_DQ10
M0_DQ9
M0_DQ11
M0_DQ5
M0_DQ0
M0_DQ4
M0_DQ7
M0_DQ6
M0_DQ1
M0_DQ21
M0_DQ17
M0_DQ16
M0_DQ22
M0_DQ29
M0_DQ28
M0_DQ27
M0_DQ24
M0_DQ25
M0_DQ31
M0_DQSN2
M0_DQSP2
M0_DQSN3
M0_DQSP3
M0_DM2
M0_DM3
M0_DQ13
M0_DQ15
M0_DQ14
M0_DQ12 M0_DQ20
M0_DQ18
M0_DQ23
M0_DQ19
M0_DQ30
M0_DQ26
DRAM_ODT0(2,12,13)
M0_BS0(2,12,13)
M0_BS1(2,12,13)
M0_BS2(2,12,13)
M0_CS#0(2,12,13)
M0_CKE0(2,12,13)
M0_CLK0N(2,12)
M0_CAS#(2,12,13)
M0_RAS#(2,12,13)
M0_WE#(2,12,13)
M0_CLK0P(2,12)
M0_ODT2(12)
M0_CS2#(2,12,13)
M0_CKE2(2,12,13)
M0_MA[0..15](2,12,13)
M0_RST# (2,12)
M0_DQSN0 (2)
M0_DQSP0 (2)
M0_DM0 (2)
M0_DQ2 (2)
M0_DQ3 (2)
M0_DQSP1 (2)
M0_DQSN1 (2)
M0_DM1 (2)
+DDR_VTTREF(35)
M0_DQ8 (2)
M0_DQ10 (2)
M0_DQ9 (2)
M0_DQ11 (2)
M0_DQ5 (2)
M0_DQ0 (2)
M0_DQ4 (2)
M0_DQ7 (2)
M0_DQ6 (2)
M0_DQ1 (2)
M0_DQ21 (2)
M0_DQ17 (2)
M0_DQ16 (2)
M0_DQ22 (2)
M0_DQ29 (2)
M0_DQ28 (2)
M0_DQ27 (2)
M0_DQ24 (2)
M0_DQ25 (2)
M0_DQ31 (2)
M0_DQSN2 (2)
M0_DQSP2 (2)
M0_DQSN3 (2)
M0_DQSP3 (2)
M0_DM2 (2)
M0_DM3 (2)
M0_DQ13 (2)
M0_DQ15 (2)
M0_DQ14 (2)
M0_DQ12 (2) M0_DQ20 (2)
M0_DQ18 (2)
M0_DQ23 (2)
M0_DQ19 (2)
M0_DQ30 (2)
M0_DQ26 (2)
+1.35V_DDR3L
+1.35V_DDR3L
+1.35V_DDR3L
+1.35V_DDR3L
+1.35V_DDR3L SMDDR_VREF_DQ0_M1
SMDDR_VREF_DQ0_M1
+SMDDR_VREF_DIMM+1.35V_DDR3L
+SMDDR_VREF_DIMM
SMDDR_VREF_DQ0_M1
+SMDDR_VREF_DIMM
Size Document Number Rev
Date: Sheet of
Quanta Computer Inc.
PROJECT :
DDR3 SDRAM
3A
11 48Tuesday, September 24, 2013
J01
Size Document Number Rev
Date: Sheet of
Quanta Computer Inc.
PROJECT :
DDR3 SDRAM
3A
11 48Tuesday, September 24, 2013
J01
Size Document Number Rev
Date: Sheet of
Quanta Computer Inc.
PROJECT :
DDR3 SDRAM
3A
11 48Tuesday, September 24, 2013
J01
R88
240/1%_4
C63
*0.1u/10V/X5R_4
R48 4.7k/1%_4
R52 4.7k/1%_4
96-BALL
SDRAM DDR3
8Gb
U24
Memory-Down _DDRL3
WE#
L3 RAS#
J3 CAS#
K3
CS#
L2
CKE
K9
CK
J7
CK#
K7
DQSU# B7
BA0
M2
BA1
N8
A2
P3
A3
N2
A4
P8
A5
P2
A6
R8
A7
R2
A8
T8
A9
R3
A10/AP
L7
A11
R7
DQL0 E3
DQL1 F7
DQL2 F2
DQL3 F8
DQL4 H3
DQL5 H8
DQL6 G2
DQL7 H7
VSSQ#D1 D1
VSS#A9 A9
VSS#E1 E1
VSS#B3 B3
ODT1#J1
J1
VDD#B2
B2
VDD#D9
D9
VDDQ#A1
A1
VDDQ#A8
A8
VDDQ#C1
C1
VDDQ#C9
C9
CS1#L1
L1
CKE1#J9
J9
VDDQ#E9
E9
ZQ L8
RESET# T2
DQSL F3
DMU D3
DML E7
VSSQ#B1 B1
VSSQ#B9 B9
VSSQ#D8 D8
VSSQ#E2 E2
DQSU C7
VSSQ#E8 E8
DQSL# G3
VDDQ#F1
F1
VSSQ#F9 F9
VSSQ#G1 G1
VDDQ#H2
H2
VDDQ#H9
H9
VSSQ#G9 G9
VREFCA
M8
VSS#G8 G8
VDD#G7
G7
ODT
K1
A0
N3
A1
P7
VDD#K2
K2
A12/BC
N7
VSS#J2 J2
VDD#K8
K8
DQU1 C3
DQU2 C8
DQU3 C2
DQU4 A7
DQU5 A2
DQU6 B8
DQU7 A3
DQU0 D7
A13
T3
A14
T7
A15
M7
BA2
M3
VREFDQ
H1
ZQ1#L9
L9
VDD#N1
N1
VDD#N9
N9
VDD#R1
R1
VDD#R9
R9
VSS#J8 J8
VSS#M1 M1
VSS#M9 M9
VSS#P1 P1
VSS#P9 P9
VSS#T1 T1
VSS#T9 T9
VDDQ#D2
D2
R37 *0/5%_2
C116 0.1u/10V/X5R_4
C67
*0.1u/10V/X5R_4
96-BALL
SDRAM DDR3
8Gb
U22
Memory-Down _DDRL3
WE#
L3 RAS#
J3 CAS#
K3
CS#
L2
CKE
K9
CK
J7
CK#
K7
DQSU# B7
BA0
M2
BA1
N8
A2
P3
A3
N2
A4
P8
A5
P2
A6
R8
A7
R2
A8
T8
A9
R3
A10/AP
L7
A11
R7
DQL0 E3
DQL1 F7
DQL2 F2
DQL3 F8
DQL4 H3
DQL5 H8
DQL6 G2
DQL7 H7
VSSQ#D1 D1
VSS#A9 A9
VSS#E1 E1
VSS#B3 B3
ODT1#J1
J1
VDD#B2
B2
VDD#D9
D9
VDDQ#A1
A1
VDDQ#A8
A8
VDDQ#C1
C1
VDDQ#C9
C9
CS1#L1
L1
CKE1#J9
J9
VDDQ#E9
E9
ZQ L8
RESET# T2
DQSL F3
DMU D3
DML E7
VSSQ#B1 B1
VSSQ#B9 B9
VSSQ#D8 D8
VSSQ#E2 E2
DQSU C7
VSSQ#E8 E8
DQSL# G3
VDDQ#F1
F1
VSSQ#F9 F9
VSSQ#G1 G1
VDDQ#H2
H2
VDDQ#H9
H9
VSSQ#G9 G9
VREFCA
M8
VSS#G8 G8
VDD#G7
G7
ODT
K1
A0
N3
A1
P7
VDD#K2
K2
A12/BC
N7
VSS#J2 J2
VDD#K8
K8
DQU1 C3
DQU2 C8
DQU3 C2
DQU4 A7
DQU5 A2
DQU6 B8
DQU7 A3
DQU0 D7
A13
T3
A14
T7
A15
M7
BA2
M3
VREFDQ
H1
ZQ1#L9
L9
VDD#N1
N1
VDD#N9
N9
VDD#R1
R1
VDD#R9
R9
VSS#J8 J8
VSS#M1 M1
VSS#M9 M9
VSS#P1 P1
VSS#P9 P9
VSS#T1 T1
VSS#T9 T9
VDDQ#D2
D2
C99 10u/6.3V/X5R_6
C108 10u/6.3V/X5R_6
C118 0.1u/10V/X5R_4
C114 10u/6.3V/X5R_6
C81 10u/6.3V/X5R_6
C41 0.1u/10V/X5R_4
C65 0.1u/10V/X5R_4
C106 0.1u/10V/X5R_4
C105 0.1u/10V/X5R_4
C101 0.1u/10V/X5R_4
C56 0.1u/10V/X5R_4
C107 0.1u/10V/X5R_4
R45 4.7k/1%_4
C74 0.1u/10V/X5R_4
C102 0.1u/10V/X5R_4
R46 4.7k/1%_4
R53
240/1%_4
R94
240/1%_4
C75 0.1u/10V/X5R_4
R59
240/1%_4

1
1
2
2
3
3
4
4
5
5
6
6
A A
B B
C C
D D
check
close to every device close to every device
12
DDRA_ZQ3
DDR_ZQ3
M0_RST#
M0_MA0
M0_MA1
M0_MA2
M0_MA3
M0_MA4
M0_MA5
M0_MA6
M0_MA7
M0_MA8
M0_MA9
M0_MA10
M0_MA11
M0_MA12
M0_MA13
M0_MA14
M0_MA15
M0_BS0
M0_BS1
M0_BS2
M0_CAS#
M0_RAS#
M0_WE#
M0_CS#0
DRAM_ODT0
M0_CLK0N
M0_CLK0P
M0_CKE0
M0_ODT2
M0_CKE2
M0_CS2#
M0_MA[0..15]
M0_MA0
M0_MA1
M0_MA2
M0_MA3
M0_MA4
M0_MA5
M0_MA6
M0_MA7
M0_MA8
M0_MA9
M0_MA10
M0_MA11
M0_MA12
M0_MA13
M0_MA14
M0_MA15
M0_BS0
M0_BS1
M0_BS2
M0_CAS#
M0_RAS#
M0_WE#
M0_CS#0
DRAM_ODT0
M0_CLK0N
M0_CLK0P
M0_CKE0
DDRA_ZQ4
M0_ODT2
M0_CKE2
M0_CS2#
DDR_ZQ4
M0_RST#
M0_DQ48
M0_DQ49
M0_DQ50
M0_DQ54
M0_DQ52
M0_DQ53
M0_DQ55
M0_DQ51
M0_DM7
M0_DQ56
M0_DQ58
M0_DQ63
M0_DQ62
M0_DQ59
M0_DQ57
M0_DQSN7
M0_DQSP7
M0_DQSP6
M0_DQSN6
M0_DM6
M0_DQ44
M0_DQ45
M0_DQ46
M0_DQSN5
M0_DQ40
M0_DQSP5
M0_DM5
M0_DM4
M0_DQSP4
M0_DQ39
M0_DQ35
M0_DQ37
M0_DQSN4
M0_DQ36
M0_DQ38
M0_DQ34
M0_DQ41
M0_DQ60
M0_DQ61
M0_DQ42
M0_DQ43
M0_DQ47
M0_DQ32
M0_DQ33
M0_RST# (2,11)
M0_MA[0..15](2,11,13)
DRAM_ODT0(2,11,13)
M0_BS0(2,11,13)
M0_BS1(2,11,13)
M0_BS2(2,11,13)
M0_CS#0(2,11,13)
M0_CKE0(2,11,13)
M0_CLK0N(2,11)
M0_CAS#(2,11,13)
M0_RAS#(2,11,13)
M0_WE#(2,11,13)
M0_CLK0P(2,11)
M0_ODT2(11)
M0_CS2#(2,11,13)
M0_CKE2(2,11,13)
M0_DQ48 (2)
M0_DQ49 (2)
M0_DQ50 (2)
M0_DQ54 (2)
M0_DQ52 (2)
M0_DQ53 (2)
M0_DQ55 (2)
M0_DQ51 (2)
M0_DM7 (2)
M0_DQ56 (2)
M0_DQ58 (2)
M0_DQ63 (2)
M0_DQ62 (2)
M0_DQ59 (2)
M0_DQ57 (2)
M0_DQSN7 (2)
M0_DQSP7 (2)
M0_DQSP6 (2)
M0_DQSN6 (2)
M0_DM6 (2)
M0_DQ44 (2)
M0_DQ45 (2)
M0_DQ46 (2)
M0_DQSN5 (2)
M0_DQ40 (2)
M0_DQSP5 (2)
M0_DM5 (2)
M0_DM4 (2)
M0_DQSP4 (2)
M0_DQ39 (2)
M0_DQ35 (2)
M0_DQ37 (2)
M0_DQSN4 (2)
M0_DQ36 (2)
M0_DQ38 (2)
M0_DQ34 (2)
M0_DQ41 (2)
M0_DQ60 (2)
M0_DQ61 (2)
M0_DQ42 (2)
M0_DQ43 (2)
M0_DQ47 (2)
M0_DQ32 (2)
M0_DQ33 (2)
+1.35V_DDR3L
+1.35V_DDR3L
+1.35V_DDR3L
+1.35V_DDR3L
SMDDR_VREF_DQ0_M1 +SMDDR_VREF_DIMM
SMDDR_VREF_DQ0_M1
+SMDDR_VREF_DIMM
SMDDR_VREF_DQ0_M1
+SMDDR_VREF_DIMM
Size Document Number Rev
Date: Sheet of
Quanta Computer Inc.
PROJECT :
DDR3 SDRAM
3A
12 48Tuesday, September 24, 2013
J01
Size Document Number Rev
Date: Sheet of
Quanta Computer Inc.
PROJECT :
DDR3 SDRAM
3A
12 48Tuesday, September 24, 2013
J01
Size Document Number Rev
Date: Sheet of
Quanta Computer Inc.
PROJECT :
DDR3 SDRAM
3A
12 48Tuesday, September 24, 2013
J01
C95 0.1u/10V/X5R_4
C96 0.1u/10V/X5R_4
C100 0.1u/10V/X5R_4
R63
240/1%_4
R61
240/1%_4
C93 0.1u/10V/X5R_4
C72 0.1u/10V/X5R_4
C60 0.1u/10V/X5R_4
C48 0.1u/10V/X5R_4
C69 0.1u/10V/X5R_4
C59 10u/6.3V/X5R_6 C51 10u/6.3V/X5R_6
R71
240/1%_4
C45 10u/6.3V/X5R_6
C68 0.1u/10V/X5R_4
C98 0.1u/10V/X5R_4
96-BALL
SDRAM DDR3
8Gb
U18
Memory-Down _DDRL3
WE#
L3 RAS#
J3 CAS#
K3
CS#
L2
CKE
K9
CK
J7
CK#
K7
DQSU# B7
BA0
M2
BA1
N8
A2
P3
A3
N2
A4
P8
A5
P2
A6
R8
A7
R2
A8
T8
A9
R3
A10/AP
L7
A11
R7
DQL0 E3
DQL1 F7
DQL2 F2
DQL3 F8
DQL4 H3
DQL5 H8
DQL6 G2
DQL7 H7
VSSQ#D1 D1
VSS#A9 A9
VSS#E1 E1
VSS#B3 B3
ODT1#J1
J1
VDD#B2
B2
VDD#D9
D9
VDDQ#A1
A1
VDDQ#A8
A8
VDDQ#C1
C1
VDDQ#C9
C9
CS1#L1
L1
CKE1#J9
J9
VDDQ#E9
E9
ZQ L8
RESET# T2
DQSL F3
DMU D3
DML E7
VSSQ#B1 B1
VSSQ#B9 B9
VSSQ#D8 D8
VSSQ#E2 E2
DQSU C7
VSSQ#E8 E8
DQSL# G3
VDDQ#F1
F1
VSSQ#F9 F9
VSSQ#G1 G1
VDDQ#H2
H2
VDDQ#H9
H9
VSSQ#G9 G9
VREFCA
M8
VSS#G8 G8
VDD#G7
G7
ODT
K1
A0
N3
A1
P7
VDD#K2
K2
A12/BC
N7
VSS#J2 J2
VDD#K8
K8
DQU1 C3
DQU2 C8
DQU3 C2
DQU4 A7
DQU5 A2
DQU6 B8
DQU7 A3
DQU0 D7
A13
T3
A14
T7
A15
M7
BA2
M3
VREFDQ
H1
ZQ1#L9
L9
VDD#N1
N1
VDD#N9
N9
VDD#R1
R1
VDD#R9
R9
VSS#J8 J8
VSS#M1 M1
VSS#M9 M9
VSS#P1 P1
VSS#P9 P9
VSS#T1 T1
VSS#T9 T9
VDDQ#D2
D2
C53 0.1u/10V/X5R_4
C92 0.1u/10V/X5R_4
R64
240/1%_4
96-BALL
SDRAM DDR3
8Gb
U17
Memory-Down _DDRL3
WE#
L3 RAS#
J3 CAS#
K3
CS#
L2
CKE
K9
CK
J7
CK#
K7
DQSU# B7
BA0
M2
BA1
N8
A2
P3
A3
N2
A4
P8
A5
P2
A6
R8
A7
R2
A8
T8
A9
R3
A10/AP
L7
A11
R7
DQL0 E3
DQL1 F7
DQL2 F2
DQL3 F8
DQL4 H3
DQL5 H8
DQL6 G2
DQL7 H7
VSSQ#D1 D1
VSS#A9 A9
VSS#E1 E1
VSS#B3 B3
ODT1#J1
J1
VDD#B2
B2
VDD#D9
D9
VDDQ#A1
A1
VDDQ#A8
A8
VDDQ#C1
C1
VDDQ#C9
C9
CS1#L1
L1
CKE1#J9
J9
VDDQ#E9
E9
ZQ L8
RESET# T2
DQSL F3
DMU D3
DML E7
VSSQ#B1 B1
VSSQ#B9 B9
VSSQ#D8 D8
VSSQ#E2 E2
DQSU C7
VSSQ#E8 E8
DQSL# G3
VDDQ#F1
F1
VSSQ#F9 F9
VSSQ#G1 G1
VDDQ#H2
H2
VDDQ#H9
H9
VSSQ#G9 G9
VREFCA
M8
VSS#G8 G8
VDD#G7
G7
ODT
K1
A0
N3
A1
P7
VDD#K2
K2
A12/BC
N7
VSS#J2 J2
VDD#K8
K8
DQU1 C3
DQU2 C8
DQU3 C2
DQU4 A7
DQU5 A2
DQU6 B8
DQU7 A3
DQU0 D7
A13
T3
A14
T7
A15
M7
BA2
M3
VREFDQ
H1
ZQ1#L9
L9
VDD#N1
N1
VDD#N9
N9
VDD#R1
R1
VDD#R9
R9
VSS#J8 J8
VSS#M1 M1
VSS#M9 M9
VSS#P1 P1
VSS#P9 P9
VSS#T1 T1
VSS#T9 T9
VDDQ#D2
D2
C73 10u/6.3V/X5R_6

1
1
2
2
3
3
4
4
5
5
6
6
A A
B B
C C
D D
&+$GGUHVV&RQWURO&ORFN7HUPLQDWLRQV
13
M0_A[0:15]
DRAM_ODT0
M0_CKE0
M0_CAS#
M0_CS#0
M0_WE#
M0_RAS#
M0_CKE0
M0_BS0
M0_BS1
M0_BS2
+0.675VTERM_DDR3L
M0_CS2#
M0_CS2#
M0_CKE2
M0_CKE2
M0_MA8
M0_MA6
M0_BS2
M0_BS1
M0_MA4
M0_CS#0
M0_WE#
M0_MA2
M0_MA3
M0_MA0
DRAM_ODT0
M0_RAS#
M0_MA10
M0_MA15
M0_MA5
M0_MA7
M0_MA9
M0_MA13
M0_MA12
M0_MA1
M0_MA14
M0_MA11
M0_CAS#
M0_BS0
M0_MA[0:15](2,11,12)
M0_RAS#(2,11,12)
M0_CAS#(2,11,12)
M0_WE#(2,11,12)
M0_CS#0(2,11,12)
M0_CKE0(2,11,12)
DRAM_ODT0(2,11,12)
M0_BS0(2,11,12)
M0_BS1(2,11,12)
M0_BS2(2,11,12)
+0.675VTERM_DDR3L(2,35,43)
M0_CS2#(2,11,12)
M0_CKE2(2,11,12)
+0.675VTERM_DDR3L
Size Document Number Rev
Date: Sheet of
Quanta Computer Inc.
PROJECT :
DDR3 TERMINATION
3A
13 48Tuesday, September 24, 2013
J01
Size Document Number Rev
Date: Sheet of
Quanta Computer Inc.
PROJECT :
DDR3 TERMINATION
3A
13 48Tuesday, September 24, 2013
J01
Size Document Number Rev
Date: Sheet of
Quanta Computer Inc.
PROJECT :
DDR3 TERMINATION
3A
13 48Tuesday, September 24, 2013
J01
C52 0.1u/6.3V/X5R_2
RP6
36x4/5%_4
1
3
5
7
2
4
6
8
C24 0.1u/6.3V/X5R_2
C76 0.1u/6.3V/X5R_2
C44 0.1u/6.3V/X5R_2
C83 0.1u/6.3V/X5R_2
C25 0.1u/6.3V/X5R_2
C57 0.1u/6.3V/X5R_2
R50 36/5%_4
C36 0.1u/6.3V/X5R_2
RP2
36x4/5%_4
1
3
5
7
2
4
6
8
C62 0.1u/6.3V/X5R_2
C23 0.1u/6.3V/X5R_2
C26 0.1u/6.3V/X5R_2
R80 36/5%_4
C27 0.1u/6.3V/X5R_2
C103 0.1u/6.3V/X5R_2
RP1
36x4/5%_4
1
3
5
7
2
4
6
8
C22 0.1u/6.3V/X5R_2
RP3
36x4/5%_4
1
3
5
7
2
4
6
8
RP4
36x4/5%_4
1
3
5
7
2
4
6
8
C28 0.1u/6.3V/X5R_2
R57 36/5%_4
RP5
36x4/5%_4
1
3
5
7
2
4
6
8

5
5
4
4
3
3
2
2
1
1
D D
C C
B B
A A
Level Shifter
EC SCI#/SMI#
S3#/S4# SERIRQ
LPCPD#/PWRBTN
SYSTEM PLTRST#SLP_S0IX#/SOC_SUSACK#
PCIE WAKE#
Intel: Int PU
eDP I2C (NC)
PANEL POWER ON PANEL BKLT_CTRL
14
Touch Panel
HDD PROTECT
L: DISABLE HDD
H: ENABLE HDD
Follow CRB
check!!
SOC_PLTRST#_R
SOC_DDI1_BKLTCTL#SOC_DDI1_VDDEN#
SWITCH_EN
HDD_PROTECT#
SLP_S4#
SLP_S3#
EC_PWRBTN#
EC_LPCPD#
SOC_RUNTIME_SCI#
SOC_EXTSMI#
SLP_S3# (16,30)
SLP_S4# (2,30)
SOC_SLP_S3#(5)
SOC_SLP_S4#(5)
SOC_SUS_STAT#(5) EC_LPCPD# (26,30)
EC_PWRBTN# (30)SOC_PWRBTN#(5)
SLP_S0IX# (16,29,30)
SOC_PLTRST#(5,24)
PLTRST# (17,23,26,30,31)
SOC_SLP_S0IX#(5)
EC_SUSACK# (30)SOC_SUSACK#(5)
SOC_eDP_SCL (15)
SOC_eDP_SDA (15)
DDI1_BKLT_CTRL(15)
SOC_DDI1_BKLTCTL(3)
DDI1_PANEL_EN (15)
SOC_DDI1_VDDEN(3)
SOC_LPC_SERIRQ(6) EC_SERIRQ (23,26,30)
SOC_PCIE_WAKE#(5) WLAN_PCIE_WAKE# (23)
SOC_TCH_SCL (26)
SOC_TCH_SDA (26)
EC_eDP_SCL(15,30)
EC_eDP_SDA(15,30)
SOC_TCH_INT# (26)SOC_TCH_INT#_R(5)
SOC_HDD_PROTECT (3)
HDD_PROTECT(29)
EC_SCI# (30)
EC_SMI# (30)
SOC_RUNTIME_SCI#(4)
SOC_EXTSMI#(5)
PCU_SMB_DATA(6)
PCU_SMB_CLK(6)
+1.8V_ALW
+1.8V_ALW
+1.8V_ALW
+1.8V_ALW
+1.8V_ALW
+1.8V_ALW
+3.3V_ALW
+3.3V
+1.8V_ALW
+1.8V_ALW
+1.8V_ALW
+1.8V
+1.8V
+1.8V
+3.3V_ALW
+3.3V
+3.3V_ALW
+3.3V
+1.8V_ALW +3.3VPCU_EC
+1.8V_ALW
+3.3V
+3.3V
+3.3V_ALW
+1.8V
+3.3V_ALW
+3.3V_ALW
+1.8V_ALW
Size Document Number Rev
Date: Sheet of
Quanta Computer Inc.
PROJECT :
LEVEL SHIFTERS
3A
14 48Tuesday, September 24, 2013
J01
Size Document Number Rev
Date: Sheet of
Quanta Computer Inc.
PROJECT :
LEVEL SHIFTERS
3A
14 48Tuesday, September 24, 2013
J01
Size Document Number Rev
Date: Sheet of
Quanta Computer Inc.
PROJECT :
LEVEL SHIFTERS
3A
14 48Tuesday, September 24, 2013
J01
Q46
DMN5L06DWK/50V_0.302A
6
2
1
4 3
5
R535 1k/5%_4
R95
10k/5%_4
Q12A
5
34
R100
10k/5%_4
U6
G2129TL1U
VCCA
1VCCB 6
B4
GND
2OE 5
A
3
Q38A
5
34
R89
10k/5%_4
R328
10k/5%_4
R509
10k/5%_4
Q17
DMN5L06DWK/50V_0.302A
6
2
1
4 3
5
R523 2.2K_2
Q19
DMN5L06DWK/50V_0.302A
6
2
1
4 3
5
R327
10k/5%_4
Q13B
PJ4N3KDW/30V_0.1A-SC70
2
61
R524 2.2K_2
Q45
*DMN5L06DWK/50V_0.302A
6
2
1
4 3
5
Q14
DMN5L06DWK/50V_0.302A
6
2
1
4 3
5
R99
10k/5%_4
R534 1k/5%_4
Q55A
5
34
Q12B
PJ4N3KDW/30V_0.1A-SC70
2
61
R530 *2.2K_2
R518
10k/5%_4
Q23
DMN5L06DWK/50V_0.302A
6
2
1
4 3
5
Q38B
PJ4N3KDW/30V_0.1A-SC70
2
61
R102 10K/5%_2
Q55B
PJ4N3KDW/30V_0.1A-SC70
2
61
R529 *2.2K_2
R520
10k/5%_4
Q22
DMN5L06DWK/50V_0.302A
6
2
1
4 3
5
Q13A
5
34

5
5
4
4
3
3
2
2
1
1
D D
C C
B B
A A
eDP to LVDS
Back light (confirming..)
For EMI
Close to Conn.
IC
⸽
⸽⸽
⸽悐
悐悐
悐暨
暨暨
暨㍍
㍍㍍
㍍
GND VIA*9
Close to Pin43
Close to Pin11
DisplayPort Power
SOC
I2C
/Ϯ/ŶƚĞƌĨĂĐĞ
ZdϮϭϯϮZWŽǁĞƌ
/ŶƚĞƌĨĂĐĞ
Close to Pin5
80mil
80mil
Dual Mode Regulator Configuration
L: SWR
R: LDO
No stuff
>s
80mil
>WKtZ
LED PANEL
,t^dZW^
Reserve
Near to GND
20mil
RT2136 output high
SOC active Low
80mil
Close to Pin22
Close to Pin18
WtDKhd
/ŶƚĞůƌĞĐŽŵŵĞŶĚƐ
DFWF30MR004
15
Footprint ok
15mil
40mil
80mil
0719: modify
0724: High end SKU don't stuff
Entry SKU :stuff R528/R526
Highend SKU :stuff R527/R525
eDP_TX0N
eDP_TX0P
eDP_AUXN
eDP_AUXP
DDI1_eDP_HPD
EDID_SCL
EDID_SDA
TXOOUT1+
TXOOUT1-
TXOOUT2+
TXOOUT2-
TXOCLKOUT+
TXOCLKOUT-
TXOOUT0+
TXOOUT0-
EDID_SCL
EDID_SDA
RTD2316_PWMIN
RTD2136_DPREXT
RTD2316_SDA
RTD2316_SCL
RTD2316_SCL
RTD2316_SDA
EDID_SDA
EDID_SCL
RTD2316_PWMOUT VADJ_PWM
RTD2316_PWMIN
RTD2316_BL_EN
DISPON
RTD2136_HPD
DDI1_eDP_HPD
DDI1_AUX_DN
DDI1_AUX_DP
ISEN4_R
ISEN3_R
TXOOUT1-
TXOOUT1+
TXOOUT2-
TXOOUT2+
TXOCLKOUT-
TXOCLKOUT+
TXOOUT0-
TXOOUT0+
TXOOUT3+
TXOOUT3-
RTD2316_BL_EN
eDP_AUXN
eDP_AUXP
eDP_TX0P
eDP_TX0N
eDP_TX1N
eDP_TX1P
RTD2136_HPD
RTD2316_PWMIN
RTD2316_PWMOUT
RTD2136_DPREXT
EDID_SCL
EDID_SDA
RTD2316_SCL
RTD2316_SDA
RTD2316_MSDA
RTD2316_MSCL
RTD2316_MSDA
RTD2316_MSCL
RTD2136_TESTMODE
RTD2136_TESTMODE
TXOOUT3+
TXOOUT3-
eDP_TX1N
eDP_TX1P
ISEN5
ISEN1
ISEN2
ISEN3_R
VADJ_PWM
DISPON
ISEN4_R
ISEN6
DDI1_TX0_DP(3)
DDI1_TX0_DN(3)
DDI1_AUX_DP(3)
DDI1_AUX_DN(3)
DDI1_eDP_HPD(3)
DDI1_BKLT_CTRL
(14)
EC_eDP_SCL
(14,30)
EC_eDP_SDA(14,30)
DDI1_PANEL_EN
(14)
LCD_BK_OFF (3)
LID#(25,30)
SOC_eDP_SCL
(14)
SOC_eDP_SDA(14)
DDI1_TX1_DP(3)
DDI1_TX1_DN(3)
VADJ_PWM (44)
DISPON (44)
ISEN1(44)
ISEN2(44)
ISEN3(44)
ISEN4(44)
ISEN5(44)
ISEN6(44)
+3.3V
+3.3V_LCD_VCC
GFX_PWR_SRC
+1.2V_2136
+SWR_LX
+SWR_LX +1.2V_2136
+3.3V +3.3V_2136_A
+3.3V_2136_D
+3.3V_RTD2316_PANEL
+3.3V_2136_A
+3.3V_RTD2316_PANEL
+3.3V_LCD_VCC_1
+3.3V_LCD_VCC
+3.3V
+3.3V+3.3V_ALW
+VIN GFX_PWR_SRC
+3.3V_2136_D+3.3V
+1.8V
+1.8V
+3.3V_2136_D
21236_AGND
21236_AGND
Size Document Number Rev
Date: Sheet of
Quanta Computer Inc.
PROJECT :
eDP/Touch
3A
15 48Tuesday, September 24, 2013
J01
Size Document Number Rev
Date: Sheet of
Quanta Computer Inc.
PROJECT :
eDP/Touch
3A
15 48Tuesday, September 24, 2013
J01
Size Document Number Rev
Date: Sheet of
Quanta Computer Inc.
PROJECT :
eDP/Touch
3A
15 48Tuesday, September 24, 2013
J01
C354 10u/6.3V/X5R_6
C350 0.047u/10V/X5R_4
C358 10u/25V/X5R_6
C268 *2200P/50V/X7R_4
1 2
C352 1000p/50V/X7R_4
R492 *0/5%_8
C359 0.1u/25V/X7R_6
C361 0.1u/25V/X7R_6
C266
1u/10V/X5R_4
R273
*4.7k/5%_4
R282 4.7k/5%_4
R475 *0/5%_6
C249 0.1u/10V/X5R_4
C267 0.1u/10V/X5R_4
R488
100k/5%_4
C257 0.1u/10V/X5R_4
R272 2.2k/1%_4
C260 10u/6.3V/X5R_6
R525 0/5%_4
R245 100k/1%_4
L11
PBY160808T-600Y-N(60,3A)
C237 0.1u/10V/X5R_4
R265 12k/1%_4
R236 *Short pad_4
R259 *Short pad_4
R274
100k/1%_4
C356
47p/50V/NPO_4
R250 4.7k/5%_4
47k
Q50
DDTC144EUA/50V/0.1A
1 3
2
R237 0/5%_6
R269 100k/1%_4
L19
4.7UH_1A
C348 0.1u/10V/X5R_4
R255 *Short pad_4
R283 4.7k/5%_4
C262 0.1u/10V/X5R_4
C261 0.1u/10V/X5R_4
D18
RB500V-40
C264 0.1u/10V/X5R_4
C357
0.1u/10V/X5R_4
R247 100k/5%_4
L7
*TI160808U600
U8
*IC(5P) G5243AT11U
OUT 1
GND 2
ON/OFF
3
IN
4
IN
5
R223 *100k/1%_4
L13
PBY160808T-600Y-N(60,3A)
R270 100k/1%_4
CN12
SMD/30P_LCD
1
3
5
7
9
11
13
15
17
19
21
23
25
27
29
2
4
6
8
10
12
14
16
18
20
22
24
26
28
30
G_0G_1
G_2
G_3
G_4
R253 100k/5%_4
R252 *Short pad_4
R487
10k/5%_4
C256 0.1u/10V/X5R_4
R271 1k/1%_4
C351 4.7u/10V/X5R_6
C269 *2200P/50V/X7R_4
1 2
R286
10k/5%_4
R470 *Short pad_6
C259 0.1u/10V/X5R_4
R278
100k/5%_4
RTD2136R
U11
DP_HPD
1
TESTMODE
2
AUX-CH_N
3
AUX-CH_P
4
DP_V33 5
DP_GND
6
LANE0P
7
LANE0N
8
LANE1P
9
LANE1N
10
DP_V12 11
DP_REXT
12
CIICSCL1
13
CIICSDA1
14
SWR_VCCK 15
GND
16 SWR_LX 17
SWR_VDD 18
PWMOUT
19
PANEL_VCC
20
PWMIN
21
PVCC 22
TXE3+ 23
TXE3- 24
TXEC+ 25
TXEC- 26
TXE2+ 27
TXE2- 28
TXE1+ 29
TXE1- 30
TXE0+ 31
TXE0- 32
TXO3+ 33
TXO3- 34
TXOC+ 35
TXOC- 36
TXO2+ 37
TXO2- 38
TXO1+ 39
TXO1- 40
TXO0+ 41
TXO0- 42
VCCK 43
BL_EN 44
MIICSDA1
45
MIICSCL1
46
MIICSDA0
47
MIICSCL0
48
GND
49
R528 *0/5%_4
R238 *Short pad_4
C235 0.1u/10V/X5R_4
R244 4.7k/5%_4
C239 10u/6.3V/X5R_6
C250 0.1u/10V/X5R_4
Q27
2N7002K/60V/0.3A
3
2
1
D19
RB500V-40
C234 0.1u/10V/X5R_4
C211 *1u/6.3V/X5R_4
R277 4.7k/5%_4
R527 0/5%_4
C349 *0.01u/16V/X7R_4
R279 4.7k/5%_4
C233 0.1u/10V/X5R_4
C263 0.1u/10V/X5R_4
C353 22u/6.3V/X5R_6
R526 *0/5%_4
R268 100k/1%_4

5
5
4
4
3
3
2
2
1
1
D D
C C
B B
A A
close to HDMI Conn
close to HDMI Conn
HDMI INTERFACE HDMI POWER SUPPLY
I2C Pull up
HDMI HOT PLUGI2S BUS LEVEL SHIFT
Layout note:Place close to HDMI Conn
EMI reserve for HDMI
ESD reserve for HDMI
HDMI LEVEL SHIFT
DG MAPPING OK
HDMI CONNECTOR (D TYPE)
16
Check pin define.
CRB
DDI0_TX0_DP
DDI0_TX1_DN
DDI0_TX1_DP
DDI0_TX0_DN
DDI0_TX3_DP
DDI0_TX2_DN
DDI0_TX2_DP
DDI0_TX3_DN
HDMI_TX2+
HDMI_TX1-
HDMI_TX0-
HDMI_TX1+
HDMI_TX0+
HDMI_CLK-
HDMI_CLK+
HDMI_TX2-
HDMI_TX2-
HDMI_TX2+
HDMI_TX0-
HDMI_TX0+
HDMI_TX1-
HDMI_TX1+
HDMI_FET_LVL
HDMI_CLK-
HDMI_CLK+
DDI0_DDC_SCL
DDI0_DDC_SDA
HDMI_HPD
HDMI_TX0+
HDMI_TX1+
HDMI_TX2+
HDMI_CLK-
HDMI_CLK+
HDMI_TX1-
HDMI_TX0-
HDMI_TX2-
+5V_HDMIC
HDMI_HPD
HDMI_TX2+
HDMI_TX2-
HDMI_TX1+
HDMI_TX1-
HDMI_TX0+
HDMI_TX0-
HDMI_CLK+
HDMI_CLK-
HDMI_DDC_SCL
HDMI_DDC_SDA
DDI0_HPD#
DDI0_DDC_SCL
DDI0_DDC_SDA
DDI0_DDC_SCL
DDI0_DDC_SDA
HDMI_DDC_SCL
HDMI_DDC_SDA
DDI0_HPD#
HDMI_DDC_SCL
HDMI_DDC_SDA
HDMI_TX2+
HDMI_TX2-
HDMI_TX1+
HDMI_TX1-
HDMI_TX2+
HDMI_TX2-
HDMI_TX1+
HDMI_TX1-
HDMI_TX0+ HDMI_TX0+
HDMI_TX0- HDMI_TX0-
HDMI_CLK+ HDMI_CLK+
HDMI_CLK- HDMI_CLK-
HDMI_DDC_SCL
HDMI_DDC_SDA
HDMI_DDC_SCL
HDMI_DDC_SDA
HDMI_HPD HDMI_HPD
DDI0_TX0_DP
(3)
DDI0_TX0_DN
(3)
DDI0_TX1_DP
(3)
DDI0_TX1_DN
(3)
DDI0_TX2_DP
(3)
DDI0_TX2_DN
(3)
DDI0_TX3_DP
(3)
DDI0_TX3_DN
(3)
SLP_S0IX#(14,29,30)
DDI0_DDC_SCL
(3)
DDI0_DDC_SDA
(3)
DDI0_HPD#(3)
SLP_S3#(14,30)
+1.8V
+1.8V
+5V_HDMIC
+5V_HDMIC+5V
+5V_HDMIC +5V_HDMIC
+1.8V
+1.8V
Size Document Number Rev
Date: Sheet of
Quanta Computer Inc.
PROJECT :
HDMI
3A
16 48Tuesday, September 24, 2013
J01
Size Document Number Rev
Date: Sheet of
Quanta Computer Inc.
PROJECT :
HDMI
3A
16 48Tuesday, September 24, 2013
J01
Size Document Number Rev
Date: Sheet of
Quanta Computer Inc.
PROJECT :
HDMI
3A
16 48Tuesday, September 24, 2013
J01
R149 2.2K/5%_2
C207 0.1u/10V/X7R_4
R420 619/1%_4
F1
SMD1206P110TFT
1 2
C216 0.1u/10V/X7R_4
R444 619/1%_4
R442 619/1%_4
C329
0.1u/16V/X5R_4
R128
10k/1%_4
U28
*AZ1045-04F
CH1 1
CH4 5
CH3 4
CH2 2
NC
6
GND 3
NC
7
NC
9
NC
10
R211
120/5%_4
R143 2.2K/5%_2
RV2
*TVM0G140M900R
U26
*AZ1045-04F
CH1 1
CH4 5
CH3 4
CH2 2
NC
6
GND 3
NC
7
NC
9
NC
10
R426 619/1%_4
D3 RB500V-40/40V/0.1A
21
C333
*68pF/50V/OCG_4
R213
120/5%_4
R439 619/1%_4
C209 0.1u/10V/X7R_4
C330
*68pF/50V/OCG_4
R144 2.2K/5%_2
TP25
D4 RB500V-40/40V/0.1A
21
R428 619/1%_4
Q20
DMN5L06K-7
3
2
1
U30
*AZ1045-04F
CH1 1
CH4 5
CH3 4
CH2 2
NC
6
GND 3
NC
7
NC
9
NC
10
C214 0.1u/10V/X7R_4
C206 0.1u/10V/X7R_4
CN9
HDMI_TypeD_80085-1021
HD
1
UTILITY
2
TMDS_D2+
3
SHIELD[1]
4
TMDS_D2-
5
TMDS_D1+
6
SHIELD[2]
7
TMDS_D1-
8
TMDS_D0+
9
SHIELD[3]
10
TMDS_D0-
11
TMDS_CLK+
12
SHIELD[4]
13
TMDS_CLK-
14
CEC
15
DDC_GND
16
SCL
17
SDA
18
+5V
19
BOSS[1] 20
BOSS[2] 21
BOSS[3] 22
BOSS[4] 23
R433
120/5%_4
R175
100k/1%_4
R437 619/1%_4
R141 2.2K/5%_2
C328
*22u/6.3V/X5R_6
Q15
DMN5L06DWK/50V_0.302A
6
2
1
4 3
5
R235 0/5%_4
R234 *0/5%_4
C205 0.1u/10V/X7R_4
Q18
DMN5L06K-7
3
2
1
C203 0.1u/10V/X7R_4
R432 619/1%_4
C197 0.1u/10V/X7R_4
R182
120/5%_4

5
5
4
4
3
3
2
2
1
1
D D
C C
B B
A A
17
WR2_EN
H: WR2 OFF
L: WR2 ON
/ŶƚĞƌĨĂĐĞ tZϮWŽǁĞƌ
CLOSE TO J3
CLOSE TO F2
CLOSE TO G2
CLOSE TO G1,D3,C3
CLOSE TO F8
EMMC
yd>ϯϬD,nj
CLOSE TO E7
CLOSE TO D8
'W/K^ĞƚƚŝŶŐ
SOC eMMC
ĂŶĚ'ĂƉZĞĨZĞƐŝƐƚĞƌŝŶƉƵƚ͘
^ϭη
eMMC is used, connected to GND
22 ohm resistor : CLOSE TO WR2 CHIP
ĞDDKWd/KE
SATA
DDZ/'
^W/ZKD
DDͺtW
20mil
10mil
20mil
10mil
10mil
0719: modify
0719: modify
0719: modify
0719: modify
0719: modify
0719: modify
PLTRST#
EC_WR2_EN
WR2_SD1_REXT
SATA_RXN1_WR2
SATA_RXP1_WR2
SATA_TXP1_WR2
SATA_TXN1_WR2
SATA_RXN1_WR2
SATA_RXP1_WR2
SATA_TXP1_WR2
SATA_TXN1_WR2
EC_WR2_INT
WR2_LED#
WR2_GPIO2
WR2_GPIO3
WR2_GPIO4
XTAL_30M_OUT
XTAL_30M_IN
XTAL_30M_IN
XTAL_30M_OUT
EMMC_D1
EMMC_D0
EMMC_CMD
EMMC_D3
EMMC_D2
EMMC_D7
EMMC_D6
EMMC_D5
EMMC_D4
EMMC_CLK
WR2_GPIO0
EN_EMMC_VDD#
EN_EMMC_VDDQ#
EN_EMMC_VDD#
EN_EMMC_VDDQ#
WR2_GPIO0
WR2_SD1_CD#
WR2_EMMC_D1
WR2_EMMC_D0
WR2_EMMC_D2
WR2_EMMC_D3 WR2_EMMC_CLK
WR2_EMMC_CMD
SOC_EMMC_D0
EMMC_D0
WR2_SD1_REXT
WR2_SD1_CD#
SOC_EMMC_D1
EMMC_D1
EMMC_D2
SOC_EMMC_D2
SOC_EMMC_D3
EMMC_D3
WR2_EMMC_D1
WR2_EMMC_D0
WR2_EMMC_D2
WR2_EMMC_D3
WR2_EMMC_CLK
WR2_EMMC_CMD
WR2_EMMC_D5
WR2_EMMC_D6
WR2_EMMC_D4
WR2_EMMC_D7
WR2_EMMC_D4
SOC_EMMC_D4
EMMC_D4
WR2_EMMC_D5
SOC_EMMC_D5
EMMC_D5
WR2_EMMC_D6 EMMC_D6
SOC_EMMC_D6
EMMC_D7WR2_EMMC_D7
SOC_EMMC_D7
SOC_EMMC_CMD
EMMC_CMD
EMMC_CLK
SOC_EMMC_CLK
SOC_EMMC_D1
SOC_EMMC_D0
SOC_EMMC_D3
SOC_EMMC_D2
SOC_EMMC_D7
SOC_EMMC_D6
SOC_EMMC_D5
SOC_EMMC_D4
SOC_EMMC_CMD
SOC_EMMC_CLK
WR2_LED#
PLTRST#
EC_WR2_EN
EC_WR2_INT
WR2_GPIO2
WR2_GPIO4WR2_GPIO3
WR2_GPIO5
WR2_SPI_SI
WR2_SPI_SO
WR2_SPI_CS#
WR2_SPI_SCK
WR2_SPI_SO
WR2_SPI_SI
WR2_SPI_SCK
WR2_SPI_CS#
WR2_GPIO5
WR2_EMMC_WP#
WR2_EMMC_WP#
SATA_RXN1_WR2(4)
SATA_TXN1_WR2(4)
SATA_TXP1_WR2(4)
SATA_RXP1_WR2(4)
EMMC_CMD(18)
EMMC_CLK(18)
EMMC_D0(18)
EMMC_D1(18)
EMMC_D2(18)
EMMC_D3(18)
EMMC_D4(18)
EMMC_D5(18)
EMMC_D6(18)
EMMC_D7(18)
EN_EMMC_VDD#(18)
EN_EMMC_VDDQ#(18)
SOC_EMMC_D0(4)
SOC_EMMC_D1(4)
SOC_EMMC_D2(4)
SOC_EMMC_D3(4)
SOC_EMMC_D4(4)
SOC_EMMC_D5(4)
SOC_EMMC_D6(4)
SOC_EMMC_D7(4)
SOC_EMMC_CMD(4)
SOC_EMMC_CLK(4)
WR2_LED#(24)
PLTRST#(14,23,26,30,31)
EC_WR2_EN(30)
EC_WR2_INT(30)
+3.3V_WR2_VDD +1.0V_WR2_CORE
+3.3V_WR2_VDD
+1.0V_WR2_PLL
+3.3V_WR2_VDD
+3.3V_WR2_VDD
+3.3V_WR2_VDD+3.3V
+1.0V_WR2_CORE+1.0V
+1.0V_WR2_PLL
+3.3V_WR2_VDD
+3.3V_WR2_VDD
+1.0V_WR2_CORE
+3.3V_WR2_VDDQ
+3.3V_WR2_VDDQ
+1.0V_WR2_AVDD
+1.0V_WR2_AVDD
+3.3V_WR2_AVDD
+3.3V_WR2_AVDD
+3.3V_WR2_VDD
+3.3V_WR2_VDD
+3.3V_WR2_VDD
+3.3V_WR2_VDD
Size Document Number Rev
Date: Sheet of
Quanta Computer Inc.
PROJECT :
I2C MAP & CPU MUXES
3A
17 48Tuesday, September 24, 2013
J01
Size Document Number Rev
Date: Sheet of
Quanta Computer Inc.
PROJECT :
I2C MAP & CPU MUXES
3A
17 48Tuesday, September 24, 2013
J01
Size Document Number Rev
Date: Sheet of
Quanta Computer Inc.
PROJECT :
I2C MAP & CPU MUXES
3A
17 48Tuesday, September 24, 2013
J01
C64 10P/50V/C0G_4
C320 0.1uF/10V_2
C79 0.01u/10V/X5R_2
C32 0.1u/10V/X5R_2
R68 *22/5%_2
R370 10K/5%_2
C91 0.1u/10V/X5R_2
R83 *Short pad_6
C40 0.01u/10V/X5R_2
R41 *22/5%_2
C82 4.7u/6.3V/X5R_4
C80 4.7u/6.3V/X5R_4
R77 *22/5%_2
R72 0/5%_2
R49 0/5%_2
R75 *22/5%_2
R55 0/5%_2 R368 10K/5%_2
C85 0.1u/10V/X5R_2
R31 *10K/5%_2
R51 *22/5%_2
R58 *22/5%_2
R70 0/5%_2
C89 0.1u/10V/X5R_2
C50 0.01u/10V/X5R_2
R42
*47k/1%_4
C77 0.1u/10V/X5R_2
Y1
30MHz/10ppm
4
1
2
3
R78 0/5%_2
R62 0/5%_2
C49 0.01u/10V/X5R_2
R39 *22/5%_2
C43 4.7u/6.3V/X5R_4
R36
*Short pad_2
C94 4.7u/6.3V/X5R_4
OZ787 WR2
U4
OZ787WR2IBN/97P -AJ007870T00
SD1_D2
G9
SD1_D3
H9
SD1_D0
F10
SD1_D1
F9
SD1_CMD
H10
SD1_D0P
C10
SD1_D0M
C9
SD1_D1P
D9
SD1_D1M
D10
MMC_D4
J10
MMC_D5
J9
MMC_D6
G8
MMC_D7
H8
SD1_WP
G5
SD1_CLK
G10
SD1_RCLKP
E10
SD1_RCLKM
E9
SD1_REXT
E8
SD1_CDN
J7
SD1_CD_OUTN
K7
SD1_VCC1N
H7
SD1_VCC2N
J8
GND G3
SATA_AGND
E3
SATA_TXN
B2
SATA_AGND
C2
SATA_AGND
C1
SATA_AGND
A1
SATA_TXP
B1
SATA_RXP
D1
SATA_RXN
D2
SATA_X2
E1
SATA_X1
F1
SATA_VDD10
G1
SATA_VDD10
D3
SATA_VDD10
C3
VDD33 K8
SATA_GNDOSC
E2
SATA_VDD33OSC
F2
SATA_AVDD33BGR
G2
GND K9
GND K3
GND J1
SATA_AGNDBGR
F3
PLL_AVDD J4
RSTN H5
WR2_EN J2
INT H3
GPIO0 B9
GPIO1 C8
GPIO2 B8
GPIO3 A8
GPIO4 C7
GPIO5 B7
SPI_CSN J6
SPI_MISO G6
SPI_MOSI H6
SPI_SCK K6
LDO_DV33_18 K2
VDDQ_SD1 F8
UART_TXD A10
UART_RXD A9
DSU_E A7
DSU_TXD B6
DSU_RXD A6
TST0 K1
TST1 K4
TST2 K10
VDD33 D4
VDD_CORE G7
LDO_V33IN J3
SD1_AVDD33 E7
SD1_AVDD10 D8
VDD33 H1
GND F7
PLL_AGND J5
VDD_CORE D5
VDD33 K5
VDD_CORE H4
VDD_CORE H2
VDD33 C6
GND A2
SD1_AGND
B10
GND F4
GND E5
GND E4
GND D6
GND C5
GND G4
SD1_AGND
D7
ATA_DD1
B5
ATA_DD2
A5
ATA_DD6
A4
ATA_DD7
B4
ATA_DD8
C4
ATA_DD11
A3
ATA_DD12
B3
C30 0.01u/10V/X5R_2
C78 0.01u/10V/X5R_2
TP6
R65 Short pad_2
R32 10K/5%_2
C84 0.1u/10V/X5R_2
R66
10K/1%_2
R34 10K/5%_2
TP5
R28 10K/5%_2
R47 *0/5%_2
C86 4.7u/6.3V/X5R_4
C90 4.7u/6.3V/X5R_4
R29 10K/5%_2
C29 4.7u/6.3V/X5R_4
C39 0.1u/10V/X5R_2
R354.7K/1%_2R81 *22/5%_2
L2 *Short pad_6
R33 *10K/5%_2
C54 10P/50V/C0G_4
C87 0.1u/10V/X5R_2
R40 0/5%_2
L4 *Short pad_6R38 Short pad_2
R82 0/5%_2
R69 *22/5%_2
R73 *Short pad_4
C34 4.7u/6.3V/X5R_4
R76 0/5%_2
C88 0.01u/10V/X5R_2
C38 4.7u/6.3V/X5R_4
C319 *10p/25V/COG_2
R26 *10K/5%_2
R21 *Short pad_4
C35 0.1u/10V/X5R_2
R24 *10K/5%_2
C97 4.7u/6.3V/X5R_4
C42 0.1u/10V/X5R_2
R74 *Short pad_4
R44 0/5%_2
R22 10K/5%_2
U19
SPI_FLASH
soic8-6-1_27-pm25lv010a
AKE35ZN0N00
IC FLASH(8P) W25X10CLSNIG(SOIC)
CS# 1
SPI_SCK 6
SPI_SI 5
SPI_SO 2
SPI_HOLD
7GND 4
VCC
8
WP#
3
R27 *10K/5%_2

5
5
4
4
3
3
2
2
1
1
D D
C C
B B
A A
24
Close to N5
Close to AA3
eMMC
15mils 15mils
/ŶƚĞƌĨĂĐĞ ĞDDWŽǁĞƌ
ĞDDsWKtZKEdZK> ĞDDsYWKtZKEdZK>
ĞDD>K<
Close to eMMC chip
ĞDDZ^dη
0709: for eMMC only
0709: for eMMC only
0709: for eMMC only
EMMC_CMD
EMMC_D7
EMMC_D1
EMMC_D0EMMC_D4
EMMC_CMD
EMMC_CLK_R
EMMC_D5
EMMC_D3
EMMC_D2
EMMC_D6
EMMC_D7
EMMC_D6
EMMC_D5
EMMC_D4
EMMC_RST#
EMMC_CLK
EMMC_D0
EMMC_D1
EMMC_D2
EMMC_D3
EN_EMMC_VDD# EN_EMMC_VDDQ#
EMMC_CLK_R EMMC_CLK
EMMC_RST#
EMMC_CMD(17)
EMMC_CLK(17)
SOC_EMMC_RST#(4)
EMMC_D0(17)
EMMC_D1(17)
EMMC_D2(17)
EMMC_D3(17)
EMMC_D4(17)
EMMC_D5(17)
EMMC_D6(17)
EMMC_D7(17)
EN_EMMC_VDD#(17)
EN_EMMC_VDDQ#(17)
+3.3V_eMMC_VDD
+1.8V_eMMC_VDDQ
+3.3V_eMMC_VDD
+1.8V_eMMC_VDDQ
+3.3V_eMMC_VDD+3.3V_WR2_VDD +1.8V_eMMC_VDDQ+1.8V
+3.3V_WR2_VDD
+1.8V_eMMC_VDDQ
Size Document Number Rev
Date: Sheet of
Quanta Computer Inc.
PROJECT :
Touch screen
3A
18 48Tuesday, September 24, 2013
J01
Size Document Number Rev
Date: Sheet of
Quanta Computer Inc.
PROJECT :
Touch screen
3A
18 48Tuesday, September 24, 2013
J01
Size Document Number Rev
Date: Sheet of
Quanta Computer Inc.
PROJECT :
Touch screen
3A
18 48Tuesday, September 24, 2013
J01
C58 *100p/25V_4
R84 0/5%_2
PQ3
2N7002W/60V/0.115A
3
2
1
C396 *0.1u/10V/X5R_2
C71 0.1u/10V/X5R_4
C31 2.2u/6.3V/X5R_4
C55 0.1u/10V/X5R_4
PR23
*47/5%_4
R54 22/5%_2
C70 2.2u/6.3V/X5R_4
C323 *0.1u/10V/X5R_4
R79 *2.2k/5%_4
R56
10K/5%_2
R85
10K/5%_2
R87 0/5%_6
Q11
*AO3413/-20V/-3A
3
2
1
C324 1u/10V/X5R_4
U20
THGBM2G6D2FBAI9/BGA_169
VCC_0 M6
VCC_1 N5
VSS_2 R10
VSS_3 U8
VDDI K2
VCCQ_0 K6
VCCQ_1 W4
VCCQ_2 Y4
DAT0
H3
DAT1
H4
DAT2
H5
DAT3
J2
DAT4
J3
DAT5
J4
VSS_1 P5
CMD
W5
VSSQ_3
AA4
VSSQ_0
K4
VSSQ_1
Y2
CLK
W6
VSSQ_4
AA6
VCCQ_3 AA3
VCCQ_4 AA5
VSS_0 M7
VSSQ_2
Y5
VCC_2 T10
VCC_3 U9
RST_n
U5
NC
K1
DAT7
J6
DAT6
J5
NC
H2
NC
K5
NC
H6
NC
H7
NC L1
NC
AA2
PQ6
2N7002W/60V/0.115A
3
2
1
PR17
*47/5%_4
Q10
*AO3413/-20V/-3A
3
2
1
R43 0/5%_6

5
5
4
4
3
3
2
2
1
1
D D
C C
B B
A A
Mirco SD
18
1: Power off
0: Power on
DON'T STUFF IF USE RTS5170-GRT
CLOSE TO SD PIN9
CARD PCIE INTERFACE
CO-LAY with SoC
CARD POWER
HW STRAPS
DON'T STUFF IF USE RTS5227E
uSD SLOT
EMI
0618: change p/n DFHD09MR120
CLOSE TO uSD SLOT
CARD READER
400mA/ 30mil
SD3_PWR_EN#
SD3_CMD_CONN
SD3_D0_CONN
SD3_D1_CONN
SD3_D3_CONN
SD3_CLK_CONN
RTS5170_D0
RTS5170_D1
RTS5170_CLK
SD3_D2_CONN
RTS5170_CMD
RTS5170_D2
RTS5170_D3
RTS5170_RREF
SD3_CD#_CONNRTS5170_CD#
RTS5170_WP
SD3_CD#_CONN
SD3_CMD_CONN
SD3_D0_CONN
SD3_D3_CONN
SD3_D2_CONN
SD3_D1_CONN
SD3_CLK_CONN
SD3_D1
SD3_D0
SD3_D2
SD3_CLK_CONN
SD3_D3
RTS5170_CD#
RTS5170_WP
RTS5170_D1
RTS5170_D0
RTS5170_CLK
RTS5170_CMD
RTS5170_D3
RTS5170_D2
HUB1_SD_3P
HUB1_SD_3N
RTS5170_SDREG
HUB1_SD_3N
HUB1_SD_3P
RTS5170_RREF
RTS5170_V18
RTS5170_LED# RTS5170_SDREG
RTS5170_V18
SD3_PWR_EN#(4)
SD3_D0(4)
SD3_D1(4)
SD3_D3(4)
SD3_D2(4)
SD3_CMD(4)
SD3_CLK
(4)
SD3_CD#
(4)
HUB1_SD_3N(21)
HUB1_SD_3P(21)
+3.3V_ALW +3.3V
+3.3V_CARD
+3.3V_CARD
+3.3V +3.3V_RTS5170
+3.3V_CARD
+3.3V_CARD
+3.3V_CARD
+3.3V_RTS5170
Size Document Number Rev
Date: Sheet of
Quanta Computer Inc.
PROJECT :
Ext. uSD
3A
19 48Tuesday, September 24, 2013
J01
Size Document Number Rev
Date: Sheet of
Quanta Computer Inc.
PROJECT :
Ext. uSD
3A
19 48Tuesday, September 24, 2013
J01
Size Document Number Rev
Date: Sheet of
Quanta Computer Inc.
PROJECT :
Ext. uSD
3A
19 48Tuesday, September 24, 2013
J01
R297 *0/5%_4
CH1R-03B-H-N
CN15
.
SMD/9P_uSD card
CMD
3
VDD
4
GND1
10
DAT1
8
CD/DAT3
2
VSS
6
CLK
5
DAT0
7
DAT2
1
CD
9
GND3 12
GND4 13
GND2 11
GND5 14
Q29
*2N7002W/60V/0.115A
3
2
1
R320 *0/5%_4
Q30
*AO3413/-20V/-3A
3
2
1
C278 *0.1u/10V/X5R_4
R310 0/5%_4
C288 *0.1u/10V/X5R_4
R302 0/5%_4
EC7 *10p/50V/NPO_4
R317 0/5%_4
EC9 *10p/50V/NPO_4
R316 *Short pad_4
R303 0/5%_4
R309 *Short pad_6
C286
*0.047u/10V/X5R_4
C282 0.1u/10V/X5R_4
U12
RTS5170-GRT(QFN)
V18 24
RREF
1
DM
2
DP
3
3V3_IN
4
CARD_3V3
5
SDREG
6
XD_CD#
7
SP1
8
SP2
9
SP3
10
SP4
11
SP5
12
SP6 13
SP7 14
SP8 15
SP9 16
GPIO0 17
SP10 18
SP11 19
SP12 20
SP13 21
SP14 22
XD_D7 23
GND
25
R311 *0/5%_4
R315 *0/5%_4
EC8 *10p/50V/NPO_4
R304
*22/5%_8
R319 0/5%_4
R299 *0/5%_4
R314 *0/5%_4
TP34
C283 4.7u/6.3V/X5R_4
R318 0/5%_4
C279 1u/10V/X5R_4
C285 1u/10V/X5R_4
R305 0/5%_4
R307
*100k/5%_4
R300 *0/5%_4
R308 *6.8k/5%_4
C280 0.1u/10V/X5R_4
EC6 *10p/50V/NPO_4
R301 6.2K/1%_4
EC5 *10p/50V/NPO_4

5
5
4
4
3
3
2
2
1
1
D D
C C
B B
A A
15 mil
52.4mA
19
USB HUB0
Need check
HUB_TEST
0: Normal Operation
(Internal PD)
1: Test Mode
HUB_PSELF
0: GL850G is bus-powered
1: GL850G is self-powered
USB HUB0 XTAL
USB HUB0 STRAPS
On HUB IC, V33 is generated by V5 if using internal LDO.
NC if Using
External
Regulator
USB HUB0 Power
USB HUB0 RESET
USB HUB0 Interface
Front CAM
Rear CAM
WIFI/BT
1025: EMI reserve
CLOSE TO PIN5
CLOSE TO PIN9
CLOSE TO PIN14
3G
CLOSE TO PIN21
HUB0_PGANG
HUB0_3G_4N
HUB0_3G_4P
HUB0_PSELF
nOVRP0_2
nOVRP0_1
USB_HUB0_RST#
nOVRP0_4
nOVRP0_3
HUB0_BT_3N
HUB0_X2
HUB0_X1
HUB0_BT_3P
HUB0_RREF
HUB0_CAM_1P
HUB0_CAM_1N
USB_HUB0_RST#
HUB0_TEST
HUB0_TEST
HUB0_PSELF
HUB0_PGANG
HUB0_X1
HUB0_X2
nOVRP0_4
nOVRP0_3
nOVRP0_2
nOVRP0_1
SOC_USB_2P_R
SOC_USB_2N_R
HUB0_CAM_1N
HUB0_CAM_1P
HUB0_CAM_2P
HUB0_CAM_2N
HUB0_CAM_2P
HUB0_CAM_2N
HUB0_BT_3P
HUB0_BT_3N
HUB0_RREF
HUB0_3G_4N
HUB0_3G_4P
SOC_USB_2P_R
SOC_USB_2N_R
HUB0_CAM_1N(22)
HUB0_CAM_1P(22)
HUB0_CAM_2N(22)
HUB0_CAM_2P(22)
HUB0_BT_3N(23)
HUB0_BT_3P(23)
HUB0_3G_4N(24)
HUB0_3G_4P(24)
SOC_USB_2P(6)
SOC_USB_2N(6)
+3.3V +3.3V_USB_HUB0
+3.3V_USB_HUB0
+3.3V_USB_HUB0
+3.3VA_USB_HUB0
+3.3VA_USB_HUB0
+3.3VA_USB_HUB0 +3.3VD_USB_HUB0
+5V +5V_USB_HUB0
+5V_USB_HUB0
+3.3V_USB_HUB0
+3.3V_USB_HUB0
+3.3VD_USB_HUB0
Size Document Number Rev
Date: Sheet of
Quanta Computer Inc.
PROJECT :
USB3.0(COMBO USB 2.0)
3A
20 48Tuesday, September 24, 2013
J01
Size Document Number Rev
Date: Sheet of
Quanta Computer Inc.
PROJECT :
USB3.0(COMBO USB 2.0)
3A
20 48Tuesday, September 24, 2013
J01
Size Document Number Rev
Date: Sheet of
Quanta Computer Inc.
PROJECT :
USB3.0(COMBO USB 2.0)
3A
20 48Tuesday, September 24, 2013
J01
R344 *Short pad_6
C313
1u/10V/X5R_4
Y3
12MHz/12pf/20ppm
I1
O3
G
4
G
2
C306 10u/10V/X5R_4
C307 0.1u/10V/X5R_4
L16 120/2A/HCB_6
R352 100k/5%_4
R354 10k/5%_4
C303 1u/6.3V/X5R_4
R346 *0/5%_4
L17
*90/0.3A_MEM2012D-4P
4 3
21
C311 0.1u/10V/X5R_4
R348 10k/5%_4
C312 0.1u/10V/X5R_4
C309 18p/50V/C0G_4
R350 10k/5%_4
R361
10k/5%_4
R360
*47k/5%_4
C305 0.1u/10V/X5R_4
R357 10k/5%_4
C304 0.1u/10V/X5R_4
R359 *10k/5%_4
R358 10k/5%_4
C310 18p/50V/C0G_4
C308 1u/6.3V/X5R_4
L18 120/2A/HCB_6
QFN28
GL850G-OHY31
U16
GL850G-OHY31
DD+0
2
DD-1
3
DD+1
4
VCC_A_5
5
DD-2
6
DD+2
7DD+4 16
VCC_D 21
OVR#[3] 20
OVR#[4] 19
TEST 18
DD-0
1
DD-4 15
RESET# 17
RREF
8
VCC_A_9
9
XIN
10
XOUT
11
DD-3
12
DD+3
13
VCC_A_14
14
VREG 28
VCC 27
I2C_SDA 26
OVR#[1] 25
OVR#[2] 24
GANG 23
SELFPWR 22
GND
29
R345 680/1%_4

5
5
4
4
3
3
2
2
1
1
D D
C C
B B
A A
On HUB IC, V33 is generated by V5 if using internal LDO.
NC if Using
External
Regulator
USB HUB1 Power
1025: EMI reserve
USB HUB RESET
15 mil
USB HUB1 Interface
52.4mA
20
CLOSE TO PIN5
CLOSE TO PIN9
CLOSE TO PIN14
TOUCH SCREEN
EC SENSOR HUB
High Actice
60 mils (Iout=1.5A)
USB HUB1
(6'
Use USB3.0 common mode choke different with USB2.0
USB COMBO PORT
Need check
HUB_TEST
0: Normal Operation
(Internal PD)
1: Test Mode
HUB_PSELF
0: GL850G is bus-powered
1: GL850G is self-powered
USB HUB1 XTAL
USB HUB1 STRAPS
CARD READER
0603: change footprint
CLOSE TO PIN21
DFHS10FR115
0923: Remove R98,R97,R90,R86
nOVRP1_4
nOVRP1_3
nOVRP1_2
nOVRP1_1
HUB1_PGANG
HUB1_PSELF
nOVRP1_2
nOVRP1_1
USB_HUB1_RST#
nOVRP1_4
nOVRP1_3
HUB1_RREF
SOC_USB_3P_R
SOC_USB_3N_R
HUB1_TOUCH_1N
HUB1_TOUCH_1P
HUB1_SENS_2P
HUB1_SENS_2N
SOC_USB2_OC1#
USB3_RX0P_C
SOC_USB3_TX0N_R
SOC_USB3_TX0P_R
USB3_RX0N_C
USB_1P_C
USB_1N_C
USB_HUB1_RST#
HUB1_RREF
HUB1_TEST
USB_1P_C
HUB1_TEST
USB_1N_C
HUB1_PSELF
HUB1_PGANG
HUB1_X1
HUB1_X2
HUB1_TOUCH_1N
HUB1_TOUCH_1P
HUB1_SENS_2N
HUB1_SENS_2P
HUB1_X1
HUB1_X2
USB3_TX0P_C
USB3_TX0N_C
HUB1_SD_3P
HUB1_SD_3N
HUB1_SD_3N
HUB1_SD_3P
SOC_USB_3P_R
SOC_USB_3N_R
USB3_TX0N_CUSB3_TX0N_C
USB3_TX0P_C
USB3_RX0N_C
USB3_RX0P_CUSB3_RX0P_C
USB3_RX0N_C
USB3_TX0P_C
SOC_USB2_OC1# (6)
HUB1_TOUCH_1N(26)
HUB1_TOUCH_1P(26)
HUB1_SENS_2N(30)
HUB1_SENS_2P(30)
USB_ON(30)
SOC_USB_1N(6)
SOC_USB_1P(6)
SOC_USB3_TX0N(6)
SOC_USB3_RX0N(6)
SOC_USB3_TX0P(6)
SOC_USB3_RX0P(6)
HUB1_SD_3N(19)
HUB1_SD_3P(19)
SOC_USB_3N(6)
SOC_USB_3P(6)
+5V +5V_USB_HUB1
+5V_USB_HUB1
+3.3V_USB_HUB1
+3.3V_USB_HUB1
+3.3V +3.3V_USB_HUB1
+3.3VD_USB_HUB1
+5V_ALW +5V_USB
+5V_USB
+3.3V_USB_HUB1
+5V_USB
+3.3V_USB_HUB1
+3.3VA_USB_HUB1
+3.3VA_USB_HUB1
+3.3VA_USB_HUB1 +3.3VD_USB_HUB1
+5V_USB
Size Document Number Rev
Date: Sheet of
Quanta Computer Inc.
PROJECT :
USB HUB1 / COMBO 3.0
3A
21 48Tuesday, September 24, 2013
J01
Size Document Number Rev
Date: Sheet of
Quanta Computer Inc.
PROJECT :
USB HUB1 / COMBO 3.0
3A
21 48Tuesday, September 24, 2013
J01
Size Document Number Rev
Date: Sheet of
Quanta Computer Inc.
PROJECT :
USB HUB1 / COMBO 3.0
3A
21 48Tuesday, September 24, 2013
J01
C229 10u/6.3V/X5R_6
C253 18p/50V/C0G_4
CN8
uUSB/C16109-11009-L
VBUS
1
D+
3D-
2
ID
4
GND
5
SSTX-
6
SSTX+
7
GND_DRAIN
8
GND
12
GND
11
GND
13 GND
14
SSRX-
9
SSRX+
10
L8
*90/0.3A_MEM2012D-4P
4 3
21
QFN28
GL850G-OHY31
U10
GL850G-OHY31
DD+0
2
DD-1
3
DD+1
4
VCC_A_5
5
DD-2
6
DD+2
7DD+4 16
VCC_D 21
OVR#[3] 20
OVR#[4] 19
TEST 18
DD-0
1
DD-4 15
RESET# 17
RREF
8
VCC_A_9
9
XIN
10
XOUT
11
DD-3
12
DD+3
13
VCC_A_14
14
VREG 28
VCC 27
I2C_SDA 26
OVR#[1] 25
OVR#[2] 24
GANG 23
SELFPWR 22
GND
29
R230 100k/5%_4
C258 1u/6.3V/X5R_4
CML3
DLW21SN121SQ2L
1
4 3
2
R254 10k/5%_4
C252 18p/50V/C0G_4
C109 0.1u/10V/X5R_4
R267 680/1%_4
R229 10k/5%_4
C223
1u/10V/X5R_4
R232
10k/5%_4
U5
*AZC002-02N.R7G/5V_6A
VIN 4
GND 1
IO1
2
IO2
3
R222 *Short pad_6
L12 120/2A/HCB_6
U21
G547N1P81U
GND
1EN
4
VIN1
2
VIN2
3
OC 5
OUT1 6
OUT3 8
OUT2 7
C238 0.1u/10V/X5R_4
R227 *0/5%_4
L9 120/2A/HCB_6
C393 470p/50V/NPO_4
C111 0.1u/10V/X5R_4
C251 0.1u/10V/X5R_4
R248 10k/5%_4
U23
ESD8004MUTAG
CH1 1
CH4 5
CH3 4
CH2 2
NC
6
GND 3
NC
7
GND
8
NC
9
NC
10
+
C392 150u/6.3V/R25_3528
R228 10k/5%_4
R226
*47k/5%_4
R262 *10k/5%_4
CML1
*DL
1
4 3
2
R231 10k/5%_4
C225 0.1u/10V/X5R_4
C254 0.1u/10V/X5R_4
C318
1u/10V/X5R_6
CML2
*DL
1
4 3
2
C226 0.1u/10V/X5R_4
Y2
12MHz/12pf/20ppm
I1
O3
G
4
G
2
C255 1u/6.3V/X5R_4
C394 0.1u/10V/X5R_4

5
5
4
4
3
3
2
2
1
1
D D
C C
B B
A A
Front CCD 2M
FRONT CAM VCC Control
REAR CCD 8M
DFHD10MR115
21
DFHS06FR039
ESD
REAR CAM VCC Control
FOR ESD
H: CCD ON
L: CCD OFF
H: CCD ON
L: CCD OFF
0801: Change part for EOL
0801: Change part for EOL
R339
I2C Address Setting :
I2C Address
0x48
0x10
R336
asm
asm
G-Sensor (0823)
0923: Remove R4,R5
0923: Remove R23,R25
HUB0_CAM_1N_R
HUB0_CAM_1P_R
EN_FRONT_CAM#
HUB0_CAM_2P_R
HUB0_CAM_2N_R
HUB0_CAM_1P_R
HUB0_CAM_1N_R
EN_FRONT_CAM#
HUB0_CAM_2P_R
HUB0_CAM_2N_R
HUB0_CAM_2N_R
HUB0_CAM_2P_R
HUB0_CAM_1N_R
HUB0_CAM_1P_R
ALS_INT#_R
ALS_SCL
ALS_SDA
ALS_INT#_R
ALS_SET
ALS_SDA
ALS_SCL
ALS_INT#_R
EN_FRONT_CAM(3)
HUB0_CAM_2N(20)
HUB0_CAM_2P(20)
EN_REAR_CAM(3)
REAR_CAM_LED(3)
HUB0_CAM_1P(20)
HUB0_CAM_1N(20)
ALS_INT#(30)
EC_HUB_SCL(25,30)
EC_HUB_SDA(25,30)
+3.3V +3.3V_FRONT_CAM
+3.3V_ALW
+3.3V_REAR_CAM
+3.3V_FRONT_CAM
+3.3V +3.3V_REAR_CAM
+3.3V_ALW
+3.3V_REAR_CAM
+3.3V_FRONT_CAM
+3.3V +3.3V_ALS
+3.3V_ALS
+3.3V_ALS
+3.3V_ALS
Size Document Number Rev
Date: Sheet of
Quanta Computer Inc.
PROJECT :
2M/8M CCD&Flash LED
3A
22 48Tuesday, September 24, 2013
J01
Size Document Number Rev
Date: Sheet of
Quanta Computer Inc.
PROJECT :
2M/8M CCD&Flash LED
3A
22 48Tuesday, September 24, 2013
J01
Size Document Number Rev
Date: Sheet of
Quanta Computer Inc.
PROJECT :
2M/8M CCD&Flash LED
3A
22 48Tuesday, September 24, 2013
J01
R2 *0/5%_6
47k
Q6
DDTC144EUA/50V/0.1A
1 3
2
L1
DLP11SN900HL2L(90,0.15A)
1
2 4
3
Q8
2N7002W/60V/0.115A
3
2
1
R335 *Short pad_4
C2 *2200p/50V/X7R_4
R20
47_6
R338 2.2k/5%_4
R339 *300k/1%_4
Q2
2N7002W/60V/0.115A
3
2
1
Q1
AO3413/-20V/-3A
3
2
1
U3
*PJSR05@NC
VIN 4
GND 1
IO1
2
IO2
3
CN7
SMD/Wire/10P
1
2
3
4
11
12
5
6
7
8
9
10
L3
DLP11SN900HL2L(90,0.15A)
1
2 4
3
R3
47_6
C3 10u/6.3V/X5R_6
47k
Q3
DDTC144EUA/50V/0.1A
1 3
2
C4
0.1u/16V/X5R_4
U1
*PJSR05@NC
VIN 4
GND 1
IO1
2
IO2
3
C20
0.1u/16V/X5R_4
R337 *Short pad_4
R6 100k/5%_4
Q9
AO3413/-20V/-3A
3
2
1
R19 100k/5%_4
C297 4.7u/6.3V/X5R_4
R340 *Short pad_4
CN5
SMD/Wire/7P
1
2
3
4
8
9
5
6
7
C317 10u/6.3V/X5R_6
R336 300k/1%_4
C316 *2200p/50V/X7R_4
R334
*Short pad_6
R30 *0/5%_6

1
1
2
2
3
3
4
4
5
5
6
6
7
7
8
8
A A
B B
C C
D D
Mini PCIE Wifi/BT connector
Place caps close to connector.
нϯ͘ϯsͺE'&&ͺt>E
DĂdžƵƌƌĞŶƚ͗ϭϬϬϬŵ
:/$1
For ESD
PCI-Express TX and RX
direct to connector
For ESD / RF
For EMI
40 mils (Iout=1A) 40 mils (Iout=1A)
40 mils (Iout=1A)
40 mils (Iout=1A)
15mils
(&
3&+
LPC INTERFACE:
+3.3V_ALW
+1.8V_ALW
DRE --12-0003-01
DFHS52FR107
22
CHANGE FOOTPRINT(FOLLOW CL4)
0807: for cost down
0807: for cost down
0822: modify
MINICARD_PME#
PLTRST#
EC_SERIRQ WLAN_SERIRQ
SOC_LPC_AD2
SOC_LPC_FRAME#
SOC_LPC_AD3
SOC_LPC_AD0
SOC_LPC_AD1
WLAN_OFF_R#
MINICARD_PME#
PCLK_DEBUG
PCLK_DEBUG
WLAN_OFF_R#
+3.3V_MPCIE_WLAN_R
SOC_LPC_AD1
SOC_LPC_AD2
SOC_LPC_AD3
SOC_LPC_FRAME#
EC_SERIRQ
PLTRST#
SOC_LPC_AD0
SOC_LPC_CLKRUN#
TPM_LCLKOUT
EN_WLAN_PWR
(30)
SOC_WLAN_PWR(5)
DEBUG_LCLKOUT (6)
HUB0_BT_3N (20)
HUB0_BT_3P (20)
BT_OFF#
(30)
WLAN_ON/OFF# (30)
EC_WAKE_SCI#
(30)
+3.3V_ALW (2,8,14,15,19,22,26,29,30,31,34,35,36,37,38,39,40,41,42)
+1.5V (8,27,38,43)
WLAN_PCIE_RX0P(4)
WLAN_PCIE_RX0N(4)
WLAN_PCIE_TX0P
(4) WLAN_PCIE_TX0N
(4)
WLAN_PCIE_CLKREQ0#(4)
WLAN_PCIE_CLK0N(5)
WLAN_PCIE_CLK0P(5)
SOC_LPC_AD1(6,26,30)
SOC_LPC_AD2(6,26,30)
SOC_LPC_AD3(6,26,30)
PLTRST#
(14,17,26,30,31)
EC_LCLKOUT(6,30)
SOC_LPC_FRAME#(6,26,30)
EC_SERIRQ(14,26,30)
SOC_LPC_AD0(6,26,30)
SOC_LPC_CLKRUN#(6,26,30)
TPM_LCLKOUT(6,26)
WLAN_PCIE_WAKE#
(14)
+3.3V_MPCIE_WLAN
+3.3V_MPCIE_WLAN+3.3V_ALW
+1.5V +1.5V_WLAN
+1.5V_WLAN
+3.3V_MPCIE_WLAN+3.3V_MPCIE_WLAN
+3.3V_MPCIE_WLAN
+3.3V_MPCIE_WLAN
+1.8V_ALW
Size Document Number Rev
Date: Sheet of
Quanta Computer Inc.
PROJECT :
Wifi/BT MiniPCIE
3A
23 48Tuesday, September 24, 2013
J01
Size Document Number Rev
Date: Sheet of
Quanta Computer Inc.
PROJECT :
Wifi/BT MiniPCIE
3A
23 48Tuesday, September 24, 2013
J01
Size Document Number Rev
Date: Sheet of
Quanta Computer Inc.
PROJECT :
Wifi/BT MiniPCIE
3A
23 48Tuesday, September 24, 2013
J01
C10 0.01u/16V/X7R_4
C16 0.047u/10V/X5R_4
R365 *0/5%_4
D14
RB500V-40
Q40
*DMN5L06K-7/50V_0.3A
3
2
1
Q5
LTC044EUBFS8TL
1 3
2
R367 *Short pad_4
R18
*100k/5%_4
R366 *0_4
FC1 *EGA-0402
C314 0.1u/10V/X5R_4
R13 *Short pad_4
TP2
C15 0.1u/10V/X5R_4
R14
4.7k/5%_4
C14
*10P/50V/COG_4
C13 10u/10V/X5R_4
D13 RB500V-40
CN6
SMD/52P_MINI PCIE
3.3V_1 2
WAKE#
1
GND0 4
RESERVED_1
3
1.5V_1 6
RESERVED_2
5
UIM_PWR 8
CLKREQ#
7
UIM_DATA 10
GND1
9
UIM_CLK 12
REFCLK-
11
UIM_RESET 14
REFCLK+
13
UIM_VPP 16
GND2
15
GND3 18
UIM_C8
17
W_DISABLE# 20
UIM_C4
19
PERST# 22
GND4
21
3.3VAUX1 24
PERn0
23
GND5 26
PERp0
25
1.5V_2 28
GND6
27
SMB_CLK 30
GND7
29
SMB_DATA 32
PETn0
31
GND8 34
PETp0
33
USB_D- 36
GND9
35
USB_D+ 38
RESERVED_3
37
GND10 40
RESERVED_4
39
LED_WWAN# 42
RESERVED_5
41
LED_WLAN# 44
RESERVED_6
43
LED_WPAN# 46
RESERVED_7
45
1.5V_3 48
RESERVED_8
47
GND11 50
RESERVED_9
49
3.3V_2 52
RESERVED_10
51
Q4
2N7002W-7-F/60V/0.115A
3
2
1
C11
0.1u/10V/X5R_4
Q7
AO3413/-20V/-3A
3
2
1
C12 0.047u/10V/X5R_4
C21
0.01U/16V/X7R_4
TP3
D1 *RB500V-40
FC2 *EGA-0402
C315 0.1u/10V/X5R_4
RV1 *EGA-0402
R12
22/5%_8
C18 4.7u/6.3V/X5R_4
TP4
47k
Q41
DDTC144EUA/50V/0.1A
13
2
R363
10k/5%_4
R15 *Short pad_6
R16 *Short pad_6
D2 RB500V-40

5
5
4
4
3
3
2
2
1
1
D D
C C
B B
A A
CHECK FOOTPRINT PART NUMBER
3G NGFF Conn (MU736)
SIM Card
RF_KILL# (3.3V)
H: RF is turned on (default)
L: RF is turned off
WWAN_WAKE#
Open drain.
Hardware pin for BodySAR Detection. (1.8V)
H: No TX power backoff (default)
L: TX power backoff.
GPS disable function (3.3V)
H:The GPS will be turned on (default)
L:The GPS/GLONASS will be turned off
SIM hot swap detection pin. (1.8V)
H:SIM is present.
L: SIM is absent.
WWAN_OFF# (1.8V/3.3V,INT PD)
H: WWAN powers on
L: WWAN powers off
NGFF_RST# (1.8V)
NGFF POWERNGFF INTERFACE NGFF HW STRAPS
close to RST# pin
USIM POWER
USIM DATA
2500mA2500mA
WWAN WAKE#
SATA INTERFACE
SATA DEVSLP
WWAN/SSD_IND, Slot B Indication Pin Definitions
GND: WWAN
NC: SSD mSTAT
SATA LED
SAR CONN
DFHS75FR052
DFHD04MR084
23
VENDOR: COMMON Shoule be connected to GND.
VENDOR: Internal pull high
VENDOR: Internal pull high
ESD
USIM COMMAN
DFHS10FR087
0923: Using 2x10 uf to
replace 22uf because of
size.
BODYSAR#
USIM_RESET
USIM_CLK
USIM_DATA
+1.8V_USIM
RF_KILL#
NGFF_RST#
CLK_GPS_CAL
WWAN_OFF#
USIM_DETECT
USIM_CLK
USIM_DATA
USIM_RESET
USIM_RESET
USIM_DATAUSIM_CLK
HUB0_3G_4P
HUB0_3G_4N
GPS_OFF#
WWAN_WAKE#
RF_KILL#
WWAN_OFF#
SOC_WWAN_WAKE#
HUB0_3G_4P
HUB0_3G_4N
SOC_PLTRST#
GPS_OFF#
USIM_DETECT
WWAN_WAKE#
BODYSAR#
WWAN_OFF#
SOC_PLTRST# NGFF_RST#
USIM_DATA
USIM_DETECT
NFC_SWIO
RF_KILL#
WWAN_WAKE#SOC_WWAN_WAKE#
SATA_RXN0_C
SATA_RXP0_C
SATA_TXP0_C
SATA_TXN0_C
SATA_RXN0_C
SATA_RXP0_C
SATA_TXP0_C
SATA_TXN0_C
SOC_DEVSLP
SOC_DEVSLP
SATA_DEVSLP
WWAN/SSD_IND
WWAN/SSD_IND
SOC_SATA_LED#
SOC_SATA_LED#
NGFF_SSD_PRESENT#
NGFF_SSD_PRESENT#
BODYSAR#
SAR_CTRL
GPS_OFF#
GNSS_I2C_IRQ
GPS_BLANKING
GNSS_I2C_SDA
GNSS_I2C_SCL
USIM_COMMON
USIM_COMMON
USIM_DETECT
WR2_LED#
WR2_LED#
SATA_DEVSLP
WWAN_OFF#(3)
SOC_WWAN_WAKE#
(5)
HUB0_3G_4P(20)
HUB0_3G_4N(20)
SOC_PLTRST#(5,14)
RF_KILL#(30)
SATA_RXN0_C(4)
SATA_TXN0_C(4)
SATA_TXP0_C(4)
SATA_RXP0_C(4)
SOC_DEVSLP
(4)
SOC_SATA_LED#
(4)
NGFF_SSD_PRESENT#(30)
GPS_OFF#(30)
WR2_LED#
(17)
+3.3V_NGFF
+1.8V_USIM
+3.3V_NGFF
+1.8V
+3.3V_NGFF
+3.3V_NGFF
+1.8V
+1.8V_USIM
+1.8V_USIM
+1.8V_USIM
+3.3V_NGFF
+1.8V
+1.8V
+3.3V
+3.3V+3.3V
+3.3V
+3.3V
+1.8V
+1.8V_USIM
Size Document Number Rev
Date: Sheet of
Quanta Computer Inc.
PROJECT :
3G NGFF
3A
24 48Tuesday, September 24, 2013
J01
Size Document Number Rev
Date: Sheet of
Quanta Computer Inc.
PROJECT :
3G NGFF
3A
24 48Tuesday, September 24, 2013
J01
Size Document Number Rev
Date: Sheet of
Quanta Computer Inc.
PROJECT :
3G NGFF
3A
24 48Tuesday, September 24, 2013
J01
TP38
TP40
TP39
C232
*33p/50V/COH_4
Q54
*DMN5L06K-7/50V_0.3A
3
2
1
TP32
TP71
47k
Q53
*PDTC144EU/50V/0.1A
13
2
C248
*33p/50V/COH_4
R333 *Short pad_1A
C228 1u/10V/X5R_4
R511
*10k/5%_4
C292 330p/50V/X7R_4
NGFF
CN20
SMD/75P_NGFF ID-B
Presebce IND
1
GND
3
GND
5
USB_D+
7
USB_D-
9
GND
11
Key
13
Key
15
Key
17
Key
19
WWAN/SSD IND
21
Wake_On_WWAN
23
BodySAR_N
25
GND
27
PERp1/USB3_R+
29
PERn1/USB3_R-
31
GND
33
PETn1/USB3_T-
35
PETP1/USB3_T+
37
GND
39
PERn0/SATA_B+
41
PERP0/SATA_B-
43
GND
45
PETn0/SATA_A-
47
PETp0/SATA_A+
49
GND
51
REFCLKP
53
REFCLKN
55
GND
57
ANTCTL0(1.8V)
59
ANTCTL1(1.8V)
61
ANTCTL2(1.8V)
63
ANTCTL3(1.8V)
65
Reset#(1.8V)
67
PEDET
69
GND
71
GND
73
USB3.0 IND
75
3.3Vaux 2
3.3Vaux 4
Card_Power_OFF#(1.8V) 6
W_DISABLE#(3.3V) 8
LED#1(OD) 10
Key 12
Key 14
Key 16
Key 18
AUD0(1.8v) 20
AUD1(1.8v) 22
AUD2(1.8v) 24
AUD3(1.8v) 26
UIM-RFU 28
UIM-Reset 30
UIM-CLK 32
UIM-DATA 34
UIM-PWR 36
DEVSLP(3.3V) 38
GNSS0(1.8V) 40
GNSS1(1.8V) 42
GNSS2(1.8V) 44
GNSS3(1.8V) 46
GNSS4(1.8V) 48
PERST# (3.3V) 50
CLKREQ# (3.3V) 52
PEWake# (3.3V) 54
NC 56
NC 58
COEX3(1.8V) 60
COEX2(1.8V) 62
COEX1(1.8V) 64
SIM Detect 66
SUSCLK(32kHz) (3.3V) 68
3.3Vaux 70
3.3Vaux 72
3.3Vaux 74
Shilding
76
Shilding
77
R263 *Short pad_4C227
*33p/50V/COH_4
C247
*33p/50V/COH_4
R331 10k/5%_4
CN11
SIM SOCKET
GND(C5)
5
RST(C2)
2VPP(C6)
6
CLK(C3)
3I/O(C7)
7
VCC(C1)
1
GND 11
GND 12
N/A (C4) 4
N/A(C8) 8
GND 13
GND 14
Common
10
DET
9GND 15
GND 16
GND 17
GND 18
GND 19
GND 20
R501 0/5%_4
R521 *Short pad_1A
R512 0/5%_4
R498
100/1%_6
LED2
YELLOW GREEN
21
R332 10k/5%_4
SC5 *0.8pf/5V_4
C294 1u/10V/X5R_4
TP64
C293 0.1u/10V/X5R_4
R330 10k/5%_4
R241 *10k/5%_4
TP68
ESD1
*IP4220CZ6_NC
1
1
2
2
3
344
55
66
C397 10uF/6.3V_4
TP37
C380
*33p/50V/NPO_4
R504 10k/5%_4
TP36
CN16
SMD/Wire/4P
1
2
3
4
56
R502 Short pad_4
R503 10k/5%_4
TP35
C295 10uF/6.3V_4
TP31

5
5
4
4
3
3
2
2
1
1
D D
C C
B B
A A
WR Address : 0x3C
RD Address : 0x3D
G-sensor/E-compass/Magnetometer (High-end SKU)Gyroscope (High-end SKU)
WR Address : 0xD2
RD Address : 0xD3
close to IC
SDO:
H -- LSb is 1
L -- LSb is 0
Checking ~~~
Hall sensor
25
Accelerometer (Entry SKU)
G_SENSOR_CS
1: I2C mode
0: SPI enabled
0924:
High-END: populate R342/R343/R356
Entry-SKU: populate R347/R349/R355
COMBO_INT1_R
COMBO_INT2
COMBO_C1
COMBO_SETN
COMBO_SETP
COMBO_SDA
COMBO_SCL
COMBO_DRDY
GYRO_INT2
GYRO_INT1
RES_GYRO
GYRO_SDA
GRYO_SCL
COMBO_SDA
COMBO_SCL
COMBO_INT2
COMBO_DRDY
COMBO_C1
COMBO_SETN
COMBO_SETP
RES_GYRO
EC_HUB_SCL
EC_HUB_SDA GYRO_SDA
GRYO_SCL
GYRO_INT1
GYRO_INT2
ACCEL_INT1
ACCEL_CS
ACCEL_CS
ACCEL_SDA
ACCEL_SCL
ACCEL_SD0
ACCEL_SD0
ACCEL_SCL
ACCEL_SDA
ACCEL_INT1
COMBO_INT1_R
EC_HUB_SDA(22,30)
EC_HUB_SCL(22,30)
COMBO_INT2(30)
COMBO_INT1(30)
COMBO_DRDY(30)
GYRO_INT2(30)
GYRO_INT1(30)
LID# (15,30)
+3.3V_ACCEL
+3.3V +3.3V_ACCEL
+3.3V_GYRO
+3.3V +3.3V_GYRO
+3.3V_GYRO
+3.3VPCU
+3.3V_ACCEL
+3.3V_ACCEL
Size Document Number Rev
Date: Sheet of
Quanta Computer Inc.
PROJECT :
GPS SAR LED ALS POWER BUTTON
3A
25 48Tuesday, September 24, 2013
J01
Size Document Number Rev
Date: Sheet of
Quanta Computer Inc.
PROJECT :
GPS SAR LED ALS POWER BUTTON
3A
25 48Tuesday, September 24, 2013
J01
Size Document Number Rev
Date: Sheet of
Quanta Computer Inc.
PROJECT :
GPS SAR LED ALS POWER BUTTON
3A
25 48Tuesday, September 24, 2013
J01
U14
LSM303DLHC
VDD_IO
1
SCL
2
SDA
3C1 6
INT1
5
DRDY 9
SETN 13
SETP 12
RSVD1 8
RSVD4 11
VDD
14
INT2
4
RSVD3 10
GND
7
R356 0/5%_4
C300 0.1u/10V/X5R_4
R353 Short pad_4
C9 0.01u/25V/X7R_4
C302 4.7u/10V/X5R_6
R351 Short pad_4
C291
4.7u/6.3V/X5R_4
Ϳ
΄
HE1
YB8251ST23
OUT 1
GND
3
VDD 2
R349 *0/5%_4
U2
L3GD20TR
VDDIO
1
SCL/SPC
2
SDA/SDI/SDO
3
SDO/SA0
4
CS
5
DRDY/INT2
6
INT1
7
Reserved_1
8Reserved_2 9
Reserved_3 10
Reserved_4 11
Reserved_5 12
GND 13
Reserved 14
Reserved_6 15
VDD 16
R8 *Short pad_4
C7 10u/6.3V/X5R_6
C8 0.1u/10V/X5R_4
C296
0.1u/10V/X5R_4
R9 *Short pad_4
C301 10u/6.3V/X5R_6R341 *Short pad_6
R343 0/5%_4
R355 *0/5%_4
U15
*LIS3DHTR/LGA_16P
NC 2
NC 3
GND 12
VDD
14
VDD_IO
1
ADC3 13
SDA/SDI/SDO
6
SDO/SA0
7
GND 5
INT2 9
SCL/SPC
4
RES
10
ADC2 15
ADC1 16
INT1 11
CS
8
R10 *Short pad_6
R347 *0/5%_4
TP1
R342 0/5%_4
C299
0.22u/10V/X5R_4

5
5
4
4
3
3
2
2
1
1
D D
C C
B B
A A
TPM
TPM interface TPM power supplier
TPM LPCPD#
TPM HW STRAPS
TEST MODE ENABLE:
NC -- NORMAL (DEFAULT)
PULL UP -- TEST MODE
BASE ADRESS:
NC -- 7Eh-7Fh , NORMAL (DEFAULT)
PULL DOWN -- EEh-EFh
XOR TREE OUTPUT:
INTERNAL PU & PD RESISTORS.
TPM LPC
TPM PP
TPM TCS-EN
26
CLOSE TO CHIP
DFFC08FR046
Touch Panel VCC Control
нϱsͺdKh,ͺWE>
DĂdžƵƌƌĞŶƚ͗ϴϬϬŵ
Touch Screen
Touch Panel ESD
Touch Panel I2C
0924: Remove R195/R187.
SOC_LPC_AD0
SOC_LPC_AD1
SOC_LPC_AD2
SOC_LPC_AD3
TPM_LCLKOUT_R
PLTRST#
TPM_BADD
TPM_PP SOC_LPC_FRAME#
SOC_LPC_CLKRUN#
SOC_LPC_AD1
SOC_LPC_AD2
SOC_LPC_AD3
SOC_LPC_FRAME#
EC_SERIRQ
PLTRST#
SOC_LPC_AD0EC_SERIRQ
SOC_LPC_CLKRUN#
TPM_LPCPD#
TPM_LPCPD#
TPM_TEST
TPM_TEST
TPM_BADD
TPM_XOR-OUT
TPM_XOR-OUT
EC_SERIRQ
SOC_LPC_CLKRUN#
TPM_PP
TPM_TCS-EN
TPM_TCS-EN
TPM_LCLKOUT_R
HUB1_TOUCH_1N_C
HUB1_TOUCH_1P_C
SOC_TCH_SCL
SOC_TCH_SDA
SOC_TCH_INT#
SOC_TCH_SCL
SOC_TCH_SDA
SOC_TCH_SCL
SOC_TCH_SDA
SOC_TCH_INT#
SOC_TCH_INT#
SOC_LPC_AD1(6,23,30)
SOC_LPC_AD2(6,23,30)
SOC_LPC_AD3(6,23,30)
PLTRST#(14,17,23,30,31)
SOC_LPC_FRAME#
(6,23,30)
EC_SERIRQ(14,23,30)
SOC_LPC_AD0(6,23,30)
SOC_LPC_CLKRUN#(6,30)
TPM_LCLKOUT
(6)
EC_LPCPD#(14,30)
HUB1_TOUCH_1N(21)
HUB1_TOUCH_1P(21)
SOC_TCH_INT#(14)
SOC_TCH_SDA(14)
SOC_TCH_SCL(14)
+3.3V_TPM
+3.3V +3.3V_TPM
+3.3V_ALW +3.3V_TPM_VSB
+3.3V_TPM_VSB
+3.3V_TPM
+3.3V_TPM
+3.3V_TCH_PNL+3.3V
+5V_TCH_PNL+5V
+3.3V_TCH_PNL
+5V_TCH_PNL
+3.3V_TCH_PNL
Size Document Number Rev
Date: Sheet of
Quanta Computer Inc.
PROJECT :
TPM
3A
26 48Tuesday, September 24, 2013
J01
Size Document Number Rev
Date: Sheet of
Quanta Computer Inc.
PROJECT :
TPM
3A
26 48Tuesday, September 24, 2013
J01
Size Document Number Rev
Date: Sheet of
Quanta Computer Inc.
PROJECT :
TPM
3A
26 48Tuesday, September 24, 2013
J01
C156 10u/10V/X5R_4
EC14 *0.8pf/5V_4
R193 10k/5%_4
U7
TPM_NPCT42I
GPIO0/XOR_OUT
1
GPIO1
2
NC
3
VSS
4
VSB
5
GPIO2/GPX
6
PP
7
TEST
8
GPIO3/BADD
9
NC
10
NC
11
NC
12
NC
13
NC
14 CLKRUN#/GPIO4 15
LREST# 16
LAD3 17
VSS 18
VDD 19
LAD2 20
LCLK 21
LFRAME# 22
LAD1 23
VDD 24
VSS 25
LAD0 26
SERIRQ 27
LPCPD# 28
TP19
TP15
C167 0.1u/10V/X5R_4
R171 2.2k/1%_4
R176 *Short pad_4
C341 0.1u/10V/X5R_2
TP20
R135 *Short pad_4
R139 10k/5%_4
EC15 *0.8pf/5V_4
R179 2.2K/5%_2
R150 *Short pad_6
EC13 *0.8pf/5V_4
R156 33/5%_4
C174 0.1u/10V/X5R_2
C190 10u/10V/X5R_4
R123 *0/5%_4
CN10
SMD/FFC/8P
1
4
5
6
7
8
2
3
10
9
R172 2.2k/1%_4
C162 0.1u/10V/X5R_4
L5
*WCM2012-90
1
43
2
R447 *Short pad_6
R167 *4.7k/5%_4
R166 *10k/5%_4

1
1
2
2
3
3
4
4
5
5
6
6
A A
B B
C C
D D
$8',2&2'(&
Analog Ground of Audio
Close to pin1
HDA:
INT/EXT MIC:
H/P OUT & SPK OUT:
LAYOUT: CLOSE TO CODEC
Analog
Digital
Close to pin46
Close to pin39
PC BEEP
place close to pin 13
JACK SENSE
Close to pin38
Close to pin9
Intel DG: 33 ohm
27
Close to pin25
Realtek: Must place next to pin12
Close to Pin 28
close to Pin 27
AUDIO MUTE
Audio Power
0924: change R322 to shortpad
0924: Change part
MIC1_BIAS
COMBO_HPR
COMBO_HPL
COMBO_MIC
SPK_L-
SPK_L+
SPK_R-
SPK_R+
AUDIO_SYNC
AUDIO_SDI0#
SPK_R-
SPK_R+
COMBO_HPR
COMBO_HPL
AUDIO_SENSEA
AUDIO_BEEP
AUDIO_BEEP
AUDIO_RST#
AUDIO_SYNC
AUDIO_SDI0#
AUDIO_BITCLK
AUDIO_BITCLK
AUDIO_SDOUT
AUDIO_SDOUT
AUDIO_SENSEA
INT_MIC
COMBO_MIC_2
MIC2_BIAS
MIC2_BIAS
AUDIO_RST#
SPK_L-
SPK_L+
AUDIO_LDO1
MIC1_L
MIC1_R
COMBO_MIC
MIC2_L
MIC2_R
INT_MIC
MIC2_L
MIC2_R
MIC1_L
MIC1_R
AUDIO_VREF
MIC1_BIAS
AUDIO_MUTE#
COMBO_MIC_2
AUDIO_LDO1
AUDIO_VREF
AUDIO_RST#
AUDIO_MUTE#
HDA_RST#
AUDIO_BITCLK
AUDIO_SYNC
HDA_SDI0#
AUDIO_SDOUT
MIC1_BIAS(28)
COMBO_HPL(28)
COMBO_HPR(28)
COMBO_MIC(28)
SPK_L+(28)
SPK_L-(28)
HDA_SYNC(4)
HDA_RST#(4)
HDA_SDI0#(4)
HDA_BIT_CLK(4)
HDA_SDOUT(4)
EC_MUTE#
(30)
COMBO_HP_JD# (28)
INT_MIC(28)
SOC_PCBEEP
(6)
EC_BEEP
(30)
COMBO_MIC_2(28)
MIC2_BIAS(28)
AGND
+5V
+5V_PVDD2
+1.5V
+3.3V_DVDD
AGND
+5V_PVDD2
AGND
+1.5V_DVDD_IO
+3.3V_DVDD
+5V_AVDD
+5V_AVDD
AGND
+3.3V
+1.5V_DVDD_IO
+5V_AVDD
AGND
AGND
+5V_PVDD1
+5V_PVDD1
AGND
AGND
+3.3V
+3.3V
AGND
AGND
+5V_AVDD
Size Document Number Rev
Date: Sheet of
Quanta Computer Inc.
PROJECT :
HDA AUDIO CODEC ALC282
3A
27 48Tuesday, September 24, 2013
J01
Size Document Number Rev
Date: Sheet of
Quanta Computer Inc.
PROJECT :
HDA AUDIO CODEC ALC282
3A
27 48Tuesday, September 24, 2013
J01
Size Document Number Rev
Date: Sheet of
Quanta Computer Inc.
PROJECT :
HDA AUDIO CODEC ALC282
3A
27 48Tuesday, September 24, 2013
J01
L26
120/2A/HCB_6
TP74
C372 0.1u/10V/X5R_4
C378 1u/10V/X5R_4
TP70
C383 10u/10V/X5R_4
C368 10u/10V/X5R_4
C290
*10u/6.3V/X5R_6
L23
120/2A/HCB_6
C375 1u/10V/X5R_4
C391 *10p/50V/COG_4
C287 10u/10V/X5R_4
Q31
2N7002W/60V/0.115A
3
2
1
R510 33_2
C289 0.1u/10V/X5R_4
R506 0/5%_4
R515 33_2
L25
120/2A/HCB_6
R322 Short pad_4
C384 *10p/50V/COG_4
C373 0.1u/10V/X5R_4
C367 2.2u/6.3V/X5R_4
C388 *10p/50V/COG_4
C385 0.1u/10V/X5R_4
L15
120/2A/HCB_6
R496 20k/1%_4
C370 10u/10V/X5R_4
C387 *10p/50V/COG_4
Q34
2N7002W/60V/0.115A
3
2
1
R507 33_2
C366 2.2u/6.3V/X5R_4
C369 0.1u/10V/X5R_4
R514 33_2
R505
47k/5%_4
C277
*10u/6.3V/X5R_6
L14
120/2A/HCB_6
C381 0.1u/10V/X5R_4
TP73
C374 1u/10V/X5R_4
C382 10u/10V/X5R_4
C390
*10u/6.3V/X5R_6
U33
ALC269Q-VC3-GR/QFN_48P
DVDD1
1
GPIO0/DMIC-DATA
2
GPIO1/DMIC-CLK
3
PD#
4
SDATA-OUT
5
BIT-CLK
6
DVSS2
7
SDATA-IN
8
DVDD-IO
9
SYNC
10
RESET#
11
PCBEEP
12
Sense A 13
LINE2-L 14
LINE2-R 15
MIC2-L 16
MIC2-R 17
Sense-B 18
JDREF 19
MONO-OUT 20
MIC1-L 21
MIC1-R 22
LINE1-L 23
LINE1-R 24
AVDD1 25
AVSS1 26
VREF 27
LDO-CAP 28
MIC2-VREFO 29
MIC1-VREFO-R 30
MIC1-VREFO-L 31
HP-OUT-L 32
HP-OUT-R 33
CPVEE 34
CBN 35
CBP 36
AVSS2
37
AVDD2
38
PVDD1
39
SPK-L+
40
SPK-L-
41
PVSS1
42
PVSS2
43
SPK-R-
44
SPK-R+
45
PVDD2
46
SPDIFO2/EAPD
47
SPDIFO
48
PAD
49
C284 0.1u/10V/X5R_4
C377 1u/10V/X5R_4
R494 10k/5%_4
TP69
R306 0/5%_4
TP66
C371 2.2u/6.3V/X5R_4
R495 47k/5%_4
R313 10k/5%_4
C379 1u/10V/X5R_4
TP72
R513 33_2
R499 39.2k/1%_4
C365 10u/10V/X5R_4C389 *22p/50V/NPO_4
R312
10k/5%_4
Q52
DMN5L06K-7/50V_0.3A
3
2
1
Q37
DMN5L06K-7/50V_0.3A
3
2
1
R493 0/5%_4
C281 10u/10V/X5R_4
C376 1u/10V/X5R_4
C386 0.1u/10V/X5R_4

5
5
4
4
3
3
2
2
1
1
D D
C C
B B
A A
SPEAKERS
Headphone and Mic Jack
HP_L
HP_R
AMIC
AMIC_BIAS
Normal Open
30 mils
P/N:DFHD02MR311
ESD
ESD
INTERNAL MIC
Realtek suggest
P/N ok
PN:DFTJ06FR496
28
L: thermal probe
H: MIC phone
Audio Jack side
Detect a plug action on the audio jack
L: (defult) . Right of Jack connected to ADC
H: After EC detects a MICphone, set High
L:Switch on
H:Switch off
1. IN: Low, COM <-> NC
2. IN: High, COM <-> NO
1. 3-section
Earphone/external audio
amplifier insertion: the
resisane on this pin is 0
and the ADC_voltage is 0V 1. Thermal probe insertion: the resisane on
this pin is >800ohm and the ADC_voltage is
>0.1V
2. Earphone insertion: the resisane on this
pin is 0 or 32ohm and the ADC_voltage is 0V
1. Low, thermal probe, disable codec plug detection
2. High, MIC phone, enable codec plug detection
Thermal probe reference schematics by Intel
(To codec)
PIN1 --> L
PIN2 --> R
PIN3 --> MIC
PIN4 --> AGND
PIN5 --> AUDIO JACK#
PIN6 --> AGND
P/N ok
P/N:DFHD02MR311
0726: Add ; 0729: ED2/3/5/6 stuff
0923: modify
0923: modify
COMBO_HPL_C
SPK_L+1
SPK_L-1
COMBO_MIC_C
COMBO_HPR_CCOMBO_HPR_1
COMBO_HPR
COMBO_HPL
COMBO_HPL_1
INT_MIC_1 INT_MIC_2
COMBO_MIC_C
COMBO_HPR_C
COMBO_HPR_2
COMBO_HPR_2
HP_JD_R#
HP_JD_R#
INT_MIC_2 COMBO_MIC
HP_JD_R#
COMBO_MIC_C
SPK_L+(27)
SPK_L-(27)
MIC1_BIAS
(27)
COMBO_MIC(27)
COMBO_HPR(27)
COMBO_HPL(27)
INT_MIC(27)
MIC2_BIAS(27)
COMBO_MIC_2(27)
Detection_EN#(30) ADC4_EC
(30)
ADC3_EC
(30)
GPI_Plug_Detection_EC#(30)
Thermal_Probe_EN#
(30)
COMBO_HP_JD#
(27)
AGND
AGND
AGND
AGNDAGND
AGND
+3.3V
+3.3V
+3.3V
+3.3V
+3.3V
+3.3V
+5V_AVDD
AGND AGND
+5V_AVDD
Size Document Number Rev
Date: Sheet of
Quanta Computer Inc.
PROJECT :
AUDIO/SPK/HP/MIC
3A
28 48Tuesday, September 24, 2013
J01
Size Document Number Rev
Date: Sheet of
Quanta Computer Inc.
PROJECT :
AUDIO/SPK/HP/MIC
3A
28 48Tuesday, September 24, 2013
J01
Size Document Number Rev
Date: Sheet of
Quanta Computer Inc.
PROJECT :
AUDIO/SPK/HP/MIC
3A
28 48Tuesday, September 24, 2013
J01
EC4
*AVLC 5S 02 100
C363 0.1u/10V/X5R_4
L20 FCM1005KF-601T02_200mA
R500 1k/1%_4
R275 22k/5%_4
R281 680/1%_4
R292 0/5%_4
EC17 *100p/50V/NPO_4
C274
6800p/50V/X7R_4
L22 FCM1005KF-601T02_200mA
U32
TS5A22362YZPR_DSBGA
V+
A2
NO1
A3
COM1
B3
NC1
C3
IN1
D3
GND D2
IN2 D1
NC2 C1
COM2 B1
NO2 A1
R486 22/5%_8
ED4
*BAT54S-7-F/30V/0.2A
3
1
2
ED6 AVLC 5S 02 (5.5V,100p)_4
Q25
AO3413/-20V/-3A
3
2
1
CN17
MIC Conn
1
2
G1 3
G2 4
ED3 AVLC 5S 02 (5.5V,100p)_4
C270
0.1u/10V/X5R_4
R280 1k/1%_4
R294 0/1%_6
C364 0.1u/10V/X5R_4
R291 *0/5%_4
Q26
AO3413/-20V/-3A
3
2
1
R285 2k/1%_4
L21 FCM1005KF-601T02_200mA
C275 1u/10V/X5R_4
EC20 *100p/50V/NPO_4
R491 *0/5%_4
R284 100k/5%_4
Q24
AO3413/-20V/-3A
3
2
1
Q51
AO3413/-20V/-3A
3
2
1
ED1
*BAT54S-7-F/30V/0.2A
3
1
2
C360 1u/10V/X5R_4
C265 10u/6.3V/X5R_6
ED5 AVLC 5S 02 (5.5V,100p)_4
R287 10k/1%_4
R489 22/5%_8
L24
HCB1608KF-181T15
CN14
SMD/Wire/2P
1
1
2
2G1 3
G2 4
ED2 AVLC 5S 02 (5.5V,100p)_4
EC18 *220p/50V/X7R_4
R293 0/1%_6
R490
10k/1%_4
Q28
DMN5L06K-7/50V_0.3A
3
2
1
EC3
*AVLC 5S 02 100
R296 100k/5%_4
EC23 100p/50V/NPO_4
R508 2.2k/5%_4
C276
6800p/50V/X7R_4
R288 0/5%_4
R295 100k/5%_4
CN13
COMBOJACK_ 2SJ2326-020111F
4
2
1
3
5
6
C362 10u/10V/X5R_4
R276 22k/5%_4

5
5
4
4
3
3
2
2
1
1
D D
C C
B B
A A
ALWAYS POWER GOOD ALL SYSTEM POWER GOOD
DOCKING CONNECTOR
DOCK EMI
DRAM/CORE POWER OK
L: DOCK IN
H: DOCK OUT
DOCK ESD
Close to CN7009
L: DOCK disable
H: DOCK enable
DFHS40FR088
0725: modify
0909: Charging for shunt down mode
SLP_S0IX#
ALL_SYS_PG
DOCK_DET#
DOCK_SCL
DOCK_SDA
DOCK_DET#
SOC_USB_0N_C
SOC_USB_0P_C
SOC_USB_0N_C
SOC_USB_0P_C
DOCK_DET#DOCK_SDA
DOCK_SCL
DOCK_INT1
DOCK_INT0#
SOC_USB_0P_C
SOC_USB_0N_C
HDD_PROTECT
DOCK_SCL
DOCK_SDA
DOCK_INT0
DOCK_INT1
DOCK_DET#
VCCAPWROK (30)
ALL_SYS_PG(30,31)
SLP_S0IX#(14,16,30)
CORE_PWROK (5)
PG_VCC_ALW (30)
PG_VCC_MAIN (30)
PG_+1.0V_ALW(36)
PG_+1.8V_ALW(39)
PG_+1.2V_ALW
(40)
PG_+1.05V(37)
PG_+1.5V(38)
PG_+1.35V_GFX(41)
EC_DOCK_DET (30,42)
SOC_USB_0N(6)
SOC_USB_0P(6)
PG_+3.3V_ALW
(34)
HDD_PROTECT(14)
DOCK_SDA
(30)
DOCK_SCL
(30)
DOCK_INT1#(30)
DOCK_INT0#(30)
DDR3_VCCA_PWROK(2,30)
+3.3V_ALW
+3.3V_ALW+3.3V_ALW
+3.3VPCU
+3.3V
+3.3VPCU
+3.3VPCU
+12V_SLATE
+VIN_SLATE
+VIN_SLATE
+12V_SLATE
+1.8V +1.8V +5V_USB
Size Document Number Rev
Date: Sheet of
Quanta Computer Inc.
PROJECT :
TBD
3A
29 48Tuesday, September 24, 2013
J01
Size Document Number Rev
Date: Sheet of
Quanta Computer Inc.
PROJECT :
TBD
3A
29 48Tuesday, September 24, 2013
J01
Size Document Number Rev
Date: Sheet of
Quanta Computer Inc.
PROJECT :
TBD
3A
29 48Tuesday, September 24, 2013
J01
R264
10k/5%_4
EC25 *1000p/50V/X7R_4
D10
1SS400/80V/0.1A
21
Q32
2N7002W/60V/0.115A
3
2
1
CN22
DOCK/40P_DD2R040HPC-DT
1
2
3
4
5
6
7
8
9
10
11
12
13
14
15
16
17
18
19
20
21
22
23
24
25
26
27
28
29
30
31
32
33
34
35
36
37
38
39
40
41
42
43
44
U34
*AZC002-02N.R7G/5V_6A
VIN 4
GND 1
IO1
2
IO2
3
EC26 *1000p/50V/X7R_4
D11
1SS400/80V/0.1A
21
EC11 *0.8pf/5V_4
D5
1SS400/80V/0.1A
21
D12
1SS400/80V/0.1A
21
D6
1SS400/80V/0.1A
21
L27
90/0.3A_MEM2012D-4P
4 3
21
EC12 *1000p/50V/X7R_4
EC27 *0.8pf/5V_4
R329
100K/1%_2
U36
*AZC002-02N.R7G/5V_6A
VIN 4
GND 1
IO1
2
IO2
3
U9
TC7SH08FU
2
1
4
3 5
EC10 *1000p/50V/X7R_4
R325
10k/5%_4
R243 100k/5%_4
U35
*AZC002-02N.R7G/5V_6A
VIN 4
GND 1
IO1
2
IO2
3
D8
1SS400/80V/0.1A
21
R324 100k/5%_4
R326
100K/1%_2
D7
1SS400/80V/0.1A
21
EC28 *1000p/50V/X7R_4
47k
Q33
DDTC144EUA/50V/0.1A
1 3
2
C236*0.1U/10V_4
Q39
2N7002W-7-F/60V/0.115A
3
2
1

5
5
4
4
3
3
2
2
1
1
D D
C C
B B
A A
29
CHG
EC_RST# ACIN
VSTBY
EC-- PU/PD
DOCKING
battery discharge/charge control
To G/E-compass/ALS sensor EC Power
AC Detect
Sensor HUB
EC-- I2C
MAIN power PG
SPI NOR FLASH
25mA
Refer the W03z
MXIC AKE35FN0Z02 (MX25L1006EMI-10G)128
Vender
Socket
Size
128 AKE35ZN0N00 (W25X10CLSNIG)
DFHS08FS023
P/N
Winbond
<z>ĞǀĞů^ŚŝĨƚ
&ƌŽŵ
Normal:Low
Base Dock_Plug: High
Input Current Monitor Output
MIC detection
ADC_Voltage_EC
DOCK I2C
RTC Clock 32.768KHz
Setting
EC ID0
A1 0
Setting
EC ID1
A1
WAKE_SCI
Entry SKU: IT8587.
High-END SKU: IT8380
System Power enable : PD on power
page.
0726: Change footprint
B1
B1
0
0
1
8/17, Will cause IT8380
boot fail
B2/C1 1
B2/C1 0
0823: Change part0823: Change part
0827: Add
0823: Depopulate
0923: Customer add / change location by CH
9/23, CH: leakage 2mA
0924: Change to 2.2K ohm.
0924: change R472 to shortpad 0924: change R242 to shortpad
SOC_LPC_AD0
SOC_LPC_AD1
SOC_LPC_AD2
SOC_LPC_AD3
D/C#
EC_SPI_SCK
EC_SPI_SCE#
EC_SPI_SI
EC_SPI_SO
GPG2
SOC_LPCCLKRUN#_R
CHG_SCL
EC_DOCK_SCL
EC_DOCK_SDA
CHG_SDA
EN_WLAN_PWR
EC_H_PROCHOT
DELAY_VR_PWRGOOD
NBSWON#
ACIN
ABATSYS_I
EC_LPCRST#
CHG_SDA
CHG_SCL
WRST#
EC_ACIN#
EN_+1.2_ALW
EN_+1.0_ALW
EN_+1.0V
EC_DOCK_DET
WRST#
EN_+1.05V
GYRO_INT2
GYRO_INT1
COMBO_INT1
COMBO_INT2
COMBO_DRDY
ALS_INT #
EC_HUB_SDA
EC_HUB_SCL
EC_HUB_SCL
COMBO_INT1
EC_ACIN#
EN_+1.8_ALW
HUB1_SENS_2N
HUB1_SENS_2P
HUB1_SENS_2N
HUB1_SENS_2P
EC_DOCK_SCL
EC_DOCK_SDA
EC_SMI#
EC_SCI#
S5_ON
EC_HUB_SDA
EC_SPI_WP#
EC_SPI_HOLD#
EC_SPI_SO
EC_SPI_SI
EC_SPI_SCE#
EC_SPI_SCK
EC_DOCK_EN
EC_DOCK_EN EC_DOCK_KEY_R
EC_DOCK_INT0#
EC_DOCK_KEY_R
EC_DOCK_INT1#
GPG2
USB_ON
HUB1_SENS_2P
HUB1_SENS_2N
EC_XTAL_OUT
EC_XTAL_IN
EC_XTAL_IN
EC_XTAL_OUT
EC_ID0
EC_ID1
EC_ID0
EC_ID1
GYRO_INT1
GYRO_INT2
COMBO_INT2
ALS_INT #
EC_DOCK_INT0#
EC_DOCK_INT1#
COMBO_DRDY
EC_PWRBTN#
EC_LPCPD#
SLP_S4#
EC_WAKE_SCI#
EC_SUSACK#
SOC_WAKE_SCI#
EC_WAKE_SCI#
EC_DOCK_SCL
EC_DOCK_SDA
EC_HUB_SCL
EC_HUB_SDA
EN_DOCK_I2C
EN_DOCK_I2C
SOC_LPC_AD0(6,23,26)
SOC_LPC_AD1(6,23,26)
SOC_LPC_AD2(6,23,26)
SOC_LPC_AD3(6,23,26)
PLTRST#
(14,17,23,26,31)
EC_LCLKOUT
(6)
SOC_LPC_FRAME#
(6,23,26)
EC_LPCPD#(14,26)
EC_SERIRQ(14,23,26)
EC_SMI#(14)
EC_SCI#
(14)
ALL_SYS_PG(29,31)
EC_PWRBTN#(14)
USB_ON
(21)
EC_RSMRST#
(5,31)
ROTAT_BUT#
(31)
SOC_LPC_CLKRUN# (6,26)
CHG_SCL (33)
CHG_SDA (33)
EC_BEEP (27)
EN_+0.675VTERM_DDR3L (35,43)
DELAY_VR_PWRGOOD (41)
SLP_S3# (14,16)
ACIN (33)
EN_WLAN_PWR (23)
SOC_ACIN (5)
EC_SUSACK#(14)
+3.3VPCU(5,25,29,31,33,34)
+3.3V(8,14,15,17,19,20,21,22,24,25,26,27,28,29,31,42,43)
EC_WAKE_SCI#(23)
PG_VCC_ALW (29)
SLP_S0IX# (14,16,29)
RF_KILL#
(24)
NGFF_SSD_PRESENT# (24)
COMBO_INT2(25)
COMBO_INT1(25)
COMBO_DRDY(25)
GYRO_INT2(25)
GYRO_INT1(25)
EC_HUB_SDA(22,25)
EC_HUB_SCL(22,25)
ALS_INT #(22)
EN_+1.8V
(42)
BAT_TEMP (33)
EN_+1.0V_ALW (36,43)
EN_+1.35V (42)
EN_+1.8V_ALW (39,43)
EN_+1.05V (37,43)
EN_+1.2V_ALW (40,43)
EN_+1.5V (38,43)
DDR3_VCCA_PWROK
(2,29)
EN_S0IX(42)
EN_+1.0V (42)
EC_DOCK_DET(29,42)
HUB1_SENS_2N(21)
HUB1_SENS_2P(21)
S5_ON(34)
PG_VCC_MAIN (29)
VCCAPWROK(29)
PG_+5V_ALW (34)
NBSWON# (31)
+1.8V_ALW(5,6,8,14,23,39,42,43)
SYS_I (33)
ADC4_EC (28)
Thermal_Probe_EN#
(28)
ADC3_EC (28)
GPI_Plug_Detection_EC#
(28)
GPS_OFF# (24)
BT_OFF#(23)
VOL_DN(31)
VOL_UP(31)
Detection_EN#(28)
WLAN_ON/OFF#
(23)
EN_OVERRIDE
(4)
DOCK_INT0#(29) DOCK_INT1#(29)
AD_AIR
(33)
LID#
(15,25)
EC_WR2_EN
(17)
EC_WR2_INT
(17)
EC_H_PROCHOT (4)
VR_ON
(41)
EN_+1.35V_DDR3L(35,43)
SLP_S4#
(2,14)
EN_+3.3V_+5V(42)
EC_MUTE#
(27)
EC_eDP_SCL (14,15)
EC_eDP_SDA (14,15)
SOC_WAKE_SCI# (5)
DOCK_SCL (29)
DOCK_SDA (29)
LED_BAT_G (31)
LED_BAT_R (31)
EGND
+3.3VPCU_EC
+3.3VPCU_EC_AVCC+3.3VPCU
+3.3VPCU_EC_AVCC
EGND
+3.3V_RTC
+3.3VPCU_EC_PLL
+3.3VPCU_EC_PLL
+3.3VPCU_EC
+3.3VPCU_EC
+3.3V
+3.3VPCU
+1.8V_ALW
+3.3VPCU_EC
+3.3VPCU
+3.3VPCU
+3.3VPCU_EC
+3.3VPCU +3.3VPCU
+3.3VPCU_EC
+3.3V_ALW
+3.3VPCU
+3.3VPCU
+3.3VPCU_EC
+1.8V_ALW
+1.8V_ALW
+3.3VPCU_EC
+3.3V
+3.3VPCU_EC
Size Document Number Rev
Date: Sheet of
Quanta Computer Inc.
PROJECT :
EC
3A
30 48Tuesday, September 24, 2013
J01
Size Document Number Rev
Date: Sheet of
Quanta Computer Inc.
PROJECT :
EC
3A
30 48Tuesday, September 24, 2013
J01
Size Document Number Rev
Date: Sheet of
Quanta Computer Inc.
PROJECT :
EC
3A
30 48Tuesday, September 24, 2013
J01
L6 130/1A/HCB_6
R479 *Short pad_2
C244 0.1u/6.3V/X5R_2
TP75
R480 10K/5%_2
C230 0.1u/6.3V/X5R_2
R224 4.7k/5%_4
R242 *Short pad_2
C224
0.1u/10V/X5R_4
U29
SPI_FLASH
soic8-6-1_27-pm25lv010a
AKE35ZN0N00
IC FLASH(8P) W25X10CLSNIG(SOIC)
CS# 1
SPI_SCK 6
SPI_SI 5
SPI_SO 2
SPI_HOLD
7GND 4
VCC
8
WP#
3
TP65
TP61
R469 2.2k/5%_4
KBMX
EXTERNAL SERIAL FLASH
LPC GPIO
SM BUS
PS/2
PWM
WAKE UP
UART port
A/D D/A
CLOCK
IT8380
VFBGA
CIR
SPI ENABLE
U31
IT8512_56
WRST#
L1
LPCCLK/GPM4(3)
K2
LAD0/GPM0(3)
K1
LAD1/GPM1(3)
J2
LAD2/GPM2(3)
J1
LAD3/GPM3(3)
H2
LFRAME#/GPM5(3)
H1
LPCPD#/GPE6
M1
SERIRQ/GPM6(3)
G2
ECSMI#/GPD4(3)
L2
ECSCI#/GPD3
N4
GA20/GPB5(3)
F1
KBRST#/GPB6(3)
H4
SSCE1#/GPG0
E6
FSCK/GPG7
B5
DSR0#/GPG6
D6
FSCE#/GPG3
A7
SSCE0#/GPG2
E7
KSI0/STB#
J12
KSI1/AFD#
J13
KSI2/INIT#
J9
KSI3/SLIN#
H12
KSI4
H9
KSI5
H10
KSI6
H13
KSI7
G9
KSO0/PD0
M8
KSO1/PD1
J7
KSO2/PD2
N9
KSO3/PD3
M9
KSO4/PD4
K8
KSO5/PD5
J8
KSO6/PD6
N10
KSO7/PD7
M10
KSO8/ACK#
N11
KSO9/BUSY
K9
KSO10/PE
N12
KSO11/ERR#
N13
KSO12/SLCT
M13
KSO13
L12
KSO14
L13
KSO15
K12
VCC J5
VSTBY D4
VSTBY D5
VSTBY D10
VSTBY K4
VSTBY E4
VSTBY K10
VBAT J4
AVCC E9
SMCLK0/GPB3 B4
SMCLK1/GPC1 B3
SMDAT0/GPB4 A2
SMDAT1/GPC2 B2
PS2CLK0/TMB0/CEC/GPF0 A11
PS2DAT0/TMB1/GPF1 B11
PS2CLK1/DTR0#/SMINT8/GPF2
A10 TMRI0/GPC4(3) C2
TMRI1/GPC6(3) E1
LPCRST#/GPD2
M4
RTS1#/GPE5
N8
PWRSW/GPE4(3) E2
RI1#/GPD0(3) N1
RI2#/GPD1 N3
RING#/PW RFAIL#/CK32KOUT/LPCRST#/GPB7 A1
TXD/SOUT0/GPB1
A3
RXD/SIN0/GPB0
A4
CTX0/TMA0/GPB2(3)
D2
PS2DAT1/RTS0#/SMINT9/GPF3
B10
PS2CLK2/SMINT10/GPF4 D9
PS2DAT2/SMINT11/GPF5 B9
PECI/SMCLK2//GPF6(3) B1
SMDAT2/PECIRQT#/GPF7(3) C1
TACH0A/GPD6(3) M11
TACH1A/TMA1/GPD7(3) M12
PWM0/GPA0 M5
PWM1/GPA1 N5
PWM2/GPA2 M6
PWM3/GPA3 N6
PWM4/SMCLK5/GPA4 K6
PW M5/SMDAT5/GPA5 J6
PWM7/RIG1#/GPA7
K7
ADC0/GPI0(3) G10
ADC1/SMINT0/GPI1(3) G13
ADC2/SMINT1/GPI2(3) G12
ADC3/SMINT2/GPI3(3) F9
ADC4/SMINT3/GPI4(3) F13
ADC5/DCD1#/GPI5(3)
F10
ADC6/DSR1#/GPI6(3)
F12
ADC7/CTS1#/GPI7(3)
E13
VSS
E5
VCORE
K5
VSS
F4
VSS
F5
VSS
H5 VSS
G5
AVSS
E10
CK32KE/GPJ7(3) G1
CK32K/GPJ6(3) F2
DAC3/TACH1B/SMINT7/GPJ3(3) C13
DAC2/TACH0B/SMINT6/GPJ2(3) D12
SMINT5/GPJ1(3) D13
TACH2/SMINT4/GPJ0(3) E12
EGCS#/GPE2 A12
EGCLK/GPE3 B12
EGAD/GPE1 A13
GINT/CTS0#/GPD5
N7
L80LLAT/SMDAT4/ GPE7 M3
L80HLAT/BAO/ SMCLK4/GPE0 N2
GPH5/ID5/DM A8
GPH6/ID6/DP B7
GPH3/ID3/YM A9
GPH4/ID4/YP B8
CRX1/SIN1/SMCLK3/GPH1/ID1
E8 CTX1/SOUT1/GPH2/SMDAT3/ID2
D7
CLKRUN#/GPH0/ID0 D8
VSS
G4
DAC5/RIG0#/GPJ5(3)
C12
DAC4/DCD0#/GPJ4(3)
B13
PWUREQ#/BBO/SMCLK2ALT/GPC7(3)
M2
CRX0/GPC0
D1
DTR1#/SBUSY/GPG1/ID7
A5
KSO16/SMOSI/GPC3(3)
K13
FMOSI/GPG4
B6
FMISO/GPG5
A6
KSO17/SMISO/GPC5(3)
J10
PWM6/SSCK/GPA6
M7
R483 *10K/5%_2
R478 *10k/5%_4
D16 RB500V-40
R484 *10K/5%_2
Q57 DMN5L06K-7
3
2
1
R446 4.7k/5%_4
C338
1u/10V/X5R_4
R233 Short pad_1A
R261 *10k/5%_4
R468 10k/5%_4
L10 130/1A/HCB_6
C243 0.1u/6.3V/X5R_2
R477 10k/5%_4
D15
*CH501H-40P/30V/0.1A
2 1
R481 10K/5%_2
C343 10p/50V/COG_4
R251 *10k/5%_4
R539 2.2k/5%_4
R411 10k/5%_4
C240 1000p/16V/X7R_4
R540 2.2k/5%_4
R543 10k/5%_4
C344 10p/50V/COG_4
C242 0.1u/6.3V/X5R_2
R225 4.7k/5%_4
C331
*10p/50V/NPO_4
C355 *0.1u/10V/X5R_4
C332
0.1uF/10V_2
C241 0.1u/6.3V/X5R_2
R531 *2.2k/5%_4
R440 10k/5%_4
R485 2.2K_2
R472 *Short pad_2
R538 1k/5%_4
R473 2.2k/5%_4
Q49
MMBT3904/40V/0.2A_SOT523
1 3
2
R257 10/5%_6
C218 *0.1u/10V/X5R_4
C245 0.1u/6.3V/X5R_2
R249 *0/5%_4
R541 2.2k/5%_4
R537 *100k/5%_4
R474 *1.5k/1%_4
C231 0.1u/6.3V/X5R_2
R451 4.7k/5%_4
Q21
DMN5L06DWK/50V_0.302A
6
2
1
43
5
C246 0.1u/6.3V/X5R_2
R476 10K/5%_2
R266 *2.2k/5%_4
R240 10k/5%_4
R452
100k/5%_4
R256 10k/5%_4
Q48B
PJ4N3KDW
2
61
R471 1.5k/1%_4
Q47
MMBT3904/40V/0.2A_SOT523
1 3
2
D17 RB500V-40
Y5
32.768KHz
12
R258 10k/5%_4
R544 8.2k/5%_4

5
5
4
4
3
3
2
2
1
1
D D
C C
B B
A A
PLTRST# LED
RSMRST# LED
44
LED For bring-up
EC_ALL_SYS_PG LED
>92/B83@>92/B'2:1@
POWER SWITCH
PN:DHPLJE01000 PN:DHPLJE01000
PN:DHPLJE01000
VOLUME CONTROL
ROTATION SWITCH
PN:DHPLJE01000
Hole
Clip
0914: Remove all from PVT2 stage
0916: Customer request
LED_2LED_1
LED_4LED_3
LED_6LED_5
LED_11
LED_12
LED_9
LED_10
LED_7
LED_8
EC_RSMRST#(5,30)
PLTRST#(14,17,23,26,30)
ALL_SYS_PG(29,30)
VOL_UP(30)VOL_DN(30)
NBSWON#(30) ROTAT_BUT#(30)
LED_BAT_G(30)
LED_BAT_R(30)
+VIN
+3.3V
+VIN
+1.2V_ALW
+1.8V
+VIN
+3.3VPCU +3.3V_ALW
+VIN
Size Document Number Rev
Date: Sheet of
Quanta Computer Inc.
PROJECT :
ULPMC
3A
31 48Tuesday, September 24, 2013
J01
Size Document Number Rev
Date: Sheet of
Quanta Computer Inc.
PROJECT :
ULPMC
3A
31 48Tuesday, September 24, 2013
J01
Size Document Number Rev
Date: Sheet of
Quanta Computer Inc.
PROJECT :
ULPMC
3A
31 48Tuesday, September 24, 2013
J01
H7
*H-TO315X402BC217IC127D87P2
H-TO315X402BC217IC127D87P2
1
C66
*33p/50V/COH_4
H3
*h-j01-2
h-j01-2
1
H4
*h-j01-3
h-j01-3
1
H6
HG-TO315X402BC217D87P2
1
2
3
4
5
6
7
8
9
SP5
SMD/3P-SPRING
1
1
2
2
3
3
47k
Q35
*DDTC144EUA/50V/0.1A
13
2
PAD1
SPAD-RE258x162NP
1
R516 *330/1%_4
C17
*33p/50V/COH_4
R545 1.5k/1%_4
H9
*H-TC236BC87D87P2
H-TC236BC87D87P2
1
R323 *750/1%_4
H8
HG-TO315X402BC217IC127D87P2
1
2
3
4
5
6
7
8
9
C1
0.1u/10V/X5R_4
SC2
*0.8pf/5V_4
R321 *750/1%_4
CN2
SKRELJE010/2P_PUSH BUT
1
122
3G4
G
CN1
SKRELJE010/2P_PUSH BUT
1
122
3G4
G
H1
HG-TO315X402BC217D87P2
1
2
3
4
5
6
7
8
9
47k
Q58
PDTC144EU/50V/0.1A
13
2
SP4
SMD/3P-SPRING
1
1
2
2
3
3
SP6
SMD/3P-SPRING
1
1
2
2
3
3
SC4
*0.8pf/5V_4
R11 10k/5%_4
LED6
*GREEN
2 1
GREEN
RED
LED8
LED/GREEN&RED
4
31
2
R1 10k/5%_4
LED7
*GREEN
2 1
H10
*H-TC197BC83D83P2
H-TC197BC83D83P2
1
47k
Q56
*DDTC144EUA/50V/0.1A
13
2
R517 *1k/5%_4
R497 *750/1%_4
47k
Q59
PDTC144EU/50V/0.1A
13
2
SP7
SMD/3P-SPRING
1
1
2
2
3
3
H5
*h-j01-1
h-j01-1
1
47k
Q36
*DDTC144EUA/50V/0.1A
13
2
CN4
SKRELJE010/2P_PUSH BUT
1
122
3G4
G
H2
*H-TC197BC83D83P2
H-TC197BC83D83P2
1
R546 510/5%_4
LED3
*YELLOW GREEN
2 1
SP1
SMD/3P-SPRING
1
1
2
2
3
3
SC1
*0.8pf/5V_4
LED1
*YELLOW GREEN
2 1
CN3
SKRELJE010/2P_PUSH BUT
1
122
3G4
G
LED5
*GREEN
2 1
C6
0.1u/10V/X5R_4
SP3
SMD/3P-SPRING
1
1
2
2
3
3
LED4
*YELLOW GREEN
2 1
R519 330/1%_4
SC3
*0.8pf/5V_4

1
1
2
2
3
3
4
4
5
5
6
6
A A
B B
C C
D D
+VIN
Rating
Adapter
Battery
Charger
ISL9520
(5.3V~7.5V)
S5_ON
+3.3V_ALW
+3.3V
NB670
+3.3VPCU
+VIN
Pink signals from EC
Blue signals from SOC
Black signals from others
RT8167
(0.75V~1.4V) +VCORE
(0.1A)
(1.0A)
(1.7A)
Power Rails
EMB20P03V
+VBAT
CHRG_BAT
+3.3VPCU_EC, +3.3VPCU_EC_AVCC, +3.3VPCU_EC_PLL
Succeed Power Rails
31
EMB20N03V
EN_+3.3V_+5V
+3.3V_ALW_SOC_USB,+3.3V_TPM_VSB
G5243AT11U
+3.3V_LCD_VCC
+3.3V_USB_HUB0,+3.3V_USB_HUB1,+3.3V_REAR_CAM,+3.3V_NGFF,
+3.3V_2136_D,+3.3V_2136_A,+3.3V_WR2_VDD,+3.3V_WR2_AVDD,
AO3413(P)
EN_WLAN_PWR
+3.3V_MPCIE_WLAN
+3.3V_ACCEL,+3.3V_GYRO,+3.3V_ALS,+3.3V_RRONT_CAM
+3.3V_TPM,+3.3V_DVDD
+1.05V
S5_ON
APW8824
EN_+1.05V
DDI1_PANEL_EN
+1.35V_SOC_DDRXXX
+1.5V
APW8824
EN_+1.5V
EN_+0.675VTERM_DDR3L
+0.675_SOC_DVREF,+1.35V_SOC_DDRCLK,
+1.35V_DDR3L
+0.675VTERM_DDR3L
APW8819Q
AO3404(N)
+1.35V_S0IX
+1.35V_SFRBD0SI0,+1.35V_SFRDSISI0
EN_S0IX
AO3404(N)
EN_+1.35V
+1.35V
(1.0A)
(1.5A)
NB671
EN_+1.35V_DDR3L
+5V_USB
USB_ON
APW8804
+1.0V_S0IX_SOC_DRAM1,+1.0V_S0IX_SOC_DRAM2,
EMB20N03V
AO3404(N)
EN_+1.0V
EN_S0IX
+1.0V_ALW
+1.0V_SOC_USB3_1
+1.0V_S0IX
+1.0V
EN_+1.0V_ALW
G547N1P81U
+5V_ALW
+1.0V_S0IX_SOC_DDI
+1.05V_SOC_CORE
+1.5V_SOC_HDA,+1.5V_WLAN,+1.5V_DVDD_IO
+1.0V_WR2_AVDD,+1.0V_WR2_PLL,+1.0V_WR2_CORE
+1.0V_SOC_USB3_2,+1.0V_GPIO
G9661-25
+1.8V_ALW
EN_+1.8V_ALW +1.8V_ALW_PADSUS,+1.8V_ALW_SOC_USB
EN_+1.8V
AO3404(N)
+1.8V
+1.8V_eMMC_VDDQ,+1.8V_SOC_PADCF1
+1.2V_ALW
G9661-25
EN_+1.2V_ALW
VR_ON
+1.35V_GFX
Size Document Number Rev
Date: Sheet of
Quanta Computer Inc.
PROJECT :
POWER MAP
3A
32 48Tuesday, September 24, 2013
J01
Size Document Number Rev
Date: Sheet of
Quanta Computer Inc.
PROJECT :
POWER MAP
3A
32 48Tuesday, September 24, 2013
J01
Size Document Number Rev
Date: Sheet of
Quanta Computer Inc.
PROJECT :
POWER MAP
3A
32 48Tuesday, September 24, 2013
J01

A
A
B
B
C
C
D
D
E
E
4 4
3 3
2 2
1 1
DC-IN
Place this cap
close to EC
Place this cap
close to EC
ADP Voltage=12V
minimum
9V
Place this cap
close to EC
Battery 2S1P
33
PLO
PLO
PLO
PLO
PLO
PLO
PLO
PLO
P/N: DFPJ02MR024
ACOK
MBAT
BGATE
9520ICOMP
9520ICOMP
BGATE
9520SCL
CHG_SDA 9520SDA
CHG_SCL
5VSMB RST#
CHG_LGATE
AGATE
SGATE
9520CSOP
9520CSON
9520VFB
9520VCOMP
9520CSIP
DCIN
9520CSIN
CHG_UGATE
CHG_PHASE
BAT_SDA
BAT_SCL
5VSMB
BAT_TEMP_R
ADET
CHG_PHASE
ACIN(30)
SYS_I(30)
AD_AIR(30)
BAT_TEMP(30)
CHG_SDA(30) CHG_SCL (30)
VREG_CHG_VDD
+VAD+VA
+VIN
+VIN_CHG
VREG_CHG_VDD
+BATCHG
+BATT
+BATT
+VAD+VA_AIR
+VAD
+3.3VPCU
+5VPCUVREG_CHG_VDD
MBAT
+3.3VPCU
VREG_CHG_VDD
+VAD_1 +VIN_AC
+12V_SLATE
Size Document Number Rev
Date: Sheet of
Quanta Computer Inc.
PROJECT :
CHARGER (ISL9520)
3A
33 48Tuesday, September 24, 2013
J01
Size Document Number Rev
Date: Sheet of
Quanta Computer Inc.
PROJECT :
CHARGER (ISL9520)
3A
33 48Tuesday, September 24, 2013
J01
Size Document Number Rev
Date: Sheet of
Quanta Computer Inc.
PROJECT :
CHARGER (ISL9520)
3A
33 48Tuesday, September 24, 2013
J01
PQ21A
*2N7002KDW
5
34
PC182
22U/10V_8
PR87 10/F_4
PC186
0.1U/25V_4
PC56
2200P/50V_4
PC102
*0.1U/10V_4
PR225
10/F_4
PR91 1K/F_4
PC170
0.1U/25V_4
PQ41
EMB20P03V
6
4
3
2
1 5
7
8
PC50
1U/6.3V_4
PR81 57.6K/F_4
PC174
0.1U/25V_4
PR233
10/F_4
+
PC177
*62U_11V_3528
12
PR222
22_4
PD2
*DA2J10100L
21
PR78
*75K/F_4
PR90 *1K/F_4
PC181
0.01U/25V_4
PR223
*0_2/S
PR76
*0_4/S
PU3
ISL9520HRTZ-T
CSIP 28
PGND
29
SGATE
26
AGATE
1
SDA
10
SCL
11
DCIN
2ADET
3
RST#
13
VFSW
4
ACOK
14
AMON
9
VSMB
12
CELL
6
CSIN 27
UGATE 24
PHASE 23
BOOT 25
LGATE 21
BGATE 16
ICOMP 5
CSOP 18
CSON 17
VFB 8
VCOMP 7
AGND
22
VDDP 20
VDD 19
BMON
15
AGND
30
AGND
31
AGND
32
AGND
33
ER7
*4.7_6
+
PC176
*62U_11V_3528
12
PC62
0.1U/25V_4
PR224
1K/F_4
PR93
33_8
PC54
0.1U/25V_4
PC64
10U/25V_8
PR86 *0_4/S
PL15
HCB2012KF-800T50
PC103
0.01U/50V_4
PC193
0.1U/25V_4
PC173
0.01U/25V_4
PC65
*0.1U/25V_4
PC57
0.1U/25V_4
PR221
22_4
PC187
100P/50V_4
PD1
*SBR3U30P1-7
PR95
100K/F_4
PD9
BZT52-B5V6S
2 1
PC171
1U/6.3V_4
EC24
*1000P/50V_4
PR234
3K/F_4
PR220
20K/F_4
PC190
0.1U/25V_4
PQ21B
*2N7002KDW
2
61
PQ38
TPCC8067
3
52
4
1
PR80
2.2/F_4
PC55
0.1U/10V_4
PD7
DA2J10100L
21
PC184
10U/25V_8
PR88
20K/F_4
PC67
0.1U/25V_4
CN19
SMD/7P Bat Header-DFHD07MS173
TEMP 5
Pack+ 6
I2C_CLK 4
I2C_DAT 3
GND 2
GND 1
SHD
8SHD
9
Pack+ 7
PR227
*0_2/S
PC69
0.1U/25V_4
PR97
*10K/F_4
PL14
2.2UH/8A-PCMC063T-2R2MN
PC61 0.047U/25V_4
PR226
200K_4
PQ39
TPCC8067
3
52
4
1
PR85 *0_6/S
PC188
1000P/50V/X7R_4
PR218
RC1206-R010
21
PC63
470P/50V_4
PC185
2200P/50V_4
PR82 100K/F_4
PC49
330p/50V/X7R_4 PC172
1U/6.3V_4
PR105
*0_4/S
PC178
*100P/50V_4
PC68
0.047U/25V_4
PD3
DA2J10100L
2 1
PR89
*0_2/S
PR84 *0_4/S
PR75
*12.4K/F_4
PC183
22U/10V_8
PC58
22U/10V_8
PD4
P4SMAJ20A
2 1
PL16
HCB2012KF-800T50
PQ40
EMB20P03V
6
4
3
2
15
7
8
PC175
0.1U/25V_4
PR94
10K/F_4
CN21
SMD/2P_DC JACK
1
24
3
PF1
0429007.WRMLHF
1 2
PC59
0.1U/25V_4
PR219
100K/F_4
PR229
*0_2/S
PC71
0.1U/25V_4
PR215
4.7_6
PC60
0.1U/10V_4
PQ37
EMB20P03V
6
4
3
2
15
7
8
PL17
HCB2012KF-800T50
PC179
*100P/50V_4
PC66
*470P/50V_4
PC180
22U/10V_8
PD10
BZT52-B5V6S
2 1
PD8
DA2J10100L
21
PR217
*0_2/S
PR228
RC1206-R020
21
PR83 10K/F_4
PR103
182K_F_4
PC48
1000P/50V_4
PR102
100K/F_4

5
5
4
4
3
3
2
2
1
1
D D
C C
B B
A A
34
+3.3 Volt +/- 5%
Peak current:4A
Countinue current:2A
OCP minimum:7.5A
+5 Volt +/- 5%
Peak current:4A
Countinue current:2A
OCP minimum:7.5A
PLO
PLO
PLO
PLO
0911: Modify footprint
+15V_ALWP
+5V_ALW_P
NB670BST
S5_ON NB671EN
NB671FB
NB671PG
NB671VOUT
NB671SW
NB671BST_S
NB671BST
NB670PG
NB670ENLDO
NB670EN NB670VOUT
NB670SW
NB670BST_S
CLK
CLK
S5_ON(30)
PG_+3.3V_ALW(29)
PG_+5V_ALW(30)
H_PROCHOT# (4,41)
+15V_ALW
+VIN
+3.3V_ALW
+3.3VPCU +VIN_+3.3V_ALW
+3.3V_ALW_P
+VIN_+5V_ALW
+5V_ALW_P
+VIN
+5VPCU
+3.3VPCU
+3.3V_ALW
+VIN
+VIN
+5V_ALW
+3.3V_ALW
+5V_ALW
+3.3V_ALW
+VIN_+5V_ALW
Size Document Number Rev
Date: Sheet of
Quanta Computer Inc.
PROJECT :
3V/5V (TPS51123ARGER)
3A
34 48Tuesday, September 24, 2013
J01
Size Document Number Rev
Date: Sheet of
Quanta Computer Inc.
PROJECT :
3V/5V (TPS51123ARGER)
3A
34 48Tuesday, September 24, 2013
J01
Size Document Number Rev
Date: Sheet of
Quanta Computer Inc.
PROJECT :
3V/5V (TPS51123ARGER)
3A
34 48Tuesday, September 24, 2013
J01
PR72
100K/F_4
12
PL13
*0_8/S
PR238
*0_4
PR212
22_8
PC163
0.1U/25V/X5R_4
PC150
*0.1U/10V_4
PR208
82K/F_4
PR201
*0_6/S
+
PC160
*150U/6.3V_3528
12
PC133
*10U/6.3V_6
PR195 100K/F_4
PR210 *0_6/S
EC22
*1000P/50V_4
ER6
*4.7_6
PR211
*0_2/S
PC141
4.7U/25V_8
PC136
*0.1U/10V_4
PJP10 *POWER_JP
1 2
ER5
*4.7_6
PC147
0.1U/25V_4
PC138
22u/6.3V/X5R_6
PR209
*0_2/S
PC149
22u/6.3V/X5R_6
PC139
22u/6.3V/X5R_6
+
PC159
150U/6.3V_3528
12
PC156
*0.1U/10V_4
EC21
*1000P/50V_4
PR202
0_4
PU10
NB671
BST 10
SW 16
VCC
11
NC
3PGND 2
VOUT 7
FB 12
SW 8
VIN 1
PGOOD
4
AGND 14
EN
13
NC
6
NC
5
SW 9
SW 15
PC155
0.1U/25V_4
PC145
0.1U/25V_4
PC162
0.1U/10V_4
PC142
4.7U/25V_8
PC134
0.1U/25V_4
PL11
2.2UH/8A-PCMC063T-2R2MN
PL10
*0_8/S
PR194
*0_4
PC152
0.1U/25V_4
PC148
2200P/50V_4
PR199
*665K/F_4
PR207
*665K/F_4
PC41
0.01U/16V_4
12
PC167
0.1U/10V_4
PR204
*100K/F_4
PR203
11K/F_4
TP67
PQ42
2N7002
3
2
1
PC143
4.7U/25V_8
PC168
0.1U/25V/X5R_4
PJP9 *POWER_JP
1 2
PC157
4.7U/6.3V_6
PC135
1U/6.3V_4
PR73
*Short-1A
PL12
2.2UH/8A-PCMC063T-2R2MN
PR205
*0_4/S
PC140
2200P/50V_4
PC161
1U/25V/X5R_4
+
-
PU2
AZV331KTR-G1
1
3
4
52
PR74
*Short-1A
PR197
*0_6/S
PR206 100K/F_4
PC164
0.1U/25V/X5R_4
PC43
0.01U/16V_4
12
PC151
1U/6.3V_4
PC137
0.1U/25V_4
PR68
110K/F_4
12
PR196
*0_4/S
PD5
BAT54SW-L
3
2
1
PD6
BAT54SW-L
3
2
1
PR198
*330K/F_4
PR200
0_4
PR69
1.5M_4
1 2
PC42
0.01U/16V_4
12
PU11
NB670
BST 10
SW 16
VCC 11
NC
3PGND 2
VOUT 7
ENLDO
12
SW 8
VIN 1
PGOOD
4
AGND 14
EN
13
LDO
6
CLK
5
SW 9
SW 15
PC144
4.7U/25V_8
PC146
22u/6.3V/X5R_6

5
5
4
4
3
3
2
2
1
1
D D
C C
B B
A A
35
( 3mA )
Rds(on) 14m ohm
Peak current:10A
Countinue current:6A
OCP minimum:12A
+1.35V_DDR3L +/- 5%
+0.675V_DDR_VTT
TDC : 1A
PLO
PLO
PLO PLO
PLO
PLO
0704: Remove because it
pulled up on CPU side
S3
S5
51216SW
51216TRIP
51216DRVL
51216VBST
51216MODE
51216VDDQSNS
51216REFIN
51216VBST_S
51216SW
S5
S3
51216DRVH
51216PG
EN_+1.35V_DDR3L(30,43)
EN_+0.675VTERM_DDR3L(30,43)
+DDR_VTTREF(11)
+1.35V_DDR3L_PG(2)
+1.8VREF
+VIN_+1.35V_DDR3L
+1.35V_DDR3L
+1.35V_DDR3L_P
+1.35V_DDR3L
+VIN
+5V_ALW
+3.3V_ALW
+0.675VTERM_DDR3L
Size Document Number Rev
Date: Sheet of
Quanta Computer Inc.
PROJECT :
1.35/0.675V(TPS51216RUKR)
3A
35 48Tuesday, September 24, 2013
J01
Size Document Number Rev
Date: Sheet of
Quanta Computer Inc.
PROJECT :
1.35/0.675V(TPS51216RUKR)
3A
35 48Tuesday, September 24, 2013
J01
Size Document Number Rev
Date: Sheet of
Quanta Computer Inc.
PROJECT :
1.35/0.675V(TPS51216RUKR)
3A
35 48Tuesday, September 24, 2013
J01
PR8 0_4
PC3
10U/6.3V_6
PL1
*0_8/S
PC76
0.1U/10V_4
PR11 0_4
PR1
*100/F_4
PQ24
TPCC8067
3
52
4
1
PR109
*0_2/S
PR6
31.6K/F_4
ER1
*4.7_6
PR13
2.2_6
PC9
1U/6.3V_4
PL4
1UH/11A-PCMC063T-1R0MN
1 2
PU1
APW8819QAI
VBST 15
DRVL 11
REFIN 8
V5IN
12
VREF 6
PGND 10
TRIP
18
S3
17
MODE
19
SW 13
VTTSNS
1
VTTGND
4
VTTREF
5
VDDQSNS 9
DRVH 14
PGOOD
20
GND
7
S5
16
VTT
3VLDOIN 2
GND
21
+
PC75
330U/2.5V_3528ESR9
12
PR7
137K/F_4
PC2
0.22U/10V_4
PR3 *100K/F_4
PR2 *0_4/S
PC1
*0.1U/10V_4
PC8
*0.1U/10V/X5R_4
12
PC74
4.7U/25V_8
EC1
*1000P/50V_4
PC5
0.01U/25V_4
PC6
*0.1U/10V/X5R_4
12
PC4
0.1U/10V_4
PC12
4.7U/25V_8
PJP1 *POWER_JP
1 2
PQ26
TPCC8065
3
52
4
1
PC10
0.1U/25V_4
PC73
0.1U/25V_4
PR5
47K/F_4
PC7
0.1U/25V_4
PC11
2200P/50V_4
PJP4 *POWER_JP
1 2
PR4
10K/F_4
PC72
*10U/6.3V_6

5
5
4
4
3
3
2
2
1
1
D D
C C
B B
A A
36
OCP minimum:4.5A
+1.0V_ALW Volt +/- 5%
Peak current:3A
Countinue current:2A
R1
R2
V0=0.6*(R1+R2)/R2
PLO
PLO
554NC_1.0V
554FB_1.0V_S
554PG_1.0V 554LX_1.0V
554FB_1.0V
554PVIN_1.0V
554SVIN_1.0V
554EN_1.0V
PG_+1.0V_ALW(29)
EN_+1.0V_ALW (30,43)
+1.0V_ALW
+1.0V_ALW_P
+3.3V_ALW
+5V_ALW
Size Document Number Rev
Date: Sheet of
Quanta Computer Inc.
PROJECT :
+1.0V_ALW(RT8068A)
3A
36 48Tuesday, September 24, 2013
J01
Size Document Number Rev
Date: Sheet of
Quanta Computer Inc.
PROJECT :
+1.0V_ALW(RT8068A)
3A
36 48Tuesday, September 24, 2013
J01
Size Document Number Rev
Date: Sheet of
Quanta Computer Inc.
PROJECT :
+1.0V_ALW(RT8068A)
3A
36 48Tuesday, September 24, 2013
J01
PC90
22u/6.3V/X5R_6
PR134
100K_4
PR138
0_4
PL7
1UH/5.5A-PCME061E-1R0MS
1 2
PC112
1U/6.3V_4
PJP7 *POWER_JP
1 2
PC101
*0.1U/10V_4
PU7
RT8068A
PVIN
9
PVIN
10
SVIN
8
NC 1
LX 2
LX 3
FB 6
PG
4
EN 5
NC 7
GND
11
PR133
*0_2/S
PR149
6.65K/F_4
PC91
0.1U/10V_4
PJP6 *POWER_JP
1 2
PC108
*68P/50V_4
PC105
*22P/50V_4
EC16
*1000P/50V_4
PR154
10_6
PR135 *0_4/S
ER3
*4.7_6
PC111
0.01U/50V_4
PR157
10K/F_4
PC113
10U/6.3V_6

5
5
4
4
3
3
2
2
1
1
D D
C C
B B
A A
37
OCP minimum:2A
Countinue current:1A
+1.05V Volt +/- 5%
Peak current:1.3A
R1
R2
VO=(0.6(R1+R2)/R2)
PLO
PLO
8002LX1.05V
EN_+1.05V(30,43)
PG_+1.05V(29)
+1.05V_P
+1.05V
+3.3V_ALW
+3.3V_ALW
Size Document Number Rev
Date: Sheet of
Quanta Computer Inc.
PROJECT :
+1.05V (APW8824)
3A
37 48Tuesday, September 24, 2013
J01
Size Document Number Rev
Date: Sheet of
Quanta Computer Inc.
PROJECT :
+1.05V (APW8824)
3A
37 48Tuesday, September 24, 2013
J01
Size Document Number Rev
Date: Sheet of
Quanta Computer Inc.
PROJECT :
+1.05V (APW8824)
3A
37 48Tuesday, September 24, 2013
J01
PJP2 *POWER_JP
1 2
PC15
10U/6.3V_6
PR113 20k/5%_4
PR115
11.3K/F_4
PL5
2.2uH/1.3A_2520
PR22
*0_2/S
PR114
15K/F_4
PC13
*10U/6.3V_6
PC16
0.1U/10V_4
PR116 100K_4
PC77
0.22u/10V/X5R_4
PR117 *0_4/S
PR118
*0_6/S PC78
4.7U/6.3V_6
PU4
APW8824
GND 2
LX 3
EN
1
VIN 4
FB
6
PG
5

5
5
4
4
3
3
2
2
1
1
D D
C C
B B
A A
38
Peak current:0.525A
Countinue current:0.45A
+1.5V +/- 5%
OCP minimum:2A
R1
R2
VO=(0.6(R1+R2)/R2)
PLO
PLO
8002LX1.5V
PG_+1.5V(29)
EN_+1.5V(30,43)
+1.5V_P
+1.5V
+3.3V_ALW
+3.3V_ALW
Size Document Number Rev
Date: Sheet of
Quanta Computer Inc.
PROJECT :
+1.5V (APW8824)
3A
38 48Tuesday, September 24, 2013
J01
Size Document Number Rev
Date: Sheet of
Quanta Computer Inc.
PROJECT :
+1.5V (APW8824)
3A
38 48Tuesday, September 24, 2013
J01
Size Document Number Rev
Date: Sheet of
Quanta Computer Inc.
PROJECT :
+1.5V (APW8824)
3A
38 48Tuesday, September 24, 2013
J01
PC80
4.7U/6.3V_6
PJP3 *POWER_JP
1 2
PU5
APW8824
GND 2
LX 3
EN
1
VIN 4
FB
6
PG
5
PC20
10U/6.3V_6
PC79
1u/10V/X5R_4
PR24
*0_2/S
PC19
*10U/6.3V_6
PR121
22.6K/F_4
PR124
*0_6/S
PL6
2.2uH/1.3A_2520
PC21
0.1U/10V_4
PR123 *0_4/S
PR119 10k/5%_4
PR122 100K_4
PR120
15K/F_4

5
5
4
4
3
3
2
2
1
1
D D
C C
B B
A A
39
Countinue current:0.105A
+1.8V Volt +/- 5%
Peak current:0.3A
R2
VO=(0.8(R1+R2)/R2)
R2<120Kohm
R1
PLO
PLO
PG_+1.8V_ALW(29)
EN_+1.8V_ALW(30,43)
+5V_ALW
+1.8V_ALW_P
+1.8V_ALW
+3.3V_ALW
+3.3V_ALW
Size Document Number Rev
Date: Sheet of
Quanta Computer Inc.
PROJECT :
+1.8V_ALW(G9661)
3A
39 48Tuesday, September 24, 2013
J01
Size Document Number Rev
Date: Sheet of
Quanta Computer Inc.
PROJECT :
+1.8V_ALW(G9661)
3A
39 48Tuesday, September 24, 2013
J01
Size Document Number Rev
Date: Sheet of
Quanta Computer Inc.
PROJECT :
+1.8V_ALW(G9661)
3A
39 48Tuesday, September 24, 2013
J01
PC87
*10U/6.3V_6
PC85
1U/6.3V_4
PR132
100K_4
PR129
127K/F_4
PR130 *0_4/S
12
PC25
0.1U/10V_4
PU6
G9661-25ADJF12U
EN
2
VOUT 6
NC 5
VDD
4GND 8
PGOOD
1
VIN
3
ADJ
7
GND 9
PJP5 *POWER_JP
1 2
PR26
*0_6/S
PC24
10U/6.3V_6
PC86
0.1U/10V_4
PC88
10U/6.3V_6
PC26
0.22u/10V/X5R_4
PR27 20k/5%_4
PR131
100K/F_4

5
5
4
4
3
3
2
2
1
1
D D
C C
B B
A A
40
Countinue current:35mA
+1.2V_ALW Volt +/- 5%
Peak current:0.3A
R2
VO=(0.8(R1+R2)/R2)
R2<120Kohm
R1
PLO
PLO
EN_+1.2V_ALW(30,43)
PG_+1.2V_ALW(29)
+5V_ALW
+1.2V_ALW_P
+1.2V_ALW
+3.3V_ALW
+3.3V_ALW
Size Document Number Rev
Date: Sheet of
Quanta Computer Inc.
PROJECT :
+1.2V_ALW (G9661)
3A
40 48Tuesday, September 24, 2013
J01
Size Document Number Rev
Date: Sheet of
Quanta Computer Inc.
PROJECT :
+1.2V_ALW (G9661)
3A
40 48Tuesday, September 24, 2013
J01
Size Document Number Rev
Date: Sheet of
Quanta Computer Inc.
PROJECT :
+1.2V_ALW (G9661)
3A
40 48Tuesday, September 24, 2013
J01
PC116
10U/6.3V_6
PR70 15k/5%_4
PJP8
*POWER_JP
1 2
PR158
54.9K/F_4
PC110
0.1U/10V_4
PC114
*10U/6.3V_6
PR166
100K/F_4
PC47
10U/6.3V_6
PR71
*0_6/S PU9
G9661-25ADJF12U
EN
2
VOUT 6
NC 5
VDD
4GND 8
PGOOD
1
VIN
3
ADJ
7
GND 9
PR178 *0_4/S
12
PC40
1U/6.3V_4
PR186
100K_4
PC46
1u/10V/X5R_4
PC45
0.1U/10V_4

5
5
4
4
3
3
2
2
1
1
D D
C C
B B
A A
41
OCP minimum:15A
+VCORE Volt +/- 5%
Peak current:10A
Countinue current:5A
Place those components close to
Inductor
PUT COLSE
TO V_GT
HOT SPOT
PUT COLSE
TO V_CORE
HOT SPOT
OCP minimum:15A
+1.35V_GFX Volt +/- 5%
Peak current:10A
Countinue current:5A
PLO
PLO
PLO
PLO
PLO
PLO
PLOPLO
PLO PLO
DG1.2
DG1.2
8165FBA
8165RGNDA
8165VCC
8165TON
8165BOOT1
8165ISEN1N
8165FB
8165PHASE1
8165UGATE1
8165LGATE1
8165PHASE1
8165COMPA 8165COMP
GFX_HW PG
8165OCSETA
8165VR_READY
8165VRA_READY
8165SETINI
8165ISEN1P
8165SETINIA
8165GFXPS2
8165OCSET
8165ICCMAX
8165TSEN
8165VDIO
8165ALERT#
8165EN
8165VRHOT#
8165VCLK
8165ICCMAXA
8165RGND
8165TEMPMAX
8165TONA
8165BOOTA
8165ISENAN
8165PHASEA
8165UGATEA
8165LGATEA
8165ISENAP
VR_SVID_DATA
VR_SVID_CLK
VR_SVID_ALERT#
VSS_SENSE (7)
VCC_SENSE (7)
VCC_AXG_SENSE(7)
VSS_AXG_SENSE(7)
VR_SVID_CLK(5)
VR_SVID_DATA(5)
DELAY_VR_PWRGOOD(30)
PG_+1.35V_GFX(29)
H_PROCHOT#(4,34)
VR_ON(30)
VR_SVID_ALERT#(5)
+5V_ALW8165VCC
+VIN
+VIN_+VCORE
8165VCC
8165VCC
+VIN
+VIN_+1.35V_GFX
8165VCC
+3.3V_ALW
+3.3V_ALW
8165VCC
+VCORE+1.35V_GFX
+1.35V_GFX +VCORE
+1.0V
Size Document Number Rev
Date: Sheet of
Quanta Computer Inc.
PROJECT :
Vcore + Vgfx (TPS559641)
3A
41 48Tuesday, September 24, 2013
J01
Size Document Number Rev
Date: Sheet of
Quanta Computer Inc.
PROJECT :
Vcore + Vgfx (TPS559641)
3A
41 48Tuesday, September 24, 2013
J01
Size Document Number Rev
Date: Sheet of
Quanta Computer Inc.
PROJECT :
Vcore + Vgfx (TPS559641)
3A
41 48Tuesday, September 24, 2013
J01
PC115
*0.1U/10V_4
PC119
0.1U/10V_4
PL3
*0_8/S
PC130
0.1U/25V_4
PC124
4.7U/25V_8
PR185
1.2K/F_4
PR64
2.4K/F_4
PR182
*0_4/S
+
PC99
330U/2.5V_3528ESR9
12
PR162 0_4
PR53 20/1%_4
PC128
2.2u/6.3V/X5R_4
PR136
100/F_4
PR44
10K/F_4
PR156 *0_4/S
PC125
0.1U/25V_4
PR161
130K/F_4
PR66
100/F_4
PR140
*0_2/S
PR51
10K/F_4
PR171
*0_4/S
PR139
*0_4/S
PC37
4.7U/25V_8
PR155
49.9K/F_4
PC109
0.1U/25V_4
PL2
*0_8/S
PR43
*0_4/S
+
PC97
330U/2.5V_3528ESR9
12
PR141
*0_2/S
PR179
1.8K/F_4
PR150
73.2/F_2
PR187
4.7_4
EC2
*1000P/50V_4
PR177
2.2_6
PR63
330/F_4
PR52
78.7K/F_4
PR164
56K/F_4
PU8
RT8172AGQW
OCSETA
18 OCSET 16
ALERT#
23
EN
32
VR_READY
21
VRA_READY
22
VCC 9
TSENA 17
RGND 7
TSEN 15
FB 6
COMP 5
ISEN1N 4
ISEN1P 3
TONSET 2
PVCC 37
LGATE1 38
PHASE1 39
UGATE1 40
BOOT1 1
IBIAS
19
ICCMAXA
14 ICCMAX 13
TEMPMAX 12
SETINI 11
SETINIA
10
GFXPS2
8
VRHOT#
20
GND
41
VDIO
24
VCLK
25
FBA
27
RGNDA
26
COMPA
28
UGATEA
34
BOOTA
33
PHASEA
35
LGATEA
36
ISENAP
30
ISENAN
29
TONSETA
31
PC117
0.1U/10V_4
PL8
1uH/9A(PCMB062D-1R0MS)
PR47
*0_4/S
PR159
*0_2/S
PR160
*0_2/S
PC123
4.7U/25V_8
PQ31
TPCC8065
3
52
4
1
PC38
2200P/50V_4
PC35
22P/50V_4
PR152
*73.2/F_2
PR67
*0_4/S
PC120
2.2u/6.3V/X5R_4
PR144
2.2_4
PR180
49.9K/F_4
PR193
4.22K/F_4
PC34
*0.1U/25V_4
PQ16
TPCC8067
3
52
4
1
PR175
3K/F_4
PR147
1.5K/F_4
PR168
432/F_4
PR60
1.8K/F_4
+
PC98
330U/2.5V_3528ESR9
12
PR151
*0_4/S
PC39
4.7U/25V_8
PR46
10K/F_4
PR189
*0_4/S
PR142
4.7K/F_6 NTC
1 2
PR59
3K/F_4
PR146
10K/F_4
PC126
*0.1U/25V_4
PC107
0.1U/25V_4
ER4
*4.7_6
PR137
100/F_4
PR61
2.4K/F_4
ER2
*4.7_6
PQ32
TPCC8067
3
52
4
1
PR190
*0_4/S
PR48 *0_4/S
PR173
2.1K/F_4
PR49 *0_4/S
PR176
32.4K/F_4
PC96
0.1U/10V_4
PR181
130K/F_4
PC36
2200P/50V_4
PR163
10K/F_4
PR145
*0_4/S
PR153
73.2/F_2
PR167
2_6
PR57
33.2K/F_4
PC129
0.1U/25V_4
PC127
0.1U/25V_4
PR62
10K/F_4
PC122
0.1U/25V_4
PQ17
TPCC8065
3
52
4
1
PR45
10K/F_4
PR169
*0_4/S PR184
10K/F_4 NTC
12
PR143
4.22K/F_4
PR188
10K/F_4
+
PC100
330U/2.5V_3528ESR9
12
PR54 16.9/1%_4
PR55
5.11K/F_4
PC44
0.1U/25V_4
PC104
100p/50V/NPO_4
EC19
*1000P/50V_4
PR56 *0_4/S
PC95
0.1U/10V_4
PR50
10K/F_4 NTC
12
PC131
22P/50V_4
PC121
0.1U/25V_4
PR192
*0_4/S
PR148
*0_4/S
PC118
0.1U/25V_4
PL9
1uH/9A(PCMB062D-1R0MS)
PR165
10K/F_4
PC132
82P/50V_4
PR58
51.1K/F_4
PR191
100/F_4
PR170
432/F_4
PR65
2.2_6

5
5
4
4
3
3
2
2
1
1
D D
C C
B B
A A
Load switch
+1.0V +1.35V
+1.8V +3.3V
42
H: DOCK IN
L: DOCK OUT
PLO
PLO
PLO
PLO
PLO
PLO
PLO
PLO
PLO
PLO
PLO PLO
PLOPLO
PLOPLO
EN_S0IX(30)
DIS_S0IX#(43)
DIS_+1.0V(43)
EN_+1.0V(30)
DIS_+1.35V(43)
EN_+1.35V(30)
DIS_+1.8V(43)
EN_+1.8V(30)
DIS_+3.3V_+5V(43)
EN_+3.3V_+5V(30)
EC_DOCK_DET(29,30)
+5V_ALW
+1.0V_S0IX
+1.0V_ALW
+15V_ALW
+1.35V_DDR3L
+1.35V_S0IX
+5V_ALW
+15V_ALW
+1.0V_ALW
+1.0V
+1.35V_DDR3L
+1.35V
+5V_ALW
+15V_ALW
+1.8V_ALW
+1.8V
+5V_ALW
+15V_ALW
+3.3V_ALW
+3.3V
+5V_ALW
+15V_ALW
+5V_ALW
+5V
+VIN +VIN_SLATE
Size Document Number Rev
Date: Sheet of
Quanta Computer Inc.
PROJECT :
Load Switch
3A
42 48Tuesday, September 24, 2013
J01
Size Document Number Rev
Date: Sheet of
Quanta Computer Inc.
PROJECT :
Load Switch
3A
42 48Tuesday, September 24, 2013
J01
Size Document Number Rev
Date: Sheet of
Quanta Computer Inc.
PROJECT :
Load Switch
3A
42 48Tuesday, September 24, 2013
J01
PQ10A
2N7002KDW
5
34
PR41
1M_4
PC17
0.1U/10V/X5R_4
PR39
2M_4
PQ29B
2N7002KDW
2
61
PC82
2200P/50V/X7R_4
PR29
100K_4
PR125
100K_4
PR101
1M_4
PC29
*0.01U/16V_4
PC18
2200P/50V/X7R_4
PR31
1M_4
PQ28
AO3404
3
2
1
PQ14B
2N7002KDW
2
61
PR79
10K/F_4
PC93
0.1U/10V/X5R_4
PQ35
EMB20N03V
3
52
4
1
PQ34
EMB20N03V
3
52
4
1
PR42
100K_4
PR35
1M_4
PR243
0_4
PR96
100K/F_4
PR241 15k/5%_4
PR28
2M_4
PQ11B
2N7002KDW
2
61
PC169
0.1U/10V/X5R_4
PR36
100K_4
PC83
0.1U/10V/X5R_4
PR33
100K/F_4
PR240 20k/5%_4
PQ20B
2N7002KDW
2
61
PC14 0.1U/10V/X5R_4
PQ30
EMB20N03V
3
52
4
1
PC52
0.1U/25V_4
PR100
100K_4
PQ29A
2N7002KDW
5
34
PR128
1M_4
PQ18
EMB20P03V
6
4
3
2
1 5
7
8
PQ11A
2N7002KDW
5
34
PQ14A
2N7002KDW
5
34
PR77
100K/F_4
PR32
100K/F_4
PC154
0.1U/10V/X5R_4
PC158
2200P/50V/X7R_4
PC92
*0.047U/25V/X7R_4
PC27
*0.01U/16V_4
PR92
100K/F_4
PQ20A
2N7002KDW
5
34
PR34
2M_4
PC70
*0.01U/16V_4
PR127
2M_4
PC153
2200P/50V/X7R_4
PR239
0_4
PQ8
AO3404
3
2
1
PC51
0.1U/25V_4
PR242
0_4
PR30
100K/F_4
PC165
0.1U/10V/X5R_4
PC28
2200P/50V/X7R_4
PQ10B
2N7002KDW
2
61
PC81
0.47u/10V/X5R_4
PC94
0.1U/10V/X5R_4
PQ12
AO3404
3
2
1
PC23
0.1U/10V/X5R_4
PC166
0.1U/10V/X5R_4
PC30
0.1U/10V/X5R_4
PC84
0.1U/10V/X5R_4
PQ19
2N7002K
3
2
1
PC89 0.1U/10V/X5R_4
PQ7
AO3404
3
2
1
PC31
0.1u/10V/X5R_4
PC22
0.1U/10V/X5R_4
PR99
2M_4
PC53
0.01U/50V_4
PC32
2200P/50V/X7R_4
PR126
100K/F_4

5
5
4
4
3
3
2
2
1
1
D D
C C
B B
A A
DISCHARGE
43
0914: modify 0914: modify
+1.35V_DDR3L
+1.2V_ALW
+3.3V_ALW
+1.8V_ALW
+5V_ALW
+1.0V_ALW
+1.05V
+1.5V
+0.675VTERM_DDR3L
+1.0V_S0IX
+1.35V_S0IX
+5V
+3.3V
+1.35V
+1.8V
+1.0V
DIS_S0IX#(42)
DIS_+3.3V_+5V(42)DIS_+1.8V(42)
DIS_+1.0V(42) DIS_+1.35V(42)
EN_+0.675VTERM_DDR3L(30,35)
EN_+1.35V_DDR3L(30,35) EN_+1.05V(30,37) EN_+1.5V(30,38)
EN_+1.0V_ALW(30,36) EN_+1.8V_ALW(30,39) EN_+1.2V_ALW(30,40)
+1.2V_ALW(8,31,40)
+1.35V_DDR3L(2,7,11,12,35,42)
+3.3V_ALW(2,8,14,15,19,22,23,26,29,30,31,34,35,36,37,38,39,40,41,42)
+1.8V_ALW(5,6,8,14,23,30,39,42)
+5V_ALW(21,34,35,36,39,40,41,42)
+1.0V_ALW(8,36,42)
+1.05V(8,37)
+1.5V(8,23,27,38)
+0.675VTERM_DDR3L(2,13,35)
+1.0V_S0IX(8,42)
+1.35V_S0IX(8,42)
+5V(16,20,21,26,27,42)
+3.3V(8,14,15,17,19,20,21,22,24,25,26,27,28,29,30,31,42)
+1.35V(8,42)
+1.8V(3,4,5,6,8,14,15,16,18,24,29,31,42)
+1.0V(4,5,8,17,41,42)
+1.0V_S0IX+1.35V_S0IX+3.3V+1.8V+1.0V +1.35V
+1.35V_DDR3L
+5V_ALW
+5V_ALW +0.675VTERM_DDR3L
+5V
+1.05V
+5V_ALW
+1.5V
+5V_ALW
+1.0V_ALW
+5V_ALW +1.8V_ALW
+5V_ALW
+1.2V_ALW
+5V_ALW
Size Document Number Rev
Date: Sheet of
Quanta Computer Inc.
PROJECT :
Discharge
3A
43 48Tuesday, September 24, 2013
J01
Size Document Number Rev
Date: Sheet of
Quanta Computer Inc.
PROJECT :
Discharge
3A
43 48Tuesday, September 24, 2013
J01
Size Document Number Rev
Date: Sheet of
Quanta Computer Inc.
PROJECT :
Discharge
3A
43 48Tuesday, September 24, 2013
J01
PQ22
2N7002
3
2
1
PR213
47_6
PR19
100K/F_4
PQ5
2N7002
3
2
1
PQ4A
2N7002KDW
5
34
PR15
100K/F_4
PR18
100K/F_4
PR9
100K/F_4
PR25
47_6
PQ2A
2N7002KDW
5
34
PQ1A
2N7002KDW
5
34
PR12
100K/F_4
PQ36A
2N7002KDW
5
34
PQ9
2N7002
3
2
1
PR10
47_6
PR16
47_6
PQ23
2N7002
3
2
1
PQ27A
2N7002KDW
5
34
PR174
100K/F_4
PQ15
2N7002
3
2
1
PR21
47_6
PQ25B
2N7002KDW
2
61
PR40
47_6
PQ2B
2N7002KDW
2
61
PR183
100K/F_4
PQ33A
2N7002KDW
5
34
PR110
100K/F_4
PR111
100K/F_4 PR112
47_6
PQ4B
2N7002KDW
2
61
PR37
47_6
PR106
100K/F_4
PQ13A
2N7002KDW
5
34
PR107
100K/F_4
PR20
47_6
PR14
100K/F_4
PR38
47_6
PR216
100K/F_4
PQ1B
2N7002KDW
2
61
PQ27B
2N7002KDW
2
61
PR98
22_8
PQ33B
2N7002KDW
2
61
PR108
47_6
PR214
100K/F_4
PQ25A
2N7002KDW
5
34
PQ36B
2N7002KDW
2
61
PQ13B
2N7002KDW
2
61
PR172
47_6
PR104
22_8

5
5
4
4
3
3
2
2
1
1
D D
C C
B B
A A
44
For AUO Panel
OVP
OVP
ISEN5 (15)
ISEN2 (15)
ISEN4 (15)
VADJ_PWM(15)
ISEN1 (15)
ISEN3 (15)
DISPON(15)
ISEN6 (15)
9979GND
GFX_PWR_SRC
9979GND
9979GND
9979GND
9979GND
9979GND
9979GND
9979GND
9979GND
9979GND
9979GND
+VIN
Size Document Number Rev
Date: Sheet of
Quanta Computer Inc.
PROJECT :
Back light (OZ9979)
3A
44 48Tuesday, September 24, 2013
J01
Size Document Number Rev
Date: Sheet of
Quanta Computer Inc.
PROJECT :
Back light (OZ9979)
3A
44 48Tuesday, September 24, 2013
J01
Size Document Number Rev
Date: Sheet of
Quanta Computer Inc.
PROJECT :
Back light (OZ9979)
3A
44 48Tuesday, September 24, 2013
J01
PU13
OZ9979
ISEN3 14
ISET
6
GNDA 13
SW 20
VREF
3
ISEN4 12
PWM
2
LRT
7
VIN
1
ISEN1 16
SSTCMP 18
OVP 17
ISEN2 15
SYNC 19
ISEN5 11
ENA
9
LPF
8
ISEN6
10
RT
5
ADIM
4
PAD 21
PL21
0_8
PR253
300K/F_4
PL19
10UH/MMD-05AH-2.5A
PR249
45.3K/F_4
PR247
330K/F_4
PC203
0.47U/25V_6
PC207
2.2U/6.3V_6
PC208
4.7U/35V_8_X5R
PR246 100K/F_4
PR257
174K/F_4
PR258
100/F_4
PL20
0_8
PR254
0/J_4
PC194
*0.1U/25V_4
PC205
10UF/25V_6
PR256
10K/F_4
PC202 0.01U/25V_4
PD11
SX34
PR255
23.2K/F_4
PR248 10K/F_4
PR250 0/J_4
PC195
4.7U/35V_8_X5R
PR252
10R/F_4
PR259
*short
PC204
0.1U/25V_4
PR245
100K/F_4
PC206
1uF/10_4
PR251
300K/F_4

5
5
4
4
3
3
2
2
1
1
D D
C C
B B
A A
45
RTC_RST#
+3V_ALW/+5V_ALW
+1.0V_ALW
+1.8V_ALW
SUSPWRDNACK
SOC_DRAM_PWROK
PMC_SLP_S3#
T0>9ms
T0: +RTCVCC stable to RTCRST# high > 9ms
T1: VR ramp up time from 10% to 90% voltage level < 2ms
T2 :Rail to subsequent rail turn on delay < 2ms
T3 :+VALWAS stable to EC_RSMRST# high > 10us
T4 :+VS rails stable to PMC_CORE_PWROK > TBD
NOTE:
1. T1 and T2 are recommended time for all the VR rails
unless specified otherwise. The VR ramp up time T2 and
subsequent rail delay T3 are put in place to avoid
inrush current which may be caused by multiple loads
turning on simultaneously or fast charging of VR output
decoupling.
2. Platform devices other than SOC sequencing are not
explicitly shown as they are not limited by the SOC
sequencing requirement.
VR_ON
+VCC_RTC
NBSWON#
+VIN
+3.3VPCU
S5_ON
EN_+1.0V_ALW
EN_+1.8V_ALW
PG_+5V_ALW
T1 (ramp)<2ms
EN_+1.2V_ALW
+1.2V_ALW
10us <T2 <2000us -- Rail to subsequent rail turn on delay
EC_RSMRST#
T1
T2
T3
T3>10us -- VSUS stable to PMC_RSMRST# high
EN_+1.35V_DDR3L
PMC_SLP_S4#
+1.35V_DDR3L
+1.35V_DDR3L_PG
Pink signals from EC
Green signals (PG) to EC
Blue timing -- Intel
+1.35V_GFX
+VCORE
DELAY_VR_PWRGOOD
EN_+1.0V
+1.0V
EN_+1.05V
+1.05V
EN_+1.35V
+1.35V
EN_+1.5V
+1.5V
EN_+1.8V
+1.8V
EN_+3.3V_+5V
+3.3V/+5V
+0.675VTERM_DDR3L
EN_+0.675VTERM_DDR3L
PMC_SLP_S0IX#
EN_S0IX
+1.35V_S0IX
+1.0V_S0IX
PG_VCC_ALW
PG_VCC_MAIN
DDR_CORE_PWROK
PMC_CORE_PWROK
PMC_PLTRST#
DDR3_VCCA_PWROK
T4>100ms -- S and SX rails stable to PMC_CORE_PWROK
T4
Power on sequence OFF
ALL_SYS_PG
CORE_PWROK
4~5ms
Size Document Number Rev
Date: Sheet of
Quanta Computer Inc.
PROJECT :
POWER SEQUENCE TIMING
3A
45 48Tuesday, September 24, 2013
J01
Size Document Number Rev
Date: Sheet of
Quanta Computer Inc.
PROJECT :
POWER SEQUENCE TIMING
3A
45 48Tuesday, September 24, 2013
J01
Size Document Number Rev
Date: Sheet of
Quanta Computer Inc.
PROJECT :
POWER SEQUENCE TIMING
3A
45 48Tuesday, September 24, 2013
J01

5
5
4
4
3
3
2
2
1
1
D D
C C
B B
A A
REV
FROM To
CHANGE LIST
PART NUMBER:
2012/12/13
DRAWING BY: REVISON:
APPROVED BY:PROJECT MODEL :
Model
DOC NO.
MODEL
1A
1A
DATE:PD9
Size Document Number Rev
Date: Sheet of
Quanta Computer Inc.
PROJECT :
ULPMC
3A
46 48Tuesday, September 24, 2013
J01
Size Document Number Rev
Date: Sheet of
Quanta Computer Inc.
PROJECT :
ULPMC
3A
46 48Tuesday, September 24, 2013
J01
Size Document Number Rev
Date: Sheet of
Quanta Computer Inc.
PROJECT :
ULPMC
3A
46 48Tuesday, September 24, 2013
J01

5
5
4
4
3
3
2
2
1
1
D D
C C
B B
A A
2A
MODEL
1A
PD7
Model
DOC NO.
DATE:
REV
FROM To
CHANGE LIST
PART NUMBER:
2011/10/28
DRAWING BY: REVISON:
PROJECT MODEL : APPROVED BY:
B-->C
1. Modify CORE_PWROK in page 29
Size Document Number Rev
Date: Sheet of
Quanta Computer Inc.
PROJECT :
Change History2
3A
47 48Tuesday, September 24, 2013
J01
Size Document Number Rev
Date: Sheet of
Quanta Computer Inc.
PROJECT :
Change History2
3A
47 48Tuesday, September 24, 2013
J01
Size Document Number Rev
Date: Sheet of
Quanta Computer Inc.
PROJECT :
Change History2
3A
47 48Tuesday, September 24, 2013
J01

5
5
4
4
3
3
2
2
1
1
D D
C C
B B
A A
3A
MODEL
1A
PD7
Model
DOC NO.
DATE:
REV
FROM To
CHANGE LIST
PART NUMBER:
2011/10/28
DRAWING BY: REVISON:
PROJECT MODEL : APPROVED BY:
B2-->C
1. Depopulate related components in the debug LED circuit.
2. Modify power name for discharging ciurcit
3. Modify PD5/PD6 footprint
Size Document Number Rev
Date: Sheet of
Quanta Computer Inc.
PROJECT :
Change History2
3A
48 48Tuesday, September 24, 2013
J01
Size Document Number Rev
Date: Sheet of
Quanta Computer Inc.
PROJECT :
Change History2
3A
48 48Tuesday, September 24, 2013
J01
Size Document Number Rev
Date: Sheet of
Quanta Computer Inc.
PROJECT :
Change History2
3A
48 48Tuesday, September 24, 2013
J01
