RT8207L, RT8207M Datasheet. Www.s Manuals.com. R07 Richtek
User Manual: Marking of electronic components, SMD Codes J7 **, J7-, J7-***, J7=**, J7A, J7B, J7S. Datasheets RT8207MGQW, RT8207MZQW, RT9166A-45PX, RT9819A-27PVL, ZC836, ZC836A, ZC836B.
Open the PDF directly: View PDF
.
Page Count: 28

RT8207L/M
®
DS8207L/M-07 April 2014 www.richtek.com
1
©
Copyright 2014 Richtek Technology Corporation. All rights reserved. is a registered trademark of Richtek Technology Corporation.
Complete DDRII/DDRIII/Low-Power DDRIII/DDRIV Memory
Power Supply Controller
General Description
The RT8207L/M provides a complete power supply for both
DDRII/DDRIII/Low-Power DDRIII/DDRIV memory systems.
It integrates a synchronous PWM buck controller with a
1.5A sink/source tracking linear regulator and buffered low
noise reference.
The PWM controller provides the high efficiency, excellent
transient response, and high DC output accuracy needed
for stepping down high voltage batteries to generate low
voltage chipset RAM supplies in notebook computers.
The constant-on-time PWM control scheme handles wide
input/output voltage ratios with ease and provides 100ns
“instant-on” response to load transients while maintaining
a relatively constant switching frequency.
The RT8207L/M achieves high efficiency at a reduced cost
by eliminating the current sense resistor found in
traditional current mode PWMs. Efficiency is further
enhanced by its ability to drive very large synchronous
rectifier MOSFETs. The buck conversion allows this device
to directly step down high voltage batteries for the highest
possible efficiency.
The 1.5A sink/source LDO maintains fast transient
response, only requiring 20μF of ceramic output
capacitance. In addition, the LDO supply input is available
externally to significantly reduce the total power losses.
The RT8207L/M supports all of the sleep state controls
placing VTT at high-Z in S3 and discharging VDDQ, VTT
and VTTREF (soft-off) in S4/S5.
The RT8207L/M has all of the protection features including
thermal shutdown and is available in WQFN-24L 4x4 and
WQFN-20L 3x3 packages.
Features
--
--
-PWM Controller
Resistor Programmable Current Limit by Low Side
RDS(ON) Sense
Quick Load Step Response Within 100ns
1% VVDDQ Accuracy Over Line and Load
Fixed 1.8V (DDRII), 1.5V (DDRIII) or Adjustable
0.75V to 3.3V Output Range for 1.35V (Low-Power
DDRIII) and 1.2V (DDRIV)
4.5V to 26V Battery Input Range
Resistor Programmable Frequency
Over/Under Voltage Protection
Internal Current Limit Ramp Soft-Start
Drives Large Synchronous-Rectifier FETs
Power Good Indicator
--
--
-1.5A LDO (VTT), Buffered Reference (VTTREF)
Capable to Sink and Source 1.5A
External Input Available to Minimize Power Losses
Integrated Divider Tracks 1/2 VDDQ for Both VTT
and VTTREF
Buffered Low Noise 10mA VTTREF Output
Remote Sensing (VTTSNS)
±±
±±
±20mV Accuracy for Both VTTREF and VTT
Supports High-Z in S3 and Soft-Off in S4/S5
--
--
-RoHS Compliant and Halogen Free
Applications
-DDRI/II/III/Low-Power DDRIII/DDRIV Memory Power
Supplies
-Notebook Computers
-SSTL18, SSTL15 and HSTL Bus Termination

2
DS8207L/M-07 April 2014www.richtek.com
RT8207L/M
©
Copyright 2014 Richtek Technology Corporation. All rights reserved. is a registered trademark of Richtek Technology Corporation.
Pin Configurations (TOP VIEW)
WQFN-24L 4x4 WQFN-20L 3x3
VTTGND
VTTSNS
GND
MODE
VTTREF
NC
TON
NC
VDDQ
FB
S5
S3
PGND
NC
VDDP
VDD
PGOOD
CS
UGATE
LGATE
VTT
VLDOIN
BOOT
PHASE
GND
1
2
3
4
5
6
78910 1211
18
17
16
15
14
13
21 20 1924 2223
25
VTTREF
GND
VTTGND
VTTSNS
LGATE
PGND
VDDP
CS
FB
S3
TON
VTT
VLDOIN
UGATE
BOOT
15
14
13
12
17181920
1
2
3
4
9876
GND
21
115
PHASE
16
VDDQ VDD
PGOOD
10
S5
J7= : Product Code
YMDNN : Date Code
RT8207MGQW
J7=YM
DNN
J7 : Product Code
YMDNN : Date Code
RT8207MZQW
J7 YM
DNN
Ordering Information
Note :
Richtek products are :
RoHS compliant and compatible with the current require-
ments of IPC/JEDEC J-STD-020.
Suitable for use in SnPb or Pb-free soldering processes.
RT8207L/M
Package Type
QW : WQFN-24L 4x4 (W-Type)
QW : WQFN-20L 3x3 (W-Type)
Lead Plating System
G : Green (Halogen Free and Pb Free)
Z : ECO (Ecological Element with
Halogen Free and Pb free)
L : WQFN-24L 4x4
M : WQFN-20L 3x3
(2)
Pin 1 Orientation
(2) : Quadrant 2, Follow EIA-481-D
Marking Information
EF= : Product Code
YMDNN : Date Code
RT8207LGQW
EF=YM
DNN
EF : Product Code
YMDNN : Date Code
RT8207LZQW / RT8207LZQW(2)
EF YM
DNN

3
DS8207L/M-07 April 2014 www.richtek.com
RT8207L/M
©
Copyright 2014 Richtek Technology Corporation. All rights reserved. is a registered trademark of Richtek Technology Corporation.
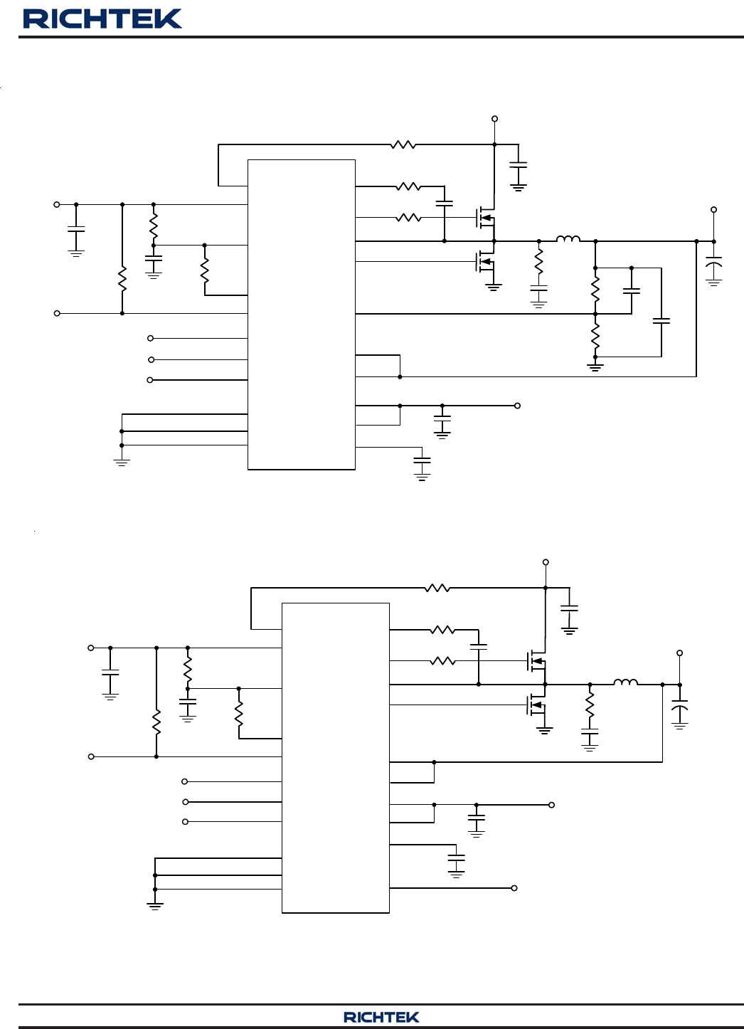
Figure 2. Fixed Voltage Regulator for RT8207L
Typical Application Circuit
Figure 1. Adjustable Voltage Regulator for RT8207L
10
21
20
19
9
VDDP
S3
UGATE
FB
RT8207L
LGATE
15
22
BOOT
PHASE
VDDQ8
L1
V
IN
VDD
14
PGOOD
13
PGOOD
GND
3 , 25 (Exposed Pad)
TON
12
V
VDDP
5VC1
1µF
R2
100k
R1
5.1
C2
1µF
VTT/VTTREF Control
4.5V to 26V
620k
R5
0
R60
C4
0.1µF
C9
10µF x 3
Q1
BSC09
4N03S
Q2
BSC032N03S
1µH
R7*
C5*R8
6k
C7
220µF
V
VDDQ
1.2V
S5
11
VDDQ Control
MODE
Discharge Mode
R9
10k
4
C6*
VLDOIN23
CS
16
R3
5.6k
VTT24
VTTSNS2C8
10µF x 2
VTTREF5
C3
33nF
PGND
18
VTTGND
1
C9
0.1µF
R
TON
* : Optional
V
TT
0.6V
10
21
20
19
9
VDDP
S3
UGATE
FB
RT8207L
LGATE
15
22
BOOT
PHASE
VDDQ8
L1
VIN
VDD
14
PGOOD
13
PGOOD
GND
3 , 25 (Exposed Pad)
TON
12
C1
1µF
R2
100k
R1
5.1
C2
1µF
VTT/VTTREF Control
4.5V to 26V
620k
R5
0
R60
C4
0.1µF
C8
10µF x 2
Q1
BSC09
4N03S
Q2
BSC032N03S
1µH
R7*
C5*
C6
220µF
V
VDDQ
1.8V/1.5V
S5
11
VDDQ Control
MODE
Discharge Mode4
VLDOIN23
CS
16
R3
5.6k
VTT24
VTTSNS2C7
10µF x 2
VTTREF5
C3
33nF
PGND
18
VTTGND
1V
VDDP
for DDRII
GND for DDRIII
* : Optional
R
TON
V
VDDP
5V
V
TT
0.9V/0.75V

4
DS8207L/M-07 April 2014www.richtek.com
RT8207L/M
©
Copyright 2014 Richtek Technology Corporation. All rights reserved. is a registered trademark of Richtek Technology Corporation.
Figure 4. Fixed Voltage Regulator for RT8207M
Figure 3. Adjustable Voltage Regulator for RT8207M
7
17
16
15
6
VDDP
S3
UGATE
FB
RT8207M
LGATE
12
18
BOOT
PHASE
VDDQ5
L1
V
IN
VDD
11
PGOOD
10
PGOOD
GND
3 , 21 (Exposed Pad)
TON
9
C1
1µF
R2
100k
R1
5.1
C2
1µF
VTT/VTTREF Control
4.5V to 26V
620k
R5
0
R60
C4
0.1µF
C9
10µF x 3
Q1
BSC09
4N03S
Q2
BSC032N03S
1µH
R7*
C5*R8
6k
C7
220µF
V
VDDQ
1.2V
S5
8
VDDQ Control
R9
10k
C6*
VLDOIN19
CS
13
R3
5.6k
VTT20
VTTSNS2C8
10µF x 2
VTTREF4
C3
33nF
PGND
14
VTTGND
1
C9
0.1µF
* : Optional
R
TON
V
VDDP
5V
V
TT
0.6V
7
17
16
15
6
VDDP
S3
UGATE
FB
RT8207M
LGATE
12
18
BOOT
PHASE
VDDQ5
L1
V
IN
VDD
11
PGOOD
10
PGOOD
GND
3 , 21 (Exposed Pad)
TON
9
C1
1µF
R2
100k
R1
5.1
C2
1µF
VTT/VTTREF Control
4.5V to 26V
620k
R5
0
R60
C4
0.1µF
C8
10µF x 2
Q1
BSC09
4N03S
Q2
BSC032N03S
1µH
R7*
C5*
C6
220µF
V
VDDQ
1.8V/1.5V
S5
8
VDDQ Control
VLDOIN19
CS
13
R3
5.6k
VTT20
VTTSNS2C7
10µF x 2
VTTREF4
C3
33nF
PGND
14
VTTGND
1V
VDDP
for DDRII
GND for DDRIII
* : Optional
R
TON
V
VDDP
5V
V
TT
0.9V/0.75V

5
DS8207L/M-07 April 2014 www.richtek.com
RT8207L/M
©
Copyright 2014 Richtek Technology Corporation. All rights reserved. is a registered trademark of Richtek Technology Corporation.
Functional Pin Description
Pin No.
WQFN-24L 4x4 WQFN-20L 3x3 Pin Name Pin Function
1 1 VTTGND Power Ground Output for VTT LDO.
2 2 VTTSNS Voltage Sense Input for VTT LDO. Connect to the terminal of
the VTT LDO output capacitor.
3,
25 (Exposed Pad)
3,
21 (Exposed Pad) GND Analog Ground. The exposed pad must be soldered to a large
PCB and connected to GND for maximum thermal dissipation.
4 -- MODE
Output Discharge Mode Setting. Connect to VDDQ for tracking
discharge. Connect to GND for non-tracking discharge.
Connect to VDD for no discharge.
5 4 VTTREF Buffered Reference Output.
6, 7, 17 -- NC No Internal Connection.
8 5 VDDQ
Reference Input for VTT and VTTREF. Discharge current
sinking terminal for VDDQ non-tracking discharge. Output
voltage feedback input for VDDQ output if the FB pin is
connected to VDD or GND.
9 6 FB
VDDQ Output Setting. Connect to GND for DDR3 (VVDDQ =
1.5V) power supply. Connect to VDD for DDR2 (VVDDQ = 1.8V)
power supply. Or connect to a resistive voltage divider from
VDDQ to GND to adjust the output of PWM from 0.75V to 3.3V.
10 7 S3 S3 Signal Input.
11 8 S5 S5 Signal Input
12 9 TON
Set the UGATE on time through a pull-up resistor connecting to
VIN. Output discharge mode setting pin for RT8207M. Connect
RTON to VIN for non-tracking discharge.
13 10 PGOOD
Power Good Open Drain Output. In High state when VDDQ
output voltage is within the target range.
14 11 VDD Supply Input for Analog Supply.
15 12 VDDP Supply Input for LGATE Gate Driver.
16 13 CS
Current Limit Threshold Setting Input. Connect to VDD through
the voltage setting resistor.
18 14 PGND Power Ground for Low Side MOSFET.
19 15 LGATE Low Side Gate Driver Output for VDDQ.
20 16 PHASE
Switch Node. External inductor connection for VDDQ and
behave as the current sense comparator input for Low Side
MOSFET RDS(ON) sensing.
21 17 UGATE High Side Gate Driver Output for VDDQ.
22 18 BOOT Boost Flying Capacitor Connection for VDDQ.
23 19 VLDOIN Power Supply for VTT LDO.
24 20 VTT Power Output for VTT LDO.

6
DS8207L/M-07 April 2014www.richtek.com
RT8207L/M
©
Copyright 2014 Richtek Technology Corporation. All rights reserved. is a registered trademark of Richtek Technology Corporation.
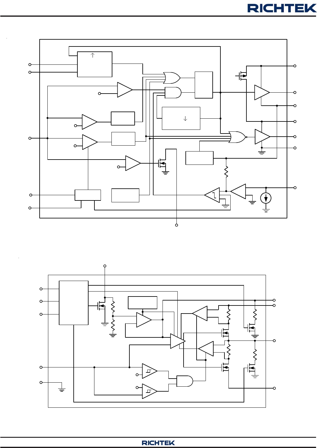
Function Block Diagram
Buck Controller for RT8207L/M
VTT LDO for RT8207L
R
QS
Min. TOFF
Q TRIG
1-SHOT
0.75V VREF
S1 Q
Latch
S1 Q
Latch
+
-
OV
+
-
UV
115%VREF
70% VREF
+
-
90% VREF
SS Timer Thermal
Shutdown
Diode
Emulation
DRV
DRV
+
-
On-time
Compute
1-SHOT
CS
FB
VDDQ
VDD
UGATE
PHASE
VDDP
PGOOD
PGND
LGATE
TON
BOOT
TRIG
PWM
S5
-
+
GM
+
-Comp
SS Int.
+10µA
S3 VTTREF
VTT
VLDOIN
VTTGND
S5
Discharge
Mode
Select
MODE +
-
Thermal
Shutdown
+
-
+
-
+
-
+
-
+
-
110% VVTTREF
90% VVTTREF
VTTSNS
GND
VDDQ

7
DS8207L/M-07 April 2014 www.richtek.com
RT8207L/M
©
Copyright 2014 Richtek Technology Corporation. All rights reserved. is a registered trademark of Richtek Technology Corporation.
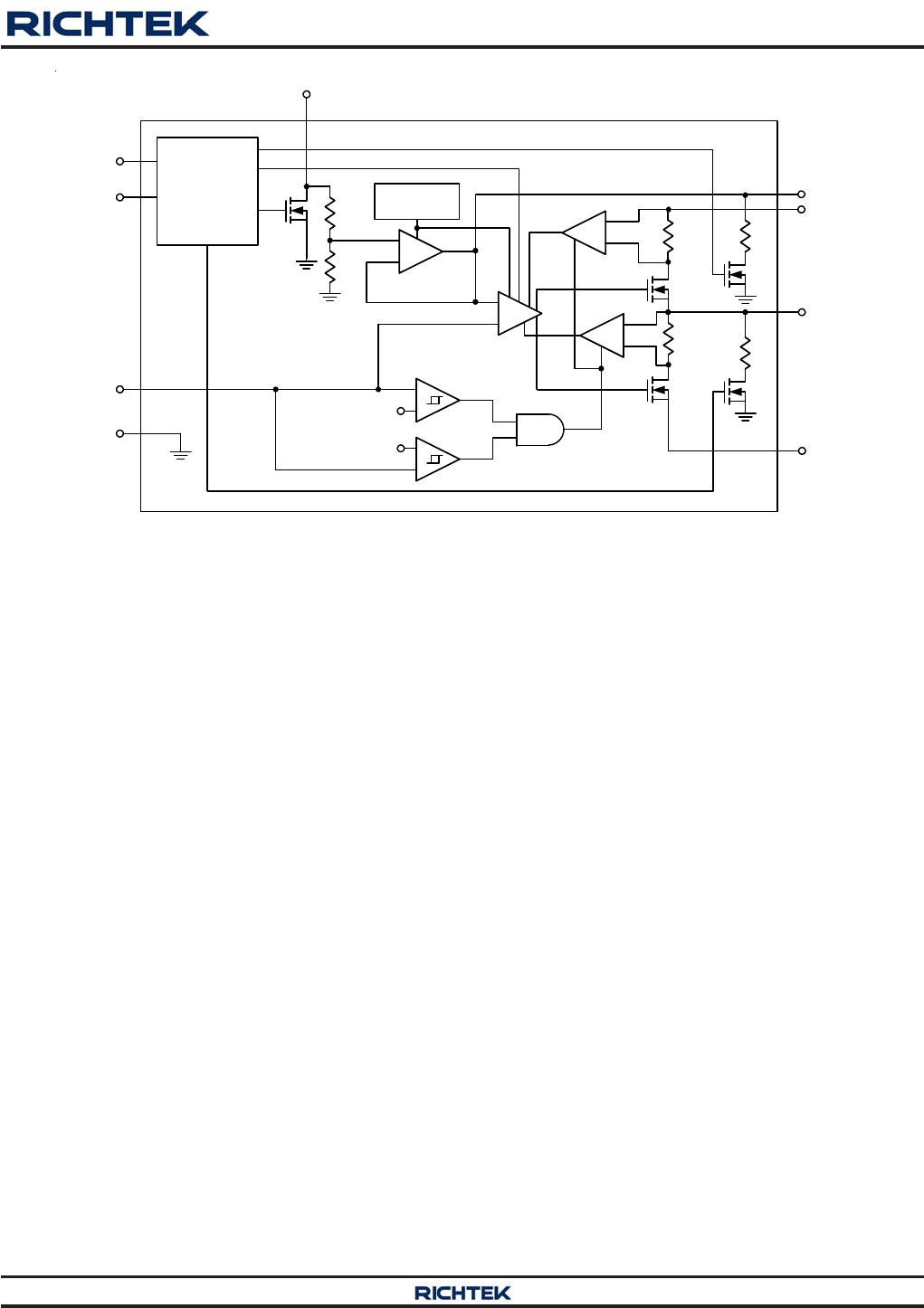
VTT LDO for RT8207M
VTTSNS
S3 VTTREF
VTT
VLDOIN
VTTGND
S5
Non-tracking
Discharge
+
-
Thermal
Shutdown
+
-
+
-
+
-
+
-
+
-
110% VVTTREF
90% VVTTREF
GND
VDDQ

8
DS8207L/M-07 April 2014www.richtek.com
RT8207L/M
©
Copyright 2014 Richtek Technology Corporation. All rights reserved. is a registered trademark of Richtek Technology Corporation.
Absolute Maximum Ratings (Note 1)
-Supply Input Voltage, TON to GND ------------------------------------------------------------------------------------- −0.3V to 32V
-BOOT to PHASE ----------------------------------------------------------------------------------------------------------- −0.3V to 6V
-VDD, VDDP, CS, MODE, S3, S5, VTTSNS, VDDQ, VTTREF, VTT, VLDOIN,
FB, PGOOD to GND ------------------------------------------------------------------------------------------------------- −0.3V to 6V
-PGND, VTTGND to GND -------------------------------------------------------------------------------------------------- −0.3V to 0.3V
-PHASE to GND
DC ------------------------------------------------------------------------------------------------------------------------------ –1V to 32V
< 20ns ------------------------------------------------------------------------------------------------------------------------ −8V to 38V
-LGATE to GND
DC ------------------------------------------------------------------------------------------------------------------------------ –0.3V to 6V
< 20ns ------------------------------------------------------------------------------------------------------------------------ −2.5V to 7.5V
-UGATE to PHASE
DC ------------------------------------------------------------------------------------------------------------------------------ –0.3V to 6V
< 20ns ------------------------------------------------------------------------------------------------------------------------ −5V to 7.5V
-The Other Pins -------------------------------------------------------------------------------------------------------------- −0.3V to 6.5V
-Power Dissipation, PD @ TA = 25°C
WQFN-24L 4x4 ------------------------------------------------------------------------------------------------------------- 1.923W
WQFN-20L 3x3 ------------------------------------------------------------------------------------------------------------- 1.471W
-Package Thermal Resistance (Note 2)
WQFN-24L 4x4, θJA -------------------------------------------------------------------------------------------------------- 52°C/W
WQFN-24L 4x4, θJC ------------------------------------------------------------------------------------------------------- 7°C/W
WQFN-20L 3x3, θJA -------------------------------------------------------------------------------------------------------- 68°C/W
WQFN-20L 3x3, θJC ------------------------------------------------------------------------------------------------------- 7.5°C/W
-Junction Temperature ------------------------------------------------------------------------------------------------------ 150°C
-Lead Temperature (Soldering, 10 sec.) -------------------------------------------------------------------------------- 260°C
-Storage Temperature Range --------------------------------------------------------------------------------------------- −65°C to 150°C
-ESD Susceptibility (Note 3)
HBM (Human Body Model) ----------------------------------------------------------------------------------------------- 2kV
MM (Machine Model) ------------------------------------------------------------------------------------------------------ 200V
Recommended Operating Conditions (Note 4)
-Supply Input Voltage, VIN ------------------------------------------------------------------------------------------------ 4.5V to 26V
-Control Voltage, VDD, VVDDP --------------------------------------------------------------------------------------------- 4.5V to 5.5V
-Junction Temperature Range --------------------------------------------------------------------------------------------- −40°C to 125°C
-Ambient Temperature Range --------------------------------------------------------------------------------------------- −40°C to 85°C

9
DS8207L/M-07 April 2014 www.richtek.com
RT8207L/M
©
Copyright 2014 Richtek Technology Corporation. All rights reserved. is a registered trademark of Richtek Technology Corporation.
Electrical Characteristics
(VIN = 15V, VDD = VVDDP = 5V, RTON = 1MΩ, TA = 25°C, unless otherwise specified)
Parameter Symbol Test Conditions Min Typ Max Unit
PWM Controller
Quiescent Supply Current
(VDD + VDDP) FB forced above the regulation point,
VS5 = 5V, VS3 = 0V -- 470 1000 A
TON Operating Current RTON = 1M -- 15 -- A
IVLDOIN BIAS Current VS5 = VS3 = 5V, VTT = No Load -- 1 -- A
IVLDOIN Standby Current VS5 = 5V, VS3 = 0V, VTT = No Load -- 0.1 10 A
VDD + VVDDP -- 1 10
TON -- 0.1 5
S5/S3 = 0V 1 0.1 1
Shutdown Current
(VS5 = VS3 = 0V) ISHDN
IVLDOIN -- 0.1 1
A
FB Reference Voltage VREF V
DD = 4.5V to 5.5V 0.742 0.75 0.758 V
FB = GND -- 1.5 --
Fixed VDDQ Output
Voltage FB = VDD -- 1.8 -- V
FB Input Bias Current FB = 0.75V 1 0.1 1 A
VDDQ Voltage Range 0.75 -- 3.3 V
On-Time RTON = 1M, VVDDQ = 1.25V 267 334 401 ns
Minimum Off-Time 250 400 550 ns
VDDQ Input Resistance -- 100 -- k
VDDQ Shutdown
Discharge Resistance V
S5 = GND -- 15 --
Current Sensing
CS Sink Current VCS > 4.5V, After UV Blank Time 9 10 11 A
Current Comparator
Offset GND PHASE, RCS = 5k 15 -- 15 mV
Zero Crossing Threshold GND PHASE 5 -- 10 mV
Fault Protection
GND PHASE, RCS = 5k 35 50 65
Current Limit (Positive) GND PHASE, RCS = 20k 170 200 230 mV
Under Voltage Protection
Threshold VUVP 60 70 80 %
Over Voltage Protection
Threshold VOVP With respect to error comparator
threshold 110 115 120 %
Over Voltage Fault Delay FB forced above over voltage
threshold -- 20 -- s
VDD POR Threshold Rising edge, hysteresis = 120mV,
PWM disabled below this level 3.9 4.2 4.5 V
Under Voltage Blank Time From S5 signal going high -- 5 -- ms
Thermal Shutdown TSD -- 165 -- °C
Thermal Shutdown
Hysteresis TSD -- 10 -- °C

10
DS8207L/M-07 April 2014www.richtek.com
RT8207L/M
©
Copyright 2014 Richtek Technology Corporation. All rights reserved. is a registered trademark of Richtek Technology Corporation.
Parameter Symbol Test Conditions Min Typ Max Unit
Driver On-Resistance
UGATE Driver Source RUGATEsr BOOT PHASE Forced to 5V -- 2.5 5
UGATE Driver Sink RUGATEsk BOOT PHASE Forced to 5V -- 1.5 3
LGATE Driver Source RLGATEsr DL, High State -- 2.5 5
LGATE Driver Sink RLGATEsk DL, Low State -- 0.8 1.6
LGATE Rising (PHASE = 1.5V) -- 40 --
Dead Time UGATE Rising -- 40 -- ns
Internal Boost Charging
Switch On Resistance VDDP to BOOT, 10mA -- -- 80
Logic I/O
Logic Input Low Voltage S3, S5 Low -- -- 0.8 V
Logic Input High Voltage S3, S5 High 2 -- -- V
Logic Input Current S3, S5 = VDD/GND 1 0 1 A
PGOOD (upper side threshold decide by Over Voltage threshold)
Trip Threshold (Falling) Measured at FB, with respect to
reference, no load 13 10 7 %
Trip Threshold (Hysteresis) -- 3 -- %
Fault Propagation Delay Falling edge, FB forced below
PGOOD trip threshold -- 2.5 -- s
Output Low Voltage ISINK = 1mA -- -- 0.4 V
Leakage Current ILEAK High state, forced to 5V -- -- 1 A
VTT LDO
VVDD Q = VLDOIN = 1.2V/1.35/1.5V/1.8V,
IVTT = 0A 20 -- 20
VVDD Q = VLDOIN = 1.2V/1.35/1.5V/1.8V,
IVTT < 1A 30 -- 30
VVDD Q = VLDOIN = 1.2V/1.35,
IVTT < 1.2A 40 -- 40
VTT Output Tolerance VVTTTOL
VVDD Q = VLDOIN = 1.5V/1.8V,
IVTT < 1.5A 40 -- 40
mV
VDDQ
TT V
V0.95
2
PGOOD = High
1.6 2.6 3.6
VTT Source Current Limit IVTTOCLSRC
VTT = 0V -- 1.3 --
A
VDDQ
TT V
V1.05
2
,
PGOOD = High
1.6 2.6 3.6
VTT Sink Current Limit IVTTOCLSNK
VTT = VVDDQ -- 1.3 --
A
VTT Leakage Current IVTTLK S5 = 5V, S3 = 0V, VDDQ
TT V
V2
10 -- 10 A
VTTSNS Leakage Current IVTTSNSLK I
SINK = 1mA 1 -- 1 A
VTT Discharge Current IDSCHRG V
VDD Q = 0V, VTT = 0.5V, S5 = S3 =0V 10 30 -- mA

11
DS8207L/M-07 April 2014 www.richtek.com
RT8207L/M
©
Copyright 2014 Richtek Technology Corporation. All rights reserved. is a registered trademark of Richtek Technology Corporation.
Note 1. Stresses beyond those listed “Absolute Maximum Ratings” may cause permanent damage to the device. These
are stress ratings only, and functional operation of the device at these or any other conditions beyond those
indicated in the operational sections of the specifications is not implied. Exposure to absolute maximum rating
conditions may affect device reliability.
Note 2. θJA is measured at TA = 25°C on a high effective thermal conductivity four-layer test board per JEDEC 51-7. θJC is
measured at the exposed pad of the package.
Note 3. Devices are ESD sensitive. Handling precaution is recommended.
Note 4. The device is not guaranteed to function outside its operating conditions.
Parameter Symbol Test Conditions Min Typ Max Unit
VTTREF Output Voltage VVTTREF VDDQ
VTTREF V
V2
-- 0.9/0.75 -- V
VLDOIN = VVDDQ = 1.5V,
IVTTREF <10mA 15 -- 15
VDDQSNS/2, VTTREF
Output Voltage Tolerance VVTTR EF TOL VLDOIN = VVDDQ = 1.8V,
IVTTREF <10mA 18 -- 18
mV
VTTREF Source Current
Limit IVTTREFOCL V
VTTREF = 0V 10 40 80 mA

12
DS8207L/M-07 April 2014www.richtek.com
RT8207L/M
©
Copyright 2014 Richtek Technology Corporation. All rights reserved. is a registered trademark of Richtek Technology Corporation.
Typical Operating Characteristics
VDDQ Efficiency vs. Output Current
0
10
20
30
40
50
60
70
80
90
100
0.001 0.01 0.1 1 10
Output Current (A)
Efficiency (%) 1
VIN = 8V, VDDQ = 1.8V, S3 = GND, S5 = 5V
DDRII
VDDQ Efficiency vs. Output Current
0
10
20
30
40
50
60
70
80
90
100
0.001 0.01 0.1 1 10
Output Current (A)
Efficiency (%) 1
VIN = 12V, VDDQ = 1.5V, S3 = GND, S5 = 5V
DDRIII
VDDQ Efficiency vs. Output Current
0
10
20
30
40
50
60
70
80
90
100
0.001 0.01 0.1 1 10
Output Current (A)
Efficiency (%) 1
VIN = 20V, VDDQ = 1.5V, S3 = GND, S5 = 5V
DDRIII
VDDQ Efficiency vs. Output Current
0
10
20
30
40
50
60
70
80
90
100
0.001 0.01 0.1 1 10
Output Current (A)
Efficiency (%) 1
VIN = 20V, VDDQ = 1.8V, S3 = GND, S5 = 5V
DDRII
VDDQ Efficiency vs. Output Current
0
10
20
30
40
50
60
70
80
90
100
0.001 0.01 0.1 1 10
Output Current (A)
Efficiency (%) 1
VIN = 8V, VDDQ = 1.5V, S3 = GND, S5 = 5V
DDRIII
VDDQ Efficiency vs. Output Current
0
10
20
30
40
50
60
70
80
90
100
0.001 0.01 0.1 1 10
Output Current (A)
Efficiency (%) 1
VIN = 12V, VDDQ = 1.8V, S3 = GND, S5 = 5V
DDRII

13
DS8207L/M-07 April 2014 www.richtek.com
RT8207L/M
©
Copyright 2014 Richtek Technology Corporation. All rights reserved. is a registered trademark of Richtek Technology Corporation.
Switching Frequency vs. Output Current
0
50
100
150
200
250
300
350
400
450
500
0.001 0.01 0.1 1 10
Output Current (A)
Switching Frequency (kHz) 1
DDRIII, VIN = 20V, VVDDQ = 1.5V, S3 = GND, S5 = 5V
Switching Frequency vs. Output Current
0
50
100
150
200
250
300
350
400
450
500
0.001 0.01 0.1 1 10
Output Current (A)
Switching Frequency (kHz) 1
DDRIII, VIN = 12V, VVDDQ = 1.5V, S3 = GND, S5 = 5V
Switching Frequency vs. Output Current
0
50
100
150
200
250
300
350
400
450
500
0.001 0.01 0.1 1 10
Output Current (A)
Switching Frequency (kHz) 1
DDRII, VIN = 20V, VDDQ = 1.8V, S3 = GND, S5 = 5V
Switching Frequency vs. Output Current
0
50
100
150
200
250
300
350
400
450
500
0.001 0.01 0.1 1 10
Output Current (A)
Switching Frequency (kHz) 1
DDRIII, VIN = 8V, VVDDQ = 1.5V, S3 = GND, S5 = 5V
Switching Frequency vs. Output Current
0
50
100
150
200
250
300
350
400
450
500
0.001 0.01 0.1 1 10
Output Current (A)
Switching Frequency (kHz) 1
DDRII, VIN = 12V, VDDQ = 1.8V, S3 = GND, S5 = 5V
Switching Frequency vs. Output Current
0
50
100
150
200
250
300
350
400
450
500
0.001 0.01 0.1 1 10
Output Current (A)
Switching Frequency (kHz) 1
DDRII, VIN = 8V, VDDQ = 1.8V, S3 = GND, S5 = 5V

14
DS8207L/M-07 April 2014www.richtek.com
RT8207L/M
©
Copyright 2014 Richtek Technology Corporation. All rights reserved. is a registered trademark of Richtek Technology Corporation.
VDDQ Output Voltage vs. Output Current
1.780
1.785
1.790
1.795
1.800
1.805
1.810
1.815
1.820
0.001 0.01 0.1 1 10
Output Current (A)
Output Voltage (V) 1
DDRII
VIN = 12V, VDDQ = 1.8V, S3 = GND, S5 = 5V
VDDQ Output Voltage vs. Output Current
1.480
1.485
1.490
1.495
1.500
1.505
1.510
1.515
0.001 0.01 0.1 1 10
Output Current (A)
Output Voltage (V) 1
DDRIII
VIN = 12V, VDDQ = 1.5V, S3 = GND, S5 = 5V
VTT Output Voltage vs. Output Current
0.8970
0.8975
0.8980
0.8985
0.8990
0.8995
0.9000
-1.5 -1.2 -0.9 -0.6 -0.3 0 0.3 0.6 0.9 1.2 1.5
Output Current (A)
Output Voltage (V) 1
VIN = 12V, VDDQ = 1.8V, S3 = S5 = 5V
DDRII
VTT Output Voltage vs. Output Current
0.7450
0.7455
0.7460
0.7465
0.7470
0.7475
0.7480
-1.5 -1.2 -0.9 -0.6 -0.3 0 0.3 0.6 0.9 1.2 1.5
Output Current (A)
Output Voltage (V) 1
DDRIII
VIN = 12V, VDDQ = 1.5V, S3 = S5 = 5V
VTTREF Output Voltage vs. Output Current
0.898
0.900
0.902
0.904
0.906
0.908
0.910
0.912
-10-8-6-4-20246810
Output Current (mA)
Output Voltage (V) 1
VIN = 12V, VDDQ = 1.8V, S3 = S5 = 5V
DDRII
VTTREF Output Voltage vs. Output Current
0.746
0.748
0.750
0.752
0.754
0.756
0.758
0.760
-10-8-6-4-2 0 2 4 6 810
Output Current (mA)
Output Voltage (V) 1
DDRIII
VIN = 12V, VDDQ = 1.5V, S3 = S5 = 5V

15
DS8207L/M-07 April 2014 www.richtek.com
RT8207L/M
©
Copyright 2014 Richtek Technology Corporation. All rights reserved. is a registered trademark of Richtek Technology Corporation.
Time (1ms/Div)
VDDQ
(1V/Div)
VTT
(500mV/Div)
S5
(5V/Div)
PGOOD
(5V/Div)
No Load
VDDQ and VTT Start Up
VIN = 12V, VDDQ = 1.5V, S3 = S5 = 5V
VDDQ Start Up
Time (400μs/Div)
VDDQ
(1V/Div)
VIN = 12V, VDDQ = 1.5V
S3 = GND, S5 = 5V, ILOAD = 10A
UGATE
(20V/Div)
LGATE
(5V/Div)
IL
(10A/Div)
VDDQ Voltage vs. Temperature
1.474
1.478
1.482
1.486
1.490
1.494
1.498
1.502
-50 -25 0 25 50 75 100 125
Temperature (C)
VDDQ Voltage (V) 1
DDRIII
VIN = 12V, VDDQ = 1.5V, S3 = GND, S5 = 5V
VDDQ Voltage vs. Temperature
1.77400
1.77725
1.78050
1.78375
1.78700
1.79025
1.79350
1.79675
1.80000
-50 -25 0 25 50 75 100 125
Temperature (C)
VDDQ Voltage (V) 1
VIN = 12V, VDDQ = 1.8V, S3 = S5 = 5V
DDRII
Shutdown Current vs. Input Voltage
0.00
0.50
1.00
1.50
2.00
2.50
3.00
5 8 11 14 17 20 23 26
Input Voltage (V)
Shutdown Current (µA) 1
No Load, S3 = S5 = GND
Standby Current vs. Input Voltage
480
500
520
540
560
580
600
5 8 11 14 17 20 23 26
Input Voltage (V)
Standby Current (µA) 1
No Load, S3 = GND, S5 = 5V

16
DS8207L/M-07 April 2014www.richtek.com
RT8207L/M
©
Copyright 2014 Richtek Technology Corporation. All rights reserved. is a registered trademark of Richtek Technology Corporation.
Time (20μs/Div)
IL
(10A/Div)
VDDQ
(50mV/Div)
LGATE
(10V/Div)
DDRIII, VIN = 12V, VDDQ = 1.5V, S3 = GND, S5 = 5V
ILOAD = 0.1A to 10A
UGATE
(20V/Div)
VDDQ Load Transient Response
Shutdown
Time (400μs/Div)
VDDQ
(1V/Div)
No Load
VDDQ = 1.5V, S3 = S5 = 5V, MODE = GND
Non-Tracking Mode
VTT
(1V/Div)
VTTREF
(500mV/Div)
S5
(5V/Div) VIN = 12V
Shutdown
Time (400μs/Div)
VDDQ
(1V/Div)
VDDQ = 1.5V, S3 = S5 = 5V, MODE = VDDQ
VTT
(1V/Div)
VTTREF
(500mV/Div)
S5
(5V/Div)
No Load
Tracking Mode
VIN = 12V
VDDQ Load Transient Response
Time (20μs/Div)
VDDQ
(50mV/Div)
LGATE
(10V/Div)
UGATE
(20V/Div)
IL
(10A/Div)
DDRII, VIN = 12V, VDDQ = 1.8V, S3 = GND, S5 = 5V,
ILOAD = 0.1A to 10A
VTT Load Transient Response
Time (200μs/Div)
DDRII, VIN = 12V, VDDQ = 1.8V, S3 = S5 = 5V,
IVTT = −1.5A to 1.5A
VTT
(20mV/Div)
IVTT
(2A/Div)
VTTREF
(20mV/Div)
VTT - VTTREF
(20mV/Div)
VTT Load Transient Response
Time (200μs/Div)
VTT - VTTREF
(20mV/Div)
DDRIII, VIN = 12V, VDDQ = 1.5V, S3 = S5 = 5V,
IVTT = −1.5A to 1.5A
VTT
(20mV/Div)
IVTT
(2A/Div)
VTTREF
(20mV/Div)

17
DS8207L/M-07 April 2014 www.richtek.com
RT8207L/M
©
Copyright 2014 Richtek Technology Corporation. All rights reserved. is a registered trademark of Richtek Technology Corporation.
PGOOD
(5V/Div)
VDDQ
(2V/Div)
LGATE
(5V/Div)
UGATE
(20V/Div)
UVP
Time (40μs/Div)
VIN = 12V, VDDQ = 1.5V, S3 = GND, S5 = 5V
OVP
Time (40μs/Div)
VIN = 12V, VDDQ = 1.5V, S3 = GND, S5 = 5V
No Load
PGOOD
(5V/Div)
VDDQ
(1V/Div)
LGATE
(5V/Div)

18
DS8207L/M-07 April 2014www.richtek.com
RT8207L/M
©
Copyright 2014 Richtek Technology Corporation. All rights reserved. is a registered trademark of Richtek Technology Corporation.
Application Information
The RT8207L/M PWM controller provides the high
efficiency, excellent transient response, and high DC output
accuracy needed for stepping down high voltage batteries
to generate low voltage chipset RAM supplies in notebook
computers. Richtek's Mach ResponseTM technology is
specifically designed for providing 100ns “instant-on”
response to load steps while maintaining a relatively
constant operating frequency and inductor operating point
over a wide range of input voltages. The topology
circumvents the poor load transient timing problems of
fixed-frequency current mode PWMs, while also avoiding
the problems caused by widely varying switching
frequencies in conventional constant-on-time and constant-
off-time PWM schemes. The DRVTM mode PWM
modulator is specifically designed to have better noise
immunity for such a single output application.
The 1.5A sink/source LDO maintains fast transient
response, only requiring 20μF of ceramic output
capacitance. In addition, the LDO supply input is available
externally to significantly reduce the total power losses.
The RT8207L/M supports all of the sleep state controls,
placing VTT at high-Z in S3 and discharging VDDQ, VTT
and VTTREF (soft-off) in S4/S5.
PWM Operation
The Mach ResponseTM
DRVTM mode controller relies on
the output filter capacitor's Effective Series Resistance
(ESR) to act as a current-sense resistor, so the output
ripple voltage provides the PWM ramp signal. Referring to
the function diagrams of the RT8207L/M, the synchronous
high side MOSFET is turned on at the beginning of each
cycle. After the internal one-shot timer expires, the
MOSFET will be turned off. The pulse width of this one-
shot is determined by the converter's input and output
voltages to keep the frequency fairly constant over the
entire input voltage range. Another one-shot sets a
minimum off-time (400ns typ.).
On-Time Control
The on-time one-shot comparator has two inputs. One
input looks at the output voltage, while the other input
samples the input voltage and converts it to a current.
This input voltage proportional current is used to charge
an internal on-time capacitor. The on-time is the time
required for the voltage on this capacitor to charge from
zero volts to VVDDQ, thereby making the on-time of the
high side switch directly proportional to the output voltage
and inversely proportional to the input voltage. This
implementation results in a nearly constant switching
frequency without the need of a clock generator, as shown
below :
ON TON VDDQ IN
t 3.85p x R x V / (V 0.5)
And then the switching frequency is :
VDDQ IN ON
fV / V x t )
where RTON is the resistor connected from VIN to the TON
pin.
Diode-Emulation Mode
In diode-emulation mode, the RT8207L/M automatically
reduces switching frequency at light load conditions to
maintain high efficiency. This reduction of frequency is
achieved smoothly without increasing VDDQ ripples or load
regulation. As the output current decreases from heavy
load condition, the inductor current will also be reduced
and eventually come to the point where its valley touches
zero current, which is the boundary between continuous
conduction and discontinuous conduction modes. By
emulating the behavior of diodes, the low side MOSFET
allows only partial negative current to flow when the
inductor freewheeling current reaches negative. As the load
current is further decreased, it takes longer and longer
time to discharge the output capacitor to the level that
requires the next “ON” cycle. The on-time is kept the
same as that in the heavy load condition. In contrast, when
the output current increases from light load to heavy load,
the switching frequency increases to the preset value as
the inductor current reaches the continuous condition. The
transition load point to the light load operation is shown in
below figure and can be calculated as follows :
IN VDDQ
LOAD(SKIP) ON
VV
I x t
2L
where tON is the on-time.

19
DS8207L/M-07 April 2014 www.richtek.com
RT8207L/M
©
Copyright 2014 Richtek Technology Corporation. All rights reserved. is a registered trademark of Richtek Technology Corporation.
Figure 5. Boundary Condition of CCM/DCM
The switching waveforms may appear noisy and
asynchronous when light loading causes diode-emulation
operation, but this is a normal operating condition that
results in high light load efficiency. Trade offs in DEM
noise vs. light load efficiency is made by varying the
inductor value. Generally, low inductor values produce a
broader efficiency vs. load curve, while higher values result
in higher full load efficiency (assuming that the coil
resistance remains fixed) and less output voltage ripple.
The disadvantages for using higher inductor values include
larger physical size and degraded load transient response
(especially at low input voltage levels).
Current Limit Setting for VDDQ (CS)
The RT8207L/M provides cycle-by-cycle current limiting
control. The current limit circuit employs a unique “valley”
current sensing algorithm. If the magnitude of the current
sense signal at PHASE is above the current limit
threshold, the PWM is not allowed to initiate a new cycle
(Figure 6). The actual peak current is greater than the
current limit threshold by an amount equal to the inductor
ripple current. Therefore, the exact current limit
characteristic and maximum load capability are a function
of the sense resistance, inductor value, and battery and
output voltage.
IL
t
0
IPEAK
ILIM
ILOAD
Figure 6. “Valley” Current Limit
The RT8207L/M uses the on resistance of the synchronous
rectifier as the current sense element and supports
temperature compensated MOSFET RDS(ON) sensing. The
setting resistor, RILIM, between the CS pin and VDD sets
the current limit threshold, and the recommended value
is greater than 5kΩ. The CS pin sinks an internal 10μA
(typ.) current source at room temperature. This current
has a 4700ppm/°C temperature slope to compensate the
temperature dependency of RDS(ON). When the voltage
drop across the low side MOSFET equals the voltage
across the RILIM setting resistor, the positive current limit
will activate. The high side MOSFET will not be turned on
until the voltage drop across the low side MOSFET falls
below the current limit threshold.
Choose a current limit setting resistor via the following
equation :
ILIM LIMIT DS(ON)
RI x R /10μ
A
Carefully observe the PCB layout guidelines to ensure
that noise and DC errors do not corrupt the current-sense
signal seen by PHASE and PGND.
Current Protection for VTT
The LDO has an internally fixed constant over current
limiting of 2.6A while operating at normal condition. After
the first time VTT voltage comes to within 15% of its set
voltage, this over current point is reduced to 1.3A. From
then on, when the output voltage goes outside 20% of its
set voltage, the internal power good signal will transit from
high to low.
MOSFET Gate Driver (UGATE, LGATE)
The high side driver is designed to drive high current, low
RDS(ON) N-MOSFET(s). When configured as a floating
driver, 5V bias voltage is delivered from the VDDP supply.
The average drive current is proportional to the gate charge
at VGS = 5V times switching frequency. The instantaneous
drive current is supplied by the flying capacitor between
the BOOT and PHASE pins.
A dead time to prevent shoot through is internally
generated between high side MOSFET off to low side
MOSFET on, and low side MOSFET off to high side
MOSFET on.
IL
t
0tON
Slope = (VIN - VVDDQ) / L
IPEAK
ILOAD = IPEAK / 2

20
DS8207L/M-07 April 2014www.richtek.com
RT8207L/M
©
Copyright 2014 Richtek Technology Corporation. All rights reserved. is a registered trademark of Richtek Technology Corporation.
The low side driver is designed to drive high current, low
RDS(ON) N-MOSFET(s). The internal pull down transistor
that drives LGATE low is robust, with a 0.8Ω typical on
resistance. A 5V bias voltage is delivered from the VDDP
supply. The instantaneous drive current is supplied by the
flying capacitor between VDDP and PGND.
For high current applications, some combinations of high
and low side MOSFETs may cause excessive gate drain
coupling, which leads to efficiency killing, EMI producing
shoot through currents. This is often remedied by adding
a resistor in series with BOOT, which increases the turn-
on rising time of the high side MOSFET without degrading
the turn-off time (Figure 7).
BOOT
UGATE
PHASE
R
VIN
Figure 7. Increasing the UGATE Rise Time
Power Good Output (PGOOD)
The power good output is an open drain output that requires
a pull up resistor. When the output voltage is 15% above
or 10% below its set voltage, PGOOD gets pulled low. It
is held low until the output voltage returns to within these
tolerances once more. During soft-start, PGOOD is actively
held low and only allowed to transition high after soft-start
is over and the output reaches 93% of its set voltage.
There is a 2.5μs delay built into PGOOD circuitry to prevent
false transition.
POR Protection
The RT8207L/M has a VDDP supply power on reset
protection (POR). When the VDDP voltage is higher than
4.2V (typ.), VDDQ, VTT and VTTREF will be activated.
This is a non-latch protection.
Soft-Start
The RT8207L/M provides an internal soft-start function to
prevent large inrush current and output voltage overshoot
when the converter starts up. Soft-start (SS) automatically
begins once the chip is enabled. During soft-start, internal
current limit circuit gradually ramps up the inductor current
from zero. The maximum current-limit value is set
externally as described in previous section. The soft-start
time is determined by the current limit level and output
capacitor value. If the current limit threshold is set for
200mV, the typical soft-start duration is 3ms after S5 is
enabled.
The soft-start function of VTT is achieved by the current
limit and VTTREF voltage through the internal RC delay
ramp up after S3 is high. During VTT startup, the current
limit level is 2.6A. This allows the output to start up
smoothly and safely under enough source/sink ability.
Output Over Voltage Protection (OVP)
The output voltage can be continuously monitored for over
voltage. If the output exceeds 15% of its set voltage
threshold, over voltage protection is triggered and the
LGATE low side gate driver is forced high. This activates
the low side MOSFET switch which rapidly discharges
the output capacitor and reduces the input voltage. There
is a 5μs latch delay built into the over voltage protection
circuit. The RT8207L/M will be latched if the output voltage
remains above the OV threshold after the latch delay
period and can then only be released by VDD power on
reset or S5.
Note that latching the LGATE high will cause the output
voltage to dip slightly negative when energy has been
previously stored in the LC tank circuit. For loads that
cannot tolerate a negative voltage, place a power Schottky
diode across the output to act as a reverse polarity clamp.
If the over voltage condition is caused by a short in high
side switch, turning the low side MOSFET on 100% will
create an electrical short between the battery and GND,
hence blowing the fuse and disconnecting the battery from
the output.
Output Under Voltage Protection (UVP)
The output voltage can be continuously monitored for under
voltage. When enabled, the under voltage protection is
triggered if the output is less than 70% of its set voltage
threshold. Then, both UGATE and LGATE gate drivers will
be forced low while entering soft discharge mode. During
soft-start, the UVP has a blanking time around 5ms.

21
DS8207L/M-07 April 2014 www.richtek.com
RT8207L/M
©
Copyright 2014 Richtek Technology Corporation. All rights reserved. is a registered trademark of Richtek Technology Corporation.
Thermal Protection
The RT8207L/M monitors the temperature of itself. If the
temperature exceeds the threshold value, 165°C (typ.),
the PWM output, VTTREF and VTT will be shut off. The
RT8207L/M is latched once thermal shutdown is triggered
and can only be released by VDD power on reset or S5.
Output Voltage Setting (FB)
The RT8207L/M can be used as DDR2 (VVDDQ = 1.8V)
and DDR3 (VVDDQ = 1.5V) power supply or as an adjustable
output voltage (0.75V < VVDDQ < 3.3V) by connecting the
FB pin according to Table 1.
Table 1. FB and output voltage setting
FB VDDQ (V)
VTTREF
and VTT NOTE
VDD 1.8 VVDD Q / 2 DDR2
GND 1.5 VVDDQ /2 DDR3
FB
Resistors Adjustable VVDD Q / 2 0.75V < VVDDQ
< 3.3V
Connect a resistive voltage divider at FB between VDDQ
and GND to adjust the respective output voltage between
0.75V and 3.3V (Figure 8). Choose R2 to be approximately
10kΩ and solve for R1 using the equation as follows :
VDDQ REF
R1
VV x 1
R2
where VREF is 0.75V (typ.).
PHASE
LGATE
R1
R2
VVDDQ
VIN
UGATE
VDDQ
FB
GND
Figure 8. Setting VDDQ with a Resistive Voltage Divider
VTT Linear Regulator and VTTREF
The RT8207L/M integrates a high performance low dropout
linear regulator that is capable of sourcing and sinking
currents up to 1.5A. This VTT linear regulator employs
ultimate fast response feedback loop so that small ceramic
capacitors are enough for keeping track of VTTREF within
40mV at all conditions, including fast load transient. To
achieve tight regulation with minimum effect of wiring
resistance, a remote sensing terminal, VTTSNS, should
be connected to the positive node of the VTT output
capacitor(s) as a separate trace from the VTT pin. For
stable operation, total capacitance of the VTT output
terminal can be equal to or greater than 20μF. It is
recommended to attach two 10μF ceramic capacitors in
parallel to minimize the effect of ESR and ESL. If ESR of
the output capacitor is greater than 2mΩ, insert an RC
filter between the output and VTTSNS input to achieve
loop stability. The RC filter time constant should be almost
the same or slightly lower than the time constant made
by the output capacitor and its ESR. The VTTREF block
consists of on-chip 1/2 divider, LPF and buffer. This regulator
also has sink and source capability up to 10mA. Bypass
VTTREF to GND with a 33nF ceramic capacitor for stable
operation.
VDD sources the load of VTTREF to follow half voltage of
VDDQ. If VTTREF capacitor is so large that the VTTREF
is unable to follow half VDDQ voltage at time during soft
start period, VTTREF will sink large current from VDD which
causes large voltage drop at VDDP to VDD resistor and
has the opportunity of UVLO. The following equation
provides the maximum value of VTTREF capacitor
calculation.
VDDQ
SS VTTREF
VDD
VDDQ OUT
SS IN
ON
DS
VDDQ OUT
VTTREF VDDQ VDD IN
ON
DS
V
0.03 T = C
1.1 R 12 2
VC
T = V
0.03 t
R2L
VC
0.03
2
C = V1.1R12 V
0.03 t
R2L
Where RVDD is the resistor between VDDP and VDD pin.
RDS is the turn on resistor of low-side MOSFET. CVTTREF
is the capacitor on the VTTREF pin. TSS is the soft start
time for VDDQ at the no load condition.

22
DS8207L/M-07 April 2014www.richtek.com
RT8207L/M
©
Copyright 2014 Richtek Technology Corporation. All rights reserved. is a registered trademark of Richtek Technology Corporation.
Table 2. S3 and S5 truth table
STATE S3 S5 VDDQ VTTREF VTT
S0 Hi Hi On On On
S3 Lo Hi On On Off (Hi-Z)
S4/S5 Lo Lo Off
(Discharge)
Off
(Discharge)
Off
(Discharge
)
VDDQ and VTT Discharge Control
The RT8207L/M discharges VDDQ, VTTREF and VTT
outputs when S5 is low or in the S4/S5 state. There are
two different discharge modes. For the RT8207L, the
discharge mode is set by connecting the MODE pin
according to Table 3. For the RT8207M, the discharge
mode is set by placing a resistor (RTON) between the TON
pin and VIN, as shown in Table 4.
MODE Discharge Mode
VDD No discharge
VDDQ Tracking discharge
GND Non-tracking discharge
Table 3. Discharge selection for the RT8207L
TON pin connect RTON to Discharge Mode
VIN Non-tracking discharge
Table 4. Discharge selection for the RT8207M
When in tracking discharge mode, the RT8207L
discharges outputs through the internal VTT regulator
transistors and VTT output tracks half of the VDDQ voltage
during this discharge. Note that the VDDQ discharge
current flows via VLDOIN to VTTGND; thus VLDOIN must
be connected to VDDQ in this mode. The internal LDO
can handle up to 1.5A and discharge quickly. After VDDQ
is discharged down to 0.15V, the terminal LDO will be
turned off and the operation mode is changed to the non-
tracking discharge mode.
When in non-tracking discharge mode, the RT8207L/M
discharges outputs using internal MOSFETs which are
connected to VDDQ and VTT. The current capability of
these MOSFETs is limited to discharge slowly. Note that
the VDDQ discharge current flows from VDDQ to GND in
this mode.
When in no discharge mode, the RT8207L does not
discharge output charge at all.
Output Inductor Selection
The switching frequency (on-time) and operating point (%
ripple or LIR) determine the inductor value as follows :
ON IN VDDQ
IR LOAD(MAX)
t x (V V )
LL x I
where LIR is the ratio of the peak-to-peak ripple current to
the maximum average inductor current.
Find a low loss inductor having the lowest possible DC
resistance that fits in the allotted dimensions. Ferrite cores
are often the best choice, although powdered iron is
inexpensive and can work well at 200kHz. The core must
be large enough not to saturate at the peak inductor current
(IPEAK) :
PEAK LOAD(MAX) IR LOAD(MAX)
I I (L /2) x I
Output Management by S3, S5 Control
In DDR2/DDR3 memory applications, it is important to
always keep VDDQ higher than VTT/VTTREF, even during
start up and shutdown. The RT8207L/M provides this
management by simply connecting both S3 and S5
terminals to the sleep-mode signals such as SLP_S3 and
SLP_S5 in notebook PC system. All VDDQ, VTTREF and
VTT are turned on at S0 state (S3 = S5 = high). In S3
state (S3 = low, S5 = high), VDDQ and VTTREF voltages
are kept on while VTT is turned off and left at high
impedance (high-Z) state. The VTT output is floated and
does not sink or source current in this state. In S4/S5
states (S3 = S5 = low), all of the three outputs are
disabled. Outputs are discharged to ground according to
the discharge mode selected by the MODE pin (see VDDQ
and VTT Discharge Control section). The code of each
state represents the following: S0 = full ON, S3 = suspend
to RAM (STR), S4 = suspend to disk (STD), S5 = soft
OFF. (See Table 2)

23
DS8207L/M-07 April 2014 www.richtek.com
RT8207L/M
©
Copyright 2014 Richtek Technology Corporation. All rights reserved. is a registered trademark of Richtek Technology Corporation.
This inductor ripple current also impacts transient-response
performance, especially at low VIN − VVDDQ differences.
Low inductor values allow the inductor current to slew
faster, replenishing charge removed from the output filter
capacitors by a sudden load step. The peak amplitude of
the output transient (VSAG) is also a function of the output
transient. VSAG also features a function of the maximum
duty factor, which can be calculated from the on-time and
minimum off-time :
()
SAG
2
LOAD ON OFF(MIN)
OUT VDDQ IN ON VDDQ ON OFF(MIN)
V
I x L x (tt )
2 x C x V x V x t V x (t t )
where minimum off-time, tOFF(MIN), is 400ns typically.
Output Capacitor Selection
The output filter capacitor must have low enough ESR to
meet output ripple and load-transient requirements, yet
have high enough ESR to satisfy stability requirements.
Also, the capacitance must be high enough to absorb the
inductor energy going from a full-load to no-load condition
without tripping the OVP circuit.
For CPU core voltage converters and other applications
where the output is subject to violent load transients, the
output capacitor's size depends on how much ESR is
needed to prevent the output from dipping too low under a
load transient. Ignoring the sag due to finite capacitance :
PP
LOAD(MAX)
V
ESR I
In non-CPU applications, the output capacitor's size
depends on how much ESR is needed to maintain an
acceptable level of output voltage ripple :
PP
IR LOAD(MAX)
V
ESR L x I
where VP−P is the peak-to-peak output voltage ripple.
Organic semiconductor capacitor(s) or specialty polymer
capacitor(s) are recommended.
For low input-to-output voltage differentials (VIN/VVDDQ <
2), additional output capacitance is required to maintain
stability and good efficiency in ultrasonic mode.
2
PEAK
SOAR
OUT VDDQ
(I ) x L
V2 x C x V
where IPEAK is the peak inductor current.
Output Capacitor Stability
Stability is determined by the value of the ESR zero relative
to the switching frequency. The point of instability is given
by the following equation :
SW
ESR
OUT
f
1
f2 x x ESR x C 4
The amount of overshoot due to stored inductor energy
can be calculated as :
Do not put high value ceramic capacitors directly across
the outputs without taking precautions to ensure stability.
Large ceramic capacitors can have a high ESR zero
frequency and cause erratic, unstable operation. However,
it is easy to add enough series resistance by placing the
capacitors a couple of inches downstream from the
inductor and connecting VDDQ or the FB voltage-divider
close to the inductor.
Unstable operation manifests itself in two related and
distinctly different ways: double-pulsing and feedback loop
instability.
Double-pulsing occurs due to noise on the output or
because the ESR is so low that there is not enough voltage
ramp in the output voltage signal. This “fools” the error
comparator into triggering a new cycle immediately after
the 400ns minimum off-time period has expired. Double
pulsing is more annoying than harmful, resulting in nothing
worse than increased output ripple. However, it may
indicate the possible presence of loop instability, which
is caused by insufficient ESR.
Loop instability can result in oscillations at the output in
the form of line or load perturbations, which can trip the
over voltage protection latch or cause the output voltage
to fall below the tolerance limit.
The easiest method for checking stability is to apply a
very fast zero-to-max load transient and carefully observe
the output-voltage-ripple envelope for overshoot and ringing.
It helps to simultaneously monitor the inductor current
with an AC current probe. Do not allow more than one
cycle of ringing after the initial step-response under- or
over-shoot.

24
DS8207L/M-07 April 2014www.richtek.com
RT8207L/M
©
Copyright 2014 Richtek Technology Corporation. All rights reserved. is a registered trademark of Richtek Technology Corporation.
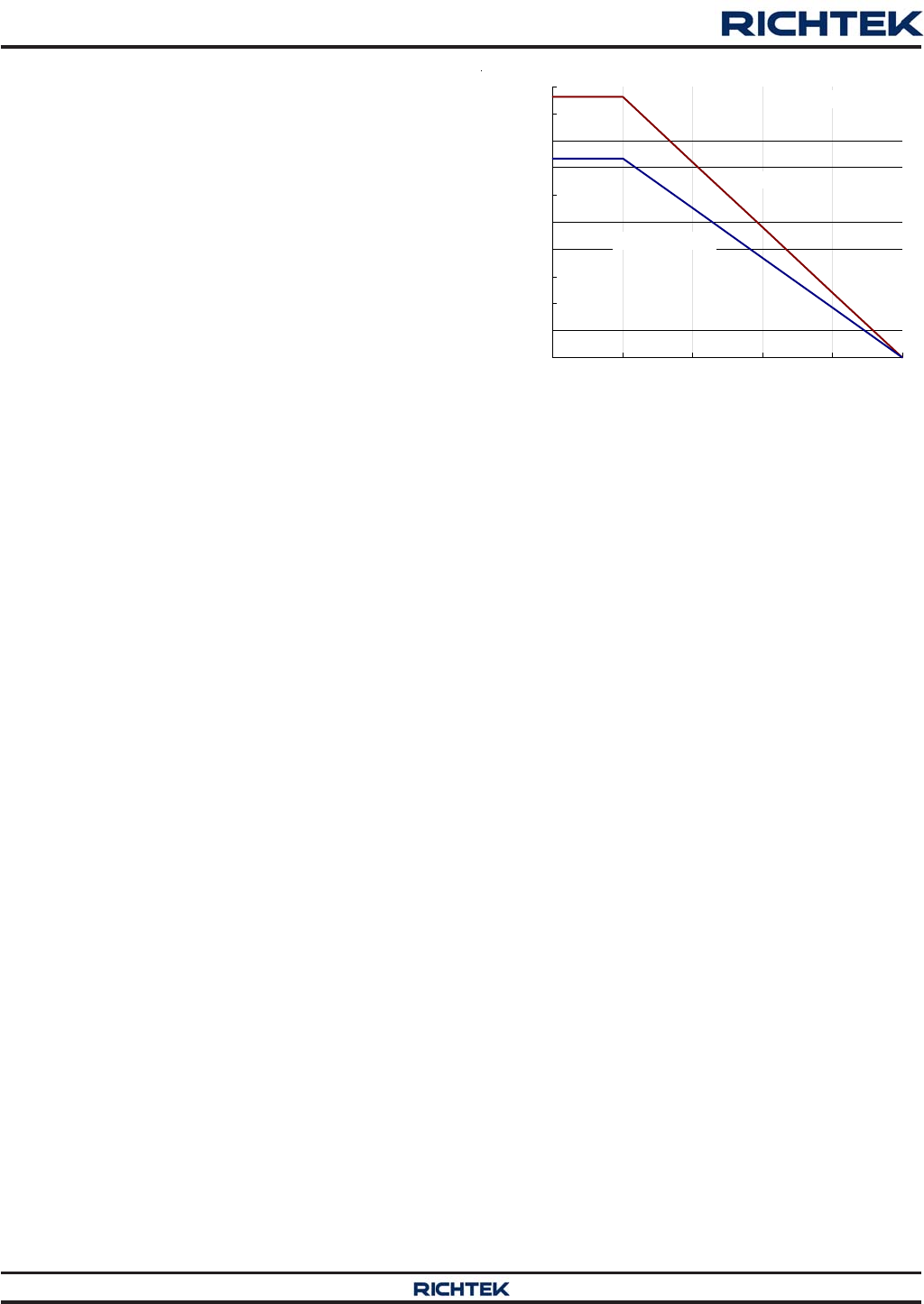
Figure 9. Derating Curve of Maximum Power Dissipation
Layout Considerations
Layout is very important in high frequency switching
converter design. If designed improperly, the PCB could
radiate excessive noise and contribute to the converter
instability. Certain points must be considered before
starting a layout for the RT8207L/M.
Connect an RC low pass filter from VDDP to VDD; 1μF
and 5.1Ω are recommended. Place the filter capacitor
close to the IC.
Keep current limit setting network as close as possible
to the IC. Routing of the network should avoid coupling
to high voltage switching node.
Connections from the drivers to the respective gate of
the high side or the low side MOSFET should be as
short as possible to reduce stray inductance.
All sensitive analog traces and components such as
VDDQ, FB, PGND, PGOOD, CS, VDD, and TON should
be placed away from high voltage switching nodes such
as PHASE, LGATE, UGATE, and BOOT to avoid
coupling. Use internal layer(s) as ground plane(s) and
shield the feedback trace from power traces and
components.
0.0
0.2
0.4
0.6
0.8
1.0
1.2
1.4
1.6
1.8
2.0
0 25 50 75 100 125
Ambient Temperature (°C)
Maximum Power Dissipation (W) 1
Four-Layer PCB
WQFN-24L 4x4
WQFN-20L 3x3
Thermal Considerations
For continuous operation, do not exceed absolute
maximum junction temperature. The maximum power
dissipation depends on the thermal resistance of the IC
package, PCB layout, rate of surrounding airflow, and
difference between junction and ambient temperature. The
maximum power dissipation can be calculated by the
following formula :
PD(MAX) = (TJ(MAX) − TA) / θJA
where TJ(MAX) is the maximum junction temperature, TA is
the ambient temperature, and θJA is the junction to ambient
thermal resistance.
For recommended operating condition specifications, the
maximum junction temperature is 125°C. The junction to
ambient thermal resistance, θJA, is layout dependent. For
WQFN-24L 4x4 packages, the thermal resistance, θJA, is
52°C/W on a standard JEDEC 51-7 four-layer thermal test
board. For WQFN-20L 3x3 packages, the thermal
resistance, θJA, is 68°C/W on a standard JEDEC 51-7
four-layer thermal test board. The maximum power
dissipation at TA = 25°C can be calculated by the following
formula :
PD(MAX) = (125°C − 25°C) / (52°C/W) = 1.923W for
WQFN-24L 4x4 package
PD(MAX) = (125°C − 25°C) / (68°C/W) = 1.471W for
WQFN-20L 3x3 package
The maximum power dissipation depends on the operating
ambient temperature for fixed TJ(MAX) and thermal
resistance, θJA. The derating curves in Figure 9 allow the
designer to see the effect of rising ambient temperature
on the maximum power dissipation.

25
DS8207L/M-07 April 2014 www.richtek.com
RT8207L/M
©
Copyright 2014 Richtek Technology Corporation. All rights reserved. is a registered trademark of Richtek Technology Corporation.
VLDOIN should be connected to VDDQ output with short
and wide trace. If different power source is used for
VLDOIN, an input bypass capacitor should be placed as
close as possible to the pin with short and wide trace.
The output capacitor for VTT should be placed close to
the pin with short and wide connection in order to avoid
additional ESR and/or ESL of the trace.
It is strongly recommended to connect VTTSNS to the
positive node of VTT output capacitor(s) as a separate
trace from the high current power line to avoid additional
ESR and/or ESL. If it is needed to sense the voltage of
the point of the load, it is recommended to attach the
output capacitor(s) at that point. It is also recommended
to minimize any additional ESR and/or ESL of ground
trace between the GND pin and the output capacitor(s).
Current sense connections must always be made using
Kelvin connections to ensure an accurate signal, with
the current limit resistor located at the device.
Power sections should connect directly to ground
plane(s) using multiple vias as required for current
handling (including the chip power ground connections).
Power components should be placed as close to the IC
as possible to minimize loops and reduce losses.

26
DS8207L/M-07 April 2014www.richtek.com
RT8207L/M
©
Copyright 2014 Richtek Technology Corporation. All rights reserved. is a registered trademark of Richtek Technology Corporation.
Outline Dimension
A
A1
A3
D
E
D2
E2
L
be
1
SEE DETAIL A
Dimensions In Millimeters Dimensions In Inches
Symbol Min Max Min Max
A 0.700 0.800 0.028 0.031
A1 0.000 0.050 0.000 0.002
A3 0.175 0.250 0.007 0.010
b 0.180 0.300 0.007 0.012
D 3.950 4.050 0.156 0.159
D2 2.300 2.750 0.091 0.108
E 3.950 4.050 0.156 0.159
E2 2.300 2.750 0.091 0.108
e 0.500 0.020
L 0.350 0.450
0.014 0.018
W-Type 24L QFN 4x4 Package
Note : The configuration of the Pin #1 identifier is optional,
but must be located within the zone indicated.
DETAIL A
Pin #1 ID and Tie Bar Mark Options
1
1
22

27
DS8207L/M-07 April 2014 www.richtek.com
RT8207L/M
Richtek Technology Corporation
14F, No. 8, Tai Yuen 1st Street, Chupei City
Hsinchu, Taiwan, R.O.C.
Tel: (8863)5526789
Richtek products are sold by description only. Richtek reserves the right to change the circuitry and/or specifications without notice at any time. Customers should
obtain the latest relevant information and data sheets before placing orders and should verify that such information is current and complete. Richtek cannot
assume responsibility for use of any circuitry other than circuitry entirely embodied in a Richtek product. Information furnished by Richtek is believed to be
accurate and reliable. However, no responsibility is assumed by Richtek or its subsidiaries for its use; nor for any infringements of patents or other rights of third
parties which may result from its use. No license is granted by implication or otherwise under any patent or patent rights of Richtek or its subsidiaries.
Dimensions In Millimeters Dimensions In Inches
Symbol Min Max Min Max
A 0.700 0.800 0.028 0.031
A1 0.000 0.050 0.000 0.002
A3 0.175 0.250 0.007 0.010
b 0.150 0.250 0.006 0.010
D 2.900 3.100 0.114 0.122
D2 1.650 1.750 0.065 0.069
E 2.900 3.100 0.114 0.122
E2 1.650 1.750 0.065 0.069
e 0.400 0.016
L 0.350 0.450
0.014 0.018
W-Type 20L QFN 3x3 Package
Note : The configuration of the Pin #1 identifier is optional,
but must be located within the zone indicated.
DETAIL A
Pin #1 ID and Tie Bar Mark Options
1
1
22
