RT8812A Datasheet. Www.s Manuals.com. R04 Richtek
User Manual: Marking of electronic components, SMD Codes 0Z=**. Datasheets RT8812AGQW.
Open the PDF directly: View PDF
.
Page Count: 22

RT8812A
®
DS8812A-04 November 2013 www.richtek.com
1
Copyright 2013 Richtek Technology Corporation. All rights reserved. is a registered trademark of Richtek Technology Corporation.
©
Dual-Phase PWM Controller with PWM-VID Reference
General Description
The RT8812A is a 2/1 phase synchronous Buck PWM
controller which is optimized for high performance graphic
microprocessor and computer applications. The IC
integrates a Constant-On-Time (COT) PWM controller, two
MOSFET drivers with internal bootstrap diodes, as well
as channel current balance and protection functions
including Over Voltage Protection (OVP), Under Voltage
Protection (UVP), current limit, and thermal shutdown into
the WQFN-20L 3x3 package.
The RT8812A adopts RDS(ON) current sensing technique.
Current limit is accomplished through continuous inductor-
current-sense, while RDS(ON) current sensing is used for
accurate channel current balance. Using the method of
current sampling utilizes the best advantages of each
technique.
The RT8812A features external reference input and PWM-
VID dynamic output voltage control, in which the feedback
voltage is regulated and tracks external input reference
voltage. Other features include adjustable switching
frequency, dynamic phase number control, internal/external
soft-start, power good indicator, and enable functions.
Features
--
--
-Dual-Phase PWM Controller
--
--
-Two Embedded MOSFET Drivers and Embedded
Switching Boot Diode
--
--
-External Reference Input Control
--
--
-PWM-VID Dynamic Voltage Control
--
--
-Dynamic Phase Number Control
--
--
-Lossless RDS(ON) Current Sensing for Current Balance
--
--
-Internal Fixed and External Adjustable Soft-Start
--
--
-Adjustable Current Limit Threshold
--
--
-Adjustable Switching Frequency
--
--
-UVP/OVP Protection
--
--
-Shoot Through Protection and Short Pulse Free
Technology
--
--
-Support an Ultra-Low Output Voltage as Standby
Voltage
--
--
-Thermal Shutdown
--
--
-Power Good Indicator
--
--
-RoHS Compliant and Halogen Free
Simplified Application Circuit
Applications
-CPU/GPU Core Power Supply
-Notebook PC Memory Power Supply
-Chipset/RAM Power Supply
-Generic DC/DC Power Regulator
VOUT
UGATE1
UGATE2
RT8812A
BOOT2
LGATE1
PHASE2
BOOT1
PHASE1
LGATE2
VPVCC
GND RGND VGND_SNS
PVCC
TON
VIN
PGOOD
PSI
VID
EN
VIN
VIN
VSNS VOUT_SNS

RT8812A
2
DS8812A-04 November 2013www.richtek.com
©
Copyright 2013 Richtek Technology Corporation. All rights reserved. is a registered trademark of Richtek Technology Corporation.
Function Pin Description
Pin No. Pin Name Pin Function
1 BOOT1 Bootstrap Supply for PWM 1. This pin powers the high side MOSFET driver.
2 UGATE1
High Side Gate Driver of PWM 1. This pin provides the gate drive for the converter's
high side MOSFET. Connect this pin to the Gate of high side MOSFET.
3 EN Enable Control Input. Active high input.
4 PSI
Power Saving Interface. When the voltage is pulled below 0.8V, the device will operate
into 1 phase DEM. When the voltage is between 1.2V to 1.8V, the device will operate
into 1 phase force CCM. When the voltage is between 2.4V to 5.5V, the device will
operate into 2 phase force CCM.
5 VID Programming Output Voltage Control Input. Refer to PWM-VID Dynamic Voltage
Control.
6 REFADJ Reference Adjustment Output. Refer to PWM-VID Dynamic Voltage Control.
7 REFIN External Reference Input.
8 VREF Reference Voltage Output. This is a high precision voltage reference (2V) from the
VREF pin to RGND pin.
9 TON ON-Time/Switching Frequency Adjustment Input. Connect a 100pF ceramic capacitor
between CTON and ground is optional for noise immunity enhancement.
10 RGND Negative Remote Sense Input. Connect this pin to the ground of output load.
11 SS Soft-Start Time Setting. Connect an external capacitor to adjust soft-start time.
When the external capacitor is removed, the internal soft-start function will be chose.
12 VSNS Positive Remote Sense Input. Connect this pin to the positive terminal of output load.
13 PGOOD Power Good Indicator Output. Active high open drain output.
14 UGATE2
High Side Gate Driver of PWM 2. This pin provides the gate drive for the converter's
high side MOSFET. Connect this pin to the Gate of high side MOSFET.
Marking Information
0Z=YM
DNN
0Z= : Product Code
YMDNN : Date Code
Ordering Information
Note :
Richtek products are :
RoHS compliant and compatible with the current require-
ments of IPC/JEDEC J-STD-020.
Suitable for use in SnPb or Pb-free soldering processes.
Pin Configurations
(TOP VIEW)
WQFN-20L 3x3
PSI
EN
BOOT1
UGATE1
BOOT2
UGATE2
VSNS
PGOOD
REFADJ
REFIN
TON
PHASE1
LGATE1
LGATE2
PVCC
15
14
13
12
17181920
1
2
3
4
9876
GND
21
115
PHASE2
16
VID SS
RGND
10
VREF
Package Type
QW : WQFN-20L 3x3 (W-Type)
Lead Plating System
G : Green (Halogen Free and Pb Free)
RT8812A

RT8812A
3
DS8812A-04 November 2013 www.richtek.com
©
Copyright 2013 Richtek Technology Corporation. All rights reserved. is a registered trademark of Richtek Technology Corporation.
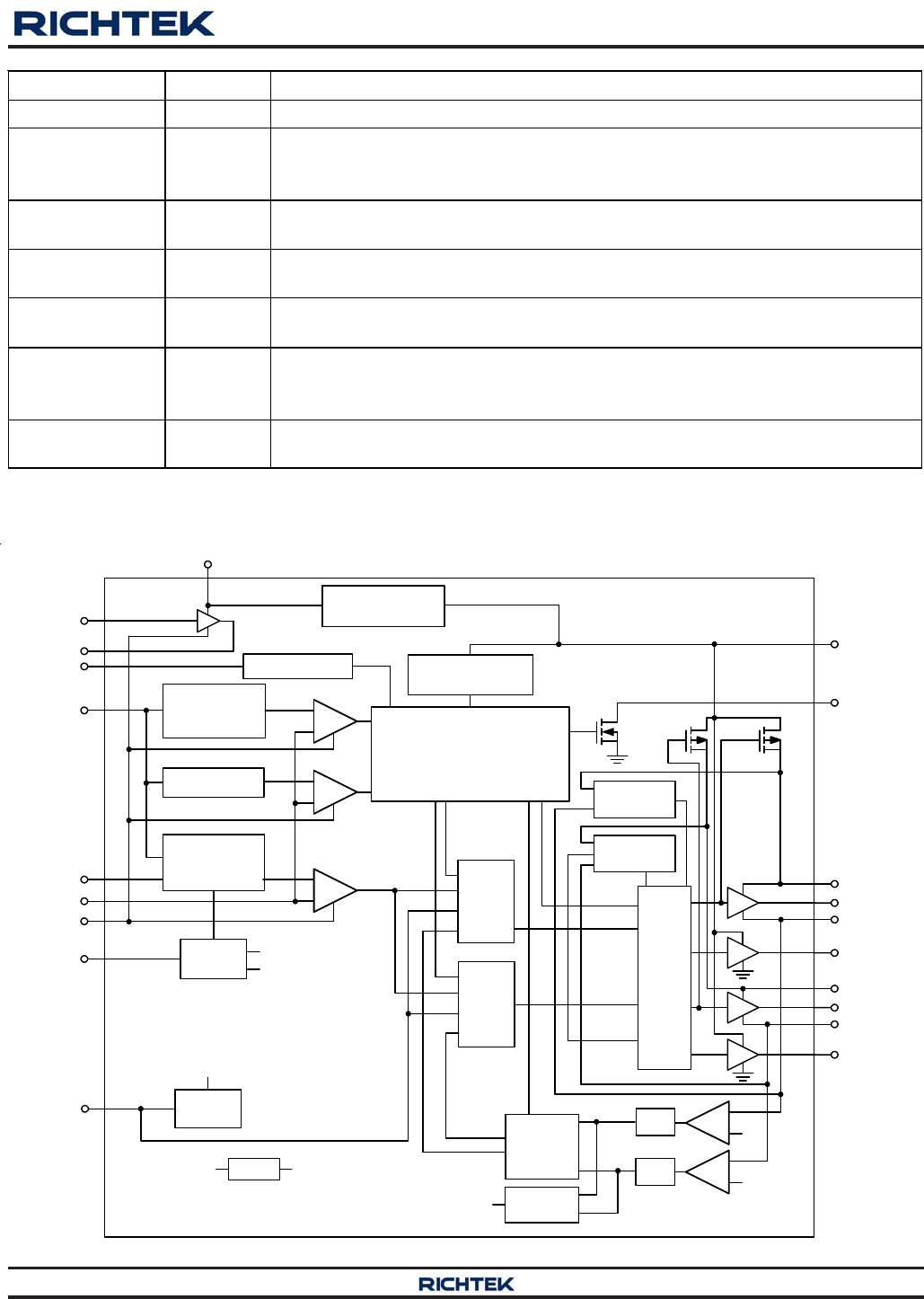
Function Block Diagram
Pin No. Pin Name Pin Function
15 BOOT2 Bootstrap Supply for PWM 2. This pin powers the high side MOSFET driver.
16 PHASE2
Switch Node for PWM2. This pin is return node of the high side driver of PWM 2.
Connect this pin to the Source of high side MOSFET together with the Drain of
low side MOSFET and the inductor.
17 LGATE2
Low Side Gate Driver of PWM 2. This pin provides the gate drive for the
converter's low side MOSFET. Connect this pin to the Gate of low side MOSFET.
18 PVCC
Supply Voltage Input. Connect this pin to a 5V bias supply. Place a high quality
bypass capacitor from this pin to GND.
19 LGATE1
Low Side Gate Driver of PWM 1. This pin provides the gate drive for the
converter's low side MOSFET. Connect this pin to the Gate of low side MOSFET.
20 PHASE1
Switch Node for PWM1. This pin is return node of the high side driver of PWM 1.
Connect this pin to the Source of high side MOSFET together with the Drain of
low side MOSFET and the inductor.
21 (Exposed Pad) GND Ground. The Exposed pad should be soldered to a large PCB and connected to
GND for maximum thermal dissipation.
LGATE2
PHASE2
UGATE2
BOOT2
LGATE1
PVCC
PHASE1
UGATE1
BOOT1
VSNS
TON
REFIN
VREF
EN Driver
Logic
Boot-Phase
Detection 2
Boot-Phase
Detection 1
+
-
+
-
S/H
S/H
Current
Balance
Control & Protection Logic
TON
Gen 1
TON
Gen 2
PWM1
PWM2
To Power On Reset
VIN
Detection
To Protection Logic
+
-
PWM
CMP
To Driver Logic
To Power On Reset
Enable
Logic
+
-
+
-
40% REFIN
Power On Reset
& Central Logic
Reference
Output Gen.
Soft-Start
& Slew Rate
Control
UV
OV
Threshold
Select
Current
Limit
VB
VB
PGOOD
VID
PSI
REFADJ Mode Select
To Driver LogicZCDPHASE1
GM
GM
SS
RGND

RT8812A
4
DS8812A-04 November 2013www.richtek.com
©
Copyright 2013 Richtek Technology Corporation. All rights reserved. is a registered trademark of Richtek Technology Corporation.
Operation
The RT8812A is a 2/1 phase synchronous Buck PWM
controller with integrated drivers which are optimized for
high performance graphic microprocessor and computer
applications. The IC integrates a COT (Constant-On-Time)
PWM controller with two MOSFET drivers, as well as
output current monitoring and protection functions.
Referring to the function block diagram of TON Genx, the
synchronous UGATE driver is turned on at the beginning
of each cycle. After the internal one-shot timer expires,
the UGATE driver will be turned off. The pulse width of
this one-shot is determined by the converter's input voltage
and the output voltage to keep the frequency fairly constant
over the input voltage range and output voltage. Another
one-shot sets a minimum off-time.
The RT8812A also features a PWM-VID dynamic voltage
control circuit driven by the pulse width modulation
method. This circuit reduces the device pin count and
enables a wide dynamic voltage range.
Soft-Start (SS)
For internal soft-start function, an internal current source
charges an internal capacitor to build the soft-start ramp
voltage. The output voltage will track the internal ramp
voltage during soft-start interval. For external soft-start
function, an additional capacitor connected from SS pin
to the GND will be charged by a current source and
determines the soft-start time.
PGOOD
The power good output is an open drain architecture.
When the soft-start is finished, the PGOOD open drain
output will be high impedance.
Current Balance
The RT8812A implements internal current balance
mechanism in the current loop. The RT8812A senses per
phase current and compares it with the average current. If
the sensed current of any particular phase is higher than
average current, the on-time of this phase will be adjusted
to be shorter.
Current Limit
The current limit circuit employs a unique “valley” current
sensing algorithm. If the magnitude of the current sense
signal at PHASE is above the current limit threshold, the
PWM is not allowed to initiate a new cycle. Thus, the
current to the load exceeds average output inductor
current, the output voltage falls and eventually crosses
the under voltage protection threshold, inducing IC
shutdown.
Over Voltage Protection (OVP) & Under Voltage
Protection (UVP)
The output voltage is continuously monitored for over
voltage and under voltage protection. When the output
voltage exceeds its set voltage threshold (If VREFIN ≤ 1.33V,
OV = 2V, or VREFIN > 1.33V, OV = 1.5 x VREFIN), UGATE
goes low and LGATE is forced high; when it is less than
40% of its set voltage, under voltage protection is triggered
and then both UGATE and LGATE gate drivers are forced
low. The controller is latched until PVCC is re-supplied
and exceeds the POR rising threshold voltage or EN is
reset.

RT8812A
5
DS8812A-04 November 2013 www.richtek.com
©
Copyright 2013 Richtek Technology Corporation. All rights reserved. is a registered trademark of Richtek Technology Corporation.
Absolute Maximum Ratings (Note 1)
-TON to GND ------------------------------------------------------------------------------------------------------------------ −0.3V to 30V
-RGND to GND --------------------------------------------------------------------------------------------------------------- −0.7V to 0.7V
-BOOTx to PHASEx -------------------------------------------------------------------------------------------------------- −0.3V to 6V
-PHASEx to GND
DC------------------------------------------------------------------------------------------------------------------------------ −0.3V to 30V
<20ns ------------------------------------------------------------------------------------------------------------------------- −8V to 36V
-UGATEx to PHASEx
DC------------------------------------------------------------------------------------------------------------------------------ −0.3V to 6V
<20ns ------------------------------------------------------------------------------------------------------------------------- −5V to 7.5V
-LGATEx to GND
DC------------------------------------------------------------------------------------------------------------------------------ −0.3V to 6V
<20ns ------------------------------------------------------------------------------------------------------------------------- −2.5V to 7.5V
-Other Pins-------------------------------------------------------------------------------------------------------------------- −0.3V to 6V
-Power Dissipation, PD @ TA = 25°C
WQFN-20L 3x3 ------------------------------------------------------------------------------------------------------------- 3.33W
-Package Thermal Resistance (Note 2)
WQFN-20L 3x3, θJA -------------------------------------------------------------------------------------------------------- 30°C/W
WQFN-20L 3x3, θJC ------------------------------------------------------------------------------------------------------- 7.5°C/W
-Lead Temperature (Soldering, 10 sec.)-------------------------------------------------------------------------------- 260°C
-Junction Temperature ------------------------------------------------------------------------------------------------------ 150°C
-Storage Temperature Range --------------------------------------------------------------------------------------------- −65°C to 150°C
-ESD Susceptibility (Note 3)
HBM (Human Body Model) ----------------------------------------------------------------------------------------------- 2kV
Recommended Operating Conditions (Note 4)
-Input Voltage, VIN ----------------------------------------------------------------------------------------------------------- 7V to 26V
-Supply Voltage, VPVCC ---------------------------------------------------------------------------------------------------- 4.5V to 5.5V
-Junction Temperature Range --------------------------------------------------------------------------------------------- −40°C to 125°C
-Ambient Temperature Range --------------------------------------------------------------------------------------------- −40°C to 85°C
Electrical Characteristics
(TA = 25°C unless otherwise specified)
Parameter Symbol Test Conditions Min Typ Max Unit
PWM Controller
PVCC Supply Voltage VPVCC 4.5 -- 5.5 V
PVCC Supply Current ISUPPLY EN = 3.3V, Not Switching -- 1.5 2 mA
PVCC Shutdown Current ISHDN EN = 0V -- -- 10 A
PVCC POR Threshold 3.8 4.1 4.4 V
POR Hysteresis -- 0.3 -- V
Switching Frequency fSW R
TON = 500k (Note 5) 270 300 330 kHz

RT8812A
6
DS8812A-04 November 2013www.richtek.com
©
Copyright 2013 Richtek Technology Corporation. All rights reserved. is a registered trademark of Richtek Technology Corporation.
Parameter Symbol Test Conditions Min Typ Max Unit
Minimum On-Time tON(MIN) -- 70 -- ns
Minimum Off-Time tOFF(MIN) -- 300 -- ns
EN Input Voltage
Logic-High VENH 1.6 -- --
EN Input Voltage Logic-Low VENL -- -- 0.8
V
Mode Decision
PSI High Threshold VPSIH Enables Two Phases with FCCM 2.4 -- -- V
PSI Intermediate Threshold VPSIM Enables One Phases with FCCM 1.2 -- 1.8 V
PSI Low Threshold VPSIL Enables One Phases with DEM -- -- 0.8 V
High-Level VVIDH 2 -- --
VID Input Voltage Low-Level VVIDL -- -- 1
V
Protection Function
Zero Current Crossing
Threshold 8 -- 8 mV
Current Limit Setting Current IOCSET 9 10 11 A
Current Limit Setting Current
Temperature Coefficient IOCSET_TC -- 6300 -- ppm/C
Current Limit Threshold ROCSET = 10k -- 60 -- mV
Absolute Over Voltage
Protection Threshold VOVP, Absolute VREFIN 1.33V 1.9 2 2.1 V
Relative Over Voltage
Protection Threshold VOVP, Relative V
REFIN > 1.33V 145 150 155 %
OV Fault Delay FB forced above OV threshold -- 5 -- s
Relative Under Voltage
Protection Threshold VUVP UVP 35 40 45 %
UV Fault Delay FB forced above UV threshold -- 3 -- s
Thermal Shutdown Threshold TSD -- 150 -- C
PGOOD Blanking Time
(Internal) From EN = high to PGOOD = high
with VSNS within regulation point -- 2.5 -- ms
VSNS Soft-Start (Internal) From first UGATE to VSNS
regulation point, VREFIN = 1V and
VSNS initial = 0V -- 0.7 -- ms
Soft-Start Current Source ISS -- 5 -- A
Error Amplifier
VSNS Error Comparator
Threshold (Valley) V
REFIN = 1V 17.5 12.5 7.5 mV
Reference
Reference Voltage VVREF Sourcing Current = 1mA, VID no
Switching 1.98 2 2.02 V

RT8812A
7
DS8812A-04 November 2013 www.richtek.com
©
Copyright 2013 Richtek Technology Corporation. All rights reserved. is a registered trademark of Richtek Technology Corporation.
Note 1. Stresses beyond those listed “Absolute Maximum Ratings” may cause permanent damage to the device. These are
stress ratings only, and functional operation of the device at these or any other conditions beyond those indicated in
the operational sections of the specifications is not implied. Exposure to absolute maximum rating conditions may
affect device reliability.
Note 2. θJA is measured at TA = 25°C on a high effective thermal conductivity four-layer test board per JEDEC 51-7. θJC is
measured at the exposed pad of the package.
Note 3. Devices are ESD sensitive. Handling precaution is recommended.
Note 4. The device is not guaranteed to function outside its operating conditions.
Note 5. Not production tested. Test condition is VIN = 8V, VOUT = 1V, IOUT = 20A using application circuit.
Parameter Symbol Test Conditions Min Typ Max Unit
Driver On-Resistance
UGATE Driver Source RUGATEsr BOOTx PHASEx Forced to 5V -- 2 4
UGATE Driver Sink RUGATEsk BOOTx PHASEx Forced to 5V -- 1 2
LGATE Driver Source RLGATEsr LGATEx, High State -- 1.5 3
LGATE Driver Sink RLGATEsk LGATEx, Low State -- 0.7 1.5
From LGATE Falling to UGATE
Rising -- 30 --
Dead-Time
From UGATE Falling to LGATE
Rising -- 20 --
ns
Internal Boost Charging
Switch On-Resistance RBOOT PVCC to BOOTx, IBOOT = 10mA -- 40 80

RT8812A
8
DS8812A-04 November 2013www.richtek.com
©
Copyright 2013 Richtek Technology Corporation. All rights reserved. is a registered trademark of Richtek Technology Corporation.
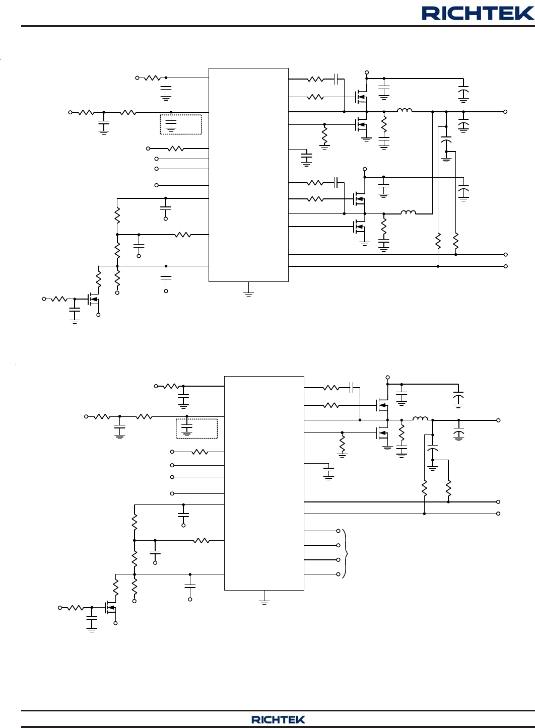
Typical Application Circuit
Figure 1. 2 Active Phase Configuration
Figure 2. 1 Active Phase Configuration
VOUT
2
20
19
7
6
8
15
14
16
17
UGATE1
UGATE2
RT8812A
REFIN
REFADJ
BOOT2
LGATE1
PHASE2
1
BOOT1
VREF
PHASE1
LGATE2
VPVCC
VOUT_SNS
GND
21 (Exposed pad)
12
VSNS
VGND_SNS
18 PVCC
13 PGOOD
PGOOD 4PSI
PSI 5VID
VID
3EN
Enable
11
SS
VIN
VIN
10
RGND
RSTANDBY
RREF1
RREF2
RREFADJ
RBOOT
CREFIN
CSS
ROCSET
RGND
RGND
RGND
RGND
RGND
VSTANDBY
CREFADJ
1
2.2µF
100k
0.1µF
20k
2k 2.7nF
20k
5.1k 18k NC
0
NC
0
0
0.1µF
10µF x 2
0.36µH/1.05m
NC
NC
10k
47pF
0.1µF
0
010µF x 2
0.36µH/1.05m
330µF/2V x 4
22µF x 15
1010
470µF/50V
470µF/50V
NC
NC
9TON
VIN
RTON
500k
2.2
1µF CTON
Optional
VOUT
2
20
19
7
6
8
15
14
16
17
UGATE1
UGATE2
RT8812A
REFIN
REFADJ
BOOT2
LGATE1
PHASE2
1
BOOT1
VREF
PHASE1
LGATE2
VPVCC
GND
21 (Exposed pad)
18 PVCC
13 PGOOD
PGOOD
4PSI
PSI 5VID
VID
3EN
11
SS
VIN
RSTANDBY
RREF1
RREF2
RREFADJ
RBOOT
CREFIN
CSS
ROCSET
RGND
RGND
RGND
RGND
RGND
VSTANDBY
Floating
VOUT_SNS
12
VSNS
VGND_SNS
10
RGND
Enable
CREFADJ
1
2.2µF
100k
0.1µF
20k
2k
20k
2.7nF
18k NC
5.1k
0
NC
0
0
0.1µF
10µF x 2
0.36µH/1.05m
NC
NC
470µF/50V
22µF x 15
330µF/2V x 4
1010
10k
47pF
9TON
VIN
RTON
500k
2.2
1µF CTON
Optional

RT8812A
9
DS8812A-04 November 2013 www.richtek.com
©
Copyright 2013 Richtek Technology Corporation. All rights reserved. is a registered trademark of Richtek Technology Corporation.
Inductor Current vs. Output Current
0
5
10
15
20
25
30
35
0 102030405060
Output Current (A)
Inductor Current (A)
VIN = 19V, VPVCC = 5V
Phase 1
Phase 2
VREF vs. Temperature
1.96
1.97
1.98
1.99
2.00
2.01
2.02
2.03
2.04
-50 -25 0 25 50 75 100 125
Temperature (°C)
VREF (V)
VIN = 19V, VPVCC = 5V, No Load
TON vs. Temperature
165.0
167.5
170.0
172.5
175.0
177.5
180.0
182.5
185.0
-50 -25 0 25 50 75 100 125
Temperature (°C)
TON (ns)
VIN = 19V, VPVCC = 5V, No Load
Typical Operating Characteristics
Efficiency vs. Load Current
0%
10%
20%
30%
40%
50%
60%
70%
80%
90%
100%
0 5 10 15 20 25 30 35 40 45 50 55 60
Load Current (A)
Efficiency (%)
VIN = 19V, VPVCC = 5V,
VOUT = 0.9V, 2 Phase Operation
100
90
80
70
60
50
40
30
20
10
0
Efficiency vs. Load Current
0%
10%
20%
30%
40%
50%
60%
70%
80%
90%
100%
0.01 0.1 1 10
Load Current (A)
Efficiency (%)
VIN = 19V, VPVCC = 5V,
VOUT = 0.9V, 1 Phase with DEM Operation
100
90
80
70
60
50
40
30
20
10
0
Power On from EN
Time (1ms/Div)
UGATE1
(50V/Div)
VIN = 19V, VPVCC = 5V, IOUT = 50A
EN
(5V/Div)
UGATE2
(50V/Div)
VOUT
(1V/Div)

RT8812A
10
DS8812A-04 November 2013www.richtek.com
©
Copyright 2013 Richtek Technology Corporation. All rights reserved. is a registered trademark of Richtek Technology Corporation.
Load Transient Response
Time (20μs/Div)
UGATE1
(50V/Div) VIN = 19V, VPVCC = 5V
IOUT
(50A/Div)
UGATE2
(50V/Div)
VOUT
(100mV/Div)
Dynamic Output Voltage Control
Time (50μs/Div)
UGATE1
(50V/Div)
IOUT = 50A, VREFIN = 1.2V to 0.6V
DVID
(2V/Div)
UGATE2
(50V/Div)
VOUT
(1V/Div)
VIN = 19V, VPVCC = 5V
Power Off from VCC
Time (1ms/Div)
UGATE1
(50V/Div)
VIN = 19V, VPVCC = 5V, IOUT = 50A
PVCC
(5V/Div)
UGATE2
(50V/Div)
VOUT
(1V/Div)
Dynamic Output Voltage Control
Time (50μs/Div)
UGATE1
(50V/Div)
IOUT = 50A, VREFIN = 0.6V to 1.2V
DVID
(2V/Div)
UGATE2
(50V/Div)
VOUT
(1V/Div)
VIN = 19V, VPVCC = 5V
Power On from VCC
Time (1ms/Div)
UGATE1
(50V/Div)
VIN = 19V, VPVCC = 5V, IOUT = 50A
PVCC
(5V/Div)
UGATE2
(50V/Div)
VOUT
(1V/Div)
Power Off from EN
Time (1ms/Div)
UGATE1
(50V/Div)
VIN = 19V, VPVCC = 5V, IOUT = 50A
EN
(5V/Div)
UGATE2
(50V/Div)
VOUT
(1V/Div)

RT8812A
11
DS8812A-04 November 2013 www.richtek.com
©
Copyright 2013 Richtek Technology Corporation. All rights reserved. is a registered trademark of Richtek Technology Corporation.
UVP
Time (20μs/Div)
UGATE1
(20V/Div)
VIN = 19V, VPVCC = 5V, IOUT = 40A
VVSNS
(1V/Div)
LGATE1
(5V/Div)
OCP
Time (20μs/Div)
UGATE1
(50V/Div)
VIN = 19V, VPVCC = 5V
LGATE1
(10V/Div)
IL1
(20A/Div)
IL2
(20A/Div)
OVP
Time (100μs/Div)
UGATE1
(20V/Div)
VIN = 19V, VPVCC = 5V, No Load
VVSNS
(1V/Div)
LGATE1
(5V/Div)
Load Transient Response
Time (20μs/Div)
UGATE1
(50V/Div) VIN = 19V, VPVCC = 5V
IOUT
(50A/Div)
UGATE2
(50V/Div)
VOUT
(100mV/Div)

RT8812A
12
DS8812A-04 November 2013www.richtek.com
©
Copyright 2013 Richtek Technology Corporation. All rights reserved. is a registered trademark of Richtek Technology Corporation.
Application Information
The RT8812A is a dual-phase synchronous Buck PWM
controller with integrated drivers which is optimized for
high performance graphic microprocessor and computer
applications. A COT (Constant-On-Time) PWM controller
and two MOSFET drivers with internal bootstrap diodes
are integrated so that the external circuit can be easily
designed and the number of component is reduced.
The topology solves the poor load transient response timing
problems of fixed-frequency mode PWM and avoids the
problems caused by widely varying switching frequencies
in conventional constant on-time and constant off-time
PWM schemes.
The IC supports dynamic mode transition function with
various operating states, which include dual-phase with
CCM operation and single phase with diode emulation
mode. These different operating states make the system
efficiency as high as possible.
The RT8812A provides a PWM-VID dynamic control
operation in which the feedback voltage is regulated and
tracks external input reference voltage. It also features
complete fault protection functions including over voltage,
under voltage and current limit.
Remote Sense
The RT8812A uses the remote sense path (VSNS and
RGND) to overcome voltage drops in the power lines by
sensing the voltage directly at the end of GPU. Normally,
to protect remote sense path disconnecting, there are
two resistors (RLocal) connecting between local sense path
and remote sense path. That is, in application with remote
sense, the RLocal is recommended to be 10Ω to 100Ω. If
no need of remote sense, the RLocal is recommended to
be 0Ω.
OUT
ON TON
IN
2 V 3.2p
T = R
V0.5
/
SOUT INON
F= V V T
And then the switching frequency FS is :
PWM Operation
The RT8812A integrates a Constant-On-Time (COT) PWM
controller, and the controller provides the PWM signal
which relies on the output ripple voltage comparing with
internal reference voltage as shown in Figure 4. Referring
to the function block diagram of TON Genx, the
synchronous UGATE driver is turned on at the beginning
of each cycle. After the internal one-shot timer expires,
the UGATE driver will be turned off. The pulse width of
this one-shot is determined by the converter's input voltage
and the output voltage to keep the frequency fairly constant
over the input voltage and output voltage range. Another
one-shot sets a minimum off-time.
Figure 3. Output Voltage Sensing
RTON is a resistor connected from the VIN to TON pin. The
value of RTON can be selected according to Figure 5.
The recommend operation frequency range is 150kHz to
600kHz.
On-Time Control
The on-time one-shot comparator has two inputs. One
input monitors the output voltage, while the other input
samples the input voltage and converts it to a current.
This input voltage proportional current is used to charge
an internal on-time capacitor. The on-time is the time
required for the voltage on this capacitor to charge from
zero volts to VOUT, thereby making the on-time of the
high side switch directly proportional to output voltage
and inversely proportional to input voltage. The
implementation results in a nearly constant switching
frequency without the need for a clock generator.
VOUT
UGATE
LGATE
BOOT
PHASE
GPU-
VSNS
GPU+
VIN
RGND
RLocal+RLocal-
Local Sense Path
Remote Sense Path
Figure 4. Constant On-Time PWM Control
VPEAK
VOUT
VVALLEY
tON
VREF
t
VOUT
0

RT8812A
13
DS8812A-04 November 2013 www.richtek.com
©
Copyright 2013 Richtek Technology Corporation. All rights reserved. is a registered trademark of Richtek Technology Corporation.
Figure 5. Frequency vs. RTON
Ω
200
300
400
500
600
700
800
150 250 350 450 550 650 750
RTON (k )
Frequency (kHz) 1
Operation Phase Number PSI Voltage Setting
1 phase with DEM 0V to 0.8V
1 phase with CCM 1.2V to 1.8V
2 phase with CCM 2.4V to 5.5V
Table 1
Active Phase Circuit setting
The RT8812A operates as active phase being 2 phase,
and 1 phase. When programming active phase being 1
phase, The UGATE2, BOOT2, PHASE2, and LGATE 2
pins are floating. As programming active phase being 1
phase, the voltage setting at PSI pin can't higher than
1.8V.
Mode Selection
The RT8812A can operate into 2 phases with force CCM,
1 phase with force CCM, and 1 phase with DEM according
to PSI voltage setting. If PSI voltage is pulled below 0.8V,
the controller will operate into 1 phase with DEM. In DEM
operation, the RT8812A automatically reduces the
operation frequency at light load conditions for saving power
loss. If PSI voltage is pulled between 1.2V to 1.8V, the
controller will switch operation into 1 phase with force
CCM. If PSI voltage is pulled between 2.4V to 5.5V, the
controller will switch operation into 2 phase with force
CCM. The operation mode is summarized in Table 1.
Moreover, the PSI pin is valid after POR of VR.
Diode-Emulation Mode
In diode-emulation mode, the RT8812A automatically
reduces switching frequency at light-load conditions to
maintain high efficiency. As the output current decreases
from heavy-load condition, the inductor current is also
reduced, and eventually comes to the point that its valley
touches zero current, which is the boundary between
continuous conduction and discontinuous conduction
modes. By emulating the behavior of diodes, the low side
MOSFET allows only partial of negative current when the
inductor freewheeling current reaches negative value. As
the load current is further decreased, it takes a longer
time to discharge the output capacitor to the level that
requires the next “ON” cycle. In reverse, when the output
current increases from light load to heavy load, the
switching frequency increases to the preset value as the
inductor current reaches the continuous conduction
condition. The transition load point to the light load
operation is shown in Figure 6 and can be calculated as
follows :
Figure 6. Boundary condition of CCM/DEM
IN OUT
LOAD(SKIP) ON
(V V )
It
2L
where tON is on-time.
The switching waveforms may be noisy and asynchronous
in light loading diode-emulation operation condition, but
this is a normal operating condition that results in high
light-load efficiency. Trade-off in DEM noise vs. light-load
efficiency is made by varying the inductor value. Generally,
low inductor values produce a broad high efficiency range
vs. load curve, while higher values result in higher full load
efficiency (assuming that the coil resistance remains fixed)
and less output voltage ripple. The disadvantages for using
higher inductor values include larger physical size and
degraded load-transient response (especially at low input
voltage levels).
IPEAK
ILOAD = IPEAK/2
tON
Slope = (VIN - VOUT) / L
t
0
IL

RT8812A
14
DS8812A-04 November 2013www.richtek.com
©
Copyright 2013 Richtek Technology Corporation. All rights reserved. is a registered trademark of Richtek Technology Corporation.
Figure 7. Internal Soft-Start Sequence
The RT8812A also provides an external soft-start function,
and the external soft-start sequence is shown in Figure
8. The external capacitor connected from SS pin to GND
is charged by a 5μA current source to build a soft-start
voltage ramp. If the external soft-start function is chosen,
the external soft-start time should be set longer than
internal soft-start time to avoid output voltage tracking the
internal soft-start ramp. The recommend external soft-start
slew rate is from 0.1V/ms to 0.4V/ms.
Forced-CCM Mode
The low noise, forced-CCM mode disables the zero-
crossing comparator, which controls the low side switch
on-time. This causes the low side gate drive waveform to
be the complement of the high side gate drive waveform.
This in turn causes the inductor current to reverse at light
loads as the PWM loop to maintain a duty ratio VOUT/VIN.
The benefit of forced-CCM mode is to keep the switching
frequency fairly constant.
Enable and Disable
The EN pin is a high impedance input that allows power
sequencing between the controller bias voltage and another
voltage rail. The RT8812A remains in shutdown if the EN
pin is lower than 800mV. When the EN voltage rises above
the 1.6V high level threshold, the RT8812A will begin a
new initialization and soft-start cycle.
Power On Reset (POR), UVLO
Power On Reset (POR) occurs when VPVCC rises above
to approximately 4.1V (typical), the RT8812A will reset
the fault latch circuit and prepare for PWM operation. When
the VPVCC is lower than 3.8V (typical), the Under Voltage
Lockout (UVLO) circuitry inhibits switching by keeping
UGATE and LGATE low.
Soft-Start
The RT8812A provides both internal soft-start function and
external soft-start function. The soft-start function is used
to prevent large inrush current and output voltage overshoot
while the converter is being powered up. The soft-start
function automatically begins once the chip is enabled.
There is a delay time around 1.1ms from EN goes high to
VOUT begins to ramp-up.
If the external capacitor between the SS pin and ground is
removed, the internal soft-start function will be chosen.
An internal current source charges the internal soft-start
capacitor so that the internal soft-start voltage ramps up
linearly The output voltage will track the internal soft-start
voltage during the soft-start interval. After the internal soft-
start voltage exceeds the REFIN voltage, the output voltage
no longer tracks the internal soft-start voltage but follows
the REFIN voltage. Therefore, the duty cycle of the UGATE
signal as well as the input current at power up are limited.
The soft-start process is finished until both the internal
SSOK and external SSOK go high and protection is not
triggered. Figure 7 shows the internal soft-start sequence.
Internal SS
LGATE
UGATE
PGOOD
Current Limit
Programming
VOUT
Soft-Start Normal
4V
External SS
2V
Internal SSOK
External SSOK
EN
PVCC
Soft
Discharged

RT8812A
15
DS8812A-04 November 2013 www.richtek.com
©
Copyright 2013 Richtek Technology Corporation. All rights reserved. is a registered trademark of Richtek Technology Corporation.
Figure 10. PWM VID Analog Circuit Diagram
Figure 11. PWM VID Time Diagram
With the external circuit and VID control signal, the
controller provides three operation modes shown as Figure
11.
VREF
PWM VID
REFIN
BOOT
MODE
NORMAL
MODE BOOT
MODE STANDBY
MODE
STANDBY
CONTROL
Power Good Output (PGOOD)
The PGOOD pin is an open drain output, and it requires a
pull-up resistor. During soft-start, the PGOOD is held low
and is allowed to be pulled high after VOUT achieved over
UVP threshold and under OVP threshold. In additional, if
any protection is triggered during operation, the PGOOD
will be pulled low immediately.
PWM VID and Dynamic Output Voltage Control
The RT8812A features a PWM VID input for dynamic output
voltage control as shown in Figure 10, which reduces the
number of device pin and enables a wide dynamic voltage
range. The output voltage is determined by the applied
voltage on the REFIN pin. The PWM duty cycle determines
the variable output voltage at REFIN.
Figure 8. External Soft-Start Sequence
Figure 9. External Soft-Start Time Setting
The soft-start time can be calculated as :
Where ISS = 5μA (typ.), VREFIN is the voltage of REFIN
pin, and CSS is the external capacitor placed from SS to
GND.
SS REFIN
SS SS
(C V )
t = I
VOUT
SS
tSS
VREFIN
SS
ISS
CSS
VCC
4V
2V
Internal SS
LGATE
UGATE
PGOOD
Current Limit
Programming
Soft-Start Normal
External SS
Internal SSOK
External SSOK
EN
PVCC
VOUT
Soft
Discharged
RGND
REFIN
REFADJ
VREF
VID
PWM IN
Q1
CREFIN
RREF2
RBOOT
RREF1 RREFADJ
RSTANDBY
Standby
Mode Control
Buffer
RGND
RGND
RGND
RGND
CREFADJ

RT8812A
16
DS8812A-04 November 2013www.richtek.com
©
Copyright 2013 Richtek Technology Corporation. All rights reserved. is a registered trademark of Richtek Technology Corporation.
Figure 12. PWM VID Analog Output
Vmin
Vmax
N = 1
N = 2
Tu
N = 1
N = 2
N = Nmax
Tvid = Nmax x Tu
VREFIN
VID Duty
00.5 1
VID Input
VID Input
Boot Mode
VID is not driven, and the buffer output is tri-state. At this
time, turn off the switch Q1 and connect a resistor divider
as shown in Figure 11 that can set the REFIN voltage to
be VBOOT as the following equation :
REF2
BOOT VREF REF1 REF2 BOOT
R
V = V RRR
STANDBY VREF
REF2 STANDBY
REF1 BOOT REF2 STANDBY
V = V
R// R
R R (R // R )
REF2
min VREF REF2 BOOT
REFADJ BOOT REF2
REF1 REFADJ BOOT REF2
R
V = V RR
R // (R R )
R R // (R R )
REF2
max VREF REF1 REFADJ BOOT REF2
R
V = V (R // R ) R R
max min
STEP max
(V V )
V = N
Standby Mode
An external control can provide a very low voltage to meet
VOUT operating in standby mode. If the VID pin is floating
and switch Q1 is enabled as shown in Figure 11, the REFIN
pin can be set for standby voltage according to the
calculation below :
Normal Mode
If the VID pin is driven by a PWM signal and switch Q1 is
disabled as shown in Figure 11, the VREFIN can be adjusted
from Vmin to Vmax, where Vmin is the voltage at zero percent
PWM duty cycle and Vmax is the voltage at one hundred
percent PWM duty cycle. The Vmin and Vmax can be set
by the following equations :
The relationship between VID duty and VREFIN is shown in
Figure 12, and VOUT can be set according to the calculation
below :
OUT min STEP
V = V NV
where VSTEP is the resolution of each voltage step 1 :
where Nmax is the number of total available voltage steps
and N is the number of step at a specific VOUT. The dynamic
voltage VID period (Tvid = Tu x Nmax) is determined by the
unit pulse width (Tu) and the available step number (Nmax).
The recommended Tu is 27ns.
Where VVREF = 2V (typ.)
Choose RREF2 to be approximately 10kΩ, and the RREF1
and RBOOT can be calculated by the following equations :
REF2 VREF BOOT
REF1 BOOT BOOT
REF2 VREF BOOT
REF1 BOOT
BOOT
REF2 VREF BOOT
BOOT REF1
BOOT
RVV
RR V
RVV
RR
V
RVV
RR
V
By choosing RREF1, RREF2, and RBOOT, the RSTANDBY can
be calculated by the following equation :
STANDBY
REF2 REF1 BOOT STANDBY
REF2 REF STANDBY REF1 REF2 BOOT
REF1
R
RRR V
RVV RRR
R
By choosing RREF1, RREF2, and RBOOT, the RREFADJ can be
calculated by the following equation :
REF1 min
REFADJ max min
RV
RVV

RT8812A
17
DS8812A-04 November 2013 www.richtek.com
©
Copyright 2013 Richtek Technology Corporation. All rights reserved. is a registered trademark of Richtek Technology Corporation.
VID Slew Rate Control
In RT8812A, the VREFIN slew rate is proportional to PWM
VID duty, the rising time and falling time are the same. In
In normal mode, the VREFIN slew rate SR can be estimated
by CREFADJ or CREFIN as the following equation :
When choose CREFADJ :
REFIN_Final REFIN_initial
SR REFIN
SR REF1 REFADJ BOOT REF2
(V V ) 80%
SR = 2.2R C
R = R // R R // R
Current Limit
The RT8812A provides cycle-by-cycle current limit control
by detecting the PHASE voltage drop across the low side
MOSFET when it is turned on. The current limit circuit
employs a unique “valley” current sensing algorithm as
shown in Figure 13. If the magnitude of the current sense
signal at PHASE is above the current limit threshold, the
PWM is not allowed to initiate a new cycle.
In order to provide both good accuracy and a cost effective
solution, the RT8812A supports temperature compensated
MOSFET RDS(ON) sensing.
When choose CREFIN :
REFIN_Final REFIN_initial
SR REFADJ
SR REF1 REFADJ BOOT REF2
(V V ) 80%
SR = 2.2R C
R = (R // R ) // (R +R )
The recommend SR is estimated by CREFADJ.
In an over current condition, the current to the load exceeds
the average output inductor current. Thus, the output
voltage falls and eventually crosses the under voltage
protection threshold, inducing IC shutdown.
Figure 13. “Valley” Current Limit
Current Limit Setting
Current limit threshold can be set by a resistor (ROCSET)
between LGATE1 and GND. Once PVCC exceeds the
POR threshold and chip is enabled, an internal current
source IOCSET flows through ROCSET. The voltage across
ROCSET is stored as the current limit protection threshold
VOCSET. The threshold range of VOCSET is 50mV to 400mV.
After that, the current source is switched off.
ROCSET can be determined using the following equation :
VALLEY LGATEDS(ON)
OCSET OCSET
IR 40mV
R = I
where IVALLEY represents the desired inductor limit current
(valley inductor current) and IOCSET is current limit setting
current which has a temperature coefficient to compensate
the temperature dependency of the RDS(ON).
If ROCSET is not present, there is no current path for IOCSET
to build the current limit threshold. In this situation, the
current limit threshold is internally preset to 400mV.
Negative Current Limit
The RT8812A supports cycle-by-cycle negative current
limiting. The absolute value of negative current limit
threshold is the same with the positive current limit
threshold. If negative inductor current is rising to trigger
negative current limit, the low side MOSFET will be turned
off and the current will flow to input side through the body
diode of the high side MOSFET. At this time, output voltage
tends to rise because this protection limits current to
discharge the output capacitor. In order to prevent shutdown
because of over voltage protection, the low side MOSFET
is turned on again 400ns after it is turned off. If the device
hits the negative over current threshold again before output
voltage is discharged to the target level, the low side
MOSFET is turned off and process repeats. It ensures
maximum allowable discharge capability when output
voltage continues to rise. On the other hand, if the output
is discharged to the target level before negative current
threshold is reached, the low side MOSFET is turned off,
the high side MOSFET is then turned on, and the device
keeps normal operation.
IL,PEAK
ILOAD
IL,VALLEY
t
0
IL

RT8812A
18
DS8812A-04 November 2013www.richtek.com
©
Copyright 2013 Richtek Technology Corporation. All rights reserved. is a registered trademark of Richtek Technology Corporation.
RT8812A employs adaptive dead time control scheme to
ensure safe operation without sacrificing efficiency.
Furthermore, elaborate logic circuit is implemented to
prevent cross conduction. For high output current
applications, two power MOSFETs are usually paralleled
to reduce RDS(ON). The gate driver needs to provide more
current to switch on/off these paralleled MOSFETs. Gate
driver with lower source/sink current capability results in
longer rising/falling time in gate signals and higher
switching loss. The RT8812A embeds high current gate
drivers to obtain high efficiency power conversion.
Inductor Selection
Inductor plays an importance role in step-down converters
because the energy from the input power rail is stored in
it and then released to the load. From the viewpoint of
efficiency, the DC Resistance (DCR) of inductor should
be as small as possible to minimize the copper loss. In
additional, the inductor occupies most of the board space
so the size of it is important. Low profile inductors can
save board space especially when the height is limited.
However, low DCR and low profile inductors are usually
not cost effective.
Additionally, higher inductance results in lower ripple
current, which means the lower power loss. However, the
inductor current rising time increases with inductance value.
This means the transient response will be slower. Therefore,
the inductor design is a trade-off between performance,
size and cost.
In general, inductance is designed to let the ripple current
ranges between 20% to 40% of full load current. The
inductance can be calculated using the following equation :
IN OUT OUT
min SW OUT_rated IN
VV V
L = fkI V
where k is the ratio between inductor ripple current and
rated output current.
Input Capacitor Selection
Voltage rating and current rating are the key parameters
in selecting input capacitor. Generally, input capacitor has
a voltage rating 1.5 times greater than the maximum input
voltage is a conservatively safe design.
Current Balance
The RT8812A implements current balance mechanism in
the current loop. The RT8812A senses per phase current
signal and compares it with the average current. If the
sensed current of any particular phase is higher than the
average current, the on-time of this phase will be
decreased.
The current balance accuracy is major related with on-
resistance of low side MOSFET (RLG,DS(ON)). That is, in
practical application, using lower RLG,DS(ON) will reduce
the current balance accuracy.
Output Over Voltage Protection (OVP)
The output voltage can be continuously monitored for over
voltage protection. If REFIN voltage is lower than 1.33V,
the over voltage threshold follows to absolute over voltage
2V. If REFIN voltage is higher than 1.33V, the over voltage
threshold follows relative over voltage 1.5 x VREFIN. When
OVP is triggered, UGATE goes low and LGATE is forced
high. The RT8812A is latched once OVP is triggered and
can only be released by PVCC or EN power on reset. A
5μs delay is used in OVP detection circuit to prevent false
trigger.
Output Under Voltage Protection (UVP)
The output voltage can be continuously monitored for under
voltage protection. When the output voltage is less than
40% of its set voltage, under voltage protection is triggered
and then all UGATE and LGATE gate drivers are forced
low. There is a 3μs delay built in the UVP circuit to prevent
false transitions. During soft-start, the UVP blanking time
is equal to PGOOD blanking time.
MOSFET Gate Driver
The RT8812A integrates high current gate drivers for the
MOSFETs to obtain high efficiency power conversion in
synchronous Buck topology. A dead-time is used to prevent
the crossover conduction for high side and low side
MOSFETs. Because both the two gate signals are off
during the dead-time, the inductor current freewheels
through the body diode of the low side MOSFET. The
freewheeling current and the forward voltage of the body
diode contribute power losses to the converter. The

RT8812A
19
DS8812A-04 November 2013 www.richtek.com
©
Copyright 2013 Richtek Technology Corporation. All rights reserved. is a registered trademark of Richtek Technology Corporation.
The next step is to select proper capacitor for RMS current
rating. Use more than one capacitor with low Equivalent
Series Resistance (ESR) in parallel to form a capacitor
bank is a good design. Besides, placing ceramic capacitor
close to the drain of the high side MOSFET is helpful in
reducing the input voltage ripple at heavy load.
Output Capacitor Selection
The output filter capacitor must have ESR low enough to
meet output ripple and load transient requirement, yet have
high enough ESR to satisfy stability requirements. Also,
the capacitance must be high enough to absorb the inductor
energy going from a full load to no load condition without
tripping the OVP circuit. Organic semiconductor
capacitor(s) or special polymer capacitor(s) are
recommended.
MOSFET Selection
The majority of power loss in the step-down power
conversion is due to the loss in the power MOSFETs. For
low voltage high current applications, the duty cycle of
the high side MOSFET is small. Therefore, the switching
loss of the high side MOSFET is of concern. Power
MOSFETs with lower total gate charge are preferred in
such kind of application.
However, the small duty cycle means the low side MOSFET
is on for most of the switching cycle. Therefore, the
conduction loss tends to dominate the total power loss of
the converter. To improve the overall efficiency, the
MOSFETs with low RDS(ON) are preferred in the circuit
design. In some cases, more than one MOSFET are
connected in parallel to further decrease the on-state
resistance. However, this depends on the low side
MOSFET driver capability and the budget.
OUT OUT
RMS OUT IN IN
VV
I = I 1
VV
The input capacitor is used to supply the input RMS
current, which can be approximately calculated using the
following equation :
Thermal Considerations
For continuous operation, do not exceed absolute
maximum junction temperature. The maximum power
dissipation depends on the thermal resistance of the IC
package, PCB layout, rate of surrounding airflow, and
difference between junction and ambient temperature. The
maximum power dissipation can be calculated by the
following formula :
PD(MAX) = (TJ(MAX) − TA) / θJA
where TJ(MAX) is the maximum junction temperature, TA is
the ambient temperature, and θJA is the junction to ambient
thermal resistance.
For recommended operating condition specifications, the
maximum junction temperature is 125°C. The junction to
ambient thermal resistance, θJA, is layout dependent. For
WQFN-20L 3x3 package, the thermal resistance, θJA, is
30°C/W on a standard JEDEC 51-7 four-layer thermal test
board. The maximum power dissipation at TA = 25°C can
be calculated by the following formula :
PD(MAX) = (125°C − 25°C) / (30°C/W) = 3.33W for
WQFN-20L 3x3 package
The maximum power dissipation depends on the operating
ambient temperature for fixed TJ(MAX) and thermal
resistance, θJA. The derating curve in Figure 14 allows
the designer to see the effect of rising ambient temperature
on the maximum power dissipation.
Figure 14. Derating Curve of Maximum Power
Dissipation
0.0
0.5
1.0
1.5
2.0
2.5
3.0
3.5
4.0
0 25 50 75 100 125
Ambient Temperature (°C)
Maximum Power Dissipation (W) 1
Four-Layer PCB

RT8812A
20
DS8812A-04 November 2013www.richtek.com
©
Copyright 2013 Richtek Technology Corporation. All rights reserved. is a registered trademark of Richtek Technology Corporation.
Layout Considerations
Layout is very important in high frequency switching
converter design. If designed improperly, the PCB could
radiate excessive noise and contribute to the converter
instability. Following layout guidelines must be considered
before starting a layout for RT8812A.
Place the RC filter as close as possible to the PVCC
pin.
Keep current limit setting network as close as possible
to the IC. Routing of the network should avoid coupling
to high voltage switching node.
Connections from the drivers to the respective gate of
the high side or the low side MOSFET should be as
short as possible to reduce stray inductance.
All sensitive analog traces and components such as
VSNS, RGND, EN, PSI, VID, PGOOD, VREF, TON
VREFADJ, VREFIN and TSNS should be placed away
from high voltage switching nodes such as PHASE,
LGATE, UGATE, or BOOT nodes to avoid coupling. Use
internal layer(s) as ground plane(s) and shield the
feedback trace from power traces and components.
Power sections should connect directly to ground
plane(s) using multiple vias as required for current
handling (including the chip power ground connections).
Power components should be placed to minimize loops
and reduce losses.

RT8812A
21
DS8812A-04 November 2013 www.richtek.com
Richtek Technology Corporation
14F, No. 8, Tai Yuen 1st Street, Chupei City
Hsinchu, Taiwan, R.O.C.
Tel: (8863)5526789
Richtek products are sold by description only. Richtek reserves the right to change the circuitry and/or specifications without notice at any time. Customers should
obtain the latest relevant information and data sheets before placing orders and should verify that such information is current and complete. Richtek cannot
assume responsibility for use of any circuitry other than circuitry entirely embodied in a Richtek product. Information furnished by Richtek is believed to be
accurate and reliable. However, no responsibility is assumed by Richtek or its subsidiaries for its use; nor for any infringements of patents or other rights of third
parties which may result from its use. No license is granted by implication or otherwise under any patent or patent rights of Richtek or its subsidiaries.
Outline Dimension
Dimensions In Millimeters Dimensions In Inches
Symbol Min Max Min Max
A 0.700 0.800 0.028 0.031
A1 0.000 0.050 0.000 0.002
A3 0.175 0.250 0.007 0.010
b 0.150 0.250 0.006 0.010
D 2.900 3.100 0.114 0.122
D2 1.650 1.750 0.065 0.069
E 2.900 3.100 0.114 0.122
E2 1.650 1.750 0.065 0.069
e 0.400 0.016
L 0.350 0.450
0.014 0.018
W-Type 20L QFN 3x3 Package
Note : The configuration of the Pin #1 identifier is optional,
but must be located within the zone indicated.
DETAIL A
Pin #1 ID and Tie Bar Mark Options
1
1
22
