RT9480 Datasheet. Www.s Manuals.com. R04 Richtek
User Manual: Marking of electronic components, SMD Codes 1Q, 1Q=**. Datasheets FMMT5088, KST5088, MMBT5088, RT9480GQW.
Open the PDF directly: View PDF
.
Page Count: 17

RT9480
®
DS9480-04 December 2014 www.richtek.com
1
Copyright 2014 Richtek Technology Corporation. All rights reserved. is a registered trademark of Richtek Technology Corporation.
©
Easy to Use Power Bank Solution (EZPBSTM) Integrated Chip
with Two Ports Output
General Description
The RT9480 is a high integration and easy to use power
solution for Li-ion power bank and other powered handheld
applications. We call it EZPBSTM (Easy to Use Power
Bank Solution). This single chip includes a linear charger,
a synchronous Boost with dual output load management
and a torch function support. The battery volume and the
state of charging and discharging can be indicated by
4LEDs. The RT9480 is available in the WQFN-24L 4x4
package.
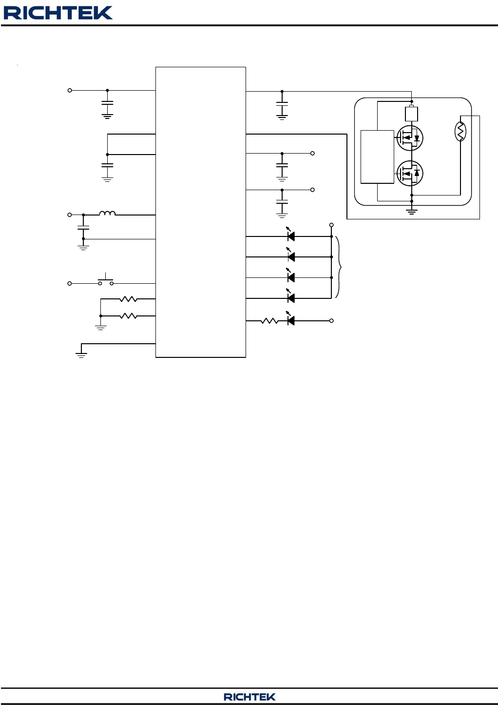
Simplified Application Circuit
Features
EZPBSTM (Easy to Use Power Bank Solution)
--
--
-Compact BOM Elements with EZPBSTM Single Chip
--
--
-Protection Functions (OTP, OVP, OCP, VBUS and
Output Short Protection)
--
--
-Support Charging and Discharging at the same time
by Smart Algorithm
Charger
--
--
-One Linear Charger up to 1.2A
--
--
-DPM Function (Dynamic Power Management)
--
--
-Thermal Regulation
--
--
-Auto-Recharge
--
--
-Support JEITA Function
USB Output
--
--
-Support Dual USB Output
--
--
-Auto and Button Control
--
--
-Sync-Boost Total Output Current up to 2.5A
Peak Efficiency 97%
Battery State of Charge (SOC) Indicator
--
--
-Battery SOC Detection
--
--
-Support NTC for Battery Temperature Sensing
--
--
-4LEDs for Battery SOC Display
Other Functions
--
--
-Torch Functions
Applications
-Li-ion Power Bank
Ordering Information
Note :
Richtek products are :
RoHS compliant and compatible with the current require-
ments of IPC/JEDEC J-STD-020.
Suitable for use in SnPb or Pb-free soldering processes.
RT9480
Package Type
QW : WQFN-24L 4x4 (W-Type)
(Exposed Pad-Option 2)
Lead Plating System
G : Green (Halogen Free and Pb Free)
Serial Number
VBAT
VBUS RT9480
LEDx
VMID
LXBST
GND
BUTTON
USBOUT1
USBOUT2
SWIN2
TORCH
Input Power
Battery
CIN
Battery
USB Port 1
LED Indicator
USB Port 2
Torch Function
C1
CVMID
L1
CBAT

RT9480
2
DS9480-04 December 2014www.richtek.com
©
Copyright 2014 Richtek Technology Corporation. All rights reserved. is a registered trademark of Richtek Technology Corporation.
Pin Configurations
(TOP VIEW)
WQFN-24L 4x4
Product Name List
Serial
Number Product Name Auto/Button SOC LED
Number Programmable Battery
Regulation Time Out of
USBOUT Detach
RT9480GQW Button 4LEDs Disable 4.2V 12 Hours
AA01 RT9480GQW-AA01 Auto 4LEDs Disable 4.2V 3sec
AA02 RT9480GQW-AA02 Button 4LEDs Disable 4.35V 12 Hours
AA03 RT9480GQW-AA03 Button 4LEDs Disable 4.2V 3sec
AB01 RT9480GQW-AB01 -- -- Enable -- --
* : Please refer to application note.
-- : Set by program
VBAT
TS
LED1
LED2
LED3
LED4
TP1
NC
NC
GND
BUTTON
TORCH
USBOUT1
USBOUT1
USBOUT2
NC
TP2
SWIN2
LXBST
VMID
VBUS
PGNDBST
PGNDBST
LXBST
GND
1
2
3
4
5
6
78910 1211
18
17
16
15
14
13
21 20 1924 2223
25
Marking Information
For marking information, contact our sales representative
directly or through a Richtek distributor located in your
area.

RT9480
3
DS9480-04 December 2014 www.richtek.com
©
Copyright 2014 Richtek Technology Corporation. All rights reserved. is a registered trademark of Richtek Technology Corporation.
Functional Pin Description
Pin No. Pin Name Pin Function
1 VBAT Battery Charge Current Output.
2 TS Battery Temperature Sense Setting.
3 LED1 Current Sink Output for LED1.
4 LED2 Current Sink Output for LED2.
5 LED3 Current Sink Output for LED3.
6 LED4 Current Sink Output for LED4.
7, 8, 14 NC No Internal Connection.
9,
25 (Exposed Pad) GND Ground. The exposed pad must be soldered to a large PCB and
connected to GND for maximum power dissipation.
10 TORCH Current Sink Output for Torch LED Function. Open Drain Output
11 BUTTON Button Control Input for mode change.
12 TP1 Connected to GND.
13 TP2 Connected to GND.
15 USBOUT2 USB-2 Power Output.
16 SWIN2 USB-2 Power Input.
17, 18 USBOUT1 USB-1 Power Output.
19 VMID Boost Output.
20, 21 LXBST Boost Switch Output.
22, 23 PGNDBST Boost Power GND.
24 VBUS VBUS Power Supply.

RT9480
4
DS9480-04 December 2014www.richtek.com
©
Copyright 2014 Richtek Technology Corporation. All rights reserved. is a registered trademark of Richtek Technology Corporation.
Function Block Diagram
Linear Charger 1.2A
Central Control
1. Battery Capacity
Detection
2. Protection
3. LED Display
4. Mode Control
5. Button Operation
USB-1 Load
Manager Up to 2.1A
USB-2 Load
Manager Up to 1A
Torch Brightness
Control (Open Drain)
VBAT
TS
LED1
LED2
LED3
LED4
GND
BUTTON
TORCH
USBOUT1
USBOUT2
SWIN2
VMID
PGNDBST
LXBST
VBUS
TP1
TP2

RT9480
5
DS9480-04 December 2014 www.richtek.com
©
Copyright 2014 Richtek Technology Corporation. All rights reserved. is a registered trademark of Richtek Technology Corporation.
Operation
The RT9480 is a high integrated IC for Li-Ion battery power
bank. It includes a linear charger 1.2A, a synchronous
Boost 5.1V, two output load management, LED indicator
and torch function.
Change Current
Base on thermal regulation function, the charging current
can support up to 1.2A.
VBUS OVP
If the input voltage (VBUS) is higher than the threshold
voltage VOVP, the internal OVP signal will go high and the
charger will stop charging until VIN is below VOVP − ΔVOVP.
VMID OVP
If the internal voltage (VMID) is higher than the threshold
voltage VOVP, the internal OVP signal will go high and the
charger will stop charging until VMID is below
VOVP −ΔVOVP.
OCP
The converter senses the current signal when the high-
side P-MOSFET turns on. As a result, The OCP is cycle
by-cycle current limitation. If the OCP occurs, the converter
holds off the next on pulse until inductor current drops
below the OCP limit.
OTP
The converter has an over-temperature protection. When
the junction temperature is higher than the thermal
shutdown rising threshold, the system will be latched and
the output voltage will no longer be regulated until the
junction temperature drops under the falling threshold.
Output Short Protection
When output short to ground, the system will be latched
and the output voltage will no longer be regulated until
power reset.
CC/CV/TR Multi Loop Controller
There are constant current loop, constant voltage loop and
thermal regulation loop to control the charging current.
Too Hot or Too Cold
The temperature sense input TS pin can be connected a
thermistor to determine whether the battery is too hot or
too cold for charging operation. If the battery's temperature
is out of range, charging is paused until it re-enters the
valid range.

RT9480
6
DS9480-04 December 2014www.richtek.com
©
Copyright 2014 Richtek Technology Corporation. All rights reserved. is a registered trademark of Richtek Technology Corporation.
Electrical Characteristics
Recommended Operating Conditions (Note 4)
-Supply Input Voltage, VBAT, VBUS --------------------------------------------------------------------- 2.8V to 5.5V
-Junction Temperature Range------------------------------------------------------------------------------ −40°C to 125°C
-Ambient Temperature Range------------------------------------------------------------------------------ −40°C to 85°C
Absolute Maximum Ratings (Note 1)
-Supply Voltage, VBAT-------------------------------------------------------------------------------------- −0.3V to 6V
-Supply Voltage, VBUS ------------------------------------------------------------------------------------- −0.3V to 10V
-Supply Voltage USBOUT1, USBOUT2 Pulse (100μs) ---------------------------------------------- −0.3V to 10V
-LED Output Voltage, LED1, LED2, LED3, LED4 ---------------------------------------------------- −0.3V to 10V
-TORCH --------------------------------------------------------------------------------------------------------- −0.3V to 10V
-Other Pins----------------------------------------------------------------------------------------------------- −0.3V to 6V
-Power Dissipation, PD @ TA = 25°C
WQFN-24L 4x4 ---------------------------------------------------------------------------------------------- 3.57W
-Package Thermal Resistance (Note 2)
WQFN-24L 4x4, θJA ----------------------------------------------------------------------------------------- 28°C/W
WQFN-24L 4x4, θJC ---------------------------------------------------------------------------------------- 7.1°C/W
-Junction Temperature Range------------------------------------------------------------------------------ 150°C
-Lead Temperature (Soldering, 10 sec.)----------------------------------------------------------------- 260°C
-Storage Temperature Range ------------------------------------------------------------------------------ −65°C to 150°C
-ESD Susceptibility (Note 3)
HBM (Human Body Model) -------------------------------------------------------------------------------- 2kV
MM (Machine Model) --------------------------------------------------------------------------------------- 200V
TOP Unit Electrical Characteristics
(VBUS = 5V, VBAT = 3.7V, TA = 25°C, unless otherwise specified)
Parameter Symbol Test Conditions Min Typ Max Unit
Supply Input
Battery Quiescent Current
for Standby IBAT_sdy No VBUS, Boost
on, Indicator Off. Button Mode -- 30 -- A

RT9480
7
DS9480-04 December 2014 www.richtek.com
©
Copyright 2014 Richtek Technology Corporation. All rights reserved. is a registered trademark of Richtek Technology Corporation.
Parameter Symbol Test Conditions Min Typ Max Unit
Supply Input
Output Voltage VOUTBST -- 5.1 -- V
Output Voltage Accuracy VOUTBST 5 -- 5 %
MAX Output Current As VBAT > 3.3V, VOUT = 5V -- 2.5 -- A
PFET Peak Current Limit IOCP 6 -- -- A
Power Switch
Switching Frequency fSW 0.2 0.25 0.3 MHz
Protection
Over-Voltage Protection VMID_OVP 5.6 5.7 6 V
Over-Voltage Protection
Hysteresis VMID_OVP_hys -- 0.2 -- V
Under-Voltage Protection
(Short-Circuit Protection) VBST_FBUV -- 3.37 -- V
Boost Unit Electrical Characteristics
(VBUS = 5V, VBAT = 3.7V, TA = 25°C, unless otherwise specified)
Charger Unit Electrical Characteristics
(VBUS = 5V, VBAT = 3.7V, TA = 25°C, unless otherwise specified)
Parameter Symbol Test Conditions Min Typ Max Unit
Supply Input
VBUS VBAT VOS Rising VOS_H -- 100 200 mV
VBUS VBAT VOS Falling VOS_L 10 50 -- mV
Battery Charger
VBUS Operating Range VBUS_CHG 4.5 -- 5.5 V
VBUS Regulation DPM VDPM = 4.5V 5 -- 5 %
Voltage Regulation
VBAT Regulation VREG T
A = 0 to 85C, VREG = 4.2V 1 -- 1 %
Re-Charge Threshold VRECHG V
REG Recharge Level -- 150 -- mV
VBUS Power FET RDS(ON) R
DS(ON)_chg I
BAT = 1A -- 200 300 m
Current Regulation
Fast-Charge Current Accuracy ICHG I
CHG = 1.2A 5 -- 5 %
Pre-Charge Current Accuracy ICHG_Pre Ratio of Fast-Charge Current 5.5 10 14.5 %
Pre-Charge Threshold Vpre V
BAT Rising 2.35 2.5 2.65 V
Pre-Charge Threshold
Hysteresis Vpre V
BAT Falling 120 200 280 mV
Charge Termination Detection
Termination Current Ratio ITERMI -- 10 -- %
Timer
Fast-Charge Time Fault TF_CC -- 24 -- hour

RT9480
8
DS9480-04 December 2014www.richtek.com
©
Copyright 2014 Richtek Technology Corporation. All rights reserved. is a registered trademark of Richtek Technology Corporation.
Note 1. Stresses beyond those listed “Absolute Maximum Ratings” may cause permanent damage to the device. These are
stress ratings only, and functional operation of the device at these or any other conditions beyond those indicated in
the operational sections of the specifications is not implied. Exposure to absolute maximum rating conditions may
affect device reliability.
Note 2. θJA is measured at TA = 25°C on a high effective thermal conductivity four-layer test board per JEDEC 51-7.
Note 3. Devices are ESD sensitive. Handling precaution is recommended.
Note 4. The device is not guaranteed to function outside its operating conditions.
Others Electrical Characteristics
(VBUS = 5V, VBAT = 3.7V, TA = 25°C, unless otherwise specified)
Parameter Symbol Test Conditions Min Typ Max Unit
LED
LED Current Sink ILED -- 0.75 -- mA
Torch
Open-Drain Low Voltage VODL_T I
SINK = 5mA -- 200 -- mV
Button
Button Control Logic-High VIH_B 1.5 -- -- V
Logic-Low VIL_B -- -- 0.4 V
Press Duty
Time
High-Level TPress_H 0.1 -- -- sec
Low-Level TPress_L 0.1 -- -- sec
Protection
Charger Thermal Regulation TREG For Charger -- 105 -- °C
Over-Temperature Protect TOTP -- 150 -- °C
Over-Temperature Protect
Hysteresis TOTP -- 20 -- °C
VBUS OVP Threshold Voltage VOVP V
BUS Rising 6.5 6.8 7.1 V
VBUS OVP Threshold Voltage
Hysteresis VOVP_Hys V
BUS Falling -- 200 280 mV
BASE
VBUS Attached Threshold
Voltage VBUS_ATT V
BUS Rising 3.8 4 4.2 V
VBUS Attached Threshold
Voltage Hysteresis VBUS_ATT_Hys V
BUS Falling -- 200 280 mV

RT9480
9
DS9480-04 December 2014 www.richtek.com
©
Copyright 2014 Richtek Technology Corporation. All rights reserved. is a registered trademark of Richtek Technology Corporation.
Typical Application Circuit
VBAT
TS
VBUS
RT9480
PGNDBST
LXBST
GND
BUTTON
24
22, 23
19
11
20, 21
2
1
9, 25 (Exposed Pad)
1µF/25V
CIN
Input Power
1µH
L1
10µF
C1
VBAT
VBAT
Button
10µF
CBAT
LED1
USBOUT1
LED3
6
5
4
LED2
USBOUT2
LED4
3
17, 18
15
10
TORCH
USB1
Output
1µF
COUT1
D6
VBAT
Power
Display
VMID
R1
VMID
SWIN2
CVMID
16
USB2
Output
1µF
COUT2
22µF x2
D1
D2
D3
D4
TP1
12
13 TP2
100k
R2
100k
R3
Li-Bat
Prot-IC
RNTC
N-MOSFET
+
-
Semitec
103AT
10k

RT9480
10
DS9480-04 December 2014www.richtek.com
©
Copyright 2014 Richtek Technology Corporation. All rights reserved. is a registered trademark of Richtek Technology Corporation.
USBOUT Efficiency vs. Load Current
0
10
20
30
40
50
60
70
80
90
100
0 500 1000 1500 2000 2500
Load Current (mA)
Efficiency (%)
USBOUT = 5.1V, L = 1μH, COUT = 1μF
VBAT = 3.9V
VBAT = 3.7V
VBAT = 3.3V
Typical Operating Characteristics
USBOUT Voltage vs. Temperature
4.5
4.6
4.7
4.8
4.9
5.0
5.1
5.2
5.3
5.4
5.5
-50 -25 0 25 50 75 100 125
Temperature (°C)
Output Voltage (V)
USBOUT = 5.1V
VBAT = 3.3V
VBAT = 3.7V
VBAT = 3.9V
USBOUT Voltage vs. Load Current
3.0
3.5
4.0
4.5
5.0
5.5
6.0
0 500 1000 1500 2000 2500
Load Current (mA)
Output Voltage (V)
USBOUT = 5.1V
VBAT = 3.3V
VBAT = 3.7V
VBAT = 3.9V
Battery Regulation Voltage vs. Temperature
4.10
4.13
4.16
4.19
4.22
4.25
-50 -25 0 25 50 75 100 125
Temperature (°C)
Battery Regulation Voltage (V) 1
VIN = 5V, VBAT = Real Battery
105°C
ICHG Thermal Regulation vs. Temperature
0
100
200
300
400
500
600
700
800
900
1000
1100
1200
1300
-50 -25 0 25 50 75 100 125
Temperature (°C)
ICHG Thermal Regulation (mA
)
VIN = 5V, VBAT = Real Battery
VBUS OVP Threshold Voltage vs. Temperature
6.0
6.2
6.4
6.6
6.8
7.0
7.2
-50 -25 0 25 50 75 100 125
Temperature (°C)
OVP Threshold Voltage (V)
VBAT = Real Battery
Falling
Rising

RT9480
11
DS9480-04 December 2014 www.richtek.com
©
Copyright 2014 Richtek Technology Corporation. All rights reserved. is a registered trademark of Richtek Technology Corporation.
Application Information
The RT9480 is a high integrated IC for Li-Ion battery power
bank. This chip includes a linear charger, a synchronous
Boost, two output load management, LED indicator and
torch function.
Pre-Charge Mode
When the output voltage is lower than 2.3V, the charging
current will be reduced to a fast-charge current ratio to
protect the battery life time.
Fast-Charge Mode
When the output voltage is higher than 2.5V, the charging
current will be equal to the fast-charge current with 1.2A.
Constant-Voltage Mode
When the output voltage is near 4.2V or 4.35V, the charging
current will fall below the termination current.
Re-Charge Mode
When the chip is in charge termination mode, the charging
current will gradually go down to zero. However, once the
voltage of the battery drops to below 4.05V or 4.2V, then
the charging current will resume again.
Charge Termination
When the charge current is lower than the charge
termination current ratio (10%) for VBAT > 4.05V or 4.2V
and the time is larger than the deglitch time (25ms), it will
be latched high unless the power is re-toggled.
Input DPM Mode
If the input voltage is lower than VDPM (4.5V), the input
current limit will be reduced to stop the input voltage from
dropping any further. This can prevent the IC from damaging
improperly configured or inadequately designed USB
sources.
Temperature Regulation
In order to maximize charge rate, the RT9480 features a
junction temperature regulation loop. If the power
dissipation of the IC results in junction temperature greater
than the thermal regulation threshold (105°C), the RT9480
will cut back on the charge current and disconnect the
battery in order to maintain thermal regulation at around
105°C. This operation continues until the junction
temperature falls below the thermal regulation threshold
(105°C) by the hysteresis level. This feature prevents the
maximum power dissipation from exceeding typical design
conditions.
Time Fault
The Fast-Charge Fault Time is set by 24hours.
When time fault happens, the charger cycle will be turned
off charging function.
Battery Pack Temperature Monitoring
The RT9480 features an external battery pack temperature
monitoring input. The TS input connects to the NTC
thermistor in the battery pack to monitor battery
temperature and prevent danger over temperature
conditions. If at any time the voltage at TS falls outside of
the operating range, charging will be suspended. The NTC
thermistor recommends using 10kΩ.
JEITA Function
For JEITA battery temperature standard :
CV regulation voltage will change at the following battery
Temp ranges 45°C to 60°C.
Synchronous Step-Up
The converter operates in fixed frequency PWM Mode
with 250kHz, Continuous Current Mode (CCM), and
Discontinuous Current Mode (DCM) with internal
MOSFETs.
4.35V or 4.2V
4.2V or 4.05V
100% Ichg
50% Ichg
010 4560
CCCC

RT9480
12
DS9480-04 December 2014www.richtek.com
©
Copyright 2014 Richtek Technology Corporation. All rights reserved. is a registered trademark of Richtek Technology Corporation.
Operation Method
Charge Mode : VBUS in and charging battery
Discharge Mode : USBOUT in and discharging for handheld
Chg-Dchg Mode : VBUS and USBOUT in, charging battery
and discharging handheld at the same time
Relax Mode : VBUS and USBOUT plug out
Button Mode
Button mode : When external handheld device plug in for
power bank, the USBOUT will turns on by button.
If device attched, RT9480 will count 12 hours
(RT9480GQW or AA02) or 3sec (AA01 or AA03) to turn
off USBOUT after detach.
AA01 and AA03. Please reference Product Name List.
Attach mean device plug in and loading > 100mA.
Detach mean device plug out and loading < 50mA.
Function Button Action Description
Charging NA
Micro-USB Adapter
plug-in : ON
After plugging in the external power source, the power
bank will be charged automatically without pressing the
button, and the LED battery indicator lights up at the
same time.
Micro-USB Adapter
plug-out : OFF
After unplugging the external power source, the power
bank stops being charged automatically without pressing
the button, and the LED battery indicator fades out at the
same time.
Discharging 0.1s
USB slave plug-in : ON After plugging in the H/H device and pressing the button,
the power bank starts to charge the device.
USB slave plug-out : OFF After unplugging the H/H device, the power bank stops
charging the device automatically without pressing the
button.
Check Battery
Capacity
0.1s
Press the button (short
press) one time : ON Press the button (short press), the LED battery indicator
lights up.
After 20sec : OFF After 20sec, the LED battery indicator fades out.
Torch 0.1s 0.1s
Double click the button
(short press) : ON Double click the button (short press), the torch light lights
up.
Double click the button
(short press : OFF Double click the button (short press) again, the torch light
fades out.
Button Function

RT9480
13
DS9480-04 December 2014 www.richtek.com
©
Copyright 2014 Richtek Technology Corporation. All rights reserved. is a registered trademark of Richtek Technology Corporation.
BUTTON Press Timing
Define Button (Short/Long) Press Timing
Short press = min (0.1s)
Blank = min (0.1s)
SOC LED Flash and Running Timing
SOC LED Flash
0.5s
0.5s
SOC LED Running
0.5s
0.5s 0.5s
LED Indicator Function
About LED indicator, it will follow below table to show
SOC. The LED current is 0.75mA.
●●●●
Low→High
● : LED ON, ○ : LED OFF, ● : LED FLASH
Battery Voltage Operation of Charging
3700mV
●○○○
●●●○
●●○○
●●●●
3700mV
3940mV ●●●○
●●○○
●●●●
3940mV
4100mV
●●●○
●●●●
4100mV
4200mV ●●●●
4200mV ●●●●
Battery Voltage Operation of Discharging
4200mV
3880mV ●●●●
3880mV
3720mV ●●●○
3720mV
3500mV ●●○○
3500mV
3200mV ●○○○
3200mV
2800mV ●○○○

RT9480
14
DS9480-04 December 2014www.richtek.com
©
Copyright 2014 Richtek Technology Corporation. All rights reserved. is a registered trademark of Richtek Technology Corporation.
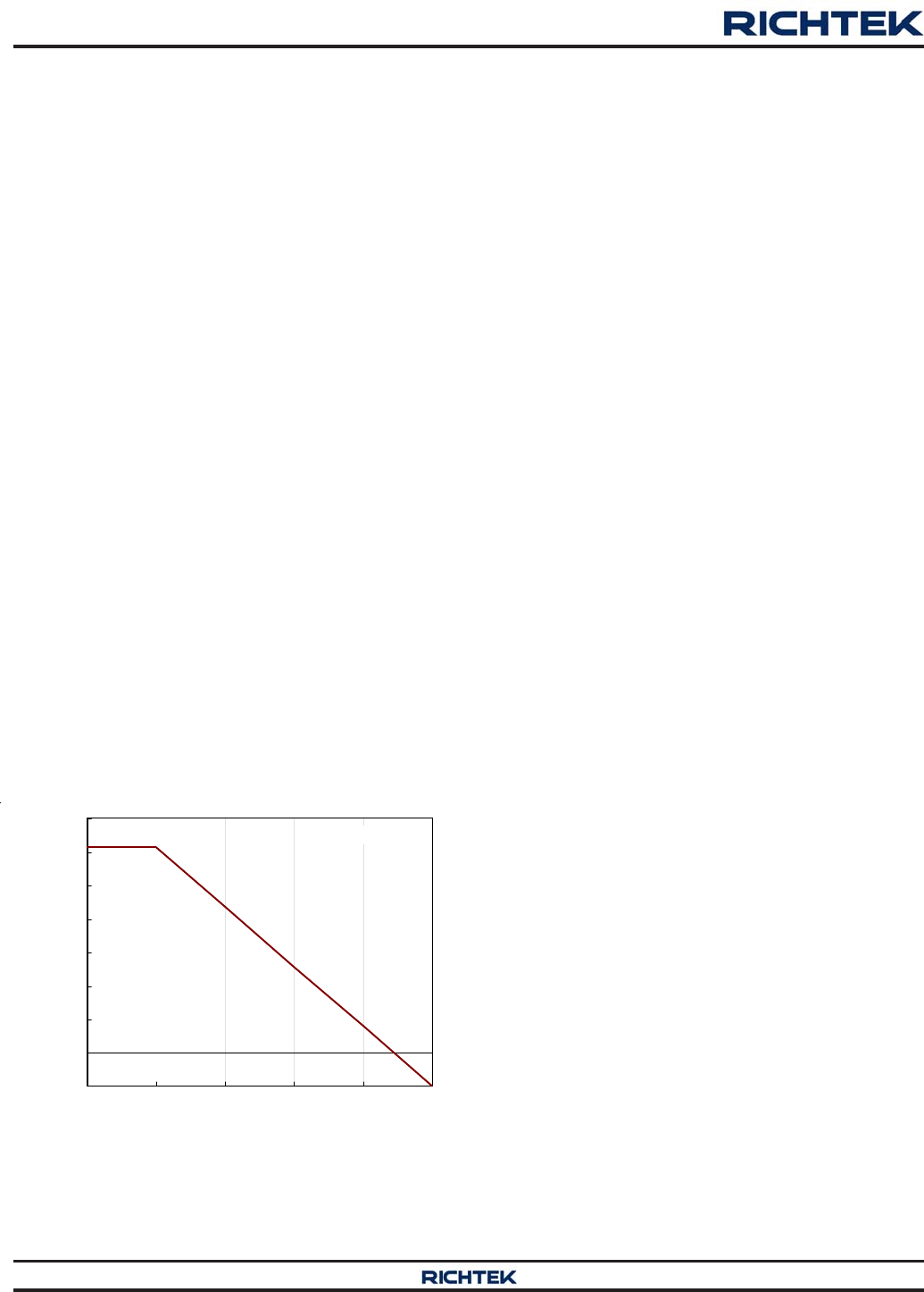
Figure 1. Derating Curve of Maximum Power Dissipation
Thermal Considerations
For continuous operation, do not exceed absolute
maximum junction temperature. The maximum power
dissipation depends on the thermal resistance of the IC
package, PCB layout, rate of surrounding airflow, and
difference between junction and ambient temperature. The
maximum power dissipation can be calculated by the
following formula :
PD(MAX) = (TJ(MAX) − TA) / θJA
where TJ(MAX) is the maximum junction temperature, TA is
the ambient temperature, and θJA is the junction to ambient
thermal resistance.
For recommended operating condition specifications, the
maximum junction temperature is 125°C. The junction to
ambient thermal resistance, θJA, is layout dependent. For
WQFN-24L 4x4 package, the thermal resistance, θJA, is
28°C/W on a standard JEDEC 51-7 four-layer thermal test
board. The maximum power dissipation at TA = 25°C can
be calculated by the following formula :
PD(MAX) = (125°C − 25°C) / (28°C/W) = 3.57W for
WQFN-24L 4x4 package
The maximum power dissipation depends on the operating
ambient temperature for fixed TJ(MAX) and thermal
resistance, θJA. The derating curve in Figure 1 allows the
designer to see the effect of rising ambient temperature
on the maximum power dissipation.
0.0
0.5
1.0
1.5
2.0
2.5
3.0
3.5
4.0
0 25 50 75 100 125
Ambient Temperature (°C)
Maximum Power Dissipation (W) 1
Four-Layer PCB
Layout Consideration
The PCB layout is an important step to maintain the high
performance of the RT9480.
Both the high current and the fast switching nodes demand
full attention to the PCB layout to save the robustness of
the RT9480 through the PCB layout. Improper layout might
show the symptoms of poor line or load regulation, ground
and output voltage shifts, stability issues, unsatisfying
EMI behavior or worsened efficiency.For the best
performance of the RT9480, the following PCB layout
guidelines must be strictly followed.
Place the input and output capacitors as close as
possible to the input and output pins respectively for
good filtering.
Care should be taken for a proper thermal layout. Wide
traces, connecting with vias through the layers, provides
a proper thermal path to sink the heat energy created
from the device and inductor. Keep the main power traces
as wide and short as possible. Recommend as below :
VBUS trace > 40mil;
VBAT trace > 80mil;
LXBST trace > 80mil;
VMID trace > 40mil;
USBOUT1 trace > 80mil;
USBOUT2 trace > 40mil.
The switching node area connected to LX and inductor
should be minimized for lower EMI.
Connect the GND pin, PGNDBST pin and Exposed Pad
together to a strong ground plane for maximum thermal
dissipation and noise protection.
Directly connect the output capacitors to the feedback
network of each channel to avoid bouncing caused by
parasitic resistance and inductance from the PCB trace.

RT9480
15
DS9480-04 December 2014 www.richtek.com
©
Copyright 2014 Richtek Technology Corporation. All rights reserved. is a registered trademark of Richtek Technology Corporation.
Figure 2. PCB Layout Guide
1
2
3
4
5
6
78 10 11 12
13
14
15
16
17
18
19202124
TS
TP2
LED2
NC
LED4
NC
GND
TORCH
VMID
USBOUT1
BUTTON
SWIN2
LED3 NC
USBOUT2
LED1
VBAT
VBUS
PGNDBST
LXBST
LXBST
USBOUT1
PGNDBST
GND
TP1
GND
CMID
VBAT
VBAT GND
GND
GND
VMID
L1
C1
GND
R1
LX should be connected to Inductor by
wide and short trace, keep sensitive
compontents away from this trace
Input capacitors
must be placed
as close as
possible to the
Input pins.
USBOUT2
Connect the Exposed Pad to a ground
plane.
D1
D2
D3
VMID
VBUS
VMID
RNTC
COUT2
COUT1
CIN
CBAT
USBOUT1
D4
D6
Output
capacitors must
be placed as
close as
possible to the
Output pins.
2223
9
Connect GND
Pin and PGND
Pin to Exposed
Pad.
R3
R2

RT9480
16
DS9480-04 December 2014www.richtek.com
Richtek Technology Corporation
14F, No. 8, Tai Yuen 1st Street, Chupei City
Hsinchu, Taiwan, R.O.C.
Tel: (8863)5526789
Richtek products are sold by description only. Richtek reserves the right to change the circuitry and/or specifications without notice at any time. Customers should
obtain the latest relevant information and data sheets before placing orders and should verify that such information is current and complete. Richtek cannot
assume responsibility for use of any circuitry other than circuitry entirely embodied in a Richtek product. Information furnished by Richtek is believed to be
accurate and reliable. However, no responsibility is assumed by Richtek or its subsidiaries for its use; nor for any infringements of patents or other rights of third
parties which may result from its use. No license is granted by implication or otherwise under any patent or patent rights of Richtek or its subsidiaries.
Outline Dimension
A
A1
A3
D
E
D2
E2
L
be
1
SEE DETAIL A
W-Type 24L QFN 4x4 Package
Note : The configuration of the Pin #1 identifier is optional,
but must be located within the zone indicated.
DETAIL A
Pin #1 ID and Tie Bar Mark Options
1
1
22
Dimensions In Millimeters Dimensions In Inches
Symbol Min Max Min Max
A 0.700 0.800 0.028 0.031
A1 0.000 0.050 0.000 0.002
A3 0.175 0.250 0.007 0.010
b 0.180 0.300 0.007 0.012
D 3.950 4.050 0.156 0.159
Option 1 2.400 2.500 0.094 0.098
D2 Option 2 2.650 2.750 0.104 0.108
E 3.950 4.050 0.156 0.159
Option 1 2.400 2.500 0.094 0.098
E2 Option 2 2.650 2.750 0.104 0.108
e 0.500 0.020
L 0.350 0.450 0.014 0.018
