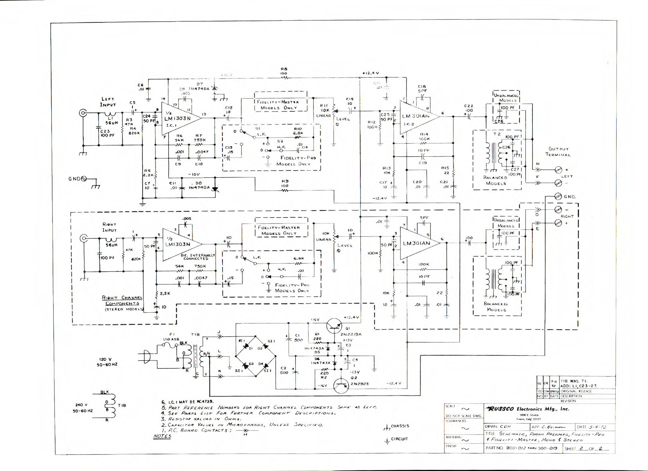
Russco Fidelity Pro Master Turntable Pre Amp Manual
User Manual: russco fidelity pro fidelity master turntable pre amp manual
Open the PDF directly: View PDF
.
Page Count: 14













I. P.
C.
BoAsz D
0
s
i
b& ) UNDER. IDE
"r P•AkC as
FROM COMPONENT
5.
F pst3
V &It'll AN SHOWN
.
OTwEn•
A op to.
UNdiA.Likihieft0 MODELS
'Aiwa
Numeg
R RitF
£REr4ct3 ey co To SCHE/AAT're_
. R I
G
HT CHAN1.0:71-
2. P..
►
Q
T
PA
PVTAI
.r)
ES I NA
lif
T CD
ey
r
.
If
HAVIr SOMIE
COMPONENT!" OMITTED Ap4D JUMPIE/ILS
OUTPUT CAPACITOR*
(
"
CaZ
HOLES 04AAKCC)
C.
BOARD COMPONt'NT
LAYOUT
Fr C.
GND
POST
LEFT
INPUT
RIGHT
INPUT
•
NOTES
3.
I.C.
p,
pa
OrAi
ERs AIM
e
l-cm
0
ON
UNDERSIDE
f
r
P.C.
BOAka.D.
4.
Et.
c-r
IC
CAPAC
rrOft PoLAR
I TM*
A/
1
m
TCHILD
11
‘
1
01E1R1161171E
P
C.
o.
•
„ .
IIII MOWN 3 NAP C 0

120 V
50
-
60 HZ
SI
L. F.
RIO
0 041
S2
0
. 0 I
11
Va
LM 1303N
T.C.1
13
R13
10K
- 10V
C22
100
+ IC
•
OUT PUT
TERMINAL
LEFT
0 -
>>
G N D.
-12.1 V
-
ICV
2
N2905
01 CA
7
7,7
-1
'
00
Cow 514
1
/
72
T18 WAS TI.
ADD: L1,C2 3-2 7,
ORIGINAL RELEASE
BY
NO
DATE
DESCRIPTION
07
CEB
1111174 OA
.0C1;
4
10
9
c24
-
I
50 PTE
L
R6
RT
54k
750K
R5
2.2k
C 7 +
C 1
. D8
10
„oi
im4740A
R8
100
AmA,
I
FIDELITY-KasTall
C12
l
I Moon -s
ONLY J
10
I
0
4(2.4
V
1C25
R12 50 PF
100K
C17 +
10
T
-12.4 v
CI8
5PF
,T
ref
e
,
LM
30IAN
I.c. 2
R14
100K
.....- ..--.. ...
'UN
BAL ANCE I,
i
I
1V10 UE L S I
I
[
IOD
PF I
I
I
-
2
-
100 PF I
C26
rT7
I C27
BALA NCED100 PF
C21
I
MODELS
.01
CI3
.001
.004
7
.15
I(
C9
CIO
A A
vv.
10 PF
/
C19
4
'Qv
••••
.1•••••
+12.4 V
G
y
I
I
T I B
1/10 A58
SI I
C
.01
CS
1
CIS
R11
+
10H
LINEAR
10
LEVEL
w
11
R3
47K
R4
820K
Lc FT
INPUT
LI
5 6
LEH
C23
100 PF
G NDeo----
47
INI••• 4•11•••
.0•••
mom.
RIGHT
5PF
.005
RIGHT
INPUT
I FIDELITY- MASTER
I
I
MODELS ONLY
io
LEVEL
5
10
1
/
2
LM1303N
56uH
LM301AN
3
50 PF 2
.,••••••
•••••
50 PI_
100K
•
10K
LINEAR
1
L. F.
6.8K
D.C.
INTERNALLY
CONNECTED
100K
AAA
Li. F.
100 PF
0-
10 PF
.15
2.2K
56K
750K
.001
.004
7
K
• K
•
.01
o
Of
0
I(--
1
22
FI DEL I TY-- Plk
MODE LS ONLY
PF
I
10K
MINIM .1 MM.
.01
.01
10
10
IITNBALA:CELA
MODELS
1
100 PF
1
I
100 PF
*A7
r7'7
-
BALANCE
CJ
MODELS
RIGHT CHANNEL
COMPONENTS
(STEREO MODEL
47K
820K'
QI
RI
2/J2219A
220
+i3V
743A
4
1 C3
s
L
05
Di
±1
C4
1N4743A
220
-13V
R2
02
•
•
'
REVISION
T16
SCALE
240 v
50-60 HZ
4.5
/-
COA4 OeIVE A/75
DFSC
.'
DO NOI SC ALE DWG
TOLERANCES
DRWN.
C
DH
4
7
CHASSIS
CIRCUIT
MATERIAL
ti
FINISH
6. I.C. I MAY BE 11C4739.
5.
PART REFERENCE
Niim8s
-
R5 roe'
/
1
/
4
c,+/T CHAN/VE
L
4. Si-A- PA47-..s L 1.57- FOR Caer,EA Comfroivew
3. REsisroe y
7
g
L
LA,-.5
fly ONA14.
2. CAPAC/ 7
-
0.9 VAL tics
//y
Afic 40 FARAD. 5 thy< EsS
O.
1. A C. eioxi
0 Con/ TACT 5
---->>---
NOT E
-INArsco
Electronics Mfg
., I
nc.
5690 E. Shields
I rein, Calij. 93727
APP
DATE 5-S/-72
TITLE
SC NE A4•4 r /C P/VOAVO
ri) /.4
rr APO
0 F/Ori / r r -AlAsre.e MONO (
57
-
c
A..e
-
o
PART NO.
900-012 r...0 900-0/9
SHEET
2
FIDEL IT Y- PRO
MODELS ONLY
R9
100
C20 I_
.o,
R15
22