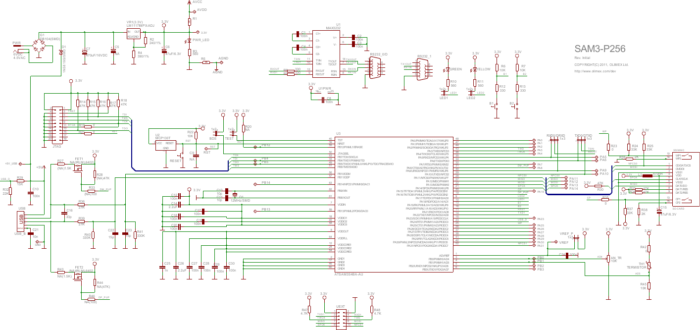
Sam3 P256 Schematic
User Manual: olimex -
Open the PDF directly:
View PDF
.
Page Count: 1
Navigation menu
Upload a User Manual
Versions of this User Manual:
Wiki Guide
PDF
HTML
Mobile
Download & Help
Views
User Manual
Discussion / Help
Navigation