Samsung 540, 740, 940 Service Manual. Www.s Manuals.com. Manual
User Manual: LCD Monitor Samsung 740T, LS17HAT Chassis - Service manuals and Schematics. Free.
Open the PDF directly: View PDF
.
Page Count: 98

SERVICE Manual
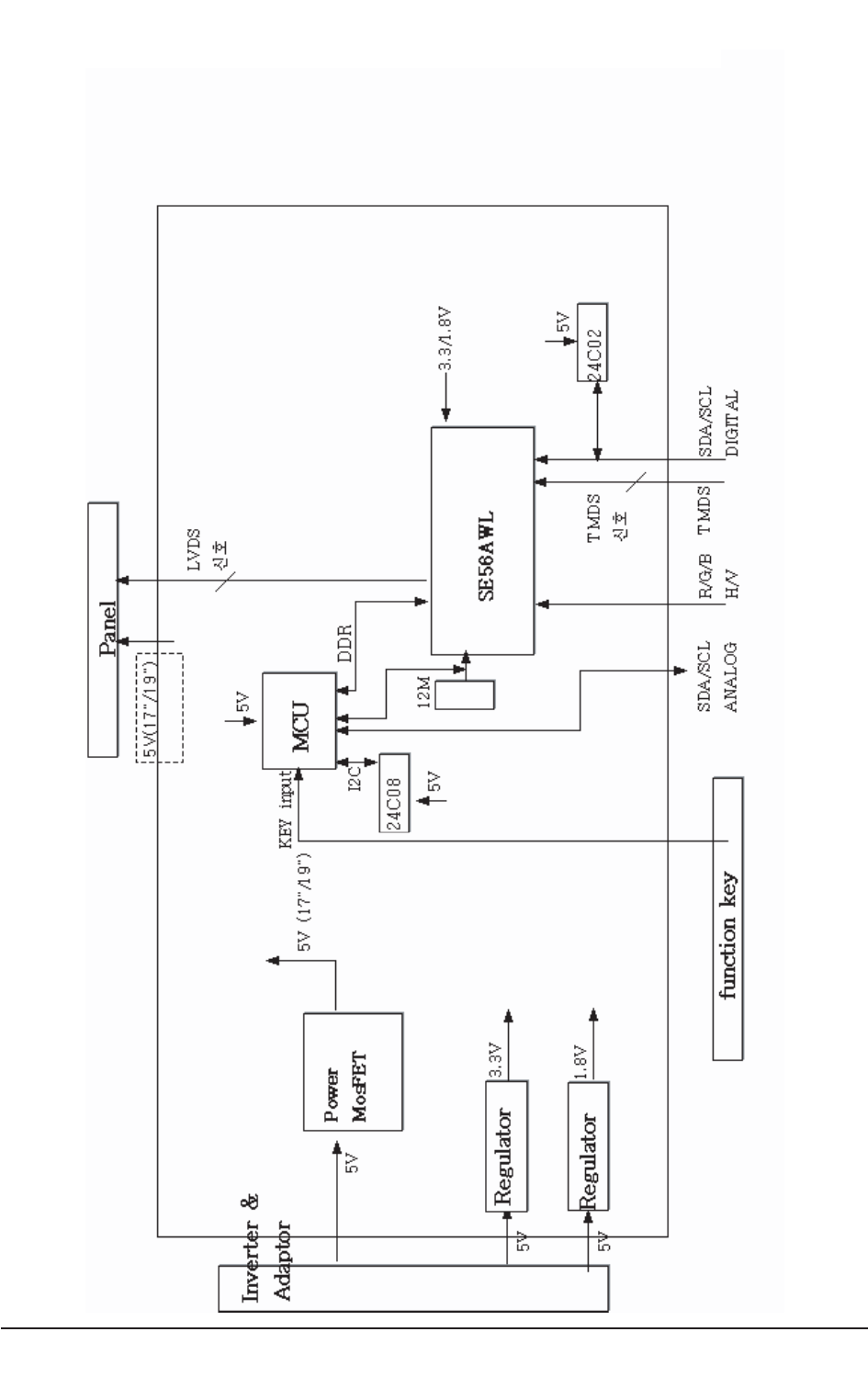
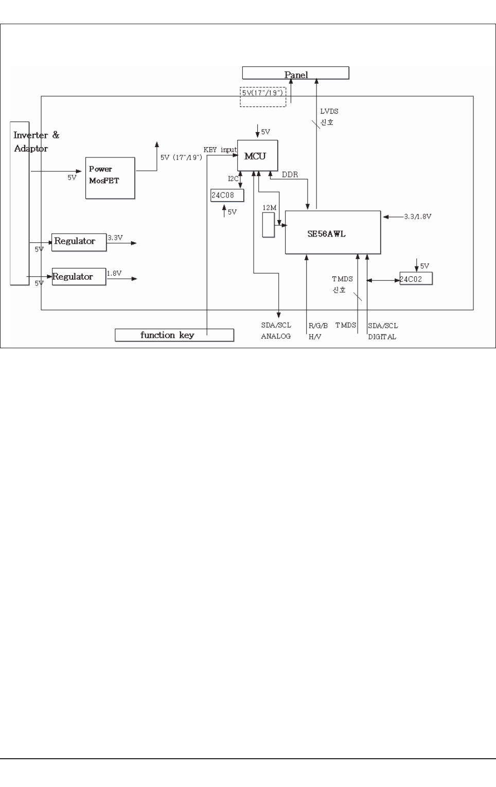
LCD Monitor Fashion Feature
LCD-Monitor
Chassis Model
LS15HAA 540N
LS15HAB 540B
LS17HAA 740N
LS17HAB 740B
LS17HAT 740T
LS19HAB 940B
LS19HAT 940T
LS19HAA 940N
-Lustrous/Colorful Appearance (Design)
-Integrated UI applied
-Built-in Scaler Sync Separator
-Connectivity : Analog (15p Dsub),
Dual (24p DVI-D)
-Power Consumption : 17"(34W), 19"(38W)
-DPMS : under 1 W (230Vac)

1 Precautions
1-1
1-1-1 Warnings
1. For continued safety, do not attempt to modify the circuit
board.
2. Disconnect the AC power and DC power jack before
servicing.
1-1-2
Servicing the LCD Monitor
1. When servicing the LCD Monitor, Disconnect the AC
line cord from the AC outlet.
2. It is essential that service technicians have an accurate
voltage meter available at all times. Check the
calibration of this meter periodically.
1-1-3 Fire and Shock Hazard
Before returning the monitor to the user, perform the
following safety checks:
1. Inspect each lead dress to make certain that the leads are
not pinched or that hardware is not lodged between the
chassis and other metal parts in the monitor.
2. Inspect all protective devices such as nonmetallic control
knobs, insulating materials, cabinet backs, adjustment
and compartment covers or shields, isolation resistor-
capacitor networks, mechanical insulators, etc.
3. Leakage Current Hot Check (Figure 1-1):
WARNING : Do not use an isolation
transformer during this test.
Use a leakage current tester or a metering system that
complies with American National Standards Institute
(ANSI C101.1, Leakage Current for Appliances), and
Underwriters Laboratories (UL Publication UL1410,
59.7).
Figure 1-1. Leakage Current Test Circuit
4. With the unit completely reassembled, plug the AC line
cord directly into a 120V AC outlet. With the unit’s AC
switch first in the ON position and then OFF, measure
the current between a known earth ground (metal water
pipe, conduit, etc.) and all exposed metal parts,
including: metal cabinets, screwheads and control shafts.
The current measured should not exceed 0.5 milliamp.
Reverse the power-plug prongs in the AC outlet and
repeat the test.
1-1-4 Product Safety Notices
Some electrical and mechanical parts have special safety-
related characteristics which are often not evident from visual
inspection. The protection they give may not be obtained by
replacing them with components rated for higher voltage,
wattage, etc. Parts that have special safety characteristics are
identified by on schematics and parts lists. A substitute
replacement that does not have the same safety characteristics
as the recommended replacement part might create shock, fire
and/or other hazards. Product safety is under review
continuously and new instructions are issued whenever
appropriate.
1 Precautions
Follow these safety, servicing and ESD precautions to prevent damage and to protect against potential hazards such as electrical shock.
1-1 Safety Precautions

1 Precautions
1-2
1-2-1 General Servicing
Precautions
1. Always unplug the unit’s AC power cord from the AC
power source and disconnect the DC Power Jack before
attempting to:
(a) remove or reinstall any component or assembly, (b)
disconnect PCB plugs or connectors, (c) connect a test
component in parallel with an electrolytic capacitor.
2. Some components are raised above the printed circuit
board for safety. An insulation tube or tape is sometimes
used. The internal wiring is sometimes clamped to
prevent contact with thermally hot components. Reinstall
all such elements to their original position.
3. After servicing, always check that the screws,
components and wiring have been correctly reinstalled.
Make sure that the area around the serviced part has not
been damaged.
1. Immediately before handling any semiconductor
components or assemblies, drain the electrostatic charge
from your body by touching a known earth ground.
Alternatively, wear a discharging wrist-strap device. To
avoid a shock hazard, be sure to remove the wrist strap
before applying power to the monitor.
2. After removing an ESD-equipped assembly, place it on a
conductive surface such as aluminum foil to prevent
accumulation of an electrostatic charge.
3. Do not use freon-propelled chemicals. These can
generate electrical charges sufficient to damage ESDs.
4. Use only a grounded-tip soldering iron to solder or
desolder ESDs.
5. Use only an anti-static solder removal device. Some
solder removal devices not classified as “anti-static” can
generate electrical charges sufficient to damage ESDs.
4. Check the insulation between the blades of the AC plug
and accessible conductive parts (examples: metal panels,
input terminals and earphone jacks).
5. Insulation Checking Procedure: Disconnect the power
cord from the AC source and turn the power switch ON.
Connect an insulation resistance meter (500 V) to the
blades of the AC plug.
The insulation resistance between each blade of the AC
plug and accessible conductive parts (see above) should
be greater than 1 megohm.
6. Always connect a test instrument’s ground lead to the
instrument chassis ground before connecting the positive
lead; always remove the instrument’s ground lead last.
6. Do not remove a replacement ESD from its protective
package until you are ready to install it. Most
replacement ESDs are packaged with leads that are
electrically shorted together by conductive foam,
aluminum foil or other conductive materials.
7. Immediately before removing the protective material
from the leads of a replacement ESD, touch the
protective material to the chassis or circuit assembly into
which the device will be installed.
Caution:
Be sure no power is applied to the
chassis or circuit and observe all
other safety precautions.
8. Minimize body motions when handling unpackaged
replacement ESDs. Motions such as brushing clothes
together, or lifting your foot from a carpeted floor can
generate enough static electricity to damage an ESD.
1-3 Static Electricity Precautions
Some semiconductor (solid state) devices can be easily damaged by static electricity. Such components are commonly called
Electrostatically Sensitive Devices (ESD). Examples of typical ESD are integrated circuits and some field-effect transistors. The
following techniques will reduce the incidence of component damage caused by static electricity.
1-2 Servicing Precautions
WARNING: An electrolytic capacitor installed with the wrong polarity might explode.
Caution: Before servicing units covered by this service manual, read and follow the Safety Precautions section
of this manual.
Note: If unforeseen circumstances create conflict between the following servicing precautions and any of the safety
precautions, always follow the safety precautions.

1 Precautions
1-3
1. For safety reasons, more than two people are
required for carrying the product.
2. Keep the power cord away from any heat emitting
devices, as a melted covering may cause fire or
electric shock.
3. Do not place the product in areas with poor
ventilation such as a bookshelf or closet. The
increased internal temperature may cause fire.
4. Bend the external antenna cable when connecting
it to the product. This is a measure to protect it
from being exposed to moisture. Otherwise, it
may cause a fire or electric shock.
5. Make sure to turn the power off and unplug the
power cord from the outlet before repositioning
the product. Also check the antenna cable or the
external connectors if they are fully unplugged.
Damage to the cord may cause fire or electric
shock.
6. Keep the antenna far away from any high-voltage
cables and install it firmly. Contact with the high-
voltage cable or the antenna falling over may
cause fire or electric shock.
7. When installing the product, leave enough space
(10cm) between the product and the wall for
ventilation purposes.
A rise in temperature within the product may
cause fire.
1-4 Installation Precautions

Memo
1 Precautions
1-4

2 Product Specifications
2-1
2 Product Specifications
2-1 Fashion Feature
- Develop Cost Effective Model
- LCD Monitor Standardization/Develop Concept-leading Product
- Develop New Design & Advanced Stand
- Apply integrated GUI for the user's convenience
2-2 LS15HAA/LS15HAB Specifications
LCD Panel TFT-LCD panel, RGB vertical stripe, normally black transmissive,
15-Inch viewable, 0.264 (H) x 0.264 (V) mm pixel pitch
Scanning Frequency Horizontal : 30 kHz ~ 81 kHz (Automatic)
Vertical : 56 Hz ~ 75 Hz
Display Colors 16.7 Million colors
Maximum Resolution Horizontal : 1280 Pixels
Vertical : 1024 Pixels
Input Video Signal ±
Input Sync Signal Type : Seperate H/V sync, Composite H/V, Sync-on-Green (option), automatic
synchronization without external switch of sync type
Level : TTL level
Maximum Pixel Clock rate 135 MHz
Active Display
Horizontal/Vertical 338 ± 3 mm / 270 ± 3 mm
AC power voltage & Frequency
AC 90 ~ 264 Volts, 60/50 Hz ± 3 Hz
Power Consumption 40W (Max)
Dimensions Simple-Stand
Set (W x D x H) 337.5 x 60.2 x 264.5 mm(Without Stand)
337.5 x 200.0 x 336.8 mm(With Stand)
HAS-Stand
337.5 x 60.2 x 264.5 mm(Without Stand)
337.5 x 180.0 x 333.8 mm(With Stand)
Weight (Set) 2.8 kg (Simple-Stand) / 3.7 kg(HAS-Stand)
Environmental Considerations
° ° ° °
°° ° °
- Designs and specifications are subject to change without prior notice.
Description
Item

2 Product Specifications
2-2
2-3 LS17HAA/LS17HAB/LS17HAT Specifications
LCD Panel TFT-LCD panel, RGB vertical stripe, normally black transmissive,
17-Inch viewable, 0.264 (H) x 0.264 (V) mm pixel pitch
Scanning Frequency Horizontal : 30 kHz ~ 81 kHz (Automatic)
Vertical : 56 Hz ~ 75 Hz
Display Colors 16.7 Million colors
Maximum Resolution Horizontal : 1280 Pixels
Vertical : 1024 Pixels
Input Video Signal ±
Input Sync Signal Type : Seperate H/V sync, Composite H/V, Sync-on-Green (option), automatic
synchronization without external switch of sync type
Level : TTL level
Maximum Pixel Clock rate 135 MHz
Active Display
Horizontal/Vertical 338 ± 3 mm / 270 ± 3 mm
AC power voltage & Frequency
AC 90 ~ 264 Volts, 60/50 Hz ± 3 Hz
Power Consumption 40W (Max)
Dimensions Simple-Stand
Set (W x D x H)
366.0 x 60.2 x 301.4 mm(Without Stand)
366.0 x 200.0 x 379.3 (With Stand)
HAS-Stand
366.0 x 60.2 x 301.4 mm(Without Stand)
366.0 x 200.0 x 391.2 mm(With Stand
)
Weight (Set)
4.6 kg (Simple-Stand) / 4.8 kg(HAS-Stand)
Environmental Considerations
° ° ° °
° ° ° °
- Designs and specifications are subject to change without prior notice.
Description
LS17HAA/LS17HAB LS17HAT
Item
HAS-Stand(LS17HAT)
362.1 x 60.2 x 298.2 mm(Without Stand)
407.6 x 200.0 x 408.0 mm(With Stand)
5.8 kg

2 Product Specifications
2-3
2-4 LS19HAB/LS19HAT Specifications
LCD Panel TFT-LCD panel, RGB vertical stripe, normally black transmissive,
19-Inch viewable, 0.264 (H) x 0.264 (V) mm pixel pitch
Scanning Frequency Horizontal : 30 kHz ~ 81 kHz (Automatic)
Vertical : 56 Hz ~ 75 Hz
Display Colors 16.7 Million colors
Maximum Resolution Horizontal : 1280 Pixels
Vertical : 1024 Pixels
Input Video Signal ±
Input Sync Signal Type : Seperate H/V sync, Composite H/V, Sync-on-Green (option), automatic
synchronization without external switch of sync type
Level : TTL level
Maximum Pixel Clock rate 135 MHz
Active Display
Horizontal/Vertical 338 ± 3 mm / 270 ± 3 mm
AC power voltage & Frequency
AC 90 ~ 264 Volts, 60/50 Hz ± 3 Hz
Power Consumption 40W (Max)
Dimensions Simple-Stand
Set (W x D x H)
407.6 x 65.4 x 335.0 mm(Without Stand)
407.6 x 217.0 x 421.5 (With Stand)
Weight (Set) 4.6 kg 4.9 kg
Environmental Considerations
°° ° °
° ° ° °
- Designs and specifications are subject to change without prior notice.
Description
LS19HAB LS19HAT
Item
HAS-Stand
403.6 x 65.4 x 331.9 mm(Without Stand)
403.2 x 200.0 x 406.4 mm(With Stand)

2 Product Specifications
2-4
Item Item Name CODE.NO Remark
Quick Setup Guide BH68-00376L
BH68-70438A
BN59-00390Q
BN39-00244B
3903-000042
BN39-00341A Sold separatelys
Warranty Card
(Not available in all loca-
tions)
User's Guide,
Monitor Driver,
Natural Color software,
MagicTune¢â software
MagicRotation software
D-Sub(15 Pin)
Cable
Power Cord
DVI Cable
2-3 Option Specification

3 Alignments and Adjustments
3-1
3-1 Required Equipment
The following equipment is necessary for adjusting the monitor:
• Computer with Windows 95, Windows 98, or Windows NT.
• MTI-2031 DDC MANAGER JIG
3-2 Automatic Color Adjustment
To input video, use 16 gray or any pattern using black and white.
1. Select english for OSD language.
2. Press the “ (Enter/Source)” key for 5 seconds.
3-3 DDC EDID Data Input
1. Input DDC EDID data when replacing AD PCB.
2. Receive/Download the proper DDC file for the model from HQ quality control department.
Install the below jig (Figure 1) and enter the data.
3-4 OSD Adjustment When Replacing Panel
1. Adjust brightness and contrast to 0. Then, press the (Enter/Source) key for 5 second.
Service function OSD will appear on screen.
2. Press the + key to place the cursor on the panel. Press the menu key for 5 seconds.
3-5 OSD Adjustment When Replacing Lamp Only
1. Adjust brightness and contrast to 0. Then, press the exit key for 5 seconds.
Service function OSD will appear on the screen.
2. Press the + key. Select upper lamp and press the menu key for 5 seconds.
Then, select lower lamp and press the menu key for 5 seconds.
-Note : Please be sure to read the following instructions for details on service function.
3 Alignments and Adjustments
This section of the service manual explains how to use the RS232 JIG.
This function is needed for AD board change and program memory (IC110) change.
M
TI-2
031
DDC Mana
g
er
Parallel Connector
(25P Cable)
Connect Monitor
(Signal Cable)
Figure 1.

3 Alignments and Adjustments
3-2
3-6 Service Function Spec.
3-6-1 How to Display Service Function OSD
1. The value for brightness and contrast should be changed to zero.
2. Within 5 seconds, press the (Enter/Source) key.
3. Service function OSD will be displayed.
-If you want to disable the service function OSD, you will have to power off.
Figure 2. The example of service function OSD
Figure 3.
Panel Information
Softward Version
Checksum
The service function OSD is based on a grid of 29 columns x 12 rows.
The service function OSD consists of panel information, software version and MICOM checksum.
3-6-2 How to Control Service Function OSD
1. With the panel selected on OSD, whenever you press the right key, the base color will change to blue from
“Panel” to “Upper Lamp”, “Lower Lamp”.

3 Alignments and Adjustments
3-3
Figure 4.
3-6-3 How to Control Service Function OSD
•After change the panel or lamp, you must reset service function OSD.
•The case of panel change
After changeing the panel, press the menu key within 5 seconds,.
Then, panel Ch. No increases one step and the panel time information is reset to zero.
Simultaneously, other information is reset to zero (Upper/Lower lamp, Panel cycle).
Figure 5, 6.
3-6-4 How to Control Service Function OSD
•In the case of Upper Lamp or Lower Lamp change
After changeing the Upper Lamp or Lower Lamp,
1. Select the Upper Lamp or Lower Lamp
2. Press the Menu key within an 5 seconds.
Then, Ch. No and time will be reset to zero (selected item only).

3 Alignments and Adjustments
3-4
3-7 How to execute DDC
1
3
2
4
5
1. Open file.
2. Select Port #1.
3. Select DDC file.
4.Click, "Next" Button
5. Type in the monitor serial number and press Enter.
*Repeat this step 2 to 5 times in digital inputs after the analog input.

4 Troubleshooting
4-1
4 Troubleshooting
’
•
•
•
•
•
•
“ ”
4-1 No Power(LS15HAA/LS15HAB)
When Pin 4 of CN600 is 0V
does proper DC 13V, 5V
appear at Pin 1, 2 and 6, 7 of
CN600 separately?
Change IP Board.
’
Yes
Yes
No
When Pin 3 of IC602 is DC 5V
does proper DC 3.3V appear at
Pin 2 of IC602?
Check IC602 and related circuit.
Yes
No
When pin1 of IC600 is DC 5V
does proper DC3.3V appear at
Pin3 of IC600?
Check IC600 and related circuit.
Replace AD Board.
No
Yes

4 Troubleshooting
4-2
’
•
•
•
•
•
•
“ ”
4-2 No Power
(LS17HAA/LS17HAB/LS17HAT/LS19HAA/LS19HAT)
When Pin 4 of CN600 is 0V
does proper DC 13V, 5V
appear at Pin 1, 2 and 6, 7 of
CN600 separately?
Change IP Board.
’
Yes
Yes
No
When Pin 4 of IC600 is DC 0.5V
does proper DC 0.5V appear at
Pin 5 and 6 of IC600?
Check IC600 and related circuit.
No
Yes
When Pin 2, 3 of IC601 is
DC 3.3V does proper DC 4.3V
appear at Pin 1 of IC601? Check IC601 and related circuit.
No
Yes
When Pin 2, 3 of IC601 is
DC 4.3V does proper DC 2.5V
appear at Pin 4 of IC601? Check IC601 and related circuit.
No
* 0V means power on state.
When the monitor work well except DPMS and power
switch off,
0V should be applied to number 4 of CN600.
*

4 Troubleshooting
4-3
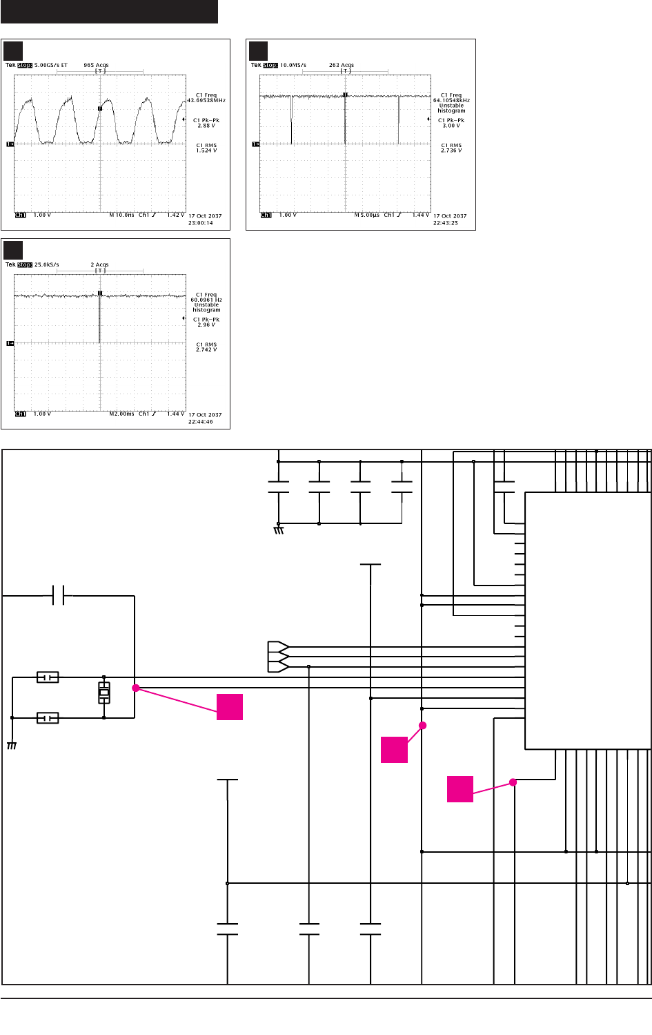
X400 oscillate properly?
4-3 No Video (ANALOG)
1Replace or check related circuit.
Check signal cable connection and
power.
Yes
No
Is there R, G, B input at
R101, R103 and R105? Check input part.
Yes
No
Is there Hsync, Vsync waveform
at Pin 100, 1 of IC 400?
Check IC400 and related circuit.
No
Yes
Is there Hsync, Vsync waveform
at Pin 41, 42 of IC 200?
Check IC200 and related circuit.
No
Yes
Does the output signal appear
at Pin 17~20, 22~27 of CN400?
Check IC400 and related circuit.
No
Yes
There are DC 5V at Pin 1, 2
and 3 of CN400?
Check PANEL_EN SIGNAL at R236
is High(On:High) and BL_EN signal
at R605(ON:Low) is Low
No
Yes
Replace LCD Panel.
2
2
3
3

4 Troubleshooting
4-4
1
WAVEFORMS
2
3
XREF
+3.3V_MAIN
97
XOUT
98
AVDD_MPLL
99
GND
9B+
90
VDDP
91
NC
92
NC
AD0
93
94
AD3
95
HWRESET
96
XIN
81
82
BUSTYPE
83
NC
84
NC
85
NC
86
NC
VDDC
87
88
GND
89
GND
75
LVB1M
76
VDDP
77
GND
78
LVB0P
79
LVB0M
8AVDD_DVI
80
GND
BYPASS
7G-
70
71
LVBCKM
72
LVB2P
73
LVB2M
74
LVB1P
6G+
5GND
4R-
3R+
2GND
10 B-
100
HSYNC0
11
1
VSYNC0
16V
50V
18pF
MO
NULL
C406
100nF
C418
16V
100nF
C405
C416
18pF
50V
MO
NULL
100nF
16V
C403
+3.3V_MAIN
C423
100nF
16V
C402
100nF
16V
C417
100nF
16V
MO
XREF
XREF
24.0MHz
X400
4C-49/SM5H,24MHZ,16PF
16V
MO
C414
100nF
100nF
C404
16V
XREF
100nF
16V
C415
SCALER_RESET
AD0
AD3
1
23

4 Troubleshooting
4-5
X400 oscillate properly?
4-4 No Video (DIGITAL)
1Replace or check related circuit.
Check signal cable connection and
power.
Yes
No
Is there R, G, B input at
R110, R112, R114, R111,
R113 and R115?
Check input part.
Yes
No
Is there waveform
at R11, R117? Check input part.
No
Yes
Does the output signal appear
at Pin 17~20, 22~27 of
CN400?
Check IC400 and related circuit.
No
Yes
There are DC 5V at Pin 1, 2
and 3 of CN400?
Check the panel EN signal at R222
and BLEL signal at R603.
No
Yes
Replace LCD Panel.
7
6
5
4

4 Troubleshooting
4-6
1
WAVEFORMS
2
3
5
4
6
7

4 Troubleshooting
4-7
XREF
R117
XREF
22ohm 1/10W
A
2
B
3
C
MMBD4148SE
D100
1
XREF
XREF
XREF
XREF
A
2
B
3
C
XREF
MMBD4148SE
D105
1 1
A
2
B
3
C
A
1B2
C
3
D114
MMBD4148SE
D113
MMBD4148SE
XREF
1/10W
22ohmR119
XREF
XREF
M
AIN
R125
1K
1/16W
B
2
XREF
UDZS5.6B-T
ZD1
R122 22ohm 1/10W
D107
MMBD4148SE
1
A
2
B
3
C
D103
A
1B2
C
3
MMBD4148SE
XREF
22ohmR118 1/10W
XREF
+5V_DDC_D
XREF
XREF
330nF
C124
16V
R120 1/10W
22ohm
22ohm 1/10W
R123
+5V_DDC_D
16V
100nF
C108
XREF
XREF
R121 1/10W
22ohm
XREF
2
A2
5
1
C1
3
C2
4
C3
6
C4
ZD102
MMQA5V6T3
A1
A
1B2
C
3
MMBD4148SE
D106
XREF
XREF
22ohmR116 1/10W
XREF
C
3
D109
B2
RX0-
RXC+
RXC
RX2+
RX2-
VSYNC_IN_A
RX2+
RX2-
RX1+
RX1-
RX0+
HSYNC_IN_A
CHK_DVI
RX0-
SCL_DDC_D
SDA_DDC_D
RX1-
RX0+
RXC+
RX1+
RXC-
457
6

Memo
4 Troubleshooting
4-8

6 Exploded View & Parts List
5-1
5 Exploded View and Parts List
-You can search for updated part codes through ITSELF web site.
URL : http://itself. sec. samsung.co.kr
5-1 LS15HAA
T0003
M0112
T0022
M0145
M0215
M0006
M0107
CIS
M0014
M0174
M0013
M0113
M0006
M0003
M0013
M0006

5 Exploded View & Parts List
5-2
Location Code.No Item & Specification Q'ty SA/SNA Remark
T0003 BN96-02387C ASSY COVER P-FRONT;HA15AS,ABS HB,GR70,SI 1
M0112 BN63-01993B COVER-FRONT;HA15AS_BS,ABS,T2.5,338,272,H 1 S.N.A
T0022 BN64-00377B KNOB CONTROL;HA17TS,PC CLEAR,T2.1,9,112, 1 S.N.A
M0145 BN96-02474A ASSY BOARD P-FUNCTION;HAYDN,YWP-HAYDN,FU 1
M0215 BN07-00236A LCD-PANEL;CLAA150XP01F,Matisses,6BIT FRC 1
M0006 BN96-02440A ASSY SHIELD P-COVER;HA15AS,SECC,328.5*23 1 S.N.A
M0107 BN63-02003A SHIELD-COVER;HA15AS,SECC,T0.8,325,165,AN 1 S.N.A
M0014 BN94-00735N ASSY PCB MAIN-PTZ,TCO99;LS15HAAK*,W/W,CP 1
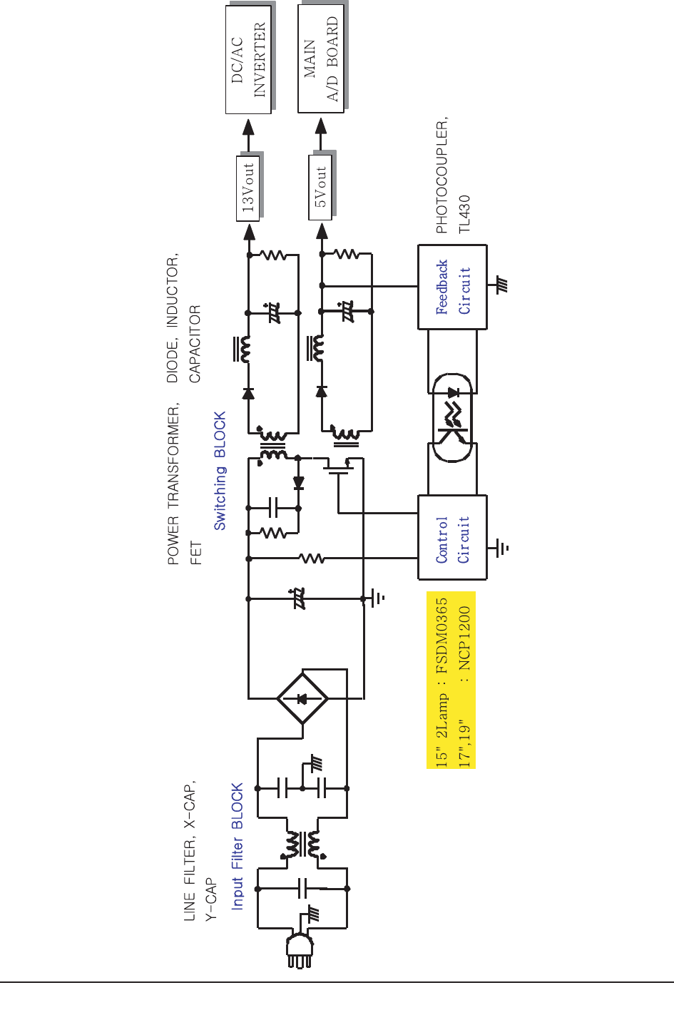
M0174 BN44-00130A IP BOARD;FSP025-2PI02,BI15VS,4.5mA,8.0mA 1
CIS BN63-02004A SHIELD-LAMP;HA15AS,SECC,T0.8,100,150 1 S.N.A
M0013 BN96-02388A ASSY COVER P-REAR;HA15AS,HIPS HB,BK24,AN 1
M0113 BN61-01581A BRACKET-VESA;BI17/19BS,SECC,T1.0 2 S.N.A
M0006 BN63-01994A COVER-REAR;HA15AS,HIPS,T2.5,338,272,HB,B 1
M0003 BN96-01947C ASSY STAND P;HA17AS/BS,HIPS,BK24,STAND/B 1
M0013 BN96-02331D ASSY STAND P-BASE;HA17AS/BS,HIPS,GR70 & 1
M0006 BN63-01995A COVER-REAR SUB;HA15AS,HIPS,T2.5,209,290, 1 S.N.A

6 Exploded View & Parts List
5-3
5-2 LS15HAB
T0003
M0112
T0022
M0415
M0215
M0006
M0107
M0014
M0174
CIS
M0013
M0113
M0006
M0952 M0045

5 Exploded View & Parts List
5-4
Location Code.No Item & Specification Q'ty SA/SNA Remark
T0003 BN96-02387D ASSY COVER P-FRONT;HA15BS,ABS HB,GR70,SI 1 S.N.A
M0112 BN63-01993B COVER-FRONT;HA15AS_BS,ABS,T2.5,338,272,H 1 S.N.A
T0022 BN64-00377B KNOB CONTROL;HA17TS,PC CLEAR,T2.1,9,112, 1 S.N.A
M0145 BN96-02474A ASSY BOARD P-FUNCTION;HAYDN,YWP-HAYDN,FU 1
M0215 BN07-00229A LCD-PANEL;LTM150XO-L21,Haydn,6BIT,326.5* 1
M0006 BN96-02440B ASSY SHIELD P-COVER;HA15BS,SECC T0.8,DUA 1 S.N.A
M0107 BN63-02003B SHIELD-COVER;HA15BS,SECC,T0.8,325,165,DU 1 S.N.A
M0014 BN94-00735F ASSY PCB MAIN-STZ;LS15HABT*,W/W,TCO99,AM 1
M0174 BN44-00122A IP BOARD;IP-19125A,BI15VS,4.5mA,8.0mA,50 1
CIS BN63-02004A SHIELD-LAMP;HA15AS,SECC,T0.8,100,150 1 S.N.A
M0013 BN96-02388D ASSY COVER P-REAR;HA15BS,HIPS HB,BK24,HA 1
M0113 BN61-01581A BRACKET-VESA;BI17/19BS,SECC,T1.0 2 S.N.A
M0006 BN63-01994D COVER-REAR;HA15BS,HIPS,T2.5,338,272,HB,B 1 S.N.A
M0952 BN63-02075A COVER-DUCT;HA17BS,HIPS,T1.5,13.5,13.5,HB 4 S.N.A
M0045 BN96-02389B ASSY STAND P-SET;HA15BS,HIPS HB,GR70,SIL 1

6 Exploded View & Parts List
5-5
5-3 LS17HAA
T0003
M0112
T0022
M0020
M0215
M0107
M0014
M0174
CIS
M0013
M0113
M0006
M0003
M0006
M0013
M0006

5 Exploded View & Parts List
5-6
Location Code.No Item & Specification Q'ty SA/SNA Remark
T0003 BN96-02383C ASSY COVER P-FRONT;HA17AS,TCO03,ABS HB,G 1
M0112 BN63-01975B COVER-FRONT;HA17AS_BS,ABS,T2.5,365.5,301 1 S.N.A
T0022 BN64-00377B KNOB CONTROL;HA17TS,PC CLEAR,T2.1,9,112, 1 S.N.A
M0020 BN96-02474B ASSY BOARD P;HAYDN,YWP-HAYDN,17 FUNCTION 1
M0215 BN07-00206A LCD-PANEL;LTM170EX-L21,Bizet,6BIT FRC,35 1
M0006 BN96-01949C ASSY SHIELD P-COVER;BI17BS,SECC,T0.8,COR 1 S.N.A
M0107 BN63-01767B SHIELD-COVER;BI17BS,SECC,T0.8,AMLCD,TYPE 1 S.N.A
M0014 BN94-00723Z ASSY PCB MAIN-STZ;LS17HAAK*,W/W,AMLCD 1
M0174 BN44-00124A IP BOARD;IP-35135B,BI17VS,3.0 ~4.0mA,6.8 1
CIS BN63-01769A SHIELD-LAMP;BI17BS,SPTE,T0.3 1 S.N.A
M0013 BN96-02384A ASSY COVER P-REAR;HA17AS,HIPS HB,BK24,AN 1
M0113 BN61-01581A BRACKET-VESA;BI17/19BS,SECC,T1.0 2 S.N.A
M0006 BN63-01976A COVER-REAR;HA17AS,HIPS,T2.5,365.5,301.3, 1 S.N.A
M0003 BN96-01947C ASSY STAND P;HA17AS/BS,HIPS,BK24,STAND/B 1
M0013 BN96-02331D ASSY STAND P-BASE;HA17AS/BS,HIPS,GR70 & 1
M0006 BN63-01977A COVER-REAR SUB;HA17AS_BS,HIPS,T2.5,209,2 1 S.N.A

6 Exploded View & Parts List
5-7
5-4 LS17HAB
T0003
M0112
T0022
M0145
M0215
CIS
M0006
M0107
M0014
M0174
M0013
M0113
M0006
M0045

5 Exploded View & Parts List
5-8
Location Code.No Item & Specification Q'ty SA/SNA Remark
T0003 BN96-02383D ASSY COVER P-FRONT;HA17BS,TCO03,ABS HB,G 1 S.N.A
M0112 BN63-01975B COVER-FRONT;HA17AS_BS,ABS,T2.5,365.5,301 1 S.A
T0022 BN64-00377B KNOB CONTROL;HA17TS,PC CLEAR,T2.1,9,112, 1 S.N.A
M0145 BN96-02474A ASSY BOARD P-FUNCTION;HAYDN,YWP-HAYDN,FU 1 S.N.A
M0215 BN07-00206A LCD-PANEL;LTM170EX-L21,Bizet,6BIT FRC,35 1 S.A
M0006 BN96-01949D ASSY SHIELD P-COVER;BI17BS,SECC,T0.8,COR 1 S.N.A
M0107 BN63-01767C SHIELD-COVER;BI17BS,SECC,T0.8,AMLCD,TYPE 1 S.N.A
M0014 BN94-00723Y ASSY PCB MAIN-STZ;LS17HABT*,W/W,TCO03,AM 1 S.N.A
M0174 BN44-00124C IP BOARD;IP-35135B (H),BI17VS,3.0 ~4.0mA 1 S.N.A
CIS BN63-01769A SHIELD-LAMP;BI17BS,SPTE,T0.3 1 S.N.A
M0013 BN96-02384D ASSY COVER P-REAR;HA17BS,HIPS HB,BK24,HA 1 S.N.A
M0113 BN61-01581A BRACKET-VESA;BI17/19BS,SECC,T1.0 2 S.N.A
M0006 BN63-01976D COVER-REAR;HA17BS,HIPS,T2.5,365.5,301.3, 1 S.A
M0045 BN96-02237B ASSY STAND P-SET;HA17TS,HIPS HB,GR70,SIL 1 S.N.A

6 Exploded View & Parts List
5-9
5-5 LS17HAT
T0003
M0112
T0022
M0020
M0215
CIS
M0006
M0107
M0014
M0174
M0013
M0006
M0113
M0045

5 Exploded View & Parts List
5-10
Location Code.No Item & Specification Q'ty SA/SNA Remark
T0003 BN96-02234B ASSY COVER P-FRONT;HA17TS,ABS HB,GR70,SI 1
M0112 BN63-01965B COVER-FRONT;HA17TS,ABS,T1.5,362.1,298.2, 1 S.N.A
T0022 BN64-00377B KNOB CONTROL;HA17TS,PC CLEAR,T2.1,9,112, 1 S.N.A
M0020 BN96-02474B ASSY BOARD P;HAYDN,YWP-HAYDN,17 FUNCTION 1
M0215 BN07-00218A LCD-PANEL;LTM170E8-L21,Dali2,6BIT FRC,35 1
M0006 BN96-02236B ASSY SHIELD P-COVER;HA17TS,SECC T0.8,MEC 1 S.N.A
M0107 BN63-01973B SHIELD-COVER;HA17TS,SECC,T0.8,356.9,185. 1 S.N.A
M0014 BN94-00735D ASSY PCB MAIN-SPZ;LS17HATT*,W/W,AMLCD,M/ 1
M0174 BN44-00124C IP BOARD;IP-35135B (H),BI17VS,3.0 ~4.0mA 1
CIS BN63-01769A SHIELD-LAMP;BI17BS,SPTE,T0.3 1 S.N.A
M0013 BN96-02235A ASSY COVER P-REAR;HA17TS,HIPS HB,BK24,DU 1
M0006 BN63-01966A COVER-REAR;HA17TS,HIPS,T2.0,362.1,298.2, 1 S.N.A
M0113 BN61-01581A BRACKET-VESA;BI17/19BS,SECC,T1.0 2 S.N.A
M0045 BN96-02237B ASSY STAND P-SET;HA17TS,HIPS HB,GR70,SIL 1

6 Exploded View & Parts List
5-11
5-6 LS19HAB
T0003
M0112
T0022
M0145
M0215
CIS
M0014
M0174
M0107
M0006
M0013
M0113
M0006
M0952 M0045
5-7 LS19HAA

5 Exploded View & Parts List
5-12
Location Code.No Item & Specification Q'ty SA/SNA Remark
T0003 BN96-02385B ASSY COVER P-FRONT;HA19BS,TCO03,ABS HB,G 1
M0112 BN63-01978B COVER-FRONT;HA19BS,ABS,T2.5,407.6,335,HB 1 S.N.A
T0022 BN64-00377B KNOB CONTROL;HA17TS,PC CLEAR,T2.1,9,112, 1 S.N.A
M0145 BN96-02474C ASSY BOARD P-FUNCTION;HAYDN,YWP-VD-05-05 1
M0215 BN07-00203A LCD-PANEL;M190EN04,GY,6BIT FRC,396*324*1 1
M0006 BN96-01951C ASSY SHIELD P-COVER;BI19BS,SECC,T0.8,DUA 1 S.N.A
M0107 BN63-01780C SHIELD-COVER;BI19BS,SECC,T1.0,CHANGE COR 1 S.N.A
M0014 BN94-00735B ASSY PCB MAIN-ATZ;LS19HAB*,W/W,AU 1
M0174 BN44-00124C IP BOARD;IP-35135B (H),BI17VS,3.0 ~4.0mA 1
CIS BN63-01781A SHIELD-LAMP;BI19BS,SPTE,T0.3 1 S.N.A
M0013 BN96-02386D ASSY COVER P-REAR;HA19BS,HISP HB,BK24,HA 1
M0113 BN61-01581A BRACKET-VESA;BI17/19BS,SECC,T1.0 2 S.N.A
M0006 BN63-01979B COVER-REAR;HA19BS,HIPS,T2.5,407.6,335,HB 1 S.N.A
M0952 BN63-02075A COVER-DUCT;HA17BS,HIPS,T1.5,13.5,13.5,HB 4 S.N.A
M0045 BN96-02242B ASSY STAND P-SET;HA19TS,HIPS HB,GR70,SIL 1

6 Exploded View & Parts List
5-13
5-7 LS19HAT
T0003
M0112
T0022
T0145
M0215
CIS
M0006
M0014
M0174 M0107
M0013
M0045
M0006

5 Exploded View & Parts List
5-14
Location Code.No Item & Specification Q'ty SA/SNA Remark
T0003 BN96-02239B ASSY COVER P-FRONT;HA19TS,ABS HB,GR70,SI 1
M0112 BN63-01967B COVER-FRONT;HA19TS,ABS,T1.5,403.2,331.9, 1 S.N.A
T0022 BN64-00377B KNOB CONTROL;HA17TS,PC CLEAR,T2.1,9,112, 1 S.N.A
M0145 BN96-02474C ASSY BOARD P-FUNCTION;HAYDN,YWP-VD-05-05 1
M0215 BN07-00223A LCD-PANEL;LTM190E4-L21,Haydn,8BIT,396*32 1
M0006 BN96-02241B ASSY SHIELD P-COVER;HA19TS,SECC T0.8,MEC 1 S.N.A
M0107 BN63-01974B SHIELD-COVER;HA19TS,SECC,T0.8,398,222,M/ 1 S.N.A
M0014 BN94-00735E ASSY PCB MAIN-SPZ;LS19HATT*,W/W,M/SWICH( 1
M0174 BN44-00123B IP BOARD;SSIP-1719-HD-A,HAYDN17,3.0 ~5.0 1
CIS BN63-01781A SHIELD-LAMP;BI19BS,SPTE,T0.3 1 S.N.A
M0013 BN96-02240A ASSY COVER P-REAR;HA19TS,HIPS HB,BK24,DU 1
M0006 BN63-01968A COVER-REAR;HA19TS,HIPS,T2.0,403.2,331.9, 1 S.N.A
M0045 BN96-02242B ASSY STAND P-SET;HA19TS,HIPS HB,GR70,SIL 1

6 Electrical Parts List
6-1
0 LS17HAAKS/XBM 740N,SGT3/S17AN-LHA,17,LCD-MO,UNITED STA 0
0.1 M0216 BN90-00742R ASSY STAND;LS17HAAKSB/XSH 1 S.N.A
..2 M0003 BN96-01947C ASSY STAND P;HA17AS/BS,HIPS,BK24,STAND/B 1
...3 M0081 6003-000269 SCREW-TAPTITE;BH,+,-,S,M3,L6,ZPC(YEL),SW 2 S.N.A
...3 M0081 6003-001086 SCREW-TAPTITE;BH,+,B,M3,L12,ZPC(BLK),SWR 4 S.N.A
...3 BN61-00822A STAND-BRKT HINGE;GS17VS,SECC,T1.2 1 S.N.A
...3 BN63-01762B COVER-STAND FRONT;HA17AS/BS,HIPS,T2.7,BK 1 S.N.A
...3 BN63-01763B COVER-STAND REAR;HA17AS/BS,HIPS,T2.7,BK2 1 S.N.A
...3 M0122 BN96-01061A ASSY MISC P-HINGE;MJ15-17AS/BS,ZNDC2 1 S.N.A
0.1 M0002 BN90-00756M ASSY COVER REAR;LS17HAAKSB/XSH 1 S.N.A
..2 M0081 6003-000337 SCREW-TAPTITE;BH,+,S,M4,L10,ZPC(BLK),SWR 3
..2 M0006 BN63-01977A COVER-REAR SUB;HA17AS_BS,HIPS,T2.5,209,2 1 S.N.A
..2 M0013 BN96-02384A ASSY COVER P-REAR;HA17AS,HIPS HB,BK24,AN 1
...3 M0113 BN61-01581A BRACKET-VESA;BI17/19BS,SECC,T1.0 2 S.N.A
...3 M0006 BN63-01976A COVER-REAR;HA17AS,HIPS,T2.5,365.5,301.3, 1 S.N.A
...3 BN73-00089A RUBBER-SET CAP;PO24FS,Elatomer,20~30 4 S.N.A
0.1 M0001 BN90-00776C ASSY COVER FRONT;LS17HAAKS/XSA 1 S.N.A
..2 T0003 BN96-02383G ASSY COVER P-FRONT;HA17AS,ABS HB,GR70,SI 1
...3 M0112 BN63-01975B COVER-FRONT;HA17AS_BS,ABS,T2.5,365.5,301 1 S.N.A
...3 T0022 BN64-00377B KNOB CONTROL;HA17TS,PC CLEAR,T2.1,9,112, 1 S.N.A
...3 M0020 BN96-02474B ASSY BOARD P;HAYDN,YWP-HAYDN,17 FUNCTION 1
0.1 M0112 BN91-00911L ASSY SHIELD;LS17HAAK* 1 S.N.A
..2 CIS BN63-01769A SHIELD-LAMP;BI17BS,SPTE,T0.3 1 S.N.A
0.1 BN91-00939D ASSY LCD-DTZ;HA17AS/BS* 1 S.N.A
..2 M0215 BN07-00240A LCD-PANEL;HT170EX1-100,Haydn,6bit FRC,35 1
0.1 M0017 BN91-00965E ASSY CHASSIS-DTZ,M/SWICH(X);HA17AS*,W/W 1
..2 M2893 BN39-00630A LEAD CONNECTOR;BI17BS,UL1571#30,30P,150m 1
..2 M0174 BN44-00124A IP BOARD;IP-35135B,BI17VS,3.0 ~4.0mA,6.8 1
..2 BN94-00775A ASSY PCB MAIN-DTZ,W/W;HA17AS* 1 S.N.A
...3 T0245 0202-001366 SOLDER-WIRE FLUX;-,RS60S,D1.2,63Sn/37Pb, 0.01 S.N.A
...3 CN101 3701-001219 CONNECTOR-DSUB;15P,3R,FEMALE,ANGLE,AUF 1
...3 CN400 3711-005884 HEADER-BOARD TO BOARD;BOX,30P,2R,2mm,ANG 1
...3 T0174 BN97-00699A ASSY SMD;HA17AS 1 S.N.A
....4 CIS5 0202-001375 SOLDER-CREAM;RMA-20-21L,S63,-,Sn63/Pb36. 1.01 S.N.A
....4 D101 0401-001056 DIODE-SWITCHING;MMBD4148SE,100V,200MA,SO 1
....4 D102 0401-001056 DIODE-SWITCHING;MMBD4148SE,100V,200MA,SO 1
....4 D104 0401-001056 DIODE-SWITCHING;MMBD4148SE,100V,200MA,SO 1
....4 ZD100 0403-001411 DIODE-ZENER;-,5.49-5.73V,200MW,SOD-323,T 1
....4 ZD103 0403-001411 DIODE-ZENER;-,5.49-5.73V,200MW,SOD-323,T 1
....4 ZD104 0403-001411 DIODE-ZENER;-,5.49-5.73V,200MW,SOD-323,T 1
....4 ZD109 0403-001411 DIODE-ZENER;-,5.49-5.73V,200MW,SOD-323,T 1
....4 ZD110 0403-001411 DIODE-ZENER;-,5.49-5.73V,200MW,SOD-323,T 1
....4 ZD201 0403-001411 DIODE-ZENER;-,5.49-5.73V,200MW,SOD-323,T 1
....4 ZD106 0406-001061 DIODE-TVS;MMQA5V6T3,5.32/5.6/5.88V,24W,S 1
....4 ZD200 0406-001061 DIODE-TVS;MMQA5V6T3,5.32/5.6/5.88V,24W,S 1
6 Electrical Parts List
You can search for updated part codes through ITSELF web site.
URL : http://itself.sec.samsung.co.kr/
6-1 LS17HAAKS/XBM
Level Loc. No. Code No. Description & Specification EA SA/SNA

6 Electrical Parts List
6-2
Level Loc. No. Code No. Description & Specification EA SA/SNA
....4 Q603 0501-002080 TR-SMALL SIGNAL;2SC2412K,NPN,200mW,SC-59 1
....4 Q604 0501-002080 TR-SMALL SIGNAL;2SC2412K,NPN,200mW,SC-59 1
....4 Q409 0505-001957 FET-SILICON;NTR2101P,P,-8V,-3.7A,0.052oh 1
....4 IC109 1003-001813 IC-LCD CONTROLLER;SE16AWL,PQFP,100P,23.4 1
....4 IC112 1103-001023 IC-EEPROM;24C08,1Kx8,SOP,8P,5x4mm,2.5/5. 1
....4 T0087 1203-003695 IC-POSI.FIXED REG.;NCP1117ST33T3G,SOT-22 1
....4 T0087 1203-003696 IC-POSI.FIXED REG.;NCP1117DT18T5G,DPAK,3 1
....4 R100 2007-000070 R-CHIP;0ohm,5%,1/10W,TP,1608 1
....4 R101 2007-000070 R-CHIP;0ohm,5%,1/10W,TP,1608 1
....4 R102 2007-000070 R-CHIP;0ohm,5%,1/10W,TP,1608 1
....4 R103 2007-000070 R-CHIP;0ohm,5%,1/10W,TP,1608 1
....4 R104 2007-000070 R-CHIP;0ohm,5%,1/10W,TP,1608 1
....4 R105 2007-000070 R-CHIP;0ohm,5%,1/10W,TP,1608 1
....4 R233 2007-000070 R-CHIP;0ohm,5%,1/10W,TP,1608 1
....4 R270 2007-000070 R-CHIP;0ohm,5%,1/10W,TP,1608 1
....4 R107 2007-000074 R-CHIP;100ohm,5%,1/10W,TP,1608 1
....4 R108 2007-000074 R-CHIP;100ohm,5%,1/10W,TP,1608 1
....4 R109 2007-000074 R-CHIP;100ohm,5%,1/10W,TP,1608 1
....4 R110 2007-000074 R-CHIP;100ohm,5%,1/10W,TP,1608 1
....4 R111 2007-000074 R-CHIP;100ohm,5%,1/10W,TP,1608 1
....4 R112 2007-000074 R-CHIP;100ohm,5%,1/10W,TP,1608 1
....4 R215 2007-000074 R-CHIP;100ohm,5%,1/10W,TP,1608 1
....4 R216 2007-000074 R-CHIP;100ohm,5%,1/10W,TP,1608 1
....4 R230 2007-000074 R-CHIP;100ohm,5%,1/10W,TP,1608 1
....4 R232 2007-000074 R-CHIP;100ohm,5%,1/10W,TP,1608 1
....4 R234 2007-000074 R-CHIP;100ohm,5%,1/10W,TP,1608 1
....4 R235 2007-000074 R-CHIP;100ohm,5%,1/10W,TP,1608 1
....4 R236 2007-000074 R-CHIP;100ohm,5%,1/10W,TP,1608 1
....4 R237 2007-000074 R-CHIP;100ohm,5%,1/10W,TP,1608 1
....4 R238 2007-000074 R-CHIP;100ohm,5%,1/10W,TP,1608 1
....4 R240 2007-000074 R-CHIP;100ohm,5%,1/10W,TP,1608 1
....4 R241 2007-000074 R-CHIP;100ohm,5%,1/10W,TP,1608 1
....4 R243 2007-000074 R-CHIP;100ohm,5%,1/10W,TP,1608 1
....4 R245 2007-000074 R-CHIP;100ohm,5%,1/10W,TP,1608 1
....4 R246 2007-000074 R-CHIP;100ohm,5%,1/10W,TP,1608 1
....4 R247 2007-000074 R-CHIP;100ohm,5%,1/10W,TP,1608 1
....4 R248 2007-000074 R-CHIP;100ohm,5%,1/10W,TP,1608 1
....4 R249 2007-000074 R-CHIP;100ohm,5%,1/10W,TP,1608 1
....4 R253 2007-000074 R-CHIP;100ohm,5%,1/10W,TP,1608 1
....4 R254 2007-000074 R-CHIP;100ohm,5%,1/10W,TP,1608 1
....4 R255 2007-000074 R-CHIP;100ohm,5%,1/10W,TP,1608 1
....4 R218 2007-000077 R-CHIP;470ohm,5%,1/10W,TP,1608 1
....4 R124 2007-000078 R-CHIP;1Kohm,5%,1/10W,TP,1608 1
....4 R201 2007-000078 R-CHIP;1Kohm,5%,1/10W,TP,1608 1
....4 R260 2007-000082 R-CHIP;3.3Kohm,5%,1/10W,TP,1608 1
....4 R261 2007-000082 R-CHIP;3.3Kohm,5%,1/10W,TP,1608 1
....4 R217 2007-000083 R-CHIP;3Kohm,5%,1/10W,TP,1608 1
....4 R251 2007-000083 R-CHIP;3Kohm,5%,1/10W,TP,1608 1
....4 R130 2007-000084 R-CHIP;4.7Kohm,5%,1/10W,TP,1608 1
....4 R205 2007-000084 R-CHIP;4.7Kohm,5%,1/10W,TP,1608 1
....4 R206 2007-000084 R-CHIP;4.7Kohm,5%,1/10W,TP,1608 1
....4 R207 2007-000084 R-CHIP;4.7Kohm,5%,1/10W,TP,1608 1
....4 R208 2007-000084 R-CHIP;4.7Kohm,5%,1/10W,TP,1608 1
....4 R210 2007-000084 R-CHIP;4.7Kohm,5%,1/10W,TP,1608 1
....4 R211 2007-000084 R-CHIP;4.7Kohm,5%,1/10W,TP,1608 1
....4 R212 2007-000084 R-CHIP;4.7Kohm,5%,1/10W,TP,1608 1
....4 R220 2007-000084 R-CHIP;4.7Kohm,5%,1/10W,TP,1608 1

6 Electrical Parts List
6-3
....4 R221 2007-000084 R-CHIP;4.7Kohm,5%,1/10W,TP,1608 1
....4 R222 2007-000084 R-CHIP;4.7Kohm,5%,1/10W,TP,1608 1
....4 R223 2007-000084 R-CHIP;4.7Kohm,5%,1/10W,TP,1608 1
....4 R226 2007-000084 R-CHIP;4.7Kohm,5%,1/10W,TP,1608 1
....4 R227 2007-000084 R-CHIP;4.7Kohm,5%,1/10W,TP,1608 1
....4 R228 2007-000084 R-CHIP;4.7Kohm,5%,1/10W,TP,1608 1
....4 R605 2007-000084 R-CHIP;4.7Kohm,5%,1/10W,TP,1608 1
....4 R131 2007-000090 R-CHIP;10Kohm,5%,1/10W,TP,1608 1
....4 R214 2007-000090 R-CHIP;10Kohm,5%,1/10W,TP,1608 1
....4 R252 2007-000090 R-CHIP;10Kohm,5%,1/10W,TP,1608 1
....4 R400 2007-000090 R-CHIP;10Kohm,5%,1/10W,TP,1608 1
....4 R401 2007-000090 R-CHIP;10Kohm,5%,1/10W,TP,1608 1
....4 R603 2007-000090 R-CHIP;10Kohm,5%,1/10W,TP,1608 1
....4 R604 2007-000090 R-CHIP;10Kohm,5%,1/10W,TP,1608 1
....4 R606 2007-000090 R-CHIP;10Kohm,5%,1/10W,TP,1608 1
....4 R607 2007-000090 R-CHIP;10Kohm,5%,1/10W,TP,1608 1
....4 R610 2007-000090 R-CHIP;10Kohm,5%,1/10W,TP,1608 1
....4 R602 2007-000102 R-CHIP;100Kohm,5%,1/10W,TP,1608 1
....4 R106 2007-000821 R-CHIP;390ohm,1%,1/10W,TP,1608 1
....4 R403 2007-000821 R-CHIP;390ohm,1%,1/10W,TP,1608 1
....4 R113 2007-001164 R-CHIP;75ohm,1%,1/10W,TP,1608 1
....4 R114 2007-001164 R-CHIP;75ohm,1%,1/10W,TP,1608 1
....4 R115 2007-001164 R-CHIP;75ohm,1%,1/10W,TP,1608 1
....4 R126 2007-001164 R-CHIP;75ohm,1%,1/10W,TP,1608 1
....4 R127 2007-001164 R-CHIP;75ohm,1%,1/10W,TP,1608 1
....4 R608 2007-002899 R-CHIP;10ohm,1%,1/10W,TP,1608 1
....4 R609 2007-002899 R-CHIP;10ohm,1%,1/10W,TP,1608 1
....4 C416 2203-000041 C-CER,CHIP;0.01nF,0.25pF,50V,C0G,1608 1
....4 C418 2203-000041 C-CER,CHIP;0.01nF,0.25pF,50V,C0G,1608 1
....4 C210 2203-000189 C-CER,CHIP;100nF,+80-20%,25V,Y5V,1608 1
....4 C109 2203-000236 C-CER,CHIP;0.1nF,5%,50V,C0G,1608 1
....4 C106 2203-000257 C-CER,CHIP;10nF,10%,50V,X7R,1608 1
....4 C208 2203-000257 C-CER,CHIP;10nF,10%,50V,X7R,1608 1
....4 C209 2203-000257 C-CER,CHIP;10nF,10%,50V,X7R,1608 1
....4 C120 2203-000903 C-CER,CHIP;0.0047nF,0.25pF,50V,C0G,1608 1
....4 C121 2203-000903 C-CER,CHIP;0.0047nF,0.25pF,50V,C0G,1608 1
....4 C122 2203-000903 C-CER,CHIP;0.0047nF,0.25pF,50V,C0G,1608 1
....4 C111 2203-000998 C-CER,CHIP;0.047nF,5%,50V,C0G,1608 1
....4 C100 2203-005005 C-CER,CHIP;100nF,10%,16V,X7R,1608 1
....4 C101 2203-005005 C-CER,CHIP;100nF,10%,16V,X7R,1608 1
....4 C102 2203-005005 C-CER,CHIP;100nF,10%,16V,X7R,1608 1
....4 C103 2203-005005 C-CER,CHIP;100nF,10%,16V,X7R,1608 1
....4 C104 2203-005005 C-CER,CHIP;100nF,10%,16V,X7R,1608 1
....4 C105 2203-005005 C-CER,CHIP;100nF,10%,16V,X7R,1608 1
....4 C107 2203-005005 C-CER,CHIP;100nF,10%,16V,X7R,1608 1
....4 C207 2203-005005 C-CER,CHIP;100nF,10%,16V,X7R,1608 1
....4 C400 2203-005005 C-CER,CHIP;100nF,10%,16V,X7R,1608 1
....4 C402 2203-005005 C-CER,CHIP;100nF,10%,16V,X7R,1608 1
....4 C403 2203-005005 C-CER,CHIP;100nF,10%,16V,X7R,1608 1
....4 C404 2203-005005 C-CER,CHIP;100nF,10%,16V,X7R,1608 1
....4 C405 2203-005005 C-CER,CHIP;100nF,10%,16V,X7R,1608 1
....4 C406 2203-005005 C-CER,CHIP;100nF,10%,16V,X7R,1608 1
....4 C407 2203-005005 C-CER,CHIP;100nF,10%,16V,X7R,1608 1
....4 C408 2203-005005 C-CER,CHIP;100nF,10%,16V,X7R,1608 1
....4 C409 2203-005005 C-CER,CHIP;100nF,10%,16V,X7R,1608 1
....4 C410 2203-005005 C-CER,CHIP;100nF,10%,16V,X7R,1608 1
....4 C411 2203-005005 C-CER,CHIP;100nF,10%,16V,X7R,1608 1
Level Loc. No. Code No. Description & Specification EA SA/SNA

6 Electrical Parts List
6-4
Level Loc. No. Code No. Description & Specification EA SA/SNA
....4 C412 2203-005005 C-CER,CHIP;100nF,10%,16V,X7R,1608 1
....4 C413 2203-005005 C-CER,CHIP;100nF,10%,16V,X7R,1608 1
....4 C414 2203-005005 C-CER,CHIP;100nF,10%,16V,X7R,1608 1
....4 C415 2203-005005 C-CER,CHIP;100nF,10%,16V,X7R,1608 1
....4 C417 2203-005005 C-CER,CHIP;100nF,10%,16V,X7R,1608 1
....4 C419 2203-005005 C-CER,CHIP;100nF,10%,16V,X7R,1608 1
....4 C420 2203-005005 C-CER,CHIP;100nF,10%,16V,X7R,1608 1
....4 C421 2203-005005 C-CER,CHIP;100nF,10%,16V,X7R,1608 1
....4 C423 2203-005005 C-CER,CHIP;100nF,10%,16V,X7R,1608 1
....4 C424 2203-005005 C-CER,CHIP;100nF,10%,16V,X7R,1608 1
....4 C605 2203-005005 C-CER,CHIP;100nF,10%,16V,X7R,1608 1
....4 C607 2203-005005 C-CER,CHIP;100nF,10%,16V,X7R,1608 1
....4 C610 2203-005005 C-CER,CHIP;100nF,10%,16V,X7R,1608 1
....4 C611 2203-005005 C-CER,CHIP;100nF,10%,16V,X7R,1608 1
....4 C615 2203-005005 C-CER,CHIP;100nF,10%,16V,X7R,1608 1
....4 C618 2203-005005 C-CER,CHIP;100nF,10%,16V,X7R,1608 1
....4 C619 2203-005005 C-CER,CHIP;100nF,10%,16V,X7R,1608 1
....4 C620 2203-005005 C-CER,CHIP;100nF,10%,16V,X7R,1608 1
....4 C215 2203-005065 C-CER,CHIP;1000nF,+80-20%,10V,Y5V,1608 1
....4 C216 2203-005065 C-CER,CHIP;1000nF,+80-20%,10V,Y5V,1608 1
....4 C604 2203-005065 C-CER,CHIP;1000nF,+80-20%,10V,Y5V,1608 1
....4 C614 2203-005065 C-CER,CHIP;1000nF,+80-20%,10V,Y5V,1608 1
....4 C205 2203-005437 C-CER,CHIP;10000nF,+80-20%,10V,Y5V,3216 1
....4 C422 2203-005437 C-CER,CHIP;10000nF,+80-20%,10V,Y5V,3216 1
....4 C608 2402-001128 C-AL,SMD;100UF,20%,16V,WT,TP,6.3X5.7MM 1
....4 C609 2402-001128 C-AL,SMD;100UF,20%,16V,WT,TP,6.3X5.7MM 1
....4 C401 2402-001129 C-AL,SMD;47UF,20%,16V,WT,TP,6.3X5.2MM 1
....4 C612 2402-001129 C-AL,SMD;47UF,20%,16V,WT,TP,6.3X5.2MM 1
....4 T0052 2703-001334 INDUCTOR-SMD;1.5uH,10%,2012 1
....4 T0052 2703-001334 INDUCTOR-SMD;1.5uH,10%,2012 1
....4 X400 2801-003773 CRYSTAL-SMD;12MHZ,30PPM,28-AAN,20PF,50OH 1
....4 T0568 3301-001145 BEAD-SMD;60OHM,4516,6000,TP,70OHM/45MHZ, 1 S.N.A
....4 T0568 3301-001145 BEAD-SMD;60OHM,4516,6000,TP,70OHM/45MHZ, 1 S.N.A
....4 T0568 3301-001145 BEAD-SMD;60OHM,4516,6000,TP,70OHM/45MHZ, 1 S.N.A
....4 CN600 3711-005503 HEADER-BOARD TO CABLE;BOX,9P,1R,2mm,SMD- 1
....4 CN200 3711-005509 HEADER-BOARD TO CABLE;BOX,4P,1R,1.25mm,S 1
....4 T0077 BN41-00631A PCB MAIN;HAYDN,CEM-3,1.0,1.6,110*78*1.6, 1 S.N.A
....4 MICOM BN97-00700A ASSY MICOM-DTZ,W/W;HA17AS* 1
.....5 IC520 0903-001402 IC-MICROCONTROLLER;NT68F632ALG,8Bit,PLCC 1 S.N.A
...3 M0524 BP39-00028A CONNECT WIRE;BI17,19BS,UL1007#26,9P,80mm 1
..2 M0006 BN96-01949C ASSY SHIELD P-COVER;BI17BS,SECC,T0.8,COR 1 S.N.A
...3 BN61-01585A BRACKET-SHIELD;BI17BS,SECC,T0.8 1 S.N.A
...3 M0107 BN63-01767B SHIELD-COVER;BI17BS,SECC,T0.8,AMLCD,TYPE 1 S.N.A
...3 BN63-01774A SHIELD-INSULATOR;BI17/19BS,PET,T0.35 1 S.N.A
..2 M0081 6003-000334 SCREW-TAPTITE;RH,+,2S,M3,L6,ZPC(YEL),SWR 1 S.N.A
..2 M0081 6003-000334 SCREW-TAPTITE;RH,+,2S,M3,L6,ZPC(YEL),SWR 2 S.N.A
..2 M0081 6003-001439 SCREW-TAPTITE;BH,+,S,M4,L8,ZPC(YEL) 1 S.N.A
0.1 M0113 BN92-01380W ASSY P/MATERIAL;LS17HAAKSB/XSH 1 S.N.A
..2 T0376 6902-000061 BAG AIR;LDPE,T0.2,L1000,W500,TRP,,, 0.004 S.N.A
..2 T0376 6902-000379 BAG AIR;LDPE,T0.2,W1000,L1800,TRP,-,-- 0.002 S.N.A
..2 T0524 6902-000520 BAG PE;HDPE/NITRON(DOUBLE),T0.015/T0.5(D 1 S.N.A
..2 P/M 6902-000604 BAG WRAPPING;LDPE,T0.02,W500,L10000,TRP, 0.82 S.N.A
..2 M0081 6902-000609 BAG ROLL;LDPE,T0.05,W2400,L1000,TRP,-,- 0.1 S.N.A
0.1 M0019 BN92-01387E ASSY LABEL;LS17HAAK*,ADC 1 S.N.A

6 Electrical Parts List
6-5
0.1 M0003 BN92-01522F ASSY BOX;LS17HAAKB/XSA 1 S.N.A
..2 M0120 BH75-10529A UNIT-HANDLE PACKING;LXA410TLMU,PE,-,WHIT 1 S.N.A
...3 M0103 BN72-60001A LEVER-TOP;LSD210TL,PE-LD,WHITE,TFT_LCD 1 S.N.A
...3 M0102 BN72-60002A LEVER-BOTTOM;LSD210TL,PE-LD,WHITE,TFT-LC 1 S.N.A
..2 BOX BN69-01119A BOX-00,SET;S/M740N(HA17BS),SW4,A,YEL,A1, 1.01 S.N.A
0.1 M0045 BN92-01560U ASSY ACCESSORY;LS17HAAKS/XBM 1 S.N.A
..2 M0114 BN39-00244B CBF SIGNAL;MO15PS,15P/15P,20276-N,1830MM 1
..2 M0013 BN96-02331D ASSY STAND P-BASE;HA17AS/BS,HIPS,GR70 & 1
...3 T0524 6902-000389 BAG PE;HDPE/NITRON/HDPE,T0.015/T0.5/T0.0 1 S.N.A
...3 CIS4 BN61-01717A HOLDER-STAND;BIZET,NI PLT,CH,+,M4,L11(5) 1 S.N.A
...3 BN63-01989B COVER-STAND BASE;HA17AS/BS,HIPS,T2.5,BK2 1 S.N.A
...3 BN63-01990D COVER-STAND TOP;HA17AS/BS,HIPS,T2.5,GR70 1 S.N.A
...3 BN68-00786F MANUAL-QSG;Bizet Stand Manual,SyncMaster 1 S.N.A
...3 M0126 BN73-00077A RUBBER-FOOT;MATISSE,BUMPON,##13.5,T2.0,6 4 S.N.A
..2 M0045 BN96-02700A ASSY ACCESSORY;LS19HABTSB/XBM 1
...3 T0268 3903-000085 CBF-POWER CORD;DT,US,BP3/YES,I(IEC C13/C 1
...3 T0524 6902-000110 BAG PE;LDPE,T0.05,W250,L400,TRP,28,2 1 S.N.A
...3 ACCESSORY BH68-00360A CARD WARRANTY-00;SyncMaster14-1,SELA,MOJ 1 S.N.A
...3 M0215 BN96-02495G ASSY MANUAL P-IB+QSG;LS19HAA/940N,SyncMa 1 S.N.A
....4 M0808 BH68-00376L MANUAL-04;LCDQUICK SETUP GUIDE,SYNCMASTE 1 S.N.A
....4 IB BN59-00486G S/W DRIVER-01,IB;LS19HAA/940N,W/W,SyncMa 1 S.N.A
Level Loc. No. Code No. Description & Specification EA SA/SNA

6 Electrical Parts List
6-6
Level Loc. No. Code No. Description & Specification EA SA/SNA
0 LS17HAAKB/XSG 740N,SGT3/S17AN-LHA,17,LCD-MO,UNITED ARA 0
0.1 M0216 BN90-00742R ASSY STAND;LS17HAAKSB/XSH 1 S.N.A
..2 M0003 BN96-01947C ASSY STAND P;HA17AS/BS,HIPS,BK24,STAND/B 1
...3 M0081 6003-000269 SCREW-TAPTITE;BH,+,-,S,M3,L6,ZPC(YEL),SW 2 S.N.A
...3 M0081 6003-001086 SCREW-TAPTITE;BH,+,B,M3,L12,ZPC(BLK),SWR 4 S.N.A
...3 BN61-00822A STAND-BRKT HINGE;GS17VS,SECC,T1.2 1 S.N.A
...3 BN63-01762B COVER-STAND FRONT;HA17AS/BS,HIPS,T2.7,BK 1 S.N.A
...3 BN63-01763B COVER-STAND REAR;HA17AS/BS,HIPS,T2.7,BK2 1 S.N.A
...3 M0122 BN96-01061A ASSY MISC P-HINGE;MJ15-17AS/BS,ZNDC2 1 S.N.A
0.1 M0001 BN90-00755V ASSY COVER FRONT;LS17HAAKB/XSA 1 S.N.A
..2 T0003 BN96-02383A ASSY COVER P-FRONT;HA17AS,ABS HB,BK24,D/ 1
...3 M0112 BN63-01975A COVER-FRONT;HA17AS_BS,ABS,T2.5,365.5,301 1 S.N.A
...3 T0022 BN64-00377A KNOB CONTROL;HA17TS,PC CLEAR+SMOG,T2.1,9 1 S.N.A
...3 M0020 BN96-02474B ASSY BOARD P;HAYDN,YWP-HAYDN,17 FUNCTION 1
0.1 M0002 BN90-00756M ASSY COVER REAR;LS17HAAKSB/XSH 1 S.N.A
..2 M0081 6003-000337 SCREW-TAPTITE;BH,+,S,M4,L10,ZPC(BLK),SWR 3
..2 M0006 BN63-01977A COVER-REAR SUB;HA17AS_BS,HIPS,T2.5,209,2 1 S.N.A
..2 M0013 BN96-02384A ASSY COVER P-REAR;HA17AS,HIPS HB,BK24,AN 1
...3 M0113 BN61-01581A BRACKET-VESA;BI17/19BS,SECC,T1.0 2 S.N.A
...3 M0006 BN63-01976A COVER-REAR;HA17AS,HIPS,T2.5,365.5,301.3, 1 S.N.A
...3 BN73-00089A RUBBER-SET CAP;PO24FS,Elatomer,20~30 4 S.N.A
0.1 M0112 BN91-00911L ASSY SHIELD;LS17HAAK* 1 S.N.A
..2 CIS BN63-01769A SHIELD-LAMP;BI17BS,SPTE,T0.3 1 S.N.A
0.1 BN91-00939D ASSY LCD-DTZ;HA17AS/BS* 1 S.N.A
..2 M0215 BN07-00240A LCD-PANEL;HT170EX1-100,Haydn,6bit FRC,35 1
0.1 M0017 BN91-00965E ASSY CHASSIS-DTZ,M/SWICH(X);HA17AS*,W/W 1
..2 M2893 BN39-00630A LEAD CONNECTOR;BI17BS,UL1571#30,30P,150m 1
..2 M0174 BN44-00124A IP BOARD;IP-35135B,BI17VS,3.0 ~4.0mA,6.8 1
..2 BN94-00775A ASSY PCB MAIN-DTZ,W/W;HA17AS* 1 S.N.A
...3 T0245 0202-001366 SOLDER-WIRE FLUX;-,RS60S,D1.2,63Sn/37Pb, 0.01 S.N.A
...3 CN101 3701-001219 CONNECTOR-DSUB;15P,3R,FEMALE,ANGLE,AUF 1
...3 CN400 3711-005884 HEADER-BOARD TO BOARD;BOX,30P,2R,2mm,ANG 1
...3 T0174 BN97-00699A ASSY SMD;HA17AS 1 S.N.A
....4 CIS5 0202-001375 SOLDER-CREAM;RMA-20-21L,S63,-,Sn63/Pb36. 1.01 S.N.A
....4 D101 0401-001056 DIODE-SWITCHING;MMBD4148SE,100V,200MA,SO 1
....4 D102 0401-001056 DIODE-SWITCHING;MMBD4148SE,100V,200MA,SO 1
....4 D104 0401-001056 DIODE-SWITCHING;MMBD4148SE,100V,200MA,SO 1
....4 ZD100 0403-001411 DIODE-ZENER;-,5.49-5.73V,200MW,SOD-323,T 1
....4 ZD103 0403-001411 DIODE-ZENER;-,5.49-5.73V,200MW,SOD-323,T 1
....4 ZD104 0403-001411 DIODE-ZENER;-,5.49-5.73V,200MW,SOD-323,T 1
....4 ZD109 0403-001411 DIODE-ZENER;-,5.49-5.73V,200MW,SOD-323,T 1
....4 ZD110 0403-001411 DIODE-ZENER;-,5.49-5.73V,200MW,SOD-323,T 1
....4 ZD201 0403-001411 DIODE-ZENER;-,5.49-5.73V,200MW,SOD-323,T 1
....4 ZD106 0406-001061 DIODE-TVS;MMQA5V6T3,5.32/5.6/5.88V,24W,S 1
....4 ZD200 0406-001061 DIODE-TVS;MMQA5V6T3,5.32/5.6/5.88V,24W,S 1
....4 Q603 0501-002080 TR-SMALL SIGNAL;2SC2412K,NPN,200mW,SC-59 1
....4 Q604 0501-002080 TR-SMALL SIGNAL;2SC2412K,NPN,200mW,SC-59 1
....4 Q409 0505-001957 FET-SILICON;NTR2101P,P,-8V,-3.7A,0.052oh 1
....4 IC109 1003-001813 IC-LCD CONTROLLER;SE16AWL,PQFP,100P,23.4 1
....4 IC112 1103-001023 IC-EEPROM;24C08,1Kx8,SOP,8P,5x4mm,2.5/5. 1
....4 T0087 1203-003695 IC-POSI.FIXED REG.;NCP1117ST33T3G,SOT-22 1
6-2 LS17HAAKB/XSG

6 Electrical Parts List
6-7
Level Loc. No. Code No. Description & Specification EA SA/SNA
....4 T0087 1203-003696 IC-POSI.FIXED REG.;NCP1117DT18T5G,DPAK,3 1
....4 R100 2007-000070 R-CHIP;0ohm,5%,1/10W,TP,1608 1
....4 R101 2007-000070 R-CHIP;0ohm,5%,1/10W,TP,1608 1
....4 R102 2007-000070 R-CHIP;0ohm,5%,1/10W,TP,1608 1
....4 R103 2007-000070 R-CHIP;0ohm,5%,1/10W,TP,1608 1
....4 R104 2007-000070 R-CHIP;0ohm,5%,1/10W,TP,1608 1
....4 R105 2007-000070 R-CHIP;0ohm,5%,1/10W,TP,1608 1
....4 R233 2007-000070 R-CHIP;0ohm,5%,1/10W,TP,1608 1
....4 R270 2007-000070 R-CHIP;0ohm,5%,1/10W,TP,1608 1
....4 R107 2007-000074 R-CHIP;100ohm,5%,1/10W,TP,1608 1
....4 R108 2007-000074 R-CHIP;100ohm,5%,1/10W,TP,1608 1
....4 R109 2007-000074 R-CHIP;100ohm,5%,1/10W,TP,1608 1
....4 R110 2007-000074 R-CHIP;100ohm,5%,1/10W,TP,1608 1
....4 R111 2007-000074 R-CHIP;100ohm,5%,1/10W,TP,1608 1
....4 R112 2007-000074 R-CHIP;100ohm,5%,1/10W,TP,1608 1
....4 R215 2007-000074 R-CHIP;100ohm,5%,1/10W,TP,1608 1
....4 R216 2007-000074 R-CHIP;100ohm,5%,1/10W,TP,1608 1
....4 R230 2007-000074 R-CHIP;100ohm,5%,1/10W,TP,1608 1
....4 R232 2007-000074 R-CHIP;100ohm,5%,1/10W,TP,1608 1
....4 R234 2007-000074 R-CHIP;100ohm,5%,1/10W,TP,1608 1
....4 R235 2007-000074 R-CHIP;100ohm,5%,1/10W,TP,1608 1
....4 R236 2007-000074 R-CHIP;100ohm,5%,1/10W,TP,1608 1
....4 R237 2007-000074 R-CHIP;100ohm,5%,1/10W,TP,1608 1
....4 R238 2007-000074 R-CHIP;100ohm,5%,1/10W,TP,1608 1
....4 R240 2007-000074 R-CHIP;100ohm,5%,1/10W,TP,1608 1
....4 R241 2007-000074 R-CHIP;100ohm,5%,1/10W,TP,1608 1
....4 R243 2007-000074 R-CHIP;100ohm,5%,1/10W,TP,1608 1
....4 R245 2007-000074 R-CHIP;100ohm,5%,1/10W,TP,1608 1
....4 R246 2007-000074 R-CHIP;100ohm,5%,1/10W,TP,1608 1
....4 R247 2007-000074 R-CHIP;100ohm,5%,1/10W,TP,1608 1
....4 R248 2007-000074 R-CHIP;100ohm,5%,1/10W,TP,1608 1
....4 R249 2007-000074 R-CHIP;100ohm,5%,1/10W,TP,1608 1
....4 R253 2007-000074 R-CHIP;100ohm,5%,1/10W,TP,1608 1
....4 R254 2007-000074 R-CHIP;100ohm,5%,1/10W,TP,1608 1
....4 R255 2007-000074 R-CHIP;100ohm,5%,1/10W,TP,1608 1
....4 R218 2007-000077 R-CHIP;470ohm,5%,1/10W,TP,1608 1
....4 R124 2007-000078 R-CHIP;1Kohm,5%,1/10W,TP,1608 1
....4 R201 2007-000078 R-CHIP;1Kohm,5%,1/10W,TP,1608 1
....4 R260 2007-000082 R-CHIP;3.3Kohm,5%,1/10W,TP,1608 1
....4 R261 2007-000082 R-CHIP;3.3Kohm,5%,1/10W,TP,1608 1
....4 R217 2007-000083 R-CHIP;3Kohm,5%,1/10W,TP,1608 1
....4 R251 2007-000083 R-CHIP;3Kohm,5%,1/10W,TP,1608 1
....4 R130 2007-000084 R-CHIP;4.7Kohm,5%,1/10W,TP,1608 1
....4 R205 2007-000084 R-CHIP;4.7Kohm,5%,1/10W,TP,1608 1
....4 R206 2007-000084 R-CHIP;4.7Kohm,5%,1/10W,TP,1608 1
....4 R207 2007-000084 R-CHIP;4.7Kohm,5%,1/10W,TP,1608 1
....4 R208 2007-000084 R-CHIP;4.7Kohm,5%,1/10W,TP,1608 1
....4 R210 2007-000084 R-CHIP;4.7Kohm,5%,1/10W,TP,1608 1
....4 R211 2007-000084 R-CHIP;4.7Kohm,5%,1/10W,TP,1608 1
....4 R212 2007-000084 R-CHIP;4.7Kohm,5%,1/10W,TP,1608 1
....4 R220 2007-000084 R-CHIP;4.7Kohm,5%,1/10W,TP,1608 1
....4 R221 2007-000084 R-CHIP;4.7Kohm,5%,1/10W,TP,1608 1
....4 R222 2007-000084 R-CHIP;4.7Kohm,5%,1/10W,TP,1608 1
....4 R223 2007-000084 R-CHIP;4.7Kohm,5%,1/10W,TP,1608 1
....4 R226 2007-000084 R-CHIP;4.7Kohm,5%,1/10W,TP,1608 1
....4 R227 2007-000084 R-CHIP;4.7Kohm,5%,1/10W,TP,1608 1
....4 R228 2007-000084 R-CHIP;4.7Kohm,5%,1/10W,TP,1608 1

6 Electrical Parts List
6-8
Level Loc. No. Code No. Description & Specification EA SA/SNA
....4 R605 2007-000084 R-CHIP;4.7Kohm,5%,1/10W,TP,1608 1
....4 R131 2007-000090 R-CHIP;10Kohm,5%,1/10W,TP,1608 1
....4 R214 2007-000090 R-CHIP;10Kohm,5%,1/10W,TP,1608 1
....4 R252 2007-000090 R-CHIP;10Kohm,5%,1/10W,TP,1608 1
....4 R400 2007-000090 R-CHIP;10Kohm,5%,1/10W,TP,1608 1
....4 R401 2007-000090 R-CHIP;10Kohm,5%,1/10W,TP,1608 1
....4 R603 2007-000090 R-CHIP;10Kohm,5%,1/10W,TP,1608 1
....4 R604 2007-000090 R-CHIP;10Kohm,5%,1/10W,TP,1608 1
....4 R606 2007-000090 R-CHIP;10Kohm,5%,1/10W,TP,1608 1
....4 R607 2007-000090 R-CHIP;10Kohm,5%,1/10W,TP,1608 1
....4 R610 2007-000090 R-CHIP;10Kohm,5%,1/10W,TP,1608 1
....4 R602 2007-000102 R-CHIP;100Kohm,5%,1/10W,TP,1608 1
....4 R106 2007-000821 R-CHIP;390ohm,1%,1/10W,TP,1608 1
....4 R403 2007-000821 R-CHIP;390ohm,1%,1/10W,TP,1608 1
....4 R113 2007-001164 R-CHIP;75ohm,1%,1/10W,TP,1608 1
....4 R114 2007-001164 R-CHIP;75ohm,1%,1/10W,TP,1608 1
....4 R115 2007-001164 R-CHIP;75ohm,1%,1/10W,TP,1608 1
....4 R126 2007-001164 R-CHIP;75ohm,1%,1/10W,TP,1608 1
....4 R127 2007-001164 R-CHIP;75ohm,1%,1/10W,TP,1608 1
....4 R608 2007-002899 R-CHIP;10ohm,1%,1/10W,TP,1608 1
....4 R609 2007-002899 R-CHIP;10ohm,1%,1/10W,TP,1608 1
....4 C416 2203-000041 C-CER,CHIP;0.01nF,0.25pF,50V,C0G,1608 1
....4 C418 2203-000041 C-CER,CHIP;0.01nF,0.25pF,50V,C0G,1608 1
....4 C210 2203-000189 C-CER,CHIP;100nF,+80-20%,25V,Y5V,1608 1
....4 C109 2203-000236 C-CER,CHIP;0.1nF,5%,50V,C0G,1608 1
....4 C106 2203-000257 C-CER,CHIP;10nF,10%,50V,X7R,1608 1
....4 C208 2203-000257 C-CER,CHIP;10nF,10%,50V,X7R,1608 1
....4 C209 2203-000257 C-CER,CHIP;10nF,10%,50V,X7R,1608 1
....4 C120 2203-000903 C-CER,CHIP;0.0047nF,0.25pF,50V,C0G,1608 1
....4 C121 2203-000903 C-CER,CHIP;0.0047nF,0.25pF,50V,C0G,1608 1
....4 C122 2203-000903 C-CER,CHIP;0.0047nF,0.25pF,50V,C0G,1608 1
....4 C111 2203-000998 C-CER,CHIP;0.047nF,5%,50V,C0G,1608 1
....4 C100 2203-005005 C-CER,CHIP;100nF,10%,16V,X7R,1608 1
....4 C101 2203-005005 C-CER,CHIP;100nF,10%,16V,X7R,1608 1
....4 C102 2203-005005 C-CER,CHIP;100nF,10%,16V,X7R,1608 1
....4 C103 2203-005005 C-CER,CHIP;100nF,10%,16V,X7R,1608 1
....4 C104 2203-005005 C-CER,CHIP;100nF,10%,16V,X7R,1608 1
....4 C105 2203-005005 C-CER,CHIP;100nF,10%,16V,X7R,1608 1
....4 C107 2203-005005 C-CER,CHIP;100nF,10%,16V,X7R,1608 1
....4 C207 2203-005005 C-CER,CHIP;100nF,10%,16V,X7R,1608 1
....4 C400 2203-005005 C-CER,CHIP;100nF,10%,16V,X7R,1608 1
....4 C402 2203-005005 C-CER,CHIP;100nF,10%,16V,X7R,1608 1
....4 C403 2203-005005 C-CER,CHIP;100nF,10%,16V,X7R,1608 1
....4 C404 2203-005005 C-CER,CHIP;100nF,10%,16V,X7R,1608 1
....4 C405 2203-005005 C-CER,CHIP;100nF,10%,16V,X7R,1608 1
....4 C406 2203-005005 C-CER,CHIP;100nF,10%,16V,X7R,1608 1
....4 C407 2203-005005 C-CER,CHIP;100nF,10%,16V,X7R,1608 1
....4 C408 2203-005005 C-CER,CHIP;100nF,10%,16V,X7R,1608 1
....4 C409 2203-005005 C-CER,CHIP;100nF,10%,16V,X7R,1608 1
....4 C410 2203-005005 C-CER,CHIP;100nF,10%,16V,X7R,1608 1
....4 C411 2203-005005 C-CER,CHIP;100nF,10%,16V,X7R,1608 1
....4 C412 2203-005005 C-CER,CHIP;100nF,10%,16V,X7R,1608 1
....4 C413 2203-005005 C-CER,CHIP;100nF,10%,16V,X7R,1608 1
....4 C414 2203-005005 C-CER,CHIP;100nF,10%,16V,X7R,1608 1
....4 C415 2203-005005 C-CER,CHIP;100nF,10%,16V,X7R,1608 1
....4 C417 2203-005005 C-CER,CHIP;100nF,10%,16V,X7R,1608 1
....4 C419 2203-005005 C-CER,CHIP;100nF,10%,16V,X7R,1608 1

6 Electrical Parts List
6-9
Level Loc. No. Code No. Description & Specification EA SA/SNA
....4 C420 2203-005005 C-CER,CHIP;100nF,10%,16V,X7R,1608 1
....4 C421 2203-005005 C-CER,CHIP;100nF,10%,16V,X7R,1608 1
....4 C423 2203-005005 C-CER,CHIP;100nF,10%,16V,X7R,1608 1
....4 C424 2203-005005 C-CER,CHIP;100nF,10%,16V,X7R,1608 1
....4 C605 2203-005005 C-CER,CHIP;100nF,10%,16V,X7R,1608 1
....4 C607 2203-005005 C-CER,CHIP;100nF,10%,16V,X7R,1608 1
....4 C610 2203-005005 C-CER,CHIP;100nF,10%,16V,X7R,1608 1
....4 C611 2203-005005 C-CER,CHIP;100nF,10%,16V,X7R,1608 1
....4 C615 2203-005005 C-CER,CHIP;100nF,10%,16V,X7R,1608 1
....4 C618 2203-005005 C-CER,CHIP;100nF,10%,16V,X7R,1608 1
....4 C619 2203-005005 C-CER,CHIP;100nF,10%,16V,X7R,1608 1
....4 C620 2203-005005 C-CER,CHIP;100nF,10%,16V,X7R,1608 1
....4 C215 2203-005065 C-CER,CHIP;1000nF,+80-20%,10V,Y5V,1608 1
....4 C216 2203-005065 C-CER,CHIP;1000nF,+80-20%,10V,Y5V,1608 1
....4 C604 2203-005065 C-CER,CHIP;1000nF,+80-20%,10V,Y5V,1608 1
....4 C614 2203-005065 C-CER,CHIP;1000nF,+80-20%,10V,Y5V,1608 1
....4 C205 2203-005437 C-CER,CHIP;10000nF,+80-20%,10V,Y5V,3216 1
....4 C422 2203-005437 C-CER,CHIP;10000nF,+80-20%,10V,Y5V,3216 1
....4 C608 2402-001128 C-AL,SMD;100UF,20%,16V,WT,TP,6.3X5.7MM 1
....4 C609 2402-001128 C-AL,SMD;100UF,20%,16V,WT,TP,6.3X5.7MM 1
....4 C401 2402-001129 C-AL,SMD;47UF,20%,16V,WT,TP,6.3X5.2MM 1
....4 C612 2402-001129 C-AL,SMD;47UF,20%,16V,WT,TP,6.3X5.2MM 1
....4 T0052 2703-001334 INDUCTOR-SMD;1.5uH,10%,2012 1
....4 T0052 2703-001334 INDUCTOR-SMD;1.5uH,10%,2012 1
....4 X400 2801-003773 CRYSTAL-SMD;12MHZ,30PPM,28-AAN,20PF,50OH 1
....4 T0568 3301-001145 BEAD-SMD;60OHM,4516,6000,TP,70OHM/45MHZ, 1 S.N.A
....4 T0568 3301-001145 BEAD-SMD;60OHM,4516,6000,TP,70OHM/45MHZ, 1 S.N.A
....4 T0568 3301-001145 BEAD-SMD;60OHM,4516,6000,TP,70OHM/45MHZ, 1 S.N.A
....4 CN600 3711-005503 HEADER-BOARD TO CABLE;BOX,9P,1R,2mm,SMD- 1
....4 CN200 3711-005509 HEADER-BOARD TO CABLE;BOX,4P,1R,1.25mm,S 1
....4 T0077 BN41-00631A PCB MAIN;HAYDN,CEM-3,1.0,1.6,110*78*1.6, 1 S.N.A
....4 MICOM BN97-00700A ASSY MICOM-DTZ,W/W;HA17AS* 1
.....5 IC520 0903-001402 IC-MICROCONTROLLER;NT68F632ALG,8Bit,PLCC 1 S.N.A
...3 M0524 BP39-00028A CONNECT WIRE;BI17,19BS,UL1007#26,9P,80mm 1
..2 M0006 BN96-01949C ASSY SHIELD P-COVER;BI17BS,SECC,T0.8,COR 1 S.N.A
...3 BN61-01585A BRACKET-SHIELD;BI17BS,SECC,T0.8 1 S.N.A
...3 M0107 BN63-01767B SHIELD-COVER;BI17BS,SECC,T0.8,AMLCD,TYPE 1 S.N.A
...3 BN63-01774A SHIELD-INSULATOR;BI17/19BS,PET,T0.35 1 S.N.A
..2 M0081 6003-000334 SCREW-TAPTITE;RH,+,2S,M3,L6,ZPC(YEL),SWR 1 S.N.A
..2 M0081 6003-000334 SCREW-TAPTITE;RH,+,2S,M3,L6,ZPC(YEL),SWR 2 S.N.A
..2 M0081 6003-001439 SCREW-TAPTITE;BH,+,S,M4,L8,ZPC(YEL) 1 S.N.A
0.1 M0113 BN92-01380C ASSY P/MATERIAL;HA17ASK*,NEW SIMPLE(BLAC 1 S.N.A
..2 T0376 6902-000061 BAG AIR;LDPE,T0.2,L1000,W500,TRP,,, 0.004 S.N.A
..2 T0524 6902-000111 BAG PE;HDPE,T0.015,L800,W650,TRP,28,4,PE 1 S.N.A
..2 T0376 6902-000379 BAG AIR;LDPE,T0.2,W1000,L1800,TRP,-,-- 0.002 S.N.A
..2 P/M 6902-000604 BAG WRAPPING;LDPE,T0.02,W500,L10000,TRP, 0.82 S.N.A
..2 M0081 6902-000609 BAG ROLL;LDPE,T0.05,W2400,L1000,TRP,-,- 0.1 S.N.A
0.1 M0019 BN92-01511D ASSY LABEL;LS19HABTSQ/EDC 1 S.N.A
0.1 M0003 BN92-01522F ASSY BOX;LS17HAAKB/XSA 1 S.N.A
..2 M0120 BH75-10529A UNIT-HANDLE PACKING;LXA410TLMU,PE,-,WHIT 1 S.N.A
...3 M0103 BN72-60001A LEVER-TOP;LSD210TL,PE-LD,WHITE,TFT_LCD 1 S.N.A
...3 M0102 BN72-60002A LEVER-BOTTOM;LSD210TL,PE-LD,WHITE,TFT-LC 1 S.N.A
..2 BOX BN69-01119A BOX-00,SET;S/M740N(HA17BS),SW4,A,YEL,A1, 1.01 S.N.A

6 Electrical Parts List
6-10
Level Loc. No. Code No. Description & Specification EA SA/SNA
0.1 M0045 BN92-01555K ASSY ACCESSORY;LS17HAAKB/XSG 1 S.N.A
..2 M0114 BN39-00244B CBF SIGNAL;MO15PS,15P/15P,20276-N,1830MM 1
..2 M0045 BN96-02330T ASSY ACCESSORY;LS19HABKSQ/XSG 1
...3 T0268 3903-000042 CBF-POWER CORD;DT,EU,FP3/YES,IEC320 C13/ 1
...3 CCM1 6801-001063 CARD-REGISTRATION;MIDDLE EAST,SAMSUNG,EN 1 S.N.A
...3 T0524 6902-000110 BAG PE;LDPE,T0.05,W250,L400,TRP,28,2 1 S.N.A
...3 M0215 BN96-02495G ASSY MANUAL P-IB+QSG;LS19HAA/940N,SyncMa 1 S.N.A
....4 M0808 BH68-00376L MANUAL-04;LCDQUICK SETUP GUIDE,SYNCMASTE 1 S.N.A
....4 IB BN59-00486G S/W DRIVER-01,IB;LS19HAA/940N,W/W,SyncMa 1 S.N.A
..2 M0013 BN96-02331C ASSY STAND P-BASE;HA17AS/BS,HIPS,BK24 1
...3 CIS4 BN61-01717A HOLDER-STAND;BIZET,NI PLT,CH,+,M4,L11(5) 1 S.N.A
...3 BN63-01989B COVER-STAND BASE;HA17AS/BS,HIPS,T2.5,BK2 1 S.N.A
...3 BN63-01990C COVER-STAND TOP;HA17AS/BS,HIPS,T2.5,BK24 1 S.N.A
...3 BN68-00786F MANUAL-QSG;Bizet Stand Manual,SyncMaster 1 S.N.A
...3 M0126 BN73-00077A RUBBER-FOOT;MATISSE,BUMPON,##13.5,T2.0,6 4 S.N.A
...3 T0524 6902-000110 BAG PE;LDPE,T0.05,W250,L400,TRP,28,2 1 S.N.A

6 Electrical Parts List
6-11
0 LS19HATBBV/XAA 940T,SGT4/S19B0-LHA,19,LCD-MO,UNITED STA 0
0.1 M0002 BN90-00756E ASSY COVER REAR;LS19HATTSQ/EDC 1 S.N.A
..2 M0013 BN96-02240A ASSY COVER P-REAR;HA19TS,HIPS HB,BK24,DU 1
...3 M0006 BN63-01968A COVER-REAR;HA19TS,HIPS,T2.0,403.2,331.9, 1 S.N.A
...3 BN73-00096A RUBBER-PANEL;BI19BS,RUBBER,T1.0,50~60,NT 3 S.N.A
0.1 M0001 BN90-00776P ASSY COVER FRONT;LS19HATBBV/XAA 1 S.N.A
..2 T0003 BN96-02239A ASSY COVER P-FRONT;HA19TS,ABS HB,BK24,D/ 1
...3 M0112 BN63-01967A COVER-FRONT;HA19TS,ABS,T1.5,403.2,331.9, 1 S.N.A
...3 T0022 BN64-00377A KNOB CONTROL;HA17TS,PC CLEAR+SMOG,T2.1,9 1 S.N.A
...3 M0145 BN96-02474C ASSY BOARD P-FUNCTION;HAYDN,YWP-VD-05-05 1
....4 C/F 0601-001896 LED;SMD,BLUE,1.6x0.8x0.4mm,470,1.6x0.8x0 1
....4 C/F 2007-000081 R-CHIP;2.7Kohm,5%,1/10W,TP,1608 2
....4 C/F 2007-000123 R-CHIP;1.5Kohm,5%,1/10W,TP,1608 2
....4 CN906 3711-005935 CONNECTOR-HEADER;BOX,4P,1R,1mm,SMD-A,AU, 1
....4 C/F BN34-00001A SWITCH-DOME SHEET;HYADN_FUNCTION F/K,DOM 1
....4 M2893 BN39-00688A LEAD CONNECTOR;HAYDN,UL1571#30,4P,450mm, 1
....4 T0077 BN41-00633A PCB MAIN;HAYDN,FR4,2L,MP1.0,0.6T,105*8,1 1 S.N.A
....4 C/F BN61-01846A GUIDE-CONTROL;HA17T,ABS HB,T1.1,9,112,IV 1 S.N.A
0.1 M0216 BN90-00782D ASSY STAND;LS19HATBBV/XAA 1 S.N.A
..2 M0045 BN96-02652A ASSY STAND P-SET;HA19TS,HIPS HB,BK24,New 1
0.1 T0852 BN91-00841U ASSY LCD-SPZ;LS19HAT* 1 S.N.A
..2 M0215 BN07-00223A LCD-PANEL;LTM190E4-L21,Haydn,8BIT,396*32 1
0.1 M0112 BN91-00866S ASSY SHIELD;LS19HAT* 1 S.N.A
..2 CIS BN63-01781A SHIELD-LAMP;BI19BS,SPTE,T0.3 1 S.N.A
..2 CIS 0203-001774 TAPE-CONDUCTIVE;DK-100-60-70,AL-TAPE,T0. 1 S.N.A
0.1 M0019 BN92-00962Q ASSY LABEL;MJ19BS*,ADC 1 S.N.A
0.1 M0003 BN92-01540Z ASSY BOX;LS19HATBBV/XAA 1 S.N.A
..2 T0129 BH75-10529C UNIT-HANDLE/PACKING;S/M170MP,PE-LD,PE-HD 1
...3 M0103 BN72-60001A LEVER-TOP;LSD210TL,PE-LD,WHITE,TFT_LCD 1 S.N.A
...3 M0102 BN72-60002C LEVER-BOTTOM;S/M170MP,PE-HD,BLUE 1 S.N.A
..2 BOX BN69-01107A BOX-01,SET;S/M940T(HA19TS),SW4,A,YEL,A1, 1.02 S.N.A
0.1 M0113 BN92-01543E ASSY P/MATERIAL;LS19HATBBV/XAA 1 S.N.A
..2 T0376 6902-000061 BAG AIR;LDPE,T0.2,L1000,W500,TRP,,, 0.01 S.N.A
..2 T0524 6902-000111 BAG PE;HDPE,T0.015,L800,W650,TRP,28,4,PE 1 S.N.A
..2 T0376 6902-000379 BAG AIR;LDPE,T0.2,W1000,L1800,TRP,-,-- 0.002 S.N.A
..2 P/M 6902-000604 BAG WRAPPING;LDPE,T0.02,W500,L10000,TRP, 1.51 S.N.A
..2 M0081 6902-000609 BAG ROLL;LDPE,T0.05,W2400,L1000,TRP,-,- 0.1 S.N.A
0.1 M0045 BN92-01555W ASSY ACCESSORY;LS17HATBBV/XAA 1 S.N.A
..2 M0114 BN39-00244B CBF SIGNAL;MO15PS,15P/15P,20276-N,1830MM 1
..2 M0125 BN39-00246F CBF SIGNAL-DVI(D);1703FP,24P/24P,20276-D 1
..2 M0045 BN96-02329Q ASSY ACCESSORY;LS17HAAKB/XAA,U.S 1
...3 T0268 3903-000085 CBF-POWER CORD;DT,US,BP3/YES,I(IEC C13/C 1
...3 T0524 6902-000110 BAG PE;LDPE,T0.05,W250,L400,TRP,28,2 1 S.N.A
...3 MP1.0 AA68-40065B CARD-01,REGISTRATION;,SEA,A5,ENG,A/P220, 1 S.N.A
...3 ACCESSORY BH68-00261F CARD WARRANTY-03;SyncMaster14-1,ADC,MOJO 1 S.N.A
...3 ACCESSORY BH68-00344C CARD WARRANTY-01;SECA W'TY & CRM CARD,SE 1 S.N.A
...3 ACCESSORY BN68-00832C MANUAL-REGISTRATION CARD;SECA all,SAMSUN 1 S.N.A
...3 ACCESSORY BN68-00832D MANUAL-REGISTRATION CARD;SECA all,SAMSUN 1 S.N.A
...3 M0215 BN96-02495G ASSY MANUAL P-IB+QSG;LS19HAA/940N,SyncMa 1 S.N.A
....4 M0808 BH68-00376L MANUAL-04;LCDQUICK SETUP GUIDE,SYNCMASTE 1 S.N.A
....4 IB BN59-00486G S/W DRIVER-01,IB;LS19HAA/940N,W/W,SyncMa 1 S.N.A
Level Loc. No. Code No. Description & Specification EA SA/SNA
6-3 LS19HATBBV/XAA

6 Electrical Parts List
6-12
Level Loc. No. Code No. Description & Specification EA SA/SNA
0.1 M0017 BN91-00889Q ASSY CHASSIS-SPZ;LS19HAT*,W/W,M/SWICH(O) 1
..2 M0006 BN96-02241B ASSY SHIELD P-COVER;HA19TS,SECC T0.8,MEC 1 S.N.A
...3 BN63-01774A SHIELD-INSULATOR;BI17/19BS,PET,T0.35 1 S.N.A
...3 M0107 BN63-01974B SHIELD-COVER;HA19TS,SECC,T0.8,398,222,M/ 1 S.N.A
..2 M0014 BN94-00735E ASSY PCB MAIN-SPZ;LS19HATT*,W/W,M/SWICH( 1
...3 T0245 0202-001366 SOLDER-WIRE FLUX;-,RS60S,D1.2,63Sn/37Pb, 0.01 S.N.A
...3 CN102 3701-001173 CONNECTOR-DVI;24P,3R,FEMALE,ANGLE,AUF 1
...3 CN101 3701-001219 CONNECTOR-DSUB;15P,3R,FEMALE,ANGLE,AUF 1
...3 CN400 3711-005884 HEADER-BOARD TO BOARD;BOX,30P,2R,2mm,ANG 1
...3 T0174 BN97-00630H ASSY SMD;LS19HATT* 1 S.N.A
....4 CIS5 0202-001375 SOLDER-CREAM;RMA-20-21L,S63,-,Sn63/Pb36. 1.01 S.N.A
....4 D100 0401-001056 DIODE-SWITCHING;MMBD4148SE,100V,200MA,SO 1
....4 D101 0401-001056 DIODE-SWITCHING;MMBD4148SE,100V,200MA,SO 1
....4 D102 0401-001056 DIODE-SWITCHING;MMBD4148SE,100V,200MA,SO 1
....4 D103 0401-001056 DIODE-SWITCHING;MMBD4148SE,100V,200MA,SO 1
....4 D104 0401-001056 DIODE-SWITCHING;MMBD4148SE,100V,200MA,SO 1
....4 D105 0401-001056 DIODE-SWITCHING;MMBD4148SE,100V,200MA,SO 1
....4 D106 0401-001056 DIODE-SWITCHING;MMBD4148SE,100V,200MA,SO 1
....4 D107 0401-001056 DIODE-SWITCHING;MMBD4148SE,100V,200MA,SO 1
....4 D109 0401-001056 DIODE-SWITCHING;MMBD4148SE,100V,200MA,SO 1
....4 D111 0401-001056 DIODE-SWITCHING;MMBD4148SE,100V,200MA,SO 1
....4 D112 0401-001056 DIODE-SWITCHING;MMBD4148SE,100V,200MA,SO 1
....4 D113 0401-001056 DIODE-SWITCHING;MMBD4148SE,100V,200MA,SO 1
....4 D114 0401-001056 DIODE-SWITCHING;MMBD4148SE,100V,200MA,SO 1
....4 ZD100 0403-001411 DIODE-ZENER;-,5.49-5.73V,200MW,SOD-323,T 1
....4 ZD101 0403-001411 DIODE-ZENER;-,5.49-5.73V,200MW,SOD-323,T 1
....4 ZD103 0403-001411 DIODE-ZENER;-,5.49-5.73V,200MW,SOD-323,T 1
....4 ZD104 0403-001411 DIODE-ZENER;-,5.49-5.73V,200MW,SOD-323,T 1
....4 ZD105 0403-001411 DIODE-ZENER;-,5.49-5.73V,200MW,SOD-323,T 1
....4 ZD107 0403-001411 DIODE-ZENER;-,5.49-5.73V,200MW,SOD-323,T 1
....4 ZD108 0403-001411 DIODE-ZENER;-,5.49-5.73V,200MW,SOD-323,T 1
....4 ZD109 0403-001411 DIODE-ZENER;-,5.49-5.73V,200MW,SOD-323,T 1
....4 ZD110 0403-001411 DIODE-ZENER;-,5.49-5.73V,200MW,SOD-323,T 1
....4 ZD201 0403-001411 DIODE-ZENER;-,5.49-5.73V,200MW,SOD-323,T 1
....4 ZD102 0406-001061 DIODE-TVS;MMQA5V6T3,5.32/5.6/5.88V,24W,S 1
....4 ZD106 0406-001061 DIODE-TVS;MMQA5V6T3,5.32/5.6/5.88V,24W,S 1
....4 ZD200 0406-001061 DIODE-TVS;MMQA5V6T3,5.32/5.6/5.88V,24W,S 1
....4 Q100 0501-002080 TR-SMALL SIGNAL;2SC2412K,NPN,200mW,SC-59 1
....4 Q603 0501-002080 TR-SMALL SIGNAL;2SC2412K,NPN,200mW,SC-59 1
....4 Q604 0501-002080 TR-SMALL SIGNAL;2SC2412K,NPN,200mW,SC-59 1
....4 Q409 0505-001957 FET-SILICON;NTR2101P,P,-8V,-3.7A,0.052oh 1
....4 IC109 1003-001814 IC-LCD CONTROLLER;SE56AWL,PQFP,100P,23.4 1
....4 IC112 1103-000129 IC-EEPROM;24C02,256x8,SOP,8P,5x4mm,4.5/5 1
....4 IC112 1103-001023 IC-EEPROM;24C08,1Kx8,SOP,8P,5x4mm,2.5/5. 1
....4 T0087 1203-003695 IC-POSI.FIXED REG.;NCP1117ST33T3G,SOT-22 1
....4 T0087 1203-003696 IC-POSI.FIXED REG.;NCP1117DT18T5G,DPAK,3 1
....4 R100 2007-000070 R-CHIP;0ohm,5%,1/10W,TP,1608 1
....4 R101 2007-000070 R-CHIP;0ohm,5%,1/10W,TP,1608 1
....4 R102 2007-000070 R-CHIP;0ohm,5%,1/10W,TP,1608 1
....4 R103 2007-000070 R-CHIP;0ohm,5%,1/10W,TP,1608 1
....4 R104 2007-000070 R-CHIP;0ohm,5%,1/10W,TP,1608 1
....4 R105 2007-000070 R-CHIP;0ohm,5%,1/10W,TP,1608 1
....4 R233 2007-000070 R-CHIP;0ohm,5%,1/10W,TP,1608 1
....4 R270 2007-000070 R-CHIP;0ohm,5%,1/10W,TP,1608 1
....4 R116 2007-000071 R-CHIP;22ohm,5%,1/10W,TP,1608 1
....4 R117 2007-000071 R-CHIP;22ohm,5%,1/10W,TP,1608 1
....4 R118 2007-000071 R-CHIP;22ohm,5%,1/10W,TP,1608 1
....4 R119 2007-000071 R-CHIP;22ohm,5%,1/10W,TP,1608 1
....4 R120 2007-000071 R-CHIP;22ohm,5%,1/10W,TP,1608 1

6 Electrical Parts List
6-13
....4 R121 2007-000071 R-CHIP;22ohm,5%,1/10W,TP,1608 1
....4 R122 2007-000071 R-CHIP;22ohm,5%,1/10W,TP,1608 1
....4 R123 2007-000071 R-CHIP;22ohm,5%,1/10W,TP,1608 1
....4 R107 2007-000074 R-CHIP;100ohm,5%,1/10W,TP,1608 1
....4 R108 2007-000074 R-CHIP;100ohm,5%,1/10W,TP,1608 1
....4 R109 2007-000074 R-CHIP;100ohm,5%,1/10W,TP,1608 1
....4 R110 2007-000074 R-CHIP;100ohm,5%,1/10W,TP,1608 1
....4 R111 2007-000074 R-CHIP;100ohm,5%,1/10W,TP,1608 1
....4 R112 2007-000074 R-CHIP;100ohm,5%,1/10W,TP,1608 1
....4 R133 2007-000074 R-CHIP;100ohm,5%,1/10W,TP,1608 1
....4 R134 2007-000074 R-CHIP;100ohm,5%,1/10W,TP,1608 1
....4 R215 2007-000074 R-CHIP;100ohm,5%,1/10W,TP,1608 1
....4 R216 2007-000074 R-CHIP;100ohm,5%,1/10W,TP,1608 1
....4 R230 2007-000074 R-CHIP;100ohm,5%,1/10W,TP,1608 1
....4 R232 2007-000074 R-CHIP;100ohm,5%,1/10W,TP,1608 1
....4 R234 2007-000074 R-CHIP;100ohm,5%,1/10W,TP,1608 1
....4 R235 2007-000074 R-CHIP;100ohm,5%,1/10W,TP,1608 1
....4 R236 2007-000074 R-CHIP;100ohm,5%,1/10W,TP,1608 1
....4 R237 2007-000074 R-CHIP;100ohm,5%,1/10W,TP,1608 1
....4 R238 2007-000074 R-CHIP;100ohm,5%,1/10W,TP,1608 1
....4 R240 2007-000074 R-CHIP;100ohm,5%,1/10W,TP,1608 1
....4 R241 2007-000074 R-CHIP;100ohm,5%,1/10W,TP,1608 1
....4 R242 2007-000074 R-CHIP;100ohm,5%,1/10W,TP,1608 1
....4 R243 2007-000074 R-CHIP;100ohm,5%,1/10W,TP,1608 1
....4 R244 2007-000074 R-CHIP;100ohm,5%,1/10W,TP,1608 1
....4 R245 2007-000074 R-CHIP;100ohm,5%,1/10W,TP,1608 1
....4 R246 2007-000074 R-CHIP;100ohm,5%,1/10W,TP,1608 1
....4 R247 2007-000074 R-CHIP;100ohm,5%,1/10W,TP,1608 1
....4 R248 2007-000074 R-CHIP;100ohm,5%,1/10W,TP,1608 1
....4 R249 2007-000074 R-CHIP;100ohm,5%,1/10W,TP,1608 1
....4 R253 2007-000074 R-CHIP;100ohm,5%,1/10W,TP,1608 1
....4 R254 2007-000074 R-CHIP;100ohm,5%,1/10W,TP,1608 1
....4 R255 2007-000074 R-CHIP;100ohm,5%,1/10W,TP,1608 1
....4 R218 2007-000077 R-CHIP;470ohm,5%,1/10W,TP,1608 1
....4 R124 2007-000078 R-CHIP;1Kohm,5%,1/10W,TP,1608 1
....4 R125 2007-000078 R-CHIP;1Kohm,5%,1/10W,TP,1608 1
....4 R201 2007-000078 R-CHIP;1Kohm,5%,1/10W,TP,1608 1
....4 R260 2007-000082 R-CHIP;3.3Kohm,5%,1/10W,TP,1608 1
....4 R261 2007-000082 R-CHIP;3.3Kohm,5%,1/10W,TP,1608 1
....4 R217 2007-000083 R-CHIP;3Kohm,5%,1/10W,TP,1608 1
....4 R251 2007-000083 R-CHIP;3Kohm,5%,1/10W,TP,1608 1
....4 R130 2007-000084 R-CHIP;4.7Kohm,5%,1/10W,TP,1608 1
....4 R136 2007-000084 R-CHIP;4.7Kohm,5%,1/10W,TP,1608 1
....4 R203 2007-000084 R-CHIP;4.7Kohm,5%,1/10W,TP,1608 1
....4 R204 2007-000084 R-CHIP;4.7Kohm,5%,1/10W,TP,1608 1
....4 R205 2007-000084 R-CHIP;4.7Kohm,5%,1/10W,TP,1608 1
....4 R206 2007-000084 R-CHIP;4.7Kohm,5%,1/10W,TP,1608 1
....4 R207 2007-000084 R-CHIP;4.7Kohm,5%,1/10W,TP,1608 1
....4 R208 2007-000084 R-CHIP;4.7Kohm,5%,1/10W,TP,1608 1
....4 R210 2007-000084 R-CHIP;4.7Kohm,5%,1/10W,TP,1608 1
....4 R211 2007-000084 R-CHIP;4.7Kohm,5%,1/10W,TP,1608 1
....4 R212 2007-000084 R-CHIP;4.7Kohm,5%,1/10W,TP,1608 1
....4 R220 2007-000084 R-CHIP;4.7Kohm,5%,1/10W,TP,1608 1
....4 R221 2007-000084 R-CHIP;4.7Kohm,5%,1/10W,TP,1608 1
....4 R222 2007-000084 R-CHIP;4.7Kohm,5%,1/10W,TP,1608 1
....4 R223 2007-000084 R-CHIP;4.7Kohm,5%,1/10W,TP,1608 1
....4 R226 2007-000084 R-CHIP;4.7Kohm,5%,1/10W,TP,1608 1
....4 R227 2007-000084 R-CHIP;4.7Kohm,5%,1/10W,TP,1608 1
....4 R228 2007-000084 R-CHIP;4.7Kohm,5%,1/10W,TP,1608 1
....4 R605 2007-000084 R-CHIP;4.7Kohm,5%,1/10W,TP,1608 1
Level Loc. No. Code No. Description & Specification EA SA/SNA

6 Electrical Parts List
6-14
Level Loc. No. Code No. Description & Specification EA SA/SNA
....4 R131 2007-000090 R-CHIP;10Kohm,5%,1/10W,TP,1608 1
....4 R135 2007-000090 R-CHIP;10Kohm,5%,1/10W,TP,1608 1
....4 R214 2007-000090 R-CHIP;10Kohm,5%,1/10W,TP,1608 1
....4 R252 2007-000090 R-CHIP;10Kohm,5%,1/10W,TP,1608 1
....4 R400 2007-000090 R-CHIP;10Kohm,5%,1/10W,TP,1608 1
....4 R401 2007-000090 R-CHIP;10Kohm,5%,1/10W,TP,1608 1
....4 R603 2007-000090 R-CHIP;10Kohm,5%,1/10W,TP,1608 1
....4 R604 2007-000090 R-CHIP;10Kohm,5%,1/10W,TP,1608 1
....4 R606 2007-000090 R-CHIP;10Kohm,5%,1/10W,TP,1608 1
....4 R607 2007-000090 R-CHIP;10Kohm,5%,1/10W,TP,1608 1
....4 R610 2007-000090 R-CHIP;10Kohm,5%,1/10W,TP,1608 1
....4 R128 2007-000092 R-CHIP;15Kohm,5%,1/10W,TP,1608 1
....4 R129 2007-000092 R-CHIP;15Kohm,5%,1/10W,TP,1608 1
....4 R602 2007-000102 R-CHIP;100Kohm,5%,1/10W,TP,1608 1
....4 R106 2007-000821 R-CHIP;390ohm,1%,1/10W,TP,1608 1
....4 R403 2007-000821 R-CHIP;390ohm,1%,1/10W,TP,1608 1
....4 R132 2007-001002 R-CHIP;510ohm,5%,1/10W,TP,1608 1
....4 R113 2007-001164 R-CHIP;75ohm,1%,1/10W,TP,1608 1
....4 R114 2007-001164 R-CHIP;75ohm,1%,1/10W,TP,1608 1
....4 R115 2007-001164 R-CHIP;75ohm,1%,1/10W,TP,1608 1
....4 R126 2007-001164 R-CHIP;75ohm,1%,1/10W,TP,1608 1
....4 R127 2007-001164 R-CHIP;75ohm,1%,1/10W,TP,1608 1
....4 R608 2007-002899 R-CHIP;10ohm,1%,1/10W,TP,1608 1
....4 R609 2007-002899 R-CHIP;10ohm,1%,1/10W,TP,1608 1
....4 C416 2203-000041 C-CER,CHIP;0.01nF,0.25pF,50V,C0G,1608 1
....4 C418 2203-000041 C-CER,CHIP;0.01nF,0.25pF,50V,C0G,1608 1
....4 C210 2203-000189 C-CER,CHIP;100nF,+80-20%,25V,Y5V,1608 1
....4 C109 2203-000236 C-CER,CHIP;0.1nF,5%,50V,C0G,1608 1
....4 C106 2203-000257 C-CER,CHIP;10nF,10%,50V,X7R,1608 1
....4 C208 2203-000257 C-CER,CHIP;10nF,10%,50V,X7R,1608 1
....4 C209 2203-000257 C-CER,CHIP;10nF,10%,50V,X7R,1608 1
....4 C120 2203-000903 C-CER,CHIP;0.0047nF,0.25pF,50V,C0G,1608 1
....4 C121 2203-000903 C-CER,CHIP;0.0047nF,0.25pF,50V,C0G,1608 1
....4 C122 2203-000903 C-CER,CHIP;0.0047nF,0.25pF,50V,C0G,1608 1
....4 C111 2203-000998 C-CER,CHIP;0.047nF,5%,50V,C0G,1608 1
....4 C124 2203-001630 C-CER,CHIP;330nF,+80-20%,16V,Y5V,1608 1
....4 C127 2203-001630 C-CER,CHIP;330nF,+80-20%,16V,Y5V,1608 1
....4 C100 2203-005005 C-CER,CHIP;100nF,10%,16V,X7R,1608 1
....4 C101 2203-005005 C-CER,CHIP;100nF,10%,16V,X7R,1608 1
....4 C102 2203-005005 C-CER,CHIP;100nF,10%,16V,X7R,1608 1
....4 C103 2203-005005 C-CER,CHIP;100nF,10%,16V,X7R,1608 1
....4 C104 2203-005005 C-CER,CHIP;100nF,10%,16V,X7R,1608 1
....4 C105 2203-005005 C-CER,CHIP;100nF,10%,16V,X7R,1608 1
....4 C107 2203-005005 C-CER,CHIP;100nF,10%,16V,X7R,1608 1
....4 C108 2203-005005 C-CER,CHIP;100nF,10%,16V,X7R,1608 1
....4 C113 2203-005005 C-CER,CHIP;100nF,10%,16V,X7R,1608 1
....4 C207 2203-005005 C-CER,CHIP;100nF,10%,16V,X7R,1608 1
....4 C400 2203-005005 C-CER,CHIP;100nF,10%,16V,X7R,1608 1
....4 C402 2203-005005 C-CER,CHIP;100nF,10%,16V,X7R,1608 1
....4 C403 2203-005005 C-CER,CHIP;100nF,10%,16V,X7R,1608 1
....4 C404 2203-005005 C-CER,CHIP;100nF,10%,16V,X7R,1608 1
....4 C405 2203-005005 C-CER,CHIP;100nF,10%,16V,X7R,1608 1
....4 C406 2203-005005 C-CER,CHIP;100nF,10%,16V,X7R,1608 1
....4 C407 2203-005005 C-CER,CHIP;100nF,10%,16V,X7R,1608 1
....4 C408 2203-005005 C-CER,CHIP;100nF,10%,16V,X7R,1608 1
....4 C409 2203-005005 C-CER,CHIP;100nF,10%,16V,X7R,1608 1
....4 C410 2203-005005 C-CER,CHIP;100nF,10%,16V,X7R,1608 1
....4 C411 2203-005005 C-CER,CHIP;100nF,10%,16V,X7R,1608 1
....4 C412 2203-005005 C-CER,CHIP;100nF,10%,16V,X7R,1608 1
....4 C413 2203-005005 C-CER,CHIP;100nF,10%,16V,X7R,1608 1

6 Electrical Parts List
6-15
....4 C414 2203-005005 C-CER,CHIP;100nF,10%,16V,X7R,1608 1
....4 C415 2203-005005 C-CER,CHIP;100nF,10%,16V,X7R,1608 1
....4 C417 2203-005005 C-CER,CHIP;100nF,10%,16V,X7R,1608 1
....4 C419 2203-005005 C-CER,CHIP;100nF,10%,16V,X7R,1608 1
....4 C420 2203-005005 C-CER,CHIP;100nF,10%,16V,X7R,1608 1
....4 C421 2203-005005 C-CER,CHIP;100nF,10%,16V,X7R,1608 1
....4 C423 2203-005005 C-CER,CHIP;100nF,10%,16V,X7R,1608 1
....4 C424 2203-005005 C-CER,CHIP;100nF,10%,16V,X7R,1608 1
....4 C605 2203-005005 C-CER,CHIP;100nF,10%,16V,X7R,1608 1
....4 C607 2203-005005 C-CER,CHIP;100nF,10%,16V,X7R,1608 1
....4 C610 2203-005005 C-CER,CHIP;100nF,10%,16V,X7R,1608 1
....4 C611 2203-005005 C-CER,CHIP;100nF,10%,16V,X7R,1608 1
....4 C615 2203-005005 C-CER,CHIP;100nF,10%,16V,X7R,1608 1
....4 C618 2203-005005 C-CER,CHIP;100nF,10%,16V,X7R,1608 1
....4 C619 2203-005005 C-CER,CHIP;100nF,10%,16V,X7R,1608 1
....4 C620 2203-005005 C-CER,CHIP;100nF,10%,16V,X7R,1608 1
....4 C215 2203-005065 C-CER,CHIP;1000nF,+80-20%,10V,Y5V,1608 1
....4 C216 2203-005065 C-CER,CHIP;1000nF,+80-20%,10V,Y5V,1608 1
....4 C604 2203-005065 C-CER,CHIP;1000nF,+80-20%,10V,Y5V,1608 1
....4 C614 2203-005065 C-CER,CHIP;1000nF,+80-20%,10V,Y5V,1608 1
....4 C205 2203-005437 C-CER,CHIP;10000nF,+80-20%,10V,Y5V,3216 1
....4 C422 2203-005437 C-CER,CHIP;10000nF,+80-20%,10V,Y5V,3216 1
....4 C608 2402-001128 C-AL,SMD;100UF,20%,16V,WT,TP,6.3X5.7MM 1
....4 C609 2402-001128 C-AL,SMD;100UF,20%,16V,WT,TP,6.3X5.7MM 1
....4 T0052 2703-001334 INDUCTOR-SMD;1.5uH,10%,2012 1
....4 T0052 2703-001334 INDUCTOR-SMD;1.5uH,10%,2012 1
....4 X400 2801-003773 CRYSTAL-SMD;12MHZ,30PPM,28-AAN,20PF,50OH 1
....4 T0568 3301-001145 BEAD-SMD;60OHM,4516,6000,TP,70OHM/45MHZ, 1 S.N.A
....4 T0568 3301-001145 BEAD-SMD;60OHM,4516,6000,TP,70OHM/45MHZ, 1 S.N.A
....4 T0568 3301-001145 BEAD-SMD;60OHM,4516,6000,TP,70OHM/45MHZ, 1 S.N.A
....4 CN600 3711-005503 HEADER-BOARD TO CABLE;BOX,9P,1R,2mm,SMD- 1
....4 CN200 3711-005509 HEADER-BOARD TO CABLE;BOX,4P,1R,1.25mm,S 1
....4 T0077 BN41-00631A PCB MAIN;HAYDN,CEM-3,1.0,1.6,110*78*1.6, 1 S.N.A
....4 M0018 BN97-00626L ASSY MICOM;LS19HATT*,W/W,AMLCD 1
.....5 IC520 0903-001402 IC-MICROCONTROLLER;NT68F632ALG,8Bit,PLCC 1 S.N.A
....4 C401 2402-001129 C-AL,SMD;47UF,20%,16V,WT,TP,6.3X5.2MM 1
....4 C612 2402-001129 C-AL,SMD;47UF,20%,16V,WT,TP,6.3X5.2MM 1
...3 M0524 BP39-00028A CONNECT WIRE;BI17,19BS,UL1007#26,9P,80mm 1
...3 M0131 BN63-00533A GASKET;BESTBUY17",CONDUCTIVE FABRIC,7.5M 1 S.N.A
...3 M0131 BN63-01243A GASKET;KD17AS,CONDUCTIVE FABRIC,3mm,13mm 1 S.N.A
..2 M0174 BN44-00123B IP BOARD;SSIP-1719-HD-A,HAYDN17,3.0 ~5.0 1
..2 M2893 BN39-00663A LEAD CONNECTOR;LS17BIC,UL1571#30,30P,200 1
..2 M0081 6003-000334 SCREW-TAPTITE;RH,+,2S,M3,L6,ZPC(YEL),SWR 1 S.N.A
..2 M0081 6003-000334 SCREW-TAPTITE;RH,+,2S,M3,L6,ZPC(YEL),SWR 2 S.N.A
..2 M0081 6003-001439 SCREW-TAPTITE;BH,+,S,M4,L8,ZPC(YEL) 1 S.N.A
Level Loc. No. Code No. Description & Specification EA SA/SNA

6 Electrical Parts List
6-16
Level Loc. No. Code No. Description & Specification EA SA/SNA
0 LS15HAAKN/XSF 540N,XAU1/S15A7-LHA,15,LCD-MO,CHINA 0
0.1 M0001 BN90-00776K ASSY COVER FRONT;HA15AS,IVORY 1 S.N.A
..2 T0003 BN96-02387E ASSY COVER P-FRONT;HA15AS,ABS HB,IV16 1
...3 M0112 BN63-01993C COVER-FRONT;HA15AS_BS,ABS,T2.5,338,272,H 1 S.N.A
...3 T0022 BN64-00377B KNOB CONTROL;HA17TS,PC CLEAR,T2.1,9,112, 1 S.N.A
...3 M0145 BN96-02474A ASSY BOARD P-FUNCTION;HAYDN,YWP-HAYDN,FU 1
0.1 M0002 BN90-00781F ASSY COVER REAR;LS15HAAKN/XSF,SIMPLE,IVO 1 S.N.A
..2 M0081 6003-000337 SCREW-TAPTITE;BH,+,S,M4,L10,ZPC(BLK),SWR 3
..2 M0006 BN63-01995B COVER-REAR SUB;HAYDN,HIPS,T2.5,209,290,H 1 S.N.A
..2 M0013 BN96-02388E ASSY COVER P-REAR;HA15AS,HIPS HB,IV16,SI 1
...3 M0113 BN61-01581A BRACKET-VESA;BI17/19BS,SECC,T1.0 2 S.N.A
...3 M0006 BN63-01994E COVER-REAR;HA15AS,HIPS,T2.5,338,272,HB,I 1 S.N.A
...3 BN73-00089A RUBBER-SET CAP;PO24FS,Elatomer,20~30 4 S.N.A
0.1 M0216 BN90-00782A ASSY STAND;LS17HABKN/XAA,IVORY 1 S.N.A
..2 M0003 BN96-01947D ASSY STAND P;HA17AS/BS,HIPS,IV16,STAND/B 1
...3 M0081 6003-000269 SCREW-TAPTITE;BH,+,-,S,M3,L6,ZPC(YEL),SW 2 S.N.A
...3 M0081 6003-001086 SCREW-TAPTITE;BH,+,B,M3,L12,ZPC(BLK),SWR 4 S.N.A
...3 STD BN61-00822A STAND-BRKT HINGE;GS17VS,SECC,T1.2 1 S.N.A
...3 STD BN63-01762C COVER-STAND FRONT;HA17AS/BS,HIPS,T2.7,IV 1 S.N.A
...3 STD BN63-01763C COVER-STAND REAR;HA17AS/BS,HIPS,T2.7,IV1 1 S.N.A
...3 M0122 BN96-01061A ASSY MISC P-HINGE;MJ15-17AS/BS,ZNDC2 1 S.N.A
0.1 BN91-00841X ASSY LCD-NTZ;LS15MJC* 1 S.N.A
..2 M0215 BN07-00226A LCD-PANEL;HSD150MX17-A,Haydn,6BIT FRC,32 1
0.1 M0112 BN91-00950S ASSY SHIELD;LS15HAA* 1 S.N.A
..2 CIS BN63-02004A SHIELD-LAMP;HA15AS,SECC,T0.8,100,150 1 S.N.A
0.1 M0017 BN91-00985C ASSY CHASSIS-NTZ,XSF;HA15AS,CHINA 1
..2 M0081 6003-000334 SCREW-TAPTITE;RH,+,2S,M3,L6,ZPC(YEL),SWR 1 S.N.A
..2 M0081 6003-000334 SCREW-TAPTITE;RH,+,2S,M3,L6,ZPC(YEL),SWR 2 S.N.A
..2 M0081 6003-001439 SCREW-TAPTITE;BH,+,S,M4,L8,ZPC(YEL) 1 S.N.A
..2 M2893 BN39-00681A LEAD CONNECTOR;HAYDN,UL1571#30,20P/30P,1 1
..2 M0174 BN44-00130A IP BOARD;FSP025-2PI02,BI15VS,4.5mA,8.0mA 1
..2 M0014 BN94-00775R ASSY PCB MAIN-NTZ,XSF;HA15AS*,CHINA 1 S.N.A
...3 T0245 0202-001366 SOLDER-WIRE FLUX;-,RS60S,D1.2,63Sn/37Pb, 0.01 S.N.A
...3 CN101 3701-001219 CONNECTOR-DSUB;15P,3R,FEMALE,ANGLE,AUF 1
...3 CN400 3711-005884 HEADER-BOARD TO BOARD;BOX,30P,2R,2mm,ANG 1
...3 M0131 AA63-01302A GASKET;HAYDN,Conductive Fabric,4,15,70,G 2 S.N.A
...3 T0174 BN97-00699R ASSY SMD;HA15AS 1 S.N.A
....4 CIS5 0202-001375 SOLDER-CREAM;RMA-20-21L,S63,-,Sn63/Pb36. 1.02 S.N.A
....4 D101 0401-001056 DIODE-SWITCHING;MMBD4148SE,100V,200MA,SO 1
....4 D102 0401-001056 DIODE-SWITCHING;MMBD4148SE,100V,200MA,SO 1
....4 D104 0401-001056 DIODE-SWITCHING;MMBD4148SE,100V,200MA,SO 1
....4 ZD100 0403-001411 DIODE-ZENER;-,5.49-5.73V,200MW,SOD-323,T 1
....4 ZD103 0403-001411 DIODE-ZENER;-,5.49-5.73V,200MW,SOD-323,T 1
....4 ZD104 0403-001411 DIODE-ZENER;-,5.49-5.73V,200MW,SOD-323,T 1
....4 ZD109 0403-001411 DIODE-ZENER;-,5.49-5.73V,200MW,SOD-323,T 1
....4 ZD110 0403-001411 DIODE-ZENER;-,5.49-5.73V,200MW,SOD-323,T 1
....4 ZD106 0406-001061 DIODE-TVS;MMQA5V6T3,5.32/5.6/5.88V,24W,S 1
....4 ZD200 0406-001061 DIODE-TVS;MMQA5V6T3,5.32/5.6/5.88V,24W,S 1
....4 Q603 0501-002080 TR-SMALL SIGNAL;2SC2412K,NPN,200mW,SC-59 1
....4 Q604 0501-002080 TR-SMALL SIGNAL;2SC2412K,NPN,200mW,SC-59 1
....4 Q409 0505-001957 FET-SILICON;NTR2101P,P,-8V,-3.7A,0.052oh 1
....4 IC109 1003-001813 IC-LCD CONTROLLER;SE16AWL,PQFP,100P,23.4 1
....4 IC112 1103-001023 IC-EEPROM;24C08,1Kx8,SOP,8P,5x4mm,2.5/5. 1
....4 T0087 1203-002425 IC-POSI.FIXED REG.;AP1117,SOT-223,3P,138 1
....4 T0087 1203-002844 IC-POSI.FIXED REG.;AP1117D-18A,TO-252-3L 1
....4 T0087 1203-002853 IC-POSI.FIXED REG.;G960T45R,TO-252,3P,6. 1
....4 C616 2007-000070 R-CHIP;0ohm,5%,1/10W,TP,1608 1
....4 R100 2007-000070 R-CHIP;0ohm,5%,1/10W,TP,1608 1
....4 R101 2007-000070 R-CHIP;0ohm,5%,1/10W,TP,1608 1
....4 R102 2007-000070 R-CHIP;0ohm,5%,1/10W,TP,1608 1
....4 R103 2007-000070 R-CHIP;0ohm,5%,1/10W,TP,1608 1
6-3 LS15HAAKN/XSF

6 Electrical Parts List
6-17
....4 R104 2007-000070 R-CHIP;0ohm,5%,1/10W,TP,1608 1
....4 R105 2007-000070 R-CHIP;0ohm,5%,1/10W,TP,1608 1
....4 R245 2007-000070 R-CHIP;0ohm,5%,1/10W,TP,1608 1
....4 R270 2007-000070 R-CHIP;0ohm,5%,1/10W,TP,1608 1
....4 R107 2007-000074 R-CHIP;100ohm,5%,1/10W,TP,1608 1
....4 R108 2007-000074 R-CHIP;100ohm,5%,1/10W,TP,1608 1
....4 R109 2007-000074 R-CHIP;100ohm,5%,1/10W,TP,1608 1
....4 R110 2007-000074 R-CHIP;100ohm,5%,1/10W,TP,1608 1
....4 R111 2007-000074 R-CHIP;100ohm,5%,1/10W,TP,1608 1
....4 R112 2007-000074 R-CHIP;100ohm,5%,1/10W,TP,1608 1
....4 R226 2007-000074 R-CHIP;100ohm,5%,1/10W,TP,1608 1
....4 R227 2007-000074 R-CHIP;100ohm,5%,1/10W,TP,1608 1
....4 R228 2007-000074 R-CHIP;100ohm,5%,1/10W,TP,1608 1
....4 R229 2007-000074 R-CHIP;100ohm,5%,1/10W,TP,1608 1
....4 R231 2007-000074 R-CHIP;100ohm,5%,1/10W,TP,1608 1
....4 R233 2007-000074 R-CHIP;100ohm,5%,1/10W,TP,1608 1
....4 R239 2007-000074 R-CHIP;100ohm,5%,1/10W,TP,1608 1
....4 R240 2007-000074 R-CHIP;100ohm,5%,1/10W,TP,1608 1
....4 R242 2007-000074 R-CHIP;100ohm,5%,1/10W,TP,1608 1
....4 R243 2007-000074 R-CHIP;100ohm,5%,1/10W,TP,1608 1
....4 R244 2007-000074 R-CHIP;100ohm,5%,1/10W,TP,1608 1
....4 R247 2007-000074 R-CHIP;100ohm,5%,1/10W,TP,1608 1
....4 R248 2007-000074 R-CHIP;100ohm,5%,1/10W,TP,1608 1
....4 R249 2007-000074 R-CHIP;100ohm,5%,1/10W,TP,1608 1
....4 R250 2007-000074 R-CHIP;100ohm,5%,1/10W,TP,1608 1
....4 R251 2007-000074 R-CHIP;100ohm,5%,1/10W,TP,1608 1
....4 R253 2007-000074 R-CHIP;100ohm,5%,1/10W,TP,1608 1
....4 R254 2007-000074 R-CHIP;100ohm,5%,1/10W,TP,1608 1
....4 R255 2007-000074 R-CHIP;100ohm,5%,1/10W,TP,1608 1
....4 R234 2007-000077 R-CHIP;470ohm,5%,1/10W,TP,1608 1
....4 R124 2007-000078 R-CHIP;1Kohm,5%,1/10W,TP,1608 1
....4 R225 2007-000078 R-CHIP;1Kohm,5%,1/10W,TP,1608 1
....4 R606 2007-000078 R-CHIP;1Kohm,5%,1/10W,TP,1608 1
....4 R260 2007-000082 R-CHIP;3.3Kohm,5%,1/10W,TP,1608 1
....4 R261 2007-000082 R-CHIP;3.3Kohm,5%,1/10W,TP,1608 1
....4 R257 2007-000083 R-CHIP;3Kohm,5%,1/10W,TP,1608 1
....4 R130 2007-000084 R-CHIP;4.7Kohm,5%,1/10W,TP,1608 1
....4 R201 2007-000084 R-CHIP;4.7Kohm,5%,1/10W,TP,1608 1
....4 R202 2007-000084 R-CHIP;4.7Kohm,5%,1/10W,TP,1608 1
....4 R205 2007-000084 R-CHIP;4.7Kohm,5%,1/10W,TP,1608 1
....4 R208 2007-000084 R-CHIP;4.7Kohm,5%,1/10W,TP,1608 1
....4 R209 2007-000084 R-CHIP;4.7Kohm,5%,1/10W,TP,1608 1
....4 R210 2007-000084 R-CHIP;4.7Kohm,5%,1/10W,TP,1608 1
....4 R212 2007-000084 R-CHIP;4.7Kohm,5%,1/10W,TP,1608 1
....4 R213 2007-000084 R-CHIP;4.7Kohm,5%,1/10W,TP,1608 1
....4 R214 2007-000084 R-CHIP;4.7Kohm,5%,1/10W,TP,1608 1
....4 R215 2007-000084 R-CHIP;4.7Kohm,5%,1/10W,TP,1608 1
....4 R216 2007-000084 R-CHIP;4.7Kohm,5%,1/10W,TP,1608 1
....4 R217 2007-000084 R-CHIP;4.7Kohm,5%,1/10W,TP,1608 1
....4 R218 2007-000084 R-CHIP;4.7Kohm,5%,1/10W,TP,1608 1
....4 R219 2007-000084 R-CHIP;4.7Kohm,5%,1/10W,TP,1608 1
....4 R220 2007-000084 R-CHIP;4.7Kohm,5%,1/10W,TP,1608 1
....4 R230 2007-000084 R-CHIP;4.7Kohm,5%,1/10W,TP,1608 1
....4 R605 2007-000084 R-CHIP;4.7Kohm,5%,1/10W,TP,1608 1
....4 R131 2007-000090 R-CHIP;10Kohm,5%,1/10W,TP,1608 1
....4 R236 2007-000090 R-CHIP;10Kohm,5%,1/10W,TP,1608 1
....4 R252 2007-000090 R-CHIP;10Kohm,5%,1/10W,TP,1608 1
....4 R400 2007-000090 R-CHIP;10Kohm,5%,1/10W,TP,1608 1
....4 R401 2007-000090 R-CHIP;10Kohm,5%,1/10W,TP,1608 1
....4 R603 2007-000090 R-CHIP;10Kohm,5%,1/10W,TP,1608 1
....4 R604 2007-000090 R-CHIP;10Kohm,5%,1/10W,TP,1608 1
....4 R607 2007-000090 R-CHIP;10Kohm,5%,1/10W,TP,1608 1
....4 R602 2007-000102 R-CHIP;100Kohm,5%,1/10W,TP,1608 1
....4 R106 2007-000821 R-CHIP;390ohm,1%,1/10W,TP,1608 1
....4 R403 2007-000821 R-CHIP;390ohm,1%,1/10W,TP,1608 1
....4 R113 2007-001164 R-CHIP;75ohm,1%,1/10W,TP,1608 1
....4 R114 2007-001164 R-CHIP;75ohm,1%,1/10W,TP,1608 1
Level Loc. No. Code No. Description & Specification EA SA/SNA

6 Electrical Parts List
6-18
Level Loc. No. Code No. Description & Specification EA SA/SNA
....4 R115 2007-001164 R-CHIP;75ohm,1%,1/10W,TP,1608 1
....4 R126 2007-001164 R-CHIP;75ohm,1%,1/10W,TP,1608 1
....4 R127 2007-001164 R-CHIP;75ohm,1%,1/10W,TP,1608 1
....4 R608 2007-002899 R-CHIP;10ohm,1%,1/10W,TP,1608 1
....4 R609 2007-002899 R-CHIP;10ohm,1%,1/10W,TP,1608 1
....4 C416 2203-000041 C-CER,CHIP;0.01nF,0.25pF,50V,C0G,1608 1
....4 C418 2203-000041 C-CER,CHIP;0.01nF,0.25pF,50V,C0G,1608 1
....4 C210 2203-000189 C-CER,CHIP;100nF,+80-20%,25V,Y5V,1608 1
....4 C109 2203-000236 C-CER,CHIP;0.1nF,5%,50V,C0G,1608 1
....4 C106 2203-000257 C-CER,CHIP;10nF,10%,50V,X7R,1608 1
....4 C208 2203-000257 C-CER,CHIP;10nF,10%,50V,X7R,1608 1
....4 C209 2203-000257 C-CER,CHIP;10nF,10%,50V,X7R,1608 1
....4 C204 2203-000426 C-CER,CHIP;0.018nF,5%,50V,C0G,1608 1
....4 C120 2203-000903 C-CER,CHIP;0.0047nF,0.25pF,50V,C0G,1608 1
....4 C121 2203-000903 C-CER,CHIP;0.0047nF,0.25pF,50V,C0G,1608 1
....4 C122 2203-000903 C-CER,CHIP;0.0047nF,0.25pF,50V,C0G,1608 1
....4 C111 2203-000998 C-CER,CHIP;0.047nF,5%,50V,C0G,1608 1
....4 C100 2203-005005 C-CER,CHIP;100nF,10%,16V,X7R,1608 1
....4 C101 2203-005005 C-CER,CHIP;100nF,10%,16V,X7R,1608 1
....4 C102 2203-005005 C-CER,CHIP;100nF,10%,16V,X7R,1608 1
....4 C103 2203-005005 C-CER,CHIP;100nF,10%,16V,X7R,1608 1
....4 C104 2203-005005 C-CER,CHIP;100nF,10%,16V,X7R,1608 1
....4 C105 2203-005005 C-CER,CHIP;100nF,10%,16V,X7R,1608 1
....4 C107 2203-005005 C-CER,CHIP;100nF,10%,16V,X7R,1608 1
....4 C200 2203-005005 C-CER,CHIP;100nF,10%,16V,X7R,1608 1
....4 C207 2203-005005 C-CER,CHIP;100nF,10%,16V,X7R,1608 1
....4 C400 2203-005005 C-CER,CHIP;100nF,10%,16V,X7R,1608 1
....4 C402 2203-005005 C-CER,CHIP;100nF,10%,16V,X7R,1608 1
....4 C403 2203-005005 C-CER,CHIP;100nF,10%,16V,X7R,1608 1
....4 C404 2203-005005 C-CER,CHIP;100nF,10%,16V,X7R,1608 1
....4 C405 2203-005005 C-CER,CHIP;100nF,10%,16V,X7R,1608 1
....4 C406 2203-005005 C-CER,CHIP;100nF,10%,16V,X7R,1608 1
....4 C407 2203-005005 C-CER,CHIP;100nF,10%,16V,X7R,1608 1
....4 C408 2203-005005 C-CER,CHIP;100nF,10%,16V,X7R,1608 1
....4 C409 2203-005005 C-CER,CHIP;100nF,10%,16V,X7R,1608 1
....4 C410 2203-005005 C-CER,CHIP;100nF,10%,16V,X7R,1608 1
....4 C411 2203-005005 C-CER,CHIP;100nF,10%,16V,X7R,1608 1
....4 C412 2203-005005 C-CER,CHIP;100nF,10%,16V,X7R,1608 1
....4 C413 2203-005005 C-CER,CHIP;100nF,10%,16V,X7R,1608 1
....4 C414 2203-005005 C-CER,CHIP;100nF,10%,16V,X7R,1608 1
....4 C415 2203-005005 C-CER,CHIP;100nF,10%,16V,X7R,1608 1
....4 C417 2203-005005 C-CER,CHIP;100nF,10%,16V,X7R,1608 1
....4 C419 2203-005005 C-CER,CHIP;100nF,10%,16V,X7R,1608 1
....4 C420 2203-005005 C-CER,CHIP;100nF,10%,16V,X7R,1608 1
....4 C421 2203-005005 C-CER,CHIP;100nF,10%,16V,X7R,1608 1
....4 C423 2203-005005 C-CER,CHIP;100nF,10%,16V,X7R,1608 1
....4 C424 2203-005005 C-CER,CHIP;100nF,10%,16V,X7R,1608 1
....4 C605 2203-005005 C-CER,CHIP;100nF,10%,16V,X7R,1608 1
....4 C607 2203-005005 C-CER,CHIP;100nF,10%,16V,X7R,1608 1
....4 C610 2203-005005 C-CER,CHIP;100nF,10%,16V,X7R,1608 1
....4 C611 2203-005005 C-CER,CHIP;100nF,10%,16V,X7R,1608 1
....4 C615 2203-005005 C-CER,CHIP;100nF,10%,16V,X7R,1608 1
....4 C618 2203-005005 C-CER,CHIP;100nF,10%,16V,X7R,1608 1
....4 C619 2203-005005 C-CER,CHIP;100nF,10%,16V,X7R,1608 1
....4 C620 2203-005005 C-CER,CHIP;100nF,10%,16V,X7R,1608 1
....4 C604 2203-005065 C-CER,CHIP;1000nF,+80-20%,10V,Y5V,1608 1
....4 C606 2203-005065 C-CER,CHIP;1000nF,+80-20%,10V,Y5V,1608 1
....4 C614 2203-005065 C-CER,CHIP;1000nF,+80-20%,10V,Y5V,1608 1
....4 C201 2203-005437 C-CER,CHIP;10000nF,+80-20%,10V,Y5V,3216 1
....4 C202 2203-005437 C-CER,CHIP;10000nF,+80-20%,10V,Y5V,3216 1
....4 C205 2203-005437 C-CER,CHIP;10000nF,+80-20%,10V,Y5V,3216 1
....4 C422 2203-005437 C-CER,CHIP;10000nF,+80-20%,10V,Y5V,3216 1
....4 C401 2402-001128 C-AL,SMD;100UF,20%,16V,WT,TP,6.3X5.7MM 1
....4 C608 2402-001128 C-AL,SMD;100UF,20%,16V,WT,TP,6.3X5.7MM 1
....4 C609 2402-001128 C-AL,SMD;100UF,20%,16V,WT,TP,6.3X5.7MM 1
....4 C612 2402-001128 C-AL,SMD;100UF,20%,16V,WT,TP,6.3X5.7MM 1
....4 T0052 2703-001334 INDUCTOR-SMD;1.5uH,10%,2012 1

6 Electrical Parts List
6-19
....4 T0052 2703-001334 INDUCTOR-SMD;1.5uH,10%,2012 1
....4 X400 2801-003326 CRYSTAL-SMD;24MHz,30ppm,28-ABX,16pF,50oh 1
....4 T0568 3301-001145 BEAD-SMD;60OHM,4516,6000,TP,70OHM/45MHZ, 1 S.N.A
....4 CN600 3711-005503 HEADER-BOARD TO CABLE;BOX,9P,1R,2mm,SMD- 1
....4 CN200 3711-005509 HEADER-BOARD TO CABLE;BOX,4P,1R,1.25mm,S 1
....4 T0077 BN41-00583B PCB MAIN;BI17/19BS,STH,2L,MP1.1,1.6T,118 1 S.N.A
....4 MICOM BN97-00700Q ASSY MICOM-NTZ,XSF;HA15AS*,CHINA 1
.....5 IC520 0903-001397 IC-MICROCONTROLLER;WT61P4,8Bit,PLCC,44P, 1 S.N.A
...3 M0524 BP39-00028A CONNECT WIRE;BI17,19BS,UL1007#26,9P,80mm 1
..2 M0006 BN96-02440C ASSY SHIELD P-COVER;HA15BS,SECC T0.8,DUA 1 S.N.A
...3 BN61-01585A BRACKET-SHIELD;BI17BS,SECC,T0.8 1 S.N.A
...3 BN63-01774A SHIELD-INSULATOR;BI17/19BS,PET,T0.35 1 S.N.A
...3 M0107 BN63-02003C SHIELD-COVER;HA15AS,SECC,T0.8,325,165,AN 1 S.N.A
...3 BN63-02076A COVER-FRAME;HA15BS,ABS,T2.0,17,19,V0,BK0 2 S.N.A
0.1 M0113 BN92-01274A ASSY P/MATERIAL;LS15HAAKB*,NEW SIMPLE,BL 1 S.N.A
..2 T0376 6902-000061 BAG AIR;LDPE,T0.2,L1000,W500,TRP,,, 0.001 S.N.A
..2 T0524 6902-000111 BAG PE;HDPE,T0.015,L800,W650,TRP,28,4,PE 1 S.N.A
..2 T0376 6902-000379 BAG AIR;LDPE,T0.2,W1000,L1800,TRP,-,-- 0.001 S.N.A
..2 P/M 6902-000604 BAG WRAPPING;LDPE,T0.02,W500,L10000,TRP, 0.71 S.N.A
..2 M0081 6902-000609 BAG ROLL;LDPE,T0.05,W2400,L1000,TRP,-,- 0.1 S.N.A
0.1 M0019 BN92-01387F ASSY LABEL;BI17BSSBV/XSF 1 S.N.A
..2 LABEL BN68-00761D MANUAL-01,QSG;Protection Sheet,SyncMaste 1 S.N.A
0.1 M0045 BN92-01535U ASSY ACCESSORY;LS17HAAKN/XSF 1 S.N.A
..2 M0114 BN39-00244B CBF SIGNAL;MO15PS,15P/15P,20276-N,1830MM 1
..2 M0045 BN96-02330R ASSY ACCESSORY;LS19HABKSV/XSF 1
...3 T0268 3903-000082 CBF-POWER CORD;DT,CN,IP3/YES(A),I(IEC C1 1
...3 T0524 6902-000110 BAG PE;LDPE,T0.05,W250,L400,TRP,28,2 1 S.N.A
...3 ACCESSORY BH75-00146B UNIT-07,WARRANTY;CHINA,-,ASS'Y-W/CARD,BH 1 S.N.A
....4 BH68-00297E MANUAL-ETC;SAMSUNG BASIC,SAMSUNG,C,CHINA 1 S.N.A
....4 CIS BH68-00297F MANUAL-ETC;ENVELOPE,SAMSUNG,C,CHINA,MOJO 1 S.N.A
...3 M0215 BN96-02495G ASSY MANUAL P-IB+QSG;LS19HAA/940N,SyncMa 1 S.N.A
....4 M0808 BH68-00376L MANUAL-04;LCDQUICK SETUP GUIDE,SYNCMASTE 1 S.N.A
....4 IB BN59-00486G S/W DRIVER-01,IB;LS19HAA/940N,W/W,SyncMa 1 S.N.A
...3 M0113 BH68-70455A CARD-TESTED GOODS;ALL (CHINA),SAMAUNG,CH 1 S.N.A
..2 M0013 BN96-02331E ASSY STAND P-BASE;HA17AS/BS,HIPS,IV16 1
...3 CIS4 BN61-01717A HOLDER-STAND;BIZET,NI PLT,CH,+,M4,L11(5) 1 S.N.A
...3 BN63-01989C COVER-STAND BASE;HA17AS/BS,HIPS,T2.5,IV1 1 S.N.A
...3 BN63-01990E COVER-STAND TOP;HA17AS/BS,HIPS,T2.5,IV16 1 S.N.A
...3 BN68-00786F MANUAL-QSG;Bizet Stand Manual,SyncMaster 1 S.N.A
...3 M0126 BN73-00077A RUBBER-FOOT;MATISSE,BUMPON,##13.5,T2.0,6 4 S.N.A
...3 T0524 6902-000110 BAG PE;LDPE,T0.05,W250,L400,TRP,28,2 1 S.N.A
0.1 M0003 BN92-01540M ASSY BOX;LS15HAAKN/XSF 1 S.N.A
..2 M0120 BH75-10529A UNIT-HANDLE PACKING;LXA410TLMU,PE,-,WHIT 1 S.N.A
...3 M0103 BN72-60001A LEVER-TOP;LSD210TL,PE-LD,WHITE,TFT_LCD 1 S.N.A
...3 M0102 BN72-60002A LEVER-BOTTOM;LSD210TL,PE-LD,WHITE,TFT-LC 1 S.N.A
..2 BOX BN69-01134C BOX-MONITOR;S/M540N(HA15AS),CB-SW4,YEL,A 1.01 S.N.A
Level Loc. No. Code No. Description & Specification EA SA/SNA

7 Block Diagrams
7-1
7 Block Diagram
7-1 Power Tree
0.6W Self-Loss
Panel Operating Board
SE16/56AL Core Operation
SE16/56AL Interface Operation

7 Block Diagrams
7-2
7-2 Main Board Part
SE16AW /

7-3 IP Board Part (SMPS Part)
7 Block Diagrams
7-3

7-4 IP Board Part (Inverter Part)
7 Block Diagrams
7-4

8 Wiring Diagram
8-1
8 Wiring Diagram
8 Wiring Diagram

8 Wiring Diagram
8-2
Memo

9 Schematic Diagrams
9-1
9 Schematic Diagrams
- This Document can not be used without Samsung’s authorization.
9-1 Schematic Diagrams(15")
3
2
1
457
6

9 Schematic Diagrams
9-2
9-2 Schematic Diagrams(17", 19")

9 Schematic Diagrams
9-3
1 2 3 4
5 6 7

Memo
9 Schematic Diagrams
9-4

1. Menu button
Opens the OSD menu. Also use to exit the OSD
menu or return to the previous menu.
2. MagicBright button
MagicBright is a new feature providing optimum
viewing environment depending on the contents of
the image you are watching. Currently six different
modes are available: Custom, Text, Internet,
Game, Sport and Movie. Each mode has its own
pre-configured brightness value. You can easily
select one of six settings by simply pressing
MagicBright control buttons.
1) Custom
Although the values are carefully chosen by our
engineers, the pre-configured values may not be
comfortable to your eyes depending on your taste.
If this is the case, adjust the brightness and con-
trast by using the OSD menu.
2) Text : Normal brightness
For documentations or works involving heavy text.
3) Internet : Medium brightness
For working with a mixture of images such as text
and graphics.
4) Game
For watching motion pictures such as a game.
5) Sport
For watching motion pictures such as a sport.
6) Movie : High brightness
For watching motion pictures such as a DVD or
Video CD.
3. Brightness button
When OSD is not on the screen, push the button
to adjust brightness.
2,3. Adjust buttons
Adjust items in the menu.
10 Operating Instructions and Installation
10-1
10 Operating Instructions and Installation
10-1 Front

10 Operating Instructions and Installation
10-2
4. Enter button / Source button
Activates a highlighted menu item. /
Push the 'SOURCE', then selects the video signal
while the OSD is off. (When the source button is
pressed to change the input mode, a message
appears in the center of the screen displaying the
current mode -- analog or digital input signal.)
Note : If you select the digital mode, you must con-
nect your monitor to the graphic card's port using
the DVI cable.
5. Auto button
Use this button for auto adjustment.
6. Power button
Use this button for turn the monitor on and off.
7. Power indicator
This light glows green during normal operation,
and blinks green once as the monitor saves your
adjustments.
10-2 Rear
(The configuration at the back of the monitor may vary from product to product.)
1. Power port
Connect the power cord for your monitor to the power port on the back of the monitor.
2. DVI port
Connect the DVI cable to the DVI port on the back of your monitor.
3. D-sub 15-pin port
Connect the signal cable to the 15-pin, D-sub connector on the back of your monitor.
4. Power on/off Switch(option)
Use this button for turn the monitor on and off.
5. Kensington Lock
The Kensington lock is a device used to physically fix the system when using it in a public place.
(The locking device has to be purchased separately. )
To get the information on using the Kensington Lock, contact an aurhorized dealer.

1. Connect the power cord for your monitor to the power port on the back of the monitor.
Plug the power cord for the monitor into a nearby outlet.
2-1. Using the D-sub (Analog) connector on the video card.
Connect the signal cable to the 15-pin, D-sub connector on the back of your monitor.
2-2. Using the DVI (Digital) connector on the video card.
Connect the DVI cable to the DVI port on the back of your monitor.
2-3. Connected to a Macintosh.
Connect the monitor to the Macintosh computer using the D-SUB connection cable.
2-4. In the case of an old model Macintosh, you need to connect the monitor using a special Mac
adapter.
3. Turn on your computer and monitor. If your monitor displays an image, installation is complete.
10 Operating Instructions and Installation
10-3
10-3 Connecting the monitor
Rear of monitor Rear of Computer
New Model Macintosh
Old Model Macintosh

10-4 Monitor Assembly
10 Operating Instructions and Installation
10-4

10 Operating Instructions and Installation
10-5
10-5 Attaching a Base
- This monitor accepts a 75mm x 75mm VESA-compliant mounting interface pad.
A. Monitor
B. Mounting interface pad
1. Turn off your monitor and unplug its power cord.
2. Lay the LCD monitor face-down on a flat surface with a cushion beneath it to protect the screen.
3. Remove four screws and then remove the stand from the LCD monitor.
4. Align the mounting interface Pad with the holes in the rear cover mounting pad and secure it with four
screws that came with the arm-type base, wall mount hanger or other base.

Memo
10 Operating Instructions and Installation
10-6

11 Disassembly and Reassembly
11-1
11 Disassembly and Reassembly
This section of the service manual describes the disassembly and reassembly procedures for the TFT-LCD monitors.
WARNING: This monitor contains electrostatically sensitive devices. Use caution when handling
these components.
11-1 Disassembly (Simple - Stand)
Cautions: 1. Disconnect the monitor from the power source before disassembly.
1. Place monitor face down on cushioned table. Remove 3 screws from the stand.
2. Remove stand and front cover.

11 Disassembly and Reassembly
11-2
3. Lift up the back cover and Use the jig to remove the shield lamp.
4. Disconnect cables.
5. Lift up the shield and disconnect LVDS cable.

11 Disassembly and Reassembly
11-3
11-2 Disassembly (HAS-Stand)
6. Lift up the LCD panel.
1. Place monitor face down on cushioned table. Remove 2 screws from the stand and remove front cover.

11 Disassembly and Reassembly
11-4
2. Lift up the back cover and Use the jig to remove the shield lamp.
3. Disconnect cables.
4. Lift up the shield and disconnect LVDS cable.

11 Disassembly and Reassembly
11-5
5. Lift up the LCD panel.
11-3 Reassembly
Reassembly procedures are in the reverse order of disassembly procedures.

11 Disassembly and Reassembly
11-6
Memo

12 PCB Layout
12-1
12 PCB Diagram

12 PCB Layout
12-2
Memo

13 Circuit Descriptions
13-1
13 Circuit Descriptions
13-1 Overall Block Structure
13-1-1 Power Tree
0.6W Self-Loss
Panel Operating Board
SE16/56AL Core Operation
SE16/56AL Interface Operation
1. When the AD board is in DPMS state:
1.1 The IP has been designed so that it operates with a power consumption of less than 0.6W of.
1.2 The Scaler consumes power up to 27mA
1.3 The power to the panel is switched off
1.4 The MCU consumes power up to 23mA.
--> The total current consumption to the DPMS is less then 60mA
and the total power consumption is 0.6W + 5V*60mA = 0.9W so that the total power consumption is
less than 1W.
2. When the AD board is operating normally:
2.1 The maximum power consumption of the panel lamps is described below (It may vary depending on
the panel manufacturer)
17" : 4*(7.5mA*650mVrms)=4*4.9=19.6W
19: : 4*(7.5mA*720mVrms)=4*5.4=21.6W
2.2 The power consumption of the Panel Control board is as follows: 5V*720mA=3.6W
2.3 The power consumption of the Scaler is as follows: 3.3V*245mA + 1.8V*300mA = 1.35W
2.4 The power consumption of the MCU is as follows: 5V*44mA =0.22W

13 Circuit Descriptions
13-2
13-1-2 Main Board Parts
1. Inverter: A conversion device that converts DC
rated voltage/current to high ones necessary
for the panel lamp.
2. DC/DC(Regulator): General term for DC to DC
converting devices.
The IP board receives 5V and outputs 1.8 or
3.3V that is supplied to the scaler (SE56AWL).
3. Power MosFET: The IP board receives 5V and
outputs a lower voltage in DPMS mode and
supplies the whole 5V for the panel operating
board in normal conditions. In that case, the
switching of Power MosFET is controlled by
Micom.
4. Scaler: Receives the digital TMDS and analog
R,G,B signals and convert them to proper reso-
lutions using up- or down- scaling that are
transferred to the panel in the LDVS formats.
5. Crystal(Oscillator): Use one 24MHz oscillator
externally to supply power to both MCU and
Scaler at the same time.
6. MCU & EEPROM: I2C is a two-way serial bus of
two lines that supports communications across
the integrated circuits as well as between MCU,
Scaler and EEPROM.
In particular, MCU and Scaler (SE56AWL) use
the DDR direct bus for mutual communications,
which is an effective, speedy system because it
allows 4 additional address/data lines com-
pared to the old serial systems.
7. Function Key: A certain keystroke generates a
certain electrical potential, which is transferred
into ADC input port of the MCU and then con-
verted to a digital value by the A/D converter of
the chip. The digital value (data) is a clue to
which key is entered. In practical, the voltage
levels are set as below.

13 Circuit Descriptions
13-3
13-1-3 IP BOARD BLOCK(POWER) Parts
13-1-4 IP BOARD BLOCK( INVERTER ) Parts
D
DC
In
In
put
put
+1
+ 13V
dc
dc
IP
BOARD
BO A RD
BLOCK
BLO CK ( I
NV
N V
ERTER
ERT ER )
+5
+ 5
Vd
V dc
A D
IM
IM + 3
.3
.3V dc
BD
IM
IM + 4
.5V
.5V dc
IN
VERT
V ERT
ER
ER
PART
PA RT
CO
C O N T
RO
RO L PA RT
POWER
DC INPUT
ON/OFF
DIM INPUT
FULL
BRIDGE
CIRCUIT
INVERTER
CONTROL
IC
DRIVER
IC
FEED BACK
CIRCUIT
PROTECTION
CIRCUIT
Lamp
Lamp
Lamp
Lamp

13 Circuit Descriptions
13-4
13-1-5 IP BOARD ( inverter ) PROTECTION Parts
Figure 1.
Figure 2.
BIZET INVERTER CONTROLER FAN7310 have 2-way of the PROTECTION MODE.
1. OVP[Over Voltage Protection] : If the Voltage of the series capacitors C10 & C15 is over the 2.0V, the
Inverter latched-off.[See the Picture1]
2. OLP[Over Load Protection] : If the inverter output harness is opened(No-output current), the base of the
Q1 turns on and chage the C9 ovter 2V and then, the Inverter latched-
off[See the Picture2]

13 Circuit Descriptions
13-5
13-2 Trouble Shooting
13-2-1 IP BOARD(Power)
Check fuse
Change FUSE
Yes
No
3 pin of FDM0565R
Vcc system in normal: HIGH
Check the Vcc system
Yes
No
1 pin of FDM0565R
Check the drain system
Normal: Switching
Check the output current
Check the main switching
Check others
Harness, Inlet
Power On
No
Check the
feedback system
No
Check the
protection system
No
Yes
Yes

13 Circuit Descriptions
13-6
13-2-1 IP BOARD(Inverter)
Check the power system
Yes
No
1 and 2 pins of FDM0565R
Check Protection
Normal:0.6V~0.8V
Check the IC drive
Check MOSFET
Yes
No
1 and 2 pins of FDM0565R
Check Protection
Normal:0.6V~0.8V
Check the output current
Check the OVP and OLR
circuits
Check others
Power On
No
Check the feedback
system
No
Check any dimming
circuit
No
Yes
Yes

13 Circuit Descriptions
13-7
13-3 IP BOARD(Power) Schematic Diagrams

13 Circuit Descriptions
13-8
13-4 IP BOARD(Inverter) Schematic Diagrams

14 Reference Infomation
14-1
14 Reference Infomation
14-1 Technical Terms
-TFT-LCD
(Thin film Transistor Liquid Crystal Display)
ADC(Analog to Digital Converter)
This is a circuit that converts from analog signal to
digital signals.
-PLL(Phase Locked Loop)
During progressing ADC, Device makes clock syn-
chronizing HSYNC with Video clock
-Inverter
Device that supply Power to LCD panel lamp. this
device gernerate about 1,500~2,000V.
AC Adapter
Device that converts AC(90V~240V) to DC(+12V or
14V)
SMPS(Switching Mode Power Supply)
Switching Mode Power supply. This design technol-
ogy is used to step up/down the input power by
switching on/off
-FRC(Frame Rate Controller)
Technology that change image frame quantity dis-
played on screen for one second.
Actually TFT-LCD panel require 60 pcs of frame for
one second.
so,this technology is needed to convert input image
to 60 pcs regardless input frame quantity.
-Image Scaler
Technology that convert various input resolution to
other resolution.(ex. 640* 480 to 1024*768)
-Auto Configuration(Auto adjustment)
This is an algorithm to adjust monitor to optimum
condition by pushing one key.
-OSD(On Screen Display)
On screen display. customer can control the screen
easily with this.
-Image Lock
This means "Fineness adjustment " in LCD Monitor,
the features are "Fine" and "Coarse"
-FINE
"Fine" adjustment is used to adjust visibility by con-
trol phase difference.
-COARSE
This is a adjustment by tuning with Video colck and
PLL clock.
-DVI (Digital Visual Interface)
This provides a high speed digital connection for
visual data types that is display technology inde-
pendent. this interface is primarily forcused at pro-
viding a connection between a computer and
its display device.
-L.V.D.S.(Low Voltage Differential Signaling)
a kind of transmission method for Digital.It can be
used from Main PBA to Panel.
-DVI (Digital Visual Interface)
This provides a high speed digital connection for
visual data types that is display technology inde-
pendent. this interface is primarily forcused at pro-
viding a connection between a computer and its dis-
play device.
-T.M.D.S
(Transition minimized Differential Signaling)
a kind of transmission method for Digital.
It can be used from Video card to Main PBA.
-DDC(Display data channel)
It is a communication method between Host
Computer and related equipment.
It can make it Plug and Play between PC and
Monitor.
-EDID
Extended Display Identification Data PC can recog-
nize the monitor information as Product data,

14 Reference Infomation
14-2
Product name,Display mode,Serial number and
Signal source,etc through DDC Line communicating
with PC and Monitor.
-Dot Pitch
The image on a monitor is composed of red, green
and blue dots. The closer the dots, the higher the
resolution. The distance between two dots of the
same color is called the 'Dot Pitch'. Unit: mm
-Vertical Frequency
The screen must be redrawn several times per sec-
ond in order to create and display an image for the
user. The frequency of this repetition per second is
called Vertical Frequency or Refresh Rate. Unit: Hz
Example: If the same light repeats itself 60 times
per second, this is regarded as 60 Hz.
-Horizontal Frequency
The time to scan one line connecting the right edge
to the left edge of the screen horizontally is called
Horizontal Cycle. The inverse number of the
Horizontal Cycle is called Horizontal Frequency.
Unit: kHz
-Interlace and Non-Interlace Methods
Showing the horizontal lines of the screen from the
top to the bottom in order is called the Non-Interlace
method while showing odd lines and then even lines
in turn is called the Interlace method. The Non-
Interlace method is used for the majority of monitors
to ensure a clear image. The Interlace method is the
same as that used in TVs.
-Plug & Play
This is a function that provides the best quality
screen for the user by allowing the computer and
the monitor to exchange information automatically.
This monitor follows the international standard
VESA DDC for the Plug & Play function.
-Resolution
The number of horizontal and vertical dots used to
compose the screen image is called 'resolution'.
This number shows the accuracy of the display.
High resolution is good for performing multiple tasks
as more image information can be shown on the
screen.
Example: If the resolution is 1280 x 1024 , this
means the screen is composed of 1280 horizontal
dots (horizontal resolution) and 1024 vertical lines
(vertical resolution).

14 Reference Infomation
14-3
Sync
Type
Pin No.
15-Pin D-Sub Signal Cable Connector
Separate Composite
1
2
3
4
5
6
7
8
9
10
11
12
13
14
15
Red
Green
Blue
GND
DDC Return (GND)
GND-R
GND-G
GND-B
DDC Power Input (+5V)
Self Raster
GND
Bi-Dr Data (SDA)
H-Sync.
V-Sync.
DDC Clock (SCL)
Red
Green
Blue
GND
DDC Return (GND)
GND-R
GND-G
GND-B
DDC Power Input (+5V)
Self Raster
GND
Bi-Dr Data (SDA)
H/V-Sync.
Not Used
DDC Clock (SCL)
Red
Green + H/V Sync.
Blue
GND
DDC Return (GND)
GND-R
GND-G
GND-B
DDC Power Input (+5V)
Self Raster
GND
Bi-Dr Data (SDA)
Not Used
Not Used
DDC Clock (SCL)
Sync-on-green
No Connection
+5V_M
Self Raster
+5V_M
Rx0-
Rx0+
NC
No Connection
No Connection
NC
RxC+
RxC-
13
14
15
16
17
18
19
20
21
22
23
24
1
2
3
4
5
6
7
8
9
10
11
12
Rx2-
Rx2+
GND
No Connection
No Connection
DDC Clock (SCL)
DDC Data (SDA)
NC
Rx1-
Rx1+
NC
No Connection
Sync
Type
Pin No. 24P DVI-D
14-2 Pin Assignments

14 Reference Infomation
14-4
Separate Sync
14-3 Timing Chart
C D
AO
E
BP
Video
Sync Sync
Video
Q R S
A : Line time total B : Horizontal sync width O : Frame time total P : Vertical sync width
C : Back porch D : Active time Q : Back porch R : Active time
E : Front porch S : Front porch
H/V Composite Sync
Sync-on-Green
79.975
12.504
1.067
1.837
9.481
0.119
75.025
13.329
0.038
0.475
12.804
0.013
135.000
Positive
Positive
Separate
1280/75 Hz
1280x1024
1280/60 Hz
1280x1024
63.981
11.852
1.037
2.296
9.259
0.000
60.020
16.005
0.047
0.594
15.630
0.016
108.000
Positive
Positive
Separate
31.469
31.777
3.813
1.589
26.058
0.318
70.087
14.268
0.064
0.858
13.155
0.191
28.322
Negative
Positive
Separate
µ
µ
µ
µ
µ
IBM
640/75 Hz
640x480 800/60 Hz
800x600 800/75 Hz
800x600 1024/60 Hz
1024x768 1024/75 Hz
1024x768
VGA2/
70 Hz
720 x 400
VGA3/
60 Hz
640 x 480
Table 2-1 Timing Chart
31.469
31.778
3.813
1.589
26.058
0.318
59.940
16.683
0.064
0.794
15.761
0.064
26.175
Negative
Negative
Separate
37.500
26.667
2.032
3.810
20.317
0.508
75.000
13.333
0.080
0.427
12.800
0.027
31.500
Negative
Negative
Separate
37.879
26.400
3.200
2.200
20.000
0.000
60.317
16.579
0.106
0.607
15.840
0.0261
40.000
Positive
Positive
Separate
46.875
21.333
1.616
3.232
16.162
0.323
75.000
13.333
0.064
0.448
12.800
0.021
49.500
Positive
Positive
Separate
48.363
20.677
2.092
2.462
15.754
0.369
60.004
16.666
0.124
0.600
15.880
0.062
75.000
Negative
Negative
Separate
60.023
16.660
1.219
2.235
13.003
0.203
75.029
13.328
0.050
0.466
12.795
0.017
78.750
Positive
Positive
Separate
Mode
VESA
Timing
This section of the service manual describes the timing that the computer industry recognizes as standard for computer-
generated video signals.

14 Reference Infomation
14-5
14-4 Preset Timing Modes
Sync Polarity
(H/V)
Pixel Clock
(MHz)
Vertical Frequency
(Hz)
Horizontal
Frequency
(kHz)
Display Mode
MAC, 640 x 480 35.000 66.667 30.240 -/-
MAC, 832 x 624 49.726 74.551 57.284 -/-
MAC,1152 x870 68.681 75.062 100.000 -/-
IBM, 640 x 350 31.469 70.086 25.175 +/-
IBM, 640 x 480 31.469 59.940 25.175 -/-
IBM, 720 x 400 31.469 70.087 28.322 -/+
VESA, 640 x 480 37.500 75.000 31.500 -/-
VESA, 640 x 480 37.861 72.809 31.500 -/-
VESA, 800 x 600 35.156 56.250 36.000 +,-/+,-
VESA, 800 x 600 37.879 60.317 40.000 +/+
VESA, 800 x 600 46.875 75.000 49.500 +/+
VESA, 800 x 600 48.077 72.188 50.000 +/+
VESA, 1024 x 768 48.363 60.004 65.000 -/-
VESA, 1024 x 768 56.476 70.069 75.000 -/-
VESA, 1024 x 768 60.023 75.029 78.750 +/+
VESA, 1152 x 864 67.500 75.000 108.00 +/+
VESA 1280 x 960 60.000 60.000 108.00 +/+
VESA, 1280 x 1024 63.981 60.020 108.00 +/+
VESA, 1280 x 1024 79.976 75.025 135.00 +/+
-If the signal transferred from the computer is the same as the following Preset Timing Modes, the screen
will be adjusted automatically. However, if the signal differs, the screen may go blank while the power LED
is on. Refer to the video card manual and adjust the screen as follows.
Table 1. Preset Timing
Horizontal Frequency
The time to scan one line connecting the right edge to the left edge of the screen horizontally is called
Horizontal Cycle and the inverse number of the Horizontal Cycle is called Horizontal Frequency. Unit: kHz
Vertical Frequency
Like a fluorescent lamp, the screen has to repeat the same image many times per second to display an
image to the user. The frequency of this repetition is called Vertical Frequency or Refresh Rate. Unit: Hz

14 Reference Infomation
14-6
14-5 Panel Description
SEC LT140X1-002 BN07-00004A SA BN68-00239H -
SEC LT150XS-L01 BN07-00009A SB -
SEC LT150XS-L01-B BN07-00022A SC -
SEC LTM150XS-L02 BN07-00005A SD -
SEC LT181E2-132 BN07-00001A SE -
SEC LT150XS-T01 BN07-00010A SF -
SEC LTM181E3-132 BN07-00019A SG -
SEC LT170E2-131 BN07-10001D SH -
SEC LT181E2-131 BN07-10001E SJ -
SEC LTM170E4-L01 BN07-00018A SK -
SEC LTM240W1-L01 BN07-00015A SL -
SEC LTM213U3-L01 BN07-00016A SM -
SEC LTM150XH-L01 BN07-00026A SN -
SEC LTM150XH-L03 BN07-00027A SP -
SEC LTM150XS-L01 BN07-00032A SQ DELL(ZPD)
SEC LTM181E4-L01 BN07-00034A SR PVA
SEC LTM170EH-L01 BN07-00036A SS TN
SEC LTM170E5-L01 BN07-00037A SU PVA
SEC LTM150XH-L11 BN07-00041A SV -
SEC LTM213U4-L01 BN07-00039A SW PVA
SEC LTM150XH-L01(ZPD) BN07-00045A SX ZPD
SEC LTM150XH-L04 BN07-00046A SY New panel with high brightness
SEC LTM170W1-L01 BN07-00047A SZ Panel for TV
SEC LTM150XH-L06 BN07-00053A EA
Panel for TV/ High luminance for 450cd _ SONY&EOS Team Panel for TV
SEC LTM153W1-L01 BN07-00054A EB Use NIKE MODEL
SEC LTM170EH-L05 BN07-00055A EC Panel EOS proj. for high brightness of 17" EH-L05
SEC LTM170E5-L03 BN07-00056A ED Dell 1702FP pro. E4. EH mechanical Compatible
SEC LTM190E1-L01 BN07-00057A EE DELL 1900 FP
SEC LTM181E5-L01 BN07-00061A EF 18" narrow bezel GH18PS
SEC LTM150XP-L01 BN07-00065A EG AMLCD PVA PANEL
SEC LTM240W1-L02 BN07-00062A EH Panel for 15" Wide TV
SEC LTM170EU-L01 BN07-00071A EJ Slim design, TN
SEC LTM170E5-L04 BN07-00072A EK E5-L04 6 bits FRC... for IBM
SEC LTA220W1-L01 BN07-00074A EL Panel for 22" TV
SEC LTM170E6-L02 BN07-00075A EM AMLCD Narrow & slim design 17" PVA mode
SEC LTM170W1-L01 BN07-00082A EN LTM170W1-L01 ZPD panel
SEC LTM170EH-L01 BN07-00080A EP LTM170EH-L01 ZPD panel
SEC LTM170E5-L01 BN07-00081A EQ LTM170E5-L01 ZPD panel
SEC LTM170EH-L05 BN07-00083A ER LTM170EH-L05 ZPD panel
SEC LTM170E5-L03 BN07-00084A ES LTM170E5-L03 ZPD panel
SEC LTM170EU-L01 BN07-00085A ET LTM170EU-L01 ZPD panel
SEC LTM170E5-L04 BN07-00086A EU LTM170E5-L04 ZPD panel
SEC LTM170E6-L02 BN07-00087A EV LTM170E6-L02 ZPD panel
SEC LTM150XH-L06 BN07-00091A EW Color coordinates change for LCD TV
SEC LTM153W1-L01 BN07-00092A EX AMLCD WIDE 15",9/10
SEC LTM170W1-L01 BN07-00100A EY Color Coordinates change code management
SEC LTM170EH-L05 BN07-00097A EZ LTM170E5-L05 Color Coordinates Change Panel Code
SEC LTA400W1-L01 BN07-00109A S1 PANEL of AMLCD 40" TV
SEC LTM153W1-L01 BN07-00110A S2 Color coordinates change 0.280/0.290, 10000k & ZPD Panel
SEC LTM150XH-L06 BN07-00111A S3 Color coordinates change 0.280/0.290, 10000k & ZPD Panel
Maker VENDOR P/N PANEL_CODE PANEL_ABB STICKER_CODE Remarks

14 Reference Infomation
14-7
SEC LTM170W1-L01 BN07-00112A S4 Color coordinates change 0.280/0.290, 10000k & ZPD Panel
SEC LTM170EH-L05 BN07-00113A S5 Color coordinates change 0.280/0.290, 10000k & ZPD Panel
SEC LTM220W1-L01 BN07-00114A S6 ZPD Panel for AMLCD 22" TV
SEC LTM150XH-L06 BN07-00117A S7 ZPD Panel code
SEC LTM153W1-L01 BN07-00118A S8 ZPD Panel code
SEC LTM170WP-L01 BN07-00119A S9 PVA Panel for NIKE
SEC LTM213U4-L01 BN07-00039A E1 21.3" NARROW
SEC LTA260W1-L01 BN07-00121A E2 VENUS
SEC LTA220W1-L01 BN07-00074B E3 "Panel B-level panel code for 22"" TV Panel "
SEC LTA320W1-L01 BN07-00108A E4 "Panel for AMLCD 32"" TV"
SEC LTM213U4-L01 BN07-00124A E5 NARROW BEZEL 21 " PANEL
SEC LTM170E6-L04 BN07-00129A E6 "HIGHLAND 17"" LOW PANEL (Panel only for TCO03)"
SEC LTM190E1-L01 BN07-00088A E7 LTM190E1-L01 ZPD panel
SEC M150X4-L06 BN07-00137A E8 15" Narrow & Slim panel
SEC LTA170V1 BN07-00139A E9 "17"" Panel for Muse 4:3 VGA TV"
SEC LTM190E1-L02 BN07-00128A E10 "New Panel from AMLCDl, Specification : 6bit Driver IC"
SEC LTM170EX-L01 BN07-00143A E11 "Development new Panel from AMLCD"
SEC LTM170E8-L01 BN07-00144A E12 "Development new Panel from AMLCD"
SEC LTM170E6-L04 BN07-00129B E13 "ZPD panel for AMLCD (Panel only for TCO03)"
SEC LTA320W1-L02 BN07-00108B E14 "Creat B-level Panel code for AMLCD 32"" TV"
SEC LTM190E1-L03 BN07-00151A E15 "Development new 19"" Panel form AMLCD (Panel only for TCO03)"
SEC LTM240W1-L03 BN07-00134A E16 "AMLCD 24"" panel development"
SEC LTM190E1-L02 BN07-00128B E17 "New Panel from AMLCD, Specification : 6bit Driver IC(ZPD)"
SEC LTM190E4-L01 BN07-00145A E18 "AMLCD 24"" new panel development"
SEC LTM170E8-L01 BN07-00158A E19 "ZPD code derivation"
SEC LTM170EX-L01 BN07-00159A E20 "ZPD code derivation"
SEC LTM190E1-L03 BN07-00151B E21 "Creat new panel code for AMLCD 19"" (Panel only for TCO03)"
SEC LTA460H1-L01 BN07-00157A E22 "creat panel code for AMLCD 46"" TV "
SEC LTM170EU-L11 BN07-00160A E23 "creat new panel code for AMLCD 17"" (Panel only for TCO03)"
SEC LTM240W1-L03 BN07-00134B E24 "24"" panel ZPD code derivation"
SEC LTM190E4-L01 BN07-00145B E25 "AMLCD 19"" ZPD Panel code derivation"
SEC LTM240W1-L03 BN07-00134B E26 "24"" panel ZPD code derivation"
SEC LTM150XO-L01 BN07-00164A E27 "AMLCD 15"" XO-L01 new panel development"
SEC LTM150XO-L01 BN07-00164B E28 "AMLCD 15"" XO-L01 ZPD code derivation"
SEC LTM170EU-L11 BN07-00160B E29 "AMLCD 17"" NEW panel code derivation"
SEC LTA320W2-L01 BN07-00172A SPZ AMLCD 32" NEW panel
SEC LTM213U4-L01 BN07-00124B SPZ 21.3" Narrow PANEL ZPD Panel derivation
SEC LTM170EU-L11 BN07-00189A STH AMLCD EU-L11 Pb free panel code derivation
SEC LTM170EU-L11 BN07-00189B STZ AMLCD EU-L11 Pb free panel ZPD code derivation
SEC LTM240W1-L04 BN07-00188A SPH 24" A-DCC new panel development
SEC LTM240W1-L04 BN07-00188B SPZ 24" A-DCC panel ZPD code derivation
SEC LTM190EX-L01 BN07-00191A STH AMLCD 19" TN new Panel
SEC LTM190EX-L02 BN07-00191B STZ AMLCD 19" TN new Panel ZPD derivation
SEC LTA230W1-L02 BN07-00184A SPZ AMLCD 23" 16:9 new Panel
SEC LTA260W2-L01 BN07-00185A SPZ AMLCD 26" 16:9 new Panel
SEC LTM240M1-L01 BN07-00195A SPH 24" panel with high brightness deveiopment
SEC LTA400W2-L01 BN07-00186A SPZ AMLCD 40" 16:9 new Panel
SEC LTM150XO-L01 BN07-00197A STH AMLCD 15" XO-L01 Pb free panel code
SEC LTM150XO-L01 BN07-00197B STZ AMLCD 15" XO-L01 Pb free panel ZPD code
SEC LTM170EU-L21 BN07-00202A STZ AMLCD EU-L21 ZPD new code derivation
Maker VENDOR P/N PANEL_CODE PANEL_ABB STICKER_CODE Remarks

14 Reference Infomation
14-8
SEC LTA460W2-L03 BN07-00187A SPZ BEETOVEN 46"ZPD new panel
SEC LTM240M1-L01 BN07-00195B SPZ 24" igh brightness panel ZPD code derivation
SEC M170EX-L21 BN07-00206A STZ AMLCD LTM170EX-L21 ZPD new code derivation
SEC LTA460H3-L01 BN07-00200A SPZ AMLCD 46" LED BLU panel
SEC LTM170EU-L15 BN07-00214A STZ AMLCD EU-L15 TV high brightness ZPD new code derivation
SEC LTM170E8-L21 BN07-00218A SPZ AMLCD LTM170E8-L21 PVA ZPD new code derivation
SEC LTM190EX-L21 BN07-00222A STZ DISPLAY LCD
SEC LTM201U1-L01 BN07-00190B SPZ AMLCD 20.1" Normal panel ZPD code derivation
SEC LTM190E4-L21 BN07-00223A SPZ HAYDN 17" PZD code PANEL derivation
SEC LTA570H1-L01 BN07-00196A SPZ AMLCD 57" new panel development
SEC LTM150XO-L21 BN07-00229A STZ AMLCD 15" XO-L21 8ms panel code
SEC LTA260W2-L11 BN07-00239A SPZ AMLCD 26" 16:9 7Line new Panel
SEC LTA400WS-LH1 BN07-00245A SPZ AMLCD 40" 16:9 SPVA 90% new Panel
SEC LTM213U6-L01 BN07-00231A SPZ AMLCD 21.3" PVA new Panel Code
SEC LTA320WS-LH2 BN07-00244A SPZ AMLCD 32" 16:9 SPVA 90% new Panel
SEC LTA400WS-LH1 BN07-00245A SPZ AMLCD 40" 16:9 SPVA 90% new Panel
SEC LTM190M2-L01 BN07-00227A STZ AMLCD 19" TN Wide new Panel Code
SEC LTM201UX-L01 BN07-00249A STZ AMLCD 20.1" TN new Panel Code
CPT CLAA150XG09 BN07-00141A PA "CPT 15"" Monitor new panel development"
CPT CLAA170EA02 BN07-00148A PB "17"" CPT NEW development panel"
CPT CLAA170EA02 BN07-00148B PC "17"" CPT ZPD panel code derivation"
CPT CLAA150XG09 BN07-00141B PTZ "CPT 15"" panel ZPD code derivation (GOYA-PJT)"
CPT CLAA150XP01 BN07-00173A PTH CPT 15" PSWG code derivation
CPT CLAA150XP01 BN07-00173B PTZ CPT 15" PSWG panel ZPD code
CPT CLAA170EA07 BN07-00174A PTH "CPT 17"" PSWG panel code derivation
CPT CLAA170EA07 BN07-00174B PTZ CPT 17"""" PSWG type new Panel code"""
CPT CLAA170EA07 BN07-00174B PTZ CPT 17" PSWG type new Panel code
CPT CLAA170EA07Q BN07-00220A PTZ CPT 17" PSWG R/T 8msec code derivation
CPT CLAA170EA07Q BN07-00220B PTH CPT 17" PSWG R/T 8msec HPD code derivation
CPT CLAA150XP01F BN07-00236A PTZ CPT 15" PSWG panel ZPD & Lead free code derivation
TOSHIBA LTM15C419(A) BN07-00002A TA -
TOSHIBA LTM15C423(B) BN07-00006A TB -
TOSHIBA LTM18C161 BN07-00008A TC -
TOSHIBA LTM15C443 BN07-00031A TD -
TOSHIBA LTM15C458 BN07-00043A TE -
TOSHIBA LTM15C458S BN07-00077A TF "TSB 15"" high brightness Panel"
TOSHIBA LTM15C458 BN07-00078A TG Toshiba ZPD panel
TOSHIBA LTM15C458S BN07-00099A TH TSB LTM15C458S ( ZPD )
HANNSTAR HSD150MX41A(A) BN07-00020A NA "TTL type"
HANNSTAR HSD150MX12 BN07-00030A NB "TTL type"
HANNSTAR HSD170ME13 BN07-00180A NTH Hannstar 17" TN new panel development
HANNSTAR HSD170ME13 BN07-00180B NTZ Hannstar 17" TN new panel development ZPD code derivation
HANNSTAR HSD190ME12 BN07-00210A NTZ Hannstar 19" TN new panel development
HANNSTAR HSD150MX17-A BN07-00226A NTZ Hannstar 15" slim panel ZPD code derivation
TORISAN TM150XG-22L03(A) BN07-00021A RA -
TORISAN TM150XG-26L06 BN07-00042A RB -
Maker VENDOR P/N PANEL_CODE PANEL_ABB STICKER_CODE Remarks

14 Reference Infomation
14-9
TORISAN TM181SX-76N01 BN07-00048A RC -
TORISAN TM150XG-26L06 BN07-00059A RD 15" XGA TN MODE(ZPD)
TORISAN TM290WX-71N31 BN07-00063A RE "RS24NS (TORISAN 29"" NEW PANEL)"
TORISAN TM396WX-71N31 BN07-00064A RF "RS24NS (TORISAN 40"" NEW PANEL)"
TORISAN TM150XG-26L09 BN07-00073A RG "Panel for 15"" TV"
TORISAN TM150XG-26L10 BN07-00089A RH "L10(change except D/IC) ZPD"
TORISAN TM150XG-26L10 BN07-00090A RJ L10 NORMAL
TORISAN TM190SX-70N01 BN07-00098A RK Torisan 19" Panel
TORISAN TM181SX-76N01 BN07-00106A RL ZPD Panel code
TORISAN TM190SX-70N01 BN07-00107A RM ZPD Panel code
TORISAN TM290WX-71N31 BN07-00115A RN "Color Coordinates change panel for TORISAN 29"" TV"
TORISAN TM396WX-71N31 BN07-00116A RP,Q "Color Coordinates change panel for TORISAN 40"" TV"
TORISAN TM22OWX-71N31 BN07-00125A RR "Development TORISAN 22"" TV PANEL (ZPD)"
TORISAN TM22OWX-71N31 BN07-00127A RS "Development TORISAN 22"" TV PANEL (HPD)"
TORISAN TM396WX-71N32A BN07-00150A RT 120V inverter Exclusive panel
TORISAN TM190SX-70N02 BN07-00154A RMH Torisan 6bit panel code Derivation
TORISAN TM190SX-70N02 BN07-00154B RMZ Torisan 6bit panel code Derivation
TORISAN TM150XG-A01 BN07-00162A RTH Torisan 15" Narrow & Slim panel development
TORISAN TM150XG-A01 BN07-00162B RTZ Torisan 15" N&S panel ZPD code Derivation
SHARP LQ181E1DG11(A) BN07-10001C PA -
SHARP LQ150X1LW71 BN07-00067A PB SHARP 15" PVA PANEL
SHARP LQ370T3LZ41 BN07-00216A FAZ Rome2
HITACHI TX38D12VC0CAA(A) BN07-00003A HA -
HITACHI TX43DVCOCAB BN07-00060A HB 17" SXGA PVA MODE
HITACHI TX43D15VC0CAB BN07-00101A HC ZPD Panel
HITACHI TX51D11VC0CAB BN07-00122A HD 20.1" NARROW
HITACHI TX54D11VC0CAB BN07-00123A HE 21.3" NARROW
HITACHI TX80D12VC0CAB BN07-00169A HIZ "Development new panel for Hitachi 32"" TV (ZPD)"
HITACHI TX54D11VC0CAB BN07-00123B HIZ Hitachi 21.3"ZPD panel
IBM ITSX94S BN07-00017A IA -
UNIPAC UM170E0 BN07-00028A UA Loaded by cisdba
HYUNDAI HT15X13 BN07-00035A DA -
HYUNDAI HT17E11-200 BN07-00049A DB TN MODE
HYUNDAI HT17E11-300 BN07-00093A DC HT17E11-300 ZPD panel
HYUNDAI HT17E11-400 BN07-00094A DD HT17E11-400 normal panel
HYUNDAI HT17E11-400 BN07-00095A DE HT17E11-400 ZPD panel code
HYUNDAI HT17E12 BN07-00096A DF HT17E12 ( Narow & slim Design )
HYUNDAI HT17E12 BN07-00105A DG ZPD Panel code
HYUNDAI HT15X15-D00 BN07-00146A DH "Development for Ares 15"" Hydis TV"
HYUNDAI HT15X15-D01 BN07-00146B DJ "Derivation panel HPD for Ares 15"" Hydis TV "
HYUNDAI HT17E13-100 BN07-00167A DTH "PINEHURST-2(IBM) PJT 17"" HYDIS PANEL Derivation"
HYUNDAI HT17E13-100 BN07-00167B DTZ "PINEHURST-2(IBM) Hydis 17"" ZPD code Derivation"
HYUNDA HT170EX1-100 BN07-00240A DTZ 17" EX compatible Hydis Slim panel development
ACER L170E3 BN07-00044A AA TN(ADT)
ACER M170EN05 BN07-00076A AB AU 17" Panel ( Narrow & slim design )
Maker VENDOR P/N PANEL_CODE PANEL_ABB STICKER_CODE Remarks

14 Reference Infomation
14-10
ACER M170EN05 BN07-00102A AC ZPD Panel code
ACER M190EN02 BN07-00170A AMH "AU Monitor 19"" new panel development (P19-1S)"
ACER M190EN02 BN07-00170B AMZ "AU 19"" ZPD code derivation (ZPD)"
ACER M170EN06 BN07-00171A ATH "AU Monitor 17"" New panel development "
ACER T260XW01 BN07-00163A AMZ "AU 26"" new panel development (NF26EO)"
ACER A201SN01 BN07-00177A ATZ "AU TV panel 20.1"" TN SVGA new panel development"
ACER M170EN06 BN07-00171B ATZ AU Monitor 17" ZPD code derivation
ACER T315XW01 BN07-00194A AMZ AU 32" new
ACER M170EG01 BN07-00192A ATH AU TN PSWG type new Panel code
ACER M170EG01 BN07-00192B ATZ AU TN PSWG type NEW panel code derivation
ACER M190EN04 BN07-00203A ATH AU Monitor 19" ZPD new Panel code
ACER T260XW02 BN07-00208A AMZ AUO 26" ZPD panel
ACER M170EG01 V8 BN07-00221A ATZ AU TN PSWG type new Panel (8msec) ZPD code derivation
ACER T260XW02 BN07-00233A AMZ AUO 26" Panel new (Cosmetic spec down grade)
ACER T315XW01 BN07-00234A AMZ AUO 32" Grade new (Cosmetic spec down grade)
ACER M190EN03 BN07-00224A AMZ AU Monitor 19" MVA new code derivation
ACER T315XW01 BN07-00237A AMZ LCD TV VE project new
ACER T315XW01 BN07-00238A AMZ LCD TV VE project new
ACER M201UN02 V3 BN07-00168A AMZ
ACER M190EN04 V7 BN07-00248A ATZ AU Monitor 19" TN Glare ZPD new code derivation
CHIMEI M170E3-LO1 BN07-00050A CA TN PANEL
CHIMEI M150X3-L01 BN07-00051A CB COMPATIBLE
CHIMEI M170E4-L01 BN07-00052A CC MVA PANEL
CHIMEI M150X2-L01 BN07-00066A CD CHIME 15"I PVA PANEL
CHIMEI M150X3-L01 BN07-00079A CE Chimei ZPD panel
CHIMEI M170E3-L01 BN07-00103A CF ZPD Panel code
CHIMEI M170E4-L01 BN07-00104A CG ZPD Panel code
CHIMEI V296W1-L01 BN07-00120A CH MVA
CHIMEI M170E6-L02 BN07-00126A CJ HIGHLAND 17" LOW PANEL
CHIMEI M190E2-L01 BN07-00131A CK GH19AS,BS CHIMEI PANEL
CHIMEI M150X4-L06 BN07-00137A CL 15" Narrow & Slim panel
CHIMEI M170E6-L01 BN07-00133A CM "2003-03-11 vendor change"
CHIMEI M170E6-L01 BN07-00133B CN ZPD derivation panel
CHIMEI V201V1-T01 BN07-00135A CP CHIMEI 20.1" panel development
CHIMEI M170E6-L02 BN07-00126B CQ "HIGHLAND 17"" LOW PANEL ZPD derivation panel"
CHIMEI M170E6-L05 BN07-00152A CR "CMO 17"" new panel development code"
CHIMEI M170E6-L05 BN07-00152B CS "CMO 17"" ZPD panel code derivation"
CHIMEI M150X4-L06 BN07-00137B CT Chimei 15" Narrow & Slim panel ZPD derivation
CHIMEI M170E5-L05 BN07-00165A CTH CMO 17" new panel development code (GOYA2-PJT)
CHIMEI M170E5-L05 BN07-00165B CTZ CMO 17" ZPD panel(GOYA2-PJT)
CHIMEI V230W1-L02 BN07-00209A CMZ CMO 23" development
CHIMEI V320B1-L01 BN07-00207A CMZ CMO 32" development
CHIMEI V270W1-L01 BN07-00136A CMZ CHI MEI 27" panel development
NEC SVA150XG04TB BN07-00225A BTZ SVA NEC 15" panel ZPD code
Maker VENDOR P/N PANEL_CODE PANEL_ABB STICKER_CODE Remarks

Samsung Electronics Co.,Ltd.
416, Maetan-3Dong, Yeongtong-Gu, Suwon City,
Gyeonggi-Do, Korea, 443-742
Printed in Korea
P/N : BN82-00133M-00
URL : http://itself.sec.samsung.co.kr/
-This Service Manual is a property of Samsung
Electronics Co., Ltd.
Any unauthorized use of Manual can be punished
under applicable International and/or domestic
law.
