Samsung Bonn E, C Schematics. Www.s Manuals.com. R1.0 Schematics
User Manual: Motherboard Samsung Bonn-E/Bonn-C - Schematics. Free.
Open the PDF directly: View PDF
.
Page Count: 68

Sheet 18.
Sheet 19.
Sheet 20-24.
Sheet 25.
Sheet 36-38.
Sheet 39-43.
Sheet 54.
GFx_External_M9XSheet 26-31. Graphics_Memory_gDDR3 1g bitSheet 32-35.
LAN_Marvell_88E8057Sheet 44.
PCIE_Minicard_Slot
Sheet 2-7.
Sheet 51.
PWR_MV_ChargerSheet 55. PWR_MV_3V_5VSheet 56.
PWR_MV_SwitchedSheet 62.
PWR_CPU_MV_ISL6266Sheet 59. PWR_MV_CantigaSheet 58. PWR_MV_MemorySheet 57.
PWR_GFX_MV_Ext
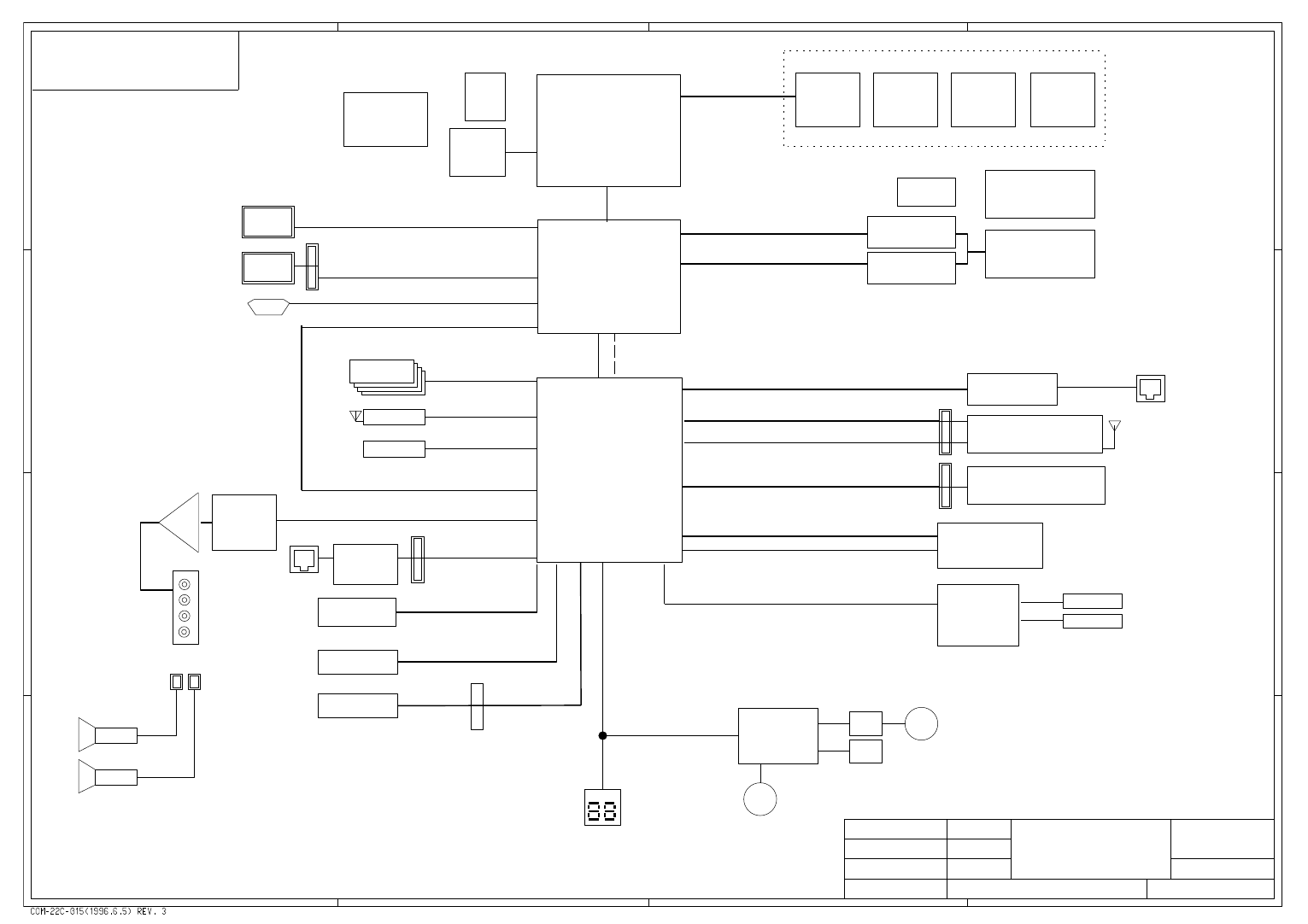
Sheet 1. Diagram (Block/Power) & Annotations
Clock Generator -CK505
Penryn-6M CPU
Thermal Sensor & FAN
Cantiga-MCH
DDR2 SODIMM A
DDR2 SODIMM B
ICH9-M
HDA_Modem
Cover
Graphic Interface
SPI ROM & Debug Connector
High Definition Audio (ALC272 GR)
Sheet 8.
Sheet 9
Sheet 10-12.
Sheet 13-17.
1
THIS DOCUMENT CONTAINS CONFIDENTIAL
DO NOT DISCLOSE TO OR DUPLICATE FOR OTHERS
EXCEPT AS AUTHORIZED BY SAMSUNG.
PROPRIETARY INFORMATION THAT IS
DRAW
BB
CHECK
DATE
X
ELECTRONICS
DEV. STEP
TITLE
Sheet 47.
Express_CardSheet 45. MultiCard_AU6336 (3 in 1)Sheet 46.
SATA I/F CONNSheet 48.
USB PortSheet 52. USB I/F DevicesSheet 53.
2 USB Port & Power S/W SUB B’DSheet 64.
Micom Glue LogicSheet 50. MICOM_Renesas2110Sheet 49.
LED_Switch
HAN : BA41-01062A
SEC Mobile R & D
Intel Penryn
Remarks :
Chip Set :
CPU :
OF
C
4
Graphic :
A
C
PAGE
Sheet 60-61.
PWR_MV_DisChargerSheet 63.
SATA ODD SUB B’DSheet 65. EMC Capacitor & MountSheet 66. Test PointSheet 67.
CHECK
D
3
2
3
1
SAMSUNG PROPRIETARY
SAMSUNG ELECTRONICS CO’S PROPERTY.
REV
LAST EDIT
M96/M92/gDDR3 1g bit
Model Name :
PBA Name :
Design
APPROVAL
4
2
PCB Code :
Dev. Step :
Revision : 1.0
APPROVAL
Owner : PART NO.
SAMSUNG
T.R. Date :
BONN-E/BONN-C
Signature :
PM45 & ICH9M
D
MODULE CODE
MP
GCE : BA41-01060A
NAN : BA41-01061A
MAIN
2009.04.11
BONN-E/BONN-C
Montevina Platform
MS Yang
MK Kim
BL Lee
12/05/2008
MP
REV 1.0
April 11, 2009 10:05:58 AM
BA41-01060A
1 67
BONN-E
MAIN
COVER
D:/Users/mobile39/mentor/BONN-E/BONN-E_mp10
A

Samsung
Confidential
Samsung
Confidential
PG 8
RJ11
Touch
PAD
LCD
52P
Smart
Battery
PCIE x1
PG 27
Mobile Processor
SODIMM 1
1329 FCBGA
ICH9-M
676 BGA
Clocking
Aud.
AMP
88E8057
USB 0,2,6
SPKR L
SPKR R
CK-505
KBD
PG 48
Thermistor
Channel A (Standard)
ANT
HD Audio
2P
HP
CPU
CRT
PG 9-11 L2 Cache : 6/3MB
478pin
800/1067 MT/S
FAN
x4, 1.5V
3.3V LPC, 33MHz
SPI ROM
PG 18,19
MICOM
H8S-2110B
PG 18
Audio
High Definition Audio
USB 0,2,6
HDMI
LED
USB 5
PG 25
PG 37
FSB
SODIMM 0
PG 12
PG 13-17
PG 8
CLINK
PG 20 - 24
PG 19
Termination
Dual channel
Direct Media Interface
SATA 0
PG 44
HD Audio
12P
SD(SDHC)
GMCH-M
Mini Card 1
Module
HDD
VCCP / DC-DC
Charging
Circuit
MDC
Modem
2pin cable type
DDR II
Lane 4
DDR II
PG 31
Lane 1
CRT
PG 39
LCD
PG 43
ON BOARD
Channel B (Reverse)
AU6366-MWF
PG 42, 52
(TBD)
ANT
FSB 1067
Penryn-6M
LPC
SPI
PG 30
PG 25
PG 36
MIC-IN
RJ45
Cantiga-PM
TMKBC (TBD)
DDR II Power
PG 33
CPU
DC/DC
IMVP-6
DC/DC
PG 47
USB 4
Camera
DDR II 667/800
Mini Card 2
PG 28,29
52P
PG 40
PG 40
PG 41
PG 26
DRAW
PG 34
REV
2P
B
Bluetooth
EXCEPT AS AUTHORIZED BY SAMSUNG.
DEV. STEP
LAST EDIT
TITLE
MMC
OF
SATA
SAMSUNG
USB 8
4
PCIE x1 Lane 2
OPTION
PG 38
PCIE x1
B
PG 43
THIS DOCUMENT CONTAINS CONFIDENTIAL
PG 37
MODULE CODE
SATA 1
SATA ODD
DDR II 667/800
3 IN 1
2
HDMI
PG 53
12P
USB 1
Sub board Touchpad
HD Audio
(HSDPA)
(WLAN)
PG 34
PG 36
PG 40
ALC272
PG 38
PG 31
C
PG 35
Express Card
USB 7
PCIE x1 Lane 3
LED
PAGE
DATE
A
SAMSUNG ELECTRONICS CO’S PROPERTY.
SAMSUNG PROPRIETARY
C
PART NO.
1
A
D
CHECK
APPROVAL
ELECTRONICS
D
80 Port
1
DO NOT DISCLOSE TO OR DUPLICATE FOR OTHERS
PM45
34
PG 36
3
2
PROPRIETARY INFORMATION THAT IS
MAIN
MS Yang
MK Kim
BL Lee
undefined
12/05/2008
MP
REV 1.0
April 11, 2009 10:05:58 AM
BA41-01060A
2 67
BONN-E
BLOCK DIAGRAM
D:/Users/mobile39/mentor/BONN-E/BONN-E_mp10

Samsung
Confidential
Samsung
Confidential
SAMSUNG PROPRIETARY
THIS DOCUMENT CONTAINS CONFIDENTIAL
PROPRIETARY INFORMATION THAT IS
SAMSUNG ELECTRONICS CO’S PROPERTY.
DO NOT DISCLOSE TO OR DUPLICATE FOR OTHERS
EXCEPT AS AUTHORIZED BY SAMSUNG.
DRAW
CHECK
APPROVAL
MODULE CODE
DATE
DEV. STEP
REV
LAST EDIT
TITLE
PART NO.
PAGE OF
SAMSUNG
ELECTRONICS
BOARD INFORMATION
SCHEMATIC ANNOTATIONS AND BOARD INFORMATION
A A
B B
C C
D D
4
4
3
3
2
2
1
1
See rev notes for more information.
PCI Devices
Devices IDSEL#
Cardbus
USB
Hub to PCI
LPC bridge/IDE/AC97/SMBUS
Internal MAC
AD25
AD29(internal)
AD30(internal)
AD31(internal)
AD24(internal)
REQ/GNT#
3
Interrupts
A,B,C
USB2.0 #0 (USB0) : A
B
USB2.0 #1 (USB1) : D
USB2.0 #2 (USB4) : C
-
-
E
-
-
-
I C / SMB Address
Devices Address
ICH8-m
CPU Thermal Sensor
SODIMM0
SODIMM1
Master
0111 101x
1010 000x
1010 010x
Hex
-
7Ah
A0h
Bus
SMBUS Master
Thermal Sensor
-
-
Clock, Unused Clock Output Disable
A4h
D2h
2
CK-505M (Clock Generator) 1101 001x
Voltage Rails
AC Link - B-
USB PORT Assign
PORT # ASSIGNED TO
SYSTEM PORT 0
SYSTEM PORT 1
Bluetooth
0
1
2
3NC4
5
LCD Pannel Detect
Devices Resolution PANNEL_DETECT_0
Crystal / Oscillator
32.768KHzCrystal
TYPE FREQUENCY DEVICE
ICH8-M
USAGE
Real Time Clock
10MHzCrystal MICOM HD64F2169/2160
25MHzCrystal LAN Intel LAN
14.318MHzCrystal CLOCK-Generator CK-505
NC
6
7
USB2.0 #3 (USB5) : E
USB2.0 #4 (EHCI) : H
Camera
(TBD)
PCI Express Assign
PORT # ASSIGNED TO
NC
NC
0
1
2
3Mini Card 2 (ROBSON or DVB-T)4
5
Mini Card 1 (WLAN)
LOM
NC
GLAN - -
8
9 NC
Mini PCI Express 2
NC
-30hThermal Sensor on SODIMM0 0011 000x
0011 010x 34h -Thermal Sensor on SODIMM1
Primary DC system power supply (7 to 21V)
1.5V switched power rail (off in S3-S5)
VDC
VCC_CORE
P1.5V
P1.05V (VCCP)
Core Voltage for CPU
3.3V switched on power rail (off in S4-S5)
3.3V switched power rail (off in S3-S5)
5.0V switched power rail (off in S3-S5)
1.8V power rail for DDR (off in S4-S5)
P3.3V_AUX
P3.3V
P5.0V
P1.8V_AUX
P3.3V_MICOM
P0.9V
VTT for CPU, Crestline & ICH8-M
1.8V switched power rail (off in S3-S5)P1.8V
5.0V switched on power rail (off in S4-S5)P5.0V_AUX
GFX_CORE Core Voltage for GPU
MS Yang
MK Kim
BL Lee
undefined
12/05/2008
MP
REV 1.0
April 11, 2009 10:05:58 AM
BA41-01060A
3 67
BONN-E
MAIN
BOARD INFO
D:/Users/mobile39/mentor/BONN-E/BONN-E_mp10
3.3V always power rail (for Micom)
0.9V power rail for DDR (off in S3-S5)
P5.0V_ALW 5.0V always power rail
SYSTEM PORT 2
F
REVISION HISTORY

Samsung
Confidential
Samsung
Confidential
WLAN
MODULE CODE
DATE
DEV. STEP
+V*AUX
+V
SAMSUNG PROPRIETARY
THIS DOCUMENT CONTAINS CONFIDENTIAL
PROPRIETARY INFORMATION THAT IS
ICH
THERMAL SENSOR
2
DO NOT DISCLOSE TO OR DUPLICATE FOR OTHERS
TITLE
B
D
2IN1
EXPRESS
B
ON
BLUETOOTH
USB
3
LAN
LAN
SAMSUNG ELECTRONICS CO’S PROPERTY.
+V*LAN
4
LAST EDIT
DRAW
4
D
A
EXCEPT AS AUTHORIZED BY SAMSUNG.
1
+V* (CORE)
2
SAMSUNG
ELECTRONICS
PAGE
C
+1.8V_AUX
CLOCK
CHECK
A
State
APPROVAL
ON
S5
Power On/Off Table by S-state
PENRYN
ON
+V*A(LWS)
P5.0V_ALW
LEDS
AUDIO
MCH
CANTIGA
PENRYN
Rail
ON
AUDIO
3
DDR II-Termination
P0.9V
HSPA
Cantiga
1
LIDSWITCH
REV
EXPRESS CARD
HSPA
P1.8V_LAN
(CHP3_S4_STATE*)
TOUCHPAD CAMERA
P3.3V_MICOM
C
EGFX_CORE PEG
S5-S4
ICH9-M
PENRYN
ICH9-M
S3
ON
VPU_CORE
KBC3_VRON
P0.9V
PEG
MICOM
Battery DC
S3
+0.9V
S0
ICH9-M
S4
ODD
OF
PART NO.
S0
P2.5V_LAN
ON
ON
SPI
LAN
ON
ON
SODIMM (DDR II)
ESATA-REPEATER
HDD
PEG
DDR II-Termination
LCD
MDC
EXPRESS
CLOCK
KBC3_PWRON
THERMAL SENSOR
ICH
ICH8-M
P3.3V_AUX
P1.2V_LAN
MICOM
LOM
AC Adapter
P1.8V_AUX
P12.0V_ALW
P1.1V_PWRGD
MEMORY
HDMI
P1.05V ICH9-M
POWER DIAGRAM
P5V_AUX P5.0V
VDC
P1.5V
P1.8V
ON
KBC3_SUSPWR
P3.3V
D:/Users/mobile39/mentor/BONN-E/BONN-E_mp10
POWER DIAGRAM
MAIN
BONN-E
674
BA41-01060A
April 11, 2009 10:05:58 AM
REV 1.0
MP
12/05/2008
undefined
BL Lee
MK Kim
MS Yang
Cantiga
CRT
(CHP3_SLPS3*)
GDDR-3 for PEG

Samsung
Confidential
Samsung
Confidential
1.25V ( TBD A )
USB (x 3)
KBD LED
RTC_Battery
3.3V
1.05V
KeyBoard
P3.3V_AUX
1.8V
220V
3.3V_AUX
0.22 A (TBD)
LCD
5V
0.75A (TBD)
0.29 A (TBD)
0.67 A (TBD)
0.9V( TBD A )
3.3V_AUX
PEX IO (TBD A)
KBC
5V
3.3V_AUX ( TBD A )
0.2 A (TBD)
SATA HDD
0.07 A (TBD)
Sensor 3.3V
MDC
0.08 A (TBD)
5V
0.25 A (TBD)
Adapter
0.5 A (TBD)
1.0V-1.1V (EGFX CORE)
Touch Pad
3.3V_AUX
( ~ 2.0 W )
0.08 A (TBD)
Battery
0.209 A (TBD)
1.8V_AUX ( TBD A )
1.05V
0.1 A (TBD)
1.5V
PWR LED
ODD
P1.2V_LAN
0.16 A (TBD)
VGA CORE (TBD A)
17.75 A (TBD)
(Value by measurement)
1.75 A (TBD)
1.5V ( TBD A )
0.006 A (TBD)
0.1 A (TBD)
1.2V (PEX IO)
MICOM 3V ( TBD A )
41 A (TBD)
P1.8V/2.5V_LAN
4.5 A (TBD)
(8 - 8.5 W )
CPU CORE
1.8V ( TBD A )
Thermal
Mini Card X 2
DDR-2
(Dual slots)
1.8V_AUX
CPU CORE ( TBD A )
4 A (TBD)
0.01 A (TBD)
2.43A (TBD)
3.3V
C
Value by Datasheet/Application notes
SPI
( ~ 5.0 W )
1.8V
0.1 A (TBD)
0.6 A (TBD)
3.3V (LCD 3V)
2.4A (TBD)
1.05V ( TBD A )
1
( 35 W )
7.7 A (TBD)
0.06 A (TBD)
GMCH
LAN (88E8055)
4.48 A (TBD)
5.0V ( TBD A )
0.001 A (TBD)
5.0V_AUX ( TBD A )
3.79 A (TBD)
VDC INV ( TBD A )
1.05V (MCH CORE)
CLOCK
1.25V
HD Audio
1.8V_AUX
ITP
DATE
MICOM 3V
A
5V
TITLE
5V
3.3V
0.2 A (TBD)
5V
0.15 A (TBD)
POWER RAILS ANALYSIS
FAN
3
1.5 A (TBD)
B
Audio AMP
DRAW
MICOM 3V
APPROVAL
3.3V
4
2 A (TBD)
0.125 A (TBD)
5V
2
3.3V
PAGE
3.3V ( TBD A )
SAMSUNG
5V
THIS DOCUMENT CONTAINS CONFIDENTIAL
3.3V
1.13 A (TBD)
5V
0.374 A (TBD)
RTC_Battery
3
0.015 A (TBD)
D
0.08 A (TBD)
DEV. STEP
19V (VDC INV)
5V_AUX
1.5V
PEG
0.75 A (TBD)
SAMSUNG ELECTRONICS CO’S PROPERTY.
3.3V
3.3V_AUX
Rev. 0.6 (060920)
SD Card
MODULE CODE
SATA
Penryn-6M
0.5 A (TBD)
LAST EDIT
1.5 A (TBD)
DO NOT DISCLOSE TO OR DUPLICATE FOR OTHERS
0.5 A (TBD)
4
3.3V
ELECTRONICS
3.3V
0.9V
3.3V_AUX
1
0.13 A (TBD)
B
1.5V
PROPRIETARY INFORMATION THAT IS
1.5 A (TBD)
D
1 A (TBD)
3.3V
CHECK
1.05V (VCCP)
gDDR3
2
0.67 A (TBD)
REV
1.8V
SAMSUNG PROPRIETARY
3.3V
ICH9-M
OF
0.001 A (TBD)
LAN
0.33 A (TBD)
1.05V (VCCP)
A
3.1 A (TBD)
MS Yang
MK Kim
BL Lee
undefined
12/05/2008
MP
REV 1.0
April 11, 2009 10:05:58 AM
BA41-01060A
5 67
BONN-E
MAIN
POWER RAILS
D:/Users/mobile39/mentor/BONN-E/BONN-E_mp10
EXCEPT AS AUTHORIZED BY SAMSUNG.
Cantiga
3.3V
C
6.53 A (TBD)
PART NO.
1.5V

Samsung
Confidential
Samsung
Confidential
Host Boot / ME Off
3
P5.0V_ALW
77) KBC3_RSMRST#
11
SC471
11-1) GFX_CORE
12)GCORE_PWRGD
17) KBC3_PWRGD
17) KBC3_PWRGD CL_PWROK 19) PLT3_RST*
(Test Option)
P3.3V_MICOM
10-1) P3.3V
10-1) P1.8V
10-1) P1.8V
10) P1.5V
6) P5.0V_AUX
9
18
16
17) KBC3_PWRGD
17) KBC3_PWRGD
P3.3V_MICOM
110ms Delay
14
6) P3.3V_AUX
19) PCI3_RST*
8
9) KBC3_PWRON
6
PM-model only
10) P1.05V (IGFX_CORE)
9
M-2) KBC3_ME_PWRON = 15) KBC3_PWRON
Host / ME Boot
(SLPS4* = S4_STATE*) > (SLPM* = SLPS3*)
11) VCCP3_PWRGD
Host S5 / ME Boot
(SLPS4* = S4_STATE*) > SLPM* > SLPS3*
(SLPS4* = SLPM*) > S4_STATE* > SLPS3*
ISL6227
ICSL6256
Adapter
Battery
2-1) P12.0V_ALW
10) P5.0V
9-1) KBC3_PWRON_INV#
9-1
2) VDC
SC486 10) P1.5V
17) KBC3_PWRGD
10-2) 0.9V
12
13
15)VRM3_CPU_PWRGD
7) P1.5V_AUX
9) KBC3_PWRON
9) KBC3_PWRON
13) KBC3_VRON
15)VRM3_CPU_PWRGD
10) P1.5V
10-1) P1.2V
10-1) P3.3V
12)GCORE3_PWRGD (PM-model)
6) P1.8V_AUX
10-1) P3.3V
PWROK
10-1) P3.3V
2) VDC
CL_PWROK
PCIe
6-1) P1.2V_LAN
10-1) P1.05V
10-1) P1.5V
Sheet 46-47
Devices
8) CHP3_SLPS5#/4#/3#
5) KBC3_SUSPWR
2) VDC
Sheet 46
VRMPWRGD
PWROK
Sheet 40
15) VRM3_CPU_PWRGD 15
19
19
Sheet 40
2
3
4
6) P3.3V_AUX
10
17
M-1) KBC3_DDR_PWRON (TBD) = 8) KBC3_SUSPWR
6
PRTC
7) P1.05V_AUX
20
LAN100_SLP
AP4435 10) P5.0V
5
Battery CHP3_RTCRST#
4) POWER_SW*
6) P1.8V_AUX
AC_DC / Battery
Devices
10) P1.1
10) P1.05V
5) KBC3_SUSPWR
11) VCCP3_PWRGD
19) PCI3_RST*
20) CPU1_CPURST*
11-1) P1.8V PEG
2) VDC
PRTC
14) VCC_CORE
DDR3
Memory
CK-505
8) KBC3_SUSPWR
13) KBC3_VRON (Back-up)
16) CLK3_PWRGD
6) P1.8V_AUX
PRTC_BAT
LOM
6-1) P1.8V/P2.5V_LAN
BCP69
10-2) P0.9V
CPU
6) P1.8V_AUX
19) PLT3_RST*
MODULE CODE
TITLE
PART NO.
PAGE
6) P3.3V_AUX
Sheet 8
TPS51120
AP6680A
OF
A A
B
16-1) Clock Running
Sheet 22-25
DC/DC B’d
Sheet 10-12
B
4
4
3
1
Sheet 15-19
Sheet 20-21
Marvell
3
ICH8-M
KBC
RTC
INTVRMEN
AP6680A
CPU
GMCH
D D
2
2
VRM
9) KBC3_PWRON 10-1) P3.3V
6) MEM1_VREF
1
1
SAMSUNG PROPRIETARY
10-1) ICH_CORE (P1.05V)
18) CPU1_PWRGDCPU
POWER
S/W
THIS DOCUMENT CONTAINS CONFIDENTIAL
PROPRIETARY INFORMATION THAT IS
SAMSUNG ELECTRONICS CO’S PROPERTY.
DO NOT DISCLOSE TO OR DUPLICATE FOR OTHERS
PCI
P3.3V_AUX & P5V_AUX
SC486
DDR2 POWER
EXCEPT AS AUTHORIZED BY SAMSUNG.
DRAW
CHECK
APPROVAL
Sheet 50
DATE
DEV. STEP
REV
D:/Users/mobile39/mentor/BONN-E/BONN-E_mp10
POWER SEQUENCE
MAIN
BONN-E
676
BA41-01060A
April 11, 2009 10:05:58 AM
REV 1.0
MP
12/05/2008
undefined
BL Lee
MK Kim
MS Yang
LAST EDIT
SAMSUNG
ELECTRONICS
POWER SEQUENCE Rev. 0.7
C C

Samsung
Confidential
Samsung
Confidential
17.86 MHz
SAMSUNG PROPRIETARY
ICH9-M
PROPRIETARY INFORMATION THAT IS
SAMSUNG ELECTRONICS CO’S PROPERTY.
PCI Express Gfx
EXCEPT AS AUTHORIZED BY SAMSUNG.
DRAW
CARD 2
APPROVAL
MODULE CODE
48 MHz
DEV. STEP
REV
CLK3_PCLKICH
A A
BSEL
B
C
xSLG8SP513r05)
D D
CLK1_PCIELOM/LOM*
4
3
10 MHz
2
2
100 MHz (SRC 8)
CLK1_DREFSSC/SSC*
PEG
CLK1_MCH3GPLL/3GPLL*
OF
SAMSUNG
PCIE PLL
MCH
CPU_STP*
14.318 MHz
CLK1_MCLK3/3#
CLK1_MCLK4/4#
SATAPLL
CLK1_DREFCLK/CLK*
PCI_STP*
CLK1_PCIEICH/ICH*
333/400 MHz
CLK1_EXPCARD#
OSC
MDC3_BCLK
100 MHz (SRC 6,8,9,10)
RTC Clock
266 MHz CLK0_HOST_GMCH/GMCH*
LOM3_CLKREQ*
MCH3_CLKREQ*
CLK1_MINIPCIE/PCIE*
100 MHz (SRC 6)
AUD3_BCLK
CPU
100 MHz (SRC 2)
SPI
333/400 MHz
CLK0_HOST_CPU/CPU*
HPLL
3
33 MHz
MPLL
ITM3_CLKREQ*
HD 24 MHz
USBPLL
1
OSC
PART NO.
Cantiga
1
100 MHz (SRC0)
ELECTRONICS
48MHz PLL
Rev. 0.1
MINI PCIE
THIS DOCUMENT CONTAINS CONFIDENTIAL
PCIE LAN
CLK1_MCLK0/0#
33 MHz
SODIMM #0
CLK3_USB48
DO NOT DISCLOSE TO OR DUPLICATE FOR OTHERS
CLK1_SATA/SATA* EXPRESS
MUX
266 MHz
CHP3_SATACLKREQ*
CHECK
33 MHz 32.768 KHz
PCIEPLL
SPI3_CLK
CLK3_PCLKMICOM
DATE
14 MHz
HD Audio
MDC
DPLLB
CK-505M (w/ CLKREQ* & SSDC)
LAST EDIT
100 MHz
(Marvell)
PORT 80
PAGE
100 MHz (SRC 3)
B
100 MHz (SRC 9)
CLK3_ICH1414.318 MHz
667/800 MHz
25 MHz
C
Page 8
CLK3_PCLKPORT80
33 MHz
SODIMM #1
CLK1_MINI2PCIE/PCIE*
4
MS Yang
1
Main PLL
SSC
DPLLA
PLL3
SSC
TITLE
Buffer
MUX
CLOCK DISTRIBUTION
MUX
FSB
CLK1_MCLK1/1#
DMI
FS(2:0)
CARD
ITP_EN
SS(96/100) SEL
100 MHz (SRC4)
P3.3V
CLK3_PWRGD*
KBC
MINI PCIE
CARD 1
96 MHz
MIN3_CLKREQ*
EXP3_CLKREQ*
32.768 KHz
333/400 MHz
333/400 MHz
CLK1_PEG/PEG*
D:/Users/mobile39/mentor/BONN-E/BONN-E_mp10
CLOCK DIAGRAM
MAIN
BONN-E
677
BA41-01060A
April 11, 2009 10:05:58 AM
REV 1.0
MP
12/05/2008
undefined
BL Lee
MK Kim

Samsung
Confidential
Samsung
Confidential
VDD_48
1
1
BSEL1
SAMSUNG ELECTRONICS CO’S PROPERTY.
LAST EDIT
1
0
400 MHz
133 MHz
0
Pin 20/21
266 MHz
1
SEL_LCDCLK*
200 MHz
0 0
A
1
PROPRIETARY INFORMATION THAT IS
DRAW
0
0
SAMSUNG
SAMSUNG PROPRIETARY
D
VDD_CPU_IOVDD_SRC_IO
333 MHz
DEV. STEP
SRC8
A
SRC4
REV
SL : 1205-003533
VDD_PLL3
2
DEVICE
4
0
B
BSEL0
GMCH
PEG_CLK/PEG_CLK#
VDD_PLL3_IO
THIS DOCUMENT CONTAINS CONFIDENTIAL
C
Pin 24/25
HOST CLK
0
4
1
LOW
VDD_PCI
CLK REQ E
CHECK
27M & 27M_SS
0
500mils of CK-505
3
100 MHz
CLK REQ A
0
EXP3_CLKREQ#
RSVD
DO NOT DISCLOSE TO OR DUPLICATE FOR OTHERS
VDD_CPUVDD_IO VDD_SRC
FSCFSB
PART NO.
VDD_REF
SRC_0/SRC_0#
1
CLK REQ F
SRC PORT
SRC6
D
EXCEPT AS AUTHORIZED BY SAMSUNG.
0
3
FSA
HIGH
CLK REQ
DATE
1
ELECTRONICS
1
PAGE
0
166 MHz
8
BA41-01060A
April 11, 2009 10:05:58 AM
REV 1.0
MP
12/05/2008
undefined
BL Lee
MK Kim
MS Yang
C
OF
1
CLK REQ B This part is 64pin QFN package.
2
Place 14.318MHz within
1
MODULE CODE
APPROVAL
BSEL2
MINI CARD
SATA
1
B
1
TITLE
IDT : 1205-003159
DOT_96/DOT_96#
1
SRC2
CK505M
CK_Clock_505M
D:/Users/mobile39/mentor/BONN-E/BONN-E_mp10
MAIN_CLOCK_CIRCUIT
BONN-E
67
P3.3V
R224 10K 1%
C424 100nF 10V
5%22
R222
0.018nF
C395
50V
6.3V
10000nF-X5R
C433
10V
0.018nF
C396
50V
0.033nF
5% 50V
C422
100nF
C432
P3.3V
10V
10V
C409 100nF
C416 100nF
R217 33
0.033nF
5% 50V
C418
C394 100nF 10V
C381 10000nF-X5R
6.3V
10V
4700nF-Y5V
C404
1
2
R218 475
2801-004518
14.31818MHz
Y1
1%
nostuff
R223 10K 1%
C700 100nF 10V
1%10K
R230
nostuff
R565
10K
1%
6.3V
10000nF-X5R
C431
C401 10000nF-X5R
6.3V
10V
100nF
C397
B31
BLM18PG181SN1
10K
R216 1%
10V
C429 100nF
100nF
C430 10V
22
R589
22
R220 5%
P3.3VP1.5VP3.3V
10V
100nF
C413
R228 22 5%
C417 100nF 10V
XTAL_IN
3
2XTAL_OUT
R236 2.2K
43
VDD_SRC_IO3
52
18 VSS_48
VSS_CPU
59
VSS_IO
22
VSS_PCI
15
VSS_PLL3
26
VSS_REF
1
VSS_SRC1
30
36 VSS_SRC2
VSS_SRC3
49
17
VDD_48 16
VDD_CPU 62
VDD_CPU_IO
56
VDD_IO
19
VDD_PCI 9
VDD_PLL3 23
27 VDD_PLL3_IO
VDD_REF 4
VDD_SRC 46
VDD_SRC_IO1
33
VDD_SRC_IO2
35
SRC4#
SRC6 48
SRC6# 47
SRC7#_CLKREQE# 50
SRC7_CLKREQF# 51
SRC8#_ITP# 53
SRC8_ITP 54
SRC9 37
38
SRC9#
65 THERM_GND
USB_FS_A
SRC0#_DOT96# 21
SRC0_DOT96 20
SRC10 41
SRC10# 42
SRC11#_CLKREQG# 39
SRC11_CLKREQH# 40
SRC2 28
SRC2# 29
SRC3#_CLKREQD# 32
SRC3_CLKREQC# 31
34
SRC4
NC
PCIF_5_ITP_EN
14
PCISTOP#
45
PCI_0_CLKREQ_A#
8
PCI_1_CLKREQ_B#
10
PCI_2
11
PCI_3
12
PCI_4_SEL_LCDCLK#
13
REF_FS_C_TEST_SEL
5
SCL
7
SDA
6
U12
CLKPWRGD_PWRDN#
63
CPU0 61
CPU0# 60
CPU1_MCH 58
CPU1_MCH# 57
CPUSTOP#
44
FSB_TESTMODE
64
LCDCLK#_27M_SS 25
LCDCLK_27M 24
55
SLG8SP513
1205-003156
1%
R221 475
B28
BLM18PG181SN1
C400 100nF 10V
33
R235
BLM18PG181SN1
B30
nostuff
C393 4700nF-Y5V
10V
R234 33
C420 50V
5%
0.033nF
R127 22
1%
10K
R229
CLK3_PCLKICH_R_MN
CLK3_PCLKMICOM_R_MN
CLK3_GFX_27M_SS_R_MN CLK3_GFX_27M_SS
CLK3_GFX_27M_R_MN CLK3_GFX_27M
CLK3_ICH14_R_MN
CLK1_MINIPCIE#
CLK1_MINIPCIE2
CLK1_MINIPCIE2#
CLK3_DBGLPC_R_MN
CLK1_PCIEICH
CLK1_PCIELOM
LOM3_CLKREQ#
EXP3_CLKREQ#
CHP3_SATACLKREQ#_R_MN
CLK1_PEG
CLK1_PEG#
CLK3_VDD_SRC_IO_MN
CLK1_MCH3GPLL
CHP3_SATACLKREQ#
CLK3_PCLKMICOM
MCH3_CLKREQ#_R_MN
MCH3_CLKREQ#
CLK3_DBGLPC
MIN3_CLKREQ#
CLK3_PCLKICH
CLK3_FM48
ITM3_CLKREQ#
CLK1_EXPCARD
CLK1_PCIEICH#
CLK1_EXPCARD#
CLK1_PCIELOM#
CLK1_MINIPCIE
CLK1_MCH3GPLL#
CLK0_HCLK1
CLK0_HCLK0#
CLK0_HCLK0
CLK3_USB48
SMB3_CLK
SMB3_DATA
CLK3_PWRGD
CHP3_CPUSTP#
CHP3_PCISTP#
CPU1_BSEL2
CPU1_BSEL0
CLK3_ICH14
CLK3_XTAL_IN_14_MN
CLK3_VDD_REF_MN
CLK3_USB48_R_MN
CLK1_SATA
CLK1_SATA#
CPU1_BSEL1
CLK0_HCLK1#

Samsung
Confidential
Samsung
Confidential
3.3 * [R2/(R1+R2)] = (T-75)/21
To support heatsink
A
3
4
DEV. STEP
Type:straight
2
SAMSUNG ELECTRONICS CO’S PROPERTY.
D
C
Opposite side of CPU.
R1
For Intel 45nm(From penryn)
DATE
CH1(INTEL MODE)
THIS DOCUMENT CONTAINS CONFIDENTIAL
LAST EDIT
B
EXCEPT AS AUTHORIZED BY SAMSUNG.
CH3(DIODE MODE)
4
PAGE
For ATI M9x
TRIP_SET pin voltage = (T-75)/21
MODULE CODE
SAMSUNG PROPRIETARY
R2 SMBUS Address 7Ah
B
SHDN_SEL MODE
1
2
10mil width and 10mil spacing.
PART NO.
TITLE
REV
0
C
THERMAL SENSOR & FAN CONTROL
A
SAMSUNG
93 degree C
N/A (SHDN# NOT USED)
Line Width = 20 mil
PROPRIETARY INFORMATION THAT IS
OF
HIGH Z
3
ELECTRONICS
D
DO NOT DISCLOSE TO OR DUPLICATE FOR OTHERS
REV 1.0
MP
12/05/2008
BL Lee
MK Kim
MS Yang
D:/Users/mobile39/mentor/BONN-E/BONN-E_mp10
THERMAL SENSOR EMC2102
THERMAL SENSOR
BONN-E
679
BA41-01060A
April 11, 2009 10:05:58 AM
1
1
APPROVAL
CHECK
DESIGN
Check if PU is doubled to Micom Side.
1%10K
R644
P3.3V
1%
R30 10K
10K
R21 1%
R19 10K
2
3
4
5MNT1
MNT2
6
1%
3711-000456
J503
HDR-4P-1R-SMD
1
P3.3V_AUX
M503
BA61-01090A
DIA
HEAD
LENGTH
P3.3V
6.3V
C111
10000nF-X5R
1%
R106
10K
SMDATA 22
SYS_SHDN# 12
TACH
28
THERMTRIP#
13
29
THRM_PAD
TRIP_SET
11
VDD_3V
1
VDD_5V_1
24
VDD_5V_2
27
FAN_1
25
FAN_2
26
FAN_MODE
10
GND 20
NC_1
8
NC_2
15
21 NC_3
POWER_OK
14
RESET#
16
SHDN_SEL
9
SMCLK 23
ALERT# 19
CLK_IN 18
CLK_SEL 17
DN1 2
DN2 4
DN3 6
DP1 3
DP2 5
DP3 7
1209-001718
EMC2102
U1
nostuff
0
R16
P3.3V_AUX
51.1K
R29
1%
1%
HEAD
LENGTH
200K
R26
M3
BA61-01090A
DIA
49.9
R509
1%
M2
BA61-01090A
DIA
HEAD
LENGTH
R36
20K
DIA
BA61-01090A
M1
1%
LENGTH
HEAD
P3.3V_AUXP5.0V
10V
100nF
C506
6.3V
C21
10000nF-X5R
10V
C505
100nF
3
2
MMBT3904
Q516
1
50V
2.2nF
C508
50V
2.2nF
C507
50V
0.47nF
C119
FAN3_FDBACK#
FAN5_VDD
FAN3_FDBACK#
THM3_ALERT#
CPU2_THERMDC
THM3_THERMDN_MN
CPU2_THERMDA
GFX3_THERMDP
THM3_THERMDP_MN
FAN5_VDD
KBC3_PWRGD
KBC3_THERM_SMCLK
KBC3_THERM_SMDATA
THM3_STP#
THM3_TRIP_SET_MN
THM3_VDD_3V_MN
THM3_TRIP_SET_R_MN
THM3_SHDN_SEL_MN
GFX3_THERMDN

Samsung
Confidential
Samsung
Confidential
1 / 4
ADDR GROUP
ICH
0
ADDR GROUP
1
CONTROL
2 / 4
DATA GRP 0
DATA GRP 2
DATA GRP 1
DATA GRP 3
SAMSUNG
OFPAGE
PART NO.
TITLE
LAST EDIT
REV
DEV. STEP
DATE
MODULE CODE
APPROVAL
CHECK
DRAW
1
12/05/2008
undefined
BL Lee
MK Kim
MS Yang
SAMSUNG PROPRIETARY
PROPRIETARY INFORMATION THAT IS
EXCEPT AS AUTHORIZED BY SAMSUNG.
For ESD
For ESD
C
D
A
CPU Socket : 3704-001153
THIS DOCUMENT CONTAINS CONFIDENTIAL
SAMSUNG ELECTRONICS CO’S PROPERTY.
D
24
DO NOT DISCLOSE TO OR DUPLICATE FOR OTHERS
3
A
B B
CPU mount
1
C
4
3
2
ELECTRONICS
10
D:/Users/mobile39/mentor/BONN-E/BONN-E_mp10
PENRYN (1/3)
CPU
BONN-E
6710
BA41-01060A
April 11, 2009 10:05:58 AM
REV 1.0
MP
18
24
52
45
10
7
46
9
14
12
27
31
26
43
63
17
23
21
3
39
28
22
14
26
1
13
8
58
50V
C3896
0.1nF
nostuff
11
17
20
20
27
4
41
56
R87
33 2
1
51
16
30
49
28
MT6
RMNT-38-70-1P
54
50V
C3895
0.1nF
nostuff
44
5
31
RMNT-38-70-1P
MT4
RMNT-38-70-1P
MT7
REQ3# J3
REQ4# L1
RESET# C1
F3
RS0# F4
RS1# G3
RS2#
A3
SMI#
D5
STPCLK#
G2
TRDY#
G6
HIT# E4
HITM#
D20
IERR#
C4
IGNNE#
B3
INIT#
C6
LINT0 B4
LINT1
H4
LOCK#
REQ0# K3
REQ1# H2
REQ2# K2
A9#
H1
ADS#
M1 ADSTB0#
V1 ADSTB1#
E2
BNR# G5
BPRI#
F1
BR0#
E1
DBSY#
H5
DEFER# F21
DRDY#
A5
FERR#
V4 A31#
W3 A32#
A33#
AA4
AB2 A34#
AA3 A35#
L5 A4#
L4 A5#
K5 A6#
M3 A7#
N2 A8#
J1
U4 A21#
Y5 A22#
U1 A23#
R4 A24#
T5 A25#
T3 A26#
W2 A27#
W5 A28#
Y4 A29#
J4 A3#
U2 A30#
A11#
P2 A12#
L2 A13#
P4 A14#
P1 A15#
R1 A16#
Y2 A17#
U5 A18#
R3 A19#
W6 A20#
A6
A20M#
7
PENRYN
J501-1
0143854500|bga_479p_sock
N3 A10#
P5
30
21
342 35
33
60
5
RMNT-38-70-1P
MT3
12
59
16
11
24
57
13
40
6
25
37
56
3
25
9
8
P1.05V
48
3
62
15
35
19
18
4
61
55
0
15 47
29
34
36
DSTBN3#
H26 DSTBP0#
M26 DSTBP1#
AA26
DSTBP2#
AF24
DSTBP3#
E23 D7#
K24 D8#
G24 D9#
H25 DINV0#
N24 DINV1#
U22
DINV2#
AC20
DINV3#
J26 DSTBN0#
L26 DSTBN1#
Y26
DSTBN2#
AE25
AD20
D54# AE22
D55# AF23
D56# AC25
D57# AE21
D58# AD21
D59#
E25 D6#
AC22
D60# AD23
D61# AF22
D62# AC23
D63#
D44# AA23
D45# AA24
D46# AB25
D47#
AE24
D48# AD24
D49#
G25 D5#
AA21
D50# AB22
D51# AB21
D52# AC26
D53#
V26
D35# V23
D36# T22
D37# U25
D38# U23
D39#
F23 D4#
Y25
D40# W22
D41# Y23
D42# W24
D43# W25
P23 D25#
P22 D26#
T24 D27#
R24 D28#
L25 D29#
G22 D3#
T25 D30#
N25 D31#
Y22
D32# AB24
D33# V24
D34#
D15#
N22 D16#
K25 D17#
P26 D18#
R23 D19#
E26 D2#
L23 D20#
M24 D21#
L22 D22#
M23 D23#
P25 D24#
E22 D0#
F24 D1#
J24 D10#
J23 D11#
H22 D12#
F26 D13#
K22 D14#
H23
0143854500|bga_479p_sock
J501-2
PENRYN
29
32
19
50
53
0
23
38
6
22
32
42
CPU1_CPURST#
CPU1_INTR
4
CPU1_BREQ#
CPU1_BPRI#
CPU1_BNR#
CPU1_ADSTB1#
CPU1_ADS#
CPU1_ADSTB0#
CPU1_A20M#
CPU1_TRDY#
CPU1_STPCLK#
CPU1_SMI#
CPU1_RS2#
CPU1_RS1#
CPU1_RS0#
CPU1_LOCK#
CPU1_NMI
CPU1_INIT#
CPU1_IGNNE#
CPU1_IERR#_MN
CPU1_HITM#
CPU1_HIT#
CPU1_FERR#
CPU1_DRDY#
CPU1_DEFER#
CPU1_DBSY#
CPU1_DSTBN1#
CPU1_DBI0#
CPU1_DSTBN2#
CPU1_DSTBP2#
CPU1_DBI2#
CPU1_DSTBN3#
CPU1_DSTBP3#CPU1_DSTBP1#
CPU1_A#(16:3)
CPU1_REQ#(4:0)
CPU1_A#(35:17)
CPU1_D#(47:32)
CPU1_D#(63:48)CPU1_D#(31:16)
CPU1_D#(15:0)
CPU1_DSTBP0#
CPU1_DSTBN0#
CPU1_DBI3#CPU1_DBI1#

Samsung
Confidential
Samsung
Confidential
3 / 4
RSVD
THERMAL H CLK
XDP/ITP SIGNALS
0
0
1
1 1
0
0
1
1
0
1
1
0
1 0
0
0
0
1
0
1
1
0
Deeper Sleep/Extended Deeper Sleep
1
1
1
1
1
1
0.0375 V
0
0
0
1
0
1
0
0
1
0
0
0
REV
1.4625 V
0
1
1
0
0
1
0.2250 V
1
0
0
1
1
1
1
0
1
0.2875 V
0
1
0.5250 V
Dual Mode Region
1
DEV. STEP
0
0.4750 V
0.6000 V
1
near the CPU
0
1
1
0
0
0.1625 V
1
1
1
1
1
0
0.0250 V
0
1
1
0
0
1
0
1
0
0
1
1
0
0
1
SAMSUNG
0
0
0
1
1.1875 V
0
1
0
0
1
1
0
1
1
0
1
0.1375 V
1
0
1
1.2250 V
0
0
1
0
0.5375 V
1
0
0
0
1
0
0
0.0625 V
1
1
1
1
0
1
0
1
(preferred 50mil) from any other signal. And GND via 100mil away
0
0
0
0.8500 V
1
0.0125 V
Deeper Slp
1
1
0
1
0.5500 V
0
0.5000 V
0
0
1
0
1
1
1
1
0
0.1500 V
0
1
0
1
0
0
1
Observe 3:1 spacing b/w VCC/VSSsense lines and 25mil away
0.6375 V
1
1
0
0
1
0.0000 V
1
1.3125 V
Active
FSB 800 MHz
0
A
1
*"1111111" : 0V power good asserted.
1
BSEL0, BSEL1, BSEL2
0
0
0
1
0
0.9125 V
0
0
0
0
0
FSB 1067 MHz
0
1
1
1
0
1.0375 V
1
0
1
1
0
1
0
0
0
0
BSEL
1
1
0
0.4625 V
0
0
0
0
0
0
1
Minimize coupling of any switching signals to this net.
0
1
0.5125 V
OF
0
1
0
0
1
Active Mode
0
1
0
1
0
1
SAMSUNG ELECTRONICS CO’S PROPERTY.
0
1
1
1
1
1
1
0
0
1
0
1
DPRSTP*
0
1
1
0.2500 V
0
0.7125 V
1
1
1
0
0.7000 V
1.0500 V
1.4125 V
1
0
0
1
1
0
0
0
0
0
0
0
1.1125 V
1
1
0
0
1.1375 V
1
1
3
0
0
0
01
0
0
0
0
0
1
1
0
C
0
1
1
Pull-down
0
1
1
1.3000 V
0.3500 V
0
1
0.3250 V
0
1
1
1
1
1
0
1
0
1
1
0
1
1
0
0
0
0
1
GTLREF : Keep the Voltage divider within 0.5"
0.6875 V
0
01
1
1
1
1
0.0000 V
0.0500 V
1
0
0.5875 V
1
0.3375 V
11
1
1
0.8250 V
0
0
1
1
0
1
1.0875 V
1 1
0
Active/Deeper Sleep
1
1
1
0.3750 V
1
BSEL0, BSEL2
0
1
0
0
1
IMVP-6
1
1
0.3000 V
1
0.7875 V
1
1
1
0
0
0.2625 V
0
0
0
0.7625 V
0
0
1
1
1
0
0
0 or 1
1
0
0
1
2
0
0
0
1
1
1
1
0
0
0
0.0750 V
Voltage
1
0
0
01
1 1.1500 V
0
1
0
0
1.0125 V
1
C
0
0.2375 V
00
0.0000 V
1
0
1
EXCEPT AS AUTHORIZED BY SAMSUNG.
0
0
0
0
0
0
0
0
1
0
0
1
0
0
01
1
0.9625 V
0
1
0
0.9875 V
0
0
11
APPROVAL
MODULE CODE
1
1
0
1
0.3625 V
1
0
1
0
1.4500 V
1
0
0.6500 V
0
0.8375 V
0
0
0
1
0
1
1
0
0
1
1.1000 V
1
0
1
0
0
0
0
0
0
VID(6:0)
1
1.0000 V
1
0
0
0
1
0
1
0.4500 V
0.2750 V
DRAW
1
1.0750 V
1
1
0
1
1
1
1
1
0.1125 V
1.2750 V
0
1
1
0
1
1
1
trace shorter than 1/2" to their respective Banias socket pins.
0
1
11
1
1
1
0
0
1
1
1
1
0
0
0
1
0
0
1
1
0.0000 V
0
0.0000 V
1
0
0
DATE
1.4875 V 0
1
0
0
1
1
0
1
1
1
1
1
1
0
0
0 1
0
1
LAST EDIT
1
1
0.6625 V0
0
1
0
PSI2*
1
1
1
0
0
1
0
1
0
0
11
0
1
0
1
0
0
0
10.6250 V
11
0
0
0
0
0
0
PAGE
0
4
0.4000 V
1
0
0.3125 V
0
1
1
0
1
1
0
0.4375 V
0.4250 V
01
0
1
CHECK
1
0
PSI2*
1
0
0.9000 V
0
0
1
0
0
0
1
0
1
0
1
1
0
1.4000 V
1
1
1
1
0
1
1
0
1
1
0
1.2125 V
1
D
0
0
4
0
1
0
0
0.2000 V
1
1
1.4375 V
0
0
1
1.3625 V
1
0.5750 V
1
0
1.3750 V
0.2125 V
1
0
0
1
1
1
1
0
0
1
0
0
0
0
1
0
1
0
1
Voltage
1
0
0
0.9375 V
0.0875 V
0
1
1
1
0
0
0
0
0
1
0.8000 V
1
0.7750 V
D
0
0
00.7375 V
0
1
1
1
0
1
0
1
0.1875 V
0
1.1250 V1
0
1.2625 V
1
0
0
0
0
1
1
1
0
1
1
0
1
1.0250 V
1
1
1
1.3250 V
1
0
1
1
1
0
0
1
1
0
1
1
0.3875 V
0
1
1
1.2875 V
0
0
0
1
1
0
0
0
1
B
0
PROPRIETARY INFORMATION THAT IS
1
1
0
11
1.2000 V
0
1.5000 V
0
1
1
1
1
1
1
0
TITLE
1
0
1
0.5625 V
1
DPRSTP*
0
0.6125 V
1
0
0
1
0
0
0
0
0
1
0
1
0
1
0
0.8125 V
1.0625 V
*Yonah Processor (2.33 GHz / 800 MHz : TBD)
0
1
1.2500 V
0
0
0
1
1
0.0000 V
0.0000 V
1.1625 V
1
1
1
0
1
1
0
1
1
0
Dual Mode Region
0.6750 V
1
0
0
1
0
0
1
0
1
1
CPU Core Voltage Table
1
1
0
1
1
1
3
1
0
0
1
0
0
1
0
1
1
1
1
0 or 1
1.2375 V
0
0
THIS DOCUMENT CONTAINS CONFIDENTIAL
0
1
1
0
For ESD
0.1000 V
1
0
1
1
1
1.4750 V
1
0
Voltage
0
0.8875 V
VID(6:0)
1
1
1
0
01
A
1
0
0
0
DO NOT DISCLOSE TO OR DUPLICATE FOR OTHERS
0
0
1
0
1
0
1.3375 V
1
0
1
0
0
0
1
of the first GTLREF0 pin with Zo=55ohm trace.
1
1
0
0
1
ELECTRONICS
0
1
COMP0,2(COMP1,3) should be connected with Zo=27.4ohm(55ohm)
0 0
1
0
1
0
0
1
VID(6:0)
0
1
0
0
0.7250 V
0
0
1
0
0
0
0
1
1
0
SAMSUNG PROPRIETARY
1
DPRSLPVR
1.1750 V
1
1
1
1
0.8750 V
0
1
1
0
1
1
0
0
0.0000 V
1
1
0
0
1
0
Route the VCC/VSSsense as a Zo=55ohm traces with equal length.
0.1750 V
1
PART NO.
from each of the VCC/VSS test point vias.
1
1
0
1
0
1
1
0
1
1
1
0
0
0
1
0
0
0.7500 V
1
0
1
1
1
0
1.4250 V
0
1
1
1
0
0
0.9250 V
1
1
1
0
1
0
1
1
0
0
1
1
0
1
1
1
0
1
0
1
1
1
0
0
1.3500 V
0
1
0.9750 V
1
1
1
1
0
00
0.8625 V
1
0.4125 V
1
0
0.4875 V
DPRSLPVR
1
1
1
1
1
1
0
2
0
1
0
1
BA41-01060A
11 67
BONN-E
CPU
PENRYN (2/3)
D:/Users/mobile39/mentor/BONN-E/BONN-E_mp10
1
1
0.9500 V
GND test points within 100mil of the VCC/VSSsense at the end of the line.
0
0.1250 V
0
For ESD
0
1
1
0
1.3875 V
1
0
0
0
1
0
1
1
0
00
MS Yang
MK Kim
BL Lee
undefined
12/05/2008
MP
REV 1.0
April 11, 2009 10:05:58 AM
10V
C71
100nF
54.9
R40
1
0
1%
R88
56 10V
C69
100nF
nostuff
0.1nF
C3894
50V
27.4
P1.05V
AE5 VID_2
AF4 VID_3
AE3 VID_4
AF3 VID_5
AE2 VID_6
AE7 VSSSENSE
R42 1%
J6
VCCP_3 M6
VCCP_4 N6
VCCP_5 T6
VCCP_6 R6
VCCP_7 K21
VCCP_8 J21
VCCP_9 M21
AF7 VCCSENSE
AD6 VID_0
VID_1
AF5
VCCA_1 B26
VCCA_2 C26
VCCP_1 K6
VCCP_10 N21
VCCP_11 T21
VCCP_12 R21
VCCP_13 V21
VCCP_14 W21
VCCP_15 V6
VCCP_16 G21
VCCP_2
TEST2
D25
TEST3
C24
TEST4
AF26
TEST5
AF1
TEST6
A26
C3 TEST7
C7 THERMTRIP#
A24 THRMDA
B25 THRMDC
TMS AB5
TRST# AB6
RSVD_4 B2
RSVD_5 D2
RSVD_6 D22
RSVD_7 D3
RSVD_8 F6
RSVD_9
D7 SLP#
TCK AC5
TDI AA6
TDO AB3
TEST1
C23
D24 DPWR#
AD26 GTLREF
PRDY# AC2
PREQ# AC1
D21 PROCHOT#
AE6 PSI#
D6 PWRGOOD
M4
RSVD_1 N5
RSVD_2 T2
RSVD_3 V3
BPM3# AC4
B22 BSEL0
B23 BSEL1
C21 BSEL2
COMP0
R26
U26 COMP1
AA1 COMP2
Y1 COMP3
DBR# C20
E5 DPRSTP#
B5 DPSLP#
A22 BCLK0
A21 BCLK1
BPM0# AD4
BPM1# AD3
BPM2# AD1
PENRYN
J501-3
0143854500|bga_479p_sock
1%
P1.05V
54.9
R35
100nF
C57
10V
10nF
C97
25V
1% 54.9
P1.05V
3
R52
nostuff
0.1nF
C3897
50V
54.9
R39
100nF
C65
10V
1%
R43 54.9
P1.05V
54.9
R41
4
6.3V
10000nF
C88
6
10V
C49
100nF
AD
2.5V
220uF
EC50
P1.5V
R38
1%
5
1K
2
nostuff
R89 1K 1%
1%
100nF
C52
10V
2K
R37
1K
R102
nostuff
1%
100nF
C31
10V
CPU1_TDI
CPU1_TMS
CPU1_TRST#
ITP3_DBRESET#
CPU1_COMP3_MN
CPU1_COMP2_MN
CPU1_COMP0_MN
CPU1_COMP1_MN
CPU1_GTLREF_MN
CPU1_PWRGDCPU
CPU1_TRST#
27.41%
R59
CPU1_VCCSENSE
CPU1_BSEL2
CPU1_BSEL1
CPU1_BSEL0
CPU1_PSI#
CPU1_DPWR#
CPU1_THRMTRIP#
CPU2_THERMDC
CPU2_THERMDA
CPU1_DPRSTP#
CPU1_VSSSENSE
CPU1_SLP#
CPU1_DPSLP#
CLK0_HCLK0#
CLK0_HCLK0
CPU1_VID(6:0)
CPU1_PROCHOT#_MN
CPU1_TCK
CPU1_TDI
CPU1_TMS
CPU1_TEST2_MN
CPU1_TEST1_MN
CPU1_TCK

Samsung
Confidential
Samsung
Confidential
4 / 4
APPROVAL
PROPRIETARY INFORMATION THAT IS
4
2
3 1
Prodlizer used
SAMSUNG PROPRIETARY
D
BONN-E
CPU
PENRYN (3/3)
D:/Users/mobile39/mentor/BONN-E/BONN-E_mp10
SAMSUNG
3
2
SAMSUNG ELECTRONICS CO’S PROPERTY.
DO NOT DISCLOSE TO OR DUPLICATE FOR OTHERS
THIS DOCUMENT CONTAINS CONFIDENTIAL
EXCEPT AS AUTHORIZED BY SAMSUNG.
PAGE
REV
DRAW
PART NO.
TITLE
LAST EDIT
DEV. STEP
A
ELECTRONICS
MODULE CODE
CHECK
C
DATE
A
C
OF
1
B B
4
D
CPU_CORE
MS Yang
MK Kim
BL Lee
undefined
12/05/2008
MP
REV 1.0
April 11, 2009 10:05:58 AM
BA41-01060A
12 67
1%100
R20
22000nF-X5R
C124 6.3V
20%
nostuff
nostuff
CPU_CORE
CPU_CORE
20% 6.3V
C40 22000nF-X5R
1%100
R22
VSS_93
E21
VSS_94
E24
VSS_95
E3
VSS_96
E6
VSS_97
VSS_98 E8
F11
VSS_99
D16
VSS_84
D19
VSS_85
D23
VSS_86
D26
VSS_87
D4
VSS_88
D8
VSS_89
A8 VSS_9
E11
VSS_90
E14
VSS_91
E16
VSS_92
E19
C16
VSS_74
C19
VSS_75
C2
VSS_76
C22
VSS_77
C25
VSS_78
C5
VSS_79
A4 VSS_8
C8
VSS_80
D1
VSS_81
D11
VSS_82
D13
VSS_83
VSS_64
B13
VSS_65
VSS_66 B16
B19
VSS_67
B21
VSS_68
B24
VSS_69
A25 VSS_7
B6
VSS_70
B8
VSS_71
C11
VSS_72
C14
VSS_73
AF11 VSS_55
AF13 VSS_56
AF16 VSS_57
AF19 VSS_58
AF2 VSS_59
A23 VSS_6
AF21 VSS_60 AF25
VSS_61
AF6
VSS_62
AF8
VSS_63
B11
AD8 VSS_45
AE1 VSS_46
AE11 VSS_47
AE14 VSS_48
AE16 VSS_49
A2 VSS_5
AE19 VSS_50
AE23 VSS_51
AE26 VSS_52
AE4 VSS_53
AE8 VSS_54
VSS_35
AD11 VSS_36
AD13 VSS_37
AD16 VSS_38
AD19 VSS_39
A19 VSS_4
AD2 VSS_40
AD22 VSS_41
AB23 VSS_42
AD25 VSS_43
AD5 VSS_44
AB8 VSS_26
AC11 VSS_27
AC14 VSS_28
AC16 VSS_29
A16 VSS_3
AC19 VSS_30
AC21 VSS_31
AC24 VSS_32
AC3 VSS_33
AC6 VSS_34
AC8
Y6 VSS_163
AA5 VSS_17
AA8 VSS_18
AB1 VSS_19
A14 VSS_2
AB11 VSS_20
AB13 VSS_21
AB16 VSS_22
AB19 VSS_23
AB26 VSS_24
AB4 VSS_25
VSS_153
V25 VSS_154
V5 VSS_155
W1 VSS_156
W23 VSS_157
W26 VSS_158
W4 VSS_159
AA25 VSS_16
Y21 VSS_160
Y24 VSS_161
Y3 VSS_162
T1 VSS_144
T23 VSS_145
T26 VSS_146
T4 VSS_147
U21 VSS_148
U24 VSS_149
AA22 VSS_15
U3 VSS_150
U6 VSS_151
V2 VSS_152
V22
N26
VSS_134 N4
VSS_135 P21
VSS_136 P24
VSS_137 P3
VSS_138 P6
VSS_139
AA2 VSS_14
R2
VSS_140 R22
VSS_141
R25 VSS_142
R5 VSS_143
VSS_124 L24
VSS_125
VSS_126 L3
L6
VSS_127 M2
VSS_128 M22
VSS_129
AA19 VSS_13
M25
VSS_130 M5
VSS_131 N1
VSS_132 N23
VSS_133
H6
VSS_115
J2
VSS_116
J22
VSS_117
J25
VSS_118
J5
VSS_119
AA16 VSS_12
K1
VSS_120
K23
VSS_121 K26
VSS_122 K4
VSS_123 L21
F25
VSS_105
F5
VSS_106
F8
VSS_107
G1
VSS_108
G23
VSS_109
AA14 VSS_11 G26
VSS_110
G4
VSS_111
H21
VSS_112
H24
VSS_113
H3
VSS_114
VCC_96 F18
VCC_97 F20
VCC_98 F7
VCC_99
A11 VSS_1
AA11 VSS_10
F13
VSS_100
F16
VSS_101
F19
VSS_102
F2
VSS_103
F22
VSS_104
E17
VCC_87 E18
VCC_88 E20
VCC_89
A9 VCC_9
E7
VCC_90 E9
VCC_91 F10
VCC_92 F12
VCC_93 F14
VCC_94 F15
VCC_95 F17
D12
VCC_77 D14
VCC_78 D15
VCC_79
A7 VCC_8
D17
VCC_80 D18
VCC_81 D9
VCC_82 E10
VCC_83 E12
VCC_84 E13
VCC_85 E15
VCC_86
VCC_67 B9
VCC_68 C10
VCC_69
A20 VCC_7
C12
VCC_70 C13
VCC_71 C15
VCC_72 C17
VCC_73 C18
VCC_74 C9
VCC_75 D10
VCC_76
AF20
VCC_58 AF9
VCC_59
A18 VCC_6
B10
VCC_60 B12
VCC_61 B14
VCC_62 B15
VCC_63 B17
VCC_64 B18
VCC_65 B20
VCC_66 B7
AE17 VCC_48
AE18 VCC_49
A17 VCC_5
AE20 VCC_50
AE9
VCC_51 AF10
VCC_52 AF12
VCC_53 AF14
VCC_54 AF15
VCC_55 AF17
VCC_56 AF18
VCC_57
VCC_38
AD15 VCC_39
A15 VCC_4
AD17 VCC_40
AD18 VCC_41
AD7 VCC_42
AD9 VCC_43
AE10 VCC_44
AE12 VCC_45
AE13 VCC_46
AE15 VCC_47
AC12 VCC_29
A13 VCC_3
AC13 VCC_30
AC15 VCC_31
AC17 VCC_32
AC18 VCC_33
AC7 VCC_34
AC9 VCC_35
AD10 VCC_36
AD12 VCC_37
AD14
AB10 VCC_19
A12 VCC_2
AB12 VCC_20
AB14 VCC_21
AB15 VCC_22
AB17 VCC_23
AB18 VCC_24
AB20 VCC_25
AB7 VCC_26
AB9 VCC_27
AC10 VCC_28
VCC_1
AA10 VCC_10
F9
VCC_100
AA12 VCC_11
AA13 VCC_12
AA15 VCC_13
AA17 VCC_14
AA18 VCC_15
AA20 VCC_16
AA7 VCC_17
AA9 VCC_18
CPU1_VCCSENSE
CPU1_VSSSENSE
0143854500|bga_479p_sock
J501-4
PENRYN
A10

Samsung
Confidential
Samsung
Confidential
1 OF 5
VTT
HOST DATA BUS
VTTLF
NC
HOST CONTROL HOST ADDRESS BUS
VCC CORE
CFG
PCIE Loop Back Enable DEV. STEP
CFG(7)
CFG(19)
Normal
PCIE Loop Back Disable(def)
C
EXCEPT AS AUTHORIZED BY SAMSUNG.
CFG(10)
A
SAMSUNG ELECTRONICS CO’S PROPERTY.
ELECTRONICS
1
DMI Lane Normal (def.)
B
APPROVAL
TITLE
B
D
SDVO and PCIE X1
DRAW
A
1608
Current Setting
DMI Lane Reversal
CFG(20)
(def. : default Option)
Low
3
SAMSUNG PROPRIETARY
2
DMIx4 (def.)
OF
1
DMIx2
iTPM option
SI request
C
2
SDVO or PCIE X1
REV
CFG(6) iTPM Host Interface Enable iTPM Host Interface Disable (def.)
PAGE
Dynamic ODT
3
CFG(9)
Simultaneously
Enabled (def.)
THIS DOCUMENT CONTAINS CONFIDENTIAL
Dynamic ODT Disabled
PEG Reversal (def.)
CFG(16)
*POCAFEB-12 Only (Remove in MP Model)
ME Crypto no confidentiality
LAST EDIT
CFG#
D
SAMSUNG
MS Yang
MK Kim
BL Lee
undefined
12/05/2008
MP
REV 1.0
April 11, 2009 10:05:58 AM
BA41-01060A
13 67
BONN-E
MCH_CANTIGA_PM_DDR2
CANTIGA (1/5)
D:/Users/mobile39/mentor/BONN-E/BONN-E_mp10
PART NO.
SI request
MODULE CODE
4
4
PROPRIETARY INFORMATION THAT IS
Only(def.)
High
DO NOT DISCLOSE TO OR DUPLICATE FOR OTHERS
ME Crypto confidentiality (def.)
CFG(5)
DATE
CHECK
21
22
9
19
22
50
0
C335 470nF
16V
8
9
12
33
34
38
31
37
3
10V
220nF
C376
14
1
2
25
28
6
1%
2K
R151
100nF
C221
10V
10
61
62
5
30
17
18
41
42
54
46
14
4
18
53
11
45
220uF
EC8
10
AD
2.5V
16
32
34
33
35
13
15
0 4
49
4700nF
C369
10V
25
26
20
24
58
17
60
3
6
10V
C346
4700nF
30
5
29
16V
470nF
C204
3
4
21
VTT_23 V1
VTT_24 V2
VTT_25 V3
T12
VTT_3 T13
VTT_4 T2
VTT_5 T5
VTT_6 T6
VTT_7 T7
VTT_8 T8
VTT_9
VTT_13 U12
VTT_14 U13
VTT_15 U2
VTT_16 U3
VTT_17 U5
VTT_18 U6
VTT_19
T11
VTT_2
U7
VTT_20 U8
VTT_21 U9
VTT_22
AC30
VCC_NCTF_7
AC32
VCC_NCTF_8
AE29
VCC_NCTF_9
AE30
A8 VTTLF_1
AB2 VTTLF_2
L1 VTTLF_3
T10
VTT_1
T9
VTT_10 U1
VTT_11 U10
VTT_12 U11
VCC_NCTF_37
V29
VCC_NCTF_38
V30
VCC_NCTF_39
W29
VCC_NCTF_4
AB30
VCC_NCTF_40
W30
VCC_NCTF_41
W32
VCC_NCTF_42
Y29
VCC_NCTF_43
Y30
VCC_NCTF_44
Y32
VCC_NCTF_5
AC29
VCC_NCTF_6
AK32
VCC_NCTF_28
AL26
VCC_NCTF_29
AL28
VCC_NCTF_3
AA32
VCC_NCTF_30
AL29
VCC_NCTF_31
AL30
VCC_NCTF_32
AL32
VCC_NCTF_33
AM30
VCC_NCTF_34
AM32
VCC_NCTF_35
U30
VCC_NCTF_36
U32
AH32
VCC_NCTF_18
AJ29
VCC_NCTF_19
AJ32
VCC_NCTF_2
AA30
VCC_NCTF_20
AK23
VCC_NCTF_21
AK24
VCC_NCTF_22
AK25
VCC_NCTF_23
AK26
VCC_NCTF_24
AK28
VCC_NCTF_25
AK29
VCC_NCTF_26
AK30
VCC_NCTF_27
AC34
VCC_8 AE26
VCC_9
VCC_NCTF_1
AA29
VCC_NCTF_10
AE32
VCC_NCTF_11
AF30
VCC_NCTF_12
AG29
VCC_NCTF_13
AG30
VCC_NCTF_14
AG32
VCC_NCTF_15
AH29
VCC_NCTF_16
AH30
VCC_NCTF_17
VCC_3
VCC_30 U34
VCC_31 V33
VCC_32 V34
VCC_33 W33
VCC_34 Y33
VCC_35 Y34
AB34
VCC_4 AC26
VCC_5 AC28
VCC_6 AC33
VCC_7
VCC_20 AH23
VCC_21 AH25
VCC_22 AH28
VCC_23 AJ23
VCC_24 AJ26
VCC_25 AJ33
VCC_26 AK33
VCC_27 AM33
VCC_28 T32
VCC_29 U33
AA34
AE33
VCC_10 AF23
VCC_11 AF25
VCC_12 AF28
VCC_13
VCC_14 AF33
VCC_15 AG24
VCC_16 AG25
VCC_17 AG26
VCC_18 AG33
VCC_19 AG34
AA33
VCC_2
B15
H_REQ#_1 K13
H_REQ#_2 F13
H_REQ#_3 B13
H_REQ#_4 B14
H_RS#_0 B6
H_RS#_1 F12
H_RS#_2 C8
C5 H_SWING
H_TRDY# C9
AA28
VCC_1
AA5
H_DSTBN#_3 AE6
H_DSTBP#_0 L9
H_DSTBP#_1 M8
H_DSTBP#_2 AA6
H_DSTBP#_3 AE5
B11 H_DVREF
H_HIT# H9
H_HITM# E12
H_LOCK# H11
E3 H_RCOMP H_REQ#_0
H_DBSY# B10
H_DEFER# E9
H_DINV#_0 J8
H_DINV#_1 L3
H_DINV#_2 Y13
H_DINV#_3 Y1
H_DPWR# J11
H_DRDY# F9
H_DSTBN#_0 L10
H_DSTBN#_1 M7
H_DSTBN#_2
AC1
H_D#_58
AE3
H_D#_59
AC3
H_D#_6
H2
H_D#_60
AE11
H_D#_61
AE8
H_D#_62
AG2
H_D#_63
AD6
H_D#_7
F6
H_D#_8
D4
H_D#_9
H3
AD13
H_D#_48
AE12
H_D#_49
AE9
H_D#_5
H6
H_D#_50
AA2
H_D#_51
AD8
H_D#_52
AA3
H_D#_53
AD3
H_D#_54
AD7
H_D#_55
AE14
H_D#_56
AF3
H_D#_57
H_D#_38
Y7
H_D#_39
W2
H_D#_4
G2
H_D#_40
AA8
H_D#_41
Y9
H_D#_42
AA13
H_D#_43
AA9
H_D#_44
AA11
H_D#_45
AD11
H_D#_46
AD10
H_D#_47
N8
H_D#_29
L7
H_D#_3
E6
H_D#_30
N10
H_D#_31
M3
H_D#_32
Y3
H_D#_33
AD14
H_D#_34
Y6
H_D#_35
Y10
H_D#_36
Y12
H_D#_37
Y14
R2
H_D#_19
N9
H_D#_2
F8
H_D#_20
L6
H_D#_21
M5
H_D#_22
J3
H_D#_23
N2
H_D#_24
R1
H_D#_25
N5
H_D#_26
N6
H_D#_27
P13
H_D#_28
H_D#_0
F2
H_D#_1
G8
H_D#_10
M9
H_D#_11
M11
H_D#_12
J1
H_D#_13
J2
H_D#_14
N12
H_D#_15
J6
H_D#_16
P2
H_D#_17
L2
H_D#_18
M16
H_A#_9 J13
H_ADS# H12
H_ADSTB#_0 B16
H_ADSTB#_1 G17
A11 H_AVREF
H_BNR# A9
H_BPRI# F11
H_BREQ# G12
H_CPURST#
C12
H_CPUSLP#
E11
A14
H_A#_30 B18
H_A#_31 K17
H_A#_32 B20
H_A#_33 F21
H_A#_34 K21
H_A#_35 L20
H_A#_4 C15
H_A#_5 F16
H_A#_6 H13
H_A#_7 C18
H_A#_8
H_A#_20 E20
H_A#_21 H16
H_A#_22 J20
H_A#_23 L17
H_A#_24 A17
H_A#_25 B17
H_A#_26 L16
H_A#_27 C21
H_A#_28 J17
H_A#_29 H20
H_A#_3
AH6
H_A#_10 P16
H_A#_11 R16
H_A#_12 N17
H_A#_13 M13
H_A#_14 E17
H_A#_15 P17
H_A#_16 F17
H_A#_17 G20
H_A#_18 B19
H_A#_19 J16
R28
CFG_2
P25
CFG_20
T28
CFG_3
P20
CFG_4
P24
CFG_5
C25
CFG_6
N24
CFG_7
M24
CFG_8
E21
CFG_9
C23
AH7
HPLL_CLK
HPLL_CLK#
CFG_1
R25
CFG_10
C24
CFG_11
N21
CFG_12
P21
CFG_13
T21
CFG_14
R20
CFG_15
M20
CFG_16
L21
CFG_17
H21
CFG_18
P29
CFG_19
0904-002483
EB88CTPM
U513-1
CFG_0
T25
2.2K
R179
nostuff
36
22-D2
29
10V
C317
100nF
7
8
55
56
R158 24.9 1%
20%
6.3V
P1.05V
27
P1.05V
C304
22000nF-X5R
1
2
47
24
19
20
57
23
39
P1.05V
16V
C365
470nF
10V
C377
2200nF
P1.05V
28
52
7
40
27
1%
51
R153
221
1%
R159
100
16V
470nF
C285
26
23
31
32
35
EC7
220uF
2.5V
AD
10V
100nF
C3921
P1.05V
10V
11
12
63
C339
220nF
R154
1K
59
15
16
1%
44
13
43
MCH1_CFG6_MN
48
CPU1_RS0#
CPU1_RS1#
CPU1_RS2#
CPU1_TRDY#
CPU1_REQ#(4:0)
CPU1_DPWR#
MCH1_HVREF
MCH1_VTTLF1_MN
MCH1_VTTLF2_MN
MCH1_VTTLF3_MN
MCH1_H_RCOMP_MN
MCH1_HXSWING
MCH1_HVREF
CPU1_BSEL0
CPU1_BSEL1
CPU1_BSEL2
CPU1_D#(63:0) CPU1_A#(35:3)
CPU1_ADS#
CPU1_ADSTB0#
CPU1_ADSTB1#
CPU1_BNR#
CPU1_BPRI#
CPU1_BREQ#
CPU1_SLP#
CPU1_CPURST#
CLK0_HCLK1#
CLK0_HCLK1
CPU1_DBSY#
CPU1_DEFER#
CPU1_DBI0#
MCH1_HXSWING
CPU1_DBI1#
CPU1_DBI2#
CPU1_DBI3#
CPU1_DRDY#
CPU1_DSTBN0#
CPU1_DSTBN1#
CPU1_DSTBN2#
CPU1_DSTBN3#
CPU1_DSTBP0#
CPU1_DSTBP1#
CPU1_DSTBP2#
CPU1_DSTBP3#
CPU1_HIT#
CPU1_HITM#
CPU1_LOCK#

Samsung
Confidential
Samsung
Confidential
2 OF 5
LVDSHDA
NC RSVD
GFX VCC NCTF
GFX VCC NCTF
GFX VCC
TV VGA
PCIE GFX PCIE GFX
DMICLKMEPMMISC
LAST EDIT
PAGE
C
DATE
SAMSUNG PROPRIETARY
C
RSVD10
RSVD11
RSVD12
RSVD13
ELECTRONICS
DEV. STEPCHECK
A
SAMSUNG ELECTRONICS CO’S PROPERTY.
1
D
PART NO.
OF
SAMSUNG
REV
1
DRAW
Added by EMC
500 ohm for Cantiga
24
B
3
A
B
TITLE
EXCEPT AS AUTHORIZED BY SAMSUNG.
APPROVAL
DO NOT DISCLOSE TO OR DUPLICATE FOR OTHERS
3
MODULE CODE
MS Yang
MK Kim
BL Lee
undefined
12/05/2008
MP
REV 1.0
April 11, 2009 10:05:58 AM
BA41-01060A
14
BONN-E
MCH_CANTIGA_PM_DDR2
CANTIGA (2/5)
D:/Users/mobile39/mentor/BONN-E/BONN-E_mp10
PROPRIETARY INFORMATION THAT IS
4
THIS DOCUMENT CONTAINS CONFIDENTIAL
D
2
1608 Size
12 1510
1%
100
R212
7
R203
499
1%
14
10V
C372
100nF
R170 10K
AE17
P3.3V
W24 VCC_AXG_NCTF_54
VCC_AXG_NCTF_55
W25
VCC_AXG_NCTF_56
W26
VCC_AXG_NCTF_57
W28
VCC_AXG_NCTF_58
Y16
VCC_AXG_NCTF_59
Y17 VCC_AXG_NCTF_6 AC16
VCC_AXG_NCTF_60
Y19 VCC_AXG_NCTF_7 AC17
VCC_AXG_NCTF_8
AE16
VCC_AXG_NCTF_9
VCC_AXG_NCTF_44
V24
V25 VCC_AXG_NCTF_45
V26 VCC_AXG_NCTF_46
VCC_AXG_NCTF_47
V28
VCC_AXG_NCTF_48
W16
VCC_AXG_NCTF_49
W17
VCC_AXG_NCTF_5 AB19
VCC_AXG_NCTF_50
W19
VCC_AXG_NCTF_51
W20
VCC_AXG_NCTF_52
W21
VCC_AXG_NCTF_53
W23
AM21
VCC_AXG_NCTF_35
U16
VCC_AXG_NCTF_36
U19
VCC_AXG_NCTF_37
U20
VCC_AXG_NCTF_38
U21
VCC_AXG_NCTF_39
V16
VCC_AXG_NCTF_4 AB17
VCC_AXG_NCTF_40
V17
VCC_AXG_NCTF_41
V19
VCC_AXG_NCTF_42
V21
VCC_AXG_NCTF_43
V23
AK20 VCC_AXG_NCTF_25
VCC_AXG_NCTF_26
AK21
VCC_AXG_NCTF_27
AL16
VCC_AXG_NCTF_28
AL19
VCC_AXG_NCTF_29
AL21
VCC_AXG_NCTF_3 AB16
VCC_AXG_NCTF_30
AM16
VCC_AXG_NCTF_31
AM17
VCC_AXG_NCTF_32
AM19
VCC_AXG_NCTF_33
AM20
VCC_AXG_NCTF_34
VCC_AXG_NCTF_15
AG17
AG19 VCC_AXG_NCTF_16
AH16 VCC_AXG_NCTF_17
VCC_AXG_NCTF_18
AH17
VCC_AXG_NCTF_19
AH19
VCC_AXG_NCTF_2 AA19
VCC_AXG_NCTF_20
AJ16
VCC_AXG_NCTF_21
AJ19
VCC_AXG_NCTF_22
AK16
VCC_AXG_NCTF_23
AK17
VCC_AXG_NCTF_24
AK19
AA24
VCC_AXG_6 AA25
VCC_AXG_7 AB15
VCC_AXG_8 AB20
VCC_AXG_9 AB23
VCC_AXG_NCTF_1 AA16
VCC_AXG_NCTF_10
AE19
VCC_AXG_NCTF_11
AF16
VCC_AXG_NCTF_12
AF17
VCC_AXG_NCTF_13
AF19
VCC_AXG_NCTF_14
AG16
T16
VCC_AXG_34
VCC_AXG_35 T17
U14
VCC_AXG_36 U15
VCC_AXG_37 V15
VCC_AXG_38 Y15
VCC_AXG_39
VCC_AXG_4 AA23
Y21
VCC_AXG_40 Y24
VCC_AXG_41 Y26
VCC_AXG_42
VCC_AXG_5
VCC_AXG_24 AG21
AH15
VCC_AXG_25 AH20
VCC_AXG_26
VCC_AXG_27 AJ15
VCC_AXG_28 AJ21
VCC_AXG_29 AL15
VCC_AXG_3 AA21
VCC_AXG_30 AM14
VCC_AXG_31 AM15
VCC_AXG_32 AN14
VCC_AXG_33 T14
AC24
VCC_AXG_15 AE15
VCC_AXG_16 AE20
VCC_AXG_17 AE21
VCC_AXG_18 AE23
VCC_AXG_19 AE24
VCC_AXG_2 AA20
VCC_AXG_20 AE25
VCC_AXG_21 AF15
VCC_AXG_22 AF20
VCC_AXG_23 AG15
H25 TVB_DAC
TVC_DAC
K25
TV_DCONSEL_0
C31
TV_DCONSEL_1
E32
TV_RTN
H24
VCC_AXG_1 AA15
VCC_AXG_10 AB25
VCC_AXG_11 AC20
VCC_AXG_12 AC21
VCC_AXG_13 AC23
VCC_AXG_14
RSVD_4
AH9
RSVD_5
AK34
RSVD_6
AL34
AM35 RSVD_7
AN35 RSVD_8
RSVD_9
AY21
G36
SDVO_CTRLCLK E36
SDVO_CTRLDATA
T20
THERMTRIP#
B12
TSATN#
TVA_DAC
F25
BG23
RSVD_15
BH18
K12 RSVD_16
RSVD_17
M1
M36 RSVD_18
N36 RSVD_19
RSVD_2
AH12
RSVD_20
R33
RSVD_21
T24
RSVD_22
T33
RSVD_3
AH13
PM_DPRSTP#
N33
PM_EXT_TS#_0 P32
PM_EXT_TS#_1
R29
PM_SYNC#
AT40
PWROK
RSTIN# AT11
RSVD_1
AH10
RSVD_10
B2
RSVD_11
B31
RSVD_12
BF18
RSVD_13
BF23
RSVD_14
AD42
PEG_TX_14 AD46
PEG_TX_15
M48
PEG_TX_2 M39
PEG_TX_3 M43
PEG_TX_4
PEG_TX_5 R47
N37
PEG_TX_6 T39
PEG_TX_7
PEG_TX_8 U36
U39
PEG_TX_9
B7
PEG_TX#_5 N38
PEG_TX#_6 T40
PEG_TX#_7 U37
PEG_TX#_8 U40
PEG_TX#_9
PEG_TX_0 J42
L46
PEG_TX_1
Y39
PEG_TX_10 Y46
PEG_TX_11 AA36
PEG_TX_12 AA39
PEG_TX_13
PEG_TX#_0 M46
PEG_TX#_1
Y40
PEG_TX#_10 AA46
PEG_TX#_11 AA37
PEG_TX#_12
PEG_TX#_13 AA40
PEG_TX#_14 AD43
AC46
PEG_TX#_15
M47
PEG_TX#_2
PEG_TX#_3 M40
M42
PEG_TX#_4 R48
AC48
PEG_RX_14 AD40
PEG_RX_15
L43
PEG_RX_2 L41
PEG_RX_3 N40
PEG_RX_4
PEG_RX_5 P47
N43
PEG_RX_6 T42
PEG_RX_7
PEG_RX_8 U42
Y42
PEG_RX_9
J41
PEG_RX#_5 N44
PEG_RX#_6 T43
PEG_RX#_7 U43
PEG_RX#_8 Y43
PEG_RX#_9
PEG_RX_0 H43
J44
PEG_RX_1
W47
PEG_RX_10 Y37
PEG_RX_11 AA42
PEG_RX_12 AD36
PEG_RX_13
PEG_RX#_0 J46
PEG_RX#_1
Y48
PEG_RX#_10 Y36
PEG_RX#_11 AA43
PEG_RX#_12
PEG_RX#_13 AD37
PEG_RX#_14 AC47
AD39
PEG_RX#_15
L44
PEG_RX#_2
PEG_RX#_3 L40
N41
PEG_RX#_4 P48
F48 NC_43
NC_5
A5
NC_6
A6
NC_7
B4
NC_8
B45
B47 NC_9
PEG_CLK F43
E43
PEG_CLK#
T37
PEG_COMPI
PEG_COMPO T36
H44
NC_33
BH6 NC_34
C3 NC_35
C46 NC_36
C48 NC_37
D2 NC_38
D47 NC_39
NC_4
A47
E1 NC_40
E48 NC_41
NC_42
F1
NC_23
BG45 NC_24
NC_25
BG47
BG48 NC_26
BH2 NC_27
BH3 NC_28
BH43 NC_29
NC_3
A46
NC_30
BH44
NC_31
BH46
BH47 NC_32
BH5
NC_14
BD48
NC_15
BE2
NC_16
BE47
BF1 NC_17
BF3 NC_18
NC_19
BF46
NC_2
A44
BF48 NC_20
BG1 NC_21
BG2 NC_22
BG4
G32
L_CTRL_CLK
M32
L_CTRL_DATA
M33
K33 L_DDC_CLK
L_DDC_DATA
J33
L_VDD_EN
M29
NC_1
A43
NC_10
B48
NC_11
BC1
NC_12
BC48
BD1 NC_13
LVDSB_DATA#_2
LVDSB_DATA#_3
J37
B42 LVDSB_DATA_0
G38 LVDSB_DATA_1
F37 LVDSB_DATA_2
K37 LVDSB_DATA_3
LVDS_IBG
C44
B43 LVDS_VBG
LVDS_VREFH
E37
LVDS_VREFL
E38
L_BKLT_CTRL
L32 L_BKLT_EN
LVDSA_DATA#_2
G40
A40 LVDSA_DATA#_3
H48 LVDSA_DATA_0
D45 LVDSA_DATA_1
F40 LVDSA_DATA_2
B40 LVDSA_DATA_3
A37 LVDSB_CLK
LVDSB_CLK#
B37
A41 LVDSB_DATA#_0
H38 LVDSB_DATA#_1
G37
C34
B28 HDA_BCLK
B30 HDA_RST#
B29 HDA_SDI
C29 HDA_SDO
HDA_SYNC
A28 H36
ICH_SYNC#
LVDSA_CLK
C40
C41 LVDSA_CLK#
H47 LVDSA_DATA#_0
E46 LVDSA_DATA#_1
AH43
DPLL_REF_CLK B38
A38
DPLL_REF_CLK#
DPLL_REF_SSCLK E41
F41
DPLL_REF_SSCLK#
R32
DPRSLPVR
GFX_VID_0 B33
GFX_VID_1 B32
GFX_VID_2 G33
GFX_VID_3 F33
E33
GFX_VID_4
GFX_VR_EN
DMI_RXP_1 AE38
DMI_RXP_2 AE48
DMI_RXP_3 AH40
DMI_TXN_0 AE35
DMI_TXN_1 AE43
DMI_TXN_2 AE46
DMI_TXN_3 AH42
DMI_TXP_0 AD35
DMI_TXP_1 AE44
DMI_TXP_2 AF46
DMI_TXP_3
CRT_IRTN
CRT_RED
J28
CRT_TVO_IREF
E29
CRT_VSYNC
L29
N28
DDPC_CTRLCLK M28
DDPC_CTRLDATA
DMI_RXN_0 AE41
DMI_RXN_1 AE37
DMI_RXN_2 AE47
DMI_RXN_3 AH39
AE40
DMI_RXP_0
CLKREQ#
CL_CLK AH37
AH36
CL_DATA AN36
CL_PWROK AJ35
CL_RST#
AH34
CL_VREF
CRT_BLUE
E28
CRT_DDC_CLK
H32
CRT_DDC_DATA
J32
CRT_GREEN
G28
CRT_HSYNC
J29
G29
U513-2
EB88CTPM
0904-002483
K36
9
C670 100nF
100nF
C660
C652 100nF
0.1nF
C3899
50V
10 13
nostuff
100nF
C627
C614 100nF
94
C664 100nF
100nF
C658
SHORT564 R1005-SHORT
8 112
C631 100nF
100nF
C615
141310
2 54
2 5
3
R164 0
1310
nostuff
1%
15
10 13
1K
R201
11 30
2 51
14
12 15
TP2105
P1.05V_PEG
100nF
C643
C636 100nF
100nF
C635
7
C624 100nF
5
4
C682 100nF
100nF
C675
C674 100nF
100nF
C665
6
12 15
C647 100nF
100nF
C640
C639 100nF
4 7
100nF
C630
C683 100nF
100nF
C679
100nF
C669
C661 100nF
R157 56
6 9
100nF
C601
100nF
C680
8
0 314 1
C657 100nF
100nF
C648
1
8 116 9
12
C613 100nF
0 3
R188 49.9 1%
1%
P1.05V
R175 10K
76
1%10K
R178
100nF
C651
C644 100nF
8 11
P1.05V
PEG1_TXN13_C_MN
PEG1_TXN12_C_MN
PEG1_TXN15_C_MN
PEG1_TXN14_C_MN
PLT3_RST#_R_MN
KBC3_PWRGD
CPU1_THRMTRIP#
MCH3_EXTTS1#
MCH3_ICHSYNC#
MCH3_CLKREQ#
MCH1_SDVO_CTRLDATA_MN
MCH3_EXTTS1#
MCH3_EXTTS0#
PLT3_RST#
PEG1_TXN3_C_MN
PEG1_TXN2_C_MN
PEG1_TXN5_C_MN
PEG1_TXN4_C_MN
PEG1_TXN7_C_MN
PEG1_TXN6_C_MN
PEG1_TXN9_C_MN
PEG1_TXN8_C_MN
PEG1_TXN11_C_MN
PEG1_TXN10_C_MN
PEG1_TXP11_C_MN
PEG1_TXP10_C_MN
PEG1_TXP13_C_MN
PEG1_TXP12_C_MN
PEG1_TXP15_C_MN
PEG1_TXP14_C_MN
PEG1_TXN1_C_MN
PEG1_TXN0_C_MN
PEG1_TXP5_C_MN
PEG1_TXP4_C_MN
PEG1_TXP7_C_MN
PEG1_TXP6_C_MN
PEG1_TXP9_C_MN
PEG1_TXP8_C_MN
PEG1_TXP(15:0)
PEG1_TXP1_C_MN
PEG1_TXP0_C_MN
PEG1_TXP3_C_MN
PEG1_TXP2_C_MN
PEG1_TXN(15:0)
CHP3_DPRSLPVR
CHP3_PM_SYNC#
CPU1_THRMTRIP#_R_MN
MCH1_TSATN#_MN
CPU1_DPRSTP#
PEG1_RXN(15:0) PEG1_RXP(15:0)
MCH1_COMPIO_R_MN
MCH3_CLKREQ#
MCH1_CL_VREF_MN
CLK1_MCH3GPLL#
CLK1_MCH3GPLL
CHP3_CL_RST_0#
MCH3_EXTTS0#
DMI1_TXN_0
DMI1_TXP_0
DMI1_TXN_1
DMI1_TXP_1
DMI1_TXN_2
DMI1_TXP_2
DMI1_TXN_3
DMI1_TXP_3
DMI1_RXN_0
DMI1_RXP_0
DMI1_RXN_1
DMI1_RXP_1
DMI1_RXN_2
DMI1_RXP_2
DMI1_RXN_3
DMI1_RXP_3
CHP3_CL_CLK_0
CHP3_CL_DATA_0
KBC3_PWRGD

Samsung
Confidential
Samsung
Confidential
3 OF 5
SYSTEM MEMORY A
SYSTEM MEMORY A
SYSTEM MEMORY B
SYSTEM MEMORY B
DATE
THIS DOCUMENT CONTAINS CONFIDENTIAL
2
SM_RCOMP# : 80 ohm to VSS
4
B
EXCEPT AS AUTHORIZED BY SAMSUNG.
1
LAST EDIT
REV
C
3
B
SAMSUNG PROPRIETARY
OF
ELECTRONICS
APPROVAL
1
PAGE
D
C
SAMSUNG ELECTRONICS CO’S PROPERTY.
4 3
SAMSUNG
A
MODULE CODE
A
2
CHECK
PROPRIETARY INFORMATION THAT IS
D
PLACE EACH CAP NEAR AV42 PIN
MS Yang
MK Kim
BL Lee
12/05/2008
MP
REV 1.0
April 11, 2009 10:05:58 AM
BA41-01060A
15 67
BONN-E
MCH_CANTIGA_PM_DDR2
CANTIGA (3/5)
D:/Users/mobile39/mentor/BONN-E/BONN-E_mp10
DEV. STEP
SM_RCOMP : 80 ohm to P1.8V_AUX
PART NO.
Cantiga
SM_PWROK
DDR2 : GND
DDR3 : Connect to VRM.
DDR2 TITLE
Route as short as possible
DRAW
DO NOT DISCLOSE TO OR DUPLICATE FOR OTHERS
38
6
4
2
237
58
0
2
4620
5
34
2
6
4
403216
0
27 542214
0
27
36
4
486
0
8
57
30
59
529
55
60
6
6218 56
8
4
259
12
4139
12
3731
42 504410
29
2
43
4
21
3
0
23
19
29
10
26
2
13
2425
2
1
11
6
5
0
11
3
15
63
0
1
59
61
5
7
7
51 53
2
6
61
45
28
4
41
43
3
5
35
0
6331
33
1
6
3
8
26
14
57
24
0
4
55
6
15
33
17
4
47
6
13
BG22 SM_RCOMP
SM_RCOMP#
BH21
SM_RCOMP_V_OH
BF28
SM_RCOMP_V_OL
BH28
SM_REXT BF17
SM_VREF AV42
45
BB28
SB_MA_6 AU28
SB_MA_7 AW28
SB_MA_8 AT33
SB_MA_9 BD33
SB_ODT_0 BF15
SB_ODT_1 AY13
SB_RAS# AU17
SB_WE# BF14
SM_DRAMRST# BC36
SM_PWROK AR36
SB_MA_0 AV17
SB_MA_1 BA25
SB_MA_10 BB16
SB_MA_11 AW33
SB_MA_12 AY33
SB_MA_13 BH15
SB_MA_14 AU33
SB_MA_2 BC25
SB_MA_3 AU25
SB_MA_4 AW25
SB_MA_5
SB_DQ_57
AL2
SB_DQ_58
AJ1
SB_DQ_59
AH1
SB_DQ_6
AM48
SB_DQ_60
AM2
SB_DQ_61
AM3
SB_DQ_62
AH3
SB_DQ_63
AJ3
SB_DQ_7
AP48
SB_DQ_8
AU47
SB_DQ_9
AU46
BD3
SB_DQ_48
AV2
SB_DQ_49
AU3
SB_DQ_5
AJ48
SB_DQ_50
AR3
SB_DQ_51
AN2
SB_DQ_52
AY2
SB_DQ_53
AV1
SB_DQ_54
AP3
SB_DQ_55
AR1
SB_DQ_56
AL1
SB_DQ_38
BF8
SB_DQ_39
BG7
SB_DQ_4
AJ46
SB_DQ_40
BC5
SB_DQ_41
BC6
SB_DQ_42
AY3
SB_DQ_43
AY1
SB_DQ_44
BF6
SB_DQ_45
BF5
SB_DQ_46
BA1
SB_DQ_47
SB_DQ_28
BH40
SB_DQ_29
BG39
SB_DQ_3
AP46
SB_DQ_30
BG34
SB_DQ_31
BH34
SB_DQ_32
BH14
SB_DQ_33
BG12
SB_DQ_34
BH11
SB_DQ_35
BG8
SB_DQ_36
BH12
SB_DQ_37
BF11
BG43
SB_DQ_19
BF43
SB_DQ_2
AP47
SB_DQ_20
BE45
SB_DQ_21
BC41
SB_DQ_22
BF40
SB_DQ_23
BF41
SB_DQ_24
BG38
SB_DQ_25
BF38
SB_DQ_26
BH35
SB_DQ_27
BG35
SB_DQ_0
AK47
SB_DQ_1
AH46
SB_DQ_10
BA48
SB_DQ_11
AY48
SB_DQ_12
AT47
SB_DQ_13
AR47
SB_DQ_14
BA47
SB_DQ_15
BC47
SB_DQ_16
BC46
SB_DQ_17
BC44
SB_DQ_18
BC2
SB_DQS#_6 AT2
SB_DQS#_7 AN5
SB_DQS_0 AL47
SB_DQS_1 AV48
SB_DQS_2 BG41
SB_DQS_3 BG37
SB_DQS_4 BH9
SB_DQS_5 BB2
SB_DQS_6 AU1
SB_DQS_7 AN6
BD40
SB_DM_3 BF35
SB_DM_4 BG11
SB_DM_5 BA3
SB_DM_6 AP1
SB_DM_7 AK2
SB_DQS#_0 AL46
SB_DQS#_1 AV47
SB_DQS#_2 BH41
SB_DQS#_3 BH37
SB_DQS#_4 BG9
SB_DQS#_5
SB_CK#_0 AU24
SB_CK#_1 AV20
SB_CKE_0 AY36
SB_CKE_1 BB36
SB_CK_0 AV24
SB_CK_1 AU20
SB_CS#_0 AV16
SB_CS#_1 AR13
SB_DM_0 AM47
SB_DM_1 AY47
SB_DM_2
SA_MA_7
BG27
SA_MA_8
BF25
SA_MA_9
AW24
SA_ODT_0
BD17
SA_ODT_1
AY17
SA_RAS#
BB20
SA_WE#
AY20
SB_BS_0 BC16
SB_BS_1 BB17
SB_BS_2 BB33
SB_CAS# BG16
BC24
SA_MA_10
BC21
SA_MA_11
BG26
SA_MA_12
BH26
SA_MA_13
BH17
SA_MA_14
AY25
SA_MA_2
BG24
SA_MA_3
BH24
SA_MA_4
BG25
SA_MA_5
BA24
SA_MA_6
BD24
SA_DQ_59 AJ8
SA_DQ_6 AM44
SA_DQ_60 AN12
SA_DQ_61 AM13
SA_DQ_62 AJ11
SA_DQ_63 AJ12
SA_DQ_7 AM42
SA_DQ_8 AN43
SA_DQ_9 AN44
SA_MA_0
BA21
SA_MA_1
SA_DQ_49 AV7
SA_DQ_5 AJ40
SA_DQ_50 AT9
SA_DQ_51 AN8
SA_DQ_52 AU5
SA_DQ_53 AU6
SA_DQ_54 AT5
SA_DQ_55 AN10
SA_DQ_56 AM11
SA_DQ_57 AM5
SA_DQ_58 AJ9
BC12
SA_DQ_4 AJ36
SA_DQ_40 BB9
SA_DQ_41 BA9
SA_DQ_42 AU10
SA_DQ_43 AV9
SA_DQ_44 BA11
SA_DQ_45 BD9
SA_DQ_46 AY8
SA_DQ_47 BA6
SA_DQ_48 AV5
SA_DQ_3 AM38
SA_DQ_30 AV36
SA_DQ_31 AW36
SA_DQ_32 BD13
SA_DQ_33 AU11
SA_DQ_34 BC11
SA_DQ_35 BA12
SA_DQ_36 AU13
SA_DQ_37 AV13
SA_DQ_38 BD12
SA_DQ_39
SA_DQ_2 AN38
SA_DQ_20 AV41
SA_DQ_21 AY43
SA_DQ_22 BB41
SA_DQ_23 BC40
SA_DQ_24 AY37
SA_DQ_25 BD38
SA_DQ_26 AV37
SA_DQ_27 AT36
SA_DQ_28 AY38
SA_DQ_29 BB38
AJ41
SA_DQ_10 AU40
SA_DQ_11 AT38
SA_DQ_12 AN41
SA_DQ_13 AN39
SA_DQ_14 AU44
SA_DQ_15 AU42
SA_DQ_16 AV39
SA_DQ_17 AY44
SA_DQ_18 BA40
SA_DQ_19 BD43
SA_DQS#_7
AM8
SA_DQS_0
AJ44
SA_DQS_1
AT44
SA_DQS_2
BA43
SA_DQS_3
BC37
SA_DQS_4
AW12
SA_DQS_5
BC8
SA_DQS_6
AU8
SA_DQS_7
AM7
SA_DQ_0 AJ38
SA_DQ_1
SA_DM_4
BB12
SA_DM_5
AY6
SA_DM_6
AT7
SA_DM_7
AJ5
SA_DQS#_0
AJ43
SA_DQS#_1
AT43
SA_DQS#_2
BA44
SA_DQS#_3
BD37
SA_DQS#_4
AY12
SA_DQS#_5
BD8
SA_DQS#_6
AU9
AR21
SA_CKE_0
BC28
SA_CKE_1
AY28
SA_CK_0
AP24
SA_CK_1
AT21
SA_CS#_0
BA17
SA_CS#_1
AY16
SA_DM_0
AM37
SA_DM_1
AT41
SA_DM_2
AY41
SA_DM_3
AU39
U513-3
EB88CTPM
0904-002483
SA_BS_0
BD21
SA_BS_1
BG18
SA_BS_2
AT25
SA_CAS#
BD20
SA_CK#_0
AR24
SA_CK#_1
P1.8V_AUX
8
4
39
10
6
35
2
37
9
2
11
10V
nostuff
58
C408
100nF
12
3
56
21
0
1
17
47
19
49
1%
1
1
7
499
R225
1%
R232
80.6
40
1K
R231
38
1%
2
1
5
7
30
1%
28 54
80.6
R226
7
25V
C425
10nF
10nF
C419
25V
nostuff
10V
2220
100nF
C407
10V
5351
C421
2200nF
0
49
10 12 36 52
R219
1K
42
1%
13
11
42
13
3
7
5
18
7
0
34
2
5
1
3
1
1
3
5
50
1
16
14
1
32
5
9
4614
P1.8V_AUX
62
1%
R227
3.01K
3
7
2200nF
C427
5
44
10V
6048
7
MEM1_ODT3
CLK1_MCLK3#
CLK1_MCLK3
MEM1_ODT1
MEM1_CKE2
MEM1_ODT0
MCH1_SM_RCOMP#_MN
MCH1_SM_RCOMP_MN
MEM1_VREF
MCH1_SM_RCOMP_V_OH_MN
MCH1_SM_RCOMP_V_OL_MN
MEM1_VREF
MEM1_SM_REXT_MN
3
MEM1_ABS(2:0)
MEM1_BDQ(63:0)
MEM1_ADQ(63:0)
MEM1_ARAS#
MEM1_ACAS#
MEM1_AWE#
MEM1_CS1#
MEM1_ADM(7:0)
MEM1_ADQS#(7:0)
MEM1_ADQS(7:0)
MEM1_AMA(14:0)
MEM1_BBS(2:0)
MEM1_BRAS#
MEM1_BCAS#
MEM1_BWE#
MEM1_BDM(7:0)
MEM1_BDQS#(7:0)
MEM1_BDQS(7:0)
MEM1_BMA(14:0)
MEM1_CS0#
MEM1_CKE0
MEM1_CS2#
MEM1_CKE1
MEM1_CS3#
CLK1_MCLK2#
MEM1_CKE3
CLK1_MCLK0#
CLK1_MCLK0
CLK1_MCLK1#
CLK1_MCLK1
MEM1_ODT2
CLK1_MCLK2

Samsung
Confidential
Samsung
Confidential
VCCA_SMVCCA_SM_CKVCCA_SM_CK_NCTF
VCC AXGCRT / TV POWERLVDS POWER
4 OF 5
VCC_SM
VCC HADVCC_HVPEG POWER
AXG SENSE
VCC_SM_CKVCC_SM_LF
VCC AXG
PLL POWER
4
MODULE CODE
PART NO.
1
DO NOT DISCLOSE TO OR DUPLICATE FOR OTHERS
C
3
ELECTRONICS
D
A
CHECK
2A routing
D
2
REV
Cantiga : 1.5V C
PAGE
DATEDRAW
SAMSUNG PROPRIETARY
EXCEPT AS AUTHORIZED BY SAMSUNG.
PROPRIETARY INFORMATION THAT IS
A
TITLE SAMSUNG
LAST EDIT
MS Yang
MK Kim
BL Lee
12/05/2008
MP
REV 1.0
April 11, 2009 10:05:58 AM
BA41-01060A
16 67
BONN-E
MCH_CANTIGA_PM_DDR2
CANTIGA (4/5)
D:/Users/mobile39/mentor/BONN-E/BONN-E_mp10
SAMSUNG ELECTRONICS CO’S PROPERTY.
APPROVAL
3
DEV. STEP
B
OF
B
1
2
4
THIS DOCUMENT CONTAINS CONFIDENTIAL
SHORT503
INSTPAR
P1.05V
4700nF-X5R
C656
10V
6.3V 1000nF-X5R
C411 P1.05V
P1.05V
10V
C415
100nF
10V
C380
100nF
P1.05V_PEG
6.3V
20%
22000nF-X5R
C331
10000nF
C673
6.3V
nostuff
EC9
220uF
2.5V
AD
P1.05V_PEG
R205
0
B515
BLM18PG181SN1
1
R650
P1.05V
C392
22000nF-X5R
20%
6.3V
P1.05V
1000nF
C373
6.3V
nostuff
C226
10000nF
6.3V
10V
C277
100nF
C426
6.3V
C276
10nF
25V
INSTPAR
SHORT504
10000nF
100nF
10V
C360
100nF
C364
10V
100nF
C410
10V
1
R199
R233
1
220nF
16V
P1.8V_AUX
10V
C405
2200nF
C402
10V
nostuff
C375 470nF
10V
P1.05V
R171
0
C378 100nF
BA36
VCC_SM_NC_5 BB21
VCC_SM_NC_6 BB24
VCC_SM_NC_7 BD16
K47 VCC_TX_LVDS VSS_AXG_SENSE AH14
AM10 VCC_SM_LF_1
AM40 VCC_SM_LF_2
AV21 VCC_SM_LF_3
AV44 VCC_SM_LF_4
AY5 VCC_SM_LF_5
BA37 VCC_SM_LF_6
BB13 VCC_SM_LF_7
AT13
VCC_SM_NC_1
VCC_SM_NC_2 AW13
AW16
VCC_SM_NC_3
VCC_SM_NC_4
BH32
VCC_SM_35
AP32
VCC_SM_4
AP33
VCC_SM_5
AR29
VCC_SM_6
AR32
VCC_SM_7
AT29
VCC_SM_8
AT32
VCC_SM_9
VCC_SM_CK_1
BF20
BF21 VCC_SM_CK_2
BG20 VCC_SM_CK_3
BH20 VCC_SM_CK_4
VCC_SM_25
BF29
VCC_SM_26
BF31
VCC_SM_27
BF32
VCC_SM_28
BG29
VCC_SM_29
AP29
VCC_SM_3
BG30
VCC_SM_30
BG31
VCC_SM_31
BG32
VCC_SM_32
BH29
VCC_SM_33
VCC_SM_34 BH31
AY29
VCC_SM_16
AY32
VCC_SM_17
BA29
VCC_SM_18
BA32
VCC_SM_19
AN33
VCC_SM_2
BB29
VCC_SM_20
BB32
VCC_SM_21
BC29
VCC_SM_22
BC32
VCC_SM_23
BD29
VCC_SM_24
BD32
U47
VCC_PEG_2 U48
VCC_PEG_3 V47
VCC_PEG_4 V48
VCC_PEG_5
AN32
VCC_SM_1
AU29
VCC_SM_10
AU32
VCC_SM_11
VCC_SM_12 AV29
AV32
VCC_SM_13
AW29
VCC_SM_14
AW32
VCC_SM_15
VCC_AXG_SENSE AJ14
VCC_DMI_1
AF48
VCC_DMI_2
AG47
VCC_DMI_3
AH47
VCC_DMI_4
AH48
VCC_HDA A32
A35
VCC_HV_1 B35
VCC_HV_2
VCC_HV_3 C35
U46
VCC_PEG_1
VCCA_TV_DAC_1
A24
VCCA_TV_DAC_2
B24
AF1
VCCD_HPLL
L37 VCCD_LVDS_1
M38 VCCD_LVDS_2
AA47
VCCD_PEG_PLL
L28 VCCD_QDAC
M25 VCCD_TVDAC
VCC_AXF_1
A21
B21 VCC_AXF_2
VCC_AXF_3
B22
AN28
VCCA_SM_CK_4
AP25
VCCA_SM_CK_5
AP28
VCCA_SM_CK_NCTF_1
AL23
VCCA_SM_CK_NCTF_2
AL24
VCCA_SM_CK_NCTF_3
AL25
VCCA_SM_CK_NCTF_4
AM23
VCCA_SM_CK_NCTF_5
AM24
VCCA_SM_CK_NCTF_6
AM25
AM26 VCCA_SM_CK_NCTF_7
VCCA_SM_CK_NCTF_8
AM28
VCCA_SM_1
AN20 VCCA_SM_2
AP16 VCCA_SM_3
AP17 VCCA_SM_4
AP20 VCCA_SM_5
AR16 VCCA_SM_6
AR17 VCCA_SM_7
AR20 VCCA_SM_8
AT16 VCCA_SM_9
AN24 VCCA_SM_CK_1
AN25 VCCA_SM_CK_2
VCCA_SM_CK_3
B27 VCCA_CRT_DAC_1
A26 VCCA_CRT_DAC_2
A25 VCCA_DAC_BG
F47
VCCA_DPLLA
L48
VCCA_DPLLB
AD1
VCCA_HPLL
J48 VCCA_LVDS
AE1
VCCA_MPLL
AD48
VCCA_PEG_BG
AA48
VCCA_PEG_PLL
AN17
U513-4
EB88CTPM
0904-002483
AD
2.5V
220uF
EC10
10V
C666
100nF
0
R173
nostuff
100nF
C292
10V
P1.05V
P1.5V
100nF
C423
10V
20%
6.3V
C333
P3.3V
22000nF-X5R
10V
C599
100nF
6.3V
C366
1000nF
3
1 2
P1.05V
BAT54A
D518
6.3V
20%
22000nF-X5R
C398
4700nF-X5R
C361
10V
10V
C367
100nF
R2040
nostuff 100nF
C353
10V
BLM18PG181SN1
B29
P1.8V_AUX
10V
C379
4700nF
20%
6.3V
6.3V
C403 1000nF-X5R
C399
22000nF-X5R
AD
2.5V
220uF
EC508
220nF
C406
10V
P1.5V
B25
1
BLM18PG181SN1
R200
20%
6.3V
C655
22000nF-X5R
6.3V
20%
22000nF-X5R
C334
nostuff
10V 100nF
C414
MCH1_P3.3V_HV_R_MN
MCH1_P1.05V_PEG_PLL_R_MN
MCH1_VSS_AXG_SENSE_MN
MCH1_VCC_AXG_SENSE_MN
R621 12.1
1%
MCH1_VCC_SM_LF_5_MN
MCH1_VCC_SM_LF_6_MN
MCH1_VCC_SM_LF_2_MN
MCH1_VCC_SM_LF_3_MN
MCH1_VCC_SM_LF_1_MN
MCH1_VCC_SM_LF_7_MN
MCH1_P1.05V_PEG_PLL_MN
MCH1_P1.05V_MPLL_R_MN
MCH1_P1.05V_MPLL_MN
MCH1_P1.8VAUX_SM_CK_R_MN
MCH1_P1.8VAUX_SM_CK_MN
MCH1_P1.5V_QDAC_MN
MCH1_VCC_SM_LF_4_MN

Samsung
Confidential
Samsung
Confidential
5 OF 5
VSS
VSS
VSS
VSS
VSS
VSS SCB VSS NCTF VSS
TV & LVDS
VSS
LAST EDIT
SAMSUNG PROPRIETARY
1
D
B
3
DEV. STEPCHECK
SAMSUNG ELECTRONICS CO’S PROPERTY.
APPROVAL
MODULE CODE
OF
2
DO NOT DISCLOSE TO OR DUPLICATE FOR OTHERS
TITLEDATEDRAW
4
PAGE
C
2
SAMSUNG
THIS DOCUMENT CONTAINS CONFIDENTIAL
REV
1
ELECTRONICS
A
B
EXCEPT AS AUTHORIZED BY SAMSUNG.
MS Yang
MK Kim
BL Lee
12/05/2008
MP
REV 1.0
April 11, 2009 10:05:58 AM
BA41-01060A
17 67
BONN-E
MCH_CANTIGA_PM_DDR2
CANTIGA (5/5)
D:/Users/mobile39/mentor/BONN-E/BONN-E_mp10
PART NO.
C
4
PROPRIETARY INFORMATION THAT IS
3
A
D
VSS_NCTF_9
A3 VSS_SCB_1
A48 VSS_SCB_2
BH1 VSS_SCB_3
BH48 VSS_SCB_4
C1 VSS_SCB_5
U26 VSS_NCTF_14
V20 VSS_NCTF_15
V32 VSS_NCTF_16
AB29 VSS_NCTF_2
AB32 VSS_NCTF_3
AC19 VSS_NCTF_4
AF29 VSS_NCTF_5
AF32 VSS_NCTF_6
AJ17 VSS_NCTF_7
AJ30 VSS_NCTF_8
AL17
AN13
VSS_94 AN16
VSS_95 AN21
VSS_96 AN29
VSS_97 AN37
VSS_98 AN40
VSS_99
AA17 VSS_NCTF_1
AL20 VSS_NCTF_10
AM29 VSS_NCTF_11
U17 VSS_NCTF_12
U23 VSS_NCTF_13
VSS_84 AM34
VSS_85 AM36
VSS_86 AM39
VSS_87 AM41
VSS_88 AM43
VSS_89
AA1 VSS_9
AM46
VSS_90
VSS_91 AM6
AM9
VSS_92 AN11
VSS_93
AJ39
VSS_75 AJ42
VSS_76 AJ47
VSS_77 AJ7
VSS_78 AK15
VSS_79
A34 VSS_8
AL3
VSS_80 AL33
VSS_81 AL48
VSS_82 AM1
VSS_83 AM12
AH8 VSS_65
AJ10 VSS_66
AJ13 VSS_67
AJ2 VSS_68
AJ20 VSS_69
A31 VSS_7
AJ24 VSS_70
AJ25
VSS_71 AJ28
VSS_72 AJ34
VSS_73 AJ37
VSS_74
VSS_55
AH21 VSS_56
AH24 VSS_57
AH26 VSS_58
AH33 VSS_59
A29 VSS_6
AH35 VSS_60
AH38 VSS_61
VSS_62
AH41
AH44 VSS_63
AH5 VSS_64
AF21 VSS_46
AF24 VSS_47
AF26 VSS_48
AF34 VSS_49
A23 VSS_5
AF47 VSS_50
AG20 VSS_51
AG23 VSS_52
AG28 VSS_53
AH11 VSS_54
AH2
AE10 VSS_36
AE13 VSS_37
AE2 VSS_38
AE28 VSS_39
A20 VSS_4
AE34 VSS_40
AE36 VSS_41
AE39 VSS_42
AE42 VSS_43
AE7 VSS_44
AF2 VSS_45
Y25
VSS_341 Y28
VSS_342 Y35
VSS_343 Y38
VSS_344 Y41
VSS_345 Y44
VSS_346 Y47
VSS_347 Y5
VSS_348 Y8
AJ6 VSS_349
AD9 VSS_35
U38
VSS_331 U41
VSS_332 U44
VSS_333 V46
VSS_334 W15
VSS_335 W34
VSS_336 Y11
VSS_337 Y2
VSS_338 Y20
VSS_339 Y23
AD5 VSS_34
VSS_340
VSS_321 T38
VSS_322 T41
VSS_323 T44
VSS_324 T47
VSS_325 U24
VSS_326 U25
VSS_327 U28
VSS_328 U29
VSS_329 U35
AD47 VSS_33
VSS_330
VSS_311 P36
VSS_312
VSS_313 P46
VSS_314 R17
VSS_315 R21
VSS_316 R24
VSS_317 R3
VSS_318 R46
VSS_319 T29AD44 VSS_32 VSS_320 T35
N29
VSS_302 N32
VSS_303 N39
VSS_304 N42
VSS_305 N47
VSS_306 N7
VSS_307 P1
VSS_308 P28
VSS_309
AD41 VSS_31
VSS_310 P3
P33
M21 VSS_293
M41 VSS_294
M44
VSS_295 M6
VSS_296 N11
VSS_297 N13
VSS_298 N16
VSS_299
A18 VSS_3
AD38 VSS_30
N20
VSS_300 N25
VSS_301
VSS_283
L36 VSS_284
L39 VSS_285
L42 VSS_286
L47 VSS_287
L5 VSS_288
L8 VSS_289
AD2 VSS_29
M10 VSS_290
M17 VSS_291
M2 VSS_292
K20 VSS_274
K24 VSS_275
K28 VSS_276
K29 VSS_277
K32 VSS_278
L12 VSS_279
AD12 VSS_28
L13 VSS_280
L24 VSS_281
VSS_282
L25
L33
J21 VSS_264
J24 VSS_265
J25 VSS_266
J36 VSS_267
J38 VSS_268
J43 VSS_269
AC25 VSS_27
J5 VSS_270
J7 VSS_271
K16 VSS_272
K2 VSS_273
VSS_254
H17 VSS_255
H28 VSS_256
H29 VSS_257
H33 VSS_258
H37 VSS_259
AC2 VSS_26 H40 VSS_260
H46 VSS_261
H5 VSS_262
J12 VSS_263
G11 VSS_245
G13 VSS_246
G16 VSS_247
G21 VSS_248
G24 VSS_249
AC15 VSS_25
G25 VSS_250
G41 VSS_251
G47 VSS_252
VSS_253
G9
H1
F24 VSS_235
F28 VSS_236
F29 VSS_237
F3 VSS_238
F32 VSS_239
AB47 VSS_24
F36 VSS_240
F38 VSS_241
F44 VSS_242
F46 VSS_243
F5 VSS_244
VSS_225
C43 VSS_226
C6 VSS_227
E13 VSS_228
E16 VSS_229
AB33 VSS_23
E24 VSS_230
E25 VSS_231
E40 VSS_232
E8 VSS_233
F20 VSS_234
BH8 VSS_216
C11 VSS_217
C14 VSS_218
C17 VSS_219
AB28 VSS_22
C20 VSS_220
C26 VSS_221
C28 VSS_222
C32 VSS_223
VSS_224
C37
C38
BG21 VSS_206
BG28 VSS_207
BG33 VSS_208
BG36 VSS_209
AB26 VSS_21
BG40 VSS_210
BG42 VSS_211
BG6 VSS_212
BH23 VSS_213
BH25 VSS_214
BH38 VSS_215
VSS_197 BF44
VSS_198 BF9
VSS_199
A15 VSS_2
AB24 VSS_20
BG10
VSS_200 BG13
VSS_201 BG14
VSS_202 BG15
VSS_203 BG17
VSS_204 BG19
VSS_205
BD36
VSS_188 BD41
VSS_189
AB21 VSS_19
BD46
VSS_190 BD6
VSS_191 BE4
VSS_192 BF12
VSS_193 BF24
VSS_194 BF26
VSS_195
VSS_196 BF34
BF37
BC17
VSS_178 BC20
VSS_179
AA7 VSS_18
BC3
VSS_180 BC33
VSS_181 BC38
VSS_182 BC43
VSS_183 BC9
VSS_184 BD11
VSS_185 BD25
VSS_186 BD28
VSS_187
VSS_168 BA46
VSS_169
AA44 VSS_17
BA5
VSS_170 BB11
VSS_171 BB25
VSS_172 BB37
VSS_173 BB40
VSS_174 BB47
VSS_175 BB8
VSS_176 BC13
VSS_177
B41
VSS_159
AA41 VSS_16
B8
VSS_160 B9
VSS_161 BA13
VSS_162 BA16
VSS_163 BA2
VSS_164 BA20
VSS_165 BA28
VSS_166
VSS_167 BA33
BA38
AY11
VSS_149
AA38 VSS_15 AY24
VSS_150 AY42
VSS_151 AY46
VSS_152 AY7
VSS_153 B23
VSS_154 B26
VSS_155 B34
VSS_156 B36
VSS_157 B39
VSS_158
VSS_139
AA35 VSS_14
AV46
VSS_140 AV6
VSS_141 AV8
VSS_142 AW17
VSS_143 AW2
VSS_144 AW20
VSS_145 AW21
VSS_146 AW37
VSS_147 AW47
VSS_148
AA26 VSS_13
AU48
VSS_130 AU7
VSS_131 AV10
VSS_132 AV12
VSS_133 AV25
VSS_134 AV28
VSS_135
AV3
VSS_136 AV33
VSS_137
VSS_138 AV40
AV43
AA14 VSS_12
AT42
VSS_120 AT6
VSS_121 AT8
VSS_122 AU16
VSS_123 AU2
VSS_124 AU21
VSS_125 AU36
VSS_126 AU38
VSS_127 AU41
VSS_128 AU43
VSS_129
VSS_11
AR46
VSS_110 AR48
VSS_111 AT10
VSS_112 AT12
VSS_113 AT17
VSS_114 AT20
VSS_115 AT24
VSS_116 AT28
VSS_117 AT37
VSS_118 AT39
VSS_119
AN42
VSS_100 AN47
VSS_101 AN7
VSS_102 AN9
VSS_103 AP2
VSS_104 AP21
VSS_105 AR2
VSS_106 AR25
VSS_107 AR28
VSS_108
VSS_109 AR33
AA12
B25 VSSA_DAC_BG
J47 VSSA_LVDS
A12 VSS_1
AA10 VSS_10
0904-002483
EB88CTPM
U513-5

Samsung
Confidential
Samsung
Confidential
1/2
2/2
CHECK
REV
3
C
TITLE
B
DO NOT DISCLOSE TO OR DUPLICATE FOR OTHERS
D
A
PAGE
4
D
Place near SO-DIMM0
2
DDR SO-DIMM #0
MP
12/05/2008
BL Lee
MK Kim
MS Yang
3
SAMSUNG ELECTRONICS CO’S PROPERTY.
EMC request
SAMSUNG
PART NO.
ME POWER RAIL UNDER ME ENABLE
1
LAST EDIT
ELECTRONICS
1
PROPRIETARY INFORMATION THAT IS
OF
DATE
C
EXCEPT AS AUTHORIZED BY SAMSUNG.
Place one cap close to every 2 pull-up resistors terminated to P0.9V
A
THIS DOCUMENT CONTAINS CONFIDENTIAL
DRAW
MODULE CODE
DEV. STEP
APPROVAL
2
4
B
SAMSUNG PROPRIETARY
D:/Users/mobile39/mentor/BONN-E/BONN-E_mp10
SODIMM_DDR2 #1
SODIMM_DDR2
BONN-E
6718
BA41-01060A
April 11, 2009 10:05:58 AM
REV 1.0
C889
10V
2200nF
42
43
38
57
1
2
2
4 56
23
24
25
3
100nF
C862
10V
32
33
34
40
31
16
17
18
7
0.012nF
C3916 50V
nostuff
15
50V
nostuff
0
nostuff
0.012nF
C3914 50V
C3913 0.012nF
4
5
14
100nF
C3773
10V
2200nF
3
10V
C911
1
10V
C909
100nF
nostuff
0
7
1
5
49
50
51
1
48
P1.8V_AUX
P3.3V
58
10K 1%
10K 1%
R387
R388
5
6 6
26
4
4
5
114
ODT1
119
RAS*
108
S0*
110
S1*
115
SA0
198
SA1
200
197 SCL
195 SDA
WE*
109
10V
C912
100nF
11
DQS*1
29
DQS*2
49
DQS*3
68
DQS*4
129
DQS*5
146
DQS*6
167
DQS*7
186
DQS0
13
DQS1
31
DQS2
51
DQS3
70
DQS4
131
DQS5
148
DQS6
169
DQS7
188
ODT0
158
DQ53 160
DQ54 174
DQ55 176
DQ56 179
DQ57 181
DQ58 189
191
DQ59
DQ6 14
DQ60 180
DQ61 182
DQ62 192
DQ63 194
DQ7 16
DQ8 23
DQ9 25
DQS*0
134
DQ39 136
DQ4 4
DQ40 141
DQ41 143
DQ42 151
DQ43 153
140
DQ44
DQ45 142
DQ46 152
DQ47 154
DQ48 157
DQ49 159
DQ5 6
DQ50 173
DQ51 175
DQ52
58
DQ24 61
DQ25 63
DQ26 73
DQ27 75
DQ28 62
DQ29 64
19
DQ3
DQ30 74
DQ31 76
DQ32 123
DQ33 125
DQ34 135
DQ35 137
DQ36 124
DQ37 126
DQ38
5
DQ1 7
DQ10 35
DQ11 37
DQ12 20
DQ13 22
DQ14 36
38
DQ15
DQ16 43
DQ17 45
DQ18 55
DQ19 57
DQ2 17
DQ20 44
DQ21 46
DQ22 56
DQ23
106
CAS*
113
CK0
30
CK0*
32
CK1
164
CK1*
166
CKE0
79
80 CKE1
DM0
10
DM1
26
DM2
52
DM3
67
DM4
130
DM5
147
DM6
170
DM7
185
DQ0
105
A11
90
A12
89
A13
116
A14
86
A15
84
A16_BA2
85
100 A2
A3
99
A4
98
A5
97
A6
94
A7
92
A8
93
A9
91
BA0
107
BA1
3709-001325
DDR2-SODIMM-200P-STD
DDR501-1
A0
102
A1
101
A10_AP
10V
C927
100nF100nF
C3607
10V
2
11
12
10
13
0
9
7
3
9
50V
C3915 0.012nF
nostuff
0
7
61
6
6
2 5
30
28
2200nF
C3558
10V
P0.9V
100nF
C3606
10V10V
C3604
100nF
6
100nF
C3556
10V
3
4
2200nF
C3625
10V
41
10V
100nF
C3605
9
10
11
14
12
56
R369
R401 56
R398
3
R402 56
48 VSS6
184 VSS7
78 VSS8
71 VSS9
56
144
VSS43 156
VSS44 168
VSS45 2
VSS46
VSS47 3
15
VSS48
VSS49 27
12 VSS5
39
VSS50
VSS51 149
161
VSS52 28
VSS53 40
VSS54 138
VSS55 150
VSS56 162
VSS57
145
VSS29
183 VSS3
165
VSS30 171
VSS31 172
VSS32 177
VSS33
VSS34 187
178
VSS35 190
VSS36
VSS37 9
21
VSS38 33
VSS39
77 VSS4
155
VSS40 34
VSS41 132
VSS42
193 VSS14
8VSS15
18
VSS16 24
VSS17
VSS18 41
53
VSS19
VSS2
133
42
VSS20 54
VSS21
VSS22 59
65
VSS23 60
VSS24 66
VSS25 127
VSS26 139
VSS27 128
VSS28
104 VDD12
111 VDD2
117 VDD3
96 VDD4
95 VDD5
118 VDD6
VDD7
81
82 VDD8
87 VDD9
VDDSPD
199
1VREF
47 VSS1
72 VSS10
121 VSS11
122 VSS12
196 VSS13
DDR501-2
201 GND0
202 GND1
83 NC1
NC2
120
50 NC3
69 NC4
163 NCTEST
112 VDD1
103 VDD10
88 VDD11
3709-001325
DDR2-SODIMM-200P-STD
4
63
R404 56
19
10
2
3
2200nF
10V
C3210
10V
C3585
100nF
8
2200nF
C3749
10V
8
nostuff
P0.9V
P1.8V_AUX
AD
2.5V
EC522
220uF
60
39
62
54
59
R362 56
R366 56
36
37
R400 56
0
1
35
100nF
C926
10V
nostuff
10V
C3574
100nF nostuff
100nF
C3172
10V nostuff
56
R403
C878
10V
47
2200nF
100nF
C3586
10V
100nF
10V
C895
nostuff
2
12
10V
C3366
100nF
13
0
1
R405
13 56
R407
R396 56
56
R397
R365 56
27
56
56
R364
R367 56
7
8
11
55
56
R373
56
56
R371
56
R406
R374
56
R395
100nF
C3175
10V
56
22
21
20
R375
56
R372
56
14
7
R370
29
5
6
R363 56
56
R368
52
44
45
46
56
53 nostuff
R399
CLK1_MCLK0
CLK1_MCLK1
CLK1_MCLK0#
CLK1_MCLK1#
100nF
C3393
10V
MEM1_AWE#
MEM1_ARAS#
MEM1_ACAS#
MEM1_ABS(1)
MEM1_ABS(0)
MEM1_ODT1
MEM1_ODT0
MEM1_CKE1
MEM1_CS1#
MEM1_CS0#
MEM1_CKE0
CLK1_MCLK0#
CLK1_MCLK1# MCH3_EXTTS0#
MEM1_ABS(2)
MEM1_AMA(14:0)
MEM1_ABS(2)
MEM1_ADQS(7:0)
MEM1_CS1#
MEM1_ABS(0)
MEM1_ABS(1)
MEM1_AWE#
MEM1_ACAS#
MEM1_ARAS#
SMB3_CLK
SMB3_DATA
MEM3_CHA_SA0_MN
MEM3_CHA_SA1_MN
MEM1_ADQ(63:0)
MEM1_AMA(14:0)
MEM1_ADQS#(7:0)
MEM1_CKE0
MEM1_CKE1
CLK1_MCLK0
CLK1_MCLK1
MEM1_ADM(7:0)
MEM1_ODT0
MEM1_ODT1
MEM1_VREF
MEM1_CS0#

Samsung
Confidential
Samsung
Confidential
2/2
1/2
2
A
DDR SO-DIMM #1
PART NO.
TITLE
DO NOT DISCLOSE TO OR DUPLICATE FOR OTHERS
3
B
EMC request
ELECTRONICS
Place near SO-DIMM1
4
REV
EXCEPT AS AUTHORIZED BY SAMSUNG.
D
OF
PROPRIETARY INFORMATION THAT IS
PAGE
3
4
6719
BA41-01060A
April 11, 2009 10:05:58 AM
REV 1.0
MP
12/05/2008
BL Lee
MK Kim
MS Yang
2
SAMSUNG PROPRIETARY
Place one cap close to every 2 pull-up resistors terminated to P0.9V
1
SAMSUNG ELECTRONICS CO’S PROPERTY.
LAST EDIT
SAMSUNG
DATE
THIS DOCUMENT CONTAINS CONFIDENTIAL
B
1
A
APPROVAL
C
D
DRAW
MODULE CODE
C
CHECK DEV. STEP
61
D:/Users/mobile39/mentor/BONN-E/BONN-E_mp10
SODIMM_DDR2 #2
SODIMM_DDR2
BONN-E
57
30
31
4
P0.9V
34
24
10
3
53
41
2
33
0
6
63
8
1
43
5
45
4
10
10
55
27
13
814
36
2
56
6
22
7
4
3
12
62
40
7
32
28
6
1
5
3
26
19
60
4
37
4
3
23
46
49
38
18
52
2
39
44
0
50
9
11
7
P1.8V_AUX
2
11 12
58
11
9
100nF
C3819
10V
48
P3.3V
7
29
16
10V
C935
2200nF
14
51
2
0
5
100nF
10V
C899
56
R342
5
10V
C3424
100nF
nostuff
21
54
nostuff
10V
C893
100nF
nostuff
100nF
C925
10V
VSS57 162
VSS6
48
184 VSS7
78 VSS8
71 VSS9
P3.3V
59
132
VSS42
VSS43 144
156
VSS44 168
VSS45 2
VSS46 3
VSS47 15
VSS48 27
VSS49
12 VSS5
39
VSS50 149
VSS51
VSS52 161
VSS53 28
VSS54 40
VSS55 138
VSS56 150
128
VSS28
VSS29 145
183 VSS3
165
VSS30 171
VSS31 172
VSS32 177
VSS33 187
VSS34 178
VSS35 190
VSS36 9
VSS37
VSS38 21
33
VSS39
77 VSS4
155
VSS40 34
VSS41
196 VSS13
VSS14
193
8VSS15
18
VSS16 24
VSS17 41
VSS18 53
VSS19
133 VSS2
42
VSS20 54
VSS21 59
VSS22
VSS23 65
60
VSS24 66
VSS25 127
VSS26 139
VSS27
88 VDD11
VDD12
104
111 VDD2
117 VDD3
96 VDD4
95 VDD5
118 VDD6
81 VDD7
82 VDD8
87 VDD9
199 VDDSPD
1VREF
47 VSS1
72 VSS10
121 VSS11
122 VSS12
3709-001327
DDR2-SODIMM-200P-RVS
GND0
201
GND1
202
83 NC1
120 NC2
NC3
50
NC4
69
NCTEST
163
112 VDD1
103 VDD10
10V
DDR500-2
P0.9V
0
100nF
C3784C495
2200nF 2200nF
10V
0
10V
C3427
nostuff
10V
C881
100nF100nF
C3597
10V
9
6
10K 1%
R344
7
6
3
0
17
1
56
R339
56
R340
1
42
0.012nF
C3919 50V
nostuff
5
R323 56
10V
C3241
100nF
P1.8V_AUX
R324 56
56
R326
R343 56
15
7
56
R325
10V
R341 56
C3682
100nF
R345 10K 1%
R334 56
R335
25
56
56
R319
3
R337 56
14
C923
10V
2200nF
nostuff
10V
C867
100nF
2200nF
10V
C3563
8
4
R313 56
56
R314
R315 56
56
R332
nostuff
50V
C3918 0.012nF
C3917 50V
47
13
nostuff
0.012nF
108 RAS*
110 S0*
115 S1*
SA0
198
SA1
200
SCL
197
SDA
195
109 WE*
13
49 DQS*2
68 DQS*3
129 DQS*4
146 DQS*5
167 DQS*6
186 DQS*7
DQS0
13
DQS1
31
DQS2
51
DQS3
70
DQS4
131
DQS5
148
DQS6
169
DQS7
188
ODT0
114
119 ODT1
DQ54 174
DQ55 176
DQ56 179
DQ57 181
DQ58 189
DQ59 191
DQ6 14
DQ60 180
DQ61 182
DQ62 192
DQ63 194
DQ7 16
DQ8 23
DQ9 25
11 DQS*0
29 DQS*1
DQ4 4
DQ40 141
DQ41 143
DQ42 151
DQ43 153
DQ44 140
DQ45 142
DQ46 152
DQ47 154
DQ48 157
DQ49 159
DQ5 6
DQ50 173
DQ51 175
DQ52 158
160
DQ53
DQ25 63
DQ26 73
DQ27 75
DQ28 62
DQ29 64
DQ3 19
DQ30 74
DQ31 76
DQ32 123
DQ33 125
DQ34 135
DQ35 137
DQ36 124
DQ37 126
DQ38 134
136
DQ39
DQ10 35
DQ11 37
DQ12 20
DQ13 22
DQ14 36
DQ15 38
DQ16 43
DQ17 45
DQ18 55
DQ19 57
DQ2 17
DQ20 44
DQ21 46
DQ22 56
DQ23 58
61
DQ24CK0
30
32 CK0*
CK1
164
166 CK1*
CKE0
79
CKE1
80
DM0
10
DM1
26
DM2
52
DM3
67
DM4
130
DM5
147
DM6
170
DM7
185
DQ0 5
7
DQ1
89 A12
A13
116
A14
86
A15
84
85 A16_BA2
A2
100
A3
99
A4
98
A5
97
A6
94
A7
92
A8
93
A9
91
BA0
107
BA1
106
113 CAS*
3709-001327
DDR2-SODIMM-200P-RVS
A0
102
A1
101
A10_AP
105
A11
90
C496
1
20
DDR500-1
2200nF
10V
2200nF
10V
C493
nostuff
50V
C3920 0.012nF
220uF
EC11
2.5V
AD
nostuff
100nF
C3591
10V
R322 56
56
R316
10V
C898
100nF
10V
C904
100nF
35
1
2
12
6
5
R333 56
R317 56
100nF
C3622
10V
nostuff
56
R336 56
R318
10V
C928
100nF100nF
C887
10V
56
R320
R338 56
R331 56
100nF
56
R321
10V 10V
C491
MEM1_BBS(2)
CLK1_MCLK2
CLK1_MCLK3#
CLK1_MCLK3
CLK1_MCLK2# 100nF
C492
MEM1_CS2#
MEM1_CS3#
MEM1_CKE2
MEM1_CKE3
MEM1_ODT2
MEM1_ODT3
MEM1_BBS(0)
MEM1_BBS(1)
MEM1_BWE#
MEM1_BCAS#
MEM1_BRAS#
MEM1_VREF
MCH3_EXTTS1#
MEM1_BBS(2)
MEM1_BMA(14:0)
MEM1_BDQS(7:0)
MEM1_BWE#
MEM1_BCAS#
MEM1_BRAS#
SMB3_CLK
SMB3_DATA
MEM3_CHB_SA0_MN
MEM3_CHB_SA1_MN
MEM1_BDQ(63:0)
MEM1_BMA(14:0)
MEM1_BDQS#(7:0)
MEM1_CKE2
MEM1_CKE3
CLK1_MCLK2
CLK1_MCLK2#
CLK1_MCLK3
CLK1_MCLK3#
MEM1_BDM(7:0)
MEM1_ODT2
MEM1_ODT3
MEM1_CS2#
MEM1_CS3#
MEM1_BBS(0)
MEM1_BBS(1)

Samsung
Confidential
Samsung
Confidential
1 / 5
IHDA LAN / GLAN RTCSATA
CPU LPCSATA
Place PU resistor within 2" of 56ohm res.
DRAW
4
distance b/w the ICH9-M & cap on the "N" signal same pair.
B
D
DATE
MODULE CODE
SAMSUNG ELECTRONICS CO’S PROPERTY.
SAMSUNG PROPRIETARY 2 1
REV
PROPRIETARY INFORMATION THAT IS
3
C
4
A
Internal VR Strap
INTVRMEN
Distance b/w the ICH9-M & cap on the "P" signal should be identical
VccLAN1_05, VccCL1_05
DEV. STEP SAMSUNG
CHECK
1
For ESD
APPROVAL PART NO.
2
SATA Cap. Place ment :
ELECTRONICS
Place 56 ohm resistor within 2" of ICH9M
LAST EDIT
For RTC Reset
EXCEPT AS AUTHORIZED BY SAMSUNG.
D
Angel type
A
For ESD
THIS DOCUMENT CONTAINS CONFIDENTIAL
PAGE
TITLE
3
C
ICH_9M_B
MS Yang
MK Kim
BL Lee
12/05/2008
MP
REV 1.0
April 11, 2009 10:05:58 AM
BA41-01060A
20 67
BONN-E
ICH9-M (1/5)
D:/Users/mobile39/mentor/BONN-E/BONN-E_mp10
Pull up
B
OF
VccSus1_05, VccSus1_5, VccCL1_5
DO NOT DISCLOSE TO OR DUPLICATE FOR OTHERS
R282
300K
1%
P3.3V
9-D4 19-B4
PRTC_BAT
25V
C746 10nF
C734
0.007nF
0.015nF
C3268
50V nostuff
22
R741
22
R726
10nF
C748
19-B4 9-D4
9-D419-B4
P1.05V
25V
nostuff
50V
C3892
0.1nF
C459
1000nF-X5R
0.007nF
C736
1%
20K
R257
50V
C3900
0.1nF nostuff
25V
1
23
MNT1
MNT2 4
C930
10nF
10nF C3197
25V
3711-000541
J21
HDR-2P-SMD MDC
R750 22
P3.3V_MICOM
MDC
22
R740
R263
56
P1.05V
1K
R697
D519
BAT54C
1 2
3
R269 54.9
10M
R275
1%
10nF
23
P1.5V
25V
C747
32.768KHz
Y501
2801-003856
14
MDC
22
R732
25V10nF
C755
2
R255 1M
19-B3 9-D4
C920
25V 10nF
10000nF
C732
6.3V
C3560
nostuff
1%
R357
24.9
25V 10nF
C744
22
R751
10nF 25V
R262 56
3
0
10K 1%
R384
56
R268
25V
C759 10nF
25V10nF
C750
C460
1000nF-X5R
6.3V
nostuff R733 22
MDC
R727 22
10K
R347
P3.3V
19-B49-D4
1%
1%
R696 24.9
6.3V
1000nF-X5R
C473
25V10nF
C751
1%
nostuff
SATALED#
SATARBIAS AH7
AJ7
SATARBIAS#
SATA_CLKN AH18
SATA_CLKP AJ18
AF24
SMI#
F20 SRTCRST#
AH27
STPCLK#
THRMTRIP# AG26
20K
R254
SATA1TXN
AG14
SATA1TXP
AF14
AH11
SATA4RXN AJ11
SATA4RXP AG12
SATA4TXN AF12
SATA4TXP
AH9
SATA5RXN AJ9
SATA5RXP AE10
SATA5TXN AF10
SATA5TXP
AG8
PECI
L3
RCIN#
A25 RTCRST#
RTCX1
C23
RTCX2
C24
SATA0RXN
AJ16
SATA0RXP
AH16
SATA0TXN
AF17
SATA0TXP
AG17
SATA1RXN
AH13
SATA1RXP
AJ13
A22
C13 LAN_RTCSYNC
LAN_RXD0
F14
LAN_RXD1
G13
LAN_RXD2
D14
LAN_TXD0
D13
LAN_TXD1
D12
LAN_TXD2
E13
J3
LDRQ0# J1
LDRQ1#_GPIO23
NMI AF23
AG27
HDA_SDIN1
AG4
HDA_SDIN2
AH3
HDA_SDIN3
AE5
HDA_SDOUT
AG5
HDA_SYNC
AH4
AF25
IGNNE#
AE22
INIT#
INTR AG25
C22 INTRUDER#
B22 INTVRMEN
LAN100_SLP
FWH3_LAD3
K3
FWH4_LFRAME#
GLAN_CLK
E25
GLAN_COMPI
B28
GLAN_COMPO
B27
B10 GLAN_DOCK#_GPIO56
HDA_BIT_CLK
AF6
AG7 HDA_DOCK_EN#_GPIO33
AE8 HDA_DOCK_RS#_GPIO34
AE7 HDA_RST#
HDA_SDIN0
AF4
N7
A20GATE AJ27
A20M#
AD22
CPUPWRGD
AJ25
DPRSTP# AE23
DPSLP#
AJ26
FERR#
FWH0_LAD0 K5
FWH1_LAD1 K4
FWH2_LAD2 L6
K2
0904-002378
NH82801IBM
U518-1
R253
0
1%
10K
R354
19-B39-D4
PRTC_BAT 1
CHP3_ME_RTCRST#
HDA3_MDC_SDI1
HDA3_AUD_SDI0
HDA3_MDC_SDO
HDA3_AUD_SDO
HDA3_MDC_BCLK
SAT1_ODD_TXP
SAT1_ODD_TXN
SAT1_ODD_RXN
SAT1_ODD_RXP
SAT1_HDD_TXP
SAT1_HDD_TXN
SAT1_HDD_RXN
SAT1_HDD_RXP
HDA3_BCLK_R_MN
HDA3_SYNC_R_MN
HDA3_RST#_R_MN
RTC1_BATT_MN
KBC3_CPURST#
SAT1_HDD_TXN_C_MN
SAT1_HDD_RXP_C_MN
SAT1_HDD_RXN_C_MN
CHP3_XTALOUT_MN
CHP3_XTALIN_MN
CHP3_RTCRST#
CPU1_NMI
CHP3_INTVRMEN_MN
CHP3_INTRUDER#
CPU1_INTR
CPU1_INIT#
CPU1_IGNNE#
HDA3_SDO_R_MN
CHP3_COMPIO_MN
LPC3_LFRAME#
CPU1_FERR#_R_MN
CPU1_DPSLP#
CPU1_DPRSTP#
CPU1_PWRGDCPU
CPU1_A20M#
KBC3_A20G
CLK1_SATA#
SAT1_ARBIAS_MN
CHP3_SATALED#
SAT1_ESATA_TXP_C_MN
SAT1_ESATA_TXN_C_MN
SAT1_ESATA_RXP_C_MN
SAT1_ESATA_RXN_C_MN
SAT1_ODD_TXP_C_MN
SAT1_ODD_TXN_C_MN
SAT1_ODD_RXP_C_MN
SAT1_ODD_RXN_C_MN
SAT1_HDD_TXP_C_MN
HDA3_AUD_SYNC
LPC3_LAD(3:0)
HDA3_AUD_RST#
HDA3_MDC_RST#
HDA3_MDC_SYNC
HDA3_AUD_BCLK
RTC1_BATT_R_MN
CHP3_INTRUDER#
CPU1_FERR#
KBC3_CPURST#
KBC3_A20G
SAT1_ESATA_TXP
SAT1_ESATA_TXN
SAT1_ESATA_RXN
SAT1_ESATA_RXP
CHP3_INTRUDER#_R_MN
CPU1_THRMTRIP#
CHP3_RTCRST#
CHP3_ME_RTCRST#
CPU1_THRMTRIP#_RR_MN
CPU1_STPCLK#
CPU1_SMI#
CLK1_SATA

Samsung
Confidential
Samsung
Confidential
Interrupt I/F
PCI - Express
SPI
2/5
PCI
CHECK
D
Resistor for Test : Place Stuffing Option to minimize stubs
AC caps : PCIE need to be within 250mils of the driver
B
2
PROPRIETARY INFORMATION THAT IS
PAGE
2
HIGH
DEV. STEP
HIGH
THIS DOCUMENT CONTAINS CONFIDENTIAL
REV
EXCEPT AS AUTHORIZED BY SAMSUNG.
LPC
C
HIGH
D
BIOS
ELECTRONICS
A
DO NOT DISCLOSE TO OR DUPLICATE FOR OTHERS
iTPM Disable
A
For ESD
PART NO.
LOW
PCI3_GNT0#
APPROVAL
4 3
DATE
SPI
LOW
1
MODULE CODE
SAMSUNG ELECTRONICS CO’S PROPERTY.
C
Boot BIOS Select
3
HIGH
SAMSUNG PROPRIETARY
PCI
1
4
SAMSUNG
SPI3_CS1#
LAST EDIT
B
D:/Users/mobile39/mentor/BONN-E/BONN-E_mp10
ICH9-M (2/5)
ICH_9M_B
BONN-E
6721
BA41-01060A
April 11, 2009 10:05:58 AM
REV 1.0
MP
12/05/2008
undefined
BL Lee
MK Kim
MS Yang
TITLEDRAW
OF
LPC option ; These are used with LPC
R360 10K
10K
R351 10K
R358
R385 10K
10K
R265
P3.3V
R377 10K
10V
C467 100nF
1%
R720
100K
B6
REQ2#_GPIO52 F13
REQ3#_GPIO54 E6
SERR# J4
SPI_CLK D23
SPI_CS0# D24
SPI_CS1#_GPIO58_CLGPIO6 F23
SPI_MISO E23
SPI_MOSI D25
STOP# A4
TRDY# F5
PIRQC#
J6
PIRQD#
C4
PIRQE#_GPIO2 H4
PIRQF#_GPIO3 K6
PIRQG#_GPIO4 F2
G2
PIRQH#_GPIO5
PLOCK# C2
PLTRST# C14
PME# R2
REQ0# F1
REQ1#_GPI050
H27 PETN4
PETN5 F27
PETN6_GLAN_TXN D27
P26 PETP1
M26 PETP2
PETP3
K26
H26 PETP4
PETP5 F26
PETP6_GLAN_TXP D26
PIRQA#
J5
PIRQB#
E1
C29
N28 PERP1
L28 PERP2
J28 PERP3
G28 PERP4
PERP5 E28
PERP6_GLAN_RXP C28
PERR# E4
PETN1
P27
M27 PETN2
K27 PETN3
GNT3#_GPIO55 F6
IRDY# D3
E3
PAR
PCICLK D4
PCIRST# R1
N29 PERN1
L29 PERN2
J29 PERN3
G29 PERN4
PERN5 E29
PERN6_GLAN_RXN
C7 AD8
C5 AD9 C_BE0# D8
C_BE1# B4
C_BE2# D6
A5
C_BE3#
DEVSEL# C6
FRAME# D7
GNT0# G4
GNT1#_GPIO51 A7
GNT2#_GPIO53 F12
AD26
D1 AD27
G5 AD28
H6 AD29
E12 AD3
G1 AD30
H3 AD31
E9 AD4
C9 AD5
AD6
E10
B7 AD7
D5 AD17
D10 AD18
B3 AD19
AD2
D9
F7 AD20
C3 AD21
F3 AD22
AD23
F4
C1 AD24
AD25
G7
H7
0904-002378
AD0
D11
C8 AD1
G11 AD10
AD11
F8
F11 AD12
E7 AD13
A3 AD14
D2 AD15
F10 AD16
NH82801IBM
U518-2
R376
1%
1K
C466 100nF 10V
10K
R380
P3.3V
10V100nF
C463 10V
C464 100nF
R353
1%
10K
12.1
R267
R382 10K
10V100nF
C468
10K
R391
10K
R389
nostuff
+
5
3
-
1
24
7SZ08
U519
R378 10K nostuff
0
R762
100nF
C465 10V
SHORT557
R1005-SHORT
R361 10K
P3.3V
P3.3V
nostuff
1%
1K
R266
50V
C3893
0.1nF
nostuff
R272 12.1
C462 10V
1%
100nF
12.1
R278 1%
10V
C461 100nF
R390 10K
P3.3V_AUX
P3.3V
P3.3V
10K
R761
1%
nostuff
R352 10K
R359 10K
PEX1_MINITXN2_C_MN
PEX1_MINITXP2_C_MN
PEX1_MINITXN2
PEX1_MINITXP2
CHP3_PIRGD#_MN
CHP3_PIRGC#_MN
CHP3_PIRGB#_MN
CHP3_PIRGA#_MN
PCI3_IRDY#_MN
SPI3_MISO
SPI3_CS0#_R_MN
FFS3_INT_R_MN FFS3_INT
SPI3_MOSI_R_MN
PLT3_RST#
SPI3_CS1#_R_MN
SPI3_CLK_R_MN
PEX1_GLAN_TXP4 PEX1_GLAN_TXP4_C_MN
PEX1_GLAN_TXN4 PEX1_GLAN_TXN4__C_MN
PEX1_GLAN_RXP4
PEX1_GLAN_RXN4
PCI3_STOP#_MN
PCI3_EDVSEL#_MN
PCI3_PCLK#_MN
PCI3_SERR#_MN
PCI3_TRDY#_MN
PCI3_FRAME#_MN
PCI3_PCIRST#_MN
PCI3_GNT0#_MN
SPI3_MOSI
SPI3_CS0#
SPI3_CLK
PEX1_MINIRXN2
PEX1_MINIRXP2
CHP3_SERIRQ
PCI3_CLKRUN#
PLT3_RST_ORG#
PEX1_EXPCARDTXP3
PEX1_EXPCARDTXN3 PEX1_EXPCARDTXP3_C_MN
PEX1_EXPCARDTXN3_C_MN
PEX1_EXPCARDRXP3
PEX1_EXPCARDRXN3
PEX1_MINITXP1
PEX1_MINITXN1 PEX1_MINITXP1_C_MN
PEX1_MINITXN1_C_MN
PEX1_MINIRXP1
PEX1_MINIRXN1
PLT3_RST_ORG#
CLK3_PCLKICH
PCI3_REQ0#_MN
PCI3_PERR#_MN

Samsung
Confidential
Samsung
Confidential
GPIO Clocks Power MGT
Controller LinkUSB Direct Media Interface
3 / 5
SYS GPIO SMBGPIOMISC
SATA
DRAW
LAST EDIT
REV
4
THIS DOCUMENT CONTAINS CONFIDENTIAL
PART NO.
USB2 : Single USB
USB6 : USB (Sub Board)
C
iTPM Disable
1
MODULE CODE
1
DEV. STEP ELECTRONICS
OF
USB7 : Express Card
PLACE NEAR KEYBOARD
SATA_PWR_EN0#
SAMSUNG ELECTRONICS CO’S PROPERTY.
Ext GFX Select
DO NOT DISCLOSE TO OR DUPLICATE FOR OTHERS
BIOS CRISIS RECOVER STRAP
3
1608
EHCI0
SAMSUNG
APPROVAL
USB4 : MMC Card
High
3
D
A
B
2
PU : No Reboot Mode
SAMSUNG PROPRIETARY
PAGE
EHCI1
EXCEPT AS AUTHORIZED BY SAMSUNG.
USB1 : WIMAX
6722
BA41-01060A
April 11, 2009 10:05:58 AM
REV 1.0
MP
12/05/2008
BL Lee
MK Kim
MS Yang
USB5 : Bluetooth
PROPRIETARY INFORMATION THAT IS
USB8 : Camera
2
TITLE
D
A
B
Added by EMC
DATE
No Woofer
Sub-Woofer
USB0 : eSATA/Chargerble USB
C
4
USB10 : USB(Sub Board)
( Put it a debugger connector)
CHECK
USB3 : HSDPA
SATA_PWR_EN1#
Low
R734 10K
D:/Users/mobile39/mentor/BONN-E/BONN-E_mp10
ICH9-M (3/5)
ICH_9M_B
BONN-E
nostuff
1%
P3.3V
P3.3V
4.7K
R328
Sub-Woofer 5%
R309
4.7K
R694
3.24K
1%
P3.3V
1%
R301 10K
nostuff
1%
R394
10K
10V
100nF
C722
1%
1K
R381
47K
R273
R927
0
10K
1%
R304
P3.3V
NoWoofer
R379 22.6 1%
P3.3V_AUX
10K
R297
1%
1%
R312 10K
10K
R710
P3.3V_AUX
nostuff
1%10K
R349
10K
1%
R392
nostuff
0
R707
P3.3V_AUX
50V
C3901
0.1nF
nostuff
P3.3V_AUX
P3.3V_AUX
P3.3V_AUX
1%
R355
10K
10K
R346
1%
nostuff
48-C3
9-B4
19-D3
10K
R330 1%
10K
R393
1% nostuff R279
10K
R256 24.9
R288 10K 1%
nostuff 1%
P3.3V
P1.5V
P3.3V_AUX
2.2K
R327
1%
R292
1%
10K
10K
R311
R695
453
1%
P3.3V
R305 1K 1%
10K
R277 1%
R711 100 1%
W1
USBP8N W2
USBP8P
USBP9N V2
USBP9P V3
USBRBIAS AG2
USBRBIAS# AG1
D21 VRMPWRGD
WAKE#
E20
WOL_EN_GPIO9 C20
AC2
USBP2P AA5
USBP3N AA4
USBP3P AB2
USBP4N AB3
USBP4P AA1
USBP5N AA2
USBP5P W5
USBP6N W4
USBP6P Y3
USBP7N
USBP7P Y2
TP8
A20
AC5
USBP0N AC4
USBP0P
U5
USBP10N
USBP10P U4
USBP11N U1
USBP11P U2
USBP1N AD3
AD2
USBP1P AC1
USBP2N
E19 STP_CPU#_GPIO25
STP_PCI#_GPIO15
A14
P1 SUSCLK
SUS_STAT#_LPCPD#
R4
SYS_RESET#
G19
AE18 TACH0_GPIO17
AG19 TACH1_GPIO1
AH21 TACH2_GPIO6
AG21 TACH3_GPIO7
THRM#
AJ23
B21 TP3
AE19 SLOAD_GPIO38
SLP_M#
B16
SLP_S3#
C16
SLP_S4#
E16
SLP_S5#
G17
SMALERT#_GPIO11
A17
SMBCLK
G16
A13 SMBDATA
C17 SMLINK0
B18 SMLINK1
M7 SPKR
D22
S4_STATE#_GPIO26
C10
AH23 SATA0GP_GPIO21
SATA1GP_GPIO19
AF19
SATA4GP_GPIO36
AE21
SATA5GP_GPIO37
AD20
SATACLKREQ#_GPIO35
L1
AJ22 SCLOCK_GPIO22
AG22 SDATAOUT0_GPIO39
AF21 SDATAOUT1_GPIO48
M5 SERIRQ
OC9#_GPIO45 N1
PMSYNC#_GPIO0
M6
PWM0
AH20
PWM1
AJ20
PWM2
AJ21
R3 PWRBTN#
G20 PWROK
A9 QRT_STATE0_GPIO27
D19 QRT_STATE1_GPIO28
RI#
F19
RSMRST#
N4
OC1#_GPIO40 N5
OC10#_GPIO46 P5
OC11#_GPIO47 P3
OC2#_GPIO41 N6
OC3#_GPIO42 P6
OC4#_GPIO43 M1
N2
OC5#_GPIO29
OC6#_GPIO30 M4
OC7#_GPIO31 M3
OC8#_GPIO44 N3
GPIO18
AF8 GPIO20
GPIO49
AH24
GPIO57_CLGPIO5
A8
A21 GPIO8
LANPHYPC_GPIO12
C12
LAN_RST#
D20
E17 LINKALERT#_GPIO60_CLGPIO4
MCH_SYNC#
AJ24
MEM_LED_GPIO24 A16
NETDETECT_GPIO14 C11
OC0#_GPIO59
DMI3RXN AD27
DMI3RXP AD26
DMI3TXN AC29
DMI3TXP AC28
T26
DMI_CLKN T25
DMI_CLKP
AF28
DMI_IRCOMP
DMI_ZCOMP AF29
M2 DPRSLPVR_GPIO16
ENGDET_GPIO13
C21
K1
V26
DMI0RXP U29
DMI0TXN U28
DMI0TXP
Y27
DMI1RXN
DMI1RXP Y26
W29
DMI1TXN W28
DMI1TXP
AB27
DMI2RXN AB26
DMI2RXP AA29
DMI2TXN AA28
DMI2TXP
L4
R6 CLPWROK
F24
CL_CLK0 B19
CL_CLK1
F22
CL_DATA0 C19
CL_DATA1
CL_RST0# F21
CL_RST1# D18
C25
CL_VREF0 A19
CL_VREF1
V27
DMI0RXN
ALERT#_GPIO10 C18
BATLOW#
B13
CK_PWRGD
R5
CLK14
H1
AF3 CLK48
CLKRUN#_GPIO32
P3.3V
NH82801IBM
0904-002378
U518-3
R308 2.2K
R329 4.7K
nostuff
R302 0
nostuff
1%
R350
10K
P3.3V R298
10K
USB3_EXPCARD-
USB3_EXPCARD+
USB3_WIMAX-
USB3_WIMAX+
VRM3_CPU_PWRGD
1%
CHP3_BIOSWP#
CHP3_BIOS_CRI#
CHP3_GPIO18
CHP3_GPIO20 CHP3_BIOS_CRI#
SMB3_ALERT#
PEX3_WAKE#
CHP3_BIOSWP#
AUD3_SPKR
SMB3_DATA
SMB3_CLK
CHP3_GPIO57_MN
USB3_P0-
USB3_P0+
USB3_P2-
USB3_P2+
USB3_MINIPCIE2-
USB3_P6-
CHP3_EXTGFX_SEL_MN
KBC3_RSMRST#_R_MN
KBC3_RSMRST#
CHP3_SATA4GP_MN
KBC3_PWRGD
CHP3_LINKALERT#_MN
USB3_MMC+
CHP3_PM_SYNC#
CHP3_SLPS4#
CHP3_BATLOW#_MN
USB3_P10+
CHP3_SUSCLK_MN
CHP3_SDATAOUT1_MN
ITP3_DBRESET#
PEX3_WAKE#
CHP3_SDATAOUT0_MN
CHP3_CL_RST_0#
KBC3_PWRGD
CHP3_SATACLKREQ#
CHP3_PCISTP#
CHP3_CPUSTP#
USB3_P10-
CHP3_SLPS3#
CHP3_SLPS5#
CHP3_SMLINK1_MN
PEX3_WAKE#_R_MN
USB3_BLUETOOTH+
USB3_BLUETOOTH-
CHP3_SMLINK0_MN
CLK3_USB48
CLK3_ICH14
SMB3_ALERT#
AUD3_SPKR
SMB3_DATA
SMB3_CLK
CHP3_SERIRQ
CHP3_DPRSLPVR
PCI3_CLKRUN#
USB3_CAMERA+
THM3_ALERT#
KBC3_PWRBTN#
USB3_CAMERA-
CHP3_GPIO18
USB3_MINIPCIE2+
USB3_MMC-
CHP3_CL_VREF0_MN
CHP3_USBBIAS#_MN
CHP3_GPIO20
KBC3_EXTSMI#
KBC3_WAKESCI#
DMI1_TXP_1
DMI1_TXN_1
DMI1_RXP_1
DMI1_RXN_1
KBC3_RUNSCI#
CHP3_SUSSTAT#
CLK1_PCIEICH
CLK1_PCIEICH#
DMI1_TXP_0
DMI1_TXN_0
DMI1_RXP_0
DMI1_RXN_0
USB3_P6+
CHP3_DMI_COMP_MN
CHP3_CL_DATA_0
CHP3_CL_CLK_0
CLK3_PWRGD
MCH3_ICHSYNC#
DMI1_TXP_3
DMI1_TXN_3
DMI1_RXP_3
DMI1_RXN_3
DMI1_TXP_2
DMI1_TXN_2
DMI1_RXP_2
DMI1_RXN_2

Samsung
Confidential
Samsung
Confidential
GLAN POWER
VCCPUSB
CONTROL LINK VCCPSUS PCI VCCP CORE CORE
LOGIC_IO
LAN
DMIHDA
4/5
VCCA3GP
ARXATXUSB CORE
DRAW
1
1
2
2
3
3
4
4
DD
CC
B
SAMSUNG PROPRIETARY
330ohm@100MHz
Need switched P5V_ALW controled by alws_on
External : P3.3V level
PROPRIETARY INFORMATION THAT IS
EXCEPT AS AUTHORIZED BY SAMSUNG.
Internal : P1.5V level
B
AA
ELECTRONICS
SAMSUNG
OF
MS Yang
MK Kim
BL Lee
12/05/2008
MP
REV 1.0
April 11, 2009 10:05:58 AM
BA41-01060A
23 67
BONN-E
ICH_9M_B
ICH9-M (4/5)
D:/Users/mobile39/mentor/BONN-E/BONN-E_mp10
PAGE
PART NO.
TITLE
LAST EDIT
DO NOT DISCLOSE TO OR DUPLICATE FOR OTHERS
SAMSUNG ELECTRONICS CO’S PROPERTY.
THIS DOCUMENT CONTAINS CONFIDENTIAL
REV
DEV. STEP
DATE
MODULE CODE
APPROVAL
CHECK
6.3V
10000nF
P1.5V
P3.3V_AUX
P1.5V
C719
10V
C933
100nF
C3596
6.3V
1000nF
nostuff
AD
2.5V
220uF
EC521
10V
P3.3V
100nF
C3559
10V
100nF
VCCSUS3_3_20
T7
AJ3
VCCSUSHDA
AJ5 VCCUSBPLL
W23
VCC_DMI_1 Y23
VCC_DMI_2
VCSATAPLL
AJ19 AB23
V_CPU_IO_1 AC23
V_CPU_IO_2
C484
T4
T5 VCCSUS3_3_10
T6 VCCSUS3_3_11
VCCSUS3_3_12
U6
U7 VCCSUS3_3_13
V6 VCCSUS3_3_14
V7 VCCSUS3_3_15
W6 VCCSUS3_3_16
W7 VCCSUS3_3_17
Y6 VCCSUS3_3_18
Y7 VCCSUS3_3_19
VCCSUS1_05_2
AD8
VCCSUS1_5_1 F18
VCCSUS1_5_2
VCCSUS3_3_01 A18
VCCSUS3_3_02 D16
VCCSUS3_3_03 D17
VCCSUS3_3_04 E22
VCCSUS3_3_05
AF1 VCCSUS3_3_06
T1 VCCSUS3_3_07
T2 VCCSUS3_3_08
T3 VCCSUS3_3_09
E27 VCCGLAN1_5_4
A26 VCCGLAN3_3
A27 VCCGLANPLL
VCCHDA AJ4
VCCLAN1_05_1
A10
VCCLAN1_05_2
A11
A12 VCCLAN3_3_1
B12 VCCLAN3_3_2
A23 VCCRTC
AC8
VCCSUS1_05_1 F17
J2
VCC3_3_12 J7
VCC3_3_13 K7
VCC3_3_14
VCCCL1_05 G22
VCCCL1_5 G23
A24
VCCCL3_3_1 B24
VCCCL3_3_2
R29
VCCDMIPLL
D28 VCCGLAN1_5_1
D29 VCCGLAN1_5_2
E26 VCCGLAN1_5_3
AG29
VCC3_3_02 AJ6
VCC3_3_03 AD19
VCC3_3_04 AF20
VCC3_3_05 AG24
VCC3_3_06 AC20
VCC3_3_07 AC10
VCC3_3_08 B9
VCC3_3_09 F9
G3
VCC3_3_10 G6
VCC3_3_11
U24 VCC1_5_B_40
U25 VCC1_5_B_41
V24 VCC1_5_B_42
V25 VCC1_5_B_43
U23 VCC1_5_B_44
W24 VCC1_5_B_45
W25 VCC1_5_B_46
VCC1_5_B_47
K23
VCC1_5_B_48
Y24
VCC1_5_B_49
Y25
VCC3_3_01
N25 VCC1_5_B_29
P24 VCC1_5_B_30
P25 VCC1_5_B_31
R24 VCC1_5_B_32
R25 VCC1_5_B_33
R26 VCC1_5_B_34
R27 VCC1_5_B_35
T24 VCC1_5_B_36
VCC1_5_B_37
T27
T28 VCC1_5_B_38
T29 VCC1_5_B_39
VCC1_5_B_18
J25 VCC1_5_B_19
K24 VCC1_5_B_20
K25 VCC1_5_B_21
L23 VCC1_5_B_22
L24 VCC1_5_B_23
L25 VCC1_5_B_24
M24 VCC1_5_B_25
M25 VCC1_5_B_26
N23 VCC1_5_B_27
N24 VCC1_5_B_28
VCC1_5_B_08 AD25
VCC1_5_B_09 AE25
AE26
VCC1_5_B_10
AE27
VCC1_5_B_11
AE28
VCC1_5_B_12
AE29
VCC1_5_B_13
F25
VCC1_5_B_14
G25
VCC1_5_B_15
H24
VCC1_5_B_16
H25 VCC1_5_B_17
J24
AB6
VCC1_5_A_28
AB7
VCC1_5_A_29
AC6
VCC1_5_A_30
AC7
VCC1_5_B_01 AA24
VCC1_5_B_02 AA25
VCC1_5_B_03 AB24
VCC1_5_B_04 AB25
VCC1_5_B_05 AC24
VCC1_5_B_06 AC25
VCC1_5_B_07 AD24
VCC1_5_A_16
AC9 VCC1_5_A_17
AC18 VCC1_5_A_18
AC19 VCC1_5_A_19
AC21 VCC1_5_A_20
G10 VCC1_5_A_21
G9 VCC1_5_A_22
AC12 VCC1_5_A_23
AC13 VCC1_5_A_24
VCC1_5_A_25
AC14
VCC1_5_A_26
AA7
VCC1_5_A_27
VCC1_5_A_06
AG15
VCC1_5_A_07
AH15
VCC1_5_A_08
AJ15
VCC1_5_A_09
AC11
AD11 VCC1_5_A_10
AE11 VCC1_5_A_11
AF11 VCC1_5_A_12
AG10 VCC1_5_A_13
AG11 VCC1_5_A_14
AH10 VCC1_5_A_15
AJ10
V11
VCC1_05_21 V12
VCC1_05_22 V14
VCC1_05_23 V16
VCC1_05_24 V17
VCC1_05_25 V18
VCC1_05_26
VCC1_5_A_01
AC16
VCC1_5_A_02
AD15
VCC1_5_A_03
AD16
VCC1_5_A_04
AE15
VCC1_5_A_05
AF15
VCC1_05_10 L17
VCC1_05_11 L18
VCC1_05_12 M11
VCC1_05_13 M18
VCC1_05_14 P11
VCC1_05_15 P18
VCC1_05_16 T11
VCC1_05_17 T18
VCC1_05_18 U11
VCC1_05_19 U18
VCC1_05_20
AE1 V5REF_SUS
VCC1_05_01 A15
VCC1_05_02 B15
VCC1_05_03 C15
VCC1_05_04 D15
VCC1_05_05 E15
VCC1_05_06 F15
VCC1_05_07 L11
VCC1_05_08 L12
VCC1_05_09 L14
L16
0904-002378
NH82801IBM
U518-4
V5REF
A6
nostuff
C905
100nF
10V
P3.3V_AUX
C3628
100nF
10V
2
C766
100nF
10V
BAT54A
D521
3
1
C872
1000nF-X5R
6.3V
10V
100nF
C497
10V
100nF
C916
4700nF
C499
P3.3V
10V
10V
P3.3V
20%
6.3V
C897
100nF
C475
22000nF-X5R
25V
C910
22nF
C469
100nF
10V
C721
10nF
25V
B32
BLM18PG181SN1
100nF
10V
R745
100
1%
P1.5V
C3671
10V
C3762
100nF
10V
2200nF
C720
P1.5V
P3.3V
22nF
C3801
25V
P3.3V
C924
6.3V
10000nF
C886
100nF
10V
10V
C458
100nF
100nF
C3745
100nF
C3624
P3.3V
10V
10V
C888
1000nF
6.3V
nostuff
C3573
100nF
10V
100nF
C3670
10V
10V
C486
100nF
BLM18PG181SN1
B33
1000nF
C483
nostuff
1%
100
R410
6.3V
20%
6.3V
P5.0V_AUX
P3.3V
C482
22000nF-X5R
2
B518
BLM18PG181SN1
BAT54A
D8
3
1
P1.5V
P1.05V
P1.5V
10V
C749
4700nF
P5.0V
10V
C3587
100nF
B34
BLM18PG181SN1
P3.3V_AUX
P1.05V
10V
C3590
100nF
100nF
C489
10V
PRTC_BAT
1000nF-X5R
C775
P3.3V
100nF
C896
P1.5V
P3.3V_AUX
10V
10V
C488
100nF
C874
1000nF-X5R
P1.05V
100nF
C485
10V
nostuff
CHP3_VCC1_5_MN
CHP3_VCCSUS1_5_2_MN
CHP3_P1.05V_VCC_DMI_MN
CHP3_VCCL1_05_MN
CHP3_P1.5V_5_B_MN
CHP3_P5.0VAUX_VREF_SUS_MN
CHP3_P5.0V_V5REF_MN
CHP3_P1.5V_VCCDMIPLL_MN
CHP3_P1.5V_VCSATAPLL_MN

Samsung
Confidential
Samsung
Confidential
GND
5/5
DO NOT DISCLOSE TO OR DUPLICATE FOR OTHERS
2
PROPRIETARY INFORMATION THAT IS
D
A
C
1
B
C
SAMSUNG ELECTRONICS CO’S PROPERTY.
SAMSUNG PROPRIETARY
A
THIS DOCUMENT CONTAINS CONFIDENTIAL
B
EXCEPT AS AUTHORIZED BY SAMSUNG.
ELECTRONICS
SAMSUNG
OFPAGE
PART NO.
TITLE
LAST EDIT
REV
DEV. STEP
DATE
MODULE CODE
APPROVAL
CHECK
DRAW
4
1
3
3
D
D:/Users/mobile39/mentor/BONN-E/BONN-E_mp10
MS Yang
MK Kim
BL Lee
12/05/2008
MP
REV 1.0
April 11, 2009 10:05:58 AM
BA41-01060A
24 67
BONN-E
ICH_9M_B
ICH9-M (5/5)
24
VSS_NCTF_06 AH29
VSS_NCTF_07 AJ1
VSS_NCTF_08 AJ2
VSS_NCTF_09 AJ28
VSS_NCTF_10 AJ29
VSS_NCTF_11 B1
VSS_NCTF_12 B29
Y4
VSS_194 Y5
VSS_195 AG28
VSS_196 AH6
VSS_197 AF2
VSS_198 B25
VSS_NCTF_01 A1
A2
VSS_NCTF_02
VSS_NCTF_03 A28
VSS_NCTF_04 A29
VSS_NCTF_05 AH1
V28
VSS_183 V29
VSS_184
VSS_185 V4
VSS_186 V5
VSS_187 W26
VSS_188 W27
VSS_189 W3
VSS_190 Y1
VSS_191 Y28
VSS_192 Y29
VSS_193
VSS_172 U16
VSS_173 U17
VSS_174 AD23
VSS_175 U26
VSS_176 U27
VSS_177 U3
VSS_178
VSS_179 V1
V13
VSS_180 V15
VSS_181 V23
VSS_182
T13
VSS_162 T14
VSS_163 T15
VSS_164 T16
VSS_165 T17
VSS_166 T23
VSS_167 B26
VSS_168 U12
VSS_169 U13
VSS_170 U14
VSS_171 U15
P7
VSS_151 R11
VSS_152 R12
VSS_153 R13
VSS_154 R14
VSS_155 R15
VSS_156 R16
VSS_157 R17
VSS_158 R18
VSS_159 R28
VSS_160 T12
VSS_161
VSS_140 P13
VSS_141 P14
VSS_142 P15
VSS_143 P16
VSS_144 P17
VSS_145 P2
VSS_146
VSS_147 P23
P28
VSS_148 P29
VSS_149 P4
VSS_150
N11
VSS_130 N12
VSS_131 N13
VSS_132
N14
VSS_133 N15
VSS_134 N16
VSS_135 N17
VSS_136 N18
VSS_137 N26
VSS_138 N27
VSS_139 P12
L5
VSS_119 L7
VSS_120 M12
VSS_121 M13
VSS_122 M14
VSS_123 M15
VSS_124 M16
VSS_125 M17
VSS_126 M23
VSS_127 M28
VSS_128 M29
VSS_129
VSS_108 J26
VSS_109 J27
VSS_110 AC22
VSS_111 K28
VSS_112 K29
VSS_113 L13
VSS_114
VSS_115 L15
L2
VSS_116 L26
VSS_117 L27
VSS_118
VSS_097
G21 VSS_098
G24 VSS_099
G26 VSS_100
G27 VSS_101
G8 VSS_102
H2 VSS_103
H23 VSS_104
H28 VSS_105
H29
VSS_106 H5
VSS_107 J23
E2 VSS_087
E21 VSS_088
E24 VSS_089
E5 VSS_090
E8 VSS_091
F16 VSS_092
F28 VSS_093
F29 VSS_094
G12 VSS_095
G14 VSS_096
G18
VSS_076
B2 VSS_077
B20 VSS_078
B23 VSS_079
B5 VSS_080
B8 VSS_081
C26 VSS_082
VSS_083
C27
E11 VSS_084
E14 VSS_085
E18 VSS_086
VSS_065
AH25 VSS_066
AH28 VSS_067
AH5 VSS_068
AH8 VSS_069
AJ12 VSS_070
AJ14 VSS_071
VSS_072
AJ17
AJ8 VSS_073
B11 VSS_074
B14 VSS_075
B17
AG20 VSS_055
AG23 VSS_056
AG3 VSS_057
AG6 VSS_058
AG9 VSS_059
AH12 VSS_060
AH14 VSS_061
AH17 VSS_062
AH19 VSS_063
AH2 VSS_064
AH22
VSS_044
AF22 VSS_045
AH26 VSS_046
AF26 VSS_047
AF27 VSS_048
AF5 VSS_049
AF7 VSS_050
VSS_051
AF9
AG13 VSS_052
AG16 VSS_053
AG18 VSS_054
VSS_033
AE17 VSS_034
AE2 VSS_035
AE20 VSS_036
AE24 VSS_037
AE3 VSS_038
AE4 VSS_039
VSS_040
AE6
AE9 VSS_041
AF13 VSS_042
AF16 VSS_043
AF18
AD28 VSS_023
AD29 VSS_024
AD4 VSS_025
AD5 VSS_026
AD6 VSS_027
AD7 VSS_028
AD9 VSS_029
AE12 VSS_030
AE13 VSS_031
AE14 VSS_032
AE16
VSS_012
AC27 VSS_013
AC3 VSS_014
AD1 VSS_015
AD10 VSS_016
AD12 VSS_017
AD13 VSS_018
VSS_019
AD14
AD17 VSS_020
AD18 VSS_021
AD21 VSS_022
VSS_001
AA27 VSS_002
AA3 VSS_003
AA6 VSS_004
AB1 VSS_005
AA23 VSS_006
AB28 VSS_007
VSS_008
AB29
AB4 VSS_009
AB5 VSS_010
AC17 VSS_011
AC26
U518-5
NH82801IBM
0904-002378
AA26

Samsung
Confidential
Samsung
Confidential
6C DISPLAY SHADOW MESSAGE
WITH INITIAL POST VALUE
D
50 DISPLAY CPU TYPE AND SPEED
5C TEST RAM GETWEEN 512K AND 640K
13 PCI BUS MASTER RESET
47 INIT. I20 SUPPORT IF INSTALLED
84 DETECT AND INSTALL EXT.PARALLEL
89 ENABLE NMI
7C SETUP HARDWARE INTERRUPT VECTOR
B
PAGE
56 ENABLE KEYBOARD
10 INIT. POWER MANAGER
D8 SHUTDOWN ERROR
16 CHECK CHECKSUM
8A INIT.EXTENDED BIOS DATA AREA
3D LOAD ALTER REG. WITH CMOS VALUE
98 SEARCH FOR OPTION ROMS
EXCEPT AS AUTHORIZED BY SAMSUNG.
4
46 CHECK ROM COPYRIGHT NOTICE
3C CONFIGURE ADVANCED CHIPSET REG.
THIS DOCUMENT CONTAINS CONFIDENTIAL
60 TEST EXTENDED MEMORY
18 8254 TIMER INIT.
C0 TRY BOOT WITH INT19
03 DISABLE NMI
D4 PENDING INTERRUPT ERROR
C
49 INIT. PCI BUS AND DEVICE
38 SHADOW SYSTEM BIOS ROM
48 CHECK VIDEO CONFIGURE AGAINST CMOS
08 INIT. CHIPSET REG.
6A DISPLAY EXTERNAL CACHE SIZE
04 GET CPU TYPE
1C RESET INTERRUP CONTROLLER
06 INIT. SYSTEM H/W
D6 SHUTDOWN 5
ELECTRONICS
B0 CHECK FOR ERRORS
92 JUMP TO USER PATCH 2
1A 8237 DMA CONTROLLER INIT.
8C INIT. FDD CONTROLLER
PROPRIETARY INFORMATION THAT IS
0C INIT.CACHE TO POST
91 INIT. LOCAL BUS HDD CONTROLLER
20 TEST DRAM REFRESH
5A DISPLAY " PRESS ...... SETUP"
72 CHECK FOR CONFIGURATION ERROR
74 TEST REAL-TIME CLOCK
09 SET IN POST FLAG
44 INIT. BIOS INTERRUPT
DO NOT DISCLOSE TO OR DUPLICATE FOR OTHERS
CHECK
90 INIT. HDD CONTROLLER
62 TEST EXTENDED MEMORY ADDRESS LINE
AA SCAN FOR F2 KEY STROKE
SAMSUNG
3
AC ENTER SETUP
PART NO.
TITLE
1
7E TEST COPROCESSER IF PRESENT
2
64 JUMP TO USER PATCH 1
80H DECODER CONNECTOR
A8 ERASE F2 PROMPT
OE INIT. I/O VALUE
9C SETUP POWER MANAGEMENT
52 TEST KEYBOARD
B2 POST DONE-PREPARE TO BOOT O/S
B
16MBit
76 CHECK FOR KEYBOARD EERROR
SPI_BIOS_ROM
BE CLEAR SCREEN
32 COMPUTE THE CPU SPEED
A
4
LAST EDIT
AE CLEAR IN POST FLAG
REV
82 DETECT AND INSTALL EXT.RS232C
54 SET KEYCLICK IF ENABLED
BA DMI INIT
DRAW
9A SHADOW OPTION ROMS
34 TESET CMOS RAM
70 DISPLAY ERROR MESSAGE
D0 INTERRUPT HANDLER ERROR
26 ENABLE A20
APPROVAL
0A INIT CPU.REG
B4 ONE BEEP
22 TEST 8742 KEYBOARD CONTROLLER
A
DEV. STEP
2
11 LOAD ALTERNATE REG.
02 VERIFY REAL MODE
0F ENABLE THE L-BUS IDE
MODULE CODE
80 DISABLE ON-BOARD I/O PORT
C
88 INIT. BIOS DATA ROM
DATE
D2 UNKNOWN INTERRUPT ERROR
66 CONFIGURE ADVANCE CACHE REG.
96 CLEAR HUGE ES SEGMENT REG.
Type : straight
24 SET ES SEGMENT REG. TO 4GB
B7 ACPI INIT
94 DISABLE A20 ADDRESS LINE
B6 CHECK PASSWORD (OPTION)
9E ENABLE H/W INTERRUPT
DA EXTENDED BLOCK MOVE
28 AUTO SIZING DRAM
3A AUTO SIZING CACHE
SAMSUNG ELECTRONICS CO’S PROPERTY.
MS Yang
MK Kim
BL Lee
12/05/2008
MP
REV 1.0
April 11, 2009 10:05:58 AM
BA41-01060A
25 67
BONN-E
SPI_BIOS_ROM
SPI_BIOS_ROM
D:/Users/mobile39/mentor/BONN-E/BONN-E_mp10
3
A4 INIT. TYPEMATIC RATE
4A INIT. ALL VIDEO BIOS ROM
1
0B CPU CACHE ON
86 RE-INIT. ON-BOARD I/O PORT
4C SHADOW VIDEO BIOS ROM
C-die : 1107-001600
DC SHUTDOWN 10
6E DISPLAY NON-DISPOSABLE SEGMENT
58 TEST FOR UNEXPECTED INTERRUPTS
SAMSUNG PROPRIETARY
14 INIT. KEYBOARD CONTROLLER
A0 SET TIME OF DAY
42 INIT. INTERRUPT VECTOR
D
OF
R788 10K 1%
P3.3V
12.1
R787 1%
U19
CE*
1
HOLD* 7
SCK 6
5
SI
2SO
8
VDD
VSS
4WP*
3
1107-001709
MX25L1605D P3.3V
C845
10V
100nF
11
12 MNT2
1%
100K
R789
3711-000386
J504
HDR-10P-1R-SMD
1
10
2
3
4
5
6
7
8
9
MNT1
SPI3_MISO SPI3_MISO_R_MN
SPI3_MOSI
SPI3_CLK
SPI3_CS0#
PLT3_RST#
LPC3_LAD(1)
LPC3_LAD(0)
CLK3_DBGLPC
LPC3_LFRAME#
LPC3_LAD(3)
LPC3_LAD(2)
CHP3_BIOSWP#
SPI3_HOLD#_MN

Samsung
Confidential
Samsung
Confidential
CLOCK
CALIBRATION
PCI EXPRESS INTERFACE
MUTI GFX
DPA
DPB
DPC
DPD
I2C
GENERAL PURPOSE I/O
DAC1
DAC2
LVDS CONTROL
LVTMDP
DDC/AUXPLL/CLOCK
THERMAL
1 / 5
OF
SAMSUNG
ELECTRONICS
D D
4
4
2
2
3
3
1
SAMSUNG PROPRIETARY
1
THIS DOCUMENT CONTAINS CONFIDENTIAL
PROPRIETARY INFORMATION THAT IS
M92-LP : 0904-002461
EXCEPT AS AUTHORIZED BY SAMSUNG.
SAMSUNG ELECTRONICS CO’S PROPERTY.
A
DO NOT DISCLOSE TO OR DUPLICATE FOR OTHERS
B
A
D:/Users/mobile39/mentor/BONN-E/BONN-E_mp10
M9x (1/5)
EXT_GFX
BONN-E
6726
BA41-01060A
April 11, 2009 10:05:58 AM
REV 1.0
MP
12/05/2008
BL Lee
MK Kim
MS Yang
B
C
DRAW
C
CHECK
MODULE CODE
APPROVAL
LAST EDIT
M9X_TP NET NAME
REV
TITLEDATE
DEV. STEP
PART NO.
PAGE
C192
100nF
10V
C321 16V
100nF
B8
P1.8V
6.3V
C196
10000nF
13
10
BLM18PG181SN1
2
13
4
P1.1V
11
100nF
C597
10V
10V100nF
C167
C300 16V
100nF
10V
6
C183 100nF
1000nF
C191
6.3V
10V
C363 16V
100nF
C3874
100nF
1%
P1.8V
P3.3V_GFX
C278 16V
12
715
R155
1%
100nF
100nF
C198
10V
nostuff
10K
R584
6.3V
C216
1000nF-X5R
nostuff
10V100nF
C190
100nF 16V
C351
16V
100nFC252
R137
10K
1%
C330 16V
100nF
14
10
10000nF
C178
6.3V
BLM18PG181SN1
B506
3
6.3V
C177
1000nF
P1.8V_A2VDDQ
0
15
13
6
16V
100nF
5
C248
3
C263 16V
100nF
1%
C290 16V
100nF
150
R148
100nF
C180
499
R115
1%
100nF
10V
9
C279 16V
P1.8V
9
C246 16V
100nF
C242 16V
100nF
6
5
6.3V
C131
10000nF-X5R
8
9
14
C294 16V
100nF
16V
100nF
1%
0
C354
1212
150
R592
4
AC29
VARY_BL AK27
AC33
VDD1DI
VDD2DI AG31
VREFG
AH13
VSS1DI AC34
VSS2DI AG32
VSYNC AC38
XTALIN
AV33
XTALOUT
AU34
YAD32
AP35
TXOUT_L3N AP37
TXOUT_L3P AN36
TXOUT_U0N_DPF2N
AK37 TXOUT_U0P_DPF2P
AJ38
TXOUT_U1N_DPF1N
AJ36 TXOUT_U1P_DPF1P
AH35
TXOUT_U2N_DPF0N
AH37 TXOUT_U2P_DPF0P
AG38
TXOUT_U3N
AG36 TXOUT_U3P
AF35
V2SYNC
TXCDP_DPD3P AU20
TXCLK_LN_DPE3N AR34
TXCLK_LP_DPE3P AP34
AL36 TXCLK_UN_DPF3N
AK35 TXCLK_UP_DPF3P
TXOUT_L0N_DPE2N AU35
TXOUT_L0P_DPE2P AW37
TXOUT_L1N_DPE1N AU39
TXOUT_L1P_DPE1P AR37
TXOUT_L2N_DPE0N AR35
TXOUT_L2P_DPE0P
AU32
TX5M_DPD0N AR22
TX5P_DPB0P AT33
TX5P_DPD0P AT23
AV23
TXCAM_DPA3N
TXCAP_DPA3P AU24
AT29
TXCBM_DPB3N
AR30
TXCBP_DPB3P
TXCCM_DPC3N AV13
TXCCP_DPC3P AU14
TXCDM_DPD3N AT19
AR16
TX2P_DPA0P AT27
TX2P_DPC0P AT17
TX3M_DPB2N AU30
TX3M_DPD2N AR20
TX3P_DPB2P AV31
TX3P_DPD2P AT21
TX4M_DPB1N AT31
TX4M_DPD1N AV21
TX4P_DPB1P AR32
TX4P_DPD1P AU22
TX5M_DPB0N
TS_FDO
AK32
TX0M_DPA2N AR24
TX0M_DPC2N AR14
TX0P_DPA2P AT25
TX0P_DPC2P AT15
TX1M_DPA1N AV25
TX1M_DPC1N AV15
TX1P_DPA1P AU26
TX1P_DPC1P AU16
TX2M_DPA0N AR26
TX2M_DPC0N
AA30 PERSTB
AD39
R
R# AD37
R2 AC30
R2# AC31
R2SET AA29
AB34
RSET
AK26 SCL
AJ26 SDA
TSVDD
AJ32
AJ33 TSVSS
PCIE_TX5N T29
PCIE_TX5P T30
PCIE_TX6N P32
P33
PCIE_TX6P
PCIE_TX7N P29
PCIE_TX7P P30
PCIE_TX8N N32
N33
PCIE_TX8P
N29
PCIE_TX9N
PCIE_TX9P N30
PCIE_TX14P K30
H32
PCIE_TX15N
PCIE_TX15P H33
W32
PCIE_TX1N
PCIE_TX1P W33
PCIE_TX2N U32
PCIE_TX2P U33
U29
PCIE_TX3N
U30
PCIE_TX3P
PCIE_TX4N T32
T33
PCIE_TX4P
Y32
PCIE_TX0N
Y33
PCIE_TX0P
PCIE_TX10N L32
PCIE_TX10P L33
PCIE_TX11N L29
PCIE_TX11P L30
PCIE_TX12N K32
PCIE_TX12P K33
PCIE_TX13N J32
PCIE_TX13P J33
PCIE_TX14N K29
PCIE_RX5N
R36
PCIE_RX5P
T35
PCIE_RX6N
P37
R38 PCIE_RX6P
PCIE_RX7N
N36
PCIE_RX7P
P35
PCIE_RX8N
M37
N38 PCIE_RX8P
L36 PCIE_RX9N
PCIE_RX9P
M35
PCIE_RX14P
G38
E37 PCIE_RX15N
PCIE_RX15P
F35
W36 PCIE_RX1N
PCIE_RX1P
Y35
PCIE_RX2N
V37
PCIE_RX2P
W38
U36 PCIE_RX3N
V35 PCIE_RX3P
PCIE_RX4N
T37
U38 PCIE_RX4P
Y37 PCIE_RX0N
AA38 PCIE_RX0P
PCIE_RX10N
K37
PCIE_RX10P
L38
PCIE_RX11N
J36
PCIE_RX11P
K35
PCIE_RX12N
H37
PCIE_RX12P
J38
PCIE_RX13N
G36
PCIE_RX13P
H35
PCIE_RX14N
F37
AM23 JTAG_TRSTB
NC_1
AJ21
AK21 NC_2
NC_DDCCLK_AUX7P AK30
AK29
NC_DDCDATA_AUX7N
NC_PWRGOOD
AH16 PCIE_CALRN Y29
Y30
PCIE_CALRP
AA36 PCIE_REFCLKN
PCIE_REFCLKP
AB35
AJ17 GPIO_6
GPIO_7_BLON
AK17
GPIO_8_ROMSO
AJ13
GPIO_9_ROMSI
AH15
H2SYNC AD29
HPD1
AK24
HSYNC AC36
JTAG_TCK
AK23 JTAG_TDI
AN23
JTAG_TDO
AM24
AL24 JTAG_TMS
AG30
AN14 GPIO_18_HPD3
GPIO_19_CTF
AM17
GPIO_2
AN16
AL13 GPIO_20_PWRCNTL_1
AJ14 GPIO_21_BB_EN
AK13 GPIO_22_ROMCSB
GPIO_23_CLKREQB
AN13
GPIO_3_SMBDATA
AH23
GPIO_4_SMBCLK
AJ23
AH17 GPIO_5_AC_BATT
AH26
GENERICG
AH24
AH20 GPIO_0
AH18 GPIO_1
GPIO_10_ROMSCK
AJ16
GPIO_11
AK16
AL16 GPIO_12
GPIO_13
AM16
AM14 GPIO_14_HPD2
GPIO_15_PWRCNTL_0
AM13
GPIO_16_SSIN
AK14
GPIO_17_THERMAL_INT
AT7 DVPDATA_9
GAE36
AD35
G#
G2 AD30
G2# AD31
AJ19 GENERICA
GENERICB
AK19
GENERICC
AJ20
AK20 GENERICD
GENERICE_HPD4
AJ24
GENERICF
AW3
AR12 DVPDATA_20
DVPDATA_21
AW12
DVPDATA_22
AU12
DVPDATA_23
AP12
DVPDATA_3
AP6
AW5 DVPDATA_4
DVPDATA_5
AU5
DVPDATA_6
AR6
AW6 DVPDATA_7
DVPDATA_8
AU6
AU3
DVPDATA_10
AV7
DVPDATA_11
AN7
DVPDATA_12
AV9
DVPDATA_13
AT9
DVPDATA_14
AR10
DVPDATA_15
AW10
AU10 DVPDATA_16
DVPDATA_17
AP10
AV11 DVPDATA_18
DVPDATA_19
AT11
DVPDATA_2
DPLL_PVSS
AN32
DPLL_VDDC
AN31
AF29 DPLUS
DVPCLK
AR1
AP8 DVPCNTL_0
DVPCNTL_1
AW8
DVPCNTL_2
AR3
DVPCNTL_MVP_0
AR8
DVPCNTL_MVP_1
AU8
AU1 DVPDATA_0
DVPDATA_1
AJ30
DDC6DATA AJ31
DDCCLK_AUX3P AL30
AL29
DDCCLK_AUX4P
DDCCLK_AUX5P AN21
DDCDATA_AUX3N AM30
AM29
DDCDATA_AUX4N
DDCDATA_AUX5N AM21
DIGON AJ27
DMINUS
AG29
DPLL_PVDD
AM32
BAF37
B# AE38
B2 AF30
B2# AF31
CAC32
COMP AF32
DDC1CLK AM26
AN26
DDC1DATA
DDC2CLK AM19
DDC2DATA AL19
DDC6CLK
A2VDD AG33
AD33
A2VDDQ
A2VSSQ AF33
AUX1N AL27
AUX1P AM27
AUX2N AM20
AN20
AUX2P
AVDD AD34
AE34
AVSSQ
0
6
U510-1
M96-M
0904-002460
C349 16V
100nF
15
RHU002N06
Q18 D3
1
G
2
S
R142 10K 1%
B18
BLM18PG181SN1
5
12
14
15
4
11
14
4
10
C269 16V
8
100nF
1
8
P1.1V
P1.8V_AVDD
C148 100nF 10V
100nFC322 16V
8
7
13
2
10
1%
P1.8V_VDDDI
P1.8V
150
R149
C342 16V
100nF
3
C336 16V
100nF
5
16V
100nFC306
1000nF
C577
6.3V
P1.8V_AVDD
7
C268 16V
100nF
C262 16V
100nF
2
C359 16V
100nF
11
0
C308 16V
100nF
100nF
C157
10V
10V
BLM18PG181SN1
B19
C146 100nF
2
7 7
1%2K
R165
BLM18PG181SN1
P3.3V_GFX
1%
R593 100
100nFC345
P1.8V
B524
16V
R585 10K
50V
nostuff
1%
0.012nF
C229
50V
C210
0.012nF
1
15
11
R118
249
1%
499
R163
6.3V
P1.8V_VDDDI
1%
1%
C3873
10000nF-X5R
100nF
C596
10V
150
R156
1
C332 16V
100nF
100nF
C128
B510
BLM18PG181SN1
10V
50V
C209
0.012nF
6.3V
C574
10000nF
100nF
C141
9
10V
C318 16V
nostuff
10K
R587 1%
6.3V
P1.8V
100nF
C251 16V
100nF
C3875
1000nF-X5R
10V
3
P1.8V
C579
100nF
C337 16V
100nF
100nFC314
1
1%1.24K
R160
16V
10000nF-X5R
C600
6.3V C174 100nF 10V
nostuff
1%
R586 10K
16V
100nFC301
PEG1_RXN11_C_MN
GFX3_DVPDATA_23_MN
GFX3_DVPDATA_22_MN
GFX3_DVPDATA_21_MN
GFX3_DVPDATA_20_MN
CLK3_GFX_27M_SS
PEG3_TX0N_HDMI
PEG3_TX0P_HDMI_C_MN
PEG3_TX0P_HDMI
PEG3_TX1N_HDMI_C_MN
PEG3_TX1N_HDMI
PEG3_TX1P_HDMI_C_MN
PEG3_TX1P_HDMI
PEG3_TX2N_HDMI_C_MN
PEG3_TX2N_HDMI
PEG3_TX2P_HDMI_C_MN
PEG3_TX2P_HDMI
PEG3_TXCN_HDMI_C_MN
PEG3_TXCN_HDMI
PEG3_TXCP_HDMI_C_MN
PEG3_TXCP_HDMI
PEG1_RXP0_C_MN
PEG3_HDMI_CLK
PEG3_HDMI_DATA
GFX3_GENRICC_MN
GFX3_H2SYNC_MN
ADT3_SEL#
PEG3_TX0N_HDMI_C_MN
PEG1_TXN(15:0)
PEG1_RXN5_C_MN
PEG1_RXN6_C_MN
PEG1_RXN7_C_MN
PEG1_RXN8_C_MN
PEG1_RXN9_C_MN
PEG1_RXN10_C_MN
PEG1_RXN12_C_MN
PEG1_RXN13_C_MN
PEG1_RXN14_C_MN
PEG1_RXN15_C_MN
PEG1_TXP(15:0)
PEG1_RXP5_C_MN
PEG1_RXP6_C_MN
PEG1_RXP7_C_MN
PEG1_RXP8_C_MN
PEG1_RXP9_C_MN
PEG1_RXP10_C_MN
PEG1_RXP11_C_MN
PEG1_RXP12_C_MN
PEG1_RXP13_C_MN
PEG1_RXP14_C_MN
PEG1_RXP15_C_MN
PEG1_RXN0_C_MN
PEG1_RXN1_C_MN
PEG1_RXN2_C_MN
PEG1_RXN3_C_MN
PEG1_RXN4_C_MN
PEG1_RXN(15:0)
PEG1_RXP1_C_MN
PEG1_RXP2_C_MN
PEG1_RXP3_C_MN
PEG1_RXP4_C_MN
GFX3_P1.8V_TSVDD_MN
GFX3_VREFG_MN
GFX3_XTALOUT_MN
CLK1_PEG#
CLK1_PEG
PLT3_RST#
LCD1_BCLK#
LCD1_BCLK
LCD1_BDATA2#
LCD1_BDATA2
LCD1_BDATA1#
LCD1_BDATA1
LCD1_BDATA0#
LCD1_BDATA0
CLK3_GFX_27M_MN
CLK3_GFX_27M
GFX3_P1.1V_DPLL_VDDC_MN
PEG1_RXP(15:0)
GFX3_GPIO11
GFX3_GPIO12
GFX3_GPIO13
GFX3_GPIO14_MN
GFX3_VOLTID0
GFX3_GPIO18_MN
GFX3_GPIO19_MN
GFX3_GPIO2
GFX3_VOLTID1
GFX3_BBEN
GFX3_GPIO22_MN
GFX3_GPIO23_MN
ADT3_SEL#_F_MN
GFX3_VOLTID2
MCH3_BKLTEN
GFX3_GPIO8_MN
GFX3_GPIO9_MN
PEG3_HPD_HDMI
GFX3_JTAG_TCK_MN
GFX3_JTAG_TDI_MN
GFX3_JTAG_TDO_MN
GFX3_JTAG_TMS_MN
GFX3_JTAG_TRSTB_MN
GFX3_NC_PWRGOOD_MN
GFX3_DAC2_R2SET_MN
GFX3_DAC1_REST_MN
GFX3_SCL_MN
GFX3_SDA_MN
CRT3_HSYNC
GFX3_V2SYNC_MN
CRT3_VSYNC
GFX3_PCIE_CALRP_MN
GFX3_PCIE_CALRN_MN
MCH3_LCDVDDON
LCD3_BRIT
LCD1_ACLK#
LCD1_ACLK
LCD1_ADATA2#
LCD1_ADATA2
LCD1_ADATA1#
LCD1_ADATA1
LCD1_ADATA0#
LCD1_ADATA0
CRT3_RED
CRT3_GREEN
CRT3_BLUE
CRT3_DDCCLK
CRT3_DDCDATA
LCD3_EDID_CLK
LCD3_EDID_DATA
GFX3_THERMDN
GFX3_P1.8V_DPLL_PVDD_MN
GFX3_THERMDP
GFX3_GENERICB_MN
GFX3_GPIO0
GFX3_GPIO1
GFX3_GPIO10_MN

Samsung
Confidential
Samsung
Confidential
5 / 5
MEMORY INTERFACE A
MEMORY INTERFACE B
SAMSUNG ELECTRONICS CO’S PROPERTY.
DO NOT DISCLOSE TO OR DUPLICATE FOR OTHERS
EXCEPT AS AUTHORIZED BY SAMSUNG.
DESIGN
CHECK
APPROVAL
MODULE CODE
DATE
DEV. STEP
REV
LAST EDIT
MP
12/05/2008
BL Lee
MK Kim
MS Yang
TITLE
PART NO.
PAGE OF
SAMSUNG
ELECTRONICS
3
A A
B B
C C
D D
4
4
3 2
2
1
1
SAMSUNG PROPRIETARY
THIS DOCUMENT CONTAINS CONFIDENTIAL
PROPRIETARY INFORMATION THAT IS
62
8
22
D:/Users/mobile39/mentor/BONN-E/BONN-E_mp10
M9x (2/5)
EXT_GFX
BONN-E
6727
BA41-01060A
April 11, 2009 10:05:58 AM
REV 1.0
4
0
7
4
38
1
7
3
3
17
0
2
32
1%
1
22
5
2
100
R169
1
5
33
18
35
5
12
13
14
100nF
C309
10V
21
10V
C352
100nF
16
46
8
6
0
11
7
20
11
44
10
2
5
9
10
9
2
3
1
0
28
34
54
3
5
P1.5V
3
4
15
24
6
26
17
10
25
9
27
16
1
2
2
4
0
R146 4.7K
66
4.7K
R147
4
61
6
4
WDQSB_1 P1
WDQSB_2 W4
WDQSB_3 AC4
WDQSB_4
WDQSB_5 AH3
AJ8
WDQSB_6 AM3
WDQSB_7
K26
WEA0# L15
WEA1#
N10
WEB0# AB11
WEB1#
AD28 TESTEN
A34
WDQSA_0 E30
WDQSA_1
WDQSA_2 E26
C20
WDQSA_3 C16
WDQSA_4 C12
WDQSA_5 J11
WDQSA_6 F8
WDQSA_7
G7
WDQSB_0 K1
RDQSB_4 AH1
RDQSB_5 AJ9
RDQSB_6 AM5
RDQSB_7
AF28
RSVD_1
W8
RSVD_11
AG28
RSVD_2 AL31
RSVD_3
H23
RSVD_5 J19
RSVD_6
T8
RSVD_9
RDQSA_1 D25
RDQSA_2 E20
RDQSA_3 E16
RDQSA_4 E12
RDQSA_5 J10
RDQSA_6 D7
RDQSA_7
F6
RDQSB_0 K3
RDQSB_1 P3
RDQSB_2 V5
RDQSB_3 AB5
AH12 NC_MEM_CALRP2
J21
ODTA0 G19
ODTA1
T7
ODTB0 W7
ODTB1
K23
RASA0# K19
RASA1#
T10
RASB0#
RASB1# Y10
C34
RDQSA_0 D29
MAB_BA1
AA8
MAB_BA2
M12 MEM_CALRP1
L18 MVREFDA Y12 MVREFDB
L20 MVREFSA AA12 MVREFSB
L27 NC_MEM_CALRN0
N12 NC_MEM_CALRN1
AG12 NC_MEM_CALRN2
M27 NC_MEM_CALRP0
MAB_11 AA7
MAB_12
P9
MAB_2 N7
MAB_3
MAB_4 N8
N9
MAB_5 U9
MAB_6 U8
MAB_7 Y9
MAB_8 W9
MAB_9
Y8
MAB_BA0 AA9
H21
MAA_6 G21
MAA_7 H19
MAA_8
MAA_9 H20
J17
MAA_BA0 H17
MAA_BA1
H16
MAA_BA2
P8
MAB_0 T9
MAB_1
AC8
MAB_10 AC9
DQMB_7
AH11
DRAM_RST
G24
MAA_0 J23
MAA_1
L13
MAA_10 G16
MAA_11 J16
MAA_12
H24
MAA_2 J24
MAA_3 H26
MAA_4 J26
MAA_5
DQMA_4 A14
DQMA_5 E10
DQMA_6 D9
DQMA_7
DQMB_0 H3
H1
DQMB_1 T3
DQMB_2 T5
DQMB_3 AE4
DQMB_4 AF5
DQMB_5 AK6
DQMB_6 AK5
AP3 DQB_61
AP1 DQB_62
AP5 DQB_63
DQB_7
G4
H5 DQB_8
H6 DQB_9
A32
DQMA_0 C32
DQMA_1 D23
DQMA_2 E22
DQMA_3 C14
DQB_51
AK9 DQB_52
AL7 DQB_53
AM8 DQB_54
AM7 DQB_55
AK1 DQB_56
AL4 DQB_57
AM6 DQB_58
AM1 DQB_59
F5 DQB_6
AN4 DQB_60
DQB_41
AF6 DQB_42
AG4 DQB_43
AH5 DQB_44
DQB_45
AH6
AJ4 DQB_46
AK3 DQB_47
AF8 DQB_48
AF9 DQB_49
F3 DQB_5
AG8 DQB_50
AG7
AA4 DQB_32
AB6 DQB_33
AB1 DQB_34
DQB_35
AB3
AD6 DQB_36
AD1 DQB_37
AD3 DQB_38
AD5 DQB_39
F1 DQB_4
AF1 DQB_40
AF3
DQB_22
T1 DQB_23
U4 DQB_24
V6 DQB_25
V1 DQB_26
V3 DQB_27
Y6 DQB_28
Y1 DQB_29
E1 DQB_3
Y3 DQB_30
Y5 DQB_31
DQB_12
L4 DQB_13
M6 DQB_14
M1 DQB_15
DQB_16
M3
M5 DQB_17
N4 DQB_18
P6 DQB_19
E3 DQB_2
P5 DQB_20
R4 DQB_21
T6
C6 DQA_61
E6 DQA_62
A5 DQA_63
DQA_7
E32
D31 DQA_8
F30 DQA_9
C5 DQB_0
C3 DQB_1
J4 DQB_10
K6 DQB_11
K5
DQA_51
G10 DQA_52
G8 DQA_53
K9 DQA_54
K10 DQA_55
G9 DQA_56
A8 DQA_57
C8 DQA_58
E8 DQA_59
F32 DQA_6
A6 DQA_60
DQA_41
F12 DQA_42
A12 DQA_43
D11 DQA_44
DQA_45
F10
A10 DQA_46
C10 DQA_47
G13 DQA_48
H13 DQA_49
D33 DQA_5
J13 DQA_50
H11
C18 DQA_32
A18 DQA_33
F18 DQA_34
DQA_35
D17
A16 DQA_36
F16 DQA_37
D15 DQA_38
E14 DQA_39
G32 DQA_4
F14 DQA_40
D13
DQA_22
E24 DQA_23
C22 DQA_24
A22 DQA_25
F22 DQA_26
D21 DQA_27
A20 DQA_28
F20 DQA_29
E34 DQA_3
D19 DQA_30
E18 DQA_31
DQA_12
C28 DQA_13
A28 DQA_14
E28 DQA_15
DQA_16
D27
F26 DQA_17
C26 DQA_18
A26 DQA_19
A35 DQA_2
F24 DQA_20
C24 DQA_21
A24
M13
CSA1_0# K16
CSA1_1#
P10
CSB0_0#
CSB0_1# L10
AD10
CSB1_0# AC10
CSB1_1#
C37 DQA_0
C35 DQA_1
C30 DQA_10
A30 DQA_11
F28
CLKA0#
J14
CLKA1 H14
CLKA1#
L9
CLKB0 L8
CLKB0#
AD8
CLKB1 AD7
CLKB1#
AK10 CLKTESTA
AL10 CLKTESTB
K24
CSA0_0# K27
CSA0_1#
K20
CASA0# K17
CASA1# CASB0# W10
AA10
CASB1#
K21
CKEA0 J20
CKEA1
U10
CKEB0 AA11
CKEB1
H27
CLKA0 G27
53
57
U510-5
M96-M
0904-002460
1%
R198
100
7
51
nostuff
4.7K
R143
1%
R202
100
47
43
58
2
45
8
37
29
0
43
54
50
0
52
1
25
40
53
42
55
R138
4.7K
36
7
32
26
5
3
10
12
724
P1.5V
37
58
59
0
5
2
7
6.3V
63
4
45
61
C188
1000nF-X5R
39
49
60
46
60
48
20
40
1
31
3
7
44
18
7
28
49
30
11
27
56
19
4
50
2
41
4
31
P1.5V
33
0
35
6
1%
2
6
36
38
100
R166
1%
6
23
2
48
2
1
4
1K
R152
41
240
R184
57
13
56
59
5
0
34
52
0
3
15
30
6
47
10V
C233
100nF
51
6
55
19
23
39
29
5
7
1
3
0
21
8
9
1
11
12
42
14
5
1
12
62
3
100nF
C254
10V
GFX3_MVREFDA_MN GFX3_MVREFDB_MN
63
1
GFX3_MEM_CALRP1_MN
PEG1_MAA(12:0)
PEG1_BAA(2:0)
PEG1_DRAMRST#
GFX3_CLKTESTB_MN
PEG1_CSA10#
PEG1_RASA0#
PEG1_RASA1#
PEG1_WEA0#
PEG1_WEA1#
PEG1_DQMA(7:0)
PEG1_RDQSA(7:0)
PEG1_WDQSA(7:0)
PEG1_CASA0#
PEG1_CASA1#
PEG1_MCKEA0
PEG1_MCKEA1
PEG1_MCLKA0
PEG1_MCLKA0#
PEG1_MCLKA1
PEG1_MCLKA1#
PEG1_CSA00#
PEG1_DQA(63:0)
PEG1_DQMC(7:0)
PEG1_RDQSC(7:0)
PEG1_WDQSC(7:0)
PEG1_ODTA0
PEG1_ODTA1 PEG1_ODTC0
PEG1_ODTC1
PEG1_MAC(12:0)
PEG1_BAC(2:0)
PEG1_WEC1#
PEG1_DQC(63:0)
PEG1_CASC0#
PEG1_CASC1#
PEG1_MCKEC0
PEG1_MCKEC1
PEG1_MCLKC0
PEG1_MCLKC0#
PEG1_MCLKC1
PEG1_MCLKC1#
GFX3_CLKTESTA_MN
PEG1_CSC00#
PEG1_CSC10#
PEG1_RASC0#
PEG1_RASC1#
GFX3_TESTEN_MN
PEG1_WEC0#

Samsung
Confidential
Samsung
Confidential
4 / 5
DP C/D POWER DP A/B POWER
DP E/F POWER DP PLL POWER
LAST EDIT
TITLE
PART NO.
PAGE OF
SAMSUNG
ELECTRONICS
P3.3V_GFX CONTROL CIRCUIT
D D
4
4
3
3
2
2
1
1
SAMSUNG PROPRIETARY
THIS DOCUMENT CONTAINS CONFIDENTIAL
PROPRIETARY INFORMATION THAT IS
SAMSUNG ELECTRONICS CO’S PROPERTY.
MS Yang
MK Kim
BL Lee
12/05/2008
MP
REV 1.0
April 11, 2009 10:05:58 AM
BA41-01060A
28 67
BONN-E
EXT_GFX
M9x (3/5)
D:/Users/mobile39/mentor/BONN-E/BONN-E_mp10
DO NOT DISCLOSE TO OR DUPLICATE FOR OTHERS
EXCEPT AS AUTHORIZED BY SAMSUNG.
A A
B B
C C
DESIGN
CHECK
APPROVAL
MODULE CODE
DATE
DEV. STEP
REV
nostuff
6.3V
C113
1000nF-X5R
6.3V
C118
10000nF
D
G
1
S2
SI2315BDS-T1
Q25
D3
1
G
2
S
P1.1V
Q24
RHU002N06
3
R588 150
1%
C169
100nF
10V nostuff
100nF
C213
10V
6.3V
C153
1000nF-X5R
6.3V
C139
1000nF
6.3V
C578
1000nF
nostuff
BLM18PG181SN1
B7
P3.3V_GFX
P1.1V_DPE
10000nF-X5R
C149
6.3V
10000nF
C132
10V
100nF
C168
6.3V
C126
6.3V
nostuff
10V
C620
220nF
1000nF-X5R
100nF
C576
100nF
C611
10V
nostuff
10V
10000nF-X5R
C120
nostuff
6.3V
C127
1000nF-X5R
6.3V
C162
1000nF
6.3V
10000nF
6.3V
C211
C122
10V
100nF
C592
100nF
C134
100nF
10V
6.3V
C145
10000nF-X5R
nostuff
10V
1%
R139 150
NC_DPF_PVSS AM35
B20
BLM18PG181SN1
AL34
DPF_VSSR_5
AM34
NC_DPA_VDD18_1 AN24
NC_DPA_VDD18_2 AP24
NC_DPB_VDD18_1 AP25
NC_DPB_VDD18_2 AP26
NC_DPC_VDD18_1
AP20
NC_DPC_VDD18_2
AP21
NC_DPD_VDD18_1
AP22
NC_DPD_VDD18_2
AP23
NC_DPF_PVDD AL38
AP39
DPE_VSSR_3
AR39
DPE_VSSR_4
AU37
DPE_VSSR_5
AW35
DPF_VDD10_1
AK33
DPF_VDD10_2
AK34
DPF_VDD18_1
AF34
DPF_VDD18_2
AG34
DPF_VSSR_1
AF39
DPF_VSSR_2
AH39
DPF_VSSR_3
AK39
DPF_VSSR_4
DPD_VSSR_4
AW20
DPD_VSSR_5
AW22
DPEF_CALR
AM39
DPE_PVDD AM37
DPE_PVSS AN38
DPE_VDD10_1
AL33
DPE_VDD10_2
AM33
DPE_VDD18_1
AH34
DPE_VDD18_2
AJ34
DPE_VSSR_1
AN34
DPE_VSSR_2
AP16
DPC_VSSR_3
AP17
DPC_VSSR_4
AW14
DPC_VSSR_5
AW16
DPD_PVDD AV19
DPD_PVSS AR18
DPD_VDD10_1
AP14
DPD_VDD10_2
AP15
DPD_VSSR_1
AN19
DPD_VSSR_2
AP18
DPD_VSSR_3
AP19
AN29
DPB_VSSR_2 AP29
DPB_VSSR_3 AP30
DPB_VSSR_4 AW30
DPB_VSSR_5 AW32
DPCD_CALR
AW18
DPC_PVDD AU18
DPC_PVSS AV17
DPC_VDD10_1
AP13
DPC_VDD10_2
AT13
DPC_VSSR_1
AN17
DPC_VSSR_2
DPA_VDD10_2 AP32
DPA_VSSR_1 AN27
DPA_VSSR_2 AP27
DPA_VSSR_3 AP28
DPA_VSSR_4 AW24
DPA_VSSR_5 AW26
DPB_PVDD AV29
DPB_PVSS AR28
DPB_VDD10_1 AN33
DPB_VDD10_2 AP33
DPB_VSSR_1
0904-002460
M96-M
U510-4
DPAB_CALR AW28
DPA_PVDD AU28
DPA_PVSS AV27
DPA_VDD10_1 AP31
R918 10K
6.3V
10000nF
C591
R919
10K
10K
R628
nostuff
1000nF-X5R
C152
6.3V
nostuff
P1.1V_DPE
INSTPAR
SHORT551
10V
100nF
C182
P3.3V_AUX
10V
P1.1V
P1.8V
P1.1V
P1.8V
C156
100nF
SHORT553 INSTPAR
P1.1V
SHORT552 INSTPAR
nostuff
P1.8V_DPE
C3910
1000nF-X5R
6.3V
C155
6.3V nostuff
10000nF-X5R
C116
6.3V
6.3V
C110
10000nF-X5R
nostuff
1000nF-X5R
BLM18PG181SN1
B6
P1.8V_DPE
6.3V
C593
1000nF
1000nF-X5R
6.3V
C200
P1.8V
10000nF-X5R
6.3V
nostuff
C125
1000nF-X5R
C212
6.3V
P1.1V
R150
10K
6.3V
10000nF
C163
1%
150
R591
BLM18PG181SN1
B509
P1.8V
C144
100nF
10V
10V
100nF
C123
BLM18PG181SN1
B13
GFX3_DPCD_CALR_MN
GFX3_DPEF_CALR_MN
GFX3_P1.1V_DPA_VDD10_MN
GFX3_P1.8V_DPA_PVDD_MN
GFX3_P1.8V_DPE_PVDD_MN
GFX3_DPAB_CALR_MN
P3.3VGFX_QR_MN
P1.1V_PWRGD
GFX3_P1.1V_DPC_VDD10_MN
GFX3_P1.1V_DPD_VDD10_MN GFX3_P1.1V_DPB_VDD10_MN

Samsung
Confidential
Samsung
Confidential
3 / 5
MEM I/O PCIE
CORE
LEVEL
TRANSLATION
I/O
MEM CLK
PLL
BACK BIAS
ISOLATED
CORE I/O
POWER
SAMSUNG PROPRIETARY
DESIGN
PROPRIETARY INFORMATION THAT IS
SAMSUNG ELECTRONICS CO’S PROPERTY.
DO NOT DISCLOSE TO OR DUPLICATE FOR OTHERS
EXCEPT AS AUTHORIZED BY SAMSUNG.
CHECK
APPROVAL
MODULE CODE
DATE
DEV. STEP
REV
LAST EDIT
TITLE
PART NO.
PAGE OF
SAMSUNG
ELECTRONICS
Back Bias Voltage
A A
D
B B
C C
3
D
4
4
1
3
2
2
THIS DOCUMENT CONTAINS CONFIDENTIAL
1
P1.8V
MS Yang
MK Kim
BL Lee
12/05/2008
MP
REV 1.0
April 11, 2009 10:05:58 AM
BA41-01060A
29 67
BONN-E
EXT_GFX
M9x (4/5)
D:/Users/mobile39/mentor/BONN-E/BONN-E_mp10
nostuff
1000nF
C223
6.3V
6.3V
C357
10000nF
100nF
C164
10V
C340
100nF
1000nF
C281
6.3V
10V
10000nF
C161
6.3V
6.3V
C272
1000nF
C296
10V
6.3V
C282
1000nF
100nF
6.3V
C299
1000nF
nostuff
1000nF
C303
6.3V
B11
BLM18PG181SN1
10V
1000nF
C203
6.3V
C173
100nF
BLM18PG181SN1
B10
6.3V
C356
10000nF
10000nF
C175
6.3V
6.3V
C159
1000nF
1000nF
C227
6.3V
C307
100nF
P1.5V
6.3V
C189
1000nF
M96
10V
6.3V
C172
1000nF-X5R
0
R920
100nF
C239
10V
P1.8V
B21
BLM18PG181SN1
EGFX_CORE
BLM18PG181SN1
B15
100nF
C327
10V
6.3V
C302
1000nF
P3.3V_GFX
BLM18PG181SN1
B24
100nF
C295
10V
6.3V
C154
10000nF
1000nF
C238
6.3V
6.3V
C344
6.3V
C348
1000nF
10000nF
1000nF
C313
6.3V
P1.5V
U12
1000nF
C195
6.3V
nostuff
VDDR5_2
AF15
VDDR5_3
AG13
VDDR5_4
AG15
VDDRHA
M20
VDDRHB
V12
VDD_CT_1
AF26
VDD_CT_2
AF27
VDD_CT_3
AG26
VDD_CT_4
AG27
VSSRHA
M21
VSSRHB
H10
VDDR1_9
J7
VDDR3_1
AF23
VDDR3_2
AF24
VDDR3_3
AG23
VDDR3_4
AG24
VDDR4_1
AD12
VDDR4_2
AF11
VDDR4_3
AF12
VDDR4_4
AG11
VDDR5_1
AF13
AD11
VDDR1_3
G17
VDDR1_30
AF7
VDDR1_31
AG10
VDDR1_32
AJ7
VDDR1_33
AK8
VDDR1_34
AL9
VDDR1_4
G20
VDDR1_5
G23
VDDR1_6
G26
VDDR1_7
G29
VDDR1_8
VDDR1_2
G14
VDDR1_20
M11
VDDR1_21
N11
VDDR1_22
P7
VDDR1_23
R11
VDDR1_24
U7
VDDR1_25
U11
VDDR1_26
Y7
VDDR1_27
Y11
VDDR1_28
AC7
VDDR1_29
G11
VDDR1_10
J9
VDDR1_11
K8
VDDR1_12
K11
VDDR1_13
K13
VDDR1_14
L7
VDDR1_15
L12
VDDR1_16
L16
VDDR1_17
L21
VDDR1_18
L23
VDDR1_19
L26
AF20
VDDC_68 AF22
VDDC_69 AG16
VDDC_7 N20
VDDC_70 AG18
VDDC_71 AG21
VDDC_72 AH22
VDDC_73 AH27
VDDC_74 AH28
VDDC_8 N22
VDDC_9 N24
VDDR1_1
VDDC_58 AC24
VDDC_59 AC27
VDDC_6 N17
VDDC_60 AD13
VDDC_61 AD16
VDDC_62 AD18
VDDC_63 AD21
VDDC_64 AD23
VDDC_65 AD26
VDDC_66 AF17
VDDC_67
AB18
VDDC_49 AB21
VDDC_5 N15
VDDC_50 AB23
VDDC_51 AB26
VDDC_52 AB28
VDDC_53 AC12
VDDC_54 AC15
VDDC_55 AC17
VDDC_56 AC20
VDDC_57 AC22
Y26
VDDC_39 Y28
VDDC_4 M26
VDDC_40 AA15
VDDC_41 AA17
VDDC_42 AA20
VDDC_43 AA22
VDDC_44 AA24
VDDC_45 AA27
VDDC_46 AB13
VDDC_47 AB16
VDDC_48
VDDC_29 V17
VDDC_3 M23
VDDC_30 V20
VDDC_31 V22
VDDC_32 V24
VDDC_33 V27
VDDC_34 Y16
VDDC_35 Y18
VDDC_36 Y21
VDDC_37 Y23
VDDC_38
T20
VDDC_2 M18
VDDC_20 T22
VDDC_21 T24
VDDC_22 T27
VDDC_23 U16
VDDC_24 U18
VDDC_25 U21
VDDC_26 U23
VDDC_27 U26
VDDC_28 V15
T12
VDDC_1 M16
VDDC_10 N27
VDDC_11 R13
VDDC_12 R16
VDDC_13 R18
VDDC_14 R21
VDDC_15 R23
VDDC_16 R26
VDDC_17 T15
VDDC_18 T17
VDDC_19
PCIE_VDDR_4 Y31
PCIE_VDDR_5 AA31
PCIE_VDDR_6 AA32
PCIE_VDDR_7 AA33
PCIE_VDDR_8 AA34
SPV10
AN9
SPVSS
AN10
VDDCI_1 M15
VDDCI_2 N13
VDDCI_3 R12
VDDCI_4
G31
PCIE_VDDC_3 H29
PCIE_VDDC_4 H30
PCIE_VDDC_5 J29
PCIE_VDDC_6 J30
PCIE_VDDC_7 L28
PCIE_VDDC_8 M28
PCIE_VDDC_9 N28
PCIE_VDDR_1 V28
PCIE_VDDR_2 W29
PCIE_VDDR_3 W30
BBP_1
AA13
BBP_2
Y13
NC_MPV18_1
H7
NC_MPV18_2
H8
NC_SPV18
AM10
PCIE_PVDD
AB37
PCIE_VDDC_1 G30
PCIE_VDDC_10 R28
PCIE_VDDC_11 T28
PCIE_VDDC_12 U28
PCIE_VDDC_2
0904-002460
M96-M U510-3
1000nF
6.3V
6.3V
C341
1000nF
B511
BLM18PG181SN1
C237
1000nF
C240
6.3V
nostuff
P1.8V
1000nF
C343
6.3V
10V
100nF
C160
EGFX_CORE
6.3V
C325
10000nF
100nF
C184
1000nF
C608
6.3V
10000nF
C289
6.3V
10V
6.3V
C316
1000nF
nostuff
1000nF
C224
6.3V
1000nF
C202
1000nF
C194
6.3V
nostuff
6.3V
1000nF-X5R
C165
6.3V
1000nF
C260
6.3V
1000nF
C138
6.3V
1000nF
C217
6.3V
EGFX_BBP
C274
100nF
BLM18PG181SN1
B26
M96
10V
100nF
6.3V
C275
1000nF
C265
10V
100nF
C245
nostuff
0
R130
10V
100nF
C280
10V
nostuff
100nF
C284
10V
6.3V
C609
10000nF
nostuff
6.3V
C305
1000nF
10V
C236
100nF
6.3V
C258
1000nF
1000nF
R1608-SHORT
SHORT571
C255
6.3V
1000nF
6.3V
C228
6.3V
C187
1000nF
10000nF
C185
6.3V
nostuff
10000nF
C355
6.3V
nostuff
6.3V
C311
1000nF
P1.1V
1000nF
C329
6.3V
1000nF
C201
6.3V
P1.8V
B23
BLM18PG181SN1
6.3V
C264
1000nF
C206
6.3V
1000nF
nostuff
1000nF
C273
6.3V
6.3V
C283
1000nF
1000nF
C288
6.3V
nostuff
1000nF
6.3V
C235
6.3V
C186
1000nF
6.3V
C298
1000nF
6.3V
C249
1000nF
10000nF
C267
6.3V
10000nF-X5R
C151
6.3V
1000nF
C293
6.3V
1000nF
C218
6.3V
6.3V
C215
1000nF
1000nF
C324
6.3V
1000nF
C232
6.3V
6.3V
C150
10000nF-X5R
10V
C270
100nF
nostuff
100nF
C607
100nF
10V
C271
10V
100nF
C231
10V
EGFX_CORE
C140
100nF
10V
6.3V
C193
10000nF10000nF
C222
6.3V
M96
1000nF
C261
6.3V
1000nF
C326
6.3V
10V
C220
100nF
10V
C328
100nF
1000nF
C207
6.3V
nostuff
6.3V
C219
1000nF
6.3V
C257
1000nF
nostuff
BLM18PG181SN1
B9
10000nF
C230
6.3V
nostuff 6.3V
C234
1000nF
1000nF
C244
6.3V
10V
C199
100nF
6.3V
C297
1000nF
100nF
C312
10V
6.3V
C208
10000nF
6.3V
C259
1000nF
nostuff
6.3V
C250
10000nF
nostuff
6.3V
C256
1000nF
C247
1000nF
6.3V
6.3V
C310
1000nF
GFX3_GCORE_EBP_MN
GFX3_P1.8V_PCIE_PVDD_MN
GFX3_P1.8V_PCIE_VDDR_MN
GFX3_GCORE_SPV10_MN
GFX3_GCORE_VDDCI_MN
GFX3_P1.8V_VDDR4_MN
GFX3_P1.8V_VDDR5_MN
GFX3_P1.8V_VDDRHA_MN
GFX3_P1.8V_VDDRHB_MN
GFX3_P1.8V_VDD_CT_MN

Samsung
Confidential
Samsung
Confidential
2 / 5
GND
GND
C
D D
4
4
3
3
2
2
1
1
SAMSUNG PROPRIETARY
THIS DOCUMENT CONTAINS CONFIDENTIAL
PROPRIETARY INFORMATION THAT IS
SAMSUNG ELECTRONICS CO’S PROPERTY.
DO NOT DISCLOSE TO OR DUPLICATE FOR OTHERS
EXCEPT AS AUTHORIZED BY SAMSUNG.
DRAW
CHECK
APPROVAL
MODULE CODE
DATE
DEV. STEP
REV
LAST EDIT
TITLE
PART NO.
PAGE OF
SAMSUNG
ELECTRONICS
MS Yang
MK Kim
BL Lee
12/05/2008
MP
REV 1.0
April 11, 2009 10:05:58 AM
BA41-01060A
30 67
BONN-E
EXT_GFX
M9x (5/5)
D:/Users/mobile39/mentor/BONN-E/BONN-E_mp10
A A
B B
C
PCIE_VSS_4
G33
PCIE_VSS_5
G34
PCIE_VSS_6
H31
PCIE_VSS_7
H34
PCIE_VSS_8
H39
PCIE_VSS_9
J31
VSS_MECH_1 A39
VSS_MECH_2 AW1
VSS_MECH_3 AW39
T39
PCIE_VSS_27
U31
PCIE_VSS_28
U34
PCIE_VSS_29
V34
PCIE_VSS_3
F39
PCIE_VSS_30
V39
PCIE_VSS_31
W31
PCIE_VSS_32
W34
PCIE_VSS_33
Y34
PCIE_VSS_34
Y39
PCIE_VSS_35
AB39
M34
PCIE_VSS_17
M39
PCIE_VSS_18
N31
PCIE_VSS_19
N34
PCIE_VSS_2
F34
PCIE_VSS_20
P31
PCIE_VSS_21
P34
PCIE_VSS_22
P39
PCIE_VSS_23
R34
PCIE_VSS_24
T31
PCIE_VSS_25
T34
PCIE_VSS_26
GND_97 Y24
GND_98 Y27
GND_99 AA2
PCIE_VSS_1
E39
PCIE_VSS_10
J34
PCIE_VSS_11
K31
PCIE_VSS_12
K34
PCIE_VSS_13
K39
PCIE_VSS_14
L31
PCIE_VSS_15
L34
PCIE_VSS_16
V18
GND_88 V21
GND_89 V23
GND_9 B19
GND_90 V26
GND_91 W2
GND_92 W6
GND_93 Y15
GND_94 Y17
GND_95 Y20
GND_96 Y22
U13
GND_78 U15
GND_79 U17
GND_8 B17
GND_80 U20
GND_81 U22
GND_82 U24
GND_83 U27
GND_84 V11
GND_85 V13
GND_86 V16
GND_87
GND_68 T11
GND_69 T13
GND_7 B15
GND_70 T16
GND_71 T18
GND_72 T21
GND_73 T23
GND_74 T26
GND_75 U2
GND_76 U6
GND_77
N23
GND_59 N26
GND_6 B13
GND_60 R2
GND_61 R6
GND_62 R15
GND_63 R17
GND_64 R20
GND_65 R22
GND_66 R24
GND_67 R27
L22
GND_49 L24
GND_5 B11
GND_50 M17
GND_51 M22
GND_52 M24
GND_53 N2
GND_54 N6
GND_55 N16
GND_56 N18
GND_57 N21
GND_58
GND_39 J6
GND_4 B9
GND_40 J8
GND_41 J27
GND_42 K7
GND_43 K14
GND_44 L2
GND_45 L6
GND_46 L11
GND_47 L17
GND_48
F23
GND_3 B7
GND_30 F25
GND_31 F27
GND_32 F29
GND_33 F31
GND_34 F33
GND_35 G2
GND_36 G6
GND_37 H9
GND_38 J2
E5
GND_2 A37
GND_20 E35
GND_21 F7
GND_22 F9
GND_23 F11
GND_24 F13
GND_25 F15
GND_26 F17
GND_27 F19
GND_28 F21
GND_29
GND_169
AN6
GND_17 C1
GND_170
AN8
GND_171
AN30
GND_172
AP7
GND_173
AP9
GND_174
AP11
GND_175
AR5
GND_176
AW34
GND_18 C39
GND_19
AL20
GND_16 B33
GND_160
AL21
GND_161
AL23
GND_162
AL26
GND_163
AL32
GND_164
AM9
GND_165
AM11
GND_166
AM31
GND_167
AN11
GND_168
AN2
AJ28
GND_15 B31
GND_150
AK7
GND_151
AK11
GND_152
AK31
GND_153
AL2
GND_154
AL6
GND_155
AL8
GND_156
AL11
GND_157
AL14
GND_158
AL17
GND_159
GND_14 B29
GND_140
AG17
GND_141
AG20
GND_142
AG22
GND_143
AH21
GND_144
AH29
GND_145
AJ2
GND_146
AJ6
GND_147
AJ10
GND_148
AJ11
GND_149
B27
GND_130
AD27
GND_131
AE2
GND_132
AE6
GND_133
AF10
GND_134
AF16
GND_135
AF18
GND_136
AF21
GND_137
AG2
GND_138
AG6
GND_139
AG9
B25
GND_120
AC21
GND_121
AC23
GND_122
AC26
GND_123
AC28
GND_124
AD9
GND_125
AD15
GND_126
AD17
GND_127
AD20
GND_128
AD22
GND_129
AD24
GND_13
GND_110
AB20
GND_111
AB22
GND_112
AB24
GND_113
AB27
GND_114
AC11
GND_115
AC13
GND_116
AC16
GND_117
AC18
GND_118
AC2
GND_119
AC6
GND_12
AA6
GND_101
AA16
GND_102
AA18
GND_103
AA21
GND_104
AA23
GND_105
AA26
GND_106
AA28
GND_107
AB12
GND_108
AB15
GND_109
AB17
GND_11 B23
U510-2
M96-M
0904-002460
GND_1 A3
GND_10 B21
GND_100

Samsung
Confidential
Samsung
Confidential
1 : TX DE-EMPHASIS ENABLED
PCIE FULL TX OUTPUT SWING
001 : 256MB
1
DATE
If BIOS_ROM_EN=0, Memory Aperture Size
GFX3_GPIO(13 : 11)
PCIE TRANSMITTER DE-EMPHASIS ENABLED
D D
4
4
TITLE
PART NO.
SAMSUNG
ELECTRONICS
1
SAMSUNG PROPRIETARY
THIS DOCUMENT CONTAINS CONFIDENTIAL
PROPRIETARY INFORMATION THAT IS
=> 5.0GT/s CAPABILITY WILL BE
10 : Audio for DP Only
SAMSUNG ELECTRONICS CO’S PROPERTY.
DO NOT DISCLOSE TO OR DUPLICATE FOR OTHERS
A
APPROVAL
BACK BIAS LOGIC
B
01 : Audio for DP & HDMI if adapter is detected
1 : FULL TX OUTPUT SWING
0 : 50% TX OUTPUT SWING
3
010 : 64MB
1XX : RESERVED
AUD[1:0]
B
EXCEPT AS AUTHORIZED BY SAMSUNG.
If BIOS_ROM_EN=1, ROMCFGID[2:0]
2
00 : No Audio Function
A
11 : Audio for Both DP & HDMI
(INTERNAL PULL DOWN)
2
000 : 128MB
DEV. STEP
0 : TX DE-EMPHASIS DISABLED
12/05/2008
MP
REV 1.0
April 11, 2009 10:05:58 AM
BA41-01060A
31
BONN-E
EXT_GFX
M9x Straps & PU
D:/Users/mobile39/mentor/BONN-E/BONN-E_mp10
C
DESIGN
CHECK
(USING MXM OR ON BOARD)
C
0 : 2.5GT/s CAPABLE FOR PCIe DEVICE
3
REV
LAST EDIT
PAGE OF
M9X STRAPS
CONTROLLED BY SOFTWARE
BIF_GEN2_EN_A
=> LOW LOSS INTERCONNECT
1 : 5.0GT/s CAPABLE FOR PCIe DEVICE
TX_PWRS_ENB
MODULE CODE
011 : RESERVED
TX_DEEMPH_EN
R624 10K
P3.3V_GFX
MS Yang
MK Kim
BL Lee
P3.3V_GFX
10K
R124
nostuff
P3.3V_GFX
R120 10K
R121 10K
10K
R119
nostuff
P3.3V_GFX
P3.3V_GFX
10K
R125
nostuff
nostuff
10K
R133
R122 10K
P1.8V
EGFX_BBP
EGFX_CORE
C143
1000nF-X5R
6.3V
S2
R1608-SHORT
SHORT572
G
1
S2
Q20
SI2315BDS-T1
3
D
G
1
3
D
G
1
S2
Q15
RHU002N06
3
D
P5.0V
Q14
RHU002N06
1%100K
R114
10K
R117
R625 10K
GFX3_GPIO0
GFX3_GPIO2
GFX3_GPIO1
GFX3_GPIO11
GFX3_GPIO12
GFX3_GPIO13
CRT3_HSYNC
CRT3_VSYNC
GFX3_P5.0V_BB_R_MN
GFX3_BBEN_R_MN
GFX3_BBEN

Samsung
Confidential
Samsung
Confidential
E-DIEE-DIE
A-Channel #0
SAMSUNG PROPRIETARY
THIS DOCUMENT CONTAINS CONFIDENTIAL
PROPRIETARY INFORMATION THAT IS
CHECK
DO NOT DISCLOSE TO OR DUPLICATE FOR OTHERS
EXCEPT AS AUTHORIZED BY SAMSUNG.
DRAW
DEV. STEP
APPROVAL
MODULE CODE
DATE
PART NO.REV
LAST EDIT
TITLE
C
AA
B B
C
D D
4
4
3
3
2
2
1
1
MS Yang
MK Kim
BL Lee
12/05/2008
MP
REV 1.0
April 11, 2009 10:05:58 AM
BA41-01060A
32 67
BONN-E
Graphics_Memory(gDDR3_1.5V)
Graphics_Memory_ATI A #0
D:/Users/mobile39/mentor/BONN-E/BONN-E_mp10
PAGE OF
SAMSUNG
ELECTRONICS
SAMSUNG ELECTRONICS CO’S PROPERTY.
M96
C390
1000nF-X5R
6.3V
M96
P1.5V
C391
1000nF-X5R
6.3V
100nF
C695
10V M96
M96
1%
4.99K
R671 M96
M96
1%
R670
4.99K
M96
P1.5V
10V
C444
100nF
M96
R242
4.99K
1%
5
4.99K
R241
1%
12
P1.5V
1
6
3
P1.5V
2
3
4
M96
0
1
M96
C441
10nF
16V
M96
C708
10nF
16V
100nF
C440
M96
C706
100nF
10V
30
28
27
10V
6
9
8
P1.5V
11
10
9
10
11
7
8
16
24
31
21
18
23
P1.5V
12
4.99K
R691
1%
M96
100nF
C715
10V
M96
20
17
R692
4.99K
1%
M96
P1.5V
7
2
8
VSS_4
J2 VSS_5
J8 VSS_6
M1 VSS_7
VSS_8
M9
P1 VSS_9
L3 WE#
L8 ZQ_ZQ0
VSSQ_5 E8
VSSQ_6 F9
VSSQ_7 G1
VSSQ_8
VSSQ_9 G9
A9 VSS_1
P9 VSS_10
T1 VSS_11
T9 VSS_12
B3 VSS_2
E1 VSS_3
G8 N1
VDD_6 N9
VDD_7 R1
VDD_8 R9
VDD_9
M8 VREFCA
H1 VREFDQ
B1
VSSQ_1 B9
VSSQ_2 D1
VSSQ_3 D8
VSSQ_4 E2
VDDQ_4 D2
VDDQ_5
E9
VDDQ_6 F1
VDDQ_7
VDDQ_8 H2
H9
VDDQ_9
B2
VDD_1 D9
VDD_2 G7
VDD_3 K2
VDD_4 K8
VDD_5
DQU7
J9
NC_CE1
L1 NC_CS1#
J1 NC_ODT1
L9 NC_ZQ1
K1 ODT_ODT0
J3 RAS#
T2 RESET#
A1
VDDQ_1 A8
VDDQ_2 C1
VDDQ_3 C9
G3
DQSL#
C7
DQSU
DQSU# B7
D7
DQU0 C3
DQU1 C8
DQU2 C2
DQU3 A7
DQU4 A2
DQU5 B8
DQU6 A3
DML
D3 DMU
E3
DQL0 F7
DQL1 F2
DQL2 F8
DQL3 H3
DQL4 H8
DQL5 G2
DQL6 H7
DQL7
F3
DQSL
A7
T8 A8
R3 A9
BA0
M2
N8 BA1
M3 BA2
K3 CAS#
J7 CK
K7 CK#
K9 CKE_CKE0
L2 CS#_CS0#
E7
R7 A11
N7 A12
T3 A13
T7 A14
M7 A15_BA3
P3 A2
N2 A3
P8 A4
P2 A5
R8 A6
R2 U517
K4W1G1646E-HC12
1105-002019
M96
N3 A0
P7 A1
L7 A10_AP
1000nF-X5R
C389
M96
C368
1000nF-X5R
6.3V
M96
6.3V
P1.5V
C717
10000nF-X5R
6.3V
M96
P1.5V
P1.5V
13
10V
C384
100nF
M96
240
R672
M96
29
7
4
5
M96
10V
100nF
C388
M96
10V
M96
10V
100nF
C707
11
P1.5V
C386
100nF
25
15
10
14
J2
VSS_6
J8
VSS_7
M1
M9 VSS_8
VSS_9
P1
WE#
L3
ZQ_ZQ0
L8
4
VSSQ_7 F9
VSSQ_8 G1
G9
VSSQ_9
VSS_1
A9
VSS_10
P9
VSS_11
T1
VSS_12
T9
VSS_2
B3
VSS_3
E1
VSS_4
G8
VSS_5 N9
VDD_7
VDD_8 R1
VDD_9 R9
VREFCA
M8 VREFDQ
H1
VSSQ_1 B1
VSSQ_2 B9
VSSQ_3 D1
VSSQ_4 D8
VSSQ_5 E2
E8
VSSQ_6
D2
VDDQ_6 E9
VDDQ_7 F1
H2
VDDQ_8
VDDQ_9 H9
VDD_1 B2
VDD_2 D9
VDD_3 G7
VDD_4 K2
VDD_5 K8
VDD_6 N1
NC_CS1#
L1
J1 NC_ODT1
NC_ZQ1
L9
ODT_ODT0
K1
RAS#
J3
RESET#
T2
VDDQ_1 A1
VDDQ_2 A8
VDDQ_3 C1
VDDQ_4 C9
VDDQ_5
C7
B7
DQSU#
DQU0 D7
DQU1 C3
DQU2 C8
DQU3 C2
DQU4 A7
DQU5 A2
DQU6 B8
DQU7 A3
NC_CE1 J9
D3
DQL0 E3
DQL1 F7
DQL2 F2
DQL3 F8
DQL4 H3
DQL5 H8
DQL6 G2
DQL7 H7
F3
DQSL
DQSL# G3
DQSU
A9
R3
M2 BA0
BA1
N8
BA2
M3
CAS#
K3
CK
J7
CK#
K7
CKE_CKE0
K9
CS#_CS0#
L2
E7 DML
DMU
A12
A13
T3
A14
T7
A15_BA3
M7
A2
P3
A3
N2
A4
P8
A5
P2
A6
R8
A7
R2
A8
T8
1105-002019
K4W1G1646E-HC12
U14
M96
A0
N3
A1
P7
A10_AP
L7
A11
R7
N7 5
1%
4.99K
R209
M96
M96
26
M9625V
C449
10nF
M96
56
R238
6
R237 56
R243
240
M96
M96
12
1%
R208
4.99K
2
1
0
0
3
19
10000nF-X5R
C445
M96
6.3V
10000nF-X5R
C443
M96
6.3V
M96
C446
10000nF-X5R
6.3V
M96
22
9
C387
100nF
10V
PEG1_WEA0#
PEG1_DRAMRST#
PEG1_RASA0#
PEG1_ODTA0
PEG1_WDQSA(0)
PEG1_RDQSA(0)
PEG1_WDQSA(2)
PEG1_RDQSA(2)
PEG1_DQMA(0)
PEG1_DQMA(2)
PEG1_CSA00#
PEG1_MCKEA0
PEG1_MCLKA0#
PEG1_MCLKA0
PEG1_CASA0#
PEG1_BAA(2)
PEG1_BAA(1)
PEG1_BAA(0)
GMEM_VREF2_MN
GMEM_VREF1_MN GMEM_VREF3_MN
GMEM_VREF4_MN
PEG1_MAA(12:0)
PEG1_DRAMRST#
PEG1_CSA00#
PEG1_WEA0#
PEG1_CASA0#
PEG1_RASA0#
PEG1_MCLKA0
PEG1_MCLKA0#
PEG1_BAA(2)
PEG1_BAA(0)
PEG1_BAA(1)
PEG1_MCKEA0
PEG1_MAA(12:0)
PEG1_ODTA0
PEG1_DQMA(3)
PEG1_DQMA(1)
GMEM_ZQ2_MN
PEG1_MCLKA0#
PEG1_MCLKA0
PEG1_MCLKA0_R_MN
PEG1_DQA(23:16)
PEG1_DQA(7:0)
PEG1_DQA(31:24)
PEG1_DQA(15:8)
PEG1_WDQSA(1)
PEG1_RDQSA(1)
PEG1_WDQSA(3)
PEG1_RDQSA(3)
GMEM_ZQ1_MN

Samsung
Confidential
Samsung
Confidential
E-DIEE-DIE
C C
D D
4
4
3
3
2
2
TITLE
PART NO.
PAGE 33 67
BONN-E
Graphics_Memory(gDDR3_1.5V)
Graphics_Memory_ATI A #1
D:/Users/mobile39/mentor/BONN-E/BONN-E_mp10
OF
SAMSUNG
ELECTRONICS
A-Channel #1
1
1
SAMSUNG PROPRIETARY
THIS DOCUMENT CONTAINS CONFIDENTIAL
DO NOT DISCLOSE TO OR DUPLICATE FOR OTHERS
EXCEPT AS AUTHORIZED BY SAMSUNG.
MODULE CODE
PROPRIETARY INFORMATION THAT IS
SAMSUNG ELECTRONICS CO’S PROPERTY.
DRAW
CHECK
APPROVAL
DATE
DEV. STEP
A A
REV
LAST EDIT
B B
MS Yang
MK Kim
BL Lee
12/05/2008
MP
REV 1.0
April 11, 2009 10:05:58 AM
BA41-01060A
100nF
C693
M96
C412
10nF
16V
100nF
C703
M96
10V
M96
C705
1000nF-X5R
6.3V
M96
10V
M96
C704
1000nF-X5R
6.3V
R689
4.99K
1%
P1.5V
1%
M96
P1.5V
M96
4.99K
R690
M96
100nF
C383
10V
R206
4.99K
M96
1%
4.99K
R210
60
M96
1%
10V
C714
100nF
59
M96
62
63
35
36
8
9
M96
C694
10nF
16V
1
43
0
12
M96
1%
R668
4.99K
R688
240
M96
49
10
11
54
48
53
M96
240
R207
33
37
6.3V
M96
C709
10000nF-X5R
6.3V 10000nF-X5R
C691
M96
C442
10000nF-X5R 100nF
C702
M96
6.3V
58
M96
10V
52
4
57
61
47
41
0
1
100nF
C437
10V
P1.5V
R239
4.99K
1%
M96
4.99K
R240
1%
M96
11
12
M96
8
9
10
45
40
44
42
6
2
50
P1.5V P1.5V
3
55
1%
4.99K
R666
P1.5V
P1.5V
M96
10V
C692
100nF
M96
6.3V 1000nF-X5R
C382
M96
C435
1000nF-X5R 10000nF-X5R
C385
M96
6.3V
M96
6.3V
4
5
6
7
P1.5V
2
3
51
56
32
39
34
38
C438
100nF
10V
M96
C439
100nF
10V
M96
P1.5V
M96
10V
100nF
C436
25V
P1.5V P1.5V
M96
10nF
C713
R687
M96
R686 56
M96
56
46
VSS_8
P1 VSS_9
L3 WE#
L8 ZQ_ZQ0
5
7
VSSQ_9
A9 VSS_1
P9 VSS_10
T1 VSS_11
T9 VSS_12
B3 VSS_2
E1 VSS_3
G8 VSS_4
J2 VSS_5
J8 VSS_6
M1 VSS_7
M9
M8 VREFCA
H1 VREFDQ
B1
VSSQ_1 B9
VSSQ_2 D1
VSSQ_3 D8
VSSQ_4 E2
VSSQ_5 E8
VSSQ_6 F9
VSSQ_7 G1
VSSQ_8 G9
VDDQ_8 H9
VDDQ_9
B2
VDD_1 D9
VDD_2 G7
VDD_3 K2
VDD_4 K8
VDD_5 N1
VDD_6 N9
VDD_7 R1
VDD_8 R9
VDD_9
NC_ZQ1
K1 ODT_ODT0
J3 RAS#
T2 RESET#
A1
VDDQ_1 A8
VDDQ_2 C1
VDDQ_3 C9
VDDQ_4 D2
VDDQ_5
E9
VDDQ_6 F1
VDDQ_7 H2
C3
DQU1 C8
DQU2 C2
DQU3 A7
DQU4 A2
DQU5 B8
DQU6 A3
DQU7
J9
NC_CE1
L1 NC_CS1#
J1 NC_ODT1
L9
DQL2 F8
DQL3 H3
DQL4 H8
DQL5 G2
DQL6 H7
DQL7
F3
DQSL
G3
DQSL#
C7
DQSU
B7
DQSU#
D7
DQU0
BA1
M3 BA2
K3 CAS#
J7 CK
K7 CK#
K9 CKE_CKE0
L2 CS#_CS0#
E7 DML
D3 DMU
E3
DQL0 F7
DQL1 F2
M7 A15_BA3
P3 A2
N2 A3
P8 A4
P2 A5
R8 A6
R2 A7
T8 A8
R3 A9
M2 BA0
N8
M96
N3 A0
P7 A1
L7 A10_AP
R7 A11
N7 A12
T3 A13
T7 A14
J2
VSS_6
J8
VSS_7
M1
VSS_8
M9
VSS_9
P1
WE#
L3
ZQ_ZQ0
L8
U13
K4W1G1646E-HC12
1105-002019
VSSQ_7 F9
VSSQ_8 G1
VSSQ_9 G9
VSS_1
A9
VSS_10
P9
VSS_11
T1
VSS_12
T9
VSS_2
B3
VSS_3
E1
VSS_4
G8
VSS_5 N9
VDD_8 R1
VDD_9 R9
VREFCA
M8 VREFDQ
H1
VSSQ_1 B1
VSSQ_2 B9
VSSQ_3 D1
VSSQ_4 D8
VSSQ_5 E2
VSSQ_6 E8
D2
VDDQ_6 E9
VDDQ_7 F1
VDDQ_8 H2
VDDQ_9 H9
VDD_1 B2
VDD_2 D9
VDD_3 G7
VDD_4 K2
VDD_5 K8
VDD_6 N1
VDD_7
NC_CS1#
L1
NC_ODT1
J1
NC_ZQ1
L9
ODT_ODT0
K1
RAS#
J3
RESET#
T2
VDDQ_1 A1
VDDQ_2 A8
VDDQ_3 C1
VDDQ_4 C9
VDDQ_5
C7
DQSU# B7
DQU0 D7
DQU1 C3
DQU2 C8
DQU3 C2
DQU4 A7
DQU5 A2
DQU6 B8
DQU7 A3
NC_CE1 J9
D3
DQL0 E3
DQL1 F7
DQL2 F2
DQL3 F8
DQL4 H3
DQL5 H8
DQL6 G2
DQL7 H7
DQSL F3
DQSL# G3
DQSU
A9
R3
BA0
M2
BA1
N8
BA2
M3
CAS#
K3
CK
J7
CK#
K7
CKE_CKE0
K9
CS#_CS0#
L2
DML
E7 DMU
N7
A13
T3
A14
T7
A15_BA3
M7
A2
P3
A3
N2
A4
P8
A5
P2
A6
R8
A7
R2
A8
T8
1105-002019
K4W1G1646E-HC12
U516
M96
A0
N3
A1
P7
A10_AP
L7
A11
R7
A12
PEG1_MAA(12:0)
PEG1_ODTA1
PEG1_DQMA(6)
PEG1_DQMA(7)
PEG1_RDQSA(6)
PEG1_WDQSA(6)
PEG1_RDQSA(7)
PEG1_WDQSA(7)
GMEM_ZQ4_MN
PEG1_MCLKA1
PEG1_MCLKA1#
PEG1_MCLKA1_R_MN
PEG1_DQA(39:32)
PEG1_DQA(47:40) PEG1_DQA(63:56)
PEG1_DQA(55:48)
GMEM_VREF5_MN
GMEM_VREF6_MN GMEM_VREF8_MN
GMEM_VREF7_MN
PEG1_DQMA(4)
PEG1_DQMA(5)
PEG1_RDQSA(4)
PEG1_WDQSA(4)
PEG1_RDQSA(5)
PEG1_WDQSA(5)
PEG1_ODTA1
GMEM_ZQ3_MN
PEG1_MAA(12:0)
PEG1_MCLKA1
PEG1_MCLKA1#
PEG1_BAA(2)
PEG1_BAA(0)
PEG1_BAA(1)
PEG1_MCKEA1
PEG1_DRAMRST#
PEG1_CSA10#
PEG1_CASA1#
PEG1_WEA1#
PEG1_RASA1#
PEG1_DRAMRST#
PEG1_CSA10#
PEG1_WEA1#
PEG1_CASA1#
PEG1_RASA1#
PEG1_MCLKA1
PEG1_MCLKA1#
PEG1_BAA(2)
PEG1_BAA(0)
PEG1_BAA(1)
PEG1_MCKEA1

Samsung
Confidential
Samsung
Confidential
E-DIE E-DIE
CHECK
APPROVAL
MODULE CODE
PART NO.
DEV. STEP
REV
LAST EDIT
TITLE
A A
B
BONN-E
Graphics_Memory(gDDR3_1.5V)
Graphics_Memory_ATI C #0
D:/Users/mobile39/mentor/BONN-E/BONN-E_mp10
B
C C
1
3
2
D
4
3
2
1
SAMSUNG
PAGE
4
OF
ELECTRONICS
B-Channel #0
PROPRIETARY INFORMATION THAT IS
D
SAMSUNG PROPRIETARY
THIS DOCUMENT CONTAINS CONFIDENTIAL
DRAW
SAMSUNG ELECTRONICS CO’S PROPERTY.
DO NOT DISCLOSE TO OR DUPLICATE FOR OTHERS
EXCEPT AS AUTHORIZED BY SAMSUNG.
DATE
2
3
MS Yang
MK Kim
BL Lee
12/05/2008
MP
REV 1.0
April 11, 2009 10:05:58 AM
BA41-01060A
34 67
28
26
P1.5V
21
17
100nF
C617
22
16
100nF
C587
10V
C241
100nF
10V 10V
P1.5V P1.5V
P1.5V
25V
C319
10nF
56
R192
R187 56
5
240
R636R181
240
M1
VSS_8
M9
VSS_9
P1
WE#
L3
ZQ_ZQ0
L8
5
G1
VSSQ_9 G9
VSS_1
A9
VSS_10
P9
VSS_11
T1
VSS_12
T9
VSS_2
B3
VSS_3
E1
VSS_4
G8
VSS_5
J2
VSS_6
J8
VSS_7 VDD_9 R9
VREFCA
M8 VREFDQ
H1
VSSQ_1 B1
VSSQ_2 B9
VSSQ_3 D1
VSSQ_4 D8
VSSQ_5 E2
VSSQ_6 E8
VSSQ_7 F9
VSSQ_8
F1
VDDQ_8 H2
VDDQ_9 H9
VDD_1 B2
VDD_2 D9
VDD_3 G7
VDD_4 K2
VDD_5 K8
VDD_6 N1
VDD_7 N9
VDD_8 R1
J1
NC_ZQ1
L9
ODT_ODT0
K1
RAS#
J3
RESET#
T2
VDDQ_1 A1
VDDQ_2 A8
VDDQ_3 C1
VDDQ_4 C9
VDDQ_5 D2
VDDQ_6 E9
VDDQ_7
DQU0 D7
DQU1 C3
DQU2 C8
DQU3 C2
DQU4 A7
DQU5 A2
DQU6 B8
DQU7 A3
NC_CE1 J9
NC_CS1#
L1
NC_ODT1
F7
DQL2 F2
DQL3 F8
DQL4 H3
DQL5 H8
DQL6 G2
DQL7 H7
DQSL F3
DQSL# G3
DQSU C7
DQSU# B7
M2
BA1
N8
BA2
M3
CAS#
K3
CK
J7
CK#
K7
CKE_CKE0
K9
CS#_CS0#
L2
DML
E7 DMU
D3
DQL0 E3
DQL1
A14
T7
A15_BA3
M7
A2
P3
A3
N2
A4
P8
A5
P2
A6
R8
A7
R2
A8
T8
A9
R3
BA0
1105-002019
K4W1G1646E-HC12
U9
A0
N3
A1
P7
A10_AP
L7
A11
R7
A12
N7
A13
T3 9
P1.5V P1.5V
R646
4.99K
1%
P1.5V
100nF
C659
10V
P1.5V
1000nF-X5R
C374 C158
1000nF-X5R
6.3V6.3V
C205
10000nF-X5R
6.3V
7
ZQ_ZQ0
4
5
6
VSS_11
T9 VSS_12
B3 VSS_2
E1 VSS_3
G8 VSS_4
J2 VSS_5
J8 VSS_6
M1 VSS_7
M9 VSS_8
P1 VSS_9
L3 WE#
L8
B9
VSSQ_2 D1
VSSQ_3 D8
VSSQ_4 E2
VSSQ_5 E8
VSSQ_6 F9
VSSQ_7 G1
VSSQ_8 G9
VSSQ_9
A9 VSS_1
P9 VSS_10
T1
VDD_2 G7
VDD_3 K2
VDD_4 K8
VDD_5 N1
VDD_6 N9
VDD_7 R1
VDD_8 R9
VDD_9
M8 VREFCA
H1 VREFDQ
B1
VSSQ_1
RESET#
A1
VDDQ_1 A8
VDDQ_2 C1
VDDQ_3 C9
VDDQ_4 D2
VDDQ_5
E9
VDDQ_6 F1
VDDQ_7 H2
VDDQ_8 H9
VDDQ_9
B2
VDD_1 D9
A7
DQU4 A2
DQU5 B8
DQU6 A3
DQU7
J9
NC_CE1
L1 NC_CS1#
J1 NC_ODT1
L9 NC_ZQ1
K1 ODT_ODT0
J3 RAS#
T2
DQL5 G2
DQL6 H7
DQL7
F3
DQSL
G3
DQSL#
C7
DQSU
B7
DQSU#
D7
DQU0 C3
DQU1 C8
DQU2 C2
DQU3
CK
K7 CK#
K9 CKE_CKE0
L2 CS#_CS0#
E7 DML
D3 DMU
E3
DQL0 F7
DQL1 F2
DQL2 F8
DQL3 H3
DQL4 H8
P8 A4
P2 A5
R8 A6
R2 A7
T8 A8
R3 A9
M2 BA0
N8 BA1
M3 BA2
K3 CAS#
J7
N3 A0
P7 A1
L7 A10_AP
R7 A11
N7 A12
T3 A13
T7 A14
M7 A15_BA3
P3 A2
N2 A3
1
0
U511
K4W1G1646E-HC12
1105-002019
6
2
0
10V
C323
100nF
P1.5V
1%
4.99K
R185
12
1%
R180
4.99K
11
3
8
9
10
7
0
4
16V
10nF
C612
61
12
4.99K
R651
1%
7
15
25
11
3
2
1
10
4
23
19
6.3V
10000nF-X5R
C225
6.3V6.3V
10000nF-X5R
C583 C616
100nF
10V
C214
10000nF-X5R
11
12
8
13
16V
10nF
C170
C197
100nF
10V
1000nF-X5R
C137 C147
100nF
10V
1000nF-X5R
C142
6.3V
P1.5V
6.3V
R629
4.99K
1%
4.99K
R630
P1.5V
1%
R176
4.99K
1% 10V
C291
100nF
1%
14
4.99K
R172
10
27
29
100nF
C642
10V
31
24
30
18
8
9
20
PEG1_MAC(12:0)
PEG1_ODTC0
PEG1_DQMC(3)
PEG1_DQMC(1)
PEG1_RDQSC(3)
PEG1_WDQSC(3)
PEG1_RDQSC(1)
PEG1_WDQSC(1)
GMEM_ZQ6_MN
PEG1_MCLKC0
PEG1_MCLKC0#
PEG1_MCLKC0_R_MN
PEG1_DQC(23:16)
PEG1_DQC(7:0)
PEG1_DQC(31:24)
PEG1_DQC(15:8)
GMEM_VREF9_MN
GMEM_VREF10_MN GMEM_VREF12_MN
GMEM_VREF11_MN
PEG1_DQMC(2)
PEG1_DQMC(0)
PEG1_RDQSC(2)
PEG1_WDQSC(2)
PEG1_RDQSC(0)
PEG1_WDQSC(0)
PEG1_ODTC0
GMEM_ZQ5_MN
PEG1_MAC(12:0)
PEG1_MCLKC0
PEG1_MCLKC0#
PEG1_BAC(2)
PEG1_BAC(0)
PEG1_BAC(1)
PEG1_MCKEC0
PEG1_DRAMRST#
PEG1_CSC00#
PEG1_CASC0#
PEG1_WEC0#
PEG1_RASC0#
PEG1_DRAMRST#
PEG1_CSC00#
PEG1_WEC0#
PEG1_CASC0#
PEG1_RASC0#
PEG1_MCLKC0
PEG1_MCLKC0#
PEG1_BAC(2)
PEG1_BAC(0)
PEG1_BAC(1)
PEG1_MCKEC0

Samsung
Confidential
Samsung
Confidential
E-DIE E-DIE
REV
LAST EDIT
A A
B B
C C
D D
4
PART NO.
REV 1.0
MP
12/05/2008
BL Lee
MK Kim
MS Yang
2
4
3
3
TITLE
2
PAGE OF
SAMSUNG
ELECTRONICS
B-Channel #1
1
SAMSUNG PROPRIETARY
THIS DOCUMENT CONTAINS CONFIDENTIAL
1
PROPRIETARY INFORMATION THAT IS
SAMSUNG ELECTRONICS CO’S PROPERTY.
DO NOT DISCLOSE TO OR DUPLICATE FOR OTHERS
EXCEPT AS AUTHORIZED BY SAMSUNG.
DRAW
CHECK
APPROVAL
MODULE CODE
DATE
DEV. STEP
100nF
C266
D:/Users/mobile39/mentor/BONN-E/BONN-E_mp10
Graphics_Memory_ATI C #1
Graphics_Memory(gDDR3_1.5V)
BONN-E
6735
BA41-01060A
April 11, 2009 10:05:58 AM
100nF
C350
10V
C362
1000nF-X5R
6.3V
10V
C286
1000nF-X5R
6.3V
10V
C595
100nF
P1.5V
R620
4.99K
1%
P1.5V
4.99K
R623
1%
100nF
C171
10V
R144
4.99K
1%
4.99K
R140
35
38
36
1%
6.3V
33
6
7
C619
1000nF-X5R
4
5
C370
10nF
16V
5
C338
10nF
16V
G8 VSS_4
J2 VSS_5
J8 VSS_6
M1 VSS_7
M9 VSS_8
P1 VSS_9
L3 WE#
L8 ZQ_ZQ0
VSSQ_5 E8
VSSQ_6 F9
VSSQ_7 G1
VSSQ_8 G9
VSSQ_9
A9 VSS_1
P9 VSS_10
T1 VSS_11
T9 VSS_12
B3 VSS_2
E1 VSS_3 VDD_5 N1
VDD_6 N9
VDD_7 R1
VDD_8 R9
VDD_9
M8 VREFCA
H1 VREFDQ
B1
VSSQ_1 B9
VSSQ_2 D1
VSSQ_3 D8
VSSQ_4 E2
C9
VDDQ_4 D2
VDDQ_5
E9
VDDQ_6 F1
VDDQ_7 H2
VDDQ_8 H9
VDDQ_9
B2
VDD_1 D9
VDD_2 G7
VDD_3 K2
VDD_4 K8
DQU7
J9
NC_CE1
L1 NC_CS1#
J1 NC_ODT1
L9 NC_ZQ1
K1 ODT_ODT0
J3 RAS#
T2 RESET#
A1
VDDQ_1 A8
VDDQ_2 C1
VDDQ_3
DQSL
G3
DQSL#
C7
DQSU
B7
DQSU#
D7
DQU0 C3
DQU1 C8
DQU2 C2
DQU3 A7
DQU4 A2
DQU5 B8
DQU6 A3
E7 DML
D3 DMU
E3
DQL0 F7
DQL1 F2
DQL2 F8
DQL3 H3
DQL4 H8
DQL5 G2
DQL6 H7
DQL7
F3
A7
T8 A8
R3 A9
M2 BA0
N8 BA1
M3 BA2
K3 CAS#
J7 CK
K7 CK#
K9 CKE_CKE0
L2 CS#_CS0#
A10_AP
R7 A11
N7 A12
T3 A13
T7 A14
M7 A15_BA3
P3 A2
N2 A3
P8 A4
P2 A5
R8 A6
R2 U6
K4W1G1646E-HC12
1105-002019
N3 A0
P7 A1
L7
P1.5V P1.5V
10V
C598
100nF
1%
4.99K
R622
1%
R626
4.99K
42
12
11
57
61
45
2
1
10
9
88
9
46
10nF
C590
25V
R602 56
56
R604
10V
C347
100nF
10V
C646
100nF
10V
100nF
C641
0
1
2
3
P1.5V
240
R134
49
6
7
51
52
R141
4.99K
1%
1%
4.99K
R145
E1
VSS_4
G8
VSS_5
J2
VSS_6
J8
VSS_7
M1
VSS_8
M9
VSS_9
P1
WE#
L3
ZQ_ZQ0
L8
VSSQ_5 E2
VSSQ_6 E8
VSSQ_7 F9
VSSQ_8 G1
VSSQ_9 G9
VSS_1
A9
VSS_10
P9
VSS_11
T1
VSS_12
T9
VSS_2
B3
VSS_3 K8
VDD_6 N1
VDD_7 N9
VDD_8 R1
VDD_9 R9
VREFCA
M8 VREFDQ
H1
VSSQ_1 B1
VSSQ_2 B9
VSSQ_3 D1
VSSQ_4 D8
C1
VDDQ_4 C9
VDDQ_5 D2
VDDQ_6 E9
VDDQ_7 F1
VDDQ_8 H2
VDDQ_9 H9
VDD_1 B2
VDD_2 D9
VDD_3 G7
VDD_4 K2
VDD_5
DQU7 A3
NC_CE1 J9
NC_CS1#
L1
NC_ODT1
J1
NC_ZQ1
L9
ODT_ODT0
K1
RAS#
J3
RESET#
T2
VDDQ_1 A1
VDDQ_2 A8
VDDQ_3
F3
DQSL# G3
DQSU C7
DQSU# B7
DQU0 D7
DQU1 C3
DQU2 C8
DQU3 C2
DQU4 A7
DQU5 A2
DQU6 B8
L2
DML
E7 DMU
D3
DQL0 E3
DQL1 F7
DQL2 F2
DQL3 F8
DQL4 H3
DQL5 H8
DQL6 G2
DQL7 H7
DQSL
A7
R2
A8
T8
A9
R3
BA0
M2
BA1
N8
BA2
M3
CAS#
K3
CK
J7
CK#
K7
CKE_CKE0
K9
CS#_CS0#
L7
A11
R7
A12
N7
A13
T3
A14
T7
A15_BA3
M7
A2
P3
A3
N2
A4
P8
A5
P2
A6
R8
0
1105-002019
K4W1G1646E-HC12
U509
A0
N3
A1
P7
A10_AP
63
P1.5V
54
50
53
R606
240
39
32
1000nF-X5R
C626
10000nF-X5R
C253
6.3V
C628
10000nF-X5R
6.3V6.3V
3
C358
10000nF-X5R
6.3V
58
4
P1.5V
12
40
44
10
11
6.3V
10000nF-X5R
C676
59
62
10V
100nF
C634
P1.5V
47
41
48
55
43
37
100nF
C176
10V
P1.5V
34
P1.5V
56
60
PEG1_ODTC1
PEG1_DQMC(6)
PEG1_DQMC(7)
PEG1_RDQSC(6)
PEG1_WDQSC(6)
PEG1_RDQSC(7)
PEG1_WDQSC(7)
GMEM_ZQ8_MN
PEG1_MCLKC1
PEG1_MCLKC1# PEG1_MCLKC1_R_MN
PEG1_DQC(39:32)
PEG1_DQC(47:40)
PEG1_DQC(55:48)
PEG1_DQC(63:56)
GMEM_VREF14_MN
GMEM_VREF13_MN GMEM_VREF15_MN
GMEM_VREF16_MN
P1.5V
PEG1_DQMC(4)
PEG1_DQMC(5)
PEG1_RDQSC(4)
PEG1_WDQSC(4)
PEG1_RDQSC(5)
PEG1_WDQSC(5)
PEG1_ODTC1
GMEM_ZQ7_MN
PEG1_MAC(12:0)
PEG1_MCLKC1
PEG1_MCLKC1#
PEG1_BAC(2)
PEG1_BAC(0)
PEG1_BAC(1)
PEG1_MCKEC1
PEG1_DRAMRST#
PEG1_CSC10#
PEG1_CASC1#
PEG1_WEC1#
PEG1_RASC1#
PEG1_DRAMRST#
PEG1_CSC10#
PEG1_WEC1#
PEG1_CASC1#
PEG1_RASC1#
PEG1_MCLKC1
PEG1_MCLKC1#
PEG1_BAC(2)
PEG1_BAC(0)
PEG1_BAC(1)
PEG1_MCKEC1
PEG1_MAC(12:0)

Samsung
Confidential
Samsung
Confidential
Backlight On
LVDS
EBL Purpose
B
OF
DO NOT DISCLOSE TO OR DUPLICATE FOR OTHERS
3
DATE
DEV. STEP
THIS DOCUMENT CONTAINS CONFIDENTIAL
REV
SAMSUNG
D D
CHECK
MODULE CODE
B
PROPRIETARY INFORMATION THAT IS
TITLE
ELECTRONICS
4
SAMSUNG PROPRIETARY
PART NO.
1
PAGE
3 2
C
EXCEPT AS AUTHORIZED BY SAMSUNG.
SAMSUNG ELECTRONICS CO’S PROPERTY.
A
4
C
Type : angle
DESIGN
SI team request
APPROVAL
LED Power
MS Yang
MK Kim
BL Lee
12/05/2008
MP
REV 1.0
April 11, 2009 10:05:58 AM
BA41-01060A
36 67
BONN-E
GRAPHICS_IF
LVDS
D:/Users/mobile39/mentor/BONN-E/BONN-E_mp10
2
2Ch. LCD Connector
1
A
LAST EDIT
LCD Power
0
R49
nostuff
10V
C8
330nF
1%
200K
R1
1%30.1K
R2
P3.3V_AUX
LCD_VDD3V
P3.3V
1%
R501 10K
2.2K
R520
1%
C46
100nF
25V
R7 10K
1%
100K
R504
100nF
C11
25V
3
1
G
2
S
P3.3V
D3
1
G
2
S
RHU002N06
Q2
D
SI2315BDS-T1
Q1
VDC
R50 0
R502
P3.3V
nostuff
100K
1%
MNT1 31
32
MNT2
22
23 24
25 26
27 28
29
3
30
4
5 6
7 8
9
1
10
11 12
13 14
15 16
17 18
19
2
20
21
SOCK-30P-2R-SMD-MNT
JLCD1
3710-002498
4700nF-X5R
C3922
22000nF-X5R
C529
6.3V
20%
P3.3V
25V
P3.3V
VDD_LED
1K
R503 1%
Q4
SI2307BDS-T1-E3
3
D
G
1S2
P5.0V_STB
51.1K
R3
1
S2
R4
150K
1%
1%
Q3
RHU002N06
3
D
G
10V
100nF
C531
R521 2.2K
LCD_VDD3V
C530
6.3V
5+
3
-
1
24
1000nF-X5R
7SZ08
U500
100K
R500
1%
C9
100nF
P3.3V_VDD_INV_EN_Q_MN
P3.3V_VDD_INV_EN_MN
P3.3V_VDD_INV_EN_QR_MN
VDD_LED
LCD3_EDID_CLK
LCD3_BKLTON
LCD3_BRIT
KBC3_BKLTON
MCH3_BKLTEN LCD3_BKLTON_R_MN
LCD3_BKLTON
LCD1_BCLK#
LCD1_BDATA0#LCD1_BDATA1#
LCD1_BDATA2#
LCD1_BCLK
LCD1_BDATA1
LCD1_BDATA2
LCD1_BDATA0
MCH3_LCDVDDON
MCH3_LCDVDDON_Q_MN
MCH3_LCDVDDON_QR_MN
MCH3_LCDVDDON_R_MN
LCD1_ACLK
LCD1_ACLK# LCD1_ADATA2
LCD1_ADATA2#
LCD1_ADATA1
LCD1_ADATA1# LCD1_ADATA0
LCD1_ADATA0#
LCD3_EDID_DATA

Samsung
Confidential
Samsung
Confidential
C
D D
4
4
3
3
2
2
1
1
SAMSUNG PROPRIETARY
THIS DOCUMENT CONTAINS CONFIDENTIAL
PROPRIETARY INFORMATION THAT IS
SAMSUNG ELECTRONICS CO’S PROPERTY.
DO NOT DISCLOSE TO OR DUPLICATE FOR OTHERS
EXCEPT AS AUTHORIZED BY SAMSUNG.
CRT
2N06 Can be replaced with SM6K2 DESIGN
CRT CONNECTOR
Check "CRT3_DDCCLK/DATA" Voltage Level
REV
CHECK
APPROVAL
MODULE CODE
DATE
DEV. STEP
Type : angle
D:/Users/mobile39/mentor/BONN-E/BONN-E_mp10
CRT
GRAPHICS_IF
BONN-E
6737
BA41-01060A
April 11, 2009 10:05:58 AM
REV 1.0
MP
12/05/2008
BL Lee
MK Kim
MS Yang
LAST EDIT
OF
TITLE
PART NO.
PAGE
A A
B B
SAMSUNG
ELECTRONICS
C
R507
2.2K
P3.3V_GFX
D504
PGB1010603NR
2 1
nostuff
PGB1010603NR
D505
2 1
nostuff
R512
2.2K
VCC_CRT
nostuff
50V
C24 0.022nF
P3.3V_GFX
2.2K
R508
C512
100nF
10V
2 4
OE*
1
P5.0V
U501
SN74AHCT1G125DCKR
5
+-
3
5%
R514 40.2
MMBD4148
D506
13
100nF
10V
C520
0.022nF
C521
50V
5
3
-
2 4
1
OE*
nostuff
1
3
2
U502
SN74AHCT1G125DCKR
+
nostuff
1
3
2
BAV99LT1
D501
R519 150
D500
BAV99LT1
R518
1%
1%
150
R11 0
0
R15
L503
0.1nF
50V
C23
82nH
RHU002N06
Q501
D
3
1
G
2S
0.022nF
C29
nostuff
50V
82nH
L502
3D
G
1
S
2
B505
BLM18PG181SN1
nostuff
Q500
RHU002N06
C523 0.022nF
50V
MMBD4148
D503
1
3
10V
C513
100nF
0.1nF
50V
C20
2.2K
R510
P3.3V_GFX
P3.3V_GFX
P5.0V
nostuff
5%40.2
R516
D507
PGB1010603NR
2 1
82nH
L504
nostuff
270pF
50V
C16
VCC_CRT
VCC_CRT
50V
C27 270pF
VCC_CRT 11
12
13
14
15
16
17
2
3
4
5
6
7
8
9
3701-001515
J6
DSUB-15-VGA
1
10
R517 150
1%
C518
0.022nF
50V 50V
0.022nF
C516
CRT3_BLUE_L_MN
CRT3_BLUE
CRT5_DDCDATA
CRT5_DDCCLK
CRT5_HSYNC
CRT3_DDCCLK
CRT5_DDCDATA_CLK_D_MN
CRT5_DDCCLK
CRT3_VSYNC
CRT5_VSYNC_R_MN
CRT5_VSYNC
CRT3_HSYNC
CRT5_HSYNC_R_MN
CRT5_HSYNC
CRT5_DDCDATACRT3_DDCDATA
CRT3_P5.0V_D_MN
CRT5_VSYNC
CRT3_RED_L_MN
CRT3_RED
CRT3_GREEN CRT3_GREEN_L_MN

Samsung
Confidential
Samsung
Confidential
4
3
3
2
2
1
1
HDMI
For EMI
For ESD
HDMI
SAMSUNG PROPRIETARY
THIS DOCUMENT CONTAINS CONFIDENTIAL
PROPRIETARY INFORMATION THAT IS
SAMSUNG ELECTRONICS CO’S PROPERTY.
DO NOT DISCLOSE TO OR DUPLICATE FOR OTHERS
EXCEPT AS AUTHORIZED BY SAMSUNG.
MODULE CODE
DATE
D
APPROVAL
CHECK
DESIGN
DEV. STEP
MK Kim
BL Lee
12/05/2008
MP
REV 1.0
April 11, 2009 10:05:58 AM
BA41-01060A
38
BONN-E
GRAPHICS_IF
HDMI
D:/Users/mobile39/mentor/BONN-E/BONN-E_mp10
REV
LAST EDIT
TITLE
PART NO.
PAGE OF
SAMSUNG
ELECTRONICS
A A
B B
C C
Type : angle
D
4
nostuff
MS Yang
1%
10K
R599
1
2
BLM18PG181SN1B508
D511
CRS06
47K
R619
P3.3V
3D
G
1
S
2
P3.3V_GFX
Q519
RHU002N06
R607 499
499
R605 1%
1%
nostuff
P3.3V
R627
100K
TH501
miniSMDC110-2
0.01nF
C575
0.5pF
50V
nostuff
50V
0.5pF
C580 0.01nF
BLM18PG181SN1B507
nostuff
R601 499 1%
499
R603 1%
nostuff
3D
G
1
S
2
R594 0
Q513
RHU002N06
nostuff
P3.3V_GFX
R598
10K
1%
P3.3V_GFX
S
0
R582
RHU002N06
Q514
nostuff
D
3
1
G
2
100nF
C571
1
3
2
10V
1%100K
R618
Q520
MMBT3904
P5.0V
11
7TMDS_DATA0
9TMDS_DATA0#
TMDS_DATA0_SHIELD
8
TMDS_DATA1
4
TMDS_DATA1#
6
5TMDS_DATA1_SHIELD
1TMDS_DATA2
3TMDS_DATA2#
2TMDS_DATA2_SHIELD
13
DDC_GROUND
17
HOT_PLUG_DETECT
19
MNT1 20
MNT2 21
22
MNT3 23
MNT4
RESERVED
14
15 SCL
16 SDA
TMDS_CLOCK
10
TMDS_CLOCK#
12 TMDS_CLOCK_SHIELD
3701-001597
J10
HDMI-19P-FEMALE
5V_POWER
18
CEC
2.2K
R583
R590 2.2K
P3.3V_GFX
499
R597 1%
1%
R600 499
499
R609 1%
1%
R608 499
ACM2012H-900-2P
B12
1
2
4
3
B16
ACM2012H-900-2P
1
2
4
3
B14
ACM2012H-900-2P
1
2
4
3
ACM2012H-900-2P
B17
1
2
4
3
100nF
C568
10V
nostuff
1
3
2
1
3
2
D4
BAV99LT1
nostuff
nostuff
BAV99LT1
D5
PEG3_TX_HDMI_PU_Q_MN
PEG3_TX0N_HDMI
PEG3_TX1N_HDMI
PEG3_TX0P_HDMI
PEG3_TXCN_HDMI
PEG3_TXCP_HDMI
PEG3_HDMI_DATA
PEG3_HDMI_CLK
PEG5_HDMI_DATA
PEG5_HDMI_CLK
PEG3_TX1N_HDMI
PEG3_TX2P_HDMI PEG3_TX2P_HDMI_B_MN
PEG3_TX2N_HDMI_B_MN
PEG3_TX2N_HDMI
VGA5_HDMI_HPD
PEG3_HPD_HDMI
VGA5_HDMI_HPD_R_MN
PEG3_TX1P_HDMI
PEG3_TX2P_HDMI
PEG3_TX2N_HDMI
PEG3_P5.0V_HDMI_D_MN
VGA5_HDMI_HPD
PEG5_HDMI_DATA
PEG5_HDMI_CLK_L_MN
PEG5_HDMI_DATA_L_MN
PEG5_HDMI_CLK
PEG3_TXCP_HDMI PEG3_TXCP_HDMI_B_MN
PEG3_TXCN_HDMI_B_MN
PEG3_TXCN_HDMI
PEG3_TX0P_HDMI PEG3_TX0P_HDMI_B_MN
PEG3_TX0N_HDMI_B_MN
PEG3_TX0N_HDMI
PEG3_TX1P_HDMI PEG3_TX1P_HDMI_B_MN
PEG3_TX1N_HDMI_B_MN

Samsung
Confidential
Samsung
Confidential
SAMSUNG PROPRIETARY
Pin9 : 1.5V
3
THIS DOCUMENT CONTAINS CONFIDENTIAL
GMT : 1203-005579
S/B without Low Voltage IO
Codec Pin9 Setting
4
LAST EDIT
PART NO.
TITLE
DO NOT DISCLOSE TO OR DUPLICATE FOR OTHERS
EXCEPT AS AUTHORIZED BY SAMSUNG.
Pin9 : 3.3V
APPROVAL
1
MODULE CODE
REV
DESIGN
ELECTRONICS
2
DEV. STEP
39
BA41-01060A
April 11, 2009 10:05:58 AM
REV 1.0
MP
12/05/2008
BL Lee
MK Kim
MS Yang
D D
S/B with Low Voltage IO
PAGE
DATE
C C
2
A
CHECK SAMSUNG
4
A
OF
B
3
PROPRIETARY INFORMATION THAT IS
SAMSUNG ELECTRONICS CO’S PROPERTY.
AUDIO
1
B
C808
10000nF-X5R
D:/Users/mobile39/mentor/BONN-E/BONN-E_mp10
AUDIO CODEC ALC272
HDA_CODEC
BONN-E
67
10V
P3.3V
P5.0V_AUD
1000nF-X5R
C802 6.3V
B528
BLM18PG181SN1
nostuff
P4.75V_AUD
G_AUD
5%4.7K
R730
G_AUD
G_AUD
G_AUD
RGND-SHORT
SHORT507
1K
R758
2200nF-X5R
C761
10V
1%
Q546
RHU002N06
3
D
G
1
S2
1000nF-X5R
C772 6.3V
R729 4.7K 5%
SHORT506 RGND-SHORT
C760 10V
2200nF-X5R
nostuff
10V
C762
10000nF-X5R
nostuff
50V
C3907
0.047nF
G_AUD
50V
C3906
0.047nF
G_AUD
100nF
10V
C792
SHORT508
R1608-SHORT
BAT54A
D520
3
12
10V
C798
100nF
5.1K
R721 1%
G_AUD
10V
C804
10000nF-X5R
10V
C788
10000nF-X5R
P4.75V_AUD
R756 1K 1%
R1608-SHORT
SHORT513
SHORT512 R1608-SHORT
5%
G_AUD
R759 22
100nF
C800
10V SHORT509
R1608-SHORT
25V
C801
IN
1 5
OUT
1000nF-X5R
C787 6.3V
4.7nF
1203-003344
MIC5252-4.75BM5
U525
4
BYPASS
3EN
GND
2
P4.75V_AUD
R755 1%20K
10V
100nF
C765
10V
C770
100nF
R742 20K
G_AUD
13 SENSEA
34 SENSEB
48 SPDIFO1
45 SPDIFO2
SYNC
10
27
VREF
1%
MIC1-R_PORT-B-R
28
MIC1-VREFO
16
MIC2-L_PORT-F-L
17
MIC2-R_PORT-F-R
19
MIC2-VREFO
37
MONO-OUT
43 NC
12 PC_BEEP
RESET#
11
8SDATA-IN
5SDATA-OUT
LINE1-L_PORT-C-L
24
LINE1-R_PORT-C-R
18
LINE1-VREFO
14
LINE2-L_PORT-E-L
15
LINE2-R_PORT-E-R
20
LINE2-VREFO
35
LOUT1-L_PORT-D-L
36
LOUT1-R_PORT-D-R
39
LOUT2-L_PORT-A-L 41
LOUT2-R_PORT-A-R
21
MIC1-L_PORT-B-L
22
1DVDD
9DVDD-IO
4DVSS_1
7DVSS_2
47 EAPD
2GPIO0_DMIC01_2
3GPIO1_DMIC-3_4
33
HPOUT-L_PORT-I-L
32
HPOUT-R_PORT-I-R
JDREF
40 23
AVDD1
25
38 AVDD2
26 AVSS1
AVSS2
42
6BCLK
30
CBN
29
CBP
31
CPVEE
46 DMIC-CLK1_2
44 DMIC-CLK3_4
nostuff
1205-003526
ALC272-GR
U524
B529
BLM18PG181SN1
1000nF-X5R
C773 6.3V
100nF
C803
10V
6.3V
6.3V
C791
1000nF-X5R
20K
R757
1000nF-X5R
C786
100nF
C764
G_AUD
1%
G_AUD
10V
AUD3_MIC2_VREFO_MN
AUD5_MIC1_VREF_RIGHT
AUD3_DMIC_DATA1_R_MN
AUD5_MIC1_VREF_LEFT
AUD5_MIC1_LEFT
HDA3_AUD_SDI0_R_MN
HDA3_AUD_BCLK
AUD3_JDREF_MN
AUD5_LFE_O
AUD3_DMIC_DATA1
AUD3_DMIC_CLK1 AUD3_DMIC_CLK1_R_MN
AUD5_MIC1_RIGHT
AUD5_MIC1_VREF_LEFT
AUD5_VREF_MN
HDA3_AUD_SDO
HDA3_AUD_SDI0
HDA3_AUD_SYNC
HDA3_AUD_RST#
AUD5_SENS_HP#_R_MN
AUD3_GPIO1#
AUD5_MIC2_VREF
AUD5_MIC2_LEFT_C_MN
AUD5_MIC2_RIGHT_C_MN
AUD5_SENS_MIC#_R_MN
AUD5_SENS_HP#
AUD5_SENS_MIC#
AUD5_MIC2_RIGHT
AUD5_MIC2_LEFT
MIC5_EYPASS_MN
AUD3_AVSS_MN
AUD3_CBN_MN
AUD3_CBP_MN
AUD3_CPVEE_MN
AUD3_SPKR
AUD3_SPKR_Q_MN
AUD3_SPKR_R_MN
AUD3_SPKR_C_MN
AUD5_LINE_O_LEFT
AUD5_LINE_O_RIGHT
AUD5_HP_O_LEFT
AUD5_HP_O_RIGHT
AUD5_MIC1_LEFT_C_MN
AUD5_MIC1_RIGHT_C_MN
AUD5_MIC1_VREF_RIGHT

Samsung
Confidential
Samsung
Confidential
1
EXCEPT AS AUTHORIZED BY SAMSUNG.
LAST EDIT
PART NO.
DO NOT DISCLOSE TO OR DUPLICATE FOR OTHERS
DATE
THIS DOCUMENT CONTAINS CONFIDENTIAL
TITLE SAMSUNG
REV
MODULE CODE
DEV. STEP
B
PAGE OF
CHECK
4
PROPRIETARY INFORMATION THAT IS
C
Type : angle
D
ELECTRONICS
3
D
C
2
A
3
4
B
2
SMD_A
A
SAMSUNG ELECTRONICS CO’S PROPERTY.
SAMSUNG PROPRIETARY 1
4
MNT1
5
6MNT2
MS Yang
MK Kim
BL Lee
12/05/2008
MP
REV 1.0
April 11, 2009 10:05:58 AM
BA41-01060A
40 67
BONN-E
HDA_CODEC
SPK AMP TPA6017
D:/Users/mobile39/mentor/BONN-E/BONN-E_mp10
DESIGN
APPROVAL
3711-000922
J15
HDR-4P-SMD
1
2
3
C758
100nF
10V
R731 1K
1%
10V
220nF
C781
SHORT510 R1608-SHORT
1%
R735 15K
R1608-SHORT
SHORT567
SHORT568 R1608-SHORT
10V
100nF
C793 10000nF-X5R
C789
10V
1%
R722 15K 1%15K
R725
1%
R724
1K
R1608-SHORT
SHORT511
15K
R736 1%
100nF
C754
10V
G_AUD
P5.0V_AMP
10V
C752
10000nF-X5R
10V
G_AUD
C778 220nF
3D
1
G
S
2
16
17 RIN-
ROUT+ 1
ROUT- 3
19
RVDD
14
R_SD#
21
THERM
Q600
RHU002N06
2GND1
5GND2
11 LBYPASS
12 LIN+
13 LIN-
4
LOUT+ 6
LOUT-
LVDD 7
L_SD# 9
8NC1
NC2
10 NC3 18
20
NC4
RBYPASS
15
RIN+
U520
TPA6020A2RGWR
1201-002810
G_AUD
10V
C809
10000nF-X5R
G_AUD
10V
G_AUD
G_AUD
C780 220nF
10V
220nF
C757
P5.0V_AUD
P3.3V
G_AUD
P5.0V_AMP
C763
10V220nF
C779
220nF 10V
G_AUD
10K
R719
G_AUD
AUD5_LINE_O_LEFTGND_R_MN
AUD5_LINE_O_LEFT_R_MN
AUD5_LINE_O_RIGHTGND_C_MN AUD5_LINE_O_RIGHTGND_R_MN
AUD5_LINE_O_RIGHT_R_MN
SPK5_R_P
SPK5_R_M
SPK5_L_P
SPK5_L_M
AUD3_SHDN# AUD3_GPIO1#
1%
AUD5_LINE_O_RIGHT
AUD5_LINE_O_LEFT
AUD5_LINE_O_RIGHT_C_MN
KBC3_SPKMUTE_U_MN
KBC3_SPKMUTE
SPK5_L_M
SPK5_R_P
SPK5_R_M
AUD3_SHDN#
SPK5_L_P
AUD3_LBYPASS_MN
AUD3_RBYPASS_MN
AUD5_LINE_O_LEFTGND_C_MN
AUD5_LINE_O_LEFT_C_MN

Samsung
Confidential
Samsung
Confidential
A
Digital MIC CONNECTOR
B
1
1
B
D
4
SAMSUNG PROPRIETARY 3
THIS DOCUMENT CONTAINS CONFIDENTIAL
PROPRIETARY INFORMATION THAT IS
4
SAMSUNG ELECTRONICS CO’S PROPERTY.
Nearby Codec
DO NOT DISCLOSE TO OR DUPLICATE FOR OTHERS
Type : angle
2
Nearby Codec
MODULE CODE
3
2
EXCEPT AS AUTHORIZED BY SAMSUNG.
SMD_A
Mono Mic Ass’y
DESIGN
CHECK
APPROVAL
OF
TITLE
D:/Users/mobile39/mentor/BONN-E/BONN-E_mp10
MIC AMP LMV358
HDA_CODEC
BONN-E
6741
BA41-01060A
April 11, 2009 10:05:58 AM
REV 1.0
MP
12/05/2008
BL Lee
MK Kim
MS Yang
Type : angle
PART NO.
SAMSUNG
DATE
DEV. STEP
REV
PAGE
C
D
ELECTRONICS
LAST EDIT
C
A
nostuff
B527
BLM18PG181SN1
nostuff
nostuff
B526
BLM18PG181SN1
50V
C3904
0.047nF
nostuff
50V
C3905
0.047nF
G_AUD
B525
BLM18PG181SN1
nostuff
P3.3V
C723
0.1nF
50V
G_AUD
1
2
3MNT1
MNT2
4
C724 10nF 25V
nostuff
3711-000541
J19
HDR-2P-SMD
2
3
4
MNT1
5
6MNT2
50V
0.047nF
C480
HDR-4P-SMD
J22
3711-000922
nostuff
1
330
R700 B519
BLM18PG181SN1
R1608-SHORT
SHORT550
2.2K
R746
47nF
C785
25V
G_AUD
AUD5_MIC2_VREF
AUD5_MIC2_VREF_R_MN
AUD5_MIC2_VREF_B_MN
AUD5_MIC2_LEFT
AUD5_MIC2_RIGHT
AUD3_DMIC_CLK1
AUD3_DMIC_DATA1
G_AUD

Samsung
Confidential
Samsung
Confidential
L
R
L
R
C
D
4
B
C
D
4
3 1
31
2
2
SAMSUNG PROPRIETARY
THIS DOCUMENT CONTAINS CONFIDENTIAL
PROPRIETARY INFORMATION THAT IS
April 11, 2009 10:05:58 AM
REV 1.0
MP
12/05/2008
BL Lee
MK Kim
MS Yang
SAMSUNG ELECTRONICS CO’S PROPERTY.
DO NOT DISCLOSE TO OR DUPLICATE FOR OTHERS
EXCEPT AS AUTHORIZED BY SAMSUNG.
MIC JACK(BLACK)
HEADPHONE(BLACK)
PAGE
PART NO.
Type : angle
TITLEDESIGN
CHECK
APPROVAL
MODULE CODE
DATE
DEV. STEP
REV
LAST EDIT
OF
SAMSUNG
ELECTRONICS
A A
B
Type : angle
P3.3V
G_AUD
D:/Users/mobile39/mentor/BONN-E/BONN-E_mp10
H/P JACK AND MIC JACK
HDA_CODEC
BONN-E
6742
BA41-01060A
Q539
DTA114YUA
1
3
2
Q538
MMBT3904
1
3
2
1
3
2
MMBT3904
Q540
B517
BLM18PG181SN1B516
BLM18PG181SN1
3
4
5
6
G1
G2
3722-002588
J20
JACK-PHONE-6P-BLACK
1
2
G_AUD
3722-002588
J23
JACK-PHONE-6P-BLACK
1
2
3
4
5
6
G1
G2
G_AUD
56R713
R716 56
R714
20K
R708
1K 1%
1%1K R704
G_AUD
50V
0.1nF
C740
C739 0.1nF 50V
BLM18PG181SN1
B520
B521
BLM18PG181SN1
P3.3V
R715
20K
10K
R702
50V
C712 0.1nF
50V
0.1nF
C711
nostuff
50V
0.1nF
C733
25V10nF
C729
25V
C742
G_AUD
C735 10nF
25V10nF
1%1K
R701
C710 0.1nF 50V
nostuff
RHU002N06
Q537
D3
1
G
2
S
330
R685
AUD5_SENS_HP# AUD5_HP_O_RIGHT_B_MN
AUD5_HP_O_LEFT_B_MN
KBC3_SPKMUTE_Q_MN
330
R684
AUD5_HP_O_RIGHT_R_MN
AUD5_HP_O_LEFT_R_MN
AUD5_HP_O_RIGHT_Q_MN
AUD5_HP_O_LEFT_Q_MN
KBC3_SPKMUTE_QQ_MN
KBC3_SPKMUTE
AUD5_HP_O_LEFT
AUD5_HP_O_RIGHT
AUD5_MIC1_RIGHT_B_MN
AUD5_MIC1_RIGHT
AUD5_MIC1_RIGHT_R_MN
AUD5_MIC1_LEFT
AUD5_MIC1_LEFT_R_MN
AUD5_MIC1_LEFT_B_MN
AUD5_SENS_MIC#
KBC3_SPKMUTE_R_MN

Samsung
Confidential
Samsung
Confidential
PROPRIETARY INFORMATION THAT IS
SAMSUNG ELECTRONICS CO’S PROPERTY.
DO NOT DISCLOSE TO OR DUPLICATE FOR OTHERS
EXCEPT AS AUTHORIZED BY SAMSUNG.
DESIGN
CHECK
APPROVAL
MODULE CODE
DATE
DEV. STEP
REV
LAST EDIT
TITLE
PART NO.
PAGE OF
SAMSUNG
ELECTRONICS
SUB-WOOFER
A
B
C
A
B
D
4
C
D
4
MS Yang
MK Kim
BL Lee
12/05/2008
MP
REV 1.0
April 11, 2009 10:05:58 AM
BA41-01060A
43 67
BONN-E
HDA_CODEC
SUB-WOOFER
D:/Users/mobile39/mentor/BONN-E/BONN-E_mp10
3
3
2
2
1
1
Type : angle
SAMSUNG PROPRIETARY
THIS DOCUMENT CONTAINS CONFIDENTIAL
10V
10000nF-X5R
C847
10V
C846
100nF
Sub-Woofer
NC2
18
NC3
NC4 20
15 RBYPASS
16 RIN+
RIN-
17
1
ROUT+ 3
ROUT-
RVDD 19
R_SD# 14
THERM 21
P5.0V_AMP
Sub-Woofer
1201-002810
TPA6020A2RGWR
U529
GND1
2
GND2
5
LBYPASS
11
LIN+
12
LIN-
13
LOUT+ 4
LOUT- 6
7
LVDD
9
L_SD#
NC1
8
10
C840 220nF 10V
Sub-Woofer
1M
R790
Sub-Woofer
100nF
C848
25V
nostuff
U530
7SZ08
5+
-
3
1
24
nostuff
10K
R791
1%
nostuff
1
2
MNT1
3
4MNT2
nostuff
100nF
C834
25V
Sub-Woofer
HDR-2P-SMD
J24
3711-000541
C833
1000nF-X5R
6.3V
Sub-Woofer
G_AUD
Sub-Woofer
2.2nF
C832 50V
G_AUD
P4.75V_AUD
G_AUD
G_AUD
Sub-Woofer
Sub-Woofer
47K
R775
Sub-Woofer
R776 47K
Sub-Woofer
6.3V
1000nF-X5R
C831
P4.75V_AUD
Sub-Woofer
47K
R778
R772
10K
Sub-Woofer
10K
R773
1%
6.3V Sub-Woofer
1%
+
3
2-
4
GOUT 1
V
8
P4.75V_AUD
Sub-Woofer
C825
1000nF-X5R
R774
33.2K
Sub-Woofer
U528-1
LMV358M
1000nF-X5R
C826
6.3V
Sub-Woofer
1% P3.3V
Sub-Woofer
LMV358M
U528-2
5+
-
6
G
4
7
OUT
8
V
0.047nF
C828 50V
Sub-Woofer
Sub-Woofer
R723 0
Sub-Woofer
Sub-Woofer
Sub-Woofer
R728 0
R926 0
Sub-Woofer
39.2K
R785 1%
Sub-Woofer
1%
R786 39.2K
Sub-Woofer
C839 10V
220nF
220nF
C841
G_AUD
Sub-Woofer
10V
C844 220nF
100nF
C835
G_AUD
Sub-Woofer
10V
G_AUD
G_AUD
Sub-Woofer
10V
AUD5_LFE_O_P
AUD5_LFE_O_P_C_MN
AUD5_LFE_O
AUD5_LFE_O_C_MN
AUD5_LFE_O_CR_MN
AUD5_LFEO_U_MN
AUD5_LFE_O_M
AUD5_LFE_O_M_C1_MN
AUD5_LFE_O_P_R_MN
AUD5_LFE_O_P
AUD3_SHDN#_P3.3V_R_MN
AUD3_LFE_SHDN#
AUD5_LFE_O_M AUD5_LFE_O_M_C_MN AUD5_LFE_O_M_CR_MN
AUD5_LFE_M_R_MN
SPK5_LFE_M
AUD5_LFE_P_R_MN
SPK5_LFE_P
SPK5_LFE_P
AUD3_LFE_SHDN#
AUD3_SHDN#
SPK5_LFE_M
AUD5_LFE_O_P_CR_MN
AUD5_LFE_O_LBYPASS_MN
AUD5_LFE_O_RBYPASS_MN

Samsung
Confidential
Samsung
Confidential
Place crystal within 0.75inches from LAN chip.
REV
A
PART NO.
DATE
APPROVAL
CHECK
2603-000107
TITLE
2
D
1
THIS DOCUMENT CONTAINS CONFIDENTIAL
DO NOT DISCLOSE TO OR DUPLICATE FOR OTHERS
MODULE CODE
4
Trace width 12mils
4
PROPRIETARY INFORMATION THAT IS
23
SAMSUNG PROPRIETARY
D
B
3
EXCEPT AS AUTHORIZED BY SAMSUNG.
LFE9261A-R
C
Place nearby Pin32
A
ALT BOM
B
C
MS Yang
D:/Users/mobile39/mentor/BONN-E/BONN-E_mp10
LAN_MARVELL_8057
LAN
BONN-E
6744
BA41-01060A
April 11, 2009 10:05:58 AM
REV 1.0
MP
12/05/2008
BL Lee
MK Kim
SAMSUNG ELECTRONICS CO’S PROPERTY.
2603-000110
DEV. STEP ELECTRONICS
SAMSUNG
OFPAGE
LAST EDIT
LAN3214-50
DESIGN
1
4700nF
C115
10V
10000nF
C121
6.3V
C114
100nF
10V
10V
100nF
C86
P1.8V_LAN
P3.3V_AUX
P1.2V_LAN
10V
100nF
C80
10V
C570
100nF
P3.3V
25-A4
4.99K
R576
1%
10V
C557 100nF
10V
C558 100nF
R111
4.7K
1%
R537 75
P3.3V_AUX
25-C3
10V
C90
100nF
50V
75
R551 1%
C102
0.015nF
B5
C542
10V
BLM18PG181SN1
10V
100nF
20%
6.3V
C100
100nF
R558 75
C130
22000nF-X5R
10V
1%
P3.3V_AUX
C540
100nF
P3.3V_AUX
C77
100nF
10V
TD1+
2
3TD1-
5TD2+
TD2-
6
TD3+
8
9TD3-
11 TD4+
TD4-
12
10V
100nF
C109
24
MCT1
MCT2 21
18
MCT3
MCT4 15
MX1+ 23
22
MX1-
20
MX2+
MX2- 19
MX3+ 17
16
MX3-
14
MX4+
MX4- 13
1TCT1
TCT2
4
7TCT3
TCT4
10
2603-000107
LFE9261A-R
LT1
1%
1nF
C560
3KV
10V
75
R574
10V
C96
100nF 25MHz
Y500
1 2
C541
100nF
P1.2V_LAN
P3.3V_AUX
2801-004517
10V
C133
4700nF
WAKE#
6
XTALI 15
14
XTALO
C108
0.015nF
50V
2
7VDD_2
VDD_3
13
VDD_4
33
39 VDD_5
VDD_6
44
48 VDD_7
58 VDD_8
47
VMAIN_AVLBL
38 VPD_CLK
VPD_DATA
41
36
SPI_DI
35
SPI_DO
34
TESTMODE 46
65
THERMAL
TX+
49
TX-
50
1VDDO_TTL_1
VDDO_TTL_2
40
45 VDDO_TTL_3
61 VDDO_TTL_4
VDD_1
NC_8 29
NC_9
43
PD18LDO 4
5PERST#
55 REFCLK+
REFCLK-
56
16
RSET
RX+
54
RX-
53
SPI_CLK
37
SPI_CS#
9
NC_10
51 NC_11
52 NC_12
57
NC_13
64
NC_2 11
NC_3 12
NC_4
22
NC_5
23
NC_6 24
NC_7 25
62
LED_LINK10_100# 60
LOM_DISABLE# 10
MDI+_0 17
MDI+_1 20
MDI+_2 26
MDI+_3 30
MDI-_0 18
MDI-_1 21
MDI-_2 27
MDI-_3 31
NC_1
88E8057
U506
AVDD18_OUT
32
AVDDH
8
AVDDL_1
19
AVDDL_2
28
CLKREQ#
42
3
CTRL12
LED_ACTIVE# 59
LED_DUPLEX# 63
LED_LINK1000#
1205-003587
10V
C559 100nF
10K
10V
100nF
C81
1
2 4
3
R540
100nF
C567 10V
P1.8V_LAN
BCP69-16
U508
10000nF
C569
6.3V
100nF
C556 10V
10V
C551 100nF
P3.3V
4700nF-X5R
C565
25V
nostuff
MNT1
9
10 MNT2
3RD+
RD-
6
1TD+
TD-
2
TERM1
4
5TERM2
7TERM3
TERM4
8
3722-002843
JACK-LAN-8P
J9
10K
R578
ALT3_MX3-_MN
ALT3_MX4-_MN
LOM3_CLKREQ#
LAN3_XTALI_MN
R541
10K
nostuff CLK1_PCIELOM#
CLK1_PCIELOM
LAN3_MDI+_3_MN
LAN3_MDI-_0_MN
LAN3_MDI-_1_MN
LAN3_MDI+_0_MN
LAN3_MDI+_2_MN
LAN3_MDI-_2_MN
LAN3_MDI-_3_MN
ALT3_MX1-_MN
ALT3_MX3+_MN
ALT3_MX2+_MN
ALT3_MX2-_MN
ALT3_MX4+_MN
ALT3_MX1+_MN
LAN3_CTL12
PEX1_GLAN_TXN4
PEX1_GLAN_TXP4
PEX1_GLAN_RXN4_C_MN
PEX1_GLAN_RXP4_C_MN
PEX3_WAKE#
PLT3_RST#
LAN3_RSET_MN
LAN3_MDI+_1_MN
LAN3_XTALO_MN
PEX1_GLAN_RXP4
PEX1_GLAN_RXN4
LAN3_CTL12
LAN3_CTL12_U_MN
LAN3_CTL12_R_MN
LAN3_LOM_DISABLE#_MN

Samsung
Confidential
Samsung
Confidential
ELECTRONICS
4
EXCEPT AS AUTHORIZED BY SAMSUNG.
75.00 mm L
SAMSUNG PROPRIETARY
Type : angle
3
D
C
Express Card Power Switch
2
54.00 mm
2
1
1
D
THIS SIDE UP
54.00 mm W
PROPRIETARY INFORMATION THAT IS
THIS DOCUMENT CONTAINS CONFIDENTIAL
MODULE CODE
DATE
GMT : 1205-003667
OFPAGE
EXPRESS CARD
EXPRESS CARD
D:/Users/mobile39/mentor/BONN-E/BONN-E_mp10
C
X
DESIGN
CHECK
PART NO.
4
SAMSUNG ELECTRONICS CO’S PROPERTY.
B
LAST EDIT
Angle type
SAMSUNG
A A
DO NOT DISCLOSE TO OR DUPLICATE FOR OTHERS
TYPE - II
B
X
5.00 mm H
3
Express Card
Type 2 module
EXPRESS CARD
APPROVAL
DEV. STEP
REV
75.00 mm
INSERT
TITLE
MS Yang
MK Kim
BL Lee
12/05/2008
MP
REV 1.0
April 11, 2009 10:05:58 AM
BA41-01060A
45 67
BONN-E
100nF
C794
10V
P3.3V
10V
C783
100nF
1%
10K
R408
MNT2
PERN0
21
PERP0
22
PERST#
13
PETN0
24
PETP0
25
REFCLK+
19 REFCLK-
18
RESERVED_1 5
RESERVED_2 6
SMB_CLK
7
SMB_DATA
8
USB_D+
3USB_D-
2
WAKE#
11
10
+1.5V_1 9
+1.5v_2
14
+3.3V_1
15
+3.3V_2
12
+3.3V_AUX
CLKREQ#
16
CPPE#
17
CPUSB#
4
GND_1 1
GND_2 20
GND_3 23
GND_4 26
MNT1 27
28
3711-007016
J25
EDGE-XPRESS-26P
3709-001566
J26
EXPRESS-26P-FRAME
MNT1
1
MNT2
2
nostuff
0
R754
50V
C3909
0.1nF
10V
C3618
100nF
nostuff
100nF
C900
10V 10V
C795
100nF 100nF
C784
10V
P3.3V_AUX_EXPP3.3V_EXP P1.5V_EXP
0
R749
nostuff
nostuff
R748 0
100nF
10V
C777
P3.3V_AUX_EXPP1.5V_EXPP3.3V_EXP
1STBY*
6SYSRST*
21
THERMAL
P1.5V P3.3VP3.3V_AUX
1.5VOUT_1 11
13
1.5VOUT_2
3.3VIN_1
2
43.3VIN_2
3
3.3VOUT_1
3.3VOUT_2 5
AUXIN
17 15
AUXOUT
10
CPPE*
CPUSB* 9
GND 7
NC_5 16
OC*
19
PERST* 8
RCLKEN
18
SHDN*
20
1205-002807
R5538D001-TR-F
U522
12 1.5VIN_1
1.5VIN_2
14
SMB3_DATA_MN
SMB3_CLK_MN
USB3_EXPCARD+
USB3_EXPCARD-
PEX3_WAKE#_MN
PEX3_WAKE#
PEX1_EXPCARDRXN3
PEX1_EXPCARDRXP3
PEX1_EXPCARDTXN3
PEX1_EXPCARDTXP3
SMB3_CLK
SMB3_DATA
PLT3_RST#
EXP3_CPPE#
EXP3_CPUSB#
EXP3_PERST#
CHP3_SLPS3#
EXP3_CLKREQ# EXP3_CPPE#
EXP3_CPUSB#
EXP3_PERST#
CLK1_EXPCARD
CLK1_EXPCARD#

Samsung
Confidential
Samsung
Confidential
3 IN 1 CARD (AU6336)
4
2
1
1
4
D
3
2
SAMSUNG PROPRIETARY
THIS DOCUMENT CONTAINS CONFIDENTIAL
PROPRIETARY INFORMATION THAT IS
Support : SD/MMC/SDHC
SAMSUNG ELECTRONICS CO’S PROPERTY.
3
3-in-1 Socket
DO NOT DISCLOSE TO OR DUPLICATE FOR OTHERS
Type : angle
EXCEPT AS AUTHORIZED BY SAMSUNG.
AA
MODULE CODE
DATE
ELECTRONICS
DESIGN
CHECK
APPROVAL
PAGE
D:/Users/mobile39/mentor/BONN-E/BONN-E_mp10
2 IN 1 CARD
MULTICARD
BONN-E
6746
BA41-01060A
April 11, 2009 10:05:58 AM
REV 1.0
MP
12/05/2008
BL Lee
MK Kim
MS Yang
OF
DEV. STEP
REV
LAST EDIT
TITLE
PART NO.
SAMSUNG
D
B B
C C
P3.3V_MCD
CLK
5
CMD
2
7DAT0
8DAT1
DAT2
9
MNT1
12
13 MNT2
VDD
4VSS1
3
6VSS2
11 WRITE_PROTECT
3709-001492
J506
EDGE-SD-9P
CARD_DETECT
10
1CD_DAT3
470nF
C816 16V R784 49.9 1%
6.3V
C837
1000nF-X5R
R782 49.9 1%
R783 1%49.9
P3.3V
P3.3V_MCD
C829
100nF
10V 1%
R779
150K
0.022nF
C836
50V
0.022nF
C824
50V
nostuff
1%49.9
R781
15
SD_V33
10
TRIST
2VD33P
28 VDD
14 VDD33C
9VDDHM
8VDDU
5
VS33P
SDCLK
16
SDCMD
24
SDDATA0 17
SDDATA1 19
SDDATA2 21
SDDATA3 22
SDDATA4 23
SDDATA5 12
SDDATA6 11
SDDATA7
18
SDWP
20 CLED
4DM
3DP
25 EXTCLK
29
GND
NC1
6
NC2
71
REXT
RSTN
27 13
SDCDN
26
0904-002453
AU6336C52-MWF
U527
C820
100nF
10V
33
R771
1%
100K
R780
330
R769
50V
C3169
0.018nF
nostuff
nostuff
R766 0
6.3V
C823
50V
C866
0.018nF
100nF
C810
1000nF-X5R
10V
0
R765
10V
C815
4700nF-Y5V
MCD3_SDCD# MCD3_SDWPCLK3_FM48
USB3_MMC_R_MN
MCD3_SDCLK
MCD3_SDCLK_R_MN
MCD3_SDCLK
MCD3_RSTN_MN
USB3_MMC+
USB3_MMC-
USB3_MMC#_R_MN
MCD3_SDCMD
MCD3_SDDATA0
MCD3_SDDATA0_MN
MCD3_SDDATA1
MCD3_SDDATA1_MN
MCD3_SDDATA2
MCD3_SDDATA2_MN
MCD3_SDDATA3
MCD3_SDCD#
MCD3_SDDATA3_R_MN
MCD3_SDWP
MCD3_SDCMD
MCD3_REXT_MN
MCD3_SDDATA0
MCD3_SDDATA1
MCD3_SDDATA2
MCD3_SDDATA3

Samsung
Confidential
Samsung
Confidential
Mini PCI Express Card
48.05 mm
DO NOT DISCLOSE TO OR DUPLICATE FOR OTHERS
Even Pins : Bottom Side
Odd Pins : Top side
A
D
50.95 mm
SIM CARD CONN.
1
DEV. STEP
TITLE
Bonn-E : stuff
Canne : nostuff
Pin 1
WLAN, 4mm
PEM : WLAN minicard + Half minicard
2
Angle type
THIS DOCUMENT CONTAINS CONFIDENTIAL
30.00 mm
REV
Even Pins : Bottom Side
PAGE
C
HSDPA, 7mm
DESIGN
CHECK
Bonn-E : stuff
MODULE CODE
3
DATE
50.95 mm
Type : angle
PART NO.
OF
LAST EDIT
1
SAMSUNG PROPRIETARY
SAMSUNG ELECTRONICS CO’S PROPERTY.
Type : angle
ELECTRONICS
APPROVAL
B
C
Pin 1
Top
4
4
Odd Pins : Top side
48.05 mm
30.00 mm
D:/Users/mobile39/mentor/BONN-E/BONN-E_mp10
WLAN & HSDPA & SIM CARD
MINI_PCIE_CONN
BONN-E
6747
BA41-01060A
April 11, 2009 10:05:58 AM
REV 1.0
MP
12/05/2008
BL Lee
MK Kim
MS Yang
Mini PCI Express Card
A
3
D
Canne : nostuff
Top
Added by EMC
2
SAMSUNG
PROPRIETARY INFORMATION THAT IS
B
EXCEPT AS AUTHORIZED BY SAMSUNG.
SIM_RSVD_C4
17 SIM_RSVD_C8
8
SIM_VCC_C1
16
SIM_VPP_C6
SMB_CLK 30
32
SMB_DATA
USB_D+ 38
USB_D- 36
WAKE*
1
20
W_DISABLE*
33
REFCLK+
13 REFCLK-
11
RSVD_1
3
37 RSVD_11
RSVD_12
39
RSVD_13
41
RSVD_14
43
RSVD_15
45
RSVD_16
47
49 RSVD_17
RSVD_18
51
RSVD_2
5
12
SIM_CLK_C3
10
SIM_DATAIO_C7
14
SIM_RESET_C2
19
34
LED_WLAN* 44
LED_WPAN* 46
LED_WWAN* 42
53
MNT1
MNT2 54
6
P1.5V_1
28
P1.5V_2
48
P1.5V_3
2
P3.3V_1
P3.3V_2 52
24
P3.3V_AUXPERN0
23
PERP0
25
PERST* 22
PETN0
31
PETP0
7CLKREQ*
4
GND_1
GND_10
35
GND_11 40
GND_12 50
GND_2
9
15 GND_3
GND_4 18
GND_5
21
GND_6 26
GND_7
27
GND_8
29
GND_9
HSDPA
MINICARD-52P
J502
3709-001506
C581
100nF
10V
C3640
100nF
HSDPA
100nF
C3641
nostuff
HSDPA
10V
P3.3V
M500
BA61-01103A|screw-118-2b-h0450
DIA
HEAD
LENGTH
D514
BAV99LT1
nostuff
1
3
2
M502
BA61-01090A
DIA
HEAD
LENGTH
FULLSIZE
P3.3V
0
R595
P3.3V
P3.3V
nostuff
10000nF
C818
6.3V
1000nF
C42
10%
6.3V
HSDPA
nostuff
10V
P3.3V
HSDPA
C582
100nF
nostuff
0.1nF
C3898
50V
C817
100nF
P3.3V
10V
P3.3V
CD_U
C4 1
MNT1
MNT2 2
HSDPA
C136
100nF
HSDPA
3709-001478
J5
EDGE-SIM-8P-MNT
C1
C1
C2 C2
C3 C3
C5
C5
C6 C6
C7 C7
C8 CD_L
SIM_RSVD_C4
17 SIM_RSVD_C8
8
SIM_VCC_C1
16
SIM_VPP_C6
30
SMB_CLK
SMB_DATA 32
38
USB_D+
36
USB_D-
1WAKE*
W_DISABLE* 20
PETP0
13 REFCLK+
11 REFCLK-
3RSVD_1
RSVD_11
37
39 RSVD_12
41 RSVD_13
43 RSVD_14
45 RSVD_15
47 RSVD_16
49 RSVD_17
51 RSVD_18
5RSVD_2
12
SIM_CLK_C3
10
SIM_DATAIO_C7
14
SIM_RESET_C2
19
GND_9
44
LED_WLAN* 46
LED_WPAN*
42
LED_WWAN*
MNT1 53
54
MNT2
P1.5V_1 6
P1.5V_2 28
P1.5V_3 48
P3.3V_1 2
P3.3V_2 52
P3.3V_AUX 2423 PERN0
25 PERP0
22
PERST*
31 PETN0
33
J505
EDGE-MINIPCI-E-52P
CLKREQ*
7
GND_1 4
35 GND_10
40
GND_11
50
GND_12
9GND_2
15 GND_3
18
GND_4
21 GND_5
26
GND_6
27 GND_7
29 GND_8
34
3709-001498
RHU002N06
Q547
D3
1
G
2
S
M501
BA61-01090A
DIA
HEAD
LENGTH
HALFSIZE
100nF
C796
10K
R47
1%
HSDPA
P3.3V
C863
100nF
P3.3V
10V
1
3
2
nostuff
D512
BAV99LT1
HSDPA
C135
100nF
10V
10000nF
C819
6.3V
P1.5V
2
3
2
nostuff
BAV99LT1
D513
1
3
nostuff
BAV99LT1
D517
1
1%
10K
R417
P3.3V
50V
0.5pF
C44
0.01nF
HSDPA
1
3
2
0.01nF
C43
0.5pF
50V
HSDPA
nostuff
D516
BAV99LT1
10K
R596
P3.3V
HSDPA
BAV99LT1
D515
1
3
2
P3.3V
P3.3V
HSDPA
nostuff
10000nF-X5R
6.3V
50V
0.5pF
C45
0.01nF
HSDPA
C89
KBC3_RFOFF#
KBC3_RFOFF#_R_MN
USB3_WIMAX-
USB3_WIMAX+
PLT3_RST#
ITM3_CLKREQ#
CLK1_MINIPCIE2#
SIM3_C3 SIM3_C7
SIM3_C2
SIM3_DETECT#
SIM3_C1 SIM3_C6
PLT3_RST#
WLON_LED#
KBC3_RFOFF#
MIN3_LED_WWAN#2_MN
SIM3_DETECT#
MIN3_LED_WLAN#2_MN
SIM3_C1
SIM3_C7
SIM3_C3
SIM3_C2
SIM3_C6
PEX1_MINIRXN2
PEX1_MINIRXP2
PEX1_MINITXN2
PEX1_MINITXP2
CLK1_MINIPCIE2
USB3_MINIPCIE2+
USB3_MINIPCIE2-
MIN3_LED_WLAN#1_MN
MIN3_LED_WPAN#1_MN
MIN3_LED_WWAN#1_MN
PEX1_MINIRXN1
PEX1_MINIRXP1
PEX1_MINITXN1
PEX1_MINITXP1
CLK1_MINIPCIE
CLK1_MINIPCIE#
KBC3_RFOFF#
MIN3_CLKREQ#

Samsung
Confidential
Samsung
Confidential
POWER SIGNAL
C
B
DO NOT DISCLOSE TO OR DUPLICATE FOR OTHERS
CHECK
A A
B
THIS DOCUMENT CONTAINS CONFIDENTIAL
1
PAGE OF
SAMSUNG
DESIGN
D
BONN-E
SATA_DEVICES
HDD & ODD SUB CONNECTOR
D:/Users/mobile39/mentor/BONN-E/BONN-E_mp10
4
APPROVAL
MAIN TO SUB SATA ODD CONN
MODULE CODE
DATE
PART NO.
D
4
SAMSUNG ELECTRONICS CO’S PROPERTY.
PROPRIETARY INFORMATION THAT IS
3
2
SAMSUNG PROPRIETARY 3
2
Type : angle
ELECTRONICS
EXCEPT AS AUTHORIZED BY SAMSUNG.
LAST EDIT
DEV. STEP
REV
TITLE
C
SATA HDD CONN
1
SATA I/F CONN
Type : angle
nostuff
MS Yang
MK Kim
BL Lee
12/05/2008
MP
REV 1.0
April 11, 2009 10:05:58 AM
BA41-01060A
48 67
nostuff 10V
100nF
C696
nostuff 10V
100nF
C697
nostuff
10V
10000nF-X5R
C428
10V
10000nF-X5R
C434
100nF
C699
10V
nostuff
P5.0V
P10 GND7
P12 GND8
MNT1
M1
M2 MNT2
RESERVE
P11
S6 RX+
RX-
S5
S2 TX+
TX-
S3
P2 3.3V_2
3.3V_3
P3
P7 5V_1
P8 5V_2
5V_3
P9
GND1
S1
S4 GND2
GND3
S7
GND4
P4
P5 GND5
GND6
P6
3710-002788
12V_1
P13
P14 12V_2
12V_3
P15
P1 3.3V_1
1
10
11
12
2
3
4
5
6
7
8
9
HDD-22P-SMD
JHDD500
3708-002190
J17
CONN-12P-FPC
10000nF
C782
6.3V
100nF
C776
10V
P5.0V
10V
C769
100nF 100nF
C767
10V
nostuff
6.3V
C799
10000nF
10V
P3.3V
nostuff
C814
100nF
10V
100nF
C811
6.3V
C790
10000nF
nostuff
SAT1_ODD_TXN
SAT1_ODD_TXP
SAT1_ODD_RXP
SAT1_ODD_RXN
SAT1_HDD_TXN
SAT1_HDD_TXP
SAT1_HDD_RXN
SAT1_HDD_RXP
nostuff

Samsung
Confidential
Samsung
Confidential
EXCEPT AS AUTHORIZED BY SAMSUNG.
SAMSUNG ELECTRONICS CO’S PROPERTY.
MODULE CODE
1
B
4
should be at the thermal sensor side.
LAST EDIT
OF
DEV. STEPCHECK
2
SAMSUNG
APPROVAL
A
D
GMT : 1203-005592
THIS DOCUMENT CONTAINS CONFIDENTIAL
PART NO.
SAMSUNG PROPRIETARY
DO NOT DISCLOSE TO OR DUPLICATE FOR OTHERS
2
MICOM Crisis Update
Condition: P90=P91=P92=High(MICOM_P3V)
3
REV
CC
PAGE
MICOM RESET
DATE TITLE
B
1
A
DRAW
3
ELECTRONICS
4
For ESD
10kohm pull-up to P3.3V_AUX
PROPRIETARY INFORMATION THAT IS
Serial Port: P84 & P85
MD0=MD1=Low(0V) MS Yang
MK Kim
BL Lee
12/05/2008
MP
REV 1.0
April 11, 2009 10:05:58 AM
BA41-01060A
49 67
BONN-E
MICOM
MICOM_Renesas2110_100p
D:/Users/mobile39/mentor/BONN-E/BONN-E_mp10
D
POWER SWITCH BLOCK WHILE MICOM UPDATE
Type : straight
P3.3V
1
3
3
D
G
1
S2
P5.0V
Q523
RHU002N06
100nF
C637
0
3
6
10
0.1nF
C3911
50V nostuff
1
1%
R676 10K
P5.0V
10K
R660
BSS84
Q526
3
D
1
G
S
2
R652
100
1%
7
P3.3V_AUX
11
R643
4.7K
100nF
C681
10V
C685
330nF
1%
10K
R665
nostuff
47K
R641
Q530
RHU002N06
D3
1
G
2
S
15
5
1%
10K
R673
4
R667
1%
10K
100nF
P3.3V_MICOM
5
C671
C447
0.018nF
10V
C663
100nF
25V
nostuff
C638
100nF
P3.3V_MICOM
4
36
VCC_1
VCC_2 37
59
VCC_3
9
VCL
VSS_1
15
46 VSS_2
VSS_3
70
71 VSS_4
VSS_5
92
2XTAL
30
21 PA4
PA5
20
PA6
11
10 PA7
91 PB0
PB1
90
PB2
81
80 PB3
PB4
69
68 PB5
58 PB6
PB7
57
RES* 1
100
RESO*
STBY* 8
VCCB
95
96
P83
P84 97
98
P85 99
P86
25
P90
P91 24
P92 23
22
P93
P94 19
18
P95 17
P96
P97 16
PA0
48
47 PA1
31 PA2
PA3
28
29
P63
P64 32
33
P65 34
P66
P67 35
P70 38
39
P71 40
P72
P73 41
42
P74
P75 43
P76 44
45
P77
93
P80
P81 94
P82
P35
88 P36
P37
89
P40 49
50
P41 51
P42
P43 52
53
P44
P45 54
P46 55
56
P47
14
P50 13
P51
P52 12
26
P60
P61 27
P62
P15
73 P16
P17
72
P20
67
66 P21
65 P22
P23
64
63 P24
P25
62
P26
61
60 P27
82 P30
P31
83
P32
84
85 P33
P34
86
87
U10
H8S-2110B
0903-001439
EXTAL
3
MD0 6
5
MD1
7
NMI
79 P10
P11
78
P12
77
76 P13
P14
75
74
3
D
G
1
S2
nostuff
Q521
RHU002N06
nostuff
1%
R637
150K
7
2
P3.3V_MICOM
C678
10V
100nF
nostuff
R632
330K
10K
R657 1%
0
1%
R662 10K
R659
10K
P3.3V_MICOM
P3.3V_MICOM
1%
100K
R654
nostuff
2
GND
RESET* 2
3VDD
1203-002364
TPS3809
U512
1
4
5MNT1
MNT2
6
14
3711-000456
J18
HDR-4P-1R-SMD
nostuff
1
2
3
9
8
P3.3V_MICOM
4
0 13
4.7K
R674
1%
R656
300K
0.018nF
C448
P3.3V_MICOM
2
3
10MHz 2801-004665
Y2
1
2
100K
12
VDC
1%
R661
25V
6
nostuff
C654
10nF
R635
47K
nostuff
4GND
MODE0
1
3RX
TX
2
1
TP2000
R675 4.7K
1%
R642
100K
KBC5_TCLK
KBC5_TDATA
KBC3_SCLED#
KBC3_NUMLED#
KBC3_CAPSLED#
KBC3_PRECHG
KBC3_STBY#_MN
KBC3_RFOFF#
KBC3_TX
KBC3_RX
KBC3_P3.3V_PU_R_MN
KBC3_MD
KBC3_RX
KBC3_TX
KBC3_MD
KBC3_MD
KBC3_RX
KBC3_TX
KBC5_LED_CTRL
KBC3_P5ALWON
KBC5_TPAD_CTRL#
CLK3_MICOM_EXTAL_MN
CLK3_MICOM_XTALIN_MN
LID3_SWITCH#
KBC3_CHKPWRSW#
KBC3_PWRSW#
BAT3_DETECT#
VRM3_CPU_PWRGD
KBC3_CPURST#
KBC3_LED_POWER#
PEX3_WAKE#
LPC3_LAD(0:3)
KBC3_SMDATA#
KBC3_CHGEN
KBC3_A20G
KBC3_SMCLK#
LPC3_LFRAME#
PLT3_RST#
CLK3_PCLKMICOM
CHP3_SERIRQ
KBC3_WAKESCI#
PCI3_CLKRUN#
KBC3_RSMRST#
ADT3_SEL#
CHP3_SUSSTAT#
CHP3_SLPS5#
KBC3_BKLTON
KBC3_THERM_SMDATA
KBC3_THERM_SMCLK
KBC3_LED_ACIN#
CHP3_SLPS3#
CHP3_SLPS4#
KBC3_VRON
KBC3_SUSPWR
KBC3_P3.3VMICOM_PU_R_MN
KBC3_PWRBTN#
KBC3_LED_CHARGE#
KBC3_CHKPWRSW#
KBC3_SPKMUTE
KBC3_RCIN#
KBC3_RCIN#_R_MN
THM3_STP#
THM3_STP#_R_MN
THM3_STP#_Q_MN
THM3_STP#_QR_MN
THM3_STP#_VDC_MN
KBC3_SMDATA#
KBC3_SMCLK#
KBC5_TCLK
KBC5_TDATA
KBC3_BLCKPWRSW#
KBC3_RCIN#
KBC3_CHKPWRSW#
KBC3_BLCKPWRSW#
KBC3_USBPWRON#
KBC3_CHG4.2V
KBC3_PWRGD
KBC3_PWRON
KBC3_EXTSMI#
KBC3_RUNSCI#
KBC5_KSO(0:7)
KBC5_KSO(8:15)
KBC5_KSI(0:7)

Samsung
Confidential
Samsung
Confidential
Keyboard Mount
THIS DOCUMENT CONTAINS CONFIDENTIAL
C
4 1
DO NOT DISCLOSE TO OR DUPLICATE FOR OTHERS
Type : angle
Contact to Touchpad
APPROVAL
DEV. STEP SAMSUNG
1
MODULE CODE
TOUCHPAD LED
nostuff when 2111b(144p) is used
SAMSUNG PROPRIETARY
OF
CHECK
B
Micom Glue Logic
C
TOUCHPAD
PAGE
LAST EDIT
B
A
2
ELECTRONICS
DATE
D
4
Type : angle
A
Contact to Touchpad
D
3
TITLE
2
PART NO.
MS Yang
MK Kim
BL Lee
12/05/2008
MP
REV 1.0
April 11, 2009 10:05:58 AM
BA41-01060A
50 67
BONN-E
MICOM GLUE LOGIC
KETBOARD & TOUCHPAD
D:/Users/mobile39/mentor/BONN-E/BONN-E_mp10
KEYBOARD
PROPRIETARY INFORMATION THAT IS
3
EXCEPT AS AUTHORIZED BY SAMSUNG.
REV
SAMSUNG ELECTRONICS CO’S PROPERTY.
DESIGN
LTST-C193TBKT-AC
LED18
1 2
P3.3V_LED
1%
R612 10K
RMNT-25-90-1P
MT9
50V
0.5pF
C606
0.01nF
1%
R413 475
475
R411
1%
LTST-C193TBKT-AC
1 2
LED5
1%
R640 10K
LTST-C193TBKT-AC
LED17
1 2
1%
R303 475
475
R284 1%
1%
R281 475
LED10
1 2
1%
30.1K
R639
1%
LTST-C193TBKT-AC
1nF
C605
10K
R617
1 2
50V
100K
R633
1%
LED1
LTST-C193TBKT-AC
BA70-00601A
EMI2
CONTACT-PLATE-EMI
nostuff
BONN
EMI
1%
R616 10K
10K
R611 1%
1
2
3
4
5
6
7MNT1
MNT2
8
2
CONN-6P-FPC
J13
3708-002402
10V
C650
330nF
LTST-C193TBKT-AC
LED12
1
1 2
1%
R289 475
LED2
LTST-C193TBKT-AC
LED15
LTST-C193TBKT-AC
1 2
475
R283 1%
200K
R645
1%
P5.0V
10K
R615 1%
100K
1%
R638
1 2
1 2
P5.0V
LED16
LTST-C193TBKT-AC
R414 475
P5.0V_STB
LED11
LTST-C193TBKT-AC
R306 4751% 1%
P3.3V_LED
475
R415 1%
1
2
3
4
SW2
SW-TACT-4P
1%
EMI
CANNES
R412 475
CONTACT-PLATE-EMI
EMI3
BA70-00601A
SW-TACT-4P
SW1
1
2
3
4
MNT1
MNT2
27
LED3
LTST-C193TBKT-AC
1 2
22
23
24
25
3
4
5
6
7
8
9
26
13
14
15
16
17
18
19
2
20
21
3708-002166
J12
FPC-KBD-25P
1
10
11
12
10K 1%
1%
R614
1
3
2
10K
R613
BAV99LT1
D10
nostuff
1 2
LED14
LTST-C193TBKT-AC
S
475
R409 1%
P3.3V
SI2315BDS-T1
Q527
D3
1
G
2
50V
C672
100nF
C604
1nF
P3.3V_AUX
1%475
R416 1%
1 2
475
R310
P5.0V
LED13
LTST-C193TBKT-AC
R767 475
R610 10K
1%
1%
1 2
RMNT-25-90-1P
MT5
1 2
LED7
LTST-C193TBKT-AC
RHU002N06
Q522
D3
1
G
2
S
LED4
LTST-C193TBKT-AC
1%
R777 475
D6
BAT54C
1 2
3
P3.3V_LED
nostuff
10V
100nF
C602
50V
1 2
C603
1nF
1
3
2
LED6
LTST-C193TBKT-AC
TPD5_R_BUTTON#
TPD5_L_BUTTON#
KBC5_TPAD_CTRL#
D9
BAV99LT1
nostuff
TPD5_R_BUTTON#
TPD5_L_BUTTON#
TPD5_L_BUTTON#
KBC5_TDATA
TPD5_R_BUTTON#
KBC5_TCLK
KBC5_LED_CTRL
KBC5_LED_CTRL_Q_MN
KBC5_LED_CTRL_QR_MN
KBC5_LED_CTRL_R_MN
TCH1_LED9_MN
TCH1_LED8_MN
TCH1_LED7_MN
TCH1_LED6_MN
TCH1_LED5_MN
TCH1_LED4_MN
TCH1_LED3_MN
TCH1_LED2_MN
TCH1_LED1_MN
TCH1_LED11_MN
TCH1_LED12_MN
TCH1_LED13_MN
TCH1_LED14_MN
TCH1_LED15_MN
TCH1_LED16_MN
TCH1_LED17_MN
KBC3_TX
KBC5_KSI(0:7)
KBC5_KSO(0:15)

Samsung
Confidential
Samsung
Confidential
G
R
DEV. STEP
OF
LAST EDIT
ELECTRONICS
A
B
PART NO.
3
D
SAMSUNG PROPRIETARY 2
CHECK
3
SAMSUNG ELECTRONICS CO’S PROPERTY.
THIS DOCUMENT CONTAINS CONFIDENTIAL
C
DO NOT DISCLOSE TO OR DUPLICATE FOR OTHERS
DRAW
2
TITLE
B
LED_SWITCH
LED_SWITCH
BONN-E
6751
BA41-01060A
April 11, 2009 10:05:58 AM
REV 1.0
MP
12/05/2008
BL Lee
MK Kim
MS Yang
4
ADAPTERIN/CHARGING LED
MODULE CODE
REV
FUNCTION KEY LED
A
DATE
1
PAGE
C
EXCEPT AS AUTHORIZED BY SAMSUNG.
1
4
APPROVAL
D
PROPRIETARY INFORMATION THAT IS
SAMSUNG
R794 10K 1%
D:/Users/mobile39/mentor/BONN-E/BONN-E_mp10
2
P3.3V
LTST-C193TBKT-AC
LED23
1 1
2
LED22
LTST-C193TBKT-AC
R798 475
475
R801 1%
P3.3V_MICOM
1%
LED19
LTST-C193TBKT-AC
1
2
475
R797 1%
R793 475 1%
1%
R800 475
LTST-C193TBKT-AC
LED20
1
2
P3.3V_MICOM
1%475
R795
475
R799 1%
1%
3
D
1
G
S2
475
R802
BSS84
Q549
D3
G
12
S
Q548
BSS84
1 2
LTST-C193TBKT-AC
LED25
1
2
3
4
1000nF
C859
6.3V
LED24
LTST-C195KGJRKT
1%
1M
R803
P3.3V_AUX
+
5
3
-
2 4
7SZ14FU
U531
10K
R792
1
2
1%
LED21
LTST-C193TBKT-AC
KBC3_NUMLED#
KBC3_SCLED#
WLON_LED#
KBC3_NUMLED#_LED_MN
KBC3_CAPSLED#_LED_MN
KBC3_CAPSLED#
KBC3_SCLED#_LED_MN
CHP3_SATALED#
WLON_LED#_LED_MN
CHP3_SATALED#_LED_MN
P3.3V_MICOM_LED_ACIN#_R_MN
KBC3_LED_ACIN# KBC3_LED_ACIN#_R_MN
P3.3V_MICOM_LED_CHARGE#_R_MN
KBC3_LED_CHARGE# KBC3_LED_CHARGE#_R_MN
KBC3_LED_POWER#
KBC3_LED_POWER#_U_MN
KBC3_LED_ACIN#_Q_MN
KBC3_LED_CHARGE#_Q_MN
KBC3_LED_POWER#_R_MN

Samsung
Confidential
Samsung
Confidential
E-SATA USB
PART NO.
ELECTRONICS
D
DATE
A
B B
C C
Type : angle
D
PROPRIETARY INFORMATION THAT IS
EXCEPT AS AUTHORIZED BY SAMSUNG.
3
2
Bonn : nostuff
PAGE
A
USB Single connector
CHECK
REV
Need 2A Routing
SAMSUNG
THIS DOCUMENT CONTAINS CONFIDENTIAL
for sleep in charge
LID SWITCH for Canne
PLACE CLOSE TO USB SUB B’D Conenctor
SAMSUNG ELECTRONICS CO’S PROPERTY.
DO NOT DISCLOSE TO OR DUPLICATE FOR OTHERS
Canne : stuff
DEV. STEP
USB SUB B’D CONNECTOR
DESIGN
SAMSUNG PROPRIETARY
D:/Users/mobile39/mentor/BONN-E/BONN-E_mp10
USB & eSATA
USB_CONN
BONN-E
6752
BA41-01060A
April 11, 2009 10:05:58 AM
REV 1.0
MP
12/05/2008
BL Lee
MK Kim
MS Yang
USB + eSATA CONNECTOR
APPROVAL
MODULE CODE
4
Type : angle
Type : straight
Type : angle
LAST EDIT
TITLE
OF
4
3
21
BAV99LT1
D502
1
3
2
0
R186
nostuff
nostuff
10
TXN
7
6TXP
1VBUS
100nF
C622
nostuff
10V
D+
3
2D-
GND1 4
5
GND2
GND3 8
11
GND4
MNT1 12
13
MNT2
MNT3 14
15
MNT4
9RXN
RXP
P5.0V_STB
P5.0V_ALW
JACK-USB-ESATA-11P
J14
3722-002850
10V
C689
100nF
nostuff
nostuff
R934 0
B513
ACM2012-900-2P-T
2
1
3
4
10V
C621
100nF
P3.3V
10V
100nF
C662
C33
100nF
10V
R679 0
nostuff
200K
R280
1%
1%
R933
20K
BONN
R1005-SHORT
SHORT561
4
3
ACM2012-900-2P-T
B27
1
2
SHORT559 R1005-SHORT
3EN1#
EN2#
4
1
GND
2IN
8OC1#
5OC2#
7
OUT1
OUT2 6
9
T_GND
3EN1#
EN2#
4
GND 1
IN
2
8OC1#
5OC2#
OUT1 7
6
OUT2
9
T_GND
U4
TPS2062ADRBR
1205-003683
1205-003683
TPS2062ADRBR
U7
AS
16V
100uF
EC510
100nF
C687
10V
P5.0V_ALW
R190 0
nostuff
nostuff
0
R681
R46 0
0
R649
1
10
11
12
2
3
4
5
6
7
8
9
3711-000556
J7
HDR-12P-SMD
P5.0V_AUX_USB
100nF
10V
C48
R182 0
nostuff
3711-000456
J507
HDR-4P-1R-SMD
1
2
3
4
5MNT1
MNT2
6
100nF
C3908
CANNES
P3.3V
CANNES
P3.3V_MICOM
10V
D+
D-
GND
MNT1
5
6MNT2
MNT3
7
8MNT4
PWR
JACK-USB-4P
J16
3722-002767
50V
C3923
1nF
CANNES
50V
C623
0.033nF
nostuff
P5.0V_AUX_USB
20K
R928
1%
Q27
RHU002N06
3
D
G
1
S2
R1005-SHORT
SHORT560
EC511
100uF
16V
AS
R932 0
BONN
SAT1_ESATA_TXP
SAT1_ESATA_RXN
SAT1_ESATA_RXP
SAT1_RXN4_R_MN
SAT1_RXP4_R_MN
SAT1_TXN4_R_MN
SAT1_TXP4_R_MN
R1005-SHORT
SHORT562
USB3_P0-_B_MN
USB3_P2-_B_MN
USB3_P2-
USB3_P2+_B_MN
USB3_P2+
TPS3_P5.0AUX_USBPWR2_MN
TPS3_P5.0VAUX_USBPWR1_MN
KBC3_USBPWRON#_R_MN
KBC5_P5ALWON#
KBC3_USBPWRON#
LID3_SWITCH#
LID3_SWITCH#
TPS1_P5.0VAUX_USBPWR1_MN
SAT1_ESATA_TXN
KBC3_PWRSW#
KBC3_USBPWRON#
KBC3_P5ALWON
KBC5_P5ALWON#
USB3_P0+
USB3_P0-
KBC3_PWRSW#
USB3_P10+
USB3_P10-
USB3_P6+
USB3_P6-
USB3_P0+_B_MN

Samsung
Confidential
Samsung
Confidential
THIS DOCUMENT CONTAINS CONFIDENTIAL
Type : straight
PROPRIETARY INFORMATION THAT IS
SAMSUNG ELECTRONICS CO’S PROPERTY.
USB I/F Devices
DESIGN
Bluetooth Interface CAMERA
USING THE CLOCK AND DATA OF ICH
4
MODULE CODE
DATE
PAGE
CHECK
APPROVAL REV
LAST EDIT
DEV. STEP
A
OF
SAMSUNG
TITLE
PART NO.
D
C
A
ELECTRONICS
MK Kim
BL Lee
12/05/2008
MP
REV 1.0
April 11, 2009 10:05:58 AM
BA41-01060A
53 67
BONN-E
USB_DEVICES
BLUETOOTH & CAMERA
D:/Users/mobile39/mentor/BONN-E/BONN-E_mp10
B B
C
2
D
4
3
1
SAMSUNG PROPRIETARY
2
1
DO NOT DISCLOSE TO OR DUPLICATE FOR OTHERS
Type : angle
EXCEPT AS AUTHORIZED BY SAMSUNG.
Free Fall Sensor
3
P3.3V
P3.3V
MS Yang
6.3V
FFS
10V
100nF
C821
6
SDO
7
VDD 14
VDD_IO
1
P3.3V
FFS
C822
10000nF-X5R
5
GND_2 12
GND_3 13
GND_4 16
INT1 11
INT2 9
NC_1
2
NC_2
3
RESERVED_1 10
RESERVED_2 15
SCL_SPC
4
SDA_SDI_SDO
FFS
U526
LIS331DL
1209-001876
CS
8
GND_1
1
2
3
4
5MNT1
MNT2
6
3711-000456
J27
HDR-4P-1R-SMD
10V
100nF
C813
10V
100nF
C812
P5.0V
P3.3V
10V
100nF
C633
FFS
10K
R922 FFS
R921 10K
3
4
5
6
MNT1
7
8MNT2
3711-002049
J11
HDR-6P-SMD
1
2
C632
100nF
10V
2
1
3
4
ACM2012-900-2P-T
B22
USB3_BLUETOOTH+
USB3_BLUETOOTH-
FFS3_INT
FFS3_INT2_MN
USB3_CAMERA+
USB3_CAMERA-
USB3_CAMERA+_B_MN
USB3_CAMERA-_B_MN
SMB3_DATA
SMB3_CLK

Samsung
Confidential
Samsung
Confidential
OF
APPROVAL
External : P3.3V_AUX
2
A
Type : straight
3
MODULE CODE
Internal : P1.5V_AUX
SAMSUNG
3
PAGE
C
B
4
Type : angle
SAMSUNG ELECTRONICS CO’S PROPERTY.
DATE
2
CHECK
TITLE
1
B
THIS DOCUMENT CONTAINS CONFIDENTIAL
C
Mainboard to RJ11 cable
1
D
A
MDC to mainboard
SAMSUNG PROPRIETARY
MDC connector
EXCEPT AS AUTHORIZED BY SAMSUNG.
DO NOT DISCLOSE TO OR DUPLICATE FOR OTHERS
ELECTRONICS
DRAW
D
REV
Type : angle
PROPRIETARY INFORMATION THAT IS
PART NO.
DEV. STEP
4
LAST EDIT
D:/Users/mobile39/mentor/BONN-E/BONN-E_mp10
MDC CONNECTOR
MDC CONNECTOR
BONN-E
6754
BA41-01060A
April 11, 2009 10:05:58 AM
REV 1.0
MP
12/05/2008
undefined
BL Lee
MK Kim
MS Yang
22
R386
MDC
MDC
EMI
EMI1
CONTACT-PLATE-EMI
14-D1
P3.3V_AUX
14-D1
nostuff
10K
R739
14-D1
14-D1
MDC
C842
1nF
3KV
R383
10K
3KV
nostuff
MDC
C857
100nF
10V
MDC
C843
1nF
C856
10V
MDC
10000nF
C860
6.3V
9
13 MNT1
MNT2
14
MNT3
15
16 MNT4
17 MNT5
MNT6
18
MDC
100nF
3710-002133
J30
SOCK-12P-2R-SMD
MDC
1
10
11 12
2
3 4
5 6
7 8
M4
LENGTH
HEAD
DIA
14-D2
CIC21J601NEB523
MDC
BA61-00784A
MDC
3711-000541
J29
HDR-2P-SMD
1
2
3MNT1
MNT2
4
MDC
B522 CIC21J601NE
3711-000541
J28
HDR-2P-SMD
1
23
MNT1
MNT2 4
MDC
P3.3V_AUX
MDC
HDA3_MDC_RST# HDA3_MDC_BCLK
HDA3_MDC_SDO
MDC1_CON1_B1_MN
HDA3_MDC_SYNC
MDC1_CON2_B2_MN
MDC1_CON2_B1_MN
HDA3_MDC_SDI1_R_MN
HDA3_MDC_SDI1
MDC1_CON1_B2_MN
nostuff
10K
R796

Samsung
Confidential
Samsung
Confidential
2
SAMSUNG
3
PART NO.
3
2
27.4K 2007-007274
CHARGER & POWER MANAGEMENT
EMI
15.15V@1.264V
B
COM-22C-015(1996.6.5) REV. 3
DO NOT DISCLOSE TO OR DUPLICATE FOR OTHERS
ELECTRONICS
VCHG=12.602V@2600 Cell
1.024V@2.561A
ICHG=2.56A FOR 5200mAh & 4000mAh
APPROVAL
PAGE
MODULE CODE
Type : angle
60W / 3.03A / 96%
(ACTIVE LOW)
CELLS
BONN / CANNES Only
4
Value
C
0.107V@0.268A
Low : 2.508V@4.350V(2950 Cell)
3
D
VDD
GND
Float
LAST EDIT
Adapter configuration
High : 1.205V@4.200V(2600 Cell)
SAMSUNG ELECTRONICS CO’S PROPERTY.
Rtop
DATE
CHARGER (ISL6256)
4
REV
OF
THIS DOCUMENT CONTAINS CONFIDENTIAL
Rbot
VCHG=13.050V@2950 Cell
A
SAMSUNG PROPRIETARY
IPRECHG=0.27A
Cells N/B
A
2007-007142
12/05/2008
undefined
BL Lee
MK Kim
MS Yang
2007-002910
CHECK
4
SEC Code
EMC request
EMC request
DRAW
10K
1
C
EXCEPT AS AUTHORIZED BY SAMSUNG.
(1.26V)
( 2.39V )
1
2
SEC Code
30.1K
D
TITLE
DEV. STEP
B
200K
PROPRIETARY INFORMATION THAT IS
90W / 4.32A / 91.2%
Value
2007-007334
Type : angle
6
7
VREF
D:/Users/mobile39/mentor/BONN-E/BONN-E_mp10
PWR_MV_Charger
BONN-E
6755
BA41-01060A
April 11, 2009 10:05:58 AM
REV 1.0
MP
3711-007011
BATT-CONN-7P
J4
1
2
3
4
5
R10
B502
BLM18PG181SN1
1%100
BLM18PG181SN1
B503
1nF
C32
50V
20K
R44
1%
P3.3V_MICOM
G_CHG
G_CHG
1%
1%
475K
R532
10K
R69
RHU002N06
Q509
D3
1
G
2
S
nostuff
16V
C58
10nF
50V
R75
10K
C66
6.8nF
1%
B501
HU-1M2012-121JT
C28
100nF
25V
C528
1000nF
25V
1K
R65
1%
R525
1%
G_CHG
10K
R523
nostuff
475K
470K
R929
1%
24.3K
R48
1%
VREF BGATE
B504
BLM18PG181SN1
G_CHG
C15 100nF 25V
nostuff
C503
50V
0.1nF
100nF
C41
25V
22
R32
4.7
R522
R9 1%
25V
C70
100nF
100
R513
0.02
1W
1%
R531
10K
B4
HU-1M2012-121JT
AP4232GM
Q9-1
D1 7 8
D2
2
G
1
S
B3
HU-1M2012-121JT
5
D1
D2
6
G
4S3
Q9-2
AP4232GM
1%
43.2K
R12
AD_DC
C517
4700nF-X5R
25V
50V
C7
1nF
nostuff
R63
30K
1%
100
R66
1%
6
VREF
8.2uH
L505
SIQ1250-8R2PF
ICOMP
3
12
LGATE 11
PGND
16
PHASE
18 SGATE
29
THERM
15
UGATE
9VADJ
4VCOMP
VDD
26
13 VDDP
CHLIM
CSIN 2019 CSIP
22
CSON
21
CSOP
25 DCIN
24 DCPRN
28 DCSET
1
EN
10
GND
5ICM
U3
ISL6256AHRZ-T
1203-004471
8ACLIM
23 ACPRN
27 ACSET
17
BGATE
14
BOOT
2
CELLS
7
G_CHG
nostuff
300K
1%
R56
SHORT566
R1005-SHORT
10
R17
nostuff
50V
0.1nF
C501
2402-001144
nostuff
0.1nF
50V
C502
R506
300K
1%
EC500
68uF
25V
AL
3D
G
1
S
2
C38
1nF
VDC_CHG
RHU002N06
Q6
nostuff
50V
25V
100nF
C500
4700nF-X5R
C22
25V
25V
25V
4700nF-X5R
C14
C19 4700nF-X5R
R14 470K 1%
B500
HU-1M2012-121JT
100nF
C35
25V
SHORT500
INSTPAR
45
MNT1
MNT2 6
VREF
P3.3V_MICOM
HDR-4P-1R
3711-007003
J2
1
2
3
S1
S2
2
S3
3
1%
R6
100K
AO4435L
Q5
8
D1
D2 7
D3 6
5
D4
4G
1
100K
VDC
1%
R5
1%
R515 0.02
1W
25V
C514 4700nF-X5R
10
R25
nostuff
R13
0
Q510
RHU002N06 3
D
G
1
S2
G_CHGG_CHG
25V
C522
100nF
R61
300K
1%
BAT54A
D508
3
1 2
BGATE
1
2
S2 3
S3
VDC_ADPT
D1
8
7D2
6D3
D4
5G4
S1
Q502
AO4435L
G_CHG
25V
C12
1000nF
G_CHG
G_CHG
G_CHG
R8
10K
D2
BAV99LT1
1
3
2
P3.3V_MICOM
BAV99LT1
D1
1
3
2
R31
22
R18
0
nostuff
6
5
D4
4G
S1
1
2S2
S3
3
AO4435L
Q8
D1 8
7
D2
D3
VDC_ADPT
M96
22
R33
10K
R74
1%
25V
100nF
C4
27.4K
R57
1%
R77
200K
1%
M92
1%
R53
200K
M92
2.2
R34
G_CHG G_CHGG_CHG G_CHG
R67
1%
R68
200K
1%
150K
VDC
VREF
G_CHG
C63
1nF
50V
50V
C36
47nF
25V
C532
1000nF
M96
R524 5.1
1%
G_CHG
30.1K
R70
1%
C6
10nF
25V
3
1
G
2
S
16V
C64
10nF
Q7
BSS84
D
R51
27.4K
1%
R54
1%
300K
100nF
C17
G_CHG
VREF
100nF
C18
25V 25V
G_CHG
1%
R528
30K
CHGVR_ICM_RC_MN
CHGVR_ACLIM_MN
KBC3_CHGEN
CHGVR_EN_MN
CHGVR_CHLIM_RQ_MN
CHGVR_KBC3_PRECHG_RQ_MN
KBC3_PRECHG CHGVR_CSON_MN
CHGVR_DCPRN_MN
CHGVR_BG_CHG_NS_MN
CHGVR_SGATE_MN
CHGVR_TG_CHG_NS_MN
CHGVR_P3.3V_MICOM_RQ_MN
ADT3_SEL#
CHGVR_SGATE_RRQ_MN
CHGVR_KBC3_CHG4.2V_RQ_MN
KBC3_CHG4.2V
CHGVR_DCJACK_JB_NS_MN
CHGVR_DCIN_NS_MN
CHGVR_ACSET_MN
CHGVR_DCSET_MN
CHGVR_CSIP_NS_MN
CHGVR_CSIN_NS_MN
CHGVR_VADJ_MN
CHGVR_VADJ_RQ_MN
CHGVR_CHLIM_MN
CHGVR_PHASE_CHG_NS_MN
CHGVR_SGATE_RQ_MN
CHRVR_AD_DC_RCQ_MN
BAT3_DETECT#
CHGVR_BAT3_DETECT#_CBJ_MN
BAT3_SMCLK#
CHGVR_BAT3_SMDATA#_CBJ_MN
BAT3_SMDATA#
CHGVR_VDC_CHG_BJ_NS_MN
CHGVR_PHASE_RC_MN
CHGVR_VDDP_MN CHGVR_BST_CHG_RC_NS_MN
ADT3_SEL#
CHGVR_BST_CHG_NS_MN
CHGVR_CSOP_MN
CHGVR_VDD_MN
CHGVR_VCOMP_MN
CHGVR_VCOMP_RC_MN
CHGVR_ICOMP_MN
CHGVR_ICM_MN
BAT3_SMDATA# KBC3_SMDATA#
BAT3_SMCLK# KBC3_SMCLK#
CHGVR_BAT3_SMCLK#_CBJ_MN
CHGVR_PHASE_RL_MN
CHGVR_VDC_ADPT_RQ_NS_MN

Samsung
Confidential
Samsung
Confidential
D
PART NO.
PAGE OF
SAMSUNG
ELECTRONICS
SAMSUNG PROPRIETARY 2
2
LAST EDIT
TITLE
MODULE CODE
DATE
A
DEV. STEP
1
1
APPROVAL
PROPRIETARY INFORMATION THAT IS
SAMSUNG ELECTRONICS CO’S PROPERTY.
DO NOT DISCLOSE TO OR DUPLICATE FOR OTHERS
EXCEPT AS AUTHORIZED BY SAMSUNG.
REV
P5.0V OCP(Typ) : 8.75A
P3.3V OCP(Typ) : 5.92A
April 11, 2009 10:05:58 AM
BA41-01060A
56 67
BONN-E
PWR_MV_3V_5V
P3.3V_AUX / P5.0V_AUX
D:/Users/mobile39/mentor/BONN-E/BONN-E_mp10
DRAW
CHECK
P3.3V_AUX & P5.0V_AUX
5V / 3.3V : 280KHz / 430KHz
A
B B
C
THIS DOCUMENT CONTAINS CONFIDENTIAL
RdsOn 16.5mohm
(4A)
TONSEL VREF2
RdsOn 30mohm
5.09V @ HDMI
17 mohm 17 mohm
(6A)
4
4
3
3
C
D
MS Yang
MK Kim
BL Lee
undefined
01/09/2008
MP
REV 1.0
11.8K
R555
1%
AL
25V
68uF
EC530
P5.0V_FILT
L507
SIQ1048-3R9
3.9uH
10K
R538
1%
EC503
68uF
25V
AL
C554
0.033nF
50V
R530
47K
5%
1%
G_P3.3V
G_P3.3V
43.2K
R557
1%
150K
R567
P3.3V_MICOM
P3.3V_AUX
EC533
68uF
25V
AL
10
R132
10nF
C649
R131
10
G_P3.3V
P5.0V_AUX
16V
R571
3.3
C653
100nF
5
D1 6
D2 D3
7 8
D4
4
G
S1
1 2
S2 S3
3
10V
D2
2
G
1S
P5.0V_AUX
AP6680AGM
Q511
AP4232GM
Q515-1
D1
78
R85
G_P3.3V
P5.0V_FILT
P5.0V_ALW
100K
1%
SIQ1048-3R9
3.9uH
L509
R563
11.8K
1%
25V
C563
100nF
1
D1 D2
2D3
5 6
D4
G
3S4
nostuff
10nF
C688
25V
Q524
AO6409L
3
D
G
1
S2
100K
R631
1%
Q525
RHU002N06
D2
4
G
3S
1%
R568
27.4K
AP4232GM
Q515-2
D1
56
1nF
C166
50V
1nF
C87
50V
R79
5.1
1%
3.3
R78
6.3V
C677
4700nF
100nF
C584
25V
R90
10
VDC
P3.3V_MICOM
10
R95
G_P3.3V
G_P3.3V
G_P3.3V
P5.0V_STB
6.3V
C539
1000nF
C566
0.068nF
50V
10V
P5.0V_STB
BAT54C
D510
12 3
P5.0V_ALW
C684
100nF 10K
R572
1%
100nF
C564
R561
13K
25V
1 2
S2 S3
3
1%
D1
5 6
D2 D3
7 8
D4
G
4S1
VBST2
3
VFB1
6
VFB2
22 VIN
1
VO1
8
VO2
4
VREF2
VREG3
19
21 VREG5
Q512
AP6680AGM
15 LL2
33
PAD
24 PGND1
17 PGND2
PGOOD1 30
11 PGOOD2
32
SKIPSEL 31
TONSEL
20 V5FILT
VBST1 28
13
18 CS2
27
DRVH1
DRVH2
14
25
DRVL1
DRVL2
16
29
EN1
EN2
12
EN3
10
9EN5
5
GND
LL1 26
1203-004687
TPS51120RHBR
U505
2
COMP1
7
COMP2
23 CS1
25V
C74
100nF
2203-006090
10000nF-X5R
C546
6.3V
1%
R669
1K
10K
R634
1%
6.3V
C75
1000nF
2409-001175
6.3V
330uF
EC509
2203-006852
10000nF
C555
6.3V
G_P3.3V
2409-001175
6.3V
330uF
EC507
INSTPAR
SHORT2
R564
0
nostuff
10V
C629
100nF
C549
100nF
25V
100K
R556
1%
VDC
R647 0
nostuff
nostuff
0
R648
C534
1nF
50V
R559
0
nostuff
G_P3.3V G_P3.3V
P5.0V_ALW
SYSVR_TG_P5.0V_NS_MN
SYSVR_BST_P3.3V_NS_MN
SYSVR_BST_P5.0V_NS_MN
SYSVR_VFB1_MN
SYSVR_BST_P5.0V_RC_NS_MN
SYSVR_BST_P3.3V_RC_NS_MN
SYSVR_CS1_MN
SYSVR_CS2_MN
SYSVR_VREF2_MN
KBC3_SUSPWR
P5.0V_ALW_RQ_P5.0V_AUX_MN
P5.0V_ALW_RCQ_P5.0V_AUX_MNKBC3_SUSPWR_RCQ_P5.0V_AUX_MN
SYSVR_PHASE_P3.3V_RC_MN
SYSVR_PHASE_P5.0V_RC_MN
KBC3_P5ALWON
KBC3_SUSPWR
SYSVR_VFB2_MN
SYSVR_PHASE_P5.0V_NS_MN
SYSVR_PHASE_P3.3V_NS_MN
AUX3_PWRGD
SYSVR_EN2_MN
SYSVR_EN1_MN
SYSVR_BG_P3.3V_NS_MN
SYSVR_TG_P3.3V_NS_MN
SYSVR_BG_P5.0V_NS_MN

Samsung
Confidential
Samsung
Confidential
DATE
REV
SAMSUNG
ESR=15mohm
THIS DOCUMENT CONTAINS CONFIDENTIAL
OF
OCP=6.25A
1.825V
B
PAGE
PART NO.
D
A
LAST EDIT
C
4
ELECTRONICS
TITLE
DEV. STEP
3
A
BA41-01060A
57 67
BONN-E
PWR_MEMORY
DDR2 POWER
D:/Users/mobile39/mentor/BONN-E/BONN-E_mp10
2
B
DRAW
2
DDR2 Power
EXCEPT AS AUTHORIZED BY SAMSUNG.
CHECK
D
DO NOT DISCLOSE TO OR DUPLICATE FOR OTHERS
PROPRIETARY INFORMATION THAT IS
C
Added by EMC
APPROVAL
3
SAMSUNG ELECTRONICS CO’S PROPERTY.
fs = 340KHz
Tracking Discharge
MODULE CODE
1
SAMSUNG PROPRIETARY 1
Skip Mode
(4A)
4
MS Yang
MK Kim
BL Lee
undefined
12/05/2008
MP
REV 1.0
April 11, 2009 10:05:58 AM
INSTPAR
SHORT3
50V
1nF
C756
VDC
R299
0
5%
G_DDR2
R712
10
5%
G_DDR2
100nF
C726
10V
G_DDR2
C727
100nF
25V
5%
3.3
R699
5.1
R276
1%
1000nF-X5R
C477
25V
1%
750K
R270
VDC
6.3V
C454
10000nF-X5R
nostuff
AL
1%
10K
R271
10V
G_DDR2
25V
EC516
68uF
C456
100nF
10nF
C472
10V
C806
100nF
100nF
C741
25V
50V
AP4232GM
Q541-1
D1 7 8
D2
2
G
1
S
G_DDR2
EC514
AL
G_DDR2
2703-003232
SIQ1048-2R2
25V
68uF
6.3V
10000nF-X5R
C725
nostuff
L512
2.2uH
50V
C457
1nF
G_DDR2
R248
43.2K
nostuff
R252
43.2K
1%
C453
33nF
16V
1%
2409-001176
2.5V
330uF
EC520
R1608-SHORT
SHORT570
G_DDR2
P5.0V_STB
P1.8V_AUX
5%
10
R717
nostuff
P5.0V_AUX
nostuff
R264 1K
1%
0.1nF
C3902
50V
5%
0
R290
VDDP
15
VDDQ 8
VLDOIN 23
VTT 24
VTTGND
1
VTTREF 5
VTTSNS 2
nostuff
7
NC2 17
PAD
25
PGND 18
PGOOD
13
PHASE 20
S3
10
S5
11
TON
12
UGATE 21
VDD
14
RT8207GQW
1203-005570
BOOT 22
CS
16
DEM
6
FB 9
GND
3
LGATE 19
MODE
4
NC1
D1 5 6
D2
4
G
S3
P0.9V
U16
AP4232GM
Q541-2
10000nF-X5R
C452
6.3V
R1608-SHORT
SHORT569
1%
R709
20K
P3.3V_AUX
100K
R930
1%
MEM1_VREF
25V
1000nF-X5R
C476
DDR2VR_MODE_MN
DDR2VR_DEM_MN
1%1K
R258
DDR2VR_TON_NS_MN
DDR2VR_VDDP_MN
DDR2VR_VDD_MN
DDR2VR_CS_MN
KBC3_SUSPWR
DDR2VR_BST_P1.8V_NS_MN
DDR2VR_BST_P1.8V_RC_NS_MN
DDR2VR_NC1_MN
DDR2VR_NC2_MN
KBC3_PWRON
DDR2VR_TG_P1.8V_NS_MN
DDR2VR_PHASE_P1.8V_RC_MN
VRM3_DDR_PWRGD
DDR2VR_S5_MN
DDR2VR_BG_P1.8V_NS_MN
DDR2VR_PHASE_P1.8V_NS_MN
DDR2VR_FB_MN
AUX3_PWRGD

Samsung
Confidential
Samsung
Confidential
DO NOT DISCLOSE TO OR DUPLICATE FOR OTHERS
4
A
CHECK
1
B
PART NO.
COM-22C-015(1996.6.5) REV. 3
SAMSUNG PROPRIETARY
[ near to IC ]
DATE
Ton ; Open
B
REV
CHIPSET POWER(P1.5V & P1.05V)
3
THIS DOCUMENT CONTAINS CONFIDENTIAL
P1.05V Set : 1.053V
2
C
TITLE
PAGE
C
D
APPROVAL
EXCEPT AS AUTHORIZED BY SAMSUNG.
LAST EDIT
SAMSUNG ELECTRONICS CO’S PROPERTY.
PROPRIETARY INFORMATION THAT IS
SAMSUNG
(6A)
I LIMIT = 11.4A
2
fs ; 400KHz / 300KHz
[ near to FET ]
ELECTRONICS
OF
A
DRAW
3
4
P1.5V SET : 1.510V
D
1
I LIMIT = 11.5A
[ near to FET ]
(6A)
MODULE CODE
DEV. STEP
MS Yang
MK Kim
BL Lee
undefined
12/05/2008
MP
REV 1.0
April 11, 2009 10:05:58 AM
BA41-01060A
58 67
BONN-E
PWR_MV_Cantiga
P1.5V_AUX, P1.05V
D:/Users/mobile39/mentor/BONN-E/BONN-E_mp10
6.3V
4700nF-X7R
10
R737R703
3.3 5%
C730
EC518
330uF
2.5V
2409-001176
68uF
EC517
nostuff
AL
25V
P5.0V_VCC 6.3V
1000nF-X7R
C479
G_P1.05V
L510
SIQ1048-2R2
2.2uH
1nF
C771
50V
R251
150K
1%
R286
0
5%
nostuff
R285
nostuff
P2.0V_REF
5%
0
SHORT505
INSTPAR
1%
150K
R293
6.3V
SHORT558
C478
1000nF-X5R
1000nF-X5R
P5.0V_VCC
R1005-SHORT
C474
25V
R698
10
5%
200K
R249
1%
P3.3V
P5.0V_STB
VDC
100nF
C731
25V
1%
R259
100K
1000nF-X5R
C481
6.3V
G_P1.05V
100nF
25V
C701
VDC
G_P1.05V
G_P1.05V
P2.0V_REF
G_P1.05V
G_P1.05V
100nF
C737
25V
1%
EC519
68uF
25V
AL
50V
C718
1nF
R287
1K
5%
G_P1.05V
P1.05V
47
R274
RTC 5
SECFB
20
SKIP 29
TON 2
VCC
3
VDD
19
R250
100K
1%
14
ON2 27
ONLDO
4
OUT1
10
OUT2 30
PAD 33
PG1 13
PG2 28
PGND 22
REF 1
REFIN2
32
26
DL1
18 DL2 23
FB1
11
ILIM1
12 ILIM2 31
IN
6
LDO
7
LDOREFIN 8
LX1
16 LX2 25
ON1
U17
MAX17020ETJ+
1203-005563
AGND
21
BST1
17 BST2 24
BYP
9
DH1
15 DH2
5D1D2
6
7
D3D4
8
G
4
1
S1S2
23
S3
G_P1.05V
Q535
AP6680AGM
1%
R307
200K
R261
43.2K
1%
1.8uH
L511
SIQ1045-1R8PF
G_P1.05V
1%
R296
15K
AL
25V
68uF
EC513
G_P1.05V
R294
100K 1%
R295
20K
1%
R1005-SHORT
SHORT563
100nF
C728
25V
100nF
C753
25V
1 3
R743
10
C738
100nF
25V
D7
MMBD4148
1%
R260
100K
G_P1.05V
G_P1.05V
AP6680AGM
Q536
D1
56D2
7
D3D4
8
4
G
1
S1S2
23
S3
5%
3.3
R706
5%
10
R693
P5.0V_VCC
100nF
AP6680AGM
Q543
D1
5 6
D2 D3
7 8
D4
G
4S1
1 2
S2 S3
3
25V
C490
D1
5 6
D2 D3
7 8
D4
G
4S1
1 2
S2 S3
3
AP6680AGM
Q542
C470
EC515
330uF
2.5V
2409-001176
nostuff
50V
0.022nF
100nF
C745
25V
G_P1.05V
AL
25V
68uF
EC512
CHSETVR_LDO_MN
CHSETVR_FB1_MN
CHSETVR_SKIP_MN
P1.5V
VDC
CHSETVR_PHASE_P1.5V_RC_MN
CHSETVR_PHASE_P1.05V_RC_MN
CHSETVR_ONLDO_MN
CHSETVR_ON_MN
CHSETVR_PHASE_P1.5V_NS_MN
CHSETVR_BG_P1.05V_NS_MN
CHSETVR_BG_P1.5V_NS_MN
CHSETVR_PHASE_P1.05V_NS_MN
CHSETVR_TG_P1.5V_NS_MN
CHSETVR_BST_P1.05V_NS_MN
CHSETVR_BST_P1.5V_NS_MN
CHSETVR_TG_P1.05V_NS_MN
CHSETVR_BST_P1.5V_RC_NS_MN
CHSETVR_BST_P1.05V_RC_NS_MN
CHSETVR_REFIN2_MN
VCCP3_PWRGD
CHSETVR_RTC_MN
CHSETVR_TON_MN
KBC3_PWRON
CHSETVR_ILIM1_R_MN
CHSETVR_ILIM1_MN
CHSETVR_ILIM2_MN
CHSETVR_ILIM2_R_MN

Samsung
Confidential
Samsung
Confidential
CPU VRM [INTERSIL]
THIS DOCUMENT CONTAINS CONFIDENTIAL
MODULE CODE
DATE
EXCEPT AS AUTHORIZED BY SAMSUNG.
should be met
- Hound tooth like
- GDN,VCC > 10VIA / pad
DEV. STEP
REV
LAST EDIT
TITLE
PART NO.
C
A
Place near to L_Phase1
(1404-001152)
B
4
C
D D
2
4
3
A
OF
B
2
MK Kim
BL Lee
undefined
12/05/2008
MP
REV 1.0
April 11, 2009 10:05:58 AM
BA41-01060A
59 67
BONN-E
PWR_CPU_MV_ISL6266
CPUI VRM (IMVP6+)
D:/Users/mobile39/mentor/BONN-E/BONN-E_mp10
1
Keep away from Vphase
[Prodliger]
3
PAGE
Routing Recommendation
1
SAMSUNG ELECTRONICS CO’S PROPERTY.
SAMSUNG PROPRIETARY
DRAW SAMSUNG
ELECTRONICS
PROPRIETARY INFORMATION THAT IS
DO NOT DISCLOSE TO OR DUPLICATE FOR OTHERS
CHECK
APPROVAL
AON6710L
D
5
4
G
1
S1 S2
2 3
S3
MS Yang
D
5
4
G
1
S1 S2
2 3
S3
Q507
Q504
AON6710L
50V
50V
0.33nF
C84
R28
C91 15nF
5%
10
220nF
C56
25V
50V
1nF
C25
R27
5%
10
nostuff
1%
470K
R99
R101
R80 0
MPO104-R39
L500
0.39uH
5%
47
16V
P5.0V
C553 220nF
0.39uH
L501
MPO104-R39
VDC
1%
1K
R94
50V
50V
C94
0.1nF
1nF
C39
nostuff
C34
1nF
TH500
NTCG163JF103HT
1 2
nostuff
50V
R24
10
5%
C561 0.22nF 50V
5%
0
R81
220nF
C62
16V
5%
R62
1
1nF
C82
50V
2.21k
R552 1%
G_CPU
R554
3.3K
5%
220nF
C547
16V
R546
10
1%
16V
C61
220nF
EC2
330uF
2V
AL
10K
R92
1%
nostuff
5%
C92 0.068nF
50V
R55
3.3K
1
R547
5%
CPU_CORE
1K1%
R93
P3.3V
2 3
S3
Q508
AON6710L
D
5
4
G
1
S1 S2
R23
10
5%
VDC
INSTPAR
SHORT502
EC3
1000uF
2.5V
2
31
4
R73
3.3
5%
5%
100nF
C524
25V
G_CPU
8.2K
R100
1%
R86 5%
0
1K
R560
4.99K
R105
1%
499
R98
1%
R96 100K 1%
G_CPU
10K
R103
Q503
AON6414L
D
5
4
G
1
S1 S2
2 3
S3
1%
1%
D
5
4
G
1
S1 S2
2 3
S3
10K
R553
G_CPU
Q505
AON6710L
R60
3.3
5%
P3.3V
1%
10K
R71 nostuff
R529
1
5%
4.7nF
C98
25V
G_CPU
R543
10
1%
25V
C51
220nF
1%2.49K
R562
G_CPU
100nF
C525
25V
18 VO 44
VR_ON
5VR_TT#
14 VSEN
21 VSS
VSUM
19
VW
9
G_CPU
UGATE2
22 VDD
38
VDI1
39
VDI2
40
VDI3
41
VDI4
42
VDI5
43
VDI6
VDIFF
13
37
VID0
VIN
20
PGOOD
1
34
PHASE1
28
PHASE2
3PMON
2PSI#
31
PVCC
4RBIAS
15 RTN
7SOFT
UGATE1 35
27
11 FB
FB2
12
24 ISEN1
ISEN2
23
LGATE1 32
LGATE2 30
25
NC
NTC
6
8OCSET
PGND1 33
PGND2 29
48
3V3
BOOT1 36
26
BOOT2
47
CLK_EN#
10 COMP
DFB
17 45
DPRSLPVR
46
DPRSTP#DROOP
16
49
EP
1203-005009
ISL6266AHRZ-T
U5 R64
1
2409-001173
25V
15uF
EC501
EC502
15uF
25V
2409-001173
VDC
EC504
15uF
25V
2409-001173
1%
10K
R539
2
S2 S3
3
6.3V
1000nF-X7R
C543
AON6414L
Q506
5
D
G
4S1
1
10V
C550
100nF
1nF
50V
nostuff
5%
1
R536
C30
100nF
C527
25V 2409-001173
25V
15uF
EC505
1%
50V
C76
0.33nF
10K
R566
47nF 50V
C552
05%
R83
G_CPU
25V
C83
100nF
C545
22nF
50V
R97
47K 5%
25V
C526
100nF
499
R84 1%
1%
R104
100K
P5.0V
C68
16V
220nF
C95
2.2nF 50V
KBC3_VRON
CPU1_VID(2)
CPU1_VID(1)
CPU1_VID(0)
CPUVR_PHASE1_CPU_RC_MN
CPUVR_PHASE2_CPU_RC_MN
CPUVR_DPRSTP#_MN
VCCP3_PWRGD
CHP3_DPRSLPVR
CPU1_DPRSTP#
CPUVR_FB2_MN
CPUVR_FB2_RC_MN
CPUVR_COMP_R_MN
CPUVR_FB_RC_MN
CPUVR_VW_MN
CPUVR_VDIFF_MN
CPUVR_FB_MN
CPUVR_COMP_MN
CPUVR_RBIAS_MN
CPUVR_VR_ON_MN
CPUVR_VDD_MN
CPU1_VID(4)
CPU1_VID(5)
CPU1_VID(6)
CPUVR_VIN_NS_MN
VRM_VSUM
CPUVR_VR_TT#_MN
CPUVR_VSEN_MN
VRM_VCC_PRM
CPU1_VCCSENSE
CPU1_VSSSENSE
CPUVR_BST1_CPU_RC_NS_MN
VRM_VSUM
VRM_VSUM
VRM_ISEN2
CPUVR_VRM_VCC_PRM_RTH_MN
CPUVR_NTC_R_MN
CPU1_VID(3)
CPUVR_BST2_CPU_NS_MN
CPUVR_BST2_CPU_RC_NS_MN
CPUVR_DFB_MN
VRM_VCC_PRM
CPUVR_DROOP_MN
CPUVR_CLK_EN#_MN
VRM_ISEN1
VRM_ISEN2
CPUVR_NTC_MN
CPUVR_OCSET_MN
CPUVR_PMON_MN
VRM3_CPU_PWRGD
CPU1_PSI#
CPUVR_PVCC_MN
CPUVR_RBIAS_R_MN
CPUVR_RTN_MN
CPUVR_SOFT_MN
CPUVR_TG1_CPU_NS_MN
CPUVR_PHASE1_CPU_NS_MN
CPUVR_BG1_CPU_NS_MN
CPUVR_BG2_CPU_NS_MN
CPUVR_TG2_CPU_NS_MN
CPUVR_PHASE2_CPU_NS_MN
VRM_ISEN1
VRM_ISEN1
VRM_ISEN2
VRM_VCC_PRM
VRM_VCC_PRM
CPUVR_BST1_CPU_NS_MN

Samsung
Confidential
Samsung
Confidential
0
1
D
0 1
B
Ext. GFX Core Power [Semtech]
2
APPROVAL
4
B
DO NOT DISCLOSE TO OR DUPLICATE FOR OTHERS
Reserved
Power Table (by AMD Power Play)
SAMSUNG ELECTRONICS CO’S PROPERTY.
D
C
SAMSUNG PROPRIETARY
BOM Table
Battery - Single Display
Measured
1.1543V
4
REV
1.10V
GFX3_VOLTID0 Calculated
Reserved
Reserved
PROPRIETARY INFORMATION THAT IS
Reserved
GFX3_VOLTID2
1
Condition
0ELECTRONICS
OF
CalculatedSpec
GFX3_VOLTID0
Reserved TITLE
PART NO.
DATE
GFX3_VOLTID2
0.953V
MODULE CODE
1
0.95V
Battery - Dual Display
UVD
nostuff
nostuff
GFX3_VOLTID1
1Reserved
1
0
2
nostuff
0.90V
EXCEPT AS AUTHORIZED BY SAMSUNG.
ESR=15mohm ESR=15mohm ESR=15mohm
GFX3_VOLTID1
DESIGN
VOUT Rising Time Adjustment
High Performance 1.139V
1.073V
0.997V
RD0
SAMSUNG
1.00V
1.15V
0.90V
3
M96
Spec
A
OCP ; 33.7A
0.904V
0.953V
0.953V
RD1
C
Reserved
Reserved
Reserved
Reserved
A0.95V1
DEV. STEP
M92-M2 LP
OCP ; 33.7A
CHECK
0.908V
LAST EDIT
1
nostuff
0
nostuff
THIS DOCUMENT CONTAINS CONFIDENTIAL
Reserved
Reserved
0.9133V
1.0865V
1.0085V
3
0.95V
PAGE
P5.0V
MS Yang
MK Kim
BL Lee
12/05/2008
MP
REV 1.0
April 11, 2009 10:05:58 AM
BA41-01060A
60 67
BONN-E
GFX_POWER
EXT. GFX VDDC (SC471M)
D:/Users/mobile39/mentor/BONN-E/BONN-E_mp10
1
1%10K
R527
Q22
AON6710L
D
5
4
G
S1
1S2
2 3
S3
100nF
C85
25V
M96
10V
C537
100nF
51.1K 1%
680K
R72
25V
AL M96
1%
R76
15uF
EC5
AL
EC4
15uF
25V
1%
M96
nostuff
10K
R545
R526 0
5%
G_EGFX
R58
470K
P3.3V
GND
13
ILIM
1
LX
11
PGOOD
RTN
6
THERM
17
3
VCC
10 VOUT
nostuff
1%
SC471MLTRT
2
BST
8D0
7D1 16
DH
4
DL
12 EN
9FB
14 G0
15 G1
5
M92
1203-004943
U504
M96
R534
1%
24.3K R549
9.09K
1%
EC534
330uF
2.5V
AL
2402-001316
AON6414L
D
5
G
4
1
S1 S2
2 3
S3
100nF
C93
M96
Q12
R911
25V
M92
1%
22K
nostuff
1%
R544
61.9K 50V
C544
2.2nF
nostuff
BSS84
Q10
D
3
1
G
2S
0.27nF
C181
50V
nostuff
P3.3V
R533
20K
1%
R82 12.4K 1%
25V
C72
10nF
R924
2.21k
1%
G_EGFX
MPO104-R39
L508
0.39uH
50V
1nF
C179
1%10K
R542
G_EGFX
1%10K
R548
nostuff
EGFX_CORE
10V
100nF
C586
BAT54A
D3
3
1 2
EGFX_CORE
R91
5%
3.3
MMBD4148
D509
13
VDC
50V
6.8nF
C538
50V
P5.0V
C535
0.47nF
5%
10
R136
M96
G_EGFX
G_EGFX
M96
0
R916
M96
14.7K
R925
1%
3.01K
R917
1% 2402-001316
AL
2.5V
330uF
EC5065%
10
R135
1%
M96
M96
G_EGFX
2K
R550
5
D
4
G
S1
1S2
2 3
S3
G_EGFX
nostuff
Q11
AON6414L
6.3V
10V
C536
100nF
C78
1000nF-X7R
M92 S2 S3
3
1%
R535
5.11K
AON6710L
Q21
5
D
G
4S1
1 2
INSTPAR
SHORT1
EGFXVR_PGOOD_MN
EGFXVR_D0_MN
KBC3_PWRON EGFXVR_EN_MN
EGFXVR_D0_D1_RC_MN
EGFXVR_D1_MN
EGFXVR_D1_R_MN
EGFXVR_FB_MN
EC6
330uF
2.5V
AL
2402-001316
GFX3_VOLTID0
EGFXVR_G0_MN
GFX3_VOLTID1
EGFXVR_G1_MN
GFX3_VOLTID2
EGFXVR_BST_GFX_NS_MN
EGFXVR_BST_GFX_RC_NS_MN
EGFXVR_TG_GFX_NS_MN
EGFXVR_BG_GFX_NS_MN
EGFXVR_ILIM_GFX_NS_MN EGFXVR_PHASE_GFX_NS_MN
VCCP3_PWRGD
EGFXVR_PHASE_GFX_RC_MN
EGFXVR_VOUT_MN

Samsung
Confidential
Samsung
Confidential
OF
SAMSUNG
ELECTRONICS
P1.1V
SAMSUNG ELECTRONICS CO’S PROPERTY.
P1.1V(External Gfx)
1
Continuous mode : R569 stuff & R570 nostuff
Burst mode : R569 nostuff & R570 stuff
THIS DOCUMENT CONTAINS CONFIDENTIAL
MODULE CODE
DATE
DO NOT DISCLOSE TO OR DUPLICATE FOR OTHERS
SAMSUNG PROPRIETARY
1
EXCEPT AS AUTHORIZED BY SAMSUNG.
PROPRIETARY INFORMATION THAT IS
CHECK
APPROVAL
61
BA41-01060A
April 11, 2009 10:05:58 AM
REV 1.0
MP
12/05/2008
BL Lee
MK Kim
MS Yang
DRAW
DEV. STEP
REV
A A
B B
C C
D D
4
4
3
3
2
2
LAST EDIT
TITLE
PART NO.
PAGE
FB Ref =0.8V
6.3V
C103
22000nF-X5R
P5.0V_ALW
D:/Users/mobile39/mentor/BONN-E/BONN-E_mp10
P1.1V
PWR_MV_Switched
BONN-E
67
P3.3V
20%
PGND_2
9
SGND_1
10
SGND_2
4SYNCH
3VDD
8
VFB
1VIN_1
2VIN_2
1%
10K
R577
5EN
17
EP
14
LX_1
15
LX_2
NC_1
6
NC_2
13
NC_3
16
7PG
11
PGND_1
12
U507
ISL8014IRZ-T
1203-005382
R573 1K1%
nostuff
56-B1 60-C4 61-C462-B2
12.7K
R579
1%
C106
6.3V
20%
22000nF-X5R
C104
6.3V
20%
22000nF-X5R
0.047nF
C573
P1.1V
0.82uH
L506
20%
6.3V
50V
1%
R581
300K
C105
22000nF-X5R
1%
R580
100K
R1005-SHORT
SHORT565
R575
P5.0V_ALW
25V
5%
47K
P1.1V_PHASE_P1.1V_NS_MN
P1.1V_PWRGD P1.1V_SYNCH_MN
P1.1V_VFB_MN
P1.1V_PHASE_R_MN
P1.1V_EN_MN
KBC3_PWRON
VCCP3_PWRGD C562
47nF

Samsung
Confidential
Samsung
Confidential
41
SAMSUNG PROPRIETARY
2
1
PROPRIETARY INFORMATION THAT IS
SAMSUNG ELECTRONICS CO’S PROPERTY.
DO NOT DISCLOSE TO OR DUPLICATE FOR OTHERS
EXCEPT AS AUTHORIZED BY SAMSUNG.
MODULE CODE
DATE
DEV. STEP
REV
BONN-E
PWR_MV_SWITCHED
SWITCHED POWER
D:/Users/mobile39/mentor/BONN-E/BONN-E_mp10
CHECK
APPROVAL
THIS DOCUMENT CONTAINS CONFIDENTIAL
LAST EDIT
TITLE
PART NO.
PAGE OF
SAMSUNG
ELECTRONICS
Switched Power
A A
B
DRAW
Switched Power On (P3.3V)
P12.0V_ALW
Switched Power On (P5.0V)
Switched Power On (P1.8V)
C
D D
B
C
3
3
24
MS Yang
MK Kim
BL Lee
12/05/2008
MP
REV 1.0
April 11, 2009 10:05:58 AM
BA41-01060A
62 67
50V
C610
1nF
MMBT3904
Q518
1
3
2
R107
100K
P5.0V_STB
50V
C589
6.8nF
1%
R910
30.1K
1%
R167
100K
1%
P3.3V_AUX
50V
10nF
C287
4.7nF
C117
P1.8V
200K
1%
R129
25V
5
D1 D2
6D3
7 8
D4
G
4S1
1 2
S2 S3
3
10V
C112
4700nF
Q13
AP6680AGM
C315
10V
100nF
4700nF-X5R
C588
10V
5%
0
R113
R112 0
5%
nostuff
P12.0V_ALW
470K
D4 5
G
4
S1
1
2S2
3S3
P12.0V_ALW
1%
R108
Q50
AO4435L
D1 8
7
D2
D3 6
3
RHU002N06
Q16
D3
1
G
2
S
ZD500
BZX84C12L
1
D3
1
G
2
S
470K
R126
1%
RHU002N06
Q17
R168
10K
1%
D1
5 6
D2 7
D3 8
D4
4
G
S1
1S2
2 3
S3
P12.0V_ALW
RHU002N06
3
D
G
1
S2
AP6680AGM
Q517 VDC
Q23
INSTPAR
SHORT556
INSTPAR
SHORT555
P5.0V_AUD
INSTPAR
SHORT554
P3.3V
P5.0V
D3
1
G
2
S
10V
C320
4700nF
P1.8V_AUX
P5.0V_ALW
RHU002N06
Q26
25V
C594
10000nF
RHU002N06
Q19
D3
1
G
2
S
P12.0V_ALW_RCQ_P3.3V_MN
KBC3_PWRON_INV#
KBC3_PWRON
VDC_RCQZD_P12.0V_ALW_MN
KBC3_PWRON
P5.0V_ALW_RCQ_P5.0V_MN
P5.0V_ALW_RQ_P5.0V_MN
P1.1V_PWRGD
P12.0V_ALW_RQ_P1.8V_MN
P12.0V_ALW_RCQ_P1.8V_MN
VCCP3_PWRGD_RQ_P1.8V_MN
VCCP3_PWRGD

Samsung
Confidential
Samsung
Confidential
OF
D
3
A A
PAGE
C C
3
B
4
4
D
2
2
1
1
SAMSUNG
SAMSUNG PROPRIETARY
ELECTRONICS
THIS DOCUMENT CONTAINS CONFIDENTIAL
POWER DISCHARGER
DO NOT DISCLOSE TO OR DUPLICATE FOR OTHERS
DRAW
D:/Users/mobile39/mentor/BONN-E/BONN-E_mp10
DISCHARGING LOGIC
PWR_MV_DISCHARGER
BONN-E
6763
BA41-01060A
April 11, 2009 10:05:58 AM
REV 1.0
MP
12/05/2008
undefined
BL Lee
MK Kim
MS Yang
PROPRIETARY INFORMATION THAT IS
SAMSUNG ELECTRONICS CO’S PROPERTY.
EXCEPT AS AUTHORIZED BY SAMSUNG.
CHECK
APPROVAL
MODULE CODE
DATE
DEV. STEP
TITLE
PART NO.REV
LAST EDIT
B
P5.0V
3
D
G
1
S2
P3.3V_GFX
10
R931
Q553
RHU002N06
P3.3V
nostuff
1%
R658
1K
nostuff
1%
R655
100K
1%
R653
10K
nostuff
Q529
RHU002N06
nostuff
3
D
G
1
S2
P5.0V_STB P5.0V_AUX
Q528
nostuff
D3
1
G
2
S
nostuff
3
D
1
G
S2
RHU002N06
10
R747
nostuff
Q544
RHU002N06
R752
49.9
1%
nostuff
1%
D3
1
G
2
S
Q545
nostuff
RHU002N06
D3
G
1
2
S
RHU002N06
Q534
nostuff
R683
10
nostuff
R682
10
1%
RHU002N06
Q533
D3
G
1
2
S
nostuff
10
R678
nostuff
P1.1VP1.8V
R677
1K
RHU002N06
Q531
D3
G
1
2
S
P3.3V_AUX
nostuff
nostuff
R663
49.9
P1.8V_AUX
G
1
2
S
nostuff
1%
nostuff
RHU002N06
Q551
D3
3
D
1
G
S2
1K
Q532
RHU002N06
S
R680
1%
RHU002N06
Q550
D3
1
G
2
EGFX_CORE P1.05V
RHU002N06
Q552
D3
1
G
2
S
nostuff
R923
10
nostuff
DISCHG_P5.0V_STB_RQ_MN
KBC3_SUSPWR_RQ_DISCHG_MN
DISCHG_P5.0V_AUX_RQ_MN
KBC3_SUSPWR
DISCHG_P5.0V_RQ_MNDISCHG_P3.3V_RQ_MN DISCHG_P1.5V_RQ_MN DISCHG_P1.05V_RQ_MN
DISCHG_P1.8V_AUX_RQ_MN DISCHG_P3.3V_AUX_RQ_MN
DISCHG_P1.8V_RQ_MN DISCHG_P1.1V_RQ_MN
KBC3_PWRON_INV#
P1.5V

Samsung
Confidential
Samsung
Confidential
PAGE
4
REV PART NO.
SUB TO MAIN USB CONN
3
3
2
B
A
DEV. STEP
B
C
Power Switch Button
C
D
2 USB PORT & POWER S/W SUB B’D
Bonn : stuff
Put this LED located near PWRSW from ME recommedation
Power LED, Blue color
EXCEPT AS AUTHORIZED BY SAMSUNG.
Canne : nostuff
OF
Type : angle Type : angle
Power ON LED
DESIGN
D
USB sub board mount hole
SAMSUNG ELECTRONICS CO’S PROPERTY.
1
SAMSUNG
ELECTRONICS
CHECK
APPROVAL
MODULE CODE
1
SAMSUNG PROPRIETARY
THIS DOCUMENT CONTAINS CONFIDENTIAL
PROPRIETARY INFORMATION THAT IS
MS Yang
MK Kim
BL Lee
12/05/2008
MP
REV 1.0
April 11, 2009 10:05:58 AM
BA41-01060A
64 67
BONN-E
SUB BOARD1
2 USB & POWER SW
D:/Users/mobile39/mentor/BONN-E/BONN-E_mp10
DATE
4
LID_SWITCH (Bonn only)
LAST EDIT
TITLE
DO NOT DISCLOSE TO OR DUPLICATE FOR OTHERS
2
A
P5.0V_USB_SUB
ACM2012-900-2P-T
B2
2
1
3
4
C3912
1000nF-X5R
6.3V
BONN
U532
HED53XXU12
1009-001046
BONN
GND
32
OUTPUT
SUPPLY
1
P3.3V_SUB
3
4
5
6
7
8
9
HDR-12P-1R-SMD
J3
3711-002046
1
10
11
12
2
1%
R505 475
G_SUB
P3.3V_SUB
G_SUB
RMNT-25-70-1P
MT2001
SW500
SW-TACT-4P
3404-001311
1 2
3 4
G_SUB
2
1
3
4
G_SUB
G_SUB
P3.3V_SUB
G_SUB
B1
ACM2012-900-2P-T
10V
100nF
C3
10V
nostuff
C1
100nF 0.033nF
C2
50V
EC1
100uF
16V
AS
MT2002
nostuff
G_SUB
RMNT-25-70-1P
7USB1+
6USB1-
G_SUB
JACK-8P-LED-MNT
4GND1
GND2
8
MNT1
9
10 MNT2
11 MNT3
MNT4
12
1PWR0
PWR1
5
USB0+
3
2USB0-
1
2
G_SUB
P5.0V_USB_SUB
3722-002601
J1
100nF
LTST-C193TBKT-AC
LED500
USB3_P6-_SUB_B_MN
USB3_P6+_SUB
USB3_P10-_SUB
USB3_P10-_SUB_B_MN
LID3_SWITCH#_B_SUB
LID3_SWITCH#_B_SUB
C5
10V
USB3_P10+_SUB
USB3_P10-_SUB
USB3_P6+_SUB
USB3_P6-_SUB
LED1_P3.3V_PWON_MN
KBC3_PWRSW#_SUB
USB3_P10+_SUB_B_MN
KBC3_PWRSW#_SUB
USB3_P10+_SUB
USB3_P6+_SUB_B_MN
USB3_P6-_SUB

Samsung
Confidential
Samsung
Confidential
THIS DOCUMENT CONTAINS CONFIDENTIAL
LAST EDIT
B
TITLE
C
3
A
ELECTRONICS
MODULE CODE
Type : angle
D
4
PAGE
1
SAMSUNG ELECTRONICS CO’S PROPERTY.
DEV. STEP
B
SATA ODD CONN
Type : angle
LID SWITCH SUB BOARD (Canne only)
Cannes : stuff
SATA ODD SUB BOARD
Bonn : nostuff
C
PART NO.
REV 1.0
April 11, 2009 10:05:58 AM
BA41-01060A
65 67
BONN-E
SUB BOARD2
SATA ODD SUB BOARD
D:/Users/mobile39/mentor/BONN-E/BONN-E_mp10
SUB TO MAIN SATA ODD CONN
SATA ODD & LID SW SUB BOARD
2
DATE
D
DO NOT DISCLOSE TO OR DUPLICATE FOR OTHERS
SAMSUNG
EXCEPT AS AUTHORIZED BY SAMSUNG.
OF
DRAW
PROPRIETARY INFORMATION THAT IS
1
ODD sub board mount hole
3
A
APPROVAL
4
SAMSUNG PROPRIETARY
REV
Type : angle
2
CHECK
CANNES
MS Yang
MK Kim
BL Lee
undefined
12/05/2008
MP
CANNES
U503
GND
32
OUTPUT
SUPPLY
1
C515
1000nF-X5R
6.3V
2
3
4
5
6
7
8
9
HED53XXU12
1009-001046
3708-002190
J500
CONN-12P-FPC
1
10
11
12
nostuff
10000nF-X5R
C60
6.3V6.3V
C59
10000nF-X5R
P5.0V_ODD
G_ODD
G_ODD
10V
C55
100nF100nF
C53
10V
P5.0V_ODD
G_ODD
15
P5V_1
P2
P5V_2
P3
S6 RX+
S5 RX-
S2 TX+
S3 TX-
3710-002635
J8
CDROM-SATA-13P
DP
P1
GND_1
S1
GND_2
S4
GND_3
S7
GND_4
P5
GND_5
P6
MD
P4
MNT1
14
MNT2
100nF
10V
C54
MT2007
RMNT-25-70-1P
G_ODD G_ODD
G_LID_SUB
MT2008
RMNT-25-70-1P
MT2009
RMNT-25-60-1P
1
2
3
45
MNT1
MNT2 6
G_LID_SUB
CANNES
3711-000922
J508
HDR-4P-SMD
P3.3V_LID_SUB
SAT1_ODD_TXP_SUB
SAT1_ODD_TXN_SUB
SAT1_ODD_RXN_SUB
SAT1_ODD_RXP_SUB
SAT1_ODD_TXN_SUB
SAT1_ODD_RXP_SUB
SAT1_ODD_RXN_SUB
SAT1_ODD_TXP_SUB
LID3_SWITCH#_SUB
LID3_SWITCH#_SUB
P3.3V_LID_SUB
G_LID_SUB

Samsung
Confidential
Samsung
Confidential
3
Bot : (30,90) x 9
Add for EMC , 2009.01.06
LAST EDIT
PAGE
REV
MODULE CODE
CHECK
TITLE
Add for EMC (Bottom), 2008.11.19
Add for EMC (Top), 2008.11.19
Top : (30,80) x 9
PROPRIETARY INFORMATION THAT IS
4
Mainboard Mount ((30,80)x9), (30,90)x9), (25,70)x1))
2
DEV. STEP ELECTRONICS
B
DO NOT DISCLOSE TO OR DUPLICATE FOR OTHERS
1
1
EXCEPT AS AUTHORIZED BY SAMSUNG.
SAMSUNG
PART NO.
D
Add for EMC (Bottom), 2008.11.19
OF
THIS DOCUMENT CONTAINS CONFIDENTIAL
D
D:/Users/mobile39/mentor/BONN-E/BONN-E_mp10
ICT PORT
ICT PORT
BONN-E
6766
BA41-01060A
April 11, 2009 10:05:58 AM
REV 1.0
MP
12/05/2008
BL Lee
MK Kim
MS Yang
SAMSUNG ELECTRONICS CO’S PROPERTY.
C
APPROVAL
C
SAMSUNG PROPRIETARY
AAdd for EMC , 2009.01.07
DATE
3
2
DRAW
B
A
Add for EMC (5th Layer), 2008.11.19
4
Add for EMC , 2009.02.02
P3.3V
P5.0V_AUD
VDC
50V
C3414
1nF
VDC
EMI
EMI4
CONTACT-PLATE-EMI
nostuff
P1.5V
P5.0V_ALW
1nF
C932
50V
100nF
C511
1nF
C698
50V
P5.0V_AUD
25V
nostuff
50V
C107
1nF
nostuff
50V
C3592
1nF1nF
C3758
50V
1nF
C243
50V
P3.3V
P5.0V_AUD
1nF
C830
50V
50V
C73
1nF
C3589
100nF
25V
P5.0V_ALW
1nF
C3399
50V
1nF
C498
50V
100nF
C625
P3.3V_AUX
P3.3V P3.3V
P3.3V
10V
VDC_CHG
50V
C3369
1nF
RMNT-30-90-1P
P3.3V
MT1
RMNT-30-90-1P RMNT-30-90-1P
MT2
RMNT-30-90-1P
MT12
G_AUD
MT10
25V
100nF
C13
P5.0V_ALW
MT14
RMNT-30-90-1P
P3.3V_LEDP3.3V P3.3V_LED
VDC
50V
C3694
1nF
C743
100nF
25V
MT11
RMNT-30-90-1P
VDC
100nF
C3838
C3859
100nF
10V
10V
100nF
C3858
P5.0V
MT8
RMNT-30-80-1P
P5.0V
10V
P3.3V_LED
P3.3V
CPU_CORE
1nF
C50
50V 50V
C585
1nF
P3.3V
25V
100nF
C548
P5.0V
10V
100nF
C3854
EMI
EMI8
CONTACT-PLATE-EMI
nostuff
EMI
EMI9
CONTACT-PLATE-EMI
nostuff
10V
G_AUD
CPU_CORE
P3.3V_AUX
C3850
100nF
1nF
C807
50V
1nF
C774
50V
50V
C487
1nF
50V
C922
1nF
10V
P3.3V_AUXP3.3V_AUX
C3866
100nF
10V
100nF
C3865
P3.3V
P3.3V
EMI
EMI14
CONTACT-PLATE-EMI
nostuff
50V
C914
1nF
P1.5V
P5.0V_AUD
P3.3V
EMI11
CONTACT-PLATE-EMI
nostuff
10V
100nF
C3849
P3.3V_LED
P3.3V_AUX
EMI
P0.9V
P5.0V_AUD
25V
100nF
C67
50V
C129
1nF
50V
C10
1nF
P5.0V_STB
100nF
C3882
25V
P5.0V_STB
25V
C3883
100nF
P3.3V
P3.3V
50V
C3828
1nF
50V
C668
1nF
25V
100nF
C849
1nF
C3193
50V nostuff
100nF
C3878
25V
P5.0V_STB
100nF
C3891
25V
P1.8V_AUX
25V
C3877
100nF
1nF
C3627
50V
nostuff
1nF
C494
50V
1nF
C510
50V
50V
C805
1nF
50V
C519
1nF
100nF
C3889
25V
P3.3V_MICOM
P5.0V_AUD
P3.3V_MICOM
25V
C3888
100nF
C504
100nF
25V
P1.8V_AUX
VDC
P3.3V_MICOM
1nF
C768
50V
100nF
C3880
25V
P5.0V_STB
25V
C3886
100nF100nF
C3885
25V
100nF
C3247
10V25V
VDC
C827
100nF
P0.9V
C101
100nF
10V
EMI
EMI13
CONTACT-PLATE-EMI
nostuff
P1.8V_AUX
P5.0V_ALW
EMI
EMI12
CONTACT-PLATE-EMI
nostuff
C3857
100nF
10V
10V
100nF
C3608
10V
C79
100nF
1nF
C3834
50V
P1.5V
VDC
P3.3V_MICOMP3.3V_MICOM
C3863
100nF
10V
P5.0V_ALW
25V
C3890
100nF
10V
100nF
C855
50V
C3171
1nF
50V
C894
1nF
P3.3V
P3.3V_LED
50V
P1.5V
P3.3V
P1.5V
1nF
C3832
P3.3V P3.3V
C3841
100nF
10V
50V
C797
1nF
AD_DC
CPU_CORE
10V
100nF
C3852
P5.0V_ALW
25V
C3881
100nF
10V
P5.0V_STB
MT504
RMNT-25-70-1P
C3860
100nF
P3.3V_LED
P1.8V_AUX
P3.3V_AUX
10V
100nF
C3864
10V
P1.5V
P3.3V_LEDP3.3V
C667
P5.0V_ALW
C3846
100nF
10V
100nF
100nF
C3870
25V
VDC
VDC
100nF
C3869
25V
VDC
P5.0V_STB
P3.3V_AUX
P3.3V_LED
100nF
C3876
25V
P3.3V_LED
1nF
C3311
50V
100nF
10V
P3.3V
25V
P3.3V_AUX
C3836
VDC
C854
100nF
C852
100nF
10V
P5.0V_AUD
100nF
C3887
25V
10V
100nF
C853
25V
100nF
C716
VDC
50V
C3718
1nF
C3844
100nF
10V
100nF
C3843
P3.3V
10V
P5.0V
10V
P5.0V_STB
C850
100nF
25V
C3884
100nF
P0.9V
VDC_ADPT
1nF
C3787
50V
1nF
C451
50V
P3.3V
VDC
P5.0V_AUD
P1.8V_AUX
P5.0V_STB
25V
100nF
C838
100nF
C3867
10V
P1.05V
VDC
10V
EMI6
CONTACT-PLATE-EMI
nostuff
C929
100nF
C3833
1nF
P3.3V
EMI
RMNT-30-90-1P
MT13
50V
P3.3V
50V
C471
1nF
1nF
C851
50V
P1.5V
P3.3V_MICOM
1nF
C3830
50V
P3.3V_LED
100nF
C47
10V
C3851
100nF
10V
1nF
C371
50V
P1.8V_AUXP1.8V_AUX
C99
100nF
25V
1nF
C455
50V
P3.3V
MT15
RMNT-30-90-1P
CPU_CORE
10V
100nF
C3848
10V
P5.0V_ALW
P5.0V_ALW
C3847
100nF
P3.3V
VDC
25V
C3879
100nF
10V
100nF
C3861
50V
C3557
1nF
1nF
C3370
50V
1nF
C931
50V
100nF
C3837
P3.3V
50V
C3695
P3.3V
10V
P5.0V
1nF
P5.0V
10V
100nF
C3856
50V
C3835
1nF
C26
100nF
25V
1nF
C450
50V
P3.3V
P3.3V_MICOM
CPU_CORE
P3.3V_AUX
C3862
100nF
10V
1nF
C509
50V
25V
C3868
100nF
VDC
C3842
100nF
10V
C3839
100nF
10V
P3.3V
10V
10V
100nF
C3845
25V
P5.0V_ALW
C3853
100nF
C858
100nF
50V
C645
1nF
C3855
100nF
10V
50V
C3829
1nF
P5.0V
C37
100nF
25V
P5.0V_STB
EMI
EMI10
CONTACT-PLATE-EMI
nostuff
P3.3V
50V
C3831
1nF

Samsung
Confidential
Samsung
Confidential
1
SAMSUNG PROPRIETARY
THIS DOCUMENT CONTAINS CONFIDENTIAL
PROPRIETARY INFORMATION THAT IS
SAMSUNG ELECTRONICS CO’S PROPERTY.
DO NOT DISCLOSE TO OR DUPLICATE FOR OTHERS
EXCEPT AS AUTHORIZED BY SAMSUNG.
DESIGN
CHECK
APPROVAL
MODULE CODE
DATE
DEV. STEP
REV
LAST EDIT
TITLE
PART NO.
12/05/2008
MP
REV 1.0
April 11, 2009 10:05:58 AM
BA41-01060A
67 67
BONN-E
TEST POINT
TEST POINT
D:/Users/mobile39/mentor/BONN-E/BONN-E_mp10
PAGE OF
SAMSUNG
ELECTRONICS
AA
B B
C C
D D
4 3 2
4 3 1
2
MS Yang
MK Kim
BL Lee
P1.8V
P1.8V_A2VDDQ
G_AUD
CPU_CORE
EGFX_CORE
EGFX_BBP
G_CPU
G_ODD
G_DDR2
AD_DC
P1.2V_LAN
G_AUD
P1.8V_AVDD
P1.8V_DPE
P5.0V
G_MIC
P1.1V_DPE
G_CPU
P1.2V_LAN
P1.1V
G_EGFX
G_P3.3V
G_AUD
P5.0V
P1.5V
P1.8V_LAN
G_DDR2
P1.8V_LAN
P1.8V_VDDDI
P3.3V_GFX
G_ODD
P1.5V_EXP
P1.5V_EXP
P1.5V_AUX
P3.3V_MCD
P3.3V_MCD
P1.2V_LAN
P1.05V
G_CHG
G_DDR2
P5.0V
P3.3V_EXP
P3.3V_EXP
P2.1V_REF
P5.0V_AUD
P5.0V_AUD
P1.8V_LAN
G_SUB
G_ODD
G_CPU
P5.0V_ALW
P1.5V_EXP
P3.3V_SUB
P5.0V_ALW
P5.0V_VCC
P3.3V_MCD
PRTC_BAT
P5.0V_VCC
AD_DC
AD_DC
P5.0V_ODD
P3.3V_EXP
P5.0V_ODD
P5.0V_AUX
P3.3V_MICOM
P5.0V_AUD
P3.3V_MICOM
P1.8V_AUX
P5.0V_ALW
P12.0V_ALW
P1.05V_PEG
P1.5V
P12.0V_ALW
VCC_CRT
P5.0V_VCC
VCC_CRT
P3.3V_LED
P5.0V_AUX_USB
P5.0V_ODD
P5.0V_AUX_USB
CPU_CORE
CPU_CORE
CPU_CORE
P3.3V_MICOM
VDC_ADPT
VDD_LED
P5.0V_AMP
P12.0V_ALW
G_MIC
G_MIC
G_MIC
P0.9V
VCC_CRT
P5.0V_STB
G_P1.05V
G_P1.05V
G_P1.05V
G_P1.05V
P0.9V
P1.5V
LCD_VDD3V
P4.75V_AUD
MEM1_VREF
P1.5V_AUX
P1.5V_AUX
P1.5V_AUX
VDC_ADPT
LCD_VDD3V
LCD_VDD3V
VDC
VDC_ADPT
P2.1V_REF
P2.1V_REF
P2.1V_REF
AD_DC
P0.9V
VDD_LED
P3.3V_AUX_EXP
P5.0V_AUX_USB
P3.3V_SUB
P3.3V_SUB
P3.3V_SUB
G_CPU
VDD_LED
VDC
G_CHG
G_AUD
P4.75V_AUD
P0.9V
P12.0V_ALW
VDC_CHG
P5.0V_AUX
P5.0V_AUX
G_DDR2
P5.0V_AUX_USB
MEM1_VREF
G_SUB
G_ODD
P5.0V_STB
MEM1_VREF
P1.05V_PEG
P5.0V_ODD
P5.0V_STB
P3.3V_AUX_EXP
MEM1_VREF
P5.0V_AUX
G_CHG
PRTC_BAT
P5.0V
P5.0V_AMP
P4.75V_AUD
VDC_CHG
P5.0V_ALW
P5.0V_AMP
P1.05V_PEG
P1.05V_PEG
VDC_CHG
P1.2V_LAN
LCD_VDD3V
G_SUB
VCC_CRT
P1.8V_AUX
P1.5V_EXP
P3.3V_LED
VDC
VDC_ADPT
P3.3V_LED
P5.0V_AUD
PRTC_BAT
P5.0V_STB
P3.3V_AUX_EXP
P1.8V_LAN
PRTC_BAT
VDC_CHG
G_CHG
P3.3V_LED VDD_LED
P3.3V_EXP
P4.75V_AUD
P1.8V_AUX
P5.0V_VCC
P1.8V_AUX
P5.0V_AMP
G_SUB
P3.3V_MCD
VDC
P1.5V
P3.3V_AUX_EXP
PEG5_HDMI_DATA
TPD5_L_BUTTON#
TPD5_R_BUTTON#
VGA1_HDMI_HPD#
VRM3_CPU_PWRGD
AUD5_HP_O_RIGHT
AUD5_MIC1_RIGHT
AUD5_MIC2_RIGHT
CHP3_ME_RTCRST#
KBC3_BLCKPWRSW#
KBC3_LED_POWER#
KBC3_PWRON_INV#
KBC3_PWRSW#_SUB
AUD5_LINE_O_LEFT
CHP3_SATACLKREQ#
KBC3_LED_CHARGE#
KBC3_THERM_SMCLK
LID3_SWITCH#_SUB
VGA3_HDMI_HPD_LV
AUD5_LINE_O_RIGHT
KBC3_THERM_SMDATA
AUD5_MIC1_VREF_LEFT
AUD5_MIC1_VREF_RIGHT
AUD3_DMIC_DATA1
VRM3_DDR_PWRGD
P3.3V_MICOM
ITP3_DBRESET#
KBC3_CAPSLED#
KBC3_WAKESCI#
KBC5_P5ALWON#
LCD3_EDID_CLK
MCH3_HDMI_CLK
MCH3_ICHSYNC#
MCH3_LCDVDDON
PEG5_HDMI_CLK
PLT3_RST_ORG#
VGA5_HDMI_HPD
AUD3_DMIC_CLK1
AUD5_HP_O_LEFT
AUD5_MIC1_LEFT
AUD5_MIC2_LEFT
AUD5_MIC2_VREF
AUD5_SENS_MIC#
CHP3_BIOS_CRI#
CHP3_CL_DATA_0
CHP3_CL_RST_0#
CHP3_INTRUDER#
CLK3_PCLKMICOM
CPU3_THRMTRIP#
HDA3_HDMI_BCLK
HDA3_HDMI_RST#
HDA3_HDMI_SDI2
HDA3_HDMI_SYNC
KBC3_CHKPWRSW#
KBC3_LED_ACIN#
KBC3_USBPWRON#
LCD3_EDID_DATA
MCH3_HDMI_DATA
KBC5_KSO(12)
KBC5_KSO(13)
KBC5_KSO(14)
KBC5_KSO(15)
LID3_SWITCH#
LPC3_LFRAME#
MCD3_SDDATA0
MCD3_SDDATA1
MCD3_SDDATA2
MCD3_SDDATA3
MCH1_HXSWING
MCH3_CLKREQ#
MCH3_EXTTS0#
MCH3_EXTTS1#
MIN3_CLKREQ#
PCI3_CLKRUN#
SIM3_DETECT#
AUD5_SENS_HP#
CHP3_CL_CLK_0
CHP3_DPRSLPVR
CHP3_PM_SYNC#
CHP3_SATALED#
CHP3_SUSSTAT#
HDA3_AUD_BCLK
HDA3_AUD_RST#
HDA3_AUD_SDI0
HDA3_AUD_SYNC
HDA3_HDMI_SDO
HDA3_MDC_BCLK
HDA3_MDC_RST#
HDA3_MDC_SDI1
HDA3_MDC_SYNC
THM3_ALERT#
VCCP3_PWRGD
VRM_VCC_PRM
BAT3_DETECT#
BAT3_SMDATA#
CHP3_BIOSWP#
CHP3_CPUSTP#
CHP3_PCISTP#
CHP3_RTCRST#
CLK1_DREFCLK
CPU1_CPURST#
CPU1_DPRSTP#
CPU1_STPCLK#
CPU2_THERMDA
CPU2_THERMDC
CRT3_DDCDATA
EXP3_CLKREQ#
FAN3_FDBACK#
HDA3_AUD_SDO
HDA3_MDC_SDO
ITM3_CLKREQ#
KBC3_CPURST#
KBC3_EXTSMI#
KBC3_NUMLED#
KBC3_P5ALWON
KBC3_PWRBTN#
KBC3_RSMRST#
KBC3_RUNSCI#
KBC3_SMDATA#
KBC3_SPKMUTE
KBC5_KSO(10)
KBC5_KSO(11)
CPU1_RS1#
CPU1_RS0#
CPU1_PSI#
CPU1_INTR
CPU1_BNR#
CLK3_FM48
AUD3_SPKR
ADT3_SEL#
VRM_VSUM
SPI3_CLK
SMB3_CLK
FAN5_VDD
CRT3_RED
CPU1_TMS
CPU1_TDI
CPU1_TCK
CPU1_NMI
SPK5_R_M
SPK5_R_P
SPK5_L_M
SPK5_L_P
SIM3_C7
SIM3_C6
SIM3_C3
SIM3_C2
SIM3_C1
LPC3_LAD(0)
LPC3_LAD(1)
LPC3_LAD(2)
LPC3_LAD(3)
MCH3_BKLTEN
SMB3_ALERT#
CPU1_HITM#
CPU1_FERR#
CPU1_DRDY#
CPU1_DBSY#
CPU1_D#(0)
CPU1_BSEL2
CPU1_BSEL1
CPU1_BSEL0
CPU1_BREQ#
CPU1_BPRI#
CPU1_A20M#
CLK3_USB48
CLK3_PWRGD
AUX3_PWRGD
AUD3_SHDN#
WLON_LED#
VRM_ISEN2
VRM_ISEN1
THM3_STP#
SPI3_MOSI
SPI3_MISO
SPI3_CS0#
SMB3_DATA
PLT3_RST#
MCD3_SDWP
KBC5_TCLK
KBC3_A20G
CRT3_BLUE
CPU1_SMI#
CPU1_SLP#
CPU1_RS2#
CPU1_VID(5)
CPU1_VID(4)
CPU1_VID(3)
CPU1_VID(2)
CPU1_VID(1)
CPU1_VID(0)
CPU1_IGNNE#
CPU1_DPSLP#
CPU1_DEFER#
CLK3_DBGLPC
CHP3_SLPS5#
CHP3_SLPS4#
CHP3_SERIRQ
CHP3_GPIO20
CHP3_GPIO18
BAT3_SMCLK#
AUD3_GPIO1#
PEX3_WAKE#
MCH1_HVREF
MCD3_SDCMD
MCD3_SDCLK
KBC3_PWRON
KBC3_PWRGD
KBC3_CHGEN
EXP3_CPPE#
CRT3_VSYNC
CRT3_HSYNC
CRT3_GREEN
CPU1_TRST#
CPU1_TRDY#
CPU1_LOCK#
CPU1_INIT#
LAN3_CTL12
MCD3_SDCD#
KBC5_TDATA
KBC5_KSO(9)
KBC5_KSO(8)
KBC5_KSO(7)
KBC5_KSO(6)
KBC5_KSO(5)
KBC5_KSO(4)
KBC5_KSO(3)
KBC5_KSO(2)
KBC5_KSO(1)
KBC5_KSO(0)
KBC5_KSI(7)
KBC5_KSI(6)
KBC5_KSI(5)
KBC5_KSI(4)
KBC5_KSI(3)
KBC5_KSI(2)
KBC5_KSI(1)
KBC5_KSI(0)
KBC3_SUSPWR
KBC3_SMCLK#
KBC3_SCLED#
KBC3_RFOFF#
KBC3_PWRSW#
KBC3_PRECHG
KBC3_BKLTON
EXP3_PERST#
EXP3_CPUSB#
CRT3_DDCCLK
CPU1_VID(6)
