Samsung CK6202X3S, CK6202X3X Service Manual. Www.s Manuals.com. Chassis S51a Manual
User Manual: TV Samsung CK6202X3S, S51A Chassis - Service manuals and Schematics. Free.
Open the PDF directly: View PDF
.
Page Count: 50

COLOR TELEVISION RECEIVER
Chassis : S51A
Model: CK6202X3S/NWT
CK6202X3X/BWT
COLOR TELEVISION RECEIVER CONTENTS
Precautions
Specifications and IC Data
Disassembly and Reassembly
Alignment and Adjustment
Troubleshooting
Exploded View and Parts List
Electric Parts List
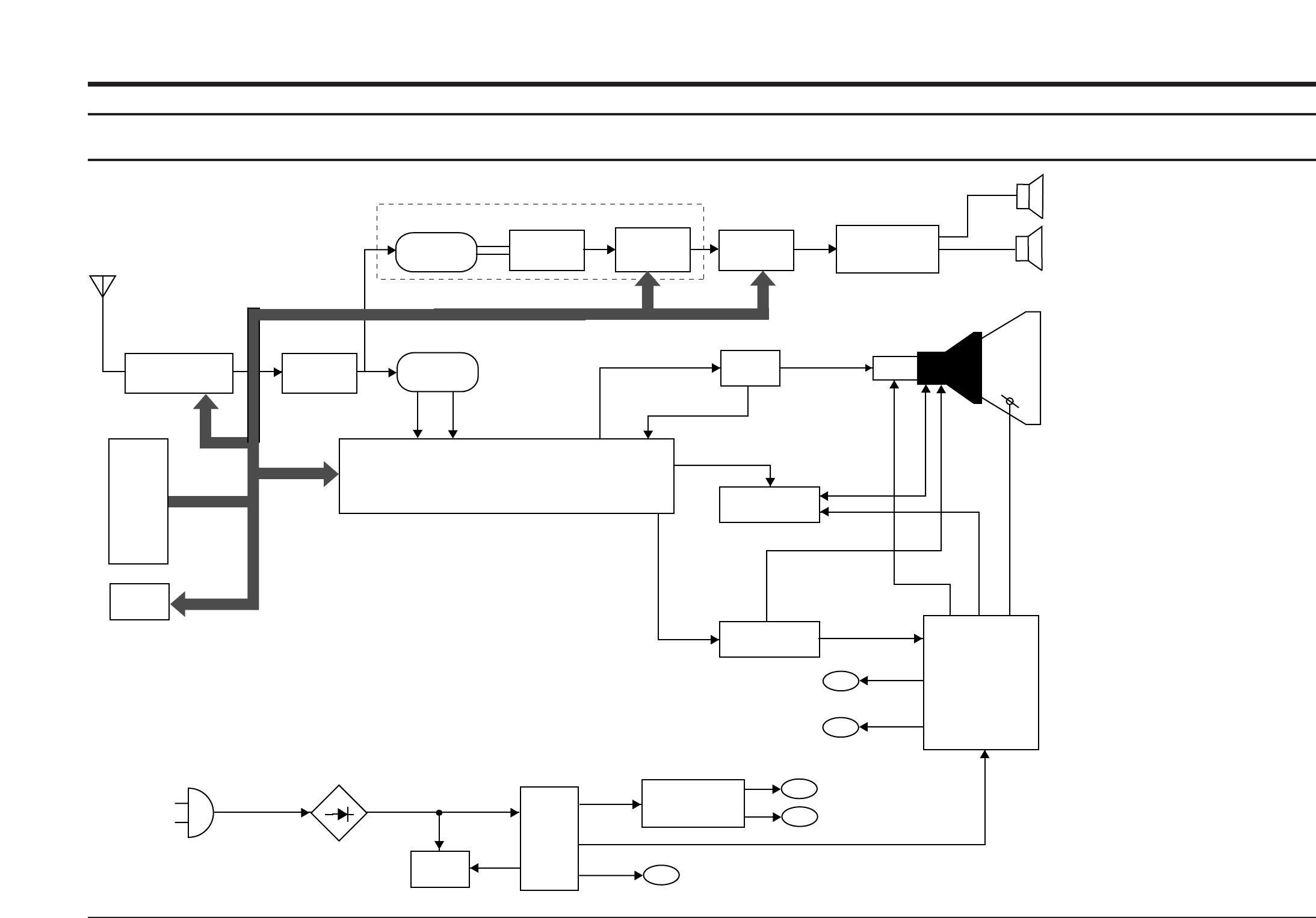
Block Diagram
PCB Layout Diagram
Wiring Diagram
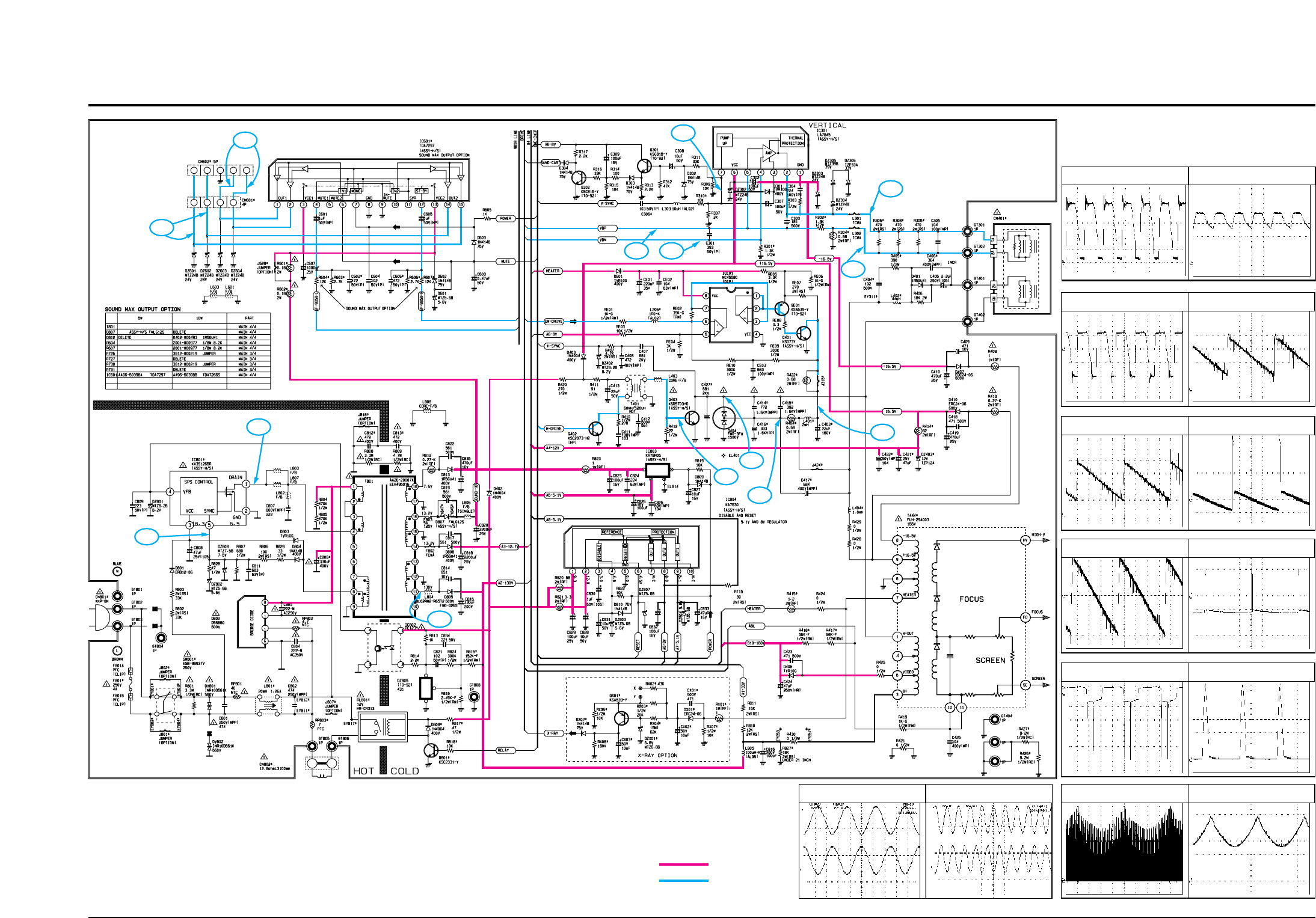
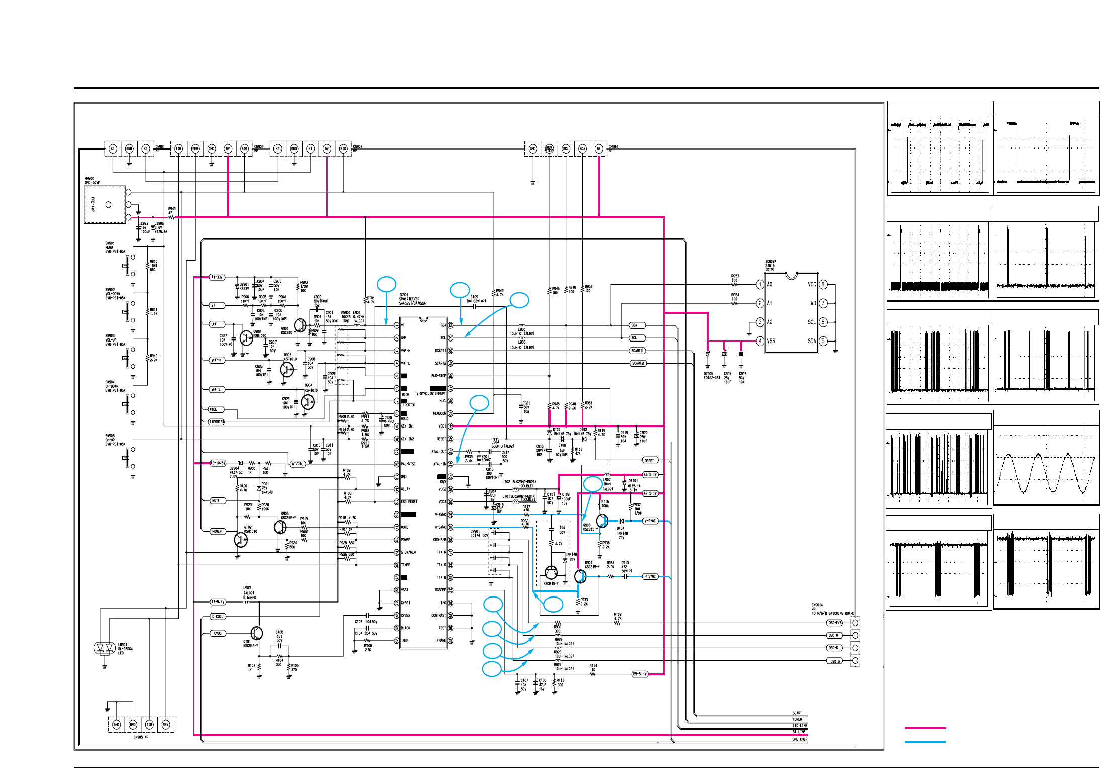
Schematic Diagrams
1.
2.
3.
4.
5.
6.
7.
8.
9.
10.
11.

ELECTRONICS
©Samsung Electronics Co., Ltd. FEB.1999
Printed in Korea
3S51A-0205

1. Precautions
1-1 Safety Precautions
1. Be sure that all of the built-in protective
devices are replaced. Restore any missing
protective shields.
2. When reinstalling the chassis and its
assemblies, be sure to restore all protective
devices, including: nonmetallic control knobs
and compartment covers.
3. Make sure that there are no cabinet openings
through which peopleÑparticularly
childrenÑmight insert fingers and contact
dangerous voltages. Such openings include
the spacing between the picture tube and the
cabinet mask, excessively wide cabinet
ventilation slots, and improperly fitted back
covers.
If the measured resistance is less than 1.0
megohm or greater than 5.2 megohms, an
abnormality exists that must be corrected
before the unit is returned to the customer.
4. Leakage Current Hot Check (Figure 1-1):
Warning: Do not use an isolation
transformer during this test. Use a leakage-
current tester or a metering system that
complies with American National Standards
Institute (ANIS C101.1, Leakage Current for
Appliances), and Underwriters Laboratories
(UL Publication UL1410, 59.7).
5. With the unit completely reassembled, plug
the AC line cord directly into the power
outlet. With the unitÕs AC switch first in the
ON position and then OFF, measure the
current between a known earth ground (metal
water pipe, conduit, etc.) and all exposed
metal parts, including: antennas, handle
brackets, metal cabinets, screwheads and
control shafts. The current measured should
not exceed 0.5 milliamp. Reverse the power-
plug prongs in the AC outlet and repeat the
test.
Fig. 1-1 AC Leakage Test
6. Antenna Cold Check:
With the unitÕs AC plug disconnected from the
AC source, connect an electrical jumper across
the two AC prongs. Connect one lead of the
ohmmeter to an AC prong. Connect the other
lead to the coaxial connector.
7. X-ray Limits:
The picture tube is especially designed to pro-
hibit X-ray emissions. To ensure continued
X-ray protection, replace the picture tube only
with one that is the same type as the original.
Carefully reinstall the picture tube shields and
mounting hardware; these also provide X-ray
protection.
8. High Voltage Limits:
High voltage must be measured each time ser-
vicing is done on the B+, horizontal deflection
or high voltage circuits. Correct operation of
the X-ray protection circuits must be
reconfirmed whenever they are serviced.
(X-ray protection circuits also may be called
Òhorizontal disableÓ or Òhold-downÓ.)
Heed the high voltage limits. These include
the XÐray Protection Specifications Label, and
the Product Safety and X-ray Warning Note on
the service data schematic.
Precautions
Samsung Electronics 1-1
LEAKAGE
CURRENT
TESTER
DEVICE
UNDER
TEST TEST ALL
EXPOSED METAL
SURFACES
2-WIRE CORD
ALSO TEST WITH
PLUG REVERSED
(USING AC ADAPTER
PLUG AS REQUIRED) EARTH
GROUND
(READING SHOULD
NOT BE ABOVE
0.5mA)
Follow these safety, servicing and ESD precautions to prevent damage and protect against potential
hazards such as electrical shock and X-rays.

1-1 Safety Precautions (Continued)
9. High voltage is maintained within specified
limits by close-tolerance, safety-related
components and adjustments. If the high
voltage exceeds the specified limits, check
each of the special components.
10. Design Alteration Warning:
Never alter or add to the mechanical or
electrical design of this unit. Example: Do not
add auxiliary audio or video connectors. Such
alterations might create a safety hazard. Also,
any design changes or additions will void the
manufacturerÕs warranty.
11. Hot Chassis Warning:
Some TV receiver chassis are electrically
connected directly to one conductor of the AC
power cord. If an isolation transformer is not
used, these units may be safely serviced only
if the AC power plug is inserted so that the
chassis is connected to the ground side of the
AC source.
To confirm that the AC power plug is inserted
correctly, do the following: Using an AC
voltmeter, measure the voltage between the
chassis and a known earth ground. If the
reading is greater than 1.0V, remove the AC
power plug, reverse its polarity and reinsert.
Re-measure the voltage between the chassis
and ground.
12. Some TV chassis are designed to operate with
85 volts AC between chassis and ground,
regardless of the AC plug polarity. These units
can be safely serviced only if an isolation
transformer inserted between the receiver and
the power source.
13. Some TV chassis have a secondary ground
system in addition to the main chassis ground.
This secondary ground system is not
isolated from the AC power line. The two
ground systems are electrically separated by
insulating material that must not be defeated
or altered.
14. Components, parts and wiring that appear to
have overheated or that are otherwise
damaged should be replaced with parts that
meet the original specifications. Always
determine the cause of damage or overheat-
ing, and correct any potential hazards.
15. Observe the original lead dress, especially
near the following areas: Antenna wiring,
sharp edges, and especially the AC and high
voltage power supplies. Always inspect for
pinched, out-of-place, or frayed wiring. Do
not change the spacing between components
and the printed circuit board. Check the AC
power cord for damage. Make sure that leads
and components do not touch thermally hot
parts.
16. Picture Tube Implosion Warning:
The picture tube in this receiver employs
Òintegral implosionÓ protection. To ensure
continued implosion protection, make sure
that the replacement picture tube is the same
as the original.
17. Do not remove, install or handle the picture
tube without first putting on shatterproof
goggles equipped with side shields. Never
handle the picture tube by its neck. Some
Òin-lineÓ picture tubes are equipped with a
permanently attached deflection yoke; do not
try to remove such Òpermanently attachedÓ
yokes from the picture tube.
18. Product Safety Notice:
Some electrical and mechanical parts have
special safety-related characteristics which
might not be obvious from visual inspection.
These safety features and the protection they
give might be lost if the replacement compo-
nent differs from the originalÑeven if the
replacement is rated for higher voltage,
wattage, etc.
Components that are critical for safety are
indicated in the circuit diagram by shading,
( ) or ( ).
Use replacement components that have the
same ratings, especially for flame resistance
and dielectric strength specifications.
A replacement part that does not have the
same safety characteristics as the original
might create shock, fire or other hazards.
Precautions
1-2 Samsung Electronics
!

1-2 Servicing Precautions
1. Servicing precautions are printed on the
cabinet. Follow them.
2. Always unplug the unitÕs AC power cord from
the AC power source before attempting to: (a)
Remove or reinstall any component or
assembly, (b) Disconnect an electrical plug or
connector, (c) Connect a test component in
parallel with an electrolytic capacitor.
3. Some components are raised above the printed
circuit board for safety. An insulation tube or
tape is sometimes used. The internal wiring is
sometimes clamped to prevent contact with
thermally hot components. Reinstall all such
elements to their original position.
4. After servicing, always check that the screws,
components and wiring have been correctly
reinstalled. Make sure that the portion around
the serviced part has not been damaged.
5. Check the insulation between the blades of the
AC plug and accessible conductive parts
(examples: metal panels, input terminals and
earphone jacks).
6. Insulation Checking Procedure: Disconnect the
power cord from the AC source and turn the
power switch ON. Connect an insulation
resistance meter (500V) to the blades of the AC
plug.
The insulation resistance between each blade
of the AC plug and accessible conductive parts
(see above) should be greater than 1 megohm.
7. Never defeat any of the B+ voltage interlocks.
Do not apply AC power to the unit (or any of
its assemblies) unless all solid-state heat sinks
are correctly installed.
8. Always connect a test instrumentÕs ground
lead to the instrument chassis ground before
connecting the positive lead; always remove
the instrumentÕs ground lead last.
Precautions
Samsung Electronics 1-3
Warning1: First read the “Safety Precautions” section of this manual. If some unforeseen circumstance creates a conflict between
the servicing and safety precautions, always follow the safety precautions.
Warning2: An electrolytic capacitor installed with the wrong polarity might explode.

1. Some semiconductor (Òsolid stateÓ) devices
are easily damaged by static electricity. Such
components are called Electrostatically
Sensitive Devices (ESDs); examples include
integrated circuits and some field-effect
transistors. The following techniques will
reduce the occurrence of component damage
caused by static electricity.
2. Immediately before handling any semicon
ductor components or assemblies, drain the
electrostatic charge from your body by
touching a known earth ground. Alternatively,
wear a discharging wrist-strap device. (Be
sure to remove it prior to applying powerÑ
this is an electric shock precaution.)
3. After removing an ESD-equipped assembly,
place it on a conductive surface such as
aluminum foil to prevent accumulation of
electrostatic charge.
4. Do not use freon-propelled chemicals. These
can generate electrical charges that damage
ESDs.
5. Use only a grounded-tip soldering iron when
soldering or unsoldering ESDs.
6. Use only an anti-static solder removal device.
Many solder removal devices are not rated as
Òanti-staticÓ; these can accumulate sufficient
electrical charge to damage ESDs.
7. Do not remove a replacement ESD from its
protective package until you are ready to
install it. Most replacement ESDs are
packaged with leads that are electrically
shorted together by conductive foam,
aluminum foil or other conductive materials.
8. Immediately before removing the protective
material from the leads of a replacement ESD,
touch the protective material to the chassis or
circuit assembly into which the device will be
installed.
9. Minimize body motions when handling
unpackaged replacement ESDs. Motions such
as brushing clothes together, or lifting a foot
from a carpeted floor can generate enough
static electricity to damage an ESD.
Precautions
1-4 Samsung Electronics
1-3 Precautions for Electrostatically Sensitive Devices (ESDs)

Specifications and IC Data
Samsung Electronics 2-1
2. Specifications and IC Data
2-1 Specifications
Television System:
Channels:
Intermediate-Frequencies(MHz):
Picture Tube:
Power Requirements: AC 230 V, 50Hz or AC 220 ~ 240 V, 50Hz
Antenna Input Impedance:
VHF,UHF:Telescopic dipole antenna(75
W
unbalanced type)
Speaker Impedance: 8
W
,10W + 10W or 16
W , 5W + 5W (533C only)
MODEL SYSTEM
CI PAL-I (UHF)
CII PAL-I (VHF/UHF)
CX PAL-B/G,SECAM-B/G
CK PAL-B/G,D/K,SECAM-B/G,D/K
CB PAL-B/G
CF SECAM-L/L' , PAL/SECAM-B/G
SYSTEM
BAND PAL/SECAM
-B/G,I PAL/SECAM
-D/K SECAM-K1,
PAL-D
VHF 2-12 1-13 2-9
UHF 21-69 21-69 13-57
SYSTEM
BAND PAL/SECAM
-B/G PAL/SECAM
-D/K,K1 PAL-I SECAM-L
Picture IF Carrier 38.90 38.90 38.90 38.90
Sound IF Carrier 33.40 32.40 32.90 34.40
Color Sub Carrier 34.47 34.47 34.47 34.47
25 Inch
A51EER131X31
Quick start,in-line-gun,
Black stripe,90¡degree deflection
28 Inch
30 Inch
A66EAK071X01 (Normal)
A70QBZ791X
SECAM-L'
34.50
41.00
38.93
A66EAK552X21 (Invar)
A59EAK071X01 (Normal)
A59EAK552X21 (Invar)
21 Inch

2-2 IC Line Up
Specifications and IC Data
2-2 Samsung Electronics
LOC NO NO Specification Description Remarks
HIC101 1PAP103T IF PRE-AMP
IC201 2TDA8844 PAL/SECAM/NTSC/SECAM-L
TDA8843 PAL/NTSC
IC301 3LA7845 VERTICAL DEFLECTION AMP
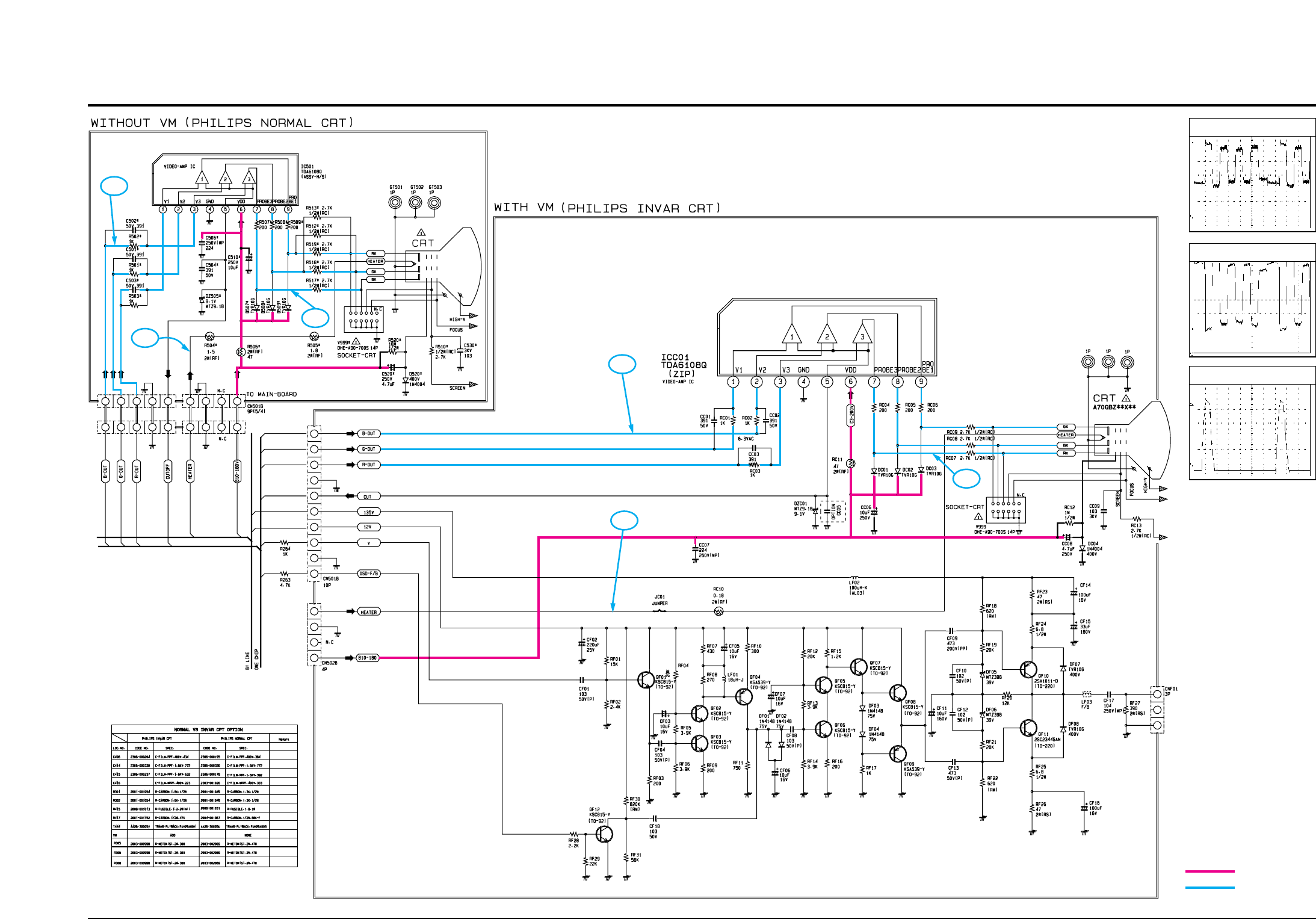
IC501 4TDA6108 RGB DRIVE AMP
IC601 5TDA7297 SOUND AMP(10W/CH)
TDA7266S SOUND AMP(5W/CH)
IC701 6TDA9859 AUDIO PROCESSOR
IC801 7KA3S1265R SMPS IC(12A)
IC802 8PC123Y PHOTO COUPLER
IC803 978R05 SWITCHING REGULATOR
IC804 10 KA7630 SWITCHING REGULATOR(5,8V)
IC901 11 SPM171EE MICOM
IC902 12 24W16 EEPROM
ICE01 13 4558 EW DRIVE AMP
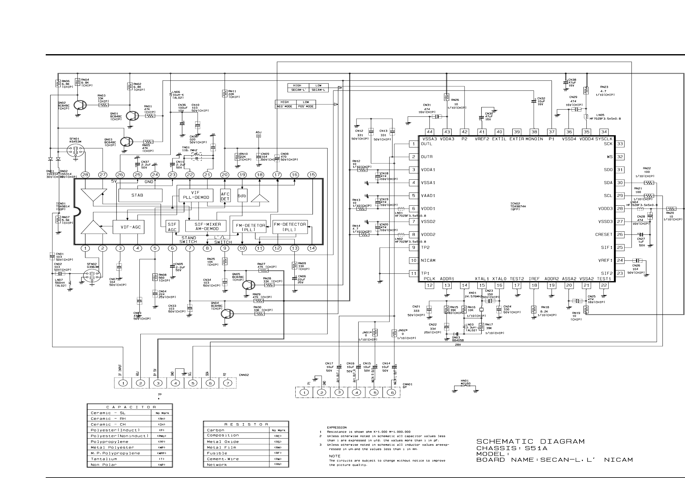
ICN01 14 TDA9814T SIF DETECTOR (SECAM-L) NICAM
MODULE
ICN02 15 TDA9874H NICAM DEMODULATOR
ICA01 16 LA7567N SIF DETECTOR A2 STEREO
MODULE
ICA02 17 TDA9873H A2 DEMODULATOR
ICM01 18 LA7566 SIF & FM DETECTOR MONO
ICS01 19 TEA5114 VIDEO SWITCH
16K
RGB -S/W

2-3 Semiconductor Base Diagrams
Specifications and IC Data
Samsung Electronics 2-3
ELECTROLYTIC-
CONDENSER IC
DIODE
TDA884X(Pin 56)
SPM171EX(Pin 52)
24W16(Pin 8)
TDA9859(Pin 32)
IC TRANSISTOR TRANSISTOR
KA7630
KA7812
IN GOUT
TRANSISTOR
TRANSISTOR
2SD1651
2SD1650
KSD5072
KSD5071
KSD1711
BCEE B C
KSA815-Y
KSA539-Y
IC
UPC574J
or
KA33V
G1962
K2950M
K9253M
G3956M
SAW-FILTER
1
E C B
KSR1012
KSR1010
KSR2010
Fig. 2-1 Semiconductor Base Diagrams

2-4 Samsung Electronics
MEMO

Disassembly and reassembly
Samsung Electronics 3-1
3. Disassembly and Reassembly
3-1 Back Cover Removal
1. After removing the 7 screws, pull the cabinet backwards.

3-2 Main Board Removal
Disassembly and reassembly
3-2 Samsung Electronics
1
2
3
4
5
6
7
8
9
10
11
12
13
1. Separate the TBC-wire 2P connector from GT501,GT502.
2. Separate the CRT Assembly from the CRT socket.
3. Remove the Anode Cap from the CRT.
4. Separate the D-Coil Connector from CN802.
5. Separate the AC cord from CN801.
6. Separate the DC connector from CN401.
7. Separate the CN501B 8P CRT connector from CN501.
8. Separate the CNA05 5P A/V side connector from CN602.
9. Separate the CNA01 8P CRT connector from CN701.
10. Separate the Focus Screen Wire from the FBT clamper.
11. Separate the TBC wire 2P, speaker wires from the wire clamper.
12. Separate the CN701, CN602 connector from the wire clamper.
13. Separate the AC cord from the wire clamper.
14. Remove the main board by pulling it with both hands.

3-3 Speaker Removal
Disassembly and reassembly
Samsung Electronics 3-3
7
1. Remove the speaker by
pressing the tension rib.
1. Separate the speaker wires from D-coil
(located on the bottom to the right side).
2. Remove the screws.

Disassembly and reassembly
3-4 Samsung Electronics
3-4 CRT Removal
1. Remove the 4 nuts that mount the CRT to the front cabinet.
Pull the CRT backwards.
2. Caution: Because of the high vacuum and large surface area of the picture
tube, be careful while handling it: (1) Always lift the picture tube by
grasping it firmly around the faceplate, (2) Never lift the tube by its neck.
(3) Do not scratch the picture tube or apply excessive pressure. Fractures
of the glass may cause an implosion.

Alignment and Adjustments
Samsung Electronics 4-1
4. Alignment and Adjustments
4-1 Preadjustment
4-1-1 Factory Mode
1. Do not attempt these adjustments in the Video
Mode.
2. The Factory Mode adjustments are necessary
when either the EEPROM (IC902) or the CRT
is replaced.
3. Do not tamper with the ÒAdjustmentÓ screen
of the Factory Mode menu. This screen is
intended only for factory use.
4-1-2 When EEPROM (IC902) Is Replaced
1. When IC902 is replaced all adjustment data
revert to initial values. It is necessary to
re-program this data.
2. After IC902 is replaced, warm up the TV for
10 seconds.
4-1-3 When CRT Is Replaced
1. Make the following adjustments AFTER set-
ting up after setting up purity and conver-
gence :
White Balance
Sub-Brightness, Sub-Contrast
Vertical Center
Vertical Size
Horizontal Size
Fail Safe (This adjustment must be the last
step).
4-2 Factory/Service Mode
4-2-1 Procedure for the “Adjustment” Mode
1. This mode uses the standard remote control.
The Service Mode is activated by entering the
following remote-control sequence :
(1) STAND-BY® DISPLAY®MENU®MUTE
®POWER ON.
2. The ÒSERVICE (FACTORY)Ó message will be
displayed. The Service Mode has three compo-
nents: Adjustment, Option and Reset.
3. Access the Adjustment Mode by pressing the
ÒVOLUMEÓ keys ( Up or Down). The adjust-
ment parameters are listed in the accompany-
ing table, and selected by pressing the
CHANNEL keys (▲ ,▼).
4. Selection sequences for the PAL system:
DOWN or UP key:
AGC↔VCO↔SBT↔SCT↔SCR↔SC↔RG↔
BG↔CDL↔STT↔LCO↔VOL↔PSL↔PVS↔
PVA↔PHS↔PEW↔PEP↔PEC↔PET↔VSC↔
TSC↔SA↔QEW↔PCT↔PTT↔PHM↔PVP↔
PHP↔NSR↔PDL↔AGC.
5. The VOLUME keys increase or decrease the
adjustment values (stored in the
non-volatile memory) when Adjustment Mode
is cancelled.
6. Cancel the Adjustment Mode by re-pressing
the ÒHIDDENÓ or ÒPower OFF/ONÓ keys.
7. After adjustments are completed, re-start
the TV set.

4-2-2 Main Adjustment Parameters
Alignment and Adjustments
4-2 Samsung Electronics
OSD FUNCTION RANGE
AGC AUTO GAIN CONTROL 0-63
VCO VOLTAGE CONTROLLED OSCILLATOR 0 - 127
SBT SUB BRIGHTNESS 0-23
SCT SUB CONTRAST 0-23
SCR SUB COLOUR 0-23
SC S-CORRECTION 0-63
RG RED DRIVE GAIN 0-63
BG BLUE DRIVE GAIN 0-63
CDL CATHODE DRIVE LEVEL 0-7
STT SUB TINT ( FOR NTSC ) 0-7
LCO SECAM-L VOLTAGE CONTROLLED OSCILLATOR 0-1
VOL VOLUME INITIAL LEVEL 0-63
PSL PAL VERTICAL SLOPE 0-63
PVS PAL VERTICAL SHIFT 0-63
PVA PAL VERTICAL AMPLITUDE 0-63
PHS PAL HORIZONTAL SHIFT 0-63
PEW PAL E-W WIDTH 0-63
PEP PAL E-W PALABOLA 0-63
PEC PAL E-W CORNER 0-63
PET PAL E-W TRAPEZIUM 0-63
VSC VERTICAL SCROLL 0-63
TSC TELETEXT SUB CONTRAST 0-63
SA SEPARATION ADJUSTMENT (STEREO) 0-15
QEW Q(12.8:9)MODEL E-W WIDTH 0-7
PCT PIP CONTRAST 0-15
PTT PIP TINT 0-63
PHM PIP HORIZONTAL MOVE 0-15
PVP PIP VERTICAL POSITION 0-63
PHP PIP HORIZONTAL POSITION 0-63
NSR NTSCSUB COLOUR 0-23
PDL PAL DELAYTIME 0-15

Alignment and Adjustments
Samsung Electronics 4-3
4-2-3 AGING Mode (Reference Only)
This pattern is used for pre-heating the CRT during manufacturing--it is accessed in the factory by
twice pressing the ÒFACTORY Ò key.
Even if the TV power is cut off, the Aging Mode is not cancelled, The AGING mode is cancelled by
repressing the ÒHIDDENÓ or any key on the front pannel.
FACTORY MODE VALUE
OSD INITIAL OSD INITIAL OSD INITIAL
2 (CH) LCO 1 (FIXED) TSC 20(FIXED)
AGC 10 VOL 25 SA 7
VCO 80(FIXED) PSL 31(FIXED) QEW 5
SBT 7PVS 31 PCT 7(FIXED)
SCT 16 PVA 31 PTT 31(FIXED)
SCR 5(FIXED) PHS 40 PHM 8(FIXED)
SC 11(FIXED) PEW 38 PVP 31(FIXED)
RG 31 PEP 22 PHP 31(FIXED)
BG 31 PEC 22 NSR 3 (FIXED)
CDL 5PET 30 PDL 0 (FIXED)
STT 10(FIXED) VSC 31(FIXED)

Alignment and Adjustments
4-4 Samsung Electronics
4-2-4 Option Byte Table
OPTION OSD NOTE
ZOOM MODE
PLU/NOR/ZOOM/16:9 12.8: 9 CRT USED(30",22")
NORMAL/ZOOM/16:9 NORMAL CRT USED
NORMAL/ZOOM
PLUS/NORMAL 12.8: 9 CRT USED(26")
AUDIO MODE
NICAM STEREO NICAM MODULE USED
STEREO A2 MODULE USED
LINE STEREO MONO MODULE USED
(LINE STEREO MODEL )
MONO MONO MODULE USED
(MONO MODEL )
ONECHIP TDA8844 CRT(MORE THAN 22-INCH)USED
TDA8842 CRT(MORE THAN 21-INCH)USED
LED OPTION NORMAL DEFAULT
POLAND POLAND MODEL ONLY
LANGUAGE
WEST
ENG/GER/FRA/DUT/SPA/
ITA/SWE
WEST EUROPE MARKET
ENGLISH/GERMANY/FRANCE/
NETHERLANDS/SPAIN/ITALY/SWEDEN
EAST
ENG/CZE/CRO/RUM/HUN/
POL
EAST EUROPE MARKET
ENGLISH/CZECH/CROATIA/ROMANIA/
HUNGARY/POLAND
SYSTEM
CF SECAM-L/L', PAL/SECAM-B/G
CI PAL - I ( UHF BAND ONLY)
CK PAL/SECAM - B/G,D/K
CX PAL/SECAM -B/G
CB PAL -B/G
ATS OPTION ON
OFF ATM FUNCTION NOT USED
FIELD POL FIELD POS PHILIPS CRT USED
FIELD NEG OTHER CRT USED
OptionByte
1.ZOOM MODE : NORMAL/ZOOM/16:9
2.AUDIO MODE : NICAM STEREO
3.ONE CHIP : TDA8844
4.LED OPTION : NORMAL
5.LANGUAGE : WEST
ENG/GER/FRA/DUT/SPA/ITA/SWE
6.SYSTEM: CX
7.ATS OPTION : ON
8.FIELD POL : FIELD POS
ATM FUNCTION USED

Alignment and Adjustments
Samsung Electronics 4-5
Alignment and Adjustments
4-3 Other Adjustments
4-3-1 General
1. Usually, a color TV needs only slight touch-
up adjustment upon installation. Check the
basic characteristics such as height, horizontal
and vertical sync and focus.
2. The picture should have good black and white
details. There should be no objectionable
color shading; if color shading is present, per-
form the purity and convergence adjustments
described below.
3. Use the specified test equipment or its equiva-
lent.
4. Correct impedance matching is essential.
5. Avoid overload. Excessive signal from a sweep
generator might overload the front-end of the
TV. When inserting signal markers, do not
allow the marker generator to distort test
results.
6. Connect the TV only to an AC power source
with voltage and frequency as specified on the
backcover nameplate.
7. Do not attempt to connect or disconnect any
wires while the TV is turned on. Make sure
that the power cord is disconnected before
replacing any parts.
8. To protect against shock hazard, use an isola-
tion transformer.
4-3-2 Automatic Degaussing
A degaussing coil is mounted around the pic-
ture tube, so that external degaussing after
moving the TV should be unnecessary. But
the receiver must be properly degaussed upon
installation.
The degaussing coil operates for about 1 sec-
ond after the power is switched ON. If the set
has been moved or turned in a different direc-
tion, disconnect its AC power for at least 30
minutes.
If the chassis or parts of the cabinet become
magnetized, poor color purity will result. If
this happens, use an external degaussing coil.
Slowly move the degaussing coil around the
faceplate of the picture tube and the sides and
front of the receiver. Slowly withdraw the coil
to a distance of about 6 feet before removing
power.
4-2-5 RESET
The Reset Mode is used during factory inspection.
Function Reset:
1. Channels Add/Erase
2. Language Last condition
3. Station name Clear

Alignment and Adjustments
4-6 Samsung Electronics
Alignment and Adjustments
4-3-3 High Voltage Check
CAUTION: There is no high voltage adjustment on this chassis.
The B+ power supply must be set to +155 volts (Full color bar input
and normal picture level).
1. Connect a digital voltmeter to the second
anode of the picture tube.
2. Turn on the TV. Set the Brightness and
Contrast controls to minimum (zero beam cur-
rent).
3. The high voltage should not exceed 33KV.
4. Adjust the Brightness and contrast controls to
both extremes. Ensure that the high voltage
does not exceed 33KV under any conditions.
4-3-4 FOCUS Adjustment
1. Input a black and white signal.
2. Adjust the tuning control for the clearest
picture.
3. Adjust the FOCUS control for well defined
scanning lines in the center area of the screen.
4-3-5 Screen Adjustment
1. Connect CRT socket pin GK, BK, RK to an
oscilloscope probe.
2. Input a gray scale pattern. (Use a pattern
generator, PM5518)
3. Use the Picture mode for the STANDARD pic-
ture.
4. Adjust the Screen VR (on the FBT) so that the
voltage on the oscilloscope becomes 140+2.5V
(See Fig. 4-1).
4-3-6 Purity Adjustment
1. Warm up the receiver for at least 20 minutes.
2. Plug in the CRT deflection yoke and tighten
the clamp screw.
3. Plug the convergence yoke into the CRT and
set in as shown in Fig. 4-2.
4. Input a black and white signal.
5. Fully demagnetize the receiver by applying an
external degaussing coil.
6. Turn the CONTRAST and BRIGHTNESS con-
trols to maximum.
7. Loosen the clamp screw holding the yoke.
Slide the yoke backward or forward to pro-
vide vertical green belt. (Fig. 4-3).
8. Tighten the convergence yoke.
9. Slowly move the deflection yoke forward,
and adjust for the best overall green screen.
10. Temporarily tighten the deflection yoke.
11. Produce blue and red rasters by adjusting the
low-light controls. Check for good purity in
each field.
12. Tighten the deflection yoke.
Fig. 4-1
140 2.5V
+
_
GND
_

Alignment and Adjustments
Samsung Electronics 4-7
Alignment and Adjustments
4-3-7 White Balance Adjustment
Fig. 4-2 Convergence Magnet Assembly
4 Pole Magnet
6 Pole Magnet 2 Pole Magnet
Clamper
Screw
2 POLE
PURITY
YOKE
CLAMP
SCREW
6 POLE
CONVERGENCE
4 POLE
CONVERGENCE
Fig. 4-3 Center Convergence Adjustment
31m/m
Vertical Green Belt
Fig. 4-4
1
2
(a) Set up
1. Warm up the TV for at least 30 minutes in the
White Pattern.
2. Input a Toshiba pattern.
(b) High-Light Adjustment
Set SCT to 40 ±5 fL in the Factory Service
Mode with using CA100. (See Fig. 4-4 ①)
(c) Low-Light Adjustment
Set SBT to 1.5 ±0.2 fL in the Factory Service
Mode with using CA100. (See Fig. 4-4 ➁)

Alignment and Adjustments
4-8 Samsung Electronics
Alignment and Adjustments
4-3-8 Center Convergence Adjustment
1. Warm up the receiver for at least 20 minutes.
2. Adjust the two tabs of the 4 pole magnets to
change the angle between them. Superimpose
the red and blue vertical lines in the center
area of the screen.
3. Adjust the Brightness and Contrast controls
for a well defined picture.
4. Adjust the two-tab pairs of the 4 pole mag-
nets, and change the angle between them.
Superimpose the red and the blue vertical
lines in the center area of the screen.
5. Turn the both tabs at the same time, keeping
the angle constant, and superimpose the red
and blue horizontal line in the center of the
screen.
6. Adjust the two-tab pairs of the 6-pole magnets
to superimpose the red and blue line onto the
green. (Changing the angle affects the vertical
lines, and rotating both magnets affects the
horizontal lines.)
7. Repeat adjustments 2~6, if necessary.
8. Since the 4-pole magnets and 6-pole magnets
interact, the dot movement is complex
(Fig. 4-5).
Fig. 4-5 Center Convergence Adjustment
RED
BLUE
BLUE
RED
4-Pole Magnet Movement
GREEN
RED/BLUE
RED/BLUE
GREEN
6-Pole Magnet Movement
4-3-9 RF AGC Adjustment
1. Tune to the strongest local station.
2. Enter the Factory Service Mode to make adjustments.
3. Adjust the AGC control untill noise(snow) disappears from the screen.

Alignment and Adjustments
Samsung Electronics 4-9
Alignment and Adjustments
4-3-10 Geometry Adjustment
1. Input a lion head pattern.
2. Adjust PVS so that the picture is vertically centered.
3. Adjus t with PVA so that the top and bottom margins of the pic ture are 4.
4. Adjus t PHS s o tha t the pic ture is horizontally c ente red.
5. Adjust with PEW so that the left and right margins of the picture are 5.
6. Input a crosshatch pattern.
7. Adjust PEP, PEC , PET for vertical linearity.
4
4
55

Troubleshooting
Samsung Electronics 5-1
5. Troubleshooting
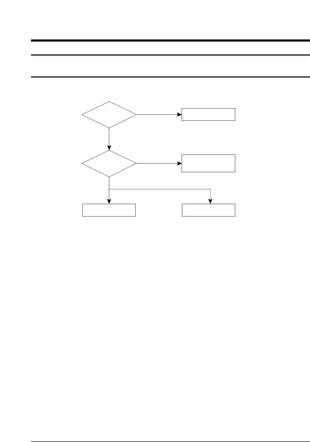
5-1 No Video (Raster On, No Sound)
Yes
No
Check/Replace
TU101, HC101
No
Measure the
Voltage of each of, 8 pins
of TU101
Check IC901
Pins 39, 40
See "No Video"
(Sound OK) See "No Sound"
(Video OK)
Check/Replace
IC901,IC201,IC902 ,IC701,
Audio Module
Yes

5-2 No Power
Troubleshooting
5-2 Samsung Electronics
Yes
No
No
Yes
No
No
No
Check the 130V,
12.7V B+ Lines
Check IC804
Pin 9 (5V)
Check/Replace
IC801, D802
Check/Replace
IC804(KA7630),DZ905,DZ804
Check IC901
Pin 18 ; Stand-by : 0V
Normal : 5V
Check/Replace
IC901
Check IC901
Pin 8 (4V).
Check/Replace
IC901(m-com)
Check IC201,
Pin 40 (H-out) Check/Replace
IC201, Q402, Q403
No
Check Q402, Q403 Check/Replace
DZ805, IC802
Yes
Yes
Yes

5-3 No Video (Sound OK)
Troubleshooting
Samsung Electronics 5-3
Yes
No
No
Yes
No
No
Check IC201
Pin 6 (CVBS) Check/Replace
IC201
Check IC201
Pins 19, 20, 21
(R/G/B-OUT)
Check IC202
pin 27 (Y-IN) Check/Replace
IC201,D205,DZ204
Check IC501,
on the CRT PCB Check/Replace
IC501
Check/Replace
R505 (HEATER 6.3Vrms)
CRT, V999
Yes
No
Check IC201
Pin 12,37 (8V) Check/Replace
IC804 KA7630
Yes
Yes
2Vp-p

Troubleshooting
5-4 Samsung Electronics
5-4 No Sound (Video OK)
No
No
CHECK/REPLACE
A/V Front Assembly.
CHECK IC701
Pin 3,5 CHECK/REPLACE
Sound Module (MD701)
CHECK/REPLACE
IC701, C712, C719
CHECK IC601 Pin
Sound output
CHECK/REPLACE
IC601, R601, R602
CHECK IC701
Pin 15,18
Yes
Yes
No
Yes
114 15
2
5-5 Power OFF/ON (Repeatedly)
CHECK Q403
COLLECTOR H-PULSE SEE " NO-POWER"
NO
YES
CHECK IC901
PIN26(H-SYNC )
CHECK/REPLACE
IC901,Q907,C913
DZ402
NO
YES
CHECK IC301
PIN7(V-BLANK) CHECK/REPLACE
Q301,Q302,D304
YES
NO
CHECK PIN6(+16.5V)
PIN1(-14V)
CHECK/REPLACE
R409,R413,D407,D410
DZ302,DZ303
NO
YES
CHECK/REPLACE
IC301,IC201

Troubleshooting
Samsung Electronics 5-5
5-6 SMPS (Power Supply) Does Not Function
(1) When F802 is open:
Check/Replace F802 , IC801 , D802.
(2) When F802 is okay, but SMPS does not function:
Check/Replace DZ801 , DZ808 , IC802 , DZ805.
(3) Others: See "5. Troubleshooting"

Exploded View & Parts List
Samsung Electronics 6-1
6. Exploded View & Parts List
6-1 CK6202X3X/BWT
No Code No Description Specification Q’ty Remark
1 AA91-00067A ASSY-CABINET,FRONT -,CK6202SXR,S1000 MLB TVI BWT,HB 1
AA64-31156H CABINET-FRONT- ,CK6202SXR,S1000 MLB BWT TVI,HIPS,HB 1
1-1 AA63-50064A GRILLE-SHEET -,6202,S1300,PS,T0.4,-,- 2
1-2 AA64-50111A DOOR-CONTROL -,62.7202,S1000,HIPS,HB,BLK,-, 1
1-3 AA64-60274D INLAY-CONTROL 6202,MW,PS,T0.3,BLK,-,- 1
1-4 AA64-70011B BADGE-BRAND AL,SS R2000 25,SILVER,L60,-,-, 1
1-5 AA61-30001A LATCH-DOOR -,-,-,KIFUCO LA701,- 1
1-6 AA64-10166A KNOB-POWER,M -,62.7202,-,ABS,HB,BLK 1
1-7 AA61-60005K SPRING-CS -,SUS304,0.6,OD12.2,H13,N4,-,- 1
1-8 AA95-00004A ASSY-PCB,A/V SIDE -,566B~569B,S51A,PAL,-,- 1
1-9 AA60-10002A SCREW-TAPPING RH,+,M4,L12,ZPC(YEL),-,OD14 2
1-10 AA64-10058A KNOB-CONTROL -,62.7202,-,ABS,HB,BLK 1
1-11 6002-000514 SCREW-TAPPING RH,+,2,M4,L15,ZPC(BLK),SWRCH18 2
1-12 AA64-40238A INDICATOR-LED -,62.7202,-,ACRYL,-,-,- 1
1-13 AA64-40060A WINDOW-REMOCON -,62.7202,LG41338,ABS,HB,-,- 1
1-14 0601-000198 LED ROUND,RED/GRN,5.0mm,630/565nm 1
1-15 AA95-30002B ASSY-PCB,CONTROL -,SCT12B,-,- 1
1-16 6001-000677 SCREW-MACHINE RH,+,M3,L6,ZPC(YEL),SM20C,- 1
1-17 6001-000677 SCREW-MACHIN ERH,+,M3,L6,ZPC(YEL),SM20C,- 2
1-18 ASSY-HOLDER,SPK OPTION
1-19 6002-000522 SCREW-TAPPING TH,+,2,M4,L15,ZPC(BLK),SWRCH18 8
1-20 AA91-60003A ASSY-HOLDER,SPK -,PP,-,-,8ohm 10W,CT2199 1
2 AA03-10023R CRT-COLOR -,A59KPR84X01(DB),+500mG,25,1 1
2-1 AA63-60004P SPACER-GUM,CRT NTR RUBBER,T2,GRY,-,-,- 4
2-2 AA60-10050Q SCREW-ASSY WC,HH,+,M5,L26.5,SWRCH18A,ZPC( 4
2-3 AA65-30113A CLAMP-D,COIL NYLON 66,V2,BLK,TVI 25~29,-,- 4
2-4 AA27-20004G COIL-DEGAUSSING -,25,16.9ohm,35T,L2600,E 1
2-5 3704-001105 SOCKET-CRT 11P,20PI,26.5PI,NI,- 1
3 AA64-30641D CABINET-BACK -,6202,-,HIPS,V2,BLK,-,- 1
3-1 AA60-10050T SCREW-TAPPING RH,+,2S,M4,L20,ZPC(BLK),SWRCH1 7
3-2 AA64-60052C INLAY-BACK -,S51A SCART(2),PS,T0.5,BLK,-,- 1
3-3 6002-000512 SCREW-TAPPING RH,+,2,M4,L12,ZPC(BLK),SWRCH18 1

ASSY-PCB,MAIN(OPT)
BUYER : SRSC
* AA94-00488AASSY-PCB,MAIN(OPT);CK6202X3X/BWT,S51A,CIS,-
C102 2401-002594 C-AL;220uF,20%,16V,GP,TP,8x11.5,5
C103 2202-002037 C-CERAMIC,MLC-AXIAL;100nF,80-20%,50V,Y5V,TP,2.2x3.
C104 2202-002037 C-CERAMIC,MLC-AXIAL;100nF,80-20%,50V,Y5V,TP,2.2x3.
C105 2202-002037 C-CERAMIC,MLC-AXIAL;100nF,80-20%,50V,Y5V,TP,2.2x3.
C106 2401-001082 C-AL;330nF,20%,50V,GP,TP,5x11,5
C107 2401-000914 C-AL;22uF,20%,16V,GP,TP,5x11,5
C109 2202-000796 C-CERAMIC,MLC-AXIAL;1NF,10%,50V,Y5P,TP,3.5X1.9MM,-
C207 2401-001026 C-AL;3.3UF,20%,50V,GP,TP,5X11,5
C210 2306-000122 C-FILM,MPPF;100nF,5%,50V,TP,7.3x4.0x5.0mm,
C211 2401-002619 C-AL;47uF,20%,25V,GP,TP,5x11,5
C213 2301-000224 C-FILM,PEF;22nF,5%,50V,TP,7.4x3.9x13mm,5m
C214 2401-000660 C-AL;2.2uF,20%,50V,GP,TP,5x11,5
C215 2305-000412 C-FILM,MPEF;470nF,5%,63V,TP,-,5mm
C216 2401-001840 C-AL;100uF,20%,16V,GP,TP,6.3x11,5
C217 2305-000665 C-FILM,MPEF;100nF,5%,63V,TP,7.5x4.0x5.0mm,
C218 2305-000411 C-FILM,MPEF;470nF,5%,50V,TP,7.3x4.8x5.5mm,
C219 2401-002144 C-AL;47uF,20%,16V,GP,TP,5x11,5
C220 2401-000302 C-AL;100uF,20%,25V,GP,TP,6.3x11,5
C221 2305-000289 C-FILM,MPEF;220nF,5%,63V,TP,-,5mm
C222 2305-000412 C-FILM,MPEF;470nF,5%,63V,TP,-,5mm
C223 2202-002037 C-CERAMIC,MLC-AXIAL;100nF,80-20%,50V,Y5V,TP,2.2x3.
C224 2202-002037 C-CERAMIC,MLC-AXIAL;100nF,80-20%,50V,Y5V,TP,2.2x3.
C225 2202-002037 C-CERAMIC,MLC-AXIAL;100nF,80-20%,50V,Y5V,TP,2.2x3.
C226 2401-000480 C-AL;10uF,20%,50V,GP,TP,5x11,5
C227 2201-000986 C-CERAMIC,DISC;12pF,5%,50V,NPO,TP,5x3mm,2.5mm
C228 2201-000273 C-CERAMIC,DISC;18pF,5%,50V,CH,TP,5x3mm,5
C229 2301-000356 C-FILM,PEF;47nF,5%,50V,TP,7.5x4.0x6.5,5mm
C230 2301-000192 C-FILM,PEF;1nF,5%,50V,TP,5.3x10mm,5mm
C231 2202-000183 C-CERAMIC,MLC-AXIAL;2.2NF,20%,16V,Y5R,TP,3.5X1.9MM,
C232 2202-000796 C-CERAMIC,MLC-AXIAL;1NF,10%,50V,Y5P,TP,3.5X1.9MM,-
C233 2309-000138 C-FILM,PE-PPF;100nF,5%,50V,TP,20x16x8.5,7.5m
C234 2305-000289 C-FILM,MPEF;220nF,5%,63V,TP,-,5mm
C235 2202-000849 C-CERAMIC,MLC-AXIAL;18pF,5%,50V,CH,TP,3.5x1.9,-
C236 2202-002037 C-CERAMIC,MLC-AXIAL;100nF,80-20%,50V,Y5V,TP,2.2x3.
C237 2305-000665 C-FILM,MPEF;100nF,5%,63V,TP,7.5x4.0x5.0mm,
C238 2301-000383 C-FILM,PEF;10nF,5%,50V,TP,6x7x3.2mm,5mm
C239 2301-000445 C-FILM,PEF;4.7nF,5%,50V,TP,5.5x7x3mm,5mm
C240 2401-001840 C-AL;100uF,20%,16V,GP,TP,6.3x11,5
C241 2401-000603 C-AL;1uF,20%,50V,GP,TP,5x11,5
C242 2202-000183 C-CERAMIC,MLC-AXIAL;2.2NF,20%,16V,Y5R,TP,3.5X1.9MM,
C243 2401-000603 C-AL;1uF,20%,50V,GP,TP,5x11,5
C244 2301-000224 C-FILM,PEF;22nF,5%,50V,TP,7.4x3.9x13mm,5m
C245 2305-000665 C-FILM,MPEF;100nF,5%,63V,TP,7.5x4.0x5.0mm,
C301 2301-000254 C-FILM,PEF;39nF,5%,50V,TP,7.5x3.5x6.5mm,5
C302 2401-000360 C-AL;100uF,20%,50V,GP,TP,8x11.5,5
C303 2201-000259 C-CERAMIC,DISC;180pF,10%,500V,Y5P,TP,6x4,5
C304 2305-000285 C-FILM,MPEF;220NF,5%,100V,TP,10.5X5.5X15MM,5
C305 2305-001011 C-FILM,MPEF;22nF,5%,100V,TP,3.5x12.5x7.5mm
C306 2305-000149 C-FILM,MPEF;100nF,5%,100V,TP,12x12.5x6.5,5
C307 2401-000360 C-AL;100uF,20%,50V,GP,TP,8x11.5,5
C308 2401-000480 C-AL;10uF,20%,50V,GP,TP,5x11,5
C309 2401-001840 C-AL;100uF,20%,16V,GP,TP,6.3x11,5
C403 2401-000901 C-AL;22uF,20%,160V,GP,TP,10x20,5
C404 2201-000291 C-CERAMIC,DISC;1nF,10%,500V,Y5P,TP,8.5x5MM,5
C405 2401-002268 C-AL;2.2uF,20%,250V,LZ,TP,8X11,5
C406 2306-000272 C-FILM,MPPF;820nF,5%,400V,BK,29x25.5x18.5,
C407 2201-000984 C-CERAMIC,DISC;680pF,10%,2KV,Y5P,TP,11x6,7.5m
C408 2305-000382 C-FILM,MPEF;4.7nF,5%,400V,TP,-,5mm
C409 2201-000551 C-CERAMIC,DISC;470pF,10%,1KV,Y5P,TP,8x5,5
C410 2401-001397 C-AL;470uF,20%,25V,GP,TP,10x16,5
C411 2305-000178 C-FILM,MPEF;10nF,5%,100V,TP,-,5mm
C412 2201-000599 C-CERAMIC,DISC;560pF,10%,500V,Y5P,TP,7x4,5
C413 2401-000302 C-AL;100uF,20%,25V,GP,TP,6.3x11,5
Electric Parts List
Samsung Electronics 7-1
7-1 CK6202X3S/NWT (CK6202X3X AND CK6202X3S Dissimilar Parts)
ASSY-PCB,MAIN(OPT)
BUYER : SRSC
* AA94-00485AASSY-PCB,MAIN(OPT);CK6202X3S/NWT,S51A,N-RUSSIA,-
ASSY-PCB,A/V FRONT
* AA95-00031AASSY-PCB,A/V FRONT;DP,22,77,02,3399,S51A,-,-,-
ASSY-PCB,CONTROL
* AA95-00113AASSY-PCB,CONTROL;DP,S51A,02
ASSY-CRT
AA03-10016NCRT-COLOR;-,A59KPR84X01(DB),+380mG,25,1
ASSY-ACCESSORY
AA68-00044AMANUAL-USERS;S51A,N-RUS,-,B5,W/P100(G),-
ASSY-CABINET;6202,CK6202X3S/NWT
* AA91-10287HASSY-CABINET,FRONT;DP,CK6202SXR,S1000 MLB NWT TVI
AA64-31156GCABINET-FRONT;-,CK6202SXR,S1000 MLB NWT TVI,HIPS,H
CB+21 6003-001019 SCREW-TAPTITE;RH,+,B,M4,L12,ZPC(BLK),SWRCH18
CB+CF 6003-001025 SCREW-TAPTITE;RH,+,B,M4,L20,ZPC(BLK),SWRCH18
PA+CF 6003-001024 SCREW-TAPTITE;RWH,+,B,M4,L12,ZPC(YEL),SWRCH1
PC+CF 6003-001026 SCREW-TAPTITE;RH,+,B,M4,L15,ZPC(BLK),SWRCH18
Loc. No. Code No. Description ; Specification Remark Loc. No. Code No. Description ; Specification Remark
7. Electric Parts List
7-2 CK6202X3X/BWT Parts List
Loc. No. Code No. Description ; Specification Remark Loc. No. Code No. Description ; Specification Remark
!

C414 2306-000329 C-FILM,MPPF;7nF,3%,1.6KV,TP,28.5x18.5x11mm
C415 2306-000322 C-FILM,MPPF;12nF,5%,1.6KV,TP,29x20.5x13,20
C416 2301-001258 C-FILM,PPF;39nF,5%,400V,TP,19.5x9x15,7.5
C417 2306-000102 C-FILM,MPPF;1.2uF,5%,250V,TP,29*31*14.5,20
C418 2201-000556 C-CERAMIC,DISC;470pF,10%,500V,Y5P,TP,7x4,5
C419 2401-001397 C-AL;470uF,20%,25V,GP,TP,10x16,5
C421 2401-002619 C-AL;47uF,20%,25V,GP,TP,5x11,5
C422 2306-000122 C-FILM,MPPF;100nF,5%,50V,TP,7.3x4.0x5.0mm,
C423 2201-000556 C-CERAMIC,DISC;470pF,10%,500V,Y5P,TP,7x4,5
C424 2401-001527 C-AL;47uF,20%,250V,HR,TP,13x25mm,5m
C425 2305-000154 C-FILM,MPEF;100nF,5%,400V,TP,21.5x6.5x11.5
C427 2201-002041 C-CERAMIC,DISC;820pF,10%,2KV,Y5P,TP,12x6,7.5m
C504 2202-000862 C-CERAMIC,MLC-AXIAL;390pF,10%,50V,Y5P,TP,3.5x1.9,-
C506 2301-000213 C-FILM,PEF;220nF,5%,250V,TP,21.5x11,7.5
C510 2401-000430 C-AL;10uF,20%,250V,GP,TP,10x16mm,5m
C520 2401-001232 C-AL;4.7uF,20%,250V,GP,TP,10x12.5,5
C530 2201-002063 C-CERAMIC,DISC;10nF,+80-20%,3KV,Y5V,TP,16x5,7
C601 2401-001914 C-AL;1uF,20%,50V,BP,TP,5x11,5
C602 2301-000445 C-FILM,PEF;4.7nF,5%,50V,TP,5.5x7x3mm,5mm
C603 2401-001333 C-AL;470nF,20%,50V,GP,TP,5x11,5
C604 2301-000192 C-FILM,PEF;1nF,5%,50V,TP,5.3x10mm,5mm
C605 2401-001914 C-AL;1uF,20%,50V,BP,TP,5x11,5
C606 2301-000445 C-FILM,PEF;4.7nF,5%,50V,TP,5.5x7x3mm,5mm
C607 2401-001998 C-AL;1000uF,20%,25V,GP,TP,10x20,5mm
C701 2202-002037 C-CERAMIC,MLC-AXIAL;100nF,80-20%,50V,Y5V,TP,2.2x3.
C702 2401-002144 C-AL;47uF,20%,16V,GP,TP,5x11,5
C703 2202-000243 C-CERAMIC,MLC-AXIAL;33pF,5%,50V,SL,TP,3.5x19,-
C705 2305-000289 C-FILM,MPEF;220nF,5%,63V,TP,-,5mm
C707 2401-000302 C-AL;100uF,20%,25V,GP,TP,6.3x11,5
C709 2306-000122 C-FILM,MPPF;100nF,5%,50V,TP,7.3x4.0x5.0mm,
C710 2401-000302 C-AL;100uF,20%,25V,GP,TP,6.3x11,5
C711 2401-002235 C-AL;10uF,20%,16V,GP,TP,5x11mm,5mm
C712 2401-000480 C-AL;10uF,20%,50V,GP,TP,5x11,5
C713 2301-000247 C-FILM,PEF;33nF,5%,50V,TP,8.1x4.5x13mm,5m
C714 2301-000289 C-FILM,PEF;5.6nF,5%,50V,TP,7x6x3,5
C715 2401-000647 C-AL;2.2uF,20%,50V,BP,TP,5x11,5
C716 2401-000647 C-AL;2.2uF,20%,50V,BP,TP,5x11,5
C717 2301-000289 C-FILM,PEF;5.6nF,5%,50V,TP,7x6x3,5
C718 2301-000247 C-FILM,PEF;33nF,5%,50V,TP,8.1x4.5x13mm,5m
C719 2401-000480 C-AL;10uF,20%,50V,GP,TP,5x11,5
C720 2401-002235 C-AL;10uF,20%,16V,GP,TP,5x11mm,5mm
C721 2301-000175 C-FILM,PEF;15nF,5%,50V,TP,7.1x3.5x13mm,5m
C722 2305-000289 C-FILM,MPEF;220nF,5%,63V,TP,-,5mm
C723 2301-000175 C-FILM,PEF;15nF,5%,50V,TP,7.1x3.5x13mm,5m
C725 2305-000289 C-FILM,MPEF;220nF,5%,63V,TP,-,5mm
C727 2305-000289 C-FILM,MPEF;220nF,5%,63V,TP,-,5mm
C730 2202-000231 C-CERAMIC,MLC-AXIAL;330pF,10%,50V,Y5P,TP,3.5x19,-
C731 2202-000231 C-CERAMIC,MLC-AXIAL;330pF,10%,50V,Y5P,TP,3.5x19,-
C732 2202-000231 C-CERAMIC,MLC-AXIAL;330pF,10%,50V,Y5P,TP,3.5x19,-
C733 2202-000231 C-CERAMIC,MLC-AXIAL;330pF,10%,50V,Y5P,TP,3.5x19,-
C801 2306-000321 C-FILM,MPPF;470NF,5%,275V,TP,-,22.5
C802 2306-000321 C-FILM,MPPF;470NF,5%,275V,TP,-,22.5
C804 2201-000332 C-CERAMIC,DISC;2.2nF,20%,250VAC,Y5U,TP,11x7,7
C805 2201-000332 C-CERAMIC,DISC;2.2nF,20%,250VAC,Y5U,TP,11x7,7
C806 2401-003031 C-AL;470uF,20%,450V,GP,BK,35x45mm,1
C807 2303-000163 C-FILM,PPF;2.2nF,5%,800V,TP,15x13x8.5,7.5
C808 2401-002292 C-AL;47uF,20%,25V,WT,TP,8X11,5
C809 2301-000224 C-FILM,PEF;22nF,5%,50V,TP,7.4x3.9x13mm,5m
C811 2301-000310 C-FILM,PEF;68nF,5%,50V,TP,8.0X8.5X4.0X5,5
C812 2201-002002 C-CERAMIC,DISC;4700pF,20%,400V,+20%~-55%,TP,2
C813 2201-002002 C-CERAMIC,DISC;4700pF,20%,400V,+20%~-55%,TP,2
C814 2201-000683 C-CERAMIC,DISC;850pF,10%,1KV,Y5P,TP,10x5,5
C815 2401-003026 C-AL;330uF,20%,200V,GP,ST,22x35,10
C816 2401-000293 C-AL;100uF,+30-10%,200V,GP,TP,16x25
C817 2201-000599 C-CERAMIC,DISC;560pF,10%,500V,Y5P,TP,7x4,5
C818 2401-000722 C-AL;2200uF,20%,25V,WT,TP,16x25,7.5
C819 2201-000599 C-CERAMIC,DISC;560pF,10%,500V,Y5P,TP,7x4,5
C820 2401-000722 C-AL;2200uF,20%,25V,WT,TP,16x25,7.5
C821 2301-000192 C-FILM,PEF;1nF,5%,50V,TP,5.3x10mm,5mm
C822 2201-000599 C-CERAMIC,DISC;560pF,10%,500V,Y5P,TP,7x4,5
C823 2401-001840 C-AL;100uF,20%,16V,GP,TP,6.3x11,5
C824 2305-000289 C-FILM,MPEF;220nF,5%,63V,TP,-,5mm
C825 2306-000122 C-FILM,MPPF;100nF,5%,50V,TP,7.3x4.0x5.0mm,
C826 2401-001840 C-AL;100uF,20%,16V,GP,TP,6.3x11,5
C827 2401-002235 C-AL;10uF,20%,16V,GP,TP,5x11mm,5mm
C828 2401-000493 C-AL;10uF,20%,50V,LZ,TP,5x11mm,5mm
C829 2401-000302 C-AL;100uF,20%,25V,GP,TP,6.3x11,5
C830 2401-000611 C-AL;1uF,20%,50V,WT,TP,5x11,5
C831 2401-000480 C-AL;10uF,20%,50V,GP,TP,5x11,5
C832 2401-001840 C-AL;100uF,20%,16V,GP,TP,6.3x11,5
C833 2401-002144 C-AL;47uF,20%,16V,GP,TP,5x11,5
C835 2401-002286 C-AL;470uF,20%,16V,WT,TP,10x12.5,5
C901 2201-000234 C-CERAMIC,DISC;150pF,5%,50V,CH,TP,9.5x3,5
C902 2301-000108 C-FILM,PEF;1.5nF,5%,50V,TP,6.5x3.0x5.5mm,
C903 2201-000119 C-CERAMIC,DISC;100nF,+80-20%,50V,Y5V,TP,8x3.5
C904 2401-000480 C-AL;10uF,20%,50V,GP,TP,5x11,5
C905 2305-000665 C-FILM,MPEF;100nF,5%,63V,TP,7.5x4.0x5.0mm,
C906 2305-000665 C-FILM,MPEF;100nF,5%,63V,TP,7.5x4.0x5.0mm,
C907 2202-002037 C-CERAMIC,MLC-AXIAL;100nF,80-20%,50V,Y5V,TP,2.2x3.
C908 2202-002037 C-CERAMIC,MLC-AXIAL;100nF,80-20%,50V,Y5V,TP,2.2x3.
C909 2202-002037 C-CERAMIC,MLC-AXIAL;100nF,80-20%,50V,Y5V,TP,2.2x3.
C910 2202-000796 C-CERAMIC,MLC-AXIAL;1NF,10%,50V,Y5P,TP,3.5X1.9MM,-
C911 2202-000796 C-CERAMIC,MLC-AXIAL;1NF,10%,50V,Y5P,TP,3.5X1.9MM,-
C913 2301-000445 C-FILM,PEF;4.7nF,5%,50V,TP,5.5x7x3mm,5mm
C914 2401-002144 C-AL;47uF,20%,16V,GP,TP,5x11,5
C915 2401-002144 C-AL;47uF,20%,16V,GP,TP,5x11,5
C916 2201-000980 C-CERAMIC,DISC;30pF,5%,50V,CH,TP,5.0x3.0,5mm
C917 2201-000980 C-CERAMIC,DISC;30pF,5%,50V,CH,TP,5.0x3.0,5mm
C918 2301-000192 C-FILM,PEF;1nF,5%,50V,TP,5.3x10mm,5mm
C919 2202-002037 C-CERAMIC,MLC-AXIAL;100nF,80-20%,50V,Y5V,TP,2.2x3.
C920 2401-000480 C-AL;10uF,20%,50V,GP,TP,5x11,5
C921 2202-000796 C-CERAMIC,MLC-AXIAL;1NF,10%,50V,Y5P,TP,3.5X1.9MM,-
C923 2202-002037 C-CERAMIC,MLC-AXIAL;100nF,80-20%,50V,Y5V,TP,2.2x3.
C924 2401-000480 C-AL;10uF,20%,50V,GP,TP,5x11,5
C925 2202-002037 C-CERAMIC,MLC-AXIAL;100nF,80-20%,50V,Y5V,TP,2.2x3.
C926 2202-002037 C-CERAMIC,MLC-AXIAL;100nF,80-20%,50V,Y5V,TP,2.2x3.
C927 2202-002037 C-CERAMIC,MLC-AXIAL;100nF,80-20%,50V,Y5V,TP,2.2x3.
C928 2401-001333 C-AL;470nF,20%,50V,GP,TP,5x11,5
CE01 2401-002597 C-AL;220uF,20%,35V,GP,TP,10x12.5,5
CE02 2305-000665 C-FILM,MPEF;100nF,5%,63V,TP,7.5x4.0x5.0mm,
CE03 2305-000470 C-FILM,MPEF;68nF,5%,100V,TP,-,5mm
CN501B AA39-20604ALEAD CONNECTOR-ASSY;-,YBNH250-09,YBNH05/04,5/4P,5
CN602 3711-002644 CONNECTOR-HEADER;BOX,5P,1R,2.5mm,STRAIGHT,SN
CN701 3711-002647 CONNECTOR-HEADER;BOX,8P,1R,2.5mm,STRAIGHT,SN
CN802 AA27-20004GCOIL-DEGAUSSING;-,25,16.9ohm,35T,L2600,E
CN901A 3711-002643 CONNECTOR-HEADER;BOX,4P,1R,2.5mm,STRAIGHT,SN
CN902 3711-002644 CONNECTOR-HEADER;BOX,5P,1R,2.5mm,STRAIGHT,SN
CT01 2305-000665 C-FILM,MPEF;100nF,5%,63V,TP,7.5x4.0x5.0mm,
CT02 2401-000242 C-AL;100uF,20%,10V,GP,TP,5x11,5
CT03 2202-002037 C-CERAMIC,MLC-AXIAL;100nF,80-20%,50V,Y5V,TP,2.2x3.
CT04 2202-002037 C-CERAMIC,MLC-AXIAL;100nF,80-20%,50V,Y5V,TP,2.2x3.
CT05 2202-000164 C-CERAMIC,MLC-AXIAL;.18NF,10%,50V,Y5P,TP,3.5X1.9MM,
CT06 2401-002144 C-AL;47uF,20%,16V,GP,TP,5x11,5
CT07 2301-000235 C-FILM,PEF;3.9nF,5%,50V,TP,6.5x3.0x5.5mm,
CT08 2401-001914 C-AL;1uF,20%,50V,BP,TP,5x11,5
CT09 2305-000665 C-FILM,MPEF;100nF,5%,63V,TP,7.5x4.0x5.0mm,
CW701 2503-000161 C-NETWORK;330pFx8,20%,50V,MCCB1H331MX8YT
CW901 2503-000156 C-NETWORK;100pFx4,20%,50V
D201 0401-000005 DIODE-SWITCHING;1N4148,75V,200MA,DO-35,TP
D202 0401-000005 DIODE-SWITCHING;1N4148,75V,200MA,DO-35,TP
D203 0401-000005 DIODE-SWITCHING;1N4148,75V,200MA,DO-35,TP
D204 0401-000005 DIODE-SWITCHING;1N4148,75V,200MA,DO-35,TP
D205 0401-000005 DIODE-SWITCHING;1N4148,75V,200MA,DO-35,TP
D209 0402-000216 DIODE-RECTIFIER;ERC24-06,600V,1.0A,DO-204
D210 0401-000005 DIODE-SWITCHING;1N4148,75V,200MA,DO-35,TP
D217 0401-000005 DIODE-SWITCHING;1N4148,75V,200MA,DO-35,TP
D301 0402-001105 DIODE-RECTIFIER;ERB43-04SV1,400V,1.0A,-,TP
D302 0401-000005 DIODE-SWITCHING;1N4148,75V,200MA,DO-35,TP
D303 0401-000005 DIODE-SWITCHING;1N4148,75V,200MA,DO-35,TP
D304 0401-000005 DIODE-SWITCHING;1N4148,75V,200MA,DO-35,TP
D401 0402-000493 DIODE-RECTIFIER;1R5GU41,400V,1.5A,DO-15L,TP
D402 0402-000132 DIODE-RECTIFIER;1N4004,400V,1A,DO-41,TP
D403 0402-000132 DIODE-RECTIFIER;1N4004,400V,1A,DO-41,TP
D404 0402-001012 DIODE-RECTIFIER;FMP-3FU,1500V,5A,TO-3PF
D406 0402-001105 DIODE-RECTIFIER;ERB43-04SV1,400V,1.0A,-,TP
D407 0402-000216 DIODE-RECTIFIER;ERC24-06,600V,1.0A,DO-204
D410 0402-000493 DIODE-RECTIFIER;1R5GU41,400V,1.5A,DO-15L,TP
D507 0402-001105 DIODE-RECTIFIER;ERB43-04SV1,400V,1.0A,-,TP
D508 0402-001105 DIODE-RECTIFIER;ERB43-04SV1,400V,1.0A,-,TP
D509 0402-001105 DIODE-RECTIFIER;ERB43-04SV1,400V,1.0A,-,TP
D520 0402-000132 DIODE-RECTIFIER;1N4004,400V,1A,DO-41,TP
D601 0403-000296 DIODE-ZENER;MTZ5.6B,5.6V,5.45-5.73V,500mW,
D602 0401-000005 DIODE-SWITCHING;1N4148,75V,200MA,DO-35,TP
D801 0402-000213 DIODE-RECTIFIER;ERB12-06,600V,1.0A,DO-41,TP
Electric Parts List
7-2 Samsung Electronics
Loc. No. Code No. Description ; Specification Remark Loc. No. Code No. Description ; Specification Remark

D802 0402-001160 DIODE-BRIDGE;D5SB60,600V,2.8A,SIP-4,ST
D803 0402-001105 DIODE-RECTIFIER;ERB43-04SV1,400V,1.0A,-,TP
D804 0401-000005 DIODE-SWITCHING;1N4148,75V,200MA,DO-35,TP
D805 0402-000231 DIODE-RECTIFIER;FMG-G26S,600V,4A,TO-220F,ST
D806 0402-000493 DIODE-RECTIFIER;1R5GU41,400V,1.5A,DO-15L,TP
D807 0402-000233 DIODE-RECTIFIER;FML-G12S,200V,5A,-,-
D808 0402-000132 DIODE-RECTIFIER;1N4004,400V,1A,DO-41,TP
D809 0401-000005 DIODE-SWITCHING;1N4148,75V,200MA,DO-35,TP
D810 0401-000005 DIODE-SWITCHING;1N4148,75V,200MA,DO-35,TP
D813 0402-000493 DIODE-RECTIFIER;1R5GU41,400V,1.5A,DO-15L,TP
D901 0401-000005 DIODE-SWITCHING;1N4148,75V,200MA,DO-35,TP
D906 0401-000005 DIODE-SWITCHING;1N4148,75V,200MA,DO-35,TP
D907 0401-000005 DIODE-SWITCHING;1N4148,75V,200MA,DO-35,TP
DE01 0402-001105 DIODE-RECTIFIER;ERB43-04SV1,400V,1.0A,-,TP
DT01 0401-000005 DIODE-SWITCHING;1N4148,75V,200MA,DO-35,TP
DT02 0401-000005 DIODE-SWITCHING;1N4148,75V,200MA,DO-35,TP
DT05 0401-000005 DIODE-SWITCHING;1N4148,75V,200MA,DO-35,TP
DV801 1405-000187 VARISTOR;750V,1250A,12.5x7mm,TP
DV802 1405-000187 VARISTOR;750V,1250A,12.5x7mm,TP
DZ201 0403-000297 DIODE-ZENER;MTZ6.2B,6.2V,5.96-6.27V,500mW,
DZ202 0403-000297 DIODE-ZENER;MTZ6.2B,6.2V,5.96-6.27V,500mW,
DZ203 0403-000298 DIODE-ZENER;MTZ6.8C,6.8V,6.66-7.01V,500mW,
DZ204 0403-000662 DIODE-ZENER;MTZ3.0B,3.0V,3.01-3.22V,500mW,
DZ205 0403-000551 DIODE-ZENER;MTZ3.9B,3.9V,3.89-4.16V,500mW,
DZ206 0403-000294 DIODE-ZENER;MTZ4.7B,4.7V,4.55-4.80V,500mW,
DZ210 0403-000659 DIODE-ZENER;MTZ2.0A,2V,1.88-2.10V,500mW,DO
DZ302 0403-000545 DIODE-ZENER;MTZ24B,24V,22.61-23.77V,500mW,
DZ303 0403-000545 DIODE-ZENER;MTZ24B,24V,22.61-23.77V,500mW,
DZ304 0403-000545 DIODE-ZENER;MTZ24B,24V,22.61-23.77V,500mW,
DZ305 0403-000494 DIODE-ZENER;MTZ39,39V,35.36-37.2V,500mW,DO
DZ306 0403-000700 DIODE-ZENER;TZP33A,33V,31-35V,1W,DO-41,TP
DZ402 0403-000300 DIODE-ZENER;MTZ8.2B,8.2V,7.78-8.19V,500mW,
DZ403 0403-000698 DIODE-ZENER;TZP12A,12V,11.4-12.6V,1W,DO-41
DZ505 0403-000563 DIODE-ZENER;MTZ9.1B,9.1V,8.57-9.01V,500mW,
DZ601 0403-000545 DIODE-ZENER;MTZ24B,24V,22.61-23.77V,500mW,
DZ602 0403-000545 DIODE-ZENER;MTZ24B,24V,22.61-23.77V,500mW,
DZ603 0403-000545 DIODE-ZENER;MTZ24B,24V,22.61-23.77V,500mW,
DZ604 0403-000545 DIODE-ZENER;MTZ24B,24V,22.61-23.77V,500mW,
DZ701 0403-000563 DIODE-ZENER;MTZ9.1B,9.1V,8.57-9.01V,500mW,
DZ702 0403-000563 DIODE-ZENER;MTZ9.1B,9.1V,8.57-9.01V,500mW,
DZ703 0403-000563 DIODE-ZENER;MTZ9.1B,9.1V,8.57-9.01V,500mW,
DZ704 0403-000563 DIODE-ZENER;MTZ9.1B,9.1V,8.57-9.01V,500mW,
DZ705 0403-000563 DIODE-ZENER;MTZ9.1B,9.1V,8.57-9.01V,500mW,
DZ801 0403-000300 DIODE-ZENER;MTZ8.2B,8.2V,7.78-8.19V,500mW,
DZ802 0403-000296 DIODE-ZENER;MTZ5.6B,5.6V,5.45-5.73V,500mW,
DZ803 0403-000296 DIODE-ZENER;MTZ5.6B,5.6V,5.45-5.73V,500mW,
DZ805 1203-001217 IC-POSI.ADJUST REG.;431,TO-92,3P,4.58MIL,PLASTIC,2
DZ807 0403-000296 DIODE-ZENER;MTZ5.6B,5.6V,5.45-5.73V,500mW,
DZ808 0403-000562 DIODE-ZENER;MTZ7.5B,7.5V,7.07-7.45V,500mW,
DZ901 1203-000451 IC-VOLTAGE REGULATOR;33,TO-92,3P,-,PLASTIC,31/35V,2
DZ904 0403-000563 DIODE-ZENER;MTZ9.1B,9.1V,8.57-9.01V,500mW,
DZ905 0403-000296 DIODE-ZENER;MTZ5.6B,5.6V,5.45-5.73V,500mW,
DZT01 0403-000355 DIODE-ZENER;UZ5.1BSB,5.1V,4.97-5.18V,500mW
F801 3601-000281 FUSE-FERRULE;250V,4A,TL,GLASS,5.2x20mm
F801A 3602-000114 FUSE-HOLDER;-,-,30mohm
F801B 3602-000114 FUSE-HOLDER;-,-,30mohm
F802 3601-001086 FUSE-FERRULE;125V,5A,FA,GLASS,2.4x7.5mm
F803 3601-001086 FUSE-FERRULE;125V,5A,FA,GLASS,2.4x7.5mm
GT804A AA39-20010BLEAD-CONNECTOR,ASSY;-,YFH800-01,S,1P,500,1617#22
HC101 AA13-20004WIC-HYBRID;-,PAP103T,SIP,6P,PRE-AMP,TP
IC201 0904-001294 IC-BUS CONTROLLER;
IC301 1204-000517 IC-VERTIVAL DEF.;LA7845,SIP,7P,-,PLASTIC,40V,11
IC501 1201-001330 IC-VIDEO AMP;6108,ZSIP,9P,-,SINGLE,-,PLASTI
IC601 1201-001064 IC-POWER AMP;7297,ZIP,15P,-,DUAL,32dB,PLAST
IC701 1204-000473 IC-AUDIO PROCESSOR;TDA9859,DIP,32P,-,PLASTIC,-,-,
IC801 1203-001482 IC-PWM CONTROLLER;3S1265R,TO-3P,5P,210,PLASTIC,6
IC802 0604-001038 PHOTO-COUPLER;TR,130-260%,200mW,DIP-4,ST
IC803 1203-001006 IC-VOLTAGE REGULATOR;78R05,TO-220F,4P,-,PLASTIC,4.8
IC804 1203-000644 IC-POSI.FIXED REG.;7630,SIP,10P,-,PLASTIC,5.1/8V,
IC901 AA13-30021MIC-MCU;-,SAA5291PS-135,8bit,SDIP,CK29
IC902 1103-001105 IC-EEPROM;24C040,4Kx1BIT,DIP,8P,300MIL,1
ICE01 1201-000191 IC-OP AMP;4558,DIP,8P,300MIL,DUAL,20V/mV
J206 3301-000287 CORE-FERRITE BEAD;AA,3.5x1.0x6.0mm,1500,2400G
JA701 3722-000195 JACK-SCART;42P,-,SN,BLK,NO
L101 2701-000326 INDUCTOR-AXIAL;560nH,10%,2.3x3.4mm
L102 2701-000114 INDUCTOR-AXIAL;10uH,10%,2.5x3.4mm
L103 2701-000114 INDUCTOR-AXIAL;10uH,10%,2.5x3.4mm
L202 2701-000197 INDUCTOR-AXIAL;5.6uH,10%,2.5x3.4mm
L205 2701-000114 INDUCTOR-AXIAL;10uH,10%,2.5x3.4mm
L206 2701-000142 INDUCTOR-AXIAL;1uH,10%,2.5x3.4mm
L207 2701-000142 INDUCTOR-AXIAL;1uH,10%,2.5x3.4mm
L208 2701-000142 INDUCTOR-AXIAL;1uH,10%,2.5x3.4mm
L303 2701-000114 INDUCTOR-AXIAL;10uH,10%,2.5x3.4mm
L401 AA27-40003HCOIL-HORIZ,WIDTH;-,2mH,DR15x20,2UEW0.35,ST
L402 AA27-30003GCOIL-LINERITY;-,44uH,DR14x15,PI0.2x10,18x33,
L403 3301-000287 CORE-FERRITE BEAD;AA,3.5x1.0x6.0mm,1500,2400G
L404 AA27-40003L COIL-HORIZ,WIDTH;-,1.0mH,DR14x20,2UEW0.45,ST
L501 2901-000297 FILTER-EMI ON BOARD;-,3A,-,-,3.5x5,TP,-
L601 3301-000287 CORE-FERRITE BEAD;AA,3.5x1.0x6.0mm,1500,2400G
L603 3301-000287 CORE-FERRITE BEAD;AA,3.5x1.0x6.0mm,1500,2400G
L701 2701-000114 INDUCTOR-AXIAL;10uH,10%,2.5x3.4mm
L702 2701-000114 INDUCTOR-AXIAL;10uH,10%,2.5x3.4mm
L703 2701-000114 INDUCTOR-AXIAL;10uH,10%,2.5x3.4mm
L704 2701-000114 INDUCTOR-AXIAL;10uH,10%,2.5x3.4mm
L705 2701-000114 INDUCTOR-AXIAL;10uH,10%,2.5x3.4mm
L706 2701-000114 INDUCTOR-AXIAL;10uH,10%,2.5x3.4mm
L707 2701-000114 INDUCTOR-AXIAL;10uH,10%,2.5x3.4mm
L708 2701-000114 INDUCTOR-AXIAL;10uH,10%,2.5x3.4mm
L709 2701-000114 INDUCTOR-AXIAL;10uH,10%,2.5x3.4mm
L801 AA29-30002F FILTER-LINE NOISE;-,6mH,2.45A,-,-
L802 3301-000287 CORE-FERRITE BEAD;AA,3.5x1.0x6.0mm,1500,2400G
L803 3301-000287 CORE-FERRITE BEAD;AA,3.5x1.0x6.0mm,1500,2400G
L804 2901-000299 FILTER-EMI ON BOARD;-,6A,UL/CSA,-,9x7.5,TP,-
L805 2701-001032 INDUCTOR-AXIAL;100uH,10%,5x14mm
L806 2901-000297 FILTER-EMI ON BOARD;-,3A,-,-,3.5x5,TP,-
L807 3301-000287 CORE-FERRITE BEAD;AA,3.5x1.0x6.0mm,1500,2400G
L808 3301-000287 CORE-FERRITE BEAD;AA,3.5x1.0x6.0mm,1500,2400G
L901 2701-000189 INDUCTOR-AXIAL;470nH,10%,2.5x3.4mm
L903 2701-000197 INDUCTOR-AXIAL;5.6uH,10%,2.5x3.4mm
L904 2701-000211 INDUCTOR-AXIAL;68uH,10%,2.5x3.4mm
L905 2701-000114 INDUCTOR-AXIAL;10uH,10%,2.5x3.4mm
L906 2701-000114 INDUCTOR-AXIAL;10uH,10%,2.5x3.4mm
L907 2701-000114 INDUCTOR-AXIAL;10uH,10%,2.5x3.4mm
LT01 2901-000299 FILTER-EMI ON BOARD;-,6A,UL/CSA,-,9x7.5,TP,-
LT02 2901-000299 FILTER-EMI ON BOARD;-,6A,UL/CSA,-,9x7.5,TP,-
Q201 0501-000389 TR-SMALL SIGNAL;KSC815,NPN,400mW,TO-92,TP,120-
Q202 0501-000389 TR-SMALL SIGNAL;KSC815,NPN,400mW,TO-92,TP,120-
Q204 0501-000389 TR-SMALL SIGNAL;KSC815,NPN,400mW,TO-92,TP,120-
Q207 0501-000389 TR-SMALL SIGNAL;KSC815,NPN,400mW,TO-92,TP,120-
Q210 0501-000389 TR-SMALL SIGNAL;KSC815,NPN,400mW,TO-92,TP,120-
Q301 0501-000389 TR-SMALL SIGNAL;KSC815,NPN,400mW,TO-92,TP,120-
Q302 0501-000389 TR-SMALL SIGNAL;KSC815,NPN,400mW,TO-92,TP,120-
Q401 0502-000298 TR-POWER;KSD73,NPN,30W,TO-220,-,120-240
Q402 0502-001007 TR-POWER;KSC2073-H2,NPN,25W,TO-220,ST,6
Q403 0502-001136 TR-POWER;KSD5703,NPN,70W,TO-3PF,ST,8-
Q701 0501-000389 TR-SMALL SIGNAL;KSC815,NPN,400mW,TO-92,TP,120-
Q702 0501-000389 TR-SMALL SIGNAL;KSC815,NPN,400mW,TO-92,TP,120-
Q801 0501-000369 TR-SMALL SIGNAL;KSC2331-Y,NPN,1W,TO-92L,-,120-
Q901 0501-000389 TR-SMALL SIGNAL;KSC815,NPN,400mW,TO-92,TP,120-
Q902 0504-000123 TR-DIGITAL;KSR1010,NPN,300mW,10K,TO-92,TP
Q903 0504-000123 TR-DIGITAL;KSR1010,NPN,300mW,10K,TO-92,TP
Q904 0504-000123 TR-DIGITAL;KSR1010,NPN,300mW,10K,TO-92,TP
Q905 0501-000389 TR-SMALL SIGNAL;KSC815,NPN,400mW,TO-92,TP,120-
Q907 0501-000389 TR-SMALL SIGNAL;KSC815,NPN,400mW,TO-92,TP,120-
Q908 0501-000389 TR-SMALL SIGNAL;KSC815,NPN,400mW,TO-92,TP,120-
QE01 0501-000283 TR-SMALL SIGNAL;KSA539,PNP,400mW,TO-92,TP,120-
QT01 0501-000389 TR-SMALL SIGNAL;KSC815,NPN,400mW,TO-92,TP,120-
QT02 0504-000125 TR-DIGITAL;KSR1012,NPN,300mW,47K,TO-92,TP
QT03 0501-000389 TR-SMALL SIGNAL;KSC815,NPN,400mW,TO-92,TP,120-
R201 2001-000290 R-CARBON;10KOHM,5%,1/8W,AA,TP,-
R202 2001-000786 R-CARBON;47KOHM,5%,1/8W,AA,TP,-
R203 2001-000290 R-CARBON;10KOHM,5%,1/8W,AA,TP,-
R204 2001-000290 R-CARBON;10KOHM,5%,1/8W,AA,TP,-
R212 2001-000005 R-CARBON;390OHM,5%,1/8W,AA,TP,-
R214 2001-000793 R-CARBON;47OHM,5%,1/8W,AA,TP,-
R215 2001-000780 R-CARBON;470OHM,5%,1/8W,AA,TP,-
R218 2001-000515 R-CARBON;220OHM,5%,1/8W,AA,TP,-
R219 2001-000343 R-CARBON;130OHM,5%,1/8W,AA,TP,-
R220 2001-000281 R-CARBON;100OHM,5%,1/8W,AA,TP,-
R221 2001-000281 R-CARBON;100OHM,5%,1/8W,AA,TP,-
R222 2701-000142 INDUCTOR-AXIAL;1uH,10%,2.5x3.4mm
R223 2001-000617 R-CARBON;3.9MOHM,5%,1/8W,AA,TP,-
R224 2001-000429 R-CARBON;1KOHM,5%,1/8W,AA,TP,-
R225 2001-001026 R-CARBON;910OHM,5%,1/8W,AA,TP,-
Electric Parts List
Samsung Electronics 7-3
Loc. No. Code No. Description ; Specification Remark Loc. No. Code No. Description ; Specification Remark
!
!
!
!
!
!
!
!
!
!
!
!
!
!
!
!
!
!
!

R226 2001-000793 R-CARBON;47OHM,5%,1/8W,AA,TP,-
R230 2001-000331 R-CARBON;12KOHM,5%,1/8W,AA,TP,-
R233 2001-000780 R-CARBON;470OHM,5%,1/8W,AA,TP,-
R234 2001-000780 R-CARBON;470OHM,5%,1/8W,AA,TP,-
R235 2001-000780 R-CARBON;470OHM,5%,1/8W,AA,TP,-
R237 2001-000007 R-CARBON;3KOHM,5%,1/8W,AA,TP,-
R238 2001-001110 R-CARBON(S);240KOHM,5%,1/2W,AA,TP,-
R239 2001-000008 R-CARBON;15KOHM,5%,1/8W,AA,TP,-
R240 2001-001125 R-CARBON(S);300KOHM,5%,1/2W,AA,TP,-
R241 2001-000429 R-CARBON;1KOHM,5%,1/8W,AA,TP,-
R243 2001-000232 R-CARBON;1.3KOHM,5%,1/8W,AA,TP,-
R246 2001-000273 R-CARBON;100KOHM,5%,1/8W,AA,TP,-
R247 2001-000281 R-CARBON;100OHM,5%,1/8W,AA,TP,-
R248 2001-000793 R-CARBON;47OHM,5%,1/8W,AA,TP,-
R249 2001-000429 R-CARBON;1KOHM,5%,1/8W,AA,TP,-
R250 2001-000938 R-CARBON;68OHM,5%,1/8W,AA,TP,-
R251 2001-000281 R-CARBON;100OHM,5%,1/8W,AA,TP,-
R252 2001-000563 R-CARBON;27KOHM,5%,1/8W,AA,TP,-
R253 2001-000591 R-CARBON;3.3KOHM,5%,1/8W,AA,TP,-
R255 2001-000008 R-CARBON;15KOHM,5%,1/8W,AA,TP,-
R256 2004-001234 R-METAL;75Kohm,5%,1/8W,AA,TP,1.8x3.2mm
R257 2001-000563 R-CARBON;27KOHM,5%,1/8W,AA,TP,-
R258 2004-001914 R-METAL;39Kohm,2%,1/8W,AA,TP,1.8x3.5mm
R259 2001-000281 R-CARBON;100OHM,5%,1/8W,AA,TP,-
R260 2001-001015 R-CARBON;9.1KOHM,5%,1/8W,AA,TP,-
R261 2001-000331 R-CARBON;12KOHM,5%,1/8W,AA,TP,-
R262 2001-001015 R-CARBON;9.1KOHM,5%,1/8W,AA,TP,-
R301 2001-001045 R-CARBON(S);1.2KOHM,5%,1/2W,AA,TP,-
R302 2001-001049 R-CARBON(S);1.3KOHM,5%,1/2W,AA,TP,-
R303 2001-000016 R-CARBON(S);1OHM,5%,1/2W,AA,TP,-
R304 2008-000254 R-FUSIBLE(S);0.68ohm,5%,2W,AF,TP,3.9x10mm
R305 2003-002069 R-METAL OXIDE;470ohm,5%,2W,AF,TP,3.9x10mm
R306 2003-002069 R-METAL OXIDE;470ohm,5%,2W,AF,TP,3.9x10mm
R308 2003-002069 R-METAL OXIDE;470ohm,5%,2W,AF,TP,3.9x10mm
R309 2001-000290 R-CARBON;10KOHM,5%,1/8W,AA,TP,-
R310 2001-000387 R-CARBON;16KOHM,5%,1/8W,AA,TP,-
R311 2001-000660 R-CARBON;33KOHM,5%,1/8W,AA,TP,-
R312 2001-000786 R-CARBON;47KOHM,5%,1/8W,AA,TP,-
R313 2001-000449 R-CARBON;2.2KOHM,5%,1/8W,AA,TP,-
R314 2001-000281 R-CARBON;100OHM,5%,1/8W,AA,TP,-
R315 2001-000290 R-CARBON;10KOHM,5%,1/8W,AA,TP,-
R316 2001-000660 R-CARBON;33KOHM,5%,1/8W,AA,TP,-
R317 2001-000449 R-CARBON;2.2KOHM,5%,1/8W,AA,TP,-
R404 2008-001013 R-FUSIBLE(S);1.2ohm,5%,2W,AF,TP,3.9x10mm
R405 2001-001138 R-CARBON(S);390OHM,5%,1/2W,AA,TP,-
R406 2003-002008 R-METAL OXIDE(S);18Kohm,5%,2W,AF,TP,3.9x10mm
R407 2003-001025 R-METAL OXIDE(S);15Kohm,5%,2W,AF,TP,3.9x10mm
R409 2008-000264 R-FUSIBLE(S);1ohm,5%,1W,AF,TP,3.9x10mm
R410 2001-001114 R-CARBON(S);270OHM,5%,1/2W,AA,TP,-
R411 2001-000022 R-CARBON(S);33OHM,5%,1/2W,AA,TP,-
R412 2001-000020 R-CARBON(S);22OHM,5%,1/2W,AA,TP,-
R413 2008-000251 R-FUSIBLE(S);0.27ohm,10%,2W,AF,TP,3.9x10mm
R414 2008-000278 R-FUSIBLE(S);82ohm,5%,2W,AA,TP,3.9x10mm
R415 2008-000251 R-FUSIBLE(S);0.27ohm,10%,2W,AF,TP,3.9x10mm
R417 2004-001899 R-METAL(S);61.9Kohm,1%,1/2W,AA,TP,2.5x6.5
R418 2004-001967 R-METAL(S);68Kohm,1%,1/2W,AA,TP,2.5x6.5mm
R419 2004-001390 R-METAL(S);1Kohm,2%,1/2W,AA,TP,2.4x6.4mm
R420 2001-001114 R-CARBON(S);270OHM,5%,1/2W,AA,TP,-
R421 2001-001043 R-CARBON(S);0OHM,5%,1/2W,AA,TP,-
R422 2008-001013 R-FUSIBLE(S);1.2ohm,5%,2W,AF,TP,3.9x10mm
R424 2001-001043 R-CARBON(S);0OHM,5%,1/2W,AA,TP,-
R425 2001-001043 R-CARBON(S);0OHM,5%,1/2W,AA,TP,-
R428 2001-001043 R-CARBON(S);0OHM,5%,1/2W,AA,TP,-
R429 2001-001043 R-CARBON(S);0OHM,5%,1/2W,AA,TP,-
R430 2001-001043 R-CARBON(S);0OHM,5%,1/2W,AA,TP,-
R501 2001-000429 R-CARBON;1KOHM,5%,1/8W,AA,TP,-
R502 2001-000429 R-CARBON;1KOHM,5%,1/8W,AA,TP,-
R503 2001-000429 R-CARBON;1KOHM,5%,1/8W,AA,TP,-
R505 2008-000254 R-FUSIBLE(S);0.68ohm,5%,2W,AF,TP,3.9x10mm
R506 2008-000299 R-FUSIBLE(S);47ohm,5%,2W,AF,TP,3.9x10mm
R507 2001-000490 R-CARBON;200OHM,5%,1/8W,AA,TP,-
R508 2001-000490 R-CARBON;200OHM,5%,1/8W,AA,TP,-
R509 2001-000490 R-CARBON;200OHM,5%,1/8W,AA,TP,-
R510 2002-001009 R-COMPOSITION;2.7Kohm,10%,1/2W,AA,TP,3.7X9.0
R517 2002-001009 R-COMPOSITION;2.7Kohm,10%,1/2W,AA,TP,3.7X9.0
R518 2002-001009 R-COMPOSITION;2.7Kohm,10%,1/2W,AA,TP,3.7X9.0
R519 2002-001009 R-COMPOSITION;2.7Kohm,10%,1/2W,AA,TP,3.7X9.0
R520 2001-001062 R-CARBON(S);10MOHM,5%,1/2W,AA,TP,-
R601 2008-001002 R-FUSIBLE(S);0.18ohm,5%,2W,AA,TP,3.9x10mm
R602 2008-001002 R-FUSIBLE(S);0.18ohm,5%,2W,AA,TP,3.9x10mm
R603 2001-000472 R-CARBON;2.7KOHM,5%,1/8W,AA,TP,-
R604 2001-000331 R-CARBON;12KOHM,5%,1/8W,AA,TP,-
R605 2001-000429 R-CARBON;1KOHM,5%,1/8W,AA,TP,-
R606 2001-000472 R-CARBON;2.7KOHM,5%,1/8W,AA,TP,-
R607 2001-000331 R-CARBON;12KOHM,5%,1/8W,AA,TP,-
R701 2001-000281 R-CARBON;100OHM,5%,1/8W,AA,TP,-
R702 2001-000281 R-CARBON;100OHM,5%,1/8W,AA,TP,-
R703 2001-000515 R-CARBON;220OHM,5%,1/8W,AA,TP,-
R704 2001-000515 R-CARBON;220OHM,5%,1/8W,AA,TP,-
R705 2001-000281 R-CARBON;100OHM,5%,1/8W,AA,TP,-
R706 2001-000281 R-CARBON;100OHM,5%,1/8W,AA,TP,-
R707 2001-000515 R-CARBON;220OHM,5%,1/8W,AA,TP,-
R708 2001-000515 R-CARBON;220OHM,5%,1/8W,AA,TP,-
R709 2001-000969 R-CARBON;75OHM,5%,1/8W,AA,TP,-
R712 2001-000539 R-CARBON;24KOHM,5%,1/8W,AA,TP,-
R713 2001-000969 R-CARBON;75OHM,5%,1/8W,AA,TP,-
R714 2001-000429 R-CARBON;1KOHM,5%,1/8W,AA,TP,-
R715 2001-000969 R-CARBON;75OHM,5%,1/8W,AA,TP,-
R716 2001-000660 R-CARBON;33KOHM,5%,1/8W,AA,TP,-
R717 2001-000539 R-CARBON;24KOHM,5%,1/8W,AA,TP,-
R718 2001-000969 R-CARBON;75OHM,5%,1/8W,AA,TP,-
R719 2001-000527 R-CARBON;22OHM,5%,1/8W,AA,TP,-
R720 2001-000387 R-CARBON;16KOHM,5%,1/8W,AA,TP,-
R721 2001-000786 R-CARBON;47KOHM,5%,1/8W,AA,TP,-
R722 2001-000290 R-CARBON;10KOHM,5%,1/8W,AA,TP,-
R723 2001-000387 R-CARBON;16KOHM,5%,1/8W,AA,TP,-
R724 2001-000786 R-CARBON;47KOHM,5%,1/8W,AA,TP,-
R725 2001-000969 R-CARBON;75OHM,5%,1/8W,AA,TP,-
R728 2001-000281 R-CARBON;100OHM,5%,1/8W,AA,TP,-
R729 2001-000281 R-CARBON;100OHM,5%,1/8W,AA,TP,-
R732 2001-000290 R-CARBON;10KOHM,5%,1/8W,AA,TP,-
R733 2001-000969 R-CARBON;75OHM,5%,1/8W,AA,TP,-
R734 2001-000969 R-CARBON;75OHM,5%,1/8W,AA,TP,-
R735 2001-000969 R-CARBON;75OHM,5%,1/8W,AA,TP,-
R736 2001-000660 R-CARBON;33KOHM,5%,1/8W,AA,TP,-
R740 2701-000114 INDUCTOR-AXIAL;10uH,10%,2.5x3.4mm
R741 2701-000114 INDUCTOR-AXIAL;10uH,10%,2.5x3.4mm
R801 2002-001011 R-COMPOSITION;3.3Mohm,10%,1/2W,AA,TP,3.7x9mm
R802 2003-000994 R-METAL OXIDE(S);33Kohm,5%,2W,AF,TP,3.9x10mm
R803 2003-000994 R-METAL OXIDE(S);33Kohm,5%,2W,AF,TP,3.9x10mm
R804 2001-001150 R-CARBON(S);470KOHM,5%,1/2W,AA,TP,-
R805 2001-001150 R-CARBON(S);470KOHM,5%,1/2W,AA,TP,-
R806 2003-001023 R-METAL OXIDE(S);120ohm,0.05,2W,AF,TP,3.9x10mm
R807 2001-001178 R-CARBON(S);680OHM,5%,1/2W,AA,TP,-
R808 2002-001011 R-COMPOSITION;3.3Mohm,10%,1/2W,AA,TP,3.7x9mm
R809 2002-001013 R-COMPOSITION;4.7Mohm,10%,1/2W,AA,TP,3.7x9mm
R810 2003-000782 R-METAL OXIDE(S);7.5Kohm,5%,2W,AA,TP,4x12mm
R811 2003-000462 R-METAL OXIDE(S);10Kohm,5%,2W,AA,TP,4x12mm
R813 2001-000429 R-CARBON;1KOHM,5%,1/8W,AA,TP,-
R814 2001-000449 R-CARBON;2.2KOHM,5%,1/8W,AA,TP,-
R815 2004-001889 R-METAL(S);127Kohm,1%,1/2W,AA,TP,2.5x6.5m
R816 2004-001983 R-METAL(S);2.49Kohm,1%,1/2W,AA,TP,2.4x6.4
R817 2001-001153 R-CARBON(S);47OHM,5%,1/2W,AA,TP,-
R818 2001-000290 R-CARBON;10KOHM,5%,1/8W,AA,TP,-
R819 2001-000290 R-CARBON;10KOHM,5%,1/8W,AA,TP,-
R820 2008-001047 R-FUSIBLE(S);68ohm,5%,2W,AF,TP,3.9x10mm
R821 2008-000271 R-FUSIBLE(S);3.3ohm,5%,2W,AA,TP,3.9x10mm
R822 2001-000290 R-CARBON;10KOHM,5%,1/8W,AA,TP,-
R823 2008-000264 R-FUSIBLE(S);1ohm,5%,1W,AF,TP,3.9x10mm
R824 2001-001125 R-CARBON(S);300KOHM,5%,1/2W,AA,TP,-
R826 2001-001153 R-CARBON(S);47OHM,5%,1/2W,AA,TP,-
R901 2001-000290 R-CARBON;10KOHM,5%,1/8W,AA,TP,-
R902 2001-000290 R-CARBON;10KOHM,5%,1/8W,AA,TP,-
R903 2001-000066 R-CARBON(S);10KOHM,5%,1/2W,AA,TP,-
R904 2004-000218 R-METAL;10Kohm,1%,1/8W,AA,TP,1.8x3.2mm
R905 2004-000218 R-METAL;10Kohm,1%,1/8W,AA,TP,1.8x3.2mm
R906 2004-000218 R-METAL;10Kohm,1%,1/8W,AA,TP,1.8x3.2mm
R908 2001-000241 R-CARBON;1.5KOHM,5%,1/8W,AA,TP,-
R909 2001-000472 R-CARBON;2.7KOHM,5%,1/8W,AA,TP,-
R910 2001-000924 R-CARBON;680OHM,5%,1/8W,AA,TP,-
R911 2001-000214 R-CARBON;1.1KOHM,5%,1/8W,AA,TP,-
R912 2001-000449 R-CARBON;2.2KOHM,5%,1/8W,AA,TP,-
R913 2001-000241 R-CARBON;1.5KOHM,5%,1/8W,AA,TP,-
R914 2001-000472 R-CARBON;2.7KOHM,5%,1/8W,AA,TP,-
Electric Parts List
7-4 Samsung Electronics
Loc. No. Code No. Description ; Specification Remark Loc. No. Code No. Description ; Specification Remark

R918 2001-000734 R-CARBON;4.7KOHM,5%,1/8W,AA,TP,-
R919 2001-000290 R-CARBON;10KOHM,5%,1/8W,AA,TP,-
R920 2001-000273 R-CARBON;100KOHM,5%,1/8W,AA,TP,-
R921 2001-000290 R-CARBON;10KOHM,5%,1/8W,AA,TP,-
R922 2001-000429 R-CARBON;1KOHM,5%,1/8W,AA,TP,-
R923 2001-000290 R-CARBON;10KOHM,5%,1/8W,AA,TP,-
R924 2001-000734 R-CARBON;4.7KOHM,5%,1/8W,AA,TP,-
R925 2001-000924 R-CARBON;680OHM,5%,1/8W,AA,TP,-
R926 2001-000924 R-CARBON;680OHM,5%,1/8W,AA,TP,-
R927 2701-000114 INDUCTOR-AXIAL;10uH,10%,2.5x3.4mm
R928 2701-000114 INDUCTOR-AXIAL;10uH,10%,2.5x3.4mm
R929 2701-000114 INDUCTOR-AXIAL;10uH,10%,2.5x3.4mm
R930 2001-000628 R-CARBON;300OHM,5%,1/8W,AA,TP,-
R932 2001-000780 R-CARBON;470OHM,5%,1/8W,AA,TP,-
R933 2001-000449 R-CARBON;2.2KOHM,5%,1/8W,AA,TP,-
R934 2001-000449 R-CARBON;2.2KOHM,5%,1/8W,AA,TP,-
R935 2001-000780 R-CARBON;470OHM,5%,1/8W,AA,TP,-
R936 2001-000449 R-CARBON;2.2KOHM,5%,1/8W,AA,TP,-
R937 2001-001062 R-CARBON(S);10MOHM,5%,1/2W,AA,TP,-
R939 2001-000006 R-CARBON;2.4KOHM,5%,1/8W,AA,TP,-
R941 2001-000734 R-CARBON;4.7KOHM,5%,1/8W,AA,TP,-
R942 2001-000429 R-CARBON;1KOHM,5%,1/8W,AA,TP,-
R945 2001-000734 R-CARBON;4.7KOHM,5%,1/8W,AA,TP,-
R948 2001-000449 R-CARBON;2.2KOHM,5%,1/8W,AA,TP,-
R951 2001-000449 R-CARBON;2.2KOHM,5%,1/8W,AA,TP,-
R953 2001-000281 R-CARBON;100OHM,5%,1/8W,AA,TP,-
R954 2001-000281 R-CARBON;100OHM,5%,1/8W,AA,TP,-
R955 2001-000429 R-CARBON;1KOHM,5%,1/8W,AA,TP,-
RE01 2004-001390 R-METAL(S);1Kohm,2%,1/2W,AA,TP,2.4x6.4mm
RE02 2004-001914 R-METAL;39Kohm,2%,1/8W,AA,TP,1.8x3.5mm
RE03 2001-000066 R-CARBON(S);10KOHM,5%,1/2W,AA,TP,-
RE04 2001-000066 R-CARBON(S);10KOHM,5%,1/2W,AA,TP,-
RE05 2001-000052 R-CARBON(S);3.3KOHM,5%,1/2W,AA,TP,-
RE06 2004-001390 R-METAL(S);1Kohm,2%,1/2W,AA,TP,2.4x6.4mm
RE07 2003-000652 R-METAL OXIDE(S);330ohm,5%,2W,AF,TP,4x12mm
RE08 2001-001120 R-CARBON(S);3.3OHM,5%,1/2W,AA,TP,-
RE09 2001-001125 R-CARBON(S);300KOHM,5%,1/2W,AA,TP,-
RE10 2001-001125 R-CARBON(S);300KOHM,5%,1/2W,AA,TP,-
RL801 3501-001040 RELAY-POWER;12VDC,500mW,10A,1FormA,15mS,5m
RP802 1404-001045 THERMISTOR-NTC;4.7ohm,15%,2900K,35.0mW,TP
RP803 1404-001087 THERMISTOR-PTC;7ohm,30%,220V,270V,19A,-,ST
RT01 2001-000734 R-CARBON;4.7KOHM,5%,1/8W,AA,TP,-
RT02 2001-000734 R-CARBON;4.7KOHM,5%,1/8W,AA,TP,-
RT03 2001-000429 R-CARBON;1KOHM,5%,1/8W,AA,TP,-
RT04 2001-000003 R-CARBON;330OHM,5%,1/8W,AA,TP,-
RT05 2001-000780 R-CARBON;470OHM,5%,1/8W,AA,TP,-
RT06 2001-000563 R-CARBON;27KOHM,5%,1/8W,AA,TP,-
RT07 2001-000429 R-CARBON;1KOHM,5%,1/8W,AA,TP,-
RT08 2001-000734 R-CARBON;4.7KOHM,5%,1/8W,AA,TP,-
RT13 2001-000005 R-CARBON;390OHM,5%,1/8W,AA,TP,-
RT14 2001-000429 R-CARBON;1KOHM,5%,1/8W,AA,TP,-
RT15 2003-000676 R-METAL OXIDE(S);39ohm,5%,2W,AA,TP,4x12mm
RT16 2001-000347 R-CARBON;13KOHM,5%,1/8W,AA,TP,-
RT18 2001-000786 R-CARBON;47KOHM,5%,1/8W,AA,TP,-
RT19 2001-000734 R-CARBON;4.7KOHM,5%,1/8W,AA,TP,-
RT20 2001-000734 R-CARBON;4.7KOHM,5%,1/8W,AA,TP,-
RW901 2011-000157 R-NETWORK;10K,5%,1/8W,A,SIP,6P,BK
SF101 2904-000302 FILTER-SAW AV;38.90MHz,-,ST,13.9dB,PAL-B/G,-
SW901 3404-000244 SWITCH-TACT;15V,20mA,90-170gf,7.5x7mm,SPST
SW902 3404-000244 SWITCH-TACT;15V,20mA,90-170gf,7.5x7mm,SPST
SW903 3404-000244 SWITCH-TACT;15V,20mA,90-170gf,7.5x7mm,SPST
SW904 3404-000244 SWITCH-TACT;15V,20mA,90-170gf,7.5x7mm,SPST
SW905 3404-000244 SWITCH-TACT;15V,20mA,90-170gf,7.5x7mm,SPST
T401 AA26-50001RTRANS-HORIZ DRIVE;-,80MH,580UH,4UH,G11A EI19,ST
T444 AA26-30005QTRANS-FLYBACK;-,FUH-29A001(S),29/25,130V
T801 AA26-20007WTRANS-SWITCHING;-,90~260V,130/15.5/12/8V,VDE,S
TU101 AA40-10006HTUNER-V/S;TELE4-108A,PAL-B/G,TR,181CH
V999 3704-001105 SOCKET-CRT;11P,20PI,26.5PI,NI,-
X202 2801-000274 CRYSTAL-UNIT;4.433619MHz,30ppm,28-AAM,20pF,
X203 2801-000226 CRYSTAL-UNIT;3.579545MHz,20ppm,28-AAM,15pF,
XT01 2801-003433 CRYSTAL-UNIT;12MHz,30ppm,28-AAA,30pF,30ohm,
Z208 2903-000181 FILTER-CERAMIC;TR,5.5MHz,-,-,-,TP,TPS5.5MB-TF
ASSY-PCB,A/V SIDE
* AA95-00004AASSY-PCB,A/V SIDE;-,566B~569B,S51A,PAL,-,-
CA04 2202-000720 C-CERAMIC,MLC-AXIAL;8.2nF,20%,16V,Y5R,TP,3.5x19,-
CA05 2202-000720 C-CERAMIC,MLC-AXIAL;8.2nF,20%,16V,Y5R,TP,3.5x19,-
CA06 2401-001840 C-AL;100uF,20%,16V,GP,TP,6.3x11,5
CA07 2401-001840 C-AL;100uF,20%,16V,GP,TP,6.3x11,5
CN01A AA39-20068ELEAD-CONNECTOR,ASSY;-,YBNH025-08,67096-008,8P,500,
CN05A AA39-20069ALEAD-CONNECTOR,ASSY;-,YBNH025-05,67096-005,5P,500,
CN06A AA39-20499BLEAD CONNECTOR-ASSY;-,YBNH025-04,SMP025-04,4P,200
JE01 3722-000143 JACK-PHONE;1P(VER),3.4mm,AG,BLK,NO
JR01 3722-001031 JACK-RCA;3P,3.6mm,#18,AU
LA04 2701-000180 INDUCTOR-AXIAL;33uH,5%,2.5x3.4mm
LA05 2701-000180 INDUCTOR-AXIAL;33uH,5%,2.5x3.4mm
RA01 2001-000028 R-CARBON(S);100OHM,5%,1/2W,AA,TP,-
RA02 2001-000028 R-CARBON(S);100OHM,5%,1/2W,AA,TP,-
ASSY-SOUND
* AA95-00101AASSY-SOUND;-,CK,S51A,MONO,-,EUROPE
CFM01 2904-001054 FILTER-SAW AV;38.9MHz,SIP5P,-,13.9dB,NTSC-M/
CFM02 2904-001010 FILTER-SAW AV;32.9~33.4MHz,SIP5P,ST,14.4dB,P
CM01 2301-000383 C-FILM,PEF;10nF,5%,50V,TP,6x7x3.2mm,5mm
CM02 2401-000603 C-AL;1uF,20%,50V,GP,TP,5x11,5
CM03 2401-002144 C-AL;47uF,20%,16V,GP,TP,5x11,5
CM04 2305-000665 C-FILM,MPEF;100nF,5%,63V,TP,7.5x4.0x5.0mm,
CM05 2202-000127 C-CERAMIC,MLC-AXIAL;10nF,+80-20%,25V,Y5V,TP,-,7.5
CM06 2202-000127 C-CERAMIC,MLC-AXIAL;10nF,+80-20%,25V,Y5V,TP,-,7.5
CM07 2301-000224 C-FILM,PEF;22nF,5%,50V,TP,7.4x3.9x13mm,5m
CM08 2301-000383 C-FILM,PEF;10nF,5%,50V,TP,6x7x3.2mm,5mm
CM09 2202-000127 C-CERAMIC,MLC-AXIAL;10nF,+80-20%,25V,Y5V,TP,-,7.5
CM10 2202-000127 C-CERAMIC,MLC-AXIAL;10nF,+80-20%,25V,Y5V,TP,-,7.5
CM11 2202-000127 C-CERAMIC,MLC-AXIAL;10nF,+80-20%,25V,Y5V,TP,-,7.5
CM12 2401-001333 C-AL;470nF,20%,50V,GP,TP,5x11,5
CM13 2401-001333 C-AL;470nF,20%,50V,GP,TP,5x11,5
CM14 2401-000660 C-AL;2.2uF,20%,50V,GP,TP,5x11,5
CM15 2401-000660 C-AL;2.2uF,20%,50V,GP,TP,5x11,5
CM16 2401-000660 C-AL;2.2uF,20%,50V,GP,TP,5x11,5
CM17 2401-000660 C-AL;2.2uF,20%,50V,GP,TP,5x11,5
CM19 2301-000383 C-FILM,PEF;10nF,5%,50V,TP,6x7x3.2mm,5mm
CNN01 3711-002704 CONNECTOR-HEADER;NOWALL,6P,1R,2.5mm,ANGLE,SN
CNN02 3711-002705 CONNECTOR-HEADER;NOWALL,7P,1R,2.5mm,ANGLE,SN
DM01 0401-001024 DIODE-SWITCHING;BAW75,25V,300mA,DO-35,TP
DM02 0401-001024 DIODE-SWITCHING;BAW75,25V,300mA,DO-35,TP
DM03 0401-000005 DIODE-SWITCHING;1N4148,75V,200MA,DO-35,TP
DM04 0401-000005 DIODE-SWITCHING;1N4148,75V,200MA,DO-35,TP
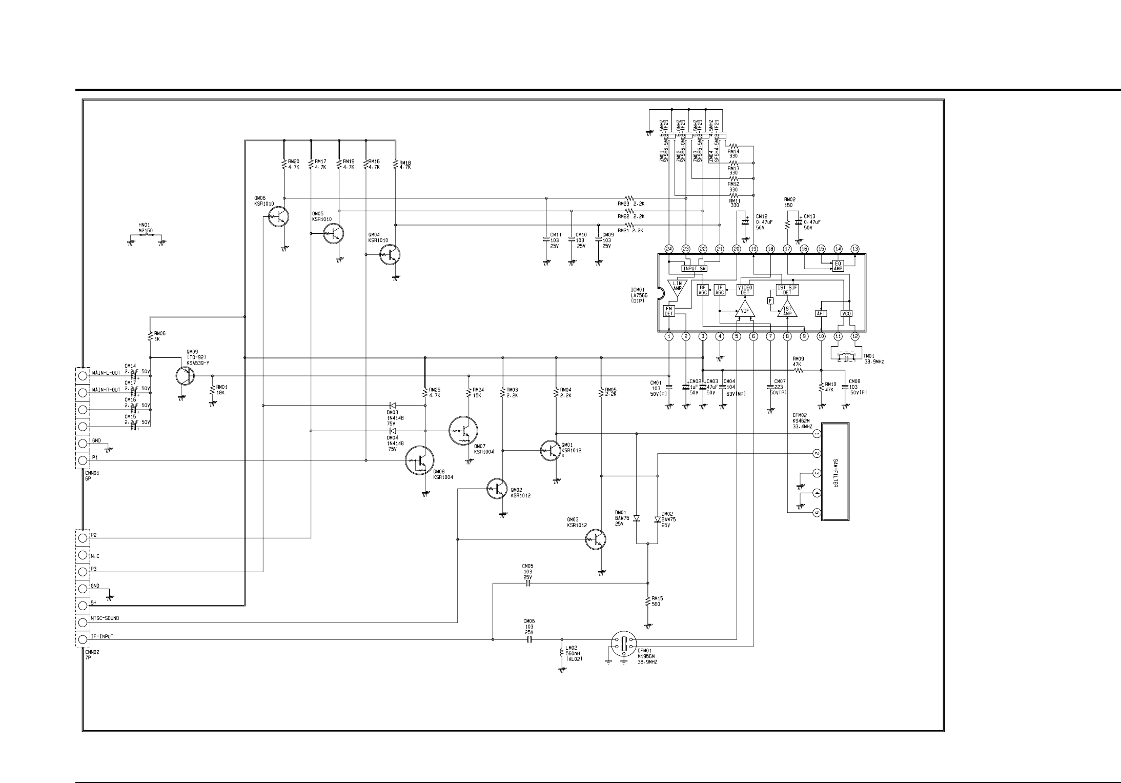
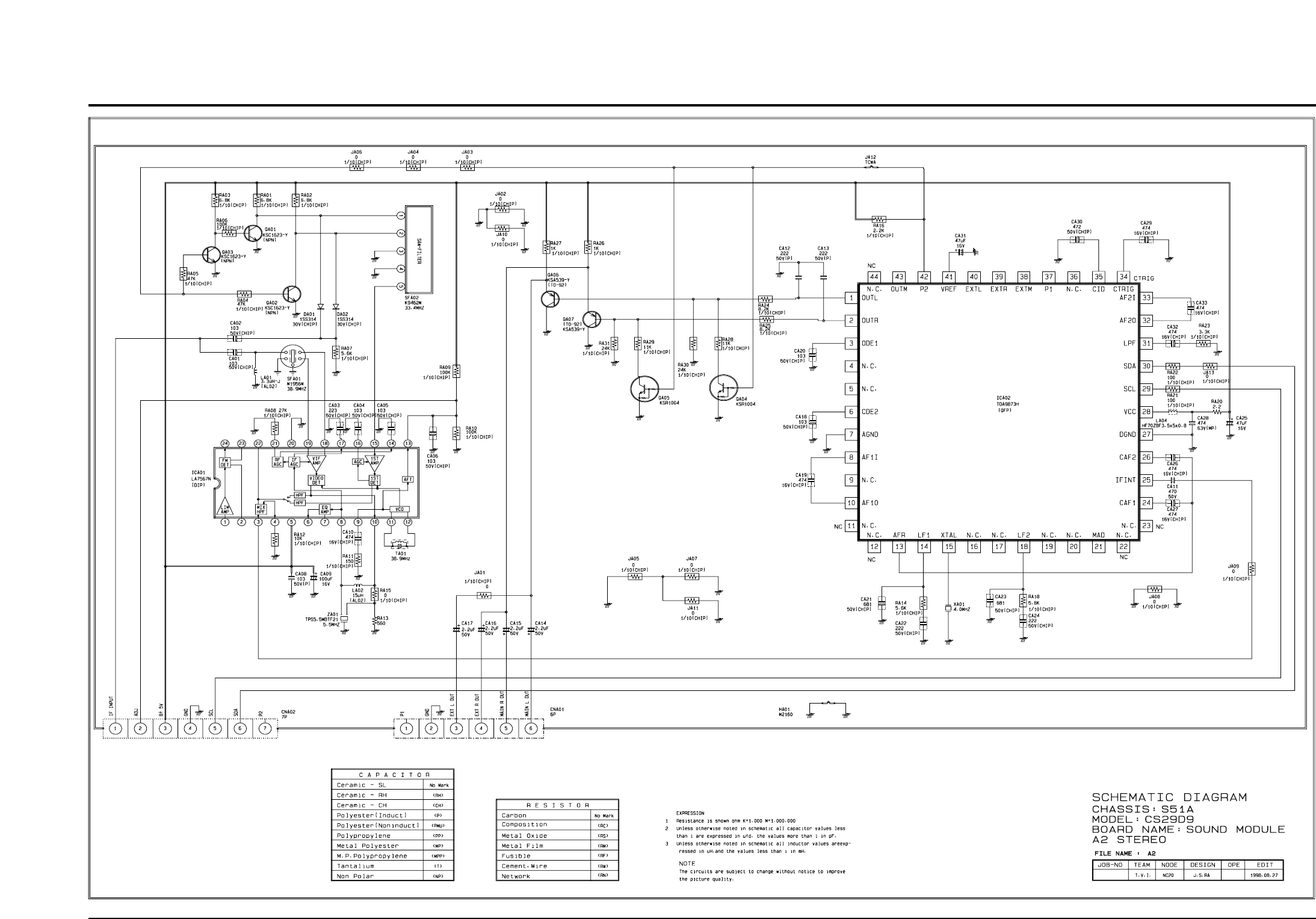
ICM01 1204-001491 IC-SOUND PROCESSOR;LA7566S,DIP,24P,300MIL,PLASTIC,1
JM01 2701-000114 INDUCTOR-AXIAL;10uH,10%,2.5x3.4mm
LM02 2701-000202 INDUCTOR-AXIAL;560nH,10%,2.5x3.4mm
QM01 0504-000125 TR-DIGITAL;KSR1012,NPN,300mW,47K,TO-92,TP
QM04 0504-000123 TR-DIGITAL;KSR1010,NPN,300mW,10K,TO-92,TP
QM05 0504-000123 TR-DIGITAL;KSR1010,NPN,300mW,10K,TO-92,TP
QM06 0504-000123 TR-DIGITAL;KSR1010,NPN,300mW,10K,TO-92,TP
QM07 0504-000119 TR-DIGITAL;KSR1004,NPN,300mW,47K-47K,TO-9
QM08 0504-000119 TR-DIGITAL;KSR1004,NPN,300mW,47K-47K,TO-9
QM09 0501-000283 TR-SMALL SIGNAL;KSA539,PNP,400mW,TO-92,TP,120-
RM01 2001-000290 R-CARBON;10KOHM,5%,1/8W,AA,TP,-
RM02 2001-000362 R-CARBON;150OHM,5%,1/8W,AA,TP,-
RM03 2001-000449 R-CARBON;2.2KOHM,5%,1/8W,AA,TP,-
RM04 2001-000449 R-CARBON;2.2KOHM,5%,1/8W,AA,TP,-
RM05 2001-000449 R-CARBON;2.2KOHM,5%,1/8W,AA,TP,-
RM06 2001-000429 R-CARBON;1KOHM,5%,1/8W,AA,TP,-
RM09 2001-000522 R-CARBON;22KOHM,5%,1/8W,AA,TP,-
RM10 2001-000522 R-CARBON;22KOHM,5%,1/8W,AA,TP,-
RM11 2001-000003 R-CARBON;330OHM,5%,1/8W,AA,TP,-
RM13 2001-000003 R-CARBON;330OHM,5%,1/8W,AA,TP,-
RM15 2001-000857 R-CARBON;560OHM,5%,1/8W,AA,TP,-
RM16 2001-000734 R-CARBON;4.7KOHM,5%,1/8W,AA,TP,-
RM17 2001-000734 R-CARBON;4.7KOHM,5%,1/8W,AA,TP,-
RM18 2001-000734 R-CARBON;4.7KOHM,5%,1/8W,AA,TP,-
RM19 2001-000734 R-CARBON;4.7KOHM,5%,1/8W,AA,TP,-
RM20 2001-000734 R-CARBON;4.7KOHM,5%,1/8W,AA,TP,-
RM21 2001-000449 R-CARBON;2.2KOHM,5%,1/8W,AA,TP,-
RM22 2001-000449 R-CARBON;2.2KOHM,5%,1/8W,AA,TP,-
RM23 2001-000449 R-CARBON;2.2KOHM,5%,1/8W,AA,TP,-
RM24 2001-000008 R-CARBON;15KOHM,5%,1/8W,AA,TP,-
RM25 2001-000734 R-CARBON;4.7KOHM,5%,1/8W,AA,TP,-
Electric Parts List
Samsung Electronics 7-5
Loc. No. Code No. Description ; Specification Remark Loc. No. Code No. Description ; Specification Remark
!
!
!
!
!

RM27 2001-000832 R-CARBON;510OHM,5%,1/8W,AA,TP,-
RM28 2001-000832 R-CARBON;510OHM,5%,1/8W,AA,TP,-
TM01 AA26-10006L TRANS-IF;-,7MG,VIF,-,7mm,39pF,38.9MHz,S
ZM01 2903-000200 FILTER-CERAMIC;BP,6.5MHz,+-70KHz,6dB,-,TP,-
ZM03 2903-000185 FILTER-CERAMIC;BP,5.5MHz,+-75KHz,6dB,-,TP,-
ASSY-PCB,CONTROL
* AA95-30002BASSY-PCB,CONTROL;-,SCT12B,-,-
CN10A AA39-20177ALEAD-CONNECTOR,ASSY;-,YBNH025-05,67096-005,5P,300,
CR01 2401-002144 C-AL;47uF,20%,16V,GP,TP,5x11,5
LDR01 0601-000198 LED;ROUND,RED/GRN,5.0mm,630/565nm
PAR01 AA59-60003J MODULE-REMOCON;-,ORC-06H2,38KHz,940nm,MESH,H,
RR01 2001-000793 R-CARBON;47OHM,5%,1/8W,AA,TP,-
RR02 2001-000522 R-CARBON;22KOHM,5%,1/8W,AA,TP,-
ASSY-R/G/B SWITCHING
* AA95-90038KASSY-R/G/B SWITCHING;-,-,S51A,PHILIPS MICOM ALL,-,-
CNS01 3711-002702 CONNECTOR-HEADER;NOWALL,4P,1R,2.5mm,ANGLE,SN
CNS02 3711-002703 CONNECTOR-HEADER;NOWALL,5P,1R,2.5mm,ANGLE,SN
CNS03 AA39-20052F LEAD CONNECTOR-ASSY;-,YBNH025-04,YSH025-04,4P,200
CS01 2401-002619 C-AL;47uF,20%,25V,GP,TP,5x11,5
CS02 2305-000665 C-FILM,MPEF;100nF,5%,63V,TP,7.5x4.0x5.0mm,
CS03 2202-002037 C-CERAMIC,MLC-AXIAL;100nF,80-20%,50V,Y5V,TP,2.2x3.
CS04 2202-002037 C-CERAMIC,MLC-AXIAL;100nF,80-20%,50V,Y5V,TP,2.2x3.
CS05 2202-002037 C-CERAMIC,MLC-AXIAL;100nF,80-20%,50V,Y5V,TP,2.2x3.
CS06 2202-002037 C-CERAMIC,MLC-AXIAL;100nF,80-20%,50V,Y5V,TP,2.2x3.
CS07 2202-002037 C-CERAMIC,MLC-AXIAL;100nF,80-20%,50V,Y5V,TP,2.2x3.
CS08 2202-002037 C-CERAMIC,MLC-AXIAL;100nF,80-20%,50V,Y5V,TP,2.2x3.
DS01 0401-000005 DIODE-SWITCHING;1N4148,75V,200MA,DO-35,TP
ICS01 1001-000223 IC-VIDEO SWITCH;TEA5114A,-,DIP,16P,334MIL,SING
RS01 2001-000003 R-CARBON;330OHM,5%,1/8W,AA,TP,-
RS04 2001-000003 R-CARBON;330OHM,5%,1/8W,AA,TP,-
RS06 2001-000003 R-CARBON;330OHM,5%,1/8W,AA,TP,-
RS07 2001-000429 R-CARBON;1KOHM,5%,1/8W,AA,TP,-
RS08 2001-000429 R-CARBON;1KOHM,5%,1/8W,AA,TP,-
RS09 2001-000429 R-CARBON;1KOHM,5%,1/8W,AA,TP,-
RS10 2001-000429 R-CARBON;1KOHM,5%,1/8W,AA,TP,-
RS11 2001-000429 R-CARBON;1KOHM,5%,1/8W,AA,TP,-
RS12 2001-000429 R-CARBON;1KOHM,5%,1/8W,AA,TP,-
RS13 2001-000003 R-CARBON;330OHM,5%,1/8W,AA,TP,-
RS14 2001-000003 R-CARBON;330OHM,5%,1/8W,AA,TP,-
RS15 2001-000003 R-CARBON;330OHM,5%,1/8W,AA,TP,-
RS16 2001-000003 R-CARBON;330OHM,5%,1/8W,AA,TP,-
RS17 2001-000003 R-CARBON;330OHM,5%,1/8W,AA,TP,-
RS18 2001-000003 R-CARBON;330OHM,5%,1/8W,AA,TP,-
ASSY-POWER,CORD
3403-000179 SWITCH-PUSH;250V,5A,DPST,-,JPW-2104B
AA39-10005APOWER-CORD;-,KKP419C,KLCE-2F,2.286MT,INLE
LEADC AA39-20175BLEAD CONNECTOR-ASSY;-,YFH150-03,-,3(2)P,200mm,1617
REMOCON
* AA59-10116AREMOCON;-,TM59,SS,SZM503AT,29,-,-,L/GR
ASSY-HOLDER,SPK
* AA91-60003AASSY-HOLDER,SPK;-,PP,-,-,8ohm 10W,CT2199
ASSY-CRT
AA03-10023RCRT-COLOR;-,A59KPR84X01(DB),+500mG,25,1
ASSY-ACCESSORY
AA39-40001BCABLE-RCA;-,RCA,1500mm,0.12/10,RED/WHT/Y
AA68-00043AMANUAL-USERS;S51A,RUS,-,B5,W/P100(G),-
Electric Parts List
7-6 Samsung Electronics
Loc. No. Code No. Description ; Specification Remark Loc. No. Code No. Description ; Specification Remark
!
!

8. Block Diagram
8-1 S51A
Block Diagram
Samsung Electronics 8-1
FREE-AMP
PAP103 VIF SAW FILTER
G3956M
1 CHIP
IF/VIDEO/CHROMA/DEFLECTION
TDA8844
EEPROM
X24C16
AC INPUT
AC230V OR 220 ~ 240V
SMPS
TRANS
CRT
SPM-171EE
IC
MCU
(TTX)
RGB-AMP
TDA6108
TUNER
TELE4-108A
FBT
FUH-29A003
VERTICAL AMP
LA7845
H-OUT TR
STR
KA3S1265R
KA7630
H
E
A
T
E
R
VH
HV
+16.5V / -14V
16.5V
180V
5V
8V
15V
155V
SIF SAW FILTER TDA9814T
SIF-DETECTOR
TDA9874
NICAM
DECODER TDA9859 TDA7297
SPEAKER
8W 10W X 2
AUDIO-PROCESSOR
2CH AUDIO AMP
AUDIO-MODULE

9. PCB Layout
9-1 PCB Main
PCB Layout
Samsung Electronics 9-1
D101 78 236
D201 171 131
D202 168 131
D203 166 131
D204 163 139
D205 155 226
D206 125 167
D209 112 164
D210 127 148
D217 30 238
D301 105 131
D302 124 104
D303 105 84
D304 97 121
D401 114 67
D402 128 126
D403 70 109
D404 89 28
D405 106 148
D406 37 109
D407 20 76
D410 10 86
D507 312 223
D508 312 220
D509 312 216
D520 268 225
D601 214 205
D602 223 200
D603 223 198
D701 172 210
D801 246 31
D802 255 60
D803 230 37
D804 228 31
D805 173 22
D806 168 39
D807 156 63
D808 269 92
D809 187 122
D810 183 132
D812 160 70
D813 167 100
D901 231 138
D902 188 143
D903 188 140
D904 188 138
D905 199 161
D906 229 124
D907 227 124
DE01 94 108
DL201 155 206
DT01 260 120
DT02 242 116
DT03 201 161
DT04 223 128
DV801 264 7
DV802 251 7
DX01 19 8
DX02 60 7
DZ201 142 197
DZ202 106 218
DZ203 155 120
DZ204 158 229
DZ205 125 148
DZ206 121 170
DZ210 109 148
DZ302 107 121
DZ303 99 108
DZ304 102 131
DZ305 94 133
DZ306 118 135
DZ402 90 91
DZ403 75 165
DZ501 309 190
DZ502 316 190
DZ503 296 190
DZ505 321 190
DZ601 223 213
DZ602 223 215
DZ603 223 223
DZ604 223 220
DZ701 49 148
DZ702 54 148
DZ703 59 148
DZ704 41 141
DZ705 64 148
DZ801 231 33
DZ802 218 26
DZ803 150 122
DZ804 177 120
DZ805 183 12
DZ807 166 120
DZ808 209 19
DZ901 227 165
DZ904 211 145
DZ905 280 108
DZ906 321 82
DZX01 39 13
HC101 60 224
IC201 85 198
IC301 123 132
IC501 315 178
IC601 238 185
IC701 17 190
IC801 245 9
IC802 201 19
IC803 201 95
IC804 148 127
IC901 267 134
IC902 274 105
IC903 193 120
ICE01 130 118
Q101 71 213
Q201 159 131
Q202 149 132
Q204 87 230
Q205 139 219
Q206 133 219
Q207 146 219
Q209 146 172
Q210 121 183
Q211 196 182
Q212 199 193
Q301 119 91
Q302 111 96
Q401 143 74
Q402 83 130
Q403 43 97
Q404 83 134
Q701 54 162
Q702 54 182
Q704 183 215
Q801 293 97
Q901 240 163
Q902 251 234
Q903 251 222
Q904 251 215
Q905 246 148
Q906 204 150
Q907 231 128
Q908 227 128
Q909 155 230
QE01 140 96
QT01 201 127
QT02 245 139
QX01 43 8
Loc. No. X Y
DIODE
IC
Loc. No. X Y
TRANSISTOR
X
Y

10. Wiring Diagram
10-1 S51A
Wiring Diagram
Samsung Electronics 10-1
FOCUS
SW801
M
I
C
O
M
SOUND
AMP CN602
PIP/TTX
MODULE
T
D
A
8
8
4
4
T
U
N
E
R
A
U
D
I
O
M
O
D
U
L
E
CN701
CN502
CN401
SMPS
TRANS
CN501
CN501B
ASSY-PWB MAIN
CRT
ANODE
DY
SCREEN
SOCKET
CRT
FBT
CN701A
CN06A
CN05A
R
L
ASSY-PWB FRONT,A/V

10-2 Samsung Electronics
MEMO

51
50
1
2
3
8
4 5
6
7
10
9
11
Schematic Diagrams
11-1Samsung Electronics
11. Schematic Diagrams
11-1 MAIN (Power 21”)
: Power Line
: Signal Line
1 2
3 4
5 6
7 8
9 10
1150 51

Schematic Diagrams
11-2 Samsung Electronics
11-2 MAIN (Power 25” - 30”)
: Power Line
: Signal Line
1 2
3 4
5 6
7 8
9 10
11 1250 51
51
50
1
2
8
4 5
6
7
10
11
12
9
3

Schematic Diagrams
11-3Samsung Electronics
11-3 PWB MAIN (One-Chip)
13
29
30 28
27 26
25
24
23
22
18
19
20
17 21
15
16
32
31
14
: Power Line
: Signal Line
24
232526272829303132
2221
20
19
18
17
16
15
14
13

Schematic Diagrams
11-4 Samsung Electronics
11-4 PWB MAIN (u-COM)
33
41
42
40
34
39
38
37
35
36
: Power Line
: Signal Line
33 34
35 36
37 38
40
41 42
39

Schematic Diagrams
11-5Samsung Electronics
46
47
48
49
11-5 PWB MAIN (SUB)
: Power Line
: Signal Line
46
47
48
49

Schematic Diagrams
11-6 Samsung Electronics
11-6 PWB MAIN (Sound Module Mono)

Schematic Diagrams
11-7Samsung Electronics
11-7 PWB MAIN (CRT)
: Power Line
: Signal Line
43
44
45
43
43
45
45
44
44
OPTION

Schematic Diagrams
11-8 Samsung Electronics
11-8 PWB MAIN (SOUND MODULE STEREO)

Schematic Diagrams
11-9Samsung Electronics
11-9 PWB MAIN (SOUND MODULE NICAM)

Schematic Diagrams
11-10 Samsung Electronics
11-10 PWB MAIN (A/V FRONT / VIDEO SWITCH)
RGB - S/W MODULE
