Samsung GT S8600 Service Manual. Www.s Manuals.com. Manual R1.0
User Manual: Smartphone Samsung GT-S8600 - Service manuals and Schematics, Disassembly / Assembly. Free.
Open the PDF directly: View PDF
.
Page Count: 90

GSM TELEPHONE
GT-S8600
1. Safety Precautions
2. Specification
3. Product Function
4. Exploded View and Parts list
5. MAIN Electrical Parts List
6. Level 1Repair
7. Disassembly and Assembly
Instructions
8. Chart of Troubleshooting
9. Reference data
Notice :
All functionality, features, specifications and other
product information provided in this document inclu
ding, but not limited to, the benefits, design, pricing,
components, performance, availability, and capabiliti
-es of the product are subject to change without
notice or obligation. Samsung reserves the right to
make changes to this document and the product
described herein, at anytime, without obligation on
Samsung to provide notification of such change.
GSM TELEPHONE CONTENTS

This Service Manual is aproperty of Samsung Electronics Co.,Ltd.
Any unauthorized use of Manual can be punished under applicable
International and/or domestic law.
Samsung Electronics Co.,Ltd.
2011. 10. Rev.1.0
ⓒ

SAMSUNG Proprietary-Contents may change without notice
2. Specification
This Document can not be used without Samsung's authorization
2-1
2-1. GSM General Specification
GSM850
Phase 1
EGSM 900
Phase 2
DCS1800
Phase 1 PCS1900 WCDMA
2100 WCDMA850
Freq.
Band[MHz]
Uplink/Downlin
k
824~849
869~894
880~915
925~960
1710~1785
1805~1880
1850~1910
1930~1990
1922~1977
2112~2167
824~849
869~894
ARFCN range 128~251 0~124 &
975~1023 512~885 512~810
UL:9612~98
88DL:10562
~10838
UL:4132~42
33,DL:4357
~4458
Tx/Rx spacing 45MHz 45MHz 95MHz 80MHz 190MHz 45MHz
Mod. Bit rate/
Bit Period
270.833kbp
s
3.692us
270.833kbp
s
3.692us
270.833kbp
s
3.692us
270.833kbp
s
3.692us
3.84Mcps 3.84Mcps
Time Slot
Period/Frame
Period
576.9us
4.615ms
576.9us
4.615ms
576.9us
4.615ms
576.9us
4.615ms
FrameLengt
h:
10ms
Slotlength:
0.667ms
FrameLengt
h:
10ms
Slotlength:
0.667ms
Modulation 0.3GMSK 0.3GMSK 0.3GMSK 0.3GMSK QPSK
HQPSK
QPSK
HQPSK
MS Power 33dBm~5dB
m
33dBm~5dB
m
30dBm~0dB
m
30dBm~0dB
m
24dBm~-
50dBm
24dBm~-
50dBm
Power Class 5pcl ~
19pcl 5pcl ~19
pcl 0pcl ~15
pcl 0pcl ~15
pcl 3(max+24dB
m)
3(max+24dB
m)
Sensitivity -102dBm -102dBm -100dBm -100dBm -106.7dBm -106.7dBm
TDMA Mux 8 8 8 8
Cell Radius 35Km 35Km 2Km 2Km 2Km 2Km

SAMSUNG Proprietary-Contents may change without notice
Specification
2-2
This Document can not be used without Samsung's authorization
2-2. GSM General Specification
TX Power
control
level
GSM850
533±2
dBm
631±2
dBm
729±2
dBm
827±2
dBm
925±2
dBm
10 23±2 dBm
11 21±2 dBm
12 19±2 dBm
13 17±2 dBm
14 15±2 dBm
15 13±2 dBm
16 11±3 dBm
17 9±3dBm
18 7±3 dBm
19 5±3 dBm
TX Power
control
level
EGSM900
533±2
dBm
631±2
dBm
729±2
dBm
827±2
dBm
925±2
dBm
10 23±2 dBm
11 21±2 dBm
12 19±2 dBm
13 17±2 dBm
14 15±2 dBm
15 13±2 dBm
16 11±3 dBm
17 9±3dBm
18 7±3 dBm
19 5±3 dBm
TX Power
control
level
DCS1800
030±3
dBm
128±3
dBm
226±3
dBm
324±3
dBm
422±3
dBm
520±3
dBm
618±3
dBm
716±3
dBm
814±3
dBm
912±4
dBm
10 10±4 dBm
11 8±4 dBm
12 6±4 dBm
13 4±4 dBm
14 2±5 dBm
15 0±5 dBm
TX Power
control
level
PCS1900
030±3
dBm
128±3
dBm
226±3
dBm
324±3
dBm
422±3
dBm
520±3
dBm
618±3
dBm
716±3
dBm
814±3
dBm
912±4
dBm
10 10±4 dBm
11 8±4 dBm
12 6±4 dBm
13 4±4 dBm
14 2±5 dBm
15 0±5 dBm

SAMSUNG Proprietary-Contents may change without notice
3. Operation Instruction and Installation
3-1
This Document can not be used without Samsung's authorization
Main Function
•Quad Band EGSM850/900/DCS/PCS(GPRS/EDGE_RX), UMTS 900/2100MHz
•HSDPA 5.76 Mbps ,HSPA+ 14.4Mbps
•4”
WVGA OCTA (AMOLED 16M, 800*480 )
•MSM8255(1.4GHz) /PM8058 /QTR9215
•Music player, Voice Recorder
•GPS /BT v3.0 /USB v2.0 /WiFi (802.11 b/n/g)
•5M
AF +VGA Camera
•FM Radio Receiver
•Sensors: Accelerometer, Compass, Proximity
•BADA OS
•SMS/MMS/Email
•USB 2.0 High Speed

SAMSUNG Proprietary-Contents may change without notice
6. Level 1Repair
6-1
This Document can not be used without Samsung's authorization
6-1. Software Download
6-1-1. Pre-requisite for Download
ㆍDownloader Program (Multiloader v5.66)
ㆍGT-S8600 Mobile Phone
ㆍData Cable
ㆍJIG BOX (GH99-36900B)
ㆍRF Test Cable (GH39-00985A)
ㆍJIG Cable (GH39-01290A)
ㆍAdapter (GH99-38251A)
ㆍBattery (GH43-03558A)
ㆍBinary files

SAMSUNG Proprietary-Contents may change without notice
Level 1Repair
6-2
This Document can not be used without Samsung's authorization
6-1-2. S/W Download Process
1. Load the binary download program by executing the "Multiloader v5.66"

SAMSUNG Proprietary-Contents may change without notice
Level 1Repair
6-3
This Document can not be used without Samsung's authorization
2Check Full Download and MSM7x30

SAMSUNG Proprietary-Contents may change without notice
Level 1Repair
6-4
This Document can not be used without Samsung's authorization
3. Load the file of BOOTFILES, Amss, Apps, Rsrc1, Rsrc2, Factory FS, SHP APP, CSC,
sFOTA, DSP1 files from the folder that you saved the binary files.

SAMSUNG Proprietary-Contents may change without notice
Level 1Repair
6-5
This Document can not be used without Samsung's authorization
4. Seting your Phone Download Mode
You have to set the phone as adownload mode by pressing Home Key +Power
key +Volume Down key simultaneously before connecting to PC .
Then, the port would be searched.

SAMSUNG Proprietary-Contents may change without notice
Level 1Repair
6-6
This Document can not be used without Samsung's authorization
5. COM Port Mapping change to Ready when the phone with download mode is
connected to PC by data cable.

SAMSUNG Proprietary-Contents may change without notice
Level 1Repair
6-7
This Document can not be used without Samsung's authorization
6. Click the PortSearch then COM Port Mapping change to Ready-[WAVE_III]

SAMSUNG Proprietary-Contents may change without notice
Level 1Repair
6-8
This Document can not be used without Samsung's authorization
7. Click the Download button when the Port searched.
Then start the download.

SAMSUNG Proprietary-Contents may change without notice
Level 1Repair
6-9
This Document can not be used without Samsung's authorization
8. When downloading is finished successfully, there is a"
All files complete"message.
9. Confirm the downloaded version name and etc. :
*#1234#

SAMSUNG Proprietary-Contents may change without notice
9. Reference Abbreviate
This Document can not be used without Samsung's authorization
9-1
Reference Abbreviate
―AAC:Advanced Audio Coding.
―AVC :Advanced Video Coding.
―BER :Bit Error Rate
―BPSK:Binary Phase Shift Keying
―CA :Conditional Access
―CDM :Code Division Multiplexing
―C/I :Carrier to Interference
―DMB :Digital Multimedia Broadcasting
―EN :European Standard
―ES :Elementary Stream
―ETSI:European Telecommunications Standards Institute
―MPEG:Moving Picture Experts Group
―PN :Pseudo-random Noise
―PS :Pilot Symbol
―QPSK:Quadrature Phase Shift Keying
―RS :Reed-Solomon
―SI :Service Information
―TDM :Time Division Multiplexing
―TS :Transport Stream

SAMSUNG Proprietary-Contents may change without notice
1. Safety Precautions
1-1
This Document can not be used without Samsung's authorization
1-1. Repair Precaution
―Repair in Shield Box, during detailed tuning. Take specially care of tuning or test, because
specipicty of cellular phone is sensitive for surrounding interference(RF noise).
―Be careful to use akind of magnetic object or tool, because performance of parts is damaged by
the influence of magnetic force.
―Surely use astandard screwdriver when you disassemble this product, otherwise screw will be
worn away.
―Use athicken twisted wire when you measure level.
Athicken twisted wire has low resistance, therefore error of measurement is few.
―Repair after separate Test Pack and Set because for short danger (for example an overcurrent
and furious flames of parts etc) when you repair board in condition of connecting Test Pack and
tuning on.
―Take specially care of soldering, because Land of PCB is small and weak in heat.
―Surely tune on/off while using AC power plug, because arepair of battery charger is dangerous
when tuning ON/OFF PBA and Connector after disassembling charger.
―Don't use as you pleases after change other material than replacement registered on SEC System.
Otherwise engineer in charge isn't charged with problem that you don't keep this rules.

SAMSUNG Proprietary-Contents may change without notice
Safety Precautions
1-2
This Document can not be used without Samsung's authorization
1-2. ESD(Electrostatically Sensitive Devices) Precaution
Several semiconductor may be damaged easily by static electricity. Such parts are called by ESD
(Electrostatically Sensitive Devices), for example IC,BGA chip etc. Read Precaution below.
You can prevent from ESD damage by static electricity.
―Remove static electricity remained your body before you touch semiconductor or parts with
semiconductor. There are ways that you touch an earthed place or wear static electricity prevention
string on wrist.
―Use earthed soldering steel when you connect or disconnect ESD.
―Use soldering removing tool to break static electricity. ,otherwise ESD will be damaged by static
electricity.
―Don't unpack until you set up ESD on product. Because most of ESD are packed by box and
aluminum plate to have conductive power,they are prevented from static electricity.
―You must maintain electric contact between ESD and place due to be set up until ESD is
connected completely to the proper place or acircuit board.

SAMSUNG Proprietary-Contents may change without notice
4. Exploded View and Parts List
4-1
This Document can not be used without Samsung's authorization
4-1. Cellular phone Exploded View
QLC01
QCA01
QVK01
QCR67
QMP01
QSP01 QFR01
QCK01
QVK02
QSM01
QVO01
QAN02
QBC04
QRE01

SAMSUNG Proprietary-Contents may change without notice
Exploded View and Parts List
4-2
This Document can not be used without Samsung's authorization
Design LOC Description SEC CODE
QCR67 SCREW-MACHINE 6001-002083
QAN02 INTENNA-GT_S8600 MAIN GH42-03245A
QVK01 KEY FPCB-VOLUME KEY(GT_S8600) GH59-11466A
QVK02 KEY FPCB-POWER/HOLD KEY(GT_S8600) GH59-11467A
QSM01 ASSY ETC-SIM+SD SOCKET FPCB GH59-11471A
QSP01 MODULE-SPK+RCV+MOT+SENSOR FPCB(S8600) GH59-11601A
QMP01 A/S ASSY-PBA MAIN (COMM) GH82-06077A
QCA01 ASSY CAMERA-5M+VGA(GT_S8600) GH96-05363A
QLC01 MEA FRONT-OCTA LCD ASSY (SVC) GH97-12988A
QRE01 ASSY CASE-REAR BRACKET GH98-21534A
QBC04 ASSY COVER-BOTTOM GH98-21535A
QFR01 ASSY COVER-BODY GH98-21536A
QVO01 PMO KEY-VOL GH72-65675A
QCK01 PMO KEY-PWR(HOLD) GH72-65676A
4-2. Cellular phone Parts list

SAMSUNG Proprietary-Contents may change without notice
5. MAIN Electrical Parts List
5-1
This Document can not be used without Samsung's authorization
SEC CODE DESIGN LOC Description
0403-001870 ZD600 TDZ5V6J
0404-001317 D300 1PS79SB10
0406-001413 ZD500,ZD501,ZD502 PESD5V0F1BL
0406-001413 ZD503 PESD5V0F1BL
0504-000168 Q600 DTC144EE/TR
0505-002341 Q400 SI1013X-T1-GE3
0801-003346 U300 74AUP1G04GM
1001-001410 U501 NLAS5223BMNR2G
1001-001677 U605 MAX14577EEWA-T
1001-001728 U202 SKY13385-460LF
1003-002415 U301 ISA1000A
1105-002218 UCP300UP K3PE4E400A-XGC1
1107-002091 UME200 SDIN5D2-4G-944L
1201-003134 U502 YDA165-PZE2
1201-003261 U103 BGU7007
1201-003274 PAM101 AWU6618RM47Q7
1201-003304 PAM100 SKY77350-21
1202-001119 U400 MIC842LYC5
1202-001121 U503 NCX2220GM
1203-002250 U602 R3111Q281C
1203-005074 U601 AAT1146IJS-1.2-T1
1203-005521 U504 MIC5365-2.8YMT
1203-006025 U600 AAT1274IWO-T1
1203-006050 U603,U604 RP152L002B-TR
1203-006159 U302 AAT2146IJS-0.6-T1
1203-006304 U608 MAX17043G-T
1203-007001 U401 PM8058
1203-007084 U607 STM6519APARUB6F
1205-004255 UCP300 MSM8255-0-AB
1205-004373 U102 QTR9215
1205-004402 U200 BCM4330SB2KUBG
1209-002109 U506 BMC022
1404-001651 TH400 NTCG104EF104FT
1405-001317 V300,V301,V501,V502 LXES15AAA1-100

SAMSUNG Proprietary-Contents may change without notice
Main Electrical Parts List
5-2
This Document can not be used without Samsung's authorization
SEC CODE DESIGN LOC Description
1405-001317 V503,V504,V511,V512 LXES15AAA1-100
1405-001317 V600 LXES15AAA1-100
2007-000138 R109,R110,R525,R528 RC1005J101CS
2007-000138 R619 RC1005J101CS
2007-000139 R214 RC1005J221CS
2007-000140 R622 RC1005J102CS
2007-000141 R309,R310,R314,R317 RC1005J222CS
2007-000141 R318,R328,R329,R338 RC1005J222CS
2007-000141 R339,R344,R345,R346 RC1005J222CS
2007-000141 R347 RC1005J222CS
2007-000143 R215,R330,R331,R617 RC1005J472CS
2007-000148 R204,R305,R306,R307 RC1005J103CS
2007-000148 R319,R325,R348,R349 RC1005J103CS
2007-000148 R417,R503,R601,R643 RC1005J103CS
2007-000148 R646,R647,R649 RC1005J103CS
2007-000151 R652 RC1005J153CS
2007-000152 R638 RC1005J203CS
2007-000154 R522 RC1005J243CS
2007-000157 R205,R206,R207,R208 RC1005J473CS
2007-000157 R209,R210,R211,R212 RC1005J473CS
2007-000157 R219,R220,R221,R222 RC1005J473CS
2007-000157 R223,R231,R602,R608 RC1005J473CS
2007-000157 R636,R637,R639 RC1005J473CS
2007-000162 R337,R342,R410,R516 RC1005J104CS
2007-000162 R604,R605,R611 RC1005J104CS
2007-000168 R613 RC1005J474CS
2007-000170 R401,R404,R413,R500 RC1005J105CS
2007-000172 R607 RC1005J100CS
2007-000249 R403 MCR01MZP5J155
2007-000758 R514,R609 RC1005J334CS
2007-000982 R651 RC1005J562CS
2007-001295 R512 RC1005J390CS
2007-001301 R108 MCR01MZP5J680
2007-001317 R648 RC1005J911CS

SAMSUNG Proprietary-Contents may change without notice
Main Electrical Parts List
5-3
This Document can not be used without Samsung's authorization
SEC CODE DESIGN LOC Description
2007-001320 R650 MCR01MZP5J182
2007-002797 R524,R531 RC1005J561CS
2007-003010 R326 RC1005J200CS
2007-003015 R624,R625 MCR01MZP5J2R2
2007-003020 R640,R641,R644,R645 RK73B1ETTP432J
2007-007014 R327 MCR01MZP5J513
2007-007099 R402 ERJ2GEJ205X
2007-007132 R200 RC1005F153CS
2007-007136 R106 RC1005F472CS
2007-007137 R518 MCR01MZP5F1201
2007-007156 R614,R615 RC1005J1R0CS
2007-007192 R504,R505 TSR16GJ6R2V
2007-007307 R603 RK73H1ETP1500F
2007-007318 R521 MCR01MZP5F1001
2007-007517 R311,R312,R351,R352 MCR01MZP5F2400
2007-007592 R336 RK73H1ETP2703F
2007-007875 R610 RK73H1ETP1603F
2007-007942 R513,R520 RC-1005F105CS
2007-008167 R358 RC0402FR-07120K
2007-008312 R527 RC1005F394CS
2007-008726 R359 RC1005F114CS
2007-010233 R335 RC1005F4021CS
2203-000233 C123,C147,C165,C169 GRP1555C1H101J
2203-000233 C172,C173,C178 GRP1555C1H101J
2203-000254 C105,C109,C602 GRP155R71C103K
2203-000278 C213,C216,C225,C235 GRP1555C1H100D
2203-000278 C236,C240,C242,C532 GRP1555C1H100D
2203-000386 C219,C527,C528 GRP1555C1H150J
2203-000425 C551,C552,C553 GRP1555C1H180J
2203-000438 C159,C164,C185,C418 GRP155R71H102K
2203-000438 C632,C641,C642 GRP155R71H102K
2203-000550 C218 GRP1555C1H200JZ01E
2203-000585 C229 GRP155R71H221KD01E
2203-000679 C136,C171,C179 GRP1555C1H270J

SAMSUNG Proprietary-Contents may change without notice
Main Electrical Parts List
5-4
This Document can not be used without Samsung's authorization
SEC CODE DESIGN LOC Description
2203-000725 C367 GRP155R71H392KA01E
2203-000812 C102,C108,C110,C111 GRP1555C1H330J
2203-000812 C133,C168,C417,C516 GRP1555C1H330J
2203-000812 C534,C547,C620,C628 GRP1555C1H330J
2203-000812 C629,L125 GRP1555C1H330J
2203-000940 C137 GRP155R71H471K
2203-000995 C533 GRP1555C1H470J
2203-001072 C639 GRP1555C1H560JD01E
2203-001153 C140 GRP1555C1H680J
2203-001385 C209 GRP1555C1H1R5CZ01E
2203-002709 C210 C1005Y5V1C104ZT
2203-003054 C356,C357 GRP1555C1H9R0C
2203-005053 C134 GRP1555C1H3R9CZ01E
2203-005057 C175 GRP1555C1H8R2CZ01E
2203-005281 C181 GRP1555C1H1R5BZ01E
2203-005288 C103 GRP1555C1H1R0BZ01E
2203-005344 C506,C507 GRM155R71E223KA61D
2203-005395 C420,C421 C1005CG1H4R7BT
2203-005732 C643 GRP0335C1E680JD01E
2203-006048 C101,C177,C208,C211 GRM155R71A104K
2203-006048 C215,C231,C232,C245 GRM155R71A104K
2203-006048 C366,C368,C400,C401 GRM155R71A104K
2203-006048 C403,C404,C405,C419 GRM155R71A104K
2203-006048 C446,C502,C524,C539 GRM155R71A104K
2203-006048 C605,C625 GRM155R71A104K
2203-006190 C203 GRM155R60J224KE01E
2203-006194 C250 GRP033R70J103KA01E
2203-006208 C372,C607 CM105X5R475M06AT
2203-006260 C614,C615,C616,C617 GRM155R61A224KE19E
2203-006260 C618,C619 GRM155R61A224KE19E
2203-006399 C126,C128,C157,C158 GRM155R60J105KE19D
2203-006399 C161,C162,C347,C369 GRM155R60J105KE19D
2203-006399 C415,C535,C610,C611 GRM155R60J105KE19D
2203-006399 C612,C621,C622 GRM155R60J105KE19D

SAMSUNG Proprietary-Contents may change without notice
Main Electrical Parts List
5-5
This Document can not be used without Samsung's authorization
SEC CODE DESIGN LOC Description
2203-006562 C500,C603,C604 CV05X5R105K10AH
2203-006681 C100,C113,C114,C119 GRM155F51E104ZA01D
2203-006681 C124,C125,C129,C150 GRM155F51E104ZA01D
2203-006681 C151,C152,C153,C155 GRM155F51E104ZA01D
2203-006681 C160 GRM155F51E104ZA01D
2203-006707 C144,C166 GRM0335C1E4R7C
2203-006824 C371,C608 CV105X5R475K10AT
2203-006844 C300,C302,C304,C306 CV05X5R474K10AH
2203-006844 C308,C310,C312,C314 CV05X5R474K10AH
2203-006844 C315,C317,C319,C321 CV05X5R474K10AH
2203-006844 C324,C327,C329,C332 CV05X5R474K10AH
2203-006844 C334,C336,C338,C340 CV05X5R474K10AH
2203-006844 C343,C348,C350,C352 CV05X5R474K10AH
2203-006844 C354,C355,C360,C361 CV05X5R474K10AH
2203-006844 C363,C364,C365,C408 CV05X5R474K10AH
2203-006844 C509,C511,C631 CV05X5R474K10AH
2203-006872 C241,C244,C373,C402 GRM155R60J225ME15D
2203-006872 C525,C526,C540,C546 GRM155R60J225ME15D
2203-007210 C200 CV03X5R224K06AH
2203-007240 C307,C407,C422,C447 CL10A226MQ8NRNE
2203-007240 C545 CL10A226MQ8NRNE
2203-007270 C234,C627 CL10A106KP8NNNC
2203-007271 C243,C623,C626 CL05A225KP5NSNC
2203-007279 C135,C323,C328,C333 CV105X5R106M10AT
2203-007279 C339,C344,C410,C411 CV105X5R106M10AT
2203-007279 C412,C413,C414,C451 CV105X5R106M10AT
2203-007279 C635 CV105X5R106M10AT
2203-007317 C154,C416,C423,C424 CV05X5R475M06AH
2203-007317 C425,C426,C427,C428 CV05X5R475M06AH
2203-007317 C429,C430,C431,C432 CV05X5R475M06AH
2203-007317 C433,C435,C436,C437 CV05X5R475M06AH
2203-007317 C438,C439,C440,C441 CV05X5R475M06AH
2203-007317 C442,C443,C444,C445 CV05X5R475M06AH
2203-007385 C501,C510,C521,C522 CL05A106MR5NRNC

SAMSUNG Proprietary-Contents may change without notice
Main Electrical Parts List
5-6
This Document can not be used without Samsung's authorization
SEC CODE DESIGN LOC Description
2203-007385 C523 CL05A106MR5NRNC
2203-007393 C167,C201,C202,C541 CL05A475KP5NRNC
2203-007393 C600,C606 CL05A475KP5NRNC
2203-007456 C624 CL05A105KA5NQNC
2203-007693 C636 GRM188R61E225KA12D
2203-007729 C362 CL05C020BB5NNNC
2203-007754 C174 CL05C010BBNC
2203-007775 C205,C214,C228 CV05X5R475M10AH
2203-007795 C127,C130,C434 CL05A106MP5NUNC
2203-007860 C316,C448,C449,C452 CL21A476MQMNRNR
2409-001239 BAT400 XH414HGIV02ET
2703-001751 L210 LL1005-FH3N9S
2703-002170 L107,L122 CIH05T6N8JNC
2703-002176 L109,L112,L209 CIH05T2N7SNC
2703-002198 L100,L121 CIH05T10NJNC
2703-002199 L111 CIH05T12NKNC
2703-002204 L105 CIH05T22NJNC
2703-002205 L132,L136,L202 CIH05T3N9KNC
2703-002207 L103,L108,L116,L131 CIH05T3N3SNC
2703-002268 L138 CIH05T8N2JNC
2703-002308 L200,L519 CIH05T68NJNC
2703-002309 L101 CIH05T82NJNC
2703-002314 L106 CIH05T47NJNC
2703-002367 L137 CIH05T1N0SNC
2703-002368 L134 CIH05T1N8SNC
2703-002793 L114 LQP03TN5N6J00D
2703-002870 L118 LQP03TN47NJ04D
2703-002951 L120 CIH03T12NJNC
2703-003003 C106,C107 LQP03TN1N5B04D
2703-003347 L603 CIG22L1R0MNE
2703-003545 L208 LQM2MPN2R2NG0
2703-003685 L301,L602 CIG21L4R7MNE
2703-003716 L520 LQG15HSR18J02D
2703-003878 L507 CIG10WR27MNC

SAMSUNG Proprietary-Contents may change without notice
Main Electrical Parts List
5-7
This Document can not be used without Samsung's authorization
SEC CODE DESIGN LOC Description
2703-004025 L400,L401,L402,L403 1239AS-H-2R2N
2703-004025 L404 1239AS-H-2R2N
2703-004112 L124 CIH05T6N2SNC
2703-004116 L605 CS0402-8N2G-S
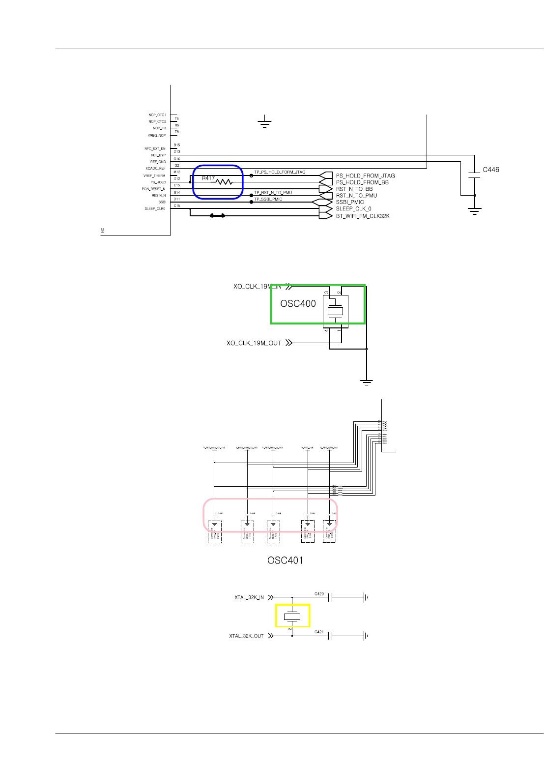
2801-004339 OSC401 FC-135(0.032768MHz)
2801-004836 OSC400 SQ3D01920A2JJA
2801-004841 OSC300 Q24FA20H0013200
2801-005105 OSC200 CXC6X374000GJVRC00
2901-001418 F500,F501,F502,F503 AVRC-18S-03Q-015-100R
2901-001418 F504,F505 AVRC-18S-03Q-015-100R
2901-001634 F600 ICMEF112P500MFR
2904-002033 F103 SFHG89YQ102
2904-002034 F104 SFDG89AQ102
2909-001324 F200 TBF-1608-245-R7
2911-000186 F100 D5041
3003-001136 MIC500 SPU0410HR5H
3301-001438 L300 BLM15BB750SN1D
3301-001659 L133,L201,L203,L204 BLM15AG601SN1
3301-001659 L206,L207 BLM15AG601SN1
3301-001729 L505,L508,L515,L516 BLM15AG102SN1D
3301-001812 L102,L117,L600,L601 BLM15HD102SN1
3301-001812 L604 BLM15HD102SN1
3301-001917 L115,L512,L513,L514 BLM15BD182SN1
3301-001917 L518 BLM15BD182SN1
3301-002065 L500,L501,L502,L503 MMZ1005A182ET
3301-002065 L504,L506,L509,L510 MMZ1005A182ET
3301-002065 L511,L517 MMZ1005A182ET
3705-001731 RFS100 KMS-560-002-BEF
3711-006483 HDC501 14-5802-054-202-829
3711-006919 HDC500,HDC502 AXT620124AW1
3711-007107 HDC600 AXE630124AW1
3711-007491 BTC600 202-02960-00340
3711-007592 HDC601 AXT416124AW1
3712-001363 CLIP100 HJ-BCT-04Y

SAMSUNG Proprietary-Contents may change without notice
Main Electrical Parts List
5-8
This Document can not be used without Samsung's authorization
SEC CODE DESIGN LOC Description
3712-001375 ANT100,ANT101,ANT103 HJ-ICT-06Y
3712-001375 ANT200,CLIP203 HJ-ICT-06Y
3712-001405 CLIP500 HJ-BCT-09Y
3722-002867 IFC600 HY07-AB0770
GH59-08444A LED600 CHP-C4040-200-PB2016
GH70-04443A SC500,SC501,SC502 ONBOARD-CLIP-9
GH70-04443A SC504,SC505,SC509 ONBOARD-CLIP-9
GH70-04443A SC510 ONBOARD-CLIP-9
GH80-03320A R229,R509,R510,R511 PB-SHORT-1005
GH80-03320A R515,R653,R654 PB-SHORT-1005
Please consult the GSPN website (Samsung Portal) for the most recent version of the product's part list.

SAMSUNG Proprietary-Contents may change without notice
7. Level 2Repair
4-1
This Document can not be used without Samsung's authorization
(Torque 1.1 ± 0.1 kgf.cm) (Size:1.4*3.5)
Be careful not to scratch cover Be careful to disengage 2hook
(Torque 1.1 ± 0.1, '+' type)(Size: 1.4*3.5) Be careful not to damage the Deco
7-1. Disassembly and assembly Instructions
7-1-1. Disassembly
Disengage the Case body
by pushing the Battery locker
1Carefully push the hole by tweezers
2
4Carefully release the screws
at 6different locations
3Separate the below deco
①②
③

SAMSUNG Proprietary-Contents may change without notice
7. Level 2Repair
7-2
This Document can not be used without Samsung's authorization
Be careful not to damage the Rear (Torque 1.1 ± 0.1, '+' type)(Size: 1.4*3.5)
Be careful not to damage the FPCB Be careful not to damage the connector
5Separate the Rear from the Set 6Release the screws at 1locations
7Separate the volume key, power key FPCB
from the Front
8Separate the SPK Ass'y, LCD, 3.5 phi E/J
module connector

SAMSUNG Proprietary-Contents may change without notice
7. Level 2Repair
7-3
This Document can not be used without Samsung's authorization
Be careful not to damage the connector Be careful not to damage the connector
Be careful not to damage the FPCB (Torque 1.1 ± 0.1, '+' type)(Size: 1.4*3.5)
7-1-2. assemble
34
Attach the volume key, power key FPCB
on the Front
Screws at 1locations
2Attach the SPK Ass'y, LCD, 3.5 phi E/J
module connector
1Put the PBA on the Front

SAMSUNG Proprietary-Contents may change without notice
7. Level 2Repair
7-4
This Document can not be used without Samsung's authorization
Hook at the 6points and Push the rear Be careful not to damage the Deco
Be careful not to scratch Rear Be careful not to scratch Case body
5Joint the Rear and the Front
①②
③④
⑤⑥
6Attach the Deco on the Set
7Screws at 6different locations 8Engage the Case body

SAMSUNG Proprietary-Contents may change without notice
8. Level 3Repair
8-1
This Document can not be used without Samsung's authorization
8-1.Block Diagram

SAMSUNG Proprietary-Contents may change without notice
Level 3Repair
8-2
This Document can not be used without Samsung's authorization
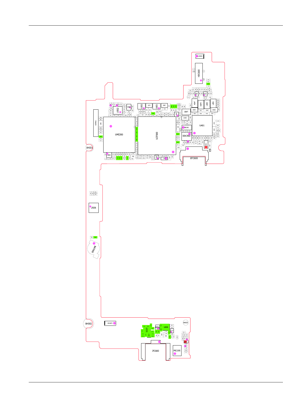
8-2-1. Top

SAMSUNG Proprietary-Contents may change without notice
Level 3Repair
8-3
This Document can not be used without Samsung's authorization
8-2-2. Bottom

SAMSUNG Proprietary-Contents may change without notice
Level 3Repair
8-4
This Document can not be used without Samsung's authorization
8-3. LOGIC
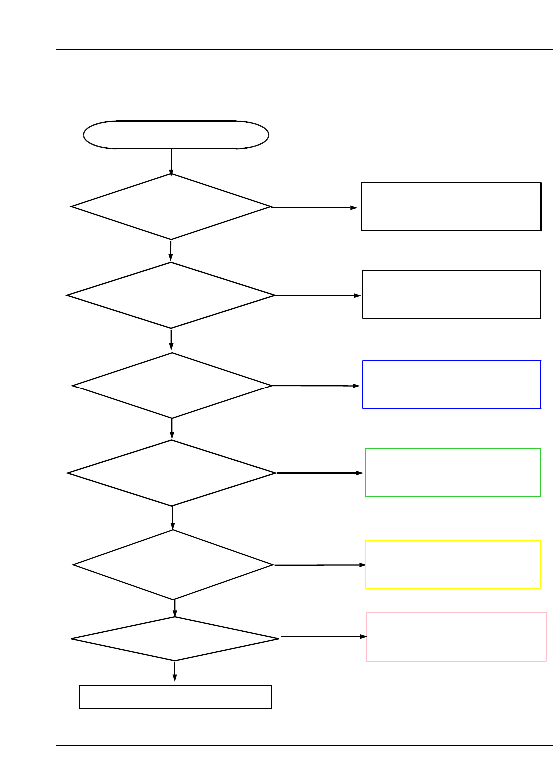
8-3-1. Power On
Power switch on
NG
Check the current
consumption
>= 100mA?
Download
NO
Check the U401
Check the clock
OSC400 =19.2
Mhz
Check the initial operation
Check the clock generation circuit
Resolder OSC400
Check the PMIC
relatedtoPS_HOLD
Change the battery
Yes
Yes
Yes
Yes
NO
NO
C447(VREG_MSMC1)=1.2V?
C448(VREG_MSMC2)=1.2V?
C451(VREG_MSME)=1.8V?
C411(VREG_MEM_1V2)=1.2V?
Yes
NO
Check the clock at
OSC401 =32
KHz ?
NO
Check the TP_PS_
HOLD(R417) pin P
S_HOLD =1.8
V?
NO
Check the battery
voltage
>= 3.45?
Yes

SAMSUNG Proprietary-Contents may change without notice
Level 3Repair
8-5
This Document can not be used without Samsung's authorization

SAMSUNG Proprietary-Contents may change without notice
Level 3Repair
8-6
This Document can not be used without Samsung's authorization

SAMSUNG Proprietary-Contents may change without notice
Level 3Repair
8-7
This Document can not be used without Samsung's authorization
8-3-2. LCD Working
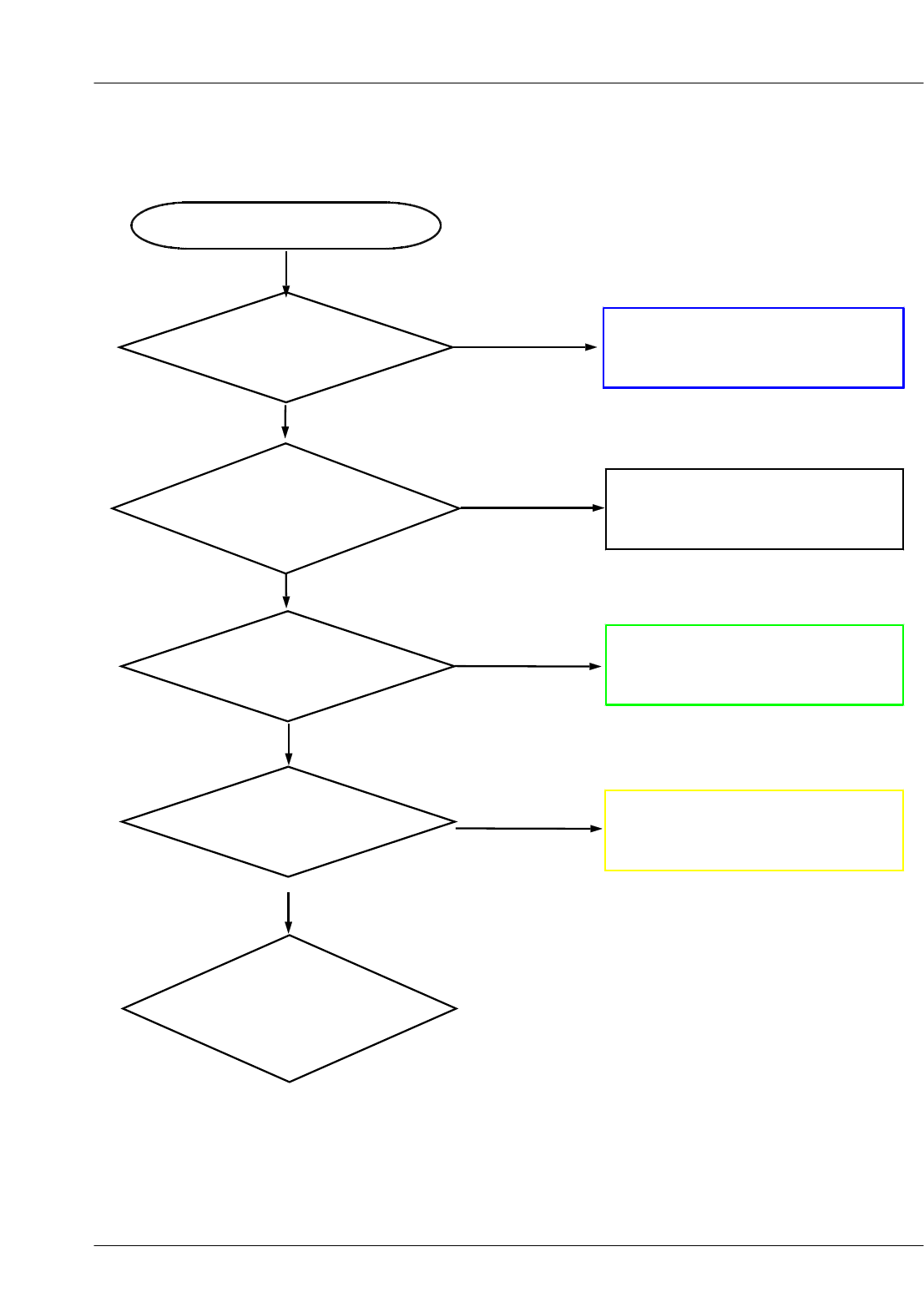
LCD is not Working
when Power on
NG
Check the
connection of
HDC501
Reconnect HDC501
NO
Resolder or Replace U401
Resoldering EMI filters
(F500, F501, F502,
F503, F504, F505)
Yes
Yes
Replace the LCD
module
NO
Check V_REG_LC
D_3V(C438) =3
V?
VREG_LCD_1V8
(C439) =1.8
V?
NO
Check the soldering
status of EMI filters
Yes

SAMSUNG Proprietary-Contents may change without notice
Level 3Repair
8-8
This Document can not be used without Samsung's authorization

SAMSUNG Proprietary-Contents may change without notice
Level 3Repair
8-9
This Document can not be used without Samsung's authorization

SAMSUNG Proprietary-Contents may change without notice
Level 3Repair
8-10
This Document can not be used without Samsung's authorization
8-3-3. TSP
TSP is not Working
when Power on
NG
Check the
connection of
HDC501
Reconnect HDC501
NO
Resolder or Replace U401
Reconnect TSP connector
on LCD module
Yes
Yes
Check the I2C sig
nal(R328, R329)
NO
Check V_TSP_A_3
V3 =3.3
V(C436)
NO
Check the
TSP connector on
LCD Module
Yes
Yes
Replace LCD
Module
Resolder R328, R329
NO

SAMSUNG Proprietary-Contents may change without notice
Level 3Repair
8-11
This Document can not be used without Samsung's authorization

SAMSUNG Proprietary-Contents may change without notice
Level 3Repair
8-12
This Document can not be used without Samsung's authorization

SAMSUNG Proprietary-Contents may change without notice
Level 3Repair
8-13
This Document can not be used without Samsung's authorization
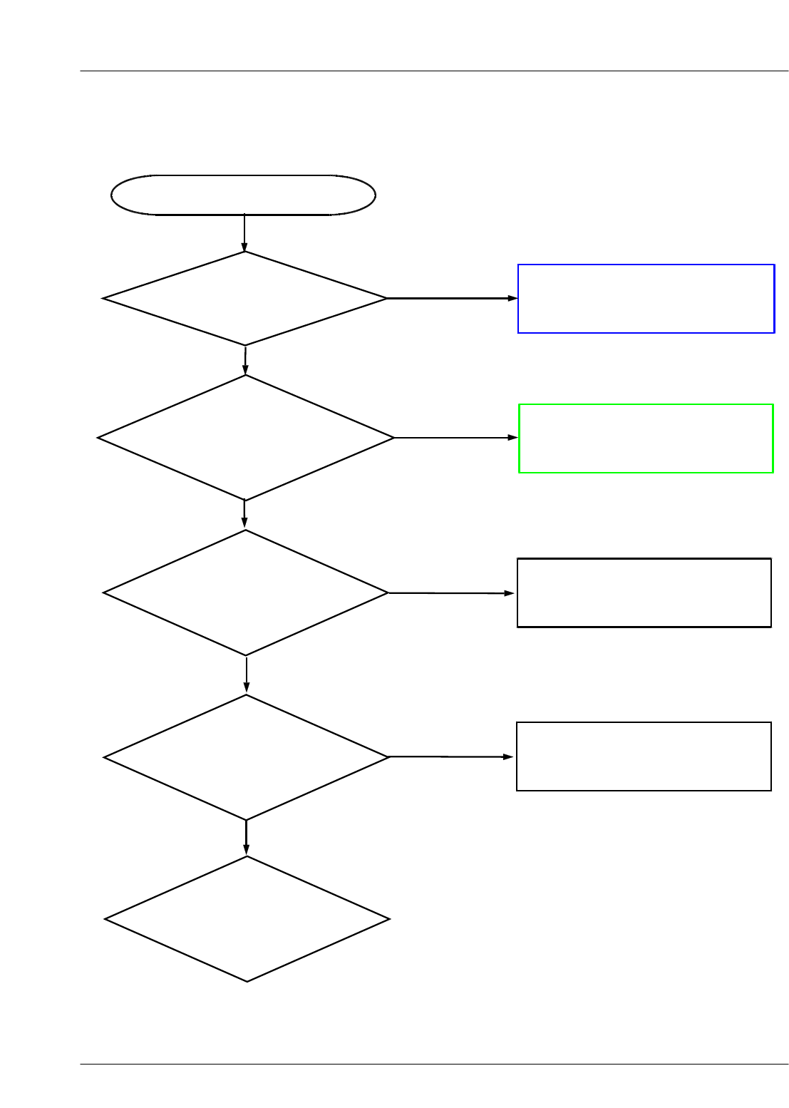
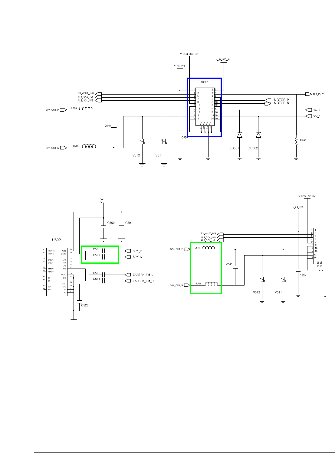
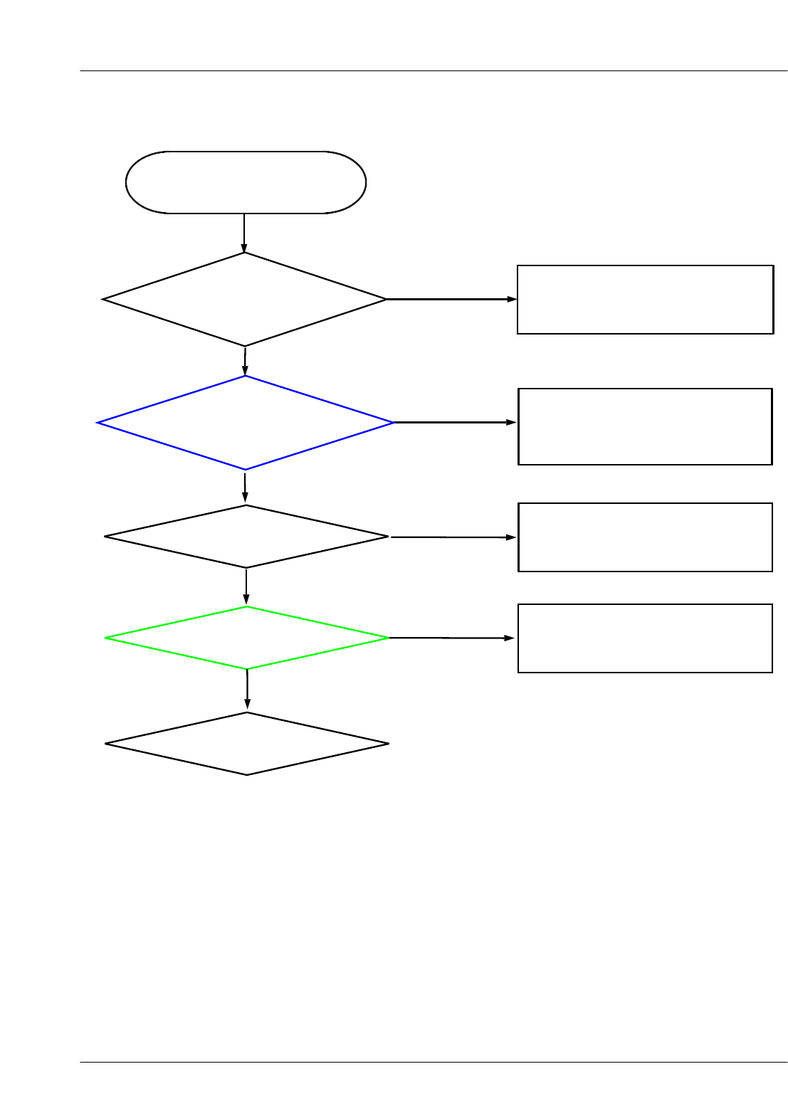
8-3-4. Audio Working
-Speaker Working
Operating Speaker
NG
Check the
connection of
HDC502
Reconnect HDC502
NO
Resolder or replace U102
Resolder or replace L515, L516
C506, C507
Yes
Yes
Check the signals
on L515, L516
NO
Check the signals
on
C506, C507
NO
Check component
soldering
statuses of L515,
L516, C506, C507
Yes
Yes
Replace the
speaker module
Resolder or replace U502
NO

SAMSUNG Proprietary-Contents may change without notice
Level 3Repair
8-14
This Document can not be used without Samsung's authorization

SAMSUNG Proprietary-Contents may change without notice
Level 3Repair
8-15
This Document can not be used without Samsung's authorization

SAMSUNG Proprietary-Contents may change without notice
Level 3Repair
8-16
This Document can not be used without Samsung's authorization
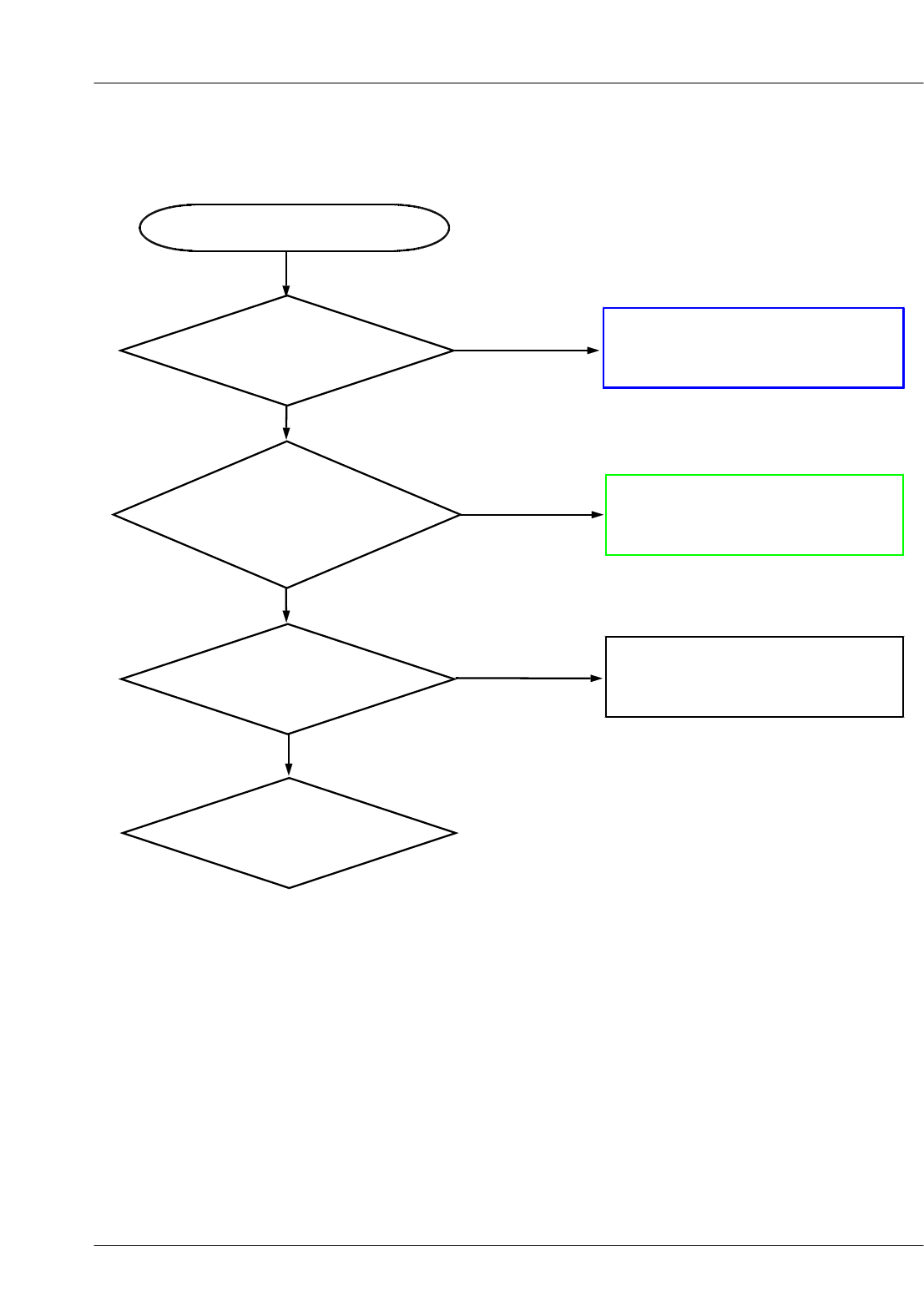
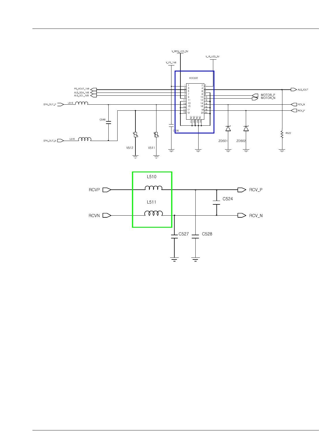
-Receiver Working
Operating Receiver
NG
Check the
connection of
HDC502
Reconnect HDC502
NO
Resolder or replace U102
Resolder or replace L510, L511
Yes
Yes
Replace the
speaker
module(SPK+RCV)
NO
Check the
signals on
C527, C528
NO
Check component
soldering
statuses of L510, L
511
Yes

SAMSUNG Proprietary-Contents may change without notice
Level 3Repair
8-17
This Document can not be used without Samsung's authorization

SAMSUNG Proprietary-Contents may change without notice
Level 3Repair
8-18
This Document can not be used without Samsung's authorization

SAMSUNG Proprietary-Contents may change without notice
Level 3Repair
8-19
This Document can not be used without Samsung's authorization
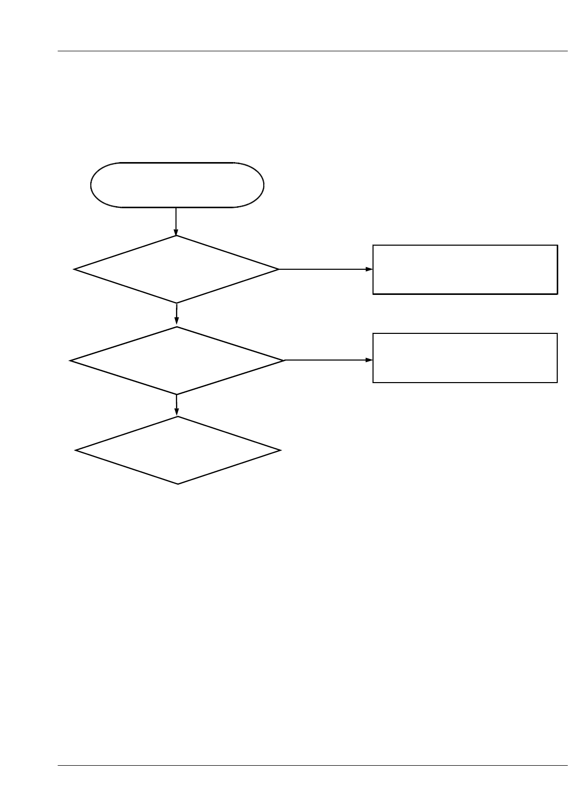
-MIC Working
Operate MIC
NG
Pollute
MIC Hole CleanupMICHole
Yes
Resolder or replace C150
Resolder L506
or
Change MIC500
Yes
Yes
Change U102
NO
Signal on in
C150 ?
NO
Signal on in
L506 ?
NO

SAMSUNG Proprietary-Contents may change without notice
Level 3Repair
8-20
This Document can not be used without Samsung's authorization

SAMSUNG Proprietary-Contents may change without notice
Level 3Repair
8-21
This Document can not be used without Samsung's authorization

SAMSUNG Proprietary-Contents may change without notice
Level 3Repair
8-22
This Document can not be used without Samsung's authorization
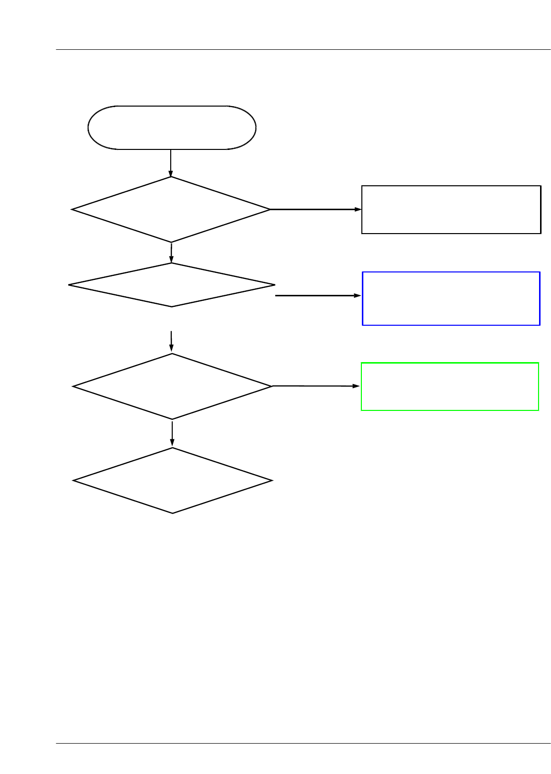
-Stereo Headset Working
Operating Headset
NG
Button woking ?
(L504)
Replace Ear Jack FPCB
After replace, if not working
Resolder or Replace U503
NO
1. Reolder or Replace U102
1. Replace Ear Jack FPCB
Yes
NO
SPK /Signal on
U501 5,7 PIN
NO
MIC
Signal on L517?
Yes
2. Replace or Resolder
C152, C153
3. ReolderorReplaceU102
2.If Signal on C509, C511
Resolder of Replace U501
3. If Signal on R504, R505
Resolder of Replace U502
4. Replace Ear Jack FPCB

SAMSUNG Proprietary-Contents may change without notice
Level 3Repair
8-23
This Document can not be used without Samsung's authorization

SAMSUNG Proprietary-Contents may change without notice
Level 3Repair
8-24
This Document can not be used without Samsung's authorization

SAMSUNG Proprietary-Contents may change without notice
Level 3Repair
8-25
This Document can not be used without Samsung's authorization
8-3-5. KEY Working
-Volume KEY /Power Key
Press Volume Key
(Power Key)
Check the V/K
Soldering State
It is OK ?
Resoldering the V/K FPCB
NO
Yes
Change U401
NO
Yes
Check the V/K
FPCB STATE
It is OK ?
Change V/K FPCB

SAMSUNG Proprietary-Contents may change without notice
Level 3Repair
8-26
This Document can not be used without Samsung's authorization
-Touch Key (Send /End)
Operate Touch Key
NG
Check the
connection of
HDC502
Connection HDC502
NO
Resolder or replace UCP300-1
Resolder or Replace
L512, L513, L514
Yes
NO
Replace Touch
Key FPCB
NO
Signal on in
L512, L513, L514 ?
Yes

SAMSUNG Proprietary-Contents may change without notice
Level 3Repair
8-27
This Document can not be used without Samsung's authorization

SAMSUNG Proprietary-Contents may change without notice
Level 3Repair
8-28
This Document can not be used without Samsung's authorization
8-3-6. Vibrator Working
Operate Vibrator
NG
Check the
connection of
HDC502
Connection HDC502
NO
Resolder or replace U401
Resolder of Replace U301
Yes
Yes
Signal on in
U301 1,2 pin ?
NO
V_VIB_3V output
voltage is 3V?
NO
Signal on in
R303, R304 ?
Yes
NO Resolder or replace UCP300-1
Yes
Change Motor
FPCB Assy

SAMSUNG Proprietary-Contents may change without notice
Level 3Repair
8-29
This Document can not be used without Samsung's authorization

SAMSUNG Proprietary-Contents may change without notice
Level 3Repair
8-30
This Document can not be used without Samsung's authorization
8-3-7. T-Flash Card Working
Operate SD Card
NG
Check the
Icon on Phone
screen
Connection HDC601 connector
or
Check SD Card
NO
Replace SIM/SD Card FPCB
Check signal on in C640
NO
Signal on in
R602, R608, R636,
R637, R639
Yes
Yes
V_REG_SD_2V85
(C631) output volta
ge is 2.85V?
Yes
NO
Resolder or Replace U401
Replace UCP300-1

SAMSUNG Proprietary-Contents may change without notice
Level 3Repair
8-31
This Document can not be used without Samsung's authorization

SAMSUNG Proprietary-Contents may change without notice
Level 3Repair
8-32
This Document can not be used without Samsung's authorization
8-3-8. SIM Card Working
Operate SIM Card
NG
Check the
Icon on Phone
screen
Connection HDC601 connector
or
Check SIM Card
NO
Replace SIM/SD Card FPCB
NO
Signal on in
C629, C630
Yes
Yes
V_REG_USIM_1V8
(C605) output
voltage is 1.8V?
Yes
NO
Resolder or Replace U401
Replace UCP300-1

SAMSUNG Proprietary-Contents may change without notice
Level 3Repair
8-33
This Document can not be used without Samsung's authorization

SAMSUNG Proprietary-Contents may change without notice
Level 3Repair
8-34
This Document can not be used without Samsung's authorization
8-3-9 CAMERA Working
Operate CAM
NG
Check the
connection of
HDC600
Connection HDC600 connector
NO
Resolder or Replace U603, 604
NO
Check the Voltage
C614 =2.8V
C615 =1.8V
C616 =2.8V
C617 =1.8V
Yes
Yes
Check R607 is 24
MHz
Yes
NO Resolder R607 or
Replace the PBA
Replace Camera
module

SAMSUNG Proprietary-Contents may change without notice
Level 3Repair
8-35
This Document can not be used without Samsung's authorization

SAMSUNG Proprietary-Contents may change without notice
Level 3Repair
8-36
This Document can not be used without Samsung's authorization
8-4-1. GSM850 RX
**If you check the tx chain,
Check the not only RF Device but also resistor, inductor and capacitor.
Resolder U102 or Change
Check Antenna contact
The End
Yes
Yes
Check L107 =-55
dBm ?No
Replace F100
Yes
Normal condition
Catch the channel?
No
Yes
Continuous Rx ON
RF Input : 190 CH
Amplitude :-50
dBm

SAMSUNG Proprietary-Contents may change without notice
Level 3Repair
8-37
This Document can not be used without Samsung's authorization
8-4-2. GSM900 RX
**If you check the tx chain,
Check the not only RF Device but also resistor, inductor and capacitor.
Continuous Rx ON
RF Input :62CH
Amplitude :-50
dBm
The End
Check L118 >= -55 dBm?
Normal Condition
Catch the channel?
Yes
Yes
Yes
No
No
Check Antenna Contact
Resolder U102 or Change
Replace F100

SAMSUNG Proprietary-Contents may change without notice
Level 3Repair
8-38
This Document can not be used without Samsung's authorization
8-4-3. DCS/PCS RX
**If you check the tx chain,
Check the not only RF Device but also resistor, inductor and capacitor.
Check L111
>= -55 dBm?
Continous Rx ON
RF Input :698CH
Amplitude :-50
dBm
The End
Normal Condition
Catch the channel?
Yes
Yes
Yes
No
No
Check Antenna Contact
Resolder U103 or Change
Replace F100

SAMSUNG Proprietary-Contents may change without notice
Level 3Repair
8-39
This Document can not be used without Samsung's authorization
FEM
C147
L112
C102
C101
L114
C111
L109
L106
L110
C108
L107
ANT101
11
2
2
L111
L103
L118
C104
2A
C
1
G
3
G
4
RFS100
L113
GND
4CTRL3
5GND
6GND
ANT7
8GND
WCDMA3 9
25
26 TX_BAND1
27 TX_BAND8
28 TX_DCS|PCS
TX_GSM850|900
29
CTRL2
3
30GND
GND
31
32
GND
GND
19
CTRL1
2
20
RX1800|1900
RX1800|1900 21
22
RX850
RX850 23
24GND
GND
GND
RX_BAND8 11
RX_BAND8 12
GND
13
14GND
RX_BAND1 15
16
RX_BAND1
GND
17
18
F100
VDD1
10
C144
C110
L116
L104
L108
L120
C103
C166
V_REG_FEM_2V85
L128
L119 WCDMA2100_RXM
WCDMA2100_RXP
GSM_WCDMA900_RX
M
GSM_WCDMA900_RX
P
W2100_TX_OUT
W900_TX_OUT
TX_OUT_2G_HB
TX_OUT_2G_LB
ANT_SEL_0
ANT_SEL_1
ANT_SEL_2
PCS_DCS_RXM
PCS_DCS_RXP
GSM850_RXM
GSM850_RXP

SAMSUNG Proprietary-Contents may change without notice
Level 3Repair
8-40
This Document can not be used without Samsung's authorization
8-4-4. WCDMA Band1 RX
**If you check the tx chain,
Check the not only RF Device but also resistor, inductor and capacitor.
Resolder U102 or Change
Check Antenna contact
The End
Yes
Yes
No
Replace F100
Yes
Normal condition
Catch the channel?
No
Yes
Continous Rx ON
RF Input : 10700CH
Amplitude :-50
dBm
Check L114 =-65dBm?

SAMSUNG Proprietary-Contents may change without notice
Level 3Repair
8-41
This Document can not be used without Samsung's authorization
8-4-5. WCDMA Band8 RX
**If you check the tx chain,
Check the not only RF Device but also resistor, inductor and capacitor.
Continuous Rx ON
RF Input :9800
CH
Amplitude :-50
dBm
The End
Check L118 >= -55 dBm?
Normal Condition
Catch the channel?
Yes
Yes
Yes
No
No
Check Antenna Contact
Resolder U102 or Change
Replace F100

SAMSUNG Proprietary-Contents may change without notice
Level 3Repair
8-42
This Document can not be used without Samsung's authorization
FEM
C147
L112
C102
C101
L114
C111
L109
L106
L110
C108
L107
ANT101
11
2
2
L111
L103
L118
C104
2A
C
1
G
3
G
4
RFS100
L113
GND
4CTRL3
5GND
6GND
ANT7
8GND
WCDMA3 9
25
26 TX_BAND1
27 TX_BAND8
28 TX_DCS|PCS
TX_GSM850|900
29
CTRL2
3
30GND
GND
31
32
GND
GND
19
CTRL1
2
20
RX1800|1900
RX1800|1900 21
22
RX850
RX850 23
24GND
GND
GND
RX_BAND8 11
RX_BAND8 12
GND
13
14GND
RX_BAND1 15
16
RX_BAND1
GND
17
18
F100
VDD1
10
C144
C110
L116
L104
L108
L120
C103
C166
V_REG_FEM_2V85
L128
L119 WCDMA2100_RXM
WCDMA2100_RXP
GSM_WCDMA900_RX
M
GSM_WCDMA900_RX
P
W2100_TX_OUT
W900_TX_OUT
TX_OUT_2G_HB
TX_OUT_2G_LB
ANT_SEL_0
ANT_SEL_1
ANT_SEL_2
PCS_DCS_RXM
PCS_DCS_RXP
GSM850_RXM
GSM850_RXP

SAMSUNG Proprietary-Contents may change without notice
Level 3Repair
8-43
This Document can not be used without Samsung's authorization
8-4-6. GSM850/900 TX
**If you check the tx chain,
Check the not only RF Device but also resistor, inductor and capacitor.
Check C141 >= 13dBm?
Check C142 >= 33dBm?
The End
Yes
Replace PAM100
Tx ON (Level :5)
Battery voltage:3.8V
Yes
Yes
No
Check The U102
CONTINOUS TX ON CONDITION
TX POWER DAC:14500 CODE
APPLIED
GSM850 CH : 190
GSM900 CH :62
RBW : 100KHz
VBW : 100KHz
SPAN :10
MHz
REF LEV. :10
dBm
ATT. :20
dB

SAMSUNG Proprietary-Contents may change without notice
Level 3Repair
8-44
This Document can not be used without Samsung's authorization
8-4-7. DCS/PCS TX
**If you check the tx chain,
Check the not only RF Device but also resistor, inductor and capacitor.
CONTINOUS TX ON CONDITION
TX POWER DAC:14500 CODE
APPLIED
DCS CH : 698
PCS CH : 661
RBW : 100KHz
VBW : 100KHz
SPAN :10
MHz
REF LEV. :10
dBm
ATT. :20
dB
Tx ON (Level :5)
Battery voltage:3.8V
The End
Check L126 >= 11dBm?
Yes
Yes
Yes
No
Check C138 >= 30dBm?
Check The U103
Replace PAM100
No

SAMSUNG Proprietary-Contents may change without notice
Level 3Repair
8-45
This Document can not be used without Samsung's authorization
2G PAM
C149
89
GSM_OUT
3
HB_EN
LB_EN 6
VBATT2
VCC13
VMODE0
4
5VMODE1
G
10
G
12
G
14
15G
17G
G
18
19G
GSM_IN
G
22
23G
G
24
25G
11G
G
26
27G
G
28
PAM100
1DCS|PCS_IN DCS|PCS_OUT 16
7G
G
20
G
21
C145
C142
C136
C106
C141
C138 L127
C135
C143
L126
C132
R101
C146
R102
C148
V_BAT
TX_OUT_2G_LB
LB_EN
HB_EN
GSM850_GSM900_TX
PA_R0
PA_R1
TX_OUT_2G_HBDCS_PCS_TX

SAMSUNG Proprietary-Contents may change without notice
Level 3Repair
8-46
This Document can not be used without Samsung's authorization
8-4-8. WCDMA Band1 TX
**If you check the tx chain,
Check the not only RF Device but also resistor, inductor and capacitor.
Tx ON
Battery Voltage: 3.8V
The End
Check C169 >= 11dBm?
Yes
Yes
Yes
No
Check C168 >= 30dBm?
Check The U103
Replace PAM101
No
CONTINOUS TX ON CONDITION
TX POWER DAC:120 CODE APPLIED
CH : 10700
RBW : 100KHz
VBW : 100KHz
SPAN :10
MHz
REF LEV. :10
dBm
ATT. :20
dB

SAMSUNG Proprietary-Contents may change without notice
Level 3Repair
8-47
This Document can not be used without Samsung's authorization
8-4-10. WCDMA Band8 TX
**If you check the tx chain,
Check the not only RF Device but also resistor, inductor and capacitor.
Tx ON
Battery Voltage: 3.8V
The End
Check L172 >= 11dBm?
Yes
Yes
Yes
No
Check C175 >= 30dBm?
Check The U103
Replace PAM101
No
CONTINOUS TX ON CONDITION
TX POWER DAC:120 CODE APPLIED
CH : 10700
RBW : 100KHz
VBW : 100KHz
SPAN :10
MHz
REF LEV. :10
dBm
ATT. :20
dB

SAMSUNG Proprietary-Contents may change without notice
Level 3Repair
8-48
This Document can not be used without Samsung's authorization
3G PAM
C165
C167
L129
C134
L100
C172
C168
VMODE2
5
6RFIN_IMT
13
RFOUT_900
8
RFOUT_IMT
4VBATT
12
VCC
VCCA 11
1VEN_900
VEN_IMT
7
VMODE1
3
10
CPLOUT
GND 9
14
GND
GND
15
RFIN_900
2
PAM101
C163
C133
C169
C164
C176
C181
C175
L135
L134
R107
C173
L123
R109 R110
L131
V_PH_PWR
C170
R108
C139
PWR_DET
W900_TX_OUT
W2100_TX_OUT
PA_R1
PA_R0
PA_ON_W900
PA_ON_W2100
W2100_TX
W900_TX

SAMSUNG Proprietary-Contents may change without notice
Level 3Repair
8-49
This Document can not be used without Samsung's authorization
8-4-11. BLUETOOTH /WIFI
Bluetooth / WIFI connection disable
Yes
Check BT or WIFI function
ON Enable BT or WIFI function
No
Yes
Check the voltage on
C214, C228 =3.8Vand
C215, R223 =1.8V
No
Check U401 and change
Check 37.4MHz Clock
at R214
Yes
Check OSC200
No
Yes
Check the assembled
status of ANT200/ANT201
No
Exchange ANT200/ANT201
Yes
Exchange
No
Check U200
Yes
END

SAMSUNG Proprietary-Contents may change without notice
Level 3Repair
8-50
This Document can not be used without Samsung's authorization
BT / WIFI XTAL ( 37.4 MHz )
C218
OSC200
2
43
1
R214
C219
XTAL_37M_OUT
XTAL_37M_IN
WIFI / BT / FM
V_IN_LDO_1V5
C205
V_REG_1V8
R221
V_LN_1V2
L203
C216
C231 C208
V_WRF_1V2
C227
R223
R202
V_CORE_1V2V_OUT_3V1
R220
V_OUT_3V1
L207
V_WRF_1V2
V_LN_1V2
R222
TP_BT_UART_TXD
V_OUT_3V3
TP_BT_UART_RXD
V_IN_LDO_1V5
V_FM_1V2
V_CORE_1V2
L206
R200
TP_BT_WAKE
C201
C202
V_LN_1V2
V_BT_1V2
L202
M12
HSIC_STROBE M2
WL_VDDO_0
M3
RF_SW_CTRL_3
M4
SDIO_DATA2
M5
SDIO_DATA0
M6
SDIO_CLK
M7
SDIO_DATA1
M8
VOUT_CLDO
M9
WL_VSS_1
WL_GPIO_5
L6
SDIO_CMD
L7
SDIO_DATA3
L8
WL_REG_ON
L9
HSIC_AVSS
M1
VDD_LDOM10
SR_PVSS
M11
SR_VLX
L1
HSIC_AVDD12
VOUT_LNLDO1
L10
PMU_AVSS
L11SR_VDDBAT1
L12
HSIC_DATA
L2
VDDIO_RF_0
L3
RF_SW_CTRL_2
L4
L5
WL_VSS_0
K2
RF_SW_CTRL_4
K3
RF_SW_CTRL_7
K4
RF_SW_CTRL_0
K5
PCM_SYNC
K6
WL_VDDC_1K7
BT_VDDC_0
K8
EXT_SMPS_REQ
K9
PCM_IN
J6
LPO
J7
WL_GPIO_4
J8
BT_GPIO_5
J9
WL_VDDC_0
K1
BT_REG_ON
K10
SR_VDDBAT2
K11
SR_VDDBAT1K12
HSIC_RREF J1
EXT_PWM_REQ J10
VOUT_3P1J11
VOUT_3P3J12
RF_SW_CTRL_1
J2
RF_SW_CTRL_6
J3
RF_SW_CTRL_5
J4
PCM_OUT
J5
WRF_XTAL_GND
H2
WRF_XTAL_VDD1P2
H3
WL_GPIO_0
H4
WL_GPIO_2 H5
H6
PCM_CLK
I2S_DO
H7
BT_GPIO_6
H8
BT_GPIO_3
H9
WRF_TCXO_IN
WRF_AFE_VDD1P2
G4
WL_GPIO_1
G5
UART_CTS_N
G6
I2S_DI
G7
BT_GPIO_7
G8
WRF_XTAL_ON
H1
BT_GPIO_2
H10
BT_GPIO_4
H12
BT_VDDO_0F7
BT_VSSC_1
F8
BT_GPIO_0
F9
WRF_XTAL_OP
G1
BT_RST_N
G10
TM0|NC_FOR_A0
G11
CLK_REQ_OUT G12
G3
F10
FM_PLLVSS
FM_VSSVCO
F11
FM_VDD2P5F12
WRF_VCO_LDO_OUT_VDD1P2F2
WRF_TCXO_VDD3P3
F3
WRF_AFE_GND
F4
JTAG_SEL F5
UART_RTS_N
F6
WRF_RES_EXT
E3
WRF_GPIO_OUT E4
WL_VSS_2
E5
UART_RXD
E6
WL_VDDC_2E7
BT_VDDC_2E8
NC|CLK_REQ_MODE
E9
WRF_VCO_GND
F1
UART_TXD
D6
NC|CLK_REQ_IN
D7
WL_GPIO_6
D8
BT_GPIO_1
D9
WRF_VCO_LDO_IN_VDD1P8E1
FM_PLLVDD
E10
FM_RFVSS
E11FM_RFVDD1P2
E12
WRF_ANA_VDD1P2
D1
FM_AUDIOVDD
D10
D11
FM_RXP
FM_RXN
D12
WRF_LOGEN_A_VDD1P2D2
WRF_LOGEN_A_GND
D3
WRF_A_TSSI_IN D4
WL_GPIO_3 D5
FM_VSSAUDIO
C11
FM_TX
C12
C3
WRF_PADRV_VDD5P0
WRF_PADRV_GND
C4
WRF_GND
C5
WRF_LNA2G_GND
C7
BT_IFVSS
C8
BT_VSS
C9
WRF_PA_GND
B2
WRF_PA_GND
B4
B6
WRF_PA_GNDWRF_LNA2G_VDD1P2
B7
BT_IFVDD1P2B8
BT_RFVDD1P2
B9
WRF_ANA_GND
C1
BT_PLLVSS
C10
WRF_RFOUT
A6
WRF_RFIN A7
A8
BT_PAVDD3P3
BT_RF
A9
WRF_RFIN_5G
B1
BT_RFVSS
B10
BT_PLLVDD1P2
B11
FM_AOUT2
B12
NC 1
2
NC
BT_FEVSS
A10
BT_VCOVDD1P2
A11
FM_AOUT1
A12 WRF_RFOUT_5G A2
WRF_PA_VDD5P0
A4
U200
V_FM_1V2
C203
V_PH_PWR
C200
V_WRF_1V2
TP_BT_UART_CTS
R219
C214
C228
C243
C250
C229
C234
V_PH_PWR
V_REG_1V8
C209
V_OUT_3V3
L208
C215
V_OUT_3V3
V_IN_LDO_1V5
V_CORE_1V2
TP_BT_VREG_EN
V_REG_1V8
C225
L204
TP_WLAN_VREG_EN
V_BT_1V2
TP_WL_HOST_WAKE
L201
TP_BT_UART_RTS_N
C213
TP_WIFI_SDIO_CLK
TP_BT_RST_N
C232
C211
BT_UART_TXD
BT_HOST_WAKE
BT_UART_RXD
FM_R
BT_RF
FM_L
BT_VREG_EN
BT_PCM_OUT
BT_PCM_IN
SW_WLAN_RX
BT_PCM_CLK
WLAN_HOST_WAKE
XTAL_37M_OUT
BT_UART_RTS
BT_RST_N
XTAL_37M_IN
BT_WAKE
BT_UART_CTS
WLAN_RX
WLAN_SDIO_D_1
WLAN_SDIO_CLK
WLAN_SDIO_D_0
WLAN_SDIO_D_2
WLAN_VREG_EN
WLAN_SDIO_D_3
WLAN_SDIO_CMD
SW_WLAN_TX
BT_PCM_SYNC
SW_BT
SW_5G_TX
SW_5G_RX
LNA_5G_EN
PA_5G_EN
WRF_5G_TSSI
WLAN_TX_5G
WLAN_RX_5G
BT_WIFI_FM_CLK32K
FM_ANT
WLAN_TX

SAMSUNG Proprietary-Contents may change without notice
Level 3Repair
8-51
This Document can not be used without Samsung's authorization
8-4-12. FM RADIO
Radio does not work
Yes
Connect Earjack Ass'y correctly
to HDC500
No
Check the Connection of
HDC500
Yes
Check the Audio Signal at
C509, C511
No
Check the Switch(U501)
Yes
Check the U200
Yes
END
Check the Audio Codec IC(U502)
Check the Audio Signal at
R504, R505
No

SAMSUNG Proprietary-Contents may change without notice
Level 3Repair
8-52
This Document can not be used without Samsung's authorization
C511
C500
C510
C501
V_REG_1V8
C522
L508
C506
C523
L505
C507
C509
V_PH_PWR
D4
SPOUT-
D5
C1
RIN1
C2
VREF
C3
SPGND C4
C5
SPOUT+
D1
LIN2 D2
RIN2
D3
GND
SPVDD
A3 REFCP-
A4
CP+
CP-
A5 GND
B1
SDA
B2
SCL
B3
B4
AVDD
B5
REFCP+
LIN1
U502
1
NC
2
NC
A1
HPOUTR
A2 HPOUTL
C521
EARSPK_FM_L
EARSPK_FM_
R
SPK_OUT_P
SPK_OUT_N
SPK_N
SPK_P
EAROUT_R
EAROUT_L
AMP_SDA_1V8
AMP_SCL_1V8
Switch
L509
V_REG_MOVI_2V85
C502
R528
6
GND
4
IN1
8
IN2
NC1
5
NC
7
2
NO1
10
NO2
1
VCC
U501
3
COM1
9
COM2 EARSPK_FM_L
EARSPK_R
EARSPK_L
FM_R
FM_LEARSPK_FM_R

SAMSUNG Proprietary-Contents may change without notice
Level 3Repair
8-53
This Document can not be used without Samsung's authorization
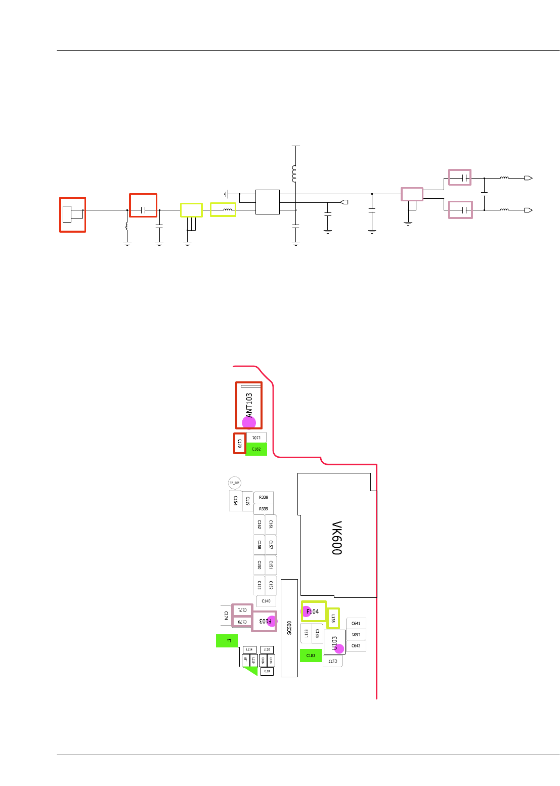
8-4-13. GPS
Operate GPS
Yes
Resolder ANT103, C178
Amnormal
Check the ANT103, C178
Yes
Check the L138
No
Check the F104
Yes
Yes
END
Check the F103
Check the C171, C179
No

SAMSUNG Proprietary-Contents may change without notice
Level 3Repair
8-54
This Document can not be used without Samsung's authorization
( GPS / GLONASS )
GNSS ( 1565~1607 MHz )
L101
C178
RF_OUT 6
VCC 4
U103
5
ENABLE
GND
1
GND
2
3RF_IN
4
F103
G
2
5G
IN
1OUT 3
OUT
5
G
IN
1OUT 4
F104
2
G
3
G
ANT103
11
2
2
L138 C179
V_REG_FEM_2V85
C171
C182
C174
C183
L133
C177
C185
L132
L136
GNSS_M
GNSS_P
GLNA_ON

SAMSUNG Proprietary-Contents may change without notice
Level 3Repair
8-55
This Document can not be used without Samsung's authorization
8-5. Service Schematics
-NC Point(Top View)
1. U200
:NC
FM_AOUT1 BT_
VCOVDD1P2 BT_FEVSS BT_RF BT_
PAVDD3P3 WRF_RFIN_2G WRF_
RFOUT_2G WRF_VDDPA WRF_
RFOUT_5G
123456789101112
A
B
C
D
E
F
G
H
J
K
L
M
A
B
C
D
E
F
G
H
J
K
L
M
FM_AOUT2 BT_
PLLVDD1P2 BT_RFVSS BT_RFVDD1P2 BT_IFVDD1P2 WRF_VDDLNA
_1P2_2G WRF_PA_GND WRF_
PA_GND WRF_PA_GND WRF_
RFIN_5G
FM _ TX FM _
VSSAUDIO BT_ PL LVSS BT_VSS BT_I FVSS WRF_
GNDLN A_ 2 G WRF_GND WRF_PADRV_
GND
WRF_
PADRV_ VDD
WRF_
ANA_GND
FM_RXN FM_RXP FM _
VDDAUDI O BT_GPI O_1 WL_GPIO_6 BT_
CLK _REQ_ I N
BT_
UART_ TXD WL_GPIO_3 WRF_A_
TSSI_IN
WRF_
LOGEN_ A
_GND
WRF_
LOGEN_ A_
VDD1P2
WRF_
VDDANA_1P2
FM _
RFV DD 1 P2 FM_RXVSS FM _
VDDPLL1P2
BT_
CLK_ REQ _
MODE
BT_VDDC WL_VDDC BT_ UART_ RX D WL_VSS_2 WRF_
GPI O_ OU T WRF_RES_ EX T WRF_VDD_VC
OLDO _IN_1P8
FM _VDD2 P5 FM _V S SVCO FM _ PLLV S S BT_ GPIO_0 BT_VSSC BT_VDDIO BT_UART_
RTS_N JTAG_ SEL WRF_
AFE_GND
WRF_
TCXO_VDD
WRF_VCOLDO
_OUT_1P2
WRF_
VCO_GND
BT_CLK_ REQ_
OUT BT_TM 0 BT_RST_ N BT_GPIO_7 BT_I2S_DI BT_UART_
CTS_N WL_GPIO_1 WRF_
VDDAFE_1P2
WRF_
TCXO_I N
WRF_
XTAL_OP
BT_GPIO_ 4 BT_GPIO_2 BT_GPIO_3 BT_GPIO_6 BT_I2S_DO BT_PCM _CLK WL_GPIO_2 WL_GPIO_0
WRF_
XTAL_VDD
1P2
WRF_
XTAL_GN D
WRF_
XTAL_ON
VOUT_3P3 VOUT_3P1 EXT _ PW M _
REQ BT_ GPI O_5 WL_GPIO_4 LPO BT_PCM_IN BT_PCM_OUT RF_ SW _
CT RL_ 5
RF_ SW _
CT RL_ 6
RF_ SW _
CT RL_ 1 HSIC_RREF
SR_ V D DB A T1 SR _ V D DB A T2 BT_REG_ON EXT_SMPS_
REQ BT_VDDC WL_VDDC BT_PCM_
SYN C
RF_ SW _
CTRL_ 0
RF_ SW _
CT RL_ 7
RF_ SW _
CT RL_ 4 WL_VSS_0 WL_VDDC
SR_ V D DB A T1 PM U_AVS S VOUT_
LNLDO1 WL_REG_ON SD I O _ D AT A _ 3 SDIO_CMD WL_GPIO_5 WL_VSS_ 1 RF_ SW _
CT RL_ 2 VDDI O_RF HSIC_DATA HSI C_ AVD D12
SR_VL X SR_ P VS S VIN_LDO VOUT_CLDO SDI O _D AT A_ 1 SDI O _CLK SDIO_DATA _0 SDIO_DATA_2 RF_ SW_
CT RL_ 3 WL_VDDO HSIC_STROBE HSIC_AVSS
123456789101112

SAMSUNG Proprietary-Contents may change without notice
Level 3Repair
8-56
This Document can not be used without Samsung's authorization
2. UME200
NC :NC
NC DAT3 DAT4 DAT5 DAT6 DAT7 NC NC NC NC NC NC NC NC
NC VDDi NC VSSQ NC VCCQ NC NC NC NC NC NC NC
NC NC NC NC NC NC NC
NC NC NC NC VCC VSS NC NC NC NC NC NC
NC NC NC VCC NC NC NC NC
NC NC NC VSS NC NC NC NC
NC NC NC NC VSS NC NC NC
NC NC NC NC VCC NC NC NC
NC NC NC RESET NC NC VSS VCC NC NC NC NC
NC NC NC NC NC NC
NC NC NC VCCQ CMD CLK NC NC NC NC NC NC NC NC
NC VSSQ NC VCCQ VSSQ NC NC NC NC NC NC NC NC NC
NC NC VCCQ VSSQ VCCQ VSSQ NC NC NC NC NC NC NC NC
NC NC DAT0 DAT1 DAT2 NC NC NC NC NC NC NC NC NC
NC NC
NC NC
NC NC NC NC
NC NC
NC NC
NC NC NC NC
A
B
C
D
E
F
G
H
J
K
L
M
N
P
NC
R
T
V
W
Y
AA
AB
AC
AD
AE
AF
AG
AH
U

SAMSUNG Proprietary-Contents may change without notice
Level 3Repair
8-57
This Document can not be used without Samsung's authorization
3. U102
:NC
123456789101112
A
NC
B
NC
C
D
E
F
G
H
J
NC
K
NC
L
NC
M
NC
N
NC
P
R
T
U
V
W
Y
NC NC NC

SAMSUNG Proprietary-Contents may change without notice
Level 3Repair
8-58
This Document can not be used without Samsung's authorization
4. UCP300
:NC
1 2 3 4 5 6 7 8 9 10 11 12 13 14 15 16 17 18 19 20 21 22 23 24 25 26 27 28 29 30 31 32 33
A
NC
NC
B
NC NC NC
NC NC NC NC
NC NC NC NC NC NC
NC
C
NC
NC
NC
NC NC NC
D
NC NC
E
NC
F
G NC
H
NC
J
K
LNC
NC NC
M
N
P
NC
R
NC
TNC
U
NC
V
NC
W
NC
Y
AA
AB
NC
AC
AD
NC
AE
AF NC NC
AG
NC
AH
NC
AJ
NC NC
NC
NC
AK NC
AL
NC NC NC NC
AM
NC
NC NC
NC
NC
NC
AN
NC
NC
NC
