Samsung LW17M24C, LW20M21C Service Manual. Www.s Manuals.com. Lw17m24c Chassis Vc17eo, Ve20eo Manual
User Manual: LCD TV Samsung LW20M21C, VE20EO Chassis - Service manuals and Schematics. Free.
Open the PDF directly: View PDF
.
Page Count: 64

TFT-LCD TV
Chassis Model
VC17EO LW17M24C
VE20EO LW20M21C
Manual
SERVICE
TFT-LCD TV CONTENTS
1. Precautions
2. Product Specifications
3. Disassembly & Reassembly
4. Alignment & Adjustments
5. Troubleshooting
6. Exploded View & Parts List
7. Electrical Parts List
8. Block Diagram
9. Wiring Diagram
10. PCB Layout
11. Schematic Diagrams
12. Panel Description

1-1-1 Warnings
1. For continued safety, do not attempt to modify the circuit
board.
2. Disconnect the AC power and DC Power Jack before
servicing.
1-1-2 Servicing the LCD TV
1. When servicing the LCD TV Disconnect the AC line
cord from the AC outlet.
2. It is essential that service technicians have an accurate
voltage meter available at all times. Check the
calibration of this meter periodically.
1-1-3 Fire and Shock Hazard
Before returning the LCD TV to the user, perform the
following safety checks:
1. Inspect each lead dress to make certain that the leads are
not pinched or that hardware is not lodged between the
chassis and other metal parts in the LCD TV.
2. Inspect all protective devices such as nonmetallic control
knobs, insulating materials, cabinet backs, adjustment
and compartment covers or shields, isolation resistor-
capacitor networks, mechanical insulators, etc.
3. Leakage Current Hot Check (Figure 1-1):
WARNING: Do not use an isolation
transformer during
this test.
Use a leakage current tester or a metering system that
complies with American National Standards Institute
(ANSI C101.1, Leakage Current for Appliances), and
Underwriters Laboratories (UL Publication UL1410,
59.7).
Figure 1-1. Leakage Current Test Circuit
4. With the unit completely reassembled, plug the AC line
cord directly into a 220V AC outlet. With the unit’s AC
switch first in the ON position and then OFF, measure
the current between a known earth ground (metal water
pipe, conduit, etc.) and all exposed metal parts,
including: metal cabinets, screwheads and control shafts.
The current measured should not exceed 0.5 milliamp.
Reverse the power-plug prongs in the AC outlet and
repeat the test.
1-1-4 Product Safety Notices
Some electrical and mechanical parts have special safety-
related characteristics which are often not evident from visual
inspection. The protection they give may not be obtained by
replacing them with components rated for higher voltage,
wattage, etc. Parts that have special safety characteristics are
identified by on schematics and parts lists. A substitute
replacement that does not have the same safety characteristics
as the recommended replacement part might create shock, fire
and / or other hazards. Product safety is under review
continuously and new instructions are issued whenever
appropriate.
1 Precautions
LW17M24C/LW20M21C 1-1
1 Precautions
Follow these safety, servicing and ESD precautions to prevent damage and to protect against potential hazards such as electrical
shock.
1-1 Safety Precautions
DEVICE
UNDER
TEST
TEST ALL
EXPOSED METAL
SURFACES
(READING SHOULD
NOT BE ABOVE 0.5mA)
LEAKAGE
CURRENT
TESTER
2-WIRE CORD
ALSO TEST WITH
PLUG REVERSED
(USING AC ADAPTER
PLUG AS REQUIRED) EARTH
GROUND
!

1-2-1 General Servicing
Precautions
1. Always unplug the unit’s AC power cord from the AC
power source and disconnect the DC Power Jack before
attempting to:
(a) remove or reinstall any component or assembly, (b)
disconnect PCB plugs or connectors, (c) connect a test
component in parallel with an electrolytic capacitor.
2. Some components are raised above the printed circuit
board for safety. An insulation tube or tape is sometimes
used. The internal wiring is sometimes clamped to
prevent contact with thermally hot components. Reinstall
all such elements to their original position.
3. After servicing, always check that the screws,
components and wiring have been correctly reinstalled.
Make sure that the area around the serviced part has not
been damaged.
1. Immediately before handling any semiconductor
components or assemblies, drain the electrostatic charge
from your body by touching a known earth ground.
Alternatively, wear a discharging wrist-strap device. To
avoid a shock hazard, be sure to remove the wrist strap
before applying power to the LCD TV.
2. After removing an ESD-equipped assembly, place it on a
conductive surface such as aluminum foil to prevent
accumulation of an electrostatic charge.
3. Do not use freon-propelled chemicals. These can
generate electrical charges sufficient to damage ESDs.
4. Use only a grounded-tip soldering iron to solder or
desolder ESDs.
5. Use only an anti-static solder removal device. Some
solder removal devices not classified as “anti-static” can
generate electrical charges sufficient to damage ESDs.
4. Check the insulation between the blades of the AC plug
and accessible conductive parts (examples: metal panels,
input terminals and earphone jacks).
5. Insulation Checking Procedure: Disconnect the power
cord from the AC source and turn the power switch ON.
Connect an insulation resistance meter (500 V) to the
blades of the AC plug.
The insulation resistance between each blade of the AC
plug and accessible conductive parts (see above) should
be greater than 1 megohm.
6. Always connect a test instrument’s ground lead to the
instrument chassis ground before connecting the positive
lead; always remove the instrument’s ground lead last.
6. Do not remove a replacement ESD from its protective
package until you are ready to install it. Most
replacement ESDs are packaged with leads that are
electrically shorted together by conductive foam,
aluminum foil or other conductive materials.
7. Immediately before removing the protective material
from the leads of a replacement ESD, touch the
protective material to the chassis or circuit assembly into
which the device will be installed.
Caution: Be sure no power is applied to
the chassis or circuit and
observe all other safety
precautions.
8. Minimize body motions when handling unpackaged
replacement ESDs. Motions such as brushing clothes
together, or lifting your foot from a carpeted floor can
generate enough static electricity to damage an ESD.
1 Precautions
1-2 LW17M24C/LW20M21C
1-3 Electrostatically Sensitive Devices (ESD) Precautions
Some semiconductor (solid state) devices can be easily damaged by static electricity. Such components are commonly called
Electrostatically Sensitive Devices (ESD). Examples of typical ESD are integrated circuits and some field-effect transistors. The
following techniques will reduce the incidence of component damage caused by static electricity.
1-2 Servicing Precautions
WARNING: An electrolytic capacitor installed with the wrong polarity might explode.
Caution: Before servicing units covered by this service manual, read and follow the Safety Precautions
section of this manual.
Note: If unforeseen circumstances create conflict between the following servicing precautions and any of the safety
precautions, always follow the safety precautions.

2 Product Specifications
2-1 LW17M24C, LW20M21C Specifications
LCD Panel
TFT-LCD panel, RGB vertical stripe, normaly white, 17-Inch viewable, 0.264 (H) x 0.264(V)mm pixel pitch
TFT-LCD panel, RGB vertical stripe, normaly white, 20-Inch viewable, 0.2125(H) x 0.6375(V) mm pixel pitch
Scanning Frequency Horizontal : 30 kHz ~ 80 kHz (Automatic) Horizontal : 28 kHz ~ 33 kHz (Automatic)
Vertical : 50 Hz ~ 75 Hz (Automatic) Vertical : 50 Hz ~ 70 Hz (Automatic)
Display Colors 16.2 Million colors
Maximum Resolution Horizontal : 1280 Pixels Horizontal : 640 Pixels
Vertical : 1024 Pixels Vertical : 480 Pixels
Input Video Signal Analog 0.7 Vp-p ± 5% positive at 75 Ω, internally terminated
Input Sync Signal Type : Seperate H/V
Level : TTL level
Active Display
Horizontal/Vertical
AC power voltage & Frequency
AC 100 ~ 240V, 50 ~ 60 Hz
Power Consumption 45 W 55 W
Dimensions(W x D x H)
Set
16.44 x 7.59 x 16.72 Inches (417.5 x 192.9 x 424.6 mm)(State of stand installed) 18.86 x 8.85 x 18.07 Inches (479 x 224.8 x 459.1 mm) (State of stand installed)
18.86 x 2.94 x 17.18 Inches (479 x 74.7 x 436.4 mm) (State of stand disassembled)
16.44 x 4.95 x 16.72 Inches (417.5 x 125.7 x 424.6 mm)(State of Wall mount) 18.86 x 5.51 x 20.42 Inches (479 x 139.9 x 518.6 mm) (Without Stand of Wall mount)
Package 21.1 x 7.2 x 20.1 Inches (537 x 183 x 511 mm
)
22.60 x 23.35 x 8.27 Inches (574 x 593 x 210 mm)
Weight
Set / Package 4.95 Kg (10.91Ibs) / 7.0 Kg (15.43 lbs)
7.35 Kg (16.20 Ibs) (State of stand installed) / 10 Kg (22.05 lbs)
Environmental Considerations Operating Temperature : 50 °F ~ 104 °F (10 °C ~ 40 °C)
Operating Humidity : 10 % ~ 80 %
Storage Temperature : -4 °F ~ 113 °F (-20 °C ~ 45 °C)
Storage Humidity : 5 % ~ 95 %
TV System
Antena Input 75Ω, Coaxial Cable
– MAX Internal speaker Output : Right => 2.5W
Left => 2.5W
Sound Characteristic
– Headphone Out: 10mW max (3.50 Stereo Jack 32)
– Output Frequency : RF => 80 Hz ~ 15 kHz at -3dB
A/V => 80 Hz ~ 20 kHz at -3dB
2 Product Specifications
LW17M24C/LW20M21C 2-1
Item
Description
LW17M24C LW20M21C
337.9 mm(H) / 270.3 mm(V) 408 mm(H) / 306 mm(V)
Tunning Frequency Synthesize
System NTSC-M, PAL/ Secam_L(Euro multi)
Sound MONO, STEREO, SAP, A2/Nicam

2 Product Specifications
2-2 LW17M24C/LW20M21C
1
2
3
4
5
6
7
8
9
10
11
12
13
14
15
2-2 Pin Assignments
RCA White
RCA Red
CVBS
Audio L
GND
Audio R
GND
2-2-3 A/V
RCA Yellow
Pin Separate
1
2
3
4
5
GND
Y
C
GND
GND
2-2-2 S-Video
Pin Separate
Red
Green
Blue
GND
GND (DDC Return)
GND-Red
GND-Green
GND-Blue
No Connection
GND-Sync / Self Test
GND
DDC Data
H - Sync
V - Sync
DDC Clock
2-2-4 D-SUB
1
2
3
4
5
6
7
8
9
10
11
12
13
14
15
16
17
18
19
20
21
No PIN
Sound R out
Sound R In
Sound L out
GND
GND
Sound L In
Cb
ID
GND
NC
Y
NC
GND
GND
Cr
BL In
GND
GND
Video Out
Video In
GND
2-2-1 Scart

2 Product Specifications
LW17M24C/LW20M21C 2-3
Separate Sync
2-3 Timing Chart
This section of the service manual describes the timing that the computer industry recognizes as standard for
computer-generated video signals.
C D
AO
E
BP
Video
Sync
Sync
Video
Q R S
A : Line time total B : Horizontal sync width O : Frame time total P : Vertical sync width
C : Back porch D : Active time Q : Back porch R : Active time
E : Front porch S : Front porch
H/V Composite Sync
Sync-on-Green
79.976
12.504
1.067
1.837
9.481
0.119
75.025
13.329
0.038
0.475
12.804
0.013
135.000
Positive
Positive
Separate
1280/75Hz,50Hz
1280x1024
1024/75Hz
1024 x 768
60.023
16.660
1.219
2.235
13.003
0.203
75.029
13.328
0.050
0.466
12.795
0.017
78.750
Positive
Positive
Separate
31.469
31.777
3.813
1.589
26.058
0.318
70.087
14.268
0.064
0.858
13.155
0.191
28.322
Negative
Positive
Separate
fH (KHz)
A µsec
B µsec
C µsec
D µsec
E µsec
fV (Hz)
O msec
P msec
Q msec
R msec
S msec
Clock
Freq.
(MHz)
Polarity
H.Sync
V.Sync
Remark
IBM(LW17M24C/LW20M21C)
640/75 Hz, 60Hz,
72Hz
640 x 480
800/75 Hz, 56Hz,
60Hz, 72Hz
800 x 600
1024/60Hz
1024 x 768
VGA2/70 Hz
720 x 400
VGA3/60 Hz
640 x 480
Table 2-1 Timing Chart
31.469
31.778
3.813
1.589
26.058
0.318
59.940
16.683
0.064
0.794
15.761
0.064
25.175
Negative
Negative
Separate
37.500
26.667
2.032
3.810
20.317
0.508
75.000
13.333
0.080
0.427
12.800
0.027
31.500
Negative
Negative
Separate
46.875
21.333
1.616
3.232
16.162
0.323
75.000
13.333
0.064
0.448
12.800
0.021
49.500
Positive
Positive
Separate
48.363
20.677
2.092
2.462
15.754
0.369
60.004
16.666
0.124
0.600
15.880
0.062
75.000
Negative
Negative
Separate
Mode VESA(LW17M24C)
Timing

Memo
2 Product Specifications
2-4 LW17M24C/LW20M21C

3 Disassembly and Reassembly
LW17M24C/LW20M21C 3-1
3 Disassembly and Reassembly
This section of the service manual describes the disassembly and reassembly procedures for the
LW17M24C/LW20M21C TFT-LCD TV.
WARNING: This monitor contains electrostatically sensitive devices. Use caution
when handling these components.
3-1-1 LW17M24C
Cautions: 1. Disconnect the monitor from the power source before disassembly.
2. When IP-BOARD has a defect, the whole PCB ASS’Y, not a single part, should be
replaced.
1. Place LCD TV face down on cushioned table.
Remove 4 screws from the stand.
2. Remove 3 screws from the rear cover and lift up
the rear cover.
3. Remove 13 screws from the boards and remove 2
hold inverter from the boards.
Disconnect inverter cable, speaker cable, control
cable, BRKT AC cable and LVDS cable from the
boards.
4. Lift up the boards. remove 8 screws from the
shield panel.
5. Remove 8 screws from the shield panel.
.Lift up the panel shield. and lift up the panel.

3 Disassembly and Reassembly
3-2 LW17M24C/LW20M21C
1. Place LCD TV face down on cushioned table.
Remove 4 screws from the grip on the stand.
2. Remove 3 screws on stand and disconnect cover
rear after inserting stand completely into stand.
(Note : If stand is loosely inserted into stand, cover
rear can be damaged when disconnected.)
3. Disconnect inverter holder wire from the board and
carefully reomve the silicon glue on the LVDS
cable with a nipper.
4. Disconnect function cable, speaker cable, inverter
cable and LVDS cable from the board.
5. Remove 8 screws from the shield panel and lift up
the panel.
6. Lift up the panel.
This picture shows cover front after disconnecting
the panel from it.
3-1-2 LW20M21C

3 Disassembly and Reassembly
LW17M24C/LW20M21C 3-3
3-2 Reassembly
Reassembly procedures are in the reverse order of disassembly procedures.

Memo
3 Disassembly and Reassembly
3-4 LW17M24C/LW20M21C

4 Alignments and Adjustments
LW17M24C/LW20M21C 4-1
4 Alignments and Adjustments
4-1 General Alignment Instuction
1. Usually, a color TV-VCR needs only slight touch-up adjustment upon installation.
Check the basic characteristics such as height, horizontal and vertical sync.
2. Use the specified test equipment or its equivalent.
3. Correct impedance matching is essential.
4. Avoid overload. Excessive signal from a sweep generator might overload the front-end of the TV.
When inserting signal markers, do not allow the marker generator to distort test result.
5. Connect the TV only to an DC power source with voltage and frequency as specified on
the backcover nameplate.
6. Do not attempt to connect or disconnect any wire while the TV is turned on.
Make sure that the power cord is disconnected before replacing any parts.
7. To protect aganist shock hazard, use an isolation transform.

4-2 Factory Mode Adjustments
4-2-1 Entering Factory Mode
1. To enter “Service Mode” Press the remote -control keys in this sequence :
- If you do not have Factory remote - control
- If you have Factory remote - control
4-2-2 Factory Mode Tree
4 Alignments and Adjustments
4-2 LW17M24C/LW20M21C
1. Calibration
1. Calibration VCTi
PC
2. Option
INFO Menu
3. W/B
4. ADC
5. VCTi 127
6. ACC/ACM
7. Test Pattern 0
8. Bus Stop off
9. Check Sum 0
10. Reset
T- VNC17(20) - PEU-0003 2004/04/20
(1) R
F
,VI
DE
O, S
-
VIDEO :
Factor y Mo de Cal i br at io n V CT i E nter
(2) PC : adjust in VGA MODE.
Based on Master device
execute Auto Adjustment in Cross Hatch (also called Combination) (Model : 10, Pattern : 25)
(V I DEO SI GNAL GENERATOR M S PG-925F)
After adjusting 16 Gray Pattern (Model : 10, Pattern : 17)
Factor y Mo de Cal i br ati on PC E nt er
(3) check 4.ADC of Factory Mode. Adjustment can be done as below.
Value variation can be 10~20.
+
_

4 Alignments and Adjustments
LW17M24C/LW20M21C 4-3
3. W/B(1)
3. W/B(2)
R level 128
G level 128
B level 128
R gain 127
G gain 127
B gain 127
g Sub Color 0
g Sub Tint 50
Recall
RF RF
[Initial Data] [A d jus t Dat a] RemarkAdjustment item
Red level A DJ[ 0~255] 128 128
Green level A DJ[ 0~255] 128 128
Blue level FI X[ 0~255] 128 128
Red Gain FI X[ 0~255] 128 135
Green Gain ADJ[ 0~255] 128 135
Blue Gain ADJ[ 0~255] 128 135
gSUB Color FI X[ 0~255] 0 0
gSUB Tint FI X[ 0~255] 50 50
F actor y Recal l *A/S : Micom Initial Data Write
2. Option 1. Video Mute O
2. Auto Power On
3. Panel XGA
4. Inch 15
5. Antenna Osd off
6. TTXList/Flof Flof
7. Auto FM On
8. Acc/ACM 1
9. Gamma LUT O
10. ESM
11. System
On
CW
LW17M24C
Blue level 118FIX
Red Gain 162FIX
LW20M21C
Blue level 119FIX
Red Gain 136FIX

4 Alignments and Adjustments
4-4 LW17M24C/LW20M21C
4. ADC
5. VCT R Drive 255
G Drive 255
B Drive 255
Sub Contrast 44
Sub Bright 0
Sub Sharp 15
Sub Color 7
Sub Tint 50
Sub Coring 5
RF AGC 0
Vpeaking 6
CTI Gain 3
CTI Coring 5
LMIXOFS 6
PKCF 3
AGCADJ1 32
LTI Gain 15
6. ACC/ ACM Y Max D 7
Y Scl Thr 64
Y Scl A 5
Y Scl B 0
A Ctrl 0
A Snslp 8
T Dixel 12
Lower End 80
Mid Start 30
Mid End 100
Up Start 40
Low Sn Thr 60
Up Sn Thr 0
Y Min 10
Y Max 255
Ym Div Slp 128
Fr Age 1
Fr App 0
Esm Ctrl 127
VCTi PC
Roff set
set
set
set
set
set
FI X [ 0~127 ] 46 Rof f FI X [ 0~127] 50
Goff FI X [ 0~127] 66 Gof f FI X [ 0~127] 54
Bof f FI X [ 0~127] 68 Bof f FI X [ 0~127] 44
Rgai n0
FI X [0~255]
251 Rg ai n0
FI X [0~255]
115
Rgai n1
FI X[0 ~ 1]
0Rgai n1
FI X[0 ~ 1]
1
Ggai n0
FI X[ 0~255]
255 Gg ai n0
FI X[ 0~255]
120
Ggai n1
FI X[0 ~ 1]
0Ggai n1
FI X[0 ~ 1]
1
Bgain0
FI X[ 0~255]
253 Bg ain0
FI X [0~255]
114
Bgain1
FI X[0 ~ 1]
0Bgain1
FI X[0 ~ 1]
1

4 Alignments and Adjustments
LW17M24C/LW20M21C 4-5
7. Test Pattern ( Test Pattern of VCTi)
1) VCTi
2) Toshiba
3) Gray Bar
4) Gray
5) Green
6) Color Bar
7) Cross
8. Bus Stop
- Bus stop is used data communication.
9. Chcek Sum
- Display the current check sum size of the MICOM.
10. Reset
- Initializes the data in the MICOM.
11. T-VNC17(20) PEU-0003 2004/04/20
- Display the MICOM program version.
4-2-3 White Balance
High Low
285, 295 285, 295
x, y x, y
High Low
285, 295 280, 295
x, y x, y
LW17M24C
LW20M21C

LW17M24C/LW20M21C 5-1
5 Troubleshooting
5-1 No Power
Does proper DC 14V/5V
appear at Pin 3. Pin 9 of
CN100?
Check CN803 Pin3, Pin9 in I/P
Board.
Yes
No
No
No
No
No
Does proper DC A5V
appear at FT144? Check IC101 and IC105.
Yes
Does proper B3.3V
appear at Pin 2 of IC111? Check IC111.
Yes
Does proper DC B1.8V
appear at Pin 4 of IC112? Check IC112.
Yes
Does proper DC B8V
appear at FT130? Check IC109.
1
2
3
4
5

5 Troubleshooting
5-2 LW17M24C/LW20M21C
No
No
No
Check IC704 and IC802.
Yes
Does proper DC 5V_P
appear
at Pin 2 of IC104?
Check IC104.
Yes
Does proper DC 9V_S
appear at FT127? Check IC110.
Yes
Yes
Does proper DC B5V
appear at FT131? Check IC108.
6
7
8

5 Troubleshooting
LW17M24C/LW20M21C 5-3
WAVEFORMS
1 2
5
3
6
44
7 8

5 Troubleshooting
5-4 LW17M24C/LW20M21C
5-2 No Picture (TV, Video, S-Video, DVD)
Check C800(TV)
Check C822(Video)
Check C824(S-Video)
Check C821(SCART)?
Check the input signal.
Yes
Check the IC802.
WAVEFORMS
9
9No

5 Troubleshooting
LW17M24C/LW20M21C 5-5
Does the signal appear at
Pin 110 (Tuner sound signal) and
Pin 113, 114 (VCR sound) and
Pin 119, 120 (SCART) Pin 117,
118 (PC) of IC802 (VCTj)?
(RF) Check Tu01 (TV Tuner).
(Video) Check the CN913.
(SCART) Check the CN901.
Yes
Does the signal appear at Pin
123, 124 of IC802 (VCTj)? Check IC802.
Yes
Does the signal appear
at Pin 2, 5 of Pin 16, 19 IC600?
Check the IC600 (Audio amp)
and related circuit of IC600.
Yes
Replace the speaker.
5-3 No Sound
No
No
No

Memo
5 Troubleshooting
5-6 LW17M24C/LW20M21C

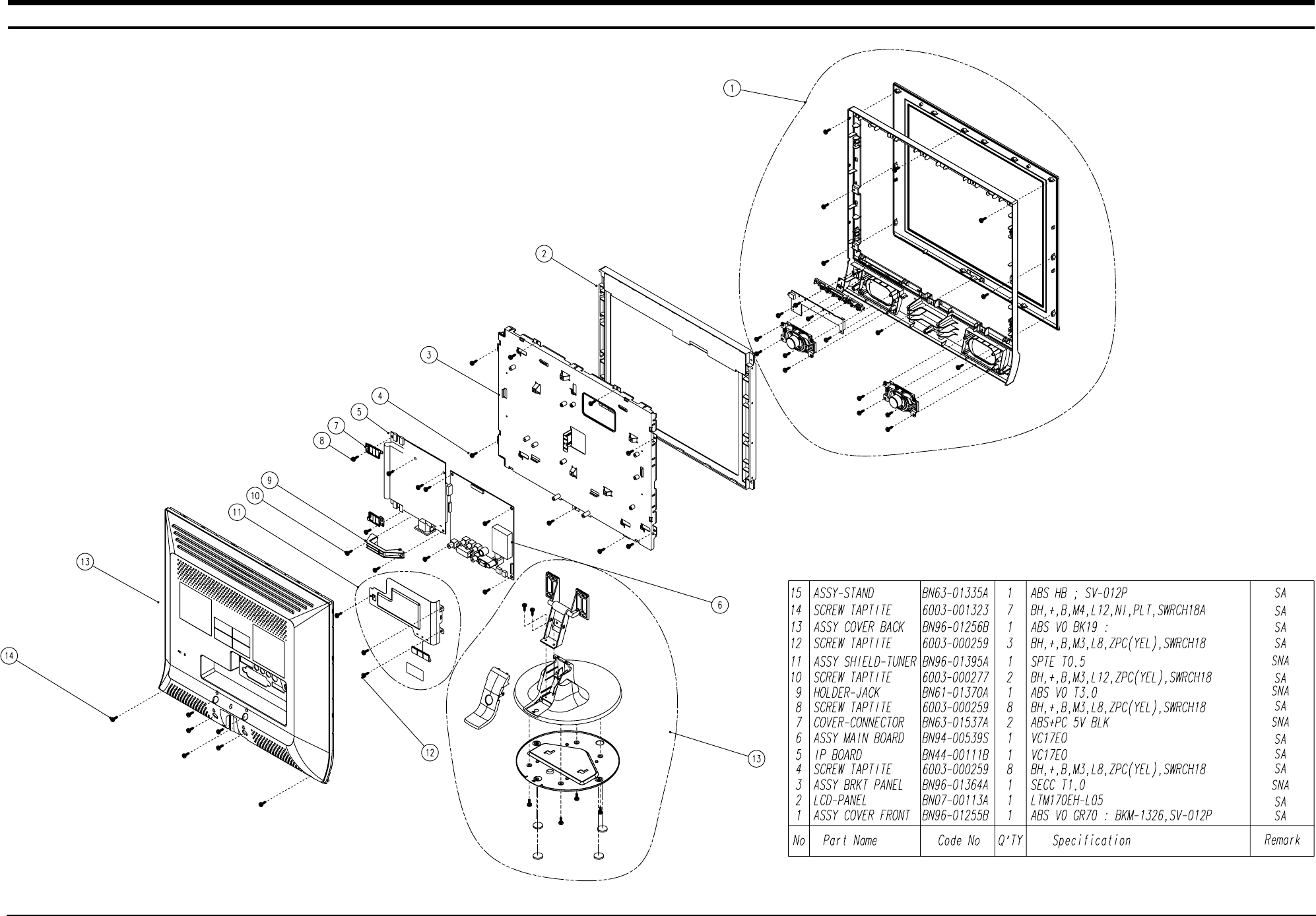
LW17M24C/LW20M21C 6-1
6 Exploded View and Parts List
❈ You can search for updated part codes through ITSELF web site.
URL : http://itself. sec. samsung.co.kr
6-1 LW17M24C

6 Exploded View & Parts List
6-2 LW17M24C/LW20M21C
6-2 LW20M21C

0 VC17EO
1 S5-VC17EO - 2 SEC,EH-L05(ZPD) -
3 BN94-00539S - ASSY PCB MAIN VC17EO SNA
4 0204-002420 CIS3 SOLVENT 1M-1000,C3H70H,96,-,- SNA
4 0204-002426 CIS4 FLUX DF-201TVS,MIX,0.820,FLUX 13%, 14KG,- SNA
4 2801-003959 X702 CRYSTAL-UNIT 0.032768MHz,20ppm,28-AAY,12.5pF,35kohm,BK SA
4 2904-001179 FT800 FILTER-SAW 36.125MHz,-,32.65-39.6MHz/0.5dB,SIP5K,+-0MHz/21.8dB,31.25MHz/37dB SA
4 3701-001294 CN908 CONNECTOR-DSUB 15P,3R,FEMALE,STRAIGHT,AUF SA
4 3705-001331 CIS6 CONNECTOR-COAXIAL PAL,ADAPTOR(J/J),-,75ohm,- SA
4 3711-004712 CN100 CONNECTOR-HEADER BOX,9P,1R,2mm,STRAIGHT,SN SA
4 3722-000158 CN900 JACK-PIN 1P,3.4mm,SN,YEL,- SA
4 3722-000498 CN902 JACK-SCART 21P,-,SN,BLK,NO SA
4 3722-001061 CN909 JACK-PHONE 1P,3.6PI,AG,BLK,N SA
4 3722-001734 CN903 JACK-VHS 4P,-,SN,BLK,- SA
4 3722-001846 U1913 JACK-PIN 2P,8.3MM,AU,WHT/RED,- SA
4 BN40-00049A TU01 TUNER
TMQZ6-416A,VE15,PAL BG,PAL HYPER,38.9MHz,75 ohm,75 ohm,PHONE-JACK,ASYMM,5V,TR
SA
4 BN97-00362L MICOM ASSY MICOM VC17EO,PM39LV020,T-VNC17PEU,2004.03.24,1107-001495 SNA
5 1107-001495 IC703 IC-FLASH MEMORY
AT49BV002AN-70JI,256Kx8Bit,PLCC,32P,14x11.5mm,70nS,2.7/3.6V,-,-,-40to+85C,50uA,-
SA
4 BN97-00384A - ASSY SMD VC17EO SNA
5 0401-001056 D200 DIODE-SWITCHING MMBD4148SE,100V,200MA,SOT-23,TP SA
5 0401-001056 D600 DIODE-SWITCHING MMBD4148SE,100V,200MA,SOT-23,TP SA
5 0401-001056 D701 DIODE-SWITCHING MMBD4148SE,100V,200MA,SOT-23,TP SA
5 0401-001056 D702 DIODE-SWITCHING MMBD4148SE,100V,200MA,SOT-23,TP SA
5 0401-001056 D800 DIODE-SWITCHING MMBD4148SE,100V,200MA,SOT-23,TP SA
5 0401-001056 D908 DIODE-SWITCHING MMBD4148SE,100V,200MA,SOT-23,TP SA
5 0401-001056 D909 DIODE-SWITCHING MMBD4148SE,100V,200MA,SOT-23,TP SA
5 0401-001056 D910 DIODE-SWITCHING MMBD4148SE,100V,200MA,SOT-23,TP SA
5 0401-001056 D912 DIODE-SWITCHING MMBD4148SE,100V,200MA,SOT-23,TP SA
5 0401-001056 D913 DIODE-SWITCHING MMBD4148SE,100V,200MA,SOT-23,TP SA
5 0401-001056 D915 DIODE-SWITCHING MMBD4148SE,100V,200MA,SOT-23,TP SA
5 0401-001056 D948 DIODE-SWITCHING MMBD4148SE,100V,200MA,SOT-23,TP SA
5 0401-001056 D949 DIODE-SWITCHING MMBD4148SE,100V,200MA,SOT-23,TP SA
5 0401-001056 D951 DIODE-SWITCHING MMBD4148SE,100V,200MA,SOT-23,TP SA
5 0401-001056 D952 DIODE-SWITCHING MMBD4148SE,100V,200MA,SOT-23,TP SA
5 0401-001056 D953 DIODE-SWITCHING MMBD4148SE,100V,200MA,SOT-23,TP SA
5 0401-001056 D954 DIODE-SWITCHING MMBD4148SE,100V,200MA,SOT-23,TP SA
5 0401-001056 D955 DIODE-SWITCHING MMBD4148SE,100V,200MA,SOT-23,TP SA
5 0401-001056 D956 DIODE-SWITCHING MMBD4148SE,100V,200MA,SOT-23,TP SA
5 0401-001056 D957 DIODE-SWITCHING MMBD4148SE,100V,200MA,SOT-23,TP SA
5 0402-000553 D101 DIODE-RECTIFIER SS24,40V,2.0A,DO-214AA SA
5 0402-000553 D102 DIODE-RECTIFIER SS24,40V,2.0A,DO-214AA SA
5 0403-000579 D904 DIODE-ZENER BZX84C5V1,4.8-5.4V,200MW,SOT-23,TP SA
5 0403-000579 D916 DIODE-ZENER BZX84C5V1,4.8-5.4V,200MW,SOT-23,TP SA
5 0403-000579 D917 DIODE-ZENER BZX84C5V1,4.8-5.4V,200MW,SOT-23,TP SA
5 0403-000579 D918 DIODE-ZENER BZX84C5V1,4.8-5.4V,200MW,SOT-23,TP SA
5 0403-000579 D919 DIODE-ZENER BZX84C5V1,4.8-5.4V,200MW,SOT-23,TP SA
5 0403-000579 D920 DIODE-ZENER BZX84C5V1,4.8-5.4V,200MW,SOT-23,TP SA
5 0403-000579 D928 DIODE-ZENER BZX84C5V1,4.8-5.4V,200MW,SOT-23,TP SA
5 0403-000579 D950 DIODE-ZENER BZX84C5V1,4.8-5.4V,200MW,SOT-23,TP SA
5 0403-001048 D944 DIODE-ZENER BZX84C16,15.3-17.1V,225MW,SOT-23,TP SA
5 0403-001052 D603 DIODE-ZENER RD8.2MB,7.7-8.7V,200MW,SOT-23,TP SA
5 0403-001052 D604 DIODE-ZENER RD8.2MB,7.7-8.7V,200MW,SOT-23,TP SA
5 0403-001052 D900 DIODE-ZENER RD8.2MB,7.7-8.7V,200MW,SOT-23,TP SA
5 0403-001052 D901 DIODE-ZENER RD8.2MB,7.7-8.7V,200MW,SOT-23,TP SA
5 0403-001052 D902 DIODE-ZENER RD8.2MB,7.7-8.7V,200MW,SOT-23,TP SA
5 0403-001052 D903 DIODE-ZENER RD8.2MB,7.7-8.7V,200MW,SOT-23,TP SA
5 0403-001052 D905 DIODE-ZENER RD8.2MB,7.7-8.7V,200MW,SOT-23,TP SA
5 0403-001052 D906 DIODE-ZENER RD8.2MB,7.7-8.7V,200MW,SOT-23,TP SA
5 0403-001052 D911 DIODE-ZENER RD8.2MB,7.7-8.7V,200MW,SOT-23,TP SA
5 0403-001052 D914 DIODE-ZENER RD8.2MB,7.7-8.7V,200MW,SOT-23,TP SA
5 0403-001052 D921 DIODE-ZENER RD8.2MB,7.7-8.7V,200MW,SOT-23,TP SA
5 0403-001052 D922 DIODE-ZENER RD8.2MB,7.7-8.7V,200MW,SOT-23,TP SA
7 Electrical Parts List
LW17M24C/LW20M21C 7-1
Level Code No. Loc. No. Description Specification Remarks
7 Electrical Parts List
❈ You can search for updated part codes through ITSELF web site.
URL : http://itself.sec.samsung.co.kr/
7-1-1 LW17M24C Main PCB Parts

5 0403-001052 D923 DIODE-ZENER RD8.2MB,7.7-8.7V,200MW,SOT-23,TP SA
5 0403-001052 D924 DIODE-ZENER RD8.2MB,7.7-8.7V,200MW,SOT-23,TP SA
5 0403-001052 D925 DIODE-ZENER RD8.2MB,7.7-8.7V,200MW,SOT-23,TP SA
5 0403-001052 D926 DIODE-ZENER RD8.2MB,7.7-8.7V,200MW,SOT-23,TP SA
5 0403-001052 D927 DIODE-ZENER RD8.2MB,7.7-8.7V,200MW,SOT-23,TP SA
5 0403-001052 D930 DIODE-ZENER RD8.2MB,7.7-8.7V,200MW,SOT-23,TP SA
5 0403-001052 D932 DIODE-ZENER RD8.2MB,7.7-8.7V,200MW,SOT-23,TP SA
5 0403-001052 D934 DIODE-ZENER RD8.2MB,7.7-8.7V,200MW,SOT-23,TP SA
5 0403-001052 D936 DIODE-ZENER RD8.2MB,7.7-8.7V,200MW,SOT-23,TP SA
5 0403-001052 D940 DIODE-ZENER RD8.2MB,7.7-8.7V,200MW,SOT-23,TP SA
5 0403-001052 D941 DIODE-ZENER RD8.2MB,7.7-8.7V,200MW,SOT-23,TP SA
5 0403-001052 D942 DIODE-ZENER RD8.2MB,7.7-8.7V,200MW,SOT-23,TP SA
5 0403-001052 D945 DIODE-ZENER RD8.2MB,7.7-8.7V,200MW,SOT-23,TP SA
5 0403-001052 D946 DIODE-ZENER RD8.2MB,7.7-8.7V,200MW,SOT-23,TP SA
5 0403-001052 D947 DIODE-ZENER RD8.2MB,7.7-8.7V,200MW,SOT-23,TP SA
5 0403-001425 D201 DIODE-ZENER BZX84C33,31-35V,350MW,SOT-23,TP SA
5 0403-001435 D602 DIODE-ZENER QZX363C5V6,5.32-5.88V,200MW,SOT-363,TP SA
5 0407-000123 D601 DIODE-ARRAY DAN202K,80V,100MA,CA2-3,SOT-23,TP SA
5 0407-000123 D907 DIODE-ARRAY DAN202K,80V,100MA,CA2-3,SOT-23,TP SA
5 0501-000280 Q801 TR-SMALL SIGNAL KSA1182,PNP,150mW,SOT-23,TP,70 SA
5 0501-000280 Q802 TR-SMALL SIGNAL KSA1182,PNP,150mW,SOT-23,TP,70 SA
5 0501-000280 Q803 TR-SMALL SIGNAL KSA1182,PNP,150mW,SOT-23,TP,70 SA
5 0501-000280 Q804 TR-SMALL SIGNAL KSA1182,PNP,150mW,SOT-23,TP,70 SA
5 0501-000342 Q200 TR-SMALL SIGNAL KSC1623-Y,NPN,200mW,SOT-23,TP,135-270 SA
5 0501-000342 Q600 TR-SMALL SIGNAL KSC1623-Y,NPN,200mW,SOT-23,TP,135-270 SA
5 0501-000342 Q601 TR-SMALL SIGNAL KSC1623-Y,NPN,200mW,SOT-23,TP,135-270 SA
5 0501-000342 Q602 TR-SMALL SIGNAL KSC1623-Y,NPN,200mW,SOT-23,TP,135-270 SA
5 0501-000342 Q603 TR-SMALL SIGNAL KSC1623-Y,NPN,200mW,SOT-23,TP,135-270 SA
5 0501-000342 Q800 TR-SMALL SIGNAL KSC1623-Y,NPN,200mW,SOT-23,TP,135-270 SA
5 0501-000342 Q902 TR-SMALL SIGNAL KSC1623-Y,NPN,200mW,SOT-23,TP,135-270 SA
5 0501-000344 Q809 TR-SMALL SIGNAL KSC1623-G,NPN,200mW,SOT-23,TP, SA
5 0501-002080 Q100 TR-SMALL SIGNAL 2SC2412K,NPN,200mW,SC-59,TP,120-270 SA
5 0501-002080 Q101 TR-SMALL SIGNAL 2SC2412K,NPN,200mW,SC-59,TP,120-270 SA
5 0501-002080 Q104 TR-SMALL SIGNAL 2SC2412K,NPN,200mW,SC-59,TP,120-270 SA
5 0501-002080 Q805 TR-SMALL SIGNAL 2SC2412K,NPN,200mW,SC-59,TP,120-270 SA
5 0501-002080 Q810 TR-SMALL SIGNAL 2SC2412K,NPN,200mW,SC-59,TP,120-270 SA
5 0501-002080 Q900 TR-SMALL SIGNAL 2SC2412K,NPN,200mW,SC-59,TP,120-270 SA
5 0801-002267 IC903 IC-CMOS LOGIC 74LCX14,-,SOIC,14P,150MIL,-,TP,-,-,-,3.6V,-40TO+85C,-,5.5V,-,-,24MA SA
5 0801-002716 IC902 IC-CMOS LOGIC
74LCX157,MULTIPLEXER,SOIC,16P,150MIL,QUAD,TP,PLASTIC,-,-,0V,-40TO+85C,-,0V,10UA,
SA
5 0909-001036 IC706 IC-REAL TIME CLOCK
DS1337S,-,SO,8P,150MIL,400KHZ,TP,CMOS,PLASTIC,3.3V,-,-40TO+85C,-,-,-,-,-
SA
5 1001-001082 IC501 IC-VIDEO SWITCH BA7657F,-,SOP,24P,300MIL,SINGL SA
5 1003-001713 IC704 IC-LCD CONTROLLER GM2221,PQFP,208P,-,-,-,TR,PLASTIC,3.3V,0to+70C,-,-,- SA
5 1103-000129 IC900 IC-EEPROM 24C02,256x8,SOP,8P,5x4mm,4.5/5.5V,0to+70C SA
5 1103-001314 IC705 IC-EEPROM 24C16,2Kx8,SOP,8P,5x4mm,2.7/5.5V,-40to+85C SA
5 1103-001314 IC805 IC-EEPROM 24C16,2Kx8,SOP,8P,5x4mm,2.7/5.5V,-40to+85C SA
5 1201-001495 IC601 IC-AUDIO AMP 7050,SOP,8P,150MIL,DUAL,26DB,PLASTIC,6V,0.25W,-,40DB,-,-,20NA,- SA
5 1201-001980 IC600 IC-AUDIO AMP
TDA7266D,SO,20P,16X11.1MM,-,26DB,PLASTIC,12V,25W,0TO+70C,-,-,-,-,-,TP
SA
5 1203-001816 IC109 IC-POSI.FIXED REG. 78M08,TO-252,3P,-,PLASTIC,7.7/8.3V,1.0W,-40TO+85C,0.5A,-,TP SA
5 1203-001824 IC300 IC-VOL. DETECTOR 7042,SOT-89,3P,-,PLASTIC,4.05V/4.35V,500MW,-30TO+75C,20MA,-,TP SA
5 1203-002842 IC101 IC-POSI.FIXED REG.
AP1117D-33A,TO-252,3P,6.7X5.6MM,PLASTIC,3.235/3.365V,-,0TO+150C,1A,-,TP
SA
5 1203-002842 IC111 IC-POSI.FIXED REG.
AP1117D-33A,TO-252,3P,6.7X5.6MM,PLASTIC,3.235/3.365V,-,0TO+150C,1A,-,TP
SA
5 1203-002844 IC105 IC-POSI.FIXED REG.
AP1117D-18A,TO-252-3L,3P,6.7X5.6MM,PLASTIC,1.764/1.836V,-,0TO+150C,1A,-,TP
SA
5 1203-002844 IC112 IC-POSI.FIXED REG.
AP1117D-18A,TO-252-3L,3P,6.7X5.6MM,PLASTIC,1.764/1.836V,-,0TO+150C,1A,-,TP
SA
5 1203-003015 IC108 IC-DC/DC CONVERTER MP1410ES,SOIC,8P,4.9x3.9mm,PLASTIC,2.5/5V,-,-20to+85C,2A,-,TP SA
5 1203-003015 IC110 IC-DC/DC CONVERTER MP1410ES,SOIC,8P,4.9x3.9mm,PLASTIC,2.5/5V,-,-20to+85C,2A,-,TP SA
5 2007-000052 R738 R-CHIP 10Kohm,1%,1/10W,TP,1608 SA
5 2007-000052 R739 R-CHIP 10Kohm,1%,1/10W,TP,1608 SA
5 2007-000052 R8126 R-CHIP 10Kohm,1%,1/10W,TP,1608 SA
5 2007-000052 R915 R-CHIP 10Kohm,1%,1/10W,TP,1608 SA
5 2007-000052 R916 R-CHIP 10Kohm,1%,1/10W,TP,1608 SA
5 2007-000070 R205 R-CHIP 0ohm,5%,1/10W,TP,1608 SA
5 2007-000070 R207 R-CHIP 0ohm,5%,1/10W,TP,1608 SA
5 2007-000070 R208 R-CHIP 0ohm,5%,1/10W,TP,1608 SA
5 2007-000070 R209 R-CHIP 0ohm,5%,1/10W,TP,1608 SA
5 2007-000070 R311 R-CHIP 0ohm,5%,1/10W,TP,1608 SA
5 2007-000070 R312 R-CHIP 0ohm,5%,1/10W,TP,1608 SA
5 2007-000070 R734 R-CHIP 0ohm,5%,1/10W,TP,1608 SA
5 2007-000070 R781 R-CHIP 0ohm,5%,1/10W,TP,1608 SA
5 2007-000070 R803 R-CHIP 0ohm,5%,1/10W,TP,1608 SA
5 2007-000070 R8104 R-CHIP 0ohm,5%,1/10W,TP,1608 SA
5 2007-000070 R8105 R-CHIP 0ohm,5%,1/10W,TP,1608 SA
5 2007-000070 R837 R-CHIP 0ohm,5%,1/10W,TP,1608 SA
5 2007-000070 R841 R-CHIP 0ohm,5%,1/10W,TP,1608 SA
5 2007-000070 R842 R-CHIP 0ohm,5%,1/10W,TP,1608 SA
5 2007-000070 R845 R-CHIP 0ohm,5%,1/10W,TP,1608 SA
5 2007-000070 R850 R-CHIP 0ohm,5%,1/10W,TP,1608 SA
7 Electrical Parts List
7-2 LW17M24C/LW20M21C
Level Code No. Loc. No. Description Specification Remarks

5 2007-000070 R851 R-CHIP 0ohm,5%,1/10W,TP,1608 SA
5 2007-000070 R856 R-CHIP 0ohm,5%,1/10W,TP,1608 SA
5 2007-000070 R857 R-CHIP 0ohm,5%,1/10W,TP,1608 SA
5 2007-000070 R859 R-CHIP 0ohm,5%,1/10W,TP,1608 SA
5 2007-000070 R860 R-CHIP 0ohm,5%,1/10W,TP,1608 SA
5 2007-000070 R862 R-CHIP 0ohm,5%,1/10W,TP,1608 SA
5 2007-000070 R863 R-CHIP 0ohm,5%,1/10W,TP,1608 SA
5 2007-000070 R866 R-CHIP 0ohm,5%,1/10W,TP,1608 SA
5 2007-000070 R882 R-CHIP 0ohm,5%,1/10W,TP,1608 SA
5 2007-000070 R883 R-CHIP 0ohm,5%,1/10W,TP,1608 SA
5 2007-000070 R884 R-CHIP 0ohm,5%,1/10W,TP,1608 SA
5 2007-000070 R885 R-CHIP 0ohm,5%,1/10W,TP,1608 SA
5 2007-000070 R886 R-CHIP 0ohm,5%,1/10W,TP,1608 SA
5 2007-000070 R887 R-CHIP 0ohm,5%,1/10W,TP,1608 SA
5 2007-000070 R889 R-CHIP 0ohm,5%,1/10W,TP,1608 SA
5 2007-000070 R890 R-CHIP 0ohm,5%,1/10W,TP,1608 SA
5 2007-000070 R891 R-CHIP 0ohm,5%,1/10W,TP,1608 SA
5 2007-000070 R967 R-CHIP 0ohm,5%,1/10W,TP,1608 SA
5 2007-000071 R835 R-CHIP 22ohm,5%,1/10W,TP,1608 SA
5 2007-000074 R122 R-CHIP 100ohm,5%,1/10W,TP,1608 SA
5 2007-000074 R166 R-CHIP 100ohm,5%,1/10W,TP,1608 SA
5 2007-000074 R170 R-CHIP 100ohm,5%,1/10W,TP,1608 SA
5 2007-000074 R203 R-CHIP 100ohm,5%,1/10W,TP,1608 SA
5 2007-000074 R204 R-CHIP 100ohm,5%,1/10W,TP,1608 SA
5 2007-000074 R602 R-CHIP 100ohm,5%,1/10W,TP,1608 SA
5 2007-000074 R603 R-CHIP 100ohm,5%,1/10W,TP,1608 SA
5 2007-000074 R703 R-CHIP 100ohm,5%,1/10W,TP,1608 SA
5 2007-000074 R705 R-CHIP 100ohm,5%,1/10W,TP,1608 SA
5 2007-000074 R707 R-CHIP 100ohm,5%,1/10W,TP,1608 SA
5 2007-000074 R709 R-CHIP 100ohm,5%,1/10W,TP,1608 SA
5 2007-000074 R710 R-CHIP 100ohm,5%,1/10W,TP,1608 SA
5 2007-000074 R711 R-CHIP 100ohm,5%,1/10W,TP,1608 SA
5 2007-000074 R712 R-CHIP 100ohm,5%,1/10W,TP,1608 SA
5 2007-000074 R714 R-CHIP 100ohm,5%,1/10W,TP,1608 SA
5 2007-000074 R715 R-CHIP 100ohm,5%,1/10W,TP,1608 SA
5 2007-000074 R716 R-CHIP 100ohm,5%,1/10W,TP,1608 SA
5 2007-000074 R717 R-CHIP 100ohm,5%,1/10W,TP,1608 SA
5 2007-000074 R718 R-CHIP 100ohm,5%,1/10W,TP,1608 SA
5 2007-000074 R719 R-CHIP 100ohm,5%,1/10W,TP,1608 SA
5 2007-000074 R720 R-CHIP 100ohm,5%,1/10W,TP,1608 SA
5 2007-000074 R727 R-CHIP 100ohm,5%,1/10W,TP,1608 SA
5 2007-000074 R728 R-CHIP 100ohm,5%,1/10W,TP,1608 SA
5 2007-000074 R729 R-CHIP 100ohm,5%,1/10W,TP,1608 SA
5 2007-000074 R752 R-CHIP 100ohm,5%,1/10W,TP,1608 SA
5 2007-000074 R753 R-CHIP 100ohm,5%,1/10W,TP,1608 SA
5 2007-000074 R770 R-CHIP 100ohm,5%,1/10W,TP,1608 SA
5 2007-000074 R771 R-CHIP 100ohm,5%,1/10W,TP,1608 SA
5 2007-000074 R772 R-CHIP 100ohm,5%,1/10W,TP,1608 SA
5 2007-000074 R775 R-CHIP 100ohm,5%,1/10W,TP,1608 SA
5 2007-000074 R776 R-CHIP 100ohm,5%,1/10W,TP,1608 SA
5 2007-000074 R777 R-CHIP 100ohm,5%,1/10W,TP,1608 SA
5 2007-000074 R778 R-CHIP 100ohm,5%,1/10W,TP,1608 SA
5 2007-000074 R779 R-CHIP 100ohm,5%,1/10W,TP,1608 SA
5 2007-000074 R8019 R-CHIP 100ohm,5%,1/10W,TP,1608 SA
5 2007-000074 R8108 R-CHIP 100ohm,5%,1/10W,TP,1608 SA
5 2007-000074 R871 R-CHIP 100ohm,5%,1/10W,TP,1608 SA
5 2007-000074 R880 R-CHIP 100ohm,5%,1/10W,TP,1608 SA
5 2007-000074 R881 R-CHIP 100ohm,5%,1/10W,TP,1608 SA
5 2007-000074 R900 R-CHIP 100ohm,5%,1/10W,TP,1608 SA
5 2007-000074 R901 R-CHIP 100ohm,5%,1/10W,TP,1608 SA
5 2007-000074 R905 R-CHIP 100ohm,5%,1/10W,TP,1608 SA
5 2007-000074 R907 R-CHIP 100ohm,5%,1/10W,TP,1608 SA
5 2007-000074 R910 R-CHIP 100ohm,5%,1/10W,TP,1608 SA
5 2007-000074 R911 R-CHIP 100ohm,5%,1/10W,TP,1608 SA
5 2007-000074 R912 R-CHIP 100ohm,5%,1/10W,TP,1608 SA
5 2007-000074 R920 R-CHIP 100ohm,5%,1/10W,TP,1608 SA
5 2007-000074 R921 R-CHIP 100ohm,5%,1/10W,TP,1608 SA
5 2007-000074 R923 R-CHIP 100ohm,5%,1/10W,TP,1608 SA
5 2007-000074 R950 R-CHIP 100ohm,5%,1/10W,TP,1608 SA
5 2007-000074 R951 R-CHIP 100ohm,5%,1/10W,TP,1608 SA
5 2007-000074 R952 R-CHIP 100ohm,5%,1/10W,TP,1608 SA
5 2007-000074 R954 R-CHIP 100ohm,5%,1/10W,TP,1608 SA
5 2007-000074 R955 R-CHIP 100ohm,5%,1/10W,TP,1608 SA
5 2007-000074 R956 R-CHIP 100ohm,5%,1/10W,TP,1608 SA
5 2007-000074 R957 R-CHIP 100ohm,5%,1/10W,TP,1608 SA
5 2007-000074 R958 R-CHIP 100ohm,5%,1/10W,TP,1608 SA
7 Electrical Parts List
LW17M24C/LW20M21C 7-3
Level Code No. Loc. No. Description Specification Remarks

5 2007-000074 R959 R-CHIP 100ohm,5%,1/10W,TP,1608 SA
5 2007-000074 R960 R-CHIP 100ohm,5%,1/10W,TP,1608 SA
5 2007-000074 R961 R-CHIP 100ohm,5%,1/10W,TP,1608 SA
5 2007-000074 R962 R-CHIP 100ohm,5%,1/10W,TP,1608 SA
5 2007-000074 R963 R-CHIP 100ohm,5%,1/10W,TP,1608 SA
5 2007-000074 R964 R-CHIP 100ohm,5%,1/10W,TP,1608 SA
5 2007-000074 R968 R-CHIP 100ohm,5%,1/10W,TP,1608 SA
5 2007-000075 R940 R-CHIP 220ohm,5%,1/10W,TP,1608 SA
5 2007-000075 R942 R-CHIP 220ohm,5%,1/10W,TP,1608 SA
5 2007-000076 R200 R-CHIP 330ohm,5%,1/10W,TP,1608 SA
5 2007-000077 R802 R-CHIP 470ohm,5%,1/10W,TP,1608 SA
5 2007-000078 R604 R-CHIP 1Kohm,5%,1/10W,TP,1608 SA
5 2007-000078 R611 R-CHIP 1Kohm,5%,1/10W,TP,1608 SA
5 2007-000078 R619 R-CHIP 1Kohm,5%,1/10W,TP,1608 SA
5 2007-000078 R623 R-CHIP 1Kohm,5%,1/10W,TP,1608 SA
5 2007-000078 R725 R-CHIP 1Kohm,5%,1/10W,TP,1608 SA
5 2007-000078 R839 R-CHIP 1Kohm,5%,1/10W,TP,1608 SA
5 2007-000078 R864 R-CHIP 1Kohm,5%,1/10W,TP,1608 SA
5 2007-000078 R927 R-CHIP 1Kohm,5%,1/10W,TP,1608 SA
5 2007-000078 R928 R-CHIP 1Kohm,5%,1/10W,TP,1608 SA
5 2007-000078 R931 R-CHIP 1Kohm,5%,1/10W,TP,1608 SA
5 2007-000078 R932 R-CHIP 1Kohm,5%,1/10W,TP,1608 SA
5 2007-000080 R512 R-CHIP 2Kohm,5%,1/10W,TP,1608 SA
5 2007-000081 R624 R-CHIP 2.7Kohm,5%,1/10W,TP,1608 SA
5 2007-000081 R625 R-CHIP 2.7Kohm,5%,1/10W,TP,1608 SA
5 2007-000081 R8145 R-CHIP 2.7Kohm,5%,1/10W,TP,1608 SA
5 2007-000081 R858 R-CHIP 2.7Kohm,5%,1/10W,TP,1608 SA
5 2007-000082 R8017 R-CHIP 3.3Kohm,5%,1/10W,TP,1608 SA
5 2007-000082 R8106 R-CHIP 3.3Kohm,5%,1/10W,TP,1608 SA
5 2007-000082 R934 R-CHIP 3.3Kohm,5%,1/10W,TP,1608 SA
5 2007-000084 R600 R-CHIP 4.7Kohm,5%,1/10W,TP,1608 SA
5 2007-000084 R601 R-CHIP 4.7Kohm,5%,1/10W,TP,1608 SA
5 2007-000084 R607 R-CHIP 4.7Kohm,5%,1/10W,TP,1608 SA
5 2007-000084 R609 R-CHIP 4.7Kohm,5%,1/10W,TP,1608 SA
5 2007-000084 R800 R-CHIP 4.7Kohm,5%,1/10W,TP,1608 SA
5 2007-000084 R801 R-CHIP 4.7Kohm,5%,1/10W,TP,1608 SA
5 2007-000084 R8119 R-CHIP 4.7Kohm,5%,1/10W,TP,1608 SA
5 2007-000084 R8120 R-CHIP 4.7Kohm,5%,1/10W,TP,1608 SA
5 2007-000084 R855 R-CHIP 4.7Kohm,5%,1/10W,TP,1608 SA
5 2007-000084 R914 R-CHIP 4.7Kohm,5%,1/10W,TP,1608 SA
5 2007-000084 R924 R-CHIP 4.7Kohm,5%,1/10W,TP,1608 SA
5 2007-000084 R929 R-CHIP 4.7Kohm,5%,1/10W,TP,1608 SA
5 2007-000084 R930 R-CHIP 4.7Kohm,5%,1/10W,TP,1608 SA
5 2007-000087 R173 R-CHIP 6.8Kohm,5%,1/10W,TP,1608 SA
5 2007-000087 R852 R-CHIP 6.8Kohm,5%,1/10W,TP,1608 SA
5 2007-000087 R853 R-CHIP 6.8Kohm,5%,1/10W,TP,1608 SA
5 2007-000090 R114 R-CHIP 10Kohm,5%,1/10W,TP,1608 SA
5 2007-000090 R128 R-CHIP 10Kohm,5%,1/10W,TP,1608 SA
5 2007-000090 R165 R-CHIP 10Kohm,5%,1/10W,TP,1608 SA
5 2007-000090 R174 R-CHIP 10Kohm,5%,1/10W,TP,1608 SA
5 2007-000090 R516 R-CHIP 10Kohm,5%,1/10W,TP,1608 SA
5 2007-000090 R605 R-CHIP 10Kohm,5%,1/10W,TP,1608 SA
5 2007-000090 R606 R-CHIP 10Kohm,5%,1/10W,TP,1608 SA
5 2007-000090 R608 R-CHIP 10Kohm,5%,1/10W,TP,1608 SA
5 2007-000090 R610 R-CHIP 10Kohm,5%,1/10W,TP,1608 SA
5 2007-000090 R614 R-CHIP 10Kohm,5%,1/10W,TP,1608 SA
5 2007-000090 R615 R-CHIP 10Kohm,5%,1/10W,TP,1608 SA
5 2007-000090 R704 R-CHIP 10Kohm,5%,1/10W,TP,1608 SA
5 2007-000090 R706 R-CHIP 10Kohm,5%,1/10W,TP,1608 SA
5 2007-000090 R713 R-CHIP 10Kohm,5%,1/10W,TP,1608 SA
5 2007-000090 R742 R-CHIP 10Kohm,5%,1/10W,TP,1608 SA
5 2007-000090 R745 R-CHIP 10Kohm,5%,1/10W,TP,1608 SA
5 2007-000090 R746 R-CHIP 10Kohm,5%,1/10W,TP,1608 SA
5 2007-000090 R747 R-CHIP 10Kohm,5%,1/10W,TP,1608 SA
5 2007-000090 R748 R-CHIP 10Kohm,5%,1/10W,TP,1608 SA
5 2007-000090 R749 R-CHIP 10Kohm,5%,1/10W,TP,1608 SA
5 2007-000090 R8121 R-CHIP 10Kohm,5%,1/10W,TP,1608 SA
5 2007-000090 R8143 R-CHIP 10Kohm,5%,1/10W,TP,1608 SA
5 2007-000090 R8144 R-CHIP 10Kohm,5%,1/10W,TP,1608 SA
5 2007-000090 R821 R-CHIP 10Kohm,5%,1/10W,TP,1608 SA
5 2007-000090 R879 R-CHIP 10Kohm,5%,1/10W,TP,1608 SA
5 2007-000090 R933 R-CHIP 10Kohm,5%,1/10W,TP,1608 SA
5 2007-000090 R944 R-CHIP 10Kohm,5%,1/10W,TP,1608 SA
5 2007-000090 R965 R-CHIP 10Kohm,5%,1/10W,TP,1608 SA
5 2007-000090 R966 R-CHIP 10Kohm,5%,1/10W,TP,1608 SA
5 2007-000091 R167 R-CHIP 12Kohm,5%,1/10W,TP,1608 SA
7 Electrical Parts List
7-4 LW17M24C/LW20M21C
Level Code No. Loc. No. Description Specification Remarks

5 2007-000093 R612 R-CHIP 20Kohm,5%,1/10W,TP,1608 SA
5 2007-000093 R613 R-CHIP 20Kohm,5%,1/10W,TP,1608 SA
5 2007-000093 R616 R-CHIP 20Kohm,5%,1/10W,TP,1608 SA
5 2007-000094 R202 R-CHIP 22Kohm,5%,1/10W,TP,1608 SA
5 2007-000100 R514 R-CHIP 68Kohm,5%,1/10W,TP,1608 SA
5 2007-000102 R116 R-CHIP 100Kohm,5%,1/10W,TP,1608 SA
5 2007-000102 R120 R-CHIP 100Kohm,5%,1/10W,TP,1608 SA
5 2007-000102 R121 R-CHIP 100Kohm,5%,1/10W,TP,1608 SA
5 2007-000102 R127 R-CHIP 100Kohm,5%,1/10W,TP,1608 SA
5 2007-000102 R201 R-CHIP 100Kohm,5%,1/10W,TP,1608 SA
5 2007-000102 R211 R-CHIP 100Kohm,5%,1/10W,TP,1608 SA
5 2007-000103 R617 R-CHIP 120Kohm,5%,1/10W,TP,1608 SA
5 2007-000107 R510 R-CHIP 470Kohm,5%,1/10W,TP,1608 SA
5 2007-000113 R838 R-CHIP 33ohm,5%,1/10W,TP,1608 SA
5 2007-000113 R843 R-CHIP 33ohm,5%,1/10W,TP,1608 SA
5 2007-000113 R854 R-CHIP 33ohm,5%,1/10W,TP,1608 SA
5 2007-000121 R8109 R-CHIP 820ohm,5%,1/10W,TP,1608 SA
5 2007-000234 R896 R-CHIP 1.3Kohm,5%,1/10W,TP,1608 SA
5 2007-000239 R773 R-CHIP 1.5Kohm,1%,1/10W,TP,1608 SA
5 2007-000239 R774 R-CHIP 1.5Kohm,1%,1/10W,TP,1608 SA
5 2007-000309 R620 R-CHIP 10ohm,5%,1/10W,TP,1608 SA
5 2007-000309 R621 R-CHIP 10ohm,5%,1/10W,TP,1608 SA
5 2007-000309 R827 R-CHIP 10ohm,5%,1/10W,TP,1608 SA
5 2007-000309 R830 R-CHIP 10ohm,5%,1/10W,TP,1608 SA
5 2007-000309 R833 R-CHIP 10ohm,5%,1/10W,TP,1608 SA
5 2007-000402 R732 R-CHIP 150ohm,5%,1/10W,TP,1608 SA
5 2007-000402 R733 R-CHIP 150ohm,5%,1/10W,TP,1608 SA
5 2007-000402 R740 R-CHIP 150ohm,5%,1/10W,TP,1608 SA
5 2007-000402 R817 R-CHIP 150ohm,5%,1/10W,TP,1608 SA
5 2007-000402 R818 R-CHIP 150ohm,5%,1/10W,TP,1608 SA
5 2007-000402 R819 R-CHIP 150ohm,5%,1/10W,TP,1608 SA
5 2007-000402 R836 R-CHIP 150ohm,5%,1/10W,TP,1608 SA
5 2007-000402 R840 R-CHIP 150ohm,5%,1/10W,TP,1608 SA
5 2007-000402 R849 R-CHIP 150ohm,5%,1/10W,TP,1608 SA
5 2007-000402 R897 R-CHIP 150ohm,5%,1/10W,TP,1608 SA
5 2007-000402 R925 R-CHIP 150ohm,5%,1/10W,TP,1608 SA
5 2007-000458 R808 R-CHIP 18Kohm,5%,1/10W,TP,1608 SA
5 2007-000539 R828 R-CHIP 200ohm,5%,1/10W,TP,1608 SA
5 2007-000539 R831 R-CHIP 200ohm,5%,1/10W,TP,1608 SA
5 2007-000539 R834 R-CHIP 200ohm,5%,1/10W,TP,1608 SA
5 2007-000570 R926 R-CHIP 220OHM,1%,1/10W,DA,TP,1608 SA
5 2007-000608 R737 R-CHIP 240ohm,5%,1/10W,TP,1608 SA
5 2007-000643 R826 R-CHIP 270ohm,5%,1/10W,TP,1608 SA
5 2007-000643 R829 R-CHIP 270ohm,5%,1/10W,TP,1608 SA
5 2007-000643 R832 R-CHIP 270ohm,5%,1/10W,TP,1608 SA
5 2007-000659 R899 R-CHIP 27ohm,5%,1/10W,TP,1608 SA
5 2007-000708 R169 R-CHIP 3.9Kohm,1%,1/10W,TP,1608 SA
5 2007-000882 R8102 R-CHIP 4.7ohm,5%,1/10W,TP,1608 SA
5 2007-000913 R171 R-CHIP 43Kohm,5%,1/10W,TP,1608 SA
5 2007-000939 R115 R-CHIP 47Kohm,1%,1/10W,TP,1608 SA
5 2007-000965 R168 R-CHIP 5.1Kohm,5%,1/10W,TP,1608 SA
5 2007-000965 R172 R-CHIP 5.1Kohm,5%,1/10W,TP,1608 SA
5 2007-001002 R8101 R-CHIP 510ohm,5%,1/10W,TP,1608 SA
5 2007-001044 R618 R-CHIP 56ohm,5%,1/10W,TP,1608 SA
5 2007-001044 R622 R-CHIP 56ohm,5%,1/10W,TP,1608 SA
5 2007-001101 R888 R-CHIP 62ohm,5%,1/10W,TP,1608 SA
5 2007-001134 R8100 R-CHIP 68ohm,5%,1/10W,TP,1608 SA
5 2007-001164 R501 R-CHIP 75ohm,1%,1/10W,TP,1608 SA
5 2007-001164 R503 R-CHIP 75ohm,1%,1/10W,TP,1608 SA
5 2007-001164 R506 R-CHIP 75ohm,1%,1/10W,TP,1608 SA
5 2007-001164 R735 R-CHIP 75ohm,1%,1/10W,TP,1608 SA
5 2007-001164 R736 R-CHIP 75ohm,1%,1/10W,TP,1608 SA
5 2007-001164 R741 R-CHIP 75ohm,1%,1/10W,TP,1608 SA
5 2007-001164 R902 R-CHIP 75ohm,1%,1/10W,TP,1608 SA
5 2007-001164 R903 R-CHIP 75ohm,1%,1/10W,TP,1608 SA
5 2007-001164 R904 R-CHIP 75ohm,1%,1/10W,TP,1608 SA
5 2007-001164 R917 R-CHIP 75ohm,1%,1/10W,TP,1608 SA
5 2007-001164 R918 R-CHIP 75ohm,1%,1/10W,TP,1608 SA
5 2007-001164 R919 R-CHIP 75ohm,1%,1/10W,TP,1608 SA
5 2007-001164 R946 R-CHIP 75ohm,1%,1/10W,TP,1608 SA
5 2007-001167 R906 R-CHIP 75ohm,5%,1/10W,TP,1608 SA
5 2007-001167 R908 R-CHIP 75ohm,5%,1/10W,TP,1608 SA
5 2007-001167 R909 R-CHIP 75ohm,5%,1/10W,TP,1608 SA
5 2007-001167 R945 R-CHIP 75ohm,5%,1/10W,TP,1608 SA
5 2007-001179 R210 R-CHIP 8.2Kohm,5%,1/10W,TP,1608 SA
5 2011-000002 RA711 R-NET 22OHM,5%,1/16W,L,CHIP,8P,TP,3216 SA
7 Electrical Parts List
LW17M24C/LW20M21C 7-5
Level Code No. Loc. No. Description Specification Remarks

5 2011-000002 RA712 R-NET 22OHM,5%,1/16W,L,CHIP,8P,TP,3216 SA
5 2011-000002 RA713 R-NET 22OHM,5%,1/16W,L,CHIP,8P,TP,3216 SA
5 2011-000002 RA714 R-NET 22OHM,5%,1/16W,L,CHIP,8P,TP,3216 SA
5 2011-000002 RA715 R-NET 22OHM,5%,1/16W,L,CHIP,8P,TP,3216 SA
5 2011-000881 RA800 R-NET 33ohm,5%,1/16W,L,CHIP,8P,TP,3.2x1.6x0.5mm SA
5 2011-000881 RA808 R-NET 33ohm,5%,1/16W,L,CHIP,8P,TP,3.2x1.6x0.5mm SA
5 2203-000041 C540 C-CER,CHIP 0.01NF,0.25PF,50V,C0G,TP,1608 SA
5 2203-000041 C541 C-CER,CHIP 0.01NF,0.25PF,50V,C0G,TP,1608 SA
5 2203-000041 C542 C-CER,CHIP 0.01NF,0.25PF,50V,C0G,TP,1608 SA
5 2203-000140 C119 C-CER,CHIP 1.5nF,10%,50V,X7R,TP,1608,- SA
5 2203-000140 C120 C-CER,CHIP 1.5nF,10%,50V,X7R,TP,1608,- SA
5 2203-000140 C132 C-CER,CHIP 1.5nF,10%,50V,X7R,TP,1608,- SA
5 2203-000140 C286 C-CER,CHIP 1.5nF,10%,50V,X7R,TP,1608,- SA
5 2203-000140 C314 C-CER,CHIP 1.5nF,10%,50V,X7R,TP,1608,- SA
5 2203-000140 C316 C-CER,CHIP 1.5nF,10%,50V,X7R,TP,1608,- SA
5 2203-000140 C318 C-CER,CHIP 1.5nF,10%,50V,X7R,TP,1608,- SA
5 2203-000140 C334 C-CER,CHIP 1.5nF,10%,50V,X7R,TP,1608,- SA
5 2203-000189 C107 C-CER,CHIP 100nF,+80-20%,25V,Y5V,TP,1608, SA
5 2203-000189 C117 C-CER,CHIP 100nF,+80-20%,25V,Y5V,TP,1608, SA
5 2203-000189 C118 C-CER,CHIP 100nF,+80-20%,25V,Y5V,TP,1608, SA
5 2203-000189 C143 C-CER,CHIP 100nF,+80-20%,25V,Y5V,TP,1608, SA
5 2203-000189 C163 C-CER,CHIP 100nF,+80-20%,25V,Y5V,TP,1608, SA
5 2203-000189 C175 C-CER,CHIP 100nF,+80-20%,25V,Y5V,TP,1608, SA
5 2203-000189 C179 C-CER,CHIP 100nF,+80-20%,25V,Y5V,TP,1608, SA
5 2203-000189 C183 C-CER,CHIP 100nF,+80-20%,25V,Y5V,TP,1608, SA
5 2203-000189 C190 C-CER,CHIP 100nF,+80-20%,25V,Y5V,TP,1608, SA
5 2203-000189 C203 C-CER,CHIP 100nF,+80-20%,25V,Y5V,TP,1608, SA
5 2203-000189 C217 C-CER,CHIP 100nF,+80-20%,25V,Y5V,TP,1608, SA
5 2203-000189 C607 C-CER,CHIP 100nF,+80-20%,25V,Y5V,TP,1608, SA
5 2203-000189 C609 C-CER,CHIP 100nF,+80-20%,25V,Y5V,TP,1608, SA
5 2203-000189 C615 C-CER,CHIP 100nF,+80-20%,25V,Y5V,TP,1608, SA
5 2203-000189 C620 C-CER,CHIP 100nF,+80-20%,25V,Y5V,TP,1608, SA
5 2203-000189 C745 C-CER,CHIP 100nF,+80-20%,25V,Y5V,TP,1608, SA
5 2203-000189 C754 C-CER,CHIP 100nF,+80-20%,25V,Y5V,TP,1608, SA
5 2203-000189 C766 C-CER,CHIP 100nF,+80-20%,25V,Y5V,TP,1608, SA
5 2203-000189 C769 C-CER,CHIP 100nF,+80-20%,25V,Y5V,TP,1608, SA
5 2203-000189 C802 C-CER,CHIP 100nF,+80-20%,25V,Y5V,TP,1608, SA
5 2203-000189 C808 C-CER,CHIP 100nF,+80-20%,25V,Y5V,TP,1608, SA
5 2203-000189 C810 C-CER,CHIP 100nF,+80-20%,25V,Y5V,TP,1608, SA
5 2203-000189 C817 C-CER,CHIP 100nF,+80-20%,25V,Y5V,TP,1608, SA
5 2203-000189 C818 C-CER,CHIP 100nF,+80-20%,25V,Y5V,TP,1608, SA
5 2203-000189 C819 C-CER,CHIP 100nF,+80-20%,25V,Y5V,TP,1608, SA
5 2203-000189 C820 C-CER,CHIP 100nF,+80-20%,25V,Y5V,TP,1608, SA
5 2203-000189 C821 C-CER,CHIP 100nF,+80-20%,25V,Y5V,TP,1608, SA
5 2203-000189 C822 C-CER,CHIP 100nF,+80-20%,25V,Y5V,TP,1608, SA
5 2203-000189 C823 C-CER,CHIP 100nF,+80-20%,25V,Y5V,TP,1608, SA
5 2203-000189 C824 C-CER,CHIP 100nF,+80-20%,25V,Y5V,TP,1608, SA
5 2203-000189 C825 C-CER,CHIP 100nF,+80-20%,25V,Y5V,TP,1608, SA
5 2203-000189 C827 C-CER,CHIP 100nF,+80-20%,25V,Y5V,TP,1608, SA
5 2203-000189 C828 C-CER,CHIP 100nF,+80-20%,25V,Y5V,TP,1608, SA
5 2203-000189 C829 C-CER,CHIP 100nF,+80-20%,25V,Y5V,TP,1608, SA
5 2203-000189 C839 C-CER,CHIP 100nF,+80-20%,25V,Y5V,TP,1608, SA
5 2203-000189 C910 C-CER,CHIP 100nF,+80-20%,25V,Y5V,TP,1608, SA
5 2203-000189 C918 C-CER,CHIP 100nF,+80-20%,25V,Y5V,TP,1608, SA
5 2203-000189 C919 C-CER,CHIP 100nF,+80-20%,25V,Y5V,TP,1608, SA
5 2203-000189 C920 C-CER,CHIP 100nF,+80-20%,25V,Y5V,TP,1608, SA
5 2203-000189 C939 C-CER,CHIP 100nF,+80-20%,25V,Y5V,TP,1608, SA
5 2203-000189 C940 C-CER,CHIP 100nF,+80-20%,25V,Y5V,TP,1608, SA
5 2203-000236 C182 C-CER,CHIP 0.1NF,5%,50V,C0G,TP,1608 SA
5 2203-000236 C189 C-CER,CHIP 0.1NF,5%,50V,C0G,TP,1608 SA
5 2203-000236 C208 C-CER,CHIP 0.1NF,5%,50V,C0G,TP,1608 SA
5 2203-000236 C209 C-CER,CHIP 0.1NF,5%,50V,C0G,TP,1608 SA
5 2203-000236 C922 C-CER,CHIP 0.1NF,5%,50V,C0G,TP,1608 SA
5 2203-000236 C933 C-CER,CHIP 0.1NF,5%,50V,C0G,TP,1608 SA
5 2203-000257 C180 C-CER,CHIP 10nF,10%,50V,X7R,TP,1608 SA
5 2203-000257 C181 C-CER,CHIP 10nF,10%,50V,X7R,TP,1608 SA
5 2203-000257 C187 C-CER,CHIP 10nF,10%,50V,X7R,TP,1608 SA
5 2203-000257 C188 C-CER,CHIP 10nF,10%,50V,X7R,TP,1608 SA
5 2203-000257 C200 C-CER,CHIP 10nF,10%,50V,X7R,TP,1608 SA
5 2203-000257 C205 C-CER,CHIP 10nF,10%,50V,X7R,TP,1608 SA
5 2203-000257 C212 C-CER,CHIP 10nF,10%,50V,X7R,TP,1608 SA
5 2203-000257 C502 C-CER,CHIP 10nF,10%,50V,X7R,TP,1608 SA
5 2203-000257 C743 C-CER,CHIP 10nF,10%,50V,X7R,TP,1608 SA
5 2203-000257 C744 C-CER,CHIP 10nF,10%,50V,X7R,TP,1608 SA
5 2203-000257 C750 C-CER,CHIP 10nF,10%,50V,X7R,TP,1608 SA
5 2203-000257 C755 C-CER,CHIP 10nF,10%,50V,X7R,TP,1608 SA
7 Electrical Parts List
7-6 LW17M24C/LW20M21C
Level Code No. Loc. No. Description Specification Remarks

5 2203-000257 C756 C-CER,CHIP 10nF,10%,50V,X7R,TP,1608 SA
5 2203-000257 C757 C-CER,CHIP 10nF,10%,50V,X7R,TP,1608 SA
5 2203-000257 C758 C-CER,CHIP 10nF,10%,50V,X7R,TP,1608 SA
5 2203-000257 C809 C-CER,CHIP 10nF,10%,50V,X7R,TP,1608 SA
5 2203-000257 C811 C-CER,CHIP 10nF,10%,50V,X7R,TP,1608 SA
5 2203-000257 C812 C-CER,CHIP 10nF,10%,50V,X7R,TP,1608 SA
5 2203-000257 C846 C-CER,CHIP 10nF,10%,50V,X7R,TP,1608 SA
5 2203-000257 C936 C-CER,CHIP 10nF,10%,50V,X7R,TP,1608 SA
5 2203-000257 C938 C-CER,CHIP 10nF,10%,50V,X7R,TP,1608 SA
5 2203-000491 C202 C-CER,CHIP 2.2nF,10%,50V,X7R,TP,1608,- SA
5 2203-000491 C611 C-CER,CHIP 2.2nF,10%,50V,X7R,TP,1608,- SA
5 2203-000491 C612 C-CER,CHIP 2.2nF,10%,50V,X7R,TP,1608,- SA
5 2203-000626 C804 C-CER,CHIP 0.022nF,5%,50V,C0G,TP,1608 SA
5 2203-000626 C805 C-CER,CHIP 0.022nF,5%,50V,C0G,TP,1608 SA
5 2203-000697 C909 C-CER,CHIP 0.002NF,0.25PF,50V,C0G,TP,1608 SA
5 2203-000697 C915 C-CER,CHIP 0.002NF,0.25PF,50V,C0G,TP,1608 SA
5 2203-000697 C916 C-CER,CHIP 0.002NF,0.25PF,50V,C0G,TP,1608 SA
5 2203-000697 C917 C-CER,CHIP 0.002NF,0.25PF,50V,C0G,TP,1608 SA
5 2203-000783 C900 C-CER,CHIP 0.33NF,5%,50V,C0G,TP,1608 SA
5 2203-000783 C901 C-CER,CHIP 0.33NF,5%,50V,C0G,TP,1608 SA
5 2203-000783 C907 C-CER,CHIP 0.33NF,5%,50V,C0G,TP,1608 SA
5 2203-000783 C908 C-CER,CHIP 0.33NF,5%,50V,C0G,TP,1608 SA
5 2203-000783 C911 C-CER,CHIP 0.33NF,5%,50V,C0G,TP,1608 SA
5 2203-000783 C913 C-CER,CHIP 0.33NF,5%,50V,C0G,TP,1608 SA
5 2203-000783 C931 C-CER,CHIP 0.33NF,5%,50V,C0G,TP,1608 SA
5 2203-000783 C932 C-CER,CHIP 0.33NF,5%,50V,C0G,TP,1608 SA
5 2203-000815 C902 C-CER,CHIP 0.033NF,5%,50V,C0G,TP,1608 SA
5 2203-000815 C903 C-CER,CHIP 0.033NF,5%,50V,C0G,TP,1608 SA
5 2203-000815 C904 C-CER,CHIP 0.033NF,5%,50V,C0G,TP,1608 SA
5 2203-000815 C905 C-CER,CHIP 0.033NF,5%,50V,C0G,TP,1608 SA
5 2203-000815 C906 C-CER,CHIP 0.033NF,5%,50V,C0G,TP,1608 SA
5 2203-000815 C934 C-CER,CHIP 0.033NF,5%,50V,C0G,TP,1608 SA
5 2203-000888 C204 C-CER,CHIP 4.7nF,10%,50V,X7R,TP,1608 SA
5 2203-000972 C207 C-CER,CHIP 47nF,10%,16V,X7R,TP,1608 SA
5 2203-001052 C813 C-CER,CHIP 0.56nF,10%,50V,X7R,TP,1608 SA
5 2203-001052 C814 C-CER,CHIP 0.56nF,10%,50V,X7R,TP,1608 SA
5 2203-001052 C816 C-CER,CHIP 0.56nF,10%,50V,X7R,TP,1608 SA
5 2203-001086 C727 C-CER,CHIP 0.005nF,0.25pF,50V,NP0,TP,1608 SA
5 2203-001086 C728 C-CER,CHIP 0.005nF,0.25pF,50V,NP0,TP,1608 SA
5 2203-001402 C614 C-CER,CHIP 220nF,+80-20%,16V,Y5V,TP,1608 SA
5 2203-001402 C617 C-CER,CHIP 220nF,+80-20%,16V,Y5V,TP,1608 SA
5 2203-001402 C618 C-CER,CHIP 220nF,+80-20%,16V,Y5V,TP,1608 SA
5 2203-001402 C621 C-CER,CHIP 220nF,+80-20%,16V,Y5V,TP,1608 SA
5 2203-001607 C206 C-CER,CHIP 0.22nF,5%,50V,NP0,-,1608 SA
5 2203-001652 C616 C-CER,CHIP 470nF,+80-20%,16V,Y5V,TP,1608 SA
5 2203-001652 C619 C-CER,CHIP 470nF,+80-20%,16V,Y5V,TP,1608 SA
5 2203-001656 C121 C-CER,CHIP 0.47nF,5%,50V,NP0,TP,1608 SA
5 2203-001656 C131 C-CER,CHIP 0.47nF,5%,50V,NP0,TP,1608 SA
5 2203-001656 C287 C-CER,CHIP 0.47nF,5%,50V,NP0,TP,1608 SA
5 2203-001656 C315 C-CER,CHIP 0.47nF,5%,50V,NP0,TP,1608 SA
5 2203-001656 C317 C-CER,CHIP 0.47nF,5%,50V,NP0,TP,1608 SA
5 2203-001656 C319 C-CER,CHIP 0.47nF,5%,50V,NP0,TP,1608 SA
5 2203-001656 C335 C-CER,CHIP 0.47nF,5%,50V,NP0,TP,1608 SA
5 2203-001656 C337 C-CER,CHIP 0.47nF,5%,50V,NP0,TP,1608 SA
5 2203-001656 C521 C-CER,CHIP 0.47nF,5%,50V,NP0,TP,1608 SA
5 2203-005005 C228 C-CER,CHIP 100nF,10%,16V,X7R,TP,1608 SA
5 2203-005005 C235 C-CER,CHIP 100nF,10%,16V,X7R,TP,1608 SA
5 2203-005005 C524 C-CER,CHIP 100nF,10%,16V,X7R,TP,1608 SA
5 2203-005005 C526 C-CER,CHIP 100nF,10%,16V,X7R,TP,1608 SA
5 2203-005005 C529 C-CER,CHIP 100nF,10%,16V,X7R,TP,1608 SA
5 2203-005005 C530 C-CER,CHIP 100nF,10%,16V,X7R,TP,1608 SA
5 2203-005005 C533 C-CER,CHIP 100nF,10%,16V,X7R,TP,1608 SA
5 2203-005005 C535 C-CER,CHIP 100nF,10%,16V,X7R,TP,1608 SA
5 2203-005005 C704 C-CER,CHIP 100nF,10%,16V,X7R,TP,1608 SA
5 2203-005005 C705 C-CER,CHIP 100nF,10%,16V,X7R,TP,1608 SA
5 2203-005005 C706 C-CER,CHIP 100nF,10%,16V,X7R,TP,1608 SA
5 2203-005005 C707 C-CER,CHIP 100nF,10%,16V,X7R,TP,1608 SA
5 2203-005005 C709 C-CER,CHIP 100nF,10%,16V,X7R,TP,1608 SA
5 2203-005005 C710 C-CER,CHIP 100nF,10%,16V,X7R,TP,1608 SA
5 2203-005005 C711 C-CER,CHIP 100nF,10%,16V,X7R,TP,1608 SA
5 2203-005005 C713 C-CER,CHIP 100nF,10%,16V,X7R,TP,1608 SA
5 2203-005005 C716 C-CER,CHIP 100nF,10%,16V,X7R,TP,1608 SA
5 2203-005005 C718 C-CER,CHIP 100nF,10%,16V,X7R,TP,1608 SA
5 2203-005005 C719 C-CER,CHIP 100nF,10%,16V,X7R,TP,1608 SA
5 2203-005005 C720 C-CER,CHIP 100nF,10%,16V,X7R,TP,1608 SA
5 2203-005005 C721 C-CER,CHIP 100nF,10%,16V,X7R,TP,1608 SA
7 Electrical Parts List
LW17M24C/LW20M21C 7-7
Level Code No. Loc. No. Description Specification Remarks

5 2203-005005 C722 C-CER,CHIP 100nF,10%,16V,X7R,TP,1608 SA
5 2203-005005 C724 C-CER,CHIP 100nF,10%,16V,X7R,TP,1608 SA
5 2203-005005 C725 C-CER,CHIP 100nF,10%,16V,X7R,TP,1608 SA
5 2203-005005 C726 C-CER,CHIP 100nF,10%,16V,X7R,TP,1608 SA
5 2203-005005 C729 C-CER,CHIP 100nF,10%,16V,X7R,TP,1608 SA
5 2203-005005 C730 C-CER,CHIP 100nF,10%,16V,X7R,TP,1608 SA
5 2203-005005 C731 C-CER,CHIP 100nF,10%,16V,X7R,TP,1608 SA
5 2203-005005 C732 C-CER,CHIP 100nF,10%,16V,X7R,TP,1608 SA
5 2203-005005 C733 C-CER,CHIP 100nF,10%,16V,X7R,TP,1608 SA
5 2203-005005 C734 C-CER,CHIP 100nF,10%,16V,X7R,TP,1608 SA
5 2203-005005 C735 C-CER,CHIP 100nF,10%,16V,X7R,TP,1608 SA
5 2203-005005 C736 C-CER,CHIP 100nF,10%,16V,X7R,TP,1608 SA
5 2203-005005 C737 C-CER,CHIP 100nF,10%,16V,X7R,TP,1608 SA
5 2203-005005 C738 C-CER,CHIP 100nF,10%,16V,X7R,TP,1608 SA
5 2203-005005 C739 C-CER,CHIP 100nF,10%,16V,X7R,TP,1608 SA
5 2203-005005 C740 C-CER,CHIP 100nF,10%,16V,X7R,TP,1608 SA
5 2203-005005 C741 C-CER,CHIP 100nF,10%,16V,X7R,TP,1608 SA
5 2203-005005 C742 C-CER,CHIP 100nF,10%,16V,X7R,TP,1608 SA
5 2203-005005 C747 C-CER,CHIP 100nF,10%,16V,X7R,TP,1608 SA
5 2203-005005 C749 C-CER,CHIP 100nF,10%,16V,X7R,TP,1608 SA
5 2203-005005 C759 C-CER,CHIP 100nF,10%,16V,X7R,TP,1608 SA
5 2203-005005 C760 C-CER,CHIP 100nF,10%,16V,X7R,TP,1608 SA
5 2203-005005 C764 C-CER,CHIP 100nF,10%,16V,X7R,TP,1608 SA
5 2203-005005 C768 C-CER,CHIP 100nF,10%,16V,X7R,TP,1608 SA
5 2203-005065 C600 C-CER,CHIP 1000nF,+80-20%,10V,Y5V,-,1608 SA
5 2203-005065 C603 C-CER,CHIP 1000nF,+80-20%,10V,Y5V,-,1608 SA
5 2203-005194 C714 C-CER,CHIP 220pF,10%,50V,X7R,TP,1608,- SA
5 2203-005194 C715 C-CER,CHIP 220pF,10%,50V,X7R,TP,1608,- SA
5 2203-005194 C748 C-CER,CHIP 220pF,10%,50V,X7R,TP,1608,- SA
5 2203-005194 C751 C-CER,CHIP 220pF,10%,50V,X7R,TP,1608,- SA
5 2203-005194 C752 C-CER,CHIP 220pF,10%,50V,X7R,TP,1608,- SA
5 2203-005194 C753 C-CER,CHIP 220pF,10%,50V,X7R,TP,1608,- SA
5 2203-006036 C601 C-CER,CHIP 680NF,+80-20%,16V,Y5V,TP,1608 SA
5 2203-006036 C602 C-CER,CHIP 680NF,+80-20%,16V,Y5V,TP,1608 SA
5 2402-000108 C306 C-AL,SMD 10uF,20%,16V,WT,TP,4.3x4.3x5.4 SA
5 2402-000108 C837 C-AL,SMD 10uF,20%,16V,WT,TP,4.3x4.3x5.4 SA
5 2402-000135 C605 C-AL,SMD 22uF,20%,16V,GP,TP,5.3x5.3x5.4 SA
5 2402-000135 C610 C-AL,SMD 22uF,20%,16V,GP,TP,5.3x5.3x5.4 SA
5 2402-000135 C835 C-AL,SMD 22uF,20%,16V,GP,TP,5.3x5.3x5.4 SA
5 2402-000135 C836 C-AL,SMD 22uF,20%,16V,GP,TP,5.3x5.3x5.4 SA
5 2402-000135 C935 C-AL,SMD 22uF,20%,16V,GP,TP,5.3x5.3x5.4 SA
5 2402-000135 C937 C-AL,SMD 22uF,20%,16V,GP,TP,5.3x5.3x5.4 SA
5 2402-000144 C834 C-AL,SMD 3.3UF,20%,50V,GP,TP,4.3X4.3X5.4 SA
5 2402-000170 C101 C-AL,SMD 1uF,20%,50V,GP,TP,4.3x4.3x5.4, SA
5 2402-000170 C102 C-AL,SMD 1uF,20%,50V,GP,TP,4.3x4.3x5.4, SA
5 2402-000170 C115 C-AL,SMD 1uF,20%,50V,GP,TP,4.3x4.3x5.4, SA
5 2402-000170 C213 C-AL,SMD 1uF,20%,50V,GP,TP,4.3x4.3x5.4, SA
5 2402-000170 C305 C-AL,SMD 1uF,20%,50V,GP,TP,4.3x4.3x5.4, SA
5 2402-000170 C847 C-AL,SMD 1uF,20%,50V,GP,TP,4.3x4.3x5.4, SA
5 2402-000170 C921 C-AL,SMD 1uF,20%,50V,GP,TP,4.3x4.3x5.4, SA
5 2402-000176 C116 C-AL,SMD 10uF,20%,16V,GP,TP,4.3x4.3x5.4 SA
5 2402-000176 C122 C-AL,SMD 10uF,20%,16V,GP,TP,4.3x4.3x5.4 SA
5 2402-000176 C123 C-AL,SMD 10uF,20%,16V,GP,TP,4.3x4.3x5.4 SA
5 2402-000176 C124 C-AL,SMD 10uF,20%,16V,GP,TP,4.3x4.3x5.4 SA
5 2402-000176 C125 C-AL,SMD 10uF,20%,16V,GP,TP,4.3x4.3x5.4 SA
5 2402-000176 C126 C-AL,SMD 10uF,20%,16V,GP,TP,4.3x4.3x5.4 SA
5 2402-000176 C127 C-AL,SMD 10uF,20%,16V,GP,TP,4.3x4.3x5.4 SA
5 2402-000176 C128 C-AL,SMD 10uF,20%,16V,GP,TP,4.3x4.3x5.4 SA
5 2402-000176 C129 C-AL,SMD 10uF,20%,16V,GP,TP,4.3x4.3x5.4 SA
5 2402-000176 C130 C-AL,SMD 10uF,20%,16V,GP,TP,4.3x4.3x5.4 SA
5 2402-000176 C508 C-AL,SMD 10uF,20%,16V,GP,TP,4.3x4.3x5.4 SA
5 2402-000176 C509 C-AL,SMD 10uF,20%,16V,GP,TP,4.3x4.3x5.4 SA
5 2402-000176 C512 C-AL,SMD 10uF,20%,16V,GP,TP,4.3x4.3x5.4 SA
5 2402-000176 C514 C-AL,SMD 10uF,20%,16V,GP,TP,4.3x4.3x5.4 SA
5 2402-000176 C517 C-AL,SMD 10uF,20%,16V,GP,TP,4.3x4.3x5.4 SA
5 2402-000176 C518 C-AL,SMD 10uF,20%,16V,GP,TP,4.3x4.3x5.4 SA
5 2402-000176 C838 C-AL,SMD 10uF,20%,16V,GP,TP,4.3x4.3x5.4 SA
5 2402-001006 C833 C-AL,SMD 4.7uF,20%,25V,GP,TP,3.6x6.3x3. SA
5 2402-001006 C840 C-AL,SMD 4.7uF,20%,25V,GP,TP,3.6x6.3x3. SA
5 2402-001006 C841 C-AL,SMD 4.7uF,20%,25V,GP,TP,3.6x6.3x3. SA
5 2402-001006 C842 C-AL,SMD 4.7uF,20%,25V,GP,TP,3.6x6.3x3. SA
5 2402-001006 C843 C-AL,SMD 4.7uF,20%,25V,GP,TP,3.6x6.3x3. SA
5 2402-001006 C844 C-AL,SMD 4.7uF,20%,25V,GP,TP,3.6x6.3x3. SA
5 2402-001006 C845 C-AL,SMD 4.7uF,20%,25V,GP,TP,3.6x6.3x3. SA
5 2402-001042 C109 C-AL,SMD 100uF,20%,16V,GP,TP,6.6x6.6x5.4mm SA
5 2402-001042 C111 C-AL,SMD 100uF,20%,16V,GP,TP,6.6x6.6x5.4mm SA
7 Electrical Parts List
7-8 LW17M24C/LW20M21C
Level Code No. Loc. No. Description Specification Remarks

5 2402-001042 C112 C-AL,SMD 100uF,20%,16V,GP,TP,6.6x6.6x5.4mm SA
5 2402-001042 C113 C-AL,SMD 100uF,20%,16V,GP,TP,6.6x6.6x5.4mm SA
5 2402-001042 C178 C-AL,SMD 100uF,20%,16V,GP,TP,6.6x6.6x5.4mm SA
5 2402-001042 C201 C-AL,SMD 100uF,20%,16V,GP,TP,6.6x6.6x5.4mm SA
5 2402-001042 C210 C-AL,SMD 100uF,20%,16V,GP,TP,6.6x6.6x5.4mm SA
5 2402-001042 C604 C-AL,SMD 100uF,20%,16V,GP,TP,6.6x6.6x5.4mm SA
5 2402-001042 C606 C-AL,SMD 100uF,20%,16V,GP,TP,6.6x6.6x5.4mm SA
5 2402-001042 C608 C-AL,SMD 100uF,20%,16V,GP,TP,6.6x6.6x5.4mm SA
5 2402-001042 C613 C-AL,SMD 100uF,20%,16V,GP,TP,6.6x6.6x5.4mm SA
5 2402-001042 C622 C-AL,SMD 100uF,20%,16V,GP,TP,6.6x6.6x5.4mm SA
5 2402-001042 C712 C-AL,SMD 100uF,20%,16V,GP,TP,6.6x6.6x5.4mm SA
5 2402-001042 C800 C-AL,SMD 100uF,20%,16V,GP,TP,6.6x6.6x5.4mm SA
5 2402-001044 C184 C-AL,SMD 100UF,20%,25V,GP,TP,8.3X8.3X6.3MM SA
5 2402-001044 C191 C-AL,SMD 100UF,20%,25V,GP,TP,8.3X8.3X6.3MM SA
5 2402-001070 C193 C-AL,SMD 470uF,20%,16V,GP,TP,10x10.2,- SA
5 2402-001081 C110 C-AL,SMD 100uF,20%,25V,WT,TP,8.3x8.3x10 SA
5 2402-001086 C114 C-AL,SMD 100UF,20%,16V,WT,TP,6.6X6.6X5.3 SA
5 2402-001086 C765 C-AL,SMD 100UF,20%,16V,WT,TP,6.6X6.6X5.3 SA
5 2402-001153 C723 C-AL,SMD 100UF,20%,6.3V,WI,TP,6.3X5.8MM SA
5 2402-001155 C623 C-AL,SMD 47UF,20%,16V,WT,TP,6.3X5.2MM SA
5 2409-001049 C523 C-ORGANIC 47UF,20%,6.3V,FX,TP,5X5.9MM,- SA
5 2409-001049 C717 C-ORGANIC 47UF,20%,6.3V,FX,TP,5X5.9MM,- SA
5 2409-001051 C194 C-ORGANIC 82UF,20%,6.3V,WT,TP,6.3*5.9MM,2.1 SA
5 2409-001051 C708 C-ORGANIC 82UF,20%,6.3V,WT,TP,6.3*5.9MM,2.1 SA
5 2409-001065 C185 C-ORGANIC 82UF,20%,16V,WT,TP,8X6.9MM,- SA
5 2409-001065 C192 C-ORGANIC 82UF,20%,16V,WT,TP,8X6.9MM,- SA
5 2703-000185 L803 INDUCTOR-SMD 3.3uH,10%,2012 SA
5 2703-000185 L804 INDUCTOR-SMD 3.3uH,10%,2012 SA
5 2703-000185 L902 INDUCTOR-SMD 3.3uH,10%,2012 SA
5 2703-000185 L903 INDUCTOR-SMD 3.3uH,10%,2012 SA
5 2703-000185 L904 INDUCTOR-SMD 3.3uH,10%,2012 SA
5 2703-000185 L905 INDUCTOR-SMD 3.3uH,10%,2012 SA
5 2703-000185 L908 INDUCTOR-SMD 3.3uH,10%,2012 SA
5 2703-000185 L909 INDUCTOR-SMD 3.3uH,10%,2012 SA
5 2703-000222 L802 INDUCTOR-SMD 560nH,10%,2012 SA
5 2703-000392 L801 INDUCTOR-SMD 10uH,5%,4532 SA
5 2703-000398 L900 INDUCTOR-SMD 10uH,10%,3225 SA
5 2703-000398 L901 INDUCTOR-SMD 10uH,10%,3225 SA
5 2703-000398 L906 INDUCTOR-SMD 10uH,10%,3225 SA
5 2703-000398 L907 INDUCTOR-SMD 10uH,10%,3225 SA
5 2703-000417 L201 INDUCTOR-SMD 220uH,5%,3225 SA
5 2703-001426 L202 INDUCTOR-SMD 680uH,20%,7070 SA
5 2703-001778 FT131 INDUCTOR-SMD 3.3uH,20%,3225 SA
5 2703-002327 L200 INDUCTOR-SMD 3.9uH,5%,3225 SA
5 2801-003667 X701 CRYSTAL-SMD 14.31818MHz,30ppm,28-AAN,16,50ohm,TP SA
5 2801-004004 X800 CRYSTAL-SMD 20.25MHz,20ppm,28-AAN,13pF,25ohm,TP SA
5 2901-001114 FT104 FILTER-EMI SMD 25VDC,2.0ADC,-,100nF,3.2x1.6x1 SA
5 2901-001114 FT105 FILTER-EMI SMD 25VDC,2.0ADC,-,100nF,3.2x1.6x1 SA
5 2901-001114 FT106 FILTER-EMI SMD 25VDC,2.0ADC,-,100nF,3.2x1.6x1 SA
5 2901-001114 FT107 FILTER-EMI SMD 25VDC,2.0ADC,-,100nF,3.2x1.6x1 SA
5 2901-001114 FT108 FILTER-EMI SMD 25VDC,2.0ADC,-,100nF,3.2x1.6x1 SA
5 2901-001114 FT109 FILTER-EMI SMD 25VDC,2.0ADC,-,100nF,3.2x1.6x1 SA
5 2901-001114 FT110 FILTER-EMI SMD 25VDC,2.0ADC,-,100nF,3.2x1.6x1 SA
5 2901-001114 FT111 FILTER-EMI SMD 25VDC,2.0ADC,-,100nF,3.2x1.6x1 SA
5 2901-001114 FT112 FILTER-EMI SMD 25VDC,2.0ADC,-,100nF,3.2x1.6x1 SA
5 2901-001114 FT113 FILTER-EMI SMD 25VDC,2.0ADC,-,100nF,3.2x1.6x1 SA
5 2901-001114 FT500 FILTER-EMI SMD 25VDC,2.0ADC,-,100nF,3.2x1.6x1 SA
5 2901-001114 FT701 FILTER-EMI SMD 25VDC,2.0ADC,-,100nF,3.2x1.6x1 SA
5 2901-001114 FT702 FILTER-EMI SMD 25VDC,2.0ADC,-,100nF,3.2x1.6x1 SA
5 2901-001114 FT703 FILTER-EMI SMD 25VDC,2.0ADC,-,100nF,3.2x1.6x1 SA
5 2901-001114 FT704 FILTER-EMI SMD 25VDC,2.0ADC,-,100nF,3.2x1.6x1 SA
5 2901-001114 FT705 FILTER-EMI SMD 25VDC,2.0ADC,-,100nF,3.2x1.6x1 SA
5 2901-001114 FT706 FILTER-EMI SMD 25VDC,2.0ADC,-,100nF,3.2x1.6x1 SA
5 2901-001114 FT708 FILTER-EMI SMD 25VDC,2.0ADC,-,100nF,3.2x1.6x1 SA
5 2901-001114 FT710 FILTER-EMI SMD 25VDC,2.0ADC,-,100nF,3.2x1.6x1 SA
5 2901-001114 FT802 FILTER-EMI SMD 25VDC,2.0ADC,-,100nF,3.2x1.6x1 SA
5 3301-001145 17INCH BEAD-SMD 60ohm,4516,6000mA,TP,70ohm/45MHz,82ohm/760MHz,0.01ohm SNA
5 3301-001145 FT100 BEAD-SMD 60ohm,4516,6000mA,TP,70ohm/45MHz,82ohm/760MHz,0.01ohm SNA
5 3301-001145 FT101 BEAD-SMD 60ohm,4516,6000mA,TP,70ohm/45MHz,82ohm/760MHz,0.01ohm SNA
5 3301-001145 FT102 BEAD-SMD 60ohm,4516,6000mA,TP,70ohm/45MHz,82ohm/760MHz,0.01ohm SNA
5 3301-001145 FT11 BEAD-SMD 60ohm,4516,6000mA,TP,70ohm/45MHz,82ohm/760MHz,0.01ohm SNA
5 3301-001145 FT118 BEAD-SMD 60ohm,4516,6000mA,TP,70ohm/45MHz,82ohm/760MHz,0.01ohm SNA
5 3301-001145 FT126 BEAD-SMD 60ohm,4516,6000mA,TP,70ohm/45MHz,82ohm/760MHz,0.01ohm SNA
5 3301-001145 FT127 BEAD-SMD 60ohm,4516,6000mA,TP,70ohm/45MHz,82ohm/760MHz,0.01ohm SNA
5 3301-001145 FT130 BEAD-SMD 60ohm,4516,6000mA,TP,70ohm/45MHz,82ohm/760MHz,0.01ohm SNA
5 3301-001145 FT144 BEAD-SMD 60ohm,4516,6000mA,TP,70ohm/45MHz,82ohm/760MHz,0.01ohm SNA
7 Electrical Parts List
LW17M24C/LW20M21C 7-9
Level Code No. Loc. No. Description Specification Remarks

5 3301-001145 FT200 BEAD-SMD 60ohm,4516,6000mA,TP,70ohm/45MHz,82ohm/760MHz,0.01ohm SNA
5 3301-001145 PAL BEAD-SMD 60ohm,4516,6000mA,TP,70ohm/45MHz,82ohm/760MHz,0.01ohm SNA
5 3704-000249 IC702 SOCKET-IC 32P,PLCC,SN,1.27mm SA
5 3711-002046 CN905 CONNECTOR-HEADER BOX,12P,1R,1.25MM,SMD-S,SN,WHT SA
5 3711-005291 CN601 CONNECTOR-HEADER BOX,2P,1R,2MM,SMD-A,SN,WHT SA
5 3711-005292 CN600 CONNECTOR-HEADER BOX,3P,1R,2MM,SMD-A,SN,WHT SA
5 3711-005470 CN700 CONNECTOR-HEADER BOX,30P,1R,1.25mm,SMD-A,Sn+Pb,IVR SA
5 3711-005471 CN907 CONNECTOR-HEADER BOX,12P,1R,1.25mm,SMD-A,Sn+Pb,IVR SA
5 BN27-00009A FT128 COIL CHOKE
SMD 12X12X6,EOS,33UH,15%,-,0.12Ω MAX,2A,DR10X5.0MM,18.5TS,12X12X6,1.8MM,1UEW 0.
SA
5 BN27-00009A FT145 COIL CHOKE
SMD 12X12X6,EOS,33UH,15%,-,0.12Ω MAX,2A,DR10X5.0MM,18.5TS,12X12X6,1.8MM,1UEW 0.
SA
5 BN41-00471A MP1.0 PCB MAIN VE17UO,4,1.6,160*160,VE17 SNA
5 BN97-00360J MICOM1 ASSY MICOM VE15EO,VCT49XYF,P-VNCPEU,2004-01.27,BN09-00006A SA
6 BN09-00006A IC802 IC MICOM VCT4973-XM C7,144,3.3V,PAL Nicam,PMQFP,TR,0 to +70 SNA
2 BN91-00807E - ASSY SHIELD NEW SNA
3 6003-000117 SH/TUNER+SH/PAN SCREW-TAPTITE BH,+,B,M3,L6,ZPC(YEL),SWRCH18A SNA
3 6003-000259 SH/PAN+C/F SCREW-TAPTITE BH,+,B,M3,L8,ZPC(YEL),SWRCH18A SNA
3 6003-000259 SH/PAN+IP/PCB SCREW-TAPTITE BH,+,B,M3,L8,ZPC(YEL),SWRCH18A SNA
3 6003-000259 SH/PAN+M/PCB SCREW-TAPTITE BH,+,B,M3,L8,ZPC(YEL),SWRCH18A SNA
3 6003-000277 SH/PAN+IP/PCB SCREW-TAPTITE BH,+,B,M3,L12,ZPC(YEL),SWRCH18 SNA
3 BN39-00474A CIS LEAD CONNECTOR
KD17NS,UL1571#30,UL/CSA,30P,130MM,#30,FI-X30H,12507HS-30L,BK,1571#30,SJ03-01-536
SNA
3 BN44-00111B CIS IP BOARD
IP-49135A(T),VE17*(VENICE),1.9mA,7.3mA,48KHZ,4,90V/264VAC,+13V/+5.1V,0 to +50, -
SA
3 BN61-00720A CIS HOLDER-INVERTOR GY17LS,ABS PC ,BLK SNA
3 BN61-01370A CIS HOLDER-JACK VENICE 17",ABS V0,T3.0 SNA
3 BN96-01364A CIS ASSY MISC P-BRKT PANEL VENICE 17" SNA
4 BH68-30003C CIS LABEL-00,HIGH,VOLTAGE SS,ART 100G,30*33,YEL SNA
4 BN63-01318A CIS SHIELD-PANEL(EH) LT17M2,SECC,T1.0 SNA
4 BN63-01474A CIS FELT-STAND VENICE 20",FELT,T1.0,10,15 SNA
3 BN96-01395A CIS ASSY MISC P-SHIELD TUNER VE15EO,SPTE T0.5 SNA
2 BN92-01044G - ASSY LABEL VE15EO SNA
3 AA68-50502A LABEL LABEL-00,CONFORMATION W/P100(G),CTV,ITALY,170x110,BL SNA
3 BN68-00614A LABEL LABEL RATING-00 ALL,SS,PE,T0.05,90*45,BLK,POLYESTER,NO SILK SNA
2 BN92-01068M - ASSY BOX VC17EO SNA
3 BH68-00329D BOX LABEL BAR CODE-01 NO CE,NO WT`Y,MPRII,LABEL-BARCODE,MOJO 90G,90,95,WHT SNA
3 BH75-10529C BOX UNIT-HANDLE/PACKING S/M170MP,PE-LD,PE-HD,-,WHITE,- SA
4 BN72-60001A CIS LEVER-TOP LSD210TL,PE-LD,WHITE,TFT_LCD SNA
4 BN72-60002C CIS LEVER-BOTTOM S/M170MP,PE-HD,BLUE SNA
3 BN69-00847D BOX BOX-00 VC17E*,SW4 A YEL,EUROPE(CIS) SNA
2 BN92-01071B - ASSY P/MATERIAL VC17UO SNA
3 6902-000379 P/M BAG AIR HDPE,T0.2,L1800,W1000,TRP,,,PAPER SNA
3 6902-000520 P/M BAG PE
HDPE/NITRON(DOUBLE),T0.015/T0.5(DOUBLE),W700,L700,TRP,28 LANGUAGE,2-
SNA
3 6902-000604 P/M BAG WRAPPING LDPE,T0.02,W500,L10000,TRP,-,- SNA
3 6902-000609 P/M BAG ROLL LDPE,T0.05,W2400,L1000,TRP,-,- SNA
3 BH69-00457B P/M PACKING-PAD BOTTOM GH15,FOAM,T3.0,930,1000 SNA
3 BH69-40303A P/M PACKING-PALLET CST7677,WOOD,-,-,W1070,L1050,H120,-,-,- SNA
3 BH69-40321A P/M PACKING-PAD SW-4,W2155*L140,-,DEC,-,-,-,-, SNA
3 BN68-00129A P/M LABEL SHIPPING-00 -,LABEL SHIPPING,ART-PAPER,100G,-,WHT,BLACK,-,-,- SNA
3 BN69-00140P P/M PAD-PALLET COVER SUN15,SW,1000*3780,1310,-,-,-,-,- SNA
3 BN69-00140T P/M PAD-PALLET COVER SUN(LSA810),SW,900,3760,-,-,-,-,- SNA
3 BN69-00808A P/M CUSHION-L,R LT17M2,EPS M50 SNA
2 BN92-01072A - ASSY ACCESSORY VC17EO SNA
3 BN59-00437A ACCESSORY REMOCON TM79,Single Micom,36,EX,NT,EX,VENICE SA
3 BN96-00952W UNIT/ACCESSORY ASSY ACCESSORY VE15EO SA
4 6801-001014 ACCESSORY CARD-REGISTRATION XEU,ENG,MOJO100,L150,W392,-,- SNA
4 6801-001015 ACCESSORY CARD-REGISTRATION XEG,GERMAN,MOJO100,L150,W392,-,- SNA
4 6801-001016 ACCESSORY CARD-REGISTRATION XEF,FRENCH,MOJO100,L150,W392,-,- SNA
4 6801-001017 ACCESSORY CARD-REGISTRATION XEC,SPANISH,MOJO100,L150,W392,-,- SNA
4 6801-001018 ACCESSORY CARD-REGISTRATION XET,ITALY,MOJO100,L150,W392,-,- SNA
4 6801-001019 ACCESSORY CARD-REGISTRATION XEN,DUTCH,MOJO100,L150,W392,-,- SNA
4 6801-001020 ACCESSORY CARD-REGISTRATION XEP,PORTUGAL,MOJO100,L150,W392,-,- SNA
7 Electrical Parts List
7-10 LW17M24C/LW20M21C
Level Code No. Loc. No. Description Specification Remarks

4 6902-000110 ACCESSORY BAG PE LDPE,T0.05,L356,W240,TRP,28,2,PE MARK SNA
4 AA68-00291A ACCESSORY MANUAL-S/NETWORK -,SPANISH,-,B5,W/P100G,- SNA
4 AA68-01092B ACCESSORY MANUAL-S/NETWORK ,ITA,B5,W/P100(G),1,1P SNA
4 AA68-03242A ACCESSORY MANUAL-01,SAFETY GUIDE NT/PAL ALL MODEL,E/F/S/I/G/SC/ST/J/P,R,B5 SNA
4 BN68-00514A ACCESSORY MANUAL-WARRANTY CARD PDP/LCD TV,EN,FR,DE, ETC,W/P 120g SNA
4 BN68-00633C ACCESSORY MANUAL USERS-02 LW15/17/20M,SAMSUNG,E/F/G/D/I/S/P,W.Europe,Mojo 120/100g,B5 SNA
3 BN96-01270A ACCESSORY ASSY MISC P-BRKT WALL VE15UO SNA
4 BN61-01162A CIS BRACKET-WALL VE15,SECC,2.0 SNA
4 BN96-01272A CIS ASSY MISC P-SCREW VE15UO SNA
3 BN96-01296G UNIT/ACCESSORY ASSY ACCESSORY VC17EO SNA
4 3903-000145 ACCESSORY CBF-POWER CORD
DT,EU,FP3/YES,U(IEC C13-RA),250/250V,10-16/10A,BLK,1830MM,-,H05VV-F 3X1.0MM^2,FL
SA
4 4301-000121 ACCESSORY BATTERY-MN 1.5V,-,AAA,10.5x44.5m,HOLDER SA
4 6902-000110 ACCESSORY BAG PE LDPE,T0.05,L356,W240,TRP,28,2,PE MARK SNA
7 Electrical Parts List
LW17M24C/LW20M21C 7-11
Level Code No. Loc. No. Description Specification Remarks
Level Code No. Loc. No. Description Specification Remarks
7-1-2 LW17M24C Others
2 BN90-00647X - ASSY COVER FRONT VC17EO SNA
3 6003-001003 C/F+C/R SCREW-TAPTITE BH,+,B,M4,L12,ZPC(BLK),SWRCH18 SA
3 BN96-01255B C/F ASSY COVER P-FRONT VC17EO,ABS V0 SNA
4 6003-000010 C/F SCREW-TAPTITE BWH,+,B,M3,L10,ZPC(YEL),SWRCH1 SNA
4 6003-000259 C/F SCREW-TAPTITE BH,+,B,M3,L8,ZPC(YEL),SWRCH18A SNA
4 AA60-00091E C/F SPACER-FELT -,FELT,100X10,-,-,BLK,T0.5,-,- SNA
4 AA60-00091K C/F SPACER-FELT -,FELT,330X10,-,-,BLK,T0.35,-,- SNA
4 AA60-00091S C/F SPACER-FELT 61L2,FELT,30*10,BLK,T0.5 SNA
4 BN63-01315A C/F COVER-FRONT MIIDDLE LT17M2,ABS,V0 SNA
4 BN63-01316B C/F COVER-FRONT BEZEL VC17EO,ABS,VO SNA
4 BN63-01474C C/F FELT VENICE 17",FELT,T0.35,20,300 SNA
4 BN64-00031A C/F BADGE-BRAND RB15AS,AL,T1.4,6.3,40.1,SILIVER,SAMSUNG(G/S) SNA
4 BN64-00254A C/F KNOB-FUNCTON LT15M2,ABS,HB,BK19 SNA
4 BN67-00119A C/F LENS-IR LT20M2,ACRYL,CLEAR SA
4 BN96-01155B C/F ASSY BOARD P-FUNCTION IR VE20UO,FUNCTION/IR SNA
4 BN96-01163A C/F ASSY SPEAKER P 16ohm,Venice,Right,3W,300mm SNA
4 BN96-01164A C/F ASSY SPEAKER P 16ohm,Venice,Left,3W,150mm SNA
2 BN90-00656Q - ASSY COVER REAR VC17EO SNA
3 6003-001003 C/F+C/R+STD SCREW-TAPTITE BH,+,B,M4,L12,ZPC(BLK),SWRCH18 SA
3 BN96-01256B C/R ASSY COVER P-REAR VC17EO,ABS VO SNA
4 AA60-00091K C/R SPACER-FELT -,FELT,330X10,-,-,BLK,T0.35,-,- SNA
4 AA60-00091S C/R SPACER-FELT 61L2,FELT,30*10,BLK,T0.5 SNA
4 BN63-01178B C/R COVER-INLAY VE15EO,PC SHEET,T0.5 SNA
4 BN63-01317A C/R COVER-REAR LT17M2,ABS,V0 SNA
2 BN90-00657F - ASSY STAND VC17UO SNA
3 BN96-01335A STD ASSY STAND P VC17**,ABS HB SNA
4 6003-000259 STD SCREW-TAPTITE BH,+,B,M3,L8,ZPC(YEL),SWRCH18A SNA
4 6003-001185 STD SCREW-TAPTITE FH,+,B,M3,L8,NI PLT,SWRCH18A SNA
4 BN61-00811A STD STAND-COVER LT15M2,ABS HB SNA
4 BN61-00812A STD STAND-SUB COVER LT15M2,ABS HB SNA
4 BN61-00813A STD STAND-BRKT BOTTOM LT15M2,SECC,T1.0 SNA
4 BN73-60002C STD RUBBER FOOT VENICE 15",RUBBER,DIA 14,1.0,BLACK SNA
4 BN96-01162B STD ASSY MISC P-HINGE VC17UO,DIE CASTING T2.5 SNA

0 VE20EO
1 CP-VE20EO - 1 CHIMEI -
4
BSNA97-00359Z
- ASSSA SMD VE20EO SNA
5 0401-001056 D200 DIODE-SWITCHISNAG MMBD4148SE,100V,200MA,SOT-23,TP SA
5 0401-001056 D600 DIODE-SWITCHISNAG MMBD4148SE,100V,200MA,SOT-23,TP SA
5 0401-001056 D701 DIODE-SWITCHISNAG MMBD4148SE,100V,200MA,SOT-23,TP SA
5 0401-001056 D702 DIODE-SWITCHISNAG MMBD4148SE,100V,200MA,SOT-23,TP SA
5 0401-001056 D800 DIODE-SWITCHISNAG MMBD4148SE,100V,200MA,SOT-23,TP SA
5 0401-001056 D908 DIODE-SWITCHISNAG MMBD4148SE,100V,200MA,SOT-23,TP SA
5 0401-001056 D909 DIODE-SWITCHISNAG MMBD4148SE,100V,200MA,SOT-23,TP SA
5 0401-001056 D910 DIODE-SWITCHISNAG MMBD4148SE,100V,200MA,SOT-23,TP SA
5 0401-001056 D912 DIODE-SWITCHISNAG MMBD4148SE,100V,200MA,SOT-23,TP SA
5 0401-001056 D913 DIODE-SWITCHISNAG MMBD4148SE,100V,200MA,SOT-23,TP SA
5 0401-001056 D915 DIODE-SWITCHISNAG MMBD4148SE,100V,200MA,SOT-23,TP SA
5 0401-001056 D948 DIODE-SWITCHISNAG MMBD4148SE,100V,200MA,SOT-23,TP SA
5 0401-001056 D949 DIODE-SWITCHISNAG MMBD4148SE,100V,200MA,SOT-23,TP SA
5 0401-001056 D951 DIODE-SWITCHISNAG MMBD4148SE,100V,200MA,SOT-23,TP SA
5 0401-001056 D952 DIODE-SWITCHISNAG MMBD4148SE,100V,200MA,SOT-23,TP SA
5 0401-001056 D953 DIODE-SWITCHISNAG MMBD4148SE,100V,200MA,SOT-23,TP SA
5 0401-001056 D954 DIODE-SWITCHISNAG MMBD4148SE,100V,200MA,SOT-23,TP SA
5 0401-001056 D955 DIODE-SWITCHISNAG MMBD4148SE,100V,200MA,SOT-23,TP SA
5 0401-001056 D956 DIODE-SWITCHISNAG MMBD4148SE,100V,200MA,SOT-23,TP SA
5 0401-001056 D957 DIODE-SWITCHISNAG MMBD4148SE,100V,200MA,SOT-23,TP SA
5 0402-000553 D101 DIODE-RECTIFIER SS24,40V,2.0A,DO-214AA SA
5 0402-000553 D102 DIODE-RECTIFIER SS24,40V,2.0A,DO-214AA SA
5 0403-000579 D904 DIODE-ZESNAER BZX84C5V1,4.8-5.4V,200MW,SOT-23,TP SA
5 0403-000579 D916 DIODE-ZESNAER BZX84C5V1,4.8-5.4V,200MW,SOT-23,TP SA
5 0403-000579 D917 DIODE-ZESNAER BZX84C5V1,4.8-5.4V,200MW,SOT-23,TP SA
5 0403-000579 D918 DIODE-ZESNAER BZX84C5V1,4.8-5.4V,200MW,SOT-23,TP SA
5 0403-000579 D919 DIODE-ZESNAER BZX84C5V1,4.8-5.4V,200MW,SOT-23,TP SA
5 0403-000579 D920 DIODE-ZESNAER BZX84C5V1,4.8-5.4V,200MW,SOT-23,TP SA
5 0403-000579 D928 DIODE-ZESNAER BZX84C5V1,4.8-5.4V,200MW,SOT-23,TP SA
5 0403-000579 D950 DIODE-ZESNAER BZX84C5V1,4.8-5.4V,200MW,SOT-23,TP SA
5 0403-001048 D944 DIODE-ZESNAER BZX84C16,15.3-17.1V,225MW,SOT-23,TP SA
5 0403-001052 D603 DIODE-ZESNAER RD8.2MB,7.7-8.7V,200MW,SOT-23,TP SA
5 0403-001052 D604 DIODE-ZESNAER RD8.2MB,7.7-8.7V,200MW,SOT-23,TP SA
5 0403-001052 D900 DIODE-ZESNAER RD8.2MB,7.7-8.7V,200MW,SOT-23,TP SA
5 0403-001052 D901 DIODE-ZESNAER RD8.2MB,7.7-8.7V,200MW,SOT-23,TP SA
5 0403-001052 D902 DIODE-ZESNAER RD8.2MB,7.7-8.7V,200MW,SOT-23,TP SA
5 0403-001052 D903 DIODE-ZESNAER RD8.2MB,7.7-8.7V,200MW,SOT-23,TP SA
5 0403-001052 D905 DIODE-ZESNAER RD8.2MB,7.7-8.7V,200MW,SOT-23,TP SA
5 0403-001052 D906 DIODE-ZESNAER RD8.2MB,7.7-8.7V,200MW,SOT-23,TP SA
5 0403-001052 D911 DIODE-ZESNAER RD8.2MB,7.7-8.7V,200MW,SOT-23,TP SA
5 0403-001052 D914 DIODE-ZESNAER RD8.2MB,7.7-8.7V,200MW,SOT-23,TP SA
5 0403-001052 D921 DIODE-ZESNAER RD8.2MB,7.7-8.7V,200MW,SOT-23,TP SA
5 0403-001052 D922 DIODE-ZESNAER RD8.2MB,7.7-8.7V,200MW,SOT-23,TP SA
5 0403-001052 D923 DIODE-ZESNAER RD8.2MB,7.7-8.7V,200MW,SOT-23,TP SA
5 0403-001052 D924 DIODE-ZESNAER RD8.2MB,7.7-8.7V,200MW,SOT-23,TP SA
5 0403-001052 D925 DIODE-ZESNAER RD8.2MB,7.7-8.7V,200MW,SOT-23,TP SA
5 0403-001052 D926 DIODE-ZESNAER RD8.2MB,7.7-8.7V,200MW,SOT-23,TP SA
5 0403-001052 D927 DIODE-ZESNAER RD8.2MB,7.7-8.7V,200MW,SOT-23,TP SA
5 0403-001052 D930 DIODE-ZESNAER RD8.2MB,7.7-8.7V,200MW,SOT-23,TP SA
5 0403-001052 D932 DIODE-ZESNAER RD8.2MB,7.7-8.7V,200MW,SOT-23,TP SA
5 0403-001052 D934 DIODE-ZESNAER RD8.2MB,7.7-8.7V,200MW,SOT-23,TP SA
5 0403-001052 D936 DIODE-ZESNAER RD8.2MB,7.7-8.7V,200MW,SOT-23,TP SA
7 Electrical Parts List
7-12 LW17M24C/LW20M21C
Level Code No. Loc. No. Description Specification Remarks
2 BN91-00567H - ASSY LCD-S5 ES17,S5 SNA
3 BN07-00113A CIS LCD
LTM170EH-L05,ES17AS,1280*1024,383.5*298*15,16.19M,56,0.264*0.264,0~55,5.0,TN,-
SA
2 BN91-00801K - ASSY CHASSIS VC17EO SA
Level Loc. No. Code No. Description Specification Remarks
7-2-1 LW20M21C Main PCB Parts

5 0403-001052 D940 DIODE-ZESNAER RD8.2MB,7.7-8.7V,200MW,SOT-23,TP SA
5 0403-001052 D941 DIODE-ZESNAER RD8.2MB,7.7-8.7V,200MW,SOT-23,TP SA
5 0403-001052 D942 DIODE-ZESNAER RD8.2MB,7.7-8.7V,200MW,SOT-23,TP SA
5 0403-001052 D945 DIODE-ZESNAER RD8.2MB,7.7-8.7V,200MW,SOT-23,TP SA
5 0403-001052 D946 DIODE-ZESNAER RD8.2MB,7.7-8.7V,200MW,SOT-23,TP SA
5 0403-001052 D947 DIODE-ZESNAER RD8.2MB,7.7-8.7V,200MW,SOT-23,TP SA
5 0403-001425 D201 DIODE-ZESNAER BZX84C33,31-35V,350MW,SOT-23,TP SA
5 0403-001435 D602 DIODE-ZESNAER QZX363C5V6,5.32-5.88V,200MW,SOT-363,TP SA
5 0407-000123 D601 DIODE-ARRASA DASNA202K,80V,100MA,CA2-3,SOT-23,TP SA
5 0407-000123 D907 DIODE-ARRASA DASNA202K,80V,100MA,CA2-3,SOT-23,TP SA
5 0501-000280 Q801 TR-SMALL SIGSNAAL KSA1182,PSNAP,150mW,SOT-23,TP,70 SA
5 0501-000280 Q802 TR-SMALL SIGSNAAL KSA1182,PSNAP,150mW,SOT-23,TP,70 SA
5 0501-000280 Q803 TR-SMALL SIGSNAAL KSA1182,PSNAP,150mW,SOT-23,TP,70 SA
5 0501-000280 Q804 TR-SMALL SIGSNAAL KSA1182,PSNAP,150mW,SOT-23,TP,70 SA
5 0501-000342 Q200 TR-SMALL SIGSNAAL KSC1623-SA,SNAPSNA,200mW,SOT-23,TP,135-270 SA
5 0501-000342 Q600 TR-SMALL SIGSNAAL KSC1623-SA,SNAPSNA,200mW,SOT-23,TP,135-270 SA
5 0501-000342 Q601 TR-SMALL SIGSNAAL KSC1623-SA,SNAPSNA,200mW,SOT-23,TP,135-270 SA
5 0501-000342 Q602 TR-SMALL SIGSNAAL KSC1623-SA,SNAPSNA,200mW,SOT-23,TP,135-270 SA
5 0501-000342 Q603 TR-SMALL SIGSNAAL KSC1623-SA,SNAPSNA,200mW,SOT-23,TP,135-270 SA
5 0501-000342 Q800 TR-SMALL SIGSNAAL KSC1623-SA,SNAPSNA,200mW,SOT-23,TP,135-270 SA
5 0501-000342 Q902 TR-SMALL SIGSNAAL KSC1623-SA,SNAPSNA,200mW,SOT-23,TP,135-270 SA
5 0501-000344 Q809 TR-SMALL SIGSNAAL KSC1623-G,SNAPSNA,200mW,SOT-23,TP, SA
5 0501-002080 Q100 TR-SMALL SIGSNAAL 2SC2412K,SNAPSNA,200mW,SC-59,TP,120-270 SA
5 0501-002080 Q101 TR-SMALL SIGSNAAL 2SC2412K,SNAPSNA,200mW,SC-59,TP,120-270 SA
5 0501-002080 Q104 TR-SMALL SIGSNAAL 2SC2412K,SNAPSNA,200mW,SC-59,TP,120-270 SA
5 0501-002080 Q805 TR-SMALL SIGSNAAL 2SC2412K,SNAPSNA,200mW,SC-59,TP,120-270 SA
5 0501-002080 Q810 TR-SMALL SIGSNAAL 2SC2412K,SNAPSNA,200mW,SC-59,TP,120-270 SA
5 0501-002080 Q900 TR-SMALL SIGSNAAL 2SC2412K,SNAPSNA,200mW,SC-59,TP,120-270 SA
5 0501-002080 Q901 TR-SMALL SIGSNAAL 2SC2412K,SNAPSNA,200mW,SC-59,TP,120-270 SA
5 0801-002267 IC903 IC-CMOS LOGIC
74LCX14,-,SOIC,14P,150MIL,-,TP,-,-,-,3.6V,-40TO+85C,-,5.5V,-,-,24MA
SA
5 0801-002716 IC902 IC-CMOS LOGIC
74LCX157,MULTIPLEXER,SOIC,16P,150MIL,QUAD,TP,PLASTIC,-,-,0V,-40TO+85C,-,0V,10UA,
SA
5 0909-001036 IC706 IC-REAL TIME CLOCK
DS1337S,-,SO,8P,150MIL,400KHZ,TP,CMOS,PLASTIC,3.3V,-,-40TO+85C,-,-,-,-,-
SA
5 1001-001082 IC501 IC-VIDEO SWITCH BA7657F,-,SOP,24P,300MIL,SISNAGL SA
5 1003-001713 IC704 IC-LCD COSNATROLLER GM2221,PQFP,208P,-,-,-,TR,PLASTIC,3.3V,0to+70C,-,-,- SA
5 1103-000129 IC900 IC-EEPROM 24C02,256x8,SOP,8P,5x4mm,4.5/5.5V,0to+70C SA
5 1103-001314 IC705 IC-EEPROM 24C16,2Kx8,SOP,8P,5x4mm,2.7/5.5V,-40to+85C SA
5 1103-001314 IC805 IC-EEPROM 24C16,2Kx8,SOP,8P,5x4mm,2.7/5.5V,-40to+85C SA
5 1201-001495 IC601 IC-AUDIO AMP
7050,SOP,8P,150MIL,DUAL,26DB,PLASTIC,6V,0.25W,-,40DB,-,-,20SNAA,-
SA
5 1201-001980 IC600 IC-AUDIO AMP
TDA7266D,SO,20P,16X11.1MM,-,26DB,PLASTIC,12V,25W,0TO+70C,-,-,-,-,-,TP
SA
5 1203-001816 IC109 IC-POSI.FIXED REG.
78M08,TO-252,3P,-,PLASTIC,7.7/8.3V,1.0W,-40TO+85C,0.5A,-,TP
SA
5 1203-001824 IC300 IC-VOL. DETECTOR
7042,SOT-89,3P,-,PLASTIC,4.05V/4.35V,500MW,-30TO+75C,20MA,-,TP
SA
5 1203-002842 IC101 IC-POSI.FIXED REG.
AP1117D-33A,TO-252,3P,6.7X5.6MM,PLASTIC,3.235/3.365V,-,0TO+150C,1A,-,TP
SA
5 1203-002842 IC111 IC-POSI.FIXED REG.
AP1117D-33A,TO-252,3P,6.7X5.6MM,PLASTIC,3.235/3.365V,-,0TO+150C,1A,-,TP
SA
5 1203-002844 IC105 IC-POSI.FIXED REG.
AP1117D-18A,TO-252-3L,3P,6.7X5.6MM,PLASTIC,1.764/1.836V,-,0TO+150C,1A,-,TP
SA
5 1203-002844 IC112 IC-POSI.FIXED REG.
AP1117D-18A,TO-252-3L,3P,6.7X5.6MM,PLASTIC,1.764/1.836V,-,0TO+150C,1A,-,TP
SA
5 1203-003015 IC108
IC-DC/DC COSNAVERTER MP1410ES,SOIC,8P,4.9x3.9mm,PLASTIC,2.5/5V,-,-20to+85C,2A,-,TP
SA
5 1203-003015 IC110
IC-DC/DC COSNAVERTER
MP1410ES,SOIC,8P,4.9x3.9mm,PLASTIC,2.5/5V,-,-20to+85C,2A,-,TP
SA
5 2007-000052 R738 R-CHIP 10Kohm,1%,1/10W,TP,1608 SA
5 2007-000052 R739 R-CHIP 10Kohm,1%,1/10W,TP,1608 SA
5 2007-000052 R8126 R-CHIP 10Kohm,1%,1/10W,TP,1608 SA
5 2007-000052 R915 R-CHIP 10Kohm,1%,1/10W,TP,1608 SA
5 2007-000052 R916 R-CHIP 10Kohm,1%,1/10W,TP,1608 SA
5 2007-000070 R205 R-CHIP 0ohm,5%,1/10W,TP,1608 SA
5 2007-000070 R207 R-CHIP 0ohm,5%,1/10W,TP,1608 SA
5 2007-000070 R208 R-CHIP 0ohm,5%,1/10W,TP,1608 SA
5 2007-000070 R209 R-CHIP 0ohm,5%,1/10W,TP,1608 SA
5 2007-000070 R311 R-CHIP 0ohm,5%,1/10W,TP,1608 SA
5 2007-000070 R312 R-CHIP 0ohm,5%,1/10W,TP,1608 SA
5 2007-000070 R734 R-CHIP 0ohm,5%,1/10W,TP,1608 SA
5 2007-000070 R781 R-CHIP 0ohm,5%,1/10W,TP,1608 SA
5 2007-000070 R803 R-CHIP 0ohm,5%,1/10W,TP,1608 SA
5 2007-000070 R8104 R-CHIP 0ohm,5%,1/10W,TP,1608 SA
5 2007-000070 R8105 R-CHIP 0ohm,5%,1/10W,TP,1608 SA
5 2007-000070 R837 R-CHIP 0ohm,5%,1/10W,TP,1608 SA
5 2007-000070 R841 R-CHIP 0ohm,5%,1/10W,TP,1608 SA
5 2007-000070 R842 R-CHIP 0ohm,5%,1/10W,TP,1608 SA
5 2007-000070 R845 R-CHIP 0ohm,5%,1/10W,TP,1608 SA
5 2007-000070 R850 R-CHIP 0ohm,5%,1/10W,TP,1608 SA
5 2007-000070 R851 R-CHIP 0ohm,5%,1/10W,TP,1608 SA
5 2007-000070 R856 R-CHIP 0ohm,5%,1/10W,TP,1608 SA
5 2007-000070 R857 R-CHIP 0ohm,5%,1/10W,TP,1608 SA
5 2007-000070 R859 R-CHIP 0ohm,5%,1/10W,TP,1608 SA
7 Electrical Parts List
LW17M24C/LW20M21C 7-13
Level Code No. Loc. No. Description Specification Remarks

5 2007-000070 R860 R-CHIP 0ohm,5%,1/10W,TP,1608 SA
5 2007-000070 R862 R-CHIP 0ohm,5%,1/10W,TP,1608 SA
5 2007-000070 R863 R-CHIP 0ohm,5%,1/10W,TP,1608 SA
5 2007-000070 R866 R-CHIP 0ohm,5%,1/10W,TP,1608 SA
5 2007-000070 R882 R-CHIP 0ohm,5%,1/10W,TP,1608 SA
5 2007-000070 R883 R-CHIP 0ohm,5%,1/10W,TP,1608 SA
5 2007-000070 R884 R-CHIP 0ohm,5%,1/10W,TP,1608 SA
5 2007-000070 R885 R-CHIP 0ohm,5%,1/10W,TP,1608 SA
5 2007-000070 R886 R-CHIP 0ohm,5%,1/10W,TP,1608 SA
5 2007-000070 R887 R-CHIP 0ohm,5%,1/10W,TP,1608 SA
5 2007-000070 R889 R-CHIP 0ohm,5%,1/10W,TP,1608 SA
5 2007-000070 R890 R-CHIP 0ohm,5%,1/10W,TP,1608 SA
5 2007-000070 R891 R-CHIP 0ohm,5%,1/10W,TP,1608 SA
5 2007-000070 R967 R-CHIP 0ohm,5%,1/10W,TP,1608 SA
5 2007-000071 R835 R-CHIP 22ohm,5%,1/10W,TP,1608 SA
5 2007-000074 R122 R-CHIP 100ohm,5%,1/10W,TP,1608 SA
5 2007-000074 R166 R-CHIP 100ohm,5%,1/10W,TP,1608 SA
5 2007-000074 R170 R-CHIP 100ohm,5%,1/10W,TP,1608 SA
5 2007-000074 R203 R-CHIP 100ohm,5%,1/10W,TP,1608 SA
5 2007-000074 R204 R-CHIP 100ohm,5%,1/10W,TP,1608 SA
5 2007-000074 R602 R-CHIP 100ohm,5%,1/10W,TP,1608 SA
5 2007-000074 R603 R-CHIP 100ohm,5%,1/10W,TP,1608 SA
5 2007-000074 R703 R-CHIP 100ohm,5%,1/10W,TP,1608 SA
5 2007-000074 R705 R-CHIP 100ohm,5%,1/10W,TP,1608 SA
5 2007-000074 R707 R-CHIP 100ohm,5%,1/10W,TP,1608 SA
5 2007-000074 R709 R-CHIP 100ohm,5%,1/10W,TP,1608 SA
5 2007-000074 R710 R-CHIP 100ohm,5%,1/10W,TP,1608 SA
5 2007-000074 R711 R-CHIP 100ohm,5%,1/10W,TP,1608 SA
5 2007-000074 R712 R-CHIP 100ohm,5%,1/10W,TP,1608 SA
5 2007-000074 R714 R-CHIP 100ohm,5%,1/10W,TP,1608 SA
5 2007-000074 R715 R-CHIP 100ohm,5%,1/10W,TP,1608 SA
5 2007-000074 R716 R-CHIP 100ohm,5%,1/10W,TP,1608 SA
5 2007-000074 R717 R-CHIP 100ohm,5%,1/10W,TP,1608 SA
5 2007-000074 R718 R-CHIP 100ohm,5%,1/10W,TP,1608 SA
5 2007-000074 R719 R-CHIP 100ohm,5%,1/10W,TP,1608 SA
5 2007-000074 R720 R-CHIP 100ohm,5%,1/10W,TP,1608 SA
5 2007-000074 R727 R-CHIP 100ohm,5%,1/10W,TP,1608 SA
5 2007-000074 R728 R-CHIP 100ohm,5%,1/10W,TP,1608 SA
5 2007-000074 R729 R-CHIP 100ohm,5%,1/10W,TP,1608 SA
5 2007-000074 R752 R-CHIP 100ohm,5%,1/10W,TP,1608 SA
5 2007-000074 R753 R-CHIP 100ohm,5%,1/10W,TP,1608 SA
5 2007-000074 R770 R-CHIP 100ohm,5%,1/10W,TP,1608 SA
5 2007-000074 R771 R-CHIP 100ohm,5%,1/10W,TP,1608 SA
5 2007-000074 R772 R-CHIP 100ohm,5%,1/10W,TP,1608 SA
5 2007-000074 R775 R-CHIP 100ohm,5%,1/10W,TP,1608 SA
5 2007-000074 R776 R-CHIP 100ohm,5%,1/10W,TP,1608 SA
5 2007-000074 R777 R-CHIP 100ohm,5%,1/10W,TP,1608 SA
5 2007-000074 R778 R-CHIP 100ohm,5%,1/10W,TP,1608 SA
5 2007-000074 R779 R-CHIP 100ohm,5%,1/10W,TP,1608 SA
5 2007-000074 R8019 R-CHIP 100ohm,5%,1/10W,TP,1608 SA
5 2007-000074 R8108 R-CHIP 100ohm,5%,1/10W,TP,1608 SA
5 2007-000074 R871 R-CHIP 100ohm,5%,1/10W,TP,1608 SA
5 2007-000074 R880 R-CHIP 100ohm,5%,1/10W,TP,1608 SA
5 2007-000074 R881 R-CHIP 100ohm,5%,1/10W,TP,1608 SA
5 2007-000074 R900 R-CHIP 100ohm,5%,1/10W,TP,1608 SA
5 2007-000074 R901 R-CHIP 100ohm,5%,1/10W,TP,1608 SA
5 2007-000074 R905 R-CHIP 100ohm,5%,1/10W,TP,1608 SA
5 2007-000074 R907 R-CHIP 100ohm,5%,1/10W,TP,1608 SA
5 2007-000074 R910 R-CHIP 100ohm,5%,1/10W,TP,1608 SA
5 2007-000074 R911 R-CHIP 100ohm,5%,1/10W,TP,1608 SA
5 2007-000074 R912 R-CHIP 100ohm,5%,1/10W,TP,1608 SA
5 2007-000074 R920 R-CHIP 100ohm,5%,1/10W,TP,1608 SA
5 2007-000074 R921 R-CHIP 100ohm,5%,1/10W,TP,1608 SA
5 2007-000074 R923 R-CHIP 100ohm,5%,1/10W,TP,1608 SA
5 2007-000074 R950 R-CHIP 100ohm,5%,1/10W,TP,1608 SA
5 2007-000074 R951 R-CHIP 100ohm,5%,1/10W,TP,1608 SA
5 2007-000074 R952 R-CHIP 100ohm,5%,1/10W,TP,1608 SA
5 2007-000074 R954 R-CHIP 100ohm,5%,1/10W,TP,1608 SA
5 2007-000074 R955 R-CHIP 100ohm,5%,1/10W,TP,1608 SA
5 2007-000074 R956 R-CHIP 100ohm,5%,1/10W,TP,1608 SA
5 2007-000074 R957 R-CHIP 100ohm,5%,1/10W,TP,1608 SA
5 2007-000074 R958 R-CHIP 100ohm,5%,1/10W,TP,1608 SA
7 Electrical Parts List
7-14 LW17M24C/LW20M21C
Level Code No. Loc. No. Description Specification Remarks

5 2007-000074 R959 R-CHIP 100ohm,5%,1/10W,TP,1608 SA
5 2007-000074 R960 R-CHIP 100ohm,5%,1/10W,TP,1608 SA
5 2007-000074 R961 R-CHIP 100ohm,5%,1/10W,TP,1608 SA
5 2007-000074 R962 R-CHIP 100ohm,5%,1/10W,TP,1608 SA
5 2007-000074 R963 R-CHIP 100ohm,5%,1/10W,TP,1608 SA
5 2007-000074 R964 R-CHIP 100ohm,5%,1/10W,TP,1608 SA
5 2007-000074 R968 R-CHIP 100ohm,5%,1/10W,TP,1608 SA
5 2007-000075 R940 R-CHIP 220ohm,5%,1/10W,TP,1608 SA
5 2007-000075 R942 R-CHIP 220ohm,5%,1/10W,TP,1608 SA
5 2007-000076 R200 R-CHIP 330ohm,5%,1/10W,TP,1608 SA
5 2007-000077 R750 R-CHIP 470ohm,5%,1/10W,TP,1608 SA
5 2007-000077 R751 R-CHIP 470ohm,5%,1/10W,TP,1608 SA
5 2007-000077 R802 R-CHIP 470ohm,5%,1/10W,TP,1608 SA
5 2007-000078 R604 R-CHIP 1Kohm,5%,1/10W,TP,1608 SA
5 2007-000078 R611 R-CHIP 1Kohm,5%,1/10W,TP,1608 SA
5 2007-000078 R619 R-CHIP 1Kohm,5%,1/10W,TP,1608 SA
5 2007-000078 R623 R-CHIP 1Kohm,5%,1/10W,TP,1608 SA
5 2007-000078 R725 R-CHIP 1Kohm,5%,1/10W,TP,1608 SA
5 2007-000078 R839 R-CHIP 1Kohm,5%,1/10W,TP,1608 SA
5 2007-000078 R864 R-CHIP 1Kohm,5%,1/10W,TP,1608 SA
5 2007-000078 R927 R-CHIP 1Kohm,5%,1/10W,TP,1608 SA
5 2007-000078 R928 R-CHIP 1Kohm,5%,1/10W,TP,1608 SA
5 2007-000078 R931 R-CHIP 1Kohm,5%,1/10W,TP,1608 SA
5 2007-000078 R932 R-CHIP 1Kohm,5%,1/10W,TP,1608 SA
5 2007-000080 R512 R-CHIP 2Kohm,5%,1/10W,TP,1608 SA
5 2007-000081 R624 R-CHIP 2.7Kohm,5%,1/10W,TP,1608 SA
5 2007-000081 R625 R-CHIP 2.7Kohm,5%,1/10W,TP,1608 SA
5 2007-000081 R8145 R-CHIP 2.7Kohm,5%,1/10W,TP,1608 SA
5 2007-000081 R858 R-CHIP 2.7Kohm,5%,1/10W,TP,1608 SA
5 2007-000082 R8017 R-CHIP 3.3Kohm,5%,1/10W,TP,1608 SA
5 2007-000082 R8106 R-CHIP 3.3Kohm,5%,1/10W,TP,1608 SA
5 2007-000082 R934 R-CHIP 3.3Kohm,5%,1/10W,TP,1608 SA
5 2007-000084 R600 R-CHIP 4.7Kohm,5%,1/10W,TP,1608 SA
5 2007-000084 R601 R-CHIP 4.7Kohm,5%,1/10W,TP,1608 SA
5 2007-000084 R607 R-CHIP 4.7Kohm,5%,1/10W,TP,1608 SA
5 2007-000084 R609 R-CHIP 4.7Kohm,5%,1/10W,TP,1608 SA
5 2007-000084 R800 R-CHIP 4.7Kohm,5%,1/10W,TP,1608 SA
5 2007-000084 R801 R-CHIP 4.7Kohm,5%,1/10W,TP,1608 SA
5 2007-000084 R8119 R-CHIP 4.7Kohm,5%,1/10W,TP,1608 SA
5 2007-000084 R8120 R-CHIP 4.7Kohm,5%,1/10W,TP,1608 SA
5 2007-000084 R855 R-CHIP 4.7Kohm,5%,1/10W,TP,1608 SA
5 2007-000084 R914 R-CHIP 4.7Kohm,5%,1/10W,TP,1608 SA
5 2007-000084 R924 R-CHIP 4.7Kohm,5%,1/10W,TP,1608 SA
5 2007-000084 R929 R-CHIP 4.7Kohm,5%,1/10W,TP,1608 SA
5 2007-000084 R930 R-CHIP 4.7Kohm,5%,1/10W,TP,1608 SA
5 2007-000087 R173 R-CHIP 6.8Kohm,5%,1/10W,TP,1608 SA
5 2007-000087 R852 R-CHIP 6.8Kohm,5%,1/10W,TP,1608 SA
5 2007-000087 R853 R-CHIP 6.8Kohm,5%,1/10W,TP,1608 SA
5 2007-000090 R114 R-CHIP 10Kohm,5%,1/10W,TP,1608 SA
5 2007-000090 R128 R-CHIP 10Kohm,5%,1/10W,TP,1608 SA
5 2007-000090 R165 R-CHIP 10Kohm,5%,1/10W,TP,1608 SA
5 2007-000090 R174 R-CHIP 10Kohm,5%,1/10W,TP,1608 SA
5 2007-000090 R516 R-CHIP 10Kohm,5%,1/10W,TP,1608 SA
5 2007-000090 R605 R-CHIP 10Kohm,5%,1/10W,TP,1608 SA
5 2007-000090 R606 R-CHIP 10Kohm,5%,1/10W,TP,1608 SA
5 2007-000090 R608 R-CHIP 10Kohm,5%,1/10W,TP,1608 SA
5 2007-000090 R610 R-CHIP 10Kohm,5%,1/10W,TP,1608 SA
5 2007-000090 R614 R-CHIP 10Kohm,5%,1/10W,TP,1608 SA
5 2007-000090 R615 R-CHIP 10Kohm,5%,1/10W,TP,1608 SA
5 2007-000090 R704 R-CHIP 10Kohm,5%,1/10W,TP,1608 SA
5 2007-000090 R706 R-CHIP 10Kohm,5%,1/10W,TP,1608 SA
5 2007-000090 R713 R-CHIP 10Kohm,5%,1/10W,TP,1608 SA
5 2007-000090 R742 R-CHIP 10Kohm,5%,1/10W,TP,1608 SA
5 2007-000090 R745 R-CHIP 10Kohm,5%,1/10W,TP,1608 SA
5 2007-000090 R746 R-CHIP 10Kohm,5%,1/10W,TP,1608 SA
5 2007-000090 R747 R-CHIP 10Kohm,5%,1/10W,TP,1608 SA
5 2007-000090 R748 R-CHIP 10Kohm,5%,1/10W,TP,1608 SA
5 2007-000090 R749 R-CHIP 10Kohm,5%,1/10W,TP,1608 SA
5 2007-000090 R8121 R-CHIP 10Kohm,5%,1/10W,TP,1608 SA
5 2007-000090 R8143 R-CHIP 10Kohm,5%,1/10W,TP,1608 SA
5 2007-000090 R8144 R-CHIP 10Kohm,5%,1/10W,TP,1608 SA
5 2007-000090 R821 R-CHIP 10Kohm,5%,1/10W,TP,1608 SA
7 Electrical Parts List
LW17M24C/LW20M21C 7-15
Level Code No. Loc. No. Description Specification Remarks

5 2007-000090 R879 R-CHIP 10Kohm,5%,1/10W,TP,1608 SA
5 2007-000090 R933 R-CHIP 10Kohm,5%,1/10W,TP,1608 SA
5 2007-000090 R944 R-CHIP 10Kohm,5%,1/10W,TP,1608 SA
5 2007-000090 R965 R-CHIP 10Kohm,5%,1/10W,TP,1608 SA
5 2007-000090 R966 R-CHIP 10Kohm,5%,1/10W,TP,1608 SA
5 2007-000091 R167 R-CHIP 12Kohm,5%,1/10W,TP,1608 SA
5 2007-000093 R612 R-CHIP 20Kohm,5%,1/10W,TP,1608 SA
5 2007-000093 R613 R-CHIP 20Kohm,5%,1/10W,TP,1608 SA
5 2007-000093 R616 R-CHIP 20Kohm,5%,1/10W,TP,1608 SA
5 2007-000094 R202 R-CHIP 22Kohm,5%,1/10W,TP,1608 SA
5 2007-000100 R514 R-CHIP 68Kohm,5%,1/10W,TP,1608 SA
5 2007-000102 R116 R-CHIP 100Kohm,5%,1/10W,TP,1608 SA
5 2007-000102 R120 R-CHIP 100Kohm,5%,1/10W,TP,1608 SA
5 2007-000102 R121 R-CHIP 100Kohm,5%,1/10W,TP,1608 SA
5 2007-000102 R127 R-CHIP 100Kohm,5%,1/10W,TP,1608 SA
5 2007-000102 R201 R-CHIP 100Kohm,5%,1/10W,TP,1608 SA
5 2007-000102 R211 R-CHIP 100Kohm,5%,1/10W,TP,1608 SA
5 2007-000103 R617 R-CHIP 120Kohm,5%,1/10W,TP,1608 SA
5 2007-000107 R510 R-CHIP 470Kohm,5%,1/10W,TP,1608 SA
5 2007-000113 R838 R-CHIP 33ohm,5%,1/10W,TP,1608 SA
5 2007-000113 R843 R-CHIP 33ohm,5%,1/10W,TP,1608 SA
5 2007-000113 R854 R-CHIP 33ohm,5%,1/10W,TP,1608 SA
5 2007-000121 R8109 R-CHIP 820ohm,5%,1/10W,TP,1608 SA
5 2007-000234 R896 R-CHIP 1.3Kohm,5%,1/10W,TP,1608 SA
5 2007-000239 R773 R-CHIP 1.5Kohm,1%,1/10W,TP,1608 SA
5 2007-000239 R774 R-CHIP 1.5Kohm,1%,1/10W,TP,1608 SA
5 2007-000309 790 R-CHIP 10ohm,5%,1/10W,TP,1608 SA
5 2007-000309 R620 R-CHIP 10ohm,5%,1/10W,TP,1608 SA
5 2007-000309 R621 R-CHIP 10ohm,5%,1/10W,TP,1608 SA
5 2007-000309 R788 R-CHIP 10ohm,5%,1/10W,TP,1608 SA
5 2007-000309 R789 R-CHIP 10ohm,5%,1/10W,TP,1608 SA
5 2007-000309 R827 R-CHIP 10ohm,5%,1/10W,TP,1608 SA
5 2007-000309 R830 R-CHIP 10ohm,5%,1/10W,TP,1608 SA
5 2007-000309 R833 R-CHIP 10ohm,5%,1/10W,TP,1608 SA
5 2007-000402 R732 R-CHIP 150ohm,5%,1/10W,TP,1608 SA
5 2007-000402 R733 R-CHIP 150ohm,5%,1/10W,TP,1608 SA
5 2007-000402 R740 R-CHIP 150ohm,5%,1/10W,TP,1608 SA
5 2007-000402 R817 R-CHIP 150ohm,5%,1/10W,TP,1608 SA
5 2007-000402 R818 R-CHIP 150ohm,5%,1/10W,TP,1608 SA
5 2007-000402 R819 R-CHIP 150ohm,5%,1/10W,TP,1608 SA
5 2007-000402 R836 R-CHIP 150ohm,5%,1/10W,TP,1608 SA
5 2007-000402 R840 R-CHIP 150ohm,5%,1/10W,TP,1608 SA
5 2007-000402 R849 R-CHIP 150ohm,5%,1/10W,TP,1608 SA
5 2007-000402 R897 R-CHIP 150ohm,5%,1/10W,TP,1608 SA
5 2007-000402 R925 R-CHIP 150ohm,5%,1/10W,TP,1608 SA
5 2007-000458 R808 R-CHIP 18Kohm,5%,1/10W,TP,1608 SA
5 2007-000539 R828 R-CHIP 200ohm,5%,1/10W,TP,1608 SA
5 2007-000539 R831 R-CHIP 200ohm,5%,1/10W,TP,1608 SA
5 2007-000539 R834 R-CHIP 200ohm,5%,1/10W,TP,1608 SA
5 2007-000570 R926 R-CHIP 220OHM,1%,1/10W,DA,TP,1608 SA
5 2007-000608 R737 R-CHIP 240ohm,5%,1/10W,TP,1608 SA
5 2007-000643 R826 R-CHIP 270ohm,5%,1/10W,TP,1608 SA
5 2007-000643 R829 R-CHIP 270ohm,5%,1/10W,TP,1608 SA
5 2007-000643 R832 R-CHIP 270ohm,5%,1/10W,TP,1608 SA
5 2007-000659 R899 R-CHIP 27ohm,5%,1/10W,TP,1608 SA
5 2007-000708 R169 R-CHIP 3.9Kohm,1%,1/10W,TP,1608 SA
5 2007-000882 R8102 R-CHIP 4.7ohm,5%,1/10W,TP,1608 SA
5 2007-000913 R171 R-CHIP 43Kohm,5%,1/10W,TP,1608 SA
5 2007-000939 R115 R-CHIP 47Kohm,1%,1/10W,TP,1608 SA
5 2007-000965 R168 R-CHIP 5.1Kohm,5%,1/10W,TP,1608 SA
5 2007-000965 R172 R-CHIP 5.1Kohm,5%,1/10W,TP,1608 SA
5 2007-001002 R8101 R-CHIP 510ohm,5%,1/10W,TP,1608 SA
5 2007-001044 R618 R-CHIP 56ohm,5%,1/10W,TP,1608 SA
5 2007-001044 R622 R-CHIP 56ohm,5%,1/10W,TP,1608 SA
5 2007-001101 R888 R-CHIP 62ohm,5%,1/10W,TP,1608 SA
5 2007-001134 R8100 R-CHIP 68ohm,5%,1/10W,TP,1608 SA
5 2007-001164 R501 R-CHIP 75ohm,1%,1/10W,TP,1608 SA
5 2007-001164 R503 R-CHIP 75ohm,1%,1/10W,TP,1608 SA
5 2007-001164 R506 R-CHIP 75ohm,1%,1/10W,TP,1608 SA
5 2007-001164 R735 R-CHIP 75ohm,1%,1/10W,TP,1608 SA
5 2007-001164 R736 R-CHIP 75ohm,1%,1/10W,TP,1608 SA
5 2007-001164 R741 R-CHIP 75ohm,1%,1/10W,TP,1608 SA
7 Electrical Parts List
7-16 LW17M24C/LW20M21C
Level Code No. Loc. No. Description Specification Remarks

5 2007-001164 R902 R-CHIP 75ohm,1%,1/10W,TP,1608 SA
5 2007-001164 R903 R-CHIP 75ohm,1%,1/10W,TP,1608 SA
5 2007-001164 R904 R-CHIP 75ohm,1%,1/10W,TP,1608 SA
5 2007-001164 R917 R-CHIP 75ohm,1%,1/10W,TP,1608 SA
5 2007-001164 R918 R-CHIP 75ohm,1%,1/10W,TP,1608 SA
5 2007-001164 R919 R-CHIP 75ohm,1%,1/10W,TP,1608 SA
5 2007-001164 R946 R-CHIP 75ohm,1%,1/10W,TP,1608 SA
5 2007-001167 R906 R-CHIP 75ohm,5%,1/10W,TP,1608 SA
5 2007-001167 R908 R-CHIP 75ohm,5%,1/10W,TP,1608 SA
5 2007-001167 R909 R-CHIP 75ohm,5%,1/10W,TP,1608 SA
5 2007-001167 R945 R-CHIP 75ohm,5%,1/10W,TP,1608 SA
5 2007-001179 R210 R-CHIP 8.2Kohm,5%,1/10W,TP,1608 SA
5 2011-000002 RA701 R-SNAET 22OHM,5%,1/16W,L,CHIP,8P,TP,3216 SA
5 2011-000002 RA702 R-SNAET 22OHM,5%,1/16W,L,CHIP,8P,TP,3216 SA
5 2011-000002 RA703 R-SNAET 22OHM,5%,1/16W,L,CHIP,8P,TP,3216 SA
5 2011-000002 RA704 R-SNAET 22OHM,5%,1/16W,L,CHIP,8P,TP,3216 SA
5 2011-000002 RA705 R-SNAET 22OHM,5%,1/16W,L,CHIP,8P,TP,3216 SA
5 2011-000002 RA706 R-SNAET 22OHM,5%,1/16W,L,CHIP,8P,TP,3216 SA
5 2011-000881 RA800 R-SNAET 33ohm,5%,1/16W,L,CHIP,8P,TP,3.2x1.6x0.5mm SA
5 2011-000881 RA808 R-SNAET 33ohm,5%,1/16W,L,CHIP,8P,TP,3.2x1.6x0.5mm SA
5 2203-000140 C119 C-CER,CHIP 1.5SNAF,10%,50V,X7R,TP,1608,- SA
5 2203-000140 C120 C-CER,CHIP 1.5SNAF,10%,50V,X7R,TP,1608,- SA
5 2203-000140 C132 C-CER,CHIP 1.5SNAF,10%,50V,X7R,TP,1608,- SA
5 2203-000140 C286 C-CER,CHIP 1.5SNAF,10%,50V,X7R,TP,1608,- SA
5 2203-000140 C314 C-CER,CHIP 1.5SNAF,10%,50V,X7R,TP,1608,- SA
5 2203-000140 C316 C-CER,CHIP 1.5SNAF,10%,50V,X7R,TP,1608,- SA
5 2203-000140 C318 C-CER,CHIP 1.5SNAF,10%,50V,X7R,TP,1608,- SA
5 2203-000140 C334 C-CER,CHIP 1.5SNAF,10%,50V,X7R,TP,1608,- SA
5 2203-000189 C107 C-CER,CHIP 100SNAF,+80-20%,25V,SA5V,TP,1608, SA
5 2203-000189 C117 C-CER,CHIP 100SNAF,+80-20%,25V,SA5V,TP,1608, SA
5 2203-000189 C118 C-CER,CHIP 100SNAF,+80-20%,25V,SA5V,TP,1608, SA
5 2203-000189 C143 C-CER,CHIP 100SNAF,+80-20%,25V,SA5V,TP,1608, SA
5 2203-000189 C163 C-CER,CHIP 100SNAF,+80-20%,25V,SA5V,TP,1608, SA
5 2203-000189 C175 C-CER,CHIP 100SNAF,+80-20%,25V,SA5V,TP,1608, SA
5 2203-000189 C179 C-CER,CHIP 100SNAF,+80-20%,25V,SA5V,TP,1608, SA
5 2203-000189 C183 C-CER,CHIP 100SNAF,+80-20%,25V,SA5V,TP,1608, SA
5 2203-000189 C190 C-CER,CHIP 100SNAF,+80-20%,25V,SA5V,TP,1608, SA
5 2203-000189 C203 C-CER,CHIP 100SNAF,+80-20%,25V,SA5V,TP,1608, SA
5 2203-000189 C217 C-CER,CHIP 100SNAF,+80-20%,25V,SA5V,TP,1608, SA
5 2203-000189 C607 C-CER,CHIP 100SNAF,+80-20%,25V,SA5V,TP,1608, SA
5 2203-000189 C609 C-CER,CHIP 100SNAF,+80-20%,25V,SA5V,TP,1608, SA
5 2203-000189 C615 C-CER,CHIP 100SNAF,+80-20%,25V,SA5V,TP,1608, SA
5 2203-000189 C620 C-CER,CHIP 100SNAF,+80-20%,25V,SA5V,TP,1608, SA
5 2203-000189 C745 C-CER,CHIP 100SNAF,+80-20%,25V,SA5V,TP,1608, SA
5 2203-000189 C754 C-CER,CHIP 100SNAF,+80-20%,25V,SA5V,TP,1608, SA
5 2203-000189 C763 C-CER,CHIP 100SNAF,+80-20%,25V,SA5V,TP,1608, SA
5 2203-000189 C769 C-CER,CHIP 100SNAF,+80-20%,25V,SA5V,TP,1608, SA
5 2203-000189 C802 C-CER,CHIP 100SNAF,+80-20%,25V,SA5V,TP,1608, SA
5 2203-000189 C808 C-CER,CHIP 100SNAF,+80-20%,25V,SA5V,TP,1608, SA
5 2203-000189 C810 C-CER,CHIP 100SNAF,+80-20%,25V,SA5V,TP,1608, SA
5 2203-000189 C817 C-CER,CHIP 100SNAF,+80-20%,25V,SA5V,TP,1608, SA
5 2203-000189 C818 C-CER,CHIP 100SNAF,+80-20%,25V,SA5V,TP,1608, SA
5 2203-000189 C819 C-CER,CHIP 100SNAF,+80-20%,25V,SA5V,TP,1608, SA
5 2203-000189 C820 C-CER,CHIP 100SNAF,+80-20%,25V,SA5V,TP,1608, SA
5 2203-000189 C821 C-CER,CHIP 100SNAF,+80-20%,25V,SA5V,TP,1608, SA
5 2203-000189 C822 C-CER,CHIP 100SNAF,+80-20%,25V,SA5V,TP,1608, SA
5 2203-000189 C823 C-CER,CHIP 100SNAF,+80-20%,25V,SA5V,TP,1608, SA
5 2203-000189 C824 C-CER,CHIP 100SNAF,+80-20%,25V,SA5V,TP,1608, SA
5 2203-000189 C825 C-CER,CHIP 100SNAF,+80-20%,25V,SA5V,TP,1608, SA
5 2203-000189 C827 C-CER,CHIP 100SNAF,+80-20%,25V,SA5V,TP,1608, SA
5 2203-000189 C828 C-CER,CHIP 100SNAF,+80-20%,25V,SA5V,TP,1608, SA
5 2203-000189 C829 C-CER,CHIP 100SNAF,+80-20%,25V,SA5V,TP,1608, SA
5 2203-000189 C839 C-CER,CHIP 100SNAF,+80-20%,25V,SA5V,TP,1608, SA
5 2203-000189 C910 C-CER,CHIP 100SNAF,+80-20%,25V,SA5V,TP,1608, SA
5 2203-000189 C918 C-CER,CHIP 100SNAF,+80-20%,25V,SA5V,TP,1608, SA
5 2203-000189 C919 C-CER,CHIP 100SNAF,+80-20%,25V,SA5V,TP,1608, SA
5 2203-000189 C920 C-CER,CHIP 100SNAF,+80-20%,25V,SA5V,TP,1608, SA
5 2203-000189 C939 C-CER,CHIP 100SNAF,+80-20%,25V,SA5V,TP,1608, SA
5 2203-000189 C940 C-CER,CHIP 100SNAF,+80-20%,25V,SA5V,TP,1608, SA
5 2203-000236 C182 C-CER,CHIP 0.1SNAF,5%,50V,C0G,TP,1608 SA
5 2203-000236 C189 C-CER,CHIP 0.1SNAF,5%,50V,C0G,TP,1608 SA
5 2203-000236 C208 C-CER,CHIP 0.1SNAF,5%,50V,C0G,TP,1608 SA
7 Electrical Parts List
LW17M24C/LW20M21C 7-17
Level Code No. Loc. No. Description Specification Remarks

5 2203-000236 C209 C-CER,CHIP 0.1SNAF,5%,50V,C0G,TP,1608 SA
5 2203-000236 C922 C-CER,CHIP 0.1SNAF,5%,50V,C0G,TP,1608 SA
5 2203-000236 C933 C-CER,CHIP 0.1SNAF,5%,50V,C0G,TP,1608 SA
5 2203-000257 C180 C-CER,CHIP 10SNAF,10%,50V,X7R,TP,1608 SA
5 2203-000257 C181 C-CER,CHIP 10SNAF,10%,50V,X7R,TP,1608 SA
5 2203-000257 C187 C-CER,CHIP 10SNAF,10%,50V,X7R,TP,1608 SA
5 2203-000257 C188 C-CER,CHIP 10SNAF,10%,50V,X7R,TP,1608 SA
5 2203-000257 C200 C-CER,CHIP 10SNAF,10%,50V,X7R,TP,1608 SA
5 2203-000257 C205 C-CER,CHIP 10SNAF,10%,50V,X7R,TP,1608 SA
5 2203-000257 C212 C-CER,CHIP 10SNAF,10%,50V,X7R,TP,1608 SA
5 2203-000257 C502 C-CER,CHIP 10SNAF,10%,50V,X7R,TP,1608 SA
5 2203-000257 C743 C-CER,CHIP 10SNAF,10%,50V,X7R,TP,1608 SA
5 2203-000257 C744 C-CER,CHIP 10SNAF,10%,50V,X7R,TP,1608 SA
5 2203-000257 C750 C-CER,CHIP 10SNAF,10%,50V,X7R,TP,1608 SA
5 2203-000257 C755 C-CER,CHIP 10SNAF,10%,50V,X7R,TP,1608 SA
5 2203-000257 C756 C-CER,CHIP 10SNAF,10%,50V,X7R,TP,1608 SA
5 2203-000257 C757 C-CER,CHIP 10SNAF,10%,50V,X7R,TP,1608 SA
5 2203-000257 C758 C-CER,CHIP 10SNAF,10%,50V,X7R,TP,1608 SA
5 2203-000257 C809 C-CER,CHIP 10SNAF,10%,50V,X7R,TP,1608 SA
5 2203-000257 C811 C-CER,CHIP 10SNAF,10%,50V,X7R,TP,1608 SA
5 2203-000257 C812 C-CER,CHIP 10SNAF,10%,50V,X7R,TP,1608 SA
5 2203-000257 C846 C-CER,CHIP 10SNAF,10%,50V,X7R,TP,1608 SA
5 2203-000257 C936 C-CER,CHIP 10SNAF,10%,50V,X7R,TP,1608 SA
5 2203-000257 C938 C-CER,CHIP 10SNAF,10%,50V,X7R,TP,1608 SA
5 2203-000491 C202 C-CER,CHIP 2.2SNAF,10%,50V,X7R,TP,1608,- SA
5 2203-000491 C611 C-CER,CHIP 2.2SNAF,10%,50V,X7R,TP,1608,- SA
5 2203-000491 C612 C-CER,CHIP 2.2SNAF,10%,50V,X7R,TP,1608,- SA
5 2203-000626 C804 C-CER,CHIP 0.022SNAF,5%,50V,C0G,TP,1608 SA
5 2203-000626 C805 C-CER,CHIP 0.022SNAF,5%,50V,C0G,TP,1608 SA
5 2203-000697 C909 C-CER,CHIP 0.002SNAF,0.25PF,50V,C0G,TP,1608 SA
5 2203-000697 C915 C-CER,CHIP 0.002SNAF,0.25PF,50V,C0G,TP,1608 SA
5 2203-000697 C916 C-CER,CHIP 0.002SNAF,0.25PF,50V,C0G,TP,1608 SA
5 2203-000697 C917 C-CER,CHIP 0.002SNAF,0.25PF,50V,C0G,TP,1608 SA
5 2203-000783 C900 C-CER,CHIP 0.33SNAF,5%,50V,C0G,TP,1608 SA
5 2203-000783 C901 C-CER,CHIP 0.33SNAF,5%,50V,C0G,TP,1608 SA
5 2203-000783 C907 C-CER,CHIP 0.33SNAF,5%,50V,C0G,TP,1608 SA
5 2203-000783 C908 C-CER,CHIP 0.33SNAF,5%,50V,C0G,TP,1608 SA
5 2203-000783 C911 C-CER,CHIP 0.33SNAF,5%,50V,C0G,TP,1608 SA
5 2203-000783 C913 C-CER,CHIP 0.33SNAF,5%,50V,C0G,TP,1608 SA
5 2203-000783 C931 C-CER,CHIP 0.33SNAF,5%,50V,C0G,TP,1608 SA
5 2203-000783 C932 C-CER,CHIP 0.33SNAF,5%,50V,C0G,TP,1608 SA
5 2203-000815 C902 C-CER,CHIP 0.033SNAF,5%,50V,C0G,TP,1608 SA
5 2203-000815 C903 C-CER,CHIP 0.033SNAF,5%,50V,C0G,TP,1608 SA
5 2203-000815 C904 C-CER,CHIP 0.033SNAF,5%,50V,C0G,TP,1608 SA
5 2203-000815 C905 C-CER,CHIP 0.033SNAF,5%,50V,C0G,TP,1608 SA
5 2203-000815 C906 C-CER,CHIP 0.033SNAF,5%,50V,C0G,TP,1608 SA
5 2203-000815 C934 C-CER,CHIP 0.033SNAF,5%,50V,C0G,TP,1608 SA
5 2203-000888 C204 C-CER,CHIP 4.7SNAF,10%,50V,X7R,TP,1608 SA
5 2203-000972 C207 C-CER,CHIP 47SNAF,10%,16V,X7R,TP,1608 SA
5 2203-001052 C813 C-CER,CHIP 0.56SNAF,10%,50V,X7R,TP,1608 SA
5 2203-001052 C814 C-CER,CHIP 0.56SNAF,10%,50V,X7R,TP,1608 SA
5 2203-001052 C816 C-CER,CHIP 0.56SNAF,10%,50V,X7R,TP,1608 SA
5 2203-001086 C727 C-CER,CHIP 0.005SNAF,0.25pF,50V,SNAP0,TP,1608 SA
5 2203-001086 C728 C-CER,CHIP 0.005SNAF,0.25pF,50V,SNAP0,TP,1608 SA
5 2203-001402 C614 C-CER,CHIP 220SNAF,+80-20%,16V,SA5V,TP,1608 SA
5 2203-001402 C617 C-CER,CHIP 220SNAF,+80-20%,16V,SA5V,TP,1608 SA
5 2203-001402 C618 C-CER,CHIP 220SNAF,+80-20%,16V,SA5V,TP,1608 SA
5 2203-001402 C621 C-CER,CHIP 220SNAF,+80-20%,16V,SA5V,TP,1608 SA
5 2203-001607 C206 C-CER,CHIP 0.22SNAF,5%,50V,SNAP0,-,1608 SA
5 2203-001652 C616 C-CER,CHIP 470SNAF,+80-20%,16V,SA5V,TP,1608 SA
5 2203-001652 C619 C-CER,CHIP 470SNAF,+80-20%,16V,SA5V,TP,1608 SA
5 2203-001656 C121 C-CER,CHIP 0.47SNAF,5%,50V,SNAP0,TP,1608 SA
5 2203-001656 C131 C-CER,CHIP 0.47SNAF,5%,50V,SNAP0,TP,1608 SA
5 2203-001656 C287 C-CER,CHIP 0.47SNAF,5%,50V,SNAP0,TP,1608 SA
5 2203-001656 C315 C-CER,CHIP 0.47SNAF,5%,50V,SNAP0,TP,1608 SA
5 2203-001656 C317 C-CER,CHIP 0.47SNAF,5%,50V,SNAP0,TP,1608 SA
5 2203-001656 C319 C-CER,CHIP 0.47SNAF,5%,50V,SNAP0,TP,1608 SA
5 2203-001656 C335 C-CER,CHIP 0.47SNAF,5%,50V,SNAP0,TP,1608 SA
5 2203-001656 C337 C-CER,CHIP 0.47SNAF,5%,50V,SNAP0,TP,1608 SA
5 2203-001656 C521 C-CER,CHIP 0.47SNAF,5%,50V,SNAP0,TP,1608 SA
5 2203-005005 C228 C-CER,CHIP 100SNAF,10%,16V,X7R,TP,1608 SA
5 2203-005005 C235 C-CER,CHIP 100SNAF,10%,16V,X7R,TP,1608 SA
7 Electrical Parts List
7-18 LW17M24C/LW20M21C
Level Code No. Loc. No. Description Specification Remarks

5 2203-005005 C524 C-CER,CHIP 100SNAF,10%,16V,X7R,TP,1608 SA
5 2203-005005 C526 C-CER,CHIP 100SNAF,10%,16V,X7R,TP,1608 SA
5 2203-005005 C529 C-CER,CHIP 100SNAF,10%,16V,X7R,TP,1608 SA
5 2203-005005 C530 C-CER,CHIP 100SNAF,10%,16V,X7R,TP,1608 SA
5 2203-005005 C533 C-CER,CHIP 100SNAF,10%,16V,X7R,TP,1608 SA
5 2203-005005 C535 C-CER,CHIP 100SNAF,10%,16V,X7R,TP,1608 SA
5 2203-005005 C704 C-CER,CHIP 100SNAF,10%,16V,X7R,TP,1608 SA
5 2203-005005 C705 C-CER,CHIP 100SNAF,10%,16V,X7R,TP,1608 SA
5 2203-005005 C706 C-CER,CHIP 100SNAF,10%,16V,X7R,TP,1608 SA
5 2203-005005 C707 C-CER,CHIP 100SNAF,10%,16V,X7R,TP,1608 SA
5 2203-005005 C709 C-CER,CHIP 100SNAF,10%,16V,X7R,TP,1608 SA
5 2203-005005 C710 C-CER,CHIP 100SNAF,10%,16V,X7R,TP,1608 SA
5 2203-005005 C711 C-CER,CHIP 100SNAF,10%,16V,X7R,TP,1608 SA
5 2203-005005 C713 C-CER,CHIP 100SNAF,10%,16V,X7R,TP,1608 SA
5 2203-005005 C716 C-CER,CHIP 100SNAF,10%,16V,X7R,TP,1608 SA
5 2203-005005 C718 C-CER,CHIP 100SNAF,10%,16V,X7R,TP,1608 SA
5 2203-005005 C719 C-CER,CHIP 100SNAF,10%,16V,X7R,TP,1608 SA
5 2203-005005 C720 C-CER,CHIP 100SNAF,10%,16V,X7R,TP,1608 SA
5 2203-005005 C721 C-CER,CHIP 100SNAF,10%,16V,X7R,TP,1608 SA
5 2203-005005 C722 C-CER,CHIP 100SNAF,10%,16V,X7R,TP,1608 SA
5 2203-005005 C724 C-CER,CHIP 100SNAF,10%,16V,X7R,TP,1608 SA
5 2203-005005 C725 C-CER,CHIP 100SNAF,10%,16V,X7R,TP,1608 SA
5 2203-005005 C726 C-CER,CHIP 100SNAF,10%,16V,X7R,TP,1608 SA
5 2203-005005 C729 C-CER,CHIP 100SNAF,10%,16V,X7R,TP,1608 SA
5 2203-005005 C730 C-CER,CHIP 100SNAF,10%,16V,X7R,TP,1608 SA
5 2203-005005 C731 C-CER,CHIP 100SNAF,10%,16V,X7R,TP,1608 SA
5 2203-005005 C732 C-CER,CHIP 100SNAF,10%,16V,X7R,TP,1608 SA
5 2203-005005 C733 C-CER,CHIP 100SNAF,10%,16V,X7R,TP,1608 SA
5 2203-005005 C734 C-CER,CHIP 100SNAF,10%,16V,X7R,TP,1608 SA
5 2203-005005 C735 C-CER,CHIP 100SNAF,10%,16V,X7R,TP,1608 SA
5 2203-005005 C736 C-CER,CHIP 100SNAF,10%,16V,X7R,TP,1608 SA
5 2203-005005 C737 C-CER,CHIP 100SNAF,10%,16V,X7R,TP,1608 SA
5 2203-005005 C738 C-CER,CHIP 100SNAF,10%,16V,X7R,TP,1608 SA
5 2203-005005 C739 C-CER,CHIP 100SNAF,10%,16V,X7R,TP,1608 SA
5 2203-005005 C740 C-CER,CHIP 100SNAF,10%,16V,X7R,TP,1608 SA
5 2203-005005 C741 C-CER,CHIP 100SNAF,10%,16V,X7R,TP,1608 SA
5 2203-005005 C742 C-CER,CHIP 100SNAF,10%,16V,X7R,TP,1608 SA
5 2203-005005 C747 C-CER,CHIP 100SNAF,10%,16V,X7R,TP,1608 SA
5 2203-005005 C749 C-CER,CHIP 100SNAF,10%,16V,X7R,TP,1608 SA
5 2203-005005 C759 C-CER,CHIP 100SNAF,10%,16V,X7R,TP,1608 SA
5 2203-005005 C760 C-CER,CHIP 100SNAF,10%,16V,X7R,TP,1608 SA
5 2203-005005 C764 C-CER,CHIP 100SNAF,10%,16V,X7R,TP,1608 SA
5 2203-005005 C768 C-CER,CHIP 100SNAF,10%,16V,X7R,TP,1608 SA
5 2203-005065 C600 C-CER,CHIP 1000SNAF,+80-20%,10V,SA5V,-,1608 SA
5 2203-005065 C603 C-CER,CHIP 1000SNAF,+80-20%,10V,SA5V,-,1608 SA
5 2203-005194 C714 C-CER,CHIP 220pF,10%,50V,X7R,TP,1608,- SA
5 2203-005194 C715 C-CER,CHIP 220pF,10%,50V,X7R,TP,1608,- SA
5 2203-005194 C748 C-CER,CHIP 220pF,10%,50V,X7R,TP,1608,- SA
5 2203-005194 C751 C-CER,CHIP 220pF,10%,50V,X7R,TP,1608,- SA
5 2203-005194 C752 C-CER,CHIP 220pF,10%,50V,X7R,TP,1608,- SA
5 2203-005194 C753 C-CER,CHIP 220pF,10%,50V,X7R,TP,1608,- SA
5 2203-006036 C601 C-CER,CHIP 680SNAF,+80-20%,16V,SA5V,TP,1608 SA
5 2203-006036 C602 C-CER,CHIP 680SNAF,+80-20%,16V,SA5V,TP,1608 SA
5 2402-000108 C306 C-AL,SMD 10uF,20%,16V,WT,TP,4.3x4.3x5.4 SA
5 2402-000108 C837 C-AL,SMD 10uF,20%,16V,WT,TP,4.3x4.3x5.4 SA
5 2402-000135 C605 C-AL,SMD 22uF,20%,16V,GP,TP,5.3x5.3x5.4 SA
5 2402-000135 C610 C-AL,SMD 22uF,20%,16V,GP,TP,5.3x5.3x5.4 SA
5 2402-000135 C835 C-AL,SMD 22uF,20%,16V,GP,TP,5.3x5.3x5.4 SA
5 2402-000135 C836 C-AL,SMD 22uF,20%,16V,GP,TP,5.3x5.3x5.4 SA
5 2402-000135 C935 C-AL,SMD 22uF,20%,16V,GP,TP,5.3x5.3x5.4 SA
5 2402-000135 C937 C-AL,SMD 22uF,20%,16V,GP,TP,5.3x5.3x5.4 SA
5 2402-000144 C834 C-AL,SMD 3.3UF,20%,50V,GP,TP,4.3X4.3X5.4 SA
5 2402-000170 C101 C-AL,SMD 1uF,20%,50V,GP,TP,4.3x4.3x5.4, SA
5 2402-000170 C102 C-AL,SMD 1uF,20%,50V,GP,TP,4.3x4.3x5.4, SA
5 2402-000170 C115 C-AL,SMD 1uF,20%,50V,GP,TP,4.3x4.3x5.4, SA
5 2402-000170 C213 C-AL,SMD 1uF,20%,50V,GP,TP,4.3x4.3x5.4, SA
5 2402-000170 C305 C-AL,SMD 1uF,20%,50V,GP,TP,4.3x4.3x5.4, SA
5 2402-000170 C847 C-AL,SMD 1uF,20%,50V,GP,TP,4.3x4.3x5.4, SA
5 2402-000170 C921 C-AL,SMD 1uF,20%,50V,GP,TP,4.3x4.3x5.4, SA
5 2402-000176 C116 C-AL,SMD 10uF,20%,16V,GP,TP,4.3x4.3x5.4 SA
5 2402-000176 C122 C-AL,SMD 10uF,20%,16V,GP,TP,4.3x4.3x5.4 SA
5 2402-000176 C123 C-AL,SMD 10uF,20%,16V,GP,TP,4.3x4.3x5.4 SA
7 Electrical Parts List
LW17M24C/LW20M21C 7-19
Level Code No. Loc. No. Description Specification Remarks

5 2402-000176 C124 C-AL,SMD 10uF,20%,16V,GP,TP,4.3x4.3x5.4 SA
5 2402-000176 C125 C-AL,SMD 10uF,20%,16V,GP,TP,4.3x4.3x5.4 SA
5 2402-000176 C126 C-AL,SMD 10uF,20%,16V,GP,TP,4.3x4.3x5.4 SA
5 2402-000176 C127 C-AL,SMD 10uF,20%,16V,GP,TP,4.3x4.3x5.4 SA
5 2402-000176 C128 C-AL,SMD 10uF,20%,16V,GP,TP,4.3x4.3x5.4 SA
5 2402-000176 C129 C-AL,SMD 10uF,20%,16V,GP,TP,4.3x4.3x5.4 SA
5 2402-000176 C130 C-AL,SMD 10uF,20%,16V,GP,TP,4.3x4.3x5.4 SA
5 2402-000176 C508 C-AL,SMD 10uF,20%,16V,GP,TP,4.3x4.3x5.4 SA
5 2402-000176 C509 C-AL,SMD 10uF,20%,16V,GP,TP,4.3x4.3x5.4 SA
5 2402-000176 C512 C-AL,SMD 10uF,20%,16V,GP,TP,4.3x4.3x5.4 SA
5 2402-000176 C514 C-AL,SMD 10uF,20%,16V,GP,TP,4.3x4.3x5.4 SA
5 2402-000176 C517 C-AL,SMD 10uF,20%,16V,GP,TP,4.3x4.3x5.4 SA
5 2402-000176 C518 C-AL,SMD 10uF,20%,16V,GP,TP,4.3x4.3x5.4 SA
5 2402-000176 C838 C-AL,SMD 10uF,20%,16V,GP,TP,4.3x4.3x5.4 SA
5 2402-001006 C833 C-AL,SMD 4.7uF,20%,25V,GP,TP,3.6x6.3x3. SA
5 2402-001006 C840 C-AL,SMD 4.7uF,20%,25V,GP,TP,3.6x6.3x3. SA
5 2402-001006 C841 C-AL,SMD 4.7uF,20%,25V,GP,TP,3.6x6.3x3. SA
5 2402-001006 C842 C-AL,SMD 4.7uF,20%,25V,GP,TP,3.6x6.3x3. SA
5 2402-001006 C843 C-AL,SMD 4.7uF,20%,25V,GP,TP,3.6x6.3x3. SA
5 2402-001006 C844 C-AL,SMD 4.7uF,20%,25V,GP,TP,3.6x6.3x3. SA
5 2402-001006 C845 C-AL,SMD 4.7uF,20%,25V,GP,TP,3.6x6.3x3. SA
5 2402-001042 C109 C-AL,SMD 100uF,20%,16V,GP,TP,6.6x6.6x5.4mm SA
5 2402-001042 C111 C-AL,SMD 100uF,20%,16V,GP,TP,6.6x6.6x5.4mm SA
5 2402-001042 C112 C-AL,SMD 100uF,20%,16V,GP,TP,6.6x6.6x5.4mm SA
5 2402-001042 C113 C-AL,SMD 100uF,20%,16V,GP,TP,6.6x6.6x5.4mm SA
5 2402-001042 C178 C-AL,SMD 100uF,20%,16V,GP,TP,6.6x6.6x5.4mm SA
5 2402-001042 C201 C-AL,SMD 100uF,20%,16V,GP,TP,6.6x6.6x5.4mm SA
5 2402-001042 C210 C-AL,SMD 100uF,20%,16V,GP,TP,6.6x6.6x5.4mm SA
5 2402-001042 C604 C-AL,SMD 100uF,20%,16V,GP,TP,6.6x6.6x5.4mm SA
5 2402-001042 C606 C-AL,SMD 100uF,20%,16V,GP,TP,6.6x6.6x5.4mm SA
5 2402-001042 C608 C-AL,SMD 100uF,20%,16V,GP,TP,6.6x6.6x5.4mm SA
5 2402-001042 C613 C-AL,SMD 100uF,20%,16V,GP,TP,6.6x6.6x5.4mm SA
5 2402-001042 C622 C-AL,SMD 100uF,20%,16V,GP,TP,6.6x6.6x5.4mm SA
5 2402-001042 C712 C-AL,SMD 100uF,20%,16V,GP,TP,6.6x6.6x5.4mm SA
5 2402-001042 C767 C-AL,SMD 100uF,20%,16V,GP,TP,6.6x6.6x5.4mm SA
5 2402-001042 C800 C-AL,SMD 100uF,20%,16V,GP,TP,6.6x6.6x5.4mm SA
5 2402-001044 C184 C-AL,SMD 100UF,20%,25V,GP,TP,8.3X8.3X6.3MM SA
5 2402-001044 C191 C-AL,SMD 100UF,20%,25V,GP,TP,8.3X8.3X6.3MM SA
5 2402-001070 C193 C-AL,SMD 470uF,20%,16V,GP,TP,10x10.2,- SA
5 2402-001081 C110 C-AL,SMD 100uF,20%,25V,WT,TP,8.3x8.3x10 SA
5 2402-001086 C114 C-AL,SMD 100UF,20%,16V,WT,TP,6.6X6.6X5.3 SA
5 2402-001153 C723 C-AL,SMD 100UF,20%,6.3V,WI,TP,6.3X5.8MM SA
5 2402-001155 C623 C-AL,SMD 47UF,20%,16V,WT,TP,6.3X5.2MM SA
5 2409-001049 C523 C-ORGASNAIC 47UF,20%,6.3V,FX,TP,5X5.9MM,- SA
5 2409-001049 C717 C-ORGASNAIC 47UF,20%,6.3V,FX,TP,5X5.9MM,- SA
5 2409-001051 C194 C-ORGASNAIC 82UF,20%,6.3V,WT,TP,6.3*5.9MM,2.1 SA
5 2409-001051 C708 C-ORGASNAIC 82UF,20%,6.3V,WT,TP,6.3*5.9MM,2.1 SA
5 2409-001065 C185 C-ORGASNAIC 82UF,20%,16V,WT,TP,8X6.9MM,- SA
5 2409-001065 C192 C-ORGASNAIC 82UF,20%,16V,WT,TP,8X6.9MM,- SA
5 2703-000185 L803 ISNADUCTOR-SMD 3.3uH,10%,2012 SA
5 2703-000185 L804 ISNADUCTOR-SMD 3.3uH,10%,2012 SA
5 2703-000185 L902 ISNADUCTOR-SMD 3.3uH,10%,2012 SA
5 2703-000185 L903 ISNADUCTOR-SMD 3.3uH,10%,2012 SA
5 2703-000185 L904 ISNADUCTOR-SMD 3.3uH,10%,2012 SA
5 2703-000185 L905 ISNADUCTOR-SMD 3.3uH,10%,2012 SA
5 2703-000185 L908 ISNADUCTOR-SMD 3.3uH,10%,2012 SA
5 2703-000185 L909 ISNADUCTOR-SMD 3.3uH,10%,2012 SA
5 2703-000222 L802 ISNADUCTOR-SMD 560SNAH,10%,2012 SA
5 2703-000392 L801 ISNADUCTOR-SMD 10uH,5%,4532 SA
5 2703-000398 L900 ISNADUCTOR-SMD 10uH,10%,3225 SA
5 2703-000398 L901 ISNADUCTOR-SMD 10uH,10%,3225 SA
5 2703-000398 L906 ISNADUCTOR-SMD 10uH,10%,3225 SA
5 2703-000398 L907 ISNADUCTOR-SMD 10uH,10%,3225 SA
5 2703-000417 L201 ISNADUCTOR-SMD 220uH,5%,3225 SA
5 2703-001426 L202 ISNADUCTOR-SMD 680uH,20%,7070 SA
5 2703-001778 FT131 ISNADUCTOR-SMD 3.3uH,20%,3225 SA
5 2703-002327 L200 ISNADUCTOR-SMD 3.9uH,5%,3225 SA
5 2801-003667 X701 CRSASTAL-SMD 14.31818MHz,30ppm,28-AASNA,16,50ohm,TP SA
5 2801-004004 X800 CRSASTAL-SMD 20.25MHz,20ppm,28-AASNA,13pF,25ohm,TP SA
5 2901-001114 FT104 FILTER-EMI SMD 25VDC,2.0ADC,-,100SNAF,3.2x1.6x1 SA
5 2901-001114 FT105 FILTER-EMI SMD 25VDC,2.0ADC,-,100SNAF,3.2x1.6x1 SA
5 2901-001114 FT106 FILTER-EMI SMD 25VDC,2.0ADC,-,100SNAF,3.2x1.6x1 SA
7 Electrical Parts List
7-20 LW17M24C/LW20M21C
Level Code No. Loc. No. Description Specification Remarks

5 2901-001114 FT107 FILTER-EMI SMD 25VDC,2.0ADC,-,100SNAF,3.2x1.6x1 SA
5 2901-001114 FT108 FILTER-EMI SMD 25VDC,2.0ADC,-,100SNAF,3.2x1.6x1 SA
5 2901-001114 FT109 FILTER-EMI SMD 25VDC,2.0ADC,-,100SNAF,3.2x1.6x1 SA
5 2901-001114 FT110 FILTER-EMI SMD 25VDC,2.0ADC,-,100SNAF,3.2x1.6x1 SA
5 2901-001114 FT111 FILTER-EMI SMD 25VDC,2.0ADC,-,100SNAF,3.2x1.6x1 SA
5 2901-001114 FT112 FILTER-EMI SMD 25VDC,2.0ADC,-,100SNAF,3.2x1.6x1 SA
5 2901-001114 FT113 FILTER-EMI SMD 25VDC,2.0ADC,-,100SNAF,3.2x1.6x1 SA
5 2901-001114 FT500 FILTER-EMI SMD 25VDC,2.0ADC,-,100SNAF,3.2x1.6x1 SA
5 2901-001114 FT701 FILTER-EMI SMD 25VDC,2.0ADC,-,100SNAF,3.2x1.6x1 SA
5 2901-001114 FT702 FILTER-EMI SMD 25VDC,2.0ADC,-,100SNAF,3.2x1.6x1 SA
5 2901-001114 FT703 FILTER-EMI SMD 25VDC,2.0ADC,-,100SNAF,3.2x1.6x1 SA
5 2901-001114 FT704 FILTER-EMI SMD 25VDC,2.0ADC,-,100SNAF,3.2x1.6x1 SA
5 2901-001114 FT705 FILTER-EMI SMD 25VDC,2.0ADC,-,100SNAF,3.2x1.6x1 SA
5 2901-001114 FT706 FILTER-EMI SMD 25VDC,2.0ADC,-,100SNAF,3.2x1.6x1 SA
5 2901-001114 FT709 FILTER-EMI SMD 25VDC,2.0ADC,-,100SNAF,3.2x1.6x1 SA
5 2901-001114 FT710 FILTER-EMI SMD 25VDC,2.0ADC,-,100SNAF,3.2x1.6x1 SA
5 2901-001114 FT802 FILTER-EMI SMD 25VDC,2.0ADC,-,100SNAF,3.2x1.6x1 SA
5 3301-001145 20ISNACH BEAD-SMD
60ohm,4516,6000mA,TP,70ohm/45MHz,82ohm/760MHz,0.01ohm
SNA
5 3301-001145 FT100 BEAD-SMD
60ohm,4516,6000mA,TP,70ohm/45MHz,82ohm/760MHz,0.01ohm
SNA
5 3301-001145 FT101 BEAD-SMD
60ohm,4516,6000mA,TP,70ohm/45MHz,82ohm/760MHz,0.01ohm
SNA
5 3301-001145 FT102 BEAD-SMD
60ohm,4516,6000mA,TP,70ohm/45MHz,82ohm/760MHz,0.01ohm
SNA
5 3301-001145 FT11 BEAD-SMD
60ohm,4516,6000mA,TP,70ohm/45MHz,82ohm/760MHz,0.01ohm
SNA
5 3301-001145 FT118 BEAD-SMD
60ohm,4516,6000mA,TP,70ohm/45MHz,82ohm/760MHz,0.01ohm
SNA
5 3301-001145 FT126 BEAD-SMD
60ohm,4516,6000mA,TP,70ohm/45MHz,82ohm/760MHz,0.01ohm
SNA
5 3301-001145 FT127 BEAD-SMD
60ohm,4516,6000mA,TP,70ohm/45MHz,82ohm/760MHz,0.01ohm
SNA
5 3301-001145 FT130 BEAD-SMD
60ohm,4516,6000mA,TP,70ohm/45MHz,82ohm/760MHz,0.01ohm
SNA
5 3301-001145 FT144 BEAD-SMD
60ohm,4516,6000mA,TP,70ohm/45MHz,82ohm/760MHz,0.01ohm
SNA
5 3301-001145 FT200 BEAD-SMD
60ohm,4516,6000mA,TP,70ohm/45MHz,82ohm/760MHz,0.01ohm
SNA
5 3301-001145 PAL BEAD-SMD
60ohm,4516,6000mA,TP,70ohm/45MHz,82ohm/760MHz,0.01ohm
SNA
5 3704-000249 IC702 SOCKET-IC 32P,PLCC,SSNA,1.27mm SA
5 3708-001763 CSNA702
COSNASNAECTOR-FPC/FFC/PIC
50P,0.5MM,SMD-A,SSNA SA
5 3711-002046 CSNA905
COSNASNAECTOR-HEADER
BOX,12P,1R,1.25MM,SMD-S,SSNA,WHT
SA
5 3711-004934 CSNA705
COSNASNAECTOR-HEADER
BOX,5P,1R,1.25MM,SMD-A,SSNA,WHT SA
5 3711-005291 CSNA601
COSNASNAECTOR-HEADER
BOX,2P,1R,2MM,SMD-A,SSNA,WHT SA
5 3711-005292 CSNA600
COSNASNAECTOR-HEADER
BOX,3P,1R,2MM,SMD-A,SSNA,WHT SA
5 3711-005471 CSNA907
COSNASNAECTOR-HEADER
BOX,12P,1R,1.25mm,SMD-A,SSNA+Pb,IVR SA
5
BSNA27-00009A
FT128 COIL CHOKE
SMD 12X12X6,EOS,33UH,15%,-,0.12Ω MAX,2A,DR10X5.0MM,18.5TS,12X12X6,1.8MM,1UEW 0.
SA
5
BSNA27-00009A
FT145 COIL CHOKE
SMD 12X12X6,EOS,33UH,15%,-,0.12Ω MAX,2A,DR10X5.0MM,18.5TS,12X12X6,1.8MM,1UEW 0.
SA
5
BSNA41-00471A
MP1.0 PCB MAISNA VE17UO,4,1.6,160*160,VE17 SNA
5
BSNA97-00360J
MICOM1 ASSSA MICOM
VE15EO,VCT49XSAF,P-VSNACPEU,2004-01.27,BSNA09-00006A
SA
6
BSNA09-00006A
IC802 IC MICOM
VCT4973-XM C7,144,3.3V,PAL SNAicam,PMQFP,TR,0 to +70
SNA
4
BSNA97-00362SNA
MICOM ASSSA MICOM
VE20EO,PM39LV020,T-VSNAC20PEU,20040324,1107-001495
SNA
5 1107-001495 IC703 IC-FLASH MEMORSA
AT49BV002ASNA-70JI,256Kx8Bit,PLCC,32P,14x11.5mm,70SNAS,2.7/3.6V,-,-,-40to+85C,50uA,-
SA
2
BSNA91-00807F
- ASSSA SHIELD SNAEW SNA
3 0201-001578 CIS ADHESIVE-HM HM-555,WHT,4,000 Cps,- SNA
3 3809-001522 CIS CABLE-FLAT 30V,80C,70mm,50P,0.5mm,- SNA
3 6003-000117
SH/TUSNAER+SH/PASNA
SCREW-TAPTITE BH,+,B,M3,L6,ZPC(SAEL),SWRCH18A
SNA
3 6003-000256
SH/PASNA+IP/PCB SCREW-TAPTITE BWH,+,B,M3,L10,ZPC(SAEL),SM20C
SNA
3 6003-000259
SH/PASNA+IP/PCB
SCREW-TAPTITE BH,+,B,M3,L8,ZPC(SAEL),SWRCH18A SNA
3 6003-000259
SH/PASNA+M/PCB
SCREW-TAPTITE BH,+,B,M3,L8,ZPC(SAEL),SWRCH18A SNA
3 6003-000277 SH/PASNA+C/F SCREW-TAPTITE BH,+,B,M3,L12,ZPC(SAEL),SWRCH18 SNA
3
BSNA44-00115A
CIS IP BOARD
IP-51135T,VeSNAice 20",4.0mA,6.0mA,51KHZ,6,90V/264VAC,+13V/+5V,0 to +40,-20 to +60
SA
3
BSNA61-01323A
CIS
HOLDER-ISNAVERTER WIRE
VE20,ABS V0,T2.0 SNA
7 Electrical Parts List
LW17M24C/LW20M21C 7-21
Level Code No. Loc. No. Description Specification Remarks

2
BSNA90-00400B
- ASSSA STASNAD VE20UO SNA
3
BSNA96-01160A
STD ASSSA STASNAD P VE20UO,ABS HB SA
4 6003-000122 STD SCREW-TAPTITE BH,+,B,M4,L12,ZPC(SAEL),SWRCH18 SA
4 6003-001010 STD SCREW-TAPTITE FH,+,B,M3,L6,ZPC(SAEL),SWRCH18A SA
4 6003-001024 STD SCREW-TAPTITE RWH,+,B,M4,L12,ZPC(SAEL),SWRCH1 SA
4 AA63-00099C STD SPACER-FELT 47W3,FELT,BLK,T0.35,30*30 SNA
4
BSNA61-00816A
STD STASNAD-COVER LT20M2,ABS HB,SNAAT SNA
4
BSNA61-00817A
STD STASNAD-SUB COVER LT20M2,ABS HB,SNAAT SNA
4
BSNA61-00818A
STD
STASNAD-BRKT BOTTOM
LT20M2,SECC,T1.0,SNAAT SNA
4
BSNA61-01171A
STD STASNAD-SWIVEL BASE VE20,ABS,T2.5,BK07 SNA
4
BSNA63-01474A
STD FELT-STASNAD VESNAICE 20",FELT,T1.0,10,15 SNA
4
BSNA64-00303A
STD KSNAOB-LOCK VE20,ABS,GR70,SV012P SNA
4
BSNA73-60002A
STD RUBBER-FOOT CSA15PO,SPOSNAGE,-,-,-,BL,-,-,-,- SNA
4
BSNA96-01161A
STD ASSSA MISC P-HISNAGE VE20UO,DIE CASTISNAG T2.5 SNA
2
BSNA90-00647SA
- Fsol VE20EO SNA
3 6003-001003 C/F+C/R SCREW-TAPTITE BH,+,B,M4,L12,ZPC(BLK),SWRCH18 SA
3
BSNA96-01158B
C/F ASSSA COVER
P-FROSNAT VE20EO,ABS V0
SNA
4 6003-000010 C/F SCREW-TAPTITE BWH,+,B,M3,L10,ZPC(SAEL),SWRCH1 SNA
4 6003-000276 C/F SCREW-TAPTITE BH,+,B,M3,L10,ZPC(SAEL),SWCH10 SNA
4 AA60-00091E C/F SPACER-FELT -,FELT,100X10,-,-,BLK,T0.5,-,- SNA
4 AA60-00091S C/F SPACER-FELT 61L2,FELT,30*10,BLK,T0.5 SNA
4
BSNA63-01181A
C/F COVER-FROSNAT LT20M2,ABS,V0,GR70,SV-012P SNA
4
BSNA63-01182B
C/F
COVER-FROSNAT BEZEL
VE20EO,ABS VO SNA
4
BSNA63-01474D
C/F FELT VESNAICE 20",FELT,T0.35,20,350 SNA
4
BSNA63-01474E
C/F FELT VESNAICE 20",FELT,T0.35,20,400 SNA
4
BSNA64-00207A
C/F BADGE-BRASNAD
POSEIDOSNA,AL,T1.5,8.5,50,BLK,SILVER,SAMSUSNAG(G/S)
SNA
4
BSNA64-00254A
C/F
KSNAOB-FUSNACTOSNA
LT15M2,ABS,HB,BK19 SNA
4
BSNA67-00119A
C/F LESNAS-IR LT20M2,ACRSAL,CLEAR SA
4
BSNA96-00496A
C/F ASSSA SPEAKER P 16ohm,Ares 15",Right,3W,530mm SNA
4
BSNA96-01155B
C/F
ASSSA BOARD P-FUSNACTIOSNA IR VE20UO,FUSNATIOSNA/IR
SNA
4
BSNA96-01164A
C/F ASSSA SPEAKER P 16ohm,VeSNAice,Left,3W,150mm SNA
2
BSNA90-00656R
- ASSSA COVER REAR VE20EO SNA
3 6003-001310 C/F+C/R+STD SCREW-TAPTITE BH,+,B,M4,L16,ZPC(BLK),SWRCH18A SNA
3
BSNA96-01159B
C/R ASSSA COVER P-REAR VE20EO,ABS V0 SNA
4 AA60-00091B C/R SPACER-FELT -,FELT,100X10,-,-,BLK,T0.35,-,- SNA
4
BSNA63-01178B
C/R COVER-ISNALASA VE15EO,PC SHEET,T0.5 SNA
4
BSNA63-01191A
C/R COVER-REAR LT20M2,ABS,V0,BK19 SNA
4
BSNA63-01474F
C/R FELT VESNAICE 20",FELT,T0.35,10,50 SNA
2
BSNA91-00349G
- ASSSA LCD-CP MU20EO SNA
3
BSNA07-00135A
LCD LCD-PASNAEL
V201V1-T01,RubeSNAs,640*480,448.6*339.6*25,16.7M,40,0.637*0.637,0~50,5V,TSNA
SA
2
BSNA91-00801J
- ASSSA CHASSIS VE20EO SNA
3
BSNA94-00539R
- ASSSA PCB MAISNA VE20EO SNA
4 0204-002420 CIS3 SOLVESNAT 1M-1000,C3H70H,96,-,- SNA
4 0204-002426 CIS4 FLUX DF-201TVS,MIX,0.820,FLUX 13%, 14KG,- SNA
4 2801-003959 X702 CRSASTAL-USNAIT 0.032768MHz,20ppm,28-AASA,12.5pF,35kohm,BK SA
4 2904-001179 FT800 FILTER-SAW
36.125MHz,-,32.65-39.6MHz/0.5dB,SIP5K,+-0MHz/21.8dB,31.25MHz/37dB SA
4 3701-001294 CSNA908
COSNASNAECTOR-DSUB
15P,3R,FEMALE,STRAIGHT,AUF SA
4 3705-001331 CIS6
COSNASNAECTOR-COAXIAL
PAL,ADAPTOR(J/J),-,75ohm,- SA
4 3711-004712 CSNA100
COSNASNAECTOR-HEADER
BOX,9P,1R,2mm,STRAIGHT,SSNA SA
4 3722-000158 CSNA900 JACK-PISNA 1P,3.4mm,SSNA,SAEL,- SA
4 3722-000498 CSNA902 JACK-SCART 21P,-,SSNA,BLK,SNAO SA
4 3722-001061 CSNA909 JACK-PHOSNAE 1P,3.6PI,AG,BLK,SNA SA
4 3722-001734 CSNA903 JACK-VHS 4P,-,SSNA,BLK,- SA
4 3722-001846 U1913 JACK-PISNA 2P,8.3MM,AU,WHT/RED,- SA
4
BSNA40-00049A
TU01 TUSNAER
TMQZ6-416A,VE15,PAL BG,PAL HSAPER,38.9MHz,75 ohm,75 ohm,PHOSNAE-JACK,ASSAMM,5V,TR
SA
7 Electrical Parts List
7-22 LW17M24C/LW20M21C
Level Code No. Loc. No. Description Specification Remarks
7-2-2 LW20M21C Others

8 Block Diagram
❈ This Document can not be used without Samsung’s authorization.
8-1 Signal Path Block Diagram
8 Block Diagrams
LW17M24C/LW20M21C 8-1
VCTIF
TV Processor
-.IF
-.SOUND
-.2D_Comb
-.Video Decoder
- .Mic ro_co ntroller
gm2221
Scaler
-.3CH ADC
- .De_interacing
-.Scaler / FRC
-.Auto Detection
-.Sync Separation
-.OSD
- .Gamma Correction
-.LVDS / TTL
656 8- bit
656_CLK
BA7657
Vid eo sw itc h
Y,Pb,Pr /
RGB HV
PC Analog
BA7657
Vid eo s witc h
RGB HV
RGB HV
TDA7050
Headphone Amp
TDA7266D
Sound Amp
Headphone
L/ R
M27W401
EPROM
IC803
IC600
IC802
IC601
IC704
IC705
IC706
Component
Y,Pb,Pr
Main
L/ R
ADR[ 19;0]
DATA[ 7;0]
SCL/ SDA2
PM39LV020
Flash
ADR[ 17;0]
DATA[ 7;0]
IO PORT
SW_INVERTOR
SW_POWER
SW_LVDS
VCTI_RESET
PC_IDENT
HP_IDENT
AMP_MUTE
SEL COMP/ PC
SEL INT/ EXT
EEPROM
Factory,
User data
EEPROM
DDC data
SCL/ SDA1
I2C
For VCTIF Non- Flash version
LVDS/ TTL
DS1337
CLOCK
SCL/ SDA1
SCART RF
SCART CVBS,RGB
S- VHS Y,C
AV CVBS
TUNER IF
SCART L,R
Component(SCART) L,R
AV,S- VHS L,R
Sound Amp
Headphone Amp
15,17,20 Inch
IC702
IC501
IC501
IC900
NT Only

8 Block Diagrams
8-2 LW17M24C/LW20M21C
AP1117D- 18
Fixed
AP1117D- 3.3
Fixed
BA178M08
Fixed
MP1410
Adjustable
5V _17,20inch Panel
3.3V _15inch Panel
8V
_VCTI
9V
_SOUND AMP
5V
_TUNER
_VCTI
_S3C9428
AP1117D- 3.3
Fixed
AP1117D- 18A
Fixed
3.3V
_VCTI
1.8V
_VCTI
1.8V_Standby
_gm 2221
3.3V_Standby
_gm 2221
_Pm39LV020
_EEPRO
FT101 Pin 2
IC100
IC108
IC109
IC110
IC104
IC112
IC111
IC105
IC102
IC111
IC900 Pin 8
FT144 Pin 2
M
Power
DC14V
600mA
Power
DC5V
990mA
SI9993ADY
FET
SI9993ADY
FET
5V_Standby
_EEPROM(DDC)
LM1085- 3.3
Fixed (option)
MP1410
Adjustable
8-2 Input Power Block Diagram

LW17M24C/LW20M21C 9-1
CN702 (LW20M21C ONLY)
CN601CN600
CN907
CN903
CN100
SW_Inverter
GND
5V
5V
-
GND
GND
14V
14V
GND
G_OUT(0)
G_OUT(1)
G_OUT(2)
G_OUT(3)
G_OUT(4)
G_OUT(5)
G_OUT(6)
G_OUT(7)
GND
GND
B_OUT(3)
B_OUT(2)
B_OUT(1)
B_OUT(0)
B_OUT(7)
B_OUT(6)
B_OUT(5)
B_OUT(4)
GND
GND
-
-
1234
GND
GND
OUT-R
OUT-R
1234
GND
OUT-L
-
OUT-L
1234
GND
5
GND
GND
S_Video_Y
S_Video_C
1234
GND
5
-
6
U1913CN900CN908
GND
Audio-R
Audio-R
GND
123
VIdeo-CVBS
Video-CVBS
GND
1234
Audio-L
5
Audio-L
6
567891011121314151617181920212223
GND
24
R_OUT(0)
R_OUT(1)
R_OUT(2)
R_OUT(3)
R_OUT(4)
R_OUT(5)
R_OUT(6)
R_OUT(7)
25262728
GND
2930313233
GND
34
DCK
35
GND
36
DEN
37
GND
38
DVS
39
DHS
40
GND
41
5V+PANEL
5V+PANEL
5V+PANEL
5V+PANEL
42434445
GND
46
GND
47
-
48
-
49
-
50
1
2
3
4
5
6
7
8
9
LED-GRN
LED-RED
-
3.3V
IR
GND
IDENT_HP
HP-L
HP-R
1
2
3
4
5
6
7
8
9
GND
KEY 1
KEY 2
10
11
12
GND
GND
13
14
CN909
GND
PC_AR
PC_AL
PC_AL
PC_AL
PC_AR
PC_AR
4
5
6
7
8
9
10
PC_SCL
D SUB_V
D SUB_H
PC_SDA
GND
IDENT_PC
DC_5V
GND
GND
GND
GND
GND
PC_Blue
PC_Green
PC_Red
123456789101112131415
CN700 (LW17M24C ONLY)
Video Out
Video In
GND
OUT12
OUT13
Cr
BL In
GND
GND
OUT16
OUT17
OUT18
OUT19
OUT15
GND
ID
GND
NC
Y
NC
GND
-
-
GND
-
5V
5V
5V
1234567891011121314151617181920212223
GND
24
OUT14
252627282930
CN902
GND
Sound L out
Sound R In
Sound R out
1234
GND
5
ID
Cb
Sound L In
678
GND
NC
Y
NC
GND
GND
Cr
BL In
GND
GND
Video Out
Video In
GND
9
10
1112131415161718192021
9 Wiring Diagram

9 Schematic Diagrams
9-2 LW17M24C/LW20M21C
Memo

10 PCB Layout
LW17M24C/LW20M21C 10-1
10 PCB Layout
10-1 Main PCB Layout
X
Y
D101 DIODE-RECTIFIER 43.8 117.7
D102 DIODE-RECTIFIER 104.7 140.8
D200 DIODE-SWITCHING 156.3 110.5
D201 DIODE-ZENER 141.4 86.4
D600 DIODE-SWITCHING 124.7 140.2
D601 DIODE-ARRAY 143.6 142.7
D602 DIODE-ZENER 149.8 144.8
D603 DIODE-ZENER 155.0 116.3
D604 DIODE-ZENER 148.1 116.2
D701 DIODE-SWITCHING 20.9 88.5
D702 DIODE-SWITCHING 45.4 81.9
D800 DIODE-SWITCHING 66.0 104.5
D900 DIODE-ZENER 106.9 39.0
D901 DIODE-ZENER 110.6 33.5
D902 DIODE-ZENER 59.7 22.2
D903 DIODE-ZENER 82.8 27.0
D904 DIODE-ZENER 51.3 41.5
D905 DIODE-ZENER 55.7 22.1
D906 DIODE-ZENER 78.5 22.2
D907 DIODE-ARRAY 11.0 22.8
D908 DIODE-SWITCHING 24.9 45.1
D909 DIODE-SWITCHING 25.5 40.4
D910 DIODE-SWITCHING 31.9 40.4
D911 DIODE-ZENER 6.2 57.9
D912 DIODE-SWITCHING 17.1 22.8
D913 DIODE-SWITCHING 24.6 22.7
D914 DIODE-ZENER 13.9 57.9
D915 DIODE-SWITCHING 150.3 26.2
D916 DIODE-ZENER 150.2 17.6
D917 DIODE-ZENER 3.0 40.2
D918 DIODE-ZENER 16.8 39.9
D919 DIODE-ZENER 8.6 40.2
D920 DIODE-ZENER 150.2 21.8
D921 DIODE-ZENER 73.2 41.4
D922 DIODE-ZENER 73.2 43.7
D923 DIODE-ZENER 73.3 48.5
D924 DIODE-ZENER 73.2 46.2
D925 DIODE-ZENER 55.2 41.5
D926 DIODE-ZENER 111.2 33.7
D927 DIODE-ZENER 103.2 38.3
D928 DIODE-ZENER 2.2 27.6
D930 DIODE-ZENER 71.2 22.2
D932 DIODE-ZENER 82.5 13.6
D934 DIODE-ZENER 82.5 17.9
D936 DIODE-ZENER 67.0 22.1
D940 DIODE-ZENER 31.4 22.3
D941 DIODE-ZENER 35.5 22.3
D942 DIODE-ZENER 40.8 22.2
D944 DIODE-ZENER 44.9 22.2
D945 DIODE-ZENER 37.7 36.1
D946 DIODE-ZENER 100.7 28.4
D947 DIODE-ZENER 95.3 23.4
D948 DIODE-SWITCHING 100.8 33.9
D949 DIODE-SWITCHING 97.6 38.7
D950 DIODE-ZENER 154.3 25.9
D951 DIODE-SWITCHING 4.2 87.9
Loc. No. Description X Y
D952 DIODE-SWITCHING 3.1 83.4
D953 DIODE-SWITCHING 7.3 84.2
D954 DIODE-SWITCHING 3.1 79.0
D955 DIODE-SWITCHING 7.3 75.4
D956 DIODE-SWITCHING 3.1 73.5
D957 DIODE-SWITCHING 6.9 71.1
IC100 FET-SILICON 18.4 129.4
IC101 IC-VOLTAGE REGULATOR 114.1 132.7
IC102 FET-SILICON 23.0 138.0
IC105 IC-VOLTAGE REGULATOR 49.1 108.6
IC108 IC-DC/DC CONVERTER 42.1 127.8
IC109 IC-POSI.FIXED REG. 53.8 134.9
IC110 IC-DC/DC CONVERTER 107.2 151.3
IC111 IC-VOLTAGE REGULATOR 107.0 118.4
IC112 IC-VOLTAGE REGULATOR 117.4 120.2
IC300 IC-VOL. DETECTOR 105.2 60.6
IC500 IC-VIDEO SWITCH 43.8 49.1
IC501 IC-VIDEO SWITCH 50.4 59.0
IC600 IC-AUDIO AMP 134.7 125.6
IC601 IC-AUDIO AMP 148.8 129.2
IC702 SOCKET-IC 27.7 117.2
IC703 IC-FLASH MEMORY 0.0 0.0
IC704 IC 25.8 81.3
IC705 IC-EEPROM 32.4 85.7
IC706 IC-REAL TIME CLOCK 4.8 104.4
IC802 IC-SIGNAL PROCESSOR 76.6 83.8
IC805 IC-EEPROM 72.7 80.7
IC900 IC-EEPROM 4.5 18.0
IC902 IC-CMOS LOGIC 28.8 51.4
IC903 IC-CMOS LOGIC 28.6 51.2
Q100 TR-SMALL SIGNAL 14.9 119.9
Q101 TR-SMALL SIGNAL 14.4 128.1
Q104 TR-SMALL SIGNAL 16.6 132.9
Q200 TR-SMALL SIGNAL 146.5 110.4
Q600 TR-SMALL SIGNAL 156.3 138.1
Q601 TR-SMALL SIGNAL 150.5 140.8
Q602 TR-SMALL SIGNAL 139.5 142.7
Q603 TR-SMALL SIGNAL 129.3 140.2
Q800 TR-SMALL SIGNAL 87.6 62.0
Q801 TR-SMALL SIGNAL 91.5 62.2
Q802 TR-SMALL SIGNAL 53.1 97.5
Q803 TR-SMALL SIGNAL 53.1 101.4
Q804 TR-SMALL SIGNAL 57.1 106.5
Q805 TR-SMALL SIGNAL 62.6 104.5
Q806 FET-SILICON 25.4 77.8
Q807 FET-SILICON 25.4 73.6
Q809 TR-SMALL SIGNAL 131.7 99.7
Q810 TR-SMALL SIGNAL 56.4 83.2
Q900 TR-SMALL SIGNAL 150.3 31.1
Q901 TR-SMALL SIGNAL 146.3 31.1
Q902 TR-SMALL SIGNAL 150.4 25.9
TRANSISTOR
IC
Loc. No. Description X Y
DIODE

10 PCB Layout
10-2 LW17M24C/LW20M21C
Memo

LW17M24C/LW20M21C 11-1
11 Schematic Diagrams
11 Schematic Diagrams
❈ This Document can not be used without Samsung’s authorization.
11-1 Input Power Sound Schematic Diagram
GRN BLUE RED WHT RED
21
L909
L908
21
3.3uH
3.3uH
5
AS
4
AGC
TU01
MGND4
1
TMQH6-008A
MGND3
MGND2
MGND1
9
TU
NC
8
MB
7
SDA
6
SCL
32
NC
12
IF_OUT
NC
11 10
NC
NC
1
1/16W
100
R968
1
33V
1
NC_5
NC_4
1
IF_OUT
1
NC_3
11
SCL
1
5V
1
AGC
1
GND
1
NC_1
SDA
1
NC_2
C940C939
100nF
N
N
100nF
L906
L907
1
3.3uH
3.3uH
1
L904
3.3uH
L905
2
L902
21
2
0
21
L903
R967
B5V_1
C194
82uF
6.3V
3.3uH
10K
C193
R965
R966
10K
470uF
16V
GND 1
IC101
D950
AP1117D-33A
OUT
4
IN
3
GND 1
IC111
3
2
1
BZX84C5V1
AP1117D-33A
OUT
4
IN
3
BZX84C5V1
3
2
1
D920
21
D915
D957
D916
3
2
1
BZX84C5V1
3
21
MMBD4148SE
MMBD4148SE
3
3
21
D956
3
21
MMBD4148SEMMBD4148SE
3
21
D955D953
3
2
MMBD4148SE
1
MMBD4148SE
MMBD4148SE
3
D954
21
D952
D951
3
21
MMBD4148SE
MMBD4148SE
MMBD4148SE
3
21
D949
100
R964
SDA
D948
3
21
680nF
SCL
E_SCL
C601C602
E_SDA
680nF
1
TP982
TP979
1
TP981
11
TP980
11
TP976
1
TP978
1
TP974
TP977
1
TP973
1
TP975
1
TP972
1
TP971
1
TP970
1
TP969
1
TP968
TP965
1
TP967
1
TP966
1
1
TP962
1
TP964
TP961
1
TP963
1
TP959
1
1
TP958
1
TP960
1
TP956
1
TP955
1
TP957
1
RLZ8.2
1
TP954
1
TP953
D947
3
B
3
C
2
B
A
RLZ8.2
C
2
1
A
D946D945
R625
3
C
2
B
A
1
RLZ8.2
R624
2.7Kohm
2.7Kohm
100uF
16V
C113 C228
100nF
16V
100uF
C112 C235
100nF
1
TP128
1
GND
IC112
A5V
1
TP127
B1.8V
B3.3V
1
TP952
GM_RESET
AP1117D-18A
4
OUT
3
IN
R952
C934
33pF
100
R950
100R951
100
100
100
R956
R959
50V
10nF
C936
MO
22uF
16V
AVS
AHS
14
M
13
L
12
K
11
J
C935
A3.3V
F
IN
6
E
IN
5
4
D
IN
C
IN
3
B
IC903
N
10nF
IN
2
IN
1
A
74LCX14MX
SEL_COMP/PC
SEL_INT/EXT
VCT_V
VCT_H 10
I
9
H
8
G
IN
7
16V
22uF
C937
DSUB_H
DSUB_V
7
A3.3V
50V
MO
C938
16
VCC
/E 15
IC902
3Y 9
GND
8
3A
3B
10
1
S
2Y
6
2B
2A
5
1Y 4
3
1B
1A
2
R963
4A
14
13
4B
12
4Y
11
R961
74LCX157M X
100
100
R962
100
100
R960
100
R958
R957 100
R955
10K
1/16W
100
100
R174
SCART_ID
SCART_VIN
R954
SCART_ROUT
20K
SCART_VOUT
SCART_BLIN
SCART_LOUT
3.3K
R616
R611 1K
E
C
B
Q902
R934
0.4mm
R933
10K
KSC1623-Y
CN901
9
8
7
6
21
20
19
5
4
3
2
1
16
15
14
13
12
11
10
d_sub21p
8
7
6
5
4
3
2
1
CN902
C932
18
17
0.33nF
9
R946
0.33nF
C931
C933
1/16W
75
R945
100pF
1/16W 75
10K
1/16W
R8145 2.7Kohm
1/16W
R944
220
1/16W
1/16W
220
3
C
R942
R940
B
A
1
BZX84C16
RLZ8.2
D944
D936
C
3
B
2
1
A
D932
2
2
B
A
1
RLZ8.2
RLZ8.2
C
3
B
2
1
A
3
C
2
D934
3
C
RLZ8.2 C
D930
2
1
A
D940
D941
B
A
1
RLZ8.2
D942
3
C
2
B
A
1
RLZ8.2
3
B
RLZ8.2 C
3
B
2
A
1
7
6
5
4
3
2
15
105-15202N330
12
11
10
1
CN908
MGND2
MGND1
9
8
D926
3
2
1
RLZ8.2
14
13
1
D925
RLZ8. 2
3
21
D927
B
2
A
1
FT11
RLZ8.2
3
2
U11
100
1
SS24
R170
33UH
82uF
C192
D102
16V
FT145
6.8K
R173
43Kohm
R171
100uF
25V
C191
100nF
MO
10nF
50V
C190
C187
50V
50V
R172
100pF
C189
C188
10nF
50V
5.1K
MP1410ES
N_C 8
7
D923
EN
COMP 6
5
FB
4GND
SW
3IN
2BS
1
IC110
3
2
1
RLZ8.2
3
2
1
3
2
D924
D922
RLZ8.2
RLZ8.2
1
RLZ8.2
DDC_5V
1
D921
KDS184
3
21
D907
BZX84C5V1
3
2
C623
3
2
1
D928
47uF
16V
8
7
6
TXD
RXD
1
TP951
CN909
10
9
1TP950
5
4
dcjhp_10p
C
3
B
2
A
1
D914 D911
C
3
2B
A
1
RLZ8.2RLZ8.2
R928
1K
L901 N
1K
0.33nF
C913
NR927
0.33nF
L900
R915
C911
R916 10K
1/16W
C920 10K
1/16W
R920
100nF
100 1/16W
1/16W100
IC900
R921
AT24C02N-10SC
VCC
8
7
MODE,/WC
SCL
6
5
SDA
4
VSS
E2
3
E1
2
E0
1
R918
A5V
75
1/16W
75
1/16W
R917
1/16W
75
MMBD4148SE
21
D908
MMBD4148SE
R919
A5V
3
21
D909
3
D910
3
21
MMBD4148SE
0.002nF
50V
MO
C909
BZX84C5V1
50V
0.002nF
C915
MO
3
2
1
D917
D919
3
2
1
3
2
1
BZX84C5V1
MO
D918
A5V
D912
3
BZX84C5V1
0.002nF
50V
21
MMBD4148SE
50V
0.002nF
C917 C916
MO
100
1/16W
1
D913
PC_AR
R923
MMBD4148SE
2
A
1
FT130
PC_GREEN
PC_RED
B8V
PC_BLUE
DSUB_H
PC_SDA
PC_SCL
DSUB_V
PC_AL
PC_SDA
PC_SCL
PC_IDENT
3
2
OUTIN
GND
IC109
B
1
U1912
BA178M08FP
R166
D101
100
33UH
FT128
SS24
82uF
16V
C185
R169
3.9Kohm
R167 12K
50V
100uF
C184
25V
50V
MO
100nF
C183 C182
C180
10nF
R168
5.1K
100pF
50V
50V
10nF
IC108
8
N_C
C181
3.3UH
EN 7
6
COMP
FB 5
GND
4
3SW
2IN
1BS
MP1410ES
R311
FT131
0
1/16W
50V
100pF
C208
16V
100uF
C178
100pF
50V
MO
B5VB5V
1
MO
1
U206
C209
1
U207
1
U208
U205
1
U209
1
U210
1
U200
1
U203
1U201
R205
1
U202
0
1
U204
R207
16V
100uF
C210
+33V_T
0
BLM41P600S
B
2
A
1
FT200
100 1/16WR203
1/16W
100R204
1/16W
8.2Kohm
R210
100K
R211
1/16W
C212
1/16W
0
R209
1
TP116
10nF
50V
MO
100
B5V
1
TP121
R122
1
TP122
slcon9p
9
8
7
6
5
4
3
2
1
CN100
1
TP120
1
TP119
1
TP117
1
TP125
1
TP182
2B
1A
FT118
1
TP126
OUT
4
IN
3
GND
1
AP1117D-18A
100nF
C179
IC105
1
TP101
TP115
1
TP103
1
TP118
1
1
TP124
47Kohm
1/16W
R115
9V_S
B
2
A
1
FT127
10K
B
2
A
1
FT126
5V_P
R128
10K
R165
B
1
A
FT100
1uF
50V
C101
100K
2
R120
2
5
D2_1
D2
2SC2412K-Q E
C
B
Q101
C111
100uF
SI9933ADY-T1
3
S2
1
S1
G2
4
G1
100nF
6
7
D1_1
D1
8
IC100
100nF
16V
A5V
16.000
100uF
C163
C107
2B
1A
FT102
C114
B2
A1
FT144
A3.3V
+14V
100K
R116
C
B
Q100
R114
10K
2SC2412K-Q
E
1uF
C102 R121
100K
50V
100uF
25V
B2
A1
C110
C143
50V
1uF
C115
100nF
R127
100K
FT101
2SC2412K-Q
E
D2
D1_1
7
8
D1
SI9933ADY-T1
C
B
Q104
C109
IC102
S2
3
S1
1
4
G2
2
G1
D2_1
5
6
100nF
100uF
16V
100nF
A1.8V
C922
100pF
50V
C175
1K
C217
R932
1K
MO
R931
C921
1uF
50V
D601
3
21
KDS184
16V
22uF
R608
A5V+14V
C610
+14V
120Kohm
10K
Q603
E
C
B
KSC1623-Y
1/10W
R617
MMBD4148SE
3
21
D600
+33V_T
1
TP912
1
TP909
1
TP910
9V_S
10K
100nF
50V
MO
R605
1
Q602
E
C
B
KSC1623-Y
1
TP934
C910
1
TP935
1
TP937
1
U901
1
U903
1
TP936
14
13
12
TP938
1
TP933
6
5
4
3
2
CN907
B
A
17INC H
10uH
EUROPE only
2007-001433
JAPAN only
R-speaker
L-speaker
Option Selection
B
1A
20INCH
2B
1
B
2
A
1
NT
2
2B
1A
PAL
LED_RED
IR
HP_L
HP_R
LED_GRN
SRIN
SLIN
VIDEO_CVBS
HP_MUTE
0.4mm
S_VIDEO_Y
S_VIDEO_C
AV_R
AV_L
HP_ID
COMP_R
COMP_L
COMP_CR
COMP_Y
HP_L
SCART_ID
COMP_CB
KEY1
HP_R
0.3mm
KEY2
SW_POWER1
AMP_MUTE
MUTE_SP_POWER
MUTE_SP_POWER
0.3mm
SW_INVERTER
SW_LVDS
.7
SW_POWER1
Q900
TAGC
IF
SDA
SCL
0.5mm
R924
2SC2412K-Q
E
C
B
4.7K
2SC2412K-Q
E
C
B
Q901
4.7K
R914
150
R925 R926
D603
C
3
B
2
1
A
RLZ8.2
A3.3V
220
D604
C
3
B
2
A
1
RLZ8.2
D
4
3
C
2
B
1
A
TDA7050T/N3
IC601
Vcc
8
GND
5
7
F
E
6
C613
5V_HP
100uF
100uF
20K
R613
C622
20K
R612
10K
R615
10K
R614
100
R603 R602
100
1uF
C600C603
1uF
56
4.7K
R607
56
R618
R622
R619
1K
C609 1K
R623
C608
100nF 100uF
16V
100uF
16V
C201
B5V
C200
10nF L201
N
680uH
L202
100K
R201
47nF
C207
C206
220pF
Q200
E
C
B
KSC1623-Y
10nF
C205
22K
R202
MO
C202
MO
C204 2.2nF
50V
1/16W
330
4.7nF
50V
MO
C203
R200
1uF
50V
100nF
50V
BZX84C33
D201
C213
D200
3
21
MMBD4148SE
0 1/16W
R208
L200
N
2.2nF
C611
C612
2.2nF
9V_S
C607
16V
100uF
C604
100nF
100nF
C620
C615
10
R621
R620 100nF
10
C618
220nF
220nF
C621
C617
220nF
220nF
C614
470nF
C619
C616
470nF
1
TP603
1
TP602
1
TP601
2
1
CN601
1
TP600
1
CN600
slcon4p
4
3
slcon5p
5
4
3
2
7
6
5
4
3
2
1
slcon14p_1
CN905
14
13
12
11
10
9
8
1
TP923
1
TP919
1
TP920
1
TP918
TP908
1
TP906
1
TP907
1
IN1
IC600
1
TP911
18
NC_5
NC_4
17
12
NC_3
NC_2 4
3
NC_1
MUTE 8
IN2_
14 7
6
9
ST_BY
SGND
13
20 PW_GND_4
PW_GND_3
11 PW_GND_2 10
1
PW_GND_1
16 OUT2_
OUT2
19
5
OUT1_
OUT1 2
TDA7266D
15
VCC_2 VCC_1
R606
R600
10K
R601
4.7K
0.33nF
C901
4.7K
C900
3
2
1
RLZ8.2
0.33nF
2
1
RLZ8.2D901
2
1
CN903
D900
3
slcon6p
6
5
4
3
75
R902
75
R903
R904
C908
75
C907
0.33nF 0.33nF
3
2
1
D906
3
2
1
RLZ8.2
RLZ8.2 2
1
D902
D905
1
RLZ8.2 RLZ8.2
3
33pF
D903
3
2
C903C902
33pF
jack3p_3
4
3
2
CN900
6
SIG_4
5
SIG_3
SIG_2
3
SIG_1
2
4
GND_2
GND_1
1
U1913
75
jack6p_b
R906
75 75
R908
C906
R909 33pF 33pF
C905
33pF
C904
7
6
5
4
3
2
1
CN904
14
13
12
11
10
9
8
d_sub14p
BZX84C5V1
3
2
1
D904
100
R905
1
TP900 1
TP916
1
TP913
1
TP915
1
TP932
1
TP914
1TP928
1TP926
1
TP905
1
TP930
1
TP904
1
TP903
1
TP902
1
TP901
1
TP917
100
R907
R910
100
R911
100
R912
100
R901
100
R900
100
4.7K
R609
Q601
E
C
B
KSC1623-Y
Q600
E
C
B
KSC1623-Y
R610
1K
5V_HP B8V
10K
R604
A
D602
C606
100uF
16V
QZX363C5V6
5
NC
1
C4
3
C3
4
C2
6
C1
2
22uF
C605
R929
A3.3V
16V
R930
4.7K
1
U905
4.7K
1
U904
C919
1
U902
C918
100nF
1
slcon14p_1
100nF
11
10
9
8
7
4
3
6
7
8
5
1
2

11 Schematic Diagrams
11-2 LW17M24C/LW20M21C
1 2
5
3
6
4
7 8

LW17M24C/LW20M21C 11-3
11 Schematic Diagrams
ADD EXT_CLOCK CIRCUIT
Europe Option
TTX only
0
SAW FILTER MUST BE AS NEAR AS THE CHI
P
L801
INSTPAR
12
R898
C126
10uF
25VC841
VSUP3.3BE
R819
4.7uF
FT108
SGM32F1E104-2A
A
12
B
C
3
150
0
R818
150
1/16W
VSUP5.0I
F
R841
Q805
2SC2412K-Q
B
C
E
22
R835
50V
1.5nF
C316
VSUP3.3BE
C847
1uF
50V
R850 0
10nF
C811
VSUP3.3EIO
0
R889
C825 100nF
10
B3.3V
TP171
1
R833
R896
1.3K
C842 4.7uF 25V
C132
100nF
C117
2
3
C
50V
1.5nF
SGM32F1E104-2A
FT106
1AB
1
2
3
4
5
6
7
8
100nF
33
RA800
3.3uHL803
12
C817
C812
10nF
33
R838
R887 0
C80522pF50V
B8V
SGM32F1E104-2A
AB
C
3
C128
10uF
FT105
100nF
FT800
1
2
34
5
C822
2
3
4
5
6
7
8
X6966M
RA808
33
1
C314
1.5nF
50V
B
C
3
10nF
C809
FT112
SGM32F1E104-2A
A
12
VSUP5.0IF
VSUP5.0BE
50V
470pF
C131
33
R843
16V
10uF
C306
C125
10uF
C
E
16V
10uF
C837
Q804
KSA1182
B
470pF
C317
0R891
VSUP5.0BE
50V
C836 22uF 16V
0 R803
2.7Kohm
R858
R821
R828
200
10K
1/16W
10 R830
3.3KR8106
C810
100nF
R834
200
C808
R884 0
50V
470pF
C319
100nF
R859
10
0
Q809
KSC1623-G
B
C
E
R827
10uF
C838
50V
1.5nF
C286
50V
1.5nF
C318
95
DB7
96
ADB10
97
PSENQ
P23
98
99
P2 2
88
DB0
89
DB1
9
GNDDAC
DB2
90
91
DB3
92
DB4
93
DB5
94
DB6
80
P30/656IO0
81
P26/656VIO
82
P25/656HIO
P24/656CLKIO
83
84
ADB3
85
ADB 2
86
ADB1
87
ADB0
73
P35/656IO5
74
P34/656IO4
75
P33/656IO3
GNDEIO
76
77
VSUP3.3EIO
78
P32/656IO2
79
P31/656IO1
8
VSUP3.3DAC
66 VIN7
67 VIN8
68 VIN9
VIN10
69
7
VSUP3.3IO
70 VIN11
71 P37/656IO7
72 P36/656IO6
59 VOUT1
6
GN D
60 VIN1
VIN2
61
62 VIN3
63 VIN4
64 VIN5
65 VIN6
51 XROMQ
52 ENTIFQ
53 VSUP3.3FE
GND
54
55 GND
56 VSUP1.8FE
57 VOUT3
58 VOUT2
44 P16
45 P15
46 P14
P13
47
48 P12
49 P11
5
GN D
50 P10
37
38
PWMV
DFVBL
39
VSUP3.3BE
4
40
SDA
SCL
41
42
P21
P20
43 P17
3
XREF
30
ADB4
31
ADB19
RDQ
32
33
WRQ
34
OCF
35
ALE
36
RSTQ
22
ADB16
23
ADB15
24
STOPQ
ENEQ
25
26
ADB12
27
ADB7
28
ADB6
29
ADB5
15
ADB9
16
ADB8
17
ADB13
ADB14
18
19
ADB17
2
VR D
20
PSWEQ
21
ADB18
138
FBIN
139
RIN
14
ADB11
GIN 140
141
BIN
142
SVMOUT
143
ROUT
144
GOUT
130
TEST
131
VERT+
132
VERT-
133
EW
RSW2 134
135
RSW1
136
SENS E
137
GNDM
123
SPEAKERR
124
SPEAKERL
125
VREFAU
126
VSUP8.0AU
GN D 127
128
GND
129
VSUP5.0BE
13
VPROT
116
AIN2L
117
AIN3R
118
AIN3L
119
AOUT2R
12
HOUT
120
AOUT2L
121
AOUT1R
122
AOUT1L
109
IFIN+
11
HFLB
110
IFIN-
111
VREFIF
112
TAG C
113
AIN1R/SIF
114
AIN1L
115
AIN2R
101
XTAL1
102
VSUP1.8DIG
103
GND
104
GND
VSUP3.3DI G
105
106
VSUP5.0IF
107
GNDIF
108
RESETQ
IC802
1
BOUT
10
SAFETY
100
XTAL2
C
IC300
KIA7042AF-RTF
GND
OUT
VCC
SGM32F1E104-2A
FT113
12
3
C119
1.5nF
50V
25V4.7uFC844
VSUP3.3EIO
KSA1182
B
C
E
50V
0.56nF
C816
Q803
B
C
E
Q802
C118
100nF
KSA1182
A2
3
GND
4
SDA
5
SCL
6
WP
7
VCC
8
IC805
AT24C16N-10SI-2.7/TR
A0
1
A1
2
0R8104
100nF
C824
C315
470pF
50V
270ohm
R826
0
VSUP3.3FE
B5V
0
R842
12
3
C
R866
SGM32F1E104-2A
FT110
R855 4.7K
B3.3V
R802
470
1/16W
B5V
50V
1.5nF
C120
10uF
C124
C814
0.56nF
50V
VSUP1.8FE
270ohm
R829
33
R854
AB
2
3C
C123
10uF
SGM32F1E104-2A
FT109
1
R840 150
100nF
C821
50V
470pF
C287
R879 1/16W10K
27
R899
B5V
C834
3.3uF
50V
R808
18K
1/16W
VSUP3.3DIG
50V
0.56nF
C813
16V22uFC835
150R836
A5V
R863
0
Q801
KSA1182
B
C
E
560nH
L802
12
KSC1623-Y
B
C
E
1/16W
150
Q800
0
R817
C820 100nF
R856
R8019 100
FT107
SGM32F1E104-2A
AB
C
3
0
R857
R8017 3.3K
C121
470pF
50V
R831
VSUP1.8DIG
0
200
R881
R882
R897
150
100
R890 0
VSUP3.3DAC
100uF
C800
16V
100nFC829
10uF
C129
10nF
C846
B3.3V
R845 0
C335
470pF
50V
50V
470pF
C337
B5V
1K
R839
1/10W
820ohm
R8109
270ohm
R832
B3.3V
B1.8V
0 R851
10uF
C127
C819 100nF
10uF
C116
0 R837
R8102
4.7
22pF C804
50V
VSUP3.3IO
VSUP3.3DAC
B8V
MMBD4148SE
12
3
R871100
D800
10uF
C122
R312
0
R8641K
100nF
C823
12
100nFC818
VSUP5.0BE
L804 3.3uH
MO
50V
100nF
C802
Q0
Q1
10uF
C130
R852
HC-49/SM5H(20.25MHz)
X800
100nFC827
6.8K
C843 4.7uF 25V
25V4.7uFC845
0
VSUP3.3DIG
4.7uFC840
R885
B5V
25V
R860 0
AB
C
3
C833
4.7uF
25V
2
3
C
VSUP3.3FE
FT111
SGM32F1E104-2A
SGM32F1E104-2A
FT802
1AB
R8101
510
C828 100nF
E0
R867
2SC2412K-Q
Q810 B
C
100
FT104
SGM32F1E104-2A
A
1 2
B
C
3
R880
0
R886
R8105 0
VSUP3.3IO
R8108
100nF
C839
100
VSUP1.8DIG
0
0R883
1uF
50V
VSUP1.8FE
B5V
R862
62ohm
C305
R888
C334
1.5nF
50V
6.8K
150R849
68
R853
COMP_Y
COMP_CR
COMP_CB
GM_RESET
EXT_CLK
R8100
VCTEEPROM_SCL
VCTEEPROM_SDA
VCTEEPROM_SDA
VCTEEPROM_SCL
AV_L
PC_AL
COMP_L
SCART_LOUT
SCART_ROUT
COMP_R
PC_A R
AV_R
S_VIDEO_Y
SDA_G
DE_07
DE_06
DE_05
DE_04
DE_03
DE_02
DE_01
DE_00
SCART_BLIN
SCART_VOUT
IF_A
IF
SCL_G
VCT_B
VCT_G
VCT_R
DE_O(0:7)
VIDEO_CVBS
SCART_VIN
S_VIDEO_C
VCT_V
VCT_H
TAGC
IF_A
SRIN
SLIN
VCT_RESET
9
❈ This Document can not be used without Samsung’s authorization.
11-2 Video Decoder Schematic Diagram

11 Schematic Diagrams
11-4 LW17M24C/LW20M21C
9

LW17M24C/LW20M21C 11-5
11 Schematic Diagrams
❈ This Document can not be used without Samsung’s authorization.
11-3 Output Scaler, LVDS Schematic Diagram
250/1%
PAL Option
NT Option
GM_2221
20Inch Option
1
100nF
C720
1.5KR774
16V 10uFC515
TP714
1
B5V_1
A3.3V
100
R525
1/16W
1
2
3
4
5
6
7
8
4
5
6
7
8
RA714
22
1/16W
22
RA712
1
2
3
10KR746
C717
47uF
6.3V
75
R503
Q0 Q1
A3.3V_ A
CVDD_1.8
96
97
CRVSS
98
GPIO11/PWM0
99
GPIO12/PWM1
X701
HC-49/S-SMD(14.31818MHZ)
GPIO6
89
9
CVDD_1.8
90
GPIO7/IRQi n
91
GPIO8/IRQout
92
GPIO9/SCL
93
GPIO10/SDA
94
CRVSS
95
RVDD_3.3
GPIO 0
81
82
GPIO 1
83
GPIO 2
84
GPIO3
85
GPIO 4
CVDD_1.8
86
87
CRVSS
88
GPIO5
RVDD_3.3
CRVSS
74
75
CVDD_1.8
76
CRVSS
77
DDC_SCL_VGA
78
DDC_SDA_VG A
79
DDC_SCL_DVI
8
CRVSS
80
DDC_SDA_DVI
67
PPW R
68
PBIAS
69
GPIO15
7
ROM_CS n
70
RESERVED
71
HOST_SCL/UART_DI
72
HOST_SDA/UART_DO
73
ROM_WEn
6
60
RESERVED
61
RESERVED
62
RESERVED
63
RESERVED
64
JTAG_TDO
65
RESERVED
66
JTAG_TDI
N/C
52
53
N/ C
54
N/ C
DCLK
55
56
JTAG_RESET
57
RESERVED
58
RESERVED
59
RESERVED
EB6
45
46
EB7
47
DEN
48
DHS
49
DVS
5
ROM_OE n
50
RVDD_3.3
51
CRVSS
CH0N_LV_O/EB3
38
39
AVSS_LV_O
4
ROM_DATA0
40
AVDD_LV_O_3.3
41
CVDD_1.8
CVSS
42
43
EB4
44
EB5
CH3N_LV_O/EG3
30
31
CLKP_LV_O/EG4
32
CLKN_LV_O/EG5
33
CH2P_LV_O/EG6
34
CH2N_LV_O/EG7
35
CH1P_LV_O/EB0
36
CH1N_LV_O/EB1
37
CH0P_LV_O/EB2
23
AVSS_LV_E
24
AVDD_LV_E_3.3
25
AVSS_LV
26
AVDD_LV_3.3
27
AVDD_LV_O_3.3
28
AVSS_LV_O
29
CH3P_LV_O/EG2
3
ROM_DATA1
ROM_DATA7
203
204
ROM_DATA6
205
RVDD_3.3
206
CRVSS
207
ROM_DATA5
208
ROM_DATA4
21
CH0P_LV_E/EG0
22
CH0N_LV_E/EG1
ROM_ADDR5
197
198
ROM_ADDR4
199
ROM_ADDR3
2
ROM_DATA2
20
CH1N_LV_E/ER7
200
ROM_ADDR 2
201
ROM_ADDR 1
202
ROM_ADDR0
CH1P_LV_E/ER6
19
190
RVDD_3.3
CRVSS
191
192
ROM_ADDR10
193
ROM_ADDR9
194
ROM_ADDR8
195
ROM_ADDR7
196
ROM_ADDR 6
VSYNC
182
183
ROM_ADDR17
184
ROM_ADDR16
185
ROM_ADDR15
186
ROM_ADDR14
187
ROM_ADDR13
188
ROM_ADDR12
189
ROM_ADDR11
LBADC_IN3
175
176
LBADC_RETUR N
177
LBADC_GND
178
RESETn
179
CVDD_1.8
18
CH2N_LV_E/ER5
180
CRVSS
181
HSYNC/CSYNC
AGND_RPLL
168
169
AVDD_RPLL_3.3_XTAL
17
CH2P_LV_E/ER4
170
XTAL_TCLK
171
TCLK_AVDD_RPLL_3.3
172
LBADC_VDD_3.3
173
LBADC_IN1
174
LBADC_IN2
N/C
160
161
N/C
162
N/C
163
GND_AD C
164
VDD_ADC_1.8
165
GND_RPLL
166
VDD_RPLL_1.8
167
RESERVED
AGND_RED
153
AVDD_ADC_3.3
154
155
RESERVED
156
AGND_ADC
157
N/C
158
N/C
159
N/C
16
CLKN_LV_E/ER3
SOG_MCSS
146
147
GREEN+
148
GREEN -
149
AGND_GREEN
15
CLKP_LV_E/ER2
150
AVDD_RED_3.3
151
RED+
152
RED-
CVDD_1.8
139
14
CH3N_LV_E/ER1
140
CRVSS
141
AVDD_BLUE_3.3
142
BLUE+
143
BLUE
-
144
AGND_BLUE
145
AVDD_GREEN_3.3
AGND_RXC
131
132
RXC+
133
RXC-
134
AVDD_RXC_3.3
135
RESERVED
136
GND_RXPLL
137
VDD_RXPLL_1.8
138
RESERVED
RX1-
124
125
AVDD_RX1_3.3
126
VDD_RX0_1.8
127
AGND_RX0
128
RX0+
129
RX0-
13
CH3P_LV_E/ER0
130
AVDD_RX0_3.3
AGND_RX2
117
RX2+
118
119
RX2-
12
AVSS_LV_E
120
AVDD_RX2_3.3
121
VDD_RX1_1.8
AGND_RX1
122
123
RX1+
AVDD_LV_E_3.3
11
110
GPIO22/VDATA1
111
GPIO23/VDATA0
112
VCLK
113
AVDD_IMB_3.3
114
REXT
115
AGND_IMB
116
VDD_RX2_1.8
GPIO16/VDATA7
102
103
GPIO17/VDATA6
104
N/C
105
N/C
106
GPIO18/VDATA5
107
GPIO19/VDATA4
108
GPIO20/VDATA3
109
GPIO21/VDATA2
IC704
1
ROM_DATA3
RESERVED
10
100
GPIO13/PWM2
101
GPIO14/PWM3
C745
100nF
TP723
1
R501
75
16V10uFC509
R522 470
470R521
303132
C706
100nF
19 20
21
22
23
24
25
26
27
28
29
9
10
11
12
13
14 15 16 1718
1234
5
6
7
8
MO
50V
100pF
C543
IC702
100
R728
R715
R719
100
1
3.3V_DVDD
100
SGM32F1E104-2A
FT501
1AB2
3
C
TP729
100nF
C735
C512 10uF16V
C767
16V
MO16V100nF
C531
B5V_1
100uF
1
TP704
1
5
6
3
4
1
2
TP731
CA704
7
8
7
8
C768
100nF
RA715
1
2
3
4
5
6
1/16W
22
1
C722
100nF 100nF
C724C711
100nF
10K
R717 100
TP728
1
R742
100nF
C705
1TA252E00
Q0
Q1
100R709
X702
R779 100
R710 100
0.22pF
C751
1/16W68KR514
TP708
1
2
MO16V100nFC526
CA702
7
8
5
6
3
4
1
100nFC764
1
1
1/16W
R737
240
1
T341
1
TP703
1
TP702
6
3
4
1
2
TP739
CA705
7
8
5
2
3
4
5
6
7
8
B5V
RA713
1/16W
22
1
MO16V100nFC524
B3.3V
C712
100uF
1
C718
100nF
12
3
AVDD_1.8
100
D702
MMBD4148SE
R705
R704
R511 2K
1
10K
1
AB
2
3
C
U1902
A
12
B
C
3
SGM32F1E104-2A
FT702
R727
FT705
SGM32F1E104-2A
100
R713
100R778
A3.3V
10K
R771
10KR726
100
TP720
1
100nF
C707
1
T344
1
SGM32F1E104-2A
1AB2
C
3
T343
470KR510
FT708
MO50V470pF
C520
1/16W
2N7002L
D
G
S
A3.3 V
Q806
1
C530 100nF 16 V MO
TP736
1
T337
FT500
SGM32F1E104-2A
A
12
B
C
3
C760
100nF
A1.8 V
1
2
3
4
5
6
7
8
CA703
1
R770 100
TP733
7
A5
A4
8
A3
9
75R735
29
3
A15
30
NC
/WE
31
32
VCC
A12
4
A7
5
6
A6
IO7
/CE
22
A10
23
24
/OE
25
A11
A9
26
27
A8
A13
28
A14
14
IO1
IO2
15
16
GND
17
IO3
IO4
18
IO5
19
NC,A16
2
20
IO6
21
IC703
1
NC
A2
10
11
A1
A0
12
IO0
13
75
AT49BV002AN-70JI
MO
50V
5pF
C728
R506
R751
470
1/16W
100nF
C709
SC
R-CHIP
R8121 10K
C714
0.22pF
22
1/16W
7
8
5
6
3
4
1
2
C500
RA705
MO
50V
10nF
10nFC744
C
C743
10nF
SGM32F1E104-2A
FT710
1
AB
2
3
R720 100
T334
1
C752
0.22pF
C731
100nF
100nF
C754
R788
10
1/16W 1/16W
10
R789
100
T338
1
TP740
1
R775
TP701
1
TP215
1
TP216
1
0.22pF
C715
100
5V_P
R752
C532
C719
100n F
1
100nF 16V MO
T332
1
T333
1
C763
100nF
TP711
R8120
C753
0.22pF
A3.3 V
3.3V_AVDD
4.7K
R8119
4.7K
1
16V
10u
F
C518
T321
1
T322
C737
100nF
9
MGND
1MGND2
MO16V100nFC529
27
28
29
3
30
4
5
6
7
8
17
18
19
2
20
21
22
23
24
25
26
1
10
11
12
13
14
15
16
CN700
470
R528
100
R523
C
3
10K
R738
FT701
SGM32F1E104-2A
A1
2B
1
100nF
C732
TP709
1
TP706
C739
100nF100nF
C721
R527 470
1
T359
TP214
1
MO
50V
100p F
C545
C528 100nF 16V MO
R741 75
A1.8V
MO
C757
10nF
C727
5pF
50V
100nF
C730
T358
1
1
C535 100nF 16V MO
T340
1
TP716
2
A1
3
A2
4
GND SDA 5
SCL 6
7
WP
8
VCC
CVDD_1.8
AT24C16N-10SI-2.7/TR
IC70 5
1
A0
16V10uFC514
150
1/16W
R772 100
R733
R509 470K 1/16W
FT703
SGM32F1E104-2A
A1
2B
C
3
FT706
A
12
B
C
3
100
SGM32F1E104-2A
7
8
5
6
3
4
1
2
R712
5
6
7
8
RA701
1/16W22
22
1/16W
RA711
1
2
3
4
C750 10nF
MO50V
10nFC758
100R753
C533 100nF 16 V MO
150
1/16W
100nF
C738
R740
R515
10K
R716 100
16V100nF
C534 MO
C510
100nF
C704
1
10uF16V
100R718
T342
R8143
A3.3V
R714
10K
1
100
R524
100
1
2
3
4
5
6
7
4.7K
slcon7p
CN705
1/16W
R801
82uF
C708
10nFC755
RED2IN
REDOUT
21
SYNCOUT
17
20
VCC
VD1IN
12 13
VD2IN
14
VDOUT
VIDEOIN
18
4
GND
6
GND2
8
GND3
GND4
10
19
GOUT
24
HD1IN
23
HD2IN
HDOUT
22
2
HDSYNC
1
RED1IN
7
BA7657F
IC501
5
BLUE1IN
BLUE2IN
11
BLUEOUT
15
16
CTL
3
G1IN
9
G2OUT
100
10K
R729
3
/INTA
4
GND SDA
5
6
SCL
SQW/INTB -
7
8
VCC
R745
DS1337S
IC706
1
X1
2
X2
C749
100nF
100nF
C747
10uFC511 16V
C517 10uF 16V
T345
1
100
R703
VD1IN VD2IN
13
14
VDOUT
18
VIDEOIN
1/16W 150R732
GND4
GOUT
19
24
HD1IN
HD2IN
23
22
HDOUT
HDSYNC
2
RED1IN
1
RED2IN
7
21
REDOUT
17
SYNCOUT
VCC
20
12
BLUE1IN
5
11
BLUE2IN
15
BLUEOUT
CTL
16
G1IN
3
G2OUT
9
GND
4
GND2
6
GND3
8
10
IC500
BA7657F
TP738
1
C525 100nF 16V MO
TP727
1
A1
2BC
3
470R526
FT704
SGM32F1E104-2A
790
10
1/16W
1
C522
47uF
6.3V
C736
T357
100nF
R520 470
47uF
C523
10K
R516
6.3V
3.3V_DVDD
10KR706
1
C713
100nF
D701
1
2
3
TP719
1
MMBD4148SE
10nFC756
C544
100pF
50V
MO
C516 10uF
16V
TP737
1
100nF
C769
CVDD_1.8
100
5V_P
R777
1
100nF
C733
C513 10uF16V
TP734
C710
100nF
10K
R8126
100nF
C716
A3.3V_A
1
T325
1
T346
1
T324
10K
R734
0
R747
0R
781
AVDD_1.8
1/16W
R711
16.000
C765
100uF
75
100
R73 6
100uF
6.3V
C508 10uF 16V
50VC542 10pF
C723
A3.3V
1/16W
4.7K
R800
1
R513 68K
R8144
T339
10uFC519
10K
R739
16V
C521 470pF 50V MO
10K
1
1
2
C740
100nF
RA702
7
8
5
6
3
4
5
6
3
4
1
2
1/16W
22
1
CA700
7
8
TP735
1
MO16V
100nFC527
7
8
5
6
3
4
1
24
1
2
RA704
22
1/16W
RA706
1/16W
22
7
8
5
6
3
0.22pF
C748
7
8
5
6
3
4
1
2
22
1/16W
RA703
SC
R-CHIP
1/16W
470
R750
10K
T326
11
R780
100nF
C729
T327
AB
3
C
A3.3V
FT709
SGM32F1E104-2A
22
23
24 25
26
100nF
C741
12
13
14 15
16
17
18
19 20
21
2
3
45
6
7
8
910
11
42
43
44
45
46
47 48
49
50
51
52
1
32
33
34 35
36 37
38 39
40
41
$O,$V,$P
50P
CN702
27
28
29 30
31
100nF
C766
3.3V_AVDD
C502
10nF
50V
MO
C725
100nF
1
T331
1
100nF
C726
T330
T329
1
10pFC540 50V
1
10pFC541 50V
TP730
C759
100nF
TP732
1
3.3V_AVDD
C734
100nF
1.5KR773
A3.3V
R749 10K
1
1KR725
T335
1
T336
T323
1
10KR748
A3.3 V
100nF
C742
D
G
S
1/16W2KR512
1
2N7002 L
Q807
TP725
1
T328
R707 100
R776
7
8
5
6
3
4
1
2
100
1
CA701
DHS
DVS
SW_LVDS
DHS
DVS
DHS
DVS
DEN
B_OUT
G_OUT
R_OUT
OUT(12)
OUT(11)
OUT(10)
OUT(9)
OUT(8)
OUT(0:19)
OUT(19)
SDA_G
PC_RED
PC_GREEN
PC_BLUE
PC_BLUE
PC_GREEN
PC_RED
RMADDR(6)
RMADDR(6)
OUT(15)
OUT(14)
OUT(13)
OUT(6)
OUT(7)
OUT(16)
OUT(17)
OUT(18)
E_SCL
E_SDA
SCL_G
E_SDA
E_SCL
COMP_CB
COMP_Y
VCT_R
GM_RESET
PC_IDENT
EXT_CLK
VCT_RESET
SCL_G
SDA_ G
TXD
DDC_SDA
DDC_SCL
SCL
SDA
RMADDR(12)
SW_INVERTER
RXD
AMP_MUTE
OUT(0)
OUT(1)
OUT(2)
OUT(3)
OUT(4)
OUT(5)
RMADDR(16)
RMADDR(15)
RMADDR(7)
RMADDR(5)
RMADDR(4)
RMADDR(3)
RMADDR(2)
RMADDR(1)
RMADDR(0)
RMADDR(0:17)
SEL_COMP/PC
HP_ID
LED_GRN
LED_RED
SW_POWER1
HP_MUTE
AVS
AHS
IR
VCT_RESET
SW_LVDS
EPROMCS
ROM_CSn
OUT(2)
OUT(1)
OUT(0)
E_SDA
E_SCL
ROM_OEn
ROM_WEn
RMDATA(7)
RMDATA(6)
RMDATA(5)
RMDATA(4)
RMDATA(3)
RMDATA(2)
RMDATA(1)
RMDATA(0)
RMDATA(0:7)
RMADDR(17)
RMADDR(10)
RMADDR(11)
RMADDR(9)
RMADDR(8)
RMADDR(13)
RMADDR(14)
G_OUT(1)
G_OUT(0)
OUT(7)
OUT(6)
OUT(5)
OUT(4)
R_OUT(0)
ROM_CSn
ROM_WEn
ROM_OEn
OUT(19)
OUT(18)
OUT(17)
OUT(16)
OUT(15)
OUT(14)
OUT(13)
OUT(12)
OUT(11)
OUT(10)
OUT(9)
OUT(8)
OUT(3)
R_OUT(6)
R_OUT(5)
R_OUT(4)
R_OUT(3)
R_OUT(2)
R_OUT(1)
R_OUT(0:7)
B_OUT(0:7)
G_OUT(2)
G_OUT(3)
G_OUT(4)
G_OUT(5)
G_OUT(6)
G_OUT(7)
B_OUT(0)
B_OUT(1)
B_OUT(2)
RMADDR(8)
RMADDR(7)
RMADDR(6)
RMADDR(5)
RMADDR(4)
RMADDR(3)
RMADDR(2)
RMADDR(1)
RMADDR(0)
RMADDR(0:17)
RMDATA(7)
RMDATA(6 )
RMDATA(5)
RMDATA(4)
RMDATA(3)
RMDATA(2)
RMDATA(1)
RMDATA(0)
RMDATA(0:7)
G_OUT(0:7)
B_OUT(3)
B_OUT(7)
B_OUT(6)
B_OUT(5)
B_OUT(4)
R_OUT(7)
DCK
DE_O(0:7)
DE_00
DE_01
DE_02
DE_03
DE_04
DE_05
DE_06
DE_07
RMADDR(11)
RMADDR(10 )
RMADDR(17 )
RMADDR(16 )
RMADDR(15 )
RMADDR(14)
RMADDR(13 )
RMADDR(12 )
RMADDR(9)
R_OUT(1)
R_OUT(0)
R_OUT(7)
R_OUT(6)
R_OUT(5)
R_OUT(4)
G_OUT(3)
G_OUT(2)
G_OUT(1)
G_OUT(0)
G_OUT(7)
G_OUT(6)
G_OUT(5)
G_OUT(4)
B_OUT(2)
B_OUT(1)
B_OUT(0 )
B_OUT(4)
B_OUT(5)
B_OUT(6)
B_OUT(7)
R_OUT
G_OUT
B_OUT
KEY1
KEY2
SEL_INT/EXT
SCART_ID
EXT_CLK
R_OUT(0:7)
R_OUT(7)
R_OUT(6)
R_OUT(5)
R_OUT(4)
R_OUT(3)
R_OUT(2)
R_OUT(1)
R_OUT(0)
B_OUT(0:7)
B_OUT(7 )
B_OUT(6 )
B_OUT(5 )
B_OUT(4 )
B_OUT(3 )
B_OUT(2 )
B_OUT(1 )
B_OUT(0 )
G_OUT(0:7 )
G_OUT(7)
G_OUT(6)
G_OUT(5)
G_OUT(4)
G_OUT(3)
G_OUT(2)
G_OUT(1)
G_OUT(0)
B_OUT(3)
R_OUT(3)
R_OUT(2)
VCT_B
SEL_INT/EXT
VCT_G
SEL_COMP/PC
COMP_CR
5V+PANEL
DEN
DCK

11 Schematic Diagrams
11-6 LW17M24C/LW20M21C
❈ This Document can not be used without Samsung’s authorization.
11-4 LW17M24C IP Board_1 Schematic Diagram

LW17M24C/LW20M21C 11-7
11 Schematic Diagrams
❈ This Document can not be used without Samsung’s authorization.
11-5 LW17M24C IP Board_2 Schematic Diagram

11 Schematic Diagrams
11-8 LW17M24C/LW20M21C
❈ This Document can not be used without Samsung’s authorization.
11-6 LW20M21C IP Board_1 Schematic Diagram

LW17M24C/LW20M21C 11-9
11 Schematic Diagrams
❈ This Document can not be used without Samsung’s authorization.
11-7 LW20M21C IP Board_2 Schematic Diagram

11 Schematic Diagrams
11-10 LW17M24C/LW20M21C
Memo

Samsung Electronics Co.,Ltd.
416, Maetan-3Dong, Yeongtong-Gu, Suwon City, Kyungki-Do,
Korea, 443-742
Printed in Korea
P/N : BN82-00103P-00
URL : http://itself.sec.samsung.co.kr/
❈ This Service Manual is a property of
Samsung Electronics Co., Ltd.
Any unauthorized use of Manual can be
punished under applicable International
and/or domestic law.
