Samsung SGH D800 Service Manual. Www.s Manuals.com. Manual R1.0
User Manual: Phone Samsung SGH-D800 - Service manuals and Schematics, Disassembly / Assembly. Free.
Open the PDF directly: View PDF
.
Page Count: 51

GSM TELEPHONE
SGH-D800
GSM TELEPHONE CONTENTS
1. Specification
2. Flow Chart of Troubleshooting
3. Exploded View and Parts List
4. MAIN Electrical Parts List
5. PCB Diagrams
6. Block Diagrams

SAMSUNG Proprietary-Contents may change without notice
1. SGH-D800 Specification
1-1
This Document can not be used without Samsung's authorization
1-1. GSM General Specification
E-GSM DCS1800 PCS1900
Freq. Band[MHz]
Uplink/Downlink
880~915
925~960
1710~1785
1805~1880
1850~1910
1930~1990
ARFCN range 975~1023
0~124 512~885 512~810
Tx/Rx spacing 45MHz 95MHz 80MHz
Mod. Bit
rate/
Bit Period
GPRS 270.833Kbps
3.692us
270.833Kbps
3.692us
270.833Kbps
3.692us
EDGE 812.5Kbps
3.692us
812.5Kbps
3.692us
812.5Kbps
3.692us
Time Slot Period/Frame
Period
576.9us
4.615ms
576.9us
4.615ms
576.9us
4.615ms
Modulation
GPRS 0.3GMSK 0.3GMSK 0.3GMSK
EDGE 8PSK 8PSK 8PSK
MS Power
GPRS 33dBm~5dBm 30dBm~0dBm 30dBm~0dBm
EDGE 27~5dBm 26~0dBm 26~0dBm
Power Level
GPRS 5~19(class4) 0~15(class1) 0~15(class1)
EDGE 8~19(class E2) 2~15(class E2) 2~15(class E2)
Sensitivity -102dBm -100dBm -102dBm
TDMAMux888
Cell Radius 35Km 2Km 2Km
Operating Temperature -20℃~45
℃-20℃~45
℃-20℃~45
℃
Supply Voltage 3.7V 3.7V 3.7V
Size and Weight Dimention : 97(H) × 52(W) × 14.9(D) mm
Weight : 96g (with standard battery)

SAMSUNG Proprietary-Contents may change without notice
SGH-D800 Specification
1-2
This Document can not be used without Samsung's authorization
1-2. GSM TX Power Level
TX Power
control level E-GSM
5 33±2dBm
6 31±2dBm
7 29±2dBm
8 27±2dBm
9 25±2dBm
10 23±2dBm
11 21±2dBm
12 19±2dBm
13 17±2dBm
14 15±2dBm
15 13±2dBm
16 11±2dBm
17 9±2dBm
18 7±2dBm
19 5±2dBm
TX Power
control level DCS1800
030±3dB
m
128±3dB
m
226±3dB
m
324±3dB
m
422±3dB
m
520±3dB
m
618±3dB
m
716±3dB
m
814±3dB
m
912±4dB
m
10 10±4dB
m
11 8±4dBm
12 6±4dBm
13 4±4dBm
14 2±5dBm
15 0±5dBm
TX Power
control level PCS1900
030±3dB
m
128±3dB
m
226±3dB
m
324±3dB
m
422±3dB
m
520±3dB
m
618±3dB
m
716±3dB
m
814±3dB
m
912±4dB
m
10 10±4dB
m
11 8±4dBm
12 6±4dBm
13 4±4dBm
14 2±5dBm
15 0±5dBm

SAMSUNG Proprietary-Contents may change without notice
SGH-D800 Specification
1-3
This Document can not be used without Samsung's authorization
1-3. EDGE TX Power Level
TX Power
control level EGSM
8 27±3dBm
9 25±3dBm
10 23±3dBm
11 21±3dBm
12 19±3dBm
13 17±3dBm
14 15±3dBm
15 13±3dBm
16 11±5dBm
17 9±5dBm
18 7±5dBm
19 5±5dBm
TX Power
control level DCS1800
226±3dB
m
324±3dB
m
422±3dB
m
520±3dB
m
618±3dB
m
716±3dB
m
814±3dB
m
912±4dB
m
10 10±4dB
m
11 8±4dBm
12 6±4dBm
13 4±4dBm
14 2±5dBm
15 0±5dBm
TX Power
control level PCS1900
226±3dB
m
324±3dB
m
422±3dB
m
520±3dB
m
618±3dB
m
716±3dB
m
814±3dB
m
912±4dB
m
10 10±4dB
m
11 8±4dBm
12 6±4dBm
13 4±4dBm
14 2±5dBm
15 0±5dBm

SAMSUNG Proprietary-Contents may change without notice
2. SGH-D800 Flow Chart of Troubleshooting
2-1
This Document can not be used without Samsung's authorization
2-1.Baseband
2-1-1. Power ON
'Power On' does not work
Voltage >=3.3V
Download again
Charge the Battery
Pin#J12 >= 2.8V Check U101 and C113
Pin#A13 and
pin#A14 =2.8V Check U101, U107 and U106
Freq = 26MHz
Vrms >=300mV
Vpp≒900mV
Check the clock generation circuit
(related to 3pin of OSC400, C406, R405)
Check the initial operation
END
No
Yes
Yes
Yes
Yes
Yes
Yes
No
No
No
No
pin#G11 =
1.5V
No
Yes
Check the current consumption
Check the Vbat Voltage
Check the pin of U101
ChecktheclocksignalatC411
Current consumption
>= 100mA

SAMSUNG Proprietary-Contents may change without notice
SGH-D800 Flow Chart of Troubleshooting
2-2
This Document can not be used without Samsung's authorization
R106
R111
G5
VSS1
K4
VSS2
R2
VSS3
P6
VSS4
R13VXVCM
D1XOENAQ
C124
J12
VLDO_2
A13
VLDO_3
B12
VLDO_4
B10
VLDO_5
A14
VLDO_6
C12
VLDO_7
A10
VREF
R14VREGN
M13VREGP
H11
VRTC
K12
VSIM
VDD_IO1
J4
VDD_IO2
C4
VDD_OCTL
E14
VEXT
F15
VIB_DRV
L9VIB_RNG_EN
A12
VL4S_A
B11
VL4S_B
D10
VL5S_A
VL5S_BC9
G11
VLDO_1
J3
VDD1
J13
VDD12
M3
VDD2
N6
VDD3
C11
VDD34
C10
VDD5
B13
VDD67
A6
VDDB
N11
VDDD
L11
VDDV
N5
B1
A2SERLE2
K14
SIM_CLK
J11
SIM_IOK11
SIM_RST
E7TXP
N9
UP_CLK
P10
UP_IO
R10
UP_RST
F14
VACC
E13
VBAT
L2RWN
D6RXTXIN
D7RXTXIP
C6RXTXQN
C7RXTXQP
L8
SCLK_PSC
SDI_PSCM7
N7
SDO_PSC
C2SERCK
SERDA
C1
SERLE1
L7PSW1_BUF
M9PWR_KEEP
C15PWR_SW1N
C14PWR_SW2
B6RAREF1
B5RAREF2
RESETN_CSP
R3
K9RESET_O
F13
RING_DRV
H10
RTC_ALMN
N4RTC_CLK
N10MODE
NC51
2
NC6
E6OCTL0
OCTL1
C5
F5OCTL2
OCTL3
E5
A4OCTL4
OCTL5
G6
B3OCTL6
OCTL7
A3
GND_PSC1
K15
GND_PSC2
L10INTRQ
I|O
L3
G13
LED1_DRV
G12
LED2_DRV
R6MC
M14MICINN
N14MICINP
P15MICOUTN
N15MICOUTPF9
GNDS3
F10
GNDS4
G7
GNDS5
G8
GNDS6
G9
GNDS7
G10
GNDS8
H6
GNDS9
P13
GNDV
F11
GND_HCUR
B4
GND_OCTL
B15
GNDQ
F7
GNDS1
H7
GNDS10
H8
GNDS11
GNDS12H9
J7
GNDS13
J8
GNDS14
J9
GNDS15
J10
GNDS16
K10
GNDS17
F8
GNDS2
DB2
DB3
J5
J6DB4
H5DB5
G3DB6
G4DB7
F4DB8
F1DB9
P3DINTR
F6
GNDB
M10
GNDD
E8
M6DAIDO
P4DAIRN
K1DB0
DB1
K2
F2DB10
F3DB11
E2DB12
E3DB13
D3DB14
D2DB15
K3
M15AUXINP
L13AUXOUTN
K13AUXOUTP
D13
AUX_ADC3
E11
CH_BDRVF12
CH_ISEN
D14
CH_RES
CREFE9
CSN_PSCK8
R4DAICK
L6DAIDI
K7
K5AB8
E10
ADC_AUX1
D15
ADC_AUX2
P5ADC_AUX4
D9AFC
N12AOUTAN
P11AOUTAP
P12AOUTBN
R12AOUTBP
L14AUXINN
K6AB0
AB1
P1
L5AB2
AB3
N1
N2AB4
AB5
M2
M1AB6
AB7
C126
U101
R105
C120
R101
C114C116
R100
VCCD_1_8
VCCD
VBAT
VPAC
C104
C115
VCLOCK
C110
C113
C102
VCCA
VSYN
C101
C106
VCCD
C109
VBAT
VRF
C118
VCCD_1_8_PSC
C111
R113
C107
R112
U103
GND
3
2VOVS1
VCCD
C112
C100
VRTC
VBAT
C105
C117
C108
1
POS
G
10
VCCA
M100
2
NEG
22
3
34
4
55
6
6
7
G
G
8
9
G
CN111
1
1
XOENA
ANT_BAND_SEL
CHECK_ACC
PSW1_BUF
XOENAQ
AOUTBN
AOUTBP
AUXINP
AUXINN
AUXOUTP
AUXOUTN
UP_SDO
UP_SCLK
UP_CS
GSM_TX_EN
DCS_TX_EN
SERCLK
VAPC
TRXIN
TRXQP
TRXQN
AOUTAP
AOUTAN
CLK32K
CLK13M_MC
FLASH_RESET
PWR_ON
JIG_ON
MICINP
MICINN
MICOUTP
MICOUTN
DSP_DB(2)
DSP_DB(1)
DSP_DB(0)
DSP_AB(0:8)
DSP_AB(8)
DSP_AB(7)
DSP_AB(6)
DSP_AB(5)
DSP_AB(4)
DSP_AB(3)
DSP_AB(2)
DSP_AB(1)
DSP_AB(0)
DSP_RWN
DSP_INT
SERLE
SERDAT
DSP_DB(0:15)
DSP_DB(14)
DSP_DB(13)
DSP_DB(12)
DSP_DB(11)
DSP_DB(10)
DSP_DB(9)
DSP_DB(8)
DSP_DB(7)
DSP_DB(6)
DSP_DB(5)
DSP_DB(4)
DSP_DB(3)
AFC
DSP_DB(15)
INTRQ
DSP_IO
TX_BAND_SEL
RX_SEL
PWR_KEEP
RST
RTCALARM
TRXIP
UP_SDI
SIMCLK
SIMDATA
SIMRST

SAMSUNG Proprietary-Contents may change without notice
SGH-D800 Flow Chart of Troubleshooting
2-3
This Document can not be used without Samsung's authorization
C408
R400
R401
VRF
R402
C400
C407
C406
C401
C402
R405
VCC
VCON
1
OSC400
2
GND
OUT
34
AFC
CLK26M_RF
CLK13M_YMU
13MHZ_BB
CLK13M_MC
CLK13M_TR
VCLOCK
NC 5
6
VCC
4
Y
U401
A
2
3GND
1NC
GND
4
Q
3
8
VCC
_CLR
2
1_PR
5
_Q
U402
CK7
D6
R407
C409
C412
C411
C413
L408
13MHZ_BB
26M_REF_CLK

SAMSUNG Proprietary-Contents may change without notice
SGH-D800 Flow Chart of Troubleshooting
2-4
This Document can not be used without Samsung's authorization
9
PGND
SW 10
VIN
1
VOUT 6
7
AGND
2AVIN
EN
3
11
GND
MODE/SYNC 8
4NC
5NC
U107
VBAT
C135 C134
L102
R118
VCCD_1_5
C137
VCCD_1_8_PSC
C136
L101
C132
VCCD_1_8_PSC
C133
VBAT
VIN
1
6
VOUT
AGND
2AVIN
EN
3
GND
11
MODE/SYNC 8
4NC
5NC
9
PGND
SW 10
U106
7
VCCD_1_8
R117

SAMSUNG Proprietary-Contents may change without notice
SGH-D800 Flow Chart of Troubleshooting
2-5
This Document can not be used without Samsung's authorization

SAMSUNG Proprietary-Contents may change without notice
SGH-D800 Flow Chart of Troubleshooting
2-6
This Document can not be used without Samsung's authorization
2-1-2. Initial
Initial Failure
The pin #C12 of U101 =
1.8V and
the pin #J12 of U101 =
2.8V ?
Check the U101
(if it has some problem, it is to be replaced.)
Yes
No
Is the pin #K9 of U101
"Low →High" ?
Yes
No Check the U101
(if it has some problem, it is to be replaced.)
There is 32.768kHz wave
forms at the C216 and
C217
Yes
No
Check the U201
Is the pin #3 of U106 &
U107 "High"?
The voltage is "High" at
the C111,C116,C117 Check the U101
Check the U106 & U107
LCD display is O.K?
No
No
Yes
Yes
Yes
Check the LCD part
No
Sound is O.K?
Yes
No
Check the Audio part
END
Yes

SAMSUNG Proprietary-Contents may change without notice
SGH-D800 Flow Chart of Troubleshooting
2-7
This Document can not be used without Samsung's authorization
C217
VSS6
VSS7H10
H11
VSS8
VSS9H12
VSSA_
DR11
VSSA_
UF18
X1RTC
H19
F19X2RTC
VSS12
VSS13L8
M8
VSS14
VSS15M9
M10
VSS16
VSS17M11
M12
VSS18
A18
VSS2
VSS3G8
G9
VSS4
VSS5H8
H9
B16
VDD_IO_1P8_4
VDD_IO_1P8_5C1
C14
VDD_IO_1P8_6
VDD_IO_1P8_7D9
D18
VDD_IO_1P8_8
VDD_IO_1P8_9F1
G18
VRTC
VSS1A2
J12
VSS10
VSS11K8
L7
VDD_IO_1P8_10
VDD_IO_1P8_11L16
P1
VDD_IO_1P8_12
VDD_IO_1P8_13T18
U1
VDD_IO_1P8_14
VDD_IO_1P8_15U5
U12
VDD_IO_1P8_16
VDD_IO_1P8_17W8
W18
VDD_IO_1P8_18
B6
VDD_IO_1P8_2
VDD_IO_1P8_3B12
VDDA_
D
F17
VDDA_
U
VDD_CORE1B8
B13
VDD_CORE2
VDD_CORE3G2
H18
VDD_CORE4
VDD_CORE5M2
N18
VDD_CORE6
VDD_CORE7V7
V13
VDD_CORE8
VDD_IO_1P8_1B4
L4
TCK U14
V14
TDI
TDO T12
TEST1 U15
T14
TEST2
TEST3 V16
TMSW14
R12
TRSTN
TX0
M3
TX1
K7
T11
RX1_IRQ2
8
SIMCLK
P4
T2SIMIO
R3SPCLK0
M18
SPCLK1_PIO18
T3SPFS0
SPFS1_PIO15 N15
SPRXD0
R4
SPRXD1_PIO17 M17
SPTXD0_I2S
D
U2
N16
SPTXD1_I2SD_PIO16
PIO41_IRDAT
X
PIO42_IRDAR
X
R17
N14PIO43_MCI_DAT0_E
N
J16
PIO47
G5PWM1_PIO4
6
RESTNG15
RIO_PIO01
P3
RTCALARMN
H17
N2RTS0_PIO04
V6
RWN
M1RX0_IRQ2
8
L6
P12
PIO31_IRQ6
PIO32
R13
U18
PIO33
PIO34 R14
PIO35_A_A25_BOOTSE L
F2
F16PIO36_USB_OEN
PIO37_USB_DATA
E17
J15PIO38_MCI_CLK
L14PIO39_MCI_CMD_EN
PIO40_MCI_DAT_EN
M14
R16
PIO19_PWRKEEP
PIO20_SYSCLKREQ
P19
K13PIO21_MCI_DAT0
PIO22_MCI_DAT1
L12
L13PIO23_MCI_DAT2
PIO24_MCI_DAT3
L15
V19PIO25
PIO26
U16
PIO27
U19
W17PIO28
E14 PIO30_WAITN
2
G16OSC32OUT
PIO00_IRQ5 P16
PIO07_USB_SUSP
B19
PIO08_MCI_CMD
J13
C19PIO09_USB_VPI
PIO10
V17
PIO11_USB_VMI
C18
D17PIO12_USB_VPO
PIO13_USB_VMO
E16
P5PIO14_SIMRST
P15
KEYBRD1
1
H2
J5KEYBRD2
KEYBRD3
J4
J8KEYBRD4
KEYBRD5_PSW1_BUF
H6
H4KEYBRD6
KEYBRD7
H1
H3KEYBRD8
KEYBRD9
G6
1
NC1
NC2
INT0
IO W6
V12
IOBIT0_PIO05
IOBIT1_PIO06 N11
IRQ1 M16
M19
IRQ2
IRQ3 P17
P18
IRQ4
J7KEYBRD0
KEYBRD1
J6
G4KEYBRD1
0
D_D14
D_D15 P11
R7
D_D2
D_D3 T7
R8
D_D4
D_D5 V8
U8
D_D6
D_D7 T8
T9
D_D8
D_D9 R9
FLASHRSTN
H14
T15
D_A5 T5
V4
D_A6
D_A7 N6
R6
D_A8
U6
D_D0
D_D1 T6
P8
D_D10
D_D11 P9
N8
D_D12
D_D13 N9
N10
CKO_IACK
T17
CPTSTSTOP_CK O
CTS0_PIO29
M6
N5DCD0_PIO44
P2DSR0_PIO02
DTR0_PIO03
N4
V1
D_A0
D_A1 W2
W3
D_A2
D_A3 V3
U4
D_A4
A_D2
A_D3
G10
G11 A_D4
A_D5
F11
E11 A_D6
A_D7
G12
D11 A_D8
A_D9
E12
A_OEN
B14
D14 A_WEN
W12
CKI
N12
F15 A_CS6N
A_CS7N
B17
A8 A_D0
A_D1
E9
C12 A_D10
A_D11
A12
F12 A_D12
A_D13
D12
E13 A_D14
A_D15
D13
F9
E7
C4 A_A8
A_A9
C2
H16 A_BE0N
A_BE1N
A17
A14 A_CS0N
A_CS1N
C15
G14 A_CS2N
A_CS3N
J14
D15 A_CS4N
A_CS5N
C16
D2
A_A2
D8
E4 A_A20
A_A21
E3
F5 A_A22
A_A23
F4
F3 A_A24
A_A3
A6
C6 A_A4
A_A5
C5
D7 A_A6
A_A7
A_A1
C8
A3 A_A10
A_A11
B3
B1 A_A12
A_A13
D6
D5 A_A14
A_A15
D3
E8 A_A16
A_A17
F8
A_A18
E6
A_A19
U201
M4
ATCK_CTS1
ATDI_RTS1 L5
T13
ATDO_PWM2
ATMS_PIO45 K12
B7 A_A0
VCCD_1_5
C204
1
OSC20
0
2
VCCD_1_8
C216
VRTC
DSP_TMS
TR_RST
DEBUG_TXD
SDS_TXD
DSP_RWN
DEBUG_RXD
SDS_RXD
SIMCLK
SIMDATA
UP_SCLK
PCM_CLK
UP_CS
PCM_SYNC
UP_SDO
PCM_RXD
UP_SDI
PCM_TXD
DSP_TCK
DSP_TDI
DSP_TDO
USB_VPO
USB_VMO
SIMRST
PWR_KEEP
XOENAQ
CODEC_PDN
AS2
EAR_SWITCH
NAND_INT
AS4
CF
USB_CON
USB_OEN
USB_DATA
AS3
UPPER_EL_EN
BL_CONT
CHG_EN RTCALARM
DEBUG_RTS
KEY_COL(0)
KEY_COL(1)
KEY_ROW(4)
KEY_ROW(5)
KEY_COL(2)
KEY_COL(3)
KEY_COL(4)
PSW1_BUF
KEY_ROW(0)
KEY_ROW(1)
KEY_ROW(2)
KEY_ROW(3)
CLK32K
FLIP_SNS
USB_SUSP
USB_DET
AMP_EN
DSP_DB(2)
DSP_DB(3)
DSP_DB(4)
DSP_DB(5)
DSP_DB(6)
DSP_DB(7)
DSP_DB(8)
DSP_DB(9)
DSP_INT
DSP_IO
USB_CHG_EN
CHG_COMPLETE
INTRQ
JACK_INT
YMU_IRQ
HERA_INT
DSP_AB(1)
DSP_AB(2)
DSP_AB(3)
DSP_AB(4)
DSP_AB(5)
DSP_AB(6)
DSP_AB(7)
DSP_AB(8)
DSP_DB(0)
DSP_DB(1)
DSP_DB(10)
DSP_DB(11)
DSP_DB(12)
DSP_DB(13)
DSP_DB(14)
DSP_DB(15)
A(18)
A(17)
A(16)
A(15)
A(14)
A(13)
A(12)
A(11)
A(10)
A(1)
A(0)
CP_TCK
CP_TDI
CP_TDO
CP_TMS
CLK13M_TR
DEBUG_CTS
MAIN_EL_EN
BT_EN
M_HOLD
DSP_AB(0)
D(2)
D(15)
D(14)
D(13)
D(12)
D(11)
D(10)
D(1)
D(0)
YMU_CS
HERA_CS
RAM1_CS
ONENAND_CS
ROM1_CS
UPPER_BYTE
LOWER_BYTE
A(9)
A(8)
A(7)
A(6)
A(5)
A(4)
A(3)
A(24)
A(23)
A(22)
A(21)
A(20)
A(2)
A(19)
CHG_DET
FLASH_RESET
CP_WEN
CP_OEN
D(9)
D(8)
D(7)
D(6)
D(5)
D(4)
D(3)
A(0:24)
D(0:15)
DSP_DB(0:15)
DSP_AB(0:8)
KEY_COL(0:4)
KEY_ROW(0:5)

SAMSUNG Proprietary-Contents may change without notice
SGH-D800 Flow Chart of Troubleshooting
2-8
This Document can not be used without Samsung's authorization

SAMSUNG Proprietary-Contents may change without notice
SGH-D800 Flow Chart of Troubleshooting
2-9
This Document can not be used without Samsung's authorization
2-1-3. Sim Part
Check the voltage at
pin#1 of CN111 >=
2.8V ?
"Insert SIM is displayed on the LCD
Check the SIM
connector's (CN 111)
connection to SIM card
Check the U101
Resolder or change CN111
END
No
Yes
Yes
Yes
Yes
No
No
Is there any signals
pin#2,#3,#6 of CN111 ? Check the U201
Check the SIM Card

SAMSUNG Proprietary-Contents may change without notice
SGH-D800 Flow Chart of Troubleshooting
2-10
This Document can not be used without Samsung's authorization
2-1-4. Microphone Part
Is the assembled status
of microphone O.K?
Microphone does not work
Reassembled the microphone
Resolder or change
R509,R510,R512,R514,R516,R518,
C507,C511
END
No
Yes
Yes
Yes
Yes
No
Is microphone ok?
No
Check U101
Check the reference voltage on mic path
C112 ≒2.8V ?
Yes

SAMSUNG Proprietary-Contents may change without notice
SGH-D800 Flow Chart of Troubleshooting
2-11
This Document can not be used without Samsung's authorization
R519 C515
C511
C513
VCCA
R518
C516
C517
R524 C519
R517
R523
C507
C509
R514
C512
R512
R516
R522
R520
R509
R510
R521
C518
R513
AUXOUTP
MICINP
MICOUTP
MICINN
MICOUTN
AUXOUTN
AUXINN
AUXINP
MAIN_MIC_N
MAIN_MIC_P
EAR_MIC_N
EAR_MIC_P

SAMSUNG Proprietary-Contents may change without notice
SGH-D800 Flow Chart of Troubleshooting
2-12
This Document can not be used without Samsung's authorization
2-1-5. Speaker Part_1(MP3, SPEAKER PHONE)
There is no sound from the Speaker
Is the terminal of Speaker
O.K ?
No
Replace the Speaker
Yes
Are there any signals at
the L500, L501
No
Yes
Check U500
Whatisthetypeof
sound from the
Speaker
Is there any signals
at the pin#19 and
pin#20 of U301 ?
Is there any signals
at C503, C505 ?
MP3 SPEAKER PHONE
The pin #2,
#10ofU501is
"High"
The pin #2,
#10ofU501is
"High"
Check U301 Check U101
Yes Yes
NoNo
Check U201
Yes Yes
No No
END

SAMSUNG Proprietary-Contents may change without notice
SGH-D800 Flow Chart of Troubleshooting
2-13
This Document can not be used without Samsung's authorization
R503
C503 R500
R504
R501
R508
L501
L500
C504
C502
C505
C500
V
BA
T
R506
C534
VOM 12
VOP 9
VREF
1
5
VSS
6
VSS
11
VSS
10
VSS
C535
7
VDD
VDD
8
13
VDD
VDD
14
VDD
15
VDD
16
2
VIM
3
VIP
U500
4
EN
GND
17
18 NC
NC19
VBAT
C544
C543
MP3_MONO_N
MP3_MONO_P
AOUTBN
AOUTBP
AMP_EN AMP_OUT_P
AMP_OUT_N
C301
R301
CODEC_2_8
R303
C317
C313
C319
C314
C32
CODEC_2_8
CODEC_2_8
C303 C302
SDTO
12
SPN19
SPP20
VCOM
2
MUTET
25
NC
37
38
NC
PDN
7
RIN1/IN1+
32
RIN2/IN2-
2926
ROUT
11
SDTI
6I2C
31
LIN1/IN1-
30
LIN2/IN2+
27
LOUT
LRCK
13
MCKI
17
MCKO
18
MPWR
1
GND
33
34
GND
GND
35
36
GND
HPL
24
HPR23
HVDD21
HVSS22
AVSS
3
BEEP
28
14
BICK
CCLK/SCL
910
CDTI/SDA
8CSN/CAD0
15
DVDD
DVSS
16
U301
ACOC
5
AVDD
4
C316
C318
R302
C397
R300
MP3_L
CAM_SDA
CAM_SCL
D_BCK
MPEG_MIC_N
MPEG_MIC_P
MP3_MONO_P
MP3_MONO_N
D_SDIN
D_SDOUT
CODEC_PDN
D_MSCK
D_LRCK
MP3_R

SAMSUNG Proprietary-Contents may change without notice
SGH-D800 Flow Chart of Troubleshooting
2-14
This Document can not be used without Samsung's authorization

SAMSUNG Proprietary-Contents may change without notice
SGH-D800 Flow Chart of Troubleshooting
2-15
This Document can not be used without Samsung's authorization
2-1-6. Speaker Part_2(RECEIVER)
There is no sound from the Speaker
Is the terminal of Speaker
O.K ?
No
Replace the Speaker
Yes
Are there any signals at
the PIN#7, #15 of U501
No
Check U501
Yes
The pin #2, #10
of U501 is "Low"
No
Check U201
Are there any signals at
the PIN#8, #16 of U501
Yes
No
Check U101
Yes
Check U201
END

SAMSUNG Proprietary-Contents may change without notice
SGH-D800 Flow Chart of Troubleshooting
2-16
This Document can not be used without Samsung's authorization
R505
C501
VBAT
NC3
8
NC4
19
NC
NC
18
NO1
1
NO2
9
NO3
13
NO4 5
V+ 615
7
COM4
GND
14
17 GND
INA
2
10
INB
4
NC1
12
NC2
16
U501
3
COM1
COM2
11
COM3
R507
R502
AOUTAN
SW2_OUT_N
SW2_OUT_P
AMP_OUT_N
AMP_OUT_P
YMUOUT_N
YMUOUT_P
AS3
AS2
SPK_N
SPK_P
SW2_OUT_N
SW2_OUT_P
AOUTAP

SAMSUNG Proprietary-Contents may change without notice
SGH-D800 Flow Chart of Troubleshooting
2-17
This Document can not be used without Samsung's authorization
2-1-7. Charging Part
Abnormal charging part
What is the type
of Charging
TA Charging USB Charging
The pin #2 of
U102 is
USB_5V 뵃5V?
The pin #1 of
U102 is
VEXT 뵃5V?
Yes Yes
No
Check
CN501
No
Check
CN501
The pin #5 of
U102 is
"LOW"?
Yes
The pin #7 of
U102 is
"HIGH"?
Yes
No
No
Check U201 Check U201
No
Check U102
Charging Current
is 350mA~650mA?
Yes
Charging Current
is 뵃380mA?
Yes Check U102
No
END
Check The Battery

SAMSUNG Proprietary-Contents may change without notice
SGH-D800 Flow Chart of Troubleshooting
2-18
This Document can not be used without Samsung's authorization
U505
D502
D503
R530
VEXT
NC 27
NC 28
8
8
99
21 NC
22 NC
NC
23
24 NC
25
NC
NC 26
19 19
2
2
20
20
33
4
4
55
6
6
77
11 11
12
12
13
13
14 14
15
15
16
16
17 17
18
18
R529
CN501
11
10
10
7
8
VCCD_1_8
D501
1
2
34
5
6
V501
R527
USB_5VVBAT
R528
1
2
34
5
6
7
8
R535
R534
D500
V504V502 V503
V500
C540
C539
C538
C345 C346
R537
EAR_R
EAR_MIC_N
EAR_MIC_P
USB_DMNS
USB_DPLS
JIG_ON_IF
SDS_RXD
ACC_OUT
CHECK_ACC
JACK_INT
EAR_SWITCH
EAR_L
C123
R109
C119
VBAT
ZD107
R110
_CHG
5_EN
_PPR
3
BAT
1CRDL
GND
11
8
GND
ICDL 9
IMIN 6
2USB
7
USBON
4
U102
10
R107 R108 10U
C122 C125
CHG_COMPLETE
CHG_EN
USB_CHG_EN
USB_5V
VEXT

SAMSUNG Proprietary-Contents may change without notice
SGH-D800 Flow Chart of Troubleshooting
2-19
This Document can not be used without Samsung's authorization
2-2. RF
2-2-1. EGSM RX
NORMAL CONDITION
catch the channel?
No CHECK
ANT401,R406 contact?
Yes
F400 Check
Pin1 ≥-65dBm ?
Yes
No C418,CN400
resolder or change
F400 Check
Pin10, 11 ≥-65dBm ?
Yes
No F400
resolder or change
U403 Check
Pin6, 7 ≥-65dBm ?
Yes
No C428,C433,L404
resolder or change
U403 Check
Pin1, 31, 48 : 2.9V ?
Yes
No U101 pin A13,B10,C113,C115
resolder or change
U403 Check
Pin35 : 26Mhz?
Vp-p : 950mV?
Yes
No OSC400
resolder or change
U403 Check
Pin25, 26, 27, 28
Vp-p : 120mV?
Yes
No U403
resolder or change
U101 CHECK!!

SAMSUNG Proprietary-Contents may change without notice
SGH-D800 Flow Chart of Troubleshooting
2-20
This Document can not be used without Samsung's authorization
VPAC
C419
47PF
R436
C450
R435
C441
R423
C453
R412
R418
C452
C424
C428
VSYN
CN400
A
2
C
3
1G
4
G
C421
C423
C422
C439
C427
L409
C433
C438
C440
VSYN
R414
C444
R429
R410
C420
R417
VSYN
R406
R427
R424
C449
R416
L404
VBAT
C447
R434
L405
C451
19
TX_ON
6
16VBAT
VBAT
17VLDO15
5VRAMP
VREG
3
G
NC
4
9NC
NC
14
18NC
PIN_GSM
7
1PIN_XCS
POUT_GSM13
POUT_XCS
20
8G
10G
G
11
21G
G
22
23G
G
24
25
U404
2
BAND
12
COUPLEROUT_GSM
COUPLEROUT_XCS
47PF
C434
C454
C417
C415C414
L40
1
VRF
C432
C435
R426
VCCTX2
16
VCCTXVCO
VCCVCXO
36
VCXOB
35
VCXOOUT1
34
VCXOOUT2
37
31
VCCIFSYN
29
VCCLNA1
48
VCCMIX
VCCRFLO
43
VCCRFSYN
4142
VCCRFVCO
VCCTX18
22
26
15
RAMPDAC
SDATA
33
21
TXON
TXOUTD
1817
TXOUTG
20
TXVCOG
19
TXVCOGB
VCCBB
53
NC
NC54
PCSLNAI2
PCSLNAIB3
23
PMBW
24
PMDETO
QOUTB/QINB
25
QOUT/QIN
G
5051
G
G52
GSMLNAI6
GSMLNAIB7
IOUTB/IINB
27
IOUT/IIN
28
LDO_CONT12
38
LE
30
40
CPRFSYN
DCSLNAI4
DCSLNAIB5
DMIXIN9
DMIXINB10
FLOCK
39
G
49
AMDETO
13
AM_CONT
BIASDAC11
CAPI
47
46
CAPIB
CAPQ
45
44
CAPQB
CLK
32
CPIFSYN
U403
14
R425
VRF
VRF
VRF
VPAC
R415
L407
14
15PCS_RX2
VC13
8
VC2
17
VC3
R413
G
G
18
19
G
G
20
21
G
10GSM850/EGSM-RX1
GSM850/EGSM-RX2
11
GSM850/EGSM-TX
7
PCS_RX1
DCS_RX1
DCS_RX213
DCS/PCSTX
5
2
G
G
22
G
4
6
G
G
9
16
F400
1
ANT
12
2
2
R422
ANT40
1
-
11
VRF
C448
C443
C425
L403
C446
L402
R409
R411
L406
C455
C436
47PF
C410
R428
R430
C445
C418
R433
R431
C426
C416
R432
R408
C437
C442
TX_BAND_SEL
VAPC
GSM_PAM_IN
TXON_B5
ANT
PA_COU_OUT
DCS_TX_EN
GSM_TX_EN
RX_SEL
DCS_PAM_IN
GSM_PAM_IN
PA_COU_OUT
26M_REF_CLK
DCS_PAM_IN
SERLE
TRXIN
TRXIP
TRXQN
TRXQP
SERDAT
TXON_B5
CLK26M_RF
SERCLK

SAMSUNG Proprietary-Contents may change without notice
SGH-D800 Flow Chart of Troubleshooting
2-21
This Document can not be used without Samsung's authorization
2-2-2. DCS RX
NORMAL CONDITION
catch the channel?
No CHECK
ANT401,R406contact?
Yes
F400 Check
Pin1 ≥-65dBm ?
No C418,CN400
resolder or change
Yes
F400 Check
Pin12, 13 ≥-65dBm ?
No F400
resolder or change
Yes
U403 Check
Pin4, 5 ≥-65dBm ?
No C426,C427,L403
resolder or change
Yes
U403
Pin1, 31, 48 : 2.9V ?
Yes
No U101 pin A13,B10,C113,C115
resolder or change
U403 Check
Pin35 : 26Mhz?
Vp-p : 950mV?
No OSC400
resolder or change
Yes
U403 Check
Pin25, 26, 27, 28
Vp-p : 120mV?
No U403
resolder or change
Yes
U101 CHECK!!

SAMSUNG Proprietary-Contents may change without notice
SGH-D800 Flow Chart of Troubleshooting
2-22
This Document can not be used without Samsung's authorization
2-2-3. EGSM TX
Yes
U101
check & change
No
U404 pin 13 :
about 32dBm?
F400
pin 8 : 2.6V ?
No
C418,CN400
R406,ANT401
check & change U404 pin13:
about 32dBm?
Yes
Yes
F400
check & change
No
U404
pin16, 17: 3.7V?
No BATTERY
check & change
Yes
U404
pin 6 : 2.9V ?
No U401 pin21
check
Yes
U404 pin7
about 5dBm ?
No
U404
check & change
U101
check
No
U404
pin 2,3 : 3V ?
Yes
Yes
U403
pin16,41,31,29
:2.9V?
Yes
No
U101 pin A13,B10,
C113,C115
check or resolder
U403
pin35 : 26MHz ?
Vp-p : 950mV ?
No OSC400
check or resolder
U404
pin25,26,27,28
100mV ?
No
Yes
Yes
U101
check or resolder
U403
check or resolder

SAMSUNG Proprietary-Contents may change without notice
SGH-D800 Flow Chart of Troubleshooting
2-23
This Document can not be used without Samsung's authorization
2-2-4. DCS TX
U403
check or resolder
U101
check or resolder
Yes
Yes
No U404
pin25,26,27,28
100mV ?
OSC400
check or resolder
No
U403
pin35 : 26MHz ?
Vp-p : 950mV ?
Yes
U101 pin A13,B10,
C113,C115
check or resolder
No U403
pin16,41,31,29
:2.9V?
No
U101
check
U404
check & change
Yes
U404
pin 2 : 0V?
pin 3 : 3V?
Yes
No U404 pin1
about 5dBm ?
Yes
U401 pin21
check
No
U404
pin 6 : 2.9V ?
Yes
BATTERY
check & change
No
U404
pin16, 17: 3.7V?
No
F400
check & change
Yes
U404 pin19:
about 30dBm?
C418,CN400
R406,ANT401
check & change
Yes Yes
U101
check & change
No
F400
pin 3 : 2.6V ?
No
U404 pin 13 :
about 30dBm?

SAMSUNG Proprietary-Contents may change without notice
SGH-D800 Flow Chart of Troubleshooting
2-24
This Document can not be used without Samsung's authorization

SAMSUNG Proprietary-Contents may change without notice
3. SGH-D800 Exploded View and Parts List
3-1
This Document can not be used without Samsung's authorization
3-1. Cellular phone Exploded View
QBA00
QKP01
QME03
QFR04
QMP01
QFR01
QAN02
QRE01
QFL01
QME02
QKP02
QFU01
QCR32
QCR05
QRF03
QVO01
QCR05
QBA01
QCK01
QMI03 QMO03
QCA01
QCH04
QPC01
QCA05
QCR05
QLC01
QRF01
QSC01

SAMSUNG Proprietary-Contents may change without notice
SGH-D800 Exploded View and Parts List
3-2
This Document can not be used without Samsung's authorization
Location NO. Description SEC CODE
QAN02 INTENNA-SGHD800 GH42-00719A
QBA00 MEC-BATT COVER GH75-09174A
QBA01 INNER BATTERY PACK-800MAH,BLK, GH43-02128A
QCA01 UNIT-CAMERA GH59-02477A
QCH04 RMO-CAMERA HOLDER GH73-06139A
QCR05 SCREW-MACHINE 6001-001478
QCR05 SCREW-MACHINE 6001-001478
QCR32 SCREW-MACHINE 6001-001700
QFR01 MEC-FRONT COVER GH75-07731A
QFR04 PMO-FRONT BUSH V2 GH72-27714A
QFU01 MEC-SLIDER UPPER GH75-07733A
QKP01 MEC-KEYPAD MAIN(SER/ZK) GH75-09060A
QKP02 MEC-KEYPAD SUB GH75-07758A
QLC01 LCD-MODULE SGHD800 GH07-00783A
QME02 UNIT-FUNC KEY FPCB ASS'Y GH59-02487A
QME03 UNIT-3X4 KEY FPCB GH59-02486A
QMI03 RMO-MAIN MIC HOLDER GH73-06262A
QMO03 UNIT-SPK MOTOR ASSY GH59-02485A
QMP01 PBA MAIN-SGHD800 GH92-02286A
QPC01 MEA-SLIDE FPCB KIT GH97-05331A
QRF01 PMO-RF COVER 2 GH72-25716A
QSC01 RMO-LOWER SCREW CAP GH73-05237A
QFL01 MEC-S/LOWERHINGE GH75-07734A
QCR32 SCREW-MACHINE 6001-001700
QCA05 MEC-CAMERA DECO GH75-07777A
QRE01 MEC-REAR COVER GH75-07732A
QVO01 PMO-VOLUM KEY GH72-24041A
QCK01 PMO-CAMERA KEY GH72-24042A
QRF03 PMO-EARJACK COVER GH72-24043A
3-2. Cellular phone Parts list

SAMSUNG Proprietary-Contents may change without notice
SGH-D800 Exploded View and Parts List
3-3
This Document can not be used without Samsung's authorization
Description SEC CODE
BAG PE 6902-000297
BAG PE 6902-000378
CBF INTERFACE-DATA LINK CABLE GH39-00444A
ADAPTOR-SGHD800 TA(EU) GH44-01060A
S/W CD-D800 PC STUDIO 3.0 GH46-00187A
UNIT-EARPHONE GH59-02499A
LABEL(P)-WATER SOAK GH68-02026A
MANUAL-WARRANTY CARD GH68-02623A
MANUAL-SFC GH68-04336A
MANUAL-EU RUSSIAN GH68-08325A
LABEL(P)-BARCODE RUSSIA GH68-08494A
LABEL(R)-MAIN (SER) GH68-08720B
BOX(P)-UNIT MAIN GH69-03456A
BOX(P)-SLIP CASE (SER) GH69-03457B
MPR-BOHO VINYL CAM DECO2 GH74-17865A
MPR-BOHO VINYL FUNCTION GH74-18027A
MPR-TAPE FRONT 2 GH74-18427A
MPR-TAPE FRONT CONNECT GH74-20065A
MPR-TAPE FRONT PC GH74-20070A
MPR-TAPE FRONT PC 2 GH74-20127A
MPR-PORON LCD FPCB GH74-20129A
MPR-TAPE LCD FPCB EMI GH74-20327A
MPR-TAPE LCD MIDDLE GH74-20328A
MPR-TAPE LCD BOTTOM GH74-20329A
MPR-TAPE MAGNETIC FUN GH74-20330A
MPR-TAPE EMI LCD DECO L GH74-20331A
MPR-TAPE EMI LCD DECO R GH74-20332A
MPR-TAPE PCB GH74-20333A
MPR-TAPE MAIN FPCB GH74-20334A
MPR-TAPE MAIN FPCB SHIEL GH74-20335A
MPR-TAPE BOARD EMI GH74-20336A
MPR-TAPE MAIN FPCB FIX GH74-20378A
MPR-TAPE MAIN MIC GH74-20650A
MPR-TAPE SPRING ALLOPHON GH74-20846A
MPR-VINYL BOHO LCD WIN GH74-20912A

SAMSUNG Proprietary-Contents may change without notice
SGH-D800 Exploded View and Parts List
3-4
This Document can not be used without Samsung's authorization
3-3. Test Jig (GH80-00865A)
3-3-3. Serial Cable
3-3-4. Power Supply Cable
3-3-2. TEST CABLE
(GH39-00127A)
3-3-1. RF Test Cable
(GH39-00283A)
3-3-5. DATA Cable
(GH39-00305A)
3-3-6. TA
(GH44-01060A)

SAMSUNG Proprietary-Contents may change without notice
4. SGH-D800 MAIN Electrical Parts List
4-1
This Document can not be used without Samsung's authorization
SEC Code Design LOC Discription STATUS
4202-001083 AN400 ANTENNA-CHIP SA
2203-006423 C100 C-CER,CHIP SA
2203-005682 C101 C-CER,CHIP SA
2203-005682 C102 C-CER,CHIP SA
2203-006324 C104 C-CER,CHIP SA
2203-000812 C105 C-CER,CHIP SA
2203-006053 C106 C-CER,CHIP SA
2203-006423 C107 C-CER,CHIP SA
2203-005682 C108 C-CER,CHIP SA
2203-005682 C109 C-CER,CHIP SA
2203-000233 C110 C-CER,CHIP SA
2203-006562 C111 C-CER,CHIP SA
2203-006053 C112 C-CER,CHIP SA
2203-006208 C113 C-CER,CHIP SA
2203-006208 C114 C-CER,CHIP SA
2203-006208 C115 C-CER,CHIP SA
2203-006562 C116 C-CER,CHIP SA
2203-006562 C117 C-CER,CHIP SA
2203-006562 C118 C-CER,CHIP SA
2203-006562 C119 C-CER,CHIP SA
2203-006137 C120 C-CER,CHIP SA
2203-006646 C122 C-CER,CHIP SA
2203-005482 C123 C-CER,CHIP SA
2203-005482 C124 C-CER,CHIP SA
2404-001381 C125 C-TA,CHIP SA
2203-006562 C126 C-CER,CHIP SA
2203-000885 C127 C-CER,CHIP SA
2203-005482 C129 C-CER,CHIP SA
2203-005482 C130 C-CER,CHIP SA
2203-006562 C131 C-CER,CHIP SA
2203-006208 C132 C-CER,CHIP SA
2203-006208 C133 C-CER,CHIP SA
2203-006208 C134 C-CER,CHIP SA
2203-006208 C135 C-CER,CHIP SA

SAMSUNG Proprietary-Contents may change without notice
SGH-D800 Main Electrical Parts List
4-2
This Document can not be used without Samsung's authorization
SEC Code Design LOC Discription STATUS
2203-005682 C136 C-CER,CHIP SA
2203-005682 C137 C-CER,CHIP SA
2203-006562 C138 C-CER,CHIP SA
2203-006423 C139 C-CER,CHIP SA
2203-006824 C140 C-CER,CHIP SA
2203-006423 C200 C-CER,CHIP SA
2203-006423 C201 C-CER,CHIP SA
2203-006194 C202 C-CER,CHIP SA
2203-006194 C203 C-CER,CHIP SA
2203-006137 C204 C-CER,CHIP SA
2203-006194 C205 C-CER,CHIP SA
2203-006423 C206 C-CER,CHIP SA
2203-006423 C207 C-CER,CHIP SA
2203-006194 C208 C-CER,CHIP SA
2203-006194 C209 C-CER,CHIP SA
2203-006423 C210 C-CER,CHIP SA
2203-006423 C211 C-CER,CHIP SA
2203-006194 C212 C-CER,CHIP SA
2203-006194 C213 C-CER,CHIP SA
2203-006194 C214 C-CER,CHIP SA
2203-006194 C215 C-CER,CHIP SA
2203-000386 C216 C-CER,CHIP SA
2203-000386 C217 C-CER,CHIP SA
2203-006399 C218 C-CER,CHIP SA
2203-006208 C219 C-CER,CHIP SA
2203-005482 C220 C-CER,CHIP SA
2203-005482 C221 C-CER,CHIP SA
2203-005482 C222 C-CER,CHIP SA
2203-006194 C223 C-CER,CHIP SA
2203-006423 C300 C-CER,CHIP SA
2404-001225 C301 C-TA,CHIP SA
2203-006423 C302 C-CER,CHIP SA
2203-006423 C303 C-CER,CHIP SA
2203-006399 C304 C-CER,CHIP SA

SAMSUNG Proprietary-Contents may change without notice
SGH-D800 Main Electrical Parts List
4-3
This Document can not be used without Samsung's authorization
SEC Code Design LOC Discription STATUS
2203-006399 C305 C-CER,CHIP SA
2203-006208 C307 C-CER,CHIP SA
2203-005482 C308 C-CER,CHIP SA
2203-005482 C309 C-CER,CHIP SA
2203-006208 C310 C-CER,CHIP SA
2203-006423 C311 C-CER,CHIP SA
2203-006399 C312 C-CER,CHIP SA
2203-006257 C313 C-CER,CHIP SA
2203-006257 C314 C-CER,CHIP SA
2203-006399 C315 C-CER,CHIP SA
2203-006562 C316 C-CER,CHIP SA
2203-006324 C317 C-CER,CHIP SA
2203-006423 C318 C-CER,CHIP SA
2203-006379 C319 C-CER,CHIP SA
2203-006423 C320 C-CER,CHIP SA
2203-006399 C321 C-CER,CHIP SA
2203-006562 C322 C-CER,CHIP SA
2203-006562 C323 C-CER,CHIP SA
2203-006562 C324 C-CER,CHIP SA
2203-006423 C325 C-CER,CHIP SA
2203-006562 C326 C-CER,CHIP SA
2203-006399 C327 C-CER,CHIP SA
2203-006305 C328 C-CER,CHIP SA
2203-006305 C329 C-CER,CHIP SA
2404-001352 C330 C-TA,CHIP SA
2203-005482 C331 C-CER,CHIP SA
2404-001352 C332 C-TA,CHIP SA
2203-005682 C333 C-CER,CHIP SA
2203-005682 C334 C-CER,CHIP SA
2203-005682 C335 C-CER,CHIP SA
2203-005682 C337 C-CER,CHIP SA
2203-006257 C338 C-CER,CHIP SA
2203-005682 C348 C-CER,CHIP SA
2203-005682 C353 C-CER,CHIP SA

SAMSUNG Proprietary-Contents may change without notice
SGH-D800 Main Electrical Parts List
4-4
This Document can not be used without Samsung's authorization
SEC Code Design LOC Discription STATUS
2203-005682 C354 C-CER,CHIP SA
2203-005682 C355 C-CER,CHIP SA
2203-005682 C356 C-CER,CHIP SA
2203-005682 C357 C-CER,CHIP SA
2203-005682 C359 C-CER,CHIP SA
2203-005682 C360 C-CER,CHIP SA
2203-005682 C361 C-CER,CHIP SA
2203-005682 C362 C-CER,CHIP SA
2203-005682 C363 C-CER,CHIP SA
2203-006423 C364 C-CER,CHIP SA
2203-005682 C365 C-CER,CHIP SA
2203-005682 C366 C-CER,CHIP SA
2203-005682 C368 C-CER,CHIP SA
2203-005682 C370 C-CER,CHIP SA
2203-005682 C371 C-CER,CHIP SA
2203-005682 C372 C-CER,CHIP SA
2203-005682 C373 C-CER,CHIP SA
2203-006257 C377 C-CER,CHIP SA
2203-006257 C378 C-CER,CHIP SA
2203-005682 C379 C-CER,CHIP SA
2203-005682 C380 C-CER,CHIP SA
2203-005682 C381 C-CER,CHIP SA
2203-005682 C382 C-CER,CHIP SA
2203-005682 C393 C-CER,CHIP SA
2203-005682 C394 C-CER,CHIP SA
2404-001352 C395 C-TA,CHIP SA
2404-001352 C396 C-TA,CHIP SA
2203-006423 C397 C-CER,CHIP SA
2203-000278 C400 C-CER,CHIP SA
2203-001412 C401 C-CER,CHIP SA
2203-000254 C402 C-CER,CHIP SA
2203-006562 C405 C-CER,CHIP SA
2203-000254 C406 C-CER,CHIP SA
2203-006194 C407 C-CER,CHIP SA

SAMSUNG Proprietary-Contents may change without notice
SGH-D800 Main Electrical Parts List
4-5
This Document can not be used without Samsung's authorization
SEC Code Design LOC Discription STATUS
2203-006194 C408 C-CER,CHIP SA
2203-006423 C409 C-CER,CHIP SA
2203-000438 C411 C-CER,CHIP SA
2203-006423 C412 C-CER,CHIP SA
2203-006194 C413 C-CER,CHIP SA
2203-006638 C414 C-CER,CHIP SA
2203-000836 C415 C-CER,CHIP SA
2203-000254 C416 C-CER,CHIP SA
2203-000254 C417 C-CER,CHIP SA
2203-000995 C418 C-CER,CHIP SA
2203-006423 C419 C-CER,CHIP SA
2203-005138 C420 C-CER,CHIP SA
2203-005138 C421 C-CER,CHIP SA
2203-000254 C422 C-CER,CHIP SA
2203-000254 C423 C-CER,CHIP SA
2203-005052 C424 C-CER,CHIP SA
2203-005052 C425 C-CER,CHIP SA
2203-005395 C426 C-CER,CHIP SA
2203-005395 C427 C-CER,CHIP SA
2203-001412 C428 C-CER,CHIP SA
2203-006556 C429 C-CER,CHIP SA
2203-006556 C430 C-CER,CHIP SA
2203-006556 C431 C-CER,CHIP SA
2203-000254 C432 C-CER,CHIP SA
2203-001412 C433 C-CER,CHIP SA
2203-000812 C434 C-CER,CHIP SA
2203-000812 C435 C-CER,CHIP SA
2203-000654 C436 C-CER,CHIP SA
2203-000489 C437 C-CER,CHIP SA
2203-005725 C438 C-CER,CHIP SA
2404-001352 C439 C-TA,CHIP SA
2203-006121 C440 C-CER,CHIP SA
2203-006194 C441 C-CER,CHIP SA
2203-006194 C442 C-CER,CHIP SA

SAMSUNG Proprietary-Contents may change without notice
SGH-D800 Main Electrical Parts List
4-6
This Document can not be used without Samsung's authorization
SEC Code Design LOC Discription STATUS
2404-001352 C443 C-TA,CHIP SA
2203-000654 C444 C-CER,CHIP SA
2203-006585 C445 C-CER,CHIP SA
2203-000254 C446 C-CER,CHIP SA
2203-000995 C447 C-CER,CHIP SA
2203-000438 C448 C-CER,CHIP SA
2203-000254 C449 C-CER,CHIP SA
2203-005736 C450 C-CER,CHIP SA
2203-005725 C451 C-CER,CHIP SA
2203-005682 C452 C-CER,CHIP SA
2203-005682 C453 C-CER,CHIP SA
2203-006712 C454 C-CER,CHIP SA
2203-005682 C455 C-CER,CHIP SA
2007-000171 C456 R-CHIP SA
2203-006208 C457 C-CER,CHIP SA
2203-006562 C458 C-CER,CHIP SA
2203-006562 C500 C-CER,CHIP SA
2203-006562 C501 C-CER,CHIP SA
2203-006190 C503 C-CER,CHIP SA
2203-006190 C505 C-CER,CHIP SA
2203-006562 C506 C-CER,CHIP SA
2203-005482 C507 C-CER,CHIP SA
2404-001353 C508 C-TA,CHIP SA
2404-001353 C510 C-TA,CHIP SA
2203-005482 C511 C-CER,CHIP SA
2203-005056 C512 C-CER,CHIP SA
2203-005056 C513 C-CER,CHIP SA
2404-001406 C514 C-TA,CHIP SA
2203-005482 C515 C-CER,CHIP SA
2404-001352 C516 C-TA,CHIP SA
2203-000359 C518 C-CER,CHIP SA
2203-005482 C519 C-CER,CHIP SA
2203-006562 C520 C-CER,CHIP SA
2203-006399 C521 C-CER,CHIP SA

SAMSUNG Proprietary-Contents may change without notice
SGH-D800 Main Electrical Parts List
4-7
This Document can not be used without Samsung's authorization
SEC Code Design LOC Discription STATUS
2203-006423 C522 C-CER,CHIP SA
2203-000359 C523 C-CER,CHIP SA
2203-006562 C524 C-CER,CHIP SA
2203-006648 C525 C-CER,CHIP SA
2203-006423 C526 C-CER,CHIP SA
2203-006562 C527 C-CER,CHIP SA
2203-005806 C529 C-CER,CHIP SA
2404-001394 C534 C-TA,CHIP SA
2203-006562 C535 C-CER,CHIP SA
2203-006562 C536 C-CER,CHIP SA
2203-006562 C537 C-CER,CHIP SA
2404-001394 C538 C-TA,CHIP SA
2404-001394 C539 C-TA,CHIP SA
2203-006648 C540 C-CER,CHIP SA
2203-000812 C541 C-CER,CHIP SA
2404-001225 C542 C-TA,CHIP SA
2007-000151 C543 R-CHIP SA
2007-000151 C544 R-CHIP SA
3709-001391 CN111 CONNECTOR-CARD EDGE SA
3711-005976 CN301 HEADER-BOARD TO BOARD SA
3708-002194 CN310 CONNECTOR-FPC/FFC/PIC SA
3705-001358 CN400 CONNECTOR-COAXIAL SA
3711-006078 CN500 HEADER-BATTERY SA
3710-002306 CN501 SOCKET-INTERFACE SA
0406-001190 D500 DIODE-TVS SA
0406-001190 D501 DIODE-TVS SA
0403-001411 D502 DIODE-ZENER SA
0403-001547 D503 DIODE-ZENER SA
0403-001547 D504 DIODE-ZENER SA
2911-000017 F400 DUPLEXER-FEM SA
2901-001347 F401 FILTER-EMI/ESD SA
2901-001347 F402 FILTER-EMI/ESD SA
2901-001347 F403 FILTER-EMI/ESD SA
2703-002594 L100 INDUCTOR-SMD SA

SAMSUNG Proprietary-Contents may change without notice
SGH-D800 Main Electrical Parts List
4-8
This Document can not be used without Samsung's authorization
SEC Code Design LOC Discription STATUS
2703-002734 L101 INDUCTOR-SMD SA
2703-002734 L102 INDUCTOR-SMD SA
3301-001729 L200 BEAD-SMD SA
3301-001342 L300 BEAD-SMD SA
2703-002608 L402 INDUCTOR-SMD SA
2703-001737 L403 INDUCTOR-SMD SA
2703-001180 L404 INDUCTOR-SMD SA
2703-002170 L405 INDUCTOR-SMD SA
2703-001750 L406 INDUCTOR-SMD SA
2703-001750 L407 INDUCTOR-SMD SA
3301-001729 L408 BEAD-SMD SA
2703-002206 L409 INDUCTOR-SMD SA
2703-001174 L500 INDUCTOR-SMD SA
2703-001174 L501 INDUCTOR-SMD SA
3301-001729 L502 BEAD-SMD SA
4302-001158 M100 BATTERY-LI(2ND) SA
2801-004373 OSC200 CRYSTAL-SMD SA
2801-004340 OSC300 CRYSTAL-SMD SA
2809-001293 OSC400 OSCILLATOR-VCTCXO SA
0501-000481 Q100 TR-SMALL SIGNAL SA
0504-000168 Q101 TR-DIGITAL SA
2007-008542 R100 R-CHIP SA
2007-008516 R101 R-CHIP SA
2007-007316 R105 R-CHIP SA
2007-009084 R106 R-CHIP SA
2007-008055 R107 R-CHIP SA
2007-007489 R108 R-CHIP SA
2007-008275 R109 R-CHIP SA
2007-008055 R110 R-CHIP SA
2007-000148 R111 R-CHIP SA
2007-008055 R112 R-CHIP SA
2007-008045 R113 R-CHIP SA
2007-008516 R114 R-CHIP SA
2007-008483 R115 R-CHIP SA

SAMSUNG Proprietary-Contents may change without notice
SGH-D800 Main Electrical Parts List
4-9
This Document can not be used without Samsung's authorization
SEC Code Design LOC Discription STATUS
2007-008483 R116 R-CHIP SA
2007-008055 R117 R-CHIP SA
2007-008483 R118 R-CHIP SA
2007-008055 R120 R-CHIP SA
2007-008055 R121 R-CHIP SA
2007-008055 R122 R-CHIP SA
2007-008419 R123 R-CHIP SA
2007-000690 R124 R-CHIP SA
2007-008531 R200 R-CHIP SA
2007-008531 R201 R-CHIP SA
2007-008531 R202 R-CHIP SA
2007-008055 R203 R-CHIP SA
2007-008483 R204 R-CHIP SA
2007-008055 R205 R-CHIP SA
2007-008483 R206 R-CHIP SA
2007-000242 R207 R-CHIP SA
2007-001292 R208 R-CHIP SA
2007-001292 R209 R-CHIP SA
2007-008419 R211 R-CHIP SA
2007-008419 R300 R-CHIP SA
2007-008516 R301 R-CHIP SA
2007-008419 R302 R-CHIP SA
2007-008483 R303 R-CHIP SA
2007-009084 R304 R-CHIP SA
2007-008048 R305 R-CHIP SA
2007-008483 R306 R-CHIP SA
2007-007306 R307 R-CHIP SA
2007-008057 R308 R-CHIP SA
2007-007009 R309 R-CHIP SA
2007-008588 R311 R-CHIP SA
2007-008588 R312 R-CHIP SA
2007-008588 R313 R-CHIP SA
2007-008483 R314 R-CHIP SA
2007-008483 R315 R-CHIP SA

SAMSUNG Proprietary-Contents may change without notice
SGH-D800 Main Electrical Parts List
4-10
This Document can not be used without Samsung's authorization
SEC Code Design LOC Discription STATUS
2007-008483 R316 R-CHIP SA
2007-008483 R317 R-CHIP SA
2007-008483 R318 R-CHIP SA
2007-008483 R319 R-CHIP SA
2007-002797 R400 R-CHIP SA
2007-008531 R401 R-CHIP SA
2007-000138 R402 R-CHIP SA
2007-008051 R404 R-CHIP SA
2007-000138 R405 R-CHIP SA
2007-000171 R406 R-CHIP SA
2007-009223 R407 R-CHIP SA
2007-008816 R408 R-CHIP SA
2007-008816 R409 R-CHIP SA
2007-008588 R410 R-CHIP SA
2007-008806 R411 R-CHIP SA
2007-008806 R412 R-CHIP SA
2007-000143 R413 R-CHIP SA
2007-000171 R414 R-CHIP SA
2007-000171 R415 R-CHIP SA
2007-001217 R417 R-CHIP SA
2007-008420 R418 R-CHIP SA
2007-009208 R422 R-CHIP SA
2007-009208 R423 R-CHIP SA
2007-008057 R424 R-CHIP SA
2007-009208 R425 R-CHIP SA
2007-007586 R426 R-CHIP SA
2007-008531 R427 R-CHIP SA
2007-008587 R428 R-CHIP SA
2007-008587 R429 R-CHIP SA
2007-008210 R430 R-CHIP SA
2007-008582 R431 R-CHIP SA
2007-008582 R432 R-CHIP SA
2007-009212 R433 R-CHIP SA
2007-008210 R434 R-CHIP SA

SAMSUNG Proprietary-Contents may change without notice
SGH-D800 Main Electrical Parts List
4-11
This Document can not be used without Samsung's authorization
SEC Code Design LOC Discription STATUS
2007-008582 R435 R-CHIP SA
2007-008582 R436 R-CHIP SA
2007-000155 R500 R-CHIP SA
2007-003025 R501 R-CHIP SA
2007-003112 R502 R-CHIP SA
2007-000155 R503 R-CHIP SA
2007-003025 R504 R-CHIP SA
2007-003112 R505 R-CHIP SA
2007-008542 R506 R-CHIP SA
2007-000171 R507 R-CHIP SA
2007-008483 R508 R-CHIP SA
2007-007107 R509 R-CHIP SA
2007-007142 R510 R-CHIP SA
2007-001291 R511 R-CHIP SA
2007-007142 R512 R-CHIP SA
2007-007528 R513 R-CHIP SA
2007-007107 R514 R-CHIP SA
2007-000171 R515 R-CHIP SA
2007-007528 R516 R-CHIP SA
2007-007107 R517 R-CHIP SA
2007-000139 R518 R-CHIP SA
2007-007142 R519 R-CHIP SA
2007-007528 R520 R-CHIP SA
2007-000171 R521 R-CHIP SA
2007-007528 R522 R-CHIP SA
2007-007142 R523 R-CHIP SA
2007-007107 R524 R-CHIP SA
2007-008419 R526 R-CHIP SA
2007-008542 R527 R-CHIP SA
2007-008542 R528 R-CHIP SA
2007-008055 R529 R-CHIP SA
2007-008055 R530 R-CHIP SA
2007-009158 R531 R-CHIP SA
2007-008808 R532 R-CHIP SA

SAMSUNG Proprietary-Contents may change without notice
SGH-D800 Main Electrical Parts List
4-12
This Document can not be used without Samsung's authorization
SEC Code Design LOC Discription STATUS
2007-008786 R533 R-CHIP SA
2007-008419 R534 R-CHIP SA
2007-008419 R535 R-CHIP SA
2007-008051 R536 R-CHIP SA
2007-008419 R537 R-CHIP SA
3404-001152 SW100 SWITCH-TACT SA
3404-001152 SW101 SWITCH-TACT SA
3404-001152 SW102 SWITCH-TACT SA
1203-003565 U101 IC-POWER SUPERVISOR SA
1203-003742 U102 IC-BATTERY SA
1209-001219 U103 IC-SENSOR SA
1003-001395 U104 IC-EL DRIVER SA
1203-003523 U105 IC-POSI.FIXED REG. SA
1203-003616 U106 IC-DC/DC CONVERTER SA
1203-003612 U107 IC-DC/DC CONVERTER SA
1203-003432 U108 IC-POSI.FIXED REG. SA
0801-002995 U111 IC-CMOS LOGIC SA
1108-000024 U200 IC-MCP SA
GH09-00038A U201 IC MICOM SA
1205-002272 U202 IC-TRANSCEIVER SA
1009-001018 U203 IC-HALL EFFECT S/W SA
1203-003523 U300 IC-POSI.FIXED REG. SA
1205-002681 U301 IC-CODEC SA
1203-003754 U302 IC-POSI.FIXED REG. SA
1205-002834 U304 IC-CODEC SA
1201-002147 U305 IC-VIDEO AMP SA
1203-003523 U306 IC-POSI.FIXED REG. SA
1203-003791 U307 IC-POSI.FIXED REG. SA
4709-001374 U400 BLUETOOTH MODULE SA
0801-002958 U401 IC-CMOS LOGIC SA
0801-002993 U402 IC-CMOS LOGIC SA
1205-002652 U403 IC-TRANSCEIVER SA
1201-002267 U404 IC-POWER AMP SA
1203-003523 U405 IC-POSI.FIXED REG. SA

SAMSUNG Proprietary-Contents may change without notice
SGH-D800 Main Electrical Parts List
4-13
This Document can not be used without Samsung's authorization
SEC Code Design LOC Discription STATUS
1201-002240 U500 IC-AUDIO AMP SA
1001-001281 U501 IC-ANALOG SWITCH SA
1001-001319 U502 IC-AUDIO SWITCH SA
1001-001231 U503 IC-ANALOG SWITCH SA
1204-002138 U504 IC-MELODY SA
1405-001082 U505 VARISTOR SA
2007-008055 U506 R-CHIP SA
1405-001082 V500 VARISTOR SA
1405-001082 V501 VARISTOR SA
1405-001082 V502 VARISTOR SA
1405-001082 V503 VARISTOR SA
1405-001082 V504 VARISTOR SA
0403-001511 ZD100 DIODE-ZENER SA
0406-001150 ZD101 DIODE-TVS SA
0406-001150 ZD102 DIODE-TVS SA
0406-001150 ZD103 DIODE-TVS SA
0406-001150 ZD104 DIODE-TVS SA
0406-001150 ZD105 DIODE-TVS SA
0406-001150 ZD106 DIODE-TVS SA
0403-001427 ZD107 DIODE-ZENER SA
0406-001190 ZD300 DIODE-TVS SA

5. SGH-D800 PCB Diagrams
5-1
0
0
4
N
A
ANT401
CN111
0
0
4
N
C
1
0
5
N
C
D500
D501
D502
F400
G1
G2
G3G4
0
0
1
M
0
0
3
C
S
O
0
0
1
Q
1
0
1
Q
0
0
1
W
S
1
0
1
W
S
2
0
1
W
S
U103
U104
5
0
1
U
U106U107
8
0
1
U
2
0
2
U
U300
1
0
3
U
5
0
3
U
6
0
3
U
U400
5
0
4
U
U500
1
0
5
U
2
0
5
U
3
0
5
U
U504
1
0
5
V
V502
3
0
5
V
4
0
5
V
ZD100
ZD101
2
0
1
D
Z5
0
1
D
Z

SGH-D800 PCB Diagrams
5-2
CN300
CN301
CN310
CN500
3
0
5
D
D504
F401 F402F403
OSC200
OSC400
RESETTCK
TDI
TDO
TMS
TP_GND
U101
U102
1
1
1
U
0
0
2
U
1
0
2
U
3
0
2
U
2
0
3
U
4
0
3
U
7
0
3
U
1
0
4
U
U402
3
0
4
U
U404
0
0
5
V
WEN
3
0
1
D
Z
4
0
1
D
Z
6
0
1
D
Z
ZD107
ZD300

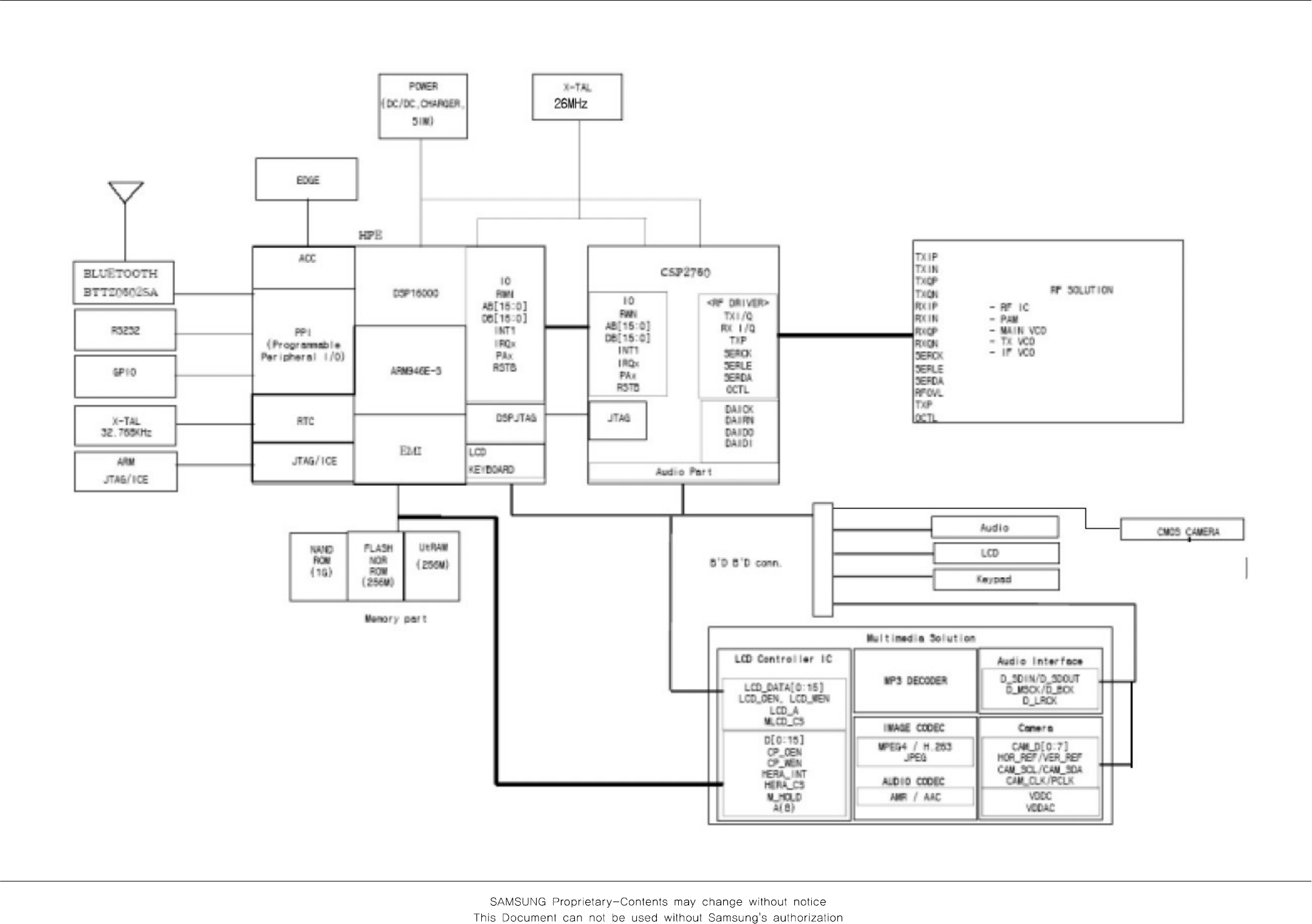
6-1
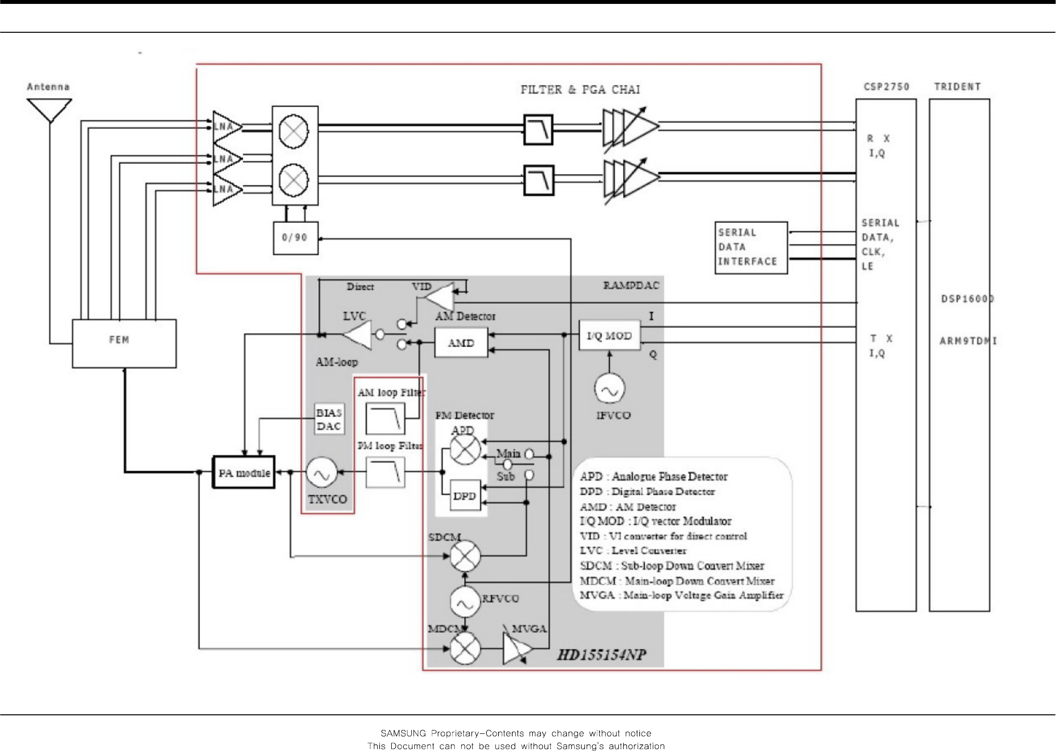
6. SGH-D800 Block Diagrams

SGH-D800 Block Diagrams
6-2

Samsung Electronics Co.,Ltd.
Code No.: GH68-08083A
2006. 01. Rev.1.0
ⓒ
This Service Manual is a property of Samsung Electronics Co.,Ltd.
Any unauthorized use of Manual can be punished under applicable
International and/or domestic law.
