Samsung SGH G600 Service Manual. Www.s Manuals.com Manual
User Manual: Samsung SGH-G600 - Service manuals and Schematics, Disassembly / Assembly. Free.
Open the PDF directly: View PDF .
Page Count: 72

GSM TELEPHONE
SGH-G600
GSM TELEPHONE CONTENTS
1. Safety Precautions
2. Specification
3. Product Function
4. Array course control
5. Exploded View and Part List
6. MAIN Electrical Parts List
7. Block Diagrams
8. PCB Diagrams
9. Flow Chart of Troubleshooting
10. Reference data
11. Disassembly and Assembly
Instructions

Samsung Electronics Co.,Ltd.
2007. 08 Rev.1.0
ⓒ
This Service Manual is a property of Samsung Electronics Co.,Ltd.
Any unauthorized use of Manual can be punished under applicable
International and/or domestic law.
Country Web Site
North America service.samsungportal.com
Latin America latin.samsungportal.com
CIS cis.samsungportal.com
Europe europe.samsungportal.com
China china.samsungportal.com
Asia asia.samsungportal.com
Mideast & Africa mea.samsungportal.com
GSPN (Global Service Partner Network)

SAMSUNG Proprietary-Contents may change without notice
1. Safety Precautions
1-1
This Document can not be used without Samsung's authorization
1-1. Repair Precaution
―Repair in Shield Box, during detailed tuning. Take specially care of tuning or test, because the
specification of cellular phone is sensitive for surrounding interference(RF noise).
―Be careful to use a kind of magnetic object or tool, because performance of parts is damaged by
the influence of magnetic force.
―Surely use a standard screwdriver when you disassemble this product, otherwise screw will be
worn away.
―Use a thicken twisted wire when you measure level. A thicken twisted wire has low resistance,
therefore error of measurement is few.
―Repair after separate Test Pack and Set because for short danger (for example an overcurrent
and furious flames of parts etc) when you repair board in condition of connecting Test Pack and
tuning on.
―Take specially care of soldering, because Land of PCB is small and weak in heat.
―Surely tune on/off while using AC power plug, because a repair of battery charger is dangerous
when tuning ON/OFF PBA and Connector after disassembling charger.
―Don't use as you pleases after change other material than replacement registered on SEC System.
Otherwise engineer in charge isn't charged with problem that you don't keep this rules.

SAMSUNG Proprietary-Contents may change without notice
Safety Precautions
1-2
This Document can not be used without Samsung's authorization
1-2. ESD(Electrostatically Sensitive Devices) Precaution
Several semiconductor may be damaged easily by static electricity. Such parts are called by ESD
(Electrostatically Sensitive Devices), for example IC,BGA chip etc. Read Precaution below.
You can prevent from ESD damage by static electricity.
―Remove static electricity remained your body before you touch semiconductor or parts with
semiconductor. There are ways that you touch an earthed place or wear static electricity prevention
string on wrist.
―Use earthed soldering steel when you connect or disconnect ESD.
―Use soldering removing tool to break static electricity. , otherwise ESD will be damaged by static
electricity.
―Don't unpack until you set up ESD on product. Because most of ESD are packed by box and
aluminum plate to have conductive power,they are prevented from static electricity.
―You must maintain electric contact between ESD and place due to be set up until ESD is
connected completely to the proper place or a circuit board.

SAMSUNG Proprietary-Contents may change without notice
2. Specification
This Document can not be used without Samsung's authorization
2-1
GSM850
Phase 1 GSM900
Phase 1 EGSM 900
Phase 2 DCS1800 PCS1900
Freq.
Band[MHz]
Uplink/Downlink
824~849
869~894
890~915
935~960
880~915
925~960
1710~1785
1805~1880
1850~1910
1930~1990
ARFCN range 128~251 1~124 0~124 &
975~1023 512~885 512~810
Tx/Rx spacing 45MHz 45MHz 45MHz 95MHz 80MHz
Mod. Bit rate/
Bit Period
270.833kbps
3.692us
270.833kbps
3.692us
270.833kbps
3.692us
270.833kbps
3.692us
270.833kbps
3.692us
Time Slot
Period/Frame
Period
576.9us
4.615ms
576.9us
4.615ms
576.9us
4.615ms
576.9us
4.615ms
576.9us
4.615ms
Modulation 0.3GMSK 0.3GMSK 0.3GMSK 0.3GMSK 0.3GMSK
MS Power 33dBm~5dBm 33dBm~5dBm 33dBm~5dBm 30dBm~0dBm 30dBm~0dBm
Power Class 5pcl ~ 19pcl 5pcl ~ 19pcl 5pcl ~ 19pcl 0pcl ~ 15pcl 0pcl ~ 15pcl
Sensitivity -102dBm -102dBm -102dBm -100dBm -100dBm
TDMA Mux 8 8 8 8 8
Cell Radius 35Km 35Km 35Km 2Km -
2-1. GSM General Specification

SAMSUNG Proprietary-Contents may change without notice
This Document can not be used without Samsung's authorization
Specification
2-2
TX Power
control level GSM850 GSM900
5 33±2 dBm 33±2 dBm
6 31±2 dBm 31±2 dBm
7 29±2 dBm 29±2 dBm
8 27±2 dBm 27±2 dBm
9 25±2 dBm 25±2 dBm
10 23±2 dBm 23±2 dBm
11 21±2 dBm 21±2 dBm
12 19±2 dBm 19±2 dBm
13 17±2 dBm 17±2 dBm
14 15±2 dBm 15±2 dBm
15 13±2 dBm 13±2 dBm
16 11±3 dBm 11±3 dBm
17 9±3dBm 9±3dBm
18 7±3 dBm 7±3 dBm
19 5±3 dBm 5±3 dBm
TX Power
control level DCS1800 PCS1900
0 30±3 dBm 30±3 dBm
1 28±3 dBm 28±3 dBm
2 26±3 dBm 26±3 dBm
3 24±3 dBm 24±3 dBm
4 22±3 dBm 22±3 dBm
5 20±3 dBm 20±3 dBm
6 18±3 dBm 18±3 dBm
7 16±3 dBm 16±3 dBm
8 14±3 dBm 14±3 dBm
9 12±4 dBm 12±4 dBm
10 10±4 dBm 10±4 dBm
11 8±4dBm 8±4dBm
12 6±4 dBm 6±4 dBm
13 4±4 dBm 4±4 dBm
14 2±5 dBm 2±5 dBm
15 0±5 dBm 0±5 dBm
2-2. GSM TX power class

SAMSUNG Proprietary-Contents may change without notice
3. Product Function
3-1
This Document can not be used without Samsung's authorization
Main Function
―DC-Jack TA (700mA)
―MMS (Multimedia Message Service)
―J2ME JAVA (MIDP 2.0/CLDC 1.1)
―EMS (Enhanced Message Service)
―64 Poly S/W MIDI
―Bluetooth 2.0 EDR
―FM Radio Support
―USB v1.2 High Speed Support
―MicroSD Card Support
―Active backlight control
―Quad band(850/900/1800/1900MHz)
―GPRS Class 10

SAMSUNG Proprietary-Contents may change without notice
Product Function
3-2
This Document can not be used without Samsung's authorization

SAMSUNG Proprietary-Contents may change without notice
4. Array course control
4-1
This Document can not be used without Samsung's authorization
4-1. Software Adjustments
1. JIG Box(GH68-03306A): Download, Trace, Calibration, etc
2. RF test cable(GH39-00283A): RF test
3. Test cable(GH39-00838A): JIG to phone
4. Serial cable: PC to JIG

SAMSUNG Proprietary-Contents may change without notice
Array course control
4-2
This Document can not be used without Samsung's authorization
4-2. Software Downloading
4-2-1. Downloading Binary Files
• 2 binary files for downloading G600
– G600.cla
– G600.tfs
4-2-2. Pre-requsite for Downloading
• Downloader Program
• SGH-G600 Mobile Phone
•JIGBOX
• Download JIG
• Test Cable
• Serial Cable
• Binary files
4-2-3. S/W Downloader Program
1. Load the binary download program by executing

SAMSUNG Proprietary-Contents may change without notice
Array course control
4-3
This Document can not be used without Samsung's authorization
2. Select the Port, Baud Rate and Mode.
3. Select the binary files what you want to download

SAMSUNG Proprietary-Contents may change without notice
Array course control
4-4
This Document can not be used without Samsung's authorization
4. Press the "Start" button and connect the Handset
5. When downloading is complete, automatically the small window was showed up..

SAMSUNG Proprietary-Contents may change without notice
Array course control
4-5
This Document can not be used without Samsung's authorization

SAMSUNG Proprietary-Contents may change without notice
5. Exploded View and Parts List
5-1
This Document can not be used without Samsung's authorization
5-1. Cellular phone Exploded View
QCA01
QFR01
QLC01
QME03
QSP01
QPC01
QFL01
QSC05
QCR05
QKP02
QFU01
QVO01
QCR57
QVK01
QCR05
QRE01
QRF01
QSC13
QBA01
QBA00
QME01
QCK01
QKP01
QBR03
QAN02
QSH01
QMP01
QME02
QMW01
QMI04
QMI03
QMI01
QSD01
QFR04
QIF01

SAMSUNG Proprietary-Contents may change without notice
Exploded View and Parts List
5-2
This Document can not be used without Samsung's authorization
Design LOC Description SEC CODE
QAN02 INTENNA-SGHG600 GH42-01290A
QBA00 PMO COVER-BATTERY GH72-42760B
QBA01 INNER BATTERY PACK-880MAH , BL GH43-02795A
QBR03 ASSY BRACKET-KEY GH98-05613A
QCA01 CAMERA MODULE-5M GH59-04643A
QCK01 PMO KEY-CAMERA GH72-42790B
QCR05 SCREW-MACHINE 6001-001478
QCR05 SCREW-MACHINE 6001-001478
QCR57 SCREW-MACHINE 6001-002001
QFL01 ASSY CASE-SLIDE LOWER GH98-05484B
QKP01 ASSY KEYPAD-MAIN(EU/E_BLK) GH98-05489B
QKP02 ASSY KEYPAD-SUB(EU/E_BLK) GH98-05488B
QLC01 MEA-LCD MODULE KIT GH97-08026A
QME02 KEY FPCB-SUB KEY FPCB 10KEY GH59-04700A
QME03 ASSY ETC-FLASH FPCB GH59-04698A
QMP01 PBA MAIN-SGHG600 GH92-03873A
QPC01 MEA-FPCBKIT GH97-08027A
QRF01 PMO COVER-RF GH72-44462B
QSC05 RMO RUBBER-LOWER SCREW CAP GH73-10563B
QSC13 RMO RUBBER-REAR SCREW CAP GH73-10741B
QSH01 ICT COVER-SHIELD CAN GH70-02732A
QSP01 UNIT-SGHG600,SPK MODULE GH59-04704A
QVK01 KEY FPCB-VOLUME KEY GH59-04706A
QVO01 PMO KEY-VOLUME GH72-42793B
QME01 KEY FPCB-MAIN KEY FPCB 12 KEY GH59-04699A
QMI01 AS-MIC SVC GH81-06075A
QMI03 AS-SGHG600 MIC RUBBER GH81-06836A
QFU01 ASSY CASE-SLIDE UPPER GH98-05483B
QMW01 ASSY COVER-MAIN WINDOW GH98-05487B
QFR01 ASSY CASE-FRONT GH98-05485B
QFR04 ASSY DECO-FRONT GH98-06134B
QRE01 ASSY CASE-REAR GH98-05486B
QIF01 PMO COVER-IF GH72-42772B
QMI04 RMO RUBBER-PMIC GH73-10901A
QSD01 PMO COVER-SD GH72-42764B
5-2. Cellular phone Parts list

SAMSUNG Proprietary-Contents may change without notice
Exploded View and Parts List
5-3
This Document can not be used without Samsung's authorization
Description SEC CODE
IC-MEMORY CARD 1109-001363
CONNECTOR-ADAPTOR 3719-001319
BAG PE 6902-000634
BAG ZIPPER 6902-000683
SCREW-MACHINE 6001-001478
MICROPHONE-ASSY-WEP210 GH30-00312A
CBF INTERFACE-MIC CABLE(S20P,B GH39-00913A
CBF INTERFACE-DLC APCBS10BBE(S GH39-00922A
BATTERY-70MAH CORE PACK GH43-02683A
ADAPTOR-ATADS10UBE,BLK,UK GH44-01756A
S/W CD-SGH-G600 SAMSUNG PC STU GH46-00490A
KEY FPCB-SIDE KEY GH59-03784A
EARPHONE-EARPHONE,3 PLUG,BLK,E GH59-04418A
ASSY ETC-CONVERSION PLUG GH59-04444A
LABEL(P)-UNIT SEAL GH68-00518B
LABEL(P)-IMEI GH68-01335D
MANUAL-SFC LEAFLET GH68-04822A
LABEL(R)-WATER SOAK GH68-09361A
MANUAL USERS-EU ENGLISH GH68-15425A
LABEL(R)-MAIN(EU) GH68-15559A
MANUAL USERS-EU ENGLISH GH68-15785A
BOX-UNIT(UK) GH69-05703G
CUSHION-CASE(UK) GH69-05706A
PMO DECO-UPPER TOP GH72-35348C
PMO COVER-DC JACK GH72-35353C
PMO-VOL KEY V2 GH72-35354A
PMO CASE-EARPIECE GH72-35513C
RMO-EAR RUBBER 1 GH73-08109A
RMO-EAR RUBBER 4 GH73-08112A
RMO-RUBBER MIC GH73-08425A
RMO-RUBBER SCREW GH73-08831A
RMO RUBBER-CHIP GH73-10900A
MPR-CONN REMOVLA TAPE GH74-04200A
MPR-TAPE MAIN KEY SOLDERING GH74-22250A
MPR-INSU TAPE TOUCH CONN GH74-27252A
MPR-SPONGE BATT GH74-27787A
MPR-SPONGE MIC GH74-27788A
TAPE-SPK CONN GH74-33771A
TAPE-SLIDE CONN 2 GH74-33773A
TAPE ELEC GH74-33928A
TAPE ELEC GH74-33929A
TAPE INSU-SUB FPCB GH74-34636A
TAPE INSU GH74-34638A
TAPE-ABSORBER CHIP GH74-34639A
VINYL-BOHO WINDOW MAIN END GH74-34806A
SPONGE GH74-34853A
TAPE ELEC GH74-34894A
PBA MAIN-IN HOUSE GH92-03339A
ELA UNIT-WEP210, EBONY GRAY(EU GH96-02761A
ASSY CASE-UPPER GH98-02765D
ASSY CASE-LOWER GH98-02766C

SAMSUNG Proprietary-Contents may change without notice
Exploded View and Parts List
5-4
This Document can not be used without Samsung's authorization

SAMSUNG Proprietary-Contents may change without notice
6. Electrical Parts List
6-1
This Document can not be used without Samsung's authorization
Design LOC Description SEC CODE STATUS
ANT101 ANTENNA-CHIP 4202-001254 SA
ANT102 ANTENNA-CHIP 4202-001255 SA
BAT400 BATTERY-LI(2ND) 4302-001181 SA
BTC600 HEADER-BATTERY 3711-006217 SA
C100 C-CER,CHIP 2203-000233 SA
C101 C-CER,CHIP 2203-005281 SA
C101 C-CER,CHIP 2203-006824 SA
C102 C-CER,CHIP 2203-001385 SA
C102 C-CER,CHIP 2203-006194 SA
C103 C-CER,CHIP 2203-002982 SA
C103 C-CER,CHIP 2203-005281 SA
C104 C-CER,CHIP 2203-002982 SA
C104 C-CER,CHIP 2203-005281 SA
C105 C-CER,CHIP 2203-005281 SA
C105 C-CER,CHIP 2203-005729 SA
C106 C-CER,CHIP 2203-005446 SA
C106 C-CER,CHIP 2203-006647 SA
C107 C-CER,CHIP 2203-000278 SA
C107 C-CER,CHIP 2203-006647 SA
C108 C-CER,CHIP 2203-000812 SA
C108 C-CER,CHIP 2203-006824 SA
C109 C-CER,CHIP 2203-005736 SA
C109 C-CER,CHIP 2203-006647 SA
C110 C-CER,CHIP 2203-005729 SA
C110 C-CER,CHIP 2203-005736 SA
C111 C-CER,CHIP 2203-005446 SA
C111 C-CER,CHIP 2203-006194 SA
C112 C-CER,CHIP 2203-000254 SA
C112 C-CER,CHIP 2203-005736 SA
C113 C-TA,CHIP 2404-001496 SA
C114 C-CER,CHIP 2203-000812 SA
C114 C-CER,CHIP 2203-006838 SA
C115 C-CER,CHIP 2203-001385 SA
C116 C-CER,CHIP 2203-000628 SA
C117 C-CER,CHIP 2203-005281 SA
C117 C-CER,CHIP 2203-005288 SA
C118 C-CER,CHIP 2203-002668 SA
C119 C-CER,CHIP 2203-005288 SA
C119 C-CER,CHIP 2203-006439 SNA
C120 C-CER,CHIP 2203-000330 SA
C120 C-CER,CHIP 2203-006305 SA
C121 C-CER,CHIP 2203-002709 SA
C122 C-CER,CHIP 2203-006305 SA
C123 C-CER,CHIP 2203-000233 SA
C123 C-CER,CHIP 2203-006260 SA
C124 C-CER,CHIP 2203-006562 SA
C125 C-CER,CHIP 2203-006562 SA
C126 C-CER,CHIP 2203-006048 SA
C127 C-CER,CHIP 2203-006994 SA
C128 C-CER,CHIP 2203-005482 SA
C129 C-CER,CHIP 2203-002709 SA
C130 C-CER,CHIP 2203-006838 SA
C131 C-CER,CHIP 2203-000438 SA
C132 C-CER,CHIP 2203-006423 SA
C133 C-CER,CHIP 2203-006423 SA
C134 C-CER,CHIP 2203-000438 SA

SAMSUNG Proprietary-Contents may change without notice
Electrical Parts List
6-2
This Document can not be used without Samsung's authorization
Design LOC Description SEC CODE STATUS
C135 C-CER,CHIP 2203-000438 SA
C136 C-CER,CHIP 2203-002668 SA
C137 C-CER,CHIP 2203-006838 SA
C138 C-CER,CHIP 2203-006423 SA
C139 C-CER,CHIP 2203-000278 SA
C140 C-CER,CHIP 2203-006842 SA
C200 C-CER,CHIP 2203-005482 SA
C201 C-CER,CHIP 2203-000812 SA
C202 C-CER,CHIP 2203-005482 SA
C203 C-CER,CHIP 2203-005482 SA
C204 C-CER,CHIP 2203-005482 SA
C205 C-CER,CHIP 2203-005482 SA
C206 C-CER,CHIP 2203-005482 SA
C207 C-CER,CHIP 2203-006423 SA
C208 C-CER,CHIP 2203-005482 SA
C209 C-CER,CHIP 2203-000254 SA
C210 C-CER,CHIP 2203-005482 SA
C211 C-CER,CHIP 2203-005682 SA
C212 C-CER,CHIP 2203-006423 SA
C213 C-CER,CHIP 2203-006423 SA
C214 C-CER,CHIP 2203-006399 SA
C215 C-CER,CHIP 2203-006423 SA
C216 C-CER,CHIP 2203-006423 SA
C217 C-CER,CHIP 2203-006399 SA
C218 C-CER,CHIP 2203-006562 SA
C219 C-CER,CHIP 2203-000425 SA
C220 C-CER,CHIP 2203-000425 SA
C300 C-CER,CHIP 2203-006423 SA
C301 C-CER,CHIP 2203-006423 SA
C302 C-CER,CHIP 2203-006423 SA
C303 C-CER,CHIP 2203-006423 SA
C304 C-CER,CHIP 2203-006423 SA
C305 C-CER,CHIP 2203-006423 SA
C306 C-CER,CHIP 2203-006423 SA
C307 C-CER,CHIP 2203-006423 SA
C308 C-CER,CHIP 2203-006423 SA
C309 C-CER,CHIP 2203-006562 SA
C310 C-CER,CHIP 2203-006562 SA
C312 C-CER,CHIP 2203-006048 SA
C313 C-CER,CHIP 2203-006048 SA
C314 C-CER,CHIP 2203-006048 SA
C315 C-CER,CHIP 2203-006048 SA
C316 C-CER,CHIP 2203-006423 SA
C317 C-CER,CHIP 2203-006423 SA
C318 C-CER,CHIP 2203-006423 SA
C319 C-CER,CHIP 2203-006423 SA
C320 C-CER,CHIP 2203-006423 SA
C321 C-CER,CHIP 2203-006324 SA
C322 C-CER,CHIP 2203-006208 SA
C323 C-CER,CHIP 2203-006048 SA
C324 C-CER,CHIP 2203-006260 SA
C325 C-CER,CHIP 2203-006121 SA
C326 C-CER,CHIP 2203-000330 SA
C327 C-CER,CHIP 2203-000330 SA
C400 C-CER,CHIP 2203-006257 SA
C401 C-CER,CHIP 2203-006208 SA

SAMSUNG Proprietary-Contents may change without notice
Electrical Parts List
6-3
This Document can not be used without Samsung's authorization
Design LOC Description SEC CODE STATUS
C402 C-CER,CHIP 2203-006257 SA
C403 C-CER,CHIP 2203-006257 SA
C404 C-CER,CHIP 2203-006208 SA
C405 C-CER,CHIP 2203-006257 SA
C406 C-CER,CHIP 2203-006208 SA
C407 C-CER,CHIP 2203-006257 SA
C408 C-CER,CHIP 2203-006257 SA
C409 C-CER,CHIP 2203-000233 SA
C410 C-CER,CHIP 2203-000425 SA
C411 C-CER,CHIP 2203-006348 SA
C412 C-CER,CHIP 2203-006562 SA
C413 C-CER,CHIP 2203-000425 SA
C414 C-CER,CHIP 2203-005482 SA
C418 C-CER,CHIP 2203-006257 SA
C419 C-CER,CHIP 2203-006324 SA
C420 C-CER,CHIP 2203-005482 SA
C421 C-CER,CHIP 2203-006208 SA
C422 C-CER,CHIP 2203-006562 SA
C423 C-CER,CHIP 2203-006201 SA
C424 C-CER,CHIP 2203-006361 SA
C425 C-CER,CHIP 2203-006474 SA
C426 C-CER,CHIP 2203-006562 SA
C427 C-CER,CHIP 2203-006562 SA
C501 C-CER,CHIP 2203-005482 SA
C502 C-CER,CHIP 2203-005482 SA
C504 C-CER,CHIP 2203-006399 SA
C505 C-CER,CHIP 2203-006399 SA
C506 C-CER,CHIP 2203-005993 SA
C507 C-CER,CHIP 2203-006399 SA
C508 C-CER,CHIP 2203-005993 SA
C509 C-CER,CHIP 2203-006399 SA
C510 C-CER,CHIP 2203-006562 SA
C511 C-CER,CHIP 2203-006562 SA
C512 C-CER,CHIP 2203-005482 SA
C514 C-CER,CHIP 2203-005482 SA
C515 C-CER,CHIP 2203-005482 SA
C516 C-CER,CHIP 2203-000386 SA
C517 C-CER,CHIP 2203-000386 SA
C519 C-CER,CHIP 2203-005482 SA
C520 C-CER,CHIP 2203-001259 SA
C521 C-CER,CHIP 2203-005482 SA
C523 C-CER,CHIP 2203-006562 SA
C524 C-CER,CHIP 2203-006260 SA
C525 C-CER,CHIP 2203-006260 SA
C526 C-CER,CHIP 2203-006260 SA
C527 C-CER,CHIP 2203-006260 SA
C600 C-CER,CHIP 2203-000425 SA
C601 C-CER,CHIP 2203-001437 SA
C602 C-CER,CHIP 2203-001259 SA
C603 C-CER,CHIP 2203-000995 SA
C604 C-CER,CHIP 2203-001437 SA
C605 C-CER,CHIP 2203-000425 SA
C609 C-CER,CHIP 2203-006423 SA
C610 C-CER,CHIP 2203-006896 SA
C612 C-CER,CHIP 2203-005061 SA
C614 C-CER,CHIP 2203-005482 SA

SAMSUNG Proprietary-Contents may change without notice
Electrical Parts List
6-4
This Document can not be used without Samsung's authorization
Design LOC Description SEC CODE STATUS
C615 C-CER,CHIP 2203-000254 SA
C617 C-CER,CHIP 2203-006423 SA
C618 C-CER,CHIP 2203-000233 SA
C619 C-CER,CHIP 2203-000995 SA
C620 C-CER,CHIP 2203-000679 SA
C702 C-CER,CHIP 2203-000386 SA
C704 C-CER,CHIP 2203-006562 SA
C705 C-CER,CHIP 2203-006562 SA
C706 C-CER,CHIP 2203-006399 SA
C707 C-CER,CHIP 2203-000812 SA
C708 C-CER,CHIP 2203-005682 SA
C709 C-CER,CHIP 2203-005682 SA
C710 C-CER,CHIP 2203-005682 SA
C711 C-CER,CHIP 2203-005682 SA
C712 C-CER,CHIP 2203-005682 SA
C713 C-CER,CHIP 2203-005682 SA
C714 C-CER,CHIP 2203-005682 SA
C715 C-CER,CHIP 2203-006562 SA
C717 C-CER,CHIP 2203-005682 SA
C718 C-CER,CHIP 2203-005682 SA
C719 C-CER,CHIP 2203-005682 SA
C720 C-CER,CHIP 2203-005682 SA
C721 C-CER,CHIP 2203-005682 SA
C722 C-CER,CHIP 2203-005682 SA
C723 C-CER,CHIP 2203-005682 SA
C724 C-CER,CHIP 2203-005682 SA
C725 C-CER,CHIP 2203-005682 SA
C726 C-CER,CHIP 2203-005682 SA
C728 C-CER,CHIP 2203-000812 SA
C729 C-CER,CHIP 2203-005682 SA
C730 C-CER,CHIP 2203-005682 SA
C731 C-CER,CHIP 2203-005682 SA
C732 C-CER,CHIP 2203-005682 SA
CD700 CONNECTOR-CARD EDGE 3709-001464 SA
CN100 CONNECTOR-COAXIAL 3705-001358 SA
CON101 JACK-DC POWER 3722-002433 SA
D101 DIODE-ZENER 0403-001547 SA
D600 DIODE-TVS 0406-001208 SA
D601 DIODE-TVS 0406-001208 SA
D602 DIODE-TVS 0406-001231 SA
D603 DIODE-TVS 0406-001231 SA
D604 DIODE-TVS 0406-001231 SA
D605 DIODE-TVS 0406-001203 SA
D700 DIODE-TVS 0406-001208 SA
D701 DIODE-TVS 0406-001208 SA
D702 DIODE-TVS 0406-001223 SA
D703 DIODE-TVS 0406-001223 SA
D704 DIODE-TVS 0406-001223 SA
D705 DIODE-TVS 0406-001223 SA
F100 DUPLEXER-FEM 2911-000076 SA
F101 FILTER-LC 2909-001279 SA
F101 FILTER-LC 2909-001283 SA
F600 FILTER-EMI SMD 2901-001408 SA
HDC700 HEADER-BOARD TO BOARD 3711-006326 SA
HDC701 HEADER-BOARD TO BOARD 3711-006593 SA
IFC600 SOCKET-INTERFACE 3710-002523 SA

SAMSUNG Proprietary-Contents may change without notice
Electrical Parts List
6-5
This Document can not be used without Samsung's authorization
Design LOC Description SEC CODE STATUS
L100 ICT-ON-BOARD CLIP GH70-02367A SA
L101 INDUCTOR-SMD 2703-002901 SNA
L101 ICT-ON-BOARD CLIP GH70-02367A SA
L102 INDUCTOR-SMD 2703-003095 SA
L102 ICT-ON-BOARD CLIP GH70-02367A SA
L103 INDUCTOR-SMD 2703-002795 SNA
L103 ICT-ON-BOARD CLIP GH70-02367A SA
L104 INDUCTOR-SMD 2703-002649 SNA
L104 ICT-ON-BOARD CLIP GH70-02367A SA
L105 ICT-ON-BOARD CLIP GH70-02367A SA
L106 INDUCTOR-SMD 2703-002208 SA
L107 INDUCTOR-SMD 2703-002281 SA
L108 INDUCTOR-SMD 2703-002314 SA
L110 INDUCTOR-SMD 2703-002558 SA
L111 INDUCTOR-SMD 2703-002558 SA
L112 INDUCTOR-SMD 2703-002608 SA
L113 INDUCTOR-SMD 2703-002608 SA
L115 BEAD-SMD 3301-001534 SA
L116 BEAD-SMD 3301-001659 SA
L117 INDUCTOR-SMD 2703-002198 SA
L300 INDUCTOR-SMD 2703-002866 SA
L301 INDUCTOR-SMD 2703-001231 SNA
L401 INDUCTOR-SMD 2703-002861 SA
L500 BEAD-SMD 3301-001729 SA
L501 BEAD-SMD 3301-001729 SA
L503 BEAD-SMD 3301-001438 SA
L505 BEAD-SMD 3301-001438 SA
L506 BEAD-SMD 3301-001812 SA
L601 BEAD-SMD 3301-001812 SA
L602 BEAD-SMD 3301-001812 SA
L603 BEAD-SMD 3301-001812 SA
L605 INDUCTOR-SMD 2703-002910 SA
L606 INDUCTOR-SMD 2703-001673 SA
OSC100 CRYSTAL-SMD 2801-004426 SA
OSC101 CRYSTAL-SMD 2801-004568 SA
OSC300 CRYSTAL-SMD 2801-004285 SA
OSC400 CRYSTAL-SMD 2801-004339 SA
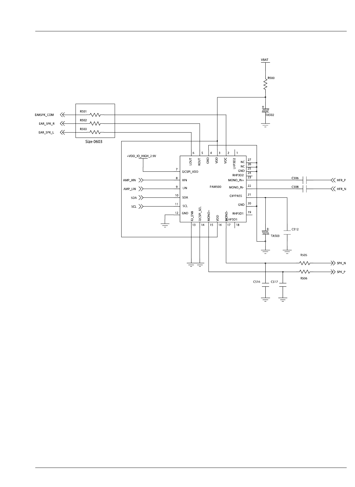
PAM500 IC-AUDIO AMP 1201-002492 SA
PM400 IC-POWER SUPERVISOR 1203-004382 SA
Q100 FET-SILICON 0505-002088 SA
QCR05 SCREW-MACHINE 6001-001478 SA
QCR05 SCREW-MACHINE 6001-001478 SA
QCR05 SCREW-MACHINE 6001-001478 SA
QCR57 SCREW-MACHINE 6001-002001 SA
R100 R-CHIP 2007-000140 SA
R101 R-CHIP 2007-000566 SA
R101 R-CHIP 2007-008056 SA
R102 R-CHIP 2007-000143 SA
R102 R-CHIP 2007-009108 SA
R103 R-CHIP 2007-008516 SA
R104 R-CHIP 2007-000162 SA
R104 R-CHIP 2007-008516 SA
R105 R-CHIP 2007-000162 SA
R105 R-CHIP 2007-008516 SA
R106 R-CHIP 2007-007489 SA
R106 R-CHIP 2007-008516 SA

SAMSUNG Proprietary-Contents may change without notice
Electrical Parts List
6-6
This Document can not be used without Samsung's authorization
Design LOC Description SEC CODE STATUS
R107 R-CHIP 2007-001316 SA
R108 R-CHIP 2007-008056 SA
R109 R-CHIP 2007-000141 SA
R110 R-CHIP 2007-008420 SA
R111 R-CHIP 2007-008420 SA
R112 R-CHIP 2007-003015 SA
R113 R-CHIP 2007-008516 SA
R115 R-CHIP 2007-000148 SA
R116 R-CHIP 2007-008544 SA
R117 R-CHIP 2007-008544 SA
R118 R-CHIP 2007-000566 SA
R119 R-CHIP 2007-000163 SA
R120 R-CHIP 2007-003015 SA
R121 R-CHIP 2007-000148 SA
R122 R-CHIP 2007-000566 SA
R123 R-CHIP 2007-000171 SA
R203 R-CHIP 2007-000148 SA
R204 R-CHIP 2007-000758 SA
R205 R-CHIP 2007-009314 SA
R206 R-CHIP 2007-008419 SA
R207 R-CHIP 2007-008055 SA
R208 R-CHIP 2007-000148 SA
R209 R-CHIP 2007-001319 SA
R210 R-CHIP 2007-001319 SA
R211 R-CHIP 2007-008055 SA
R212 R-CHIP 2007-000148 SA
R305 R-CHIP 2007-008045 SA
R307 R-CHIP 2007-003013 SA
R308 R-CHIP 2007-003013 SA
R311 R-CHIP 2007-008478 SA
R313 R-CHIP 2007-001290 SA
R316 R-CHIP 2007-001290 SA
R317 R-CHIP 2007-009084 SA
R318 R-CHIP 2007-009084 SA
R319 R-CHIP 2007-008055 SA
R322 R-CHIP 2007-007316 SA
R323 R-CHIP 2007-000170 SA
R324 R-CHIP 2007-000162 SA
R325 R-CHIP 2007-007009 SA
R326 R-CHIP 2007-001156 SA
R400 R-CHIP 2007-007573 SA
R402 R-CHIP 2007-008354 SA
R403 BEAD-SMD 3301-001659 SA
R408 R-CHIP 2007-000171 SA
R410 R-CHIP 2007-001333 SA
R411 R-CHIP 2007-007311 SA
R412 R-CHIP 2007-000141 SA
R413 R-CHIP 2007-000162 SA
R414 R-CHIP 2007-002796 SA
R415 R-CHIP 2007-000162 SA
R416 R-CHIP 2007-000758 SA
R417 R-CHIP 2007-000162 SA
R501 R-CHIP 2007-008542 SA
R502 R-CHIP 2007-008420 SA
R503 R-CHIP 2007-008420 SA
R504 R-CHIP 2007-000157 SA

SAMSUNG Proprietary-Contents may change without notice
Electrical Parts List
6-7
This Document can not be used without Samsung's authorization
Design LOC Description SEC CODE STATUS
R507 R-CHIP 2007-007528 SA
R508 R-CHIP 2007-000171 SA
R509 R-CHIP 2007-007528 SA
R510 R-CHIP 2007-000148 SA
R511 R-CHIP 2007-007528 SA
R512 R-CHIP 2007-007528 SA
R513 R-CHIP 2007-002796 SA
R514 R-CHIP 2007-000140 SA
R515 R-CHIP 2007-002796 SA
R600 R-CHIP 2007-009170 SA
R601 R-CHIP 2007-007107 SA
R602 R-CHIP 2007-009112 SNA
R603 R-CHIP 2007-007741 SA
R604 R-CHIP 2007-007334 SA
R606 R-CHIP 2007-001333 SA
R607 R-CHIP 2007-007741 SA
R608 R-CHIP 2007-008800 SA
R609 R-CHIP 2007-000162 SA
R610 R-CHIP 2007-000162 SA
R611 BEAD-SMD 3301-001917 SA
R612 R-CHIP 2007-000148 SA
R700 R-CHIP 2007-009112 SNA
R701 R-CHIP 2007-000159 SA
R703 R-CHIP 2007-000159 SA
R704 R-CHIP 2007-000159 SA
R705 R-CHIP 2007-000159 SA
R706 R-CHIP 2007-000157 SA
R707 R-CHIP 2007-000165 SA
R708 R-CHIP 2007-000166 SA
R709 R-CHIP 2007-008055 SA
R712 R-CHIP 2007-000143 SA
R713 R-CHIP 2007-000143 SA
SIM400 CONNECTOR-CARD EDGE 3709-001447 SA
TA101 C-TA,CHIP 2404-001381 SA
TA300 C-TA,CHIP 2404-001381 SA
TA400 C-TA,CHIP 2404-001381 SA
TA401 C-TA,CHIP 2404-001225 SA
TA500 C-TA,CHIP 2404-001396 SA
TA501 C-TA,CHIP 2404-001396 SA
TA502 C-TA,CHIP 2404-001430 SA
TA503 C-TA,CHIP 2404-001226 SA
TA504 C-TA,CHIP 2404-001414 SA
TA505 C-TA,CHIP 2404-001225 SA
TA506 C-TA,CHIP 2404-001414 SA
TA507 C-TA,CHIP 2404-001225 SA
TA600 C-TA,CHIP 2404-001381 SA
TA601 C-TA,CHIP 2404-001381 SA
U100 IC-POWER AMP 1201-002423 SA
U101 IC-POSI.FIXED REG. 1203-003688 SA
U101 IC-DATA COMM./GEN. 1205-002748 SA
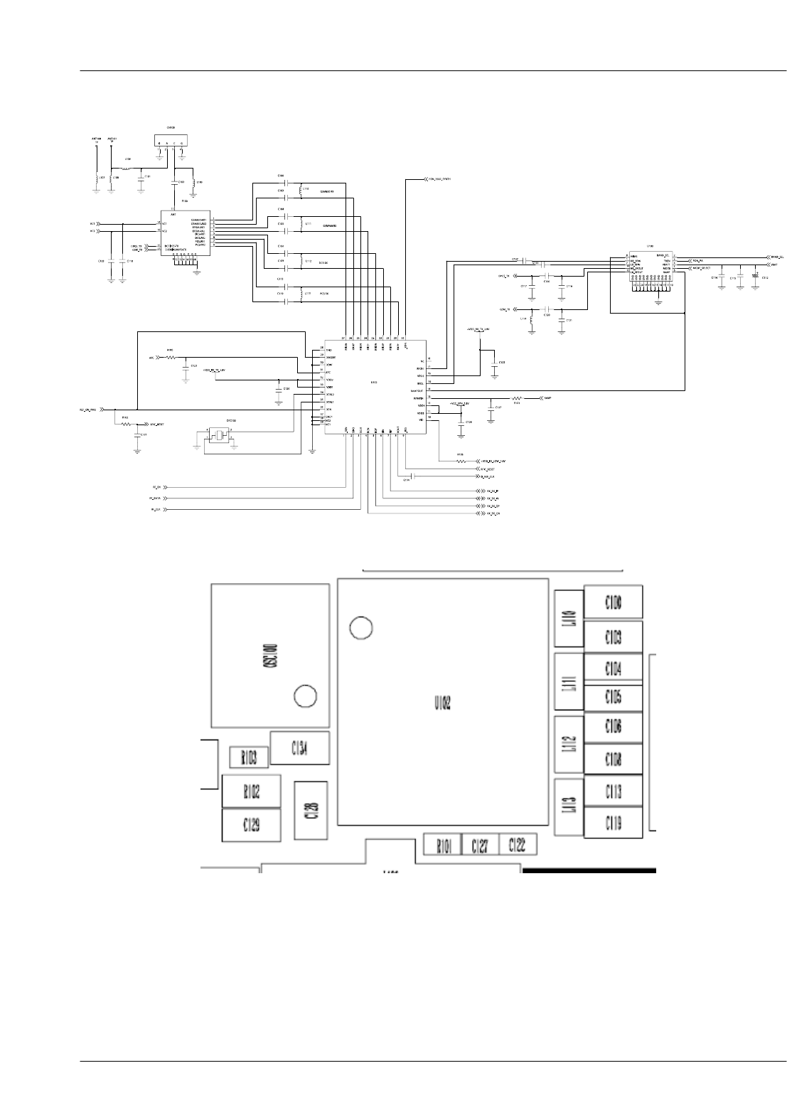
U102 IC-TRANSCEIVER 1205-003093 SA
U103 IC-CMOS LOGIC 0801-003012 SA
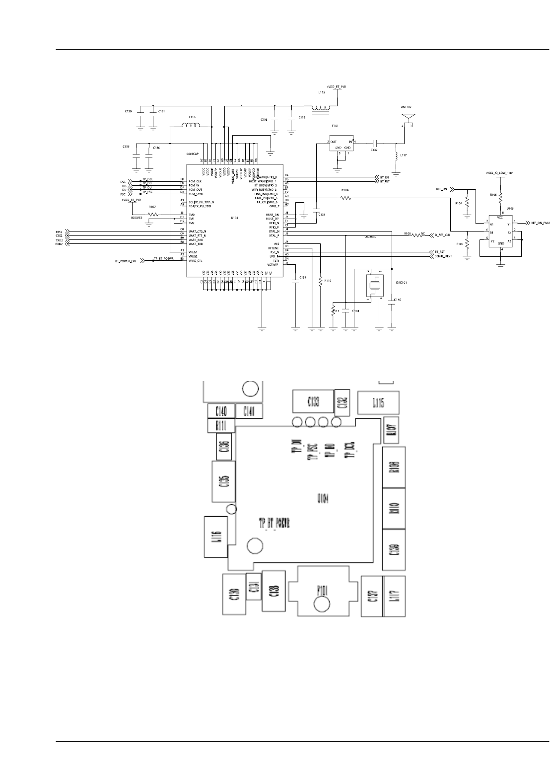
U104 IC-TRANSCEIVER 1205-002942 SA
U300 IC-POSI.FIXED REG. 1203-003737 SA
U301 IC-DC/DC CONVERTER 1203-004548 SA
U302 IC-ANALOG MULTIPLEX 1001-001472 SA

SAMSUNG Proprietary-Contents may change without notice
Electrical Parts List
6-8
This Document can not be used without Samsung's authorization
Design LOC Description SEC CODE STATUS
U401 IC-POSI.FIXED REG. 1203-003737 SA
U402 IC-POSI.FIXED REG. 1203-003737 SA
U500 IC-POSI.FIXED REG. 1203-003737 SA
U501 IC-ANALOG MULTIPLEX 1001-001447 SA
U503 IC-ANALOG MULTIPLEX 1001-001349 SA
U504 IC-ANALOG MULTIPLEX 1001-001447 SA
U600 IC-ANALOG SWITCH 1001-001394 SA
U601 IC-DEMODULATOR 1204-002688 SA
U700 IC-POSI.FIXED REG. 1203-003815 SA
UCD300 IC ASIC-SGHG600 GH13-00059A SA
UCD500 IC-CODEC 1205-003214 SA
UCP200 IC-COMM. CONTROLLER 1205-003082 SA
UME200 IC-MCP 1108-000112 SA
UPL200 IC-CMOS LOGIC 0801-003022 SA
UPL700 FET-SILICON 0505-002111 SA
V601 VARISTOR 1405-001183 SA
VR101 VARISTOR 1405-001082 SA
VR102 VARISTOR 1405-001082 SA
VR103 VARISTOR 1405-001093 SA
VR104 VARISTOR 1405-001082 SA
VR105 VARISTOR 1405-001082 SA
VR106 VARISTOR 1405-001082 SA
VR107 VARISTOR 1405-001093 SA
VR110 VARISTOR 1405-001167 SA
VR600 THERMISTOR-NTC 1404-001221 SA
ZD101 DIODE-SCHOTTKY 0404-001172 SA
ZD600 DIODE-ZENER 0403-001547 SA
ZD601 DIODE-TVS 0406-001254 SA
ZD602 DIODE-TVS 0406-001267 SA
ZD603 DIODE-TVS 0406-001267 SA
ZD604 DIODE-TVS 0406-001223 SA
ZD605 DIODE-TVS 0406-001223 SA

SAMSUNG Proprietary-Contents may change without notice
This Document can not be used without Samsung's authorization
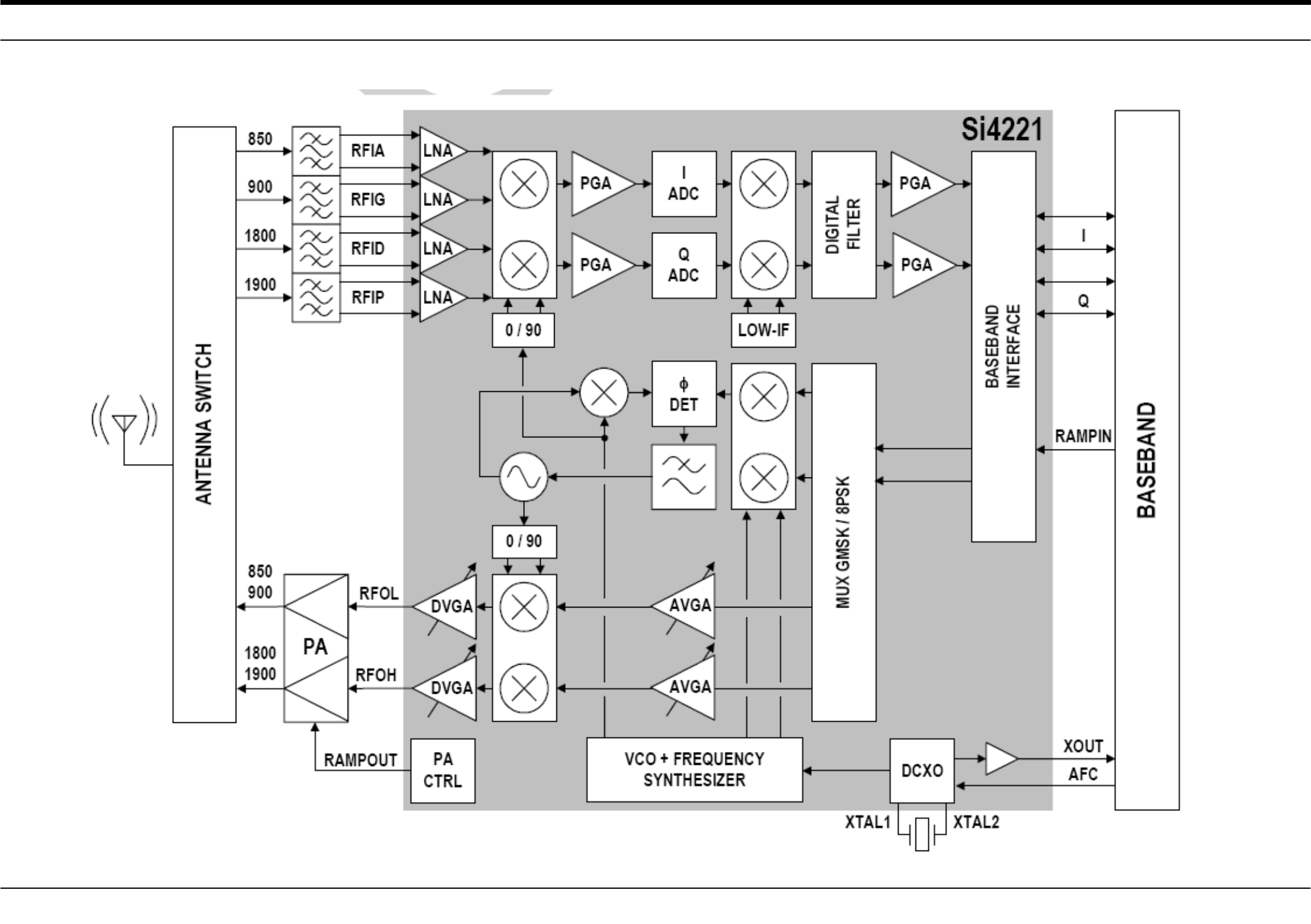
7. Block Diagrams
7-1
7-1. RF Solution Block Diagram

SAMSUNG Proprietary-Contents may change without notice
This Document can not be used without Samsung's authorization
7-2
Block Diagrams
7-2. BT Solution Block Diagram

SAMSUNG Proprietary-Contents may change without notice
Block Diagrams
This Document can not be used without Samsung's authorization
7-3
7-3. Base Band Solution Block Diagram
Battery
Type
Battery
Voltage
Battery
Temperature
AFC
RAMP
Charging Circuit
Li-Ion Battery
(Slim,Standard)
PCF5213EL1
VIBRATOR
SYSTEM CLOCK
(26MHz)
RTC_CLOCK
(32.768KHz)
KEY_BOARD
RECEIVER
MIC
LCD
RF INTERFACE
D3VDD
AVDD
VINT
PMU
D2VDD
Serial Data
Interface
I/O
Interface
A/D
Interface
BB INTERFACE
MELODY IC
(64 Poly)
SPEAKER
IOVDD
VDD_RX_TX
VCC_SYN
MIC_BIAS
CPVDD
D1VDD
SIMEN
GPO
VCHG
VSAVE
SIM CARD
MV319DNQ
Ext.
SPEAKER
1G OneNAND
MEMORY

SAMSUNG Proprietary-Contents may change without notice
8. PCB Diagrams
8-1
This Document can not be used without Samsung's authorization
Top

SAMSUNG Proprietary-Contents may change without notice
PCB Diagrams
8-2
This Document can not be used without Samsung's authorization
Bottom

SAMSUNG Proprietary-Contents may change without notice
9. Flow Chart of Troubleshooting
This Document can not be used without Samsung's authorization
9-1
9-1. Power On
Check the Battery Voltage
is more than 3.7V
' Power On ' does not work
Change the Battery
END
No
Yes
C418(VISA) = 2.6V? Check the PMU related to VISA
No
Yes
Check the Clock at
R409=32KHZ
Resolder OSC400
No
Yes
C400(+VDD_IO_LOW) &
C402(+VDD_IO_HIGH) = "H"? Check the related circuit
No
Yes
C425(+VDD_GSM_CORE)
=1.2V?
Check the +VDD_GSM_CORE circuit
No
Yes
Check the initial operation
Yes
Yes

SAMSUNG Proprietary-Contents may change without notice
This Document can not be used without Samsung's authorization
Flow Chart of Troubleshooting
9-2

SAMSUNG Proprietary-Contents may change without notice
Flow Chart of Troubleshooting
This Document can not be used without Samsung's authorization
9-3
9-2. Initial
UCP200 pin C11 (RSTON) ="H"?
Initial Failure
Check the circuit related to reset
END
No
Yes
UCP200 pin
F1(RSTEXTn) ="H"?
OK?
Yes
Yes
No
change UCP200
Check the 16bit data signal
&memoryCE
Yes

SAMSUNG Proprietary-Contents may change without notice
This Document can not be used without Samsung's authorization
Flow Chart of Troubleshooting
9-4

SAMSUNG Proprietary-Contents may change without notice
Flow Chart of Troubleshooting
This Document can not be used without Samsung's authorization
9-5
9-3. Charging Part
Check the PM400 pin 38
>5.0V
Abnormal charging part
END
No
Yes
PM400 pin 34(AUX_ON)
="L"?
No
Yes
Check the PM400 pin 36
≒ 1.25V
No
Yes
Check the circuit related to
V_EXT_CHARGE
Check the circuit related to
AUX_ON signal
Resolder or replace PM400
Yes

SAMSUNG Proprietary-Contents may change without notice
This Document can not be used without Samsung's authorization
Flow Chart of Troubleshooting
9-6

SAMSUNG Proprietary-Contents may change without notice
Flow Chart of Troubleshooting
This Document can not be used without Samsung's authorization
9-7
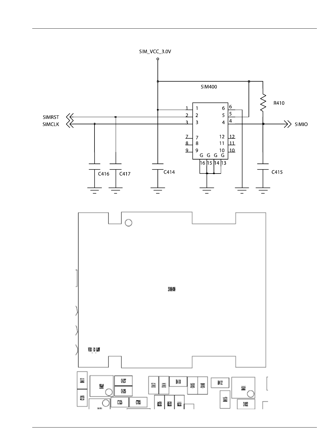
9-4. Sim Part
SIM400 pin 1,5 = "H"?
Phone can't access SIM Card
Resolder or replace PM400
Check the SIM Card
END
No
Yes
Yes
Yes
No
Check the Clock
After Power ON,
Check SIMCLK Signal on
pin3 of SIM400 in a few second
Yes
No
Replace PBA
After SIM card insert,
SIM400 pin 2 = "H(SIM_RST)"?
Yes

SAMSUNG Proprietary-Contents may change without notice
This Document can not be used without Samsung's authorization
Flow Chart of Troubleshooting
9-8

SAMSUNG Proprietary-Contents may change without notice
Flow Chart of Troubleshooting
This Document can not be used without Samsung's authorization
9-9
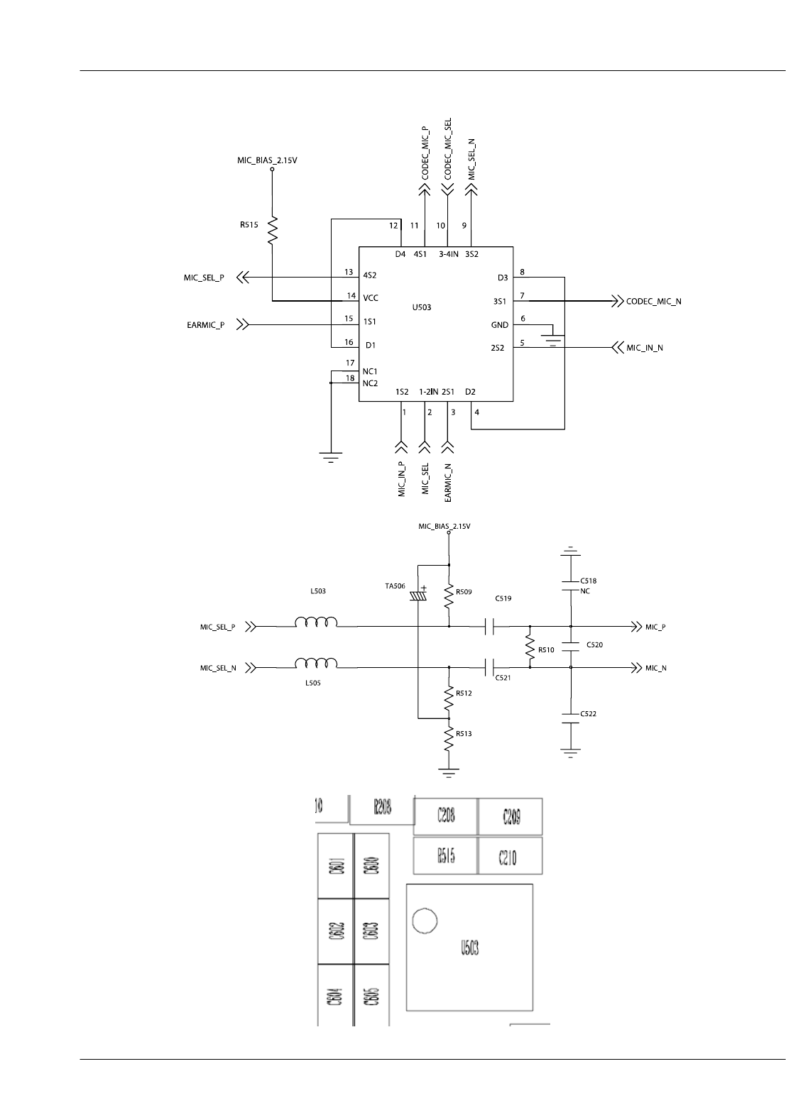
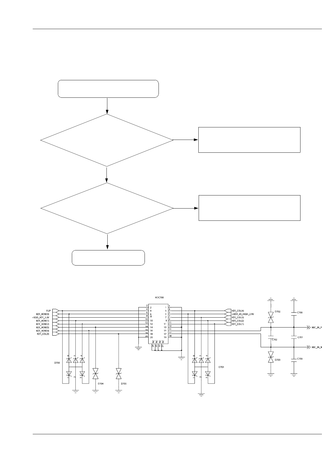
9-5. Microphone Part
Check the connection
from MIC FPCB
Check the circuit
from UCP200 to MIC
FPCB
Replace the MIC FPCB
Resolder the U503, C519, C521, R509, R512
END
No
Yes
Yes
Yes
No
Microphone does not work

SAMSUNG Proprietary-Contents may change without notice
This Document can not be used without Samsung's authorization
Flow Chart of Troubleshooting
9-10

SAMSUNG Proprietary-Contents may change without notice
Flow Chart of Troubleshooting
This Document can not be used without Samsung's authorization
9-11
9-6. Speaker Part(Melody)
Speaker does not work
PAM500 pin15,17 ≒ 1.8V?
(When PAM500 operate) Resolder PAM500
No
Yes
END
Is Speaker working? Change the Speaker
No
Yes

SAMSUNG Proprietary-Contents may change without notice
This Document can not be used without Samsung's authorization
Flow Chart of Troubleshooting
9-12

SAMSUNG Proprietary-Contents may change without notice
Flow Chart of Troubleshooting
This Document can not be used without Samsung's authorization
9-13
9-7. Key Data Input
Check Initial Operation
Yes
When one of the keys is
pushed,
is it displayed on LCD?
Check the Dome sheet & Key Pad
No
Yes
When one of the keys is
pushed,
KBIO signal is OK?
Replace the Key PBA
No
Yes
END

SAMSUNG Proprietary-Contents may change without notice
This Document can not be used without Samsung's authorization
Flow Chart of Troubleshooting
9-14
9-8. Back Light (for Color Main LCD)
Backlight does not work
Yes
Is LCD Contrast set on high
level in the Menu?
No
Set LCD Contrast on high level
Yes
Change the Slide FPCB or LCD
No
Check the Slide FPCB
Yes
END

SAMSUNG Proprietary-Contents may change without notice
Flow Chart of Troubleshooting
This Document can not be used without Samsung's authorization
9-15
9-9. Key Back Light
Main Key LED does not work
Yes
No
Reconnect the key FPCB
Check the key FPCB
connector on PBA
Yes
Change key FPCB
IS key FPCB ok?
END

SAMSUNG Proprietary-Contents may change without notice
This Document can not be used without Samsung's authorization
Flow Chart of Troubleshooting
9-16
9-10. Camera part
"Camera" function does not work
Yes
Check the Camera
connector on PBA
Reconnect the camera module
No
Yes
Is there another problem?
Yes
Replace the camera
module
END

SAMSUNG Proprietary-Contents may change without notice
Flow Chart of Troubleshooting
This Document can not be used without Samsung's authorization
9-17
9-11. Radio part
R613
≥2.8V
Radio does not work
R610, R612, C614, C615
≥2.8V Resolder R610, R612, C614, C615
and check U601
No
Yes
No
Resolder R613
and Check PMU part
Yes
L605 ≥ 2V Check or Replace U601
No
Yes
END
Yes
C618, C619, C620, L606
is OK?
(When U601 operate)
Resolder C618, C619, C620, L606
No
Yes
Check UCP200 signal
related to U601
Yes

SAMSUNG Proprietary-Contents may change without notice
This Document can not be used without Samsung's authorization
Flow Chart of Troubleshooting
9-18

SAMSUNG Proprietary-Contents may change without notice
Flow Chart of Troubleshooting
This Document can not be used without Samsung's authorization
9-19
9-12. GSM Receiver
RX ON
Cell Power : -60dBm
F100 Pin11
≥ -65dBm
Yes
Resolder CN100,C102,L109
No
Yes
No
Check F100
pin10,pin14 = L
F100 3,4
≥ -68dBm
Check ANT Switch
control circuit
No
Yes
Resolder F100
Yes
U102
pin 24 ≥ -70dBm
pin 25 ≥ -70dBm
Resolder C104, C105, L111
No
Yes
U102pin 11,12,16,
29,32,33,36 ≥2.8V
pin10≥1.8V
No
U102 pin 4,5,6,7
≥0.2Vp_p
No Check & Resolder
C122,C126,C128
And PMU Part
Yes Yes
Resolder U102
Check UCP200
END

SAMSUNG Proprietary-Contents may change without notice
This Document can not be used without Samsung's authorization
Flow Chart of Troubleshooting
9-20
9-13. GSM Transmitter
U102pin 11,12,16,
29,32,33,36 ≥2.8V
pin10≥1.8V
END
Check UCP200
Yes Resolder U102
Check VBAT or PAM
control signal
No
Change or Resolder F100
Yes
F100 Pin11
≥ 30dBm Resolder CN100,C102,L109
TX ON (5Level)
Check F100
pin14 = H (2.6V),
Pin10 = L
F100 pin17
≥ 30dBm
U100 pin12
≥ 30dBm
U100 pin7
≥-4dBm
Check ANT Switch
control circuit
Resolder or Change C120,
C121, L114
U102 pin 4,5,6,7
≥0.2Vp_p
Yes
Check U100 pin
2,3,5,6,8, +Vbatt
pin4OK? Resolder or Change U100
Check U102,
C122,C126,C128
No
No
No
No
Yes
Yes
Yes
Yes
Yes
No
Yes
No
No

SAMSUNG Proprietary-Contents may change without notice
Flow Chart of Troubleshooting
This Document can not be used without Samsung's authorization
9-21
9-14. GSM850 Receiver
RX ON
Cell Power : -60dBm
F100 Pin11
≥ -65dBm
Yes
Resolder CN100,C102,L109
No
Yes
No
Check F100
pin10,pin14 = L
F100 1,2
≥ -68dBm
Check ANT Switch
control circuit
No
Yes
Resolder F100
Yes
U102
pin 26 ≥ -70dBm
pin 25 ≥ -70dBm
Resolder C100, C103, L110
No
Yes
U102pin 11,12,16,
29,32,33,36 ≥2.8V
pin10≥1.8V
No
U102 pin 4,5,6,7
≥0.2Vp_p
No Check & Resolder
C122,C126,C128
And PMU Part
Yes Yes
Resolder U102
Check UCP200
END

SAMSUNG Proprietary-Contents may change without notice
This Document can not be used without Samsung's authorization
Flow Chart of Troubleshooting
9-22
9-15. GSM850 Transmitter
U102pin 11,12,16,
29,32,33,36 ≥2.8V
pin10≥1.8V
END
Check UCP200
Yes Resolder U102
Check VBAT or PAM
control signal
No
Change or Resolder F100
Yes
F100 Pin11
≥ 30dBm Resolder CN100,C102,L109
TX ON (5Level)
Check F100
pin14 = H (2.6V),
Pin10 = L
F100 pin17
≥ 30dBm
U100 pin12
≥ 30dBm
U100 pin7
≥-4dBm
Check ANT Switch
control circuit
Resolder or Change C120,
C121, L114
U102 pin 4,5,6,7
≥0.2Vp_p
Yes
Check U100 pin
2,3,5,6,8, +Vbatt
pin4OK? Resolder or Change U100
Check U102,
C122,C126,C128
No
No
No
No
Yes
Yes
Yes
Yes
Yes
No
Yes
No
No

SAMSUNG Proprietary-Contents may change without notice
Flow Chart of Troubleshooting
This Document can not be used without Samsung's authorization
9-23
9-16. DCS Receiver
RX ON
Cell Power : -60dBm
F100 Pin11
≥ -65dBm
Yes
Resolder CN100,C102,L109
No
Yes
No
Check F100
pin10,pin14 = L
F100 5,6
≥ -68dBm
Check ANT Switch
control circuit
No
Yes
Resolder F100
Yes
U102
pin 22 ≥ -70dBm
pin 23 ≥ -70dBm
Resolder C106, C108, L112
No
Yes
U102pin 11,12,16,
29,32,33,36 ≥2.8V
pin10≥1.8V
No
U102 pin 4,5,6,7
≥0.2Vp_p
No Check & Resolder
C122,C126,C128
And PMU Part
Yes Yes
Resolder U102
Check UCP200
END

SAMSUNG Proprietary-Contents may change without notice
This Document can not be used without Samsung's authorization
Flow Chart of Troubleshooting
9-24
9-17. DCS Transmitter
U102pin 11,12,16,
29,32,33,36 ≥2.8V
pin10≥1.8V
END
Check UCP200
Yes Resolder U102
Check VBAT or PAM
control signal
No
Change or Resolder F100
Yes
F100 Pin11
≥ 25dBm Resolder CN100,C102,L109
TX ON (5Level)
Check F100
pin14 = L (2.6V),
Pin10 = H
F100 pin15
≥ 25dBm
U100 pin18
≥ 25dBm
U100 pin1
≥-4dBm
Check ANT Switch
control circuit
Resolder or Change C116,
C117, C118
U102 pin 4,5,6,7
≥0.2Vp_p
Yes
Check U100 pin
2,3,5,6,8, +Vbatt
pin4OK? Resolder or Change U100
Check U102,
C122,C126,C128
No
No
No
No
Yes
Yes
Yes
Yes
Yes
No
Yes
No
No

SAMSUNG Proprietary-Contents may change without notice
Flow Chart of Troubleshooting
This Document can not be used without Samsung's authorization
9-25
9-18. PCS Receiver
RX ON
Cell Power : -60dBm
F100 Pin11
≥ -65dBm
Yes
Resolder CN100,C102,L109
No
Yes
No
Check F100
pin10,pin14 = L
F100 7,8
≥ -68dBm
Check ANT Switch
control circuit
No
Yes
Resolder F100
Yes
U102
pin 20 ≥ -70dBm
pin 21 ≥ -70dBm
Resolder C113, C119, L113
No
Yes
U102pin 11,12,16,
29,32,33,36 ≥2.8V
pin10≥1.8V
No
U102 pin 4,5,6,7
≥0.2Vp_p
No Check & Resolder
C122,C126,C128
And PMU Part
Yes Yes
Resolder U102
Check UCP200
END

SAMSUNG Proprietary-Contents may change without notice
This Document can not be used without Samsung's authorization
Flow Chart of Troubleshooting
9-26
9-19. PCS Transmitter
U102pin 11,12,16,
29,32,33,36 ≥2.8V
pin10≥1.8V
END
Check UCP200
Yes Resolder U102
Check VBAT or PAM
control signal
No
Change or Resolder F100
Yes
F100 Pin11
≥ 25dBm Resolder CN100,C102,L109
TX ON (5Level)
Check F100
pin14 = L (2.6V),
Pin10 = H
F100 pin15
≥ 25dBm
U100 pin18
≥ 25dBm
U100 pin1
≥-4dBm
Check ANT Switch
control circuit
Resolder or Change C116,
C117, C118
U102 pin 4,5,6,7
≥0.2Vp_p
Yes
Check U100 pin
2,3,5,6,8, +Vbatt
pin4OK? Resolder or Change U100
Check U102,
C122,C126,C128
No
No
No
No
Yes
Yes
Yes
Yes
Yes
No
Yes
No
No

SAMSUNG Proprietary-Contents may change without notice
Flow Chart of Troubleshooting
This Document can not be used without Samsung's authorization
9-27

SAMSUNG Proprietary-Contents may change without notice
This Document can not be used without Samsung's authorization
Flow Chart of Troubleshooting
9-28
9-20. Bluetooth part
Bluetooth does not work
Yes
F500 pin 2 ≥ -4dB Resolder or replace
C137, L117, ANT102
No
Yes
C132, C133 (+position),
is ≥ 1.8V
No
Resolder C132, C133 and
check the PMU part
C130,C131,C135,C136 is
≥1.5V
Yes
Resolder C130,C131,C135,C136
check or Replace U503
No
Yes
TP_BT_POEWR ≥1.8V
Pin A5 ≥ 1.7V(32kHz)
No
check TP_BT_POEWR
check or Replace U503
Yes
Check UCP200
Yes
END

SAMSUNG Proprietary-Contents may change without notice
Flow Chart of Troubleshooting
This Document can not be used without Samsung's authorization
9-29

SAMSUNG Proprietary-Contents may change without notice
This Document can not be used without Samsung's authorization
Flow Chart of Troubleshooting
9-30

SAMSUNG Proprietary-Contents may change without notice
10. Reference data
10-1
This Document can not be used without Samsung's authorization
Reference Abbreviate
―AAC: Advanced Audio Coding.
―AVC : Advanced Video Coding.
―BER : Bit Error Rate
―BPSK: Binary Phase Shift Keying
―CA : Conditional Access
―CDM : Code Division Multiplexing
―C/I : Carrier to Interference
―DMB : Digital Multimedia Broadcasting
―EN : European Standard
―ES : Elementary Stream
―ETSI: European Telecommunications Standards Institute
―MPEG: Moving Picture Experts Group
―PN : Pseudo-random Noise
―PS :PilotSymbol
―QPSK: Quadrature Phase Shift Keying
―RS : Reed-Solomon
―SI : Service Information
―TDM : Time Division Multiplexing
―TS : Transport Stream

SAMSUNG Proprietary-Contents may change without notice
Reference data
10-2
This Document can not be used without Samsung's authorization

SAMSUNG Proprietary-Contents may change without notice
11. Disassembly and Assembly Instructions
11-1
This Document can not be used without Samsung's authorization
11-1. Disassembly Instructions

SAMSUNG Proprietary-Contents may change without notice
Disassembly and Assembly Instructions
11-2
This Document can not be used without Samsung's authorization

SAMSUNG Proprietary-Contents may change without notice
Disassembly and Assembly Instructions
11-3
This Document can not be used without Samsung's authorization

SAMSUNG Proprietary-Contents may change without notice
Disassembly and Assembly Instructions
11-4
This Document can not be used without Samsung's authorization

SAMSUNG Proprietary-Contents may change without notice
Disassembly and Assembly Instructions
11-5
This Document can not be used without Samsung's authorization
11-2. Assembly Instructions

SAMSUNG Proprietary-Contents may change without notice
Disassembly and Assembly Instructions
11-6
This Document can not be used without Samsung's authorization

SAMSUNG Proprietary-Contents may change without notice
Disassembly and Assembly Instructions
11-7
This Document can not be used without Samsung's authorization

SAMSUNG Proprietary-Contents may change without notice
Disassembly and Assembly Instructions
11-8
This Document can not be used without Samsung's authorization

SAMSUNG Proprietary-Contents may change without notice
Disassembly and Assembly Instructions
11-9
This Document can not be used without Samsung's authorization

SAMSUNG Proprietary-Contents may change without notice
Disassembly and Assembly Instructions
11-10
This Document can not be used without Samsung's authorization