Samsung SGH M110 Service Manual. Www.s Manuals.com. Manual R1.0
User Manual: Phone Samsung SGH-M110 - Service manuals and Schematics, Disassembly / Assembly. Free.
Open the PDF directly: View PDF
.
Page Count: 75

GSM TELEPHONE
SGH-M110
GSM TELEPHONE CONTENTS
1. Safety Precautions
2. Specification
3. Product Function
4. Array course control
5. Exploded View and Parts List
6. Main Electrical Parts List
7. Block Diagrams
8. PCB Diagrams
9. Flow Chart of Troubleshooting
10. Reference data
11. Disassembly and Assembly
Instructions

Samsung Electronics Co.,Ltd.
2007. 12 Rev.1.0
ⓒ
This Service Manual is a property of Samsung Electronics Co.,Ltd.
Any unauthorized use of Manual can be punished under applicable
International and/or domestic law.
Country Web Site
North America service.samsungportal.com
Latin America latin.samsungportal.com
CIS cis.samsungportal.com
Europe europe.samsungportal.com
China china.samsungportal.com
Asia asia.samsungportal.com
Mideast & Africa mea.samsungportal.com
GSPN (Global Service Partner Network)

SAMSUNG Proprietary-Contents may change without notice
2. Specification
This Document can not be used without Samsung's authorization
2-1
2-1. GSM General Specification
GSM850 DCS1800 PCS1900
Freq.
Band[MHz]
Uplink/Downlink
824~849
869~894
1710~1785
1805~1880
1850~1910
1930~1990
ARFCN range 128~251 512~885 512~810
Tx/Rx spacing 45MHz 95MHz 80MHz
Mod. Bit rate/
Bit Period
270.833kbps
3.692us
270.833kbps
3.692us
270.833kbps
3.692us
Time Slot Period/Frame
Period
576.9us
4.615ms
576.9us
4.615ms
576.9us
4.615ms
Modulation 0.3GMSK 0.3GMSK 0.3GMSK
MS Power 33dBm~5dBm 30dBm~0dBm 30dBm~0dBm
Power Class 5pcl ~ 19pcl 0pcl ~ 15pcl 0pcl ~ 15pcl
Sensitivity -102dBm -100dBm -100dBm
TDMAMux888
Cell Radius 35Km 2Km -

SAMSUNG Proprietary-Contents may change without notice
This Document can not be used without Samsung's authorization
Specification
2-2
2-2. GSM Tx Power Class
TX Power
control level GSM850
533±2dBm
631±2dBm
729±2dBm
827±2dBm
925±2dBm
10 23±2 dBm
11 21±2 dBm
12 19±2 dBm
13 17±2 dBm
14 15±2 dBm
15 13±2 dBm
16 11±3 dBm
17 9±3dBm
18 7±3 dBm
19 5±3 dBm
TX Power
control level DCS1800
0 30±3 dBm
1 28±3 dBm
2 26±3 dBm
3 24±3 dBm
4 22±3 dBm
5 20±3 dBm
6 18±3 dBm
7 16±3 dBm
8 14±3 dBm
9 12±4 dBm
10 10±4 dBm
11 8±4dBm
12 6±4 dBm
13 4±4 dBm
14 2±5 dBm
15 0±5 dBm
TX Power
control level PCS1800
030±3dBm
128±3dBm
226±3dBm
324±3dBm
422±3dBm
520±3dBm
618±3dBm
716±3dBm
814±3dBm
912±4dBm
10 10±4 dBm
11 8±4dBm
12 6±4 dBm
13 4±4 dBm
14 2±5 dBm
15 0±5 dBm

SAMSUNG Proprietary-Contents may change without notice
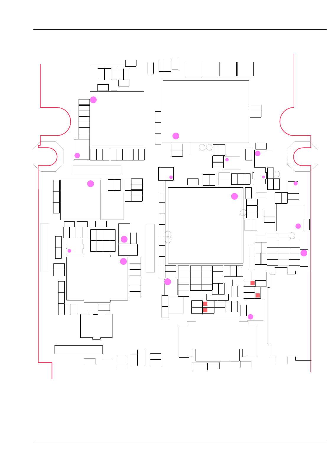
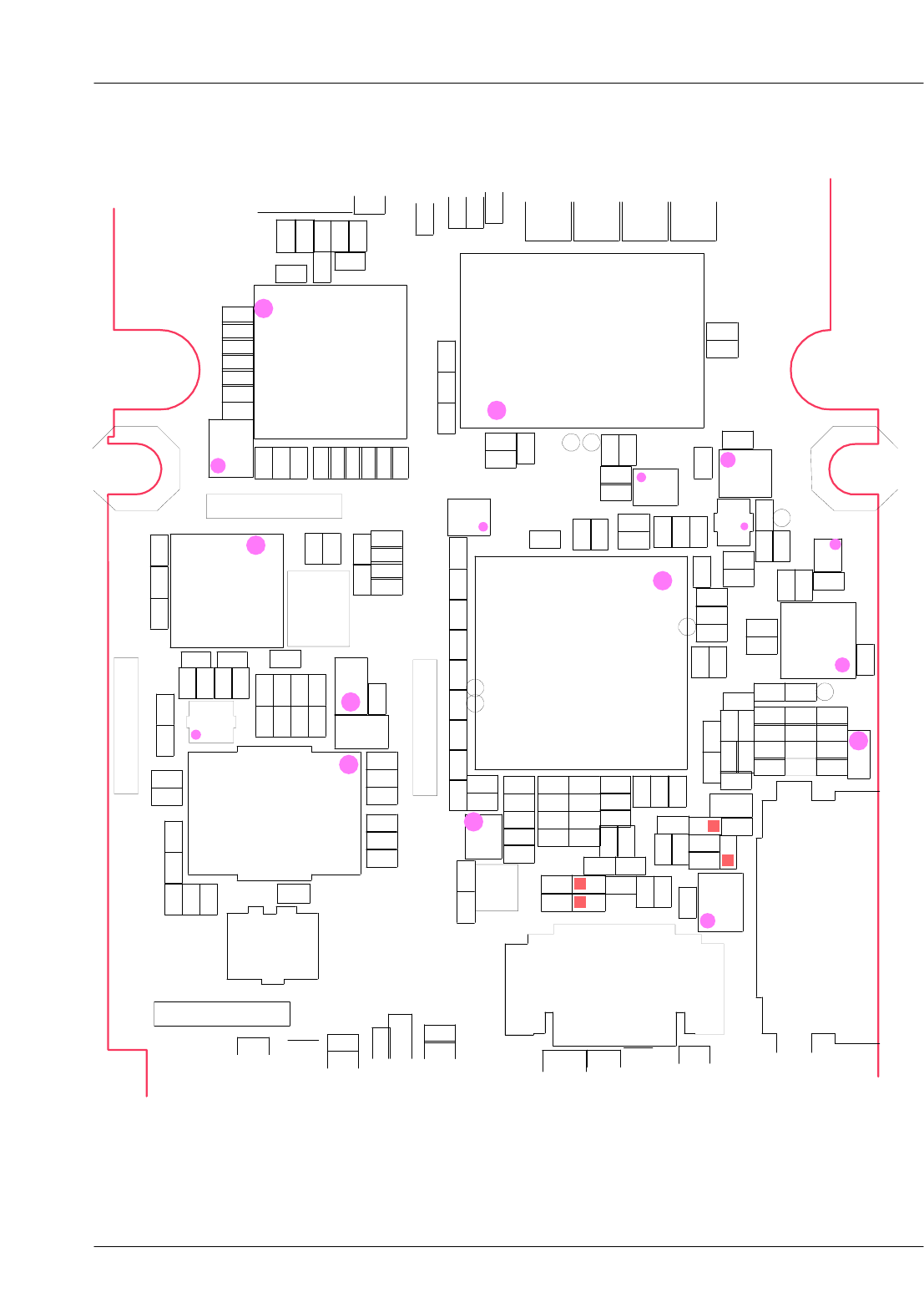
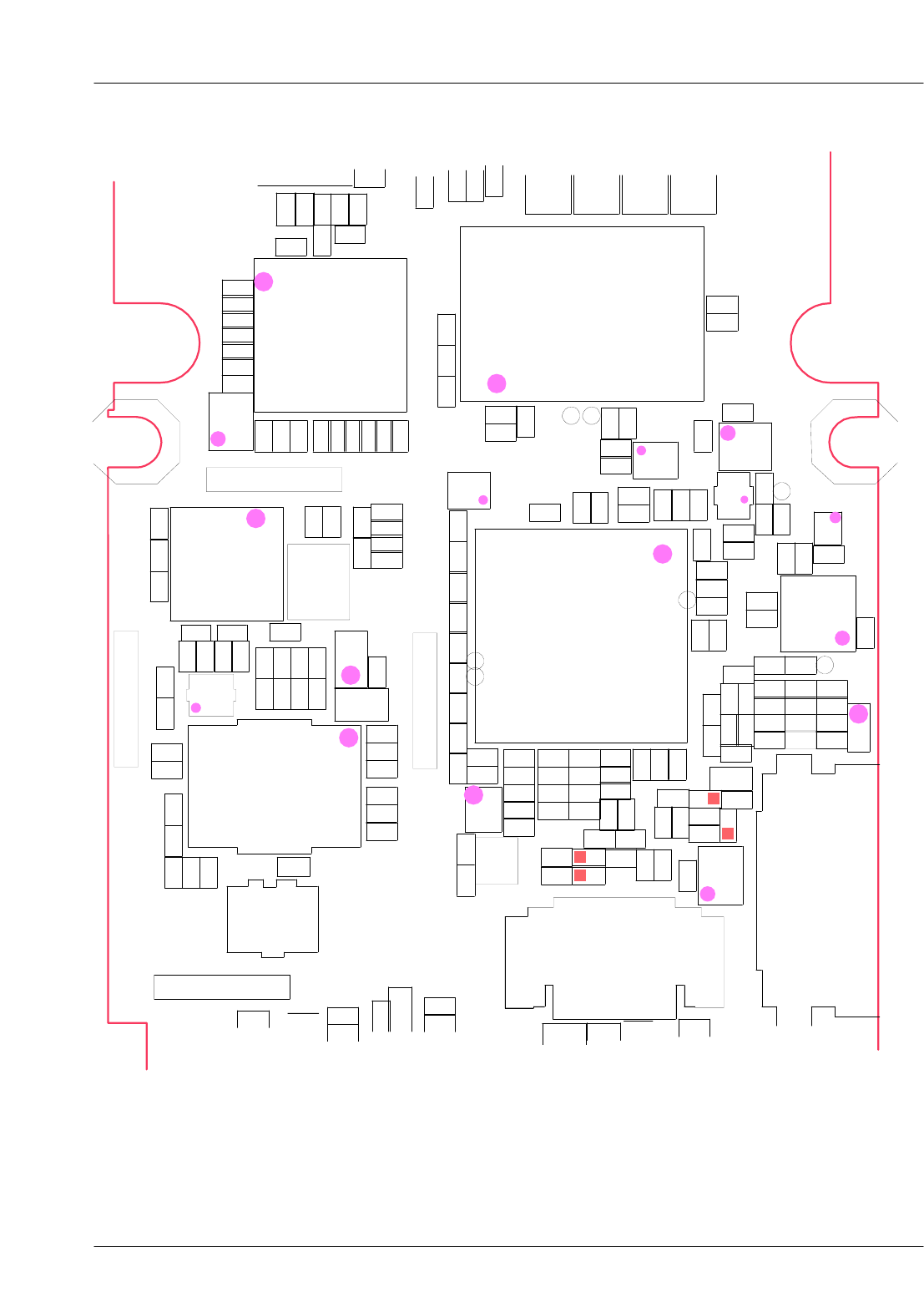
5. Exploded View and Parts List
5-3
This Document can not be used without Samsung's authorization
5-1. Cellular phone Exploded View
QMW02
QKP01
QAR01
QBR04
QSP01
QMO01
QCA01
QVO01
QCR54
QSC02
QLC01
QCR05
QME01
QMI01
QSH01
QAN02
QSC01
QBA01
QBA00
QCR54
QRE01
QMP01
QAN03
QFR01
QAR03
QBL01
QIF01
QCR49
QVO02

SAMSUNG Proprietary-Contents may change without notice
Exploded View and Parts List
5-2
This Document can not be used without Samsung's authorization
Design LOC Description SEC CODE
QAN02 INTENNA-SGHM110 GH42-01418A
QAN03 INTENNA-SGHM110 BT GH42-01468A
QAN05 ASSY RUBBER-INTENNA CONTACT GH98-03564A
QAR01 AUDIO-RECEIVER 3009-001306
QAR03 ASSY DECO-RCV IN GH98-06922A
QBA00 PMO COVER-BATT GH72-44472B
QBA01 INNER BATTERY PACK-1000MAH,BLA GH43-02424A
QBL01 NDC COVER-BATT LOCKER GH71-07797A
QBR04 ASSY BRACKET-SPK CARRIER GH98-07330A
QCA01 CAMERA MODULE-1/7.4" VGA GH59-05094A
QCR05 SCREW-MACHINE 6001-001478
QCR49 SCREW-MACHINE 6001-001823
QCR54 SCREW-MACHINE 6001-001645
QCR54 SCREW-MACHINE 6001-001645
QFR01 ASSY CASE-FRONT GH98-06901B
QIF01 PMO COVER-IF GH72-45415A
QKP01 ASSY KEYPAD-(EU/BLK) GH98-06436A
QLC01 LCD-LCD MODULE GH07-01056A
QME01 DOME SHEET-SGHM110 METAL DOME GH59-05178A
QMI01 MICROPHONE-ASSY-SGHM110 GH30-00440A
QMO01 MOTOR DC-SGH-M110 GH31-00402A
QMP01 PBA MAIN-SGHM110 GH92-04272A
QMW02 PCT WINDOW-MAIN GH72-45454A
QRE01 ASSY CASE-REAR GH98-06902B
QSC01 RMO RUBBER-SCREW BOT GH73-11197B
QSC02 RMO RUBBER-SCREW TOP GH73-11198B
QSH01 ICT SHIELD-BRACKET GH70-03060A
QSP01 MICRO SPEAKER 3001-002304
QVO01 PMO KEY-VOLUME GH72-45427A
QVO02 ASSY KEY-VOLUME GH98-06900A
5-2. Cellular phone Parts List

SAMSUNG Proprietary-Contents may change without notice
Exploded View and Parts List
5-3
This Document can not be used without Samsung's authorization
Description SEC CODE
ADAPTOR-ATADS10EBE,BLK,EU GH44-01702A
EARPHONE-SGHE210,AAEP405MBE,A GH59-04535A
MPR-TAPE MAIN DOME EMI GH74-23675A
SPONGE-MIC OUT GH74-36983A
MPR-SPONGE PCB 1 GH74-28596A
TAPE INSU-LCD ESD GH74-37043A
MPR-TAPE SUB DOME SHEET GH74-20121A
TAPE INSU-MIC GH74-37365A
LABEL(R)-WATER SOAK GH68-09361A
RMO RUBBER-MIC 2 GH73-11371A
VINYL-BOHO MAIN WINDOW GH74-36710A
ASSY ACCE-FINGER STRAP_KER GH98-02362A
MANUAL USERS-EU FRENCH GH68-16694A
BAG PE 6902-000634
LABEL(P)-UNIT SEAL GH68-00518B
LABEL(R)-MASTER_FANCE_BOG GH68-13691B
LABEL(R)-MAIN(FRAN) GH68-16879B
BOX-UNIT(EU) GH69-06212A
CUSHION-CASE(EU) GH69-06215A

SAMSUNG Proprietary-Contents may change without notice
Exploded View and Parts List
5-4
This Document can not be used without Samsung's authorization

SAMSUNG Proprietary-Contents may change without notice
11. Disassembly and Assembly Instructions
11-1
This Document can not be used without Samsung's authorization
1) Be careful not to make any scratch or damage on the
exterior.
1) Be careful not to make any scratch or damage on the
exterior.
2) Make no distortion of the rear cover while disassembling.
1) Be careful not to make any scratch or damage on the
exterior. 1) Be careful not to make a damage to the keypad
11-1. Disassembly Instructions
1) Remove 4 screw-caps on the rear cover.
2) Unscrew 6 bolts.
11) Unlock the lockers forcibly following the
directions below.
2
31) Disassemble the volume keys. 41) Disassemble the keypad
HOOK POSITION
12
3
4

SAMSUNG Proprietary-Contents may change without notice
Disassembly and Assembly Instructions
11-2
This Document can not be used without Samsung's authorization
1) Be careful not to make any damage to the pba 1) Be careful not to make any damage to the intenna
1) Be careful not to make any damage to the pba 1) Separate slowly with no damage to the LCD module.
5 6
7 8
1) Separate the PBA from the rear 1)Pull out the mike from intenna
2)Disassemble intenna from the pba
1)Disassemble shield can from the pba 1) Separate the window slowly.
2) Detach the lcd module after resoldering lcd
module f-pcb
12
3
HOOK POSITION
①
②

SAMSUNG Proprietary-Contents may change without notice
Disassembly and Assembly Instructions
11-3
This Document can not be used without Samsung's authorization
1) Separate slowly with no damage to f-pcb 1) Be careful not to make any damage to the F-PCB.
1) Be careful not to make any damage to the BT intenna
9 10
1) Separate the camera connector
2) Separate the camera and motor from speaker
module
1) Detach motor after reslodring 2 points
2) Unscrew 2 bolts
3) Detach receiver from speaker module
1) Detach BT intenna from speaker module
2) Detach speaker module from pba
3) Resolder receiver and speaker module
11

SAMSUNG Proprietary-Contents may change without notice
Disassembly and Assembly Instructions
11-4
This Document can not be used without Samsung's authorization
1) Handle the BT F-PCB with care not to be torn. 1) Check the polarity of motor
1) Handle the F-PCB with care not to be torn. 1) Handle the key F-PCB with care not to be torn while
assembling.
11-2. Assembly Instructions
1 2
3 4
1) solder receiver and speaker module.
2) Assemble speaker module to the pba
2) Place the BT INTENNA on the correct position in
the picture below.
1) Solder the mike with camera f-pcb.
2) bond the soldering part.
1) Put camera and motor into speaker module
2) Connect the camera connector.
1) Solder a lcd module.
2) attach the lcd into PBA
+
-
caution

SAMSUNG Proprietary-Contents may change without notice
Disassembly and Assembly Instructions
11-5
This Document can not be used without Samsung's authorization
1) 4 clip must be assembled properly 1) Handle the F-PCB with care not to be torn.
1) Be careful not to make any scratch or damage on the
exterior.
1) Be careful not to make any scratch or damage on the
exterior.
81) Assemble the keypad with rear
2) After assembling the keypad and rear, press
them properly.
51) Assemble shield can 61) Assemble the intenna
2) put the mike f-pcb into intenna
71) Assemble the PBA with rear
2) After assembling the PBA and rear, press them
properly.
12
3

SAMSUNG Proprietary-Contents may change without notice
Disassembly and Assembly Instructions
11-6
This Document can not be used without Samsung's authorization
1) Check dust and dirt on the LCD and the window.
2) Check the front cover and the window completely
assembled without an unnecessary gap.
91) Attach the volumekey to the front cover.
2) Assemble front to the rear
3) Screw 6 bolts.
4) Put the screw 4 caps
Be caution with
direction
Hook position Cap

SAMSUNG Proprietary-Contents may change without notice
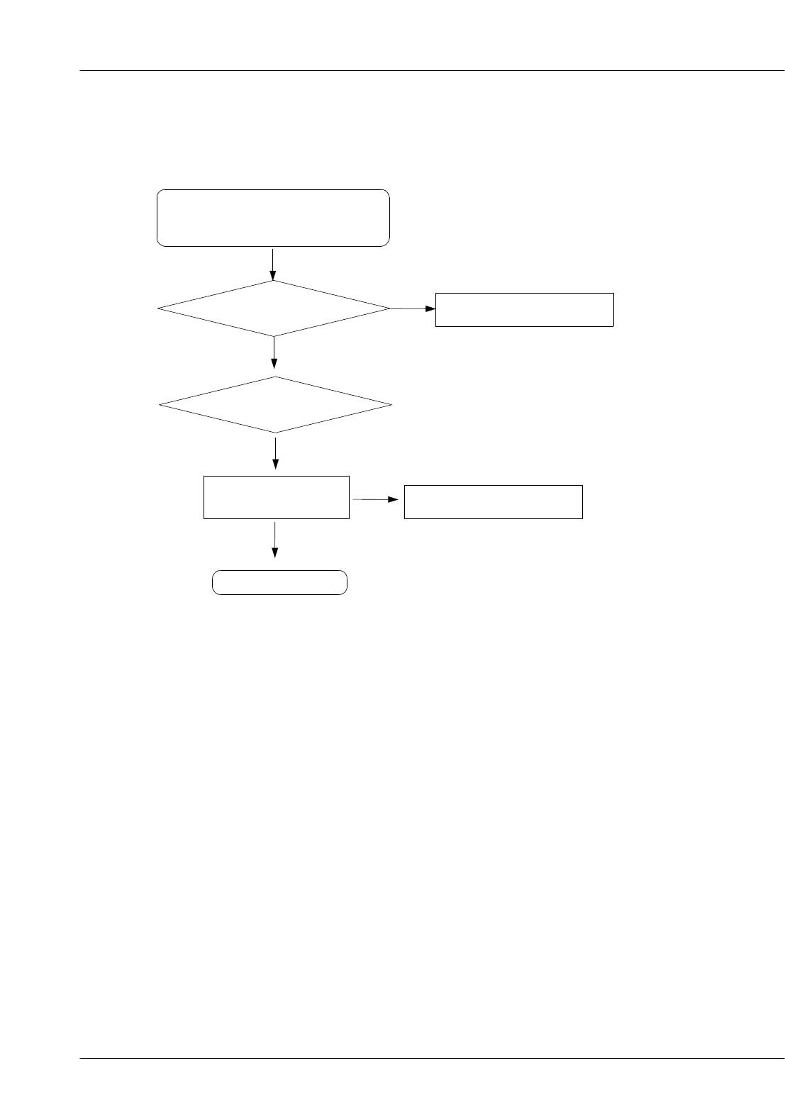
9. Flow Chart of Troubleshooting
This Document can not be used without Samsung's authorization
9-1

SAMSUNG Proprietary-Contents may change without notice
This Document can not be used without Samsung's authorization
Flow Chart of Troubleshooting
9-2
4
0
1
C
C105
6
0
1
C
7
0
1
C
8
0
1
C
9
0
1
C
C111
2
1
1
C
4
1
1
C
0
2
1
C
5
2
1
C
6
2
1
C
7
2
1
C
1
3
1
C
2
3
1
C
3
3
1
C
4
3
1
C
5
3
1
C
3
0
1
L
4
0
1
L
5
0
1
L
L106L110
0
0
1
C
S
O
1
0
1
R
R105
R108
0
1
1
R
R118
R119
0
2
1
R
0
0
1
A
T
U101
2
0
1
U
B
9
0
2
4
O
R
E
A
Power On

SAMSUNG Proprietary-Contents may change without notice
Flow Chart of Troubleshooting
This Document can not be used without Samsung's authorization
9-3
C300
C301
C302
C303
C304
5
0
3
C
C307
8
0
3
C
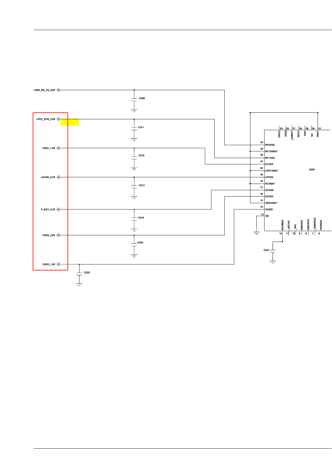
C309
C311
C312
C313
C319
C320
1
2
3
C
2
2
3
C
D600
0
0
3
R
R301
2
0
3
R
R303
R304
R305
TA300
1
0
3
A
T
0
0
3
U
1
N
/
N
H
0
0
6
0
5
F
C
P

SAMSUNG Proprietary-Contents may change without notice
This Document can not be used without Samsung's authorization
Flow Chart of Troubleshooting
9-4

SAMSUNG Proprietary-Contents may change without notice
Flow Chart of Troubleshooting
This Document can not be used without Samsung's authorization
9-5
No
Yes
No
Yes
3
0
1
T
N
A
2
0
1
T
N
A
C117
C118
1
2
1
C
3
2
1
C
4
2
1
C
8
2
1
C
C136
7
3
1
C
4
1
3
C
5
1
3
C
6
1
3
C
7
1
3
C
8
1
3
C
C607
0
1
6
C
9
0
6
C
C632
0
0
1
F
8
0
1
L
R107
1
1
1
R
4
2
1
R
5
2
1
R
7
1
6
R
8
1
6
R
9
1
6
R
0
0
3
M
I
S
U103
BC313141A18-IXF-E4
U602

SAMSUNG Proprietary-Contents may change without notice
This Document can not be used without Samsung's authorization
Flow Chart of Troubleshooting
9-6

SAMSUNG Proprietary-Contents may change without notice
Flow Chart of Troubleshooting
This Document can not be used without Samsung's authorization
9-7
C200
C201
C202
C203
C204
5
0
2
C
6
0
2
C
7
0
2
C
8
0
2
C
1
1
2
C
C212
C213
C214 C217C218
C400
2
0
4
C
3
0
4
C
8
0
4
C
9
1
4
C
C433
C434
C500
5
0
5
C
C517
D500
1
0
5
D
L500
L502
3
0
5
L
R123
1
0
2
R
2
0
2
R
3
0
2
R
4
0
2
R
R21 2 R213
R214
R215
6
1
2
R
7
1
2
R
0
2
2
R
9
1
2
R
1
2
2
R
R222
R223
4
2
2
R
5
2
2
R
R226
7
2
2
R
R229
0
3
2
R
R231
4
3
2
R
5
3
2
R
R400
R401
4
0
4
R
R407
8
0
4
R
R414
7
1
4
R
R504
R505
R506
R507
5
R
R517
TH200
1
0
2
P
T
2
0
2
P
T
TP203
TR500
U100
4
0
5
U
0
0
2
P
C
U
B
9
/
5
C
3
/
4
L
E
7
5
3
6
M
O
DIGIT4
7
T
I
G
I
D
0
0
6
D
E
L4
0
6
D
E
L
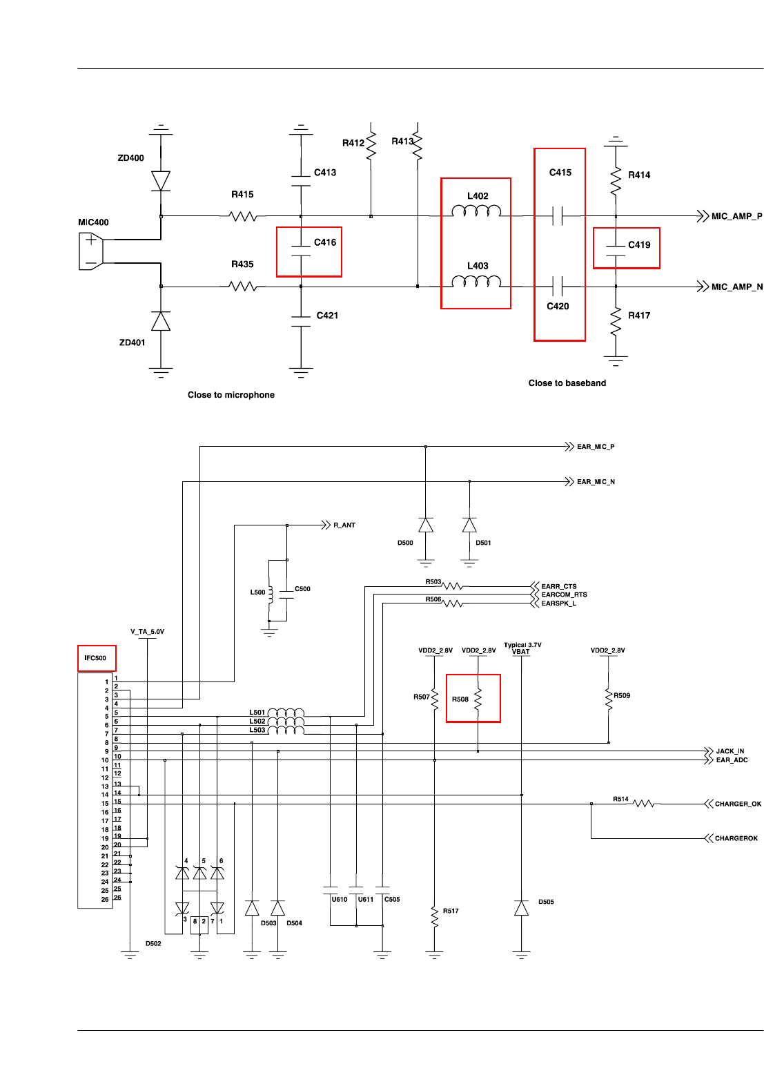
MIC400
4
0
6
R
R608
R
A
T
S
3
0
6
R
V

SAMSUNG Proprietary-Contents may change without notice
This Document can not be used without Samsung's authorization
Flow Chart of Troubleshooting
9-8

SAMSUNG Proprietary-Contents may change without notice
Flow Chart of Troubleshooting
This Document can not be used without Samsung's authorization
9-9

SAMSUNG Proprietary-Contents may change without notice
This Document can not be used without Samsung's authorization
Flow Chart of Troubleshooting
9-10
C200
C201
C202
C203
C204
5
0
2
C
6
0
2
C
7
0
2
C
8
0
2
C
1
1
2
C
C212
C213
C214 C217C218
C400
2
0
4
C
3
0
4
C
8
0
4
C
9
1
4
C
C433
C434
C500
5
0
5
C
C517
D500
1
0
5
D
L500
L502
3
0
5
L
R123
1
0
2
R
2
0
2
R
3
0
2
R
4
0
2
R
R21 2 R213
R214
R215
6
1
2
R
7
1
2
R
0
2
2
R
9
1
2
R
1
2
2
R
R222
R223
4
2
2
R
5
2
2
R
R226
7
2
2
R
R229
0
3
2
R
R231
4
3
2
R
5
3
2
R
R400
R401
4
0
4
R
R407
8
0
4
R
R414
7
1
4
R
R504
R505
R506
R507
5
R
R517
TH200
1
0
2
P
T
2
0
2
P
T
TP203
TR500
U100
4
0
5
U
0
0
2
P
C
U
B
9
/
5
C
3
/
4
L
E
7
5
3
6
M
O
6
0
2
C
C325
C400
3
0
4
C
C500
D500
1
0
5
D
D502
0
0
5
C
F
I
L500
R307
R309
R400
R401
R407
8
4
1
5
R

SAMSUNG Proprietary-Contents may change without notice
Flow Chart of Troubleshooting
This Document can not be used without Samsung's authorization
9-11

SAMSUNG Proprietary-Contents may change without notice
This Document can not be used without Samsung's authorization
Flow Chart of Troubleshooting
9-12

SAMSUNG Proprietary-Contents may change without notice
Flow Chart of Troubleshooting
This Document can not be used without Samsung's authorization
9-13
C200
C201
C202
C203
C204
5
0
2
C
6
0
2
C
7
0
2
C
8
0
2
C
1
1
2
C
C212
C213
C214 C217C218
C400
3
0
4
C
8
0
4
C
5
0
5
C
C517
D500
L502
3
0
5
L
1
0
2
R
2
0
2
R
3
0
2
R
4
0
2
R
R21 2 R213
R214
6
1
2
R
7
1
2
R
0
2
2
R
9
1
2
R
1
2
2
R
R222
R223
4
2
2
R
5
2
2
R
R226
7
2
2
R
R229
0
3
2
R
R231
4
3
2
R
5
3
2
R
R401
R407
8
0
4
R
7
1
4
R
R504
R505
R506
R507 R517
TH200
1
0
2
P
T
2
0
2
P
T
TP203
TR500
4
0
5
U
0
0
2
P
C
U
B
9
/
5
C
3
/
4
L
E
7
5
3
6
M
O

SAMSUNG Proprietary-Contents may change without notice
This Document can not be used without Samsung's authorization
Flow Chart of Troubleshooting
9-14

SAMSUNG Proprietary-Contents may change without notice
Flow Chart of Troubleshooting
This Document can not be used without Samsung's authorization
9-15
C300
C301
C302
C303
C304
5
0
3
C
C307
8
0
3
C
C309
C311
C312
C313
C319
C320
1
2
3
C
2
2
3
C
C325
C327
4
1
6
C
5
0
5
D
D600 D601
0
0
3
C
S
O
0
0
3
R
R301
2
0
3
R
R303
R304
R305
R307
R309
TA300
1
0
3
A
T
0
0
3
R
T
0
0
3
U
1
N
/
N
H
0
0
6
0
5
F
C
P

SAMSUNG Proprietary-Contents may change without notice
This Document can not be used without Samsung's authorization
Flow Chart of Troubleshooting
9-16

SAMSUNG Proprietary-Contents may change without notice
Flow Chart of Troubleshooting
This Document can not be used without Samsung's authorization
9-17
4
0
4
C
5
0
4
C
9
0
4
C
C410
C411
C412
C414
C417
2
2
4
C
C423
C424
2
1
5
C
MT200
2
0
4
R
5
0
4
R
6
0
4
R
R411
2
2
5
R
3
2
5
R
R524
SC102
1
0
4
U
G
C
Z
A
6
6
1
6
U
2
9
X
M
U502

SAMSUNG Proprietary-Contents may change without notice
This Document can not be used without Samsung's authorization
Flow Chart of Troubleshooting
9-18

SAMSUNG Proprietary-Contents may change without notice
Flow Chart of Troubleshooting
This Document can not be used without Samsung's authorization
9-19

SAMSUNG Proprietary-Contents may change without notice
This Document can not be used without Samsung's authorization
Flow Chart of Troubleshooting
9-20

SAMSUNG Proprietary-Contents may change without notice
Flow Chart of Troubleshooting
This Document can not be used without Samsung's authorization
9-21

SAMSUNG Proprietary-Contents may change without notice
This Document can not be used without Samsung's authorization
Flow Chart of Troubleshooting
9-22
C300
C301
C302
C303
C304
5
0
3
C
C307
8
0
3
C
C309
C311
C312
C313
C319
C320
1
2
3
C
2
2
3
C
D600
0
0
3
R
R301
2
0
3
R
R303
R304
R305
TA300
1
0
3
A
T
0
0
3
U
1
N
/
N
H
0
0
6
0
5
F
C
P

SAMSUNG Proprietary-Contents may change without notice
Flow Chart of Troubleshooting
This Document can not be used without Samsung's authorization
9-23
R
L
C
DIGIT0
1
T
I
G
I
D
DIGIT2 DIGIT3
DIGIT4 DIGIT5
6
T
I
G
I
D
7
T
I
G
I
D
DIGIT8
9
T
I
G
I
D
DOWN
D
N
E
INT
0
0
6
D
E
L
1
0
6
D
E
L
2
0
6
D
E
L
3
0
6
D
E
L
4
0
6
D
E
L
5
0
6
D
E
L
6
0
6
D
E
L
7
0
6
D
E
L
8
0
6
D
E
L
9
0
6
D
E
L
0
1
6
D
E
L
1
1
6
D
E
L
T
F
E
L
D
U
O
L
MIC400
R603
4
0
6
R
R605
R606
R607
R608
R609
R610
R611
2
1
6
R
R613
4
1
6
R
T
H
G
I
R
D
N
E
S
P
R
A
H
S
1
T
F
O
S
2
T
F
O
S
R
A
T
S
TP207
TP208
TP210
TP212
TP214
TP216
TP218
TP220
TP221
UP
VR301
VR602
3
0
6
R
V
VR604
VR605
VR606
VR607

SAMSUNG Proprietary-Contents may change without notice
This Document can not be used without Samsung's authorization
Flow Chart of Troubleshooting
9-24

SAMSUNG Proprietary-Contents may change without notice
Flow Chart of Troubleshooting
This Document can not be used without Samsung's authorization
9-25

SAMSUNG Proprietary-Contents may change without notice
This Document can not be used without Samsung's authorization
Flow Chart of Troubleshooting
9-26
BTC600
0
0
1
C
2
0
1
C
3
0
1
C
4
0
1
C
C105
6
0
1
C
7
0
1
C
8
0
1
C
9
0
1
C
0
1
1
C
C111
2
1
1
C
4
1
1
C
C115
0
2
1
C
5
2
1
C
6
2
1
C
7
2
1
C
1
3
1
C
2
3
1
C
3
3
1
C
4
3
1
C
5
3
1
C
C200
C201
C202
C203
C204
5
0
2
C
6
0
2
C
7
0
2
C
8
0
2
C
C209
C210
1
1
2
C
C212
C213
C214
5
1
2
C
C216
C217C218
C219
C320
1
2
3
C
2
2
3
C
C400
C401
2
0
4
C
3
0
4
C
4
0
4
C
5
0
4
C
C406
8
0
4
C
9
0
4
C
C410
C411
C412
C414
C415
C417
9
1
4
C
C420
2
2
4
C
C423
C424
2
3
4
C
C433
C434
8
3
4
C
9
3
4
C
C440
C500
5
0
5
C
2
1
5
C
6
1
5
C
C517
C519
C60 0 C602C603 C604
8
0
6
C
1
1
6
C
2
1
6
C
3
1
6
C
7
2
8
2
6
9
2
6
1
3
6
C
D500
1
0
5
D
D502
D503
D504
0
0
5
F
0
0
5
C
F
I
L100
1
0
1
L
2
0
1
L
3
0
1
L
4
0
1
L
5
0
1
L
L106L110
L400
L401
L402
L403
L500
1
0
5
L
L502
3
0
5
L
MT200 MT201
0
0
1
C
S
O
0
0
1
M
A
P
1
1
-
8
1
5
7
7
Y
K
S
1
0
1
R
2
0
1
R
3
0
1
R
R104
R105
R108
0
1
1
R
R112
R113
R114
R115
R116
R117
R118
R119
0
2
1
R
R123
1
0
2
R
2
0
2
R
3
0
2
R
4
0
2
R
R205
6
0
2
R
7
0
2
R
8
0
2
R
1
1
2
R
9
0
2
R
R212 R213
R214
R215
6
1
2
R
7
1
2
R
0
2
2
R
9
1
2
R
1
2
2
R
R222
R223
4
2
2
R
5
2
2
R
R226
7
2
2
R
R229
0
3
2
R
R231
R233
4
3
2
R
5
3
2
R
R304
R305 R309
R400
R401
2
0
4
R
4
0
4
R
5
0
4
R
6
0
4
R
R407
8
0
4
R
R409
R410
R411
R412
R413
R414
7
1
4
R
R421
R432
R503
R504
R505
R506
R507
R508
0
1
5
R
1
1
5
R
4
1
5
R
R517
2
2
5
R
3
2
5
R
R524
R600
1
0
6
R
RFS100
SC100
1
0
1
C
S
SC102
3
0
1
C
S
0
0
1
A
T
0
0
4
A
T
TH200
1
0
1
P
T
TP200
1
0
2
P
T
2
0
2
P
T
TP203
TP204
TP400
TR400
TR500
U100
U101
2
0
1
U
B
9
0
2
4
O
R
E
A
0
0
2
U
C320
1
2
3
C
2
2
3
C
R304
R305 R309
1
0
4
U
G
C
Z
A
6
6
1
6
U
2
9
X
M
U404
U502
4
0
5
U
0
0
6
U
0
0
2
P
C
U
B
9
/
5
C
3
/
4
L
E
7
5
3
6
M
O
UME200
S71WS128NC0BFWA7
8
0
6
R
V
ZD100

SAMSUNG Proprietary-Contents may change without notice
Flow Chart of Troubleshooting
This Document can not be used without Samsung's authorization
9-27

SAMSUNG Proprietary-Contents may change without notice
This Document can not be used without Samsung's authorization
Flow Chart of Troubleshooting
9-28

SAMSUNG Proprietary-Contents may change without notice
Flow Chart of Troubleshooting
This Document can not be used without Samsung's authorization
9-29
BTC600
0
0
1
C
2
0
1
C
3
0
1
C
4
0
1
C
C105
6
0
1
C
7
0
1
C
8
0
1
C
9
0
1
C
0
1
1
C
C111
2
1
1
C
4
1
1
C
C115
0
2
1
C
5
2
1
C
6
2
1
C
7
2
1
C
1
3
1
C
2
3
1
C
3
3
1
C
4
3
1
C
5
3
1
C
C200
C201
C202
C203
C204
5
0
2
C
6
0
2
C
7
0
2
C
8
0
2
C
C209
C210
1
1
2
C
C212
C213
C214
5
1
2
C
C216
C217C218
C219
C320
1
2
3
C
2
2
3
C
C400
C401
2
0
4
C
3
0
4
C
4
0
4
C
5
0
4
C
C406
8
0
4
C
9
0
4
C
C410
C411
C412
C414
C415
C417
9
1
4
C
C420
2
2
4
C
C423
C424
2
3
4
C
C433
C434
8
3
4
C
9
3
4
C
C440
C500
5
0
5
C
2
1
5
C
6
1
5
C
C517
C519
C60 0 C602C603 C604
8
0
6
C
1
1
6
C
2
1
6
C
3
1
6
C
7
2
8
2
6
9
2
6
1
3
6
C
D500
1
0
5
D
D502
D503
D504
0
0
5
F
0
0
5
C
F
I
L100
1
0
1
L
2
0
1
L
3
0
1
L
4
0
1
L
5
0
1
L
L106L110
L400
L401
L402
L403
L500
1
0
5
L
L502
3
0
5
L
MT200 MT201
0
0
1
C
S
O
0
0
1
M
A
P
1
1
-
8
1
5
7
7
Y
K
S
1
0
1
R
2
0
1
R
3
0
1
R
R104
R105
R108
0
1
1
R
R112
R113
R114
R115
R116
R117
R118
R119
0
2
1
R
R123
1
0
2
R
2
0
2
R
3
0
2
R
4
0
2
R
R205
6
0
2
R
7
0
2
R
8
0
2
R
1
1
2
R
9
0
2
R
R212 R213
R214
R215
6
1
2
R
7
1
2
R
0
2
2
R
9
1
2
R
1
2
2
R
R222
R223
4
2
2
R
5
2
2
R
R226
7
2
2
R
R229
0
3
2
R
R231
R233
4
3
2
R
5
3
2
R
R304
R305 R309
R400
R401
2
0
4
R
4
0
4
R
5
0
4
R
6
0
4
R
R407
8
0
4
R
R409
R410
R411
R412
R413
R414
7
1
4
R
R421
R432
R503
R504
R505
R506
R507
R508
0
1
5
R
1
1
5
R
4
1
5
R
R517
2
2
5
R
3
2
5
R
R524
R600
1
0
6
R
RFS100
SC100
1
0
1
C
S
SC102
3
0
1
C
S
0
0
1
A
T
0
0
4
A
T
TH200
1
0
1
P
T
TP200
1
0
2
P
T
2
0
2
P
T
TP203
TP204
TP400
TR400
TR500
U100
U101
2
0
1
U
B
9
0
2
4
O
R
E
A
0
0
2
U
C320
1
2
3
C
2
2
3
C
R304
R305 R309
1
0
4
U
G
C
Z
A
6
6
1
6
U
2
9
X
M
U404
U502
4
0
5
U
0
0
6
U
0
0
2
P
C
U
B
9
/
5
C
3
/
4
L
E
7
5
3
6
M
O
UME200
S71WS128NC0BFWA7
8
0
6
R
V
ZD100

SAMSUNG Proprietary-Contents may change without notice
This Document can not be used without Samsung's authorization
Flow Chart of Troubleshooting
9-30

SAMSUNG Proprietary-Contents may change without notice
Flow Chart of Troubleshooting
This Document can not be used without Samsung's authorization
9-31

SAMSUNG Proprietary-Contents may change without notice
This Document can not be used without Samsung's authorization
Flow Chart of Troubleshooting
9-32
BTC600
0
0
1
C
2
0
1
C
3
0
1
C
4
0
1
C
C105
6
0
1
C
7
0
1
C
8
0
1
C
9
0
1
C
0
1
1
C
C111
2
1
1
C
4
1
1
C
C115
0
2
1
C
5
2
1
C
6
2
1
C
7
2
1
C
1
3
1
C
2
3
1
C
3
3
1
C
4
3
1
C
5
3
1
C
C200
C201
C202
C203
C204
5
0
2
C
6
0
2
C
7
0
2
C
8
0
2
C
C209
C210
1
1
2
C
C212
C213
C214
5
1
2
C
C216
C217C218
C219
C320
1
2
3
C
2
2
3
C
C400
C401
2
0
4
C
3
0
4
C
4
0
4
C
5
0
4
C
C406
8
0
4
C
9
0
4
C
C410
C411
C412
C414
C415
C417
9
1
4
C
C420
2
2
4
C
C423
C424
2
3
4
C
C433
C434
8
3
4
C
9
3
4
C
C440
C500
5
0
5
C
2
1
5
C
6
1
5
C
C517
C519
C60 0 C602C603 C604
8
0
6
C
1
1
6
C
2
1
6
C
3
1
6
C
7
2
8
2
6
9
2
6
1
3
6
C
D500
1
0
5
D
D502
D503
D504
0
0
5
F
0
0
5
C
F
I
L100
1
0
1
L
2
0
1
L
3
0
1
L
4
0
1
L
5
0
1
L
L106L110
L400
L401
L402
L403
L500
1
0
5
L
L502
3
0
5
L
MT200 MT201
0
0
1
C
S
O
0
0
1
M
A
P
1
1
-
8
1
5
7
7
Y
K
S
1
0
1
R
2
0
1
R
3
0
1
R
R104
R105
R108
0
1
1
R
R112
R113
R114
R115
R116
R117
R118
R119
0
2
1
R
R123
1
0
2
R
2
0
2
R
3
0
2
R
4
0
2
R
R205
6
0
2
R
7
0
2
R
8
0
2
R
1
1
2
R
9
0
2
R
R212 R213
R214
R215
6
1
2
R
7
1
2
R
0
2
2
R
9
1
2
R
1
2
2
R
R222
R223
4
2
2
R
5
2
2
R
R226
7
2
2
R
R229
0
3
2
R
R231
R233
4
3
2
R
5
3
2
R
R304
R305 R309
R400
R401
2
0
4
R
4
0
4
R
5
0
4
R
6
0
4
R
R407
8
0
4
R
R409
R410
R411
R412
R413
R414
7
1
4
R
R421
R432
R503
R504
R505
R506
R507
R508
0
1
5
R
1
1
5
R
4
1
5
R
R517
2
2
5
R
3
2
5
R
R524
R600
1
0
6
R
RFS100
SC100
1
0
1
C
S
SC102
3
0
1
C
S
0
0
1
A
T
0
0
4
A
T
TH200
1
0
1
P
T
TP200
1
0
2
P
T
2
0
2
P
T
TP203
TP204
TP400
TR400
TR500
U100
U101
2
0
1
U
B
9
0
2
4
O
R
E
A
0
0
2
U
C320
1
2
3
C
2
2
3
C
R304
R305 R309
1
0
4
U
G
C
Z
A
6
6
1
6
U
2
9
X
M
U404
U502
4
0
5
U
0
0
6
U
0
0
2
P
C
U
B
9
/
5
C
3
/
4
L
E
7
5
3
6
M
O
UME200
S71WS128NC0BFWA7
8
0
6
R
V
ZD100

SAMSUNG Proprietary-Contents may change without notice
Flow Chart of Troubleshooting
This Document can not be used without Samsung's authorization
9-33

SAMSUNG Proprietary-Contents may change without notice
This Document can not be used without Samsung's authorization
Flow Chart of Troubleshooting
9-34

SAMSUNG Proprietary-Contents may change without notice
Flow Chart of Troubleshooting
This Document can not be used without Samsung's authorization
9-35
BTC600
0
0
1
C
2
0
1
C
3
0
1
C
4
0
1
C
C105
6
0
1
C
7
0
1
C
8
0
1
C
9
0
1
C
0
1
1
C
C111
2
1
1
C
4
1
1
C
C115
0
2
1
C
5
2
1
C
6
2
1
C
7
2
1
C
1
3
1
C
2
3
1
C
3
3
1
C
4
3
1
C
5
3
1
C
C200
C201
C202
C203
C204
5
0
2
C
6
0
2
C
7
0
2
C
8
0
2
C
C209
C210
1
1
2
C
C212
C213
C214
5
1
2
C
C216
C217C218
C219
C320
1
2
3
C
2
2
3
C
C400
C401
2
0
4
C
3
0
4
C
4
0
4
C
5
0
4
C
C406
8
0
4
C
9
0
4
C
C410
C411
C412
C414
C415
C417
9
1
4
C
C420
2
2
4
C
C423
C424
2
3
4
C
C433
C434
8
3
4
C
9
3
4
C
C440
C500
5
0
5
C
2
1
5
C
6
1
5
C
C517
C519
C60 0 C602C603 C604
8
0
6
C
1
1
6
C
2
1
6
C
3
1
6
C
7
2
8
2
6
9
2
6
1
3
6
C
D500
1
0
5
D
D502
D503
D504
0
0
5
F
0
0
5
C
F
I
L100
1
0
1
L
2
0
1
L
3
0
1
L
4
0
1
L
5
0
1
L
L106L110
L400
L401
L402
L403
L500
1
0
5
L
L502
3
0
5
L
MT200 MT201
0
0
1
C
S
O
0
0
1
M
A
P
1
1
-
8
1
5
7
7
Y
K
S
1
0
1
R
2
0
1
R
3
0
1
R
R104
R105
R108
0
1
1
R
R112
R113
R114
R115
R116
R117
R118
R119
0
2
1
R
R123
1
0
2
R
2
0
2
R
3
0
2
R
4
0
2
R
R205
6
0
2
R
7
0
2
R
8
0
2
R
1
1
2
R
9
0
2
R
R212 R213
R214
R215
6
1
2
R
7
1
2
R
0
2
2
R
9
1
2
R
1
2
2
R
R222
R223
4
2
2
R
5
2
2
R
R226
7
2
2
R
R229
0
3
2
R
R231
R233
4
3
2
R
5
3
2
R
R304
R305 R309
R400
R401
2
0
4
R
4
0
4
R
5
0
4
R
6
0
4
R
R407
8
0
4
R
R409
R410
R411
R412
R413
R414
7
1
4
R
R421
R432
R503
R504
R505
R506
R507
R508
0
1
5
R
1
1
5
R
4
1
5
R
R517
2
2
5
R
3
2
5
R
R524
R600
1
0
6
R
RFS100
SC100
1
0
1
C
S
SC102
3
0
1
C
S
0
0
1
A
T
0
0
4
A
T
TH200
1
0
1
P
T
TP200
1
0
2
P
T
2
0
2
P
T
TP203
TP204
TP400
TR400
TR500
U100
U101
2
0
1
U
B
9
0
2
4
O
R
E
A
0
0
2
U
C320
1
2
3
C
2
2
3
C
R304
R305 R309
1
0
4
U
G
C
Z
A
6
6
1
6
U
2
9
X
M
U404
U502
4
0
5
U
0
0
6
U
0
0
2
P
C
U
B
9
/
5
C
3
/
4
L
E
7
5
3
6
M
O
UME200
S71WS128NC0BFWA7
8
0
6
R
V
ZD100

SAMSUNG Proprietary-Contents may change without notice
This Document can not be used without Samsung's authorization
Flow Chart of Troubleshooting
9-36

SAMSUNG Proprietary-Contents may change without notice
4. Array course control
4-1
This Document can not be used without Samsung's authorization
4-1. Software Adjustments
1. JIG Box(GH80-01909A) : Download, Trace, Calibration, etc
2. RF test cable(GH39-00397A) :RFtest
3. TA(Travel Adaptor) (GH39-00919A)
4. Serial cable: PC to JIG
5. Test cable(GH39-00854A) : JIG to phone

SAMSUNG Proprietary-Contents may change without notice
Array course control
4-2
This Document can not be used without Samsung's authorization
4-2. Software Downloading
4-2-1. Downloading Binary Files
• 2 binary files for downloading M110.
–M110XAGH2.cla
–M110XAGH2.tfs
4-2-2. Pre-requsite for Downloading
• Downloader Program(C450 Downloader 2.0NEW)
• SGH-M110 Mobile Phone
•JIGBOX
• Test Cable
• Serial Cable
• Binary files

SAMSUNG Proprietary-Contents may change without notice
Array course control
4-3
This Document can not be used without Samsung's authorization
4-2-3. S/W Downloader Program
1. Load the binary download program by executing the “C450 Downloader 2.0NEW”.
2. Select the Port, Baud Rate and Mode.

SAMSUNG Proprietary-Contents may change without notice
Array course control
4-4
This Document can not be used without Samsung's authorization
3. Select the binary files what you want to download

SAMSUNG Proprietary-Contents may change without notice
Array course control
4-5
This Document can not be used without Samsung's authorization
4. Press the "Start" button and connect the Handset
5. When downloading is complete, automatically the small window was showed up..

SAMSUNG Proprietary-Contents may change without notice
Array course control
4-6
This Document can not be used without Samsung's authorization

7. Block Diagrams
7-1
7-1. Main Block Diagram
SYSOL3
(BGA-183)
GSM/GPRS
OM6357-8
(PCF50874-6 +
PCF50732)
ARM7TDMI DSP(RD
16022)
RF Interface
EMI
KBS
IIC
SIM I/F
MEMORY
Nor/UtRAM MCP
(S71WS128NC0
BFWA7)
128M/64Mb
70nS
CSTN- LCD
128 X 128
65K color
(Hosiden)
STN- LCD
RF I/F
(AERO4209B)
PMU(PCF50600)
10 Ch LDO
1ChChargePump
IIC Interface/RTC
Basic Charging
SIM Interface
Charging controller
Keypad
Audio (MIC)
MIC
EAR_MIC
Battery
STD(1000mA)
Audio (SPK)
(BMS-171301SL08V)
SPK &EARSPK
Camera

Block Diagrams
7-2
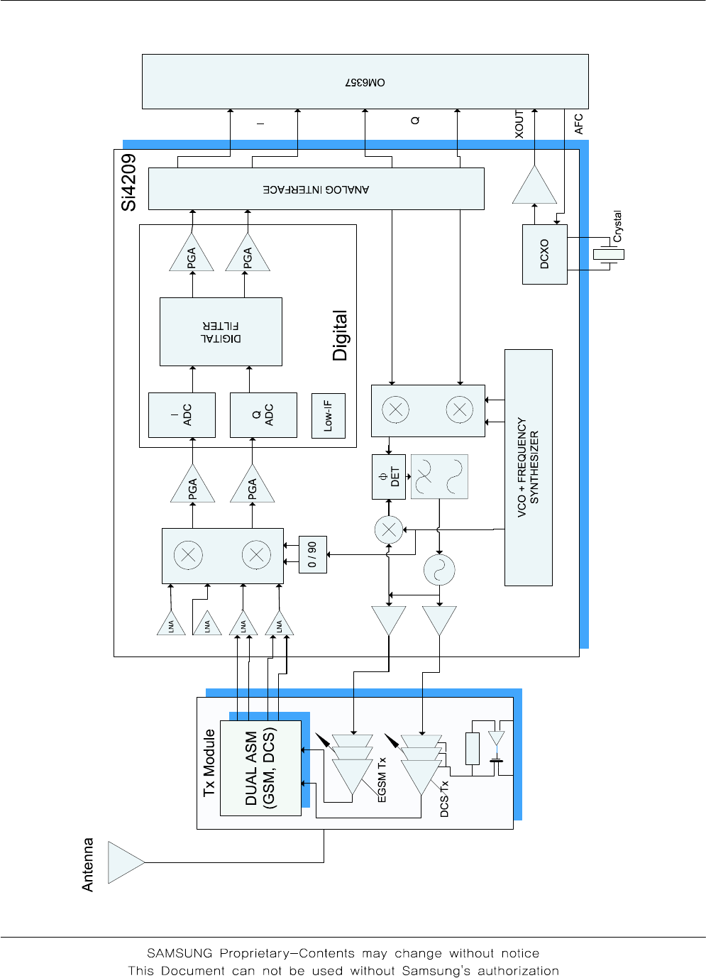
7-2. RF Solution Block Diagram

8. PCB Diagrams
8-1
-Main top view

PCB Diagrams
8-2
-Main bottom biew

SAMSUNG Proprietary-Contents may change without notice
3. Product Function
3-1
This Document can not be used without Samsung's authorization
Main Function
S20PinTA
No Java
NoMMS
FM radio
WAP2.0
16PolyS/WMIDI
Dual band(900/1800MHz)
GPRS Class 10
VGA camera
Bluetooth
Waterproof

SAMSUNG Proprietary-Contents may change without notice
Product Function
3-2
This Document can not be used without Samsung's authorization

SAMSUNG Proprietary-Contents may change without notice
10. Reference data
10-1
This Document can not be used without Samsung's authorization
Reference Abbreviate
―AAC: Advanced Audio Coding.
―AVC : Advanced Video Coding.
―BER : Bit Error Rate
―BPSK: Binary Phase Shift Keying
―CA : Conditional Access
―CDM : Code Division Multiplexing
―C/I : Carrier to Interference
―DMB : Digital Multimedia Broadcasting
―EN : European Standard
―ES : Elementary Stream
―ETSI: European Telecommunications Standards Institute
―MPEG: Moving Picture Experts Group
―PN : Pseudo-random Noise
―PS :PilotSymbol
―QPSK: Quadrature Phase Shift Keying
―RS : Reed-Solomon
―SI : Service Information
―TDM : Time Division Multiplexing
―TS : Transport Stream

SAMSUNG Proprietary-Contents may change without notice
Reference data
10-2
This Document can not be used without Samsung's authorization

SAMSUNG Proprietary-Contents may change without notice
1. Safety Precautions
1-1
This Document can not be used without Samsung's authorization
1-1. Repair Precaution
―Repair in Shield Box, during detailed tuning. Take specially care of tuning or test, because
specipicty of cellular phone is sensitive for surrounding interference(RF noise).
―Be careful to use a kind of magnetic object or tool, because performance of parts is damaged by
the influence of magnetic force.
―Surely use a standard screwdriver when you disassemble this product, otherwise screw will be
worn away.
―Use a thicken twisted wire when you measure level.
A thicken twisted wire has low resistance, therefore error of measurement is few.
―Repair after separate Test Pack and Set because for short danger (for example an overcurrent
and furious flames of parts etc) when you repair board in condition of connecting Test Pack and
tuning on.
―Take specially care of soldering, because Land of PCB is small and weak in heat.
―Surely tune on/off while using AC power plug, because a repair of battery charger is dangerous
when tuning ON/OFF PBA and Connector after disassembling charger.
―Don't use as you pleases after change other material than replacement registered on SEC System.
Otherwise engineer in charge isn't charged with problem that you don't keep this rules.

SAMSUNG Proprietary-Contents may change without notice
Safety Precautions
1-2
This Document can not be used without Samsung's authorization
1-2. ESD(Electrostatically Sensitive Devices) Precaution
Several semiconductor may be damaged easily by static electricity. Such parts are called by ESD
(Electrostatically Sensitive Devices), for example IC,BGA chip etc. Read Precaution below.
You can prevent from ESD damage by static electricity.
―Remove static electricity remained your body before you touch semiconductor or parts with
semiconductor. There are ways that you touch an earthed place or wear static electricity prevention
string on wrist.
―Use earthed soldering steel when you connect or disconnect ESD.
―Use soldering removing tool to break static electricity. , otherwise ESD will be damaged by static
electricity.
―Don't unpack until you set up ESD on product. Because most of ESD are packed by box and
aluminum plate to have conductive power,they are prevented from static electricity.
―You must maintain electric contact between ESD and place due to be set up until ESD is
connected completely to the proper place or a circuit board.

SAMSUNG Proprietary-Contents may change without notice
6. Main Electrical Parts List
6-1
This Document can not be used without Samsung's authorization
SEC Code Design LOC Description STATUS
0406-001104 D502 DIODE-TVS SA
0406-001150 D600 DIODE-TVS SA
0406-001254 D404 DIODE-TVS SA
0406-001254 D405 DIODE-TVS SA
0406-001279 D300 DIODE-TVS SA
0406-001279 D400 DIODE-TVS SA
0406-001279 D401 DIODE-TVS SA
0406-001279 D402 DIODE-TVS SA
0406-001279 D403 DIODE-TVS SA
0406-001279 D500 DIODE-TVS SA
0406-001279 D501 DIODE-TVS SA
0406-001279 D503 DIODE-TVS SA
0406-001279 D504 DIODE-TVS SA
0406-001279 D601 DIODE-TVS SA
0502-001116 TR300 TR-POWER SA
0504-001197 TR500 TR-DIGITAL SA
0505-001469 U503 FET-SILICON SA
0505-001469 U600 FET-SILICON SA
0505-001923 U504 FET-SILICON SA
0505-002088 TR400 FET-SILICON SA
0505-002088 TR501 FET-SILICON SA
0601-002361 LED600 LED SA
0601-002361 LED601 LED SA
0601-002361 LED602 LED SA
0601-002361 LED603 LED SA
0601-002361 LED604 LED SA
0601-002361 LED605 LED SA
0601-002361 LED606 LED SA
0601-002361 LED607 LED SA
0601-002361 LED609 LED SA
0601-002361 LED610 LED SA
0601-002361 LED611 LED SA
0801-002237 U502 IC-CMOS LOGIC SA
1001-001231 U200 IC-ANALOG SWITCH SA
1001-001349 U402 IC-ANALOG MULTIPLEX SA
1001-001447 U100 IC-ANALOG MULTIPLEX SA
1001-001447 U406 IC-ANALOG MULTIPLEX SA
1108-000163 UME200 IC-MCP SA
1201-002490 PAM100 IC-POWER AMP SA
1201-002492 U403 IC-AUDIO AMP SA
1203-004155 U602 IC-DC/DC CONVERTER SA
1203-004338 U302 IC-POSI.FIXED REG. SA
1203-004550 U300 IC-POWER SUPERVISOR SA
1204-002700 U404 IC-TUNER SA
1204-002783 U401 IC-SOUND GENERATOR SA
1205-003064 U103 IC-DATA COMM./GEN. SA
1205-003192 UCP200 IC-COMM. CONTROLLER SA
1205-003278 U102 IC-TRANSCEIVER SA
1404-001221 TH200 THERMISTOR-NTC SA
1405-001082 VR301 VARISTOR SA
1405-001082 VR602 VARISTOR SA
1405-001082 VR603 VARISTOR SA
1405-001082 VR604 VARISTOR SA

SAMSUNG Proprietary-Contents may change without notice
Main Electrical Parts List
6-2
This Document can not be used without Samsung's authorization
SEC Code Design LOC Description STATUS
1405-001082 VR605 VARISTOR SA
1405-001082 VR606 VARISTOR SA
1405-001082 VR607 VARISTOR SA
1405-001121 VR608 VARISTOR SA
2007-000138 R103 R-CHIP SA
2007-000138 R233 R-CHIP SA
2007-000138 R442 R-CHIP SA
2007-000138 R449 R-CHIP SA
2007-000140 R519 R-CHIP SA
2007-000140 R601 R-CHIP SA
2007-000141 R224 R-CHIP SA
2007-000141 R225 R-CHIP SA
2007-000141 R409 R-CHIP SA
2007-000141 R410 R-CHIP SA
2007-000141 R412 R-CHIP SA
2007-000141 R413 R-CHIP SA
2007-000143 R105 R-CHIP SA
2007-000143 R108 R-CHIP SA
2007-000143 R118 R-CHIP SA
2007-000143 R119 R-CHIP SA
2007-000143 R120 R-CHIP SA
2007-000143 R229 R-CHIP SA
2007-000143 R501 R-CHIP SA
2007-000143 R502 R-CHIP SA
2007-000148 R308 R-CHIP SA
2007-000148 R421 R-CHIP SA
2007-000157 R111 R-CHIP SA
2007-000157 R617 R-CHIP SA
2007-000157 R618 R-CHIP SA
2007-000159 R212 R-CHIP SA
2007-000160 R406 R-CHIP SA
2007-000162 R202 R-CHIP SA
2007-000162 R203 R-CHIP SA
2007-000162 R206 R-CHIP SA
2007-000162 R207 R-CHIP SA
2007-000162 R208 R-CHIP SA
2007-000162 R209 R-CHIP SA
2007-000162 R211 R-CHIP SA
2007-000162 R215 R-CHIP SA
2007-000162 R219 R-CHIP SA
2007-000162 R220 R-CHIP SA
2007-000162 R221 R-CHIP SA
2007-000162 R226 R-CHIP SA
2007-000162 R227 R-CHIP SA
2007-000162 R230 R-CHIP SA
2007-000162 R231 R-CHIP SA
2007-000162 R234 R-CHIP SA
2007-000162 R235 R-CHIP SA
2007-000162 R303 R-CHIP SA
2007-000162 R432 R-CHIP SA
2007-000162 R518 R-CHIP SA
2007-000162 R520 R-CHIP SA
2007-000162 R600 R-CHIP SA

SAMSUNG Proprietary-Contents may change without notice
Main Electrical Parts List
6-3
This Document can not be used without Samsung's authorization
SEC Code Design LOC Description STATUS
2007-000162 R615 R-CHIP SA
2007-000162 R619 R-CHIP SA
2007-000170 R302 R-CHIP SA
2007-000171 L300 R-CHIP SA
2007-000171 R100 R-CHIP SA
2007-000171 R125 R-CHIP SA
2007-000171 R204 R-CHIP SA
2007-000171 R216 R-CHIP SA
2007-000171 R217 R-CHIP SA
2007-000171 R402 R-CHIP SA
2007-000171 R415 R-CHIP SA
2007-000171 R435 R-CHIP SA
2007-000171 R509 R-CHIP SA
2007-000171 R514 R-CHIP SA
2007-000174 R201 R-CHIP SA
2007-000758 R305 R-CHIP SA
2007-000932 R112 R-CHIP SA
2007-000932 R113 R-CHIP SA
2007-000932 R115 R-CHIP SA
2007-000932 R116 R-CHIP SA
2007-001301 R606 R-CHIP SA
2007-001301 R607 R-CHIP SA
2007-001303 R524 R-CHIP SA
2007-001303 R603 R-CHIP SA
2007-001303 R608 R-CHIP SA
2007-001303 R613 R-CHIP SA
2007-001308 R605 R-CHIP SA
2007-001325 R411 R-CHIP SA
2007-001339 R102 R-CHIP SA
2007-001339 R123 R-CHIP SA
2007-001339 R304 R-CHIP SA
2007-001339 R507 R-CHIP SA
2007-001339 R508 R-CHIP SA
2007-001339 R510 R-CHIP SA
2007-001339 R511 R-CHIP SA
2007-003001 R114 R-CHIP SA
2007-003001 R117 R-CHIP SA
2007-003006 R503 R-CHIP SA
2007-003006 R506 R-CHIP SA
2007-003015 R107 R-CHIP SA
2007-003030 R604 R-CHIP SA
2007-007001 R223 R-CHIP SA
2007-007008 R614 R-CHIP SA
2007-007014 R522 R-CHIP SA
2007-007014 R523 R-CHIP SA
2007-007092 R101 R-CHIP SA
2007-007100 R300 R-CHIP SA
2007-007107 R213 R-CHIP SA
2007-007107 R222 R-CHIP SA
2007-007107 R504 R-CHIP SA
2007-007107 R505 R-CHIP SA
2007-007107 R517 R-CHIP SA
2007-007132 R620 R-CHIP SA

SAMSUNG Proprietary-Contents may change without notice
Main Electrical Parts List
6-4
This Document can not be used without Samsung's authorization
SEC Code Design LOC Description STATUS
2007-007141 R205 R-CHIP SA
2007-007141 R609 R-CHIP SA
2007-007141 R610 R-CHIP SA
2007-007141 R611 R-CHIP SA
2007-007142 R214 R-CHIP SA
2007-007306 L502 R-CHIP SA
2007-007308 R405 R-CHIP SA
2007-007310 R621 R-CHIP SA
2007-007334 R309 R-CHIP SA
2007-007573 R307 R-CHIP SA
2007-009874 R301 R-CHIP SA
2203-000233 C136 C-CER,CHIP SA
2203-000233 C432 C-CER,CHIP SA
2203-000233 C503 C-CER,CHIP SA
2203-000233 C512 C-CER,CHIP SA
2203-000254 C118 C-CER,CHIP SA
2203-000254 C119 C-CER,CHIP SA
2203-000254 C121 C-CER,CHIP SA
2203-000254 C132 C-CER,CHIP SA
2203-000254 C202 C-CER,CHIP SA
2203-000254 C205 C-CER,CHIP SA
2203-000254 C208 C-CER,CHIP SA
2203-000254 C611 C-CER,CHIP SA
2203-000254 C624 C-CER,CHIP SA
2203-000254 C625 C-CER,CHIP SA
2203-000278 C127 C-CER,CHIP SA
2203-000278 C130 C-CER,CHIP SA
2203-000278 R104 C-CER,CHIP SA
2203-000386 C123 C-CER,CHIP SA
2203-000386 C615 C-CER,CHIP SA
2203-000386 C616 C-CER,CHIP SA
2203-000386 C617 C-CER,CHIP SA
2203-000386 C618 C-CER,CHIP SA
2203-000438 C417 C-CER,CHIP SA
2203-000489 C109 C-CER,CHIP SA
2203-000627 C301 C-CER,CHIP SNA
2203-000627 C303 C-CER,CHIP SNA
2203-000627 C413 C-CER,CHIP SNA
2203-000627 C421 C-CER,CHIP SNA
2203-000679 C214 C-CER,CHIP SA
2203-000812 C106 C-CER,CHIP SA
2203-000812 C107 C-CER,CHIP SA
2203-000812 C108 C-CER,CHIP SA
2203-000812 C305 C-CER,CHIP SA
2203-000812 C327 C-CER,CHIP SA
2203-000812 C419 C-CER,CHIP SA
2203-000812 C627 C-CER,CHIP SA
2203-000812 C628 C-CER,CHIP SA
2203-000812 C629 C-CER,CHIP SA
2203-000854 C213 C-CER,CHIP SA
2203-000854 C402 C-CER,CHIP SA
2203-000854 C430 C-CER,CHIP SA
2203-000854 C431 C-CER,CHIP SA

SAMSUNG Proprietary-Contents may change without notice
Main Electrical Parts List
6-5
This Document can not be used without Samsung's authorization
SEC Code Design LOC Description STATUS
2203-000854 C436 C-CER,CHIP SA
2203-000854 C437 C-CER,CHIP SA
2203-000995 C133 C-CER,CHIP SA
2203-000995 C134 C-CER,CHIP SA
2203-000995 R414 C-CER,CHIP SA
2203-000995 R417 C-CER,CHIP SA
2203-001017 R110 C-CER,CHIP SA
2203-001153 C505 C-CER,CHIP SA
2203-001153 C516 C-CER,CHIP SA
2203-001153 C517 C-CER,CHIP SA
2203-001201 C100 C-CER,CHIP SA
2203-001383 C128 C-CER,CHIP SA
2203-002709 C200 C-CER,CHIP SA
2203-002709 C201 C-CER,CHIP SA
2203-002709 C203 C-CER,CHIP SA
2203-002709 C204 C-CER,CHIP SA
2203-002709 C206 C-CER,CHIP SA
2203-002709 C207 C-CER,CHIP SA
2203-002709 C209 C-CER,CHIP SA
2203-002709 C210 C-CER,CHIP SA
2203-002709 C323 C-CER,CHIP SA
2203-002709 C401 C-CER,CHIP SA
2203-002709 C406 C-CER,CHIP SA
2203-002709 C415 C-CER,CHIP SA
2203-002709 C420 C-CER,CHIP SA
2203-003054 C416 C-CER,CHIP SA
2203-005052 C124 C-CER,CHIP SA
2203-005052 C129 C-CER,CHIP SA
2203-005056 C418 C-CER,CHIP SA
2203-005234 C103 C-CER,CHIP SA
2203-005234 C112 C-CER,CHIP SA
2203-005234 C114 C-CER,CHIP SA
2203-005234 C120 C-CER,CHIP SA
2203-005234 C131 C-CER,CHIP SA
2203-005481 C433 C-CER,CHIP SA
2203-005481 C434 C-CER,CHIP SA
2203-005482 C111 C-CER,CHIP SA
2203-005482 C126 C-CER,CHIP SA
2203-005482 C135 C-CER,CHIP SA
2203-005482 C211 C-CER,CHIP SA
2203-005482 C212 C-CER,CHIP SA
2203-005482 C217 C-CER,CHIP SA
2203-005482 C218 C-CER,CHIP SA
2203-005482 C300 C-CER,CHIP SA
2203-005482 C316 C-CER,CHIP SA
2203-005482 C325 C-CER,CHIP SA
2203-005482 C438 C-CER,CHIP SA
2203-005482 C510 C-CER,CHIP SA
2203-005482 C511 C-CER,CHIP SA
2203-005482 C515 C-CER,CHIP SA
2203-005482 C518 C-CER,CHIP SA
2203-005503 C405 C-CER,CHIP SA
2203-006048 C104 C-CER,CHIP SA

SAMSUNG Proprietary-Contents may change without notice
Main Electrical Parts List
6-6
This Document can not be used without Samsung's authorization
SEC Code Design LOC Description STATUS
2203-006048 C117 C-CER,CHIP SA
2203-006048 C326 C-CER,CHIP SA
2203-006048 C409 C-CER,CHIP SA
2203-006048 C410 C-CER,CHIP SA
2203-006048 C412 C-CER,CHIP SA
2203-006048 C422 C-CER,CHIP SA
2203-006137 C404 C-CER,CHIP SA
2203-006137 C439 C-CER,CHIP SA
2203-006137 C440 C-CER,CHIP SA
2203-006137 C519 C-CER,CHIP SA
2203-006208 C309 C-CER,CHIP SA
2203-006208 C311 C-CER,CHIP SA
2203-006208 C321 C-CER,CHIP SA
2203-006257 C302 C-CER,CHIP SA
2203-006257 C312 C-CER,CHIP SA
2203-006257 C313 C-CER,CHIP SA
2203-006257 C319 C-CER,CHIP SA
2203-006257 C320 C-CER,CHIP SA
2203-006257 C322 C-CER,CHIP SA
2203-006324 C429 C-CER,CHIP SA
2203-006348 C304 C-CER,CHIP SA
2203-006348 C307 C-CER,CHIP SA
2203-006361 C105 C-CER,CHIP SA
2203-006562 C110 C-CER,CHIP SA
2203-006562 C219 C-CER,CHIP SA
2203-006562 C411 C-CER,CHIP SA
2203-006562 C414 C-CER,CHIP SA
2203-006562 C423 C-CER,CHIP SA
2203-006562 C424 C-CER,CHIP SA
2203-006562 C435 C-CER,CHIP SA
2203-006562 C441 C-CER,CHIP SA
2203-006562 C513 C-CER,CHIP SA
2203-006562 C514 C-CER,CHIP SA
2203-006562 C605 C-CER,CHIP SA
2203-006562 C606 C-CER,CHIP SA
2203-006562 C609 C-CER,CHIP SA
2203-006562 C610 C-CER,CHIP SA
2203-006562 C612 C-CER,CHIP SA
2203-006562 C613 C-CER,CHIP SA
2203-006562 C614 C-CER,CHIP SA
2203-006562 C619 C-CER,CHIP SA
2203-006562 C621 C-CER,CHIP SA
2203-006681 C116 C-CER,CHIP SA
2203-006681 C308 C-CER,CHIP SA
2203-006824 C504 C-CER,CHIP SA
2203-007165 C607 C-CER,CHIP SA
2203-007165 C608 C-CER,CHIP SA
2203-007165 C631 C-CER,CHIP SA
2203-007165 C632 C-CER,CHIP SA
2404-001240 TA401 C-TA,CHIP SA
2404-001377 TA400 C-TA,CHIP SA
2404-001381 TA300 C-TA,CHIP SA
2404-001381 TA301 C-TA,CHIP SA

SAMSUNG Proprietary-Contents may change without notice
Main Electrical Parts List
6-7
This Document can not be used without Samsung's authorization
SEC Code Design LOC Description STATUS
2404-001381 TA302 C-TA,CHIP SA
2404-001496 TA100 C-TA,CHIP SA
2503-001053 C600 C-NETWORK SA
2503-001053 C602 C-NETWORK SA
2503-001053 C603 C-NETWORK SA
2503-001053 C604 C-NETWORK SA
2503-001053 C622 C-NETWORK SA
2503-001053 C623 C-NETWORK SA
2703-001673 L500 INDUCTOR-SMD SA
2703-001750 C138 INDUCTOR-SMD SA
2703-001750 L102 INDUCTOR-SMD SA
2703-002199 C115 INDUCTOR-SMD SA
2703-002203 L101 INDUCTOR-SMD SA
2703-002204 L108 INDUCTOR-SMD SA
2703-002204 L109 INDUCTOR-SMD SA
2703-002267 C125 INDUCTOR-SMD SA
2703-002313 L103 INDUCTOR-SMD SA
2703-002313 L104 INDUCTOR-SMD SA
2703-002313 L105 INDUCTOR-SMD SA
2703-002558 L106 INDUCTOR-SMD SA
2703-003277 L110 INDUCTOR-SMD SA
2801-004353 OSC300 CRYSTAL-SMD SA
2801-004426 OSC100 CRYSTAL-SMD SA
2801-004659 OSC101 CRYSTAL-SMD SA
2901-001349 F500 FILTER-EMI/ESD SA
2904-001731 U101 FILTER-SAW SA
2909-001283 F100 FILTER-LC SA
3301-001438 L400 BEAD-SMD SA
3301-001438 L401 BEAD-SMD SA
3301-001438 L402 BEAD-SMD SA
3301-001438 L403 BEAD-SMD SA
3301-001659 R418 BEAD-SMD SA
3301-001659 R419 BEAD-SMD SA
3301-001659 R447 BEAD-SMD SA
3301-001659 R448 BEAD-SMD SA
3301-001729 L501 BEAD-SMD SA
3301-001729 L503 BEAD-SMD SA
3301-001729 L600 BEAD-SMD SA
3301-001729 R401 BEAD-SMD SA
3301-001729 R407 BEAD-SMD SA
3404-001152 TAC_DOWN SWITCH-TACT SA
3404-001152 TAC_UP SWITCH-TACT SA
3705-001358 RFS100 CONNECTOR-COAXIAL SA
3709-001355 SIM300 CONNECTOR-CARD EDGE SA
3710-002462 CN600 SOCKET-BOARD TO BOARD SA
3710-002499 IFC500 SOCKET-INTERFACE SA
3711-006084 BTC600 HEADER-BATTERY SA
GH13-00057A U500 IC ASIC-SGHC420 SA
GH70-02640A SC100 ICT SHIELD-CAN CLIP SA
GH70-02640A SC101 ICT SHIELD-CAN CLIP SA
GH70-02640A SC102 ICT SHIELD-CAN CLIP SA
GH70-02640A SC103 ICT SHIELD-CAN CLIP SA
GH71-04813A ANT100 NPR-ANTENNA CONTACT SA

SAMSUNG Proprietary-Contents may change without notice
Main Electrical Parts List
6-8
This Document can not be used without Samsung's authorization
SEC Code Design LOC Description STATUS
GH71-04813A ANT101 NPR-ANTENNA CONTACT SA
Please consult the GSPN website (Samsung Portal) for the most recent version of the product's
part list.
