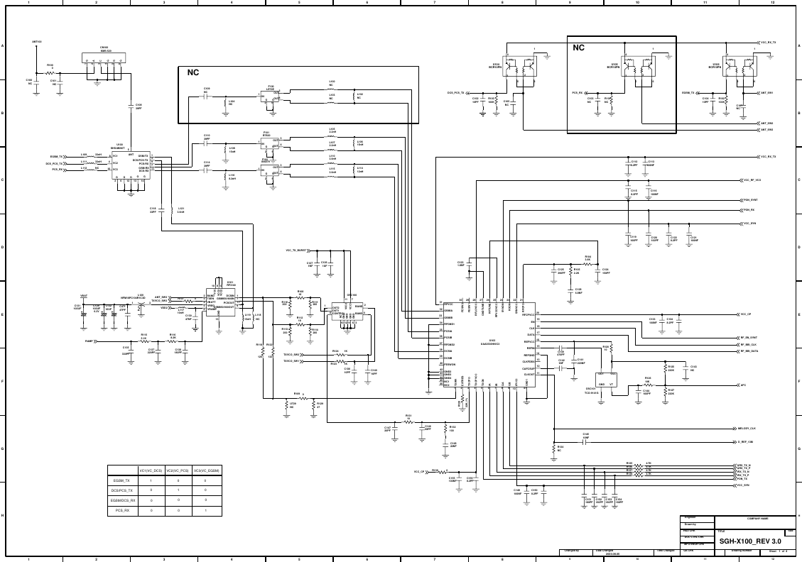
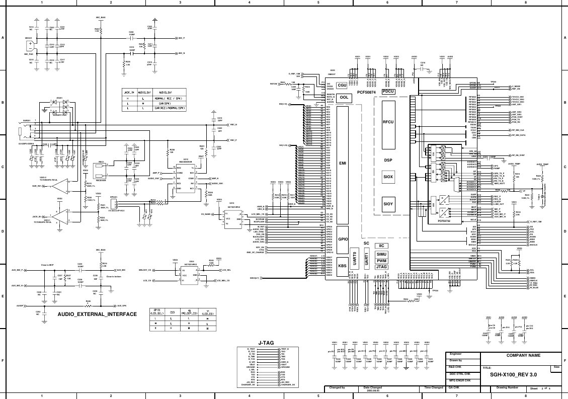
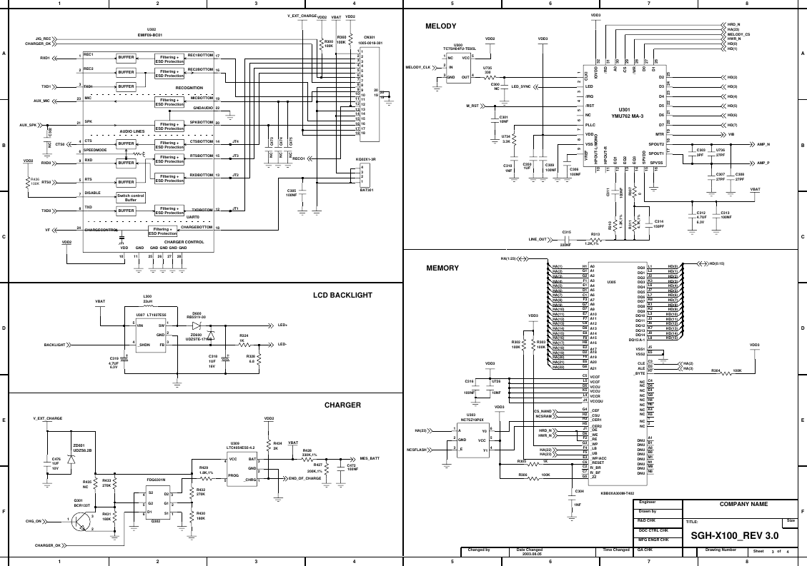
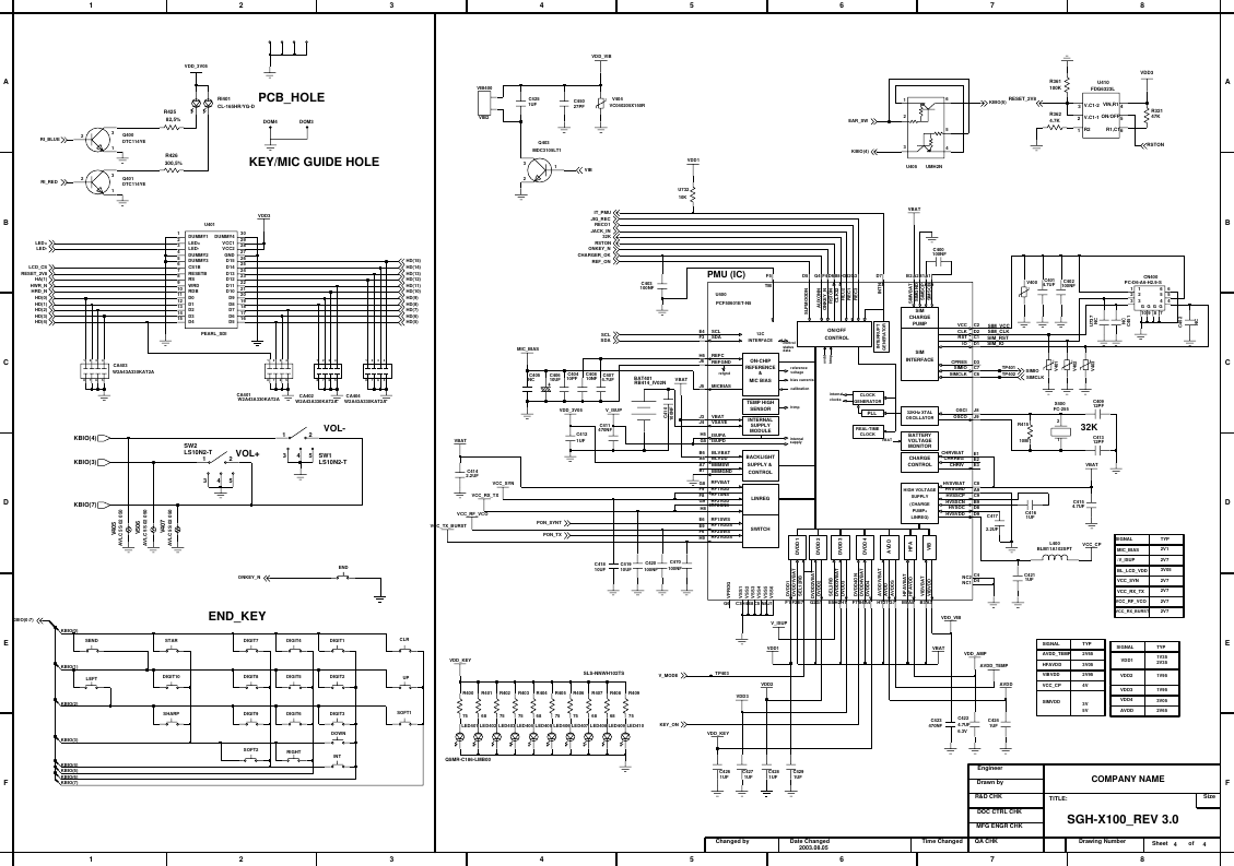
Samsung SGH X100 Schematics. Www.s Manuals.com. R3.0 Schematics
User Manual: Phone Samsung SGH-X100 - Service manuals and Schematics, Disassembly / Assembly. Free.
Open the PDF directly: View PDF
.
Page Count: 7







User Manual: Phone Samsung SGH-X100 - Service manuals and Schematics, Disassembly / Assembly. Free.
Open the PDF directly: View PDF
.
Page Count: 7






