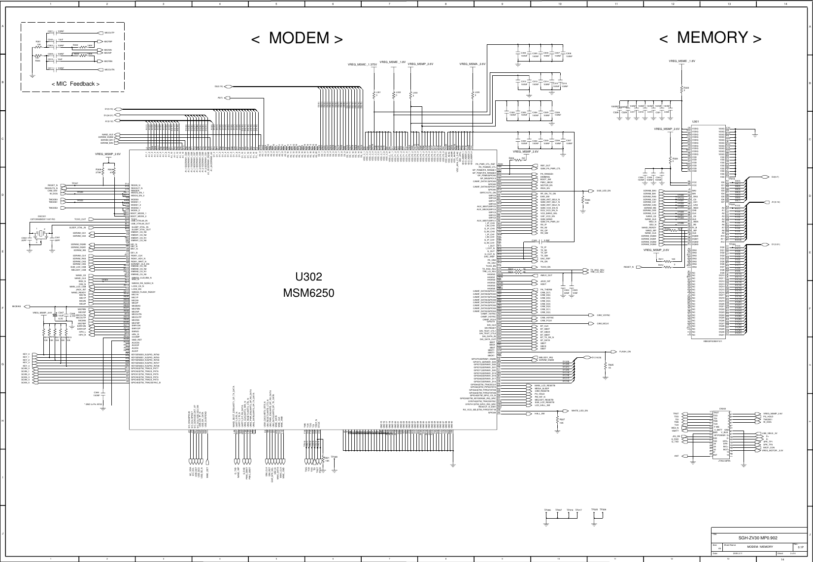
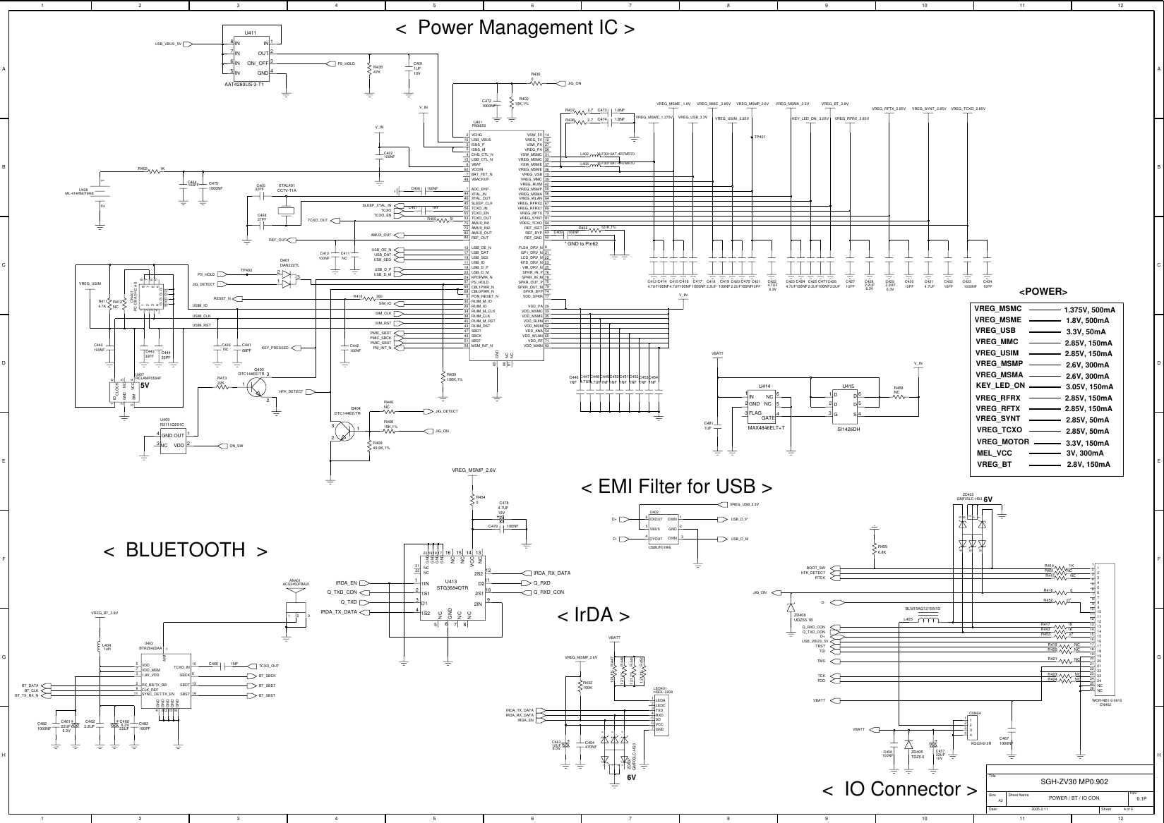
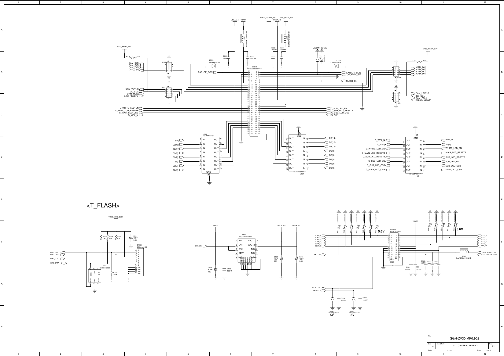
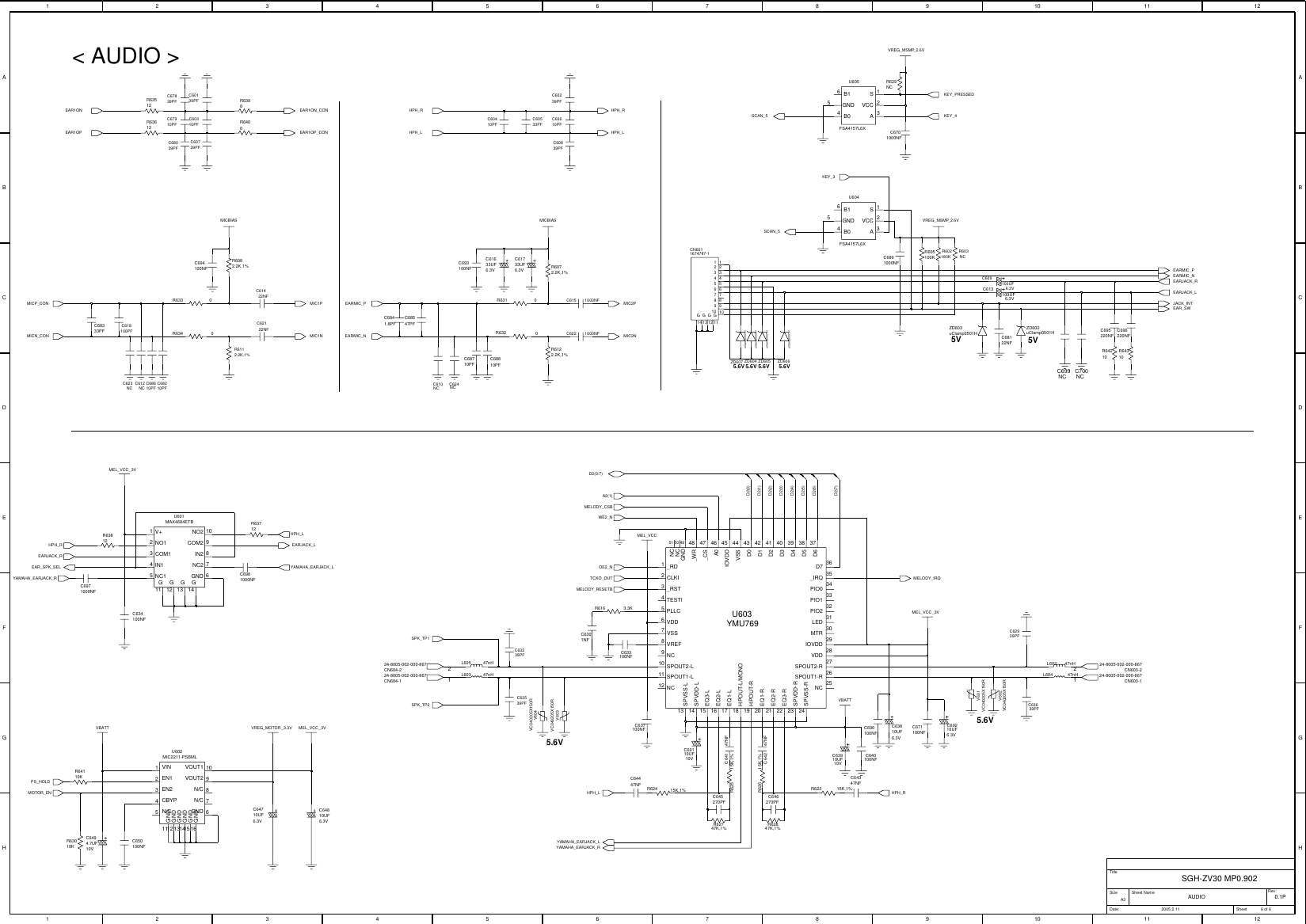
Samsung SGH ZV30 Schematics. Www.s Manuals.com. Schematics R0.1p
User Manual: Phone Samsung SGH-ZV30 - Service manuals and Schematics, Disassembly / Assembly. Free.
Open the PDF directly: View PDF
.
Page Count: 9









User Manual: Phone Samsung SGH-ZV30 - Service manuals and Schematics, Disassembly / Assembly. Free.
Open the PDF directly: View PDF
.
Page Count: 9








