Ap6040 SMcover Rear Yorkville Service Manual Sm
Yorkville AP6040 Service Manual sm_ap6040 Yorkville - AP6040 - Service Manual
Yorkville AP6040 Service Manual sm_ap6040 Yorkville - AP6040 - Service Manual
User Manual: Yorkville AP6040 Service Manual Yorkville - AP6040 - Service Manual
Open the PDF directly: View PDF
.
Page Count: 16

AP 6040
MODEL TYPE: YS6040
U.S.A.
Yorkville Sound Inc.
4625 Witmer Industrial Estate
Niagara Falls, New York
14305 USA
Voice: (716) 297-2920
Fax: (716) 297-3689
WORLD HEADQUARTERS
CANADA
Yorkville Sound
550 Granite Court
Pickering, Ontario
L1W-3Y8 CANADA
Voice: (905) 837-8481
Fax: (905) 837-8746
Quality and Innovation Since 1963
Printed in Canada
SERVICE MANUAL
W E B AC C E SS: http://www.yorkville.com
Manual-Service-ap6040-00-2v3.pdf

The exclamation point within an equilatereal triangle is
intended to alert the user to the presence of important
operating and maintenance (servicing) instructions in
the literature accompanying the appliance.
Le point d’exclamation à l’intérieur d’un triangle équilatéral
est prévu pour alerter l’utilisateur de la présence
d’instructions importantes dans la littérature accompag-
nant l’appareil en ce qui concerne l’opération et la
maintenance de cet appareil.
This lightning flash with arrowhead symbol, within
an equilateral triangle, is intended to alert the user to
the presence of uninsulated “dangerous voltage”
within the product’s enclosure that may be of sufficient
magnitude to constitute a risk of electric shock to persons.
Ce symbole d’éclair avec tête de flèche dans un triangle
équilatéral est prévu pour alerter l’utilisateur de la présence d’un
« voltage dangereux » non-isolé à proximité de l’enceinte du
produit qui pourrait être d’ampleur suffisante pour présenter
un risque de choque électrique.
IMPORTANT SAFETY INSTRUCTIONS
safety-4v8 • April 14/2011
CAUTION: TO REDUCE THE RISK OF ELECTRIC
SHOCK, DO NOT REMOVE COVER (OR BACK).
NO USER SERVICEABLE PARTS INSIDE.
REFER SERVICING TO QUALIFIED SERVICE PERSONNEL.
THIS DEVICE IS FOR INDOOR USE ONLY!
FOLLOW ALL INSTRUCTIONS SUIVEZ TOUTES LES INSTRUCTIONS
Instructions pertaining to a risk of fire,
electric shock, or injury to a person
Read Instructions: The Owner’s Manual should be read and understood before operation
of your unit. Please, save these instructions for future reference and heed all warnings.
Clean only with dry cloth.
Packaging: Keep the box and packaging materials, in case the unit needs to be
returned for service.
Warning: To reduce the risk or fire or electric shock, do not expose this apparatus to rain or
moisture. Do not use this apparatus near water!
Warning: When using electric products, basic precautions should always be followed,
including the following:
Power Sources
Your unit should be connected to a power source only of the voltage specified in the
owners manual or as marked on the unit. This unit has a polarized plug. Do not use
with an extension cord or receptacle unless the plug can be fully inserted. Precau-
tions should be taken so that the grounding scheme on the unit is not defeated. An
apparatus with CLASS I construction shall be connected to a Mains socket outlet with
a protective earthing ground. Where the MAINS plug or an appliance coupler is used
as the disconnect device, the disconnect device shall remain readily operable.
Hazards
Do not place this product on an unstable cart, stand, tripod, bracket or table. The
product may fall, causing serious personal injury and serious damage to the product.
Use only with cart, stand, tripod, bracket, or table recommended by the manufacturer
or sold with the product. Follow the manufacturer’s instructions when installing the
product and use mounting accessories recommended by the manufacturer. Only use
attachments/accessories specified by the manufacturer
Note: Prolonged use of headphones at a high volume may cause
health damage on your ears.
The apparatus should not be exposed to dripping or splashing water; no objects
filled with liquids should be placed on the apparatus.
Terminals marked with the “lightning bolt” are hazardous live; the external wiring
connected to these terminals require installation by an instructed person or the use of
ready made leads or cords.
Ensure that proper ventilation is provided around the appliance. Do not install near
any heat sources such as radiators, heat registers, stoves, or other apparatus
(including amplifiers) that produce heat.
No naked flame sources, such as lighted candles, should be placed on the apparatus.
Power Cord
Do not defeat the safety purpose of the polarized or grounding-type plug. A polarized plug
has two blades with one wider than the other. A grounding type plug has two blades and a
third grounding prong. The wide blade or the third prong are provided for your safety. If the
provided plug does not fit into your outlet, consult an electrician for replacement of the
obsolete outlet. The AC supply cord should be routed so that it is unlikely that it will be
damaged. Protect the power cord from being walked on or pinched particularly at plugs. If
the AC supply cord is damaged DO NOT OPERATE THE UNIT. To completely disconnect
this apparatus from the AC Mains, disconnect the power supply cord plug from the AC
receptacle. The mains plug of the power supply cord shall remain readily operable.
Unplug this apparatus during lightning storms or when unused for long periods of time.
Service
The unit should be serviced only by qualified service personnel. Servicing is required
when the apparatus has been damaged in any way, such as power-supply cord or plug is
damaged, liquid has been spilled or objects have fallen into the apparatus, the apparatus
has been exposed to rain or moisture, does not operate normally, or has been dropped.
AVIS: AFIN DE REDUIRE LES RISQUE DE CHOC ELECTRIQUE,
N’ENLEVEZ PAS LE COUVERT (OU LE PANNEAU ARRIERE)
NE CONTIENT AUCUNE PIECE REPARABLE PAR L’UTILISATEUR.
CONSULTEZ UN TECHNICIEN QUALIFIE POUR L’ENTRETIENT
CE PRODUIT EST POUR L’USAGE À L’INTÉREUR SEULEMENT
Instructions relatives au risque de feu,
choc électrique, ou blessures aux personnes
Veuillez Lire le Manuel: Il contient des informations qui devraient êtres comprises avant
l’opération de votre appareil. Conservez. Gardez S.V.P. ces instructions pour consultations
ultérieures et observez tous les avertissements.
Nettoyez seulement avec le tissu sec.
Emballage: Conservez la boite au cas ou l’appareil devait être retourner pour réparation.
Avertissement: Pour réduire le risque de feu ou la décharge électrique, n'exposez pas
cet appareil à la pluie ou à l'humidité. N’utilisez pas cet appareil près de l’eau!
Attention: Lors de l’utilisation de produits électrique, assurez-vous d’adhérer à des
précautions de bases incluant celle qui suivent:
Alimentation
L’appareil ne doit être branché qu’à une source d’alimentation correspondant au
voltage spécifié dans le manuel ou tel qu’indiqué sur l’appareil. Cet appareil est équipé
d’une prise d’alimentation polarisée. Ne pas utiliser cet appareil avec un cordon de
raccordement à moins qu’il soit possible d’insérer complètement les trois lames. Des
précautions doivent êtres prises afin d’eviter que le système de mise à la terre de
l’appareil ne soit désengagé. Un appareil construit selon les normes de CLASS I
devrait être raccordé à une prise murale d’alimentation avec connexion intacte de mise
à la masse. Lorsqu’une prise de branchement ou un coupleur d'appareils est utilisée
comme dispositif de débranchement, ce dispositif de débranchement devra demeurer
pleinement fonctionnel avec raccordement à la masse.
Risque
Ne pas placer cet appareil sur un chariot, un support, un trépied ou une table instables.
L’appareil pourrait tomber et blesser quelqu’un ou subir des dommages importants.
Utiliser seulement un chariot, un support, un trépied ou une table recommandés par le
fabricant ou vendus avec le produit. Suivre les instructions du fabricant pour installer
l’appareil et utiliser les accessoires recommandés par le fabricant. Utilisez seulement
les attachements/accessoires indiqués par le fabricant
Note: L'utilisation prolongée des écouteurs à un volume élevé peut
avoir des conséquences néfastes sur la santé sur vos oreilles. .
Il convient de ne pas placer sur l’appareil de sources de flammes nues, telles que
des bougies allumées.
L’appeil ne doit pas être exposé à des égouttements d’eau ou des éclaboussures
et qu’aucun objet rempli de liquide tel que des vases ne doit être placé sur l’appareil.
Assurez que lappareil est fourni de la propre ventilation. Ne procédez pas à
l’installation près de source de chaleur tels que radiateurs, registre de chaleur, fours
ou autres appareils (incluant les amplificateurs) qui produisent de la chaleur.
Les dispositifs marqués d’une symbole “d’éclair” sont des parties dangereuses
au toucher et que les câblages extérieurs connectés à ces dispositifs de
connection extérieure doivent être effectivés par un opérateur formé ou en utilisant
des cordons déjà préparés.
Cordon d’Alimentation
Ne pas enlever le dispositif de sécurité sur la prise polarisée ou la prise avec tige de
mise à la masse du cordon d’alimentation. Une prise polarisée dispose de deux lames
dont une plus large que l’autre. Une prise avec tige de mise à la masse dispose de
deux lames en plus d’une troisième tige qui connecte à la masse. La lame plus large ou
la tige de mise à la masse est prévu pour votre sécurité. La prise murale est désuète si
elle n’est pas conçue pour accepter ce type de prise avec dispositif de sécurité. Dans
ce cas, contactez un électricien pour faire remplacer la prise murale. Évitez
d’endommager le cordon d’alimentation. Protégez le cordon d’alimentation. Assurez-
vous qu’on ne marche pas dessus et qu’on ne le pince pas en particulier aux prises.
N’UTILISEZ PAS L’APPAREIL si le cordon d’alimentation est endommagé. Pour
débrancher complètement cet appareil de l’alimentation CA principale, déconnectez le
cordon d’alimentation de la prise d’alimentation murale. Le cordon d’alimentation du
bloc d’alimentation de l’appareil doit demeurer pleinement fonctionnel.
Débranchez cet appareil durant les orages ou si inutilisé pendant de longues périodes.
Service
Consultez un technicien qualifié pour l’entretien de votre appareil. L'entretien est
nécessaire quand l'appareil a été endommagé de quelque façon que se soit. Par exemple
si le cordon d’alimentation ou la prise du cordon sont endommagés, si il y a eu du liquide
qui a été renversé à l’intérieur ou des objets sont tombés dans l'appareil, si l'appareil a été
exposé à la pluie ou à l'humidité, si il ne fonctionne pas normalement, ou a été échappé.
S2125A

22 22
21 21
20 20
19 19
18 18
17 17
16 16
15 15
14 14
13 13
12 12
11 11
10 10
9 9
8 8
7 7
6 6
5 5
4 4
3 3
2 2
1 1
A
A
B
B
C
C
D
D
E
E
F
F
G
G
H
H
I
I
J
J
K
K
L
L
M
M
N
N
O
O
P
P
Q
Q
R
R
S
S
T
T
U
U
V
V
W
W
X
X
Y
Y
Z
Z
AA
AA
AB
AB
AC
AC
AD
AD
AE
AE
AF
AF
AG
AG
AH
AH
1
X8016V1300sch.sch2002
Date:
Product
PCB# of
Rev:
Sheet 1
v1300
Filename:
Thu Jun 18, 2009
M1150
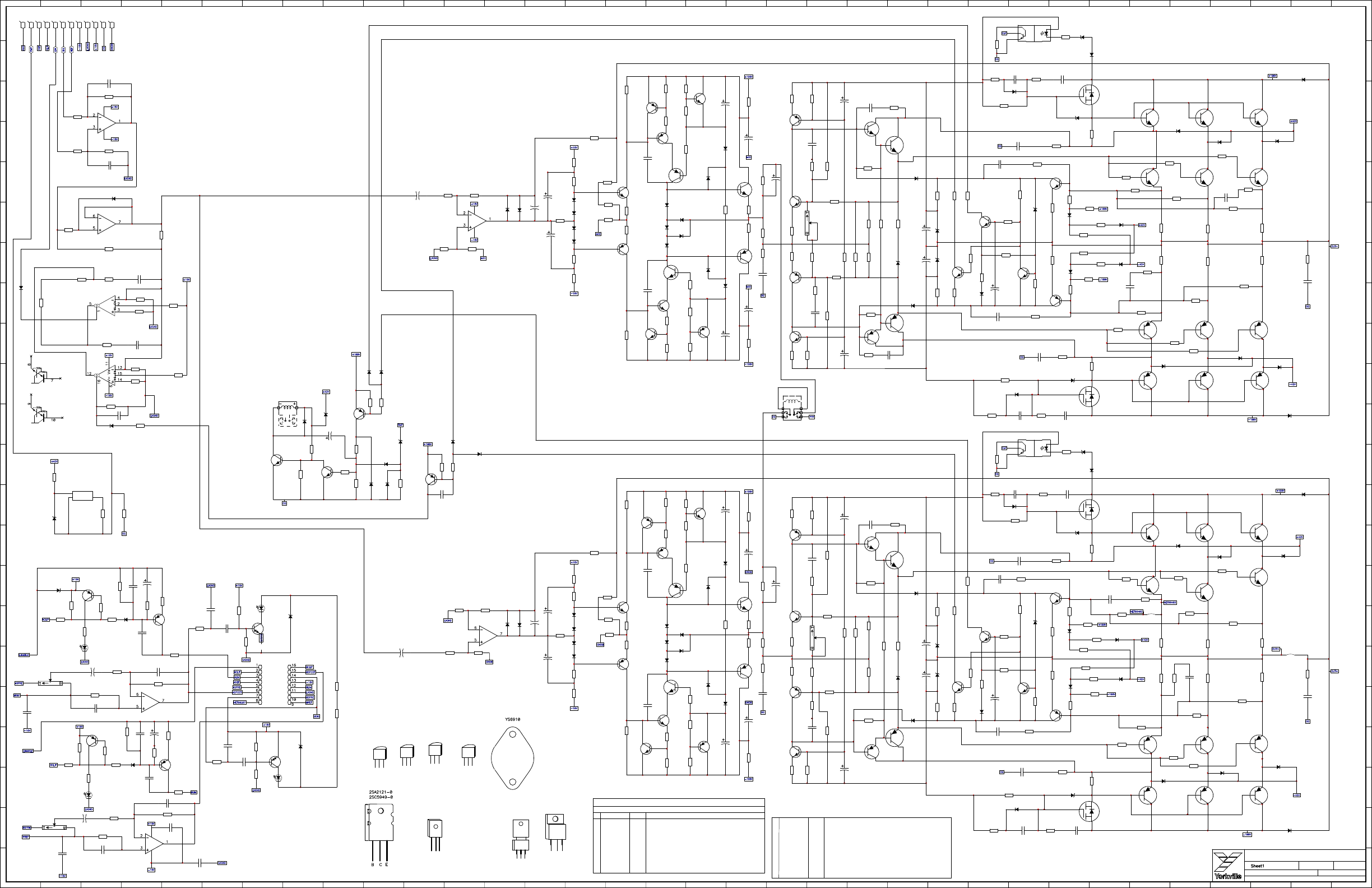
AP6040 / V64 PWR AMP
1
X8016V1300sch.sch2002
Date:
Product
PCB# of
Rev:
Sheet 1
v1300
Filename:
Thu Jun 18, 2009
M1150
AP6040 / V64 PWR AMP
.
2W7:B12
1N5257B 33V0
ZD30W5 5W7:E12
8W7:H12
11 W7:K12
R53C
1/4W
MINI
220R
C1C 100V220P
R24
1/4W
.
1M
4148
D5A
4148
D5B
R28
1/4W
MINI
1K5
C12A 50V22U
R58B
1/4W
MINI
4K7
R55B
1/4W
MINI
4K7
R59A
1/4W
MINI
4K7
R56A
1/4W
MINI
4K7
C15B 500V10P C14B 500V10P
BAV21
D42A
BAV21
D40A
.
R92B
1/4W
MINI
150R
R91B
1/4W
.
2R2
R89B
1/4W
MINI
150R
R90A
1/4W
.
2R2
C27B 25V330U C26A 25V330U
R111B
1/4W
MINI
3K
R110B
1/4W
MINI
3K 1N5244B 14V0
ZD4A0W5
1N5250B 20V0
ZD7B0W5
R168B
1/8W
FLMP
1K
R168A
1/8W
FLMP
1K
MR854
D31A
D36A
MR854
R10
1/8W
FLMP
100R0
C4C 50V470N
4148
D6A
R59B
1/4W
MINI
4K7
R56B
1/4W
MINI
4K7
R58A
1/4W
MINI
4K7
R55A
1/4W
MINI
4K7
C15A 500V10P C14A 500V10P
BAV21
D42B
BAV21
D40B
R90B
1/4W
.
2R2
R92A
1/4W
MINI
150R
R91A
1/4W
.
2R2
R89A
1/4W
MINI
150R
C26B 25V330U C27A 25V330U
1N5246B 16V0
ZD5B0W5
1N5244B 14V0
ZD4B0W5 R111A
1/4W
MINI
3K
R110A
1/4W
MINI
3K
1N5250B 20V0
ZD7A0W5
D36B
MR854
1N5246B 16V0
ZD5A0W5
R15
1/8W
FLMP
100R0
R12
1/8W
FLMP
100R0
C21C 63V220N
W6:J16
W6:H
16
W6:L16
W6:E
16
W6:N16
W6:C
16
W6:P16
W6:A
16
4007
D4
4148
D13A
.
D22A
4148
BAV21
D38B
C31B 100V22N
D37B
BAV21
R130A
5.0W
.
1K
R123B
1/2W
.
1R
4007
D38
TP1B
R173A
1/8W
FLMP
681R
R141B
1/4W
FLMP
1R
MR854
D29A
TP2B
MR854
D35B
C28C 50V100N
(VCC)
6745
U2:C
LM13600N
Dual VCA
{Function}
4148
D2
4W7:D12
1W7:A12
3W7:C12
C27C 50V100N
C25C 16V33U
LD5C
RED
5906
Clip
R39C
1/4W
.
15K
R32C
1/4W
.
15K
LD6C
RED
5906
Clip
R49C
1/4W
.
15K
R8
1/8W
FLMP
100R0
R5
1/4W
MINI
6K8
R1
1/4W
*
7W7:G12
6W7:F12
9W7:I12
10 W7:J12
R40C
1/4W
.
4K12
R8C
1/4W
.
10K 4148
D9C
R45C
1/4W
.
4K12
R7C
1/4W
.
10K 4148
D6C
R30
1/4W
.
68K
R18
1/4W
MINI
47K
4148
D3
C4 100V100P
R16
1/8W
FLMP
100R0
R11
1/8W
FLMP
100R0
C5 500V10P
12 W7:L12
R46C
1/4W
.
15K
C127C 50V100N
C18C 100V100P
R42C
1/4W
MINI
10K0
Q4C
5102
TO92
BC560C
R04C
1/4W
.
15K
R13
1/4W
.
12K
R17
1/4W
.
12K
R6
1/4W
MINI
4K7
R1C
1/4W
.
100K
R5C
1/4W
MINI
8M2
Q2C
5106
TO92
MPSA63
R4C
1/4W
MINI
470K
R36C
1/4W
MINI
8M2
LD2C
GRN
5908
Activity
W6:G
16
W6:I16
W6:O16
W6:M16
W6:D
16
W6:B
16
Q1C
5105
TO92
MPSA13
1N5225B 3V0
ZD1C0W5
LD1C
GRN
5908
Activity
TO92
MPSA06
Q1
5103
1N5225B 3V0
ZD3C0W5
R55AC
1/4W
MINI
220R
TO92
BC550C
Q2
5101
C7
63V 4U7
1N5240BRL 10V0
ZD10W5
MT2
N/C
MT1
MBS4942
4007
D8
4148
D9
4148
D7
TO92
2N5401
Q3
5108
R26
1/4W
.
7K5
TO92
2N5401
Q4
5108
C9A 16V33U
AS35
IN
OUT
REF
R53B
1/4W
MINI
10K0
R50B
1/4W
MINI
4K99
D6B
4148
8
V+
4V-
U3A:C
R51A
1/4W
MINI
10K0
4148
D10B
4148
D9B
4148
D10A
4148
D9A
C12B 50V22U
4148
D14B
C11B 50V22U
4148
D11B
4148
D12B
R57A
1/4W
MINI
220R
4148
D12A
4148
D14A
R66B
1/8W
FLMP
1K
R61B
1/4W
.
17K8
R60B
1/4W
MINI
10K0
R63B
1/4W
MINI
2K
R70A
1/4W
MINI
2K
R67A
1/8W
FLMP
1K
R62A
1/4W
MINI
3K
R60A
1/4W
MINI
10K0
R63A
1/4W
MINI
2K
R74B
1/8W
FLMP
100R0
Q13B
5101
TO92
BC550C
4148
D19B
4148
D17B
Q10B
5102
TO92
BC560C
R72B
1/8W
FLMP
75R
R73A
1/8W
FLMP
75R
TO92
BC550C
Q14A
5101
MJE340
6873
Q12A
TO126
.
4148
D19A
4148
D18A
R72A
1/8W
FLMP
75R
Q10A
5102
TO92
BC560C
R71A
1/8W
FLMP
100R0
R80B
1/4W
MINI
8K2
Q16B
5102
TO92
BC560C
R78B
1/8W
FLMP
39R
R79B
1/4W
MINI
3K3
4148
D41B
R81B
2.0W
10MM
150K
4148
D39B
Q15B
5101
TO92
BC550C
C16B 63V4U7
Q16A
5102
TO92
BC560C
C17A 63V4U7
R79A
1/4W
MINI
3K3
R78A
1/8W
FLMP
39R
4148
D41A
4148
D39A
R85B
1/8W
FLMP
10R0
C19B 160V10U
R88B
1/4W
.
68R
6874
Q18B
MJE350
TO126
.
R83B
1/8W
FLMP
75R
6873
Q17B
MJE340
TO126
.
R82B
1/8W
FLMP
10R0
C21A 200V1N5
R87A
1/8W
FLMP
39R
R84A
1/8W
FLMP
75R
R86A
1/8W
FLMP
10R0
C20A 25V330U
6873
Q17A
MJE340
TO126
.
C18A 160V10U
.
TO92
BC550C
Q22B
5101
R97B
1/4W
MINI
6K98
R96B
1/4W
MINI
150R
R95B
1/4W
.
2K7
TO92
BC550C
Q20B
5101
R94B
1/4W
MINI
150R
C22B 400V1N
R93B
1/4W
MINI
6K98
TO92
BC550C
Q22A
5101
C23A 400V2N2
R96A
1/4W
MINI
150R
TO92
BC560C
Q21A
5102
RTA
4520
M
Lin
10K
BIAS ADJ.
R94A
1/4W
MINI
150R
TO92
BC560C
Q19A
5102
C22A 400V1N
C25B 63V10U
R109B
1/4W
FLMP
200R0
R105B
1/8W
FLMP
39R
R104B
1/8W
FLMP
39R
C24B 63V10U
R180A
1/4W
MINI
470R
R104A
1/8W
FLMP
39R
R108A
1/4W
FLMP
200R0
4148
D23B
7005
Q25B
2SC5949-0
TO3P
R182B
1/8W
FLMP
100R0
C50A 400V1N
4148
D23A
7004
Q26A
2SA2121-0
TO3P
1N750ARL 4V7
ZD6A0W5 R107A
1.0W
FLMP
0R47
R113B
1/4W
MINI
4K7
R112B
1/4W
MINI
2K2
R114B
1/4W
MINI
2K2
TO92
2N6517
Q27A
6854
R131B
5.0W
.
1K
C32B 100V22N
4148
D24B
R117B
1/4W
MINI
18K
R181B
1/4W
MINI
470K
R126A
1/8W
FLMP
100R0
R131A
5.0W
.
1K
C32A 100V22N
R115A
1/4W
MINI
4K7
C28A 63V1U
4148
D24A
R116A
1/4W
MINI
220K
C31A 100V22N
R124A
1/8W
FLMP
100R0
D37A
BAV21
R181A
1/4W
MINI
470K
R119B
1/4W
MINI
4K7
TO92
BC560C
Q47B
5102
R165B
1/4W
.
2R2
R122B
1/2W
.
1R
R127A
1/8W
FLMP
39R
R123A
1/2W
.
1R
C30A 250V220N
R121A
1/4W
MINI
470R
R119A
1/4W
MINI
4K7
R120A
1/4W
MINI
150R
TO92
BC550C
Q46A
5101
R122A
1/2W
.
1R
R125A
1/8W
FLMP
39R
1
2
U5:A
4N35
6880
DS
G
Q33B
6933
P
MTP23P06
TO220
.
R139B
1/4W
MINI
82K
R138B
1/4W
MINI
22K
R137B
1/4W
MINI
20K0
R136B
1/4W
MINI
20K0
R134B
1/4W
MINI
82K
G
D
S
Q32B
6752
IRF630NPBF
NTO220
.
1N753ARL 6V2
ZD9 0W5
R133A
1/8W
FLMP
39R
R139A
1/4W
MINI
82K
R138A
1/4W
MINI
22K
R134A
1/4W
MINI
82K
R135A
1/4W
MINI
22K
R136A
1/4W
MINI
20K0
R132A
1/8W
FLMP
39R
1N753ARL 6V2
ZD8 0W5
R170B
1/8W
FLMP
681R
R149B
5.0W
.
0R1
R152B
1/4W
MINI
120R
R170A
1/8W
FLMP
681R
R153A
1/4W
RAD
270R
C38A 100V22N
R146A
5.0W
.
0R1
R144B
1/4W
FLMP
1R
R172B
1/8W
FLMP
681R
R150B
5.0W
.
0R1
R153B
1/4W
.
270R
C38B 100V22N
R174B
1/8W
FLMP
681R
R151A
5.0W
.
0R1
R147A
5.0W
.
0R1
R171B
1/8W
FLMP
681R
R175B
1/8W
FLMP
681R
D34A
MR854
R171A
1/8W
FLMP
681R
R175R
1/8W
FLMP
681R
R152A
1/4W
MINI
120R
D34B
MR854
MR854
D31B
D33A
MR854
C39A 250V10N
MR854
D35A
R34C
1/4W
MINI
470R
TO92
BC560C
Q3C
5102
R47C
1/4W
MINI
470R
TO92
BC560C
Q6C
5102
GND
VCC OUT
U4
AS35FN
TO-92
{Function}
{Watts}
6478
R3
1/4W
*
R31C
1/4W
MINI
220K
C01C 100V100N
C3C 50V470N
R51C
1/4W
MINI
220K
C6 500V10P
4148
D1
R29C
1/4W
MINI
220R
C2C 100V220P
W6:K16
W6:F
16
R55BC
1/4W
MINI
220R
R19
1/4W
MINI
10K
R23
1/4W
MINI
10K
R25
1/4W
MINI
1K5
R22
1/4W
MINI
1K5
BE
TO-92
BC560C
C
BC550C
1N5256B 30V0
ZD20W5
R53A
1/4W
MINI
10K0
VIEW
BOTTOM
BE
YS6909
R57B
1/4W
MINI
220R
4148
D13B
C11A 50V22U
4148
D11A
R70B
1/4W
MINI
2K
R67B
1/8W
FLMP
1K
R62B
1/4W
MINI
3K
R66A
1/8W
FLMP
1K
R61A
1/4W
.
17K8
R73B
1/8W
FLMP
75R
MJE340
6873
Q12B
TO126
.
R71B
1/8W
FLMP
100R0
4148
D18B
R74A
1/8W
FLMP
100R0
Q13A
5101
TO92
BC550C
TO92
BC560C
Q9A
5102
4148
D17A
C17B 63V4U7
R80A
1/4W
MINI
8K2
R81A
2.0W
10MM
150K
Q15A
5101
TO92
BC550C
C16A 63V4U7
C21B 400V2N2
R86B
1/8W
FLMP
10R0
R87B
1/8W
FLMP
39R
R84B
1/8W
FLMP
75R
C18B 160V10U
C20B 25V330U
R85A
1/8W
FLMP
10R0
C19A 160V10U
R82A
1/8W
FLMP
10R0
R83A
1/8W
FLMP
75R
R88A
1/4W
.
68R
6874
Q18A
MJE350
TO126
.
TO92
BC560C
Q21B
5102
C23B 400V2N2
TO92
BC560C
Q19B
5102
R97A
1/4W
MINI
6K98
3700
K1:B
R95A
1/4W
.
2K7
TO92
BC550C
Q20A
5101
R93A
1/4W
MINI
6K98
R102B
1/4W
.
39K
R103B
1/4W
FLMP
22R
C25A 63V10U
R105A
1/8W
FLMP
39R
R103A
1/4W
FLMP
22R
R102A
1/4W
.
39K
C24A 63V10U
1N750ARL 4V7
ZD6B0W5
7004
Q26B
2SA2121-0
TO3P
R107B
1.0W
FLMP
0R47
R106B
1/4W
FLMP
200R0
D22B
4148
R182A
1/8W
FLMP
100R0
7005
Q25A
2SC5949-0
TO3P
TO92
2N6517
Q27B
6854
R113A
1/4W
MINI
4K7
R114A
1/4W
MINI
2K2
R112A
1/4W
MINI
2K2
R126B
1/8W
FLMP
100R0
R115B
1/4W
MINI
4K7
C28B 63V1U
R124B
1/8W
FLMP
100R0
R116B
1/4W
MINI
220K
BAV21
D38A
R117A
1/4W
MINI
18K
R127B
1/8W
FLMP
39R
R125B
1/8W
FLMP
39R
R162B
1/4W
.
2R2
TO92
BC550C
Q46B
5101
TO92
BC560C
Q47A
5102
1
2
U6:A
4N35
6880
R165A
1/4W
.
2R2
R162A
1/4W
.
2R2
R133B
1/8W
FLMP
39R
R132B
1/8W
FLMP
39R
R135B
1/4W
MINI
22K
DS
G
Q33A
6933
P
MTP23P06
TO220
.
R137A
1/4W
MINI
20K0
4007
D37
R146B
5.0W
.
0R1
R149A
5.0W
.
0R1
R147B
5.0W
.
0R1
MR854
D29B
R145A
1/4W
FLMP
1R
R172A
1/8W
FLMP
681R
C39B 250V10N
BF872
BF871
2N6556
2N6553
CEB
G
D
S
Q32A
6752
IRF630NPBF
NTO220
.
IRF830
MTP12P10
MTP10N15L
IRL2910
IRF5210
MTP2P50E
MTP8P20
IRF720
MTP23P06
IRF822
IRF4905
GDS
ZD2C
1N750ARL 4V7
0W5
C1 100V220P
C22C 63V220N
C9B 16V33U
C42 100V100N
D21B
4148
PC7658 - CHANGED R177 TO 10M AND ADDED C4 100P
C51A
400V 1N
ZD11B
1N4745A 16V0
1W0
C30B 250V220N
D27B
BAV21
R173B
1/8W
FLMP
681R
1N4745A 16V0
ZD10B 1W0
C34B 400V2N2
C33B 100V6N8
BAV21
D28A
1N4745A 16V0
ZD10A 1W0
D33B
MR854
MR854
D30A
C126C 50V100N
C37C 100V220P
P1C
4390
M
AUD
10K
GAIN
R30C
1/4W
MINI
470R
R33C
1/4W
MINI
4K7
R44C
1/4W
MINI
10K
C38C 100V220P U2C:B
MC33078P
C17C 100V100P
C26C 16V33U
P2C
4390
M
AUD
10K
GAIN
R50C
1/4W
.
15K R2C
1/4W
.
100K
R52C
1/4W
MINI
470R
R48C
1/4W
MINI
4K7
Q5C
5102
TO92
BC560C
R31
1/4W
.
330R
R29
1/4W
MINI
470R
R177
1/4W
.
10M
U2:B
LM13600N
U2:E
R9
1/4W
MINI
18K
U1:B
NE5532N
C2 100V220P
U1:A
NE5532N
8
V+
4V-
U1:C
R2
1/4W
MINI
10K0
R20
1/4W
MINI
4K7
R21
1/4W
MINI
220K
R52B
1/4W
MINI
4K99
C10B 16V33U
R51B
1/4W
MINI
10K0
R54B
1/4W
MINI
47K
R27
1/4W
MINI
1K5
U3A:A
NE5532N
R50A
1/4W
MINI
4K99
R54A
1/4W
MINI
47K
TO92
BC550C
Q14B
5101
Q8B
5108
TO92
2N5401
Q7B
5107
TO92
2N5551
R77B
1/8W
FLMP
39R
R75B
1/4W
MINI
8K2
TO92
BC560C
Q9B
5102
R76B
1/4W
MINI
3K3
D21A
4148
4148
D20A
Q7A
5107
TO92
2N5551
MJE350
6874
Q11A
TO126
.
R75A
1/4W
MINI
8K2
CREATED X8016 AND ADDED M1182 V64 MODEL
6874
Q24B
MJE350
TO126
.
R160B
1/4W
MINI
220K
R99B
1/4W
FUSIBLE
241R
R108B
1/4W
FLMP
200R0
R98B
1/4W
.
12K
C51B
400V 1N
R109A
1/4W
FLMP
200R0
R101A
1/4W
.
12K
6874
Q24A
MJE350
TO126
.
R100A
1/4W
FUSIBLE
241R
R106A
1/4W
FLMP
200R0
TO92
2N6517
Q28A
6854
R98A
1/4W
.
12K
6873
Q23A
MJE340
TO126
.
R145B
1/4W
FLMP
1R
R143B
1/4W
FLMP
1R
BAV21
D28B
R167B
1/8W
FLMP
1K
C37B 100V22N
R118B
1/4W
MINI
220K
4148
D25B
R140B
1/4W
FLMP
1R
R120B
1/4W
MINI
150R
C29B 250V220N
R130B
5.0W
.
1K
R32
1/4W
MINI
220R
C36A 400V2N2
C35A 100V6N8
ZD11A
1N4745A 16V0
1W0
D32A
MR854
Q37A
6910
MJ21195
TO3
.
R143A
1/4W
FLMP
1R
Q36A
6910
MJ21195
TO3
.
TO92
BC550C
Q29A
5101
4148
D26A
D27A
BAV21
4148
D25A
R141A
1/4W
FLMP
1R
R140A
1/4W
FLMP
1R
R118A
1/4W
MINI
220K
Q35A
6909
MJ21196
TO3
.
C29A 250V220N
Q34A
6909
MJ21196
TO3
.
C34A 400V2N2
C33A 100V6N8
R33
1/4W
MINI
220R
4
6
5
U5:B 4N35
6880
R151B
5.0W
.
0R1
R156B
2.0W
.
3R9
R142B
1/4W
FLMP
1R
MR854
D30B
Q43B
6909
MJ21196
TO3
.
Q41A
6910
MJ21195
TO3
.
Q45A
6910
MJ21195
TO3
.
Q40A
6910
MJ21195
TO3
.
Q44A
6910
MJ21195
TO3
.
R148A
5.0W
.
0R1
C37A 100V22N
Q39A
6909
MJ21196
TO3
.
Q43A
6909
MJ21196
TO3
.
Q38A
6909
MJ21196
TO3
.
Q42A
6909
MJ21196
TO3
.
R41C
1/4W
.
10K
C02C 100V100N C35C 50V22U
R35C
1/4W
MINI
10K0
U2C:A
MC33078P
C36C 50V22U
R14
1/4W
MINI
18K
U2:A
LM13600N
R7
1/4W
MINI
10K0
R4
1/4W
MINI
10K0
R3C
1/4W
MINI
470K
3700
K1:C
BC
TO-92
MPSA63
MPSA43
2N5551
E
MPSA56
MPSA13
2N5401
2N6517
U3A:B
NE5532N
C10A 16V33U
R52A
1/4W
MINI
4K99
4148
D20B
MJE350
6874
Q11B
TO126
.
3700
K1:A
R77A
1/8W
FLMP
39R
Q8A
5108
TO92
2N5401
R76A
1/4W
MINI
3K3
R100B
1/4W
FUSIBLE
241R
R101B
1/4W
.
12K
TO92
2N6517
Q28B
6854
6873
Q23B
MJE340
TO126
.
RTB
4520
M
Lin
10K
BIAS ADJ.
R99A
1/4W
FUSIBLE
241R
R160A
1/4W
MINI
220K
R121B
1/4W
MINI
470R
TO92
BC550C
Q29B
5101
C36B 400V2N2
C35B 100V6N8
4148
D26B
D32B
MR854
Q36B
6910
MJ21195
TO3
.
Q37B
6910
MJ21195
TO3
.
Q34B
6909
MJ21196
TO3
.
.TO3
6909
Q35B
MJ21196
R144A
1/4W
FLMP
1R
4
6
5
U6:B 4N35
6880
R174A
1/8W
FLMP
681R
R167A
1/8W
FLMP
1K
Q40B
6910
MJ21195
TO3
.
Q41B
6910
MJ21195
TO3
.
Q44B
6910
MJ21195
TO3
.
Q45B
6910
MJ21195
TO3
.
R148B
5.0W
.
0R1
Q38B
6909
MJ21196
TO3
.
Q39B
6909
MJ21196
TO3
.
Q42B
6909
MJ21196
TO3
.
R142A
1/4W
FLMP
1R
R150A
5.0W
.
0R1
R156A
2.0W
.
3R9
8
V+
4V-
U2C:C
CB
TO-126
MJE350
MJE340
BD238
MJE270
BD139
BD140
E
BD237
MJE271
(VCC)
6745
U2:D
LM13600N
Dual VCA
{Function}
* NOTE:
M1150/A - FOR R1 AND R3 USE #6116 10K0
M1182/A- FOR R1 AND R3 USE #6123 20K0
13
10
7
4
1
9
11
12
8
#
2
3
5
6
VER#
MODEL(S):-
DATE DESCRIPTION OF CHANGE
PC#6303 ADD C27C,C28C PC#6454 C50A 470P ->1N
C20B AND R86B
REDUCE WIDTH OF PCB .125" EACH SIDE PC#6262 MOVE
PC#6066 REPAIR ERROR
#3637 RIBBON TO #3562 SOCKET
6.00
.
5.00
4.00
.
MAY/08/2000
SEP/12/2001
.
NOV/26/1999
.ROUTING TO CLEAR CHASSIS MOUNTING SCREWS
PC#6066 C126C 1 PIN FROM V- > GND PC#6098 CHANGE
PC#6033 REPLACE R163A-R158R WITH JUMPERS J163A-
ADD J63 TO ELIMINATE SHORT TO MOUNTING SCREW
PC#6042 CONNECT C50A FROM BASE OF Q24A TO COL
R50A/B R52A/B 10K0->4K99 R35C -R42C 20K0->10K0
PC#6043 RELAY CONNECTIONS ALTERED. ADD R30,
.
3.00
.
.
.
.
2.00
1.00
AUG/24/1999
.
.
.
.
AUG 10 1999
AP6040 / V64
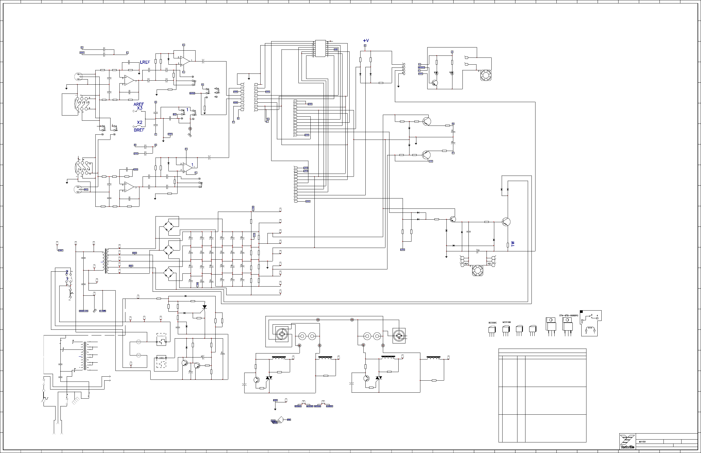
X8016.PCB_DATABASE_HISTORY
PILOT RUN RELEASEMAY 12 1999
.
12
9
6
3
13
10
11
7
4
1
2
5
8
.
11.00
8.10
.
12.00
12.10
9.00
8.00
.
10.00
.
7.00
11-MAR-2008
15-MAY-2007
SEP/15/2004
NOV/22/2001
PC#7076, REPLACE #6989 & #6990 WITH #7004 & #7005
FIX AUTO INSERT PROGRAM
C11A-C12A 10u/63V->22u/50V
PC#6472 ADD R182A,R182B,C51A, C51B
30-MAY-2007
03-JUL-2007
OCT/2004
JAN/15/2002
.
AUG/13/04
NOV/19/2001
31-OCT-2006
PC7353 - Solderability Update for Molex conn and xstrs
MISSING PART FROM AI, DZ3
PC #7228, ADD HOLE 140 FOR SPACER
CONVERT TO PCAD2002
NEW SOLDERMASK FOR TABS
ADD R181A - R181B
REDO THE ARTWORK
R99A/B, R100A/B 249R FLMPRF TO 241R FUSIBLE
CORRECT TRACE AT Q23B
13.0018-JUN-2009

VCD
CLINCH
ORIGIN LONG AXIS
SHORT AXIS
INSERT
ORIGIN V14.00X8016
BlankSize - 18000x14000
Pcb Mech
M1150 A AP6040
X8016 V14.00
Top Assy
SEE LAYOUT DOCUMENTATION
+
-
+
-
BAR DOWN
BAR DOWN BAR DOWN
E
B
C
E
B
C
E
B
C
E
B
C
BAR DOWN
1612
E
B
C
NC NOC
+
-
+
-
E
B
C
Activity
Clip
GAIN
BIAS ADJ.
Activity Clip
BIAS ADJ.
GAIN
5834
5269
5882
6934
6934
5882
5908
5906
5834
5882
6934
6934
6934
6873
6874
6873
6874
6874
6880
6880
6752
6752
6934
6934
6934
6934
6934
6873
6873
6874
6874
6934
6934
6934
6934
6934
6933
6933
6873
2329
6874
6934
3700
5908
5906
5882
4520
4726
7005
4726
7005
3562
4726
7004
7004
6873
4726
68K 220R
6N8
6K98
150R
0R47
1.0W
39R
22R
3K 150R
6K98
4148
100R0
1R 200R0
1R
1K
BAV21
2R2
2R2
100N
4K7 1R
10R0
2K
75R
4148
10R0
75R
39R
4148 18K
4148 8K2
3K3
39R
4K7
220P
1K5
220R
7K5
4148
4007 4148 4007
10R0 BAV21 6N8
1N
241R
16V0
20K0 2R2
22N 4148
22N
82K
22K
BAV21
120R
681R
8M2
681R
681R
22N 20K0
82K
1K
10N
681R
681R 470R
22N
270R
16V0
10K 1R
15K
220K
18K
220K
39R
1K
3K
3K
1K
17K8 10K0
100R0
8K2 4K7
39R 100R0
BC550C 100P 241R
8K2 1N
4148
150R
414875R
10U
63V
22U
50V
100R0
39K
22U
50V
2R2
75R
10K
220K
10K
4007
33V0
68R
1U
63V
39R
4K7
4K7
4148
100R0 1N
2K2
22N
20K0
22K
220N
4K7
220P
220K
4V7
470N
470R
4148
220R
100P
10K0
10K
220P
470R
4148
BAV21
39R
2N2
2N2
4148
4K99
10K0
4148
4148
10P 220P
10P
2K
10R0
BAV21
3K3
8K2
4148
4K7
1M
100V
4U7
30V0
1K5
2N5401
6V2
AS35FN
TO-92
470K
330R
6V2
2K2
39R
2N6517
150R
12K
10U
63V
BC560C
220N
250V
16V0
39R
2N2
16V0
100R0
14V0
2N6517
20V0
2K2
39R
12K
2K7
MR854
MR854
82K
BAV21
BC560C
1K
200R0
1R
1R
1N
220N
250V
2K2
22U
50V
GRN RED
20K0
82K
1R
1R
220K 33U
16V
BC560C
100N
15K
BC560C
470R
10K
BC550C
10N
MPSA63
220R
3V0
10K
470K
15K
200R0
270R BC550C
BC560C
150R
4K12
220N
8M2
BC560C
100N
4V7
220P
470R
1R
1R
200R0
BC550C
200R0
160V
10U
220N
250V
MR854
MR854
MR854
100R0
4K7
2N5551
BC550C
BC550C
47K
4148
4148
16V0
6N8
16V0
39R
4148
100R0
BC560C BC560C
NE5532N
33U
16V
4148
47K
220R
17K8
4148
6N8
BAV21
4148
MJE340
MJE350
BAV21
10P BC550C
75R
MJE340
BC550C
2K
BC550C
BC560C
160V
10U
160V
10U
10U
63V
10N
MJE350
4148
4K7
4U7
63V
BC560C
MJE350
BAV21
BAV21
150R
2N2
BC550C
12K
100N
470K
4N35
4007
4148
470R
4N35
1N5
TO220
IRF630NPBF
1R
1/2W
100R0
25V
330U
TO220
IRF630NPBF
BAV21
241R
4V7
4148
3K
MR854
MR854
MR854
MR854
MR854
25V
330U
150R
BC550C
22K
470R
MJE340
TO126
MJE340
TO126
4148
2R2
681R
681R
681R
120R
220P
10K AUD
1K
22K
4148
BAV21
3R9
2.0W
681R
22N
MC33078P
22N
681R
BC550C
681R
681R
BC560C
14V0
25V
330U
15K
100K
10R0
MJE350
TO126
1R
1R
220K
2N6517
MJE350
TO126
2N5401
3K
1/2W
1R
MR854
MR854
MR854
MR854
4K7
MR854
2N6517
4K7
3K3
TO220
MTP23P06
4148
BC560C
4U7
63V 68R
TO220
MTP23P06
22U
50V
4K99
10K0
47K
3K
MJE340
4148
63V
4U7
12K
100R0
10M
150R
39R
22R
33U
16V
10K0
4148
4148
2N5551
4148
4U7
63V
75R
6K98
12K
BC560C
2R2
10K0
10P 4148
4148
4148
MJE350
TO126
6K98
MR854
10V0
18K
220K
220K
220K
1K5
4148 39K
4148
2N2
1K5
39R
10R0
100P
10K0
470N
4148 220R
470R
100N
100K
15K
150R
2R2
2R2
200R0
100N
10P
2K
4K7
4K7
33U
16V
4148
10K0
10K0
4K99
39R
1/2W
1R
20V0
39R
4148
4148
4148 100R0
100R0
100R0
4K99 4K7
10K0
1K
10K0
100R0
100R0
39R
4148
241R
150R
4K7
BC550C
MPSA06
RELAY 2C
25V
330U 10U
63V
10K
39R
2N2
1/2W
1R
4K12
22U
50V
470K
3V0
100N
MPSA13
GRN
RED
220R
BC550C
BC560C
0R47
1.0W
22N
33U
16V
15K
4148
220R
160V
10U
1N
2N2
4K7
220N
250V
75R
10P
3K3
18K
150K
2.0W
12K
100R0 6K8
4K7
4K7
2N5401
1K
75R
BC560C
4148
150K
2.0W
2K7
10K
2N5401 4148
BC550C
5.0W
1K
25V
330U
TO3P
2SC5949-0
MJ21196
Body
MJ21196
Body
MJ21196
Body
5.0W
1K
MJ21196
Body
TO3P
2SC5949-0
5.0W
0R1
5.0W
0R1
5.0W
0R1
5.0W
0R1
5.0W
0R1
5.0W
0R1
MJ21196
Body
MJ21196
Body
5.0W
0R1
5.0W
0R1
4148
3R9
2.0W
MJ21196
Body
25V
330U
16 PIN
5.0W
1K
AUD
10K
22U
50V
BC560C
TO3P
2SA2121-0
MJ21195
Body
MJ21195
Body
MJ21195
Body
MJ21195
Body
1U
63V
TO3P
2SA2121-0
33U
16V
NE5532N
LM13600N
MJE340
TO126
MJ21196
Body
MJ21196
Body
5.0W
0R1
5.0W
0R1
5.0W
0R1
5.0W
0R1
MJ21196
Body
MJ21196
Body
MJ21196
Body
MJ21195
Body
MJ21195
Body
39R
5.0W
1K
MJ21195
Body
MJ21195
Body
MJ21195
Body
MJ21195
Body
MJ21195
Body
MJ21195
Body
1
/2
METAL
V14.00X8016
M1150
2/2
METAL
METAL
M1182
V14.00
METAL
AP6040
DISCONNECT POWER SUPPLY WIRES
BEFORE REMOVING BOARDS
IT IS NOT CONNECTED
SPACER TO PROTECT
IS USED AS A
THIS BUMPER
V64
X8016
WARNING
Into Wave
Q17B AND Q18B
AP6040 / V64
X18
R30 R33
C33A
R93A
R94A
R107A
R105A
R103A
X36
R110A R96A
R97A
D23A
X6 R182B
R140A
R108B
R141B
R168A
D28A
X12
X58 R162B
R165B
C126C X29
R33C
R143A
R85A
X56
R70A
R73A
D13A
R82B
R77A
X34
D17A R9
D39A R75B
R76B
R78B
R55B
C2
R28
R32
R26
D9
D4 D5A D38
R86A D37A C33B
C22A
X41
R100A
ZD5A
R137A R165A
C32A D22A
C31A
X163A
R139A
R138A
R152B
R174B
R5C
R173A
R174A
C37A
R136B
R139B
R167B
C39A
R170A
R171A
R121B
C32B
R153B
ZD5B
R8C
R143B
R32C X13
R118B
R117B
R160B
X38
R133A
R67A
R110B
R111B
R66A
R61A R60A
R126A
R80A R58A
R78A X66
R126B
X24
X37
X43
Q15A C4 R99B
R75A X35 C22B
X23
D21A
R89B
X19 D9BR83A X44
C24B
C11B
R10 R102B
C12B
R91B
R84B X14
R19
R21
R23
X54
X63
D37
ZD3
R88A
C28A
R132B
R113A
R119A
D25A
R182A C51A
R114B
X8
X9
X59
C37B
R137B
R135B
C21C
R48C
TP2B
C38C
R31C
ZD2C
C4C
R30C
D9C
R55AC
X63C
C18C
R42C
R41C
C37C
R180A
X65
X32
D24B
D38A
R127A
C36A
C36B
D22B
R52A
R53B
X33
D11B
D13B
C6 C1
X52
C15B
R70B
R85B
D42A
R79B
R80B
D41B
R20
R24
C7
ZD2
R25
Q4
ZD8
X40
U4
R181B
R31
ZD9
R114A
R87A
Q28A
R89A
R98A
C24A
Q19A
C29A
ZD10A
R125A
C34A
ZD10B
R124B
ZD4A
Q27A
ZD7A
R112A
X4
R104A
R101A
R95A
D29A
D30A
XC61
R134A
D27A
X7
Q47A
R167A
R108A
R142A
R141A
X31
C51B
C29B
R112B
C36C
LD1C
LD6C
R136A
X30
R134B
R140B
TP1B
R142B
R51C
C26C
Q5C
C01C
R49C
Q6C
R47C R7C
X11
Q20A
C39B
Q2C
R29C
ZD3C
R44C
R4C
R50C
R106A
R153A
Q20B
Q47B
R120B
R40C
C22C
R36C
Q4C
C02C
ZD6B
C2C
R34C
X15 R144A
R145A X27 Q29B
R109B
X64
C18A
C30A
D32A
D33A
D36B
R74A
R56A
Q7A
Q14AQ13A
R54A
D12A
D14A
ZD11A
C35A
ZD11B
R127B
D23B
R71A
Q10A Q9A
X17
U3A
C9A
D14B
R54B
R57B
R61B
D12B
W4
-100V
BLUE
C35B
D38B
D18A
Q17A
Q11A
D40A X20
C5
Q13B R73B
Q12B
Q14B
R63B
Q15B
Q10B
C19BC18B
X45
C25B
C3
Q18A
D1
R59B
C17B
X49
Q16B
X53
Q11B
D42B
D40B
R96B
C23B
Q22B
R101B
C42
R181A
U5
D8
D7
R29
U6
W8
+100V
RED
C21A
Q32A
R122A
R124A
C20A
Q32B
D37B
R99A
ZD6A
D24A
R111A
D35B
D31B
D35A
D31A
D29B
C20B
R92A
Q22A
R135A
R121A
Q23A Q23B
D26A
R162A
R175B
R173B
R175R
R152A
C1C
P2C
R168B
R138B
D26B
SPKR OUT +
W2
Bot - BLU - Top - YEL
D28B
R156A
R172A
C38A
U2C
C31B
R170B
Q46B
R172B
R171B
Q21B
ZD4B
C27B
R39C
R1C
R82A
Q24A
R145B
R144B
R116B
Q28B
Q24B
Q8A
R62A
R123A
D33B
D34B
D36A
D34A
R113B
D32B
Q27B
R115B
R79A
Q33A
D11A
Q16A
C17A
X42
R88B
Q33B
X46
C12A
R50B
R51B
R18
R62B
Q12A
D2
C16A R17
R15
R177
X48
R94B
R105B
R103B
C10B
R2
D10B
D20A
Q7B
D17B
C16B
R83B
R93B
R98B
Q19B
R90B
R4
C14B
W7
D21B
D19B
D18B
Q18B
R97B
D30B
ZD1
R117A
R116A
R118A
R160A
R22
D5B
R102A
D6A
C23A
R27
R132A
R86B
C17C
R35C
C3C
X3C
D6C R53C
R52C
C127C
R2C
R04C
X158A
R120A
R91A
R90A
R106B
C27C
C15A
R63A
R59A
R55A
C10A
D9A
R53A
R51A
R50A
R133B
R123B
ZD7B
X39
R104B
D41A
D19A
X21
D3 R8
R11
R16
R52B R6
R7
R66B
R60B
R74B
X5
R71B
R77B
D20B
R100B
R92B
R115A
Q2
Q1
K1
C26A
X47
C25A
RTA
X62
X55 X10
R125B
C34B
R122B
R45C
X4C
C35C
R3C
ZD1C
C28C
X6C
Q1C
LD2C
LD5C
R55BC
Q46A
X60
Q21A
LOC
BEC
R107B
C38B
C25C
R46C
D10A
R57A
C19A
C50A
X26
C21B
R119B X25
C30B
R84A
C14A
R76A
R14
R81A
R13
R12 R5
R56B
R58B
Q8B
R67B
R72B
Q9B
D39B
R81B
X22
R95B
RTB
Q3
D6B
Q29A
R130A
C27A
Q25A
Q42B
Q42A
Q38A
W1
+42V
GRY
R130B
Q34B
Q25B
R150A
R148A
R148B
R151A
R151B
R147A
Q43B
Q43A
R149B
R146B
D25B
R156B
Q35B
C26B
W3
Bot - BRN - Top - RED
SPKR OUT -
W6
R131A
P1C
C11A
Q3C
Q26A
Q45B
Q45A
Q41A
W5
-42v
BRN
Q37B
C28B
Q26B
C9B
U1
U2
Q17B
Q38B
Q34A
R150B
R147B
R146A
R149A
Q39B
Q39A
Q35A
Q41B
Q37A
R87B
R131B
Q44B
Q44A
Q36B
Q40B
Q40A
Q36A
X67
R1
R3
X68
10K0
10K0

VCD
CLINCH
ORIGIN LONG AXIS
SHORT AXIS
INSERT
ORIGIN V14.00X8016
BlankSize - 18000x14000
Pcb Mech
M1150 A AP6040
X8016 V14.00
Top Assy
SEE LAYOUT DOCUMENTATION
+
-
+
-
BAR DOWN
BAR DOWN BAR DOWN
E
B
C
E
B
C
E
B
C
E
B
C
BAR DOWN
1612
E
B
C
NC NOC
+
-
+
-
E
B
C
Activity
Clip
GAIN
BIAS ADJ.
Activity Clip
BIAS ADJ.
GAIN
5834
5269
5882
6934
6934
5882
5908
5906
5834
5882
6934
6934
6934
6873
6874
6873
6874
6874
6880
6880
6752
6752
6934
6934
6934
6934
6934
6873
6873
6874
6874
6934
6934
6934
6934
6934
6933
6933
6873
2329
6874
6934
3700
5908
5906
5882
4520
4726
7005
4726
7005
3562
4726
7004
7004
6873
4726
68K 220R
6N8
6K98
150R
0R47
1.0W
39R
22R
3K 150R
6K98
4148
100R0
1R 200R0
1R
1K
BAV21
2R2
2R2
100N
4K7 1R
10R0
2K
75R
4148
10R0
75R
39R
4148 18K
4148 8K2
3K3
39R
4K7
220P
1K5
220R
7K5
4148
4007 4148 4007
10R0 BAV21 6N8
1N
241R
16V0
20K0 2R2
22N 4148
22N
82K
22K
BAV21
120R
681R
8M2
681R
681R
22N 20K0
82K
1K
10N
681R
681R 470R
22N
270R
16V0
10K 1R
15K
220K
18K
220K
39R
1K
3K
3K
1K
17K8 10K0
100R0
8K2 4K7
39R 100R0
BC550C 100P 241R
8K2 1N
4148
150R
414875R
10U
63V
22U
50V
100R0
39K
22U
50V
2R2
75R
10K
220K
10K
4007
33V0
68R
1U
63V
39R
4K7
4K7
4148
100R0 1N
2K2
22N
20K0
22K
220N
4K7
220P
220K
4V7
470N
470R
4148
220R
100P
10K0
10K
220P
470R
4148
BAV21
39R
2N2
2N2
4148
4K99
10K0
4148
4148
10P 220P
10P
2K
10R0
BAV21
3K3
8K2
4148
4K7
1M
100V
4U7
30V0
1K5
2N5401
6V2
AS35FN
TO-92
470K
330R
6V2
2K2
39R
2N6517
150R
12K
10U
63V
BC560C
220N
250V
16V0
39R
2N2
16V0
100R0
14V0
2N6517
20V0
2K2
39R
12K
2K7
MR854
MR854
82K
BAV21
BC560C
1K
200R0
1R
1R
1N
220N
250V
2K2
22U
50V
GRN RED
20K0
82K
1R
1R
220K 33U
16V
BC560C
100N
15K
BC560C
470R
10K
BC550C
10N
MPSA63
220R
3V0
10K
470K
15K
200R0
270R BC550C
BC560C
150R
4K12
220N
8M2
BC560C
100N
4V7
220P
470R
1R
1R
200R0
BC550C
200R0
160V
10U
220N
250V
MR854
MR854
MR854
100R0
4K7
2N5551
BC550C
BC550C
47K
4148
4148
16V0
6N8
16V0
39R
4148
100R0
BC560C BC560C
NE5532N
33U
16V
4148
47K
220R
17K8
4148
6N8
BAV21
4148
MJE340
MJE350
BAV21
10P BC550C
75R
MJE340
BC550C
2K
BC550C
BC560C
160V
10U
160V
10U
10U
63V
10N
MJE350
4148
4K7
4U7
63V
BC560C
MJE350
BAV21
BAV21
150R
2N2
BC550C
12K
100N
470K
4N35
4007
4148
470R
4N35
1N5
TO220
IRF630NPBF
1R
1/2W
100R0
25V
330U
TO220
IRF630NPBF
BAV21
241R
4V7
4148
3K
MR854
MR854
MR854
MR854
MR854
25V
330U
150R
BC550C
22K
470R
MJE340
TO126
MJE340
TO126
4148
2R2
681R
681R
681R
120R
220P
10K AUD
1K
22K
4148
BAV21
3R9
2.0W
681R
22N
MC33078P
22N
681R
BC550C
681R
681R
BC560C
14V0
25V
330U
15K
100K
10R0
MJE350
TO126
1R
1R
220K
2N6517
MJE350
TO126
2N5401
3K
1/2W
1R
MR854
MR854
MR854
MR854
4K7
MR854
2N6517
4K7
3K3
TO220
MTP23P06
4148
BC560C
4U7
63V 68R
TO220
MTP23P06
22U
50V
4K99
10K0
47K
3K
MJE340
4148
63V
4U7
12K
100R0
10M
150R
39R
22R
33U
16V
10K0
4148
4148
2N5551
4148
4U7
63V
75R
6K98
12K
BC560C
2R2
10K0
10P 4148
4148
4148
MJE350
TO126
6K98
MR854
10V0
18K
220K
220K
220K
1K5
4148 39K
4148
2N2
1K5
39R
10R0
100P
10K0
470N
4148 220R
470R
100N
100K
15K
150R
2R2
2R2
200R0
100N
10P
2K
4K7
4K7
33U
16V
4148
10K0
10K0
4K99
39R
1/2W
1R
20V0
39R
4148
4148
4148 100R0
100R0
100R0
4K99 4K7
10K0
1K
10K0
100R0
100R0
39R
4148
241R
150R
4K7
BC550C
MPSA06
RELAY 2C
25V
330U 10U
63V
10K
39R
2N2
1/2W
1R
4K12
22U
50V
470K
3V0
100N
MPSA13
GRN
RED
220R
BC550C
BC560C
0R47
1.0W
22N
33U
16V
15K
4148
220R
160V
10U
1N
2N2
4K7
220N
250V
75R
10P
3K3
18K
150K
2.0W
12K
100R0 6K8
4K7
4K7
2N5401
1K
75R
BC560C
4148
150K
2.0W
2K7
10K
2N5401 4148
BC550C
5.0W
1K
25V
330U
TO3P
2SC5949-0
MJ21196
Body
MJ21196
Body
MJ21196
Body
5.0W
1K
MJ21196
Body
TO3P
2SC5949-0
5.0W
0R1
5.0W
0R1
5.0W
0R1
5.0W
0R1
5.0W
0R1
5.0W
0R1
MJ21196
Body
MJ21196
Body
5.0W
0R1
5.0W
0R1
4148
3R9
2.0W
MJ21196
Body
25V
330U
16 PIN
5.0W
1K
AUD
10K
22U
50V
BC560C
TO3P
2SA2121-0
MJ21195
Body
MJ21195
Body
MJ21195
Body
MJ21195
Body
1U
63V
TO3P
2SA2121-0
33U
16V
NE5532N
LM13600N
MJE340
TO126
MJ21196
Body
MJ21196
Body
5.0W
0R1
5.0W
0R1
5.0W
0R1
5.0W
0R1
MJ21196
Body
MJ21196
Body
MJ21196
Body
MJ21195
Body
MJ21195
Body
39R
5.0W
1K
MJ21195
Body
MJ21195
Body
MJ21195
Body
MJ21195
Body
MJ21195
Body
MJ21195
Body
1
/2
METAL
V14.00X8016
M1150
2/2
METAL
METAL
M1182
V14.00
METAL
AP6040
DISCONNECT POWER SUPPLY WIRES
BEFORE REMOVING BOARDS
IT IS NOT CONNECTED
SPACER TO PROTECT
IS USED AS A
THIS BUMPER
V64
X8016
WARNING
Into Wave
Q17B AND Q18B
AP6040 / V64
X18
R30 R33
C33A
R93A
R94A
R107A
R105A
R103A
X36
R110A R96A
R97A
D23A
X6 R182B
R140A
R108B
R141B
R168A
D28A
X12
X58 R162B
R165B
C126C X29
R33C
R143A
R85A
X56
R70A
R73A
D13A
R82B
R77A
X34
D17A R9
D39A R75B
R76B
R78B
R55B
C2
R28
R32
R26
D9
D4 D5A D38
R86A D37A C33B
C22A
X41
R100A
ZD5A
R137A R165A
C32A D22A
C31A
X163A
R139A
R138A
R152B
R174B
R5C
R173A
R174A
C37A
R136B
R139B
R167B
C39A
R170A
R171A
R121B
C32B
R153B
ZD5B
R8C
R143B
R32C X13
R118B
R117B
R160B
X38
R133A
R67A
R110B
R111B
R66A
R61A R60A
R126A
R80A R58A
R78A X66
R126B
X24
X37
X43
Q15A C4 R99B
R75A X35 C22B
X23
D21A
R89B
X19 D9BR83A X44
C24B
C11B
R10 R102B
C12B
R91B
R84B X14
R19
R21
R23
X54
X63
D37
ZD3
R88A
C28A
R132B
R113A
R119A
D25A
R182A C51A
R114B
X8
X9
X59
C37B
R137B
R135B
C21C
R48C
TP2B
C38C
R31C
ZD2C
C4C
R30C
D9C
R55AC
X63C
C18C
R42C
R41C
C37C
R180A
X65
X32
D24B
D38A
R127A
C36A
C36B
D22B
R52A
R53B
X33
D11B
D13B
C6 C1
X52
C15B
R70B
R85B
D42A
R79B
R80B
D41B
R20
R24
C7
ZD2
R25
Q4
ZD8
X40
U4
R181B
R31
ZD9
R114A
R87A
Q28A
R89A
R98A
C24A
Q19A
C29A
ZD10A
R125A
C34A
ZD10B
R124B
ZD4A
Q27A
ZD7A
R112A
X4
R104A
R101A
R95A
D29A
D30A
XC61
R134A
D27A
X7
Q47A
R167A
R108A
R142A
R141A
X31
C51B
C29B
R112B
C36C
LD1C
LD6C
R136A
X30
R134B
R140B
TP1B
R142B
R51C
C26C
Q5C
C01C
R49C
Q6C
R47C R7C
X11
Q20A
C39B
Q2C
R29C
ZD3C
R44C
R4C
R50C
R106A
R153A
Q20B
Q47B
R120B
R40C
C22C
R36C
Q4C
C02C
ZD6B
C2C
R34C
X15 R144A
R145A X27 Q29B
R109B
X64
C18A
C30A
D32A
D33A
D36B
R74A
R56A
Q7A
Q14AQ13A
R54A
D12A
D14A
ZD11A
C35A
ZD11B
R127B
D23B
R71A
Q10A Q9A
X17
U3A
C9A
D14B
R54B
R57B
R61B
D12B
W4
-100V
BLUE
C35B
D38B
D18A
Q17A
Q11A
D40A X20
C5
Q13B R73B
Q12B
Q14B
R63B
Q15B
Q10B
C19BC18B
X45
C25B
C3
Q18A
D1
R59B
C17B
X49
Q16B
X53
Q11B
D42B
D40B
R96B
C23B
Q22B
R101B
C42
R181A
U5
D8
D7
R29
U6
W8
+100V
RED
C21A
Q32A
R122A
R124A
C20A
Q32B
D37B
R99A
ZD6A
D24A
R111A
D35B
D31B
D35A
D31A
D29B
C20B
R92A
Q22A
R135A
R121A
Q23A Q23B
D26A
R162A
R175B
R173B
R175R
R152A
C1C
P2C
R168B
R138B
D26B
SPKR OUT +
W2
Bot - BLU - Top - YEL
D28B
R156A
R172A
C38A
U2C
C31B
R170B
Q46B
R172B
R171B
Q21B
ZD4B
C27B
R39C
R1C
R82A
Q24A
R145B
R144B
R116B
Q28B
Q24B
Q8A
R62A
R123A
D33B
D34B
D36A
D34A
R113B
D32B
Q27B
R115B
R79A
Q33A
D11A
Q16A
C17A
X42
R88B
Q33B
X46
C12A
R50B
R51B
R18
R62B
Q12A
D2
C16A R17
R15
R177
X48
R94B
R105B
R103B
C10B
R2
D10B
D20A
Q7B
D17B
C16B
R83B
R93B
R98B
Q19B
R90B
R4
C14B
W7
D21B
D19B
D18B
Q18B
R97B
D30B
ZD1
R117A
R116A
R118A
R160A
R22
D5B
R102A
D6A
C23A
R27
R132A
R86B
C17C
R35C
C3C
X3C
D6C R53C
R52C
C127C
R2C
R04C
X158A
R120A
R91A
R90A
R106B
C27C
C15A
R63A
R59A
R55A
C10A
D9A
R53A
R51A
R50A
R133B
R123B
ZD7B
X39
R104B
D41A
D19A
X21
D3 R8
R11
R16
R52B R6
R7
R66B
R60B
R74B
X5
R71B
R77B
D20B
R100B
R92B
R115A
Q2
Q1
K1
C26A
X47
C25A
RTA
X62
X55 X10
R125B
C34B
R122B
R45C
X4C
C35C
R3C
ZD1C
C28C
X6C
Q1C
LD2C
LD5C
R55BC
Q46A
X60
Q21A
LOC
BEC
R107B
C38B
C25C
R46C
D10A
R57A
C19A
C50A
X26
C21B
R119B X25
C30B
R84A
C14A
R76A
R14
R81A
R13
R12 R5
R56B
R58B
Q8B
R67B
R72B
Q9B
D39B
R81B
X22
R95B
RTB
Q3
D6B
Q29A
R130A
C27A
Q25A
Q42B
Q42A
Q38A
W1
+42V
GRY
R130B
Q34B
Q25B
R150A
R148A
R148B
R151A
R151B
R147A
Q43B
Q43A
R149B
R146B
D25B
R156B
Q35B
C26B
W3
Bot - BRN - Top - RED
SPKR OUT -
W6
R131A
P1C
C11A
Q3C
Q26A
Q45B
Q45A
Q41A
W5
-42v
BRN
Q37B
C28B
Q26B
C9B
U1
U2
Q17B
Q38B
Q34A
R150B
R147B
R146A
R149A
Q39B
Q39A
Q35A
Q41B
Q37A
R87B
R131B
Q44B
Q44A
Q36B
Q40B
Q40A
Q36A
X67
R1
R3
X68
10K0
10K0

PCB
PCB
HEATSPREADER
#8701 4-40 KEPS NUT
#3846 MICA
PCB
#3501
#3896 HEATSINK
PCB
#3851 1/2 PCB PLASTIC SPACER
TORQUE 4 INCH/LB
HEATSPREADER
#3517 #8 NYLON WASHER
Z217 CLAMP
Z217 CLAMP HEATSPREADER
#8701 4-40 KEPS NUT
T-220 DEVICE
#3501 BELL WASHER
#8741 4-40X 1/2" BOLT
T126 TYPE DEVICE
#8741 4-40X 1/2" BOLT
WASHER
TO-3 TRANSISTOR
#8761 BOLT
#4060 SIL THERMO PAD
#3797 THERMO PAD
T126 TYPE DEVICE
T264 DEVICE
#3823 THERMO PAD
SEE LAYOUT DIAGRAM
TORQUE 4 INCH/LB
#8701 4-40 HEX NUT
7. C3, #5228 100N IS USED AS SPACER.
#8663 SPACER
TORQUE 4 INCH/LB
#3501 BELL WASHER
#8760 6-32 KEPS NUT
#3815 MICA
HEATSPREADER
HEATSPREADER
3. MOUNTING HARDWARE FOR Q23A,Q23BA, Q24A AND Q24B.
5. MOUNTING HARDWARE FOR Q33A AND Q33B.
#8701 4-40 KEPS NUT
#8902 - 4-40 X 3/4 PAN PHIL
2. MOUNTING HARDWARE FOR Q25A AND Q26A.
4. MOUNTING HARDWARE FOR Q17B AND Q18B.
#8865 4-40 SCREW
INITIAL TORQUE FOR TO-3'S IS 8 INCH/LB
FINAL TORQUE AFTER HEATSINK HAS
PLACE CLAMP PIC HERE
#8667 SHOULDER WASHER
#8485 ZINC #6 WASHER
1. MOUNTING DETAILS FOR 5W ADD #8629 SPACERS ONLY ON
5 WATT RESISTORS R130, R131A, R130B AND R131A.
ENSURE SPACERS ARE UNDER RESISTOR BODY ENOUGH TO
RAISE IT OFF THE BOARD SURFACE.
8. MOUNTING HARDWARE FOR Q17A AND Q18A.
COOLED FROM WAVE SOLDER IS 6 INCH/LB
6. MOUNTING HARDWARE FOR TO3 OUTPUTS
CLAMP DETAIL - SEE NOTES 2 AND 3.
M1150/M1150A - AP6040 M1182/M1182A - V64
PRODUCTION NOTES
#8902
440- SCREW
#3851
SPCR
#8485
WASHER
#4060
SIL-PAD
#3517
WASHER
Z217
CLAMP
FLIPPED VERSION
9. PCBSA: BREAK OUT BOARD BEFORE TESTING.
Layout-
M1150-
M1150A-
AP6040-
PwrAmp

.PC7658 - CHANGED R177 TO 10M AND ADDED C4 100P
CREATED X8016 AND ADDED M1182 V64 MODEL
SEE LAYOUT DIAGRAM
2SA2121-0
2SC5949-0
IRF830
MTP12P10
MTP10N15L
IRL2910
IRF5210
MTP2P50E
MTP8P20
IRF720
MTP23P06
IRF822
IRF4905
GSD
BF872
BF871
2N6556
2N6553
BEC
N/C
MT1
MT2
MBS4942
ECB
TO-92
MPSA63
MPSA43
MPSA13
2N5551
MPSA56
2N5401
2N6517
11
8
5
2
12
9
6
13
10
7
3
4
1
AUG/13/04
NOV/19/2001
.
7.00
R99A/B, R100A/B 249R FLMPRF TO 241R FUSIBLE
CORRECT TRACE AT Q23B
SEP/15/2004
OCT/2004
NOV/22/2001
JAN/15/2002
.
8.10
9.00
.
8.00
.
C11A-C12A 10u/63V->22u/50V
CONVERT TO PCAD2002
PC#6472 ADD R182A,R182B,C51A, C51B
NEW SOLDERMASK FOR TABS
ADD R181A - R181B
31-OCT-2006 10.00 REDO THE ARTWORK
15-MAY-2007 11.00 FIX AUTO INSERT PROGRAM
30-MAY-2007 12.00 MISSING PART FROM AI, DZ3
03-JUL-2007 12.10 PC #7228, ADD HOLE 140 FOR SPACER
11-MAR-2008 . PC#7076, REPLACE #6989 & #6990 WITH #7004 & #7005
PC7353 - Solderability Update for Molex conn and xstrs18-JUN-2009 13.00
12
9
6
3
#
13
11
10
5
4
8
7
2
1DATE
MODEL(S):-
VER# DESCRIPTION OF CHANGE
.
.
.
.
.
.
.
.
C20B AND R86B
#3637 RIBBON TO #3562 SOCKET
PC#6033 REPLACE R163A-R158R WITH JUMPERS J163A-
R50A/B R52A/B 10K0->4K99 R35C -R42C 20K0->10K0
MAY/08/2000
NOV/26/1999
SEP/12/2001
.
AUG/24/1999
.
.
MAY 12 1999
AUG 10 1999
4.00
5.00
6.00
3.00
.
.
.
1.00
2.00
PC#6066 REPAIR ERROR
REDUCE WIDTH OF PCB .125" EACH SIDE PC#6262 MOVE
PC#6303 ADD C27C,C28C PC#6454 C50A 470P ->1N
ADD J63 TO ELIMINATE SHORT TO MOUNTING SCREW
PC#6042 CONNECT C50A FROM BASE OF Q24A TO COL
PC#6066 C126C 1 PIN FROM V- > GND PC#6098 CHANGE
ROUTING TO CLEAR CHASSIS MOUNTING SCREWS
PC#6043 RELAY CONNECTIONS ALTERED. ADD R30,
PILOT RUN RELEASE
X8016.PCB_DATABASE_HISTORY
AP6040 / V64
EBC
TO-126
MJE350
MJE340
MJE270
BD238
BD140
BD139
MJE271
BD237
VIEW
BOTTOM
BE
MJ21196
MJ21195
OUT
REF
IN
AS35
CEB
TO-92
BC560C
BC550C
11
8
5
2
12
9
6
13
10
7
3
4
1
D
D
D
V
V
V
N
N
N
D
D
D
D
D
D
D
D
V
V
V
V
V
V
V
V
N
N
N
N
N
N
N
N
05-JAN-2009 14.0 PC7850: Update parts #7004, #7005, more clearance
. . PC7935: Replace C7 #5259 with #5269

22 22
21 21
20 20
19 19
18 18
17 17
16 16
15 15
14 14
13 13
12 12
11 11
10 10
9 9
8 8
7 7
6 6
5 5
4 4
3 3
2 2
1 1
A
A
B
B
C
C
D
D
E
E
F
F
G
G
H
H
I
I
J
J
K
K
L
L
M
M
N
N
O
O
P
P
Q
Q
R
R
S
S
T
T
U
U
V
V
W
W
X
X
Y
Y
Z
Z
AA
AA
AB
AB
AC
AC
AD
AD
AE
AE
AF
AF
AG
AG
AH
AH
1
M1151V09sch.sch2002
Date:
Product
PCB# of
Rev:
Sheet 1
V9.00
Filename:
Tue Jan 12, 2010
M1151
1
M1151V09sch.sch2002
Date:
Product
PCB# of
Rev:
Sheet 1
V9.00
Filename:
Tue Jan 12, 2010
M1151
TAB
15 amps
C51 250V4N7 C50 275V22N
C68 50V8200U C56 63V6800U
C80 16V33U
GRN/YELL
C74 63V6800U C62 50V8200U
WC10E
CSA
250V
C50E
680n
W64E
W67E
TAB
WC17E
CH1194E
3682 WC18
XFMR
GRY
3682 WC6
XFMR
RED
3682 WC2
XFMR
RED
3682 WC14
XFMR
GRY
C23 100V100N
C20 100V100N
R73
5.0W
.
390R
4007
D13
8W11:H
5W11:E
3W11:C
1W11:A
8
W1:H 8
6
W1:F 8
5
W1:E 8
3
W1:C 8
1
W1:A 8
3682 WC33
GND
.
3682 WC37
A- OUT
BRN
3682 WC23
-100V
BLU
3682 WC25
-42V
BRN
3682 WC26
SPKR GND
BLK
3682 WC29
+100V
RED
1
W13:A12
3
W13:C12
5
W13:E12
7
W13:G12
9
W13:I12
A
3682 WC36
A+ OUT
BLU
W14:D
W14:B
W35:B 2
D8
4148
4n7C51E
CSA
TAB TAB
TAB
DUMMY
Thermal Breaker
S5
1194E
3682 WC17
GND
GRN
3682 WC13
XFMR
.
3682 WC7
XFMR
BLK
R10
1/4W
0.1%
9K76
C12 100V220P C4 100V220P
R4
1/4W
0.1%
9K76
R2
1/4W
0.1%
9K76
R29
6489
NTC
5R0
R27
6489
NTC
5R0
3682 WC19
FROM SWITCH
BLU
K1:B
3722
3722
K1:A
3682 WC5
TO SWITCH
RED
R74A
1/4W
MINI
82K
C17 63V150N
R20
1/4W
.
120K
4148
D2
R16
1/4W
.
56K
R15
1/4W
.
56K
C24 100V100N
C25 275V22N
R19
1/4W
.
120K
C7 100V68N
4148
D1
R14
1/4W
.
56K
R13
1/4W
.
56K
TO92
MPSA06
Q13
5103
4007
D15
R77
1/4W
.
33K
D14
4007
C64 50V8200U C52 63V6800U
U1:A
MC33078P
8
V+
4V-
U1:C
S4:B
3436
GRND LIFT
S4:A
3436
GRND LIFT
R78
1/4W
.
220K
R79
1/4W
.
47K
R80B
1/4W
.
130K
R80A
1/4W
.
130K
C66 50V8200U
C67 50V8200U C55 63V6800U
C54 63V6800U
C18 16V33U
S2:A
3436
LIMITER
S2:B
3436
LIMITER
C69 50V8200U C57 63V6800U
7W11:G
2W11:B
6W11:F
4W11:D
R83
1/4W
.
10R
R82
1/4W
.
33K R95
1/2W
.
15K
R91
1/2W
.
15K
7
W1:G 8
2
W1:B 8
4
W1:D 8
Copper Tie-net Name
Tie Here
2+
2_
6956
SPEAKON 4C H
J5:B
SPKON_A
3682 WC22
-100V
BLU
3682 WC24
-42V
BRN
3682 WC27
+42V
GRY
3682 WC28
+42V
GRY
3682 WC30
+100V
RED
B
2
W13:B12
4
W13:D12
6
W13:F12
8
W13:H12
W8
A+
.
YEL
W39
B+
.
VIO
R86
1/4W
.
33K
W9
B+
.
RED
W38
B+
.
VIO
4148
D17
4148
D16
R23
1/4W
.
10K
R22
1/4W
.
10K
L33820
4UH
R37
5.0W
.
5R6
W10
.
.
BLK
R24
1/4W
.
47K
D19
4148
D18
4148
R59
1/4W
.
1K
W14:C
W14:A
R38
5.0W
.
5R6
L43820
4UH
R28
1/4W
.
47K
LD1
RED
5906
PRT
R25
1/4W
MINI
2K
2
W37:B 4
3
W37:C 4
4148
D7
Q23
5103
TO92
MPSA06
C43 25V100U
R26
1/4W
MINI
2K
1
W6:A 2
2
W6:B 2
D20
1N750ARL 4V7
0W5
R34
1/4W
.
1K
R70
1.0W
FLMP
1R
6815
Q11
MJF6388
T221D
FAN SUPPLY
4007
D12
4007
D11
S6
DPDT Switch
C13 100V220P
R8
1/4W
0.1%
9K76
C3 100V220P
S1:A
3436
STEREO/MONO
BR3
6419
BRIDGE
Flat
6419
BRIDGE
BR2
Flat
R98
5.0W
.
390R
C16 100V68N
6419
BRIDGE
BR1
Flat
C21 100V100N
C8 63V150N
C78 25V100U C70 63V6800U C58 50V8200U
D22
1N5251BRL 22V0
0W5
S3:B
3436
FILTER SWITCH
W26
TO CHASSIS
.
GREEN
8
V+
4V-
U2:C
C79 63V100U
R81
1/4W
.
100K
C73 63V6800U
C72 63V6800U
C61 50V8200U
C60 50V8200U
R21
1/4W
.
33K
C75 63V6800U C63 50V8200U
5190
Q15:A
{Voltage} TO92
MBS4992
G
MT1 MT2
Q16
6517
TO220
STM-BTB-600BRG
.
R93
1/2W
.
15K
R96
1/2W
.
15K
W33
3417
5190
Q19:A
{Voltage} TO92
MBS4992
R60
1/4W
.
1K
R63
1/4W
.
16K
R64
1/4W
.
16K
D23
1N5248B 18V0
0W5
D24
1N5256B 30V0
0W5
Q9
5101
TO92
BC550C
C45 100V22N
C42 25V100U
FAN
FAN2
FAN
1+
1_
6956
J5:A
SPEAKON 4C H
SPKON_A
D21
1N5248B 18V0
0W5
CBE AGCGMT2MT1
MBS4992
FROM W64E AND DUMMY TAB
TRANSFORMER SHOWN WIRED FOR
ORN
BRN/BLK
C19 100V100N
TURN ON RELAY
3682 WC21
FROM SWITCH
BLU
C77
63V 10U
3682 WC3
XFMR GND
YEL
C2 100V220P
C9 16V33U
2
W2:B12
4
W2:D12
6
W2:F12
8
W2:H12
11
W2:K12 10
W2:J12
11
W13:K12
R87
1/4W
.
10R
3682 WC35
B+ OUT
YEL 3682 WC34
B- OUT
BLK
W35:A2
AP6040 / V64 Power Supply
230VAC INPUT VOLTAGE. FOR 245VAC
SWITCH BROWN AND BRN \BLK LEADS
TAB
WC13E
BRN
3682 WC10
POWER CORD
WHT
3682 W15
.
DUMMY 3682 WC4
N/C FOR N.A.
TO WC19 EURO
R9
1/4W
.
1K54
3922
J4:A
.
S TR
-
--
J2
.
R3
1/4W
.
1K54
R1
1/4W
.
1K54
C22 100V100N
TO92
BC550C
Q14
5101
3682 WC20
TO SWITCH
RED
3682 WC1
FROM BREAKER
BLK
R74B
1/4W
MINI
82K
R75
1/4W
.
1K
R76
1/4W
.
4K7
C65 50V8200U C53 63V6800U
R12
1/4W
0.1%
9K76
C11 100V220P
C15 63V150N
U1:B
MC33078P
C10 100V220P
R6
1/4W
0.1%
9K76
C1 100V220P
C5 100V68N
U2:A
MC33078P
R5
1/4W
0.1%
9K76
L13820
4UH
R35
5.0W
.
5R6
W7
A-
.
GRY
R94
1/2W
.
15K
R90
1/2W
.
15K
1
W2:A12
3
W2:C12
5
W2:E12
7
W2:G12
12
W2:L12
9
W2:I12
10
W13:J12
12
W13:L12
C82 16V33U
L23820
4UH
RB
Banana Jacks
BANANA_V_B+RJ8
B OUTPUT
2+
2_
6956
SPEAKON 4C H
J6:B
SPKON_B
R57
1/2W
.
8K2
4W37:D4
1W37:A4
6815
Q7
MJF6388
T221D
+16V
LD2
GRN
5908
PWR
7
6
1
2
3
4
5
GENERIC_XF_2S_1P
T1
{Description}
R7
1/4W
.
1K54
S1:B
3436
STEREO/MONO
3922
J3:A
.
S TR
J1
-
--
.
Q12
5191
MCR100-6
C76 63V470N
C71 63V6800U C59 50V8200U
C14 100V68N
S3:A
3436
FILTER SWITCH
R11
1/4W
0.1%
9K76
R18
1/4W
.
4M7
C6 63V150N
U2:B
MC33078P
R17
1/4W
.
4M7
R97
1/2W
.
15K
R92
1/2W
.
15K
W34
3417
G
MT1 MT2
Q20
6517
TO220
STM-BTB-600BRG
.
R36
5.0W
.
5R6
R58
1/2W
.
8K2
C46 25V470U
FAN
FAN1
FAN
{C_Type}
6814
Q8
MJF6668
T221D
-16V R62
1/4W
FLMP
10R
R61
1/4W
FLMP
10R
1+
1_
6956
J6:A
SPEAKON 4C H
SPKON_B
3722_DRW
BCE
MPSA06
MAC224
MT1 GMT2
MJF6388
MJF6668
CBE
RB
Banana Jacks
BANANA_V_B+R J7
A OUTPUT
9
10
11
12
13
MODEL(S):-
DATE VER# DESCRIPTION OF CHANGE#
1
2
3
4
5
6
7
8
ADD RTV HOLES TO RELAY
PC#6207 REPLACE FUSE WITH 390R 5W
SCHEMATIC
Q23 BC550 TO MPSA06 (TO MATCH
4.10
.
4.00
.
3.10
FEB/23/01
NOV/15/01
JUN/02/00
.
JAN/31/00 RIBBON CABLE
REPLACE 14 PIN IC SOCKET WITH #3673
CHANGE SPACING OF COILS
PC#6125 CHANGE SPACING R73. PC#6128
TRACES ENLARGED
R84, R88,Q21, C83, R89 DELETED
TRIACS Q18 Q22 DELETED. R85, Q17. C81
.
.
.
3.00
.
.
.
2.00
OCT/18/99
.
SEP/28/99
.
.
.
AP6040 / V64
M1151
PC#6034 LD2 ROTATEDAUG/10/99
.
PC#6242 SHEAR MOVED 0.050" IN X
12
9
6
3
13
10
11
7
4
1
2
5
8
MAY-23-2007
Feb 23, 2006
.
JUN/10/03
JUL/08/02
PC#7247, REDO ARTWORK, INCREASE K1 TRACES THICK
Add marconi flange. output jig drill files
ADD TESTNODES
ROUTING CHANGED AT JB2
PC#6553 REPLACE SHEAR WITH ROUT
APR/24/06
MAY-24-2006
.
FEB/01/2005
SEP/18/03
D
JUL/15/02
NOV-10-2005
GK:W5 AND W6 CORRECTED TO GRIP EYELETS
PC#7004 MAC224-4 TO STM-BTB-600BRG
PC#7009 ENLARGE MOUNT HOLES FOR Q16&Q20 #6444
GT:PC#7008:C82 #5281 10U/16V->#5961 33U/16V,
CONVERT TO PCAD2002 . AC UPDATED FOR CE STANDRD
PC#6626 C80 10u -> 33u/16V NP
CHAN A SPEAKON TO STEREO
PC#6395 MOVE R9E . PC#6426 REWIRE
7.00
.
.
5.10
4.20
.
6.20
.
6.10
6.00
5.20
.
5.00
W16
12in 16C
3673
12
9
6
3
13
10
11
7
4
1
2
5
8
V
V
V
V
V
V
V
8.00
V
V
.
D
D
D
N
N
N
D
D
D
D
JUN-15-2009
D
.
D
N
N
N
N
Solderability updates/fan connectors
N
N
PC#7616 - ADD FAN CONNECTOR #4056
JAN-11-2010 9.00 PC#7896 MOVE W6 AWAY FROM EDGE OF BOARD
PC#7953 MOVE HOLE FOR CIRCUIT BREAKER

VCD
CLINCH
ORIGIN LONG AXIS
SHORT AXIS
INSERT
ORIGIN
V9.0M1151Pcb Mech
USE 2OZ COPPER
CE ONLY
BlankSize - 15000x10000
V9.0M1151Top Assy
680N FOR CE
BANANNA JACKS MOUNTED ON CHASSIS
SEE LAYOUT DOCUMENTATION
V
T
R
V
T
R
V
T
R
V
T
R
V
T
R
V
T
R
V
T
R
V
T
R
V
T
R
V
T
R
V
T
R
V
T
R
V
T
R
V
T
R
V
T
R
V
T
R
V
T
R
V
T
RV
T
R
V
T
RV
T
R
V
T
R
V
T
R
5R0
V
T
R
V
T
R
V
T
R
V
T
R
V
T
R
V
T
R
V
T
R
V
T
R
V
T
R
V
T
R
V
T
R
V
T
R
V
T
R
V
T
R
V
T
R
V
T
R
V
T
R
V
T
RV
T
R
1 2
+
-
V
T
R
1
RB
2
V
T
R
1
RB
2
V
T
R
V
T
R
V
T
R
V
T
R
V
T
R
V
T
R
5R0
V
T
R
V
T
R
8
1
V
T
R
1612
1612
1
RB
2
V
T
R
V
T
R
+
-
-
C1
+
NO
NC
C2
+1
-2 -1
+2
SPEAKON 4C H
-
+
AC1
AC2
-
+
AC1
AC2
8
1
1
RB
2
22
-
+
AC2
AC1
+1
-2 -1
+2
SPEAKON 4C H
PWR
FILTER SWITCH
GRND LIFT
.
-16V
PRT
SPKON_A
A OUTPUT
B OUTPUT
FAN SUPPLY+16V
LIMITER
STEREO/MONO
.
SPKON_B
5989
6489
3612
3612
5989
2354
5908
3820
4056
4056
3417
3436 3436
3498
6451
6435
6489
2328
6435
2329
6814
2329
3538
4056
5906
5895 5895 5895 5895
3722
6517
3820
3820
5895 5895 5895 5895
6956 6517
3380
3385
6419
6419
5895 5895 5898 5898
5895 58985895 5898
5898 58985898
68156815
2328
3673
4056
5898
3922
3922
5898 5898
3417
3436 3436
3498
6419
5898
3820
6956
5898
100K
47K
100N 120K
4148
1K54
15K
1/2W
220P
100N
4148
22N
220P 1K54
10R
15K
1/2W
1K
82K
130K
130K
BC550C
TO93
MCR100-6
15K
1/2W
4M7
4M7
56K
9K76
9K76
9K76
9K76
15K
1/2W 220P
56K
18V0
56K
9K76
9K76
9K76
220P
47K
470N
150N
47K
30V0
68N
4148
16K
33U
16V
MBS4992
TO92
25V
100U 15K
1/2W
4K7
4007
MPSA06
15K
1/2W
33U
16V
33K
68N
150N
68N
100N
150N
4007
4007
68N
15K
1/2W 220P 220P
1K54
MPSA06
100U
25V
100N
150N
100N
16K
220P
BC550C
1K54
GRN
5.0W
5R6
33K
82K
63V
100U
4UH
5.0W
5R6
10U
63V
4007
220K
33K
5.0W
5R6
MBS4992
TO92
33K
10R
5.0W
5R6
120K
56K
MC33078P
15K
1/2W
100N
25V
100U
25V
470U
9K76
MC33078P
220P
18V0
10K
8K2
1/2W
10R
1K
10K
1K 4148
5.0W
390R
5.0W
390R
4007
4N7
250V
22N
275V
22V0
33U
16V
22N
275V
1K 4148
4148
10R
4148
4V7
8K2
1/2W
MJF6668
4148
33U
16V
2K
RED
2K
6800U
63V 6800U
63V 6800U
63V 6800U
63V
RELAY 1A
STM-BTB-600BRG
TO220
4UH
4UH
6800U
63V 6800U
63V 6800U
63V 6800U
63V
STM-BTB-600BRG
TO220
Banana Jacks
Banana Jacks
BRIDGE
BRIDGE
6800U
63V
63V 6800U 50V 8200U
8200U
50V
6800U
63V 8200U
50V
6800U
63V 8200U
50V
8200U
50V 8200U
50V
8200U
50V
1R
1.0W
MJF6388
MJF6388
12in 16C
8200U
50V 8200U
50V 8200U
50V
BRIDGE
8200U
50V
4UH
8200U
50V
AP6040 / V64
2/2
1/2
V9.0
M1151
V9.0
AP6040 / V64
!!!!! DO NOT DISCARD !!!!!
YS PART# M1149-58
SAVE FOR USE IN WIRING
!!!!! DO NOT DISCARD !!!!!
YS PART# M1149-58
SAVE FOR USE IN WIRING
Into Wave
M1151
NOTE: FOR CE REMOVE R74A & R80A
X1
X58
R81
R79
C21 R20
X88
X85
X84
D1
R3
R95 X83
C1
X81
X82
C19
D2
C45
X34
C10 R7
X80
X39
R83
R91
R74A
R80A
R80B
Q14
Q12
R90 X8
X53
X54
X56
X57
X49
X50
X52
R18
R17
X12
X15 R13
R4
R6
R2
R5
R93 X79 C3
X76
R16
D21
R15
R12
R10
R8
C12
R24
X60
X66
X69
X71
X74
X20
X17
C76
C6
X25
X29
R28
D24
X41
C14
D18
X40
X37
R64
A+
W8
YEL
XFMR
WC13
R29
C80
Q15
A-
W7
GRY
C78
R96
W39
VIO
B+
X59
R76
D14
Q13
X101
R97
C82
W9
RED
B+
W38
VIOB+
BLK
W10
R21
X90
X89 C7
C17
C16
C24
C8
WC28
+42V
GRY
X86
X87
WC27
GRY
+42V
D12
BRN
-42V WC25
D11
C5
X22
X23
SPKR GND
WC26BLK
X28
X24
X26
R94 C2 C4 R1
Q23
X31C43
W14
C20 C15
C23
R63
X32
X35
C11
W12
Q9
W6
R9
LD2
WC7
BLK
XFMR
WC10 WHT
POWER CORD
R36
R82
R74B
X3
X2
C79
L1
R35
C77
D15
R78
R77
X5
R37
X10
X9
X7
X6
WC23
-100V
BLU
Q19
R86
R87
X55 X48
X51 R38
LOC
BEC
W3
R19
X11
X14
X13 -42V
WC24
BRN
RED
XFMR
WC6
R14
U2
R92
X77
X78
X27
X21
W36
C22
X75
C42 C46
R11
U1
C13
W33
X64
X63
X61
X65
X67
X68
S3
S4
J1
-
-
-
X72
X73
X19
X18
X16
D23
R22
R57
R61
R60
R23
R34 D17
X36
X33
DUMMY
W15
R98 R73
D13
WC19 BLU
FROM SWITCH
C51
C50
WC20
RED
TO SWITCH
D22
R27
WC21 BLU
FROM SWITCH
GND
WC33
WC35
B+ OUT
YEL
WC36
BLU
A+ OUT BRN A- OUT
WC37
GRY
WC14
XFMR
WC2
XFMR
RED
+100V
RED
WC30
WC29
RED
+100V
GRY
WC18
XFMR
C9
W11
C25
X30
R59
D16
W13
D7
R62
X38 D19
XFMR GND
YEL
WC3
D20
R58
Q8
W2
D8
W37
W35
C18
R26
LD1
R25
C57
C56
C55 C54
X4
BLK
WC1
FROM BREAKER
WC5
TO SWITCH
RED
WC4
N/C FOR N.A.
TO WC19 EURO
WC17 GRN
GND
K1
Q20
L2
L3
C73 C74
C75
C70
J5
Q16
WHT RED
J7
WHT RED
J8
BR3
BR2
C52 C53 C58
WC22 -100V
BLU
C59
W26
TO CHASSIS
GRN
C71 C65C72 C66
C62 C63
C61
R70
Q11Q7
W1
W16
W4
C68
J4
J3
C64 C69
W34
S2
S1
X70
J2
-
-
-
B- OUT
BLK
WC34
BR1
C60
L4
J6
C67

C77
RELAY
RTV
6.PT# 3922
THIS CONNECTION
BEND DOWN 1/4" FROM BODY OF TRANSISTOR
MARKED 2 AND 3 ARE BENT FLAT
BEND LEGS IN DIRECTION SHOWN
AFTER MOUNTING DEVICE
USE #8799 TO MOUNT TRIAC
AGAINST THE COPPER SURFACE
IT IS IMPERATIVE THAT LEGS
DO NOT CUT LEGS #2 OR #3
IMPORTANT
SEE LAYOUT DIAGRAM
M1151 PRODUCTION NOTES
6. DO NOT STUFF W3, W4 AND W36
MUST BE BROKEN HERE
4. FOR CE REMOVE R74A, R80A.
1. MOUNTING DETAILS FOR TRIAC
7. BEND C77 OVER AND RTV TO RELAY
3. SCREW DOWN BRIDGES WITH #8753 SCREW.
5. R73, BEND THE LEADS IN SAME DIRECTION.
2. CUT LARGE CAP LEADS BEFORE WAVE SOLDER.

LEAD/PIN REFERENCE
SEE LAYOUT DIAGRAM
CEB
BC550C
ECB
MPSA06
MJF6668
MJF6388
BEC
CGA
MCR100
MAC224
MT1
STM-BTB-600BRG
GMT2
MT1 GMT2
MBS4992
C- C+
NO
COM
11
8
5
2
12
9
6
13
10
7
3
4
1
D
D
D
V
V
V
N
N
N
D
D
D
D
D
D
V
V
V
V
V
V
N
N
N
N
N
N
JUN-15-2009 8.00 Solderability updates/fan connectors
PC#7616 - ADD FAN CONNECTOR #4056
JAN-11-2010 9.00 PC#7896 MOVE W6 AWAY FROM EDGE OF BOARD
PC#7953 MOVE HOLE FOR CIRCUIT BREAKER
5
2
#
6
3
4
1DATE
MODEL(S):-
VER# DESCRIPTION OF CHANGE
D
D
V
V
N
N
D
D
D
D
V
V
V
V
N
N
N
N
M1151 DRILL HISTORY
AP6040 / V64
13
12
11
10
9
DESCRIPTION OF CHANGE
5
4
3
2
1
# VER#DATE
MODEL(S):-
8
7
6
FEB/23/01
.
JAN/31/00 3.10
.
4.00
.
4.10
JUN/02/00
NOV/15/01
Q23 BC550 TO MPSA06 (TO MATCH
SCHEMATIC
PC#6207 REPLACE FUSE WITH 390R 5W
PC#6242 SHEAR MOVED 0.050" IN X
ADD RTV HOLES TO RELAY
.
OCT/18/99
..
.
.
2.00
.
.
.
3.00
AUG/10/99
.
.
.
SEP/28/99
M1151
PC#6125 CHANGE SPACING R73. PC#6128
TRACES ENLARGED
R84, R88,Q21, C83, R89 DELETED
TRIACS Q18 Q22 DELETED. R85, Q17. C81
PC#6034 LD2 ROTATED
CHANGE SPACING OF COILS
REPLACE 14 PIN IC SOCKET WITH #3673
RIBBON CABLE
AP6040 / V64
11
8
5
2
12
9
6
13
10
7
3
4
1
FEB/01/2005
D
6.00
.
CONVERT TO PCAD2002 . AC UPDATED FOR CE STANDRD
CHAN A SPEAKON TO STEREO
APR/24/06
JUN/10/03
SEP/18/03
JUL/08/02
JUL/15/02
6.20
5.10
5.20
4.20
5.00
PC#6626 C80 10u -> 33u/16V NP
ROUTING CHANGED AT JB2
PC#6395 MOVE R9E . PC#6426 REWIRE
PC#6553 REPLACE SHEAR WITH ROUT
ADD TESTNODES..
NOV-10-2005 6.10 GT:PC#7008:C82 #5281 10U/16V->#5961 33U/16V,
PC#7009 ENLARGE MOUNT HOLES FOR Q16&Q20 #6444..
Feb 23, 2006 . Add marconi flange. output jig drill files
GK:W5 AND W6 CORRECTED TO GRIP EYELETS.MAY-24-2006 PC#7004 MAC224-4 TO STM-BTB-600BRG
MAY-23-2007 7.00 PC#7247, REDO ARTWORK, INCREASE K1 TRACES THICK
4
1
6
5
3
#
2
MODEL(S):-
PC#
*PLACE IMPLEMENTED CHANGES INTO BOARD HISTORY
PENDING CHANGE
X
X
X
X
X
PC
PC
PC
PC
PC
PC
M1151 PENDING CHANGES
X
AP6040 / V64

Yorkville Sound
Yorkville SoundYorkville Sound
Yorkville Sound Phone: (905)837-8550 Ext.218
550 Granite Court Fax: (905)839-5776
Pickering, Ontario Email: pmourtos@yorkville.com
Canada L1W 3Y8 www.yorkville.com
SERVICE BULLETIN
Date
DateDate
Date :
::
: February 29, 2000
Re
ReRe
Re :
::
: AP6020 / AP6040 Internal Fuse Problem
Dear Staff & Dealers,
We are sorry to advise that a service issue has developed with the AP6020 and AP6040 power
amplifiers that will eventually affect every unit shipped before February 26th, 2000. All units in
stock in Canada and the USA have been reworked to correct this problem.
The problem is serious enough that it is necessary to modify all units in the field, so we are here
by issuing a service bulletin that will be followed up with letters and phone calls to all affected
dealers and distributors.
All units should be modified as soon as possible. The units can either be returned to Yorkville for
modification, or can easily be modified in the field by a qualified service technician. We will, of
course, accept warranty claims for this modification.
Required Modification:
--------------------------------
- Remove the lid from the unit and both power amp boards.
- Locate the small 0.1A fuse on lower power supply board (#M1151 - AP6040 or M1177 -
AP6020). This is the only fuse in the unit.
- Replace this fuse with a 5W 390R resistor (YSL Part#4736).
- Dress all wires away from the two 5W 390R resistors.
- In order to be sure that no damage was done to the upper power amp boards when they were
removed it is strongly advised that the technician carefully retouch the solder on the three legs
of each of the following transistors: #Q32A,Q32B,Q33A and Q33B on each of the two power
amp boards (AP6040 - M1176/M1176A, AP6020 - M1150/M1150A)
- Replace the upper boards and lid.
Sorry for any inconvenience caused as a result of this problem. For further technical information
or assistance please contact Peter Mourtos at Yorkville Sound via phone at (905)837-8550
Ext.218 or via email at pmourtos@yorkville.com .
Enclosed
EnclosedEnclosed
Enclosed - Layouts for AP6020/AP6040 Power Supply and Power Amplifier boards.

VCD
.020"
.012"
.008"
.005"
.020"
.012"
.008"
.005"
.020"
.012"
.008"
.005"
.020"
.012"
.008"
.005"
M1150-4.00
ASSEMBLY M1150-4.00
WARNING
BOARDS
BEFORE REMOVING
SUPPLY WIRES
DISCONNECT POWER
BLANK SIZE=18.000" X 13.900"
ASSEMBLY M1150-4.00
U2C
33078P
U1
5532
U3
5532
D37
1N4004
D8
1N4004
D4
1N4004
D37
1N4004
Q24A
FUNCTION
MJE350
Q23A
FUNCTION
MJE340
Q17B
MJE340
FUNCTION
Q23B
FUNCTION
MJE340
Q24B
FUNCTION
MJE350
Q18B
MJE350
FUNCTION
ZD11A
16V/1W
ZD10A
16V/1W
ZD10B
16V/1W
ZD11B
16V/1W
J4C
J59
J66
J11
J48
J21
J37
J56
J42
J43
J163A
D37B
BAV21
D39B
4148
D40B
BAV21
D42B
BAV21
D41B
4148
D38B
BAV21
D38A
BAV21
D37A BAV21
Q20A
BC550
Q22A
BC550
Q21A
BC560
Q19A
BC560
Q47A
BC560
Q4C
BC560
Q5C
BC560
Q6C
BC560
Q29A
BC550
Q14A
BC550
Q9A
BC560
Q13A
BC550
Q10A
BC560
Q2
BC550
Q15A
BC550
Q16A
BC560
Q46A
BC550
Q16B
BC560
Q15B
BC550
Q10B
BC560
Q13B
BC550
Q9B
BC560
Q14B
BC550
Q29B
BC550
Q19B
BC560
Q21B
BC560
Q22B
BC550
Q20B
BC550
Q47B
BC560
Q46B
BC550
Q3C
BC560
Q12A
MJE340
Q18A
MJE350
Q17A
MJE340
Q11A
MJE350
Q11B
MJE350
Q12B
MJE340
Q27A
2N6517
Q2C
A63
Q28A
2N6517
Q4
2N5401
Q8A
2N5401
Q7A
2N5551
Q1
A06
Q3
2N5401
Q28B
2N6517
Q27B
2N6517
Q8B
2N5401
Q7B
2N5551
Q1C
A13
R122A
0.5W
1R
R123A
0.5W
1R
R123B
0.5W
1R
R122B
0.5W
1R
J2
TP3A
J5
TP1A
J39
J49
J50
TP4B
TP1B
TP6B
TP2B
TP3B
J38
J62
R131A
5W
1K
R130A
5W
1K
R130B
5W
1K
R131B
5W
1K
D5A
4148
D9C 4148
D22A
4148
D20A 4148
D6C 4148
R132A
39R
R133A
39R
R86A
10R
R78A
39R
R77B
39R
R78B
39R
R74B
100R
R71B
100R
R72B
75R
R73B
75R
R133B
39R
R132B
39R
R86B
10R
ZD8
6V2
ZD4A
14V
ZD5A
16V
ZD7A
20V
D2C
4V7
ZD6A
4V7
ZD6B
4V7
ZD7B
20V
ZD5B
16V
ZD4B
14V
ZD9
6V2
ZD3
33V
D1C
3V0
D27A BAV21
D28A BAV21
D25A
1N4148
D26A 1N4148
D9
4148
D39A 1N4148
D40A
BAV21
D42A
BAV21
D41A
1N4148
D21A 1N4148
D6A
1N4148
D19A
1N4148
D18A 1N4148
D17A1N4148
D14A
1N4148 D13A
1N4148
D11A
1N4148
D12A
1N4148
D2 4148
D1
4148
D3
4148
D6B
1N4148
D7
4148
D5B 1N4148
D9A4148
D10A4148
D25B
4148
D24B
4148
D17B 1N4148
D18B
1N4148
D19B
1N4148
D20B1N4148
D21B
1N4148
D26B
1N4148
D28B
BAV21
D27B
BAV21
D23B 4148
D22B 4148
D9B 4148
D10B 4148
D14B
1N4148 D13B
1N4148
D11B1N4148
D12B
1N4148
C5
10P
C6
10P
C1
220P
C2
220P
C21A
1n5
C14A
10p
C15A
10p
C22A 1N
C23A
2N2
C35A
6N8
C33A
6N8
C34A2N2
C36A
2N2
C31A
22n
C32A
22n
C37A
22n
C38A
22n
C42100N
C02C
100N
C9 100N
C50
100N
C10
100N
C38B
22n
C37B
22n
C32B
22n
C31B
22n
C36B
2N2
C34B
2N2
C33B
6N8
C35B
6N8
C23B
2N2
C22B
1N
C15B
10p
C14B
10p
C21B
2N2
C01C
100N
C50A
470P
R89A
150R
R90A
2R2
R91A
2R2
R94A150R
R96A
150R
R95A
2K7
R98A
12K
R99A249R
R165A
2R2
R101A
12K
R93A 6K98
R92A
150R
R97A
6K98
R134A
82K
R124A
100R
R125A
39R
R121A
470R
R118A
220K
R115A
4K7
R142A
1R
R144A
1R
R143A
1R
R141A
1R
R140A
1R
R145A
1R
R160A
220K
R04C
15K
R177
22M
R59B
4K7
R60A
10K0
R61A
17K8
R18
47K
R8
100R
R10
100R
R26
7K5
R25
1K5
R20
4K7
R19
10K
R21
220K
R23
10K
R6
4K7
R7 10K
R5 6K8
R13
12K
R24
1M
R17 12K
R54A
47K
R63A
2K
R88B
68R
R165B
2R2
R54B
47K
R140B
1R
R141B
1R
R142B
1R
R137B
20K
R114B
2K2
R124B
100R
R126B
100R
R139B 82K
R134B
82K
R97B
6K98
R92B
150R
R93B
6K98
R101B
12K
R98B
12K
R95B
2K7
R96B
150R
R89B
150R
R31
330R
R53B
10K0
R51B
10K0
R61B
17K8
R62B
3K
R53C
220R
R52C
470R
R51C
220K
R49C
15K
R48C4K7
R47C470R
R45C
4K12
R44C10K
R42C 10K0
R41C 10K
R40C
4K12
R35C
10K0
R34C
470R
R33C
4K7
R32C
15K
R31C
220K
R30C
470R
R29C
220R
U2C1
10K
R7C
10K
R2C
100K
R4C 470K
R50C
15K
R1C
100K
R55B
220R
U5
4N35
U5
4N35
RTA
BIAS
10K
RTB
BIAS
10K
R107A
1W
0R47
R107B
1W
0R47
R156A
2W
3R9
R81A
2WATT
150K
R81B
2WATT
150K
R156B
2W
3R9
Q25A
PART#
FUNCTION
MJL3281A
Q26A
PART#
FUNCTION
MJL1302A
Q26B
PART#
FUNCTION
MJL1302A
Q25B
PART#
FUNCTION
MJL3281A
Q42A
21196
NPN
OUTPUT1
Q44A
21195
PNP
OUTPUT1
Q34A
21196
NPN
OUTPUT1
Q38A
21196
NPN
OUTPUT1
Q36A
21195
PNP
OUTPUT1
D31A
MR854
D29A
MR854
D30A
MR854
D30B
MR854
D29B
MR854
D31B
MR854
Q40A
21195
PNP
OUTPUT1
Q43A
21196
NPN
OUTPUT1
Q39A
21196
NPN
OUTPUT1
Q35A
21196
NPN
OUTPUT1
R146A
5W
0R1
R147A
5W
0R1
R148A
5W
0R1
R149A
5W
0R1
R150A
5W
0R1
R151A
5W
0R1
D33A
MR854
D32A
MR854
D34A
MR854
Q37A
21195
PNP
OUTPUT1
Q41A
21195
PNP
OUTPUT1
Q45A
21195
PNP
OUTPUT1
Q45B
21195
PNP
OUTPUT1
Q41B
21195
PNP
OUTPUT1
Q37B
21195
PNP
OUTPUT1
J9
J45
J25
J6C
R171A
681R
R168A
1K
R170A
681R
R173A
681R
R174A
681R
R172A
681R
R167A
1K
R82A
10R
R175A
681R
R84A
75R
R85A
10R
R83A
75R
R83B
75R
R84B
75R
R175B
681R
R82B
10R
R167B 1K
R174B
681R
R173B
681R
R168B 1K
C25A
10U
63V
C16A
4U7
63V
C36C
50V
22u
C24A
10U
63V
C28A
1U
63V
C12A
10U
63V
C11A
10U
63V
C17A
4U7
63V
C7
4U7
63V
C28B
1U
63V
C24B
10U
63V
C25B
10U
63V
C12B
22u
50V
C11B
50V
22u
C16B
4U7
63V
C17B
4U7
63V
C35C
50V
22u
J158A
R30
68K
J22
11
10
9
8
7
6
5
4
3
2
1
# DESCRIPTION OF CHANGEVER#DATE
MODEL(S):-
NOV/26/99
OCT/18/99
SEP/16/99
AUG/24/99
.
.
.
.
.
AUG/10/99
MAY12/99
4.00
.
.
3.00
.
.
.
.
.
2.00
1.00
PC#6066_REPAIR_ERROR
#3673_RIBBON->#3562_SKT
PC#6098_CHANGES_AS_PER_PC
PC#6066_C126C_1_PIN_V-_->GND
PC#6033_R163A/R158A->J163A/J158A
ELIMINATE_SHORT_TO_SCREW
PC#6042_C50A_B_TO_C_Q24A_ADD_J63_TO
->4K99_R35C/R42C_20K0->10K0
PC#_____ADD_R30_R50A/B_R52A/B_10K0
PC#6043_RELAY_CONNECTIONS_ALTERED
PILOT_RUN_RELEASE
AP6040
M1150-PCB_DATABASE_HISTORY
R46C
15K
ZD1
10V
1
MX1
#3580
TO_M1151-POWER_SUPPLY_PCB
R111A
3K
R120A
150R
R15
100R
R136A
20K
R110A
3K
R116A 220K
R3C 470K
R119A
4K7
R117A
18K
R113A
4K7
R28
1K5
R135A
22K
R62A
3K
R75A
8K2
R27
1K5
R50A
4K99
R70A
2K
R67A
1K
R66A
1K
R57A
220R
R59A
4K7
R79A
3K3
R2
10K0
R1
10K0
R3
10K0
R9
18K
R14
18K
R12
100R
R16
100R
R52A
4K99
R51A
10K0
R53A
10K0
R80A
8K2
R22
1K5
R180A
470R
R4
10K0
R138A
22K
R29
470R
R138B
22K
R80B
8K2
R79B
3K3
R70B
2K
R75B
8K2
R135B
22K
R113B
4K7
R117B
18K
R119B
4K7
R94B
150R
R116B
220K
R110B
3K
R136B 20K
R120B
150R
R111B
3K
R121B
470R
R32
220R
R63B
2K
R152A
120R
R160B
220K
R55A
4K7
R115B
4K7
R118B
220K
R152B
120R
R76A
3K3
R55B
4K7
R56B
4K7
R52B
4K99
R67B
1K
R66B
1K
R58B
4K7
R50B
4K99
R5C
8M2
R76B
3K3
R32220R
R36C 8M2
J19
C29A
220N
250V
C30A
220N
250V
C30B
220N
250V
C29B
220N
250V
GS
Q33A
MTP23P06
FUNCTION
GSQ32A
MTP10N15L
FUNCTION
GS
Q32B
MTP10N15L
FUNCTION
GS
Q33B
MTP23P06
FUNCTION
R112A
2K2
R102A
39K
R112B
2K2
R162A
2R2
DOWN
BAR
D35A
MR854
DOWN
BAR
MR854
DOWN
BAR
MR854
DOWN
BAR
D35B
MR854
PART#
PART#
C26A
330u
16v
C19A
120v
10u
C20A
16v
330u
C27A
330u
16v
C18A
120v
10u
C20B
16v
330u
C18B
120V
10u
C27B
330u
16v
C19B
120v
10u
C26B
330u
16v
NO NC C
K1
AROMAT_RELAY
U2
LM13600
TB7
250TAB
OUT_B
TB3
250TAB
+42V
TB4
250TAB
OUT_B
TB5
250TAB
-42V
TB6
250TAB
-100V
TB2
250TAB
+100V
C25C
16V
33u
C26C 16V
33u
C10B
33U
16V
C10A
33U
16V
C9B
16V
33U
C9A
33U
16V
J3
J4
J60
J27
J63C
J17
J7
J15
J20
J35
J6
J16
J12
J24
J41
J34
J51
J32
J61
R11
100R
R58A
4K7
R126A
100R
R56A
4K7
D23A
4148
R87A
39R
R87B
39R
J8
J26
J30
J29
R137A
20K
R88A
68R
R102B
39K
R114A
2K2
R57B
220R
D24A
4148
J57
J31
D34B
MR854
D32B
MR854
D33B
MR854
R91B
2R2
R144B
1R
R143B
1R
R145B
1R
R151B
5W
0R1
R150B
5W
0R1
R149B
5W
0R1
R148B
5W
0R1
R147B
5W
0R1
R146B
5W
0R1
Q35B
21196
NPN
OUTPUT1
Q39B
21196
NPN
OUTPUT1
Q43B
21196
NPN
OUTPUT1
Q40B
21195
PNP
OUTPUT1
Q36B
21195
PNP
OUTPUT1
Q38B
21196
NPN
OUTPUT1
21196
NPN
OUTPUT1
Q44B
21195
PNP
OUTPUT1
Q42B
21196
NPN
OUTPUT1
C39B
10N
250V
C39A
10N
250V
R71A
100R
R72A
75R
R73A
75R
R74A
100R
R77A
39R
R109B
200R
R109A
200R
R106B
200R
R100A
249R
R105A
39R
R127A
39R
R103A
22R
R106A
200R
R85B
10R
R103B
22R
R104B
39R
R127B
39R
R99B
249R
R100B
249R
R104A
39R
R105B
39R
R125B
39R
R108B
200R
R108A
200R
J58
J55
J64
J65
J23
J33
J47
R162B
2R2
R153B
270R
R90B
2R2
J28
J3C
R139A
82K
R60B
10K0
U4
AS35
D3C
3V0
ZD2
30V
LD6
SP
RED
LD1C
SP
GRN
LD2C
SP
GRN
LD6C
SP
RED
R153A
270R
R172B681R
R170B
681R
R171B681R
J53
J40
J46
J54
J44
J52
GUIDE
ETCH
GUIDE
ETCH
GUIDE
ETCH
GUIDE
ETCH
5W
0R1
16-PIN.SOCKET
C38C
220p C37C 220p
R39C
15K
R55C
220R
C22C
220n
C21C
220n
C127C
100n C126C
100n
C18C
100P
C17C
100P
C4C
470N
C3C
470N
C2C
220p
C1C
220p
P2C
10K
-
-
L_GAIN
P1C
-
10K
-
R_GAIN
LIM
LVGND
REF
SIG
CLP
+100
PRT
AGD
+15
-42
TMP
GNDB
-15
+42
OG
-100
14AWG
14AWG
14AWG
14AWG
BRN
T126 TYPE DEVICE
PRODUCTION NOTES
MOUNTING HARDWARE FOR Q11,Q12
MOUNTING HARDWARE FOR Q40,Q41
MOUNTING HARDWARE FOR Q5,Q6
T264 DEVICE
#8741 4-40X 1/2" BOLT
BLU
YEL
RED
COOLED FROM WAVE SOLDER IS 6 INCH/LB
INITIAL TORQUE FOR TO-3’S IS 8 INCH/LB
MOUNTING DETAILS FOR 5W
OUTPUT -
OUTPUT +
TAB 7
TAB 6
TAB 5
TAB 4
TAB 3
TAB 2
TAB WIRE COLOURS
MOUNTING HARDWARE FOR TO3 OUTPUTS
TORQUE 4 INCH/LB
TORQUE 4 INCH/LB
TORQUE 4 INCH/LB
1
#8701 4-40 KEPS NUT
#8701 4-40 KEPS NUT
#8701 4-40 KEPS NUT
#3797 THERMO PAD
#3797 THERMO PAD
#8871 4-40X 1/2" BOLT
PCB
PCB
PCB
HEATSPREADER
HEATSPREADER
HEATSPREADER
HEATSPREADER
#3846 MICA
T-220 DEVICE
#8667 SHOULDER WASHER
#3501 BELL WASHER
#3501 BELL WASHER
#3501 BELL WASHER
#8741 4-40X 1/2" BOLT
R29, R29A R45 AND R45A
5 WATT RESISTORS
ADD #8629 SPACERS ONLY ON
FINAL TORQUE AFTER HEATSINK HAS
#8835 BOLT
#8663 SPACER
#3815 MICA
TO-3 TRANSISTOR
#8800 6-32 KEPS NUT
BOTH SIDES OF THE MICA PAD
MICA GREASE IS REQUIRED ON
ASSEMBLY M1150-4.00
FOR TEST JIG
FOR TEST JIG
HEAT SINK TOOLING PINS
HEAT SINK TOOLING PINS
HEAT SINK TOOLING PINS
HEAT SINK TOOLING PINS
METAL
METAL
METAL
METAL
BLANK SIZE=18.000" X 13.900"
VER.4.00
VER.4.00
BEFORE REMOVING BOARDS
DISCONNECT POWER SUPPLY WIRES
WARNING
RED
YEL
SPKR OUT
BRN
BLUE
USE 2 OZ. COPPER
AP 6040
AP 6040
M1150
M1150
ASSEMBLY M1150-4.00
P:\1150VR4.PRN

VCD
.020"
.012"
.008"
.005"
.020"
.012"
.008"
.005"
ROUTE
GAGE
0.01"/HOLE
SOLDERSIDE M1151-3.00
BLANK SIZE=15.000" X 10.000"
2oz.COPPER
DRILL DETL M1151-3.00
R81 100K
WC18
TRANS
R76
4K7
D13
4004
LEADS DOWN
BR1
KBPC__-W
C50
CSA
22n
C77
63V
10U
R58
.5W
8K2
D12
1N4004
Q14
BC550
V
T
R
D11
1N4004
R2847K
V
T
R
BE
Q11
MJF6388
BE
Q7
MJF6388
+16V\V+
R92
.5W
15K
C4522n
X1
#3673_RIBBON_CBL
MW1
C42
100U
25V
L1
#3820
4uH
C71
6800U
63V
J25
Q13
MPSA06
SURG2
SL225R012
VOLTAGE
#3414
C18
16V
33u
SW3A
FILTER
PART#
J27
LD1
RED
SP
JB4
CHANB_INPUT
C17 150N
R129K760
JB2
CHANB_INPUT
J80
Q15
MBS4992
SP1
CHANA_OUTPUT
#6956
SPEAKON
R37
5W
5R6
R74B
82K
V
T
R
V
T
R
V
T
R
D7
4148
V
T
R
R75
1K
R80A 130K
R79 47K
R70 1R
1WATT
V
T
R
V
T
R
R18
4M7
R64
16k
R26
2K
R57
.5W
8K2
EYE1
GRN/TO_CHASSIS
R20
120K
R15
56K
J90
R16
56K
R13
56K
R21
33K
R19
120K
R119K760
R109K760
R89K760
J87
R7
1K54
R9
1K54
R3
1K54
J83
R2 9K760
R4 9K760
R6 9K760
R5 9K760
R83 10R
R82
33K
J36
R86
33K
R87
10R
R34 1K
J59
WC17
GREEN/GRND
WC19
FROM_SWITCH
BLUE
WC6
TRANS
WC7
BLACK/TANS
WC3
SPK_GND/BLK
J50
J49
WC2
RED/TRANS
WC10
WHT_POWER_CORD
WC1
FROM_BREAKER
BLACK
WC14
GRY/TRANS
WC13
TRANS
WC22
BLUE
-100V
WC23 BLUE
-100V
WC24
BRN
-42V
WC25
BRN
-42V
WC26
TRANS_GND/YEL
WC27
GREY
+42V
WC28
GREY
+42V
WC29
RED
+100V
WC30
RED
+100V
J48
J57
WC33
GRD
WC34
BLACK/B-OUT
WC35
RED/B+OUT
WC36
BLU/A+OUT
WC37
BRN/A_OUT
V
T
R
LEADS DOWN
BR3
KBPC__-W
LEADS DOWN
BR2
KBPC__-W
C51
CSA
4n7
YEL
WC21
FROM_SWITCH
BLUE
C46
470U
25V
C78
25V
100U
J32
D21
18V
D14
1N4004
D23
18V
V
T
R
J31
R61 10R
R63 16k
Q9
BC550
U1
MC33078
U2
MC33078
D20
4V7
J37
V
T
R
D15
1N4004
D8
4148
R24
47K
R62
10R
F
RED
D24
30V
D2
4148
R17
4M7
J30
C43
100U
25V
R96
.5W
15K
V
T
R
R94
.5W
15K
R95
.5W
15K
R97
.5W
15K
R93
.5W
15K
J41
R91
.5W
15K
R90
.5W
15K
Q20
TRIAC_MAC224
#6444
TRIAC
WC20
TO_SWITCH
RED
J2
F
BLACK
R60 1K
C5
68N
C7 68N
C14 68N
C16 68N
C24
100n
C23 100n
C11 220p
C10
220p
C2 220p
C1 220p
C19
100n
C20
100n
C22
100n
C21
100n
C3
220p C4
220p
C12
220p
C13220p
MW2
J3
L2
#3820
4uH
L3
#3820
4uH
L4
#3820
4uH
C70
6800U
63V
C75
6800U
63V
C74
6800U
63V
C73
6800U
63V
C57
6800U
63V
C56
6800U
63V
C55
6800U
63V
C54
6800U
63V
C53
6800U
63V
C52
6800U
63V
R14
56K
C68
8200U
50V
C67
8200U
50V
C66
8200U
50V
C65
8200U
50V
C64
8200U
50V
C63
8200U
50V
C62
8200U
50V
C61
8200U
50V
C60
8200U
50V
C59
8200U
50V
C58
PART#
8200U
50V
SURG1
SL225R012
VOLTAGE
C9
16V
33u
C80
10u
16v
C82
10u
16v
V
T
R
SW2A
LIMITER_DEFEAT
PART#
SW1A
MONO\STEREO
PART#
J28
J29
LD2
GREEN
SP
JB3
CHANA_INPUT
C6
150N
C8
150N
C15 150N
C76
470N
JB1
CHANA_INPUT
Q19
MBS4992
R73
390R
5WATT
SP3
CHANB_OUTPUT
#6956
SPEAKON
J4
R36
5W
5R6
R35
5W
5R6
R38
5W
5R6
J23
SW4A
GRND_LIFT
PART#
J6
J21
C72
6800U
63V
J7
J8
J9
J10
J20
J19
J18
J17
J16
J15
J14
J13
J12
J11
J75
Q23
MPSA06
J69
J68
J67
J66
J65
J64
Q16
TRIAC_MAC224
#6444
TRIAC
J22
J78
J77
J79
J76
J74
J5
J72
J70
J61
CSA-0.1ASB/120VAC
CE-T0.2A/230VAC
RED
J60
F
F
J71
J63
J73
J26
J24
M1151
AP6040
VER VER
3.10
J51
J52
J56
J53
J54
J55
J58
R78 220K
R77 33K
D22
22V
R22 1K
V
T
R
J33
D18
4148
F
D17
4148
V
T
R
DUMMBY
DUMMY
J34
J39
D16
4148
R59 1K
1
FROM_INPUT
V
T
R
BEC
V
T
R
V
T
R
R74A 82K
R80B 130K
V
T
R
V
T
R
MW5
TO_POWER_SUP.
#3706
C25
22N
100V
R1 1K54
D1
4148
J92
J81
J84
J86
J85
C69
8200U
50V
J91
J89
J82
J88
J93
250VAC
680N
Q12
SCR
#3638
#3638
R23 10K
50
49
48
47
46
45
44
43
42
41
40
39
38
37
36
35
34
33
32
31
30
29
28
27
26
25
24
23
22
21
20
19
18
17
16
15
14
13
12
11
10
9
8
7
6
5
4
3
2
1
# DESCRIPTION OF CHANGEVER#DATE
# DESCRIPTION OF CHANGEVER#DATE
MODEL(S):-
D
D
D
D
D
D
D
D
D
D
D
D
D
D
D
D
D
D
D
D
D
D
D
D
D
D
D
D
D
D
D
D
D
D
D
D
D
D
D
D
.
JAN/31/00
.
OCT/18/99
.
SEP/28/99
.
.
.
AUG/10/99
V
V
V
V
V
V
V
V
V
V
V
V
V
V
V
V
V
V
V
V
V
V
V
V
V
V
V
V
V
V
V
V
V
V
V
V
V
V
V
V
.
3.10
.
.
.
3.00
.
.
.
2.00
N
N
N
N
N
N
N
N
N
N
N
N
N
N
N
N
N
N
N
N
N
N
N
N
N
N
N
N
N
N
N
N
N
N
N
N
N
N
N
N
SCHEMATIC)
PC#_____Q23_BC550->MPSA06_(TO_MATCH
RIBBON_CABLE
REPLACE_16_PIN_IC-SOCKET_WITH_#3673
CHANGE_SPAING_OF_COILS
PC#6125_CHANGE_SPACING_R73_PC#6128
TRACES_ENLARGED
R84,R88,Q21,C83,R89_DELETED
TRIACS_Q18,Q22_DELETED._R85,Q17,C81
PC#6034_LD2_ROTATED
AP6040
M1151.PCB_DATABASE_HISTORY
GUIDE
ETCH
GUIDE
ETCH
NC
NO
C1
C2
-
+1A(SPST-NO)
RELAY
V
T
R
V
T
RV
T
RV
T
R
J35
BE
Q8
MJF6668
FAN_SUPPLY-16V\V-
V
T
R
V
T
R
V
T
R
V
T
R
V
T
R
V
T
R
V
T
R
V
T
R
V
T
R
V
T
R
V
T
R
V
T
R
V
T
R
V
T
R
V
T
R
V
T
R
V
T
R
V
T
R
V
T
R
V
T
R
V
T
R
V
T
R
V
T
R
V
T
R
V
T
R
V
T
R
V
T
R
V
T
R
V
T
R
V
T
RV
T
R
V
T
R
WC5 TO_SWITCH
RED
GRY
BLACK
PART#
1
FUNCTION
1
MC4
FUNCTION
MW4
PART#
WC4
TO_WC19_EURO
N.C.FOR_N.A.
C79
100U
63V
R25
2K
V
T
R
J38
D19
4148
ASSEMBLY M1151-3.10
CABLE OTHER
END DIRECTION
MUST BE BROKEN HERE
THIS CONNECTION
PT# 3922
BLANK SIZE=15.000" X 10.000"
PCB MECH M1151-3.10
B
A
RED
BLACK
LEFT FAN
RIGHT FAN
NOTE:FOR CE REMOVE R74A&R80A
TO BOTTOM AMP #3740
TO POT PCB
TO TOP AMP #3519
D
3 SCREW DOWN BRIDGES WITH #8753 SCREW.
2 CUT LARGE CAP LEADS BEFORE WAVE SOLDER.
DO NOT CUT LEGS #2 OR #3
1 MOUNTING DETAILS FOR Q30 TRIAC
USE #8799 TO MOUNT TRIAC Q30
3
2
1
AGAINST THE COPPER SURFACE
MARKED 2 AND 3 ARE BENT FLAT
IT IS IMPERATIVE THAT LEGS
BEND LEGS IN DIRECTION SHOWN
AFTER MOUNTING DEVICE
IMPORTANT
1/4"
OF TRANSISTOR
BEND DOWN 1/4" FROM BODY
P:\1151CMP.PRN

5W
1K
21196
NPN
21195
PNP
Q34A
21196
NPN
21196
NPN
Q36A
21195
PNP
21195
PNP
21196
NPN
21196
NPN
21196
NPN
21195
PNP
21195
PNP
21195
PNP
21195
PNP
21195
PNP
21195
PNP
1
G
S
TB7
TB3
TB4
TB5
TB2
21196
NPN
21196
NPN
21196
NPN
21195
PNP
21195
PNP
21196
NPN
21196
NPN
21195
PNP
21196
NPN
+100
-42
+42
-100
VER.4.00
BEFORE REMOVING BOARDS
DISCONNECT POW ER SUPPLY W IRES
RE D
YEL
SPKR O UT
BRN
BLUE
AP 6040
M1150
5W
1K
21196
NPN
21195
PNP
21196
NPN
21196
NPN
21195
PNP
21195
PNP
21196
NPN
21196
NPN
21196
NPN
21195
PNP
21195
PNP
21195
PNP
21195
PNP
21195
PNP
21195
PNP
1
G
S
TB7
TB3
TB4
TB5
TB2
21196
NPN
21196
NPN
21196
NPN
21195
PNP
21195
PNP
21196
NPN
21196
NPN
21195
PNP
21196
NPN
+100
-42
+4 2
-1 00
VER.4.00
BEFORE REMOVING BOARDS
DISCONNECT PO W ER SUPPLY W IRES
RED
YEL
SPKR OUT
BRN
BLUE
AP 6040
M1150
WC18
TRANS
D13
CSA22n
+16V\V+
#3673_RIBB ON_CBL
#3414
WC17
GREEN/GRND
WC19
FROM _SW ITCH
BLUE
WC6
TRA NS
WC7
BLACK/TANS
WC3
SPK_GND/BLK
WC2
RED /TRANS
WC10
WHT_POWER_CORD
WC1
FROM_BREAKER
BLACK
WC14
GRY/TRANS
WC13
TRANS
WC22
BLUE
-100V
WC23
BLUE
-100V WC24
BRN
-42V
WC25
BRN
-42V
TRANS_GND/YEL
WC27
GREY
+42V
WC28
GREY
+42V
WC29 RED
+100V WC30
RED
+100V
C51
4n7
WC21
FROM_SW ITCH
BL U E
F
RED
WC20
TO_SW ITCH
RED
F
BLACK
390R
5WATT
FROM _INPUT
250VAC
680N
#3638
RELAY
FAN_SUPPLY-16V\V-
WC5
TO _SW ITCH
RED
MW4
WC4
TO_W C19_EURO
N.C.FOR_N.A.
B
A
RIGH T FAN
TO BOTTOM AMP #3740
TO POT PCB
TO TOP A MP #3519
L1
#3820
4uH
FILTER
SP
CHANB_INPUT
CHANB_INPUT
SP1
CHANA_OUTPUT
#6956
5W
5R6
EYE1
GRN/TO_CHASSIS
WC33
GRD
WC34
BLACK/B-O UT
WC35
RED /B+ OUTWC36 BLU/A+OUT
WC37
BRN/A_OUT
YEL
U2
C7
L2
#3820
4uH
L3 #3820
4uH
L4
#3820
4uH
LIMITER_DEFEAT
MONO\STEREO
SP
CHANA_INPUT
CHANA_INPUT
CHANB_OUTPUT
#6956
5W
5R6
5W
5R6
5W
5R6
GRND_LIFT
RED
F
M1151
AP 6040
VER VER F
TO_POWER_SUP.
22N
R1
GRY
BLACK
D

AP6040 Parts List 8/15/2012
YS # Descriptio
n
Qty. YS # Descriptio
n
Qty. YS # Descriptio
n
Qty.
6478 AS35FN-TO92 TEMPERATURE SENSOR 2 4520 _10K TRIM POT 4 6128 1/4W 4K99 1%MINI MF T&R RES 8
5906 RED 3MM LED 1V9 20MA.4SPCER T&R 3 2444 25.00 AMP CIRCUIT BREAKER 1 4978 1/4W 6K8 5%MINI T&R RES 2
5908 GRN 3MM LED 1V9 20MA.4SPCER T&R 3 3820 ___4UH COIL 14AWG ZOBEL HORIZONTAL 4 6121 1/4W 6K98 1%MINI MF T&R RES 8
6419 BRIDGE 35A 400V WIRE LEAD GI3504 3 8521 RUBBER BUMPER WITH WASHER VERYSMALL 2 4887 1/4W 7K5 5% T&R RES 2
6425 BAV21 200V 0A25 DIODE T&R 24 3441 CLIP 250X032 16-14AWG RIGHT ANGLE 28 4663 1/2W 8K2 5% T&R RES 2
6825 1N4148 75V 0A45 DIODE T&R 100 3470 CLIP 250X032 14-16AWG DISCO-LOK 8 4990 1/4W 8K2 5%MINI T&R RES 8
6438 1N4007 1000V 1A0 DIODE T&R 13 3485 CLIP 250X032 18-22AWG RIGHT ANGL 1 4762 1/4W 9K760 0.1% *** T&R RES 8
6934 MR854 400V 3A0 DIODE FASREC 32 3601 RING TERMINAL 16AWG WIRE & #8 SCREW 2 4829 1/4W 10K 5% T&R RES 5
6432 1N5248B 18V0 0W5 ZENER 5% T&R 2 3618 STAR RING TERMINAL14-16AWG #10SCREW 4 4983 1/4W 10K 5%MINI T&R RES 5
6433 1N5257B 33V0 0W5 ZENER 5% T&R 2 3380 RED:LEFT/WHITE:RIGHT BIND POST TPP5 1 6116 1/4W 10K0 1%MINI MF T&R RES 24
6436 1N753ARL 6V2 0W5 ZENER 5% T&R 4 3385 RED:RIGHT/WHITE:LEFT BIND POST TPP5 1 4856 1/4W 12K 5% T&R RES 12
6439 1N5225B 3V0 0W5 ZENER 5% T&R 2 3498 1/4" JCK PCB MT HORZ 2 4630 1/2W 15K 5% T&R RES 8
6440 1N750ARL 4V7 0W5 ZENER 5% T&R 6 6956 SPKON 4C PCB MT HORZ GRY #4 2 4830 1/4W 15K 5% T&R RES 6
6461 1N5240BRL 10V0 0W5 ZENER 5% T&R 2 3922 XLR FEML PCB MT HORZ THIN SNAP-IN 2 4876 1/4W 16K 5% T&R RES 2
6465 1N5250B 20V0 0W5 ZENER 5% T&R 4 3864 FAN 92MM X 92MM 60CFM 24VDC 2 4771 1/4W 17K8 1% T&R RES 4
6466 1N5256B 30V0 0W5 ZENER 5% T&R 3 3894 HEATSINK TO-220 W/TAB BLACK ANODIZE 4 6125 1/4W 18K 5%MINI T&R RES 8
6486 1N5244B 14V0 0W5 ZENER 5% T&R 4 3501 B52200F006 COMP WASH #4 SMALL 32 6123 1/4W 20K0 1%MINI MF T&R RES 8
6824 1N5246B 16V0 0W5 ZENER 5% T&R 4 3518 CLEAR PVC TUBING .500" DIA. 105'C 0.35 6118 1/4W 22K 5%MINI T&R RES 8
6822 1N4745A 16V0 1W0 ZENER 5% T&R 8 3799 ROUND BUMPER BUTTON BLACK 1 4840 1/4W 33K 5% T&R RES 11
5101 BC550C TO92 NPN TRAN T&R TB 32 3801 5/8" BUMPER BUTTON BLACK 4 4853 1/4W 39K 5% T&R RES 4
5102 BC560C TO92 PNP TRAN T&R TB 28 3810 4" NYLON CABLE TIE 21 4834 1/4W 47K 5% T&R RES 2
5103 MPSA06 TO92 NPN TRAN T&R TA 3 3827 SQUARE BUMPER BUTTON BLACK 5 6119 1/4W 47K 5%MINI T&R RES 6
5107 2N5551 TO92 NPN TRAN T&R TA 4 8433 KNOB AP SERIES PLASTIC 2 4835 1/4W 56K 5% T&R RES 4
5108 2N5401 TO92 PNP TRAN T&R TA 8 8661 KNOB BUTTON FLAT GREY 4 4836 1/4W 68K 5% T&R RES 2
6854 2N6517 TO92 NPN TRAN TA 9 8437 FAN FILTER LABEL 1 4586 1/4W 82K 5%MINI T&R RES 8
5105 MPSA13 TO92 NPN DARL T&R TA 1 8261 GE VELVET/MATTE LEXAN .007"X12"X24" 0.25 4838 1/4W 100K 5% T&R RES 3
5106 MPSA63 TO92 PNP DARL T&R TA 1 8701 4-40 KEPS NUT ZINC 27 4851 1/4W 120K 5% T&R RES 3
6814 MJF6668 T221D PNP TRAN DARL TJ 1 8666 6-32 X 1/4" PEM THRD SPACER 0.213 4 4894 1/4W 130K 5% T&R RES 2
6815 MJF6388 T221D NPN TRAN DARL TJ 2 8760 6-32 KEPS NUT TIN PLATED 96 4790 2.0W 150K 5%10MM BODY T&R RES 4
6873 MJE340 TO126 NPN TRAN TG 12 8800 6-32 KEPS NUT ZINC 10 4841 1/4W 220K 5% T&R RES 1
6874 MJE350 TO126 PNP TRAN TG 12 8844 6-32 PEMNUT 6 6126 1/4W 220K 5%MINI T&R RES 16
6752 MTP10N15L TO220 NCH MFET TN 4 8841 10-32 KEPS NUT TIN PLATED 3 4842 1/4W 330K 5% T&R RES 1
6933 MTP23P06 TO220 PCH MFET TN 4 3797 TO-247 THERMO CONDUCTIVE PAD 8 6127 1/4W 470K 5%MINI T&R RES 6
6909 MJ21196 TO3 NPN TRAN TH 24 3823 TO-220 THERMO PAD SMALL HOLE 4 4844 1/4W 1M 5% T&R RES 2
7004 2SA2121-0 TO3P PNP TRAN TK 4 3846 TO220 THERMO PAD LARGE HOLE 56359B 8 4888 1/4W 4M7 5% T&R RES 2
7005 2SC5949-0 TO3 NPN TRANSISTOR TK 4 3916 TO3 SIL-PAD REPLACES MICA 48 6132 1/4W 8M2 5%MINI T&R RES 2
6910 MJ21195 TO3 PNP TRAN TH 24 4124 SILPAD 1500ST 1.100 X0.820 BERQUIST 8 4809 1/4W 10M 5% T&R RES 2
6840 MC33078P IC DUAL OP AMP 3 8498 6-32 X 3/8 STEEL PEM STUD 6 3673 14" 16C-28AWG DIP HDR CABLE .05" 1
6884 NE5532N IC DUAL OP AMP 4 4597 22AWG STRAN TC WIR JMP 49 3019 RELAY 1C 30AMP DC110 08MA PC-C 1
6745 LM13600N IC XCONDUCTANCE AMP 2 4599 22AWG SOLID SC WIR T&R JMP 126 3700 RELAY 2C 01AMP DC24 015MA PC-S 2
5190 MBS4992 TO92 8V5 DIAC T&R 2 5299 24AWG SOLID SC WIR RAD JMP 4 8870 #4 X 1/4 PAN PH TYPE A ZINC 2
6517 BTB24-600 TO220AB 25A TRIAC 600V 2 4745 5.0W 0R1 5% BLK RES 24 8729 #4 X 3/8 FLAT QUAD TYPE A JS500 BLK 8
6880 4N35 OPTO-COUPLER 4 2005 1.0W 0R47 5%FLAME PROOF T&R RES 4 8799 #6 X 1/4 PAN PH TYPE B JS500 4
6489 __5R 20% THERM-SURGR NTC KNK LEADS 2 2006 1.0W 1R 5%FLAME PROOF T&R RES 1 8753 #10 X 1/2 PAN QUAD TY A JS500 BLACK 3
5401 _10P 500V 5%CAP T&R RAD CER.2NPO 12 2007 1/4W 1R 5%FLAME PROOF T&R RES 24 8865 4-40 X 5/16 PAN PH MS JS500 4
5199 100P 100V 2%CAP T&R RAD CER.2NPO 2 4677 1/2W 1R 5% T&R RES 8 8861 4-40 X 3/8 PAN PH MS JS500 3
5410 100P 100V 10%CAP T&R BEAD NPO 2 4911 1/4W 2R2 5% T&R RES 16 8741 4-40 X 1/2 PAN PH MS JS500 20
5197 220P 100V 2%CAP T&R RAD CER.2NPO 12 4748 2.0W 3R9 5% T&R 8 8871 4-40 X 5/8 PAN PH MS JS500 8
5412 220P 100V 10%CAP T&R BEAD NPO 4 4733 5.0W 5R6 5% BLK RES 4 8902 4-40 X 3/4 PAN PHIL MS B/O & WAX 8
5206 __1N 400V 5%CAP T&R RAD .2FLM 10 2009 1/4W 10R 2%FLAME PROOF T&R RES 2 8832 6-32 X 1/4 PAN PH TAPTITE JS500 7
5273 __1N5 200V 5%CAP T&R RAD CER.2NPO 2 2010 1/6W 10R0 2%FLAME PROOF T&R RES 12 8807 6-32 X 5/16 PAN PH MS JS500 2
5208 __2N2 400V 5%CAP T&R RAD .2FLM 14 4875 1/4W 10R 5% T&R RES 2 8801 6-32 X 3/8 PAN PH TAPTITE JS500 4
6451 __4N7 250V 20%CAP BLK 'Y' 10MM AC 1 2039 1/4W 22R0 FUSIBLE T&R RES 4 8829 6-32 X 3/8 FLAT PH TAPTITE BO#C HEA 78
5272 __6N8 100V 5%CAP T&R RAD .2FLM 8 2016 1/6W 39R 2%FLAME PROOF T&R RES 36 8761 6-32 X 1/2 PAN PHIL MS ZINC CLEAR 96
5204 _10N 100V 10%CAP T&R RAD .2FLM 2 4811 1/4W 68R 5% T&R RES 4 8999 8-32 X 5/8 PAN PH TAPTITE JS500 20
5834 _10N 400V 10%CAP BLK RAD POLY FLM 4 2018 1/6W 75R 2%FLAME PROOF T&R RES 16 8809 10-32 X 1/4 PAN PH TAPTITE JS500 8
5210 _22N 100V 10%CAP T&R RAD .2FLM 17 2019 1/8W 100R0 1%FLAME PROOF T&R RES 32 8773 10-32 X 1 1/4 PN PH TT FULL THD JS5 3
6435 _22N 275V 20%CAP BLK 'X2' 15MM AC 2 4987 1/4W 120R 5%MINI T&R RES 4 8772 1/4-20 X 1 TRUSS PH MS JS500 BLACK 2
5226 _68N 100V 5%CAP T&R RAD .2FLM 4 4984 1/4W 150R 5%MINI T&R RES 20 3351 16 PIN SCKT CLOSED FRAME DIP ONLY 1
5228 100N 100V 5%CAP T&R RAD .2FLM 10 2021 1/4W 200R0 1%FLAME PROOF T&R RES 12 8663 11/64 NYLON SPACER (MICRO PLASTIC) 96
5314 100N 50V 10%CAP T&R BEAD X7R 4 4977 1/4W 220R 5%MINI T&R RES 12 8851 .250 SPACER ID.190 OD.31 ALUMINUM 6
5229 150N 63V 10%CAP T&R RAD .2FLM 4 2046 1/4W 240R FUSIBLE T&R RES 8 3744 SNAP IN .375 SPACER RICHCO 4
5231 220N 63V 5%CAP T&R RAD .2FLM 2 4867 1/4W 270R 5% T&R RES 2 3743 SNAP ON 0.5" SPACER RICHCO 6
5882 220N 250VDC 10%CAP BLK RAD PLY FLM 8 4945 1/4W 270R 5% .2"U T&R RES 2 3851 1/2 PCB PLASTIC SPACER 11
5234 470N 63V 10%CAP T&R RAD .2FLM 1 4855 1/4W 330R 5% T&R RES 2 3417 6-32 SCREW TERMINAL PC MNT SNAP-IN 4
5322 470N 50V 20%CAP T&R BEAD Z5U 2 4980 1/4W 470R 5%MINI T&R RES 12 8629 10-32 X 1/4 SPACER PHENOLIC 12
5255 __1U 63V 20%CAP T&R RAD .2EL 4 2030 1/6W 681R 1%FLAME PROOF T&R RES 24 8667 SHOULDER WASHER SWS-229 LENGTH 1/8 8
5259 __4U7 63V 20%CAP T&R RAD .2 8 2033 1/6W 1K 2%FLAME PROOF T&R RES 16 3511 #6 FLAT WASHER NYLON 2
5269 __4U7 100V 20%CAP T&R RAD LESR2 2 4726 5.0W 1K 5% BLK RES 9 8485 #6 SPLIT WASHER ZINC 8
5629 _10U 160V 20%CAP BLK 10X13MM EL 9 4823 1/4W 1K 5% T&R RES 3 8852 #6 INTERNAL TOOTH LOCKWASHER 1
5945 _10U 63V 20%CAP T&R RAD .2EL 8 4988 1/4W 1K5 5%MINI T&R RES 8 8818 3/4 OD X 3/8 ID X .080 THICK WASHER 1
5959 _10U 450V 20%CAP BLK EL 1 4791 1/4W 1K54 1% T&T RES 4 3517 NYLON WASHER #8 0.062 9
5260 _22U 50V 20%CAP T&R RAD .2EL 10 6113 1/4W 2K 5%MINI T&R RES 10 3436 DPDT PUSH SW PCMT H BREAK B4 MAKE 4
5961 _33U 16V 20%CAP T&R RAD .2IN NP 14 6104 1/4W 2K2 5%MINI T&R RES 8 3587 DPDT ROKR SW QUIK 250"AC/PWR ON-OFF 1
5267 100U 25V 20%CAP T&R RAD .2EL 2 4864 1/4W 2K7 5% T&R RES 4 CH1194-1
A
P6040 / V64 XFM
R
1
5630 330U 25V 20%CAP BLK 10X13MM EL 12 6124 1/4W 3K 5%MINI T&R RES 12 3511 #6 FLAT WASHER NYLON 2
5618 470U 25V 20%CAP BLK 10X15MM EL 1 6136 1/4W 3K3 5%MINI T&R RES 8 8485 #6 SPLIT WASHER ZINC 8
5895 6800U 63V 20%CAP BLK 25X50MM 12 5032 5.0W 3K6 5% STANDOFF BLK RES 1 8852 #6 INTERNAL TOOTH LOCKWASHER 1
5898 8200U 50V 20%CAP 25X50MM ELS 12 4774 1/4W 4K12 1% T&R RES 2 8818 3/4 OD X 3/8 ID X .080 THICK WASHER 1
4390 _10K AUD 16MM DETENT P2
2
2 4982 1/4W 4K7 5%MINI T&R RES 34 3517 NYLON WASHER #8 0.062 9