Solar Differential Temperature Controller DDT2 Thermostat Manual En
User Manual:
Open the PDF directly: View PDF
.
Page Count: 5

SOLAR DIFFERENTIAL
TEMPERATURE CONTROLLER
DDT2
USER MANUAL
Description of the controller
DDT2 is a digital differential thermostat (the con-
troller) for solar water heating and other applica-
tions with one relay output and two inputs for tem-
perature sensors.
Technical data
Power supply input: 230 V AC Output switch:
single pole relay Maximal current through relay:
3 A Switching difference: from 0.5 to 20.0 °C, step
0.5 °C Hysteresis: from 1.0 to 19.0 °C, step 0.5 °C
Measuring range: from −28.0 to 99.5 °C Accuracy:
±0.5 °C Controller operating environment: from
5 to 40 °C Software version: 1809
Controller parts
The controller consists of the front panel, with al-
phanumeric liquid crystal display (LCD) and two but-
tons, and the case.
The display on the front panel (in default view)
shows both sensors temperatures in degrees Celsius:
temperature A, temperature B, and their difference
when applicable. It also indicate the current oper-
ational status of the running mode and of the relay
output (R:1 – on, R:0 – off).
The display features a background light that is acti-
vated by pressing any key. When background light is
active, the left button has SELECT/CONFIG function
and the right button has UP/DOWN function. When
no button is pressed for approximate 10 seconds,
backlight turns off.
The case also houses power supply and screw ter-
minals for connecting wires. For more information
about wiring see section installation.
Running modes
The controller can run in one of the four modes:
MODE OFF,MODE ON,MODE ONE (differential ther-
mostat) or MODE TWO (thermostat).
In first two modes, output relay is constantly turned
on or off, regardless of the temperature readings.
In remaining two modes the controller operates by
comparing two (or four) values and decides the state
of the output relay.
To select running mode or set the hysteresis (made of
first, △1, and second difference, △2), refer to con-
figuration section.
MODE ONE (differential thermostat)
This mode is commonly used in solar heating and
other applications with daily variable temperature of
energy source.
The controller running this mode compares four val-
ues: source temperature at sensor A (TA), sink tem-
perature at sensor B (TB), target point (Tst op) tem-
perature and minimal starting (Tst ar t ) temperature
as follows.
The controller will switch relay output on, and will
show ▲(black triangle up) next to relay output sta-
tus, when all the following three conditions are sat-
isfied:
• source temperature TAis greater or equal min-
imal starting Tst ar t temperature,
• sink temperature TBis less that target Tst op
temperature, and
• the difference between source temperature TA
and sink temperature TB, i.e. TA−TB, is above
or equal to ∆ON degrees.
When the difference TA−TBfalls below or is equal
to ∆OFF degrees (the last criterion is not satisfied),
the controller displays ▼(black triangle down) and
switches relay output off.
∆OFF ∆ON
1
TA−TB
relay output
Furthermore, if temperature TBreaches target point
temperature, i.e. TB≥Tstop, then the controller dis-
plays Tm and the relay switches off. When temper-
ature TBfalls below Tst op for △2 degrees, status of
1

output relay depends on temperature TAas described
in this paragraph.
Tst op − △2Tstop
1
TB
relay output
When the starting temperature has not been
reached, the controller displays a negative value, i.e.
the difference Tst ar t −TA, that is the difference be-
tween source and starting temperature.
Note, that relay response might be delayed due to
relay delay protection.
Turn on ∆ON and turn off ∆OFF difference
Values of ∆ON and ∆OFF are derived from △1 and
△2 as minimum and maximum. For instance, if
△1<△2, then ∆OFF =△1 and ∆ON =△2. When
△1=△2, then △1 and △2 are adapted, eg. △1
lowers for 0.5 degrees and △2 increases for 0.5 de-
grees.
MODE TWO (thermostat)
In this mode, the controller compares two values:
temperature at sensor A (TA) and target point (Tstop)
temperature as follows.
When the temperature TAfalls below target temper-
ature Tst op for △1 degrees, the controller will display
▼, negative temperature difference, and will switch
relay output on.
When the temperature TArises above Tstop for △2
degrees, the controller displays ▲, positive tempera-
ture difference, and switches relay output off.
Tst op − △1Tstop +△2
1
TA
relay output
This mode is useful for turning on the heater (for
more powerful heater or air conditioner an addi-
tional external relay must be used), but it is also suit-
able for cooling with air conditioner since the relay
state could be inversed (in configuration under invert
output option).
MODE ON and MODE OFF
These two modes are most used for testing connec-
tion to the pump and when operation of pump is not
desired, e.g. winter time.
Note that MODE OFF does not disconnect power to
the pump completely.
Other functions
Warning indicator
When an error occurs: absent sensor, sensor read-
ing error, insufficient flow or overheat protection, the
display backlight blinks each second.
Indicator of insufficient flow If the temperature of
source increases for additional 2 °C in 120 seconds
after turning the relay on when running in MODE ONE
the display shows F.
Solar panel overheat protection
When the temperature value of 80 °C is exceeded
at the source sensor A, the controller displays Pand
switches relay on, until the temperature has dropped
for 5 °C. Note, target temperatue could be heated
over the adjusted Tstop value. This function is only
active in MODE ONE.
Relay delay protection
When operating in MODE ONE or MODE TWO the de-
lay protection make sure that relay always stays in
same state for at least half a minute.
Nightime cooling
On warmer days or during absence or when there is
no consumption of sanitary water, the water in tank
can be heated to a higher temperature than the day
before after each day. In MODE ONE (differential ther-
mostat) the controller will switch the relay on in or-
der to cool the hot water (at night) through solar
collectors.
Running hours counter
The controller counts the seconds of its operation
and of the relay output activity. Moreover, it also
counts the minutes the relay was on in last two
hours (if the controller is already running for two
hours). These values are shown in debug mode and
are lost at power loss. Furthermore, the controller
also counts full hours of its operation and of its relay
output. These values are not lost at power loss.
Configuration
To configure the controller press SELECT/CONFIG but-
ton at default view. Depending on selected option,
there could be plus (+), minus (–), or arrow sign
(→) before its name. If a option has numeric type, its
value is increased or decreased by UP/DOWN button,
depending on sign, otherwise the button iterates be-
2

tween values. To change the sign and move between
options use SELECT/CONFIG button. After the end of
configuration options or at backlight shut down the
display returns to default view and configuration is
saved.
Options: △1and △2
These two configuration options represent turn on
and turn off difference – hysteresis. It is advisable,
that values of △1 and △2 differ for at least 2 °C.
Options: Target T and Start T
Target T (Tstop) represents desired temperature of
water storage tank, and Start T (Tstart) minimum
source temperature required to start operating. This
setting is useful when the controller is operating with
oil or wood furnace and this function is operating
only when running in MODE ONE.
Option: Cooling T
This setting determines the temperature Tcool to
which the pump should be switched on if the con-
ditions are met: the temperature of the wather tank
TBfor 2 degrees greater than the desired tempera-
ture Tcool, i.e. TB≥Tcool +2, and the source has for
∆ON lower temperature than in the wather tank, i.e.
TA+∆ON ≤TB. When the difference TB−TAbe-
comes smaller or equal to ∆OFF, the relay turns off.
This function only works in the MODE ONE (differen-
tial thermostat).
Option: Offset
If the value of sensor is too high or too low, this could
be improved by setting sufficient offset.
Option: Invert output
When running in MODE TWO and when desired tem-
perature is higher that current, the controller applies
power to the output screw connector. This behaviour
is suitable for heating, but in case of cooling, Invert
out must be set to YES, hence enabling the power
will be applied when desired temperature is lower
that current.
Options: Sensors type
By default controller at power on detects the type of
sensors used. If it fails these two options could over-
ride its detection.
Option: Run on error
This option controlls the relay output at error, e.g.
missing sensors. By default the output turns on,
thus protecting energy source. This safety option be
turned off in configuration (setting: –) or changed
so that relay output switches off in case of error (set-
ting: NO).
Summary
The summary of available options, with theirs de-
fault values in bold, in the following table.
setting values
△1 from 1, 0 to 20, 0 °C, 6,0 °C
△2 from 1, 0 to 20, 0 °C, 2,0 °C
Program OFF, ON, M1, M2
Target T from 6, 0 to 90, 0 °C, 60,0 °C
Start T from 6, 0 to 60, 0 °C, 30,0 °C
Cooling T from 30, 0 to 90, 0 °C, 60,0 °C
Offset A from −2, 0 to 2, 0 °C, 0,0 °C
Offset B from −2, 0 to 2, 0 °C, 0,0 °C
Invert output NO, YES
Sensor A automatic, DS1820, NTC10k
Sensor B automatic, DS1820, NTC10k
Run on error NO, YES, –
All numeric values are adjustable in 0.5 °C steps.
Installation
When used as a controller for water pump, the first
(source) sensor is fitted to the outlet pipe of the solar
heating panel (usually on the roof), and the second
sensor under the insulation on the side of the hot
water tank. For any other differential thermostat ap-
plications — e.g. turning on a fan to drive warm air
from a sunny conservatory into the rest of the house,
the first sensor is to be located at the heat source,
and the second sensor at the location to be heated.
Since the source is warmer than sink, for source sen-
sor high temperature resistent sensor should be used.
The most common way to install the controller is by
attaching it on the wall at eye level and its wiring
as well. First, open the controller by loosing four
screws, and disconnect front display panel by discon-
necting ribbon cable. Then unscrew two (or four)
screws to remove the circuit board. Attach the case
to the wall (with screws) and fill holes with rubber
parts. Put circuit board back on.
Cable extensions, up to 10 m length, should be made
with cables from 0.25 mm2to 0.75 mm2for sensors,
and from 2×0.75 mm2to 2×1.5 mm2for mains and
pump.
All wires must go through four glands at the side
(usuall bottom) of the case. Power input (mains AC
230 V) wires are connected to the screw terminal
named POWER. Water pump (or an additional exter-
nal relay for more power-demanding devices) is con-
nected directly to the output screw terminal named
PUMP and it’s protected by a fuse. In other words,
this screw terminal outputs main voltage. Connect
the source temperature sensor – sensor A – to screw
terminal IN A and sink temperature sensor – sensor
B – to IN B.
Sensor B when running in MODE TWO is not required.
3

Analog, two pin, sensors use left two pins a and b ,
colors are not important.
Digital, three pin, sensors use all three pins, where
wire color of sensors is imporant. Wires of supplied
sensors might come in two different color arange-
ments: green, white and brown or black, yellow and
red. Connect as follows: green a , white b and
brown wire +or black a , yellow b and red wire
+.
Input pins for both terminals are labeled in the pic-
ture on the last page. Plus sign is also printed on
circuit board.
Connect display unit back (using ribbon cable), close
the controller and apply power to the controller.
At first powering on, the controller will load default
values and detect type of sensors: digital (DS18B20)
or analog (NTC10k) and start running mode: MODE
OFF (manual off).
Troubleshooting
At the default view, values of the two temperature
sensors are displayed, or a question mark (?), when
sensor is missing, or an x (X), when sensor wires
are in short circuit, or a dash (–) in case of sensor
error reading. Moreover, the controller will display
Ewhen a running mode is unable to access sensor
reading and making a decisions. In this case output
relay status is defined by configuration: "Run on er-
ror".
If sensor is present, but error persists, check cable
and joints. In case of automatic sensor detection,
sensor must be present at powering the controller on.
This, automatic sensor detection, could be turned off
in the configuration. Then make sure you selected
right option: DS1820 for digital three pin sensor and
NTC10k for analog two pin sensor.
Debugging
The controller has a debug mode build-in that could
be accessed from the default view by long-pressing
UP/DOWN button. To display next value – move be-
tween displays – press the same button again.
The following values are shown (in this sequence):
running hours counters, input sensor status, ADC
values, and output status, software revision and built
date.
Warning
When working on the controller and the connected
consumers (heating/cooling devices) all poles of the
mains voltage must be disconnected first!
Do not expose a digital temperature probe with
PVC wires to temperatures higher than 80 °C and
longterm higher than 70 °C. Do not expose an ana-
log temperature probe with silicone wires to temper-
atures higher than 150 °C.
Limited liability
We take no liability for damage that ocurred at device
installation, during power outage, or due to miscon-
figuration.
Solar systems should be equipt with all necessary
safety elements, e.g. pressure relief valve, and filled
with antifreeze, e.g. glycol, or emptied when heat
transfer liquid inside the system might freeze to pre-
vent damages.
4

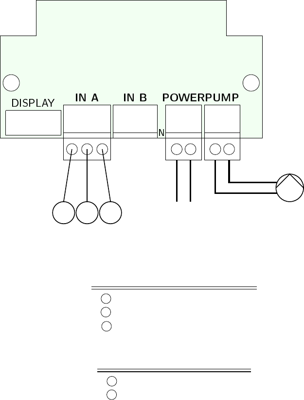
Wiring diagram
In the figure below is a wiring diagram with marked connection points for input A (IN A - sensor A, collector), input B (IN B - sensor B, water storage tank), power supply
(POWER) and pump (PUMP) . The terminal points for the sensor B (IN B) are identical to the sensor connection points A (IN A). The connection and the color codes of the
sensor are listed in the table.
N L
power input ~230V
pump
L
N
+
ab+
sensor A
+
sensor B
same as A
DS18B20 (3 pin)
pin color description
a green or black ground
b white or yellow data
+brown or red VCC
NTC10k (2 pin)
pin color description
a brown or red pole 1
b white or blue pole 2
5