ZS D55 Sony_ZS D55_service_manual Sony Service Manual
User Manual: sony_ZS-D55_service_manual
Open the PDF directly: View PDF
.
Page Count: 56

Ver 1.0 2000.07
ZS-D55
SERVICE MANUAL
PERSONAL AUDIO SYSTEM
SPECIFICATIONS
US Model
Canadian Model
TAPE Model Name Using Similar Mechanism ZS-D50
Section Tape Transport Mechanism Type MF-ZSD55
CD Model Name Using Similar Mechanism ZS-D50
Section MD Mechanism Type CDM-2411AAA
Optical Pick-up Type DAX-01A2
– Continued on page 2 –
AUDIO POWER SPECIFICATIONS
POWER OUTPUT AND TOTAL HARMONIC DISTORTION
With 12 Ω loads, both channel driven from 150 - 6 300 Hz; rated 4 W per
channel-minimum RMS power, with no more than
10 % total harmonic distortion in AC operation.
Other Specifications
CD player section
System
Compact disc digital audio system
Laser diode properties
Material: GaAlAs
Wave length: 780 nm
Emission duration: Continuous
Laser output: Less than 44.6 µW (This output is the value measured
at a distance of about 200 mm from the objective lens surface on the
optical pick-up block with 7 mm aperture.)
Spindle speed
200 r/min (rpm) to 500 r/min (rpm) (CLV)
Number of channels
2
Frequency response
20 - 20 000 Hz +0.5/–1.2 dB
Wow and flutter
Below measurable limit
Radio section
Frequency range
FM: 87.6 - 108 MHz
AM: 530 - 1 710 kHz
Antennas
FM: Telescopic antenna
AM: Built-in ferrite bar antenna
Cassette-corder section
Recording system
4-track 2 channel stereo
Fast winding time
Approx. 112 s (sec.) with Sony cassette C-60
Frequency response
TYPE I (normal): 50 - 15 000 Hz
General
Speaker
Full range: 8 cm (3 1⁄4 in.) dia., 12 Ω,
cone type x 2
Input
LINE IN jack (stereo minijack)
Minimum input level 138 mV
Outputs
Headphones jack (stereo minijack)
For 8 - 32 Ω impedance headphones
LINE OUT jack (stereo minijack)
Rated output level 138 mV at load impedance
47 kΩ
OPTICAL DIGITAL OUT (CD) (optical output connector)
Wavelength: 630 - 690 nm
Power output (excluding US model)
4.5 W + 4.5 W (at 12 Ω, 10% harmonic distortion)

– 2 –
Specifications ........................................................................... 1
1. SERVICE NOTE ........................................................... 3
2. GENERAL ...................................................................... 4
3. DISASSEMBLY
3-1. Cabinet Rear ASSY, Cabinet Front ASSY ................ 6
3-2. Power Board, P/T In Board, P/T Out Board,
BATT S Board ........................................................... 7
3-3. Tuner Board .............................................................. 7
3-4. Jack Board ................................................................. 7
3-5. Audio Board .............................................................. 8
3-6. CD Board .................................................................. 8
3-7. TC Board ................................................................... 9
3-8. Cabinet Top ASSY .................................................... 9
3-9. H/P Board ................................................................ 10
3-10.TC/M Board ............................................................ 10
3-11. MD Block ASSY ......................................................11
3-12.TC LED (L) Board, TC LED (R) Board,
TC Key Board ..........................................................11
3-13.TC RF Board, Head Relay Board, Belt FR,
Belt BR, Capstan/Reel Motor (M691) .................... 12
3-14.CD Chassis ASSY ................................................... 12
3-15. CD Block Section ................................................... 13
3-16. Loading Board ........................................................ 13
3-17. “Tray ASSY, CD” ................................................... 14
3-18. Optical Pick-up Block, Pick-up Relay Board ......... 14
3-19. Panel DECO ASSY ................................................ 15
3-20.Control Board, JOG LED1 Board,
JOG LED2 Board .................................................... 15
3-21. Key Board ............................................................... 16
TABLE OF CONTENTS
3-22. BATT Board ........................................................... 16
4. TEST MODE................................................................ 17
5. ADJUSTMENTS
5-1. Mechanical Adjustmens ............................................ 18
5-2. Electrical Adjustments .............................................. 19
6. DIAGRAMS
6-1. Explanation of IC Terminals................................... 22
6-2. Block Diagrams (Tape, Main Section) ................... 24
6-3. Block Diagrams (Tuner, CD Section) .................... 27
6-4. Printed Wiring Boards (Main Section) ................... 31
6-5. Schematic Diagram (Main Section) ....................... 35
6-6. Schematic Diagram (CD Section) .......................... 39
6-7. Printed Wiring Boards (CD Section) ...................... 43
6-8. Printed Wiring Boards (Contorl Section) ............... 45
6-9. Schematic Diagram (Control Section).................... 47
6-10. Printed Wiring Boards (Tuner Section) .................. 51
6-11. Schematic Diagram (Tuner Section) ...................... 52
7. EXPLODED VIEWS
7-1. Rear Cabinet Section ................................................ 60
7-2. Front Cabinet Section ............................................... 61
7-3. CD Block Section ..................................................... 62
7-4. Top Cabinet Section .................................................. 63
7-5. Mechanism Deck Section (1/2) ................................ 64
7-6. Mechanism Deck Section (2/2) ............................... 65
7-7. CD Section................................................................ 66
7-8. Optical Pick-up Section ............................................ 67
8. ELECTRICAL PARTS LIST................................... 68
Power requirements
For personal audio system:
120 V AC, 60 Hz
12 V DC, 8 size D (R20) batteries
For memory back-up:
6 V DC, 4 size AA (R6) batteries
For remote control:
3 V DC, 2 size AA (R6) batteries
Power consumption
AC 22 W
Battery life
For personal audio system
FM recording
Sony R20P: approx. 6 h
Sony alkaline LR20: approx. 12 h
Tape playback
Sony R20P: approx. 3 h
Sony alkaline LR20: approx. 6 h
CD playback
Sony R20P: approx. 1.5 h
Sony alkaline LR20: approx. 3 h
Dimensions (incl. projecting parts)
Approx. 486 x 244 x 177 mm (w/h/d)
(17 1⁄10 x 9 3⁄5 x 6 9⁄10 inches)
Mass (incl. batteries)
Approx. 6.2 kg (13 lb. 11 oz)
Supplied accessories
AC power cord (1)
Remote control (1)
Design and specifications are subject to change without notice.

– 3 –
NOTES ON HANDLING THE OPTICAL PICK-UP BLOCK
OR BASE UNIT
The laser diode in the optical pick-up block may suffer electrostatic
breakdown because of the potential difference generated by the
charged electrostatic load, etc. on clothing and the human body.
During repair, pay attention to electrostatic breakdown and also use
the procedure in the printed matter which is included in the repair
parts.
The flexible board is easily damaged and should be handled with
care.
NOTES ON LASER DIODE EMISSION CHECK
The laser beam on this model is concentrated so as to be focused on
the disc reflective surface by the objective lens in the optical pick-
up block. Therefore, when checking the laser diode emission, ob-
serve more than 30 cm away from the objective lens.
LASER DIODE AND FOCUS SEARCH OPERATION
CHECK
1. Close the tray for CD.
2. Press CD u button.
3. Confirm the laser diode emission while observing the objecting
lens. When there is no emission, Auto Power Control circuit or
Optical Pick-up is broken.
Objective lens moves up and down once for the focus search.
CAUTION DURING WHEN MOUNTING THE PULLEY
FOR THE LOADING MOTOR
Make the following adjustment when mounting the loading motor
(part number : 1-698-999-11) and motor pulley (part number : 2-
627-174-01) of the CD section.
Specification : A = 0.9 to 1.1mm
SECTION 1
SERVICE NOTE
SAFETY-RELATED COMPONENT WARNING!!
COMPONENTS IDENTIFIED BY MARK 0 OR DOTTED LINE WITH
MARK 0 ON THE SCHEMATIC DIAGRAMS AND IN THE PARTS
LIST ARE CRITICAL TO SAFE OPERATION.
REPLACE THESE COMPONENTS WITH SONY PARTS WHOSE
PART NUMBERS APPEAR AS SHOWN IN THIS MANUAL OR IN
SUPPLEMENTS PUBLISHED BY SONY.
Flexible Circuit Board Repairing
• Keep the temperature of the soldering iron around 270°C during
repairing.
• Do not touch the soldering iron on the same conductor of the
circuit board (within 3 times).
• Be careful not to apply force on the conductor when soldering or
unsoldering.
Notes on chip component replacement
• Never reuse a disconnected chip component.
• Notice that the minus side of a tantalum capacitor may be dam-
aged by heat.
SAFETY CHECK-OUT (US Model)
After correcting the original service problem, perform the follow-
ing safety check before releasing the set to the customer :
Check the antenna terminals, metal trim, “metallized” knobs, screws,
and all other exposed metal parts for AC leakage. Check leakage as
described below.
LEAKAGE TEST
The AC leakage from any exposed metal part to earth ground and
from all exposed metal parts to any exposed metal part having a
return to chassis, must not exceed 0.5mA (500 microampers).
Leakage current can be measured by any one of three methods.
1. A commercial leakage tester, such as the Simpson 229 or RCA
WT-540A. Follow the manufacturers’ instructions to use these
instruments.
2. A battery-operated AC milliammeter. The Data Precision 245
digital multimeter is suitable for this job.
3. Measuring the voltage drop across a resistor by means of a VOM
or battery-operated AC voltmeter. The “limit” indication is 0.75V,
so analog meters must have an accurate low-voltage scale. The
Simpson 250 and Sanwa SH-63Trd are examples of a passive
VOM that is suitable. Nearly all battery operated digital
multimeters that have a 2V AC range are suitable. (See Fig. A)
AC
voltmeter
(0.75V)
To Exposed Metal
Parts on Set
Earth Ground
0.15 µF 1.5kΩ
Fig. A. Using an AC voltmeter to check AC leakage.
ATTENTION AU COMPOSANT AYANT RAPPORT
À LA SÉCURITÉ!
LES COMPOSANTS IDENTIFIÉS PAR UNE MARQUE 0 SUR LES
DIAGRAMMES SCHÉMATIQUES ET LA LISTE DES PIÈCES SONT
CRITIQUES POUR LA SÉCURITÉ DE FONCTIONNEMENT. NE
REMPLACER CES COMPOSANTS QUE PAR DES PIÈCES SONY
DONT LES NUMÉROS SONT DONNÉS DANS CE MANUEL OU
DANS LES SUPPLÉMENTS PUBLIÉS PAR SONY.

– 4 –
SECTION 2
GENERAL
LOCATION AND FUNCTION OF CONTROLS
FRONT PANEL : CD/RADIO/TAPE section
1Tape operation buttons
z/X (REC/REC PAUSE)
m, M (FF/REW, AMS)
x (STOP)
b, B (PLAY)
2Cassette lid
3Z PUSH OPEN/CLOSE
4COUNTER RESET button
5DIR MODE button
6JOG dial
7Z CD OPEN/CLOSE button
8Radio operation buttons
Tune – m, M +
9CD tray
FRONT PANEL: TIMER/COM section
0AUTO PRESET button
qa CANCEL button
qs CD DUB button
qd CD operation buttons
u (PLAY/PAUSE)
x (STOP)
qf BAND button
qg STANDBY button
qh OPR/BATT indicator
qj Display window
qk DISPLAY button
ql Remote control receiver
w; CLOCK button
wa VOL +, – buttons
ws MEGA BASS button
wd MODE buttion
wf ENTER MEM button
wg TIMER button
wh SLEEP button
wj MD(LINE) button
wk SOUND button
wl POWER button
e; i (Headphones) jack (stereo mini jack)
12 34
5
6
7
8
9
qf
qd
qs
qa
0
qgqh qj qk qlw;wa
ws
wd
wf
e;
wl
wk
wj
wh wg

– 5 –
REAR PANEL
1FUNCTION button
Each time you pressed, the function changes in the order
CD – Tape – Radio – Line – CD • • •
2Z CD OPEN/CLOSE button
3Number buttons
4MODE button
5Radio operation buttons
TUNE +, – button
BAND
6CD operation buttons
., > (AMS/SEARCH)
N (PLAY)
X (PAUSE)
x (STOP)
7Tape operation buttons
x (STOP)
b, B (PLAY)
z/X (REC/REC PAUSE)
m, M (FF/REW, AMS)
8POWER button (AC only)
Active only when you use the set with AC power source.
9MEGA BASS button
0VOL +, – button
qa SOUND button
ea LINE OUT jack
es LINE IN jack
ed OPTICAL DIGITAL OUT(CD) jack
ef OPTICAL DIGITAL OUT(CD) jack cover socket
eg FM telescopic antenna
eh AC IN - jack
ej Battery compartment
Remote commander
3
2
1
4
5
6
7
8
9
0
qa
ea es ed ef eg eh ej

– 6 –
SECTION 3
DISASSEMBLY
Note : Follo w the disassemb ly pr ocedure in the n umerical or der given.
3-1. CABINET REAR ASSY, CABINET FRONT ASSY
z The equipment can be remo ved using the f ollo wing pr ocedure .
Cabinet Front ASSY
BATT L board
Cabinet Rear ASSY Power board, P/T in board, P/T out board, BATT S board
Tuner board
Jack board
TC board
CD board
CD block section
CD block section “ Tray ASSY, CD ”
Loading board
< CD BLOCK SECTION >
< MAIN SECTION >
Panel DECO ASSY
Audio board
Set
Cabinet Top ASSY MD block ASSY
TC/M board
CD chassis ASSY
Optical pick-up block, Pick-up relay board
Control board, JOG LED 1 board, JOG LED 2 board Key board
TC RF board, Head relay board, Belt FR, Belt BR, Motor (M691)
TC key board, TC LED (L) board, TC LED (R) board
H/P board
Cabinet front ASSY
Cabinet rear ASSY
Handle
2
Screws
+BVTP 3
×
10
3
Screws
+BVTP 3
×
14
3
Screws
+BVTP 3
×
1
4
5
4
1
<MAIN SECTION>

– 7 –
3-3. TUNER BOARD
3-2. POWER BOARD, P/T IN BOARD, P/T OUT BOARD , BATT S BOARD
P/T OUT board
P/T IN board
BATT S board
Power board
1
Screws
+BVTP 3
×
10
6
Claw
3
4
5
7
2
Cabinet rear ASSY
Tuner board
2
1
Claws
Cabinet front ASSY
3-4. JACK BOARD
Jack board
2
1
Claws
Cabinet front ASSY

– 8 –
3-5. AUDIO BOARD
Audio board
3
Screws
+BVTP 3
×
10
4
1
CNP308
1
CNP310
1
CNP311
1
CNP305
1
CNP304
2
Wire parallel (FFC) (11core)
2
Wire parallel (FFC) (13core)
1
CNP309
Cabinet front ASSY
3-6. CD BOARD
CD board
2
Screws
+BVTP 3
×
1
0
4
1
Wire parallel (FFC) (21core)
Cabinet front ASSY
3
CN701
3
CN713
1
Wire parallel (FFC) (13core)

– 9 –
3-7. TC BOARD
3-8. CABINET TOP ASSY
TC board
Cabinet front ASSY
1
Screws
+BVTP 3
×
1
0
2
Cabinet top ASSY
Cabinet front ASSY
2
Screws
+BVTP 3
×
1
0
4
3
Claws
1
CNP807

– 10 –
H/P board
Cabinet front ASSY
1
Screw
+BVTP 3
×
10
2
3-9. H/P BOARD
3-10. TC/M BOARD
TC/M board
2
Screw
+BVTP 3
×
1
0
3
Cabinet top ASSY
1
CNP808

– 11 –
3-11. MD BLOCK ASSY
MD block ASSY
2
Screws
+BVTP 3
×
1
0
2
Screw
+BVTP 3
×
10
1
Screws
+B 3
×
8
3
Cabinet top
3-12. TC LED (L) BOARD, TC LED (R) BOARD, TC KEY BOARD
TC key board
TC LED (R) board
TC LED (L) board
Deck (B), bracket
5
Screws
+P 2.6
×
8
5
Screws
+P 2.6
×
8
1
Screws
+BVTP 3
×
10
1
Screws
+BVTP 3
×
10
3
Remove solder
3
Remove solder
2
2
4
4
6
Cabinet top ASS
Y
Deck (A), bracket

– 12 –
3-14. CD CHASSIS ASSY
6
Belt FR
2
Remove solder
9
Capstan/reel motor (M691)
Head relay board
3
5
4
Screw
1
Screws
8
Screws
MD block ASSY
TC RF board
7
Belt BR
Belt FR
Belt BR
2
Screws
+BVTP 3
×
1
4
3
1
CNP301
CD chassis ASSY
Cabinet front ASSY
3-13. TC RF BOARD, HEAD RELAY BOARD, BELT FR, BELT BR, CAPSTAN/REEL MOTOR (M691)

– 13 –
3-15. CD BLOCK SECTION
< CD BLOCK SECTION >
3-16. LOADING BOARD
1
Screws
+BVTP 3
×
10
2
Chassis CD
CD block section
CD block section
1 Screws (+BV 3X10)
2
Loading board

– 14 –
3-18. OPTICAL PICK-UP BLOCK, PICK-UP RELAY BOARD
3-17. “ TRAY ASSY, CD ”
3 Screws
(+BV 3X10)
1 Screws
(+BV 3X10
)
5 Wire, Parallel (FFC) (21 core)
(CD board : CN711)
2
4
6
4
2
3 Screws (+BV 3X10)
Loading chassis
Plate (L), Side
Cover (L), Side
Cover (R), Side
Plate (R), Side
Slider (R)
Slider (L)
Tray ASSY, CD
1 Screws
(+BV 3X10)
Lid, CD
Tray (Top), CD
1 Screws (+B 2.6X8)
4 Wire, Parallel
(FFC) (21 core)
2
36
5
5
Pick-up relay boar
d
Claw
Claw
Optical pick-up block
Tray (Bottom), CD

– 15 –
3-20. CONTROL BOARD, JOG LED 1 BOARD, JOG LED 2 BOARD
3-19. PANEL DECO ASSY
2
Screws
+P 2
×
5
1
Screws
+P 2.6
×
10
3
Cabinet front
Panel DECO ASSY
3
Screws
+P 2.6
×
8
5
Remove solde
r
5
Remove solder
2
CNP805
1
Dial JOG
4
Panel DECO sub ASSY
JPG LED 1 board
JPG LED 2 board
Control board
6
Claw
7
7
6
Claw
2
CNP806

– 16 –
3-22. BATT L BOARD
3-21. KEY BOARD
1
Screws
+P 2.6
×
8
2
Panel DECO sub ASSY
Key board
3
Screws
+PTPWH 3
×
10
5
1
1
2
4
Cover, wire
BATT L board Lid, Battery case
Cabinet rear ASSY

– 17 –
z RF LEVEL and jitter check
Test mode PLAY status
Connection Point : CD board (Conductor side)
Check to see that the jitter is less than 9.0 nsec. and RF level is
between 0.7 – 1.1Vp-p.
SECTION 4
TEST MODE
CD SECTION
1. Entering CD test mode
Connect power supply cord or insert dry batteries, short Test
point (TEST-1) on the key board. (You need a moment for the
short) (Power button is possible with both of ON or OFF to en-
ter test mode).
The LCD display changes as in the diagram and the unit goes
into test mode.
When you press the u key, the CD rotates and when you press
theu key again, the CD plays (the track servo comes on) (but
no sound is issued).
Pressing the u key starts automatic adjustment and the value
changes, but ignore this value.
[KEY BOARD] (Conductor side)
h
PGM
MEGA BASS
cd
RF level:
0.7–1.1 Vp-p
VOLT/DIV : 200mV (using 10:1 probe)
TIME/DIV : 500ns
E C B
JW610
JW606
D603
D602
R60
7
R
606
R60
5
R60
4
R603
R602
Q603
S618
JW609
CN806
BAND
x
x
11
(11)
1-678-260-
TEST-1
1
4
TEST-1
SHORT : TEST MODE
OPEN : NORMAL MODE
TP(RF)
IC701
oscilloscop
e
(AC range)
TP (RF)
JW741
(VC)
[CD BOARD] (Conductor side)
2. Exiting test mode
With the unit in test mode, when you press the POWER button
to OFF, power is off and test mode ends.

– 18 –
5-1. MECHANICAL ADJUSTMENTS
TAPE RECORDER SECTION
PRECAUTION
1. Clean the following parts with a denatured-alcohol-moistened
swab : record/playback/erase head pinch roller
rubber belts capstan
2. Demagnetize the record/playback/erase head with a head demag-
netizer.
3. Do not use a magnetized screwdriver for the adjustments.
4. After the adjustments, apply suitable locking compound to the
parts adjusted.
5. The adjustments should be performed with the rated power sup-
ply voltage unless otherwise noted.
Torque Measurement
Torque Torque Meter Meter Reading
3.54 to 5.98 mN • m
Forward CQ-102C (36 to 61 g • cm)
(0.5 to 0.84 oz • inch)
0.2 to 0.58 mN • m
Forward CQ-102C (2 to 6 g • cm)
Back Tension (0.028 to 0.083 oz • inch)
3.54 to 5.98 mN • m
Reverse CQ-102RC (36 to 61 g • cm)
(0.5 to 0.84 oz • inch)
0.2 to 0.58 mN • m
Reverse CQ-102RC (2 to 6 g • cm)
Back Tension (0.028 to 0.083 oz • inch)
5.99 to 14.02 mN • m
FF/REW CQ-201B (61 to 143 g • cm)
(0.85 to 1.98 oz • inch)
Tape Tension Measurement
Mode Tension Meter Meter Reading
FWD CQ-403A more than 100g
(more than 3.53 oz)
REV CQ-403A more than 100g
(more than 3.53 oz)
SECTION 5
ADJUSTMENTS
z TRAVERSE SIGNAL check
Test mode PLAY status
Connection Point : CD board (Conductor side)
Press the M or m from test mode PLAY status.
Check to see that the traverse signal level is between 200 to
500mVp-p.
Note:
Extend the sweep time
for easier view.
200 – 500mVp-p
AA
B
B
A = B
0V
0V
TP(RF)
IC701
[CD BOARD] (Conductor side)
oscilloscop
e
(AC range)
IC701
rg
pin(TO)
JW741 (VC)

– 19 –
3. Phase Check
Mode : FWD playback
4. Change the reverse playback mode and repeat the step 1 to 3.
5. After the adjustment, lock the adjustment screw with suitable
locking compound.
Adjustment Location : – record/playback/erase head –
VH
in phase 90°
45°135°180°
good wrong
set
L-CH
R-CH
screen pattern
test tape
P-4-A100
(10kHz, –10dB) Osilloscope
LINE OUT
47kΩ
47kΩ
5-2. ELECTRICAL ADJUSTMENTS
TAPE RECORDER SECTION 0dB = 0.775V
1. The adjustnemts should be performed in the order in the service
manual. (As a general rule playback circuit adjustment should
be completed beforeming recording circuit adjustment.)
2. The adjustments should be performed for bothe L-CH and R-
CH unless otherwise indicated.
Standard Intput Level
Input terminal LINE IN
source impedance 10kΩ
input signal level 0.5V (–3.8dB)
Standard Output Level
Output terminal LINE OUT
load impedance 47kΩ
output signal level 0.5V (–3.8dB)
Test Tape
Type Signal Used for
P-4-A100 10kHz, –10dB Azimuth Adjustment
WS-48B 3kHz, 0dB Tape Speed Adjustment
Record/Playback/Erase Head Azimuth Adjustment
Procedure :
1. Mode : FWD playback
2. Turn the adjustment screw for the maximum output levels. If
these levels do not match, turn the adjustment screw until both
of output levels match together within 1dB.
set
LINE OUT
47kΩ
level mete
r
test tape
P-4-A100
(10kHz, –10dB)
L-CH
peak R-CH
peak
L-CH
peak
R-CH
peak
Screw
position
output
level
within
1 dB within
1 dB
screw positio
n
FWD side REV side
adjustment screw

– 20 –
FM Section
RADIO BAND button : FM
Volume : MIN
Adjustment Location : Tuner board (See page 21)
FM IF ADJUSTMENT
Adjust for a maximum reading on level meter.
T2 10.7MHz
FM FREQUENCY COVERAGE ADJUSTMENT
Adjust part Frequency display reading on digital
voltmeter
Confirmation 87.5MHz Standard value : 1.2 – 2.0V
L2 108MHz Adjustment value : 4.0V
Standard value : 3.8 – 4.2V
FM TRACKING ADJUSTMENT
Adjust for a maximum reading on level meter.
L1 87.5MHz
CT1 108MHz
Mechanism dec
k
Tape speed adjustment
M691 (capstan/reel motor)
•Repeat the procedures in each adjustment several times, and the
frequency coverage and tracking adjustments should be finally
done by the trimmer capacitors.
AM IF ADJUSTMENT
Adjust for a maximum reading on level meter.
T1 450kHz
AM FREQUENCY COVERAGE ADJUSTMENT
Adjust part Frequency display reading on digital
voltmeter.
L4 530kHz Adjustment value : 1.1 V
Standard value : 1.0 – 1.2V
Confirmation 1,710kHz Standard value : 4.4 – 6.0V
AM TRACKING ADJUSTMENT
Adjust for a maximum reading on level meter.
L3 620kHz
CT3 1,400kHz
TUNER SECTION
AM Section
RADIO BAND button : AM
Volume : MIN
FM RF signal
generator
22.5kHz frequency deviation by
400Hz signal.
Output level : as low as possible
telescopi
c
antenna
terminal
0.01 µF
AM RF signal
generator
30% amplitude modulation by 400Hz
signal.
Output level : as low as possible
Put the lead-wire
antenna close to
the set.
set
47kΩ
+
–
LINE OUT
level mete
r
0dB = 1µV
Tape Speed Adjustment
Procedure :
– FWD Playback Mode –
set
test tape
WS-48B
(3kHz, 0dB) frequency counter
LINE OUT
47kΩ
1. Set to FWD playback mode.
2. Adjust M691 (capstan/reel motor) so that the frequency counter
reading becomes 3,000Hz.
Standard value : 2,970 to 3,030Hz
3. Set to REV playback mode.
Confirm the frequency should be within the standard value.
4. Confirm the frequency difference between beginning and the
end of tape should be within 1.5% (45Hz).
Adjustment Location : M691 (capstan/reel motor)

– 21 – – 23 –– 22 –
L4 : AM Frequency Coverage Adjustmen
t
L2: FM Frequency Coverage Adjustment
T1 : AM IF Adjustment
T2: FM IF Adjustment
L3 : AM Tracking Adjustment
CT3: AM Tracking Adjustment
L1 : FM Tracking Adjustment
CT1 : FM Tracking Adjustment
[TUNER BOARD]
(Component side)
Connect Location :
[TUNER BOARD] (Conductor side)
TP
(VT)
+
–
Digital
voltmeter
100k
Ω
TP (VT)
Frequency Coverage Adjustment
Adjustment Location :
Pin No. Pin name I/O Description
1 C-SCOR I CD DSP command data input.
2 JOG B I JOG801 input.
3 RMC I Remote control signal input.
4 R-MUTE O Tuner mute signal output.
5 NC – Not used (OPEN).
6 REG-CHK I Regulator voltage check input.
7 C-SENSE 2 I CD-SENSE input.
8 C-CLK O CD DSP command clock output.
9 C-DATA O CD DSP command data output.
10 C-SENSE 1 I CD SENSE input.
11 C-SQCK O CD SUB-Q read out clock output.
12 C-SQSO I CD-SQSO data input.
13 C-MUTE O Mute signal output for DSP (IC702).
14 JOG A I JOG801 input.
15 R-DATA O PLL IC data output.
16 R-CLK O PLL IC clock output.
17 R-CE O PLL IC chip enable output.
18 R-COUNT I PLL IC data input.
19 P-CON O POWER ON/OFF control output.
–––––––––––––––––––
20 PL-CONT O Plunger ON/OFF control output.
21 VOL-MUTE O Audio mute signal output.
––––––––––––––––––––––––––
22 T-HEAD POS I Head position detect input.
23 REC O REC bias ON/OFF control output.
24 RADIO DST (A) I Destination setting terminal.
25 RADIO DST (B) I Destination setting terminal.
26 AMS/INIT I TC AMS signal input/Initial terminal.
27 R-SHIFT O System clock shift output.
28 INPUT 1 O Loading motor control output.
29 INPUT 2 O Loading motor control output.
30 OP/CL I CD tray open/close detect input.
31 BATT-M I Battery voltage detection terminal.
32 KEY 1 I Key input terminal.
33 KEY 2 I Key input terminal.
34 KEY 3 I Key input terminal.
35 KEY 4 I Key input terminal.
36 DC/BATT-H I Battery voltage detection terminal.
37 TC SW I Tape tab detect input.
–––––––––––––––
38 RESET I System Reset terminal.
39 OSC-IN I System clock oscillator input (4.21MHz).
40 OSC-OUT O System clock oscillator output (4.21MHz).
41 GND – Ground terminal.
42 NC – Not used (OPEN).
43 NC – Not used (Ground).
44 V REF I Reference voltage input.
45 GND – Ground terminal.
SECTION 6
DIAGRAMS
6-1. EXPLANATION OF IC TERMINALS
IC801 CXP83124A-044Q (SYSTEM CONTROL) CONTROL BOARD
Pin No. Pin name I/O Description
46 VDDL O LCD drive bias control output.
47 VDD3 O LCD drive bias power supply.
48 VDD2 O LCD drive bias power supply.
49 VDD1 O LCD drive bias power supply.
50 – 53 COM0-3 O LCD common output.
54 – 80 SEG0–SEG26 O LCD segment output.
81 NC – Not used (OPEN).
82 ISS-II O ISS-2 control output.
83 ISS-I O ISS-1 control output.
84 B/L-CONT O Back-light ON/OFF control output.
85 TAPE O Function output for TAPE
86 RADIO O Function output for RADIO
87 T-MOTOR-CONT O Motor control signal output.
88 X-LAT O CD DSP command lach output.
89 VDD – Power supply.
90 NC – Not used (connect to VDD).
91 GND – Ground.
92 CLK OUT O Sub system clock oscillator (32.768kHz).
93 CLK IN I Sub system clock oscillator (32.768kHz).
––––––
94 CD O Function output for CD.
95 A-MUTE O Audio mute signal output.
96 VR-DATA/CE O Volume data/chip enable output.
97 VR-CLK O Volume clock output.
98 C-XRST O CD reset signal output.
99 WP I Wake-up signal input.
100 TAPE END I Tape end detect input.

– 24 – – 26 –– 25 –
ZS-D55
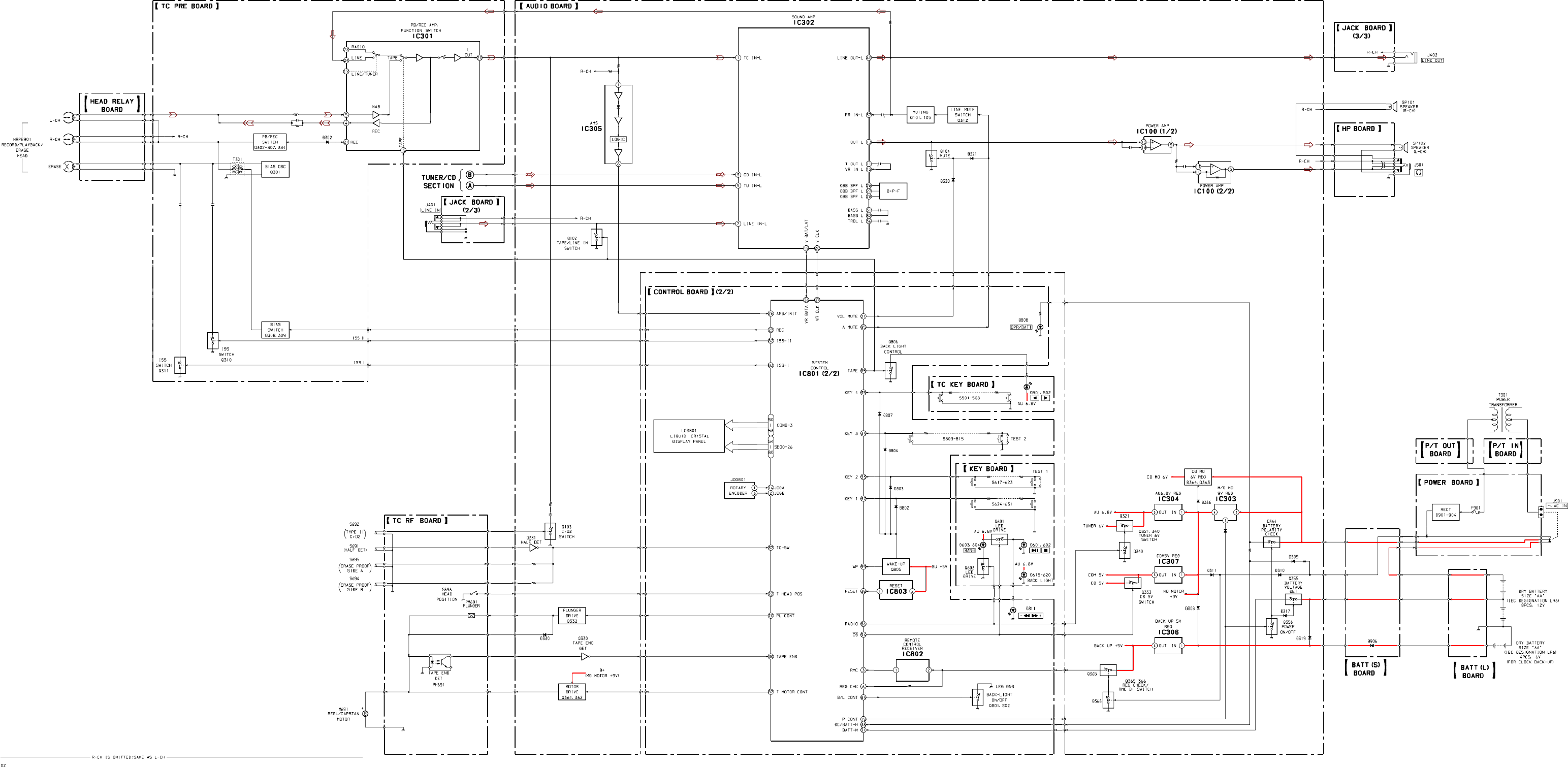
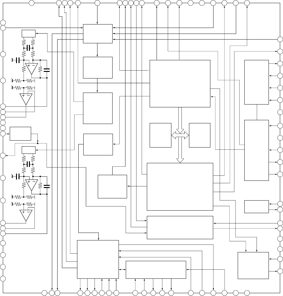
6-2. BLOCK DIAGRAMS (TAPE, MAIN SECTION)
• Signal path.
F: FM
E: PB
a: REC
J: CD

– 27 – – 28 – – 30 –– 29 –
ZS-D55
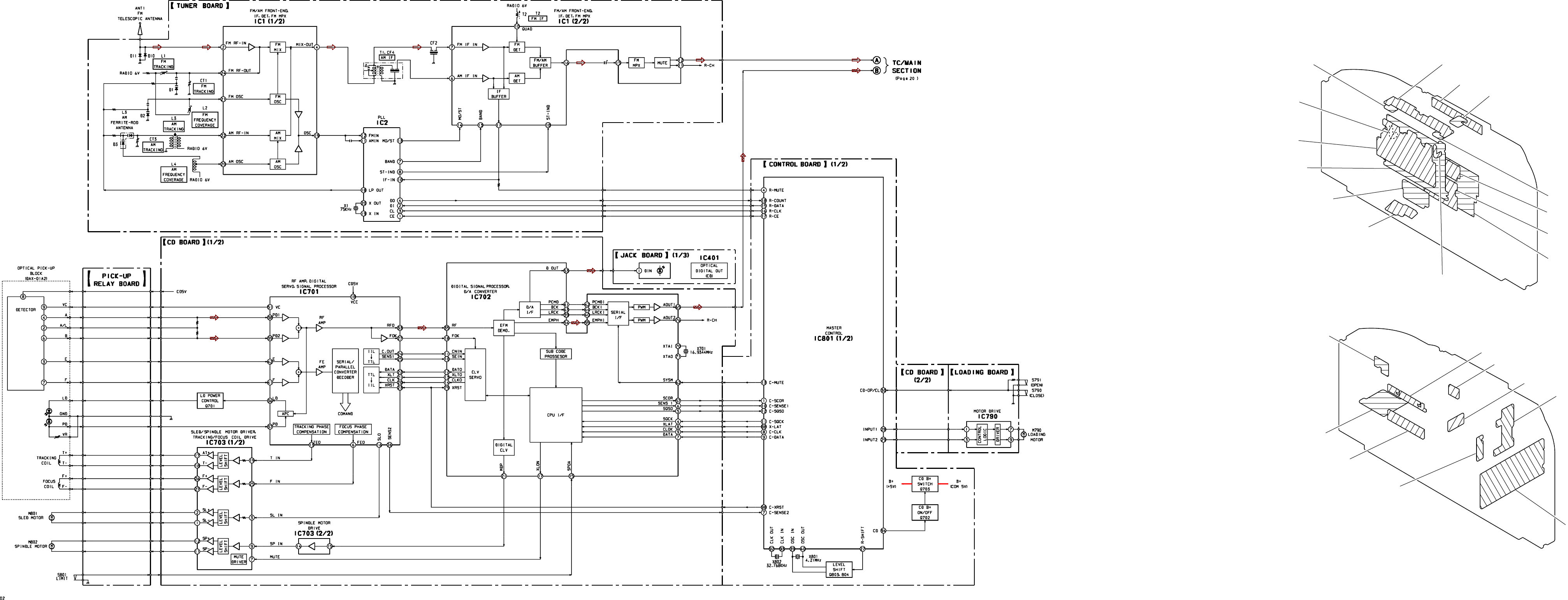
6-3. BLOCK DIAGRAMS (TUNER, CD SECTION)
r Circuit Boards Location
JOG LED 1 board
TC KEY board
CONTROL board
TC/M board
TC RF board
JOG LED 2 board
TC board
AUDIO board
CD board
PICK-UP RELAY board
LOADING board
KEY board
TC LED (R) boar
d
TC LED (L) board
H/P board
P/T IN board
P/T OUT board
BATT S board
POWER board
JACK board
BATT L board
TUNER boar
d
HEAD RELAY board
• Signal path.
F: FM
J: CD

– 33 – – 34 –– 31 – – 32 –
ZS-D55
6-4. PRINTED WIRING BOARDS (MAIN SECTION)
Note:
•X: parts extracted from the component side.
•b: Pattern from the side which enables seeing.
(The other layers' patterns are not indicated.)
Ref. No. Location Ref. No. Location
D301 G-8
D302 G-8
D308 D-5
D309 A-4
D310 E-5
D311 E-5
D312 E-4
D317 B-3
D318 B-4
D319 B-4
D320 C-7
D321 C-7
D330 E-5
D360 C-5
D362 D-5
D363 C-5
D364 D-3
D365 D-5
D366 C-3
D901 E-13
D902 E-13
D903 D-13
D904 D-13
D905 B-14
D906 B-14
D907 B-14
IC100 B-7
IC200 B-5
IC301 H-8
IC302 C-9
IC303 C-3
IC304 C-6
IC305 D-6
IC306 D-4
IC307 D-4
IC401 H-12
Q101 D-9
Q102 E-9
Q103 D-6
Q104 B-7
Q105 E-9
Q201 D-9
Q202 E-9
Q203 D-7
Q204 B-6
Q205 D-8
Q301 G-9
Q302 G-9
Q303 G-9
Q304 G-9
Q305 G-8
Q306 G-8
Q307 G-8
Q308 G-8
Q309 G-8
Q310 F-9
Q311 F-9
Q312 D-8
Q321 E-8
Q330 E-5
Q331 E-5
Q332 E-6
Q333 D-4
Q334 G-9
Q340 E-8
Q355 B-3
Q356 C-3
Q361 D-5
Q362 E-5
Q363 D-4
Q364 B-3
Q365 E-4
Q366 E-4
23 4 5 6 7 89 10 11 12 13 14 15 16 17
A
1
B
C
D
E
F
G
H
02
IC302
JW392
JW305
JW321
R381
JW313
JW374
CNP309
CNP310
R255
D360
JW377
JW341
JW334
R235
R151
R254
R251
C232
JW362
R150
C228
C233
R228
C128
C135
C136
C326
C235
C236
R128
C241
C133
R253
C231
R229
JW345
JW309
JW363
R366
R333
JW337
JW354
CNP305
CNP311
JW331
JW328
C153
JW348
JW384
Q363 R388
R344
C156
JW386
C132
D330
C230
JW349
Q205
R377
R376
R375
C367
R154
C333
R361
C145
Q333
R357
D312
JW343
JW385
Q355
R129
JW306
R351
C341
Q105
R380
R360
JW344
R355
C340
R342
IC305
C345
R343
Q340
C343
R368
Q361
C342
C344
JW340
JW370
IC304
C357
CN301
IC307
JW314
IC100
C256
JW347
JW364
IC303
Q202
JW379
R155
R378
JW333
C300
JW322
D366
C368
Q332
C335
R363
D311
JW360
R119
R370
C329
R250
D320
D321
C381
Q102
R373
JW375
R334
R152
JW310
D317
C365
C131
IC200
JW356
C140
R384
R223
C149
Q330
JW346
JW304
R135
JW303
C224
C372
R226
D363
JW339
D364
JW338
R367
C383
CNP308
R117
Q364
C225
C141
Q201
R374
C366
Q365
R335
D309
R338
CNP304
R372
IC306
C240
D310
CNP307
D362
R116
C215
C371
C130
JW323
R219
R340
R252
C226
R118
C362
R153
C246
D308
C122
C369
JW350
C370
C321
R327
Q203
C327
CNP303
Q103
C120
JW311
JW318
JW317
Q101
R220
Q204
R224
Q321
R123
R120
R124
R329
C220
C219
R356
C319
Q104
JW367
C363
R214
C125
C113
R328
C213
C323
C119
C251
C248
R331
R221
C114
R332
R217
C334
R218
R125
C320
R126
C123
C322
R114
C222
C127
C121
R121
C227
C150
C218
C221
C216
JW378
C252
C151
C250
C152
R211
C118
C223
R225
C116
R216
C115
Q312
C214
R111
C253
Q366
C117
C126
C147
Q356
C217
R112
R341
R240
R140
R212
D318
R213
R113 JW369
R350
JW330
JW307
D365
JW391
JW376
JW302
C364
JW315
JW342
JW389
JW380
JW381
JW308
Q362
C380
C379
JW383
JW359
JW301
JW357
JW327
R222
R122
JW358
R320
JW371
C148
JW326
JW325
JW336
JW372
C247
C384
C382
C339
C337
C331
C332
D319
Q331
C350
C249
C146
R336
JW387
C245
CNP306
JW902
JW901
CNP901
JW903
JW904
CN902
CNP902
D905
D906
D907
L201
R130
L302
CN501
R230
C134
C234
L101
CN402
CN901
C903
C901
C902
C904
D904
D901
D903
D902
C905
R307
C312
R303
R105
R102
C203
R106
C103
C306
C307
R314
D302
C205
R202
R101
R301
R317
Q309
R312
Q310
R104
R313 Q334
Q306
R204
C105
R201
Q311
C310
R206
C201
R316
C106 C101
R308
D301
R310
C206
C207
R203
C107
R103
Q304
R305
R107
R302
Q303
Q307
R205
R311
Q308
R304
R207
R309
C311
R306
Q305
R315
Q302
CN692
R318
JR101
JR102
JR103
JR104
JR105
JR106
JR107 JR108
JR109
JR110
JR111
JR113
JR114
R108
R109
R208
R209
C391
C304
C211
C111
C108
C303
C204
IC301
C110
C301
T301
C308
C210
C305
Q301
C104
C302
C208
CNP301
CNP302
157
1510 12
13
15
20
24
BE
J501
i
15
11
(11)
1-678-268-
15
15 10 15 1510
15
1
5
F
CD BOARD
CN708
(Page 43)
C
CONTROL
BOARD
CNP802
(Page 46)
E
CONTROL
BOARD
CNP801
(Page 46)
B
TUNER
BOARD
CNP1
(Page 51)
11
(11)
1-678-258-
11
(11)
1-679-063-
HRPE301
REC/PLAYBACK/ERASE
HEAD
R-CH
ERASE
L-CH
11
(11)
1-678-263-
J402
LINE
OUT
J401
LINE
IN
11
(11)
1-678-261- 11
(11)
1-678-265-
11
(11)
1-678-275-
11
(11)
1-678-276-
RED
BLK
RED
BLK
J901
- AC IN
11
(11)
1-678-266-
DRY BATTERY
SIZE "AA"
(IEC DESIGNATION R6)
4PCS, 6V
(FOR CLOCK BACK-UP)
DRY BATTERY
SIZE "D"
(IEC DESIGNATION R20)
8PCS, 12V
13
15
1
3
C124
40 35 30 25 21
1 5 10 15 20
L401
C401
C402
CN401
G
CD BOARD
CN701
(Page 43)
IC401
IC401
OPTICAL
DIGITAL
OUT (CD)
C309
11
(11)
1-673-338-
9
5
1
R691
M
M691
CAPSTAN/REEL
MOTOR
S694
(SIDE B ERASE PROOF)
S692
(TYPE II, CrO2)
S696
(HEAD POSITION)
S691
(HALF DET)
S695
(SIDE A ERASE PROOF)
PM691
PLUNGER
SOLENOID
CN691
PH691
+–
SP102
(L-CH)
–
+
CN502
SP101
(R-CH)
–
+
T901
POWER TRANSFORMER
E
C
B
B C E
B C E
B C E
12
B C E
E C B
E C B
E C B
E C B
E C B
B
C
E
B
C
E
B
C
E
B C E
B C E
19
5
E C B
S D G
E
C
B
E
C
B
E
C
B
E
C
B
B
C
E
B
C
E
B
C
E
B
C
E
3
12
3
2
1
1
5
1
4
1
2
1 4
1 5
F901
11
(11)
1-673-339-
RED
WHT
WP901
L402
L403
L404
L405
L406
C906
C353
(CD BOARD)
C351
C352
H/P BOARD
AUDIO BOARD
TC RF BOARD
TC BOARD
HEAD RELAY BOARD
JACK BOARD P/T IN BOARD
P/T OUT BOARD
POWER BOARD
BATT L BOARD
BATT S BOARD
r Semiconductor Location

– 35 – – 36 – – 38 –– 37 –
ZS-D55
6-5. SCHEMATIC DIAGRAM (MAIN SECTION)
Note:
• All capacitors are in µF unless otherwise noted. pF: µµF
50 WV or less are not indicated except for electrolytics
and tantalums.
• All resistors are in Ω and 1/4 W or less unless otherwise
specified.
Note: Note:
The components identi- Les composants identifiés
fied by mark 0 or dotted par une marque 0 sont cri-
line with mark 0 are cri- tiques pour la sécurité.
tical for safety. Ne les remplacer que par
Replace only with part une piéce portant le
number specified. numéro spécifié.
•: B+ Line.
• Power voltage is dc 12V and fed with regulated dc power
supply from external power voltage jack.
• Voltages and waveforms are dc with respect to ground
under no-signal (detuned) conditions.
no mark : FM (COMMON), TAPE PLAY (TAPE SECTION)
( ) : REC
• Voltages are taken with a VOM (Input impedance 10 MΩ).
Voltage variations may be noted due to normal produc-
tion tolerances.
• Waveforms are taken with a oscilloscope.
Voltage variations may be noted due to normal produc-
tion tolerances.
• Circled numbers refer to waveforms.
• Signal path.
F: FM
E: PB
a: REC
J: CD
z Refer to page 39 for Waveforms.

– 41 – – 42 –– 39 – – 40 –
ZS-D55
r Waveforms (CD Section)
1
IC701 ed (RFO)
PLAY MODE
VOLT/DIV : 200 m V AC
TIME/DIV : 0.5 µsec
0.7 – 1.1
Vp-p
2
IC701 6 (FEO)
PLAY MODE
VOLT/DIV : 0.2 V AC
TIME/DIV : 0.2 msec
3
IC701 rg (TO)
PLAY MODE
VOLT/DIV : 0.2 V AC
TIME/DIV : 0.5 msec
4
IC702 wl (PCO)
VOLT/DIV : 0.5 V AC
TIME/DIV : 1 µsec
5
IC702 r; (LRCKI)
VOLT/DIV : 1 V AC
TIME/DIV : 5 µsec
6
IC702 ua (XTAO)
VOLT/DIV : 0.5 V AC
TIME/DIV : 20 nsec
0.6 Vp-p
0.7 Vp-p
2.2 Vp-
p
5.75 µsec
4.8 Vp-p
22.75 µsec
2.0 Vp-
p
16.44 MHz
Note:
• All capacitors are in µF unless otherwise noted. pF: µµF
50 WV or less are not indicated except for electrolytics
and tantalums.
• All resistors are in Ω and 1/4 W or less unless otherwise
specified.
Note: Note:
The components identi- Les composants identifiés
fied by mark 0 or dotted par une marque 0 sont cri-
line with mark 0 are cri- tiques pour la sécurité.
tical for safety. Ne les remplacer que par
Replace only with part une piéce portant le
number specified. numéro spécifié.
•: B+ Line.
• Power voltage is dc 12V and fed with regulated dc power
supply from external power voltage jack.
• Voltages and waveforms are dc with respect to ground
under no-signal conditions.
no mark : CD PLAY
• Voltages are taken with a VOM (Input impedance 10 MΩ).
Voltage variations may be noted due to normal produc-
tion tolerances.
• Waveforms are taken with a oscilloscope.
Voltage variations may be noted due to normal produc-
tion tolerances.
• Circled numbers refer to waveforms.
• Signal path.
J: CD
6-6. SCHEMATIC DIAGRAM (CD SECTION)
r Waveforms (MAIN Section)
1
ERASE HEAD ATT : 1/10
VOLT/DIV : 1 V AC
TIME/DIV : 5 µsec
2
3
4
Q304 COLLECTOR
VOLT/DIV : 5 V AC
TIME/DIV : 5 µsec
5
Q302, 303 EMITTER
VOLT/DIV : 5 V AC
TIME/DIV : 5 µsec
T301 ATT : 1/10
VOLT/DIV : 1 V AC
TIME/DIV : 5 µsec
T301 VOLT/DIV : 2 V AC
TIME/DIV : 5 µsec
25.8 Vp-p
16.65 µsec
61 Vp-p
16.65 µsec
13.7 Vp-p
16.65 µsec
17.6 Vp-p
16.65 µsec
17.6 Vp-p
16.65 µsec

02
C711
23 4 5 6 7 89 10 11
A
1
B
C
D
E
F
IC702
IC703
IC701
GJACK BOARD
CN401
(Page 33)
F
AUDIO BOARD
CNP308
(Page 32)
D
CONTROL BOARD
CN803
(Page 45)
M802
(SPINDLE)
M
M801
(SLED)
S801
(LIMIT)
S790
(CLOSE)
S791
(OPEN)
M
M790
(LOADING)
M
OPTICAL PICK-UP BLOCK
DAX-01A2
11
(11)
1-667-046-
11
(11)
1-667-045-
11
(11)
1-679-508-
IC790
15
10
15
20
21
61
5
1
31
1
5
R791
C778
R778
(AUDIO BOARD)
CD BOARD
PICK-UP RELAY BOARD
LOADING BOARD
– 43 – – 44 –
ZS-D55
6-7. PRINTED WIRING BOARDS (CD SECTION)
Note:
•X: parts extracted from the component side.
•b: Pattern from the side which enables seeing.
(The other layers' patterns are not indicated.)
D790 E-8
IC701 C-2
IC702 C-4
IC703 D-3
IC790 E-9
Q701 B-1
Ref. No. Location
r Semiconductor
Location

– 45 – – 46 –
ZS-D55
6-8. PRINTED WIRING BOARDS (CONTROL SECTION)
Note:
•X: parts extracted from the component side.
•b: Pattern from the side which enables seeing.
(The other layers' patterns are not indicated.)
D501 C-8
D502 C-12
D601 C-2
D602 C-6
D603 D-6
D604 D-2
D615 A-4
D616 B-5
D617 B-4
D618 B-4
D619 B-4
D620 A-4
D621 C-3
D802 E-3
D803 E-3
D804 F-2
D805 E-4
D807 E-3
Ref. No. Location
r Semiconductor Location
D808 H-2
D811 E-4
D817 I-1
D818 I-8
IC801 G-4
IC802 H-6
IC803 G-2
Q601 C-3
Q603 C-6
Q801 G-6
Q802 H-6
Q803 H-3
Q804 G-3
Q805 E-3
Q806 E-6
Ref. No. Location
23 4 5 6 7 89 10 11 12
A
1
B
C
D
E
F
G
H
02
IC801
JW813
C827
C858
C859
JW839
C860
C861
C862
C863
C864
JW850
C826
C866
JW853
D805
JW854
JW836
JW821
JW820
JW809
R817
CNP806
JW802
C828
R860
JW845
JW824
C811
JW835
JW855
C810
R844
R829
JW808
C841
C842
C847
R897
C834
R836
R840
R803
JW832
R890
JW830
JW849
C853
JW833
JW848
C851
R808
R814
C823
C821
D808
R885
C835
JW823
R818
R845
S811
S812
S810
S809
L803
R864
JW846
JW847
CNP801
R838
R833
C815
C844
CNP803
R828
JW841
R822
R888
C822
C839
R855
JW856
R882
R875
R876
R877
R800
R820
R821
R824
R813
R807
CNP802
JW852
JW814
R839
JW816
JW837
C819
S814
S815
JW840
Q801
D803
D802
D811
R891
JW851
R880
R825
L809
R842
JW815
R879
C808
L810
R801
R823
C831
R826
R895
CNP805
R850
C809
R804
S813
R849
R848
D807
R831
Q805
R805
R834
R847
R899
C856
JW818
R889
C802
R827
R856
CN804
R843
R812
R851
R815
R887
R810
C836
R809
R862
C812
L802
X802
C825
JOG801
Q802
JW838
C818
C817
R835
IC803
R837
R853
R816
Q803
C850
JW803
C807
R852
C803
R819
C820
D804
R857
Q804
C813
X801
R892
R896
R881
JW843
C840
C837
C805
L801
C833
R841
C838
C832
JW826
JW828
JW822
JW844
C801
CN801
JW842
JW834
JW829
JW831
R859
R806
C867
C824
JW817
JW806
JW807
C855
JW827
R830
JW825
Q806
R874
R871
JW610
JW606
D621
R621
D617
D618
D615
D619
D616
S631
R627
R623
JW603
D603
R609
D601
D604
D602
JW611
R607
R606
R605
R604
R603
R602
R601
R614
R613
R612
R611
R610
Q603
R608
R622
JW604
Q601
JW608
JW605
R615
S630
S628
R616
S622
S623
S619
S620
S624
S629
S626
S625
D620
S618
S617
JW609
CN805
CN806
JW607
CNP807
CNP808
S507
R508
S501
S505
S504
S503
S508
R501
R502
R503
R504
R505
R506
R507
CN802
S506
JW501
JW502
D501
JW504
JW503
D502
SLEEP CANCEL ENTER
MEM
TIMER
MODE
DISPLAY
AUTO
PRESET
CD DUB
STANDBY CLOCK
BAND
BAND
BAND
u
u
x
x
11
(11)
1-678-260-
D
CD BOARD
CN712
(Page 43)
2 3 1
IC802
CD OPEN/
CLOSE
Z
11
(11)
11
(11)
MEGA BASS
VOL –
VOL +
11
(11)
MD(LINE)
SOUND
POWER
1-678-259-
1-678-271-
1-678-270-
D817
(LCD BACK LIGHT)
D817
TEST-1
E
AUDIO
BOARD
CNP306
(Page 33)
C
AUDIO
BOARD
CNP307
(Page 33)
A
TUNER
BOARD
CNP1
(Page 51)
- .> +
D818
(LCD BACK LIGHT)
D818
1
4
OPR/
BATT
LCD801
11
(11)
1-678-272-
B
b
11
(11)
1-679-149-
11
(11)
1-679-150-
11
(11)
1-678-262-
M
m
N
n
S502
DIR
MODE
z/X
x
COUNTER RESET
1
4
1
4
1
4
M +
1
4
– m
D615-620
(BACK LIGHT)
S627
S621
5
13
51
31
1
1 5 10 15 20 25 3130
81
TEST-2
– . > +
AMS/PRESET/TIME SET
E C B
E C B
E
C
B
E
C
B
B C E
E
C
B
E C B
B C E
C601
R894
14
C849 C830
C852
TC KEY BOARD
TC LED (L) BOARD TC LED (R) BOARD
TC/M BOARD
KEY BOARD
CONTROL BOARD
JOG LED 1 BOARD JOG LED 2 BOARD

– 47 – – 48 – – 50 –– 49 –
ZS-D55
6-9. SCHEMATIC DIAGRAM (CONTROL SECTION)
Note:
• All capacitors are in µF unless otherwise noted. pF: µµF
50 WV or less are not indicated except for electrolytics
and tantalums.
• All resistors are in Ω and 1/4 W or less unless otherwise
specified.
•: B+ Line.
• Power voltage is dc 12V and fed with regulated dc power
supply from external power voltage jack.
• Voltages and waveforms are dc with respect to ground
under no-signal (detuned) conditions.
no mark : FM
• Voltages are taken with a VOM (Input impedance 10 MΩ).
Voltage variations may be noted due to normal produc-
tion tolerances.
• Waveforms are taken with a oscilloscope.
Voltage variations may be noted due to normal produc-
tion tolerances.
• Circled numbers refer to waveforms.
VOLT/DIV : 2 V AC
TIME/DIV : 0.1 µsec
VOLT/DIV : 2 V AC
TIME/DIV : 10 µsec
r Waveforms (CONTROL Section)
1
IC801 r;
2
IC801 os
5 Vp-
p
4.21 MHz
5 Vp-
p
32.768 kHz

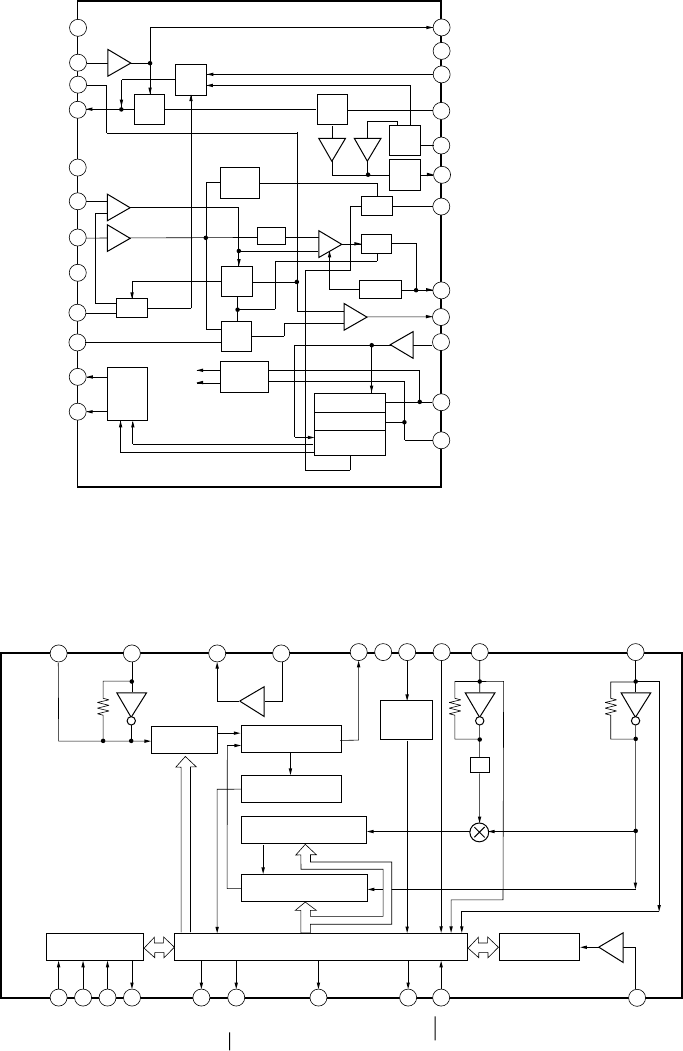
– 53 – – 54 –– 51 – – 52 –
ZS-D55
6-10. PRINTED WIRING BOARDS (TUNER SECTION) 6-11. SCHEMATIC DIAGRAM (TUNER SECTION)
Note:
• All capacitors are in µF unless otherwise noted. pF: µµF
50 WV or less are not indicated except for electrolytics
and tantalums.
• All resistors are in Ω and 1/4 W or less unless otherwise
specified.
•f: internal component.
•: B+ Line.
•H: adjustment for repair.
• Power voltage is dc 12V and fed with regulated dc power
supply from external power voltage jack.
• Voltages and waveforms are dc with respect to ground
under no-signal (detuned) conditions.
no mark : FM
( ) : AM
Note:
•X: parts extracted from the component side.
•b: Pattern from the side which enables seeing.
(The other layers' patterns are not indicated.)
r Waveform (TUNER Section)
1
IC2 w; (X OUT)
VOLT/DIV : 0.5 V AC
TIME/DIV : 5 µsec
1.5Vp-p
75 kHz
• Voltages are taken with a VOM (Input impedance 10 MΩ).
Voltage variations may be noted due to normal production
tolerances.
• Waveforms are taken with a oscilloscope.
Voltage variations may be noted due to normal production
tolerances.
• Circled numbers refer to waveforms.
• Signal path.
F: FM
f: AM
D1 B-4
D2 B-4
D3 B-4
D10 B-5
D11 B-5
IC1 C-4
IC2 C-2
Ref. No. Location
r Semiconductor
Location
23 4 5 6
A
1
B
C
IC1
IC2
13
(13)
1-676-535-
A
CONTROL
BOARD
CNP804
(Page 45)
B
AUDIO
BOARD
CNP309
(Page 33)
02
TP
(VT)
L3
AM
FERRITE-ROD
ANTENNA
D3
T1
T2
ANT1
FM
TELESCOPIC
ANTENNA
TUNER BOARD

– 55 –
z IC Block Diagrams (Main Section)
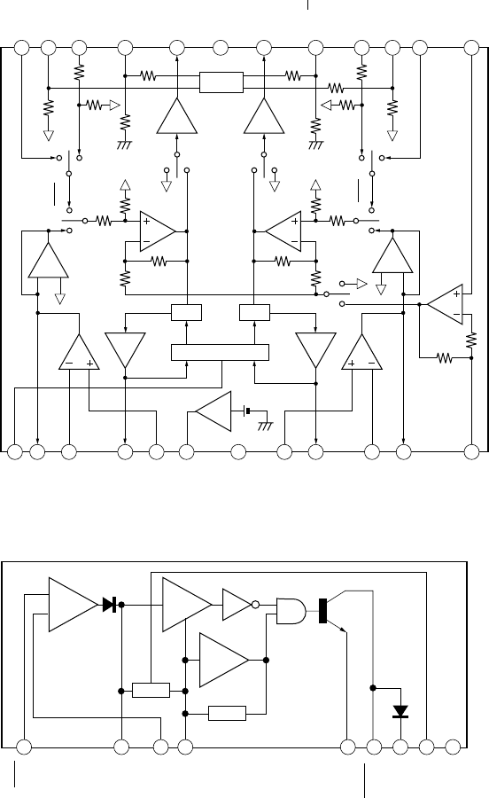
IC305 LA2010
IC301 TA2068N
23 22 21
4 5 6321
2024
7dB
LOGIC
ALC1
DET
26dB
151617
987 10 11 12
1819 14 13
7dB
ALC2
26dB
15k 6k 6k
10k
10k
10k
10k
10k
10k
10k
10k
10k 10k 10k
10k
10k 10k
1k 1k
1k
1k
LINE
RADIO
RADIO
TAPE
TAPETAPE
LINE/IN-L
MIC
I/EX
TU-L
LINE/TU
TU-R
TAPE
LINE/IN-R
MIC
REC
OUT/L
OUT/R
VCC
LINE
TAPE
BUF AMP
A2
BUF AMP
B1
BUF AMP
B2
BUF AMP
A1 MIC
AMP1
MUTE
MUTE
MUTE
ON
ON
ON
NAB
AMP2
MONITOR
AMP
MONITOR
AMP
NAB
AMP1
REC
AMP2
REC
AMP1
REF AMP 2.1
L.PO
L.NF
L.RO
L.IN
R.IN
R.RO
R.NF
R.PO
MIC
NF
REF
GND
ALC
235
46789
1
AMP
IN PUT
DET OUT
NF
TIME
GND
OUT PUT
VCC 2
GND
VCC 1
COMP(1)
COMP(2)
RESET
HOLD

– 56 –
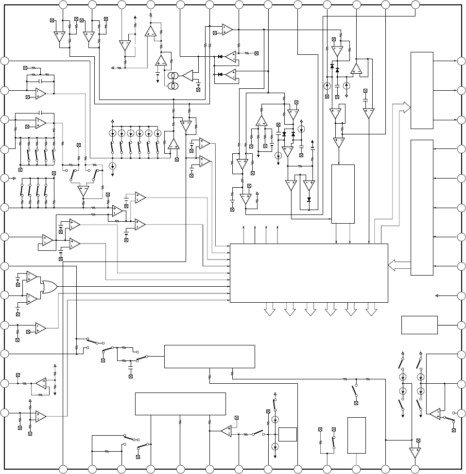
IC701 CXA1992BR
z IC Block Diagrams (CD Section)
Charge
up
FEO
FEI
FDFCT
FGD
FLB
FE_O
FE -
SRCH
TGU
TG2
FSET
TE-
TA-O
SL+
SL-
SLO
ISET
VCC
VCC
LOCK
CLK
XLT
DATA
XRST
C. OUT
SENS1
SENS2
FOK
CC2
CC1
CB
CP
RFI
RFO
RF-M
RFTC
LD
PD
PD1
PD2
F. BIAS
F
E
EI
GND
TO
LPFI
TI
ATSC
TZC
VC
FZC
TM2
VEEVEE
TM3 TM5
TM4 TM6
VCC VCC
TM7
ISET
TTL
↓
IIL
IIL
↓
TTL
IIL
↓
TTL
IIL DATA REGISTER,
INPUT SHIFT REGISTER,
ADDRESS DECODER,
SENS SELECTOR,
OUTPUT DECODER
DFCTO IFB1-6
BAL1-4
TOG1-4
FS1-4 TG1-2 TM1-7 PS1-4
FOH
FOL
TGH
TGL
BALH
BALL
ATSC
TZC
FZC
FSET
TG2
VEE
VCC
FS1
FS2
FOCUS
PHASE COMPENSATION
DFCT
FS4
TRACKING
PHASE COMPENSATION
TG1
TM1
DFCT
FZC COMP.
VEE
VCC
VCC
TDFCT
TZC COMP.
ATSC
WINDOW
COMP.
E-F BALANCE
WINDOW COMP.
TRK. GAIN
WINDOW COMP.
FO. BIAS
WINDOW
COMP.
VEE
TGFL
TOG1
TOG2
TOG3
TOG4
BAL1
BAL2
BAL3
BAL4
IFB1
IFB2
IFB3
IFB4
IFB5
IFB6
FE AMP
VEE
E IV AMP
F IV AMP
VCC
APC
VCC
VEE
LASER POWER CONTROL
VEE
PD1 IV
AMP
PD2 IV
AMP
RF
SUMMING
AMP
VCC
VEE
VEE
LEVEL S VEE
MIRR
VCC
DFCT
FOK
VCC
LDON
LPCL
LPC
TGFL
MIRR
DFCT1
CC1
1 2 3 4 5 6 7 8 9 10 11 12 13
26
39
40
41
42
43
44
45
46
47
48
49
50
51
52
38 37 36 35 34 33 32 31 30 29 28 27
24
24
23
22
21
20
19
18
17
16
15
14

– 57 –
IC702 CXD2589Q
CLOCK
GENERATOR
OSC
PWM
ASYMMETRY
CORRECTOR
DIGITAL
PLL
SERVO
AUTO
SEQUENCER
EFM
DEMODULATOR
SUB CODE
PROCESSOR
TIMING
LOGIC
CPU
INTERLACE
ERROR
CORRECTOR 16K
RAM
D/A
INTERFACE
DIGITAL
OUT
DIGITAL
CLV
SERIAL-IN
INTERFACE
OVER SAMPLING
DIGITAL FILTER
3rd-ORDER
NOISE SHAPER
PWM
60
61
62
63
64
65
66
67
68
69
70
71
72
73
74
75
76
77
78
79
80
59 58 57 56 55 54 53 52 51 50 49 48 47 46 45 44 43 42 41
40
39
38
37
36
35
34
33
32
31
30
29
28
27
26
25
24
123 456789 1011121314 15 16 17 18 19 20
23
22
21
VSS
LMUTE
RMUTE
SQCK
SQSO
SENS
DATA
XLAT
CLOK
SEIN
CNIN
DATO
XLTO
CLKO
SPOA
SPOB
XLON
FOK
VDD
VSS
MDP
PWMI
TEST0
TES1
VPCO1
VCKI
V16M
VCTL
PCO
FILO
FILI
AVSS
CLTV
AVDD
RF
BIAS
ASYI
ASYO
LRCK
LRCKI
PCMD
PCMDI
BCK
BCKI
VSS
VDD
XUGF
XPCK
GFS
C2PO
XTSL
C4M
DOUT
EMPH
ENPHI
WFCK
SCOR
SBSO
EXCK
VSS
VDD
SYSM
AVSS
AVDD
AOUT1
AIN1
LOUT1
AVSS
XVDD
XTAI
XTAO
XVSS
AVSS
LOUT2
AIN2
AOUT2
AVDD
AVSS
XRST
VDD

– 58 –
IC790 BA6418N
345 6 7 9
18
T.S.D.
6.8K
20K
12K
20K
12K
6.8K
CONTROL LOGIC
DRIVER
GND
INPUT2
GND
NC
VCC
OUT1
GND
OUT2
INPUT1
2
IC703 BA6898FP
D
LEVEL SHIFT
2728 26 25 24 23
21 3 4 5 6 7 8 9 10 11 12 13 14
LEVEL SHIFT
T. S. D.
REGULATOR, BIAS,
T. S. D. MONITOR
D D
18 17 16 15
LEVEL SHIFT
D
22
DD
LEVEL SHIFT
DD
DRIVER
MUTE
VCC
21 20 19
VCC
GND
F-
F+
R+ FI
N
FIN
VREF
VCC
VCC
TIN
R+ TR
T-
T+
VREF
SPIN
SL-
SL+
SLIN
RST
REG –B
REGD
MUTE
GND
SPIN
R+ SP
SP-
SP+
GND
SPO

– 59 –
IC1 TA2149N
z IC Block Diagrams (Tuner Section)
GND1
3
2
1
IF REQ
AM
MIX
FM RF IN
AM LOW CUT
5
4
MIX OUT
VCC2
AF IF IN
8
7
6
FM IF IN
GND2
10
9
AGC
QUAD
12
11
R OUT
L OUT
FM RF OUT
22
23
24
20
21
17
18
19
15
16
13
14
AM RF IN
VCC1
FM OSC
ST IND
OSC OUT
AM OSC
IF OUT
LPF2/MO-ST
MPX IN
DET OUT
LPF1/BAND
FM
MIX
FM
OSC
LEVEL
DET
AM
DET
MUTE
FM
DET
ST/MO
FM/AM
AM
OSC
1/1OR
1/16
AGC
SW
ST
1/8
BUFF
BUFF
DIVIDE
DECODE
VCO
IF BUFF
AF BUFF
AF
FM RF
AM IF
FM IF
IC2 LC72137M-TLM
OCB
I/F
1
CE
2
DI
3
CL
4
DO
16
PD
VSS
15
VDD
14 13
MO/ST
20
X OUT
18
LP-OU
T
17
LP-IN
19
X IN
5
NUTE
6
MW/LW
7
BAND
8
ST-IND
9
BAND
DATA SHIFT REGISTER
LATCH
UNIVERSAL
CONTROLER
SWALLOW COUNTER
1/16. 1/17 4 BITS
12 BIT PROGRAMBLE
DIVIDER
UNLOCK
DETECTOR
PHASE DETECTOR
CHARGE PUMP
FILTER
REFERENCE
DIVIDER
POWER
ON
RESET
1/2
10
IF-IN
12
FM-IN
AM-IN
11

– 60 –
#3
#2
#2
#2
#2
#2
#2
#1
#1
#1
#1
#4
ANT1
#1
T901 1
2
3
4
5
6
F901
12
11
13
89
10
SECTION 7
EXPLODED VIEWS
NOTE :
• -XX, -X mean standardized parts, so they
may have some difference from the original
one.
• Items marked “ * ”are not stocked since they
are seldom required for routine service. Some
delay should be anticipated when ordering
these items.
• The mechanical parts with no reference
number in the exploded views are not
supplied.
• Hardware (# mark) list and accessories and
packing materials are given in the last of this
parts list.
Ref. No. Part No. Description Remark Ref. No. Part No. Description Remark
7-1. REAR CABINET SECTION
• Abbreviation
CND : Canadian
Les composants identifiés par une
marque 0 sont critiques pour la sécurité.
Ne les remplacer que par une pièce
portant le numéro spécifié.
The components identified by mark 0
or dotted line with mark 0 are critical
for safety.
Replace only with part number specified.
1 3-046-554-01 ANTENNA, TERMINAL
*2 1-678-266-11 BATT S BOARD
*3 1-678-261-11 POWER BOARD
4 3-046-543-11 CABINET, REAR (US)
4 3-046-543-21 CABINET, REAR (CND)
5 3-046-548-01 HANDLE
6 3-047-896-01 BATTERY SPRING COVER
8 3-047-897-01 COVER WIRE
*9 1-678-265-11 BATT L BOARD
10 3-389-436-31 LID,BATTERY CASE
*11 1-678-275-11 P/T IN BOARD
*12 1-678-276-11 P/T OUT BOARD
13 3-046-555-01 BATTERY (+.-), SPRING
ANT1 1-501-480-11 ANTENNA, TELESCOPIC
0F901 1-576-109-11 FUSE (5A/125V)
0T901 1-435-553-11 TRANSFORMER, POWER

– 61 –
Ref. No. Part No. Description Remark Ref. No. Part No. Description Remark
7-2. FRONT CABINET SECTION
51 3-046-496-01 BUTTON, VOLUME (+)
52 3-046-497-01 BUTTON, VOLUME (-)
53 3-046-501-01 EJECT, BUTTON (CD)
54 3-046-500-01 BUTTON (MEGA BASS)
55 3-046-526-01 DIAL, JOG
56 3-046-499-01 BUTTON (MD) (LINE)
57 3-046-498-01 BUTTON (SOUND)
58 3-046-495-01 BUTTON (POWER)
59 3-046-525-01 WINDOW, LCD
60 X-3379-086-1 PANEL DECO SUB ASSY
61 3-046-528-01 PLATE (LCD), LIGHT GUIDE
62 3-046-530-01 HOLDER, LIGHTING
63 3-046-531-01 ILLUMINATOR (JOG)
*64 A-3322-713-A KEY BOARD, COMPLETE
*65 1-678-270-11 JOG LED 1 BOARD
*66 A-3323-573-A CONTROL BOARD, COMPLETE
*67 1-678-271-11 JOG LED 2 BOARD
68 3-046-527-01 HOLDER, LCD
69 3-046-529-01 ILLUMINATOR (LCD)
71 X-3379-085-1 NETSP FRAME SUB ASSY R
72 X-3379-084-1 NETSP FRAME SUB ASSY L
73 3-046-493-01 CABINET, FRONT
*74 1-678-268-11 H/P BOARD
*75 3-046-549-01 HOLDER, JACK
*76 1-678-263-11 JACK BOARD
*77 A-3322-456-A TUNER BOARD, COMPLETE
78 1-792-735-11 CABLE, FLEXIBLE FLAT
79 1-792-736-11 CABLE, FLEXIBLE FLAT
80 1-792-737-11 CABLE, FLEXIBLE FLAT
LCD801 1-804-013-11 DISPLAY PANEL, LIQUID CRYSTAL
SP101 1-529-740-11 SPEAKER (8cm) (R-CH)
SP102 1-529-740-11 SPEAKER (8cm) (L-CH)
#1
#2
#1
#2
#2
#2
#2
#2
#2
#2
#5
#5
#5
#5
#5
#2
#2
#2
#6
#7
#2
#2
71
73
77
75
74
67
79
80
66
68
69
65
72
SP101
LCD801
SP102
76
78
51
52
53
54
55
56
57
58
60
59
6162 63
64

– 62 –
#8
not supplied
#8
#2
#2
#2
#2
#2
#2
#2
#2
104
102
103
101
Ref. No. Part No. Description Remark Ref. No. Part No. Description Remark
7-3. CD BLOCK SECTION
*101 3-046-534-01 CHASSIS, CD
*102 A-3322-825-A TC BOARD, COMPLETE
*103 A-3322-980-A CD BOARD, COMPLETE
*104 A-3322-978-A AUDIO BOARD, COMPLETE

– 63 –
#2
#2
#2
#2
#2
#2
#9
#5
#5
#2 152
162
161
160
159
158
157
163
155
153
154
156
151
not supplied
not supplied
Ref. No. Part No. Description Remark Ref. No. Part No. Description Remark
7-4. TOP CABINET SECTION
151 3-046-552-01 BUTTON (TAPE)
*152 1-678-262-11 TC KEY BOARD
153 3-046-544-01 CABINET, TOP
154 3-046-547-01 CASSETTE, HOLDER
155 3-046-562-01 SPRING, CASSETTE
156 X-3379-087-1 LIDCASSETTE SUB ASSY
157 3-047-898-01 HOLDER PUSH CATCH
*158 1-678-272-11 TC/M BOARD
159 3-029-159-01 SPRING, PUSH CATCHER RETURN
160 3-043-966-01 CATCHER, PUSH
*161 1-679-149-11 TC LED (L) BOARD
*162 1-679-150-11 TC LED (R) BOARD
163 3-922-112-21 DAMPER

– 64 –
209
208
207 206 205 204 203
202
201
220
217
222
216
226
221
227
228
229
210
233
212
211
219
218
213
214
215
223
234
231(S691, 692, 694, 695)
232(S691, 692, 694, 695)
S696
PH691 PM691
M691
230
225
224
not supplied
Ref. No. Part No. Description Remark Ref. No. Part No. Description Remark
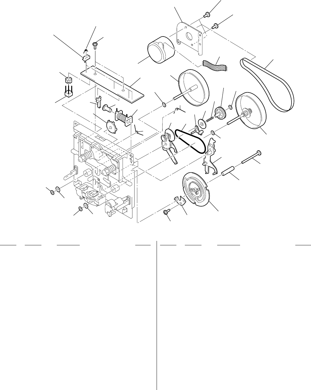
7-5. MECHANISM-DECK SECTION (1/2)
(MF-ZSD55)
201 3-043-921-01 SCREW
202 3-029-591-01 COLLAR
203 3-043-906-01 GEAR, CAM
204 3-034-597-01 CAM, ARM
205 3-704-418-14 SCREW (M1.7X4), TAPPING
206 3-043-924-01 WASHER
207 3-029-622-01 WASHER
208 3-043-923-01 WASHER
209 3-029-620-01 WASHER
210 3-029-587-01 COVER
*211 1-673-338-11 TC RF BOARD
212 3-043-922-01 SCREW
*213 1-792-386-11 WIRE MM
214 3-043-920-01 SCREW
215 3-029-614-01 SCREW
216 3-043-909-01 BELT (FR)
217 3-043-908-01 BELT
218 3-044-168-01 FLYWHEEL (LA) ASSY
219 3-029-625-01 WASHER
220 3-044-169-01 FLYWHEEL (RA) ASSY
221 3-029-626-01 WASHER
222 3-029-589-01 TRIGGER, ARM
223 3-029-611-01 SPRING
224 3-029-593-01 CLUTCH
225 3-029-612-01 SPRING
226 3-043-911-01 ARM(UD A)
227 3-029-595-01 GEAR (UD)
228 3-043-918-01 SPRING
229 3-043-907-01 PULLEY (D)
230 3-043-926-01 WASHER
231 3-034-694-01 BOX(SW) (S691,692, S693. 694,696)
232 3-043-910-01 SPRING (SW) (S691,692, S693. 694,696)
233 3-029-600-01 SPACER
234 3-044-171-01 SOLENOID
M691 3-045-799-01 MOTOR ASSY (CAPSTAN/REEL)
(INCLUDING PULLEY)
PH691 8-719-078-47 PHOTO INTERRUPTER SG-211V
PM691 1-454-896-11 SOLENOID, PLUNGER
S696 1-771-893-11 MODE (SW) (HEAD POSITION)

– 65 –
251
252
252
253
254
255
256
257
258
259
260
261
262
263
264 265
266
267
268
269
270 271
272
273
274
275
276 277
278
279
280
not supplied
not supplied
not supplied
HRPE101
274
273
Ref. No. Part No. Description Remark Ref. No. Part No. Description Remark
7-6. MECHANISM-DECK SECTION (2/2)
(MF-ZSD55)
251 3-029-573-01 LEVER (HD)
252 3-029-576-01 PINCH, ROLLER
253 3-029-574-01 PINCH (R), CAP
254 3-029-575-01 PINCH (L), CAP
255 3-043-916-01 SPRING
256 3-029-617-01 SCREW
257 3-043-915-01 SPRING
258 3-029-570-01 FRAME (HD)
259 3-043-913-01 SPRING
260 3-029-616-01 SCREW
261 3-043-919-01 SCREW
262 3-043-905-01 SPRING (AZ)
263 3-043-914-01 SPRING
264 3-043-917-01 SPRING
265 3-029-580-01 LEVER (ST)
266 3-029-614-01 SCREW
*267 3-044-167-01 PLATE (D) ASSY
268 3-029-578-01 REEL, CAP
269 3-029-602-01 SPRING
270 3-029-579-01 REEL, GEAR
271 3-043-925-01 WASHER
272 3-029-582-01 BRAKE, LEVER
273 3-029-615-01 SCREW
274 3-029-581-01 GUIDE (C)
275 3-043-912-01 SPRING
276 3-029-585-01 ARM(SW)
277 3-029-584-01 ARM(CS)
278 3-029-610-01 SPRING
*279 1-673-339-11 HEAD RELAY BOARD
280 3-029-583-01 FRAME (A)
HRPE101 1-418-847-11 HEAD ASSY, HOLDER
(RECORD/PLAYBACK/ERASE)

– 66 –
#
2
#2
#2
#11
#2
#2
#2
#10
#2
#2
#2
#7
#2
#12 #12
M790
301
302 303
304
304
305
306
307
308
308 309
310
311
312
313
314
315
316 317
318
319
320 321
322
323
CDM-2411AAA
324
324
325
326
326
327
328
329
Ref. No. Part No. Description Remark Ref. No. Part No. Description Remark
7-7. CD SECTION
(VLM-D55)
301 3-017-025-11 COVER (R), SIDE
302 3-017-012-11 PLATE (R), SIDE
303 3-017-014-11 SLIDER (R)
304 3-017-027-11 GEAR (C)
305 3-017-016-11 SHAFT, TRAY
306 4-975-811-01 INSULATOR
307 3-017-022-21 TRAY (BOTTOM), CD
308 4-975-762-11 INSULATOR
*309 1-667-046-11 PICK-UP RELAY BOARD
310 3-020-624-21 TRAY (TOP), CD
311 3-046-535-01 LID, CD
312 X-3374-204-1 WINDOW ASSY, CD
313 3-017-013-11 SLIDER (L)
314 3-017-035-11 COVER (L), SIDE
315 3-017-011-11 PLATE (L), SIDE
316 3-017-017-11 LEVER, DETECTION
*317 1-667-045-11 LOADING BOARD
318 3-017-031-11 GEAR (A)
319 3-017-032-11 GEAR (B)
320 3-017-030-01 BELT
321 3-017-008-11 GEAR (R), TIMING
322 3-017-036-11 CHASSIS, GEAR
323 2-627-174-01 PULLEY (M)
324 3-017-009-11 BEARING
325 3-017-010-11 SHAFT
326 3-017-028-11 GEAR (D)
327 3-017-029-11 GEAR (L), TIMING
328 3-017-024-21 CHASSIS, LOADING
329 3-034-848-01 CUSHION
M790 1-698-999-11 MOTOR, DC (LOADING)

– 67 –
#14
M801
M802
S801
351
352
353
354
355
356
357
358
359
360
361
Ref. No. Part No. Description Remark Ref. No. Part No. Description Remark
7-8. OPTICAL PICK-UP SECTION
(CDM-2411AAA)
351 A-3303-970-A SCREW ASSY, FEED
352 3-318-203-11 SCREW (B1.7), TAPPING
353 1-690-530-81 LEAD (WITH CONNECTOR)
354 4-972-163-04 SPRING, SLED
355 4-974-003-01 GEAR (B)
356 3-719-401-11 SCREW (B1.7), TAPPING
357 4-972-162-01 CHASSIS
358 1-660-965-11 PC BOARD, SLIDE FLEXIBLE
0359 X-4950-060-1 OPTICAL PICK-UP (DAX-01A2)
360 4-972-165-01 RACK
361 4-973-631-01 SCREW
M801 A-3303-403-A MOTOR ASSY (SLED) (INCLUDING GEAR)
M802 A-3304-989-A MOTOR ASSY, TURNTABLE (SPINDLE)
S801 1-571-099-21 SWITCH (1 KEY) (LIMIT)
The components identified by
mark ! or dotted line with mark
! are critical for safety.
Replace only with part number
specified.
Les composants identifiés par une
marque ! sont critiques pour
la sécurité.
Ne les remplacer que par une pièce
portant le numéro spécifié.

– 68 –
NOTE :
• Due to standardization, replacements in the
parts list may be different from the parts
specified in the diagrams or the components
used on the set.
• -XX, -X mean standardized parts, so they
may have some difference from the original
one.
• RESISTORS
All resistors are in ohms
METAL : Metal-film resistor
METAL OXIDE :Metal oxide-film resistor
F : nonflammable
• Items marked “ * ”are not stocked since
they are seldom required for routine service.
Some delay should be anticipated when
ordering these items.
• SEMICONDUCTORS
In each case, u : µ, for example :
uA.... : µA.... , uPA.... : µPA....
uPB.... : µPB.... , uPC.... : µPC....
uPD.... : µPD....
• CAPACITORS
uF : µF
• COILS
uH : µH
• Abbreviation
CND : Canadian
Les composants identifiés par une
marque 0 sont critiques pour la sécurité.
Ne les remplacer que par une pièce
portant le numéro spécifié.
When indicating parts by reference num-
ber, please include the board.
The components identified by mark 0
or dotted line with mark 0 are critical
for safety.
Replace only with part number specified.
SECTION 8
ELECTRICAL PARTS LIST
Ref. No. Part No. Description Remark Ref. No. Part No. Description Remark
*A-3322-978-A AUDIO BOARD, COMPLETE
**********************
7-685-645-79 SCREW +P 3X6 TYPE2 NON-SLIT
< CAPACITOR >
C113 1-127-880-21 CERAMIC 0.022uF 10% 50V
C114 1-126-960-11 ELECT 1uF 20% 50V
C115 1-126-960-11 ELECT 1uF 20% 50V
C116 1-126-960-11 ELECT 1uF 20% 50V
C117 1-126-960-11 ELECT 1uF 20% 50V
C118 1-126-963-11 ELECT 4.7uF 20% 50V
C119 1-126-964-11 ELECT 10uF 20% 50V
C120 1-130-475-00 MYLAR 0.0022uF 5% 50V
C121 1-136-495-11 MYLAR 0.068uF 5% 50V
C122 1-136-495-11 MYLAR 0.068uF 5% 50V
C123 1-136-169-00 MYLAR 0.22uF 5% 50V
C124 1-136-169-00 MYLAR 0.22uF 5% 50V
C125 1-104-665-11 ELECT 100uF 20% 10V
C126 1-126-963-11 ELECT 4.7uF 20% 50V
C127 1-126-963-11 ELECT 4.7uF 20% 50V
C128 1-162-282-31 CERAMIC 100PF 10% 50V
C130 1-104-664-11 ELECT 47uF 20% 10V
C131 1-104-664-11 ELECT 47uF 20% 10V
C132 1-130-485-00 MYLAR 0.015uF 5% 50V
C133 1-130-485-00 MYLAR 0.015uF 5% 50V
C135 1-104-665-11 ELECT 100uF 20% 10V
C136 1-104-665-11 ELECT 100uF 20% 10V
C140 1-162-303-11 CERAMIC 0.0033uF 30% 16V
C141 1-162-282-31 CERAMIC 100PF 10% 50V
C145 1-162-306-11 CERAMIC 0.01uF 30% 16V
C146 1-127-872-21 CERAMIC 4700PF 10% 50V
C147 1-162-294-31 CERAMIC 0.001uF 10% 50V
C148 1-162-282-31 CERAMIC 100PF 10% 50V
C149 1-162-282-31 CERAMIC 100PF 10% 50V
C150 1-162-282-31 CERAMIC 100PF 10% 50V
C151 1-162-282-31 CERAMIC 100PF 10% 50V
C152 1-162-282-31 CERAMIC 100PF 10% 50V
C153 1-162-282-31 CERAMIC 100PF 10% 50V
C156 1-126-963-11 ELECT 4.7uF 20% 50V
C213 1-127-880-21 CERAMIC 0.022uF 10% 50V
C214 1-126-960-11 ELECT 1uF 20% 50V
C215 1-126-960-11 ELECT 1uF 20% 50V
C216 1-126-960-11 ELECT 1uF 20% 50V
C217 1-126-960-11 ELECT 1uF 20% 50V
C218 1-126-963-11 ELECT 4.7uF 20% 50V
C219 1-126-964-11 ELECT 10uF 20% 50V
C220 1-130-475-00 MYLAR 0.0022uF 5% 50V
C221 1-136-495-11 MYLAR 0.068uF 5% 50V
C222 1-136-495-11 MYLAR 0.068uF 5% 50V
C223 1-136-169-00 MYLAR 0.22uF 5% 50V
C224 1-136-169-00 MYLAR 0.22uF 5% 50V
C225 1-104-665-11 ELECT 100uF 20% 10V
C226 1-126-963-11 ELECT 4.7uF 20% 50V
C227 1-126-963-11 ELECT 4.7uF 20% 50V
C228 1-162-282-31 CERAMIC 100PF 10% 50V
C230 1-104-664-11 ELECT 47uF 20% 10V
C231 1-104-664-11 ELECT 47uF 20% 10V
C232 1-130-485-00 MYLAR 0.015uF 5% 50V
C233 1-130-485-00 MYLAR 0.015uF 5% 50V
C235 1-104-665-11 ELECT 100uF 20% 10V
C236 1-104-665-11 ELECT 100uF 20% 10V
C240 1-162-303-11 CERAMIC 0.0033uF 30% 16V
C241 1-162-282-31 CERAMIC 100PF 10% 50V
C245 1-162-306-11 CERAMIC 0.01uF 30% 16V
C246 1-127-872-21 CERAMIC 4700PF 10% 50V
C247 1-162-294-31 CERAMIC 0.001uF 10% 50V
C248 1-162-282-31 CERAMIC 100PF 10% 50V
C249 1-162-282-31 CERAMIC 100PF 10% 50V
C250 1-162-282-31 CERAMIC 100PF 10% 50V
C251 1-162-282-31 CERAMIC 100PF 10% 50V
C252 1-162-282-31 CERAMIC 100PF 10% 50V
C253 1-162-282-31 CERAMIC 100PF 10% 50V
C256 1-126-963-11 ELECT 4.7uF 20% 50V
C300 1-128-548-11 ELECT 4700uF 20% 25V
C319 1-126-963-11 ELECT 4.7uF 20% 50V
C320 1-127-888-21 CERAMIC 0.1uF 10% 50V
C321 1-126-925-11 ELECT 470uF 20% 10V
C322 1-104-664-11 ELECT 47uF 20% 10V
C323 1-127-888-21 CERAMIC 0.1uF 10% 50V
C326 1-104-666-11 ELECT 220uF 20% 25V
C327 1-162-306-11 CERAMIC 0.01uF 30% 16V
C329 1-126-964-11 ELECT 10uF 20% 50V
C331 1-162-306-11 CERAMIC 0.01uF 30% 16V
C332 1-162-306-11 CERAMIC 0.01uF 30% 16V
C333 1-126-960-11 ELECT 1uF 20% 50V
AUDIO

– 69 –
C334 1-162-306-11 CERAMIC 0.01uF 30% 16V
C335 1-162-306-11 CERAMIC 0.01uF 30% 16V
C336 1-162-282-31 CERAMIC 100PF 10% 50V
C337 1-162-306-11 CERAMIC 0.01uF 30% 16V
C339 1-162-282-31 CERAMIC 100PF 10% 50V
C340 1-162-292-31 CERAMIC 680PF 10% 50V
C341 1-162-843-11 CERAMIC 0.022uF 10% 16V
C342 1-124-252-00 ELECT 0.33uF 20% 50V
C343 1-126-963-11 ELECT 4.7uF 20% 50V
C344 1-126-963-11 ELECT 4.7uF 20% 50V
C345 1-126-961-11 ELECT 2.2uF 20% 50V
C350 1-130-483-00 MYLAR 0.01uF 5% 50V
C351 1-162-294-31 CERAMIC 1000PF 10% 50V
C352 1-162-306-11 CERAMIC 0.01uF 30% 16V
C353 1-162-282-31 CERAMIC 100PF 10% 50V
C357 1-126-963-11 ELECT 4.7uF 20% 50V
C362 1-126-964-11 ELECT 10uF 20% 50V
C363 1-126-964-11 ELECT 10uF 20% 50V
C364 1-127-888-21 CERAMIC 0.1uF 10% 50V
C365 1-126-934-11 ELECT 220uF 20% 10V
C366 1-127-888-21 CERAMIC 0.1uF 10% 50V
C367 1-104-665-11 ELECT 100uF 20% 10V
C368 1-126-963-11 ELECT 4.7uF 20% 50V
C369 1-127-888-21 CERAMIC 0.1uF 10% 50V
C370 1-126-964-11 ELECT 10uF 20% 50V
C371 1-161-494-00 CERAMIC 0.022uF 25V
C372 1-161-494-00 CERAMIC 0.022uF 25V
C379 1-162-306-11 CERAMIC 0.01uF 30% 16V
C380 1-162-306-11 CERAMIC 0.01uF 30% 16V
C381 1-126-941-11 ELECT 470uF 20% 25V
C382 1-162-306-11 CERAMIC 0.01uF 30% 16V
C383 1-126-934-11 ELECT 220uF 20% 10V
C384 1-162-282-31 CERAMIC 100PF 10% 50V
< CONNECTOR >
*CNP303 1-580-166-11 PIN, CONNECTOR (PC BOARD) 5P
*CNP304 1-766-594-11 PIN, CONNECTOR (PC BOARD) 11P
*CNP305 1-580-170-11 PIN, CONNECTOR (PC BOARD) 9P
CNP306 1-568-830-11 PIN, CONNECTOR (PC BOARD) 11P
CNP307 1-695-336-31 PIN, CONNECTOR (PC BOARD) 13P
*CNP308 1-580-158-11 PIN, CONNECTOR (PC BOARD) 6P
*CNP309 1-580-167-11 PIN, CONNECTOR (PC BOARD) 6P
CNP310 1-506-987-11 PIN, CONNECTOR (PC BOARD) 5P
*CNP311 1-580-154-11 PIN, CONNECTOR (PC BOARD) 2P
< DIODE >
D308 8-719-991-33 DIODE 1SS133T-77
D309 8-719-991-33 DIODE 1SS133T-77
D310 8-719-991-33 DIODE 1SS133T-77
D311 8-719-991-33 DIODE 1SS133T-77
D312 8-719-991-33 DIODE 1SS133T-77
D317 8-719-991-33 DIODE 1SS133T-77
D318 8-719-991-33 DIODE 1SS133T-77
D319 8-719-991-33 DIODE 1SS133T-77
D320 8-719-991-33 DIODE 1SS133T-77
D321 8-719-991-33 DIODE 1SS133T-77
D330 8-719-991-33 DIODE 1SS133T-77
D360 8-719-991-33 DIODE 1SS133T-77
D362 8-719-991-33 DIODE 1SS133T-77
D363 8-719-991-33 DIODE 1SS133T-77
D364 8-719-109-97 DIODE RD6.8ES-B2
D365 8-719-109-85 DIODE RD5.1ES-B2
D366 8-719-991-33 DIODE 1SS133T-77
< IC >
IC100 8-759-426-51 IC BA5417
IC200 8-759-426-51 IC BA5417
IC302 8-759-657-36 IC IC BD3859FV
IC303 8-759-564-82 IC BA09ST-V5
IC304 8-759-646-52 IC KIA7805API
IC305 8-759-800-71 IC LA2010
IC306 8-759-479-70 IC S-81250SGY-B
IC307 8-759-683-11 IC KIA78L05BP
< COIL >
L403 1-410-521-11 INDUCTOR 100uH
L404 1-410-521-11 INDUCTOR 100uH
L405 1-410-521-11 INDUCTOR 100uH
L406 1-410-521-11 INDUCTOR 100uH
< TRANSISTOR >
Q101 8-729-905-50 TRANSISTOR DTC343TS
Q102 8-729-905-50 TRANSISTOR DTC343TS
Q103 8-729-036-77 TRANSISTOR KRC107M
Q104 8-729-905-50 TRANSISTOR DTC343TS
Q105 8-729-905-50 TRANSISTOR DTC343TS
Q201 8-729-905-50 TRANSISTOR DTC343TS
Q202 8-729-905-50 TRANSISTOR DTC343TS
Q203 8-729-036-77 TRANSISTOR KRC107M
Q204 8-729-905-50 TRANSISTOR DTC343TS
Q205 8-729-905-50 TRANSISTOR DTC343TS
Q312 8-729-052-54 TRANSISTOR 2SK2541
Q321 8-729-037-34 TRANSISTOR KRA107M
Q330 8-729-036-77 TRANSISTOR KRC107M
Q331 8-729-036-77 TRANSISTOR KRC107M
Q332 8-729-036-86 TRANSISTOR KTC3203Y-AT
Q333 8-729-040-76 TRANSISTOR KTA1273-Y-AT
Q340 8-729-036-77 TRANSISTOR KRC107M
Q355 8-729-037-29 TRANSISTOR KRA102M
Q356 8-729-036-77 TRANSISTOR KRC107M
Q361 8-729-040-76 TRANSISTOR KTA1273-Y-AT
Q362 8-729-036-77 TRANSISTOR KRC107M
Q363 8-729-052-52 TRANSISTOR KTC2026Y
Q364 8-729-037-29 TRANSISTOR KRA102M
Q365 8-729-037-29 TRANSISTOR KRA102M
Q366 8-729-036-89 TRANSISTOR KTC3198GR-AT
< RESISTOR >
R111 1-249-420-11 CARBON 1.8K 5% 1/4W
R112 1-249-419-11 CARBON 1.5K 5% 1/4W
R113 1-249-427-11 CARBON 6.8K 5% 1/4W
R114 1-247-807-31 CARBON 100 5% 1/4W
R116 1-249-427-11 CARBON 6.8K 5% 1/4W
R117 1-249-416-11 CARBON 820 5% 1/4W
R118 1-249-417-11 CARBON 1K 5% 1/4W
R119 1-249-417-11 CARBON 1K 5% 1/4W
R120 1-249-437-11 CARBON 47K 5% 1/4W
Ref. No. Part No. Description Remark Ref. No. Part No. Description Remark
AUDIO

– 70 –
R121 1-249-431-11 CARBON 15K 5% 1/4W
R122 1-249-437-11 CARBON 47K 5% 1/4W
R123 1-249-429-11 CARBON 10K 5% 1/4W
R124 1-249-421-11 CARBON 2.2K 5% 1/4W
R125 1-249-421-11 CARBON 2.2K 5% 1/4W
R126 1-249-441-11 CARBON 100K 5% 1/4W
R128 1-249-385-11 CARBON 2.2 5% 1/6W
R129 1-249-385-11 CARBON 2.2 5% 1/6W
R135 1-249-441-11 CARBON 100K 5% 1/4W
R140 1-249-437-11 CARBON 47K 5% 1/4W
R150 1-249-425-11 CARBON 4.7K 5% 1/4W
R151 1-249-419-11 CARBON 1.5K 5% 1/4W
R152 1-249-410-11 CARBON 270 5% 1/4W
R153 1-249-410-11 CARBON 270 5% 1/4W
R154 1-249-434-11 CARBON 27K 5% 1/4W
R155 1-249-421-11 CARBON 2.2K 5% 1/4W
R211 1-249-420-11 CARBON 1.8K 5% 1/4W
R212 1-249-419-11 CARBON 1.5k 5% 1/4W
R213 1-249-427-11 CARBON 6.8K 5% 1/4W
R214 1-247-807-31 CARBON 100 5% 1/4W
R216 1-249-427-11 CARBON 6.8K 5% 1/4W
R217 1-249-416-11 CARBON 820 5% 1/4W
R218 1-249-417-11 CARBON 1K 5% 1/4W
R219 1-249-417-11 CARBON 1K 5% 1/4W
R220 1-249-437-11 CARBON 47K 5% 1/4W
R221 1-249-431-11 CARBON 15K 5% 1/4W
R222 1-249-437-11 CARBON 47K 5% 1/4W
R223 1-249-429-11 CARBON 10K 5% 1/4W
R224 1-249-421-11 CARBON 2.2K 5% 1/4W
R225 1-249-421-11 CARBON 2.2K 5% 1/4W
R226 1-249-441-11 CARBON 100K 5% 1/4W
R228 1-249-385-11 CARBON 2.2 5% 1/6W
R229 1-249-385-11 CARBON 2.2 5% 1/6W
R235 1-249-441-11 CARBON 100K 5% 1/4W
R240 1-249-437-11 CARBON 47K 5% 1/4W
R250 1-249-425-11 CARBON 4.7K 5% 1/4W
R251 1-249-419-11 CARBON 1.5K 5% 1/4W
R252 1-249-410-11 CARBON 270 5% 1/4W
R253 1-249-410-11 CARBON 270 5% 1/4W
R254 1-249-434-11 CARBON 27K 5% 1/4W
R255 1-249-421-11 CARBON 2.2K 5% 1/4W
R320 1-249-399-11 CARBON 33 5% 1/4W
R327 1-249-435-11 CARBON 33K 5% 1/4W
R328 1-249-435-11 CARBON 33K 5% 1/4W
R329 1-249-441-11 CARBON 100K 5% 1/4W
R331 1-249-417-11 CARBON 1K 5% 1/4W
R332 1-249-417-11 CARBON 1K 5% 1/4W
R333 1-249-425-11 CARBON 4.7K 5% 1/4W
R334 1-249-425-11 CARBON 4.7K 5% 1/4W
R335 1-249-430-11 CARBON 12K 5% 1/4W
R336 1-249-437-11 CARBON 47K 5% 1/4W
R338 1-249-441-11 CARBON 100K 5% 1/4W
R340 1-249-439-11 CARBON 68K 5% 1/4W
R341 1-249-426-11 CARBON 5.6K 5% 1/4W
R342 1-247-891-00 CARBON 330K 5% 1/4W
R343 1-249-441-11 CARBON 100K 5% 1/4W
R344 1-249-417-11 CARBON 1K 5% 1/4W
R350 1-249-437-11 CARBON 47K 5% 1/4W
R351 1-249-431-11 CARBON 15K 5% 1/4W
R355 1-249-418-11 CARBON 1.2K 5% 1/4W
R356 1-249-437-11 CARBON 47K 5% 1/4W
R357 1-249-425-11 CARBON 4.7K 5% 1/4W
R360 1-249-437-11 CARBON 47K 5% 1/4W
R361 1-249-437-11 CARBON 47K 5% 1/4W
R363 1-249-417-11 CARBON 1K 5% 1/4W
R366 1-249-429-11 CARBON 10K 5% 1/4W
R367 1-249-409-11 CARBON 220 5% 1/4W
R368 1-249-421-11 CARBON 2.2K 5% 1/4W
R370 1-249-441-11 CARBON 100K 5% 1/4W
R372 1-249-421-11 CARBON 2.2K 5% 1/4W
R373 1-249-417-11 CARBON 1K 5% 1/4W
R374 1-249-425-11 CARBON 4.7K 5% 1/4W
R375 1-249-428-11 CARBON 8.2K 5% 1/4W
R376 1-249-435-11 CARBON 33K 5% 1/4W
R377 1-249-413-11 CARBON 470 5% 1/4W
R378 1-249-401-11 CARBON 47 5% 1/4W
R380 1-249-417-11 CARBON 1K 5% 1/4W
R381 1-249-417-11 CARBON 1K 5% 1/4W
R384 1-249-429-11 CARBON 10K 5% 1/4W
R388 1-247-818-91 CARBON 300 5% 1/4W
**************************************************************
*1-678-265-11 BATT L BOARD
************
3-046-556-01 BATTERY (-), SPRING
3-046-557-01 BATTERY (S) (+.-), SPRING
**************************************************************
*1-678-266-11 BATT S BOARD
************
< CAPACITOR >
C906 1-127-888-21 CERAMIC 0.1uF 10% 50V
< CONNECTOR >
*CNP901 1-564-520-11 PLUG, CONNECTOR 5P
*CNP903 1-564-505-11 PLUG, CONNECTOR 2P
< DIODE >
D905 8-719-991-33 DIODE 1SS133T-77
D906 8-719-991-33 DIODE 1SS133T-77
D907 8-719-981-95 DIODE MTZJ-2.7B
< POST PIN >
WP901 1-536-354-00 POST PIN
**************************************************************
A-3322-980-A CD BOARD, COMPLETE
******************
< CAPACITOR >
C700 1-163-017-00 CERAMIC CHIP 0.0047uF 5% 50V
C701 1-107-725-11 CERAMIC CHIP 0.1uF 10% 16V
C702 1-107-725-11 CERAMIC CHIP 0.1uF 10% 16V
C703 1-107-725-11 CERAMIC CHIP 0.1uF 10% 16V
C704 1-163-023-00 CERAMIC CHIP 0.015uF 5% 50V
Ref. No. Part No. Description Remark Ref. No. Part No. Description Remark
BATT SBATT L CDAUDIO

– 71 –
C705 1-131-375-00 TANTALUM 4.7uF 10% 10V
C706 1-115-185-11 CERAMIC CHIP 0.033uF 10% 50V
C707 1-163-023-00 CERAMIC CHIP 0.015uF 5% 50V
C708 1-163-251-11 CERAMIC CHIP 100PF 5% 50V
C709 1-163-023-00 CERAMIC CHIP 0.015uF 5% 50V
C710 1-126-961-11 ELECT 2.2uF 20% 50V
C711 1-163-037-11 CERAMIC CHIP 0.022uF 10% 25V
C712 1-163-243-11 CERAMIC CHIP 47PF 5% 50V
C713 1-104-760-11 CERAMIC CHIP 0.047uF 10% 50V
C714 1-163-021-91 CERAMIC CHIP 0.01uF 10% 50V
C715 1-115-185-11 CERAMIC CHIP 0.033uF 10% 50V
C716 1-163-021-91 CERAMIC CHIP 0.01uF 10% 50V
C717 1-126-965-11 ELECT 22uF 20% 50V
C718 1-163-243-11 CERAMIC CHIP 47PF 5% 50V
C719 1-104-664-11 ELECT 47uF 20% 10V
C720 1-163-009-11 CERAMIC CHIP 0.001uF 10% 50V
C721 1-163-037-11 CERAMIC CHIP 0.022uF 10% 25V
C722 1-104-760-11 CERAMIC CHIP 0.047uF 10% 50V
C723 1-104-760-11 CERAMIC CHIP 0.047uF 10% 50V
C724 1-163-019-00 CERAMIC CHIP 0.0068uF 10% 50V
C725 1-163-037-11 CERAMIC CHIP 0.022uF 10% 25V
C726 1-107-725-11 CERAMIC CHIP 0.1uF 10% 16V
C727 1-126-934-11 ELECT 220uF 20% 10V
C728 1-163-021-91 CERAMIC CHIP 0.01uF 10% 50V
C729 1-107-725-11 CERAMIC CHIP 0.1uF 10% 16V
C730 1-126-925-11 ELECT 470uF 20% 10V
C731 1-163-021-91 CERAMIC CHIP 0.01uF 10% 50V
C732 1-104-665-11 ELECT 100uF 20% 10V
C733 1-163-021-91 CERAMIC CHIP 0.01uF 10% 50V
C740 1-163-021-91 CERAMIC CHIP 0.01uF 10% 50V
C741 1-163-021-91 CERAMIC CHIP 0.01uF 10% 50V
C742 1-107-823-11 CERAMIC CHIP 0.47uF 10% 16V
C743 1-163-021-91 CERAMIC CHIP 0.01uF 10% 50V
C744 1-163-009-11 CERAMIC CHIP 0.001uF 10% 50V
C745 1-163-001-11 CERAMIC CHIP 220PF 10% 50V
C746 1-163-021-91 CERAMIC CHIP 0.01uF 10% 50V
C747 1-164-489-11 CERAMIC CHIP 0.22uF 10% 16V
C748 1-163-021-91 CERAMIC CHIP 0.01uF 10% 50V
C749 1-164-161-11 CERAMIC CHIP 0.0022uF 10% 100V
C750 1-163-021-91 CERAMIC CHIP 0.01uF 10% 50V
C751 1-163-231-11 CERAMIC CHIP 15PF 5% 50V
C752 1-163-231-11 CERAMIC CHIP 15PF 5% 50V
C753 1-164-161-11 CERAMIC CHIP 0.0022uF 10% 100V
C754 1-163-251-11 CERAMIC CHIP 100PF 5% 50V
C755 1-126-924-11 ELECT 330uF 20% 10V
C756 1-163-021-91 CERAMIC CHIP 0.01uF 10% 50V
C757 1-104-664-11 ELECT 47uF 20% 10V
C758 1-163-021-91 CERAMIC CHIP 0.01uF 10% 50V
C759 1-104-664-11 ELECT 47uF 20% 10V
C760 1-163-021-91 CERAMIC CHIP 0.01uF 10% 50V
C761 1-163-021-91 CERAMIC CHIP 0.01uF 10% 50V
C762 1-163-021-91 CERAMIC CHIP 0.01uF 10% 50V
C763 1-126-926-11 ELECT 1000uF 20% 10V
C764 1-107-725-11 CERAMIC CHIP 0.1uF 10% 16V
C765 1-163-021-91 CERAMIC CHIP 0.01uF 10% 50V
C766 1-163-001-11 CERAMIC CHIP 220PF 10% 50V
C770 1-163-001-11 CERAMIC CHIP 220PF 10% 50V
C773 1-163-001-11 CERAMIC CHIP 220PF 10% 50V
C774 1-163-001-11 CERAMIC CHIP 220PF 10% 50V
C775 1-163-001-11 CERAMIC CHIP 220PF 10% 50V
C776 1-163-021-91 CERAMIC CHIP 0.01uF 10% 50V
C777 1-163-021-91 CERAMIC CHIP 0.01uF 10% 50V
C778 1-107-725-11 CERAMIC CHIP 0.1uF 10% 16V
C780 1-126-963-11 ELECT 4.7uF 20% 50V
C781 1-126-963-11 ELECT 4.7uF 20% 50V
C788 1-163-251-11 CERAMIC CHIP 100PF 5% 50V
< CONNECTOR >
*CN701 1-580-155-11 PIN, CONNECTOR (PC BOARD) 3P
*CN708 1-580-158-11 PIN, CONNECTOR (PC BOARD) 6P
CN711 1-770-528-31 CONNECTOR, FFC/FPC 21P
CN712 1-695-374-31 CONNECTOR, FFC/FPC 13P
CN713 1-506-987-11 PIN, CONNECTOR (PC BOARD) 5P
< IC >
IC701 8-752-082-14 IC CXA1992BR
IC702 8-752-384-13 IC CXD2589Q
IC703 8-759-473-42 IC BA6898FP
< COIL >
L701 1-410-993-42 INDUCTOR CHIP 1uH
L702 1-410-997-42 INDUCTOR CHIP 2.2uH
L703 1-410-997-42 INDUCTOR CHIP 2.2uH
L704 1-412-852-11 INDUCTOR 47uH
< TRANSISTOR >
Q701 8-729-101-07 TRANSISTOR 2SB798-DL
< RESISTOR >
R700 1-216-089-91 RES-CHIP 47K 5% 1/10W
R701 1-216-069-00 METAL CHIP 6.8K 5% 1/10W
R702 1-216-117-00 METAL CHIP 680K 5% 1/10W
R703 1-216-101-00 METAL CHIP 150K 5% 1/10W
R704 1-216-109-00 METAL CHIP 330K 5% 1/10W
R705 1-216-114-00 RES-CHIP 510K 5% 1/10W
R706 1-216-101-00 METAL CHIP 150K 5% 1/10W
R707 1-216-101-00 METAL CHIP 150K 5% 1/10W
R708 1-216-105-91 RES-CHIP 220K 5% 1/10W
R709 1-216-089-91 RES-CHIP 47K 5% 1/10W
R710 1-216-089-91 RES-CHIP 47K 5% 1/10W
R711 1-216-101-00 METAL CHIP 150K 5% 1/10W
R712 1-216-101-00 METAL CHIP 150K 5% 1/10W
R713 1-216-089-91 RES-CHIP 47K 5% 1/10W
R714 1-216-049-91 RES-CHIP 1K 5% 1/10W
R715 1-216-049-91 RES-CHIP 1K 5% 1/10W
R716 1-216-049-91 RES-CHIP 1K 5% 1/10W
R717 1-216-049-91 RES-CHIP 1K 5% 1/10W
R718 1-216-049-91 RES-CHIP 1K 5% 1/10W
R720 1-216-073-00 METAL CHIP 10K 5% 1/10W
R721 1-216-061-00 METAL CHIP 3.3K 5% 1/10W
R722 1-216-121-91 RES-CHIP 1M 5% 1/10W
R723 1-216-061-00 METAL CHIP 3.3K 5% 1/10W
R724 1-216-001-00 METAL CHIP 10 5% 1/10W
R725 1-216-089-91 RES-CHIP 47K 5% 1/10W
Ref. No. Part No. Description Remark Ref. No. Part No. Description Remark
CD

– 72 –
R726 1-216-089-91 RES-CHIP 47K 5% 1/10W
R727 1-216-089-91 RES-CHIP 47K 5% 1/10W
R728 1-216-089-91 RES-CHIP 47K 5% 1/10W
R729 1-216-101-00 METAL CHIP 150K 5% 1/10W
R730 1-216-101-00 METAL CHIP 150K 5% 1/10W
R731 1-216-101-00 METAL CHIP 150K 5% 1/10W
R732 1-216-101-00 METAL CHIP 150K 5% 1/10W
R733 1-216-109-00 METAL CHIP 330K 5% 1/10W
R734 1-216-101-00 METAL CHIP 150K 5% 1/10W
R736 1-216-073-00 METAL CHIP 10K 5% 1/10W
R737 1-216-073-00 METAL CHIP 10K 5% 1/10W
R738 1-216-049-91 RES-CHIP 1K 5% 1/10W
R739 1-216-049-91 RES-CHIP 1K 5% 1/10W
R740 1-216-049-91 RES-CHIP 1K 5% 1/10W
R741 1-216-089-91 RES-CHIP 47K 5% 1/10W
R742 1-216-089-91 RES-CHIP 47K 5% 1/10W
R743 1-216-065-91 RES-CHIP 4.7K 5% 1/10W
R744 1-216-043-91 RES-CHIP 560 5% 1/10W
R745 1-216-073-00 METAL CHIP 10K 5% 1/10W
R746 1-216-121-91 RES-CHIP 1M 5% 1/10W
R747 1-216-073-00 METAL CHIP 10K 5% 1/10W
R748 1-216-105-91 RES-CHIP 220K 5% 1/10W
R749 1-216-041-00 METAL CHIP 470 5% 1/10W
R750 1-216-049-91 RES-CHIP 1K 5% 1/10W
R751 1-216-049-91 RES-CHIP 1K 5% 1/10W
R752 1-216-105-91 RES-CHIP 220K 5% 1/10W
R753 1-216-049-91 RES-CHIP 1K 5% 1/10W
R754 1-216-089-91 RES-CHIP 47K 5% 1/10W
R755 1-216-049-91 RES-CHIP 1K 5% 1/10W
R760 1-216-067-00 METAL CHIP 5.6K 5% 1/10W
R761 1-216-069-00 METAL CHIP 6.8K 5% 1/10W
R762 1-216-077-91 RES-CHIP 15K 5% 1/10W
R763 1-216-085-00 METAL CHIP 33K 5% 1/10W
R764 1-216-081-00 METAL CHIP 22K 5% 1/10W
R765 1-216-081-00 METAL CHIP 22K 5% 1/10W
R766 1-216-069-00 METAL CHIP 6.8K 5% 1/10W
R773 1-216-049-91 RES-CHIP 1K 5% 1/10W
R777 1-216-089-91 RES-CHIP 47K 5% 1/10W
R778 1-216-025-91 CARBON 100 5% 1/4W
R791 1-247-903-00 CARBON 1M 5% 1/4W
< VIBRATOR >
X701 1-767-226-11 VIBRATOR, CRYSTAL (16.9344MHz)
**************************************************************
*A-3323-573-A CONTROL BOARD, COMPLETE
*************************
*1-678-270-11 JOG LED 1 BOARD
*1-678-271-11 JOG LED 2 BOARD
***************
3-046-527-01 HOLDER, LCD
3-046-528-01 PLATE (LCD), LIGHT GUIDE
3-046-529-01 ILLUMINATOR (LCD)
< CAPACITOR >
C801 1-162-306-11 CERAMIC 0.01uF 30% 16V
C802 1-162-306-11 CERAMIC 0.01uF 30% 16V
C803 1-162-306-11 CERAMIC 0.01uF 30% 16V
C805 1-162-306-11 CERAMIC 0.01uF 30% 16V
C807 1-126-960-11 ELECT 1uF 20% 50V
C808 1-102-514-11 CERAMIC 22PF 5% 50V
C809 1-102-516-11 CERAMIC 27PF 5% 50V
C810 1-162-306-11 CERAMIC 0.01uF 30% 16V
C811 1-162-282-31 CERAMIC 100PF 10% 50V
C812 1-102-960-00 CERAMIC 24PF 5% 50V
C813 1-128-802-21 CERAMIC 27PF 5% 50V
C815 1-162-306-11 CERAMIC 0.01uF 30% 16V
C817 1-162-306-11 CERAMIC 0.01uF 30% 16V
C818 1-162-306-11 CERAMIC 0.01uF 30% 16V
C819 1-128-802-21 CERAMIC 27PF 5% 50V
C820 1-128-801-21 CERAMIC 22PF 5% 50V
C821 1-162-306-11 CERAMIC 0.01uF 30% 16V
C822 1-162-306-11 CERAMIC 0.01uF 30% 16V
C823 1-162-306-11 CERAMIC 0.01uF 30% 16V
C824 1-162-282-31 CERAMIC 100PF 10% 50V
C825 1-162-306-11 CERAMIC 0.01uF 30% 16V
C826 1-162-294-31 CERAMIC 0.001uF 10% 50V
C827 1-162-294-31 CERAMIC 0.001uF 10% 50V
C828 1-162-282-31 CERAMIC 100PF 10% 50V
C829 1-161-494-00 CERAMIC 0.022uF 25V
C830 1-162-282-31 CERAMIC 100PF 10% 50V
C831 1-162-282-31 CERAMIC 100PF 10% 50V
C832 1-162-282-31 CERAMIC 100PF 10% 50V
C833 1-162-282-31 CERAMIC 100PF 10% 50V
C834 1-162-282-31 CERAMIC 100PF 10% 50V
C835 1-161-494-00 CERAMIC 0.022uF 25V
C836 1-162-282-31 CERAMIC 100PF 10% 50V
C837 1-104-665-11 ELECT 100uF 20% 10V
C838 1-162-282-31 CERAMIC 100PF 10% 50V
C839 1-162-282-31 CERAMIC 100PF 10% 50V
C840 1-162-306-11 CERAMIC 0.01uF 30% 16V
C841 1-162-282-31 CERAMIC 100PF 10% 50V
C842 1-162-282-31 CERAMIC 100PF 10% 50V
C844 1-126-964-11 ELECT 10uF 20% 50V
C847 1-162-282-31 CERAMIC 100PF 10% 50V
C849 1-162-282-31 CERAMIC 100PF 10% 50V
C850 1-162-282-31 CERAMIC 100PF 10% 50V
C851 1-162-306-11 CERAMIC 0.01uF 30% 16V
C852 1-162-282-31 CERAMIC 100PF 10% 50V
C853 1-162-282-31 CERAMIC 100PF 10% 50V
C855 1-162-282-31 CERAMIC 100PF 10% 50V
C856 1-162-282-31 CERAMIC 100PF 10% 50V
C858 1-126-934-11 ELECT 220uF 20% 10V
C859 1-162-282-31 CERAMIC 100PF 10% 50V
C860 1-162-282-31 CERAMIC 100PF 10% 50V
C861 1-126-965-11 ELECT 22uF 20% 50V
C862 1-162-282-31 CERAMIC 100PF 10% 50V
C863 1-162-282-31 CERAMIC 100PF 10% 50V
C864 1-162-282-31 CERAMIC 100PF 10% 50V
C866 1-162-282-31 CERAMIC 100PF 10% 50V
C867 1-162-290-31 CERAMIC 470PF 10% 50V
< CONNECTOR >
CNP801 1-695-373-31 PIN, CONNECTOR (PC BOARD) 12P
Ref. No. Part No. Description Remark Ref. No. Part No. Description Remark
CD CONTROL JOG LED 1 JOG LED 2

– 73 –
*CNP802 1-695-374-31 PIN, CONNECTOR (PC BOARD) 13P
*CNP803 1-695-374-31 PIN, CONNECTOR (PC BOARD) 13P
*CNP805 1-580-165-11 PIN, CONNECTOR (PC BOARD) 4P
*CNP806 1-580-165-11 PIN, CONNECTOR (PC BOARD) 4P
< DIODE >
D802 8-719-991-33 DIODE 1SS133T-77
D803 8-719-991-33 DIODE 1SS133T-77
D804 8-719-991-33 DIODE 1SS133T-77
D805 8-719-991-33 DIODE 1SS133T-77
D807 8-719-991-33 DIODE 1SS133T-77
D808 8-719-059-97 LED L-34HD (OPR/BATT)
D811 8-719-080-38 LED SLR-332DU3F-LMN (-. >+)
D817 8-719-080-40 LED EFY3864X (LCD BACK LIGHT)
D818 8-719-080-40 LED EFY3864X (LCD BACK LIGHT)
< IC >
IC801 8-752-908-76 IC CXP83124A-044Q
IC802 8-759-648-23 IC RPM6940-H4
IC803 8-759-645-87 IC IC PST9128-T
< ENCODER >
JOG801 1-476-058-11 ENCODER
( -.AMS/PRESET/TIME SET >+)
< JUMPER WIRE >
JW840 1-247-831-91 INDUCTOR 1K 5% 1/4W
JW847 1-410-336-31 INDUCTOR 220uH
< COIL >
L801 1-414-142-11 INDUCTOR 1uH
L802 1-410-521-11 INDUCTOR 100uH
L803 1-410-521-11 INDUCTOR 100uH
L809 1-414-142-11 INDUCTOR 1uH
L810 1-410-509-11 INDUCTOR 10uH
< LIQUID CRYSTAL DISPLAY >
LCD801 1-804-013-11 DISPLAY PANEL, LIQUID CRYSTAL
< TRANSISTOR >
Q801 8-729-036-86 TRANSISTOR KTC3203Y-AT
Q802 8-729-036-86 TRANSISTOR KTC3203Y-AT
Q803 8-729-922-66 TRANSISTOR 2SC2410SN
Q804 8-729-922-66 TRANSISTOR 2SC2410SN
Q805 8-729-037-23 TRANSISTOR KRA110M-AT
Q806 8-729-036-77 TRANSISTOR KRC107M
< RESISTOR >
R800 1-249-432-11 CARBON 18K 5% 1/4W
R801 1-247-838-00 CARBON 2K 5% 1/4W
R803 1-249-417-11 CARBON 1K 5% 1/4W
R804 1-249-417-11 CARBON 1K 5% 1/4W
R805 1-249-417-11 CARBON 1K 5% 1/4W
R806 1-249-417-11 CARBON 1K 5% 1/4W
R807 1-249-417-11 CARBON 1K 5% 1/4W
R808 1-249-417-11 CARBON 1K 5% 1/4W
R809 1-249-425-11 CARBON 4.7K 5% 1/4W
R810 1-249-425-11 CARBON 4.7K 5% 1/4W
R812 1-249-425-11 CARBON 4.7K 5% 1/4W
R813 1-249-417-11 CARBON 1K 5% 1/4W
R814 1-249-417-11 CARBON 1K 5% 1/4W
R815 1-249-417-11 CARBON 1K 5% 1/4W
R816 1-249-417-11 CARBON 1K 5% 1/4W
R817 1-249-417-11 CARBON 1K 5% 1/4W
R818 1-249-417-11 CARBON 1K 5% 1/4W
R819 1-249-417-11 CARBON 1K 5% 1/4W
R820 1-249-417-11 CARBON 1K 5% 1/4W
R821 1-249-417-11 CARBON 1K 5% 1/4W
R822 1-249-417-11 CARBON 1K 5% 1/4W
R823 1-249-417-11 CARBON 1K 5% 1/4W
R824 1-249-417-11 CARBON 1K 5% 1/4W
R825 1-249-417-11 CARBON 1K 5% 1/4W
R826 1-249-417-11 CARBON 1K 5% 1/4W
R827 1-249-417-11 CARBON 1K 5% 1/4W
R828 1-249-417-11 CARBON 1K 5% 1/4W
R829 1-249-417-11 CARBON 1K 5% 1/4W
R830 1-249-417-11 CARBON 1K 5% 1/4W
R831 1-249-417-11 CARBON 1K 5% 1/4W
R833 1-249-417-11 CARBON 1K 5% 1/4W
R834 1-249-417-11 CARBON 1K 5% 1/4W
R835 1-249-417-11 CARBON 1K 5% 1/4W
R836 1-249-417-11 CARBON 1K 5% 1/4W
R837 1-249-401-11 CARBON 47 5% 1/4W
R838 1-249-417-11 CARBON 1K 5% 1/4W
R839 1-249-417-11 CARBON 1K 5% 1/4W
R840 1-249-417-11 CARBON 1K 5% 1/4W
R841 1-249-417-11 CARBON 1K 5% 1/4W
R842 1-249-417-11 CARBON 1K 5% 1/4W
R843 1-249-437-11 CARBON 47K 5% 1/4W
R844 1-249-417-11 CARBON 1K 5% 1/4W
R845 1-249-417-11 CARBON 1K 5% 1/4W
R847 1-247-883-00 CARBON 150K 5% 1/4W
R848 1-247-881-00 CARBON 120K 5% 1/4W
R849 1-247-881-00 CARBON 120K 5% 1/4W
R850 1-247-881-00 CARBON 120K 5% 1/4W
R851 1-249-409-11 CARBON 220 5% 1/4W
R852 1-249-429-11 CARBON 10K 5% 1/4W
R853 1-249-417-11 CARBON 1K 5% 1/4W
R855 1-247-831-91 CARBON 1K 5% 1/4W
R856 1-249-417-11 CARBON 1K 5% 1/4W
R857 1-249-425-11 CARBON 4.7K 5% 1/4W
R859 1-249-429-11 CARBON 10K 5% 1/4W
R860 1-249-417-11 CARBON 1K 5% 1/4W
R862 1-247-807-31 CARBON 100 5% 1/4W
R864 1-249-417-11 CARBON 1K 5% 1/4W
R871 1-249-425-11 CARBON 4.7K 5% 1/4W
R874 1-249-425-11 CARBON 4.7K 5% 1/4W
R875 1-249-420-11 CARBON 1.8K 5% 1/4W
R876 1-247-843-11 CARBON 3.3K 5% 1/4W
R877 1-249-427-11 CARBON 6.8K 5% 1/4W
R879 1-249-425-11 CARBON 4.7K 5% 1/4W
R880 1-249-415-11 CARBON 680 5% 1/4W
R881 1-249-416-11 CARBON 820 5% 1/4W
R882 1-249-418-11 CARBON 1.2K 5% 1/4W
R885 1-249-425-11 CARBON 4.7K 5% 1/4W
R887 1-247-887-00 CARBON 220K 5% 1/4W
Ref. No. Part No. Description Remark Ref. No. Part No. Description Remark
CONTROL

– 74 –
R888 1-249-417-11 CARBON 1K 5% 1/4W
R889 1-249-441-11 CARBON 100K 5% 1/4W
R890 1-249-417-11 CARBON 1K 5% 1/4W
R891 1-249-437-11 CARBON 47K 5% 1/4W
R892 1-249-441-11 CARBON 100K 5% 1/4W
R894 1-249-417-11 CARBON 1K 5% 1/4W
R895 1-247-895-91 CARBON 470K 5% 1/4W
R896 1-247-887-00 CARBON 220K 5% 1/4W
R897 1-249-417-11 CARBON 1K 5% 1/4W
R899 1-249-417-11 CARBON 1K 5% 1/4W
< SWITCH >
S809 1-771-951-11 SWITCH, TACTILE (POWER)
S810 1-771-951-11 SWITCH, TACTILE (SOUND)
S811 1-771-951-11 SWITCH, TACTILE (MD(LINE))
S812 1-771-951-11 SWITCH, TACTILE (CD OPEN/CLOSE Z)
S813 1-771-951-11 SWITCH, TACTILE (MEGA BASS)
S814 1-771-951-11 SWITCH, TACTILE (VOL-)
S815 1-771-951-11 SWITCH, TACTILE (VOL+)
< VIBRATOR >
X801 1-767-184-11 VIBRATOR, CERAMIC (4.21MHz)
X802 1-767-697-11 VIBRATOR, CRYSTAL (32.768kHz)
**************************************************************
1-673-339-11 HEAD RELAY BOARD
*****************
< CONNECTOR >
CN692 1-580-167-11 PIN, CONNECTOR (PC BOARD) 6P
**************************************************************
*1-678-268-11 H/P BOARD
**********
< CAPACITOR >
C134 1-104-664-11 ELECT 47uF 20% 16V
C234 1-104-664-11 ELECT 47uF 20% 16V
< JACK >
J501 1-566-891-11 JACK (i)
< COIL >
L101 1-414-146-31 INDUCTOR 2.2uH
L201 1-414-146-31 INDUCTOR 2.2uH
L302 1-414-142-11 INDUCTOR 1uH
< RESISTOR >
R130 1-249-404-00 CARBON 82 5% 1/4W
R230 1-249-404-00 CARBON 82 5% 1/4W
**************************************************************
*1-678-263-11 JACK BOARD
***********
< CAPACITOR >
C401 1-127-888-21 CERAMIC 0.1uF 10% 50V
C402 1-126-964-11 ELECT 10uF 20% 50V
< IC >
IC401 8-749-921-12 IC GP1F32T (OPTICAL DIGITAL OUT(CD))
< JACK >
J401 1-566-891-21 JACK (LINE IN)
J402 1-566-822-21 JACK (LINE OUT)
< COIL >
L401 1-410-324-11 INDUCTOR 4.7uH
L402 1-410-324-11 INDUCTOR 4.7uH
**************************************************************
*A-3322-713-A KEY BOARD, COMPLETE
*******************
3-046-530-01 HOLDER, LIGHTING
3-046-531-01 ILLUMINATOR (JOG)
< CAPACITOR >
C601 1-162-282-31 CERAMIC 100PF 10% 50V
< DIODE >
D601 8-719-080-39 LED L-704GD (u)
D602 8-719-080-39 LED L-704GD (x)
D603 8-719-080-39 LED L-704GD (BAND)
D604 8-719-080-39 LED L-704GD (BAND)
D615 8-719-080-37 LED SLI-342DC3F-ST (BACK LIGHT)
D616 8-719-080-37 LED SLI-342DC3F-ST (BACK LIGHT)
D617 8-719-080-37 LED SLI-342DC3F-ST (BACK LIGHT)
D618 8-719-080-37 LED SLI-342DC3F-ST (BACK LIGHT)
D619 8-719-080-37 LED SLI-342DC3F-ST (BACK LIGHT)
D620 8-719-080-37 LED SLI-342DC3F-ST (BACK LIGHT)
D621 8-719-981-95 DIODE MTZJ-2.7B
< TRANSISTOR >
Q601 8-729-037-34 TRANSISTOR KRA107M
Q603 8-729-036-77 TRANSISTOR KRC107M
< RESISTOR >
R601 1-249-415-11 CARBON 680 5% 1/4W
R602 1-249-416-11 CARBON 820 5% 1/4W
R603 1-249-418-11 CARBON 1.2K 5% 1/4W
R604 1-249-420-11 CARBON 1.8K 5% 1/4W
R605 1-247-843-11 CARBON 3.3K 5% 1/4W
R606 1-249-427-11 CARBON 6.8K 5% 1/4W
R607 1-249-432-11 CARBON 18K 5% 1/4W
R608 1-249-415-11 CARBON 680 5% 1/4W
R609 1-249-416-11 CARBON 820 5% 1/4W
R610 1-249-418-11 CARBON 1.2K 5% 1/4W
R611 1-249-420-11 CARBON 1.8K 5% 1/4W
R612 1-247-843-11 CARBON 3.3K 5% 1/4W
R613 1-249-427-11 CARBON 6.8K 5% 1/4W
R614 1-249-432-11 CARBON 18K 5% 1/4W
R615 1-249-408-11 CARBON 180 5% 1/4W
R616 1-249-408-11 CARBON 180 5% 1/4W
R621 1-249-410-11 CARBON 270 5% 1/4W
R622 1-249-410-11 CARBON 270 5% 1/4W
Ref. No. Part No. Description Remark Ref. No. Part No. Description Remark
CONTROL H/P JACK KEYHEAD RELAY

– 75 –
R623 1-249-410-11 CARBON 270 5% 1/4W
R627 1-247-822-11 CARBON 430 5% 1/4W
< SWITCH >
S617 1-771-550-31 SWITCH, TACTILE (u)
S618 1-771-550-31 SWITCH, TACTILE (x)
S619 1-771-550-31 SWITCH, TACTILE (CLOCK)
S620 1-554-813-21 SWITCH, KEY BOARD (MODE)
S621 1-554-813-21 SWITCH, KEY BOARD (DISPLAY)
S622 1-554-813-21 SWITCH, KEY BOARD (M+)
S623 1-771-550-31 SWITCH, TACTILE (TIMER)
S624 1-771-550-31 SWITCH, TACTILE (BAND)
S625 1-771-550-31 SWITCH, TACTILE (STANDBY)
S626 1-554-813-21 SWITCH, KEY BOARD (CD DUB)
S627 1-554-813-21 SWITCH, KEY BOARD (AUTO PRESET)
S628 1-554-813-21 SWITCH, KEY BOARD (-m)
S629 1-771-550-31 SWITCH, TACTILE (SLEEP)
S630 1-771-550-31 SWITCH, TACTILE (CANCEL)
S631 1-771-550-31 SWITCH, TACTILE (ENTER MEM)
**************************************************************
*1-667-045-11 LOADING BOARD
**************
7-623-510-01 LUG, 4
< CAPACITOR >
C790 1-104-664-11 ELECT 47uF 20% 25V
< CONNECTOR >
*CN781 1-580-923-11 HOUSING, CONNECTOR 2P
*CN790 1-580-926-11 HOUSING, CONNECTOR 5P
< DIODE >
D790 8-719-970-02 DIODE 1SR139-400
< IC >
IC790 8-759-501-73 IC BA6418N
< COIL >
L790 1-412-852-11 INDUCTOR 47uH
< RESISTOR >
R790 1-249-425-11 CARBON 4.7K 5% 1/4W
< SWITCH >
S790 1-762-951-11 SWITCH, PUSH (CLOSE)
S791 1-762-951-11 SWITCH, PUSH (OPEN)
**************************************************************
*1-667-046-11 PICK-UP RELAY BOARD
********************
*1-580-937-11 TERMINAL, SOLDERLESS
< CONNECTOR >
CN702 1-565-874-31 PIN, CONNECTOR (PC BOARD) 2P
CN703 1-565-874-11 PIN, CONNECTOR (PC BOARD) 2P
CN704 1-565-874-11 PIN, CONNECTOR (PC BOARD) 2P
CN706 1-784-213-11 CONNECTOR, FFC/FPC 14P
CN707 1-569-309-11 SOCKET, CONNECTOR (L TYRE) 21P
**************************************************************
*1-678-261-11 POWER BOARD
*************
< CAPACITOR >
C901 1-101-005-00 CERAMIC 22000PF 50V
C902 1-101-005-00 CERAMIC 22000PF 50V
C903 1-101-005-00 CERAMIC 22000PF 50V
C904 1-101-005-00 CERAMIC 22000PF 50V
C905 1-136-165-00 MYLAR 0.1uF 5% 50V
< DIODE >
D901 8-719-046-07 DIODE 2A02M
D902 8-719-046-07 DIODE 2A02M
D903 8-719-046-07 DIODE 2A02M
D904 8-719-046-07 DIODE 2A02M
< FUSE >
0F901 1-576-109-11 FUSE (5A/125V)
< HOLDER, FUSE >
FH901 1-533-233-31 HOLDER, FUSE
FH902 1-533-233-31 HOLDER, FUSE
< JACK >
0J901 1-540-009-11 INLET, AC (- AC IN)
< TRANSFORMER >
0T901 1-435-553-11 TRANSFORMER, POWER
**************************************************************
*1-678-275-11 P/T IN BOARD
************
**************************************************************
*1-678-276-11 P/T OUT BOARD
************
**************************************************************
*A-3322-825-A TC BOARD, COMPLETE
******************
< CAPACITOR >
C101 1-163-001-11 CERAMIC CHIP 220PF 10% 50V
C103 1-163-139-00 CERAMIC CHIP 820PF 5% 50V
C104 1-104-664-11 ELECT 47uF 20% 10V
C105 1-162-587-11 CERAMIC CHIP 0.039uF 10% 25V
C106 1-164-161-11 CERAMIC CHIP 0.0022uF 10% 100V
C107 1-163-109-00 CERAMIC CHIP 47PF 5% 50V
C108 1-126-959-11 ELECT 0.47uF 20% 50V
C110 1-126-960-11 ELECT 1uF 20% 50V
C111 1-163-001-11 CERAMIC CHIP 220PF 10% 50V
C201 1-163-001-11 CERAMIC CHIP 220PF 10% 50V
C203 1-163-139-00 CERAMIC CHIP 820PF 5% 50V
Ref. No. Part No. Description Remark Ref. No. Part No. Description Remark
LOADING PICK-UP RELAYKEY POWER P/T IN TCP/T OUT
The components identified by
mark ! or dotted line with mark
! are critical for safety.
Replace only with part number
specified.
Les composants identifiés par une
marque ! sont critiques pour
la sécurité.
Ne les remplacer que par une pièce
portant le numéro spécifié.

– 76 –
C204 1-104-664-11 ELECT 47uF 20% 10V
C205 1-162-587-11 CERAMIC CHIP 0.039uF 10% 25V
C206 1-164-161-11 CERAMIC CHIP 0.0022uF 10% 100V
C207 1-163-109-00 CERAMIC CHIP 47PF 5% 50V
C208 1-126-959-11 ELECT 0.47uF 20% 50V
C210 1-126-960-11 ELECT 1uF 20% 50V
C211 1-163-001-11 CERAMIC CHIP 220PF 10% 50V
C301 1-104-665-11 ELECT 100uF 20% 10V
C302 1-126-925-11 ELECT 470uF 20% 10V
C303 1-104-665-11 ELECT 100uF 20% 10V
C304 1-163-021-91 CERAMIC CHIP 0.01uF 10% 50V
C305 1-130-488-00 MYLAR 0.027uF 5% 50V
C306 1-163-019-00 CERAMIC CHIP 0.0068uF 10% 50V
C307 1-163-019-00 CERAMIC CHIP 0.0068uF 10% 50V
C308 1-104-664-11 ELECT 47uF 20% 10V
C309 1-163-009-11 CERAMIC CHIP 0.001uF 10% 50V
C310 1-164-161-11 CERAMIC CHIP 0.0022uF 10% 100V
C311 1-163-033-91 CERAMIC CHIP 0.022uF 50V
C312 1-163-033-91 CERAMIC CHIP 0.022uF 50V
C391 1-163-021-91 CERAMIC CHIP 0.01uF 10% 50V
< CONNECTOR >
CNP301 1-580-168-11 PIN, CONNECTOR (PC BOARD) 7P
*CNP302 1-766-594-11 PIN, CONNECTOR (PC BOARD) 11P
< DIODE >
D301 8-719-988-61 DIODE 1SS355TE-17
D302 8-719-988-61 DIODE 1SS355TE-17
< IC >
IC301 8-759-264-71 IC TA2068N
< JUMPER RESISTOR >
JR101 1-216-295-91 SHORT 0
JR102 1-216-295-91 SHORT 0
JR103 1-216-295-91 SHORT 0
JR104 1-216-295-91 SHORT 0
JR105 1-216-295-91 SHORT 0
JR106 1-216-295-91 SHORT 0
JR107 1-216-295-91 SHORT 0
JR108 1-216-295-91 SHORT 0
JR109 1-216-295-91 SHORT 0
JR110 1-216-295-91 SHORT 0
JR111 1-216-295-91 SHORT 0
JR113 1-216-295-91 SHORT 0
JR114 1-216-295-91 SHORT 0
< TRANSISTOR >
Q301 8-729-036-86 TRANSISTOR KTC3203Y-AT
Q302 8-729-120-28 TRANSISTOR 2SC1623-L5L6
Q303 8-729-120-28 TRANSISTOR 2SC1623-L5L6
Q304 8-729-027-23 TRANSISTOR DTA114EKA-T146
Q305 8-729-900-53 TRANSISTOR DTC114EK
Q306 8-729-900-53 TRANSISTOR DTC114EK
Q307 8-729-027-23 TRANSISTOR DTA114EKA-T146
Q308 8-729-027-23 TRANSISTOR DTA114EKA-T146
Q309 8-729-900-53 TRANSISTOR DTC114EK
Q310 8-729-120-28 TRANSISTOR 2SC1623-L5L6
Q311 8-729-120-28 TRANSISTOR 2SC1623-L5L6
Q334 8-729-120-28 TRANSISTOR 2SC1623-L5L6
< RESISTOR >
R101 1-216-077-91 RES-CHIP 15K 5% 1/10W
R102 1-216-019-00 METAL CHIP 56 5% 1/10W
R103 1-216-097-91 RES-CHIP 100K 5% 1/10W
R104 1-216-061-00 METAL CHIP 3.3K 5% 1/10W
R105 1-216-025-91 RES-CHIP 100 5% 1/10W
R106 1-216-049-91 RES-CHIP 1K 5% 1/10W
R107 1-216-025-91 RES-CHIP 100 5% 1/10W
R108 1-216-033-00 METAL CHIP 220 5% 1/10W
R109 1-216-033-00 METAL CHIP 220 5% 1/10W
R201 1-216-077-91 RES-CHIP 15K 5% 1/10W
R202 1-216-019-00 METAL CHIP 56 5% 1/10W
R203 1-216-097-91 RES-CHIP 100K 5% 1/10W
R204 1-216-061-00 METAL CHIP 3.3K 5% 1/10W
R205 1-216-025-91 RES-CHIP 100 5% 1/10W
R206 1-216-049-91 RES-CHIP 1K 5% 1/10W
R207 1-216-025-91 RES-CHIP 100 5% 1/10W
R208 1-216-033-00 METAL CHIP 220 5% 1/10W
R209 1-216-033-00 METAL CHIP 220 5% 1/10W
R301 1-216-121-91 RES-CHIP 1M 5% 1/10W
R302 1-216-017-91 RES-CHIP 47 5% 1/10W
R303 1-216-073-00 METAL CHIP 10K 5% 1/10W
R304 1-216-073-00 METAL CHIP 10K 5% 1/10W
R305 1-216-073-00 METAL CHIP 10K 5% 1/10W
R306 1-216-073-00 METAL CHIP 10K 5% 1/10W
R307 1-216-097-91 RES-CHIP 100K 5% 1/10W
R308 1-216-097-91 RES-CHIP 100K 5% 1/10W
R309 1-216-065-91 RES-CHIP 4.7K 5% 1/10W
R310 1-216-073-00 METAL CHIP 10K 5% 1/10W
R311 1-216-308-00 METAL CHIP 4.7 5% 1/10W
R312 1-216-093-91 RES-CHIP 68K 5% 1/10W
R313 1-216-017-91 RES-CHIP 47 5% 1/10W
R314 1-216-308-00 METAL CHIP 4.7 5% 1/10W
R315 1-216-049-91 RES-CHIP 1K 5% 1/10W
R316 1-216-049-91 RES-CHIP 1K 5% 1/10W
R317 1-216-049-91 RES-CHIP 1K 5% 1/10W
R318 1-216-065-91 RES-CHIP 4.7K 5% 1/10W
< TRANSFORMER >
T301 1-429-820-11 TRANSFORMER, BIAS OSCILLATION
**************************************************************
*1-678-262-11 TC KEY BOARD, COMPLETE
***********************
< RESISTOR >
R501 1-249-415-11 CARBON 680 5% 1/4W
R502 1-249-416-11 CARBON 820 5% 1/4W
R503 1-249-418-11 CARBON 1.2K 5% 1/4W
Ref. No. Part No. Description Remark Ref. No. Part No. Description Remark
TC

– 77 –
R504 1-249-420-11 CARBON 1.8K 5% 1/4W
R505 1-247-843-11 CARBON 3.3K 5% 1/4W
R506 1-249-427-11 CARBON 6.8K 5% 1/4W
R507 1-249-432-11 CARBON 18K 5% 1/4W
R508 1-249-408-11 CARBON 180 5% 1/4W
< SWITCH >
S501 1-762-798-11 SWITCH, TACTILE (B)
S502 1-762-798-11 SWITCH, TACTILE (b)
S503 1-762-798-11 SWITCH, TACTILE (x)
S504 1-762-798-11 SWITCH, TACTILE (m)
S505 1-762-798-11 SWITCH, TACTILE (z/X)
S506 1-762-798-11 SWITCH, TACTILE (COUNTER RESET)
S507 1-762-798-11 SWITCH, TACTILE (M)
S508 1-762-798-11 SWITCH, TACTILE (DIR MODE)
**************************************************************
*1-679-149-11 TC LED (L) BOARD
***************
< DIODE >
D501 8-719-050-06 LED SLR-325MGT31 (B)
**************************************************************
*1-679-150-11 TC LED (R) BOARD
***************
< DIODE >
D502 8-719-050-06 LED SLR-325MGT31 (b)
**************************************************************
*1-678-272-11 TC/M BOARD
***********
< CONNECTOR >
CNP807 1-506-986-11 PIN, CONNECTOR (PC BOARD) 4P
CNP808 1-506-986-11 PIN, CONNECTOR (PC BOARD) 4P
**************************************************************
1-673-338-11 TC RF BOARD
***********
< CONNECTOR >
CN691 1-580-170-11 PIN, CONNECTOR (PC BOARD) 9P
< PHOTO INTERRUPTER >
PH691 8-729-021-62 PHOTO INTERRUPTER SG-211
< RESISTOR >
R691 1-249-411-11 CARBON 330 5% 1/4W
< SWITCH >
S696 1-771-661-11 SWITCH, LEAF (HEAD POSITION)
**************************************************************
*A-3322-456-A TUNER BOARD, COMPLETE
********************
< CAPACITOR >
C4 1-163-009-11 CERAMIC CHIP 0.001uF 10% 50V
C8 1-163-009-11 CERAMIC CHIP 0.001uF 10% 50V
C9 1-164-237-11 CERAMIC CHIP 16PF 5% 50V
C10 1-126-960-11 ELECT 1uF 20% 50V
C11 1-107-725-11 CERAMIC CHIP 0.1uF 10% 16V
C12 1-126-963-11 ELECT 4.7uF 20% 50V
C14 1-163-037-11 CERAMIC CHIP 0.022uF 10% 25V
C15 1-163-037-11 CERAMIC CHIP 0.022uF 10% 25V
C16 1-126-960-11 ELECT 1uF 20% 50V
C17 1-126-960-11 ELECT 1uF 20% 50V
C18 1-126-934-11 ELECT 220uF 20% 10V
C19 1-162-923-11 CERAMIC CHIP 47PF 5% 50V
C20 1-107-725-11 CERAMIC CHIP 0.1uF 10% 16V
C21 1-126-960-11 ELECT 1uF 20% 50V
C22 1-107-725-11 CERAMIC CHIP 0.1uF 10% 16V
C23 1-126-960-11 ELECT 1uF 20% 50V
C24 1-162-961-11 CERAMIC CHIP 330PF 10% 50V
C26 1-162-927-11 CERAMIC CHIP 100PF 5% 50V
C27 1-162-927-11 CERAMIC CHIP 100PF 5% 50V
C28 1-104-665-11 ELECT 100uF 20% 10V
C30 1-162-970-11 CERAMIC CHIP 0.01uF 10% 25V
C31 1-162-920-11 CERAMIC CHIP 27PF 5% 50V
C32 1-162-964-11 CERAMIC CHIP 0.001uF 10% 50V
C33 1-162-970-11 CERAMIC CHIP 0.01uF 10% 25V
C34 1-162-964-11 CERAMIC CHIP 0.001uF 10% 50V
C35 1-107-725-11 CERAMIC CHIP 0.1uF 10% 16V
C41 1-107-725-11 CERAMIC CHIP 0.1uF 10% 16V
C42 1-163-129-00 CERAMIC CHIP 330PF 5% 50V
C44 1-162-970-11 CERAMIC CHIP 0.01uF 10% 25V
C47 1-162-915-11 CERAMIC CHIP 10PF 0.5PF 50V
C51 1-162-916-11 CERAMIC CHIP 12PF 5% 50V
C52 1-164-237-11 CERAMIC CHIP 16PF 5% 50V
C53 1-136-171-00 MYLAR 0.33uF 5% 50V
C54 1-126-934-11 ELECT 220uF 20% 10V
C55 1-162-927-11 CERAMIC CHIP 100PF 5% 50V
C56 1-163-009-11 CERAMIC CHIP 0.001uF 10% 50V
C57 1-162-964-11 CERAMIC CHIP 0.001uF 10% 50V
C58 1-162-970-11 CERAMIC CHIP 0.01uF 10% 25V
C59 1-162-927-11 CERAMIC CHIP 100PF 5% 50V
C60 1-162-964-11 CERAMIC CHIP 0.001uF 10% 50V
C61 1-162-927-11 CERAMIC CHIP 100PF 5% 50V
C62 1-162-927-11 CERAMIC CHIP 100PF 5% 50V
C63 1-163-181-00 CERAMIC CHIP 100PF 5% 50V
C64 1-162-927-11 CERAMIC CHIP 100PF 5% 50V
C66 1-163-181-00 CERAMIC CHIP 100PF 5% 50V
C68 1-162-927-11 CERAMIC CHIP 100PF 5% 50V
C77 1-162-970-11 CERAMIC CHIP 0.01uF 10% 25V
C80 1-162-970-11 CERAMIC CHIP 0.01uF 10% 25V
C93 1-162-970-11 CERAMIC CHIP 0.01uF 10% 25V
C95 1-162-964-11 CERAMIC CHIP 0.001uF 10% 50V
< FILTER >
CF2 1-760-233-71 FILTER, CERAMIC
CF4 1-781-749-11 FILTER, AM CERAMIC
Ref. No. Part No. Description Remark Ref. No. Part No. Description Remark
TC RFTC LED (L) TC LED (R) TC/MTC KEY TUNER

– 78 –
< CONNECTOR >
*CNP1 1-564-713-11 PIN, CONNECTOR (SMALL TYPE)11P
< TRIMMER >
CT1 1-141-227-00 CAP, TRIMMER 20PF (FM TRACKING)
CT3 1-141-304-21 CAP, TRIMMER 10PF (AM TRACKING)
< DIODE >
D1 8-719-078-48 DIODE DIODE KV1471ETR1-3
D2 8-719-078-48 DIODE DIODE KV1471ETR1-3
D3 8-719-050-69 DIODE KV1520N
D10 8-719-988-61 DIODE 1SS355TE-17
D11 8-719-988-61 DIODE 1SS355TE-17
< FERRITE BEAD >
FB1 1-216-864-11 METAL CHIP 0 5% 1/16W
< IC >
IC1 8-759-662-67 IC IC TA2149N
IC2 8-759-483-40 IC LC72137M-TLM
< JUMPER >
JC8 1-216-295-91 SHORT 0
JC9 1-216-295-91 SHORT 0
JC10 1-216-295-91 SHORT 0
JC14 1-216-295-91 SHORT 0
JC15 1-216-295-91 SHORT 0
JC16 1-216-295-91 SHORT 0
JC18 1-216-295-91 SHORT 0
JC19 1-216-295-91 SHORT 0
JC20 1-216-295-91 SHORT 0
JC21 1-216-295-91 SHORT 0
JC23 1-216-295-91 SHORT 0
JC24 1-216-295-91 SHORT 0
JC27 1-216-295-91 SHORT 0
JC28 1-216-295-91 SHORT 0
JC29 1-216-295-91 SHORT 0
JC30 1-216-295-91 SHORT 0
JC31 1-216-295-91 SHORT 0
JC33 1-216-295-91 SHORT 0
JC38 1-216-295-91 SHORT 0
JC39 1-216-295-91 SHORT 0
JC40 1-216-295-91 SHORT 0
JC41 1-216-295-91 SHORT 0
JC42 1-216-295-91 SHORT 0
JC43 1-216-295-91 SHORT 0
JC44 1-216-295-91 SHORT 0
< COIL >
L1 1-416-533-11 COIL, AIR-CORE (FM TRACKING)
L2 1-416-509-11 COIL, AIR-CORE (FM FREQUENCY COVERAGE)
L3 1-501-923-21 ANTENNA, FERRITE-ROD (MW)
(AM TRACK ING)
L4 1-411-234-21 COIL, AM OSC (AM FREQUENCY COVERAGE)
L11 1-414-142-11 INDUCTOR 1uH
L21 1-410-509-11 INDUCTOR 10uH
< RESISTOR >
R1 1-216-037-00 METAL CHIP 330 5% 1/10W
R2 1-216-033-00 METAL CHIP 220 5% 1/10W
R3 1-216-073-00 METAL CHIP 10K 5% 1/10W
R4 1-216-073-00 METAL CHIP 10K 5% 1/10W
R5 1-216-295-91 SHORT 0
R10 1-216-017-91 RES-CHIP 47 5% 1/10W
R11 1-216-061-00 METAL CHIP 3.3K 5% 1/10W
R13 1-216-057-00 METAL CHIP 2.2K 5% 1/10W
R24 1-216-033-00 METAL CHIP 220 5% 1/10W
R25 1-216-001-00 METAL CHIP 10 5% 1/10W
R30 1-216-077-91 RES-CHIP 15K 5% 1/10W
R31 1-216-061-00 METAL CHIP 3.3K 5% 1/10W
R32 1-216-097-91 RES-CHIP 100K 5% 1/10W
R40 1-216-105-91 RES-CHIP 220K 5% 1/10W
R41 1-216-073-00 METAL CHIP 10K 5% 1/10W
R50 1-216-049-91 RES-CHIP 1K 5% 1/10W
R51 1-216-073-00 METAL CHIP 10K 5% 1/10W
R53 1-216-075-00 METAL CHIP 12K 5% 1/10W
R54 1-216-043-91 RES-CHIP 560 5% 1/10W
R56 1-216-041-00 METAL CHIP 470 5% 1/10W
R58 1-216-057-00 METAL CHIP 2.2K 5% 1/10W
R59 1-216-057-00 METAL CHIP 2.2K 5% 1/10W
R60 1-216-057-00 METAL CHIP 2.2K 5% 1/10W
R61 1-216-057-00 METAL CHIP 2.2K 5% 1/10W
R63 1-216-073-00 METAL CHIP 10K 5% 1/10W
R65 1-216-073-00 METAL CHIP 10K 5% 1/10W
R91 1-216-049-91 RES-CHIP 1K 5% 1/10W
R92 1-216-049-91 RES-CHIP 1K 5% 1/10W
R93 1-216-295-91 SHORT 0
R94 1-216-049-91 RES-CHIP 1K 5% 1/10W
< TRANSFORMER >
T1 1-435-333-11 TRANSFORMER, IF
T2 1-419-465-11 COIL (DET)
< VIBRATOR >
X1 1-781-592-11 VIBRATOR, CRYSTAL (75kHz)
**************************************************************
MISCELLANEOUS
**************
78 1-792-735-11 CABLE, FLEXIBLE FLAT
79 1-792-736-11 CABLE, FLEXIBLE FLAT
80 1-792-737-11 CABLE, FLEXIBLE FLAT
*213 1-792-386-11 WIRE MM
353 1-690-530-81 LEAD (WITH CONNECTOR)
358 1-660-965-11 PC BOARD, SLIDE FLEXIBLE
ANT1 1-501-480-11 ANTENNA, TELESCOPIC
0359 X-4950-060-1 OPTICAL PICK-UP (DAX-01A2)
0F901 1-576-109-11 FUSE (5A/125V)
HRPE1011-418-847-11 HEAD ASSY, HOLDER (RECORD/PLAYBACK/
ERASE)
LCD801 1-804-013-11 DISPLAY PANEL, LIQUID CRYSTAL
M691 3-045-799-01 MOTOR ASSY (CAPSTAN/REEL)
(INCLUDING PULLEY)
M790 1-698-999-11 MOTOR, DC
M801 A-3303-403-A MOTOR ASSY (SLED) (INCLUDING GEAR)
TUNER
Ref. No. Part No. Description Remark Ref. No. Part No. Description Remark
The components identified by
mark ! or dotted line with mark
! are critical for safety.
Replace only with part number
specified.
Les composants identifiés par une
marque ! sont critiques pour
la sécurité.
Ne les remplacer que par une pièce
portant le numéro spécifié.

– 79 –
Ref. No. Part No. Description Remark Ref. No. Part No. Description Remark
M802 A-3303-971-A MOTOR ASSY, TURNTABLE (SPINDLE)
PH691 8-719-078-47 PHOTO INTERRUPTER SG-211V
PM691 1-454-896-11 SOLENOID, PLUNGER
S696 1-771-893-11 MODE (SW) (HEAD POSITION)
SP101 1-529-740-11 SPEAKER (8cm) (R-CH)
SP102 1-529-740-11 SPEAKER (8cm) (L-CH)
S801 1-571-099-21 SWITCH (1 KEY) (LIMIT)
0T901 1-435-553-11 TRANSFORMER, POWER
**************************************************************
ACCESSORIES & PACKING MATERIALS
*******************************
01-783-878-11 CORD, POWER
3-046-452-11 MANUAL, INSTRUCTION (ENGLISH)
3-046-452-21 MANUAL, INSTRUCTION (FRENCH) (CND)
*3-703-044-26 LABEL, CAUTION
A-3258-053-A REMOTE COMMANDER (RMT-CD55A)
3-027-153-11 LID, BATTERY CASE (FOR RMT-CD55A)
**************************************************************
**************
HARDWARE LIST
**************
#1 7-685-649-79 SCREW +BVTP 3X14 TYPE2 N-S
#2 7-685-647-79 SCREW +BVTP 3X10 TYPE2 SLIT
#3 7-685-903-31 SCREW +PTPWH 3X10 (TYPE2)
#4 7-682-548-04 SCREW +B 3X8
#5 7-685-134-19 SCREW +P 2.6X8 TYPE2 NON-SLIT
#6 7-685-135-19 SCREW +P 2.6X10 TYPE2 NON-SLIT
#7 7-685-103-19 SCREW +P 2X5 TYPE2 NON-SLIT
#8 7-685-645-79 SCREW +P 3X6 TYPE2 NON-SLIT
#9 7-682-548-09 SCREW +B 3X8
#10 7-621-773-86 SCREW +B 2.6X4
#11 7-623-510-01 LUG, 4
#12 7-685-534-19 SCREW +BTP 2.6X8 TYPE2 N-S
#14 7-627-850-17 SCREW PRECISION +P 1.4X2.5
The components identified by
mark ! or dotted line with mark
! are critical for safety.
Replace only with part number
specified.
Les composants identifiés par une
marque ! sont critiques pour
la sécurité.
Ne les remplacer que par une pièce
portant le numéro spécifié.
– 80 –
ZS-D55
9-927-927-11
Sony Corporation
Audio Entertainment Group 2000F0212-1
Printed in Japan © 2000.7
Published by PE General Engineering Dept.