ZS M7 Sony_ZS M7_service_manual Sony Service Manual
User Manual: sony_ZS-M7_service_manual
Open the PDF directly: View PDF
.
Page Count: 93

Ver 1.2 2001.07
With SUPPLEMENT 1
(9-923-346-82)
ZS-M7
SERVICE MANUAL
PERSONAL MINIDISC SYSTEM
SPECIFICATIONS
US Model
AEP Model
UK Model
Tourist Model
Model Name Using Similar Mechanism NEW
MD MD Mechanism Type MDM-3EG
Section Optical Pick-up Type KMS-260A
CD Model Name Using Similar Mechanism NEW
Section MD Mechanism Type CDM-2411AAA
Optical Pick-up Type DAX-11A
Dolby noise reduction manufactured under license from
Dolby Laboratories Licensing Corporation.
“DOLBY” and the double-D symbol a are trademarks of
Dolby Laboratories Licensing Corporation.
– Continued on page 2 –
CD player Section
System Compact disc digital audio system
Laser diode properties
Material: GaAlAs
Wave length: 785 nm
Emission duration : Continuous
Laser output : Less than 44.6 µW
(This output is the value measured at a distance of about 200
mm from the objective lens surface on the optical pick-up
block with 7 mm aperture.)
Spindle speed
200 r/min (rpm) to 500 r/min (rpm) (CLV)
Number of programme positions
2
Frequency response
20 – 20,000 Hz +1 /–2 dB
Wow and flutter
Below measurable limit
Radio section
Frequency range
US Model :
FM : 87.6 – 108 MHz
AM : 530 – 1,710 kHz
AUDIO POWER SPECIFICATIONS
POWER OUTPUT AND TOTAL HARMONIC DISTORTION
With 4-ohm loads, both channels driven from 100 – 10,000 Hz ; rated 7W
per channel-minimum RMS power, with no more
than 10% total harmonic distortion in AC operation (US Model).
EXCEPT US Model :
FM : 87.6 – 107 MHz
MW : 531 – 1,602 kHz
LW : 153 – 279 kHz
IF FM : 10.7 MHz
MW/LW : 450 kHz
Aerials FM : Telescopic areal
Extension areal terminal
AM : Extension areal terminals (US Model)
MW/LW : Extension areal terminals (EXCEPT US Model)
MD player section
System Minidisc digital audio system
Disc MiniDisc
Laser diode properties
Material: GaAlAs
Wave length: 785 nm
Emission duration : Continuous
Laser output : Less than 44.6 µW
(This output is the value measured at a distance of about 200
mm from the objective lens surface on the optical pick-up
block with 7 mm aperture.)
9-923-346-12
2001G0200-1
© 2001.7
Sony Corporation
Personal Audio Company
Shinagawa Tec Service Manual Production Group
– 2 –
Specifications ........................................................................... 1
1. SERVICE NOTE ........................................................... 3
2. GENERAL ...................................................................... 5
3. DISASSEMBLY
3-1. Cabinet (Front) ASSY, Cabinet (Rear) ASSY .......... 21
3-2. Left Key Board, Front Key Board, Top Key board,
Right Key Board, Relay Board ................................. 22
3-3. FL Board, Trans Board ............................................. 22
3-4. Tuner Board, FM ANT Board, AM ANT Board ....... 23
3-5. MD Chassis ASSY ................................................... 23
3-6. MD Block ASSY, Filter Board ................................. 24
3-7. Audio Board, HP Board, Line in Board.................... 24
3-8. Main Board, CD Block ASSY .................................. 25
3-9. Shield Case (Top), Shield Case (Bottom) ................. 25
3-10. DG Board, BD Board, MD Mechanism Deck ........ 26
3-11. Shutter ASSY .......................................................... 26
3-12. SW Board ............................................................... 27
3-13. Slider ASSY, “Head, Over Write” .......................... 27
3-14. MD Optical Pick-up Block ..................................... 28
3-15. Loading Board, “Tray ASSY, CD” ......................... 29
3-16. CD Optical Pick-up Block, Pick-up Relay Board .. 29
4. TEST MODE
4-1. Caution When Using the Test Mode......................... 30
4-2. Test Mode Settings ................................................... 30
4-3. Releasing the Test Mode ........................................... 30
4-4. Basic Operations of the Test Mode ........................... 30
4-5. Selecting the Test Mode............................................ 30
4-6. Functions of Other Buttons ...................................... 31
4-7 Test Mode Display ..................................................... 31
5. ADJUSTMENTS
5-1. Cautions When Checking Laser Diode Emission ..... 32
5-2. Cautions When Handling
the Optical Pick-up (KSM-260A) ............................ 32
5-3. Cautions During Adjustment .................................... 32
5-4. Creating a Continuous Recording Disk .................... 32
5-5. Temperature Compensation Offset Adjustment........ 33
TABLE OF CONTENTS
Recording/Playback time
Maximum 74 minutes (with MDW-74)
Revolutions
400 rpm to 900 rpm (CLV)
Error correction
Advanced Cross Interleave Reed Solomon Code (ACIRC)
Sampling frequency
44.1 kHz
Cording Adaptive Transform Acoustic Cording (ATRAC)
Modulation system
EFM (Eight-to-Fourteen Modulation)
Number of programme positions
2 stereo programme positions
Frequency response
20 – 20,000 Hz +1 /–2 dB
Signal-to-noise ratio
Over 80 dB (during playback)
Wow and flutter
Below measurable limit
General
Speaker Full range : 8 cm (3 in.) dia., 4ohms, cone type (2)
Inputs LINE IN (stereo minijack) : Sensitivity 436 mV/691 mV
Outputs Headphones jack (stereo minijack) (2) : For 32 ohms
impedance headphones
Power outputs
7 W + 7 W
Power requirements
For personal minidisc system :
US Model :120V AC, 60Hz
EXCEPT US Model :230V AC, 50Hz
For remote commander :
3V DC, 2 size AA (R6) batteries
Power consumption
30 W
Dimensions (incl. projecting parts)
Approx. 528 x 275 x 139 mm (w/h/d)
(20 7/8 x 10 7/8 x 5 1/2 inches)
Mass approx. 6.4 kg (14 lb. 2 oz)
Supplied accessories
Remote commander (1)
AM loop aerial (1) (US Model)
MW/LW loop aerial (1) (EXCEPT US Model)
Speaker nets (2) (EXCEPT US Model)
Design and specifications are subject to change without notice.
5-6. Laser Power Adjustment........................................... 33
5-7. Traverse Adjustment ................................................. 33
5-8. Focus Bias Adjustment ............................................. 34
5-9. Error Rate Check ...................................................... 35
5-10. Focus Bias Check ................................................... 35
5-11. Adjustment and Connection Locations ................... 35
6. DIAGRAMS
6-1. Explanation of IC Terminals ..................................... 39
6-2. Block Diagram (1) .................................................... 46
6-3. Block Diagram (2) .................................................... 49
6-4. Printed Wiring Boards –Main Section – ................... 55
6-5. Schematic Diagram –Main Section (1/2) – .............. 59
6-6. Schematic Diagram –Main Section (2/2) – .............. 63
6-7. Printed Wiring Boards
–Tuner Section (US Model) – .................................. 67
6-8. Schematic Diagram
–Tuner Section (US Model) – ................................... 69
6-9. Printed Wiring Boards
–Tuner Section (EXCEPT US Model) – ................... 72
6-10. Schematic Diagram
–Tuner Section (EXCEPT US Model) – .................. 74
6-11. Schematic Diagram –BD Section – ........................ 77
6-12. Printed Wiring Boards –BD Section –.................... 79
6-13. Schematic Diagram –Power Section – ................... 82
6-14. Printed Wiring Boards –Power Section – ............... 85
6-15. Schematic Diagram –DG Section – ........................ 87
6-16. Printed Wiring Boards –DG Section – ................... 90
6-17. Printed Wiring Boards –Front Key Section – ......... 93
6-18. Schematic Diagram –Front Key Section – ............. 97
7. EXPLODED VIEWS
7-1. Front Cabinet Section ............................................. 106
7-2. Rear Cabinet Section .............................................. 107
7-3. Chassis Section ....................................................... 108
7-4. MD Section (1) ....................................................... 109
7-5. MD Section (2) ........................................................110
7-6. CD Section............................................................... 111
7-7. Optical Pick-up Section ...........................................112
8. ELECTRICAL PARTS LIST..................................113

– 3 –
SAFETY CHECK-OUT (US Model)
After correcting the original service problem, perform the follow-
ing safety check before releasing the set to the customer :
Check the antenna terminals, metal trim, “metallized” knobs, screws,
and all other exposed metal parts for AC leakage. Check leakage as
described below.
LEAKAGE TEST
The AC leakage from any exposed metal part to earth ground and
from all exposed metal parts to any exposed metal part having a
return to chassis, must not exceed 0.5mA (500 microampers).
Leakage current can be measured by any one of three methods.
1. A commercial leakage tester, such as the Simpson 229 or RCA
WT-540A. Follow the manufacturers’ instructions to use these
instruments.
2. A battery-operated AC milliammeter. The Data Precision 245
digital multimeter is suitable for this job.
3. Measuring the voltage drop across a resistor by means of a VOM
or battery-operated AC voltmeter. The “limit” indication is 0.75V,
so analog meters must have an accurate low-voltage scale. The
Simpson 250 and Sanwa SH-63Trd are examples of a passive
VOM that is suitable. Nearly all battery operated digital
multimeters that have a 2V AC range are suitable. (See Fig. A)
NOTES ON HANDLING THE OPTICAL PICK-UP BLOCK
OR BASE UNIT
The laser diode in the optical pick-up block may suffer electrostatic
breakdown because of the potential difference generated by the
charged electrostatic load, etc. on clothing and the human body.
During repair, pay attention to electrostatic breakdown and also use
the procedure in the printed matter which is included in the repair
parts.
The flexible board is easily damaged and should be handled with
care.
NOTES ON LASER DIODE EMISSION CHECK
The laser beam on this model is concentrated so as to be focused on
the disc reflective surface by the objective lens in the optical pick-
up block. Therefore, when checking the laser diode emission, ob-
serve more than 30 cm away from the objective lens.
LASER DIODE AND FOCUS SEARCH OPERATION
CHECK
1. Close the lid for CD.
2. Press CD ^ button.
3. Confirm the laser diode emission while observing the objecting
lens. When there is no emission, Auto Power Control circuit or
Optical Pick-up is broken.
Objective lens moves up and down once for the focus search.
AC
voltmeter
(0.75V)
To Exposed Metal
Parts on Set
Earth Ground
0.15
µ
F 1.5k
Ω
Fig. A. Using an AC voltmeter to check AC leakage.
CAUTION DURING WHEN MOUNTING THE PULLEY
FOR THE LOADING MOTOR
Make the following adjustment when mounting the loading motor
(part number : 1-698-999-11) and motor pulley (part number : 2-
627-174-01) of the CD section.
Specification : A = 0.9 to 1.1mm
SECTION 1
SERVICE NOTE
SAFETY-RELATED COMPONENT WARNING!!
COMPONENTS IDENTIFIED BY MARK ! OR DOTTED LINE WITH
MARK !ON THE SCHEMATIC DIAGRAMS AND IN THE PARTS
LIST ARE CRITICAL TO SAFE OPERATION.
REPLACE THESE COMPONENTS WITH SONY PARTS WHOSE
PART NUMBERS APPEAR AS SHOWN IN THIS MANUAL OR IN
SUPPLEMENTS PUBLISHED BY SONY.
Flexible Circuit Board Repairing
• Keep the temperature of the soldering iron around 270°C during
repairing.
• Do not touch the soldering iron on the same conductor of the
circuit board (within 3 times).
• Be careful not to apply force on the conductor when soldering or
unsoldering.
Notes on chip component replacement
• Never reuse a disconnected chip component.
• Notice that the minus side of a tantalum capacitor may be dam-
aged by heat.

– 4 –
ABOUT THE BD BOARD WAVEFORM CHECKING JIG
The special jig (J-2501-124-A) is highly convenient when check-
ing the waveform of the BD board of the MD section. Pin names
and items to check are as follows:
I+3V : for IOP measurement (check for depleted optical pickup
laser)
IOP : for IOP measurement (check for depleted optical pickup
laser)
TEO : TRK error signal (traverse adjustment)
VC : Standard level for checking signals
RF : RF signal (jitter check)
RESET button
BD board
CN110
DG board
I + 3V
IOP
TEO
VC RF
Jig
(J-2501-124-A)
MD block section
ABOUT THE HARDWARE RESET
It is possible to reset the system microcomputer by pressing the
RESET button located on the rear with a pointed object. Use this
button when the unit cannot be operated properly due to such prob-
lems as microcomputer errors, etc.

– 5 –
SECTION 2
GENERAL
LOCATION AND FUNCTION OF CONTROLS
FRONT PANEL : RADIO section
1 CD (MD SYNCHRO REC button
DISC ALL
REC IT : TO TOP
TO END
2 MD insert section
3 TUNE–, + • 0, ) •ı, ∫button
4 EDIT button
5 DELETE button
6 INSERT button
7 AUTO PRESET•SHUF/PGM button
8 LINE LEVEL•MONO/ST•REPEAT button
9 ENTER•YES button
!º Jog dial
=/+ AMS
PRESET
!¡ CANCEL•NO button
!™ 6 MD EJECT button
!£ 6 CD OPEN/CLOSE button
!¢ CD operation buttons
^ (play/pause)
p (stop)
!∞ CD tray
!§ BAND button
!¶ MD operation button
^ (play/pause)
p (stop)
!• REC button
FRONT PANEL : TIMER • COM section
!ª POWER button (US MODEL)
OPERATE button (EXCEPT US MODEL)
@º SLEEP button
@¡ STANDBY button
@™ TIMER button
@£ CLOCK button
@¢ Display window
@∞ BASS/TREBLE button
@§ MEGA BASS button
@¶ VOLUM –, + button
@• DISPLAY button
@ª 2 (Headphones) Jack (stereo mini jack)
#º LINE button
#¡ Remote control receiver section

– 6 –
1 SLEEP button
2 CD OPEN/CLOSE button
3 Number button
4 MODE button
5 BASS/TREBLE+, – button
6 MEGA BASS button
7 MD operation button
( (play)
P (pause)
p (stop)
r (REC)
8 CD operation button
( (play)
P (pause)
p (stop)
9 Radio operation button
BAND
TUNER –, +
!º POWER button(US MODEL)
OPERATE button (EXCEPT US MODEL)
!¡ VOL +, – button
!™ =, + (AMS/SERCH) button
#™ AM ANTENNA terminal
MW(LW) ANTENNA terminal
#£ FM EXT ANTENNA terminal (US model)
ANTENNA SELECTOR switch (Except US model)
#¢ LINE IN (Analog) terminal
#∞ Antenna
#§ RESET button
#¶ Power cord
#• FM EXT ANTENNA terminal (Except US model)
REMOTE CONTROL REAR PANEL section
EXCEPT US Model
#£#•

– 7 –
This section is extracted from
instruction manual.

– 8 –

– 9 –

– 10 –

– 11 –

– 12 –

– 13 –

– 14 –

– 15 –

– 16 –

– 17 –

– 18 –

– 19 –

– 20 –

– 21 –
SECTION 3
DISASSEMBLY
Note : Follow the disassembly procedure in the numerical order given.
3-1. CABINET (FRONT) ASSY, CABINET (REAR) ASSY
r The equipment can be removed using the following procedure.
3
Screws (2.6X10)
3
Screws (2.6X10)
7
CN410 (11 pin)
(Relay board)
4
Screws (3X45
)
2
Screws (+BVTP 3X12)
1
5
1
2
Screws (+BVTP 3X12)
6
CN353 (4 pin)
(Audio board)
Net (L) ASSY, SP
Net (R) ASSY, SP
2
Screws
(+BVTP 3X12)
Cabinet (Rear) ASSY
Cabinet (Front) ASSY
Cabinet (Front)
ASSY Left key board, Front key board, Top key board, Right board, Relay board
< MAIN BLOCK SECTION >
Cabinet (Rear)
ASSY
Set
FL board, Trans board, Tuner board, FM ANT board, AM ANT board
MD chassis ASSY MD Block ASSY, Filter board
Audio board, HP board, Line in board
Main board CD block ASSY
MD Block ASSY Shiled case
(Top, Bottom) DG board BD board Sub chassis ASSY Shutter ASSY
MD mechanism deck
MD O
p
tical
p
ick-u
p
block
SW board, Slider ASSY, “Head, Over wright”
< MD BLOCK SECTION >
“Tray ASSY, CD”
Loading board
CD block ASSY
CD Optical pick-up block, Pick-up relay board
< CD BLOCK SECTION >
< MAIN BLOCK SECTION >

– 22 –
3-2. LEFT KEY BOARD, FRONT KEY BOARD, TOP KEY BOARD, RIGHT KEY BOARD, RELAY BOARD
3-3. FL BOARD, TRANS BOARD
2
4
6
8
!º
!™
Front key board
Left key board
Cabinet (Front) ASSY
1
Screws ( 2.6X8)
3
Screws (2.6X8)
5
Screws (2.6X8)
9
Screws (2.6X8)
!¡
Screws (2.6X8)
Relay board
Right key board
Top key board
7
Screw (M1.7X5)
Button (MEGA BASS)
2
Screws (2.6X8)
4
CN954 (4 pin)
4
CN951 (6 pin)
4
CN952 (6 pin)
2
Screws (2.6X8)
FL board
Cabinet (Rear) ASS
Y
Bracket
(Trans)
Trans board
5
Screws
(+BVTP 3X16)
5
Screws
(+BVTP 3X16)
6
8
3
7
Screws
(+BVTP 4X12)
1
Wire parallel
(FFC)(15 core)

– 23 –
3-4. TUNER BOARD, FM ANT BOARD, AM ANT BOARD
3-5. MD CHASSIS ASSY
2
Screws (2.6X8)
Cabinet (Rear) ASSY
MD chassis ASSY
3
Screws (+BVTP 3X12)
4
1
Screws (+BVTP 3X12)
3
Screws
(+BTP 3X12)
Cabinet (Rear) ASSY
Tuner board AM ANT
board
FM ANT board
EXCEPT US model
Bracket (Tuner)
1
Wire parallel (FFC)
(13core)
5
Screws
(+BVTP 3X12)
9
Screws
(+BVTP 3X12)
8
6
4!º
2
Screws
(+BVTP 3X12)
7
Screws
(+BVTP 3X12)

– 24 –
3-7. AUDIO BOARD, HP BOARD, LINE IN BOARD
MD Block ASSY
7
4
6
Screws
3
Screws
(M1.7X5)
3
Screws
(M1.7X5)
2
CN703
(2 pin)
1
Wire, Parallel (FFC) (26 core)
Filter board
MD chassis
5
Wire, Parallel (FFC) (26 core)
3-6. MD BLOCK ASSY, FILTER BOARD
4
6
2
8
7
Screws
(+BVTP 3X12)
1
Screw
(+BVTP 3X12)
1
Screw
(+BVTP 3X12)
3
Screws
(+BVTP 3X16)
3
Screws
(+BVTP 3X12)
Line in board
HP board
5
Screw
(+BVTP 3X12)
Audio board
Chassis (Audio)
MD Chassis

– 25 –
1
Screws (M1.7X2)
1
Screws
(M1.7X2)
1
Screws (M1.7X2)
1
Screws (M1.7X2)
3
Screws (+BVTT 2X3)
3
Screws
(+BVTT 2X3)
MD mechanism deck
MD mechanism deck
Shield case (bottom
)
Shield case (Top)
Shield case (bottom)
2
4
3-9 . SHIELD CASE (TOP), SHIELD CASE (BOTTOM)
• Note
Insert the projected sections of the MD
mechanism into the grooves on the bottom
of the shield case.
< MD BLOCK SECTION >
3-8. MAIN BOARD, CD BLOCK ASSY
Main board
MD Chassis
6
4
3
Screws (2.6X8)
5
Screws (+BVTP 3X12)
1
CN701 Wire, Parallel (FFC)(21 core)
(Main board)
2
CN803 (5pin)
(Main board)
CD Block ASSY

– 26 –
3-11 . SHUTTER ASSY
1
Washer
Sub chassis ASSY
3
Shutter ASSY
Shutter ASSY
2
Shaft (shutter)
Shaft (shutter)
Shaft (lid)
Hole A
Hole B
First mount the shaft (shutter) to hole A sets in the
diagram, then mount the shaft (lid) to hole B
3-10 . DG BOARD, BD BOARD, MD MECHANISM DECK
7
Step screw
5
Screw
(+BVTT 2X4)
3
Screw
(+BVTT 2X4)
4
8
6
1
Wire, Parallel
(FFC)(29core)
2
Wire, Parallel (FFC)(19core)
Insulator
MD mechanism deck
Sub chassis ASSY
BD board
DG board
Insulator
7
Step screw
A
A
A
OK
NG
When mounting, make sure that
A
sets in the correct position

– 27 –
2
Screw (M1.7X6)
1
Screw (M1.7X2)
4
Screw
(M1.7X2)
3
Head, Over write
Claw
Claw
Slider ASSY
7
While removing the claw(2 locations),
remove the slider assembly in direction
of the arrow.
6
Position the gear shaft
(L) as ahown in the diagram
5
Retainer (Gear)
Retainer
3-13. SLIDER ASSY, “ HEAD, OVER WRITE ”
3-12 . SW BOARD
1
Claws
1
Claws
1
Claws
2
SW board
MD mechanism dec
k

– 28 –
MD Optical pick-up block
Shaft (Main shaft)
1
Remove the lever
3
2
3-14. MD OPTICAL PICK-UP BLOCK
Mount the
A
of the lever (head up) so that it
passes above the slider ASSY.
Take caution as to not damage
the detection switch
r CAUTION DURING SLIDER ASSY ASSEMBLY
OK
NG
A
Slider ASSY

– 29 –
3-16. CD OPTICAL PICK-UP BLOCK, PICK-UP RELAY BOARD
Tray (Top), CD
4
Wire, Parallel (FFC)(21core)
Pick-up relay board
Tray (Bottom), CD
CD Optical pick-up block
5
Claw
5
Claw
3
6
2
1
Screws (+BTP 2.6X8)
Cover (R), Side
Cover (L), Side
Slider(L)
Slider(R)
Wier, Parallel (FFC)(21 coer)
(Main board CM701)
Tray ASSY, CD
Lid, CD
Plate (L), Side
Plate (R), Side
Loading board
Loading chassis
3
Screws
(+BVTP 3X10
)
1
Screws
(+BVTP 3X10)
5
Screws
(+BVTP 3X10)
7
4
6
6
4
2
3
Screws
(+BVTP 3X10)
5
Screws
(+BVTP 3X10)
3-15. LOADING BOARD, “TRAY ASSY, CD”
< CD BLOCK SECTION >

– 30 –
SECTION 4
TEST MODE
4-1. CAUTIONS WHEN USING THE TEST MODE
1Check to make sure the inserted disk is completed stopped be-
fore removing since loading related operations will operate re-
gardless of the Test mode operation.
The rotation of the inserted disk will not stop even when press-
ing the MD EJECT button during continuous playback and con-
tinuous recording.
In this case, the disk will be ejected while still in motion.
Always press the CANCEL/NO button and check to see that
the disk has stopped turning before pressing the MD EJECT
button.
2In the Test mode, detection of the write-protect tab is executed.
For this reason, pressing the REC button in modes where the
recording laser is emitted (see 3-1-1) will delete the recorded
contents regardless of the tab position. When using a disk in the
Test mode which its contents must not be deleted, avoid enter-
ing the Continuous Recording mode and Transverse Adjustment
mode.
4-1-1. Modes which the record laser is emitted and
button operations
• Continuous Recording mode (CREC MODE)
• Traverse Adjustment mode (EFBAL ADJUST)
• Laser Power Adjustment mode (LDPWR ADJUST)
• Laser Power Check mode (LDPWR CHECK)
• Traverse (MO) check (EF MO CHECK)
• Traverse (MO) adjustment (EF MO ADJUST)
• When pressing the REC button
4-2. TEST MODE SETTINGS
MD Test mode :
Press and hold the EDIT button and BASS/TREBLE button,
then press MD ^ n MD p n MD ^ n MD p.
CD Test mode :
Press and hold the EDIT button and BASS/TREBLE button,
then press CD ^ n CD p n CD ^ n CD p.
Display Test mode :
Press and hold the EDIT button and BASS/TREBLE button,
then press BAND n LINE n BAND n LINE (FUNCTION
is LINE).
Note 1 : Each test mode can be entered regardless of whether the power is
on or off. However, it is not possible to enter the test mode of the
particular function being operated. For example, it its not pos-
sible to enter the CD Test mode when the CD is in function.
Note 2 : When entering the MD Test mode, EEPROM data for the radio
broadcasting station names are automatically cleared. To exit the
MD Test mode with sufficient memory, always use the RESET
button. Moreover, never make radio presets once in the MD Test
mode until the mode is exited.
4-3. RELEASING THE TEST MODE
Press the RESET button located on the rear.
4-4. BASIC OPERATIONS OF THE TEST MODE
All operations are made using the AMS dial, ENTER/YES button
and CANCEL/NO button.
The functions of each button are as follows:
Function Name Functions
AMS dial Used to change parameters and modes
ENTER/YES button Used to advance and confirm
CANCEL/NO button Used to return and cancel
4-5. SELECTING THE TEST MODE
There are 9 types of test modes (see table below). Turning the AMS
dial clockwise switches modes shown in the table in the order from
top to bottom. Turning the AMS dial counterclockwise switches
modes shown in the table in the reverse order.
Display Description
TEMP ADJUST Temperature compensation offset adjustment
LDPWR ADJUST Laser power adjustment
LDPWR CHECK Laser power check
EF BAL ADJUST Traverse adjustment
FBIAS ADJUST Focus bias adjustment
FBIAS CHECK Focus bias check
CPLAY MODE Continuous playback mode
CREC MODE Continuous recording mode
EEP MODE Non-volatile storage memory control
• For details on each adjustment mode, see respective items of SEC-
TION 5. ADJUSTMENT
• If you have accidently entered another mode, press the CANCEL/
No button to exit.
• The EEP MODE is not used during servicing. Thus, details on
this mode are not given. If this mode is accidently entered, exit
immediately by pressing the CANCEL/NO button as the unit may
not operate correctly if the non-volatile storage memory being
overwritten.
4-5-1. Operating in the Continuous Playback mode
1. Entering the Continuous Playback mode
1Insert a disk into the unit (either recordable or playback disk)
2Turn the AMS dial until “CPLAY MODE” is displayed.
3Press the ENTER/YES button. The display will change to
“CPLAY IN”.
4When accessing is completed, the display will change to “C1=
AD = ”.
Note : The numbers of “ ” displayed indicate the error rate and
“ADER”.
2. Changing the playback location
1Pressing the YES button during continuous playback will
change the display in the following manner, enabling change
in the playback location.
“CPLAY MID” n “CPLAY OUT” n “CPLAY IN”
↑
2When accessing is completed, the display will change to “C1=
AD = ”.
Note : The numbers of “ ” displayed indicate the error rate and
“ADER”.
3. Exiting the Continuous Playback mode
1Press the CANCEL/NO button. The display will change to
“CPLAY MODE”.
2To remove the disk, press the MD EJECT button.
Note : The playback initiate addresses of IN, MID and OUT are indi-
cated below. To display the playback position, press the DIS-
PLAY button and “CPLAY( )”.
IN 40h cluster
MID 300h cluster
OUT 700h cluster

– 31 –
4-5-2. Operating in the Continuous Recording mode
1. Entering the Continuous Recording mode
1Insert a disk that may be recorded into the unit (see Note 3)
2Turn the AMS dial until “CREC MODE” is displayed.
3Press the ENTER/YES button. The display will change to
“CREC MID”.
4When accessing is completed, the display will change to
“CREC ( )”.
Note : The numbers of “ ” displayed indicate the record position ad-
dress.
2. Changing the recording location
1Pressing the YES button during continuous recording will
change the display in the following manner, enabling change
in the recording location. During location change, the REC
indicator will be off.
“CPLAY MID” n “CPLAY OUT” n “CPLAY IN”
↑
2When accessing is completed, the display will change to
“CREC ( )” and the REC indicator will light.
Note : The numbers of “ ” displayed indicate the record position ad-
dress.
3. Exiting the Continuous Recording mode
1Press the CANCEL/NO button. The display will change to
“CREC MODE” and the REC indicator will turn off.
2To remove the disk, press the MD EJECT button.
Note 1 : The record initiate addresses of IN, MID and OUT are indi-
cated below.
IN 40h cluster
MID 300h cluster
OUT 700h cluster
Note 2 : The CANCEL/NO button can be used at anytime to stop re-
cording.
Note 3 : Detection for the write-protect tab is not executed when in the
test mode. Do not enter the Continuous Recording mode with a
disk you do not wish to have deleted.
Note 4 : Do not continuously record for more than 5 minutes.
Note 5 : Make sure no vibration is applied to the unit during continuous
recording.
4-5-3. Non-volatile storage memory mode (EEP mode)
This is the mode to read and write the contents of the non-volatile
storage memory.
This is mode is not used for servicing.
If you accidently enter this mode, exit immediately by pressing the
CANCEL/NO button.
4-6. FUNCTIONS OF OTHER BUTTONS
Function Name Main Description
Continuous playback when pressed during
EDIT + ^disk is stopped. Tracking servo ON/OFF
when pressed during continuous playback
EDIT + pStopping of continuous recording/playback
)The thread moves outward while the button is
pressed
0The thread moves inward while the button is
pressed
EDIT + REC Record ON/OFF during continuous playback
EDIT + DELETE Switched between pit and groove every time
the button is pressed
EDIT + SHUF/PGM Spindle servo mode switch
(CLV S N n CLV A)
DISPLAY Display contents are switched every time the
button is pressed
MD EJECT Eject disk
RESET Exit the test mode
4-7. TEST MODE DISPLAY
The display will switch in the following sequence every time the
DISPLAY button is pressed.
1. Mode display
Displays such information as “TEMP ADJUST” and “CPLAY
MODE”.
2. Error rate display
The error rate is displayed using the following format.
C1=C1ER AD=ADER
3. Address display
The address is displayed using the following format (MO : record-
able disk, CD : playback disk)
Note : “–” is displayed when servo is off.
4. Auto-gain display (not used for servicing)
The auto-gain is displayed using the following format.
AG = @@/##[&&]
@@ : focus servo gain coefficient
## : tracking servo gain coefficient
&& : displays [OK], [NG] or [– –].
[– –] indicates that convergence is incomplete
Definitions of other displays
Display Description
Indicator ON Indicator OFF
ªContinuous playback in Disk stopped (CLV : OFF)
operation (CLV : ON)
PTracking servo OFF Tracking servo ON
REC Recording mode ON Recording mode OFF
AUTO ABCD adjustment
completed
DIGITAL Focus auto-gain OK (Flashing) Focus OK
Tracking auto-gain NG
TRACK Pit Groove
DISC High reflection Low reflection
DATE CLV-S CLV-A
tCLV LOCK CLV UNLOCK
Mode display
Error rate display
Address display
Auto-gain display (not used for servicing)

– 32 –
SECTION 5
ADJUSTMENTS
Laser tap
Pick-up Flexible board
1. Temperature compen-
sation offset adjustment
2. Laser power adjustment
3. Traverse adjustment
4. Focus bias adjustment
5. Error rate adjustment
IC171 D101 IC101,IC121,IC192
Optical BD board
pickup
X
O
O
O
O
O
O
O
O
O
O
O
O
O
O
O
X
X
X
X
2) Perform adjustments in the test mode.
Exit the test mode when completed with adjustment.
2) Perform adjustments in the order given.
3) Use the following jig and measuring equipment:
• Check disk (MD) TDYS-I (Part no : 4-963-646-01)
• Laser power meter LPM-8001 (Part no : J-2501-046-A)
• Oscilloscope (perform measurement after calibrating the
probe)
• Digital voltmeter
• Thermometer
• BD board waveform checking jig (part no : J-2501-124-A)
5) When looking at multiple signals using oscilloscope, etc., make
sure VC and GND are not connected within the oscilloscope.
Failure to do so will short circuit VC and GND.
6) Using the special jig enables checking of the waveform without
soldering (see page 4 of Service Notes).
5-4. CREATING A CONTINUOUS RECORDING
DISK
• This disk is used during focus bias adjustment and error rate
check. The procedure for creating a continuous recording disk
is as follows.
1. Insert a disk (any commercially available blank disk).
2. Turn the AMS dial until “CREC MODE” is displayed.
3. Press the YES button to display “CREC MID”.
“CREC(0300)” will be displayed for an instant and recording
will begin.
4. Complete recording within 5 minutes.
5. Press the NO button to stop recording.
6. Press the MD EJECT button to remove the disk.
A continuously recorded disk can be created by following the pro-
cedure above for focus bias adjustment and error rate check.
Note: Take caution as to not apply vibration to the unit during continu-
ous recording.
5-3. CAUTIONS DURING ADJUSTMENT
1) After replacing the following parts, make adjustments and checks
for the table items where indicated with a O in the order given.
MD SECTION
5-1. CAUTION WHEN CHECKING LASER DIODE
EMISSION
Never look from directly above when checking the laser diode emis-
sion during adjustment as failure to do so may result in loss of eye-
sight.
5-2. CAUTIONS WHEN HANDLING THE OPTICAL
PICK-UP (KMS-260A)
The laser diode within the optical pick-up is extremely vulnerable
to static electricity. When handling, bridge the laser tap of the flex-
ible board on the optical pick-up with solder.
When removing the connector, first bridge the laser tap with solder.
Furthermore, do not remove the soldered bridge before reconnect-
ing. In addition, take sufficient measures when working to prevent
electrostatic damage. Take caution when handling the flexible board
since it is easily torn.

– 33 –
CN110
5
pin (I+3V)
CN110
4
pin (IOP)
Laser power mete
r
Optical pick-up
objective lens
BD board
Digital voltmeter
(Optical pick-up label)
KMS
260A
27X40
B0825
In this case, Iop = 82.5mA
Iop(mA) = digital voltmeter reading (mV)/1(Ω)
5-7. TRAVERSE ADJUSTMENT
Connection:
Procedure:
1. Connect the oscilloscope to the CN110 3 pin (TEO) and CN110
2 pin (VC) of the BD board.
2. Insert a disk (any commercially available disk) that may be re-
corded on (see Note 1).
3. Press the 0 or ) button to shift the optical pick-up to the
outer edge of the pit.
4. Turn the AMS dial until “ EFBAL ADJUST ” is displayed.
5. Press the ENTER/YES button to display “ EFB= MO-R ”.
(The unit will be in the condition of: laser power READ power,
focus servo ON, tracking servo OFF and spindle (S) servo ON.)
6. Turn the AMS dial so that the waveform on the oscilloscope is
that of the specified value (turning the AMS dial will change the
numbers of “ EFB= ” as well as the waveform). During this
adjustment, the waveform changes for approximately every 2%.
Adjust the waveform closest to the specified value (read power
traverse adjustment).
CN110
3
pin (TEO)
CN110
2
pin (VC)
Oscilloscope
BD board
V: 0.5V/div H: 10ms/di
v
Input: DC mode
(Traverse waveform)
Specification: A=B
VC
A
B
Procedure:
1. Insert the laser power meter into the disk loading port and set
atop the objective lens of the optical pickup (if this cannot be
done successfully, shift the optical pickup using the 0 and
) buttons).
Connect the digital voltmeter to the CN110 5 pin (I+3V) and
CN110 4 pin (IOP).
2. Turn the AMS dial until “ LDPWR ADJUST ” is displayed.
(Laser power: adjustment purposes)
3. Press the ENTER/YES button once to display “ LD 0.9mW $
”.
4. Turn the AMS dial so that the laser power meter reading is be-
tween 0.86 – 0.92mW. After setting the range dial of the laser
power meter to 10mW, press the ENTER/YES button to save
the adjustment result to the non-volatile storage memory (at this
time, “ LD SAVE $ ” will be displayed for an instant).
5. Next, “ LD 7.0mW $ ” will be displayed.
6. Turn the AMS dial so that the laser power meter reading is be-
tween 6.9 – 7.1mW, then press the ENTER/YES button to save
the adjustment result (at this time, “ LD SAVE $ ” will be
displayed for an instant).
Note: Do not emit the 7.0mW emission more than 15 seconds continu-
ously.
5-5. TEMPERATURE COMPENSATION OFFSET
ADJUSTMENT
The temperature data at the time is saved in the non-volatile storage
memory as the standard data of 25°C.
Notes:
1. Do not make this adjustment under normal conditions.
2. Perform this adjustment in an environment with ambient tem-
perature between 22 to 28°C. Furthermore, make the adjust-
ment immediately after turning on the power when the internal
temperature and ambient temperature are between 22 to 28°C.
3. After D101 replacement, perform the adjustment after the part
has ample time to adjust to the ambient temperature.
Procedure:
1. Turn the AMS dial until “ TEMP ADJUST ” is displayed.
2. Press the ENTER/YES button and select the TEMP ADJUST
mode.
3. “ TEMP= ” and the current temperature data will be displayed.
4. To save the data: press the ENTER/YES button
To not save the data: press the CANCEL/NO button
5. After pressing the ENTER/YES button, “ TEMP= SAVE ”
will be displayed momentarily and the display will then return
to “ TEMP ADJUST ”.
The display will immediately return to “ TEMP ADJUST ” when
pressing the CANCEL/NO button.
Specified values:
The value of TEMP= must be within the range of E0-EF, F0-FF,
00-0F, 10-1F or 20-2F.
5-6. LASER POWER ADJUSTMENT
Connections:
7. Next, turn the AMS dial until “ LDPWR CHECK ” is displayed.
8. Press the ENTER/YES button once to display “ LD 0.9mW $
”.
At this time, check to see that the laser power meter reading is
between 0.85 – 0.91mW.
9. Next, press the ENTER/YES button once more to display “ LD
7.0mW $ ”.
At this time check to see that the laser power meter and digital
voltmeter reading comply with the specified values.
Specified values:
Laser power meter reading : 6.9–7.1mW
Digital voltmeter reading : ±10% the value on the label of the opti-
cal pickup.
10. Press the CANCEL/NO button to display “ LDPWR CHECK ”
and stop laser emission. (The CANCEL/NO button can be used
at anytime to stop laser emission.

– 34 –
(Traverse waveform)
Specification: A=B
VC
A
B
(Traverse waveform)
Specification: A=B
VC
A
B
(Traverse waveform)
Specification: A=B
VC
A
B
CN110
3
pin (TEO)
CN110
2
pin (VC)
Oscilloscop
e
10pF
330k
Ω
BD board
7. Press the ENTER/YES button to save the adjustment result to
the non-volatile storage memory (at this time “ EFB= SAVE
” will be displayed for an instant, then “ EFB= MO-W ” will
be displayed).
8. Turn the AMS dial so that the waveform on the oscilloscope is
that of the specified value (turning the AMS dial will change the
numbers of “ EFB= ” as well as the waveform). During this
adjustment, the waveform changes for approximately every 2%.
Adjust the waveform closest to the specified value (write power
traverse adjustment).
9. Press the ENTER/YES button to save the adjustment result to
the non-volatile storage memory (at this time “ EFB= SAVE
” will be displayed for an instant).
10 “ EFB= MO-P ” will then be displayed and the servo will be
activated after the optical pickup is automatically shifted to the
inner edge of the pit.
11. At this time, turn the AMS dial so that the waveform on the
oscilloscope is that of the specified value. During this adjust-
ment, the waveform changes for approximately every 2%. Ad-
just the waveform closest to the specified value.
and the rotation of the disk will automatically stop.
12. Press the ENTER/YES button to save the adjustment result to
the non-volatile storage memory (at this time “ EFB= SAVE
” will be displayed for an instant). “EFBAL CD” will then be
displayed
13. Press the MD EJECT button to remove the disk.
14. Insert the check disk (MD) TDYS-1.
15. Press the ENTER/YES button to display “ EFB= CD ”. The
servo will automatically be activated.
16. Turn the AMS dial so that the waveform on the oscilloscope is
that of the specified value. During this adjustment, the wave-
form changes for approximately every 2%. Adjust the wave-
form closest to the specified value.
17. Press the ENTER/YES button to save the adjustment result to
the non-volatile storage memory (at this time “EFB= SAVE”
will be displayed for an instant). “EFBAL ADJUST” will then
be displayed.
18. Press the MD EJECT button to remove the check disk (MD)
TDYS-1.
Note 1: When using a pre-recorded disk for adjustment, data will be
deleted during MO write.
Note 2: If the traverse waveform is hard to see, reconnect the oscillo-
scope as shown below for easier view.
Focus bias volum
e
(F, BIAS)
C1 error
a
c
b
220
5-8. FOCUS BIAS ADJUSTMENT
Procedure:
1 Insert a continuously recorded disk (see 5-4. Creating a con-
tinuous recording disk).
2. Turn the AMS dial until “CPLAY MODE” is displayed.
3. Press the ENTER/YES button to display “CPLAY MID”.
4. When “C1= AD= ” is displayed, press the CANCEL/
NO button.
5. Turn the AMS dial until “FBIAS ADJUST” is displayed.
6. Press the ENTER/YES button to display “ / a= ”.
The first 4 digits indicate the C1 error rate, the 2 digits follow-
ing “/” indicate ADER and the 2 digits following “a=” indicate
the focus bias volume.
7. Turn the AMS dial clockwise and search the focus bias volume
closest to the C1 error rate of 220 (see Note 2).
8. Press the ENTER/YES button to display “ / b= ”.
9. Turn the AMS dial counterclockwise and search the focus bias
volume which is the C1 error rate of 220.
10. Press the ENTER/YES button to display “ / c= ”.
11. Press the ENTER/YES button after making sure that the C1 er-
ror rate is below 50 and ADER is 00.
12. Press the ENTER/YES button if the value indicated in the “
-- ( )” display is more than 20.
Otherwise, press the CANCEL/NO button and repeat procedure
from step 2.
13.Press the MD EJECT button to remove the continuously recorded
disk.
Note 1: The relationship of the C1 error and focus bias volume is shown
in the diagram below. Find points a and b shown in the diagram
by following the procedure above. The met focal point C is
found by automatic calculation.
Note 2: The C1 error rate fluctuates. Thus, make the adjustment using
the average value.

– 35 –
Note: The jig is highly convenient when checking the waveform
(see page 4 of Service Notes)
5-9. ERROR RATE CHECK
5-9-1. CD error rate check
Procedure:
1. Insert the check disk (MD) TDYS-1
2. Turn the AMS dial until “ CPLAY MODE ” is displayed.
3. Press the ENTER/YES button to display “ CPLAY MID ”.
4. The display will change to “ C1= AD= ”.
5. Check to see that the C1 error rate is less than 20.
6. Press the CANCEL/NO button to stop playback, then press the
MD EJECT button to remove the check disk (MD).
5-9-2. MO error rate check
Procedure:
1. Insert a continuously recorded disk (see 5-4. Creating a con-
tinuous recording disk).
2. Turn the AMS dial until “ CPLAY MODE ” is displayed.
3. Press the ENTER/YES button to display “ CPLAY MID ”.
4. The display will change to “ C1= AD= ”.
5. Check to see that the C1 error rate is less than 50 and ADER is
constantly not above 00.
6. Press the CANCEL/NO button to stop playback, then press the
button to remove the continuously recorded disk.
5-10. FOCUS BIAS CHECK
The focus tolerance volume is checked by changing the focus bias
volume.
Procedure:
1. Insert a continuously recorded disk (see 5-4. Creating a con-
tinuous recording disk).
2. Turn the AMS dial until “CPLAY MODE” is displayed.
3. Press the ENTER/YES button to display “CPLAY MID”.
4. When “C1= AD= ” is displayed, press the CANCEL/
NO button.
5. Turn the AMS dial until “FBIAS CHECK” is displayed.
6. Press the ENTER/YES button to display “ / c= ”.
The first 4 digits indicate the C1 error, the 2 digits following “ /
” indicate ADER and the 2 digits following “c=” indicate the
focus bias volume.
At this time, check to see that the C1 error is less than 50 and
ADER is 00.
7. Press the ENTER/YES button to change the display to “ /
b= ”
At this time check to see that the C1 error is not less than 220
and ADER is constantly not above 00.
8. Press the ENTER/YES button to change the display to “ /
a= ”
At this time check to see that the C1 error is not less than 220
and ADER is constantly not above 00.
9. Press the CANCEL/NO button, then press the MD EJECT but-
ton to remove the continuously recorded disk.
Note 1: If the C1 error or ADER is more than 00 for only one of points
a (8. above) and b (7. above), there is the possibility of a gap in
the focus bias adjustment. In such case, repeat adjustment.
5-11. ADJUSTMENT AND CONNECTION LOCA-
TIONS
[BD BOARD] (Side A)
[BD BOARD] (Side B)
CN101
CN110
IC192
IC121
IC171
IC101
D101
RF
VC TEO IOP
I+3V
15
Note

– 36 –
CD SECTION
1. Enter the CD Test mode
(see page 30)
Main board
TP(RFO)
TP(VC)
Oscilloscop
e
Main board
Oscilloscope
CN701
$∞
pin (TEO)
TP(VC)
RF level:
1.1 - 1.5Vp-p
VOLT/DIV : 200mV (using 10:1 probe)
TIME/DIV : 500ns
Note:
Extend the sweep time
for easier view.
400 – 600mVp-p
AA
B
B
A = B
0V
0V
3. Traverse signal check
Connection Point:
Press the FF or FR from 2.
Check to see that the traverse signal level is between 400
600mVp-p.
4. After completed with adjustment, press the RESET button to
release the test mode.
MD EF TG FB
88 07 00 3A0
Check to see that the jitter is less than 9.0 nsec.
and RF level is between 1.1 – 1.5Vp-p.
[MAIN BOARD] (SIDE A)
Adjustment Location :
IC701
$∞
pin
(TEO) TP
(VC
)
TP
(RFO)
The above is the default display.
Pressing the ^ key will rotate the CD and pressing the ^
once more will output sounds.
Pressing the ^ key will execute automatic adjustment and
values will change; however, this value is quite normal.
2. RF LEVEL and jitter check
Test mode PLAY status
Connection Point:

– 37 –
AM RF signal
generator
30% amplitude modulation by 400Hz
signal.
Output level : as low as possible
Put the lead-wire
antenna close to
the set.
FM RF signal
generator
22.5kHz frequency deviation by
400Hz signal.
Output level : as low as possible
telescopi
c
antenna
terminal
0.01
µ
F
set
32
Ω
+
–
J301 (phones)
level mete
r
EXCEPT US model
FM IF ADJUSTMENT
Adjust for a maximum reading on level meter.
L10 10.7MHz
LW FREQUENCY COVERAGE ADJUSTMENT
Adjust part Frequency display reading on digital
voltmeter
Confirmation 153kHz 0.6 – 0.8V
CT4 297kHz 5.1 – 5.5V
LW TRACKING ADJUSTMENT
Adjust for a maximum reading on level meter.
L5 162kHz
CT5 261kHz
[TUNER BOARD] (SIDE B)
TUNER SECTION
AM Section
Function switch :
AM : US Model
MW (LW) : EXCEPT US Model
Volume : MIN
FM Section
Function switch : FM
Volume : MIN
Connect and Adjustment Location : Tuner board (See page 38)
• Repeat the procedures in each adjustment several times, and the
frequency coverage and tracking adjustments should be finally
done by the trimmer capacitors.
< > : EXCEPT US model
AM <MW/LW> IF ADJUSTMENT
Adjust for a maximum reading on level meter.
CFT1 450kHz
AM <MW> FREQUENCY COVERAGE ADJUSTMENT
Adjust part Frequency display reading on digital
voltmeter.
L2 530kHz 0.9 – 1.1V
< L4 > < 531kHz > < 0.8 – 1.0V >
Confirmation 1.710kHz 5.2 – 5.6V
< CT2 > < 1.611kHz > < 5.2 – 5.6V >
AM <MW> TRACKING ADJUSTMENT
Adjust for a maximum reading on level meter.
CT1 620kHz
< CT3 > < 621kHz >
L1 1.400kHz
< L3 > < 1.404kHz >
+
–
Digital
voltmete
r
100 k TP (VT)
VT
Ω
+
–
Digital
voltmete
r
TP (VT)
VT
100 k
Ω
US Model
EXCEPT US Model

– 38 –
L1 : AM Tracking Adjustment
CT1 : AM Tracking Adjustment
L2 : AM Frequency Coverage Adjustment
CFT1 : AM IF Adjustment
[TUNER BOARD] (Side A)
US Model
IC 1
L5 : LW Tracking Adjustment
L10 : FM IF Adjustment
CT3 : MW Tracking Adjustment
L3 : MW Tracking Adjustment
CT5 : LW Tracking Adjustment
CT4 : LW Frequency Adjustment
CT2 : MW Frequency Coverage Adjustment
L4 : MW Frequency Coverage Adjustment
CFT1 : MW (LW) IF Adjustment
[TUNER BOARD] (Side A)
EXCEPT US Model
IC 1
Adjustment Location :

– 39 –
Pin No. Pin name I/O Description
1 I I Input of RF signal l converted from I to V
2 J I Input of RF signal J converted from I to V.
3 VC O Midpoint voltage (+1.5V) generation output.
4 - 9 A–F I Signal inputs from optical pickup detector.
10 PD I Light volume monitor input.
11 APC O Laser APC output.
12 APCREF I Reference voltage input for laser power setting.
13 GND – Ground.
14 TEMPI I Temperature sensor connection terminal.
15 TEMPR O Reference voltage output for temperature sensor.
16 SWDT I Serial data input from CXD2652AR.
17 SCLK I Serial clock input from CXD2652AR.
18 XLAT I Latch signal input from CXD2652AR. “L”: Latch
19 XSTBY I Standby signal input. “L”: Standby
20 FOCNT I Center frequency control voltage input of internal circuits BFF22, BPF3T and EQ from
CXD2652AR.
21 VREF O Reference voltage output (not used).
22 EQADJ I/O Pin for center frequency setting of internal circuit EQ.
23 3TADJ I/O Pin for center frequency setting of internal circuit BPF3T.
24 VCC – Power supply (+3V).
25 WBLADJ I/O Pin for center frequency setting of internal circuit BPF22.
26 TE O Tracking error signal output to CXD2652AR.
27 CSLED – External condenser connector pin for thread error signal LPF.
28 SE O Thread error signal output to CXD2652AR.
29 ADFM O ADIP FM signal output.
30 ADIN I ADIP signal comparator input ADFM connection by coupling with AC.
31 ADAGC – External condenser connector pin for AGC of ADIP.
32 ADFG O ADIP duplex signal output to CXD2652AR.
33 AUX O I3 signal/temperature signal output (switched by serial command) to CXD2652AR.
34 FE O Focus error signal output to CXD2652AR.
35 ABCD O Light volume signal output to CXD2652AR.
36 BOTM O RF/ABCD bottom hold signal output to CXD2652AR.
37 PEAK O RF/ABCD peak hold signal output to CXD2652AR.
38 RF O RF equalizer output to CXD2652AR.
39 RFAGC – RF AGC circuit external condenser connector pin.
40 AGCI I Input RF amplifier output is input to RF AGC circuit by coupling with AC.
41 COMPO O User comparator output (not used).
42 COMPP I User comparator input (Fixed at “L”).
43 ADDC I/O Low-pass cutoff external capacitor terminal of ADIP amplifier.
44 OPO O User op amplifier output (not used).
45 OPN I User op amplefier inverted input (Fixed at “L”).
46 RFO O RF amplifier output.
47 MORFI I Group RF signal input by coupling with AC.
48 MORFO O Group RF signal output.
SECTION 6
DIAGRAMS
6-1. EXPLANATION OF IC TERMINALS
BD BOARD IC101 MD SECTION RF AMPLIFIER (CXA2523R)
APC : Auto Power Control
AGC : Auto Gain Control

– 40 –
Pin No. Pin name I/O Description
1 MNT0(FOK) O FOK signal output to system control.
H is outputted when in focus.
2 MNT1(SHCK) O Track-jump detection signal output to system control.
3 MNT2(XBUSY) O Monitor 2 output to system control.
4 MNT3(SLOC) O Monitor 3 output to system control.
5 SWDT I Write-data signal input from system control.
6 SCLK I(S) Serial clock signal input from system control.
7 XLAT I(S) Serial latch signal input from system control.
8 SRDT O(3) Read-data signal output to system control .
9 SENS O(3) Internal status (SENSE) output to system control.
10 XRST I(S) Reset signal input from system control. “L”: Reset
11 SQSY O Subcode Q-SYNC (SCOR) output to system control.
Majority of those which output “L” every 13.3 seconds output “H”.
Subcode of digital-in U-bit CD format to system control.
12 DQSY O Majority of those which outputs “L” every 13.3 seconds during output of Q-SYNG
(SCOR) outputs “H”.
13 RECP I Laser power switch input from system control “H”: Record, “L”: Playback.
14 XINT O Interrupt status output to system control.
15 TX I Record data output authorization input from system control.
16 OSCI I System clock input (512Fs = 22.5792MHz).
17 OSCO O System clock output (512FS = 22.5792MHz).
18 XTSL I Pin for system clock frequency setting .
“L”: 45.1584MHz “H”: 22.5792MHz (Fixed at “H”).
19 TEST G – Test terminal.
20 DVSS – Ground (digital system).
21 DIN I Digital audio input (for optical input).
22 DOUT O Digital audio output (for optical output).
23 ADDT I Data input from A/D converter.
24 DADT O Data output to D/A converter.
25 LRCK O LR clock output (44.1kHz) for A/D and D/A converters.
26 XBCK O Bit clock output (2.8224MHz) for A/D and D/A converters.
27 FS256 O 11.2896MHz clock output (unused).
28 DVDD – Power supply for digital (+3V).
29–32 A03–A00 O
33 A10 O DRAM address outputs.
34–38 A04–A08 O
39 A11 O
40 DVSS – Ground for digital.
41 XOE O DRAM output-enable output.
42 XCAS O DRAM CAS signal output.
43 A09 O DRAM address output.
44 XRAS O DRAM RAS signal output.
45 XWE O DRAM write-enable signal output.
46 D1 I/O
47 D0 I/O DRAM data I/O.
48, 49 D2,D3 I/O
50 MVCI I(S) Clock input from external VCO (Fixed at “L”).
* In the I/O column, I(S) is Schmitt input, I(A) is analog input, O(3) is state output and O(A) is analog output.
• BD BOARD IC121 digital signal processor, digital servo signal processor, EFM/ACIRC encoder/decoder, shock-
proof memory controller, ATRAC encoder/decoder, 2Mbit DRAM (CXD2652AR)

– 41 –
Pin No. Pin name I/O Description
51 ASYO O Playback EFM duplex signal output.
52 ASYI I(A) Playback EFM comparator slice level input.
53 AVDD – Power supply for analog (+3V).
54 BIAS I(A) Playback EFM comparator bias current input.
55 RFI I(A) Playback EFM RF signal input.
56 AVSS – Ground for analog.
57 PDO O(3) Phase comparison output for clock playback analog PLL of playback EFM (not used).
58 PCO O(3) Phase comparison output for record/playback EFM system master PLL.
59 FILI I(A) Filter input for record/playback EFM system master PLL.
60 FILO O(A) Filter output for record/playback EFM system master PLL.
61 CLTV I(A) Internal VCO control voltage input for record/playback EFM system master PLL15.
62 PEAK I(A) Light volume signal peak hold input from CXA2523AR.
63 BOTM I(A) Light volume signal bottom hold input from CXA2523AR.
64 ABCD I(A) Light volume signal input from CXA2523AR.
65 FE I(A) Focus error signal input from CXA2523AR.
66 AUX1 I(A) Auxiliary A/D input.
67 VC I(A) Midpoint voltage (+1.5V) input from CXA2523AR.
68 ADIO O(A) A/D converter input signal monitor output (not used).
69 AVDD – Power supply for analog (+3V).
70 ADRT I(A) A/D converter operating range upper limit voltage input (Fixed at “H”) .
71 ADRB I(A) A/D converter operating range lower limit voltage input (Fixed at “L”).
72 AVSS – Ground for analog.
73 SE I(A) Thread error signal input from CXA2523AR.
74 TE I(A) Tracking error signal input from CXA2523AR.
75 AUX2 I(A) Auxiliary A/D input (Fixed at “L”).
76 DCHG I(A) Connected to +3V power supply.
77 APC I(A) Laser digital APC error signal input (Fixed at “L”).
78 ADFG I(S) ADIP duplex FM signal input (22.05±1kHz) from CXA2523AR.
79 F0CNT O Filter f0 control output from CXA2523AR.
80 XLRF O Control latch output from CXA2523AR.
81 CKRF O Control clock output from CXA2523AR.
82 DTRF O Control data output from CXA2523AR.
83 APCREF O Laser APC reference PWM output.
84 LDDR O Laser digital APC PWM output (not used).
85 TRDR O Tracking servo drive PWM output (-).
86 TFDR O Tracking servo drive PWM output (+).
87 DVDD – Power supply for digital (+3V).
88 FFDR O Focus servo drive PWM output (+).
89 FRDR O Focus servo drive PWM output (-).
90 FS4 O 176.4kHz clock signal output (X’tal) (not used).
91 SRDR O Thread servo drive PWM output (-).
92 SFDR O Thread servo drive PWM output (+).
93 SPRD O Spindle servo drive PWM output (-).
94 SPFD O Spindle servo drive PWM output (+).
95 FGIN I(S) Spindle CAV servo FG input.
96–98 TEST1–TEST3 I Test input pins (Fixed at “L”).
99 DVSS – Ground for digital.
100 EFMO O EFM output during recording.
EFM : Eight to Fourteen Modulation
PLL : Phase Locked Loop
VCO : Voltage Controlled Oscillator

– 42 –
Pin No. Pin name I/O Description
1 DAOUT0 – not used (OPEN).
2 DAOUOT1 – not used (OPEN).
3 KEY0 – Reserved (“H” level).
4 KEY1 – Reserved (“H” level).
5 KEY2 – Reserved (“H” level).
6 CHACK IN I Detection input from chucking-in switch (S685).
7 PACK IN I Detection input from back-in switch (not used).
8 PACK OUT I Detection input from back-out switch (S686).
9 – not used (ground connection).
10 – not used (ground connection).
11 AVSS – ground for analog.
12 X INT I Interrupt status input from digital signal processor IC (IC121).
13 PDOWN I Power cutoff signal input from master control IC (IC801).
14 – Reserved (ground connection).
15 SQSY I Subcode Q-SYNC (SCOR) input from digital signal processor IC (IC121).
16 DQSY I Digital-in U-bit format subcode input from digital signal processor IC (IC121).
17 – Reserved (ground connection).
18 – Reserved (ground connection).
19 – Reserved (ground connection).
________
20 SYS-RST I System reset input pin “L”: Reset.
21 TEST I Test mode pin “L”: Normal mode, “H”: Test mode.
22 +3.3V – Power supply terminal (VCC).
23 VBAT I Power supply pin for internal RTC and RAM.
24 XOUT-T O Sub-clock connector pin (32.768kHz).
25 XINT-T I Sub-clock connector pin (32.768kHz).
26 GND – Power supply terminal (ground).
27 XOUT O Main clock connector pin (12MHz).
28 XIN I Main clock connector pin (12MHz).
29 EXEM I Switch pin for External ROM mode and Internal ROM mode.
30 S1 – not used (OPEN).
31 – Reserved (ground connection).
32 SENS I Internal status (SENSE) input from digital signal processor IC (IC121).
33 SHOCK I Track-jump detection signal input from digital signal processor IC (IC121).
34 – Reserved (ground connection).
35 – Reserved (ground connection).
36 STB O Power ON/OFF control signal output.
37 REC P I Detection input from REC switch (S688).
38 PB P I Detection input from PB switch (S687).
39 LD LOW O Loading motor control signal output.
40 NC – not used (OPEN).
41 MNT2 I Monitor 2 input from digital signal processor IC (IC121).
42 MNT3 I Monitor 3 input from digital signal processor IC (IC121).
43 LEDO – not used (OPEN).
44 – Reserved (ground connection).
45 – Reserved (ground connection).
46 RST LOW – not used (OPEN).
47 GND – Power supply terminal (ground).
48 +3.3V – Power supply terminal (VCC).
49 SNG/CHG – Reserved (ground connection).
50 JOG1 – Reserved (ground connection).
DG BOARD (2/2) IC502 SYSYTEM CONTROL (RU8X12MF-0021)

– 43 – – 45 –– 44 –
Pin No. Pin name I/O Description
51 JOG0 – Reserved (ground connection).
52 SDA I/O Serial data I/O with EEPROM (IC171).
53 SCL O Serial clock output to EEPROM (IC171).
54 2M/4M – Reserved (“H” level).
55 – Reserved (ground connection).
56 – Reserved (ground connection).
57 RXD (UART) O Communication with master control IC (IC801) and UART receive output.
58 TXD (UART) I Communication with master control IC (IC801) and UART send input.
59 RTS (T) I UART send request input from master control IC (IC801).
60 CTS (R) O UART send request output to master control IC (IC801).
61 AUBIT0 – Reserved (“H” level).
62 AUBIT1 – Reserved (ground connection).
63 CLKSET0 – Reserved (ground connection).
64 CLKSET1 – Reserved (ground connection).
65 GND – Power supply pin (ground).
66 +3.3V – power supply pin (VCC).
67 SCLK O Serial clock output to digital signal processor IC (IC201).
68 SWDT O Write data signal output to digital signal processor IC (IC121).
69 SRDT I Read data signal input from digital signal processor IC (IC121).
70 EMP O Delmphasis ON/OFF control signal output.
71 SCK1 – not used (OPEN).
72 SOUT1 – not used (OPEN).
73 SIN1 – not used (OPEN).
74 CSB – Reserved (VCC connection).
75 LDON O Laser ON/OFF control signal output.
76 PIT/GRV – not used (OPEN).
77 FOK I Focus OK signal input from digital signal processor IC (IC121).
78 – not used (OPEN).
79 LOCK – not used (OPEN).
80 WRPWR O Laser power switch signal output to digital signal processor IC (IC121).
________
81 DIG-RST O Reset signal output.
82 – not used (OPEN).
_______
83 DA-RST O Reset signal output to D/A and A/D converters “L”: reset.
84 DSEL-A – not used (OPEN).
85 DSEL-B – not used (OPEN).
86 MOD O MD module ON/OFF control signal output.
__
87 REC/PB – not used (OPEN).
88 – not used (OPEN).
89 SCTX O Record data output authorization signal output.
90 XLATCH O Serial latch signal output to digital signal processor IC (IC121).
91 – not used (OPEN).
92 – not used (OPEN).
93 AMUTE – not used (OPEN).
94 LD OUT O Loading motor F control signal output.
95 LD IN O Loading motor F control signal output.
96 LIMIT IN I Detection input from limit switch (S681).
97 PROTECT I Record tab detection input from disk write-protect switch (S683).
98 REFLECT I Disk reflection rate detection input from reflect switch (S682).
99 GND – Power supply terminal (ground).
100 +3.3V – Power supply terminal (VCC).
Pin No. Pin name I/O Description
1 PACON O Power amplifier control output.
2 MEGABASE O Mega-bus control output.
3 RECH O A/D converter select output.
4 STXD O Communication with MD and UART send output.
5 SRXD I Communication with MD and UART receive input.
6 SCTS I UART send request input from MD.
7 SRTS O UART send request output to MD.
8 MDH O D/A converter select output.
9 PDOWN O Notification of power cutoff to MD.
10 MDRST O Reset MD microcomputer.
11 PCON O Power supply control output.
12 OPEN O CD tray control output H: Open.
13 CLOSE O CD tray control output H: Close.
14 XRST O CD system reset output.
15 MDATA O CD serial data output.
16 SENSE1 I CD sense input 1.
17 MCLK O CD serial clock output.
18 XLT O CD system latch output.
19 – not used.
20 SENCE2 I CD sense input 1.
21 TEST I Test mode input. “L”: Reset
22 RSMK1 I Radio-directed setting 1 (+5V connection).
23 RSMK2 I Radio-directed setting 2 (ground connection).
24 RSMK3 I Radio-directed setting 3 (ground connection).
25 ACCHK I AC power supply detection input. L: AC H: No AC
26 LEDMD O LED on during MD.
27 LEDCD O LED on during CD.
28 LEDRADIO O LED on during radio.
29 SHIFT O Shift system clock.
30 RST I Hardware reset pin. “L”: Reset
31 EXTAL I System clock (5MHz) oscillation input.
32 XTAL O System clock (5MHz) oscillation output.
33 VSS Ground.
34 TX O Time clock (32.768kHz) oscillation output.
35 TEX I Time clock (32.768kHz) oscillation input.
36 AVSS Ground for A/D converter.
37 AVREF I A/D converter reference voltage input.
38 KEY1 I Key input (12 stage input) 1.
39 KEY2 I Key input (12 stage input) 2.
40 KEY3 I Key input (12 stage input) 3.
41 – not used (OPEN).
42 – not used (OPEN).
43 – not used (OPEN).
44 REGCHK I Regulator voltage check input.
45 OPN/CLS I CD tray status detection input.
46 FLRST O FL microcomputer reset.
47 FLCS2 O FL name communication and chip select output.
48 FLSCK2 O FL name communication and clock output.
49 FLDI2 I FL name communication and data input.
50 FLDO2 O FL name communication and data output.
MAIN BOARD (2/2) IC801 SYSYTEM CONTROL (CXP84648-037Q)
Pin No. Pin name I/O Description
51 FLSCK1 O Communication with FL microcomputer and clock output.
52 FLCS1 O FL microcomputer chip select output.
53 FLDT1 O Communication with FL microcomputer and data output.
54 JOG1 I JOG dial rotation detection 1 input.
55 JOG2 I JOG dial rotation detection 2 input.
56 RMC I remote control signal input.
57 RDI I Radio PLL data input.
58 RDO O Radio PLL data output.
59 RSCK O Radio PLL clock output.
60 RCE O Radio PLL chip enable output.
61 SCOR I CD score input.
62 FOK I CDFOK input.
63 – not used (OPEN).
64 EPSD I/O EEPROM data I/O.
65 SQCK O CDSUBQ clock output.
66 SUBQ I CDSUBQ data input.
67 EPSK O EEPROM clock output.
68 ST I Radio stereo detection. “L”: Mono
69 9/10 I Radio AM station interval switch. “L”: Set to 9kHz
70 RMUTE O Radio mute output.
71 EPCS O EEPROM chip select output.
72 VDD – Power supply terminal (+5V).
73 NC – VDD connection.
74 MD – not used (OPEN).
75 CD O CD function output.
76 RADIO O Radio function output.
77 XLINE O Line function output.
78 VOCLK O Serial data output for volume.
79 AMUTE O Audio mute output.
80 VOLDATA O Serial clock output for volume.

– 46 – – 48 –– 47 –
6-2. BLOCK DIAGRAM (1)
ZS-M7
• Signal path.
F: FM
E: MD PLAY
q: MD REC
J: CD

– 49 – – 50 – – 52 –– 51 – – 53 –
6-3. BLOCK DIAGRAM (2)
r Circuit Boards Location
ZS-M7
• Signal path.
F: FM
E: MD PLAY
q: MD REC
J: CD
LEFT KEY board
FRONT KEY board
FILTER board
TOP KEY board
RIGHT KEY board
FM ANT board
AM ANT board
TUNER board
RELAY board
PICK-UP RELAY board
TRANS board
SW board
BD board
LINE IN board
MAIN board
DG board
HP board
LOADING board
AUDIO board
FL board


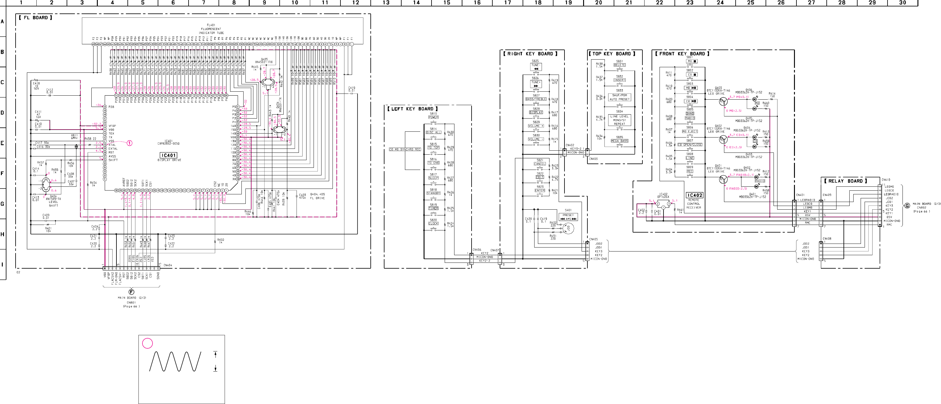
– 59 – – 60 – – 62 –– 61 –
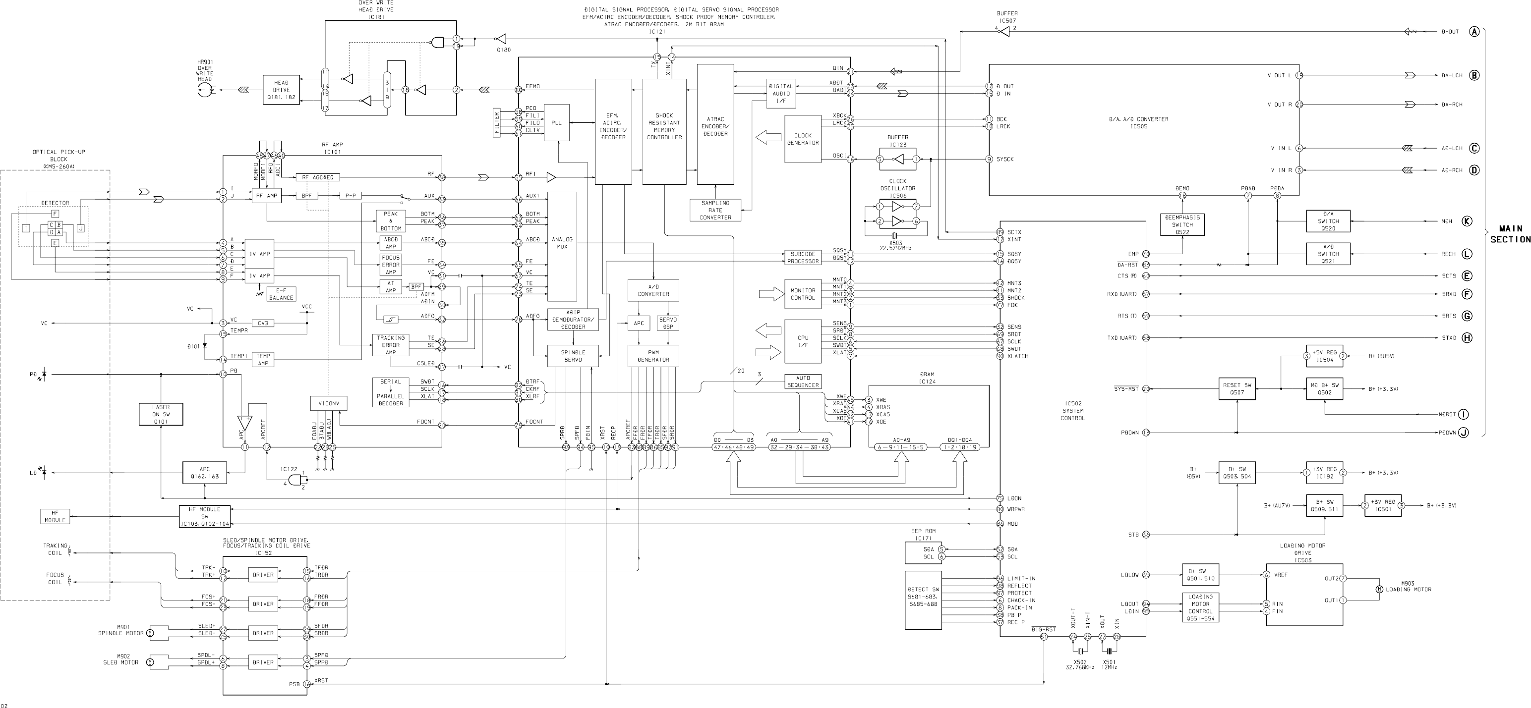
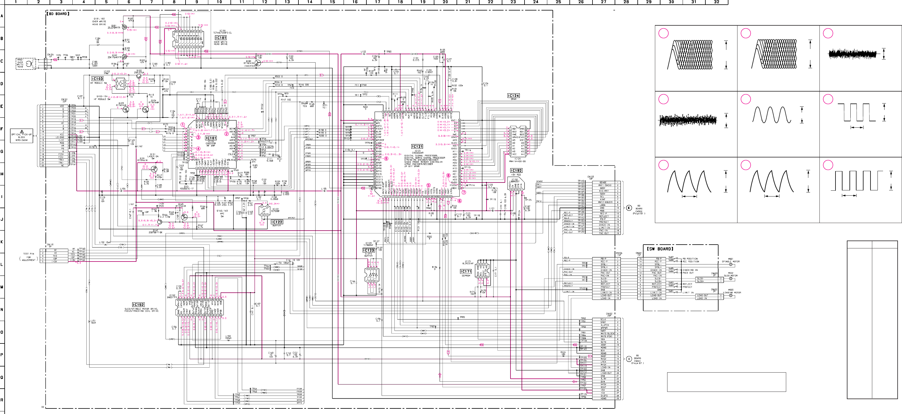
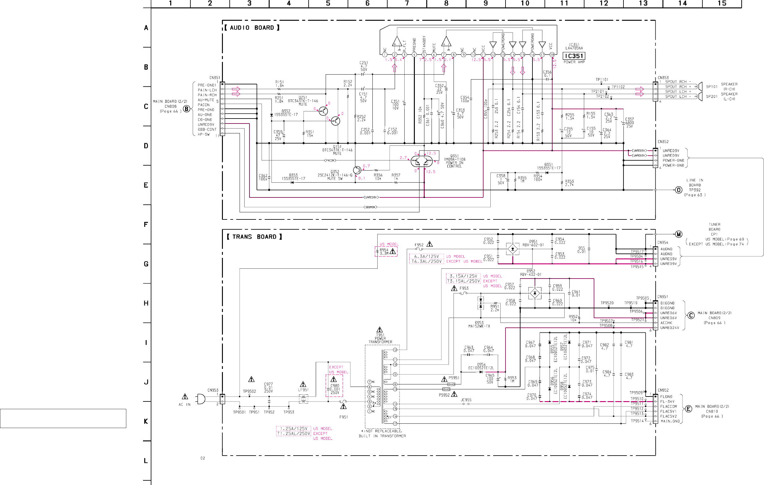
6-5. SCHEMATIC DIAGRAM – MAIN SECTION (1/2) – r Refer to page 103 for IC Block Diagrams.
r Waveforms – Main Section (1/2) –
ZS-M7
IC701 #£ (RFO)
PLAY MODE
VOLT/DIV : 200 mV AC
TIME/DIV : 0.5 µsec
1.1 – 1.5 Vp-p
IC703 @ª (PCO)
VOLT/DIV : 0.5 V AC
TIME/DIV : 2 µsec
2
IC701 6 (FEO)
PLAY MODE
VOLT/DIV : 0.2 V AC
TIME/DIV : 0.2 msec
5
IC703 $º (LRCKI)
VOLT/DIV : 1 V AC
TIME/DIV : 5 µsec
3
IC701 $∞ (TEO)
PLAY MODE
VOLT/DIV : 0.2 V AC
TIME/DIV : 0.5 msec
6
IC703 &¡ (XTAO)
PLAY MODE
VOLT/DIV : 0.5 V AC
TIME/DIV : 20 nsec
0.6 Vp-p
0.7 Vp-p
2.2 Vp-p
8.7
µ
sec
5.1 Vp-p
23.25
µ
sec
2.2 Vp-
p
16.44 MHz
Note:
• All capacitors are in µF unless otherwise noted. pF: µµF
50 WV or less are not indicated except for electrolytics
and tantalums.
• All resistors are in Ω and 1/4 W or less unless otherwise
specified.
• % : indicates tolerance.
Note: The components identified by mark ! or dotted
line with mark ! are critical for safety.
Replace only with part number specified.
•A: B+ Line.
• Voltages and waveforms are dc with respect to ground
under no-signal conditions.
no mark : CD (STOP)
( ) : CD (PLAY)
• Voltages are taken with a VOM (Input impedance 10 MΩ).
Voltage variations may be noted due to normal produc-
tion tolerances.
• Waveforms are taken with a oscilloscope.
Voltage variations may be noted due to normal produc-
tion tolerances.
• Circled numbers refer to waveforms.
• Signal path.
J: CD
1 4

– 65 – – 66 –– 63 – – 64 –
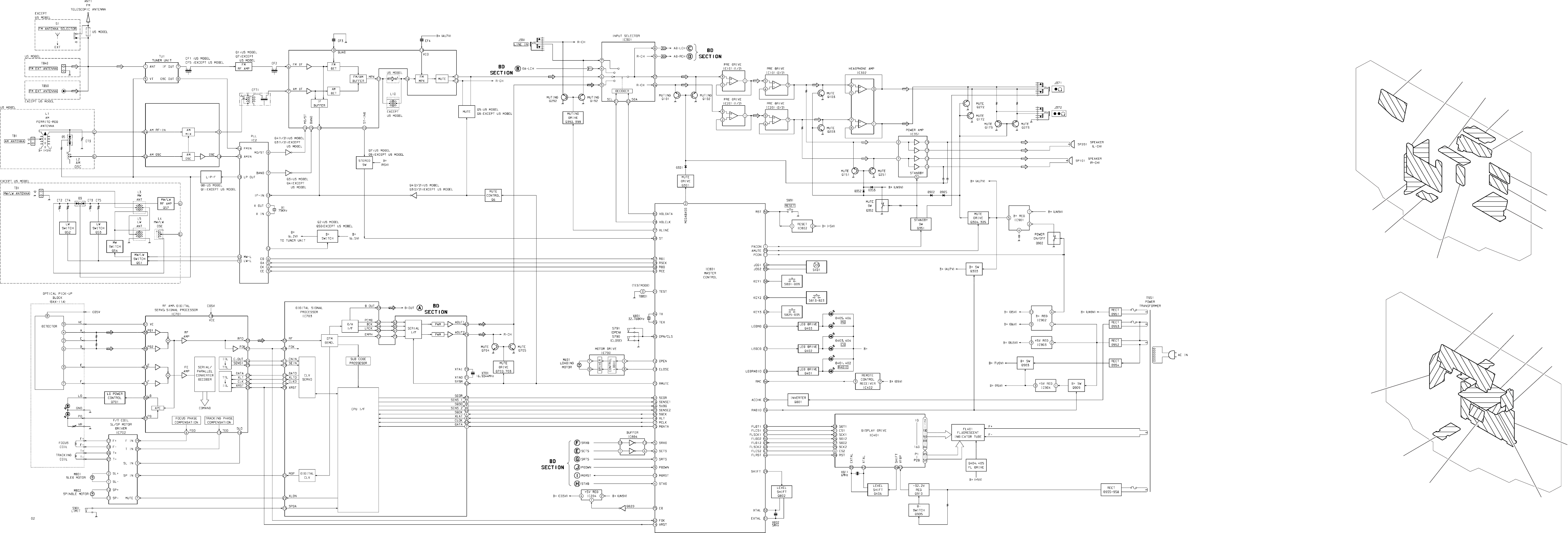
ZS-M7 6-6. SCHEMATIC DIAGRAM – MAIN SECTION (2/2) –
r Waveforms – Main Section (2/2) –
1
IC801 #™ XTAL
VOLT/DIV : 0.5 V AC
TIME/DIV : 50 nsec
2
IC801 #¢ TX
VOLT/DIV : 1 V AC
TIME/DIV : 10 µsec
2 Vp-
p
5 MHz
5.2 Vp-
p
32 kHz
Note:
• All capacitors are in µF unless otherwise noted. pF: µµF
50 WV or less are not indicated except for electrolytics
and tantalums.
• All resistors are in Ω and 1/4 W or less unless otherwise
specified.
• % : indicates tolerance.
•A: B+ Line.
•B: B– Line.
• Voltages and waveforms are dc with respect to ground
under no-signal conditions.
no mark : CD (STOP)
( ) : CD (PLAY)
• Voltages are taken with a VOM (Input impedance 10 MΩ).
Voltage variations may be noted due to normal produc-
tion tolerances.
• Waveforms are taken with a oscilloscope.
Voltage variations may be noted due to normal produc-
tion tolerances.
• Circled numbers refer to waveforms.
• Signal path.
F: FM
E: MD PLAY
q: MD REC
J: CD


– 67 – – 68 – – 70 –– 69 – – 71 –
r Semiconductor
Location
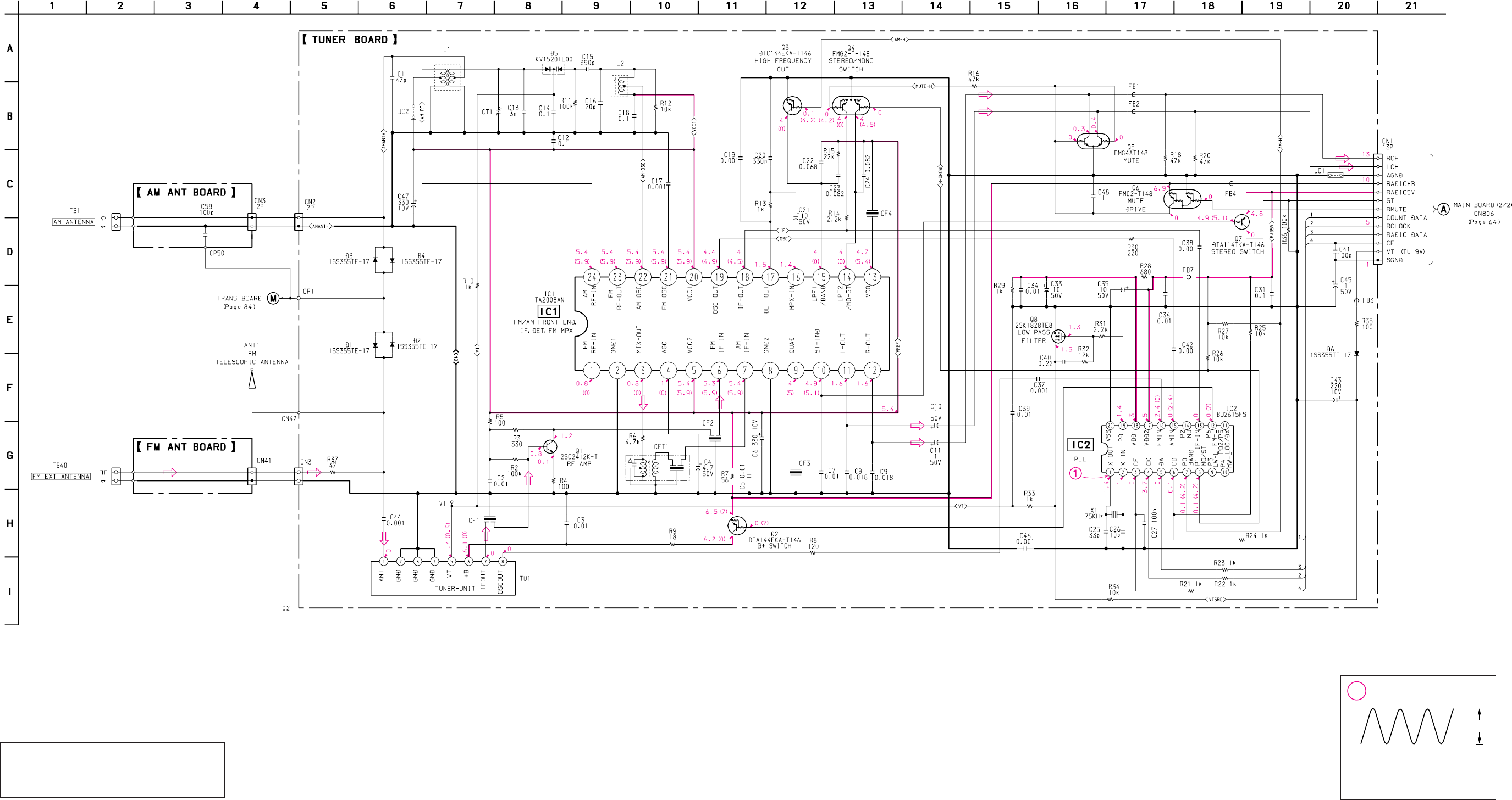
6-7. PRINTED WIRING BOARDS – TUNER SECTION (US MODEL) – r Refer to page 53 for Circuit Boards Location. 6-8. SCHEMATIC DIAGRAM – TUNER SECTION (US MODEL) –
r Waveform – Tuner Section –
r Refer to page 102 for IC Block Diagrams. ZS-M7
1
IC2 1
VOLT/DIV : 0.2 V AC
TIME/DIV : 5 µsec
1.0 Vp-
p
75 kHz
D1 G-2
D2 G-2
D3 G-1
D4 G-1
D5 H-3
D6 G-6
IC1 G-4
IC2 F-8
Q1 E-5
Q2 F-5
Q3 H-9
Q4 G-9
Q5 G-5
Q6 H-6
Q7 H-8
Q8 G-8
Ref. No. Location
Note:
• All capacitors are in µF unless otherwise noted. pF: µµF
50 WV or less are not indicated except for electrolytics
and tantalums.
• All resistors are in Ω and 1/4 W or less unless otherwise
specified.
•¢: internal component.
•A: B+ Line.
• Voltages and waveforms are dc with respect to ground
under no-signal (detuned) conditions.
no mark : FM
(): AM
• Voltages are taken with a VOM (Input impedance 10 MΩ).
Voltage variations may be noted due to normal produc-
tion tolerances.
Note:
•X: parts extracted from the component side.
•b: Pattern on the side which is seen.
(The other layers' patterns are not indicated.)
Caution:
Pattern face side: Parts on the pattern face side seen from the
(Side B) pattern face are indicated.
Parts face side: Parts on the parts face side seen from the
(Side A) parts face are indicated.
• Waveforms are taken with a oscilloscope.
Voltage variations may be noted due to normal produc-
tion tolerances.
• Circled numbers refer to waveforms.
• Signal path.
F: FM


– 74 – – 75 –– 72 – – 73 – – 76 –
ZS-M7 6-9. PRINTED WIRING BOARDS – TUNER SECTION (EXCEPT US MODEL) – 6-10. SCHEMATIC DIAGRAM – TUNER SECTION (EXCEPT US MODEL) –
r Semiconductor
Location
r Refer to page 102 for IC Block Diagrams.
r Waveform – Tuner Section –
1
IC2 1
VOLT/DIV : 0.2 V AC
TIME/DIV : 5 µsec
1.0 Vp-
p
75 kHz
D3 H-3
D4 G-1
D5 G-1
D10 G-6
D40 G-2
D41 G-2
D50 F-3
D51 F-3
IC1 G-4
IC2 F-8
Q1 G-8
Q3 G-9
Q4 H-9
Q5 H-8
Q6 H-6
Q7 E-5
Q8 G-5
Q50 F-5
Q51 H-8
Q52 H-4
Q53 H-3
Q54 G-2
Q57 H-3
Ref. No. Location
Note:
• All capacitors are in µF unless otherwise noted. pF: µµF
50 WV or less are not indicated except for electrolytics
and tantalums.
• All resistors are in Ω and 1/4 W or less unless otherwise
specified.
•¢: internal component.
•A: B+ Line.
• Voltages and waveforms are dc with respect to ground
under no-signal (detuned) conditions.
no mark : FM
(): AM
<>: LW
• Voltages are taken with a VOM (Input impedance 10 MΩ).
Voltage variations may be noted due to normal produc-
tion tolerances.
Note:
•X: parts extracted from the component side.
•b: Pattern on the side which is seen.
(The other layers' patterns are not indicated.)
Caution:
Pattern face side: Parts on the pattern face side seen from the
(Side B) pattern face are indicated.
Parts face side: Parts on the parts face side seen from the
(Side A) parts face are indicated.
• Waveforms are taken with a oscilloscope.
Voltage variations may be noted due to normal produc-
tion tolerances.
• Circled numbers refer to waveforms.
• Signal path.
F: FM

– 77 – – 78 – – 80 –– 79 – – 81 –
Note:
•X: parts extracted from the component side.
•b: Pattern on the side which is seen.
(The other layers' patterns are not indicated.)
Caution:
Pattern face side: Parts on the pattern face side seen from the
(Side B) pattern face are indicated.
Parts face side: Parts on the parts face side seen from the
(Side A) parts face are indicated.
r Semiconductor
Location
r Refer to page 100 for IC Block Diagrams. ZS-M7
-12. PRINTED WIRING BOARDS – BD SECTION – r Refer to page 53 for Circuit Boards Location.6-11. SCHEMATIC DIAGRAM – BD SECTION –
r Waveforms – BD Section –
1
IC101 1, 2 I, J
PLAY MODE
VOLT/DIV : 0.2 V AC
TIME/DIV : 0.5 µsec
2
IC101 #• RF
VOLT/DIV : 0.5 V AC
TIME/DIV : 0.5 µsec
4
IC101 8, 9 E, F
VOLT/DIV : 20 mV AC
TIME/DIV : 1 µsec
5
IC121 !¶ OSCO VOLT/DIV : 0.2 V AC
TIME/DIV : 50 nsec
7
IC121 @§ XBCK
VOLT/DIV : 1 V AC
TIME/DIV : 0.1 µsec
8
IC121 @¶ FS256
VOLT/DIV : 0.5 V AC
TIME/DIV : 50 nsec
3
IC101 4 A
VOLT/DIV : 20 mV AC
TIME/DIV : 1 µsec
6
IC121 @∞ LRCK VOLT/DIV : 1 V AC
TIME/DIV : 10 µsec
9
IC121 (º FS4
PLAY MODE
VOLT/DIV : 1 V AC
TIME/DIV : 2 µsec
PLAY MODE PLAY MODE
0.46 Vp-
p
0.1 Vp-p
60 mVp-p
1.0 Vp-p
22.581 MHz
3.4 Vp-p
23.05
µ
sec
0.36
µ
sec
3.5 Vp-p
90 nsec
2.2 Vp-p
3.2 Vp-p
5.6
µ
sec
1.3 Vp-p
Note:
• All capacitors are in µF unless otherwise noted. pF: µµF
50 WV or less are not indicated except for electrolytics
and tantalums.
• All resistors are in Ω and 1/4 W or less unless otherwise
specified.
• % : indicates tolerance.
Note: The components identified by mark ! or dotted
line with mark ! are critical for safety.
Replace only with part number specified.
•A: B+ Line.
• Voltages and waveforms are dc with respect to ground
under no-signal conditions.
no mark : MD STOP
( ) : MD PLAY
< > : MD REC
∗: Impossible to measure
• Voltages are taken with a VOM (Input impedance 10 MΩ).
Voltage variations may be noted due to normal produc-
tion tolerances.
• Waveforms are taken with a oscilloscope.
Voltage variations may be noted due to normal produc-
tion tolerances.
• Circled numbers refer to waveforms.
• Signal path.
E: MD PLAY
q: MD REC
J: CD
D101 E-4
D181 C-9
D183 C-9
IC101 E-13
IC103 B-13
IC121 D-11
IC122 C-5
IC123 D-10
IC124 E-11
IC152 B-11
IC171 E-9
IC181 D-9
IC192 F-7
Q101 C-13
Q102 B-14
Q103 B-13
Q104 C-13
Q162 B-13
Q163 B-14
Q180 D-7
Q181 C-9
Q182 C-9
Ref. No. Location


– 84 – – 85 –– 82 – – 83 – – 86 –
ZS-M7 6-13. SCHEMATIC DIAGRAM – POWER SECTION – 6-14. PRINTED WIRING BOARDS – POWER SECTION –
Note:
• All capacitors are in µF unless otherwise noted. pF: µµF
50 WV or less are not indicated except for electrolytics
and tantalums.
• All resistors are in Ω and 1/4 W or less unless otherwise
specified.
Note: The components identified by mark ! or dotted
line with mark ! are critical for safety.
Replace only with part number specified.
•A: B+ Line.
• Voltages and waveforms are dc with respect to ground
under no-signal conditions.
no mark : FM
• Voltages are taken with a VOM (Input impedance 10 MΩ).
Voltage variations may be noted due to normal produc-
tion tolerances.
Note:
•X: parts extracted from the component side.
•b: Pattern of the rear side.
•b: Pattern on the side which is seen.
r Semiconductor
Location
Ref. No. Location
D351 C-3
D352 C-2
D353 C-2
D951 C-6
D952 C-5
(EXCEPT US MODEL)
D-952 C-14
(US MODEL)
D953 D-6
(EXCEPT US MODEL)
D-953 D-14
(US MODEL)
D954 E-6
D955 F-7
D956 E-8
D957 F-7
D958 F-8
IC351 D-1
Q151 C-2
Q251 C-2
Q351 C-2
Q352 C-2


– 87 – – 88 – – 90 –– 89 – – 91 –
r Refer to page 102 for IC Block Diagrams.
Note:
• All capacitors are in µF unless otherwise noted. pF: µµF
50 WV or less are not indicated except for electrolytics
and tantalums.
• All resistors are in Ω and 1/4 W or less unless otherwise
specified.
• % : indicates tolerance.
•¢: internal component.
•A: B+ Line.
• Voltages and waveforms are dc with respect to ground
under no-signal conditions.
no mark : MD STOP
• Voltages are taken with a VOM (Input impedance 10 MΩ).
Voltage variations may be noted due to normal produc-
tion tolerances.
• Waveforms are taken with a oscilloscope.
Voltage variations may be noted due to normal produc-
tion tolerances.
• Circled numbers refer to waveforms.
• Signal path.
E: MD PLAY
q: MD REC
J: CD
Note:
•X: parts extracted from the component side.
•b: Pattern on the side which is seen.
(The other layers' patterns are not indicated.)
Caution:
Pattern face side: Parts on the pattern face side seen from the
(Side B) pattern face are indicated.
Parts face side: Parts on the parts face side seen from the
(Side A) parts face are indicated.
6-15. SCHEMATIC DIAGRAM – DG SECTION – 6-16. PRINTED WIRING BOARDS – DG SECTION – r Refer to page 53 for Circuit Boards Location. ZS-M7
r Waveforms – DC Section –
1
IC502 @¶
VOLT/DIV : 0.2 V AC
TIME/DIV : 20 nsec
2
IC502 @¢
VOLT/DIV : 0.5 V AC
TIME/DIV : 10 µsec
0.63 Vp-p
12 MHz
2.3 Vp-
p
32.768 kHz
Q503 H-3
Q504 H-2
Q507 J-3
Q509 H-4
Q510 H-2
Q511 I-4
Q520 I-6
Q521 I-6
Q522 I-5
Q551 G-6
Q552 G-5
Q553 G-6
Q554 G-5
D551 G-6
D552 J-2
IC501 H-4
IC502 D-8
IC503 G-2
IC504 J-1
IC505 C-6
IC506 K-7
IC507 K-8
Q501 H-1
Q502 K-2
Ref. No. Location
r Semiconductor Location
Ref. No. Location



– 97 – – 99 –– 98 –
Note:
• All capacitors are in µF unless otherwise noted. pF: µµF
50 WV or less are not indicated except for electrolytics
and tantalums.
• All resistors are in Ω and 1/4 W or less unless otherwise
specified.
•A: B+ Line.
•B: B– Line.
• Voltages and waveforms are dc with respect to ground
under no-signal conditions.
no mark : FM
• Voltages are taken with a VOM (Input impedance 10 MΩ).
Voltage variations may be noted due to normal produc-
tion tolerances.
• Waveforms are taken with a oscilloscope.
Voltage variations may be noted due to normal produc-
tion tolerances.
• Circled numbers refer to waveforms.
6-18. SCHEMATIC DIAGRAM – FRONT KEY SECTION –
r Waveforms – Front Key Section –
ZS-M7
1
IC401 $º (XTAL)
VOLT/DIV : 0.2 V AC
TIME/DIV : 50 nsec
1.0 Vp-
p
6 MHz

– 100 – – 102 –– 101 –
r IC Block Diagrams – BD Section –
IC121 CXD2652AR
IC152 BH6511FS
100
99 98 97 96 95 94 93
EFMO
DVSS
TEST3
TEST2
TEST1
FGIN
SPFD
SPRD
92
SFDR
91
SRDR
90
FS4
89
FRDR
88
FFDR
87
DVDD
86
TFDR
85
TRDR
84
LDDR
83
APCREF
82
DTRF
81
CKRF
80
XLRF
79
F0CNT
78
ADFG
77
APC
76
DCHG
75 AUX2
74 TE
73 SE
72 AVSS
71 ADRB
70 ADRT
69 AVDD
68 ADIO
61 CLTV
60 FILO
59 FILI
58 PCO
57 PDO
55 RFI
56 AVSS
54 BIAS
53 AVDD
52 ASYI
51 ASYO
67 VC
66 AUX1
65 FE
64 ABCD
63 BOTM
62 PEAK
50
MVCI
49
D3
48
D2
47
D0
46
D1
45
XWE
44
XRAS
43
A09
42
XCAS
41
XOE
40
DVSS
39
A11
38
A08
37
A07
36
A06
35
A05
34
A04
33
A10
32
A00
31
A01
30
A02
29
A03
28
DVDD
26
XBCK
27
FS256
25
LRCK
24
DADT
23
ADDT
22
DOUT
21
DIN
20
D VSS
19
TESTG
18
XTSL
17
OSCO
16
OSCI
15
TX
14
XINT
13
RECP
12
DQSY
11
SQSY
10
XRST
9
SENS
8
SRDT
7
XLAT
6
SCLK
5
SWDT
4
MNT3
3
MNT2
2
MNT1
1
MNT0
PWM
GENERATOR
AUTO
SEQUENCER
SERVO
DSP
CPU I/F
MONITOR
CONTROL
SPINDLE
SERVO
EACH
BLOCK
EACH
BLOCK
DIGITAL
AUDIO
I/F
SAMPLING
RATE
CONVERTER
CLOCK
GENERATOR
SUBCODE
PROCESSOR
EACH
BLOCK
A/D
CONVERTER
ANALOG
MUX
EFM/ACIRC
ENCODER/
DECODER
APC
PLL
SHOCK RESISTANT
MEMORY CONTROLLER
ATRAC
ENCODER/DECODER
DRAM
ADIP
DEMODULATOR/
DECODER
COMP
ADDRESS/DATA BUS A00 - A11, D0 - D3
INTERFACE
32 31 30 29 28 27 26 25 24 23 22 21 20 19 18 17
1 2 3 4 5 6 7 8 9 10 11 12 13 14 15 16
GND
VG
IN4R
IN4F
VM4
OUT4F
PGND4
OUT4R
VM34
OUT3R
PGND3
OUT3F
VM3
IN3F
IN3R
PSB
CAPA–
CAPA+
IN2R
IN2F
VM2
OUT2F
PGND2
OUT2R
VM12
OUT1R
PGND1
OUT1F
VM1
IN1F
IN1R
V
DD
CHARGE
PUMP.
OSC
INTERFACE AMP
INTERFACE AMP
AMP INTERFACE
PRE DRIVEPRE DRIVE
PRE DRIVEPRE DRIVE
AMP
INTERFACE
AMPAMPAMP
V
DD
PSB
AMP
IC101 CXA2523R
–1
–2
+
–
IVR BB
+
–
IVR AA
+
–
IVR CC
+
–
IVR DD
+
–
IVR +
–
EE EE'
EFB TESW
PTGR
48
MORFO
47
MORFI
46
RFO
45
OPN
44
OPO
43
ADDC
42
COMPP
41
COMPO
40
AGCI
39
RF AGC
38
RF
37
PEAK
36 BOTM
35 ABCD
34 FE
33 AUX
32 ADFG
31 ADAGC
30 ADIN
29 ADFM
28 SE
27 CSLED
26 TE
25 WBLADJ
24
VCC
23
3TADJ
22
EQADJ
21
VREF
20
F0CNT
19
XSTBY
18
XLAT
17
SCLK
16
SWDT
15
TEMPR
14
TEMPI
13
GND
12APCREF
11APC
10PD
9F
8E
7D
6C
5B
4A
3VC
VI CONV
BGR
VREF
SCRI - PARA
DECODE
+
–
+
–
AUXSW
COMMAND
+
–
IVR
GSW IV
+
–
FF
FBAL
FF'
TG
SEA
–
+
–
+
–1
–2
TG
TEA
WBL
3T
EQ
–
–
+
+
+
+
–
–
+
+
+
+
DET
ADIP
AGC
WBL
BPF22
BPFC
ABCDA
FEA
WBL
ATA
–
+
CVB
+
–
RFA1
–
–
–
–
1
2
–
–
–
1
2
GRVA
CFST
RFA2
GRV
HLPT
PTGR
–2
–1
–1
–2
BOTTOM
PEAK
RF AGC EQ
EQ
DET
P-P
WBL
3T WBL TEMP
PBH
–
+
USROP
+
–USRC
3T
BPF3T
PEAK3T
1I
2J
r
IC Block Diagrams – Tuner Section –
IC1 TA2008AN
IC2 BU2615FS
21222324
235
4678910
111 12
13
14
15
16
17
18
1920
AM
RF
FM
RF
BUFF BUFF
IF
BUFF
AF
BUFF
FM MPX
FM
MIX
FM
IF
AM
IF
AM
MIX
AM
DET
1/8DIV
MUTE
AGC
FM RF IN
GND1
MIX OUT
AGC
VCC2
FM IF IN
AM IF IN
GND2
QUAD
ST IND
L OUT
R OUT
AM RF IN
FM RF OUT
AM OSC
FM OSC
VCC1
OSC OUT
IF OUT
DET OUT
MPX IN
LPF1/BAND
LPF2/MO-ST
VCO
FM
DET
ST
DET
LEVEL
DET
AM
OSC
FM
OSC AM/FM
ST/MONO
SW
11
17
18
19
20
3
5
4
6
7
8
910 12
13
14
15
2
16
1
X IN
X OUT
FM IN
AM IN
CE
CK
DA
CD
P 0
P 1
BAND
P 2
NU
P 3
LW-L
P 4
MW-L
P 6
FM-L
IF IN
VSS
VDD 2
VDD 1
PD 1
PD 2/ P 5
LOC/DX
20 BIT COUNT
I / O
CTL IF COUNT
CTL
SHIFT REGISTER LATCH
REFERENCE DIVIDER
PHASE
DET
PRESCALER MAIN COUNT
BUFFER
ULLOCK
P5
r IC Block Diagrams (DG Section)
IC504 RH5RL33AA-T1
1
2
GND
VIN OUT
3
VREF

– 103 –
r IC Block Diagrams – Main Section –
IC701 CXA1992BR
Charge
up
FEO
FEI
FDFCT
FGD
FLB
FE_O
FE_M
SRCH
TGU
TG2
FSET
TA_M
TA_O
SL_P
SL_M
SL_O
ISET
VCC
VCC
LOCK
CLK
XLT
DATA
XRST
C. OUT
SENS1
SENS2
FOK
CC2
CC1
CB
CP
RF_I
RF_O
RF_M
RFTC
LD
PDO
PD1
PD2
FE_
BIAS
F
E
EI
VEE
TEO
LPF1
TEI
ATSC
TZC
VC
FZC
TM2
VEEVEE
TM3 TM5
TM4 TM6
VCC VCC
TM7
ISET
TTL
↓
IIL
IIL
↓
TTL
IIL
↓
TTL
IIL DATA REGISTER,
INPUT SHIFT REGISTER,
ADDRESS DECODER,
SENS SELECTOR,
OUTPUT DECODER
DFCTO IFB1-6
BAL1-4
TOG1-4
FS1-4 TG1-2 TM1-7 PS1-4
FOH
FOL
TGH
TGL
BALH
BALL
ATSC
TZC
FZC
FSET
TG2
VEE
VCC
FS1
FS2
FOCUS
PHASE COMPENSATION
DFCT
FS4
TRACKING
PHASE COMPENSATION
TG1
TM1
DFCT
FZC COMP.
VEE
VCC
VCC
TDFCT
TZC COMP.
ATSC
WINDOW
COMP.
E-F BALANCE
WINDOW COMP.
TRK. GAIN
WINDOW COMP.
FO. BIAS
WINDOW
COMP.
VEE
TGFL
TOG1
TOG2
TOG3
TOG4
BAL1
BAL2
BAL3
BAL4
IFB1
IFB2
IFB3
IFB4
IFB5
IFB6
FE AMP
VEE
E IV AMP
F IV AMP
VCC
APC
VCC
VEE
LASER POWER CONTROL
VEE
PD1 IV
AMP
PD2 IV
AMP
RF
SUMMING
AMP
VCC
VEE
VEE
LEVEL S VEE
MIRR
VCC
DFCT
FOK
VCC
LDON
LPCL
LPC
TGFL
MIRR
DFCT1
CC1
1 2 3 4 5 6 7 8 9 10 11 12 13
26
39
40
41
42
43
44
45
46
47
48
49
50
51
52
38 37 36 35 34 33 32 31 30 29 28 27
24
24
23
22
21
20
19
18
17
16
15
14

– 104 –
IC703 CXD2589Q
CLOCK
GENERATOR
OSC
PWM
ASYMMETRY
CORRECTOR
DIGITAL
PLL
SERVO
AUTO
SEQUENCER
EFM
DEMODULATOR
SUB CODE
PROCESSOR
TIMING
LOGIC
CPU
INTERLACE
ERROR
CORRECTOR 16K
RAM
D/A
INTERFACE
DIGITAL
OUT
DIGITAL
CLV
SERIAL-IN
INTERFACE
OVER SAMPLING
DIGITAL FILTER
3rd-ORDER
NOISE SHAPER
PWM
60
61
62
63
64
65
66
67
68
69
70
71
72
73
74
75
76
77
78
79
80
59 58 57 56 55 54 53 52 51 50 49 48 47 46 45 44 43 42 41
40
39
38
37
36
35
34
33
32
31
30
29
28
27
26
25
24
123 456789 1011121314 15 16 17 18 19 20
23
22
21
VSS
LMUTE
RMUTE
SQCK
SQSO
SENS
DATA
XLAT
CLOK
SEIN
CNIN
DATO
XLTO
CLKO
SPOA
SPOB
XLON
FOK
VDD
VSS
MDP
PWMI
TES0
TES1
VPCO1
VCKI
VCTL
V16M
PCO
FILO
FILI
AVSS
CLTV
AVDD
RF
BIAS
ASYI
ASYO
LRCK
LRCKI
PCMD
PCMD
I
BCK
BCKI
VSS
VDD
XUGF
XPCK
GFS
C2PO
XTSL
C4M
DOUT
EMPH
ENPHI
WFCK
SCOR
SBSO
EXCK
VSS
VDD
SYSM
AVSS
AVDD
AOUT1
AIN1
LOUT1
AVSS
XVDD
XTAI
XTAO
XVSS
AVSS
LOUT2
AIN2
AOUT2
AVDD
AVSS
XRST
VDD

– 105 –
IC702 BA6898FP
IC301 TDA7439D013TR
LEVEL SHIFT
VCC
DRIVER MUTE
VCC
LEVEL SHIFT
LEVEL SHIFT
LEVEL SHIFT
THERMAL
SHUT DOWN
REG VOLTAGE DOWN,
BIAS VOLTAGE DOWN,
THERMAL SHUT DOWN
MONITOR
DRIVE
DRIVE
DRIVE
DRIVE
DRIVE
DRIVE
SL –
SL +
SL IN
RESET
REGB
REGO
MUTE
GND
(SP IN)
SP IN
SP –
SP +
GND
SPO
GND
F –
F +
FIN
(FIN)
VRE
F
VCC
VCC
(TIN)
TIN
T –
T +
VRE
F
SP I
DRIVE
DRIVE
28 27 26 25 24 23 22 21 20 19 18 17 16 15
1234567891011121314
16
17
15
11
12
13 14
10
8
9
VOLUME
INPUT
MULTIPLEXER
GAIN
VREF SUPPLY
R IN4
LOUT
ROUT
AGND
VS
CREF
SDA
SCL
DIG-GND
TREBLE (R)
TREBLE (L)
MIN (L)
MOUT (L)
BOUT (L)
BIN (L)
R IN3
R IN2
R IN1
L IN1
L IN2
L IN3
L IN4
MUXOUTL
MUXOUTR
MIN (R)
MOUT (R)
BIN (R)
BOUT (R)
SPKA ATT
RIGHT
TCBUS
DECODER •
LATCH
SPKA ATT
LEFT
0/30dB
2dB STEP
TREBLE
MIDDLE
BASS
VOLUME
TREBLE
MIDDLE
BASS
18
19
20
21
22
23
24
25
26
27
28
6
7
5
4
G
2
3
1
G

– 106 –
SECTION 7
EXPLODED VIEWS
NOTE :
• -XX, -X mean standardized parts, so they
may have some difference from the original
one.
• Items marked “ * ”are not stocked since they
are seldom required for routine service. Some
delay should be anticipated when ordering
these items.
• The mechanical parts with no reference
number in the exploded views are not
supplied.
• Hardware (# mark) list and accessories and
packing materials are given in the last of this
parts list.
Ref. No. Part No. Description Remark Ref. No. Part No. Description Remark
7-1. FRONT CABINET SECTION
• Abbreviation
EE : East European
JE : Tourist
The components identified by mark !
or dotted line with mark ! are critical
for safety.
Replace only with part number specified.
1 X-3374-653-1 CABINET (FRONT) SUB ASSY
*2 4-963-075-01 CATCHER
3 X-3374-656-1 NET (R) ASSY, SP
4 X-3374-655-1 NET (L) ASSY, SP
5 3-023-288-01 SPACER (RUBBER FOOT)
6 3-019-664-01 KNOB (JOG)
7 3-019-652-01 PANEL
8 3-019-659-01 BUTTON (CAN/ENT)
9 3-019-658-01 BUTTON (EDIT)
10 3-022-992-01 SCREW, WASHER HEAD
11 3-019-659-11 BUTTON (CAN/ENT)
12 4-931-757-31 SCREW(DIA.2.6X8)(IT3B),TAPPING
13 3-020-473-01 SCREW (3X45)
*14 1-668-258-31 RELAY BOARD (US)
*14 1-668-258-21 RELAY BOARD (EXCEPT US)
*15 1-668-246-21 RIGHT KEY BOARD (EXCEPT US)
*15 1-668-246-31 RIGHT KEY BOARD (US)
16 3-019-660-01 BUTTON (VOL)
*17 1-668-245-21 TOP KEY BOARD (EXCEPT US)
*17 1-668-245-31 TOP KEY BOARD (US)
18 3-019-662-01 BUTTON (CLOCK)
19 3-019-661-01 BUTTON (POWER) (US)
19 3-019-661-11 BUTTON (POWER) (EXCEPT US)
*20 1-668-243-21 LEFT KEY BOARD (EXCEPT US)
*20 1-668-243-31 LEFT KEY BOARD (US)
21 3-019-663-01 BUTTON (MEGABASS)
*22 A-3321-557-A FRONT KEY BOARD, COMPLETE (EXCEPT US)
*22 A-3321-539-A FRONT KEY BOARD, COMPLETE (US)
23 3-020-475-01 HOLDER (LED)
24 3-025-864-01 COVER (REMOTE CONTROL WINDOW)
25 4-931-757-91 SCREW (DIA. 2.6) (IT3B)
*26 3-378-433-01 CUSHION, SARANET
27 3-026-848-01 CUSHION
28 3-026-849-01 CUSHION
29 3-338-596-01 CUSHION (EXCEPT US)
30 3-022-197-01 CUSHION (JACK)
31 3-026-450-01 CUSHION
32 3-026-295-01 BLIND (BOSS)
33 3-026-779-01 CUSHION
SP101 1-505-829-11 SPEAKER (8cm) (L-CH)
SP201 1-505-829-11 SPEAKER (8cm) (R-CH)
#11
#4
#4
#4
#4
#4
#11
#11
#11
SP101
SP201
1
2
2
2
3
4
5
5
6
7
89
10
10
10
11
12
12
33 12
12
27
12
12
25
27
25
12
12
13
14
15
16
24
31
30
17
18
19
29
20
21
22
23
28
32
32
32
28
26

– 107 –
51 3-009-989-01 CUSHION (HANDLE)
*52 1-668-255-21 AM ANT BOARD (EXCEPT US)
*52 1-668-255-31 AM ANT BOARD (US)
*53 1-668-254-21 FM ANT BOARD (EXCEPT US)
*53 1-668-254-31 FM ANT BOARD (US)
54 3-019-682-01 BRACKET (TUNER)
*55 A-3321-562-A TUNER BOARD, COMPLETE (EXCEPT US)
*55 A-3321-536-A TUNER BOARD, COMPLETE (US)
56 3-019-683-01 TERMINAL BOARD, ANTENNA
57 3-019-665-01 HANDLE
58 1-533-293-11 FUSE HOLDER
59 4-812-134-00 RIVET (DIA. 3.5), NYLON
60 3-023-950-01 COVER, FUSE
*61 A-3321-535-A TRANS BOARD, COMPLETE (US)
*61 A-3321-561-A TRANS BOARD, COMPLETE (EXCEPT US)
62 3-023-747-01 PACKING (CORD)
63 3-019-668-01 BRACKET (TRANSFORMER)
64 3-019-681-01 BRACKET (POWER CORD)
*65 3-703-244-00 BUSHING (2104), CORD
66 4-931-757-31 SCREW (DIA. 2.6X8) (IT3B)
!67 1-783-531-31 CORD, POWER (US)
!67 1-575-651-21 CORD, POWER (EXCEPT US)
68 X-3376-404-1 CABINET REAR ASSY (US)
68 X-3376-405-1 CABINET REAR ASSY (EXCEPT US)
69 3-023-746-11 PACKING (TU)
70 3-378-434-01 CUSHION, SARANET
71 3-378-121-01 CUSHION, SARANET
ANT1 1-501-480-11 ANTENNA, TELESCOPIC
!F951 1-576-101-11 FUSE (1.25A/125V) (US)
!F951 1-532-502-51 FUSE, TIME LAG (T1.25AL/250V) (EXCEPT US)
!F952 1-533-310-11 FUSE, GLASS TUBE (6.3A/125V) (US)
!F952 1-532-506-51 FUSE, TIME LAG (T6.3AL/250V) (EXCEPT US)
!F953 1-532-465-51 FUSE, TIME LAG (T3.15AL/250V) (EXCEPT US)
!F953 1-576-107-11 FUSE (3.15A/125V) (US)
!T951 1-433-445-11 TRANSFORMER, POWER (US)
!T951 1-433-444-11 TRANSFORMER, POWER (EXCEPT US)
Ref. No. Part No. Description Remark Ref. No. Part No. Description Remark
7-2. REAR CABINET SECTION
The components identified by mark !
or dotted line with mark ! are critical
for safety.
Replace only with part number specified.
#9
#9
#9
#9
#4
#9
#9
#9
#9
#9
#9
#13
#14
#14
#9
#9
#9
#10
#15
T951
ANT1
not supplied
not
supplied
not
supplied
F951
F953
F952
52
53
54
55
56
57
58
58
58
59
60
61
63
64
62
65 51
67
66
68
69
69
not
supplied
67
70
70
71
US Model
EXCEPT
US Model
EXCEPT
US Model

– 108 –
*101 1-668-249-21 LINE IN BOARD (EXCEPT US)
*101 1-668-249-31 LINE IN BOARD (US)
*102 1-668-250-31 HP BOARD (US)
*102 1-668-250-21 HP BOARD (EXCEPT US)
103 3-321-041-41 SCREW (M1.7X5), TAPPING
104 3-019-671-01 HOLDER (FL)
*105 A-3323-036-A FL BOARD, COMPLETE (EXCEPT US)
*105 A-3323-029-A FL BOARD, COMPLETE (US)
*106 A-3321-573-A AUDIO BOARD, COMPLETE (EXCEPT US)
*106 A-3321-552-A AUDIO BOARD, COMPLETE (US)
*107 A-3321-544-A MAIN BOARD, COMPLETE (US)
*107 A-3321-565-A MAIN BOARD, COMPLETE (EXCEPT US)
108 1-783-539-11 WIRE, PARALLEL (FFC) (15 CORE)
109 4-931-757-31 SCREW(DIA.2.6X8)(IT3B),TAPPING
110 1-783-537-11 WIRE, PARALLEL (21 CORE)
111 1-783-538-11 WIRE, PARALLEL (FFC) (13 CORE)
*112 3-703-150-11 CLAMP
113 3-031-392-01 CUSHION (CD)
FL401 1-517-744-11 INDICATOR TUBE, FLUORESCENT
Ref. No. Part No. Description Remark Ref. No. Part No. Description Remark
7-3. CHASSIS SECTION
#9
#9
#9
#9
#9
#9
#9
#9
#9
#9 #9
#9
#9
#9
FL401
101
102
113
103
103
104
105
106
107
108 109
109
110
111
not supplied
not supplied
not supplied
not supplied
not supplied
not supplied
112
112
113

– 109 –
*151 A-3321-571-A DG BOARD, COMPLETE (EXCEPT US)
*151 A-3321-550-A DG BOARD, COMPLETE (US)
*152 A-3293-900-A BD BOARD, COMPLETE
153 1-660-966-11 OP RELAY FLEXIBLE BOARD
154 3-028-625-01 SCREW (M1.7X2) (S TITE)
155 X-4947-825-1 SHUTTER ASSY
156 4-987-736-11 SHAFT (SHUTTER)
157 4-628-167-01 SCREW, STEP
158 4-987-327-11 INSULATOR
159 1-783-542-11 WIRE, PARALLEL (FFC) (29 CORE)
160 1-783-540-11 WIRE, PARALLEL (FFC) (19 CORE)
161 1-790-045-11 WIRE, PARALLEL (26 CORE)(60mm)
162 1-777-517-11 WIRE, PARALLEL (15 CORE)
163 4-987-910-01 SPRING (O/C), TENSION
164 4-986-959-01 WASHER
165 1-790-046-11 WIRE, PARALLEL (26 CORE)(172mm)
*166 1-671-517-11 FILTER BOARD
167 3-029-176-01 SCREW (M1.7X4)
168 7-627-553-27 SCREW,PRECISION +P 2X2.5
Ref. No. Part No. Description Remark Ref. No. Part No. Description Remark
7-4. MD SECTION (1)
(MDM-3EG)
#6
#2
#2
#2
#2
#6
151
152
153
154
154
154 154
154
154
155 156
157
158 157
158
159
160
161 168
162
163
164
not supplied
not supplied
not supplied not supplied
not supplied
not supplied
165
166
167

– 110 –
201 A-4672-138-A SLIDER COMPLETE ASSY
*202 4-983-439-01 BRACKET (DAMPER)
203 3-953-235-01 DAMPER, OIL
205 3-342-375-11 SCREW (M1.7X1.4), SPECIAL
*206 4-979-890-11 RETAINER (GEAR)
207 4-979-898-01 GEAR (LB)
208 4-979-899-01 GEAR (LC)
209 4-979-897-01 GEAR (LA)
210 4-979-885-01 LEVER (HEAD UP)
211 4-979-906-11 SPRING (LEAD SCREW)
*212 4-984-556-01 SHAFT (MAIN SHAFT)
*213 1-661-774-11 SW BOARD
214 A-3304-200-A SCREW ASSY, LEAD
215 4-963-914-02 RACK (INSERTER)
216 3-366-890-11 SCREW (M1.4)
!217 A-4672-541-A OPTICAL PICK-UP KMS-260B
218 4-987-061-01 SPACER (RACK)
219 4-988-560-01 SCREW (+P1.7X6)
220 4-955-841-11 SCREW
*221 4-983-511-02 PIN (OUTSERT)
223 3-028-625-01 SCREW (M1.7X2) (S TITE)
HR901 1-500-396-11 HEAD, OVER WRITE
M901 A-4672-135-A MOTOR ASSY, SPINDLE
M902 A-4672-133-A MOTOR ASSY, SLED (INCLUDING GEAR)
M903 A-4672-134-A MOTOR ASSY, LOADING (INCLUDING GEAR)
Ref. No. Part No. Description Remark Ref. No. Part No. Description Remark
7-5. MD SECTION (2)
(MDM-3EG)
The components identified by mark !
or dotted line with mark ! are critical
for safety.
Replace only with part number specified.
M902
#2
#2
#3
#3
#5
#5
M901 M903
HR901
201
202
203
205
206
207
208
209
210
211
212
213 214
215
216
217
218
219
220
221
not supplied
not supplied
223
223
Ver 1.2 2001.07

– 111 –
*251 3-017-025-01 COVER (R), SIDE
*252 3-017-012-01 PLATE (R), SIDE
*253 3-017-014-01 SLIDER (R)
254 3-017-027-01 GEAR (C)
255 3-017-016-01 SHAFT, TRAY
256 4-975-811-01 INSULATOR
257 3-017-022-01 TRAY (BOTTOM), CD
258 4-975-762-11 INSULATOR
*259 1-667-046-11 PICK-UP RELAY BOARD
*260 3-020-624-01 TRAY (TOP), CD
261 3-020-492-01 LID, CD
262 X-3374-204-1 WINDOW ASSY, CD
*263 3-017-013-01 SLIDER (L)
*264 3-017-035-01 COVER (L), SIDE
*265 3-017-011-01 PLATE (L), SIDE
266 3-017-017-01 LEVER, DETECTION
*267 1-667-045-11 LOADING BOARD
268 3-017-031-01 GEAR (A)
269 3-017-032-01 GEAR (B)
270 3-017-030-01 BELT
271 A-3311-798-A DRIVE ASSY
*272 3-017-036-01 CHASSIS, GEAR
273 2-627-174-01 PULLEY (M)
*274 3-378-138-01 CUSHION, SARANET
*275 3-022-456-01 SPACER (VLM)
M691 1-698-999-11 MOTOR, DC (LOADING)
Ref. No. Part No. Description Remark Ref. No. Part No. Description Remark
7-6. CD SECTION
(VLM-ZSM7-142)
#7 #7
#8
#8
#8
#8
#8
#8
#8
#8
#8
#8
#1
#16
M691
CDM-2411AAA
251
252
253
254
254
255
256
257
258
258
258
275
274
259
260
261
262
263
264
265
266
267
268 269
270
271
272
273
not supplied

– 112 –
301 A-3303-970-A SCREW ASSY, FEED
302 3-318-203-11 SCREW (B1.7X6), TAPPING
303 1-690-530-21 LEAD (WITH CONNECTOR)
304 4-972-163-01 SPRING, SLED
305 4-974-003-01 GEAR (B)
306 3-719-401-11 SCREW (B1.7), TAPPING
* 307 4-972-162-01 CHASSIS
308 1-660-965-11 SLIDE FLEXIBLE BOARD
!309 X-4946-311-1 OPTICAL PICK-UP (DAX-11A)
310 4-972-165-01 RACK
311 4-973-631-01 SCREW
M801 A-3303-403-A MOTOR ASSY, SLED (INCLUDING GEAR)
M802 A-3320-300-A MOTOR ASSY, TURNTABLE (SPINDLE)
S901 1-571-099-21 SWITCH (1 KEY) (LIMIT)
Ref. No. Part No. Description Remark Ref. No. Part No. Description Remark
7-7. OPTICAL PICK-UP SECTION
(CDM-2411AAA)
The components identified by mark !
or dotted line with mark ! are critical
for safety.
Replace only with part number specified.
#12
M801
M802
S901
301
302
303
304
305
306
307
308
309
310
311

– 113 –
NOTE :
• Due to standardization, replacements in the
parts list may be different from the parts
specified in the diagrams or the components
used on the set.
• -XX, -X mean standardized parts, so they
may have some difference from the original
one.
• RESISTORS
All resistors are in ohms
METAL : Metal-film resistor
METAL OXIDE :Metal oxide-film resistor
F : nonflammable
• Items marked “ * ”are not stocked since
they are seldom required for routine service.
Some delay should be anticipated when
ordering these items.
• SEMICONDUCTORS
In each case, u : µ, for example :
uA.... : µA.... , uPA.... : µPA....
uPB.... : µPB.... , uPC.... : µPC....
uPD.... : µPD....
• CAPACITORS
uF : µF
• COILS
uH : µH
• Abbreviation
EE : East European
JE : Tourist
When indicating parts by reference num-
ber, please include the board.
The components identified by mark !
or dotted line with mark ! are critical
for safety.
Replace only with part number specified.
SECTION 8
ELECTRICAL PARTS LIST
Ref. No. Part No. Description Remark Ref. No. Part No. Description Remark
*1-668-255-21 AM ANT BOARD (EXCEPT US)
*1-668-255-31 AM ANT BOARD (US)
************
< CAPACITOR >
C58 1-163-251-11 CERAMIC CHIP 100PF 5% 50V
(EXCEPT US)
< CONNECTOR >
CN3 1-580-163-11 PIN, CONNECTOR (PC BOARD) 2P
< POST PIN >
CP50 1-536-354-00 PIN, POST
< TERMINAL >
TB1 1-536-833-31 TERMINAL BOARD (AM ANTENNA)(US)
TB1 1-536-833-31 TERMINAL BOARD (MW/LW ANTENNA)
(EXCEPT US)
************************************************************
*A-3321-552-A AUDIO BOARD, COMPLETE (US)
*A-3321-573-A AUDIO BOARD, COMPLETE (EXCEPT US)
**********************
< CAPACITOR >
C151 1-126-963-11 ELECT 4.7uF 20% 50V
C152 1-163-009-11 CERAMIC CHIP 0.001uF 10% 50V
C153 1-136-165-00 FILM 0.1uF 5% 50V
C154 1-136-165-00 FILM 0.1uF 5% 50V
C155 1-126-964-11 ELECT 10uF 20% 50V
C251 1-126-963-11 ELECT 4.7uF 20% 50V
C252 1-163-009-11 CERAMIC CHIP 0.001uF 10% 50V
C253 1-136-165-00 FILM 0.1uF 5% 50V
C254 1-136-165-00 FILM 0.1uF 5% 50V
C255 1-126-964-11 ELECT 10uF 20% 50V
C351 1-124-994-11 ELECT 100uF 20% 10V
C352 1-128-551-11 ELECT 22uF 20% 25V
C353 1-126-047-75 ELECT 4.7uF 20% 50V
C354 1-163-251-11 CERAMIC CHIP 100PF 5% 50V
C355 1-163-251-11 CERAMIC CHIP 100PF 5% 50V
C356 1-136-165-00 FILM 0.1uF 5% 50V
C357 1-117-943-11 ELECT 6800uF 20% 25V
C358 1-126-960-11 ELECT 1uF 20% 50V
C359 1-104-664-11 ELECT 47uF 20% 25V
C360 1-126-963-11 ELECT 4.7uF 20% 50V
C361 1-163-009-11 CERAMIC CHIP 0.001uF 10% 50V
C362 1-163-251-11 CERAMIC CHIP 100PF 5% 50V
C363 1-127-508-00 ELECT 2.2uF 20% 25V
C364 1-127-508-00 ELECT 2.2uF 20% 25V
< CONNECTOR >
*CN351 1-573-489-21 PIN, CONNECTOR (PC BOARD) 11P
*CN352 1-564-507-11 PLUG, CONNECTOR 4P
*CN353 1-564-519-11 PLUG, CONNECTOR 4P
< POST PIN >
CP7 1-536-354-00 PIN, POST
< DIODE >
D351 8-719-988-62 DIODE 1SS355
D352 8-719-988-62 DIODE 1SS355
D353 8-719-988-62 DIODE 1SS355
< IC >
IC351 8-759-333-16 IC LA4705NA
< TRANSISTOR >
Q151 8-729-920-31 TRANSISTOR DTC343TK
Q251 8-729-920-31 TRANSISTOR DTC343TK
Q351 8-729-031-43 TRANSISTOR IMD9A-T108
Q352 8-729-120-28 TRANSISTOR 2SC1623-L5L6
< RESISTOR >
R151 1-216-657-11 METAL CHIP 1.8K 0.5% 1/10W
R152 1-216-659-11 METAL CHIP 2.2K 0.5% 1/10W
R153 1-216-298-00 METAL CHIP 2.2 5% 1/10W
R154 1-216-298-00 METAL CHIP 2.2 5% 1/10W
R155 1-216-053-00 METAL CHIP 1.5K 5% 1/10W
R251 1-216-657-11 METAL CHIP 1.8K 0.5% 1/10W
R252 1-216-659-11 METAL CHIP 2.2K 0.5% 1/10W
R253 1-216-298-00 METAL CHIP 2.2 5% 1/10W
R254 1-216-298-00 METAL CHIP 2.2 5% 1/10W
R255 1-216-053-00 METAL CHIP 1.5K 5% 1/10W
R351 1-216-077-00 METAL CHIP 15K 5% 1/10W
AM ANT AUDIO

– 114 –
R352 1-216-073-00 METAL CHIP 10K 5% 1/10W
R353 1-216-059-00 METAL CHIP 2.7K 5% 1/10W
R354 1-216-097-91 RES,CHIP 100K 5% 1/10W
R355 1-216-121-91 RES,CHIP 1M 5% 1/10W
R356 1-216-073-00 METAL CHIP 10K 5% 1/10W
R357 1-216-049-91 RES,CHIP 1K 5% 1/10W
************************************************************
*A-3293-900-A BD BOARD, COMPLETE
******************
< CAPACITOR >
C101 1-104-851-11 TANTAL. CHIP 10uF 20% 10V
C102 1-163-038-91 CERAMIC CHIP 0.1uF 25V
C103 1-104-851-11 TANTAL. CHIP 10uF 20% 10V
C104 1-104-851-11 TANTAL. CHIP 10uF 20% 10V
C105 1-163-021-91 CERAMIC CHIP 0.01uF 10% 50V
C106 1-163-275-11 CERAMIC CHIP 0.001uF 5% 50V
C107 1-163-038-91 CERAMIC CHIP 0.1uF 25V
C108 1-163-038-91 CERAMIC CHIP 0.1uF 25V
C109 1-163-037-11 CERAMIC CHIP 0.022uF 10% 25V
C110 1-163-038-91 CERAMIC CHIP 0.1uF 25V
C111 1-164-344-11 CERAMIC CHIP 0.068uF 10% 25V
C112 1-163-017-00 CERAMIC CHIP 0.0047uF 5% 50V
C113 1-107-682-11 CERAMIC CHIP 1uF 10% 16V
C115 1-164-489-11 CERAMIC CHIP 0.22uF 10% 16V
C116 1-163-037-11 CERAMIC CHIP 0.022uF 10% 25V
C117 1-164-004-11 CERAMIC CHIP 0.1uF 10% 25V
C119 1-104-851-11 TANTAL. CHIP 10uF 20% 10V
C121 1-126-206-11 ELECT CHIP 100uF 20% 6.3V
C122 1-163-021-91 CERAMIC CHIP 0.01uF 10% 50V
C123 1-163-038-91 CERAMIC CHIP 0.1uF 25V
C124 1-163-038-91 CERAMIC CHIP 0.1uF 25V
C127 1-163-038-91 CERAMIC CHIP 0.1uF 25V
C128 1-163-021-91 CERAMIC CHIP 0.01uF 10% 50V
C129 1-107-823-11 CERAMIC CHIP 0.47uF 10% 16V
C130 1-163-251-11 CERAMIC CHIP 100PF 5% 50V
C131 1-163-023-00 CERAMIC CHIP 0.015uF 5% 50V
C132 1-107-823-11 CERAMIC CHIP 0.47uF 10% 16V
C133 1-163-017-00 CERAMIC CHIP 0.0047uF 5% 50V
C134 1-163-038-91 CERAMIC CHIP 0.1uF 25V
C135 1-163-038-91 CERAMIC CHIP 0.1uF 25V
C136 1-126-206-11 ELECT CHIP 100uF 20% 6.3V
C141 1-163-038-91 CERAMIC CHIP 0.1uF 25V
C142 1-163-251-11 CERAMIC CHIP 100PF 5% 50V
C143 1-163-251-11 CERAMIC CHIP 100PF 5% 50V
C144 1-163-251-11 CERAMIC CHIP 100PF 5% 50V
C146 1-163-038-91 CERAMIC CHIP 0.1uF 25V
C151 1-126-206-11 ELECT CHIP 100uF 20% 6.3V
C152 1-163-038-91 CERAMIC CHIP 0.1uF 25V
C153 1-163-021-91 CERAMIC CHIP 0.01uF 10% 50V
C156 1-163-038-91 CERAMIC CHIP 0.1uF 25V
C158 1-163-019-00 CERAMIC CHIP 0.0068uF 10% 50V
C160 1-104-601-11 ELECT CHIP 10uF 20% 10V
C161 1-104-601-11 ELECT CHIP 10uF 20% 10V
C163 1-163-021-91 CERAMIC CHIP 0.01uF 10% 50V
C164 1-163-021-91 CERAMIC CHIP 0.01uF 10% 50V
C167 1-163-038-91 CERAMIC CHIP 0.1uF 25V
C168 1-163-038-91 CERAMIC CHIP 0.1uF 25V
C169 1-104-851-11 TANTAL. CHIP 10uF 20% 10V
C171 1-163-038-91 CERAMIC CHIP 0.1uF 25V
C181 1-126-206-11 ELECT CHIP 100uF 20% 6.3V
C182 1-163-038-91 CERAMIC CHIP 0.1uF 25V
C183 1-163-038-91 CERAMIC CHIP 0.1uF 25V
C184 1-107-836-11 ELECT CHIP 22uF 20% 8V
C185 1-164-611-11 CERAMIC CHIP 0.001uF 10% 500V
C187 1-126-206-11 ELECT CHIP 100uF 20% 6.3V
C188 1-163-021-91 CERAMIC CHIP 0.01uF 10% 50V
C189 1-163-989-11 CERAMIC CHIP 0.033uF 10% 25V
C190 1-126-206-11 ELECT CHIP 100uF 20% 6.3V
C191 1-163-038-91 CERAMIC CHIP 0.1uF 25V
C195 1-164-346-11 CERAMIC CHIP 1uF 16V
C196 1-163-038-91 CERAMIC CHIP 0.1uF 25V
C197 1-163-038-91 CERAMIC CHIP 0.1uF 25V
< CONNECTOR >
CN101 1-766-508-11 CONNECTOR, FFC/FPC (ZIF) 22P
CN102 1-778-461-11 CONNECTOR, FFC/FPC 29P
CN103 1-778-460-11 CONNECTOR, FFC/FPC 19P
CN104 1-766-898-21 HOUSING, CONNECTOR(PC BOARD)4P
CN106 1-770-698-11 CONNECTOR, FFC/FPC 15P
CN110 1-774-731-21 PIN, CONNECTOR (PC BOARD) 5P
< DIODE >
D101 8-719-988-62 DIODE 1SS355
D181 8-719-046-86 DIODE F1J6TP
D183 8-719-046-86 DIODE F1J6TP
< IC >
IC101 8-752-074-77 IC CXA2523R
IC103 8-729-903-10 IC FMW1
IC121 8-752-384-47 IC CXD2652AR
IC122 8-759-234-20 IC TC7S08F
IC123 8-759-242-70 IC TC7WU04F
IC124 8-759-473-29 IC MN41V4400SJ-08-T1
IC152 8-759-430-25 IC BH6511FS
IC171 8-759-428-58 IC XL24C01AF-E2
IC181 8-759-095-65 IC TC74ACT540FS
IC192 8-759-426-95 IC L88MS33T-TL
< COIL >
L101 1-414-235-11 FERRITE BEAD INDUCTOR
L102 1-414-235-11 FERRITE BEAD INDUCTOR
L103 1-414-235-11 FERRITE BEAD INDUCTOR
L105 1-414-235-11 FERRITE BEAD INDUCTOR
L106 1-414-235-11 FERRITE BEAD INDUCTOR
L121 1-414-235-11 FERRITE BEAD INDUCTOR
L122 1-414-235-11 INDUCTOR CHIP
L151 1-412-622-51 INDUCTOR 10uH
L152 1-412-622-51 INDUCTOR 10uH
L153 1-412-039-51 INDUCTOR CHIP 100uH
L154 1-412-039-51 INDUCTOR CHIP 100uH
L161 1-414-235-11 FERRITE BEAD INDUCTOR
L162 1-414-235-11 FERRITE BEAD INDUCTOR
Ref. No. Part No. Description Remark Ref. No. Part No. Description Remark
AUDIO BD

– 115 –
< TRANSISTOR >
Q101 8-729-028-91 TRANSISTOR DTA144EUA-T106
Q102 8-729-026-53 TRANSISTOR 2SA1576A-T106-QR
Q103 8-729-028-99 TRANSISTOR DTC114YUA-T106
Q104 8-729-028-99 TRANSISTOR DTC114YUA-T106
Q162 8-729-101-07 TRANSISTOR 2SB798-DL
Q163 8-729-028-91 TRANSISTOR DTA144EUA-T106
Q180 8-729-028-96 TRANSISTOR DTC114EUA-T106
Q181 8-729-018-75 TRANSISTOR 2SJ278MY
Q182 8-729-017-65 TRANSISTOR 2SK1764KY
< RESISTOR >
R101 1-216-295-00 METAL CHIP 0 5% 1/10W
R103 1-216-049-91 RES,CHIP 1K 5% 1/10W
R104 1-216-073-00 METAL CHIP 10K 5% 1/10W
R105 1-216-065-91 RES,CHIP 4.7K 5% 1/10W
R106 1-216-133-00 METAL CHIP 3.3M 5% 1/10W
R107 1-216-113-00 METAL CHIP 470K 5% 1/10W
R109 1-216-295-00 METAL CHIP 0 5% 1/10W
R110 1-216-073-00 METAL CHIP 10K 5% 1/10W
R111 1-216-295-00 METAL CHIP 0 5% 1/10W
R112 1-216-089-91 RES,CHIP 47K 5% 1/10W
R113 1-216-049-91 RES,CHIP 1K 5% 1/10W
R115 1-216-049-91 RES,CHIP 1K 5% 1/10W
R117 1-216-113-00 METAL CHIP 470K 5% 1/10W
R120 1-216-025-91 RES,CHIP 100 5% 1/10W
R121 1-216-097-91 RES,CHIP 100K 5% 1/10W
R123 1-216-033-00 METAL CHIP 220 5% 1/10W
R124 1-216-025-91 RES,CHIP 100 5% 1/10W
R125 1-216-025-91 RES,CHIP 100 5% 1/10W
R127 1-216-025-91 RES,CHIP 100 5% 1/10W
R131 1-216-073-00 METAL CHIP 10K 5% 1/10W
R132 1-216-097-91 RES,CHIP 100K 5% 1/10W
R133 1-216-117-00 METAL CHIP 680K 5% 1/10W
R134 1-216-049-91 RES,CHIP 1K 5% 1/10W
R135 1-216-061-00 METAL CHIP 3.3K 5% 1/10W
R136 1-216-049-91 RES,CHIP 1K 5% 1/10W
R137 1-216-025-91 RES,CHIP 100 5% 1/10W
R140 1-216-029-00 METAL CHIP 150 5% 1/10W
R141 1-216-295-00 METAL CHIP 0 5% 1/10W
R142 1-216-073-00 METAL CHIP 10K 5% 1/10W
R143 1-216-073-00 METAL CHIP 10K 5% 1/10W
R144 1-216-025-91 RES,CHIP 100 5% 1/10W
R146 1-216-037-00 METAL CHIP 330 5% 1/10W
R147 1-216-025-91 RES,CHIP 100 5% 1/10W
R148 1-216-045-00 METAL CHIP 680 5% 1/10W
R150 1-216-295-00 METAL CHIP 0 5% 1/10W
R158 1-216-097-91 RES,CHIP 100K 5% 1/10W
R159 1-216-097-91 RES,CHIP 100K 5% 1/10W
R161 1-216-057-00 METAL CHIP 2.2K 5% 1/10W
R162 1-216-057-00 METAL CHIP 2.2K 5% 1/10W
R163 1-216-057-00 METAL CHIP 2.2K 5% 1/10W
R164 1-216-045-00 METAL CHIP 680 5% 1/10W
R165 1-216-097-91 RES,CHIP 100K 5% 1/10W
R166 1-220-149-11 REGISTER 2.2 10% 1/2W
R167 1-216-065-91 RES,CHIP 4.7K 5% 1/10W
R169 1-219-724-11 METAL CHIP 1 1% 1/4W
R170 1-216-073-00 METAL CHIP 10K 5% 1/10W
R171 1-216-073-00 METAL CHIP 10K 5% 1/10W
R172 1-216-295-00 METAL CHIP 0 5% 1/10W
R173 1-216-121-91 RES,CHIP 1M 5% 1/10W
R175 1-216-061-00 METAL CHIP 3.3K 5% 1/10W
R176 1-216-295-00 METAL CHIP 0 5% 1/10W
R177 1-216-061-00 METAL CHIP 3.3K 5% 1/10W
R178 1-216-295-00 METAL CHIP 0 5% 1/10W
R179 1-216-089-91 RES,CHIP 47K 5% 1/10W
R180 1-216-073-00 METAL CHIP 10K 5% 1/10W
R181 1-216-073-00 METAL CHIP 10K 5% 1/10W
R182 1-216-089-91 RES,CHIP 47K 5% 1/10W
R183 1-216-089-91 RES,CHIP 47K 5% 1/10W
R184 1-216-073-00 METAL CHIP 10K 5% 1/10W
R185 1-216-073-00 METAL CHIP 10K 5% 1/10W
R186 1-216-296-00 METAL CHIP 0 5% 1/8W
R187 1-216-296-00 METAL CHIP 0 5% 1/8W
R188 1-216-073-00 METAL CHIP 10K 5% 1/10W
R189 1-216-073-00 METAL CHIP 10K 5% 1/10W
R190 1-216-073-00 METAL CHIP 10K 5% 1/10W
R195 1-216-295-00 METAL CHIP 0 5% 1/10W
R196 1-216-295-00 METAL CHIP 0 5% 1/10W
R198 1-216-295-00 METAL CHIP 0 5% 1/10W
R199 1-216-295-00 METAL CHIP 0 5% 1/10W
R200 1-216-295-00 METAL CHIP 0 5% 1/10W
R201 1-216-295-00 METAL CHIP 0 5% 1/10W
R202 1-216-295-00 METAL CHIP 0 5% 1/10W
R502 1-216-295-00 METAL CHIP 0 5% 1/10W
R504 1-216-295-00 METAL CHIP 0 5% 1/10W
************************************************************
*A-3321-550-A DG BOARD, COMPLETE (US)
*A-3321-571-A DG BOARD, COMPLETE (EXCEPT US)
*******************
< CAPACITOR >
C501 1-164-156-11 CERAMIC CHIP 0.1uF 25V
C502 1-162-927-11 CERAMIC CHIP 100PF 5% 50V
C503 1-162-927-11 CERAMIC CHIP 100PF 5% 50V
C504 1-162-916-11 CERAMIC CHIP 12PF 5% 50V
C505 1-162-916-11 CERAMIC CHIP 12PF 5% 50V
C506 1-163-077-00 CERAMIC CHIP 0.1uF 10% 25V
C507 1-164-156-11 CERAMIC CHIP 0.1uF 25V
C508 1-164-156-11 CERAMIC CHIP 0.1uF 25V
C510 1-162-927-11 CERAMIC CHIP 100PF 5% 50V
C511 1-162-927-11 CERAMIC CHIP 100PF 5% 50V
C512 1-164-156-11 CERAMIC CHIP 0.1uF 25V
C513 1-164-156-11 CERAMIC CHIP 0.1uF 25V
C514 1-164-156-11 CERAMIC CHIP 0.1uF 25V
C515 1-126-205-11 ELECT CHIP 47uF 20% 6.3V
C516 1-126-607-11 ELECT CHIP 47uF 20% 4V
C517 1-164-156-11 CERAMIC CHIP 0.1uF 25V
C518 1-164-156-11 CERAMIC CHIP 0.1uF 25V
C519 1-126-205-11 ELECT CHIP 47uF 20% 6.3V
C521 1-126-603-11 ELECT CHIP 4.7uF 20% 35V
C522 1-126-603-11 ELECT CHIP 4.7uF 20% 35V
C525 1-126-603-11 ELECT CHIP 4.7uF 20% 35V
C526 1-126-205-11 ELECT CHIP 47uF 20% 6.3V
C527 1-126-205-11 ELECT CHIP 47uF 20% 6.3V
Ref. No. Part No. Description Remark Ref. No. Part No. Description Remark
BD DG

– 116 –
C528 1-164-156-11 CERAMIC CHIP 0.1uF 25V
C529 1-124-779-00 ELECT CHIP 10uF 20% 16V
C532 1-126-603-11 ELECT CHIP 4.7uF 20% 35V
C533 1-126-603-11 ELECT CHIP 4.7uF 20% 35V
C534 1-164-156-11 CERAMIC CHIP 0.1uF 25V
C535 1-162-962-11 CERAMIC CHIP 470PF 10% 50V
C536 1-163-251-11 CERAMIC CHIP 100PF 5% 50V
C537 1-162-959-11 CERAMIC CHIP 330PF 5% 50V
C538 1-162-959-11 CERAMIC CHIP 330PF 5% 50V
C542 1-164-156-11 CERAMIC CHIP 0.1uF 25V
C545 1-164-156-11 CERAMIC CHIP 0.1uF 25V
C547 1-126-205-11 ELECT CHIP 47uF 20% 6.3V
C558 1-162-970-11 CERAMIC CHIP 0.01uF 10% 25V
C561 1-126-204-11 ELECT CHIP 47uF 20% 16V
C562 1-164-156-11 CERAMIC CHIP 0.1uF 25V
C563 1-126-207-11 ELECT CHIP 33uF 20% 4V
C564 1-162-966-11 CERAMIC CHIP 0.0022uF 10% 50V
C565 1-162-966-11 CERAMIC CHIP 0.0022uF 10% 50V
C566 1-162-966-11 CERAMIC CHIP 0.0022uF 10% 50V
C567 1-162-966-11 CERAMIC CHIP 0.0022uF 10% 50V
C568 1-162-964-11 CERAMIC CHIP 0.001uF 10% 50V
C569 1-162-964-11 CERAMIC CHIP 0.001uF 10% 50V
C572 1-162-970-11 CERAMIC CHIP 0.01uF 10% 25V
C574 1-109-994-11 CERAMIC CHIP 2.2uF 10% 10V
C576 1-162-964-11 CERAMIC CHIP 0.001uF 10% 50V
C577 1-162-964-11 CERAMIC CHIP 0.001uF 10% 50V
C578 1-162-964-11 CERAMIC CHIP 0.001uF 10% 50V
C579 1-162-964-11 CERAMIC CHIP 0.001uF 10% 50V
C580 1-162-964-11 CERAMIC CHIP 0.001uF 10% 50V
C581 1-162-964-11 CERAMIC CHIP 0.001uF 10% 50V
C582 1-162-970-11 CERAMIC CHIP 0.01uF 10% 25V
C583 1-162-970-11 CERAMIC CHIP 0.01uF 10% 25V
C585 1-162-970-11 CERAMIC CHIP 0.01uF 10% 25V
C586 1-162-970-11 CERAMIC CHIP 0.01uF 10% 25V
C587 1-107-823-11 CERAMIC CHIP 0.47uF 10% 16V
C588 1-163-059-00 CERAMIC CHIP 0.01uF 10% 50V
C589 1-162-970-11 CERAMIC CHIP 0.01uF 10% 25V
C590 1-164-156-11 CERAMIC CHIP 0.1uF 25V
C591 1-164-156-11 CERAMIC CHIP 0.1uF 25V
C592 1-109-994-11 CERAMIC CHIP 2.2uF 10% 10V
C593 1-162-915-11 CERAMIC CHIP 10PF 0.5PF 50V
C594 1-162-915-11 CERAMIC CHIP 10PF 0.5PF 50V
< CONNECTOR >
CN501 1-784-836-21 CONNECTOR (SMD) 29P
CN502 1-778-691-11 CONNECTOR, FFC/FPC 19P
*CN503 1-695-320-21 PIN, CONNECTOR (1.5MM)(SMD) 2P
CN504 1-750-524-31 CONNECTOR, FFC/FPC (ZIF) 26P
< DIODE >
D551 8-719-914-43 DIODE DAN202K
D552 8-719-988-61 DIODE 1SS355TE-17
< FERRITE BEAD >
FB502 1-414-385-11 INDUCTOR, FERRITE BEAD
FB503 1-414-385-11 INDUCTOR, FERRITE BEAD
FB521 1-414-385-11 INDUCTOR, FERRITE BEAD
FB522 1-414-385-11 INDUCTOR, FERRITE BEAD
FB523 1-414-385-11 INDUCTOR, FERRITE BEAD
FB524 1-414-385-11 INDUCTOR, FERRITE BEAD
FB525 1-414-385-11 INDUCTOR, FERRITE BEAD
FB527 1-414-235-11 INDUCTOR, FERRITE BEAD
FB528 1-414-235-11 INDUCTOR, FERRITE BEAD
FB530 1-414-385-11 INDUCTOR, FERRITE BEAD
FB531 1-414-385-11 INDUCTOR, FERRITE BEAD
FB532 1-414-385-11 INDUCTOR, FERRITE BEAD
FB533 1-414-235-11 INDUCTOR, FERRITE BEAD
FB534 1-414-385-11 INDUCTOR, FERRITE BEAD
FB535 1-414-235-11 INDUCTOR, FERRITE BEAD
FB536 1-414-385-11 INDUCTOR, FERRITE BEAD
FB539 1-414-385-11 INDUCTOR, FERRITE BEAD
FB541 1-414-385-11 INDUCTOR, FERRITE BEAD
FB542 1-414-235-11 INDUCTOR, FERRITE BEAD
FB543 1-414-385-11 INDUCTOR, FERRITE BEAD
FB544 1-414-385-11 INDUCTOR, FERRITE BEAD
FB545 1-414-385-11 INDUCTOR, FERRITE BEAD
FB546 1-414-385-11 INDUCTOR, FERRITE BEAD
FB547 1-414-235-11 INDUCTOR, FERRITE BEAD
FB548 1-414-235-11 INDUCTOR, FERRITE BEAD
FB549 1-414-235-21 INDUCTOR, FERRITE BEAD
FB550 1-414-385-11 INDUCTOR, FERRITE BEAD
FB551 1-414-385-11 INDUCTOR, FERRITE BEAD
FB552 1-414-385-11 INDUCTOR, FERRITE BEAD
FB553 1-414-385-11 INDUCTOR, FERRITE BEAD
FB554 1-414-385-11 INDUCTOR, FERRITE BEAD
FB555 1-414-385-11 INDUCTOR, FERRITE BEAD
FB558 1-414-385-11 INDUCTOR, FERRITE BEAD
FB560 1-414-811-21 INDUCTOR, FERRITE BEAD
FB561 1-414-385-11 INDUCTOR, FERRITE BEAD
FB562 1-414-385-11 INDUCTOR, FERRITE BEAD
FB563 1-469-185-11 INDUCTOR, FERRITE BEAD
FB564 1-469-185-11 INDUCTOR, FERRITE BEAD
FB566 1-414-235-11 INDUCTOR, FERRITE BEAD
FB567 1-414-235-11 INDUCTOR, FERRITE BEAD
FB568 1-414-385-11 INDUCTOR, FERRITE BEAD
FB569 1-414-385-11 INDUCTOR, FERRITE BEAD
< IC >
IC501 8-759-444-93 IC RH5RL33AA-T1
IC502 8-759-494-80 IC RU8X12MF-0021
IC503 8-759-040-83 IC BA6287F
IC504 8-759-444-93 IC RH5RL33AA-T1
IC505 8-759-566-19 IC AK4518VF-E2
IC506 8-759-096-87 IC TC7WU04FU(TE12R)
IC507 8-759-243-19 IC TC7SU04F
< JUMPER RESISTOR >
JC502 1-216-295-00 METAL CHIP 0 5% 1/10W
JC503 1-216-295-00 METAL CHIP 0 5% 1/10W
JC504 1-216-295-00 METAL CHIP 0 5% 1/10W
JC505 1-216-295-00 METAL CHIP 0 5% 1/10W
JC506 1-216-296-00 METAL CHIP 0 5% 1/8W
JC507 1-216-296-00 METAL CHIP 0 5% 1/8W
JC508 1-216-296-00 METAL CHIP 0 5% 1/8W
JC509 1-216-296-00 METAL CHIP 0 5% 1/8W
Ref. No. Part No. Description Remark Ref. No. Part No. Description Remark
DG

– 117 –
JC513 1-216-296-00 METAL CHIP 0 5% 1/8W
JC514 1-216-296-00 METAL CHIP 0 5% 1/8W
JC515 1-216-296-00 METAL CHIP 0 5% 1/8W
JC516 1-216-295-00 METAL CHIP 0 5% 1/10W
JC517 1-216-296-00 METAL CHIP 0 5% 1/8W
JC520 1-216-295-00 METAL CHIP 0 5% 1/10W
JC521 1-216-296-00 METAL CHIP 0 5% 1/8W
JC525 1-216-296-00 METAL CHIP 0 5% 1/8W
JC537 1-216-296-00 METAL CHIP 0 5% 1/8W
JC538 1-216-296-00 METAL CHIP 0 5% 1/8W
JC539 1-216-295-00 METAL CHIP 0 5% 1/10W
JC542 1-216-864-11 METAL CHIP 0 5% 1/16W
JC543 1-216-864-11 METAL CHIP 0 5% 1/16W
JC551 1-216-296-00 METAL CHIP 0 5% 1/8W
JC565 1-216-295-00 METAL CHIP 0 5% 1/10W
< COIL >
L501 1-414-398-11 INDUCTOR 10uH
L502 1-414-398-11 INDUCTOR 10uH
L503 1-414-398-11 INDUCTOR 10uH
L504 1-414-398-11 INDUCTOR 10uH
L505 1-414-398-11 INDUCTOR 10uH
L507 1-414-398-11 INDUCTOR 10uH
L508 1-412-032-11 INDUCTOR CHIP 100uH
L509 1-414-404-11 INDUCTOR 100uH
L510 1-414-398-11 INDUCTOR 10uH
L511 1-416-107-21 INDUCTOR 0uH
L512 1-412-006-31 INDUCTOR CHIP 10uH
L513 1-414-398-11 INDUCTOR 10uH
L515 1-414-404-21 INDUCTOR CHIP 100uH
< TRANSISTOR >
Q501 8-729-031-43 TRANSISTOR IMD9A-T108
Q502 8-729-402-84 TRANSISTOR XN4601
Q503 8-729-027-46 TRANSISTOR DTC114YKA-T146
Q504 8-729-101-07 TRANSISTOR 2SB798-DL
Q507 8-729-402-84 TRANSISTOR XN4601
Q509 8-729-027-46 TRANSISTOR DTC114YKA-T146
Q510 8-729-027-56 TRANSISTOR DTC143TKA-T146
Q511 8-729-019-72 TRANSISTOR 2SB1260
Q520 8-729-027-46 TRANSISTOR DTC114YKA-T146
Q521 8-729-027-46 TRANSISTOR DTC114YKA-T146
Q522 8-729-027-46 TRANSISTOR DTC114YKA-T146
Q551 8-729-046-16 TRANSISTOR UMG5N-TR
Q552 8-729-046-15 TRANSISTOR UMA1N-TR
Q553 8-729-046-16 TRANSISTOR UMG5N-TR
Q554 8-729-046-15 TRANSISTOR UMA1N-TR
< RESISTOR >
R501 1-216-833-11 METAL CHIP 10K 5% 1/16W
R502 1-216-833-11 METAL CHIP 10K 5% 1/16W
R503 1-216-833-11 METAL CHIP 10K 5% 1/16W
R504 1-216-833-11 METAL CHIP 10K 5% 1/16W
R505 1-216-845-11 METAL CHIP 100K 5% 1/16W
R506 1-216-845-11 METAL CHIP 100K 5% 1/16W
R507 1-216-845-11 METAL CHIP 100K 5% 1/16W
R508 1-216-845-11 METAL CHIP 100K 5% 1/16W
R509 1-216-857-11 METAL CHIP 1M 5% 1/16W
R510 1-216-833-11 METAL CHIP 10K 5% 1/16W
R511 1-216-845-11 METAL CHIP 100K 5% 1/16W
R512 1-216-025-91 RES,CHIP 100 5% 1/10W
R513 1-216-025-91 RES,CHIP 100 5% 1/10W
R514 1-216-833-11 METAL CHIP 10K 5% 1/16W
R515 1-216-097-91 RES,CHIP 100K 5% 1/10W
R516 1-216-851-11 METAL CHIP 330K 5% 1/16W
R517 1-216-833-11 METAL CHIP 10K 5% 1/16W
R518 1-216-833-11 METAL CHIP 10K 5% 1/16W
R519 1-216-833-11 METAL CHIP 10K 5% 1/16W
R520 1-216-849-11 METAL CHIP 220K 5% 1/16W
R521 1-216-833-11 METAL CHIP 10K 5% 1/16W
R522 1-216-833-11 METAL CHIP 10K 5% 1/16W
R523 1-216-833-11 METAL CHIP 10K 5% 1/16W
R524 1-216-833-11 METAL CHIP 10K 5% 1/16W
R525 1-216-833-11 METAL CHIP 10K 5% 1/16W
R526 1-216-833-11 METAL CHIP 10K 5% 1/16W
R527 1-216-833-11 METAL CHIP 10K 5% 1/16W
R529 1-216-807-11 METAL CHIP 68 5% 1/16W
R531 1-216-833-11 METAL CHIP 10K 5% 1/16W
R532 1-216-817-11 METAL CHIP 470 5% 1/16W
R533 1-216-821-11 METAL CHIP 1K 5% 1/16W
R534 1-216-821-11 METAL CHIP 1K 5% 1/16W
R536 1-216-845-11 METAL CHIP 100K 5% 1/16W
R537 1-216-845-11 METAL CHIP 100K 5% 1/16W
R541 1-216-833-11 METAL CHIP 10K 5% 1/16W
R543 1-216-841-11 METAL CHIP 47K 5% 1/16W
R544 1-216-819-11 METAL CHIP 680 5% 1/16W
R548 1-216-853-11 METAL CHIP 470K 5% 1/16W
R551 1-216-847-11 METAL CHIP 150K 5% 1/16W
R552 1-216-843-11 METAL CHIP 68K 5% 1/16W
R553 1-216-833-11 METAL CHIP 10K 5% 1/16W
R554 1-216-222-00 RES,CHIP 10K 5% 1/8W
R555 1-216-089-91 RES,CHIP 47K 5% 1/10W
R556 1-216-841-11 METAL CHIP 47K 5% 1/16W
R557 1-216-821-11 METAL CHIP 1K 5% 1/16W
R558 1-216-214-00 RES,CHIP 4.7K 5% 1/8W
R559 1-216-821-11 METAL CHIP 1K 5% 1/16W
R560 1-216-821-11 METAL CHIP 1K 5% 1/16W
R561 1-216-821-11 METAL CHIP 1K 5% 1/16W
R562 1-216-829-11 METAL CHIP 4.7K 5% 1/16W
R565 1-216-817-11 METAL CHIP 470 5% 1/16W
R567 1-216-841-11 METAL CHIP 47K 5% 1/16W
R571 1-216-097-91 RES,CHIP 100K 5% 1/10W
R572 1-216-073-00 METAL CHIP 10K 5% 1/10W
R573 1-216-073-00 METAL CHIP 10K 5% 1/10W
R580 1-216-821-11 METAL CHIP 1K 5% 1/16W
R581 1-216-821-11 METAL CHIP 1K 5% 1/16W
R582 1-216-833-11 METAL CHIP 10K 5% 1/16W
R583 1-216-833-11 METAL CHIP 10K 5% 1/16W
R584 1-216-857-11 METAL CHIP 1M 5% 1/16W
R585 1-216-819-11 METAL CHIP 680 5% 1/16W
R586 1-216-833-11 METAL CHIP 10K 5% 1/16W
R587 1-216-833-11 METAL CHIP 10K 5% 1/16W
R588 1-216-821-11 METAL CHIP 1K 5% 1/16W
R589 1-216-857-11 METAL CHIP 1M 5% 1/16W
Ref. No. Part No. Description Remark Ref. No. Part No. Description Remark
DG

– 118 –
R590 1-216-841-11 METAL CHIP 47K 5% 1/16W
< VIBRATOR >
X501 1-760-174-11 VIBRATOR, CERAMIC (12MHz)
X502 1-760-872-11 VIBRATOR, CRYSTAL (32.768KHz)
X503 1-767-286-11 VIBRATOR, CRYSTAL (22.5792MHz)
************************************************************
*1-671-517-11 FILTER BOARD
************
< CONNECTOR >
CN550 1-750-524-31 CONNECTOR, FFC/FPC (ZIF) 26P
CN551 1-750-524-31 CONNECTOR, FFC/FPC (ZIF) 26P
< FERRITE BEAD >
FB590 1-469-185-11 FERRITE 0UH
FB591 1-469-185-11 FERRITE 0UH
< FILTER >
FL501 1-239-895-11 FILTER, EMI (SMD)
FL502 1-239-895-11 FILTER, EMI (SMD)
FL503 1-239-895-11 FILTER, EMI (SMD)
FL504 1-239-895-11 FILTER, EMI (SMD)
FL505 1-239-895-11 FILTER, EMI (SMD)
FL506 1-239-895-11 FILTER, EMI (SMD)
FL507 1-239-895-11 FILTER, EMI (SMD)
FL508 1-239-895-11 FILTER, EMI (SMD)
FL509 1-239-895-11 FILTER, EMI (SMD)
FL510 1-239-895-11 FILTER, EMI (SMD)
FL511 1-239-895-11 FILTER, EMI (SMD)
FL512 1-239-895-11 FILTER, EMI (SMD)
FL513 1-239-895-11 FILTER, EMI (SMD)
FL514 1-239-895-11 FILTER, EMI (SMD)
FL515 1-239-895-11 FILTER, EMI (SMD)
FL516 1-239-895-11 FILTER, EMI (SMD)
FL517 1-239-895-11 FILTER, EMI (SMD)
FL518 1-239-895-11 FILTER, EMI (SMD)
FL519 1-239-895-11 FILTER, EMI (SMD)
FL520 1-239-895-11 FILTER, EMI (SMD)
FL521 1-239-895-11 FILTER, EMI (SMD)
FL522 1-239-895-11 FILTER, EMI (SMD)
< JUMPER RESISTOR >
JC590 1-216-295-00 METAL CHIP 0 5% 1/10W
************************************************************
*A-3323-029-A FL BOARD, COMPLETE (US)
*A-3323-036-A FL BOARD, COMPLETE (EXCEPT US)
******************
3-019-671-01 HOLDER (FL)
< CAPACITOR >
C403 1-163-005-11 CERAMIC CHIP 470PF 10% 50V
C404 1-163-005-11 CERAMIC CHIP 470PF 10% 50V
C405 1-163-005-11 CERAMIC CHIP 470PF 10% 50V
C406 1-163-005-11 CERAMIC CHIP 470PF 10% 50V
C407 1-163-239-11 CERAMIC CHIP 33PF 5% 50V
C408 1-163-239-11 CERAMIC CHIP 33PF 5% 50V
C409 1-163-021-91 CERAMIC CHIP 0.01uF 10% 50V
C410 1-163-021-91 CERAMIC CHIP 0.01uF 10% 50V
C411 1-104-664-11 ELECT 47uF 20% 16V
C412 1-163-059-91 CERAMIC CHIP 0.01uF 10% 50V
C413 1-163-021-91 CERAMIC CHIP 0.01uF 10% 50V
C414 1-164-004-11 CERAMIC CHIP 0.1uF 10% 25V
C416 1-163-104-00 CERAMIC CHIP 30PF 5% 50V
C417 1-163-104-00 CERAMIC CHIP 30PF 5% 50V
C418 1-126-964-11 ELECT 10uF 20% 50V
C419 1-163-021-91 CERAMIC CHIP 0.01uF 10% 50V
C420 1-164-337-11 CERAMIC CHIP 2.2uF 16V
C421 1-164-337-11 CERAMIC CHIP 2.2uF 16V
C422 1-164-337-11 CERAMIC CHIP 2.2uF 16V
C423 1-164-337-11 CERAMIC CHIP 2.2uF 16V
C424 1-164-337-11 CERAMIC CHIP 2.2uF 16V
< CONNECTOR >
*CN404 1-569-306-11 SOCKET, CONNECTOR (L TYRE) 15P
< FLUORESCENT INDICATOR TUBE >
FL401 1-517-744-11 INDICATOR TUBE, FLUORESCENT
< IC >
IC401 8-752-891-96 IC CXP82832-005Q
< JUMPER RESISTOR >
JC401 1-216-296-00 METAL CHIP 0 5% 1/8W
JC402 1-216-296-00 METAL CHIP 0 5% 1/8W
JC403 1-216-296-00 METAL CHIP 0 5% 1/8W
JC404 1-216-296-00 METAL CHIP 0 5% 1/8W
JC405 1-216-296-00 METAL CHIP 0 5% 1/8W
JC406 1-216-296-00 METAL CHIP 0 5% 1/8W
< TRANSISTOR >
Q404 8-729-402-19 TRANSISTOR XN6501
Q405 8-729-028-21 TRANSISTOR XN4502
Q406 8-729-024-33 TRANSISTOR XN1509-TX
< RESISTOR >
R401 1-216-073-00 METAL CHIP 10K 5% 1/10W
R439 1-216-073-00 METAL CHIP 10K 5% 1/10W
R440 1-216-049-91 RES,CHIP 1K 5% 1/10W
R441 1-216-073-00 METAL CHIP 10K 5% 1/10W
R442 1-216-049-91 RES,CHIP 1K 5% 1/10W
R443 1-216-049-91 RES,CHIP 1K 5% 1/10W
R444 1-216-073-00 METAL CHIP 10K 5% 1/10W
R445 1-216-049-91 RES,CHIP 1K 5% 1/10W
R446 1-216-073-00 METAL CHIP 10K 5% 1/10W
R447 1-216-049-91 RES,CHIP 1K 5% 1/10W
R448 1-216-049-91 RES,CHIP 1K 5% 1/10W
R449 1-216-049-91 RES,CHIP 1K 5% 1/10W
R450 1-216-049-91 RES,CHIP 1K 5% 1/10W
R451 1-216-049-91 RES,CHIP 1K 5% 1/10W
R452 1-216-049-91 RES,CHIP 1K 5% 1/10W
R453 1-216-049-91 RES,CHIP 1K 5% 1/10W
Ref. No. Part No. Description Remark Ref. No. Part No. Description Remark
DG FILTER FL

– 119 –
R454 1-216-049-91 RES,CHIP 1K 5% 1/10W
R455 1-216-049-91 RES,CHIP 1K 5% 1/10W
R456 1-216-073-00 METAL CHIP 10K 5% 1/10W
R457 1-216-049-91 RES,CHIP 1K 5% 1/10W
R458 1-216-009-00 METAL CHIP 22 5% 1/10W
R463 1-216-089-91 RES,CHIP 47K 5% 1/10W
R464 1-216-089-91 RES,CHIP 47K 5% 1/10W
R465 1-216-089-91 RES,CHIP 47K 5% 1/10W
R466 1-216-089-91 RES,CHIP 47K 5% 1/10W
R467 1-216-089-91 RES,CHIP 47K 5% 1/10W
R468 1-216-089-91 RES,CHIP 47K 5% 1/10W
R469 1-216-089-91 RES,CHIP 47K 5% 1/10W
R470 1-216-089-91 RES,CHIP 47K 5% 1/10W
R471 1-216-089-91 RES,CHIP 47K 5% 1/10W
R472 1-216-089-91 RES,CHIP 47K 5% 1/10W
R473 1-216-089-91 RES,CHIP 47K 5% 1/10W
R474 1-216-089-91 RES,CHIP 47K 5% 1/10W
R475 1-216-089-91 RES,CHIP 47K 5% 1/10W
R476 1-216-089-91 RES,CHIP 47K 5% 1/10W
R477 1-216-089-91 RES,CHIP 47K 5% 1/10W
R478 1-216-089-91 RES,CHIP 47K 5% 1/10W
R479 1-216-089-91 RES,CHIP 47K 5% 1/10W
R480 1-216-089-91 RES,CHIP 47K 5% 1/10W
R481 1-216-089-91 RES,CHIP 47K 5% 1/10W
R482 1-216-089-91 RES,CHIP 47K 5% 1/10W
R483 1-216-089-91 RES,CHIP 47K 5% 1/10W
R484 1-216-089-91 RES,CHIP 47K 5% 1/10W
R485 1-216-089-91 RES,CHIP 47K 5% 1/10W
R486 1-216-089-91 RES,CHIP 47K 5% 1/10W
R487 1-216-089-91 RES,CHIP 47K 5% 1/10W
R488 1-216-089-91 RES,CHIP 47K 5% 1/10W
R489 1-216-089-91 RES,CHIP 47K 5% 1/10W
R490 1-216-089-91 RES,CHIP 47K 5% 1/10W
R491 1-216-089-91 RES,CHIP 47K 5% 1/10W
R492 1-216-089-91 RES,CHIP 47K 5% 1/10W
R493 1-216-089-91 RES,CHIP 47K 5% 1/10W
R494 1-216-089-91 RES,CHIP 47K 5% 1/10W
R495 1-216-089-91 RES,CHIP 47K 5% 1/10W
R496 1-216-089-91 RES,CHIP 47K 5% 1/10W
R497 1-216-089-91 RES,CHIP 47K 5% 1/10W
R498 1-216-089-91 RES,CHIP 47K 5% 1/10W
R499 1-216-073-00 METAL CHIP 10K 5% 1/10W
R500 1-216-073-00 METAL CHIP 10K 5% 1/10W
R501 1-216-073-00 METAL CHIP 10K 5% 1/10W
R502 1-216-073-00 METAL CHIP 10K 5% 1/10W
R503 1-216-073-00 METAL CHIP 10K 5% 1/10W
R504 1-216-073-00 METAL CHIP 10K 5% 1/10W
R505 1-216-073-00 METAL CHIP 10K 5% 1/10W
R506 1-216-073-00 METAL CHIP 10K 5% 1/10W
R507 1-216-073-00 METAL CHIP 10K 5% 1/10W
R508 1-216-073-00 METAL CHIP 10K 5% 1/10W
R509 1-216-073-00 METAL CHIP 10K 5% 1/10W
R510 1-216-073-00 METAL CHIP 10K 5% 1/10W
< VIBRATOR >
X811 1-767-838-11 VIBRATOR, CERAMIC (6MHz)
************************************************************
*1-668-254-21 FM ANT BOARD (EXCEPT US)
*1-668-254-31 FM ANT BOARD (US)
*************
< CONNECTOR >
*CN41 1-580-154-11 PIN, CONNECTOR (PC BOARD) 2P
(EXCEPT US)
*CN41 1-580-163-11 PIN, CONNECTOR (PC BOARD) 2P (US)
< SWITCH >
S1 1-771-535-11 SWITCH, SLIDE (FM ANTENNA SELECTOR)
(EXCEPT US)
< TERMINAL >
TB40 1-536-833-31 TERMINAL BOARD (FM EXT ANTENNA) (US)
************************************************************
*A-3321-539-A FRONT KEY BOARD, COMPLETE (US)
*A-3321-557-A FRONT KEY BOARD, COMPLETE (EXCEPT US)
**************************
3-020-475-01 HOLDER (LED)
< CAPACITOR >
C401 1-163-021-91 CERAMIC CHIP 0.01uF 10% 50V
C402 1-109-994-11 CERAMIC CHIP 2.2uF 10% 10V
< CONNECTOR >
CN401 1-580-168-11 PIN, CONNECTOR (PC BOARD) 7P
< DIODE >
D401 8-719-071-33 LED MBG3362X-TP-J434K (RADIO)
D402 8-719-071-33 LED MBG3362X-TP-J434K (RADIO)
D403 8-719-071-33 LED MBG3362X-TP-J434K (CD)
D404 8-719-071-33 LED MBG3362X-TP-J434K (CD)
D405 8-719-071-33 LED MBG3362X-TP-J434K (MD)
D406 8-719-071-33 LED MBG3362X-TP-J434K (MD)
< IC >
IC402 8-749-011-03 IC GP1U26X
< TRANSISTOR >
Q401 8-729-027-42 TRANSISTOR DTC113ZKA-T146
Q402 8-729-027-42 TRANSISTOR DTC113ZKA-T146
Q403 8-729-027-42 TRANSISTOR DTC113ZKA-T146
< RESISTOR >
R404 1-208-794-11 RES,CHIP 3.3K 0.50% 1/10W
R405 1-216-655-11 METAL CHIP 1.5K 0.5% 1/10W
R406 1-216-655-11 METAL CHIP 1.5K 0.5% 1/10W
R407 1-208-782-11 RES,CHIP 1K 0.50% 1/10W
R408 1-208-778-11 RES,CHIP 680 0.50% 1/10W
R409 1-208-778-11 RES,CHIP 680 0.50% 1/10W
R410 1-208-774-11 RES,CHIP 470 0.50% 1/10W
R411 1-208-774-11 RES,CHIP 470 0.50% 1/10W
R412 1-216-029-00 METAL CHIP 150 5% 1/10W
R413 1-216-029-00 METAL CHIP 150 5% 1/10W
Ref. No. Part No. Description Remark Ref. No. Part No. Description Remark
FL FM ANT FRONT KEY

– 120 –
R414 1-216-029-00 METAL CHIP 150 5% 1/10W
R458 1-216-029-00 METAL CHIP 150 5% 1/10W
R459 1-216-029-00 METAL CHIP 150 5% 1/10W
R460 1-216-029-00 METAL CHIP 150 5% 1/10W
R461 1-216-049-91 RES,CHIP 1K 5% 1/10W
< SWITCH >
S801 1-692-014-11 SWITCH, KEY BOARD (MD p )
S802 1-692-014-11 SWITCH, KEY BOARD (CD p )
S803 1-692-014-11 SWITCH, KEY BOARD (MD ^ )
S804 1-692-014-11 SWITCH, KEY BOARD (CD ^ )
S805 1-692-014-11 SWITCH, KEY BOARD (RADIO, BAND)
S806 1-692-014-11 SWITCH, KEY BOARD (MD EJECT)
S807 1-692-014-11 SWITCH, KEY BOARD (CD OPEN/CLOSE)
S808 1-692-014-11 SWITCH, KEY BOARD (LINE)
S809 1-692-014-11 SWITCH, KEY BOARD (REC)
************************************************************
*1-668-250-21 HP BOARD (EXCEPT US)
*1-668-250-31 HP BOARD (US)
*********
< CAPACITOR >
C370 1-163-009-11 CERAMIC CHIP 0.001uF 10% 50V
(EXCEPT US)
C371 1-163-009-11 CERAMIC CHIP 0.001uF 10% 50V
(EXCEPT US)
C372 1-163-009-11 CERAMIC CHIP 0.001uF 10% 50V
(US)
C373 1-163-009-11 CERAMIC CHIP 0.001uF 10% 50V
(US)
C374 1-163-009-11 CERAMIC CHIP 0.001uF 10% 50V
(US)
C375 1-163-009-11 CERAMIC CHIP 0.001uF 10% 50V
(US)
< CONNECTOR >
*CN371 1-580-166-21 PIN, CONNECTOR (PC BOARD) 5P
< JACK >
J371 1-566-891-21 JACK ( • 2 )
J372 1-566-891-21 JACK ( • • 2 )
< INDUCTOR >
L171 1-410-503-11 INDUCTOR, MICRO 3.3uH
L172 1-410-503-11 INDUCTOR, MICRO 3.3uH
L271 1-410-503-11 INDUCTOR, MICRO 3.3uH
L272 1-410-503-11 INDUCTOR, MICRO 3.3uH
L371 1-410-503-11 INDUCTOR, MICRO 3.3uH
< TRANSISTOR >
Q172 8-729-920-31 TRANSISTOR DTC343TK
Q173 8-729-920-31 TRANSISTOR DTC343TK
Q272 8-729-920-31 TRANSISTOR DTC343TK
Q273 8-729-920-31 TRANSISTOR DTC343TK
< RESISTOR >
R174 1-216-013-00 METAL CHIP 33 5% 1/10W
R175 1-216-013-00 METAL CHIP 33 5% 1/10W
R274 1-216-013-00 METAL CHIP 33 5% 1/10W
R275 1-216-013-00 METAL CHIP 33 5% 1/10W
************************************************************
*1-668-243-21 LEFT KEY BOARD (EXCEPT US)
*1-668-243-31 LEFT KEY BOARD (US)
**************
< CONNECTOR >
CN406 1-695-105-11 PIN, CONNECTOR (PC BOARD) 3P
< RESISTOR >
R424 1-216-655-11 METAL CHIP 1.5K 0.5% 1/10W
R425 1-216-655-11 METAL CHIP 1.5K 0.5% 1/10W
R426 1-208-782-11 RES,CHIP 1K 0.50% 1/10W
R427 1-208-778-11 RES,CHIP 680 0.50% 1/10W
R428 1-208-778-11 RES,CHIP 680 0.50% 1/10W
R429 1-208-774-11 RES,CHIP 470 0.50% 1/10W
R430 1-208-774-11 RES,CHIP 470 0.50% 1/10W
< SWITCH >
S813 1-692-014-11 SWITCH, KEY BOARD (POWER)
S814 1-692-014-11 SWITCH, KEY BOARD (DISC ALL)
S815 1-692-014-11 SWITCH, KEY BOARD (TO TOP)
S816 1-692-014-11 SWITCH, KEY BOARD (TO END)
S817 1-692-014-11 SWITCH, KEY BOARD (SLEEP)
S818 1-692-014-11 SWITCH, KEY BOARD (STAND BY)
S819 1-692-014-11 SWITCH, KEY BOARD (TIMER)
S820 1-692-014-11 SWITCH, KEY BOARD (CLOCK)
************************************************************
*1-668-249-21 LINE IN BOARD (EXCEPT US)
*1-668-249-31 LINE IN BOARD (US)
*************
< CAPACITOR >
C392 1-163-009-11 CERAMIC CHIP 0.001uF 10% 50V
< CONNECTOR >
*CN331 1-695-112-11 PIN, CONNECTOR (PC BOARD) 10P
< FERRITE BEAD >
FB190 1-500-445-21 INDUCTOR, FERRITE BEAD (US)
FB290 1-500-445-21 INDUCTOR, FERRITE BEAD (US)
FB390 1-500-445-21 INDUCTOR, FERRITE BEAD (US)
< JACK >
J391 1-566-891-21 JACK (LINE IN)
< INDUCTOR >
L190 1-410-503-61 INDUCTOR, MICRO 3.3uH
(EXCEPT US)
L290 1-410-503-61 INDUCTOR, MICRO 3.3uH
(EXCEPT US)
L390 1-410-503-61 INDUCTOR, MICRO 3.3uH
(EXCEPT US)
< TRANSISTOR >
Q192 8-729-920-31 TRANSISTOR DTC343TK
Ref. No. Part No. Description Remark Ref. No. Part No. Description Remark
FRONT KEY HP LEFT KEY LINE IN

– 121 –
Q292 8-729-920-31 TRANSISTOR DTC343TK
Q392 8-729-027-45 TRANSISTOR DTC114WKA-T146
Q399 8-729-027-26 TRANSISTOR DTA114YKA-T146
< RESISTOR >
R197 1-216-089-91 RES,CHIP 47K 5% 1/10W
R198 1-216-089-91 RES,CHIP 47K 5% 1/10W
R297 1-216-089-91 RES,CHIP 47K 5% 1/10W
R298 1-216-089-91 RES,CHIP 47K 5% 1/10W
R391 1-216-025-91 RES,CHIP 100 5% 1/10W
< SWITCH >
S891 1-554-088-00 SWITCH, KEY BOARD (RESET)
************************************************************
*1-667-045-11 LOADING BOARD
**************
< CAPACITOR >
C790 1-104-664-11 ELECT 47uF 20% 25V
< CONNECTOR >
*CN790 1-580-166-11 PIN, CONNECTOR (PC BOARD) 5P
< DIODE >
D790 8-719-970-02 DIODE 1SR139-400
< IC >
IC790 8-759-501-73 IC BA6418N
< COIL >
L790 1-412-852-11 INDUCTOR 47uH
< RESISTOR >
R790 1-249-425-11 CARBON 4.7K 5% 1/4W
< SWITCH >
S790 1-762-951-11 SWITCH, PUSH (CLOSE)
S791 1-762-951-11 SWITCH, PUSH (OPEN)
************************************************************
*A-3321-544-A MAIN BOARD, COMPLETE (US)
*A-3321-565-A MAIN BOARD, COMPLETE (EXCEPT US)
*********************
7-685-646-79 SCREW +BVTP 3X8 TYPE2 N-S
< CAPACITOR >
C101 1-126-959-11 ELECT 0.47uF 20% 50V
C102 1-126-963-11 ELECT 4.7uF 20% 50V
C103 1-163-251-11 CERAMIC CHIP 100PF 5% 50V
C106 1-126-963-11 ELECT 4.7uF 20% 50V
C110 1-126-963-11 ELECT 4.7uF 20% 50V
C111 1-126-963-11 ELECT 4.7uF 20% 50V
C116 1-126-963-11 ELECT 4.7uF 20% 50V
C117 1-130-480-00 MYLAR 0.0056uF 5% 50V
C120 1-136-164-00 FILM 0.082uF 5% 50V
C121 1-136-164-00 FILM 0.082uF 5% 50V
C122 1-136-165-00 FILM 0.1uF 5% 50V
C123 1-136-165-00 FILM 0.1uF 5% 50V
C124 1-126-960-11 ELECT 1uF 20% 50V
C125 1-162-927-11 CERAMIC CHIP 100PF 5% 50V
C126 1-124-994-11 ELECT 100uF 20% 10V
C127 1-130-474-00 MYLAR 0.0018uF 5% 50V
C128 1-106-359-00 MYLAR 4700PF 5% 200V
C129 1-162-965-11 CERAMIC CHIP 0.0015uF 10% 50V
C130 1-163-017-00 CERAMIC CHIP 0.0047uF 5% 50V
C131 1-104-665-11 ELECT 100uF 20% 10V
C132 1-136-165-00 FILM 0.1uF 5% 50V
C133 1-126-934-11 ELECT 220uF 20% 10V
C201 1-126-959-11 ELECT 0.47uF 20% 50V
C202 1-126-963-11 ELECT 4.7uF 20% 50V
C203 1-163-251-11 CERAMIC CHIP 100PF 5% 50V
C206 1-126-963-11 ELECT 4.7uF 20% 50V
C210 1-126-963-11 ELECT 4.7uF 20% 50V
C211 1-126-963-11 ELECT 4.7uF 20% 50V
C216 1-126-963-11 ELECT 4.7uF 20% 50V
C217 1-130-480-00 MYLAR 0.0056uF 5% 50V
C220 1-136-164-00 FILM 0.082uF 5% 50V
C221 1-136-164-00 FILM 0.082uF 5% 50V
C222 1-136-165-00 FILM 0.1uF 5% 50V
C223 1-136-165-00 FILM 0.1uF 5% 50V
C224 1-126-960-11 ELECT 1uF 20% 50V
C225 1-162-927-11 CERAMIC CHIP 100PF 5% 50V
C226 1-124-994-11 ELECT 100uF 20% 10V
C227 1-130-474-00 MYLAR 0.0018uF 5% 50V
C228 1-106-359-00 MYLAR 4700PF 5% 200V
C229 1-162-965-11 CERAMIC CHIP 0.0015uF 10% 50V
C230 1-163-017-00 CERAMIC CHIP 0.0047uF 5% 50V
C231 1-104-665-11 ELECT 100uF 20% 10V
C232 1-136-165-00 FILM 0.1uF 5% 50V
C233 1-126-934-11 ELECT 220uF 20% 10V
C301 1-124-994-11 ELECT 100uF 20% 10V
C302 1-126-934-11 ELECT 220uF 20% 10V
C303 1-126-964-11 ELECT 10uF 20% 50V
C304 1-104-665-11 ELECT 100uF 20% 10V
C307 1-126-964-11 ELECT 10uF 20% 50V
C308 1-126-964-11 ELECT 10uF 20% 50V
C309 1-104-665-11 ELECT 100uF 20% 10V
C311 1-126-964-11 ELECT 10uF 20% 50V
C701 1-162-968-11 CERAMIC CHIP 0.0047uF 10% 50V
C702 1-162-970-11 CERAMIC CHIP 0.01uF 10% 25V
C703 1-162-969-11 CERAMIC CHIP 0.0068uF 10% 25V
C704 1-163-809-11 CERAMIC CHIP 0.047uF 10% 25V
C705 1-163-021-91 CERAMIC CHIP 0.01uF 10% 50V
C706 1-124-994-11 ELECT 100uF 20% 10V
C707 1-164-227-11 CERAMIC CHIP 0.022uF 10% 25V
C708 1-164-004-11 CERAMIC CHIP 0.1uF 10% 25V
C709 1-162-968-11 CERAMIC CHIP 0.0047uF 10% 50V
C710 1-164-004-11 CERAMIC CHIP 0.1uF 10% 25V
C711 1-163-113-00 CERAMIC CHIP 68PF 5% 50V
C712 1-163-009-11 CERAMIC CHIP 0.001uF 10% 50V
C713 1-164-004-11 CERAMIC CHIP 0.1uF 10% 25V
C714 1-164-004-11 CERAMIC CHIP 0.1uF 10% 25V
C715 1-109-982-11 CERAMIC CHIP 1uF 10% 10V
C716 1-164-004-11 CERAMIC CHIP 0.1uF 10% 25V
Ref. No. Part No. Description Remark Ref. No. Part No. Description Remark
LOADING MAINLINE IN

– 122 –
C717 1-162-965-11 CERAMIC CHIP 0.0015uF 10% 50V
C718 1-163-021-91 CERAMIC CHIP 0.01uF 10% 50V
C719 1-162-970-11 CERAMIC CHIP 0.01uF 10% 25V
C720 1-135-181-21 TANTALUM CHIP 4.7uF 20% 6.3V
C721 1-104-664-11 ELECT 47uF 20% 16V
C722 1-163-017-00 CERAMIC CHIP 0.0047uF 5% 50V
C723 1-164-677-11 CERAMIC CHIP 0.033uF 10% 16V
C724 1-164-677-11 CERAMIC CHIP 0.033uF 10% 16V
C725 1-162-970-11 CERAMIC CHIP 0.01uF 10% 25V
C726 1-104-509-11 CERAMIC CHIP 0.018uF 10% 16V
C727 1-162-969-11 CERAMIC CHIP 0.0068uF 10% 25V
C728 1-163-021-91 CERAMIC CHIP 0.01uF 10% 50V
C729 1-162-927-11 CERAMIC CHIP 100PF 5% 50V
C730 1-162-968-11 CERAMIC CHIP 0.0047uF 10% 50V
C731 1-124-994-11 ELECT 100uF 20% 10V
C732 1-164-677-11 CERAMIC CHIP 0.033uF 10% 16V
C733 1-164-505-11 CERAMIC CHIP 2.2uF 16V
C734 1-163-033-91 CERAMIC CHIP 0.022uF 50V
C735 1-162-923-11 CERAMIC CHIP 47PF 5% 50V
C736 1-162-970-11 CERAMIC CHIP 0.01uF 10% 25V
C737 1-124-994-11 ELECT 100uF 20% 10V
C739 1-124-994-11 ELECT 100uF 20% 10V
C741 1-163-009-11 CERAMIC CHIP 0.001uF 10% 50V
C742 1-163-251-11 CERAMIC CHIP 100PF 5% 50V
C743 1-163-251-11 CERAMIC CHIP 100PF 5% 50V
C744 1-163-251-11 CERAMIC CHIP 100PF 5% 50V
C745 1-164-227-11 CERAMIC CHIP 0.022uF 10% 25V
C747 1-126-925-11 ELECT 470uF 20% 10V
C748 1-104-665-11 ELECT 100uF 20% 10V
C749 1-162-962-11 CERAMIC CHIP 470PF 10% 50V
C750 1-124-994-11 ELECT 100uF 20% 10V
C751 1-162-964-11 CERAMIC CHIP 0.001uF 10% 50V
C752 1-162-964-11 CERAMIC CHIP 0.001uF 10% 50V
C753 1-162-970-11 CERAMIC CHIP 0.01uF 10% 25V
C754 1-162-927-11 CERAMIC CHIP 100PF 5% 50V
C755 1-162-970-11 CERAMIC CHIP 0.01uF 10% 25V
C756 1-162-962-11 CERAMIC CHIP 470PF 10% 50V
C757 1-162-957-11 CERAMIC CHIP 220PF 5% 50V
C758 1-162-970-11 CERAMIC CHIP 0.01uF 10% 25V
C759 1-104-665-11 ELECT 100uF 20% 10V
C760 1-162-970-11 CERAMIC CHIP 0.01uF 10% 25V
C762 1-163-021-91 CERAMIC CHIP 0.01uF 10% 50V
C763 1-107-823-11 CERAMIC CHIP 0.47uF 10% 16V
C764 1-163-227-11 CERAMIC CHIP 10PF 0.5PF 50V
C765 1-163-021-91 CERAMIC CHIP 0.01uF 10% 50V
C766 1-163-227-11 CERAMIC CHIP 10PF 0.5PF 50V
C767 1-162-962-11 CERAMIC CHIP 470PF 10% 50V
C768 1-162-957-11 CERAMIC CHIP 220PF 5% 50V
C770 1-162-970-11 CERAMIC CHIP 0.01uF 10% 25V
C771 1-115-467-11 CERAMIC CHIP 0.22uF 10% 10V
C772 1-162-970-11 CERAMIC CHIP 0.01uF 10% 25V
C773 1-162-970-11 CERAMIC CHIP 0.01uF 10% 25V
C775 1-162-970-11 CERAMIC CHIP 0.01uF 10% 25V
C777 1-126-963-11 ELECT 4.7uF 20% 50V
C778 1-126-963-11 ELECT 4.7uF 20% 50V
C779 1-164-489-11 CERAMIC CHIP 0.22uF 10% 16V
C780 1-162-970-11 CERAMIC CHIP 0.01uF 10% 25V
C781 1-110-501-11 CERAMIC CHIP 0.33uF 10% 16V
C782 1-164-004-11 CERAMIC CHIP 0.1uF 10% 25V
C783 1-164-004-11 CERAMIC CHIP 0.1uF 10% 25V
C784 1-127-508-00 ELECT 2.2uF 20% 25V
C786 1-127-508-00 ELECT 2.2uF 20% 25V
C787 1-164-004-11 CERAMIC CHIP 0.1uF 10% 25V
C788 1-164-004-11 CERAMIC CHIP 0.1uF 10% 25V
C789 1-163-009-11 CERAMIC CHIP 0.001uF 10% 50V
C801 1-162-964-11 CERAMIC CHIP 0.001uF 10% 50V
C802 1-162-964-11 CERAMIC CHIP 0.001uF 10% 50V
C803 1-162-927-11 CERAMIC CHIP 100PF 5% 50V
C804 1-162-927-11 CERAMIC CHIP 100PF 5% 50V
C805 1-162-964-11 CERAMIC CHIP 0.001uF 10% 50V
C806 1-162-964-11 CERAMIC CHIP 0.001uF 10% 50V
C807 1-162-970-11 CERAMIC CHIP 0.01uF 10% 25V
C808 1-162-964-11 CERAMIC CHIP 0.001uF 10% 50V
C809 1-163-017-00 CERAMIC CHIP 0.0047uF 5% 50V
C810 1-162-968-11 CERAMIC CHIP 0.0047uF 10% 50V
C811 1-162-964-11 CERAMIC CHIP 0.001uF 10% 50V
C812 1-107-826-11 CERAMIC CHIP 0.1uF 10% 16V
C813 1-162-921-11 CERAMIC CHIP 33PF 5% 50V
C814 1-162-921-11 CERAMIC CHIP 33PF 5% 50V
C815 1-163-037-11 CERAMIC CHIP 0.022uF 10% 25V
C816 1-162-970-11 CERAMIC CHIP 0.01uF 10% 25V
C817 1-163-237-11 CERAMIC CHIP 27PF 5% 50V
C818 1-162-921-11 CERAMIC CHIP 33PF 5% 50V
C819 1-162-919-11 CERAMIC CHIP 22PF 5% 50V
C820 1-107-826-11 CERAMIC CHIP 0.1uF 10% 16V
C821 1-163-234-11 CERAMIC CHIP 20PF 5% 50V
C822 1-104-664-11 ELECT 47uF 20% 16V
C823 1-162-970-11 CERAMIC CHIP 0.01uF 10% 25V
C824 1-104-665-11 ELECT 100uF 20% 10V
C825 1-104-664-11 ELECT 47uF 20% 16V
C826 1-162-961-11 CERAMIC CHIP 330PF 10% 50V
C827 1-162-927-11 CERAMIC CHIP 100PF 5% 50V
C829 1-162-961-11 CERAMIC CHIP 330PF 10% 50V
C830 1-162-964-11 CERAMIC CHIP 0.001uF 10% 50V
C831 1-162-970-11 CERAMIC CHIP 0.01uF 10% 25V
C832 1-162-964-11 CERAMIC CHIP 0.001uF 10% 50V
C833 1-162-964-11 CERAMIC CHIP 0.001uF 10% 50V
C834 1-162-964-11 CERAMIC CHIP 0.001uF 10% 50V
C835 1-162-964-11 CERAMIC CHIP 0.001uF 10% 50V
C836 1-162-964-11 CERAMIC CHIP 0.001uF 10% 50V
C837 1-163-059-91 CERAMIC CHIP 0.01uF 10% 50V
C838 1-127-508-00 ELECT 2.2uF 20% 25V
C839 1-162-970-11 CERAMIC CHIP 0.01uF 10% 25V
C840 1-163-059-91 CERAMIC CHIP 0.01uF 10% 50V
C841 1-162-964-11 CERAMIC CHIP 0.001uF 10% 50V
C842 1-162-964-11 CERAMIC CHIP 0.001uF 10% 50V
C843 1-107-823-11 CERAMIC CHIP 0.47uF 10% 16V
C844 1-107-826-11 CERAMIC CHIP 0.1uF 10% 16V
C845 1-162-964-11 CERAMIC CHIP 0.001uF 10% 50V
C847 1-162-961-11 CERAMIC CHIP 330PF 10% 50V
C850 1-163-009-11 CERAMIC CHIP 0.001uF 10% 50V
C851 1-164-505-11 CERAMIC CHIP 2.2uF 16V
C852 1-163-009-11 CERAMIC CHIP 0.001uF 10% 50V
C853 1-163-009-11 CERAMIC CHIP 0.001uF 10% 50V
C854 1-163-009-11 CERAMIC CHIP 0.001uF 10% 50V
Ref. No. Part No. Description Remark Ref. No. Part No. Description Remark
MAIN

– 123 –
C855 1-163-009-11 CERAMIC CHIP 0.001uF 10% 50V
C856 1-163-009-11 CERAMIC CHIP 0.001uF 10% 50V
C857 1-163-009-11 CERAMIC CHIP 0.001uF 10% 50V
C858 1-163-009-11 CERAMIC CHIP 0.001uF 10% 50V
C859 1-163-009-11 CERAMIC CHIP 0.001uF 10% 50V
C860 1-163-009-11 CERAMIC CHIP 0.001uF 10% 50V
C861 1-163-009-11 CERAMIC CHIP 0.001uF 10% 50V
C866 1-126-960-11 ELECT 1uF 20% 50V
C867 1-126-960-11 ELECT 1uF 20% 50V
C871 1-126-233-11 ELECT 22uF 20% 50V
C880 1-163-009-11 CERAMIC CHIP 0.001uF 10% 50V
C881 1-163-009-11 CERAMIC CHIP 0.001uF 10% 50V
C901 1-126-044-11 ELECT 1uF 20% 50V
C902 1-164-004-11 CERAMIC CHIP 0.1uF 10% 25V
C903 1-124-994-11 ELECT 100uF 20% 10V
C904 1-163-021-91 CERAMIC CHIP 0.01uF 10% 50V
C905 1-125-784-11 ELECT 15000uF 20% 25V
C906 1-126-934-11 ELECT 220uF 20% 10V
C907 1-104-665-11 ELECT 100uF 20% 10V
C908 1-163-021-91 CERAMIC CHIP 0.01uF 10% 50V
C909 1-126-964-11 ELECT 10uF 20% 50V
C910 1-127-508-00 ELECT 2.2uF 20% 25V
C911 1-110-501-11 CERAMIC CHIP 0.33uF 10% 16V
C912 1-104-905-11 CAPACITOR 0.22F 5.5V
C913 1-126-964-11 ELECT 10uF 20% 50V
C914 1-126-964-11 ELECT 10uF 20% 50V
C915 1-126-964-11 ELECT 10uF 20% 50V
C916 1-104-664-11 ELECT 47uF 20% 10V
C917 1-127-508-00 ELECT 2.2uF 20% 25V
C918 1-127-508-00 ELECT 2.2uF 20% 25V
C919 1-126-964-11 ELECT 10uF 20% 50V
C920 1-163-021-91 CERAMIC CHIP 0.01uF 10% 50V
C921 1-163-021-91 CERAMIC CHIP 0.01uF 10% 50V
C922 1-126-964-11 ELECT 10uF 20% 50V
C923 1-162-970-11 CERAMIC CHIP 0.01uF 10% 25V
C924 1-126-968-11 ELECT 100uF 20% 50V
C925 1-163-021-91 CERAMIC CHIP 0.01uF 10% 50V
C926 1-126-964-11 ELECT 10uF 20% 50V
C927 1-127-508-00 ELECT 2.2uF 20% 25V
C928 1-113-981-11 TANTAL. CHIP 22uF 20% 20V
< CONNECTOR >
CN701 1-569-324-11 SOCKET, CONNECTOR 21P
*CN703 1-580-154-11 PIN, CONNECTOR (PC BOARD) 2P
CN801 1-569-321-11 SOCKET, CONNECTOR 15P
CN802 1-573-489-11 PIN, CONNECTOR (PC BOARD) 11P
CN803 1-506-987-11 PIN, CONNECTOR (PC BOARD) 5P
CN804 1-506-987-11 PIN, CONNECTOR (PC BOARD) 5P
CN805 1-569-326-11 SOCKET, CONNECTOR 26P
CN806 1-568-443-11 SOCKET, CONNECTOR 13P
*CN807 1-691-581-11 PIN, CONNECTOR (PC BOARD) 10P
*CN808 1-573-489-21 PIN, CONNECTOR (PC BOARD) 11P
*CN809 1-580-158-11 PIN, CONNECTOR (PC BOARD) 6P
*CN810 1-580-158-11 PIN, CONNECTOR (PC BOARD) 6P
< DIODE >
D301 8-719-801-78 DIODE 1SS184
D302 8-719-404-49 DIODE MA111
D303 8-719-800-76 DIODE 1SS226
D306 8-719-404-49 DIODE MA111
D711 8-719-404-49 DIODE MA111
D712 8-719-404-49 DIODE MA111
D901 8-719-988-62 DIODE 1SS355
D902 8-719-421-27 DIODE MA728
D903 8-719-018-12 DIODE MA8330
D904 8-719-422-67 DIODE MA8062-H
D905 8-719-404-49 DIODE MA111
D906 8-719-421-27 DIODE MA728
D907 8-719-421-27 DIODE MA728
D910 8-719-404-49 DIODE MA111
< FERRITE BEAD >
FB301 1-414-235-11 INDUCTOR, FERRITE BEAD
FB302 1-414-235-11 INDUCTOR, FERRITE BEAD
FB303 1-414-235-11 INDUCTOR, FERRITE BEAD
FB304 1-414-235-11 INDUCTOR, FERRITE BEAD
FB305 1-414-235-11 INDUCTOR, FERRITE BEAD
FB306 1-414-235-11 INDUCTOR, FERRITE BEAD
FB307 1-414-235-11 INDUCTOR, FERRITE BEAD
FB308 1-414-235-11 INDUCTOR, FERRITE BEAD
FB309 1-414-235-11 INDUCTOR, FERRITE BEAD
FB310 1-414-235-11 INDUCTOR, FERRITE BEAD
FB311 1-414-385-11 INDUCTOR, FERRITE BEAD
FB312 1-414-235-11 INDUCTOR, FERRITE BEAD
FB313 1-414-385-11 INDUCTOR, FERRITE BEAD
FB314 1-414-385-11 INDUCTOR, FERRITE BEAD
FB315 1-414-235-11 INDUCTOR, FERRITE BEAD
FB316 1-414-235-11 INDUCTOR, FERRITE BEAD
FB318 1-414-235-11 INDUCTOR, FERRITE BEAD
FB320 1-216-295-00 METAL CHIP 0 5% 1/10W
FB321 1-216-295-00 METAL CHIP 0 5% 1/10W
FB322 1-216-295-00 METAL CHIP 0 5% 1/10W
FB323 1-216-295-00 METAL CHIP 0 5% 1/10W
FB324 1-216-295-00 METAL CHIP 0 5% 1/10W
FB325 1-216-295-00 METAL CHIP 0 5% 1/10W
FB326 1-216-295-00 METAL CHIP 0 5% 1/10W
FB327 1-216-295-00 METAL CHIP 0 5% 1/10W
FB328 1-216-295-00 METAL CHIP 0 5% 1/10W
FB329 1-216-295-00 METAL CHIP 0 5% 1/10W
FB330 1-216-295-00 METAL CHIP 0 5% 1/10W
< IC >
IC101 8-759-636-55 IC M5218AFP
IC201 8-759-636-55 IC M5218AFP
IC301 8-759-567-92 IC TDA7439DS013TR
IC302 8-759-701-02 IC NJM2073M
IC701 8-752-082-14 IC CXA1992BR
IC702 8-759-473-42 IC BA6898FP
IC703 8-752-384-13 IC CXD2589Q
IC704 8-759-476-21 IC BA05SFP-E2
IC801 8-752-900-67 IC CXP84648-037Q
IC802 8-759-445-91 IC RN5VT28AA-TL
IC803 8-759-398-68 IC S-29330AFJ-TB
IC804 8-759-233-66 IC TC74HCT04AF
IC901 8-759-463-93 IC L88MS06T-FA-TL
Ref. No. Part No. Description Remark Ref. No. Part No. Description Remark
MAIN

– 124 –
IC902 8-759-290-19 IC BA3960
IC903 8-759-494-77 IC RH5RL58AA-T1
IC904 8-759-442-54 IC RH5RL50AA-T1
IC905 8-759-938-15 IC BA178M05
< JUMPER RESISTOR >
JC301 1-216-864-11 METAL CHIP 0 5% 1/16W
JC701 1-216-295-00 METAL CHIP 0 5% 1/10W
JC702 1-216-864-11 METAL CHIP 0 5% 1/16W
JC703 1-216-295-00 METAL CHIP 0 5% 1/10W
JC704 1-216-296-00 METAL CHIP 0 5% 1/8W
JC705 1-216-296-00 METAL CHIP 0 5% 1/8W
JC802 1-216-295-00 METAL CHIP 0 5% 1/10W
JC803 1-216-295-00 METAL CHIP 0 5% 1/10W
JC805 1-216-295-00 METAL CHIP 0 5% 1/10W
(US)
JC806 1-216-295-00 METAL CHIP 0 5% 1/10W
(EXCEPT US)
JC807 1-216-295-00 METAL CHIP 0 5% 1/10W
JC809 1-216-296-00 METAL CHIP 0 5% 1/8W
JC850 1-216-295-00 METAL CHIP 0 5% 1/10W
JC851 1-216-295-00 METAL CHIP 0 5% 1/10W
JC852 1-216-295-00 METAL CHIP 0 5% 1/10W
JC860 1-216-296-00 METAL CHIP 0 5% 1/8W
< COIL >
L101 1-410-999-11 INDUCTOR CHIP 3.3uH
L102 1-410-999-11 INDUCTOR CHIP 3.3uH
L103 1-410-999-11 INDUCTOR CHIP 3.3uH
L104 1-410-999-11 INDUCTOR CHIP 3.3uH
L105 1-410-999-11 INDUCTOR CHIP 3.3uH
L106 1-410-999-11 INDUCTOR CHIP 3.3uH
L201 1-410-999-11 INDUCTOR CHIP 3.3uH
L202 1-410-999-11 INDUCTOR CHIP 3.3uH
L203 1-410-999-11 INDUCTOR CHIP 3.3uH
L204 1-410-999-11 INDUCTOR CHIP 3.3uH
L205 1-410-999-11 INDUCTOR CHIP 3.3uH
L206 1-410-999-11 INDUCTOR CHIP 3.3uH
L701 1-216-057-00 METAL CHIP 2.2K 5% 1/10W
L801 1-216-295-00 METAL CHIP 0 5% 1/10W
L802 1-216-295-00 METAL CHIP 0 5% 1/10W
< TRANSISTOR >
Q102 8-729-120-28 TRANSISTOR 2SC1623-L5L6
Q103 8-729-920-31 TRANSISTOR DTC343TK
Q202 8-729-120-28 TRANSISTOR 2SC1623-L5L6
Q203 8-729-920-31 TRANSISTOR DTC343TK
Q301 8-729-031-43 TRANSISTOR IMD9A-T108
Q303 8-729-031-43 TRANSISTOR IMD9A-T108
Q304 8-729-901-46 TRANSISTOR DTA114YK
Q305 8-729-027-46 TRANSISTOR DTC114YKA-T146
Q701 8-729-101-07 TRANSISTOR 2SB798-DL
Q702 8-729-027-62 TRANSISTOR DTC144WKA-T146
Q703 8-729-901-46 TRANSISTOR DTA114YK
Q704 8-729-027-56 TRANSISTOR DTC143TKA-T146
Q705 8-729-027-56 TRANSISTOR DTC143TKA-T146
Q801 8-729-027-46 TRANSISTOR DTC114YKA-T146
Q802 8-729-024-33 TRANSISTOR XN1509-TX
Q803 8-729-120-28 TRANSISTOR 2SC1623-L5L6
Q902 8-729-027-58 TRANSISTOR DTC143ZKA-T146
Q903 8-729-402-84 TRANSISTOR XN4601
Q905 8-729-031-43 TRANSISTOR IMD9A-T108
Q909 8-729-031-43 TRANSISTOR IMD9A-T108
Q910 8-729-019-72 TRANSISTOR 2SB1260
< RESISTOR >
R101 1-218-758-11 RES,CHIP 180K 5% 1/10W
R103 1-216-669-11 METAL CHIP 5.6K 0.5% 1/10W
R104 1-216-665-11 METAL CHIP 3.9K 0.5% 1/10W
R105 1-216-683-11 METAL CHIP 22K 0.5% 1/10W
R106 1-218-776-11 RES,CHIP 1M 5% 1/10W
R107 1-216-675-11 METAL CHIP 10K 0.5% 1/10W
R108 1-216-821-11 METAL CHIP 1K 5% 1/16W
R110 1-216-655-11 METAL CHIP 1.5K 0.5% 1/10W
R111 1-216-655-11 METAL CHIP 1.5K 0.5% 1/10W
R112 1-216-627-11 METAL CHIP 100 0.5% 1/10W
R113 1-216-809-11 METAL CHIP 100 5% 1/16W
R114 1-216-829-11 METAL CHIP 4.7K 5% 1/16W
R115 1-216-298-00 METAL CHIP 2.2 5% 1/10W
R116 1-216-651-11 METAL CHIP 1K 0.5% 1/10W
R117 1-216-025-91 RES,CHIP 100 5% 1/10W
R119 1-216-821-11 METAL CHIP 1K 5% 1/16W
R201 1-218-758-11 RES,CHIP 180K 5% 1/10W
R203 1-216-669-11 METAL CHIP 5.6K 0.5% 1/10W
R204 1-216-665-11 METAL CHIP 3.9K 0.5% 1/10W
R205 1-216-683-11 METAL CHIP 22K 0.5% 1/10W
R206 1-218-776-11 RES,CHIP 1M 5% 1/10W
R207 1-216-675-11 METAL CHIP 10K 0.5% 1/10W
R208 1-216-821-11 METAL CHIP 1K 5% 1/16W
R210 1-216-655-11 METAL CHIP 1.5K 0.5% 1/10W
R211 1-216-655-11 METAL CHIP 1.5K 0.5% 1/10W
R212 1-216-627-11 METAL CHIP 100 0.5% 1/10W
R213 1-216-809-11 METAL CHIP 100 5% 1/16W
R214 1-216-829-11 METAL CHIP 4.7K 5% 1/16W
R215 1-216-298-00 METAL CHIP 2.2 5% 1/10W
R216 1-216-651-11 METAL CHIP 1K 0.5% 1/10W
R217 1-216-025-91 RES,CHIP 100 5% 1/10W
R219 1-216-821-11 METAL CHIP 1K 5% 1/16W
R301 1-216-015-00 METAL CHIP 39 5% 1/10W
R302 1-216-615-11 METAL CHIP 33 0.5% 1/10W
R303 1-216-675-11 METAL CHIP 10K 0.5% 1/10W
R304 1-216-675-11 METAL CHIP 10K 0.5% 1/10W
R305 1-216-627-11 METAL CHIP 100 0.5% 1/10W
R306 1-216-017-91 RES,CHIP 47 5% 1/10W
R308 1-216-821-11 METAL CHIP 1K 5% 1/16W
R309 1-216-841-11 METAL CHIP 47K 5% 1/16W
R310 1-216-821-11 METAL CHIP 1K 5% 1/16W
R311 1-216-089-91 RES,CHIP 47K 5% 1/10W
R315 1-216-825-11 METAL CHIP 2.2K 5% 1/16W
R701 1-216-849-11 METAL CHIP 220K 5% 1/16W
R702 1-216-864-11 METAL CHIP 0 5% 1/16W
R703 1-216-847-11 METAL CHIP 150K 5% 1/16W
R704 1-216-841-11 METAL CHIP 47K 5% 1/16W
R705 1-216-841-11 METAL CHIP 47K 5% 1/16W
R706 1-216-847-11 METAL CHIP 150K 5% 1/16W
R707 1-216-847-11 METAL CHIP 150K 5% 1/16W
Ref. No. Part No. Description Remark Ref. No. Part No. Description Remark
MAIN

– 125 –
R708 1-216-847-11 METAL CHIP 150K 5% 1/16W
R709 1-216-121-91 RES,CHIP 1M 5% 1/10W
R710 1-216-109-00 METAL CHIP 330K 5% 1/10W
R712 1-216-841-11 METAL CHIP 47K 5% 1/16W
R713 1-216-831-11 METAL CHIP 6.8K 5% 1/16W
R714 1-216-836-11 METAL CHIP 18K 5% 1/16W
R715 1-216-061-00 METAL CHIP 3.3K 5% 1/10W
R716 1-216-841-11 METAL CHIP 47K 5% 1/16W
R717 1-216-857-11 METAL CHIP 1M 5% 1/16W
R718 1-216-855-11 METAL CHIP 680K 5% 1/16W
R719 1-216-001-00 METAL CHIP 10 5% 1/10W
R720 1-216-827-11 METAL CHIP 3.3K 5% 1/16W
R721 1-216-829-11 METAL CHIP 4.7K 5% 1/16W
R722 1-216-827-11 METAL CHIP 3.3K 5% 1/16W
R723 1-216-831-11 METAL CHIP 6.8K 5% 1/16W
R724 1-216-847-11 METAL CHIP 150K 5% 1/16W
R725 1-216-851-11 METAL CHIP 330K 5% 1/16W
R726 1-218-912-11 RES,CHIP 510K 0.50% 1/16W
R727 1-216-847-11 METAL CHIP 150K 5% 1/16W
R728 1-216-847-11 METAL CHIP 150K 5% 1/16W
R729 1-216-834-11 METAL CHIP 12K 5% 1/16W
R730 1-216-849-11 METAL CHIP 220K 5% 1/16W
R731 1-216-847-11 METAL CHIP 150K 5% 1/16W
R732 1-216-841-11 METAL CHIP 47K 5% 1/16W
R733 1-216-845-11 METAL CHIP 100K 5% 1/16W
R734 1-216-839-11 METAL CHIP 33K 5% 1/16W
R735 1-216-833-11 METAL CHIP 10K 5% 1/16W
R736 1-216-833-11 METAL CHIP 10K 5% 1/16W
R737 1-216-839-11 METAL CHIP 33K 5% 1/16W
R738 1-216-837-11 METAL CHIP 22K 5% 1/16W
R739 1-216-837-11 METAL CHIP 22K 5% 1/16W
R740 1-216-864-11 METAL CHIP 0 5% 1/16W
R741 1-216-864-11 METAL CHIP 0 5% 1/16W
R742 1-216-864-11 METAL CHIP 0 5% 1/16W
R743 1-216-864-11 METAL CHIP 0 5% 1/16W
R744 1-216-864-11 METAL CHIP 0 5% 1/16W
R745 1-216-821-11 METAL CHIP 1K 5% 1/16W
R746 1-216-821-11 METAL CHIP 1K 5% 1/16W
R747 1-216-821-11 METAL CHIP 1K 5% 1/16W
R748 1-216-069-00 METAL CHIP 6.8K 5% 1/10W
R749 1-216-833-11 METAL CHIP 10K 5% 1/16W
R750 1-216-833-11 METAL CHIP 10K 5% 1/16W
R751 1-216-833-11 METAL CHIP 10K 5% 1/16W
R752 1-216-841-11 METAL CHIP 47K 5% 1/16W
R753 1-216-821-11 METAL CHIP 1K 5% 1/16W
R754 1-216-821-11 METAL CHIP 1K 5% 1/16W
R755 1-216-821-11 METAL CHIP 1K 5% 1/16W
R756 1-216-821-11 METAL CHIP 1K 5% 1/16W
R757 1-216-864-11 METAL CHIP 0 5% 1/16W
R758 1-216-821-11 METAL CHIP 1K 5% 1/16W
R759 1-216-821-11 METAL CHIP 1K 5% 1/16W
R760 1-216-864-11 METAL CHIP 0 5% 1/16W
R761 1-216-864-11 METAL CHIP 0 5% 1/16W
R762 1-216-089-91 RES,CHIP 47K 5% 1/10W
R763 1-216-089-91 RES,CHIP 47K 5% 1/10W
R764 1-216-651-11 METAL CHIP 1K 0.5% 1/10W
R765 1-216-061-00 METAL CHIP 3.3K 5% 1/10W
R766 1-216-821-11 METAL CHIP 1K 5% 1/16W
R767 1-216-833-11 METAL CHIP 10K 5% 1/16W
R768 1-216-857-11 METAL CHIP 1M 5% 1/16W
R769 1-216-651-11 METAL CHIP 1K 0.5% 1/10W
R770 1-216-833-11 METAL CHIP 10K 5% 1/16W
R771 1-216-849-11 METAL CHIP 220K 5% 1/16W
R772 1-216-837-11 METAL CHIP 22K 5% 1/16W
R773 1-216-295-00 METAL CHIP 0 5% 1/10W
R774 1-216-663-11 METAL CHIP 3.3K 0.5% 1/10W
R775 1-216-295-00 METAL CHIP 0 5% 1/10W
R776 1-216-663-11 METAL CHIP 3.3K 0.5% 1/10W
R781 1-216-073-00 METAL CHIP 10K 5% 1/10W
R782 1-216-073-00 METAL CHIP 10K 5% 1/10W
R801 1-216-097-91 RES,CHIP 100K 5% 1/10W
R802 1-216-853-11 METAL CHIP 470K 5% 1/16W
R803 1-216-829-11 METAL CHIP 4.7K 5% 1/16W
R804 1-216-853-11 METAL CHIP 470K 5% 1/16W
R805 1-216-073-00 METAL CHIP 10K 5% 1/10W
R806 1-216-073-00 METAL CHIP 10K 5% 1/10W
R807 1-216-073-00 METAL CHIP 10K 5% 1/10W
R808 1-216-073-00 METAL CHIP 10K 5% 1/10W
R814 1-216-041-00 METAL CHIP 470 5% 1/10W
R815 1-216-833-11 METAL CHIP 10K 5% 1/16W
R816 1-216-833-11 METAL CHIP 10K 5% 1/16W
R819 1-216-836-11 METAL CHIP 18K 5% 1/16W
R820 1-216-836-11 METAL CHIP 18K 5% 1/16W
R823 1-216-821-11 METAL CHIP 1K 5% 1/16W
R824 1-216-821-11 METAL CHIP 1K 5% 1/16W
R833 1-216-049-91 RES,CHIP 1K 5% 1/10W
R835 1-216-821-11 METAL CHIP 1K 5% 1/16W
R838 1-216-851-11 METAL CHIP 330K 5% 1/16W
R840 1-216-809-11 METAL CHIP 100 5% 1/16W
R842 1-216-821-11 METAL CHIP 1K 5% 1/16W
R850 1-216-833-11 METAL CHIP 10K 5% 1/16W
R851 1-216-815-11 METAL CHIP 330 5% 1/16W
R867 1-216-833-11 METAL CHIP 10K 5% 1/16W
R868 1-216-829-11 METAL CHIP 4.7K 5% 1/16W
R869 1-216-829-11 METAL CHIP 4.7K 5% 1/16W
R870 1-216-829-11 METAL CHIP 4.7K 5% 1/16W
R871 1-216-841-11 METAL CHIP 47K 5% 1/16W
R875 1-216-841-11 METAL CHIP 47K 5% 1/16W
R879 1-216-833-11 METAL CHIP 10K 5% 1/16W
R880 1-216-833-11 METAL CHIP 10K 5% 1/16W
R881 1-216-841-11 METAL CHIP 47K 5% 1/16W
R882 1-216-841-11 METAL CHIP 47K 5% 1/16W
R883 1-216-833-11 METAL CHIP 10K 5% 1/16W
R884 1-216-833-11 METAL CHIP 10K 5% 1/16W
R885 1-216-841-11 METAL CHIP 47K 5% 1/16W
R886 1-216-841-11 METAL CHIP 47K 5% 1/16W
R901 1-216-089-91 RES,CHIP 47K 5% 1/10W
R902 1-216-113-00 METAL CHIP 470K 5% 1/10W
R903 1-216-073-00 METAL CHIP 10K 5% 1/10W
R904 1-216-061-00 METAL CHIP 3.3K 5% 1/10W
R905 1-216-069-00 METAL CHIP 6.8K 5% 1/10W
R906 1-216-053-00 METAL CHIP 1.5K 5% 1/10W
R907 1-216-057-00 METAL CHIP 2.2K 5% 1/10W
R908 1-216-821-11 METAL CHIP 1K 5% 1/16W
R909 1-216-639-11 METAL CHIP 330 0.5% 1/10W
Ref. No. Part No. Description Remark Ref. No. Part No. Description Remark
MAIN

– 126 –
R910 1-216-025-91 RES,CHIP 100 5% 1/10W
R911 1-216-061-00 METAL CHIP 3.3K 5% 1/10W
R912 1-216-061-00 METAL CHIP 3.3K 5% 1/10W
R913 1-216-109-00 METAL CHIP 330K 5% 1/10W
R914 1-216-226-00 RES,CHIP 15K 5% 1/8W
R915 1-216-809-11 METAL CHIP 100 5% 1/16W
R916 1-216-843-11 METAL CHIP 68K 5% 1/16W
R917 1-216-837-11 METAL CHIP 22K 5% 1/16W
R918 1-216-845-11 METAL CHIP 100K 5% 1/16W
R919 1-216-053-00 METAL CHIP 1.5K 5% 1/10W
R920 1-216-109-00 METAL CHIP 330K 5% 1/10W
R924 1-216-683-11 METAL CHIP 22K 0.5% 1/10W
R926 1-216-845-11 METAL CHIP 100K 5% 1/16W
R927 1-216-655-11 METAL CHIP 1.5K 0.5% 1/10W
R928 1-216-841-11 METAL CHIP 47K 5% 1/16W
< COMPOSITION CIRCUIT BLOCK >
RB801 1-236-908-11 RES, CHIP NETWORK 10K
RB802 1-233-412-11 RES, CHIP NETWORK 1K
RB803 1-233-412-11 RES, CHIP NETWORK 1K
RB804 1-236-908-11 RES, CHIP NETWORK 10K
RB805 1-233-412-11 RES, CHIP NETWORK 1K
RB806 1-236-908-11 RES, CHIP NETWORK 10K
RB807 1-233-412-11 RES, CHIP NETWORK 1K
RB808 1-233-412-11 RES, CHIP NETWORK 1K
RB809 1-236-908-11 RES, CHIP NETWORK 10K
RB810 1-236-908-11 RES, CHIP NETWORK 10K
RB811 1-233-412-11 RES, CHIP NETWORK 1K
RB812 1-233-412-11 RES, CHIP NETWORK 1K
RB813 1-233-577-11 RES, CHIP NETWORK 470
RB814 1-233-412-11 RES, CHIP NETWORK 1K
< VIBRATOR >
X701 1-767-226-11 VIBRATOR, CRYSTAL (16.9344MHz)
X801 1-767-697-11 VIBRATOR, CRYSTAL (32.768kHz)
X802 1-767-839-11 VIBRATOR, CERAMIC (5MHz)
************************************************************
*1-667-046-11 PICK-UP RELAY BOARD
*******************
< CONNECTOR >
CN702 1-565-874-31 PIN, CONNECTOR (PC BOARD) 2P
CN703 1-565-874-11 PIN, CONNECTOR (PC BOARD) 2P
CN704 1-565-874-11 PIN, CONNECTOR (PC BOARD) 2P
CN706 1-784-213-11 CONNECTOR, FFC/FPC 14P
CN707 1-569-309-11 SOCKET, CONNECTOR (L TYPE) 21P
************************************************************
*1-668-258-21 RELAY BOARD (EXCEPT US)
*1-668-258-31 RELAY BOARD (US)
************
< CONNECTOR >
CN408 1-506-987-11 PIN, CONNECTOR (PC BOARD) 5P
*CN409 1-580-159-11 PIN, CONNECTOR (PC BOARD) 7P
CN410 1-573-489-11 PIN, CONNECTOR (PC BOARD) 11P
************************************************************
*1-668-246-21 RIGHT KEY BOARD (EXCEPT US)
*1-668-246-31 RIGHT KEY BOARD (US)
****************
< CAPACITOR >
C419 1-164-004-11 CERAMIC CHIP 0.1uF 10% 25V
C420 1-164-004-11 CERAMIC CHIP 0.1uF 10% 25V
< CONNECTOR >
*CN402 1-580-163-11 PIN, CONNECTOR (PC BOARD) 2P
*CN405 1-580-166-11 PIN, CONNECTOR (PC BOARD) 5P
CN407 1-695-105-11 PIN, CONNECTOR (PC BOARD) 3P
< RESISTOR >
R415 1-208-782-11 RES,CHIP 1K 0.50% 1/10W
R416 1-208-778-11 RES,CHIP 680 0.50% 1/10W
R417 1-208-778-11 RES,CHIP 680 0.50% 1/10W
R418 1-208-774-11 RES,CHIP 470 0.50% 1/10W
R419 1-208-774-11 RES,CHIP 470 0.50% 1/10W
R421 1-208-806-11 RES,CHIP 10K 0.50% 1/10W
R422 1-208-798-11 RES,CHIP 4.7K 0.50% 1/10W
R423 1-208-794-11 RES,CHIP 3.3K 0.50% 1/10W
R431 1-216-033-00 METAL CHIP 220 5% 1/10W
R432 1-216-033-00 METAL CHIP 220 5% 1/10W
< SWITCH >
S401 1-771-214-11 SWITCH, ROTARY (PRESET,=AMS+)
S821 1-692-014-11 SWITCH, KEY BOARD (CANSEL)
S822 1-692-014-11 SWITCH, KEY BOARD (EDIT)
S823 1-692-014-11 SWITCH, KEY BOARD (ENTER)
S825 1-692-014-11 SWITCH, KEY BOARD (TUNE-,0,ı)
S826 1-692-014-11 SWITCH, KEY BOARD (TUNE+,),∫)
S827 1-692-014-11 SWITCH, KEY BOARD (BASS/TREBLE)
S828 1-692-014-11 SWITCH, KEY BOARD (DISPLAY)
S829 1-692-014-11 SWITCH, KEY BOARD (VOLUME+)
S830 1-692-014-11 SWITCH, KEY BOARD (VOLUME-)
************************************************************
*1-661-774-11 SW BOARD
*********
< CONNECTOR >
CN601 1-770-698-11 CONNECTOR, FFC/FPC 15P
CN602 1-778-638-21 PIN, CONNECTOR (PC BOARD) 2P
CN603 1-778-638-21 PIN, CONNECTOR (PC BOARD) 2P
< SWITCH >
S681 1-572-467-61 SWITCH, PUSH (1 KEY) (LIMIT IN)
S682 1-692-377-31 SWITCH, PUSH (1 KEY) (REFRECT)
S683 1-692-847-21 SWITCH, PUSH (1 KEY) (PROTECT)
S685 1-572-467-61 SWITCH, PUSH (1 KEY) (CHUCKING IN)
S686 1-762-621-21 SWITCH, PUSH (1 KEY) (PACK OUT)
S687 1-572-688-11 SWITCH, PUSH (1 KEY) (PB POSITION)
S688 1-762-621-21 SWITCH, PUSH (1 KEY) (REC POSITION)
************************************************************
Ref. No. Part No. Description Remark Ref. No. Part No. Description Remark
MAIN PICK-UP RELAY RELAY RIGHT KEY SW

– 127 –
*1-668-245-21 TOP KEY BOARD (EXCEPT US)
*1-668-245-31 TOP KEY BOARD (US)
**************
3-321-041-11 SCREW (M1.7X4), TAPPING
3-019-663-01 BUTTON (MEGABASS)
< CONNECTOR >
*CN403 1-580-163-11 PIN, CONNECTOR (PC BOARD) 2P
< RESISTOR >
R434 1-208-806-11 RES,CHIP 10K 0.50% 1/10W
R435 1-208-798-11 RES,CHIP 4.7K 0.50% 1/10W
R436 1-208-794-11 RES,CHIP 3.3K 0.50% 1/10W
R437 1-216-655-11 METAL CHIP 1.5K 0.5% 1/10W
R438 1-216-655-11 METAL CHIP 1.5K 0.5% 1/10W
< SWITCH >
S831 1-692-014-11 SWITCH, KEY BOARD (DELETE)
S832 1-692-014-11 SWITCH, KEY BOARD (INSERT)
S833 1-692-014-11 SWITCH, KEY BOARD (AUTO PRESET, SHUF/
PGM)
S834 1-692-014-11 SWITCH, KEY BOARD(LINE LEVEL, MONO/ST,
REPEAT)
S835 1-692-014-11 SWITCH, KEY BOARD (MEGA BASS)
************************************************************
*A-3321-535-A TRANS BOARD, COMPLETE (US)
*A-3321-561-A TRANS BOARD, COMPLETE (EXCEPT US)
**********************
1-533-293-11 FUSE HOLDER
7-685-648-79 SCREW +BVTP 3X12 TYPE2 N-S
< CAPACITOR >
C951 1-136-157-00 FILM 0.022uF 5% 50V
C952 1-136-157-00 FILM 0.022uF 5% 50V
C953 1-136-157-00 FILM 0.022uF 5% 50V
C954 1-136-157-00 FILM 0.022uF 5% 50V
C955 1-136-153-00 FILM 0.01uF 5% 50V
C957 1-163-033-91 CERAMIC CHIP 0.022uF 50V
C958 1-163-033-91 CERAMIC CHIP 0.022uF 50V
C959 1-163-033-91 CERAMIC CHIP 0.022uF 50V
C960 1-163-033-91 CERAMIC CHIP 0.022uF 50V
C961 1-163-021-91 CERAMIC CHIP 0.01uF 10% 50V
C963 1-163-035-00 CERAMIC CHIP 0.047uF 50V
C964 1-163-035-00 CERAMIC CHIP 0.047uF 50V
C965 1-126-968-11 ELECT 100uF 20% 50V
C967 1-163-035-00 CERAMIC CHIP 0.047uF 50V
C968 1-163-035-00 CERAMIC CHIP 0.047uF 50V
C969 1-163-035-00 CERAMIC CHIP 0.047uF 50V
C970 1-163-035-00 CERAMIC CHIP 0.047uF 50V
C971 1-163-035-00 CERAMIC CHIP 0.047uF 50V
C972 1-163-035-00 CERAMIC CHIP 0.047uF 50V
C973 1-163-035-00 CERAMIC CHIP 0.047uF 50V
C974 1-163-035-00 CERAMIC CHIP 0.047uF 50V
C975 1-163-021-91 CERAMIC CHIP 0.01uF 10% 50V
!C977 1-113-925-11 CERAMIC 0.01uF 20% 250V
!C980 1-113-915-11 CERAMIC 0.001uF 20% 250V
(EXCEPT US)
C981 1-164-506-11 CERAMIC CHIP 4.7uF 16V
C982 1-164-506-11 CERAMIC CHIP 4.7uF 16V
C983 1-164-506-11 CERAMIC CHIP 4.7uF 16V
C984 1-164-506-11 CERAMIC CHIP 4.7uF 16V
< CONNECTOR >
*CN951 1-580-158-11 PIN, CONNECTOR (PC BOARD) 6P
*CN952 1-580-158-11 PIN, CONNECTOR (PC BOARD) 6P
CN953 1-580-230-11 PIN, CONNECTOR (PC BOARD) 2P
*CN954 1-564-507-11 PLUG, CONNECTOR 4P
< DIODE >
D951 8-719-302-38 DIODE RBV-602-01
D952 8-719-510-53 DIODE D4SB60L
D953 8-719-801-78 DIODE 1SS184
D954 8-719-210-33 DIODE EC10DS2
D955 8-719-210-33 DIODE EC10DS2
D956 8-719-210-33 DIODE EC10DS2
D957 8-719-210-33 DIODE EC10DS2
D958 8-719-210-33 DIODE EC10DS2
< FUSE >
!F951 1-532-502-51 FUSE, TIME LAG (T1.25AL/250V) (EXCEPT US)
!F951 1-576-101-11 FUSE (1.25A/125V) (US)
!F952 1-532-506-51 FUSE, TIME LAG (T6.3AL/250V) (EXCEPT US)
!F952 1-533-310-11 FUSE, GLASS TUBE (6.3A/125V) (US)
!F953 1-532-465-51 FUSE, TIME LAG (T3.15AL/250V) (EXCEPT US)
!F953 1-576-107-11 FUSE (3.15A/125V) (US)
< JUMPER RESISTOR >
JC955 1-216-296-00 METAL CHIP 0 5% 1/8W
< LINE FILTER >
!LF951 1-411-528-11 COIL (COMMON MODE CHOKE)
< IC LINK >
!PS951 1-576-122-21 LINK, IC (0.4A)
!PS952 1-576-123-21 LINK, IC (0.8A)
< RESISTOR >
R951 1-216-057-00 METAL CHIP 2.2K 5% 1/10W
R952 1-216-073-00 METAL CHIP 10K 5% 1/10W
R953 1-216-121-91 RES,CHIP 1M 5% 1/10W
!R954 1-202-725-00 SOLID 3.3M 10% 1/2W
(US)
< TRANSFORMER >
!T951 1-433-444-11 TRANSFORMER, POWER (EXCEPT US)
!T951 1-433-445-11 TRANSFORMER, POWER (US)
************************************************************
Ref. No. Part No. Description Remark Ref. No. Part No. Description Remark
TRANS
The components identified by mark ! or dotted
line with mark ! are critical for safety.
Replace only with part number specified.
TOP KEY

– 128 –
*A-3321-536-A TUNER BOARD, COMPLETE (US)
*A-3321-562-A TUNER BOARD, COMPLETE (EXCEPT US)
**********************
< CAPACITOR >
C1 1-126-963-11 ELECT 4.7uF 20% 50V
(EXCEPT US)
C1 1-163-243-11 CERAMIC CHIP 47PF 5% 50V
(US)
C2 1-126-924-11 ELECT 330uF 20% 10V
(EXCEPT US)
C2 1-163-021-91 CERAMIC CHIP 0.01uF 10% 50V
(US)
C3 1-126-960-11 ELECT 1uF 20% 50V
(EXCEPT US)
C3 1-163-021-91 CERAMIC CHIP 0.01uF 10% 50V
(US)
C4 1-126-960-11 ELECT 1uF 20% 50V
(EXCEPT US)
C4 1-126-963-11 ELECT 4.7uF 20% 50V
(US)
C5 1-126-964-11 ELECT 10uF 20% 50V
(EXCEPT US)
C5 1-163-021-91 CERAMIC CHIP 0.01uF 10% 50V
(US)
C6 1-126-924-11 ELECT 330uF 20% 10V
(US)
C6 1-126-964-11 ELECT 10uF 20% 50V
(EXCEPT US)
C7 1-126-964-11 ELECT 10uF 20% 50V
(EXCEPT US)
C7 1-163-021-91 CERAMIC CHIP 0.01uF 10% 50V
(US)
C8 1-163-024-91 CERAMIC CHIP 0.018uF (US)
C9 1-126-934-11 ELECT 220uF 20% 10V
(EXCEPT US)
C9 1-163-024-91 CERAMIC CHIP 0.018uF (US)
C10 1-126-960-11 ELECT 1uF 20% 50V
(US)
C11 1-126-960-11 ELECT 1uF 20% 50V
(US)
C11 1-163-021-91 CERAMIC CHIP 0.01uF 10% 50V
(EXCEPT US)
C12 1-163-021-91 CERAMIC CHIP 0.01uF 10% 50V
(EXCEPT US)
C12 1-164-004-11 CERAMIC CHIP 0.1uF 10% 25V
(US)
C13 1-163-024-00 CERAMIC CHIP 0.018uF 5% 50V
(EXCEPT US)
C13 1-163-220-91 CERAMIC CHIP 3PF (US)
C14 1-163-024-00 CERAMIC CHIP 0.018uF 5% 50V
(EXCEPT US)
C14 1-164-004-11 CERAMIC CHIP 0.1uF 10% 25V
(US)
C15 1-163-131-00 CERAMIC CHIP 390PF 5% 50V
(US)
C15 1-164-345-11 CERAMIC CHIP 0.082uF 10% 25V
(EXCEPT US)
C16 1-163-234-11 CERAMIC CHIP 20PF 5% 50V
(US)
C16 1-164-345-11 CERAMIC CHIP 0.082uF 10% 25V
(EXCEPT US)
C17 1-163-009-11 CERAMIC CHIP 0.001uF 10% 50V
(US)
C17 1-164-344-11 CERAMIC CHIP 0.068uF 10% 25V
(EXCEPT US)
C18 1-163-263-11 CERAMIC CHIP 330PF 5% 50V
(EXCEPT US)
C18 1-164-004-11 CERAMIC CHIP 0.1uF 10% 25V
(US)
C19 1-163-009-11 CERAMIC CHIP 0.001uF 10% 50V
(US)
C19 1-163-239-11 CERAMIC CHIP 33PF 5% 50V
(EXCEPT US)
C20 1-163-227-11 CERAMIC CHIP 10PF 0.5PF 50V
(EXCEPT US)
C20 1-163-263-11 CERAMIC CHIP 330PF 5% 50V
(US)
C21 1-126-964-11 ELECT 10uF 20% 50V
(US)
C21 1-162-970-11 CERAMIC CHIP 0.01uF 10% 25V
(EXCEPT US)
C22 1-164-344-11 CERAMIC CHIP 0.068uF 10% 25V
(US)
C23 1-164-345-11 CERAMIC CHIP 0.082uF 10% 25V
(US)
C24 1-164-345-11 CERAMIC CHIP 0.082uF 10% 25V
(US)
C25 1-162-964-11 CERAMIC CHIP 0.001uF 10% 50V
(EXCEPT US)
C25 1-163-239-11 CERAMIC CHIP 33PF 5% 50V
(US)
C26 1-162-964-11 CERAMIC CHIP 0.001uF 10% 50V
(EXCEPT US)
C26 1-163-227-11 CERAMIC CHIP 10PF 0.5PF 50V
(US)
C27 1-162-927-11 CERAMIC CHIP 100PF 5% 50V
(US)
C27 1-162-964-11 CERAMIC CHIP 0.001uF 10% 50V
(EXCEPT US)
C28 1-163-021-91 CERAMIC CHIP 0.01uF 10% 50V
(EXCEPT US)
C29 1-163-021-91 CERAMIC CHIP 0.01uF 10% 50V
(EXCEPT US)
C30 1-104-640-11 FILM CHIP 0.22uF 5% 16V
(EXCEPT US)
C31 1-162-970-11 CERAMIC CHIP 0.01uF 10% 25V
(EXCEPT US)
C31 1-164-004-11 CERAMIC CHIP 0.1uF 10% 25V
(US)
C32 1-163-017-00 CERAMIC CHIP 0.0047uF 5% 50V
(EXCEPT US)
C33 1-126-964-11 ELECT 10uF 20% 50V
(US)
C33 1-163-021-91 CERAMIC CHIP 0.01uF 10% 50V
(EXCEPT US)
C34 1-163-021-91 CERAMIC CHIP 0.01uF 10% 50V
(US)
C35 1-126-964-11 ELECT 10uF 20% 50V
(US)
C36 1-163-021-91 CERAMIC CHIP 0.01uF 10% 50V
(US)
C36 1-163-038-91 CERAMIC CHIP 0.1uF 25V
(EXCEPT US)
Ref. No. Part No. Description Remark Ref. No. Part No. Description Remark
TUNER

– 129 –
C37 1-162-964-11 CERAMIC CHIP 0.001uF 10% 50V
(US)
C37 1-163-133-00 CERAMIC CHIP 470PF 5% 50V
(EXCEPT US)
C38 1-162-964-11 CERAMIC CHIP 0.001uF 10% 50V
(US)
C38 1-163-234-11 CERAMIC CHIP 20PF 5% 50V
(EXCEPT US)
C39 1-162-970-11 CERAMIC CHIP 0.01uF 10% 25V
(US)
C39 1-163-038-91 CERAMIC CHIP 0.1uF 25V
(EXCEPT US)
C40 1-104-640-11 FILM CHIP 0.22uF 5% 16V
(US)
C41 1-163-251-11 CERAMIC CHIP 100PF 5% 50V
(US)
C42 1-162-964-11 CERAMIC CHIP 0.001uF 10% 50V
(US)
C42 1-163-021-91 CERAMIC CHIP 0.01uF 10% 50V
(EXCEPT US)
C43 1-126-934-11 ELECT 220uF 20% 10V
(US)
C44 1-163-009-11 CERAMIC CHIP 0.001uF 10% 50V
(US)
C45 1-126-160-11 ELECT 1uF 20% 50V
(US)
C46 1-163-009-11 CERAMIC CHIP 0.001uF 10% 50V
(US)
C47 1-126-924-11 ELECT 330uF 20% 10V
(US)
C47 1-164-004-11 CERAMIC CHIP 0.1uF 10% 25V
(EXCEPT US)
C48 1-164-346-11 CERAMIC CHIP 1uF 16V
(US)
C50 1-164-816-11 CERAMIC CHIP 220PF 2% 50V
(EXCEPT US)
C51 1-163-263-11 CERAMIC CHIP 330PF 5% 50V
(EXCEPT US)
C52 1-163-263-11 CERAMIC CHIP 330PF 5% 50V
(EXCEPT US)
C53 1-163-249-11 CERAMIC CHIP 82PF 5% 50V
(EXCEPT US)
C54 1-163-021-91 CERAMIC CHIP 0.01uF 10% 50V
(EXCEPT US)
C57 1-107-826-11 CERAMIC CHIP 0.1uF 10% 16V
(EXCEPT US)
C60 1-126-160-11 ELECT 1uF 20% 50V
(EXCEPT US)
C71 1-164-004-11 CERAMIC CHIP 0.1uF 10% 25V
(EXCEPT US)
C72 1-163-251-11 CERAMIC CHIP 100PF 5% 50V
(EXCEPT US)
C73 1-163-133-00 CERAMIC CHIP 470PF 5% 50V
(EXCEPT US)
C74 1-162-927-11 CERAMIC CHIP 100PF 5% 50V
(EXCEPT US)
C75 1-163-251-11 CERAMIC CHIP 100PF 5% 50V
(EXCEPT US)
C76 1-163-251-11 CERAMIC CHIP 100PF 5% 50V
(EXCEPT US)
C77 1-162-927-11 CERAMIC CHIP 100PF 5% 50V
(EXCEPT US)
C78 1-164-346-11 CERAMIC CHIP 1uF 16V
C79 1-126-924-11 ELECT 330uF 20% 10V
(EXCEPT US)
< FILTER >
CF1 1-760-127-11 FILTER, CERAMIC (US)
CF2 1-760-127-11 FILTER, CERAMIC (US)
CF2 1-760-468-11 FILTER, CERAMIC (EXCEPT US)
CF3 1-760-127-11 FILTER, CERAMIC (US)
CF3 1-760-468-11 FILTER, CERAMIC (EXCEPT US)
CF4 1-579-762-11 VIBRATOR, CERAMIC
CF5 1-760-468-11 FILTER, CERAMIC (EXCEPT US)
< COMPOSITION CIRCUIT BLOCK >
CFT1 1-233-885-11 ENCAPSULATED COMPONENT(US)
CFT1 1-239-173-11 ENCAPSULATED COMPONENT (EXCEPT US)
< CONNECTOR >
CN1 1-568-444-11 SOCKET, CONNECTOR 13P
*CN2 1-580-154-11 PIN, CONNECTOR (PC BOARD) 2P
*CN3 1-580-154-11 PIN, CONNECTOR (PC BOARD) 2P (US)
*CN40 1-580-154-11 PIN, CONNECTOR (PC BOARD) 2P
(EXCEPT US)
< COMPOSITION CIRCUIT BLOCK >
CP1 1-536-354-00 POST PIN
CN42 1-536-354-00 POST PIN
< TRIMMER >
CT1 1-141-410-11 CAP, ADJ 10PF (US)
CT2 1-141-410-11 CAP, ADJ 10PF (EXCEPT US)
CT3 1-141-410-11 CAP, ADJ 10PF (EXCEPT US)
CT4 1-141-459-11 CAP, TRIMMER (SEAL TYPE) 45PF
(EXCEPT US)
CT5 1-141-459-11 CAP, TRIMMER (SEAL TYPE) 45PF
(EXCEPT US)
< DIODE >
D1 8-719-988-62 DIODE 1SS355 (US)
D2 8-719-988-62 DIODE 1SS355 (US)
D3 8-719-049-75 DIODE KV1520TL00 (EXCEPT US)
D3 8-719-988-62 DIODE 1SS355 (US)
D4 8-719-988-62 DIODE 1SS355
D5 8-719-049-75 DIODE KV1520TL00 (US)
D5 8-719-988-62 DIODE 1SS355 (EXCEPT US)
D6 8-719-988-62 DIODE 1SS355 (US)
D10 8-719-988-62 DIODE 1SS355 (EXCEPT US)
D40 8-719-988-62 DIODE 1SS355 (EXCEPT US)
D41 8-719-988-62 DIODE 1SS355 (EXCEPT US)
D50 8-719-988-62 DIODE 1SS355 (EXCEPT US)
D51 8-719-988-62 DIODE 1SS355 (EXCEPT US)
< FERRITE BEAD >
FB1 1-414-235-11 INDUCTOR, FERRITE BEAD
FB2 1-414-235-11 INDUCTOR, FERRITE BEAD
FB3 1-414-235-11 INDUCTOR, FERRITE BEAD
FB4 1-414-235-11 INDUCTOR, FERRITE BEAD (US)
FB4 1-414-235-21 INDUCTOR, FERRITE BEAD (EXCEPT US)
Ref. No. Part No. Description Remark Ref. No. Part No. Description Remark
TUNER

– 130 –
FB5 1-414-235-11 INDUCTOR, FERRITE BEAD (EXCEPT US)
FB6 1-414-235-11 INDUCTOR, FERRITE BEAD (EXCEPT US)
FB7 1-414-235-11 INDUCTOR, FERRITE BEAD (US)
< IC >
IC1 8-759-386-02 IC TA2008AN
IC2 8-759-459-42 IC BU2615FS
< JUMPER RESISTOR >
JC1 1-216-295-00 METAL CHIP 0 5% 1/10W
JC2 1-216-295-00 METAL CHIP 0 5% 1/10W
JC50 1-216-864-11 METAL CHIP 0 5% 1/16W
(EXCEPT US)
< COIL >
L1 1-416-556-11 COIL, AM ANT (US)
L2 1-411-959-11 COIL, AM OSC (US)
L3 1-416-556-11 COIL, AM ANT (EXCEPT US)
L4 1-411-959-11 COIL, AM OSC (EXCEPT US)
L5 1-416-129-11 COIL, LW ANT (EXCEPT US)
L10 1-233-306-31 ENCAPSULATED COMPONENT (EXCEPT US)
L50 1-410-071-11 INDUCTOR 10mH (EXCEPT US)
L52 1-216-017-91 RES,CHIP 47 5% 1/10W
(EXCEPT US)
L70 1-500-284-21 INDUCTOR CHIP (EXCEPT US)
< TRANSISTOR >
Q1 8-729-025-28 TRANSISTOR 2SK1828 (EXCEPT US)
Q1 8-729-120-28 TRANSISTOR 2SC1623-L5L6 (US)
Q2 8-729-027-38 TRANSISTOR DTA144EKA-T146 (US)
Q3 1-801-806-11 TRANSISTOR DTC144EKA-T146 (US)
Q3 8-729-904-07 TRANSISTOR FMG2 (EXCEPT US)
Q4 1-801-806-11 TRANSISTOR DTC144EKA-T146 (EXCEPT US)
Q4 8-729-904-07 TRANSISTOR FMG2 (US)
Q5 8-729-027-24 TRANSISTOR DTA114TKA-T146 (EXCEPT US)
Q5 8-729-035-74 TRANSISTOR FMG4AT148 (US)
Q6 8-729-921-25 TRANSISTOR FMC2
Q7 8-729-027-24 TRANSISTOR DTA114TKA-T146 (US)
Q7 8-729-120-28 TRANSISTOR 2SC1623-L5L6 (EXCEPT US)
Q8 8-729-025-28 TRANSISTOR 2SK1828 (US)
Q8 8-729-035-74 TRANSISTOR FMG4AT148 (EXCEPT US)
Q50 8-729-027-38 TRANSISTOR DTA144EKA-T146 (EXCEPT US)
Q51 8-729-039-73 TRANSISTOR FMA5A-T148 (EXCEPT US)
Q52 8-729-931-02 TRANSISTOR 2SC2413KQ (EXCEPT US)
Q53 8-729-920-38 TRANSISTOR 2SC2059K-N (EXCEPT US)
Q54 8-729-920-31 TRANSISTOR DTC343TK (EXCEPT US)
Q57 8-729-119-32 TRANSISTOR 2SK193 (EXCEPT US)
< RESISTOR >
R1 1-216-065-91 RES,CHIP 4.7K 5% 1/10W
(EXCEPT US)
R2 1-216-019-00 METAL CHIP 56 5% 1/10W
(EXCEPT US)
R2 1-216-097-91 RES,CHIP 100K 5% 1/10W
(US)
R3 1-216-037-00 METAL CHIP 330 5% 1/10W
(US)
R3 1-216-081-00 METAL CHIP 22K 5% 1/10W
(EXCEPT US)
R4 1-216-025-91 RES,CHIP 100 5% 1/10W
(US)
R4 1-216-825-11 METAL CHIP 2.2K 5% 1/16W
(EXCEPT US)
R5 1-216-025-91 RES,CHIP 100 5% 1/10W
(US)
R5 1-216-073-00 METAL CHIP 10K 5% 1/10W
(EXCEPT US)
R6 1-216-065-91 RES,CHIP 4.7K 5% 1/10W
(US)
R6 1-216-833-11 METAL CHIP 10K 5% 1/16W
(EXCEPT US)
R7 1-216-019-00 METAL CHIP 56 5% 1/10W
(US)
R8 1-216-027-00 METAL CHIP 120 5% 1/10W
(US)
R8 1-216-045-00 METAL CHIP 680 5% 1/10W
(EXCEPT US)
R9 1-216-049-91 RES,CHIP 1K 5% 1/10W
(EXCEPT US)
R9 1-216-609-11 METAL CHIP 18 0.5% 1/10W
(US)
R10 1-216-821-11 METAL CHIP 1K 5% 1/16W
(US)
R10 1-216-825-11 METAL CHIP 2.2K 5% 1/16W
(EXCEPT US)
R11 1-216-836-11 METAL CHIP 18K 5% 1/16W
(EXCEPT US)
R11 1-216-845-11 METAL CHIP 100K 5% 1/16W
(US)
R12 1-216-073-00 METAL CHIP 10K 5% 1/10W
(US)
R12 1-216-821-11 METAL CHIP 1K 5% 1/16W
(EXCEPT US)
R13 1-216-049-91 RES,CHIP 1K 5% 1/10W
(US)
R13 1-216-097-91 RES,CHIP 100K 5% 1/10W
(EXCEPT US)
R14 1-216-825-11 METAL CHIP 2.2K 5% 1/16W
(US)
R15 1-216-057-00 METAL CHIP 2.2K 5% 1/10W
(EXCEPT US)
R15 1-216-081-00 METAL CHIP 22K 5% 1/10W
(US)
R16 1-216-097-91 RES,CHIP 100K 5% 1/10W
(EXCEPT US)
R16 1-216-841-11 METAL CHIP 47K 5% 1/16W
(US)
R17 1-216-037-00 METAL CHIP 330 5% 1/10W
(EXCEPT US)
R18 1-216-020-91 METAL CHIP 62 5% 1/10W
(EXCEPT US)
R18 1-216-089-91 RES,CHIP 47K 5% 1/10W
(US)
R20 1-216-089-91 RES,CHIP 47K 5% 1/10W
(US)
R21 1-216-089-91 RES,CHIP 47K 5% 1/10W
(EXCEPT US)
R21 1-216-821-11 METAL CHIP 1K 5% 1/16W
(US)
R22 1-216-089-91 RES,CHIP 47K 5% 1/10W
(EXCEPT US)
Ref. No. Part No. Description Remark Ref. No. Part No. Description Remark
TUNER

– 131 –
R22 1-216-821-11 METAL CHIP 1K 5% 1/16W
(US)
R23 1-216-821-11 METAL CHIP 1K 5% 1/16W
(US)
R24 1-216-821-11 METAL CHIP 1K 5% 1/16W
(US)
R25 1-216-833-11 METAL CHIP 10K 5% 1/16W
R26 1-216-073-00 METAL CHIP 10K 5% 1/10W
(US)
R26 1-216-864-11 METAL CHIP 0 5% 1/16W
(EXCEPT US)
R27 1-216-833-11 METAL CHIP 10K 5% 1/16W
(US)
R27 1-216-864-11 METAL CHIP 0 5% 1/16W
(EXCEPT US)
R28 1-216-045-00 METAL CHIP 680 5% 1/10W
(US)
R28 1-216-864-11 METAL CHIP 0 5% 1/16W
(EXCEPT US)
R29 1-216-049-91 RES,CHIP 1K 5% 1/10W
(US)
R29 1-216-833-11 METAL CHIP 10K 5% 1/16W
(EXCEPT US)
R30 1-216-813-11 METAL CHIP 220 5% 1/16W
(US)
R31 1-216-073-00 METAL CHIP 10K 5% 1/10W
(EXCEPT US)
R31 1-216-825-11 METAL CHIP 2.2K 5% 1/16W
(US)
R32 1-216-834-11 METAL CHIP 12K 5% 1/16W
(US)
R32 1-216-845-11 METAL CHIP 100K 5% 1/16W
(EXCEPT US)
R33 1-216-025-91 RES,CHIP 100 5% 1/10W
(EXCEPT US)
R33 1-216-821-11 METAL CHIP 1K 5% 1/16W
(US)
R34 1-216-833-11 METAL CHIP 10K 5% 1/16W
R35 1-216-025-91 RES,CHIP 100 5% 1/10W
(US)
R35 1-216-841-11 METAL CHIP 47K 5% 1/16W
(EXCEPT US)
R36 1-216-089-91 RES,CHIP 47K 5% 1/10W
(EXCEPT US)
R36 1-216-845-11 METAL CHIP 100K 5% 1/16W
(US)
R37 1-216-017-91 METAL CHIP 47 5% 1/10W
(US)
R50 1-216-041-91 METAL CHIP 470 5% 1/10W
(EXCEPT US)
R51 1-216-001-00 METAL CHIP 10 5% 1/10W
(EXCEPT US)
R52 1-216-081-00 METAL CHIP 22K 5% 1/10W
(EXCEPT US)
R53 1-216-057-00 METAL CHIP 2.2K 5% 1/10W
(EXCEPT US)
R54 1-216-065-91 RES,CHIP 4.7K 5% 1/10W
(EXCEPT US)
R55 1-216-065-91 RES,CHIP 4.7K 5% 1/10W
(EXCEPT US)
R56 1-216-065-91 RES,CHIP 4.7K 5% 1/10W
(EXCEPT US)
R60 1-216-041-00 METAL CHIP 470 5% 1/10W
(EXCEPT US)
R61 1-216-825-11 METAL CHIP 2.2K 5% 1/16W
(EXCEPT US)
R70 1-216-295-00 METAL CHIP 0 5% 1/10W
(EXCEPT US)
R71 1-216-295-00 METAL CHIP 0 5% 1/10W
(EXCEPT US)
< TERMINAL >
TB50 1-694-215-11 TERMINAL BOARD (FM EXT ANTENNA)
(EXCEPT US)
< TUNER >
*TU1 1-693-378-11 TUNER UNIT (EXCEPT US)
TU1 1-693-426-11 TUNER PACK (US)
< VIBRATOR >
X1 1-760-130-11 VIBRATOR, CRYSTAL (75kHz)
************************************************************
MISCELLANEOUS
**************
58 1-533-293-11 FUSE HOLDER
!67 1-575-651-21 CORD, POWER (EXCEPT US)
!67 1-783-531-31 CORD, POWER (US)
108 1-783-539-11 WIRE, PARALLEL (FFC) (15 CORE)
110 1-783-537-11 WIRE, PARALLEL (21 CORE)
111 1-783-538-11 WIRE, PARALLEL (FFC) (13 CORE)
153 1-660-966-11 OP RELAY FLEXIBLE BOARD
159 1-783-542-11 WIRE, PARALLEL (FFC) (29 CORE)
160 1-783-540-11 WIRE, PARALLEL (FFC) (19 CORE)
161 1-790-045-11 WIRE, PARALLEL (26 CORE)(60 mm)
162 1-777-517-11 WIRE, PARALLEL (15 CORE)
165 1-790-046-11 WIRE, PARALLEL (26 CORE)(172 mm)
!217 8-583-028-02 DEVICE,MINI DISK KMS-260A
303 1-690-530-21 LEAD (WITH CONNECTOR)
308 1-660-965-11 PC BOARD, SLIDE FLEXIBLE
!309 X-4946-311-1 OPTICAL PICK-UP (DAX-11A)
ANT1 1-501-480-11 ANTENNA, TELESCOPIC
!F951 1-576-101-11 FUSE (1.25A/125V) (US)
!F951 1-532-502-51 FUSE, TIME LAG (1.25A/250V) (EXCEPT US)
!F952 1-533-310-11 FUSE, GLASS TUBE (6.3A/125V) (US)
!F952 1-532-506-51 FUSE, TIME LAG (6.3A/250V) (EXCEPT US)
!F953 1-532-465-51 FUSE, TIME LAG (3.15A/250V) (EXCEPT US)
!F953 1-576-107-11 FUSE (3.15A/125V) (US)
FL401 1-517-744-11 INDICATOR TUBE, FLUORESCENT
HR901 1-500-396-11 HEAD, OVER WRITE
M691 1-698-999-11 MOTOR, DC (LOADING)
M801 A-3303-403-A MOTOR ASSY, SLED (INCLUDING GEAR)
M802 A-3320-300-A MOTOR ASSY, TURN TABLE (SPINDLE)
M901 A-4672-135-A MOTOR ASSY, SPINDLE
M902 A-4672-133-A MOTOR ASSY, SLED (INCLUDING GEAR)
M903 A-4672-134-A MOTOR ASSY, LOADING (INCLUDING GEAR)
S901 1-571-099-21 SWITCH (1 KEY) (LIMIT)
SP101 1-505-829-11 SPEAKER (8cm) (L-CH)
SP201 1-505-829-11 SPEAKER (8cm) (R-CH)
Ref. No. Part No. Description Remark Ref. No. Part No. Description Remark
TUNER
The components identified by mark ! or dotted
line with mark ! are critical for safety.
Replace only with part number specified.

– 132 –
ZS-M7
!T951 1-433-445-11 TRANSFORMER, POWER (US)
!T951 1-433-444-11 TRANSFORMER, POWER (EXCEPT US)
************************************************************
ACCESSORIES & PACKING MATERIALS
********************************
1-501-374-11 ANTENNA, LOOP
!1-770-019-11 ADAPTOR, CONVERSION PLUG 3P (UK)
3-704-222-11 LABEL, SERIAL NUMBER (PRINTER)
(EXCEPT US)
3-861-445-11 MANUAL, INSTRUCTION (ENGLISH) (US)
3-861-445-21 MANUAL, INSTRUCTION (ENGLISH, SPANISH)
(EXCEPT US)
3-861-445-31 MANUAL, INSTRUCTION (FRENCH, GERMAN)
(AEP, JE)
3-861-445-41 MANUAL, INSTRUCTION
(DUTCH, PORTUGUESE) (AEP)
3-861-445-51 MANUAL, INSTRUCTION (SWEDISH, FINNISH)
(AEP)
3-861-445-61 MANUAL, INSTRUCTION (ITALIAN) (AEP)
3-861-445-71 MANUAL, INSTRUCTION (POLISH, RUSSIAN)
(EE,Russian)
3-861-445-81 MANUAL, INSTRUCTION (CZECH,
HUNGALIAN) (EE,Russian)
4-991-047-01 LID, BATTERY CASE (FOR RMT-CM7)
8-917-623-90 REMOTE COMMANDER, SONY RMT-CM7 (US)
8-917-661-90 REMOTE COMMANDER RMT-CM7AD
(EXCEPT US)
X-3374-655-1 NET (L) ASSY, SP (EXCEPT US)
X-3374-656-1 NET (R) ASSY, SP (EXCEPT US)
************************************************************
**************
HARDWARE LIST
**************
#1 7-621-773-86 SCREW +B 2.6X4
#2 7-685-850-04 SCREW +BVTT 2X3 (S)
#3 7-627-552-27 SCREW,PRECISION +P 1.7X2
#4 7-685-548-19 SCREW +BTP 3X12 TYPE2 N-S
#5 7-627-553-17 PRECISION SCREW +P 2X2 TYPE 3
#6 7-685-851-04 SCREW +BVTT 2X4 (S)
#7 7-685-534-19 SCREW +BTP 2.6X8 TYPE2 N-S
#8 7-685-647-79 SCREW +BVTP 3X10 TYPE2 N-S
#9 7-685-648-79 SCREW +BVTP 3X12 TYPE2 N-S
#10 7-685-872-09 SCREW +BVTT 3X8 (S)
#11 7-685-646-79 SCREW +BVTP 3X8 TYPE2 N-S
#12 7-627-850-17 SCREW, PRECISION +P 1.4X2.5
#13 7-685-661-79 SCREW +BVTP 4X12 TYPE2 N-S
#14 7-685-650-79 SCREW +BVTP 3X16 TYPE2 N-S
#15 7-685-548-19 SCREW, +BTP 3X12 TYPE2 N-S
#16 7-685-103-19 SCREW +P 2X5 TYPE2 NON-SLIT
Ref. No. Part No. Description Remark
The components identified by mark ! or dotted
line with mark ! are critical for safety.
Replace only with part number specified.

2000. 03
ZS-M7
SERVICE MANUAL
SUPPLEMENT - 1
File this Supplement with the Service Manual.
Subject : EXPLODED VIEWS
(SPM-00011)
US Model
AEP Model
UK Model
Tourist Model
Ref. No. Part No. Description Part No. Description
Before Change Afrer Change
3X-3374-656-1 NET (R) ASSY, SP
–––––––––––––––
4X-3374-655-1 NET (L) ASSY, SP
–––––––––––––––
X-3374-656-1 NET (R) ASSY, SP (BLACK) (US)
X-3376-521-1 NET (R) ASSY, SP (BLUE)(EXCEPT US)
X-3374-655-1 NET (L) ASSY, SP (BLACK) (US)
X-3376-520-1 NET (L) ASSY, SP (BLUE)(EXCEPT US)
z CHANGED PARTS LIST
EXPLODED VIEWS
FRONT CABINET SECTION (Service Manual See page 106)
Ref. No. Part No. Description Part No. Description
Before Change Afrer Change
X-3374-655-1 NET (L) ASSY, SP (EXCEPT US)
X-3374-656-1 NET (R) ASSY, SP (EXCEPT US)
X-3374-655-1 NET (L) ASSY, SP (BLACK) (EXCEPT US)
X-3374-656-1 NET (R) ASSY, SP (BLACK) (EXCEPT US)
ACCESSORIES & PACKING MATERIALS (Service Manual See page 132)
9-923-346-82 Sony Corporation
Personal Audio Division Company
2000C0267-1
Printed in Japan © 2000.3
Published by General Engineering Dept.

REVISION HISTORY
Clicking the version allows you to jump to the revised page.
Also, clicking the version at the upper right on the revised page allows you to jump to the next revised
page.
Ver. Date Description of Revision
1.2 2001.07 Correction of exploded views. ( SPM-01025 )
1.1 2000.03 SUPPLEMENT-1
1.0 1998.08 New
ZS-M7