TDA2822 Datasheet. Www.s Manuals.com. Utc
User Manual: Datasheets TDA2822, TDA2822G-D08, TDA2822G-S08, TDA2822L-D08, TDA2822L-S08, TDA2822M.
Open the PDF directly: View PDF
.
Page Count: 7

UNISONIC TECHNOLOGIES CO.,LTD.
TDA2822 LINEAR INTEGRATED CIRCUIT
www.unisonic.com.tw 1 of 6
Copyright © 2011 Unisonic Technologies Co.,LTD. QW-R107-006.G
DUAL LOW VOLTAGE
POWER AMPLIFIER
DESCRIPTION
The UTC TDA2822 is a monolithic integrated audio amplifier
in a 8-Pin plastic dual in line package. It is designed for
portable cassette players and radios.
FEATURES
* Wide Operating Supply Voltage: VCC=1.8V - 12V.
* Low Crossover Distortion.
* Low Quiescent Circuit Current.
* Bridge/Stereo Configuration.
DIP-8
SOP-8
ORDERING INFORMATION
Ordering Number
Lead Free Halogen Free Package Packing
TDA2822L-S08-R TDA2822G-S08-R SOP-8 Tape Reel
TDA2822L-S08-T TDA2822G-S08-T SOP-8 Tube
TDA2822L-D08-T TDA2822G-D08-T DIP-8 Tube

TDA2822 LINEAR INTEGRATED CIRCUIT
UNISONIC TECHNOLOGIES CO., LTD 2 of 6
www.unisonic.com.tw QW-R107-006.G
PIN CONFIGURATIONS
BLOCK DIAGRAM
7
8
6
5
4
3
1
2
OUTPUT1
OUTPUT2
VCC
INPUT1
NP1
INPUT2
NP2
GND
+
+

TDA2822 LINEAR INTEGRATED CIRCUIT
UNISONIC TECHNOLOGIES CO., LTD 3 of 6
www.unisonic.com.tw QW-R107-006.G
ABSOLUTE MAXIMUM RATINGS (TA=25°C)
PARAMETER SYMBOL RATINGS UNIT
Supply Voltage VCC 15 V
Output Peak Current IO(PEAK) 1 A
DIP-8 1.0
Power Dissipation SOP-8 PD 0.5 W
Operating Temperature TOPR -20~+85 °C
Storage Temperature TSTG -40~+150 °C
Note:1. Absolute maximum ratings are stress ratings only and functional device operation is not implied. The device
could be damaged beyond Absolute maximum ratings.
2. The device is guaranteed to meet performance specifications within 0℃~70℃ operating temperature range
and assured by design from -20℃~ 85℃
ELECTRICAL CHARACTERISTICS (TA=25°C, VCC=6V, f=1kHz, unless otherwise specified)
PARAMETER SYMBOL TEST CONDITIONS MIN TYP MAX UNIT
Operating Supply Voltage VCC 1.8 12 V
Quiescent Circuit Current ICC V
IN=0 9 mA
Stereo 40 dB
Closed Loop Voltage Gain Bridge GVC 40 dB
Channel Balance CB Stereo -1 0 1 dB
DIP-8 0.4 0.65
SOP-8 VCC=6V,RL=4Ω, THD=10% 0.28 0.45 W
DIP-8 0.11
Output Power(Stereo)
SOP-8
POUT
VCC=3V,RL=4Ω, THD=10% 0.07 W
DIP-8 0.9 1.35
SOP-8 VCC=6V,RL=4Ω, THD=10% 0.63 0.94 W
DIP-8 0.35
Output Power (Bridge)
SOP-8
POUT
VCC=3V,RL=4Ω, THD=10% 0.24 W
Stereo RL=8Ω, POUT=0.2W 0.5 %
Total Harmonic Distortion Bridge THD RL=8Ω, POUT=0.5W 0.5 %
Ripple Rejection RR Stereo, f=100Hz,C3=100μF 24 30 dB
Output Noise Voltage eN Stereo, BW(-3dB)=20Hz ~20kHz 0.5 2.0 mV
Cross Talk CT Stereo, f=1kHz 50 dB
Input Resistance RIN 100 kΩ

TDA2822 LINEAR INTEGRATED CIRCUIT
UNISONIC TECHNOLOGIES CO., LTD 4 of 6
www.unisonic.com.tw QW-R107-006.G
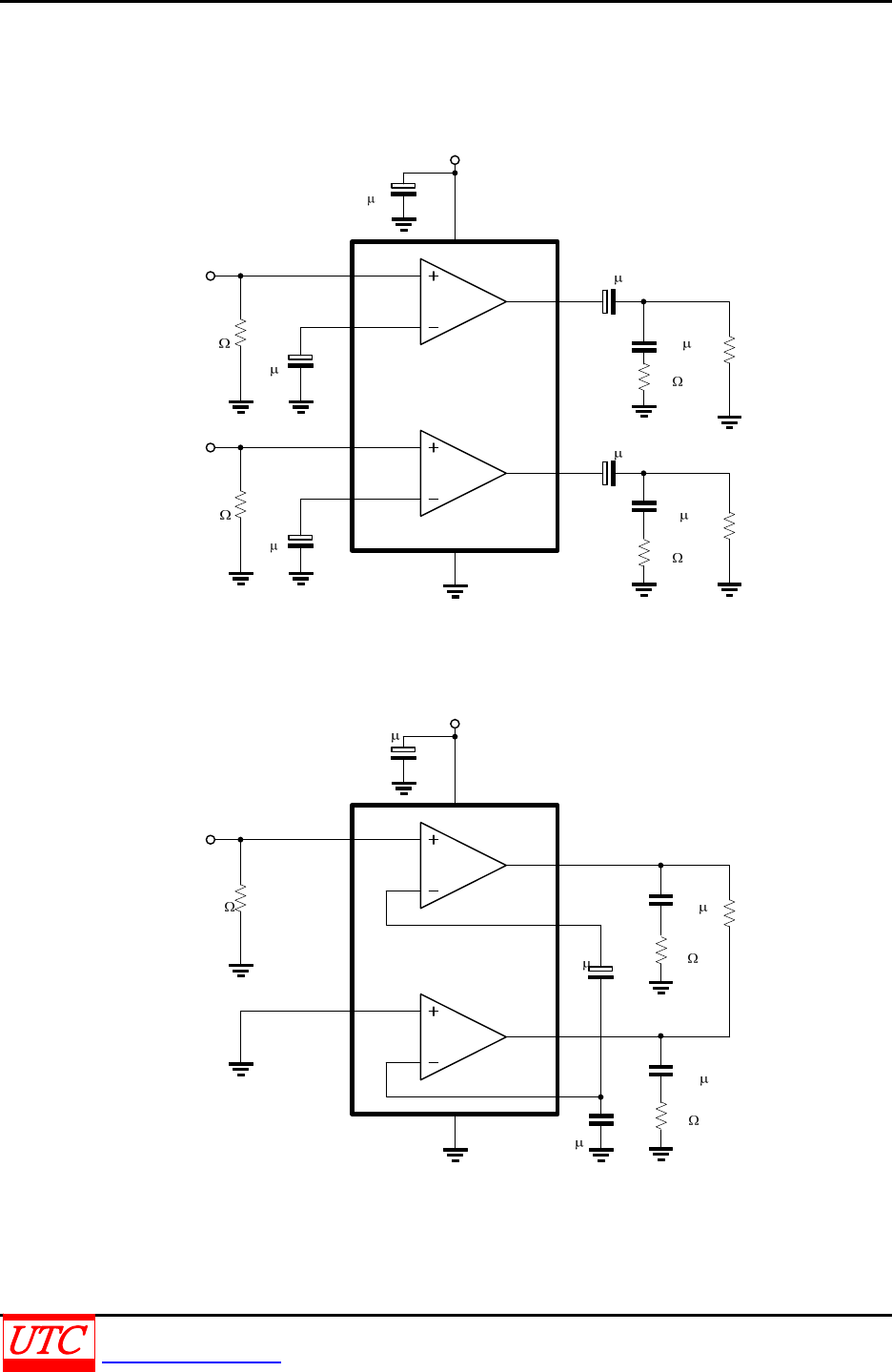
TEST CIRCUIT
STEREO
INPUT1
INPUT2
R1
10k C1
100 FRL
C6
0.1 F
R3
4.7
R4
4.7
C7
0.1 FRL
C5
470 F
R2
10k C2
100 F
C3
100 F
VCC
C4
470 F
1
2
3
4
5
6
7
8
BRIDGE
INPUT1
R1
10k RL
C2
0.1 F
R2
4.7
R3
4.7
C3
0.1 F
C5
100 F
VCC
C4
0.01 F
C1
10 F
1
2
3
4
5
6
7
8

TDA2822 LINEAR INTEGRATED CIRCUIT
UNISONIC TECHNOLOGIES CO., LTD 5 of 6
www.unisonic.com.tw QW-R107-006.G
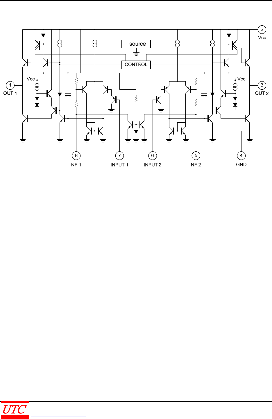
SCHEMATIC DIAGRAM

TDA2822 LINEAR INTEGRATED CIRCUIT
UNISONIC TECHNOLOGIES CO., LTD 6 of 6
www.unisonic.com.tw QW-R107-006.G
TYPICAL CHARACTERISTICS
40
30
20
10
0
10 10030 300 1000 3000
Frequency (Hz)
04 81216
Supply Voltage (V)
2
4
6
8
Quescent Current (mA)
Ripple Rejection (dB)
C1=C2=100 μF
C1=C2=22μF
UTC assumes no responsibility for equipment failures that result from using products at values that
exceed, even momentarily, rated values (such as maximum ratings, operating condition ranges, or
other parameters) listed in products specifications of any and all UTC products described or contained
herein. UTC products are not designed for use in life support appliances, devices or systems where
malfunction of these products can be reasonably expected to result in personal injury. Reproduction in
whole or in part is prohibited without the prior written consent of the copyright owner. The information
presented in this document does not form part of any quotation or contract, is believed to be accurate
and reliable and may be changed without notice.
